Уравновешивающий механизм оружейной установки
Изобретение относится к военной технике, в частности к установке вооружения на транспортные средства. Сущность изобретения заключается в том, что уравновешивающий механизм оружейной установки снабжен рычагом, шарнирно связанным со штоком и станком. Механизм содержит две пружины. Пружина меньшей жесткости взаимодействует с резьбовой втулкой, установленной с возможностью осевого перемещения относительно корпуса. Пружина большей жесткости и ползун надеты на шток, в отверстии которого закреплена ось рычага, перемещающегося в продольном пазу, выполненном в ползуне и имеющем длину больше хода оси рычага во всем диапазоне углов вертикального наведения. Технический результат изобретения состоит в повышении эксплуатационных характеристик уравновешивающего механизма. 2 ил.
Изобретение относится к военной технике, в частности к установке вооружения на транспортные средства.
Известен уравновешивающий механизм толкающего типа, который содержит два цилиндра, внутри них расположен толкающий элемент — пружина, цилиндры соединены с люлькой и станком (Проектирование ракетных и ствольных систем, Б.
В.Орлов, М.: Машиностроение, 1974 г., стр.516-517).
Недостатком аналога является большие продольные размеры, увеличивающие вес и габариты установки.
Известен механизм уравновешивания качающейся части пушки, который содержит корпус, состоящий из внешнего и внутреннего цилиндра и уплотнительного устройства. В корпусе расположены две пружины, разделенные кольцеобразным плавающим поршнем. Соосно корпусу расположен стопор, прикрепленный одним концом к стенке внутреннего цилиндра и проходящий через отверстие, выполненное в плавающем поршне. Стопор имеет увеличенную закрепленную головку, которая ограничивает движение плавающего поршня в одном направлении, а значит и расширение одной из пружин (патент США №4040332, МКИ F 41 F 21/16).
Недостатками прототипа являются:
— отсутствие возможности работы уравновешивающего механизма при отрицательных углах возвышения установки;
— наличие уплотнительного устройства и корпуса, состоящего из внешнего и внутреннего, перемещающихся друг относительно друга, может вносить изменения в кривую нагрузки в зависимости от условий эксплуатации и состояния трущихся поверхностей;
— наличие стопора, в результате чего кривая нагрузки изменяется ступенчато;
— значительные габариты уравновешивающего механизма.
Предлагаемым изобретение решается задача — повышение эксплуатационных характеристик уравновешивающего механизма.
Технический результат заключается в возможности максимального приближения кривой нагрузки качающейся части установки к требуемой кривой нагрузки при эксплуатации механизма без существенного усложнения конструкции.
Указанный технический результат достигается тем, что в уравновешивающем механизме оружейной установки, шарнирно соединенном со станком и содержащем корпус, внутри которого расположены пружины, разделенные ползуном, и шток, новым является то, что механизм снабжен рычагом, шарнирно связанным со штоком и станком, при этом пружина меньшей жесткости взаимодействует с резьбовой втулкой, установленной с возможностью осевого перемещения относительно корпуса, а пружина большей жесткости и ползун надеты на шток, в отверстии которого закреплена ось рычага, перемещающегося в продольном пазу, выполненном в ползуне и имеющем длину больше хода оси рычага во всем диапазоне углов вертикального наведения.
Вышеизложенная совокупность отличительных признаков обеспечивает повышение эксплуатационных характеристик уравновешивающего механизма.
Таким образом, предлагаемое техническое решение обладает новизной и изобретательским уровнем.
Изобретение поясняется чертежами, где на фиг.1 изображен общий вид уравновешивающего механизма, на фиг.2 показано положение частей уравновешивающего механизма при различных углах возвышения.
Уравновешивающий механизм оружейной установки, шарнирно соединенный со станком 1, содержит корпус 2, внутри которого расположены пружина 3 меньшей и пружина 4 большей жесткости, разделенные ползуном 5, и шток 6. Уравновешивающий механизм имеет рычаг 7, шарнирно связанный со штоком 6 и станком 1. Резьбовая втулка 8, предназначенная для регулировки суммарных рабочих усилий пружин меньшей 3 и большей жесткости 4, размещена на торце корпуса 2.
Пружина большей жесткости 4 и ползун 5 надеты на шток 6. В штоке 6 выполнено отверстие, в котором установлена ось 9 рычага 7. В ползуне 5 выполнен продольный паз 10, который имеет длину больше хода оси 9 рычага 7 во всем диапазоне углов вертикального наведения.
Уравновешивающий механизм работает следующим образом. Уравновешивающий механизм спроектирован таким образом, что при изменении углов вертикального наведения ползун 5 под действием пружин 3 и 4 перемещается вдоль штока 6 в пределах продольного паза 10, тем самым компенсируя изменяющуюся нагрузку качающейся части установки. Продольный паз 10 ползуна 5 предназначен для оси 9 рычага 7, причем для получения требуемой кривой нагрузки уравновешивающего механизма оружейной установки во всем диапазоне углов наведения необходимо, чтобы длина продольного паза 10 была больше хода оси 9 рычага 7. При минимальном угле наведения оружейной установки пружины 3 и 4 имеют наибольшее сжатие. Ось 9 рычага 7 находится около передней стенки продольного паза 10 ползуна 5.
Когда качающаяся часть установки поднимается, пружины 3 и 4 разжимаются, ползун 5 перемещается, расстояние между осью 9 рычага 7 и передней стенкой продольного паза 10 увеличивается. При максимальном угле наведения оружейной установки 3 и 4 имеют наименьшее сжатие, ось 9 рычага 7 располагается у задней стенки продольного паза 10. Когда качающаяся часть установки опускается, ось 9 рычага 7 вместе со штоком 6 передвигается внутри корпуса 2, пружины 3 и 4 сжимаются для компенсации возросшей нагрузки опускаемой части установки, расстояние между осью 9 рычага 7 и передней стенкой продольного паза 10 уменьшается. Для регулировки суммарных рабочих усилий пружин 3 и 4 необходимо: для увеличения усилий резьбовую втулку 8 вворачивать, а для уменьшения — выворачивать.
Таким образом, использование изобретения позволит получить максимально приближенную к требуемой кривую нагрузки уравновешивающего механизма на всем диапазоне углов вертикального наведения, даже если индивидуальные характеристики каждой пружины сами по себе линейны.
Формула изобретения
Уравновешивающий механизм оружейной установки, шарнирно соединенный со станком и содержащий корпус, внутри которого расположены пружины, разделенные ползуном, и шток, отличающийся тем, что он снабжен рычагом, шарнирно связанным со штоком и станком, при этом пружина меньшей жесткости взаимодействует с резьбовой втулкой, установленной с возможностью осевого перемещения относительно корпуса, а пружина большей жесткости и ползун надеты на шток, в отверстии которого закреплена ось рычага, перемещающегося в продольном пазу, выполненном в ползуне и имеющем длину больше хода оси рычага во всем диапазоне углов вертикального наведения.
РИСУНКИ
Рисунок 1, Рисунок 2
Похожие патенты:
Уравновешенный механизм качания // 2200260
Изобретение относится к машиностроению, в частности к колебательной системе с устройством для устранения или уменьшения неуравновешенных сил, и может быть использовано в подъемных механизмах с уравновешивающими устройствами
Устройство для уменьшения колебаний ствола при вылете снаряда // 2124171
Изобретение относится к области ракетной техники, управляемых ракет, выстреливаемых из пусковых труб
Способ стабилизации ствола нарезного оружия // 2117896
Изобретение относится к огнестрельному оружию и может быть использовано для стабилизации положения ствола нарезного автоматического скорострельного оружия относительно положения прицеливания
Артиллерийское орудие // 2074348
Изобретение относится к артиллерийским орудиям, не имеющим весового уравновешивания
Орудийная установка для зенитной стрельбы // 50299
Способ определения давления воздуха в уравновешивающем механизме самоходно-артиллерийского орудия // 2239146
Изобретение относится к области военной техники, в частности к способу контроля за техническим состоянием самоходно-артиллерийского орудия
Система подрессоривания цапф орудия танка // 2255286
Изобретение относится к устройствам пушечного вооружения танков, а более конкретно к устройствам, позволяющим уменьшить влияние вертикальной скорости корпуса танка на точность стрельбы с ходу
Комплекс вооружения боевой машины и стабилизатор вооружения // 2360208
Изобретение относится к области вооружения и военной техники
Способ управления колебаниями пусковой установки рсзо при стрельбе // 2416066
Изобретение относится к устройствам экспериментального определения параметров и показателей качества продукции, и конкретно к способам управления колебаниями пакета направляющих пусковой установки боевых машин реактивных систем залпового огня, и может быть использовано в военной технике
Тумбовая оружейная установка // 2497061
Установка содержит корпус тумбы со штырем и расположенными на нем опорными элементами, верхний станок, механизм горизонтальной наводки, включающий привод.
Верхний станок снабжен прижимным устройством, размещенным на горизонтальной площадке штыря. Полость между трубой и штырем заполнена смазкой и закрыта крышкой, жестко закрепленной на фланце трубы. По центру крышки выполнено отверстие, в котором проходит штырь. Отверстие закрыто поджимной втулкой с герметизирующими элементами, в нижней части фланца трубы имеется радиальный паз, имеющий отверстия с винтами. По боковой поверхности фланца трубы расположены отверстия, в двух из которых расположены ограничители углов обстрела. К бобышке, расположенной в нижней части наклонного рычага, крепится стопор походного положения, выполненный с возможностью взаимодействия с отверстиями в трубе. Повышаются надежность и безопасность установки. 5 ил.
Система стабилизации пакета направляющих боевой машины реактивной системы залпового огня // 2503908
Изобретение относится к технике автоматической наводки орудий, а именно к системам автоматического наведения и стабилизации пакета направляющих с реактивными снарядами (PC), размещенного на боевой машине реактивной системы залпового огня (БМ РСЗО).
В систему стабилизации пакета направляющих, содержащую регулируемый насос с датчиком положения его люльки, гидробак, гидродвигатель, кинематически связанный с пакетом направляющих, два суммирующих усилителя, введены формирователь ошибки, задающее устройство, третий суммирующий усилитель, датчик давления, установленный в напорной гидролинии регулируемого насоса, два дросселирующих гидрораспределителя с электромагнитным управлением, два гидроцилиндра, кинематически связанных с пакетом направляющих, датчики абсолютного положения и абсолютной скорости, установленные на пакете направляющих. За счет обеспечения режима стабилизации пакета направляющих с PC и отработки приводами наведения отклонений пакета направляющих, возникающих при пуске PC, повышаются точность наведения пакета направляющих с PC на заданные координаты и скорострельность вооружения БМ РСЗО. 1 з.п. ф-лы, 4 ил.
Автоматическое огнестрельное оружие и реактивная пуля для него // 2505773
Изобретение относится к области вооружения.
Заявлены автоматическое огнестрельное оружие и реактивная пуля для него. Оружие выполнено гладкоствольным и содержит средство для размещения патронов в виде двух горизонтально установленных с двух сторон магазинной коробки магазинов. Ракетно-реактивный дульный тормоз выполнен в виде наклоненных назад отверстий в теле ствола с профилем, расширяющимся от канала ствола. Поршень-толкатель и затвор выполнены таким образом, что их центром симметрии является ось ствола. Рукоятка размещена в торце оружия. Оружие снабжено газотурбинным гироскопическим стабилизатором ствола, который включает щелевые отверстия, выполненные в стволе, и цилиндр с лопатками типа газотурбинных, надетый на ствол, с размещением лопаток напротив щелевых отверстий и с возможностью вращения вокруг ствола. Пуля включает головную часть, реактивный двигатель, твердое ракетное топливо, размещенное в цилиндрической части двигателя, с формированием контактирующей с полостью двигателя поверхности в виде конуса, расширяющегося к соплу, размещенному в хвостовой части двигателя.
Улучшаются условия эксплуатации. 2 н. и 1 з.п. ф-лы, 4 ил.
.
Стабилизатор танкового вооружения // 2505775
Изобретение относится к стабилизаторам танкового вооружения. Стабилизатор танкового вооружения содержит блок датчиков обработки сигналов, включающий усилительно-преобразующее устройство и модуль автоматической компенсации, датчик скорости переносного движения, размещенный на башне танка. Модуль автоматической компенсации содержит первый и второй сумматоры, дифференциатор, первое, второе, третье и четвертое множительные устройства, первый и второй интеграторы. Блок датчиков соединен с первым входом первого сумматора, а также первыми входами первого и второго множительных устройств. Выход датчика скорости переносного движения соединен со вторыми входами первого и третьего множительных устройств, а также с дифференциатором, выход которого соединен со вторыми входами второго и четвертого множительных устройств, а выходы первого и второго множительных устройств соединены соответственно со входами интеграторов, выходы которых соединены с первыми входами третьего и четвертого множительных устройств.
Выходы третьего и четвертого множительных устройств соединены соответственно с первым и вторым входами второго сумматора, выход которого соединен со вторым входом первого сумматора. Повышается точность электрического привода вертикального наведения и стабилизации танкового вооружения. 1 ил.
Устройство и способ для термической компенсации ствола оружия // 2560959
Изобретение относится к вооружению, а именно к термической компенсации ствола орудия. Устройство для термической компенсации ствола орудия содержит ствол орудия, люльку и опору. Ствол установлен в люльке и опоре ствола. Опора является продолжением люльки. К люльке и опоре ствола присоединено несколько температурных датчиков, которые через каналы передачи данных соединены с блоком данных, а блоки данных с устройством обработки данных. Устройство обработки данных может воздействовать на исполнительные механизмы орудия. С помощью температурных датчиков измеряется температура на люльке ствола, а также опоре ствола.
Затем определяется перепад температуры между верхней и нижней сторонами и правой и левой сторонами люльки ствола, как и опоры ствола. На основании этих показателей рассчитывается уклон ствола, а затем уклон ствола компенсируется изменением ориентации ствола оружия по азимуту и/или возвышению. Технический результат заключается в упрощении компенсации термически индуцированного прогиба ствола. 2 н. и 12 з.п. ф-лы, 4 ил.
Уравновешивающий механизм оружейной установки // 2596835
Изобретение относится к военной технике, а именно к уравновешивающим механизмам оружейных установок. Уравновешивающий механизм оружейной установки шарнирно соединен со станком 1. Уравновешивающий механизм содержит корпус 2, внутри которого расположены пружина меньшей жесткости 3 и пружина большей жесткости 4, разделенные ползуном 5, и шток 6. Уравновешивающий механизм имеет рычаг 7, шарнирно связанный со штоком 6 и станком 1. На торце корпуса 2 размещена заглушка 8. Резьбовая втулка 9, предназначенная для регулировки суммарных рабочих усилий пружин меньшей и большей жесткости 3 и 4, размещена в заглушке 8.
Прокладка 10 заглушки размещена между пружиной меньшей жесткости 3 и резьбовой втулкой 9. Пружина большей жесткости 4 и ползун 5 надеты на шток 6. В штоке 6 выполнено отверстие, в котором установлена ось 11 рычага 7. На оси 11 поверх корпуса 2 закреплен пыльник 12. В ползуне 5 выполнен продольный паз 13, который имеет длину больше хода оси 11 рычага 7 во всем диапазоне углов вертикального наведения. Корпус 2 заполнен густой смазкой 14. Технический результат заключается в упрощении разборки и сборки механизма, повышении плавности работы механизма и устойчивости к внешним воздействиям. 4 ил.
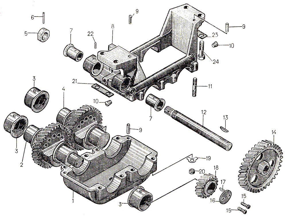
Уравновешивающий механизм Т-170 — запчасти ЧТЗ и ДЗ
г. ЧЕЛЯБИНСК
Март 9th, 2016 Илья
Сборочные единицы и детали трактора/бульдозера Т-170/Б-170
Уравновешивающий механизм т170
Рис. 141 Механизм уравновешивающий Т-170
Наименование | Артикул | Кол-во в сборке | Входит в сборку | |
51-66-106СП | 1 | 51-66-1СП | ||
Корпус | 51-66-103СП | 1 | 51-66-1СП | |
Корпус | 51-66-104СП | 1 | 51-66-103СП | |
Прокладка | 29-09-108 | 1 | _ | |
Прокладка | 29-09-109 | 1 | _ | |
Уравновешивающий механизм | 51-66-1СП | 1 | _ | |
Поддон | 51-66-2 | 1 | 51-66-104СП | |
Противовес | 51-66-26 | 1 | _ | |
Втулка | 51-66-3 | 4 | 51-66-103СП | |
Противовес | 51-66-27 | 1 | _ | |
700-30-2339 | 1 | _ | ||
700-32-2186-01 | 1 | _ | ||
Кольцо | 51-66-30 | 1 | _ | |
Втулка | 51-66-19 | 2 | 51-66-103СП | |
700-32-2195 | 2 | 51-66-103СП | ||
Пробка | 5 | 51-66-1СП | ||
700-32-2198 | 2 | 51-66-1СП | ||
700-32-2198 | 2 | 51-66-104СП | ||
Пластина | 700-31-2527 | 1 | _ | |
Корпус | 51-66-16 | 1 | 51-66-104СП | |
Пластина | 700-31-2546 | 1 | _ | |
700-28-2623 | 4 | _ | ||
Шпилька | 700-29-2353 | 8 | 51-66-104СП | |
51-66-22 | 1 | 51-66-106СП | ||
Шпонка | 700-34-2051 | 1 | 51-66-106СП | |
Шпонка | 700-34-2051 | 1 | 51-66-1СП | |
Шестерня | 51-66-23 | 1 | 51-66-106СП | |
700-32-2186 | 1 | 51-66-106СП | ||
М8Х20. | 2 | _ | ||
700-31-2605 | 1 | _ | ||
51-66-12 | 1 | _ | ||
Шестерня | 51-66-11 | 1 | 51-66-1СП | |
Гайка М12х1,25.6.019 | М12Х1,25.6.019 | 8 | 51-66-104СП | |
700-31-2337 | 8 | _ |
Категория Каталог Т-170
Как работает балансировочный механизм?
Балансирующий механизм (BM) — один из наиболее важных инструментов, который National Grid использует для балансировки спроса и предложения электроэнергии в режиме реального времени.

Когда производство и потребление электроэнергии не сбалансированы, National Grid использует BM для покупки изменений в производстве и потреблении, чтобы исправить несоответствие. В отличие от услуг по балансировке, таких как STOR, BM — это специализированный рынок, без предварительных обязательств и с очень динамичными ценами.
Потребители энергии и малые производители должны обращаться к лицензированным поставщикам или использовать маршрут виртуальной ведущей стороны (VLP) для доступа к BM.
В 2020 году Flexitricity стала первым провайдером, торгующим Балансирующим механизмом в качестве VLP. Это означает, что теперь мы можем предложить доступ к Балансирующему механизму для всех типов и размеров гибкости — с контрактом на поставку или без него.
Вот почему Flexitricity идеально подходит для торговли мощностями своих клиентов в BM.
Как это работает?
Любой лицензированный производитель, лицензированный поставщик или VLP может публиковать цены и возможности для изменения своего потребления или генерации после «закрытия ворот», то есть за 60–90 минут до начала реального времени.
Цены представляют собой либо предложения (потреблять больше или производить меньше), либо предложения (потреблять меньше или производить больше). После «закрытия ворот» единственным контрагентом, который может принять эти заявки и предложения, является Национальная сеть — рынок закрыт для других покупателей.
Аластер Мартин, основатель и директор по безопасности Flexitricity:
«БД заключается в том, чтобы вывести на рынок то, что у вас есть. Вот почему прием заявок/предложений (BOA) всегда начинается, где бы вы ни находились, и что бы вы ни собирались делать в своем расписании. В этом случае ваше расписание, называется вашим окончательным физическим уведомлением или FPN — это заявление о намерениях, охватывающее следующие полтора часа.Если вы планировали увеличить мощность своих генераторов ТЭЦ, начиная с 7 утра, National Grid может использовать BOA, чтобы заставить вас запустить несколько минут раньше по цене, подходящей для вашего участка. Если в вашем холодильном хранилище уже достаточно прохладно и вы планируете сократить потребление, компания National Grid может использовать BOA, чтобы поддерживать работу холодильной установки.
Вы переохладите замороженный горошек за доля градуса, но вы заработаете на этом. Кроме того, вы сможете изменить свое расписание на более позднее время дня, воспользовавшись этой дополнительной «крутизной».0005
Кроме того, вы можете устанавливать собственные ограничения. Если вашим активом является батарея, вы можете наращивать скорость так же быстро, как и все на рынке, что может дать ценовое преимущество в быстро меняющихся событиях. Но вам все равно нужно следить за состоянием заряда и циклами, поэтому вы можете установить ограничения на это. Точно так же ТЭЦ, как правило, не любят сброс тепла и очень не любят подводить потребителей тепла. Предложения и заявки, сделанные в БМ, могут учитывать место в теплоаккумуляторе и потребности потребителей в тепле».
Нажмите ЗДЕСЬ, чтобы узнать больше о принятии заявок и предложений в механизме балансировки.
BM представляет собой крупную рыночную возможность гибкой емкости. Привлекая наших клиентов к BM, Flexitricity открывает новые доходы для этих клиентов, торгуя их гибкостью, как и когда она доступна.
Что такое балансировочный механизм?
Балансирующий механизм, или BM, является основным механизмом, используемым National Grid, TSO в Великобритании, и EirGrid, TSO в Ирландии, для балансировки спроса и предложения электроэнергии в режиме реального времени. В других странах есть аналогичные механизмы и рынки для управления балансом системы после закрытия ворот.
На диаграмме показано приблизительное время различных перемещений между сегментами рынка. На данный момент точное время аукциона EPEX[1]:
- Почасовой аукцион на сутки вперед в 12:00
- Получасовой аукцион на сутки вперед в 15:30
- Внутридневной получасовой аукцион в 17:30
- Внутридневной получасовой аукцион в 8:00
Когда TSO прогнозирует, что будет несоответствие между производством электроэнергии и спросом в течение определенного периода времени, он может принять «заявку» или «предложение» от участника рынка либо увеличить, либо уменьшить выработку (или потребление).
Работа BM зависит от потока данных и информации между TSO и участниками рынка. Это происходит в режиме реального времени для обеспечения баланса системы. TSO определяет интерфейсы, которые должны использоваться для этих процессов в соответствии с Кодексом балансировки и расчетов (BSC).
Процесс Балансирующего механизма выглядит следующим образом:
- Каждый производитель предоставляет подробную спецификацию характеристик своих Блоков балансирующего механизма (BMU), своих генерирующих активов. На рынке Великобритании это называется «Динамические данные», а в Ирландии — «Данные технического предложения» (TOD). В обоих случаях набор данных содержит подробную информацию о технических возможностях BMU. Например, он определяет, сколько времени требуется для холодного, теплого или горячего запуска, как уровень генерации увеличивается или уменьшается, каково минимальное время включения и выключения и другие соответствующие данные о генерации.
- Каждый день каждый генератор делает ставки на рынке на сутки вперед.
По результатам аукциона на сутки вперед генератор рынка знает, какие заявки были приняты. - Затем начинается внутридневной торговый процесс, в ходе которого производители покупают и продают электроэнергию с другими участниками рынка. Внутридневная торговая деятельность позволяет производителям добиться осуществимой и часто более прибыльной реализации своих активов.
- Торговая деятельность до закрытия ворот должна быть уведомлена оператору рынка, на рынке Великобритании – Elexon. Эти сделки, представленные в виде уведомлений об объемах контрактов на электроэнергию (EVCN), определяют позицию для каждого производителя до закрытия ворот.
- Перед закрытием ворот запланированная отправка генерирующего актива отправляется в систему электронной передачи данных (EDT) TSO. Шаблон отправки — это окончательное физическое уведомление (FPN), состоящее из ряда точек изгиба. Изгибные точки содержат уровни производства (в МВт) в каждые полчаса и во все остальные минуты, когда происходит изменение скорости увеличения или уменьшения.
Точки локтя — официальный график генерирующего актива (BMU). - После закрытия ворот TSO отвечает за поддержание баланса системы. Цены, по которым оператор газотранспортной системы может изменять производство генерирующих активов после закрытия ворот, представляются производителями через заявки и предложения. На основе этих заявок и предложений TSO отдает производителям инструкции по адаптации своего производства в форме акцептов предложений предложений (BOA). TSO гарантирует, что изменения в производстве осуществимы для генератора, то есть в соответствии с TOD генерирующих активов и первоначальным графиком диспетчеризации (точки локтя). Принимая эти инструкции, участники должны затем действовать, чтобы гарантировать, что их единицы BM производят требуемый уровень продукции. Невыполнение этого требования приводит к дисбалансу. Различия в производстве согласовываются и (на рынке Великобритании) урегулируются через центральные службы Elexon. Важное различие между BM и оптовым спотовым рынком заключается в том, что всем участникам «оплачиваются как предложения», а не по цене предельного поставщика энергии.

TSO в Великобритании и Ирландии используют механизм балансировки в качестве основного средства балансировки системы. Однако они используют и другие механизмы, предоставляемые в качестве дополнительных услуг участниками рынка. К ним относятся, например. твердая частотная характеристика (FFR), краткосрочный рабочий резерв (STOR), быстрый резерв (FR) и запуск из черного режима.
Специализированное программное обеспечение для оптимизации и поддержки принятия решений, помогающее производителям в механизмах балансировки на рынках Великобритании и Ирландии. Примером может служить программное обеспечение KYOS PN (Physical Notification). Это программное обеспечение для торговли в режиме реального времени использует очень подробную информацию от электростанций и информацию в реальном времени от BM, чтобы информировать трейдеров об оптимальном распределении их генерирующих активов и оптимальных предложениях и предложениях в BM. Он также обеспечивает связь через другое программное обеспечение с TSO.
58.019
По результатам аукциона на сутки вперед генератор рынка знает, какие заявки были приняты.
Точки локтя — официальный график генерирующего актива (BMU).
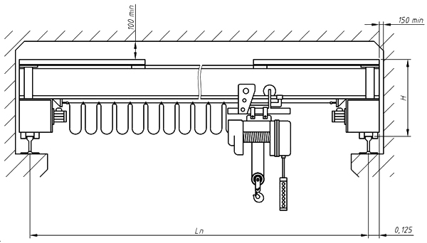
Это возможно при помощи специальных регулировочно-распределительных устройств, соединенных с электродвигателями тали при помощи кабеля.
Мастерская — уборка, перестановки, запуск тельфера.
паспорт тали ручной


Ручная разновидность Этот тип пригоден для работы с грузами, которые имеют небольшой вес. Принципиальная электрическая схема мостового крана и грузоподъемного оборудования любого типа разрабатывается исходя из назначения устройства. Ходовая тележка смонтирована на монорельсе 3 , опирается ходовыми колесами на нижние полки двутавровой балки.
Электродвигателями талей и кран-балок управляют с помощью реверсивных магнитных пускателей и пусковых кнопок, подвешиваемых на гибком бронированном кабеле. Кинематическая схема подвесной электротележки Электроталъ смонтирована на ходовой тележке и включает следующее оборудование: электродвигатель 5 подъемного механизма, редуктор 10 цилиндрический, для снижения частоты вращения электродвигателя до величины, обеспечивающей заданную линейную скорость подъема опускания крюка, электромагнитный тормоз 9 , для затормаживания вала двигателя при отключении его от сети или исчезновения напряжения в сети, применяется колодочный тормоз, работающий от усилия пружин при охвате вала колодками, выключатель конечный 7 крюка, для ограничения подъема крюка, при нажатии на него двигатель отключается от сети и затормаживается, барабан канатный 6 , для сматывания разматывания и хранения каната, крюк 8 , для крепления поднимаемого груза. В натуральную величину они представляют собой программные коробки с кнопками, задающими движение грузового троса: вверх, вниз, вперед, назад.
+ 1 тельфер, запуск.
Мост движется по рельсам, подъёмник – по пролётной балке. В гаражах для экономии места рельсы не прокладывают, а мост оснащают колёсами.
Подвесные электротележки предназначены для подъема и перемещения грузов на производственных объектах по строго определенному пути.
Обсудить Редактировать статью Кран-балка электрическая — это устройство, монтируемое под потолком в здании цеха для транспортировки тяжелых грузов. Рабочие характеристики электрической тали: 1 — соsфи электродвигателя, 2 — мощность электродвигателя при подъеме груза, 3 — КПД, 4 — мощность электродвигателя при опускании груза.
Монтаж кран балки своими руками

Также во внимание принимается интенсивность грузотранспортных операций на участке или в цехе. Если принимать в расчёт производительность, то целесообразнее применять опорные кран-балки, поскольку они имеют более высокую грузоподъёмность. В свою очередь, подвесные кран-балки имеют меньшую протяжённость «мёртвой» зоны обслуживания, поскольку для них ограничители хода можно выставить ближе к границе прокладки троллей.
1 Технические характеристики подвесной кран балки 5т

Концевые балки представляют из себя металлоизделие, с установленным электроприводом.
Данный вид кранов состоит из пролетной (мостовой) части, рабочего органа (тельфера) и концевых балок, которые размещаются на подкрановых путях. Такая конструкция довольно проста и позволяет максимально эффективно использовать рабочую площадь помещения.
Ручные тали с червяным или шестеренным приводом менее производительны, однако более дешевы и являются оптимальным решением для кранов, которые используются периодически в качестве вспомогательного оборудования. Управление электрическим тельфером и кран-балкой с электрическим приводом может осуществляться с помощью выносного кнопочного пульта или при помощи пульта дистанционного управления. Такой вариант подходит для кран-балок, эксплуатируемых в больших помещениях или при работе с опасными грузами. В частности, наша компания комплектует кран-балки электрические пультами дистанционного управления фирмы Telecrane. Пролетная часть кран жестко заделана с обоих концов в концевые балки. Эти элементы позволяют размещать кран-балку на подкрановых путях и перемещаться вдоль них посредством ходовых колес. В зависимости от вида кран-балки подкрановые пути могут быть представлены рельсами двутаврового сечения, стальными литыми квадратами или монорельсами.
У подвесных кран-балок пролетная часть размещается на нижнем уровне подкрановых путей, представленных монорельсами. При этом пути монтируются не на опоры, а непосредственно на металлоконструкции здания. Такая конструкция имеет свои плюсы и ограничения. К достоинствам подвесных кранов стоит отнести простоту их монтажа, демонтажа и небольшие габариты. При необходимости их можно разместить на складах небольшой площади, в боксах или гаражах. В то же время, пролетная часть, размещающаяся ниже уровня путей, оказывает значительную нагрузку на сами пути, поэтому подвесные краны не рассчитаны на эксплуатацию в тяжелых режимах. В противном случае это может привести к деформации подкрановых путей и необходимости их ремонта или замены.
• Низкая стоимость. По сравнению с мостовыми двухбалочными кранами или козловыми кранами кран-балки отличаются невысокой стоимостью. Так, кран-балки относительно небольших габаритов и грузоподъемности могут позволить себе даже небольшие организации с ограниченным бюджетом.
Мы являемся одними из лидеров производства кранового оборудования на российском рынке и имеем богатый опыт реализации проектов различной сложности, поэтому гарантируем высочайшее качество работ. Отправить заявку











Для простоты рейтинг разбит на 4 позиции.

Слой 
Барабан 


Слой 





Они представляют собой стержни с клиновидной рабочей частью. Зубила сделаны из стали и имеют ширину от 0,5 до 2 см. Угол заточки режущей кромки обычно находится в пределах 35–70°.
Круглые инструменты делаются с нарезным и насеченным зубом, а остальные – только с насеченным.
Вид насечки при этом двойной (перекрестный).
Также инструменты делятся по форме и конструкции. Они могут быть прорезными (лерки) либо круглыми цельными, раздвижными либо призматическими.
Также важна термическая обработка инструмента.
Большая часть вспомогательных инструментов не требует от рабочих профессионализма, что обусловлено простотой использования.
Шлифовка и полировка также помогают достичь большей или меньшей шероховатости.



Дешевые варианты часто не соответствуют заявленным возможностям и быстро приходят в негодность. Со временем они потребуют дополнительных затрат на постоянный ремонт.
3 Термическая
Параллельно удаляются окислы.
Разрезаемое полотно располагается на горизонтальной
Для промышленности требуются станки, с



После нарезки зубьев полотно подвергается закалке полностью или
Тонкую трубу следует
Узнать больше.


В случае прямолинейного равномерного движения — длина отрезка [м].
путевая = S/t
Для решения этой задачи помогает уравнение движения, то есть зависимость координаты тела от времени х = х(t).
Конечная скорость находится по формуле:

5K
Под «изменяется» мы подразумеваем не только ускорение (т. е. увеличение скорости), но и замедление. Торможение также относится к движению с постоянным ускорением.
Чeму будeт paвнa его cкopocть чepeз 10 с, ecли уcкopeниe пpи разгоне paвнo 0,5 м/с2?
Следовательно, мгновенная скорость растет с течением времени. В случае б движение называется равнозамедленным. Ускорение и начальная скорость имеют противоположные направления. Следовательно, мгновенная скорость со временем уменьшается.
На графике этому соответствует монотонно возрастающая прямая, выходящая из точки (0; V0).


Для ее решения вам понадобится знать зависимость координаты от времени (уравнение движения).
Начальная скорость V0 = 3 м/с. Начальная координата равна нулю.
У каждого юнита есть базовая скорость передвижения, которую можно изменить с помощью способностей и предметов. Скорость движения выражается в единицах в секунду.
Загрязнитель, призрак, Hellbear, Hellbear Smasher, Forgged Spirit, Wilegwing, Wilegwing, Wilegwing, Wilegwing, Wilegwing, Wilegwing, Wiledwing, Wilegwing, Wilegwing, Wiledwing, Wilegwing, Wilegwing, Wiledwing, Wiledw Потрошитель
также[править]
4 Руны
общая плоская скорость движения будет базовой линией для процентных бонусов. Сложите все аддитивные процентные бонусы вместе, добавьте 100% к результату и умножьте его на общую скорость движения. Затем, если применимо, применяйте медленное уменьшение и любые специальные мультипликативные бонусы по одному. Если результат больше 415 или меньше 220 скорости передвижения, примените мягкие ограничения, как описано ниже.

Чтобы рассчитать общую скорость передвижения Ноктюрна при воздействии на него всех активных предметов, Duskbringer и Mega Adhesive Singed,
+60% к замедлению от Mega Adhesive Singed и +25% к сопротивлению замедлению от Boots of Swiftness.
Эти фиксированные бонусы повысят эффективность процентных бонусов.
Скорость передвижения в процентах суммируется с другими источниками скорости передвижения в процентах, если только бонусная скорость передвижения не является одним из немногих исключений, которые суммируются мультипликативно.
Они не складываются дополнительно с другим процентным бонусом к скорости передвижения, а умножают на 9.0012 скорость движения после того, как были рассчитаны все остальные проценты скорости движения. На скорость передвижения, полученную благодаря формуле, по-прежнему влияют ограничения скорости передвижения (см. выше).
в разделе Типы сдерживания толпы/Источники#Замедление.
8 = 320 скорости передвижения.
246 = 851. 246 AP
4 + 0. 16 = 1. 56
896 скорость передвижения + 694. 565
Теория проста: Команда 1 ускоряет Мальфита 1 , и как только он достигает своего максимального количества Мальфит 2 крадет скорость передвижения Malphite 1 с помощью Seismic Shard и увеличивает скорость с помощью Team 2 . Затем, как только он достигает своего максимального количества Malphite 1 , он крадет Malphite 2 скорость передвижения с помощью Seismic Shard и увеличивает скорость с помощью Team 1 . Повторяйте операцию бесконечное количество времени и в конце Мальфит 1 или Мальфит 2 будут иметь бесконечную скорость движения. Как видно на этом видео.
при повороте руля слышны «хрусты»
При предельном износе обойм и сепаратора при вращении колеса будут слышны посторонние звуки. Если колесо имеет свободный ход только по горизонтали, неисправен шарнир.
Если стук появляется при повороте руля и пропадает при движении автомобиля по прямому участку дороги это проблема с поворотными кулаками или ШРУСами. Звук неисправного ШРУСа может услышать даже начинающий водитель. Он напоминает монотонный вой, распространяющийся по всему салону при движении со скоростями 50-90 км/ч.
Замену узла лучше всего производить в специализированном автосервисе.
Перед установкой пылезащитного чехла он смазывается силиконовой смазкой.


Является высокотехнологичным предприятием, объединяющим научные исследования, проектирование, производство, продажи, обслуживание и системную интеграцию. Мы стремимся к углубленным исследованиям в области приложений AGV, полагаясь на технологические инновации для развития, и постоянно предоставляем пользователям высокотехнологичные продукты, которые их удовлетворяют. В соответствии с требованиями приложения были разработаны различные типы узлов привода рулевого колеса AGV с независимыми правами интеллектуальной собственности, в том числе усиленные, амортизирующие, низкие и мини, дифференциальные рулевые колеса и т. д., которые подходят для различных областей применения; На основе заявки компания самостоятельно спроектировала и разработала сверхмощный AGV, сверхмощный беспилотный бортовой грузовик, всенаправленный вилочный погрузчик, AGV специальной сборки, сервисный робот, интеллектуальную парковку AGV и другие продукты, предоставляя клиентам индивидуальную настройку AGV и искренне предоставляя технологии.
Поддержка и расширение области применения AGV.
Я пришел в мир морского каякинга на Великих озерах, пропитанный культом британского морского каякинга. Каждый из гребцов, которыми я хотел стать, когда вырос, твердо стоял против руля каяка. Будучи молодым человеком, я был погряз в ненависти к рулю, но в чем на самом деле проблема с использованием руля каяка?
На самом деле, я значительно привык к рулям. Я рад признать, что каяки с рулем быстрее в гонках, более эффективны в длительных экспедициях и полезны для новичков, которые только начинают осваивать греблю.
Престо! Флюгер.
Но безрезультатно. Медленно, неумолимо ваш лук указывает на заостренные скалы. Ваш разум наполнен видениями разбитого стекловолокна и промокших спальных мешков. Угу. Лучше немного подтянуть скег.

Помимо этого, модели с полным приводом 4MOTION идеально справляются с задачами буксировки прицепов, поскольку допускают более высокую массу буксируемого прицепа – в зависимости от модели – до 3500 кг, имеют великолепно сбалансированные ходовые качества и оснащаются продуманным набором систем помощи водителю.
В Швейцарии на полноприводные Caddy приходится более трети (36%) от общего количества, а в Австрии их доля составляет почти треть (29,4%). Что касается российского рынка, то здесь процент автомобилей с приводом 4MOTION составляет 32,5% от общего числа проданных за 2016 год единиц, из которых 18% приходятся на модели семейства T6 и 14% на Amarok.
Летом 2017 года линейка должна быть дополнена и версией с приводом на заднюю ось. В мировых масштабах доля полноприводных версий составляет 46%: почти каждый второй Amarok оснащён полным приводом 4MOTION.
Самые различные версии этого бестселлера могут быть оснащены полным приводом. Такое разнообразие распространяется на варианты с остеклённым кузовом и кузовом-фургоном, рассчитанным на коммерческое использование, на все уровни комплектации: Conceptline, Trendline, Comfortline, Highline, больше ориентированную на частное использование Family, а также на комплектацию для отдыха и путешествий Beach. Все Caddy с полным приводом 4MOTION могут быть заказаны в версии Maxi с увеличенной колёсной базой – 3006 мм вместо стандартных 2681 мм. Версия Caddy Alltrack в настоящее время формирует визуальную общность с внедорожными моделями марки. В основном она предлагается с короткой колёсной базой.
Колёсная база составляет 2681 мм. Для Caddy Edition 35 4MOTION, как и для всех полноприводных моделей в семействе, предлагается два варианта трубодизельных двигателей TDI с непосредственным впрыском топлива, высоким крутящим моментом и мощностью 122 и 150 л. с. соответственно. Автомобили, оснащенные двигателями на 122 л. с. агрегатируются только шестиступенчатой механической коробкой передач, в то время как версии с более мощным мотором комплектуются шестиступенчатой преселективной трансмиссией DSG с двумя сцеплениями.
Первый официальный Bulli с полным приводом появился только в 1984 году. Это был автомобиль третьего поколения, получивший дополнительное обозначение syncro. Эта дата стала началом истории успеха полноприводных моделей в линейке марки.
В качестве опции современные модели семейства Т с полным приводом 4MOTION могут быть оснащены механической блокировкой заднего дифференциала, а также ассистентом старта на подъёме и ассистентом спуска с горы. Эти системы помощи водителю используют дозированные вмешательства в действие тормозной системы и ограничение оборотов двигателя для того, чтобы сделать движение на спусках проще и безопаснее.
В дополнение к четырём ведущим колёсам стандартным решением для этой модели также является увеличенный на 30 мм дорожный просвет и механическая блокировка заднего дифференциала. Внедорожные качества модели улучшает комплект из отдельных нижних защит для двигателя, коробки передач, заднего дифференциала, основной части глушителя, боковых порогов и топливного бака. Такой комплект доступен также для полноприводных версий других Transporter в составе пакета Protection package. Интерьер Rockton получает максимальные возможности трансформации при оснащении предлагающейся в качестве опции напольной системой направляющих, предполагающей установку трех дополнительных сидений или подвижной решётчатой перегородки.
В стандартную комплектацию семиместной версии, к примеру, входит увеличение дорожного просвета на 20 мм, легкосплавные 17-дюймовые диски, глубоко тонированные задние светодиодные фонари, специально разработанная защита днища, эффектные боковые пороги, тканевая обивка сидений со вставками из алькантары, трёхзонный климат-контроль Air Care Climatronic со специальным противоаллергенным фильтром, информационно-развлекательная система Composition Colour с подготовкой для интеграции смартфона, многофункциональный руль с кожаной отделкой, кожаная отделка рычага переключения передач, а также датчик дождя и автоматически затемняющееся салонное зеркало заднего вида. Такие позиции в списке доступных опций оснащения, как двухцветная кожаная отделка салона или пол салона «под дерево», делают Panamericana одним из эксклюзивных минивэнов среди всех представленных на рынке.
Свой вклад в этот прорыв внёс и недавно представленный трёхлитровый двигатель V6 TDI мощностью 204 л. с. и с крутящим моментом 500 Н·м – экономичный и удобный в использовании. Этот двигатель предлагается с расширившейся в настоящее время линейкой комплектации Comfortline, новой, ориентированной на внедорожное применение, моделью Canyon, а также теперь и в варианте комплектации Highline, представленном осенью 2016 года. Во всех случаях в список стандартного оснащения входит система постоянного полного привода 4MOTION и автоматическая восьмиступенчатая коробка передач.
с. Такой двигатель будет устанавливаться на автомобили в классическом заднеприводном исполнении.
Это может оказаться полезным в условиях тяжёлого бездорожья и на крутых склонах.
Volkswagen говорит об улучшении аэродинамики, и курс на улучшение обтекаемости подтверждают уменьшенные воздухозаборники спереди, специальные диски и боковые накладки на пятую дверь. Хотя Volkswagen поэтично сравнивает новинку и с T3, и с T1, на самом деле форм-фактор модели немного изменился — капот стал длиннее, а водитель сидит дальше.
Внутри гарнитура можно положить мелочёвку, наверху предусмотрены три подстаканника.
4 TSI, электродвигателя, встроенного в 6-скоростной «робот», и тяговой батареи ёмкостью 13 киловатт-часов. Похожая схема знакома по линейке Golf и Passat GTE, Tiguan и Arteon eHybrid, но на минивэне запас хода без активации ДВС невелик: Volkswagen говорит о «коротких городских поездках», не указывая дальность.
Среди других особенностей оснащения следует отметить гигантскую панорамную крышу, а также аудиосистему Harmon Kardon с 14 динамиками.
Это неплохая цена в море дорогих внедорожников, которые не так практичны.
Но благодаря более легкому кузову на 8 кг и подвеске на 45 кг, а также новым силовым агрегатам и лучшей в своем классе аэродинамике, VW заявляет, что эта энергия компенсируется за пять лет использования, и в то же время у вас есть более прочный, безопасный и управляемый фургон. .
Multivan — это ориентированная на комфорт и людей версия серии фургонов VW, а коммерчески ориентированный Transporter и невероятные модели кемперов California должны дебютировать в конце этого года.
Стандартные светодиодные фары соединены световой полосой во всю ширину, если они оснащены опциональной матричной системой освещения, а узкие горизонтальные задние фонари также являются светодиодными. Колеса до 19Доступны дюймы, а также панорамный люк на крыше и раздвижные двери с электроприводом, которые можно открыть взмахом ноги.
Сначала Multivan с передним расположением двигателя доступен только с передним приводом, хотя полный привод, скорее всего, появится позже. В дополнение к ряду бензиновых и дизельных двигателей с турбонаддувом, T7 станет первым фургоном VW, который будет доступен с подключаемой гибридной трансмиссией. PHEV использует 1,5-литровый рядный четырехцилиндровый двигатель с турбонаддувом в сочетании с шестиступенчатой автоматической коробкой передач с двойным сцеплением, электродвигателем и аккумуляторной батареей мощностью 13 кВтч. Общая мощность составляет 215 лошадиных сил, и VW заявляет, что у него достаточно запаса хода для «коротких городских поездок». Аккумуляторный блок установлен низко под полом, поэтому он не занимает внутреннего пространства.
п
При высоте здания до
1.5 СНиП 12-03-2001 «Безопасность труда в строительстве», при строительстве объектов с применением грузоподъемных кранов, когда в опасные зоны, расположенные вблизи строящихся зданий, а также мест перемещения грузов кранами, границы которых определяются по приложению Г настоящих норм и правил, попадают транспортные или пешеходные пути, санитарно-бытовые или производственные здания и сооружения, другие места постоянного или временного нахождения людей на территории строительной площадки или вблизи нее, работы следует выполнять в соответствии с проектом организации строительства (ПОС) и проектом производства работ (ППР), содержащими решение следующих вопросов, рекомендованных в приложении Ж, для обеспечения безопасности людей:
ч. грузоподъемных кранов) должно осуществляться в соответствии с ППР, разработанным эксплуатирующей или специализированной организацией, в соответствии с требованиями » пунктов 159 — 167 настоящих ФНП.
1424(а)(1)(я)
Исключение: Если работодатель может продемонстрировать невозможность установки таких ограждений ни на земле, ни на оборудовании, опасные зоны должны быть четко обозначены комбинацией предупреждающих знаков (например, «) и хорошо заметные маркировки на оборудовании, обозначающие опасные зоны. Кроме того, работодатель должен обучить каждого сотрудника понимать, что означают эти отметки.
1424(а)(3)(ii)
Он будет использоваться для подъема блока HVAC с платформы на крышу здания. Линии электропередач расположены на стороне платформы, противоположной крану. Работодатель разграничил рабочую зону тремя флажками, расположенными по прямой линии, пересекающей пунктирный круг с подъемным краном в центре. Радиус окружности представляет собой выдвижение стрелы при ее максимальном выдвижении и под минимальным углом, указанным в диаграмме грузоподъемности крана для веса и формы груза, который необходимо подобрать. Однако круг, нарисованный с максимальным радиусом, до которого может дотянуться стрела, будет иметь больший радиус. Три флажка образуют линию (демаркационную линию границы), параллельную линии электропередачи, которая расположена на расстоянии от линии электропередачи, равном минимальному зазору, требуемому стандартом.

Нужно ли разграничивать рабочую зону флажками по всему кругу, как показано в примере 1а?
Достаточно ли этого для создания рабочей зоны, которая будет удерживать кран на минимальном безопасном расстоянии, или также необходимы дополнительные флажки, показанные в примере 2а?

1
8
5
1
3
Для остановки двигателя используется колодочный тормоз и гидротолкатель. Электропитание монтажной лебедки осуществляется от сети напряжением 380/220В.
Применяется при строительстве доменных и мартеновских печей, монтаже металлоконструкций, погрузке и выгрузке строительных материалов, и других строительно-монтажных работах. Может использоваться как самостоятельная установка и для комплектации сложных подъемных, тяговых машин и механизмов.
В качестве редуктора лебедки используются трехступенчатые и двухступенчатые цилиндрические редукторы или одноступенчатые червячные редукторы.
Производим лебедки для строительных, металлургических, шахтных и других монтажных работ. Все оборудование и механизмы соответствуют ГОСТ, проходят испытания и проверку ОТК.
Мы сообщим вам по электронной почте о вашем возмещении, как только мы получим и обработаем возвращенный товар.
Для ряда объектов: ЦОДов, подстанций, аэропортов, предприятий нефтегазовой отрасли, энергетики, медицинских учреждений и других, работа которых должна быть бесперебойной – подобные аварии просто неприемлемы, их необходимо предотвращать, а не устранять последствия.
При таком подходе даже исправные батареи будут изыматься из эксплуатации, вызывая неоправданный рост расходов.
Фактически, это скорее организационные меры, чем технические – комплекс мероприятий, нацеленный на максимально полное использование ресурса батарей, при том, что риск аварий и, соответственно, негативных последствий минимизируется.
Можно проводить тесты и без нагрузки. Прибор проводит измерение напряжения, производит расчет сопротивления и выводит результат на экран.
Все измерение занимает 4 секунды. Результаты выводятся на ЖК-дисплей тестера, сохраняются в памяти для последующей загрузки на ПК через порт USB и подготовки отчета при помощи входящего в комплект программного обеспечения.
Можно отслеживать падение напряжения при разряде (измерения проводятся многократно в ходе процесса разрядки).
Принципиальная позиция производителя состоит в том, что точно определить емкость можно только при полном заряде/разряде АКБ, а при быстром измерении точно сделать это нельзя в принципе, поскольку конструкции батарей и проходящие в них физико-химические процессы неодинаковы. Внутреннее сопротивление напрямую от остаточной емкости не зависит. Однако оно служит надежным критерием, позволяющим отличить батареи, годные к дальнейшему использованию, от тех, которые необходимо заменить. При регулярном тестировании риск сбоя сводится к минимуму, а на объекте обеспечивается бесперебойное функционирование систем, в которых используются АКБ.
Их может выполнять изготовитель на производственной площадке, предоставляя затем заказчику документацию, либо приемочные испытания проводятся на объекте. Чем детальнее предоставит информацию по батареям производитель, тем лучше – с этими данными можно будет сопоставлять результаты измерений, проведенных на различных этапах эксплуатации.
На объектах, работа которых особо критична, может быть принят свой внутренний регламент, предусматривающий тестирование чаще, каждые 1-2 месяца.
Там отображается активность, уровень потребления питания, температура батареи. Может выводиться краткая оценка состояния, но это доступно не всегда.
При таких уровнях температуры износ устройства происходит стабильно и предсказуемо. Если батарея перегревается регулярно выше 50 °C даже в режиме ожидания, то лучше обратиться к специалисту.
В течение нескольких дней использования приложение собирает необходимое количество данных.
Кроме того, было обнаружено, что измерительные инструменты, такие как портативные устройства (например, универсальный макияж), соответствуют тенденции развития. Тем не менее, большого развития не было замечено, потому что все портативные устройства должны питаться от батареи
В этом случае можно получить величину остаточной мощности. Текущий метод интеграции работает очень хорошо, когда батарея только что перезаряжена и известно, что она полностью заряжена.
Создание точной модели саморазряда требует значительного времени для сбора данных, хотя это и не гарантирует точность результатов.
Метод основан на известной зависимости между напряжением батареи и оставшимся зарядом. Выглядит проще, но имеет массу сложностей в процессе мониторинга. Простая связь между напряжением батареи и мощностью присутствует только тогда, когда во время измерения не применяется нагрузка. При приложении нагрузки (это происходит в большинстве случаев, когда пользователя интересует емкость), напряжение батареи искажается из-за перепада давления, вызванного внутренним сопротивлением батареи. Кроме того, даже если нагрузка снята, процесс релаксации, происходящий на аккумуляторе, может вызвать непрерывное изменение напряжения в течение нескольких часов. В результате нескольких причин метод коррекции падения давления, основанный на знании импеданса аккумулятора, является по-прежнему проблематично
Оценка ошибки SOC будет достигать 100%. Одним из способов решения этой проблемы является использование нескольких вольтметров на основе SOC при разных нагрузках. Импеданс также в значительной степени зависит от температуры (температура при снижении на 10°С, импеданс увеличивается в 1,5 раза). Это взаимодействие необходимо занести в таблицу, а это крайне усложняет процесс расчета.
Например, в случае обычного тока заряда и разряда 1/2с, типичный импеданс постоянного тока батареи емкостью 2 Ач составляет около 0,15 Ом, в худшем случае разница напряжения между батареями составит 45 мВ, а соответствующая ошибка оценки SOC составляет 20%.
Компания осторожно рассмотрела эту кажущуюся естественной, но применявшуюся до сих пор схему: комбинирование методов тока и напряжения для использования наиболее известного метода в различных ситуациях. В результате точной корреляции между напряжением холостого хода и SOC этот метод может обеспечить правильную оценку SOC без нагрузки и источника питания в состоянии релаксации. Кроме того, метод также позволяет удобно находить точное «начальное положение» Soc, используя период нерабочего состояния (у любого устройства с батарейным питанием будет рабочий период). Этот метод избавляет от необходимости коррекции саморазряда при отсутствии рабочего периода, так как устройство может распознавать точный SOC при подключении. Когда устройство находится в рабочем режиме и батарея заряжена, альтернативно используется текущий метод интеграции. Метод не требует сложной и неточной компенсации падения давления под нагрузкой, так как число кулонов-метров (счетчик кулонов) отслеживает изменение SOC с самого начала процесса.
Сызрань Тип: вал,
(ЗАО кардан) Тип: вал,
3163-00-2203010-02 [l: 750/700]
КПП, мост Спайсер «АДС» L=509 мм (с необслужи
И самой распространенной причиной неисправности является выход из строя крестовины кардана. Эта деталь изнашивается или деформируется, из-за чего в карданном вале нарушается балансировка. При дисбалансе в данном узле износ прочих деталей значительно увеличивается, что может привести к полному выходу из строя не только кардана, но и других сопряженных автомобильных узлов.
Полная замена переднего кардана УАЗ «Патриот» будет стоить намного дороже, чем замена одного из элементов карданной передачи, будь это крестовина или фланец.

Также к неисправностям головки можно отнести различные сколы и задиры, образующиеся на её прилегающих плоскостях.
.. Рискнем утверждать, что история есть именно история создания — эта машина начинается еще в 1956 году, хотя машина, которую начали проектировать тогда на УАЗе, не имела даже отдаленного сходства с конечный продукт.
И не беда, что в США так вооружали сухопутные джипы (надо «догнать и перегнать»), а уже частично спроектированная советская амфибия имеет заднемоторную компоновку, а при установке пушки , пороховые газы выстреливались бы прямо в моторный отсек.
Во-первых, заявленный клиренс машина обеспечивала только в незагруженном состоянии, а при взятии груза на борт кузов сильно провисал. Во-вторых, для независимой подвески, а значит и новой трансмиссии, требовалось отдельное производство, в которое заказчик вкладываться не собирался. И в-третьих, изучение зарубежных аналогов выявило и другие конструктивные недостатки: разработчики американского Ford M151 не смогли добиться нужного баланса, а на восточногерманском Sachsenring P3, полученном от знаменитого Horch, при сравнительных испытаниях передняя подвеска на левая сторона была полностью разрушена после контакта с просто лежащим на земле куском трубы.
В итоге Минобороны одобрило именно такой вариант, и будущее показало, что компромисс был абсолютно правильным.
Двигатель был одобрен, но в серию не пошел, и в целом окончательный выбор военными был сделан в пользу проверенной временем рамной архитектуры.
Средняя Азия, Памир, Каспий и обратно по Волге — таков был маршрут пробега. Отдельной строкой были прописаны испытания на танковом полигоне НИИИ-21. Очевидцы утверждают, что все испытания закончились полным обездвиживанием конкурентов. Легендарный Land Rover Defender неизменно оказывался среди поверженных, как тогда, так и после. «Деф» утонул в Индонезии, застрял на полигоне НИИИ-21 и покатился со склона Эльбруса не на колесах, а кубарем! Впрочем, как это часто бывает, у поклонников Land Rover наверняка другие данные сравнительных тестов.
Но внедрение машины в серию сдерживалось работами, которые вообще не числились.
А вот УАЗ-469 во всех случаях был «заточен» под перевозку и грузов, и пассажиров — на 175 мм длиннее ГАЗ-69.А, который имеет большую базу на 80 мм, и, будучи на 35 мм шире и на 57 мм выше своего предшественника, УАЗ позволил обойтись одним «универсальным» вариантом. В салоне могло находиться 5 пассажиров, а в заднем отсеке — еще два человека на раскладных «креслах» и/или багаж.
.. была не слишком высокой, а переднее стекло не откидывалось, что затрудняло стрельбу — как мы помним, основное предназначение этой машины было армейское. Но совокупность всех качеств позволила назвать УАЗ-469 автомобилем нового поколения. И поэтому его ждал большой успех.
Однако команда была талантлива и работала эффективно, полностью отказавшись от бюрократической волокиты и строгой иерархии (какой не было ни до, ни после!) УАЗ-469 дело здесь, поверьте, ничем не ограничивается. Тем не менее несколько ключевых фигур в судьбе УАЗ-469можно и нужно различать.
В конструкцию внедрили вакуумный усилитель и гидромуфту, в салоне появились более современные подвесные педали, удобные сиденья и эффективный отопитель…
При этом с апреля 2010 по июнь 2011 года 5000 экземпляров «настоящего» УАЗ-469выпускались — юбилейная серия была посвящена 65-летию Победы. К тому времени общее количество выпущенных УАЗ-469/УАЗ-3151/УАЗ «Хантер» превысило 2 миллиона…
УАЗ 469 экспортировался в 80 стран мира. УАЗ-469 и его модификации завоевали признание благодаря своим внедорожным качествам, надежности и простоте. Любители бездорожья приветствуют его как более дешевую и лучшую альтернативу американскому джипу, британскому Land Rover и японскому Land Cruiser. В 1978, в Сан-Ремо, на Мартолетти УАЗ-469 получил награду «Серебряный Джек» за победу в чемпионате Италии по автокроссу. Серийный УАЗ-469 установил мировой рекорд вместимости легкового автомобиля. Внутри машины размещались 32 человека.
ອົງ ປະ ທີ່ ສໍາ ຄັນ ທັງ ຫມົດ ມີ ປະ ທັບ ຕາ ຢາງ ພາ ທີ່ ຫຼຸດ ຜ່ອນ ການ ສັ່ນ ສະ ເທືອນ.
ນີ້ ແມ່ນ ມາ ຈາກ ຄວາມ ຈິງ ທີ່ ວ່າ ຈໍາ ເປັນ ຕ້ອງ ໄດ້ ຂັບ ລໍ້ ພຽງ ແຕ່ ເກີດ ຂື້ນ ໃນ ກໍ ນີ ຂອງ ການ ເອົາ ນະ ຊະ ນິດ ອຸ ປະ ສັກ ໄດ້ ໄດ້. ເຖິງ ແມ່ນ ຄໍາ ນຶງ ເຖິງ ການ ນໍາ ໃຊ້ ທີ່ ບໍ່ ແມ່ນ ຫຼາຍ ບໍ່ ຄວາມ ແຕກ ຕ່າງ ໄລ ຍະ ເວ ລາ ດົນ ນານ ຂອງ ຕິ ບັດ ງານ ແລະ ມັນ ຈະ ໄດ້ ຮັບ ການ ກວດ ເປັນ ປົກ ກະ ຕິ ແລະ ຄວນ ຈະ ໄດ້ ຮັບ ການ ກວດ ເປັນ ປົກ ກະ ຕິ ລົບ ເສຍ ໄດ້ ຮັບ ຮັບ ການ ກວດ ເປັນ ກະ ຕິ ລົບ ເສຍ ຫາຍ ມັນ ເປັນ ຜິດ ໃຫ້ ຂໍ້ ສັງ ເກດ ຄຸ້ມ ຄ່າ ທີ່ ເກີດ ຂຶ້ນ ຢູ່ ເລື້ອຍໆ ໃນ ກົນ ໄກ ນີ້:
ມັນ ຍັງ ພຽງ ແຕ່ ການ ຕິດ ຕັ້ງ ສ່ວນ ໃຫມ່ ແລະ ການ ປະ ຊຸມ ປະ ກອບ ການ ໃນ ຄໍາ ສັ່ງ ໄດ້ ຢ່າງ ສິ້ນ ເຊີງ. ກາ ຕັ້ງ ທັງ ສອງ ກ່ຽວ ກັບ ການ ກັບ ຄືນ ໄປ ບ່ອນ ແລະ ໃນ ໃນ ຫນ້າ ມີ ຄວາມ ແຕກ ຕ່າງ ໃນ ການ ຈັດ ແລະ ການ ຕິດ ຕັ້ງ ຂອງ ຍັງ ບໍ່ ທັນ ມີ.
навязан ໂຫວດ ທີ່ ດ້ານ ນອກ ຂອງ ການ ເຊື່ອມ ຕໍ່ ໂດຍ ໃຊ້ ເຄື່ອງ ການ ໂລ ໂລ ຫະ. ຫຼັງຈາກນັ້ນ, наждачная бумага ຖ້າ ວ່າ ບໍ່ ເຮັດ ສິ່ງ ນີ້, ມັນ ເປັນ ໄປ ໄດ້ ບໍ່ ສົມ ດຸນ. ໃນ ການ ສ້ອມ ນີ້ ນີ້ Руководители OISE ສໍາ ເລັດ, ພວກ ເຮົາ ແຕ່ ສາ ມາດ ເຮັດ ໄດ້ Прошприцевать прошприцевать
