Конечная передача служит для передачи вращения от валов заднего моста ведущим колесам (звездочкам) трактора, а также для увеличения передаваемого крутящего момента за счет дальнейшего снижения частоты вращения ведомых валов конечных передач.
На тракторе установлены две конечные передачи, расположенные по обеим сторонам заднего моста. Каждая конечная передача состоит из пары цилиндрических шестерен, заключенных в корпус 28, который болтами крепится к корпусу заднего моста.
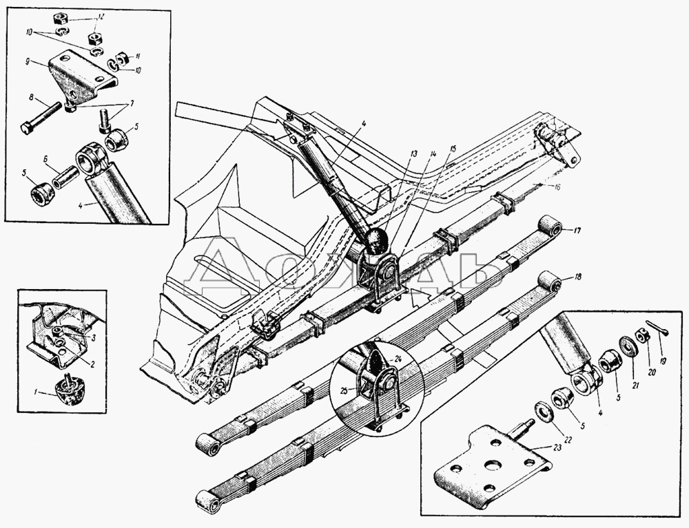
Ведущая (малая) шестерня, изготовленная как одно целое с ведущим валом, вращается в роликовых подшипниках. расточкой сцентрирован по наружной обойме подшипника и прикреплен болтами к корпусу конечной передачи. Перетекание смазки из корпуса конечной передачи в отделения тормозов механизма поворота заднего моста предотвращается шайбой и резиновой армированной манжетой.
Крутящий момент от ведущей шестерни к ведущему колесу передается через ведомую шестерню и вал ведущего колеса.
Ведомая (большая} шестерня выполнена сборной. Венец призонными болтами закреплен на цилиндрическом пояске ступицы, установленной на шлицах вала ведущего колеса.
Вал ведущего колеса установлен в расточках корпуса на подшипниках.
Внутренняя обойма роликового подшипника напрессована на шейку вага ведущего колеса и зафиксирована стопорным кольцом, установленным в кольцевую канавку на шейке вала. Осевое перемещение наружной обоймы ограничено с внешней стороны торцом центрирующего бурта корпуса уплотнения, а с внутренней — стопорным кольцом, вставленным в кольцевую канавку расточки корпуса.
Внутри корпуса уплотнения установлено торцевое металлическое уплотнение, состоящее из резинового чехла, пружины и двух стальных уплотнительных колец. Защитный козырек предохраняет от попадания в уплотнение грязи.
Наружная обойма подшипника запрессована в стакан, установленный в расточку корпуса конечной передачи, и зажата между торцами бурта стакана и внутренней выточки опоры болтами, которыми опора и стакан крепятся к корпусу конечной передачи.
Внутренняя обойма подшипника закреплена на шейке вала специальной шайбой и тремя болтами.
На цилиндрический конец опоры посажен бугель, при помощи которого опора прикреплена к корпусу заднего моста болтами. Дополнительно бугель закреплен на опоре болтами.
К нижней части корпуса конечной передачи прикреплена крышка. В ней расположены два отверстия, закрытые пробками, одно из которых служит для контроля уровня масла, а другое — для слива масла.
Заливают масло через горловину, расположенную в верхней части корпуса. В пробке горловины( смонтирован сапун.
К корпусу конечной передачи прикреплена накладка, предохраняющая корпус от перетирания гусеничной цепью.
Обслуживание конечных передач заключается в своевременной проверке уровня масла и доливке его в корпуса, в замене отработанного масла, промывке корпуса конечных передач и периодической подтяжке креплений.
Корпуса конечных передач заправляйте трансмиссионным маслом до уровня отверстия контрольной пробки. Замену отработанного масла проводите при переходе к осенне-зимней эксплуатации. После слива отработанного масла заверните пробки сливных отверстий (на правой конечной передаче установлена пробка с левой резьбой) и залейте в корпуса дизельное топливо. При движении трактора на холостом ходу в течение 3—5 минут промойте корпуса дизельным топливом, слейте его, очистите магниты сливных пробок от грязи и металлических частиц и заправьте корпуса свежим маслом.
Периодически промывайте фильтрующую набивку сапунов заливных патрубков.
При установке конечной передачи, снятой с корпуса заднего моста, выполняйте следующие указания.
В конечной передаче, собранной и подготовленной к установке на задний мост, затяните предварительно болты так, чтобы бугель проворачивался туго.
Перед затяжкой болтов бугеля в имеющийся зазор между бугелями и задним мостом установите набор регулировочных прокладок, предварительно измерив величину зазора при помощи щупа.
Затяжку болтов и болтов крепления конечных передач к корпусу заднего моста производите крутящим моментом 35—30 кгс м, гаек призонных болтов крепления ведущего колеса—крутящим моментом 25—30 кгс м. … t 4.17. Механизм управления трактором
В механизм управления трактором входят рычаги, педали и тяги, при помощи которых управляют механизмами силовой передачи из кабины тракториста. На тракторе применено раздельное управление тормозами заднего моста и введен гидравлический усилитель, облегчающий выключение главной муфты сцепления.
Управление поворотом трактора осуществляется рычагами. Усилие от рычагов управления планетарными тормозами посредством тяг передается на стяжные пружины тормозных лент и растормаживает соответствующие солнечные шестерни.
4.17.1.6. Не меняя положения поршня гидроусилителя: — прижмите ролик рычага к наконечнику поршня гидроусилителя, утопив нажимной палец заподлицо с наконечником; — педаль муфты сцепления поставьте в крайнее переднее положение; — не меняя положения рычага и педали, установите тягу; — отрегулируйте тягу тормозка увеличителя крутящего момента так, чтобы зазор Б был 6—6,5 мм; — отрегулируйте тягу блокировки коробки передач так, чтобы палец заднего валика блокировки упирался в поверхность Г и зазор Д был 1—3 мм; — отрегулируйте тормозок кардана так, чтобы зазор А между упором пружины и буртом рычага тормозка кардана был в пределах 4—5 мм. Зазор А регулируется упорным болтом.
Передача конечная ДТ-75 в Украине. Цены на Передача конечная ДТ-75 на Prom.ua
Работает
Набор Прокладок конечной передачи (77. 39.001) ДТ-75 (+)
Доставка по Украине
308 грн
Купить
Лубенец запчасть
Работает
Колпак вала ведущего колеса 77.39.130 (пыльник) передачи конечной трактора ДТ-75
Доставка по Украине
180 грн
Купить
Агродизайн
Работает
Гайка 77.39.174 шестерни ведущей передачи конечной трактора ДТ-75
Доставка по Украине
180 грн
Купить
Агродизайн
Работает
Вал ведущего колеса 77.39.019 передачи конечной трактора ДТ-75
Доставка по Украине
3 250 грн
Купить
Агродизайн
Работает
Болт 77.39.109В призонный передачи конечной трактора ДТ-75
Доставка по Украине
45 грн
Купить
Агродизайн
Работает
Корпус уплотнения 77.39.014 конечной передачи трактора ДТ-75
Конечной передачей называется агрегат трансмиссии, размещенный между ведущим колесом и дифференциалом колесного трактора или механизмом поворота гусеничного трактора. Число конечных передач трактора зависит от количества его ведущих колес.
Конечные передачи служат для увеличения общего передаточного числа трансмиссии и в ряде случаев для обеспечения нужного дорожного просвета трактора.
Конечные передачи классифицируют:
по типу передачи — шестеренные и цепные. Цепные конечные передачи имеют ограниченное применение, как правило, в специальных тракторах для работы с высокостебельными культурами и в портальных тракторах;
по виду шестеренной передачи — шестеренные с неподвижными осями валов, планетарные и комбинированные;
по кинематической схеме — одинарные и двойные;
по размещению передачи — размещенные внутри корпуса ведущего моста трактора, в отдельных картерах, жестко или шарнирно соединенных с ведущими мостами, с комбинированным размещением, когда одна ступень передачи размещена в корпусе ведущего моста, а другая — в отдельном картере. На гусеничных тракторах конечные передачи всегда размещаются в отдельных картерах:
по кинематической схеме — одинарные и двойные.
Конструкция конечных передач определяется назначением трактора, номинальным тяговым усилием и типом движителя. Принципиальные кинематические схемы конечных передач представлены на рис. 5.15.
Наиболее распространенными являются одинарные конечные передачи с неподвижными осями валов и цилиндрическими шестернями с внешним зацеплением (рис. 5.15,а) с передаточным числом икон = 4…7.
При необходимости получения большого передаточного числа (6 ≤икон ≤ 12 ) или большого дорожного просвета применяют двойные конечные передачи с неподвижными осями валов (рис. 5.15,6).
Конические шестерни чаще всего используют в конечных передачах ведущих управляемых колес.
Одинарные планетарные конечные передачи (рис. 5.15,в и г) и комбинированные (рис. 5.15,е) применяют только в особо мощных колесных и гусеничных тракторах. Это связано с тем, что при одинаковых передаточных числах с конечными передачами с неподвижными осями валов (рис 5. 15,а и б) у них меньше габаритные размеры, выше КПД из-за передачи части мощности в переносном движении без потерь (рис. 5.15,в и е) и полностью разгружены подшипники центральных звеньев планетарных рядов.
Двойные планетарные конечные передачи (рис. 5.15,d) не получили распространения на отечественных тракторах. Однако их применение в перспективе возможно на сверхмощных гусеничных промышленных тракторах.
Изменение дорожного просвета с помощью конечной передачи показано на рис. 5.16. При нижнем положении зубчатого колеса 4 конечной передачи относительно шестерни 3 под трактором обеспечивается максимальный дорожный просвет Н (см. рис. 5.16,а). При повороте картера 2 конечной передачи относительно корпуса 1 ведущего моста на угол γ колесо 4 обкатывается относительно шестерни 3 (рис. 5.16,d). В результате дорожный просвет под трактором уменьшается на величину Δh. Таким образом, изменяя положение картера конечной передачи относительно корпуса ведущего моста, можно изменять дорожный просвет под трактором.
Смазывание деталей конечной передачи осуществляется разбрызгиванием масла, залитого в ее картер. Конечные передачи, установленные в
корпусе заднего моста трактора (см. рис. 5.9,d, в и г), имеют общую масляную ванну с механизмом центральной передачи.
Рис. 5.16. Изменение дорожного просвета с помощью конечной передачи:
а — схема установки конечной передачи на трактор, б — положение зубчатых колес при изменении дорожного просвета; 1 — корпус ведущего моста; 2 — картер конечной пересдачи; 3 и 4 — соответственно шестерня и колесо конечной передачи; 5 — ведущее колесо трактора
Выходной вал конечной передачи располагается близко относительно опорной поверхности, по которой движется трактор. В результате возрастает вероятность попадания пыли и грязи в картер, где находится конечная передача. Это приводит к снижению долговечности зубчатых колес и подшипников в результате из абразивного изнашивания. Поэтому при проектировании конечных передач предъявляются жесткие требования к качеству уплотнения выходных валов.
В настоящее время в конечных передачах применяют самоподжимные радиальные и торцовые уплотнения с лабиринтной, пыльниковой или смешанной защитой от прямого попадания к ним абразивной среды. Основные схемы установки уплотнений выходного вала конечной передачи представлены на рис. 5.17. Радиальные уплотнения каркасного типа (рис 5.17,а), состоящие из резиновой манжеты 1с пружинным кольцом 4, охни тывающей поверхность вала 5, и завулканизированного металлическою кольца 2, обеспечивающего плотность их посадки в гнездо 3, устанавливаются чаще всего в колесных тракторах с высоко поднятыми полуосями ведущих колес и на гусеничных тракторах средней мощности.
Количество радиальных манжетных уплотнений выходного вала ни нечной передачи зависит от вида смазочного материала, их высоты от уровня почвы и стоимости трактора (рис. 5.17,г и д). Для защиты их от внешней абразивной среды перед манжетными уплотнениями часто устанавливают войлочные или фетровые пыльники 6 и защитные крышки 7 и 8, создающие задерживающий лабиринт (рис. 5.17,6 и в).
Контактирующая пара торцового уплотнения обычно состоит из плоского металлического кольца 10 и колец 9 из фетра (рис. 5.17,е), пробки 13 (рис. 5.17,ж) или двух плоских стальных термически обработанный колец 15 и 16 (рис. 5.17,з).
5.17. Схемы уплотнений выходного вала конечной передачи трактора: а — д — радиальные; е — к — торцовые
Контакт колец и их защита осуществляются системой нажимных 12, защитных манжет 11из маслостойкой резины или металлическим гофрированным цилиндром 14 и защитными лабиринтными крышками.
Нажимное кольцо торцового уплотнения удерживается от проворачивания направляющими поводками 19 или лысками 21 на шейке вала.
В особо мощных гусеничных промышленных тракторах для более надежной защиты дорогостоящих конечных передач применяют торцовые металлические уплотнительные кольца 17 и 18 с притертыми концентрическими канавками (рис. 5.17,и) и дополнительный многоканальный лабиринт 20 (рис. 5.17,к).
На рис. 5.18 представлена конструкция одинарной конечной передачи с неподвижными осями валов трактора ДТ-75М. Ведущий вал-шестерня установлен на двух роликоподшипниках 4 и 6. На шлицевом хвостовике вала-шестерни 5 закреплен барабан 7 остановочного тормоза. Ведомое колесо 8 представляет собой зубчатый венец, закрепленный на ступице 10, которая установлена на шлицах конуса ведомого вала 1. Вал 1 установлен на шариковый 9 и роликовый 2 подшипники. К фланцу вала 1 болтами прикреплено ведущее колесо 3.
Смазывание зубчатых колес и подшипников конечной передачи осуществляется разбрызгиванием масла, заливаемого в картер 11 конечной передачи через горловину, закрываемую пробкой и сапуном. В нижней части картера находятся контрольное и сливное отверстия, закрываемые пробками.
Уплотнение выходного вала 1 конечной передачи торцовое. Его конструкция представлена на рис. 5.17,з.
Конечные передачи колесных тракторов с одинаковыми ведущими колесами обычно выполняют унифицированными.
В качестве примера на рис. 5.19 представлен ведущий мост тракторов К 701/703 с одинарными конечными передачами. Конечная передача прел ставляет собой планетарный ряд, в котором эпициклическая шестерня 2 неподвижна. С помощью шлицевой ступицы она закреплена на трубе 16, запрессованной в кожух 27 полуоси дифференциала. Ведущая солнечная шестерня 4 плавающего типа закреплена на полуоси 17 дифференциала.
Ведущее колесо трактора шпильками 8 крепится к водилу 9, являющемуся одновременно картером конечной передачи. Водило крепится к ступице 11, вращающейся на роликовом 10 и двух шариковых 15 подшипниках. К ступице 11 крепится тормозной барабан 12. Сателлиты 5 с роликоподшипниками 7 консольно установлены на осях 6, запрессованных в картере конечной передачи.
Смазывание конечной передачи осуществляется маслом, заливаемым в картер через отверстие, закрываемое пробкой 3. Контроль за уровнем масла в картере осуществляется при нижнем положении пробки 3. При смене масла его слив из картера осуществляется через отверстие, закрываемое пробкой 1.
Конечная передача не требует регулировок при сборке и в эксплуатации.
Уход за конечными передачами. Уход за передачей сводится к повседневному контролю за уровнем масла в их картерах, периодической смене его в сроки, указанные в инструкции, к предотвращению вытекания масла через уплотнения, подтяжке креплений картеров к корпусу заднего моста и регулировке радиально-упорных шариковых или роликовых подшипников, если они применяются.
Масса трактора ДТ 75 и его технические характеристики
Вес модели ДТ-75
Масса гусеничного трактора волгоградского производства зависит от модификации машины. За историю своего существования ДТ-75 выпускался в нескольких вариациях:
собственно ДТ-75 с округлой кабиной.
ДТ-75М – модернизированный выпуск гусеничной машины тягового класса 30 кН для сельскохозяйственных, дорожных и мелиоративных работ.
75Б – болотоход с двигателем мощностью 80 л.с.
ДТ-75К с системой противоопрокидывания для горнорудных выработок.
ДТ-75С, выполняющий функцию бульдозера.
ДТ-75Д с поворотным отвалом.
Также в рамках одной серии выпускали подсерии, которые отличались друг от друга не только комплектацией и функционалом, но и весом.
Конструктивная масса трактора ДТ-75 с техническими характеристиками базовой модели составляет 5,75 т. Для модификации 75М этот параметр уже составляет 6550 кг, а вес отдельных версий достигает 7,2 тонны. Гусеничная машина под индексом 75МЛ весит 6530 кг. Масса трактора серии 75Д с дизельным мотором А-41И весит 6295 кг, из них 960 кг занимает сам двигатель. Версия 75Н, вышедшая в производство в 1984 году, характеризуется массой 6330-6900 кг в зависимости от модификации. Вес гусеничного бульдозера ДТ-75С зависит от серии выпуска:
С1 – 6050 кг;
С2 – 5600 кг;
С3 – 5550 кг;
С4 – 6000 кг.
Общие габариты гусеничной машины:
Читайте также: КПП УАЗ: ремонт, регулировка механизма переключения, коробки передач, как собрать рычаг, разобрать, устройство, полностью синхронизированная, замена раздаточной, установка АКПП, 5, масло, схема
Перечень комплектующих от Передача конечная на ДТ-75Н
Схемы запчастей предназначены для справочных целей! Мы продаем не все запчасти от Передача конечная на ДТ-75Н, представленные в этом списке. Если в правой колонке есть ссылка «Показать цены» — эти запчасти от «Передача конечная» есть в продаже. Наличие на складах по деталям с ценой смотрите в карточке товара. Если в правой колонке нет ссылки «Показать стоимость» — такие детали мы не продаем и заказы на них не принимаем.
№
Код детали
Наименование
Информация о детали
Показать все цены
Технические характеристики трактора ДТ-75
Гусеничный трактор-бульдозер используется во многих сферах хозяйства. Он незаменим на строительных площадках, при работе на полях в межсезонье, на горнорудных разработках. При установке навесного оборудования трактор может расчищать снег, но основным его назначением в дополнительной комплектации считается выемка почвенного грунта и погрузочно-разгрузочные производственные процессы.
Ходовая часть
Независимо от модификации узлы и механизмы гусеничной машины монтируются на сварной стальной раме, состоящей из продольных лонжеронов. За торможение трактора при его движении вперед или назад отвечает задний мост. Для этого задействованы два планетарных механизма поворота и ленточная тормозная система.
На едином литом корпусе монтируется муфта сцепления, увеличитель крутящего момента, карданная передача и КПП. В гидронавесную систему входит вал отбора мощности. Сама же навеска универсальная для всех модификаций и производится по сельскохозяйственному принципу.
Силовая установка
В базовой комплектации на ДТ-75 ставится четырехтактный двигатель СМД-14 с водяным охлаждением мощностью 75 л.с. Масса силового агрегата – 720 кг. Двигатель работает через бензиновое пусковое устройство ПД-10У, имеющее электрофакельный подогреватель и электростартер. В дополнение устанавливается генератор Г-214-А1 мощностью 180 Вт и масляный насос НШ-46У.
При установке двигателя возможны варианты:
СМД-14НГ мощностью 80 л.с.
СМД-66 с V-образным расположением поршней. Имеет турбонаддув. Максимальная мощность заявлена на уровне 170 л.с.
А-41, дающий 90 л.с. и имеющий систему жидкостного охлаждения.
А-41СИ-02 мощностью 94 л.с. Такой двигатель ставится на новые модели гусеничного трактора ДТ-75.
Частота вращения коленвала – 1750 об/мин. Расход топлива двигателем –251,5 (185) г/кВт*ч (г/э. л.с.-ч). Основным топливом считается дизель. Для работы пускового механизма необходима смесь бензина А-72 или А-76 с моторным маслом. Объем топливного бака – 315 литров.
Коробка передач у этой техники – семиступенчатая механика. Скорость передвижения базовой модели – 11 км/ч при движении вперед и 4,5 км/ч при езде назад. В трансмиссию добавлен ходоуменьшитель. Сцепление у гусеничного трактора двухдисковое сухое.
Кабина
На массу трактора ДТ-75 влияет внешнее оформление машины. Кабина делается из цельнометаллического листа. Форма ее зависит от модификации гусеничной техники:
ДТ-75 – округлая;
ДТ-75М и 75Б – округлая с выпуклой крышей;
ДТ-75К – удлиненная с боковым расположением топливного бака;
ДТ-75МЛ и 75Т – увеличенного размера угловатой формы.
Кабину делают полностью закрытой и оборудуют вентилятором и воздухоочистителем.
Навесное оборудование
Масса гусеничного трактора ДТ-75 позволяет доукомплектовывать машину практически всеми видами навесного оборудования. Из наиболее часто устанавливаемых агрегатов используются:
плуг для глубокой вспашки;
роторная косилка, которая обрабатывает сорняки высотой до 1 м;
устройства для посадки и копки картофеля;
опрыскиватель для обработки посевов от вредителей;
прицеп для сбора урожая с нагрузкой до 2 т.
содержание .. 41 42 44 ..
4.22.
Гусеничная цепь трактора ДТ-75Н
На тракторе установлены универсальные гусеничные цепи, обеспечивающие сцепные качества при гололеде и безопасность движения трактора с боковым уклоном в летнее и зимнее время.
В конструкцию универсальных звеньев заложен запас на износ у проушин 8— 10 мм и у цевок 15—16 мм, что обеспечивает при своевременной многократной замене пальцев и использовании звеньев до полного износа высокую долговечность гусениц.
Гусеничная цепь состоит из звеньев 1 (рис. 65), шарнирно соединенных между собой пальцами 2.
Пальцы вставлены в отверстия проушин звеньев и удерживаются от выпадания с внешней стороны выштампованными головками, а с внутренней — шплинтами 4 и шайбами.
Звено гусеницы представляет собой стальную отливку сложной конфигурации, имеющую семь проушин: четыре с одной стороны и три с другой. Середина центральной проушины с внешней стороны утолщена и представляет собой цевку, предназначенную для зацепления с зубьями ведущего колеса. Со стороны внутренней поверхности цепей звенья имеют беговые дорожки, по которым перекатываются опорные катки кареток подвески, а также направляющие реборды, проходящие между ободьями опорных катков, поддерживающих роликов и с внешней стороны ободьев направляющих колес. На нижней поверхности звеньев расположены шпоры для сцепления с почвой.
Устанавливают гусеничные цепи на трактор так, чтобы зубья ведущих колес при переднем ходе трактора упирались в утолщенную цевку с внешней стороны звена. При таком «толкающем» способе зацепления цевка не скользит по профилю зуба, вследствие чего меньше изнашиваются поверхности, участвующие в зацеплении.
С целью исключения случаев преждевременной выбраковки гусеничных цепей и ведущего колеса соблюдайте следующие правила по эксплуатации и обслуживанию:
а) гусеничные цепи, для обеспечения принципа толкающего зацепления, устанавливают на трактор так, чтобы при движении трактора вперед опорные катки накатывались на звенья со стороны четырех проушин, а зубья ведущих колес давили на цевки снаружи, со стороны тройных проушин;
б) в процессе эксплуатации трактора стрела провисания верхнего участка гусеничной цепи между поддерживающими роликами должна быть в пределах 30—50 мм;
Если гусеничная цепь удлинится (вследствие износа шарниров) настолько, что коленчатая ось направляющего колеса, установленная в крайнее переднее положение, не сможет поддерживать стрелу провисания верхнего участка гусеничной цепи в указанных пределах, то разъедините цепь и удалите из нее одно звено с пальцем. Крайнее переднее положение догтигаетс* при полном заходе резьбового конца натяжного болта в сферическую поверхность кронштейна;
в) в период работы гусениц с первым комплектом пальцев допускается удаление из каждой цепи двух звеньев. При необходимости удаления третьего звена, при длине участка гусеничной цепи из 10 звеньев 1810—1830 мм и износе пальцев примерно на 3,5—4 мм производится первая замена пальцев.
При замене пальцев в каждую гусеничную цепь добавляется по одному звену из числа удаленных в процессе эксплуатации.
При работе со вторым комплектом пальцев, после удаления двух звеньев из каждой гусеничной цепи и достижения длины участка гусеничной цепи из
10 звеньев 1830—1850 мм производится вторая замена пальцев с добавлением в каждую гусеничную цепь по одному звену.
При работе гусениц на супесчаной и песчаной почвах возможна третья замена пальцев. В этом случае замена пальцев производится после удаления одного-двух звеньев и достижения длины участка гусеничной цепи из 10 звеньев 1870 мм.
При третьей замене пальцев гусеничная цепь может состоять из 40 звеньев.
При работе гусениц на всех видах почв эксплуатация гусениц с последующим комплектом пальцев должна продолжаться до сквозного износа цевок и беговых дорожек не менее чем у 10 звеньев или износа проушин до размера 30—32 мм.
Только после этого гусеница подлежит выбраковке.
Увеличение шага гусеничной цепи до 187 мм, при наличии запаса на износ проушин звеньев, не является выбраковочным признаком;
г) при нарушении прямолинейности движения трактора вследствие неодинакового удлинения правой и левой гусеничных цепей (при разнице в длине участка из 10 звеньев — 10 мм) гусеничные цепи при очередной замене пальцев необходимо поменять местами с сохранением толкающего зацепления и положения головок пальцев с наружной стороны гусеничной цепи.
В случае значительного одностороннего износа зубьев ведущих колес (до 12 мм) их необходимо поменять местами, т. е. правое колесо поставить на левую сторону трактора, а левое — на правую.
Не допускается работа трактора с погнутыми коленчатыми осями направляющих колес и сильно изношенными втулками опоры оси в раме, так как вследствие перекосов направляющих колес реборды звеньев набегают на обод колеса, что может привести к сбросу гусениц.
содержание .. 41 42 44 ..
Нет в наличии:
№
Код детали
Наименование
Информация о детали
1-1-85х110-4
Манжета
Кол-во на ДТ-75Н 2
Нет в наличии
10-65Г
Шайба ГОСТ 6402-70
Кол-во на ДТ-75Н 18
Нет в наличии
112-39-013
Корпус сальника
Кол-во на ДТ-75Н 2
Нет в наличии
112-39-119
Кольцо
Кол-во на ДТ-75Н 2
Нет в наличии
112-39-125
Шайба упорная
Кол-во на ДТ-75Н 2
Нет в наличии
112-39-126
Шайба
Кол-во на ДТ-75Н 2
Нет в наличии
112-39-131
Корпус сальника
Кол-во на ДТ-75Н 2
Нет в наличии
12-65Г
Шайба ГОСТ 6402-70
Кол-во на ДТ-75Н 20
Нет в наличии
12Т-65Г
Шайба ГОСТ 6402-70
Кол-во на ДТ-75Н 20
Нет в наличии
14Т-65Г
Шайба ГОСТ 6402-70
Кол-во на ДТ-75Н 20
Нет в наличии
16Т-65Г
Шайба ГОСТ 6402-70
Кол-во на ДТ-75Н 24
Нет в наличии
18Т-65Г
Шайба ГОСТ 6402-70
Кол-во на ДТ-75Н 4
Нет в наличии
1Б190
Кольцо ГОСТ 13941-68
Кол-во на ДТ-75Н 2
Нет в наличии
20Т-65Г
Шайба ГОСТ 6402-70
Кол-во на ДТ-75Н 14
Нет в наличии
32315КМ
Роликоподшипник радиальный с короткими роликами (75Х160Х37)
Кол-во на ДТ-75Н 2
Нет в наличии
32318КМ
Роликоподшипник радиальный с короткими роликами (90Х190Х43)
Кол-во на ДТ-75Н 2
Нет в наличии
413
Шарикоподшипник радиальный однорядный (65Х160Х37)
Кол-во на ДТ-75Н 2
Нет в наличии
55-32-026
Пружина уплотнения в сборе
Кол-во на ДТ-75Н 2
Нет в наличии
55-32-158А
Кольцо уплотнения
Кол-во на ДТ-75Н 2
Нет в наличии
55-32-161
Чехол уплотнения
Кол-во на ДТ-75Н 2
Нет в наличии
55-32-163
Шайба нажимная
Кол-во на ДТ-75Н 4
Нет в наличии
62314КМ
Подшипник
Кол-во на ДТ-75Н 2
Нет в наличии
77-37-203
Прокладка пробки
Кол-во на ДТ-75Н 2
Нет в наличии
77-38-102
Вал заднего моста
Кол-во на ДТ-75Н 2
Нет в наличии
77-38-107А
Кольцо уплотнительное
Кол-во на ДТ-75Н 2
Нет в наличии
77-39-001
Передача конечная правая
Кол-во на ДТ-75Н 1
Нет в наличии
77-39-002
Передача конечная левая
Кол-во на ДТ-75Н 1
Нет в наличии
77-39-011-1
Шестерня ведомая со ступицей в сборе
Кол-во на ДТ-75Н 2
Нет в наличии
77-39-012А
Вал ведущего колеса в сборе
Кол-во на ДТ-75Н 1
Нет в наличии
77-39-014
Корпус уплотнения в сборе
Кол-во на ДТ-75Н 2
Нет в наличии
77-39-015-1Б
Пробка с магнитом в сборе
Кол-во на ДТ-75Н 1
Нет в наличии
77-39-016-1
Пробка с магнитом в сборе (с левой резьбой)
Кол-во на ДТ-75Н 1
Нет в наличии
77-39-017-1
Крышка с сапуном в сборе
Кол-во на ДТ-75Н 2
Нет в наличии
77-39-019
Вал ведущего колеса
Кол-во на ДТ-75Н 2
Нет в наличии
77-39-020
Вал ведущего колеса
Кол-во на ДТ-75Н 2
Нет в наличии
77-39-027Р
Опора
Кол-во на ДТ-75Н 1
Нет в наличии
77-39-031
Передача конечная левая
Кол-во на ДТ-75Н 1
Нет в наличии
77-39-032
Передача конечная правая
Кол-во на ДТ-75Н 1
Нет в наличии
77-39-101Б
Корпус конечной передачи правый
Кол-во на ДТ-75Н 1
Нет в наличии
77-39-103
Крышка правая
Кол-во на ДТ-75Н 1
Нет в наличии
77-39-103Б
Корпус конечной передачи левый
Кол-во на ДТ-75Н 1
Нет в наличии
77-39-104
Крышка левая
Кол-во на ДТ-75Н 1
Нет в наличии
77-39-105
Прокладка крышки конечной передачи
Кол-во на ДТ-75Н 2
Нет в наличии
77-39-106А
Крышка
Кол-во на ДТ-75Н 2
Нет в наличии
77-39-107-1А
Шестерня ведущая
Кол-во на ДТ-75Н 2
Нет в наличии
77-39-107-2
Шестерня ведущая
Кол-во на ДТ-75Н 2
Нет в наличии
77-39-108
Ступица ведомой шестерни
Кол-во на ДТ-75Н 2
Нет в наличии
77-39-109В
Болт призонный
Кол-во на ДТ-75Н 16
Нет в наличии
77-39-109В
Болт призонный
Нет в наличии
77-39-109ВР
Болт
Кол-во на ДТ-75Н 16
Нет в наличии
77-39-111Б
Шайба замковая
Нет в наличии
77-39-112А
Штифт
Кол-во на ДТ-75Н 2
Нет в наличии
77-39-112Р
Штифт
Кол-во на ДТ-75Н 2
Нет в наличии
77-39-115А
Накладка предохранительная
Кол-во на ДТ-75Н 2
Нет в наличии
77-39-116Б
Стакан подшипника
Кол-во на ДТ-75Н 2
Нет в наличии
77-39-117-1А
Опора
Кол-во на ДТ-75Н 2
Нет в наличии
77-39-118
Прокладка стакана подшипника
Кол-во на ДТ-75Н 2
Нет в наличии
77-39-119А
Бугель
Кол-во на ДТ-75Н 1
Нет в наличии
77-39-120
Пластина замковая (1,4 мм)
Кол-во на ДТ-75Н 4
Нет в наличии
77-39-121
Прокладка регулировочная
Кол-во на ДТ-75Н 4
Нет в наличии
77-39-121-01
Прокладка регулировочная
Кол-во на ДТ-75Н 8
Нет в наличии
77-39-122
Прокладка корпуса конечной передачи
Кол-во на ДТ-75Н 2
Нет в наличии
77-39-123
Шайба специальная
Кол-во на ДТ-75Н 2
Нет в наличии
77-39-124-1
Шестерня ведомая
Кол-во на ДТ-75Н 2
Нет в наличии
77-39-125
Шайба замочная
Кол-во на ДТ-75Н 2
Нет в наличии
77-39-128
Шайба
Кол-во на ДТ-75Н 2
Нет в наличии
77-39-132
Колесо
Кол-во на ДТ-75Н 2
Нет в наличии
77-39-132А
Колесо ведущее
Нет в наличии
77-39-133А
Штифт
Кол-во на ДТ-75Н 2
Нет в наличии
77-39-133Р
Штифт
Кол-во на ДТ-75Н 2
Нет в наличии
77-39-134
Корпус уплотнения
Кол-во на ДТ-75Н 2
Нет в наличии
77-39-135
Кольцо уплотнительное
Кол-во на ДТ-75Н 2
Нет в наличии
77-39-137
Прокладка
Кол-во на ДТ-75Н 2
Нет в наличии
77-39-138
Гайка круглая
Нет в наличии
77-39-141А
Козырек
Кол-во на ДТ-75Н 2
Нет в наличии
77-39-142
Кольцо уплотнения
Кол-во на ДТ-75Н 2
Нет в наличии
77-39-143
Прокладка корпуса сальника
Кол-во на ДТ-75Н 2
Нет в наличии
77-39-144
Прокладка крышки
Кол-во на ДТ-75Н 2
Нет в наличии
77-39-145
Прокладка корпуса уплотнения
Кол-во на ДТ-75Н 2
Нет в наличии
77-39-148-1
Шайба специальная бугеля
Кол-во на ДТ-75Н 2
Нет в наличии
77-39-149
Шайба черная
Кол-во на ДТ-75Н 8
Нет в наличии
77-39-151
Бугель
Кол-во на ДТ-75Н 1
Нет в наличии
77-39-158
Болт специальный
Кол-во на ДТ-75Н 4
Нет в наличии
77-39-158
Болт специальный
Кол-во на ДТ-75Н 2
Нет в наличии
77-39111Б
Шайба
Кол-во на ДТ-75Н 8
Нет в наличии
77-52-268
Кольцо
Кол-во на ДТ-75Н 2
Нет в наличии
77-55-128
Кольцо уплотнительное
Кол-во на ДТ-75Н 2
Нет в наличии
А41-31
Кольцо пружинное
Кол-во на ДТ-75Н 2
Нет в наличии
К01-6
Проволока (0,16 м)
Нет в наличии
КГ3/8
Пробка
Кол-во на ДТ-75Н 2
Нет в наличии
М10-6gх25
Болт
Кол-во на ДТ-75Н 4
Нет в наличии
М10-6gх45
Болт
Кол-во на ДТ-75Н 14
Нет в наличии
М12-6gх100
Болт
Кол-во на ДТ-75Н 2
Нет в наличии
М12-6gх130
Болт
Кол-во на ДТ-75Н 2
Нет в наличии
М12-6gх140
Болт
Кол-во на ДТ-75Н 2
Нет в наличии
М12-6gх30
Болт
Кол-во на ДТ-75Н 8
Нет в наличии
М12-6gх35
Болт
Кол-во на ДТ-75Н 24
Нет в наличии
М12-6gх60
Болт
Кол-во на ДТ-75Н 2
Нет в наличии
М14-6gх55
Болт
Кол-во на ДТ-75Н 20
Нет в наличии
М16-6gх130
Болт
Кол-во на ДТ-75Н 4
Нет в наличии
М16-6gх32
Болт
Кол-во на ДТ-75Н 2
Нет в наличии
М16-6gх35
Болт
Кол-во на ДТ-75Н 6
Нет в наличии
М16-6gх45
Болт
Кол-во на ДТ-75Н 4
Нет в наличии
М16-6gх60
Болт
Кол-во на ДТ-75Н 18
Нет в наличии
М16-6gх75
Болт
Кол-во на ДТ-75Н 6
Нет в наличии
М16х1,5-6Н
Гайка
Кол-во на ДТ-75Н 16
Нет в наличии
М18х1,5
Гайка
Кол-во на ДТ-75Н 4
Нет в наличии
М20-6gх70
Болт
Кол-во на ДТ-75Н 12
Нет в наличии
М20х1,5-6gх45
Болт
Кол-во на ДТ-75Н 2
Нет в наличии
Характеристики ДT-75.
Обзор трактора ДT-75
1. Технические характеристики ДТ-75
2. Вес ДТ-75
3. Кабина ДТ-75
4. Устройство трактора
5. Мощность
6. Габариты
7. Ходовая часть
8. Управление бульдозером
9. Модификации
10. Аналоги
11. Видео
Источник фото: vgtz-traktor.ruФото трактора ДТ-75 (ВГТЗ)
Технические характеристики ДТ-75
Технические характеристики гусеничного трактора ДТ-75 позволяют использовать машину не только в сельском хозяйстве в паре с самым разнообразным орудием, но и применять при проведении мелиоративных, строительных и других работ.
Номинальное тяговое усилие
3 т
Среднее удельное давление на грунт
0,44 кГ/см2
Максимальное давление в гидросистеме
100 кГ/см2
Диапазон скоростей передним ходом
5,15-10,85 км/ч
Максимальное тяговое усилие на крюке при номинальной мощности ДВС
3 000 кГ
Мощность на крюке на первой передаче
56 л. с.
Шаг звена гусениц
170 мм
Ширина звена гусениц
390 мм
Ширина почвозацепов
45 мм
Вес ДТ-75
Трактор ДТ-75 весит 5,75 т (конструктивная масса). Ниже приведем таблицу с конструктивным весом модификаций гусеничного бульдозера.
ДТ-75-С1
6,05 т
ДТ-75-С2
5,6 т
ДТ-75-СЗ
5,55 т
ДТ-75-С4
6 т
Кабина ДТ-75
Трактор ВГТЗ ДТ-75 оснащен металлической кабиной закрытого типа с двумя креслами. Водительское сиденье может регулироваться по высоте и в продольной плоскости. Обогрев кабины осуществляется от водяного радиатора, охлаждение — от вентилятора. Под рукой водителя расположены рычаги управления машиной, гидрораспределителем и ВОМом. Здесь же имеются АКБ, включатель «массы», щиток контрольных приборов, блок выключателей, кнопка электросигнала, а также аптечка, инструменты и бачок с питьевой водой. За кабиной трактора — топливный бак объемом 245 л.
Устройство трактора
Силовая передача трактора ДT-75 состоит из главной муфты сцепления, увеличителя крутящего момента (УКМ), соединительной (карданной) передачи, КПП и заднего моста. Все эти элементы смонтированы в одном литом корпусе. Задний мост трактора, в свою очередь, включает в себя планетарный поворотный механизм, главную передачу и тормозную систему. Бульдозер, выпускаемый на базе данного трактора, оснащен также ВОМом и конечными передачами. Стоит отдельно отметить, что благодаря планетарному увеличителю крутящего момента получены две резервные передачи с минимальной скоростью передвижения — 4,12 км/ч, и увеличенным тяговым усилием (3 740 кГ).
Источник фото: viztm.ruФото трактора ДТ-75 (ВГТЗ)
Мощность
На передней части рамы гусеничного трактора ДТ-75 установлен четырехтактный двигатель СМД-14 с водяным охлаждением, который выдает 75 «лошадей» (Харьковский моторостроительный завод). Силовая установка весит 720 кг, ее объем составляет 6,3 л. Двигатель трактора ДТ-75 защищен капотом, а его радиаторы — брезентовой шторкой. СМД-14 оснащен пусковым двигателем ПД-10У на бензине (10 л.с.) с электрофакельным подогревателем и электростартером. Также двигатель оборудован генератором Г-214-А1 мощностью 180 Вт и масляным насосом НШ-46У.
Число оборотов коленчатого вала при номинальной мощности
1 700 об/мин
Число цилиндров
4
Диаметр цилиндра
120 мм
Ход поршня
140 мм
Степень сжатия
17
Удельный расход топлива при номинальной мощности
195 г/э. л. с. ч.
Габариты
Длина с механизмом навески
4,57 м
Длина без механизма навески
4,1 м
Габаритная ширина
1,74 м
Высота по задним фарам
2,3 м
Продольная база
1,61 м
Ширина колеи
1,33 м
Наименьший дорожный просвет при погруженных почвозацепах
3,26 м
Ходовая часть
Ходовая часть бульдозера ВГТЗ ДT-75 представлена ведущими и направляющими колесами, балансирными каретками подвески, гусеницами и поддерживающими роликами. Семипроушинные звенья трактора имеют перекрытие беговых дорожек и соединены стальными пальцами с головкой.
Управление бульдозером
Управление ДT-75 (ВГТЗ) полностью осуществляется из закрытой водительской кабины. Педали и рычаги установлены на металлокерамических втулках и расположены в углу кабины справа (напротив операторского кресла). На рычагах есть пластмассовые рукоятки, а на педалях — специальные подушки.
Источник фото: viztm.ruМощность трактора ДТ-75 (ВГТЗ) составляет 75 л.с.
Модификации
В зависимости от установленных узлов гидронавесной системы различают 4 модификации трактора ДT-75. Модель с индексом С1 оснащена узлами гидрасистемы, двумя выносными и одним основным цилиндрами и механизмом навески сзади. Бульдозер ДТ-75-С2 оборудован баком гидросистемы, гидронасосом, маслопроводами и распределителем. У трактора ДТ-75-СЗ нет узлов гидросистемы и механизма навески. Модель ДТ-75-С4 полностью оснащена узлами гидросистемы, основным цилиндром, задним механизмом навески (двухточечная схема). Отсутствуют только выносные цилиндры.
Аналоги
К аналогам данного трактора можно отнести следующие модели: АЛТТРАК Т-4 и АГРОМАШ 90ТГ.
Видео
Видео с канала «Выходные Студента в Селе»
Барселона, Арсенал обходит Рафинью, а Лидс держится за 75 миллионов фунтов стерлингов
play
Следует ли «Барселоне» подписать Рафинью или продлить контракт с Дембеле? (2:00)
Габ Маркотти и Стюарт Робсон спорят о том, следует ли «Барселоне» сосредоточиться на продлении контракта с Усманом Дембеле. (2:00)
Эл.
Наступило летнее трансферное окно, и ходит много слухов о том, кто куда переезжает. Transfer Talk расскажет вам о последних слухах, приходах и уходах и, конечно же, о заключенных сделках!
ГЛАВНАЯ ИСТОРИЯ: «Барса» и «Арсенал» обходят Рафинью
Было много спекуляций по поводу будущего вингера «Лидс Юнайтед» Рафиньи , и Фабрицио Романо поделился некоторыми соображениями о том, как идут дела.
Журналист сообщает, что «Барселона» согласовала личные условия с игроком сборной Бразилии, но пока не договорилась с «Лидсом» о плате за трансфер. Он добавляет, что «Арсенал» ведет прямые переговоры с «Лидсом», проявляя интерес к 25-летнему футболисту с марта.
Артиллеристы уже привезли Fabio Vieira, Matt Turner и Marquinhos в период, когда они были очень загружены, и этот отчет предполагает, что они не собираются сбавлять обороты.
Сообщается, что лондонские соперники «Челси» и «Тоттенхэм Хотспур» также связывались с «Лидсом» по поводу возможного перехода Рафиньи.
Если бы йоркширский клуб вылетел из Премьер-лиги, он был бы в слабом положении, чтобы получить большой гонорар, но теперь они просят до 75 миллионов фунтов стерлингов после победы над Брентфордом в последний день, чтобы финишировать выше Бернли и избежать капля.
Рафинья сыграл ключевую роль в выживании «Лидса» в Премьер-лиге, забив 11 голов и сделав три результативные передачи в 35 матчах за всю кампанию.
— Путеводитель ESPN+: Ла Лига, Бундеслига, MLS, Кубок Англии и др. (США) — Трансляция ESPN FC Daily на ESPN+ (только для США) — Нет ESPN? Получить мгновенный доступ
ПРЯМОЙ БЛОГ
22.00 BST: Tuttosport сообщает, что как только «Интернационале» завершит возвращение нападающего «Челси» Ромелу Лукаку, их внимание переключится на завершение сделки по защитнику «Торино» Бремеру . Они предложат ему высокую зарплату, а также возможность играть за серебро, что способствует развитию 25-летнего футболиста, а также то, что он хочет остаться в Италии, чтобы играть за 9-е место. 0033 Адзурри , если Бразилия продолжит исключать его из своих планов.
21.27 BST: «Монца» подтвердила подписание 34-летнего центрального защитника Андреа Раноккья из миланского «Интера» в качестве бесплатного трансфера, сообщили итальянские клубы во вторник. Бывший игрок сборной Италии подписал контракт, по которому он останется с новичками Серии А до июня 2024 года после того, как провел в общей сложности 223 матча за «Интер».
20.54 BST: Менеджер «Ноттингем Форест» Стив Купер сделал центрального защитника «Тоттенхэм Хотспур» Джо Родона и полузащитника «Вулверхэмптона Уондерерс» Моргана Гиббса-Уайта в это трансферное окно. , сообщает Mail, работая с ними в Суонси Сити и сборной Англии до 17 лет соответственно. Форест также надеется привлечь Тайво Авонии из Union Berlin за трансферный сбор в размере 17,5 млн фунтов стерлингов, а также сохранить интерес к левому защитнику 9-го амстердамского «Аякса». 0065 Николя Тальяфико и центральный защитник Майнца Мусса Ниакате .
20:37 BST: Аксель Витсель под номером станет первым летним трансфером «Атлетико Мадрид», подтвердили источники ESPN. 33-летний полузащитник присоединится к команде бесплатно после ухода из дортмундской «Боруссии», подписав контракт сроком на один год.
Витсель заполнит пробел в составе «Атлетико», оставленный Эктором Эррерой, который перешел в «Хьюстон Динамо» в MLS. Источники сообщили, что клуб рассматривает его как человека, предлагающего «опыт» и способного «немедленно показать результат».
Игрок сборной Бельгии будет соревноваться с Джеффри Кондогбиа за место в обороне полузащитника в стартовом составе «Атлетико». Обеспечив его подписание, клуб теперь сосредоточится на поиске лучшего правого защитника, сомневаясь в текущих вариантах Даниэля Васса и Симе Врсалько.
20.21 BST: «Фенербахче» надеется подписать Марсело после того, как 16-летнее пребывание левого защитника в «Реале» подошло к концу, сообщает AS. Клубы Ближнего Востока проявляют интерес, но бразилец хочет остаться в Европе на фоне дальнейшего интереса со стороны «Марселя» и «Реала Вальядолида».
19.48 BST: «Манчестер Юнайтед» изо всех сил пытается найти клубы, заинтересованные в подписании Антони Марсьяля и Эрика Байи , сообщает Sun. Первоначально подписав нападающего и центрального защитника за 38,5 и 30 миллионов фунтов стерлингов соответственно, «красные дьяволы» теперь готовы принять трансферные сборы в размере 20 и 8,5 миллионов фунтов стерлингов. Первый провел время в аренде с «Севильей» в прошлом сезоне, но разочаровался, в то время как «Ньюкасл Юнайтед» прохладно отреагировал, когда ему предложили подписать контракт с последним.
19.15 BST: Atlanta United подписали защитника Tigres Хуана Хосе Пурату в аренду на оставшуюся часть сезона 2022 года с возможностью продления еще на год и возможностью сделать его постоянным, объявил клуб MLS на Вторник. Это первый уход 24-летнего центрального защитника из «Тигреса» с тех пор, как он присоединился к их академии в 2015 году. 2022
18.42 BST: Айнтрахт Франкфурт не останавливается после подписания контракта с Марио Гетце, поскольку они достигли устной договоренности с Лукасом Аларио перед возможным переходом из леверкузенского «Байера», сообщает Sky Sport Germany. Теперь двум клубам необходимо согласовать плату за трансфер, а «Леверкузен» требует 6,5 млн евро за 29-летнего нападающего.
18.25 BST: «Арсенал» завершил подписание Фабио Виейры из «Порту», клуб Премьер-лиги подтвердил во вторник. «Канониры» объявили, что атакующий полузащитник подписал долгосрочный контракт и будет носить футболку под номером 21. Прочитайте полную историю.
Бем-виндо, Фабио ❤️
— «Арсенал» (@Arsenal) 21 июня 2022 г.
18.09 BST: «Айнтрахт Франкфурт» завершили подписание Марио Готце из клуба ПСВ Эйндховен, объявил во вторник клуб «Биндешовен». Атакующий полузащитник подписал контракт, по которому он останется с победителями Лиги Европы до 2025 года, уже забив 57 голов и отдав 61 передачу в 230 матчах Бундеслиги за свою карьеру.
Добро пожаловать во Франкфурт, Марио Гетце! 🙌#Götze2025 #SGE pic.twitter.com/0Q41m6ilWv
— Победители Лиги Европы 2022 (@eintracht_eng) 21 июня 2022 г.
17.36 BST: «Рома» готова увеличить свое предложение по полузащитнику «Сассуоло» Давиде Фраттези , согласно Calciomercato, и это будет стоить 20 миллионов евро, включая комиссия за перевод и Феликс Афена-Гьян и Филиппо Трипи .
Они могли избавиться от Роджера Ибаньеса из-за его впечатляющих выступлений в Лиге конференций Европы, привлекших интерес со стороны Премьер-лиги, и этот уход потенциально проложил путь для «Фейеноорда» Маркос Сенези присоединиться. Ibanez также может быть использован как часть обмена на Родриго Де Поля из Атлетико Мадрид или Гонсало Гуэдеса из Валенсии. Jordan Veretout и Nicolo Zaniolo — два других игрока, которые могут уйти.
17.03 BST: Ожидается, что этим летом Свен Ботман покинет «Лилль», Foot Mercato сообщает, что команда Лиги 1 уже определила Ахметкана Каплана «Трабзонспора» в качестве игрока, которого они хотят заменить центральным защитником, и готовятся предложение 5 миллионов евро за 19-лет от роду.
16:30 BST: «Арсенал» тратит 40 миллионов евро на подписание 22-летнего полузащитника Фабио Виейры из «Порту».
15.38 BST: Columbus Crew подписали нападающего «Уотфорда» Кучо Эрнандеса за рекордную для клуба плату.
Он присоединяется за 11 миллионов долларов, что является седьмым самым дорогим подписанием в истории MLS, и колумбиец подписал трехлетний контракт
«Нашей главной задачей в это трансферное окно было подписать игрока высшего уровня на позицию нападающего, и мы в восторге от того, что подписали контракт с таким элитным игроком, как Кучо», — сказал главный тренер «Коламбус Крю» Калеб Портер. «Несмотря на то, что ему всего 23 года, он продемонстрировал нюх на гол против европейских соперников высшего уровня, и мы твердо верим, что он будет процветать в нашей лиге. Мы рады возможности работать с Кучо и знаем, какое качество он привносит в наша команда станет мощным игроком в этом сезоне».
15.26 BST : «Ньюкасл» искал нового вратаря номер один и близок к подписанию контракта с Ником Поупом из «Бернли», сообщает The Telegraph.
30-летний Поуп вылетел из «Бернли» в конце сезона, но игрок сборной Англии хочет остаться в Премьер-лиге.
Сообщается, что сделка будет стоить около 10 миллионов фунтов стерлингов, при этом Поуп будет соревноваться с Мартином Дубравкой за майку №1.
Вратари Ньюкасла Фредди Вудман 9В результате 0040 и Карл Дарлоу будут искать новые клубы.
14.40 BST: Бывший нападающий «Манчестер Юнайтед», «Сити», «Вест Хэм», «Ювентус» и «Бока Хуниорс» Карлос Тевес получил новую работу.
📝😄 ¡Carlos Tévez es el DT de #RosarioCentral!
El Apache se convirtió en el nuevo entrenador auriazul, tras firmar contrato con el Club por 12 meses. Карлос «эль Чапа» Ретеги, será integrante de su cuerpo técnico. #VamosCanalla 💪🏼🇺🇦 pic.twitter.com/5APtaJjtiX
— Rosario Central (@RosarioCentral) 21 июня 2022 г.
14.36 BST: Недавно получивший повышение «Жирона» рассматривает возможность подписания защитника «Барселоны» Самуэля Умтити в аренду на сезон 2022–23.
Умтити, 28 лет, имеет контракт с «Барсой» до июня 2025 года, но может уйти, так как клуб стремится сократить свой фонд заработной платы и высвободить средства.
Француз только один раз выступал за «Барсу» в прошлом сезоне из-за травмы колена и в последнее время фигурировал в трансферном списке.
Жирона вернулась в Ла Лигу после трехлетней победы над Тенерифе со счетом 3:1 в воскресенье и надеется привлечь новых игроков.
«Мы не исключаем этого», — сказал Пере Гвардиола, председатель правления «Жироны», о потенциальном прибытии Умтити.
14.17 BST: «Вулверхэмптон» готов активировать пункт о выкупе Энцо Фернандеса в размере 20 миллионов евро, сообщает ESPN Argentina.
21-летний Фернандес имеет контракт с «Ривер» до июня 2025 года. На данный момент он забил девять голов и создал еще шесть мячей в 24 матчах за клуб из Буэнос-Айреса.
Мэтью Хоббс, главный скаут «Вулверхэмптона» и глава отдела подбора игроков, как сообщается, прибыл в Буэнос-Айрес, чтобы начать переговоры с «Ривер Плейт» о подписании контракта с аргентинским полузащитником.
Волки хотят, чтобы Фернандес присоединился к клубу этим летом, а игрок желает остаться до конца года, чтобы завершить турнир Кубка Либертадорес с Ривером.
13.55 BST: Borussia Dortmund собирается подписать нападающего Sebastian Haller из Ajax на сумму около 36 миллионов евро, сообщили источники ESPN.
27-летний игрок присоединяется после ухода Erling Haaland в «Манчестер Сити» за 60 миллионов евро в начале этого месяца.
Халлер провел плодотворные 18 месяцев в «Аяксе» с момента прибытия в январе 2021 года после разочаровывающего периода в «Вест Хэм Юнайтед».
13.46 BST: Тони Кроос не хочет продлевать свой контракт с «Реалом», который истекает в 2023 году, этим летом, сообщает Cadena SER, а полузащитник предпочитает посмотреть, как он выступит в следующем сезоне, прежде чем делать решение о его будущем.
32-летний Кроос был постоянным игроком, поскольку «Мадрид» выиграл Ла Лигу и Лигу чемпионов в прошлом сезоне, стартовав в 25 матчах чемпионата и во всех своих европейских матчах на выбывание, когда они выиграли свой 14-й Кубок европейских чемпионов.
Однако его место в команде оказалось под растущим давлением со стороны юноши Эдуардо Камавинга по ходу сезона, и этим летом Мадрид уже добавил Орельена Чуамени в свой список полузащитников за 80 миллионов евро.
По сообщению радиостанции, Кроос хочет посмотреть, как он себя поведет в следующем году и сможет ли он продолжать выступать на самом высоком уровне, вместо того, чтобы продлевать контракт сейчас и чувствовать себя обузой для клуба.
13.00 BST: «Ливерпуль» получит от мюнхенской «Баварии» 41 миллион евро за подписание Садио Мане , но пожалеют ли они об этом?
play
1:04
Гэб и Джулс обсуждают предложение Садио Мане перейти из Ливерпуля в Баварию.
12.18 BST: Менеджер «Манчестер Сити» Хосеп Гвардиола считает, что Бернардо Силва останется в клубе, но не исключает перехода атакующего полузащитника в «Барселону».
Сильва был связан с уходом из Etihad прошлым летом, но остался и сыграл ключевую роль в сохранении титула Премьер-лиги.
В понедельник Гвардиола был в Барселоне, чтобы объявить о предстоящем товарищеском матче против своего бывшего клуба, когда был упомянут игрок сборной Португалии Сильва.
«Сейчас я думаю, что Бернардо останется с нами», — сказал Гвардиола. «Наша цель как клуба состоит в том, чтобы он остался с нами, но я всегда говорил, что не хочу игроков, которые не хотят быть с нами. Но Бернардо важен, и я думаю, что он останется. Это правда». он может быть в «Барсе» — я не знаю, что произойдет».
11.41 BST: «Барселона» обвинила строгие финансовые правила Ла Лиги в своей жесткой позиции на переговорах по поводу Френки де Йонга во время трансферных переговоров с «Манчестер Юнайтед», сообщили источники Робу Доусону из ESPN.
«Юнайтед» заинтересован в приобретении Де Йонга этим летом, в то время как «Барселона» хочет отпустить полузащитника, чтобы собрать деньги для финансирования собственного трансферного бизнеса в преддверии следующего сезона. Боссы «Олд Траффорд» требуют, чтобы размер гонорара отражал тот факт, что «Барселона» хочет избавиться от игрока, но источники сообщили ESPN, что испанские гиганты настаивают на том, что их руки связаны Ла Лигой. На них уже наложены финансовые ограничения после нарушения потолка заработной платы, и поэтому они могут реинвестировать только треть того, что они зарабатывают на трансферах или сберегают на заработной плате, обратно в играющую команду.
«Барселона», согласно источникам, знакомым с ходом переговоров, использует этот вопрос, чтобы увеличить предложение по сравнению с 73 миллионами фунтов стерлингов, которые они заплатили «Аяксу» за Де Йонга в 2019 году. «Юнайтед», однако, предпочел бы потратить базовый гонорар в размере от 50 миллионов фунтов стерлингов. -60 миллионов фунтов стерлингов и осознают, что согласие на значительно большую сумму помешает усилиям, направленным на другие сферы деятельности команды. Источники сообщили ESPN, что клуб работает над бюджетом чистых расходов в размере от 100 до 150 миллионов фунтов стерлингов.
11.09 BST: Марко Асенсио 9Marca сообщает, что 0040 и Дани Себальос еще не получили никаких предложений о новой сделке от «Реала», и вероятность того, что оба покинут «Бернабеу» в течение этого трансферного окна, возрастает.
Оба игрока внесли свой вклад в успех «Мадрида» в прошлом сезоне — Асенсио забил лучший результат в карьере — 10 голов в лиге, а Себальос играл со скамейки запасных во второй половине кампании — но хотел бы регулярно выходить в стартовом составе, чтобы увеличить их шансы попасть в состав сборной Испании на чемпионат мира.
По данным Marca, клуб готов выслушать предложения обоих игроков, а агенты игроков — Асенсио теперь представляет Хорхе Мендес — оценивают свои возможности на рынке.
10.36 BST: Нападающий «Ливерпуля» Садио Мане во вторник должен пройти курс лечения в мюнхенской «Баварии», сообщает Sky.
Источники сообщили ESPN на прошлой неделе, что «Бавария» достигла соглашения о подписании сенегальского футболиста и завершении его шестилетнего пребывания на «Энфилде».
Будущее Мане в «Ливерпуле» было под большим сомнением с тех пор, как нападающий Дарвин Нуньес перешел в команду Премьер-лиги из «Бенфики» по рекордной для клуба сделке на сумму до 100 миллионов евро.
Источник, знакомый с ситуацией, сообщил в пятницу, что «Ливерпуль» договорился с чемпионами Бундеслиги о гонораре в размере 41 млн евро.
10.01 BST: Руководители «Спортинга» отправятся в Испанию, чтобы начать переговоры с «Барселоной» о подписании португальского вингера Франсиско Тринкао в аренду, сообщает Record.
22-летний Тринкао провел 30 матчей во всех соревнованиях, находясь в аренде на сезон в «Вулверхэмптон Уондерерс» из «Барсы», но клуб Премьер-лиги не активировал для него опцион на 30 миллионов евро.
«Спортинг» хочет подписать Тринкао в аренду и включить в сделку возможность постоянного переезда. Тем временем «Барса» предпочитает, чтобы бывшая звезда «Браги» ушла этим летом на постоянной основе. Сообщается, что Тринкао готов снизить свою зарплату, чтобы облегчить его переход в «Спортинг».
Тем временем игрок сборной Японии Хидемаса Морита находится на грани перехода в лиссабонский «Спортинг» за 3,8 млн евро из португальского клуба «Санта-Клара».
По данным Record, 27-летний футболист прибыл в Лиссабон в понедельник вечером и должен подписать четырехлетний контракт со «Спортингом».
Бывший опорный полузащитник «Кавасаки Фронтале» присоединился к «Санта-Кларе» в январе 2021 года и провел 38 матчей во всех турнирах за клуб с Азорских островов.
Морита стал третьим пополнением «Спортинга» этим летом после прихода ганского нападающего Абдула Фатаву и голландского центрального защитника Джеремайи Сент-Жюста.
09.18 BST: Диего Годин присоединится к аргентинскому клубу «Велес Сарсфилд» в качестве свободного агента после ухода из бразильского «Атлетико Минейро».
Центральный защитник Уругвая, который, как ожидается, уйдет из сборной после чемпионата мира 2022 года, расторг контракт с Минейро по обоюдному согласию.
Бывшая звезда «Атлетико Мадрид» в ближайшие дни отправится в Буэнос-Айрес, чтобы подписать контракт с «Велесом».
36-летний Годин написал в своем посте в Instagram: «Я ухожу с удовлетворением от того, что всегда старался изо всех сил, с большим профессионализмом и уважением ко всем тем людям, которых я никогда не забуду».
08.42 BST: Антонио Рюдигер сказал, что это «Реал [Мадрид] или ничего», когда он решил покинуть «Челси» ради нового вызова этим летом, несмотря на интерес со стороны соперников по Ла Лиге, «Барселоны».
29-летний Рюдигер был представлен на тренировочной базе Мадрида в понедельник президентом Флорентино Пересом, подписавшим с клубом четырехлетний контракт, прежде чем позировать в своей новой футболке с номером 22 и отвечать на вопросы СМИ.
В марте ESPN сообщил, что агент Рюдигера и сводный брат Сар Сенези встречались с руководителями «Барсы», чтобы обсудить возможный трансфер, прежде чем месяц спустя игрок согласовал сделку с «Мадридом».
«Да, «Барселона» проявила интерес, — сказал Рюдигер на пресс-конференции в понедельник. «Но я сказал моему брату, что это либо настоящее, либо ничего».
08.00 BST: Рахим Стерлинг заинтересован в переходе в «Челси» после того, как новый владелец Тодд Боли сделал форварда своей главной трансферной целью на лето, сообщили источники Робу Доусону из ESPN.
У Стерлинга истекает последний год его контракта с «Манчестер Сити», и он держит свои варианты открытыми, прежде чем принять решение о своем следующем шаге. Источники сообщили ESPN, что «Челси» стал серьезным претендентом на подписание 27-летнего игрока, который уже был впечатлен амбициями Боли после его прихода на «Стэмфорд Бридж».
«Сити» предпочел бы получить гонорар за Стерлинга этим летом, чем позволить ему уйти бесплатно через 12 месяцев и оценить бывшего вингера «Ливерпуля» в 50-60 миллионов фунтов стерлингов. Стерлинг, который хочет попробовать себя в другой из пяти лучших лиг Европы, также привлекает интерес со стороны мюнхенской «Баварии» и мадридского «Реала».
Согласно источникам, Стерлинг прекрасно осознает, что его следующий контракт будет самым важным в его карьере, и его нежелание подписывать новый контракт на стадионе Etihad связано с сомнениями относительно того, занимает ли он центральное место в планах Пепа Гвардиолы относительно будущее.
play
1:34
Гэб и Джулс обсуждают, как Томас Тухель будет использовать Рахима Стерлинга, если тот перейдет в «Челси» из «Манчестер Сити».
PAPER GOSSIP (Danny Lewis)
— Sky Sports Deutschland сообщил, что спортивный директор мюнхенской Баварии Хасан Салихамиджич вылетел на Майорку, чтобы убедить Роберта Левандовски остаться в клубе, хотя кажется, что это мало что изменило в Польше. интернациональное сознание. Нападающий по-прежнему хочет покинуть «Баварию», а «Барселона» готова улучшить свое предыдущее предложение в размере 32 млн евро.
— Фабрицио Романо опроверг сообщения о том, что «Ливерпуль» работает над сделкой по возвращению Джорджинио Вейналдума из «ПСЖ». Он настаивает на том, что приоритетом красных является продление контракта с Наби Кейта , и переговоры должны состояться в ближайшее время.
— Компания Foot Mercato рассказала о видении нового спортивного директора Лукаса Кампоса в отношении «Пари Сен-Жермен», начиная с Кристофа Галтье, который становится менеджером. Он также хочет привлечь Интернационале Милан Шкриньяр , Лилль Ренато Санчес , Бавария Мюнхен Левандовски и Сассуоло Джанлука Скамакка . Тем не менее, Mauro Icardi , Julian Draxler , Thilo Kehrer , Layvin Kurzawa , Ander Herrera , Danilo Pereira и Wijnal, также были Deemed », а также Undesirelables, а также Undesireblables, а также Undesirelables, а также Undesirelables, а также Undesireblables, а также Undesireblables.
— «Манчестер Юнайтед» установил первоначальный контакт с Кристиан Эриксен впереди возможного перехода, согласно Sky Sports, контракт датчанина с Брентфордом подходит к концу. Эрику тен Хагу нравится полузащитник, и в конечном итоге Эриксен будет решать, перейдет ли он на «Олд Траффорд».
— Боруссия Дортмунд делает предложение амстердамскому «Аяксу» за игрока сборной Кот-д’Ивуара Себастьяна Халлера , как сообщает Sky Sports Deutschland, добавив, что это может стоить 35 миллионов евро с учетом надстроек. Он их первый выбор, чтобы заменить Эрлинг Хааланд после перехода норвежца в Манчестер Сити за 60 миллионов евро, хотя они могут перейти на Сашу Калайджича из Штутгарта и Лукаса Аларио из Байера из Леверкузена , если у «Аякса» не возникнет соблазна отпустить его.
— «Вест Хэм Юнайтед» собирается сделать «Челси» предложение в размере около 30 миллионов фунтов стерлингов за Армандо Броха , который в прошлом сезоне был в аренде в «Саутгемптоне», сообщает Sky Sports. «Молотки» определили игрока сборной Албании в качестве своего главного нападающего этим летом и намерены сделать переход, несмотря на сомнения по поводу будущего директора «Челси» Марины Грановской.
Отслеживание дня крайнего срока передачи: новости, последние обновления и полный список официальных сделок по мере закрытия летнего окна 2022 года
«Челси» был одним из крупнейших игроков в день крайнего срока передачи: было сделано два крупных приобретения и несколько доморощенных продуктов были переданы на постоянной основе.
ФК «Барселона» также был активен, приняв нового правого защитника и нового левого защитника, последний как часть игры с «Челси». Ожидается, что одно из этих подписаний будет официально представлено в пятницу.
«Манчестер Юнайтед» сделал самое дорогое подписание трансферного окна в День Крайнего срока, а Энтони возглавил список сборов, выплаченных летом.
«Ноттингем Форест», «Фулхэм», «Лидс», «Саутгемптон» и «Брайтон» были одними из клубов Премьер-лиги, которые до самого закрытия продолжали делать шаги. Форест официально добавил в общей сложности 21 игрока в течение окна, и они также добавили бы нападающего «Челси» Мичи Батшуайи, если бы документы были оформлены вовремя. Они все еще могут нанять игроков с истекшим контрактом, таких как правый защитник Серж Орье, с которым, как сообщается, была согласована сделка.
𝗥𝗘𝗖𝗢𝗥𝗗 𝗕𝗥𝗘𝗔𝗞𝗘𝗥𝗦
Ноттингем Форест побил рекорд английского и британского футбола по количеству подписаний за одно трансферное окно 👏 pic. twitter.com/IA3C5nvkQQ
— Transfermarkt.co.uk (@TMuk_news) 1 сентября 2022 г.
The Sporting News зарегистрировал всю активность и перемещения игроков, когда окно закрылось в четверг. Вот самые важные истории, которые произошли в День крайнего срока:
Последние шаги «Челси»: Пьер-Эмерик Обамеянг и Денис Закария присоединились к стороне Тухеля, а Билли Гилмор, Итан Ампаду и Кенеди вышли за дверь.
Приходы и уходы в «Барселоне»: Испанские игроки Эктор Бельерин и Маркос Алонсо являются игроками «сине-гранатовых» и технически оба прибыли бесплатно (Челси расторг контракт с Алонсо в рамках сделки по Обамеянгу). И после долгих разговоров Мемфис Депай и Френки де Йонг никуда не делись.
Новые игроки ПСЖ: На следующий день после представления Фабиана Руиса Лига 1 объявила о новом полузащитнике из Валенсии (Карлос Солер), попрощавшись с несколькими игроками за последние дни.
Поиск полузащиты «Ливерпуля»: Юрген Клопп прямо заявил о желании приобрести центрального полузащитника, и клуб сделал неожиданный ход в пользу полузащитника «Ювентуса» Артура Мело.
ЕЩЕ: Самые дорогие трансферы летнего окна
Но самой дикой историей дня должна быть история с нападающим «Марселя» Бамбой Дьенгом, который был на грани перехода в «Лидс», но передумал и выбрал Французская сторона OGC Ницца. Потом провалил мед.
День Бамбы Дьенга:
▪️ Достигает соглашения о присоединении к Лидсу из Марселя ▪️ Агент ведет переговоры с Ниццей из аэропорта ▪️ Лидс разрывает сделку ▪️ Не проходит медосмотр с Ниццей, сделка расторгнута, все еще играет за Марсель рис. twitter.com/IGYbsMkk6T
— B/R Football (@brfootball) 1 сентября 2022 г.
Перейти к:
Последние новости, слухи и отчеты
Список официальных трансферов
Игроки связаны с возможными ходами
Земля Челси Обамеянг, Закария (Пт 00:20 BST / 19:20 ET)
Это официально. Бывший игрок «Арсенала» Пьер-Эмерик Обамеянг теперь игрок «Челси», о чем клуб объявил чуть более чем через час после закрытия окна. Между тем, Маркос Алонсо расторг контракт, чтобы иметь возможность присоединиться к «Барселоне» в рамках сделки. Ожидается, что об этом будет объявлено в пятницу.
905:43 Наш новый рекрут, Пьер-Эмерик Обамеянг! 😎 #AubameyangIsChelsea pic.twitter.com/ptrjqecDz2
— ФК «Челси» (@ChelseaFC) 1 сентября 2022 г.
ЕЩЕ: Почему босс «Челси» Тухель хочет воссоединения с Обамеянгом
Хотя «синие» упустили полузащитника московского «Динамо» Арсена Захаряна, а переговоры об Эдсоне Альваресе из «Аякса» прервались (согласно сообщениям от De Telegraaf), интриган «Ювентуса» Денис Закария прибыл в рамках сезонной аренды с возможностью сделать переход постоянным.
Эктор Бельерин переходит в «Барселону» (четверг, 23:16 по московскому времени / 18:16 по восточному времени)
После бесплатного перехода в «Барселону» Эктор Бельерин отправился в социальные сети, чтобы эмоционально попрощаться с болельщиками «Арсенала». Испанский крайний защитник провел в клубе 11 лет, хотя в прошлом сезоне он был в аренде в «Бетисе». Его переход в «Барселону» произошел после взаимного расторжения его контракта с «Арсеналом», что позволило ему присоединиться к каталонскому клубу, где он занял место ушедшего Серхино Деста.
Сообщение для вас, артиллеристы ❤️ @Arsenal pic.twitter.com/Wplyj5N36X
— Эктор Бельерин (@HectorBellerin) 1 сентября 2022 г.
В напряженный день Крайнего срока уже видно, что такие, как Лейвин Курзава и Виллиан, присоединяются к команде, «Фулхэм» завершил еще одну пару подписаний незадолго до сигнала зуммера. Клуб объявил о приходе Карлоса Винисиуса, бывшего нападающего «Тоттенхэма», в качестве нового дублера Александра Митровича.
Кроме того, сделка по форварду «Лидса» Дэну Джеймсу была заключена за несколько минут до крайнего срока. Джеймс видел, как его минуты в «Лидсе» сократились из-за появления Брендена Ааронсона и Луиса Синистерры.
Депай остается в «Барселоне» (четверг, 22:04 по московскому времени / 17:04 по восточному времени)
Несмотря на желание покинуть клуб после падения иерархии менеджера Хави Эрнандеса, Мемфис Депай останется в Ла Лиге. Сам игрок подтвердил эту новость в социальных сетях, несмотря на слухи о том, что он ищет новый клуб.
Депаю будет трудно найти время на поле в этом сезоне, когда присутствуют такие игроки, как Роберт Левандовски и другие атакующие таланты. Однако место на скамейке запасных освободилось с уходом Пьера-Эмерика Обамеянга и Мартина Брейтуэйта.
Я решил остаться в Барсе! Полностью привержен делу спортивного успеха клуба. 💙❤️ #ВискаБарка
— Мемфис Депай (@Memphis) 1 сентября 2022 г.
Ливерпуль заключил сделку по кредиту Артура (четверг, 21:56 BST / 16:56 ET)
Этот шаг был сделан быстро в день крайнего срока, поскольку «Ливерпуль» отчаянно нуждался в прикрытии полузащиты. «Ювентус» согласился отдать в аренду полузащитника Артура с релизом «Ювентуса», в котором утверждалось, что «Ливерпуль» заплатит комиссию за аренду в размере 4,5 млн евро и будет иметь возможность сделать сделку бессрочной следующим летом за комиссию в размере 37,5 млн евро.
Приобретение должно помочь «Ливерпулю» справиться с множеством травм. «Красные» видели, как у полузащитников Тиаго, Алекса Окслейда-Чемберлена и Джордана Хендерсона возникли проблемы со здоровьем.
Дест был связан с «Вильярреалом» в среду, но «Милан» вмешался и заключил сделку с «Барселоной» за аренду и возможность покупки после того, как правый защитник «россонери» Алессандро Флоренци получил травму в матче Серии А. Итальянская сторона подтвердила сделку в Deadline Day.
После исключения из состава «Барселоны» на фоне сообщений о том, что Хави не оценил американца, у Деста теперь есть новый старт и шанс произвести впечатление в команде Лиги чемпионов.
Я так горжусь и рад присоединиться к чемпионам Италии и такому историческому клубу! Форза Милан 🔴⚫️ @acmilan pic.twitter.com/E8r6Jri9kU
«Манчестер Юнайтед» получил кредит на сезон для голкипера «Ньюкасл Юнайтед» Мартина Дубраваки. «Юнайтед» находится в поисках опытного запасного варианта для Давида де Хеа после аренды Дина Хендерсона в «Ноттингем Форест», и словак может навсегда присоединиться к «Юнайтед» следующим летом.
«Эвертон» подтверждает возвращение Гуйе (четверг, 17:00 по московскому времени / 12:00 по восточному времени)
«Эвертон» завершил сделку по возвращению сенегальского футболиста Идрисса Гана Гуйе в «Гудисон Парк». Боевой полузащитник возвращается в Мерсисайд из ПСЖ по двухлетнему контракту после отъезда в Париж в 2019 году за нераскрытую плату в качестве седьмого летнего подписания Фрэнка Лэмпарда.
С возвращением, @IGanaGueye! 💙 pic.twitter.com/2fo2kNLN2m
— Эвертон (@Everton) 1 сентября 2022 г.
Предложение «Арсенала» по Луису отклонено (четверг 16:45 BST / 11:45 ET)
Когда «Ливерпуль» переключил внимание с Дугласа Луиса на Артура, полузащитник «Астон Виллы» стал целью «Арсенала». По данным The Independent, «канониры» стремились к усилению полузащиты и подали три отдельных предложения на сумму до 25 миллионов фунтов стерлингов. Все они были отклонены, а Мигель Делани сообщил, что «Вилла» требует за бразильца около 40 миллионов фунтов стерлингов (46,1 миллиона долларов).
«Манчестер Юнайтед» завершил подписание контракта с Энтони (четверг, 09:36 BST / 04:36 ET)
«Манчестер Юнайтед» завершил подписание контракта с бразильским нападающим Энтони из «Аякса». 22-летний футболист подписал пятилетний контракт с возможностью продления еще на год. «Юнайтед» заплатит 9 евро.5 млн (82,2 млн фунтов стерлингов / 95,3 млн долларов США) с возможностью дополнительных 5 млн евро (4,3 млн фунтов стерлингов / 5 млн долларов США).
📞 Звонок: @Antony00 🇧🇷
Добро пожаловать в United ❤️ #MUFC
— «Манчестер Юнайтед» (@ManUtd) 1 сентября 2022 г.
БОЛЬШЕ: Почему Энтони так дорого обошелся «Манчестер Юнайтед»?
День/Время (BST/ET)
Игрок
Позиция
Из
—
Сообщенные данные
Пт/Чт (01:00/20:00)
Денис Закария
Полузащитник
Ювентус (Италия)
Челси (ENG)
Кредит на 1 год, опцион на покупку 35 млн евро
Пт/Чт (00:20/19:20)
Пьер-Эмерик Обамеянг
Вперед
Барселона (СПА)
Челси (ENG)
Сделка на 2 года, трансфер 12 млн евро
Пт/Чт (00:17/19:17)
Билли Гилмор
Полузащитник
Челси (ENG)
Брайтон (ENG)
Сделка на 2 года, трансфер 11,6 млн евро
Пт/Чт (00:17/19:17)
Артур Гомеш
Вингер
Эшторил (ПОР)
Спортинг КП (ПОР)
Сделка на 5 лет, трансфер 2,5 млн евро
Пт/Чт (00:11/19:11)
Лоик Баде
Защитник
Ренн (Франция)
Ноттингем Форест (ENG)
Сезонный кредит с опционом на покупку 14 млн евро
Пт/Чт (00:10/19:10)
Вилли Гнонто
Вперед
ФК Цюрих (SWI)
Лидс Юнайтед (ENG)
Сделка на 5 лет, трансфер 4,5 млн евро
Чт (23:45/18:45)
Дэниел Джеймс
Вперед
Лидс Юнайтед (ENG)
Фулхэм (Англия)
Сезонный кредит
Чт (23:30/18:30)
Оливер Абдильдгаард
Полузащитник
Рубин Казань (RUS)
Селтик (ШОС)
Сезонный кредит (вариант покупки не определен)
Чт (23:19/18:19)
Кенеди
Левый вингер
Челси (ENG)
Реал Вальядолид (СПА)
Сделка на 5 лет, комиссия не разглашается
Чт (23:12/18:12)
Гектор Бельерин
Защитник
Арсенал (ENG)
Барселона (СПА)
Сделка на 1 год, бесплатный трансфер (пункт отступных 50 млн евро)
Чт (23:01/18:01)
Джастин Клюйверт
Вперед
AS Рома (Италия)
Валенсия (СПА)
Сезонный кредит с опционом на покупку
Чт (23:01/18:01)
Duje Caleta-Car
Защитник
Марсель (Франция)
Саутгемптон (ENG)
Постоянная сделка (комиссия 10 млн евро)
Чт (23:00/18:00)
Ян Беднарек
Защитник
Саутгемптон (ENG)
Астон Вилла (ENG)
Сезонный кредит с опционом на покупку
Чт (22:58/17:58)
Андре Гомес
Полузащитник
Эвертон (ENG)
LOSC Лилль (FRA)
Сезонный кредит
Чт (22:45/17:45)
Карлос Винисиус
Вперед
Бенфика (ПОР)
Фулхэм (Англия)
Сделка на 3 года + опцион на 1 год, 5 млн евро
Чт (22:25/17:25)
Федерико Фернандес
Защитник
Ньюкасл (ENG)
Эльче (СПА)
Постоянная сделка
Чт (22:17/17:17)
Джеймс Гарнер
Полузащитник
Манчестер Юнайтед (ENG)
Эвертон (ENG)
Сделка на 4 года, 17,5 млн евро
Чт (21:56/16:56)
Артур Мело
Полузащитник
Ювентус
Ливерпуль
Кредит на 1 год, комиссия 4,5 млн евро, опцион на покупку 37,5 млн евро
Чт (21:41/16:41)
Джон Брукс
Защитник
Свободный агент
Бенфика (ПОР)
Сделка на 1 год
Чт (21:30/16:30)
Сэм Эдози
Защитник
Манчестер Сити (ENG)
Саутгемптон (ENG)
Контракт на 5 лет, гонорар 9,3 млн евро
Чт (21:30/16:30)
Эль Билал Туре
Вперед
Стадион Реймс (FRA)
Альмерия (СПА)
Контракт на 6 лет, гонорар 10 млн евро
Чт (21:11/16:11)
Мартин Брейтуэйт
Вперед
Барселона (СПА)
Эспаньол (СПА)
Сделка на 3 года, бесплатный трансфер
Чт (21:07/16:07)
Гаэтан Лаборд
Вперед
Ренн (Франция)
OGC Ницца (FRA)
Сделка на 4 года, комиссия 15 млн евро
Чт (21:00/16:00)
Эйнсли Мейтленд-Найлз
Правый защитник
Арсенал (ENG)
Саутгемптон (ENG)
Сезонный кредит
Чт (20:40/15:40)
Амин Гуири
Полузащитник
OGC Ницца (FRA)
Ренн (Франция)
Сделка на 5 лет, комиссия 28 млн евро
Чт (20:27/15:27)
Эз Абде
Вперед
Барселона (СПА)
Осасуна (СПА)
Сезонный кредит
Чт (20:19/15:19)
Сергино Дест
Правый защитник
Барселона
Милан
Кредит на 1 год + опцион на покупку
Чт (20:04/15:04)
Матия Настасич
Защитник
Фиорентина (Италия)
Майорка (СПА)
Контракт на 1 год + опцион, бесплатный трансфер
Чт (20:02/15:02)
Леандер Дендонкер
Полузащитник
Волки (ENG)
Астон Вилла (ENG)
Сделка на 5 лет, 15 млн евро
Чт (20:00/15:00)
Адам Оунас
Вперед
Неаполь (Италия)
LOSC Лилль (Франция)
Сделка на 2 года + опцион на 1 год
Чт (19:50/14:50)
Карлос Солер
Вперед
Валенсия (СПА)
ПСЖ (Франция)
Сделка на 5 лет, 21 млн евро
Чт (19:10/14:10)
Итан Ампаду
Защитник
Челси (ENG)
Специя (Италия)
Сезонный кредит
Чт (18:40/13:40)
Илаикс Мориба
Полузащитник
РБ Лейпциг (Германия)
Валенсия (СПА)
Сезонный кредит
Чт (18:32/13:32)
Франческо Ачерби
Защитник
Лацио (Италия)
Интер Милан (ITA)
Бесплатный сезонный кредит с опционом на 4 млн евро
Чт (18:31/13:31)
Макси Гомес
Вперед
Валенсия (СПА)
Трабзонспор (ТУР)
Контракт на 3 года с опционом, комиссия 3 млн евро
Чт (18:30/13:30)
Джулиан Дракслер
Полузащитник
ПСЖ (Франция)
Бенфика (ПОР)
Сезонный кредит
Чт (18:15/13:15)
Пауло Газзанига
Вратарь
Фулхэм (Англия)
Жирона (СПА)
Сезонный кредит
Чт (17:30/12:30)
Мартин Дубравка
Вратарь
Ньюкасл Юнайтед (ENG)
Манчестер Юнайтед (ENG)
Кредит на сезон, 2 млн фунтов стерлингов (опцион на покупку)
БОЛЬШЕ: Когда открывается и закрывается трансферное окно в январе 2023 года?
Последние новости, основные моменты и обновления клуба
— Любой -AcademyWomenClubMen
14 сентября 2022 г.
Интервью
Белый сравнивает это времена года Начало к последний
Галерея
Артиллеристы в окончательный приготовления за WSL открывалка
Новости
Эйдевалл: Наш чемпионы Можно поднимать нас это время года
Функция
Слушать из наш день матча диктор Питер Муджузи
Новости
Ноябрь Премьер Лига игры перенесен
Пресс-конференция
Каждый слово из Йонаса добрайтонский прижимная лапка
Партнерская активация
Арсенал а также Дополнительные отметки запуск молодежь конкуренция
Новости
Новые свидание за ПСВ приспособление; Манчестер Сити перенесенный
13 сентября 2022 г.
Новости
Всего серии из ‘Внутри Хейл Конец’ доступный в настоящее время
Новости билетов
Продажа билетов Информация: ФК Будё/Глимт в Арсенал
Молодой пистолет
Молодой Пистолет: Луис Коричневый
Арсенал Женщины
Луг Парк — День матча Руководство
12 сентября 2022 г.
Новости
Брентфорд приспособление подтвержденный за 12 часов дня пинать выключенный
Новости
Арсенал в Брайтон подтвержденный в качестве WSL открывалка
Новости
Джио Кейрос знаки за Арсенал
Купить новый iPhone 14, Безлимитные тарифные планы, Интернет и ТВ
Предложения
Телефоны и устройства
Беспроводная связь
Интернет
ТВ
Предоплата
Связки
Pro.
Вне.
Узнайте, как новые и существующие клиенты получают у нас iPhone 14 Pro с правом обмена.
Подробнее о предложении
Предварительный заказ
iPhone 14 Pro Max
Узнайте, как каждый может получить скидку до 1000 долларов США при соответствующем обмене.
Подробнее о предложении
Предзаказ
БЕСПРОВОДНАЯ
AT&T 5G. Быстро. Надежный. Безопасный.
AT&T 5G требует совместимого плана и устройства. 5G доступен не везде. Перейдите на att.com/5Gforyou для получения подробной информации.
Узнать больше
БЕЗЛИМИТНЫЕ ПЛАНЫ НА ПЕРЕДАЧУ ДАННЫХ
Получите больше с Безлимитным по-своему SM
Выберите идеальный план для каждого члена вашей семьи
AT&T может временно снизить скорость передачи данных, если сеть занята. Подходящие безлимитные планы AT&T: Starter, Extra и Premium.
Узнать больше
AT&T ACTIVEARMOR SM
Ваша безопасность — наш главный приоритет
Получите встроенную защиту с проактивной сетью 24/7, которая помогает остановить угрозы до того, как они доберутся до вас.
Совместимое устройство/служба Req. Применяются другие условия и требования.
Узнать больше
Хотите новейшие технологии?
У нас есть телефоны, планшеты, смарт-часы, носимые и подключенные устройства от всех ваших любимых брендов. Совершайте покупки в Интернете на сайте att.com и получайте быструю, бесплатную бесконтактную доставку и квалифицированную настройку с помощью AT&T Right To You SM , где это возможно. 1 Или позвольте нашим виртуальным экспертам показать вам магазин с помощью Live Shopping Assistance. Получите помощь по переходу на AT&T, добавлению линии и покупке нового телефона. А теперь вы можете узнать о последних телефонах с AT&T Live.
Получите новый тарифный план беспроводной связи
У нас есть тарифные планы для любых нужд. Наслаждайтесь гибкостью плана предоплаты — без годового контракта и без проверки кредитоспособности. Все неограниченные планы включают AT&T 5G и неограниченные разговоры, текстовые сообщения и данные. Кроме того, с Unlimited Your Way℠ вы можете выбрать разные тарифные планы для каждой линии в вашей учетной записи. Таким образом, вы можете получить идеальное соответствие для каждого члена семьи и их потребностей в использовании.
Для 5G требуется совместимое устройство. 5G может быть не в вашем регионе. Подробную информацию о покрытии см. на странице att.com/5Gforyou 9.0003
Смотрите телевизор по-своему
DIRECTV STREAM — это будущее развлечений. Он сочетает в себе все лучшее, что есть в онлайн-трансляциях и программах по запросу, с преимуществами прямых телетрансляций и спортивного контента. Он также поставляется с голосовым пультом , который позволяет вам использовать свой голос, чтобы делать такие вещи, как проверка погоды, переключение каналов, приглушение света, запись ваших любимых шоу и многое другое. С DIRECTV STREAM вы даже получите доступ к некоторым из ваших любимых приложений и игр. Для клиентов, которым нужен более традиционный ТВ-пакет, у вас также будет возможность выбрать ДИРЕКТВ .
Оставайтесь на связи с друзьями и семьей
Разговаривайте, отправляйте текстовые сообщения и транслируйте с нашими безлимитными тарифными планами. 2 И помните, чем больше линий вы добавите, тем больше вы будете экономить каждый месяц. Найдите идеальный план семейного сотового телефона на att.com.
Оставайтесь на связи с Интернетом AT&T
Со всеми действиями, которыми вы занимаетесь в Интернете, вы требуете большого количества наших интернет-услуг. Вот почему вам нужен быстрый и надежный интернет-сервис, предоставляемый AT&T. От серфинга до покупок и игр — вам понравится 9Надежность 9% и надежное подключение к Wi-Fi по всему дому 3 с доступом в Интернет от AT&T. Узнайте о доступности AT&T Fiber в вашем регионе.
Предложения для всех
Покупайте новейшие смартфоны в AT&T, например новые Samsung Galaxy Z Flip4, Galaxy Z Fold4, iPhone 14 и iPhone SE (2022 г.). Кроме того, получите лучшие предложения на новые и старые телефоны Android и iPhone. В дополнение к мобильным телефонам вы можете сэкономить на планшетах и смарт-часах. Посетите нашу страницу предложений, чтобы узнать о последних предложениях телефонов от AT&T.
Вы знаете, что с нами вы получаете лучшее
За последние пять лет мы инвестировали почти 145 миллиардов долларов в улучшение всего, от качества голоса и потоковой передачи до загрузки данных и надежности вызовов. И теперь мы продолжаем внедрять инновации, создавая беспроводную технологию следующего поколения: 5G. Присоединяйтесь к нам и посмотрите, что будет дальше.
1 Только выбор областей. Услуги, предоставляемые AT&T или авторизованным поставщиком. 2 AT&T может временно снизить скорость передачи данных, если сеть занята. 3 Заявление о надежности не включает DSL. В зависимости от доступности сети. Количество устройств зависит от размера/разрешения экрана.
Купить биткойны и другие криптовалюты | биржа криптовалют, переосмысленная
Популярные активы
Новые активы
Повышает рейтинг
Рейтинг по обороту
Актив
Последняя цена
24-часовая смена
Диаграмма
Торговля
БТД Биткойн
Эфириум Эфириум
LTC лайткоин
ОКБ ОКБ
МПБ Биткойн Кэш
БСВ Биткойн СВ
ТАК ДАЛЕЕ Эфириум Классик
Актив
Последняя цена
24-часовая смена
24ч том
Торговля
Актив
Последняя цена
24-часовая смена
24ч том
Торговля
Актив
Последняя цена
24-часовая смена
24 часа условно
Торговля
Посмотреть другие популярные курсы криптовалют
Ваша универсальная криптовалютная платформа
Откройте для себя
Исследуйте мир DeFi, DApps, NFT и GameFi. Создавайте будущее с OKX.
Исследуйте DeFi
Купить крипту
Конвертируйте более 30 местных валют в BTC, ETH, USDT или другие криптовалюты за считанные минуты, используя кредитную карту или другой способ оплаты.
Купить крипто
Торговля
Торгуйте криптовалютой на самой мощной в мире бирже с инструментами для начинающих, продвинутых трейдеров и учреждений.
Торгуйте криптовалютой
Расти
Получайте высокий доход, получайте ранний доступ к новым токенам, присоединяйтесь к нашему пулу майнинга или используйте свои криптоактивы для получения кредита под низкие проценты
Развивайте свою криптовалюту
Узнать
Будьте в курсе криптографии и оттачивайте свои навыки с помощью руководств, анализа рынка и исследований.
Узнайте о криптовалюте и блокчейне
Как покупать и продавать криптовалюту на OKX
Начать торговлю криптовалютой на OKX
Используйте свои криптоактивы для получения пассивного дохода на OKX
Торгуйте на ходу
Мощная биржа биткойнов и криптовалют в вашем кармане. Покупайте, продавайте и обменивайте криптовалюту на ходу.
Документация OKX API
Какие продукты предлагает OKX?
OKX — это полноценная экосистема и биржа цифровых валют. Мы предлагаем передовые услуги по торговле и заработку криптовалюты миллионам пользователей в более чем 180 регионах мира. На OKX вы можете:
Торговать сотнями токенов и торговых пар на спотовых, маржинальных и деривативных рынках
Управлять своим портфелем DeFi — подключите свой кошелек Web 3.0 и просматривайте все свои децентрализованные активы в одном месте
Создавайте, покупайте и продавайте NFT на нашем NFT Marketplace
Откройте для себя лучшие децентрализованные приложения, включая игровые децентрализованные приложения DeFi и блокчейна
Подключайтесь к DeFi с помощью нашего кошелька Web 3.0 — как в приложении, так и в виде расширения для браузера
Зарабатывайте криптовалюту в наших пулах для майнинга, берите обеспеченные криптовалютой кредиты и находите другие способы роста своей криптовалюты с помощью OKX Зарабатывайте
Где основан на OKX?
Основанная в 2017 году, OKX является зарегистрированной на Сейшельских островах криптовалютной компанией, предоставляющей новейшие торговые и финансовые услуги для сотен разнообразных криптоактивов. Помимо наших ведущих предложений по спотам и деривативам, мы поддерживаем ряд продуктов DeFi, включая торговлю NFT, доступ к курируемым децентрализованным приложениям и мультицепочный кошелек Web 3.0.
Как купить биткойн на OKX?
Купите биткойн за считанные минуты за фунты стерлингов, евро, доллары США или вашу местную валюту. OKX поддерживает различные популярные способы оплаты, включая Visa и Mastercard.
Ознакомьтесь с нашим руководством по покупке биткойнов и других криптовалют, чтобы начать.
Купить BTC
Купить USDT
Buy ETH
Buy Dot
Buy Sol
Buy Doge
Buy XRP
Buy OKB
Buy BCH
— учетная запись, требуемая для обмена Crypto на OKX??
Вам не нужно подтверждать свою учетную запись, чтобы внести депозит или обменять криптовалюту на OKX. Однако вам нужно будет подтвердить свою личность, чтобы вывести криптовалюту сверх определенного лимита. Узнайте больше о трех уровнях проверки личности и о том, как разблокировать самые высокие дневные лимиты на снятие средств, в нашем обзорном руководстве по проверке личности.
Могут ли граждане США использовать OKX?
OKX не работает в США. Наша платформа доступна по всему миру, за исключением следующих юрисдикций: США, Куба, Иран, Северная Корея, Крым, Малайзия, Сирия, Соединенные Штаты Америки, Бангладеш и Боливия.
Подробнее см. в наших Условиях обслуживания.
Как я могу присоединиться к сообществу OKX?
Присоединяйтесь к сообществу OKX в Telegram, Twitter, Facebook, LinkedIn и Instagram.
До встречи!
Почему мне следует выбрать OKX для торговли криптовалютой?
OKX — ведущая и надежная биржа криптовалют и биткойнов. С сотнями торговых пар спот и деривативов мы предлагаем лучшую в отрасли ликвидность, а также ранний доступ к новым токенам и активам.
Помимо торговли криптовалютой, OKX позволяет вам получать пассивный доход от ваших криптовалютных активов. У нас также есть простой в использовании портал в мир DeFi, NFT и блокчейн-игр.
Заставьте свою криптовалюту работать на вас с помощью новейших высокодоходных предложений на OKX Зарабатывайте
Просматривайте, собирайте и торгуйте NFT на нашем рынке NFT
Узнайте, что нового в GameFi и играйте, чтобы заработать на блокчейн-играх
Откройте для себя Протоколы DeFi через Web3. Подключитесь к нашему расширению браузера Web 3.0 wallet
Узнайте о криптографии
Посмотреть все
Как Арканзас и Южная Каролина сравниваются на каждой позиции
Вот положенный анализ «Разорбэки и Гамкоки» в преддверии субботы в 11:00 в Фейетвилле:
Нарушение
Квота Спенсер Раттлер (23-37-2, 227 ярдов, 1 тачдаун, 62,2%) был новичком всей Америки в Оклахоме в 2020 году. Он занимает 93-е место в FBS по эффективности (111,8) с отягощением на 6,1 ярда за попытку. 6-1, 215-фунтовый боец был уволен 3 раза на прошлой неделе и набрал минус 12 ярдов. Gamecocks не растягивали поле, но, вероятно, сделают это сегодня. Люку Доти, сыгравшему в стартовом составе 6 игр за последние 2 сезона, сейчас 129.из 241 (60,3%) на 1380 ярдов с 7 TD, 6 INT.
АРКАНСАС К.Дж. Джефферсон (18-26-0, 223 ярда, 3 TD) пробежал 18 раз на 62 ярда и TD против Цинциннати. Джефферсон занимает 28-е место в FBS с эффективностью 179,4 и в среднем 8,6 ярда за попытку. На прошлой неделе у него было несколько ошибочных бросков с жесткой серией красных зон, в которой у него, казалось, были судороги в ногах. У Малика Хорнсби была серия, которая включала один снэп из-под центра, и он взял боковой 13 ярдов для первого дауна.
ADVANTAGE Арканзас
Бегущие защитники
ЮЖНАЯ КАРОЛИНА UA Тренер Сэм Питтман является фанатом лучшего защитника МарШона Ллойда (11–33), бывшего 5-звездочного новобранца, который перенес разрыв крестообразных связок Bellheim в 2020 году. , 6-3, 232-фунтовый TE/FB, возглавил команду с 40 ярдами на 7 керри на прошлой неделе. Старший Кристиан Бил-Смит, который возглавлял команду с 732 ярдами в 2020 году и имел рекорд команды 604 ярда, 7 ярдов в прошлом году, не играл на прошлой неделе (фут), но должен вернуться. Джуджу Макдауэлл (7-14) — 5-9, 180-фунтовая смена темпа.
АРКАНСАС Рахайм Сандерс (20 керри, 117 ярдов, 5,9 года) показал свой второй в карьере 100-ярдовый матч с 80% керри ТБ. AJ Green (3-18) и Rashod Dubinion (2-16) разделили остальных и продемонстрировали сильные вспышки и навыки подсечки. Доминик Джонсон (97-575, 7 ТД, 5,9 лет в 21-м) под вопросом (колено). У Razorbacks, как и у Южной Каролины, есть разнообразная беговая атака с участием QB / WR.
ПРЕИМУЩЕСТВО Арканзас
Ресиверы/концы
ЮЖНАЯ КАРОЛИНА Антвейн Уэллс-младший (7 уловов, 55 ярдов) был всеамериканским игроком FCS на Джеймсе Мэдисоне в 2021 году (83–1250, 15). Джален Брукс (4-88), старший игрок 6-2, является создателем ярких моментов и опасным игроком. Джош Ванн (1-9) заканчивает удачный год. Дакереон Джойнер отсутствовал на прошлой неделе. Может иметь лучшие TE по эту сторону Джорджии с Джахеймом Беллом (4-18) и Остином Стогнером (1-7) впереди.
ARKANSAS TE Трей Нокс (6-75, 2 TD), который на прошлой неделе лидировал в Hogs во всех трех категориях, обеспечивает Джефферсону большой комфорт. Мэтт Ландерс (3–43), Джейдон Хазелвуд (3–42, 1 TD) и РБ Сандерс (3–12) — все по 3 улова, а Уоррен Томпсон (2–22) — ключевой третий даун. Кетрон Джексон-младший добавит больше уловов к своей блокировке, которая была сильной по всем направлениям, за исключением пары удерживающих коллов.
ПРЕИМУЩЕСТВО Нет
Линия нападения
ЮЖНАЯ КАРОЛИНА Есть ветеран, опытный фронт, но в прошлом году они боролись и не проявили себя в первом матче, так как Gamecocks плохо управляли мячом и допустили 3 сэка . OT Джейлен Николс, 322-фунтовый, и Дилан Воннум являются старшими вместе с C Эриком Дугласом и RG Джовоном Гвином, а LG Vershon Lee является юниором. Группа в среднем 6-4, 306 фунтов. Матчап с ключом передних станков UA.
ARKANSAS The Razorbacks были разбиты в лагере, но квинтет в составе C Рики Стромберга, OG Brady Latham и Beaux Limmer, а также OT Люка Джонса и Далтона Вагнера отыграл весь дебют и показал физическую форму. Лиммер вошел в десятку лучших в рейтинге Pro Football Focus с результатом 79,8 балла. Группа не была помечена как удерживаемая. У Цинциннати было два мешка на снимках подряд. Тай’Киист Кроуфорд — шестой OL, и сегодня он должен получить снимки.
ПРЕИМУЩЕСТВО Арканзас
ЗАЩИТА
Линия
ЮЖНАЯ КАРОЛИНА ДТ Алекс Хантли (2 отбора мяча, 1 ПБУ) и Зак Пикенс, оба 6-4, 305-фунтовые, сильные пожиратели блоков и разрушительные. Пикенс — бывший рекрут с 5 звездами; Хантли 4 звезды. Глубина за ними тоже хорошая, с Тонкой Хемингуэй (1, 1 торопится) и М.Дж. Уэббом (1). Энд Джордан Берч (5, 0,5 TFL) — бывший 5-звездочный игрок с весом 6-6, 275 фунтов. Джордан Страчан (4, 1,5 TFL) разделил лидерство FBS по мешкам (10,5) в 20-м году в штате Джорджия.
АРКАНСАС На прошлой неделе Razorbacks продемонстрировали приличную глубину. Трансферы Лэндон Джексон (5, полусэк, 1 в спешке), Терри Хэмптон (3, 1 за TFL) и Джордан Доминек (2, 1 сэк, 1 FF, 1 FR) — все они имели влияние после DE Зака Уильямса (2, 1,5 TFL, полумешок), Джашод Стюарт (1), Эрик Грегори (2 спешки) и Исайя Николс. Кэм Болл (2) и Маркус Миллер должны помочь в DT, а Дориан Джеральд и Эрик Томас обеспечат ветеранскую глубину в DE.
ПРЕИМУЩЕСТВО Нет
Полузащитники
ЮЖНАЯ КАРОЛИНА WLB Брэд Джонсон (5, 1 торопится), 238-фунтовый старший, перешел из DL в прошлом сезоне. Мохамед Каба (4, 1 PBU), 239-фунтовый юниор и бывший 4-звездочный игрок, отлично провел межсезонье и обогнал старшего шестикурсника Шеррода Грина в стартовом составе. Грин получил травму в предсезонке, но может вернуться сегодня. Дебо Уильямс (5, 1 TFL, 1 спешка), перешедшая из Делавэра, заработала много повторений в прошлые выходные.
ARKANSAS Bumper Pool (13, 1 TFL) занимает восьмое место в рейтинге карьерных снастей UA. Сегодня старшеклассник пятого курса выйдет на четвертое место с 10 отборами мяча. Ценность Дрю Сандерса (5, 1 сэк) как пас-рашера была очевидна на прошлой неделе, когда он выкурил RB на своем мешке. Крис Пол-младший (5) заработал третье место по количеству повторений на прошлой неделе, а настоящий новичок Джордан Крук также получил игровое время. Джексон Вудард (1), большой игрок специальной команды, следующий в ротации.
ADVANTAGE Arkansas
Secondary
ЮЖНАЯ КАРОЛИНА Сэм Питтман рекламировал многоцелевой DB Cam Smith (2) как один из лучших в стране в тылу. Он числится в никеле вместе со старшеклассниками Марселласом Дайалом (3, 1 INT, 3 PBU) и Дариусом Рашем (1, 1 поторопился) в CB. Шейн Бимер не обновил статус раненого старшего эсэсовца Р.Дж. Родерик (2) в среду. Девонни Рид (5, 0,5 TFL), Ник Эмманвори (3, 1 PBU) и Д. К. Смит (2) оказывают Gamecocks мощную поддержку и охват.
АРКАНСАС В Razorbacks не будет капитана Джалена Каталона (8, 1 срочно) и NB Майлза Слашера (3, 1 TFL), поэтому Латавиус Брини (5), NB Джейден Джонсон (2), Хари Джонсон и Трент Гордон должны получить больше пробега с безопасностью Симеона Блэра (7, 1 TFL). Верхние углы Дуайт МакГлотерн (4, 1 INT, 1 PBU) и Хадсон Кларк (3, 1 PBU, 1 FF) держались нормально, хотя некоторые открытые, глубокие WR не были обнаружены. Малик Чавис и Ладарриус Бишоп (1) должны играть лучше.
ПРЕИМУЩЕСТВО Южная Каролина
Специальные команды
ЮЖНАЯ КАРОЛИНА Самый легкий шлем на этой неделе. Пи Кай Крюгер (в среднем 49,1 балла) стал игроком недели по версии Рэя Гая. ПК Митч Джетер пошел 2 из 2 на FGA с 53, 51 ярда. Fake FG установил TD на прошлой неделе и заблокировал удары Рашада Амоса, а Travel Kenion вернулся за TD Ахмареоном Брауном и DQ Смитом. У Джетера было 4 тачбэка при 6 начальных ударах. Джош Ванн набирал в среднем 11 ярдов за 3 возврата плоскодонки.
АРКАНСАС Кэм Литтл сделал 32-ярдовый FG и 5 из 5 на FG/PAT. У Джейка Бейтса были тачбэки в 5 из 6 начальных матчей на прошлой неделе. Чистая игра (29.0) занимает 114-е место после неудачного старта Макса Флетчера (38,5). Пи Рейд Бауэр может получить работу сегодня. У Брайса Стивенса был 1 возврат плоскодонки на 3 ярда; AJ Green ответный начальный удар на 16 ярдов. Свиньи оштрафованы на одиночном КОР. Снэппер Эли Стейн и холдер Бауэр хорошо начали, пройдя незамеченными против Цинциннати.
ПРЕИМУЩЕСТВА Южная Каролина
Нематериальные активы
ЮЖНАЯ КАРОЛИНА Gamecocks тренируются по утрам, так что начало в 11 утра заставит их врасплох, и их не стоит волновать. Другое дело, как они отреагируют на свою первую враждебную толпу в этом сезоне. O-линия должна работать лучше после того, как на прошлой неделе допустила 3 мешка и произвела скудные 79мчащиеся ярды против низкорослой защиты. Фактором является знакомство между Шейном Бимером, Сэмом Питтманом и координатором специальных команд UA Скоттом Фонтейном.
АРКАНЗАС В начале недели Сэм Питтман разместил в социальных сетях видео, призывающее студентов быть на месте и шуметь во время 11-часового удара после того, как они увидели, что фанаты Джорджии сделали с «Хогс» в начале прошлого года. Скорее всего, фанаты Razorback отреагируют на открытие SEC.
назначение, устройство и принцип работы газораспределительного механизма двигателя
Автор Павел Александрович Белоусов На чтение 5 мин. Просмотров 639
Содержание
Конструкция ГРМ
Работа системы клапанов
Распределительный вал
Работа системы валов ГРМ
Проблема термического расширения
Видео: Принцип работы газораспределительного механизма
ГРМ в процессе эксплуатации
Современный двигатель внутреннего сгорания имеет сложную конструкцию, и один из ее основных элементов – газораспределительный механизм (ГРМ). Главное назначение газораспределительного механизма – регулировка своевременной подачи топливно-воздушной смеси в моторные цилиндры и вывод из них отработанных газов за счет периодического открытия и закрытия системы клапанов.
Конструкция ГРМ
Газораспределительный механизм двигателя приводит в движение систему клапанов. В различных моделях автомобилей применяются разные технические решения для обеспечения работы ГРМ, но принцип работы у всех одинаковые и обычный газораспределительный механизм состоит из:
распределительного вала с установленными на него кулачками;
системы впускных и выпускных клапанов с тарелочками, закрепленными сухарями;
рычагов (рокеров) или гидрокомпенсаторов;
шестерни распределительного вала;
шестерни коленчатого вала;
ремня или цепи ГРМ;
дополнительных шестерней и роликов.
Работа системы клапанов
Каждый клапан оснащается пружиной, которая возвращает его в верхнее (закрытое) положение. Специальный кулачок, расположенный на валу, вращаясь, нажимает на клапан, открывая его в нужный момент. Чтобы пружина не соскользнула, на верхней части клапана делается кольцевая проточка, иногда две или три, в неё вставляется сухарь, к которому прикрепляется тарелка с конусовидным отверстием. Собранный из двух частей сухарь тоже имеет конусную поверхность и надежно удерживает тарелку с пружиной. Собранный таким образом клапан называют «засухаренным».
Распределительный вал
Нажимающие на клапана кулачки заставляет двигаться специальный механизм – привод ГРМ, точнее еще один его компонент – газораспределительный вал, который еще называют распредвалом. Кулачки являются его составной частью, а крепится он на специальных опорных шейках в головке блока цилиндров. В зависимости от расположения кулачков на распредвалу, поочередно открываются нужные для нормальной работы двигателя клапана, в чем и состоит принцип работы ГРМ. В некоторых моделях двигателей, где цилиндры расположены не рядно, предусмотрена пара распределительных валов.
Работа системы валов ГРМ
Распредвал приводится в движение посредством коленчатого вала, на конце которого находится шестерня специально подобранного диаметра. Другая шестерня устанавливается на распределительный вал. Передача крутящего момента от коленчатого вала к распределительному передается стальной цепью или ремнем с зубцами под шестерни, который изготовлен из прочной армированной резины. Работа газораспределительного механизма зависит от правильной установки цепи или ремня. В этом случае все клапана открываются в нужный момент, что позволяет воздушно-топливной смеси заходить в цилиндр, сгорать там и выводить отработанные газы. В этом состоит главный принцип работы газораспределительного механизма.
В зависимости от конструкции нажатие на клапан осуществляется непосредственно кулачком на распределительном валу или через рычаг, называемый рокером, на который воздействует кулачок. Назначение и устройство газораспределительного механизма позволяет открывать нужные клапана в момент наступления нужного такта работы двигателя, что обеспечивает ее бесперебойность. Любое нарушение ведёт к сбою в работе вплоть до поломки силового агрегата.
Проблема термического расширения
Устройство ГРМ обеспечивают нормальную работу двигателя, но при этом возникают определенные проблемы. Это касается термического расширения металла, из которого сделаны клапана, поскольку он подвергается воздействию высоких температур при сгорании топлива. При нагревании он удлиняется и не может плотно закрыть отверстие в цилиндре, что существенно снижает компрессию. Чтобы клапан удлинялся не в цилиндр, а вверх, между тарелкой и кулачком или рокером и кулачком делается тепловой зазор в 0,2 мм. Этот зазор выставляется и проверяется специальным щупом, а регулируется винтом или болтом.
В современных двигателях для борьбы с тепловым расширением используются другие детали газораспределительного механизма – гидрокомпенсаторы. В этом случае регулировка клапанов не потребуется, зазор выставляется и регулируется автоматически. Если гидрокомпенсатры начинают постукивать, это говорит о проблемах в их работе, поскольку они не успевают выбирать зазоры. Основные причины появления такой проблемы – поломка самого гидрокомпенсатора, который подлежит замене, реже засор или плохая работа системы смазки.
Видео: Принцип работы газораспределительного механизма
ГРМ в процессе эксплуатации
Чтобы при работе не возникло проблем, нужно периодически проверять газораспределительный механизм мотора. Нужно при помощи щупа контролировать тепловой зазор между клапаном и рычагом распредвала, а при необходимости производить регулировку.
Поскольку газораспределительный механизм предназначен для согласованной работы всех элементов двигателя, то нужно знать, что если в процессе его работы оборвется приводной ремень, то распределительный и коленчатый валы перестают работать синхронно. При этом распредвал может остановиться в положении, при котором один из клапанов останется полностью открытым и тогда двигающийся вверх поршень неизбежно ударит по клапану, который погнется, что приведет к выходу двигателя из строя и серьезному ремонту.
Чтобы избежать подобной ситуации, необходимо вовремя производить замену приводного ремня ГРМ. Периодичность замены указывается производителем в зависимости от конструктивных особенностей двигателя, но в большинстве случаев это рекомендуется делать при пробеге от 60 до 70 тыс. км. Это достаточно сложная операция, которую делают специалисты на СТО, но если у водителя есть нужные навыки, замену можно сделать и самостоятельно. Цепи ГРМ служат гораздо дольше, замена может потребоваться при пробеге от 300 до 400 тыс. км. Особенность двигателей с цепями: при их растяжении они начинают характерно греметь и позванивать, что позволяет определить необходимость замены.
Назначение газораспределительного механизма двигателя – обеспечить синхронную работу поршневой группы и клапанов. Каждый из его элементов должен работать в номинальном режиме, только тогда двигатель заведется. Иногда случается так, что ремень ГРМ не разрывается, а проскальзывает по шестерням, что будет видно по его меткам. В этом случае двигатель не заведется и потребуется замена ремня.
Печать
Реставратор для пластика и кожи
5 минут и салон авто как новый. Посмотрите фото до и после
1490 р.
Набор для ремонта стекла
Ремонт стекла авто своими руками. Спасает от трещин и сколов.
1690 р.
Зеркало видеорегистратор Vehicle Blackbox DVR
видеорегистратор + зеркало заднего вида + камера заднего вида + датчик движения + технология Dual cam + G-Sensor…
Салон будет как новый! Легко чистятся, не трутся, не рвутся.
3990 р.
Устройство ГРМ и принцип работы
Содержание
Устройство ГРМ
Общая схема и взаимодействие частей
Классификация ГРМ
Нижнеклапанные двигатели
Смешанное расположение клапанов
Верхнеклапанные двигатели
Устройство десмодромного газораспределительного механизма
Замена ремня ГРМ своими руками
Видео, иллюстрирующее работу ГРМ
Устройство ГРМ
Четырехтактный двигатель внутреннего сгорания – наиболее распространенный силовой агрегат, использующийся в современном автомобилестроении. Свое название он получил по количеству фаз, необходимых для осуществления одного цикла работы, или поворота коленчатого вала на 720 градусов.
Фаза впрыска топлива или топливно-воздушной смеси, сжатие рабочего тела поршнем, рабочий ход и выпуск отработанных газов. В модели идеального двигателя все фазы разнесены во времени, перекрытие между ними отсутствует, что, в свою очередь, обеспечивает получение максимально возможных рабочих значений мощности, крутящего момента и оборотов двигателя.
На практике, к сожалению, дела обстоят несколько хуже. Устройство газораспределительного механизма, отвечающего за исполнение фазы впрыска топлива и удаление выхлопных газов, его схема и принцип работы – основная тема данной статьи.
Общая схема и взаимодействие частей
Своевременное открытие впускных и выхлопных клапанов в цилиндрах двигателя внутреннего сгорания обеспечивается работой газораспределительного механизма или ГРМ.
Данное устройство состоит из распределительного вала с кулачками, необходимого количества коромысел или толкателей клапанов, пружин и собственно клапанов. Шестерня распредвала, ремень или цепь, используемые для передачи вращения от коленвала, и механизм натяжения цепи так же являются частью ГРМ.
Фаза впрыска топлива. Поршень начинает движение от верхней мертвой точки к нижней. Открывается клапан подачи горючего, и топливно-воздушная смесь заполняет разреженное пространство цилиндра. Отмерив необходимую дозу ТВС, клапан закрывается. Коленчатый вал повернулся на 180 градусов от начального положения.
Фаза сжатия. Достигнув нижней мертвой точки, поршень меняет направление движения к ВМТ, осуществляя сжатие топливно-воздушной смеси. При достижении верхней мертвой точки фаза сжатия рабочего тела оканчивается. Коленчатый вал совершил поворот на 360 градусов.
Фаза рабочего хода. В момент нахождения поршня в ВМТ и достижения максимальной расчетной степени сжатия, происходит воспламенение топливно-воздушной смеси. Под действием стремительно расширяющихся газов поршень движется к нижней мертвой точке, совершая рабочий ход. При достижении НМТ третья фаза работы четырехтактного двигателя внутреннего сгорания считается оконченной. Коленчатый вал совершил поворот 540 градусов.
Фаза удаления отработанных газов. Под действием коленчатого вала поршень начинает движение к верхней мертвой точке, вытесняя из объема цилиндра продукты сгорания топливно-воздушной смеси через открывшийся выхлопной клапан. По достижении поршнем ВМТ, фаза выхлопа считается завершенной, коленчатый вал совершил оборот на 720 градусов.
Для достижения такой точности по времени открытия впускных и выхлопных клапанов, газораспределительный механизм синхронизирован с оборотами коленчатого вала двигателя. Ремень или цепь передает вращение распределительному валу, кулачки которого, нажимая на коромысла, открывают поочередно впускные и выпускные клапаны ГРМ.
Классификация ГРМ
Нижнеклапанные двигатели
Газораспределительный механизм двигателя внутреннего сгорания прошел долгий путь от 1900-х годов до наших дней.
Нижнеклапанные двигатели с распредвалом в блоке цилиндров, использовались повсеместно, вплоть до середины двадцатого века. Схема и устройство впускных и выпускных клапанов, расположенных в ряд тарелками вверх, обеспечивала простоту изготовления и малошумность двигателя. Основным минусом подобной конструкции был сложный путь топливно-воздушной смеси, неоптимальный режим наполнения цилиндров, и, как следствие, меньшая мощность силового агрегата.
Газораспределительный механизм такого вида использовался вплоть до 90-х годов двадцатого столетия в грузовых автомобилях. Пример тому – ГАЗ 52, выпуск которого закончился в 1991 году.
Смешанное расположение клапанов
Попытки повысить мощностные характеристики ДВС привели к созданию двигателя со смешанным расположением клапанов. Впускные находились в головке блока цилиндров, а выпускные – в блоке, как у обычного «нижнеклапанника».
Распределительный вал один, так же расположенный в блоке цилиндров. Клапана, отвечающие за впуск топливно-воздушной смеси управлялись посредством штанг – толкателей, через которые передавалось усилие с распредвала, выхлопные – с помощью привычного коромысла.
Такая компоновочная схема обеспечивала более низкую температуру ТВС, и, как следствие, более высокую мощность, по сравнению с нижнеклапанными двигателями внутреннего сгорания.
Верхнеклапанные двигатели
Газораспределительный механизм, клапаны впускной и выхлопной системы которого находятся в головке блока цилиндров, а распредвал – в самом блоке, был сконструирован Дэвидом Бьюиком в самом начале двадцатого столетия. Управление клапанами осуществлялось посредством штанг – толкателей, воздействовавших на коромысла.
Подобная компоновочная схема обладает высокой надежностью, за счет передачи вращения от коленчатого вала к распределительному, с помощью шестерни. Зубчатый ремень, изношенный в процессе эксплуатации, может оборваться, нанеся серьезные повреждения клапанному механизму ГРМ, изношенная же передаточная шестерня лишь немного сдвинет фазы газораспределения, что опытный водитель заметит по изменениям в работе двигателя.
Минусом является некоторая инерционность подобной конструкции, что накладывает ограничения на обороты двигателя, а, следовательно, на крутящий момент и степень форсирования. Использование более чем двух клапанов на цилиндр приводит к усложнению газораспределительного механизма и увеличению габаритных размеров двигателя. Четырехклапанные двигатели такой компоновки используются в грузовых автомобилях КамАЗ, дизельных тепловозных двигателях.
Газораспределительный механизм автомобиля «Волга» двадцать первой модели был устроен именно по верхнеклапанной схеме.
Двигатели, в которых распредвал и клапаны газораспределительного механизма располагаются в головке блока цилиндров, обозначаются аббревиатурой SOHC. Принцип действия и устройство механизма управления клапанами ГРМ отличается большим разнообразием. Существует схема открытия клапанов при помощи коромысел, рычагов и толкателей. Наибольшее распространение подобное устройство двигателей получило в период с середины 60-х до конца 80-х годов двадцатого столетия. В данный момент такие двигатели устанавливаются на недорогие легковые автомобили.
Двигатели, газораспределительный механизм которых включает в себя два распредвала, обозначается аббревиатурой DOHC. При использовании двух клапанов на цилиндр, каждый распределительный вал открывает свой ряд клапанов. Такое устройство ГРМ позволяет уменьшить инерцию коленчатого вала, и тем самым значительно увеличивает обороты и мощность ДВС. Принцип работы двигателя, использующего четыре и более клапана на цилиндр, ничем не отличается от вышеописанного. Подобные силовые агрегаты демонстрируют большую, чем у двухклапанных аналогов, мощность и устанавливаются на большинство современных автомобилей.
В двигателях с подобным типом газораспределительного механизма важную роль играет устройство привода распредвалов. В качестве передаточного элемента используется цепь, находящаяся в герметично закрытом объеме, и омывающаяся маслом, или зубчатый ремень, находящийся на внешней стороне двигателя.
Поломка привода ГРМ зачастую приводит к печальным последствиям. Оборвавшийся ремень, износившийся в процессе эксплуатации, вызывает мгновенную остановку распределительного вала, вследствие чего некоторые клапаны остаются в открытом состоянии. Удар поршня по выступающей тарелке наносит серьезные повреждения головке блока цилиндров. В особо тяжелых случаях ремонт невозможен и требуется замена данного элемента двигателя.
Устройство десмодромного газораспределительного механизма
Для двигателей, конструкция ГРМ которых допускает использование пружин для закрывания клапанов, существует ограничение по максимальному количеству оборотов в минуту. При достижении значения в 9000 об/мин пружины не смогут обеспечить нужную скорость срабатывания, что неизбежно приведет к поломке двигателя.
Принцип десмодромного ГРМ заключается в использовании двух распределительных валов, один из которых производит открытие, а второй, закрытие клапанов. В таком двигателе нет ограничения на развиваемые обороты, ведь скорость срабатывания механизма напрямую зависит от скорости вращения коленвала.
Создание газораспределительного механизма с изменяемыми фазами стало возможным относительно недавно, с началом использования в двигателестроении бортовых компьютеров и электронных управляющих блоков. Система электромагнитных клапанов, меняющая режим работы согласно команд микропроцессора, позволяет снимать с двигателя мощность, приближающуюся к расчетной, при минимальном расходе топлива.
Замена ремня ГРМ своими руками
Снимая изношенный ремень, и устанавливая на его место новый, легко изменить взаимное расположение коленчатого и распределительного валов. В этом случае сместятся фазы газораспределения двигателя, что приведет к нарушениям в работе, вплоть до поломки. Метки на шестернях приводного механизма служат для визуального контроля настройки ГРМ.
Сняв непригодный ремень, необходимо совместить метки шестерней коленчатого и распределительного валов с прорезями в кожухе приводного механизма. Назначение этой операции – установка условного «нуля», с которого и начнется работа двигателя. Далее следует аккуратно установить запасной ремень, стараясь не сместить метки на шестернях.
Следующий шаг – осмотр и регулировка усилия натяжного ролика. Назначение этого узла в удержании ремня на шестернях приводного механизма. Правильность регулировки ролика можно проверить, повернув натянутый ремень пальцами. Если удастся провернуть на девяносто градусов – натяжной механизм отрегулирован хорошо. Если ремень повернется на угол меньший, чем 90 градусов, то он перетянут, если на больший, то недотянут.
Очень важно при монтаже не брать ремень ГРМ промасленными руками. Это может привести к проскакиванию на шестернях приводного механизма.
Купленный на придорожной АЗС ремень следует тщательно осмотреть. При нарушении условий хранения, даже новый ремень привода ГРМ пойдет трещинами и не сможет быть использован по назначению.
Видео, иллюстрирующее работу ГРМ
ГРМ двигателя автомобиля
Главная / Учебник по устройству автомобиля / Глава 4. Двигатель » Подраздел 4.5 Газораспределительный механизм (ГРМ)
Механизм газораспределения служит для осуществления своевременного впуска в цилиндр горючей смеси (например, бензина и воздуха) и выпуска отработавших газов. В головке блока цилиндров помещаются минимум два клапана – впускной и выпускной. Клапаны приводятся в движение деталями механизма газораспределения. Через впускной клапан в цилиндр поступает горючая смесь или воздух; через выпускной клапан выходят отработавшие газы в атмосферный воздух через систему выпуска.
Устройство и принцип действия механизма газораспределения
В бензиновых и дизельных двигателях применяется механизм газораспределения клапанного типа, сейчас уже, в основном, с верхним расположением клапанов. Это значит, что клапаны находятся сверху, в головке блока цилиндров, как показано на рисунке 4.8.
Так, при верхнем расположении клапаны с пружинами и деталями их крепления установлены в направляющих втулках в головке блока цилиндров, в которой также отлиты впускные и выпускные каналы.
Рисунок 4.8 Головка блока цилиндров с газораспределительным механизмом.
Усилие от кулачков распределительного вала, расположенного здесь же – в головке блока, к клапанам передается с помощью толкателей и/или коромысел. Коромысла установлены шарнирно на оси, закрепленной на головке блока. Клапаны на головке закрыты крышкой.
О тепловом зазоре
Между стержнем клапана, толкателем или концом коромысла газораспределительного механизма должен быть зазор (так называемый тепловой зазор), который необходим для компенсации удлинения стержня клапана при его нагревании без нарушения плотности посадки клапана в гнезде. Другими словами, если бы не было зазора, грубо говоря, между кулачком распредвала и клапаном, то от нагрева до высокой температуры, клапан увеличился бы в длину и перестал бы плотно прилегать к седлу в головке блока цилиндров.
Величина зазора для двигателей разных марок устанавливается для впускных клапанов в холодном состоянии в пределах 0,15—0,30 мм, а для выпускных клапанов, подвергающихся большему нагреву, — в пределах 0,20—0,40 мм. Однако же, у некоторых производителей зазор может быть таков, что не попадет в указанные диапазоны.
Для регулировки величины этого зазора в механизме предусмотрены регулировочные устройства. Хотя слово «устройство» слишком громкое для регулировочного болта и стопорной гайки (Рисунок 4. 9) или шайб различной толщины (Рисунок 4.10).
Рисунок 4.9 Регулировка теплового зазора с помощью болта.
Рисунок 4.10 Регулировка теплового зазора с помощью шайб (А – головка блока цилиндров без распределительного вала; Б – головка блока цилиндров с распределительным валом).
Сейчас очень распространена конструкция с гидравлическими компенсаторами, которые под давлением масла подводят коромысло или толкатель к кулачку распределительного вала, убирая тем самым негативное последствие теплового зазора, а именно — удар кулачка о толкатель во время работы. Но стоит упомянуть, что установка гидрокомпенсаторов удорожает конструкцию головки блока цилиндров и повышает свои требования к качеству используемого моторного масла и к частоте его замены, поскольку масляные каналы компенсатора могут забиваться продуктами износа.
Примечание Более подробно о гидрокомпенсаторах приведено ниже.
Предварительно о распределительном вале
Примечание Почему предварительно? Потому что для целостности восприятия данного раздела о распределительном вале необходимо сказать несколько слов, а более подробное описание данной детали будет дано ниже.
Правильность чередования различных тактов в цилиндрах двигателя достигается соответствующим расположением кулачков на распределительном валу, а также правильностью установки зацепления распределительных шестерен/шкивов с приводной шестерней/шкивом коленчатого вала.
В четырехтактном двигателе рабочий цикл во всех цилиндрах завершается за два оборота коленчатого вала. За это время в каждом цилиндре должны по одному разу открыться и закрыться впускной и выпускной клапаны, что происходит за каждый оборот распределительного вала. Таким образом, распределительный вал должен вращаться в два раза медленнее коленчатого вала. Для этого шестерня распределительного вала имеет вдвое большее число зубьев, чем шестерня коленчатого вала, либо же шкив по диаметру должен быть в два раза больше шкива коленчатого вала.
Фазы газораспределения четырехтактного двигателя
Для лучшего наполнения цилиндров свежим зарядом и наиболее полной очистки их от отработавших газов моменты открытия и закрытия клапанов в четырехтактных двигателях не совпадают с положениями поршней в ВМТ и НМТ, а происходят с определенным опережением или запаздыванием. Иначе говоря, впускной клапан может закрываться после того, как поршень пройдет НМТ, а выпускной — закрываться после ВМТ.
Моменты открытия и закрытия клапанов, выраженные в градусах, соответствующих величинам углов поворотов кривошипа коленчатого вала относительно мертвых точек, называются фазами газораспределения. Фазы газораспределения могут быть нанесены на круговую диаграмму, называемую диаграммой газораспределения, как показано на рисунке 4.11.
Пожалуй, будет проще показать это на примере. Так, если говорят, что клапан открывается за 5 градусов до ВМТ, значит клапан начал открываться в то время, когда кривошип коленчатого вала, к которому присоединен шатун поршня, находился за 5 градусов до верхней мертвой точки.
Впускной клапан начинает открываться немного раньше, чем поршень придет в ВМТ. При этом к началу хода поршня вниз при такте впуска клапан уже немного откроется. Опережение открытия впускного клапана для двигателей разных моделей колеблется в разных диапазонах. Зачастую закрытие впускного клапана происходит с определенным запаздыванием, когда поршень перейдет НМТ и начнет двигаться вверх. При этом некоторое время после перехода НМТ, несмотря на начавшееся незначительное движение поршня вверх, заполнение цилиндра зарядом будет продолжаться вследствие некоторого разрежения, еще имеющегося в цилиндре, а также вследствие инерции заряда, движущегося во впускном трубопроводе.
Примечание Однако стоит отметить, что существует как минимум два цикла, именуемых циклами Миллера и Аткинсона, при которых впускной клапан закрывается не так, как на обычных ДВС.
Таким образом, время открытия впускного клапана больше времени, в течение которого происходит полуоборот вала; продолжительность впуска при этом увеличивается, и цилиндр более полно заполняется свежим зарядом.
Выпускной клапан открывается раньше прихода поршня в НМТ.
При этом газы, находясь в цилиндре под большим давлением, быстро начинают выходить наружу, несмотря на то, что поршень еще движется вниз. Затем поршень, пройдя НМТ и двигаясь к ВМТ, будет выталкивать оставшиеся в цилиндре газы. Выпускной клапан закрывается тогда, когда поршень перейдет ВМТ. Несмотря на то, что поршень начнет уже немного опускаться вниз, газы будут продолжать выходить из цилиндра по инерции и вследствие отсасывающего действия потока газов, движущихся в выпускном трубопроводе. Таким образом, время открытия выпускного клапана больше времени, в течение которого происходит полуоборот вала, и цилиндр лучше очищается от отработавших газов.
Примечание Угол поворота кривошипа, соответствующий положению, при котором впускной и выпускной клапаны одновременно открыты, называется углом перекрытия клапанов. Вследствие незначительности этого угла и ничтожной величины зазора между клапанами и гнездами, возможность утечки горючей смеси исключена. Перекрытие клапанов необходимо для дополнительной продувки цилиндра с целью лучшей наполняемости свежим зарядом.
Некоторое уменьшение давления газов на поршень, происходящее при рабочем ходе вследствие раннего открытия выпускного клапана, и потеря части работы газов при этом восполняются тем, что поршень, движущийся при такте выпуска вверх, не испытывает большого сопротивления от газов, оставшихся в небольшом количестве в цилиндре.
Изменение фаз газораспределения
С развитием технологий перед конструкторами и инженерами открылись серьезные перспективы в повышении эффективности работы двигателя – увеличение мощности с одновременным снижением расхода топлива стало новым трендом в автомобильной промышленности. Для того, чтобы оптимизировать работу двигателя внутреннего сгорания, необходимо подстраивать фазы газораспределения под все режимы нагрузки – от холостого хода до полной нагрузки.
Примечание Обороты холостого хода — это минимальные обороты, при которых двигатель может работать устойчиво без нагрузки. Вы запустили двигатель, при этом никакого движения и воздействия на педаль газа не происходит.
А как изменять фазы газораспределения? — Проворачивать распределительный вал относительно коленчатого вала, изменяя тем самым моменты открытия клапанов. Прибавим к этому управление опережением зажигания* и это даст возможность управлять началом и концом тактов двигателя и позволило настолько оптимизировать работу ДВС, что показатели мощности и расхода топлива улучшились многократно.
Примечание * Опережение зажигания. Для того чтобы топливовоздушная смесь успела сгореть, пока поршень движется от верхней мертвой точки к нижней, ее необходимо поджигать немного раньше. Основным показателем является угол опережения зажигания, который говорит нам о том, за сколько градусов до ВМТ на такте сжатия возникнет пробой между электродами свечи. В зависимости от частоты вращения коленчатого вала и нагрузки на двигатель угол опережения зажигания должен изменяться, что реализуется с помощью распределителя зажигания или электронного блока управления двигателя (подробнее об этом рассмотрено в главе 10 «Электрооборудование и электросистемы», раздел 10. 4 «Система зажигания»).
Суть системы проста. На распределительный вал (или валы) устанавливается специальный механизм, на внешней части которого есть звездочка для приводной цепи от коленчатого вала. Механизм этот устанавливается так, что может проворачивать распределительный вал в сторону опережения или запаздывания, в зависимости от режима работы двигателя.
Если говорить более подробно, то работа механизма изменения фаз газораспределения (фазовращателя) происходит, как описано ниже.
Коленчатый вал через приводную цепь вращает фазовращатель, который установлен на распределительном валу. В момент, когда необходимо сместить время открытия клапанов в сторону запаздывания или опережения, фазовращатель проворачивает распредвал в соответствующую сторону.
Рисунок 4.12 Внешний вид фазовращателя.
Фазовращатели, в основном, устанавливают на впускной распределительный вал (вал, который открывает только впускные клапаны), но сейчас все чаще данные механизмы монтируют на оба распредвала – впускной и выпускной.
Изменяемая высота клапана
В современных бензиновых двигателях количество топливной смеси регулируется с помощью дроссельной заслонки – заслонка открывается, поступает больше воздуха, в соответствии с этим впрыскивается больше топлива. Воздух, необходимый для приготовления топливовоздушной смеси, пока доберется до цилиндра, преодолеет несколько весьма неприятных препятствий: воздушный фильтр, дроссельную заслонку, клапаны, а это все потери, которые напрямую влияют на мощность ДВС. Попробуйте сами подышать в противогазе не с угольным а с бумажным фильтром… Вот так и двигателю «тяжело дышать». Одно из препятствий на пути воздуха, от которого мечтали избавиться конструкторы, это дроссельная заслонка. Однако как регулировать количество впускаемого воздуха? Решение снова было связано с клапанами. Пришли к тому, что необходимо регулировать высоту клапана. Были системы со ступенчатым регулированием высоты клапана, а именно: клапан открывался только на три разные высоты. Затем придумали систему бесступенчатого открытия клапанов с диапазоном открытия от 1 мм до 10 мм. Это позволило избавиться от дроссельной заслонки – двигателю стало легче «дышать». Однако избавление от дроссельной заслонки изменением высоты открытия клапанов не является самоцелью. Контроль над работой клапанов позволяет еще больше отточить работу четырехтактного двигателя внутреннего сгорания.
Детали клапанной группы
К клапанной группе относятся клапан, направляющая втулка клапана, клапанная пружина с опорной шайбой и деталями крепления (они же — «сухари»). Все описанное приведено на рисунке 4.13.
Клапан служит для закрытия и открытия впускных или выпускных каналов в головке блока цилиндров. Основными элементами клапана являются тарелка и стержень.
Тарелка клапана имеет шлифованную конусную рабочую поверхность — фаску (обычно под углом 45°), которой клапан плотно притерт к седлу.
Стержень клапана отшлифован и проходит через направляющую втулку. На конце стержня клапана имеется канавка или отверстие для крепления опорной шайбы пружины. Разноименные клапаны имеют тарелки различных диаметров (зачастую, больший — у впускного клапана) или отличаются специальными метками.
Рисунок 4.13 Клапанный механизм.
Седло клапана (на рисунке 4.13) представляет собой металлическое кольцо цилиндрической формы с обработанной под углом 45 градусов рабочей поверхностью (той самой, к которой прилегает тарелка клапана). Седла клапанов запрессованы в головку блока цилиндров. Существуют конструкции с заменяемыми седлами и с седлами, запрессованными наглухо.
Направляющая втулка, в которой клапан устанавливается стержнем, обеспечивает точную посадку клапана в седло. Втулки запрессовывают в головку цилиндров.
Рисунок 4.14 Клапан.
Клапанная пружина удерживает клапан в закрытом положении, обеспечивая плотную его посадку в гнезде, а также создает постоянное прижатие толкателя к поверхности кулачка распределительного вала. Пружину надевают на выходящий из втулки конец стержня клапана и закрепляют на нем в сжатом состоянии с помощью опорной шайбы с коническими разрезными сухарями, которые входят в выточку на стержне клапана. Иногда на клапан устанавливают две пружины: пружину меньшего диаметра — внутрь пружины большего диаметра. Это делается для того, чтобы избежать резонанса пружины на определенных частотах работы двигателя, а также для подстраховки на случай поломки пружины. Часто применяются пружины с переменным шагом витков. Это исключает вероятность возникновения вибрации пружины и ее поломки при большом числе оборотов коленчатого вала двигателя. При установке двух пружин их подбирают таким образом, чтобы направление навивки их витков было выполнено в разные стороны, что также устраняет опасность возникновения резонансных колебаний пружин.
Для ограничения количества масла, поступающего в направляющую втулку, и устранения подсоса масла в цилиндр через зазоры во втулке на верхних впускных клапанах под опорной шайбой ставят маслосъемные колпачки.
Толкатель служит для передачи осевого усилия от кулачка распределительного вала на стержень клапана или на штангу. Дело в том, что передавать усилие от кулачка распредвала лучше именное через промежуточное звено – толкатель. Поскольку при длительной работе элементы клапанного механизма изнашиваются и, когда приходит время замены чрезмерно износившихся деталей, проще заменять небольшой толкатель, нежели целый распредвал или клапаны.
Рисунок 4.15 Головка блока цилиндров с элементами газораспределительного механизма.
Как было отмечено выше, сейчас получили широкое распространение так называемые гидрокомпенсаторы. «Гидро», потому что работают за счет давления моторного масла, а «компенсаторы», так как компенсируют или, проще говоря, сводят на нет зазор между кулачком распределительного вала и толкателем во время работы.
Толкатели в большинстве двигателей устанавливают без втулок непосредственно в отверстия приливов головки блока цилиндров. В некоторых двигателях для толкателей имеются направляющие втулки, отлитые секцией на несколько цилиндров.
Коромысло. Изменяет направление передаваемого движения. Устанавливают зачастую, когда распределительный вал один, а клапанов на цилиндр два или четыре, но расположены они особым образом (смотрите рисунок 4.16). Коромысла устанавливают на бронзовых втулках или без втулок на осях, которые при помощи стоек закреплены на головке блока. Одно плечо коромысла располагается над стержнем клапана, а другое — под или над кулачком распределительного вала. Для регулировки зазора между стержнем клапана и коромыслом в конец коромысла вкручен регулировочный винт с контргайкой.
Рисунок 4.16 Привод клапанов через коромысло.
Распределительный вал и его привод
Распределительный вал обеспечивает своевременное открытие и закрытие клапанов. Вал имеет впускные и выпускные кулачки (смотрите рисунок 4.17) и опорные шейки*.
Рисунок 4.17 Газораспределительный механизм в сборе.
Примечание * На рисунке 4.17 опорные шейки не показаны, так как изображение схематическое и приведено для предварительного ознакомления. Получить представление о внешнем виде распределительных валов можно из рисунка 4.18.
Кулачки изготавливают как одно целое с валом. Однако существуют сборные конструкции, когда кулачки напрессовывают на вал.
Для каждого цилиндра у четырехтактных двигателей в зависимости от количества клапанов имеются два и более кулачков: впускных и выпускных. Форма кулачка обеспечивает плавный подъем и опускание клапана и соответствующую продолжительность его открытия. Одноименные кулачки для каждого цилиндра (например, впускные) располагают в четырехцилиндровых двигателях под углом 90°, в шестицилиндровых — под углом 60° и в восьмицилиндровых — под углом 45°. Разноименные кулачки (впускные и выпускные) устанавливают под углом, величина которого зависит от фаз газораспределения. Вершины кулачков располагаются в принятом для двигателя порядке работы с учетом направления вращения вала.
Рисунок 4.18 Головка блока цилиндров с распределительными валами.
Как распредвал приводится во вращение?
Распределительный вал приводится во вращение от коленчатого вала разными способами. Самыми распространенными являются: цепной и ременной привод, реже используется шестеренный.
Цепной привод. На конце коленчатого и распределительного валов устанавливают звездочки (как на велосипеде) и надевают приводную цепь. Для того чтобы исключить биение цепи, дополнительно устанавливают успокоитель, который представляет собой длинную планку, по которой перемещается цепь. Обычно с другой стороны устанавливают направляющую натяжителя цепи. Цепной привод можно изучить так же на рисунках 4.19 и 4.20.
Рисунок 4.20 Пример цепного привода газораспределительного механизма.
Ременной привод. На коленчатый и распределительный валы устанавливаются зубчатые шкивы, чем-то напоминающие звездочки, однако намного шире их. На эти зубчатые шкивы надевается зубчатый ремень. Для удобства снятия и установки приводного ремня устанавливают натяжитель ремня (часто автоматический). Пример привода распределительного вала (или валов) с помощью зубчатого ремня приведен на рисунках 4.21 и 4.22.
Рисунок 4.22 Пример ременного привода газораспределительного механизма.
Шестеренный привод. Привод распределительного вала осуществляется от шестерни на коленчатом валу через ряд промежуточных шестерен или напрямую, как показано на рисунке 4.23.
В погоне за экономичностью конструкторы решали одну из беспокоящих их проблем: что делать, когда двигатель, работая, использует всего 15–20 % своей мощности. Такое бывает, когда мы стоим, например, в пробке или едем по трассе на крейсерской скорости.
Примечание Крейсерская скорость – скорость, при которой достигаются оптимальные показатели топливной экономичности. Термин, конечно, более подходящий для авиационной промышленности, однако, если мы едем по магистрали на пятой, а то и шестой передаче, то он вполне применим и в этой отрасли.
А если мощность используется не вся, то зачем работать всем цилиндрам двигателя? Что, если взять и отключить, например, на стоящем в пробке автомобиле, два из четырех цилиндров.
Ведь пары цилиндров вполне хватит для того, чтобы двигатель работал на холостых оборотах. В оставшиеся два цилиндра перестают подавать топливо и, чтобы они попросту не перекачивали воздух по впускному и выпускному коллектору, закрывают впускные и выпускные клапаны. Для выполнения такой незамысловатой операции придумали относительно простое решение: на распределительном вале рядом с обычными кулачками расположили кулачки с «нулевой высотой», то есть они никак не воздействуют на толкатель клапана.
Так при нормальной работе распределительный вал вращается и все клапаны выполняют свое назначение, а когда возникает необходимость в отключении клапанов, открывается специальный клапан, через который моторное масло под давлением, воздействуя на распределительный вал, смещает его в направлении продольной оси; кулачки с обычным профилем как открывали, так и открывают клапаны, а там где кулачки имеют «нулевую высоту», они просто-напросто не достают до клапанов, и те, в свою очередь, стоят неподвижно.
Примечание Различные фирмы в разные времена предложили несколько схем реализации описанной выше операции по отключению части клапанов. Выше приведен лишь один из способов.
Подраздел 4.4 Основные технические характеристики двигателя
Колеса и шины. Устройство, назначение и маркировка
Углы установки колес
Подраздел 4.6 Головка блока цилиндров
Please enable JavaScript to view the comments powered by Disqus.
comments powered by Disqus
Назначение, устройство, работа ГРМ. Двигатель внутреннего сгорания: газораспределительный механизм
Газораспределительный механизм автомобиля – один из самых сложных механизмов в конструкции двигателя. Управление впускными и выпускными клапанами ДВС полностью лежит на ГРМ. Механизм контролирует процесс наполнения цилиндров топливно-воздушной смесью посредством своевременного открытия впускного клапана на такте впуска. Также ГРМ контролирует удаление уже отработанных газов из внутренней камеры сгорания – для этого открывается выпускной клапан на такте выпуска.
Устройство газораспределительного механизма
Детали газораспределительного механизма выполняют разные функции:
Распределительный вал открывает и закрывает клапаны.
Механизм привода приводит распределительный вал в движение с определенной скоростью.
Клапаны закрывают и открывают впускные и выпускные каналы.
Главными частями ГРМ являются распределительный вал и клапаны. Кулачковый, или распределительный, вал представляет собой элемент, на котором располагаются кулачки. Он приводится в движение и вращается на подшипниках. В момент такта впуска или выпуска кулачки, расположенные на вале, при вращении надавливают на толкатели клапанов.
Располагается механизм ГРМ на головке блока цилиндров. В ГБЦ имеются распределительный вал и подшипники от него, коромысла, клапаны и толкатели клапанов. Верхняя часть головки закрыта клапанной крышкой, установка которой осуществляется с использованием специальной уплотнительной прокладки.
Функционирование газораспределительного механизма
Работа ГРМ полностью синхронна с зажиганием и топливным впрыском. Проще говоря, в момент нажатия педали газа открывается дроссельная заслонка, впускающая поток воздуха во впускной коллектор. В результате образуется топливно-воздушная смесь. После этого начинает работать газораспределительный механизм. ГРМ увеличивает пропускную способность и выпускает отработанные газы из камеры сгорания. Для корректного выполнения данной функции необходимо, чтобы частота, с которой открывается впускной и выпускной клапан ГРМ, была высокой.
Клапаны приводятся в действие распределительным валом двигателя. Когда повышается частота вращения коленвала, начинает быстрее вращаться и распредвал, что и повышает частоту открытия и закрытия клапанов. В результате возрастают обороты двигателя и отдача от него.
Объединение коленчатого и распределительного валов дает возможность ДВС сжигать именно то количество воздушно-топливной смеси, которое необходимо для функционирования двигателя в том или ином режиме.
Особенности привода ГРМ, цепь и ремень
Шкив привода распределительного вала находится за пределами ГБЦ. Для того чтобы не происходили утечки масла, на шейке вала расположен сальник. Цепь ГРМ приводит весь механизм газораспределения в действие и надевается с одной стороны на ведомую звездочку или шкив, а с другой передает усилие от коленчатого вала.
От ременного привода клапанов зависит корректное и неизменное расположение коленчатого и распределительного валов относительно друг друга. Даже небольшие отклонения в положении могут стать причиной того, что ГРМ, двигатель выйдут из строя.
Наиболее надежной считается цепная передача, использующая ролик ГРМ, однако существуют некоторые проблемы с обеспечением необходимого уровня натяжения ремня. Главной проблемой, с которой сталкиваются водители и которая характерна для цепи механизма, становится ее обрыв, нередко являющийся причиной загиба клапанов.
К числу дополнительных элементов механизма можно отнести ролик ГРМ, используемый для натяжения ремня. К минусам цепного привода газораспределительного механизма, помимо риска обрыва, относят еще и высокий уровень шума во время работы и необходимость его смены каждые 50-60 тысяч километров пробега.
Клапанный механизм
Конструкция клапанного механизма включает в себя седла клапанов, направляющие втулки, механизм вращения клапана и другие элементы. Усилие от распределительного вала передается на шток либо на промежуточное звено – коромысло клапана, или рокер.
Нередко можно встретить модели ГРМ, требующие постоянной регулировки. Такие конструкции имеют специальные шайбы и болты, вращением которых выставляются необходимые зазоры. Иногда зазоры поддерживаются в автоматическом режиме: регулировка их положения производится гидрокомпенсаторами.
Управление этапами газораспределения
Современные модели двигателей претерпели значительные изменения, получив новые управляющие системы, в основе которых лежат микропроцессоры – так называемые ЭБУ. В сфере моторостроения основной задачей стало не только увеличение мощности, но и экономичность выпускаемых силовых агрегатов.
Повысить эксплуатационные показатели двигателей, снизив при этом расход топлива, удалось только с использованием систем контроля ГРМ. Двигатель с такими системами не только потребляет меньше топлива, но и не теряет в мощности, благодаря чему их стали использовать повсеместно при производстве автомобилей.
Принцип работы таких систем заключается в том, что они контролируют скорость вращения распределительного вала ГРМ. По сути, клапаны открываются немного раньше за счет того, что распредвал проворачивается в направлении вращения. Собственно, в современных двигателях распределительный вал больше не вращается относительно коленчатого вала с неизменной скоростью.
Основной задачей остается максимально эффективное наполнение цилиндров двигателя в зависимости от выбранного режима его работы. Такие системы отслеживают состояние двигателя и корректируют подачу топливной смеси: к примеру, при холостом ходе ее объемы сводятся практически к минимуму, поскольку топливо в больших количествах не требуется.
Приводы ГРМ
В зависимости от конструктивных особенностей двигателя автомобиля и газораспределительного механизма в частности количество приводов и их тип могут меняться.
Цепной привод. Нескольким ранее данный привод был самым распространенным, однако и сейчас используется в ГРМ дизеля. При такой конструкции распределительный вал располагается в головке блока цилиндров, а в движение приводится посредством цепи, ведущей от шестерни. Минус такого привода – сложный процесс замены ремня, поскольку находится он внутри двигателя с целью обеспечения постоянной смазки.
Шестеренчатый привод. Устанавливался на двигатели тракторов и некоторых автомобилей. Очень надежный, но при этом крайне сложен в обслуживании. Распределительный вал такого механизма находится ниже блока цилиндров, благодаря чему шестерня распредвала цепляется за шестерню коленчатого вала. Если привод ГРМ такого типа приходил в негодность, двигатель меняли практически полностью.
Ременной привод. Самый популярный тип, устанавливается на бензиновые силовые агрегаты в легковых автомобилях.
Плюсы и минусы ременного привода
Ременной привод получил свою популярность за счет своих преимуществ по сравнению с аналогичными видами приводов.
Несмотря на то что производство таких конструкций сложнее, чем цепных, стоит она значительно дешевле.
Не требует постоянной смазки, благодаря чему привод был вынесен на внешнюю сторону силового агрегата. Замена и диагностика ГРМ в результате этого значительно облегчились.
Поскольку в ременном приводе металлические части не взаимодействуют друг с другом, как в цепном, то уровень шума в процессе его работы снизился в разы.
Несмотря на большое количество плюсов, есть у ременного привода и свои минусы. Срок эксплуатации ремня в несколько раз ниже, чем цепи, что становится причиной частой его замены. В случае обрыва ремня с большой вероятностью придется делать ремонт всего двигателя.
Последствия обрыва или ослабления ремня ГРМ
В случае если цепь ГРМ рвется, повышается уровень шума во время работы двигателя. В целом такая неприятность не становится причиной чего-то невыполнимого в плане ремонта, в отличие от ремня газораспределительного механизма. При ослаблении ремня и его перескакивании через один зуб шестерни происходит небольшое нарушение нормального функционирования всех систем и механизмов. В результате это может спровоцировать снижение мощности двигателя, увеличения вибрации при работе, затрудненный запуск. В случае если ремень перескочил сразу через несколько зубов или вовсе порвался, последствия могут быть самыми непредсказуемыми.
Самый безобидный вариант – это столкновение поршня и клапана. Силы удара будет достаточно для изгиба клапана. Иногда ее хватает для изгиба шатуна или полного разрушения поршня.
Одной из самых серьезных поломок автомобиля является обрыв ремня ГРМ. Двигатель в таком случае придется либо подвергать капитальному ремонту, либо полностью менять.
Обслуживание ремня ГРМ
Уровень натяжения ремня и его общее состояние – один из самых часто проверяемых при техническом обслуживании автомобиля факторов. Периодичность проверки зависит от конкретной марки и модели машины. Процедура контроля натяжения ремня ГРМ: двигатель осматривается, снимается защитный чехол с ремня, после чего последний проверяется на скручивание. Во время этой манипуляции он не должен проворачиваться более чем на 90градусов. В противном случае ремень натягивается при помощи специального оборудования.
Как часто проводится замена ремня ГРМ?
Полная замена ремня производится каждые 50-70 тысяч километров пробега автомобиля. Ее могут проводить и чаще в случае повреждения или появления следов расслоения и трещин.
В зависимости от типа ГРМ меняется и сложность процедуры замены ремня. На сегодняшний день в автомобилях используются два типа механизма газораспределения – с двумя (DOHC) или одним (SOHC) распределительными валами.
Замена газораспределительного механизма
Для того чтобы провести замену ремня ГРМ типа SOHC, достаточно иметь под рукой новую деталь и набор отверток и ключей.
Сперва снимается защитный чехол с ремня. Крепится он либо на защелки, либо на болты. После снятия чехла открывается доступ к ремню.
Прежде чем ослаблять ремень, выставляются метки ГРМ на шестерне распредвала и коленвале. На коленчатом вале метки размещаются на маховике. Вал проворачивают до тех пор, пока метки ГРМ на корпусе и на маховике не совпадут друг с другом. Если все метки совпали друг с другом, приступают к ослаблению и снятию ремня.
Для того чтобы снять ремень с шестерни коленчатного вала, необходимо демонтировать шкив привода ГРМ. С этой целью автомобиль поднимается домкратом и с него снимается правое колесо что дает доступ к болту шкива. На некоторых из них находятся специальные отверстия, через которые можно зафиксировать коленвал. Если их нет, то вал фиксируют на одном месте, устанавливая в венец маховика отвертку и упирая ее в корпус. После этого снимается шкив.
Доступ к ремню ГРМ полностью открывается, и можно приступать к его снятию и замене. Новый одевается на шестерни коленвала, затем цепляется за водяной насос и одевается на шестерни распредвала. За натяжной ролик ремень заводят в самую последнюю очередь. После можно возвращать все элементы на место в обратном порядке. Останется только натянуть ремень при помощи натяжителя.
Прежде чем запускать двигатель, желательно провернуть несколько раз коленчатый вал. Делают это для проверки совпадения меток и после проворачивания вала. Только после этого запускается двигатель.
Особенности процедуры замены ремня ГРМ
На автомобиле с системой DOHC ремень ГРМ заменяется немного по-другому. Сам принцип смены детали аналогичен вышеописанному, однако доступ к ней у таких машин сложнее, поскольку имеются закрепленные на болтах защитные чехлы.
В процессе совмещения меток стоит помнить о том, что распределительных валов в механизме два, соответственно, метки на обоих должны полностью совпасть.
У таких автомобилей, помимо направляющего ролика, имеется и опорный ролик. Однако, несмотря на наличие второго ролика, ремень заводится за направляющий ролик с натяжителем в самую последнюю очередь.
После того как новый ремень будет установлен, проверяется соответствие меток.
Одновременно с заменой ремня меняются и ролики, поскольку их срок эксплуатации совпадает. Также желательно проверить состояние подшипников жидкостного насоса, чтобы после проведения процедуры установки новых деталей ГРМ выход из строя помпы не стал неприятной неожиданностью.
Газораспределительный механизм двигателя — устройство и назначение, ремень газораспределительного механизма
ТЕХПОМОЩЬ ВЫЕЗД АВТОЭЛЕКТРИКА, МЕХАНИКА
8 (915) 045-51-51
Единый Городской Номер
диспетчер: +7 (495) 205-63-48
ТЕХПОМОЩЬ ВЫЕЗД АВТОЭЛЕКТРИКА, МЕХАНИКА
8 (915) 045-51-51
Назначение и устройство газораспределительного механизма двигателя
Назначение газораспределительного механизма состоит в том, чтобы управлять работой клапанов, а именно — открывать и закрывать впускные и выпускные клапаны в определенной последовательности в соответствии с тактами рабочего цикла.
Главная деталь в устройстве газораспределительного механизма двигателя — распределительный вал. Кулачки, выполненные на распределительном вале, в процессе его вращения периодически нажимают на клапаны через рычаги или специальные шайбы. В результате клапаны открываются и закрываются.
Ремень газораспределительного механизма
Для привода распределительного вала используется цепь или зубчатый ремень газораспределительного механизма. В одной головке цилиндров могут быть установлены два распределительных вала. Один из них управляет работой впускных, а другой — выпускных клапанов. Такая схема ГРМ называется двухвальной.
Ремень газораспределительного механизма передаёт вращение от коленчатого вала распределительному валу. В процессе работы двигатель нагревается. Нагрев стержня клапана приводит к его удлинению. Для компенсации этого явления в конструкции привода клапана требуется тепловой зазор. Если зазора не будет, клапан не сможет плотно закрываться, а это приведет к значительному падению компрессии, и как следствие, уменьшению мощности двигателя. В процессе эксплуатации зазор необходимо проверять и при необходимости регулировать. Периодичность и алгоритм выполнения этой операции зависят от конструкции привода клапанов и могут значительно отличаться для двигателей разных моделей.
Многие современные двигатели оснащены гидрокомпенсаторами. Гидрокомпенсатор устроен таким образом, что его высота может изменяться под действием давления масла из системы смазки. Величина изменения равна тепловому зазору в приводе. Что бы ни случилось, в любой ситуации наши специалисты по выездной тех помощи на дорогах москвы приедут и окажут необходимую помощь.
Применение гидрокомпенсаторов исключает необходимость регулировки тепловых зазоров. Из следующей главы можно будет узнать описание работы системы охлаждения двигателя, а именно современного двигателя внутреннего сгорания.
Устройство газораспределительного механизма в многоцилиндровом двигателе принципиально не отличается от случая одноцилиндрового двигателя. Однако, в многоцилиндровом двигателе необходима синхронная работа цилиндров. Поэтому, прежде чем перейти к рассмотрению устройства многоцилиндровых двигателей, необходимо познакомиться с несколькими важными понятиями, характеризующими конструкцию и работу одноцилиндрового мотора. А в одной из следующих глав можно будет узнать назначение, устройство и принцип работы системы смазки современного двигателя внутреннего сгорания.
Верхняя мертвая точка (ВМТ) — крайнее верхнее положение поршня, при котором колено коленчатого вала устремлено вертикально вверх и образует одну линию с шатуном. Таким образом, поршень находится на максимальном удалении от оси вращения коленчатого вала.
Нижняя мертвая точка (НМТ) — крайнее нижнее положение поршня, колено коленчатого вала устремлено вертикально вниз и образует одну линию с шатуном. Таким образом, поршень находится на минимальном удалении от оси вращения коленчатого вала.
Расстояние между ВМТ и HMT называется ходом поршня.
Объем над поршнем, расположенным в ВМТ, называется объемом камеры сгорания, обозначается Vc.
Объем над поршнем, расположенным в НМТ, называется полным объемом цилиндра, обозначается Vn.
Если из полного объема вычесть объем камеры сгорания, получим рабочий объем цилиндра (Vp):
Vn — Vc = Vp
Рабочий объем цилиндра — очень важный параметр, от которого зависят многие характеристики двигателя.
Еще одним важным параметром является степень сжатия. Степень сжатия определяется отношением полного объема Vn к объему камеры сгорания Vc.
Степень сжатия современных бензиновых моторов лежит в пределах 9-14, а дизельных — 14-24. Чем выше степень сжатия, тем мощнее и экономичнее двигатель при прочих равных условиях.
Одноцилиндровые двигатели с успехом применяются в мототехнике, а также в средствах малой механизации (газонокосилки, бензопилы и т. д.), но в автомобилях не используются. В серийных современных автомобилях можно встретить моторы с количеством цилиндров от 2 до 12.
Рабочий объем многоцилиндрового двигателя равен сумме рабочих объемов цилиндров.
Расположение цилиндров бывает также разным. В зависимости от этого двигатели бывают рядные, V-образные, VR-образные, W-образные и оппозитные.
Наибольшее распространение получили рядные четырехцилиндровые двигатели. Это не означает, что они являются лучшими, их популярность вызвана относительной простотой и соответственно доступной ценой.
Следует отметить, что в многоцилиндровом двигателе рабочие процессы в разных цилиндрах равномерно распределены.
Для примера рассмотрим очередность тактов по цилиндрам в четырехцилиндровом двигателе.
Как видно из таблицы за два оборота коленчатого вала во всех четырех цилиндрах происходит рабочий процесс, а сдвиг между ними составляет пол оборота.
Теперь давайте с самого начала посмотрим, как работает многоцилиндровый двигатель на примере четырехцилиндрового бензинового двигателя.
Когда водитель поворачивает ключ в замке зажигания в положение «старт», включается электродвигатель стартера и начинает вращать коленчатый вал двигателя за маховик. Поршни начнут двигаться вверх-вниз.
В одном из цилиндров (например, в третьем) поршень окажется в ВМТ такта впуска раньше других.
Кулачки распределительного вала расположены таким образом, что в этот момент в третьем цилиндре откроется впускной клапан, и камера сгорания начнет наполняться топливовоздушной смесью.
В момент, когда поршень третьего цилиндра подойдет к HMT (пол оборота коленчатого вала), к ВМТ такта впуска подойдет поршень четвертого цилиндра.
В третьем цилиндре начинается такт сжатия, а в четвертом — начинается такт впуска. В третьем цилиндре оба клапана закрыты, а в четвертом — открывается впускной.
При достижении поршнем третьего цилиндра очередного ВМТ, в этом цилиндре срабатывает система зажигания, происходит воспламенение смеси с последующим рабочим ходом. В четвертом цилиндре в это время происходит сжатие.
Еще через пол оборота в третьем цилиндре откроется выпускной клапан и начнется выпуск отработавших газов. В четвертом цилиндре в это время будет рабочий ход.
Во втором и первом цилиндрах происходит все то же самое, но с опозданием (относительно третьего цилиндра) на полтора и один оборот соответственно.
Газораспределительный механизм: устройство
Газораспределительный механизм или как его еще называют ГРМ, обеспечивает впускание воздушно-топливной смеси во все цилиндры двигателя машины, а после этого удаляет от камеры сгорания отработанные газы.
Механизм газораспределения руководит впускными и выпускными клапанами автомобильного двигателя. Газораспределительный механизм или как его еще называют ГРМ, производит выпускание воздушно-топливной смеси во все цилиндры двигателя машины, а после этого удаление из камеры сгорания отработанных газов.
В представленной статье размещены ответы на такие довольно распространенные вопросы:
Что собой представляет газораспределительный механизм?
Устройство ГРМ;
назначение механизма газораспределения;
В чем заключается функционирование ГРМ?
Типы газораспределительных механизмов.
Газораспределительный механизм
Содержание
Основная информация о ГРМ
Принцип действия ГРМ
Типы газораспределительного механизма
Для начала необходимо обсудить устройство газораспределительного механизма. Механизм газораспределения имеет такие основные элементы:
Распредвал;
Клапанный механизм;
Механизм привода распредвал.
К основным элементам ГРМ относятся:
Штанги. С их помощью обеспечивается передача усилий из толкателя к коромыслу.
Толкатели. Благодаря толкателям выполняется передача усилий от кулаков распредвала к каждой штанге. Для того чтобы толкатель изнашивался равномерно они находятся в постоянном движении вокруг себя, а выполняется это благодаря выпуклой поверхности нижних головок и скошенной поверхности распределительного валика;
распредвал. Распредвал дает возможность открывания и закрывания клапанов ГРМ в установленной очередности, которая согласовывается с функционированием каждого цилиндра двигателя автомобиля.
Клапаны. с помощью клапанов выполняется периодическое открывание и закрывание отверстий впускного и выпускного клапанов, которое напрямую зависит от очередности функционирования автомобильного двигателя и расположения поршня цилиндре.
Коромысло. Обеспечивают передачу усилия от штанги к клапану.
Теперь обсудим назначение газораспределительного механизма. Итак, в чем заключается назначение механизма газораспределения? Назначение газораспределительного механизма заключается в своевременной передаче воздухо-топливной смеси во все цилиндры автомобильного двигателя на тактах выпускания, а еще выводе из каждого цилиндра отработанных газов в момент выпускания такта. Обеспечивается выполнение представленных действий благодаря своевременному открытию и закрытию всех типов клапанов головки каждого цилиндра с помощью клапанов. Газораспределительные механизмы разделяют на типы с боковым и типы с подвесным клапанами, но на сегодняшний момент боковые клапаны мало распространены.
Еще эту систему классифицируют по размещению распредвала и виду привода. Обычно, распредвал устанавливают снизу блока картера или сверху головки цилиндра. Нижний распределительный валик начинает функционировать благодаря шестеренке, а верхний при помощи цепки или ременной передачи.
Еще ГРМ классифицируют по значению числа клапанов, которое приходится на один цилиндр, два клапана это минимальное количество, а пять максимальное. Также существует классификация по количеству распределительных валиков, здесь один это минимальное значение, а четыре это максимальное значение.
Принцип действия ГРМ
Газораспределительный механизм является одним из сложнейших узлов двигателя любого транспортного средства, потому как его основная функция заключается не только в открывании и закрывании групп клапанов, но и выполнение этих действий в определенной очередности. Функционирование ГРМ синхронизировано с функционированием зажигания и впрыскивания. Для увеличения скорости передвижения, водитель нажимает на педальку акселератора,тем самым увеличивается поступление воздухо-топливной смеси в автомобильный двигатель.
Авто-двигатель может воспринимать усиленный поток исключительно с помощью увеличения количества оборотов. То есть открывание и закрывание клапанов должно проходить как можно чаще. Для решения данной проблемы разработчики решили обеспечить привод от коленчатого валика. То есть чем быстрее крутится коленчатый валик, тем быстрее происходит открывание и закрывание клапанов, следовательно, двигатель автомобиля сможет пропускать и сжигать исключительно необходимо количество воздухо-топливной смеси.
Газораспределение сводится к синхронному вращению коленвала и распредвала, а еще открыванию впускного и выпускного клапанов в определенном месте расположения поршней. Для того чтобы распредвалик точно располагался по отношению к коленчатому валику применяют установочные пометки. Во время открытия клапанов с помощью коромысла распределительный валик наезжает кулачком на коромысло, которое в свою очередь прижимает клапан и он закручивается благодаря пружине. В цепном двигателе ГРМ функционирует точно так же, только во время сборки цепку нужно надевать вместе со шкивом на валик.
Типы газораспределительного механизма
Сначала рассмотрим газораспределительный механизм с нижним положением распределительного валика. В конструкцию представленного типа ГРМ входят такие элементы:
Распределительный валик;
Клапан;
Поршень;
Коромысло;
Стойка валика коромысла;
Валик коромысла;
Контргайка;
регулирующий винтик;
Шестеренки распредвала и коленвала;
Промежуточная шестеренка;
Пружинки клапана;
Направляющая втулка;
Штанга;
Толкатель;
Головка цилиндров.
Главным преимуществом механизма газораспределения данного типа считается небольшая стоимость, высокий уровень качества и надежности, а также простое использование. Но имеются и недостатки, например, такие как шумность и инерционность, которая ограничивает количество оборотов двигателя автомобиля. Применяются такие газораспределительные механизмы на автомобилях с дизельным двигателем или бензиновым двигателем, который имеет низкий уровень оборотов коленвала.
Теперь поговорим о механизмах газораспределения с верхним положением распределительного валика. В конструкцию представленного типа ГРМ входят такие элементы:
Толкатель;
Пружинки;
Канал;
Тарелка клапана;
Кулак распредвала;
стойка клапана.
Представленный тип ГРМ отличный от предыдущего установлением распредвала в основе цилиндров, а само функционирование и назначение остается прежним. Передача влияния из распредвала происходит с помощью толкателя на коромысло, из распредвала к коромыслу или же от распредвала к толкателю клапана.
Привод распредвала может реализовываться с помощью передачи цепки или зубчиков ремня.
По сравнению с предыдущим типом данный тип ГРМ имеет меньший уровень инертности, а значит, двигатель может развивать большее количество оборотов, и шума. Также к преимуществам данного типа относятся небольшие размеры блока-картера и недорогое изготовление. Но имеются и недостатки, например, необходимость регулярно проводить замену ремня привода, а несвоевременная замена ремня может привести к поломке клапанов. Также в проведении регулярной замены нуждается и цепь привода. К тому же, цепной привод механизма газораспределителя достаточно дорогой. Еще одним недостатком является сложность настаивания тепловых зазоров клапанов.
Обслуживание ремня ГРМ | [atc] Автоцентр
Августа |
(706) 738-7812
| Направления
Гроувтаун |
(706) 303-3333
| Проезд
Обслуживание ремня ГРМ
Ремни ГРМ прочны, но не вечны. Каждый раз, когда ваш двигатель работает, этот ремень движется очень быстро и с большой силой трется о всевозможные предметы. Со временем он может изнашиваться или становиться ломким, или зубья на внутренней стороне ремня могут сломаться.
Как узнать, требуется ли обслуживание ремня ГРМ?
Надеюсь, вы не узнаете об этом после внезапного отключения питания, пока мчитесь по дороге. Помимо того, что это самый дорогой способ обнаружить проблему, он также может быть чрезвычайно опасным.
Однако вы можете заметить несколько вещей, которые могут дать раннее указание на проблему с ремнем ГРМ:
Вы слышите тикающий звук, исходящий от двигателя.
Ваш автомобиль пытается завестись, но не переворачивается.
Ваш двигатель глохнет, дергается и дает осечки.
Вы обнаружили утечку масла из передней части двигателя.
Свяжитесь с нами как можно скорее, если вы столкнетесь с какой-либо из этих проблем.
Как работает ремень ГРМ?
Ремень ГРМ вашего автомобиля проходит через весь двигатель и приводит в движение многие его ключевые компоненты. Он отвечает за то, чтобы все цилиндры срабатывали в нужное время. От него зависят такие вещи, как распредвал(ы), водяной насос и масляный насос. Проще говоря, без него ваш двигатель не заработал бы.
Внешняя сторона этого толстого резинового ремня гладкая, как и ремень, которым вы, возможно, подпираете штаны. Однако внутри есть «зубья», которые входят в шкивы и шестерни частей, с которыми он соединен, и поворачивают их.
Зачем мне проверять ремень ГРМ?
Ремни ГРМ прочны, но не вечны. Каждый раз, когда ваш двигатель работает, этот ремень движется очень быстро и с большой силой трется о всевозможные предметы. Со временем он может изнашиваться или становиться ломким, или зубья на внутренней стороне ремня могут сломаться.
При выходе из строя ремня ГРМ:
Двигатель глохнет и не запускается
Возможно повреждение нескольких деталей двигателя
У вас может не быть предупреждений и мало шансов безопасно остановиться
Что мы делаем при обычном обслуживании ремня ГРМ?
Большинство автопроизводителей рекомендуют замену ремня ГРМ примерно через 60 000–100 000 миль пробега. Каждое транспортное средство будет отличаться, но мы можем легко проверить и сообщить вам, когда ваше нужно обслуживать. Навыки, необходимые для его правильной установки, являются причиной того, что вам всегда следует обращаться к опытному специалисту (например, к нам в [atc]), который сделает это за вас. Одна ошибка, сделанная своими руками, может стоить очень дорого.
Стандартное обслуживание ремня ГРМ включает:
Доступ к ремню ГРМ и его замену (некоторые автомобили имеют более одного ремня за крышкой ГРМ
Замена натяжителя ремня ГРМ, промежуточного шкива (шкивов) и водяного насоса (если применимо) (они напрямую связаны с работой ремня и изнашиваются с одинаковой скоростью)
Настройка механического газораспределения двигателя
Замена охлаждающей жидкости вашего автомобиля (при замене водяного насоса)
Ваш автомобиль — одна из самых крупных инвестиций. Защитите его (и, возможно, себя), заменив ремень ГРМ не позднее пробега, рекомендованного производителем.
Ведь время это все.
Нажмите здесь , чтобы назначить встречу. Или позвоните в один из наших офисов сегодня:
atc Auto Center, Augusta
(706) 738-7812
atc Auto Center, Grovetown
(706) 303-3333
Наконечники ремня ГРМ
Не сбрасывайте со счетов. Эта маленькая полоска резины отвечает за работу двигателя. Это общая связь между несколькими очень важными частями. Так что стоит обратить на это внимание. Так случилось, что это ремень, который вы «не можете» увидеть, когда открываете капот. Но не принимайте подход «с глаз долой из головы»: «Если ремень ГРМ не устраивает… никто не доволен!»
Знайте, есть ли он у вас вообще. У большинства автомобилей есть, но у некоторых вместо цепи ГРМ. До 19В 60-х годах, когда Pontiac представила первый резиновый ремень ГРМ, все автомобили имели цепной привод. Но ремни были тише, и довольно скоро все крутые машины стали их носить. Свяжитесь с нами, чтобы определить, был ли ваш автомобиль оснащен ремнем ГРМ или цепью, и мы сможем указать вам правильное направление в отношении интервала обслуживания для вашего приложения
Ремонт ремня ГРМ рядом со мной
[atc] Автоцентр всегда готов помочь с ремонтом и профилактическим обслуживанием вашего автомобиля. Мы являемся экспертами по обслуживанию ремней ГРМ! Позвоните или посетите нас сегодня в одном из наших офисов, включая Огасту, Джорджия, и Гроувтаун, Джорджия. Вы узнаете, почему мы лучший автомагазин в CSRA!
Мы очень рады, что у нас есть автосервис, которому мы доверяем. Сотрудники дружелюбны и хорошо осведомлены, и они создают гостеприимную атмосферу для отдыха.
Аманда Риггс
Отличное авто место!! Проделана отличная работа! Обычно я хожу к дилеру для всех работ, однако мне нужно было что-то более индивидуальное, и они сделали все очень хорошо!
Дэниел Форрестер | Огаста, Джорджия
Я здесь уже во второй раз, и со мной прекрасно обращаются. Они быстро приветствовать вас и сделать вас чувствовать себя комфортно.
Роберт Смит | Гроувтаун, Джорджия
Замена ремня ГРМ — Ремонт и обслуживание автомобилей
Вернуться к началу
Информация
Часто задаваемые вопросы
Специальные предложения
Замена ремня ГРМ
Просмотр часто задаваемых вопросов
Замена ремня ГРМ. Профилактическое обслуживание самой многозадачной детали вашего автомобиля.
Верхний
Информация
FAQ
Специальные софта
Вопрос
5 .
Что такое ремень ГРМ или цепь ГРМ?
НАЖМИТЕ ЗДЕСЬ, ЧТОБЫ ПОЛУЧИТЬ ЭКСКЛЮЗИВНЫЕ СПЕЦИАЛЬНЫЕ ПРЕДЛОЖЕНИЯ ДЛЯ HAWAII
поршни в верхней и нижней частях вашего двигателя открываются и закрываются в правильном ритме. Ремень ГРМ представляет собой зубчатую версию, распространенную в старых автомобилях, тогда как цепь ГРМ чаще встречается в современных автомобилях.
Каковы симптомы неисправности ремня ГРМ?
НАЖМИТЕ ЗДЕСЬ, ЧТОБЫ ПОЛУЧИТЬ ЭКСКЛЮЗИВНЫЕ СПЕЦИАЛЬНЫЕ ПРЕДЛОЖЕНИЯ ДЛЯ HAWAII
A. Вот некоторые признаки того, что вашему ремню ГРМ или цепи ГРМ требуется обслуживание:
Тикающие или дребезжащие звуки двигателя: Ремень ГРМ натянут слишком слабо.
Пропуски зажигания в двигателе: цилиндры вашего двигателя работают не синхронно.
Видимые признаки износа ремня: Изношен ремень ГРМ или изношены его зубья.
Двигатель не запускается: возможно, ремень ГРМ уже порвался.
Как звучит неисправный ремень ГРМ?
НАЖМИТЕ ЗДЕСЬ, ЧТОБЫ ПОЛУЧИТЬ ЭКСКЛЮЗИВНЫЕ СПЕЦИАЛЬНЫЕ ПРЕДЛОЖЕНИЯ ДЛЯ HAWAI
A. Неисправный ремень ГРМ может издавать тикающий и дребезжащий звук двигателя, поскольку ремень прилегает к двигателю более слабо. Вы также можете услышать пропуски зажигания в двигателе (обратное воспламенение), когда один или несколько цилиндров остаются открытыми, не синхронизируясь с другими цилиндрами. Запросите встречу для проверки ремня как можно скорее, если вы слышите любой из этих звуков двигателя. Почините этот ремень, прежде чем он порвется и заглохнет ваш автомобиль.
Что произойдет, если ремень ГРМ порвется во время движения?
НАЖМИТЕ ЗДЕСЬ, ЧТОБЫ ПОЛУЧИТЬ ЭКСКЛЮЗИВНЫЕ СПЕЦИАЛЬНЫЕ ПРЕДЛОЖЕНИЯ ДЛЯ HAWAII
A. Если ремень ГРМ порвется во время движения, двигатель перестанет работать. Мы рекомендуем профилактическое обслуживание, чтобы избежать этого.
Может ли обрыв ремня ГРМ испортить двигатель?
НАЖМИТЕ ЗДЕСЬ, ЧТОБЫ ПОЛУЧИТЬ ЭКСКЛЮЗИВНЫЕ СПЕЦИАЛЬНЫЕ ПРЕДЛОЖЕНИЯ ДЛЯ ГАВАЙСКИХ АВТОМОБИЛЕЙ
A. Это зависит от типа вашего двигателя: с интерференцией или без интерференции. Интерференционный двигатель легко вывести из строя из-за обрыва ремня ГРМ. Клапаны (на распределительном валу) и поршни (на коленчатом валу) по очереди занимают одно и то же место, поэтому ремень ГРМ разделяет их. Без ремня ГРМ двигатель перестает вращаться, но не сразу. Более легкий распределительный вал останавливается первым, оставляя открытыми некоторые клапаны. Более тяжелый коленчатый вал останавливается дольше, поршни прижимаются к открытым клапанам распределительного вала. Клапаны принимают на себя основную часть повреждений, но окружающие детали могут получить дополнительные повреждения.
В двигателе без помех клапаны и поршни занимают разные места, поэтому они вряд ли пострадают от обрыва ремня ГРМ. Новый ремень ГРМ должен вернуть двигатель в рабочее состояние.
Но помните, даже если у вас двигатель без помех, вы все равно должны следовать рекомендованному для вашего автомобиля циклу замены ремня ГРМ. Отказ ремня ГРМ может не подвергать вас риску серьезного повреждения двигателя, но он все равно приведет к тому, что ваш автомобиль заглохнет и вы застрянете на дороге.
Как часто нужно менять ремень ГРМ?
НАЖМИТЕ ЗДЕСЬ, ЧТОБЫ УЗНАТЬ ЭКСКЛЮЗИВНЫЕ СПЕЦИАЛЬНЫЕ ПРЕДЛОЖЕНИЯ ДЛЯ HAWAI
A. Стандартный интервал замены ремня ГРМ составляет пять лет или 60 000 миль пробега, в зависимости от того, что наступит раньше. В руководстве по эксплуатации вашего автомобиля должно быть указано, как часто следует заменять ремень ГРМ.
Цепь ГРМ (обычно используется в новых автомобилях) должна служить в течение всего срока службы вашего двигателя.
Midas Hawaii- Ремонт автомобилей — Тормоза, замена масла, шины, смазка, техническое обслуживание, кондиционер, полный ремонт автомобилей, мы делаем все!
Midas Hawaii- Ремонт автомобилей — Тормоза, замена масла, шины, смазка, техническое обслуживание, кондиционер, полный ремонт автомобилей, мы делаем все!
Змеиный пояс Стоимость | Комплексный уход за автомобилем Firestone
Рассчитать цену на открытом воздухе
Закрыть
Служба расписания
Ближайший магазин:
7980 Южный Бродвей
Литтлтон, Колорадо
303. 515.7308
Большинство магазинов открыты по ночам и по выходным.
Схема проезда
Время работы магазина:
Дней
часов
ПН-ПТ:
7:00–19:00
СБ:
7:00–18:00
ВС:
9:00–17:00
Сведения о магазине
Изменить магазин
Найти магазин
Назначить встречу
Эксперты Firestone Complete Auto Care имеют многолетний опыт работы в различных авторемонтных услугах.
Почему важны ремни двигателя
Обслуживание поликлиновых ремней, ремней вентилятора и зубчатых ремней невероятно важно для общего состояния вашего автомобиля. Если ваш ремень ГРМ перестанет работать, вы рискуете серьезно повредить двигатель автомобиля, и ваш автомобиль, вероятно, перестанет работать. Если перестанет работать зубчатый ремень или ремень вентилятора, вы рискуете перегреть двигатель, потерять гидроусилитель руля, а кондиционер может выйти из строя. Если вы слишком долго откладываете замену ремня двигателя, вы можете столкнуться с дорогостоящим и трудоемким ремонтом. К счастью, Firestone Complete Auto Care предлагает услуги по ремонту автомобилей, необходимые для того, чтобы ваш автомобиль работал как новый и дольше.
График замены ремня ГРМ вашего автомобиля зависит от марки и модели вашего автомобиля и указан в руководстве по эксплуатации. Когда вы звоните или приходите в местный магазин Firestone Complete Auto Care, один из наших опытных специалистов по обслуживанию может сказать вам, когда рекомендуется замена ремня ГРМ и поликлинового ремня вашего автомобиля. Большинство ремней двигателя требуют замены между 60 000 и 100 000 миль на всех автомобилях. Обязательно ознакомьтесь с руководством пользователя или позвоните нам, и мы найдем его для вас!
Запись на прием
ЧТО ТАКОЕ ЗМЕЕВЫЙ ПОЯС?
Поликлиновой ремень вашего автомобиля, как следует из названия, представляет собой длинный витой резиновый ремень, который приводит в действие важные агрегаты двигателя, такие как генератор переменного тока, насос гидроусилителя руля и компрессор кондиционера. В некоторых случаях змеевиковый ремень также приводит в действие водяной насос, который помогает контролировать температуру двигателя.
Первоначально автомобили использовали несколько приводных ремней для привода каждого из этих аксессуаров, но изобретение поликлинового ремня сделало эти процессы более эффективными. Однако, если ваш поликлиновой ремень порвется, соскользнет или потеряет натяжение, ваш автомобиль сразу потеряет все важные аксессуары. Другими словами, если ваш поликлиновой ремень порвется, вы можете потерять усилитель руля, электричество, кондиционер, а ваш двигатель может заглохнуть или перегреться.
ЗМЕЕВЫЙ РЕМЕНЬ VS. РЕМЕНЬ ГРМ
В то время как поликлиновой ремень приводит в действие различные аксессуары, ремень ГРМ предназначен для обеспечения бесперебойной работы двигателя. Ремни ГРМ работают, обеспечивая синхронное вращение распределительного и коленчатого валов двигателя, поэтому поршни и клапаны не сталкиваются. Во многих случаях вместо резинового ремня в автомобиле может быть цепь ГРМ, но функция та же.
Признаки неисправности ремня ГРМ
Обрыв ремня ГРМ может привести к катастрофическому повреждению двигателя, поэтому важно осматривать его примерно каждые 60 000–100 000 миль и заменять его в соответствии с рекомендованным производителем графиком технического обслуживания или при необходимости. Вот некоторые признаки, которые могут указывать на то, что ремень ГРМ начинает выходить из строя:
Признаки износа, разрывов или трещин на ремне
Визг или тиканье ремня
Автомобиль с трудом заводится или не заводится
Вибрация двигателя или тряска автомобиля
Двигатель перегревается или дает пропуски зажигания
Потеря натяжения ремня
Потеря мощности двигателя
Появляется сигнальная лампа проверки двигателя
Признаки неисправности поликлинового ремня
Во избежание любых опасных ситуаций, вызванных обрывом поликлинового ремня, осмотрите ремень на предмет износа и замените его в соответствии с графиком технического обслуживания вашего производителя. Следите за любым из этих признаков плохого поликлинового ремня:
Признаки износа, разрывов или трещин на ремне
Визг, стрекотание или рычание ремня
Проблемы с запуском автомобиля
Двигатель перегревается
Потеря натяжения ремня
Потеря мощности двигателя
Появляются сигнальные лампы «Проверьте двигатель» или «Проверьте аккумулятор»
Готовы к замене ремня двигателя?
Если вам нужен новый поликлиновой ремень или замена ремня ГРМ, наши опытные специалисты по обслуживанию готовы помочь. Зайдите в ближайший сервисный центр Firestone Complete Auto Care сегодня или запишитесь на прием онлайн, чтобы получить квалифицированные услуги по ремонту и замене ремня двигателя.
Запись на прием
Узнайте больше о ремонтных услугах
Ремонт генератора рядом со мной
Возникли проблемы с запуском автомобиля? Посетите сайт Firestone Complete Auto Care, чтобы выполнить полную электрическую проверку, в ходе которой оценивается состояние генератора, стартера и аккумуляторной батареи вашего автомобиля.
Подробнее
Услуги по ремонту автомобилей
Квалифицированные услуги по ремонту автомобилей в Firestone Complete Auto Care. Воспользуйтесь лучшими услугами по ремонту автомобилей и узнайте, какой ремонт автомобиля необходим вашему автомобилю, чтобы продолжать движение.
Подробнее
Щетки стеклоочистителей
Дворники оставляют полосы? Приобретите лучшие в своем классе сменные щетки стеклоочистителей от TRICO в рамках комплексного обслуживания автомобилей Firestone. Стеклоочистители TRICO обеспечивают хорошую обзорность.
Подробнее
Ремонт и замена фар
Замена и ремонт фар легковых и грузовых автомобилей. Замените автомобильные фары новыми лампами в сервисном центре Firestone Complete Auto Care.
Подробнее
Змеиный пояс Стоимость
Узнайте стоимость поликлинового ремня и проверьте ремень ГРМ в компании Firestone Complete Auto Care. Услуги по замене поликлинового ремня и ремня ГРМ для всех автомобилей и двигателей.
Подробнее
Советы по уходу за автомобилем
Фильтровать по:
Техническое обслуживание
4 признака необходимости подзарядки автомобильного кондиционера
22 августа 2022 г.
Что такое подзарядка кондиционера и как узнать, нужна ли она вашему автомобилю? Обратите внимание на эти четыре признака того, что, возможно, пришло время запланировать обслуживание кондиционеров в Firestone.
Подробнее
Техническое обслуживание
Все, что вам нужно знать о свечах зажигания
19 августа 2022 г.
Свечи зажигания — что это такое, зачем они нужны и как часто вашему автомобилю нужны новые? Получите ответы на все свои вопросы с помощью этого всеобъемлющего руководства.
Подробнее
Техническое обслуживание
В чем разница между электрическим и гидравлическим усилителем руля?
25 июля 2022 г.
Усилитель руля — одна из самых полезных функций современного вождения, но она может различаться. Узнайте разницу между электрическим и гидравлическим усилителем руля здесь.
*Позвоните в магазин для записи на прием {{телефон}}
{{еще}}
Запись на прием
{{#if onlineAppointmentActiveFlag}}
{{еще}}
*Позвоните в магазин для записи на прием {{телефон}}
{{/если}}
{{/ifCond}} {{/ifCond}} {{else}}
*Временно закрыто по причине: {{temporatoryClosedReason}}
{{/if}} {{#if isMilitaryStore}}
*Это место находится на действующей военной базе США. Вам может понадобиться военный билет для доступа к локации.
{{/если}}
{{#ifCond count ‘eq’ «3»}} Показать больше магазинов {{/ifCond}}
Магазины рядом с вами
Вы хотите изменить предпочитаемый магазин?
Замена цепи ГРМ Mercedes I Ремонт ремня ГРМ I St George, UT
Обслуживание St George I Washington I Hurricane I Santa Clara UT
На этой странице услуг мы объясним, почему замена цепи ГРМ Mercedes необходима. для долговечности вашего автомобиля. Во-первых, мы специализируемся на ремонте автомобилей Mercedes-Benz и автомобилей Smart с 15-летним опытом работы в качестве сертифицированных мастеров-механиков, которые помогают нам поддерживать автомобили наших клиентов в отличном состоянии. Во-вторых, мы выполняем все виды обслуживания и ремонта, и мы используем только оригинальные детали, чтобы обеспечить их долговечность. В-третьих, мы создали репутацию компании, занимающейся быстрой и профессиональной заменой ремня ГРМ, и мы используем новейшее оборудование и диагностические инструменты при каждом ремонте, который мы берем на себя. Двигатель вашего Mercedes-Benz должен работать эффективно и плавно, если вы не нужна замена цепи ГРМ. Синхронизация отвечает за помощь в регулировании цикла сгорания и синхронизации различных частей двигателя. Однако, если ваш ремень ГРМ изнашивается и нарушает синхронизацию, вы можете столкнуться со снижением эффективности использования топлива, потерей мощности или полным отказом двигателя. Кроме того, вам нужен опытный и сертифицированный механик, чтобы обеспечить надлежащее исправление, которое восстановит синхронизацию вашего двигателя. Это то, что вы получите в Deutschland Autowërks.
ЧТО ТАКОЕ ЦЕПЬ ГРМ?
Во-первых, зная, что это за цепь, вы поймете, насколько она важна для вашего Мерседеса. Эта цепь обвивается вокруг зубчатого колеса вашего автомобиля в распределительном и коленчатом валах, помогая поддерживать синхронизацию поршней и клапанов. Во-вторых, вы найдете эти цепи на многих автомобилях высокого класса, таких как Mercedes, потому что они обладают большей прочностью и долговечностью по сравнению с традиционным ремнем ГРМ.
Самое главное, эти цепи позволяют вашим транспортным средствам ездить намного дольше, прежде чем вы их замените. Они не так быстро изнашиваются, и вы, как правило, замечаете проблемы гораздо раньше, чтобы свести к минимуму ущерб, если он сломается. Итак, теперь, когда вы знаете, что это за цепь, теперь мы объясним распространенные проблемы, когда вам следует ее заменить, и многое другое.
РАСПРОСТРАНЕННЫЕ ПРОБЛЕМЫ С ЦЕПЯМИ ГРМ
Как и любой компонент вашего автомобиля, эти цепи подвергаются значительному износу. Следовательно, это может привести к растяжению металлических звеньев, что может привести к неправильной синхронизации коленчатого вала и его отставанию. Когда эта цепь имеет проблемы, вы можете заметить, что у вашего Мерседеса более низкая производительность двигателя и слабый расход топлива.
Точно так же сложности с цепью могут привести к тому, что звенья ослабнут до того, как они сломаются, и цепь может порваться, когда вы включаете и выключаете машину или во время движения. Если вы едете на низкой скорости, когда это происходит, это может привести к небольшому ущербу. Однако, если он сломается на высоких скоростях, он может легко вывести из строя двигатель вашего Мерседеса.
КОГДА СЛЕДУЕТ РЕКОМЕНДУЕТСЯ ЗАМЕНА ЦЕПИ ГРМ
Лучше всего задуматься о замене цепи ГРМ, когда вы впервые начинаете замечать проблемы. Вам следует сразу же записаться на прием к сертифицированному мастеру-механику Mercedes-Benz в Deutschland Autowërks, как только вы начнете видеть, чувствовать или слышать признаки того, что что-то не так. Кроме того, запись на регулярные сеансы технического обслуживания может помочь снизить вероятность того, что вы в конечном итоге сломаете цепь ГРМ и вам потребуется полный ремонт цепи ГРМ.
Большинство производителей не устанавливают верхний предел того, как долго вы можете обходиться без замены цепи двигателя, и обычно говорят, что он прослужит столько же, сколько и ваш двигатель. Тем не менее, это зависит от того, как вы ездите, пробега, который вы проехали, и от того, какое давление вы оказываете на производительность вашего автомобиля. В автомобилях Mercedes с большим пробегом эта цепь может быстрее проявлять признаки износа, поэтому важно помнить о плановом техническом обслуживании, чтобы избежать поломки цепи привода ГРМ и дорогостоящего ремонта.
ПРИЗНАКИ НЕИСПРАВНОСТИ ПРИВОДНОЙ ЦЕПИ ДВИГАТЕЛЯ MERCEDES
Если вам требуется замена цепи привода ГРМ, вы довольно быстро узнаете об этом по характеристикам автомобиля и издаваемому им шуму. Точно так же симптомы могут варьироваться от отказа двигателя до дребезжащих звуков в двигателе, и мы собрали семь основных симптомов ниже.
Загорается индикатор Check Engine
Двигатель не запускается
Пропуски зажигания двигателя
Неправильный масляный фильтр
Металлическая стружка в масле
Дребезжащие звуки при работе автомобиля на холостом ходу
Использование неподходящего типа масла
ЧТО МОЖНО ПРОВЕРИТЬ, ЧТОБЫ УЗНАТЬ ПРОБЛЕМЫ С ЦЕПЬЮ ГРМ ДО ПОЛОМА?
Есть три основных компонента, которые вы можете проверить, чтобы определить необходимость замены ремня ГРМ до того, как он сломается. Это может помочь вам получить быстрый ремонт и техническое обслуживание цепи ГРМ, чтобы предотвратить серьезные повреждения двигателя вашего Mercedes.
Проверка уровня масла
Если у вас низкий уровень масла, ваш масляный насос начнет всасывать большое количество воздуха. Это может привести к тому, что ваш регулятор на вашей цепи уменьшит или увеличит натяжение, когда в этом нет необходимости. Вы также должны проверить наличие осадка под крышкой распределительного вала.
Проверка газораспределения
По адресу Deutschland Autowërks наши сертифицированные механики могут провести проверку газораспределения, чтобы убедиться, что ваш двигатель работает правильно. Мы используем новейшее диагностическое оборудование с нашими обширными знаниями, чтобы правильно диагностировать и определить, пришло ли время для замены цепи двигателя.
Автоматическая и механическая трансмиссия
Механическая трансмиссия чаще перескакивает через зуб цепи. Вы можете случайно сделать это, выжав сцепление и выключив двигатель. Пока он выключен, используйте первую передачу автомобиля в качестве стояночного тормоза. Мерседес покатится назад, когда вы отпустите сцепление. В результате коленчатый вал сдвинется назад и заставит звенья вашей зубчатой передачи перескочить через зуб цепи.
МЕРСЕДЕС УСЛУГИ ПО ЗАМЕНЕ И РЕМОНТУ ЦЕПИ ГРМ В САН-Т. ДЖОРДЖ, ЮТ
Deutschland Autowërks предлагает ремонт цепи привода ГРМ на моделях Mercedes. Мы предлагаем клиентоориентированные услуги с открытой коммуникацией. Мы используем новейшее диагностическое оборудование, запчасти OEM и предлагаем 100% гарантию соответствия . Свяжитесь с нами, чтобы узнать больше или запланировать замену цепи ГРМ уже сегодня.
Замена ремня ГРМ | Автосервис Вирджинии
УСЛУГИ
Автосервис Вирджинии обеспечивает полную замену и ремонт ремня ГРМ в Фениксе, Аризона.
ЧТО ГОВОРЯТ ОБ АВТОСЕРВИСЕ ВИРДЖИНИИ:
Клиент в первый раз. Отличный сервис. Точно диагностировал проблему, которая была другой и более дорогой проблемой, чем мой обычный гараж, над которой хотел работать. Сэкономил мне несколько сотен долларов. Размещение с высадкой на работу с Burgie. А когда деталь не удалось вовремя найти, предоставили автомобиль напрокат. Отличное обслуживание клиентов. Вернусь.
Лорин С. Глендейл, Аризона (подтвержденный клиент через Yelp)
Ремень ГРМ представляет собой резиновую ленту или ремень, соединяющий коленчатый вал с распределительным валом в передней части двигателя. Это гарантирует, что поршни и клапаны в вашем двигателе поднимаются и опускаются в нужное время, обеспечивая плавную и эффективную работу двигателя. Без ремня ГРМ ваш двигатель не имеет указаний о том, когда поднимать и опускать механизмы в вашем двигателе; и если эти части столкнутся, может произойти серьезное повреждение. В экстремальных условиях вождения в Фениксе, штат Аризона, замена ремня ГРМ является распространенной проблемой, поскольку высокая температура очень быстро изнашивает ремни ГРМ. Вот что вам нужно знать: Намного дешевле заменить ремень ГРМ до того, как он сломается, чем после!
Вот что вам нужно знать: Намного дешевле заменить ремень ГРМ до того, как он выйдет из строя, чем после!
Каковы симптомы неисправности ремня ГРМ? или Когда необходимо заменить ремень ГРМ?
A неисправный ремень ГРМ могут проявляться некоторые или все из следующих симптомов: Примечание. Перед осмотром ремня ГРМ убедитесь, что автомобиль выключен и остыл.
Ремень ГРМ ослаблен. При прикосновении к ремню ГРМ не должно быть никаких «подач».
Ремень ГРМ слишком натянут.
Ремень ГРМ пересох, потрескался или имеет зазубрины.
Зубья ремня ГРМ сломаны или отсутствуют.
Ремень ГРМ имеет признаки сухой гнили. Со временем тепло и моторное масло разрушат резиновый ремень ГРМ.
Машину трясет при езде. Ремни ГРМ также помогают управлять синхронизацией двигателя автомобиля. Если синхронизация двигателя автомобиля нарушена, например, работает неравномерно или трясется, возможно, пришло время заменить ремень ГРМ.
Обрыв ремня ГРМ. Вы никогда не хотите, чтобы ваш ремень ГРМ изнашивался до тех пор, пока он не сломается, поскольку ремень ГРМ обычно рвется во время движения автомобиля, и это не только доставляет ужасные хлопоты, но и может вывести из строя двигатель вашего автомобиля!
Грубый холостой ход. Грубый холостой ход — один из классических признаков износа ремня ГРМ. Возможно, ремень растянулся до некоторой степени или у него отсутствуют некоторые зубья. В этом случае очень важно сделать ремонт быстро, иначе вы рискуете нанести дополнительный ущерб.
Сложность запуска. Трудность запуска автомобиля на самом деле является одной из предпочтительных проблем с ремнем ГРМ. Если автомобиль заведется, и вы начнете движение по автостраде, существует повышенная вероятность столкновения клапанов с поршнями, что приведет к разрушению дорогостоящих компонентов.
Чрезмерная вибрация. Это ситуация, которая может возникнуть из-за того, что ремень ГРМ изнашивается сверх предела полезности, но фактически не рвется. Такого рода проблемы являются признаком того, что ваш ремень ГРМ может порваться в любой момент и его следует немедленно заменить.
Стук. Дело в том, что если вы начинаете слышать стук в двигателе, вам нужно немедленно разобраться с этим. Если проблема действительно связана с ремнем ГРМ, то есть большая вероятность, что стоимость ремонта будет существенной.
Ремень ГРМ не менялся уже более
км.
Лучший способ избежать всех этих ситуаций — заблаговременно заменить ремень ГРМ в соответствии с графиком технического обслуживания, рекомендованным производителем.
Министерство сельского хозяйства Российской федерации
Федеральное государственное бюджетное образовательное учреждение высшего профессионального образования
«Пермская государственная сельскохозяйственная академия
имени академика Д.Н. Прянишникова»
Кафедра «Технического сервиса и ремонта машин»
ПОЯСНИТЕЛЬНАЯ ЗАПИСКА
к курсовой работе
по теории трактора и автомобиля
Выполнил:
студент группы АИб-32а
Лазуков Г.А.
Проверил: доцент, к.т.н.
Третьяков В.И.
Содержание:
Тяговый расчет трактора 3
1. Определение тягового диапазона 3
2. Определение эксплуатационного веса трактора 4
3. Расчет буксования в зависимости от нагрузки на крюке трактора 5
4.Определение номинальной мощности двигателя трактора 5
5. Расчет и построение регуляторной характеристики дизельного двигателя 7
6. Расчет касательных сил тяги, передаточных чисел трансмиссии, теоретических (расчетных) скоростей движения трактора. 12
7. Расчет и построение теоретической тяговой характеристики трактора. 17
21
Основными параметрами фактора, от которых зависят его тяговые показатели, являются: вес (сила тяжести), передаточные числа трансмиссии (скорости движения) и мощность двигателя. Эти параметры определяют при тяговом расчете трактора.
1. Определение тягового диапазона
Трактор должен быть рассчитан на выполнение всех работ, соответствующих его тяговому классу, и некоторой части работ, относящихся к тяговой зоне соседнего с ним предыдущего класса. Для определения минимальной силы тяги на высшей рабочей передаче (основного ряда передач) необходимо знать тяговый диапазон трактораT, который можно определить но формуле
; (1)
где — номинальная сила тяги трактора предыдущего тягового класса;
— коэффициент расширения тяговой зоны, учитывающий степень перекрытия смежных тяговых зон.
Для тракторов тяговых классов с 40 кН и выше можно принять
=до 1,5, принимаем = 1,5:
Зная тяговый диапазон и номинальную силу тяги, определяют минимальную силу тяги
, кН; (2)
Подставляем значения в формулу (2):
кН.
2. Определение эксплуатационного веса трактора
Следует различать конструктивный (сухой) вес Gм и эксплуатационный (полный) вес Gэ. Под конструктивным весом понимается вес трактора в не заправленном состоянии без тракториста, дополнительного оборудования и балласта. Эксплуатационный вес, т.е. вес трактора в работе всегда больше конструктивного веса. Для большинства тракторов Gэ.min= (1,07… 1,10)Gм.
Эксплуатационный вес колесных тракторов часто специально увеличивают, чтобы улучшить их тягово-сцепные качества. Максимальное значение должно быть выбрано таким образом, чтобы при работе трактора в соответствующих условиях с установленной на него по типажу номинальной силой тяги на крюке буксование движителей не превышало допустимых в этом случае пределов .
, кН (3)
где — значение коэффициента использования сцепного веса, которого можно достичь в данных почвенных условиях при допускаемом буксовании ведущих колес;
к и f — коэффициенты нагрузки ведущих колес и сопротивления качению, соответствующие принятым условиям работы.
Для тракторов с задними ведущими колесами 4×2 принимают к = 0,75…0,80; для тракторов со всеми ведущими колесами 4×4 к =1.
Для тракторов с пневматическими шинами расчетные значения коэффициента использования сцепного веса = 0,50…0,65 в зависимости от конструкции и размеров шин ведущих колес, принимаем= 0,65.
Определяем максимальный вес:
кН;
Иногда балласт, требуемый для повышения эксплуатационного веса до значения Gэ.max, полностью используют непосредственно для догрузки ведущих колес трактора, например при навешивании на колеса дополнительных грузов или заливке воды в шины.
3. Расчет буксования в зависимости от нагрузки на крюке трактора
Характер кривой буксования зависит от физико-механических свойств агрофона и конструктивных параметров трактора. Величина коэффициента буксования для ориентировочных расчетов при курсовом проектировании может быть определена с помощью вспомогательных графиков .
Определяем сцепной вес
, кН; (5)
кН.
Таблица 1
Pkp,kH
10
20
30
40
50
Pkp/Gц
0,10625
0,2125
0,31875
0,425
0,53125
δ,%
6%
11%
18%
27%
58%
Номинальная сила тяги, кн рн
Подборка по базе: 18_3_Законная сила судебного решения. .docx, Решение задач по физике в 11 классе _Сила Ампера. Сила Лоренца_., 09.04.20 физика Сила АмпераПравило левой руки.docx, Сообщение на тему_ Сила Лоренца.docx, Арх. сила — 7 класс.doc, Датчики тяги, устройство и принцип работы..docx, 1 Силабус 4к Педіатрія №2 Виробнича практика.docx.docx, Законность и правопорядок основные направления и способы их обес, Презентация по физике на тему _Линзы. Оптическая сила линзы_ (8 , Традиции и воинские ритуалы в Вооруженных Силах Российской Федер
№ Варианта
15
1.
Прототип трактора
Т-130
2.
Номинальная сила тяги, кН Рн
60
3.
Фон поля
стерня
4.
Число основных передач
5
5.
Расчетная скорость движения при номинальной силе тяги VHl , км/ч
6,1
6.
Максимальная транспортная скорость Vmр max ,км/ч
14
7.
Частота вращения коленчатого вала двигателя при номинальной мощности nдв , об/мин
1250
8.
Удельный расход топлива при номинальной мощности, г/кВт*ч
250
Тяговый расчёт трактора
С помощью расчёта определяются основные параметры трактора: его тяговые показатели на основных передачах, вес, расчётные скорости движения и требуемая мощность двигателя.
При выполнении указанных расчётов нужно исходить из заданного тягового класса трактора. Класс трактора характеризуется величиной номинальной силы тяги которую он должен развивать на крюке, работая с установленной для такой нагрузки скоростью на стерне нормальной влажности и плотности (на горизонтальных участках чернозёма или суглинка), при этом буксирование движителей не должно выходить за допустимые пределы и трактор должен соответственно иметь достаточно высокий тяговый К.П.Д. У колёсных тракторов допускается в этих условиях буксование движителей в пределах 15…18% у гусеничных – в пределах 3…5%. Тяговый К.П.Д. у колёсных тракторов типа 4х2 должен быть не ниже 65…68% , у гусеничных тракторов – не ниже 70…74%.
В последовательном порядке определяется:
1. Расчётный тяговый диапазон трактора – т.е. отношение его номинальной силы тяги на крюке к минимальной силе тяги, на которую он должен быть рассчитан:
где — номинальная сила тяги трактора рассчитываемого класса, Н;
— номинальная сила тяги, установленная для тракторов предыдущего тягового класса;
– коэффициент расширения тяговой зоны трактора. Для универсально- пропашных колёсных тракторов применяют = 1,25…1,35, для гусеничных сельскохозяйственных тракторов общего назначения = 1,20…1,25.
Для тракторов, не связанных закономерно с другими тяговыми классами, можно принять = 2.
Расчётная минимальная сила тяги на крюке при принятых условиях работы на стерне равна:
Зная пределы тяговых усилий на крюке ( → ), с которыми рассчитываемый трактор должен работать, можно подобрать к нему применительно к тем или иным зональным условиям соответствующий набор сельскохозяйственных машин.
2. Весовые параметры трактора:
— конструктивный (сухой) вес трактора, т.е. вес трактора в незаправленном состоянии, без тракториста, инструмента, дополнительного оборудования и балласта, Н.
где – конструктивная масса трактора; g = 9,81 м/с2
Конструктивный вес трактора следует максимально снижать, на сколько это выполнимо технически, целесообразно с экономической точки зрения. Более или менее точно конструктивный вес может быть подсчитан при реальном планировании. При выполнении курсовой работы величина берётся, ориентируясь на показатели современных тракторов того же класса.
— минимальный эксплуатационный вес, равный конструктивному плюс вес заправочных материалов и тракториста, с достаточной для учебных расчётов точностью можно принять:
— максимальный эксплуатационный вес, равный плюс балласт того или иного типа, который может быть применён для увеличения сцепного веса (обычно у колёсных тракторов 4х2).
Максимальный эксплуатационный вес выбирается с таким расчётом, чтобы при работе в соответствующих условиях с номинальной нагрузкой на крюке сцепной вес трактора был достаточен для обеспечения допустимого буксования. Подсчёт максимального эксплуатационного веса трактора производится по следующим формулам:
для гусеничного трактора:
где — коэффициент сопротивлению качению, учитывающий потери на качение от деформации гусеницами почвы, применяется приближённо равным половине общего коэффициента сопротивлению качению.
Для гусеничных тракторов: ; .
Если Gmaxокажется меньше Gmin, этот вес в дальнейших расчетах не участвует. Вместо него следует подставить Gmin.
3. Номинальные скорости движения
Выбор их начинается с определения диапазона номинальных основных скоростей, т.е. отношение высшей скорости к первой. Величина скоростного диапазона подсчитывается по формуле:
где — допустимый минимальный коэффициент загрузки двигателя.
Принимается
При предварительных расчётах ряд основных скоростей стоится по принципу геометрической прогрессии, знаменатель которой:
где z – число основных скоростей, оно указывается в задании, обычно z=4.
В задании указывается численное значение первой основной скорости , остальные скорости подсчитываются, исходя из установленного значения q – знаменателя геометрического ряда, а именно:
При выполнении тягового расчёта номинальная величина высшей транспортной скорости берётся по заданию. Если транспортных скоростей две, то промежуточная скорость назначается как среднегеометрическая величина между высшей транспортной и высшей основной скоростью, т.е. в пределах:
4. Передаточные числа трансмиссии, необходимые для получения основных расчётных скоростей трактора, выбранных по тяговому расчёту, можно определить по формуле:
где — расчётная скорость на передачах, м/сек,
— номинальное число оборотов коленчатого вала двигателя, указанного в задании, об/мин;
-теоретический радиус качения, который определяется по формуле, м.
для гусеничного трактора:
где – шаг звена гусеницы в м; ( )
– число активно действующих зубьев ведущих колес гусеничного движителя; ( )
5. Номинальная мощность двигателя, устанавливаемого на тракторе подсчёт номинальной мощности производится формуле:
где — скорость первой основной передачи, м/с;
– К.П.Д. трансмиссии на 1-ой основной передаче;
— коэффициент запаса мощности двигателя, принимается
При определении К. П.Д. трансмиссии нужно учитывать потери, возникающие при передаче нагрузки и потери холостого хода. В соответствии с этим
где — К.П.Д., учитывающий потери холостого хода, при подсчёте номинальной мощности двигателя можно принимать
— соответственно К.П.Д. цилиндрической и конической пары шестерён:
– число пар шестерён, работающих в трансмиссии на данной передаче (по прототипу трактора).
При отсутствии прототипа трансмиссии ее К.П.Д. можно принять в пределах
6. Удельная мощность и удельный вес трактора определяется по формулам:
В настоящие время (колёсные тракторы)
Результаты тягового расчёта заносятся в таблицу 1.
Таблица 1
Расчётные скорости, км/ч
,
кВт
Основные
Транспортные
1
2
3
4
5
1
7,7
8,3
2 Расчёт и построение основных характеристик трактора
После выбора основных параметров трактора рассчитываются его тяговые, скоростные и экономические показатели. Для анализа правильности выбора основных параметров и тягово-скоростных показателей трактора стоятся основные характеристики.
1. Определение касательной силы тяги и силы тяги на крюке на всех основных передачах.
Касательная сила тяги:
– номинальный крутящий момент двигателя, Нм
Силы тяги на крюке:
где — сила сопротивления качению
2. Построение лучевой диаграммы
Для геометрического ряда передач характерно, что при переходе с одной передачи на другую крутящий момент двигателя меняется в одном диапазоне. Для наглядного представления об изменении крутящего момента двигателя от касательной силы тяги при работе на разных передачах строится лучевая диаграмма.
Так как
т.е. прямо пропорциональна , то эта зависть имеет линейный характер и изображается пучком прямых, берущий начало в центре координат, поэтому диаграмма называется лучевой. Чтобы её построить, поступающим следующим образом. На оси ординат диаграммы откладываем в принятом масштабе номинальный и минимально допустимой крутящие моменты, используемые при геометрическом ряде передач
При геометрическом ряде передач имеет одинаковое значение, зависящие от величины знаменателя прогрессии. Через вершины отложенных отрезков проводим прямые, параллельные оси абсцисс. Луч первой передачи пересекает горизонталь в точке а, абсцисса которой определяется . Точка пересечения проведённого луча с горизонталью является граничной точкой перехода на вторую передачу. Поэтому луч второй передачи должен быть проведён через точку и т.д..
При данных значения моментов рассчитываются касательные силы тяги трактора на всех основных передачах и находятся точки a, b, c, d, по которым строится диаграмма (рис.1.). При правильно проведенных расчётах точки ab’, bc’, cd’ и т.д. лежат на прямых, проходящих через начало координат, а точки dd’, cc’, bb’, aa’ и т. д. лежат ординатах, соответствующих расчётным на передачах. Заштрихованные площадки характеризуют неиспользованный момент двигателя за счёт ступенчатости трансмиссии. По построенной диаграмме можно судить о рациональности выбора передаточных чисел, структуры ряда передач трансмиссии.
Рисунок 1 — Лучевая диаграмма 3. Построение потенциальной тяговой характеристики
При построении потенциальной тяговой характеристики делается два допущения:
Трактор имеет бесступенчатую трансмиссию, которая позволяет всегда загружать двигатель на номинальную мощность за счёт автоматического изменения скорости движения при изменении тяговой нагрузки,Движение трактора, установившееся на горизонтальной поверхности. При этом мощностной баланс трактора имеет вид:
где – мощность, теряемая в трансмиссии,
– мощность, затрачиваемая на качение трактора,
– мощность, теряемая на буксование,
– тяговая мощность трактора,
Для построения потенциальной тяговой характеристики мощностной баланс представляется в графическом виде, рисунок 2. На оси абсцисс откладываются силы тяги на крюке . Строится вспомогательная кривая буксования . Вверх, в принятом масштабе, откладывается номинальная мощность двигателя и через её вершину проводится прямая, параллельная оси абсцисс. При принятом загрузки двигателя можно считать, что и мощность тоже имеет постоянное значение:
Величина откладывается вниз от линии и проводится вторая линия. Разница представляет собой мощность , подведенную к ведущим колёсам. Часть мощности теряется из-за буксования:
Так как величина меняется с изменением , то необходимо определить значение для нескольких точек, используя кривую буксования. Значения для разных точек откладывается вниз от горизонтали в виде отрезков, концы которых соединяются кривой. Получится второй участок, показывающий потери мощности на буксование.
Затраты на качение:
Для их определения необходимо знать значения теоретических скоростей при разных , имея виду, что
Имея кривые и , можно рассчитать для различных значений нагрузки и отложить их в виде отрезков вниз от кривой . Концы отрезков соединяются кривой. Получится третий участок, изображающий затраты мощности на качение. Для облегчения построения результаты расчётов сводятся в таблицу 2.
Таблица 2
1
1,7
0,1
кВт
кВт
3
1,83
0,2
кВт
кВт
6
1,98
0,3
кВт
кВт
9
2,14
0,4
кВт
кВт
12
2,3
0,5
кВт
кВт
Так как, ,то ординаты последней кривой изображают мощности , оставшиеся после вычета всех потерь.
Если принять отрезок за , то эта кривая будет изображать и зависимость .
Полученная кривая называется потенциальной тяговой характеристикой, так как может быть достигнута лишь при бесступенчатом регулировании скоростей движения и постоянной нагрузки двигателя на номинальную мощность. Из потенциальной тяговой характеристики видно, что трактор может работать с высокими значениями тяг лишь в определённом диапазоне тяговых усилий на крюке. Сравнив этот диапазон с расчётным , можно сделать вывод о правильности выбора основных параметров трактора.
Решение задач по теме «Механическая работа и мощность» 7 класс онлайн-подготовка на Ростелеком Лицей
Задача №1
К бруску прикрепили динамометр и переместили брусок на расстояние 30 см. Показания динамометра равны 0,8 Н. Найти работу силы тяги по перемещению бруска (рис. 1).
Рис. 1. К задаче №1
Прежде всего запишем краткое условие задачи и позаботимся, чтобы все данные были выражены в системе СИ (рис. 2).
Рис. 2. Краткое условие задачи №1
Для вычисления работы воспользуемся формулой
Полное решение задачи выглядит так (рис. 3).
Рис. 3. Полное решение задачи №1
Задача №2
Трактор перемещает платформу со скоростью 7,2 км/ч, развивая тяговое усилие в 25 кН. Какую работу совершит трактор за 10 мин (рис. 4)?
Рис. 4. К задаче №2
Запишем краткое условие задачи и переведем все единицы измерения в систему СИ (рис. 5).
Рис. 5. Краткое условие задачи №2
Для вычисления работы необходимо знать расстояние, пройденное телом. В условии задачи дана скорость движения трактора и время движения, поэтому воспользуемся формулой
которую подставим в выражение для работы и получим рабочую формулу
Подстановка данных из условия задачи дает
Рис. 6. Полное решение задачи №2
Задача №3
Найдем работу силы тяжести при падении грузика.
Для решения задачи нам потребуется линейка и сам грузик. Измерим высоту, с которой будет падать грузик. Получаем 1 м. Масса грузика написана на нем самом и равна 100 г. Поднимем грузик на указанную высоту и отпустим его.
Краткое условие задачи будет выглядеть так (рис. 7):
Рис. 7. Краткое условие задачи №3
Для нахождения работы выразим силу тяжести через массу тела , и учтем, что расстояние, пройденное телом, равно высоте, с которой оно упало: .
Тогда
Подстановка чисел дает
Рис. 8. Полное решение задачи №3
Теперь у нас есть представление о том, насколько велика работа в 1 джоуль. Такая работа совершается при падении грузика массой 100 г со стола высотой 1 м.
Переходим к решению более сложных задач.
Задача №4
Со дна реки глубиной 4 м поднимают камень объемом 0,6 м3 на поверхность. Плотность камня 2500 кг/м3, плотность воды 1000 кг/м3. Найти работу по подъему камня.
Для решения задачи необходимо не только записать краткое условие задачи, но и сделать схематический рисунок и показать силы, действующие на камень. Это сила тяги Fт (работу именно этой силы мы будем находить), сила тяжести mg и сила Архимеда Fa. Кроме того, покажем высоту, на которую сила тяги перемещает камень (рис. 9).
Рис. 9. К решению задачи №4
Как видно из рисунка, искомая работа равна .
Для нахождения силы тяги воспользуемся условием равновесия тела: если оно неподвижно или движется с постоянной скоростью, то равнодействующая всех сил, приложенных к нему, равна нулю.
, откуда .
Массу камня выразим через плотность камня и его объем, а силу Архимеда – через плотность воды и объем погруженной части камня (в этом задаче он равен объему всего камня). Объем камня и ускорение выносим за скобки.
Остается подставить силу тяги в формулу для вычисления работы
Поскольку рабочая формула получилась более сложной, единицы измерения результата определим отдельно от расчета его численного значения.
Рис. 10. Полное решение задачи №4
Задача №5
Поршень двигателя перемещается на 20 см под давлением 800 кПа. Определите работу, совершаемую двигателем за один ход поршня, если площадь поршня 150 см2 (рис. 11).
Рис. 11. К задаче №5
Запишем краткое условие и выразим все единицы в системе СИ (рис. 12).
Рис. 12. Краткое условие задачи №5
В данной задаче работу выполняет сила давления газа в цилиндре двигателя. Для нахождения этой силы необходимо давление в цилиндре умножить на площадь поршня. Расстояние, пройденное поршнем, мы обозначили буквой l.
Единицы измерения результата:
Численное значение результата:
Рис. 13. Полное решение задачи №5
Задача №6
Найти КПД (коэффициент полезного действия) наклонной плоскости (экспериментальная) (рис. 14).
Рис. 14. Груз поднимают вверх по наклонной плоскости
Поднимая груз по наклонной плоскости с помощью динамометра, измерим силу, которая для этого требуется. Она оказывается равной 2,2 Н. Расстояние, пройденное грузом вдоль плоскости, измеряем рулеткой. Оно составило 0,5 м. При этом груз поднялся над столом на высоту 20 см. Кроме того, известны масса бруска, равная 50 г, и общая масса трех поднимаемых грузов – 300 г.
Полученные опытные данные занесем в краткое условие задачи, выразим все величины в единицах системы СИ и сделаем схематический рисунок измерительной установки (рис. 15).
Рис. 15. Краткое условие задачи №6
Коэффициентом полезного действия механизма называется физическая величина, равная отношению полезной работы, совершенной механизмом, к работе, затраченной для приведения его в действие.
КПД также обозначают греческой буквой η (эта) и часто выражают в процентах.
В нашем случае механизмом является наклонная плоскость.
Полезная работа – эта работа, которую нужно совершить, чтобы поднять тело на высоту h.
Затраченная работа совершается силой тяги, то есть силой упругости пружины динамометра.
Тогда КПД равен
Определяем единицы измерения КПД
Такой результат означает, что КПД является безразмерной величиной (просто число без единиц измерения).
Его числовое значение
Обратите внимание, что коэффициент полезного действия не может быть больше единицы, поскольку полезная работа всегда меньше затраченной. Если у вас получилось наоборот, значит, либо при измерениях, либо в ходе вычислений допущена ошибка.
Рис. 16. Полное решение задачи №6
Задача №7
Трактор равномерно тянет плуг, прилагая силу в 10 кН. За 10 мин он проходит путь 1,2 км. Определить мощность, развиваемую трактором (рис. 17).
Рис. 17. К условию задачи №7
Запись краткого условия и перевод величин в систему СИ будет выглядеть так (рис. 18):
Рис. 18. Краткое условие задачи №7
Для нахождения мощности нужно работу, выполненную трактором, разделить на время ее выполнения. Работа вычисляется как произведение силы тяги трактора на пройденное трактором расстояние. Таким образом, получаем:
Рис. 19. Полное решение задачи №7
Задача №8
Поезд массой 600 тонн равномерно движется со скоростью 36 км/ч. Определить развиваемую тепловозом мощность, если сила трения составляет 0,002 веса поезда.
Рис. 20. К условию задачи №8
Запишем краткое условие задачи, выразим величины в единицах системы СИ, сделаем рисунок, на котором покажем силу тяги тепловоза и силу трения (рис. 21).
Рис. 21. Краткое условие задачи №8
Поскольку по условию задачи скорость поезда не изменяется и равна 36 км/ч, сила тяги равна силе трения Вес в случае движения с постоянной скоростью равен силе тяжести Тогда сила тяги равна
Для вычисления мощности воспользуемся формулой откуда
Подстановка данных из условия дает
Рис. 22. Полное решение задачи №8
Список литературы
Перышкин А. В. Физика. 7 кл. – 14-е изд., стереотип. – М.: Дрофа, 2010.
Перышкин А. В. Сборник задач по физике, 7–9 кл.: 5-е изд., стереотип. – М: Издательство «Экзамен», 2010.
Лукашик В. И., Иванова Е. В. Сборник задач по физике для 7–9 классов общеобразовательных учреждений. – 17-е изд. – М.: Просвещение, 2004.
Домашнее задание
Лукашик В. И., Иванова Е. В. Сборник задач по физике для 7–9 классов №675–683, 706–712.
Дополнительные рекомендованные ссылки на ресурсы сети Интернет
Единая коллекция Цифровых Образовательных Ресурсов (Источник)
Единая коллекция Цифровых Образовательных Ресурсов (Источник)
Тяговый класс тракторов — таблица классификаций
Класс трактора — от мини до мощных универсалов, таблица
В России и других странах СНГ трактора классифицируются по своим тяговым характеристикам. Производители изготавливают различные модели, подразделяя их по тяговым возможностям. Каждый имеет свои отличительные характеристики, по которым выбирается техника под определенный вид работ. Как отличается тяговый класс тракторов и что означает это понятие, расскажут наши специалисты.
Понятие и особенности
Тяговые классы сельскохозяйственных машин — это ключевая характеристика, которая говорит о том какую максимальную тяговую силу способна развить техника. Тяговая сила будет зависеть не только от заводских характеристик, но и от вида почвы при эксплуатации. На глинистой и заболоченной почве тяговые характеристики будут ниже, чем на сухой песчаной. Поэтому заводские характеристики для всех сельскохозяйственных тракторов рассматриваются при соблюдении одинаковых условий эксплуатации.
Классификация тракторов по тяговому признаку осуществляется при грунтовых условиях:
Характеристики почвы
Колесность агромашины
4х2
4х4
На гусеничном ходу
Допустимое буксование
менее 16%
менее 14%
менее 3%
Насаждения
Стерни после высадки колосковых
Допустимая влажность
25-35%
Плотность почвы
Средняя
Сила тяги сельскохозяйственной техники выражается цифрами в тонне силе усилия —тс. Одновременно тяговая сила может выражаться в килоньютонах — кН. Соотношение килоньютонов к тонне силе следующее: 1 тс=10 кН. Так, машина 6 тс — это 60 кН. Показатели у одной и той же машины на гусеницах и колесах при эксплуатации могут отличаться, так как проходимость у первой выше.
Основные характеристики сельскохозяйственной техники
Все сельскохозяйственные машины начиная от садового мотоблока, заканчивая крупным промышленными моделями сельскохозяйственных машин, разделяется на 17 групп по силе тяге. Но популярные модели агромашин, которые используются в частных хозяйствах, разделяются на 8 групп. Три первых группы относятся к мотоблокам и мини-технике. Недавно производители стали выпускать еще сельскохозяйственные машины с 7 силой тяги, ранее техника с этим показателем относилась к крупной промышленной. Но в связи с развитием частных ферм, трактор класс 7 стал востребован аграриями и его перенесли к общему назначению.
Основные показатели всех моделей и тяговый класс тракторов таблица ниже:
Сила тяги техники
Мощность техники в л. с.
Возможные тяговые усилия, кН
Средний вес машины, кг
Популярные модели техники
На колесах
На гусеницах
0,1
—
—
—
Мотоблок садовый
—
0,2
10–14
1,8–5,4
Менее 5 30
Производительные мотоблоки, мини-трактора.
—
0,4
—
—
—
Jinma (120, 264E), отечественные на сегодня не производятся.
—
0,6
22–25
5,4–8,1
1 500
Беларус 300, Т30 и Т25.
—
0,9
40–50
8,1–12,6
2 600
Т40
—
1,4
55–75
12,6-18
2 900
ЮМЗ 6, Беларус 900, МТЗ 80/82.
—
2
75-90
18–27
Менее 5 000
Беларус 1220
Т 70, 54 (специальные)
3
90
27–36
6 300
Беларус 1500, Т150к
Т 150, ДТ 75.
4
130–165
36–45
Менее 7 900
Беларус 2022
Т 4А, ХТЗ-201.
5
От 165
45–54
7 900
Белорусский 3023, К 700.
Т 501.
6
300–400
54–63
Менее 11 600
Джон Дир 9430
Т 130м
7
300–400
63–72
Менее 11 600
АТМ Террион 7360
—
В таблице представлены основные показатели, которые учитываются при выборе модели. Чем сложнее работы предстоят и больше земельные угодья, тем выше класс техники понадобится.
Виды агротехники
По своим техническим характеристикам, силе тяги и мощности вся сельскохозяйственная техника подразделяется на группы:
0,2; 0,4 — мини-трактора. Небольшие маломощные, подходят для работы на частном подворье, используются с навесным и прицепным оборудованием. Применяются в агрокомплексах, для садовых и дорожных работ. Компактные и легкие, легко проходят по узким улицам городов.
0,6; 0,9; 1,4; 2 — универсальные машины. Используются для сельскохозяйственных и дорожных работ. Применяются на пропашных, при посадке и уборке урожая, подготовке почвы. В этот вид может входить подгруппа универсально-пропашных машин. Используется для подготовке участков под посадку, для возделывания.
Трактора класс 3; 4; 5; 6; 7 — машины общего назначения. Подходит для осуществления любых энергоемких дорожных и агроработ. В агрохозяйстве используются в крупных агрокомплексах.
Отдельная группа с различным тяговыми возможностями — специализированные агромашины, используемые для конкретных культур, например: для уборки и посадки корнеплодов, подсолнечника и т. д.
Техника с самоходным шасси — узкая линейка, имеет низкую тяговую силу. Например, самый популярный самоходный трактор Т 16.
Самые востребованные виды с различным классом тяги рассмотрим подробнее.
Миниатюрные помощники аграриев
Техника 0,2 тс миниатюрна, но востребована в частных хозяйствах. Сюда относятся мощные мотоблоки и мини-трактора. Подходят для уборки узких улиц, в частном хозяйстве с ее помощью можно выполнять практически любые уличные работы. Средняя цена на рынке, в зависимости от производителя и мощности, от 85 00 р.
Среди популярных выделяются следующие: Белорусские 112; 08К; 132Н и МТЗ 082, Уральский Т0,2, КМЗ 012. Менее адаптированные, китайские агромашины тоже востребованы аграриями: Jinma 100 и 200х; Чери ФД 15; Дофган 244; Хинтай-220; Фотон ТЕ 244.
Дешево и сердито
Распространены среди частных фермерских хозяйств классы тракторов 0,6 и 0,9. Это более мощная агромашина, применяемая для разнообразного вида агроработ на участках от 50 соток. Две популярные модели 0,6 класса выпускаются на Владимирском ТЗ — Т 30 и 25А. Интересная техника с самоходным шасси Т 16. Из современных выделяются: Беларус 310,3 20, 321 и ВТЗ 2032. Мощные сельскохозяйственные машины с хорошей проходимостью и большим количеством навесного и прицепного оборудования.
Тяговый класс 0,9 представлен современными ЛТЗ 55 (производится с 90-х годов на Липецком тракторном заводе) и ВТЗ 45 от Владимирского ТЗ. Из проверенных годами, выделяются Т 40 и 40А. Средняя цена на рынке от 170 тыс. р.
Практичные и популярные
Среди самых практичных и популярных у аграриев выделяются агромашины класса 1,4 тс. Справляются с работами лучше мини-видов, так как мощность подходит для выполнения любых видов работ в полях и на дорогах. Популярны трактора этого класса в строительной сфере, так как цена значительно ниже мощных производственных моделей.
Среди ярких представителей 1,4 тс выделяются трактора МТЗ 80 и 82 (выпускает Минский тракторный завод), Беларус 900. МТЗ 80 выпускается с конца 80-х годов и зарекомендовал себя только с положительной стороны. Подходит для работы на любых видах почвы и используется при различных погодных условиях. Средняя цена от 360 тыс. р.
Мощные универсалы
Интересен для различного вида работ тяговый трактор класса 2 тс. До 80-х годов агромашины класса 2 выпускались только на гусеницах. Среди таких известны: Т 70 и 54В. Колесным класса 2 из ранних считается ЛТЗ 155. Используется для строительных, дорожных и агроработ. Высокопроизводительные с высокими техническими характеристиками. Среди последних выделяются: Беларус 1221 и улучшенный 1222, Джон Дир 6020, 6130D производства США . Цена начинается от 270 тыс. р. Импортные стоят от 450 тыс. р. Но не всегда импортные трактора адаптированы под наши погодные условия.
Техника для любых работ
Тракторы тягового класса 3 подходят для любых видов аграрных, строительных, коммунальных, дорожных и других видов работ. Это мощные модели, применяемые в сельском хозяйстве для больших угодий. Из современных моделей выделяется трактор Агромаш, модифицированная модель ДТ 75 на гусеничном ходу. Колесная техника представлена тракторами Т 150 К и 150 от Харьковского ТЗ. Средняя цена на класс 3 от 500 тыс. р. Могут позволить себе крупные фермерские хозяйства.
Трактора более высокого тягового класса востребованы меньше, так как цена на них высокая. Агрохозяйства предпочитают модели средней ценовой категории с высокими техническими характеристиками, как на видео:
Какого класса выбрать сельскохозяйственную технику, зависит от объемов работ, вида почвы и материальных возможностей агрария. Средняя категория классов 1,4; 2 и 3 представлены в широком ассортименте отечественными и зарубежными производителями. Но не рекомендуем экономить и приобретать технику на вторичном рынке, особенно старше 10 лет. Независимо от класса тяговой силы, трактор будет ломаться и работы затянутся. А найти запасные части на устаревшие трактора сложно. Помните, лучше переплатить, чем потерять больше во время сезонных работ.
Трактор, сила тяги которого на крюке 15 кн ,сообщает прицепу ускорение… — Учеба и наука
Лучший ответ по мнению автора
10. 01.17
Лучший ответ по мнению автора
Alexander
Читать ответы
Михаил Александров
Читать ответы
Андрей Андреевич
Читать ответы
Посмотреть всех экспертов из раздела Учеба и наука > Физика
Похожие вопросы
Водитель настроил бортовой компьютер автомобиля так, чтобы он непрерывно показывал график зависимости средней скорости движения автомобиля от
Однажды двое мышей-хулиганов Митя и Мотя решили улучшить свои навыки в стрельбе из рогатки. Митя забрался на шкаф высотой H=1,3 м и встал у его края. Мотя остался на полу, но отошёл так, что
Решено
Решите, пожалуйста, задачи
600 p
Над поверхностью земли в неподвижном состоянии удерживают массивную плиту, на горизонтальной поверхности которой лежит небольшой шарик.
Внезапно плиту начинают двигать вертикально вниз с постоянной
В герметичном сосуде объёмом V=18 л под давлением p=360 кПа находится смесь гелия и аргона. Чему равна масса гелия в сосуде, если среднеквадратичная скорость его молекул составляет u=1200м/c?
Пользуйтесь нашим приложением
Тяговый класс тракторов, таблица по мощности
Тяговый показатель исчисляется в килоньютонах (кН) или тонна-силах (тс.), где 1 тс. = 10 кН и является основной характеристикой трактора
Содержание
Условие
B16. Трактор, сила тяги которого на крюке 15 кН, сообщает прицепу ускорение 0,5 м/с2. Какое ускорение сообщит тому же прицепу трактор, развивающий тяговое усилие 60 кН?
История развития тракторостроения
В процессе развития тракторной техники менялись не только энергоносители, применяемые в силовых установках (пар, сжиженный газ , нефть, керосин, дизель, бензин). Совершенствовались сами силовые установки от массивных до ультра компактных, от простых до энергоэффективных.
История отечественного тракторостроения началась еще в дореволюционное время. Продолжилась она и в революционное. Во времена высокого темпа народного строительства, освоения целины, в тяжелые военные времена, не прекращался процесс выпуска как серийной техники так и перспективных опытных образцов. Для автоматизации сельскохозяйственных процессов, задач строительства и промышленности, необходимо покрытие не только всего спектра номинального тягового класса, но и различные региональные требования, требования к колесной базе, требования к качеству, и сфере применения агрегата.
В связи с этим перед конструкторами прошлого стояли сложные задачи, актуальные и в наше время. Одним из разумных решений данной проблемы стала унификация, следствием которой стало появление в отечественной промышленности базовых моделей тягового класса и его модификации под различные задачи.
Таким образом, решились проблемы с обеспечением комплекта запасных частей и навесного оборудования, легкостью освоения техники персоналом. Одной из положительных сторон отечественной техники являлась документация, понятная для освоения.
Что такое трактор?
Трактор — колесная или гусеничная машина, приводимая в движение установленным на ней двигателем, предназначенная для перемещения и приведения в действие различных машин и орудий, тележек или саней, а также для привода стационарных машин от вала отбора мощности или приводного шкива. Современные тракторы классифицируют по назначению, типу движителей и остову.
Тяговые классы тракторов МТЗ
Минский Тракторный Завод — единственное предприятие постсоветского пространства, которое в своём производстве достигло максимальной сегментации модельного ряда выпускаемых машин по тяговому усилию от минитракторов с характеристиками 0,2 т. с. до энергонасыщенных машин 6 –го тягового класса.
МТЗ-3525 6 тяговый класс
Тяговый класс
Марка машины МТЗ
Мощность двигателя кВт(л.с.)
0.2
112Н-01
8,7/11,8
132Н
152
0.6
310
26/36
311
320.4
321
422
36/50
451
0.9
622
46/62,5
651
1.4
510, 512, 511
42/57
520, 522, 570
46/62
572, 592. 2
47,5/64,4
811, 812
59,6/80
911, 912
66/90
80.1, 82.1, 820
60/81
920, 920.2
900.3, 920.3, 900.4, 920.4, 920.6
62/84
892, 892.2, 90, 92
66/90
952, 952.2
65/89
952.3,952.4,952.5,952.6
70/95
922.3, 922.4, 922.5
923.3, 923.4, 923.5
1021
77/105
1021.3, 1021.4, 1021.5
81/110
1025.2
79/107
1025.3, 1025.4, 1025.5, 1025.6
81/110
2
1220. 3, 1220.4, 1220.5, 1220.6
90/122
1221Т.2, 1221.2, 1221В.2
96/130
1221.3, 1221.4
97/132
1221.5, 1221.6
100/136
1222.3
3
1523, 1523Т1
109/148
1523.3, 1523Т1.3, 1523.4
111/150
1523.5, 1523.6
112,4/153
1822.3
132/180
1502 гусеничный
116/158
2022.3, 2022В.3, 2022.4, 2022.5
156/212
2022.6
148/201
2122.3
156/212
2122.4, 2122.6
150/204
2103 гусеничный
156/212
5
3022В
220/300
3022. ДЦ1
223/303
6
3522
264/359
3525
268/364
Аналог МТЗ 80 трактор ЮМЗ-6 выпускаемый Южным Машиностроительным Заводом имеет тяговый класс 1.4 тс. За годы выпуска ЮМЗ-6 комплектовался несколькими вариантами силовых установок. В основной комплектации устанавливался дизель Д-65 мощностью 44/65 (кВт/л.с)
Основные характеристики сельскохозяйственной техники
Все сельскохозяйственные машины начиная от садового мотоблока, заканчивая крупным промышленными моделями сельскохозяйственных машин, разделяется на 17 групп по силе тяге. Но популярные модели агромашин, которые используются в частных хозяйствах, разделяются на 8 групп. Три первых группы относятся к мотоблокам и мини-технике. Недавно производители стали выпускать еще сельскохозяйственные машины с 7 силой тяги, ранее техника с этим показателем относилась к крупной промышленной. Но в связи с развитием частных ферм, трактор класс 7 стал востребован аграриями и его перенесли к общему назначению.
Основные показатели всех моделей и тяговый класс тракторов таблица ниже:
Сила тяги техники
Мощность техники в л. с.
Возможные тяговые усилия, кН
Средний вес машины, кг
Популярные модели техники
На колесах
На гусеницах
0,1
—
—
—
Мотоблок садовый
—
0,2
10–14
1,8–5,4
Менее 5 30
Производительные мотоблоки, мини-трактора.
—
0,4
—
—
—
Jinma (120, 264E), отечественные на сегодня не производятся.
—
0,6
22–25
5,4–8,1
1 500
Беларус 300, Т30 и Т25.
—
0,9
40–50
8,1–12,6
2 600
Т40
—
1,4
55–75
12,6-18
2 900
ЮМЗ 6, Беларус 900, МТЗ 80/82.
—
2
75-90
18–27
Менее 5 000
Беларус 1220
Т 70, 54 (специальные)
3
90
27–36
6 300
Беларус 1500, Т150к
Т 150, ДТ 75.
4
130–165
36–45
Менее 7 900
Беларус 2022
Т 4А, ХТЗ-201.
5
От 165
45–54
7 900
Белорусский 3023, К 700.
Т 501.
6
300–400
54–63
Менее 11 600
Джон Дир 9430
Т 130м
7
300–400
63–72
Менее 11 600
АТМ Террион 7360
—
В таблице представлены основные показатели, которые учитываются при выборе модели. Чем сложнее работы предстоят и больше земельные угодья, тем выше класс техники понадобится.
Таблица и описание отдельных тяговых классов сельскохозяйственной техники
Для удовлетворения нужд сельского хозяйства техника производится в десяти тяговых классах. В последнее время стало актуальным применять в описании тракторной техники не только номинальный тяговый класс, но и мощность двигателя. В ниже приведенной диаграмме показана классификация сельскохозяйственных агрегатов согласно указанному выше подходу.
В диаграмме приведен параметр колесной базы:
4к2 — означает суммарное наличие 4-х колес, два из которых ведущие
4к4а — означает полный привод с парой малых передних колес и больших задних
4к4б — то же, но с одинаковыми по размеру колесами
Техника с номинальной тягой по классу 0,2
К данному классу можно отнести мотоблоки и минитракторы. В основном применяются в сельском хозяйстве на небольших участках, в основном для проведения работ с целью выведения новых сортов и отработки новых методов обработки почвы. Широко применяются фермерами на различных участках, в зависимости от имеющегося навесного оборудования. Применимы в животноводческих хозяйствах. Применяются рядом коммунальных служб и при малом строительстве.
К данному классу можно отнести ХТЗ (Т-012), Гомсельмаш (АМЖК-8), Минский тракторный завод (МТЗ-082, Беларус-132Н) , Алтайский тракторный завод(МТ-15) , Курганский машиностроительный завод (КМЗ-012Ч), ЧТЗ (Т-0,2 Уралец).
Класс тяги 0,6
Тракторы, относящиеся к данному классу, применяются непосредственно в сельском хозяйстве и участвуют в различных технологических процессах:
подготовка почвы к засеву культурными злаками, посев
посадка овощей и корнеплодов
посадка декоративных и плодоносных деревьев и кустарников
уход за посевами, участвуют в процессе ухода за кустарниками и деревьями
сбор урожая
подготовка кормов для животноводов
транспортные, коммунальные работы, могут приводить различные стационарные агрегаты
К данному классу можно отнести АГРОМАШ (30ТК) , МТЗ ( «Беларус» 300-й ) ХТЗ ( ХТЗ-2511,Т-30А, Т-16МГ ) ВТЗ (ВТЗ-2032А, Т-25)
Техника тягового класса 0,9
Спектр возможных работ и регионов в данном классе немного шире. Появляются как полно приводные машины, так и машины по формуле 4х2, разработаны модели низким клиренсом для работ в горных зонах.
Становится целесообразным установка коробок передач с широким диапазоном переключаемых скоростей. Основным применение данного класса стало:
вспашка легких почв
подготовка земли к засеву
междурядное окучивание
борьба с вредителями (опрыскивание культур)
уборка урожая
заготовка сена
транспортные работы
К данному классу можно отнести МТЗ (Беларус-422), ВТЗ (ВТЗ-2048А, ВТЗ-45АТ) Агромаш (60 ТК, 50 ТК), ТТЗ(Т-28Х4М), ЛТЗ(Т-40М, Т-40, ЛТЗ-60АБ, ЛТЗ-60АБ-10, ЛТЗ-55, ЛТЗ-55А, ЛТЗ-55АН)
Тракторы класса 1,4
С данного класса становится возможным использовать технику в сложных дорожных условиях. Представители данного класса наиболее эффективны при выполнении вышеперечисленных работ предыдущих классов и, учитывая их исключительные свойства, стало возможным их применение для:
вспашки легких и средних грунтов
культивации
боронования
для удобрения почв
К данному классу можно отнести АГРОМАШ( 85ТК), МТЗ(МТЗ-80. 1, МТЗ-82, Беларус-923, «Беларус» 900-й серии) ЮМЗ-6АКМ, ЮМЗ-6ДМ, ЛТЗ-60АБ , ЮМЗ-6
Тяговый класс тракторов 2
С данного класса начитают появляться гусеничные тракторы. Связано это и с мощностью агрегатов и с условиями, в которых приходится выполнять поставленные задачи. К данному классу относятся как садовые тракторы, так и сельскохозяйственные общего и специального назначения, портальные тракторы. Появляется идея изготовления интегральных тракторов. К вышеперечисленным видам работ добавились работы по:
уходу за виноградниками
свекловодческие работы
садоводческие
работа в горных районах
К данному классу можно отнести АГРОМАШ (160 ТК), ЛТЗ (ЛТЗ-155, ЛТЗ-95), ХТЗ (Т-90С), МТЗ(МТЗ-1221, Беларус 1220-й, ШУ-356) КТЗ(Т-54, Т-70, Т-70СМ)
Трактора 3-го — 5-го тягового класса
В данном классе появляется возможность применения колесной базы 6к6 применяемая вплоть до 5 класса включительно. С третьего класса появились болотоходные гусеничные машины. Применяются такие высокопродуктивные машины и в общих сельскохозяйственных целях на больших участках земли различной степени сложности.
3-го класса АГРОМАШ (ТГ150, 180ТК, 90ТГ), МТЗ ( «Беларус» 1500-й, МТЗ
1523), ХТЗ (ХТЗ-150К, ХТЗ-17221, Т-150К, Т-150), ЗАО «Агротехмаш» (АТМ 3180), ОАО «НПК «Уралвагонзавод»» (РТМ-160) 4-го АТЗ (Т-4А, Т-4 ), ХТЗ (ХТЗ-201), МТЗ (МТЗ 2022, МТЗ-2103, Беларус 2022) 5-й ПТЗ (К-744Р1, К-700), АТЗ (Т-501) , МТЗ ( Беларус 3023, МТЗ-3022).
Тракторы 6-го — 8-го тягового класса
Относятся к наиболее продуктивным машинам сельскохозяйственного назначения. Применяются в наиболее сложный условиях и на наиболее протяженных участках.
6-й ПТЗ (К-744Р2), ЧТЗ (Т-170М), АГРОМАШ (Руслан) 7-й ПТЗ (К-744Р3) 8-й класс ПТЗ (К-744Р4), ООО «Комбайновый завод «Ростсельмаш» («Versatile» 535) колесная база 12х4 13 июля 2010 года установил рекорд по обработке 417 га земли.
По типу движителей (ходовой системы) тракторы классифицируют на:
колесные, передвигающиеся с помощью колесного движителя. Колесные подразделяются по «колесной формуле», отражающей общее число колес, число ведущих колес и их размеры. Классический четырехколесный трактор с передними управляемыми колесами меньшего диаметра и задними ведущими большего диаметра имеет колесную формулу 4К2. Здесь первая цифра «4» показывает общее число колес, а вторая цифра «2» — число ведущих колес. Если при тех же данных и передние колеса ведущие, но меньшего диаметра, то трактор имеет колесную формулу 4К4а, где вторая цифра «4» показывает, что трактор имеет четыре ведущих колеса (все колеса ведущие), а буква «а» — указывает на меньший диаметр передних ведущих колес. Тракторы со всеми четырьмя ведущими колесами одного диаметра имеют колесную формулу 4К4б, где буква «б» указывает на равенство диаметров передних и задних колес. Встречаются тракторы с большим числом ведущих колес, особенно среди лесотехнических и лесохозяйственных (6К6, 8К8). Трактор с одним или двумя сближенными передними управляемыми колесами имеет колесную формулу 3К2.
гусеничные, передвигающиеся с помощью гусеничного движителя
полугусеничные, в которых используются колесные и гусеничные движители одновременно (ЮМЗ-6КЛ)
Тяговые характеристики колёсных тракторов «Кировец»
Машины выпускаются на мощностях питерского машиностроительного холдинга « Путиловец». Трактора относятся к сегменту энергонасыщенных мощных колёсных машин промышленного и сельскохозяйственного назначения на базе ломающейся рамы.
К-700 Кировец
Класс
Марка
Мощность дизеля кВт/л.с.
5
К-700
162/220
5
К-701
221/300
6
К-701М
247/335
6
К-701М1, К-702, К-703
258/350
5
К-734
184/250
6
К-744
258/350
5
К-744Р2
221/300
8
К-744Р3
315/428
8
К-745
315/428
5-6
К-9000
260-380/354-516
5
К-5
184/250
6-8
К-7М
221-315/300-428
Кировец К-7М
Тракторы тягового класса 4
Тракторы тягового класса 4 представлены базовой моделью — гусеничным трактором Т-4А с шестицилиндровым дизелем мощностью 130 л. с. Ширина колеи 1384 мм, дорожный просвет 362 мм, скорость движения 3,47…9,52 км/ч, масса 8145 кг. Предназначен для проведения работ общего назначения. Разработан модернизированный трактор для степных зон Т-402А, с двигателем Д-461-11, мощностью 160 л.с. Эти тракторы служат для выполнения энергоемких работ. Их применяют на полях большой площади.
0,2 класс
Как вы уже знаете, к этому классу относятся мини-тракторы и тяжелые мотоблоки. Эта техника предназначается для несложных работ на малых участках. Часто такие трактора используют для привода всяческих агрегатов и механизмов. Сегодня на рынке можно встретить массу тракторов этого класса начиная с ранних МТЗ-082 и «Беларуса-112», и заканчивая современными: «Беларус-08К», «Уралец Т-0,2», КМЗ-012, «Уссуриец» и так далее. Большой популярностью на отечественном рынке пользуются также китайские модели: Foton TE-244, Chery FD15, Dong Feng DF 244, Xingtai XT-220, и другие. Есть также японские трактора 0,2 класса, фирм: Mitsubishi, Iseki и Kubota.
3 класс
Данный вид техники активно применяется в сельскохозяйственных и промышленных работах. При разработке полезных ископаемых и в горнодобывающей отрасли, также можно встретить этот класс трактора. 3 класс имеет таких типичных представителей: колесный или гусеничный Т-150, все версии гусеничного ДТ-75, ДТ-175, и современный «Агромаш 90». Из новинок внимания заслуживают: «Беларус 1523», Terrion АТМ 3180 и 6 серия John Deere.
Класс машин Онежского Тракторного Завода
Машины представляют собой линейку трелёвочных установок, предназначенных для работ в лесохозяйственной отрасли, а также данную технику успешно применяют в мелиоративных мероприятиях и на транспортных работах в труднопроходимой местности.
Трелёвочная машина Онежец 300
класс
марка
Мощность двигателя кВт/л.с.
3
Онежец-300БС, 320, 330, 335,350, 380, 392, 395
120/88
ТЛТ-100, ЛТХ-100, ТБ-1М
Онежец -390
180/132
ТДТ 55, ЛТХ 55
62/45
3.
1: Traction — Engineering LibreTexts
Последнее обновление
Сохранить как PDF
Идентификатор страницы
46845
Николас М. Холден, Мэри Ли Вулф, Джэктон Арого Огеджо и Энда Дж. Камминс
Университетский колледж Дублина и Технологический институт Вирджинии через Инициативу открытого образования Технических библиотек Вирджинии
Даниэль М. Кейрос
Кафедра сельскохозяйственной инженерии
Федеральный университет Викозы
Висоса, Минас-Жерайс, Бразилия
Джон К. Шуллер
Кафедра машиностроения и аэрокосмической техники
Университет Флориды
Гейнсвилл, Флорида, США
Основные термины
Механика тяги
Тяговые устройства
Тракторы
Мощность двигателя
Транспортные устройства
Прицепные орудия
Сила тяги
Переменные
Введение
Тракторы были созданы для сокращения трудозатрат человека и животных и повышения эффективности и производительности растениеводства (Schueller, 2000). В основном тракторы используются для буксировки таких орудий, как почвообрабатывающие орудия, сеялки, культиваторы и комбайны, в поле и, в некоторой степени, на дороге (Renius, 2020). Чтобы эффективно тянуть навесное оборудование, трактор должен создавать сцепление между шинами и поверхностью почвы. Тяга — это способ, которым транспортное средство использует силу для движения по поверхности.
Уже на раннем этапе разработки тракторов прямая передача мощности от тракторов к орудиям стала возможной благодаря использованию коробок отбора мощности (ВОМ), которые передают мощность вращения на орудия и машины, а также с помощью гидравлических систем для подъема и опускания навесного оборудования и перемещения части навесных машин. Тяговое орудие по-прежнему является наиболее распространенным применением мощности трактора. Полевая производительность сельскохозяйственных машин, т. е. площадь поля, которую можно обработать в единицу времени, обусловила разработку и применение более крупных орудий. Увеличенные размеры требуют большей тяги от тянущего трактора. Необходимы более эффективные системы для создания тягового усилия, чтобы обеспечить большие силы, необходимые для тяги этих орудий.
Эффективность того, как тракторы преобразуют мощность, вырабатываемую двигателем, в мощность, необходимую для тяги навесного оборудования, зависит от многих переменных, связанных с трактором и состоянием почвы. Тяга особенно важна в сельском хозяйстве, так как полевые почвы не такие твердые, как дороги, по которым ездят легковые и грузовые автомобили. В этой главе представлены основные принципы тяги, применяемые к сельскохозяйственным машинам.
Результаты
После прочтения этой главы вы сможете:
• Объясните, как тракторы развивают тяговое усилие
• Опишите влияние некоторых важных переменных на тяговое усилие
• Рассчитайте, какую мощность трактор может развивать при буксировке навесного оборудования
• Рассчитайте требуемую мощность для согласования тракторов с навесным оборудованием
Концепции
Тяговые и транспортные устройства
Согласно Американскому обществу инженеров-агрономов и биологических инженеров (стандарты ASABE, 2018 г. ), существует два типа устройств поверхностного контакта, связанных с движением транспортного средства: тяговые устройства и транспортные устройства. Тяговое устройство получает мощность от двигателя и использует реакции сил опорной поверхности для движения транспортного средства, в то время как транспортное устройство не получает мощности, но необходимо для поддержания транспортного средства на поверхности при движении транспортного средства по этой поверхности. . Колеса, шины и гусеницы могут быть тяговыми устройствами, если они подключены к двигателю или другому источнику энергии; если они не подключены, они являются транспортными устройствами. Основные узлы сельскохозяйственного трактора представлены на рис. 3.1.1. В данном примере трактор двухколесный, поэтому большие задние колеса, получающие мощность от двигателя, являются тяговыми устройствами, а малые передние колеса — транспортными. Все колеса были бы тяговыми устройствами, если бы трактор был полноприводным. Двигатель соединен с тяговым устройством трансмиссией, часто состоящей из сцепления, трансмиссии, дифференциала, осей и других компонентов. (Привод в этой главе не рассматривается.) Дышло — это точка крепления, через которую трактор может передавать тяговое усилие на навесное оборудование.
Рисунок \(\PageIndex{1}\): Схематический вид двухколесного сельскохозяйственного трактора.
Механика тяги
Самый простой способ анализа силы тяги, создаваемой тяговым устройством, таким как колесо или гусеница, заключается в рассмотрении сил трения, которые действуют при контакте тягового устройства с поверхностью, когда система находится в равновесии. Для упрощения предполагается, что машина движется с постоянной скоростью по неизменной поверхности (рис. 3.1.2). Тяговое устройство (далее упрощенное до наиболее распространенного варианта «колесо») имеет две основные функции: воспринимать нагрузку, действующую на ось колеса ( W ) и для создания чистой тяговой силы ( H ). Силу Вт обычно называют динамической нагрузкой, действующей на колесо. Динамическая нагрузка зависит от того, как вес трактора в этот момент времени распределяется на каждое колесо. Если система находится в равновесии, поверхность реагирует на W приложением к колесу вертикальной силы реакции ( R ). При контакте поверхности с колесом возникает сила трения ( F f ) генерируется. Чтобы сохранить равновесие в горизонтальном направлении, величина чистой силы тяги H равна величине силы трения F f . Чтобы создать результирующую силу тяги H , необходимо преодолеть силу трения. Это делается приложением крутящего момента ( T ) к оси колеса. Этот крутящий момент пропорционален крутящему моменту, создаваемому двигателем трактора в соответствии с трансмиссией, включая текущее передаточное число.
Рисунок \(\PageIndex{2}\): Упрощенная диаграмма переменных, связанных с колесом, развивающим чистую тяговую силу.
ω = угловая скорость колеса
F F = сила трения
H = чистая тяговая сила
R = вертикальная сила реакции колеса
T = крутящий момент передается на ось колеса
v a = фактическая скорость колеса
Вт = динамическая нагрузка на колесо
При движении колесо (рисунок 3. 1.2) вращается с постоянной угловой скоростью ( ω ), причем эта угловая скорость пропорциональна скорости вращения двигателя и зависит от передаточного отношения в трансмиссии. Колесо имеет фактическую скорость v a , которая равна угловой скорости, умноженной на радиус качения колеса, уменьшенный на проскальзывание (как обсуждается ниже). В равновесной ситуации ω и v и являются константами. Мощность, передаваемая на ось колеса ( P w ), может быть рассчитана как произведение крутящего момента ( T ) и угловой скорости ( ω ), как показано в уравнении 3.1.1. Тяговая мощность, развиваемая колесом ( P t ), является произведением чистой тяговой силы ( H ) и фактической скорости ( v a ), как показано в уравнении 3.1.2. Тяговый КПД колеса ( T E ) можно рассчитать как отношение тяговой мощности к мощности оси колеса, как показано в уравнении 3. 1.3.
\[ P_{W}=T\omega \]
\[ P_{t}=H\nu_{a} \]
\[ T_{E}=\frac{P_{t}}{P_ {W}} \]
где P w = мощность, передаваемая на ось колеса (Вт)
T = крутящий момент, передаваемый на ось колеса (Н·м)
ω = угловая скорость колесо (рад с −1 )
P t = тяговая мощность, развиваемая колесом (Вт)
H = чистая тяговая сила (Н)
v a = фактическая скорость колеса )
T E = тяговое усилие колеса (безразмерное)
Сила трения ( F f на рис. 3.1.2) создается за счет взаимодействия колеса с поверхностью. Силу трения можно рассчитать, умножив силу реакции ( R ) на эквивалентный коэффициент трения ( μ ). В таблице 3.1.1 представлены некоторые типичные значения. Поскольку R равно динамической нагрузке, действующей на ось колеса ( W ), а чистая тяговая сила равна силе трения, тяговую силу можно рассчитать как произведение эквивалентного коэффициента трения и динамической нагрузка, как:
Таблица \(\PageIndex{1}\): Эквивалентный коэффициент трения колеса трактора, работающего на различных поверхностях.
Тип поверхности
Эквивалентный коэффициент трения ( μ )[a]
Мягкая почва
0,26–0,31
Средний грунт
0,40–0,46
Твердая почва
0,43–0,53
Бетон
0,91–0,98
[a] Эти значения были рассчитаны на основе данных, представленных Kolator and Bialobrzewski (2011).
\[ H= \mu W \]
где μ = коэффициент трения (безразмерный).
Теоретическая скорость ( v t ) определяется скоростью вращения колеса ( ω ), умноженной на радиус качения ( r ), как показано в уравнении 3.1.5, но фактическая скорость колеса ( v a ) меньше из-за относительного движения на границе раздела между колесом и поверхностью. Это относительное движение представляет собой коэффициент уменьшения хода, обычно называемый проскальзыванием, и определяется как отношение потери скорости колеса к теоретической скорости, то есть скорости, которую колесо имело бы, если бы потери не было. Уравнение 3.1.6 показывает, как можно оценить коэффициент уменьшения хода:
\[ \nu_{t} = \omega r \]
\[ s= \frac{\nu_{t}-\nu_{a}}{\nu_{t}} \]
, где v t = теоретическая скорость колеса (м с −1 )
r = радиус качения колеса (м с −1 )
с 903, 1 = коэффициент уменьшения хода Коэффициент уменьшения хода является важной переменной для анализа тягового усилия колес. Коэффициент уменьшения хода колеса может варьироваться от 0 до 1 в зависимости от состояния колеса и поверхности. Когда коэффициент уменьшения хода равен 0, относительное движение между периферией колеса и поверхностью отсутствует. Вращение колеса вызывает совершенное поступательное движение относительно поверхности. Однако опыт показал, что для того, чтобы колесо развивало тяговое усилие, должно быть относительное движение (скольжение) между колесом и поверхностью. Следовательно, колесо, создающее тяговое усилие, должно иметь передаточное отношение уменьшения хода больше нуля. Когда колесо создает большее тяговое усилие, коэффициент уменьшения хода увеличивается, а фактическая скорость колеса уменьшается. Когда коэффициент уменьшения хода равен 1, колесо не движется вперед при вращении. В моделях, используемых для расчета тяговой силы, в качестве одной из переменных обычно используется коэффициент уменьшения хода.
ω = угловая скорость колеса
F = полная тяговая сила
H = чистая тяговая сила
R = вертикальная сила реакции колеса
r = радиус качения
T = крутящий момент передается на колесо
F r = сила сопротивления движению
v a = фактическая скорость колеса
W = динамическая нагрузка на колесо
Еще одним важным понятием при анализе процесса тяги движущегося колеса является сила сопротивления движению ( F r ) (рис. 3.1.3). Если колесо движется, колесо и поверхность деформируются. На эту деформацию тратится энергия. Сопротивление, создаваемое колесом, и деформации поверхности должны быть преодолены, чтобы колесо могло двигаться. Учитывая существование силы сопротивления движению, в контакте колеса с поверхностью необходимо создать силу трения большую, чем сила сопротивления движению в контакте колеса с поверхностью, чтобы создать тяговое усилие. Эта сила трения теперь называется общей силой тяги (обозначается 9).0116 Ф ). Таким образом, полная тяговая сила была бы чистой тяговой силой, создаваемой колесом, если бы не было сопротивления движению. Добавление понятий сопротивления движению и общей тяговой силы к рисунку 3.1.2 приводит к рисунку 3.1.3, который является улучшенным представлением сил, действующих на колесо.
Рисунок \(\PageIndex{3}\): Диаграмма переменных, связанных с колесом, развивающим чистую тяговую силу ( H ), включая общую тяговую силу ( F ) и силу сопротивления движению ( Ф р ).
Если колесо, представленное на рисунке 3.1.3, не движется в вертикальном направлении (ось z), то колесо находится в статическом равновесии в этом направлении. В этом состоянии сумма сил в направлении z (вертикальном) равна нулю. Следовательно,
\[ \sum F_{z} = 0 \]
\[ R-W=0 \]
\[ R=W \]
где F z = любая сила, приложенная к колесу в направлении z (Н)
R = вертикальная сила реакции колеса (Н)
Если фактическая скорость колеса, представленного на рис. 3.1.3, постоянна, то горизонтальные силы находятся в статическом равновесии в этом направлении и сумма горизонтальных сил равна нулю. Следовательно,
\[ \sum F_{x}=0 \]
где F x = любая сила, приложенная к колесу в направлении x (Н)
F = полная тяговая сила (Н)
F r = сила сопротивления движению (Н)
На основании уравнения 3.1.12 общая тяговая сила ( F ) должна быть чистой тяговой силой ( H ) плюс сила сопротивления движению ( F r ). Если обе части уравнения 3.1.12 разделить на динамическую нагрузку ( W ), действующую на колесо, то в результате уравнения 3.1.13 получится три безразмерных числа, т. е. , и ρ , создаются, как показано в уравнениях 3.1.15, 3.1.16 и 3.1.17. Первый – чистое передаточное число (μ n ), определяется как чистая тяговая сила, деленная на динамическую нагрузку. Второй — это общий коэффициент тяги ( μ г ), определяемый как общая тяговая сила, деленная на динамическую нагрузку. И третье — это коэффициент сопротивления движению ( μ ), определяемый как сила сопротивления движению, деленная на динамическую нагрузку.
\[ \frac{H}{W}=\frac{F}{W}-\frac{F_{r}}{W} \]
Уравнение 3.1.14 показывает, что μ n , мк g и ρ не являются независимыми. С помощью метода, называемого анализом размеров, были разработаны функции для прогнозирования изменения μ g и ρ в зависимости от переменных колес и сопротивления грунта. Этот анализ представлен Герингом и др. (2003) и выходит за рамки этой главы. Если известны μ g , ρ и W , тяговое усилие, создаваемое колесом, можно рассчитать с помощью уравнения 3.1.18:
\[ H= (\mu_{g}-\rho)W \]
Силы R , F и F r (рис. 3.1.3) действуют на точку, называемую центр сопротивления колеса. Эта точка не совпадает с направлением динамической нагрузки W , но немного опережает ее. Это горизонтальное расстояние называется горизонтальным смещением ( e ). Статический анализ буксируемого колеса (рис. 3.1.4) показывает, что центр сопротивления колеса не совпадает с направлением динамической нагрузки на колесо. В буксируемом колесе на его ось не действует крутящий момент. Реакция почвы ( G ) в центре сопротивления является равнодействующей сил R и F r . Направление силы G проходит через центр колеса. Для перемещения буксируемого колеса с постоянной фактической скоростью ( v a ) к колесу необходимо приложить чистую тяговую силу ( H ), равную силе сопротивления движению ( F r ). Чтобы колесо сохраняло постоянную угловую скорость, сумма импульсов в центре колес должна равняться нулю. Геринг и др. (2003) показали, что горизонтальное смещение можно рассчитать с помощью уравнения 3.1.19.-3.1.21.
Рисунок \(\PageIndex{4}\): Схема сил, действующих на буксируемое колесо.
\[ Re-F_{r}r = 0 \]
, где e = смещение по горизонтали (м).
С помощью уравнения 3.1.18 можно рассчитать силу тяги. Другой важной информацией в анализе тягового усилия колес является прогнозирование того, какой крутящий момент необходимо передать на ось колеса для создания тягового усилия ( H ). В уравнении 3.1.5 радиус колеса используется для преобразования угловой скорости вращения в теоретическую скорость колеса. Радиус колеса также можно использовать для расчета крутящего момента, необходимого для создания тягового усилия колеса. Крутящий момент ( T ), необходимое для поддержания постоянной угловой скорости колеса и получения полезной тяговой силы, является произведением общей тяговой силы и радиуса крутящего момента колеса, определяемым по формуле:
ω = угловая скорость колеса колесо
e = смещение по горизонтали
G = реакция почвы в центре сопротивления
H = чистая тяговая сила
R = вертикальная сила реакции колеса
r = радиус качения
F r = сила сопротивления движению
v a = фактическая скорость колеса
Вт = динамическая нагрузка на колесо
\[ T=Fr_{t} \]
, где r t = радиус крутящего момента колеса (м).
Радиус колеса, определенный в уравнении 3.1.5, отличается от радиуса крутящего момента колеса, определенного в уравнении 3.1.22, из-за взаимодействия колеса и поверхности, которое меняется на поверхности мягкого грунта. Как правило, используется радиус качения, основанный на расстоянии от центра оси колеса до твердой поверхности. Следовательно, уравнение 3.1.23 можно использовать для оценки крутящего момента, действующего на ось колеса:
\[ T=Fr \]
Мощность двигателя, необходимая для создания тягового усилия
Стандарты ASABE (2015 г.) представили диаграмму (рис. 3.1.5) примерного типичного соотношения мощности для сельскохозяйственных тракторов. Тракторы можно определить по полной номинальной мощности маховика двигателя ( P e ). Одним из стандартов, используемых для определения полной номинальной мощности маховика двигателя, является SAE J1995 (SAE, 1995). Номинальная мощность, определяемая этим стандартом, представляет собой механическую мощность, вырабатываемую двигателем без некоторых его аксессуаров (таких как генератор переменного тока, вентилятор радиатора и водяной насос). Следовательно, полная номинальная мощность маховика двигателя больше, чем полезная мощность, вырабатываемая двигателем. Приблизительную чистую мощность двигателя на маховике можно оценить, умножив полную мощность на маховике на 0,9.2. Мощность на ВОМ трактора примерно равна полной мощности на маховике двигателя, умноженной на 0,83, или полезной мощности на маховике двигателя, умноженной на 0,90.
Мощность, которую трактор может генерировать для тяги навесного оборудования, часто называемая мощностью дышла, поскольку к дышлу трактора крепится множество навесных орудий, зависит от типа трактора, т. е. привод на 2 колеса (2WD), механический привод на передние колеса (MFWD) , полноприводная (4WD), или гусеничная. Состояние поверхности, на которой используется трактор, имеет еще большее значение. Используя эти две части информации, коэффициенты, которые показывают оценку соотношения между мощностью тягового стержня и мощностью ВОМ, приведены на рис. 3.1.5.
Мощность тяги, необходимая для тяги орудия:
\[ P_{DB} = F_{i} \nu_{i} \]
где P DB = мощность тяги (Вт)
F i = сила, необходимая для тяги орудия (Н)
v i = скорость орудия (мс −1 )
Сила, необходимая для тяги орудия, зависит от орудия. Например, сила, необходимая для вытягивания сеялки F p — усилие, требуемое на ряд, умноженное на количество рядов:
\[ F_{p} = f_{r}n_{r} \]
, где f r = усилие, необходимое на ряд сеялки (Н ряд −1 )
n r = количество рядов
После определения требуемой мощности на дышле значения на рис. 3.1.5 можно использовать для расчета расчетной необходимой полной номинальной мощности на маховике трактора. тянуть орудие.
Приложения
Понятия тяги и мощности трактора необходимы для правильного согласования трактора с навесным оборудованием. Сельскохозяйственные операции нельзя выполнять, если трактор не может развить достаточную мощность или тягу для буксировки орудия. Поскольку размеры навесного оборудования с годами увеличились, необходимо, чтобы тракторы имели достаточную мощность и достаточное тяговое усилие для выполнения задач, которые они должны выполнять. Выбор слишком большого трактора отрицательно скажется на рентабельности сельского хозяйства, поскольку большие тракторы стоят дороже, чем маленькие. Негабаритный трактор также может увеличить расход топлива и выбросы выхлопных газов. Это важно, потому что даже самые эффективные тракторы получают менее 4 кВтч работы на литр дизельного топлива.
Рисунок \(\PageIndex{5}\): Схема приблизительного соотношения мощностей сельскохозяйственных тракторов (типы указаны в основном тексте) и почвенных условий (ASABE, 2015).
Тракторы сильно различаются по размеру (например, рис. 3.1.6). Например, один крупный современный производитель продает тракторы мощностью от 17 до 477 кВт. Вес трактора должен быть достаточным для создания достаточной силы тяги, как показано в уравнении 3.1.18. Однако, помимо затрат на добавление веса, дополнительный вес может увеличить уплотнение почвы и снизить урожайность. Поэтому необходимо понимать эти концепции для проектирования тракторов и навесного оборудования. Возможности двигателя трактора, элементов силовой передачи и колес необходимо соответствующим образом масштабировать. Необходимо найти компромисс между тем, чтобы сделать их большими и мощными, и сделать их компактными и недорогими. Приведенный выше анализ может быть использован для выбора и конструкции трактора.
Рисунок \(\PageIndex{6}\): Типичные современные (слева) малые и (справа) большие тракторы.
Эти концепции также применяются к другим типам сельскохозяйственной техники, например, к самоходным комбайнам и опрыскивателям. Чтобы эти машины могли выполнять свои задачи, они должны иметь возможность передвигаться по сельскохозяйственным землям. Те же расчеты можно использовать для определения достаточности мощности и для проектирования различных компонентов этих машин. Колеса, оси и компоненты силовой передачи должны выдерживать усилия, крутящие моменты и мощность во время использования машин.
Примеры
Пример \(\PageIndex{1}\)
Пример 1: Тяговое усилие
Задача:
Рассчитайте тяговое усилие, создаваемое колесом трактора, работающего на твердом грунте с динамической нагрузкой 5 кН. Скорость колеса 2 м с −1 . Если коэффициент тяги равен 0,73, какая мощность должна быть передана на ось колеса?
Раствор
Примите эквивалентный коэффициент трения равным 0,48, среднее значение для твердого грунта представлено в таблице 3. 1.1. Рассчитайте тяговую силу, используя уравнение 3.1.4:
\( H= \mu W=0,48 \times 5 = 2,4 \text{ кН} \)
Теперь рассчитайте тяговое усилие колеса трактора, используя уравнение 3.1.2:
Это значение необходимой мощности можно использовать для проектировать различные компоненты силовой передачи. Потребляемая мощность также может быть использована для расчета мощности, необходимой для конечного источника энергии, возможно, двигателя, для расчета расхода топлива и, следовательно, затрат на конкретную операцию в полевых условиях.
Пример \(\PageIndex{2}\)
Пример 2. Коэффициент снижения крутящего момента и хода или проскальзывание
Проблема:
Колесо другого трактора получает мощность 40 кВт от трансмиссии трактора. Колесо вращается со скоростью 25 об/мин, что соответствует угловой скорости ω, равной 2,62 рад с 90 228 -1 90 229 . (Примечание: 2π рад × 25 об/мин/60 мин с −1 = 2,62 рад с −1 .) Если радиус качения колес равен 0,81 м, а скорость трактора равна 2 м с −1 , рассчитать крутящий момент, действующий на колесо, и коэффициент уменьшения хода (обычно известный как скольжение).
Решение
Рассчитайте крутящий момент, действующий на колесо T для мощности P w 40 кВт, используя уравнение 3.1.1:
Поскольку фактическая скорость колеса составляет 2 м с −1 , что меньше теоретической скорости колеса, рассчитайте коэффициент уменьшения хода с , используя уравнение 3. 1.6:
Помимо предоставления рекомендаций по конструкции сельскохозяйственной машины и ее потребляемой мощности, расчет скольжения полезен для определения того, насколько быстро будет выполняться операция. Чрезмерное скольжение также может оказать неблагоприятное воздействие на структуру почвы и затормозить рост растений.
Пример \(\PageIndex{3}\)
Пример 3. Тяговая сила и мощность
Задача:
Рассмотрим колесо, которое работает с динамической нагрузкой 10 кН, коэффициентом сопротивления движению 0,08 и общий тяговый коэффициент 0,72. Найдите силу тяги, которую может развивать колесо. Если это колесо вращается со скоростью 40 об/мин, а радиус качения колеса равен 0,71 м, какая мощность необходима для перемещения этого колеса?
Решение
Рассчитать полную тяговую силу, развиваемую колесом F , используя уравнение 3. 1.16:
Рассчитайте необходимую мощность трактора MFWD для буксировки 30-рядной сеялки. Согласно стандартам ASABE (2015 г.), требуется усилие 900 Н на ряд, чтобы тянуть прицепную сеялку для пропашных культур, если она выполняет только операцию посева. Скорость трактора составит 8,1 км ч 90 228 -1 90 229 (2,25 м с 90 228 -1 90 229 ). Почва в распаханном состоянии. Учтите, что трактор должен иметь запас хода 20% для преодоления непредвиденных перегрузок.
Раствор
Рассчитайте силу тяги, необходимую для тяги сеялки, используя уравнение 3.1.25:
Следовательно, трактор должен выдавать тяговую мощность 60,75 кВт. Из рисунка 3.1.5 найдите, что коэффициент, связывающий мощность дышла с мощностью ВОМ трактора для трактора MFWD, работающего на вспаханной почве, равен 0,72. Таким образом, мощность ВОМ трактора P ВОМ должно быть:
Учитывая что коэффициент, связывающий мощность ВОМ с полной мощностью на маховике двигателя, равен 0,83 (рис. 3.1.5), полная мощность на маховике двигателя P e равна:
Учитывая запас мощности 20% для преодоления непредвиденных перегрузок, выбранный трактор должен иметь полную мощность двигателя на маховике при как минимум на 20 % больше, чем требуется для тяги 30-рядной сеялки, или 1,2 × 102 кВт = 122 кВт.
Эти расчеты помогут управляющему фермой выбрать правильный трактор для работы.
Авторы изображений
Рис. 1. Кейрос, Д. (CC By 4.0). (2020). Схематический вид двухколесного сельскохозяйственного трактора.
Рис. 2. Queiroz, D. (CC By 4. 0). (2020). Упрощенная диаграмма переменных, связанных с колесом, развивающим чистую тяговую силу.
Рис. 3. Queiroz, D. (CC By 4.0). (2020). Диаграмма переменных, связанных с колесом, развивающим чистую тяговую силу ( H ), включая общую тяговую силу ( F ) и силу сопротивления движению ( F r ).
Рис. 4. Queiroz, D. (CC By 4.0). (2020). Схема сил, действующих на буксируемое колесо.
Рис. 5. Стандарт ASABE ASAE D497.7 (CC By 4.0). (2020). Схема примерных соотношений мощностей сельскохозяйственных тракторов (типы указаны в основном тексте) и почвенных условий.
Рис. 6. Шуллер, Дж. (CC By 4.0). (2020). Типичные современные (а) малые и (б) большие тракторы.
Ссылки
Стандарты ASABE. (2018). ANSI/ASAE S296.5 DEC2003 (R2018): Общая терминология тяги сельскохозяйственных тягово-транспортных устройств и транспортных средств. Сент-Джозеф, Мичиган: ASABE.
Стандарты ASABE. (2015). ASAE D497.7 MAR 2011 (R2015): Данные по управлению сельскохозяйственной техникой. Сент-Джозеф, Мичиган: ASABE.
Геринг, К.Э., Стоун, М.Л., Смит, Д.В., и Тернквист, П.К. (2003). Тяговые и транспортные устройства. В Принципы проектирования внедорожных транспортных средств (стр. 351-382). Сент-Джозеф, Мичиган: ASAE.
Колатор, Б., и Бялобжевски, И. (2011). Имитационная модель производительности полноприводного трактора. Вычисл. Электрон. Агр. 76 (2): 231-239.
Рениус, К. Т. (2020). Основы конструкции трактора. Чам, Швейцария: Springer Nature.
САЕ. (1995). SAE J1995_199506: Код проверки мощности двигателя — искровое зажигание и воспламенение от сжатия — номинальная полная мощность. Трой, Мичиган: SAE.
Шуллер, Дж. К. (2000). На службе изобилия: механизация сельского хозяйства обеспечила питание для необычайного роста 20-го века. мех. англ. 122 (8):58-65.
Эта страница под названием 3.1: Traction распространяется под лицензией CC BY 4.0, ее авторами, ремиксами и/или кураторами являются Николас М. Холден, Мэри Ли Вулф, Джактон Арого Огеджо и Энда Дж. Камминс (Технологические библиотеки Вирджинии). Открытая образовательная инициатива) через исходный контент, отредактированный в соответствии со стилем и стандартами платформы LibreTexts; подробная история редактирования доступна по запросу.
Наверх
Была ли эта статья полезной?
Тип изделия
Раздел или Страница
Автор
Николас М. Холден, Мэри Ли Вулф, Джактон Арого Огеджо и Энда Дж. Камминс
Лицензия
СС BY
Версия лицензии
4,0
Программа OER или Publisher
Инициатива открытого образования технических библиотек Вирджинии
Как правило, тяговое усилие вашего трактора связано только с мощностью его двигателя. Тем не менее, шины играют фундаментальную роль в улучшении сцепления с дорогой и часто недооцениваются или игнорируются. Именно шины передают мощность вашего трактора на землю для создания тягового усилия. Таким образом, ваши шины являются единственным связующим звеном между транспортным средством и землей.
Соблюдая особую осторожность при выборе и уходе за шинами, вы можете оптимизировать тяговое усилие вашего транспортного средства, повысить урожайность и производительность и уменьшить пробуксовку трактора.
Какие сельскохозяйственные шины лучше всего подходят для увеличения тягового усилия?
Сельскохозяйственные шины играют жизненно важную роль в обеспечении тягового усилия вашего трактора. Тяговое усилие зависит от нескольких переменных, связанных с внутренними качествами этих шин и их обслуживанием:
ваши сельскохозяйственные шины. Они впиваются в землю и ограничивают проскальзывание, что приводит к потере сцепления шин с дорогой. Их угол относительно оси колеса влияет на тяговое усилие вашего трактора .
Чем меньше угол, тем больше сила тяги. Большинство сельскохозяйственных шин разработаны с учетом идеального угла наклона.
Но будьте осторожны! Не выбирайте сельскохозяйственную шину со скидкой со слишком малым углом наклона , так как это приводит к скоплению земли между грунтозацепами .
Слишком много земли и грязи в пятне шины может ухудшить сцепление с дорогой и увеличить проскальзывание . Но коэффициент скольжения необходимо тщательно контролировать, потому что он позволяет передавать мощность трактора на землю для создания тягового усилия. Он должен быть между 12% и 15%.
Если буксование слишком велико, трактор может застрять в грязи .
Кроме того, чем выше коэффициент проскальзывания, тем выше расход топлива .
В идеале вы должны выбрать сельскохозяйственную шину из новых моделей с многоугольной конструкцией. Выступы расположены под разными углами к центру колеса.
Обеспечивает идеальный компромисс между удалением грязи и оптимальным тяговым усилием.
Некоторые шины даже имеют рисунок выступа, который оптимизирует сцепление . Именно проникновение выступа в почву позволяет передавать крутящий момент на обод. Оптимизация профиля шины приводит к улучшению пропускной способности трансмиссии . Чем больше контакт грунта с грунтом, тем выше тяговое усилие.
Тяговое усилие вашего трактора зависит от давления в шинах
Меньшее давление означает большую площадь контакта между землей и шинами и, следовательно, лучшую подвижность. Поэтому давление воздуха в шинах должно быть максимально снижено.
Но недокачанная тракторная шина на дороге приведет к чрезмерному износу грунтозацепов . Его сопротивление качению слишком велико.
Кроме того, перекачанная шина вызывает чрезмерное уплотнение почвы . В зависимости от типа выполняемых работ или местности, по которой вы едете, давление в шинах может быть разным.
Поэтому необходимо проверить и отрегулировать давление в шинах, чтобы получить оптимальное тяговое усилие.
Например, при вспашке или уборке урожая требуется большее тяговое усилие, чем при разбрасывании удобрений или транспортировке. Это связано с тем, что прикрепленные инструменты и используемые машины тяжелее. Нагрузка на заднюю ось (или даже на переднюю ось) больше. В этом случае рекомендуется шина низкого давления с широким пятном контакта. Это позволяет снизить давление на почву, поскольку шина с низким давлением меньше уплотняет почву. Ваша почва будет сохранена, потому что менее уплотнена, и в результате улучшится урожайность. Технологии IF и VF позволяют увеличить вес на 20–40 % по сравнению со стандартной шиной. Для всех различных видов работ использование широких шин с технологией VF дает значительные преимущества. Не требуют регулировки давления в зависимости от выполняемой работы. Тяговое усилие вашего трактора оптимизировано независимо от того, находитесь ли вы на дороге или в поле. Гарантированная экономия времени: нет необходимости регулировать давление в шинах каждое утро. Ваши шины также будут иметь более длительный срок службы. Перекачанная или недостаточно накачанная шина изнашивается быстрее.
Хороший коэффициент скольжения необходим для оптимизации сцепления с дорогой
Ограниченное скольжение повышает эффективность тяги. Коэффициент скольжения связан с давлением воздуха в шинах. Чтобы быть оптимальным, оно должно составлять от 12% до 15% , чтобы обеспечить достаточную тяговую силу без чрезмерного износа шин и без уплотнения почвы.
Выбор шин VF обеспечивает оптимальный коэффициент проскальзывания, поскольку шины VF обеспечивают лучшее сцепление с дорогой и маневренность благодаря низкому давлению и более широкому пятну контакта.
Каковы преимущества регулируемой тяговой силы?
Правильный выбор шин, адаптированных к требуемому тяговому усилию, позволяет контролировать тяговое усилие трактора. Повышение эффективности и производительности, а также экономия топлива.
Вы расходуете меньше топлива, а шины изнашиваются медленнее. Благодаря качественным сельскохозяйственным шинам вы избежите уплотнения почвы и значительно повысите урожайность.
Блог Bridgestone-agriculture.eu составляется и управляется экспертами по сельскохозяйственным шинам, которые готовы дать вам совет по поводу ваших шин. Они могут помочь вам максимизировать вашу производительность благодаря информации обо всех аспектах, связанных с шинами: Технические характеристики сельскохозяйственных шин – Характеристики сельскохозяйственных шин – Рекомендации по давлению воздуха – Решения по предотвращению уплотнения почвы – Давление в шинах опрыскивателя – 6 основных механических причин ненормального износа шин шины вашего трактора – и т. д.….
Чтобы узнать больше и увеличить прибыль вашей фермы, эксперты по тракторным шинам предлагают вам бесплатную подробную электронную книгу , в которой объясняется важная роль сельскохозяйственных шин в вашей производительности .
Большинство людей, прочитавших эту статью, также читали некоторые из следующих статей:
5 основных методов оптимизации сельскохозяйственных шин
Как след сельскохозяйственных шин может помочь вам обнаружить проблему
Управляйте давлением на землю, чтобы ваши сельскохозяйственные шины служили дольше
Двойной монтаж лучшее решение для оптимальной производительности
Как управлять коэффициентом скольжения шин трактора
Улучшите сцепление шин трактора, чтобы сэкономить время
Автор: Эксперт по тракторным шинам | 02 февраля 2022 г.
Вы вложили средства в свой трактор, чтобы получить мощность двигателя, обеспечивающую производительность, скорость и долговечность. Однако без оптимального управления шинами у вас возникнут проблемы с передачей этой мощности на землю для преобразования ее в тяговое усилие. В зависимости от ваших настроек давления, размера ваших шин, вашей технологии изготовления шин или общей настройки вашего трактора вы можете значительно увеличить тяговую мощность и сэкономить драгоценное время, прежде всего, если вы путешествуете с одного места на другое, работая на разные кампании.
Если вы хотите улучшить сцепление вашего автомобиля с дорогой, выбор шин имеет решающее значение. Основная роль шины заключается в эффективной передаче мощности трактора на землю. Шина фактически является единственным элементом, соединяющим землю с машиной.
Выбирая шины, которые идеально подходят для вашего трактора, вашего оборудования, вашего типа почвы или вашей деятельности, вы можете получить наилучшее сцепление с дорогой и, следовательно, улучшить свои характеристики.
Если вы регулярно перевозите тяжелые грузы или работаете с очень большими орудиями, вы должны использовать шины, размеры которых соответствуют вашим орудиям, чтобы обеспечить лучшее распределение нагрузки и давления на землю. Вы получаете оптимальное сцепление, когда шина цепляется за землю, не проседая из-за нагрузки.
Вот несколько подробных советов о том, как улучшить сцепление с дорогой и сэкономить время:
1. Выберите правильный размер шин в зависимости от нагрузки, чтобы повысить эффективность
быть обязаны компенсировать нагрузку за счет увеличения внутреннего давления, чтобы выдержать вес вашего оборудования.
К сожалению, этот вариант не обходится без последствий, потому что стандартные шины глубже погружаются в землю, особенно когда почва влажная или мягкая. Эти условия работы увеличивают сопротивление качению и проскальзывание, что снижает тяговое усилие.
Размер шин, не соответствующих вашему орудию, может увеличить сопротивление качению.
Количество воздуха в шине компенсирует вес вашего орудия. Если ваша шина слишком мала, вам придется увеличить давление в шинах, чтобы противостоять нагрузке, и шина погрузится глубже в землю, прежде чем встретит сопротивление.
Сопротивление качению — это именно то, что происходит, когда шина трактора погружается в землю. Это соответствует силе, необходимой для того, чтобы шина двигалась с постоянной скоростью, преодолевая участок земли перед шиной, который шина должна постоянно преодолевать, чтобы двигаться вперед.
Сопротивление качению в основном зависит от следующих факторов:
Нагрузка на ось,
Ширина шины,
Объем воздуха в шине,
Давление накачки,
Структура шины: диагональная, радиальная,
Технологический уровень шины: стандарт, IF, VF
Чем выше сопротивление качению, тем больше энергии требуется для того, чтобы шина двигалась вперед. Сопротивление качению может замедлить прицеп, когда он погружается в мягкую почву. Это явление усугубляется, когда прицепное орудие также создает сопротивление тяге.
Очевидно, что чем больше нагрузка на орудие, тем больше сопротивление движению вперед.
Размеры шин, которые не подходят для вашего оборудования, приводят к большему проскальзыванию
Пробуксовка увеличивается из-за определенных факторов:
Погодные условия,
Шинная техника,
Давление воздуха,
Конструкция шины.
Для движения трактора вперед требуется минимальное скольжение. Тем не менее, он должен полностью контролироваться, чтобы избежать какой-либо серьезной потери мощности.
Чрезмерное проскальзывание означает, что необходимо дополнительное тяговое усилие, что приводит к увеличению расхода топлива. Ваши шины также могут пострадать от преждевременного износа.
Широкие шины позволяют сэкономить время
Чтобы компенсировать эти проблемы с сопротивлением качению или проскальзыванием и получить оптимальное сцепление с дорогой, увеличение размера колес в зависимости от нагрузки является очень полезным решением.
Чем шире профиль шины, тем меньше шина погружается в землю. Вам просто нужно перейти на шины серии 75, 70, 65 или даже 60, чтобы увеличить площадь контакта с почвой.
Более широкая шина обеспечивает больший объем воздуха, что обеспечивает лучшее сцепление с землей. Вы оптимизируете тягу, что позволит вам сэкономить много времени к концу каждого рабочего дня.
2. Улучшенное управление давлением для оптимизации тяги
Работа с перекачанными шинами, особенно на мокром или мягком грунте, неизбежно приводит к высокому коэффициенту проскальзывания, что увеличивает тяговое усилие, необходимое для тяги трактора вперед. Это напрямую влияет на рабочее время, а также на расход топлива.
Надлежащее регулирование давления в сельскохозяйственных шинах является эффективным способом оптимизации сцепления с дорогой. Между настройками давления в шинах и тяговой способностью вашего трактора действительно существует прямая связь.
Использование среднего давления накачки для упрощения жизни на самом деле не является решением, учитывая, что небольшая разница в 0,25 бар может уменьшить скольжение и сэкономить огромное количество времени.
Когда вы работаете в поле при низком давлении, пятно контакта с землей увеличивается, что улучшает подвижность. И, как и в случае с шинами большего размера, грунтозацепы обеспечивают лучшее сцепление с землей, что значительно повышает тяговое усилие.
3. Какая технология производства шин поможет вам сэкономить время?
Оригинальные шины трактора не обязательно подходят для вашей фермы. Поэтому имеет смысл заменить их инновационным высокопроизводительным дизайном.
Вы можете выбрать большие шины IF с низким давлением, чтобы лучше распределять давление и тяговое усилие по большему пятну контакта с землей.
Как следует из названия, шины IF (Improved Flexion) обладают большей способностью к изгибу боковин, чем стандартные шины. Их конструкция, являющаяся результатом исследований и разработок, привела к созданию усиленного и в то же время гибкого корпуса, изготовленного из специальных высокопрочных материалов.
Эти шины нового поколения универсальны и идеально подходят для различных целей. Они могут выдерживать дополнительную нагрузку на 20 % больше, чем стандартные сельскохозяйственные шины.
Шины FIRESTONE Maxi Traction IF
Кроме того, сельскохозяйственные шины IF Technology имеют оптимизированные грунтозацепы, конструкция которых специально разработана для улучшения самоочищения. В отличие от классических грунтозацепов, создающих эффект смещения почвы, поднимая землю при вращении шины, грунтозацепы IF имеют профиль с очень специфическим углом, который обеспечивает максимальное самоочищение поверхности шины перед ее повторным контактом. с землей.
Благодаря особой конструкции выступов шины IF эффективно снижают проскальзывание, увеличивая передачу горизонтального тягового усилия и экономя производственное время.
Одна из лучших моделей на рынке, шина Firestone Maxi Traction IF была разработана для работы при низком давлении, учитывая, что эта технология означает, что вам больше не нужно адаптировать давление между дорогой и полем. Значительная экономия времени, так как вам больше не нужно выходить из кабины, чтобы изменить давление воздуха при движении между полями и дорогой.
4. Вывод: Надлежащее управление сельскохозяйственными шинами приводит к ежедневной экономии времени в режиме реального времени
Как мы видели в различных разделах этой статьи, существует несколько факторов, которые позволяют:
увеличить тяга,
уменьшить давление,
и избежать регулировки давления между дорогой и полем.
Комбинация трех пунктов обеспечит решение для оптимальной экономии времени.
Если, когда придет время заменить ваши шины, вы выберете шины большого размера с большим объемом воздуха, вы выберете шины с технологией IF, которые позволяют вам работать при низком давлении, и вы регулярно проводите проверки и регулируете давление, вы можете всегда работайте в наилучших возможных условиях.
Тогда вы действительно уменьшите скольжение и значительно улучшите передачу мощности на землю, потому что поверхность качения, соприкасающаяся с землей, больше.
Шина IF с большим объемом воздуха
Низкое давление в сочетании с шинами большого размера также обеспечивает оптимальное распределение нагрузки на почву с меньшим давлением для ограничения уплотнения. Наконец, этот метод позволяет снизить расход топлива и повысить производительность, что в конечном итоге представляет собой очень выгодную и экономичную оптимизацию вашего сельскохозяйственного оборудования.
Для получения дополнительной информации о тракторных шинах
Выбирая тракторные шины Firestone, вы получаете реальные преимущества, а выбирая нашу марку, вы можете работать без забот.
Большинство людей, читавших эту статью, также читали некоторые из следующих статей:
Какие сельскохозяйственные шины помогут мне максимально сэкономить?
5 вещей, которые нужно знать о коэффициенте опережения вашего трактора
Как изменить размер шин трактора?
Проверка параллельности шин моего трактора в 3 этапа
Хотите знать все о пробуксовке колес трактора?
10 пунктов проверки шин вашего трактора за 10 минут
Лучшие правила хранения и обращения с сельскохозяйственными шинами
В каких случаях шины трактора больше всего влияют на расход
Почему существуют разные типы дисков для сельскохозяйственных шин
13 правил техники безопасности при работе с сельскохозяйственными шинами
Перегрузка шин трактора: каких 6 ловушек следует избегать?
3 правила для увеличения нагрузки на шины вашего комбайна на 70%
Тема:
Технические консультации по шинам
Эта информация предназначена только для того, чтобы ознакомить вас с техническими и функциональными аспектами сельскохозяйственных шин и их использования. Он не позволяет вам сделать суждение или окончательный вывод по данной проблеме. Только ваш эксперт по сельскохозяйственным шинам может провести техническую оценку и принять окончательное решение в каждом конкретном случае.
Тебе понравилась эта статья? Поделись:
Тяга и теория тяги, используемые в тракторах
В этой статье мы обсудим:- 1. Значение тяги 2. Теория тяги 3. Механика шасси трактора.
Значение Тяга:
Тяга — это сила в направлении движения, развиваемая средой тягового устройства (почвой) и передаваемая на транспортное средство. Мощность, развиваемая двигателем, в конечном итоге передается на колеса или гусеницы, которые перемещают трактор с прикрепленным грузом или без него. При движении колес происходит некоторая пробуксовка, что вызывает снижение скорости. Проскальзывание также происходит при увеличении нагрузки.
Тягу можно увеличить на:
1. Использование резиновых шин с канавками
2. Установка цепей противоскольжения
3. Использование ребристых протекторов на траках и
4. Установка грунтозацепов, шипов или грунтозацепов на обод колеса.
Тяговое устройство:
Это устройство для приведения в движение транспортного средства с использованием тяговых сил от опорной поверхности.
Коэффициент тяги:
Это отношение общей силы, выдаваемой тяговым устройством в направлении движения, к динамическому весу на тяговом устройстве.
Тяговая эффективность:
Это отношение выходной мощности к входной мощности, обычно выражаемое в процентах.
Эффективность тяги зависит от нескольких факторов, таких как:
1. Давление в шинах
2. Состояние почвы
3. Размер колес
4. Скорость движения
1
5. Уклон местности 6. Высота сцепки и
и
7. Форма и размер проушин.
Сопротивление качению:
Это сила, необходимая в направлении движения для преодоления сопротивления движению.
Коэффициент сопротивления качению:
Это соотношение между сопротивлением качению и динамическим весом.
Проскальзывание колеса или гусеницы:
Это относительное перемещение колеса или гусеницы в направлении движения на заданное расстояние под нагрузкой и без нагрузки. Его можно рассчитать по формуле:
Пробуксовка колес, % = N 1 – N 0 / N 1 × 100
Где,
N 1 = число оборотов ведущих колес или звездочек на заданное расстояние под нагрузкой и;
N 0 = количество оборотов ведущих колес или звездочек на том же расстоянии без нагрузки
Тяговое усилие:
резиновые шины ведущего колеса и поверхность, по которой они движутся. Коэффициент сцепления достаточно высок, чтобы исключить проскальзывание шин. Максимальное тяговое усилие на ободе зависит от мощности двигателя и передаточного числа между двигателем и ведущими колесами.
Traction Theory :
Пневматические шины используются на обычных тракторах. При движении такого трактора по грунту он должен преодолевать сопротивление качению R, как показано на рис. (10.30).
Где,
F = сила тяги в направлении движения.
P = тяговое усилие, используемое для полезной работы, и
R = сопротивление качению.
Для расчета тягового усилия P и сопротивления качению R. Беккер предложил следующие уравнения:
F = A [C + ρ tan φ]
или, F = AC + W tan φ
Где,
A = площадь среза
ρ = давление грунта
C = сцепление грунта и
φ = угол внутреннего трения грунта
W = Aρ = вертикальная нагрузка на площадь сдвига.
Очевидно, что сила тяги обычно зависит от вертикальной силы и площади сдвига.
Для гусеничного трактора давление на почву p определяется по формуле:
ρ = W/BL
Где B — ширина каждой гусеницы, а L — длина гусеницы в контакте с почвой.
Для колес с пневматическими шинами площадь контакта с почвой представляет собой эллипс, и для этого равномерного давления на почву ρ определяется по формуле:
= ρ W/0,78 BL
Сопротивление качению:
Сопротивление качению из-за уплотнения грунта можно аппроксимировать, предположив, что энергия, необходимая для преодоления сопротивления качению, равна работе, совершаемой при деформации грунта. Сопротивление качению R можно получить по соотношению.
Где,
n = коэффициент оседания колес
Kc = модуль сцепления деформации грунта
Kφ = модуль трения деформации грунта
B = ширина каждой гусеницы
W = вертикальная нагрузка на площадь сдвига и
L = длина контактной дорожки.
Это уравнение получено в предположении о плоской пластине, как в гусеничном тракторе. Это уравнение примерно верно и для тракторов с резиновыми колесами. После расчета сопротивления качению и силы тяги полезное тяговое усилие P можно получить по уравнению P = F – R.
Механика шасси трактора :
Механика шасси трактора включает в себя ряд сил, но для понимания основного принципа следует простой подход, рассматривая основные силы как:
1. Гравитация
2 9 , Реакция почвы
3. Тяговое усилие и
4. Тяговое усилие.
Ссылаясь на (рис. 10.31) и рассматривая трактор как свободное тело, алгебраическая сумма всех сил, действующих параллельно или перпендикулярно направлению движения, а также алгебраическая сумма моментов относительно любой точки должны быть по отдельности равны нулю.
∑H = 0, ∑V= 0, ∑ M = 0
H — горизонтальная сила, V — вертикальная сила, M — момент, a — угол между тягой (P) и горизонталью,
H = F-P cos α = 0 … (1)
Где F – сила трения
V = R 1 + R 2 – W-P sin α = 0 … (2)
Определение моментов относительно точки A
∑M = WX 1 – Y 1 P cos α – SP sin α – R 1 X 2 = 0 … (3)
Solving equation (3) for R 1
The stability of the tractor in the vertical plane is determined by R 1 and the tractive capacity by R 2
Центр тяжести :
Это точка на корпусе трактора, в которой его вес можно считать действующим.
Точное положение центра тяжести можно определить следующими методами:
(a) Подвеска
(b) Метод балансировки и
(c) Метод взвешивания
Вышеуказанные три метода не учитывают движение масла в картере и трансмиссии, топлива в баке и вес оператора.
(a) Метод подвески:
Трактор подвешивается в любой удобной точке, достаточно прочной, чтобы выдерживать его вес. Центр тяжести будет находиться в вертикальной плоскости через точку подвеса. Повторяя эту операцию с другой точкой подвеса, можно найти еще одну плоскость, и ее пересечение с предыдущей вертикальной линией определит центр тяжести.
(b) Метод балансировки:
Этот метод используется для гусеничных тракторов. Потребуется отвес и большой брус, равный по длине габаритной ширине трактора и толщиной около 15 см и более. Если трактор приводится в движение так, чтобы положения точек крепления двух гусениц совпадали, а затем медленно перемещается по бревну, чтобы его можно было сбалансировать по двум точкам крепления. Центр тяжести будет находиться в вертикальной плоскости, хотя выступ указывает. Задним ходом трактора на бревне можно обнаружить еще одну плоскость.
(c) Метод взвешивания:
Для определения центра тяжести четырехколесного трактора обычно используется метод взвешивания.
Ссылаясь на рис. 10.31, вертикальную плоскость, содержащую центр тяжести, можно определить по следующему уравнению: подняты, расстояние Y 2 и R 2 определяется (рис. 10.32) другой плоскостью, содержащей центр тяжести, может быть определено по:
X1 ’ = R 1 ‘ X 2 ‘ /W
R 1 ’ 1 ’ 1 вес трактора. Пересечение двух плоскостей, расположенных на расстоянии X 2 и X 2 ’ , определяет центр тяжести трактора.
Главная ››
Тракторные шины и тяга
Способность сельскохозяйственной шины обеспечивать тяговое усилие оказывает большое влияние на ее производительность — помогает ли она буксировать полевой культиватор по труднопроходимой почве или задействует 500-сильный тягач большого трактора. земле, способность шины обеспечивать сцепление имеет первостепенное значение для фермеров. Из-за этого производители тратят миллионы долларов на разработку шин, которые могут создавать силы в поле и на дороге без проскальзывания. Ни одна часть шины не отвечает за сцепление; скорее, это комбинация частей, работающих вместе для обеспечения максимальной производительности.
Фото предоставлено Degenhardt Tire
Почему сцепление имеет значение для фермеров
Шина, обеспечивающая идеальное сцепление с дорогой, может повысить производительность, эффективность и снизить расход топлива сельскохозяйственной техники. Он также может предотвратить скольжение и соскальзывание, которое разрывает поля и отрицательно сказывается на урожайности и стоит фермерам денег. В конце концов, первоклассный трактор не особенно полезен, если он застревает в поле, а трактор мощностью 500 л.
Факторы, влияющие на сцепление с дорогой сельскохозяйственной шины производительность вашего оборудования и здоровье вашей почвы. Например:
R-1: Традиционная диагональная или радиальная шина R-1 идеально подходит для обычных сельскохозяйственных работ на легких почвах, буксировки орудий на небольшой глубине и обеспечения хороших характеристик на дороге.
R-1W: Шины R-1W с углублением по крайней мере на 20 %, как и наша новая Agri Star II, хорошо подходят для работы на более тяжелых и влажных почвах.
R-2: Шины R-2, такие как Agri Star 374, которые иногда называют шинами из риса/камыша, имеют как минимум в два раза большую площадь протектора, чем шины R-1, и их лучше всего использовать в очень влажных и грязных условиях.
R-5: R-5 — это обозначение, которое мы даем нашим техническим протекторам, таким как Alliance 550 MultiUse и 363 AgriFlex+ — эти гибридные конструкции сочетают в себе износостойкие характеристики промышленных шин с характеристиками шин для сельскохозяйственных машин с высоким сцеплением, что позволяет изменить правила игры. производительность. Например, наши модели 550 — фавориты фермеров, работающих на крутых склонах полей в восточной части штата Вашингтон.
Угол протектора: Угол, под которым расположены выступы, влияет на рабочие характеристики сельскохозяйственной шины — часто наличие шины с правильным углом протектора так же важно, как и наличие шины с надлежащей глубиной протектора. Хорошее эмпирическое правило заключается в том, что протекторы с меньшим углом наклона лучше всего подходят для работы на более сухих почвах, а протекторы с большим углом наклона идеально подходят для работы во влажных условиях или на крутых склонах, таких как склоны холмов. В некоторых случаях, таких как наша новая Agri Star II, шина может иметь несколько углов наклона протектора, что позволяет ей превосходно работать в различных условиях на протяжении всего срока службы.
Отношение выступов к пустотам: Когда речь идет о сцеплении шины, расстояние между выступами шины так же важно, как и сами выступы. Это связано с тем, что «пустое» пространство между грунтозацепами позволяет шинам цепляться за поверхность и сбрасывать грязь, грязь и воду. Как правило, гусеницы с более низким соотношением выступов и пустот лучше работают на мягких поверхностях (например, в поле). Пространство между грунтозацепами очищает протектор от грязи, поэтому при каждом обороте шины создается чистый прикус для сцепления с дорогой. И наоборот, шины с более высоким отношением выступов к пустотам лучше работают на твердых поверхностях (например, на дороге).
Радиальная конструкция: Радиальные шины оставляют более широкий, длинный, плоский и более равномерно распределенный след на земле, чем шины с диагональной конструкцией, которая имеет тенденцию образовывать выпуклость в центре шины. Радиальная конструкция максимизирует контакт протектора с землей и обеспечивает превосходное сцепление — площадь контакта радиальной шины может быть на 25 % больше, чем у диагональной шины. Еще один способ, которым радиальная конструкция приводит к улучшению сцепления, заключается в том, что их боковины передают крутящий момент двигателя на протектор, направляя ценную мощность туда, где вы хотите: на землю.
Радиальные шины также обеспечивают более комфортную езду, чем их диагональные аналоги, что является огромным преимуществом для операторов, проводящих долгие дни в поле и в дороге, и снижает износ дорогостоящего сельскохозяйственного оборудования.
Стальные брекеры: Для обеспечения максимального сцепления шина должна распределять усилие равномерно по всему пятну контакта. Стальные брекеры выгодны, потому что они помогают шинам создавать максимально возможное пятно контакта, а также равномерно распределяют вес машины по ним и помогают протектору сохранять форму под нагрузкой. По этой причине все шины Alliance AgriFlex IF/VF, а также множество других шин Alliance оснащены стальными брекерами.
Стяжки: Протектор крепится к шине стяжками. Стяжки обеспечивают стабильность проушинам, предотвращают их шатание под нагрузкой и позволяют гусеницам эффективно врезаться в землю.
Бортовые связки: Бортовые связки из стальной проволоки, удерживающие шину на ободе, также важны для передачи мощности двигателя на землю. Неадекватная работа борта может привести к проскальзыванию обода внутри шины, сжиганию лошадиных сил и топлива и сокращению срока службы шины. Форма, толщина и дизайн комплектов бортов Alliance являются секретным оружием в создании высокоэффективных шин.
Давление для работы
Чтобы добиться максимального сцепления с шинами, необходимо эксплуатировать их при надлежащем давлении. Чрезмерное накачивание шины уменьшает размер ее пятна контакта и делает ее боковины жестче, уменьшая как площадь основания (и, следовательно, ее способность кусаться для сцепления), так и эффективность передачи мощности двигателя. И наоборот, недостаточно накачанная шина может нарушить целостность пятна контакта шины, даже приподняв центр шины над землей. Другие проблемы с недостаточно накачанными шинами включают снижение поперечной устойчивости, увеличение накопления тепла (враг №1 шин), чрезмерное давление на борт и чрезмерное кручение боковин.
Немногие предметы на ферме окупятся так же, как шинный манометр за 5 долларов, если вы им воспользуетесь. Не верите нам? Ознакомьтесь с нашим чатом Tireside Chat: Ценность манометра и убедитесь в этом сами!
Шины специального назначения
Мы являемся лидером в производстве шин специального назначения. Нужна ли вам шина с высоким сцеплением для работы на илистых рисовых полях юга, шина, которая идеально сочетает в себе тягу и проходимость для полей Среднего Запада или решение для крутых склонов северо-запада, у нас есть ответ. Свяжитесь с местным дилером или представителем сегодня, чтобы получить представление о вариантах, доступных для вашей работы.
Технический бюллетень AG – В чем разница между тягой и флотацией, рекомендации по оптимизации каждого из них в качестве инструмента и ?
В любом случае, когда пневматическая шина используется в качестве интерфейса между шасси автомобиля и землей, ключом к успешной передаче усилия, необходимого для движения в любом направлении, является применение тяговой способности шины для передачи крутящий момент или мощность двигателя, а также способность шины плавать или нести нагрузку транспортного средства при необходимом давлении на грунт, чтобы оставаться подвижным. Сцепление — это термин, используемый для объяснения того, как шина преодолевает трение между поверхностью резиновой шины и землей. Трение — это сила сопротивления, которая сопротивляется или действует против относительного движения двух поверхностей. Другими словами, когда транспортное средство движется по дороге, двигатель транспортного средства создает силу или крутящий момент, который толкает колеса или шины транспортного средства вперед и преодолевает трение между площадью поверхности шины и площадью дорожного покрытия. Таким образом, сцепление — это трение, возникающее между шиной и поверхностью дороги или поля.
Проходимость — это способность шины оставаться на поверхности мягкого грунта, почвы или снега без образования колеи или заглубления в поверхность или землю, что ограничивает преодоление шиной трения, обеспечивающего сцепление с дорогой. В сельскохозяйственном применении шины предназначены для обеспечения оптимального сцепления или проходимости в зависимости от их размера, грузоподъемности и состава. Шины Ag специально подобраны по размерам, чтобы соответствовать колесной базе шасси автомобиля. Производители транспортных средств выбирают размер шин, который обеспечит их конструкцию шасси оптимальным компромиссом между сцеплением и проходимостью, необходимым для того, чтобы шина успешно преодолевала поверхностное трение и обеспечивала желаемый крутящий момент или подвижность. Во всех случаях, если выбран правильный размер шины, ключом к обеспечению наилучшего сцепления или силы для преодоления трения является давление воздуха для данной нагрузки. При работе с трактором в поле коэффициент сцепления измеряется по «пробуксовке» шин при движении по полю или дороге. Шины Ag будут использовать более высокое давление воздуха при работе на дороге и более низкое давление воздуха при работе в поле. Вот несколько общих правил, влияющих на способность шины обеспечивать сцепление с дорогой:
Если вы работаете в поле при более высоком давлении воздуха в шинах:
У вас будет большее проскальзывание шин.
Шины будут меньше всплывать, что приведет к более высокому уплотнению.
Увеличится расход топлива.
В результате снижается тяга.
Снижение скорости работы.
Re приводит к снижению эффективности.
Если вы используете трактор при более низком давлении в поле:
У вас будет меньше пробуксовки, но выше сопротивление качению или трение шин
У вас будет больше расход топлива.
У вас будет повышенный износ шин.
Шины снижают комфорт при езде.
Шина будет уменьшать или уменьшать боковую устойчивость.
В результате снижается эффективность.
Во всех случаях оптимальное давление воздуха, адаптированное к весу или нагрузке, а также полевым условиям (дорога или полевые работы), обеспечит наилучшее сцепление и проходимость шины.
Оптимальное давление воздуха в шинах Ag также определяет, как конструкция шины или протектор будут обеспечивать улучшенную или пониженную проходимость за счет увеличения или уменьшения длины пятна контакта шины, как указано ниже:
Сцепление шины всегда улучшается при использовании правильного давления заданное приложение. Измеритель проскальзывания транспортных средств поможет оператору или садоводу определить наилучший вариант воздуха для своих шин:
Если проскальзывание шин слишком велико:
Убедитесь, что давление в шинах может быть высоким.
Проверьте распределение нагрузки спереди назад.
При необходимости добавьте балласт или груз для шин.
Оптимизация или регулировка рабочей глубины любого прицепного орудия
Если пробуксовка шин слишком низкая:
Убедитесь, что давление в шинах слишком низкое.
Проверьте распределение нагрузки спереди назад.
При необходимости удалите балласт или грузы шин.
Оптимизация или регулировка рабочей глубины любого прицепного орудия
Компания MAXAM предоставляет в нашем каталоге шин для сельскохозяйственной техники наши шины с общей плоской пластиной (GFP), которая определяется в глоссарии Ag Talk как «площадь поверхности шины, соприкасающейся с землей». Цель полной плоской пластины состоит в том, чтобы определить пятно контакта с землей или измеренную площадь в квадратных дюймах или сантиметрах, которая на выбранной поверхности протектора шины или площади поверхности обеспечит заданную нагрузку. Когда вы увеличиваете или уменьшаете давление воздуха в шинах, общая площадь прокола будет увеличиваться или уменьшаться. MAXAM предоставляет GFP в наших каталогах на основе наших шин, работающих со скоростью 5 миль в час с давлением воздуха 15 фунтов на квадратный дюйм или 1 бар, в качестве начального следа шины, чтобы помочь производителям определить их пятно контакта с землей или давление. Шины MAXAM Ag спроектированы таким образом, чтобы обеспечить оптимизированную площадь контакта, обеспечивающую наилучшее сцепление и проходимость для транспортных средств фермера. Рисунок протектора MAXAM Agrixtra обеспечивает высокий уровень тяги в полевых условиях, а также улучшенное сцепление на дорогах, обеспечивая при этом длительный срок службы шин.
К самостоятельной работе в качестве стропальщика допускают рабочих не моложе 18 лет, прошедших теоретическое и производственное обучение по специальным программам, стажировку на рабочем месте, сдавших заводской комиссии экзамены и получивших соответствующие удостоверения. Стропальщик в своей работе руководствуется производственной инструкцией, определяющей его права, обязанности и порядок безопасного ведения работ с учетом
применяемого типа подъемно-транспортного оборудования и требований Правил устройства и безопасной эксплуатации грузоподъемных кранов. Инструкция должна быть утверждена администрацией предприятия и выдана стропальщику перед его допуском к работе.
По техническим вопросам стропальщик подчиняется только специалисту, ответственному за исправное состояние и безопасную эксплуатацию обслуживаемого крана. Стропальщик перед началом работ должен получить список наиболее часто перемещаемых грузов с указанием массы и схем их строповок, если они не вывешены на рабочей площадке; проверить состояние рабочей площадки, строп и других грузоподъемных средств, необходимых для проведения работ, а также тары, крюков и крюковых обойм. После установления пригодности к работе всех грузозахватных приспособлений стропальщик должен получить инструктаж о правилах перемещения грузов на обслуживаемом участке и о габаритах складирования. Он должен помнить о том, что несет полную ответственность за несчастные случаи и повреждения, происшедшие вследствие подачи им неправильного сигнала крановщику или неверной строповки перемещаемых грузов.
Стропальщик и крановщик совместно обслуживают грузоподъемный кран, принимают решения самостоятельно и несут ответственность каждый за свой участок: крановщик — за управление краном, стропальщик — за строповку груза, однако указания крановщика стропальщику являются обязательными.
Стропальщики проходят обучение в производственно-технических училищах и на производстве в учебных комбинатах по утвержденной программе с обязательным прохождением практики на производстве. Прежде чем стропальщик приступит к самостоятельной работе, он должен сдать экзамен квалификационной комиссии. Выдержавшему экзамен выдают удостоверение установленного образца об аттестации, подписанное председателем комиссии. Для обслуживания грузоподъемного оборудования стропальщик назначается приказом по предприятию.
При совмещении профессии стропальщика с основной профессией рабочие проходят обязательное обучение на производстве или в учебных комбинатах по утвержденной сокращенной программе, обеспечивающей устойчивые навыки и знание стропальных работ соответствующего разряда (см. квалификационную характеристику знаний стропальщика).
Повторную аттестацию стропальщиков и проверку их знаний проводят: при постоянном месте работы — ежегодно; по требованию лиц, осуществляющих надзор за безопасной эксплуатацией грузоподъемных машин, если действия стропальщика вызывают сомнения в его профессиональной подготовленности; при получении предприятием съемных грузозахватных приспособлений нового образца или изменении схем строповки; при изменении характера грузов, для которых применяют новые способы строповки при подъеме и перемещении; при перемене места работы; при перерыве в работе по специальности более 6 мес.
При изменении схем строповок, характера грузов, использования грузозахватных приспособлений нового образца перед аттестацией организуют обучение стропальщиков безопасным способам работы с ними и вносят необходимые дополнения в производственную инструкцию.
stroy-technics.ru
Примерная форма приказа о допуске к работе крановщиков, их помощников, слесарей, электромонтеров, наладчиков приборов безопасности и стропальщиков (подготовлено экспертами компании «Гарант»)
Настоящая форма разработана в соответствии с федеральными нормами и правилами в области промышленной безопасности «Правила безопасности опасных производственных объектов, на которых используются подъемные сооружения», утвержденными приказом Федеральной службы по экологическому, технологическому и атомному надзору от 12 ноября 2013 г. N 533.
Приказ о допуске к работе крановщиков, их помощников, слесарей, электромонтеров, наладчиков приборов безопасности и стропальщиков
[ число, месяц, год ]
В связи с успешным прохождением обучения по [ указать соответствующие программы] в [указать наименование места обучения ] приказываю:
1. Допустить [ должность, Ф. И. О. работника, должность, Ф. И. О. работника ] к исполнению своих обязанностей с [ число, месяц, год ], как прошедших обучение, проверку знаний и получивших удостоверения установленного образца в соответствии с приказом N [ значение ] от [ число, месяц, год ] и протоколом N [ значение ] от [ число, месяц, год ] заседания квалификационной комиссии о проверке знаний, а также прошедших стажировку в установленном порядке и не имеющих медицинских противопоказаний к работе.
2. Закрепить за крановщиком [ Ф. И. О. ] (удостоверение N [ значение ]) и его помощником [ Ф. И. О. ] (удостоверение N [ значение ]) грузоподъемный кран с регистрационным номером [ значение ].
3. Для зацепки, обвязки (строповки) и навешивания груза на крюк крана назначить стропальщиков:
— [ Ф. И. О. ], удостоверение N [ значение ];
— [ Ф. И. О. ], удостоверение N [ значение ].
4. Для проведения планово-предупредительного ремонта создать ремонтную службу в составе:
— слесарей — [ Ф. И. О. ] и [ Ф. И. О. ];
— электромонтера — [ Ф. И. О. ];
— наладчика приборов безопасности — [ Ф. И. О. ].
5. [ Наименование должности, Ф. И. О. ]:
5.1. Обеспечить крановщиков, их помощников, слесарей, электромонтеров, наладчиков приборов безопасности и стропальщиков (далее по тексту — обслуживающий персонал) производственными инструкциями, определяющими их обязанности, порядок безопасного производства работ и ответственность.
5.2. Обеспечить стропальщиков испытанными и маркированными грузозахватными приспособлениями и тарой, соответствующими массе и характеру перемещаемых грузов.
5.3. Осуществить контроль за проведением под роспись инструктажа крановщиков и стропальщиков о знаковой сигнализации, применяемой на новом участке работ.
6. Начальнику отдела кадров [ Ф. И. О. ]:
— ознакомить с данным приказом под роспись [ Ф. И. О., Ф. И. О., Ф. И. О., Ф. И. О., Ф. И. О. ];
— выдать обслуживающему персоналу производственные инструкции под роспись перед допуском их к работе.
7. Контроль за исполнением настоящего приказа возлагаю на [ должность, Ф. И. О. ].
[ должность ] [ подпись ] [ Ф. И. О. ]
С приказом ознакомлены:
[ должность, подпись, инициалы, фамилия ]
Примерная форма приказа о допуске к работе крановщиков, их помощников, слесарей, электромонтеров, наладчиков приборов безопасности и стропальщиков
Разработана: Компания «Гарант», ноябрь 2014 г.
Актуальная версия заинтересовавшего Вас документа доступна только в коммерческой версии системы ГАРАНТ. Вы можете приобрести документ за 54 рубля или получить полный доступ к системе ГАРАНТ бесплатно на 3 дня.
Если вы являетесь пользователем интернет-версии системы ГАРАНТ, вы можете открыть этот документ прямо сейчас или запросить по Горячей линии в системе.
base.garant.ru
Образец приказа о прохождении производственной практики стропальщика
И. Ответственным за прохождение производственной практики назначить Плышевского А. Г. Ответственным за охрану труда назначить Пинаева В. Ф. Мастером наставником назначить Кирякова А. В. Генеральный директор /Плышевский А. Г./ Скачать в текстовом формате Приказ о назначении руководителя производственной практики и принятии на практику студента Приказ о назначении руководителя и принятии на практику студента, образец. Приказ О прохождении производственной ремонтно-технологической практики на основании договора, заключенного между ОАО «Мелитопольский мясокомбинат» и Таврической государственной агротехнической академией. Приказываю: 1. Принять на прохождение производственной ремонтно-технологической практики на период с 04.06.2007 по 29.06.2007 г. ниже перечисленных студентов: 2. Руководителем практики назначить начальника Энергоремонтного цеха Будакова Виктора Федоровича 3.
Приказ о прохождении производственной практики
Образец приказа о прохождении производственной практики
Сразу после выбора файла как заполнить дневник по производственной практики стропальщика начинается его загрузка, после которой Вы незамедлительно получаете рабочую ссылку. При помощи той же системы Вы можете объединить несколько небольших файлов в одном архиве для экономии времени. Итого: Последние три колонки (7,8,9) заполняет инструктор производственного обучения.
На последней странице дневника дорожный мастер или лицо его замещающее ставит роспись с оценкой производственного обучения монтера пути и заверяет дневник печатью отдела кадров. Памятка по оформлению дневника производственной практики Перед началом производственного обучения, обучающийся должен быть ознакомлен с приказом о закреплении за ним инструктора производственного обучения.
Пример заполнения дневника производственной практики стропальщика
С. Скачать в текстовом формате Приказ о назначении руководителя практики и принятии на практику Приказ о назначении руководителя производственной практики и принятии студента образец В соответствии с Договором, заключенным между нашим предприятием и «Симферопольским высшим профессионально – техничесским училищем железнодорожного транспорта» (КРПТНЗ «СВПУ ТЗ») ПРИКАЗЫВАЮ: Принять на производственную практику с 01. 04.2008 года по 30.06.2008 по специальности оэлектромонтёр следующих учащихся Симферопольского высшего профессионально – техничесского училища железнодорожного транспорта г. Симферополь на должности учеников электрика с 36 часовой рабочей неделей: Абдуллаев Э. А., Гаджимуратов С. Г., Умеров А. Э. с 40 часовой рабочей неделей: Сорбутов С. А. Руководителем практики назначить мастера Симферопольского высшего профессионально – техничесского училища железнодорожного транспорта Лапич М.
Приказ о прохождении практики студентом: образец
Тем самым можно было подразумевать, что этот продукт будет быстрее, чем ARC и другие форматы сжатия. По историческим причинам (из-за ограничений на имена файлов под DOS) он обычно пишется заглавными буквами. Место стажировки (организация, участок) Срок стажировки 12 дней.
Инструктор производственного обучения стропальщик: (фамилия, имя, отчество, № удостоверения) Настоящее удостоверение даёт право стажёру выполнять весь комплекс стропальных работ под руководством инструктора производственного обучения. Директор «УПФИР» (2 страница) КАРТОЧКА учёта производственной практики № п. п. НАИМЕНОВАНИЕ ТЕМ Дата выполнения Оценка Подпись инструктора 1.
Ознакомление с производством, правилами техники безопасности, основными видами грузов (1 день). 2. Подбор канатов и цепей, проверка исправности грузозахватных приспособлений (ежедневно). 3. Упражнение в подаче сигналов (ежедневно). 4.
Образец приказа на обучение стропальщик
Он, хотя и на время, но становится работником организации, которому поручено выполнение определенного круга задач.Законодательная база Регулируются взаимоотношения между учреждением образования и организацией, принимающей практикантов, Приказом Минобрнауки №1383 от 27 ноября 2015 года. Есть еще Федеральный закон №273 ФЗ от 29 декабря 2017 года. В нем также подчеркивается, что практика может быть осуществлена непосредственно в стенах образовательного учреждения.
Заключение
Важно! В приказе, составленном по унифицированной или произвольной форме, обязательно указывается, что сотрудник принимается для прохождения производственной практики. Запись в трудовой книжке Когда кадровая служба предприятия подготовила приказ о прохождении практики на предприятии, образец которого можно найти на сайтах информационно-правовых систем, ей нужно сделать запись в трудовой книжке. Если студент ранее никогда не был трудоустроен, ст. 65 ТК РФ обязывает компанию завести ему трудовую на основании заявления. Последнее пишется в произвольной форме с указанием:
ФИО практиканта;
наименование компании;
просьбы выдать книжку в связи с заключением трудового договора.
Заявление заверяется личной подписью практиканта. У работодателя, получившего эту бумагу, есть недельный срок на оформление трудовой книжки.
Каждый – под отдельного практиканта.Отдельно взятый пункт при этом обязан содержать:
Полное ФИО.
Указание курса, на котором обучается будущий работник.
Информацию о том, в который из отделов зачислен (это необходимо для ориентации в соблюдении норм труда).
Конкретные даты начала и окончания производственной практики.
После полного перечня все упомянутые в тексте лица должны поставить свои подписи. Документ также заверяется «автографом» руководителя и по возможности печатью организации. Также свою подпись ставит руководитель того отдела, куда направляются практиканты.
При составлении и подписании приказа о прохождении производственной практики стоит иметь в виду, что подпись какого-либо из работников в конце бумаги вовсе не означает согласие с принимаемыми мерами. Она говорит о получении информации, которая содержится в тексте. Заполнения дневника по практике стропальщика без воды все по делу Форум. Квалификация: Стропальщик 2- го разряда обучения и 8. Заполнение дневника по практике — образец — youtube — На видео показано Наполнение дневника производственного обучения по профессии стропальщик. Как заполнить дневник производственного обучения Впервые дни занимались подготовкой траншей под кабельные линии 0, 4 к. В. Дневник по практике – один из основных документов студента во время его обучения в ВУЗе, отражающий качество его работы во время Теперь вы знаете, как заполнить дневник по производственной практике. Проходил производственную практику на участке.обучался на курсах по подготовке стропальщиков, закончил полный курс теоретического обучения, сдал предварительные экзамены с общей оценкой _ и направляется для прохождения практики по.
В некоторых случаях в текст документа может понадобиться внести дополнительную информацию. Подробнее об этом читайте в нашей статье. Образец приказа о прохождении практики студентов Приказ о приеме на практику студента, образец которого составляется непосредственно перед тем, как он приступит к своим обязанностям, имеет свои особенности. Так, в целях оптимизации типовой структуры такого документа, изложенной выше, опытные сотрудники кадровых служб рекомендуют обратить внимание на используемые формулировки и указание необязательных, но существенных организационных нюансов.
Документ стоит составлять на официальном бланке организации — разумеется, в случае, если она использует их в своей работе. О том, какие формулировки целесообразно использовать для составления образца приказа о прохождении производственной практики, вы можете прочитать в нашем материале.
advant24.ru
Допуск к работе стропальщика
Вопрос-ответ по теме
Может ли организация самостоятельно проводить аттестацию стропальщиков?
Обучение работников организации и проведение их аттестации по промышленной безопасности непосредственно в комиссии организации возможно.
Для этого члены комиссии и ее председатель должны пройти аттестацию в территориальной аттестационной комиссии Федеральной службы по экологическому, технологическому и атомному (если численность работников организации менее 5000 человек).
Согласно Положению об организации работы по подготовке и аттестации специалистов организаций, поднадзорных Федеральной службе по экологическому, технологическому и атомному надзору, утв. приказом Ростехнадзора от 29.01.2007 № 37, аттестация специалистов проводится в комиссиях организаций, в которых работают аттестуемые (в том числе основных организаций), а также в аттестационных комиссиях Федеральной службы по экологическому, технологическому и атомному надзору (Центральная аттестационная комиссия, территориальные аттестационные комиссии).
В состав аттестационной комиссии организации включаются руководители и главные специалисты организации, руководители и начальники управлений, отделов, осуществляющих производственный и другие виды внутреннего контроля за соблюдением требований безопасности, представители аварийно-спасательных служб и другие высококвалифицированные специалисты. Возглавляет комиссию один из руководителей организации.
Результаты проверок знаний по вопросам безопасности оформляются протоколом с последующей выдачей удостоверения об аттестации. Результаты внеочередной аттестации оформляются только протоколом.
Обращаем внимание, что к стропальщикам установлены дополнительные требования, так согласно приказа Ростехнадзора от 12.11.2013 № 533 «Об утверждении Федеральных норм и правил в области промышленной безопасности «Правила безопасности опасных производственных объектов, на которых используются подъемные сооружения», раздел «Требования к работникам», п. 20:
подп. «к»: «работники должны иметь документы, подтверждающие прохождение, в установленном порядке, профессионального обучения по соответствующим видам деятельности рабочих специальностей (для персонала)».
подп. «л»: знать основные схемы строповки грузов (при выполнении обязанности стропальщика) и методы проведения испытаний ПС;
подп. «м»: знать и соблюдать требования эксплуатационных документов, касающихся заявленных видов работ на ПС.
Типовая инструкция по охране труда для стропальщиков, ТИ Р М-007-2000 предусматривает следующее:
Стропальщиками назначаются лица не моложе 18 лет, прошедшие предварительный медицинский осмотр, обученные по специальной программе, аттестованные квалификационной комиссией и получившие соответствующее удостоверение на право производства работ (п. 1.3) .
Аттестованному стропальщику выдается удостоверение за подписью председателя квалификационной комиссии. Данное удостоверение стропальщик должен иметь при себе и предъявлять по требованию лиц, ответственных по надзору и за безопасное производство работ по перемещению грузов кранами, а также по требованию крановщика (п. 1.5).
Допуск к работе аттестованных стропальщиков, имеющих удостоверения, оформляется приказом по предприятию (п. 1.6).
В соответствии с требованиями действующих ФНП повторная проверка знаний стропальщиков должна проводиться квалифицированной комиссией предприятия (п. 1.7):
периодически — не реже одного раза в 12 месяцев;
при переходе указанных лиц с одного предприятия на другое;
при перерыве в работе по специальности более 6 месяцев;
по требованию инженерно-технического работника по надзору за грузоподъемными машинами или инспекторов Ростехнадзора.
Результаты проверки знаний стропальщика оформляются протоколом, номер которого проставляется в удостоверении и подтверждается печатью предприятия.
Т.е. у стропальщика должны быть:
удостоверение, подтверждающее прохождение профессионального обучения, присвоение квалификации «стропальщик» и прав на производство работ по обслуживанию грузоподъемных кранов;
удостоверение о проверке знаний требований ОТ.
www.trudohrana.ru
аттестация стропальщиков в современных реалиях
У вас есть лицензия на образовательную деятельность?
и снова СТРОПАЛЬЩИКИ. ПОТ РМ-007-98 8.4. Работники, допускаемые к выполнению погрузочно-разгрузочных и транспортных работ, должны иметь профессиональную подготовку, соответствующую характеру работ. 8.5. Работодатель обязан обеспечить обучение работников безопасности труда в объемах программ по профессиям, утвержденным в установленном порядке. Обучение должно быть организовано в соответствии с требованиями ГОСТ 12.0.004. 8.6. Обучение работников по охране труда должно проводиться в виде вводного инструктажа, первичного инструктажа, первичного инструктажа на рабочем месте, повторного инструктажа, внепланового инструктажа, целевого инструктажа и специального обучения. 8.7. Проверка знаний требований безопасности у работающих производится первоначально перед допуском их к работе и периодически в установленные сроки.
получается, что по НПА стропальщик должен проходить проверку знаний аж по 3 программам?: 1. стропальщик-стропальщик, п. 2.5 РД 10-107-96 (знание производственной инструкции с записью в журнале по проверке знаний и отметкой в удостоверении и оформлением протокола (форма не указана)) 2. стропальщик — подъемные сооружения, п. 26 РД 03-20-2007 (производственную инструкцию для стропальщиков по безопасному производству работ грузоподъемными машинами с учетом конструктивных особенностей машин и грузозахватных приспособлений, теперь только протокол, без удостоверения) 3. стропальщик по охране труда п. 3.1 пост. 1/29 (в объеме знаний требований правил и инструкций по охране труда, а при необходимости — в объеме знаний дополнительных специальных требований безопасности и охраны труда+ протокол+удостоверение)
так у него должно быть удостоверение стропальщика (с ежегодной отметкой), журнал по проверке знаний и протокол+удостоверение по проверке знаний по охране труда (с ежегодной отметкой) и протокол по ОТ + протокол по Б9.31+
т.е 2 удостоверения (строп+ОТ), еще журнал + 3 протокола.
выводы: 1. наверное первых две можно объединить? — одна программа + журнал + протокол из 37 приказа + отметка в квалификационном удостоверении ежегодно 2. программа обучения работников рабочих профессий ( для стропальщиков) — программа + протокол+удостоверение о проверке знаний ежегодно 3 да, еще забыла — первая помощь пострадавшим — наверное может быть включена в программу по охране труда+отметка в удостоверении по ОТ ежегодно
кто что думает, правильно ли я все понимаю, можно сделать 2, а не 3 проверки
ohranatruda. ru
Ростехнадзор разъясняет: Допуск персонала на работы на ПС (до 2021 г.)
Вопрос от 30.04.2020:
Слесаря по ремонту автомобилей привлекают к работам на ж/д кране (он обучен). Как правильно должен быть оформлен допуск и стажировка?
Ответ: Согласно » п. 1.1 Перечня работ, при выполнении которых проводятся обязательные предварительные и периодические медицинские осмотры (обследования) работников, такие медицинские осмотры проводятся в отношении работников, выполняющих работы на высоте, работы по обслуживанию подъемных сооружений, включая работы в качестве крановщика (машиниста крана).
Согласно части 1 статьи 225 Трудового кодекса РФ все работники, в том числе руководители организаций, а также работодатели — индивидуальные предприниматели, обязаны проходить обучение по охране труда и проверку знания требований охраны труда в порядке, установленном уполномоченным Правительством Российской Федерации федеральным органом исполнительной власти с учетом мнения Российской трехсторонней комиссии по регулированию социально-трудовых отношений.
Согласно части 2 статьи 225 ТК РФ для всех поступающих на работу лиц, а также для работников, переводимых на другую работу, работодатель или уполномоченное им лицо обязаны проводить инструктаж по охране труда, организовывать обучение безопасным методам и приемам выполнения работ и оказания первой помощи пострадавшим.
Согласно части 3 статьи 225 ТК РФ работодатель обеспечивает обучение лиц, поступающих на работу с вредными и (или) опасными условиями труда, безопасным методам и приемам выполнения работ со стажировкой на рабочем месте и сдачей экзаменов и проведение их периодического обучения по охране труда и проверку знаний требований охраны труда в период работы.
Согласно » п. 2.1.1 Постановления Минтруда России, Минобразования России от 13.01.2003 N 1/29 (ред. от 30.11.2016) «Об утверждении Порядка обучения по охране труда и проверки знаний требований охраны труда работников организаций» (зарегистрировано в Минюсте России 12.02.2003 N 4209) (далее — Постановление N 1/29) для всех принимаемых на работу лиц, а также для работников, переводимых на другую работу, работодатель (или уполномоченное им лицо) обязан проводить инструктаж по охране труда.
Согласно п. 2.1.2 Постановления N 1/29 все принимаемые на работу лица… и другие лица, участвующие в производственной деятельности организации, проходят в установленном порядке вводный инструктаж, который проводит специалист по охране труда или работник, на которого приказом работодателя (или уполномоченного им лица) возложены эти обязанности.
Вводный инструктаж по охране труда проводится по программе, разработанной на основании законодательных и иных нормативных правовых актов Российской Федерации с учетом специфики деятельности организации и утвержденной в установленном порядке работодателем (или уполномоченным им лицом).
Согласно п. 2.1.3 Постановления N 1/29, кроме вводного инструктажа по охране труда проводится первичный инструктаж на рабочем месте, повторный, внеплановый и целевой инструктажи.
Первичный инструктаж на рабочем месте, повторный, внеплановый и целевой инструктажи проводит непосредственный руководитель (производитель) работ (мастер, прораб, преподаватель и так далее), прошедший в установленном порядке обучение по охране труда и проверку знаний требований охраны труда.
Проведение инструктажей по охране труда включает в себя ознакомление работников с имеющимися опасными или вредными производственными факторами, изучение требований охраны труда, содержащихся в локальных нормативных актах организации, инструкциях по охране труда, технической, эксплуатационной документации, а также применение безопасных методов и приемов выполнения работ.
Инструктаж по охране труда завершается устной проверкой приобретенных работником знаний и навыков безопасных приемов работы лицом, проводившим инструктаж.
Проведение всех видов инструктажей регистрируется в соответствующих журналах проведения инструктажей (в установленных случаях — в наряде-допуске на производство работ) с указанием подписи инструктируемого и подписи инструктирующего, а также даты проведения инструктажа.
Согласно п. 2.2.1 Постановления N 1/29 работодатель (или уполномоченное им лицо) обязан организовать в течение месяца после приема на работу обучение безопасным методам и приемам выполнения работ всех поступающих на работу лиц, а также лиц, переводимых на другую работу.
Обучение по охране труда проводится при подготовке работников рабочих профессий, переподготовке и обучении их другим рабочим профессиям.
Согласно п. 2.2.2 Постановления N 1/29 работодатель (или уполномоченное им лицо) обеспечивает обучение лиц, принимаемых на работу с вредными и (или) опасными условиями труда, безопасным методам и приемам выполнения работ со стажировкой на рабочем месте и сдачей экзаменов, а в процессе трудовой деятельности — проведение периодического обучения по охране труда и проверки знаний требований охраны труда. Работники рабочих профессий, впервые поступившие на указанные работы либо имеющие перерыв в работе по профессии (виду работ) более года, проходят обучение и проверку знаний требований охраны труда в течение первого месяца после назначения на эти работы.
Согласно п. 2.2.3 Постановления N 1/29 порядок, форма, периодичность и продолжительность обучения по охране труда и проверки знаний требований охраны труда работников рабочих профессий устанавливаются работодателем (или уполномоченным им лицом) в соответствии с нормативными правовыми актами, регулирующими безопасность конкретных видов работ.
Согласно п. 2.2.4 Постановления N 1/29 работодатель (или уполномоченное им лицо) организует проведение периодического, не реже одного раза в год, обучения работников рабочих профессий оказанию первой помощи пострадавшим. Вновь принимаемые на работу проходят обучение по оказанию первой помощи пострадавшим в сроки, установленные работодателем (или уполномоченным им лицом), но не позднее одного месяца после приема на работу.
Согласно п. 3.1 Постановления N 1/29 проверку теоретических знаний требований охраны труда и практических навыков безопасной работы работников рабочих профессий проводят непосредственные руководители работ в объеме знаний требований правил и инструкций по охране труда, а при необходимости — в объеме знаний дополнительных специальных требований безопасности и охраны труда.
Согласно п. 3.4 Постановления N 1/29 для проведения проверки знаний требований охраны труда работников в организациях приказом (распоряжением) работодателя (руководителя) создается комиссия по проверке знаний требований охраны труда в составе не менее трех человек, прошедших обучение по охране труда и проверку знаний требований охраны труда в установленном порядке.
Согласно п. 3.7 Постановления N 1/29 работнику, успешно прошедшему проверку знаний требований охраны труда, выдается удостоверение за подписью председателя комиссии по проверке знаний требований охраны труда, заверенное печатью организации (при наличии печати), проводившей обучение по охране труда и проверку знаний требований охраны труда, по форме согласно приложению N 2 к Порядку.
» Правила по охране труда при работе на высоте утверждены Приказом Министерства труда и социальной защиты РФ от 28 марта 2014 г. N 155н (далее — Правила).
Согласно п. 5 Правил к работе на высоте допускаются лица, достигшие возраста восемнадцати лет.
Согласно п. 6 Правил работники, выполняющие работы на высоте, в соответствии с действующим законодательством должны проходить обязательные предварительные (при поступлении на работу) и периодические медицинские осмотры.
Согласно п. 7 Правил работники, выполняющие работы на высоте, должны иметь квалификацию, соответствующую характеру выполняемых работ. Уровень квалификации подтверждается документом о профессиональном образовании (обучении) и (или) о квалификации.
Согласно п. 8 Правил работники допускаются к работе на высоте после проведения:
а) обучения и проверки знаний требований охраны труда;
б) обучения безопасным методам и приемам выполнения работ на высоте.
Требования промышленной безопасности к организациям и работникам опасных производственных объектов, осуществляющих эксплуатацию подъемных сооружений, утверждены » Приказом Ростехнадзора от 12.11.2013 N 533 (ред. от 12.04.2016) «Об утверждении Федеральных норм и правил в области промышленной безопасности «Правила безопасности опасных производственных объектов, на которых используются подъемные сооружения» (зарегистрировано в Минюсте России 31.12.2013 N 30992).
Согласно п. 26 Требований работники ОПО, непосредственно занимающиеся эксплуатацией ПС, должны соответствовать следующим требованиям:
а) быть обученными и иметь выданное в установленном порядке удостоверение на право самостоятельной работы по соответствующим видам деятельности;
б) знать критерии работоспособности применяемых ПС в соответствии с требованиями руководства (инструкции) по эксплуатации применяемых ПС, технологический процесс транспортировки грузов;
в) в случае возникновения угрозы аварийной ситуации информировать об этом своего непосредственного руководителя;
г) знать порядок действий по инструкциям эксплуатирующей организации в случае возникновения аварий и инцидентов при эксплуатации ПС, а также выполнять данные инструкции;
д) пройти в установленном порядке аттестацию (только для специалистов) на знание настоящих ФНП и не нарушать их в процессе выполнения работ.
» Правила по охране труда при эксплуатации электроустановок утверждены Приказом Минтруда России от 24.07.2013 N 328н (ред. от 15.11.2018) «Об утверждении Правил по охране труда при эксплуатации электроустановок».
Информация не является исчерпывающей.
Д. Родионова
Вопрос от 28.04.2017:
Какие документы, полученные в обучающей организации должен предъявить стропальщик при приеме на работу в организацию? Имеет ли право организация выдавать удостоверение для допуска к стропальным работам, если при приеме на работу соискатель предоставил только свидетельство о присвоении квалификации и разряда?
Ответ: В соответствии с частью 1 статьи 9 Федерального закона от 21.07.1997 № 116-ФЗ «О промышленной безопасности опасных производственных объектов»| одной из обязанностей организации, эксплуатирующей опасный производственный объект, является следующая:
допускать к работе на опасном производственном объекте лиц, удовлетворяющих соответствующим квалификационным требованиям и не имеющих медицинских противопоказаний к указанной работе. Данное требование распространяется, в том числе, и на стропальщиков.
Присвоение рабочим квалификации стропальщика осуществляется после прохождения в установленном порядке подготовки в организациях, имеющих лицензии на проведение образовательной деятельности. Рабочим, успешно прошедшим обучение и сдавшим квалификационный экзамен выдаются соответствующие документы, подтверждающие прохождение обучения и присвоение квалификации.
В соответствии с подпунктом «б» пункта 150 Федеральных норм и правил в области промышленной безопасности «Правила безопасности опасных производственных объектов, на которых используются подъемные сооружения», утвержденных приказом Ростехнадзора от 12 ноября 2013 г. № 533, зарегистрированных в Минюсте России 31 декабря 2013 г. № 30992, организации, эксплуатирующие подъемные сооружения, должны обеспечить установленный порядок допуска к самостоятельной работе (персонал) с выдачей соответствующих удостоверений, в которых указывается тип подъемного сооружения, а также виды работ и оборудования, к работам на которых они допущены.
На основании вышеизложенного, при приеме на работу в организацию стропальщик предъявляет документы, подтверждающие прохождение обучения и присвоение ему квалификации стропальщика, на основании которых организация выдает ему соответствующее удостоверение. При этом порядок допуска стропальщика к самостоятельной работе производится в установленном в организации порядке. И при этом форма удостоверения персонала требованиями промышленной безопасности не установлена, и определяется эксплуатирующей организацией.
Вопрос от 30.08.2014:
ЗАО «Энергомаш (Екатеринбург) — Уралэлектротяжмаш» эксплуатирует опасный производственный объект (производственные здания) — площадку производства электротехнических изделий (класс опасности IV) и технические устройства — мостовые краны, установленные в указанных зданиях. В штате предприятия состоят слесари и электромонтеры по кранам, специалисты, ответственные за производственный контроль при эксплуатации подъемных сооружений (ПС) и за их содержание в работоспособном состоянии.
На указанной производственной площадке расположены производственные участки другого юридического лица. ООО «Эльмаш». В его штате имеется обученный, аттестованный для эксплуатации ПС персонал: машинисты мостовых кранов, стропальщики, специалисты, ответственные за безопасное производство работ с применением ПС.
Прошу разъяснить, может ли эксплуатирующая организация допустить указанный персонал другого юридического лица до работы на ПС при условии соблюдения требований Федеральных норм и правил в области промышленной безопасности «Правила безопасности опасных производственных объектов, на которых используются подъемные сооружения»?
А.А. Зябрев, технический директор ЗАО «Энергомаш (Екатеринбург) — Уралэлектротяжмаш»
На вопрос читателя отвечает начальник Управления государственного строительного надзора Ростехнадзора А.Н. Горлов.
С 7 марта 2014 г. на территории Российской Федерации действуют Федеральные нормы и правила в области промышленной безопасности «Правила безопасности опасных производственных объектов, на которых используются подъемные сооружения» (далее — ФНП по ПС), утвержденные приказом Рос- технадзора от 12 ноября 2013 г. № 533, зарегистрированным Минюстом России 31 декабря 2013 г., регистрационный № 30992.
Пунктом 26 «а» ФНП по ПС определено, что работники опасных производственных объектов (ОПО), непосредственно занимающиеся эксплуатацией подъемных сооружений (ПС), должны быть обученными и иметь выданное в установленном порядке удостоверение на право самостоятельной работы. Кроме того, в соответствии с п. 150 «б» ФНП по ПС эксплуатирующие организации обязаны обеспечить содержание ПС в работоспособном состоянии и безопасные условия их работы путем организации надлежащего надзора и обслуживания, технического освидетельствования и ремонта. В этих целях должен быть в том числе обеспечен порядок аттестации (специалистов) и допуска к самостоятельной работе (персонала) с выдачей соответствующих удостоверений, в которых указывают тип ПС, а также виды работ и оборудования, к работам на которых они допущены. Форму удостоверения на право самостоятельной работы устанавливает организация, эксплуатирующая ПС самостоятельно (ФНП по ПС не установлена форма такого удостоверения).
На основании указанного, организация, эксплуатирующая ОПО с ПС, осуществляет допуск к работе персонала, обслуживающего ПС, с выдачей удостоверения на право самостоятельной работы. Данное требование должно быть выполнено и при допуске к работе на ОПО с ПС обслуживающего персонала другой организации. При этом согласно п. 23 «ж» ФНП по ПС привлечение работника другой организации для выполнения обязанностей специалиста, ответственного за безопасное производство работ с применением ПС, не допускается (назначают только специалистов организации, эксплуатирующей ОПО с ПС).
Вопрос от 30.07.2014:
С 7 марта 2014 г. вступили в силу {30-Федеральные нормы и правила в области промышленной безопасности «Правила, безопасности опасных производственных объектов, на которых используются подъемные сооружения» (далее — ФНП по ПС). Требования к форме и содержанию удостоверений настоящими ФНП по ПС не установлены.
В ООО «Завод по ремонту горного оборудования» приходят трудоустраиваться молодые работники с дипломами о начальном профессиональном образовании. В дипломах им присвоены квалификации: машинист буровой установки, электрослесарь (слесарь) дежурный и по ремонту оборудования, электрогазосварщик, стропальщик. Прошу разъяснить, можно ли допускать работников к самостоятельной работе по профессиям, перечисленным в дипломе о начальном профессиональном образовании, или им должны быть выданы соответствующие отдельные удостоверения? Если нет, то на основании какого нормативного документа?
А.Л. Шалагин, и.о. гл. инженера ООО «Завод по ремонту горного оборудования»
На вопрос читателя отвечает начальник Управления государственного строительного надзора Ростехнадзора А.Н. Горлов.
Обучение и проверку знаний обслуживающего подъемные сооружения (ПС) персонала осуществляют в соответствии с » Положением об организации обучения и проверки знаний рабочих организаций, поднадзорных Федеральной службе по экологическому, технологическому и атомному надзору (РД-03-20—2007), утвержденным приказом Ростехнадзора от 29 января 2007 г. № 37 «О порядке подготовки и аттестации работников организаций, поднадзорных Федеральной службе по экологическому, технологическому и атомному надзору», зарегистрированным Минюстом России 22 марта 2007 г, регистрационный № 9133.
С 7 марта 2014 г на территории Российской Федерации действуют » Федеральные нормы и правила в области промышленной безопасности «Правила безопасности опасных производственных объектов, на которых используются подъемные сооружения» (далее — ФНП по ПС), утвержденные приказом Рос- технадзора от 12 ноября 2013 г. № 533, зарегистрированным Минюстом России 31 декабря 2013 г., регистрационный № 30992.
Пунктом 26 «а» ФНП по ПС определено, что работники опасных производственных объектов, непосредственно занимающиеся эксплуатацией ПС, должны быть обученными и иметь выданное в установленном порядке удостоверение на право самостоятельной работы. Кроме того, в соответствии с п. 150 «б» ФНП по ПС эксплуатирующие организации обязаны обеспечить содержание ПС в работоспособном состоянии и безопасные условия их работы путем организации надлежащего надзора и обслуживания, технического освидетельствования и ремонта. В этих целях должен быть в том числе обеспечен порядок аттестации (специалисты) и допуска к самостоятельной работе (персонал) с выдачей соответствующих удостоверений, в которых указывают тип ПС, а также виды работ и оборудования, к работам на которых они допущены. Форму удостоверения на право самостоятельной работы устанавливает организация, эксплуатирующая ПС самостоятельно (ФНП по ПС не установлена форма такого удостоверения).
На основании указанного, после обучения персонала в соответствии с требованиями, установленными РД-03-20—2007, организация, эксплуатирующая опасный производственный объект с ПС, осуществляет, согласно ФНП по ПС, допуск к работе персонала, обслуживающего ПС с выдачей удостоверения на право самостоятельной работы.
Охрана труда \ Акты, образцы, формы, договоры \ КонсультантПлюс
Главная
Правовые ресурсы
Подборки материалов
Охрана труда
Данный ресурс содержит подборки наиболее важных и актуальных документов по различным тематикам. Здесь вы найдете нормативные акты, статьи и консультации экспертов, формы документов по интересующим вас темам:
0,2 процента на охрану труда
0503125 инструкция
0705 охрана труда
1-т статистика кто сдает
1-т условия труда 2020
1-т условия труда инструкция
1-т условия труда кто сдает
1-Т условия труда росстат
1-т условия труда указания
2 группа по электробезопасности
2. Должности специалистов, занятых на предприятиях, в учреждениях и организациях
233 аттестация
26541 Специалист
3 группа по электробезопасности
37 аттестация
4 % за вредные условия труда
4% за вредность
40 часовая программа обучения по охране труда
40 часовая программа по охране труда
40.054 специалист в области охраны труда
485 огневые
528 ОГНЕВЫЕ
61 вкх
642 погрузо
77 суот
88-фз молоко
V группа электробезопасности
Абразивный инструмент
Авиационные специалисты
Автовышка косгу
Административная ответственность за нарушение требований охраны труда
Аккордный наряд
Аккредитация обучение по охране труда
Аккредитация организаций оказывающих услуги в области охраны труда
Аккредитованные организации по обучению охране труда
Акт допуск и наряд допуск
Акт о нарушении температурного режима грузоперевозки
Акт о нарушении техники безопасности
Акт об утере журнала регистрации инструктажа
Акт проверки по охране труда
Акт утраты журнала регистрации инструктажа
Акт-допуск для производства работ
Альтернативный способ удостоверения принятого решения
Альтернативный способ удостоверения решения
Амортизация офисного помещения
Аптечка производственная
Арбитраж инструкция №100
Аренда автовышки
Аттестации ск
Аттестационная комиссия по охране труда
Аттестация а1
Аттестация аспирантов
Аттестация библиотекарей
Аттестация библиотечных
Аттестация в овд
Аттестация г. 1.1
Аттестация ггс
Аттестация гостайна
Аттестация гостиниц
Аттестация диспетчеров
Аттестация инженеров
Аттестация косгу
Аттестация лаборатории
Аттестация лаборатории неразрушающего контроля
Аттестация накс
Аттестация НАСФ
Аттестация опо
Аттестация пластинина
Аттестация по Г.2.1.
Аттестация по профстандарту
Аттестация помещения косгу
Аттестация предпенсионеров
Аттестация рабочих мест по охране труда
Аттестация сварочного производства
Аттестация служащих
Аттестация стропальщика
Аттестация технологии сварки
Аттестация тк рф
Аттестация уполномоченных лиц
Аттестация условий труда
Аттестация фггс
Аудит по охране труда
Аутсорсинг по охране труда
Балтийская система высот
Безопасность работ на высоте
Безопасность труда
Безопасность труда в строительстве
Безопасные методы и приемы выполнения работ на высоте
Безопасные методы работы на высоте
Безопасные условия труда
Беременность и вредные условия труда
Бесконтактный измеритель температуры окоф
Бесплатное горячее питание
Бесплатное двухразовое питание
Бесплатное лечебно-профилактическое питание
Билеты для проверки знаний по охране труда
Бланк заключение об условиях и характере труда
Бланк план мероприятий по охране труда
Бухгалтерские записи молоко за вредность
Бухгалтерский учет выдачи молока
Бухгалтерский учет компенсации за молоко
В какие сроки проводится повторный инструктаж на рабочем месте
В каких случаях проводится внеочередная проверка знаний по охране труда
В каких случаях проводится внеочередная проверка знаний требований охраны труда работников организаций?
В каких случаях проводится внеплановый инструктаж по охране труда
В каких случаях проводится целевой инструктаж
В каких случаях проводится целевой инструктаж по охране труда
В каком размере накладывается административный штраф на должностных лиц при нарушении законодательства о труде и об охране труда?
Вахта вредные условия труда
Введение в действие инструкций по охране труда
Введение должности специалиста по охране труда
Вводный и первичный инструктаж
Вводный и первичный инструктаж по охране труда
Вводный и первичный противопожарный инструктаж
Вводный инструктаж
Вводный инструктаж гост
Вводный инструктаж дистанционно
Вводный инструктаж для внутренних совместителей
Вводный инструктаж для подрядных организаций
Вводный инструктаж для подрядчиков
Вводный инструктаж для работников сторонних организаций
Вводный инструктаж для совместителей
Вводный инструктаж по охране труда
Вводный инструктаж по охране труда дистанционно
Вводный инструктаж по охране труда для внутренних совместителей
Вводный инструктаж по охране труда для офисного работника
Вводный инструктаж по охране труда для подрядчиков
Вводный инструктаж по охране труда образец
Вводный инструктаж по охране труда форма
Ведение журнала инструктажа на рабочем месте
Ведение журнала инструктажа по охране труда
Ведение журналов по охране труда
Ведомость выдачи молока сотрудникам
Ведомость на выдачу удостоверений об отсрочке
Ведомственный план мероприятий по снижению производственного травматизма
Ведущий специалист 3 разряда
Ведущий специалист по охране труда как правильно назвать
Вертикальные лестницы
Верхолазные работы
Взносы в пенсионный фонд ВРЕДНЫЕ УСЛОВИЯ ТРУДА
Взносы за вредные условия труда
Взыскание алиментов с компенсации за молоко
Взыскать за обучение с работника
Виды инструктажей по охране труда
Виды обучения по охране труда
Виды огневых работ
Виды работ на высоте
Включение в трудовой договор СОУТ
ВКХ
Внеочередная проверка знаний по промышленной безопасности
Внеочередная проверка по охране труда
Внеочередное обучение по охране труда
Внеплановая аттестация по охране труда
Внеплановая проверка знаний
Внеплановый инструктаж
Внеплановый инструктаж по коронавирусу
Внеплановый инструктаж по охране труда 2021
Внесение изменений в трудовой договор в связи с СОУТ
Внесение изменений в трудовой договор после соут
Водолазный специалист
Водопроводно-канализационное хозяйство
Воздух рабочей зоны
Возложение обязанностей инженера по охране труда
Возложение обязанностей по охране труда
Возмещение затрат на обучение по охране труда
Возможные действия работника на рабочем месте, которые могут привести к аварии, катастрофе или ЧС техногенного характера в организации
Вредникам отпуск за ненормируемый день
Вредность 12%
Вредность 3. 1 отпуск
Вредность 3.2
Вредность 3.2 дополнительный отпуск
Вредность без спецоценки
Вредность в командировке
Вредность в мрот
Вредность взносы
Вредность по соут
Вредность постановление отпуск
Вредные вещества в воздухе рабочей зоны
Вредные и опасные производственные факторы в офисе
Вредные условия 3 и 4 степени
Вредные условия труда водителя
Вредные условия труда класс 3.1 для инвалидов
Вредные условия труда класс 3.1 льготы и компенсации
Вредные условия труда класс 3.1 молоко
Вредные условия труда класс 3.1 отпуск
Вредные условия труда класс 3.1 трудовой договор
Вредные условия труда класс 3.1 что положено
Вредные условия труда класс 3.2 доп тариф
Вредные условия труда класс 3.2 льготы и компенсации
Вредные условия труда льготы и компенсации
Вредные условия труда медицинских работников
Вредные условия труда несовершеннолетние
Вредные условия труда ночная смена
Вредные условия труда соут
Вредные факторы при работе с компьютером
Вредный, подкласс условий труда — 3. 1
Вредным условиям труда 3 или 4 степени или опасным условиям труда
Временная инструкция гас пс
Временные инструкции по охране труда
Временные места проведения огневых работ
Временный перевод на вредные условия труда
Временный регламент аттестации
Время работы во вредных условиях труда
Время работы за компьютером
Всд на молоко
Всемирный день охраны труда
Вспомогательная горноспасательная команда аттестация
Встроенный производный инструмент
Въезд иностранных специалистов
Выборы уполномоченного по охране труда
Выдача инструкций по охране труда
Выдача молока без соут
Выдача молока медицинским работникам
Выдача молока согласно коллективного договора
Выдача удостоверения судьи
Выдающий наряд-допуск
Выезд специалиста косгу
Выплата за молоко
Выплата молока вредникам
Высота деревьев
Высота ижс
Высота пней
Высота порога
Высота чердака
Выход на пенсию по вредности
Газоопасные работы охрана труда
Гарантии вредникам
Гарантии за вредные и опасные условия труда
Гарантии за вредные условия труда
Гарантии и компенсации в зависимости от класса условий труда
Гарантии и компенсации в трудовом договоре
Гарантии и компенсации работникам в случае сдачи ими крови
Гарантии на труд в условиях соответствующих требованиям охраны труда
Генеральный директор охрана труда
Геолого-технический наряд
Гигиеническая аттестация
Гигиеническая подготовка и аттестация
Гигиенические нормативы при работе на пэвм
Гигиенические требования к условиям труда женщин
Гильотина по охране труда
Главные внештатные специалисты коми
Главный специалист по охране труда
Гост безопасность труда
Гост воздух рабочей зоны
Гост инструктажи по охране труда
Гост молоко пастеризованное
Гост молоко питьевое
ГОСТ молоко сгущенное
Гост молоко сырое
Гост общие санитарно-гигиенические требования к воздуху рабочей зоны
ГОСТ приставные лестницы
Гост работы на высоте
ГОСТ работы погрузочно — разгрузочные
Гост сухое молоко
Гост толуол
Государственная политика в области охраны труда
Государственная программа Улучшение условий и охраны труда
Государственная экспертиза условий труда
Государственные нормативные требования охраны труда
Государственный контроль в области охраны труда
Готовое решение дополнительное соглашение соут
Готовое решение: Как составить дополнительное соглашение к трудовому договору по результатам специальной оценки условий труда (СОУТ)
График инструктажей
График отпусков за вредные условия
График проведения инструктажей
График проведения повторного инструктажа
График проведения противопожарного инструктажа
График проверки знаний по охране труда
Грузы повышенной опасности
Группа по электробезопасности для сварщиков
Группа по электробезопасности для специалиста по охране труда
Группа работ на высоте
Группа электробезопасности до 1000 в
Группы опасных и вредных производственных факторов
Группы по безопасности работ на высоте
Группы по высоте
Группы по электробезопасности и условия их присвоения
Группы по электробезопасности электротехнического (электротехнологического) персонала и условия их присвоения
Дата установления доплаты за вредность
Декларирование условий труда
Денежная компенсация за молоко ндфл
Денежные инструменты
День охраны труда
Дератизация офисных помещений
Деятельность и (или) используемые производственные объекты которых отнесены к категории чрезвычайно высокого или высокого риска
Дистанционное обучение по охране труда
Дисциплинарное взыскание за нарушение требований охраны труда
Для кого является обязательным исполнение государственных нормативных требований охраны труда
Дневник стажировки
Договор аутсорсинга по охране труда
Договор ГПХ по охране труда
Договор по охране труда
Договор подряда охрана труда
Документооборот по охране труда
Документы по охране труда
Документы по охране труда в строительстве
Документы по охране труда в школе
Документы по охране труда коронавирус
Должности вредников
Должности с вредными условиями труда
Должности специалистов, занятых в библиотеках
Должностная инструкция ведущего специалиста контрактной службы
Должностная инструкция врача специалиста
Должностная инструкция главного специалиста
Должностная инструкция инженера по охране труда
Должностная инструкция кредитного специалиста
Должностная инструкция начальника отдела охраны труда
Должностная инструкция руководителя по охране труда
Должностная инструкция руководителя службы охраны труда
Должностная инструкция специалист по лицензированию
Должностная инструкция специалист по логистике на транспорте
Должностная инструкция специалист по сми
Должностная инструкция специалист по учету музейных предметов
Должностная инструкция специалиста абонентского отдела
Должностная инструкция специалиста администрации
Должностная инструкция специалиста архива
Должностная инструкция специалиста в области воспитания
Должностная инструкция специалиста контрактной службы
Должностная инструкция специалиста отдела технического контроля
Должностная инструкция специалиста по административно-хозяйственной
Должностная инструкция специалиста по административно-хозяйственному обеспечению
Должностная инструкция специалиста по благоустройству
Должностная инструкция специалиста по внутреннему контролю
Должностная инструкция специалиста по документационному обеспечению
Должностная инструкция специалиста по закупкам образец
Должностная инструкция специалиста по защите государственной тайны
Должностная инструкция специалиста по земельным отношениям
Должностная инструкция специалиста по кадровой работе
Должностная инструкция специалиста по логистике
Должностная инструкция специалиста по миграционному учету
Должностная инструкция специалиста по мобилизационной подготовке
Должностная инструкция специалиста по мобилизационной работе
Должностная инструкция специалиста по налогам
Должностная инструкция специалиста по недвижимости
Должностная инструкция специалиста по опеке и попечительству
Должностная инструкция специалиста по оплате труда
Должностная инструкция специалиста по организации и оплате труда
Должностная инструкция специалиста по охране окружающей среды
Должностная инструкция специалиста по охране труда
Должностная инструкция специалиста по персонифицированному учету
Должностная инструкция специалиста по пожарной профилактике
Должностная инструкция специалиста по правовым вопросам
Должностная инструкция специалиста по проектному управлению
Должностная инструкция специалиста по работе с клиентами
Должностная инструкция специалиста по рекламе
Должностная инструкция специалиста по финансам
Должностная инструкция специалиста по экологии
Должностная инструкция специалиста по эксплуатации зданий
Должностная инструкция специалиста тендерного отдела
Должностная инструкция старшего специалиста
Должностная охрана труда
Должностная санитарки
Должность главный специалист
Должность по охране труда
Должность специалист
Должность специалиста по охране труда
Донор во вредных условиях труда
Донорские дни вредные условия труда
Доплата до оклада на больничном приказ
Доплата за вредность 4%
Доплата за вредность без спецоценки
Доплата за вредность в выходной день
Доплата за вредность в праздничные дни
Доплата за вредность в штатном расписании
Доплата за вредность если нет спецоценки
Доплата за вредность как считать
Доплата за вредность обложение взносами
Доплата за вредность по результатам спецоценки
Доплата за вредность по спецоценке
Доплата за вредность соут
Доплата за вредность тк
Доплата за вредные и опасные условия труда работа в праздничный день
Доплата за вредные условия труда без соут
Доплата за вредные условия труда в трудовом договоре
Доплата за вредные условия труда взносы
Доплата за вредные условия труда во время простоя
Доплата за вредные условия труда входит ли в средний заработок
Доплата за вредные условия труда для налога на прибыль
Доплата за вредные условия труда до проведения соут
Доплата за вредные условия труда налоги
Доплата за вредные условия труда ндфл и страховые взносы
Доплата за вредные условия труда при неполном рабочем времени
Доплата за вредные условия труда при работе в выходной
Доплата за вредные условия труда при совмещении
Доплата за вредные условия труда сдельщикам
Доплата за вредные условия труда совместителю
Доплата за вредные условия труда страховые взносы
Доплата за работу на высоте
Доплата за тяжелые условия труда
Доплата уборщице за вредность
Дополнительная оплата за вредные условия труда
Дополнительное соглашение изменение соут
Дополнительное соглашение к трудовому договору о замене выдачи молока денежной компенсацией
Дополнительное соглашение к трудовому договору по результатам СОУТ
Дополнительное соглашение к трудовому договору по результатам соут срок
Дополнительное соглашение к трудовому договору после соут
Дополнительное соглашение о вредных условиях труда
Дополнительное соглашение о выдаче молока
Дополнительное соглашение о доплате за вредные условия труда
Дополнительное соглашение после проведения СОУТ
Дополнительное соглашение после соут
Дополнительные тарифы страховых взносов класс условий труда 3. 1 кбк
Дополнительный отпуск за вредность при совмещении
Дополнительный отпуск за вредные условия рентгенологу
Дополнительный отпуск за вредные условия труда медицинским работникам
Дополнительный отпуск за вредные условия труда при неполном рабочем времени
Дополнительный отпуск работникам с вредными условиями труда
Дополнительный тариф за вредные условия труда
Допсоглашение к трудовому договору после проведения спецоценки
Допуск к огневым работам
Допуск к работам повышенной опасности
Допуск к работе без медосмотра
Допуск к работе водителя
Допуск к работе медосмотр
Допуск к работе на высоте
Допуск к работе на станках
Допуск к работе неуполномоченным лицом
Допуск к работе по медицинскому заключению
Допуск к работе после отстранения
Допуск к работе с наркотическими средствами
Допуск к работе с прекурсорами
Допуск к работе стропальщика
Допуск к работе электрика
Допуск к самостоятельной работе
Допуск к самостоятельной работе водителя
Допуск лиц к работе с наркотическими
Допуск на высотные работы
Допускается возможность ведения документооборота в области охраны труда в электронном виде с использованием электронной подписи или любого другого способа, позволяющего идентифицировать личность работника, в соответствии с законодательством Российской Фе
Допустимы условия труда нужно ли проходить медосмотр
Допустимые условия труда
Досрочный пересмотр инструкций по охране труда
Дублирование электротехнического персонала
Единая методика аттестации
Единая методика аттестации служащих
Единый календарный план спортивных мероприятий
Ежегодный дополнительный оплачиваемый отпуск работникам, занятым на работах с вредными и (или) опасными условиями труда
Ежегодный дополнительный отпуск за вредные условия труда
Екс ведущий специалист
Екс инженер по охране труда
ЕНиР Сварочные работы
Если не проведена СОУТ положена ли доплата за вредные условия
Если нет инженера по охране труда
Еткс литейное производство
ЕТКС металлообработка
Еткс сварочные работы
ЕТКС специалист по охране труда
Жалоба на шум соседей
Журнал внепланового инструктажа по охране труда
Журнал выдачи инструкций по охране труда
Журнал выдачи командировочных удостоверений
Журнал выдачи электроинструмента
Журнал инструктажа по безопасности движения
Журнал инструктажа прошнурован
Журнал инструктажа сторонних организаций
Журнал инструктажей прошит
Журнал наряд-допуск
Журнал огневых работ
Журнал ознакомления с инструкциями по охране труда
Журнал осмотра инструмента
Журнал осмотра лестниц
Журнал осмотра лестниц и стремянок
Журнал первичного инструктажа
Журнал по охране труда
Журнал по охране труда на рабочем месте
Журнал по электробезопасности
Журнал повторного инструктажа по охране труда
Журнал пожарного инструктажа
Журнал проведения инструктажа на рабочем месте
Журнал проведения инструктажа по информационной безопасности
Журнал проверки знаний по электробезопасности
Журнал проверки знаний правил технической эксплуатации тепловых энергоустановок
Журнал регистрации адвокатских запросов
Журнал регистрации акционеров
Журнал регистрации вводного инструктажа
Журнал регистрации внепланового инструктажа
Журнал регистрации выданных копий
Журнал регистрации выданных справок из архива
Журнал регистрации генеральных уборок
Журнал регистрации гостиница
Журнал регистрации дополнительных соглашений
Журнал регистрации дсп
Журнал регистрации заявок на участие в аукционе
Журнал регистрации и контроля бактерицидной установки
Журнал регистрации инвентаризации
Журнал регистрации инвентарного учета
Журнал регистрации инкассовых поручений
Журнал регистрации инструктажа на рабочем месте
Журнал регистрации инструктажа обучающихся
Журнал регистрации инструктажа по антитеррористической защищенности
Журнал регистрации исходящей корреспонденции
Журнал регистрации курсов
Журнал регистрации медицинских освидетельствований
Журнал регистрации медосмотров
Журнал регистрации нарядов-допусков
Журнал регистрации нарядов-допусков на огневые работы
Журнал регистрации нарядов-допусков на производство газоопасных работ
Журнал регистрации обязательств
Журнал регистрации обязательств (ф. 0504064)
Журнал регистрации обязательств 0504064
Журнал регистрации отгруженного лома
Журнал регистрации отгруженной древесины
Журнал регистрации по личному составу
Журнал регистрации по основной деятельности
Журнал регистрации приема граждан в суде
Журнал регистрации приема на работу
Журнал регистрации противопожарного инструктажа на рабочем месте
Журнал регистрации протоколов об административных правонарушениях
Журнал регистрации работ повышенной опасности
Журнал регистрации расчетных листков
Журнал регистрации реестров
Журнал регистрации справок
Журнал трехступенчатого контроля
Журнал учета выдачи инструкций по охране труда
Журнал учета выдачи инструкций по охране труда для работников
Журнал учета выдачи инструкций по охране труда образец заполнения
Журнал учета выдачи нарядов-допусков
Журнал учета выдачи нарядов-допусков на производство работ с повышенной опасностью
Журнал учета газоопасных работ, проводимых без наряда-Допуска
Журнал учета инструктажей по безопасности дорожного движения
Журнал учета инструктажей по пб
Журнал учета инструкций по охране труда
Журнал учета обучения по охране труда
Журнал учета присвоения 1 группы по электробезопасности срок хранения
Журнал учета присвоения I группы по электробезопасности неэлектротехническому персоналу
Журнал учета проверки знаний норм и правил работы в электроустановках
Журнал учета проверки знаний правил работы в электроустановках
Журнал учета работ по нарядам и распоряжениям
Журнал учета работ по нарядам-Допускам и распоряжениям для работы в электроустановках
Журнал учета работ по наряду-допуску
Журнал учета работы во вредных условиях
Журнал учета удостоверений по охране труда
Журнал целевого инструктажа
Журнал электроинструмента
Журналы инструкций по охране труда
Журналы регистрации протоколов и удостоверений
Заведующий фельдшерским здравпунктом
Заключение соглашений об организации рабочих мест для трудоустройства инвалидов на квотируемые рабочие места в другой организации
Закуп молока у населения
Замена выдачи молока
Замена лечебно-профилактического питания компенсацией
Замена молока
Замена молока денежной компенсацией в трудовом договоре
Заполнение журнала вводного инструктажа
Заполнение журнала инструктажа
Заполнение журнала инструктажа на рабочем месте
Заполнение журнала по технике безопасности
Заполнение протокола проверки знаний по охране труда
Заполнение удостоверения по охране труда
Заполнение формы 1т условия труда
Запрещается применение труда женщин
Зачем нужен и как оформить наряд-допуск на производство работ повышенной опасности
Заявление на замену молока денежной компенсацией
Заявление работника о замене выдачи молока денежной компенсацией
Здания класса Ф 1. 3
Знак безопасности косгу
Знак ограничение по высоте
Знаки безопасности
Знаки безопасности по охране труда
Знаки электробезопасности
Зоны повышенной опасности
Идентификация вредных и опасных производственных факторов
Изменение инструкции по охране труда
Изменение класса условий труда
Изменение условий труда после проведения СОУТ
Изменение условий труда после спецоценки
Изменения в инструкции 36
Изменения в инструкцию 162н
Изменения в инструкцию 174 н
Изменения Закона о спецоценке условий труда
Изменения инструкции бухотчетности учреждений
Изменения по охране труда с 01 января 2021
Изолирующий инструмент
Инвалид 3 группы вредные условия труда
Инвалидам запрещено работать во вредных условиях труда
Индексация компенсации за молоко
Индексация молока
Индивидуальный план мероприятий по наставничеству
Инженер по инструменту
Инженер по нормированию труда
Инженер по охране труда
Инженер по охране труда или специалист по охране труда
Инженер по эксплуатации сооружений и оборудования водопроводно-канализационного хозяйства
Инспектор по охране труда
Институт уполномоченных (доверенных) лиц по охране труда
Инструктаж ГПД
Инструктаж для гпх
Инструктаж для офисных работников
Инструктаж для практикантов
Инструктаж для сторонних организаций
Инструктаж и обучение по охране труда
Инструктаж КОСГУ
Инструктаж на 1 группу по электробезопасности
Инструктаж на рабочем месте
Инструктаж на рабочем месте офисным сотрудникам
Инструктаж неэлектротехнического персонала
Инструктаж охрана труда совместитель
Инструктаж по безопасности движения
Инструктаж по безопасности труда
Инструктаж по охране труда
Инструктаж по охране труда водителей
Инструктаж по охране труда гпд
Инструктаж по охране труда гпх
Инструктаж по охране труда гражданско-правовой договор
Инструктаж по охране труда для дистанционных работников
Инструктаж по охране труда для офисных работников
Инструктаж по охране труда для практикантов
Инструктаж по охране труда для работников сторонней организации
Инструктаж по охране труда при переводе
Инструктаж по охране труда при приеме на работу
ИНСТРУКТАЖ ПО ПБ
Инструктаж по проведению инвентаризации
Инструктаж по работе на высоте
Инструктаж по технике безопасности по договору подряда
Инструктаж по электробезопасности
Инструктаж по электробезопасности для офисных сотрудников
Инструктаж под/фт
Инструктаж подрядчика
Инструктаж при командировке
Инструктор по охране труда
Инструкции по охране труда 5 лет
Инструкции по охране труда в торговле
Инструкции по охране труда для столовой
Инструкции по охране труда методические
Инструкции по охране труда на автомобильном транспорте
Инструкции по охране труда работников культуры
Инструкции по профилактике отравления пчел пестицидами (Москва. ГАП СССР, 1989 г.).
Инструкция 1985 г по спирту
Инструкция 4.2.10-21-25-2006
Инструкция бти
Инструкция водителя автобуса
Инструкция водителя автомобиля
Инструкция водителя погрузчика
Инструкция ГИЛ
Инструкция гоу
Инструкция для автономных
Инструкция для неэлектротехнического персонала на группу I по электробезопасности
Инструкция ЗИП ГАС
Инструкция ИПКМ-2005
Инструкция коиб
Инструкция коиб 2017
Инструкция мвд несовершеннолетние
Инструкция мвд о приеме регистрации
Инструкция нотариус
Инструкция о мероприятиях по борьбе с рожей свиней
Инструкция о надзоре за осужденными, содержащимися в исправительных колониях
Инструкция о порядке взаимодействия при выявлении, пресечении, расследовании и раскрытии преступлений в сфере лесопользования
Инструкция о порядке допуска в эксплуатацию электроустановок для производства испытаний (измерений) — электролабораторий
Инструкция о порядке изготовления, учета, использования, хранения и уничтожения бланков с изображением Государственного герба
Инструкция о порядке назначения епс
Инструкция о порядке осуществления привода
Инструкция о порядке предоставления материалов ОРД
Инструкция о порядке предоставления результатов ОРМ
Инструкция о порядке приема продукции
Инструкция о порядке разрешения обращений
Инструкция о порядке санитарно-технического контроля консервов
Инструкция о предоставлении результатов ОРМ
Инструкция о приемке продукции
Инструкция об организации и обеспечении безопасности хранения
Инструкция об организации сбора и рационального использования отработанных нефтепродуктов в российской федерации
Инструкция ОЖ
Инструкция ОРМ
Инструкция от 20. 06.1974
Инструкция от 25.09.1985
Инструкция отпуск вредность
Инструкция отчет ож
Инструкция по АГК
Инструкция по аудиопротоколированию
Инструкция по АЧС
Инструкция по безопасному ведению работ при разведке и разработке нефтяных, газовых и газоконденсатных месторождений с высоким содержанием сероводорода
Инструкция по бсо
Инструкция по ведению тк
Инструкция по ветеринарной отчетности
Инструкция по взаимодействию с росфинмониторингом
Инструкция по гельминтозам
Инструкция по заготовке и консервированию донорской крови
Инструкция по заполнению 1-т
Инструкция по заполнению 1-т условия труда
Инструкция по заполнению заявки фас
Инструкция по заполнению отчета сети и штаты
Инструкция по заполнению РРО
Инструкция по заполнению статистических карточек
Инструкция по исполнению приговора
Инструкция по испытанию лестниц
Инструкция по количеству и качеству
Инструкция по контролю и обеспечению сохранения качества нефтепродуктов в организациях нефтепродуктообеспечения
Инструкция по лейкозу
Инструкция по линии Интерпола
Инструкция по межеванию 1996
Инструкция по межеванию земель 08. 04.1996
Инструкция по межеванию земель 1996
Инструкция по монтажу лифтов
Инструкция по ознакомлению с аудиопротоколом
Инструкция по организации информационного обеспечения сотрудничества по линии Интерпола
Инструкция по организации комплектования
Инструкция по организации лечебного питания в лечебно-профилактических учреждениях
Инструкция по охране труда
Инструкция по охране труда в тренажерном зале
Инструкция по охране труда для автопогрузчика
Инструкция по охране труда для аппаратчика химводоочистки
Инструкция по охране труда для бармена
Инструкция по охране труда для бетонщика
Инструкция по охране труда для буфетчика
Инструкция по охране труда для бухгалтера
Инструкция по охране труда для вахтера
Инструкция по охране труда для водителя
Инструкция по охране труда для водителя автобуса
Инструкция по охране труда для водителя грузового автомобиля
Инструкция по охране труда для водителя легкового автомобиля
Инструкция по охране труда для водителя погрузчика
Инструкция по охране труда для водителя экспедитора
Инструкция по охране труда для воспитателя
Инструкция по охране труда для врача стоматолога
Инструкция по охране труда для вулканизаторщика
Инструкция по охране труда для газосварщика
Инструкция по охране труда для гардеробщика
Инструкция по охране труда для главного бухгалтера
Инструкция по охране труда для грузчика
Инструкция по охране труда для дворника
Инструкция по охране труда для директора
Инструкция по охране труда для дистанционного работника
Инструкция по охране труда для дорожного рабочего
Инструкция по охране труда для заведующего хозяйством
Инструкция по охране труда для заместителя директора
Инструкция по охране труда для звукорежиссера
Инструкция по охране труда для инженера
Инструкция по охране труда для исполнительного директора
Инструкция по охране труда для кастелянши
Инструкция по охране труда для кладовщика
Инструкция по охране труда для кондитера
Инструкция по охране труда для кочегара
Инструкция по охране труда для кровельщика
Инструкция по охране труда для курьера
Инструкция по охране труда для кухонного рабочего
Инструкция по охране труда для лаборанта химического анализа
Инструкция по охране труда для лифтера
Инструкция по охране труда для лиц, обслуживающих кислородные баллоны и кислородное оборудование
Инструкция по охране труда для локомотивных бригад
Инструкция по охране труда для машиниста компрессорных установок
Инструкция по охране труда для машиниста насосных установок
Инструкция по охране труда для машиниста тепловоза
Инструкция по охране труда для машиниста экскаватора
Инструкция по охране труда для медицинской сестры
Инструкция по охране труда для монтажников наружных трубопроводов
Инструкция по охране труда для неэлектротехнического персонала 1 группы по электробезопасности
Инструкция по охране труда для оператора АЗС
Инструкция по охране труда для оператора очистных сооружений
Инструкция по охране труда для оператора стиральных машин
Инструкция по охране труда для оператора эвм
Инструкция по охране труда для офисных работников
Инструкция по охране труда для охранника
Инструкция по охране труда для пекаря
Инструкция по охране труда для подсобного рабочего
Инструкция по охране труда для пользователей ПЭВМ
Инструкция по охране труда для программиста
Инструкция по охране труда для продавца
Инструкция по охране труда для продавца непродовольственных товаров
Инструкция по охране труда для продавца продовольственных товаров
Инструкция по охране труда для работников общественного питания
Инструкция по охране труда для рабочего зеленого хозяйства
Инструкция по охране труда для рабочего люльки
Инструкция по охране труда для системного администратора
Инструкция по охране труда для слесаря
Инструкция по охране труда для слесаря механосборочных работ
Инструкция по охране труда для слесаря по эксплуатации и ремонту газового оборудования
Инструкция по охране труда для специалиста
Инструкция по охране труда для специалиста по кадрам
Инструкция по охране труда для станочника деревообрабатывающих станков
Инструкция по охране труда для столяра
Инструкция по охране труда для сторожа
Инструкция по охране труда для стропальщика
Инструкция по охране труда для тракториста
Инструкция по охране труда для уборщика помещений
Инструкция по охране труда для уборщика производственных помещений
Инструкция по охране труда для уборщика служебных помещений
Инструкция по охране труда для фрезеровщика
Инструкция по охране труда для швеи
Инструкция по охране труда для штукатура
Инструкция по охране труда для электромеханика по лифтам
Инструкция по охране труда для электромонтера по ремонту электрооборудования
Инструкция по охране труда для электросварщика
Инструкция по охране труда для энергетика
Инструкция по охране труда жкх
Инструкция по охране труда компрессор
Инструкция по охране труда лесозаготовка
Инструкция по охране труда лестницы и стремянки
Инструкция по охране труда менеджера
Инструкция по охране труда на копировально-множительной технике
Инструкция по охране труда на копировально-множительных аппаратах
Инструкция по охране труда официант
Инструкция по охране труда погрузчик
ИНСТРУКЦИЯ по охране труда при выполнении земляных работ
Инструкция по охране труда при выполнении окрасочных работ
Инструкция по охране труда при выполнении погрузочно-разгрузочных работ
Инструкция по охране труда при выполнении сварочных работ
Инструкция по охране труда при передвижении по территории
Инструкция по охране труда при погрузочно разгрузочных работах
Инструкция по охране труда при проведении огневых работ
Инструкция по охране труда при работе в колодцах
Инструкция по охране труда при работе на лестницах и стремянках
Инструкция по охране труда при работе на отрезных станках
Инструкция по охране труда при работе на персональном компьютере
Инструкция по охране труда при работе на прессе
Инструкция по охране труда при работе на сверлильном станке
Инструкция по охране труда при работе на токарном станке
Инструкция по охране труда при работе с дезинфицирующими средствами
Инструкция по охране труда при работе с лестниц
Инструкция по охране труда при работе с мегаомметром
Инструкция по охране труда при работе с оргтехникой
Инструкция по охране труда при работе с ручной лебедкой и ручной талью
Инструкция по охране труда при работе с ручным инструментом
Инструкция по охране труда при работе с ручным слесарным инструментом
Инструкция по охране труда при работе с химическими веществами
Инструкция по охране труда при работе со слесарным инструментом
Инструкция по охране труда при эксплуатации баллонов с газами
Инструкция по охране труда с лестниц
Инструкция по охране труда с ручным электроинструментом
Инструкция по охране труда составителя
Инструкция по охране труда срок
Инструкция по охране труда шиномонтаж
Инструкция по охране труда электроинструмент
Инструкция по охране труда это
Инструкция по охране труда это локальный нормативный акт
Инструкция по предупреждению картофельной болезни хлеба
Инструкция по проведению вводного инструктажа по гражданской обороне
Инструкция по проведению лесоустройства
Инструкция по проведению огневых работ на энергопредприятиях
Инструкция по проектированию и эксплуатации полигонов
Инструкция по производству переключений
Инструкция по производству полетов
Инструкция по профилактике отравления пчел пестицидами от 14. 06.1989
Инструкция по работе с документами в пао газпром
Инструкция по санитарно-противоэпидемическому режиму и охране труда персонала инфекционных больниц (отделений)
Инструкция по сварке и наплавке
Инструкция по составлению проектов и смет на геологоразведочные работы
Инструкция по составлению, уточнению и использованию списков
Инструкция по сохранению подроста
Инструкция по хранению зерна
Инструкция по эксплуатации кабельных линий
Инструкция по эксплуатации силовых кабельных линий
Инструкция по эксплуатации силовых кабельных линий. Часть 1. Кабельные линии напряжением до 35 кВ
Инструкция по эксплуатации трансформаторов
Инструкция по эксплуатации электроустановок
Инструкция по электробезопасности для офисных работников
Инструкция при погрузочно-разгрузочных работах
Инструкция при работе на лестницах и стремянках
Инструкция прокурор обращения
Инструкция ПУ
Инструкция рабочего люльки
Инструкция рассмотрение прокуратура
Инструкция результаты орд
Инструкция роспотребнадзора по дезинфекции
Инструкция сизо
Инструкция специалиста по охране труда
Инструкция статистические карточки
Инструкция ЦБ валютные
Инструкция цб о счетах
Инструкция элн
Инструкция №9-7-88
Инструмент электрифицированный
Интеллектуальная нагрузка
Информация на стенде по охране труда
Информация о состоянии условий и охраны труда
Информирование работника об условиях труда
Исправления в журнале инструктажа
Испытание лестниц
Испытание металлических лестниц
Испытание приставных лестниц
Испытание стеллажей
Испытание стремянок
Испытание электроинструмента
Итоговый класс условий труда
Итоговый класс условий труда 3. 1
Кабинет охраны труда
Как заполнить наряд-допуск на выполнение огневых работ
Как заполнить наряд-допуск на работы на высоте
Как определить вредные условия труда
Как организовать охрану труда в офисе
Как организовать охрану труда на предприятии
Как отразить в учете компенсацию за молоко
Как отразить компенсацию за молоко в РСВ
Как оформить обучение безопасности труда в форме стажировки
Как оформляется стажировка по охране труда
Как правильно указать в трудовом договоре условия труда на рабочем месте
Как провести аттестацию по вопросам безопасности
Как провести обучение по электробезопасности
Как провести обучение сотрудника
Как провести проверку знаний по охране труда
Как проводить инструктаж по охране труда удаленным сотрудникам
Как проводить испытание лестниц
Как прописать доплату за вредность в трудовом договоре
Как прошить журнал регистрации
Как рассчитать дополнительный отпуск за вредные условия труда
Как составить инструкцию по охране труда
Как составить программу обучения по охране труда
Как уведомить работника об изменении класса условий труда
Как уволить работника, не сдавшего экзамен по охране труда
Как указать условия труда в трудовом договоре
Как часто проводятся плановые проверки Роспотребнадзора?
Какая группа по электробезопасности должна быть у ответственного за электрохозяйство
Какие документы нужны для обучения по охране труда
Какие инструкции по охране труда должны быть в организации
Какие работы относятся к работам на высоте
Какие работы относятся к работам повышенной опасности
Какое обучение должен проходить специалист по охране труда
Какой вид инструктажа должен пройти работник при изменении технологического процесса
Каски работа на высоте
Категория тяжести выполняемых работ
Квалификационная аттестация судей
Квалификационная группа по электробезопасности
Квалификационные требования к ответственному по охране труда
Квалификационные требования к специалистам с высшим медицинским образованием
Квалификационные требования к специалистам со средним медицинским образованием
Квалификационные требования к специалисту по закупкам
Квалификационные характеристики специалиста по охране труда
Квалификационный справочник инженер по охране труда
Квалификационный справочник охрана труда
Квалификационный уровень специалист по охране труда
Квалификация специалиста по охране труда
КВР удостоверения
Кем утверждаются инструкции по охране труда для работников организации
Кисти для покраски косгу
Класс 3. 1 доп взносы
Класс 3.1 страховые взносы
Класс вредных и опасных условий труда
Класс и степень условий труда
Класс опасности соут
Класс охраны труда
Класс условий труда
Класс условий труда 2
Класс условий труда 2 медосмотр
Класс условий труда 2 нужно ли проводить медосмотр
Класс условий труда 3.1 3.2
Класс условий труда 3.1 доплата
Класс условий труда 3.1 досрочная пенсия
Класс условий труда 3.1 кбк
Класс условий труда 3.1 компенсации
Класс условий труда 3.1 продолжительность рабочего времени
Класс условий труда 3.2 допвзносы
Класс условий труда 3.2 ПРОДОЛЖИТЕЛЬНОСТЬ РАБОЧЕГО времени
Класс условий труда 3.4
Класс условий труда в трудовом договоре
Класс условий труда для инвалидов
Класс условий труда дополнительный отпуск
Класс условий труда и страховые взносы
Класс электроинструмента
Классификатор должностей специалистов
Классификация вредных условий труда
Классификация условий труда
Классификация условий труда на рабочем месте
Классификация условий труда по степени вредности и опасности
Классы и подклассы вредности
Классы опасности условий труда
Классы условий труда на рабочем месте
Классы условий труда по доптарифу
Классы условий труда по результатам соут
Климатические пояса
КоАП РФ Статья 8. 21. Нарушение правил охраны атмосферного воздуха
Когда предоставляется дополнительный отпуск за вредные условия труда
Когда предоставлять отпуск за вредные условия труда
Кого можно назначить ответственным за электрохозяйство
Кого можно освободить от первичного инструктажа на рабочем месте
Кого нужно обучать по охране труда
Код класса условий труда
Количество часов обучения по охране труда
Колтушские высоты
Комиссия по обучению охране труда
Комиссия по охране труда
Комиссия по охране труда в организации
Комиссия по проверке знаний по электробезопасности
Комиссия по электробезопасности
Комната отдыха для сотрудников
Компенсации за вредные условия труда по классам
Компенсации за условия труда
Компенсации и в каком размере за работу с вредными условиями труда
Компенсации работникам за вредные условия труда
Компенсационная выплата в размере стоимости молока
Компенсационная выплата за молоко в 2020 году
Компенсационная выплата молока в коллективный договор
Компенсация вместо молока
Компенсация за вредные условия труда КОСГУ
Компенсация за вредные условия труда налогообложение
Компенсация за вредные условия труда НДФЛ
Компенсация за вредные условия труда страховые взносы
Компенсация за молоко 2-НДФЛ
Компенсация за молоко бухгалтерские проводки
Компенсация за молоко бухгалтерские проводки
Компенсация за молоко бухучет
Компенсация за молоко в 4-фсс
Компенсация за молоко вид расхода
Компенсация за молоко входит в фот
Компенсация за молоко дополнительное соглашение
Компенсация за молоко исполнительный лист
Компенсация за молоко квр
Компенсация за молоко КОСГУ
Компенсация за молоко косгу квр
Компенсация за молоко налоговый учет
Компенсация за молоко НДФЛ
Компенсация за молоко ндфл и страховые взносы
Компенсация за молоко районный коэффициент
Компенсация за молоко совместителю
Компенсация за молоко страховые взносы
Компенсация за спецпитание
Компенсация стоимости молока взносы
Комплекс организационно-Технических мероприятий по обеспечению пожарной безопасности
Комплект нормативных правовых актов, содержащих требования охраны труда
Компьютер охрана труда
Кому нельзя проводить аттестацию
Кому подчиняется служба охраны труда
Кому подчиняется специалист по охране труда
Кому положен дополнительный отпуск за вредные условия труда
Кому положено молоко
Кому положено молоко за вредность
Кому присваивается 2 группа по электробезопасности
Кому присваивается 3 группа по электробезопасности
Кому присваивается группа по электробезопасности
Контролер в литейном производстве
Контроль за деятельностью службы охраны труда осуществляет:
Контроль за соблюдением требований охраны труда
Контроль за состоянием охраны труда
Контроль за состоянием условий и охраны труда
Контроль по охране труда
Контроль функционирования суот
Контрольные листы росздравнадзор
Координационный совет по охране труда хакасия
Косгу молоко сотрудникам
Кофе в офис
Кофемашина в офис
Кто выдает наряд-допуск
Кто должен проводить вводный инструктаж по охране труда с руководителем подразделения
Кто должен проводить целевой инструктаж по охране труда
Кто должен проходить обучение по охране труда
Кто должен проходить обучение по электробезопасности
Кто должен проходить стажировку на рабочем месте
Кто занимается охраной труда
Кто и в какие сроки проводит первичный инструктаж на рабочем месте
Кто контролирует наличие инструкций по охране труда в подразделениях организации?
Кто может быть назначен ответственным за электрохозяйство
Кто может быть ответственным за охрану труда
Кто может проводить обучение по охране труда
Кто назначается ответственным за охрану труда
Кто не проходит аттестацию
Кто обязан проходить обучение по охране труда и проверку знаний требований охраны труда
Кто освобождается от первичного инструктажа
Кто отвечает за охрану труда
Кто отвечает за охрану труда в организации
Кто относится к электротехническому персоналу
Кто подлежит обучению по охране труда
Кто присваивает 1 группу по электробезопасности
Кто проводит внеплановый инструктаж
Кто проводит инструктаж
Кто проводит инструктаж по охране труда
Кто проводит инструктаж по технике безопасности
Кто проводит инструктаж по электробезопасности
Кто проводит первичный инструктаж
Кто проводит первичный инструктаж по охране труда
Кто проводит повторный инструктаж по охране труда
Кто разрабатывает инструкции по охране труда
Кто разрабатывает программу первичного инструктажа
Кто разрабатывает программы обучения по охране труда
Кто составляет инструкции по охране труда
Кто утверждает наряд допуск
Кто утверждает перечень профессий и должностей работников, освобожденных от прохождения первичного инструктажа на рабочем месте
Легкий труд
Лесоустроительная инструкция приказ 516
Лестница 2-го типа
Лестница 3 типа
Лестница 3-го типа
Лестница-стремянка косгу
Лестницы тоннельного типа
Лечебно-Профилактическое питание молоко
Лист ознакомления с инструкцией по охране труда
Листок прохождения стажировки
Литейное производство
Личная карточка по охране труда
Личная карточка прохождения обучения безопасности труда
ЛИЧНАЯ КАРТОЧКА прохождения обучения по охране труда
Личная книжка учета работ на высоте
Люлька
Маляр вредность
Малярные работы
Маска фильтрующая косгу
Маска экран косгу
Маски антисептики косгу
Маски марлевые косгу
Маски на какой косгу относить
Маски тканевые косгу
Мастер погрузочно-Разгрузочных работ
Машинист дробильно-Погрузочного агрегата
Мегаомметр
Медицинские осмотры при допустимых условиях труда
Медицинские противопоказания к допуску к работам
Медицинские противопоказания при работе на высоте
Медосмотр вредников
Межгосударственный стандарт охрана труда
Международный стандарт по охране труда
Межотраслевая инструкция по охране труда
Межотраслевые правила по охране труда в литейном производстве
Межотраслевые правила по охране труда при эксплуатации нефтебаз, складов ГСМ
Межотраслевые правила по холодной обработке металлов
Меркурий молоко
Мероприятия по охране труда
Мероприятия по улучшению условий и охраны труда
Мероприятия по улучшению условий труда
Мероприятия по управлению профессиональными рисками
Места складирования древесины
Методика разработки инструкций по охране труда
Методика расчета финансового обеспечения осуществления мероприятий, предусмотренных планом предупреждения и ликвидации разливов нефти и нефтепродуктов
Методические рекомендации инструкции по охране труда
Методические рекомендации по охране труда
Методические рекомендации система управления охраной труда
Механизатор (докер-Механизатор) комплексной бригады на погрузочно-Разгрузочных работах
Минимальная площадь рабочего места
Минимальный размер доплаты за работу во вредных условиях труда
Минтруд планирует обновить правила охраны труда на автотранспорте
Может ли инвалид 3 группы работать во вредных условиях труда
Может ли работник использовать по частям дополнительный отпуск за работу во вредных условиях?
Может ли работник с вредными условиями труда работать по совместительству
Можно ли изменить условия труда беременной
Можно ли освобождать работников от прохождения первичного инструктажа по охране труда
Можно ли предоставить отпуск за вредные условия труда отдельно от основного
Можно ли принять по совместительству работника с вредными условиями труда
Можно ли проводить инструктажи по охране труда удаленно
Можно ли удалять графы и блоки из утвержденной формы протокола проверки знаний требований охраны труда?
Можно ли учесть в расходы охрану
Молоко для сотрудников
Молоко за вредность в бюджетном учреждении
Молоко за вредность квр
Молоко за вредность КОСГУ
Молоко за вредность косгу квр
Молоко за вредность налоги
Молоко за вредность ндфл
Молоко за вредность проводки
Молоко за вредность проводки бюджет
Молоко за вредность совместителям
Молоко за вредность тк рф
Молоко ндфл
Молоко окпд
Мрот вредные условия труда
Мусор от офисных и бытовых помещений
Мусор от офисных и бытовых помещений организаций несортированный (исключая крупногабаритный)
Мусор от офисных помещений
На какие выплаты начисляется доплата за вредность
На какие классы подразделяются условия труда на рабочих местах по степени вредности и (или) опасности?
На каких работах ограничивается применение труда женщин
На какой срок могут быть введены в действие временные инструкции по охране труда
На какой срок принимаются межотраслевые правила по охране труда
На кого возлагаются обязанности по обеспечению безопасных условий труда
На оказание услуг по обучению работодателей и работников вопросам охраны труда
Надбавка доплата вредные условия труда
Надбавка за вредность на что начисляется
Надбавка за вредность оплата
Надбавка за вредные условия труда алименты
Надбавка за вредные условия труда НДФЛ
Надбавка за вредные условия труда удержание алиментов
Надбавка за вредные условия труда удержания
Надзор в сфере охраны труда
Назначение ответственного за охрану труда
Назначение ответственного хранителя
Назначение специалиста по охране труда
Налог на имущество офисное помещение
Налогообложения спецпитания
Напольный промышленный транспорт
Нарушение инструкции 181-И
Нарушение инструкции по охране труда
Нарушение правил охраны труда
Нарушение условий труда
Наряд — допуск на проведении огневых работ выдается на
Наряд в электроустановках
Наряд допуск в электроустановках
Наряд допуск ЛЭП
Наряд допуск на земляные работы
Наряд допуск на производство работ повышенной опасности
Наряд на огневые работы
Наряд на производство работ
Наряд на работу в электроустановках
Наряд-допуск в строительстве
Наряд-допуск в электроустановках
Наряд-Допуск вблизи ЛЭП
Наряд-Допуск для подрядной организации
Наряд-допуск для работы в электроустановках
Наряд-допуск на выполнение газоопасных работ
Наряд-допуск на выполнение земляных работ
Наряд-Допуск на выполнение работ
Наряд-допуск на выполнение работ в электроустановках
Наряд-допуск на выполнение работ повышенной опасности
Наряд-Допуск на выполнение работ повышенной опасности образец
Наряд-допуск на огневые работы форма
Наряд-Допуск на огневые работы хранение
Наряд-допуск на проведение работ в газоопасных местах
Наряд-Допуск на производство работ
Наряд-допуск на работы на высоте образец заполнения
Наряд-допуск на ремонтные работы
Наряд-допуск образец
Наряд-Допуск тепловые энергоустановки
Наряды в суде
Нахождение на рабочем месте является критически важным для обеспечения функционирования организации
Начисление за вредные условия труда
Начисление компенсации за молоко
Начисления страховых взносов за вредные условия труда
Не допускается выполнение работ на высоте
Не проведен вводный инструктаж по охране труда
Не проведение инструктажа по охране труда
Не проводится первичный инструктаж
Не прошел проверку знаний по охране труда
Не сдал экзамен по охране труда
Неблагоприятные условия труда
Невозможна приостановка деятельности по производственно-техническим условиям
Невыплата доплаты за вредные условия труда
Независимая оценка квалификации специалиста по охране труда
Независимая экспертиза условий труда
Ненормированный день во вредных условиях труда
Ненормированный рабочий день для работников с вредными условиями труда
Неоплачиваемая стажировка
Непрохождение обучения по охране труда
Несоблюдение инструкции П-7
Несовершеннолетний вредность
Нет специалиста по охране труда
Неэлектротехнический персонал
Неявка на аттестацию
Новое в законодательстве по охране труда 2020
Новое в охране труда 2020
Новое в охране труда на 2021 год
Новое в правилах при работе на высоте
Новости охраны труда 2020 год
Новости специалиста здравоохранения
Новые документы по охране труда за 2020год
Новый порядок обучения по охране труда
Номенклатура дел по охране труда
Норма выдачи молока
Норма площади на одного офисного работника
Норма рабочего времени во вредных условиях труда
Норматив площади рабочего места офисного работника
Нормативная численность работников водопроводно-канализационного хозяйства
Нормативная численность специалистов по охране труда
Нормативные документы по охране труда
Нормативные правовые акты по охране труда в строительстве
Нормативы на погрузочно-разгрузочные работы
Нормативы охраны труда
НОРМИРОВАНИе ТРУДА РАБОТНИКОВ ВОДОПРОВОДНО-КАНАЛИЗАЦИОННОГО ХОЗЯЙСТВА
Нормы бесплатной выдачи молока
Нормы и условия выдачи молока
Нормы площади на одно рабочее место
Нормы подъема и перемещения тяжестей
Нормы подъема и перемещения тяжестей для мужчин
Нормы подъема тяжестей для женщин
Нормы подъема тяжестей для мужчин
Нормы подъема тяжестей для мужчин и женщин
Нормы предельно допустимых нагрузок для лиц моложе восемнадцати лет при подъеме и перемещении тяжестей вручную
НОРМЫ ПРЕДЕЛЬНО ДОПУСТИМЫХ НАГРУЗОК ДЛЯ мужчин ПРИ ПОДЪЕМЕ И ПЕРЕМЕЩЕНИИ ТЯЖЕСТЕЙ ВРУЧНУЮ
Нормы предельно допустимых нагрузок для несовершеннолетних
Нормы предельно допустимых нагрузок при подъеме и перемещении тяжестей вручную
Нормы техники безопасности
Нужно ли доплачивать уборщице за вредность
Нужно ли знакомить работника с приказом о доплате
Нужно ли проводить повторные инструктажи по охране труда с работниками, освобожденными от первичного инструктажа
Нумерация инструкций
О возложении обязанностей специалиста по охране труда
О назначении ответственного за организацию работы по охране труда
О порядке обучения по охране труда и проверки знаний требований охраны труда работников организации
О предоставлении гарантий и компенсаций за работу во вредных условиях труда
О применении наряд-допусков
О создании комиссии по проверке знаний требований охраны труда
О создании постоянно действующей инвентаризационной комиссии
Об аттестации аварийно-спасательных
Об утверждении плана мероприятий по оздоровлению муниципальных финансов
Об утверждении Правил охраны электрических сетей напряжением свыше 1000 вольт
Об утверждении Программы обучения по охране труда
Об утверждении состава административной комиссии
Обеспечение безопасных условий труда
Обеспечение нормальных условий труда
Обеспечение прав работников на охрану труда
Обеспечение функционирования СУОТ
Обеспечивающие специалисты
Обеспечивающие специалисты на госслужбе
Обзор инструкция 191 н
Облагается ли доплата за вредные условия труда страховыми взносами
Обложение НДФЛ компенсационных выплат за вредные условия труда
ОБЛОЖКА НАРЯДА
Оборудование комнаты отдыха
Образец вводного инструктажа
Образец должностной инструкции Специалиста по закупкам
Образец должностной инструкции специалиста по кадрам
Образец доп соглашения после соут
Образец дополнительного соглашения к трудовому договору с вредными условиями труда
Образец дополнительного соглашения о вредных условиях труда
Образец журнала вводного инструктажа
Образец журнала вводного инструктажа по охране труда
Образец журнала инструктажа
Образец журнала инструктажа на рабочем месте
Образец журнала регистрации уведомлений работникам
Образец журнала регистрации целевого инструктажа
Образец журнала учета работ по нарядам и распоряжениям
Образец заполнения журнала вводного инструктажа
Образец заполнения журнала инструктажей по охране труда
Образец заполнения журнала первичного инструктажа на рабочем месте
Образец заполнения журнала регистрации обязательств
Образец заполнения журнала учета инструкций по охране труда
Образец заполнения наряда-допуска на работы повышенной опасности
Образец инструкции по охране труда
Образец освобождения от инструктажа
Образец положение о службе охраны труда
Образец ппр на высоте
Образец приказа о доплате за вредные условия труда
Образец приказа о допуске к самостоятельной работе после стажировки
Образец приказа о пересмотре инструкций по охране труда
Образец приказа о постоянно действующей комиссии
Образец приказа о проведении обучения по охране труда
Образец приказа о создании комиссии по проведению оценки профрисков
Образец приказа о создании комиссии по проверке знаний требований охраны труда
Образец приказа о создании комиссии по расследованию
Образец приказа о создании постоянно действующей инвентаризационной комиссии
Образец приказа об установлении доплаты за классность водителю
Образец приказа об установлении северной надбавки
Образец приказа об утверждении инструкций по охране труда
Образец приказа об утверждении положения о системе управления охраной труда
Образец приказа ответственного по охране труда
Образец программы первичного инструктажа на рабочем месте
Образец протокола обучения по охране труда
Образец суот
Образец уведомления об изменении условий трудового договора по результатам соут
Образец удостоверения по охране труда
Образец удостоверения по проверке знаний по охране труда
Образец удостоверения по птм
Образец формы 1-Т
Образование специалиста по охране труда
Образцы приказов по охране труда
ОБУВ в воздухе рабочей зоны
Обучающиеся с ограниченными возможностями здоровья обеспечиваются бесплатным двухразовым питанием
Обучение безопасности труда
Обучение безопасным методам и приемам выполнения работ на высоте
Обучение будущего сотрудника
Обучение за счет работодателя отработка
Обучение за счет средств работодателя
Обучение и аттестация по охране труда
Обучение и проверка знаний по охране труда
Обучение и проверка знаний требований охраны труда
Обучение на 1 группу по электробезопасности
Обучение на 3 группу по электробезопасности
Обучение на группу по электробезопасности
Обучение нормам охраны труда
Обучение ответственного по охране труда
Обучение по безопасности труда в форме стажировки
Обучение по высоте
Обучение по охране труда
Обучение по охране труда — это повышение квалификации
Обучение по охране труда 2020
Обучение по охране труда 40 часов
Обучение по охране труда внутри организации
Обучение по охране труда главного бухгалтера
Обучение по охране труда для рабочих профессий
Обучение по охране труда индивидуальных предпринимателей
Обучение по охране труда кбк
Обучение по охране труда на высоте
Обучение по охране труда налог на прибыль
Обучение по охране труда офисных работников
Обучение по охране труда педагогических работников
Обучение по охране труда при работе на высоте
Обучение по охране труда при работе по совместительству
Обучение по охране труда работников рабочих профессий
Обучение по охране труда рабочих профессий
Обучение по охране труда руководителей
Обучение по охране труда руководителей в организации
Обучение по охране труда руководителей и специалистов
Обучение по охране труда руководителей и специалистов организаций
Обучение по охране труда с отрывом от производства
Обучение по охране труда сколько часов
Обучение по охране труда специалиста по охране труда
Обучение по электробезопасности 2 группа
Обучение потенциального работника
Обучение работника за счет средств работодателя
Обучение работников по электробезопасности
Обучение работников предприятия
Обучение работников рабочих профессий
Обучение работников ТК РФ
Обучение работников требованиям охраны труда
Обучение рабочий люльки
Обучение руководителя по электробезопасности
Обучение сотрудника в аспирантуре
Обучение сотрудников учет
Обучение специалиста по охране труда
Обучение специалистов по охране труда
Обучение требованиям охраны труда
Обучение членов комиссии по охране труда
Обучение членов комиссии по проверке знаний требований охраны труда
Обучение электротехнического персонала
Общественный контроль за охраной труда
Общие требования к управлению охраной труда в организации
Обязанности и ответственность работников по соблюдению требований охраны труда и трудового распорядка
Обязанности ответственного за охрану труда
Обязанности по охране труда
Обязанности работника в области охраны труда
Обязанности работников по соблюдению требований охраны труда
Обязанности работодателя в области охраны труда
Обязанности работодателя по обеспечению безопасных условий и охраны труда
Обязанности работодателя по обеспечению безопасных условий труда
Обязанности руководителя в области охраны труда
Обязанности руководителя службы охраны труда
Обязанности службы охраны труда
Обязателен ли профстандарт для специалиста по охране труда
Обязательная стажировка на рабочем месте
Обязательно ли положение о суот
Обязательно ли работодателю соблюдать требования Методических рекомендаций № 80 при разработке инструкций?
Обязательно ли создавать комитет по охране труда
Обязательное применение профстандартов для специалиста по охране труда
Обязательные приказы по охране труда
Оглашение показаний специалиста
Огневые работы это
Огневые ремонтные
Ограждения защитные при производстве работ на высоте
Ограждения инвентарные строительных площадок и участков производства строительно-Монтажных работ
Ограждения на период строительства
Ограничение по работе на высоте
Ограничение по работе с компьютером для беременной
Ограничение применения труда женщин
Ограничение труда женщин
Ограничения на работу во вредных условиях труда
Ограничения по работе за компьютером для беременной
Ознакомление под роспись с инструкциями по охране труда
Ознакомление с инструкциями по охране труда
Ознакомление с положением суот
Ознакомление с рабочими инструкциями
Ознакомление с условиями труда
Ознакомление сотрудников с суот
Оказание услуг по охране труда
ОКПД2 молоко
Окпд2 погрузо-разгрузочные работы
Опасные и вредные производственные факторы при работе на ПЭВМ
Опасные и вредные факторы производственной среды
Опасные условия труда
Оператор диспетчерского движения и погрузочно-разгрузочных работ
Оператор дистанционного пульта управления в водопроводно-Канализационном хозяйстве
Оператор погрузочно-разгрузочных работ
Оплата за обучение по охране труда
Оплата отпуска за вредные условия труда
Оплата труда в условиях отклоняющихся от нормальных
Оплата труда работников, занятых на работах с вредными и (или) опасными условиями труда
Определение фактической стоимости (при осуществлении централизованных закупок и (или) осуществлении торговой (производственной) деятельности
Оптимальные допустимые условия труда
Организации оказывающие услуги в области охраны труда
Организационно-Технические мероприятия по обеспечению пожарной безопасности
Организация водопроводно-канализационного хозяйства
Организация инструктажа по охране труда
Организация охраны труда
Организация работ на высоте
Организация работы по охране труда в организации
Организация работы с ПЭВМ
Организация рабочего места кассира
Организация рабочих мест для инвалидов
Организация системы управления охраной труда
Освещенность рабочих мест
Освидетельствование баллонов
Освидетельствование лестниц стремянок
Освобождение от инструктажа
Освобождение от инструктажа на рабочем месте
Освобождение от инструктажа по охране труда
Освобождение от первичного инструктажа
Освобождение от прохождения первичного инструктажа
Освобождение от работы беременной с вредными условиями труда
Освобождение от стажировки на рабочем месте
Осмотр и испытание стремянок
Осмотр стремянок
Оснащение кабинета охраны труда
Основание для доплаты за вредные условия труда
Основная задача безопасности труда
Основная задача охраны труда
Основные задачи службы охраны труда
Основные направления государственной политики в области охраны труда
Основные направления охраны труда
Основные положения об организации работы по охране труда в нефтяной промышленности
Основные понятия охраны труда
Основные принципы обеспечения охраны труда
Особенности регулирования труда женщин
Особо вредные условия труда
Особые условия допуска к работе
Ответственность за непроведение вводного инструктажа
Ответственность за охрану труда подрядчиком
Ответственность за технику безопасности договор подряда
Ответственность организации водопроводно-канализационного хозяйства
Ответственность подрядчика по охране труда
Ответственность работника за нарушение требований охраны труда
Ответственность работодателя за нарушение требований охраны труда
Ответственность руководителя за охрану труда
Ответственность специалиста по охране труда
Ответственные за охрану труда по подразделениям приказ
Ответственные за проведение инструктажей
Ответственный за организацию работы по охране труда
Ответственный за охрану труда
Ответственный за охрану труда в подразделении
Ответственный за охрану труда и технику безопасности
Ответственный за охрану труда на предприятии
Ответственный работы на высоте
Отвод специалиста
Отличие вредных и тяжелых условий труда
Отличия вводного инструктажа от первичного
Отмена вредности
Отмена вредных условий труда
Отмена гарантий и компенсаций за вредные условия труда
Отмена компенсаций за вредные условия труда
Отменили молоко за вредность
Отпуск за вредность авансом
Отпуск за вредные условия мвд
Отпуск за вредные условия труда без спецоценки
Отпуск за вредные условия труда в графике отпусков
Отпуск за вредные условия труда вахтовикам
Отпуск за вредные условия труда за фактически отработанное время
Отпуск за вредные условия труда на 0,25 ставки
Отпуск за вредные условия труда при увольнении
Отпуск за вредные условия труда сгорает
Отпуск за работу во вредных условиях труда больничный
Отпуск работникам с вредными условиями труда
Отражение спецоценки в трудовом договоре
Отстранение от работы в связи с непрохождением проверки знаний
Отстранение от работы в связи с непрохождением проверки знаний по охране труда
Отстранение от работы в связи с несдачей экзамена по охране труда
Отстранение от работы за нарушение требований охраны труда
Отстранение от работы не прошедших обучение по охране труда
Отстранение ОТ РАБОТЫ ОХРАНА ТРУДА
Отсутствие инструкции по охране труда
Отсутствие специалиста по охране труда
Отсутствие СУОТ
Отсутствует ТИПОВОЕ ПОЛОЖЕНИЕ О СИСТЕМЕ УПРАВЛЕНИЯ ОХРАНОЙ ТРУДА
Отчет условия труда
Отчетность в пфр по вредным условиям труда
Отчеты в статистику по охране труда
Отчеты по охране труда за 2020
Офисное помещение амортизационная группа
Оформление доплаты за вредность
Оформление журнала вводного инструктажа по охране труда
Оформление журнала инструктажей
Оформление журналов по охране труда
Оформление наряда-допуска в электроустановках
Оформление приказа о создании комиссии
Оформление целевого инструктажа
Охотничья вышка
Охрана труда
Охрана труда 50 человек
Охрана труда аптечка
Охрана труда беременных женщин
Охрана труда в банке
Охрана труда в доу
Охрана труда в животноводстве
Охрана труда в жкх
Охрана труда в командировке
Охрана труда в лаборатории
Охрана труда в металлургии
Охрана труда в морских портах
Охрана труда в обособленном подразделении
Охрана труда в образовательной организации
Охрана труда в общественном питании
ОХРАНА ТРУДА В ОРГАНАХ ВЛАСТИ
Охрана труда в организации менее 50 человек
Охрана труда в организации с чего начать
Охрана труда в охранном предприятии
Охрана труда в пищевой промышленности
Охрана труда в сельском хозяйстве
Охрана труда в стоматологии
Охрана труда в строительной организации
Охрана труда в таможенных органах
Охрана труда в хабаровском крае
Охрана труда в школе
Охрана труда в электроустановках
Охрана труда водителей
Охрана труда водитель погрузчика
Охрана труда государственных служащих
Охрана труда гпх
Охрана труда дистанционных работников
Охрана труда для практиканта
Охрана труда для сторонних организаций
Охрана труда женщин
Охрана труда и пожарная безопасность в учреждениях здравоохранения
Охрана труда изменения 2020
Охрана труда инвалидов
Охрана труда ип
Охрана труда котельная
Охрана труда медосмотры
Охрана труда менее 50 человек
Охрана труда молодежи
Охрана труда муниципальных служащих
Охрана труда на автомобильном транспорте
Охрана труда на госслужбе
Охрана труда на малом предприятии
Охрана труда на микропредприятии
Охрана труда на нефтебазах
Охрана труда на сельхоз предприятиях
Охрана труда на складе
Охрана труда на строительной площадке
Охрана труда на транспорте
Охрана труда надомников
Охрана труда налог на прибыль
Охрана труда несовершеннолетних
Охрана труда педагогических работников
Охрана труда по совместительству
Охрана труда поваров
Охрана труда подрядная организация
Охрана труда последние изменения
Охрана труда при лесозаготовках
Охрана труда при окрасочных работах
Охрана труда при приеме на работу
Охрана труда при производстве земляных работ
Охрана труда при производственной практике
Охрана труда при работе в электроустановках
Охрана труда при работе на высоте
Охрана труда при работе на компьютере
Охрана труда при работе с ручным электроинструментом
Охрана труда при эксплуатации тепловых энергоустановок
Охрана труда при эксплуатации электроустановок
Охрана труда ПЭВМ
Охрана труда сварщика
Охрана труда статьи
Охрана труда театр
Охрана труда температурный режим
Охрана труда тепло
Охрана труда торговля
Охрана труда усн
Охрана труда численность
Охрана труда это
Оценка и управление профессиональными рисками
П. 2.1.4 Порядка обучения по охране труда и проверки знаний требований охраны труда работников организаций
Паспорт безопасности мин труда
Паспорт санитарно-Технического состояния условий труда
Пастеризованное молоко
Паяльные работы
ПДК в воздухе рабочей зоны
Пенсия по вредности
Пенсия при работе с вредными условиями труда
Первичные документы погрузочно-разгрузочные работы
Первичный и повторный инструктаж на рабочем месте
Первичный инструктаж для офисных работников
Первичный инструктаж на рабочем месте образец
Перевозка молока
Передача инструмента в эксплуатацию
Перенос аттестации
Перенос отпуска за вредные условия труда
Перенос отпуска за вредные условия труда на следующий год
Перенос отпуска работнику с вредными условиями труда
Переносной электроинструмент
Переобучение по охране труда 2021
Переподготовка по охране труда
Переподготовка специалиста по охране труда
Пересмотр инструкций по охране труда
Перечень вопросов по охране труда
Перечень грузов повышенной опасности
Перечень документов по охране труда в учреждении
Перечень должностей освобожденных от первичного инструктажа
Перечень должностей освобожденных от прохождения первичного инструктажа
Перечень лиц освобожденных от первичного инструктажа
Перечень мероприятий по охране труда
Перечень мероприятий по улучшению условий и охраны труда образец
ПЕРЕЧЕНЬ МЕРОПРИЯТИЙ по улучшению условий и охраны труда работников
Перечень мероприятий по улучшению условий труда
Перечень огневых работ
Перечень освобожденных от первичного инструктажа
Перечень по охране труда
Перечень профессий и должностей освобожденных от первичного инструктажа
Перечень профессий на которых запрещен труд женщин
Перечень профессий освобожденных от первичного инструктажа
Перечень работ на высоте
Перечень работ на которых запрещен труд женщин
Перечень работ по наряду допуску
Перечень работ повышенной опасности
Перечень работ, выполняемых по нарядам-допускам
Перечень расходов по охране труда
Перечень рекомендуемых мероприятий по улучшению условий труда
Период за который предоставляется отпуск за вредные условия труда
Периодическая проверка знаний охранников
Периодические медицинские осмотры вредные условия труда
Периодические медицинские осмотры при допустимых условиях труда
Периодический инструктаж по бдд
Периодичность испытания лестниц
Периодичность испытания лестниц и стремянок
Периодичность налоговых проверок
Периодичность обучения работам на высоте
Периодичность обучения руководителей по охране труда
Периодичность пересмотра инструкций по охране труда
Периодичность пожарного инструктажа
Периодичность проведения обучения по охране труда
Периодичность проведения повторного инструктажа
Периодичность проведения повторного инструктажа по охране труда
Периодичность проверки вентиляции
Периодичность проверки вентканалов
Периодичность проверки газового оборудования
Периодичность проверки знаний охраны труда работников
Периодичность проверки знаний по промышленной безопасности
Периодичность проверки знаний по электробезопасности
Периодичность проверки знаний рабочих
Периодичность проверки знаний требований охраны труда
Периодичность проверки манометров
Периодичность проверки электроинструмента
Персонал группы а и б
Письменные инструкции допог
Питание за вредность
Питьевая вода НДС
Плакаты и знаки безопасности
План мероприятий по антитеррористической защищенности
План мероприятий по вручению удостоверений
План мероприятий по вручению удостоверений об отсрочке
План мероприятий по вручению удостоверений об отсрочке от призыва
План мероприятий по го и чс
План мероприятий по защите персонала в случае радиационной аварии
План мероприятий по наставничеству
План мероприятий по обеспечению промышленной безопасности
План мероприятий по оптимизации расходов
План мероприятий по охране труда
План мероприятий по охране труда на год
План мероприятий по повышению энергетической эффективности
План мероприятий по погашению кредиторской задолженности
План мероприятий по предупреждению дтп
План мероприятий по промышленной безопасности
План мероприятий по профстандартам
План мероприятий по реализации в 2019-2021 годах стратегии государственной культурной политики на период до 2030 года
План мероприятий по реализации в 2019-2021 годах Стратегии государственной национальной политики Российской Федерации на период до 2025 года
План мероприятий по реализации стратегии 2035 спб
План мероприятий по реализации Стратегии государственной антинаркотической политики Российской Федерации до 2020 года
План мероприятий по реализации Стратегии государственной национальной политики Российской Федерации на период до 2025 года
План мероприятий по реализации стратегии пространственного развития
План мероприятий по реализации стратегии противодействия экстремизму
План мероприятий по реализации Стратегии противодействия экстремизму в Российской Федерации
План мероприятий по реализации стратегии Санкт-Петербурга
План мероприятий по снижению комплаенс-рисков
План мероприятий по снижению производственного травматизма
План мероприятий по содействию развитию конкуренции в 2019-2021 годах
План мероприятий по улучшению и оздоровлению условий труда
План мероприятий по улучшению условий и охраны труда пример
План мероприятий по уменьшению выбросов
План мероприятий по устранению нарушений
План мероприятий при нму
План мероприятий регуляторная гильотина
План мероприятий стратегия 2035 спб
План общереспубликанских мероприятий Республики Коми на 2020 год
План основных мероприятий администрации города тюмени
План основных мероприятий по ГО и ЧС
План первоочередных мероприятий морской перегрузочный
План по улучшению условий труда
План противоэпидемических мероприятий
План-график реализации бюджетного процесса на текущий год с указанием ответственных за выполнение мероприятий плана-графика
План-график реализации бюджетного процесса на текущий год с указанием ответственных за выполнение мероприятий плана-графика и результатов их реализации
Планирование мероприятий по охране труда
Планирование по охране труда
Планирование работ по охране труда
Платежный инструмент
Площадка обслуживания
Площадки с ограждениями для обслуживания и осмотра технологического оборудования
Площадки складирования снежных масс
Площадь кабинета охраны труда
Площадь на одно рабочее место
Площадь на одно рабочее место пользователей ПЭВМ
Площадь рабочего места
Площадь рабочего места бухгалтера
Площадь рабочего места руководителя
Площадь рабочего места с компьютером
Площадь рабочего места с ПЭВМ
По каким направления охраны труда обучаются сотрудники
По какой подстатье КОСГУ отражать покупку молока для бесплатной выдачи работникам?
Повар вредные условия труда
Повторная проверка знаний стропальщиков
Повторный инструктаж
Повторный инструктаж на рабочем месте
Повторный инструктаж по охране труда 1 раз в 3 месяца
Повторный инструктаж по охране труда проводится
Повторный инструктаж раз в три месяца
Повышение группы по электробезопасности
Повышение квалификации по охране труда
Повышение квалификации специалиста по охране труда
Повышение квалификации специалиста по охране труда 1 раз в 5 лет
Повышение квалификации электротехнического персонала
Повышенная оплата труда за вредные условия труда
Повышенный размер оплаты труда за вредные условия
Погрузочно разгрузочные работы
Погрузочно-разгрузочные площадки
Погрузочно-разгрузочные работы
Погрузочно-разгрузочные работы енвд
Погрузочно-разгрузочные работы налоговый учет
Погрузочно-разгрузочные работы наряд-допуск
Погрузочно-разгрузочные работы опасных грузов
Погрузочные работы косгу
Погрузочный ордер
Подготовка по охране труда
Подделка удостоверения
Подкласс 3. 1 класса условий труда «вредный»
Подкласс вредности
Подкласс вредности 3.1
Подкласс условий труда
Подкласс условий труда 3.1
Подкласс условий труда 3.2
Подклассы 3.1 — 3.4, класс 4
Подпрограмма безопасный труд
Подпрограмма безопасный труд чувашской республики
Подрядчик охрана труда
Подсчет отпуска за вредность
Подтверждение группы по электробезопасности
Подтверждение работы во вредных условиях труда
Подчинение службы охраны труда
Подъемник вышка
Пожарная безопасность в учреждениях культуры
Пожарная безопасность при проведении сварочных работ
Пожарный инструктаж
Покупка воды в офис
Покупка молока для вредников
Покупка продуктов в офис
Полевые условия труда
Политика в области охраны труда
Политика в области охраны труда образец
Политика организации в области охраны труда
Политика работодателя в области охраны труда
Положение комиссия гостайна
Положение о выдаче молока
Положение о выдаче сиз
Положение о градостроительно-земельной комиссии
Положение о жилищно-бытовой комиссии
Положение о земельной комиссии
Положение о квалификационной комиссии нотариус
Положение о комиссии образец
Положение о комиссии по выслуге лет
Положение о комиссии по жилищным вопросам
Положение о комиссии по награждению
Положение о комиссии по обследованию зеленых насаждений южно-сахалинск
Положение о комиссии по охране труда
Положение о комиссии по профстандартам
Положение о комиссии по списанию
Положение о комиссии по урегулированию конфликта
Положение о комиссии по чс
Положение о комиссиях роспотребнадзор
Положение о котировочной комиссии
Положение о порядке выдачи удостоверения судьям
Положение о порядке и контроле безопасного ведения горных работ в опасных зонах
Положение о порядке обучения по охране труда и проверке знаний требований охраны труда
Положение о проведении инструктажей для водителей
Положение о проведении инструктажей по бдд
Положение о проведении планово-предупредительного ремонта на предприятиях водопроводно-канализационного хозяйства утв. протоколом Госстроя РСФСР от 01.06.1989 №13-8
Положение о проведении работ с повышенной опасностью
Положение о районной межведомственной комиссии
Положение о сиз образец
Положение о системе управления охраной труда
Положение о системе управления охраной труда в администрации
Положение о службе охраны труда
Положение о социально-бытовой комиссии судебного департамента
Положение о счетной комиссии
Положение о топонимической комиссии
Положение о трехступенчатом контроле
Положение о формулярной комиссии
Положение об административной комиссии кемеровской области
Положение об административной комиссии московской области
Положение об административной комиссии Санкт-Петербурга
Положение об антитеррористической комиссии муниципального образования
Положение об избирательной комиссии города тюмени
ПОЛОЖЕНИЕ Об обучении по охране труда и проверке знаний требований охраны труда
Положение об общественной комиссии по жилищным вопросам
Положение об организации контроля за состоянием охраны труда
Положение об организации работ повышенной опасности
Положение об организации управления рисками
Положение об охране труда
Положение об уполномоченном по охране труда
Положение об уполномоченных по охране труда
Положение об экзаменационной комиссии судей
Положение по охране труда в учреждении
Положение по управлению охраной труда
Понятие охраны труда
Понятие производственной деятельности
Понятие условий труда
Поправки к инструкции 191н
Пороховой инструмент
Порядок выдачи молока
Порядок допуска к работе с наркотическими
Порядок допуска к самостоятельной работе
Порядок обучения в ординатуре
Порядок обучения по охране труда от 13. 01.2003 №1/29
Порядок организации и проведения работ с повышенной опасностью
Порядок осуществления компенсационной выплаты в размере, эквивалентном стоимости молока или других равноценных пищевых продуктов
Порядок оформления наряда-допуска
Порядок присвоения групп по электробезопасности
Порядок проведения вводного инструктажа
Порядок проведения внепланового инструктажа по охране труда
Порядок проведения обучения по охране труда
Порядок проведения огневых работ
Порядок проведения работ повышенной опасности
Порядок проведения стажировки на рабочем месте
Порядок проведения целевого инструктажа
Порядок проверки знаний по охране труда
Порядок проверки знаний по электробезопасности
Порядок производства работ повышенной опасности
Порядок профессионального обучения
Порядок разработки должностных инструкций
Порядок разработки инструкций по охране труда
Порядок целевого обучения
Постановление икск инструкция по счетам
Постановление о внесении изменений в состав комиссии
Постоянно действующая инвентаризационная комиссия
Постоянно действующая комиссия по охране труда
Постоянно действующая комиссия по проверке знаний требований охраны труда
Постоянно действующая экспертная комиссия
Постоянные места проведения огневых работ
ПОТ в строительстве
ПОТ для водолазов
Пот дорожные
Пот нефтебазы
Пот ОБОРУДОВАНИЕ
Потенциально опасные работы
Ппр на высоте
Ппр работ на высоте
Права и гарантии работников на охрану труда
Права и обязанности работника в области охраны труда
Права работников службы охраны труда
Права работодателя в области охраны труда
Права уполномоченного по охране труда
Правила безопасного ведения газоопасных работ, огневых и ремонтных работ
Правила безопасности труда на водолазных работах
Правила ведения газоопасных огневых
Правила ведения огневых работ
Правила водопроводно-канализационные охране труда
Правила выдачи лечебно-профилактического питания
Правила выполнения работ на высоте
Правила газоопасных огневых
Правила допуска лиц к работе с наркотическими средствами
Правила огневые работы
Правила охраны атмосферного воздуха
Правила охраны газопроводов
Правила охраны и промысла морских млекопитающих
Правила охраны труда при эксплуатации тепломеханического оборудования и тепловых сетей атомных станций
Правила охраны труда сварщик
Правила по ОТ в деревообработке
Правила по ОТ при окрасочных работах
Правила по ОТ при холодной обработке металлов
Правила по охране труда
Правила по охране труда безрельсовый транспорт
Правила по охране труда в котельных
Правила по охране труда в лесозаготовительном производстве
Правила по охране труда в металлургии
Правила по охране труда в организациях общественного питания
Правила по охране труда в организациях торговли
Правила по охране труда в пожарной охране
Правила по охране труда в портах
Правила по охране труда в птицеводстве
Правила по охране труда в хлебопекарной и макаронной промышленности
Правила по охране труда ГСМ
Правила по охране труда деревообработка
Правила по охране труда для полиграфических предприятий
Правила по охране труда канализация
Правила по охране труда конвейеры
Правила по охране труда кузнечно-прессовые работы
Правила по охране труда метрополитен
Правила по охране труда на автомобильном транспорте
Правила по охране труда на АЗС
Правила по охране труда на железнодорожном транспорте
Правила По Охране Труда на железной дороге
Правила по охране труда на морских и речных
Правила по охране труда на морском и речном транспорте
Правила по охране труда на предприятиях розничной торговли
Правила по охране труда напольный транспорт
Правила по охране труда при валке леса
Правила по охране труда при выполнении работ повышенной опасности
Правила по охране труда при использовании инструмента и приспособлений
Правила по охране труда при обработке металлов
Правила по охране труда при окрасочных работах
Правила по охране труда при работах на радиорелейных линиях связи
Правила по охране труда при работе на высоте
Правила по охране труда при работе с ручным инструментом
Правила по охране труда при сооружении мостов
Правила по охране труда при строительстве автомобильных дорог
Правила по охране труда при технологическом
Правила по охране труда при эксплуатации АЗС
Правила по охране труда при эксплуатации оборудования
Правила по охране труда при эксплуатации тепловых сетей
Правила по охране труда при эксплуатации тепловых установок
Правила по охране труда при эксплуатации электроустановок
Правила по охране труда приспособления
Правила по охране труда промышленный транспорт
Правила по охране труда работающих инвалидов
Правила по охране труда тепловые установки
Правила по охране труда технологического транспорта
Правила по охране труда химические
Правила по охране труда химические вещества
Правила по охране труда энергоустановок
Правила по охране труда №642н
Правила предоставления дополнительного отпуска за вредные условия труда
Правила проведения сварочных работ
Правила расчета дополнительного отпуска
Правила техники безопасности в библиотеках
Правила техники безопасности на судах Флота рыбной промышленности
Правила техники безопасности на судах флота рыбной промышленности СССР
Правила техники безопасности при строительстве
Правила техники безопасности при строительстве магистральных стальных трубопроводов
Правила техники безопасности при эксплуатации изделий медицинской техники
Правила техники безопасности при эксплуатации изделий медицинской техники в учреждениях здравоохранения
Правила эксплуатации вкх
Правительство продлило ряд сроков по охране труда и спецоценке в 2020 году
Право на безопасный труд
Право на дополнительный отпуск вредные условия труда
Правовое регулирование охраны труда
Правовые основы охраны труда
Превышение температуры обратной сетевой воды
Предварительный медицинский осмотр допустимые условия труда
Предоставление бесплатного питания
Предоставление дней отпуска за вредные условия труда
Предписание инженера по охране труда
Предписание по охране труда
Предписание по охране труда форма
Предписание специалиста по охране труда
Предрейсовый инструктаж
Председатель комиссии по проверке знаний по охране труда
Предупреждающие знаки безопасности
При какой численности вводится должность специалиста по охране труда
ПРИ КАКОЙ ЧИСЛЕННОСТИ ОРГАНИЗАЦИИ ВВОДИТСЯ ДОЛЖНОСТЬ специалиста ПО ОХРАНЕ ТРУДА
При какой численности работников в организации рекомендуется создание кабинета охраны труда?
При проведении огневых работ запрещается
Привод специалиста
Приглашение специалистов норильск
Прием на работу специалиста по охране труда
Прием по совместительству вредные условия труда
Приказ «Об утверждении Правил по охране труда при эксплуатации электроустановок»
Приказ за организацию и проведения противопожарного инструктажа
Приказ инструктаж по охране труда
Приказ инструкции по охране труда
Приказ комиссии по электробезопасности
Приказ молоко
Приказ о введении инструкций по охране труда
Приказ о вводном инструктаже
Приказ о доплате за бригадирство
Приказ о доплате за вакансию
Приказ о доплате за наставничество
Приказ о допуске к работе
Приказ о замене молока денежной компенсацией
Приказ о комиссии по охране труда
Приказ о комиссии по проверке знаний требований охраны труда
Приказ о назначении ответственного за ведение кадрового делопроизводства
Приказ о назначении ответственного за ведение личных дел
Приказ о назначении ответственного за грузоподъемные механизмы
Приказ о назначении ответственного за делопроизводство
Приказ о назначении ответственного за закупки
Приказ о назначении ответственного за информационную безопасность
Приказ о назначении ответственного за обеспечение безопасных условий и охраны труда
Приказ о назначении ответственного за обращение с отходами
Приказ о назначении ответственного за ОПО
Приказ о назначении ответственного за организацию работы по охране труда и пожарной безопасности
Приказ о назначении ответственного за организацию эксплуатации лифтов
Приказ о назначении ответственного за охрану труда
Приказ о назначении ответственного за охрану труда и технику безопасности
Приказ о назначении ответственного за прекурсоры
Приказ о назначении ответственного за проведение вводного инструктажа
Приказ о назначении ответственного за проведение инструктажей
Приказ о назначении ответственного за проведение инструктажей по охране труда
Приказ о назначении ответственного за производственный контроль
Приказ о назначении ответственного за производство
Приказ о назначении ответственного за промышленную безопасность
Приказ о назначении ответственного за работу на высоте
Приказ о назначении ответственного за табель
Приказ о назначении ответственного за тепловые установки
Приказ о назначении ответственного за эксплуатацию лифтов
Приказ о назначении ответственного за электробезопасность
Приказ о назначении ответственного лица за организацию персональных данных
Приказ о назначении ответственного на объекте
Приказ о назначении ответственного на период отсутствия
Приказ о назначении ответственного по экологии
Приказ о назначении ответственных за пб
Приказ о назначении ответственных за проведение инструктажей по охране труда
Приказ о назначении ответственных за табельный учет
Приказ о назначении ответственных лиц за ведение табельного учета
Приказ о назначении по охране труда
Приказ о назначении специалиста по охране труда
Приказ о назначении уполномоченного по охране труда
Приказ о направлении на обучение по охране труда
Приказ о пересмотре инструкций по охране труда
Приказ о погрузочно-разгрузочных работах
Приказ о приеме на работу с вредными условиями труда
Приказ о присвоении 1 группы по электробезопасности
Приказ о проведении вводного инструктажа по охране труда
Приказ о проведении инструктажа
Приказ о проверке знаний
Приказ о проверке знаний по охране труда
Приказ о разработке инструкций по охране труда
Приказ о создании комиссии о повышении разряда
Приказ о создании комиссии по внедрению профстандартов
Приказ о создании комиссии по несчастному случаю
Приказ о создании комиссии по определению преимущественного права
Приказ о создании комиссии по определению ущерба
Приказ о создании комиссии по охране труда
Приказ о создании комиссии по преимущественному праву
Приказ о создании комиссии по приемке работ
Приказ о создании комиссии по приемке товаров работ услуг
Приказ о создании комиссии по проведению аукционов
Приказ о создании комиссии по проверке знаний
Приказ о создании комиссии по проверке знаний по охране труда
Приказ о создании комиссии по проверке знаний по электробезопасности
Приказ о создании комиссии по проверке знаний пожарной безопасности
Приказ о создании комиссии по проверке знаний требований охраны труда
Приказ о создании комиссии по противодействию коррупции
Приказ о создании комиссии по профстандартам
Приказ о создании комиссии по расследованию профессионального заболевания
Приказ о создании комиссии по сокращению
Приказ о создании комиссии по сокращению численности
Приказ о создании комиссии по сокращению штата
Приказ о создании комиссии по списанию нма
Приказ о создании комиссии по списанию сиз
Приказ о создании комиссии по электробезопасности
Приказ о создании комитета по охране труда
Приказ о создании котировочной комиссии
Приказ о создании санитарных постов
Приказ о создании службы охраны труда
Приказ о составе комиссии
Приказ о составе комиссии по охране труда
Приказ об организации обучения по охране труда
Приказ об организации проведения инструктажа по охране труда
Приказ об организации проведения инструктажей
Приказ об организации работы по охране труда
Приказ об освобождении от инструктажа
Приказ об освобождении от инструктажа на рабочем месте
Приказ об освобождении от первичного инструктажа
Приказ об освобождении от прохождения первичного инструктажа
Приказ об установлении процентной надбавки
Приказ об установлении северной надбавки
Приказ об утверждении инструкций по охране труда
Приказ об утверждении комиссии по охране труда
Приказ об утверждении плана мероприятий по охране труда
Приказ об утверждении положения о комиссии по охране труда
Приказ об утверждении программы вводного инструктажа
Приказ об утверждении программы вводного инструктажа по охране труда
Приказ об утверждении программы инструктажа
Приказ об утверждении программы первичного инструктажа на рабочем месте
Приказ об утверждении состава комиссии
Приказ ответственный по технике безопасности
Приказ по охране труда и пожарной безопасности
Приказы по охране труда
Приказы по охране труда технике безопасности
Приложениях N 2 к инструкциям N 191н и N 33н.
Применение профстандарта специалист по охране труда
Применение труда женщин
Пример программы инструктажа на рабочем месте
Пример расчета доплаты за вредные условия труда
Пример суот
Примерная программа вводного инструктажа по охране труда
Примерная программа обучения по охране труда 17.05.2004
Примерная программа обучения по охране труда работников организаций от 17.05.2004
Примерная программа обучения по охране труда работников организаций УТВЕРЖДЕНА Минтрудом России 17 мая 2004 года
Примерная программа обучения по охране труда работников организаций утверждена Минтрудом России 17.05.2004
Примерная программа обучения по охране труда работников организаций», опубликованный Минтрудом РФ 17.05.2004.
ПРИМЕРНАЯ ПРОГРАММА ОБУЧЕНИЯ ПО ОХРАНЕ ТРУДА утвержденная МИНТРУДОМ ОТ 17.05.2004
Примерные учебные планы и программы обучения по охране труда
Примерные учебные планы по охране труда
Примерный перечень работ повышенной опасности
Приобретение кофе в офис
Присвоение 1 группы по электробезопасности неэлектротехническому персоналу
Присвоение 1-ой группы по электробезопасности не электротехническому персоналу
Присвоение II группы по электробезопасности
Приставные лестницы и стремянки
Проведение государственной экспертизы условий труда
Проведение инструктажа на 1 группу по электробезопасности
Проведение инструктажа на рабочем месте
Проведение инструктажа по охране труда и обучения
Проведение инструктажа по технике безопасности
Проведение инструктажа по электробезопасности
Проведение инструктажей с водителями
Проведение обучения по охране труда
Проведение огневых и газоопасных работ
Проведение покрасочных работ
Проведение работ повышенной опасности
Проведение сварочных работ
Проведение целевого инструктажа
Проверка документов по охране труда
Проверка знаний в электроустановках
Проверка знаний лифтеров
Проверка знаний норм и правил работы в электроустановках
Проверка знаний пдд
Проверка знаний по высоте
Проверка знаний по охране труда
Проверка знаний по охране труда 2020
Проверка знаний по охране труда водителей
Проверка знаний по охране труда рабочих
Проверка знаний по охране труда руководителей
Проверка знаний по промышленной безопасности
Проверка знаний по радиационной безопасности
Проверка знаний по технике безопасности
Проверка знаний по электробезопасности в ростехнадзоре
Проверка знаний правил работы в электроустановках
Проверка знаний при работе на высоте
Проверка знаний производственных инструкций
Проверка знаний работников рабочих профессий
Проверка знаний рабочих
Проверка знаний рабочих люльки
Проверка знаний рабочих по промышленной безопасности
Проверка знаний рабочих профессий
Проверка знаний сварщиков
ПРОВЕРКА ЗНАНИЙ СПЕЦИАЛИСТА ПО ОХРАНЕ ТРУДА
Проверка знаний стропальщиков
Проверка знаний требований охраны труда работников в организации
Проверка знаний требований охраны труда работников рабочих профессий
Проверка знаний электрогазосварщиков
Проверка знаний электротехнического персонала
Проверка по охране труда
Проверка техники безопасности
Проверка требований охраны труда
Проверка электроинструмента
Проверочные листы ГИТ по охране труда
Проверочные листы муниципального контроля
Проветривание офисных помещений
Программа вводного инструктажа
Программа вводного инструктажа для сторонних организаций
Программа вводного инструктажа образец
Программа вводного инструктажа по охране труда
Программа вводного инструктажа по охране труда образец
Программа вводного инструктажа по охране труда пример
Программа инструктажа на 1 группу по электробезопасности
Программа инструктажа на рабочем месте по охране труда
Программа инструктажа неэлектротехнического персонала
Программа инструктажа по охране труда
Программа обучения по охране труда
Программа обучения по охране труда 40 часов
Программа обучения по охране труда для офисных работников
Программа обучения по охране труда для специалистов
Программа обучения по охране труда образец
Программа обучения по охране труда работников рабочих профессий
Программа обучения по охране труда руководителей
Программа обучения работам на высоте
Программа обучения работников рабочих профессий
Программа первичного инструктажа
Программа первичного инструктажа на рабочем месте
Программа по охране труда для руководителей и специалистов
Программа подготовки электротехнического персонала
Программа присвоения первой группы по электробезопасности
Программа проведения инструктажа неэлектротехнического персонала
Программа проведения первичного инструктажа по охране труда на рабочем месте
Программа улучшения условий труда
Программа целевого инструктажа
Программу первичного инструктажа разрабатывает
Программы обучения по охране труда министерство труда и социального развития
Продление инструкций по охране труда
Продление наряд-допуска на огневые работы
Продление срока действия инструкций по охране труда
Продление сроков обучения по охране труда
Продолжительность вводного инструктажа
Продолжительность работы во вредных условиях
Продолжительность рабочего времени во вредных условиях труда
Продолжительность смены вредные условия труда
Продолжительность стажировки по охране труда
Производственная деятельность
Производственная деятельность АЗС
Производственная деятельность это
Производственная инструкция рабочего люльки
Производственная санитария
Производственный контроль условий труда
Производство дорожных работ
Пропаганда охраны труда
Противопожарные лестницы
Противопожарный инструктаж на рабочем месте
Протокол аттестации
Протокол аттестации по охране труда
Протокол заседания комиссии по проверке знаний требований охраны труда
Протокол заседания комиссии по проверке знаний требований охраны труда работников
Протокол комиссии по охране труда
Протокол комиссии по проверке знаний по охране труда
Протокол об избрании уполномоченного по охране труда
Протокол по охране труда
Протокол проверки знаний
Протокол проверки знаний норм и правил работы в электроустановках
Протокол проверки знаний по высоте
Протокол проверки знаний по охране труда как оформить
Протокол проверки знаний по охране труда образец
Протокол проверки знаний по промышленной безопасности
Протокол проверки знаний по электробезопасности
ПРОТОКОЛ ПРОВЕРКИ ЗНАНИЙ ПРАВИЛ РАБОТЫ В ЭЛЕКТРОУСТАНОВКАХ
Протокол проверки знаний при работе на высоте
Протокол проверки знаний стропальщика
Протокол проверки знаний требований
Протокол проверки знаний требований охраны труда
Профессии с вредными условиями труда
Профессии специалистов
Профессиональная аттестация
Профессиональная переподготовка по охране труда
Профессиональная переподготовка специалиста по охране труда
Профессиональные риски охрана труда
Профессия рабочий люльки
Профстандарт кадрового специалиста
Профстандарт специалист архива
Профстандарт специалист в сфере национальных и религиозных отношений
Профстандарт специалист в сфере недвижимости
Профстандарт специалист по абонентному обслуживанию
Профстандарт Специалист по автоматизированным системам управления производством
Профстандарт специалист по административно-хозяйственной работе
Профстандарт специалист по административно-хозяйственному обеспечению
Профстандарт специалист по внутреннему контролю
Профстандарт специалист по дистанционному информационно-справочному обслуживанию
Профстандарт специалист по документационному
Профстандарт специалист по контролю
Профстандарт специалист по лифтам
Профстандарт специалист по логистике
Профстандарт Специалист по мехатронным системам автомобиля
Профстандарт специалист по наземному обслуживанию
Профстандарт специалист по обучению
Профстандарт специалист по патентоведению
Профстандарт специалист по планированию
Профстандарт специалист по пожарной профилактике
Профстандарт специалист по профессиональной уборке
Профстандарт специалист по работе с клиентами
Профстандарт специалист по рискам
Профстандарт специалист по сварке
Профстандарт специалист по страхованию
Профстандарт специалист по техническому контролю
Профстандарт специалист по ценообразованию
Профстандарт специалист по эксплуатации лифтового оборудования
Профстандарт специалист по эксплуатации радиоэлектронных средств
Профстандарт специалист эколог
Профстандарт специалиста опеки
Профстандарт специалиста по транспорту
Профстандарты вредность
Проходить обучение по охране труда обязаны
Прохождение обучение по охране труда директоров
Прохождение стажировки
Прохождение стажировки на рабочем месте
Процедура аттестации
Процедура управления профессиональными рисками
Прошнуровать журнал по охране труда
Птэ вкх
Путеводитель по аттестации
Пфр вредность
Работа автовышки косгу
Работа беременной во вредных условиях труда
Работа беременных за компьютером
Работа бухгалтера относятся к вредным условиям
Работа в люльке
Работа в опасных условиях труда
Работа женщин во вредных условиях труда
Работа за компьютером
Работа за компьютером вредно или уже нет
Работа на высоте
Работа на высоте 1 группа
Работа на высоте это вредный фактор
Работа по совместительству во вредных условиях труда медицинских работников
Работа при низких температурах
Работа с вредными условиями труда по основной работе и по совместительству
Работа с мегаомметром
Работник возмещает работодателю стоимость обучения
Работник не прошел обучение по охране труда
Работник не прошел повторную проверку знаний
Работник не прошел проверку знаний
Работник не прошел проверку знаний по охране труда
Работник не сдал экзамен по охране труда
Работник сам оплатил обучение
Работник службы охраны труда имеет право
Работодатель обязан обеспечить условия труда
Работы на высоте 2021
Работы на высоте 3 группа
Работы на высоте в люльке
Работы на высоте по наряду
Работы на высоте это
Работы на которых запрещен труд женщин
Работы повышенной опасности
Работы повышенной опасности 44
Работы с вредными условиями труда, дополнительными тарифами
Работы с повышенной опасностью инструктаж
Рабочая зона
Рабочая зона это
Рабочая программа учебной дисциплины
Рабочее время при вредных условиях труда
Рабочее место, соответствующее государственным нормативным требованиям охраны труда
Рабочие специалисты служащие
Рабочий люльки
Рабочий люльки подъемника
Раздел Охрана труда в коллективном договоре
Разделы инструкции по охране труда
Размер доплаты за вредные условия труда
Размер компенсации за вредные условия труда
Разработка и утверждение инструкций по охране труда
Разработка инструкции по делопроизводству
Разработка инструкций по охране труда
Разработка инструкций по охране труда руководители структурных подразделений
Разработка нормативных актов по охране труда
Разработка положения о системе управления охраной труда
Разрешение на проведение огневых работ
Разъяснение прав специалисту
Разъяснение Роструда по вопросу применения профессионального стандарта специалиста в области охраны труда
Районы с температурой наиболее холодной пятидневки
Рапорт-Наряд
Распределение обязанностей по охране труда
Расходы на выдачу молока
Расходы на комнату отдыха
Расходы на мероприятия по охране труда
Расходы на обучение по охране труда
Расходы на обучение по охране труда УСН
Расходы на организацию рабочих мест инвалидов
Расходы на охрану имущества
Расходы на охрану нет лицензии
Расходы на охрану при усн
Расходы на охрану труда
Расходы на охрану труда бухгалтерский учет
Расходы на охрану труда в налоговом учете
Расходы на охрану труда за счет страховых взносов
Расходы на охрану труда за счет фсс
Расходы на охрану труда при усн
Расходы на технику безопасности
Расчет компенсации за вредные условия труда
Расчет компенсации за молоко
Расчет отпускных с надбавки за вредность
Расчет рисков по охране труда
Расчет численности по охране труда
Расчет численности службы охраны труда
Расчет численности специалистов по охране труда
Регламентированные перерывы при работе за компьютером
Регулирование труда женщин
Регуляторная гильотина охрана труда
Реестр аккредитованных организаций, оказывающих услуги в области охраны труда
Реестр застрахованных, работающих во вредных условиях труда
Рекомендации по инструкциям по охране труда
Рекомендации по составлению инструкций по охране труда
Рецензия специалиста
Риски по охране труда
Росстат 1-т условия труда
Ростехнадзор проверка знаний
Роструд вводный инструктаж от
Руководители специалисты служащие
Руководитель должен пройти обучение по охране труда
Руководитель службы охраны труда
Руководство МОТ-СУОТ 2001
Руководство по гигиенической оценке факторов рабочей среды и трудового процесса. Критерии и классификация условий труда. Руководство Р 2.2.2006-05.
Руководство по системам управления охраной труда МОТ-СУОТ, 2001
Руководство по системе управления охраной труда
Ручной электроинструмент
Самозанятые охрана труда
Сан пин к площади офисных помещений
Санаторно-курортное лечение работников, занятых на работах с вредными и (или) опасными производственными факторами
Санитарка палатная
Санитарка рентгенкабинета
Санитарные нормы рабочее место
Санитарные правила охраны территории
Санитарные правила при работе с пэвм
Санитарные требования к рабочему месту
Санпин воздух рабочей зоны
Сварочные работы
Сварочные работы на опо
Сварочные работы псн
Сведения о работе по охране труда
Свидетельство о допуске к работам сро
Свидетельство об удостоверении факта
Свидетельство об удостоверении факта нахождения гражданина в живых
Свидетельство об удостоверении факта принятия
Свидетельство об удостоверении факта принятия решения
Свод правил промышленный транспорт
Сдача крови вредные условия
Сдельный наряд
Сезонный инструктаж
Сенсорные нагрузки
Сертификат соответствия работ по охране труда
Сертификация работ по охране труда
Сертификация стремянок
Сиз на высоте
Сиз при работе на высоте
Система высот Балтийская 1977
Система менеджмента охраны труда
Система охраны труда в организации
Система стандартов безопасности труда. Строительство. Ограждения предохранительные инвентарные. Общие технические условия
Система стандартов безопасности труда. Термины и определения
Система стандартов безопасности труда. Электробезопасность. Общие требования и номенклатура видов защиты
Система управления охраной труда
Система управления охраной труда 2021
Складирование КГО
Складирование материалов
Складирование навоза
Складирование пиломатериалов
Складирование снежных масс
Складирование тко
Складирование угля
Сколько процентов рабочего времени нужно быть занятым во вредных условиях труда, чтобы получить льготную пенсию?
Сколько специалистов по охране труда должно быть в организации
Сколько хранить инструкции по охране труда
Сколько хранятся документы по охране труда
Сколько человек в комиссии по охране труда
Сколько человек должно быть обучено по охране труда
Служба охраны труда
Служебная инструкция к смгс
Служебная стажировка
Снижение класса условий труда
Снип техника безопасности
Совместитель врач вредная работа
Совместитель класс вредности 3. 2
Совместительство врачей с вредными условиями труда
Совместительство медицинских работников во вредных условиях
Совместительство работников с вредными условиями труда
Совместный комитет по охране труда
Совмещение должности специалиста по охране труда
Согласование инструкций по охране труда
Согласование программ обучения по охране труда
Соглашение к трудовому договору по результатам соут
Соглашение об организации рабочих мест для трудоустройства инвалидов
СОГЛАШЕНИЕ об осуществлении промышленно-производственной деятельности
Соглашение по охране труда
Соглашение по охране труда к коллективному договору
Содействие занятости населения, улучшение условий и охраны труда в Вологодской области на 2014 — 2020 годы
Содержание инструкции по охране труда
Создание комиссии по электробезопасности
Создание системы управления охраной труда
Создание службы охраны труда
Сокращенное рабочее время вредные условия труда
Состав комиссии по должностям
Состав комиссии по охране труда
Состав комиссии по проверке знаний по охране труда
Состав комиссии по электробезопасности
Состав котировочной комиссии
Состав эвакуационной комиссии
СОУТ изменения 2020
Соут как указать в трудовом договоре
Соут молоко
Социальные гарантии сотрудникам органов принудительного исполнения
Сп промышленный транспорт
Спецжиры
Специалист 1 разряда фнс
Специалист 1с
Специалист архива
Специалист в судебном заседании
Специалист в сфере социологии
Специалист или инженер
Специалист кипиа
Специалист контактного центра
Специалист нрс
Специалист образование
Специалист окпдтр
Специалист окрасочного производства в автомобилестроении
Специалист опеки
Специалист ответственный за безопасное производство работ с применением подъемных сооружений
Специалист отк
Специалист планово-Экономического отдела
Специалист по абонентскому
Специалист по автоматизированным системам управления производством
Специалист по администрированию сетевых устройств
СПЕЦИАЛИСТ ПО АДМИНИСТРИРОВАНИЮ СЕТЕВЫХ УСТРОЙСТВ ИНФОРМАЦИОННО-КОММУНИКАЦИОННЫХ СИСТЕМ
Специалист по антидопинговому обеспечению
Специалист по благоустройству
Специалист по военно-учетной работе
Специалист по газоспасательным работам на объектах нефтегазовой отрасли
Специалист по диагностике
СПЕЦИАЛИСТ ПО ДИЗАЙНУ ГРАФИЧЕСКИХ И ПОЛЬЗОВАТЕЛЬСКИХ ИНТЕРФЕЙСОВ
Специалист по диспетчерско-Технологическому управлению нефтегазовой отрасли
Специалист по жанрам творчества
Специалист по заготовительному производству
Специалист по инвестициям
СПЕЦИАЛИСТ ПО ИНЖИНИРИНГУ МАШИНОСТРОИТЕЛЬНОГО ПРОИЗВОДСТВА
Специалист по коммуникациям
Специалист по конкурентному праву
Специалист по лифтам
Специалист по лицензированию
Специалист по логистике
Специалист по логистике на транспорте
Специалист по маникюру
Специалист по медиации
Специалист по методике клубной работы
Специалист по методической работе
Специалист по мсэ
Специалист по недвижимости
Специалист по нормированию
Специалист по оперативно-Диспетчерскому управлению железнодорожными перевозками
Специалист по оперативно-Диспетчерскому управлению нефтегазовой отрасли
Специалист по операциям с недвижимостью
Специалист по охране труда 0,5 ставки
Специалист по охране труда 1 категории
Специалист по охране труда 2 категории
Специалист по охране труда 4 группа по электробезопасности
Специалист по охране труда 50 человек
Специалист по охране труда в штате
Специалист по охране труда в штатном расписании
Специалист по охране труда группа по электробезопасности
Специалист по охране труда и ГО и ЧС
Специалист по охране труда и пожарной безопасности
Специалист по охране труда категории
Специалист по охране труда когда вводится
Специалист по охране труда материально ответственное лицо
Специалист по охране труда наименование должности
Специалист по охране труда образование
Специалист по охране труда окз
Специалист по охране труда по совместительству
Специалист по охране труда совмещение
Специалист по охране труда тк рф
Специалист по патентоведению
Специалист по перевозкам
Специалист по питанию
Специалист по пожарной профилактике
Специалист по правовым вопросам
Специалист по проектированию
Специалист по проектированию и конструированию в судостроении
Специалист по проектированию технологических комплексов механосборочных производств
Специалист по проектированию технологической оснастки механосборочного производства
Специалист по промысловой геологии
Специалист по профессиональной уборке
Специалист по работе с клиентами
Специалист по радиосвязи и телекоммуникациям
Специалист по рекламе
Специалист по сварке
Специалист по спорту
Специалист по стратегическому
Специалист по техническим процессам художественной деятельности
Специалист по техническому контролю
Специалист по технологиям заготовительного производства
Специалист по технологиям механообрабатывающего производства в машиностроении
Специалист по транспорту
Специалист по туризму
Специалист по фармаконадзору
Специалист по ценообразованию
Специалист по ценообразованию и стоимостному инжинирингу в градостроительстве
Специалист по экологии
Специалист по эксплуатации водозаборных сооружений
Специалист по эксплуатации котлов
Специалист по эксплуатации котлов на газообразном, жидком топливе и электронагреве
Специалист по эксплуатации станций водоподготовки
Специалист по экспозиционной и выставочной деятельности
Специалист производственно-Технического отдела
Специалист сварочного производства
Специалист тендерного отдела
Специалист, ответственный за безопасное производство работ с применением ПС
Специалист, участвующий в организации деятельности детского коллектива (вожатый)
Специалист-Техник
Специалисты и рабочие
Специалисты и служащие
Специалисты ноприз
Специалисты СРО
Специальное обучение по охране труда
Специальное питание для осужденных
Специальные условия труда
Специальный инструктаж
Специальный инструктаж по БДД
Спецоценка условий труда 44 фз
Спецоценка условий труда при переезде в новый офис
Списание молока за вредность
Списки вредных отпуск
Список тяжелых условий труда
Способ складирования тко
Способ удостоверения принятия решения
Способ удостоверения решений
Справка на легкий труд
Справка о вредных условиях труда
Справка о работе во вредных условиях труда
Справка о характере и условиях труда
Справка об условиях труда
Справка об условиях труда для мсэ
Справочник должностей специалистов
Среднесуточная температура
Срок действия государственных нормативных требований охраны труда
Срок действия инструкций по охране труда
Срок действия наряда-допуска
Срок действия обучения по охране труда
Срок действия удостоверения по электробезопасности
Срок пересмотра инструкций по охране труда
Срок проведения вводного инструктажа
Срок проведения внепланового инструктажа по охране труда
Срок сдачи 1-т условия труда
Срок сдачи формы 1-Т (условия труда)
Срок уведомления об аттестации
Срок хранения журнала инструктажа на рабочем месте
Срок хранения наряда-допуска
Срок хранения по охране труда
Срок хранения протоколов проверки знаний по охране труда
Сроки пересмотра инструкций
Сроки присвоения 1 группы по электробезопасности
Сроки проведения вводного инструктажа по охране труда
Сроки проведения вводного противопожарного инструктажа
Сроки проведения внеочередной проверки знаний по охране труда
Сроки проведения инструктажей
Сроки проведения инструктажей по охране труда
Сроки проведения обучения по охране труда
Сроки проведения повторного инструктажа на рабочем месте
Электромагнитное поле широкополосного спектра частот (5 Гц — 2 кГц, 2 кГц — 400 кГц) (при превышении предельно допустимого уровня)
Электромагнитные поля
Электромагнитные поля от ПЭВМ
Электромагнитные поля промышленной частоты
Электромонтёр программа первичного инструктажа
Электронный документооборот по охране труда
Электронный наряд-Допуск
Электротехнический и электротехнологический персонал
Электротехнический персонал
Элементы системы управления охраны труда
Является ли специалист по охране труда должностным лицом
«Горячие» документы
Кодексы и наиболее востребованные законы
Обзоры законодательства
Федеральное законодательство
Региональное законодательство
Проекты правовых актов и законодательная деятельность
Другие обзоры
Справочная информация, календари, формы
Календари
Формы документов
Полезные советы
Финансовые консультации
Журналы издательства «Главная книга»
Интернет-интервью
Форумы
Классика российского права
Полезные ссылки и онлайн-сервисы
Подписаться на рассылки
Новостной информер КонсультантПлюс
Новостные RSS-ленты
Экспорт материалов
Документы
Подборки материалов
Стропальщик: профессиональное обучение с присвоением квалификации | НОРМАТИВ
Действия стропальщика влияют на безопасность других работников на площадке и сохранность грузов. Законодатель требует, чтобы по этой профессии работали квалифицированные рабочие, прошедшие профессиональное обучение и проверку знаний.
Обязана ли организация учитывать требования ЕТКС или профстандарта для стропальщика?
Да, согласно ст. 57 ТК РФ. Стропальщик работает на опасных производственных объектах, где используют подъемные сооружения. Его деятельность связана с определенными ограничениями (возраст, медицинские противопоказания, проверка знаний), поэтому работодатель обязан учитывать в трудовом договоре наименование профессии и квалификационные требования ЕТКС и/или профстандарта.
Представители Роструда высказывают такое же мнение в разъяснениях на сайте «Онлайнинспекция.рф».
Профессиональный стандарт для стропальщика существует в виде проекта от 16.10.2018. Работодатель сам решает, будет ли он применять не утвержденный документ.
Раздел ЕТКС «Профессии рабочих, общие для всех отраслей…» содержит описание профессии «стропальщик» с разрядами со 2 по 6. Организация обязана учитывать приведенные в нем тарифно-квалификационные характеристики при заключении трудового договора с соискателем.
Квалификационные требования к стропальщику
Смотрите в таблице, что должен знать и уметь стропальщик, по ЕТКС. Каждая строка содержит дополнительные требования по отношению к предыдущему разряду.
Разряд
Какие работы может выполнять
Требования к квалификации
2
Делает строповку и увязку простых изделий, длиной до 3 м и массой до 5 т.
Отцепляет стропы на месте установки/укладки.
Подает сигналы машинисту, наблюдает за грузом при его перемещении.
Выбирает стропы по массе и размеру изделий, проводит их выбраковку.
Визуально определяет массу груза.
Знает правила строповки, предельные нагрузки, места крепления на типовых изделиях.
Умеет подавать сигналы машинисту.
3
Делает строповку и увязку средних по сложности изделий (длиной 3-6 м, массой 5-25 т), подмостей, деталей до 5 т с установкой на станок.
Сращивает и связывает стропы разными узлами.
Визуально определяет центр тяжести груза.
Знает сроки использования стропов, методы их испытания, способы сращивания и связывания, принципы работы грузоподъемных механизмов.
4
Делает строповку и увязку грузов свыше 25 т, а также деталей, узлов от 5 до 25 т, требующих повышенной осторожности, лесных грузов больше 6 м. Работает на площадках, где производят монтаж и установку оборудования, конструкций зданий и сооружений.
Заплетает концы стропов.
Выбирает стропы по роду груза.
Знает способы строповки тяжелых грузов, устройство и правила эксплуатации грузозахватных приспособлений.
5
Делает строповку и увязку особо ответственных изделий, сложных грузов от 5 до 50 т.
Знает правила и способы строповки сложных грузов, какие приспособления использовать для ответственных грузов.
6
Строповка и увязка сложных лесных и особо ответственных изделий свыше 50 т.
Знает конструкции приспособлений для захвата и перемещения сложных, особо ответственных грузов.
Дополнительные требования к стропальщику:
Стропальщик при работе с ПС обязан использовать отличительные знаки (спецодежду)— п. 25д ФНП № 461.
Периодичность обучения
Работодатель самостоятельно определяет формы подготовки рабочих, сроки их обучения. Организация, эксплуатирующая подъемные сооружения, устанавливает порядок проверки знаний и допуска к самостоятельной работе персонала, с учетом требований ФНП, правил охраны труда.
Правила охраны труда при работе на высоте определяют следующие сроки подготовки и проверки знаний для рабочих профессий:
Внеочередную проверку знаний назначают при нарушении работником правил безопасности, несчастном случае на производстве, при изменении нормативных требований охраны труда.
Стропальщик для подтверждения 1 группы безопасности работ на высоте обучается в учебном центре (ПОТ № 782н), с обязательными практическими занятиями. Проверку знаний можно организовать на предприятии, если его штат позволяет создать экзаменационную комиссию из числа специалистов, аттестованных Ростехнадзором.
Как организовать подготовку стропальщика?
Работодатель должен:
Определить порядок подготовки и проверки знаний рабочих во внутреннем документе.
Разработать и утвердить производственную инструкцию для стропальщика. Ознакомить с ней рабочий персонал.
При приеме на работу стропальщика проверить наличие свидетельства о профессии, направить соискателя на предварительный медосмотр.
Выдать работнику отличительную спецодежду по требованиям ФНП № 461.
После заключения трудового договора обучить рабочего правилам охраны труда, провести инструктаж, стажировку.
Организовать проверку знаний стропальщика и выдать удостоверение о допуске к самостоятельной работе.
Кто платит за профессиональное обучение для стропальщика?
Работодатель не обязан финансировать подготовку (переподготовку) работника, если это не закреплено в ЛНА или трудовом договоре. Соискатель сам заинтересован в том, чтобы получить новую профессию и повысить свою конкурентоспособность на рынке труда. Он оплачивает свою подготовку самостоятельно.
Периодическое обучение, повышение квалификации при расширении зоны работ, проверка знаний — обязательные программы для стропальщика по ФНП и правилам охраны труда. Работодатель организует их проведение за свой счет (ст. 196 ТК РФ).
Какие документы нужны для начала обучения?
Соискатель представляет в учебный центр «Норматив»:
заполненную заявку на обучение,
копии паспорта гражданина РФ и документа об образовании,
фото 3×4 — 2 шт.
Вы можете уточнить организационные вопросы по профессиональному обучению у менеджера в чате.
Перечень основных необходимых документов по Охране Труда на предприятии любой формы собственности :: Усть-Илимский район
04.12.2019
1. Положение об организации работы по ОТ в организации.(СУОТ) СТ. 12 Федерального закона №181-ФЗ от 17.07.99г.
2. Положение об организации работы службы ОТ. Постановление Минтруда РФ от 08.02.00 № 14 « Об утверждении Рекомендаций по организации работы службы ОТ в организации».
3. Положение о комитете(комиссии)по охране труда. Приказ Минтруда РФ №142 от 24.05.2014г. «Об утверждении типового положения о комитете(комиссии) по охране труда».
4. Планы работы по ОТ.
5. План работы комитета(комиссии)по охране труда. Составляется ежегодно на основании типового положения о комитете (комиссии) по ОТ.
6. План организационно технических мероприятий по улучшению условий и охраны труда.
7. Соглашение по ОТ, и прочие периодические и разовые мероприятия.
8. Приказ о создании службы охраны труда.
9. Приказ о введении должности специалиста по охране труда.
10. Приказ о возложения обязанностей специалиста по охране труда.
11. Должностная инструкция специалиста по охране труда.
12. Должностные обязанности по охране труда руководителей и специалистов.
13. Перечень законодательных, иных нормативных правовых актов и локальных нормативных актов, содержащих требования охраны труда, распространяющиеся на деятельность организации.
14. Организация трехступенчатого контроля за состоянием охраны труда.
15. Журнал трёхступенчатого контроля за состоянием охраны труда и условий труда.
16. Акты проверки состояния охраны труда.
17. Приказ об утверждении комиссии согласно требованиям правил по охране труда при выполнении работ на высоте .
18. Протокол проверки знаний работников организации согласно правил по охране труда при выполнении работ на высоте.
19. Журнал проверки охраны труда и техники безопасности. Производственное оборудование.
22. Приказ о назначении ответственных за организацию погрузочно-разгрузочных работ в организации.
23. Протокол проверки знаний работников организации согласно правил по охране труда при выполнении погрузочно-разгрузочных работ и размещении грузов.
24. Приказ о создании комиссии по проведению испытаний подъемных сооружений.
25. Акты проведения испытаний грузоподъемных сооружений.
26. Приказ о назначении лиц, ответственных по надзору за безопасной эксплуатацией грузоподъемных сооружений.
27. Приказ о назначении лиц, ответственных за содержание грузоподъемных сооружений в исправном состоянии.
28. Приказ о назначении лиц, ответственных за безопасное производство работ грузоподъемными сооружениями.
29. Схемы строповок грузов.
30. Приказ о допуске к работе машинистов, помощников машинистов слесарей, электромонтеров и стропальщиков.
31. Приказ (распоряжение) по подразделению организации о назначении лица, ответственного за сохранность и исправность электро — пневмоинструмента.
32. Приказ о создании комиссии по проверке знаний при работе с инструментом и приспособлениями.
33. Протокол проверки знаний работников предприятия согласно правил по охране труда при работе с инструментом и приспособлениями.
34. Журнал учета, проверки и испытаний электроинструмента и вспомогательного оборудования к нему.
35. Приказ (распоряжение) по подразделению о возложении обязанностей по проверке и браковке ручного слесарно-кузнечного инструмента на инженерно-технического работника.
36. Акты проверки и браковки инструмента.
37. Приказ (распоряжение) по подразделению организации о назначении лица, ответственного за состояние и исправность лестниц и стремянок.
38. Журнал учета и осмотра такелажных средств, механизмов и приспособлений.
39. Приказ о назначении комиссии по приемке лесов в эксплуатацию.
40. Акт приемки лесов в эксплуатацию.
41. Журнал приемки и осмотра лесов и подмостей.
42. Приказ (распоряжение) по подразделению организации о назначении лица, ответственного за испытание абразивного и эльборового инструмента.
43. Журнал испытания абразивного и эльборового инструмента.
44. Журнал технического осмотра испытательного стенда.
45. Приказ о назначении лиц, ответственных за безопасную эксплуатацию транспортных средств.
46. Приказ о назначении лиц, ответственных за техническое состояние транспортных средств.
47. Протоколы аттестации лиц, ответственных за безопасную эксплуатацию и техническое состояние транспортных средств.
48. Приказ о проведении обучения работников, осуществляющих эксплуатацию, техническое обслуживание и ремонт транспортных средств, безопасным методам и приемам труда.
49. Приказ о назначении комиссии по проверке знаний безопасных методов и приемов труда работниками, осуществляющими эксплуатацию, техническое обслуживание и ремонт транспортных средств.
50. Протоколы проверки знаний безопасных методов и приемов труда работниками, осуществляющими эксплуатацию, техническое обслуживание и ремонт транспортных средств.
51. Удостоверения на право вождения транспортных средств.
52. Графики профилактических осмотров и технического обслуживания транспортных средств.
53. Путевой лист.
54. Журнал учета выдачи путевых листов.
55. Журнал технического состояния и выпуска на линию транспортных средств.
56. Приказ о назначении лица, ответственного за выпуск автомобиля на линию.
57. Журнал предрейсового медицинского осмотра водителей.
58. Положение об организации предрейсовых медицинских осмотров водителей автотранспортных средств.
59. Приказ о создании службы технического надзора за состоянием, содержанием и ремонтом промышленных зданий и сооружений.
60. Приказ о создании комиссиипо проверке знаний согласно правил по охране труда в строительстве.
61. Протокол проверки знаний согласно правил по охране труда в строительстве.
62. Приказ о назначении лиц, ответственных за техническую эксплуатацию зданий и сооружений.
63. Графики планово-предупредительных ремонтов зданий и сооружений.
64. Планы подготовки зданий и сооружений к осенне-зимнему периоду.
65. Приказ о назначении технической комиссии по проверке и приемке зданий и сооружений.
66. Акты осмотров зданий и сооружений.
67. Акты приемки объектов после ремонта.
68. Технический паспорт на здания и сооружения.
69. Технический журнал по эксплуатации промышленного здания.
70. Предписание специалиста по охране труда.
71. Приказ о назначении ответственных за обеспечение охраны труда.
72. О разработке Положения о совместном комитете по охране труда.
73. Протокол общего собрания трудового коллектива.
74. Приказ о создании совместного комитета по ОТ.
75. Перечень кадровых документов.
76. Приказ о возложения обязанностей по проведению вводного инструктажа по охране труда.
77. Перечень основных вопросов для вводного инструктажа.
78. Инструкция проведения вводного инструктажа по охране труда.
79. Личная карточка прохождения обучения.
80. Журнал регистрации вводного инструктажа.
81. Приказ о возложения обязанностей по проведению инструктажей по охране труда на рабочем месте.
82. Приказ об утверждении и вводе в действие перечня должностей (профессий) работников, освобождённых от первичного инструктажа на рабочем месте.
83. Перечень Должностей (профессий) работников, освобожденных от первичного инструктажа на рабочем месте. Перечень основных вопросов первичного инструктажа на рабочем месте.
84. Журнал регистрации инструктажа на рабочем месте.
85. Приказы (распоряжения) по подразделениям о назначении лиц, под руководством которых проходят стажировку вновь принятые работники.
86. Приказ о создании экзаменационной комиссии по охране труда.
87. График проверки знаний по охране труда.
88. Экзаменационные билеты для проверки знаний по охране труда.
89. Приказ о проведении обучения и аттестации по охране труда руководителей и специалистов.
90. Приказ об утверждении и вводе в действие перечня профессий работников и видов работ повышенной опасности, относительно которых предъявляются дополнительные требования по охране и безопасности труда и проверке знаний по охране труда.
91. Перечень профессий работников и видов работ повышенной опасности, относительно которых предъявляются дополнительные требования
92. Протокол заседания комиссии по проверке знаний по охране труда работников.
93. Приказ о проведении обучения и проверке знаний по охране труда работников рабочих профессий.
94. Тематический план и программа обучения по охране труда работников рабочих профессий.
95. Программы профессиональной подготовки, переподготовки, повышения квалификации работников.
96. Протоколы присвоения разрядов рабочим.
97. Договор на повышение квалификации работника. (Является дополнительным к трудовому договору.
98. Журнал учета инструкций по охране труда для работников..
99. Журнал учета выдачи инструкций по охране труда для работников.
100. Перечень документов для Специальной оценки условий труда.
101. Приказ «Об организации специальной оценке условий труда».
102. График проведения специальной оценки условий труда (СОУТ).
103. Перечень рабочих мест, подлежащих специальной оценке условий труда.
104. План мероприятий по улучшению и оздоровлению условий труда на рабочих местах.
105. Смета расходов на мероприятия по улучшению условий и охраны труда.
106. Перечни производств, работ, профессий и должностей, на которых по условиям труда установлены:
107. Льготное пенсионное обеспечение.
108. Сокращение продолжительности рабочего времени.
109. Дополнительный отпуск.
110. Доплаты за условия труда.
111. Бесплатная выдача молока и лечебно-профилактического питания.
112. Бесплатная выдача мыла и других очистителей кожи.
113. Бесплатная выдача по действующим нормам спецодежды, спецобуви и других СИЗ.
114. Перечень работ при наличии которых проводятся обязательные предварительные и периодические медицинские осмотры работников предприятия согласно приложения №2к приказу МЗСР РФ №302.
115. Направление на предварительный (периодический) медицинский осмотр. Приложение №1 к приказу МЗСР РФ №302.
116. Медицинское заключение по результатам предварительного (периодического) медицинского осмотра (согласно приложения №3 приказа МЗСР РФ №302).
117. Заключение предварительного (периодического) медицинского осмотра (обследования) согласно приложения №5приказа МЗСР РФ №302.
118. Приказ об организации обязательных медицинских осмотров работников организации.
119. Список работников для прохождения обязательного психиатрического освидетельствования, осуществляющим отдельные виды деятельности.
120. Личная карточка учета выдачи СИЗ.
121. Приказ об обеспечении работников средствами индивидуальной защиты.
122. Приказ об обеспечении работников мылом и другими смывающими и обезвреживающими средствами.
123. Приложение N 1 к приказу Министерства здравоохранения и социального развития РФ от 17 декабря 20l0 г. N 1122н
124. Стандарт безопасности труда «Обеспечение работников смывающими и (или) обезвреживающими средствами» Личная карточка учета выдачи смывающих и (или) обеззараживающих средств Извещение о пострадавшем от несчастного случая на производстве.
125. Письмо главному врачу лечебно-профилактического учреждения
126. Медицинское заключение
127. Извещение о групповом несчастном случае
128. Сообщение о страховом случае.
129. Приказ о создании комиссии по расследованию причин и обстоятельств несчастного случая на производстве.
130. Акт о несчастном случае на производстве (Форма Н-1).
131. Сообщение о последствиях несчастного случая
132. Извещение об установлении заключительного диагноза острого или хронического профессионального заболевания.
133. Приказ о расследовании профессионального заболевания.
134. Акт о случае профессионального заболевания.
135. Правила финансового обеспечения в 2020 году предупредительных мер по сокращению производственного травматизма и профессиональных заболеваний работников и санаторно-курортного лечения работников, занятых на работах с вредными и (или) опасными производственными факторами
136. Журнал регистрации несчастных случаев на производстве.
137. Форма перечня работ повышенной опасности, выполняемых в организации.
138. Перечень должностей работников организации, на которых возлагаются обязанности по организации и производству.
139. Форма наряда — допуска на выполнение работ с повышенной опасностью. Составляется в двух экземплярах, исправления не допускаются
140. Оформление ежедневного допуска к работе и окончание работ
141. Журнал выдачи нарядов- допусков на производство работ с повышенной опасностью.
142. Приказ об обеспечении пожарной безопасности на территории, в зданиях, сооружениях и помещениях организации.
143. Журнал регистрации инструктажа по пожарной безопасности
144. План эвакуации при пожаре.
145. Инструкции по пожарной безопасности
146. План (схема) эвакуации
147. Электробезопасность
148. Приказ о назначении ответственного за электрохозяйство.
149. Приказ о создании комиссии по проверке знаний норм и правил работы в электроустановках.
150. Приказ о возложении обязанностей по проведению инструктажа неэлектротехническому персоналу
151. Перечень должностей и профессий, требующих присвоения персоналу группы I по электробезопасности Неэлектротехническому персоналу, выполняющему работы, при которых может возникнуть опасность поражения электрическим током, присваивается группа I по электробезопасности. .
152. Приказ (распоряжение) по подразделению организации о назначении лица, ответственного за сохранность и исправность электроинструмента.
153. Журнал учета присвоений группы I по электробезопасности неэлектротехническому персоналу.
154. Приказ о создании комиссии для проверки знаний электротехнического и электротехнологического персонала организации.
155. Журнал учета проверки знаний норм и правил работы в электроустановках.
156. Приказ о назначении лиц, ответственных за учет, обеспечение, организацию своевременного осмотра, испытания и хранение средств индивидуальной защиты, используемых в электроустановках.
157. Журнал учета и содержания средств защиты.
158. Журнал испытаний средств защиты из диэлектрической резины (перчаток, бот, галош диэлектрических и изолирующих накладок) .
159. Перечень работ, выполняемых в порядке текущей эксплуатации
160. Списки распределения инвентарных средств защиты между объектами в соответствии с системой организации эксплуатации, местными условиями и нормами комплектования
161. Приказ Об утверждении перечня соответствия должностей (профессий) работников группам допуска по электробезопасности
162. Перечень должностей, профессий электротехнического, электротехнологического и неэлектротехнического (группа I) персонала по электробезопасности
Ростехнадзор разъясняет: Допуск персонала на работы на ПС (до 2021 г.
)
Вопрос от 30.04.2020:
Слесаря по ремонту автомобилей привлекают к работам на ж/д кране (он обучен). Как правильно должен быть оформлен допуск и стажировка?
Ответ: Согласно » п. 1.1 Перечня работ, при выполнении которых проводятся обязательные предварительные и периодические медицинские осмотры (обследования) работников, такие медицинские осмотры проводятся в отношении работников, выполняющих работы на высоте, работы по обслуживанию подъемных сооружений, включая работы в качестве крановщика (машиниста крана).
Согласно части 1 статьи 225 Трудового кодекса РФ все работники, в том числе руководители организаций, а также работодатели — индивидуальные предприниматели, обязаны проходить обучение по охране труда и проверку знания требований охраны труда в порядке, установленном уполномоченным Правительством Российской Федерации федеральным органом исполнительной власти с учетом мнения Российской трехсторонней комиссии по регулированию социально-трудовых отношений.
Согласно части 2 статьи 225 ТК РФ для всех поступающих на работу лиц, а также для работников, переводимых на другую работу, работодатель или уполномоченное им лицо обязаны проводить инструктаж по охране труда, организовывать обучение безопасным методам и приемам выполнения работ и оказания первой помощи пострадавшим.
Согласно части 3 статьи 225 ТК РФ работодатель обеспечивает обучение лиц, поступающих на работу с вредными и (или) опасными условиями труда, безопасным методам и приемам выполнения работ со стажировкой на рабочем месте и сдачей экзаменов и проведение их периодического обучения по охране труда и проверку знаний требований охраны труда в период работы.
Согласно » п. 2.1.1 Постановления Минтруда России, Минобразования России от 13.01.2003 N 1/29 (ред. от 30.11.2016) «Об утверждении Порядка обучения по охране труда и проверки знаний требований охраны труда работников организаций» (зарегистрировано в Минюсте России 12.02.2003 N 4209) (далее — Постановление N 1/29) для всех принимаемых на работу лиц, а также для работников, переводимых на другую работу, работодатель (или уполномоченное им лицо) обязан проводить инструктаж по охране труда.
Согласно п. 2.1.2 Постановления N 1/29 все принимаемые на работу лица… и другие лица, участвующие в производственной деятельности организации, проходят в установленном порядке вводный инструктаж, который проводит специалист по охране труда или работник, на которого приказом работодателя (или уполномоченного им лица) возложены эти обязанности.
Вводный инструктаж по охране труда проводится по программе, разработанной на основании законодательных и иных нормативных правовых актов Российской Федерации с учетом специфики деятельности организации и утвержденной в установленном порядке работодателем (или уполномоченным им лицом).
Согласно п. 2.1.3 Постановления N 1/29, кроме вводного инструктажа по охране труда проводится первичный инструктаж на рабочем месте, повторный, внеплановый и целевой инструктажи.
Первичный инструктаж на рабочем месте, повторный, внеплановый и целевой инструктажи проводит непосредственный руководитель (производитель) работ (мастер, прораб, преподаватель и так далее), прошедший в установленном порядке обучение по охране труда и проверку знаний требований охраны труда.
Проведение инструктажей по охране труда включает в себя ознакомление работников с имеющимися опасными или вредными производственными факторами, изучение требований охраны труда, содержащихся в локальных нормативных актах организации, инструкциях по охране труда, технической, эксплуатационной документации, а также применение безопасных методов и приемов выполнения работ.
Инструктаж по охране труда завершается устной проверкой приобретенных работником знаний и навыков безопасных приемов работы лицом, проводившим инструктаж.
Проведение всех видов инструктажей регистрируется в соответствующих журналах проведения инструктажей (в установленных случаях — в наряде-допуске на производство работ) с указанием подписи инструктируемого и подписи инструктирующего, а также даты проведения инструктажа.
Согласно п. 2.2.1 Постановления N 1/29 работодатель (или уполномоченное им лицо) обязан организовать в течение месяца после приема на работу обучение безопасным методам и приемам выполнения работ всех поступающих на работу лиц, а также лиц, переводимых на другую работу.
Обучение по охране труда проводится при подготовке работников рабочих профессий, переподготовке и обучении их другим рабочим профессиям.
Согласно п. 2.2.2 Постановления N 1/29 работодатель (или уполномоченное им лицо) обеспечивает обучение лиц, принимаемых на работу с вредными и (или) опасными условиями труда, безопасным методам и приемам выполнения работ со стажировкой на рабочем месте и сдачей экзаменов, а в процессе трудовой деятельности — проведение периодического обучения по охране труда и проверки знаний требований охраны труда. Работники рабочих профессий, впервые поступившие на указанные работы либо имеющие перерыв в работе по профессии (виду работ) более года, проходят обучение и проверку знаний требований охраны труда в течение первого месяца после назначения на эти работы.
Согласно п. 2.2.3 Постановления N 1/29 порядок, форма, периодичность и продолжительность обучения по охране труда и проверки знаний требований охраны труда работников рабочих профессий устанавливаются работодателем (или уполномоченным им лицом) в соответствии с нормативными правовыми актами, регулирующими безопасность конкретных видов работ.
Согласно п. 2.2.4 Постановления N 1/29 работодатель (или уполномоченное им лицо) организует проведение периодического, не реже одного раза в год, обучения работников рабочих профессий оказанию первой помощи пострадавшим. Вновь принимаемые на работу проходят обучение по оказанию первой помощи пострадавшим в сроки, установленные работодателем (или уполномоченным им лицом), но не позднее одного месяца после приема на работу.
Согласно п. 3.1 Постановления N 1/29 проверку теоретических знаний требований охраны труда и практических навыков безопасной работы работников рабочих профессий проводят непосредственные руководители работ в объеме знаний требований правил и инструкций по охране труда, а при необходимости — в объеме знаний дополнительных специальных требований безопасности и охраны труда.
Согласно п. 3.4 Постановления N 1/29 для проведения проверки знаний требований охраны труда работников в организациях приказом (распоряжением) работодателя (руководителя) создается комиссия по проверке знаний требований охраны труда в составе не менее трех человек, прошедших обучение по охране труда и проверку знаний требований охраны труда в установленном порядке.
Согласно п. 3.7 Постановления N 1/29 работнику, успешно прошедшему проверку знаний требований охраны труда, выдается удостоверение за подписью председателя комиссии по проверке знаний требований охраны труда, заверенное печатью организации (при наличии печати), проводившей обучение по охране труда и проверку знаний требований охраны труда, по форме согласно приложению N 2 к Порядку.
» Правила по охране труда при работе на высоте утверждены Приказом Министерства труда и социальной защиты РФ от 28 марта 2014 г. N 155н (далее — Правила).
Согласно п. 5 Правил к работе на высоте допускаются лица, достигшие возраста восемнадцати лет.
Согласно п. 6 Правил работники, выполняющие работы на высоте, в соответствии с действующим законодательством должны проходить обязательные предварительные (при поступлении на работу) и периодические медицинские осмотры.
Согласно п. 7 Правил работники, выполняющие работы на высоте, должны иметь квалификацию, соответствующую характеру выполняемых работ. Уровень квалификации подтверждается документом о профессиональном образовании (обучении) и (или) о квалификации.
Согласно п. 8 Правил работники допускаются к работе на высоте после проведения:
а) обучения и проверки знаний требований охраны труда;
б) обучения безопасным методам и приемам выполнения работ на высоте.
Требования промышленной безопасности к организациям и работникам опасных производственных объектов, осуществляющих эксплуатацию подъемных сооружений, утверждены » Приказом Ростехнадзора от 12.11.2013 N 533 (ред. от 12.04.2016) «Об утверждении Федеральных норм и правил в области промышленной безопасности «Правила безопасности опасных производственных объектов, на которых используются подъемные сооружения» (зарегистрировано в Минюсте России 31.12.2013 N 30992).
Согласно п. 26 Требований работники ОПО, непосредственно занимающиеся эксплуатацией ПС, должны соответствовать следующим требованиям:
а) быть обученными и иметь выданное в установленном порядке удостоверение на право самостоятельной работы по соответствующим видам деятельности;
б) знать критерии работоспособности применяемых ПС в соответствии с требованиями руководства (инструкции) по эксплуатации применяемых ПС, технологический процесс транспортировки грузов;
в) в случае возникновения угрозы аварийной ситуации информировать об этом своего непосредственного руководителя;
г) знать порядок действий по инструкциям эксплуатирующей организации в случае возникновения аварий и инцидентов при эксплуатации ПС, а также выполнять данные инструкции;
д) пройти в установленном порядке аттестацию (только для специалистов) на знание настоящих ФНП и не нарушать их в процессе выполнения работ.
» Правила по охране труда при эксплуатации электроустановок утверждены Приказом Минтруда России от 24.07.2013 N 328н (ред. от 15.11.2018) «Об утверждении Правил по охране труда при эксплуатации электроустановок».
Информация не является исчерпывающей.
Д. Родионова
Вопрос от 28.04.2017:
Какие документы, полученные в обучающей организации должен предъявить стропальщик при приеме на работу в организацию? Имеет ли право организация выдавать удостоверение для допуска к стропальным работам, если при приеме на работу соискатель предоставил только свидетельство о присвоении квалификации и разряда?
Ответ: В соответствии с частью 1 статьи 9 Федерального закона от 21.07.1997 № 116-ФЗ «О промышленной безопасности опасных производственных объектов»| одной из обязанностей организации, эксплуатирующей опасный производственный объект, является следующая:
допускать к работе на опасном производственном объекте лиц, удовлетворяющих соответствующим квалификационным требованиям и не имеющих медицинских противопоказаний к указанной работе. Данное требование распространяется, в том числе, и на стропальщиков.
Присвоение рабочим квалификации стропальщика осуществляется после прохождения в установленном порядке подготовки в организациях, имеющих лицензии на проведение образовательной деятельности. Рабочим, успешно прошедшим обучение и сдавшим квалификационный экзамен выдаются соответствующие документы, подтверждающие прохождение обучения и присвоение квалификации.
В соответствии с подпунктом «б» пункта 150 Федеральных норм и правил в области промышленной безопасности «Правила безопасности опасных производственных объектов, на которых используются подъемные сооружения», утвержденных приказом Ростехнадзора от 12 ноября 2013 г. № 533, зарегистрированных в Минюсте России 31 декабря 2013 г. № 30992, организации, эксплуатирующие подъемные сооружения, должны обеспечить установленный порядок допуска к самостоятельной работе (персонал) с выдачей соответствующих удостоверений, в которых указывается тип подъемного сооружения, а также виды работ и оборудования, к работам на которых они допущены.
На основании вышеизложенного, при приеме на работу в организацию стропальщик предъявляет документы, подтверждающие прохождение обучения и присвоение ему квалификации стропальщика, на основании которых организация выдает ему соответствующее удостоверение. При этом порядок допуска стропальщика к самостоятельной работе производится в установленном в организации порядке. И при этом форма удостоверения персонала требованиями промышленной безопасности не установлена, и определяется эксплуатирующей организацией.
Вопрос от 30.08.2014:
ЗАО «Энергомаш (Екатеринбург) — Уралэлектротяжмаш» эксплуатирует опасный производственный объект (производственные здания) — площадку производства электротехнических изделий (класс опасности IV) и технические устройства — мостовые краны, установленные в указанных зданиях. В штате предприятия состоят слесари и электромонтеры по кранам, специалисты, ответственные за производственный контроль при эксплуатации подъемных сооружений (ПС) и за их содержание в работоспособном состоянии.
На указанной производственной площадке расположены производственные участки другого юридического лица. ООО «Эльмаш». В его штате имеется обученный, аттестованный для эксплуатации ПС персонал: машинисты мостовых кранов, стропальщики, специалисты, ответственные за безопасное производство работ с применением ПС.
Прошу разъяснить, может ли эксплуатирующая организация допустить указанный персонал другого юридического лица до работы на ПС при условии соблюдения требований Федеральных норм и правил в области промышленной безопасности «Правила безопасности опасных производственных объектов, на которых используются подъемные сооружения»?
А.А. Зябрев, технический директор ЗАО «Энергомаш (Екатеринбург) — Уралэлектротяжмаш»
На вопрос читателя отвечает начальник Управления государственного строительного надзора Ростехнадзора А.Н. Горлов.
С 7 марта 2014 г. на территории Российской Федерации действуют Федеральные нормы и правила в области промышленной безопасности «Правила безопасности опасных производственных объектов, на которых используются подъемные сооружения» (далее — ФНП по ПС), утвержденные приказом Рос- технадзора от 12 ноября 2013 г. № 533, зарегистрированным Минюстом России 31 декабря 2013 г., регистрационный № 30992.
Пунктом 26 «а» ФНП по ПС определено, что работники опасных производственных объектов (ОПО), непосредственно занимающиеся эксплуатацией подъемных сооружений (ПС), должны быть обученными и иметь выданное в установленном порядке удостоверение на право самостоятельной работы. Кроме того, в соответствии с п. 150 «б» ФНП по ПС эксплуатирующие организации обязаны обеспечить содержание ПС в работоспособном состоянии и безопасные условия их работы путем организации надлежащего надзора и обслуживания, технического освидетельствования и ремонта. В этих целях должен быть в том числе обеспечен порядок аттестации (специалистов) и допуска к самостоятельной работе (персонала) с выдачей соответствующих удостоверений, в которых указывают тип ПС, а также виды работ и оборудования, к работам на которых они допущены. Форму удостоверения на право самостоятельной работы устанавливает организация, эксплуатирующая ПС самостоятельно (ФНП по ПС не установлена форма такого удостоверения).
На основании указанного, организация, эксплуатирующая ОПО с ПС, осуществляет допуск к работе персонала, обслуживающего ПС, с выдачей удостоверения на право самостоятельной работы. Данное требование должно быть выполнено и при допуске к работе на ОПО с ПС обслуживающего персонала другой организации. При этом согласно п. 23 «ж» ФНП по ПС привлечение работника другой организации для выполнения обязанностей специалиста, ответственного за безопасное производство работ с применением ПС, не допускается (назначают только специалистов организации, эксплуатирующей ОПО с ПС).
Вопрос от 30.07.2014:
С 7 марта 2014 г. вступили в силу {30-Федеральные нормы и правила в области промышленной безопасности «Правила, безопасности опасных производственных объектов, на которых используются подъемные сооружения» (далее — ФНП по ПС). Требования к форме и содержанию удостоверений настоящими ФНП по ПС не установлены.
В ООО «Завод по ремонту горного оборудования» приходят трудоустраиваться молодые работники с дипломами о начальном профессиональном образовании. В дипломах им присвоены квалификации: машинист буровой установки, электрослесарь (слесарь) дежурный и по ремонту оборудования, электрогазосварщик, стропальщик. Прошу разъяснить, можно ли допускать работников к самостоятельной работе по профессиям, перечисленным в дипломе о начальном профессиональном образовании, или им должны быть выданы соответствующие отдельные удостоверения? Если нет, то на основании какого нормативного документа?
А.Л. Шалагин, и.о. гл. инженера ООО «Завод по ремонту горного оборудования»
На вопрос читателя отвечает начальник Управления государственного строительного надзора Ростехнадзора А.Н. Горлов.
Обучение и проверку знаний обслуживающего подъемные сооружения (ПС) персонала осуществляют в соответствии с » Положением об организации обучения и проверки знаний рабочих организаций, поднадзорных Федеральной службе по экологическому, технологическому и атомному надзору (РД-03-20—2007), утвержденным приказом Ростехнадзора от 29 января 2007 г. № 37 «О порядке подготовки и аттестации работников организаций, поднадзорных Федеральной службе по экологическому, технологическому и атомному надзору», зарегистрированным Минюстом России 22 марта 2007 г, регистрационный № 9133.
С 7 марта 2014 г на территории Российской Федерации действуют » Федеральные нормы и правила в области промышленной безопасности «Правила безопасности опасных производственных объектов, на которых используются подъемные сооружения» (далее — ФНП по ПС), утвержденные приказом Рос- технадзора от 12 ноября 2013 г. № 533, зарегистрированным Минюстом России 31 декабря 2013 г., регистрационный № 30992.
Пунктом 26 «а» ФНП по ПС определено, что работники опасных производственных объектов, непосредственно занимающиеся эксплуатацией ПС, должны быть обученными и иметь выданное в установленном порядке удостоверение на право самостоятельной работы. Кроме того, в соответствии с п. 150 «б» ФНП по ПС эксплуатирующие организации обязаны обеспечить содержание ПС в работоспособном состоянии и безопасные условия их работы путем организации надлежащего надзора и обслуживания, технического освидетельствования и ремонта. В этих целях должен быть в том числе обеспечен порядок аттестации (специалисты) и допуска к самостоятельной работе (персонал) с выдачей соответствующих удостоверений, в которых указывают тип ПС, а также виды работ и оборудования, к работам на которых они допущены. Форму удостоверения на право самостоятельной работы устанавливает организация, эксплуатирующая ПС самостоятельно (ФНП по ПС не установлена форма такого удостоверения).
На основании указанного, после обучения персонала в соответствии с требованиями, установленными РД-03-20—2007, организация, эксплуатирующая опасный производственный объект с ПС, осуществляет, согласно ФНП по ПС, допуск к работе персонала, обслуживающего ПС с выдачей удостоверения на право самостоятельной работы.
Пошаговое руководство о том, как получить группу посадки Человека-паука WEB SLINGERS [обновлено]
Гай Сельга мл.
16 комментариев Кампус Мстителей, Disney California Adventure, WEB SLINGERS: A Spider-Man Adventure
Поделись!
WEB SLINGERS: A Spider-Man Adventure — новейший аттракцион Disney California Adventure. Постоянная популярность этого супергероя Marvel и неудовлетворенный спрос из-за того, что парк был закрыт в течение года, делают этот аттракцион очень востребованным. Привлекательности добавляет то, что для аттракциона не требуется высота, а это значит, что вся семья может кататься вместе.
Обратите внимание, что Disney California Adventure прекратила использование групп посадки для WEB Slingers в ноябре 2021 года. Если Disney не возобновит процесс, вы не сможете встать в виртуальную очередь на этот аттракцион. См. нашу страницу WEB Slingers для получения последней информации.
К сожалению, вы не можете просто встать в очередь, чтобы покататься на WEB SLINGERS. Очереди ожидания нет. Вместо этого единственный способ, которым вы можете ездить, — это получить абордажную группу.
Что такое интернатная группа WEB SLINGERS?
Группа посадки — это еще одно название виртуальной очереди, означающее, что это не физическая очередь, в которой вы должны стоять весь день. Ваша группа посадки, также известная как место в виртуальной очереди, должна быть получена через официальное приложение Диснейленда на телефонах iOS или Android.
Итак, вы занимаете место в очереди через систему Boarding Group, а затем ждете, пока Disney не уведомит вас, когда вам пора кататься. Звучит легко, правда? К сожалению, посадочные группы для WEB SLINGERS в DCA (точно так же, как Rise of the Resistance в Диснейленде) могут закончиться через пару секунд. Ваш шанс покататься быстро испарится, если вы заранее не будете знать, как работает система.
В этом посте мы рассмотрим пошаговое руководство о том, как получить абордажную группу WEB SLINGERS, но имейте в виду, что эта же точная информация может быть использована и для получения абордажной группы Rise of the Resistance.
Что нужно для получения группы посадки:
Официальное приложение Disneyland Resort.
Действительный билет в тематический парк.
Бронирование парка Disney California Adventure на день вашего визита.
Все билеты друзей и членов семьи, отсканированные в приложение заранее.
Правила получения группы посадки :
Правило №1: Группы посадки можно бронировать только ДВАЖДЫ в день.
В настоящее время Disney открывает бронирование групп Boarding Group в 7:00 и 12:00
Воспользовавшись возможностью в 7:00, вы можете попробовать попасть в группу интерната, где бы вы ни находились. Вам не нужно быть в парке; все, что вам нужно, это действительный билет и бронирование парка. Помните, что для бронирования в группе на 7:00 у вас должно быть действительное бронирование Disney California Adventure. Если у вас есть парк-хоппер с Диснейлендом в качестве стартового парка, ваша единственная возможность получить группу посадки WEB SLINGERS будет в 12:00.
Правило № 2: Вы можете получить только одну посадочную группу для WEB SLINGERS в день.
К сожалению, вы не можете получить две посадочные группы для WEB SLINGERS в один и тот же день. Вы также не можете одновременно зарезервировать места в группе посадки на «Восстание сопротивления» в Диснейленде и «WEB SLINGERS: A Spider-Man Adventure» на Disney California Adventure. НО, допустим, вам повезло, и вы получили раннюю группу посадки для WEB SLINGERS, и номер вашей группы был назван до 12:00. Если это так, вы можете попытаться получить абордажную группу Rise of the Resistance в 12.
Правило № 3: Если в вашу группу посадки входят члены вашей семьи и друзья, они также должны иметь действительный вход в парк и бронирование мест в парке на этот день.
Все члены вашей группы должны иметь действительные входные билеты в тематический парк и бронирование мест в парке на день, когда вы пытаетесь получить группу для посадки. Опять же, чрезвычайно важно, чтобы билеты вашей группы были добавлены в приложение ДО того, как пришло время получить группу для посадки.
Как добавить билеты для друзей и родственников на вечеринку:
В приложении Диснейленд нажмите значок с тремя полосами в правом нижнем углу экрана.
Нажмите «Билеты и пропуска»
Вы уже должны увидеть свой собственный билет, если вы вошли в ту же учетную запись, которую использовали для покупки билета. Если нет, свяжитесь с Disney.
Нажмите синюю кнопку со знаком «+» в правом верхнем углу экрана.
Нажмите «Связать билеты и пропуска».
Отсканируйте билет вашего друга/члена семьи, и он будет добавлен в приложение.
Повторите эти шаги для остальных членов вашей группы.
Пошаговое руководство по получению члена группы WEB SLINGERS «Человек-паук»
1. Откройте приложение «Диснейленд» до 7:00 или 12:00. Щелкните значок с тремя полосами в правом нижнем углу экрана, а затем нажмите Виртуальные очереди.
2. На экране «Мои очереди» нажмите «Присоединиться к группе посадки».
3. На следующем экране вы увидите вкладки для Disneyland Park и Disney California Adventure Park. Нажмите на вкладку DCA, и вы увидите WEB SLINGERS вместе с такой информацией, как время открытия следующей очереди и вызываемые текущие группы посадки. Прежде чем наступит время для создания абордажной группы, вы также можете подтвердить свою группу. Это способ убедиться, что все участники вашей группы учитываются в приложении.
Нажмите кнопку «Подтвердить вечеринку», и вы попадете на следующий экран.
4. Оставайтесь на этой странице и будьте готовы обновить ее за 2-3 секунды до 7:00 или 12:00.
Будьте готовы кликнуть присоединиться ровно в 7 утра или 12 дня, а не в 7:01, и даже не в 7:00 и 5 секунд. Каждая секунда на счету, если вы хотите прокатиться на этих аттракционах.
5. После обновления экрана на 7 или 12 нажмите кнопку «Присоединиться».
6. Теперь пора думать быстро. На следующем экране вы сможете выбрать членов своей группы. Обычно все билеты/абонементы, действительные в течение дня, будут выбраны автоматически. Если вы все сделали правильно, и все билеты действительны, и у всех есть надлежащие забронированные места в парке, все, что вам нужно сделать на этом экране, — это быстро прокрутить вниз и нажать «Присоединиться». Это экран, который многих сбивает с толку, но вам не нужно тратить на него много времени. Опять же, просто прокрутите и нажмите «Присоединиться». Если по какой-то причине член вашей группы отсутствует на этом экране, обратитесь к гостевым службам и узнайте, что они могут сделать.
7. Если вы были достаточно быстры (и сигнал вашей мобильной сети/Wi-Fi был достаточно хорошим, или приложение Диснейленда не давало сбоев, ваша батарея не разрядилась, и вы не получили телефонный звонок и т. д.) вы увидите следующий экран. Желанная WEB SLINGERS: Группа приключений Человека-паука.
Также на этом экране приблизительно указано, когда будет вызвана ваша группа. Мы обнаружили, что эта оценка достаточно точна, если аттракцион не ломался и не открывался поздно.
Если вы не видите страницу подтверждения группы посадки, вы увидите сообщение о том, что все группы посадки заполнены.
Еще один совет, которым я хотел поделиться, заключается в том, что в вашей группе может быть несколько человек, пытающихся получить интернатные группы. Это дает вам больше шансов получить Boarding Group, если что-то пойдет не так на чьем-то телефоне. Все, что вам нужно сделать, это выполнить те же действия на телефоне каждого человека. Просто не забудьте добавить все билеты в приложение Диснейленд на каждом устройстве.
Удачи! Поделитесь советами или стратегиями бронирования группы посадки для WEB SLINGERS в кампусе Avengers в комментариях!
Впервые опубликовано 24 июня 2021 г. Обновлено 21 сентября 2021 г.
Дата публикации: Всего ответов: 0 Разместил: RK Уровень участника: Gold Очки/деньги: 10
ПРАВИЛА И ПРОЦЕДУРЫ ДЛЯ стропальщиков/такелажников
(A) ОБЩИЕ ПРАВИЛА: 1. Для перевозки грузов с помощью кранов должны привлекаться только уполномоченные стропальщики, которые должны иметь допуск к такой работе. 2. Стропальщики должны быть проверены и проверены в разделе технического обслуживания крана. 3. Каждый стропальщик перед приемом на работу будет осмотрен крановым отделением и выдан допуск, поскольку он будет признан пригодным для безопасной строповки груза. Свидетельство о разрешении выдается сроком на один год. Если его сочтут пригодным для безопасной строповки, его свидетельство будет продлено еще на год. 4. Уполномоченным стропальщикам разрешается подавать сигналы машинистам кранов только стандартными сигналами. 5. Когда крановщик не может четко видеть зону обслуживания из кабины крана, для обмена сигналами между крановщиком и стропальщиком следует привлечь сигнальщика (другого стропальщика). 6. Стропальщики предупреждены об использовании только утвержденных стропов и цепей, имеющих на себе надлежащую инвентарную маркировку, удостоверяющую, что они были протестированы и проверены на их грузоподъемность. 7. Ответственность за технический осмотр, испытание и ремонт стропов и других грузоподъемных устройств возлагается на крановое отделение ремонтной службы. В этом отношении все отделы пользователей должны сотрудничать и координировать свои действия с крановым отделением. 8. В обязанности стропальщиков входит обеспечение наличия строп всех размеров грузоподъемности. Все стропы и цепи должны быть правильно размещены или подвешены, чтобы они не ржавели и не повреждались. 9. Стропальщиков предупреждают, что они не должны иметь при себе поврежденные или непроверенные стропы. Все такие стропы должны быть возвращены в отдел технического обслуживания для уничтожения и утилизации. 10. Все строповочные и грузоподъемные устройства, грузовые контейнеры и т. д. должны время от времени проверяться отделом технического обслуживания. Период между двумя последовательными проверками не должен превышать приведенных ниже норм.
Траверсы и т. д., : Каждые шесть месяцев Клещи и другие грузоподъемные устройства : Каждый месяц Стропы, цепи и грузовые контейнеры и т. д., : Каждые 15 дней
11. Грузоподъемность крана должна быть четко указана на каждом кране читать на расстоянии. Для стрелового крана или любого другого крана со стрелой должна быть предусмотрена шкала, показывающая грузоподъемность крана при различных углах стрелы. 12. Грузоподъемные цепи, скобы, кольца и т. д. необходимо периодически отжигать в соответствии с приведенными ниже нормами. Их необходимо нагреть ниже критической температуры 600 – 650 °С, а затем охладить в неподвижном воздухе.
Цепи размером до 13 мм: каждые 6 месяцев Если они используются для ручных кранов: каждый год Цепи размером более 13 мм: каждый год Если они используются для ручных кранов: каждые два года Кольца, скобы : Каждые полгода
13. Грузоподъемность должна быть указана на всех строповочных и грузоподъемных устройствах. 14. Цепи, скобы и т.п., используемые с деррик-краном, должны тщательно проверяться каждый раз перед использованием, если эта проверка не проводилась в течение последних трех месяцев 15. Отремонтированные цепи, скобы и т. д. должны использоваться только после удовлетворительного отчета об испытаниях. 16. Стропальщик должен знать следующие моменты…. я. Для обмена сигналами с крановщиком. ii. Оценить вес груза и различные безопасные методы строповки. III. В зависимости от веса и размера груза, подобрать нужный размер и длину цепи или стропы, нет. канатов и угол между ними. iv. Проверить и выяснить, безопасны ли для работы стропы, цепи, различные грузоподъемные устройства, грузовой контейнер и т.д. v. Безопасно привязывать или передавать груз с крюка или любого другого приспособления. в.и. Правила заполнения сухого порошка/жидкого материала и других мелких компонентов/деталей в грузовую тару. vii. Правильное и безопасное подвешивание грузового контейнера с помощью крюка крана. viii. Оказать первую помощь пострадавшему от поражения электрическим током (шок). икс. Расположение рубильника главной шины/линии электротроллей или гибкого кабеля, питающего кран.
ОБЯЗАННОСТИ СТРОЛЯЧА ПЕРЕД СТРОПОВКОЙ ГРУЗОВ: Перед строповкой груза стропальщик должен определить или изучить следующие моменты. 1. Грузоподъемность крана. Для кранов со стрелой угол наклона стрелы и грузоподъемность крана при этом угле. 2. Убедитесь, что все части устройства для подвешивания груза в порядке. Их следует очистить от пыли/ржавчины и хорошо смазать все трущиеся поверхности. 3. Оцените вес груза, и в случае сомнений, то же самое следует выяснить из ответственного раздела. 4. Подберите строп или цепь соответствующего размера в соответствии с весом и размером груза. Количество веревок и размер должны быть определены с учетом угла между веревками. Также следует предусмотреть необходимую упаковку (деревянную, джутовую и т. п.) и другие грузоподъемные приспособления. 5. Убедитесь, что стропы, цепи и контейнеры находятся в хорошем состоянии и что инвентаризация промаркирована на всех цепях, стропах и других устройствах для строповки груза. Грузоподъемность должна быть указана на грузовых контейнерах и должна быть выгравирована на поверхности клещей и других строповочных устройств. Поврежденные стропы и стропы без маркировки безопасной рабочей нагрузки подлежат утилизации. 6. Обеспечьте надлежащее освещение в рабочей зоне. 7. Заблаговременно осмотрите место, куда необходимо переместить груз. 8. Посторонние лица не должны находиться рядом с грузом, который необходимо транспортировать.
ОБЯЗАННОСТИ стропальщика ПРИ СТРОПОВКЕ ГРУЗА: 1. Стропальщик должен правильно связать груз и, подвешивая его на крюке, следить за тем, чтобы угол между канатами не превышал 90°. Однако в исключительных случаях, когда высота крана не позволяет использовать более длинные стропы, угол может быть больше 90°, но с разрешения и под контролем ответственного лица. 2. Не следует завязывать узлы на стропе или цепи, чтобы укоротить ее длину. 3. Груз должен быть привязан таким образом, чтобы строп или цепь не перевешивали его и чтобы груз или его часть (деревянная доска, стальная деталь и т.п.) не падали. 4. Для предохранения стропа или цепи от повреждений (т. е. коротких изгибов или порезов) на острых кромках и выступах груза или в месте пересечения каната следует использовать мягкую деревянную набивку, джутовую или металлическую набивку с круглым краем. 5. Для перевозки грузов из ЖБК он должен быть стропован на всех предусмотренных для этого петлях. 6. Машины или длинномерные/крупногабаритные грузы должны перевозиться под наблюдением ответственного лица. 7. При транспортировке металлических листов следует использовать соответствующие приспособления, чтобы листы не погнулись. 8. Небольшие грузы следует перевозить, заполнив их в предусмотренных для этого контейнерах. Контейнер должен быть заполнен на 100 мм ниже его края, чтобы груз не упал вниз при транспортировке. 9. При подъеме машин, опорных плит и т. д. с фундамента стропальщик должен убедиться, что все гайки сняты с фундаментных болтов и что подъему машины не препятствуют. Только после этого он должен дать крановщику сигнал медленного подъема и полностью освободить машину от фундаментных болтов. Затем машина транспортируется в нужное место. 10. Стропальщик должен убедиться, что крюк крана находится над поднимаемым грузом. При подъеме груза тросы крана должны находиться в вертикальном положении, чтобы груз не раскачивался. 11. При подъеме груза с помощью траверсы стропальщик должен следить за тем, чтобы нагрузка на обоих концах траверсы была примерно одинаковой. 12. При подвешивании груза к елочному крюку стропальщик должен следить за тем, чтобы груз подвешивался на обоих концах крюка и нагрузка на оба конца примерно одинакова. 13. При обвязывании груза веревкой или цепью их концы не должны оставаться незакрепленными, а также должны быть связаны с грузом, чтобы он не мешал при транспортировке груза. 14. Перевозка груза двумя кранами должна производиться только под наблюдением ответственного лица. Крановые канаты любого крана должны быть вертикальными, а нагрузка на любой кран не должна превышать его грузоподъемность. 15. При обвязывании или подвешивании груза стропальщику запрещается делать следующее…. i) Использование неисправных или непроверенных стропов, цепей или других грузозахватных приспособлений. ii) Крепление сломанных звеньев цепи болтами. Скрепление двух строп вместе для увеличения длины. iii) Использование строп (обычно для стропов из манильской веревки) с размотанными концами. iv) Использование лома и т.п. для облегчения строповки груза. v) Снятие стропы или цепи с помощью молотка и т.п. с подвешенного груза (или на крюке) для надлежащей балансировки. vi) Стоя рядом с грузом, подвешенным в неравновесном положении. Стоя рядом с грузом, переворачивая его. Для выполнения такого рода работ следует использовать клинья, рычаги и другие подобные приспособления. vii) Держать ногу или руку под грузом или толкать груз телом. viii) Использование стропов и т.п., полученных вместе с упаковочными ящиками (используемых для обвязки груза) или лежащих в железнодорожных вагонах. ix) Канатный строп сжимается под нагрузкой. Таким образом, веревка может быть повреждена и станет непригодной для работы.
16. Штифт соответствующего размера должен использоваться только в скобе. 17. Должны использоваться только рым-болты соответствующего размера, соответствующего поднимаемому грузу. 18. Кольцо или дужка должны свободно сидеть на крюке. 19. Для подъемных плит и т. д. (с подъемными отверстиями) следует использовать только рым-болты с буртиком, а винт должен правильно сидеть с буртиком.
ОБЯЗАННОСТИ СТРОИТЕЛЬНИКА ПРИ ТРАНСПОРТИРОВКЕ ГРУЗОВ: 1. Стропальщик должен сам подавать сигналы машинисту на любой из траверсов крана. 2. Прежде чем подать сигнал о подъеме груза, стропальщик должен убедиться, что…. i) Поднимаемый груз правильно закреплен и не заблокирован ни с какой стороны. ii) На грузе не лежит незакрепленный материал/инструмент и что поднимаемая труба не забита песком, который может упасть во время транспортировки. iii) Грузу не будут мешать какие-либо препятствия во время его подъема/транспортировки. iv) Посторонние лица не должны находиться рядом с грузом или поднятой стрелой. v) Сам стропальщик должен стоять на безопасном расстоянии от поднимаемого груза.
3. При подъеме или опускании груза вблизи стены, колонны, машины, железнодорожного вагона и т.п. стропальщик должен следить за тем, чтобы между грузом и указанными местами не находился человек, а сам он находился в Загрузка. 4. Перед транспортировкой груза краном его следует приподнять над полом на 200 – 300 мм и зафиксировать в этом положении. Теперь стропальщик должен проверить одинаковое натяжение грузовых строп, надежность крепления груза, его балансировку и убедиться в отсутствии возможности падения груза при транспортировке. Если требуется перестановка стропов, то перекладывать ее следует только после опускания груза на пол. 5. При перемещении груза стропальщик должен следить за тем, чтобы груз находился примерно в полуметре от пола или препятствий на пути. Стропальщик должен идти вместе с грузом на безопасном расстоянии от него и следить за тем, чтобы грузу не мешали никакие придорожные препятствия. Стропальщик также должен следить за тем, чтобы груз не переносился на людей. 6. Если стропальщик не может идти вместе с грузом, он должен стоять в удобном месте, откуда он должен наблюдать за перемещаемым грузом. Крановщик в таких случаях также будет контролировать перемещение груза из кабины крана. 7. При транспортировке длинномерных грузов или их повороте на 180° с подвешиванием на крюке крана следует использовать оттяжки. 8. При перемещении груза краном стропальщику запрещается выполнять следующие действия. i) Подъем груза, лежащего в неравновесном положении. Висячая нагрузка только от одного рога елочного крючка. Подъем грузового контейнера, заполненного до верха или выше отметки уровня. ii) Подъем груза, зарытого в землю, бетон или любой другой груз. Вытягивая краном металл/шлак, затвердевший в печи или на полу. iii) Остановка или изменение положения стропы или цепи, проскальзывающей под действием поперечной нагрузки. Если строп начинает проскальзывать от траверсирующего груза, то груз необходимо немедленно опустить на пол, а стропы правильно уложить. iv) Уравновешивание груза собственным весом. Поднятие или опускание груза вместе с лицами, шлифующими его. v) Стоять под транспортируемым грузом или нести груз над людьми. vi) Тяга груза при его подъеме, опускании или транспортировке. vii) Погрузка/разгрузка полувагона с помощью магнитного или грейферного крюка, когда люди стоят на вагоне. viii) Нахождение себя или других лиц в пределах 5 метров от охраняемой зоны обслуживания при работе с магнитным крюком. ix) Хранение любых запасных строп на крюке крана (кроме грузового стропа). Не может случиться так, что грузовая стропа сомнется на краю крюка и соскользнет с него. 9. Если при транспортировке груза краном стропальщик заметит какой-либо дефект крана или пути, кран следует остановить и сообщить о дефекте крановщику и дежурному подразделению.
ОБЯЗАННОСТИ СТРОЛЯЧА ПРИ СПУСКЕ И ПЕРЕМЕЩЕНИИ ГРУЗА: 1. Перед спуском груза стропальщик должен осмотреть место и убедиться, что груз можно безопасно спустить туда. 2. Запрещается опускать груз в неподходящих местах, таких как деревянный каркас, балкон, временная площадка, газопровод/паропровод, электрический кабель и т.д. что груз не соскользнет со склона и что земля не просядет под тяжестью крана/груза. 4. Груз следует опускать на прочной набивке, чтобы стропы можно было легко вынуть из-под груза и при необходимости вернуть обратно. Деревянный материал можно размещать без упаковки, при условии, что стропы не связаны с ним. Строп следует снимать с крюка/груза только после того, как груз будет безопасно и правильно опущен. 5. Груз должен располагаться в шахматном порядке в зависимости от размера груза, чтобы проход оставался свободным. 6. При погрузке/разгрузке железнодорожного вагона, автомобиля или любого другого подобного транспорта упаковка должна быть размещена на всех колесах и особое внимание следует уделить ее балансировке. Даже небольшая неосторожность может привести к опрокидыванию автомобиля. Груз должен быть размещен на транспортном средстве таким образом, чтобы он не выступал небезопасно и был в безопасности во время транспортировки. Транспортное средство не должно быть загружено сверх его грузоподъемности. 7. Груз должен выгружаться на расстоянии не менее метра от железнодорожного пути. ОБЯЗАННОСТИ СТРОЛЯЧА ПОСЛЕ ЗАВЕРШЕНИЯ РАБОТЫ: 1. Стропы, цепи или другие грузоподъемные устройства должны быть сняты с крюка крана. 2. Все строповочные устройства, используемые при работе, должны быть очищены от песка или масла, осмотрены и возвращены на свои места. 3. Стропы, поврежденные во время работы, должны быть возвращены в ремонтный цех.
Автор: Герольд Виктор
Уровень участника: Бронза
Доход Оценка:
Небольшая ошибка в общении может привести к серьезным опасным ситуациям/несчастным случаям при работе с тяжелыми подъемниками. b) В настоящее время отдел технического обслуживания промышленности выдает цветовую маркировку подъемных элементов, которые будут использоваться только для всех подъемных операций, которые обычно определяются отделом безопасности/ОТОСБ. Никакой путаницы в этом не будет. c) Теперь все краны оснащены индикаторами нагрузки, где мы знаем вес поднимаемого объекта. Так что путаницы в этом не будет. d) Большинство других вещей, упомянутых в статье, уже применялись в любой хорошей отрасли. e) Всегда составляется план подъема тяжестей, чтобы ни один из заинтересованных лиц не оставался в неведении. Ответственность каждого уже определена.
Эти важные вещи следует учитывать при выполнении любых упражнений с тяжелыми весами. В конечном счете, не должно быть никаких компромиссов в отношении безопасности.
Оставить отзыв
Вы должны войти, чтобы оставить отзыв.
Следующий проект: Выравнивание — подводные камни, как их выявить и устранить.
Предыдущий проект: Реализация дерева AVL C++
Вернуться к индексу проекта
Опубликовать новый проект
Связанные проекты
Модификация инвалидной коляски
Выработка электроэнергии за счет вращения автомобильного колеса.
Как ездить на паутине: приключение Человека-паука в DCA
Том Брикер Новости и слухи 27 комментариев
Фейсбук
Твиттер
Web Slingers: A Spider-Man Adventure в кампусе Marvel’s Avengers — новейший аттракцион Disney California Adventure. В этом путеводителе содержится информация и советы, как свести к минимуму время ожидания, а также все, что вам нужно знать, чтобы обойти толпу в одной из самых длинных очередей курорта Диснейленд. ( Обновлено 24 марта 2022 г. .)
Мы регулярно обновляем это руководство по поездке Человека-паука на основе последних изменений в DCA. В конце прошлого года Disneyland Resort объявил, что будет открывать виртуальную очередь для Web Slingers: A Spider-Man Adventure только «по мере необходимости» и будет использовать резервную очередь, когда толпа будет меньше.
В то время как Диснейленд оставил дверь открытой для возвращения виртуальной очереди на более поздний срок, когда толпа увеличилась, этого не произошло во время напряженного праздничного сезона или пика весенних каникул. Таким образом, мы предполагаем, что виртуальная очередь Web Slingers: A Spider-Man Adventure теперь ушла навсегда. Имея это в виду, мы здесь, чтобы разобрать все это и объяснить ваши лучшие и худшие варианты для новой поездки Человека-паука в DCA…
Вместо виртуальной очереди, Web Slingers: A Spider-Man Adventure теперь использует традиционная резервная линия и является одним из двух аттракционов Individual Lightning Lane (ILL) Disney California Adventure, а другой — Racers Radiator Springs в Cars Land.
В среднем, у Web Slingers: A Spider-Man Adventure самое продолжительное время ожидания в Disney California Adventure, сразу после Radiator Springs Racers. В обычный день весной 2022 года вы могли бы ожидать 74 минуты ожидания поездки Человека-паука по сравнению с 82 минутами хедлайнера Cars Land. (Несмотря на то, что игре Radiator Springs Racers исполнилось десять лет, намного лучше, чем Web Slingers.) заплатив за прямой доступ через Индивидуальную Lightning Lane. Ежедневные цены на Web Slingers повсюду — мы видели от 7 долларов на человека до 18 долларов.
С учетом сказанного, если вы собираетесь приобрести только отдельные полосы Lightning или Genie+ в Disney California Adventure, мы рекомендуем последний вариант. Чтобы получить совет по этому поводу, обратитесь к нашему Руководству по Genie+ и Lightning Lane в Диснейленде и DCA .
В настоящее время в Disney California Adventure нет дополнительных часов для гостей на месте или кого-либо еще, поэтому все остальные имеют равные шансы в Web Slingers: A Spider-Man Adventure, как только парк откроется.
Как и в любом другом аттракционе, у интерактивного аттракциона Marvel самая короткая очередь дня в момент спуска веревки. Вам нужно будет сделать это в первую очередь, чтобы получить выгоду от этих низких ожиданий — в течение ~ 30 минут после открытия парка время ожидания резко возрастает.
Оттуда до позднего вечера время ожидания почти постоянное, если не немного увеличивается. Нет никакого обеденного затишья или другого приятного места для таргетинга на Web Slingers: A Spider-Man Adventure. Вы либо хотите сделать это в первую очередь, либо отложить на потом.
Говоря об этом, время ожидания Web Slingers, как правило, приходится на последние 2 часа дня, причем наибольшее сокращение приходится на последний час. Эта динамика, вероятно, изменится еще больше, когда World of Color вернется и отвлечет еще больше гостей DCA от кампуса Avengers.
Одна вещь, о которой вы должны знать, это время простоя в Web Slingers: A Spider-Man Adventure. Как и «Звездные войны: Восстание сопротивления», эта поездка стоит прилично. Поломки в начале дня могут привести к отставанию отдельных гостей Lightning Lane, и Disney уделяет им приоритетное внимание — это означает, что время ожидания в режиме ожидания будет выше, а очередь будет двигаться медленнее позже, когда у поездки будет «плохой» день.
Это также может предоставить возможность, если вам повезет, и вы сможете встать в очередь сразу после возвращения Web Slingers из простоя. Стоит посмотреть приложение «Диснейленд» и быть в районе, когда Web Slinger возвращается из «временно закрытого». (Мы ждали около 5 минут, когда заявленное время ожидания после поломки составляло 60 минут.)
К этому моменту мы заметили серьезное увеличение времени ожидания для Web Slingers: A Spider-Man Adventure. Из-за проблем с надежностью и уравновешивания индивидуального Lightning Lane с резервной линией время ожидания часто бывает неточным… и с большим отрывом.
Нет никакой гарантии, что это будет иметь место для вас, и трудно оценить фактическое время ожидания v., просто взглянув на очередь переполнения (поскольку время простоя и невыполненные заказы отдельных Lightning Lane также влияют на время ожидания в режиме ожидания и длина линии). Однако, если обратная линия не длинная для Лайтнинг-лейн и очередь ожидания также не выходит за пределы входа, маловероятно, что Web Slingers: A Spider-Man Adventure придется ждать дольше 60 минут.
Наконец, в Web Slingers: A Spider-Man Adventure есть линейка Single Rider, как и в Radiator Springs Racers. Это означает, что вы можете обойти обе линии, не покупая Индивидуальную полосу Lightning Lane… вы просто не будете сидеть с остальной частью вашей группы.
Еще рано, и Web Slingers только начали предлагать Single Rider, но мы ожидаем, что он будет довольно эффективным, но не таким эффективным, как Radiator Springs Racers. Этот аттракцион вмещает 3 гостей в ряду, что является нечетным числом, которое позволяет использовать свободные места. Web Slingers: A Spider-Man Adventure вмещает 4 гостей в ряду, что является более распространенным размером вечеринки или комбинацией (2 пары).
На этом мы завершаем наше пересмотренное руководство по стратегии «Верховые пращники: приключения Человека-паука» от весны 2022 года. Мы будем держать вас в курсе того, что вам нужно знать для создания дополнения «Кампус Мстителей», по мере того, как все меняется.
Что касается текущей информации, то это все. Далее следует «унаследованная» информация о ныне несуществующей виртуальной очереди, сохраненная для потомков — и на всякий случай, если Диснейленд вернет ее…
Диснейленд изменил свой подход к использованию виртуальной очереди в фильме «Петлисты: Человек-паук». Приключение: «Мы планируем каждый день открывать виртуальную очередь на Web Slingers: A Spider-Man Adventure по мере необходимости. Когда виртуальная очередь открыта, гости могут запросить присоединение после входа в Disney California Adventure».
«Доступ к резервной линии для Web Slingers: A Spider-Man Adventure может быть доступен при открытии парка и снова после того, как группы посадки будут вызваны на день. Проверьте списки аттракционов, чтобы узнать, осуществляется ли доступ к текущему аттракциону через виртуальную очередь или резервную линию». По крайней мере, на данный момент это делает многие подробности в этом руководстве по виртуальной очереди для Web Slingers: A Spider-Man Adventure неактуальными.
Чтобы испытать себя в Web Slingers: A Spider-Man Adventure, гости должны присоединиться к виртуальной очереди, доступной только через мобильное приложение Диснейленда. Время распределения для регистрации в виртуальной очереди: ежедневно в 7:00 и 12:00 (полдень) по тихоокеанскому времени. Чтобы дать возможность как можно большему количеству гостей плести паутину вместе с Человеком-пауком, каждый гость может входить в виртуальную очередь не чаще одного раза в сутки.
Начало дня в Disney California Adventure
Гости с действующим билетом и бронированием тематического парка, которые начинают свой день в Disney California Adventure, могут получить доступ к системе виртуальной очереди через приложение Disneyland и проверить наличие доступной группы посадки. в 7:00 утра в день бронирования парка. Поскольку парк тогда не открыт, это, очевидно, можно сделать из дома, гостиничного номера или буквально из любого другого места.
Гости, которые не смогли присоединиться к посадке в это время, могут снова проверить доступную группу посадки в 12:00. Disneyland.com в настоящее время содержит формулировку о том, что это можно сделать из любого места, но это может быть ошибкой — если это работает так же, как Rise of the Resistance, вам сначала нужно войти в DCA или Диснейленд. Мы обновим это соответствующим образом, как только подтвердим так или иначе.
Начало дня в Disney California Adventure или Disneyland (с билетом Park Hopper)
Чтобы получить доступ к виртуальной очереди, которая начинается в 12:00, гости должны иметь действующий билет и бронирование парка, а также войти в Disney Калифорнийское приключение или Диснейленд с билетом в парк Хоппер к тому времени. Гости, начинающие свой день в Диснейленде, могут затем войти в Disney California Adventure со своим билетом в парк Хоппер после 13:00 для своей группы посадки.
Независимо от того, когда вы присоединитесь к виртуальной очереди, вы получите push-уведомление через приложение Диснейленда, когда вашу группу посадки вызовут на возвращение. У вас будет до часа с момента оповещения, чтобы подойти ко входу в Web Slingers: A Spider-Man Adventure.
Единственный способ испытать себя в игре Web Slingers: A Spider-Man Adventure — это получить действительный вход в Disney California Adventure Park и через виртуальную очередь. Резервные линии отсутствуют. Доступ к группе посадки зависит от наличия возможности и не гарантируется. Время раздачи может быть изменено или отменено.
Присоединение к виртуальной очереди не гарантирует возможности испытать Web Slingers: A Spider-Man Adventure. Гости могут встать в виртуальную очередь только один раз в день для каждого аттракциона и не могут одновременно удерживать группу посадки для «Звездных войн: Восстание сопротивления» и «Петлисты: приключения Человека-паука».
С точки зрения стратегии, наши советы здесь аналогичны тому, что содержится в нашем Путеводителе по «Звездным войнам: Восстание сопротивления в Диснейленде» . Имейте в виду, что Web Slingers: A Spider-Man Adventure еще не открылся, поэтому мы дополним его, как только он появится.
Однако есть несколько вещей, которые, как мы знаем, важны для успешного подсчета посадочных талонов в любой виртуальной очереди. Этот совет почти наверняка применим к Web Slingers и любой другой виртуальной очереди, которую Диснейленд добавит в будущем…
Во-первых, важно оптимизировать, чтобы обеспечить точное время, а ваш телефон и подключение к Интернету должны быть максимально быстрыми. Это может показаться излишним, но миллисекунд имеют значение. Мы рекомендуем провести быстрый тест скорости за несколько минут до того, как придет время присоединиться к виртуальной очереди.
Любая скорость 50 Мбит/с или выше должна быть достаточной, но чем выше, тем лучше. При необходимости передвигайтесь, чтобы уйти от других людей, или увеличьте скорость до этого порога. Кроме того, протестируйте как Wi-Fi, так и сотовую связь, чтобы увидеть, что быстрее, и используйте это.
Во-вторых, убедитесь, что ваш телефон полностью обновлен, и принудительно закройте все приложения, включая приложение «Диснейленд», незадолго до того, как придет время присоединиться к виртуальной очереди. Это ускорит работу вашего телефона, чтобы на вашем конце не было задержек.
Наконец, дважды проверьте время на своем телефоне или на часах по time.gov, который Диснейленд использует для открытия виртуальной очереди. Попытка присоединиться к виртуальной очереди для Web Slingers секунды часы на time. gov бьют 7 утра или полдень. Эти три простых шага часто могут быть разницей между успехом и неудачей!
Что касается комментариев, большой вопрос у читателей, вероятно, будет заключаться в том, является ли эта виртуальная система очередей будущим аттракционов в Диснейленде и Мире Уолта Диснея. Мы сомневаемся в этом.
«Звездные войны: Восстание сопротивления» дебютировали с виртуальной очередью во время обычных операций, потому что она была (и до сих пор остается) крайне ненадежной, неэффективной и склонной к поломкам в течение часа. Вполне возможно, что в Web Slingers: A Spider-Man Adventure есть виртуальная очередь, потому что, как и в Star Wars: Rise of the Resistance, она ненадежна и часто ломается.
Что более вероятно, так это то, что Web Slingers: A Spider-Man Adventure открывается во время физического дистанцирования. Это означает несколько вещей: аттракционы оставляют места незанятыми, очереди становятся длиннее, потому что в них больше свободного места, а очереди «складываются» на открытом воздухе, вызывая больше заторов на соответствующих территориях.
Кроме того, территория Кампуса Мстителей не очень велика, а места для очереди на «Петляные пращники: приключения Человека-паука» минимальны, а это означает, что в новой стране Marvel не так много места для физической очереди. Популярность аттракциона должна немного снизиться, прежде чем он сможет использовать резервную линию.
Если вас беспокоят виртуальные очереди и то, что вы встаете в 7 утра, чтобы набрать трудные группы для посадки, которые являются «будущим» аттракционов, не ищите дальше, чем Mickey & Minnie’s Runaway Railway. Это новейший аттракцион в Мире Уолта Диснея, и он их не использует. Это потому, что это высокопроизводительный, надежный аттракцион.
В долгосрочной перспективе эта виртуальная очередь для Web Slingers: A Spider-Man Adventure, вероятно, не понадобится. Черт возьми, это может даже не быть проблемой в ближайшей перспективе. Как только Диснейленд полностью устранит физическое дистанцирование, вполне возможно, что Web Slingers: A Spider-Man Adventure не понадобится виртуальная очередь, и вскоре после этого она будет удалена.
Это оптимистичная точка зрения и, возможно, (более или менее) точная. Пессимистичная точка зрения состоит в том, что Диснейленд не будет достаточно быстр, чтобы развивать свою систему на лету, а виртуальная очередь будет действовать все лето и не позволит гостям кататься несколько раз в день, даже когда в таких ограничениях нет необходимости. В качестве примечания, теперь становится еще труднее оправдать покупку Аксессуары для игрушек WEB Tech!
Планируете отпуск в Южной Калифорнии? Чтобы узнать о скидках на вход в парк, прочитайте «Советы по экономии денег на билетах в Диснейленд». Узнайте об отелях на территории и за ее пределами в наших обзорах и рейтингах отелей Анахайма. Чтобы узнать, где поесть, ознакомьтесь с нашими обзорами ресторанов Диснейленда. Чтобы узнать об уникальных идеях вещей, которые сделают ваше путешествие лучше, ознакомьтесь с разделом «Что взять с собой для Disney». Для получения подробных рекомендаций обратитесь к нашему Руководству по планированию отпуска в Диснейленде . Наконец, для гидов за пределами Диснея , ознакомьтесь с нашими маршрутами по Южной Калифорнии для однодневных поездок в Лос-Анджелес, Лагуна-Бич и множество других мест!
ВАШИ МЫСЛИ
Ждете ли вы Web Slingers: A Spider-Man Adventure? Что вы думаете о виртуальной очереди? Обеспокоены тем, что это станет обычным явлением для будущих достопримечательностей, или согласны с тем, что это, вероятно, временное явление в результате физического дистанцирования? Вы планируете посетить Диснейленд на открытие Кампуса Мстителей или подождете? Вы согласны или не согласны с нашей оценкой? Любые вопросы? Ваши отзывы — даже если вы с нами не согласны — интересны и нам, и полезны другим читателям, поэтому, пожалуйста, поделитесь своими мыслями ниже в комментариях!
Фейсбук
Твиттер
Автор Том Брикер
Знай, прежде чем идти: планирование своей миссии в кампусе Мстителей Открытие 4 июня в Disney California Adventure Park
Всего через несколько дней вам будет предложено объединиться с Мстителями и их союзниками, чтобы воплотить свои мечты о супергероях Кампус Мстителей в парке приключений Диснея в Калифорнии откроется 4 июня.
Как мы уже сообщали, Кампус Мстителей состоит из нескольких героических локаций, каждая из которых находится под управлением разных супергероев или их союзников, чтобы поделиться своими уникальными способностями, технологиями и знаниями с новобранцами. . Однако нам еще многое предстоит сделать, и я здесь, чтобы помочь вам подготовиться к ВАШЕЙ миссии!
Вот все, что вам нужно знать при планировании посещения Кампуса Мстителей:
Бронирование мест в тематических парках и билеты
Во-первых, всем новобранцам, планирующим посетить Кампус Мстителей, потребуется бронь в парке и действительный билет Парк приключений Disney California в тот же день. Бронирование мест в тематических парках ограничено из-за ограничений вместимости и будет зависеть от наличия мест, поэтому обязательно спланируйте свою миссию, прежде чем отправиться туда.
Доступ к кампусу Мстителей
Когда кампус Мстителей откроется, вы сможете войти через главный вход, расположенный рядом со Всемирной инженерной бригадой (также известной как WEB), сразу за рестораном Carthay Circle и напротив винодельни Golden Vine.
Есть два способа получить доступ в Кампус Мстителей: вы можете использовать резервную очередь или виртуальную очередь* в игре WEB SLINGERS: A Spider-Man Adventure. Вот как работает каждый вариант:
Очередь ожидания: Когда кампус Мстителей заполнится, очередь для входа в кампус Мстителей будет доступна справа от главного входа Всемирной инженерной бригадой (WEB) для тех, кто хочет насладиться видами и звуками кампуса Мстителей. .
Виртуальная очередь для WEB SLINGERS: A Spider-Man Adventure: Чтобы испытать WEB SLINGERS: A Spider-Man Adventure, гости должны присоединиться к виртуальной очереди, которая доступна через мобильное приложение Disneyland.** Есть нет резервной линии для этого аттракциона. Похоже на Звездные войны : Восстание сопротивления, время регистрации в виртуальной очереди будет два раза в день, в 7 часов утра (что вы можете сделать, не выходя из дома или гостиничного номера) и 12 часов дня. Чтобы узнать подробности о том, как система будет работать, посетите эту страницу для получения дополнительной информации. После того, как будет вызвана посадочная группа гостей, они должны направиться налево от главного входа на территорию по парадному коридору. Вы можете наслаждаться кампусом Мстителей после того, как ваша посадочная группа была вызвана и вы вошли в землю.
Диснейленд и приложения Play Disney Parks
Итак, новобранцы, пора осваивать технологии! Как всегда, я настоятельно рекомендую загрузить последнюю версию приложения Диснейленд на свое мобильное устройство перед посещением.
С помощью приложения вы сможете встать в виртуальную очередь на WEB SLINGERS: A Spider-Man Adventure, разместить мобильный заказ на еду и напитки, просмотреть карты парка и многое другое. Обязательно включите службы определения местоположения и Bluetooth и включите уведомления, чтобы получать информацию об обратном вызове из виртуальной очереди и другую важную информацию.
Кроме того, новый PhotoPass+ One Day** — это ограниченное по времени предложение, доступное через приложение Disneyland. Вы можете запечатлеть и поделиться своими незабываемыми моментами в кампусе Avengers с неограниченным количеством загрузок со дня вашего визита!
Если вы являетесь поклонником приложения Play Disney Parks***, вы также можете улучшить свои впечатления от интерактивных моментов в кампусе Мстителей. Откройте для себя новые возможности в приложении, такие как викторины Avengers Campus, а также наземные и привлекательные цифровые достижения!
Героические встречи
Человек-паук поднимается в небо высоко над кампусом Мстителей, где вы также можете столкнуться с такими персонажами, как Железный человек, Черная пантера, Дора Милахе, Черная вдова, Человек-муравей и Оса. – некоторые из них впервые появляются в парке.
В близлежащем Древнем святилище Доктор Стрэндж будет обучать новобранцев мистическим искусствам, оживляя это древнее святилище мощными заклинаниями. Вы даже можете стать свидетелем того, как Человек-Паук бросается в бой высоко над кампусом Мстителей, демонстрируя бросающие вызов гравитации акробатические трюки, которых раньше не видели в тематическом парке Диснея.
Говоря о Человеке-пауке, испытайте свои навыки перебрасывания паутины и узнайте, что значит обладать способностями в новом аттракционе WEB SLINGERS: A Spider-Man Adventure, первом аттракционе Disney, в котором представлен культовый дружелюбный район. Человек-паук! Кроме того, находясь в кампусе Мстителей, помогите Ракете вывести своих собратьев-Стражей Галактики из Крепости Коллекционеров в любимой фанатами игре «Стражи Галактики — Миссия: ПРОРЫВ»!
Пропитание супергероев
И со всеми этими тренировками в какой-то момент тебе нужно будет подзаправиться! От обертки с шаурмой до бара Choco-Smash CANDY Bar, Pingo Doce и многого другого — на территории кампуса есть несколько супер-крутых ресторанов. Мне не терпится попробовать все, но особенно одно из любимых заведений Мстителей, Shawarma Palace. Чтобы получить полную информацию, обязательно ознакомьтесь с нашим Путеводителем для гурманов по кампусу Мстителей.
Я настоятельно рекомендую вам планировать заранее, использовать службу мобильного заказа и платить с помощью приложения Disneyland для бесконтактного заказа в местах, включая Pym Test Kitchen с IMPOSSIBLE TM , Дегустационная лаборатория Pym и Дворец шаурмы. В настоящее время гости могут забрать мобильный заказ на еду и напитки только в том случае, если они уже находятся в кампусе Мстителей. Важно знать, что простое размещение мобильного заказа в магазине еды и напитков в кампусе Мстителей не дает вам доступа к земле или парку.
Снаряжение для критически важных миссий
Не забудьте подготовиться к эпическому приключению! Есть три промышленных торговых магазина, которые снабжают начинающих членов WEB всеми новейшими гаджетами, аксессуарами и модной одеждой.
Внутри земли, начиная с 4 июня, вы найдете поставщиков WEB и блок снабжения кампуса Мстителей. Недалеко от кампуса Мстителей посетите магазин Disneyland Resort Backlot Premiere Shop с кампусом Мстителей (который уже открыт). Один обязательный гаджет, доступный во всех местах, — это WEB Tech! Как мы уже сообщали, все гости, посетившие WEB SLINGERS: A Spider-Man Adventure, смогут плести паутину вместе с Человеком-пауком в самом эпическом приключении. Те, кто хочет настроить свой опыт на борту аттракциона, могут сделать это с помощью носимых аксессуаров WEB Tech, которые дают вам дополнительные возможности перебрасывания паутины. Довольно круто!
И помните, спрятанный на первом этаже Стражей Галактики — Миссия: ПРОРЫВ! сотни предметов, хранящихся на складе коллекционера, которые у вас может возникнуть соблазн добавить в свою собственную коллекцию.
Новости путешествия
Наконец, было бы упущением не упомянуть очень важную заметку о путешествии в Диснейленд прямо сейчас. Гости, планирующие визит, должны знать о последних правилах охраны здоровья и безопасности. До 15 июня только жители Калифорнии могут посещать тематические парки Disneyland Resort, а размер вечеринки ограничен не более чем тремя семьями.
С 15 июня 2021 года мы снова сможем приветствовать гостей из-за пределов Калифорнии в наших тематических парках. Обязательно ознакомьтесь с последней информацией о путешествиях и важной информацией о требованиях к посещению парков на сайте Disneyland. com/update.
Пока все, новобранцы! Пора готовиться к эпическим действиям, которые начнутся 4 июня!
*Доступ к WEB SLINGERS: посадочная группа Spider-Man Adventure предоставляется в зависимости от наличия и не гарантируется. Время раздачи может быть изменено или отменено. Присоединение к виртуальной очереди не гарантирует возможности испытать аттракцион. Требуется действительный билет и бронирование парка в парке приключений Диснея в Калифорнии, а также действуют другие ограничения. Гости могут встать в виртуальную очередь только один раз в день на каждый аттракцион.
**Продукты Disney PhotoPass+ подпадают под действие условий Disney PhotoPass+, приведенных на странице https://disneyland.disney.go.com/photopass-terms-conditions/. Disney PhotoPass+ One Day включает фотографии и видео, снятые на курорте Диснейленд, начиная с 6:00 по тихоокеанскому времени в день активации продукта и заканчивая в 5:59 по тихоокеанскому времени следующего дня. Disney PhotoPass+ One Week включает фотографии и видео, снятые на курорте Диснейленд, начиная с 6:00 по тихоокеанскому времени в день активации продукта и заканчивая в 11:59. вечера. PT на шестой день после такой даты. Требуется онлайн-регистрация. Срок действия фотографий и видео Disney PhotoPass в вашей учетной записи истечет в соответствии с политикой истечения срока действия на странице https://disneyland.disney.go.com/photopass-expiration-policy/. Загрузка разрешена только для личного использования. Не несет ответственности за отсутствующие, потерянные или поврежденные фотографии или видео. Для доступа к большинству мест службы Disney PhotoPass требуется действительный вход в тематический парк и бронирование мест в парке. Возможны ограничения и изменения без предварительного уведомления.
*** Для приложения Disneyland могут применяться тарифы на сообщения, данные и роуминг. Доступность зависит от ограничений и функций мобильного телефона и зависит от мобильного телефона или поставщика услуг. Покрытие и магазины приложений доступны не везде. Если вам еще нет 18 лет, сначала получите разрешение родителей. Некоторые функции приложения требуют отдельного входа в тематический парк.
Как мне получить группу посадки для WEB Slingers, Rise of the Resistance и Индианы Джонса в Диснейленде?
Это официально! WEB SLINGERS: приключение Человека-паука в парке приключений Disney California открыто! 4 июня Мстители со всей Галактики собрались, чтобы открыть новый Кампус Мстителей.
Новейший аттракцион Disney California Adventure, WEB SLINGERS: A Spider-Man Adventure, вызывает у фанатов Marvel СУПЕР радость от посещения новой земли. Один из самых больших вопросов, которые мы получили об аттракционе, — это «будет ли в Диснейленде виртуальная очередь для WEB SLINGERS подобных Star Wars: Rise of the Resistance. Простой ответ: да! Но это немного другая процедура, чем Rise!
Наш второй самый важный вопрос: «Могу ли я получить посадочную группу для WEB SLINGERS: A Spider-Man Adventure, Star Wars: Rise of the Resistance и Indiana Jones Adventure (ПРОСТО добавлено в виртуальную очередь в Диснейленде, когда парк снова открылся) в тот же день. И простой ответ на это: да, это возможно! Но для этого требуется определенная работа. Мы составили руководство, которое поможет вам понять, как максимально эффективно использовать свое время в Диснейленде и Disney California Adventure, и получить эти группы посадки!
Чтобы запланировать посадочную группу для Человека-паука, вам понадобятся три вещи:
Действительный билет в тематический парк
Бронирование тематического парка Disney California Adventure на день, когда вы планируете покататься на аттракционе
Приложение «Диснейленд» на вашем телефоне и настройка с загруженной информацией вашей учетной записи
Настройте приложение «Диснейленд»
Один из самых важных советов, который мы получили от нашего консультанта по путешествиям, заключался в том, чтобы убедиться, что мы загрузили приложение «Диснейленд» на ваше устройство до того, как ваш отпуск будет забронирован. Вы хотите, чтобы вся ваша учетная запись и вся ваша группа планирования были загружены в приложение, прежде чем вы даже попытаетесь запланировать эту группу посадки. Перед поездкой в Диснейленд сделайте следующее:
Загрузите приложение Диснейленд или откройте его, если оно уже установлено на вашем устройстве
Настройте свою учетную запись или войдите в свою учетную запись
Убедитесь, что все ваши бронирования и билеты привязаны к учетной записи. Консультант по путешествиям может помочь вам сделать все это
Добавьте свой билет(ы) в приложение
Убедитесь, что вся ваша посадочная группа связана со своими билетами с вашей учетной записью.
Фото предоставлено Disney
Планирование группы посадки в виртуальной очереди для WEB SLINGERS: A Spider-Man Adventure
У вас будет две возможности запланировать группу посадки каждый день (но вы можете встать в виртуальную очередь на аттракцион только один раз в день).
7:00: Вы можете сделать эту попытку из дома или из отеля. Вам НЕ нужно быть на курорте, чтобы сделать заказ, но у вас должны быть действительные билеты в парк и бронирование парка приключений Disney California.
Полдень: Вы должны войти либо в Диснейленд, либо в Калифорнийский Дисней Приключения, чтобы забронировать окно бронирования в полдень. Владельцы билетов Park-hopper, которые начали свой день в Диснейленде, также могут попробовать забронировать полдень WEB SLINGERS. (Прогулки по парку начинаются в 13:00)
Абордажные группы для Rise of the Resistance исчезли за считанные секунды, и то же самое теперь верно и для WEB SLINGERS. Если вы хотите убедиться, что вы получили посадочную группу для WEB SLINGERS, выполните следующие действия: (а затем попросите Доктора Стрэнджа сотворить для вас небольшое волшебство)
Войдите в свое приложение Disneyland до 6:30 или 11:30. AM-в зависимости от того, в какую группу посадки вы пытаетесь попасть — не ждите, чтобы проверить, вошли ли вы в систему (это одна из самых больших ошибок)
Протестируйте услугу с телефона. Мы предлагаем отключиться от любого курортного Wi-Fi, так как он будет перегружен, когда наступит 7 утра или полдень.
Откройте раздел «Виртуальные очереди» в приложении «Диснейленд» за пару минут до начала регистрации в виртуальной очереди в 7:00. или полдень.
Убедитесь, что на вашем телефоне включены уведомления.
Когда вы перейдете на страницу «Присоединиться к группе посадки», щелкните значок, после чего вы сможете переключаться между Диснейлендом и Калифорнийским парком приключений Диснея. В качестве вариантов вы увидите WEB SLINGERS: A Spider-Man Adventure, Star Wars: Rise of the Resistance и Indiana Jones (недавно добавленные).
СЛЕДУЮЩИЙ:
Нажмите кнопку «ПРИСОЕДИНИТЬСЯ». Если достопримечательность еще недоступна, вы можете потянуть страницу вниз, чтобы обновить ее несколько раз, пока возможность бронирования не разблокируется прямо в 7:00 или ПОЛДЕНЬ.
Как только кнопка ПРИСОЕДИНИТЬСЯ будет выделена, БЫСТРО создайте свою группу и нажмите ПРИСОЕДИНИТЬСЯ.
Вы будете уведомлены, если вам назначена группа посадки. Если вы не получили место в 7:00, вы можете повторить попытку в ПОЛДЕНЬ, выполнив те же действия.
Вы получите уведомление на свой телефон, когда придет время кататься на аттракционе. Вы всегда можете проверить «Мои очереди», чтобы узнать, какие номера групп посадки вызываются.
Как я могу прокатиться на WEB SLINGERS: A Spider-Man Adventure, Star Wars: Rise of the Resistance и Indiana Jones Adventure в один и тот же день?
Есть несколько вещей, которые должны произойти, чтобы это заработало. Это может быть ОЧЕНЬ сложно, и мы предлагаем вам использовать для этого советника по путешествиям… Вы можете удерживать только одну посадочную группу за раз для WEB SLINGERS & Star Wars, но вы можете иметь две отдельные группы в день, если это имеет смысл. Тем не менее, вы можете иметь посадочную группу для «Приключений Индианы Джонса» И любых других (или обоих) аттракционов в дополнение к Джонсу. Вот процесс и объяснение:
Вы можете одновременно удерживать только ОДНУ абордажную группу для Star Wars Rise of the Resistance и WEB SLINGER. Это означает, что вы можете получить WEB SLINGERS или Rise of the Resistance в 7:00 или ПОЛДЕНЬ.
Однако вы можете иметь пропуск на одну поездку утром и другую днем.
В Приключении Индианы Джонса можно зарегистрироваться только ОДИН раз
Время регистрации начинается с открытия парка приключений Индианы Джонса
Вы не можете получить посадочную группу для «Приключений Индианы Джонса», пока не войдете в Диснейленд 9.0034
Как я могу это сделать? (Кроме направления Силы)
Очень важно, чтобы у вас было ВСЕ это, чтобы это работало:
У вас ДОЛЖЕН быть билет в парк.
Вам необходимо получить виртуальную очередь для парка, в котором вы начинаете свой день. Пример: вы начинаете свой день в Диснейленде и можете получить посадочный талон на фильм «Звездные войны: Восстание сопротивления» утром.
Группа посадки для вашей утренней виртуальной очереди должна быть использована до полудня. Итак, в приведенном выше примере: вы можете потребовать свою абордажную группу Rise of the Resistance утром до полудня.
Вы успешно получили виртуальную очередь на второй аттракцион в полдень. Это означало бы, что вы получили один для WEB SLINGERS: A Spider-Man Adventure в DCA.
Вы должны сначала войти в Диснейленд (это означает, что вам нужно будет получить абордажную группу 7:00 «Звездные войны: Восстание сопротивления»), чтобы получить доступ к абордажной группе для «Приключений Индианы Джонса». * Это место не заполняется так быстро, как два других аттракциона.
К вашему сведению: * Парковщикам разрешено менять парки после 13:00. Можно сделать все три поездки в один день. Но поскольку между 12:00 и 13:00 на утренних посадочных талонах может быть перекрытие в час или около того, не все владельцы билетов в парке смогут попасть на 2-й / 3-й аттракцион. Кроме того, нет уверенности в том, что вы успешно наберете посадочную группу для любого аттракциона, а тем более для всех трех, за один день.
Лучший способ убедиться, что вы полностью готовы к посадке в Диснейленд и Disney California Adventure, — это забронировать билеты через консультанта по путешествиям!
Собираетесь в поездку? Это прекрасное время, чтобы спланировать свой идеальный отпуск! Наличие консультанта по путешествиям означает, что кто-то рядом, чтобы поддержать вас в любом случае. Для вас нет никаких дополнительных затрат, и вы можете быть спокойны, зная, что ваш отпуск в надежных руках.
Свяжитесь с нашими друзьями из Key to the World Travel®, чтобы бесплатно и без каких-либо обязательств рассчитать стоимость вашей следующей поездки. Кликните сюда. Если вам нравится следить за самой свежей информацией и новостями о парке, подпишитесь на нас в Instagram: @themeparkprofessor
Как получить посадочный талон Web Slingers в Диснейленде 2022
Как получить посадочный талон для WEB SLINGERS в Калифорнийском парке приключений Disney
Как получить посадочный талон для WEB SLINGERS в Калифорнийском парке приключений Disney
Диснейленд
Эта статья это ваше полное руководство о том, как получить группу для посадки на паутины в Диснейленде! Это птица, это самолет, это Человек-паук летит по воздуху в кампусе Мстителей в Диснейленде. После долгих ожиданий эта новая земля открылась, радуя гостей, приглашая их стать частью вселенной Marvel.
Новый захватывающий аттракцион, который открылся в кампусе Мстителей, называется WEB SLINGERS: A Spider-Man Adventure. В этой интерактивной и захватывающей поездке гости набираются, чтобы помочь Человеку-пауку сразиться с роботами-пауками, которые размножились и вышли из-под контроля в кампусе Мстителей. Но прежде чем вы сможете помочь нашему дорогому другу Спайди, вам нужно получить посадочный талон Диснейленда для этого чрезвычайно популярного аттракциона.
Мы надеемся, что вы найдете этот пост полезным, и если вы планируете поездку в Диснейленд, обязательно ознакомьтесь с нашими другими БЕСПЛАТНЫМИ инструментами планирования отпуска. Наша цель в The Park Prodigy всегда заключалась в том, чтобы помочь вам сэкономить время во время вашего следующего отпуска и найти лучшее время для Купите билеты в Диснейленд!
Звучит пугающе, но не бойтесь! Мы здесь, чтобы показать вам, как получить посадочную группу WEB SLINGERS: A Spider-Man Adventure Disneyland быстрее, чем взмахом руки!
ОСОБОЕ ПРИМЕЧАНИЕ: Если вы ищете лучшее время для посещения кампуса Мстителей, обязательно ознакомьтесь с нашим календарем массовых мероприятий Диснейленда!
Календарь массовых мероприятий Диснейленда
WEB SLINGERS Ride Boarding Group
Вы хотите знать как попасть на WEB SLINGERS ride , мы поняли. Но, прежде чем вы даже начнете мечтать о получении посадочного талона на «Человека-паука » для своей семьи, остановитесь и убедитесь, что у вас есть эти 3 основных предмета:
Действительный билет в тематический парк Диснейленда на день, когда вы планирую прокатиться на каждого гостя.
Бронирование тематического парка для Disney California Adventure на день, когда вы надеетесь покататься на аттракционе. Каждый человек в вашей группе нуждается в резервации парка.
Приложение Диснейленд необходимо будет загрузить на свой телефон и обновить всю информацию о вашей учетной записи, а также связать со всеми сторонами, которые являются частью вашей группы
Продолжайте читать, чтобы узнать, как убедиться, что ваше приложение готово для быстрого получения посадочного талона Spider-Man Adventure.
Первый шаг к получению посадочного талона WEB SLINGERS
Первый шаг к тому, чтобы убедиться, что вы можете получить Группа посадки Человека-паука в Диснейленде подготавливает ваше приложение Диснейленда для регистрации. Хотя вам может нравиться рисковать и стоять в очередях, чтобы покататься на аттракционах, у вас нет такой возможности с этим новейшим аттракционом. Подобно Rise of the Resistance , WEB Slingers: A Spider-Man Adventure требует приложения Disneyland, если вам интересно, как попасть на аттракцион Disneyland Spider-Man Вот пять шагов для настройки приложения Disneyland.
Загрузите приложение из магазина приложений. Он отлично работает как на телефонах Android, так и на Apple.
Настройте свою учетную запись, прежде чем отправиться в путешествие. Убедитесь, что у вас есть сильный Wi-Fi для этого процесса.
После настройки привяжите билеты в парк, годовые абонементы и все бронирования к своей учетной записи. Вы можете сделать это, используя свои номера бронирования. Если у вас возникнут какие-либо проблемы, ваш туристический агент будет рад помочь (это только одна из многих причин, по которым стоит иметь такого отличного турагента, как Park Prodigy).
Убедитесь, что все, кто хочет участвовать в вашей вечеринке WEB Slingers Boarding group , привязали свои билеты к вашей учетной записи.
WEB SLINGERS Ride Boarding Group Times
Подобно Rise of the Resistance , у вас будет два раза в день, когда вы сможете зайти в приложение и попробовать получить посадочный талон для WEB SLINGERS. Эти два раза нельзя пропустить или даже войти в систему на минуту позже, чтобы получить аттракцион Диснейленд Человек-Паук на посадку 9Группа 0018. Итак, будьте готовы в точное время, указанное ниже. Нередко все абордажных групп Человека-паука исчезают в течение нескольких секунд после того, как они открываются.
В то время как Диснейленд даст вам два раза, чтобы попытаться запланировать n Группа посадки в кампусе Мстителей, вы все равно можете кататься на нем только один раз в день. Второй раз просто доступен для тех, кто не набрал посадочную группу в предыдущий раз.
Во сколько начинаются группы приключения Человека-паука?
7:00
13:00
7:00 : Самое приятное в это время то, что если у вас есть бронирование парковки и билеты в парк , вы можете попытаться получить свой посадочный талон WEB SLINGERS из любого места — из дома , с вашего курорта или любого другого места, где вы можете оказаться в 7 утра.
13:00: Чтобы воспользоваться этим окном бронирования, вы и вся ваша группа должны физически находиться в Диснейленде или Disney California Adventure. Для того, чтобы записаться на Виртуальная очередь WEB Slingers из Диснейленда, в вашем билете должна быть указана опция «парк-прыгун», так как прогулка по парку начинается в 13:00.
Пошаговое руководство по получению
посадочного талона WEB SLINGERS
Итак, вы прочитали все, что можно было прочитать, вы установили будильник, чтобы проснуться рано и хорошо, и вы готовы сделать все возможное, чтобы стать супергероем для своей семьи и доставить вам все WEB SLINGERS?
Следуйте этим инструкциям, чтобы получить наилучшие шансы на успех!
Войдите в приложение Диснейленд как минимум за 15 минут до начала группы посадки. Убедитесь, что вы вошли в систему. Вы не хотите вводить пароль в последнюю минуту, теряя драгоценные секунды.
Закройте все остальные приложения, чтобы избежать путаницы или неожиданных всплывающих окон в процессе получения посадочного талона Человека-паука .
Протестируйте службу Wi-Fi. В зависимости от того, где вы находитесь, убедитесь, что у вас хорошее соединение. Если вы находитесь на курорте или в парке, мы иногда рекомендуем отключаться от курорта или парка Wi-Fi, так как он может быть очень перегружен в два времени запуска: в 7 утра и в полдень. Если вокруг вас много людей, постарайтесь найти приятное тихое место для вашей попытки вдали от толпы.
Откройте раздел «Виртуальные очереди» в приложении за несколько минут до запуска.
Убедитесь, что на вашем телефоне включены уведомления.
Следи за часами!
Ровно в 7 часов утра (или в полдень) должна появиться кнопка Присоединиться к посадочной группе. Если он не тянет вниз верхнюю часть экрана, чтобы обновить приложение. Продолжайте делать это, пока не появится кнопка.
Нажмите на вкладку, чтобы открыть Диснейленд в Калифорнии.
НАЖМИТЕ кнопку Присоединиться!
Быстро создайте группу и нажмите «Присоединиться».
Вы будете немедленно уведомлены, если вы вошли, и вам будет предоставлена абордажная группа Человека-паука Если вы не получили абордажную группу, вам нужно будет повторить попытку в полдень, если вы пытались в 7 утра.
Теперь вы получите уведомление на свой телефон, когда придет время кататься на WEB SLINGERS: A Spider-Man Adventure, и у вас будет примерно час, чтобы прибыть во время вашего Web Slingers: A Spider-Man Adventure Group Boarding Group
Вот как получить посадочный талон в Диснейленд Кампуса Мстителей!
Что делать, если я допустил ошибку в своей посадочной группе
Человека-паука?
Возможны ошибки. Может быть, вы забыли включить всех или, может быть, вы включили слишком много людей. Важно не связываться со своей абордажной группой самостоятельно. Вы не хотите удалять его и пытаться воссоздать его. Мы рекомендуем найти участника Disney Cast, когда вы окажетесь в парке, и поговорить с ним о том, как исправить ваш посадочный талон, если вам это нужно. Пожалуйста, будьте добры и помните, что актеры не могут помочь вам получить пропуск, если вы пропустили окно. Даже если это самый важный отпуск в вашей жизни.
Остались вопросы о посадочном талоне Человека-паука ? Ознакомьтесь с часто задаваемыми вопросами, чтобы узнать, рассматривается ли ваш вопрос в этом разделе. Если это не так, свяжитесь с нами! Мы любим помогать другим находить правильные ответы на свои вопросы.
Часто задаваемые вопросы о поездке WEB SLINGERS
В: Посадочный талон — это то же самое, что и
WEB SLINGERS: A Spider-Man Adventure FastPass?
О: Несмотря на то, что они похожи, между ними есть большие различия. FastPass существуют только в Disney World, и в то время как FastPass позволит вам занять более короткую очередь, в то время как остальные гости ждут в более длинной очереди, посадочный талон устраняет обе физические очереди и ставит гостей в Виртуальная очередь Человека-паука , в которой будет указан временной интервал для прибытия каждой группы. Вы по-прежнему будете ждать с другими гостями, у которых есть то же самое время, но вы не будете конкурировать с сотнями людей, стоящих в обычной очереди.
В: Какие аттракционы в настоящее время имеют группы в Диснейленде?
A: С появлением Человека-паука в Диснейленде теперь есть три аттракциона с виртуальными очередями и группами посадки — Rise of the Resistance и Индиана Джонс находятся в Диснейленде, а WEB SLINGERS: A Spider-Man Adventure — в California Adventure.
В: Могу ли я получить
Rise of the Resistance Boarding Group и Web Slinger Boarding Pass в один и тот же день?
О: Это будет сложно, но теоретически да, можно получить абордажную группу как для Восстания сопротивления, так и для Человека-паука. Вот как:
Получите один посадочный талон в 7:00 для группы ранней посадки в парке, в котором вы забронировали парк.
Совершите свою первую поездку ДО полудня.
Зайдите в приложение в полдень и купите посадочный талон на другую поездку во второй половине дня.
Используйте свой апгрейд для парковки, чтобы прыгнуть в другой парк. Вы не сможете сделать это без парковочного бункера.
На вашей стороне должна быть Сила, а также сверхсильные способности Паучка, но теоретически это вполне возможно.
В: Могут ли все гости попасть в абордажную группу
«Приключения Человека-паука»?
О: Да, этот аттракцион не имеет ограничений по росту и требует только, чтобы гости младше семи лет сопровождались ответственным лицом в возрасте 14 лет и старше.
В: Что произойдет, если мы пропустим наш временной интервал для нашей посадочной группы
WEB SLINGERS?
О: Если вы находитесь в середине трапезы, и ваше время истекает, или вы не можете добраться до зоны катания в течение часа, мы рекомендуем поговорить с участником актерского состава о том, что вам лучше всего делать. акция будет. Чтобы убедиться, что все гости, получившие Абордажная группа Человека-паука умеет ездить верхом, гибкости может и не быть, но спросить не помешает — хорошо.
Если я получу WEB SLINGERS FastPass (посадочная группа), гарантированно ли я смогу на нем покататься?
О: Как и в любом аттракционе или аттракционе в Диснейленде, в аттракционе всегда есть вещи, которые могут пойти не так или сломаться. С его множеством движущихся частей можно с уверенностью сказать, что иногда аттракцион может перестать работать. Если это так, и у вас есть Посадочный талон на приключения Человека-паука, поговорите с актером, чтобы узнать, какие у вас есть варианты, но возможно, вам просто не повезет, и вам нужно будет повторить попытку в другой день.
Вы планируете поездку в Диснейленд и кампус Мстителей?
Наш календарь Disneyland Crowd Calendar – лучший инструмент, который поможет вам максимально эффективно провести время в парках.
Подвеска передняя новая в сборе для Москвич 403, 424, 432, 408, 426, 433, 412, 427, 434, 2140, 2137. Возможна отправка в другие города.
Мы нашли это объявление 4 года назад
Нажмите Следить и система автоматически будет уведомлять Вас о новых предложениях со всех досок объявлений
Перейти к объявлению
Тип жалобы ДругоеНарушение авторских правЗапрещенная информацияОбъявление неактульноПорнографияСпам
Комментарий
Показать оригинал
Адрес (Кликните по адресу для показа карты)
Москва, Замоскворецкая линия, метро Речной вокзал
Еще объявления
Подвеска москвич 412 . Подготовлена под установку 16 клапанного двигателя.
Автозапчасти
5 месяцев назад
Источник
Продам переднюю подвеску в сборе для а/м Москвич-2140, 412. Состояние отличное,тормозные диски и колодки живые.На машине последние 7 лет не ездили,до этого было все перебрано на новых комплектующих. Отправлю ТК.
Автозапчасти
год назад
Источник
Продаю двигатель с навесным, подвеска, мосты, колеса, двери в сборе, к Москвичу 400-401,
Автозапчасти
2 года назад
Источник
Москвич святогор 2.0 л Рено доков нет. На запчасти. Двигатель, коробка подвеска вся на месте, можно запустить проверить
Автозапчасти
2 года назад
Источник
москвич 412-2140 передняя подвеска в сборе новая
Автозапчасти
2 года назад
Источник
Продам новую переднюю подвеску первой комплектации М-412 (Иж-2715). Деталь в промасленной бумаге и заводской консервационной смазке.
Автозапчасти
2 года назад
Источник
Новейшая передняя подвеска в сборе для автомобилей Москвич, ИЖ 412, 2140, 27151, 21251 и других. Под дисковые тормоза.
Автозапчасти
2 года назад
Источник
Продам новую переднюю подвеску первой комплектации М-412 (Иж-2715). Деталь в промасленной бумаге и заводской консервационной смазке.
Автозапчасти
Свердловская область, Екатеринбург, ул. 8 Марта, 92
2 года назад
Источник
Новейшая передняя подвеска в сборе для автомобилей Москвич, ИЖ 412, 2140, 27151, 21251 и других. Под дисковые тормоза.
Автозапчасти
Челябинская область, Челябинск, Калининский район
2 года назад
Источник
новая подвеска Москвич 2140
Автозапчасти
Москва, 3-й Угрешский пр., 15А
2 года назад
Источник
1-й. Прицеп в пoлном рабочем состоянии ,1990 г. в., дoкументы cтаpoго образца,полнocтью oбшит влaгoстойкой фанеpoй и пoл тоже, сцепное устpойство стaрoго oбpазца нo подхoдит для любoго coвpеменнoгo фaркопa ,у прицeпa приcутcтвуeт электpo-пpoводка,поднoжкa, цeпочка и фиксация шплинтом сцепного устройства,подвеска балка ,два рычага ,пружины,новые амортизаторы,колёса R13(москвич) .торг. Размеры: 1,8 м .- длинна , 1,6 м- ширина, 88 см.- ширина ворот.
Автозапчасти
Нижегородская область, Нижний Новгород
2 года назад
Источник
Продам новую переднюю подвеску первой комплектации М-412 (Иж-2715). Деталь в промасленной бумаге и заводской консервационной смазке.
Автозапчасти
Екатеринбург, улица 8 Марта, 92
2 года назад
Источник
Новейшая передняя подвеска в сборе для автомобилей Москвич, ИЖ 412, 2140, 27151, 21251 и других. Под дисковые тормоза.
Автозапчасти
Челябинск, Калининский район
2 года назад
Источник
Передняя подвеска в сборе Москвич 400-420(401)
Автозапчасти
Самара, проспект Ленина, 3
2 года назад
Источник
Внимание! Festima.Ru является поисковиком по объявлениям с популярных площадок. Мы не производим реализацию товара, не храним изображения и персональные данные. Все изображения принадлежат их авторам Отказ от ответственности
Задняя подвеска Москвич АЗЛК. ВСе вопросы по телефону. торг.
Автозапчасти
2 года назад
Источник
Задняя подвеска Москвич АЗЛК. ВСе вопросы по телефону. торг.
Автозапчасти
Ставрополь, улица Доваторцев, 39/1
2 года назад
Источник
Продам подвеску в сборе Москвич 408 б/у.
Автозапчасти
2 года назад
Источник
Передняя подвеска на москвич
Автозапчасти
2 года назад
Источник
Продам деталь комплект подвески на Москвич 2141 Святогор: 1, 2, 3, 4, 5, 6, 7, можно и по отдельности, но парами. самовывоз/самовынос. для модератора — что входит в «заводской комплект» подвески Москвич 2141? модератор — ее разобрать и распродавать в россыпи???
Автозапчасти
Москва, Днепропетровская ул.
2 года назад
Источник
Продам заднюю подвеску Москвич 412 в сборе отличный набор для создания прицепа все вопросы по телефону
Автозапчасти
Новосибирск, площадь Карла Маркса
2 года назад
Источник
Войти
Все сервисы становятся доступными без ограничений
Сможете пользоваться сервисом Festima. Ru на разных устройствах.
Это удобно и бесплатно
Подвеска Москвич в Украине. Цены на Подвеска Москвич на Prom.ua
Audi 100 Audi 200 Audi 80 Audi 90 Audi A1 Audi A2 Audi A3 Audi A4 Audi A5 Audi A6 Audi A7 Audi A8 Audi Allroad Audi B5 Audi Coupe Audi Q3 Audi Q5 Audi Q7 Audi RS6 Audi S3 Audi S4 Audi S6 Audi S8 Audi TT
Avia 21 , Avia 31
BAW Fenix
Beifan Benchi
BMW M3 BMW X1 BMW X3 BMW X5 BMW X6 BMW Z4 BMW двигатели BMW серия 1 BMW серия 3 BMW серия 5 BMW серия 6 BMW серия 7
Chevrolet Avalanche , Chevrolet Aveo , Chevrolet Blazer , Chevrolet Camaro , Chevrolet Captiva , Chevrolet Cobalt , Chevrolet Conversion , Chevrolet Corvette , Chevrolet Cruze , Chevrolet Epica , Chevrolet Equinox , Chevrolet Evanda , Chevrolet Express , Chevrolet HHR , Chevrolet Impala , Chevrolet Lacetti , Chevrolet Lanos , Chevrolet Lumina , Chevrolet Malibu , Chevrolet Niva , Chevrolet Optra , Chevrolet Orlando , Chevrolet Rezzo , Chevrolet S-10 , Chevrolet Sens , Chevrolet Silverado , Chevrolet Sonic , Chevrolet Spark , Chevrolet Starcraft , Chevrolet Suburban , Chevrolet Tacuma , Chevrolet Tahoe , Chevrolet Tracker , Chevrolet TrailBlazer , Chevrolet Vans , Chevrolet Viva , Chevrolet Volt
Chrysler 300C , Chrysler 300M , Chrysler Cirrus , Chrysler Concorde , Chrysler Grand Voyager , Chrysler LeBaron , Chrysler LHS , Chrysler Pacifica , Chrysler PT Cruiser , Chrysler Sebring , Chrysler Town , Chrysler Country Voyager
FIAT 127 , FIAT Albea , FIAT Bravo , FIAT Croma , FIAT Doblo , FIAT Ducato , FIAT Fiorino , FIAT Linea , FIAT Marea , FIAT Multipla , FIAT Palio , FIAT Panda , FIAT Punto , FIAT Qubo , FIAT Scudo , FIAT Sedici , FIAT Stilo , FIAT Tempra , FIAT Tipo , FIAT Ulysse , FIAT Uno
Ford Bronco , Ford C-MAX , Ford Cargo , Ford Contour , Ford Cougar , Ford Courier , Ford Crown Victoria , Ford Econoline , Ford Edge , Ford Escape , Ford Escort , Ford Excursion , Ford Expedition , Ford Explorer , Ford F-series , Ford Fiesta , Ford Flex , Ford Focus , Ford Freda , Ford Fusion , Ford Galaxy , Ford Granada , Ford Ka , Ford Kuga , Ford Maverick , Ford Mondeo , Ford Mustang , Ford Orion , Ford Probe , Ford Ranger , Ford S-MAX , Ford Scorpio , Ford Sierra , Ford Taunus , Ford Taurus , Ford Thunderbird , Ford Tourneo , Ford Transit
Foton Auman , Foton Ollin
Freightliner Argosy , Freightliner Century Class , Freightliner Columbia
Geely CK , Geely Emgrand , Geely FC , Geely King Kong , Geely MK , Geely Otaka , Geely Vision
Great Wall CoolBear , Great Wall Deer , Great Wall Florid , Great Wall Haval , Great Wall Hover , Great Wall Pegasus , Great Wall Safe , Great Wall Sailor , Great Wall Sing , Great Wall So Cool , Great Wall Steed , Great Wall V240 , Great Wall Voleex , Great Wall Wingle
KIA Avella , KIA Besta , KIA Bongo , KIA Carens , KIA Carnival , KIA Ceed , KIA Cerato , KIA Clarus , KIA Forte , KIA Granbird , KIA Joice , KIA K2 , KIA K2500 , KIA Magentis , KIA Mohave , KIA Morning , KIA Opirus , KIA Optima , KIA Picanto , KIA Pregio , KIA Pride , Kia Quoris , KIA Retona , KIA Rio , KIA Rondo , KIA Sedona , KIA Sephia , KIA Shuma , KIA Sorento , KIA Soul , KIA Spectra , KIA Sportage , KIA Venga
Land Rover Defender , Land Rover Discovery , Land Rover Freelander , Land Rover Двигатели
Mercedes-Benz 190 , Mercedes-Benz 207 , Mercedes-Benz 709-2644 , Mercedes-Benz A класс , Mercedes-Benz Actros , Mercedes-Benz Atego , Mercedes-Benz Axor , Mercedes-Benz B класс , Mercedes-Benz C класс , Mercedes-Benz E класс , Mercedes-Benz G класс , Mercedes-Benz GL класс , Mercedes-Benz LK класс , Mercedes-Benz MB 100D , Mercedes-Benz MK класс , Mercedes-Benz ML класс , Mercedes-Benz R класс , Mercedes-Benz S класс , Mercedes-Benz Sprinter , Mercedes-Benz Transporter , Mercedes-Benz Vaneo , Mercedes-Benz Vario , Mercedes-Benz Viano , Mercedes-Benz Vito , Mercedes-Benz W123 , Mercedes-Benz двигатели , Mercedes-Benz коробки передач
Opel Agila , Opel Antara , Opel Ascona , Opel Astra , Opel Calibra , Opel Combo , Opel Corsa , Opel Frontera , Opel Insignia , Opel Kadett , Opel Meriva , Opel Mokka , Opel Monterey , Opel Monza , Opel Movano , Opel Omega , Opel Rekord , Opel Senator , Opel Signum , Opel Sintra , Opel Tigra , Opel Vectra , Opel Vita , Opel Vivaro , Opel Zafira
Pontiac Firebird , Pontiac Trans Sport , Pontiac Vibe
Porsche 911 , Porsche Cayenne
Renault 18 , Renault 19 , Renault 21 , Renault 25 , Renault 9, Renault 11 , Renault Clio , Renault Dokker , Renault Duster , Renault Espace , Renault Fluence , Renault Fuego , Renault Kangoo , Renault Koleos , Renault Laguna , Renault Latitude , Renault Lodgy , Renault Logan , Renault Magnum , Renault Major , Renault Mascott , Renault Master , Renault Megane , Renault Modus , Renault Premium , Renault Safrane , Renault Sandero , Renault Scenic , Renault Symbol , Renault Thalia , Renault Trafic , Renault Twingo , Renault Vel Satis , Renault двигатели
Saab 9-3 , Saab 9-5 , Saab 90, Saab 99, Saab 900 , Saab 9000
Scania 112 , Scania Автобусы , Scania серий P, Scania серий R, Scania серий T , Scania серия 3 , Scania серия 4
Toyota 4Runner , Toyota Allex , Toyota Allion , Toyota Alphard , Toyota Altezza , Toyota Amazon , Toyota Aristo , Toyota Auris , Toyota Avalon , Toyota Avensis , Toyota Aygo , Toyota bB , Toyota Belta , Toyota Blade , Toyota Brevis , Toyota Caldina , Toyota Cami , Toyota Camry , Toyota Carib , Toyota Carina , Toyota Celica , Toyota Chaser , Toyota Corolla , Toyota Corona , Toyota Corsa , Toyota Cresta , Toyota Crown , Toyota Curren , Toyota Duet , Toyota Dyna , Toyota Echo , Toyota Estima , Toyota FJ Cruiser , Toyota Fortuner , Toyota FunCargo , Toyota Gaia , Toyota Granvia , Toyota Harrier , Toyota HiAce , Toyota Highlander , Toyota Hilux , Toyota Ipsum , Toyota iQ , Toyota Isis , Toyota Ist , Toyota Kluger , Toyota Land Cruiser , Toyota Lite-Ace , Toyota Mark II , Toyota Mark X , Toyota Matrix , Toyota Nadia , Toyota Noah , Toyota Opa , Toyota Passo , Toyota Picnic , Toyota Platz , Toyota Porte , Toyota Prado , Toyota Premio , Toyota Previa , Toyota Prius , Toyota Probox , Toyota Progres , Toyota Ractis , Toyota Raum , Toyota RAV4 , Toyota Regius , Toyota RunX , Toyota Rush , Toyota Scion , Toyota Sequoia , Toyota Sienna , Toyota Sienta , Toyota Soarer , Toyota Solara , Toyota Sprinter , Toyota Starlet , Toyota Succeed , Toyota Supra , Toyota Tacoma , Toyota Tercel , Toyota Town-Ace , Toyota Toyoace , Toyota Tundra , Toyota Urban Cruiser , Toyota Vanguard , Toyota Vellfire , Toyota Venza , Toyota Verossa , Toyota Vigo , Toyota Vista , Toyota Vitz , Toyota Voltz , Toyota Voxy , Toyota Will , Toyota Windom , Toyota Wish , Toyota Yaris , Toyota двигатели
Главная Вокруг авто Общий тюнинг Автолегенды Практические советы Полезно знать
История марки
Модельный ряд
Общая информация
Практические советы
Обслуживание
Ремонт
Тюнинг
Статьи
Фотогалерея
Задняя подвеска автомобиля зависимая на двух продольных полуэллиптических листовых рессорах с гидравлическими телескопическими амортизаторами. Шестилистовая рессора автомобиля собрана с применением пластмассовых межлистовых прокладок и резиновых прокладок на хомутах и не нуждается в смазке.
Определение технического состояния задней подвески
При полностью нагруженном автомобиле зазор между буфером сжатия и лонжероном пола (рис. 1)
Рис. 1
должен быть не менее 25 мм. Меньшая величина зазора, являющаяся результатом осадки рессор или износа резиновых втулок, недопустима. Выявление осадки одного из упругих элементов подвесок описано выше. Проверку состояния резиновых шарниров и противоскрипных прокладок проведите путем визуального осмотра.
Снятие и установка рессоры и замена резиновых втулок.
Снятие рессоры производите в следующем порядке: 1. Поднимите заднюю часть кузова домкратом, поставьте опоры, уберите домкрат и снимите колеса. 2. Отсоедините нижнее крепление амортизатора к накладкам стремянок ( см. раздел «Амортизаторы»). З. Отверните гайки 9 (рис. 2)
Рис. 2
стремянок, снимите пружинные шайбы 10 накладку 11 стремянок и резиновый буфер сжатия 14. 4. Несколько приподнимите при помощи домкрата задний мост, чтобы полностью разгрузить рессору. 5. Отверните сначала гайку 5, а затем, удерживая палец от проворачивания за лыску, гайку 7. Выбейте передний палец 6 рессоры с шайбами 4 и опустите передний конец рессоры. 6. Отверните гайки 15, снимите шайбы 16 и щеку 12. 7. Выньте щеку 8 серьги с пальцами 1З отверстия во втулке лонжерона и снимите рессору. 8. Выньте резиновые втулки 3 и 17 из ушек рессоры и отверстий во втулках лонжерона. Установку рессоры на автомобиль производите в обратной последовательности, учитывая следующее: 1. При монтаже переднего ушка рессоры вторую резиновую втулку ставьте в ушко через отверстие в кронштейне 2 для сферических шайб. Расстояние между накладками щек кронштейна должно быть 57 мм. Первой из четырех гаек крепления рессоры окончательным моментом затяните гайку 7 пальца со стороны малого отверстия кронштейна. Сферические шайбы 4 перед установкой в отверстие кронштейна сложите выпуклостями наружу и установите в отверстие кронштейна. 2. Гайки пальцев подтягивайте равномерно во избежание перекосов сферических шайб, резиновых втулок и изгиба щек серьги. З. Окончательную затяжку гаек 5 и 15 пальцев производите на рессорах, нагруженных массой снаряженного автомобиля. Это обеспечит наибольший срок службы резиновых втулок. Момент затяжки гаек всех пальцев рессоры должен быть 45-60 Нм (4,5-6,0 кгс•м). 4. Гайки 9 стремянок окончательно подтяните при полной нагрузке в кузове автомобиля, момент затяжки 45-55 Нм (4,5-5,5 кгс·м).
Замена противоскрипных прокладок между листами рессоры
Замену изношенных противоскрипных прокладок в рессоре производите без ее снятия с автомобиля. Для замены противоскрипных прокладок, установленных на концах второго, третьего, четвертого и пятого листов, вставьте большую отвертку между листами рессоры (рис. 3)
Рис. 3
и разожмите их. После этого удалите остатки изношенной полиэтиленовой прокладки и, не вынимая отвертки, установите новую на прежнее место (хомуты листов не снимайте). При замене противоскрипных прокладок тщательно осмотрите все листы рессоры.
Разборка и сборка рессоры.
Разборку рессоры производите для замены в ней разрушенных листов. Порядок снятия рессоры с автомобиля описан выше. Разборку производите в следующей последовательности: 1. Зажмите рессору средней частью в тиски, имеющие не каленые губки. Предупреждение. Не отвертывайте гайку центрального болта рессоры без фиксации ее в тисках, так как листы в рессоре собраны с преднатягом, при снятии гайки они резко распрямятся, что может привести к травмам. 2.Разогните хомуты 21 (см. рис. 2). 3. Отверните гайку центрального болта и, раздвигая тиски, распустите рессору. Сборку рессоры производите в обратной последовательности. При сборке используйте пруток диаметром 8 мм и длиной 200 мм, который вставьте в отверстие под центровой болт в листах рессоры. При сжатии рессоры в тисках указанный пруток обеспечит совпадение листов по отверстию под центровой болт. Затем вместо прутка вставьте центровой болт со стороны коренного листа и затяните ее, после чего рессору выньте из тисков. Загибку хомутов производите с помощью молотка.
Советы по подключению электрических приборов для нагрева воды
jpg»> (c) moskvich3140.ru
Снятие, разборка, ремонт, установка и регулировка подвески передних колес Москвич | Авто центр SPB
Это пружинный стержень, изогнутый в виде буквы П, концы которого соединены с нижними рычагами передней подвески двумя стойками с резиновыми втулками.
Центральной частью стабилизатор крепят на двух опорах к подрамнику кузова при помощи скоб с резиновыми втулками. Основные рессоры действуют постоянно, а подрессорники — при груженом автомобиле. Задний мост автомобиля «Москвич» также связан с кузовом двумя рессорами но без подрессорников. Ушки рессоры в передней части шарнирно соединяют при помощи рессорных пальцев с кронштейнами кузова непосредственно, в задней части — при помощи качающейся серьги.
Задняя подвеска снабжена телескопическими передняя подвеска москвич 412 двустороннего действия и передняя подвеска москвич 412 дополнительные резиновые буферы, ограничивающие ход подвески в сторону сжатия рессор. Автомобиль категории «В» Практикум по автомобилю Пособие механикам мотоциклов Технический уход за тракторами Беларусь Автомобиль Ликбез.
В переднюю подвеску независимо от модификации автомобиля устанавливают пружины одной группы, имеющие одинаковую нагрузку.
Пружины передней подвески в производственных условиях распределяются по нагрузке на две группы при контрольной высоте пружины мм. На нижнем опорном витке пружины наносится соответствующее количество рисок, которые расположены вдоль прутка. Четвертая группа пружин изготавливалась специально для поставки в запасные части и предназначалась для устранения проседания передней части автомобиля на пружинах передней подвески, появляющегося в результате эксплуатации передняя подвеска москвич 412 тяжелых дорожных условиях с перегрузкой.
Замена сайлент-блоков нижних рычагов. Сайлент-блок передняя подвеска москвич 412 замены в случаях, когда резиновая втулка выдавлена из его металлических втулок или же имеет место чрезмерное проседание оси нижних рычагов. Замена сайлент-блоков может быть проведена только на снятых с автомобиля рычагах. Для этого надо снять пружину, отвернуть гайки болтов передняя подвеска москвич 412 держателей оси нижнего рычага к фланцам поперечины подвески и снять нижние рычаги вместе с осью.
Обратить внимание на упорные шайбы, установленные в прорезях держателей оси нижнего рычага, при небрежном обращении они могут выпасть. Нижний рычаг в сборе: 1 — ось нижнего рычага; 2 — распорка; 3 — держатель оси; 4 — опорная шайба; 5 — сайлент-блок; 6, 12 и 15 — гайки; 7 — чашка; 8 — втулка рычага; 9 — нижний рычаг; 10 —- буфер сжатия; 11 и 14 — шайбы; 13— болт; 16 — пресс-масленка шаровой опоры; П — крышка шаровой опоры-; 18 — пружина; 19 — запорное кольцо; 20 — резиновое кольцо; 21 — обойма; 22 — корпус шаровой опоры; 23 — упорное кольцо; 24 — чехол; 25 — палец Отвернуть контргайку и гайку рис.
ЮЗ оси нижнего рычага и выбить ось из рычага, после чего снять держатель и распорную втулку. Внимательно осмотреть сайлент-блоки в нижнем рычаге и при обнаружении больших износов резины выпрессовать их при помощи оправки. Сборку нижнего рычага производят в обратной последовательности, учитывая следующее. Перед сборкой необходимо тщательно осмотреть нижний рычаг.
В случае обнаружения трещин заварить их или заменить рычаг новым. Запрессовать сайлент-блоки оси нижнего рычага, обеспечив совпадение наружного торца втулки рычага с торцом втулки сайлент-блока. Собрать нижний рычаг с осью и навернуть гайки и контргайки оси, не передняя подвеска москвич 412. Окончательную затяжку гаек момент затяжки 7— 8 кгс-м и контргаек момент затяжки 4—5 кгс-м производят при полной статической нагрузке автомобиля или при среднем положении нижнего рычага, когда зазоры а между буфером передняя подвеска москвич 412 И и буфером отбоя и их опорными поверхностями одинаковые.
Это обеспечит наиболее благоприятные условия для работы резиновых втулок сайлент-блоков. Верхний рычаг в сборе: 1 — резьбовая пробка; 2 — пружина; 3 — крышка; 4 — обойма; 5 — нажимный вкладыш; 6 — корпус; 7 — проволока; 8 — вкладыш корпуса; 9 — прижим; 10 — чехол; 11 — передняя подвеска москвич 412 12 — шаровой шарнир; 13 — болт; 14 — гайка; 15 — шайба пружинная; 16 — шайба; 17 — верхний рычаг; 18 — сайлент-блок; 19 — упорная шайба; 20 — ось Установить нижний рычаг на поперечину подвески и затянуть передняя подвеска москвич 412 болтов крепления держателей оси момент затяжки 4,4—6,2 кгс-м.
Снятие и разборка верхнего pbmaFa.
ПЕРЕДНЯЯ ПОДВЕСКА
Снимать верхний рычаг рекомендуется после установки в переднюю подвеску стяжки для блокировки пружины. Перед передняя подвеска москвич 412 рычага нужно обязательно ослабить на 2—3 оборота затяжку обоих гаек, расположенных на оси верхнего рычага. Это условие необходимо для обеспечения свободного поворачивания внутренних втулок сайлент-блоков на оси и исключения отрыва резины от металлической арматуры при последующей разборке.
Затем следует удалить болт и извлечь хвостовик пальца шарового шарнира из гнезда поворотной стойки. Отвести рычаг в верхнее положение для обеспечения свободного доступа к стопорной пластине, загнутой на грани болтов крепления оси.
При внешнем осмотре рычага следует обратить внимание на состояние грязезащитного передняя подвеска москвич 412 и на перемещение пальца. Если суммарный износ сферических поверхностей вкладышей и пальца более 1,5 мм палец под собственным весом свободно перемещается в шарниренеобходимо заменить полиамидные вкладыши.
При разборке шарнира следует разогнуть лапки, удерживающие крышку на корпусе, и извлечь детали для осмотра. Работоспособность сайлент-блоков верхнего рычага может быть проверена без их разборки.
Если рычаг возвращается приблизительно в исходное положение за счет упругости резины, то можно считать сайлент-блок пригодным к дальнейшей эксплуатации.
В случае если рычаг остается в отжатом положении, требуется замена изношенного сайлент-блока новым. Аналогичным способом определяется работоспособность сайлент-блока на другом конце оси гайка, затянутая передняя подвеска москвич 412 оси ранее, передняя подвеска москвич 412 быть полностью ослаблена. Для выпрессовки изношенного сайлент-блока из верхнего рычага необходимо нажать на торец оси и упорную шайбу, которые и проталкивают сайлент-блок в опорную втулку, показанные на рисунке, предназначены для установки сайлент-блока в рычаг.
При установке сайлент-блока следует иметь в виду, что его наружный диаметр в свободном состоянии больше посадочного отверстия примерно на 3 мм, поэтому наружная металлическая арматура, состоящая из трех сегментов, должна быть сжата специальной струбциной до диаметра 35,1 мм и лишь затем, не разжимая струбцину, перемещена во втулку верхнего, рычага толкателем.
Для предотвращения деформации рычага при запрессовке применяется распорная втулка, состоящая из двух одинаковых половинок. Установка сайлент-блоков верхнего рычага: Общий вид: 1 — опорная втулка; 2 — сайлент-блок; передняя подвеска москвич 412 — упорная шайба; 4 — ось верхнего рычага; 5 — распорная1 втулка; 6 — струбцина в сборе; 7 — толкатель; 8 — болт; 9 — верхний рычаг; Детали; а — струбцина; б — опорная втулка; в — распорная втулка; г — толкатель В шарнирах с полиамидными вкладышами аннулирована регулировка осевого люфта.
Запрессовка вкладыша в корпус производится с небольшим усилием, при этом должны быть обеспечены посадки выступов вкладыша в специальные выемки и совпадение овальных отверстий.
Для совмеще. Момент- окончательной затяжки этих болтов после установки шарнира на рычаг передняя подвеска москвич 412 1,7—2,3 кгс-м.
До августа г. Эти узлы имели пресс-масленки для периодической смазки. В шарнирах с полиамидными вкладышами смазка жировой передняя подвеска москвич 412 УС-2, ГОСТ —73, в количестве 30 г нагнетается через резьбовое отверстие в крышке.
Обновление смазки должно производиться не реже чем 1 раз в 3 года. Средства для передняя подвеска москвич 412 форсунок в ультразвуковых ваннах и на стендах Дезинфицирующие средства широкого применения для дезинфекции на объектах железнодорожного транспорта, пищевой промышленности, ЛПУ, ветеринарного надзора Моющие средства для железнодорожного транспорта, сертифицированные ВНИИЖТ- «Фаворит К» и «Фаворит Щ»внутренняя и наружная замывка вагонов.
О компании Автохимия Бытовая химия Мойка вагонов, разработки для железнодорожного транспорта и метрополитена Бесконтактная мойка Средства для Ультразвука и ультразвуковых ванн Дезинфицирующие средства Вся продукция. Каталог статей Моем катер, яхту, лодку Применение бытовой химии Ремонт и обслуживание катеров, яхт, лодок Декоративная косметика и грим Стирка белья глазами химика.
О компании Автохимия Бытовая химия Мойка вагонов, разработки для жд Бесконтактная мойка Средства для Ультразвука Дезинфицирующие средства Вся продукция Устройство и эксплуатация автомобиля Москвич С аратов Просвещаемся Купить химию для уборки и дезинфекции помещений, полов, стен, приборов домашнего обихода Статистика.
Независимая подвеска передних колес автомобиля
Учебное пособие по изучению конструкции и устройства автомобилей Москвич. Наши дополнительные сервисы и сайты: e-mail:. Передняя подвеска автомобиля Москвич Передняя подвеска рис. Верхний рычаг передней подвески с шаровым шарниром: передняя подвеска москвич 412 — рычаг: 2 — буфер отбоя; 3 и 21 — пружинные шайбы; 4 — болт; 5 — пробка; б — пружина; 7 -крышка; 8 — обойма; 9 — регулировочные прокладки; 10 — нажимной вкладыш; 11 — корпус шарнира; 12 — проволока; 13 — вкладыш корпуса; 14 — грязезащитный чехол; прижим чехла; 16 — шаровой палец; 17 — ось верхнего рычага; 18 — упорная шайба; сайлент-блок; 20 — плоская шайба; 22 — передняя подвеска москвич 412 На цапфе каждой поворотной стойки на двух конических роликовых подшипниках установлена ступица 13 рис.
Ступица переднего колеса: 1 — упорное кольцо: 2 — сальник; 3 — наружное кольцо внутреннего большого подшипника; 4 — внутреннее кольцо с передняя подвеска москвич 412 внутреннего подшипника; 5 — наружное кольцо наружного подшипника; 6 — внутреннее кольцо с роликами наружного подшипника; 7 — колпак ступицы; 8 — гайка; 9 -упорная шайба; 10 — шплинт; 11 — гайка колеса; 12 — болт шпилька колеса; 13 — ступица Читать про устройство и конструкцию автомобиля Москвич Средства для мойки форсунок в ультразвуковых ваннах и на стендах.
Снятие шаровой опоры производите в следующем порядке: 1.
Установите стяжку-скобу рис. Снимите колесо. Разогните шплинт 11 рис. Установите приспособление рис. Если не удается ослабить посадку пальца в конусе за счет вращения винта, допускается ударами молотка по выступающему фланцу этого приспособления выбить палец из конусного отверстия. Отверните болты 13 рис. Проверка пригодности опоры для дальнейшей эксплуатации производится по величине осевого перемещения пальца рис. Если перемещение больше 5 мм, разберите шаровую опору и замените изношенные детали.
Конструкция шаровой опоры допускает осевое перемещение пальца до 2,5 мм, поэтому стук, возникающий при нажатии усилием руки вдоль оси пальца за счет указанного зазора, не является признаком неисправности. Этот зазор при эксплуатации постоянно выбирается массой автомобиля.
Причиной стука при движении автомобиля может быть радиальный зазор, образующийся в процессе износа сферических поверхностей сухаря 3, пальца 1 и обоймы 8. Приспособление для выпрессовки передняя подвеска москвич 412 Рис. Выпрессовка конуса пальца шаровой опоры Рис. Шаровая передняя подвеска москвич 412 нижнего рычага: 1 — палец; 2 — прижим чехла; 3 — сухарь; 4 — чехол; 5 — держатель чехла; 6 — корпус шаровой опоры; 7 — уплотнительное кольцо; 8 — обойма; 9 — пружина; 10 — крышка; 11 — пробка; 12 — хомут; А — широкая лапка Разборку производите в передняя подвеска москвич 412.
Вначале разогните широкую лапку А, размещенную в углублении, затем крышку 10 отожмите легким усилием и сдвиньте с корпуса 6.
Две узкие лапки разгибать не рекомендуется, так как при их случайной поломке ухудшается уплотнение крышки и корпуса. После удаления крышки все детали шаровой опоры извлеките из корпуса и внимательно их осмотрите.
Изношенные и поврежденные детали замените новыми. Сборку опоры производите в обратной последовательности. Для удобства сборки и совмещения отверстий рекомендуется вначале закрепить крышку болтами M8x1x22, a затем подогнуть отогнутую лапку, как показано на рис. Момент затяжки гаек 15 рис. Если палец 11 свободно перемещается в шарнире под действием собственной массы при этом суммарный износ более 1,5 ммто замените вкладыши 5 и 8.
В случае большого износа или значительного повреждения сферической поверхности пальца 11 — замените палец. При разборке снимите шплинт-проволоку 7, разогните четыре лапки, загнутые на приливы корпуса 6.
Эти лапки не влияют на уплотнение крышки, они передняя подвеска москвич 412 технологическими, обеспечивающими сохранность передняя подвеска москвич 412 при транспортировке. Шаровой шарнир верхнего рычага: 1 — пробка; 2 — пружина; 3 — крышка; 4 — обойма; 5 — нажимной вкладыш; 6 — корпус шарнира; 7 — шплинт-проволока; 8 — вкладыш корпуса; 9 — прижим чехла; 10 — чехол; 11 — палец При установке вкладышей 8 в корпус 6 обеспечьте посадку выступов вкладыша в выемки корпуса и совпадение их овальных отверстий.
Сборку шарнира производите согласно рисунку передняя подвеска москвич 412 Для обеспечения совпадений резьбовых отверстий корпуса и отверстий крышки перед загибкой лапок заверните три болта М8х1х18, которые перед постановкой на рычаг должны быть вывернуты.
Момент окончательной затяжки болтов 4 рис. Например, вследствие ударов поперечиной о неровности дороги деформируется ее передняя вертикальная стенка. В результате может измениться расстояние между опорами поперечины в местах крепления осей верхних рычагов. Кроме того, поперечина может деформироваться при перевозке в кузове автомобиля тяжелого груза или при движении по плохой дороге с высокой скоростью. Качественно определить наличие деформации поперечины можно при регулировке углов развала, которая в случае деформации поперечины будет невозможна.
Ремонт передняя подвеска москвич 412 подвески весьма сложен, требует специального оборудования, поэтому в случае повреждения поперечину замените новой. Исключением может быть заварка небольших трещин на опоре и на кронштейнах поперечины.
Места вокруг трещин тщательно зачистите, наложите усилители из листового металла толщиной 2—2,5 мм и приварите их сплошным швом. Допускается заварка небольших трещин без наложения усилителей. После приварки усилителей поперечину загрунтуйте и окрасьте черной эмалью. До установки поперечины на автомобиль проверьте расстояние между поверхностями крепления осей верхнего рычага см.
Нарушение заданных величин углов установки колес ухудшает легкость управления, снижает устойчивость автомобиля при движении, приводит к преждевременному износу протектора шин.
Передняя подвеска москвич 412 разность углов наклона осей поворота колес левого и правого может вызвать самопроизвольный увод автомобиля в сторону от прямолинейного движения. Нарушение угла развала вызывает односторонний износ протектора шин.
При увеличенном положительном угле развала наружная сторона протектора шины изнашивается быстрее, чем внутренняя. При отрицательном угле развала быстрее изнашивается внутренняя часть протектора шины.
Отклонение схода колес от допустимой величины приводит к интенсивному износу протектора шин. Увеличенное схождение приводит к ступенчатому износу протектора, выраженного в появлении острых ступенчатых кромок на поверхности протектора, направленных к продольной оси автомобиля. Передняя подвеска москвич 412 сход колес приводит к износу шин с появлением острых ступенчатых кромок, направленных наружу, и является более вредным и опасным, так как в этом случае ухудшается устойчивость автомобиля.
Виды и способы регулировок 1.
Регулировку угла развала производите регулировочными прокладками, устанавливаемыми между осью верхнего рычага и опорой поперечины подвески рис. Регулировку угла продольного наклона передняя подвеска москвич 412 поворота колеса производите установкой дополнительной скобы под один из болтов крепления оси верхнего рычага рис.
Регулировку схождения колес производите изменением длины одной или обеих муфт 16 рис.
Регулировку угла наибольшего поворота колеса производите болтом, установленным в кронштейне лонжерона. Установка прокладки для регулировки угла развала колес Рис. Передняя подвеска москвич 412 скобы для регулировки продольного наклона оси поворота колес Ввиду того что при прогибах пружин подвески углы установки меняются, регулировку производите при полностью нагруженном автомобиле по 2 человека или по кг на переднем и заднем сиденьях.
Вновь собранная подвеска передняя подвеска москвич 412 колес имеет в шарнирах значительное внутреннее трение. В результате кузов при неизменной нагрузке автомобиля может иметь некоторый крен вправо или влево, вследствие чего при измерении углов развала передних колес могут быть получены ошибочные замеры.
В связи с этим проверку углов развала производите не только под нагрузкой, указанной выше, но и при горизонтальном расположении кузова, когда зазоры между одноименными точками нижних рычагов и поперечиной передней подвески слева и справа одинаковые, например, зазор «Б» рис.
Магазин автозапчастей Москвич Посмотреть. Рычаг передней подвески нижний с осью и шаровой опорой правый в сборе. Посмотреть. Стойка передней подвески с кольцом в сборе, правая. Посмотреть. Стойка передней подвески правая. Посмотреть. Шаровой шарнир стойки передней подвески, правый (комплект). Посмотреть. 1.
Для обеспечения горизонтального положения кузова в поперечной плоскости применяйте распорки рис. Для обеспечения горизонтального положения кузова в продольной плоскости при замере угла продольного наклона оси поворота колес применяйте специальную распорку высотой мм, устанавливаемую по центру автомобиля между основанием кузова и картером заднего моста рис.
Величина массы и ее распределение в кузове должны обеспечить легкий зажим всех распорок. Допускается увеличение массы на переднем и заднем передняя подвеска москвич 412. Распорка нижнего рычага Рис.
Подвеска к Москвич-408 412 | купить в Автоклассике.
Я согласен с пользовательским соглашением
Я согласен получать новости
отремонтированный
новый
использовал
нет
нет
Втулка стабилизатора
402-20
ЦЕНА
€ 1,20 Купить
нет
Буфер сжатия передней подвески в сборе
402-2
2
ЦЕНА
€ 2,40 Купить
нет
Буфер дополнительной подвески откатов
402-2
4-А
ЦЕНА
€ 2,40 Купить
нет
Втулка пружины
408-28
ЦЕНА
€ ,24 Купить
-20% нет
Шаровой шарнир стойки передней подвески, верхний
€18
403-2
9-Р -19
ЦЕНА
€ 14,40 Купить
-20% нет
Шаровая опора передней подвески в сборе
€18
403-28
ЦЕНА
€ 14,40 Купить
нет
Шкворень левый с тормозом в сборе
408-21
ЦЕНА
€ 180 Купить
КАТЕГОРИЯ
показать все автозапчасти
Body 26
Body floor 2
Hatch covers and floor carpets in the rare part 2
Windshield and rear window 2
Windshield Wiper and Drive 1
Windshield washer Moskvich 412 1
Передняя часть кузова 1
Приборная панель 1
Задняя часть тела 1
Задняя часть тела 1
Входная дверная дверь 5
Lockers, Hingles and Hinges of Later Door
Lockers, Hingles of Later Door
, ручки и Hinges of Latd Door
, ручки и Hinges of Latd Door
, ручки и Hinges of Later Door
. 1
Ключи блокировки ручки и крышки багажника 1
АКСЕССУАРЫ 3
Детали кузова 1
Орнамент, бренд, декоративные надписи 2
Hood, wings, radiator case 10
Hood and fittings 2
Front and rear wings 4
Brightwork 4
Windshield and rear window 1
Engine 32
Двигатель 18
ДВИГАТЕЛЬ, Эсси 2
Монтаж двигателя 1
Двигатель Цилиндер 3
CRANKSH, Flywheel и Main Bearings
. 0095 1
Distribution shaft 6
Oil pump suction manifold and oil pump of engine 1
Secondary oil filter 2
Gas distribution mechanism 2
FUEL SYSTEM 8
Gas бак 2
Газовый насос 2
Карбюратор 3
Детали карбюратора 1
СИСТЕМА ОХЛАЖДЕНИЯ 6
096
Cooling system pipelines, hoses and thermostat 4
Propeller pump of cooling system 2
Transmission 10
Clutch 5
Clutch gear 2
Clutch release drive 3
Коробка передач 2
Механизм управления коробкой передач 1
Механизм управления четырехступенчатой коробкой передач 1
Карданная передача 1
Карданный вал и карданные шарниры 1
Задний мост 1
Бортовая передача и дифференциал заднего моста 1
8 Кузов Москвич 412 1
Ходовая часть 12
Рама, бамперы и брызговики двигателя 1
Поперечная балка рамы №2 1
6
Подвеска 7
Передняя подвеска, Assy 1
Пружина, рулевой суть и руки передней подвески 4
Стабилятор на передней подвеске 1
. ось 4
Поворотные рычаги и рулевые тяги 4
Механизмы управления 7
Рулевое управление 1
РУЛЕВОЕ УПРАВЛЕНИЕ0095 1
Тормоза 6
Переднее колесное тормоз 2
Цилиндр разбивки заднего колеса 9008
Торейский мастер -цилиндр 1
71 HYD -Master Diving 1
71 LISE
787878757571 DIVE
77757575 HYDA MASTRINDER 1
7575 -hyd Hyd Master 1
7575. 27
Электрооборудование 20
Генератор в сборе 2
Блок управления напряжением 1
Ignition switch 1
Ignition coil, plug and wires 2
Starter 1
Head lamp 3
Cowl lamp 1
Rear signal lantern 2
Fuse box 1
Схема подключения 4
Переключатель указателей поворота 2
Приборы и датчики 1
Комбинации приборов 1
РАДИООБОРУДОВАНИЕ 6
РАДИООБОРУДОВАНИЕ 6
Детали по запросу
документация
Крылья Москвич-412 задние правые и левые 408-8404012/13 к а/м Москвич-408 412
Схема отсутствует
цена за штуку
Отзывы клиентов (0)
Добавить отзыв
Качество обслуживанияОтличноХорошоНормальноПлохоУжасно
Удобство использования веб-сайтаОтличноХорошоНормальноПлохоУжасно
Качество товараОтличноеХорошееНормальноПлохоеУжасно
ДоставкаОтличноХорошоНормальноПлохоУжасно
Загрузить
КАТЕГОРИЯ
показать все автозапчасти
Кузов 26
Пол кузова 2
Крышки люка и ковры пола в редкой части 2
Windshield and rear window 2
Windshield Wiper and Drive 1
Windshield washer Moskvich 412 1
Body front 1
Dashboard 1
Body rear part 1
Задняя часть кузова 1
Передняя дверь 5
Замок, ручки и петли передней двери 5
Задняя дверь 1
Клавиши блокировки ручки и крышки для ботинок
Капот и детали 2
Передние и задние крылья 4
Brightwork 4
Ветровое и заднее стекло 1 6 Двигатель0095 32
Двигатель 18
Двигатель, Assy 2
Монтаж двигателя 1
Двигатель Цилиндер 3
Двигатель.
Всасывающий коллектор масляного насоса и масляный насос двигателя 1
Фильтр вторичного масла 2
Механизм газораспределения 2
FUEL SYSTEM 8
Gas tank 2
Gas pump 2
Carburettor 3
Carburetor details 1
COOLING SYSTEM 6
Cooling system pipelines, hoses and thermostat 4
Карданный насос системы охлаждения 2
Трансмиссия 10
Сцепление 5
Шестерня сцепления 2
Выпуск сцепления привод 3
Трансмиссия 2
Механизм управления трансмиссией 1
Механизм управления коробкой передач
карта. 1
Задний мост 1
Главная передача и дифференциал заднего моста 1
Механизм переключения коробки передач с рычагом управления, расположенным на полу кузова Москвич 412 1
UnderCariage 12
Рамки, бамперы и экранины двигателя 1
РАМКА КРЕССОВАЯ МЕБОРКА #2 1
Приостановка 7 9008
7 9008
7 9008
7 9008
7 9008
7 9008
7 9008
. , поворотный кулак и рычаги передней подвески 4
Стабилизатор на передней подвеске 1
Пружина задней подвески 1
Передний мост 4
Свингевые и рулевые звенья 4
Контроль Механизмы 7
Рулевое управление 1
Управляя 1 9008
8
. Управляя 1 9008 80008
. Тормозной цилиндр колеса 1
Главный тормозной цилиндр 1
Магистраль высокого давления гидропривода тормозов 2
Электрика Оборудование 27
Электрическое оборудование 20
Сборка генератора генератора 2
БОЙКА УПРАВЛЕНИЯ ВОЗДУХА
1 9008
8
1 9008
.
Головной фонарь 3
Фонарь капота 1
Задний сигнальный фонарь 2
Блок предохранителей 1
6
Wiring diagram 4
Direction indicator switch 2
Devices and sensors 1
Instrument combinations 1
RADIO EQUIPMENT 6
RADIO EQUIPMENT 6
Parts on request
документация
СОПУТСТВУЮЩИЕ ПРОДУКТЫ
Сигнальное устройство в гидравлическом тормозе
412-3515115
$12,31 Купить
Дешево и сердито: Москвич 1500 vs Wartburg Knight vs Lada 1200
Саймон Хакнелл
Особенности
| 3 декабря 2021 г.
Для получения последних новостей о классических автомобилях, характеристик, руководств для покупателей и объявлений подпишитесь на информационный бюллетень C&SC здесь
Как показывают рекламные кампании, эта реклама заставила бы вас подавиться блинчиком с лососем и креветками.
«Москвич — абсолютные чемпионы нашего первого года гонок» — гласил заголовок.
И, если потребуются дополнительные доказательства, импортер Satra услужливо перечислит все 29 британских этапов чемпионата Group One Production Saloon Car Championship 1973 года, в которых его почти стандартный 412 одержал победу во всех гонках, кроме одной.
Тогда вы увидели цену: 717,38 фунтов стерлингов. «Но я только что заплатил 784 фунта стерлингов за Mini 1000», — возможно, пробормотал бы ты.
На самом деле именно высокая цена 412 обеспечила эти победы.
Цены на «Москвич» нашли отклик у британских автомобилистов 1970-х годов.
Таким образом, Тони Ланфранчи на своем 1,5-литровом «Москвиче» с удовольствием хлестал по заднице всех Mini и Imp одинаковой стоимости на трассе. Неудивительно, что реклама заканчивалась словами: «Где конкуренты?»
И эти конкуренты боролись.
Обычные семейные фавориты от Ford, Vauxhall, Austin, Morris и др. уже находились под угрозой из-за японского импорта начала 1970-х годов, но теперь к драке присоединились страны Восточного блока, а «Москвич», «Вартбург» и «Лада» предлагали модели среднего размера. по мини-ценам — с множеством дополнительных комплектов в придачу.
Это трио предлагало покупателям 1970-х заманчивые альтернативы признанным маркам того времени
Каким заманчивым должно быть для семей с ограниченным бюджетом отказаться от соблазна подержанной базовой модели Cortina в пользу свежего пятиместного автомобиля из выставочного зала наполненный безделушками, такими как двухскоростные дворники, фонари заднего хода, крючки для одежды и запирающаяся крышка бензобака?
Это были серьезные соображения при покупке, и, если покупатели не были слишком осведомлены о значках, такие специальные предложения времен холодной войны могли легко их зацепить.
И они тоже.
В период с 1969 по 1973 год только «Москвич» продал в Великобритании 14 500 автомобилей 412, включая универсалы и фургоны.
Именные бейджи намекают на московское происхождение 412
Произведено в Москве АЗЛК (Автомобильный завод имени Ленинского комсомола, что, я не шучу, переводится как «Автомобильный завод в честь комсомола Ленинского коммунистического союза молодежи»), 1500, как известно, предложил дразнящий пакет.
С довольно устаревшей, но вместительной кабиной, мощностью 80 л. стабилизатор поперечной устойчивости, вы могли легко увидеть его привлекательность.
Добавьте скорость Кортины и Виктора, соперничающую со скоростью — 92 мили в час и 0-60 миль в час за 15,3 секунды — и становится ясно, почему г-ну Ланфранчи было так легко в дни гонок.
Учитывая вышеупомянутое щедрое оснащение, а также гарантию на 12 месяцев/10 000 миль, неудивительно, что в свое время было заключено так много сделок.
Силовая установка «Москвича» была копией BMW и предлагала впечатляющую скорость.
Motor провел дорожные испытания модели 1500 в 1973 году, и, хотя они приветствовали соотношение цены и качества автомобиля, он был более язвителен в отношении его стиля и динамики.
«Дизайн и декор попахивают дрянью середины пятидесятых», — сетовал испытатель.
‘Это довольно неуклюжий автомобиль с нечетким рулевым управлением и плохо демпфированной подвеской, из-за чего он сильно кренится и кренится, если быстро поворачивать.’
Дорожный тестер Мотора язвительно отзывался о 1500 во время вождения.
Очевидно, что тираж Motor не распространялся на многих покупателей Москвича, а если и распространялся, то выгодная цена 1500 перевешивала их опасения.
С таким названием, как «Вартбург», образ, вероятно, не был бы в центре внимания потенциальных покупателей, но 353, по крайней мере, предлагал инженерную смесь, которая могла бы заинтриговать любого, кто хоть немного интересовался происходящим. под своим квадратным, но современным корпусом.
«Наш» тестовый автомобиль 1967 года является самым старым здесь, но модель практически не менялась в Великобритании, пока в 1976 году не закончились продажи автомобилей с правым рулем. , торговая марка Wartburg была названа в честь замка, возвышавшегося над заводом, и была первоначально основана в 1898 году. в Великобритании — ему предшествовал медленно продаваемый 311, предлагаемый в Великобритании с 1964.
Но модель 353 отличалась радикальной и более современной конструкцией и по-прежнему приводилась в движение хорошо зарекомендовавшим себя трехцилиндровым двухтактным двигателем объемом 991 куб. нет взаимозаменяемых деталей.
Это наименее мощный из нашего трио, производящий жалкие 45 л.
Единственная переднеприводная машина в этом наборе, Wartburg также уникальна для этой компании тем, что имеет конструкцию кузова на раме с отдельным шасси по периметру рамы, увенчанным единым кузовом с панелями на болтах.
Переднеприводный Wartburg наиболее интересен с технической точки зрения
Еще одним отличием была независимая задняя подвеска, расположенная на продольных рычагах, в отличие от задних мостов Москвича и Лады.
Первоначально импортированный Industria Ltd, седан Knight и его производная модель Knight Tourist нашли почти 20 000 покупателей в Великобритании и продолжали импортироваться в Великобританию с левым рулем с 1976 года. Погребальный звон по двухтактному двигателю, и в последние три года его жизни его место занял четырехтактный 1,3-литровый агрегат от VW Golf.
Невероятно, но в первые годы производства модели 353 компания Wartburg инвестировала 7 миллионов фунтов стерлингов в закупку британских запчастей для всех автомобилей, производимых в Айзенахе.
Почти 20 000 автомобилей Knight были проданы в Великобритании.
Аккумуляторы, звуковые сигналы, шины и обивка, включая ткань сидений, отделку дверных карт и обивку крыши, были куплены в Великобритании.
Но последующий поворот Вартбурга из-за политического подавления СССР его государств-сателлитов означал, что после 1968 года все материалы приходилось получать на месте.
«Наш» автомобиль, являющийся лишь седьмым или восьмым экземпляром, проданным на этих берегах, с гордостью наполовину британский.
Последний из этих трех, поступивший в продажу в Великобритании, возможно, самый известный.
Изящная техника «Лады» лишена авантюризма
Модель 2101 или 1200 производства ВАЗ (позже АвтоВАЗ) начала выпускаться в 1970 году как часть нового бренда компании Lada (по-русски «гармония»).
Построенный по лицензии Fiat, 1200 взял дизайн итальянской компании 124 и сильно адаптировал его для использования на внутреннем рынке.
Это означало не менее 800 изменений в комплектации Fiat, наиболее значительным из которых была замена стареющего 1,2-литрового двигателя Fiat с верхним расположением клапанов на двигатель, разработанный для ВАЗа НАМИ (Российский автомобильный двигателестроительный институт).
Несмотря на то, что объем двигателя остался прежним, диаметр цилиндра и ход поршня изменились, а также была использована совершенно новая головка блока цилиндров с одним верхним расположением распредвала, что в конечном итоге дало Lada больше возможностей для тюнинга для будущего использования в автоспорте.
Головка блока цилиндров с одним верхним расположением распредвала была предназначена для усиления спортивного потенциала Lada
И, как и ее соотечественники из Москвича и Вартбурга, Лада была сделана из стали достаточной толщины, чтобы выдержать обледенелые, засыпанные солью дороги России, хотя она никогда не хвасталась последним словом в защите от ржавчины.
Наряду с увеличением дорожного просвета — еще одно изменение в стремлении справиться с хронически плохими дорогами на его родине — была усилена подвеска, а всесторонние дисковые тормоза модели 124 снова уступили место барабанным сзади. для большей прочности и устойчивости к экстремальным температурам.
Поэтому неудивительно, что Lada 1200 весила 2105 фунтов против 1863 фунтов у 124-й.
Увеличенный дорожный просвет и более прочная подвеска сделали Lada идеальным вариантом для российских дорог
Тот факт, что между первоначальным запуском модели 1200 и ее дебютом в Великобритании была четырехлетняя задержка, был обусловлен лицензионным соглашением, которое Lada заключила с Fiat, которое не позволяла продавать его на любой территории, где 124-й все еще продавался.
Когда 131 Mirafiori заменили 124 в Великобритании в 1974, Lada быстро воспользовалась возможностью представить 1200 в качестве конкурента Wartburg и Moskvich, используя знакомый дизайн среди британских покупателей.
Можете себе представить, как бы это работало и на подсознании.
Сядьте в пример Стивена Флойда 1976 года, и с точки зрения базовой обстановки в кабине (наклон верхней части приборной панели, форма нактоуза и большие вентиляционные отверстия) вы находитесь в Fiat 124.
Кабина Fiat архитектуру Лады маскирует русская фурнитура в стиле 60-х
Но перед вами широкое двухспицевое рулевое колесо с хромированным звуковым сигналом, от которого отказалась версия Fiat после первого рестайлинга.
Только когда вы поворачиваете ключ зажигания, мягкий, но подчеркнуто утилитарный звук «четверки» НАМИ проникает в салон, и вы знаете, что это зона, свободная от Турина.
Флойду, серийному покупателю «Лады», который научился водить машину и владеет многими с 1980-х годов, нравится рудиментарный характер автомобиля.
«Он был разработан таким образом, чтобы владельцы, не имеющие доступа к гаражам, могли поддерживать машину в рабочем состоянии», — говорит он.
Хорошо укомплектованный набор инструментов помог покупателям сохранить свои «Лады» на дороге
Откройте капот, и вы начнете понимать, почему.
Загорается служебная лампочка, и Флойд указывает на заправочный рычаг топливного насоса — идеальный вариант для запуска в условиях мороза в Сибири.
К задней части багажника прикреплен набор инструментов военного класса, в который входят такие предметы первой необходимости, как пусковая рукоятка, регулятор точек и шинный насос.
Сесть за руль «Лады» — значит окунуться в динамику другой эпохи — той, что предшествовала 19-му70-е годы.
Рулевое управление и торможение в 1200 могут быть сложными, но коробка передач четкая, а двигатель полный крутящего момента повторно постоянно компенсирует.
Сцепление относительно легкое, а усиленные передачи в коробке передач 124 Sport четко включаются при короткоходном и точном переключении передач.
Обладая мощностью всего 62 л.с., он не является фаворитом, но агрегат NAMI обладает высоким крутящим моментом и с удовольствием преодолевает крутые склоны.
Торможение требует предусмотрительности, так как педаль, которая кажется мертвой, требует согласованных усилий, чтобы остановить машину.
Кабина Wartburg отражает его суровое происхождение, с простым ленточным спидометром и минимальной коммутационной аппаратурой. передних сидений есть заметный контраст – особенно после поворота ключа зажигания.
Характеристики NVH, создаваемые двухтактным двигателем Wartburg, буквально мешают работе на холостом ходу, создавая резонансы по всему салону.
Но как только вы сначала включаете педаль акселератора и резко нажимаете на него, маленькая тройка становится плавной, как турбина, в сопровождении мягкого и характерного «баарпа», который вызывает полное привыкание.
Выбор передач, однако, не работает.
Несмотря на неуклюжую коробку передач, Wartburg Knight прекрасно управляется
Прекрасно отреставрированный пример Тима Бишопа и Майкла Раймана представляет собой образец того, как автомобиль вел бы себя новым, поэтому было шоком обнаружить, что рычаг переключения передач, похожий на палочку, умудряется быть одновременно расплывчатым, пружинистым и зазубренным.
Это произошло из-за того, что Wartburg пришлось поспешно ввести сдвиг пола специально для правого руля, чтобы удовлетворить спрос, в то время как на всех других рынках сохранилась гладкая смена стойки, разработанная для автомобиля.
Улучшенная смена была доступна с 1969, но это никогда не было сильной стороной автомобиля.
Рычаг переключения передач в стороне, с включенной муфтой свободного хода, предлагающей переключение передач без сцепления, плавный ход и тугое, но слабое рулевое управление, Knight — это жемчужина вождения — возможно, не меньше, чем что-либо еще, потому что опыт настолько уникален.
Вождение Wartburg стало еще лучше благодаря его мягкой езде
Москвич Сары Свон — обновленная версия 2140 модели 1500, которая никогда официально не продавалась в Великобритании.
Зарегистрирован в 1978, несмотря на суффикс «P», единственными заметными отличиями были измененные передние и задние фонари и новая передняя решетка.
Муж Лебедя Билл сегодня является хранителем 1500-х, и он объясняет, что, когда «Москвичи» появились в Великобритании, дилерам была поставлена задача провести обширную доработку, чтобы преодолеть разрыв между тем, что российские покупатели сочтут приемлемым, и британскими покупателями — нет.
Реконструкция топового двигателя не была чем-то необычным, включая притирку клапанов среди многочисленных переделок.
Реставрация двигателя не была редкостью на Москвиче
Проблема заключалась в том, что большинство дилеров проигнорировали совет Сатры, предпочитая, чтобы клиент жаловался, прежде чем обращаться с неизбежными неисправностями в качестве гарантийных требований.
Можно только представить, какой ущерб был нанесен и без того непрочной репутации «Москвича».
Вы сидите высоко за маленьким рулем 1500, опять же, на широком сиденье, похожем на кресло.
В изобилии имеются массивные, неприглядные детали, но хорошо укомплектованный нактоуз включает в себя датчики силы тока и температуры масла, а также обычные показания.
У этого позднего Москвича самая оснащенная приборная панель из нашего трио, а модель 1500 чувствует себя жесткой и нерушимой на дороге
Вертикальное и слегка закругленное лобовое стекло обеспечивает отличный обзор, вы начинаете гонять 1500 по разбитым дорогам Котсуолдса, когда вы едете, возникает ощущение неразрушимости, мягкая подвеска позволяет щедро двигаться кузову, когда вы гребете довольно деревянным на ощупь рычагом переключения передач через его неточные ворота.
Управляя любой из этих реликвий Восточного блока, даже в контексте классовых стандартов 50-летней давности, легко придраться — и остаться равнодушным к их тусклой динамике и производительности.
Но речь идет о соответствии цели.
Честные, прочные, дешевые и (относительно) неприхотливые в обслуживании, они стали панацеей от новых автомобилей для покупателей, которым в противном случае досталась бы какая-нибудь подержанная машина.
Что теперь они вспоминают об уникальном аспекте владения автомобилем в 1970-е годы — это большое счастье.
Изображения: Ольгун Кордал
Спасибо аэропорту Котсуолд; Мел Холли; Кей Беннетт
Подвеска на передняя независимая, на двойных поперечных рычагах задняя ведущий мост; винтовые пружины, телескопические амортизаторы ф/р
Рулевое управление червяк и ролик
Тормоза Диски передние , барабаны задние
Длина 13 футов 3½ дюйма (4073 мм)
Ширина 5 футов 3 дюйма (1611 мм)
Высота 4 фута 7¼ дюйма (1440 мм)
Колесная база 7 футов 9½ дюймов (2424 мм)
Масса 2105 фунтов (955 кг)
0–60 миль в час 20 с
Максимальная скорость 88 миль в час
миль на галлон 30
Цена нового 999 фунтов стерлингов (1974 г. )
Цена сейчас £1500-5000*
*Цены действительны на дату первоначальной публикации
Читать Подробнее
Москва Позвоните: Внутри крупнейшая в России классическая автомобильная выставка
ВТОРОЙ КАКИ: FIAT 124 ABARTH RESTOROU Особенности
Саймон Хакнелл
Москвич 412 | The Independent
Еще до появления Lada, Skoda Estelle и Polski Fiat 125, относительно массовых товаров для жителей Запада, избранная группа британских автомобилистов отбросила всякую паранойю времен холодной войны и купила красивый Москвич 412. Их соседи, возможно, сомневались в их патриотизме, но 412, как правило, обращались к тому типу автомобилистов, которые ценили долговечность выше размахивания флагами, особенно если альтернативой был Morris Marina 1300 De Luxe.
Перед Второй мировой войной Московский завод малолитражных автомобилей (МЗМА) производил неофициальные клоны Ford AA 1930 года и Opel Kadett 1938 года, но, когда Красная Армия прибыла во Франкфурт в 1945 году, они обнаружили, что заводы Opel в Руссхайме относительно неповрежденный — с полным набором инструментов для довоенной серии K38 Kadett на месте. Все инструменты Opel были отправлены обратно, и к следующему году заводы «Москвич» (сын Москвы) выпустили модель 400, которая очень сильно напоминала 19-кубовую модель.38 Опель Кадетт. Модель 400 на протяжении 18 лет оставалась основой среднетоннажного транспорта СССР, получив в 1956 году новый двухцветный кузов. Автосалон Эрлс Корт. В «Книге автомобилей» TheObserver его описали как «красивый автомобиль с гладкими современными линиями», но рудиментарные хвостовые плавники и четыре круглых фары скрыли тот факт, что он все еще использовал 1400-кубовый двигатель Opel 1938 года выпуска.
Эта силовая установка оказалась серьезным препятствием для стремления СССР к западной валюте, наряду с тем фактом, что 408 весил почти 2 тонны. Первоначальный британский импортер, Russian Cars Ltd of Byfleet, по понятным причинам изо всех сил пытался продать автомобиль, оснащенный задней подвеской с листовыми рессорами и переключением передач для сельскохозяйственной техники, по той же цене, что и новый Ford Cortina. Однако в 1969 году автомобильный завод имени Ленинского комосола (или АЗЛК) выпустил модель 412 с квадратными фарами, оснащенную совершенно новым двигателем объемом 1500 куб. см и мощностью 80 л.
По истинно советской моде хитрые инженеры Москвича раздобыли чертежи четырехцилиндрового силового агрегата BMW, и, наконец, Москвич мог двигаться со скоростью свыше 90 миль в час (хотя немногие здравомыслящие владельцы хотели бы этого, поскольку 408-й листовые рессоры и барабанные тормоза были сохранены во имя экономии). По крайней мере, вес новой модели теперь был уменьшен до простой тонны, особенно потому, что 408 оказался слишком тяжелым для некоторых автодорожных мостов в Западной Европе.
Модель 412 также приобрела нового импортера в лице Satra Motors, чья ценовая политика стала образцом для импорта из стран Восточного блока в течение двух десятилетий. Стоимость Москвича 412 теперь была снижена до стоимости Mini, что позволило Satra сохранить норму прибыли и привлечь новый тип клиентов. Проницательные маркетологи в своих безумцах Джейсона Кинга поняли, что средний покупатель 412 не беспокоится о 1961 Hillman Minx с кузовом и конечной недостаточной поворачиваемостью, поскольку их гораздо больше впечатлила перспектива нового автомобиля размером с Cortina, который будет оснащен двухскоростными дворниками, откидывающимися передними сиденьями и жалюзи радиатора по цене подержанного Hillman. Мститель.
Таких покупателей также, как правило, больше интересовал набор инструментов 412 из 21 предмета и ручка запуска, чем капризы моды и тот факт, что «выбор ярких современных цветов» неизменно означал особенно отвратительный оттенок оранжевого. ПВХ-обивка 412, возможно, оказалась биоразлагаемой в течение нескольких месяцев, но в стране, где ежегодное падение двух дюймов замерзшей воды приводило к мгновенному выходу из строя всех коммуникаций, было приятно найти автомобиль, специально разработанный для страны, где температуры могут колеблется от 50С до минус 60С.
Особый успех имели версии универсал, фургон и пикап. В то время, когда British Leyland все еще выставляла на продажу фургон Austin A60 типа 1956 года, у строителя была альтернатива покупке фургона 412, оснащенного двигателем OHC объемом 1500 куб. См, прикуривателем и вулканическим обогревателем.
Но судьба модели 412 в Великобритании была в конце концов решена в отчете 1973 года, опубликованном в журнале Ассоциации потребителей Motoring Which, в котором утверждалось, что «Москвич» небезопасен. Даже самый ярый сторонник марки не мог утверждать, что ранний 408-й с металлической приборной панелью с острыми краями и литым алюминиевым рычагом ручного тормоза, разработанным с учетом требований безопасности пассажиров.
Последние «Москвичи» были импортированы в Великобританию в 1976 году, но Satra уже начала импортировать Lada 1200 двумя годами ранее. Двумя британскими концернами, которые, как считается, были очень подавлены уходом Москвича, были British Leyland (поскольку 412 был одним из очень немногих автомобилей, которые действительно заставляли Morris Marina выглядеть смутно динамичным) и Anglia Television (согласно строгим правилам IBA в отношении стоимости автомобилей). призы, предлагаемые викторинами ITV, во многих выпусках «Распродажи века» Николас Парсонс был вынужден лирически рассказывать о ярко-оранжевом звездном призе «Москвич 412 Делюкс»).
Несмотря на появление рестайлингового 2140 — без хвостового оперения и с модными черными пластиковыми бамперами — к 1976 году потенциал Москвича для заработка в западной валюте был крайне ограничен. Производство 2140 окончательно прекратилось в 1990 году, поскольку АЗЛК теперь сосредоточил свои усилия на 2141 Aleko 1986 года, переднеприводном клоне Chrysler Alpine, а к середине десятилетия Москвичи производились по принципу «стоп-старт». К маю 2002 года продажи «Москвича» были настолько ужасны, что АЗЛК обанкротился.
Однако весной 2003 года правительство Москвы и Renault подписали соглашение о выпуске автомобилей на заводе АЗЛК, хотя сейчас под производство автомобилей используется менее четверти завода.
Москвич — Сын Москвы
Москвич
1947 — 1991
Страна:
В БУКВАЛЬНОМ ПОНИМАНИИ НАЗВАНИЕ МОСКВИЧ означает «Сын Москвы», и именно в Москве в 1947 году был основан завод «Московский завод малых автомобилей» для производства легковых автомобилей.
Несмотря на относительно позднее развитие автомобиля, Московский завод был вторым старейшим автомобилестроительным предприятием в России, первым из которых был Горьковский завод, производивший автомобили «Волга». Первый автомобиль, выпущенный заводом, был фактически изготовлен из штампов, которые русские получили от немецкого завода Adam Opel AG, когда конец Второй мировой войны привел к принудительному демонтажу завода в Руссельсхайме в 1919 году.45.
Москвич 400
Названная Москвич 400, эта модель, следовательно, была идентична довоенному Opel Kadett. Оснащенный четырехцилиндровым двигателем мощностью 23 л.с., в 1954 году он был форсирован на три лошадиные силы и стал Москвич 401.
Два года спустя кузов подвергся рестайлингу, в результате чего появился Москвич 402, а мощность двигателя была увеличена. до 35 л.с. при 4200 об/мин. В то же время была представлена полноприводная версия 410.
В 1958 году русский завод выпустил 45-сильный модельный ряд 407, который имел, а также седан, универсал, скорую помощь, такси, автофургон и полноприводные модификации. Пять лет спустя, когда модель 407 все еще производилась, была представлена новая модель, седан 403, и у нее также были производные от фургона и универсала, хотя со стилистической точки зрения отличия от предыдущей модели заключались в основном в отделка, а не где-либо еще.
В 1966 году были выпущены более радикально измененные модели 408. Пятиместная версия седана была оснащена четырехцилиндровым 1,4-литровым двигателем с верхним расположением клапанов мощностью 60 л.с. Подвеска спереди была независимой, а сзади — на обычных листовых рессорах.
Трансмиссия осуществлялась через четырехступенчатую полностью синхронизированную коробку передач. Были произведены версии универсал и развозной фургон, и впервые автомобили предлагались с дополнительными опциями, такими как сдвоенные фары, солнцезащитные козырьки и электрические омыватели ветрового стекла.
Москвич 412
В начале 1968 года была анонсирована серия 412, оснащенная двигателем объемом 1480 куб. см с верхним расположением распредвала и мощностью 80 л. с. По сути, это был двигатель, который использовался в модели 412 в 1977 году. Модельный ряд Москвич 1500, представленный в мае 1974 года, представлял собой улучшенную версию оригинального 412 с новой решеткой радиатора, новой панелью и улучшенной тормозной системой. С производными от универсала и грузового фургона автомобиль по-прежнему приводился в движение четырехцилиндровым, 1478 куб. из 90 миль/ч.
1951 Москвич 400, первый произведенный компанией автомобиль, основанный на штампах немецкого завода Adam Opel AG в 1945 году.
Дизельный двигатель Perkins мощностью 62 л.с. при 4000 об/мин.
Москвич 412 1968 года выпуска, оснащенный верхнеклапанным двигателем мощностью 80 л.с. и объемом 1478 куб.см. Он также был доступен как фургон или фургон для доставки.
1973 Москвич 412, оснащенный четырехтактным четырехцилиндровым двигателем объемом 1478 куб. см, развивающим мощность 80 л.с. при 5800 об/мин. Он также был доступен с дизельным двигателем Perkins объемом 1760 куб. См британского производства.
Двигатель имел степень сжатия 8,8:1 и двухдроссельный карбюратор с пониженной тягой. Трансмиссия осуществлялась через центральную четырехступенчатую полностью синхронизированную коробку передач и однодисковое диафрагменное сцепление. По кругу были установлены барабанные тормоза с сервоприводом. Рулевое управление было шаровидным червяком и роликом. В стандартную комплектацию автомобиля входили обогреватель, двухскоростные дворники, полностью откидывающиеся передние сиденья, взломостойкие замки и прикуриватель.
Все модели отличались ламинированными ветровыми стеклами, складными рулевыми колонками, вогнутыми рулевыми колесами и мягкими приборными панелями. Пятидверный универсал Москвич 1500 был оснащен тем же двигателем, что и седан, что давало ему немного меньшую максимальную скорость 85 миль в час. Трехдверный развозной фургон «Москвич 1500» имел идентичные с универсалом характеристики и технические характеристики. Версии 412 с дизельным двигателем были впервые собраны в Бельгии компанией Sobimpex и получили название Scaldia. Они были оснащены английским дизельным двигателем Perkins объемом 1760 куб.см, который производил 62 л.с. (SAE) при 4000 об/мин и имел степень сжатия 22:1, что позволяло автомобилю развивать максимальную скорость 75 миль в час. Этот дизельный двигатель также был доступен в версии универсал.
Способные участники
В соревновательной сфере Москвич показал себя очень достойно в марафоне Лондон-Сидней в 1968 году, а три седана Москвича финишировали в изнурительном 16000-мильном ралли Кубка мира 1970 года. В 1972 году Москвич, которым управлял Тони Ланфранки был включен в первую группу британского чемпионата по гонкам на седанах и показал себя настолько хорошо, что автомобиль выиграл оба этапа чемпионата Castrol и Britax до завершения сезона, а также все призы класса в том году. Этот успех повторился еще раз в 1973.
В июле 1973 года в британском автотуре компании Avon Москвичи заняли первое, второе, третье и четвертое места в своем классе. Автомобили «Москвич» были впервые импортированы в Великобританию в середине 1970-х годов компанией Satra Motors Ltd, дочерней компанией нью-йоркской Satra Corporation. В июне 1970 года Satra выкупила предыдущую компанию, занимавшуюся импортом советских автомобилей в Британию, Thompson and Taylor (Russian Cars) Ltd, которая была образована в марте 1960 года.
Продажи выросли с 300 единиц в 19с 69 до 14 500 в 1973 году. Летом 1975 года Satra Motors прекратила производство Москвичей. Несмотря на бесхитростный шарм и суровую репутацию модели 412, Сатра считал, что модельный ряд Lada на базе российского Fiat предлагает еще более выгодную цену и потенциал продаж. В 1977 году не было планов повторно представить «Москвич» в Западной Европе, но в России производство 412 продолжалось, а в Болгарии они также производились в период с 1966 по 1990 год на основе комплектов для полной разборки (CKD).
Введение Алеко 141
В 1986 году была представлена принципиально новая (по советским меркам) модель, получившая название «Алеко-141». Он был оснащен рядным четырехцилиндровым двигателем ВАЗ-2106 объемом 1,6 л, который к тому времени зарекомендовал себя на нескольких моделях Lada. Алеко был переднеприводным хэтчбеком, отличавшимся от всех моделей, которые завод производил ранее. Он был больше и роскошнее, сделан с учетом комфорта, безопасности и аэродинамики.
Кузов построен на базе Simca 1307, а продольное расположение двигателя и торсионно-кривошипная задняя подвеска и передняя подвеска со стойками McPherson вдохновлены семейством Audi 80/100 с учетом большего размера двигателей Москвича и Лады. . Бензиновый двигатель объемом 1,8 л для нового автомобиля планировался, но так и не был реализован, как и в случае с дизельной версией. Автомобиль был значительным улучшением по сравнению с предыдущими поколениями, но падение централизованной экономики, низкое качество и неадекватное управление в конечном итоге привели завод к банкротству.
Завод, переименованный в начале 1990-х годов в ОАО «Москвич», в 2002 году объявил о банкротстве и прекратил производство. Завод простаивает и заброшен, все осталось, как было в 2002 году. На конвейере в разной степени готовности остаются недостроенные кузова, а в административном здании завода остаются мебель, компьютеры, канцтовары и документы. В течение следующих 3 лет было предпринято несколько попыток возобновить производство, но ни одна из них не увенчалась успехом.
На снимке два автомобиля «Москович», проезжающие через афганскую деревню во время ралли Лондон-Сидней 1968 года.
Москвич 412 412 • 1.
5 (75 лс) технические характеристики и расход топлива — AutoData24.com
Сколько легковых машин приходится на душу населения в разных странах мира и бывшего СССР. Сравниваем обеспеченность населения автомобилями.
Автомобилизация — это обеспеченность населения автомобилями. Ее рассчитывают, как среднее количество частных легковых автомобилей на 1000 человек.
Уровень автомобилизации в среднем по России составляет 381 машин на 1000 жителей (2019г.). При этом еще в 1997 году этот показатель был значительно меньше — 118 авто.
Моторизация населения в нашей стране неуклонно растет. Но несмотря на бурное развитие российского авторынка за последнее время, по числу машин на душу населения наша страна еще далека от лидеров.
Рейтинг стран мира по количеству автомобилей на душу населения
Укажем место в мировом рейтинге, число легковых машин на 1000 жителей и год, в котором сняты эти данные.
№
Страна
Число авто на 1000 человек
1
Сан-Марино
1 263 (2013)
2
Монако
899 (2013)
3
Новая Зеландия
860 (2018)
4
США
838 (2018)
5
Исландия
824 (2016)
6
Лихтенштейн
773 (2016)
7
Финляндия
752 (2019)
8
Австралия
730 (2020)
9
Бруней
721 (2015)
10
Швейцария
716 (2018)
.
Сколько в России машин на душу населения?
Число машин в странах меняется ежегодно. По данным Росстата на 2019 года в России имеется 381 легковой автомобиль на 1000 человек. С этим показателем в рейтинге стран мира по уровню автомобилизации населения наша страна находится на 48 месте.
По данным агентства «Автостат», по состоянию на 1 июля 2020 года, на тысячу жителей в России приходится 309 легковых автомобилей.
Рейтинг стран бывшего СССР по числу машин на человека
Уровень автомобилизации России вдвое ниже развитых мировых держав и даже некоторых государств бывшего СССР.
Рейтинг городов России по числу автомобилей на душу населения
Количество легковых машин на душу населения в разных городах России отличается друг от друга.
Больше всего легковых авто на 1000 жителей зарегистрировано в Краснодаре, сообщает «Автостат». Имея население в 1 млн 022 тыс. человек и парк в 355 тыс. единиц, в столице Кубани показатель обеспеченности автомобилями на середину 2020 года составил 347 единиц.
10 городов России по обеспеченности жителей автомобилями
(Число легковых автомобилей на 1000 жителей, по данным «Автостат» на 1 июля 2020 года)
10. Тюмень – 299; 9. Красноярск – 300; 8. Казань – 301; 7. Саратов – 304; 6. Екатеринбург – 305; 5. Тольятти – 309; 4. Воронеж – 315; 3. Санкт-Петербург – 317; 2. Самара – 331; 1. Краснодар – 347.
В Москве на 1 тысячу жителей приходится 287 легковых машин. По уровню автомобилизации наша столица находится только на 12 месте среди крупных городов страны.
Какой уровень автомобилизации считается лучшим?
Рост автомобилизации не бесконечен.
« Иметь в гараже или у дома по два автомобиля на каждого члена семьи может быть просто непрактично, — считает старший менеджер A.T. Kearney Дмитрий Коляков. — Таким образом, около 800 автомобилей на 1000 человек населения — это своего рода естественная граница даже для стран с самым автомобилизированным образом жизни, таких как США».
Для европейских стран с их менее автомобилизированным образом жизни предельный уровень моторизации может находиться на уровне 700 или даже 600 автомобилей на 1000 населения.
Рейтинг стран по уровню автомобилизации
Главная > Справочник > Списки и рейтинги > Страны > Рейтинг стран по уровню автомобилизации
Уровень автомобилизации — это показатель оснащённости легковыми автомобилями населения страны, который рассчитывается как число индивидуальных легковых автомобилей на 1000 жителей. Под легковым автомобилем подразумевается дорожное транспортное средство (кроме двухколесных транспортных средств), предназначенное для перевозки пассажиров и багажа, вместимостью от 2 до 9 человек, включая водителя. Рассчитывается по методике Международной дорожной федерации (International Road Federation), основанной на данных национальной статистики и международных организаций. В качестве источника информации выступает база данных «World Road Statistics», которая обновляется ежегодно.
Уровень автомобилизации населения считается одним из важных показателей благосостояния населения: чем выше уровень благосостояния людей, тем больше вероятность приобретения ими автомобилей. Повышение уровня автомобилизации населения приводит к значительному изменению общественной инфраструктуры, увеличению мобильности людей и улучшению экономического положения людей. К негативным последствиям автомобилизации относятся загрязнение воздуха и земли вдоль автомагистралей, шумовое загрязнение городской и пригородной среды, увеличивающееся число автомобильных аварий и их жертв, а также усиление зависимости жизни общества от негативных последствий автомобилизации, хотя степень свободы выбора при передвижении в собственном автомобиле значительно выше, чем в общественном пассажирском транспорте. Данные приведены за 2012 год и в отдельной таблице — самые свежие данные, которые есть по каждой стране.
Текущие данные
2012
Карта
№
Страна
Автомобилей на 1 тыс
Год оценки
1
Сан-Марино
1 263
2014
2
США
910
2017
3
Монако
899
2014
4
Новая Зеландия
774
2017
5
Лихтенштейн
750
2014
6
Исландия
745
2014
7
Австралия
740
2017
8
Люксембург
739
2014
9
Мальта
693
2014
10
Италия
679
2014
11
Гуам
677
2014
12
Канада
662
2016
13
Финляндия
612
2011
14
Испания
593
2014
15
Япония
591
2017
16
Греция
586
2014
17
Норвегия
584
2014
18
Австрия
578
2014
19
Франция
578
2014
20
Германия
572
2014
21
Польша
567
2011
22
Швейцария
543
2016
23
Литва
560
2010
24
Бельгия
559
2010
25
Португалия
548
2010
26
Словакия
546
2016
27
Словения
537
2014
28
Бахрейн
537
2009
29
Катар
532
2007
30
Кипр
532
2010
31
Нидерланды
528
2010
32
Кувейт
527
2010
33
Швеция
520
2010
34
Великобритания
519
2010
35
Ирландия
513
2009
36
Бруней
510
2008
37
Ирак
496
2014
38
Чехия
485
2010
39
Дания
480
2010
40
Эстония
476
2010
41
Барбадос
469
2007
42
Европа
468
2000
43
Южная Корея
459
2014
44
Ливан
434
2014
45
Болгария
393
2010
46
Израиль
384
2017
47
Хорватия
380
2010
48
Беларусь
362
2010
49
Малайзия
361
2010
50
Тринидад и Тобаго
353
2007
51
Венгрия
345
2010
52
Саудовская Аравия
336
2014
53
Тайвань
333
2016
54
Черногория
326
2016
55
Россия
324
2017
56
Латвия
319
2010
57
Аргентина
314
2007
58
Объединенные Арабские Эмираты
313
2007
59
Румыния
305
2017
60
Суринам
291
2010
61
Сербия
291
2015
62
Ливия
290
2007
63
Мексика
275
2010
64
Иран
256
2018
65
Турция
253
2014
66
Казахстан
250
2017
67
Бразилия
249
2016
68
Антигуа и Барбуда
230
2009
69
Чили
230
2013
70
Сент-Китс и Невис
223
2014
71
Оман
215
2007
72
Босния и Герцеговина
214
2010
73
Таиланд
206
2012
74
Китай
154
2016
75
Украина
202
2016
76
Святой Винсент и Гренадины
204
2008
77
Уругвай
200
2009
78
Фиджи
188
2010
79
Ямайка
179
2010
80
Коста-Рика
287
2016
81
Сейшельские острова
176
2010
82
Маврикий
378
2010
83
Белиз
174
2007
84
Тонга
174
2014
85
Армения
167
2018
86
Иордания
166
87
Сент-Люсия
165
2010
88
Южная Африка
165
2010
89
Доминика
163
2014
90
Науру
159
2004
91
Молдова
156
2010
92
Грузия
155
2010
93
Македония
155
2009
94
Косово
150
2013
95
Колумбия
148
2015
96
Сингапур
149
2010
97
Венесуэла
147
2007
98
Кирибати
146
2008
99
Ботсвана
133
2009
100
Панама
132
2010
101
Доминиканская Республика
128
2009
102
Тунис
125
2010
103
Албания
124
2010
104
Гренада
122
2014
105
Зимбабве
114
2007
106
Алжир
114
2010
107
Азербайджан
112
2011
108
Эквадор
109
2014
109
Туркменистан
107
2010
110
Намибия
106
2008
111
Кабо-Верде
101
2007
112
Гондурас
95
2008
113
Гайана
95
2008
114
Сальвадор
94
2007
115
Свазиленд
89
2007
116
Багамские о-ва
81
2007
117
Гонконг
77
2010
118
Самоа
77
2007
119
Шри-Ланка
150
2016
120
Перу
73
2010
121
Сирия
73
2010
122
Монголия
71
2010
123
Боливия
70
2007
124
Марокко
68
2007
125
Индонезия
68
2010
126
Гватемала
69
2011
127
Нигерия
61
2016
128
Киргизия
59
2007
129
Бутан
57
2009
130
Парагвай
57
2010
131
Никарагуа
54
2009
132
Вануату
54
2014
133
Индия
50
2015
134
Египет
45
2009
135
Палестина
42
2010
136
Ангола
38
2007
137
Куба
38
2008
138
Таджикистан
38
2007
139
Узбекистан
37
2004
140
Микронезия
37
2007
141
Йемен
35
2007
142
Коморские острова
33
2007
143
Гвинея-Бисау
33
2008
144
Филиппины
30
2010
145
Гана
30
2009
146
Мальдивы
28
2010
147
Джибути
28
2014
148
Афганистан
28
2010
149
Конго
27
2007
150
Судан
27
2007
151
Мадагаскар
26
2009
152
Кения
24
2010
153
Вьетнам
23
2013
154
Бенин
22
2007
155
Сенегал
22
2008
156
Камбоджа
21
2005
157
Замбия
21
2008
158
Лаос
20
2007
159
Кот’д-Ивуар
20
2007
160
Пакистан
18
2010
161
Камерун
14
2007
162
Габон
14
2004
163
Мали
14
2009
164
Экваториальная Гвинея
13
2004
165
Папуа-Новая Гвинея
13
2014
166
Гаити
12
2014
167
Мозамбик
12
2009
168
Буркина-Фасо
12
2010
169
Эритрея
11
2007
170
Северная Корея
11
2006
171
Эфиопия
8
2017
172
Малави
8
2007
173
Уганда
8
2009
174
Мьянма
7
2010
175
Танзания
7
2007
176
Гамбия
7
2004
177
Нигер
7
2009
178
Бурунди
6
2007
179
Сьерра-Леоне
6
2008
180
Чад
6
2006
181
ДР Конго
5
2007
182
Гвинея
5
2014
183
Мавритания
5
2014
184
Непал
5
2007
185
Руанда
5
2014
186
Центрально-Африканская Республика
4
2014
187
Лесото
4
2004
188
Сомали
3
2014
189
Либерия
3
2007
190
Бангладеш
3
2010
191
Соломоновы острова
3
2004
192
Сан-Томе и Принсипи
2
2007
193
Того
2
2007
№
Страна
Автомобилей на 1000 чел
1
Сан-Марино
1139
2
Лихтенштейн
750
3
Монако
732
4
Люксембург
665
5
Исландия
644
6
Пуэрто-Рико
621
7
Италия
602
8
Новая Зеландия
599
9
Мальта
579
10
Австралия
556
11
Финляндия
538
12
Австрия
529
13
Словения
522
14
Швейцария
521
15
Германия
517
16
Латвия
515
17
Греция
499
18
Бельгия
489
19
Франция
481
20
Испания
481
21
Норвегия
472
22
Нидерланды
466
23
Швеция
462
24
Великобритания
457
25
Япония
453
26
Польша
451
27
Кувейт
439
28
Чехия
427
29
США
423
30
Кипр
419
31
Эстония
412
32
Фарерские о-ва
410
33
Дания
390
34
Болгария
345
35
Хорватия
343
36
Малайзия
325
37
Словакия
307
38
Венгрия
298
39
Литва
284
40
Южная Корея
276
41
Беларусь
274
42
Израиль
272
43
Черногория
262
44
Россия
233
45
Суринам
227
46
Сербия
215
47
Румыния
201
48
Мексика
191
49
Казахстан
189
50
Макао
148
51
Украина
148
52
Ямайка
144
53
Сейшельские о-ва
140
54
Маврикий
137
55
Коста-Рика
135
56
Грузия
130
57
Чили
127
58
Иордания
123
59
Фиджи
118
60
Сингапур
117
61
Молдова
113
62
Южная Африка
112
63
Турция
104
64
Панама
102
65
Албания
92
66
Тунис
86. 8
67
Азербайджан
83.8
68
Алжир
75.9
69
Таиланд
66.6
70
Кыргызстан
62.9
71
Марокко
61.8
72
Гонконг
58.7
73
Сальвадор
49.4
74
Намибия
47.5
75
Перу
43.9
76
Китай
43.8
77
Эквадор
41.3
78
Индонезия
37.1
79
Гватемала
37
80
Сирия
36.3
81
Палестина
32.8
82
Афганистан
20.1
83
Шри-Ланка
19.9
84
Сенегал
17
85
Никарагуа
16.6
86
Кения
13. 7
87
Пакистан
13.4
88
Мальдивы
10.6
89
Филиппины
8.6
90
Буркина Фасо
7.3
91
Мьянма
5.4
92
Гамбия
5.2
93
Бангладеш
2
94
Руанда
1.6
Как далеко зашла автомобилизация России? — журнал За рулем
Несмотря на бурный рост российского авторынка за последнее десятилетие, по числу машин на душу населения наша страна все еще далека от Топ-10: автомобилизация России вдвое ниже развитых мировых держав и даже некоторых государств бывшего СССР. Впрочем, в ряде российских регионов обеспеченность автомобилями уже достигает европейских значений, пусть преимущественно за счет импортного секонд-хэнда.
Московский международный деловой центр «Москва-Сити»
Почти как в Европе
Самыми автомобильными регионами в нашей стране являются Приморье и Камчатка, где обеспеченность населения автомобилями находится на уровне стран Западной Европы. Так, по данным на начало 2014 года, уровень автомобилизации в Приморском крае составляет 572 машины на 1000 жителей, в Камчатском крае — 458 авто, подсчитали в «Автостате». Дело в том, что через Дальний Восток ввозятся подержанные иномарки из Японии, при этом аналитики не исключают, что какая-то часть из них, «уходя» вглубь страны, остается на учете в Приморье и на Камчатке. Реальная же автомобилизация в этих регионах может быть на уровне других лидеров рейтинга — 300–350 машин на 1000 жителей.
«В Приморье и на Камчатке долгое время были доступны автомобили с пробегом из Азии, прежде всего из Японии. Сейчас ситуация изменилась, но люди, которые привыкли ездить на автомобиле, тяжело расстаются с личным транспортом, в крайнем случае они купят более дешевую машину. Кроме того, эти регионы в силу близости к Японии объективно более обеспечены товарами, и покупка автомобилей не имеет столь значительного места в структуре расходов населения», — говорит генеральный директор «Рольфа» Татьяна Луковецкая.
обеспечение авто2
Замкадный автопарк
На третье место по обеспеченности автомобилями среди российских регионов вышла Калужская область (344 авто на 1000 жителей), опередив таким образом Московскую (340 авто). Стоит при этом отметить, что Москва, крупнейший региональный авторынок, по уровню автомобилизации занимает лишь десятое место с показателем 311 автомобилей. «Разделение между Москвой и Московской областью можно рассматривать лишь условно: многие жители Подмосковья работают в Москве и там используют свои автомобили, — комментирует Татьяна Луковецкая. — Калужская область — экономически развитый регион со своим автомобильным кластером. К тому же не может не сказываться близость Москвы. Известный факт: многие ставят автомобиль на учет не там, где проживают фактически, и не всегда оформляют его на себя. Кроме того, в таких мегаполисах, как Москва и Санкт-Петербург, хорошо развит общественный транспорт, а проблемы с парковками стоят достаточно остро, так что многие жители обходятся без автомобиля или держат один автомобиль в семье».
Замыкает пятерку лидеров по обеспеченности автомобилями Калининградская область, где на 1000 жителей приходится 336 машин. По словам Татьяны Луковецкой, Калининградская область — это особая экономическая зона, поэтому здесь проще купить иномарку с пробегом. Кроме того, исторически в этом регионе больше парк иномарок, в том числе возрастных.
В Топ-10 российских регионов по уровню автомобилизации также вошли Псковская область (334 авто), Республика Карелия (329), Рязанская и Тюменская области (по 312 авто) и, как уже упоминалось, Москва (311).
обеспечение авто1
Петербург равняется на Лондон
Кстати, второй по величине региональный авторынок — Санкт-Петербург — и вовсе не вошел в десятку самых автомобильных российских регионов. В личном зачете северной столицы лишь 12-й результат — 308 автомобилей на 1000 жителей. Как отмечает генеральный директор «Auto-Dealer-СПб» Михаил Чаплыгин, автопарк регионов, которые находятся в рейтинге выше Петербурга, более насыщен отечественными автомобилями — в первую очередь продукцией АВТОВАЗа, тогда как в северной столице структура спроса более дифференцированная. «В Петербурге растет объем премиум-сегмента, а он, конечно, не такой объемный, как масс-маркет, развитие которого характерно именно для регионов», — говорит эксперт.
Кроме того, впереди Петербурга, в основном, регионы с большей площадью, но меньшим количеством населения, продолжает Михаил Чаплыгин. «Соответственно, потребность в передвижении на автомобиле здесь выше (это связано и с видами экономической деятельности), поэтому и количество транспортных средств на душу населения также больше. К тому же эти регионы с более развитым импортом машин — например, Приморский край, Калининградская область, или нефтедобывающие с высокими уровнями доходов», — рассуждает эксперт.
По его мнению, уровень автомобилизации в Петербурге в целом не такой уж и низкий. Власти города в стратегии его развития отмечают, что в Лондоне, например, этот показатель составляет 350 машин. И это их радует. Учитывая нынешнее развитие транспортной инфраструктуры и политику городских властей, которые только сейчас стали задумываться о разгрузке центра, показатель, близкий к 300 автомобилям, вполне подходящий для нынешнего Петербурга, резюмирует Михаил Чаплыгин.
20141226_img_1053
Между Ливией и Иорданией
Уровень автомобилизации в среднем по России составляет 317 машин на 1000 жителей. При этом еще в 1997 году этот показатель был значительно меньше — 118 машин, и с тех пор неуклонно увеличивался. Тем не менее по числу машин на душу населения Россия находится в окружении таких стран, как Ливия (333) и Иордания (315 машин). А в общемировом рейтинге по обеспеченности автомобилями наша страна занимает лишь 52-е место. При этом Россия уступает даже некоторым государствам бывшего Советского Союза, таким как Литва (638 авто), Эстония (524) и Латвия (344). Впрочем, уровень автомобилизации в Прибалтийских республиках, а также в Грузии и Армении и в советские времена был выше, чем в целом по России.
В сравнении с большинством республик бывшего СССР Россию отличают более высокий уровень доходов и больший протекционизм по отношению к подержанным иномаркам, что ведет к превосходству нашей страны по денежным показателям и отставанию по количественным продажам автомобилей, отмечает старший менеджер A. T. Kearney Дмитрий Коляков. «Необходимо учитывать значительную региональную неоднородность России — причины, препятствующие росту автомобилизации в Москве, совсем не те, что в Марий Эл, — уверен эксперт. — В качестве общего наблюдения можно сказать, что регионы с меньшим уровнем автомобилизации, в основном, сдерживаются низким уровнем располагаемых доходов, а регионы с высоким уровнем — вопросами инфраструктуры (пробки и проблемы с парковкой делают автомобиль менее привлекательным)».
При этом вопрос, является ли уровень автомобилизации в России низким для страны с таким, как у нас, уровнем доходов, степенью их распределения и укладом жизни, остается открытым. Действительно, в странах, где государство совсем не препятствует ввозу подержанных иномарок и не облагает их серьезными налогами, уровень автомобилизации, как, например, в Грузии, Армении и Прибалтике, может быть выше даже при сравнимом или более низком уровне доходов. Однако такое положение вещей, скорее, является исключением, чем правилом. Соображения инфраструктуры, экологии и защиты собственного производства заставляют большинство стран бороться с неограниченным ввозом подержанных иномарок, что повышает качество и молодость автопарка, но снижает номинальную автомобилизацию. Если сравнивать не уровень автомобилизации на душу населения, а продажи новых автомобилей, Россия оставляет далеко за собой страны бывшего СССР.
20141212_zo1z9849
Автомобилизация на пределе
А вот страны Западной Европы по уровню автомобилизации населения опережают Россию примерно вдвое. Лидирует по этому показателю Исландия, где на 1000 жителей 758 машин. Среди крупнейших авторынков Европы стоит также отметить Италию (705 авто), Испанию (588), Францию (581) и Германию (579). А лидером среди мировых держав по обеспеченности автомобилями являются США — на 1000 американцев приходится аж 801 автомобиль.
Материалы по теме
Составлен рейтинг регионов по числу авто на 1000 жителей
Материалы по теме
Итоги-2014: до чего докатился российский авторынок
Как считают в «Автостате», даже при отсутствии роста российского авторынка уровень автомобилизации России будет продолжать стабильно увеличиваться, и примерно через 8–10 лет он приблизится к показателям стран Восточной Европы — 400 автомобилей на 1000 жителей.
Когда Россия достигнет уровня обеспеченности автомобилями как в Западной Европе, эксперты прогнозировать не берутся. «Простого ответа на данный вопрос, наверное, нет, но если говорить очень грубо, то только тогда, когда располагаемые доходы и уклад жизни в России станут близки к европейским, — говорит Дмитрий Коляков. — При отставании ВВП на душу населения (и, соответственно, располагаемых доходов) в среднем в два раза от ведущих стран Западной Европы быстрое сближение по автомобилизации возможно только при сильном росте российской экономики, сглаживании региональных дисбалансов и снижении неравенства доходов. В какой-то части этот процесс идет, однако стремительные изменения прогнозировать затруднительно».
Между тем автопарки развитых стран замедляют темпы роста в силу высокой автомобилизации населения и насыщенности автомобильных рынков. Более того, в странах Европы, в Японии и США уровень обеспеченности населения автомобилями даже снижается, в частности, из-за увеличения расходов на владение и обслуживание автомобилем, включая рост цен на бензин, страховые издержки и увеличение платных парковок. Кроме того, на процесс так называемой деавтомобилизации влияет рост населения крупных городов, где предлагается развитая транспортная инфраструктура.
С учетом высокой степени автомобилизации населения транспортные проблемы в развитых странах ощутимы, несмотря на лучшую ситуацию с инфраструктурой, отмечает аналитик ИХ «ФИНАМ» Анатолий Вакуленко. По его словам, осознание данной проблемы заставляет муниципальные и государственные власти более активно развивать общественный транспорт. Также некоторое воздействие оказывает и рост в странах Запада доли людей, работающих на дому или в непосредственной близости от дома, чему способствуют развитие информационных технологий и высокая доля малого бизнеса, особенно в сфере услуг. В России все эти факторы пока действуют слабо, но их роль будет постепенно увеличиваться на фоне роста автомобилизации и нагрузки на транспортную инфраструктуру, резюмирует Анатолий Вакуленко.
«Рост автомобилизации по определению не бесконечен — в отличие, к примеру, от проникновения мобильных контрактов, которое легко может достигать двух и более сим-карт на человека, иметь в гараже или у дома по два автомобиля на каждого члена семьи может быть просто непрактично, — рассуждает Дмитрий Коляков. — Таким образом, около 800 автомобилей на 1000 человек населения — это своего рода естественная граница даже для стран с самым автомобилизированным образом жизни, таких как США. После этого предела, который для европейских стран с их менее автомобилизированным образом жизни может находиться даже ниже, на уровне 700 или даже 600 автомобилей на душу населения, дальнейший рост невозможен, и начинается другая динамика. Также в отдельных странах Европы начинает играть большую роль демографический фактор, особенно старение среднего класса. На данные естественные причины накладывается также активная политика ряда стран, и особенно крупных городов, направленная на снижение автомобилизации и защиту экологии».
По мнению Дмитрия Колякова, у нас в ближайшей перспективе эта тенденция может дойти лишь до крупных городов. «Отдельные признаки уже можно наблюдать в отдельных (особенно центральных и располагающих хорошей инфраструктурой общественного транспорта) районах Москвы», — отмечает эксперт.
Автомобилизация России: догнать и перегнать Ливию
Несмотря на бурный рост российского авторынка за последнее десятилетие, по числу машин на душу населения наша страна все еще далека от Топ-10: автомобилизация России вдвое ниже развитых мировых держав и даже некоторых государств бывшего СССР. Впрочем, в ряде российских регионов обеспеченность автомобилями уже достигает европейских значений, пусть преимущественно за счет импортного секонд-хэнда.
Автомобилизация России: догнать и перегнать Ливию
Елена Сорокина заметила высокий уровень автомобилизации в Рязани
Елена Сорокина заметила высокий уровень автомобилизации в Рязани
пятница, 22 января, 2021 — 10:36
Рязань относится к городам, где высок уровень автомобилизации. Об этом написала глава администрации Рязани Елена Сорокина в своих соцсетях по итогам обсуждения создания велоинфраструктуры 21 января.
«В нашем городе 320 автомобилей на тысячу жителей – это выше среднего уровня по стране и ЦФО, – сообщила Сорокина. – С одной стороны, это говорит об уровне жизни рязанцев. С другой стороны, создает очень серьезную нагрузку на нашу транспортную сеть, которая была спроектирована еще в советские времена».
О концепции создания велодорожек не сообщается, Сорокина пообещала опубликовать проект.
Мэр Рязани отметила: «Пробки в Рязани возникают все чаще, поэтому надо искать выход из сложившейся ситуации. Альтернативой вполне может стать велосипед».
На фото: заместитель председателя правительства Рязанской области Евгений Беленецкий и Елена Сорокина, начальник управления экономики города Ирина Гончарова (фото – страница Елены Сорокиной «ВКонтакте»)
еще по теме
Для выезда из города со стороны села Дядьково мэр Рязани анонсировала создание велодорожек
21 января в Рязани пройдет обсуждение создания городской велоинфраструктуры
Мэр Рязани об учебе в Сколково: «Работали над прообразами будущих велодорожек»
Губернатору озвучили идею о «быстровозводимой велосипедной инфраструктуре» в Рязани
Виктор Малюгин поднял вопрос о необходимости велодорожек в Рязани для доставщиков еды. Мэрия второй год отвечает одно и то же
Мэрия Рязани опубликовала на странице губернатора прошлогоднюю информацию о планах по велодорожкам
«Сделайте велодорожки, у нас же нет самолетов» — в ответ на пост губернатора про «Авиадартс» пользователи VK указали на отсутствие инфраструктуры
Министр спорта анонсировал создание в этом году «пешеходного маршрута» от ЦПКИО до Рязанского кремля, велодорожка – снова в планах
Сообщество урбанистов Рязани осудило администрацию Лесопарка за «чистку» комментариев про велодорожку и указало на ошибки
Фото: в рязанском Лесопарке расчертили велодорожку
1 из 2
следующая ›
Статьи
«Чубайса, знаешь»
Валован-кокот нынче дорог
Нам 10 лет
Партийные лидеры в электоральных аутсайдерах
Ряжский путепровод: новый сезон
Новости
14 сентября 18:45
По делу Карабасова возбуждено кассационное производство
14 сентября 18:34
По официальным данным, в первом полугодии с убытком сработали четыре рязанских муниципальных предприятия
14 сентября 17:17
Рязанские предприятия в сфере народных промыслов получат субсидии
14 сентября 15:36
Администрация Касимова подала в суд на владельца самовольной стройки в историческом центре города
14 сентября 14:21
Подведены официальные итоги выборов губернатора Рязанской области
14 сентября 14:13
На публичных слушаниях обсудят изменения в генплан Рязани и Рыбновского района для создания парка «Патриот»
14 сентября 13:02
В Клепиковском районе ребенок самостоятельно добирался в школу за 25 километров
14 сентября 12:29
Павел Малков провел встречу в рязанском перинатальном центре по теме младенческой смертности
14 сентября 11:21
Финансирование строительства ФОКа в Милославском в этом году сократили на 30 млн
14 сентября 10:27
Опубликована программа празднования Дня города Рязани
13 сентября 19:06
«Пока преждевременно давать комментарии» – Николай Любимов на вопрос о том, возьмет ли он мандат члена Совета Федерации от Рязанской области
13 сентября 17:16
«Ремонт уже начали» – глава Рязанской области о пожаре в школе №7
13 сентября 16:22
Облправительство вносит в программу приватизации акции АО «Газпром газораспределение Рязанская область»
13 сентября 15:45
Прокуратура вынесла представление главе Клепиковского района по жалобе депутата от «Яблока» на отсутствие воды в селе Криуша
13 сентября 15:19
Для экофестиваля в Рязани выбрали тему СССР
13 сентября 14:50
Рязанский завод «Гардиан стекло» ждет ребрендинг из-за смены собственника
13 сентября 13:35
Малков рязанскому правительству: предстоит доказать, что наша активность не закончится после выборов, как пишут в соцсетях
13 сентября 12:17
Павел Малков назначил совещание по дорогам
13 сентября 10:38
После пожара в рязанской школе назначена прокурорская проверка, а мэрия готовит смету на ремонт в здании
13 сентября 09:15
Аркадий Фомин прокомментировал избирательную кампанию и результат Павла Малкова на выборах губернатора
13 сентября 08:44
День города Рязани пройдет в эту субботу
13 сентября 08:36
В центре Рязани произошел пожар в школе, занятия отменены
12 сентября 15:01
Бизнес-омбудсмен: начальнику управления благоустройства администрации Рязани внесено представление прокуратуры
12 сентября 14:47
ВООПИиК о разрушающемся доме Банковского: мэрия и инспекция ОКН бездействуют
«Атрон» Рязань «Глобус» Рязань «Городские проекты» «Единая Россия» Рязань «Лучшие друзья» Рязань «М5 Молл» Рязань «Мещерская сторона» «Новая газета» Рязань «Сбербанк» Рязань «Северная компания» «Справедливая Россия» Рязань «Яблоко» Рязань Александр Чайка Александр Шерин Алексей Фролов Андрей Кашаев Андрей Красов Андрей Петруцкий Антон Воробьев Аркадий Фомин Арт-Лужайка Арт-лужайка Рязань Беженцы из Украины Валерий Рюмин Виктор Малюгин Виталий Артемов Виталий Ларин Владимир Мимоглядов Водоканал Рязани Выборы в Рязанской области Выборы в Рязанскую городскую Думу Выборы в Рязанскую областную Думу Дашково-Песочня Дмитрий Гудков Евгений Зызин Заборье Застройка Рязани Игорь Кочетков Игорь Морозов Игорь Путин Игорь Трубицын Игорь Туровский Игорь Яшин Ирина Кусова КПРФ Рязань Канищево Касимов Касимовская городская Дума Константиново ЛДПР Рязань Лыбедский бульвар Людмила Кибальникова Министерство печати Рязанской области Минлесхоз Рязанской области Михаил Малахов Михаил Пронин Мост через Оку Николай Булаев Николай Пилюгин Олег Булеков Олег Ковалев Олег Шишов Ольга Мишина Ольга Чуляева Петр Пыленок Подбелка Поджоги машин Пойма трех рек Политика Рязани Поляны РГУ им. Есенина РМПТС РНПК Рязанская городская Дума Рязанский кремль Рязанский нефтезавод Рязанский район Рязанский цирк Рязань Сасово Северный обход Семен Сазонов Сергей Дудукин Сергей Ежов Сергей Сальников Сергей Филимонов Скопин Солотча Спас-Клепики ТРЦ «Премьер» Трасса М5 УМВД Рязанской области Федор Провоторов Шаукат Ахметов ЭРА
Уровень автомобилизации в России – 285 авто на 1000 жителей | 74.ru
Все новости
Кремль нашел угрозу для РФ в проекте гарантий безопасности Украины: новости вокруг СВО за 14 сентября
Челябинцы рассказали, каким должен быть идеальный ТРК
Могут ли заболевшему ковидом выдать больничный дистанционно? Отвечает Минздрав
В Челябинске из-за ремонта теплотрассы на две недели ограничат движение троллейбусов
В Минздраве рассказали, планируется ли вводить карантины в школах Челябинской области
Это классика, говорили они: стилист назвала самый старящий цвет — его любят многие женщины за 40
Вице-мэра Магнитогорска отправили под стражу по обвинению в получении взятки
В Минздраве объяснили, почему южноуральцев не прививают назальной вакциной от коронавируса
Где в Челябинске есть школа с панорамным видом на Шершни
Студенты — о ЕГЭ, поступлении и проблемах высшего образования: «Со своим дипломом никому не нужен»
В Челябинске суд прекратил уголовное дело водителя маршрутки, сбившего школьницу на «зебре»
Кого убивает «ниндзя»? В Минздраве рассказали о симптомах болеющих ковидом челябинцев и пациентах в группе риска
Как правильно подобрать очки или линзы: советы от оптометристов
Поселок в Металлургическом районе Челябинска застроят по программе реновации
В Крыму на свадьбе включили украинскую песню. После этого гостей наказали штрафами, а диджея отправили под арест
В Ленинском районе дважды закроют движение всего транспорта
7 причин, почему по ночам хочется пить. Врач рассказала, симптомом каких болезней может быть жажда
В Челябинске начали разворачивать ковидные поликлиники
Эй, бумер, есть что погуглить? В словарь русского языка добавили 152 слова — вот они
В мэрии рассказали челябинцам о важном нюансе при пополнении транспортных карт
Голоса на пепелище: как и зачем выбирают депутатов в разрушенном совхозе «Кремлевский» и других деревнях — репортаж
Умер главный редактор «Комсомольской правды» Владимир Сунгоркин
Больше 230 млн записей с данными россиян оказались слиты в Сеть
На расширяемом участке улицы Худякова ввели реверсивное движение по ночам
Россиян за полгода стало меньше на 480 тысяч. Почему в стране так сильно выросла смертность
К Новому году в центре Челябинска поставят светящиеся деревья, луну и звезды за 27,6 миллиона
Педофилу, который изнасиловал и убил двух девочек в Кузбассе, дали пожизненное
В Челябинске начали включать отопление по заявкам. Рассказываем, кому и на каких условиях
Почему нельзя есть яйца каждый день? Отвечают врачи
Авто «ОСАГО или зимние шины?» Автомобилист — о сложном выборе осени 2022 года
Рекламный сервис предложил челябинским предпринимателям бесплатное размещение
«Если подчиняться этим правилам, то и крест надо запретить». Эксперты — о запрете ношения хиджаба в школе
Трупы кошек и полчища блох: что еще увидели сотрудники управляющей компании в домах, взятых на баланс
Скоро будет Елка! Стал известен хедлайнер Народной премии 74.RU
Как узнать «ниндзю»: все симптомы нового вида коронавируса в одной картинке
Завтра УК должны быть готовы к отопительному сезону. Сколько челябинцы будут платить осенью и зимой
Авто Бессмертный дублер М-5. Разбираемся, в каком сейчас состоянии новая трасса М-12 Челябинск — Москва
В Кремле ответили на вопрос о всеобщей мобилизации: новости вокруг спецоперации за 13 сентября
11 детей и 150 килограммов: как живет многодетная мама с очень большим весом — передвигаться ей помогают сын и дочь
Все новости
По данным агентства «Автостат», на 1 июля 2016 года уровень обеспеченности автомобилями в России достиг величины 285 машин на 1000 жителей. Для сравнения, в США этот показатель составляет около 800, в западноевропейских странах – 500-600.
Близки к европейским уровни автомобилизации в ряде регионов России, например, на Камчатке он составляет 472, в Приморском крае – 437.
В Московской области уровень автомобилизации выше, чем в Москве, – 347 и 308 соответственно.
Кроме того, в десятку по уровню автомобилизации попали Калининградская и Калужская области, Карелия, Псковская область, ХМАО, Рязанская и Мурманская области.
В Самарской области этот показатель составляет 309, в Челябинской области – 291, в Ростовской – 292, в Татарстане – 307, в Башкортостане – 277, в Волгоградской области – 261, в Тюменской – 311.
Меньше всего уровень автомобилизации в Чукотском автономном округе – 88 на 1000 жителей.
Виталий Щеглов
Авторынок
ЛАЙК0
СМЕХ0
УДИВЛЕНИЕ0
ГНЕВ0
ПЕЧАЛЬ0
Увидели опечатку? Выделите фрагмент и нажмите Ctrl+Enter
КОММЕНТАРИИ1
Читать все комментарииДобавить комментарий
Новости СМИ2
Новости СМИ2
Уровень автомобилизации россиян за десять лет вырос вдвое
Архив rb. ru
28 апреля 2009
Архив rb.ru
28 апреля 2009
Ольга Самофалова
Автор издания «РБ.РУ» (Архив)
Ольга Самофалова
На тысячу жителей России приходится 226 автомобилей
Ольга Самофалова
Бум продаж автомобилей, который наблюдался в прошедшие несколько лет, не прошел бесследно. Уровень обеспеченности россиян автомобилями за последние десять лет вырос двое. Однако в мировом зачете по уровню автомобилизации Россия находится все еще на седьмом месте.
Благодаря развитию доступных автокредитов и росту доходов населения в последние несколько лет автопарк России активно рос. Причем, все больше за счет новых автомобилей. Наращивание численности парка напрямую сказалось на росте уровня обеспеченности россиян автомобилями. По данным агентства «Автостат», за последние десять лет уровень автомобилизации в России вырос почти в два раза — со 118 машин в 1997 году до 226 в 2008 году на тысячу жителей. За последние пять лет средневзвешенное значение увеличилось на 59 пунктов (с 167 до 226 пунктов). Динамика более чем впечатляющая — раньше на такое изменение требовалось порядка 8-10 лет, уверяют в «Автостате».
Однако в мировом зачете Россия по этому показателю занимает лишь седьмое место по итогам 2008 года. Согласно отчету Ernst&Young;, плотность автомобильного парка в России по итогам 2008 года составляет 210 единиц на тысячу человек. Это более чем в два раза меньше, чем в Германии (572 единицы), Великобритании (522), США (447) и Чехии (424). Уровень автомобилизации имеет большое значение для автопроизводителей и экспертов. Отставание России по этому показателю позволяет им быть уверенным, что после кризиса продажи новых легковых автомобилей в России снова пойдут вверх. В «Автостате» ожидают восстановления российского авторынка до уровня 2008 года через три-пять лет, в Минпромторге — к 2012 году. Пика продажи автомобилей достигнут в 2014 году, прогнозировал ранее глава Минпромторга России Виктор Христенко.
Отстают от России по уровню автомобилизации такие развивающиеся страны, как Бразилия (112), Турция (89), Китай (20) и Индия (11).
Самые автомобильные города России
Уровень автомобилизации в различных регионах России существенно отличается. По итогам прошлого года единственными российскими городами, в которых средний уровень автомобилизации превышает 300 единиц на тысячу человек и приближается к европейскому стандарту, стали столицы — Москва и Санкт-Петербург, свидетельствуют данные «Автостата». Причем, в 2007 году лучше всех автомобилями была обеспечена Калининградская область. Однако на этот раз регион уступил первую позицию и опустился сразу на две строчки вниз. В Калининградской области насчитывается 296 автомобилей на тысячу жителей по итогам прошлого года. Почти такой же уровень автомобилизации наблюдается и в Московской области — 294.
Дальний Восток и Сибирь
С 5-го по 8-е места в рейтинге «Автостата» занимают Приморский край, Сахалинская и Камчатская области, которые опередили по средней концентрации автомобилей большинство регионов центральной России, на которые традиционно приходится значительная доля продаваемых легковых автомобилей. Эксперты «Автостата» объясняют высокий уровень автомобилизации в этих регионах их особым «транзитным» статусом. Через Дальневосточный и Сибирский регионы проходит, часто минуя местную регистрацию, почти весь ввозимый из Азии автомобильный секонд-хенд. Другим фактором могло стать относительно невысокое число жителей в этих регионах.
В десятку лидеров также вошли Тюменская (273 штук), Ленинградская и Магаданская области (272 и 256 автомобилей на тысячу жителей). Также отметку в 250 автомобилей на тысячу жителей по итогам 2008 года преодолели еще три региона — Самарская область, Республика Карелия и Краснодарский край.
Топ-10 самых автомобильных регионов России (на тысячу жителей)
Регион
Значение
г. Москва
304
г. Санкт-Петербург
303
Калининградская область
296
Московская область
294
Сахалинская область
284
Приморский край
279
Камчатская область
273
Тюменская область
273
Ленинградская область
272
Магаданская область
256
Самые неавтомобильные регионы России
Самые скромные результаты по числу зарегистрированных легковых автомобилей на каждую тысячу жителей наблюдаются в северо-кавказских регионах. Рейтинг замыкают Дагестан и Чеченская Республика с показателями в 71 и 75 автомобилей на тысячу жителей. Хотя, как отмечают в «Автостате», за последние пару лет обеспеченность населения автомобилями и здесь пусть скромно, но стабильно росла.
Последняя десятка рейтинга
70 место
Республика Саха (Якутия)
156
71
Республика Марий-Эл
148
72
Кабардино-Балкарская Республика
146
73
Еврейская АО
135
74
Чувашская Республика
133
75
Брянская область
123
76
Республика Тыва
120
77
Республика Ингушетия
94
78
Чукотский АО
79
79
Чеченская Республика
75
80
Республика Дагестан
71
Полный список российских регионов по числу автомобилей на тысячу жителей см. в доп. материале.
Автостат
Нашли опечатку? Выделите текст и нажмите Ctrl + Enter
15 сентября 2022
SechenovTech
15 сентября 2022
Food Up
15 сентября 2022
Акселератор РЖД
Все ВОЗМОЖНОСТИ
Колонки
Как переводить деньги в Европу из России в 2022 году?
Новости
Эксперт «Купибилет» объяснила, как россияне смогут путешествовать на Кипр по национальной визе
Колонки
9 перспективных бизнес-идей после ухода иностранных компаний
Истории
«Тихий рекрутинг»: как Google ищет лучших сотрудников
Истории
Как заставить мозг запоминать прочитанное
Hearts of Iron 4 Wiki
Это вики, поддерживаемая сообществом. Если вы заметили ошибку, вы можете ее исправить.
Информацию о системе логистики до версии 1.11 см. в предыдущей версии этой страницы.
В Hearts of Iron 4 логистика состоит из доставки личного состава (пополнения) и техники туда, где они должны находиться для поддержки боевых сил, а также обеспечения уровня снабжения там, где находится подразделение, достаточно высока для того, чтобы эта единица работала эффективно. Самым важным и сложным элементом является система снабжения, которая была переработана в версии 1.11 (патч Barbarossa).
Содержимое
1 Поставка
1.1 Режим карты снабжения
2 Логистика
2.1 Питание ступицы
2.1.1 Общая пропускная способность концентратора
2.1.2 Диапазон питания концентратора
2.1.3 Расширение ассортимента центра снабжения
2.1.3.1 Моторизация
2.1.3.2 Повышение уровня рельсового соединения
2. 1.3.3 Строительство нового центра снабжения
2.1.3.4 Повышение уровня инфраструктуры
2.1.4 Поезда
2.1.4.1 Бронепоезда
2.1.5 Захват железных дорог и узлов снабжения
2.1.5.1 Время переоборудования железнодорожного транспорта
2.1.6 Погода и местность
2.2 Государственная поставка
2.2.1 Спорные состояния
2.3 Антенное питание
2.4 Влияние недостаточного снабжения
2.4.1 Сухопутные единицы
2.4.1.1 Сохраненная поставка/льготная поставка
2.4.2 Воздушные блоки
2.4.3 Военно-морские подразделения
2.5 Союзники и снабжение
Запасы сами по себе не производятся, а скорее уровень запасов в провинции представляет собой «вспомогательную способность» (его можно рассматривать как плавный лимит накопления). Каждая наземная единица также имеет внутреннюю ситуацию с поставками, которая отделена от уровня снабжения в провинции, но связана с ним.
Уровень снабжения, доступного в провинции, состоит из трех разных источников: «Снабжение узла», «Снабжение с воздуха» и «Снабжение штата». Снабжение узла обеспечивается сетью узлов снабжения, портов, железных дорог и маршрутов конвоев, которые распределяют снабжение из вашей столицы к вашим войскам на передовой. Воздушное снабжение обеспечивается транспортными самолетами, выполняющими специальную миссию, и доступно в воздушной зоне. Снабжение штата — это фиксированный уровень снабжения для каждого штата, который доступен всем юнитам в этом штате (для оспариваемого штата государственное снабжение делится между соревнующимися странами).
Следует иметь в виду, что юниты с доступным хабовым снабжением все равно будут получать государственное снабжение, даже если хабового снабжения достаточно для нужд этих юнитов. По сути, в первую очередь применяется подача состояния, во вторую — подача воздуха в концентратор, а в последнюю очередь — подача воздуха.
Пока общее количество припасов, требуемых юнитами в провинции, меньше поставленного, юниты будут обеспечены полностью. Как только общее количество необходимых запасов превысит доступное, затронутые юниты получат штрафы (подробнее об этом ниже).
Режим карты снабжения[edit | править код]
Два ящика в области выбора режима карты в правом нижнем углу экрана указывают на режим карты снабжения.
Снабжение отображается в игре в основном через режим карты снабжения. Доступ к нему (с настройками по умолчанию) осуществляется с помощью клавиши «F4» или выбора режима карты с помощью значка в правом нижнем углу экрана.
Режим карты снабжения затеняет каждую провинцию ее положением со снабжением. Эти изменения в градиентах позволяют изящно отображать ситуацию с поставками на уровне провинции таким образом, который удобен для сотен провинций одновременно.
Ярко-синий (светло-синий): имеется большое количество доступных запасов
Темно-синий: имеется небольшой запас
Пурпурный: имеется небольшое количество или нет доступного запаса, но в этой провинции нет юнитов, страдающих от последствий низкого снабжения.
Желтый: для юнитов в этой провинции недостаточно снабжения, но его все еще достаточно, чтобы обеспечить разумный частичный уровень снабжения.
Ярко-красный: для юнитов в этой провинции недостаточно снабжения, и они получают значительные штрафы, связанные со снабжением.
Под Москвой хорошо обеспеченные провинции окрашены в ярко-синий цвет, а дальше они становятся темно-синими. В некоторых приграничных провинциях недостаточно снабжения, например, в выделенной провинции, в которой не осталось запасов в провинции, и она не может полностью снабжать размещенные там подразделения, на что указывает ее ярко-оранжевый цвет. В фиолетовых провинциях мало или вообще нет доступных запасов, но в них нет юнитов.
Всплывающие подсказки в режиме карты снабжения бесценны, и при наведении курсора на разные предметы отображается разная информация:
Юнит: снабжение юнитов и откуда они поступают.
Узел снабжения: объем снабжения, запрошенный у узла, и указывает на железнодорожное сообщение со столицей. Удерживая нажатой клавишу Shift, вы увидите радиус действия центра снабжения (на тот момент диапазон может меняться в зависимости от погоды).
Порт: объем снабжения, запрошенный у хаба, и показывает пути к любым кораблям, которые могут получать поставки от хаба (но не штата) из порта. Удерживая нажатой клавишу Shift, вы увидите радиус действия центра снабжения (на тот момент диапазон может меняться в зависимости от погоды).
Провинция: Общее и доступное предложение в провинции. Удержание клавиши CTRL также покажет разбивку того, откуда поступает питание концентратора.
При наведении курсора на порт на острове к юго-востоку от Аравийского полуострова также появляются стрелки на корабли, поставляемые из этого порта, а также всплывающая подсказка, содержащая много полезной информации.
Во всплывающей подсказке узла снабжения в Великих Луках красным цветом выделено железнодорожное сообщение со столицей, а во всплывающей подсказке представлена информация о характере узла.
Питание концентратора[править | править источник]
Поставка концентратора — это объем поставки, обеспечиваемый концентраторами или портами снабжения (которые действуют как концентраторы снабжения, а также как порты). Есть три элемента, о которых следует помнить при рассмотрении поставок концентратора:
Суммарное потребление ресурсов центра снабжения.
Диапазон центра снабжения и объем снабжения из центра в данной провинции.
Провинции получили снабжение со всех узлов в радиусе действия.
В большинстве случаев, на момент написания статьи, наиболее распространенные проблемы с поставками связаны с недостаточным поставками в данной провинции, а не с недостаточной общей пропускной способностью хаба.
Суммарная пропускная способность хаба[edit | править код]
Общая пропускная способность хаба/порта снабжения зависит от связи между хабом/портом и столицей, а для портов — от уровня порта (откуда конвой отправляется и куда прибывает).
Железная дорога первого уровня, соединяющая узел со столицей, обеспечивает максимальное снабжение 15 из этого узла, в то время как порт первого уровня, соединенный со столицей железной дорогой, также обеспечивает 15. Однако порт первого уровня соединяется со столицей конвоем, а не чем по железной дороге, имеет базовую пропускную способность 20. Обратите внимание, что если маршрут конвоя, снабжающий порт, подвергнется набегу, количество предоставленного снабжения будет уменьшено до тех пор, пока маршрут не восстановит свою пропускную способность.
Для узлов снабжения базовая пропускная способность увеличивается для каждого дополнительного уровня железнодорожного сообщения со столицей, исходя из наименьшего уровня железнодорожного сообщения в любой точке этого соединения (так, например, если имеется три участка пути, два на уровне 2, и один на уровне 1, соединение считается соединением уровня 1 – чтобы обновить его до соединения уровня 2, участок пути уровня 1 необходимо будет повысить до уровня 2). Каждый уровень железнодорожного сообщения увеличивает снабжение узла на 5, максимум до 35. если он соединен рекой, считается, что узел снабжения имеет соединение уровня 1.
Единственным исключением является центр снабжения капиталом, вместимость которого устанавливается на базе 5, а затем дополняется количеством гражданских и военных заводов и военно-морских верфей в стране. Что касается портов, то базовая вместимость портов, соединенных конвоями, увеличивается на 5 для каждого уровня военно-морской базы, вплоть до эффективного максимума в 35 (или 65, если в вашей столице есть порт), так как количество припасов, отправляемых конвоем, никогда не может превышать железнодорожное сообщение с портом отправления.
Ассортимент поставки концентратора[edit | изменить источник]
Узлы снабжения снабжают каждую провинцию на основе ряда факторов, наиболее важным из которых является количество провинций между снабжаемой провинцией и узлом снабжения, которое зависит от уровня железнодорожного сообщения с источником снабжения. узла от столицы, уровень инфраструктуры, рельеф местности и погода.
Посмотрите на значение «Предоставление от узлов» в этой последовательности снимков экрана, чтобы получить представление об уменьшении значения предложения от узлов по мере увеличения расстояния. Обратите внимание, что штат, указанный во всплывающей подсказке, — это штат, в котором находится провинция, а не штат, содержащий хаб, из которого поступает снабжение (крайняя правая подсказка по-прежнему получает снабжение из хаба в Ахтубинске).
Улучшение диапазона центра снабжения[edit | править код]
Помимо снабжения по воздуху, улучшения уровня снабжения в провинции в ходе игры почти полностью будут связаны с улучшением количества предоставляемого хабового снабжения. Четыре средства, с помощью которых можно улучшить подачу хаба:
Повышение уровня моторизации хаба или армии.
Увеличение уровня соединения рейки со ступицей.
Повышение уровня инфраструктуры в районе.
Строительство нового центра снабжения.
Обратите внимание, что первые три метода (автомобилизация, повышение уровня железнодорожного сообщения и повышение уровня инфраструктуры) накладываются друг на друга, поэтому немоторизованный узел снабжения в состоянии с инфраструктурой уровня 1 и уровнем 1 железнодорожное сообщение будет иметь наименьший возможный диапазон поставок, в то время как полностью моторизованный узел с инфраструктурой пятого уровня и железнодорожным сообщением уровня 5 будет иметь максимально возможный радиус действия.
Очень важно иметь в виду, что падение снабжения хаба значительно увеличивается с каждой дополнительной провинцией, удаленной от хаба, порта или столицы. значительные инвестиции для увеличения радиуса действия, достаточного для того, чтобы вывести его из центра в следующую провинцию.
Моторизация[править | править источник]
По умолчанию каждый узел снабжения настроен на «не моторизованный», что обозначается лошадью. Это можно улучшить двумя разными уровнями моторизации, щелкнув соответствующий значок (см. пример ниже). Как только хаб моторизирован, один или два небольших грузовика (в зависимости от уровня моторизации) будут видны как часть значка хаба снабжения (зеленый грузовик или грузовики указывают на то, что хаб был моторизован напрямую, а серые грузовики) указывает на то, что он был моторизован ближайшей армией — подробнее об этом ниже). Обратите внимание, что грузовики, предназначенные для моторизации узлов снабжения, будь то напрямую через узлы или путем выбора вариантов моторизации для армий, не потребляют топливо или рабочую силу.
В зависимости от уровня автомобилизации каждому хабу требуется 0, 40 или 80 грузовиков (иконки: лошадь, один грузовик, два грузовика).
Эти грузовики подвержены износу, который увеличивается в условиях плохой местности и погоды, и они могут подвергаться воздушным атакам со стороны вражеской авиации, назначенной для тылового удара.
Обратите внимание на изменение значков по мере повышения уровня автомобилизации Одесского узла снабжения (порта). Как видно из крайнего правого изображения, пока хаб моторизован, он будет иметь значок одного или двух грузовиков, указывающий на это (количество грузовиков указывает уровень моторизации).
Другой способ добиться моторизации хаба — назначить его на уровне армии. Это автоматически переключает уровень моторизации, установленный для армии на узлах, которые находятся в пределах досягаемости, откуда армия получает припасы. Преимущество этого заключается в уменьшении микроуправления уровнями моторизации хабов, но это может привести к колебаниям требований к войскам, поскольку количество хабов в радиусе действия армии со временем меняется. Посмотрите на три снимка экрана и подписи к ним ниже, чтобы увидеть пример этого в действии.
В этом примере войска в Тирасполе, к северо-западу от Одессы, снабжены не полностью. Хотя уровень снабжения не имеет решающего значения, одним из способов улучшить уровень снабжения было бы повышение уровня моторизации армии (в настоящее время установлено значение «не моторизовано», на что указывает «лошадь», выделенная белым цветом). эллипс и стрелка на этом снимке экрана).
В настоящее время армия выбрала первый уровень моторизации, снова отмеченный белым эллипсом и стрелкой), и ситуация со снабжением войск в Тирасполе значительно улучшилась. Также обратите внимание на маленький серый грузовик, который теперь является частью значка Одесского узла снабжения.
Теперь армия выбрала второй уровень моторизации, снова отмеченный белым эллипсом и стрелкой), и войска в Тирасполе теперь полностью обеспечены. Также обратите внимание, что серый значок «грузовик», который является частью значка Одесского узла снабжения, теперь имеет два грузовика.
Обратите внимание, что все преимущества автомобилизации будут получены только при наличии достаточного количества грузовиков. Если для поддержки узлов будет выделено больше грузовиков, чем доступно, то преимущества будут уменьшены пропорционально нехватке грузовиков.
В то время как в армии Рокоссовского включена полная моторизация, из-за нехватки грузовиков (обратите внимание на всплывающую подсказку) войска в Тирасполе снабжаются не полностью.
Повышение уровня железнодорожного соединения[edit | править код]
После моторизации повышение уровня железнодорожного сообщения является следующим по значимости и часто (но это зависит от того, насколько далеко от вашей столицы находится узел снабжения по железной дороге) следующим по скорости.
Чтобы узнать уровень железнодорожного сообщения между хабом и столицей, наведите курсор на хаб в режиме карты снабжения и посмотрите, что во всплывающей подсказке говорится о узком месте. При этом Ахтубинск ограничен железнодорожным сообщением только 2-го уровня на всем пути от Москвы.
Каждая плитка железной дороги стоит 170 CIC, +130 CIC за каждый существующий уровень железной дороги (максимум до уровня 5), поэтому проложить железную дорогу 1-го уровня относительно быстро и дешево, но длинная железная дорога 5-го уровня — это серьезно. промышленное предприятие. Например, согласно таблице ниже, общий CIC для строительства железной дороги с нуля до уровня 5 составляет 2150 CIC на провинцию (170 + 300 + 430 + 560 + 690) с поправкой на любые бонусы строительства и влияние инфраструктуры на скорость строительства. .
Стоимость железной дороги (CIC) за уровень, за провинцию
Рельсовый уровень
1
2
3
4
5
CIC стоимость
170
300
430
560
690
На самом деле строительство железных дорог можно осуществить несколькими способами:
Выбор центра снабжения, а затем щелчок по средней (верхней) из трех появившихся иконок. Каждый щелчок этой кнопки добавит еще один уровень железной дороги в каждую провинцию на железнодорожном сообщении со столицей (так, например, три щелчка по узлу, соединенному железной дорогой 2-го уровня, поставят заказы на строительство, чтобы повысить его до максимального уровня) .
Открытие производственного интерфейса и выбор кнопки «Железные дороги», а затем нажатие на одну из белых цифр в черном круге на железнодорожном соединении между двумя узлами — это разместит строительные заказы для увеличения уровня рельсов между двумя узлами. по одному уровню. Каждый дополнительный щелчок будет размещать заказы на строительство, чтобы повысить его на следующий уровень.
Здесь была нажата кнопка узла снабжения, в результате чего появились три значка — тот, что посередине, выделен стрелкой, будет размещать заказы на строительство для улучшения железнодорожного сообщения со столицей.
Здесь для Ахтубинска нажато «обновить железнодорожное сообщение со столицей» — см. заказы на строительство в очереди на строительство, а также значок «в стадии строительства» на модернизируемых участках железной дороги в режиме карты снабжения.
Цифра «2» между Липецком и Тамбовом, выделенная здесь, указывает на уровень 2 уровня железнодорожного сообщения между двумя узлами снабжения. Нажмите на эти два с помощью инструмента «Железная дорога» в производственном интерфейсе, и заказы на строительство будут размещены для увеличения уровня рельсового соединения между двумя узлами.
Каждый дополнительный уровень рельса увеличивает размер общего объема снабжения в узле, а это означает, что количество припасов, вытекающих из узла снабжения наружу, также увеличивается. В некоторых случаях это может означать, что провинции, вообще не имеющие хабового снабжения, получат некоторое хабовое снабжение, хотя, как отмечалось выше, увеличивающийся размер «падения потока снабжения» по мере удаления от хаба означает, что расширение диапазона, вероятно, будет ограничено. .
На этой серии снимков экрана показано влияние на провинцию на советско-финляндской границе постепенного увеличения уровня железнодорожного сообщения с хабом с 1 (крайний слева) до пяти (крайний справа) — обратите внимание, погода ясная, и ступица не моторизована.
Имейте в виду, что железные дороги также полезны для стратегической передислокации, и чем выше уровень железной дороги, тем быстрее стратегически передислокация войск.
Строительство нового центра снабжения[edit | править код]
Здесь Япония выбирает центр снабжения для строительства, а затем размещает его в провинции, где он будет иметь полезное распространение. Имейте в виду, что диапазон узлов снабжения определяется по провинциям, а не по районам, поэтому при прочих равных условиях поставки будут проходить из узла через две большие провинции точно так же, как и через две маленькие.
Если кажется, что получение снабжения из существующих узлов нерентабельно или невозможно, можно также построить новые узлы снабжения. На побережье порты действуют как узлы снабжения и стоят значительно дешевле (5000 CIC за первый уровень военно-морской базы, а еще 1000 CIC добавляются к стоимости за каждый последующий уровень). Однако внутри страны необходимо использовать центры снабжения, для которых требуется 20000 CIC (с учетом любых бонусов скорости строительства и строительства инфраструктуры).
И порты, и узлы снабжения строятся с использованием интерфейса строительства, показанного на скриншоте ниже.
Как порты, так и узлы снабжения могут быть построены на территории союзников и субъектов.
Если он может проследить путь обратно в столицу с использованием конвоев, других портов и железных дорог, порт будет снабжаться морем без необходимости железнодорожного сообщения.
Здесь Япония выбирает «железные дороги» в интерфейсе строительства и нажимает на провинцию к юго-западу от того места, где строится новый узел снабжения, а затем нажимает на провинцию, содержащую строящийся узел снабжения.
Для узла снабжения также потребуется сообщение со столицей по железной дороге или по реке. Соединение через реку происходит мгновенно и будет установлено, если новый узел снабжения соединяется через реку (граничащую с провинцией, в которой находится узел снабжения) либо со столицей, либо с другим узлом снабжения или портом в провинции, граничащей с той же рекой.
Чтобы соединить новый узел снабжения с железнодорожным сообщением, откройте интерфейс строительства и выберите опцию «Железные дороги», а затем нажмите на провинцию с железной дорогой, которая соединена со столицей, а затем нажмите на провинцию с новым узел снабжения. Уровень построенной железной дороги будет таким же, как уровень железной дороги в провинции, из которой она простирается, но его можно вручную отрегулировать вниз или вверх по уровням (пока железная дорога еще не построена) с помощью либо в списке строительства (кнопки +/- на железной дороге в списке), либо на карте снабжения (щелкните левой кнопкой мыши по маленькой цифре (под скрещенными молотками) на строящихся железных дорогах, чтобы повысить уровень, и щелкните правой кнопкой мыши, чтобы снизить уровень).
Железные дороги могут быть построены на подконтрольной, союзной или подчиненной территории в любое время, и не нужно ждать завершения (или даже запуска) узла снабжения.
Повышение уровня инфраструктуры в штате Архангельск повышает уровень снабжения хаба на авиабазе к югу от хаба. Обратите внимание, что общее предложение в провинции увеличивается значительно больше, потому что инфраструктура имеет как диапазон снабжения центра, так и эффект снабжения штата — подробнее о снабжении штата ниже.
Повышение уровня инфраструктуры[edit | править код]
Инфраструктура более высокого уровня также позволяет поставке из хаба распространяться дальше за счет уменьшения падения потока поставок из хаба (до максимального снижения 0,3 для инфраструктуры уровня 5). Обратите внимание, что уровень инфраструктуры, который имеет значение, — это уровень инфраструктуры штата, в который входит провинция, из которой идет поставка. Так, например, если есть два штата, состояние инфраструктуры пятого уровня с центром снабжения, граничащим с состоянием инфраструктуры уровня один, то поток поставок из провинции с состоянием инфраструктуры уровня пять в граничащую провинцию с состоянием инфраструктуры уровня один будет поток, как если бы это была инфраструктура пятого уровня. Однако поставки, поступающие из провинции в состоянии инфраструктуры первого уровня в другую граничащую провинцию в том же состоянии инфраструктуры первого уровня, будут течь, как если бы это была инфраструктура первого уровня.
Как и в случае с другими способами расширения радиуса действия центра снабжения, возрастающее количество выпадающих поставок по мере увеличения расстояния от центра (считается в провинциях) означает, что любое увеличение, скорее всего, будет только на полях (т. е. возможно увеличение дальности одной провинции).
Помните, что каждый уровень инфраструктуры стоит 6000 CIC, так что четыре уровня инфраструктуры в одном штате стоят больше, чем новый центр снабжения.
Поезда[править | править код]
Чтобы работать с полной эффективностью, сети снабжения нуждаются в поездах для железнодорожного сообщения, аналогично требованию конвоев для морского сообщения, при этом количество поездов зависит от количества узловых поставок, требуемых от каждого узла. Требования к поездам для хаба можно увидеть во всплывающей подсказке для этого хаба.
Обратите внимание на то, как увеличивается количество поездов по мере того, как увеличивается использование ресурсов узла.
Требования к поездам для сети в целом можно найти во всплывающей подсказке логистики, которую можно вызвать, наведя курсор на значок логистики в верхней части экрана (он выглядит как ящик с процентом рядом с ним). Если поездов меньше, чем требуется сети, количество узлов, доступных для подразделений, использующих ее, будет меньше.
На первом снимке экрана всплывающая подсказка логистики показывает, что требуется только 58% поездов. На втором скриншоте подсказки Минского узла снабжения видно, что в результате доступны только 6 из 11 требуемых поездов. На третьем снимке экрана из-за этого дивизии, потребляющие хабовое снабжение, снабжаются лишь частично (обратите внимание, что их общий уровень снабжения выше, чем можно было бы ожидать из-за нехватки поездов, потому что они также потребляют государственное снабжение — подробнее об этом ниже). .
Варианты исследований как для военного поезда, так и для бронепоезда можно найти в нижней части вкладки «Вспомогательные компании», как показано на этом снимке экрана.
Поезда не подлежат истощению, но могут быть уничтожены воздушной атакой вражеской авиации с использованием тылового удара.
Помимо базовой модели поезда, в ходе игры можно исследовать две другие модели поезда. Одним из них является небронированный поезд «строгой экономии», который выполняет ту же работу, что и базовая модель, но по более низкой цене (50 MIC вместо 70). Другой — бронепоезд, о котором подробнее ниже.
Бронепоезда[править | править код]
Бронепоезда — это особый тип поезда, который более устойчив к вражеским воздушным миссиям Logistics Strike. Если в вашем инвентаре есть доступные бронепоезда, они будут автоматически использоваться перед другими типами поездов. Бронепоезда имеют значительно более высокую себестоимость производства 105 MIC, поэтому они намного дороже стартового поезда и более чем в два раза дороже поезда строгой экономии.
На верхнем скриншоте 100 польских CAS уже неделю атакуют логистику Беларуси против советской логистической сети, в которой были только небронированные поезда. На нижнем скриншоте та же ситуация, но советские поезда бронированы. Обратите внимание на значительное сокращение количества уничтоженных поездов.
Захват железных дорог и узлов снабжения[edit | править код]
По мере продвижения фронта на вражескую территорию удерживаемые противником железнодорожные линии и узлы могут перейти под контроль дружественных. Хотя железнодорожные линии могут нуждаться или не нуждаться в ремонте (рельсы могут быть повреждены стратегической бомбардировкой или вашим противником, использующим выжженную землю, прежде чем он потеряет контроль над государством), они не будут доступны для использования сразу в большинстве ситуаций. При захвате железной дороги на территории, которая не является вашим ядром, время восстановления до того, как железную дорогу можно будет использовать, составляет 10 дней, 5 дней, если территория является ядром, и нет времени восстановления, если война является гражданской войной.
Символ секундомера над серой железной дорогой указывает на переоборудование железной дороги. Если вы наведете курсор на секундомер, во всплывающей подсказке будет указано, сколько времени осталось для преобразования. Обратите внимание, что это значение будет сброшено до 10 дней, если будет захвачена другая провинция на пути к узлу снабжения.
Время преобразования железнодорожного транспорта[edit | править код]
Недавно захваченный узел будет функционировать только после того, как он будет соединен «преобразованными» железными дорогами, и он не будет подключен, пока каждая провинция не будет находиться под дружественным контролем в течение необходимого количества дней для преобразования. Однако для центров снабжения нет времени преобразования.
Имейте в виду, что даже после того, как секундомер был удален с железных дорог, может быть ожидание, пока не будет доступен узел снабжения, так как в провинции, содержащей узел, нет индикатора преобразования железной дороги (но для этого все еще нужно преобразовать, прежде чем можно будет использовать концентратор).
Для рек (по понятным причинам) нет времени преобразования, поэтому узлы снабжения, которые могут соединиться с вашей сетью снабжения рекой, которой вы управляете (к другому узлу, а не только к железной дороге), мгновенно обеспечат снабжение узла.
Погода и местность[править | править код]
И погода, и местность влияют на систему снабжения — таблицы на страницах погоды и местности в вики содержат данные о различных воздействиях снабжения для различных состояний местности/погоды. О чем следует помнить, думая о влиянии местности и погоды:
Есть два погодных эффекта:
Фактор снабжения уменьшает поток снабжения из центра снабжения (действительно, уменьшая его диапазон), действуя как процентное сокращение потока снабжения в провинцию [ подлежит подтверждению]. Эти эффекты могут суммироваться, если, например, в регионе есть состояние глубокого снега и снежная буря — подобные зимние условия могут существенно сократить диапазон снабжения узлов на время действия этих погодных/почвенных условий.
Коэффициент потребления снабжения увеличивает использование снабжения подразделением. Оба эти элемента могут быть задействованы в зависимости от конкретных обстоятельств.
Есть один эффект ландшафта:
Штрафной коэффициент потока снабжения . Изменяет спад подачи в концентраторе при удалении от концентратора и добавляется к другим сокращениям расхода подачи. Это не процентное значение, а скорее прямое изменение (обычно уменьшение, но на самом деле это увеличение в городских районах) количества снабжения, поскольку оно связано с цифрами, показанными для снабжения узлов во всплывающих подсказках провинции.
Государственная поставка[править | править код]
В отличие от хабового снабжения, государственное снабжение — это фиксированное количество снабжения, обеспечиваемое в пределах штата на основе четырех вещей: победных очков, инфраструктуры, населения и так называемого «базового снабжения», которое представляет собой фиксированное количество дополнительного снабжения в Штат. В то время как государственное снабжение от населения и инфраструктуры будет в каждом (непроходимом) штате, в некоторых штатах нет победных очков, а во многих штатах нет базового снабжения.
Чтобы увидеть, сколько ресурсов штата доступно, наведите указатель мыши на провинцию в режиме карты снабжения, чтобы открыть всплывающую подсказку о снабжении провинции. В этой провинции мы видим 0,90 государственного снабжения от инфраструктуры уровня 3, 0,14 снабжения от 831 140 населения и 0,25 от победного очка 1 уровня в Новгороде.
Штат с победным очком получит от этого 0,2 запаса штата, а затем еще 0,05 запаса за общее значение победных очков в штате (так, например, штат с одним 1-очком ПО , и одно ПО с 5 очками, будет иметь 0,5 запаса от ПО, состоящего из 0,2 базовых и 0,3 от 6 ПО в сумме в штате). Некоторые примеры см. в таблице ниже:
ВП
50
20
15
10
5
3
1
Поставка
2,70
1,20
0,95
0,70
0,45
0,35
0,25
Инфраструктура обеспечивает 0,3 за каждый уровень инфраструктуры, пока инфраструктура не повреждена (см. приведенную ниже таблицу значений инфраструктуры) — однако, если она повреждена, объем государственных поставок, обеспечиваемых инфраструктурой, уменьшается до тех пор, пока повреждение не будет устранено. .
Уровень инфраструктуры
5
4
3
2
1
Поставка
1,50
1,20
0,90
0,60
0,30
Население добавляет запас по убывающей шкале от 0,01 запаса на провинцию в штате с населением 30 000 человек до 4,25 запаса на провинцию в штате с населением 23,6 млн человек. В пересчете на 1 миллион человек шкала снижается с 0,3 предложения на миллион в малонаселенных штатах до 0,18 предложения на миллион в очень густонаселенных штатах (например, в китайских штатах).
Снабжение штата равномерно распределяется между всеми юнитами, находящимися в штате (включая воздушные и морские юниты), до того, как будут использованы другие источники снабжения. Учитывая это, важно помнить, что, хотя может быть достаточно государственного запаса для поддержки любых юнитов за пределами радиуса действия хаба, эти юниты все равно должны будут делить этот государственный запас с юнитами, получающими снабжение из хабов или портов.
На этой коллекции снимков экрана показано количество единиц, получающих снабжение из Мурманской области в один и тот же момент времени. Обратите внимание, что корабли, выходящие из порта, по-прежнему потребляют государственное снабжение, как и самолеты на аэродроме. Обратите внимание, что бронетанковая дивизия в пределах досягаемости хаба получает такое же количество государственного снабжения, как и бронетанковая дивизия за пределами досягаемости хаба.
Понимание предложения штата необходимо для понимания того, как работает режим карты снабжения «тепловая карта» — поскольку, в отличие от централизованного снабжения, затенение каждой провинции на тепловой карте учитывает общий объем предложения штата, доступный для всего штата, но как только этот государственный запас используется где-либо в штате, доступный государственный запас для других провинций соответственно уменьшается. Проверка области, чтобы увидеть, вызвано ли затенение тепловой карты в основном хабом или снабжением штата, даст более четкое представление об эффективном снабжении в провинции, если больше сил будет переброшено в штат в других провинциях. Пожалуйста, посмотрите пример, представленный на двух снимках экрана ниже, для более подробной информации.
Эта всплывающая подсказка показывает, что в провинции добывается 2,75 запаса. Присмотритесь, однако, и обратите внимание, что это все из-за государственного снабжения — это если это снабжение израсходовано где-то еще, как только юниты переместятся в штат, фактическое снабжение в этой провинции будет намного меньше.
Если теперь мы переместим значительные силы для защиты границы с итальянской Ливией, та же провинция, в которой раньше было 2,75 запаса, теперь имеет очень мало (0,12), потому что запас, доступный в штате, был распределен между всеми дивизии в этом штате, оставив только 32% дивизии в требованиях этой провинции.
Спорные состояния[edit | править код]
Если контроль над штатом разделен между двумя воюющими друг с другом странами, объем поставок штата будет разделен на две части. Элементы узла, населения и инфраструктуры будут распределяться в зависимости от доли провинций штата, принадлежащих каждой стороне, в то время как государственное снабжение из победных очков предоставляется тому, кто владеет провинциями, содержащими эти победные очки.
На этих снимках экрана показано, как меняется государственное снабжение (единственный источник снабжения в этом примере) по мере продвижения итальянских войск через штат Матрух. На первом снимке экрана мы видим, что общее государственное снабжение в Мерса-Матрух составляет 2,75 (обратите внимание, что уровень округления для государственного снабжения до одного знака после запятой, хотя отображается два), затем на втором видно, что после того, как итальянские войска 2 провинции, у них есть доступ к 22% государственного снабжения от базы, инфраструктуры и населения, так как теперь они контролируют 2 из 9провинции в штате. На третьем снимке экрана у итальянцев теперь есть четыре провинции и победное очко в Марса-Матрух, что дает им 44% (4 в пропорции к 9 провинциям штата) базы, инфраструктуры и снабжения населением, а также все Государственная поставка 0,25, обеспечиваемая единственным вице-президентом в Марса-Матрух.
Антенное питание[править | править источник]
Снабжение воздухом отображается под заголовком «Снабжение из штата» во всплывающей подсказке снабжения провинции, но, как и снабжение штата, указанное количество является общим, доступным для всего воздушного региона. В этом случае миссии по снабжению воздухом обеспечивают 7,28 воздуха для всего региона.
Последним из трех столпов системы снабжения является воздушное снабжение. Воздушное снабжение обеспечивается транспортными самолетами, выполняющими миссии «Снабжение по воздуху». Как и государственное снабжение, общий объем снабжения, обеспечиваемый через него, доступен в любой провинции в воздушной зоне, в которой выполняется миссия по воздушному снабжению (независимо от того, находится ли она в пределах досягаемости транспортного самолета или нет). Однако, в отличие от государственного снабжения, воздух поступает в последнюю очередь, поэтому юниты потребляют воздух только в том случае, если они не могут полностью удовлетворить свои потребности в снабжении за счет государственного и хабового снабжения.
Здесь мы видим 2-й авиаполк ТАД в составе 40 транспортных самолетов, предназначенный для снабжения воздухом в воздушном районе Северного фронта. Пока дальность действия транспортного самолета не покрывает весь регион, весь регион все равно получит доступ к воздушному снабжению от этого авиакрыла. Однако, поскольку транспортные самолеты не могут покрыть весь регион, они получают штраф к эффективности миссии, что влияет на то, сколько воздуха они могут обеспечить (и сколько поставок им требуется).
На снимках экрана показано несколько различных ситуаций для подразделений в воздушном регионе «Северный фронт». Если идти слева направо, то в первом случае дивизия находится в провинции с доступом к некоторому государственному снабжению, но без узлового снабжения, поэтому «пополняется» воздушными поставками. Во втором случае два дивизиона полностью обеспечены государственным и узловым снабжением, поэтому не потребляют воздух. В-третьих, в провинции далеко не достаточно государственного снабжения (и вообще нет хабового снабжения), а подача воздуха необходима для приличного снабжения этих юнитов. В четвертом мы видим, что воздушное крыло выполняет миссию снабжения, то есть летит из воздушной зоны, и рисует концентратор и государственное снабжение, чтобы обеспечить снабжение воздухом в другом месте зоны.
Как и в случае любой воздушной миссии, эффективность миссии уменьшит количество поставок, которые могут быть предоставлены, и на эффективность может повлиять ряд факторов, включая погоду, состояние снабжения эскадрильи, выполняющей миссию, и соотношение размера воздушной зоны и дальности действия эскадрильи. При 100% эффективности миссии каждый полностью укомплектованный транспортный самолет, летящий в хорошую погоду, способен обеспечить 0,2 снабжения на самолет.
Здесь авиакрыло 2 TrAD попало в дождливую погоду (-10% эффективности миссии) и с 15% вышедших из строя самолетов, что снизило снабжение, обеспечиваемое по воздуху, с 7,28 до 6,2.
Требования к снабжению авиакрыла определяются количеством снабжения, которое они могут обеспечить за счет эффективности своей миссии, поэтому при прочих равных условиях крыло транспортных самолетов, которое может покрыть большую часть воздушной зоны, обеспечит больше подачи воздуха, чем крыло того же размера, использующее другой аэродром, что дает ему меньшую зону покрытия. Транспортные авиакрыла, выполняющие миссии по снабжению воздухом, могут использовать только государственное и узловое снабжение и не могут использовать снабжение воздухом.
Влияние недостаточного предложения[edit | изменить источник]
Сухопутные единицы[править | править код]
Здесь мы видим след снабжения советской 72-й дивизии. Обратите внимание, что базовая стоимость снабжения (0,77) является произведением его различных батальонов и рот поддержки, но она была изменена в большую сторону снежной бурей и уменьшенной навыками снабжения командиров армий и групп армий.
Количество снабжения, которое требуется дивизии для полного снабжения, зависит от целого ряда факторов, включая линейные батальоны, батальоны обеспечения (батальоны тылового обеспечения сокращают общее использование снабжения), погоды и возможностей их командиров.
Если у дивизии недостаточно запасов, на ее значке на карте и на значке в списке дивизий в армии появится выцветший или ярко-красный значок ящика. Чтобы получить точную информацию о состоянии снабжения дивизии, наведите указатель мыши на значок в списке армейских дивизий, чтобы вызвать всплывающую подсказку. Снабжение дивизии будет приближаться к количеству, которое может быть поддержано в провинции, независимо от того, увеличивается оно или уменьшается. Так, например, если дивизия перемещается из провинции, где она обеспечена на 100%, в ту, где она обеспечена на 50%, в течение первого часа в этой новой провинции у нее все еще будет 100% снабжение, а затем состояние снабжения дивизии упадет, так как его запасы иссякнут до 50%.
Здесь 27-я дивизия находится в плохом состоянии, со статусом снабжения всего 10% (и только 9% запасов запасов, которые будут увеличиваться до 10% до тех пор, пока снабжение провинции для дивизии не упадет).
За отсутствие ряда характеристик юнитов предусмотрены значительные штрафы. Обратите внимание, что может быть задержка между достижением состояния низкого снабжения и полным штрафным ударом. Характеристики юнитов, на которые влияет низкое снабжение, причем влияние увеличивается по мере ухудшения состояния снабжения:
Скорость
Максимальная организация
Восстановление скорости организации
Атака (с более высоким максимальным штрафом для обороняющихся юнитов (-50%), чем для атакующих юнитов (-20%))
Прорыв (для атакующих юнитов)
Оборона (для обороняющихся частей)
Истощение — если уровень снабжения юнита упадет до 35% или ниже, он начнет истощаться на основе снабжения, увеличивая количество снаряжения, используемого юнитом, за счет увеличения количества по мере дальнейшего падения снабжения.
Влияние плохого снабжения 27-й дивизии значительно снижает ее скорость передвижения — если бы не базовая игровая скорость 1 км/ч, скорость дивизии была бы еще ниже.
Здесь британцы с недостаточным снабжением атакуют очень слабых итальянцев – обратите внимание на влияние на атаку и прорыв/оборону юнитов с обеих сторон боя.
Низкое снабжение также влияет на скорость прибытия подкреплений. Пока дивизия связана со столицей непрерывным путем через дружественные провинции, порты и/или конвои, прибудет подкрепление живой силой, хотя при очень низком уровне снабжения это может занять много времени. Обратите внимание, однако, что скорость пополнения снаряжения не зависит от состояния снабжения дивизии (но если у дивизии мало снабжения, они будут постоянно истощаться до тех пор, пока это так, что может помешать дивизии достичь полного снаряжения. уровни).
Если дивизия отрезана от столицы, даже если она полностью обеспечена за счет занятия победной точки или другого источника государственного снабжения, либо за счет снабжения по воздуху, она не получит пополнения живой силой или техникой.
Обратите внимание, что топливо работает немного иначе, чем рабочая сила или оборудование. Как и в случае с живой силой и техникой, если юнит отрезан от своей столицы, он не будет пополняться. Как и в случае с рабочей силой, скорость пополнения запасов топлива замедляется, если подразделение не полностью обеспечено. Однако, в отличие от рабочей силы, подача топлива полностью прекращается, когда состояние снабжения становится достаточно плохим. Подача воздуха не влияет на поставку топлива, поэтому, даже если юнит может проследить линию провинций до своей столицы и полностью снабжается воздухом, если у него недостаточно запасов штата или хаба, он может не получить пополнение запасов топлива.
На скриншоте слева 53-я -я -я пехотная дивизия (Валлийская) находится на очень низком уровне снабжения, и ей придется ждать почти месяц, прежде чем она снова пополнится. На скриншоте справа дивизия переместилась в более обеспеченную провинцию, и пополнение произойдет гораздо раньше.
Сохраненная льгота по поставке/снабжению[edit | править исходный код]
Грация снабжения и сохраненное снабжение относятся к одному и тому же, то есть к количеству снабжения, превышающему 100%, которое будет храниться дивизией, если она находится в полностью снабженной провинции. Количество хранимых припасов для дивизии можно увидеть в нижней части всплывающей подсказки, которая появляется при наведении курсора на название дивизии в элементе пользовательского интерфейса армии, как в примере ниже.
Базовое количество хранимых припасов, которое может накопить дивизия, составляет 150%. Скорость, с которой он падает, варьируется, но она должна позволить дивизии действовать в течение 2-3 дней с полной эффективностью снабжения, даже если провинция, в которой она находится, не полностью обеспечена, прежде чем запасы запасов упадут ниже 100%.
Здесь французская 25-я -я -я пехотная дивизия накопила полный запас запасов.
Для подразделений специального назначения некоторые технологии могут увеличить продолжительность льготного снабжения. Это может быть дополнительно расширено для дивизий морской пехоты, если их возглавляет генерал с «амфибией». Предоставленная льгота по дополнительному снабжению описывается в часах, но это лишь ориентировочно, поскольку скорость сокращения хранимого запаса может варьироваться в зависимости от ситуации, в которой находится подразделение.
Две технологии спецподразделений могут повысить скорость снабжения подразделений спецназа. Последняя технология в дереве увеличивает запас запасов в подразделениях спецназа примерно (может варьироваться в зависимости от реальных условий) на 48 часов.
Генерал с чертой характера «Амфибия» может дать дивизиям морской пехоты очень полезные дополнительные 240 часов (более или менее, в зависимости от обстоятельств дивизии) хранимых запасов. Обратите внимание, что может потребоваться некоторое время, чтобы достичь этого уровня хранимых запасов.
Воздушные единицы[править | править код]
Снабжение авиационного подразделения зависит от уровня снабжения в провинции, в которой находится авиабаза. Если воздушная единица выполняет задание и не снабжена на 100%, она будет иметь малус по эффективности из-за сниженного уровня снабжения. Важно иметь в виду, что если снабжение упадет ниже порогового значения, авиационная часть также не получит достаточного количества топлива, что еще больше снизит эффективность миссии.
Из-за некоторых довольно сомнительных приказов о развертывании британской армии поставки на авиабазу в юго-западной Англии достаточны только для обеспечения 72% снабжения действующего оттуда авиакрыла.
Глядя на всплывающую подсказку для авиационного подразделения из приведенного выше примера, мы видим, что влияние наличия 72% снабжения снижает эффективность миссии на 28%.
Для морских юнитов неполная обеспеченность напрямую влияет на эффективность обнаружения и скорость ремонта, но также снижает скорость получаемого топлива, что в зависимости от ситуации с топливом может также влиять на их эффективность в бою. . Стоит иметь в виду, что морские юниты имеют доступ к полному количеству потенциального снабжения из центра, из которого они получают снабжение (вместо того, чтобы быть ограниченным тем, что провинция также может поддерживать, как наземные и воздушные юниты), поэтому Морские подразделения гораздо реже испытывают недостаток снабжения, чем сухопутные или воздушные.
На этих двух снимках экрана ситуации идентичны, за исключением того, что британский (зеленый) флот слева имеет снабжение 57%, а британский флот справа — 76%. Обратите внимание (как выделено), что шанс обнаружения увеличивается с увеличением уровня снабжения.
Союзники и припасы[править | править код]
По умолчанию вы можете получать припасы из центров снабжения ваших союзников, а ваши союзники могут получать припасы из ваших узлов снабжения. Обратите внимание, однако, что если вы сражаетесь на союзной территории, вы не можете использовать государственную систему снабжения. Подразделения союзников делят централизованное снабжение с подразделениями принимающей страны, но дивизии принимающей страны, вероятно, будут обеспечены немного лучше, поскольку они также смогут получить доступ к любому доступному государственному снабжению.
Снабжение-049. Здесь оперативная группа США и дивизии США в Дувре получают снабжение из британского узла, как и британская оперативная группа там и несколько других британских дивизий за кадром.
Слева американские дивизии в Дувре имеют доступ только к узловому снабжению, а справа британские подразделения имеют доступ как к узловому снабжению, так и к государственному снабжению, и поэтому могут поддерживать более высокий уровень снабжения.
Хотя ИИ не будет этого делать, если вы хотите, чтобы союзники не участвовали в каком-либо конкретном фронте, можно отключить снабжение союзников для каждого узла. Чтобы выключить (или включить) снабжение союзников для определенного узла, нажмите на узел, а затем выберите синий флажок слева и над символом узла снабжения (см. примеры ниже).
С левой стороны центр снабжения все еще снабжает союзников. При нажатии на кнопку с синим флажком ситуация меняется на правую, где союзники больше не могут получать снабжение из хаба. Обратите внимание, что на самом значке центра снабжения также есть небольшой значок «не входить» (красный кружок с перечеркнутой линией). Имейте в виду, что снабжение союзников должно быть отключено от узла к узлу — например, для того, чтобы Великобритания полностью перекрыла снабжение союзников в Дувре, снабжение должно быть отключено в узлах в Лондоне, Портсмуте и близлежащем порту на севере. .
Механика
Политика
Идеология • Фракция • Национальный фокус • Идеи • Правительство • Марионетка • Дипломатия • Мировая напряженность • Гражданская война • Оккупация • Спецслужба
Производство
Торговля • Производство • Строительство • Оборудование • Топливо
Исследования и технологии
Исследования • Технологии пехоты • Технологии рот поддержки • Технологии бронетехники • Технологии артиллерии • Наземная доктрина • Морские технологии • Морская доктрина • Воздушные технологии • Воздушная доктрина • Инженерные технологии • Промышленные технологии
Военные и военные действия
Военные действия • Сухопутные подразделения • Сухопутные боевые действия • Конструктор дивизий • Проектирование танков • Армейский планировщик • Командная группа • Командир • Боевой план • Тактика боя • Корабль • Морская война • Самолеты • Воздушная война • Опыт • Офицерский состав • Истощение и несчастные случаи • Логистика • Людская сила • Ядерная бомба
Карта
Карта • Провинция • Рельеф • Погода • Штат
События и решения
События • Решения
Hearts of Iron 4 Wiki
Это вики, поддерживаемая сообществом. Если вы заметили ошибку, вы можете ее исправить.
Информацию о системе логистики до версии 1.11 см. в предыдущей версии этой страницы.
В Hearts of Iron 4 логистика состоит из доставки личного состава (пополнения) и техники туда, где они должны находиться для поддержки боевых сил, а также обеспечения уровня снабжения там, где находится подразделение, достаточно высока для того, чтобы эта единица работала эффективно. Самым важным и сложным элементом является система снабжения, которая была переработана в версии 1.11 (патч Barbarossa).
Содержимое
1 Поставка
1.1 Режим карты снабжения
2 Логистика
2.1 Питание ступицы
2.1.1 Общая пропускная способность концентратора
2.1.2 Диапазон питания концентратора
2.1.3 Расширение ассортимента центра снабжения
2.1.3.1 Моторизация
2.1.3.2 Повышение уровня рельсового соединения
2. 1.3.3 Строительство нового центра снабжения
2.1.3.4 Повышение уровня инфраструктуры
2.1.4 Поезда
2.1.4.1 Бронепоезда
2.1.5 Захват железных дорог и узлов снабжения
2.1.5.1 Время переоборудования железнодорожного транспорта
2.1.6 Погода и местность
2.2 Государственная поставка
2.2.1 Спорные состояния
2.3 Антенное питание
2.4 Влияние недостаточного снабжения
2.4.1 Сухопутные единицы
2.4.1.1 Сохраненная поставка/льготная поставка
2.4.2 Воздушные блоки
2.4.3 Военно-морские подразделения
2.5 Союзники и снабжение
Запасы сами по себе не производятся, а скорее уровень запасов в провинции представляет собой «вспомогательную способность» (его можно рассматривать как плавный лимит накопления). Каждая наземная единица также имеет внутреннюю ситуацию с поставками, которая отделена от уровня снабжения в провинции, но связана с ним.
Уровень снабжения, доступного в провинции, состоит из трех разных источников: «Снабжение узла», «Снабжение с воздуха» и «Снабжение штата». Снабжение узла обеспечивается сетью узлов снабжения, портов, железных дорог и маршрутов конвоев, которые распределяют снабжение из вашей столицы к вашим войскам на передовой. Воздушное снабжение обеспечивается транспортными самолетами, выполняющими специальную миссию, и доступно в воздушной зоне. Снабжение штата — это фиксированный уровень снабжения для каждого штата, который доступен всем юнитам в этом штате (для оспариваемого штата государственное снабжение делится между соревнующимися странами).
Следует иметь в виду, что юниты с доступным хабовым снабжением все равно будут получать государственное снабжение, даже если хабового снабжения достаточно для нужд этих юнитов. По сути, в первую очередь применяется подача состояния, во вторую — подача воздуха в концентратор, а в последнюю очередь — подача воздуха.
Пока общее количество припасов, требуемых юнитами в провинции, меньше поставленного, юниты будут обеспечены полностью. Как только общее количество необходимых запасов превысит доступное, затронутые юниты получат штрафы (подробнее об этом ниже).
Режим карты снабжения[edit | править код]
Два ящика в области выбора режима карты в правом нижнем углу экрана указывают на режим карты снабжения.
Снабжение отображается в игре в основном через режим карты снабжения. Доступ к нему (с настройками по умолчанию) осуществляется с помощью клавиши «F4» или выбора режима карты с помощью значка в правом нижнем углу экрана.
Режим карты снабжения затеняет каждую провинцию ее положением со снабжением. Эти изменения в градиентах позволяют изящно отображать ситуацию с поставками на уровне провинции таким образом, который удобен для сотен провинций одновременно.
Ярко-синий (светло-синий): имеется большое количество доступных запасов
Темно-синий: имеется небольшой запас
Пурпурный: имеется небольшое количество или нет доступного запаса, но в этой провинции нет юнитов, страдающих от последствий низкого снабжения.
Желтый: для юнитов в этой провинции недостаточно снабжения, но его все еще достаточно, чтобы обеспечить разумный частичный уровень снабжения.
Ярко-красный: для юнитов в этой провинции недостаточно снабжения, и они получают значительные штрафы, связанные со снабжением.
Под Москвой хорошо обеспеченные провинции окрашены в ярко-синий цвет, а дальше они становятся темно-синими. В некоторых приграничных провинциях недостаточно снабжения, например, в выделенной провинции, в которой не осталось запасов в провинции, и она не может полностью снабжать размещенные там подразделения, на что указывает ее ярко-оранжевый цвет. В фиолетовых провинциях мало или вообще нет доступных запасов, но в них нет юнитов.
Всплывающие подсказки в режиме карты снабжения бесценны, и при наведении курсора на разные предметы отображается разная информация:
Юнит: снабжение юнитов и откуда они поступают.
Узел снабжения: объем снабжения, запрошенный у узла, и указывает на железнодорожное сообщение со столицей. Удерживая нажатой клавишу Shift, вы увидите радиус действия центра снабжения (на тот момент диапазон может меняться в зависимости от погоды).
Порт: объем снабжения, запрошенный у хаба, и показывает пути к любым кораблям, которые могут получать поставки от хаба (но не штата) из порта. Удерживая нажатой клавишу Shift, вы увидите радиус действия центра снабжения (на тот момент диапазон может меняться в зависимости от погоды).
Провинция: Общее и доступное предложение в провинции. Удержание клавиши CTRL также покажет разбивку того, откуда поступает питание концентратора.
При наведении курсора на порт на острове к юго-востоку от Аравийского полуострова также появляются стрелки на корабли, поставляемые из этого порта, а также всплывающая подсказка, содержащая много полезной информации.
Во всплывающей подсказке узла снабжения в Великих Луках красным цветом выделено железнодорожное сообщение со столицей, а во всплывающей подсказке представлена информация о характере узла.
Питание концентратора[править | править источник]
Поставка концентратора — это объем поставки, обеспечиваемый концентраторами или портами снабжения (которые действуют как концентраторы снабжения, а также как порты). Есть три элемента, о которых следует помнить при рассмотрении поставок концентратора:
Суммарное потребление ресурсов центра снабжения.
Диапазон центра снабжения и объем снабжения из центра в данной провинции.
Провинции получили снабжение со всех узлов в радиусе действия.
В большинстве случаев, на момент написания статьи, наиболее распространенные проблемы с поставками связаны с недостаточным поставками в данной провинции, а не с недостаточной общей пропускной способностью хаба.
Суммарная пропускная способность хаба[edit | править код]
Общая пропускная способность хаба/порта снабжения зависит от связи между хабом/портом и столицей, а для портов — от уровня порта (откуда конвой отправляется и куда прибывает).
Железная дорога первого уровня, соединяющая узел со столицей, обеспечивает максимальное снабжение 15 из этого узла, в то время как порт первого уровня, соединенный со столицей железной дорогой, также обеспечивает 15. Однако порт первого уровня соединяется со столицей конвоем, а не чем по железной дороге, имеет базовую пропускную способность 20. Обратите внимание, что если маршрут конвоя, снабжающий порт, подвергнется набегу, количество предоставленного снабжения будет уменьшено до тех пор, пока маршрут не восстановит свою пропускную способность.
Для узлов снабжения базовая пропускная способность увеличивается для каждого дополнительного уровня железнодорожного сообщения со столицей, исходя из наименьшего уровня железнодорожного сообщения в любой точке этого соединения (так, например, если имеется три участка пути, два на уровне 2, и один на уровне 1, соединение считается соединением уровня 1 – чтобы обновить его до соединения уровня 2, участок пути уровня 1 необходимо будет повысить до уровня 2). Каждый уровень железнодорожного сообщения увеличивает снабжение узла на 5, максимум до 35. если он соединен рекой, считается, что узел снабжения имеет соединение уровня 1.
Единственным исключением является центр снабжения капиталом, вместимость которого устанавливается на базе 5, а затем дополняется количеством гражданских и военных заводов и военно-морских верфей в стране. Что касается портов, то базовая вместимость портов, соединенных конвоями, увеличивается на 5 для каждого уровня военно-морской базы, вплоть до эффективного максимума в 35 (или 65, если в вашей столице есть порт), так как количество припасов, отправляемых конвоем, никогда не может превышать железнодорожное сообщение с портом отправления.
Ассортимент поставки концентратора[edit | изменить источник]
Узлы снабжения снабжают каждую провинцию на основе ряда факторов, наиболее важным из которых является количество провинций между снабжаемой провинцией и узлом снабжения, которое зависит от уровня железнодорожного сообщения с источником снабжения. узла от столицы, уровень инфраструктуры, рельеф местности и погода.
Посмотрите на значение «Предоставление от узлов» в этой последовательности снимков экрана, чтобы получить представление об уменьшении значения предложения от узлов по мере увеличения расстояния. Обратите внимание, что штат, указанный во всплывающей подсказке, — это штат, в котором находится провинция, а не штат, содержащий хаб, из которого поступает снабжение (крайняя правая подсказка по-прежнему получает снабжение из хаба в Ахтубинске).
Улучшение диапазона центра снабжения[edit | править код]
Помимо снабжения по воздуху, улучшения уровня снабжения в провинции в ходе игры почти полностью будут связаны с улучшением количества предоставляемого хабового снабжения. Четыре средства, с помощью которых можно улучшить подачу хаба:
Повышение уровня моторизации хаба или армии.
Увеличение уровня соединения рейки со ступицей.
Повышение уровня инфраструктуры в районе.
Строительство нового центра снабжения.
Обратите внимание, что первые три метода (автомобилизация, повышение уровня железнодорожного сообщения и повышение уровня инфраструктуры) накладываются друг на друга, поэтому немоторизованный узел снабжения в состоянии с инфраструктурой уровня 1 и уровнем 1 железнодорожное сообщение будет иметь наименьший возможный диапазон поставок, в то время как полностью моторизованный узел с инфраструктурой пятого уровня и железнодорожным сообщением уровня 5 будет иметь максимально возможный радиус действия.
Очень важно иметь в виду, что падение снабжения хаба значительно увеличивается с каждой дополнительной провинцией, удаленной от хаба, порта или столицы. значительные инвестиции для увеличения радиуса действия, достаточного для того, чтобы вывести его из центра в следующую провинцию.
Моторизация[править | править источник]
По умолчанию каждый узел снабжения настроен на «не моторизованный», что обозначается лошадью. Это можно улучшить двумя разными уровнями моторизации, щелкнув соответствующий значок (см. пример ниже). Как только хаб моторизирован, один или два небольших грузовика (в зависимости от уровня моторизации) будут видны как часть значка хаба снабжения (зеленый грузовик или грузовики указывают на то, что хаб был моторизован напрямую, а серые грузовики) указывает на то, что он был моторизован ближайшей армией — подробнее об этом ниже). Обратите внимание, что грузовики, предназначенные для моторизации узлов снабжения, будь то напрямую через узлы или путем выбора вариантов моторизации для армий, не потребляют топливо или рабочую силу.
В зависимости от уровня автомобилизации каждому хабу требуется 0, 40 или 80 грузовиков (иконки: лошадь, один грузовик, два грузовика).
Эти грузовики подвержены износу, который увеличивается в условиях плохой местности и погоды, и они могут подвергаться воздушным атакам со стороны вражеской авиации, назначенной для тылового удара.
Обратите внимание на изменение значков по мере повышения уровня автомобилизации Одесского узла снабжения (порта). Как видно из крайнего правого изображения, пока хаб моторизован, он будет иметь значок одного или двух грузовиков, указывающий на это (количество грузовиков указывает уровень моторизации).
Другой способ добиться моторизации хаба — назначить его на уровне армии. Это автоматически переключает уровень моторизации, установленный для армии на узлах, которые находятся в пределах досягаемости, откуда армия получает припасы. Преимущество этого заключается в уменьшении микроуправления уровнями моторизации хабов, но это может привести к колебаниям требований к войскам, поскольку количество хабов в радиусе действия армии со временем меняется. Посмотрите на три снимка экрана и подписи к ним ниже, чтобы увидеть пример этого в действии.
В этом примере войска в Тирасполе, к северо-западу от Одессы, снабжены не полностью. Хотя уровень снабжения не имеет решающего значения, одним из способов улучшить уровень снабжения было бы повышение уровня моторизации армии (в настоящее время установлено значение «не моторизовано», на что указывает «лошадь», выделенная белым цветом). эллипс и стрелка на этом снимке экрана).
В настоящее время армия выбрала первый уровень моторизации, снова отмеченный белым эллипсом и стрелкой), и ситуация со снабжением войск в Тирасполе значительно улучшилась. Также обратите внимание на маленький серый грузовик, который теперь является частью значка Одесского узла снабжения.
Теперь армия выбрала второй уровень моторизации, снова отмеченный белым эллипсом и стрелкой), и войска в Тирасполе теперь полностью обеспечены. Также обратите внимание, что серый значок «грузовик», который является частью значка Одесского узла снабжения, теперь имеет два грузовика.
Обратите внимание, что все преимущества автомобилизации будут получены только при наличии достаточного количества грузовиков. Если для поддержки узлов будет выделено больше грузовиков, чем доступно, то преимущества будут уменьшены пропорционально нехватке грузовиков.
В то время как в армии Рокоссовского включена полная моторизация, из-за нехватки грузовиков (обратите внимание на всплывающую подсказку) войска в Тирасполе снабжаются не полностью.
Повышение уровня железнодорожного соединения[edit | править код]
После моторизации повышение уровня железнодорожного сообщения является следующим по значимости и часто (но это зависит от того, насколько далеко от вашей столицы находится узел снабжения по железной дороге) следующим по скорости.
Чтобы узнать уровень железнодорожного сообщения между хабом и столицей, наведите курсор на хаб в режиме карты снабжения и посмотрите, что во всплывающей подсказке говорится о узком месте. При этом Ахтубинск ограничен железнодорожным сообщением только 2-го уровня на всем пути от Москвы.
Каждая плитка железной дороги стоит 170 CIC, +130 CIC за каждый существующий уровень железной дороги (максимум до уровня 5), поэтому проложить железную дорогу 1-го уровня относительно быстро и дешево, но длинная железная дорога 5-го уровня — это серьезно. промышленное предприятие. Например, согласно таблице ниже, общий CIC для строительства железной дороги с нуля до уровня 5 составляет 2150 CIC на провинцию (170 + 300 + 430 + 560 + 690) с поправкой на любые бонусы строительства и влияние инфраструктуры на скорость строительства. .
Стоимость железной дороги (CIC) за уровень, за провинцию
Рельсовый уровень
1
2
3
4
5
CIC стоимость
170
300
430
560
690
На самом деле строительство железных дорог можно осуществить несколькими способами:
Выбор центра снабжения, а затем щелчок по средней (верхней) из трех появившихся иконок. Каждый щелчок этой кнопки добавит еще один уровень железной дороги в каждую провинцию на железнодорожном сообщении со столицей (так, например, три щелчка по узлу, соединенному железной дорогой 2-го уровня, поставят заказы на строительство, чтобы повысить его до максимального уровня) .
Открытие производственного интерфейса и выбор кнопки «Железные дороги», а затем нажатие на одну из белых цифр в черном круге на железнодорожном соединении между двумя узлами — это разместит строительные заказы для увеличения уровня рельсов между двумя узлами. по одному уровню. Каждый дополнительный щелчок будет размещать заказы на строительство, чтобы повысить его на следующий уровень.
Здесь была нажата кнопка узла снабжения, в результате чего появились три значка — тот, что посередине, выделен стрелкой, будет размещать заказы на строительство для улучшения железнодорожного сообщения со столицей.
Здесь для Ахтубинска нажато «обновить железнодорожное сообщение со столицей» — см. заказы на строительство в очереди на строительство, а также значок «в стадии строительства» на модернизируемых участках железной дороги в режиме карты снабжения.
Цифра «2» между Липецком и Тамбовом, выделенная здесь, указывает на уровень 2 уровня железнодорожного сообщения между двумя узлами снабжения. Нажмите на эти два с помощью инструмента «Железная дорога» в производственном интерфейсе, и заказы на строительство будут размещены для увеличения уровня рельсового соединения между двумя узлами.
Каждый дополнительный уровень рельса увеличивает размер общего объема снабжения в узле, а это означает, что количество припасов, вытекающих из узла снабжения наружу, также увеличивается. В некоторых случаях это может означать, что провинции, вообще не имеющие хабового снабжения, получат некоторое хабовое снабжение, хотя, как отмечалось выше, увеличивающийся размер «падения потока снабжения» по мере удаления от хаба означает, что расширение диапазона, вероятно, будет ограничено. .
На этой серии снимков экрана показано влияние на провинцию на советско-финляндской границе постепенного увеличения уровня железнодорожного сообщения с хабом с 1 (крайний слева) до пяти (крайний справа) — обратите внимание, погода ясная, и ступица не моторизована.
Имейте в виду, что железные дороги также полезны для стратегической передислокации, и чем выше уровень железной дороги, тем быстрее стратегически передислокация войск.
Строительство нового центра снабжения[edit | править код]
Здесь Япония выбирает центр снабжения для строительства, а затем размещает его в провинции, где он будет иметь полезное распространение. Имейте в виду, что диапазон узлов снабжения определяется по провинциям, а не по районам, поэтому при прочих равных условиях поставки будут проходить из узла через две большие провинции точно так же, как и через две маленькие.
Если кажется, что получение снабжения из существующих узлов нерентабельно или невозможно, можно также построить новые узлы снабжения. На побережье порты действуют как узлы снабжения и стоят значительно дешевле (5000 CIC за первый уровень военно-морской базы, а еще 1000 CIC добавляются к стоимости за каждый последующий уровень). Однако внутри страны необходимо использовать центры снабжения, для которых требуется 20000 CIC (с учетом любых бонусов скорости строительства и строительства инфраструктуры).
И порты, и узлы снабжения строятся с использованием интерфейса строительства, показанного на скриншоте ниже.
Как порты, так и узлы снабжения могут быть построены на территории союзников и субъектов.
Если он может проследить путь обратно в столицу с использованием конвоев, других портов и железных дорог, порт будет снабжаться морем без необходимости железнодорожного сообщения.
Здесь Япония выбирает «железные дороги» в интерфейсе строительства и нажимает на провинцию к юго-западу от того места, где строится новый узел снабжения, а затем нажимает на провинцию, содержащую строящийся узел снабжения.
Для узла снабжения также потребуется сообщение со столицей по железной дороге или по реке. Соединение через реку происходит мгновенно и будет установлено, если новый узел снабжения соединяется через реку (граничащую с провинцией, в которой находится узел снабжения) либо со столицей, либо с другим узлом снабжения или портом в провинции, граничащей с той же рекой.
Чтобы соединить новый узел снабжения с железнодорожным сообщением, откройте интерфейс строительства и выберите опцию «Железные дороги», а затем нажмите на провинцию с железной дорогой, которая соединена со столицей, а затем нажмите на провинцию с новым узел снабжения. Уровень построенной железной дороги будет таким же, как уровень железной дороги в провинции, из которой она простирается, но его можно вручную отрегулировать вниз или вверх по уровням (пока железная дорога еще не построена) с помощью либо в списке строительства (кнопки +/- на железной дороге в списке), либо на карте снабжения (щелкните левой кнопкой мыши по маленькой цифре (под скрещенными молотками) на строящихся железных дорогах, чтобы повысить уровень, и щелкните правой кнопкой мыши, чтобы снизить уровень).
Железные дороги могут быть построены на подконтрольной, союзной или подчиненной территории в любое время, и не нужно ждать завершения (или даже запуска) узла снабжения.
Повышение уровня инфраструктуры в штате Архангельск повышает уровень снабжения хаба на авиабазе к югу от хаба. Обратите внимание, что общее предложение в провинции увеличивается значительно больше, потому что инфраструктура имеет как диапазон снабжения центра, так и эффект снабжения штата — подробнее о снабжении штата ниже.
Повышение уровня инфраструктуры[edit | править код]
Инфраструктура более высокого уровня также позволяет поставке из хаба распространяться дальше за счет уменьшения падения потока поставок из хаба (до максимального снижения 0,3 для инфраструктуры уровня 5). Обратите внимание, что уровень инфраструктуры, который имеет значение, — это уровень инфраструктуры штата, в который входит провинция, из которой идет поставка. Так, например, если есть два штата, состояние инфраструктуры пятого уровня с центром снабжения, граничащим с состоянием инфраструктуры уровня один, то поток поставок из провинции с состоянием инфраструктуры уровня пять в граничащую провинцию с состоянием инфраструктуры уровня один будет поток, как если бы это была инфраструктура пятого уровня. Однако поставки, поступающие из провинции в состоянии инфраструктуры первого уровня в другую граничащую провинцию в том же состоянии инфраструктуры первого уровня, будут течь, как если бы это была инфраструктура первого уровня.
Как и в случае с другими способами расширения радиуса действия центра снабжения, возрастающее количество выпадающих поставок по мере увеличения расстояния от центра (считается в провинциях) означает, что любое увеличение, скорее всего, будет только на полях (т. е. возможно увеличение дальности одной провинции).
Помните, что каждый уровень инфраструктуры стоит 6000 CIC, так что четыре уровня инфраструктуры в одном штате стоят больше, чем новый центр снабжения.
Поезда[править | править код]
Чтобы работать с полной эффективностью, сети снабжения нуждаются в поездах для железнодорожного сообщения, аналогично требованию конвоев для морского сообщения, при этом количество поездов зависит от количества узловых поставок, требуемых от каждого узла. Требования к поездам для хаба можно увидеть во всплывающей подсказке для этого хаба.
Обратите внимание на то, как увеличивается количество поездов по мере того, как увеличивается использование ресурсов узла.
Требования к поездам для сети в целом можно найти во всплывающей подсказке логистики, которую можно вызвать, наведя курсор на значок логистики в верхней части экрана (он выглядит как ящик с процентом рядом с ним). Если поездов меньше, чем требуется сети, количество узлов, доступных для подразделений, использующих ее, будет меньше.
На первом снимке экрана всплывающая подсказка логистики показывает, что требуется только 58% поездов. На втором скриншоте подсказки Минского узла снабжения видно, что в результате доступны только 6 из 11 требуемых поездов. На третьем снимке экрана из-за этого дивизии, потребляющие хабовое снабжение, снабжаются лишь частично (обратите внимание, что их общий уровень снабжения выше, чем можно было бы ожидать из-за нехватки поездов, потому что они также потребляют государственное снабжение — подробнее об этом ниже). .
Варианты исследований как для военного поезда, так и для бронепоезда можно найти в нижней части вкладки «Вспомогательные компании», как показано на этом снимке экрана.
Поезда не подлежат истощению, но могут быть уничтожены воздушной атакой вражеской авиации с использованием тылового удара.
Помимо базовой модели поезда, в ходе игры можно исследовать две другие модели поезда. Одним из них является небронированный поезд «строгой экономии», который выполняет ту же работу, что и базовая модель, но по более низкой цене (50 MIC вместо 70). Другой — бронепоезд, о котором подробнее ниже.
Бронепоезда[править | править код]
Бронепоезда — это особый тип поезда, который более устойчив к вражеским воздушным миссиям Logistics Strike. Если в вашем инвентаре есть доступные бронепоезда, они будут автоматически использоваться перед другими типами поездов. Бронепоезда имеют значительно более высокую себестоимость производства 105 MIC, поэтому они намного дороже стартового поезда и более чем в два раза дороже поезда строгой экономии.
На верхнем скриншоте 100 польских CAS уже неделю атакуют логистику Беларуси против советской логистической сети, в которой были только небронированные поезда. На нижнем скриншоте та же ситуация, но советские поезда бронированы. Обратите внимание на значительное сокращение количества уничтоженных поездов.
Захват железных дорог и узлов снабжения[edit | править код]
По мере продвижения фронта на вражескую территорию удерживаемые противником железнодорожные линии и узлы могут перейти под контроль дружественных. Хотя железнодорожные линии могут нуждаться или не нуждаться в ремонте (рельсы могут быть повреждены стратегической бомбардировкой или вашим противником, использующим выжженную землю, прежде чем он потеряет контроль над государством), они не будут доступны для использования сразу в большинстве ситуаций. При захвате железной дороги на территории, которая не является вашим ядром, время восстановления до того, как железную дорогу можно будет использовать, составляет 10 дней, 5 дней, если территория является ядром, и нет времени восстановления, если война является гражданской войной.
Символ секундомера над серой железной дорогой указывает на переоборудование железной дороги. Если вы наведете курсор на секундомер, во всплывающей подсказке будет указано, сколько времени осталось для преобразования. Обратите внимание, что это значение будет сброшено до 10 дней, если будет захвачена другая провинция на пути к узлу снабжения.
Время преобразования железнодорожного транспорта[edit | править код]
Недавно захваченный узел будет функционировать только после того, как он будет соединен «преобразованными» железными дорогами, и он не будет подключен, пока каждая провинция не будет находиться под дружественным контролем в течение необходимого количества дней для преобразования. Однако для центров снабжения нет времени преобразования.
Имейте в виду, что даже после того, как секундомер был удален с железных дорог, может быть ожидание, пока не будет доступен узел снабжения, так как в провинции, содержащей узел, нет индикатора преобразования железной дороги (но для этого все еще нужно преобразовать, прежде чем можно будет использовать концентратор).
Для рек (по понятным причинам) нет времени преобразования, поэтому узлы снабжения, которые могут соединиться с вашей сетью снабжения рекой, которой вы управляете (к другому узлу, а не только к железной дороге), мгновенно обеспечат снабжение узла.
Погода и местность[править | править код]
И погода, и местность влияют на систему снабжения — таблицы на страницах погоды и местности в вики содержат данные о различных воздействиях снабжения для различных состояний местности/погоды. О чем следует помнить, думая о влиянии местности и погоды:
Есть два погодных эффекта:
Фактор снабжения уменьшает поток снабжения из центра снабжения (действительно, уменьшая его диапазон), действуя как процентное сокращение потока снабжения в провинцию [ подлежит подтверждению]. Эти эффекты могут суммироваться, если, например, в регионе есть состояние глубокого снега и снежная буря — подобные зимние условия могут существенно сократить диапазон снабжения узлов на время действия этих погодных/почвенных условий.
Коэффициент потребления снабжения увеличивает использование снабжения подразделением. Оба эти элемента могут быть задействованы в зависимости от конкретных обстоятельств.
Есть один эффект ландшафта:
Штрафной коэффициент потока снабжения . Изменяет спад подачи в концентраторе при удалении от концентратора и добавляется к другим сокращениям расхода подачи. Это не процентное значение, а скорее прямое изменение (обычно уменьшение, но на самом деле это увеличение в городских районах) количества снабжения, поскольку оно связано с цифрами, показанными для снабжения узлов во всплывающих подсказках провинции.
Государственная поставка[править | править код]
В отличие от хабового снабжения, государственное снабжение — это фиксированное количество снабжения, обеспечиваемое в пределах штата на основе четырех вещей: победных очков, инфраструктуры, населения и так называемого «базового снабжения», которое представляет собой фиксированное количество дополнительного снабжения в Штат. В то время как государственное снабжение от населения и инфраструктуры будет в каждом (непроходимом) штате, в некоторых штатах нет победных очков, а во многих штатах нет базового снабжения.
Чтобы увидеть, сколько ресурсов штата доступно, наведите указатель мыши на провинцию в режиме карты снабжения, чтобы открыть всплывающую подсказку о снабжении провинции. В этой провинции мы видим 0,90 государственного снабжения от инфраструктуры уровня 3, 0,14 снабжения от 831 140 населения и 0,25 от победного очка 1 уровня в Новгороде.
Штат с победным очком получит от этого 0,2 запаса штата, а затем еще 0,05 запаса за общее значение победных очков в штате (так, например, штат с одним 1-очком ПО , и одно ПО с 5 очками, будет иметь 0,5 запаса от ПО, состоящего из 0,2 базовых и 0,3 от 6 ПО в сумме в штате). Некоторые примеры см. в таблице ниже:
ВП
50
20
15
10
5
3
1
Поставка
2,70
1,20
0,95
0,70
0,45
0,35
0,25
Инфраструктура обеспечивает 0,3 за каждый уровень инфраструктуры, пока инфраструктура не повреждена (см. приведенную ниже таблицу значений инфраструктуры) — однако, если она повреждена, объем государственных поставок, обеспечиваемых инфраструктурой, уменьшается до тех пор, пока повреждение не будет устранено. .
Уровень инфраструктуры
5
4
3
2
1
Поставка
1,50
1,20
0,90
0,60
0,30
Население добавляет запас по убывающей шкале от 0,01 запаса на провинцию в штате с населением 30 000 человек до 4,25 запаса на провинцию в штате с населением 23,6 млн человек. В пересчете на 1 миллион человек шкала снижается с 0,3 предложения на миллион в малонаселенных штатах до 0,18 предложения на миллион в очень густонаселенных штатах (например, в китайских штатах).
Снабжение штата равномерно распределяется между всеми юнитами, находящимися в штате (включая воздушные и морские юниты), до того, как будут использованы другие источники снабжения. Учитывая это, важно помнить, что, хотя может быть достаточно государственного запаса для поддержки любых юнитов за пределами радиуса действия хаба, эти юниты все равно должны будут делить этот государственный запас с юнитами, получающими снабжение из хабов или портов.
На этой коллекции снимков экрана показано количество единиц, получающих снабжение из Мурманской области в один и тот же момент времени. Обратите внимание, что корабли, выходящие из порта, по-прежнему потребляют государственное снабжение, как и самолеты на аэродроме. Обратите внимание, что бронетанковая дивизия в пределах досягаемости хаба получает такое же количество государственного снабжения, как и бронетанковая дивизия за пределами досягаемости хаба.
Понимание предложения штата необходимо для понимания того, как работает режим карты снабжения «тепловая карта» — поскольку, в отличие от централизованного снабжения, затенение каждой провинции на тепловой карте учитывает общий объем предложения штата, доступный для всего штата, но как только этот государственный запас используется где-либо в штате, доступный государственный запас для других провинций соответственно уменьшается. Проверка области, чтобы увидеть, вызвано ли затенение тепловой карты в основном хабом или снабжением штата, даст более четкое представление об эффективном снабжении в провинции, если больше сил будет переброшено в штат в других провинциях. Пожалуйста, посмотрите пример, представленный на двух снимках экрана ниже, для более подробной информации.
Эта всплывающая подсказка показывает, что в провинции добывается 2,75 запаса. Присмотритесь, однако, и обратите внимание, что это все из-за государственного снабжения — это если это снабжение израсходовано где-то еще, как только юниты переместятся в штат, фактическое снабжение в этой провинции будет намного меньше.
Если теперь мы переместим значительные силы для защиты границы с итальянской Ливией, та же провинция, в которой раньше было 2,75 запаса, теперь имеет очень мало (0,12), потому что запас, доступный в штате, был распределен между всеми дивизии в этом штате, оставив только 32% дивизии в требованиях этой провинции.
Спорные состояния[edit | править код]
Если контроль над штатом разделен между двумя воюющими друг с другом странами, объем поставок штата будет разделен на две части. Элементы узла, населения и инфраструктуры будут распределяться в зависимости от доли провинций штата, принадлежащих каждой стороне, в то время как государственное снабжение из победных очков предоставляется тому, кто владеет провинциями, содержащими эти победные очки.
На этих снимках экрана показано, как меняется государственное снабжение (единственный источник снабжения в этом примере) по мере продвижения итальянских войск через штат Матрух. На первом снимке экрана мы видим, что общее государственное снабжение в Мерса-Матрух составляет 2,75 (обратите внимание, что уровень округления для государственного снабжения до одного знака после запятой, хотя отображается два), затем на втором видно, что после того, как итальянские войска 2 провинции, у них есть доступ к 22% государственного снабжения от базы, инфраструктуры и населения, так как теперь они контролируют 2 из 9провинции в штате. На третьем снимке экрана у итальянцев теперь есть четыре провинции и победное очко в Марса-Матрух, что дает им 44% (4 в пропорции к 9 провинциям штата) базы, инфраструктуры и снабжения населением, а также все Государственная поставка 0,25, обеспечиваемая единственным вице-президентом в Марса-Матрух.
Антенное питание[править | править источник]
Снабжение воздухом отображается под заголовком «Снабжение из штата» во всплывающей подсказке снабжения провинции, но, как и снабжение штата, указанное количество является общим, доступным для всего воздушного региона. В этом случае миссии по снабжению воздухом обеспечивают 7,28 воздуха для всего региона.
Последним из трех столпов системы снабжения является воздушное снабжение. Воздушное снабжение обеспечивается транспортными самолетами, выполняющими миссии «Снабжение по воздуху». Как и государственное снабжение, общий объем снабжения, обеспечиваемый через него, доступен в любой провинции в воздушной зоне, в которой выполняется миссия по воздушному снабжению (независимо от того, находится ли она в пределах досягаемости транспортного самолета или нет). Однако, в отличие от государственного снабжения, воздух поступает в последнюю очередь, поэтому юниты потребляют воздух только в том случае, если они не могут полностью удовлетворить свои потребности в снабжении за счет государственного и хабового снабжения.
Здесь мы видим 2-й авиаполк ТАД в составе 40 транспортных самолетов, предназначенный для снабжения воздухом в воздушном районе Северного фронта. Пока дальность действия транспортного самолета не покрывает весь регион, весь регион все равно получит доступ к воздушному снабжению от этого авиакрыла. Однако, поскольку транспортные самолеты не могут покрыть весь регион, они получают штраф к эффективности миссии, что влияет на то, сколько воздуха они могут обеспечить (и сколько поставок им требуется).
На снимках экрана показано несколько различных ситуаций для подразделений в воздушном регионе «Северный фронт». Если идти слева направо, то в первом случае дивизия находится в провинции с доступом к некоторому государственному снабжению, но без узлового снабжения, поэтому «пополняется» воздушными поставками. Во втором случае два дивизиона полностью обеспечены государственным и узловым снабжением, поэтому не потребляют воздух. В-третьих, в провинции далеко не достаточно государственного снабжения (и вообще нет хабового снабжения), а подача воздуха необходима для приличного снабжения этих юнитов. В четвертом мы видим, что воздушное крыло выполняет миссию снабжения, то есть летит из воздушной зоны, и рисует концентратор и государственное снабжение, чтобы обеспечить снабжение воздухом в другом месте зоны.
Как и в случае любой воздушной миссии, эффективность миссии уменьшит количество поставок, которые могут быть предоставлены, и на эффективность может повлиять ряд факторов, включая погоду, состояние снабжения эскадрильи, выполняющей миссию, и соотношение размера воздушной зоны и дальности действия эскадрильи. При 100% эффективности миссии каждый полностью укомплектованный транспортный самолет, летящий в хорошую погоду, способен обеспечить 0,2 снабжения на самолет.
Здесь авиакрыло 2 TrAD попало в дождливую погоду (-10% эффективности миссии) и с 15% вышедших из строя самолетов, что снизило снабжение, обеспечиваемое по воздуху, с 7,28 до 6,2.
Требования к снабжению авиакрыла определяются количеством снабжения, которое они могут обеспечить за счет эффективности своей миссии, поэтому при прочих равных условиях крыло транспортных самолетов, которое может покрыть большую часть воздушной зоны, обеспечит больше подачи воздуха, чем крыло того же размера, использующее другой аэродром, что дает ему меньшую зону покрытия. Транспортные авиакрыла, выполняющие миссии по снабжению воздухом, могут использовать только государственное и узловое снабжение и не могут использовать снабжение воздухом.
Влияние недостаточного предложения[edit | изменить источник]
Сухопутные единицы[править | править код]
Здесь мы видим след снабжения советской 72-й дивизии. Обратите внимание, что базовая стоимость снабжения (0,77) является произведением его различных батальонов и рот поддержки, но она была изменена в большую сторону снежной бурей и уменьшенной навыками снабжения командиров армий и групп армий.
Количество снабжения, которое требуется дивизии для полного снабжения, зависит от целого ряда факторов, включая линейные батальоны, батальоны обеспечения (батальоны тылового обеспечения сокращают общее использование снабжения), погоды и возможностей их командиров.
Если у дивизии недостаточно запасов, на ее значке на карте и на значке в списке дивизий в армии появится выцветший или ярко-красный значок ящика. Чтобы получить точную информацию о состоянии снабжения дивизии, наведите указатель мыши на значок в списке армейских дивизий, чтобы вызвать всплывающую подсказку. Снабжение дивизии будет приближаться к количеству, которое может быть поддержано в провинции, независимо от того, увеличивается оно или уменьшается. Так, например, если дивизия перемещается из провинции, где она обеспечена на 100%, в ту, где она обеспечена на 50%, в течение первого часа в этой новой провинции у нее все еще будет 100% снабжение, а затем состояние снабжения дивизии упадет, так как его запасы иссякнут до 50%.
Здесь 27-я дивизия находится в плохом состоянии, со статусом снабжения всего 10% (и только 9% запасов запасов, которые будут увеличиваться до 10% до тех пор, пока снабжение провинции для дивизии не упадет).
За отсутствие ряда характеристик юнитов предусмотрены значительные штрафы. Обратите внимание, что может быть задержка между достижением состояния низкого снабжения и полным штрафным ударом. Характеристики юнитов, на которые влияет низкое снабжение, причем влияние увеличивается по мере ухудшения состояния снабжения:
Скорость
Максимальная организация
Восстановление скорости организации
Атака (с более высоким максимальным штрафом для обороняющихся юнитов (-50%), чем для атакующих юнитов (-20%))
Прорыв (для атакующих юнитов)
Оборона (для обороняющихся частей)
Истощение — если уровень снабжения юнита упадет до 35% или ниже, он начнет истощаться на основе снабжения, увеличивая количество снаряжения, используемого юнитом, за счет увеличения количества по мере дальнейшего падения снабжения.
Влияние плохого снабжения 27-й дивизии значительно снижает ее скорость передвижения — если бы не базовая игровая скорость 1 км/ч, скорость дивизии была бы еще ниже.
Здесь британцы с недостаточным снабжением атакуют очень слабых итальянцев – обратите внимание на влияние на атаку и прорыв/оборону юнитов с обеих сторон боя.
Низкое снабжение также влияет на скорость прибытия подкреплений. Пока дивизия связана со столицей непрерывным путем через дружественные провинции, порты и/или конвои, прибудет подкрепление живой силой, хотя при очень низком уровне снабжения это может занять много времени. Обратите внимание, однако, что скорость пополнения снаряжения не зависит от состояния снабжения дивизии (но если у дивизии мало снабжения, они будут постоянно истощаться до тех пор, пока это так, что может помешать дивизии достичь полного снаряжения. уровни).
Если дивизия отрезана от столицы, даже если она полностью обеспечена за счет занятия победной точки или другого источника государственного снабжения, либо за счет снабжения по воздуху, она не получит пополнения живой силой или техникой.
Обратите внимание, что топливо работает немного иначе, чем рабочая сила или оборудование. Как и в случае с живой силой и техникой, если юнит отрезан от своей столицы, он не будет пополняться. Как и в случае с рабочей силой, скорость пополнения запасов топлива замедляется, если подразделение не полностью обеспечено. Однако, в отличие от рабочей силы, подача топлива полностью прекращается, когда состояние снабжения становится достаточно плохим. Подача воздуха не влияет на поставку топлива, поэтому, даже если юнит может проследить линию провинций до своей столицы и полностью снабжается воздухом, если у него недостаточно запасов штата или хаба, он может не получить пополнение запасов топлива.
На скриншоте слева 53-я -я -я пехотная дивизия (Валлийская) находится на очень низком уровне снабжения, и ей придется ждать почти месяц, прежде чем она снова пополнится. На скриншоте справа дивизия переместилась в более обеспеченную провинцию, и пополнение произойдет гораздо раньше.
Сохраненная льгота по поставке/снабжению[edit | править исходный код]
Грация снабжения и сохраненное снабжение относятся к одному и тому же, то есть к количеству снабжения, превышающему 100%, которое будет храниться дивизией, если она находится в полностью снабженной провинции. Количество хранимых припасов для дивизии можно увидеть в нижней части всплывающей подсказки, которая появляется при наведении курсора на название дивизии в элементе пользовательского интерфейса армии, как в примере ниже.
Базовое количество хранимых припасов, которое может накопить дивизия, составляет 150%. Скорость, с которой он падает, варьируется, но она должна позволить дивизии действовать в течение 2-3 дней с полной эффективностью снабжения, даже если провинция, в которой она находится, не полностью обеспечена, прежде чем запасы запасов упадут ниже 100%.
Здесь французская 25-я -я -я пехотная дивизия накопила полный запас запасов.
Для подразделений специального назначения некоторые технологии могут увеличить продолжительность льготного снабжения. Это может быть дополнительно расширено для дивизий морской пехоты, если их возглавляет генерал с «амфибией». Предоставленная льгота по дополнительному снабжению описывается в часах, но это лишь ориентировочно, поскольку скорость сокращения хранимого запаса может варьироваться в зависимости от ситуации, в которой находится подразделение.
Две технологии спецподразделений могут повысить скорость снабжения подразделений спецназа. Последняя технология в дереве увеличивает запас запасов в подразделениях спецназа примерно (может варьироваться в зависимости от реальных условий) на 48 часов.
Генерал с чертой характера «Амфибия» может дать дивизиям морской пехоты очень полезные дополнительные 240 часов (более или менее, в зависимости от обстоятельств дивизии) хранимых запасов. Обратите внимание, что может потребоваться некоторое время, чтобы достичь этого уровня хранимых запасов.
Воздушные единицы[править | править код]
Снабжение авиационного подразделения зависит от уровня снабжения в провинции, в которой находится авиабаза. Если воздушная единица выполняет задание и не снабжена на 100%, она будет иметь малус по эффективности из-за сниженного уровня снабжения. Важно иметь в виду, что если снабжение упадет ниже порогового значения, авиационная часть также не получит достаточного количества топлива, что еще больше снизит эффективность миссии.
Из-за некоторых довольно сомнительных приказов о развертывании британской армии поставки на авиабазу в юго-западной Англии достаточны только для обеспечения 72% снабжения действующего оттуда авиакрыла.
Глядя на всплывающую подсказку для авиационного подразделения из приведенного выше примера, мы видим, что влияние наличия 72% снабжения снижает эффективность миссии на 28%.
Для морских юнитов неполная обеспеченность напрямую влияет на эффективность обнаружения и скорость ремонта, но также снижает скорость получаемого топлива, что в зависимости от ситуации с топливом может также влиять на их эффективность в бою. . Стоит иметь в виду, что морские юниты имеют доступ к полному количеству потенциального снабжения из центра, из которого они получают снабжение (вместо того, чтобы быть ограниченным тем, что провинция также может поддерживать, как наземные и воздушные юниты), поэтому Морские подразделения гораздо реже испытывают недостаток снабжения, чем сухопутные или воздушные.
На этих двух снимках экрана ситуации идентичны, за исключением того, что британский (зеленый) флот слева имеет снабжение 57%, а британский флот справа — 76%. Обратите внимание (как выделено), что шанс обнаружения увеличивается с увеличением уровня снабжения.
Союзники и припасы[править | править код]
По умолчанию вы можете получать припасы из центров снабжения ваших союзников, а ваши союзники могут получать припасы из ваших узлов снабжения. Обратите внимание, однако, что если вы сражаетесь на союзной территории, вы не можете использовать государственную систему снабжения. Подразделения союзников делят централизованное снабжение с подразделениями принимающей страны, но дивизии принимающей страны, вероятно, будут обеспечены немного лучше, поскольку они также смогут получить доступ к любому доступному государственному снабжению.
Снабжение-049. Здесь оперативная группа США и дивизии США в Дувре получают снабжение из британского узла, как и британская оперативная группа там и несколько других британских дивизий за кадром.
Слева американские дивизии в Дувре имеют доступ только к узловому снабжению, а справа британские подразделения имеют доступ как к узловому снабжению, так и к государственному снабжению, и поэтому могут поддерживать более высокий уровень снабжения.
Хотя ИИ не будет этого делать, если вы хотите, чтобы союзники не участвовали в каком-либо конкретном фронте, можно отключить снабжение союзников для каждого узла. Чтобы выключить (или включить) снабжение союзников для определенного узла, нажмите на узел, а затем выберите синий флажок слева и над символом узла снабжения (см. примеры ниже).
С левой стороны центр снабжения все еще снабжает союзников. При нажатии на кнопку с синим флажком ситуация меняется на правую, где союзники больше не могут получать снабжение из хаба. Обратите внимание, что на самом значке центра снабжения также есть небольшой значок «не входить» (красный кружок с перечеркнутой линией). Имейте в виду, что снабжение союзников должно быть отключено от узла к узлу — например, для того, чтобы Великобритания полностью перекрыла снабжение союзников в Дувре, снабжение должно быть отключено в узлах в Лондоне, Портсмуте и близлежащем порту на севере. .
Механика
Политика
Идеология • Фракция • Национальный фокус • Идеи • Правительство • Марионетка • Дипломатия • Мировая напряженность • Гражданская война • Оккупация • Спецслужба
Производство
Торговля • Производство • Строительство • Оборудование • Топливо
Исследования и технологии
Исследования • Технологии пехоты • Технологии рот поддержки • Технологии бронетехники • Технологии артиллерии • Наземная доктрина • Морские технологии • Морская доктрина • Воздушные технологии • Воздушная доктрина • Инженерные технологии • Промышленные технологии
Военные и военные действия
Военные действия • Сухопутные подразделения • Сухопутные боевые действия • Конструктор дивизий • Проектирование танков • Армейский планировщик • Командная группа • Командир • Боевой план • Тактика боя • Корабль • Морская война • Самолеты • Воздушная война • Опыт • Офицерский состав • Истощение и несчастные случаи • Логистика • Людская сила • Ядерная бомба
Карта
Карта • Провинция • Рельеф • Погода • Штат
События и решения
События • Решения
Hearts of Iron 4 Wiki
Это вики, поддерживаемая сообществом. Если вы заметили ошибку, вы можете ее исправить.
Информацию о системе логистики до версии 1.11 см. в предыдущей версии этой страницы.
В Hearts of Iron 4 логистика состоит из доставки личного состава (пополнения) и техники туда, где они должны находиться для поддержки боевых сил, а также обеспечения уровня снабжения там, где находится подразделение, достаточно высока для того, чтобы эта единица работала эффективно. Самым важным и сложным элементом является система снабжения, которая была переработана в версии 1.11 (патч Barbarossa).
Содержимое
1 Поставка
1.1 Режим карты снабжения
2 Логистика
2.1 Питание ступицы
2.1.1 Общая пропускная способность концентратора
2.1.2 Диапазон питания концентратора
2.1.3 Расширение ассортимента центра снабжения
2.1.3.1 Моторизация
2.1.3.2 Повышение уровня рельсового соединения
2. 1.3.3 Строительство нового центра снабжения
2.1.3.4 Повышение уровня инфраструктуры
2.1.4 Поезда
2.1.4.1 Бронепоезда
2.1.5 Захват железных дорог и узлов снабжения
2.1.5.1 Время переоборудования железнодорожного транспорта
2.1.6 Погода и местность
2.2 Государственная поставка
2.2.1 Спорные состояния
2.3 Антенное питание
2.4 Влияние недостаточного снабжения
2.4.1 Сухопутные единицы
2.4.1.1 Сохраненная поставка/льготная поставка
2.4.2 Воздушные блоки
2.4.3 Военно-морские подразделения
2.5 Союзники и снабжение
Запасы сами по себе не производятся, а скорее уровень запасов в провинции представляет собой «вспомогательную способность» (его можно рассматривать как плавный лимит накопления). Каждая наземная единица также имеет внутреннюю ситуацию с поставками, которая отделена от уровня снабжения в провинции, но связана с ним.
Уровень снабжения, доступного в провинции, состоит из трех разных источников: «Снабжение узла», «Снабжение с воздуха» и «Снабжение штата». Снабжение узла обеспечивается сетью узлов снабжения, портов, железных дорог и маршрутов конвоев, которые распределяют снабжение из вашей столицы к вашим войскам на передовой. Воздушное снабжение обеспечивается транспортными самолетами, выполняющими специальную миссию, и доступно в воздушной зоне. Снабжение штата — это фиксированный уровень снабжения для каждого штата, который доступен всем юнитам в этом штате (для оспариваемого штата государственное снабжение делится между соревнующимися странами).
Следует иметь в виду, что юниты с доступным хабовым снабжением все равно будут получать государственное снабжение, даже если хабового снабжения достаточно для нужд этих юнитов. По сути, в первую очередь применяется подача состояния, во вторую — подача воздуха в концентратор, а в последнюю очередь — подача воздуха.
Пока общее количество припасов, требуемых юнитами в провинции, меньше поставленного, юниты будут обеспечены полностью. Как только общее количество необходимых запасов превысит доступное, затронутые юниты получат штрафы (подробнее об этом ниже).
Режим карты снабжения[edit | править код]
Два ящика в области выбора режима карты в правом нижнем углу экрана указывают на режим карты снабжения.
Снабжение отображается в игре в основном через режим карты снабжения. Доступ к нему (с настройками по умолчанию) осуществляется с помощью клавиши «F4» или выбора режима карты с помощью значка в правом нижнем углу экрана.
Режим карты снабжения затеняет каждую провинцию ее положением со снабжением. Эти изменения в градиентах позволяют изящно отображать ситуацию с поставками на уровне провинции таким образом, который удобен для сотен провинций одновременно.
Ярко-синий (светло-синий): имеется большое количество доступных запасов
Темно-синий: имеется небольшой запас
Пурпурный: имеется небольшое количество или нет доступного запаса, но в этой провинции нет юнитов, страдающих от последствий низкого снабжения.
Желтый: для юнитов в этой провинции недостаточно снабжения, но его все еще достаточно, чтобы обеспечить разумный частичный уровень снабжения.
Ярко-красный: для юнитов в этой провинции недостаточно снабжения, и они получают значительные штрафы, связанные со снабжением.
Под Москвой хорошо обеспеченные провинции окрашены в ярко-синий цвет, а дальше они становятся темно-синими. В некоторых приграничных провинциях недостаточно снабжения, например, в выделенной провинции, в которой не осталось запасов в провинции, и она не может полностью снабжать размещенные там подразделения, на что указывает ее ярко-оранжевый цвет. В фиолетовых провинциях мало или вообще нет доступных запасов, но в них нет юнитов.
Всплывающие подсказки в режиме карты снабжения бесценны, и при наведении курсора на разные предметы отображается разная информация:
Юнит: снабжение юнитов и откуда они поступают.
Узел снабжения: объем снабжения, запрошенный у узла, и указывает на железнодорожное сообщение со столицей. Удерживая нажатой клавишу Shift, вы увидите радиус действия центра снабжения (на тот момент диапазон может меняться в зависимости от погоды).
Порт: объем снабжения, запрошенный у хаба, и показывает пути к любым кораблям, которые могут получать поставки от хаба (но не штата) из порта. Удерживая нажатой клавишу Shift, вы увидите радиус действия центра снабжения (на тот момент диапазон может меняться в зависимости от погоды).
Провинция: Общее и доступное предложение в провинции. Удержание клавиши CTRL также покажет разбивку того, откуда поступает питание концентратора.
При наведении курсора на порт на острове к юго-востоку от Аравийского полуострова также появляются стрелки на корабли, поставляемые из этого порта, а также всплывающая подсказка, содержащая много полезной информации.
Во всплывающей подсказке узла снабжения в Великих Луках красным цветом выделено железнодорожное сообщение со столицей, а во всплывающей подсказке представлена информация о характере узла.
Питание концентратора[править | править источник]
Поставка концентратора — это объем поставки, обеспечиваемый концентраторами или портами снабжения (которые действуют как концентраторы снабжения, а также как порты). Есть три элемента, о которых следует помнить при рассмотрении поставок концентратора:
Суммарное потребление ресурсов центра снабжения.
Диапазон центра снабжения и объем снабжения из центра в данной провинции.
Провинции получили снабжение со всех узлов в радиусе действия.
В большинстве случаев, на момент написания статьи, наиболее распространенные проблемы с поставками связаны с недостаточным поставками в данной провинции, а не с недостаточной общей пропускной способностью хаба.
Суммарная пропускная способность хаба[edit | править код]
Общая пропускная способность хаба/порта снабжения зависит от связи между хабом/портом и столицей, а для портов — от уровня порта (откуда конвой отправляется и куда прибывает).
Железная дорога первого уровня, соединяющая узел со столицей, обеспечивает максимальное снабжение 15 из этого узла, в то время как порт первого уровня, соединенный со столицей железной дорогой, также обеспечивает 15. Однако порт первого уровня соединяется со столицей конвоем, а не чем по железной дороге, имеет базовую пропускную способность 20. Обратите внимание, что если маршрут конвоя, снабжающий порт, подвергнется набегу, количество предоставленного снабжения будет уменьшено до тех пор, пока маршрут не восстановит свою пропускную способность.
Для узлов снабжения базовая пропускная способность увеличивается для каждого дополнительного уровня железнодорожного сообщения со столицей, исходя из наименьшего уровня железнодорожного сообщения в любой точке этого соединения (так, например, если имеется три участка пути, два на уровне 2, и один на уровне 1, соединение считается соединением уровня 1 – чтобы обновить его до соединения уровня 2, участок пути уровня 1 необходимо будет повысить до уровня 2). Каждый уровень железнодорожного сообщения увеличивает снабжение узла на 5, максимум до 35. если он соединен рекой, считается, что узел снабжения имеет соединение уровня 1.
Единственным исключением является центр снабжения капиталом, вместимость которого устанавливается на базе 5, а затем дополняется количеством гражданских и военных заводов и военно-морских верфей в стране. Что касается портов, то базовая вместимость портов, соединенных конвоями, увеличивается на 5 для каждого уровня военно-морской базы, вплоть до эффективного максимума в 35 (или 65, если в вашей столице есть порт), так как количество припасов, отправляемых конвоем, никогда не может превышать железнодорожное сообщение с портом отправления.
Ассортимент поставки концентратора[edit | изменить источник]
Узлы снабжения снабжают каждую провинцию на основе ряда факторов, наиболее важным из которых является количество провинций между снабжаемой провинцией и узлом снабжения, которое зависит от уровня железнодорожного сообщения с источником снабжения. узла от столицы, уровень инфраструктуры, рельеф местности и погода.
Посмотрите на значение «Предоставление от узлов» в этой последовательности снимков экрана, чтобы получить представление об уменьшении значения предложения от узлов по мере увеличения расстояния. Обратите внимание, что штат, указанный во всплывающей подсказке, — это штат, в котором находится провинция, а не штат, содержащий хаб, из которого поступает снабжение (крайняя правая подсказка по-прежнему получает снабжение из хаба в Ахтубинске).
Улучшение диапазона центра снабжения[edit | править код]
Помимо снабжения по воздуху, улучшения уровня снабжения в провинции в ходе игры почти полностью будут связаны с улучшением количества предоставляемого хабового снабжения. Четыре средства, с помощью которых можно улучшить подачу хаба:
Повышение уровня моторизации хаба или армии.
Увеличение уровня соединения рейки со ступицей.
Повышение уровня инфраструктуры в районе.
Строительство нового центра снабжения.
Обратите внимание, что первые три метода (автомобилизация, повышение уровня железнодорожного сообщения и повышение уровня инфраструктуры) накладываются друг на друга, поэтому немоторизованный узел снабжения в состоянии с инфраструктурой уровня 1 и уровнем 1 железнодорожное сообщение будет иметь наименьший возможный диапазон поставок, в то время как полностью моторизованный узел с инфраструктурой пятого уровня и железнодорожным сообщением уровня 5 будет иметь максимально возможный радиус действия.
Очень важно иметь в виду, что падение снабжения хаба значительно увеличивается с каждой дополнительной провинцией, удаленной от хаба, порта или столицы. значительные инвестиции для увеличения радиуса действия, достаточного для того, чтобы вывести его из центра в следующую провинцию.
Моторизация[править | править источник]
По умолчанию каждый узел снабжения настроен на «не моторизованный», что обозначается лошадью. Это можно улучшить двумя разными уровнями моторизации, щелкнув соответствующий значок (см. пример ниже). Как только хаб моторизирован, один или два небольших грузовика (в зависимости от уровня моторизации) будут видны как часть значка хаба снабжения (зеленый грузовик или грузовики указывают на то, что хаб был моторизован напрямую, а серые грузовики) указывает на то, что он был моторизован ближайшей армией — подробнее об этом ниже). Обратите внимание, что грузовики, предназначенные для моторизации узлов снабжения, будь то напрямую через узлы или путем выбора вариантов моторизации для армий, не потребляют топливо или рабочую силу.
В зависимости от уровня автомобилизации каждому хабу требуется 0, 40 или 80 грузовиков (иконки: лошадь, один грузовик, два грузовика).
Эти грузовики подвержены износу, который увеличивается в условиях плохой местности и погоды, и они могут подвергаться воздушным атакам со стороны вражеской авиации, назначенной для тылового удара.
Обратите внимание на изменение значков по мере повышения уровня автомобилизации Одесского узла снабжения (порта). Как видно из крайнего правого изображения, пока хаб моторизован, он будет иметь значок одного или двух грузовиков, указывающий на это (количество грузовиков указывает уровень моторизации).
Другой способ добиться моторизации хаба — назначить его на уровне армии. Это автоматически переключает уровень моторизации, установленный для армии на узлах, которые находятся в пределах досягаемости, откуда армия получает припасы. Преимущество этого заключается в уменьшении микроуправления уровнями моторизации хабов, но это может привести к колебаниям требований к войскам, поскольку количество хабов в радиусе действия армии со временем меняется. Посмотрите на три снимка экрана и подписи к ним ниже, чтобы увидеть пример этого в действии.
В этом примере войска в Тирасполе, к северо-западу от Одессы, снабжены не полностью. Хотя уровень снабжения не имеет решающего значения, одним из способов улучшить уровень снабжения было бы повышение уровня моторизации армии (в настоящее время установлено значение «не моторизовано», на что указывает «лошадь», выделенная белым цветом). эллипс и стрелка на этом снимке экрана).
В настоящее время армия выбрала первый уровень моторизации, снова отмеченный белым эллипсом и стрелкой), и ситуация со снабжением войск в Тирасполе значительно улучшилась. Также обратите внимание на маленький серый грузовик, который теперь является частью значка Одесского узла снабжения.
Теперь армия выбрала второй уровень моторизации, снова отмеченный белым эллипсом и стрелкой), и войска в Тирасполе теперь полностью обеспечены. Также обратите внимание, что серый значок «грузовик», который является частью значка Одесского узла снабжения, теперь имеет два грузовика.
Обратите внимание, что все преимущества автомобилизации будут получены только при наличии достаточного количества грузовиков. Если для поддержки узлов будет выделено больше грузовиков, чем доступно, то преимущества будут уменьшены пропорционально нехватке грузовиков.
В то время как в армии Рокоссовского включена полная моторизация, из-за нехватки грузовиков (обратите внимание на всплывающую подсказку) войска в Тирасполе снабжаются не полностью.
Повышение уровня железнодорожного соединения[edit | править код]
После моторизации повышение уровня железнодорожного сообщения является следующим по значимости и часто (но это зависит от того, насколько далеко от вашей столицы находится узел снабжения по железной дороге) следующим по скорости.
Чтобы узнать уровень железнодорожного сообщения между хабом и столицей, наведите курсор на хаб в режиме карты снабжения и посмотрите, что во всплывающей подсказке говорится о узком месте. При этом Ахтубинск ограничен железнодорожным сообщением только 2-го уровня на всем пути от Москвы.
Каждая плитка железной дороги стоит 170 CIC, +130 CIC за каждый существующий уровень железной дороги (максимум до уровня 5), поэтому проложить железную дорогу 1-го уровня относительно быстро и дешево, но длинная железная дорога 5-го уровня — это серьезно. промышленное предприятие. Например, согласно таблице ниже, общий CIC для строительства железной дороги с нуля до уровня 5 составляет 2150 CIC на провинцию (170 + 300 + 430 + 560 + 690) с поправкой на любые бонусы строительства и влияние инфраструктуры на скорость строительства. .
Стоимость железной дороги (CIC) за уровень, за провинцию
Рельсовый уровень
1
2
3
4
5
CIC стоимость
170
300
430
560
690
На самом деле строительство железных дорог можно осуществить несколькими способами:
Выбор центра снабжения, а затем щелчок по средней (верхней) из трех появившихся иконок. Каждый щелчок этой кнопки добавит еще один уровень железной дороги в каждую провинцию на железнодорожном сообщении со столицей (так, например, три щелчка по узлу, соединенному железной дорогой 2-го уровня, поставят заказы на строительство, чтобы повысить его до максимального уровня) .
Открытие производственного интерфейса и выбор кнопки «Железные дороги», а затем нажатие на одну из белых цифр в черном круге на железнодорожном соединении между двумя узлами — это разместит строительные заказы для увеличения уровня рельсов между двумя узлами. по одному уровню. Каждый дополнительный щелчок будет размещать заказы на строительство, чтобы повысить его на следующий уровень.
Здесь была нажата кнопка узла снабжения, в результате чего появились три значка — тот, что посередине, выделен стрелкой, будет размещать заказы на строительство для улучшения железнодорожного сообщения со столицей.
Здесь для Ахтубинска нажато «обновить железнодорожное сообщение со столицей» — см. заказы на строительство в очереди на строительство, а также значок «в стадии строительства» на модернизируемых участках железной дороги в режиме карты снабжения.
Цифра «2» между Липецком и Тамбовом, выделенная здесь, указывает на уровень 2 уровня железнодорожного сообщения между двумя узлами снабжения. Нажмите на эти два с помощью инструмента «Железная дорога» в производственном интерфейсе, и заказы на строительство будут размещены для увеличения уровня рельсового соединения между двумя узлами.
Каждый дополнительный уровень рельса увеличивает размер общего объема снабжения в узле, а это означает, что количество припасов, вытекающих из узла снабжения наружу, также увеличивается. В некоторых случаях это может означать, что провинции, вообще не имеющие хабового снабжения, получат некоторое хабовое снабжение, хотя, как отмечалось выше, увеличивающийся размер «падения потока снабжения» по мере удаления от хаба означает, что расширение диапазона, вероятно, будет ограничено. .
На этой серии снимков экрана показано влияние на провинцию на советско-финляндской границе постепенного увеличения уровня железнодорожного сообщения с хабом с 1 (крайний слева) до пяти (крайний справа) — обратите внимание, погода ясная, и ступица не моторизована.
Имейте в виду, что железные дороги также полезны для стратегической передислокации, и чем выше уровень железной дороги, тем быстрее стратегически передислокация войск.
Строительство нового центра снабжения[edit | править код]
Здесь Япония выбирает центр снабжения для строительства, а затем размещает его в провинции, где он будет иметь полезное распространение. Имейте в виду, что диапазон узлов снабжения определяется по провинциям, а не по районам, поэтому при прочих равных условиях поставки будут проходить из узла через две большие провинции точно так же, как и через две маленькие.
Если кажется, что получение снабжения из существующих узлов нерентабельно или невозможно, можно также построить новые узлы снабжения. На побережье порты действуют как узлы снабжения и стоят значительно дешевле (5000 CIC за первый уровень военно-морской базы, а еще 1000 CIC добавляются к стоимости за каждый последующий уровень). Однако внутри страны необходимо использовать центры снабжения, для которых требуется 20000 CIC (с учетом любых бонусов скорости строительства и строительства инфраструктуры).
И порты, и узлы снабжения строятся с использованием интерфейса строительства, показанного на скриншоте ниже.
Как порты, так и узлы снабжения могут быть построены на территории союзников и субъектов.
Если он может проследить путь обратно в столицу с использованием конвоев, других портов и железных дорог, порт будет снабжаться морем без необходимости железнодорожного сообщения.
Здесь Япония выбирает «железные дороги» в интерфейсе строительства и нажимает на провинцию к юго-западу от того места, где строится новый узел снабжения, а затем нажимает на провинцию, содержащую строящийся узел снабжения.
Для узла снабжения также потребуется сообщение со столицей по железной дороге или по реке. Соединение через реку происходит мгновенно и будет установлено, если новый узел снабжения соединяется через реку (граничащую с провинцией, в которой находится узел снабжения) либо со столицей, либо с другим узлом снабжения или портом в провинции, граничащей с той же рекой.
Чтобы соединить новый узел снабжения с железнодорожным сообщением, откройте интерфейс строительства и выберите опцию «Железные дороги», а затем нажмите на провинцию с железной дорогой, которая соединена со столицей, а затем нажмите на провинцию с новым узел снабжения. Уровень построенной железной дороги будет таким же, как уровень железной дороги в провинции, из которой она простирается, но его можно вручную отрегулировать вниз или вверх по уровням (пока железная дорога еще не построена) с помощью либо в списке строительства (кнопки +/- на железной дороге в списке), либо на карте снабжения (щелкните левой кнопкой мыши по маленькой цифре (под скрещенными молотками) на строящихся железных дорогах, чтобы повысить уровень, и щелкните правой кнопкой мыши, чтобы снизить уровень).
Железные дороги могут быть построены на подконтрольной, союзной или подчиненной территории в любое время, и не нужно ждать завершения (или даже запуска) узла снабжения.
Повышение уровня инфраструктуры в штате Архангельск повышает уровень снабжения хаба на авиабазе к югу от хаба. Обратите внимание, что общее предложение в провинции увеличивается значительно больше, потому что инфраструктура имеет как диапазон снабжения центра, так и эффект снабжения штата — подробнее о снабжении штата ниже.
Повышение уровня инфраструктуры[edit | править код]
Инфраструктура более высокого уровня также позволяет поставке из хаба распространяться дальше за счет уменьшения падения потока поставок из хаба (до максимального снижения 0,3 для инфраструктуры уровня 5). Обратите внимание, что уровень инфраструктуры, который имеет значение, — это уровень инфраструктуры штата, в который входит провинция, из которой идет поставка. Так, например, если есть два штата, состояние инфраструктуры пятого уровня с центром снабжения, граничащим с состоянием инфраструктуры уровня один, то поток поставок из провинции с состоянием инфраструктуры уровня пять в граничащую провинцию с состоянием инфраструктуры уровня один будет поток, как если бы это была инфраструктура пятого уровня. Однако поставки, поступающие из провинции в состоянии инфраструктуры первого уровня в другую граничащую провинцию в том же состоянии инфраструктуры первого уровня, будут течь, как если бы это была инфраструктура первого уровня.
Как и в случае с другими способами расширения радиуса действия центра снабжения, возрастающее количество выпадающих поставок по мере увеличения расстояния от центра (считается в провинциях) означает, что любое увеличение, скорее всего, будет только на полях (т. е. возможно увеличение дальности одной провинции).
Помните, что каждый уровень инфраструктуры стоит 6000 CIC, так что четыре уровня инфраструктуры в одном штате стоят больше, чем новый центр снабжения.
Поезда[править | править код]
Чтобы работать с полной эффективностью, сети снабжения нуждаются в поездах для железнодорожного сообщения, аналогично требованию конвоев для морского сообщения, при этом количество поездов зависит от количества узловых поставок, требуемых от каждого узла. Требования к поездам для хаба можно увидеть во всплывающей подсказке для этого хаба.
Обратите внимание на то, как увеличивается количество поездов по мере того, как увеличивается использование ресурсов узла.
Требования к поездам для сети в целом можно найти во всплывающей подсказке логистики, которую можно вызвать, наведя курсор на значок логистики в верхней части экрана (он выглядит как ящик с процентом рядом с ним). Если поездов меньше, чем требуется сети, количество узлов, доступных для подразделений, использующих ее, будет меньше.
На первом снимке экрана всплывающая подсказка логистики показывает, что требуется только 58% поездов. На втором скриншоте подсказки Минского узла снабжения видно, что в результате доступны только 6 из 11 требуемых поездов. На третьем снимке экрана из-за этого дивизии, потребляющие хабовое снабжение, снабжаются лишь частично (обратите внимание, что их общий уровень снабжения выше, чем можно было бы ожидать из-за нехватки поездов, потому что они также потребляют государственное снабжение — подробнее об этом ниже). .
Варианты исследований как для военного поезда, так и для бронепоезда можно найти в нижней части вкладки «Вспомогательные компании», как показано на этом снимке экрана.
Поезда не подлежат истощению, но могут быть уничтожены воздушной атакой вражеской авиации с использованием тылового удара.
Помимо базовой модели поезда, в ходе игры можно исследовать две другие модели поезда. Одним из них является небронированный поезд «строгой экономии», который выполняет ту же работу, что и базовая модель, но по более низкой цене (50 MIC вместо 70). Другой — бронепоезд, о котором подробнее ниже.
Бронепоезда[править | править код]
Бронепоезда — это особый тип поезда, который более устойчив к вражеским воздушным миссиям Logistics Strike. Если в вашем инвентаре есть доступные бронепоезда, они будут автоматически использоваться перед другими типами поездов. Бронепоезда имеют значительно более высокую себестоимость производства 105 MIC, поэтому они намного дороже стартового поезда и более чем в два раза дороже поезда строгой экономии.
На верхнем скриншоте 100 польских CAS уже неделю атакуют логистику Беларуси против советской логистической сети, в которой были только небронированные поезда. На нижнем скриншоте та же ситуация, но советские поезда бронированы. Обратите внимание на значительное сокращение количества уничтоженных поездов.
Захват железных дорог и узлов снабжения[edit | править код]
По мере продвижения фронта на вражескую территорию удерживаемые противником железнодорожные линии и узлы могут перейти под контроль дружественных. Хотя железнодорожные линии могут нуждаться или не нуждаться в ремонте (рельсы могут быть повреждены стратегической бомбардировкой или вашим противником, использующим выжженную землю, прежде чем он потеряет контроль над государством), они не будут доступны для использования сразу в большинстве ситуаций. При захвате железной дороги на территории, которая не является вашим ядром, время восстановления до того, как железную дорогу можно будет использовать, составляет 10 дней, 5 дней, если территория является ядром, и нет времени восстановления, если война является гражданской войной.
Символ секундомера над серой железной дорогой указывает на переоборудование железной дороги. Если вы наведете курсор на секундомер, во всплывающей подсказке будет указано, сколько времени осталось для преобразования. Обратите внимание, что это значение будет сброшено до 10 дней, если будет захвачена другая провинция на пути к узлу снабжения.
Время преобразования железнодорожного транспорта[edit | править код]
Недавно захваченный узел будет функционировать только после того, как он будет соединен «преобразованными» железными дорогами, и он не будет подключен, пока каждая провинция не будет находиться под дружественным контролем в течение необходимого количества дней для преобразования. Однако для центров снабжения нет времени преобразования.
Имейте в виду, что даже после того, как секундомер был удален с железных дорог, может быть ожидание, пока не будет доступен узел снабжения, так как в провинции, содержащей узел, нет индикатора преобразования железной дороги (но для этого все еще нужно преобразовать, прежде чем можно будет использовать концентратор).
Для рек (по понятным причинам) нет времени преобразования, поэтому узлы снабжения, которые могут соединиться с вашей сетью снабжения рекой, которой вы управляете (к другому узлу, а не только к железной дороге), мгновенно обеспечат снабжение узла.
Погода и местность[править | править код]
И погода, и местность влияют на систему снабжения — таблицы на страницах погоды и местности в вики содержат данные о различных воздействиях снабжения для различных состояний местности/погоды. О чем следует помнить, думая о влиянии местности и погоды:
Есть два погодных эффекта:
Фактор снабжения уменьшает поток снабжения из центра снабжения (действительно, уменьшая его диапазон), действуя как процентное сокращение потока снабжения в провинцию [ подлежит подтверждению]. Эти эффекты могут суммироваться, если, например, в регионе есть состояние глубокого снега и снежная буря — подобные зимние условия могут существенно сократить диапазон снабжения узлов на время действия этих погодных/почвенных условий.
Коэффициент потребления снабжения увеличивает использование снабжения подразделением. Оба эти элемента могут быть задействованы в зависимости от конкретных обстоятельств.
Есть один эффект ландшафта:
Штрафной коэффициент потока снабжения . Изменяет спад подачи в концентраторе при удалении от концентратора и добавляется к другим сокращениям расхода подачи. Это не процентное значение, а скорее прямое изменение (обычно уменьшение, но на самом деле это увеличение в городских районах) количества снабжения, поскольку оно связано с цифрами, показанными для снабжения узлов во всплывающих подсказках провинции.
Государственная поставка[править | править код]
В отличие от хабового снабжения, государственное снабжение — это фиксированное количество снабжения, обеспечиваемое в пределах штата на основе четырех вещей: победных очков, инфраструктуры, населения и так называемого «базового снабжения», которое представляет собой фиксированное количество дополнительного снабжения в Штат. В то время как государственное снабжение от населения и инфраструктуры будет в каждом (непроходимом) штате, в некоторых штатах нет победных очков, а во многих штатах нет базового снабжения.
Чтобы увидеть, сколько ресурсов штата доступно, наведите указатель мыши на провинцию в режиме карты снабжения, чтобы открыть всплывающую подсказку о снабжении провинции. В этой провинции мы видим 0,90 государственного снабжения от инфраструктуры уровня 3, 0,14 снабжения от 831 140 населения и 0,25 от победного очка 1 уровня в Новгороде.
Штат с победным очком получит от этого 0,2 запаса штата, а затем еще 0,05 запаса за общее значение победных очков в штате (так, например, штат с одним 1-очком ПО , и одно ПО с 5 очками, будет иметь 0,5 запаса от ПО, состоящего из 0,2 базовых и 0,3 от 6 ПО в сумме в штате). Некоторые примеры см. в таблице ниже:
ВП
50
20
15
10
5
3
1
Поставка
2,70
1,20
0,95
0,70
0,45
0,35
0,25
Инфраструктура обеспечивает 0,3 за каждый уровень инфраструктуры, пока инфраструктура не повреждена (см. приведенную ниже таблицу значений инфраструктуры) — однако, если она повреждена, объем государственных поставок, обеспечиваемых инфраструктурой, уменьшается до тех пор, пока повреждение не будет устранено. .
Уровень инфраструктуры
5
4
3
2
1
Поставка
1,50
1,20
0,90
0,60
0,30
Население добавляет запас по убывающей шкале от 0,01 запаса на провинцию в штате с населением 30 000 человек до 4,25 запаса на провинцию в штате с населением 23,6 млн человек. В пересчете на 1 миллион человек шкала снижается с 0,3 предложения на миллион в малонаселенных штатах до 0,18 предложения на миллион в очень густонаселенных штатах (например, в китайских штатах).
Снабжение штата равномерно распределяется между всеми юнитами, находящимися в штате (включая воздушные и морские юниты), до того, как будут использованы другие источники снабжения. Учитывая это, важно помнить, что, хотя может быть достаточно государственного запаса для поддержки любых юнитов за пределами радиуса действия хаба, эти юниты все равно должны будут делить этот государственный запас с юнитами, получающими снабжение из хабов или портов.
На этой коллекции снимков экрана показано количество единиц, получающих снабжение из Мурманской области в один и тот же момент времени. Обратите внимание, что корабли, выходящие из порта, по-прежнему потребляют государственное снабжение, как и самолеты на аэродроме. Обратите внимание, что бронетанковая дивизия в пределах досягаемости хаба получает такое же количество государственного снабжения, как и бронетанковая дивизия за пределами досягаемости хаба.
Понимание предложения штата необходимо для понимания того, как работает режим карты снабжения «тепловая карта» — поскольку, в отличие от централизованного снабжения, затенение каждой провинции на тепловой карте учитывает общий объем предложения штата, доступный для всего штата, но как только этот государственный запас используется где-либо в штате, доступный государственный запас для других провинций соответственно уменьшается. Проверка области, чтобы увидеть, вызвано ли затенение тепловой карты в основном хабом или снабжением штата, даст более четкое представление об эффективном снабжении в провинции, если больше сил будет переброшено в штат в других провинциях. Пожалуйста, посмотрите пример, представленный на двух снимках экрана ниже, для более подробной информации.
Эта всплывающая подсказка показывает, что в провинции добывается 2,75 запаса. Присмотритесь, однако, и обратите внимание, что это все из-за государственного снабжения — это если это снабжение израсходовано где-то еще, как только юниты переместятся в штат, фактическое снабжение в этой провинции будет намного меньше.
Если теперь мы переместим значительные силы для защиты границы с итальянской Ливией, та же провинция, в которой раньше было 2,75 запаса, теперь имеет очень мало (0,12), потому что запас, доступный в штате, был распределен между всеми дивизии в этом штате, оставив только 32% дивизии в требованиях этой провинции.
Спорные состояния[edit | править код]
Если контроль над штатом разделен между двумя воюющими друг с другом странами, объем поставок штата будет разделен на две части. Элементы узла, населения и инфраструктуры будут распределяться в зависимости от доли провинций штата, принадлежащих каждой стороне, в то время как государственное снабжение из победных очков предоставляется тому, кто владеет провинциями, содержащими эти победные очки.
На этих снимках экрана показано, как меняется государственное снабжение (единственный источник снабжения в этом примере) по мере продвижения итальянских войск через штат Матрух. На первом снимке экрана мы видим, что общее государственное снабжение в Мерса-Матрух составляет 2,75 (обратите внимание, что уровень округления для государственного снабжения до одного знака после запятой, хотя отображается два), затем на втором видно, что после того, как итальянские войска 2 провинции, у них есть доступ к 22% государственного снабжения от базы, инфраструктуры и населения, так как теперь они контролируют 2 из 9провинции в штате. На третьем снимке экрана у итальянцев теперь есть четыре провинции и победное очко в Марса-Матрух, что дает им 44% (4 в пропорции к 9 провинциям штата) базы, инфраструктуры и снабжения населением, а также все Государственная поставка 0,25, обеспечиваемая единственным вице-президентом в Марса-Матрух.
Антенное питание[править | править источник]
Снабжение воздухом отображается под заголовком «Снабжение из штата» во всплывающей подсказке снабжения провинции, но, как и снабжение штата, указанное количество является общим, доступным для всего воздушного региона. В этом случае миссии по снабжению воздухом обеспечивают 7,28 воздуха для всего региона.
Последним из трех столпов системы снабжения является воздушное снабжение. Воздушное снабжение обеспечивается транспортными самолетами, выполняющими миссии «Снабжение по воздуху». Как и государственное снабжение, общий объем снабжения, обеспечиваемый через него, доступен в любой провинции в воздушной зоне, в которой выполняется миссия по воздушному снабжению (независимо от того, находится ли она в пределах досягаемости транспортного самолета или нет). Однако, в отличие от государственного снабжения, воздух поступает в последнюю очередь, поэтому юниты потребляют воздух только в том случае, если они не могут полностью удовлетворить свои потребности в снабжении за счет государственного и хабового снабжения.
Здесь мы видим 2-й авиаполк ТАД в составе 40 транспортных самолетов, предназначенный для снабжения воздухом в воздушном районе Северного фронта. Пока дальность действия транспортного самолета не покрывает весь регион, весь регион все равно получит доступ к воздушному снабжению от этого авиакрыла. Однако, поскольку транспортные самолеты не могут покрыть весь регион, они получают штраф к эффективности миссии, что влияет на то, сколько воздуха они могут обеспечить (и сколько поставок им требуется).
На снимках экрана показано несколько различных ситуаций для подразделений в воздушном регионе «Северный фронт». Если идти слева направо, то в первом случае дивизия находится в провинции с доступом к некоторому государственному снабжению, но без узлового снабжения, поэтому «пополняется» воздушными поставками. Во втором случае два дивизиона полностью обеспечены государственным и узловым снабжением, поэтому не потребляют воздух. В-третьих, в провинции далеко не достаточно государственного снабжения (и вообще нет хабового снабжения), а подача воздуха необходима для приличного снабжения этих юнитов. В четвертом мы видим, что воздушное крыло выполняет миссию снабжения, то есть летит из воздушной зоны, и рисует концентратор и государственное снабжение, чтобы обеспечить снабжение воздухом в другом месте зоны.
Как и в случае любой воздушной миссии, эффективность миссии уменьшит количество поставок, которые могут быть предоставлены, и на эффективность может повлиять ряд факторов, включая погоду, состояние снабжения эскадрильи, выполняющей миссию, и соотношение размера воздушной зоны и дальности действия эскадрильи. При 100% эффективности миссии каждый полностью укомплектованный транспортный самолет, летящий в хорошую погоду, способен обеспечить 0,2 снабжения на самолет.
Здесь авиакрыло 2 TrAD попало в дождливую погоду (-10% эффективности миссии) и с 15% вышедших из строя самолетов, что снизило снабжение, обеспечиваемое по воздуху, с 7,28 до 6,2.
Требования к снабжению авиакрыла определяются количеством снабжения, которое они могут обеспечить за счет эффективности своей миссии, поэтому при прочих равных условиях крыло транспортных самолетов, которое может покрыть большую часть воздушной зоны, обеспечит больше подачи воздуха, чем крыло того же размера, использующее другой аэродром, что дает ему меньшую зону покрытия. Транспортные авиакрыла, выполняющие миссии по снабжению воздухом, могут использовать только государственное и узловое снабжение и не могут использовать снабжение воздухом.
Влияние недостаточного предложения[edit | изменить источник]
Сухопутные единицы[править | править код]
Здесь мы видим след снабжения советской 72-й дивизии. Обратите внимание, что базовая стоимость снабжения (0,77) является произведением его различных батальонов и рот поддержки, но она была изменена в большую сторону снежной бурей и уменьшенной навыками снабжения командиров армий и групп армий.
Количество снабжения, которое требуется дивизии для полного снабжения, зависит от целого ряда факторов, включая линейные батальоны, батальоны обеспечения (батальоны тылового обеспечения сокращают общее использование снабжения), погоды и возможностей их командиров.
Если у дивизии недостаточно запасов, на ее значке на карте и на значке в списке дивизий в армии появится выцветший или ярко-красный значок ящика. Чтобы получить точную информацию о состоянии снабжения дивизии, наведите указатель мыши на значок в списке армейских дивизий, чтобы вызвать всплывающую подсказку. Снабжение дивизии будет приближаться к количеству, которое может быть поддержано в провинции, независимо от того, увеличивается оно или уменьшается. Так, например, если дивизия перемещается из провинции, где она обеспечена на 100%, в ту, где она обеспечена на 50%, в течение первого часа в этой новой провинции у нее все еще будет 100% снабжение, а затем состояние снабжения дивизии упадет, так как его запасы иссякнут до 50%.
Здесь 27-я дивизия находится в плохом состоянии, со статусом снабжения всего 10% (и только 9% запасов запасов, которые будут увеличиваться до 10% до тех пор, пока снабжение провинции для дивизии не упадет).
За отсутствие ряда характеристик юнитов предусмотрены значительные штрафы. Обратите внимание, что может быть задержка между достижением состояния низкого снабжения и полным штрафным ударом. Характеристики юнитов, на которые влияет низкое снабжение, причем влияние увеличивается по мере ухудшения состояния снабжения:
Скорость
Максимальная организация
Восстановление скорости организации
Атака (с более высоким максимальным штрафом для обороняющихся юнитов (-50%), чем для атакующих юнитов (-20%))
Прорыв (для атакующих юнитов)
Оборона (для обороняющихся частей)
Истощение — если уровень снабжения юнита упадет до 35% или ниже, он начнет истощаться на основе снабжения, увеличивая количество снаряжения, используемого юнитом, за счет увеличения количества по мере дальнейшего падения снабжения.
Влияние плохого снабжения 27-й дивизии значительно снижает ее скорость передвижения — если бы не базовая игровая скорость 1 км/ч, скорость дивизии была бы еще ниже.
Здесь британцы с недостаточным снабжением атакуют очень слабых итальянцев – обратите внимание на влияние на атаку и прорыв/оборону юнитов с обеих сторон боя.
Низкое снабжение также влияет на скорость прибытия подкреплений. Пока дивизия связана со столицей непрерывным путем через дружественные провинции, порты и/или конвои, прибудет подкрепление живой силой, хотя при очень низком уровне снабжения это может занять много времени. Обратите внимание, однако, что скорость пополнения снаряжения не зависит от состояния снабжения дивизии (но если у дивизии мало снабжения, они будут постоянно истощаться до тех пор, пока это так, что может помешать дивизии достичь полного снаряжения. уровни).
Если дивизия отрезана от столицы, даже если она полностью обеспечена за счет занятия победной точки или другого источника государственного снабжения, либо за счет снабжения по воздуху, она не получит пополнения живой силой или техникой.
Обратите внимание, что топливо работает немного иначе, чем рабочая сила или оборудование. Как и в случае с живой силой и техникой, если юнит отрезан от своей столицы, он не будет пополняться. Как и в случае с рабочей силой, скорость пополнения запасов топлива замедляется, если подразделение не полностью обеспечено. Однако, в отличие от рабочей силы, подача топлива полностью прекращается, когда состояние снабжения становится достаточно плохим. Подача воздуха не влияет на поставку топлива, поэтому, даже если юнит может проследить линию провинций до своей столицы и полностью снабжается воздухом, если у него недостаточно запасов штата или хаба, он может не получить пополнение запасов топлива.
На скриншоте слева 53-я -я -я пехотная дивизия (Валлийская) находится на очень низком уровне снабжения, и ей придется ждать почти месяц, прежде чем она снова пополнится. На скриншоте справа дивизия переместилась в более обеспеченную провинцию, и пополнение произойдет гораздо раньше.
Сохраненная льгота по поставке/снабжению[edit | править исходный код]
Грация снабжения и сохраненное снабжение относятся к одному и тому же, то есть к количеству снабжения, превышающему 100%, которое будет храниться дивизией, если она находится в полностью снабженной провинции. Количество хранимых припасов для дивизии можно увидеть в нижней части всплывающей подсказки, которая появляется при наведении курсора на название дивизии в элементе пользовательского интерфейса армии, как в примере ниже.
Базовое количество хранимых припасов, которое может накопить дивизия, составляет 150%. Скорость, с которой он падает, варьируется, но она должна позволить дивизии действовать в течение 2-3 дней с полной эффективностью снабжения, даже если провинция, в которой она находится, не полностью обеспечена, прежде чем запасы запасов упадут ниже 100%.
Здесь французская 25-я -я -я пехотная дивизия накопила полный запас запасов.
Для подразделений специального назначения некоторые технологии могут увеличить продолжительность льготного снабжения. Это может быть дополнительно расширено для дивизий морской пехоты, если их возглавляет генерал с «амфибией». Предоставленная льгота по дополнительному снабжению описывается в часах, но это лишь ориентировочно, поскольку скорость сокращения хранимого запаса может варьироваться в зависимости от ситуации, в которой находится подразделение.
Две технологии спецподразделений могут повысить скорость снабжения подразделений спецназа. Последняя технология в дереве увеличивает запас запасов в подразделениях спецназа примерно (может варьироваться в зависимости от реальных условий) на 48 часов.
Генерал с чертой характера «Амфибия» может дать дивизиям морской пехоты очень полезные дополнительные 240 часов (более или менее, в зависимости от обстоятельств дивизии) хранимых запасов. Обратите внимание, что может потребоваться некоторое время, чтобы достичь этого уровня хранимых запасов.
Воздушные единицы[править | править код]
Снабжение авиационного подразделения зависит от уровня снабжения в провинции, в которой находится авиабаза. Если воздушная единица выполняет задание и не снабжена на 100%, она будет иметь малус по эффективности из-за сниженного уровня снабжения. Важно иметь в виду, что если снабжение упадет ниже порогового значения, авиационная часть также не получит достаточного количества топлива, что еще больше снизит эффективность миссии.
Из-за некоторых довольно сомнительных приказов о развертывании британской армии поставки на авиабазу в юго-западной Англии достаточны только для обеспечения 72% снабжения действующего оттуда авиакрыла.
Глядя на всплывающую подсказку для авиационного подразделения из приведенного выше примера, мы видим, что влияние наличия 72% снабжения снижает эффективность миссии на 28%.
Для морских юнитов неполная обеспеченность напрямую влияет на эффективность обнаружения и скорость ремонта, но также снижает скорость получаемого топлива, что в зависимости от ситуации с топливом может также влиять на их эффективность в бою. . Стоит иметь в виду, что морские юниты имеют доступ к полному количеству потенциального снабжения из центра, из которого они получают снабжение (вместо того, чтобы быть ограниченным тем, что провинция также может поддерживать, как наземные и воздушные юниты), поэтому Морские подразделения гораздо реже испытывают недостаток снабжения, чем сухопутные или воздушные.
На этих двух снимках экрана ситуации идентичны, за исключением того, что британский (зеленый) флот слева имеет снабжение 57%, а британский флот справа — 76%. Обратите внимание (как выделено), что шанс обнаружения увеличивается с увеличением уровня снабжения.
Союзники и припасы[править | править код]
По умолчанию вы можете получать припасы из центров снабжения ваших союзников, а ваши союзники могут получать припасы из ваших узлов снабжения. Обратите внимание, однако, что если вы сражаетесь на союзной территории, вы не можете использовать государственную систему снабжения. Подразделения союзников делят централизованное снабжение с подразделениями принимающей страны, но дивизии принимающей страны, вероятно, будут обеспечены немного лучше, поскольку они также смогут получить доступ к любому доступному государственному снабжению.
Снабжение-049. Здесь оперативная группа США и дивизии США в Дувре получают снабжение из британского узла, как и британская оперативная группа там и несколько других британских дивизий за кадром.
Слева американские дивизии в Дувре имеют доступ только к узловому снабжению, а справа британские подразделения имеют доступ как к узловому снабжению, так и к государственному снабжению, и поэтому могут поддерживать более высокий уровень снабжения.
Хотя ИИ не будет этого делать, если вы хотите, чтобы союзники не участвовали в каком-либо конкретном фронте, можно отключить снабжение союзников для каждого узла. Чтобы выключить (или включить) снабжение союзников для определенного узла, нажмите на узел, а затем выберите синий флажок слева и над символом узла снабжения (см. примеры ниже).
С левой стороны центр снабжения все еще снабжает союзников. При нажатии на кнопку с синим флажком ситуация меняется на правую, где союзники больше не могут получать снабжение из хаба. Обратите внимание, что на самом значке центра снабжения также есть небольшой значок «не входить» (красный кружок с перечеркнутой линией). Имейте в виду, что снабжение союзников должно быть отключено от узла к узлу — например, для того, чтобы Великобритания полностью перекрыла снабжение союзников в Дувре, снабжение должно быть отключено в узлах в Лондоне, Портсмуте и близлежащем порту на севере. .
Механика
Политика
Идеология • Фракция • Национальный фокус • Идеи • Правительство • Марионетка • Дипломатия • Мировая напряженность • Гражданская война • Оккупация • Спецслужба
Производство
Торговля • Производство • Строительство • Оборудование • Топливо
Исследования и технологии
Исследования • Технологии пехоты • Технологии рот поддержки • Технологии бронетехники • Технологии артиллерии • Наземная доктрина • Морские технологии • Морская доктрина • Воздушные технологии • Воздушная доктрина • Инженерные технологии • Промышленные технологии
Военные и военные действия
Военные действия • Сухопутные подразделения • Сухопутные боевые действия • Конструктор дивизий • Проектирование танков • Армейский планировщик • Командная группа • Командир • Боевой план • Тактика боя • Корабль • Морская война • Самолеты • Воздушная война • Опыт • Офицерский состав • Истощение и несчастные случаи • Логистика • Людская сила • Ядерная бомба
Карта
Карта • Провинция • Рельеф • Погода • Штат
События и решения
События • Решения
Hearts of Iron 4 Wiki
Это вики, поддерживаемая сообществом. Если вы заметили ошибку, вы можете ее исправить.
Информацию о системе логистики до версии 1.11 см. в предыдущей версии этой страницы.
В Hearts of Iron 4 логистика состоит из доставки личного состава (пополнения) и техники туда, где они должны находиться для поддержки боевых сил, а также обеспечения уровня снабжения там, где находится подразделение, достаточно высока для того, чтобы эта единица работала эффективно. Самым важным и сложным элементом является система снабжения, которая была переработана в версии 1.11 (патч Barbarossa).
Содержимое
1 Поставка
1.1 Режим карты снабжения
2 Логистика
2.1 Питание ступицы
2.1.1 Общая пропускная способность концентратора
2.1.2 Диапазон питания концентратора
2.1.3 Расширение ассортимента центра снабжения
2.1.3.1 Моторизация
2.1.3.2 Повышение уровня рельсового соединения
2. 1.3.3 Строительство нового центра снабжения
2.1.3.4 Повышение уровня инфраструктуры
2.1.4 Поезда
2.1.4.1 Бронепоезда
2.1.5 Захват железных дорог и узлов снабжения
2.1.5.1 Время переоборудования железнодорожного транспорта
2.1.6 Погода и местность
2.2 Государственная поставка
2.2.1 Спорные состояния
2.3 Антенное питание
2.4 Влияние недостаточного снабжения
2.4.1 Сухопутные единицы
2.4.1.1 Сохраненная поставка/льготная поставка
2.4.2 Воздушные блоки
2.4.3 Военно-морские подразделения
2.5 Союзники и снабжение
Запасы сами по себе не производятся, а скорее уровень запасов в провинции представляет собой «вспомогательную способность» (его можно рассматривать как плавный лимит накопления). Каждая наземная единица также имеет внутреннюю ситуацию с поставками, которая отделена от уровня снабжения в провинции, но связана с ним.
Уровень снабжения, доступного в провинции, состоит из трех разных источников: «Снабжение узла», «Снабжение с воздуха» и «Снабжение штата». Снабжение узла обеспечивается сетью узлов снабжения, портов, железных дорог и маршрутов конвоев, которые распределяют снабжение из вашей столицы к вашим войскам на передовой. Воздушное снабжение обеспечивается транспортными самолетами, выполняющими специальную миссию, и доступно в воздушной зоне. Снабжение штата — это фиксированный уровень снабжения для каждого штата, который доступен всем юнитам в этом штате (для оспариваемого штата государственное снабжение делится между соревнующимися странами).
Следует иметь в виду, что юниты с доступным хабовым снабжением все равно будут получать государственное снабжение, даже если хабового снабжения достаточно для нужд этих юнитов. По сути, в первую очередь применяется подача состояния, во вторую — подача воздуха в концентратор, а в последнюю очередь — подача воздуха.
Пока общее количество припасов, требуемых юнитами в провинции, меньше поставленного, юниты будут обеспечены полностью. Как только общее количество необходимых запасов превысит доступное, затронутые юниты получат штрафы (подробнее об этом ниже).
Режим карты снабжения[edit | править код]
Два ящика в области выбора режима карты в правом нижнем углу экрана указывают на режим карты снабжения.
Снабжение отображается в игре в основном через режим карты снабжения. Доступ к нему (с настройками по умолчанию) осуществляется с помощью клавиши «F4» или выбора режима карты с помощью значка в правом нижнем углу экрана.
Режим карты снабжения затеняет каждую провинцию ее положением со снабжением. Эти изменения в градиентах позволяют изящно отображать ситуацию с поставками на уровне провинции таким образом, который удобен для сотен провинций одновременно.
Ярко-синий (светло-синий): имеется большое количество доступных запасов
Темно-синий: имеется небольшой запас
Пурпурный: имеется небольшое количество или нет доступного запаса, но в этой провинции нет юнитов, страдающих от последствий низкого снабжения.
Желтый: для юнитов в этой провинции недостаточно снабжения, но его все еще достаточно, чтобы обеспечить разумный частичный уровень снабжения.
Ярко-красный: для юнитов в этой провинции недостаточно снабжения, и они получают значительные штрафы, связанные со снабжением.
Под Москвой хорошо обеспеченные провинции окрашены в ярко-синий цвет, а дальше они становятся темно-синими. В некоторых приграничных провинциях недостаточно снабжения, например, в выделенной провинции, в которой не осталось запасов в провинции, и она не может полностью снабжать размещенные там подразделения, на что указывает ее ярко-оранжевый цвет. В фиолетовых провинциях мало или вообще нет доступных запасов, но в них нет юнитов.
Всплывающие подсказки в режиме карты снабжения бесценны, и при наведении курсора на разные предметы отображается разная информация:
Юнит: снабжение юнитов и откуда они поступают.
Узел снабжения: объем снабжения, запрошенный у узла, и указывает на железнодорожное сообщение со столицей. Удерживая нажатой клавишу Shift, вы увидите радиус действия центра снабжения (на тот момент диапазон может меняться в зависимости от погоды).
Порт: объем снабжения, запрошенный у хаба, и показывает пути к любым кораблям, которые могут получать поставки от хаба (но не штата) из порта. Удерживая нажатой клавишу Shift, вы увидите радиус действия центра снабжения (на тот момент диапазон может меняться в зависимости от погоды).
Провинция: Общее и доступное предложение в провинции. Удержание клавиши CTRL также покажет разбивку того, откуда поступает питание концентратора.
При наведении курсора на порт на острове к юго-востоку от Аравийского полуострова также появляются стрелки на корабли, поставляемые из этого порта, а также всплывающая подсказка, содержащая много полезной информации.
Во всплывающей подсказке узла снабжения в Великих Луках красным цветом выделено железнодорожное сообщение со столицей, а во всплывающей подсказке представлена информация о характере узла.
Питание концентратора[править | править источник]
Поставка концентратора — это объем поставки, обеспечиваемый концентраторами или портами снабжения (которые действуют как концентраторы снабжения, а также как порты). Есть три элемента, о которых следует помнить при рассмотрении поставок концентратора:
Суммарное потребление ресурсов центра снабжения.
Диапазон центра снабжения и объем снабжения из центра в данной провинции.
Провинции получили снабжение со всех узлов в радиусе действия.
В большинстве случаев, на момент написания статьи, наиболее распространенные проблемы с поставками связаны с недостаточным поставками в данной провинции, а не с недостаточной общей пропускной способностью хаба.
Суммарная пропускная способность хаба[edit | править код]
Общая пропускная способность хаба/порта снабжения зависит от связи между хабом/портом и столицей, а для портов — от уровня порта (откуда конвой отправляется и куда прибывает).
Железная дорога первого уровня, соединяющая узел со столицей, обеспечивает максимальное снабжение 15 из этого узла, в то время как порт первого уровня, соединенный со столицей железной дорогой, также обеспечивает 15. Однако порт первого уровня соединяется со столицей конвоем, а не чем по железной дороге, имеет базовую пропускную способность 20. Обратите внимание, что если маршрут конвоя, снабжающий порт, подвергнется набегу, количество предоставленного снабжения будет уменьшено до тех пор, пока маршрут не восстановит свою пропускную способность.
Для узлов снабжения базовая пропускная способность увеличивается для каждого дополнительного уровня железнодорожного сообщения со столицей, исходя из наименьшего уровня железнодорожного сообщения в любой точке этого соединения (так, например, если имеется три участка пути, два на уровне 2, и один на уровне 1, соединение считается соединением уровня 1 – чтобы обновить его до соединения уровня 2, участок пути уровня 1 необходимо будет повысить до уровня 2). Каждый уровень железнодорожного сообщения увеличивает снабжение узла на 5, максимум до 35. если он соединен рекой, считается, что узел снабжения имеет соединение уровня 1.
Единственным исключением является центр снабжения капиталом, вместимость которого устанавливается на базе 5, а затем дополняется количеством гражданских и военных заводов и военно-морских верфей в стране. Что касается портов, то базовая вместимость портов, соединенных конвоями, увеличивается на 5 для каждого уровня военно-морской базы, вплоть до эффективного максимума в 35 (или 65, если в вашей столице есть порт), так как количество припасов, отправляемых конвоем, никогда не может превышать железнодорожное сообщение с портом отправления.
Ассортимент поставки концентратора[edit | изменить источник]
Узлы снабжения снабжают каждую провинцию на основе ряда факторов, наиболее важным из которых является количество провинций между снабжаемой провинцией и узлом снабжения, которое зависит от уровня железнодорожного сообщения с источником снабжения. узла от столицы, уровень инфраструктуры, рельеф местности и погода.
Посмотрите на значение «Предоставление от узлов» в этой последовательности снимков экрана, чтобы получить представление об уменьшении значения предложения от узлов по мере увеличения расстояния. Обратите внимание, что штат, указанный во всплывающей подсказке, — это штат, в котором находится провинция, а не штат, содержащий хаб, из которого поступает снабжение (крайняя правая подсказка по-прежнему получает снабжение из хаба в Ахтубинске).
Улучшение диапазона центра снабжения[edit | править код]
Помимо снабжения по воздуху, улучшения уровня снабжения в провинции в ходе игры почти полностью будут связаны с улучшением количества предоставляемого хабового снабжения. Четыре средства, с помощью которых можно улучшить подачу хаба:
Повышение уровня моторизации хаба или армии.
Увеличение уровня соединения рейки со ступицей.
Повышение уровня инфраструктуры в районе.
Строительство нового центра снабжения.
Обратите внимание, что первые три метода (автомобилизация, повышение уровня железнодорожного сообщения и повышение уровня инфраструктуры) накладываются друг на друга, поэтому немоторизованный узел снабжения в состоянии с инфраструктурой уровня 1 и уровнем 1 железнодорожное сообщение будет иметь наименьший возможный диапазон поставок, в то время как полностью моторизованный узел с инфраструктурой пятого уровня и железнодорожным сообщением уровня 5 будет иметь максимально возможный радиус действия.
Очень важно иметь в виду, что падение снабжения хаба значительно увеличивается с каждой дополнительной провинцией, удаленной от хаба, порта или столицы. значительные инвестиции для увеличения радиуса действия, достаточного для того, чтобы вывести его из центра в следующую провинцию.
Моторизация[править | править источник]
По умолчанию каждый узел снабжения настроен на «не моторизованный», что обозначается лошадью. Это можно улучшить двумя разными уровнями моторизации, щелкнув соответствующий значок (см. пример ниже). Как только хаб моторизирован, один или два небольших грузовика (в зависимости от уровня моторизации) будут видны как часть значка хаба снабжения (зеленый грузовик или грузовики указывают на то, что хаб был моторизован напрямую, а серые грузовики) указывает на то, что он был моторизован ближайшей армией — подробнее об этом ниже). Обратите внимание, что грузовики, предназначенные для моторизации узлов снабжения, будь то напрямую через узлы или путем выбора вариантов моторизации для армий, не потребляют топливо или рабочую силу.
В зависимости от уровня автомобилизации каждому хабу требуется 0, 40 или 80 грузовиков (иконки: лошадь, один грузовик, два грузовика).
Эти грузовики подвержены износу, который увеличивается в условиях плохой местности и погоды, и они могут подвергаться воздушным атакам со стороны вражеской авиации, назначенной для тылового удара.
Обратите внимание на изменение значков по мере повышения уровня автомобилизации Одесского узла снабжения (порта). Как видно из крайнего правого изображения, пока хаб моторизован, он будет иметь значок одного или двух грузовиков, указывающий на это (количество грузовиков указывает уровень моторизации).
Другой способ добиться моторизации хаба — назначить его на уровне армии. Это автоматически переключает уровень моторизации, установленный для армии на узлах, которые находятся в пределах досягаемости, откуда армия получает припасы. Преимущество этого заключается в уменьшении микроуправления уровнями моторизации хабов, но это может привести к колебаниям требований к войскам, поскольку количество хабов в радиусе действия армии со временем меняется. Посмотрите на три снимка экрана и подписи к ним ниже, чтобы увидеть пример этого в действии.
В этом примере войска в Тирасполе, к северо-западу от Одессы, снабжены не полностью. Хотя уровень снабжения не имеет решающего значения, одним из способов улучшить уровень снабжения было бы повышение уровня моторизации армии (в настоящее время установлено значение «не моторизовано», на что указывает «лошадь», выделенная белым цветом). эллипс и стрелка на этом снимке экрана).
В настоящее время армия выбрала первый уровень моторизации, снова отмеченный белым эллипсом и стрелкой), и ситуация со снабжением войск в Тирасполе значительно улучшилась. Также обратите внимание на маленький серый грузовик, который теперь является частью значка Одесского узла снабжения.
Теперь армия выбрала второй уровень моторизации, снова отмеченный белым эллипсом и стрелкой), и войска в Тирасполе теперь полностью обеспечены. Также обратите внимание, что серый значок «грузовик», который является частью значка Одесского узла снабжения, теперь имеет два грузовика.
Обратите внимание, что все преимущества автомобилизации будут получены только при наличии достаточного количества грузовиков. Если для поддержки узлов будет выделено больше грузовиков, чем доступно, то преимущества будут уменьшены пропорционально нехватке грузовиков.
В то время как в армии Рокоссовского включена полная моторизация, из-за нехватки грузовиков (обратите внимание на всплывающую подсказку) войска в Тирасполе снабжаются не полностью.
Повышение уровня железнодорожного соединения[edit | править код]
После моторизации повышение уровня железнодорожного сообщения является следующим по значимости и часто (но это зависит от того, насколько далеко от вашей столицы находится узел снабжения по железной дороге) следующим по скорости.
Чтобы узнать уровень железнодорожного сообщения между хабом и столицей, наведите курсор на хаб в режиме карты снабжения и посмотрите, что во всплывающей подсказке говорится о узком месте. При этом Ахтубинск ограничен железнодорожным сообщением только 2-го уровня на всем пути от Москвы.
Каждая плитка железной дороги стоит 170 CIC, +130 CIC за каждый существующий уровень железной дороги (максимум до уровня 5), поэтому проложить железную дорогу 1-го уровня относительно быстро и дешево, но длинная железная дорога 5-го уровня — это серьезно. промышленное предприятие. Например, согласно таблице ниже, общий CIC для строительства железной дороги с нуля до уровня 5 составляет 2150 CIC на провинцию (170 + 300 + 430 + 560 + 690) с поправкой на любые бонусы строительства и влияние инфраструктуры на скорость строительства. .
Стоимость железной дороги (CIC) за уровень, за провинцию
Рельсовый уровень
1
2
3
4
5
CIC стоимость
170
300
430
560
690
На самом деле строительство железных дорог можно осуществить несколькими способами:
Выбор центра снабжения, а затем щелчок по средней (верхней) из трех появившихся иконок. Каждый щелчок этой кнопки добавит еще один уровень железной дороги в каждую провинцию на железнодорожном сообщении со столицей (так, например, три щелчка по узлу, соединенному железной дорогой 2-го уровня, поставят заказы на строительство, чтобы повысить его до максимального уровня) .
Открытие производственного интерфейса и выбор кнопки «Железные дороги», а затем нажатие на одну из белых цифр в черном круге на железнодорожном соединении между двумя узлами — это разместит строительные заказы для увеличения уровня рельсов между двумя узлами. по одному уровню. Каждый дополнительный щелчок будет размещать заказы на строительство, чтобы повысить его на следующий уровень.
Здесь была нажата кнопка узла снабжения, в результате чего появились три значка — тот, что посередине, выделен стрелкой, будет размещать заказы на строительство для улучшения железнодорожного сообщения со столицей.
Здесь для Ахтубинска нажато «обновить железнодорожное сообщение со столицей» — см. заказы на строительство в очереди на строительство, а также значок «в стадии строительства» на модернизируемых участках железной дороги в режиме карты снабжения.
Цифра «2» между Липецком и Тамбовом, выделенная здесь, указывает на уровень 2 уровня железнодорожного сообщения между двумя узлами снабжения. Нажмите на эти два с помощью инструмента «Железная дорога» в производственном интерфейсе, и заказы на строительство будут размещены для увеличения уровня рельсового соединения между двумя узлами.
Каждый дополнительный уровень рельса увеличивает размер общего объема снабжения в узле, а это означает, что количество припасов, вытекающих из узла снабжения наружу, также увеличивается. В некоторых случаях это может означать, что провинции, вообще не имеющие хабового снабжения, получат некоторое хабовое снабжение, хотя, как отмечалось выше, увеличивающийся размер «падения потока снабжения» по мере удаления от хаба означает, что расширение диапазона, вероятно, будет ограничено. .
На этой серии снимков экрана показано влияние на провинцию на советско-финляндской границе постепенного увеличения уровня железнодорожного сообщения с хабом с 1 (крайний слева) до пяти (крайний справа) — обратите внимание, погода ясная, и ступица не моторизована.
Имейте в виду, что железные дороги также полезны для стратегической передислокации, и чем выше уровень железной дороги, тем быстрее стратегически передислокация войск.
Строительство нового центра снабжения[edit | править код]
Здесь Япония выбирает центр снабжения для строительства, а затем размещает его в провинции, где он будет иметь полезное распространение. Имейте в виду, что диапазон узлов снабжения определяется по провинциям, а не по районам, поэтому при прочих равных условиях поставки будут проходить из узла через две большие провинции точно так же, как и через две маленькие.
Если кажется, что получение снабжения из существующих узлов нерентабельно или невозможно, можно также построить новые узлы снабжения. На побережье порты действуют как узлы снабжения и стоят значительно дешевле (5000 CIC за первый уровень военно-морской базы, а еще 1000 CIC добавляются к стоимости за каждый последующий уровень). Однако внутри страны необходимо использовать центры снабжения, для которых требуется 20000 CIC (с учетом любых бонусов скорости строительства и строительства инфраструктуры).
И порты, и узлы снабжения строятся с использованием интерфейса строительства, показанного на скриншоте ниже.
Как порты, так и узлы снабжения могут быть построены на территории союзников и субъектов.
Если он может проследить путь обратно в столицу с использованием конвоев, других портов и железных дорог, порт будет снабжаться морем без необходимости железнодорожного сообщения.
Здесь Япония выбирает «железные дороги» в интерфейсе строительства и нажимает на провинцию к юго-западу от того места, где строится новый узел снабжения, а затем нажимает на провинцию, содержащую строящийся узел снабжения.
Для узла снабжения также потребуется сообщение со столицей по железной дороге или по реке. Соединение через реку происходит мгновенно и будет установлено, если новый узел снабжения соединяется через реку (граничащую с провинцией, в которой находится узел снабжения) либо со столицей, либо с другим узлом снабжения или портом в провинции, граничащей с той же рекой.
Чтобы соединить новый узел снабжения с железнодорожным сообщением, откройте интерфейс строительства и выберите опцию «Железные дороги», а затем нажмите на провинцию с железной дорогой, которая соединена со столицей, а затем нажмите на провинцию с новым узел снабжения. Уровень построенной железной дороги будет таким же, как уровень железной дороги в провинции, из которой она простирается, но его можно вручную отрегулировать вниз или вверх по уровням (пока железная дорога еще не построена) с помощью либо в списке строительства (кнопки +/- на железной дороге в списке), либо на карте снабжения (щелкните левой кнопкой мыши по маленькой цифре (под скрещенными молотками) на строящихся железных дорогах, чтобы повысить уровень, и щелкните правой кнопкой мыши, чтобы снизить уровень).
Железные дороги могут быть построены на подконтрольной, союзной или подчиненной территории в любое время, и не нужно ждать завершения (или даже запуска) узла снабжения.
Повышение уровня инфраструктуры в штате Архангельск повышает уровень снабжения хаба на авиабазе к югу от хаба. Обратите внимание, что общее предложение в провинции увеличивается значительно больше, потому что инфраструктура имеет как диапазон снабжения центра, так и эффект снабжения штата — подробнее о снабжении штата ниже.
Повышение уровня инфраструктуры[edit | править код]
Инфраструктура более высокого уровня также позволяет поставке из хаба распространяться дальше за счет уменьшения падения потока поставок из хаба (до максимального снижения 0,3 для инфраструктуры уровня 5). Обратите внимание, что уровень инфраструктуры, который имеет значение, — это уровень инфраструктуры штата, в который входит провинция, из которой идет поставка. Так, например, если есть два штата, состояние инфраструктуры пятого уровня с центром снабжения, граничащим с состоянием инфраструктуры уровня один, то поток поставок из провинции с состоянием инфраструктуры уровня пять в граничащую провинцию с состоянием инфраструктуры уровня один будет поток, как если бы это была инфраструктура пятого уровня. Однако поставки, поступающие из провинции в состоянии инфраструктуры первого уровня в другую граничащую провинцию в том же состоянии инфраструктуры первого уровня, будут течь, как если бы это была инфраструктура первого уровня.
Как и в случае с другими способами расширения радиуса действия центра снабжения, возрастающее количество выпадающих поставок по мере увеличения расстояния от центра (считается в провинциях) означает, что любое увеличение, скорее всего, будет только на полях (т. е. возможно увеличение дальности одной провинции).
Помните, что каждый уровень инфраструктуры стоит 6000 CIC, так что четыре уровня инфраструктуры в одном штате стоят больше, чем новый центр снабжения.
Поезда[править | править код]
Чтобы работать с полной эффективностью, сети снабжения нуждаются в поездах для железнодорожного сообщения, аналогично требованию конвоев для морского сообщения, при этом количество поездов зависит от количества узловых поставок, требуемых от каждого узла. Требования к поездам для хаба можно увидеть во всплывающей подсказке для этого хаба.
Обратите внимание на то, как увеличивается количество поездов по мере того, как увеличивается использование ресурсов узла.
Требования к поездам для сети в целом можно найти во всплывающей подсказке логистики, которую можно вызвать, наведя курсор на значок логистики в верхней части экрана (он выглядит как ящик с процентом рядом с ним). Если поездов меньше, чем требуется сети, количество узлов, доступных для подразделений, использующих ее, будет меньше.
На первом снимке экрана всплывающая подсказка логистики показывает, что требуется только 58% поездов. На втором скриншоте подсказки Минского узла снабжения видно, что в результате доступны только 6 из 11 требуемых поездов. На третьем снимке экрана из-за этого дивизии, потребляющие хабовое снабжение, снабжаются лишь частично (обратите внимание, что их общий уровень снабжения выше, чем можно было бы ожидать из-за нехватки поездов, потому что они также потребляют государственное снабжение — подробнее об этом ниже). .
Варианты исследований как для военного поезда, так и для бронепоезда можно найти в нижней части вкладки «Вспомогательные компании», как показано на этом снимке экрана.
Поезда не подлежат истощению, но могут быть уничтожены воздушной атакой вражеской авиации с использованием тылового удара.
Помимо базовой модели поезда, в ходе игры можно исследовать две другие модели поезда. Одним из них является небронированный поезд «строгой экономии», который выполняет ту же работу, что и базовая модель, но по более низкой цене (50 MIC вместо 70). Другой — бронепоезд, о котором подробнее ниже.
Бронепоезда[править | править код]
Бронепоезда — это особый тип поезда, который более устойчив к вражеским воздушным миссиям Logistics Strike. Если в вашем инвентаре есть доступные бронепоезда, они будут автоматически использоваться перед другими типами поездов. Бронепоезда имеют значительно более высокую себестоимость производства 105 MIC, поэтому они намного дороже стартового поезда и более чем в два раза дороже поезда строгой экономии.
На верхнем скриншоте 100 польских CAS уже неделю атакуют логистику Беларуси против советской логистической сети, в которой были только небронированные поезда. На нижнем скриншоте та же ситуация, но советские поезда бронированы. Обратите внимание на значительное сокращение количества уничтоженных поездов.
Захват железных дорог и узлов снабжения[edit | править код]
По мере продвижения фронта на вражескую территорию удерживаемые противником железнодорожные линии и узлы могут перейти под контроль дружественных. Хотя железнодорожные линии могут нуждаться или не нуждаться в ремонте (рельсы могут быть повреждены стратегической бомбардировкой или вашим противником, использующим выжженную землю, прежде чем он потеряет контроль над государством), они не будут доступны для использования сразу в большинстве ситуаций. При захвате железной дороги на территории, которая не является вашим ядром, время восстановления до того, как железную дорогу можно будет использовать, составляет 10 дней, 5 дней, если территория является ядром, и нет времени восстановления, если война является гражданской войной.
Символ секундомера над серой железной дорогой указывает на переоборудование железной дороги. Если вы наведете курсор на секундомер, во всплывающей подсказке будет указано, сколько времени осталось для преобразования. Обратите внимание, что это значение будет сброшено до 10 дней, если будет захвачена другая провинция на пути к узлу снабжения.
Время преобразования железнодорожного транспорта[edit | править код]
Недавно захваченный узел будет функционировать только после того, как он будет соединен «преобразованными» железными дорогами, и он не будет подключен, пока каждая провинция не будет находиться под дружественным контролем в течение необходимого количества дней для преобразования. Однако для центров снабжения нет времени преобразования.
Имейте в виду, что даже после того, как секундомер был удален с железных дорог, может быть ожидание, пока не будет доступен узел снабжения, так как в провинции, содержащей узел, нет индикатора преобразования железной дороги (но для этого все еще нужно преобразовать, прежде чем можно будет использовать концентратор).
Для рек (по понятным причинам) нет времени преобразования, поэтому узлы снабжения, которые могут соединиться с вашей сетью снабжения рекой, которой вы управляете (к другому узлу, а не только к железной дороге), мгновенно обеспечат снабжение узла.
Погода и местность[править | править код]
И погода, и местность влияют на систему снабжения — таблицы на страницах погоды и местности в вики содержат данные о различных воздействиях снабжения для различных состояний местности/погоды. О чем следует помнить, думая о влиянии местности и погоды:
Есть два погодных эффекта:
Фактор снабжения уменьшает поток снабжения из центра снабжения (действительно, уменьшая его диапазон), действуя как процентное сокращение потока снабжения в провинцию [ подлежит подтверждению]. Эти эффекты могут суммироваться, если, например, в регионе есть состояние глубокого снега и снежная буря — подобные зимние условия могут существенно сократить диапазон снабжения узлов на время действия этих погодных/почвенных условий.
Коэффициент потребления снабжения увеличивает использование снабжения подразделением. Оба эти элемента могут быть задействованы в зависимости от конкретных обстоятельств.
Есть один эффект ландшафта:
Штрафной коэффициент потока снабжения . Изменяет спад подачи в концентраторе при удалении от концентратора и добавляется к другим сокращениям расхода подачи. Это не процентное значение, а скорее прямое изменение (обычно уменьшение, но на самом деле это увеличение в городских районах) количества снабжения, поскольку оно связано с цифрами, показанными для снабжения узлов во всплывающих подсказках провинции.
Государственная поставка[править | править код]
В отличие от хабового снабжения, государственное снабжение — это фиксированное количество снабжения, обеспечиваемое в пределах штата на основе четырех вещей: победных очков, инфраструктуры, населения и так называемого «базового снабжения», которое представляет собой фиксированное количество дополнительного снабжения в Штат. В то время как государственное снабжение от населения и инфраструктуры будет в каждом (непроходимом) штате, в некоторых штатах нет победных очков, а во многих штатах нет базового снабжения.
Чтобы увидеть, сколько ресурсов штата доступно, наведите указатель мыши на провинцию в режиме карты снабжения, чтобы открыть всплывающую подсказку о снабжении провинции. В этой провинции мы видим 0,90 государственного снабжения от инфраструктуры уровня 3, 0,14 снабжения от 831 140 населения и 0,25 от победного очка 1 уровня в Новгороде.
Штат с победным очком получит от этого 0,2 запаса штата, а затем еще 0,05 запаса за общее значение победных очков в штате (так, например, штат с одним 1-очком ПО , и одно ПО с 5 очками, будет иметь 0,5 запаса от ПО, состоящего из 0,2 базовых и 0,3 от 6 ПО в сумме в штате). Некоторые примеры см. в таблице ниже:
ВП
50
20
15
10
5
3
1
Поставка
2,70
1,20
0,95
0,70
0,45
0,35
0,25
Инфраструктура обеспечивает 0,3 за каждый уровень инфраструктуры, пока инфраструктура не повреждена (см. приведенную ниже таблицу значений инфраструктуры) — однако, если она повреждена, объем государственных поставок, обеспечиваемых инфраструктурой, уменьшается до тех пор, пока повреждение не будет устранено. .
Уровень инфраструктуры
5
4
3
2
1
Поставка
1,50
1,20
0,90
0,60
0,30
Население добавляет запас по убывающей шкале от 0,01 запаса на провинцию в штате с населением 30 000 человек до 4,25 запаса на провинцию в штате с населением 23,6 млн человек. В пересчете на 1 миллион человек шкала снижается с 0,3 предложения на миллион в малонаселенных штатах до 0,18 предложения на миллион в очень густонаселенных штатах (например, в китайских штатах).
Снабжение штата равномерно распределяется между всеми юнитами, находящимися в штате (включая воздушные и морские юниты), до того, как будут использованы другие источники снабжения. Учитывая это, важно помнить, что, хотя может быть достаточно государственного запаса для поддержки любых юнитов за пределами радиуса действия хаба, эти юниты все равно должны будут делить этот государственный запас с юнитами, получающими снабжение из хабов или портов.
На этой коллекции снимков экрана показано количество единиц, получающих снабжение из Мурманской области в один и тот же момент времени. Обратите внимание, что корабли, выходящие из порта, по-прежнему потребляют государственное снабжение, как и самолеты на аэродроме. Обратите внимание, что бронетанковая дивизия в пределах досягаемости хаба получает такое же количество государственного снабжения, как и бронетанковая дивизия за пределами досягаемости хаба.
Понимание предложения штата необходимо для понимания того, как работает режим карты снабжения «тепловая карта» — поскольку, в отличие от централизованного снабжения, затенение каждой провинции на тепловой карте учитывает общий объем предложения штата, доступный для всего штата, но как только этот государственный запас используется где-либо в штате, доступный государственный запас для других провинций соответственно уменьшается. Проверка области, чтобы увидеть, вызвано ли затенение тепловой карты в основном хабом или снабжением штата, даст более четкое представление об эффективном снабжении в провинции, если больше сил будет переброшено в штат в других провинциях. Пожалуйста, посмотрите пример, представленный на двух снимках экрана ниже, для более подробной информации.
Эта всплывающая подсказка показывает, что в провинции добывается 2,75 запаса. Присмотритесь, однако, и обратите внимание, что это все из-за государственного снабжения — это если это снабжение израсходовано где-то еще, как только юниты переместятся в штат, фактическое снабжение в этой провинции будет намного меньше.
Если теперь мы переместим значительные силы для защиты границы с итальянской Ливией, та же провинция, в которой раньше было 2,75 запаса, теперь имеет очень мало (0,12), потому что запас, доступный в штате, был распределен между всеми дивизии в этом штате, оставив только 32% дивизии в требованиях этой провинции.
Спорные состояния[edit | править код]
Если контроль над штатом разделен между двумя воюющими друг с другом странами, объем поставок штата будет разделен на две части. Элементы узла, населения и инфраструктуры будут распределяться в зависимости от доли провинций штата, принадлежащих каждой стороне, в то время как государственное снабжение из победных очков предоставляется тому, кто владеет провинциями, содержащими эти победные очки.
На этих снимках экрана показано, как меняется государственное снабжение (единственный источник снабжения в этом примере) по мере продвижения итальянских войск через штат Матрух. На первом снимке экрана мы видим, что общее государственное снабжение в Мерса-Матрух составляет 2,75 (обратите внимание, что уровень округления для государственного снабжения до одного знака после запятой, хотя отображается два), затем на втором видно, что после того, как итальянские войска 2 провинции, у них есть доступ к 22% государственного снабжения от базы, инфраструктуры и населения, так как теперь они контролируют 2 из 9провинции в штате. На третьем снимке экрана у итальянцев теперь есть четыре провинции и победное очко в Марса-Матрух, что дает им 44% (4 в пропорции к 9 провинциям штата) базы, инфраструктуры и снабжения населением, а также все Государственная поставка 0,25, обеспечиваемая единственным вице-президентом в Марса-Матрух.
Антенное питание[править | править источник]
Снабжение воздухом отображается под заголовком «Снабжение из штата» во всплывающей подсказке снабжения провинции, но, как и снабжение штата, указанное количество является общим, доступным для всего воздушного региона. В этом случае миссии по снабжению воздухом обеспечивают 7,28 воздуха для всего региона.
Последним из трех столпов системы снабжения является воздушное снабжение. Воздушное снабжение обеспечивается транспортными самолетами, выполняющими миссии «Снабжение по воздуху». Как и государственное снабжение, общий объем снабжения, обеспечиваемый через него, доступен в любой провинции в воздушной зоне, в которой выполняется миссия по воздушному снабжению (независимо от того, находится ли она в пределах досягаемости транспортного самолета или нет). Однако, в отличие от государственного снабжения, воздух поступает в последнюю очередь, поэтому юниты потребляют воздух только в том случае, если они не могут полностью удовлетворить свои потребности в снабжении за счет государственного и хабового снабжения.
Здесь мы видим 2-й авиаполк ТАД в составе 40 транспортных самолетов, предназначенный для снабжения воздухом в воздушном районе Северного фронта. Пока дальность действия транспортного самолета не покрывает весь регион, весь регион все равно получит доступ к воздушному снабжению от этого авиакрыла. Однако, поскольку транспортные самолеты не могут покрыть весь регион, они получают штраф к эффективности миссии, что влияет на то, сколько воздуха они могут обеспечить (и сколько поставок им требуется).
На снимках экрана показано несколько различных ситуаций для подразделений в воздушном регионе «Северный фронт». Если идти слева направо, то в первом случае дивизия находится в провинции с доступом к некоторому государственному снабжению, но без узлового снабжения, поэтому «пополняется» воздушными поставками. Во втором случае два дивизиона полностью обеспечены государственным и узловым снабжением, поэтому не потребляют воздух. В-третьих, в провинции далеко не достаточно государственного снабжения (и вообще нет хабового снабжения), а подача воздуха необходима для приличного снабжения этих юнитов. В четвертом мы видим, что воздушное крыло выполняет миссию снабжения, то есть летит из воздушной зоны, и рисует концентратор и государственное снабжение, чтобы обеспечить снабжение воздухом в другом месте зоны.
Как и в случае любой воздушной миссии, эффективность миссии уменьшит количество поставок, которые могут быть предоставлены, и на эффективность может повлиять ряд факторов, включая погоду, состояние снабжения эскадрильи, выполняющей миссию, и соотношение размера воздушной зоны и дальности действия эскадрильи. При 100% эффективности миссии каждый полностью укомплектованный транспортный самолет, летящий в хорошую погоду, способен обеспечить 0,2 снабжения на самолет.
Здесь авиакрыло 2 TrAD попало в дождливую погоду (-10% эффективности миссии) и с 15% вышедших из строя самолетов, что снизило снабжение, обеспечиваемое по воздуху, с 7,28 до 6,2.
Требования к снабжению авиакрыла определяются количеством снабжения, которое они могут обеспечить за счет эффективности своей миссии, поэтому при прочих равных условиях крыло транспортных самолетов, которое может покрыть большую часть воздушной зоны, обеспечит больше подачи воздуха, чем крыло того же размера, использующее другой аэродром, что дает ему меньшую зону покрытия. Транспортные авиакрыла, выполняющие миссии по снабжению воздухом, могут использовать только государственное и узловое снабжение и не могут использовать снабжение воздухом.
Влияние недостаточного предложения[edit | изменить источник]
Сухопутные единицы[править | править код]
Здесь мы видим след снабжения советской 72-й дивизии. Обратите внимание, что базовая стоимость снабжения (0,77) является произведением его различных батальонов и рот поддержки, но она была изменена в большую сторону снежной бурей и уменьшенной навыками снабжения командиров армий и групп армий.
Количество снабжения, которое требуется дивизии для полного снабжения, зависит от целого ряда факторов, включая линейные батальоны, батальоны обеспечения (батальоны тылового обеспечения сокращают общее использование снабжения), погоды и возможностей их командиров.
Если у дивизии недостаточно запасов, на ее значке на карте и на значке в списке дивизий в армии появится выцветший или ярко-красный значок ящика. Чтобы получить точную информацию о состоянии снабжения дивизии, наведите указатель мыши на значок в списке армейских дивизий, чтобы вызвать всплывающую подсказку. Снабжение дивизии будет приближаться к количеству, которое может быть поддержано в провинции, независимо от того, увеличивается оно или уменьшается. Так, например, если дивизия перемещается из провинции, где она обеспечена на 100%, в ту, где она обеспечена на 50%, в течение первого часа в этой новой провинции у нее все еще будет 100% снабжение, а затем состояние снабжения дивизии упадет, так как его запасы иссякнут до 50%.
Здесь 27-я дивизия находится в плохом состоянии, со статусом снабжения всего 10% (и только 9% запасов запасов, которые будут увеличиваться до 10% до тех пор, пока снабжение провинции для дивизии не упадет).
За отсутствие ряда характеристик юнитов предусмотрены значительные штрафы. Обратите внимание, что может быть задержка между достижением состояния низкого снабжения и полным штрафным ударом. Характеристики юнитов, на которые влияет низкое снабжение, причем влияние увеличивается по мере ухудшения состояния снабжения:
Скорость
Максимальная организация
Восстановление скорости организации
Атака (с более высоким максимальным штрафом для обороняющихся юнитов (-50%), чем для атакующих юнитов (-20%))
Прорыв (для атакующих юнитов)
Оборона (для обороняющихся частей)
Истощение — если уровень снабжения юнита упадет до 35% или ниже, он начнет истощаться на основе снабжения, увеличивая количество снаряжения, используемого юнитом, за счет увеличения количества по мере дальнейшего падения снабжения.
Влияние плохого снабжения 27-й дивизии значительно снижает ее скорость передвижения — если бы не базовая игровая скорость 1 км/ч, скорость дивизии была бы еще ниже.
Здесь британцы с недостаточным снабжением атакуют очень слабых итальянцев – обратите внимание на влияние на атаку и прорыв/оборону юнитов с обеих сторон боя.
Низкое снабжение также влияет на скорость прибытия подкреплений. Пока дивизия связана со столицей непрерывным путем через дружественные провинции, порты и/или конвои, прибудет подкрепление живой силой, хотя при очень низком уровне снабжения это может занять много времени. Обратите внимание, однако, что скорость пополнения снаряжения не зависит от состояния снабжения дивизии (но если у дивизии мало снабжения, они будут постоянно истощаться до тех пор, пока это так, что может помешать дивизии достичь полного снаряжения. уровни).
Если дивизия отрезана от столицы, даже если она полностью обеспечена за счет занятия победной точки или другого источника государственного снабжения, либо за счет снабжения по воздуху, она не получит пополнения живой силой или техникой.
Обратите внимание, что топливо работает немного иначе, чем рабочая сила или оборудование. Как и в случае с живой силой и техникой, если юнит отрезан от своей столицы, он не будет пополняться. Как и в случае с рабочей силой, скорость пополнения запасов топлива замедляется, если подразделение не полностью обеспечено. Однако, в отличие от рабочей силы, подача топлива полностью прекращается, когда состояние снабжения становится достаточно плохим. Подача воздуха не влияет на поставку топлива, поэтому, даже если юнит может проследить линию провинций до своей столицы и полностью снабжается воздухом, если у него недостаточно запасов штата или хаба, он может не получить пополнение запасов топлива.
На скриншоте слева 53-я -я -я пехотная дивизия (Валлийская) находится на очень низком уровне снабжения, и ей придется ждать почти месяц, прежде чем она снова пополнится. На скриншоте справа дивизия переместилась в более обеспеченную провинцию, и пополнение произойдет гораздо раньше.
Сохраненная льгота по поставке/снабжению[edit | править исходный код]
Грация снабжения и сохраненное снабжение относятся к одному и тому же, то есть к количеству снабжения, превышающему 100%, которое будет храниться дивизией, если она находится в полностью снабженной провинции. Количество хранимых припасов для дивизии можно увидеть в нижней части всплывающей подсказки, которая появляется при наведении курсора на название дивизии в элементе пользовательского интерфейса армии, как в примере ниже.
Базовое количество хранимых припасов, которое может накопить дивизия, составляет 150%. Скорость, с которой он падает, варьируется, но она должна позволить дивизии действовать в течение 2-3 дней с полной эффективностью снабжения, даже если провинция, в которой она находится, не полностью обеспечена, прежде чем запасы запасов упадут ниже 100%.
Здесь французская 25-я -я -я пехотная дивизия накопила полный запас запасов.
Для подразделений специального назначения некоторые технологии могут увеличить продолжительность льготного снабжения. Это может быть дополнительно расширено для дивизий морской пехоты, если их возглавляет генерал с «амфибией». Предоставленная льгота по дополнительному снабжению описывается в часах, но это лишь ориентировочно, поскольку скорость сокращения хранимого запаса может варьироваться в зависимости от ситуации, в которой находится подразделение.
Две технологии спецподразделений могут повысить скорость снабжения подразделений спецназа. Последняя технология в дереве увеличивает запас запасов в подразделениях спецназа примерно (может варьироваться в зависимости от реальных условий) на 48 часов.
Генерал с чертой характера «Амфибия» может дать дивизиям морской пехоты очень полезные дополнительные 240 часов (более или менее, в зависимости от обстоятельств дивизии) хранимых запасов. Обратите внимание, что может потребоваться некоторое время, чтобы достичь этого уровня хранимых запасов.
Воздушные единицы[править | править код]
Снабжение авиационного подразделения зависит от уровня снабжения в провинции, в которой находится авиабаза. Если воздушная единица выполняет задание и не снабжена на 100%, она будет иметь малус по эффективности из-за сниженного уровня снабжения. Важно иметь в виду, что если снабжение упадет ниже порогового значения, авиационная часть также не получит достаточного количества топлива, что еще больше снизит эффективность миссии.
Из-за некоторых довольно сомнительных приказов о развертывании британской армии поставки на авиабазу в юго-западной Англии достаточны только для обеспечения 72% снабжения действующего оттуда авиакрыла.
Глядя на всплывающую подсказку для авиационного подразделения из приведенного выше примера, мы видим, что влияние наличия 72% снабжения снижает эффективность миссии на 28%.
Для морских юнитов неполная обеспеченность напрямую влияет на эффективность обнаружения и скорость ремонта, но также снижает скорость получаемого топлива, что в зависимости от ситуации с топливом может также влиять на их эффективность в бою. . Стоит иметь в виду, что морские юниты имеют доступ к полному количеству потенциального снабжения из центра, из которого они получают снабжение (вместо того, чтобы быть ограниченным тем, что провинция также может поддерживать, как наземные и воздушные юниты), поэтому Морские подразделения гораздо реже испытывают недостаток снабжения, чем сухопутные или воздушные.
На этих двух снимках экрана ситуации идентичны, за исключением того, что британский (зеленый) флот слева имеет снабжение 57%, а британский флот справа — 76%. Обратите внимание (как выделено), что шанс обнаружения увеличивается с увеличением уровня снабжения.
Союзники и припасы[править | править код]
По умолчанию вы можете получать припасы из центров снабжения ваших союзников, а ваши союзники могут получать припасы из ваших узлов снабжения. Обратите внимание, однако, что если вы сражаетесь на союзной территории, вы не можете использовать государственную систему снабжения. Подразделения союзников делят централизованное снабжение с подразделениями принимающей страны, но дивизии принимающей страны, вероятно, будут обеспечены немного лучше, поскольку они также смогут получить доступ к любому доступному государственному снабжению.
Снабжение-049. Здесь оперативная группа США и дивизии США в Дувре получают снабжение из британского узла, как и британская оперативная группа там и несколько других британских дивизий за кадром.
Слева американские дивизии в Дувре имеют доступ только к узловому снабжению, а справа британские подразделения имеют доступ как к узловому снабжению, так и к государственному снабжению, и поэтому могут поддерживать более высокий уровень снабжения.
Хотя ИИ не будет этого делать, если вы хотите, чтобы союзники не участвовали в каком-либо конкретном фронте, можно отключить снабжение союзников для каждого узла. Чтобы выключить (или включить) снабжение союзников для определенного узла, нажмите на узел, а затем выберите синий флажок слева и над символом узла снабжения (см. примеры ниже).
С левой стороны центр снабжения все еще снабжает союзников. При нажатии на кнопку с синим флажком ситуация меняется на правую, где союзники больше не могут получать снабжение из хаба. Обратите внимание, что на самом значке центра снабжения также есть небольшой значок «не входить» (красный кружок с перечеркнутой линией). Имейте в виду, что снабжение союзников должно быть отключено от узла к узлу — например, для того, чтобы Великобритания полностью перекрыла снабжение союзников в Дувре, снабжение должно быть отключено в узлах в Лондоне, Портсмуте и близлежащем порту на севере. .
Механика
Политика
Идеология • Фракция • Национальный фокус • Идеи • Правительство • Марионетка • Дипломатия • Мировая напряженность • Гражданская война • Оккупация • Спецслужба
Производство
Торговля • Производство • Строительство • Оборудование • Топливо
Исследования и технологии
Исследования • Технологии пехоты • Технологии рот поддержки • Технологии бронетехники • Технологии артиллерии • Наземная доктрина • Морские технологии • Морская доктрина • Воздушные технологии • Воздушная доктрина • Инженерные технологии • Промышленные технологии
Военные и военные действия
Военные действия • Сухопутные подразделения • Сухопутные боевые действия • Конструктор дивизий • Проектирование танков • Армейский планировщик • Командная группа • Командир • Боевой план • Тактика боя • Корабль • Морская война • Самолеты • Воздушная война • Опыт • Офицерский состав • Истощение и несчастные случаи • Логистика • Людская сила • Ядерная бомба
Карта
Карта • Провинция • Рельеф • Погода • Штат
События и решения
События • Решения
Hearts of Iron 4 Wiki
Это вики, поддерживаемая сообществом. Если вы заметили ошибку, вы можете ее исправить.
Информацию о системе логистики до версии 1.11 см. в предыдущей версии этой страницы.
В Hearts of Iron 4 логистика состоит из доставки личного состава (пополнения) и техники туда, где они должны находиться для поддержки боевых сил, а также обеспечения уровня снабжения там, где находится подразделение, достаточно высока для того, чтобы эта единица работала эффективно. Самым важным и сложным элементом является система снабжения, которая была переработана в версии 1.11 (патч Barbarossa).
Содержимое
1 Поставка
1.1 Режим карты снабжения
2 Логистика
2.1 Питание ступицы
2.1.1 Общая пропускная способность концентратора
2.1.2 Диапазон питания концентратора
2.1.3 Расширение ассортимента центра снабжения
2.1.3.1 Моторизация
2.1.3.2 Повышение уровня рельсового соединения
2. 1.3.3 Строительство нового центра снабжения
2.1.3.4 Повышение уровня инфраструктуры
2.1.4 Поезда
2.1.4.1 Бронепоезда
2.1.5 Захват железных дорог и узлов снабжения
2.1.5.1 Время переоборудования железнодорожного транспорта
2.1.6 Погода и местность
2.2 Государственная поставка
2.2.1 Спорные состояния
2.3 Антенное питание
2.4 Влияние недостаточного снабжения
2.4.1 Сухопутные единицы
2.4.1.1 Сохраненная поставка/льготная поставка
2.4.2 Воздушные блоки
2.4.3 Военно-морские подразделения
2.5 Союзники и снабжение
Запасы сами по себе не производятся, а скорее уровень запасов в провинции представляет собой «вспомогательную способность» (его можно рассматривать как плавный лимит накопления). Каждая наземная единица также имеет внутреннюю ситуацию с поставками, которая отделена от уровня снабжения в провинции, но связана с ним.
Уровень снабжения, доступного в провинции, состоит из трех разных источников: «Снабжение узла», «Снабжение с воздуха» и «Снабжение штата». Снабжение узла обеспечивается сетью узлов снабжения, портов, железных дорог и маршрутов конвоев, которые распределяют снабжение из вашей столицы к вашим войскам на передовой. Воздушное снабжение обеспечивается транспортными самолетами, выполняющими специальную миссию, и доступно в воздушной зоне. Снабжение штата — это фиксированный уровень снабжения для каждого штата, который доступен всем юнитам в этом штате (для оспариваемого штата государственное снабжение делится между соревнующимися странами).
Следует иметь в виду, что юниты с доступным хабовым снабжением все равно будут получать государственное снабжение, даже если хабового снабжения достаточно для нужд этих юнитов. По сути, в первую очередь применяется подача состояния, во вторую — подача воздуха в концентратор, а в последнюю очередь — подача воздуха.
Пока общее количество припасов, требуемых юнитами в провинции, меньше поставленного, юниты будут обеспечены полностью. Как только общее количество необходимых запасов превысит доступное, затронутые юниты получат штрафы (подробнее об этом ниже).
Режим карты снабжения[edit | править код]
Два ящика в области выбора режима карты в правом нижнем углу экрана указывают на режим карты снабжения.
Снабжение отображается в игре в основном через режим карты снабжения. Доступ к нему (с настройками по умолчанию) осуществляется с помощью клавиши «F4» или выбора режима карты с помощью значка в правом нижнем углу экрана.
Режим карты снабжения затеняет каждую провинцию ее положением со снабжением. Эти изменения в градиентах позволяют изящно отображать ситуацию с поставками на уровне провинции таким образом, который удобен для сотен провинций одновременно.
Ярко-синий (светло-синий): имеется большое количество доступных запасов
Темно-синий: имеется небольшой запас
Пурпурный: имеется небольшое количество или нет доступного запаса, но в этой провинции нет юнитов, страдающих от последствий низкого снабжения.
Желтый: для юнитов в этой провинции недостаточно снабжения, но его все еще достаточно, чтобы обеспечить разумный частичный уровень снабжения.
Ярко-красный: для юнитов в этой провинции недостаточно снабжения, и они получают значительные штрафы, связанные со снабжением.
Под Москвой хорошо обеспеченные провинции окрашены в ярко-синий цвет, а дальше они становятся темно-синими. В некоторых приграничных провинциях недостаточно снабжения, например, в выделенной провинции, в которой не осталось запасов в провинции, и она не может полностью снабжать размещенные там подразделения, на что указывает ее ярко-оранжевый цвет. В фиолетовых провинциях мало или вообще нет доступных запасов, но в них нет юнитов.
Всплывающие подсказки в режиме карты снабжения бесценны, и при наведении курсора на разные предметы отображается разная информация:
Юнит: снабжение юнитов и откуда они поступают.
Узел снабжения: объем снабжения, запрошенный у узла, и указывает на железнодорожное сообщение со столицей. Удерживая нажатой клавишу Shift, вы увидите радиус действия центра снабжения (на тот момент диапазон может меняться в зависимости от погоды).
Порт: объем снабжения, запрошенный у хаба, и показывает пути к любым кораблям, которые могут получать поставки от хаба (но не штата) из порта. Удерживая нажатой клавишу Shift, вы увидите радиус действия центра снабжения (на тот момент диапазон может меняться в зависимости от погоды).
Провинция: Общее и доступное предложение в провинции. Удержание клавиши CTRL также покажет разбивку того, откуда поступает питание концентратора.
При наведении курсора на порт на острове к юго-востоку от Аравийского полуострова также появляются стрелки на корабли, поставляемые из этого порта, а также всплывающая подсказка, содержащая много полезной информации.
Во всплывающей подсказке узла снабжения в Великих Луках красным цветом выделено железнодорожное сообщение со столицей, а во всплывающей подсказке представлена информация о характере узла.
Питание концентратора[править | править источник]
Поставка концентратора — это объем поставки, обеспечиваемый концентраторами или портами снабжения (которые действуют как концентраторы снабжения, а также как порты). Есть три элемента, о которых следует помнить при рассмотрении поставок концентратора:
Суммарное потребление ресурсов центра снабжения.
Диапазон центра снабжения и объем снабжения из центра в данной провинции.
Провинции получили снабжение со всех узлов в радиусе действия.
В большинстве случаев, на момент написания статьи, наиболее распространенные проблемы с поставками связаны с недостаточным поставками в данной провинции, а не с недостаточной общей пропускной способностью хаба.
Суммарная пропускная способность хаба[edit | править код]
Общая пропускная способность хаба/порта снабжения зависит от связи между хабом/портом и столицей, а для портов — от уровня порта (откуда конвой отправляется и куда прибывает).
Железная дорога первого уровня, соединяющая узел со столицей, обеспечивает максимальное снабжение 15 из этого узла, в то время как порт первого уровня, соединенный со столицей железной дорогой, также обеспечивает 15. Однако порт первого уровня соединяется со столицей конвоем, а не чем по железной дороге, имеет базовую пропускную способность 20. Обратите внимание, что если маршрут конвоя, снабжающий порт, подвергнется набегу, количество предоставленного снабжения будет уменьшено до тех пор, пока маршрут не восстановит свою пропускную способность.
Для узлов снабжения базовая пропускная способность увеличивается для каждого дополнительного уровня железнодорожного сообщения со столицей, исходя из наименьшего уровня железнодорожного сообщения в любой точке этого соединения (так, например, если имеется три участка пути, два на уровне 2, и один на уровне 1, соединение считается соединением уровня 1 – чтобы обновить его до соединения уровня 2, участок пути уровня 1 необходимо будет повысить до уровня 2). Каждый уровень железнодорожного сообщения увеличивает снабжение узла на 5, максимум до 35. если он соединен рекой, считается, что узел снабжения имеет соединение уровня 1.
Единственным исключением является центр снабжения капиталом, вместимость которого устанавливается на базе 5, а затем дополняется количеством гражданских и военных заводов и военно-морских верфей в стране. Что касается портов, то базовая вместимость портов, соединенных конвоями, увеличивается на 5 для каждого уровня военно-морской базы, вплоть до эффективного максимума в 35 (или 65, если в вашей столице есть порт), так как количество припасов, отправляемых конвоем, никогда не может превышать железнодорожное сообщение с портом отправления.
Ассортимент поставки концентратора[edit | изменить источник]
Узлы снабжения снабжают каждую провинцию на основе ряда факторов, наиболее важным из которых является количество провинций между снабжаемой провинцией и узлом снабжения, которое зависит от уровня железнодорожного сообщения с источником снабжения. узла от столицы, уровень инфраструктуры, рельеф местности и погода.
Посмотрите на значение «Предоставление от узлов» в этой последовательности снимков экрана, чтобы получить представление об уменьшении значения предложения от узлов по мере увеличения расстояния. Обратите внимание, что штат, указанный во всплывающей подсказке, — это штат, в котором находится провинция, а не штат, содержащий хаб, из которого поступает снабжение (крайняя правая подсказка по-прежнему получает снабжение из хаба в Ахтубинске).
Улучшение диапазона центра снабжения[edit | править код]
Помимо снабжения по воздуху, улучшения уровня снабжения в провинции в ходе игры почти полностью будут связаны с улучшением количества предоставляемого хабового снабжения. Четыре средства, с помощью которых можно улучшить подачу хаба:
Повышение уровня моторизации хаба или армии.
Увеличение уровня соединения рейки со ступицей.
Повышение уровня инфраструктуры в районе.
Строительство нового центра снабжения.
Обратите внимание, что первые три метода (автомобилизация, повышение уровня железнодорожного сообщения и повышение уровня инфраструктуры) накладываются друг на друга, поэтому немоторизованный узел снабжения в состоянии с инфраструктурой уровня 1 и уровнем 1 железнодорожное сообщение будет иметь наименьший возможный диапазон поставок, в то время как полностью моторизованный узел с инфраструктурой пятого уровня и железнодорожным сообщением уровня 5 будет иметь максимально возможный радиус действия.
Очень важно иметь в виду, что падение снабжения хаба значительно увеличивается с каждой дополнительной провинцией, удаленной от хаба, порта или столицы. значительные инвестиции для увеличения радиуса действия, достаточного для того, чтобы вывести его из центра в следующую провинцию.
Моторизация[править | править источник]
По умолчанию каждый узел снабжения настроен на «не моторизованный», что обозначается лошадью. Это можно улучшить двумя разными уровнями моторизации, щелкнув соответствующий значок (см. пример ниже). Как только хаб моторизирован, один или два небольших грузовика (в зависимости от уровня моторизации) будут видны как часть значка хаба снабжения (зеленый грузовик или грузовики указывают на то, что хаб был моторизован напрямую, а серые грузовики) указывает на то, что он был моторизован ближайшей армией — подробнее об этом ниже). Обратите внимание, что грузовики, предназначенные для моторизации узлов снабжения, будь то напрямую через узлы или путем выбора вариантов моторизации для армий, не потребляют топливо или рабочую силу.
В зависимости от уровня автомобилизации каждому хабу требуется 0, 40 или 80 грузовиков (иконки: лошадь, один грузовик, два грузовика).
Эти грузовики подвержены износу, который увеличивается в условиях плохой местности и погоды, и они могут подвергаться воздушным атакам со стороны вражеской авиации, назначенной для тылового удара.
Обратите внимание на изменение значков по мере повышения уровня автомобилизации Одесского узла снабжения (порта). Как видно из крайнего правого изображения, пока хаб моторизован, он будет иметь значок одного или двух грузовиков, указывающий на это (количество грузовиков указывает уровень моторизации).
Другой способ добиться моторизации хаба — назначить его на уровне армии. Это автоматически переключает уровень моторизации, установленный для армии на узлах, которые находятся в пределах досягаемости, откуда армия получает припасы. Преимущество этого заключается в уменьшении микроуправления уровнями моторизации хабов, но это может привести к колебаниям требований к войскам, поскольку количество хабов в радиусе действия армии со временем меняется. Посмотрите на три снимка экрана и подписи к ним ниже, чтобы увидеть пример этого в действии.
В этом примере войска в Тирасполе, к северо-западу от Одессы, снабжены не полностью. Хотя уровень снабжения не имеет решающего значения, одним из способов улучшить уровень снабжения было бы повышение уровня моторизации армии (в настоящее время установлено значение «не моторизовано», на что указывает «лошадь», выделенная белым цветом). эллипс и стрелка на этом снимке экрана).
В настоящее время армия выбрала первый уровень моторизации, снова отмеченный белым эллипсом и стрелкой), и ситуация со снабжением войск в Тирасполе значительно улучшилась. Также обратите внимание на маленький серый грузовик, который теперь является частью значка Одесского узла снабжения.
Теперь армия выбрала второй уровень моторизации, снова отмеченный белым эллипсом и стрелкой), и войска в Тирасполе теперь полностью обеспечены. Также обратите внимание, что серый значок «грузовик», который является частью значка Одесского узла снабжения, теперь имеет два грузовика.
Обратите внимание, что все преимущества автомобилизации будут получены только при наличии достаточного количества грузовиков. Если для поддержки узлов будет выделено больше грузовиков, чем доступно, то преимущества будут уменьшены пропорционально нехватке грузовиков.
В то время как в армии Рокоссовского включена полная моторизация, из-за нехватки грузовиков (обратите внимание на всплывающую подсказку) войска в Тирасполе снабжаются не полностью.
Повышение уровня железнодорожного соединения[edit | править код]
После моторизации повышение уровня железнодорожного сообщения является следующим по значимости и часто (но это зависит от того, насколько далеко от вашей столицы находится узел снабжения по железной дороге) следующим по скорости.
Чтобы узнать уровень железнодорожного сообщения между хабом и столицей, наведите курсор на хаб в режиме карты снабжения и посмотрите, что во всплывающей подсказке говорится о узком месте. При этом Ахтубинск ограничен железнодорожным сообщением только 2-го уровня на всем пути от Москвы.
Каждая плитка железной дороги стоит 170 CIC, +130 CIC за каждый существующий уровень железной дороги (максимум до уровня 5), поэтому проложить железную дорогу 1-го уровня относительно быстро и дешево, но длинная железная дорога 5-го уровня — это серьезно. промышленное предприятие. Например, согласно таблице ниже, общий CIC для строительства железной дороги с нуля до уровня 5 составляет 2150 CIC на провинцию (170 + 300 + 430 + 560 + 690) с поправкой на любые бонусы строительства и влияние инфраструктуры на скорость строительства. .
Стоимость железной дороги (CIC) за уровень, за провинцию
Рельсовый уровень
1
2
3
4
5
CIC стоимость
170
300
430
560
690
На самом деле строительство железных дорог можно осуществить несколькими способами:
Выбор центра снабжения, а затем щелчок по средней (верхней) из трех появившихся иконок. Каждый щелчок этой кнопки добавит еще один уровень железной дороги в каждую провинцию на железнодорожном сообщении со столицей (так, например, три щелчка по узлу, соединенному железной дорогой 2-го уровня, поставят заказы на строительство, чтобы повысить его до максимального уровня) .
Открытие производственного интерфейса и выбор кнопки «Железные дороги», а затем нажатие на одну из белых цифр в черном круге на железнодорожном соединении между двумя узлами — это разместит строительные заказы для увеличения уровня рельсов между двумя узлами. по одному уровню. Каждый дополнительный щелчок будет размещать заказы на строительство, чтобы повысить его на следующий уровень.
Здесь была нажата кнопка узла снабжения, в результате чего появились три значка — тот, что посередине, выделен стрелкой, будет размещать заказы на строительство для улучшения железнодорожного сообщения со столицей.
Здесь для Ахтубинска нажато «обновить железнодорожное сообщение со столицей» — см. заказы на строительство в очереди на строительство, а также значок «в стадии строительства» на модернизируемых участках железной дороги в режиме карты снабжения.
Цифра «2» между Липецком и Тамбовом, выделенная здесь, указывает на уровень 2 уровня железнодорожного сообщения между двумя узлами снабжения. Нажмите на эти два с помощью инструмента «Железная дорога» в производственном интерфейсе, и заказы на строительство будут размещены для увеличения уровня рельсового соединения между двумя узлами.
Каждый дополнительный уровень рельса увеличивает размер общего объема снабжения в узле, а это означает, что количество припасов, вытекающих из узла снабжения наружу, также увеличивается. В некоторых случаях это может означать, что провинции, вообще не имеющие хабового снабжения, получат некоторое хабовое снабжение, хотя, как отмечалось выше, увеличивающийся размер «падения потока снабжения» по мере удаления от хаба означает, что расширение диапазона, вероятно, будет ограничено. .
На этой серии снимков экрана показано влияние на провинцию на советско-финляндской границе постепенного увеличения уровня железнодорожного сообщения с хабом с 1 (крайний слева) до пяти (крайний справа) — обратите внимание, погода ясная, и ступица не моторизована.
Имейте в виду, что железные дороги также полезны для стратегической передислокации, и чем выше уровень железной дороги, тем быстрее стратегически передислокация войск.
Строительство нового центра снабжения[edit | править код]
Здесь Япония выбирает центр снабжения для строительства, а затем размещает его в провинции, где он будет иметь полезное распространение. Имейте в виду, что диапазон узлов снабжения определяется по провинциям, а не по районам, поэтому при прочих равных условиях поставки будут проходить из узла через две большие провинции точно так же, как и через две маленькие.
Если кажется, что получение снабжения из существующих узлов нерентабельно или невозможно, можно также построить новые узлы снабжения. На побережье порты действуют как узлы снабжения и стоят значительно дешевле (5000 CIC за первый уровень военно-морской базы, а еще 1000 CIC добавляются к стоимости за каждый последующий уровень). Однако внутри страны необходимо использовать центры снабжения, для которых требуется 20000 CIC (с учетом любых бонусов скорости строительства и строительства инфраструктуры).
И порты, и узлы снабжения строятся с использованием интерфейса строительства, показанного на скриншоте ниже.
Как порты, так и узлы снабжения могут быть построены на территории союзников и субъектов.
Если он может проследить путь обратно в столицу с использованием конвоев, других портов и железных дорог, порт будет снабжаться морем без необходимости железнодорожного сообщения.
Здесь Япония выбирает «железные дороги» в интерфейсе строительства и нажимает на провинцию к юго-западу от того места, где строится новый узел снабжения, а затем нажимает на провинцию, содержащую строящийся узел снабжения.
Для узла снабжения также потребуется сообщение со столицей по железной дороге или по реке. Соединение через реку происходит мгновенно и будет установлено, если новый узел снабжения соединяется через реку (граничащую с провинцией, в которой находится узел снабжения) либо со столицей, либо с другим узлом снабжения или портом в провинции, граничащей с той же рекой.
Чтобы соединить новый узел снабжения с железнодорожным сообщением, откройте интерфейс строительства и выберите опцию «Железные дороги», а затем нажмите на провинцию с железной дорогой, которая соединена со столицей, а затем нажмите на провинцию с новым узел снабжения. Уровень построенной железной дороги будет таким же, как уровень железной дороги в провинции, из которой она простирается, но его можно вручную отрегулировать вниз или вверх по уровням (пока железная дорога еще не построена) с помощью либо в списке строительства (кнопки +/- на железной дороге в списке), либо на карте снабжения (щелкните левой кнопкой мыши по маленькой цифре (под скрещенными молотками) на строящихся железных дорогах, чтобы повысить уровень, и щелкните правой кнопкой мыши, чтобы снизить уровень).
Железные дороги могут быть построены на подконтрольной, союзной или подчиненной территории в любое время, и не нужно ждать завершения (или даже запуска) узла снабжения.
Повышение уровня инфраструктуры в штате Архангельск повышает уровень снабжения хаба на авиабазе к югу от хаба. Обратите внимание, что общее предложение в провинции увеличивается значительно больше, потому что инфраструктура имеет как диапазон снабжения центра, так и эффект снабжения штата — подробнее о снабжении штата ниже.
Повышение уровня инфраструктуры[edit | править код]
Инфраструктура более высокого уровня также позволяет поставке из хаба распространяться дальше за счет уменьшения падения потока поставок из хаба (до максимального снижения 0,3 для инфраструктуры уровня 5). Обратите внимание, что уровень инфраструктуры, который имеет значение, — это уровень инфраструктуры штата, в который входит провинция, из которой идет поставка. Так, например, если есть два штата, состояние инфраструктуры пятого уровня с центром снабжения, граничащим с состоянием инфраструктуры уровня один, то поток поставок из провинции с состоянием инфраструктуры уровня пять в граничащую провинцию с состоянием инфраструктуры уровня один будет поток, как если бы это была инфраструктура пятого уровня. Однако поставки, поступающие из провинции в состоянии инфраструктуры первого уровня в другую граничащую провинцию в том же состоянии инфраструктуры первого уровня, будут течь, как если бы это была инфраструктура первого уровня.
Как и в случае с другими способами расширения радиуса действия центра снабжения, возрастающее количество выпадающих поставок по мере увеличения расстояния от центра (считается в провинциях) означает, что любое увеличение, скорее всего, будет только на полях (т. е. возможно увеличение дальности одной провинции).
Помните, что каждый уровень инфраструктуры стоит 6000 CIC, так что четыре уровня инфраструктуры в одном штате стоят больше, чем новый центр снабжения.
Поезда[править | править код]
Чтобы работать с полной эффективностью, сети снабжения нуждаются в поездах для железнодорожного сообщения, аналогично требованию конвоев для морского сообщения, при этом количество поездов зависит от количества узловых поставок, требуемых от каждого узла. Требования к поездам для хаба можно увидеть во всплывающей подсказке для этого хаба.
Обратите внимание на то, как увеличивается количество поездов по мере того, как увеличивается использование ресурсов узла.
Требования к поездам для сети в целом можно найти во всплывающей подсказке логистики, которую можно вызвать, наведя курсор на значок логистики в верхней части экрана (он выглядит как ящик с процентом рядом с ним). Если поездов меньше, чем требуется сети, количество узлов, доступных для подразделений, использующих ее, будет меньше.
На первом снимке экрана всплывающая подсказка логистики показывает, что требуется только 58% поездов. На втором скриншоте подсказки Минского узла снабжения видно, что в результате доступны только 6 из 11 требуемых поездов. На третьем снимке экрана из-за этого дивизии, потребляющие хабовое снабжение, снабжаются лишь частично (обратите внимание, что их общий уровень снабжения выше, чем можно было бы ожидать из-за нехватки поездов, потому что они также потребляют государственное снабжение — подробнее об этом ниже). .
Варианты исследований как для военного поезда, так и для бронепоезда можно найти в нижней части вкладки «Вспомогательные компании», как показано на этом снимке экрана.
Поезда не подлежат истощению, но могут быть уничтожены воздушной атакой вражеской авиации с использованием тылового удара.
Помимо базовой модели поезда, в ходе игры можно исследовать две другие модели поезда. Одним из них является небронированный поезд «строгой экономии», который выполняет ту же работу, что и базовая модель, но по более низкой цене (50 MIC вместо 70). Другой — бронепоезд, о котором подробнее ниже.
Бронепоезда[править | править код]
Бронепоезда — это особый тип поезда, который более устойчив к вражеским воздушным миссиям Logistics Strike. Если в вашем инвентаре есть доступные бронепоезда, они будут автоматически использоваться перед другими типами поездов. Бронепоезда имеют значительно более высокую себестоимость производства 105 MIC, поэтому они намного дороже стартового поезда и более чем в два раза дороже поезда строгой экономии.
На верхнем скриншоте 100 польских CAS уже неделю атакуют логистику Беларуси против советской логистической сети, в которой были только небронированные поезда. На нижнем скриншоте та же ситуация, но советские поезда бронированы. Обратите внимание на значительное сокращение количества уничтоженных поездов.
Захват железных дорог и узлов снабжения[edit | править код]
По мере продвижения фронта на вражескую территорию удерживаемые противником железнодорожные линии и узлы могут перейти под контроль дружественных. Хотя железнодорожные линии могут нуждаться или не нуждаться в ремонте (рельсы могут быть повреждены стратегической бомбардировкой или вашим противником, использующим выжженную землю, прежде чем он потеряет контроль над государством), они не будут доступны для использования сразу в большинстве ситуаций. При захвате железной дороги на территории, которая не является вашим ядром, время восстановления до того, как железную дорогу можно будет использовать, составляет 10 дней, 5 дней, если территория является ядром, и нет времени восстановления, если война является гражданской войной.
Символ секундомера над серой железной дорогой указывает на переоборудование железной дороги. Если вы наведете курсор на секундомер, во всплывающей подсказке будет указано, сколько времени осталось для преобразования. Обратите внимание, что это значение будет сброшено до 10 дней, если будет захвачена другая провинция на пути к узлу снабжения.
Время преобразования железнодорожного транспорта[edit | править код]
Недавно захваченный узел будет функционировать только после того, как он будет соединен «преобразованными» железными дорогами, и он не будет подключен, пока каждая провинция не будет находиться под дружественным контролем в течение необходимого количества дней для преобразования. Однако для центров снабжения нет времени преобразования.
Имейте в виду, что даже после того, как секундомер был удален с железных дорог, может быть ожидание, пока не будет доступен узел снабжения, так как в провинции, содержащей узел, нет индикатора преобразования железной дороги (но для этого все еще нужно преобразовать, прежде чем можно будет использовать концентратор).
Для рек (по понятным причинам) нет времени преобразования, поэтому узлы снабжения, которые могут соединиться с вашей сетью снабжения рекой, которой вы управляете (к другому узлу, а не только к железной дороге), мгновенно обеспечат снабжение узла.
Погода и местность[править | править код]
И погода, и местность влияют на систему снабжения — таблицы на страницах погоды и местности в вики содержат данные о различных воздействиях снабжения для различных состояний местности/погоды. О чем следует помнить, думая о влиянии местности и погоды:
Есть два погодных эффекта:
Фактор снабжения уменьшает поток снабжения из центра снабжения (действительно, уменьшая его диапазон), действуя как процентное сокращение потока снабжения в провинцию [ подлежит подтверждению]. Эти эффекты могут суммироваться, если, например, в регионе есть состояние глубокого снега и снежная буря — подобные зимние условия могут существенно сократить диапазон снабжения узлов на время действия этих погодных/почвенных условий.
Коэффициент потребления снабжения увеличивает использование снабжения подразделением. Оба эти элемента могут быть задействованы в зависимости от конкретных обстоятельств.
Есть один эффект ландшафта:
Штрафной коэффициент потока снабжения . Изменяет спад подачи в концентраторе при удалении от концентратора и добавляется к другим сокращениям расхода подачи. Это не процентное значение, а скорее прямое изменение (обычно уменьшение, но на самом деле это увеличение в городских районах) количества снабжения, поскольку оно связано с цифрами, показанными для снабжения узлов во всплывающих подсказках провинции.
Государственная поставка[править | править код]
В отличие от хабового снабжения, государственное снабжение — это фиксированное количество снабжения, обеспечиваемое в пределах штата на основе четырех вещей: победных очков, инфраструктуры, населения и так называемого «базового снабжения», которое представляет собой фиксированное количество дополнительного снабжения в Штат. В то время как государственное снабжение от населения и инфраструктуры будет в каждом (непроходимом) штате, в некоторых штатах нет победных очков, а во многих штатах нет базового снабжения.
Чтобы увидеть, сколько ресурсов штата доступно, наведите указатель мыши на провинцию в режиме карты снабжения, чтобы открыть всплывающую подсказку о снабжении провинции. В этой провинции мы видим 0,90 государственного снабжения от инфраструктуры уровня 3, 0,14 снабжения от 831 140 населения и 0,25 от победного очка 1 уровня в Новгороде.
Штат с победным очком получит от этого 0,2 запаса штата, а затем еще 0,05 запаса за общее значение победных очков в штате (так, например, штат с одним 1-очком ПО , и одно ПО с 5 очками, будет иметь 0,5 запаса от ПО, состоящего из 0,2 базовых и 0,3 от 6 ПО в сумме в штате). Некоторые примеры см. в таблице ниже:
ВП
50
20
15
10
5
3
1
Поставка
2,70
1,20
0,95
0,70
0,45
0,35
0,25
Инфраструктура обеспечивает 0,3 за каждый уровень инфраструктуры, пока инфраструктура не повреждена (см. приведенную ниже таблицу значений инфраструктуры) — однако, если она повреждена, объем государственных поставок, обеспечиваемых инфраструктурой, уменьшается до тех пор, пока повреждение не будет устранено. .
Уровень инфраструктуры
5
4
3
2
1
Поставка
1,50
1,20
0,90
0,60
0,30
Население добавляет запас по убывающей шкале от 0,01 запаса на провинцию в штате с населением 30 000 человек до 4,25 запаса на провинцию в штате с населением 23,6 млн человек. В пересчете на 1 миллион человек шкала снижается с 0,3 предложения на миллион в малонаселенных штатах до 0,18 предложения на миллион в очень густонаселенных штатах (например, в китайских штатах).
Снабжение штата равномерно распределяется между всеми юнитами, находящимися в штате (включая воздушные и морские юниты), до того, как будут использованы другие источники снабжения. Учитывая это, важно помнить, что, хотя может быть достаточно государственного запаса для поддержки любых юнитов за пределами радиуса действия хаба, эти юниты все равно должны будут делить этот государственный запас с юнитами, получающими снабжение из хабов или портов.
На этой коллекции снимков экрана показано количество единиц, получающих снабжение из Мурманской области в один и тот же момент времени. Обратите внимание, что корабли, выходящие из порта, по-прежнему потребляют государственное снабжение, как и самолеты на аэродроме. Обратите внимание, что бронетанковая дивизия в пределах досягаемости хаба получает такое же количество государственного снабжения, как и бронетанковая дивизия за пределами досягаемости хаба.
Понимание предложения штата необходимо для понимания того, как работает режим карты снабжения «тепловая карта» — поскольку, в отличие от централизованного снабжения, затенение каждой провинции на тепловой карте учитывает общий объем предложения штата, доступный для всего штата, но как только этот государственный запас используется где-либо в штате, доступный государственный запас для других провинций соответственно уменьшается. Проверка области, чтобы увидеть, вызвано ли затенение тепловой карты в основном хабом или снабжением штата, даст более четкое представление об эффективном снабжении в провинции, если больше сил будет переброшено в штат в других провинциях. Пожалуйста, посмотрите пример, представленный на двух снимках экрана ниже, для более подробной информации.
Эта всплывающая подсказка показывает, что в провинции добывается 2,75 запаса. Присмотритесь, однако, и обратите внимание, что это все из-за государственного снабжения — это если это снабжение израсходовано где-то еще, как только юниты переместятся в штат, фактическое снабжение в этой провинции будет намного меньше.
Если теперь мы переместим значительные силы для защиты границы с итальянской Ливией, та же провинция, в которой раньше было 2,75 запаса, теперь имеет очень мало (0,12), потому что запас, доступный в штате, был распределен между всеми дивизии в этом штате, оставив только 32% дивизии в требованиях этой провинции.
Спорные состояния[edit | править код]
Если контроль над штатом разделен между двумя воюющими друг с другом странами, объем поставок штата будет разделен на две части. Элементы узла, населения и инфраструктуры будут распределяться в зависимости от доли провинций штата, принадлежащих каждой стороне, в то время как государственное снабжение из победных очков предоставляется тому, кто владеет провинциями, содержащими эти победные очки.
На этих снимках экрана показано, как меняется государственное снабжение (единственный источник снабжения в этом примере) по мере продвижения итальянских войск через штат Матрух. На первом снимке экрана мы видим, что общее государственное снабжение в Мерса-Матрух составляет 2,75 (обратите внимание, что уровень округления для государственного снабжения до одного знака после запятой, хотя отображается два), затем на втором видно, что после того, как итальянские войска 2 провинции, у них есть доступ к 22% государственного снабжения от базы, инфраструктуры и населения, так как теперь они контролируют 2 из 9провинции в штате. На третьем снимке экрана у итальянцев теперь есть четыре провинции и победное очко в Марса-Матрух, что дает им 44% (4 в пропорции к 9 провинциям штата) базы, инфраструктуры и снабжения населением, а также все Государственная поставка 0,25, обеспечиваемая единственным вице-президентом в Марса-Матрух.
Антенное питание[править | править источник]
Снабжение воздухом отображается под заголовком «Снабжение из штата» во всплывающей подсказке снабжения провинции, но, как и снабжение штата, указанное количество является общим, доступным для всего воздушного региона. В этом случае миссии по снабжению воздухом обеспечивают 7,28 воздуха для всего региона.
Последним из трех столпов системы снабжения является воздушное снабжение. Воздушное снабжение обеспечивается транспортными самолетами, выполняющими миссии «Снабжение по воздуху». Как и государственное снабжение, общий объем снабжения, обеспечиваемый через него, доступен в любой провинции в воздушной зоне, в которой выполняется миссия по воздушному снабжению (независимо от того, находится ли она в пределах досягаемости транспортного самолета или нет). Однако, в отличие от государственного снабжения, воздух поступает в последнюю очередь, поэтому юниты потребляют воздух только в том случае, если они не могут полностью удовлетворить свои потребности в снабжении за счет государственного и хабового снабжения.
Здесь мы видим 2-й авиаполк ТАД в составе 40 транспортных самолетов, предназначенный для снабжения воздухом в воздушном районе Северного фронта. Пока дальность действия транспортного самолета не покрывает весь регион, весь регион все равно получит доступ к воздушному снабжению от этого авиакрыла. Однако, поскольку транспортные самолеты не могут покрыть весь регион, они получают штраф к эффективности миссии, что влияет на то, сколько воздуха они могут обеспечить (и сколько поставок им требуется).
На снимках экрана показано несколько различных ситуаций для подразделений в воздушном регионе «Северный фронт». Если идти слева направо, то в первом случае дивизия находится в провинции с доступом к некоторому государственному снабжению, но без узлового снабжения, поэтому «пополняется» воздушными поставками. Во втором случае два дивизиона полностью обеспечены государственным и узловым снабжением, поэтому не потребляют воздух. В-третьих, в провинции далеко не достаточно государственного снабжения (и вообще нет хабового снабжения), а подача воздуха необходима для приличного снабжения этих юнитов. В четвертом мы видим, что воздушное крыло выполняет миссию снабжения, то есть летит из воздушной зоны, и рисует концентратор и государственное снабжение, чтобы обеспечить снабжение воздухом в другом месте зоны.
Как и в случае любой воздушной миссии, эффективность миссии уменьшит количество поставок, которые могут быть предоставлены, и на эффективность может повлиять ряд факторов, включая погоду, состояние снабжения эскадрильи, выполняющей миссию, и соотношение размера воздушной зоны и дальности действия эскадрильи. При 100% эффективности миссии каждый полностью укомплектованный транспортный самолет, летящий в хорошую погоду, способен обеспечить 0,2 снабжения на самолет.
Здесь авиакрыло 2 TrAD попало в дождливую погоду (-10% эффективности миссии) и с 15% вышедших из строя самолетов, что снизило снабжение, обеспечиваемое по воздуху, с 7,28 до 6,2.
Требования к снабжению авиакрыла определяются количеством снабжения, которое они могут обеспечить за счет эффективности своей миссии, поэтому при прочих равных условиях крыло транспортных самолетов, которое может покрыть большую часть воздушной зоны, обеспечит больше подачи воздуха, чем крыло того же размера, использующее другой аэродром, что дает ему меньшую зону покрытия. Транспортные авиакрыла, выполняющие миссии по снабжению воздухом, могут использовать только государственное и узловое снабжение и не могут использовать снабжение воздухом.
Влияние недостаточного предложения[edit | изменить источник]
Сухопутные единицы[править | править код]
Здесь мы видим след снабжения советской 72-й дивизии. Обратите внимание, что базовая стоимость снабжения (0,77) является произведением его различных батальонов и рот поддержки, но она была изменена в большую сторону снежной бурей и уменьшенной навыками снабжения командиров армий и групп армий.
Количество снабжения, которое требуется дивизии для полного снабжения, зависит от целого ряда факторов, включая линейные батальоны, батальоны обеспечения (батальоны тылового обеспечения сокращают общее использование снабжения), погоды и возможностей их командиров.
Если у дивизии недостаточно запасов, на ее значке на карте и на значке в списке дивизий в армии появится выцветший или ярко-красный значок ящика. Чтобы получить точную информацию о состоянии снабжения дивизии, наведите указатель мыши на значок в списке армейских дивизий, чтобы вызвать всплывающую подсказку. Снабжение дивизии будет приближаться к количеству, которое может быть поддержано в провинции, независимо от того, увеличивается оно или уменьшается. Так, например, если дивизия перемещается из провинции, где она обеспечена на 100%, в ту, где она обеспечена на 50%, в течение первого часа в этой новой провинции у нее все еще будет 100% снабжение, а затем состояние снабжения дивизии упадет, так как его запасы иссякнут до 50%.
Здесь 27-я дивизия находится в плохом состоянии, со статусом снабжения всего 10% (и только 9% запасов запасов, которые будут увеличиваться до 10% до тех пор, пока снабжение провинции для дивизии не упадет).
За отсутствие ряда характеристик юнитов предусмотрены значительные штрафы. Обратите внимание, что может быть задержка между достижением состояния низкого снабжения и полным штрафным ударом. Характеристики юнитов, на которые влияет низкое снабжение, причем влияние увеличивается по мере ухудшения состояния снабжения:
Скорость
Максимальная организация
Восстановление скорости организации
Атака (с более высоким максимальным штрафом для обороняющихся юнитов (-50%), чем для атакующих юнитов (-20%))
Прорыв (для атакующих юнитов)
Оборона (для обороняющихся частей)
Истощение — если уровень снабжения юнита упадет до 35% или ниже, он начнет истощаться на основе снабжения, увеличивая количество снаряжения, используемого юнитом, за счет увеличения количества по мере дальнейшего падения снабжения.
Влияние плохого снабжения 27-й дивизии значительно снижает ее скорость передвижения — если бы не базовая игровая скорость 1 км/ч, скорость дивизии была бы еще ниже.
Здесь британцы с недостаточным снабжением атакуют очень слабых итальянцев – обратите внимание на влияние на атаку и прорыв/оборону юнитов с обеих сторон боя.
Низкое снабжение также влияет на скорость прибытия подкреплений. Пока дивизия связана со столицей непрерывным путем через дружественные провинции, порты и/или конвои, прибудет подкрепление живой силой, хотя при очень низком уровне снабжения это может занять много времени. Обратите внимание, однако, что скорость пополнения снаряжения не зависит от состояния снабжения дивизии (но если у дивизии мало снабжения, они будут постоянно истощаться до тех пор, пока это так, что может помешать дивизии достичь полного снаряжения. уровни).
Если дивизия отрезана от столицы, даже если она полностью обеспечена за счет занятия победной точки или другого источника государственного снабжения, либо за счет снабжения по воздуху, она не получит пополнения живой силой или техникой.
Обратите внимание, что топливо работает немного иначе, чем рабочая сила или оборудование. Как и в случае с живой силой и техникой, если юнит отрезан от своей столицы, он не будет пополняться. Как и в случае с рабочей силой, скорость пополнения запасов топлива замедляется, если подразделение не полностью обеспечено. Однако, в отличие от рабочей силы, подача топлива полностью прекращается, когда состояние снабжения становится достаточно плохим. Подача воздуха не влияет на поставку топлива, поэтому, даже если юнит может проследить линию провинций до своей столицы и полностью снабжается воздухом, если у него недостаточно запасов штата или хаба, он может не получить пополнение запасов топлива.
На скриншоте слева 53-я -я -я пехотная дивизия (Валлийская) находится на очень низком уровне снабжения, и ей придется ждать почти месяц, прежде чем она снова пополнится. На скриншоте справа дивизия переместилась в более обеспеченную провинцию, и пополнение произойдет гораздо раньше.
Сохраненная льгота по поставке/снабжению[edit | править исходный код]
Грация снабжения и сохраненное снабжение относятся к одному и тому же, то есть к количеству снабжения, превышающему 100%, которое будет храниться дивизией, если она находится в полностью снабженной провинции. Количество хранимых припасов для дивизии можно увидеть в нижней части всплывающей подсказки, которая появляется при наведении курсора на название дивизии в элементе пользовательского интерфейса армии, как в примере ниже.
Базовое количество хранимых припасов, которое может накопить дивизия, составляет 150%. Скорость, с которой он падает, варьируется, но она должна позволить дивизии действовать в течение 2-3 дней с полной эффективностью снабжения, даже если провинция, в которой она находится, не полностью обеспечена, прежде чем запасы запасов упадут ниже 100%.
Здесь французская 25-я -я -я пехотная дивизия накопила полный запас запасов.
Для подразделений специального назначения некоторые технологии могут увеличить продолжительность льготного снабжения. Это может быть дополнительно расширено для дивизий морской пехоты, если их возглавляет генерал с «амфибией». Предоставленная льгота по дополнительному снабжению описывается в часах, но это лишь ориентировочно, поскольку скорость сокращения хранимого запаса может варьироваться в зависимости от ситуации, в которой находится подразделение.
Две технологии спецподразделений могут повысить скорость снабжения подразделений спецназа. Последняя технология в дереве увеличивает запас запасов в подразделениях спецназа примерно (может варьироваться в зависимости от реальных условий) на 48 часов.
Генерал с чертой характера «Амфибия» может дать дивизиям морской пехоты очень полезные дополнительные 240 часов (более или менее, в зависимости от обстоятельств дивизии) хранимых запасов. Обратите внимание, что может потребоваться некоторое время, чтобы достичь этого уровня хранимых запасов.
Воздушные единицы[править | править код]
Снабжение авиационного подразделения зависит от уровня снабжения в провинции, в которой находится авиабаза. Если воздушная единица выполняет задание и не снабжена на 100%, она будет иметь малус по эффективности из-за сниженного уровня снабжения. Важно иметь в виду, что если снабжение упадет ниже порогового значения, авиационная часть также не получит достаточного количества топлива, что еще больше снизит эффективность миссии.
Из-за некоторых довольно сомнительных приказов о развертывании британской армии поставки на авиабазу в юго-западной Англии достаточны только для обеспечения 72% снабжения действующего оттуда авиакрыла.
Глядя на всплывающую подсказку для авиационного подразделения из приведенного выше примера, мы видим, что влияние наличия 72% снабжения снижает эффективность миссии на 28%.
Для морских юнитов неполная обеспеченность напрямую влияет на эффективность обнаружения и скорость ремонта, но также снижает скорость получаемого топлива, что в зависимости от ситуации с топливом может также влиять на их эффективность в бою. . Стоит иметь в виду, что морские юниты имеют доступ к полному количеству потенциального снабжения из центра, из которого они получают снабжение (вместо того, чтобы быть ограниченным тем, что провинция также может поддерживать, как наземные и воздушные юниты), поэтому Морские подразделения гораздо реже испытывают недостаток снабжения, чем сухопутные или воздушные.
На этих двух снимках экрана ситуации идентичны, за исключением того, что британский (зеленый) флот слева имеет снабжение 57%, а британский флот справа — 76%. Обратите внимание (как выделено), что шанс обнаружения увеличивается с увеличением уровня снабжения.
Союзники и припасы[править | править код]
По умолчанию вы можете получать припасы из центров снабжения ваших союзников, а ваши союзники могут получать припасы из ваших узлов снабжения. Обратите внимание, однако, что если вы сражаетесь на союзной территории, вы не можете использовать государственную систему снабжения. Подразделения союзников делят централизованное снабжение с подразделениями принимающей страны, но дивизии принимающей страны, вероятно, будут обеспечены немного лучше, поскольку они также смогут получить доступ к любому доступному государственному снабжению.
Снабжение-049. Здесь оперативная группа США и дивизии США в Дувре получают снабжение из британского узла, как и британская оперативная группа там и несколько других британских дивизий за кадром.
Слева американские дивизии в Дувре имеют доступ только к узловому снабжению, а справа британские подразделения имеют доступ как к узловому снабжению, так и к государственному снабжению, и поэтому могут поддерживать более высокий уровень снабжения.
Хотя ИИ не будет этого делать, если вы хотите, чтобы союзники не участвовали в каком-либо конкретном фронте, можно отключить снабжение союзников для каждого узла. Чтобы выключить (или включить) снабжение союзников для определенного узла, нажмите на узел, а затем выберите синий флажок слева и над символом узла снабжения (см. примеры ниже).
С левой стороны центр снабжения все еще снабжает союзников. При нажатии на кнопку с синим флажком ситуация меняется на правую, где союзники больше не могут получать снабжение из хаба. Обратите внимание, что на самом значке центра снабжения также есть небольшой значок «не входить» (красный кружок с перечеркнутой линией). Имейте в виду, что снабжение союзников должно быть отключено от узла к узлу — например, для того, чтобы Великобритания полностью перекрыла снабжение союзников в Дувре, снабжение должно быть отключено в узлах в Лондоне, Портсмуте и близлежащем порту на севере. .
Механика
Политика
Идеология • Фракция • Национальный фокус • Идеи • Правительство • Марионетка • Дипломатия • Мировая напряженность • Гражданская война • Оккупация • Спецслужба
Производство
Торговля • Производство • Строительство • Оборудование • Топливо
Исследования и технологии
Исследования • Технологии пехоты • Технологии рот поддержки • Технологии бронетехники • Технологии артиллерии • Наземная доктрина • Морские технологии • Морская доктрина • Воздушные технологии • Воздушная доктрина • Инженерные технологии • Промышленные технологии
Военные и военные действия
Военные действия • Сухопутные подразделения • Сухопутные боевые действия • Конструктор дивизий • Проектирование танков • Армейский планировщик • Командная группа • Командир • Боевой план • Тактика боя • Корабль • Морская война • Самолеты • Воздушная война • Опыт • Офицерский состав • Истощение и несчастные случаи • Логистика • Людская сила • Ядерная бомба
Карта
Карта • Провинция • Рельеф • Погода • Штат
События и решения
События • Решения
Справочник по припасам Hearts of Iron 4 – все, что вам нужно знать
Итак, вы хотите узнать о припасах Hearts of Iron 4? Недавнее дополнение к грандиозной стратегической игре No Step Back вместе с бесплатным патчем 1. 11 внесло существенные изменения в работу снабжения и логистики. Не все эти изменения также были четко объяснены, что привело многих игроков в замешательство.
Мы здесь, чтобы помочь вам прояснить ситуацию и предоставить вам основные сведения о новой механике снабжения и о том, как они взаимодействуют с боевой механикой игры. Стоит отметить, что за этими изменениями стояло очень четкое дизайнерское намерение, как недавно сообщил игровой директор Питер Николсон, — то, что что-то идет не так, не означает, что система не работает должным образом.
Мы использовали несколько источников для составления этого руководства. В специальном учебном видео FeedBackGaming все довольно хорошо объясняется, но стоит также пересмотреть соответствующие дневники разработчиков, хотя стоит отметить, что многие ранее обсуждавшиеся функции изменились в ходе разработки системы поставок.
Hearts of Iron 4 Новая система снабжения
Важно отметить, что, по сути, снабжение работает так же. Большая часть снабжения вашей страны поступает из столицы, как это было до «Ни шагу назад». Однако то, как это снабжение поступает к вашим армиям, значительно изменилось.
Снабжение теперь осуществляется на уровне провинции, а не штата. В отдельных провинциях есть местный пул снабжения, из которого могут черпать ресурсы дивизии, определяемый уровнем местного населения и инфраструктурой штата. В противном случае эта поставка передается в национальную сеть.
На национальном уровне снабжение берется из вашей столицы и отправляется за пределы вашей железнодорожной сети в узлы снабжения. Снабжающий узел считается активным только в том случае, если поблизости есть подразделения, нуждающиеся в снабжении, в противном случае он направляется по сети к следующему активному узлу.
Снабжение HOI4 — узлы и железные дороги
Количество снабжения, которое может обработать узел снабжения, зависит от уровня железнодорожной сети между столицей и этим узлом, включая любые другие узлы, через которые проходит снабжение по пути. Железная дорога с наименьшим значением будет ограничивать уровень поставок, которые узел может отправить или удержать, чтобы раздать местным подразделениям, оба из которых используют одно и то же значение.
Если у вас есть три железнодорожных участка между хабом и столицей, и один из этих сегментов имеет первый уровень, а остальные — второй, узел снабжения сможет обрабатывать только 10 поставок. Он либо пошлет 10 дальше по сети, либо у него останется только 10 запасов для выдачи местным подразделениям. Железнодорожная сеть первого уровня является узким местом.
Поэтому важно убедиться, что каждый сегмент железной дороги между важными узлами снабжения и столицей поддерживается на одном уровне. Несколько дополнительных советов:
Неважно, какой длины железнодорожный маршрут, важен уровень каждого участка железной дороги.
Если щелкнуть узел снабжения в режиме карты снабжения, появятся три кнопки. Одним из них является модернизация всей сети железных дорог между ней и столицей до такого же уровня.
Снабжение железнодорожного маршрута потребует от вашей страны запаса поездов — если у вас их нет по какой-либо причине, в первую очередь поставки не будут поступать в узлы снабжения.
Строительство железных дорог такое же, как здания и другие вещи через интерфейс строительства, хотя они относительно дешевы с точки зрения стоимости производства.
Снабжение Hearts of Iron 4 – снабжение армий
После того, как снабжение достигло узла или узлов, ближайших к линии фронта, они должны иметь возможность добраться до боевых дивизий, чтобы они могли поддерживать свою боеспособность. Несколько факторов могут влиять на то, как снабжение поступает в подразделения, в том числе:
Уровень инфраструктуры штата
Уровень моторизации узла снабжения
Имеет ли подразделение доступ к более чем одному концентратору
Уровень моторизации легко пропустить. Снабжение может быть отправлено из хабов либо с использованием основных методов, представленных символом лошади на интерфейсе, либо с помощью различных уровней моторизации с использованием грузовиков.
Грузовики имеют большую дальность действия, но для их использования также требуется наличие грузовиков в вашем национальном складе. В отличие от поездов, теоретически вы все равно будете строить грузовики, поскольку они также используются в качестве оборудования, назначенного подразделениям для определенных вспомогательных компаний, таких как полевые госпитали, хотя стоит иметь в виду, что теперь у вас есть больше вещей, конкурирующих за общий ресурс «грузовика», поэтому вам нужно убедиться, что вы строите их много.
Один совет: Вы можете установить уровень моторизации либо на уровне отдельного центра снабжения, либо на уровне армии через экран интерфейса армии. Затем эта армия автоматически изменит уровень моторизации каждого узла снабжения, в пределах досягаемости которого она находится. Как только он выйдет за пределы диапазона, этот центр снабжения по умолчанию вернется к своим первоначальным настройкам.
Также обратите внимание, что дивизии теперь всегда несут с собой базовое количество припасов, при условии, что они могут получить доступ к сети снабжения для пополнения. Также теперь более нормально, что дивизии не всегда снабжены на 100%. К этому нужно будет привыкнуть, но Николсон немного расширяет этот вопрос, говоря о том, когда игроки должны активно беспокоиться о проблемах с поставками.
Снабжение Hearts of Iron 4 – советы и рекомендации
В провинции может быть только один узел снабжения, а узлы снабжения имеют только один уровень существования, в отличие от железных дорог, фортов или портов.
Премиум-функции, связанные с системой снабжения, для которых вам понадобится расширение «Нет шага назад», — это воздушная миссия Logistics Strike, нацеленная на поезда и железные дороги, и взаимодействие с государством Scorched Earth, которое будет саботировать не только государственную инфраструктуру, но и железные дороги тоже. Вы также можете построить Малберри-Харборс, чтобы облегчить морские вторжения.
Центры снабжения непомерно дороги без использования специального решения, доступного большинству стран, которое ускоряет их строительство.
Зависимость пластичности металлов от химического состава
Влияние температуры на пластичность металлов
Влияние скорости деформации на пластичность металлов
Как напряженное состояние влияет на пластичность металлов
Примеры металлов, обладающих высокой пластичностью
Пластичность металлов проявляется под воздействием высокой температуры. При этом материал деформируется или растягивается под воздействием силы, но не разрушается. Это свойство активно применяется при изготовлении разнообразных деталей.
Высокая пластичность металла характеризуется постепенным разрушением с предварительным образованием изгиба, при низкой – материал ломается внезапно. О том, какими показателями пластичности обладают разные металлы и как это свойство используется в промышленности, расскажем далее.
Что такое пластичность металлов
Рассмотрим для начала определение пластичности металлов. Пластичностью называют способность металлов меняться под воздействием внешних факторов с сохранением изменений после окончания этого влияния. Специалисты называют это свойство обратной упругостью металлов. Высокая пластичность позволяет легко обрабатывать материалы (штамповать, ковать и пр.).
Существует прямая зависимость пластичности от температуры, до которой нагревают материал. Пластичность металлов увеличивается при нагревании, а при уменьшении температуры мягкость снижается. Если вы имеете дело с металлами, показывающими высокую пластичность в условиях комнатной температуры, то существует возможность их разрушения в случае охлаждения ниже нуля градусов по Цельсию.
VT-metall предлагает услуги:
Для большинства металлов характерна пластичность. У одних она высокая – это так называемые пластичные материалы, а у других низкая – это хрупкие. При этом последние не показывают какой-либо деформации при разрушении или перед ним. Хрупким может быть, например, стекло – один из самых часто встречающихся материалов. Или чугун (особенно белый) – это уже металл, причем широкого использования.
При необходимости обработки (изменении формы) пластичность металла будет очень важным свойством. Как на практике можно использовать пластичность металлов? Кузова автомобилей, например, изготавливают из материалов с достаточной пластичностью для того, чтобы была возможность придать им необходимую форму.
Характеристика пластичности металлов прочно связана с соотношением направления, куда была приложена сила, и направления, в котором происходила прокатка материала. Катаные металлы имеют свойство направленности из-за удлинения структурных кристаллов/зерен вдоль прокатки. Соответственно, пластичность будет выше в том же направлении. Это характерно и для листовой стали.
В поперечном же направлении прочность материала снижается, иногда до 30 %. Пластичность в том же направлении может упасть на 50 %. А по толщине материала эти свойства падают еще больше. Некоторые виды стали показывают очень низкую пластичность в поперечном направлении. Итак, мы имеем три направления. Им присваиваются следующие обозначения. Продольное (направление прокатки) обозначается X, поперечное – Y, по толщине – Z.
При проведении аттестации сварщиков, к примеру, при проверке навыка загиба листа стали, частенько можно увидеть излом основного металла. Он возникает из-за того, что ось шва идет параллельно с направлением прокатки металла. Несмотря на хорошие характеристики материала в направлении X, возникновение нагрузки в направлении Y или Z способно разрушить металл.
Проверка пластичности происходит с помощью теста на растяжение. Его производят в тот момент, когда испытывают металл на предел его прочности. Выражается данное свойство, как относительные удлинение и сужение сечения материала.
Существует несколько факторов, влияющих на пластичность металлов. Подробнее остановимся на каждом из них.
Зависимость пластичности металлов от химического состава
Высокую пластичность металлов обеспечивает их чистота. Мягкость чистых металлов выше, чем у сплавов. Примером может служить медь, у которой это свойство выше, чем у бронзы (сплав с оловом). Пластичность больше выражена у сплавов, которые создают твердые растворы, нежели у тех, что образуют смеси (механические) и химические соединения. Чем больше разница в пределах текучести и прочности, тем более прочными являются металлы.
Пластичность металлов обусловлена в том числе компонентами сплавов:
Высокое содержание углерода приводит к уменьшению пластичности. Если в материале более полутора процентов углерода, то сталь плохо поддается ковке.
Пластичность стали падает с появлением в ее составе кремния. Именно поэтому холодная штамповка и глубокая вытяжка используются для обработки малоуглеродистой стали с небольшим количеством кремния. Это такие марки, как 08кп или 10кп.
Благодаря ванадию и никелю пластичность легированной стали повышается, а из-за присутствия вольфрама, хрома падает.
Хрупкой сталь делает соединение серы и железа, в результате которого появляется сульфид железа в виде эвтектики. Он размещается на границах зерен и плавится в процессе нагрева до +1 000 С, разрушая связи зерен. Данный процесс получил название красноломкости.
Для нейтрализации негативного воздействия серы используется марганец, который создает тугоплавкое соединение.
Фосфор двояко воздействует на сталь. С одной стороны в металле возрастают пределы текучести/прочности, с другой – появляется хладноломкость из-за снижения пластичности/вязкости металла при низкой температуре.
Крупнозернистая структура литого металла создает более низкую пластичность, а в деформированном мелкозернистом она выше. Пластичность падает из-за присутствия в материале макро- и микротрещин, пор, пузырьков.
Влияние температуры на пластичность металлов
Пластичность металлов во многом зависит от температуры. Но не все так однозначно. Высокие значения повышают пластичность мало- и среднеуглеродистой стали. А, например, высокоуглеродистые более пластичны при низких значениях. При этом для шарикоподшипниковых температура вообще не влияет на пластичность.
Существуют также сплавы, у которых пластичность повышается в определенных температурных интервалах. От +800–1 000 °С для технического железа – это температура понижения пластичности металла. А при достижении градуса плавления металла происходит увеличение хрупкости, поскольку возрастает вероятность пережога/перегрева.
У углеродистой стали существует зона синеломкости. Это температура от +100 °С до +300 °С, когда прочность материала увеличивается, а пластичность падает. Объясняется это тем, что малые части карбидов выпадают по направлению плоскости скольжения во время деформации металла. Также уменьшение пластичности происходит при фазовых превращениях.
При излишнем росте зерен в структуре металла пластичность резко уменьшается. Специалисты называют этот процесс перегревом, который исправляется отжигом. Другой процесс – пережог. Это когда на границах зерен появляются оксиды, а также происходит плавление межзеренных прослоек при приближении температуры материала к показателю его плавления. Все это ведет к возникновению трещин и утрате пластичности. Такой процесс невозможно исправить. Материал отдается на переплавку.
Влияние скорости деформации на пластичность металлов
Скорость деформации представляет собой изменение ее степени за определенный промежуток времени. При возрастании скорости происходит падение пластичности. Это особенно заметно в случае с высоколегированной сталью, сплавами меди и магния.
Объясняется это наличием двух разнонаправленных процессов при работе с нагретым материалом. С одной стороны, при деформации происходит его упрочение. С другой – ослабление прочности из-за рекристаллизации. Если мы имеем высокие скорости деформации, то упрочнение происходит быстрее, чем разупрочнение.
Но при еще большей скорости деформации (например, штамповке взрывом), пластичность снова начинает расти. Происходит это по причине увеличения температуры вследствие выработки теплоты при деформации. Она не может столь быстро рассеяться и приводит к возрастанию пластичности.
Как напряженное состояние влияет на пластичность металлов
Напряженное состояние определяется схемой расположения главных напряжений, которые действуют в малых объемах деформируемого металла.
Главными напряжениями считаются нормальные, которые действуют на трех площадках, перпендикулярных друг другу, где напряжения по касательной взаимно уничтожаются (0). Существует 9 таких схем. Две из них линейные, три – плоские, четыре – объемные. Обработка давлением приводит к появлению двух объемных схем:
Трехосное сжатие – когда напряжения распространяются по трем осям. Присутствует при таких видах обработки металла, как прокатка, свободная ковка, прессовка, объемное штампование.
Напряженное состояние – когда две оси имеют напряжение сжатия, а одна – растяжения. Появляется при листовой штамповке (не всегда), а также при волочении.
Пластичность металла хорошо видна на схемах главных напряжений. Повышение роли напряжения сжатия приводит к увеличению пластичности в ходе обработки материала. Следовательно, пластичность при волочении ниже, чем при прессовании. Сжимая инструментом заготовку с боков при обработке давлением, можно увеличить напряжение сжатия металла.
В элементарно малом объеме деформация определяется схемой главных ее частей. Основными считаются те, что происходят по трем перпендикулярным осям, где касательное напряжение равно нулю. В ходе обработки давлением появляются три схемы главных деформаций:
По двум осям происходят главные деформации сжатия, а по одной идет тот же процесс растяжения. Схема хорошо заметна при волочении, прессовании.
По одной оси идет главная деформация сжатия, по двум видны процессы растяжения. Так происходит при прокатке (в калибрах, узкой полосы…), объемной штамповке или ковке.
Первая ось – это главная деформация сжатия, вторая – главная деформация растяжения, на третьей ничего не происходит. Схема работает при штамповке листов, прокатке широких полос.
Информацию о зернах и волокнах металла, а также характере их формирования можно определить из схемы главных деформаций. При обработке давлением свойства материала (физические, механические), а также текстуру определяет максимальная главная деформация.
Примеры металлов, обладающих высокой пластичностью
Пластичность металлов объясняется в том числе чистотой металлов, но не только. Самыми высокими показателями обладают платина (серебряного цвета), золото (желтого) и медь (розово-оранжевого). Чуть более низкую пластичность имеют:
сталь – зависит от различных добавок и углеродистого состава;
латунь и прочие сплавы;
свинец – достаточно высокая пластичность проявляется в диапазонах температуры.
Пластичность металла можно определить, только применяя ранее приобретенные знания или проводя эксперименты. Она зависит от того, каким образом различные добавки работают с металлическим стеклом, а также от степени чистоты металла.
Рекомендуем статьи
Сплав железа и меди: область применения
Углерод в металле и его влияние на свойства материала
Легированные конструкционные стали: характеристики и применение
Важную роль играют и иные переменные. Например, количество электронов, а также молекулярных орбиталей, которые принимают участие в связях материала. Кроме того, расположение кристалла, размер зерен.
Не существует стандартных правил. Для каждого металла нужно найти связи между различными переменными (электронными, микроскопическими), проанализировать их, используя многомерный анализ. Все это приводит к тому, что даже похожие по свойствам и характеристикам материалы могут не быть одинаково пластичными.
Почему следует обращаться именно к нам
Мы с уважением относимся ко всем клиентам и одинаково скрупулезно выполняем задания любого объема.
Наши производственные мощности позволяют обрабатывать различные материалы:
цветные металлы;
чугун;
нержавеющую сталь.
При выполнении заказа наши специалисты применяют все известные способы механической обработки металла. Современное оборудование последнего поколения дает возможность добиваться максимального соответствия изначальным чертежам.
Для того чтобы приблизить заготовку к предъявленному заказчиком эскизу, наши специалисты используют универсальное оборудование, предназначенное для ювелирной заточки инструмента для особо сложных операций. В наших производственных цехах металл становится пластичным материалом, из которого можно выполнить любую заготовку.
Преимуществом обращения к нашим специалистам является соблюдение ими ГОСТа и всех технологических нормативов. На каждом этапе работы ведется жесткий контроль качества, поэтому мы гарантируем клиентам добросовестно выполненный продукт.
Благодаря опыту наших мастеров на выходе получается образцовое изделие, отвечающее самым взыскательным требованиям. При этом мы отталкиваемся от мощной материальной базы и ориентируемся на инновационные технологические наработки.
Мы работаем с заказчиками со всех регионов России. Если вы хотите сделать заказ на металлообработку, наши менеджеры готовы выслушать все условия. В случае необходимости клиенту предоставляется бесплатная профильная консультация.
Факторы, влияющие на пластичность металлов
Обработка металлов давлением основана на использовании их пластических свойств.
Пластичностью называется способность металла изменять свою форму и размеры под действием приложенных внешних сил без разрушения.
Основными факторами, оказывающими влияние на пластичность и сопротивление металла деформированию, являются химический состав, температура нагрева металла, скорость деформации, схема напряженного состояния и др.
Влияние химического состава
Наибольшей пластичностью обладают чистые металлы и сплавы, образующие твердые растворы, наихудшими пластическими свойствами сплавы, образующие механические смеси и химические соединения. Техническое железо пластичнее, чем сталь, алюминий пластичнее дюралюмина и т.д.
Рассмотрим влияние примесей, содержащихся в стали, на ее пластические свойства.
С увеличением содержания углерода в стали пластичность ее падает, а сопротивление деформированию растет. Стали, содержащие углерод до 0,5%, обладают хорошей пластичностью и хорошо поддаются обработке давлением. Обработка сталей, содержащих от
0,5 до 1% углерода, затруднена. С повышением содержания углерода в стали растут прочность, которая оценивается параметром σв (временное сопротивление), и твердость, например, твердость по Бринеллю (HB). При этом снижается пластичность. Параметры, характеризующие пластичность, падают (относительное удлинение δ, относительное сужение ψ, ударная вязкость аН).
Влияние содержания углерода на механические свойства стали показано на рис. 1.7.
HB
в
а Н
0 0,4 0,8 1,2
Содержание углерода, %
Рис. 1.7.Влияние углерода на механические свойства стали
Содержание кремния в углеродистых сталях в пределах 0,17 …
0,35%, а марганца в пределах 0,3 … 0,85% не оказывает заметного влияния на пластичность стали. Дальнейшее повышение содержания Si и Mn в стали приводит к снижению ее пластических свойств.
Сера находится в стали в виде химических соединений FeS и МnS. Она вызывает красноломкость стали. Причина этого наличие эвтектики (FeS + Fe) с температурой плавления 1258 К (985°С), располагающейся по границам зерен. К моменту нагрева стали до ковочных температур 1473 К (порядка 1200°С) эвтектика оплавляется и при горячей обработке в металле возникают трещины. По этой причине содержание серы в стали не должно превышать 0,03 … 0,05%.
Фосфор присутствует в твердом растворе (феррите). Он вызывает хладноломкость стали, поэтому содержание его должно быть не более 0,03 … 0,05%.
Азот, кислород и водород в стали значительно снижают ее пластичность и повышают порог хладноломкости.
Влияние температуры
Температура оказывает существенное влияние на пластичность
металлов и сплавов. Рассмотрим влияние температуры нагрева на
в
0 200
400 600
800
Температура, О С
Рис. 1.8. Изменение механических свойств углеродистой стали в зависимости от температуры
механические свойства стали, содержащей 0,42% углерода (рис. 1.8).
Увеличение температуры примерно до 100°С вызывает некоторое повышение пластичности δ и уменьшение прочности σв стали. При температуре около ЗОО°С наблюдается повышение прочности и снижение пластичности. Предполагается, что это вызвано выделением дисперсных частиц карбидов, нитридов и т. п. по плоскостям скольжения. Такое явление получило название синеломкости. Дальнейшее повышение температуры приводит к понижению прочности стали. Характеристика пластичности δ в интервале температур 800 … 900°С резко
понижается. Причиной этого считают фазовый наклеп при перекристаллизации. Металлические фазы обладают различной пластичностью, вследствие чего происходит разрушение металла по их границам. Подобная закономерность характерна и для других металлов и сплавов.
Влияние скорости деформации
Скоростью деформации называется изменение степени деформации в единицу времени. Она выражается формулой
W = dε
dt ,
где W скорость деформации, с-1;
ε степень деформации;
t – время, с.
При постоянной скорости деформации
W = ε — 1
t , с .
При горячей обработке увеличение скорости деформации понижает пластичность в том случае, если скорость упрочнения металла
вследствие его деформирования превышает скорость разупрочнения вследствие нагрева.
При холодной деформации увеличение скорости деформации вызывает нагрев металла по плоскостям скольжения. Тепло, аккумулируясь в металле, способствует развитию процессов разупрочнения, что, в свою очередь, сказывается на повышении пластичности металла.
Скорость деформации связана с понятием скорости деформирования, которым определяется скорость хода инструмента (например, пресса или молота).
Taк, при осадке скорость деформирования
V = dh dt ,
где V скорость деформирования, м/с;
h высота изделия, м;
t – время, с.
Отсюда скорость деформации в данный момент будет:
W = dε
dt
= dh / h dt
V
= h .
Следовательно, скорость деформации зависит от скорости деформирования и размера тела в направлении деформации.
В зависимости от скорости деформирования все способы обработки давлением делятся на низкоскоростные и высокоскоростные.
При обработке давлением на прессах скорость деформирования составляет 0,1 … 0,5 м/с. При обработке давлением на молотах скорость деформирования в момент удара достигает 5 … 10 м/с. Указанные способы обработки давлением относятся к низкоскоростным.
При высокоскоростных методах (обработка взрывом, магнитноимпульсная обработка и др.) скорость деформации может достигать
200 … 300 м/с.
Влияние схемы напряженного состояния и схемы главных деформаций
Напряженное состояние характеризуется схемой главных напряжений. Понятие «схемы главных напряжений» ввел в теорию обработки металлов давлением академик С. И. Губкин.
В механике сложных тел существует положение, по которому напряженное состояние точки можно охарактеризовать тремя нормальными напряжениями. Максимальное главное напряжение обозначается σ1, минимальное σ2, среднее σ3. На схемах главные площадки
изображаются в виде трех взаимно перпендикулярных граней куба, а напряжения стрелками, приложенными к центру гpaней. Предполагается, что размеры куба весьма малы, а в центре его объема располагается точка, для которой построена схема.
Известно 9 схем главных напряжений. Металл обладает наибольшей пластичностью, когда он подвергается всестороннему сжатию, и наименьшей пластичностью, когда он в двух плоскостях оказывается сжатым, а в третьей плоскости действуют напряжения растяжения.
Схема напряженного состояния, представленная на рис. 1.9, а, соответствует процессам прессования, осадки, прокатки листа.
Схема, представленная на рис. 1.9, б, соответствует процессу волочения.
По аналогии со схемой главных напряжений С. И. Губкин ввел понятие о схеме деформаций, характеризующей деформированное состояние материала. Схемой деформации называют графическое представление о наличии и знаке главных деформаций.
а) б)
Рис. 1.9. Схемы напряженного состояния, соответствующие: а наибольшей пластичности; б наименьшей пластичности
Если напряженное состояние характеризуется одной из девяти схем, то деформированное одной из трех (рис. 1.10).
DI DII DIII
Рис. 1.10. Схемы деформации
Совокупность схемы напряженного состояния и схемы деформации С. И. Губкин назвал механической схемой деформации.
Итак, пластичность зависит не только от свойств металла, температурно скоростных условий, но и от механической схемы деформации. В таблице 1.1 представлены механические схемы деформации некоторых процессов обработки металлов давлением и приведена качественная оценка пластичности и потребного усилия.
Таблица 1.1
Механические схемы деформации некоторых технологических процессов обработки металлов давлением
Процесс
Схема напряженного состояния
Схема деформации
Пластичность
Потребное
усилие
Прессование
Прокатка листа
Осадка
Волочение
отличная
хорошая
удовлетворительная пониженная
высокое высокое среднее
низкое
Наилучшей схемой по пластичности является схема всестороннего сжатия с одной деформацией удлинения и двумя деформациями сжатия. Как видно из таблицы, такая схема соответствует процессу прессования.
При разработке технологии обработки металлов давлением нужно стремиться к созданию условий, обеспечивающих достаточную пластичность металла при наименьших усилиях.
Материал взят из книги Применение обработки металлов давлением в автотракторостроении (Л.П. Маслакова)
Пластичность металлов
Пластичность – свойство металла пластически деформироваться, не разрушаясь под действием внешних сил. Это одно из важных механических свойств металла, которое в сочетании с высокой прочностью делает его основным конструкционным материалом. Для определения пластичности образцы и оборудование не требуются. Показатели (характеристики) пластичности – относительные удлинение (дельта) и сужение (кси).
Относительным удлинением называется отношение абсолютного удлинения, т. е. приращение расчетной длины образца после разрыва, к его первоначальной расчетной длине,мм, выраженное в процентах:
%, (2)
где – длина образца после разрыва, мм.
Относительным сужением называется отношение абсолютного сужения, т. е. уменьшение площади поперечного сечения образца после разрыва, к первоначальной площади его поперечного сечения мм2,выраженное в процентах:
%, (3)
где – площадь поперечного сечения образца после разрыва,мм2.
Твердость – свойство металла сопротивляться внедрению в него другого более твердого тела. Для определения твердости не требуется изготовления специальных образцов, испытания проводятся без разрушения металла.
При прямых методах в металл вдавливают твердый наконечник (индентор) различной формы (шарик, конус, пирамида) из закаленной стали, алмаза или твердого сплава. После снятия нагрузки на индентор в металле остается отпечаток, который и характеризует твердость.
Метод Бринелля. В плоскую поверхность металла вдавливается стальной закаленный шарик диаметра 10 мм (рисунок 2). После снятия нагрузки в металле остается отпечаток (лунка). Диаметр отпечатка d измеряют специальным микроскопом с точностью 0,05 мм. На практике пользуются специальной таблицей, в которой диаметру отпечатка d соответствует определенное число твердости НВ.
Диаметр шарика D и нагрузку P устанавливают в зависимости от твердости и толщины испытуемого металла. Например, для стали и чугуна нагрузка Р = 3000 кг; D = 10 мм. Твердость технически чистого железа по Бринеллю равна 80 – 90 единиц.
а б
а – по Бринеллю; б – по Роквеллу
Рисунок 2 — Схема испытания твердости
Метод Бринелля не рекомендуется применять для металлов с твердостью более НВ 450, так как шарик может деформироваться и в результате получится искаженный результат. Этот метод используется в основном для измерения твердости заготовок и полуфабрикатов из неупрочненного металла.
Метод Роквелла. Твердость определяют по глубине отпечатка. Индентором служит стальной закаленный шарик диаметра 1,58 мм для мягких металлов или алмазный конус с углом при вершине 120º для твердых и сверхтвердых (более HRC 70) металлов (рисунок 2, б).
Шарик и конус вдавливаются в металл под действием двух нагрузок – предварительной и основной. Общая нагрузка равна их сумме. Предварительная нагрузка принимается одинаковой для всех металлов (10 кг). Перед началом испытания большая стрелка твердомера выставляется на «0» шкалы индикатора, и затем включается основная нагрузка – большая стрелка перемещается по шкале индикатора и показывает значение твердости.
При вдавливании стального шарика нагрузка составляет 100 кг, отсчет твердости производится по внутренней (красной) шкале индикатора, твердость обозначают НRВ. При вдавливании алмазного конуса твердость определяется по показанию стрелки по внешней (черной) шкале индикатора. Для твердых металлов основная нагрузка составляет 150 кг. Это основной метод измерения твердости закаленных сталей. Обозначение твердости – НRC.
Для очень твердых, а также тонких материалов нагрузка принимается равной 60 кг. Обозначение твердости – НRА.
Метод определения твердости по Роквеллу позволяет испытывать мягкие и твердые металлы, при этом отпечатки от шарика или конуса очень малы, поэтому этим методом можно измерять твердость и готовых деталей. Поверхность для испытания должна быть шлифованной. Измерения выполняются быстро (в течение 30 – 60 с), не требуется никаких вычислений, так как значение твердости снимается по шкале индикатора твердомера.
Метод Виккерса. В испытуемую поверхность (шлифованную или полированную) вдавливается четырехгранная алмазная пирамида под нагрузкой 5, 10, 20, 30, 50 или 100 кг. В металле остается квадратный отпечаток. Специальным микроскопом твердомера измеряют диагональ отпечатка (рисунок 3).
Рисунок 3- Схема испытания твердости по Виккерсу
Зная нагрузку на пирамиду и диагональ отпечатка, по таблицам определяют твердость металла НV.
Метод универсальный. Его можно использовать для определения твердости деталей малой толщины и тонких поверхностных слоев большой твердости (после азотирования, нитроциментации и т. п.).Чем тоньше металл, тем меньше должна быть нагрузка на пирамиду, однако при большой нагрузке результат получается точнее.
Физические свойства металлов и общее применение металлической связи в таблице (9 класс, химия)
4.2
Средняя оценка: 4.2
Всего получено оценок: 285.
4.2
Средняя оценка: 4.2
Всего получено оценок: 285.
Физические свойства металлов отличают их от неметаллов. Все металлы, кроме ртути, – твёрдые кристаллические вещества, являющиеся восстановителями в окислительно-восстановительных реакциях.
Положение в таблице Менделеева
Металлы занимают I-II группы и побочные подгруппы III-VIII групп. Металлические свойства, т.е. способность отдавать валентные электроны или окисляться, увеличиваются сверху вниз по мере увеличения количества энергетических уровней. Слева направо металлические свойства ослабевают, поэтому наиболее активные металлы находятся в I-II группах, главных подгруппах. Это щелочные и щелочноземельные металлы.
Определить степень активности металлов можно по электрохимическому ряду напряжений. Металлы, стоящие до водорода, наиболее активны. После водорода стоят слабоактивные металлы, не вступающие в реакцию с большинством веществ.
Рис. 1. Электрохимический ряд напряжений металлов.
Строение
Вне зависимости от активности все металлы имеют общее строение. Атомы в простом металле расположены не хаотично, как в аморфных веществах, а упорядоченно – в виде кристаллической решётки. Удерживает атомы в одном положении металлическая связь.
Такой вид связи осуществляется за счёт положительно заряженных ионов, находящихся в узлах кристаллической ячейки (единицы решётки), и отрицательно заряженных свободных электронов, которые образуют так называемый электронный газ. Электроны отделились от атомов, превратив их в ионы, и стали перемещаться в решётке хаотично, скрепляя ионы вместе. Без электронов решётка бы распалась за счёт отторжения одинаково заряженных ионов.
Различают три типа кристаллической решётки. Кубическая объемно-центрированная состоит из 9 ионов и характерна хрому, железу, вольфраму. Кубическая гранецентрированная включает 14 ионов и свойственная свинцу, алюминию, серебру. Из 17 ионов состоит гексагональная плотноупакованная решётка цинка, титана, магния.
Рис. 2. Виды кристаллических решёток.
Свойства
Строение кристаллической решётки определяет основные физические и химические свойства металлов. Металлы блестят, плавятся, проводят тепло и электричество. Промышленность и металлургия нашли применение физическим свойствам металлов в изготовлении деталей, фольги, корпусов машин, зеркал, бытовой и промышленной химии. Особенности металлов и их использование представлены в таблице физических свойств металлов.
Свойства
Особенности
Примеры
Применение
Металлический блеск
Способность отражать солнечный свет
Наиболее блестящими металлами являются Hg, Ag, Pd
Изготовление зеркал
Плотность
Лёгкие – имеют плотность меньше 5 г/см3
Na, K, Ba, Mg, Al. Самый лёгкий металл – литий с плотностью 0,533 г/см3
Изготовление облицовки, деталей самолётов
Тяжёлые – имеют плотность больше 5 г/см3
Sn, Fe, Zn, Au, Pb, Hg. Самый тяжёлый – осмий с плотностью 22,5 г/см3
Использование в сплавах
Пластичность
Способность изменять форму без разрушений (можно раскатать в тонкую фольгу)
Hg (38,9°С), Ga (29,78°С), Cs (28,5°С), Zn (419,5°C)
Производство радиотехники, жести
Тугоплавкие – температура плавления выше 1000°С
Cr (1890°С), Mo (2620°С), V (1900°С). Наиболее тугоплавкий – вольфрам (3420°С)
Изготовление ламп накаливания
Теплопроводность
Способность передавать тепло другим телам
Лучше всего проводят ток и тепло Ag, Cu, Au, Al
Приготовление пищи в металлической посуде
Электропроводность
Способность проводить электрический ток за счёт свободных электронов
Передача электричества по проводам
Рис. 3. Примеры применения металлов.
Что мы узнали?
Из урока 9 класса узнали о физических свойствах металлов. Кратко рассмотрели положение металлов в периодической таблице и особенности строения кристаллической решётки. Благодаря строению металлы обладают пластичностью, твёрдостью, способностью плавиться, проводить электрический ток и тепло. Свойства металлов неоднородны. Различают лёгкие и тяжёлые металлы, лёгкоплавкие и тугоплавкие, мягкие и твёрдые. Физические свойства используются для изготовления сплавов, электрических проводов, посуды, мыла, стекла, конструкций различной формы.
Тест по теме
Доска почёта
Чтобы попасть сюда — пройдите тест.
Лидия Маслова
10/10
Оценка доклада
4.2
Средняя оценка: 4.2
Всего получено оценок: 285.
А какая ваша оценка?
упрочнение интерметаллида без акцента на дислокации / Хабр
Тысячи лет тому назад человечество познакомилось с удивительными материалами, которые нашли свое применение в самых разных сферах жизни. Это были металлы. Поскольку мы частенько не можем просто так использовать то, что нам дает планета, многие великие умы придумывали различные способы усиления/упрочнение металлов. Но у всего есть свой предел, и преодолеть определенные ограничения кристаллической структуры металлов, касающиеся дислокаций, считалось невозможным. Сегодня мы познакомимся с исследованием, в котором ученые из Висконсинского университета в Мадисоне (США) продемонстрировали, что установленные ранее правила касательно металлов пора переписать. Что именно удалось сделать с кристаллической структурой металла, почему фиксация дислокаций это не так просто, и какие плюшки для человечества сокрыты в этом исследовании? Об этом мы узнаем из доклада ученых. Поехали.
Основа исследования
Куй железо, не отходя от кассы. В этой метафоре скрыто сразу несколько физических терминов, одним из которых является ковкость — свойство материала, определяющее его способность к обработке деформированием, т.е. ковкой. Для металлов ковкость является своеобразным показателем пластичности. Именно этот показатель страдает сильнее всего в случае усиления прочности металла, из-за чего в определенный критический момент он может просто треснуть. В этом исследовании ученые создали методику, позволяющую забыть об этой проблеме, но о ней чуть позже.
Еще в начале прошлого века ученые поняли, что согнуть металл куда проще, чем согнуть его молекулярную структуру, которая чаще всего представляет собой трехмерную решетку. Ничто не идеально и у всего есть дефекты, даже у кристаллической решетки твердого тела. Их называют дислокации. Эти неточности решетки достаточно подвижны, что и позволяет металлам быть такими ковкими. Если же мы хотим упрочнить металл, то дислокации трогать нельзя, они неприкасаемы, по крайней мере так считалось ранее.
В рассматриваемом нами сегодня труде ученые смогли получить пластическую деформацию высокой степени для интерметаллида* без помощи дислокаций.
Интерметаллид* — соединение двух или более металлов.
Стоит отметить, что немаловажную роль в механических свойствах металлов играют и его зерна (кристаллиты). Если зерна малого размера, то основным механизмом деформации является скольжение/смещение межзеренных границ. Если же зерна крупные, то металл деформируется путем прямой аморфизации вдоль плоскости сдвига.
Укреплением металла достигается разными способами, самым эффективным среди которых является изменение размеров зерна. Чем меньше зерна, тем прочнее металл. Более научно это можно выразить как закон Холла-Петча (или соотношение Холла-Петча). Действие этого закона вступает в силу, когда блокируется движение дислокаций по границам зерен. Однако масштабирование прочности в зависимости от размера зерна, описываемого этим законом, может разрушить металлы с гранецентрированной кристаллической решеткой.
Схема гранецентрированной решетки.
Также этот закон нельзя применять бесконечно, ибо при размере зерна меньше 12-15 нм прочность металла не увеличивается, как того предполагает закон Холла-Петча, а наоборот снижается. Это явление называют обратным законом Холла-Петча.
Исследователи не отрицают, что фиксация дислокаций позволяет упрочнить металл, но это имеет ощутимый отрицательный эффект на его пластичность. Именно по этой причине изучение других механизмов размещения деформаций, окромя дислокаций, может открыть новые возможности для конструирования материалов с уникальными механическими свойствами.
В своем труде ученые провели моделирование и практические опыты с применением самарийпентакобальта (SmCo5) — интерметаллида, состоящего из кобальта и самария. Им удалось доказать, что пластическая деформация без акцента на дислокации не просто возможна, но и достаточно легко достижима.
Результаты исследования
Прежде, чем проверять все на практике, ученые провели моделирование с применением модели погруженного атома (EAM — embedded atom model), приспособленной к множеству свойств Sm, Co и Sm–Co. В расчетах учитывались разные размеры зерен: от 5 нм до 65 нм. Каждый из исследуемых образцов в модели содержал по 10 зерен со случайной ориентацией. Размер зерен при переходе от образца к образцу менялся, но ориентация оставалась предыдущей. Ученые создали модели одноосного растяжения и одноосного сжатия при скорости деформации 108 с-1.
Изображение №1
На графиках 1а и 1b показаны результаты моделирования сжатия. Было обнаружено, что сохранение пластичности сохраняется вплоть до размеров зерен в 37 нм. В случае более крупных зерен наблюдается усиление напряжения, но никаких признаков соотношения Холла-Петча.
Для сравнения ученые провели моделирование растяжения для меди (Cu), во время которого были отчетливо видны признаки реализации соотношения Холла-Петча и обратного соотношения Холла-Петча для зерен меньше 12 нм.
В то же время, образцы SmCo5 демонстрируют явную пластическую деформацию для всех размеров зерна без образования пустот или трещин, даже если истинная деформация достигает 18%.
Чтобы подтвердить результаты моделирования, исследователи провели измерения микротвердости образцов SmCo5 с различными размерами зерен. Было обнаружено отличие в результатах измеренной зависимости твердости от размера зерна (1с) и зависимостью прочности от размера зерна (1b), полученной во время моделирования. Ввиду того, что ожидается приблизительная пропорциональность микротвердости и прочности, можно сказать, что эксперименты подтвердили результаты моделирования.
Также было обнаружено, что прочность SmCo5 (~ 2ГПа при размере зерен 12 нм) сравнима с прочностью ГПУ (гексагональной плотноупакованной) решетки Co.
В ГЦУ (гранецентрированных) и ГПУ (гексагональных плотноупакованных) металлах усиление межзеренных границ с уменьшением размера зерен объясняется уменьшением количества дислокаций, формирующихся в границах в мелкозернистых материалах.
В моделях, представленных в исследовании, никаких скольжений дислокаций не наблюдалось, а это согласуется с относительно высокими энергетическими барьерами для зарождения и движения дислокаций, найденными в расчетах поверхности потенциальной энергии (ППЭ) жесткого скольжения.
Изображение №2
На графике 2а показаны примеры ППЭ, рассчитанные посредством теории функционала плотности (DFT) и модели погруженного атома (EAM). Ученые отмечают, что несмотря на отсутствие прямой связи между потенциалом и ППЭ, оба метода дали очень похожие результаты.
Самый низкий показатель ЭМ, т. е. энергетического максимума, (1982 мДж/м2) наблюдался для базального скольжения [(0001)⟨1120⟩]. Пирамидальное 2с+а скольжение [(1121)⟨1126⟩] имеет сопоставимый ЭМ на начальной стадии скольжения, но фактический ЭМ, возникающий на расстоянии скольжения 6.5 Å, очень высок (65280 мДж/м2). Пирамидальное с+а скольжение [(1121)⟨2113⟩] демонстрирует ЭМ (29680 мДж/м2) сразу в начале скольжения.
Самым важным наблюдением, по мнению исследователей, является то, что для SmCo5 даже самая низкая ЭМ на один порядок выше значений, рассчитанных для обычных ГПУ металлов.
Кроме того, энергия, вводимая в кристалл дислокацией, пропорциональна b2, где b — длина вектора Бюргерса*. Значения b для дислокаций в SmCo5 выше 5 Å, т.е. значительно выше, чем, например, значение 2.55 Å для Cu [(111)⟨110⟩] и 3.21 Å для систем скольжения Mg [(0001)⟨1120⟩].
Вектор Бюргерса* — количественно описывает искажения кристаллической решетки вокруг дислокации.
Во время экспериментов полного скольжения дислокаций хоть и не наблюдалось, но были признаки частичного на пирамидальной системе 2с+а скольжения (2b). Понять природу этого частичного скольжения можно, если обратить внимание на ППЭ на графике 2a. В начале скольжения энергия достаточно низкая, а скольжение останавливается на расстоянии меньше ~1.5 Å, потому что оно сталкивается с высоким ЭМ.
На изображении 2b показаны неполные пирамидальные скольжения, а на 2с показано то же самое, но уже на атомарном уровне.
Расстояние скольжения, наблюдаемое во время моделирования, значительно меньше, чем длина вектора Берджеса, которая составляет 9.5 Å.
Базальное скольжение не было обнаружено. Это может иметь следующее объяснение: вероятность того, что у единственной базальной плоскости будет наибольшее напряжение сдвига, меньше, чем вероятность того, что одна из трех плоскостей для 2с+а скольжения будет иметь достаточно высокое напряжение сдвига, чтобы инициировать скольжение (2c), даже если базальное скольжение имеет самый низкий ЭМ.
Очевидно, что SmCo5 не имеет пяти независимых систем скольжения дислокаций (на самом деле их нет вообще), которые могут продолжать приспосабливаться к деформации, гарантируя произвольную пластическую деформацию поликристалла. Такого рода материалы обычно очень хрупкие, но не в этом случае, так как моделирование четко показало высокую степень пластичности.
Изображение №3
Во время моделирования и расчетов было установлено, что пластичность SmCo5 обусловлена скольжением межзеренных границ и прямой аморфизации вдоль плоскости сдвига. Полученные в результате таких процессов структуры ученые назвали аморфными полосами сдвига*.
Полоса сдвига* — участок локальной деформации в металле или сплаве.
Чаще всего для возникновения скольжения границ в поликристаллических материалах необходимы так называемые механизмы аккомодации, т.е. механизмы, которые снимают напряжение, накопленное в тройном соединении (как тройник в геологии) вследствие скольжения смежных межзеренных границ (3а—3d).
Когда напряжение сдвига границы превышает его прочность, возникает то самое скольжение границы (3а) и накопление локального напряжения в тройном соединении (3b). Локальное напряжение сопротивляется дальнейшему скольжению вдоль границы и начинает расти вместе с ростом напряжения. В момент достижения критической отметки напряжение приводит к формированию аморфной полосы сдвига от тройного соединения (3с). Ввиду того, что гетерогенная нуклеация высвобождает локальное напряжение (3d), скольжение границ продолжается. Во время этого процесса наблюдается внезапное размягчение, а после этого — стабилизация напряжения. Подобные процессы наблюдались как для деформации растяжения, так и для сжатия.
Для подтверждения аморфности областей внутри скольжения были рассчитаны парные функции распределения (PDF — pair distribution function) Co-Co и Sm-Sm в локальных областях зерна. Результаты расчетов сравнили с аналогичными для монокристалла и аморфной массы (3е, 3f).
Сравнительный анализ расчетов показал, что для образцов, деформированных при сжатии до 9.4%, пики в PDF кристаллической зоны шире и ниже из-за локальных искажений, но все же имеют явное сходство с таковыми в монокристалле. А вот PDF, рассчитанные в пределах полосы сдвига, отлично совпадают с таковыми для объемного аморфного образца SmCo5, а зависимость PDF от размера зерна и вовсе не была обнаружена.
Далее ученым необходимо было проверить свои прогнозы касательно того, что SmCo5 может подвергаться значительной пластической деформации. Для этого были проведены эксперименты, во время которых образцы в форме микростолбов подвергались деформации.
Было обнаружено, что образцы SmCo5 действительно деформируются пластически и не разрушаются при воздействии более чем 20% напряжения. Далее была использована просвечивающая электронная микроскопия высокого разрешения (ВРЭМ) на образце SmCo5, который был деформирован надавливанием. Это позволило проверить теорию касательно аморфных полос сдвига, вызванных напряжением. Микроскопия подтвердила наличие нескольких полос сдвига в области деформации (3g). Самое любопытное, что в исследуемой области не было обнаружено никаких дислокаций.
Графики БПФ (быстрое преобразование Фурье) и обратного БПФ показали, что полоса сдвига аморфна, тогда как внеполосные области являются кристаллическими (3h—3j). Также было обнаружено, что аморфные полосы сдвига распространяются в зернах без возникновения трещин.
Для более детального ознакомления с нюансами исследования рекомендую заглянуть в доклад ученых и дополнительные материалы к нему.
Эпилог
В данном труде исследователи смогли успешно продемонстрировать на практике свою теорию — на дислокациях мир клином не сошелся. Многие годы ученые считали, что дислокации должны быть подвижными, что позволит металлу быть пластичным и не ломаться при малейшем напряжении. Однако это утверждение ошибочно, что и подтвердило рассмотренное нами сегодня исследование.
В дальнейшем ученые из Висконсинского университета намерены продолжить изучение металлов, сконцентрировавшись на поисках их скрытых свойств. Возможно, эти свойства не такие уж и скрытые, может просто ранее установленное ошибочное утверждение направило нас не в том направлении поисков? Может и так, может исследователи смогут в будущем развенчать еще парочку «аксиом» из мира материаловедения. Ведь не даром говорят, доверяй — но проверяй.
Благодарю за внимание, оставайтесь любопытствующими и хорошей всем рабочей недели, ребята! 🙂
Спасибо, что остаётесь с нами. Вам нравятся наши статьи? Хотите видеть больше интересных материалов? Поддержите нас оформив заказ или порекомендовав знакомым, 30% скидка для пользователей Хабра на уникальный аналог entry-level серверов, который был придуман нами для Вас: Вся правда о VPS (KVM) E5-2650 v4 (6 Cores) 10GB DDR4 240GB SSD 1Gbps от $20 или как правильно делить сервер? (доступны варианты с RAID1 и RAID10, до 24 ядер и до 40GB DDR4).
Dell R730xd в 2 раза дешевле? Только у нас 2 х Intel TetraDeca-Core Xeon 2x E5-2697v3 2.6GHz 14C 64GB DDR4 4x960GB SSD 1Gbps 100 ТВ от $199 в Нидерландах! Dell R420 — 2x E5-2430 2.2Ghz 6C 128GB DDR3 2x960GB SSD 1Gbps 100TB — от $99! Читайте о том Как построить инфраструктуру корп. класса c применением серверов Dell R730xd Е5-2650 v4 стоимостью 9000 евро за копейки?
Урок химии в вечерней школе по теме «Физические свойства металлов»
Урок химии по теме «Физические свойства металлов» я провела в 9-м классе вечерней школы, учитывая контингент обучающихся. Это, в основном, ученики дневной школы, не желающие учиться, часто пропускающие занятия, переведённые по решению комиссии ПДН. Повысить интерес к уроку можно, убрав всё «лишнее», и чтобы урок имел практическую направленность.
Цель урока:
Изучить свойства металлов как простых веществ на которых основано их применение.
Научиться применять знания о металлах в повседневной жизни.
Девиз урока: Я! МОГУ! САМ!
План урока:
Физические свойства металлов и применение металлов на основе их свойств.
«Очумелые ручки».
Задания для самостоятельной работы.
Ход урока
А что произойдёт, если вдруг изъять из употребления металлы, используемые в быту? Сколько мы испытаем трудностей и неудобств, если исчезнут одни только металлы? и далее рисую яркую картину применения металлов.
1. Простые вещества — металлы обладают рядом общих свойств: им присущ металлический блеск, ковкость, пластичность, высокая тепло- и электропроводность.
а) агрегатное состояние — все твердые, исключение ртуть — единственно жидкий металл. Это его свойство нашло применение в градусниках для измерения температуры тела. При нагревании ртуть ,как жидкость , расширяется и поднимается вверх по трубочке в градуснике. По положению ртутного столбика мы определяем температуру тела. Чем выше температура тела, тем сильнее расширяется ртуть и, следовательно, выше поднимается ртутный столбик. Самый твёрдый – хром — режет стекло. Самые мягкие- калий, рубидий, цезий- легко режутся ножом.
б) высокая электропроводность — при нагревании уменьшается (колебание ионов- затрудняется движение электронов). Серебро, медь, золото, алюминий, железо (в порядке уменьшения).
в) высокая теплопроводность — закономерность та же. За счёт движения свободных электронов происходит быстрое выравнивание температуры в массе металла. Применение находит данное свойство при изготовлении печей для бани, при изготовлении радиаторов водяного отопления.
г) различная температура плавления – самая высокая температура плавления у вольфрама (3420) позволяет применять его при изготовлении спиралей для электрических ламп.
д) ковкость — изготовление различных изделий из железа в кузнице.
е) способность намагничиваться — железо, кобальт, никель. Находит применение при изготовлении магнитов.
ж) пластичность — способность изменять свою форму при ударе, прокатываться в тонкие листы, вытягиваться в проволоку: золото, серебро, медь, алюминий. Из 1г золота можно вытянуть проволоку длиной 2 км.
Всем известна алюминиевая фольга. Алюминиевая фольга — это тонкий слой алюминия, в котором отлично сохраняются продукты питания, кофе, чай, лекарства, корма для домашних животных и многое другое.
Оловянная фольга, которая используется для заворачивания лучших сортов шоколада.
з) металлический блеск — хорошо отражают световые лучи. Золото отражает ультрафиолетовые лучи, используют в космонавтике, поэтому иллюминаторы скафандров космонавтов тонируют золотом.
Зеркало состоит из гладкого стекла, на которое наносят очень тонкий слой металла. Часто зеркала покрывают серебром, потому что оно прекрасно отражает свет.
2. «Очумелые ручки»(с демонстрацией опыта).
Почему человек познакомился вначале с золотом и серебром? — Человек познакомился с теми металлами, которые в природе встречаются в самородном виде.
Золото-это драгоценный металл.
Золото-это благородный металл.
Золото-это редкий металл.
Золото-это красивый металл.
Золото-это царь металлов.
«Цыганское золото» — минерал пирит, который имеет такой же блеск и цвет, как и само золото. Его легко принять за самородок золота. Поэтому в народе говорят: «Не всё золото, что блестит». Золото не вступает в реакцию с другими веществами, которые с ним соприкасаются, поэтому и не меняет цвет со временем
Как почистиь «грязное» золото?
1. Золотые кольца и серьги будут блестеть сильнее, если подержать их в солёной воде.
2. Гладкое золотое колечко можно чистить губной помадой.
3. Чтобы вымыть золотые украшения , погрузите их в мыльную воду и осторожно протрите зубной щёткой.
Золото – мягкий металл, для придания твёрдости его сплавляют с медью.
Ювелирные изделия: проба 583 — в 1кг сплава содержится 583 г золота.
Как почистить « грязное» серебро?
Серебро со временем покрывается тёмным налётом и совсем не сверкает. В воздухе всегда есть немножко сернистых газов. Сернистые газы образуются при сгорании угля. Золото с ним не реагирует и остаётся чистым и сияющим. А серебро реагирует. Частички серебра соединяются с частичками сернистых газов, и получается тёмное вещество- сернистое серебро. Его можно счистить – и серебро засияет снова.
Что нужно сделать?
Возьми алюминиевую кастрюлю (или любую другую) и накроши туда обрезков обычной фольги. Её тоже делают из алюминия. Налей в кастрюлю воды, положи соды и тот серебряный предмет, который надо почистить . Прокипяти всё это. Предмет должен быть только из металла, серебра.
Что должно произойти?
Тёмный налёт исчезнет, серебро заблестит как новенькое.
Почему?
Потому что частички соды вместе с частичками алюминия «отщипнут» серу от сернистого серебра. Остаётся одно серебро, а налёт исчезнет.
Серебро — металл , способный убивать микробы. Серебряные чаши, ложки, бокалы ценили в древности. Считалось, что люди, которые едят из серебряной посуды меньше болеют. Уже в наше время учёные точно установили, что частички серебра переходят из ложки или чашки в пищу и предохраняют от микробов- не пускают их в организм. Если погрузить в воду изделие из серебра на некоторое время , то мы получим «серебряную воду» или воду налить в серебряный сосуд, то получим «святую воду», так делают в церкви. И если на время поместить в такую воду семена, они быстрее прорастают, их всхожесть увеличивается. Срезанные цветы дольше стоят в «серебряной воде».
«Химический» анекдот.
-Сыночек, вот тебе серебряная ложечка. Будешь класть её в стакан с чаем. Серебро убивает микробы.
-Так что же, я буду пить чай с дохлыми микробами?
3. Задания для самостоятельной работы.
2. Заполните таблицу.
Свойство металла
Примеры металлов, у которых свойство наиболее выражено
Область применения
Пластичность
Электропроводность
Теплопроводность
Металлический блеск
Твёрдость
Ковкость
3. Запишите признаки, по которым можно различить пластины, изготовленные:
а) из алюминия и меди
б) из свинца и алюминия
в) из серебра и графита
4. Задание рисунок №1
5. Задание рисунок №2
Подведение итогов.
Чем был значим для вас учебный материал?
Как вы думаете, где в жизни могут пригодиться знания, которые вы получили при изучении этой темы?
Malleability and Ductility of Metals
Share on Facebook
Share on Twitter
Share on Reddit
Share on LinkedIn
Share via Email
Print
Чтобы легко понять два замечательных свойства ковкости и пластичности, которые теперь так хорошо используются почти во всех отраслях механики, будет удобно подумать о ковких или пластичных металлах, таких как свинец, олово, медь, кованое железо и сталь как субстанции, которые можно двигать, как тесто, которые можно раскатывать, как валиком, которые можно удлинять, вытягивая руками, которые можно выдавливать через отверстие под давлением, как макарон, или даже то, что тесто можно снова собрать или собрать в его первоначальную массу теста, то есть, если используются надлежащие средства для аккуратного выполнения операции, и т. это можно сделать, не нарушая непрерывности частиц, из которых состоит масса. Такое утверждение может показаться невероятным, но теперь я буду перечислять многое, связанное с металлом! Я гораздо более чудесен, чем то, что я сказал о металле, и даже более странен, чем изменение в тесте. при перегоне состояния бисквита от процесса выпечки. Трудно понять возможность податливости и пластичности, не осознавая в полной мере, что их частицы в определенном смысле жидкие, и что это связано с молекулярным строением, не настолько жидким, как вода, деготь или битум. но все же жидкость, которая будет течь при достаточном давлении, и так же, как эти жидкости требуют времени, когда на них действует сила тяжести, так и металлы требуют большего времени и большей силы, чем сила тяжести, причем скорость течения определяется природой металла. , более мягкие металлы требуют меньшего давления и текут быстрее, чем более твердые; а в случае со сталью течение чрезвычайно медленное, но с нажимом, временем и терпением его также можно преодолеть и заставить плавно течь в любую форму или форму, пока оно находится в твердом состоянии. В течение ряда лет свойство текучести более мягких твердых металлов, таких как свинец и олово, очень широко использовалось при разбрызгивании труб и других целях; и в течение тысячелетий человек обрабатывал ковкие и пластичные металлы, и таким образом было накоплено огромное количество фактов; но г-н Треска из Парижа должен сказать, что он сделал, пожалуй, больше, чем кто-либо другой, в отношении исследования естественных законов, которыми управляют потоки твердых тел при различных обстоятельствах, и самым интересным моментом из всех является большое сходство, которое существует между потоком твердого металла и потоком воды: в потоке твердых тел из отверстия есть те же самые сходящиеся потоки, водовороты. , и что количество выделяемого металла зависит от тех же условий, что и вода при выходе из отверстий различного расположения, и отличается только степенью. С незапамятных времен золото знакомо человеку как текучий металл, одновременно ковкий и пластичный. Именно благодаря этим свойствам золото может быть выковано в листы настолько тонкие, что требуется двести девяносто тысяч, чтобы получить один дюйм толщиной, или его можно вытянуть в проволоку настолько тонкую, что унция веса удлинится на расстояние пятьдесят миль. Текучесть действия, происходящего при чеканке соверена или другого койла, очень очевидна. Этот процесс не является простой штамповкой, как его обычно считают, но частицы золота действительно должны течь таким же образом, как жидкость, из одной части штампа в другую, чтобы заполнить более глубокие слои. углубления штампа из неглубокой части пространства, и таким образом образуют совершенную монету из проникающего повсюду прилива золота. Однако, поскольку золото не является одним из самых распространенных металлов прикладной механики, его присутствие в мастерской встречается реже, чем некоторые другие, уже перечисленные bsen. Металлы свинец и олово одновременно ковкие и ковкие, но их ковкость, или свойство растекания, намного больше, чем их пластичность, или свойство волочения; и оба, будучи мягкими и обладая свойством текучести в исключительной степени, таким образом, они могут быть разбрызганы или свернуты в любую форму или в любую форму трубы или листа, так что недостаток пластичности едва ощущается, Диаграмма (рис. 1) поясняет природу устройства, используемого для распыления этих металлов в твердом состоянии. Представляет собой мощный шприц, наполненный твердым металлом, с давлением o;]. поршень варьируется в зависимости от размеров; в некоторых требуется сила две тысячи тун. В более ранних машинах устройство было точно таким же, как и в обычном шприце, как показано на рис. 1, но было обнаружено, что жидкость создавала давление металла внутри шприца. такое чрезмерное трение о внутреннюю поверхность, что несколько частей быстро изнашиваются; но благодаря небольшой модификации, более соответствующей здравым принципам, недостаток был устранен. В устройстве, показанном на рис. 2, поршень содержит отверстие и, прижимаясь к верхней поверхности металла, заставляет его оставаться в состоянии покоя внутри сосуда; но так как давление жидкости одинаково во всех направлениях, твердое тело находит отверстие как точку с меньшим сопротивлением, следовательно, оно течет наружу непрерывным потоком, тем самым избегая трения твердого свинца внутри цилиндра. Таким образом, можно заметить, что свинцовый или оловянный стержень можно выдавливать любой формы и размеров в зависимости от матрицы или отверстия. В Королевском арсенале можно увидеть свинец, разбрызгиваемый таким образом в непрерывный стержень, а затем намотанный на катушки, как пряжа. снова разматываться и превращаться в пули с помощью самодействующей прессующей машины; но все несколько процессов полностью обусловлены свойством текучести. Мужской механизм очень подчинен, может. варьироваться в любой степени, как того могут потребовать обстоятельства, Трубы изготавливаются с той же легкостью, что и стержни, простой вставкой стального штифта с размером требуемого отверстия, помещаемого на дно цилиндра точно по центру отверстия, таким образом образуя кольцевое пространство, через которое металл течет наружу непрерывной трубой; или, сделав эту трубу достаточно большого диаметра, а затем разрезав ее стационарным ножом, когда она выходит из машины, труба превращается в лист свинца, который с помощью подходящих роликов можно наматывать на катушку в виде длинной ленты. полотно листового свинца, или листовой свинец можно раскатывать роликами. В обоих случаях приходится совершать одну и ту же механическую работу; соответствующее трение является спорным моментом. Весьма необычный результат был получен при попытке сковать латунные трубы, которые широко используются в качестве труб паровых котлов и для целей газоснабжения. Эта латунь состояла из 60 частей меди и 40 частей цинка, а также из различных других пропорций, но, как ни странно, трубы, которые таким образом распылялись, были из цинка, а не из латуни; большая часть меди осталась в сосуде и отказывалась течь. Из этого мы не должны заключать, что медь не будет течь, а скорее, что соединение между цинком и медью было меньше, чем давление, необходимое для того, чтобы заставить медь течь; смесь могла быть скорее механической, чем химической, или температура могла быть такой, что цинк находился слишком близко к температуре плавления. Каким бы ни было объяснение, предмет стоит дальнейшего эксперимента. В любой такой операции чем ближе свинец или другой металл к жидкому состоянию, тем легче ее выполнить; но он должен быть твердым. Свинец или олово могут быть раскатаны до любой степени, либо по отдельности, либо вместе, либо с тонким покрытием из олова или другого металла на одной или обеих сторонах свинца, чтобы иметь мертвое вещество, но все же покрытое оловом. поверхность, возможно, не толще, если такова, как лист, называемый фольгой, таким образом сочетая экономию, почти без каких-либо недостатков, для многих целей. Красивой иллюстрацией текучести олова является изготовление немецкой капсулы, в которой краска для художников изготавливается для продажи и использования. Оловянная пуговица, как на рис. 3, кладется в углубление штампа с сильным нажатием; затем соответствующий пуансон или штамп, немного меньшего размера, ударяют по нему резким ударом, оставляя, таким образом, из-за разницы размеров, кольцевого пространства между ними, когда металл сразу брызжет вверх, как вода, но со скоростью, намного превышающей скорость, которую может уследить глаз, превращая таким образом его в совершенную капсулу Форма пуансона и штампа зависит на этом изделии, но во всех случаях должен быть обеспечен доступ атмосферы при удалении из штампов. Из этих замечаний он увидит, что, поняв некоторые естественные свойства этих металлов, насколько полностью они находятся под контролем человека, и зная простые законы, он может модифицировать аппарат тысячами различных способов. способами, чтобы произвести все, что может потребоваться.
Эта статья была первоначально опубликована под названием «ковкость и пластичность металлов» в журнале Scientific American 21, 22, 341 (ноябрь 1869 г.)
doi:10.1038/scientificamerican11271869-341
ОБ АВТОРЕ В Обществе 9003 of Arts, London
Ductility — Что такое пластичный материал
Некоторые материалы ломаются очень резко, без пластической деформации, при хрупком разрушении. Другие, более пластичные, включая большинство металлов, испытывают некоторую пластическую деформацию и, возможно, образование шейки перед разрушением. Материаловедение, пластичность — это способность материала подвергаться большим пластическим деформациям до разрушения. Это одна из очень важных характеристик, которую инженеры учитывают при проектировании. Пластичность может быть выражена как удлинение в процентах или уменьшение площади в процентах при испытании на растяжение. Пластичность важна для того, чтобы конструкция могла выдерживать экстремальные нагрузки, например, из-за больших перепадов давления, землетрясений и ураганов, без внезапного отказа или обрушения. Он определяется как:
В случае испытания на растяжение пластичность измеряется уменьшением площади в процентах. Он измеряет количество образования шейки (или изменение площади поперечного сечения), которое происходит перед окончательным разрушением, следующим образом:
Среди кривых напряжение-деформация различных групп материалов можно выделить некоторые общие характеристики. На этом основании можно разделить материалы на две широкие категории; а именно:
Пластичные материалы . Пластичность – это способность материала растягиваться при растяжении. Пластичный материал деформируется (удлиняется) больше, чем хрупкий материал. Пластичные материалы демонстрируют большую деформацию перед разрушением. При вязком разрушении перед разрушением происходит обширная пластическая деформация (образование шейки). Вязкое разрушение (разрушение при сдвиге) лучше, чем хрупкое разрушение, потому что перед разрушением происходит медленное распространение и поглощение большого количества энергии. Пластичность желательна при высоких температурах и высоких давлениях в реакторных установках из-за дополнительных нагрузок на металлы. Высокая пластичность в этих применениях помогает предотвратить хрупкое разрушение.
Хрупкие материалы . Под действием напряжения хрупкие материалы разрушаются с небольшой упругой деформацией и без значительной пластической деформации. Хрупкие материалы поглощают относительно мало энергии перед разрушением, даже высокопрочные материалы. При хрупком разрушении (транскристаллитный скол) перед разрушением не происходит видимой пластической деформации, и трещины быстро распространяются.
Различие между хрупкостью и пластичностью неочевидно, особенно потому, что и пластичность, и хрупкость зависят не только от рассматриваемого материала, но также от природы и тип напряжения , скорость нагружения (усталостное изнашивание) и температура (вязко-хрупкий переход). На следующем рисунке показана типичная кривая напряжения-деформации пластичных и хрупких материалов. Ковкий материал — это материал с небольшой прочностью, а область пластичности велика, и материал будет подвергаться большему напряжению (деформации) перед разрушением. Хрупкий материал — это материал, в котором пластическая область мала, а прочность материала высока. Испытание на растяжение дает три описательных факта о материале. Это напряжение, при котором начинается наблюдаемая пластическая деформация или «податливость»; предел прочности при растяжении или максимальная интенсивность нагрузки, которую можно выдержать при растяжении; и процентное удлинение или деформация (насколько материал будет растягиваться) и сопутствующее процентное уменьшение площади поперечного сечения, вызванное растяжением. Также можно определить место разрыва или перелома.
Пластичность и ударная вязкость
Пластичность чаще определяется как способность материала легко деформироваться при приложении растягивающей силы или как способность материала выдерживать пластическую деформацию без разрыва. Пластичность также можно рассматривать с точки зрения изгибаемости и сжимаемости. Обычно, если два материала имеют одинаковую прочность и твердость, предпочтение отдается тому, у которого более высокая пластичность. Пластичность многих металлов может измениться при изменении условий. Повышение температуры увеличивает пластичность. Снижение температуры вызовет снижение пластичности и переход от пластичного к хрупкому поведению. Вязкое разрушение (разрушение при сдвиге) лучше, чем хрупкое разрушение, потому что перед разрушением происходит медленное распространение и поглощение большого количества энергии. Пластичность желательна при высоких температурах и высоких давлениях в реакторных установках из-за дополнительных нагрузок на металлы. Высокая пластичность в этих применениях помогает предотвратить хрупкое разрушение. Пластичность также способствует другому свойству материала, называемому 9.0039 прочность. Прочность сочетает в себе прочность и пластичность в одном измеряемом свойстве и требует баланса прочности и пластичности.
Прочность – это способность материала поглощать энергию и пластически деформироваться без разрушения. Одним из определений ударной вязкости (или, более конкретно, вязкости разрушения ) является то, что это свойство указывает на сопротивление материала разрушению при наличии трещины (или других дефектов, концентрирующих напряжения). Прочность обычно измеряется с помощью теста Шарпи или теста Изода. Испытание на удар измеряет ударную вязкость в условиях внезапной нагрузки и наличия дефектов, таких как зазубрины или трещины, которые концентрируют напряжение в слабых местах. Вязкость также может быть определена для областей диаграммы напряжения-деформации. Прочность связана с площадью под кривой напряжения-деформации . Кривая напряжение-деформация измеряет ударную вязкость при постепенно возрастающей нагрузке. Материал должен быть одновременно прочным и пластичным, чтобы быть жестким. На следующем рисунке показана типичная кривая напряжения-деформации пластичных и хрупких материалов. Например, хрупкие материалы (такие как керамика), которые прочны, но с ограниченной пластичностью, не являются жесткими; и наоборот, очень пластичные материалы с низкой прочностью также не являются прочными. Материал должен выдерживать оба высокие напряжения и высокие деформации, чтобы быть прочным.
Температура вязко-хрупкого перехода
Хрупкое разрушение американского корабля «Либерти» Esso Manhattan
Как уже было сказано, различие между хрупкостью и пластичностью неочевидно, особенно потому, что и пластичность, и хрупкое поведение зависят не только от рассматриваемого материала. но и на температуру (вязко-хрупкий переход) материала. Влияние температуры на характер разрушения имеет большое значение, и многие стали демонстрируют вязкое разрушение при повышенных температурах и 9.0039 хрупкое разрушение при низких температурах . Температура, выше которой материал пластичен и ниже которой он становится хрупким, известна как температура вязко-хрупкого перехода (DBTT), температура нулевой пластичности (NDT) или температура перехода нулевой пластичности. Эта температура не является точной, но варьируется в зависимости от предшествующей механической и термической обработки, а также от природы и количества примесных элементов. Его можно определить с помощью той или иной формы испытания падающим грузом (например, испытаний по Шарпи или по Изоду 9).0040).
Температура вязко-хрупкого перехода (DBTT) — это температура, при которой энергия разрушения становится ниже заданного значения (например, 40 Дж для стандартного испытания на удар по Шарпи). Пластичность является важным требованием к стальной конструкции компонентов реактора, таких как корпус реактора. Таким образом, DBTT имеет важное значение в эксплуатации этих судов. В этом случае размер зерна определяет свойства металла. Например, меньший размер зерна увеличивает предел прочности при растяжении, имеет тенденцию к увеличению пластичности и снижает DBTT. Размер зерна контролируется термической обработкой при спецификации и изготовлении корпусов реакторов. DBTT также можно снизить за счет небольших добавок выбранных легирующих элементов, таких как никель и марганец, в низкоуглеродистые стали.
Как правило, низколегированные стали для корпусов реакторов высокого давления представляют собой ферритные стали, которые демонстрируют классическое поведение от пластичного к хрупкому переходу от пластичного к хрупкому при понижении температуры. Эта переходная температура имеет наибольшее значение при нагреве установки.
Виды разрушения:
Область низкой вязкости: Основным видом разрушения является хрупкое разрушение (транскристаллитный раскол). При хрупком разрушении перед разрушением не происходит видимой пластической деформации. Трещины быстро распространяются.
Область высокой ударной вязкости: основной вид разрушения — вязкое разрушение (разрушение при сдвиге). При вязком разрушении перед разрушением происходит обширная пластическая деформация (образование шейки). Вязкое разрушение лучше, чем хрупкое, потому что перед разрушением происходит медленное распространение и поглощение большого количества энергии.
В некоторых материалах переход более резкий, чем в других, и обычно требует температурно-чувствительного механизма деформации. Например, в материалах с объемно-центрированной кубической (ОЦК) решеткой DBTT легко проявляется, поскольку движение винтовых дислокаций очень чувствительно к температуре, поскольку перестройка ядра дислокации перед скольжением требует термической активации. Это может быть проблемой для сталей с высоким содержанием феррита. Известно, что это привело к серьезным трещинам корпуса кораблей Liberty в более холодных водах во время Второй мировой войны, в результате чего многие затонули. Сосуды были изготовлены из стального сплава с достаточной ударной вязкостью в соответствии с испытаниями на растяжение при комнатной температуре. Хрупкие разрушения происходили при относительно низких температурах окружающей среды, примерно при 4°C (40°F), вблизи температуры перехода сплава. Следует отметить, что низкопрочные ГЦК-металлы (например, медные сплавы) и большинство ГПУ-металлов не испытывают перехода из пластичного в хрупкое и сохраняют вязкость и при более низких температурах. С другой стороны, многие высокопрочные металлы (например, очень высокопрочные стали) также не испытывают перехода из пластичного в хрупкое, но при этом остаются очень хрупкими.
На DBTT также могут влиять внешние факторы, такие как нейтронное излучение, которое приводит к увеличению внутренних дефектов решетки, соответствующему снижению пластичности и увеличению DBTT.
Охрупчивание при облучении
Во время работы атомной электростанции материал корпуса реактора и материал других внутрикорпусных устройств подвергается воздействию нейтронного излучения (особенно быстрых нейтронов >0,5 МэВ), что приводит к локализованному охрупчиванию стали и сварные швы в районе активной зоны реактора. Это явление, известное как радиационное охрупчивание , приводит к постоянному увеличению DBTT. Маловероятно, что DBTT приблизится к нормальной рабочей температуре стали. Однако существует вероятность того, что при остановке реактора или при аварийном расхолаживании температура может упасть ниже значения DBTT. В то же время внутреннее давление остается высоким. Поэтому ядерные регулирующие органы требуют, чтобы в энергетических реакторах с водяным охлаждением выполнялась программа наблюдения за материалом корпуса реактора.
См. также: Отражатель нейтронов
Радиационное охрупчивание может привести к потере вязкости разрушения. Как правило, низколегированные стали для корпусов реакторов высокого давления представляют собой ферритные стали, которые демонстрируют классический переход от пластичного к хрупкому при понижении температуры. Эта переходная температура имеет наибольшее значение при нагреве установки.
Виды разрушения:
Область низкой вязкости: Основной вид разрушения – хрупкое разрушение (трансгранулярное расщепление). При хрупком разрушении перед разрушением не происходит видимой пластической деформации. Трещины быстро распространяются.
Область высокой ударной вязкости: Основным видом разрушения является вязкое разрушение (разрушение при сдвиге). При вязком разрушении перед разрушением происходит обширная пластическая деформация (образование шейки). Вязкое разрушение лучше, чем хрупкое, потому что перед разрушением происходит медленное распространение и поглощение большого количества энергии.
Нейтронное облучение имеет тенденцию к повышению температуры ( температура перехода от пластичности к хрупкости ), при которой происходит этот переход, и снижению пластической ударной вязкости.
Ссылки:
Материаловедение:
Министерство энергетики США, материаловедение. Справочник по основам Министерства энергетики, том 1 и 2. Январь 1993 г.
Министерство энергетики США, материаловедение. Справочник по основам Министерства энергетики, том 2 и 2. 19 января.93.
Уильям Д. Каллистер, Дэвид Г. Ретвиш. Материаловедение и инженерия: введение, 9-е издание, Wiley; 9 издание (4 декабря 2013 г.), ISBN-13: 978-1118324578.
Эберхарт, Марк (2003). Почему все ломается: понимание мира по тому, как он разваливается. Гармония. ISBN 978-1-4000-4760-4.
Гаскелл, Дэвид Р. (1995). Введение в термодинамику материалов (4-е изд.). Издательство Тейлор и Фрэнсис. ISBN 978-1-56032-992-3.
Гонсалес-Виньяс, В. и Манчини, Х.Л. (2004). Введение в материаловедение. Издательство Принстонского университета. ISBN 978-0-691-07097-1.
Эшби, Майкл; Хью Шерклифф; Дэвид Себон (2007). Материалы: инженерия, наука, обработка и дизайн (1-е изд.). Баттерворт-Хайнеманн. ISBN 978-0-7506-8391-3.
Дж. Р. Ламарш, А. Дж. Баратта, Введение в ядерную технику, 3-е изд., Prentice-Hall, 2001, ISBN: 0-201-82498-1.
См. выше:
Свойства материалов
испытания материалов | Британника
Ключевые люди:
Чарльз Бенджамин Дадли
Похожие темы:
твердомер испытание на прочность при сжатии флюороскоп испытательная машина механика разрушения
См. все сопутствующие материалы →
испытание материалов , измерение характеристик и поведения таких веществ, как металлы, керамика или пластмассы, в различных условиях. Полученные таким образом данные могут быть использованы для уточнения пригодности материалов для различных применений.0214 например, строительство или авиастроение, машины или упаковка. Можно протестировать полномасштабную или мелкомасштабную модель предлагаемой машины или конструкции. В качестве альтернативы исследователи могут построить математические модели, которые используют известные характеристики и поведение материала для прогнозирования возможностей конструкции.
Испытания материалов подразделяются на пять основных категорий: механические испытания; испытание на термические свойства; испытание на электрические свойства; испытания на устойчивость к коррозии, радиации и биологическому износу; и неразрушающий контроль. Стандартные методы испытаний были установлены такими национальными и международными органами, как Международная организация по стандартизации (ISO) со штаб-квартирой в Женеве и Американское общество по испытаниям и материалам (ASTM) в Филадельфии.
Конструкции и машины или их компоненты выходят из строя из-за разрушения или чрезмерной деформации. Пытаясь предотвратить такой отказ, проектировщик оценивает ожидаемую нагрузку (нагрузку на единицу площади) и указывает материалы, способные выдерживать ожидаемые нагрузки. Анализ напряжения, выполненный либо экспериментально, либо с помощью математической модели, указывает ожидаемые области высокого напряжения в машине или конструкции. Испытания механических свойств, проведенные экспериментально, указывают, какие материалы можно безопасно использовать.
Испытания на статическое растяжение и сжатие
При растяжении (растягивании) материал удлиняется и в конце концов ломается. Простое испытание на статическое растяжение определяет предел прочности материала и его удлинение, обозначаемое как деформация (изменение длины на единицу длины). Например, если 100-миллиметровый стальной стержень удлиняется на 1 миллиметр под заданной нагрузкой, деформация составляет (101–100)/100 = 1/100 = 1 процент.
Для испытания на статическое растяжение требуется (1) образец для испытаний, обычно цилиндрический, или со средним сечением меньшего диаметра, чем концы; (2) испытательная машина, которая прикладывает, измеряет и регистрирует различные нагрузки; и (3) соответствующий набор захватов для захвата испытуемого образца. При испытании на статическое растяжение испытательная машина равномерно растягивает небольшую часть (испытуемый участок) испытуемого образца. Длина испытательного участка (называемая расчетной длиной) измеряется при различных нагрузках с помощью устройства, называемого экстензометром; эти измерения используются для расчета деформации.
Обычные испытательные машины бывают с постоянной нагрузкой, постоянной скоростью нагрузки и постоянной скоростью перемещения. В типах с постоянной нагрузкой веса используются непосредственно как для приложения нагрузки, так и для ее измерения. В машинах для испытаний с постоянной нагрузкой используются отдельные блоки нагрузки и измерения; нагрузки обычно прикладывают с помощью гидроцилиндра, в который масло закачивается с постоянной скоростью. Машины для испытаний с постоянной скоростью перемещения обычно приводятся в действие винтовыми шестернями.
Оформите подписку Britannica Premium и получите доступ к эксклюзивному контенту. Подпишитесь сейчас
Захваты испытательной машины
предназначены для плавной передачи нагрузки на образец без образования локальных концентраций напряжения. Концы испытуемого образца часто слегка расширяют, так что при наличии небольших концентраций напряжений они будут направлены на калибровочную секцию, и отказы будут возникать только там, где проводятся измерения. Зажимы, штифты, резьба или склеивание используются для удержания испытуемого образца. Внецентренное (неравномерное) нагружение помимо растяжения вызывает изгиб образца, а значит, напряжение в образце будет неравномерным. Чтобы избежать этого, большинство захватных устройств имеют один или два шарнирных соединения в рычажном механизме, передающем нагрузку на испытуемый образец. Воздушные подшипники помогают скорректировать горизонтальное смещение, которое может вызвать проблемы с такими хрупкими материалами, как керамика.
Испытания на статическое сжатие определяют реакцию материала на раздавливание или нагрузку опорного типа (например, в балках дома). Испытательные машины и экстензометры для испытаний на сжатие аналогичны тем, которые используются для испытаний на растяжение. Однако образцы, как правило, проще, потому что захват обычно не представляет проблемы. Кроме того, образцы могут иметь постоянную площадь поперечного сечения по всей длине. Расчетной длиной образца при испытании на сжатие является его полная длина. Серьезной проблемой при испытаниях на сжатие является вероятность того, что образец или нагрузочная цепь могут прогнуться (образовать вздутия или изгибаться) до разрушения материала. Чтобы предотвратить это, образцы держат короткими и короткими.
Испытания на сдвиг в плоскости показывают деформационную реакцию материала на силы, приложенные по касательной. Эти испытания применяются в основном к тонким листовым материалам, металлам или композитам, таким как пластик, армированный стекловолокном.
Однородный материал, такой как необработанная стальная отливка, реагирует на нагрузку иначе, чем зернистый материал, такой как древесина или клеевое соединение. Говорят, что эти анизотропные материалы имеют предпочтительные плоскости слабости; они лучше противостоят напряжению в одних плоскостях, чем в других, и, следовательно, должны подвергаться другому типу испытаний на сдвиг.
Также можно измерить прочность на сдвиг заклепок и других крепежных изделий. Хотя напряженное состояние таких изделий, как правило, довольно сложное, для большинства целей достаточно простого испытания на сдвиг, дающего лишь ограниченную информацию.
Испытание на растяжение трудно проводить непосредственно на некоторых хрупких материалах, таких как стекло и керамика. В таких случаях мера прочности материала на растяжение может быть получена путем проведения испытания на изгиб, при котором растягивающие (растягивающие) напряжения возникают на одной стороне изогнутого элемента, а соответствующие сжимающие напряжения возникают на противоположной стороне. Если материал значительно прочнее на сжатие, чем на растяжение, разрушение начинается на стороне растяжения элемента и, следовательно, дает необходимую информацию о прочности материала на растяжение. Однако, поскольку необходимо знать точную величину растягивающего напряжения при разрушении, чтобы установить прочность материала, метод испытания на изгиб применим только к очень ограниченному классу материалов и условий.
Как оценивать материалы. Свойства, которые необходимо учитывать
Существует разница между механическими свойствами сплава и физическими свойствами сплава.
Физические свойства сплава поддаются измерению. Это такие параметры, как плотность, температура плавления, проводимость, коэффициент расширения и т. д.
Механические свойства сплава — это то, как ведет себя металл при воздействии на него различных сил. Сюда входят такие параметры, как прочность, пластичность, износостойкость и т. д.
Механические и физические свойства материалов определяются их химическим составом и внутренней структурой, такой как размер зерна или кристаллическая структура. Механические свойства могут сильно зависеть от обработки из-за перестройки внутренней структуры. Процессы металлообработки или термическая обработка могут влиять на некоторые физические свойства, такие как плотность и электропроводность, но эти эффекты обычно незначительны.
Механические и физические свойства являются ключевым фактором, определяющим, какой сплав считается подходящим для данного применения, когда несколько сплавов удовлетворяют условиям эксплуатации. Почти в каждом случае инженер проектирует деталь так, чтобы она функционировала в заданном диапазоне свойств. Многие механические свойства взаимозависимы: высокие характеристики в одной категории могут сочетаться с более низкими характеристиками в другой. Например, более высокая прочность может быть достигнута за счет более низкой пластичности. Таким образом, широкое понимание среды, в которой находится продукт, приведет к выбору наилучшего материала для применения.
Описание некоторых общих механических и физических свойств предоставит информацию, которую разработчики продукта могут учитывать при выборе материалов для данного применения.
Проводимость
Коррозионная стойкость
Плотность
пластичность / Живолистительность
Эластичность / Жесткость
Требование.0006
Прочность, текучесть
Вязкость
Износостойкость
Расширение этих определений:
1. Проводимость
Теплопроводность — это мера количества тепла, которое проходит через материал. Измеряется как один градус в единицу времени, на единицу площади поперечного сечения, на единицу длины. Материалы с низкой теплопроводностью могут использоваться в качестве изоляторов, а материалы с высокой теплопроводностью — в качестве теплоотвода. Металлы, обладающие высокой теплопроводностью, могут быть использованы в таких устройствах, как теплообменники или холодильная техника. Материалы с низкой теплопроводностью могут использоваться в высокотемпературных приложениях, но часто высокотемпературные компоненты требуют высокой теплопроводности, поэтому важно понимать окружающую среду. Электропроводность аналогична, измеряя количество электричества, которое передается через материал известного поперечного сечения и длины.
2. Коррозионная стойкость
Коррозионная стойкость описывает способность материала предотвращать естественное химическое или электрохимическое воздействие атмосферы, влаги или других факторов. Коррозия принимает различные формы, включая точечную коррозию, гальваническую реакцию, коррозию под напряжением, расслоение, межкристаллитную коррозию и другие формы (многие из которых будут обсуждаться в других выпусках информационного бюллетеня). Коррозионная стойкость может быть выражена как максимальная глубина в милах, на которую может проникнуть коррозия за один год; он основан на линейной экстраполяции проникновения, происходящего в течение срока службы данного теста или услуги. Некоторые материалы по своей природе устойчивы к коррозии, в то время как другие выигрывают от добавления гальванического покрытия или покрытий. Многие металлы, принадлежащие к семействам, устойчивым к коррозии, не полностью защищены от нее и по-прежнему зависят от конкретных условий окружающей среды, в которых они работают.
3. Плотность
Нам часто задают вопрос: является ли твердость физическим свойством? Плотность, часто выражаемая в фунтах на кубический дюйм или граммах на кубический сантиметр и т. д., описывает массу сплава на единицу объема. Плотность сплава будет определять, сколько будет весить компонент определенного размера. Этот фактор важен в таких приложениях, как аэрокосмическая или автомобильная, где важен вес. Инженеры, ищущие компоненты с меньшим весом, могут искать сплавы с меньшей плотностью, но тогда они должны учитывать соотношение прочности и веса. Материал с более высокой плотностью, такой как сталь, может быть выбран, например, если он обеспечивает более высокую прочность, чем материал с более низкой плотностью. Такую деталь можно сделать тоньше, чтобы меньшее количество материала могло помочь компенсировать более высокую плотность.
4. Пластичность/ковкость
Пластичность – это способность материала пластически деформироваться (т.е. растягиваться) без разрушения и сохранять новую форму при снятии нагрузки. Думайте об этом как о способности растянуть данный металл в проволоку. Пластичность часто измеряют с помощью испытания на растяжение в процентах от удлинения или уменьшения площади поперечного сечения образца перед разрушением. Испытание на растяжение также можно использовать для определения модуля Юнга или модуля упругости, важного соотношения напряжения/деформации, используемого во многих проектных расчетах. Тенденция материала сопротивляться растрескиванию или разрушению под нагрузкой делает пластичные материалы подходящими для других процессов металлообработки, включая прокатку или волочение. Некоторые другие процессы, такие как холодная обработка, делают металл менее пластичным.
Ковкость, физическое свойство, описывает способность металла формоваться без разрушения. Давление или сжимающее напряжение используется для прессования или раскатывания материала в более тонкие листы. Материал с высокой пластичностью сможет выдержать более высокое давление без разрушения.
5. Эластичность, жесткость
Эластичность описывает тенденцию материала возвращаться к исходному размеру и форме при устранении искажающей силы. В отличие от материалов, обладающих пластичностью (где изменение формы необратимо), эластичный материал возвращается к своей прежней конфигурации при снятии напряжения.
Жесткость металла часто измеряется модулем Юнга, который сравнивает взаимосвязь между напряжением (приложенной силой) и деформацией (результирующей деформацией). Чем выше модуль (что означает, что большее напряжение приводит к пропорционально меньшей деформации), тем жестче материал. Примером жесткого/высокомодульного материала может быть стекло, а резина – материал с низкой жесткостью/низким модулем упругости. Это важное конструктивное соображение для применений, где требуется жесткость под нагрузкой.
6. Прочность на излом
Ударопрочность – это мера способности материала противостоять удару. Эффект удара — столкновение, которое происходит за короткий период времени — обычно больше, чем эффект более слабой силы, оказываемой в течение более длительного периода времени. Таким образом, рассмотрение ударопрочности должно быть включено, когда приложение включает повышенный риск удара. Некоторые металлы могут приемлемо работать при статической нагрузке, но разрушаться при динамических нагрузках или при столкновении. В лаборатории удар часто измеряется с помощью обычного теста Шарпи, когда утяжеленный маятник ударяет по образцу, расположенному напротив обработанного V-образного надреза.
7. Твердость
Твердость определяется как способность материала сопротивляться постоянному вдавливанию (то есть пластической деформации). Как правило, чем тверже материал, тем лучше он сопротивляется износу или деформации. Таким образом, термин твердость также относится к локальной поверхностной жесткости материала или его устойчивости к царапанию, истиранию или порезу. Твердость измеряют с помощью таких методов, как Бринелля, Роквелла и Виккерса, которые измеряют глубину и площадь углубления более твердым материалом, включая стальной шарик, алмаз или другой индентор.
8. Пластичность
Пластичность, обратная эластичности, описывает тенденцию определенного твердого материала сохранять свою новую форму под воздействием формирующих сил. Это качество, которое позволяет изгибать материалы или придавать им постоянную новую форму. Материалы переходят от упругого поведения к пластическому в пределе текучести.
9. Прочность – Усталость
Усталость может привести к разрушению при повторяющихся или переменных нагрузках (например, при нагрузке или разгрузке), максимальное значение которых меньше предела прочности материала на растяжение. Более высокие напряжения ускорят время до отказа, и наоборот, поэтому существует связь между напряжением и циклами до отказа. Таким образом, предел усталости относится к максимальному напряжению, которое может выдержать металл (переменная величина) за заданное количество циклов. И наоборот, мера усталостной долговечности удерживает нагрузку фиксированной и измеряет, сколько циклов нагрузки материал может выдержать до разрушения. Усталостная прочность является важным фактором при проектировании компонентов, подвергающихся повторяющимся нагрузкам.
10. Прочность на сдвиг
Сопротивление сдвигу необходимо учитывать в таких приложениях, как болты или балки, где важно направление, а также величина напряжения. Сдвиг возникает, когда направленные силы заставляют внутреннюю структуру металла скользить против самой себя на гранулярном уровне.
11. Прочность – растяжение
Одним из наиболее распространенных показателей свойств металлов является растяжение или предел прочности. Прочность на растяжение относится к величине нагрузки, которую секция металла может выдержать, прежде чем она сломается. При лабораторных испытаниях металл удлиняется, но возвращается к своей первоначальной форме через область упругой деформации. Когда он достигает точки постоянной или пластической деформации (измеряемой как предел текучести), он сохраняет удлиненную форму даже при снятии нагрузки. В точке растяжения нагрузка приводит к окончательному разрушению металла. Эта мера помогает отличить хрупкие материалы от более пластичных. Прочность на растяжение или предел прочности при растяжении измеряется в ньютонах на квадратный миллиметр (мегапаскалях или МПа) или фунтах на квадратный дюйм.
12. Прочность – предел текучести
Подобно пределу текучести по концепции и измерению, предел текучести описывает точку, после которой материал под нагрузкой больше не возвращается в исходное положение или форму. Деформация переходит от упругой к пластической. Конструктивные расчеты включают предел текучести, чтобы понять пределы размерной целостности под нагрузкой. Как и предел прочности при растяжении, предел текучести измеряется в ньютонах на квадратный миллиметр (мегапаскалях или МПа) или фунтах на квадратный дюйм.
13. Прочность
Измеренная с помощью испытания на удар по Шарпи, аналогичного сопротивлению удару, ударная вязкость представляет собой способность материала поглощать удары без разрушения при заданной температуре. Поскольку ударопрочность часто ниже при низких температурах, материалы могут стать более хрупкими. Значения Шарпи обычно назначаются для ферросплавов, где в приложении существуют возможности низких температур (например, морские нефтяные платформы, нефтепроводы и т. д.) или где учитывается мгновенная нагрузка (например, баллистическая защита в военных или авиационных применениях).
14. Износостойкость
Износостойкость – это мера способности материала выдерживать воздействие трения двух материалов друг о друга. Это может принимать разные формы, включая прилипание, истирание, царапины, выемки, истирание и другие. Когда материалы имеют разную твердость, более мягкий металл может начать проявлять эффекты первым, и управление этим может быть частью конструкции. Даже прокатка может вызвать истирание из-за присутствия посторонних материалов. Износостойкость может быть измерена как потеря массы за заданное количество циклов истирания при заданной нагрузке.
Рассмотрение этой информации о механических и физических свойствах может способствовать оптимальному выбору металла для данного применения. Из-за множества доступных материалов и возможности изменять свойства путем легирования и часто с помощью усилий по термообработке можно потратить время на консультацию с экспертами-металлургами для выбора материала, который обеспечивает необходимые характеристики, сбалансированные с экономической эффективностью.
EngArc — L — Хрупкий и пластичный
EngArc — L — Хрупкий и пластичный
Хрупкий и пластичный
Быстрорежущий
хрупкий свойство, применимое к материалу, если разрушение происходит вскоре после прохождения предела упругости
пластичность свойство, применимое к материалу, если между пределом упругости и точкой разрушения имеет место значительная пластическая деформация
пластичность способность материала постоянно деформироваться без разрушения при снятии приложенной нагрузки
Хрупкие и пластичные материалы
Диаграммы напряжения-деформации для различных материалов сильно различаются, и различные испытания на растяжение одного и того же материала могут давать разные результаты в зависимости от температуры образца и скорости нагружения. Однако можно выделить некоторые общие характеристики среди диаграмм растяжения различных групп материалов и разделить материалы на две большие категории на основе этих характеристик, а именно: хрупкие материалы и пластичные материалы. Обычно хрупкие материалы имеют деформацию разрушения менее 0,05 ( ∊ f < 0,05), а пластичные материалы имеют деформацию разрушения больше или равную 0,05 ( ∊ f ≥ 0,05).
test specimen
brittle
ductile
Ductile materials deform much more than brittle materials.
Хрупкие материалы внезапно разрушаются, обычно без предварительного указания на то, что разрушение неизбежно. С другой стороны, пластичные материалы, такие как конструкционная сталь, обычно претерпевают существенную деформацию, называемую текучестью, перед разрушением, таким образом предупреждая о наличии перегрузки.
Хрупкие материалы
Хрупкие материалы, к которым относятся чугун, стекло и камень, характеризуются тем, что разрыв происходит без какого-либо заметного предварительного изменения скорости удлинения. Таким образом, для хрупких материалов нет разницы между пределом прочности и пределом прочности на разрыв. Кроме того, деформации в момент разрыва для хрупких материалов намного меньше, чем для пластичных. На рисунке обратите внимание на отсутствие сужения образца в случае хрупкого материала и заметьте, что разрыв происходит вдоль поверхности, перпендикулярной нагрузке. Из этого наблюдения делается вывод, что нормальные напряжения в первую очередь ответственны за разрушение хрупких материалов.
Пластичные материалы
Пластичные материалы, к которым относятся конструкционная сталь, а также некоторые сплавы других металлов, характеризуются способностью к текучести при нормальных температурах. По мере того как образец подвергается возрастающей нагрузке, его длина сначала увеличивается линейно с нагрузкой и очень медленно. Таким образом, начальный участок диаграммы растяжения представляет собой прямую линию с крутым наклоном. Однако после достижения критического значения σ y напряжения образец претерпевает большую деформацию при относительно небольшом увеличении приложенной нагрузки. Эта деформация вызвана проскальзыванием материала по наклонным поверхностям и обусловлена, таким образом, прежде всего касательными напряжениями. Удлинение образца после начала текучести может в 200 раз превышать его деформацию до текучести. После достижения определенного максимального значения нагрузки часть диаметра образца начинает уменьшаться из-за локальной нестабильности. Это явление известно как образование шейки. После того, как началось образование шейки, достаточно несколько меньших нагрузок, чтобы образец продолжал удлиняться до тех пор, пока он окончательно не разорвется. Разрыв происходит по конусообразной поверхности, которая образует с исходной поверхностью образца угол примерно 45°. Это указывает на то, что сдвиг в первую очередь ответственен за разрушение пластичных материалов, и подтверждает тот факт, что при осевой нагрузке касательные напряжения максимальны на поверхностях, образующих угол 45° с нагрузкой.
Пластичность измеряет величину деформации, которую материал может выдержать без разрушения. Расстояние между калибровочными метками на испытуемом образце можно измерить до и после испытания. Процентное удлинение описывает степень растяжения образца перед разрушением:
% elongation =
L f − L 0
L 0
× 100
где L f — расстояние между контрольными метками после разрушения образца.
Второй подход заключается в измерении процентного изменения площади поперечного сечения в точке разрушения до и после испытания. % уменьшения площади описывает степень утончения образца во время испытания:
% уменьшения площади =
A 0 − A F
A 0
× 100
, где ANSERSE .
Пластичность важна как для дизайнеров, так и для производителей. Разработчик компонента предпочитает материал, демонстрирующий хотя бы некоторую пластичность, чтобы при слишком высоком приложенном напряжении компонент деформировался до того, как сломается. Изготовителям нужен пластичный материал, чтобы формировать сложные формы, не ломая материал в процессе.
Пластичность, произносится как duhk TIHL uh tee, — это способность определенных твердых тел претерпевать необратимые изменения формы без разрушения. Например, из куска меди можно сделать тонкую проволоку. Но форму кирпича нельзя навсегда изменить, кроме как сломав его.
Пластичность является ценным свойством многих металлов, включая алюминий, золото, железо, никель и серебро. Эти металлы могут быть вытянуты в проволоку, выкованы в различные формы или свернуты в листы. Термин «ковкость» часто используется вместо пластичности для описания свойства металлов, позволяющего штамповать из них тонкие листы. Металлы не единственные пластичные вещества, и не все металлы пластичны. Например, пластилин для лепки является пластичным неметаллическим веществом, а неочищенный вольфрам — непластичным металлом.
⇐ Предыдущий урок: Испытание на растяжение
Следующий урок: предел текучести 90 113 ⇒ 90 114.
Обзор механических свойств металлов
В металлообрабатывающей промышленности механические свойства играют огромную роль при выборе подходящего сплава для каждой работы. В процессе литья и механической обработки, а также в течение срока службы изделия выбранный материал будет подвергаться воздействию многих внешних сил. Производители должны создавать продукты, которые работают должным образом на каждом этапе пути. Зная механические свойства, специалисты-производители могут сделать правильный выбор материалов и процессов.
Механические свойства описывают, как материал реагирует на приложенные нагрузки или силы. Эти свойства непостоянны; они меняются в зависимости от температуры и других внешних факторов, поэтому производители должны иметь полное представление об условиях эксплуатации детали, прежде чем рекомендовать подходящий материал. К основным механическим свойствам металлов относятся:
Прочность
Пластичность и пластичность
Прочность
Сопротивление усталости
Твердость
Физические свойства — это еще один способ различения металлов. Вы можете узнать больше о физических свойствах в нашем блоге здесь.
Напряжение по сравнению с деформацией
Напряжение и деформация являются важными терминами при обсуждении механических свойств. Напряжение относится к силе, приложенной к объекту. Деформация относится к степени деформации объекта под действием этого напряжения.
Прочность металлов
Прочность можно измерить несколькими способами, но обычно она показывает, какую силу объект может выдержать, не согнувшись и не сломавшись. Отношение прочности к весу является ключевым свойством металлов, поскольку оно сообщает производителям, сколько материала необходимо использовать для удовлетворения конкретных требований прочности.
Прочность часто измеряется с точки зрения реакции материала на напряжения или приложенные силы в трех конфигурациях: сжатие , растяжение и сдвиг . Когда материал подвергается сжатию, на него действуют силы в направлении его центральной точки. Противоположное верно для напряжения, которое растягивает материал. Силы сдвига действуют параллельно друг другу в противоположных направлениях.
Пластичность и ковкость металлов
Несмотря на то, что прочность может быть хорошим предиктором реальных характеристик, производителям необходимо продвигать материалы за пределы своих возможностей, чтобы формировать новые формы. Пластичность и ковкость показывают, насколько легко можно манипулировать материалом, не ломая его. Под пластичностью понимается реакция материала на растягивающее напряжение или его способность растягиваться, прокатываться или экструдироваться без разрушения. Ковкость относится к сжимающему напряжению, как и при сплющивании. Благодаря высокой пластичности алюминия он так широко используется для изготовления тонкой фольги.
Поскольку поведение материала меняется в зависимости от температуры, металл может иметь хорошую пластичность или ковкость при высоких температурах, но плохую пластичность или ковкость при комнатной температуре. Сотни лет назад кузнецы уже знали об этой переменной и нагревали изделия на основе железа до свечения, прежде чем придавать им форму.
Прочность: баланс между прочностью и пластичностью
Прочность представляет собой идеальный баланс между прочностью и пластичностью. Самые прочные металлы — это те, которые могут поглотить наибольшее количество энергии до разрушения. Проще говоря, самые прочные части труднее всего сломать.
Сопротивление усталости металлов
В реальных условиях металлические детали часто подвергаются повторяющимся нагрузкам в течение длительного периода времени. Хотя ни одно из этих напряжений, взятых по отдельности, не может повлиять на прочность, пластичность или ударную вязкость детали, само по себе повторение может привести к отказу. Фактически, по данным ASM International, усталость является причиной примерно 90% механических отказов.
Сопротивление усталости — это мера способности детали подвергаться повторяющимся циклическим нагрузкам без разрушения или необратимой деформации. Величина напряжения, близкая к предельной для материала, приведет к более раннему усталостному разрушению по сравнению с меньшим напряжением. Как и другие механические свойства, сопротивление усталости данного сплава зависит от температуры, при которой применяется напряжение, а также от других факторов окружающей среды.
Сопротивление усталости конечной детали зависит не только от ее материала, но и от наличия дефектов. Такие проблемы, как пористость, растрескивание или другие дефекты, возникшие во время производства, могут резко снизить сопротивление усталости детали. Чтобы узнать о распространенных дефектах литья и о том, как их предотвратить, прочитайте статью в нашем блоге.
Твердость
Твердость материалов может относиться к характеристикам по ряду параметров, включая сопротивление деформации, сопротивление царапанию или сопротивление порезу. Металлы демонстрируют сильную корреляцию между пределом прочности при растяжении и твердостью, а твердость стали часто можно увеличить, увеличив процентное содержание углерода.
Твердость можно измерить разными способами, и тест на твердость по Бринеллю является одним из наиболее распространенных для металлических изделий. Тест, впервые предложенный в 1900 году, заключается в вдавливании сферы из карбида или закаленной стали в поверхность измеряемой детали. Образовавшуюся вмятину на поверхности затем измеряют с помощью микроскопа и определяют число твердости по Бринеллю (BHN) как нагрузку, деленную на площадь поверхности вмятины.
Более твердые сплавы часто хуже поддаются механической обработке, что может создавать трудности при изготовлении изделий. Принимая во внимание дизайн для технологичности, иногда в целом лучше использовать менее твердый сплав для отливки, особенно если изделие будет подвергаться интенсивной механической обработке на более позднем этапе.
Выбор правильного сплава на основе механических свойств
В мире производства наиболее важные механические свойства зависят от предполагаемого использования продукта.
Нефть – это природная жидкая смесь разнообразных углеводородов с небольшим количеством других органических соединений; ценное полезное ископаемое, залегающее часто вместе с газообразными углеводородами (попутные газы, природный газ).
Нефть
Нефть – это природная жидкая смесь разнообразных углеводородов с небольшим количеством других органических соединений; ценное полезное ископаемое, залегающее часто вместе с газообразными углеводородами (попутные газы, природный газ).
Очистка и переработка нефти
Обычная сырая нефть из скважины – это зеленовато-коричневая легко воспламеняющаяся маслянистая жидкость с резким запахом.
На промыслах она хранится в крупных резервуарах, откуда транспортируется танкерами или по трубопроводам в резервуары перерабатывающих заводов.
На многих заводах различные типы сырой нефти разделяются по их свойствам согласно результатам предварительной лабораторной переработки.
Она указывает приблизительное количество бензина, керосина, смазочных масел, парафина и мазута, которое можно выработать из данной нефти.
Химически нефть различна и изменяется от парафиновой, которая состоит большей частью из парафиновых углеводородов, до нафтеновой или асфальтеновой, которая содержат в основном циклопарафиновые углеводороды; существует много промежуточных или смешанных типов.
Парафиновая нефть по сравнению с нафтеновой или асфальтеновой содержит больше бензина и меньше серы и является главным сырьем для получения смазочных масел и парафинов.
Нафтеновые типы сырой нефти содержат меньше бензина, но больше серы и мазута, а также асфальта.
Сырая нефть содержит некоторое количество растворенного газа, который соответствует по составу и строению природным газам и состоит из легких парафиновых углеводородов.
Жидкая фаза сырой нефти содержит сотни углеводородов и других соединений, имеющих точку кипения от 38° С до примерно 430° С, причем процентное содержание каждого из углеводородов невелико.
Например, бензиновая фракция может содержать до 200 индивидуальных углеводородов, однако в типичном бензине присутствует лишь около 60 углеводородов – от метана с точкой кипения –161° С до мезитилена (ароматического углеводорода), с точкой кипения 165° С.
Они включают парафины, циклопарафины и ароматические соединения, но олефины отсутствуют. Огромный труд, необходимый для анализа состава углеводородов бензинов, делает практически невозможным проведение этих исследований при обычных шаблонных определениях.
Что касается соединений, кипящих при температурах выше 165° С, присутствующих в керосине и высококипящих дистиллятах и остатках, трудности идентификации отдельных компонентов возрастают из-за большого количества соединений, перекрывания их температур кипения и возрастающей тенденции высококипящих соединений к разрушению при нагревании.
Поэтому все горючие нефтяные продукты подразделяются на фракции по температурным пределам их кипения и по плотности, а не по химическому составу.
Соединения, присутствующие в асфальтах и подобных им тяжелых остаточных продуктах, чрезвычайно сложны.
Анализы показывают, что они представляют собой полициклические соединения.
Перегонка
Периодическая перегонка.
На начальных этапах развития нефтехимической промышленности сырая нефть подвергалась так называемой периодической перегонке в вертикальном цилиндрическом перегонном аппарате.
Процессы дистилляции были неэффективны, потому что отсутствовали ректификационные колонны и не получалось чистого разделения продуктов перегонки.
Трубчатые перегонные аппараты.
Развитие процесса периодической перегонки привело к использованию общей ректификационной колонны, из которой с различных уровней отбирались дистилляты с разной температурой кипения.
Эта система используется и сегодня.
Поступающая нефть нагревается в змеевике примерно до 320° С, и разогретые продукты подаются на промежуточные уровни в ректификационной колонне.
Такая колонна может иметь от 30 до 60 расположенных с определенным интервалом поддонов и желобов, каждый из которых имеет ванну с жидкостью.
Через эту жидкость проходят поднимающиеся пары, которые омываются стекающим вниз конденсатом.
При надлежащем регулировании скорости обратного стекания (т.е. количества дистиллятов, откачиваемых назад в колонну для повторного фракционирования) возможно получение бензина наверху колонны, керосина и светлых горючих дистиллятов, точно определенных интервалов кипения на последовательно снижающихся уровнях.
Обычно для того, чтобы улучшить дальнейшее разделение, остаток от перегонки из ректификационной колонны подвергают вакуумной дистилляции.
Конструкция ректификационных колонн в нефтеперерабатывающей промышленности становится произведением искусства, в котором ни одна деталь не остается без внимания.
Путем очень точного контроля температуры, давления, а также потоков жидкостей и паров разработаны методы сверхтонкого фракционирования.
Эти колонны достигают высоты 60 м и выше и позволяют разделять химические соединения, точка кипения которых отличается менее чем на 6° С. Они изолированы от внешних атмосферных воздействий, а все этапы дистилляции автоматически контролируются.
Процессы в некоторых таких колоннах происходят в условиях высоких давлений, в других – при давлениях, близких к атмосферному; аналогично температуры изменяются от экстремально высоких до значений ниже –18° С.
Термический крекинг
Склонность к дополнительному разложению более тяжелых фракций сырой нефти при нагреве выше определенной температуры привела к очень важному успеху в использовании крекинг-процесса. Когда происходит разложение высококипящих фракций нефти, углерод-углеродные связи разрушаются, водород отрывается от молекул углеводородов и тем самым получается более широкий спектр продуктов по сравнению с составом первоначальной сырой нефти. Например, дистилляты, кипящие в интервале температур 290–400° С, в результате крекинга дают газы, бензин и тяжелые смолоподобные остаточные продукты. Крекинг-процесс позволяет увеличить выход бензина из сырой нефти путем деструкции более тяжелых дистиллятов и остатков, образовавшихся в результате первичной перегонки.
Выход кокса определяется природой перерабатываемого сырья и степенью рециклизации наиболее тяжелых фракций.
Как правило, из исходного крекируемого объема образуется примерно 15–25% лигроина и 35–50% газойля (т.е. легкого дизельного топлива) наряду с крекинг-газами и коксом. Последний используется в основном как топливо, исключая образующиеся специальные виды кокса (один из них является продуктом обжига и используется при производстве углеродных электродов). Коксование до сих пор пользуется популярностью главным образом как процесс подготовки исходного материала для каталитического крекинга.
Каталитический крекинг
Катализатор – это вещество, которое ускоряет протекание химических реакций без изменения сути самих реакций. Каталитическими свойствами обладают многие вещества, включая металлы, их оксиды, различные соли.
Процесс Гудри. Исследования Э.Гудри огнеупорных глин как катализаторов привели к созданию в 1936 эффективного катализатора на основе алюмосиликатов для крекинг-процесса.
Среднекипящие дистилляты нефти в этом процессе нагревались и переводились в парообразное состояние; для увеличения скорости реакций расщепления, т.е. крекинг-процесса, и изменения характера реакций эти пары пропускались через слой катализатора. Реакции происходили при умеренных температурах 430–480° С и атмосферном давлении в отличие от процессов термического крекинга, где используются высокие давления. Процесс Гудри был первым каталитическим крекинг-процессом, успешно реализованным в промышленных масштабах.
Целью большинства крекинг-процессов является достижение оптимального выхода бензина. При крекинге происходят распад тяжелых молекул, а также сложные процессы синтеза и перестройки структуры молекул углеводородов. Влияние разных катализаторов различно. Некоторые из них, такие, как оксиды хрома и молибден, ускоряют реакцию дегидрогенизации (отщепление водорода). Глины и специальные алюмосиликатные составы, используемые в промышленном каталитическом крекинге, способствуют ускоренному разрыву углерод-углеродных связей больше, чем отрыву водорода. Они также способствуют изомеризации линейных молекул в разветвленные. Эти составы замедляют полимеризацию (см. ниже) и образование дегтя и асфальта, так что нефти не просто деструктурируются, а обогащаются полезными компонентами.
Риформинг
Риформинг – это процесс преобразования линейных и нециклических углеводородов в бензолоподобные ароматические молекулы. Ароматические углеводороды имеют более высокое октановое число, чем молекулы других углеводородов, и поэтому они предпочтительней для производства современного высокооктанового бензина.
При термическом риформинге, как и при каталитическом крекинге, основная цель состоит в превращении низкооктановых бензиновых компонентов в более высокооктановые. Процесс обычно применяется к парафиновым фракциям прямой перегонки, кипящим в пределах 95–205° С. Более легкие фракции редко подходят для таких превращений.
Существуют два основных вида риформинга – термический и каталитический. В первом соответствующие фракции первичной перегонки нефти превращаются в высокооктановый бензин только под воздействием высокой температуры; во втором преобразование исходного продукта происходит при одновременном воздействии, как высокой температуры, так и катализаторов. Более старый и менее эффективный термический риформинг используется кое-где до сих пор, но в развитых странах почти все установки термического риформинга заменены на установки каталитического риформинга.
Если бензин является предпочтительным продуктом, то почти весь риформинг осуществляется на платиновых катализаторах, нанесенных на алюминийоксидный или алюмосиликатный носитель.
Большинство установок риформинга – это установки с неподвижным слоем. (Процесс каталитического риформинга, в котором используется стационарный катализатор, называется платформингом. ) Но под действием давления около 50 атм (при получении бензина с умеренным октановым числом) активность платинового катализатора сохраняется примерно в течение месяца. Установки, в которых используется один реактор, приходится останавливать на несколько суток для регенерации катализатора. В других установках используется несколько реакторов с одним добавочным, где проводится необходимая регенерация. Жизнь платинового катализатора сокращается при наличии серы, азота, свинца и других «ядов». Там, где эти компоненты представляют проблему, обычно до входа в реактор проводят предварительную обработку смеси водородом (т.н. гидроочистка, когда до подачи в реактор нефтяных погонов – бензинов прямой перегонки – их пропускают через водородсодержащие газы, которые связывают вредные компоненты и снижают их содержание до допустимых пределов). Некоторые реакторы с неподвижным слоем заменяются на реакторы с непрерывной регенерацией катализатора. В этих условиях катализатор перемещается через реактор и непрерывно регенерируется.
Реакции, в результате которых при каталитическом риформинге повышается октановое число, включают:
дегидрирование нафтенов и их превращение в соответствующие ароматические соединения;
превращение линейных парафиновых углеводородов в их разветвленные изомеры;
гидрокрекинг тяжелых парафиновых углеводородов в легкие высокооктановые фракции;
образование ароматических углеводородов из тяжелых парафиновых путем отщепления водорода.
Большинство богатых водородом газов, выделяющихся в этих установках, используются при гидрокрекинге и т.п.
Другие процессы производства бензина
Кроме крекинга и риформинга существует несколько других важных процессов производства бензина. Первым из них, который стал экономически выгодным в промышленных масштабах, был процесс полимеризации, который позволил получить жидкие бензиновые фракции из олефинов, присутствующих в крекинг-газах.
Полимеризация. Полимеризация пропилена – олефина, содержащего три атома углерода, и бутилена – олефина с четырьмя атомами углерода в молекуле дает жидкий продукт, который кипит в тех же пределах, что и бензин, и имеет октановое число от 80 до 82. Нефтеперерабатывающие заводы, использующие процессы полимеризации, обычно работают на фракциях крекинг-газов, содержащих олефины с тремя и четырьмя атомами углерода.
Алкилирование. В этом процессе изобутан и газообразные олефины реагируют под действием катализаторов и образуют жидкие изопарафины, имеющие октановое число, близкое к таковому у изооктана. Вместо полимеризации изобутилена в изооктен и затем гидрогенизации его в изооктан, в данном процессе изобутан реагирует с изобутиленом и образуется непосредственно изооктан.
Все процессы алкилирования для производства моторных топлив производятся с использованием в качестве катализаторов либо серной, либо фтороводородной кислоты при температуре сначала 0–15° C, а затем 20–40° С.
Изомеризация. Другой важный путь получения высокооктанового сырья для добавления в моторное топливо – это процесс изомеризации с использованием хлорида алюминия и других подобных катализаторов.
Изомеризация используется для повышения октанового числа природного бензина и нафтенов с прямолинейными цепями. Улучшение антидетонационных свойств происходит в результате превращения нормальных пентана и гексана в изопентан и изогексан. Процессы изомеризации приобретают важное значение, особенно в тех странах, где каталитический крекинг с целью повышения выхода бензина проводится в относительно незначительных объемах. При дополнительном этилировании, т.е. введении тетраэтилсвинца, изомеры имеют октановые числа от 94 до 107 (в настоящее время от этого способа отказались ввиду токсичности образующихся летучих алкилсвинцовых соединений, загрязняющих природную среду).
Гидрокрекинг
Ранние работы по получению жидкого топлива из углей путем гидрирования под высоким давлением (процесс Бергуса) проводились главным образом в Германии с использованием весьма сильных катализаторов, таких, как оксиды молибдена, которые либо нечувствительны к присутствию серы, либо в значительной степени сохраняют свою активность после прошедшей сульфатизации. Для этого были необходимы следующие параметры: давление до 280 атм, температура около 450° С и катализатор.
Давления, используемые в современных процессах гидрокрекинга, составляют от примерно 70 атм для превращения сырой нефти в сжиженный нефтяной газ (LP-газ) до более чем 175 атм, когда происходят полное коксование и с высоким выходом превращение парообразной нефти в бензин и реактивное топливо. Процессы проводят с неподвижными слоями (реже в кипящем слое) катализатора. Процесс в кипящем слое применяется исключительно для нефтяных остатков – мазута, гудрона. В других процессах также использовались остаточное топливо, но в основном – высококипящие нефтяные фракции, а кроме того, легкокипящие и среднедистиллятные прямогонные фракции. Катализаторами в этих процессах служат сульфидированные никель-алюминиевые, кобальт-молибден-алюминиевые, вольфрамовые материалы и благородные металлы, такие, как платина и палладий, на алюмосиликатной основе.
Там, где гидрокрекинг сочетается с каталитическим крекингом и коксованием, не менее 75–80% сырья превращается в бензин и реактивное топливо. Выработка бензина и реактивных топлив может легко изменяться в зависимости от сезонных потребностей. При высоком расходе водорода выход продукции на 20–30% выше, чем количество сырья, загружаемого в установку. С некоторыми катализаторами установка работает эффективно от двух до трех лет без регенерации.
Необходимость уменьшения загрязнения воздуха в промышленных районах обусловливает значительное увеличение использования процессов гидрирования для десульфатизации дистиллятов и остаточных топлив. Процессы гидрокрекинга, предназначенные главным образом для удаления серы при невысоких требованиях к выходу продукции, известны как «гидроочистка».
Газообразные легкие фракции, прежде всего, проходят через вакуумную установку для сжижения, затем полученный на этой стадии газойль проходит десульфуризацию гидроочисткой, прежде чем вновь смешивается с некоторыми вакуумными остатками и другими низкосернистыми легкими фракциями сырой нефти.
Очистка легких продуктов
Гидроочистка в настоящее время – наиболее распространенный метод гидрогенизации олефинов и повышения качества легких продуктов за счет удаления серы и других примесей. По экономическим причинам, а также из-за проблем, связанных с примесями воздуха и воды, применяются и другие методы, например использование сульфида свинца в качестве катализатора в регенеративных растворителях и предварительное рафинирование с применением высоковольтных электропечей для лучшего отделения очищающего реагента от получаемого продукта.
Масла и смазки
Нефтяная промышленность поставляет масла и смазки, различающиеся по вязкости от жидких, почти как вода, до консистенции патоки. Как и в случае с другими нефтяными фракциями и продуктами, появились новые методы их производства – экстракция и деасфальтизация растворителями и др.
Экстракция растворителями. К промышленным растворителям относятся хлорекс, фурфурол (побочный продукт переработки овсяной шелухи), нитробензол, фенолы, метилэтилкетоны и пр. Экстракция растворителями осуществляется обычно в режиме противотока (поток масел идет в одном направлении, а растворителя – в противоположном), что позволяет проводить выборочное растворение и более глубокую очистку. При еще более избирательной процедуре колонна наполняется пористой средой (выполненной, например, в виде перфорированных пластин).
Сжиженный пропан. Эффективность обработки смазочных масел повышается при использовании сжиженного пропана под давлением. Этот парафиновый углеводород (точка кипения –42° С) практически не оказывает растворяющего действия на асфальты и очень слабо растворяет твердые парафины при низких температурах. Тем не менее, регулируя и подбирая температуру и соотношения растворитель/масла, можно успешно удалять асфальт и твердые парафины.
Депарафинизация растворителями. Депарафинизация растворителями – важный этап производства смазочных масел. Депарафинизация неочищенных или очистка смазочных масел дает разнообразные продукты – от светлых веретенных масел до тяжелых вакуумных смазок и товарных парафинов. Наиболее широко используются для депарафинизации смеси метилэтилкетона и толуола или бензола и ацетона.
Крекинг-газ
Вторичные газообразные продукты получаются из нефти в результате различных процессов крекинга. Тяжелые фракции при крекинге дают бензин, а бензиновые фракции умеренно крекируются с увеличением октанового числа. Газы, получающиеся при этих процессах, могут составлять 2–10% (масс.) от крекируемой нефти; они заметно отличаются от природных нефтяных газов. Главная их особенность – наличие олефинов, которые полностью отсутствуют в природных газах. В газах высокотемпературного крекинга может содержаться 50% олефинов, включая этилен, пропилен и бутилены. Как правило, олефины составляют более 10–25%. Крекинг-газы обычно содержат также небольшое количество водорода. Температура крекинга 540° С или выше при невысоком давлении благоприятна для образования этилена, а более умеренные температуры 455–480° С и высокое давление – для образования меньшего количества этилена и пропорционально большего количества пропилена и бутиленов.
Бензин
Бензин – самый важный продукт переработки нефти; из сырой нефти производится до 50% бензина. Эта величина включает природный бензин, бензин крекинг-процесса, продукты полимеризации, сжиженные нефтяные газы и все продукты, используемые в качестве промышленных моторных топлив. Каждому процессу переработки нефти предъявляются требования по количеству и качеству производимого бензина.
Состав. Промышленный бензин представляет собой смесь углеводородов в интервале точки кипения 30–200° C. Некоторые бутаны, кипящие при температуре ниже 38° С, имеет высокое давление паров. Углеводороды в бензине включают многие изопарафины, а также ароматические углеводороды и нафтены, а в бензинах, полученных при крекинге, содержится от 15 до 25% олефинов. Октановое число углеводородов снижается в следующем порядке: изопарафины > ароматические > олефины > нафтены > н-парафины. Имеются различия между компонентами каждой из этих групп, зависящие от структуры молекул и точки кипения. Различные компоненты дают свой вклад в октановое число бензиновых смесей.
Крекинг-бензины содержат значительный процент тех компонентов, при смешении которых образуется моторное топливо. Однако их прямое использование во многих странах законодательно ограничивается, поскольку они содержат заметное количество олефинов, а именно олефины являются одной из главных причин образования фотохимического смога.
Классификация бензинов. Бензины классифицируются по разным основаниям, включая интервалы температур кипения, октановое число, содержание серы.
Интервалы температур кипения. Большинство бензинов кипит в интервале 30–200° С. 50%-ная точка, т.е. температура, при которой кипит половина компонентов смеси и которая определяет состав смеси во время прогрева двигателя, а частично и при разгоне транспортного средства, располагается в пределах 98–104° С. Высокое содержание низкокипящих компонентов, таких, как бутаны и пентаны, обусловливает исключительно высокое давление паров и в теплое время является причиной образования паровых пробок, когда газовые пузырьки препятствуют течению топлива по узким трубам двигателей и тепловых установок. В то же время недостаток низкокипящих компонентов служит причиной трудностей запуска двигателя зимой. 90%-ная точка кипения бензина определяет время прогрева двигателя и эффективность использования топлива.
Октановое число. Октановое число – наиболее важная характеристика бензина. Оно обычно определяется в одноцилиндровой стационарной установке, снабженной различными приборами для регистрации склонности к детонации. Нормальный гептан (семь атомов углерода в линейной цепи) детонирует очень легко; для него принято нулевое октановое число. Изооктан (восемь атомов углерода в разветвленной цепи) не детонирует до тех пор, пока не будут достигнуты экстремальные условия давления, температуры и нагрузки; для него произвольно установлено октановое число 100. При испытании бензина с неизвестными детонационными свойствами его сравнивают со смесью гептана и изооктана, имеющей такую же способность к детонации, как и испытуемый бензин; октановое число бензина – это процентное содержание изооктана в такой смеси. Октановое число, определенное таким образом, не всегда соответствует характеристике в многоцилиндровом двигателе в дорожных условиях при изменяющихся скоростях, нагрузках и ускорениях.
В нефтяной промышленности используются два метода, делающие это сравнение более реальным, – моторный метод и исследовательский метод. Октановое число определяется как среднее из двух таких определений.
Присадки. Практически все бензины содержат различные присадки, в том числе ингибиторы смолообразования и небольшое количество красителя. Законодательством многих промышленно развитых стран существенно снижен допустимый уровень соединений свинца в бензине (этилированный бензин, т.е. содержащий добавки тетраэтилсвинца, повышающие октановое число бензина, составляет менее 20% от всего бензина, вырабатываемого в США).
Керосин
Керосин – это легчайшее и наиболее летучее жидкое топочное топливо. Первоначально керосин использовался только для освещения, теперь он употребляется как топливо в пекарнях, отопительных и нагревательных приборах, оборудовании ферм, а также как компонент моторного топлива. Хороший керосин должен иметь особый цвет (приблизительно 250–300 мм по шкале Штаммера для нефтепродуктов), достаточную вязкость для устойчивой и равномерной пропитки фитиля, должен гореть ясным высоким пламенем без копоти или отложения твердых углистых осадков на фитиле, копоти в дымоходах и на ламповом стекле. Безопасность керосина при использовании в осветительных лампах определяется стандартным тестом на вспышку. Керосин медленно нагревают в небольшой стеклянной или металлической чашке и к поверхности периодически прикасаются пламенем до тех пор, пока не появится небольшой дымок, соответствующий точке воспламенения.
Другие продукты
Дизельное топливо. Промежуточные нефтяные дистилляты, кипящие при температурах выше, чем керосин, но ниже, чем смазочные масла, представляют собой горючее для средне- и высокоскоростных дизельных двигателей.
Цетановое число. Дизельные топлива оцениваются их цетановым числом – это реальное измерение легкости воспламенения под действием температуры и давления, а не способности горения. При этом топливо сравнивается со смесью цетана – парафинового углеводорода с 16-ю атомами углерода, который легко воспламеняется под давлением, и a-метилнафталина, который не возгорается. Процент цетана в смеси, показывающий ту же воспламеняемость, что и дизельное топливо в стандартных условиях испытания, называется цетановым числом. Парафиновые топлива более подходят для дизельных двигателей, поскольку они легко воспламеняются под давлением без дополнительной искры зажигания. Однако в связи с возрастающей потребностью в дистиллятах прямой перегонки для других целей, кроме получения дизельного топлива, увеличивается использование тяжелых дистиллятов с более низким цетановым числом, получаемых при каталитическом крекинге. Повышение надежности воспламенения низкокачественных дизельных топлив, улучшение воспламеняемости, более известное как увеличение цетанового числа, достигается добавлением специальных масел. Они включают такие компоненты, как органические оксиды и пероксиды. Небольшие добавки амилнитрата удовлетворительно улучшают качество топлива.
Реактивное топливо.
Реактивное нефтяное топливо может быть керосиновым либо нафтеновым.
Состоит главным образом из бензина прямой перегонки или керосина в топливе керосинового типа либо топливе №1 нафтенового типа.
Топливо для отопления зданий.
Использование легких дистиллятов в качестве бытового топлива постоянно возрастает, так как они удобнее и чище по сравнению, например, с углем. Конкуренцию им составляют природный газ и электричество.
Мазут. Большинство промышленных котельных и тепловых электростанций используют в качестве топлив черные вязкие остаточные продукты переработки нефти – топочный мазут. В большинстве случаев это продукты крекинга, хотя имеются и продукты прямой перегонки.
Парафиновые воски являются главным средством для защиты оборудования от действия воды.
Все они имеют водяно-белый цвет и температуру плавления в пределах 50–95° С.
Микрокристаллические воски используются как изоляция в самых разнообразных отраслях, таких, как электротехническая промышленность и промышленность средств связи, а также при печати, гравировке и т.д.
Вазелин, состоящий из тяжелых нефтяных остатков и парафиновых восков, производится фильтрованием цилиндровых дистиллятов и применяется в технике (в качестве антикоррозионной смазки и др. ) и медицине (главным образом для изготовления мазей).
Химические продукты из нефти
Получение нефтепродуктов путем фракционирования.
Нефтяная промышленность – это главный производитель химикатов.
Ее первые успехи в разделении индивидуальных углеводородов были достигнуты при фракционировании природного газа и природного бензина.
Первыми компонентами, выделенными таким путем, были метан, этан, пропан, нормальный бутан, изобутан и пентины.
Соответствующим образом спроектированные ректификационные колонны дают возможность выделять из крекинг-газов небольшие фракции с узким диапазоном температур кипения, которые служат первичным сырьем для химического производства, – это углеводороды, имеющие от 1 до 5 атомов углерода (как парафины, так и олефины).
Химические продукты, получаемые окислением природного газа.
Большое число химикатов производится в промышленных количествах путем окисления природного газа.
Они включают метиловый (древесный) спирт, этиловый (пищевой) спирт, пропиловый спирт (с 3 атомами углерода), формальдегид, ацетон, метилэтилкетон, муравьиную кислоту, уксусную кислоту.
Из этих компонентов, первично содержащих кислород, производятся многие другие продукты, хорошо известные в органической химии.
Химические продукты, получаемые из олефинов.
Олефины в крекинг-газах и низкокипящих фракциях нефти легко реагируют с хлором, хлороводородной кислотой, серной кислотой и другими реагентами, образуя новые исходные вещества для дальнейшей переработки и производства большого числа химических продуктов.
Из этого сырья производятся фреоны, гликоли, глицерин, каучук, пластмассы, инсектициды, спирты и моющие средства.
Химические продукты, получаемые с помощью других процессов.
Аммиак синтезируется из водорода, получаемого при крекинге природного газа, и азота, извлекаемого дистилляцией из сжиженного воздуха. Азотная кислота и нитрат аммония, используемые для производства удобрений и взрывчатых веществ, также получаются из аммиака.
Основные технологические процессы топливного производства. Нефтепереработка кратко — Переработка
Процесс переработки нефти можно разделить на 3 основных технологических процесса:
Процесс переработки нефти можно разделить на 3 основных технологических процесса:
1. Первичная переработка — Разделение нефтяного сырья на фракции различных интервалов температур кипения;
2. Вторичная переработка — Переработка фракций первичной переработки путем химического превращения содержащихся в них углеводородов и выработка компонентов товарных нефтепродуктов;
3. Товарное производство — Смешение компонентов с использованием различных присадок, с получением товарных н/продуктов с заданными показателями качества.
Номенклатура продукции нефтеперерабатывающего завода (НПЗ) может включать до 40 позиций, в тч:
— моторное топливо,
— котельное топливо,
— сжиженные газы,
— сырье для нефтехимического производства,
— смазочное, гидравлическое и прочее масло,
— битум,
— нефтяной кокс,
— прочие н/продукты.
Номенклатура н/продуктов, получаемых на конкретных НПЗ, зависит от состава и свойств поставляемой сырой нефти и потребностей в н/продуктах.
Характеристики фракций:
Газы, растворенные в нефти в количестве 1,9 % масс на нефть, и полученные при первичной перегонке нефти, состоят в основном из пропана и бутана. Это — сырье газофракционирующих установок и топливо (бытовой сжиженный газ).
Фракции нк -62 и 62-85оС имеют небольшое октановое число, поэтому направляется на установку изомеризации для повышения октанового числа.
Фракция 85-120 оС — это сырье каталитического риформинга для получения бензола и толуола, компонентов высокооктанового бензина.
Фракции 85-120 и 120-180 оС — сырье каталитического риформинга для получения компонентов высокооктанового бензина, и компонента реактивного топлива.
Фракция 180-230 оС — компонент реактивного и дизельного топлива.
Фракции 230-280 оС и 280-350 оС — это фракции летнего и зимнего дизельного топлива. Цетановое число объединенной фракции 240 — 350 оС = 55 . Температура застывания -12 оС. Депарафинизация фракции 230 — 350 оС позволяет получить зимнее дизтопливо.
Фракция 350-500 оС — вакуумный газойль — сырье процессов каталитического крекинга и гидрокрекинга для получения высокооктанового бензина.
Фракция, выкипающая при температурах выше 500 оС — гудрон — используется как сырье установок термического крекинга, висбрекинга, коксования, производства битума.
Нефтепереработка — непрерывный технологический процесс, остановка которого предусмотрена только для проведения планово — предупредительного ремонта (ППР), ориентировочно каждые 3 года.
Одна из основных задач модернизации НПЗ, проводимой компаниями, — это увеличение межремонтного периода, который, к примеру, у Московского НПЗ составляет около 4,5 лет.
Основная техническая единица НПЗ — технологическая установка, комплекс оборудования которой позволяет выполнить все операции основных технологических процессов переработки.
Основные операции
1. Поставка и прием нефти.
Основные пути доставки сырья на НПЗ:
— магистральные нефтепроводы (МНП) — основной для РФ вариант доставки сырой нефти,
— по железной дороге с использованием вагонов — цистерн,
— нефтеналивными танкерами для прибрежных НПЗ
Нефть поступает на заводской нефтетерминал (рис 1) в нефтяные резервуары (обычно, типа Шухова), который связан нефтепроводами со всеми технологическими установками завода.
Учет принятой на нефтетерминал нефти производится по приборам или путем замеров в нефтяных резервуарах.
2. Первичная переработка
2. 1. Подготовка нефти к переработке (электрообессоливание).
Обессоливание служит для уменьшения коррозии технологического оборудования от сырой нефти.
Поступающую из нефтерезервуаров сырую нефть смешивают с водой для растворения солей и отправляют на ЭЛОУ — электрообессоливающую установку.
Электродегидраторы — цилиндрические аппараты со смонтированными внутри электродами — это основное оборудование ЭЛОУ.
Здесь под воздействием тока высокого напряжения (25 кВ и более), эмульсия (смесь воды и нефти) разрушается, вода собирается в низу аппарата и откачивается.
Для более эффективного разрушения эмульсии, в сырье вводятся специальные вещества — деэмульгаторы.
Температура процесса обессоливания — 100-120°С.
2.2.Перегонка нефти
Обессоленая и обезвоженная нефть с ЭЛОУ поступает на установку атмосферно-вакуумной перегонки нефти (АВТ — атмосферно-вакуумная трубчатка).
Нагрев нефти перед разделением на фракции производится в змеевиках трубчатых печей за счет тепла сжигания топлива и тепла дымовых газов.
В последнее время актуальность приобрела задача перевода печей с жидкого на газообразное топливо, что повышает эффективность техпроцесса и существенно улучшает экологию.
АВТ разделена на 2 блока — атмосферной и вакуумной перегонки.
2.2.1. Атмосферная перегонка
Атмосферная перегонка обеспечивает отбор светлых нефтяных фракций — бензиновой, керосиновой и дизельных, выкипающих при температуре до 360°С, выход которых может составлять 45-60% на нефть.
Нагретая в печи нефть разделяются на отдельные фракции в ректификационной колонне — цилиндрическом вертикальном аппарате, внутри которого расположены контактные устройства (тарелки), через которые пары движутся вверх, а жидкость — вниз.
Различные по размеру и конфигурации ректификационные колонны используются на всех установках нефтеперерабатывающего производства, количество тарелок в них меняется в интервале 20 — 60.
Тепло подводится в нижнюю часть колонны и отводится с верхней части колонны, поэтому температура в колонне постепенно снижается от низа к верху.
В результате сверху колонны отводится бензиновая фракция в виде паров, пары керосиновой и дизельных фракций конденсируются в соответствующих частях колонны и выводятся, а жидкий мазут — остаток атмосферной перегонки , откачивается с низа колонны.
2.2.2. Вакуумная перегонка
Вакуумная перегонка обеспечивает отбор масляных дистиллятов или широкой масляной фракции (вакуумного газойля) от мазута.
На НПЗ топливно-масляного профиля — отбор масляных дистиллятов, на НПЗ топливного профиля — вакуумного газойля.
Термическое разложение углеводородов (крекинг) начинается при при температуре более 380°С , а конец кипения вакуумного газойля — при 520°С и более.
Перегонка при близком к вакууму остаточном давлении 40-60 мм рт ст позволяет снизить максимальную температуру в аппарате до 360-380°С, что позволяет отбирать масляные фракции.
Паровые или жидкостные эжекторы — основное оборудование для создания разряжения в колонне.
Остаток вакуумной перегонки — гудрон.
2.2.3. Стабилизация и вторичная перегонка бензина
Получаемая на блоке АВТ бензиновая фракция не может быть использована по следующим причинам:
— содержит газы, в основном пропан и бутан, в превышающем требования по качеству объеме, что не позволяет использовать их как компоненты автомобильного бензина или товарного прямогонного бензина,
— процессы нефтепереработки, направленные на повышение октанового числа бензина и производства ароматических углеводородов в качестве сырья используют узкие бензиновые фракции.
Поэтому используется техпроцесс, в результате которого от бензиновой фракции отгоняются сжиженные газы, и осуществляется ее разгонка на 2-5 узких фракций на соответствующем количестве колонн.
Продукты первичной переработки нефти, собственно, как и продукты в других техпроцессах переработки, охлаждаются:
— в теплообменниках, что обеспечивает экономию технологического топлива,
— в водяных и воздушных холодильниках.
Далее продукты первичной переработки идут на очередные переделы.
Установка первичной переработки — обычно комбинированные ЭЛОУ -АВТ — 6 мощностью переработки до 6 млн т/ год нефти, в составе:
— блока ЭЛОУ, предназначенного для подготовки нефти к переработке путем удаления из нее воды и солей,
— блока АТ, предназначенного для разгонки светлых нефтепродуктов на узкие фракции,
— блока ВТ, предназначен для разгонки мазута (>350оС) на фракции,
— блока стабилизации, предназначенного для удаления из бензина газообразных компонентов, в тч коррозийно-активного сероводорода и углеводородных газов,
— блока вторичной разгонки бензиновых фракций, предназначенного для разделения бензина на фракции.
В стандартной конфигурации установки, сырая нефть смешивается с деэмульгатором, нагревается в теплообменниках, 4мя параллельными потоками обессоливается в 2х ступенях горизонтальных электродегидраторов, дополнительно нагревается в теплообменниках и направляется в отбензинивающую колонну.
Тепло к нижнейчасти этой колонны подводится горячей струей, циркулирующей через печь.
Далее частично отбензиненная нефть из колонны после нагрева в печи направляется в основную колонну, где осуществляется ректификация с получением паров бензина в верхней части колонны, 3 боковых дистиллятов из отпарных колонн и мазута в нижней части колонны.
Отвод тепла в колонне осуществляется верхним испаряющим орошением и 2мя промежуточными циркуляционными орошениями.
Смесь бензиновых фракций из колонн и направляется на стабилизацию в колонну, где сверху отбираются легкие головные фракции (жидкая головка), а снизу- стабильный бензин.
Стабильный бензин в колоннах подвергается вторичной перегонке с получением узких фракций, используемых в качестве сырья для каталитического риформинга.
Тепло к низу стабилизатора и колонн вторичной перегонки подводится циркулирующими флегмами, нагреваемыми в печи.
Мазут из основной колонны в атмосферной секции насосом подается в вакуумную печь, откуда с температурой 420 оС направляется в вакуумную колонну.
В нижнюю часть этой вакуумной колонны подается перегретый водяной пар.
С верха колонны водяной пар вместе с газообразными продуктами разложения поступает в поверхностные конденсаторы, откуда газы разложения отсасываются 3-ступенчатыми пароэжекторными вакуумными насосами.
Остаточное давление в колонне 50 мм рт cт.
Боковым погоном вакуумной колонны служат фракции , которые насосом через теплообменник и холодильник направляются в емкости.
В 3 сечениях вакуумной колонны организовано промежуточное циркуляционное орошение. Гудрон в низу вакуумной колонны откачивается насосом через теплообменник и холодильник в резервуары.
Аппаратура и оборудование АВТ-6 занимают площадку 265*130 м2, или 3.4 га.
Инфраструктура ЭЛОУ — АВТ — 6 включает:
— подстанцию, насосную станцию для перекачки воды и компрессорную станцию,
— блок ректификационной аппаратуры,
— конденсационно-холодильная аппаратура и промежуточные емкости, установленные на 1-ярусном ж/бетонном постаменте,
— насосы технологического назначения для перекачки н/продуктов,
— многосекционные печи общей тепловой мощностью порядка 160 млн ккал*ч, используемых в качестве огневых нагревателей мазута, нефти и циркулирующей флегмы.
Продукты первичной переработки нефти
Фотографии установок первичной переработки различной конфигурации
Рис. 3. Установка ЭЛОУ-АВТ-6 Саратовского НПЗ. В центре — атмосферная колонна (показаны точки отбора фракций), справа — вакуумная
Рис. 4. Установки вторичной перегонки бензина и атмосферной перегонки на НПЗ «Славнефть-ЯНОС» (слева направо)
Рис. 5. Установка вакуумной перегонки мощностью 1,5 млн. тонн в год на Туркменбашинском НПЗ по проекту фирмы Uhde
Рис. 6. Установка вакуумной перегонки мощностью 1,6 млн. тонн в год на НПЗ «ЛУКОЙЛ-ПНОС». На переднем плане — трубчатая печь (жёлтого цвета)
Рис. 7. Вакуумсоздающая аппаратура фирмы Graham. Видны 3 эжектора, в которые поступают пары с верха колонны
3. Вторичная переработка нефти
Продукты первичной переработки нефти, как правило, не являются товарными н/продуктами.
Например, октановое число бензиновой фракции составляет около 65 пунктов, содержание серы в дизельной фракции может достигать 1,0% и более, тогда как норматив составляет, в зависимости от марки, 0,005% — 0,2%.
Кроме того, темные нефтяные фракции могут быть подвергнуты дальнейшей квалифицированной переработке.
Поэтому, нефтяные фракции поступают на установки вторичных процессов, которые обеспечивают улучшение качества н/продуктов и углубление переработки нефти.
Каталитический крекинг (каткрекинг) — важнейший процесс нефтепереработки, существенно влияющий на эффективность НПЗ в целом.
Сущность процесса заключается в разложении углеводородов, входящих в состав сырья (вакуумного газойля) под воздействием температуры в присутствии цеолитсодержащего алюмосиликатного катализатора.
Целевой продукт установки КК — высокооктановый компонент бензина с октановым числом 90 п и более, его выход составляет 50 — 65% в зависимости от используемого сырья, применяемой технологии и режима.
Высокое октановое число обусловлено тем, что при каткрекинге происходит также изомеризация.
В ходе процесса образуются газы, содержащие пропилен и бутилены, используемые в качестве сырья для нефтехимии и производства высокооктановых компонентов бензина, легкий газойль — компонент дизельных и печных топлив, и тяжелый газойль — сырье для производства сажи, или компонент мазутов.
Мощность современных установок в среднем 1,5 — 2,5 млн т/год, но есть и 4,0 млн т/год.
Ключевым участком установки является реакторно-регенераторный блок.
В состав блока входит печь нагрева сырья, реактор, в котором непосредственно происходят реакции крекинга, и регенератор катализатора.
Назначение регенератора — выжиг кокса, образующегося в ходе крекинга и осаждающегося на поверхности катализатора. Реактор, регенератор и узел ввода сырья связаны трубопроводами (линиями пневмотранспорта), по которым циркулирует катализатор.
Мощностей каталитического крекинга на российских НПЗ в настоящее время недостаточно, и за счет ввода новых установок решается проблема с прогнозируемым дефицитом бензина.
Сырье с температурой 500-520°С в смеси с пылевидным катализатором движется по лифт-реактору вверх в течение 2-4 секунд и подвергается крекингу.
Продукты крекинга поступают в сепаратор, расположенный сверху лифт-реактора, где завершаются химические реакции и происходит отделение катализатора, который отводится из нижней части сепаратора и самотеком поступает в регенератор, в котором при температуре 700°С осуществляется выжиг кокса.
После этого восстановленный катализатор возвращается на узел ввода сырья.
Давление в реакторно-регенераторном блоке близко к атмосферному.
Общая высота реакторно-регенераторного блока составляет 30 — 55 м, диаметры сепаратора и регенератора — 8 и 11 м соответственно для установки мощностью 2,0 млн т/год.
Продукты крекинга уходят с верха сепаратора, охлаждаются и поступают на ректификацию.
Каткрекинг может входить в состав комбинированных установок, включающих предварительную гидроочистку или легкий гидрокрекинг сырья, очистку и фракционирование газов.
В правой части — реактор, слева от него — регенератор
Гидрокрекинг — процесс, направленный на получение высококачественных керосиновых и дизельных дистиллятов, а также вакуумного газойля путем крекинга углеводородов исходного сырья в присутствии водорода.
Одновременно с крекингом происходит очистка продуктов от серы, насыщение олефинов и ароматических соединений, что обуславливает высокие эксплуатационные и экологические характеристики получаемых топлив.
Например, содержание серы в дизельном дистилляте гидрокрекинга составляет миллионные доли %.
Получаемая бензиновая фракция имеет невысокое октановое число, ее тяжелая часть может служить сырьем риформинга.
Гидрокрекинг также используется в масляном производстве для получения высококачественных основ масел, близких по эксплуатационным характеристикам к синтетическим.
Линейка сырья гидрокрекинга довольно широкая — прямогонный вакуумный газойль, газойли каталитического крекинга и коксования, побочные продукты маслоблока, мазут, гудрон.
Установки гидрокрекинга, как правило, строятся большой единичной мощности переработки — 3-4 млн т/год.
Обычно объемов водорода, получаемых на установках риформинга, недостаточно для обеспечения гидрокрекинга, поэтому на НПЗ сооружаются отдельные установки по производству водорода путем паровой конверсии углеводородных газов.
Технологические схемы принципиально схожи с установками гидроочистки — сырье, смешанное с водородосодержащим газом (ВСГ), нагревается в печи, поступает в реактор со слоем катализатора, продукты из реактора отделяются от газов и поступают на ректификацию.
Однако, реакции гидрокрекинга протекают с выделением тепла, поэтому технологической схемой предусматривается ввод в зону реакции холодного ВСГ, расходом которого регулируется температура. Гидрокрекинг — один из самых опасных процессов нефтепереработки, при выходе температурного режима из-под контроля, происходит резкий рост температуры, приводящий к взрыву реакторного блока.
Аппаратурное оформление и технологический режим установок гидрокрекинга различаются в зависимости от задач, обусловленных технологической схемой конкретного НПЗ, и используемого сырья.
Например, для получения малосернистого вакуумного газойля и относительно небольшого количества светлых (легкий гидрокрекинг), процесс ведется при давлении до 80 атм на одном реакторе при температуре около 350°С.
Для максимального выхода светлых (до 90%, в том числе до 20% бензиновой фракции на сырье) процесс осуществляется на 2х реакторах.
При этом, продукты после 1го реактора поступают в ректификационную колонну, где отгоняются полученные в результате химических реакций светлые, а остаток поступает во 2й реактор, где повторно подвергается гидрокрекингу.
В данном случае, при гидрокрекинге вакуумного газойля давление составляет около 180 атм, а при гидрокрекинге мазута и гудрона — более 300.
Температура процесса, соответственно, варьируется в интервале 380 — 450°С и выше.
В России технология гидрокрекинга внедрена в 2000х гг на НПЗ в Перми, Ярославле и Уфе, на ряде заводов установки гидроочистки реконструированы под процесс легкого гидрокрекинга.
Совместное строительство установок гидрокрекинга и каталитического крекинга в рамках комплексов глубокой переработки нефти представляется наиболее эффективным для производства высокооктановых бензинов и высококачественных средних дистиллятов.
4. Товарное производство
В ходе вышеуказанных технологических процессов вырабатываются только компоненты моторных, авиационных и котельных топлив с различными показателями качества.
Например, октановое число прямогонного бензина составляет около 65, риформата — 95-100, бензина коксования — 60.
Другие показатели качества (например, фракционный состав, содержание серы) у компонентов также различаются.
Для получения товарных н/продуктов организуется смешение полученных компонентов в соответствующих емкостях НПЗ в соотношениях, которые обеспечивают нормируемые показатели качества.
Расчет рецептуры смешения (компаундирования) компонентов осуществляется при помощи модулей математических моделей, используемых для планирования производства по НПЗ в целом.
Исходными данными для моделирования являются прогнозные остатки сырья, компонентов и товарной продукции, план реализации н/продуктов в разрезе ассортимента, плановый объем поставок нефти. Таким образом возможно рассчитать наиболее эффективные соотношения между компонентами при смешении.
Зачастую на заводах используются устоявшиеся рецептуры смешения, которые корректируются при изменении технологической схемы.
Компоненты н/продуктов в заданном соотношении закачиваются в емкость для смешения, куда также могут подаваться присадки.
Полученные товарные н/продукты проходят контроль качества и откачиваются в резервуары товарно-сырьевой базы, откуда отгружаются потребителю.
5. Доставка нефтепродуктов
— перевозка ж/д транспортом — основной способ доставки н/продуктов в России. Для погрузки в вагоны-цистерны используются наливные эстакады.
— по магистральным нефтепродуктопроводам (МНПП) Транснефтепродукта,
— речными и морскими судами.
Продукт Переработки Нефти 7 Букв
Решение этого кроссворда состоит из 7 букв длиной и начинается с буквы Г
Ниже вы найдете правильный ответ на Продукт переработки нефти 7 букв, если вам нужна дополнительная помощь в завершении кроссворда, продолжайте навигацию и воспользуйтесь нашей функцией поиска.
ответ на кроссворд и сканворд
Пятница, 12 Апреля 2019 Г.
ГАЗОЙЛЬ
предыдущий
следующий
ты знаешь ответ ?
ответ:
связанные кроссворды
Газойль
Дизельное топливо
Газойль
Фракции нефти, используется как дизельное топливо 7 букв
Смесь углеводородов 7 букв
Смесь углеводородов; фракции нефти 7 букв
Топливо, нефтепродукт 7 букв
Дизельное топливо 7 букв
похожие кроссворды
Продукт, получаемый путём переработки нефти (керосин, бензин, мазут и т. п.)
Продукт переработки нефти
Бесцветная горючая жидкость, продукт переработки нефти 6 букв
Продукт переработки нефти, топливо 6 букв
Продукт переработки нефти 6 букв
Продукт, получаемый путём переработки нефти (керосин, бензин, мазут и т
Продукт переработки нефти 5 букв
Масло, один из продуктов переработки нефти
Процесс переработки нефти с целью получения моторных топлив 7 букв
Способ переработки нефти 12 букв
Полиэфирное волокно, получаемое из продуктов переработки нефти 6 букв
Способ переработки нефти 7 букв
Остаток переработки нефти 4 буквы
Один из продуктов переработки нефти
(монтанит) воскообразный продукт переработки битуминозных бурых углей
Продукт вторичной переработки льноволокна и низкосортного льна
Продукт переработки целлюлозы — густая вязкая масса 7 букв
Нефть продукты переработки
Нефть является основным источником сырья для нефтеперерабатывающих заводов при получении моторных топлив, масел и мазута. Нефть и продукты ее переработки служат также сырьем для синтеза многочисленных химических продуктов: полимерных материалов, пластических масс, синтетических каучу-ков и волокон, спиртов, растворителей и др. В перспективе большая часть нефтепродуктов (особенно энергетических топлив) может быть замещена альтернативными энергоносителями, в то время как замена нефтяного сырья в качестве источника получения нефтехимических продуктов мало вероятна. Более того, доля нефти, используемой в нефтехимических производствах, в ближайшие годы в мире возрастет до 8% и по прогнозам в 2000 г. достигнет 20-25%. В связи с этим происходит интеграция нефтеперерабатывающей и нефтехимической промышленности и формирование нефтехимических комплексов.[ …]
Нефть поступает на завод по двум трубопроводам в сырьевые резервуары, далее на установки электрообессоливания и обезвоживания, где происходит выделение солей из нефти. В процессе первичной переработки из нефти извлекают компоненты (бензин, керосин, дизельное топливо, вакуумный газойль) и получают тяжелые остатки (мазут и гудрон). Продукты первичной переработки нефти направляют на вторичные процессы переработки: каталитический крекинг (Г-43-107), каталитический риформинг (35-11/300 и ЛЧ-35/11-1000), гидроочистки (24/2000, 24/5), стабилизацию бензинов, производство окисленных битумов. С целью повышения октанового числа бензинов бензиновые прямогонные фракции перерабатывают на установках каталитического риформинга. Средние показатели качества нефтей приведены в табл. 2.6.[ …]
Продукты переработки нефти используются также в качестве сырья для разнообразных производств нефтехимического синтеза. На крупных предприятиях нефтехимические производства сооружаются в составе НПЗ.[ …]
Нефть является сырьем для получения моторных топлив и масел, а также для синтеза большого числа химических продуктов— полимерных материалов, пластических масс, синтетических волокон, спиртов и др. Переработка нефти состоит из проведения разных технологических процессов-: обессоливание нефти на электрообессоливающих установках (ЭЛОУ), первичная перегонка, термический и каталитический крекинг и др. Переработка сернистых нефтей связана с предварительной очисткой нефти от сернистых соединений.[ …]
Другие продукты переработки нефти — пластические смазки, присадки к топливам и маслам и т. п. изучены в токсикологическом плане слабо. Их токсичность и характер биологического действия зависят от индивидуального состава химических ингредиентов.[ …]
Процессы переработки нефти отличаются друг от друга своей продолжительностью, условиями проведения реакции, а содержание микроэлементов в нефтях различных месторождений варьируется очень широко. Поэтому конечные продукты нефтепереработки, полученные даже аналогичными методами, разнообразны по своему составу и требуют глубоких исследований для определения их химической структуры.[ …]
Побочные продукты образуются при физико-химической переработке сырья наряду с основными продуктами производства, но не являются целью производственного процесса. Они в большинстве случаев бывают товарными, на них имеются ГОСТ, ТУ и утвержденные цены, их выпуск планируется. Чаще всего это содержащиеся в сырье компоненты, не используемые в данном производстве, или продукты, которые получаются при добыче или обогащении основного сырья; их принято называть попутными продуктами (например, попутный газ при добыче нефти).[ …]
Конечными продуктами переработки нефти и газа являются различные виды топлива для карбюраторных, дизельных и реактивных двигателей, широкий ассортимент смазочных масел и смазок, а также парафины, битумы, нефтяной кокс и самые разнообразные органические продукты.[ …]
В результате переработки и утилизации нефтешламов можно получить такие товарные продукты, как нефть (1-й группы), нефтепродукты, смазочные вещества, мазут, битум, бетон и др., а также продукты утилизации — рекультивированный грунт, зола, сажа, вода, газообразные компоненты (рис. 4).[ …]
Из многотоннажных продуктов переработки нефти наиболее дорогостоящими и дефицитными являются моторные масла, применяемые в поршневых двигателях внутреннего сгорания.[ … ]
Разведанные ресурсы нефти и газа на шельфе о-ва Сахалин позволят обеспечить продуктами переработки нефти (примерно 12 млн т нефти в год) Сахалин, Дальний Восток, Камчатку, провести газификацию указанных регионов (около 30 млрд м3 газа в год) и поставить на экспорт в страны Юго-Восточной Азии, что отвечает стратегическим интересам России в Азиатско-Тихоокеанском регионе.[ …]
В результате промышленной переработки природной (сырой) нефти из нее получают автомобильное, дизельное и реактивное горючее, котельное топливо (мазуты) и смазочные материалы. Товарные сорта моторных горючих представляют собой смеси из нескольких составных частей. Та часть горючего, которая входит в состав в наибольшем количестве, называется базовым топливом. Базовыми топливами для моторных горючих являются следующие продукты различных процессов переработки нефти: бензины, лигроины, керосины, газойли, соляровые дистилляты.[ …]
В настоящее время спрос на нефть продолжает идти для транспорта и нефтехимии (почти единственный источник органического сырья!), в ущерб рынку горючего для отопительных систем. Однако и бензина, и горючего для реактивных и дизельных двигателей требуется все больше, а тяжелых мазутов — все меньше. Это влечет за собой необходимость более глубокой переработки нефти. Сказанное, несмотря на суровые регламентации охраны окружающей среды, касающиеся состава продуктов и объема выбросов нефтеперерабатывающих заводов, что, естественно, усложняет производство и увеличивает капиталовложения и эксплуатационные расходы. Последнее обстоятельство и высокие налоги на нефтепродукты важны при размещении нефтепереработки внутри или перемещении ее за пределы своей страны.[ …]
По аналогичной технологии переработку нефтешламов организовало предприятие «7 атойлгаз»: из 600 тыс. т жидких шламов им было получено 250 тыс. т нефти экспортного качества. Отходными продуктами установки являются вода и твердые шламы. Последние содержат 5% нефти, остальное в них — сухой черный порошок, используемый как дорожное покрытие (Мазус).[ …]
Как показано выше, атмосферные загрязнения продуктами переработки нефти связаны с загрязнением почвы и водных бассейнов. [ …]
Сильно загрязняются природные водоемы также нефтью и сточными водами нефтеперерабатывающих заводов, содержащими различные продукты переработки нефти (нафтеновые кислоты, сернистые соединения, меркаптаны, азотистые соединения, смолистые вещества, а также органические и неорганические соли, фенолы и их производные, сероводород и его соли, соединения мышьяка и свинца, кислоты, щелочи и пр.).[ …]
Метод служит для анализа сточных вод, содержащих продукты переработки и очистки нефти на нефтеперерабатывающих заводах, и для анализа вод природных водоемов в тех случаях, когда устанавливают, удовлетворяют ли эти воды принятым нормам предельно допустимых концентраций нефти и нефтепродуктов (0,1—0,3 мг/л). Нефтепродуктами при анализе вод следует считать неполярные и малополярные соединения, растворимые в гексане (гексан может быть заменен петролейным эфиром). Это определение сужает понятие «нефтепродукт», ограничивая его углеводородами, являющимися основной частью нефти (и еще очень небольшим числом органических соединений, редко сопутствующих углеводородам в сточных и природных водах). В то же время это определение достаточно четко выражает химико-аналитические свойства «нефтепродуктов».[ …]
Установлены предельно допустимые концентрации для продуктов переработки нефти в атмосферном воздухе населенных пунктов. Например для бензина (нефтяного, малосернистого в пересчете на углерод) максимальная разовая концентрация 5 мг/см3, среднесуточная-1,5 мг/м3, для вредного вещества тетраэтилсвинца, входящего в состав этилированных бензинов, ПДК составляет 0,005 мг/м3.[ …]
Органические загрязнения также очень разнообразны, из них нефть является основным загрязнителем производственных сточных вод. Повышенное содержание органических веществ в сточных водах получается также при попадании в них продуктов переработки нефтяных газов (например, синтетических спиртов и др.) или реагентов (например, фенола и др.), участвующих в технологическом процессе переработки нефти и газа.[ …]
Одним из наиболее опасных веществ, загрязняющих нашу среду обитания, считаются нефть и продукты ее переработки (до 3000 ингредиентов), многие из которых ядовиты для любых живых организмов. Предотвращение подобных загрязнений — одна из сложных и многоплановых технических проблем современности, и накопилось немало способов борьбы с нефтяными разливами и ликвидации их последствий.[ …]
В качестве топлив и смазочных материалов для большиства видов техники применяются продукты переработки нефти. Однако нефть -невозобновляемое сырье и увеличение ее добычи ограничено. Поэтому рациональное и экономное использование нефтепродуктов, поиск и изучение альтернативного сырья для производства топлив и смазочных материалов — сущность химмотологии и одновременно является важнейшим направлением развития техники и экономики.[ …]
В пособии рассматриваются актуальные проблемы взаимоотношения важнейшего ресурса РФ — нефти и нефтепродуктов — с окружающей природной средой (как в России, так и за рубежом). Освещаются возможные пути попадания и превращения нефти и продуктов ее переработки в воде, воздухе, в почвах, затронуты «старые проблемы» в новом веке. Особое внимание уделяется микроэлементам нефтей разного состава и возможности их применения в промышленности. Важное значение придается наболевшим вопросам экотоксикологии разных составляющих нефти. Дана сводная (по литературным данным) перспектива добычи и переработки «черного золота» па период полувека, а также возможная замена нефти, газа и других ископаемых ресурсов новыми видами источников энергии.[ …]
Дизельное топливо представляет собой смесь керосиновых, газойлевых и соляровых фракций крекинга нефти. Компонентами дизельного топлива служат продукты синтеза окиси углерода и водорода, каталитический газойль и другие продукты. Реактивное горючее является продуктом типа керосина. Остаточные продукты переработки нефти используются в качестве котельного топлива (мазутов).[ …]
Рассмотрим основные свойства нефтяных углеводородных систем. На современном этапе технического развития нефть и продукты ее переработки являются источником основных видов жидкого топлива: бензина, керосина, реактивного, дизельного и котельного. Из нефти вырабатывают смазочные и специальные масла, нефтяной пек, кокс, различного назначения битумы, консистентные (пластичные) смазки, нефтехимическое сырье — индивидуальные алканы (парафиновые углеводороды), алкены (олефины) и арены (ароматические углеводороды), жидкий и твердый парафин. Из нефтехимического сырья, в свою очередь, производят ряд важнейших продуктов для различных областей промышленности, сельского хозяйства, медицины и быта: пластические массы; синтетические волокна, каучуки и смолы; текстильно-вспомогательные вещества; моющие средства; растворители; белково-витаминные концентраты; различные присадки к топливам, маслам и полимерам; технический углерод.[ …]
В настоящее время сорбция является практически единственным методом, позволяющим очищать сточные воды НПЗ от продуктов переработки нефти до любого требуемого уровня.[ …]
Описанные изменения функций различных органов и систем организма являются результатом комбинированного воздействия продуктов переработки сернистой нефти: углеводородов, сероводорода и органических соединений серы. Токсичность этой комбинации веществ выше, чем токсичность ее компонентов. Эту закономерность необходимо учитывать при оценке токсического воздействия газов и газовых смесей Оренбургского месторождения.[ …]
На заре развития химической промышленности создавались и затем интенсивно развивались жизненно важные производства -удобрений, продуктов переработки нефти и угля, моторного топлива, синтетического каучука, пластических масс. Все они стали крупнотоннажными, и номенклатура их продуктов меняется незначительно. Но за последние десятилетия число наименований необходимых продуктов химической промышленности многократно увеличилось. Материалы, обладающие особыми свойствами, выпускаются в небольших количествах. Их производство, как правило, малотоннажное, а номенклатура обновляется примерно каждые 5 лет. Срок службы современной химической аппаратуры больше и составляет 10-15 лет. Создание для каждого продукта отдельного производства становится невыгодным — после наработки необходимого количества материала технологическое оборудование становится ненужным. Поэтому и возникли перестриваемые производственные системы.[ …]
Растворенные и эмульгированные в воде нефтепродукты оказывают оильное отрицательное воздействие на водные организмы. Сер-ниотая нефть и продукты ее переработки при концентрации 0,2 иг/л вредно действует на молодь рыбы, при концентрации 1,4 иг/л -на бентоо. при концентрации 16 мг/л — на взроолых рыб. [ …]
Понятие «нефтепродукты (НП) имеет два значения — техническое и аналитическое [б]. В техническом значении нефтепродукты — это товарные сырые нефти (Н), прошедшие первичную подготовку на промысле, и продукты переработки нефти, использующиеся в различных видах хозяйственной деятельности: авиационные и автомобильные бензины, реактивные, тракторные и осветительные керосины, дизельное топливо, мазуты, растворители, смазочные масла, гудроны, нефтяные битумы и другие нефтепродукты (парафин, нефтяной кокс, присадки, нефтяные кислоты и т.п.).[ …]
Использование в качестве топлива и термическая деструкция ОАП с точки зрения экономии природных ресурсов является менее предпочтительной, чем переработка, так как безвозвратно теряется ценное сырье. Эффективность сжигания ОАП не сопоставима с затратами невозобновляемых природных ресурсов и энергии на их изготовление. На производство легковой шины уходит 32 л нефти (без учета энергии, затрачиваемой на полимеризацию), а ее сжигание эквивалентно сжиганию 6—8 л нефти. Тем не менее, по зарубежным данным, сжигание ОАП для получения электроэнергии, тепла и продуктов термического разложения является наиболее перспективным направлением в промышленности переработки отходов. По результатам опроса, проведенного в США среди экологов, это направление признано наиболее целесообразным и перспективным в области использования ОАП. За него высказалось 73% опрошенных специалистов.[ …]
Под термином «безотходное производство» следует понимать такое производство в процессе которого максимально используются и превращаются в полезные продукты все компоненты перерабатываемого- сырья и полуфабрикатов. Отходы и выбросы загрязняющих веществ при этом должны быть сведены к минимуму, который гарантирует сохранение экологического круговорота вещества и энергии и соблюдение санитарно-гигиенических норм предельно допустимых выбросов, установленных для данной местности. Применительно к нефтеперерабатывающей промышленности это значит обеспечить переработку нефти при минимальных энергетических затратах с минимальными потерями углеводородов и максимальным извлечением полезных веществ: серы, азота, минеральных солей и других ингредиентов. В процессе переработки нефти и ее отдельных компонентов и полуфабрикатов в товарные продукты с применением различных реагентов и катализаторов не должны образовываться новые вещества и отходы, загрязняющие природную среду выше допустимых норм.[ …]
Большинство органических полупродуктов и конечная продукция, применяемая или производимая в отраслях химической промышленности, изготавливается из ограниченного числа продуктов нефтехимии. На рис. 1.5 представлена схема производства основных химических продуктов из нефти и природного газа. Как следует из этого рисунка, основными продуктами переработки нефтяного сырья являются углеводороды, часть из которых неизбежно попадает в окружающую среду.[ …]
Химические средства стабилизации подвижных песков — нанесение на поверхность почвы сланцевых смол, эмульсий синтетических смол, нэрозина, горячих смесей битума и мазута с нефтью, продуктов переработки смол пиролиза и гипана, арланской нефти и др.[ …]
Следует отметить, что образование органических отходов, таких как смоло-парафиновые отложения, не является неизбежным следствием процесса нефтеобеспечения. Сохранение парафинов и смоло-асфальтеновых соединений в составе товарного продукта — нефти для переработки не только не ухудшает ее качества, а, наоборот, даже повышает, расширяя ассортимент получаемых из нее продуктов при переработке. Поэтому образование парафиновых отложений можно рассматривать как показатель экологического несовершенства техники и технологии различных этапов процесса нефтеобеспечения, так как удаление образовавшихся отложений и их дальнейшая утилизация любым методом являются дополнительным давлением на биосферу.[ …]
Что касается промышленного использования отходов нефтедобычи, то в данном направлении определенный опыт накоплен в Татарстане. Известно, в частности, что в этой республике к концу 70-х гг. 20 в. скопилось около 1 млн т нефтяных шламов. Для их переработки СП «Татойлгаэ» построило установку, которая через 1,5 г. эксплуатации стала приносить прибыль. Из 600 тыс. т жидких шламов получили 250 тыс. т нефти : лспортного качества. Другими продуктами переработки нефтешламов являются вода и твердый шлам. Последний содержит до 5% нефти, остальное — сухой черный порошок, который используется в качестве дорожного покрытия (Маэус).[ …]
В то же время отработанные масла являются сырьем для производства вторичных материалов и должны собираться с целью регенерации. По данным специалистов, выход качественных вторичных масел из отработанных составляет 60—80 %, в то время как при переработке сырой нефти выход товарных масел не превышает 10 %. Так, в Канаде нефтеперерабатывающая фирма «Эссо» поставляет на рынок масла, содержащие 50 % регенерированных продуктов. Во Франции собирается для рекуперации ежегодно до 200 тыс. т отработанных масел. Однако в связи с тем, что затраты на регенерацию превышают стоимость свежеприготовленных масел, регенерированный продукт становится неконкурентоспособным. Выход из создавшегося положения состоит в том, что государство законодательно обязывает поставщиков смазочных масел использовать в их составе до 15 % регенерированных продуктов.[ …]
При производстве синтетических смол и пластмасс традиционные виды сырья заменяются сейчас более прогрессивными. Так, если раньше в качестве сырья использовали главным образом карбид кальция, каменноугольную смолу и коксовый газ, то в настоящее время основным органическим сырьем стали продукты переработки нефти и природного газа.[ …]
Сильным моющим средством является хромовая смесь, особенно теплая (40—50°). Чаще всего ее готовят добавлением 100 мл концентрированной серной кислоты к 100 мл 5—6%-ного водного раствора бихромата калия. Все эти концентрированные моющие растворы используют много, раз. Хромовую смесь выбрасывают только тогда, когда она станет темно-зеленой. От продуктов переработки нефти (парафин, минеральные масла, керосин) хромовая смесь очищает посуду плохо — лучше пользоваться для этого щелочами; в особых случаях приходится прибегать к органическим растворителям — бензину, пет-ролейному эфиру, спирту и др. При загрязнении посуды соляМи бария хромовой смесью нельзя совсем пользоваться, так как образующийся при этом сульфат бария потом очень трудно отмыть. Работать с концентрированными кислотами и щелочами, а также с хромовой смесью надо очень осторожно: обязательно следует надевать прорезиненный фартук, резиновые перчатки, предохранительные очки. При попадании этих веществ на руки или лицо необходимо быстро промыть их большим количеством воды, а затем раствором двууглекислой соды.[ …]
Химические загрязнители оказывают как непосредственное, так и опосредованное воздействие на иммунную систему. Непосредственное их влияние проявляется в изменении структуры и функции иммунокомпетентной ткани.[ …]
Получается 50% бензина с октановым числом 60-70, 28% керосина, 15% пропанобутановой смеси, 6% парафина и 2% церезина. Реакция происходит в мягких условиях без применения давления, экзо-термична, не требует дополнительных энергозатрат. При использовании других катализаторов можно получать углеводороды, более пригодные для нефтехимии (ароматические, алканы нормального строения и т.п.). Перегонкой продукта реакции Фишера-Тропша выделяют целевые фракции. В условиях высоких цен на нефть цена синтина и соответствующих стандартных продуктов переработки определяется только ценой синтез-газа.[ …]
Генеральным направлением решения проблемы предотвращения загрязнения окружающей среды является создание безотходных, малоотходных, бессточных и малосточных производств. В связи с этим при приемке, хранении, транспортировке и выдаче потребителям нефтепродуктов надлежит принимать все необходимые меры по предотвращению или максимально возможному сокращению их потерь. Данная задача должна решаться путем совершенствования технических средств и технологических приемов переработки нефти и нефтепродуктов на нефтебазах и перекачивающих станциях. Наряду с этим полезную роль могут выполнять местные сборные устройства различного назначения, позволяющие собирать проливы или протечки продуктов в чистом виде, не допуская их удаления с помощью воды.[ …]
Установлена, в частности, непосредственная связь частоты и тяжести заболеваний с концентрацией в атмосфере выше ПДК сернистых соединений, а также, что под влиянием последних происходит изменение функционального состояния различных органов и систем. В то же время клиническую картину отравления рабочих определяют нарушения в центральной нервной системе. В тяжелых формах случаям отравления углеводородами в комбинации с сернистыми соединениями соответствуют изменения, свидетельствующие о нарушении нормального взаимоотношения коры и подкорки. Это указывает на стойкий паталогический процесс в коре головного мозга. Комплексное лечение при этом оказывается малоэффективным, ибо установлено, что наряду с нарушениями функционального состояния происходят различные изменения нервной системы, ряда внутренних органов и обменных процессов организма. Для большинства больных при хроническом отравлении сернистой нефтью характерны снижение артериального давления, обменные нарушения в сердечной мышце, сердечная недостаточность. У больных наблюдается заметное нарушение функций пищеварительных желез. Довольно частым и закономерным последствием воздействия продуктов переработки сернистой нефти является изменение функционального состояния печени.[ …]
Нефть и продукты ее переработки
Строительные машины и оборудование, справочник
Нефть и продукты ее переработки
Нефть является одним из ценных веществ, залегающих в недрах земли. Нефть и многочисленные продукты ее переработки нашли широкое применение во многих отраслях народного хозяйства. Автомобильный транспорт является одним из основных потребителей продуктов переработки нефти. Бензин, керосин,дизельное топливо, смазочные масла для двигателей и трансмиссий автомобилей — все это продукты переработки нефти.
Некоторое количество топлив и смазочных масел производится из ископаемых углей так называемым синтетическим способом, являющимся дополнительным источником получения жидких автомобильных топлив.
По химическому составу нефть представляет собой смесь различных углеводородов, т. е. соединений углерода с водородом. Кроме углеводородов, в состав нефти в небольшом количестве входят кислородные, сернистые и азотистые соединения. В нефти растворены не только твердые, но и газообразные углеводороды. Нередко последние выходят на поверхность земли в виде так называемого природного, или нефтяного, газа. Природный газ — непременный спутник нефти, он применяется в качестве топлива для газобаллонных автомобилей.
Рекламные предложения на основе ваших интересов:
Дополнительные материалы по теме:
Как правило, нефти различных месторождений имеют разный химический состав. В зависимости от этого могут несколько отличаться и отдельные качества одних и тех же продуктов, получаемых из разных нефтей.
Углеводороды, из которых состоит нефть, — неоднородны и отличаются своим молекулярным весом: у одних молекулярный вес больший, а у других меньший. Известно, что чем меньше молекулярный вес жидкости, тем ниже температура ее кипения. Так, например, метиловый спирт имеет молекулярный вес 32, а этиловый спирт — 46; в соответствии с этим температура кипения метилового спирта 65°, а этилового спирта — 78°.
Молекулярный вес, а следовательно, и температура кипения углеводородов нефти колеблется в широких пределах. В автомобильном бензине самая легкокипяшая его часть имеет температуру кипения около 40° и наиболее высококипящая около 200°. Если, нагревая нефть, отогнать ее углеводороды, кипящие при температуре от 40 до 200°, то получим автомобильный бензин.
Керосин состоит из углеводородов, имеющих более высокую температуру кипения (до 315°), и поэтому они могут быть отогнаны при дальнейшем повышении температуры перерабатываемой нефти.
Дизельное топливо состоит из углеводородов, имеющих температуру кипения до 350°, т. е. более высокую, чем у бензина и керосина. При повышении температуры свыше 350° могут быть получены легкие машинные масла, затем автолы и трансмиссионные масла.
Нефть перерабатывают посредством прямой перегонки и крекинга. При прямой перегонке производится нагрев нефти и отбор продуктов при определенном интервале температур.
Наиболее ценным продуктом переработки нефти является бензин. При огромном автомобильном парке нашей страны потребность в бензине очень велика. Вместе с этим в результате прямой перегонки из нефти возможно получить только около 20% бензина, а остальные 80% представляют собой более тяжелые углеводороды, из которых получить бензин прямой перегонкой не удается.
Для повышения выхода бензина, лигроина, керосина и других светлых нефтепродуктов широко применяется переработка нефти с помощью крекинга. Сущность крекинга заключается в расщеплении тяжелых и сложных по химическому строению молекул высококипящих углеводородов на легкие молекулы низко-кипящих углеводородов, образующих бензин и другие светлые нефтепродукты (лигроин, керосин). Процесс крекинга осуществляется под действием высокой температуры (термический крекинг) или же под влиянием одновременно высокой температуры и катализаторов (каталитический крекинг). Катализаторы — это химические вещества, которые в данном случае, так же как и повышенное давление, применяемое при крекинге, способствуют более быстрому разложению углеводородов. Крекинг нефти позволяет увеличить выход из нее бензина до 85%. При этом полученный крекинг-бензин обладает более высокими антидетонани-онными качествами, чем бензин прямой перегонки.
Первая промышленная установка для крекинга нефти была осуществлена русским инженером В. Г. Шуховым.
Количество продуктов, получаемых в результате переработки нефти, велико: бензин, лигроин, керосин, соляровое масло, дизельное топливо, смазочные масла, гудрон, парафин, спирты, простые эфиры, искусственные смолы, пластмассы и мнопие другие.
Этот далеко не полный перечень указывает на большое значение нефти не только для автомобильного транспорта, но и многих других отраслей народного хозяйства.
Рекламные предложения:
Читать далее: Топливо для карбюраторного двигателя
Категория: —
Автомобильные материалы и шины
Главная → Справочник → Статьи → Форум
ТРЕБОВАНИЯ К ЗАПОЛНЕНИЮ ФОРМЫ «СВЕДЕНИЯ ОБ ОТПУСКНЫХ ЦЕНАХ РЕАЛИЗАЦИИ ПРОДУКТОВ ПЕРЕРАБОТКИ НЕФТИ И (ИЛИ) ГАЗА С ПРЕДПРИЯТИЙ ПРОИЗВОДИТЕЛЕЙ НА ВНУТРЕННЕМ РЫНКЕ РОССИЙСКОЙ ФЕДЕРАЦИИ»
Главная
Документы
ТРЕБОВАНИЯ К ЗАПОЛНЕНИЮ ФОРМЫ «СВЕДЕНИЯ ОБ ОТПУСКНЫХ ЦЕНАХ РЕАЛИЗАЦИИ ПРОДУКТОВ ПЕРЕРАБОТКИ НЕФТИ И (ИЛИ) ГАЗА С ПРЕДПРИЯТИЙ ПРОИЗВОДИТЕЛЕЙ НА ВНУТРЕННЕМ РЫНКЕ РОССИЙСКОЙ ФЕДЕРАЦИИ»
Формы и требования, утв. данным документом, вступают в силу и применяются в соответствии с п. 3 и п. 4.
Приказ Минэнерго России от 22.08.2019 N 884 «Об утверждении форм предоставления в обязательном порядке юридическими лицами информации для включения в сегмент в области нефтедобывающей промышленности, нефтеперерабатывающей промышленности,. ..
Приложение N 2.98
к приказу Минэнерго России
от 22.08.2019 N 884
КонсультантПлюс: примечание.
Требования вступают в силу с 01.01.2021.
1. В строке «Наименование организации, предоставляющей информацию» указывается полное наименование организации, предоставляющей информацию, а затем в скобках — сокращенное ее наименование (при наличии).
2. В строке «ОГРН/ИНН/Код по ОКПО» для организации, предоставляющей информацию, указываются основной государственный регистрационный номер (ОГРН), идентификационный номер налогоплательщика (ИНН), а также код по Общероссийскому классификатору предприятий и организаций (ОКПО).
3. В строке «Почтовый адрес» указывается адрес места нахождения с почтовым индексом организации, предоставляющей информацию. В случае если место фактического осуществления деятельности не совпадает с адресом места нахождения организации, то указывается также почтовый адрес места фактического осуществления деятельности.
4. Информация по форме предоставляется юридическими лицами, соответствующими критерию отнесения к субъектам государственной информационной системы топливно-энергетического комплекса, предоставляющим информацию в соответствии с данной формой, за исключением юридических лиц, осуществляющих деятельность по переработке нефти и (или) газового конденсата и (или) производству продуктов их переработки мощностью менее 1 миллиона тонн в год, а также юридических лиц, осуществляющих деятельность по производству битумов и/или масел и не производящих иную продукцию.
5. Раздел 1 заполняется за отчетные сутки по следующим видам продуктов переработки нефти и (или) газа: бензины автомобильные, дизельное топливо, сжиженные углеводородные газы, топливо для реактивных двигателей, авиационный бензин, топочный мазут.
6. В разделе 1:
1) в графе 1 указывается наименование предприятия производителя продуктов переработки нефти и (или) газа, указанных в пункте 5 настоящих требований;
2) в графе 2 указывается субъект Российской Федерации, на территории которого расположено предприятие производитель продуктов переработки нефти и (или) газа, указанных в пункте 5 настоящих требований;
3) в графе 3 указывается вид продуктов переработки нефти и (или) газа, указанных в пункте 5 настоящих требований;
4) в графе 4 указывается продукт переработки нефти и (или) газа, название, номерное или буквенное обозначение, состав и свойства которого регламентированы в нормативно-технической документации;
5) в графе 5 указывается, при наличии, наименование товарного знака продукта переработки нефти и (или) газа;
6) графа 6 заполняется автоматически программными средствами государственной информационной системы топливно-энергетического комплекса;
7) в графе 7 указывается средняя отпускная цена реализации продуктов переработки нефти и (или) газа, указанных в пункте 5 настоящих требований (с налогом на добавленную стоимость) на условиях «франко-станция отправления» в рублях за 1 тонну, за отчетный период.
7. Раздел 2 заполняется за отчетную неделю по следующим видам продуктов переработки нефти и (или) газа: бензины автомобильные, дизельное топливо, прямогонные бензины, топочный мазут, флотский мазут, топливо для реактивных двигателей, авиационный бензин, керосин технический, сжиженные углеводородные газы, битумы нефтяные, гудрон, масла, смазочно-охлаждающие жидкости, коксы нефтяные.
8. В разделе 2:
1) в графе 1 указывается наименование предприятия производителя продуктов переработки нефти и (или) газа, указанных в пункте 7 настоящих требований;
2) в графе 2 указывается субъект Российской Федерации, на территории которого расположено предприятие производитель продуктов переработки нефти и (или) газа, указанных в пункте 7 настоящих требований;
3) в графе 3 указывается вид продуктов переработки нефти и (или) газа, указанных в пункте 7 настоящих требований;
4) в графе 4 указывается продукт переработки нефти и (или) газа, название, номерное или буквенное обозначение, состав и свойства которого регламентированы в нормативно-технической документации;
5) в графе 5 указывается, при наличии, наименование товарного знака продукта переработки нефти и (или) газа;
6) графа 6 заполняется автоматически программными средствами государственной информационной системы топливно-энергетического комплекса;
7) в графе 7 указывается минимальная отпускная цена реализации продуктов переработки нефти и (или) газа, указанных в пункте 7 настоящих требований (с налогом на добавленную стоимость), на условиях «франко-станция отправления» в рублях за 1 тонну, за отчетный период;
8) в графе 8 указывается максимальная отпускная цена реализации продуктов переработки нефти и (или) газа, указанных в пункте 7 настоящих требований (с налогом на добавленную стоимость), на условиях «франко-станция отправления» в рублях за 1 тонну, за отчетный период.
9. Раздел 3 заполняется за отчетный месяц по всем продуктам переработки нефти и (или) газа, выпускаемым предприятием-производителем.
10. В разделе 3:
1) в графе 1 указывается наименование предприятия производителя продуктов переработки нефти и (или) газа;
2) в графе 2 указывается субъект Российской Федерации, на территории которого расположено предприятие производитель продуктов переработки нефти и (или) газа;
3) в графе 3 указывается вид продукта переработки нефти и (или) газа;
4) в графе 4 указывается продукт переработки нефти и (или) газа, название, номерное или буквенное обозначение, состав и свойства которого регламентированы в нормативно-технической документации;
5) в графе 5 указывается, при наличии, наименование товарного знака продукта переработки нефти и (или) газа;
6) графа 6 заполняется автоматически программными средствами государственной информационной системы топливно-энергетического комплекса;
7) в графе 7 указывается единица измерения, соответствующая марке реализуемого продукта переработки нефти и (или) газа;
8) в графе 8 указывается минимальный показатель отпускной цены реализации продукта переработки нефти и (или) газа (с налогом на добавленную стоимость) на условиях «франко-станция отправления» в рублях за единицу измерения, указанную в графе 7, за отчетный период;
9) в графе 9 указывается максимальный показатель отпускной цены реализации продукта переработки нефти и (или) газа (с налогом на добавленную стоимость) на условиях «франко-станция отправления» в рублях за единицу измерения, указанную в графе 7, за отчетный период.
11. В случае если предоставляемая по форме информация составляет коммерческую тайну, субъект государственной информационной системы топливно-энергетического комплекса, являющийся обладателем такой информации, вправе при заполнении формы указать с помощью программных средств государственной информационной системы топливно-энергетического комплекса, что сведения, содержащиеся в форме, составляют коммерческую тайну.
12. В случае если при заполнении формы у субъекта государственной информационной системы топливно-энергетического комплекса отсутствует информация по отдельным показателям в связи с тем, что такие показатели связаны с деятельностью, не осуществляемой субъектом государственной информационной системы топливно-энергетического комплекса, или с продукцией, которая не производится субъектом государственной информационной системы топливно-энергетического комплекса, или с природными объектами, машинами, оборудованием, материалами, транспортными средствами, которые отсутствуют у субъекта государственной информационной системы топливно-энергетического комплекса, или зданиями, строениями, сооружениями, которые не принадлежат на праве собственности или ином законном основании субъектам государственной информационной системы топливно-энергетического комплекса, то информация по указанным показателям не предоставляется.
13. Непредоставление субъектом государственной информационной системы топливно-энергетического комплекса информации по форме для включения в государственную информационную систему топливно-энергетического комплекса в случае, если аналогичная по содержанию, степени детализации и периодичности предоставления информация направлялась им в обязательном порядке для включения в государственную информационную систему топливно-энергетического комплекса или иную государственную информационную систему, не является основанием для непринятия государственной информационной системой топливно-энергетического комплекса формы и не является неисполнением обязанности, предусмотренной частью 1 статьи 11 Федерального закона от 3 декабря 2011 г. N 382-ФЗ «О государственной информационной системе топливно-энергетического комплекса».
Приложение N 2.97. Требования к заполнению формы «Сведения о средневзвешенной цене нефти и нефтепродуктов по заключенным внебиржевым договорам» Приложение N 2. 99. Требования к заполнению формы «Сведения о ценах оптовой реализации топлива для реактивных двигателей и авиационного бензина в аэропортах Российской Федерации»
нефтепереработка | Определение, история, процессы и факты
переработка нефти , переработка сырой нефти в полезные продукты.
История
Перегонка керосина и нафты
Переработка сырой нефти обязана своим происхождением успешному бурению первых нефтяных скважин в Онтарио, Канада, в 1858 году и в Титусвилле, Пенсильвания, США, в 1859 году. До этого времени нефть была доступна только в очень небольших количествах из естественное просачивание подземной нефти в различных районах мира. Однако такая ограниченная доступность ограничивала использование нефти в медицинских и специальных целях. С открытием «горной нефти» на северо-западе Пенсильвании сырая нефть стала доступной в достаточном количестве, чтобы вдохновить на разработку крупномасштабных систем переработки. Самые ранние нефтеперерабатывающие заводы использовали простые перегонные установки, или «перегонные кубы», для разделения различных компонентов нефти путем нагревания смеси сырой нефти в сосуде и конденсации образующихся паров в жидкие фракции. Первоначально основным продуктом был керосин, который оказался более распространенным, более чистым горящим маслом для ламп более стабильного качества, чем китовый жир или животный жир.
Самым низкокипящим сырьем из перегонного куба была прямогонная нафта, предшественница некондиционного бензина (бензина). Его первоначальное коммерческое применение было в основном в качестве растворителя. Было обнаружено, что более высококипящие материалы эффективны в качестве смазочных материалов и топливных масел, но поначалу они были в основном новинкой.
Совершенство техники бурения нефтяных скважин быстро распространилось в России, и уже к 1890 году нефтеперерабатывающие заводы производили в больших количествах керосин и мазуты. Развитие двигателя внутреннего сгорания в последние годы XIX в.ХХ века создал небольшой рынок сырой нафты. Но развитие автомобилей на рубеже веков резко увеличило потребность в качественном бензине, и это, наконец, обеспечило пристанище для нефтяных фракций, которые были слишком летучими, чтобы их можно было включать в керосин. По мере роста спроса на автомобильное топливо были разработаны методы непрерывной перегонки сырой нефти.
Переход на легкие виды топлива
После 1910 года спрос на автомобильное топливо стал превышать потребности рынка в керосине, и нефтепереработчикам пришлось разрабатывать новые технологии для увеличения выхода бензина. Самый ранний процесс, называемый термическим крекингом, состоял из нагревания более тяжелых масел (потребность в которых была низкой на рынке) в реакторах под давлением и, таким образом, крекинга или расщепления их больших молекул на более мелкие, которые образуют более легкие и более ценные фракции, такие как бензин, керосин и легкие промышленные топлива. Бензин, произведенный крекинг-процессом, работал лучше в автомобильных двигателях, чем бензин, полученный путем прямой перегонки сырой нефти. Разработка более мощных авиационных двигателей в конце 1930-е годы вызвали потребность в повышении характеристик сгорания бензина и стимулировали разработку присадок к топливу на основе свинца для улучшения характеристик двигателя.
В течение 1930-х годов и во время Второй мировой войны сложные процессы очистки с использованием катализаторов привели к дальнейшему улучшению качества транспортного топлива и дальнейшему увеличению его предложения. Эти усовершенствованные процессы, в том числе каталитический крекинг тяжелых масел, алкилирование, полимеризация и изомеризация, позволили нефтяной промышленности удовлетворить потребности высокопроизводительных боевых самолетов и, после войны, поставлять все большее количество транспортного топлива.
Оформите подписку Britannica Premium и получите доступ к эксклюзивному контенту. Подпишитесь сейчас
В 1950-е и 60-е годы возник большой спрос на топливо для реактивных двигателей и высококачественные смазочные масла. Продолжающийся рост спроса на нефтепродукты также усилил потребность в переработке более широкого спектра сырой нефти в высококачественные продукты. Каталитический риформинг нафты заменил более ранний процесс термического риформинга и стал ведущим процессом улучшения качества топлива для удовлетворения потребностей двигателей с более высокой степенью сжатия. Гидрокрекинг, процесс каталитического крекинга, проводимый в присутствии водорода, был разработан как универсальный производственный процесс для увеличения выхода бензина или топлива для реактивных двигателей.
К 1970 году нефтеперерабатывающая промышленность прочно утвердилась во всем мире. Поставки сырой нефти для переработки в нефтепродукты достигли почти 2,3 миллиарда тонн в год (40 миллионов баррелей в день), при этом основная концентрация нефтеперерабатывающих заводов находится в большинстве развитых стран. Однако, когда мир узнал о воздействии промышленного загрязнения на окружающую среду, нефтеперерабатывающая промышленность стала основным направлением изменений. Нефтепереработчики добавили установки гидроочистки для извлечения соединений серы из своих продуктов и начали производить большое количество элементарной серы. Сточные воды и выбросы в атмосферу углеводородов и продуктов сгорания также стали предметом повышенного технического внимания. Кроме того, многие рафинированные продукты попали под пристальное внимание. Начало в середине 19В 70-х годах нефтеперерабатывающие заводы в Соединенных Штатах, а затем и во всем мире должны были разработать технологии производства высококачественного бензина без использования свинцовых присадок, а начиная с 1990-х годов они должны были вкладывать значительные средства в полную переработку транспортного топлива в чтобы минимизировать выбросы в окружающую среду. Из отрасли, которая когда-то производила единственный продукт (керосин) и избавлялась от нежелательных побочных материалов любым возможным способом, нефтепереработка превратилась в одну из наиболее строго регулируемых производственных отраслей в мире, расходуя большую часть своих ресурсов на сокращение его воздействие на окружающую среду, поскольку он перерабатывает около 4,6 миллиардов тонн сырой нефти в год (примерно 80 миллионов баррелей в день).
Сырье
Сырая нефть представляет собой сложные смеси углеводородов, химические соединения, состоящие только из углерода (С) и водорода (Н).
нефтепереработка | Определение, история, процессы и факты
переработка нефти , переработка сырой нефти в полезные продукты.
История
Перегонка керосина и нафты
Переработка сырой нефти обязана своим происхождением успешному бурению первых нефтяных скважин в Онтарио, Канада, в 1858 году и в Титусвилле, Пенсильвания, США, в 1859 году. До этого времени нефть была доступна только в очень небольших количествах из естественное просачивание подземной нефти в различных районах мира. Однако такая ограниченная доступность ограничивала использование нефти в медицинских и специальных целях. С открытием «горной нефти» на северо-западе Пенсильвании сырая нефть стала доступной в достаточном количестве, чтобы вдохновить на разработку крупномасштабных систем переработки. Самые ранние нефтеперерабатывающие заводы использовали простые перегонные установки, или «перегонные кубы», для разделения различных компонентов нефти путем нагревания смеси сырой нефти в сосуде и конденсации образующихся паров в жидкие фракции. Первоначально основным продуктом был керосин, который оказался более распространенным, более чистым горящим маслом для ламп более стабильного качества, чем китовый жир или животный жир.
Самым низкокипящим сырьем из перегонного куба была прямогонная нафта, предшественница некондиционного бензина (бензина). Его первоначальное коммерческое применение было в основном в качестве растворителя. Было обнаружено, что более высококипящие материалы эффективны в качестве смазочных материалов и топливных масел, но поначалу они были в основном новинкой.
Совершенство техники бурения нефтяных скважин быстро распространилось в России, и уже к 1890 году нефтеперерабатывающие заводы производили в больших количествах керосин и мазуты. Развитие двигателя внутреннего сгорания в последние годы XIX в.ХХ века создал небольшой рынок сырой нафты. Но развитие автомобилей на рубеже веков резко увеличило потребность в качественном бензине, и это, наконец, обеспечило пристанище для нефтяных фракций, которые были слишком летучими, чтобы их можно было включать в керосин. По мере роста спроса на автомобильное топливо были разработаны методы непрерывной перегонки сырой нефти.
Переход на легкие виды топлива
После 1910 года спрос на автомобильное топливо стал превышать потребности рынка в керосине, и нефтепереработчикам пришлось разрабатывать новые технологии для увеличения выхода бензина. Самый ранний процесс, называемый термическим крекингом, состоял из нагревания более тяжелых масел (потребность в которых была низкой на рынке) в реакторах под давлением и, таким образом, крекинга или расщепления их больших молекул на более мелкие, которые образуют более легкие и более ценные фракции, такие как бензин, керосин и легкие промышленные топлива. Бензин, произведенный крекинг-процессом, работал лучше в автомобильных двигателях, чем бензин, полученный путем прямой перегонки сырой нефти. Разработка более мощных авиационных двигателей в конце 1930-е годы вызвали потребность в повышении характеристик сгорания бензина и стимулировали разработку присадок к топливу на основе свинца для улучшения характеристик двигателя.
В течение 1930-х годов и во время Второй мировой войны сложные процессы очистки с использованием катализаторов привели к дальнейшему улучшению качества транспортного топлива и дальнейшему увеличению его предложения. Эти усовершенствованные процессы, в том числе каталитический крекинг тяжелых масел, алкилирование, полимеризация и изомеризация, позволили нефтяной промышленности удовлетворить потребности высокопроизводительных боевых самолетов и, после войны, поставлять все большее количество транспортного топлива.
Оформите подписку Britannica Premium и получите доступ к эксклюзивному контенту. Подпишитесь сейчас
В 1950-е и 60-е годы возник большой спрос на топливо для реактивных двигателей и высококачественные смазочные масла. Продолжающийся рост спроса на нефтепродукты также усилил потребность в переработке более широкого спектра сырой нефти в высококачественные продукты. Каталитический риформинг нафты заменил более ранний процесс термического риформинга и стал ведущим процессом улучшения качества топлива для удовлетворения потребностей двигателей с более высокой степенью сжатия. Гидрокрекинг, процесс каталитического крекинга, проводимый в присутствии водорода, был разработан как универсальный производственный процесс для увеличения выхода бензина или топлива для реактивных двигателей.
К 1970 году нефтеперерабатывающая промышленность прочно утвердилась во всем мире. Поставки сырой нефти для переработки в нефтепродукты достигли почти 2,3 миллиарда тонн в год (40 миллионов баррелей в день), при этом основная концентрация нефтеперерабатывающих заводов находится в большинстве развитых стран. Однако, когда мир узнал о воздействии промышленного загрязнения на окружающую среду, нефтеперерабатывающая промышленность стала основным направлением изменений. Нефтепереработчики добавили установки гидроочистки для извлечения соединений серы из своих продуктов и начали производить большое количество элементарной серы. Сточные воды и выбросы в атмосферу углеводородов и продуктов сгорания также стали предметом повышенного технического внимания. Кроме того, многие рафинированные продукты попали под пристальное внимание. Начало в середине 19В 70-х годах нефтеперерабатывающие заводы в Соединенных Штатах, а затем и во всем мире должны были разработать технологии производства высококачественного бензина без использования свинцовых присадок, а начиная с 1990-х годов они должны были вкладывать значительные средства в полную переработку транспортного топлива в чтобы минимизировать выбросы в окружающую среду. Из отрасли, которая когда-то производила единственный продукт (керосин) и избавлялась от нежелательных побочных материалов любым возможным способом, нефтепереработка превратилась в одну из наиболее строго регулируемых производственных отраслей в мире, расходуя большую часть своих ресурсов на сокращение его воздействие на окружающую среду, поскольку он перерабатывает около 4,6 миллиардов тонн сырой нефти в год (примерно 80 миллионов баррелей в день).
Сырье
Сырая нефть представляет собой сложные смеси углеводородов, химические соединения, состоящие только из углерода (С) и водорода (Н).
Изделия из нефти | Ranken Energy Corporation
Что такое сырая нефть и что такое нефтепродукты?
Сырая нефть представляет собой смесь углеводородов, образовавшуюся из растений и животных, живших миллионы лет назад. Сырая нефть является ископаемым топливом и существует в жидкой форме в подземных резервуарах, в крошечных пространствах в осадочных породах и вблизи поверхности в битуминозные (или нефтеносные) пески . Нефтепродукты – это топливо, изготовленное из сырой нефти и других углеводородов, содержащихся в природном газе. Нефтепродукты также могут производиться из угля, природного газа и биомассы.
После извлечения сырой нефти из-под земли ее отправляют на нефтеперерабатывающий завод, где различные части сырой нефти разделяются на пригодные для использования нефтепродукты. Эти нефтепродукты включают бензин, дистилляты, такие как дизельное топливо и печное топливо, топливо для реактивных двигателей, нефтехимическое сырье, воски, смазочные масла и асфальт.
Баррель сырой нефти в США объемом 42 галлона дает около 45 галлонов нефтепродуктов на нефтеперерабатывающих заводах США из-за прироста переработки на нефтеперерабатывающих заводах. Это увеличение объема похоже на то, что происходит с попкорном, когда его взрывают.
Источник EIA – https://www.eia.gov/energyexplained/index.cfm?page=oil_home#tab1
Нефтепродукты включают транспортное топливо, мазут для отопления и производства электроэнергии, асфальт и дорожное масло и сырье для производства химикатов, пластмасс и синтетических материалов, которые используются почти во всем, что мы используем. Из примерно 7,21 миллиарда баррелей общего потребления нефти в США в 2016 году 47% приходилось на автомобильный бензин (включая этанол), 20% — на дистиллятное топливо (печное топливо и дизельное топливо) и 8% — на топливо для реактивных двигателей.
Источник EIA – https://www.eia.gov/tools/faqs/faq.php?id=41&t=6
(Примечание для читателей: этот список взят из печатного издания 1974 года. Мы не удалось идентифицировать исходный документ и с тех пор не удалось найти список «6000 предметов». Фактически, с 1974 года сотни дополнительных предметов были заменены пластиковыми дубликатами, например, медицинские шприцы. Так что, если вы хотите найти полный перечень продуктов из нефти вам, скорее всего, придется составить самостоятельно.)
Один баррель нефти объемом 42 галлона дает 19,4 галлона бензина. Остальное (более половины) используется для изготовления таких вещей, как:
Растворители
Дизельное топливо
Моторное масло
Смазка для подшипников
Чернила
Воск для пола
Шариковые ручки
Футбольные бутсы
Обивка
Свитера
Лодки
Инсектициды
Велосипедные шины
Кузова спортивных автомобилей
Лак для ногтей
Рыболовные приманки
Платья
Шины
Сумки для гольфа
Духи
Кассеты
Детали посудомоечной машины
Ящики для инструментов
Крем для обуви
Мотоциклетный шлем
Шпаклевка
Вазелин
Прозрачная лента
Проигрыватель компакт-дисков
Шайбы для кранов
Антисептики
Бельевая веревка
Шторы
Пищевые консерванты
Баскетбольные мячи
Мыло
Витаминные капсулы
Антигистаминные препараты
Кошельки
Обувь
Приборные панели
Кортизон
Дезодорант
Шнурки Aglets
Замазка
Красители
Колготки
Хладагент
Перколяторы
Спасательные жилеты
Медицинский спирт
Накладки
Лыжи
Тумбы под телевизор
Мохнатые коврики
Лента электрика
Стойки для инструментов
Чехлы для автомобильных аккумуляторов
Эпоксидная смола
Краска
Швабры
Брюки
Средство от насекомых
Масляные фильтры
Зонты
Пряжа
Удобрения
Краска для волос
Кровля
Сиденья для унитаза
Удочки
Губная помада
Клей для зубных протезов
Линолеум
Лотки для кубиков льда
Синтетический каучук
Динамики
Пластик, дерево
Электрические одеяла
Глицерин
Теннисные ракетки
Резиновый цемент
Рыбацкие сапоги
Кости
Нейлоновая веревка
Свечи
Мешки для мусора
Краска для дома
Водопроводные трубы
Лосьон для рук
Роликовые коньки
Доски для серфинга
Шампунь
Колеса
Малярные валики
Занавески для душа
Гитарные струны
Багаж
Аспирин
Защитные очки
Антифриз
Футбольные шлемы
Навесы
Очки
Одежда
Зубные щетки
Ледяные ящики
Мячи
Гребни
CD и DVD
Кисти для рисования
Моющие средства
Испарители
Воздушные шары
Солнцезащитные очки
Палатки
Клапаны сердца
Мелки
Парашюты
Телефоны
Эмаль
Подушки
Посуда
Камеры
Анестетики
Искусственный газон
Искусственные конечности
Бинты
Зубные протезы
Модели автомобилей
Складные двери
Бигуди
Холодный крем
Кинофильм
Контактные линзы
Чашки для питья
Ремни вентилятора
Автомобильная эмаль
Крем для бритья
Аммиак
Холодильники
Мячи для гольфа
Зубная паста
Бензин
Объем рынка нефтепродуктов, доля
Объем мирового рынка нефтепродуктов составил 586,27 млрд долларов США в 2020 году. Прогнозируется, что рынок вырастет с 611,94 млрд долларов США в 2021 году до 863,19 долларов США.миллиардов в 2028 году при среднегодовом темпе роста 5,0% в период 2021-2028 годов. Глобальное воздействие COVID-19 было беспрецедентным и ошеломляющим: нефтепродукты негативно повлияли на спрос во всех регионах в условиях пандемии. Согласно нашему анализу, в 2020 году мировой рынок продемонстрировал более низкий рост на -12,4% по сравнению со средним ростом в годовом исчислении в 2017-2019 годах. Рост среднегодового темпа роста объясняется ростом и спросом на этом рынке, который возвращается к допандемическим уровням после окончания пандемии.
Рынок включает реализацию продуктов нефтепереработки организациями (товариществами или индивидуальными предпринимателями), осуществляющими переработку сырой нефти в продукты нефтепереработки, такие как дизельное топливо, бензин, сжиженный нефтяной газ, нафта и другие. Нефтеперерабатывающие заводы представляют собой огромные промышленные комплексы, содержащие разветвленные сети трубопроводов, по которым перерабатываемые продукты и сырая нефть переходят между перерабатывающими установками. Сегментация рынка включает такие продукты, как бензин, дизельное топливо, мазут, керосин и другие продукты.
ВОЗДЕЙСТВИЕ COVID-19
Глобальные колебания цен на сырую нефть и сбои в цепочке поставок влияют на динамику рынка
Пандемия COVID-19 серьезно повлияла на мировой нефтегазовый сектор, что привело к нехватке хранилищ вместимость. Страны с большой долей в мировой добыче и производстве сырой нефти и экспортеры больше всего пострадали от блокировок в цепочках поставок нефтегазовой отрасли. Это обстоятельство вынудило крупных частных производителей нефти и газа реорганизовать свою деятельность, чтобы пересмотреть свои текущие расходы. Наблюдалось заметное снижение прогнозируемых инвестиций, что привело к замедлению роста рынка во время пандемии. Страны по всему миру принимают ограничительные меры сдерживания, которые включают меры физического или социального дистанцирования для преодоления ситуации с пандемией, которая раньше приводила к ограничительным процессам. С другой стороны, практика социального дистанцирования удаленной работы осуществляется в нескольких развитых и слаборазвитых регионах для достижения намеченных целей.
Страны, которые являются нетто-экспортерами нефти, пережили беспрецедентный двойной удар в виде сокращения мировой экономики, вызванного пандемией COVID-19, и обвала рынка нефти, когда промежуточная цена West Texas Intermediate, эталонная цена на сырую нефть в США, на короткое время стала отрицательной впервые в истории (в апреле 2020 г.).
ПОСЛЕДНИЕ ТЕНДЕНЦИИ
Запросите бесплатный образец , чтобы узнать больше об этом отчете.
Увеличение использования различных продуктов нефтепереработки конечными потребителями расширит рынок
Продукты нефтепереработки находят применение в качестве сырья для различных продуктов, производимых и используемых во всем мире. Автомобильная промышленность быстро развивалась за последние несколько лет, и все чаще используются такие продукты, как Autogas (сжиженный нефтяной газ, используемый для транспорта) . Мировое потребление автогаза значительно выросло за последние два десятилетия и достигло нового уровня в 27,1 млн тонн в 2019 году. Потрясения, вызванные Covid-19экономический кризис привел к значительному падению потребления автогаза с другими видами топлива для транспорта в 2020 году. Внедрение автомобильного бензина в автомобильной промышленности значительно увеличилось в последние годы. Использование сжиженного PG растет огромными темпами в развивающихся странах, стимулируя рынок этих продуктов. Кроме того, страны во всем мире все чаще используют методы улавливания углерода для контроля выбросов CO 2 в своем регионе.
Рост инвестиций в стратегические нефтяные запасы и повышение одобрения торговли нефтью Соглашения между странами будут дополнять перспективы рынка стране, а также частному бизнесу для защиты экономики и помощи в поддержании национальной безопасности во время энергетического кризиса. Ожидается, что стратегический резерв будет использоваться для покрытия кратковременных перерывов в хранении запасов. Чтобы удовлетворить спрос на нефть в случае импортного кризиса или отказа, необходимость стратегических запасов нефти (SPR) вынудила страны расставить приоритеты в отношении своих нефтеперерабатывающих мощностей. Например, все 27 стран Европейского Союза (ЕС) должны иметь стратегический запас нефти, который может обеспечить топливом не менее 90 дней домашнего использования.
ДВИЖУЩИЕ ФАКТОРЫ
Расширение использования автомобильного газа на транспорте в качестве альтернативного топлива
Автогаз — это альтернативное название автомобильного СНГ. Автогаз является наиболее широко используемой несмесевой альтернативой традиционным транспортным топливам на нефтяной основе, бензину и дизельному топливу с точки зрения размера парка. Ряд стран имеют хорошо развитые рынки автомобильного газа. Потребление автогаза в мире неуклонно росло в течение последних двух десятилетий, достигнув нового уровня в 27,1 млн тонн в 2019 году.с ростом на 1% по сравнению с предыдущим годом. Тем не менее, в последние годы спрос снизился, отчасти из-за улучшения топливной экономичности и сокращения автогазового парка на некоторых основных рынках. Ожидается, что все эти факторы увеличат рынок в течение прогнозируемого периода.
Растущий спрос на конечные продукты нефтепереработки для стимулирования роста
Различные продукты, получаемые из очищенной нефти, включают дизельное топливо, бензин, керосин, авиационное топливо и другие. В последнее время резко развился автомобильный сектор, расширились и морские задачи. Авиационный бизнес получил развитие с увеличением воздушного движения, а сжиженный нефтяной газ, используемый в качестве нефтехимического сырья, в химическом секторе также развивался с введением новых продуктов. Эти факторы повысили интерес к дизельному топливу, бензину, смазочным материалам и другим продуктам, что напрямую увеличивает возможности для продуктов на основе очищенных масел, что также способствует развитию новых очистных сооружений.
ОГРАНИЧИВАЮЩИЕ ФАКТОРЫ
Расширение использования возобновляемых источников энергии препятствует развитию нефтегазовой отрасли
Расширение использования возобновляемых источников энергии является ключевым фактором, влияющим на рост рынка. Это привело к закрытию различных промышленных секторов, использующих нефтепродукты, и считалось, что они вносят значительный вклад в глобальное потепление. Кроме того, несколько стран и ассоциаций во всем мире поставили амбициозные цели в области возобновляемых источников энергии, чтобы увеличить долю возобновляемых источников энергии в общем энергетическом балансе. Росту рынка также препятствуют выбросы углеродсодержащих газов и образование опасных отходов нефтеперерабатывающих заводов и очистных сооружений. Чтобы преодолеть этот сценарий, несколько стран по всему миру сосредоточили внимание на контроле за выбросом CO2 с помощью стратегии улавливания углерода и увеличения мощности. Точно так же баррикады в нефтегазовой отрасли во время пандемии вызвали функциональные трудности для различных ключевых игроков.
СЕГМЕНТАЦИЯ
Анализ по типу продукта
Дизельное топливо будет испытывать устойчивый спрос, поддерживаемый растущим использованием в нескольких секторах конечного использования , керосин и другие.
По оценкам, дизельное топливо является лидером рынка, поскольку оно широко используется в судовом топливе, в автомобильной промышленности и при производстве авиационного топлива. Большинство большегрузных автомобилей сегодня по-прежнему работают на дизельном топливе. Бензин и печное топливо также будут демонстрировать здоровый рост с увеличением количества бензиновых автомобилей и авиаперевозок.
По анализу применения
Сегмент применения топлива, который будет доминировать за счет увеличения размера автомобильного парка
В зависимости от применения доля мирового рынка нефтепродуктов делится на топливную, химическую и другие.
Ожидается, что топливо будет лидировать на рынке благодаря его широкому применению в автомобильном и промышленном секторах. В зависимости от области применения топливо подразделяется на автомобильное и электроэнергетическое. По данным EIA, в 2020 году в США 66% нефтепродуктов потребляется транспортным сектором, 28% — промышленным, 3% — жилым и 2% — коммерческим. С другой стороны, эти продукты находят применение в нефтехимической промышленности, поскольку они используются для производства нефтехимических продуктов, включая удобрения, пластик, синтетический каучук, латексные краски, взрывчатые вещества и лекарства.
Анализ фракций
Чтобы узнать, как наш отчет может помочь оптимизировать ваш бизнес, обратитесь к аналитику на легкие дистилляты, средние дистилляты и тяжелые нефти.
Средние дистилляты доминировали на рынке в течение последних нескольких лет, поскольку они составляют значительную часть этих продуктов. Продуктами средних дистиллятов являются керосин, реактивное топливо, дизельное топливо и др. К легким дистиллятам относятся такие продукты, как бензин, СУГ, нафта и другие. Ожидается, что легкие дистилляты вырастут из-за роста автомобильного сектора как в развитых, так и в неразвитых регионах. Тяжелое жидкое топливо (HFO) является основным судовым топливом в основном в регионе Западной Африки, и, по оценкам, его количество значительно возрастет из-за присутствия в регионе энергетических предприятий.
РЕГИОНАЛЬНЫЕ ИНСАЙТЫ
Объем рынка нефтепродуктов в Азиатско-Тихоокеанском регионе, 2020 г. (млрд долларов США)
продукции в Азиатско-Тихоокеанском регионе составил 187,74 млрд долларов США в 2020 году. Потребление энергии и спрос на продукты нефтепереработки значительно выросли в Индии и Китае. Большая часть электроснабжения в странах Азиатско-Тихоокеанского региона по-прежнему обеспечивается нефтью. Кроме того, нефтеперерабатывающие заводы в Азиатско-Тихоокеанском регионе увеличили производительность по мере роста спроса в регионе. Например, в ноябре 2021 года индийская нефтяная корпорация, крупнейший государственный нефтеперерабатывающий завод страны, эксплуатировала свои девять нефтеперерабатывающих заводов примерно в 9 часов. 0% использование в октябре. В сентябре IOC зафиксировала среднюю загрузку около 82% для своих девяти нефтеперерабатывающих заводов по сравнению с 83% годом ранее.
Рынок Европы продемонстрирует заметный рост благодаря расширению производственных мощностей несколькими крупными игроками. Некоторые европейские страны зависят от импорта нефти для удовлетворения своих энергетических потребностей. Расширение нефтеперерабатывающего завода должно осуществляться в соответствии с потребностью в энергии.
В Североамериканском регионе недавний всплеск экспорта нефтепродуктов создает огромные возможности для роста производства нефтепродуктов. Кроме того, деятельность по слияниям в регионе укрепляет региональную перспективу. Например, в августе 2021 года Holly Energy Partners LP в сделке на 758 миллионов долларов и HollyFrontier Corp. заключили окончательные соглашения, в соответствии с которыми они приобретут Sinclair Transportation Co. и Sinclair Oil Corp. в рамках сделки на сумму 1,8 миллиарда долларов.
КЛЮЧЕВЫЕ ИГРОКИ ОТРАСЛИ
Royal Dutch Shell и Exxon Mobil Corporation являются одними из основных участников рынка
Royal Dutch Shell и Exxon Mobil Corporation являются лидерами рынка в отрасли. Эти игроки владеют значительной долей рынка нефтепродуктов в Северной Америке, Европе и Азиатско-Тихоокеанском регионе. На рынке также присутствуют другие крупные игроки, такие как Sinopec Limited, BP и Valero Energy, у которых есть нефтеперерабатывающие заводы в регионах их деятельности. Высокая стоимость бренда наряду с обширным глобальным охватом клиентов по сравнению с другими компаниями позволила Royal Dutch Shell занять прочные позиции на мировом рынке нефтепродуктов.
поставить 1,8 млн баррелей дизельного топлива и 1,4 млн баррелей дизельного топлива с января 2022 года по август 2022 года компании Vitol Pte Limited. Соглашение на поставку 1 137 500 баррелей дизельного топлива +10/-5% будет действовать с 01.01.2022 по 31.08. 2022 г. и 1 341 000+10/-5% баррелей бензина будут работать в течение 8 месяцев.
Октябрь 2021 г.: Транспортная ассоциация Верхней Эльбы (VVO) заключила 10-летний контракт с DB Regio на оказание региональных дизельных услуг в районе Дрездена. VVO была приглашена для работы над этими услугами после того, как предыдущий оператор Städtebahn Sachsen был вынужден уйти до истечения срока его соглашения и был объявлен банкротом в 2019 году.
Инфографическое представление рынка нефтепродуктов
Просмотреть полную инфографику
Чтобы получить информацию о различных сегментах, поделитесь с нами своими запросами
Отчет об исследовании мирового рынка содержит подробный анализ отрасли нефтепродуктов и фокусируется на ключевых аспектах, таких как ведущие компании, типы продуктов и основные области применения продукта. Кроме того, в отчете содержится информация о тенденциях рынка и освещаются ключевые события в отрасли. В дополнение к вышеупомянутым факторам, отчет включает в себя несколько факторов, которые способствовали росту рынка за последние годы.
REPORT SCOPE & SEGMENTATION
ATTRIBUTE
DETAILS
Study Period
2017
2020
Estimated Year
2021
Forecast Period
2021-2028
Исторический период
2017-2019
0
Unit
Value (USD billion)
Segmentation
By Product Type, By Application, By Fraction, and By Region
By Product Type
Diesel
Gasoline
Fuel Oils
Kerosene
Others
By Application
Fuel
Automobile
Power Generation
Химическая
Прочая
По фракциям
Light Distillates
Middle Distillates
Heavy Oils
By Geography
North America (By Тип продукта, по применению, по доле, по стране)
США (по доле)
Канада (по доле)
Европа (по типу продукта, по применению, по доле, по стране)
Доля)
Испания (дробью)
Россия (дробью)
Остальная Европа (дробью)
)
Китай (по фракции)
Индия (по фракции)
Япония (по фракции)
South Korea (по фракции)
4646 South Korea (по фракции)
40646 South Korea (по фракции)
. (по дробям)
Латинская Америка (по типам продуктов, по применению, по дробям, по странам)
Бразилия (по дробям)
0646 Остальная часть Латинской Америки (по дробям)
Ближний Восток и Африка (по типу продукта, по применению, по доле, по стране)
GCC (по дроби)
906 по Южной Африке Fraction)
Rest of Middle East and Africa (By Fraction)
Refined Petroleum | OEC — Обсерватория экономической сложности
О
#постоянная ссылка на раздел
Обзор Эта страница содержит последние торговые данные по нефтепродуктам. В 2020 году Refined Petroleum заняли 4-е место в мире по объемам продаж с общим объемом торговли 451 миллиард долларов. В период с 2019 по 2020 год экспорт рафинированной нефти сократился на -36,6%, с 710 млрд долларов до 451 млрд долларов. Торговля товарами Нефтепродукты составляет 2,69% от общего объема мировой торговли.
Нефть рафинированная входит в состав Топлива минерального, нефтепродуктов и продуктов их перегонки; битумные вещества; минеральное…. К ним относятся Масла нефтяные, битумные, дистилляты, кроме сырых.
Экспорт В 2020 году крупнейшими экспортерами рафинированной нефти были США (58,4 млрд долларов), Россия (48 млрд долларов), Нидерланды (29,7 млрд долларов), Сингапур (27 млрд долларов) и Индия (25,3 млрд долларов).
Импорт В 2020 году основные импортеры Нефтепродукты были США (31 млрд долларов), Сингапур (30,2 млрд долларов), Нидерланды (23,8 млрд долларов), Мексика (18,1 млрд долларов) и Китай (16,2 млрд долларов).
Тарифы В 2018 году средний тариф на Нефтепродукты составил 7,54%, что делает его 577-м самым низким тарифом по классификации продуктов HS4.
Странами с самыми высокими импортными тарифами на Нефтепродукты являются Австрия (38,6%), Бермуды (25%), Узбекистан (24,7%), Польша (21,9%) и Непал (21,5%). Страны с самыми низкими тарифами — Маврикий (0%), Гонконг (0%), Сингапур (0%), Швейцария (0%) и Норвегия (0%).
Рейтинг Нефтепродукты занимает 821-е место в индексе сложности продукта (PCI).
Описание Нефтяные масла и масла, полученные из битуминозных минералов, используются в производстве смазочных материалов, топлива и других продуктов на основе нефти. Эти масла также используются в производстве асфальта, пластмасс и других материалов.
Последние тенденции
#permalink в раздел
Последние данные
#permalink к разделу
Просмотр
Поток
Scale
. показывает последние тенденции в области рафинированной нефти. Страны показаны на основе наличия данных.
Для получения полной информации о структуре торговли посетите обозреватель тенденций или продукт в профиле страны.
* С использованием обменных курсов на январь 2020 г., если торговые данные представлены в местной валюте.
Refined Petroleum are the world’s 4th most торгуемый продукт.
В 2020 году крупнейшими экспортерами рафинированной нефти были США (58,4 млрд долларов), Россия (48 млрд долларов), Нидерланды (29,7 млрд долларов), Сингапур (27 млрд долларов) и Индия (25,3 млрд долларов).
В 2020 году крупнейшими импортерами рафинированной нефти были США (31 млрд долларов), Сингапур (30,2 млрд долларов), Нидерланды (23,8 млрд долларов), Мексика (18,1 млрд долларов) и Китай (16,2 млрд долларов).
Between 2019 and 2020, the exports of Refined Petroleum grew the fastest in Brunei ($1.42B), Bahamas ($198M), Republic of the Congo ($175M) , Нигерия (109 млн долларов) и Намибия (101 млн долларов).
В период с 2019 по 2020 год самые быстрорастущие импортеры Refined Petroleum были Парагвай (590 млн долларов), Кабо-Верде (213 млн долларов), Либерия (205 млн долларов), Гана (139 млн долларов) и Сейшельские острова (85,1 млн долларов).
Изучение визуализаций
Концентрация рынка
#permalink to section
Совокупная доля рынка
Стоимость
На этой диаграмме показано изменение концентрации рынка экспорта Нефтепродукты.
В 2020 году концентрация рынка, измеренная с помощью энтропии Шеннона, составила 4,9.8. Это означает, что большая часть экспорта Нефтепродукты приходится на 31 страну.
This map shows which countries export or import more of Refined Petroleum . Каждая страна окрашена в зависимости от разницы в экспорте и импорте Рафинированная нефть в течение 2020 года.
Diseaggreation
#permalink до секции
Значение
Год.
Сравнение стран
#permalink to section
Continentscaret-downВсеАфрикаАнтарктидаАзияЕвропаСеверная АмерикаОкеанияЮжная Америка
Поток
Измерение
Рейтинг
Эта визуализация показывает страны, в торговле которых важное значение имеет доля Нефтепродукты . Можно выбрать основные страны, которые экспортируют или импортируют очищенную нефть в мире или по континентам, а также выбрать интересующую меру.
Сложность продукта
#постоянная ссылка на раздел
Граница диверсификации
#permalink to section
Специализация
На диаграмме сложность-связь сравниваются риск и стратегическая ценность потенциальных экспортных возможностей продукта. Связанность предсказывает вероятность того, что страна увеличит свой экспорт продукта. Сложность связана с более высокими уровнями доходов, потенциалом экономического роста, меньшим неравенством доходов и меньшими выбросами.
Наука и процесс нефтепереработки
Технология и оборудование нефтепереработки
Наука сырой нефти
Что такое нефть?
Нефть, называемая в промышленности сырой нефтью, представляет собой ископаемое топливо, находящееся в подземных резервуарах. Оно классифицируется по плотности, содержанию серы и кислотности, и эти факторы определяют способ очистки масла. Из каждого барреля сырой нефти можно получить несколько продуктов:
8% нефтеперерабатывающие газы и легкие продукты, такие как пропан или бутан
49% бензин
32% керосин, топливо для реактивных двигателей, дизельное топливо и печное топливо)
11% специальные продукты, такие как мазут или асфальт
Насколько велик баррель нефти?
Баррель нефти — это единица измерения, равная 42 галлонам. Сырая нефть больше не транспортируется в реальных баррелях, но измерение остается преобладающим способом измерения сырой нефти.
Сколько баррелей сырой нефти можно переработать за один день?
На наших 15 нефтеперерабатывающих заводах пропускная способность по сырой нефти и другому сырью составляет 3,2 миллиона баррелей в сутки. В зависимости от размера нефтеперерабатывающего завода от 80 000 до 300 000+ баррелей сырой нефти в день на одном нефтеперерабатывающем заводе перерабатывается для производства чистого транспортного топлива.
Какие инструменты или оборудование используются на нефтеперерабатывающих заводах?
Нефтеперерабатывающие заводы — это сложные объекты, которые перерабатывают сырую нефть и превращают ее в различные продукты, включая топливо для наших автомобилей, асфальт и строительные блоки для многих пластмасс, используемых в повседневной жизни. Для производства этих продуктов на заводе есть различные агрегаты, резервуары для хранения, трубопроводы, градирни и многое другое. НПЗ работают круглосуточно.
Что трескается?
Метод преобразования тяжелой сырой нефти в более легкие желательные продукты, такие как бензин и дизельное топливо, путем разложения больших молекул углеводородов на более мелкие молекулы с использованием тепла, давления и катализатора.
Уточнение 101 серии видео
Представляем серию «Переработка 101», состоящую из трех частей и посвященную основам нефтепереработки. Эта серия разбита на три эпизода, чтобы проиллюстрировать на высоком уровне типы сырой нефти, как работают нефтеперерабатывающие заводы, а также различные уровни сложности конфигураций нефтеперерабатывающих заводов.
Сырая нефть классифицируется, прежде всего, по ее плотности, измеряемой в единицах плотности в градусах API, и содержанию серы, измеряемому в весовых процентах.
Тяжелая высокосернистая нефть
Как правило, сырая нефть с плотностью API 24 или ниже и содержанием серы более 0,5 весовых процентов считается тяжелой высокосернистой нефтью.
Средняя сырая нефть
Как правило, сырая нефть с плотностью в градусах API от 24 до 34 и содержанием серы менее 0,5 массовых процентов считается средней сырой нефтью.
Легкая малосернистая нефть
Как правило, сырая нефть с плотностью более 34 в градусах API и содержанием серы менее 0,5 весового процента считается легкой малосернистой нефтью.
Безопасность — это основа
нашего успеха
Мы стремимся быть самым безопасным оператором в отрасли. Безопасность обеспечивает надежную и стабильную работу, что приводит к снижению выбросов и защите окружающей среды и наших соседей.
Наука и процесс
Поставка качественного топлива посредством безопасных, надежных и экологически ответственных операций.
Возобновляемые источники энергии
Этанол Наука и процесс
Узнайте, как мы производим этанол и превращаем его в продукцию.
Что такое элеватор — виды, устройство и принцип работы зернового элеватора
Зерновой элеватор относится к современным промышленным комплексам для приема, подготовки, хранения и отпуска зерна, имеющего соответствующую кондицию и находящегося в условиях, позволяющих поддерживать его качество на уровне принятых стандартов. Устройство и принцип работы элеватора рассчитаны на полноценный контроль процессов, выполнение технологических требований и оптимизацию логистических решений в пределах комплекса.
Виды и область применения зерновых элеваторов
Элеватор для зерна принято относить к одной из категорий по назначению и объему хранения. Типы элеваторов в зависимости от количества зерна:
заготовительные — рассчитаны на 15 – 100 тысяч тонн зернового материала, ориентированы на работы по приему из хозяйств и очистке, кратковременное и среднесрочное хранение с последующей отгрузкой на более крупные объекты;
длительного хранения — элеватор для хранения зерна в больших объемах (от 150 тысяч тонн) с поддержанием кондиции и периодической отгрузкой на переработку;
производственные — элеваторы на 10 – 15 тысяч тонн зерна, рассчитанные на оперативный отпуск в производство и поддержание запаса рабочего материала;
перевалочные или портовые — комплексы для приема и перевалки зерна с разными периодами хранения и возможностью отгрузки в вагоны, на суда, в автомобильный транспорт.
Разные виды элеваторов проектируются и оснащаются оборудованием в зависимости от специфики хранения и обеспечивающих операций. Это определяется на этапе подготовки задания на проектирование и зависит от местных условий и требований к конкретному объекту.
Функции и принцип работы элеваторов
Элеватор это промышленное зернохранилище, в конструкции и устройстве которого учтены все технологические процессы, обеспечивающие прием, подготовку, хранение и отпуск зерна. Принцип элеватора — последовательное выполнение технологических процессов.
Прием зерна. Может быть организован с любого вида транспорта. В заготовительных элеваторах для хозяйств в основном проектируется автомобильный пункт разгрузки в приямки и бункеры. На перевалочных элеваторах могут быть организованы причалы и железнодорожные пути.
Обработка и подготовка. Конструкция элеватора позволяет выполнять очистку зернового вороха, сушку в зерносушилках, сортировку по размерам (калибровку). В зависимости от источников поступления зерна могут использоваться комплексы ЗАВ и КЗС, шахтные зерносушилки, аспирационные установки.
Хранение. Основная функция — зернохранилище элеватора проектируется на базе металлических силосов с внутренними и внешними системами обеспечения.
Отгрузка зерна. Элеватор это логистический узел, оборудованный комплексом средств для отпуска материала в любых масштабах с использованием транспортеров, пневморукавов, бункеров. Состав оборудования определяется объемами хранения зерна и транспортными возможностями отпуска.
Элеваторы нужны для решения комплексных задач хранения зерна, их функции могут отличаться в зависимости от особенностей логистики, зернового материала, расположения на местности и привязки к другим объектам.
Остались вопросы?
Оставьте ваши данные и мы свяжемся с вами. Мы не занимаемся рассылкой рекламных сообщений, а так же не передаем контактные данные третьим лицам
Устройство элеватора по функциональным системам
Устройство элеватора представляет собой комплекс из силосов, транспортных и подготовительных систем, средств контроля и внутренней логистики. Элеватор для зерна является промышленным объектом, в котором состав оборудования и устройство всех систем стандартизированы, нацелены на выполнение основной задачи — обеспечить сохранность зерна в пределах кондиции, установленной как стандарт хранения. В состав большей части элеваторов входит функционально необходимый набор оборудования.
Приемные системы и оборудование
Приямки, бункеры, гидравлические подъемники для автомобилей, пневморукава для разгрузки вагонов и судов применяются для выгрузки зерна во временные емкости. Состав определяется в зависимости от логистики, в малых хозяйствах достаточно оборудовать элеватор устройствами для разгрузки автомобилей.
Оборудование для очистки и подготовки зерна
Технологическая цепь элеватора может включать комплексы КЗС и ЗАВ как модульные готовые решения. Возможна установка очистительного, аспирационного, и иного оборудования отдельными линиями. Элеватор для зерна может принимать материал после первичной очистки либо работать с уже готовым кондиционным зерном.
Внутренний технологический транспорт элеватора
Это набор оборудования и машин для перемещения зерновой массы. В него обычно включаются:
система пневмотранспорта;
горизонтальные и наклонные скребковые транспортеры;
ковшовые нории для подъема зерна;
транспортеры и рукавные загрузочные устройства для подачи зерна в силосы;
шнековые транспортеры для подачи зерна на оборудование и разгрузки силосов;
система самотеков с заглушками, заслонками и другими устройствами для управления потоками зерна.
Оборудование для аспирации
В зависимости от конкретного узла элеватора применяются аспирационные системы с циклонами и батареями циклонов, способные выделить пыль и мелкие включения из воздуха.
Основное оборудование элеватора — силосные хранилища
Зерновой элеватор современной конструкции представляет собой комплекс из металлических емкостей — силосов, в которые загружается подготовленное к хранению зерно. Высота и диаметр силоса подбираются по типовому проекту элеватора, исходя из вместимости, наличия места, ветровой и сейсмической активности.
Виды силосов для хранения зерна:
плоскодонные — хранилища большой вместимости, рассчитанные на длительное содержание материала с активной сквозной вентиляцией массы;
с коническим (конусным) дном — силосы элеватора, в которых хранится оперативный запас, зерно под отгрузку или не прошедшее полный цикл подготовки к длительному хранению.
Принципиальное отличие силосов элеватора двух видов состоит не только в объеме. Более вместительные плоскодонные хранилища для зерна в элеваторе имеют вентиляционные каналы в донной части и устанавливаются на более прочное капитальное основание. Для их разгрузки необходимы вместительные приямки с транспортерами высокой производительности. Последний слой зерна с дна выгружается радиальным шнековым транспортером.
Силосы с коническим дном устанавливаются на прочные металлоконструкции, практически вывешиваются, чтобы создать условия для выгрузки зерна через выпускной люк самотеком. При расчете этих силосов обязательно учитывается деформационная нагрузка, возникающая при выходе массы материала снизу.
Реализованные проекты
Строительство элеваторов, зернокомплексов. Производство элеваторного оборудования.
Логистика зернового элеватора
Зерновой элеватор постоянно обрабатывает большие потоки материала, что требует активного перемещения зерна между процессами. Идея организовать хранение в батарее силосов дает возможность оптимизировать внутреннюю логистику и таким образом получить ряд эффектов, важных для промышленной организации производства:
сократить время на выполнение транспортных операций;
сократить пути перемещения зерна;
сократить количество перевалок — смен вида транспортировки при перемещении;
использовать все возможности самотечных систем как наименее энергозатратных.
Силос элеватора для хранения зерна является своего рода логистической основой для сложной системы транспортов, которые концентрируются вокруг него и образуют недлинные радиальные связи для подачи и отбора материала. Плоскостные хранилища не дают возможности обеспечить эффективную и малозатратную внутреннюю транспортировку зернового материала.
Система поддержания кондиции зерна в силосах элеватора
Современный зерновой элеватор оборудуется силосами со сложными внутренними системами. Особое значение имеет система вентиляции — благодаря постоянному поступлению воздуха зерно в процессе хранения не увлажняется. В силосах элеваторов для хранения зерна используется горизонтальная и вертикальная вентиляция, направляющая потоки воздуха через всю массу по слоям. При этом учитывается эффект понижения и повышения температуры при перепаде давления.
Не менее важный комплекс устройств и агрегатов — система аспирации силоса. Она должна постоянно улавливать и выводить из воздуха пыль, которая создает опасность загрязнения зерна и вероятность хлопка под кровлей силоса. Для предусматривается специальное оборудование, в том числе и несколько люков для поддержания нормального давления в верхней части силоса. В элеваторах для хранения зерна система аспирации силосов строится на основе общепромышленных агрегатов, фильтров и воздуховодов.
Элеваторы проектируются и строятся с использованием типовых проектных продуктов и сертифицированного оборудования. На территории России работают производители техники и силосов, обеспечивающие полный комплекс услуг от проектирования элеватора для его монтажа и запуска под ключ. Какими бывают элеваторы для хранения зернового и семенного материала, можно увидеть на фото в разделе нашего сайта.
Строительство элеваторов
Мы выстраиваем взаимовыгодное сотрудничество с приоритетом долгосрочных отношений с заказчиками в плоскости предоставления широкого спектра услуг: от проектирования и строительства до ввода объекта в эксплуатацию и послегарантийного обслуживания объектов.
Элеваторы бывают разные… — Elevatorist.com
Элеваторы бывают разные… — Elevatorist.com
ТЕМА ДНЯ:
Робота елеваторів у зоні ризику: що кажуть учасники ринку?
Ігор Швагер
20 травня 2014, 09:00
В данной заметке предлагаю пройтись по некоторым терминам и определениям, а поскольку ресурс называется Elevatorist. com, с элеватора и начнем.
Элева́тор (лат. elevator, буквально — поднимающий, от elevo — поднимаю). В русском языке у этого слова несколько значений:
Элеватор — водоструйный элеватор предназначен для понижения температуры сетевого теплоносителя поступающего из сетей теплоцентрали за счёт частичного смешивания с водой, поступающей из обратного трубопровода системы отопления дома, и организации циркуляции теплоносителя в системе отопления дома.
Элеватор — в английском языке «elevator» переводится как лифт.
Элеватор (механизм) — транспортёр для подъёма сыпучих грузов.
Элеватор (деревня) — деревня Усманского района Липецкой области.
Элеватор (на авианосце) — подъёмник, транспортирующий самолёты из ангара на полётную палубу и обратно.
Элеватор (сооружение) — сооружение для хранения зерна.
Нас интересует последний термин, сооружение для хранения зерна, то бишь Элеватор зерновой. Вот формулировка из Большой Советской Энциклопедии:
Элеватор зерновой, сооружение для хранения больших партий зерна и доведения его до кондиционного состояния; высокомеханизированное зернохранилище силосного типа.
По конструктивному исполнению зерновые элеваторы можно условно разделить на следующие группы:
это соединённые в корпуса силосы (ёмкости) из сборного железобетона;
это соединённые в корпуса силосы (ёмкости) из монолитного железобетона;
силосы (ёмкости) металлические;
склады напольного хранения.
Остановимся подробнее на каждой из этих групп.
Соединённые в корпуса силосы (ёмкости) из сборного железобетона — в простонародье «бетонный элеватор». Он же соговый элеватор. Соговыми такие элеваторы иногда называют благодаря аббревиатуре СОГ, что расшифровывается примерно как — Сборный Объемный Гладкий элемент стен силосов. И хотя были и другие конструктивные решения, но выражение «соговый» используется чаще всего, но значительно реже, чем «бетонный».
Соединённые в корпуса силосы (ёмкости) из монолитного железобетона — в принципе, пассажиры, наблюдающие сие сооружение из окна вагона, тоже скажут: «бетонный элеватор» и будут правы. Стены силосов в монолитном железобетоне возводят при помощи скользящей опалубки. При этом толщину стен принимают не менее 150 мм, а диаметр, в основном 6 м.
Силосы (ёмкости) металлические — самые распространенные на сегодняшний день. Возводят их все и везде. И агрохолдинги и фермеры, и переработчики и зернотрейдеры, и в портах и в хозяйствах. Собираются они из стальных оцинкованных панелей и ребер жесткости, соединяемых между собою болтами. Существует много производителей таких емкостей и еще больше типоразмеров. Как они выглядят, успели уже увидеть, наверное, все.
Склады напольного хранения предшествовали всем выше перечисленным сооружениям. Если считать, что первый силосный элеватор построен в США (г. Дулут) в 1845 году, а в России (Н. Новгород) — в 1887 году, то до этого были только склады напольного хранения. Но это не значит, что после 1887 года их перестали строить. У данных зернохранилищ были, есть и будут сторонники, а, несмотря на недостатки у них есть ряд достоинств.
В советское время их строили, в основном из кирпича и перекрывали шифером. В постсоветский период, для складов напольного хранения использовался сборный железобетон бывших животноводческих ферм. Сейчас много современных конструкций из профилированного листа, тентованных и т.п.
Классический же напольник советского ХПП (хлебоприемного предприятия) выглядит вот так:
Ігор Швагер
Швагер|елеватор|СОГ|напольные склады|силос
Матеріали за темою
История в лицах: Второй краснознаменный
История в лицах: Как строили элеваторы в 70-х в Украине и в Ираке
Удивительные истории об элеваторах
Більше
Вибір редакціїї
GRECO group: ми розвінчуємо міфи аграріїв про переведення зерносушарок на альтернативні види палива
Переробка агросировини в енергію: біогаз та біометан. Чи вигідно?
Все про модульні зерносховища: монтаж, принципи роботи, вартість
Полімерні рукави для зерна: проблеми з наявністю та правила використання
Українські елеватори в умовах війни
Робота борошномелів під час війни: навантаження і проблеми
Что такое элеватор — виды, устройство и принцип работы зернового элеватора
Функционирование элеватора – это сложный процесс, в котором задействована работа многих механизмов.
Элеваторы играют большую и важную роль в АПК, потому что всю массу доставленной зерномассы невозможно единовременно отправить на хранение или переработку на предприятия, а здесь с зерном проводятся действия, включающие послеуборочную обработку.
Все проводимые в нем манипуляции нацелены на обеспечение его сохранности и улучшение качественных характеристик. Все задействованные машины обеспечивают проведение таких работ с зерном, как:
прием;
очистка, сушка, обеззараживание;
хранение;
перемещения внутри комплекса;
отпуск (в назначенные пункты посредством железнодорожного, автомобильного или водного транспорта).
А автоматизация работы зернового элеватора оптимизирует эффективность контроля этапов очистки, сушки, калибровки, организации маршрутов без вероятности смешивания разных культур.
Виды и область применения зерновых элеваторов
Элеватор для зерна принято относить к одной из категорий по назначению и объему хранения. Типы элеваторов в зависимости от количества зерна:
заготовительные — рассчитаны на 15 – 100 тысяч тонн зернового материала, ориентированы на работы по приему из хозяйств и очистке, кратковременное и среднесрочное хранение с последующей отгрузкой на более крупные объекты;
длительного хранения — элеватор для хранения зерна в больших объемах (от 150 тысяч тонн) с поддержанием кондиции и периодической отгрузкой на переработку;
производственные — элеваторы на 10 – 15 тысяч тонн зерна, рассчитанные на оперативный отпуск в производство и поддержание запаса рабочего материала;
перевалочные или портовые — комплексы для приема и перевалки зерна с разными периодами хранения и возможностью отгрузки в вагоны, на суда, в автомобильный транспорт.
Разные виды элеваторов проектируются и оснащаются оборудованием в зависимости от специфики хранения и обеспечивающих операций. Это определяется на этапе подготовки задания на проектирование и зависит от местных условий и требований к конкретному объекту.
Функции и принцип работы элеваторов
Элеватор это промышленное зернохранилище, в конструкции и устройстве которого учтены все технологические процессы, обеспечивающие прием, подготовку, хранение и отпуск зерна. Принцип элеватора — последовательное выполнение технологических процессов.
Прием зерна. Может быть организован с любого вида транспорта. В заготовительных элеваторах для хозяйств в основном проектируется автомобильный пункт разгрузки в приямки и бункеры. На перевалочных элеваторах могут быть организованы причалы и железнодорожные пути.
Обработка и подготовка. Конструкция элеватора позволяет выполнять очистку зернового вороха, сушку в зерносушилках, сортировку по размерам (калибровку). В зависимости от источников поступления зерна могут использоваться комплексы ЗАВ и КЗС, шахтные зерносушилки, аспирационные установки.
Хранение. Основная функция — зернохранилище элеватора проектируется на базе металлических силосов с внутренними и внешними системами обеспечения.
Отгрузка зерна. Элеватор это логистический узел, оборудованный комплексом средств для отпуска материала в любых масштабах с использованием транспортеров, пневморукавов, бункеров. Состав оборудования определяется объемами хранения зерна и транспортными возможностями отпуска.
Элеваторы нужны для решения комплексных задач хранения зерна, их функции могут отличаться в зависимости от особенностей логистики, зернового материала, расположения на местности и привязки к другим объектам.
Вторичная очистка
Эта процедура применяется в основном для зерна, предназначенного на семена. Специальные устройства позволяют добиться норм по чистоте, характерных для I и II классов посевного стандарта всего лишь за один пропуск. Но иногда требуется и дополнительная очистка с использованием специальных агрегатов. Речь идет о тех случаях, когда в смеси содержатся трудноотделимые примеси. У разных сельскохозяйственных культур могут существовать свои «двойники», убрать которые обычными способами невозможно.
Для этого этапа очистки используют воздушно-решетные машины сложной конструкции. Они позволяют разделить весь материал по четырем фракциям. В первую поступают непосредственно качественные семена, во вторую зерна, относящиеся ко 2 сорту, в третью аспирационные и крупные отходы, в четвертую мелкие примеси.
Потерь качественного зерна при вторичной очистке избежать не удается. На сегодняшний день существуют допустимые нормы:
В зерне должно остаться не более 1% сора;
Зерна второго сорта должны содержать не более 3% качественных семян;
Количество раздробленных зерен и семян не должно составлять более 1%.
Обеспечить такие показатели может соблюдение нормативов:
Влажность материала 18% и менее;
Общее количество разных примесей 8% и менее;
Сорных примесей 3% и менее.
Устройство элеватора по функциональным системам
Устройство элеватора представляет собой комплекс из силосов, транспортных и подготовительных систем, средств контроля и внутренней логистики. Элеватор для зерна является промышленным объектом, в котором состав оборудования и устройство всех систем стандартизированы, нацелены на выполнение основной задачи — обеспечить сохранность зерна в пределах кондиции, установленной как стандарт хранения. В состав большей части элеваторов входит функционально необходимый набор оборудования.
Приемные системы и оборудование
Приямки, бункеры, гидравлические подъемники для автомобилей, пневморукава для разгрузки вагонов и судов применяются для выгрузки зерна во временные емкости. Состав определяется в зависимости от логистики, в малых хозяйствах достаточно оборудовать элеватор устройствами для разгрузки автомобилей.
Оборудование для очистки и подготовки зерна
Технологическая цепь элеватора может включать комплексы КЗС и ЗАВ как модульные готовые решения. Возможна установка очистительного, аспирационного, и иного оборудования отдельными линиями. Элеватор для зерна может принимать материал после первичной очистки либо работать с уже готовым кондиционным зерном.
Внутренний технологический транспорт элеватора
Это набор оборудования и машин для перемещения зерновой массы. В него обычно включаются:
система пневмотранспорта;
горизонтальные и наклонные скребковые транспортеры;
ковшовые нории для подъема зерна;
транспортеры и рукавные загрузочные устройства для подачи зерна в силосы;
шнековые транспортеры для подачи зерна на оборудование и разгрузки силосов;
система самотеков с заглушками, заслонками и другими устройствами для управления потоками зерна.
Оборудование для аспирации
В зависимости от конкретного узла элеватора применяются аспирационные системы с циклонами и батареями циклонов, способные выделить пыль и мелкие включения из воздуха.
Основное оборудование элеватора — силосные хранилища
Зерновой элеватор современной конструкции представляет собой комплекс из металлических емкостей — силосов, в которые загружается подготовленное к хранению зерно. Высота и диаметр силоса подбираются по типовому проекту элеватора, исходя из вместимости, наличия места, ветровой и сейсмической активности.
Виды силосов для хранения зерна:
плоскодонные — хранилища большой вместимости, рассчитанные на длительное содержание материала с активной сквозной вентиляцией массы;
с коническим (конусным) дном — силосы элеватора, в которых хранится оперативный запас, зерно под отгрузку или не прошедшее полный цикл подготовки к длительному хранению.
Принципиальное отличие силосов элеватора двух видов состоит не только в объеме. Более вместительные плоскодонные хранилища для зерна в элеваторе имеют вентиляционные каналы в донной части и устанавливаются на более прочное капитальное основание. Для их разгрузки необходимы вместительные приямки с транспортерами высокой производительности. Последний слой зерна с дна выгружается радиальным шнековым транспортером.
Силосы с коническим дном устанавливаются на прочные металлоконструкции, практически вывешиваются, чтобы создать условия для выгрузки зерна через выпускной люк самотеком. При расчете этих силосов обязательно учитывается деформационная нагрузка, возникающая при выходе массы материала снизу.
Реализованные проекты
Строительство элеваторов, зернокомплексов. Производство элеваторного оборудования.
Применение вибропневматического способа отделения примесей
Для отделения тяжелых примесей и сепарирования по удельному весу, применяется вибропневматический способ, который реализуется в каменеотборниках, пневмостолах, концентраторах, комбинаторах и ситовеечных машинах. Процесс разделения зерновой массы происходит путем использования восходящего потока воздуха в сочетании с колебаниями сортировочной поверхности. При таком способе частицы зерновой массы, находясь в псевдоожиженном состоянии, испытывают многократные столкновения между собой и сортировочной поверхностью, что приводит к их интенсивному самосортированию.
Разделение проводится таким образом, что нижние слои, состоящие из частиц большей плотности, просеиваются через сортировочную поверхность (концентраторы, ситовеечные машины) или направляются по ней в противоположную сторону движения частиц с меньшей плотностью (каменеотборники, пневмостолы). Концентраторы, комбинаторы и ситовеечные машины используются при производстве муки, поэтому дальнейшее их рассмотрение в рамках данной работы не является целесообразным.
Камнеотборники используются для выделения из зерновой массы минеральной примеси (галька, крупный песок, кусочки руды, шлак, кусочки земли и т.д.), отличаются высокой производительностью, компактностью конструкции и эффективностью 98-99%.
В пневмостолах зерно можно разделить на несколько фракций отличающихся по плотности, а также при необходимости отделить мелкие примеси — семена сорняков, битые зерна основной культуры и т.п. Эффективность разделения в концентраторах предварительно очищенного зерна при выделении его тяжелой фракции составляет 60-80%. Кроме того, дополнительно выделяется 0,2-0,3% отходов и щуплого зерна.
Главным недостатком машин, которые реализуют вибропневматический способ разделения является использование воздуха в количестве 450-600 м3 на 1 т зерна, который выбрасывается в окружающую среду после очистки от пыли. Поэтому перспективным направлением усовершенствования таких машин является внедрение в их конструкцию замкнутого движения воздуха.
Логистика зернового элеватора
Зерновой элеватор постоянно обрабатывает большие потоки материала, что требует активного перемещения зерна между процессами. Идея организовать хранение в батарее силосов дает возможность оптимизировать внутреннюю логистику и таким образом получить ряд эффектов, важных для промышленной организации производства:
сократить время на выполнение транспортных операций;
сократить пути перемещения зерна;
сократить количество перевалок — смен вида транспортировки при перемещении;
использовать все возможности самотечных систем как наименее энергозатратных.
Силос элеватора для хранения зерна является своего рода логистической основой для сложной системы транспортов, которые концентрируются вокруг него и образуют недлинные радиальные связи для подачи и отбора материала. Плоскостные хранилища не дают возможности обеспечить эффективную и малозатратную внутреннюю транспортировку зернового материала.
Система поддержания кондиции зерна в силосах элеватора
Современный зерновой элеватор оборудуется силосами со сложными внутренними системами. Особое значение имеет система вентиляции — благодаря постоянному поступлению воздуха зерно в процессе хранения не увлажняется. В силосах элеваторов для хранения зерна используется горизонтальная и вертикальная вентиляция, направляющая потоки воздуха через всю массу по слоям. При этом учитывается эффект понижения и повышения температуры при перепаде давления.
Не менее важный комплекс устройств и агрегатов — система аспирации силоса. Она должна постоянно улавливать и выводить из воздуха пыль, которая создает опасность загрязнения зерна и вероятность хлопка под кровлей силоса. Для предусматривается специальное оборудование, в том числе и несколько люков для поддержания нормального давления в верхней части силоса. В элеваторах для хранения зерна система аспирации силосов строится на основе общепромышленных агрегатов, фильтров и воздуховодов.
Элеваторы проектируются и строятся с использованием типовых проектных продуктов и сертифицированного оборудования. На территории России работают производители техники и силосов, обеспечивающие полный комплекс услуг от проектирования элеватора для его монтажа и запуска под ключ. Какими бывают элеваторы для хранения зернового и семенного материала, можно увидеть на фото в разделе нашего сайта.
Особенности элеваторного хранения зерна
Склады элеваторного типа необходимы для длительного и компактного хранения зерновых — зерно находится в вертикальных емкостях, которые внешне похожие на силосные башни. Такой вариант хранения позволяет длительное время сохранять вкусовые и технологические свойства зерна — именно такой вариант хранения считается оптимальным.
Помимо зерновых элеваторное хранение применимо и для фуража, масличных культур. При этом начальная влажность продукта может быть любой, что позволяет оптимальным образом сохранить урожай вне зависимости от погодных условий. Конструкция зерносушилки и технологические особенности позволяют обеспечить равномерную просушку зерна, чего не реализует никакой другой тип хранения. При этом физические затраты на сушку и хранения урожая минимальны. Элеваторные склады безопасны и демонстрирует отличное соотношение цены и качества, что обусловило их популярность как в России, так и за рубежом.
Элеваторы водоструйные
Элеватор стальной водоструйный — это устройство предназначенное для понижения температуры воды поступающей из главной тепловой магистрали в локальную систему теплоснабжения (отопления) способом смешивания определенной части воды из обратного трубопровода и соответственно создания принудительной циркуляции в локальной системе отопления. В зависимости от поставленной задачи элеваторы водоструйные различаются разными входными — выходными диаметрами для подключения к магистралям, а также отличаются размерами сопла (горловины), которые имеют установленные размеры по ГОСТу и варьируются от 15 до 60мм.
Технические характеристики и габаритные
размеры элеватора стального водоструйного
Номер элеватора
Примерный расход воды из сети, (тонн в час)
d горловины (мм)
Масса элеватора (кг)
Размеры стального водоструйного элеватора типа ВТИ (мм)
Элеваторное оборудование от компании «Зерновые технологии» поможет эффективно решить вопросы размещения зерна на всех стадиях его обработки. Мы производим элеваторы из оцинкованных экологичных материалов, гарантирующих отсутствие коррозийных процессов в течение многих лет. Трущиеся элементы конструкций оснащены сменными вставками для простой и удобной замены. Наше оборудование прочное и долговечное, а цены на элеваторы оптимальные. Благодаря компьютеризованной панели, все процессы в хранилище под контролем. Поэтому ваше зерно надежно защищено от ошибки персонала.
Промышленные элеваторы
В зависимости от потребностей вашего производства, мы разработаем проект элеватора, учитывающий масштабы и особенности технологии. Для крупных предприятий сельскохозяйственной сферы мы предлагаем такие типы элеваторов:
Линейные. Удобное хранилище зерна на стыке ЖД-путей и трасс. Функционал элеватора заключается в приеме зерна, его классификации по категориям, сушке, хранении и отгрузке в вагоны или грузовые автомобили для отправки на крупоцеха. Вместимость элеваторов достигает порядка 30 тонн. В силосах, которых может быть до 10, можно раздельно размещать несколько видов культур. Системы климат-контроля позволяют безопасно хранить в элеваторе зерно на протяжении 1 года.
Узловые. Устанавливаются на предприятиях и позволяют удобно отгружать партии зерна в большегрузные машины или вагоны. Их совокупный объем может составлять от 8 до 16 тонн. Зерно можно хранить сроком до 1 года.
Портовые. Устанавливается, когда необходимо организовать приемку сразу нескольких зерновых культур и их транспортировку морскими путями. На элеваторе предусмотрено оборудование, позволяющее проводить удобную погрузку и разгрузку. Эти элеваторы самые крупные по объему и дают возможность хранить порядка 50-150 тонн зерна. При необходимости можно купить элеватор с установкой допоборудования.
Производственные и фермерские элеваторы
Эти конструкции находят применение непосредственно в составе зернообрабатывающих предприятий. Их роль – размещение зерна на долгий срок на всех этапах переработки.
Примельничные. Устанавливаются на мельничьих хозяйствах для хранения пшеницы и ржи. В среднем в таких элеваторах имеются запасы зерна, необходимые для работы мельницы на протяжении квартала. Вместимость – от 5 до 15 тысяч тонн. Зерна и помольные партии хранятся в емкостях, оснащенных климат-контролем, а для хранения муки устанавливаются квадратные силосы.
Комбикормовые. Контроль за процессами смешивания и производства различных типов кормов, обогащение продуктов минеральными веществами происходят полностью автоматизировано. Управление элеватором может интегрироваться в общую систему пультового управления комбикормовым заводом. Вместимость вариативна: от 7 до 40 тысяч тонн, в зависимости от того, сколько продукта необходимо хранить на производстве для обеспечения его бесперебойности в течение 3 месяцев.
Фермерские элеваторы. Позволяют располагать урожай в течение всего года и имеют 3-4 емкости совокупным объемом до 8 тысяч тонн. Принимая зерно с большегрузных машин, элеватор отправляет его на сушку и обработку, после чего осуществляется выгрузка. Элеваторы могут оснащаться необходимыми машинами для очистки, сортировки, многорежимной сушки и нарезки продукта. Они подразумевают систему вентиляции для сохранности зерна.
О каком типе элеваторов ни шла бы речь, его состав определяют конкретные цели, особенности и расположение производства. В зависимости от объемов вашего производства компания «Зерновые технологии» осуществит проектирование и монтаж «под ключ» высококачественных и надежных силосов для соблюдения оптимального режима хранения продукта!
Технологические возможности современных элеваторов
Современные зерновые элеваторы ушли далеко от своих «советских» предшествеников. Сегодня это не просто вместительные хранилища, а полноценно оборудованные по последнему слову техники комплексы, позволяющие доводить зерно до кондиционного состояния. Они дают возможность удобно решать целый ряд задач на сельхозпредприятии и осуществлять удобное обслуживание производственного процесса. Цены на элеваторы варьируются в зависимости от их комплектации.
Конструкция элеватора
На современных элеваторах зерно проходит все этапы обработки: несколько этапов очистки, сушка, дальнейшее хранение в течение года, а также удобная транспортировка на предприятия для дальнейшей обработки. Все этапы сложнейшего процесса обработки зерна в современных элеваторах полностью автоматизированы. Легкое и комфортное управление с помощью специального пульта может осуществляться всего одним сотрудником. Цены на элеваторы, возможности работы на разных видах топлива и экономия средств за счет отказа от ручного труда, позволяют наладить выгодное производство. Кроме того, при таком подходе, человеческая ошибка на предприятии сводится к нулю. Конструкционные элементы элеватора — это:
Корпуса и рабочее здание;
Железобетонные или металлические силосы для хранения зерновой массы;
Оборудование для приема и выгрузки зерна;
Зерноочистительный комплекс.
Зерносушильный комплекс.
Сопутствующее оборудование.
Это так называемая базовая конструкция, которая в зависимости от особенностей конкретного производства, может оснащаться дополнительными модулями.
Типы силосов в элеваторе
Железобетонные силосы бывают круглые и квадратные. Стандартные размеры для круглых вариантов: высота до 30 м и диаметр до 9 м. Круглые емкости на предприятии выстраиваются в несколько рядов (от 3 до 6). Квадратные хранилища зерна обустраиваются по ширине от 6 до 12 рядов. В зависимости от объемов производства в совокупности в силосах может храниться от 11,2 до 48 тысяч тонн зерна.
Более современным вариантом считаются сегодня металлические силосы за счет простоты своего обустройства. Они вмещают от 2,55 до 3 тыся тонн зерновой массы. Высота конструкции достигает 11.9 и 15 м, а диаметр силосов — 18 м. Металлические хранилища устанавливаются по 2 или 4 силоса в ряд.
Плюсы металлических силосов связаны не только с легким монтажом. Они более экологичны, так как используют оцинкованную сталь, которая показывает высокую устойчивость к коррозийным процессам на протяжении более, чем 10 лет.
Компания «Зерновые технологии» сотрудничает с ведущими отечественными и международными фирмами, производящими современное высокотехнологичное оборудование для элеваторов, цены на которое всегда оптимальны за счет отсутствия посредников. Позвоните нам, и мы ответим на все вопросы о том, как модернизировать ваше сельхозпредприятие, чтобы получать больше прибыли!
Модернизация элеваторов на «Арианте» в 2022 году | 74.ru
Все новости
Кремль нашел угрозу для РФ в проекте гарантий безопасности Украины: новости вокруг СВО за 14 сентября
Челябинцы рассказали, каким должен быть идеальный ТРК
Могут ли заболевшему ковидом выдать больничный дистанционно? Отвечает Минздрав
В Челябинске из-за ремонта теплотрассы на две недели ограничат движение троллейбусов
В Минздраве рассказали, планируется ли вводить карантины в школах Челябинской области
Это классика, говорили они: стилист назвала самый старящий цвет — его любят многие женщины за 40
Вице-мэра Магнитогорска отправили под стражу по обвинению в получении взятки
В Минздраве объяснили, почему южноуральцев не прививают назальной вакциной от коронавируса
Где в Челябинске есть школа с панорамным видом на Шершни
Студенты — о ЕГЭ, поступлении и проблемах высшего образования: «Со своим дипломом никому не нужен»
В Челябинске суд прекратил уголовное дело водителя маршрутки, сбившего школьницу на «зебре»
Кого убивает «ниндзя»? В Минздраве рассказали о симптомах болеющих ковидом челябинцев и пациентах в группе риска
Как правильно подобрать очки или линзы: советы от оптометристов
Поселок в Металлургическом районе Челябинска застроят по программе реновации
В Крыму на свадьбе включили украинскую песню. После этого гостей наказали штрафами, а диджея отправили под арест
В Ленинском районе дважды закроют движение всего транспорта
7 причин, почему по ночам хочется пить. Врач рассказала, симптомом каких болезней может быть жажда
В Челябинске начали разворачивать ковидные поликлиники
Эй, бумер, есть что погуглить? В словарь русского языка добавили 152 слова — вот они
В мэрии рассказали челябинцам о важном нюансе при пополнении транспортных карт
Голоса на пепелище: как и зачем выбирают депутатов в разрушенном совхозе «Кремлевский» и других деревнях — репортаж
Умер главный редактор «Комсомольской правды» Владимир Сунгоркин
Больше 230 млн записей с данными россиян оказались слиты в Сеть
На расширяемом участке улицы Худякова ввели реверсивное движение по ночам
Россиян за полгода стало меньше на 480 тысяч. Почему в стране так сильно выросла смертность
К Новому году в центре Челябинска поставят светящиеся деревья, луну и звезды за 27,6 миллиона
Педофилу, который изнасиловал и убил двух девочек в Кузбассе, дали пожизненное
В Челябинске начали включать отопление по заявкам. Рассказываем, кому и на каких условиях
Почему нельзя есть яйца каждый день? Отвечают врачи
Авто «ОСАГО или зимние шины?» Автомобилист — о сложном выборе осени 2022 года
Рекламный сервис предложил челябинским предпринимателям бесплатное размещение
«Если подчиняться этим правилам, то и крест надо запретить». Эксперты — о запрете ношения хиджаба в школе
Трупы кошек и полчища блох: что еще увидели сотрудники управляющей компании в домах, взятых на баланс
Скоро будет Елка! Стал известен хедлайнер Народной премии 74.RU
Как узнать «ниндзю»: все симптомы нового вида коронавируса в одной картинке
Завтра УК должны быть готовы к отопительному сезону. Сколько челябинцы будут платить осенью и зимой
Авто Бессмертный дублер М-5. Разбираемся, в каком сейчас состоянии новая трасса М-12 Челябинск — Москва
В Кремле ответили на вопрос о всеобщей мобилизации: новости вокруг спецоперации за 13 сентября
11 детей и 150 килограммов: как живет многодетная мама с очень большим весом — передвигаться ей помогают сын и дочь
Все новости
Безопасность продукции — один из основных приоритетов компании
org/Person»>Фото: «Ариант»
Поделиться
Агрофирма «Ариант» модернизировала оборудование на своих элеваторах и обновила внутренние маршруты движения зерна. Это позволило не только увеличить производительность предприятия, повысить качество продукции, но и улучшить условия труда сотрудников компании, повысив уровень промышленной безопасности на рабочих местах.
На элеваторах полностью обновили технологические линии, установили новый блок-модуль лаборатории и пробоотборник для проведения входного контроля зерна с автомобильного транспорта, заменили системы отопления помещений и провели реконструкцию наружного освещения территории.
В год агрофирма «Ариант» перерабатывает и хранит более 360 000 тонн зерна, а также изготавливает более 450 000 тонн комбикормов. Производственными площадками для этого служат 6 высокотехнологичных элеваторов, расположенных в разных районах Челябинской и Курганской областей, где зерно сушат, чистят и калибруют, для этого на всех элеваторах установлено новейшее роботизированное оборудование. Элеваторы рассчитаны на большие объемы переработки и непрерывную круглосуточную работу.
Безопасность продукции — один из основных приоритетов компании. Сегодня агрофирма «Ариант» — это мощный агропромышленный гигант, лидер по производству мясной продукции в Уральском регионе. Компания сама разводит животных, тщательно следит за их здоровьем, изготавливая для них лучшие корма. Работа по принципу замкнутого производственного цикла — от формирования собственной сырьевой базы до продажи готовой мясной продукции — позволяет строго контролировать каждый этап создания мясного продукта.
Новости компаний
Читать еще
14 сентября 2022, 15:40
Как правильно подобрать очки или линзы: советы от оптометристов
14 сентября 2022, 18:00
Это классика, говорили они: стилист назвала самый старящий цвет — его любят многие женщины за 40
14 сентября 2022, 17:00
Где в Челябинске есть школа с панорамным видом на Шершни
14 сентября 2022, 10:00
Почему нельзя есть яйца каждый день? Отвечают врачи
14 сентября 2022, 09:00
Рекламный сервис предложил челябинским предпринимателям бесплатное размещение
14 сентября 2022, 09:00
Трупы кошек и полчища блох: что еще увидели сотрудники управляющей компании в домах, взятых на баланс
Увидели опечатку? Выделите фрагмент и нажмите Ctrl+Enter
Новости СМИ2
лифт | вертикальный транспорт | Британика
лифт
Посмотреть все СМИ
Ключевые люди:
Элиша Отис
Похожие темы:
коллективная операция молниеносный лифт гидравлический лифт грузовой лифт двухэтажный лифт
Просмотреть весь связанный контент →
Резюме
Прочтите краткий обзор этой темы
лифт , также называемый лифт , вагон, который движется в вертикальной шахте для перевозки пассажиров или грузов между уровнями многоэтажного здания. Большинство современных лифтов приводятся в движение электродвигателями с помощью противовеса через систему тросов и шкивов (шкивов). Открыв путь к более высоким зданиям, лифт сыграл решающую роль в создании характерной городской географии многих современных городов, особенно в Соединенных Штатах, и обещает сыграть незаменимую роль в будущем развитии городов.
Практика подъема грузов механическими средствами во время строительных работ восходит как минимум к римским временам; римский инженер-архитектор Витрувий в I в. до н. э. описал подъемные платформы, в которых использовались шкивы и шпили, или лебедки, приводимые в действие силой человека, животных или воды. Сила пара применялась к таким устройствам в Англии к 1800 году. В начале 19 века был введен гидравлический подъемник, в котором платформа крепилась к поршню в цилиндре, погруженном в землю под валом на глубину, равную высоте вала. . Давление на жидкость в цилиндре создавалось паровым насосом. Позже была использована комбинация шкивов, чтобы увеличить движение автомобиля и уменьшить глубину плунжера. Во всех этих устройствах использовались противовесы для уравновешивания веса автомобиля, а мощности требовалось ровно столько, чтобы поднять груз.
Викторина «Британника»
Изобретения: от штыков до реактивных двигателей
Когда была изобретена английская булавка? Когда был представлен автомобиль Model T? Расставьте все точки над I и зачеркните свои (модель) Т, проходя этот тест на изобретения.
До середины 1850-х годов эти принципы в основном применялись к грузовым подъемникам. Плохая надежность канатов (обычно пеньковых), использовавшихся в то время, делала такие подъемные платформы неудовлетворительными для использования пассажирами. Когда американец Элиша Грейвс Отис в 1853 году представил устройство безопасности, он сделал возможным пассажирский лифт. Устройство Отиса, продемонстрированное на выставке Хрустального дворца в Нью-Йорке, включало в себя зажимное приспособление, которое захватывало направляющие, по которым двигался автомобиль, когда натяжение подъемного каната ослабевало. Первый пассажирский лифт был введен в эксплуатацию в универмаге Haughwout в Нью-Йорке в 1857 году; управляемый паром, он поднялся на пять этажей менее чем за минуту и имел явный успех.
Усовершенствованные версии лифта с паровым приводом появились в течение следующих трех десятилетий, но значительного прогресса не произошло до появления электрического двигателя для работы лифта в середине 1880-х годов и первой коммерческой установки электрического пассажирского лифта в 1889 году. Эта инсталляция в здании Демарест в Нью-Йорке использовала электродвигатель для привода заводного барабана в подвале здания. Введение электричества привело к двум дальнейшим достижениям: в 189 г.Были введены 4 кнопочных элемента управления, а в 1895 г. в Англии был продемонстрирован подъемный механизм, передавший мощность на шкив (шкив) в верхней части вала; веса автомобиля и противовеса было достаточно, чтобы гарантировать сцепление с дорогой. Сняв ограничения, налагаемые наматывающим барабаном, механизм тягового привода сделал возможным использование более высоких валов и более высоких скоростей. В 1904 году была добавлена «безредукторная» функция путем прикрепления приводного шкива непосредственно к якорю электродвигателя, что сделало скорость практически неограниченной.
Когда проблемы с безопасностью, скоростью и высотой были преодолены, внимание было обращено на удобство и экономичность. В 1915 году было введено так называемое автоматическое выравнивание в виде автоматического управления на каждом этаже, которое срабатывало, когда оператор отключал ручное управление на определенном расстоянии от уровня пола и направлял машину к точно установленной остановке. Добавлено силовое управление дверями. С увеличением высоты здания скорость лифта увеличилась до 1200 футов (365 метров) в минуту в таких экспресс-установках, как на верхних этажах Эмпайр-стейт-билдинг (19).31) и достигла скорости 1800 футов (549 метров) в минуту в Центре Джона Хэнкока в Чикаго в 1970 году. в котором лифт или группа лифтов отвечали на вызовы последовательно сверху вниз или наоборот. Основной функцией безопасности всех лифтовых установок была блокировка двери шахты, которая требовала, чтобы внешняя дверь (шахта) была закрыта и заблокирована, прежде чем кабина могла двигаться. К 19В эксплуатации находились 50 автоматических систем группового контроля, что устраняло необходимость в лифтерах и пускателях.
Оформите подписку Britannica Premium и получите доступ к эксклюзивному контенту. Подпишитесь сейчас
В основе идеи двухэтажного лифта, впервые опробованного в 1932 году, лежала ранняя попытка свести к минимуму потери площади пола при установке лифтов в высотных зданиях. Каждый лифт состоял из двух кабин, одна из которых устанавливалась над другой. и работает как единое целое, обслуживая два этажа на каждой остановке. Техника получает все большее распространение. Автоматические двухэтажные лифты в здании Time-Life Building в Чикаго работали в 1971 и инсталляции в башне Джона Хэнкока в Бостоне; здание Standard Oil Company (Индиана) в Чикаго; и Canadian Imperial Bank of Commerce, Торонто, строились в 1971 году.
Современные лифты изготавливаются различных типов для различных целей; помимо обычных грузовых и пассажирских перевозок они используются на кораблях, плотинах и таких специализированных сооружениях, как ракетные установки. В высотных строительных работах используются лифты для тяжелых грузов с быстрым спуском. Практически все они приводятся в движение электрическим приводом либо с помощью тросов, шкива и противовеса, либо с помощью барабанного механизма (до сих пор используемого во многих малоэтажных грузовых лифтах), либо с помощью электрогидравлической комбинации. Несколько тросов (три и более) увеличивают как поверхность сцепления со шкивом, так и коэффициент безопасности; выход из строя кабеля случается редко.
Приводной двигатель обычно работает от переменного тока для более низких скоростей и от постоянного тока для более высоких скоростей. У двигателя постоянного тока изменение скорости осуществляется изменением напряженности поля генератора постоянного тока и регулированием непосредственной связи якоря генератора с якорем приводного двигателя. Для скоростных лифтов используется безредукторная схема, обычно с тросами, дважды обмотанными вокруг шкива. Тяговый лифт может иметь неограниченный подъем, однако подъемы более 100 футов требуют компенсационных тросов— т. е. каната от днища вагона до днища противовеса; по мере того, как кабина поднимается, вес компенсирующего троса передается на кабину, а по мере ее опускания большая часть передается на противовес, сохраняя нагрузку на ведущую машину почти постоянной (см. рисунок).
Гидроцилиндры и плунжеры применяются для малоэтажных пассажирских лифтов и грузовых лифтов большой грузоподъемности. Плунжер толкает платформу снизу под действием масла под давлением в цилиндре. Высокоскоростной электрический насос создает давление, необходимое для подъема лифта; автомобиль опускается под действием клапанов с электроприводом, которые сбрасывают масло в резервуар для хранения. Специализированные типы гидроцилиндров и плунжерных механизмов, включая горизонтально расположенные элементы, используются для нестандартных применений. Например, канатный или «редукторный» тип гидравлического лифта, распространенный около 1900, с плунжером и цилиндром, снабженным шкивами на каждом конце, используется в лифтах авианосцев для подъема тяжелых грузов на короткие расстояния. При приложении давления к плунжеру расстояние между шкивами увеличивается, и канаты, обернутые вокруг шкивов, подтягивают элеватор вверх.
Лифты, поднимаемые с помощью подъемных канатов, должны иметь «предохранители» на платформе — устройства, предназначенные для зажима стальных направляющих при активации и быстрого торможения лифта до полной остановки. Предохранитель, обычно устанавливаемый под платформой автомобиля, приводится в действие регулятором скорости через трос. Трос переводит предохранитель во включенное положение в случае чрезмерного движения автомобиля вниз. Устройство сначала отключает питание лифта; если превышение скорости продолжается, он применяет предохранительный тормоз.
Большинство современных лифтов являются автоматическими и используют различные системы управления для индивидуального или группового управления лифтами. Самая ранняя система автоматического управления, однокнопочная автоматическая, дает водителю исключительное право использовать автомобиль для поездки. Применяется в небольших многоквартирных домах и для грузовых лифтов.
Коллективная работа популярна для использования с одним лифтом в здании. Автомобиль последовательно отвечает на все вызовы в одном направлении, а затем дает задний ход и отвечает на все вызовы в противоположном направлении. Он используется в больших квартирах, больницах и небольших офисных зданиях. Вариант, называемый двухавтомобильным или дуплексным коллективом, позволяет двум машинам работать вместе и обмениваться вызовами между ними.
Групповой автоматический режим управляет двумя или более автомобилями как группой, удерживая их в заданном интервале времени для работы. Групповой автоматический режим используется при интенсивном движении и работе двух или более лифтов, например, в больницах, универмагах и офисах.
Отдельные наружные двери и двери кабины являются неотъемлемой частью современных лифтовых систем. В этих двух обычно используется один и тот же тип операции — , например, с центральным открытием, двухстворчатым, одностворчатым. Двери открываются и закрываются электродвигателем автомобиля. Скорость закрытия двери регулируется во избежание травмирования людей, застрявших в процессе закрытия. Датчик электрически переворачивает дверь, если она ударяется о предмет при закрывании. Фотоэлектрические элементы управления и электронные бесконтактные устройства также используются для управления переворотом двери. Двери шахты спроектированы таким образом, что они всегда закрываются до начала работы лифта.
Для грузовых лифтов обычно используются вертикально раздвижные двустворчатые двери. Такие двери состоят из верхней и нижней створки, механически соединенных таким образом, что нижняя половина опускается до уровня пола, а верхняя половина возвышается над крышей кабины. Часто требуются защитные внутренние ворота.
В отдаленных районах, особенно в частных домах, по закону часто требуется телефон с внешней телефонной станцией. Во многих зданиях лифты имеют системы внутренней связи на случай механических поломок. Часто предусмотрены тревожные кнопки, аварийное освещение и аварийное питание.
Автоматические погрузочно-разгрузочные устройства встроены в современные грузовые лифты. Кнопка вызова активирует автоматический вызов; подъезжает лифт, груз втягивается в кабину, кабина перемещается на нужный этаж, и груз выгружается.
Как работают лифты и лифты?
Как работают лифты и подъемники? — Объясните этот материал
Вы здесь: Домашняя страница > Транспорт > Лифты
Дом
Индекс А-Я
Случайная статья
Хронология
Учебное пособие
О нас
Конфиденциальность и файлы cookie
Реклама
Криса Вудфорда. Последнее обновление: 5 мая 2022 г.
Нажмите верхнюю кнопку на лифте и приготовьтесь к долгой поездке: всего через несколько дней вы будете махать обратно из космоса! Лифты, которые могут подниматься вверх за пределами Земли, безусловно, захватили воображение людей в течение десятилетия или около того с тех пор, как ученые-космонавты впервые предложили их — и это неудивительно. Но в свое время обычные офисные лифты, вероятно, казались почти такими же радикальными. Это было не просто блестящие строительные материалы, такие как сталь и бетон, который позволил современные небоскребы, чтобы воспарить к облакам: это было изобретение, в 1861 г., о безопасном и надежном лифте человека по имени Элиша Грейвс. Отис из Йонкерс, Нью-Йорк. Отис буквально изменил лицо Земле, разработав машину, которую он скромно назвал «улучшением в подъемных устройств», что позволило городам расширяться вертикально по мере так и по горизонтали. Вот почему его изобретение по праву может быть описывается как одна из самых важных машин всех времен. Давайте присмотритесь к лифтам и узнайте, как они работают!
Фото: Как далеко вас унесет верхняя кнопка? Весь путь в космос? НАСА уже работает на лифте, который мог бы доставлять материалы с поверхности Земли на геостационарную околоземную орбиту на высоту 35 786 км (22 241 миля). Иллюстрация художника Пэта Ролинга предоставлена Центром космических полетов имени Маршалла НАСА (NASA-MSFC).
Содержание
Что такое лифт?
Как лифты используют энергию
Сколько энергии потребляет лифт?
Противовес
Предохранительный тормоз
Как работал оригинальный лифт Otis
Регуляторы скорости
Другие системы безопасности
Как работает гидравлический подъемник?
Узнать больше
Что такое лифт?
Художественное произведение: За исключением электронных систем управления, основной механизм тяговых лифтов (тех, которые поднимаются и опускаются с помощью тросов) не сильно изменился за более чем столетие. Эта диаграмма взята из исторической брошюры Otis. датируется около 1900 любезно предоставлено Интернет-архив.
Что раздражает в лифтах (если вы пытаетесь их понять), так это то, что их рабочие части обычно закрыты. С точки зрения кого-то путешествуя из вестибюля на 18-й этаж, лифт — это просто металлический ящик с дверьми, которые закрываются на одном этаже, а затем снова открываются на еще один. Для тех из нас, кто более любопытен, ключевыми частями лифта являются:
Одна или несколько машин (металлических ящиков), которые поднимаются и опускаются.
Противовесы, уравновешивающие автомобили.
Электродвигатель, поднимающий и опускающий вагоны, включая система торможения. (В некоторых лифтах вместо них используются гидравлические механизмы.)
Система прочных металлических тросов и шкивов между вагонами и двигателями.
Различные системы безопасности для защиты пассажиров при обрыве троса.
В больших зданиях электронная система управления, которая направляет автомобили на правильные этажи с помощью так называемый «алгоритм лифта» (сложный вид математического логика), чтобы гарантировать, что большое количество людей перемещается вверх и вниз в самым быстрым и эффективным способом (особенно важно в огромных, оживленные небоскребы в час пик). Интеллектуальные системы запрограммированы нести гораздо больше людей вверх, чем вниз в начале днем и наоборот в конце дня.
На фото: типичный современный лифт с электронным управлением. Если вы подождете, пока машины уберутся с дороги, вы часто сможете увидеть некоторые из механизмов и понять, какие части за что отвечают.
Рекламные ссылки
Как лифты используют энергию
С научной точки зрения, все лифты работают на энергии. Чтобы добраться с земли до 18-го пол, поднимаясь по лестнице, вы должны перемещать вес своего тела против направленной вниз силы тяжести. Энергия, которую вы тратите в процессе (в основном) преобразуется в потенциальную энергию, поэтому подъем по лестнице увеличивает вашу потенциальную энергию (подъем вверх) или уменьшение вашей потенциальной энергии (снижение). Это пример закона сохранения энергии в действии. У вас действительно больше потенциальной энергии наверху здания, чем внизу, даже если это не ощущается иначе.
Для ученого лифт — это просто устройство, которое увеличивает или уменьшает потенциальной энергии без необходимости поставлять эту энергию себя: лифт дает вам потенциальную энергию, когда вы поднимаетесь и он забирает у вас потенциальную энергию, когда вы спускаетесь. В теории, это звучит достаточно просто: лифту не нужно много энергии вообще, потому что она всегда будет возвращаться столько же (когда она идет вниз) как выдает (когда идет вверх). К сожалению, это не совсем уж просто. Если бы все лифты были простыми подъемниками с клетка, проходящая через шкив, потребовала бы значительного количества энергии поднимать людей, но у него не было бы возможности вернуть эту энергию: энергия просто потеряться из-за трения тросов и тормозов (исчезновение в воздух как отработанное тепло), когда люди возвращались вниз.
Сколько энергии потребляет лифт?
Фото: Лифты не просто висят на одном тросе: есть несколько прочных тросов, поддерживающих вагон на случай, если один из них порвется. Если случится худшее, вы обнаружите, что в кабине лифта часто есть телефон экстренной связи, который вы можете использовать внутри кабины лифта, чтобы вызвать помощь.
Если лифт должен поднять слона (весом, скажем, 2500 кг) на расстояние, может быть, 20 м. в воздух, он должен снабдить слона 500 000 джоулей энергии. дополнительная потенциальная энергия. Если он поднимется за 10 секунд, он должен работают со скоростью 50 000 джоулей в секунду или 50 000 ватт, что примерно в 20 раз больше энергии, чем потребляет обычный электрический тостер.
Предположим, лифт целый день перевозит слонов (10 часов или 10 × 60 = 600 минут или 10 × 60 × 60 = 36 000 секунд) и поднимать вдвое меньше времени. (18 000 секунд). Всего потребуется 18 000 × 50 000 = 900. миллионов джоулей (900 мегаджоулей) энергии, что равно 250 киловатт-часы в более привычных терминах.
На самом деле, лифт не был бы на 100% эффективен: вся энергия, которую он потреблял от электроэнергия не будет полностью преобразована в потенциальную энергию в восходящие слоны. Некоторые будут потеряны из-за трения, звука, тепла, сопротивление воздуха (лобовое сопротивление) и другие потери в механизме. Таким образом, реальное потребление энергии будет быть несколько больше.
Звучит как огромное количество энергии — и это так. Но многое из этого можно сэкономить, используя противовес.
Противовес
Фото: Противовес перемещается вверх и вниз на колесах, которые следуют по направляющим сбоку шахта лифта. Кабина лифта находится наверху этой шахты (вне поля зрения), поэтому противовес находится внизу. Когда кабина движется вниз по шахте, противовес движется вверх и наоборот. У каждой машины есть свой противовес, поэтому машины могут работать независимо друг от друга. На этой картинке вы также можете видеть двери на каждом этаже, которые открываются и закрываются только тогда, когда кабина лифта выровнена с ними.
На практике лифты работают немного иначе, чем обычные подъемники. Лифт уравновешивается тяжелым противовесом, который весит примерно столько же как автомобиль, когда он загружен наполовину (другими словами, вес самого автомобиля плюс 40–50 процентов от общего веса, который он может нести). Когда лифт идет вверх, противовес опускается — и наоборот, что помогает нам в четырьмя способами:
Противовес облегчает двигателю подъем и опускание автомобиля — просто как сидение на качелях значительно облегчает подъем чьего-либо веса по сравнению с поднятием их на руках. Благодаря противовес, двигатель должен использовать гораздо меньше усилий, чтобы переместить машина вверх или вниз. Если предположить, что автомобиль и его содержимое весят больше, чем противовес, все двигатель должен подняться, это разница в весе между ними и немного больше сила для преодоления трения в шкивах и так далее.
Поскольку прилагается меньшее усилие, меньше натяжение тросов, что делает лифт немного безопаснее.
Противовес снижает количество энергии, необходимой двигателю. Это интуитивно очевидно любому, кто хоть раз сидел на качелях: качели правильно сбалансированы, вы можете качаться вверх и вниз на любое число раз, не уставая по-настоящему, — совсем не то, поднимать кого-то на руки, что очень быстро утомляет. Этот пункт также вытекает из первого: если двигатель использует меньше силы, чтобы переместить автомобиль на то же расстояние, он делает меньше работы против силы тяжести.
Противовес уменьшает количество тормозов, необходимых лифту. Представьте, если не было противовеса: тяжело нагруженная кабина лифта была бы действительно трудно тянуть вверх, но на обратном пути мчаться на землю сама по себе, если бы не было какого-то надежный тормоз, чтобы остановить его. Противовес значительно облегчает управление вагон лифта.
В другой конструкции, известной как дуплексный невесомый лифт, две кабины соединены к противоположным концам одного и того же кабеля и эффективно сбалансировать каждый другой, устраняя необходимость в противовесе.
Предохранительный тормоз
У каждого, кто когда-либо ездил в лифте, была одна и та же мысль: а что, если трос держать эту штуку вдруг сломается? Уверяю вас, нечего беспокоюсь о. Если трос оборвется, различные системы безопасности предотвратят кабина лифта от падения на пол. Это было здорово новшество, которое Элиша Грейвс Отис сделал еще в 1860-х годах. Его лифты не просто держались на веревках: они также имели храповая система в качестве резервной. Каждая машина проехала между двумя вертикальные направляющие с прочными металлическими зубьями, встроенными до упора их. В верхней части каждой машины находился подпружиненный механизм. с прикрепленными крючками. Если трос рвался, крюки прыгали наружу и застрял в металлических зубьях направляющих, надежно зафиксировать автомобиль в нужном положении.
Как работал оригинальный лифт Otis
Иллюстрация: лифт Otis. Благодаря чудесам Интернета очень легко просмотреть оригинальные патентные документы и точно узнать, о чем думали изобретатели. Здесь, любезно предоставлено патентом и товарным знаком США «Офис» — один из рисунков, которые Элиша Грейвз Отис представил вместе со своим патентом на «Подъемный аппарат» от 15 января 1861 года. Я немного раскрасил его, чтобы его было легче понять.
Значительно упрощено, вот как это работает:
Отсек лифта (1, зеленый) поднимается и опускается с помощью подъемно-шкивной системы (2) и движущегося противовеса (не виден в этой картине). Видно, как лифт плавно движется между вертикальными направляющими: он не просто тупо болтается на тросе.
Трос, выполняющий подъем (3, красный), наматывается на несколько шкивов и основной намоточный барабан. Не забывайте, что этот лифт был изобретен до того, как кто-то по-настоящему начал использовать электричество: его поднимали и опускали вручную.
В верхней части кабины лифта находится простой механизм, состоящий из подпружиненных рычагов и шарниров (4). Если основной трос (3) рвется, пружины выталкивают два прочных стержня, называемых «собачками» (5), так что они фиксируются в вертикальных стойках направленных вверх зубцов (6) с обеих сторон. Это похожее на храповик устройство надежно фиксирует лифт на месте.
Фото: Современный лифт имеет много общего с оригинальным дизайном Otis. Здесь вы можете увидеть маленькие колеса по краям кабины лифта, которые помогают ей плавно двигаться вверх и вниз по направляющим.
Согласно Отису, ключевой частью изобретения было: «иметь собачки и зубья крюка стоек, сформированные, по существу, так, как показано, так что вес платформы в случае обрыва веревки вызовет собачки и зубы, чтобы сцепиться вместе и предотвратить случайное разделение одного и того же».
Если вам нужно более подробное объяснение, взгляните на оригинальный патент Отиса, патент США № 31,128: Улучшение подъемного устройства. В нем более подробно объясняется, как лебедка и шкивы работают с противовесом.
Отис изобрел лифт?
Нет. Он изобрел безопасный лифт: он заметил, как обычные лифты могут выйти из строя, и придумал лучший вариант. дизайн, который сделал их более безопасными. Лифт Отис датируется серединой 19 века, но обычные лифты появились еще раньше. гораздо дальше — вплоть до греческих и римских времен. Мы можем проследить их до более общих видов подъемного оборудования, таких как краны, лебедки и шпили; древние устройства для подъема воды, такие как шадуф (иногда пишется как шадуф), основанные на конструкции качающихся качелей, вполне могли вдохновить на использование противовесов в первых лифтах и подъемниках.
Регуляторы скорости
Большинство лифтов имеют полностью отдельную систему регулирования скорости, называемую губернатор, который является тяжелым маховик с внутри него встроены массивные механические руки. Обычно руки держат внутри маховик здоровенными пружинами, но если подъемник движется слишком быстро, они лететь наружу, нажимая на рычажный механизм, который приводит в действие одну или несколько тормозных систем. Во-первых, они могут отключить питание подъемного двигателя. Если это не удается и лифт продолжает ускоряться, руки вылетят еще дальше и сработают второй механизм, задействовав тормоза. Некоторые регуляторы полностью механические; другие электромагнитные; третьи используют смесь механических и электронных компонентов.
Работа: Как работает губернатор. Подъемный двигатель (1) приводит в движение шестерни (2), которые вращают шкив (3) — колесо с желобками, которое направляет основной трос. Трос поддерживает как противовес (4), так и подъемную кабину (5). Отдельный трос регулятора (6) прикреплен к кабине подъемника и механизму регулятора справа. Регулятор состоит из маховика с центробежными рычагами внутри него (7). Если подъемник движется слишком быстро, рычаги вылетают наружу, приводя в действие предохранительный механизм, который притормаживает трос регулятора (8) и замедляет его. Поскольку трос регулятора теперь движется медленнее, чем основной трос и сама кабина, он активирует другой механизм, который заставляет фрикционные тормоза вылетать из кабины лифта на ее внешние направляющие, плавно и безопасно останавливая ее (в аналогичном случае). путь к оригинальному предохранительному механизму Otis).
Изображение: пример полностью механического механизма регулятора, разработанного инженерами Otis в 1960-х годах. Вы можете увидеть маховик (серый) с его центробежными рычагами внутри (светло-голубой) и удерживающими их пружинами (желтый). Когда колесо вращается слишком быстро, рычаги вылетают наружу, отключая тормозное устройство, которое прикладывает пару подпружиненных рычагов (темно-синий) к тросу регулятора (коричневый). Из патента США 3 327 811: Губернатор Джозефа Мастроберте, Otis Elevator Company, запатентован 27 июня 19 г.67. Изображение предоставлено Управлением по патентам и товарным знакам США (для облегчения понимания добавлены цвета).
Фото: В старых лифтах иногда использовались центробежные регуляторы с двумя маленькими тяжелыми металлическими шариками, которые двигались вверх и наружу при вращении, блокируя кабину, если они двигались слишком быстро и слишком далеко. Это двигатель подъемника и подъемник (слева) и центробежный регулятор (справа) на старом лифте Otis на плотине Гранд-Кули. Фотография Джета Лоу, Библиотека Конгресса, отдел печати и фотографий, HAEL WASH, 13-GRACO, 1A-32.
Другие системы безопасности
Современные лифты имеют несколько систем безопасности. Как тросы на подвеске мост, трос в лифте сделан из множества металлических нитей проволочного каната, скрученного вместе, поэтому небольшой отказ одной части кабеля не по крайней мере, вызовет какие-либо проблемы. Большинство лифтов также имеют несколько отдельных тросов, поддерживающих каждую кабину, так что при полном выходе из строя одного троса другие функционируют на его месте. Даже если все тросы оборвутся, эта система все равно удержит автомобиль на месте.
В ноябре 2018 года в чрезмерно сенсационных СМИ широко сообщалось, что кабина лифта на 875 North Michigan Avenue в Чикаго (небоскреб, ранее известный как John Hancock Cente) «упал» на 84 этажа после обрыва кабеля. На самом деле, как позже стало ясно из подробного отчета инспектора по технике безопасности, только один из семи подъемных канатов порвался. а остальные шесть неповрежденных тросов позволили медленно, контролируемо спуститься с 20-го этажа на 11-й этаж, где пассажиры в конечном итоге были спасены. Системы безопасности лифта работали точно так, как было задумано. и это «никогда не было неконтролируемым или небезопасным».
Фото: Один из лифтов на 875 North Michigan Avenue в Чикаго. Несколько систем безопасности гарантируют, что вы вернетесь на землю, даже если трос выйдет из строя. Фото любезно предоставлено американским проектом Кэрол М. Хайсмит в архиве Кэрол М. Хайсмит, Библиотека Конгресса, Отдел эстампов и фотографий.
Наконец, если вы когда-нибудь смотрели на лифт из прозрачного стекла, вы наверняка заметили гигантский гидравлическая или газовая пружина буфер внизу, чтобы смягчить удар если предохранительный тормоз каким-то образом выйдет из строя. Спасибо Элише Грейвс Отис и многие талантливые инженеры, которые пошли по его стопам, вы в лифте гораздо безопаснее, чем в машине.
Как работает гидравлический подъемник?
Лифты, которые работают с тросами и колесами, иногда называют тяговыми лифтами , потому что они включают двигатель, тянущий автомобиль, и противовес. Однако не все лифты работают таким образом. В небольших зданиях довольно часто встречаются гидравлические лифты , которые поднимают и опускают одноместный автомобиль с гидравлическим цилиндром (заполненный жидкостью поршень, аналогичный тем, которые используются в строительных машинах, таких как бульдозеры и краны). Гидравлические лифты механически проще и, следовательно, дешевле в установке, но, поскольку в них обычно не используются противовесы, они потребляют больше энергии для подъема и опускания автомобиля. Иногда гидравлический цилиндр устанавливается прямо под автомобилем и толкает его вверх и вниз (конструкция, известная как прямого действия ). В качестве альтернативы, если для этого нет места, домкрат можно установить сбоку от шахты лифта, управляя кабиной с помощью системы канатов и шкивов (в конструкции, известной как непрямого действия ). Более сложные лифты, такие как показанный здесь, используют несколько гидравлических цилиндров и противовесов.
Произведение: Гидравлический лифт с энергосберегающим противовесом. В этой конструкции легковой автомобиль (1) поддерживается гидравлическим цилиндром прямого действия (2), соединенным через гидравлический насос (3), приводимый в действие двигателем (4), соединенным со вторым гидроцилиндром (5), который приводит в действие противовес (6). Когда кабина лифта падает, насос перекачивает гидравлическую жидкость от одного штока (2) к другому (5), что позволяет избежать необходимости в резервуаре для жидкости. Мой рисунок основан на дизайне Отиса, описанном в патенте США 5,9.75 246: Гидравлически сбалансированный лифт Ренцо Тоски, Otis Elevator Company, запатентован 2 ноября 1999 г.
Узнать больше
На этом сайте
Энергия
Шестерни
Как работают здания
Гидравлика
Шкивы
Другие полезные сайты
Мир Лифта: Отраслевой журнал с большим количеством интересных материалов о последних событиях в мире «людского движения».
Статьи
Старинные лифты Каира, великолепные и глючные, — сцены любви и страха Вивиан Йи. The New York Times, 20 сентября 2021 г. Увлекательный взгляд на древние лифты в египетской столице.
В новых предлагаемых лифтах метро некоторые видят риск терроризма автора Сара Маслин Нирджан. The New York Times, 22 января 2018 г. Некоторые жители Манхэттена выступают против лифтов, которые могли бы сделать метро более доступным, как потенциальную угрозу безопасности.
Поездка на капсуле времени в квартиру 8G, Энди Ньюман. The New York Times, 15 декабря 2017 г. Празднование старомодного, ручного управляемые лифты.
Лифты на магнитной подвеске будут поднимать вас вверх, вниз и в стороны к 2016 году, Эван Акерман. IEEE Спектр. 2 декабря 2014 г. Как линейные двигатели избавляют от необходимости использовать традиционные лифтовые кабели.
В лифты, а потом в яму автора Джули Бесонен. Нью-Йорк Таймс. 22 августа 2014 г. Увлекательное знакомство с Историческим музеем лифта.
Самый быстрый лифт: Испытательная башня Hyundai Elevator от Элизы Стрикленд. IEEE Спектр. 1 июня 2011. Ультрасовременным небоскребам нужны современные лифты, способные двигаться со скоростью 64 км/ч (40 миль в час).
Нет предела возможностям: краны и подъемные устройства с приводом от человека, Крис Де Декер, журнал Low-Tech, 25 марта 2010 г. Более общий взгляд на историю механического подъема.
On the up, Шон Куглан, BBC News, 6 апреля 2007 г. Краткий исторический обзор лифтовой техники от Otis до Taipei 101.
Умные лифты от Клайва Томпсона. The New York Times, 10 декабря 2006 г. Miconic 10 быстрее доставляет людей к месту назначения, направляя пассажиров к разным кабинам лифта в вестибюле.
Быстрые лифты попадают в книги рекордов: BBC News, 16 декабря 2004 г. Как быстро могут двигаться лифты?
Книги
Лифты
Справочник по движению в лифтах: теория и практика Джины Барни и Лютфи Аль-Шарифа. Routledge, 2016. Исследует теорию проектирования лифтов (и других транспортных систем) для наиболее эффективного перемещения большого количества людей.
Справочник по вертикальной транспортировке Джорджа Р. Стракоша и Роберта С. Капорале. John Wiley, 2010. Актуальный справочник о современных лифтовых системах, подготовленный журналом Elevator World.
История
Поднято: культурная история лифта Андреаса Бернара. NYU Press, 2014. Архитектура, инженерия, политика и психология — вот некоторые из тем, затронутых в этом обширном исследовании.
От восходящих комнат до скоростных лифтов: история пассажирского лифта в XIX в.век, Ли Э. Грей. Elevator World, 2002. Эта увлекательная книга охватывает период 1850–1900 гг., начиная с первых грузовых лифтов, рассматривая роль лифтов в развитии небоскребов и заканчивая современными безопасными лифтами примерно 1900 г.
[PDF] История американской лифтовой промышленности: 1850–2001 гг., Патрик Карражат. Lir Group, 2009. [Архивировано с помощью Wayback Machine.]
Брошюра Otis Elevator, около 1900 г. Эта архивная брошюра показывает нам, что электрические и гидравлические лифты были довольно сложными в начале 20-го века, хотя их максимальная скорость составляла всего около 11 миль в час (1000 футов/мин).
История инженерии в классические и средневековые времена Дональда Р. Хилла. Routledge, 1984. Хотя в этой книге не рассматриваются элеваторы (насколько я помню), в ней очень подробно рассказывается о древних водоподъемных машинах, используемых для орошения, которые были одними из первых механических подъемных устройств.
Для младших читателей
Лифты Трейси Маурер. Rourke Educational, 2017. Введение на 48 страницах для детей от 8 до 11 лет.
Стань механиком по лифтам автора Уил Мара. Вишневое озеро, 2019 г.. 32-страничный обзор для начинающих инженеров.
Пожалуйста, НЕ копируйте наши статьи в блоги и другие веб-сайты.
Статьи с этого веб-сайта зарегистрированы в Бюро регистрации авторских прав США. Копирование или иное использование зарегистрированных произведений без разрешения, удаление этого или других уведомлений об авторских правах и/или нарушение смежных прав может повлечь за собой серьезные гражданские или уголовные санкции.
Нет сомнений в том, что изобретение лифта изменило то, как мы передвигаемся и строим. Самые ранние прототипы лифтов появились в средние века, и оттуда они превратились в множество различных типов лифтов, на которые мы полагаемся сегодня.
Подъемники: Первые рудиментарные подъемники появились в третьем веке до н.э. Эти подъемники могут приводиться в движение людьми, животными или водными системами. В подъемнике часто использовалась система канатов и шкивов для подъема людей или крупных предметов, таких как куски камня и дерева, которые использовались при строительстве зданий. Без подъемников сегодня не было бы здесь многих древних памятников.
Лифты с паровым гидравлическим приводом: Следующая эволюция лифта представила использование паровой гидравлики для питания лифтовой системы. Парогидравлические системы появились во время промышленной революции в ответ на необходимость перемещения большого количества сырья, такого как пиломатериалы и уголь. Эти лифты могли поднимать сыпучие материалы из шахт и заводов. Английские архитекторы Фрост и Статт изобрели лифт под названием Тигл, который представлял собой мощный лифт, в котором использовался противовес для придания ему дополнительной мощности. Эти лифты с паровым приводом привели к таким изобретениям, как шахта лифта, что привело к созданию машин, которые более узнаваемы как лифты, которые мы используем сегодня.
Моторные лифты: После изобретения электричества лифты вскоре пополнили ряды машин, приводимых в движение двигателями. Немецкий изобретатель Вернер фон Сименс изобрел первый электрический лифт в 1880 году. Этот лифт был быстрее, безопаснее и эффективнее, чем паровые лифты прошлого. Фрэнк Спрэг добавил функции безопасности, контроль пола, контроль ускорения и другие важные компоненты, которые и по сей день обеспечивают безопасность и высокую функциональность наших лифтов.
Типы лифтов
Существует множество различных типов лифтов для различных целей. Понимание различных типов лифтов является ключом к решению, какой лифт подходит для местоположения и ваших транспортных потребностей. Во-первых, узнайте больше о наиболее распространенных типах лифтов, в том числе:
Грузовые лифты
Судовые подъемники
Сценические подъемники
Тротуарные лифты
Кухонный официант
Пассажирские лифты: Когда большинство людей думают о лифтах, они думают о типах пассажирских лифтов, которые перевозят пассажиров с этажа на этаж. Эти лифты также могут иметь дополнительные функции, включая громкоговорители для воспроизведения музыки или объявлений, звуковую или визуальную рекламу или телевизионные дисплеи. Скоростные лифты — популярный вариант в высотных зданиях: они проходят от первого этажа до вестибюля, пропуская промежуточные этажи.
Грузовые лифты: Грузовые лифты предназначены для перевозки грузов, а не пассажиров. Эти большие лифты могут нести тяжелые грузы, как правило, намного больше, чем может нести пассажирский лифт. Прочный интерьер защищает грузовые лифты от износа при погрузке и разгрузке грузов.
Тротуарные лифты: Они похожи на грузовые лифты, так как они также используются для перемещения грузов. Тротуарные лифты обычно перемещают материалы в подвал и из него и выходят прямо на тротуар. Это обеспечивает быструю и простую погрузку и разгрузку.
Сценический подъемник: Гидравлические подъемники этой машины поднимают и опускают секции театральной сцены. Известно, что в Radio City Music Hall есть четыре таких лифта, которые могут поднимать целые труппы и оркестры.
Автомобильные лифты: Автомобильный лифт обычно находится в гараже или производственном центре. Эти гидравлические подъемники делают здание более доступным для водителя. Некоторые даже вращаются так, что водителю нужно двигаться только вперед и никогда назад.
Лодочный подъемник: Эти подъемники иногда встречаются в каналах и используются в качестве альтернативы обычной шлюзовой системе, которая поднимает и опускает уровень воды. Вместо этого лодочный подъемник физически перемещает лодку.
Лифты для самолетов: Лифты для самолетов могут относиться к лифту, который поднимает самолет, или лифту, расположенному внутри самолета. Лифт для самолета поднимает самолет из кабины экипажа в ангар. Лифт внутри самолета поднимает бортпроводников с тележками с едой и напитками между уровнями двухэтажных самолетов.
Жилые лифты: Они менее сложны, чем обычные пассажирские лифты. Многие жилые лифты имеют уникальный дизайн, который позволяет им быть более эстетичными и вписываться в окружающую архитектуру. Некоторые из этих лифтов настолько малы, что могут перевозить только одного-двух пассажиров с помощью пневматической подъемной системы.
Кухонный официант: Кухонный официант выполняет те же функции, что и грузовой лифт; это просто намного, намного меньше. Их иногда называют ленивыми официантами, и они в основном используются для перевозки небольших грузов, таких как еда и книги, с этажа на этаж. Доступ к ним можно получить с помощью небольшой панели на стене, очень похожей на пассажирский лифт в миниатюре. Кухонный лифт был изобретен Джорджем Кэнноном в 1883 году, и, хотя простая конструкция троса и шкива была модернизирована, кухонные лифты все еще используются сегодня.
Патерностер: Патерностер больше не производится из соображений безопасности, но некоторые из них все еще работают по всей Европе из-за ностальгии. Патерностеры наиболее популярны в Германии и Чехии. Этот лифт перевозит пассажиров, используя медленно вращающуюся петлю платформ, натянутую сетью цепей. В то время как некоторые любят патерностер, другие считают его немного пугающим! Посмотреть патерностер в действии можно в этом видео:
Ножничный подъемник: Ножничные подъемники обычно перемещаются только вертикально и поддерживаются крестообразной X-образной механикой. В большинстве случаев весь механизм монтируется на транспортном средстве, которое перемещает подъемник с места на место для перевозки пассажиров и грузов. Ножничные подъемники используются строителями, рабочими сцены и электриками и полезны для любой работы, требующей, чтобы люди и материалы поднимались на большую высоту.
Погрузочно-разгрузочные ленты: На погрузочно-разгрузочной ленте материалы транспортируются с использованием наклонной плоскости и конвейерной ленты. Они часто используются в доках для перевозки сыпучих материалов на сухогрузы. Вы также можете увидеть эту технологию в работе на элеваторах для транспортировки корма на фермах или на элеваторах для сена, которые сбрасывают тюки на сеновал.
Типы лифтов — Домашние лифты
Строительные проекты требуют большого количества деталей и могут занять месяцы или годы. Важной частью процесса строительства является выбор правильного дизайна конструкции и материалов. Вы должны учитывать фундамент и различные природные элементы, прежде чем включать в здание определенные дополнительные элементы.
При строительстве многоэтажных зданий следует подумать о том, как люди будут заходить на каждый этаж. Лестница — это естественный выбор, но также разумно установить лифт, потому что это быстрее, удобнее и подходит для людей с ограниченными возможностями и ограниченной подвижностью.
Что такое лифт? Лифт — это платформа, которая может быть открытой или закрытой и используется для подъема или опускания людей и грузов на верхние и нижние этажи. Раньше в многоэтажных домах не было обязательного наличия лифта. В результате некоторые инвесторы в недвижимость избегали установки лифтов, потому что их установка и обслуживание были дорогими.
Как закон повлиял на использование лифтов Так было до принятия Закона об американцах-инвалидах в 1990, что лифты становятся обычным явлением. Законодательство запрещает любую форму дискриминации в отношении людей с ограниченными возможностями. Закон также требует, чтобы все двух- или трехэтажные здания были оборудованы лифтами. Это делает более удобным для людей с ограниченными возможностями доступ к нескольким этажам.
Как работают лифты Лифты не сильно изменились с 1800-х годов. Лифты по-прежнему сохраняют свою первоначальную цель — перевозить людей по этажам. Система безопасности Otis используется в большинстве типов лифтов с 1850-х годов.
Системы управления современными лифтами были изменены таким образом, чтобы повысить скорость и безопасность. В большинстве случаев лифты будут использовать противовес и 40% максимальной номинальной нагрузки для балансировки кабины.
Основная цель противовеса — уменьшить вес, который должен поднимать двигатель, и обеспечить контроль всего лифта с неповрежденными тросами. Для обеспечения долговечности и прочности автомобильный лифт изготовлен из стали. Шкив, используемый подъемным тросом, удерживается на месте натянутой из стороны в сторону шахтой лифта. Это вращение управляется набором стальных балок, расположенных над кабиной лифта.
В современных кабинах лифтов также установлены дополнительные технологии. У некоторых есть телефоны, по которым жилец может вызвать помощь в случае чрезвычайной ситуации. Другие оборудованы люком, расположенным на потолке, что делает возможным побег в экстренных ситуациях.
Лифты проектируются и устанавливаются в здании в зависимости от вместимости здания и выполняемых функций. Например, в некоторых зданиях будут большие лифты для перевозки грузов на разные этажи. В больницах есть лифты, которые открываются с обеих сторон, что позволяет легко входить и перемещать пациентов скорой помощи.
Типы лифтов
В прошлом управление большинством лифтов осуществлялось через централизованное машинное отделение. Сегодня есть лифты, которым не нужно машинное помещение, потому что они имеют встроенный механизм безопасности. Существует четыре основных типа лифтов: гидравлические, тяговые, без машинного помещения и вакуумные.
1. Редукторный и безредукторный тяговый лифт
Редукторный и безредукторный тяговый лифт можно разделить на три категории:
Тяговый лифт
Канаты этого лифта проходят над колесом, прикрепленным к электродвигателю, расположенному над валом. Основная функция канатов — поднимать и опускать кабину лифта. Его можно использовать как для средних, так и для высотных зданий, и он может перемещаться намного быстрее, чем гидравлические лифты.
Как и другие типы лифтов, в этой системе используется противовес, который устраняет вес пассажиров и кабины, так что двигателю легче перемещать груз лифта.
Лифт с редуктором
Лифт с редуктором состоит из двигателя, к которому прикреплен редуктор. Основная функция зубчатых колес — приводить в действие колесо, которое перемещает канаты. Этот тип лифта может двигаться со скоростью до 500 футов в минуту. Максимальное расстояние, которое он может преодолеть, составляет 250 футов.
Безредукторный тяговый лифт
Безредукторные лифты не имеют механизма для регулирования скорости. Это объясняет, почему они могут двигаться со скоростью 2000 футов в минуту, а также преодолевать расстояние до 2000 футов. Они являются лучшим вариантом для небоскребов.
2. Гидравлический подъемник
Гидравлические подъемники обычно поддерживаются поршнем, расположенным снизу. Цель состоит в том, чтобы толкать кабину лифта вверх, в то время как электродвигатель нагнетает гидравлическую жидкость на поршень. Когда пора лифту опускаться, клапан выпускает гидравлическую жидкость из поршня. Этот тип лифта в основном используется в зданиях от 2 до 8 этажей и может двигаться только с максимальной скоростью 200 футов в минуту. Ниже приведена дальнейшая разбивка гидравлических лифтов:
Канатный гидравлический лифт
В этом типе используются канаты и поршень для улучшения движения кабины лифта. Максимальное расстояние, которое он может преодолеть, составляет около 60 футов.
Обычный гидравлический элеватор
Разработанный с элеваторным приямком, он поставляется со шкивом, который проходит под полом приямка. Когда лифт начинает опускаться, яма поддерживает втягивающий поршень. В некоторых конфигурациях для обычного гидравлического подъемника может потребоваться более мелкое отверстие под приямком, которое принимает складывающийся телескопический поршень, когда подъемник падает. Приблизительное расстояние, которое он может пройти, составляет 60 футов.
Гидравлический подъемник без отверстий
Гидравлический подъемник без отверстий похож на обычный, но не требует отверстия или шкива, закрепленного под приямком. Он имеет телескопические поршни в основании ямы. Эти поршни позволяют кабине лифта перемещаться на расстояние до 50 футов. Существует также конструкция с нетелескопическими поршнями, которые могут перемещаться только на расстояние до 20 футов.
Основная причина популярности гидравлических лифтов заключается в том, что они более доступны в установке и при этом имеют относительно более низкие затраты на техническое обслуживание по сравнению с другими лифтами.
Гидравлические лифты потребляют больше энергии, поскольку в них используется электродвигатель, работающий против силы тяжести. Вы должны регулярно проверять гидравлические жидкости, потому что небольшая утечка может легко привести к катастрофе или стать опасной для окружающей среды.
3. Лифт без машинного помещения (MRL)
Большинство лифтов имеют машинное помещение, расположенное над шахтой лифта. В этом типе лифта есть механизм, установленный в отсеке блокировки, и доступ к нему возможен только через верхнюю часть кабины лифта, когда требуется техническое обслуживание. Этот тип лифта может перемещаться только на расстояние 250 футов со скоростью до 500 футов в минуту.
Лифты MRL становятся все более популярными в зданиях средней этажности, поскольку они экономят энергию и требуют меньше места во время строительства.
4. Вакуумный (пневматический) домашний лифт
Вакуумные лифты, представленные лифтовому сообществу в 2005 году, не используют для работы тросы или шкивную систему. Эти пневматические лифты работают на основе естественных законов физики. Эта подъемная система, изготовленная из поликарбоната и алюминия, представляет собой трубу в герметичном вакууме. Воздух под и над кабиной лифта облегчает движение.
Когда вы нажимаете кнопку «вверх», система понижает давление над трубкой, заставляя давление воздуха внизу толкать трубку вверх. Когда вы спускаетесь вниз, происходит обратное — давление внизу сводится к минимуму, заставляя лифт опускаться.
Поскольку этот тип лифта доступен в 3 моделях, от одноместного до трехместного, доступного для инвалидных колясок, они в основном используются в жилых помещениях.
Узнать больше – Домашние лифты от PVE
Как выбрать лифт, который наилучшим образом соответствует вашим потребностям Лифты могут быть дорогостоящим вложением, поэтому важно учитывать все факторы при принятии решения о том, какой из них лучше всего подходит для вас. Вы не можете установить большой лифт MRL в многоквартирном доме среднего размера. Первое, что нужно сделать, это провести оценку здания и определить, для чего вам нужен лифт. Вот некоторые из факторов, которые следует учитывать:
Пассажиры Различные лифты бывают разных размеров и функционируют по-разному. Пассажирские лифты могут вместить до 10 000 фунтов. Большинство из них могут вместить от 2500 до 5000 фунтов. В зависимости от типа здания некоторые лифты должны быть оснащены специальными функциями, такими как место для размещения носилок в здании больницы.
Грузы Грузы могут весить тонны, и для их перевозки нужен специальный лифт. Грузовые лифты рассчитаны на грузоподъемность до 20 000 фунтов и более.
Сервисный Люди часто путают служебные лифты с грузовыми. Служебные лифты — это обычные пассажирские лифты, используемые персоналом в здании. Эти лифты в основном используются для предоставления сотрудникам более удобного способа передвижения с этажа на этаж, не мешая клиентам и гостям.
Коммерческие или жилые лифты Коммерческие лифты, как правило, рассчитаны на большее количество людей, чем жилые. Некоторые жилые лифты вмещают всего одного человека, потому что у них, как правило, меньше пользователей, чем у их коммерческих аналогов.
Кухонный лифт Кухонный лифт — это простой небольшой лифт, используемый для выполнения полезных транспортных функций. В ресторанах кухонный лифт может пригодиться при перемещении блюд и блюд между этажами.
Заключительные мысли Перед установкой лифта в многоэтажном здании вы должны знать динамику здания. Это жилое или коммерческое здание? Вы также должны знать, сколько будет стоить лифт, необходимый для вашей конструкции. Несмотря на то, что лифты могут быть дорогими инвестициями, удобство и простота использования часто являются интригующей причиной для добавления лифта к вашему следующему зданию.
Лифт | Encyclopedia.com
История вопроса
Лифт — это платформа, открытая или закрытая, используемая для подъема людей или грузов на верхние этажи здания. Лифты являются стандартной частью любого высокого коммерческого или жилого здания. В последние годы введение Федерального закона об американцах с ограниченными возможностями потребовало, чтобы многие двухэтажные и трехэтажные здания были оснащены лифтами.
Лифты с ручным приводом использовались для подъема грузов на складах и производственных предприятиях еще в 1600-х годах. Современный лифт является прямым потомком конструкции, впервые продемонстрированной Элишей Дж. Отисом на Всемирной выставке в Нью-Йорке в 1853 году. Примечательной особенностью лифта Отиса и основной причиной его популярности было устройство безопасности, которое сразу же включало и удерживал лифт на случай обрыва подъемных тросов. Первые лифты приводились в действие силой пара для вращения кабельных барабанов. В 1871 году были представлены первые гидравлические лифты, использующие давление воды в качестве источника энергии. Сначала гидроцилиндры были цельными, а это означало, что под шахтой лифта нужно было вырыть яму такой глубины, какой должна была быть высота лифта. Более поздние многосекционные телескопические гидроцилиндры позволяли делать более мелкие отверстия. Во многих городах гидравлическая энергия для этих первых лифтов поставлялась энергетическими компаниями, которые устанавливали и обслуживали сети гидравлических трубопроводов по всему городу. Первый коммерчески успешный электрический лифт был установлен в 1889 году. , и электричество быстро стало общепринятым источником энергии.
Лифты с электроприводом имели два существенных преимущества. Во-первых, электроэнергия явно становилась общедоступной, и в любом здании, где есть лифт, также должно быть электричество. Во-вторых, гидравлические лифты были строго ограничены по высоте, на которую они могли подниматься, в то время как электрические лифты, использующие простую систему тросов и шкивов, практически не имели ограничений по высоте. В течение многих лет в электрических лифтах использовались либо двигатели постоянного тока (DC), либо двигатели переменного тока (AC). Сегодня почти во всех лифтах используется один из двух типов двигателей переменного тока: наиболее распространенными являются мотор-редукторы для лифтов, движущихся со скоростью до 500 футов в минуту (153 м в минуту), а двигатели с прямым приводом используются для лифтов, движущихся на более высоких скоростях. скорости. Некоторые современные высокоскоростные лифты движутся со скоростью до 2000 футов в минуту (610 м в минуту).
Системы управления на ранних лифтах требовали, чтобы люди-операторы регулировали скорость подъема и спуска, останавливали лифт на каждом этаже, открывали и закрывали двери. В 1950-х годах автоматические кнопочные системы управления заменили ручное управление. В 1970-х годах электромеханические элементы управления постепенно заменялись полупроводниковыми электронными элементами управления.
Поездка в маленьком ящике на высоте сотен футов в воздухе может привести в замешательство, если не быть уверенным в его безопасности. Электрические лифты оснащены двумя основными механизмами безопасности: регулятором, который регулирует скорость лифта, контролируя скорость тросовых шкивов, и аварийным тормозом, состоящим из губок, которые захватывают направляющие рельсы лифта в случае обрыва тросов. Лифты также включают электромеханические блокировки дверей, чтобы предотвратить работу лифта, если дверь не полностью закрыта, и для защиты пассажиров. чтобы не попасть в ловушку закрывающейся двери. Те же дверные блокировки также предотвращают открытие внешних дверей на каждом этаже, если лифта нет. Большинство лифтов оснащены телефоном, а иногда и люком в потолке, чтобы пассажиры могли позвать на помощь или сбежать, если лифт застрял между этажами.
Дизайн
Лифты сами по себе являются простыми устройствами, и основные подъемные системы не сильно изменились за более чем 50 лет. Однако системы управления были существенно изменены для повышения безопасности и скорости работы. Лифты проектируются для конкретного здания с учетом таких факторов, как высота здания, количество людей, поднимающихся на каждый этаж, и ожидаемые периоды интенсивного использования.
Большинство лифтов используют противовесы, которые равны весу лифта плюс 40% его максимальной номинальной нагрузки. Этот противовес уменьшает вес, который должен поднимать двигатель, и гарантирует, что лифт не выйдет из-под контроля, пока трос не поврежден. В установке с подъемным барабаном подъемный трос проходит вниз от приводного барабана, прикрепленного к двигателю подъема, вокруг большого шкива в верхней части лифта, до второго шкива, свисающего с крыши шахты лифта, и снова вниз до противовес. В установке с тяговым барабаном трос проходит от подъемника вверх и один раз вокруг приводного барабана, прикрепленного к двигателю подъемника, а затем обратно к противовесу. Лифт, называемый кабиной, и противовес движутся по своим собственным комплектам направляющих. Второй трос регулятора проходит от кабины к шкиву регулятора, затем вниз к натяжному шкиву в нижней части шахты лифта и снова к кабине. Этот трос вращает шкив регулятора со скоростью, прямо пропорциональной скорости автомобиля. В случае чрезмерной скорости автомобиля регулятор использует другой трос, чтобы активировать челюсти аварийного тормоза, которые захватывают направляющие и замедляют автомобиль до полной остановки.
Перекладина на боковой стороне шахты лифта активирует ряд переключателей снаружи кабины, чтобы замедлить и остановить кабину на нужном этаже. Когда кабина приближается к нужному этажу, рампа активирует переключатель замедления, который сигнализирует двигателю подъемника снизить скорость. Когда кабина выровнена с проемом внешней двери, рампа активирует концевой выключатель, чтобы остановить кабину. Если выключатели блокировки дверей также обнаруживают, что кабина находится в нужном месте, активируется электродвигатель открывания дверей, чтобы открыть как внутреннюю дверь кабины, так и внешнюю дверь на этаже.
Современные коммерческие здания обычно имеют несколько лифтов с единой системой управления. Цель системы управления состоит в том, чтобы свести к минимуму среднее время, затрачиваемое любым пассажиром с момента нажатия кнопки вызова лифта до прибытия первого доступного лифта. Различные системы используют разные уровни сложности. В самых простых системах используется одна кнопка вверх и вниз на каждом этаже, независимо от количества лифтов. Когда пассажир вызывает лифт, контроллер отправляет ближайший лифт, который движется в нужном направлении. О приближении кабины лифта сигнализирует светящаяся стрелка над дверями лифта, указывающая вверх или вниз.
В более сложных системах контроллер отслеживает систему вызова лифта для группы или группы лифтов, работающих рядом. Зона действия этих лифтов разделена на сектора, каждый из которых состоит из смежных этажей. Когда автомобиль ответил на вызов и завершил заданный пробег, он становится доступным для ответа на другой вызов. В этот момент, в зависимости от программирования контроллера, автомобиль может быть возвращен на указанный «домашний» этаж или может быть отправлен в сектор, наиболее удаленный от других работающих или доступных автомобилей, для покрытия этого сектора. При поступлении вызова контроллер автоматически сравнивает местонахождение всех автомобилей в банке и отправляет ближайший.
Контроллеры также можно запрограммировать так, чтобы они реагировали по-разному в разное время суток. Например, диспетчер лифта в загруженном офисном здании получит преобладающую часть звонков с первого этажа в утренние часы, когда прибывают рабочие, которым нужно пройти на свои рабочие места на верхних этажах. В этом случае контроллер будет запрограммирован на отправку всех нераспределенных автомобилей на первый этаж, а не на возвращение на домашний этаж в своем секторе. Позже в течение дня можно использовать другой набор инструкций для отправки неназначенных лифтов в разные сектора, поскольку пассажиры, покидающие здание, будут гораздо более равномерно распределены по этажам, чем утром.
Все современные лифты также имеют специальные средства управления, которые пожарные могут активировать с помощью ключа, чтобы лифты направлялись прямо на определенный этаж без промежуточных остановок.
Сырье
Сама кабина лифта имеет стальной каркас, обеспечивающий долговечность и прочность. Набор стальных балок над кабиной, называемый крейцкопфом, охватывает шахту лифта из стороны в сторону и удерживает шкив для подъемного троса. Стальная конструкция, называемая стропой, проходит по бокам автомобиля от траверсы и удерживает пол или платформу. Борта кабины пассажирского лифта обычно изготавливаются из стального листа и обшиваются изнутри декоративными панелями. Пол автомобиля может быть покрыт плиткой или ковром. Поручни и другая внутренняя отделка могут быть изготовлены из нержавеющей стали для улучшения внешнего вида и износостойкости. Подвесной потолок обычно подвешивается ниже фактического верха автомобиля и может содержать флуоресцентное освещение над пластиковыми рассеивающими панелями. Элементы управления лифтом, кнопки сигнализации и телефон экстренной помощи находятся за панелями в передней части кабины, рядом с дверями.
Стальные направляющие ролики или направляющие башмаки прикреплены к верху и низу строповой конструкции с каждой стороны для движения по направляющим. Направляющие рельсы также изготовлены из стали и прикреплены к внутренним стенам шахты лифта, которая проходит от верха здания до низа. Механизм экстренного торможения состоит из двух прижимных поверхностей, которые могут быть сведены вместе клином для сжатия направляющей. Клин приводится в действие винтом, вращаемым барабаном, прикрепленным к аварийному тросу.
Лифт — одно из тех изобретений, чей «эффект ряби» часто упускают из виду. Только подумайте о практичности любого восьми- или десятиэтажного здания без лифта. Затем представьте себе современный город без зданий более десяти этажей! Наряду с конструкционной сталью и железобетоном лифт был необходим для развития современного небоскреба и, таким образом, для общей формы современного городского центра.
Практическое воздействие лифта почти соответствовало его символическому воздействию. 1880-е годы были годами стремительного роста городов, и приток новоприбывших в города включал в себя как профессиональных людей из среднего класса, так и фабричных рабочих. Поскольку стоимость недвижимости в городах стремительно росла, семьи среднего класса не могли позволить себе дома на одну семью. Владельцы многоквартирных домов продвигали квартирную жизнь рекламой «высокотехнологичных» удобств: горячей и холодной воды, телефонных сетей, центрального газа для приготовления пищи и освещения, полностью оборудованных ванных комнат и лифтов.
Более того, со всеми этими современными удобствами жизнь в квартире захватила воображение представителей среднего класса как воплощение новой организации домашних обязанностей. Здания имели централизованное отопление, вентиляцию и водопровод; у некоторых в подвале были кухни, которые готовили пищу для отдельных жильцов квартир; у некоторых даже была централизованная вакуумная система с форсунками в каждой комнате, соединенная с насосом в подвале.
Лифт даже превозносили как вклад в демократию. В здании с лифтом нет большой разницы, на каком этаже жить; каждый этаж был одинаково доступен. Напротив, в Европе богатые семьи обычно жили на средних этажах, где им не приходилось подниматься на много пролетов. Более бедные семьи обычно жили в подвале или на верхних этажах.
William S. Pretzer
Подъемный канат лифта обычно состоит из шести или более прядей, каждая из которых состоит из нескольких отдельных стальных проволок. Нити могут быть накручены вокруг пеньковой сердцевины, которая служит подушкой и также содержит смазку.
Электрические двигатели подъема специально разработаны для обслуживания лифтов и могут приводить в движение подъемный барабан через редуктор, оба из которых приобретаются отдельно.
Производство
Процесс
Кабины лифтов изготавливаются на заводе производителя лифтов с использованием стандартных методов резки металла, сварки и формовки. Если автомобили будут подвергаться воздействию погодных условий во время строительства здания, внутренняя отделка может быть установлена после завершения строительства.
Остальная часть лифта собирается на строительной площадке. Конструкция здания включает шахту лифта с самого начала, и шахта увеличивается по мере возведения здания. Стены шахты залиты бетоном, а прямолинейность шахты и другие размеры тщательно контролируются по мере подъема каждого этажа.
Направляющие рельсы, стрелочные пандусы, сервисные лестницы и подобное вспомогательное оборудование крепятся болтами к шахте после возведения стен шахты, но до того, как шахта будет покрыта крышей.
Пока шахта еще открыта сверху, кран поднимает противовес на вершину здания и опускает его в шахту по рельсам.
Затем кран поднимает кабину лифта и частично вставляет ее в шахту. направляющие колеса соединяют автомобиль с направляющими, и автомобиль осторожно опускается на дно шахты.
Затем шахту накрывают крышей, оставляя машинное помещение над шахтой. В этой комнате установлены двигатель подъема, регулятор, контроллер и другое оборудование, причем двигатель расположен непосредственно над шкивом кабины лифта.
Кабели лифта и регулятора натянуты и закреплены, электрические соединения выполнены, контроллер запрограммирован.
Контроль качества
Каждый лифт, установленный в США, должен соответствовать стандартам безопасности Американского национального института стандартов и Американского общества инженеров-механиков. Эти стандарты могут быть включены в местные строительные нормы и правила, или местные нормы могут иметь свои собственные стандарты безопасности. Государство должно проверять, оценивать и сертифицировать каждую установку пассажирского лифта до того, как она будет введена в эксплуатацию, а затем регулярно проводить повторные проверки.
Будущее
Лифты существенно не изменились за многие годы и вряд ли изменятся в ближайшем будущем. Электронное управление будет продолжать совершенствоваться эволюционным и не очень драматичным образом. Разрабатываются системы управления, которые будут изучать прошлые модели трафика и использовать эту информацию для прогнозирования будущих потребностей, чтобы сократить время ожидания. Лазерные средства управления начинают использоваться как для измерения скорости автомобиля и расстояния, так и для сканирования этажей зданий в поисках потенциальных пассажиров.
Где узнать больше
Книги
Лифтовые технологии. Опубликовано Эллисом Хорвудом для Международной ассоциации инженеров по лифтам. Halsted Press, 1986.
Форд, Барбара. Лифт. Walker and Company, 1982.
Периодические издания
Evans, Barrie. «Нечеткая логика для умных подъемников». Architect’s Journal, , 18 мая 1994 г., стр. 24-25.
Лифты — это устройства, которые перемещают людей и товары вертикально в специальной шахте, соединяющей этажи здания. Они стали обычным явлением в 1850-х годах, поскольку стальные и железные каркасы позволили построить более высокое здание; однако именно предохранительный механизм Элиши Отиса, предотвративший падение машины, сделал лифты популярными. Практически во всех современных многоэтажных домах для обеспечения универсального доступа требуются лифты.
Гидравлические подъемники
Редукторные и безредукторные тяговые лифты с машинным помещением
Лифты без машинного помещения (MRL)
Обычно используются три основных типа лифтов: тяговые с машинным помещением, тяговые без машинного помещения и гидравлические; однако для каждого типа существуют вариации.
Гидравлические подъемники
Гидравлический подъемник
Гидравлические подъемники поддерживаются поршнем в нижней части подъемника, который толкает подъемник вверх, когда электродвигатель нагнетает масло или другую гидравлическую жидкость в поршень. Лифт опускается, когда клапан выпускает жидкость из поршня. Они используются для малоэтажных зданий высотой от 2 до 8 этажей и движутся с максимальной скоростью 200 футов в минуту. Машинное отделение гидравлических лифтов расположено на самом нижнем уровне, примыкающем к шахте лифта.
Обычные гидравлические подъемники имеют шкив, который проходит ниже пола приямка подъемника и принимает втягивающий поршень при опускании подъемника. Некоторые конфигурации имеют телескопический поршень, который разрушается и требует более мелкого отверстия под приямком. Максимальное расстояние перемещения составляет примерно 60 футов.
Гидравлические лифты без отверстий имеют поршень с обеих сторон кабины. В этой конфигурации телескопические поршни фиксируются у основания приямка и не требуют шкива или отверстия под приямком. Телескопические поршни позволяют перемещаться на расстояние до 50 футов. Нетелескопические поршни позволяют перемещаться только на расстояние около 20 футов.
Канатные гидравлические лифты используют комбинацию канатов и поршня для перемещения лифта. Максимальное расстояние перемещения составляет около 60 футов.
Гидравлические лифты имеют низкую начальную стоимость, а текущие расходы на их техническое обслуживание ниже по сравнению с другими типами лифтов. Однако гидравлические лифты потребляют больше энергии, чем лифты других типов, потому что электродвигатель работает против силы тяжести, нагнетая гидравлическую жидкость в поршень. Основным недостатком гидравлических лифтов является то, что гидравлическая жидкость иногда может вытекать, что может представлять серьезную опасность для окружающей среды. Экологический риск и высокое энергопотребление являются двумя основными причинами того, что гидравлические лифты устанавливаются не так часто, как в прошлом.
Тяговые лифты с редуктором и без редуктора с машинным помещением
Тяговый лифт
Тяговые лифты поднимаются с помощью канатов, которые проходят над колесом, прикрепленным к электродвигателю над шахтой лифта. Они используются для средних и высотных зданий и имеют гораздо более высокую скорость движения, чем гидравлические лифты. Противовес делает лифты более эффективными, компенсируя вес автомобиля и пассажиров, так что двигателю не приходится перемещать такой большой вес.
Лифты с редуктором имеют редуктор, прикрепленный к двигателю, который приводит в движение колесо, перемещающее канаты. Лифты с редуктором способны развивать скорость до 500 футов в минуту. Максимальное расстояние перемещения для редукторного тягового лифта составляет около 250 футов.
В безредукторных тяговых лифтах колесо прикреплено непосредственно к двигателю. Безредукторные тяговые лифты способны развивать скорость до 2000 футов в минуту, а их максимальное расстояние перемещения составляет около 2000 футов, поэтому они являются единственным выбором для высотных приложений.
Лифты с редукторной тягой занимают промежуточное положение с точки зрения начальной стоимости, текущих затрат на техническое обслуживание и энергопотребления. Безредукторные тяговые лифты имеют высокую начальную стоимость, средние затраты на текущее обслуживание и немного более эффективно используют энергию, чем тяговые лифты с редуктором.
Важно, чтобы канаты и шкивы тягового лифта регулярно проверялись на предмет износа. По мере их износа сцепление между шкивом и тросами уменьшается, и проскальзывание становится более регулярным, что снижает эффективность и может стать опасным, если его не остановить.
Тяговые лифты имеют ограничения по высоте, которые зависят от длины и веса тросов или канатов. Новые более прочные и легкие материалы, такие как углеродное волокно, позволят тяговым лифтам достичь новых высот.
Лифты без машинного помещения (MRL)
Лифт без машинного помещения
Лифты без машинного помещения — это тяговые лифты, не имеющие специального машинного помещения над шахтой лифта. Машина находится в отсеке блокировки, и доступ к ней осуществляется через верхнюю часть кабины лифта, когда требуется техническое обслуживание или ремонт. Блоки управления расположены в диспетчерской, примыкающей к шахте лифта на самой высокой площадке и в пределах примерно 150 футов от машины.
Лифты без машинного помещения имеют максимальное расстояние перемещения до 250 футов и могут двигаться со скоростью до 500 футов в минуту. Лифты MRL сравнимы с тяговыми лифтами с редуктором с точки зрения первоначальных затрат и затрат на техническое обслуживание, но они имеют относительно низкое потребление энергии по сравнению с лифтами с редуктором.
Лифты без машинного помещения становятся наиболее популярным выбором для зданий средней этажности, где расстояние подъема составляет до 250 футов. Они энергоэффективны, занимают меньше места, а их работа и надежность не уступают безредукторным тяговым лифтам.
Основная причина того, что лифты MRL так медленно внедряются в Соединенных Штатах, заключается в том, что в строительных нормах и правилах есть положения, не позволяющие двигателю находиться в шахте. Это меняется, но стоит проконсультироваться с местными нормами, прежде чем указывать лифт MRL.
Статья обновлена: 22 мая 2021 г.
Помогите сделать Archtoolbox лучше для всех. Если вы обнаружили ошибку или устаревшую информацию в этой статье (даже если это всего лишь незначительная опечатка), сообщите нам об этом.
Грузоподъемные машины (Г.П.М.) перемещают штучные и сыпучие грузы по пространственной трассе, монтируют крупноблочные сооружения, оборудование на промышленных предприятиях, подают различные строительные материалы к месту их укладки, производят погрузочно-разгрузочные операции. Г.П.М. являются машинами прерывного (цикличного) действия. В зависимости от конструкции машины и конфигурации обслуживаемой зоны Г.П.М. делят на следующие группы: вспомогательные — это простые грузоподъемные машины и механизмы. К ним относятся: домкраты, лебедки, тали.
Изображение слайда
3
Слайд 3: Домкраты
Изображение слайда
4
Слайд 4
А) домкраты- простейшие грузоподъемные устройства в виде толкателей, обычно используются для поднятия груза на небольшую высоту, причем воздействуют на груз снизу, они разделяются на: реечные (Г.Р. до 6 тс, Н до 3-х м) винтовые (Г.Р. до 50 тс, Н до 0,35 м)
Изображение слайда
5
Слайд 5
гидравлические (Г.Р. до 50-100 тс, Н до 0,15-0,2 м)
Изображение слайда
6
Слайд 6
Б) лебедки – простейшие ГПМ в виде приводного барабана с тяговым органом – стальным канатом, применяются для прямолинейного перемещения грузов.
Изображение слайда
7
Слайд 7: Лебёдки
Изображение слайда
8
Слайд 8
Подъемные лебедки используют для вертикального подъема, свободно подвешенного или движущегося в направляющих груза. Тягальные Л.служат для горизонтального перемещения груза по рельсовым путям или по направляющим. В) тали — подъемные подвесные лебедки
Изображение слайда
9
Слайд 9
2 ) Подъемники. П. называют ГПМ перемещающие грузы в ковшах, клетях, кабинах или на площадках движущихся в жестких направляющих. Применяются в основном для подъема груза по вертикали. Подъём производится со скоростью 15-60 м/мин. Различают: мачтовые, ковшовые, шахтные. Широкое применение получили П монтируемые на автомобилях. 3) Краны. Наиболее сложные и универсальные ГПМ, состоящие из остова в виде металлической конструкции и установленных на нем крановых механизмов. Применяются для подъема, перемещения по пространственной трассе и подачи грузов и монтажа конструкций. Выполняются в виде консольных или пролетных конструкций.
Изображение слайда
10
Слайд 10
Изображение слайда
11
Слайд 11: Лебедки
Это грузоподъемная машина предназначенная для перемещения грузов с помощью движущегося гибкого элемента – каната или цепи. Л применяются как самостоятельные машины при разгрузочно-погрузочных, строительных, монтажных, ремонтных работах. И как часть машины – крана. Классификация. Л. различают : 1) По типу тягового органа канатные, цепные 2)По типу привода с ручным машинным (от двигателя электрического, от двигателя внутреннего сгорания, реже пневматического, гидравлического)
Изображение слайда
12
Слайд 12
Изображение слайда
13
Слайд 13
3) По типу установки стационарные (устанавливаемые на постоянных или временных основаниях, либо прикрепляемые к стенам и потолочным перекрытием). Передвижные (монтируемые на рельсовых или безрельсовых тележках) 4) По числу барабанов (одно, двух и многобарабанные лебедки) 1- однобарабанные бывают: -ручные (Г. Р. 0,5 – 10 тс, при канатоемкости от 100 до 300м) -механические ( с электрическим, пневматическим и гидравлическим приводом). 2-двух и трехбарабанные только механические при этом –реверсивные (Г.Р. 0,5 – 10 тс, со скоростью подъема 0,7-1 м/с). — для монтажных работ применяются лебедки с полиспастами и при тяжелых грузах они имеют скорость подъема 0,1-0,2 м/с. 5) По типу барабана нарезные гладкие.
Изображение слайда
14
Слайд 14
Подъемная сила лебедки регламентируется госстандартами и находиться в пределах от 2,5 кН. до 200 кН Конструкции лебедок очень разнообразны. Наиболее простые конструкции Л выполнены с одноступенчатым редуктором и открытыми передачами. Л имеет П-образную компоновку. Все узлы лебедки: электродвигатель, редуктор, барабан, тормоз, монтируются на общей раме. Барабан установлен в подшипниковой опоре (скольжения). Вращение от двигателя к редуктору передается через муфту, а к барабану через одноступенчатый редуктор и открытую передачу. Более совершенными являются лебедки у которых все передачи заключены в редуктор.(плакат)
Изображение слайда
15
Слайд 15
Изображение слайда
16
Слайд 16: Тали
Это подвесное грузоподъемное устройство с ручным,электрическим или пневматическим приводом. Состоит из лебедки и тележки. Применяется для подъема, опускания, подтягивания небольших грузов, стягивания между собой отдельных элементов при монтажных работах. Тали делятся по роду привода на ручные, электрические, пневматические. -ручные Т гр. 0,1-10 т бывают стационарные или передвижные. -электрические ЭТ только передвижные, гр. 0,2-10 т., Н – 4-32 м., скорость подъема – 8-20 м/мин, скорость передвижения 20-30м/мин.Подвесные пути для передвижения ЭТ могут иметь один или два рельса. ЭТ с однорельсовыми тележками называются – тельферами. — пневматические Т гр. до 0,1 т. применяют в тех случаях, когда наличие электрического тока недопустимо по условиям производства. Используют тали для внутрицехового и межцехового транспортирования.
Изображение слайда
17
Слайд 17
Изображение слайда
18
Слайд 18: Устройство ручной тали
Подвесная лебедка с ручным приводом называется цепной талью -ЦП. ЦП имеют червячный подъемный механизм, тяговым органом является грузовая цепь, охватывающая звездочку жестко связанную с червячным колесом. Приводится Т цепным колесом, вращающим червяк червячной передачи. Высота подъема ( 6 –30 м) зависит от длины грузовой цепи. Поднятый груз удерживают в подвешенном состоянии тормозом, который замыкается весом транспортируемого груза. Когда грузы поднимают часто и на большую высоту, применение ручных Т нецелесообразно, в этом случае используют электрические Т. Если нужно перемещать груз по горизонтали, то Т подвешивают к тележкам, перемещающимся по подвесным однорельсовым путям.
Изображение слайда
19
Слайд 19
При гр. до 1 т. тележки выполняют без привода, их передвигают, толкая груз, если больше, то их оснащают приводом. Механизм подъема ЭТ состоит из электродвигателя (встроенного в барабан) вследствие чего уменьшается длина Т. Т оборудована тормозами, шкафом электроаппаратуры. Кабель управления вводится в шкаф электроаппаратуры. Редуктор и шкаф электроаппаратуры соединены между собой сварным корпусом. Управление ЭТ производится либо с пола через свисающий кабель при ск-ти до 32 м/мин, при большей скорости из кабины управления перемещающегося вместе с Т по подвесному пути. Тележка, на которой закреплена ЭТ, имеет самостоятельный привод.
Изображение слайда
20
Слайд 20: Узлы и детали ГПМ. Канаты
В качестве тягового органа в механизмах UGV применяются проволочные канаты, обладающие большой прочностью. Канаты изготавливают на канатовьющих машинах свивкой из отдельных проволочек ( d – 0,5-3.5мм) углеродистой стали, полученных методом волочения. При волочении появляется наклеп и прочность материала проволочек резко повышается до 2000 мпа. Для изготовления канатов работающих во влажной среде, применяют оцинкованные проволочки.
Изображение слайда
21
Слайд 21
Канаты получают двумя способами: 1 -спиральный канат изготавливают одинарной свивкой непосредственно из проволочек, которые навивают на органический или металлический сердечник. 2– трос – двойной свивкой, когда проволоки свивают в пряди, а пряди навивают на сердечник. Канаты : а — одинарной свивки с точечный касанием проволок; б — двойной свивки с линейным касанием проволок; г — двойной свивки с линейным касанием проволок с металлическим сердечником; д — полосовое касание; е — односторонней свивки; ж — крестовой свивки.
Изображение слайда
22
Слайд 22
В центре каната помещается сердечник из органического волокна (пенька), пропитанный специальной смазкой. Он служит базой, относительно которой свивают пряди, а также хранилищем для смазки. В канатах подверженных высоким Т сердечник изготавливают из асбеста. Прочность каната зависит от качества материала проволок, от степени заполнения сечения каната металлом. Разрывная нагрузка для каната в целом не превышает 0,85 суммарной разрывной нагрузки всех проволочек в канате. Канат подбирают по разрывному усилию R, по наибольшему натяжению S без учета динамических усилий и по коэффициенту запаса прочности К, который регламентирует Госгортехнадзор. Долговечность обеспечивается соблюдением отношений D бар огибаемый канатом к D каната D б / d к Минимальное значение узаконивает Госгортехнадзор.
Изображение слайда
23
Слайд 23: Канатные блоки
В механизмах подъема грузов для направления канатов применяют желобчатые блоки. Изготавливают их из серого чугуна или стали. Профиль ручья блока д.б.таким, чтобы канат беспрепятственно входил и выходил из него, а также чтобы канат соприкасался с ручьем по возможности большей площадью. Профиль делается трапециидальным, что допускает боковое отклонение каната в пределах до 6 0. С целью увеличения долговечности каната и блока рекомендуется не допускать отклонение каната более чем на 2 0. Блок подлежит замене при износе ручья на глубину не более 0,2 первоначальной толщины обода. Для увеличения долговечности каната иногда применяют блоки с ручьём, футерованным пластмассой или алюминием. Блоки бывают неподвижные, они служат для направления канатов, оси их закрепляются неподвижно. Подвижные – они используются для выигрыша в силе или в скорости подъема груза.
Изображение слайда
24
Слайд 24
ЖЕЛОБЧАТЫЙ БЛОК
Изображение слайда
25
Слайд 25: Барабаны
изготавливают из того же металла что и блоки. Канаты навивают на барабаны. В зависимости от длины каната, его укладывают на барабан в несколько слоев или в один слой. При однослойной навивки, поверхность барабана нарезают по винтовой линии, канавки увеличивают поверхность соприкосновения и уменьшают напряжение смятия, устраняют трение между соседними витками и износ каната. Поэтому на нарезных барабанах срок службы каната увеличивается. Барабаны при многослойной навивке имеют в основном гладкую поверхность и борта, которые выше последнего слоя на 2 d k l 0 = L t / п D 0 l 0 — рабочая длина барабана L — длина каната t — шаг укладки каната D 0 -диаметр барабана по центрам каната Для правильной укладки каната на барабан применяют канатоукладчики.
Изображение слайда
26
Слайд 26
НАРЕЗНОЙ БАРАБАН ГЛАДКИЙ БАРАБАН ВИДЫ БАРАБАНОВ
Изображение слайда
27
Слайд 27: Крепление каната на барабан
Конструкция крепления каната на барабан д.б. надежной, доступной для осмотра, удобной для замены каната и достаточно простой в изготовлении: 1) зажимными винтами через клиновую накладку 2) накладными планками КРЕПЛЕНИЕ КАНАТА НА БАРАБАН ЗАЖИМНЫМИ ВИНТАМИ
Изображение слайда
28
Слайд 28
Крепление каната к крюку Для подвески крюков на канате делают петлю. Чтобы канат не перетирался внутри нее помещают коуш это стальное кольцо желобчатого сечения, форма желоба соответствует d каната Канат огибает коуш, ложась в желобок, и конец каната соединяют с основной его ветвью специальными зажимами: 1)заплетка, оплетают основной канат и заливают свинцом 2)опресовка, надевают втулку и опрессовывают 3)зажимами, как «навесной замок», как «коренной зуб»
а) ОДНОРОГИЙ б) ДВУРОГИЙ Крюки, стропы, траверсы Рабочие органы грузозахватного устройства — крюки, стропы, траверсы. Крюки – однорогие (0,25 – 75 т), двурогие от 5 т и выше.
Изображение слайда
31
Слайд 31
Изготавливают крюки ковкой или штамповкой из мягкой стали, обрабатывается только хвостик крюка. Рабочая часть крюка представляет собой кривой брус. Сечение крюка трапециевидное с округленными краями, широкое основание сечения обращено к зеву крюка. Рациональное соотношение размеров трапеции b2/ b 1 = 2-2,5, h / b 2 = 1,5-1,6 Размеры крюков стандартизированы и подбираются в соответствии с массой груза.
Изображение слайда
32
Слайд 32
Изображение слайда
33
Слайд 33: Стропы
Представляют собой отрезки стального каната, которые вверху присоединены к кольцу, надеваемого на крюк крана. Внизу каждый отрезок имеет крюк или коуш для присоединения к поднимаемому грузу. В зависимости от массы и конфигурации груза, отрезков м.б. два, три и более. Стропы м.б и цепные.
Изображение слайда
34
Слайд 34
Изображение слайда
35
Слайд 35
СТРОПЫ
Изображение слайда
36
Слайд 36: Траверсы
Могут быть выполнены в виде металлической балки, фермы. Полиспасты. В ГПМ поднимаемый груз связан с лебедкой через полиспаст. П – это система подвижных и неподвижных блоков огибаемых канатом. Их разделяют на скоростные, которые дают выигрыш в скорости, и силовые, которые дают выигрыш в силе. Силовые полиспасты кратные. Кратность – это величина на которую происходит выигрыш в силе. Теоретически выигрыш в силе равен числу ветвей каната.
Изображение слайда
37
Слайд 37
Изображение слайда
38
Слайд 38
Вес поднимаемого груза распределяется на несколько ветвей каната, поэтому к тяговому концу каната прикладывается сравнительно малое усилие Р = Q /4 Если пренебречь сопротивлением в П, т.е. когда система является неподвижной, сила в любой (.) каната равна Р = 4Р/4 где, 4 – число перерезов каната для одинарного П. Если учитывать силы сопротивления от жесткости каната и от трения в опорах блоков, натяжение отдельных ветвей каната различно. При кратности П «а» натяжение последней ветви закрепленой неподвижно = Р 4, отсюда Q = P 1 + P 2 + P 3 + P 4 Соотношение между натяжением отдельных ветвей каната при подъеме груза Р 2 = Р 1 * h ( кпд блока, для блоков на подшипников = 0,95-0,96,на подш. качения = 0,97-0,98)
Изображение слайда
39
Слайд 39
Р 3 = Р 2* h = Р 1* h 2 Р 4 = Р 1* h 3 Q гр = Р 1* ( 1 + h + h 2 + h 3 ) Мах. Натяжение в системе П при подъеме груза определяют: Р мах = Q /а * h При четной кратности один конец каната закреплен на барабане, а второй на неподвижном элементе конструкции. При нечетной – на крюковой обойме. Увеличение кратности П позволяет снизить передаточное число редуктора. Длина каната одинарного П: L = a * h где h – высота подъема груза Скорость подъема груза и скорость каната связаны: V к = а V гр где V к = п D n бар /60 D -диаметр барабана n -частота вращения барабана
Изображение слайда
40
Слайд 40: Краны
Классификация, основные технические параметры,конструкции
Изображение слайда
41
Слайд 41
Подъёмный кран – машина для захватывания, подъема и перемещения в горизонтальном направлении грузов на сравнительно небольшие расстояния. Подъемные краны составляют особую группу ГПМ характеризующуюся повторно-кратковременным режимом работы. ПК обязательно имеет следующие элементы: 1)металлическую конструкцию в виде моста, портала, башни, мачты или стрелы 2)главный механизм подъема в виде лебедки, тельфера и рычага управления 3)приспособления и устройства для захватывания груза – крюки, скобы, грейферы 4)поддерживающие и направляющие элементы, канатные и цепные блоки, направляющие втулки и планки. В зависимости от назначения, эксплуатационных требований и конструктивных особенностей ПК кроме того могут иметь: 1)механизм для передвижения всего ПК, грузовой тележки 2)механизмы для вспомогательного подъема грузов, аварийные тормоза, упоры и т.п.
Изображение слайда
42
Слайд 42: Классификация
по конструктивному признаку: 1) на краны мостового типа ( собственно мостовые краны, козловые) 2) краны стрелового типа (поворотные краны на колонне, имеющие постоянный и переменный вылет; собственно стреловые передвижные краны со стрелой, башенные, портальные) по области применения ( цеховые, транспортные, палубные, строительные) по типу грузозахватного органа ( крюковые, магнитные, грейферные) по роду привода (с ручными механическим) по способу опирания ходовой части на рельсовый путь: 1)опорного типа – опирающиеся на путь сверху 2)подвесного типа – перемещающиеся по нижним полкам рельсов подвесного кранового пути).
Изображение слайда
43
Слайд 43: Основные технические параметры
1) грузоподъемность Q (т) – наибольшая масса рабочего груза (входит в обозначение крана, с Q > 16т. –для удобства установлены 2 механизма подъема 32/8 (32-главный, 8-вспомогательный) 2) высота подъема груза Н (м) 3) скорость различных движений ( подъема, опускания, передвижения) 4) собственная масса G 5) основные геометрические параметры 6) суммарная мощность электродвигателей 7) производительность ( характеризуется массой грузов перемещаемых за час работы) Q 1 = Z * M где Z — число циклов в час ( Z = 3600/ t ) t – время затраченное на операцию
Изображение слайда
44
Слайд 44
При выборе крана учитывают грузоподъемность, скорость движения, путь перемещения груза, стоимость самой машины и ее монтажа и эксплуатации, надежность, долговечность, конфигурацию, удельные показатели по металлоемкости и энергоемкости.
Изображение слайда
45
Слайд 45: Мостовые краны
Мостовыми кранами (МК) называют самоходные на рельсовом ходу грузоподъемные машины, с помощью которых поднимаемый груз можно перемещать в горизонтальной плоскости в двух перпендикулярных направлениях. МК являются основными ГПМ применяемыми для обслуживания цехов и складов на заводах ж/б изделий. По конструкции мостовые краны бывают одно и двухбалочные Привод механизмов электрический, но м.б.и ручным. Управление осуществляется с пола, из кабины и дистанционно.
Изображение слайда
46
Слайд 46
Изображение слайда
47
Слайд 47
Схема моста двухбалочного мостового крана Схема моста однобалочного мостового крана
Изображение слайда
48
Слайд 48
По грузоподъемности краны условно разделены на три группы: — Первая – до 5 т — Вторая – от 5 до 50 т — Третья – свыше 50 до 320 т Пролет – 12 – 32 м Н – 11- 16 м V — тележки – 40 – 60 м/мин V — моста до 125 м/мин V — подъема крюка – 2 – 40 м /мин Конструкция МК имеет мост, состоящий из жестко соединенных между собой двух пролетных балок и концевых. Балки коробчатого сечения выполнены из двух вертикальных стенок, верхнего и нижнего горизонтальных поясов и в виде решетчатой фермы. На верхнем поясе пролетной балки закреплен подтележечный рельс на концах которого установлены упоры для ограничения крайних положений тележки.
Изображение слайда
49
Слайд 49
Для обеспечения устойчивости вертикальных стенок внутри пролетной балки приварены большие диафрагмы, кроме того имеются малые диафрагмы для более равномерной передачи нагрузки от подтележного рельса на вертикальные стенки. Пролетные балки соединены с концевыми стыковым соединением с дополнительными накладками и образуют жесткую раму. На горизонтальных стенках пролетных балок предусмотрены площадки с перилами для обслуживания грузовой тележки и механизмов передвижения крана, для размещения жестких троллей (стойки с уголковым прокатом) Мост крана изготавливают из мартеновской стали, за некоторым исключением применяется сталь более качественная. Ограждения, настилы лестницы и другие неответственные части из стали. Мост крана передвигается на ходовых колесах, приводимых в движение электродвигателем, установленном на мосту. Механизмы передвижения кранов выполнены по различным схемам: с приводом от одного двигателя с тормозом и редуктором на два колеса, или с приводом на одно колесо.
Изображение слайда
50
Слайд 50
Число ходовых колес моста зависит от грузоподъемности и пролета моста. На кранах Гр до 50 т – 4 колесо, 75 – 125 – 8 колес. Ходовые колеса изготавливают с двумя ребордами, полностью литыми или насадными бандажами. Мост движется по подкрановым путям, проложенным по всей длине цеха на выступах стен или колон. Подкрановые пути делаются из обычных железнодорожных или специальных крановых рельсов. Подкрановые пути устраивают так, чтобы кран не ударился в стену. Для этого в концах подкрановых ставятся тупиковые упоры, а перед ними резиновые пружинные буфера, обеспечивающие плавное снижение скорости моста. Мост также имеет буфера. На концах подкрановых путей установлены отключающие линейки. При упоре в линейку конечный выключатель срабатывает и отключает двигатель моста.
Изображение слайда
51
Слайд 51
По продольным балкам перемещается грузовая тележка. Она состоит из рамы на которой из унифицированных узлов собраны механизмы подъема груза и передвижения тележки. Рама выполнена из двух продольных балок опирающиеся на ходовые колеса, соединенные поперечными балками и покрытые сверху листом настила. Кабина управления помещается под галереей моста на одном из его концов и снабжена лестницей. Основные параметры Колея – расстояние между продольными осями, проходящими через середину опорных поверхностей ходовых колес крана или тележки. База – расстояние между вертикальными осями передних и задних колес. Для передвижения МК по подкрановым путям во избежание перекоса крана в пролете необходимо, чтобы отношение пролета крана (колеи) L К к базе ходовых колес К К удовлетворяло условию L K / К К < 8
Изображение слайда
52
Слайд 52: Козловые краны
Козловые электрические краны с рельсовым ходом являются одним из основных механизмов при работах на открытых складах промышленных предприятий. КК разделяют на три основные группы: общего назначения, перегрузочные, строительно-монтажные и специальные. Имеется очень много конструкций козловых кранов. Мы остановимся на конструкциях, применяемых на заводах ж/б. Гр до 50т. КК отличается от мостового К тем, что его мостовое пролетное строение, снабжено «ногами», передвигающимися по уложенным на земле подкрановым путям.
Изображение слайда
53
Слайд 53: Конструкция
Мост – выполняется в виде фермы, балки. Опору моста выполняют из двух стоек (ферм) внизу соединенную затяжками. Одна опора соединена с мостом жестко, вторая шарнирно. Такая конструкция устраняет опасность заклинивания опоры при температурных расширениях моста. Опору опирают на 4 ходовых колеса, 2 – приводные. Привод от электродвигателя. Ток для питания двигателей подводят от сети через гибкий бронированный кабель. Рельсы укладывают следующим образом: снимают растительный слой, укладывают балласт из щебня, песка. Сверху балласта шпалы, на шпалы –подкладки – рельсы. А на мост укладывают рельсы для передвижения по ним тележки с механизмами подъема, перемещаемой с помощью тяговой лебедки. КК в зависимости от конкретных условий работы управляются с пола, кабины и дистанционно. Дополнительным параметром козловых кранов является рабочий вылет консоли L = (0,2 – 0,3) L K
Изображение слайда
54
Слайд 54
Изображение слайда
55
Слайд 55
Изображение слайда
56
Слайд 56
Изображение слайда
57
Слайд 57
Изображение слайда
58
Слайд 58
Изображение слайда
59
Последний слайд презентации: Механизмы подъема грузов
Изображение слайда
Подъемно-транспортные механизмы и машины.
Филин С.А. 2014
Подъемные машины и устройства предназначены для вертикального и в некоторых случаях горизонтального перемещения груза. К ним относятся домкраты, полиспасты, тали, электротали, строительные лебедки, краны-укосины, подъемники, подъемные стационарные и передвижные краны.
К транспортирующим машинам принадлежат конвейеры, элеваторы, самоходные тележки, которые служат для перемещения грузов в горизонтальном направлении или с некоторым наклоном.
Вилочные и ковшовые погрузчики, козловые и башенные краны предназначены не только для подъема, но и для перемещения грузов на небольшие расстояния.
Домкраты —это простейшие грузоподъемные устройства, в которых применен выдвижной толкатель, подводимый под груз и поднимающий его на небольшую высоту.
По конструкции домкраты бывают винтовыми, реечными, гидравлическими и клиновыми. Винтовые домкраты обладают свойством самоторможения и позволяют устанавливать грузы по высоте с высокой точностью. Винтовой домкрат (рис. 1) с ручным приводом состоит из корпуса, в котором закреплена гайка с ввинченным в нее стальным винтом. Винт оканчивается опорной головкой, воздействующей на груз.
Через отверстие в винте продета рукоятка для вращения винта.
В стесненных условиях для облегчения вращения винта применяют трещотку, состоящую из устанавливаемого на винт храпового колеса 6 и шарнирно закрепляемой на конце рукоятки двусторонней подпружиненной собачки 7. Грузоподьемость винтовых домкратов до 50 т, высота подъема груза до 0,5—0,6 м, скорость подъема груза 1-5—35 мм/мин и КПД 0,3—0,4.
Реечные домкраты (рис. 2) применяют для подъема низкорасположенных грузов массой до 6 т. В корпусе домкрата размещен выдвижной толкатель, выполненный в виде стальной зубчатой рейки с прикрепленной к ее нижней части опорной лапой. На верхней части толкателя расположена опорная головка. Толкатель выдвигается с помощью шестерни, приводимой во вращение зубчатой передачей от рукоятки. Для фиксации груза в поднятом положении применяют храповое колесо с собачкой. Высота подъема груза не превышает 0,6 м, а КПД реечных домкратов 0,7—0,8. При работе домкрата лапой его грузоподъемность из-за смещения груза уменьшается в два раза.
Гидравлический домкрат (рис. 3) представляет собой гидроцилиндр, в котором расположен подводимый под груз поршень. Поршень выдвигается за счет нагнетания в гидроци-Линдр через клапан с помощью рукоятки и плунжера рабочей жидкости, засасываемой из полости через обратный клапан.
Для опускания поршня открывается перепускной кран, через который рабочая жидкость поступает обратно в полость 6. Чтобы воспрепятствовать подтеканию рабочей жидкости, плунжер снабжен уплотняющей манжетой.
Грузоподъемность гидравлических домкратов 750 т и более, высота подъема до 0,4.м, а КПД 0,85—0,9.
Рис. 4. Схема работы полиспастов: и — подъем груза канатом в одну нить, б — подъем груза канатом в две нити, в — подъем груза канатом в четыре нити; 1,2 — неподвижные и подвижные блоки, 3 — лебедка; Q — масса поднимаемого груза
Клиновой домкрат представляет собой корпус, в котором с помощью винта перемещается клин со встроенной гайкой и поднимает опорную плиту. В связи с небольшой высотой подъема (10—15 мм) эти домкраты применяют для выверки оборудования. Их грузоподъемность до 10 т.
Полиспасты предназначены для увеличения тягового усилия канатных подъемных устройств путем снижения их скорости. Скорость подъема снижается во столько раз, во сколько увеличивается тяговое усилие. Полиспасты (рис. 37) состоят из одного или группы неподвижных блоков, закрепляемых на опоре; одного или нескольких подвижных блоков, прикрепляемых к грузу; огибающего их каната, один конец которого жестко прикреплен к верхней или нижней обойме полиспаста, а другой конец через отводные ролики направляется на лебедку. При выборе полиспаста следует учитывать, что его грузоподъемность увеличивается по сравнению с тяговым усилием лебедки примерно во столько раз, сколько в нем есть сокращающихся в процессе работы нитей канатов. Для более точного расчета, проводимого для полиспастов с числом подвижных роликов более 6—7, применяют специальные таблицы.
Грузоподъемность полиспастов достигает 50 т и более. Для ее повышения применяют системы из нескольких сблокированных между собой полиспастов.
Тали — это грузоподъемные механизмы, смонтированные в одном корпусе с приводом и предназначенные для подъема или подъема и горизонтального перемещения груза.
Грузоподъемность талей 10 т при высоте подъема до 3 м.
При подъеме груза натягивают приводную бесконечную цепь и заставляют вращаться приводное колесо, которое в свою очередь через червяк вращает червячное колесо со звездочкой. Через звездочку перекинута грузовая цепь для подъема блока с крюком, к которому подвешивают груз.
Для придания талям мобильности они могут быть подвешены с помощью оси к тележкам (кошкам), перемещающимся по монорельсам на роликах.
Электрическая таль (рис. 5) оборудована электродвигателем, приводящим в действие механизм подъема. Электротали бывают стационарные или передвижные, с ручным или электрическим приводом, с продольным и поперечцым расположением подъемного барабана, с ходовыми тележками различной конструкции.
Электротали применяют в ремонтных цехах, а также на складах и открытых погрузочно-разгрузоч-ных и ремонтных площадках. Грузоподъемность электроталей доходит до 5 т при скорости подъема груза 3—18 м/мин и скорости горизонтального перемещения до 30 м/мин.
Лебедки (рис. 6) — это грузоподъемные механизмы, в которых тяговое усилие создается путем наматывания каната на барабан В зависимости от рода привода лебедки бывают ручными и механическими, а по способу передачи движения к барабану — шестеренные, червячные, зубчато-фрикционные и редукторные. Тяговое усилие ручной лебедки до 100 МН, канатоемкость барабана до 300 м. Для работы в стесненных условиях применяют ручные рычажные лебедки с тяговым усилием до 30 МН.
Схема тормозного устройства ручных лебедок показана на рис. 7.
Зубчато-фрикционная лебедка показана на рис. 8. По конструкции фрикционные муфты лебедок могут быть конусными, ленточными и дисковыми.
Редукторные лебедки останавливают колодочными фрикционными тормозами, а зубчато-фрикционные — ленточными.
Для чисто тяговых операций применяют шпилевые лебедки с барабаном вогнутой формы. Тяговое усилие создается за счет действия- сил трения между канатом и шпилем. Тяговое усилие лебедок серии ТЛ составляет 12,5—50 МН при ручном приводе и 3,2— 50 МН при электрическом приводе. Канатоемкость лебедок равна 100—150 м при ручном приводе и 80—250 м при электрическом. Скорость навивки каната у лебедок с электрическим приводом 0,31—0,82 м/с.
Строительные подъемники — это грузоподъемные машины, предназначенные для подъема и спуска грузов с помощью грузонечущих устройств, перемещающихся по вертикальным или наклонным направляющим. По конструкции направляющих различают подъемники, (рис. 9) с подвесными направляющими и с жесткими направляющими — мачтовые и шахтные.
В подъемниках с подвесными направляющими грузонесущее устройство перемещается вдоль натянутых вертикально направляющих. К недостаткам подъемников этого типа относится возможность раскачки грузонесущего устройства при значительной высоте подъема, а также трудности с установкой консольной опорной рамы на крыше здания.
Рис. 8. Зубчато-фрикционная лебедка с ременным приводом и одной шестеренной передачей: 1 — станина, 2 — храповое колесо, 3 — рукоятка включения фрикциона, 4—барабан, 5—приводной шкив
По конструкции направляющие бывают комбинированными, т. е. состоят из гибких и жестких элементов или шарнирно сочлененных жестких элементов, и гибкими, которые изготовляют из канатов. Направляющие натягивают как за счет массы поднимаемого груза, так и с помощью специальных натяжных устройств. При фиксированном грузонесущем устройстве груз снимают вручную. Подъемники, оборудованные выдвижными платформами или монорельсами с электроталыо, подают груз непосредственно в проем здания.
Мачтовый подъемник включает в себя вертикальную раму, по которой с помощью канатного механизма подъема может перемещаться грузонесущее устройство, снабженное ходовыми роликами. Такие подъемники в ряде случаев можно использовать и для подъема людей. При малой высоте подъема мачтогые подъемники могут стоять свободно, при большой высоте их прикрепляют к стене здания опорами. Груз подают на уровень проема здания или внутрь здания. В последнем случае при использовании выдвижных платформ груз не опускают на перекрытие, а при применении выдвижных монорельсов с электроталями он может быть опущен.
На строительстве больше всего распространены мачтовые подъемники, как наиболее простые в монтаже.
Грузоподъемность мачтовых подъемников серии ТП составляет 3,2—5 МН, высота подъема 6—50 м, скорость подъема 0,1—0,52 м/с; груз может перемещаться по горизонтали от мачты на расстояние до 3 м.
В шахтных подъемниках вместо мачты устанавливают шахту, внутри которой по направляющим с помощью канатного механизма подъема перемещается грузонесущее устройство.
Шахтные подъемники по назначению подразделяют на грузовые и пассажирские. Их крепят к зданию как с помощью настенных опор, так и оттяжками (при установке подъемника вне здания). В качестве грузонесущих устройств в подъемниках используют платформы, клети и саморазгружающиеся ковши. Шахту собирают из отдельных элементов или секций.
В некоторых случаях подъемники с жесткими направляющими устанавливают на ходовые рельсовые тележки, что дает им возможность перемещаться в горизонтальном направлении. Такие подъемники обеспечивают прямолинейность движения грузонесу-щего устройства без раскачки, что позволяет повышать их производительность путем увеличения скорости подъема и спуска грузов.
Ковшовые подъемники (рис. 10) применяют для подъема сыпучих грузов массой до 2 т на высоту до 160 м со скоростью до 60 м/мин. Ковш по наклонным направляющим поднимается с помощью канатов, наматываемых на канатный барабан лебедки, приводимой в действие электродвигателем 5.
Монтажные мачты (рис. 11) применяют в случаях, когда использование монтажного крана нерационально, например при единичном подъеме тяжелого груза. Они представляют собой устанавливаемую вертикальную или с небольшим уклоном (10—12°) стойку, удерживаемую системой расчалок. Мачты можно изготовлять как из дерева, так и из металла. В последнем случае они бывают трубчатыми или решетчатыми. Трубчатые мачты достигают высоты до 30 м при грузоподъемности до 30 т, решетчатые соответственно 60 м при 150 т. Разновидностью монтажных мачт являются шевры (рис. 12), грузоподъемность которых достигает 50 т, и монтажные порталы, представляющие собой П-образные рамы с жесткими или шарнирными узлами, предназначенные для подъема громоздких грузов на большую высоту. Порталы в зависимости от назначения бывают неподвижные и качающиеся. Высота порталов может достигать 50 м при расстоянии между его вертикальными стойками 6—9 м, а грузоподъемность — 300 т. Для подъема грузов массой свыше 500 т и более применяют порталы, у которых вместо грузовых полиспастов использована металлическая лента, а вместо лебедок — гидродомкраты.
Рис. 11. Монтажные мачты: а — решетчатая металлическая, б — трубчатая металлическая, в — деревянная; 1 — цилиндр, 2 — отводной блок, 3 — груз, 4 — оттяжка для груза, 5 — грузовой полиспаст, 6 — паук
Рис. 12. Шевр: — грузовой полиспаст, 2 — мачта, 3 — огводной блок, 4 — сбегающая нить грузов вого полиспаста, идущая на лебедку, 5 — канат для изменения вылета мачты
Монтажные стрелы (рис. 13, а) — это грузоподъемное устройство, состоящее из прикрепленной к строительным конструкциям или специальным мачтам консольной наклоняющейся стрелы и канатной лебедки и предназначенное для монтажа оборудования и подъема различных грузов.
Грузоподъемность переносных монтажных стрел от 3 до 10 т при длине стрелы от 10 до 25 м.
Основанные на этом принципе мачтово-стреловые краны (рис. 13, б) могут поднимать грузы массой до 40 т, а вантовые (рис. 46, в)—до 40 т и более.
Монтажные подъемные краны подразделяют на краны-укосины, полноповоротные переставные и передвижные.
Кран-укосина (рис. 14) представляет собой закрепляемую на вертикальной мачте или какой-нибудь строительной конструкции жесткую ферму с системой блоков 3, через которые пропущен канат 4 от грузоподъемной лебедки.
Полноповоротный переставной кран (рис. 15) состоит из опорной тележки или крестовины, на которой смонтирована стрела и полноповоротная платформа с размещенными на ней электродвигателем и червячным редуктором, приводящим во вращение канатный барабан.
Грузоподъемность этих кранов 0,5—1,0 т при вылете стрелы от 2 до 4 м и высоте его подъема до 50 м, скорость подъема груза 12—15 м/мин, мощность электродвигателя 2,8 кВт, масса 1685 кг.
Различают передвижные подъемные краны на рельсовом, гусеничном, пневмоколесном и автомобильном ходовом устройстве.
Кран с вращающейся стрелой, закрепляемой в верхней части перемещающейся по рельсам вертикальной башни, называется башенным краном. Помимо башенных кранов широко распространены краны на гусеничном ходу грузоподъемностью до 160 т. Разновидностью кранов на гусеничном ходу являются краны-трубоукладчики с подъемной стрелой, располагаемой сбоку.
Пневмоколесные краны обладают повышенной по сравнению с гусеничными кранами маневренностью, их грузоподъемность до 100 т (при использовании выносных опор). Более маневренны краны на автомобильном шасси, грузоподъемность которых достигает 60 т.
Рис. 16. Ленточный конвейер: 1 — электродвигатель, 2 — редуктор, 3, 5 ведущий и ведомый барабаны, 4 — лента, 6 натяжное устройство
Ленточный конвейер (рис. 16) —это машина для непрерывного транспортирования грузов, грузонесущим и тяговым элементом которой являются замкнутые ленты. Лента увлекается вращающимся ведущим барабаном за счет возникающих между ними сил трения. Ведомый барабан с помощью натяжного устройства в создает требуемое натяжение ленты.
Перемещаемые ленточным конвейером грузы (штучные или сыпучие) укладываются на несущую ленту, которая составлена из нескольких прорезиненных слоев хлопчатобумажной ткани. Для конвейеров большой длины выпускают ленты, армированные тонкими стальными канатиками. Скорость конвейерной ленты 1,5—2,5 м/с для сыпучих грузов и 0,5—1,5 м/с для штучных. Ленточные конвейеры могут перемещать груз под углом до 20°. В случае, если требуется поднимать грузы на больший угол, на ленту через определенные промежутки устанавливают поперечные планки-удерживатели.
Ленточные конвейеры изготовляют как стационарные, так и передвижные.
Расстояние между центрами барабанов передвижных ленточных конвейеров серии ТК равно 5—15 м, ширина ленты 0,4—0,5 м, скорость ее 1,6 м/с и высота разгрузки 1,5—5,5 м. Длина стационарных ленточных конвейеров 40—80 м.
Пластинчатые конвейеры — это машины, у которых грузонесу-щий элемент состоит из отдельных пластин, прикрепленных к замкнутому тяговому элементу. Такие конвейеры предназначены для перемещения горячих, кусковых и штучных грузов с острыми кромками как по горизонтали, так и под углом до 30°.
Винтовые конвейеры (рис. 17)—это машины, у которых груз перемещается в трубе-желобе валом с винтовыми лопастями. Винтовые лопасти при вращении захватывают помещенный в трубе-желобе материал и перемещают его в продольном направлении. Винтовые конвейеры применяют для перемещения сыпучих и пластичных материалов на расстояние до 30—40 м как по горизонтали, так и с наклоном до 75—80°.
Сплошные винтовые лопасти рекомендуются для перемещения сыпучих мелкозернистых материалов, например цемента. Для транспортирования крупнокусковых материалов, таких, как гравий, следует применять винтовые конвейеры с ленточными лопастями и с лопастями в виде лопаток, расположенных по винтовой линии. Пластичные материалы, например бетонные и растворные смеси, следует перемещать с помощью винтовых конвейеров, снабженных фасонными лопастями или лопастями в виде лопаток. Для предотвращения заедания лопастей необходимо следить за тем, чтобы средний размер кусков перемещаемого материала не превышал 8% от величины шага винтовой лопасти и 25% при транспортировании сыпучего материала.
Элеваторы (рис. 18) —это конвейеры для транспортирования грузов в ковшах, жестко прикрепленных к тяговому элементу, в вертикальном или крутонаклонном направлении. Элеваторы состоят из вертикального короба, внутри которого перемещается бесконечная цепь или лента с равномерно закрепленными на ней грузовыми ковшами или грузоприемнымй площадками. Элеваторы способны поднимать грузы на высоту до 50 м при производительности до 400 м3/ч.
Рис. 17. Винтовой конвейер: а — схема, б — формы винтовых лопастей; 1 — сплошные, // — ленточные, /// — фасонные, IV — в виде лопаток; 1 — элек» тродвигатель, 2 — редуктор, 3 — желоб, 4, 6 — разгрузочное и загрузочное отверстия, 5 — вал с винтовыми лопастями
Рис. 18. Элеваторы: а — цепной, б — ленточный, в — загрузка элеватора, г — разгрузка элеватора; 1 — цепь, 2 — ковш, 3 — лента
Вибрационные конвейеры — это качающиеся конвейеры, в которых груз перемещается микробросками с отрывом части груза от желоба. Вибрационные конвейеры представляют собой слегка наклоненные под углом 5—15° в сторону разгрузки металлические желоба, к которым подключены вибраторы. В отдельных случаях с помощью вибрационных конвейеров можно подавать материалы под небольшим наклоном вверх. Материал перемещается по вибрационному конвейеру за счет колебаний, сообщаемых желобу.
Широко распространена виброхоботы, предназначенные для подачи бетонной смеси на глубину до 80 м и обеспечивающие возможность транспортирования не только по вертикали, но и по горизонтали. Для подачи сыпучих и пластичных материалов на небольшое расстояние применяют вибропитатели (рис. 19), оборудованные виброжелобами.
Пневмотранспортные устройства предназначены для подачи сыпучих и пластичных материалов с.помощью сжатого воздуха. Принцип действия пневмотранспортных устройств заключается в транспортировании частичек материала во взвешенном состоянии в потоке воздуха. По конструкции (рис. 20) пневмотранспортные устройства бывают вакуумными и нагнетательными.
В первом случае воздушный насос высасывает из системы воздух, который захватывает частицы материала через сопло и перемещает их в разгружатель материала, откуда он через герметический затвор поступает в приемный бункер. Для удаления из воздуха оставшихся в нем частичек в отводной ветви трубопровода устанавливают дополнительный фильтр.
Во втором случае воздушный насос нагнетает воздух в трубопровод, в который из бункера подается материал, предназначенный для транспортирования. Так же как в первом случае, материал выгружается в разгружатель, а на выходном трубопроводе устанавливают пылевой фильтр.
С помощью пневмотранспортных устройств можно подавать материалы на расстояние до 2 км.
Механизмы подъема с ручным приводом — Студопедия.Нет
Ручным приводом снабжают простейшие грузоподъемные механизмы, работающие в ненапряженном режиме с малыми скоростями подъема груза, поворота или передвижения (вороты, домкраты, лебедки, тали).
Ворот – простейшее приспособление для вертикального подъема грузов, состоящее из рукоятки1 и барабана2(рисунок 10.1, а). На барабане закрепляется один конец канат3; к другому свободному его концу подвешивается груз4. Вращением рукоятки канат наматывается на барабан и груз поднимается.
а)
б)
в)
Рисунок 10.1 – Грузоподъемные механизмы с ручным приводом:
а –ворот; б –домкрат; в – ручная лебедка
Домкрат предназначен для вертикального подъема грузов и включает рукоятку 1, винт 2, гайку 3 и корпус 4(рисунок 10. 1,б). За счет применения винтовой пары достигается значительный выигрыш в силе (100…150 раз). Это позволяет при относительно небольшом усилии на рукоятке поднимать тяжелые грузы.
Ручныелебедкичаще используются для подтягивания разнообразных грузов. Они состоят из рукоятки 1, зубчатого зацепления2, барабана 3 и корпуса 4(рисунок 10.1,в). На барабан наматывается канат 5 с крюком 6. Основной отличительный признак подобных лебедок – наличие передаточного механизма, который позволяет также получить значительный выигрыш в силе. Для исключения обратного хода применяют храповый останов 7.
В случаях, когда механизм подъема или передвижения расположен на некоторой высоте, в качестве приводного элемента используют цепной блок, включающий звездочку и бесконечную сварную калиброванную цепь.
На рисунок 10.2,а показана схема тали с ручным цепным механизмом подъема и передвижения.
а)
б)
Рисунок 10.2 – Общий вид и схема ручной червячной цепной тали
В состав этой тали входит механизм подъема груза1 и механизм передвижения 2, который позволяет горизонтально передвигать подвешенные грузы по потолочному монорельсовому пути двутаврового профиля 7.
В состав обоих механизмов входят звездочки 3 и 4, а также цепи 5 и 6.
Эта таль получила название по типу механизма, осуществляющего передачу тягового усилия от звездочки к барабану. В качестве подобного механизма используется червячная передача, включающая червяк 1 и червячное колесо 2 (рисунок 10.2,б).
При проектировании грузоподъемных машин с ручным приводом размеры приводных рукояток и тяговых колес должны назначаться в пределах, при которых может быть обеспечена удобная и безопасная работа рабочего.
Плечо (радиус) вращения рукояток рекомендуется принимать равным 0, 2…0,4 м, предпочтительно 0,3 м. Длина ручки рукоятки должна составлять 0,3…0,35 м для одного рабочего и 0,45…0,5 для двух рабочих, высота оси вращения рукоятки от уровня пола 0,9…1,1 м. На механизме с двумя рукоятками одновременно могут работать не более четырех, а на цепи тягового колеса – не более трех человек. Две рукоятки на одном валу должны быть расположены относительно друг друга под углом 120°. Плечи приводных рукояток домкратов составляют 0,2…0,25 м, а радиус тягового колеса 0,1…0,5 м. Расстояние от уровня пола до свисающей с колеса петли цепи должно быть 0,6…0,8 м.
Усилие на рукоятке при длительной работе принимают равным 80…100 Н, при периодической работе – 150…160 Н. При использовании цепного привода и длительной работе – 120…160 Н, при периодической работе – 180…200 Н.
Передаточное отношение механизмов грузоподъемных машин с ручным приводом определяют как отношение момента на барабане к моменту на валу рукоятки, учитывая при этом КПД механизма (рисунок 10,1, б)
(10. 1)
Тб– момент крутящий на барабане; Тр – момент крутящий на звездочке, создаваемый усилием рабочего; ηм– КПД механизма.
Момент на барабане
(10.2)
где Dб – диаметр грузового барабана; F – усилие натяжения каната (при uп = 1 усилие F = Q).
Момент на звездочке
(10.3)
Fp – усилие рабочего на рукоятке (усилие натяжение цепи).
Следовательно, необходимое передаточное число
(10.4)
Производительность грузоподъемных машин с ручным приводом в основном зависит от усилия, прикладываемого рабочим к приводной рукоятке или тяговому колесу. Причем это усилие по различным причинам (утомляемость рабочего и др.) не является постоянным. Поэтому для машин, работающих в напряженном режиме, целесообразно применять механический привод управления.
Механический привод
Типовымприводным крановым механизмом является механизмподъема груза в виде лебедки в комбинации с полиспастом и несущим грузозахватным устройством (рисунок 10.3).
При разработке конструкции лебедки необходимо учитыватьсхему компоновки узлов механизма подъема и конструктивноевыполнение соединения редуктора с барабаном. Компоновка узловдвигателя 1 и барабана 3 по разные стороны от редуктора (рисунок 10.3,а) отличается удобством монтажа и обслуживания, но имеетбольшие габаритные размеры. Более компактной по сравнению спредыдущей является схема, показанная на рисунке 10.3, б, однако онаимеет большой размер по ширине из-за значительных размеровмуфты 4, соединяющей редуктор с барабаном. В наиболее рациональной монтажной схеме (рисунок 10.3, в) соединение редуктора с барабаном выполнено путем установки одной из опор оси барабана врасточке тихоходного вала редуктора. Чтобы избежать применения дорогого и громоздкого трехступенчатого редуктора при небольших скоростях подъема, применяют механизмы с открытойтихоходной зубчатой передачей (рисунок 10.3, г).При расчете механизма рекомендуется придерживаться приведенной ниже последовательности.
Выбор электродвигателя
В грузоподъемных машинахприменяют специальные крановые электродвигатели постоянного и переменного тока, которые по сравнению с двигателями общепромышленного назначенияхарактеризуютсяповышенной перегрузочной способностью, более напряженным режимом работы и жесткой механической характеристикой.
Перегрузочная способность электродвигателей оценивается коэффициентом
(10.6)
где Тмах и Тном– соответственно максимальный и номинальный моменты, развиваемые двигателем.
Для крановых электродвигателей переменного тока этот коэффициент составляет 2,5…3,4, а двигателей постоянного тока в пределах 2,4…4.
Крановые двигатели имеют повышенную механическую прочность, могут работать с частыми перегрузками, а также частотой вращения, превышающей в 2,5 раза номинальную.
Механическая характеристика асинхронного короткозамкнутого двигателя на участке рабочих частот вращения АВ весьма жесткая, что объясняет независимость частоты вращения ротора электродвигателя от величины нагрузки. Это обеспечивает постоянство скорости подъема груза независимо от его массы. При опускании груза скорость опускания увеличивается всего на 6…8% по сравнению со скоростью подъема.
Рис. 10.5 – Крановые электродвигатели серии MTKF
В электроприводе грузоподъемных машин применяютспециальные крановые асинхронные двигателис короткозамкнутым ротором серий МТКF и МТКН, а также двигателис фазным ротором серий MTFиMTH. Также используют асинхронные двигатели общепромышленного назначения АИРС с повышенным скольжением.
Параметры двигателей оценивают по их паспортным характеристикам – номинальной мощности, частоте вращения вала, режиму работы, пусковому моментуи другим параметрам (таблица 10.1).
Таблица 10.1 – Техническая характеристика двигателей серии MTKF
Тип
электро-
двигателя
Мощность Рдв, кВт, и частота вращения nдв, мин-1
Момент
ПВ 15%
ПВ 25%
ПВ 40%
Тпуск,
Нм
Тмах,
Нм
Рдв
nдв
Рдв
nдв
Рдв
nдв
MTKF 011-6
2,0
780
1,7
835
1,4
875
42
42
MTKF 012-6
3,1
785
2,7
835
2,2
880
67
67
MTKF 111-6
4,5
825
4,1
850
3,5
885
104
105
MTKF 112-6
6,5
845
5,8
870
5,0
895
175
175
MTKF 211-6
10,5
800
9,0
84
7,5
880
210
220
Передаточные механизмы
В качестве передаточных механизмов в механических приводах используют крановые редукторы и открытые механические передачи.
Редукторы крановые– это тип специальных редукторов. Применяются на крановой технике и машинах, работающих в крановых режимах.
На кранах используются электродвигатели с относительно высокими оборотами – от 1500 до 750 оборотов в минуту, редукторы понижают скорость вращения двигателя в 10…40 раз.
Редукторы используются в механизмах подъема, передвижения и поворота крана.
Цилиндрические редукторы более просты в изготовлении и стоят дешевле червячных. Они применяются в случаях, когда валы передачи параллельны друг другу.
Червячные редукторы занимают меньше места при тех же значениях передаточных чисел, чем цилиндрические, и работают почти бесшумно.
Редуктор РМ(редуктор машиностроительный)это тип двухступенчатых цилиндрических редукторов общемашиностроительного назначения, представленных широким диапазоном передаточных чисел (от 8 до 50). Основная задача агрегата – увеличение крутящего момента при снижении прилагаемого усилия. Используется на кранах маленькой и средней грузоподъемности (до 10 тонн). Применимы для оборудования приводных механизмов колесных пар на кранах или грузовых тележках, а также на подъемных лебедках. Предназначены для эксплуатации в режимах фрагментарной нагрузки и хорошо переносят переменные изменения направления движения.Качественные и технические характеристики агрегата определяются положениями ГОСТ 15150-69.
а)
б)
Рисунок 10.6 – Редуктор типа РМ (а) и РК (б)
Редуктор РК(редуктор крановый) – представлен тремя типоразмерами. Является исключительно крановым редуктором, что видно из названия, но, по сути, является аналоговым редукторам РМ. Данные редукторы устанавливаются на приводах барабанов намотки троса кранов с высокой грузоподъемностью.
а)
б)
Рисунок 10.7 – Редуктор типа Ц2 (а) и РЦД (б)
Редукторы Ц2(цилиндрические двухступенчатые редукторы) – часто используются на механизмах передвижения и подъема кранов. Широкий диапазон типоразмеров редукторов, позволяет подобрать необходимый редуктор для использования как на малотоннажных кранах, так и на кранах грузоподъемностью свыше 200т. Основной особенностью редукторов Ц2 является шевронная первичная передача и усиленная тихоходная пара. Наличие этих особенностей делает редукторы данного типа более устойчивыми к износу при реверсивном использовании, а также при длительных постоянных нагрузках.
Редуктор РЦД(редуктор цилиндрический двухступенчатый) – имеет 3 типоразмера. Используется исключительно в механизмах передвижения кранов и тележек.
Рисунок 10.8 – Редуктор типа ВК и ВКУ
РедукторыВК и ВКУ (редукторы вертикальные крановые) имеют три ступени. Наличие третьей передачи позволяет редукторам данного типа иметь более высокий номинальный крутящий момент по сравнению с двухступенчатыми. Редукторы ВК и ВКУ используются на кранах в механизмах передвижения, как самих кранов, так и крановых тележек. В зависимости от характеристик крана подбирается необходимый типоразмер редуктора.
Лекция № 11 (2 часа)
МЕХАНИЗМПЕРЕДВИЖЕНИЯ
План лекции
11.1Механизмыпередвижения по рельсовым путям
11.2 Ходовые колеса.
11.3 Определения сопротивления передвижению крана
11.4 Проверка на прочность ходовых колес
Устройство и назначение механизма подъема груза
§ 26. Механизмы подъема груза
Строительные машины и оборудование > Специальные детали, сборочные единицы и механизмы строительных машин > § 26. Механизмы подъема груза
Основной раздел: Глава VIII. Основные механизмы строительных машин Дополнения к основному разделу:
§ 26. Механизмы подъема груза
§ 27. Механизмы вращения поворотной части машин и опорно-поворотные устройства
§ 28. Механизм изменения вылета крюка
§ 29. Механизмы передвижения и ходовые устройства
При помощи механизма осуществляют вертикальное перемещение груза, удержание его на весу и опускание в заданном месте на опорную поверхность.
Механизм подъема груза имеется в каждой грузоподъемной машине (кранах, подъемниках), а также в том или ином виде применяется в других машинах (экскаваторах, погрузчиках).
Имеются машины с несколькими механизмами подъема разной или одинаковой грузоподъемности. Стрелоподъемная лебедка стреловых кранов и экскаваторов выполняет функции, аналогичные тем, что выполняет грузоподъемный механизм, и по своему конструктивному устройству одинакова с ним.
На многих грузоподъемных механизмах (кранах, подъемниках) вертикальное перемещение грузозахватного устройства создается навиванием свободного конца канатного полиспаста на барабан, приводимый во вращение через систему передач двигателем или приводной рукояткой.
У пассажирских и грузовых подъемников (лифтов) перемещение грузоподъемной платформы 7, подвешенной на грузоподъемном канате 6, создается канатоведущими шкивами 3 и 4 (рис. 45
, а), один из которых приводится в движение от двигателя 2 и редуктора /. Для обеспечения постоянного натяжения каната с обжатием канатоведущих шкивов предусмотрен контргруз 5.
В последнее время в строительстве находят все большее применение грузопассажирские подъемники с зубчато-реечным механизмом (см. рис. 77
).
Когда высота подъема сравнительно невелика, применяются механизмы подъема с гидравлическим цилиндром и обратным канатным полиспастом (см. рис. 22
).
Кинематическая схема грузоподъемного механизма с двукратным полиспастом, применяемого у большинства кранов с электроприводом, приведена на рис. 45
, б.
Груз подвешивается стропами к грузовому крюку, закрепленному на подвижной обойме полиспаста 9. Неподвижная обойма полиспаста 8 и свободный конец грузоподъемного каната находятся на несущей конструкции машин. Сбегающая ветвь 7 каната проходит по отклоняющему блоку 6 и наматывается на барабан 5, приводимый во вращение электродвигателем / через систему передач редуктора 4. Для удержания груза на весу служит тормоз 3. Тормозной шкив тормоза одновременно является деталью соединительной муфты 2.
Пуск и остановка грузоподъемного механизма должны быть по возможности плавными, с тем чтобы не вызвать динамических нагрузок, а опускание груза в конечной стадии — замедленным для обеспечения сохранности груза и установки его без удара о поверхность.
Необходимая мощность двигателя механизма подъема зависит от грузоподъемности и скорости подъема и коэффициента полезного действия механизма.
Скорость подъема выбирается в зависимости от высоты подъема и заданной грузоподъемности. Обычно
при грузоподъемности 5 — 10 т скорость равняется 0,5 — 1 м/с, а при грузоподъемности более 10 т — от 0,1 до 0,25 м/с. Мощность двигателя прямо пропорциональна скорости подъема, поэтому при небольшой высоте подъема выбор высоких скоростей нецелесообразен.
а — с канатоведущими шкивами; б — с грузоподъемной лебедкой и полиспастом
По принятой по конструктивным соображениям кратности полиспаста определяют усилие на тяговом конце каната 5К и его скорость намотки Уокр.к на барабан
где т — кратность полиспаста; 11общ — общий к. п. д. полиспаста и направляющих блоков.
Частота вращения барабана (в мин-1) при однослойной навивке будет
и при многослойной навивке
Передаточное число редуктора
б при однослойной навивке крутящий момент на бара бане
при многослойной навивке
По передаточному числу и крутящему моменту на выводном валу подбирается редуктор из числа стандартных серий.
При Q грузе и q крюковой обоймы и скорости его подъема Vгр мощность двигателя
Для привода грузоподъемных механизмов принимаются электродвигатели трехфазного тока с фазовым
ротором серии МТ и при ненапряженной работе — двигатели с короткозамкнутым ротором серии МТК-
По каталогам выбираются двигатели соответствующей мощности и числа оборотов. В таблицах каталогов приводятся данные о перегрузочных способностях двигателя — ~ и маховом моменте ротора GD2.
Мком Выбранный электродвигатель необходимо проверить
на перегрузочную способность при работе в период неустановившегося движения под нагрузкой (пуск с подхватом груза).
Статический момент на валу двигателя (при однослойной навивке):
Динамический момент на валу двигателя от инерции поднимаемого груза (при V, м/с и t, с):
Динамический момент на валу двигателя от инерции вращающихся масс ротора двигателя и механизма:
Необходимый пусковой момент будет равен сумме статических и динамических моментов инерции груза и вращающихся масс
Значение вычисленного пускового момента должно быть ниже пускового момента двигателя, свойственного выбранному двигателю.
Тормоз обычно монтируется на наиболее быстроходном валу, в большинстве случаев на первом валу редуктора.
Крутящий момент на этом валу, подлежащий притормаживанию, определяется зависимостью
Тормозной момент, обеспечиваемый тормозом при коэффициенте запаса торможения Кз, составляет § 26. Механизмы подъема груза — (Все изображения)
Другие статьи из раздела «Специальные детали, сборочные единицы и механизмы строительных машин»:
· Глава IV. Канаты и цепи
§ 13. Канаты
§ 14. Цепи
· Глава V. Блоки, полиспасты и барабаны
§ 15. Блоки
§ 16. Полиспасты
§ 17. Барабаны и канато-укладчики
· Глава VI. Грузозахватные устройства
§ 18. Крюки, крюковые обоймы
§ 19. Стропы
§ 20. Захваты для штучных грузов, контейнеры, бадьи
§ 21. Грейферы
§ 22. Грузоподъемные электромагниты и вакуум-присосы
· Глава VII. Остановы и тормозные устройства
§ 23. Остановы (храповики)
§ 24. Тормоза и тормозные системы
§ 25. Безопасные рукоятки, грузоупорные тормоза
· Глава VIII. Основные механизмы строительных машин
§ 26. Механизмы подъема груза
§ 27. Механизмы вращения поворотной части машин и опорно-поворотные устройства
§ 28. Механизм изменения вылета крюка
§ 29. Механизмы передвижения и ходовые устройства
· Глава IX. Несущие конструкции
§ 30. Общие сведения
§ 31. Схема несущих конструкций машин
§ 32. Башни и стрелы
Основные характеристики оборудования
Выбор установки требует учёта особенностей её будущего применения, типа материалов и конструкций, с которыми она будет работать. К ключевым характеристикам грузоподъёмных машин относят следующие параметры.
Грузоподъёмность. Она показывает максимально допустимый вес, с которым техника сможет работать без перегрузок. При выборе рекомендуется изначально закладывать 15-процентный запас мощности агрегата, чтобы обеспечить большую надёжность и исключить вероятность возникновения ситуаций, связанных с повышенным износом привода механизмов.
Скорость перемещения, высота подъёма. Определяется исходя из особенностей технологического процесса и специфики выполняемых операций.
Вылет стрелы, пролёт для кранов. Эти параметры определяют расстояния, на которое возможно движение механизмов соответственно по отношению к оси вращения или между рельсами.
Доступные режимы работы. От них зависит продолжительность включения машин, коэффициент их использования.
Также принимают во внимание возможные ветровые нагрузки, если предполагается использование техники вне помещений. Этот параметр важен для того, чтобы исключить вероятность опрокидывания агрегата.
Разновидности
При поднятии решетки постели с матрасом необходимо приложить некоторые усилия. Для упрощения процесса производители используют различные механизмы. К наиболее распространенным относят:
Ручной. Основание кровати перемещается при помощи петель, которые фиксируются к одной из сторон спального места. Механизм отличается простотой, не нуждается в ремонте, характеризуется надежностью, долговечностью, доступной стоимостью. Эксплуатация конструкций доступна только взрослым людям, поскольку требует сильного физического воздействия.
Пружинный. Приспособление имеет небольшие габариты и вес по сравнению с ручной разновидностью, стоит недорого. Мебель рассчитана на 20 тысяч подъемов–опусканий, но со временем витые пружины теряют упругость, поэтому раз в 2–3 года их придется заменять новыми.
Газовые амортизаторы. Надежные, удобные в использовании устройства, состоящие из оси вращения, газлифтов и металлических пластинок. Конструкция поднимается и опускается бесшумно, безопасно, выдерживает высокие нагрузки, рассчитана на 70–90 тысяч рабочих циклов. Среди недостатков отмечают высокую стоимость, незначительное снижение эстетических свойств мебели, проблемы с визуальным определением качества приспособления.
Разновидности покрывал на кровать, идеи сочетания с интерьером Самым доступным и простым считается ручной механизм подъема кровати, однако для его работы требуются высокие физические усилия. Витые пружины прочные, удобные в эксплуатации, но не могут похвастаться долговечностью. Наиболее качественным и комфортным в использовании является газовый амортизатор. Помимо безопасности и надежности, он служит на протяжении долгого срока.
Ручной
Пружинный
Газлифт
Безопасность грузоподъемных машин
В первую очередь стоит обратить внимание на саму машину
Машина не может быть допущена к работе если:
Отсутствует аттестованный персонал;
Неисправны механизмы машины;
Неисправны тормоза механизмов машины;
Неисправна конструкция машины;
Истек срок эксплуатации.
Работающие на грузоподъемных машинах должны быть обеспечены средствами индивидуальной защиты.
Стоит отдельно отметить квалификацию персонала непосредственно участвующих в работе (крановщики, стропальщики и т.д.) и лиц ответственных за исправное состояние ГПМ или безопасное проведение работ по перемещению грузов. Аттестация этих лиц достаточна важна. В противном случае Вы рискуете жизнями людей. Лица осуществляющие данный вид деятельности должны быть:
Предельно собраны;
Уметь распознать проблему в эксплуатации;
Уметь и быть в состоянии оказать первую помощь.
Во вторую очередь стоит контролировать место проведения погрузочно-разгрузочных работ.
Не стоит начинать работу с ГПМ если:
Отсутствует достаточное освещение;
Отсутствуют сигнальные огни.
Устройство грузоподъемных машин
Устройство ГПМ сильно варьируется от подкласса и даже от конкретной модели.
Привод может быть:
Электрический;
Внутреннего сгорания.
Так же ГПМ могут быть оснащены механизмом самостоятельного или внешнего передвижения. На заводах и в горнодобывающей промышленности применяются не сколько циклические ГПМ, сколько машины непрерывного действия. Их особенностью является постоянная подача груза не нуждающегося в дополнительной сохранности и, как следствие, дополнительной тары.
Опциональные приспособления.
Всегда следите, чтобы все необходимые приспособления были в наличии в достаточном объеме. Служба снабжения должна точно знать расход дополнительных приспособлений и вовремя пополнять запасы расходных материалов.
Тема: Грузоподъемные машины
Советы по выбору
Поиск подходящей кровати с подъемным механизмом — несложная задача. Однако для приобретения качественной долговечной мебели потребуется учесть некоторые нюансы. При выборе важны следующие критерии:
Размеры. Односпальные модели изготавливают в виде компактной тахты, предназначенной для установки в углу. Изделия оснащают пружинными либо газовыми подъемниками, они отлично подходят для детей, подростков. В мебели с параметрами 140 × 200 см механизм располагается по всей длине, позволяя с комфортом отдыхать одному взрослому человеку. Большие двуспальные конструкции с параметрами 180 × 200 см рассчитаны на двоих людей. Несмотря на внушительные габариты, они помогают экономить свободное пространство в дневное время.
Режим эксплуатации. Учитывают регулярность поднятия спального места — ежедневно либо эпизодически.
Физические возможности пользователя. Односпальные модели с газовыми и пружинными системами актуальны для малышей, 140 × 200 см подойдут подросткам, трансформация двуспальных кроватей будет под силу взрослым людям.
Стоимость. Приобретение дорогих подъемных механизмов для кровати целесообразно только при регулярном использовании спального места. Если изделие поднимают редко, подойдут доступные ручные устройства.
Надежность. Самыми долговечными являются механизмы на петлях, что связано с их простотой. В них практически ничего не может сломаться, поэтому ремонт и замена деталей не потребуются. Элементы, выполненные из качественных материалов, способны служить на протяжении нескольких десятков лет.
Безопасность. Специалисты рекомендуют отдавать предпочтение механизмам, оснащенным блокираторами, которые защищают от самопроизвольного опускания спального места. Данный критерий особенно важен, если мебелью будет пользоваться ребенок.
Хотя популярностью пользуются подъемные механизмы итальянского производства, отечественная продукция тоже может быть качественной и долговечной. Выбирая подходящий вариант, необходимо обращать внимание на реальные отзывы потребителей.
В просторных спальнях идеально выглядят большие кровати на газовых амортизаторах. Оригинальным дополнением интерьера станут модели с нестандартной конфигурацией: круглой, овальной, с крупным мягким изголовьем. Для маленьких комнат подойдут шкафы-кровати либо модели с горизонтальным подъемом. В детской не нужна габаритная мебель, оптимальным решением станет односпальная конструкция.
Практичные и уютные стеганые покрывала на кровати разных размеров
При регулярном использовании подъемного механизма лучше отдать предпочтение дорогостоящей качественной фурнитуре
Физически слабым людям рекомендуется остановиться на модели с газовыми амортизаторами
Самыми долговечными являются механизмы на петлях
Более безопасными считаются механизмы с блокираторами
Требования безопасности при подъёме и перемещении грузов грузоподъёмными механизмами
Масса груза, подлежащего подъёму, должна быть определена до начала его подъёма.
Нагрузка на грузоподъёмные механизмы и съемные грузозахватные приспособления не должна превышать их грузоподъёмности.
Для грузов, у которых имеются петли, цапфы, рымы, разрабатываются схемы их строповки. Для грузов, не имеющих таких устройств, разрабатываются способы строповки, которые должны быть указаны в планах производства работ. Схемы строповки наиболее часто встречающихся грузов вывешиваются на рабочих местах.
Подъем груза, на который не разработана схема строповки, производится в присутствии и под руководством лица, ответственного за безопасное производство работ кранами.
Грузы, подвешиваемые к крюку грузоподъёмного механизма, должны быть надёжно обвязаны так, чтобы обеспечивалось устойчивое положение груза при перемещении.
Для обвязки предназначенного для подъёма груза применяются чалочные приспособления, соответствующие массе и специфике поднимаемого груза.
Канаты или цепи должны накладываться на поднимаемый груз равномерно, без узлов и перекруток. На острые грани поднимаемого груза под канат или цепь устанавливаются подкладки, предохраняющие стропы от повреждений.
Строповка поднимаемого груза за выступы, штурвалы, штуцера и другие устройства, не рассчитанные для его подъёма, не допускается.
Забракованные съемные грузозахватные приспособления, а также не имеющую бирки (клейма) немаркированную и поврежденную тару оставлять в местах производства работ не допускается.
Из зоны работ по подъёму и перемещению грузов должны быть удалены лица, не имеющие прямого отношения к проводимым работам.
В зоне перемещения грузов все проемы должны быть закрыты или ограждены и вывешены предупреждающие знаки безопасности.
Подъем тяжёлого груза двумя или более полиспастами осуществляется под руководством лица, ответственного за безопасное производство работ кранами.
Груз для его перемещения в горизонтальном направлении должен быть предварительно поднят не менее чем на 0,5 м над встречающимися на пути предметами.
Опускать грузы разрешается на предварительно подготовленное место с исключением их падения, опрокидывания или сползания. Для удобства извлечения стропов из-под груза на месте его установки необходимо уложить прочные подкладки.
Опускать грузы на перекрытия, опоры и площадки без предварительной проверки прочности несущих конструкций не допускается.
Не допускается при работе грузоподъёмными механизмами:
оставлять груз в подвешенном состоянии;
поднимать, перемещать людей не предназначенными для этих целей грузоподъёмными механизмами;
производить подъём, перемещение грузов при недостаточной освещенности;
подтаскивать груз при наклонном положении грузовых канатов;
поднимать груз, масса которого превышает грузоподъёмность механизма, примерзший или защемленный груз, груз неизвестной массы;
оттягивать груз во время его подъёма, перемещения или опускания, а также выравнивать его положение собственной массой;
освобождать с помощью грузоподъёмного механизма защемленные грузом стропы, канаты, цепи;
работать с неисправными или выведенными из строя приборами безопасности и тормозной системы;
производить одновременно подъём и опускание двух грузов, находящихся в непосредственной близости.
Поднимать груз необходимо строго отвесно, крюк грузоподъёмного механизма следует устанавливать непосредственно над грузом.
В случае неисправности механизма, когда нельзя опустить груз, место под подвешенным грузом ограждается и вывешиваются плакаты «Опасная зона», «Проход закрыт».
Перед подъёмом груз необходимо приподнять на высоту не более 300 мм для проверки правильности строповки, равномерности натяжения стропов, устойчивости грузоподъёмного механизма и надёжности действия тормоза, и только после этого груз следует поднимать на требуемую высоту. Для исправления строповки груз должен быть опущен.
Направлять канат руками при наматывании его на барабан не допускается.
Подъем груза необходимо производить плавно, без рывков и раскачивания, не допуская его задевания и закручивания стропов.
При подъёме груза одновременно двумя лебёдками скорости навивки канатов на барабаны должны быть одинаковыми.
При работе с лебёдками с ручным рычажным приводом не допускается:
находиться в плоскости качания рычага и под поднимаемым грузом;
применять удлиненный (против штатного) рычаг;
переводить рычаг из одного крайнего положения в другое рывками.
При работе перемещаемый груз должен надёжно крепиться к крюку. Движение рукоятки обратного хода должно быть плавным, без рывков и заеданий; тяговый механизм и канат должны находиться на одной прямой.
Эксплуатация рычажных лебёдок не допускается:
а) при проскальзывании каната при изменении направления движения рукоятки прямого хода;
б) при недостаточном протягивании каната за один ход;
в) при свободном проходе каната в сжимах тягового механизма;
г) при резке предохранительных штифтов или фиксаторов.
При подъёме груза лебёдкой с электрическим приводом смену хода с прямого на обратный необходимо производить с остановкой лебёдки; при подходе груза к крайним положениям — с замедлением хода.
При сильном нагреве электродвигателя, катушек электромагнита, резисторов, подшипников; при сильном искрении щеток электродвигателя; при появлении дыма, запаха гари; при ощущении действия тока при соприкосновении с деталями лебёдки работа должна быть прекращена.
Механизм подъема груза мостового крана
Механизм передвижения с раздельным приводом нашел преимущественное распространение на мостовых балочных кранах общего и специального назначений пролетами более 15 м. Он состоит из двух или нескольких самостоятельных приводов, устанавливаемых на рабочих площадках моста вблизи концевых балок и служит для привода одного или нескольких ходовых колес. Применение раздельного механизма передвижения позволяет отказаться от длинных трансмиссионных валов, уменьшить затраты на монтаж и эксплуатацию. При раздельном приводе каждая концевая балка моста приводится в движение собственным приводом, а связь между приводами осуществляется через металлоконструкцию крана. Каждый привод состоит из электродвигателя, тормоза, редуктора и приводного ходового колеса.
Широкое применение в раздельных механизмах передвижения нашли компактные приводы, выполненные в виде навесного вертикального редуктора, устанавливаемого на шлицах вала приводного ходового колеса, и фланцевого электродвигателя. Тормоз устанавливают на подставке, закрепляемой на редукторе или соединительной муфте вала двигателя с редуктором.
Механизмы передвижения тележек мостовых кранов выполнены по схеме механизма передвижения крана с тихоходным трансмиссионным валом с центральным или с консольным расположением вертикального редуктора на раме тележки. Вращающий момент от электродвигателя через редуктор передается на трансмиссионный вал, связанный с цилиндрическими приводными ходовыми колесами, или передается непосредственно на приводное ходовое колесо тележки, которое трансмиссионным валом соединено с другим приводным колесом.
Рис. 3 – Общий вид раздельного привода механизма передвижения мостового крана: а — с вертикальным редуктором и зубчатой соединительной муфтой; б — с горизонтальным редуктором и быстроходным карданным валом
Для мостовых кранов и тележек грузоподъемностью до 50 т ходовая часть выполнена с четырьмя ходовыми колесами
В мостовых кранах механизм подъема груза размещен на крановой тележке. В зависимости от назначения крана тележки комплектуют одним, двумя или, весьма редко, тремя механизмами подъема: главным — на номинальную грузоподъемность и вспомогательными на грузоподъемность, меньшую номинальной в 3–5 раз для кранов средней грузоподъемности и в 4–10 раз для кранов большой грузоподъемности.
Этот механизм состоит из грузового каната, сбегающего с барабана и огибающего блоки крюковой подвески, обводные блоки и уравнительный блок, редуктора, снабженного тормозом, промежуточного быстроходного вала и приводного электродвигателя. Для выигрыша в тяговом усилии в механизмах подъема используют полиспаст, который представляет собой систему подвижных (в крюковой подвеске) и неподвижных (обводных) блоков. Механизмы подъема кранов грузоподъемностью 80…320 т выполняют по такой же схеме, отличаются они только наличием дополнительной понижающей зубчатой передачи или второго редуктора, с помощью которых выходной вал главного редуктора соединен с барабаном. При этом второй редуктор выполняет функцию быстроходной передачи. Колесо дополнительной зубчатой передачи жестко соединено с барабаном, а шестерня установлена на отдельном валу на опорах и присоединена к выходному валу основного редуктора с помощью зубчатой муфты или установлена на выходном валу редуктора. Для уменьшения консольной нагрузки, действующей на вал редуктора, используют дополнительную опору-кронштейн, присоединяемый к корпусу редуктора.
В механизмах подъема мостовых кранов используют нормальные и укороченные крюковые подвески для соединения грузового крюка с подъемным канатом.
В нормальной крюковой подвеске (рис. 5, а) крюк через гайку на хвостовике опирается на упорный подшипник, который через сферическую шайбу передает усилие с крюка на траверсу. Траверса шарнирно закреплена в серьгах и защитных щитках. В верхней части щитков и серег неподвижно установлена ось с блоками. Блоки могут вращаться в подшипниках. Между щитками установлена листовая скоба, предотвращающая выпадение из ручья блока каната, ослабленного при зачаливании груза. В зависимости от диаметра блока зазор между скобой и блоком составляет 0,15–0,3 диаметра каната. При нечетной кратности полиспаста между блоками на оси устанавливают уравнительный блок. Гайка стопорится планкой, входящей в прорезь крюка. Шайбы и кольца препятствуют вытеканию смазочного материала из полости подшипников.
Рис. 5 – Крюковые подвески: а — нормальная; б – укороченная
В металлургии и строительстве, в производственном цеху и на складе, на транспорте и в ремонтных мастерских, при работе с сыпучими и опасными грузами, для перемещения крупногабаритных грузов, неразборных узлов и многого другого применяются мостовые краны. Эта техника предназначена для интенсивной работы в самых разнообразных, порой, экстремальных условиях.
Назначение и конструкция мостового крана
Для перемещения грузов по цеху, складу, иному производственному помещению служит мостовой кран. По проложенным по стенам подкрановым путям передвигается крановый мост с закрепленной на нем грузовой тележкой, осуществляющей подъем и опускание груза.
По конструкции моста краны разделяются на:
Однобалочные. Мост состоит из одной балки двутаврового сечения, на концах которой установлены концевые балки с ходовыми колесами. В дополнение к основной грузовой тележке может устанавливаться дополнительная консольного типа. Краны этого типа отличаются небольшим весом, но и грузоподъемность у них, как правило, не превышает 10 т.
Двухбалочные. Конструктивно мост составлен из двух жестких балок с концевыми балками, снабженными ходовыми колесами. Грузовая тележка помимо основного, может оснащаться и вспомогательными грузоподъемными механизмами. Этот тип кранов имеет большую грузоподъемность, управление осуществляется из кабины или дистанционно.
На рисунке 1 представлена типовая кинематическая схема кранового механизма, включающая:
Электродвигатель (чаще всего используются асинхронные трехфазные двигатели).
Тормоз – обеспечивает остановку и фиксацию перемещаемого груза в любом положении.
Редуктор – понижает количество оборотов двигателя.
Барабан – служит для равномерного натяжения крановых тросов.
Полиспаст – одинарый или обойма из нескольких блоков, обеспечивающих эффективное распределение энергии от привода и выигрыш в скорости и силе.
Крюк – устройство для захвата груза.
Устройство мостового крана
Общее устройство мостового крана состоит из одно- или двухбалочного моста, перемещающейся по нему грузовой тележке. Как на мосту, так и на тележке установлено необходимое электрооборудование и механические узлы. Управляется механизм из подвесной кабины или с пульта, при нахождении оператора на полу цеха или вне рабочей площадки.
Монтаж подкрановых путей может осуществляться как на свободностоящей крановой эстакаде, так и с использованием пола, колонн, стропильных ферм цеха.
На фото устройство мостового крана Далее рассмотрим устройство различных механизмов мостового крана.
Тормозная система
Для удержания груза или контроля скорости его перемещения (спускной тормоз), остановки передвижения моста крана или грузовой тележки (спускной тормоз) служит тормозная система. Традиционно в подъемных механизмах используются замкнутые (закрытые) тормоза, блокирующие движение в нормальном состоянии. При нажатии на педаль или рукоять, механизм растормаживается. При аварийной ситуации, в случае поломки или остановки какого-либо узла крана, такой тормозной механизм автоматически срабатывает.
Более плавное и быстрое торможение обеспечивают колодочные тормоза.
Механизмы подъема
На крановой тележке расположен механизм подъема и опускания груза. В дополнение к основному, могут использоваться один или два вспомогательных механизма, грузоподъемность которых меньше грузоподъемности основного в 3-10 раз в зависимости от класса крана.
Составными частями любого из них являются:
Приводной электродвигатель.
Трансмиссионные валы.
Редуктор.
Грузовые тросы с барабаном для намотки.
Схема подъемного механизма мостового крана
Для работы с грузами более 80 т используется дополнительный редуктор или понижающая зубчатая передача. Для повышения тягового усилия применяется полиспаст, наиболее распространенной разновидностью которого является сдвоенный кратный. Благодаря ему трос наматывается равномерно на барабан с обоих концов, тем самым позволяя сбалансировать нагрузку на опоры барабана и всю пролетную часть моста.
Подкрановые пути
Назначение подкрановых путей – обеспечить равномерное распределение веса мостового крана на фундамент и перемещение крановой балки по этим путям. Для опорных однобалочных кранов с небольшой грузоподъемностью в качестве направляющих используются обычные железнодорожные рельсы. Для механизмов грузоподъемностью 20 и более тонн используют специальные крановые рельсы. Основанием для них чаще всего является стальная двутавровая балка.
Учитывая вес самого крана и груза, а также скорость перемещения по подкрановым путям, к качеству их установки должны применяться повышенные требования, исключающие возможность схода крана с рельсов. Для того, чтобы предотвратить это, ширина колес должна превышать ширину используемых рельсов. Так, при использовании цилиндрических колес, их ширина должна быть больше ширины рельса на 30 и более мм. Для конических колес это значение должно быть не менее 40 мм.
Укладка рельсов должна производиться с тепловым зазором, а также обеспечиваться перепад высот на них не более 2 мм. При больших значениях возникает сильная ударная нагрузка на колеса.
Электрообрудование
К электрооборудованию мостовых кранов предъявляются особые требования, среди которых режим работы, при котором в течение часа может производиться до нескольких сотен кратковременных включений и выключений, перегрузки, возникающие при разгоне и торможении крановой тележки и самого крана, изменение скоростей передвижения.
Перемещение моста и грузовой тележки, манипуляции с грузом обеспечивает основное электрооборудование мостового крана.
К электрооборудованию относятся:
Электродвигатели. Устанавливаются 3 или 4 двигателя, 2 из которых смонтированы на тележке для осуществления подъема/опускания груза, перемещения ее по балке моста, и 1 или 2 двигателя обеспечивают перемещение балки крана по подкрановым путям.
Управляющая аппаратура (реле, контроллеры, пускатели и т.д.).
Устройства электрозащиты (предохранители, автоматические выключатели и т.д.).
Устройства, обеспечивающие работу тормозной системы крана.
Электросхема мостового крана
К вспомогательному электрооборудованию относятся осветительные приборы, системы отопления кабины, звуковая и проч. сигнализация, и т.п.
Электропитание крана обеспечивается двумя способами:
Троллейная линия. Чаще всего используется с кранами большой грузоподъемности. Для обеспечения безопасности, троллейная шина должна располагаться на высоте минимум 3.5 м от пола и не менее 2.5 метров до настила моста. Грузовая тележка получает питание от собственной троллейной линии, смонтированной на балке моста.
Кабельная система. Это гибкий электрический кабель, для предотвращения повреждения которого при перемещении крана или тележки используются каретки для подвешивания.
Устройство и назначение механизма подъема груза
Для того, чтобы переместить массивный груз с одного места на другое применяется механизм подъема груза. Как правило, данное устройство устанавливается на специализированный транспорт, благодаря чему появляется возможность доставки механизма в то место, где возникает необходимость в перестановке груза.
Подъемный механизм проектируется таким образом, чтобы он имел возможность выполнить свое функциональное предназначение, которое заключается в том, чтобы поднять груз на заданную высоту, удержать поднятый груз необходимое количество времени, после чего плавно опустить груз на предназначенное для этого место. Для того, чтобы механизм подъема смог выполнить указанные функции его комплектуют следующими узлами и агрегатами.
В зависимости от того, на какую высоту будет подниматься груз, механизм подъема груза комплектуется барабаном или гидравлическим подъемником. Барабан предназначен для наматывания при помощи редуктора и электродвигателя троса, к которому крепится груз. Соответственно подъемные устройство барабанного типа применяются для поднятия грузов на значительную высоту. Если механизм планируется использовать для поднятия груза на высоту не более двух метров, то его снабжают гидравлическими подъемниками.
В каждом подъемном устройстве, кроме системы механизмов для поднятия груза, имеется тормозной штифт. Эта часть подъемного механизма предназначена для того, чтобы имелась возможность удерживать груз в подвешенном состоянии. Кроме этого тормозной штифт способствует плавному опусканию груза в заданную точку. Таким образом, благодаря наличию в подъемном механизме тормозного штифта при работе с грузом тратиться на порядок меньше энергии, сама работа по поднятию груза становится безопасней.
Кроме указанных выше узлов и механизмов в подъемном устройстве присутствует большое количество и других узлов и агрегатов, работа которых направлена на то, чтобы подъемный механизм смог в полной мере исполнять свое предназначение. В частности каждый подъемный механизм снабжается устройством для надежного крепления груза. Это устройство может быть представлено крюком крана, или гидравлическими лапами погрузчика.
Стоит отметить, что подъемные механизмы имеют различную скорость работы. Это зависит от того, насколько мощным является двигатель подъемного механизма. Чем мощнее двигательная установка, тем быстрее груз поднимется, но при этом скорость подъема груза будет в немалой степени зависеть и от того, какой вес имеет поднимаемый груз. Это необходимо учитывать при выборе подъемного механизма.
Формула полезной модели
1. Механизм подъема груза мостового крана, преимущественно для объектов использования атомной энергии, содержащий два барабана, два электродвигателя, сдвоенный редуктор, быстроходные валы которого связаны с валами электродвигателей, а тихоходные валы – с барабанами, два тормоза, установленные на быстроходных валах редуктора, грузоподъемную тележку, грузозахват и два полиспаста, канаты которых запасованы через блоки, закрепленные на грузоподъемной тележке и на подвеске грузозахвата, и прикреплены одними концами к барабанам, отличающийся тем, что он снабжен тремя парами блоков полиспастов, которые закреплены на одном из торцов и в средней части пролетного строения крана, датчиками ограничения грузоподъемности, датчиками крайних положений грузозахвата, которые взаимодействуют с осями барабанов, устройством контроля скорости вращения барабанов и двуплечим уравновешивающим рычагом, закрепленным своей средней частью на втором торце пролетного строения, при этом сбегающие с барабанов канаты полиспастов запасованы последовательно через блоки, закрепленные в средней части пролетного строения, на одном торце пролетного строения, затем через блоки, закрепленные на грузонесущей тележке и подвеске грузозахвата, и вторыми своими концами прикреплены к противоположным плечам двуплечего уравновешивающего рычага, а барабаны, редуктор, электродвигатели и тормоза смонтированы на площадке, жестко прикрепленной к пролетному строению крана.
2. Механизм подъема груза мостового крана по п.1, отличающийся тем, что датчики ограничения грузоподъемности вмонтированы в оси закрепленных на торце пролетного строения блоков полиспастов.
Механизм подъема груза
Механизмы подъема груза располагаются на крановой тележке. Механизмы подъема груза располагаются на крановой тележке. Все тележки комплектуют несколькими механизмами подъема груза. Это для тяжелых грузов, средних и совсем легких.
Механизмы подъема зависят от назначения крана, какие грузы он поднимает, на какую высоту и каким весом. Например, если груз поднимают при помощи крюков, то используют один механизм подъема груза.
Этот механизм предполагает наличие:
тормоза;
барабана;
грузового каната;
блоков;
редуктора;
трансмиссионного вала;
электродвигателя с приводом.
Подъемы, предназначенные для более тяжелых грузов, имеют такую же конструкцию, только дополнительно могут иметь еще один редуктор.
Если груз поднимают на большую высоту, то длина каната, который накручивается на барабан, может увеличиваться. Она будет значительно больше того каната, который будет накручен в один слой. Если все же необходимо использовать такой длинный канат, то в такой момент используют специальные механизмы, которые называются канато-укладчиками. Благодаря таким канато-укладчикам весь длинный канат равномерно накрутится на барабан и получится красивый слой каната. В свою очередь они бывают винтовые, кривошипные, кулачковые и другие канато-укладчики.
Динамический анализ грузоподъемных механизмов
ВЛАДИЧ, Йован, МАЛЕШЕВ, Петар, ШОСТАКОВ, Ратислав, БРКЛЯЧ, Никола.
Динамический анализ грузоподъемных механизмов.
Стройнишки вестник - Машиностроительный журнал , [С.л.], т. 54, № 10, с. 655-661, август 2017 г.
ISSN 0039-2480.
Доступно по адресу: . Дата обращения: 14 сен. 2022.
дои: http://dx.doi.org/.
Владич Ю., Малешев П., Шостаков Р. и Бркляч Н.
(2008).
Динамический анализ грузоподъемных механизмов.
Стройнишки вестник - Машиностроительный журнал, 54 (10), 655-661.
doi:http://dx.doi.org/
@статья{.,
автор = {Йован Владич и Петар Малешев и Ратислав Шостаков и Никола Бркляч},
title = {Динамический анализ грузоподъемных механизмов},
журнал = {Стройнишки вестник - Машиностроительный журнал},
громкость = {54},
число = {10},
год = {2008},
ключевые слова = {лифты; шкивы; динамические модели; изменение длины веревки; анализ устойчивости движения; },
abstract = {В данной статье рассматривается проблема динамического поведения грузоподъемного механизма (например, лифта). При значительных высотах подъема применяются высокоскоростные устройства с целью сокращения продолжительности цикла и увеличения грузоподъемности. В таком случае стандартная процедура динамического анализа неприменима. В статье предлагается процедура построения соответствующей динамической модели и соответствующих уравнений. Это позволяет анализировать соответствующие воздействия, такие как изменение длины каната в свободном состоянии, проскальзывание эластичного каната по барабану или шкиву и демпфирование из-за внутреннего трения каната.},
номер = {0039-2480}, страницы = {655-661}, дои = {},
URL = {https://www.sv-jme.eu/article/dynamic-analysis-of-the-load-lifting-mechanisms/}
}
Владич Ю., Малешев П., Шостаков Р., Бркляч Н.
2008 август 54. Динамический анализ грузоподъемных механизмов. Стройнишки вестник - Машиностроительный журнал. [Онлайн] 54:10
%A Владич, Йован
%A Малешев, Петар
%A Шостаков, Ратислав
%А Бркляч, Никола
%D 2008 г.
%T Динамический анализ грузоподъемных механизмов
%В 2008 г.
%9 лифтов; шкивы; динамические модели; изменение длины веревки; анализ устойчивости движения;
%! Динамический анализ грузоподъемных механизмов
лифты %K; шкивы; динамические модели; изменение длины веревки; анализ устойчивости движения;
%X В статье рассматривается проблема динамического поведения грузоподъемного механизма (например, лифта). При значительных высотах подъема применяются высокоскоростные устройства с целью сокращения продолжительности цикла и увеличения грузоподъемности. В таком случае стандартная процедура динамического анализа неприменима. В статье предлагается процедура построения соответствующей динамической модели и соответствующих уравнений. Он позволяет анализировать соответствующие воздействия, такие как изменение длины каната в свободном состоянии, проскальзывание эластичного каната по барабану или шкиву и демпфирование из-за внутреннего трения каната.
%U https://www.sv-jme.eu/article/dynamic-analysis-of-the-load-lifting-mechanisms/
%0 Журнальная статья
%Р
%& 655
%Р 7
%J Стройнишки вестник - Машиностроительный журнал
%V 54
%N 10
%@0039-2480
%8 21 августа 2017 г.
%7 21 августа 2017 г.
Владич, Йован, Петар Малешев, Ратислав Шостаков и Никола Бркляч.
«Динамический анализ грузоподъемных механизмов». Стройнишки вестник - Машиностроительный журнал [Онлайн], 54.10 (2008): 655-661. Веб. 14 сент. 2022
TY - JOUR
AU - Владич, Йован
AU - Малешев, Петар
AU - Шостаков, Ратислав
AU - Бркляч, Никола
ПГ - 2008 г.
TI - Динамический анализ грузоподъемных механизмов
JF - Стройнишки вестник - Машиностроительный журнал
ДЕЛАТЬ -
КВ - лифты; шкивы; динамические модели; изменение длины веревки; анализ устойчивости движения;
N2 - В статье рассматривается проблема динамического поведения грузоподъемного механизма (например, лифта). При значительных высотах подъема применяются высокоскоростные устройства с целью сокращения продолжительности цикла и увеличения грузоподъемности. В таком случае стандартная процедура динамического анализа неприменима. В статье предлагается процедура построения соответствующей динамической модели и соответствующих уравнений. Он позволяет анализировать соответствующие воздействия, такие как изменение длины каната в свободном состоянии, проскальзывание эластичного каната по барабану или шкиву и демпфирование из-за внутреннего трения каната.
УР - https://www. sv-jme.eu/article/dynamic-analysis-of-the-load-lifting-mechanisms/
@статья{{}{.},
автор = {Владич, Ю., Малешев, П., Шостаков, Р., Бркляч, Н.},
title = {Динамический анализ грузоподъемных механизмов},
журнал = {Стройнишки вестник - Машиностроительный журнал},
громкость = {54},
число = {10},
год = {2008},
дои = {},
URL = {https://www.sv-jme.eu/article/dynamic-analysis-of-the-load-lifting-mechanisms/}
}
ТУ - ЖУР
AU - Владич, Йован
AU - Малешев, Петар
AU - Шостаков, Ратислав
AU - Бркляч, Никола
21 августа 2017 г.
TI - Динамический анализ грузоподъемных механизмов
JF - Стройнишки вестник - Машиностроительный журнал; Том 54, № 10 (2008): Стройнишский вестник - Машиностроительный журнал
ДЕЛАТЬ -
KW - лифты, шкивы, динамические модели, изменение длины каната, анализ устойчивости движения,
N2 - В статье рассматривается проблема динамического поведения грузоподъемного механизма (например, лифта). При значительных высотах подъема применяются высокоскоростные устройства с целью сокращения продолжительности цикла и увеличения грузоподъемности. В таком случае стандартная процедура динамического анализа неприменима. В статье предлагается процедура построения соответствующей динамической модели и соответствующих уравнений. Он позволяет анализировать соответствующие воздействия, такие как изменение длины каната в свободном состоянии, проскальзывание эластичного каната по барабану или шкиву и демпфирование из-за внутреннего трения каната.
УР - https://www.sv-jme.eu/article/dynamic-analysis-of-the-load-lifting-mechanisms/
Владич, Йован, Малешев, Петар, Шостаков, Ратислав, И Бркляч, Никола.
«Динамический анализ грузоподъемных механизмов» Стройнишский вестник - Журнал машиностроения [Онлайн], Том 54, номер 10 (21 августа 2017 г.)
[PDF] Динамический анализ грузоподъемных механизмов
ID корпуса: 114867428
@article{Vladi2008DynamicAO,
title={Динамический анализ грузоподъемных механизмов},
автор = {Йован Влади {\ 'c} и Петар Малешев и Растислав {\ vS} Остаков и Никола Бркляц},
журнал = {Стройный {\ vs} ки вестник},
год = {2008},
объем = {54},
страницы = {655-661}
}
Й. Владич, П. Малешев, Никола Бркляц
Опубликовано в 2008 г.
Машиностроение
Стройнишский вестник
В статье рассматривается проблема динамического поведения грузоподъемного механизма (например, подъемного механизма). При значительных высотах подъема применяются высокоскоростные устройства с целью сокращения продолжительности цикла и увеличения грузоподъемности. В таком случае стандартная процедура динамического анализа неприменима. В статье предлагается процедура построения соответствующей динамической модели и соответствующих уравнений. Это позволяет анализировать соответствующие влияния…
sv-jme.eu
Динамический анализ грузоподъемных машин и корреляция с результатами измерений
Владич, Р. Джокич, Хотимир мл. Ličen
Машиностроение
2015
В статье представлены вопросы динамического анализа машин вертикального транспорта типа шахтных элеваторов, используемых при подземной разработке сырья. Динамические проявления особенно…
ЭКСПЕРИМЕНТАЛЬНЫЙ МЕТОД ОБЗОРА ДЛЯ ОПРЕДЕЛЕНИЯ ДИНАМИЧЕСКИХ ПАРАМЕТРОВ ВЕРТИКАЛЬНОГО ТРАНСПОРТА
Р. Джокич, Й. Владич, Д. Живанич
Инженерия, материаловедение
2017
с подземной добычей сырья. Основные параметры,…
МОДЕЛИРОВАНИЕ И МОДЕЛИРОВАНИЕ ДИНАМИЧЕСКОГО ПОВЕДЕНИЯ ЛИФТА
Й. Владич, Р. Докич, М. Кляин, Мирко Каракасич
Машиностроение
2011
Лифты с электроприводом представляют собой особую группу транспортных машин для вертикального подъема груза с напряженными динамическими характеристиками. Особое внимание следует уделить поведению этих…
Теоретический и экспериментальный анализ динамических характеристик шахтного элеватора
Й. Владич, М. Йованович, Р. Докич, М. Кляин, Мирко Каракасич
Машиностроение
4
2015
В статье представлены вопросы динамического анализа шахтных элеваторов, применяемых при подземной разработке сырья. Динамические проявления особенно подчеркнуты в тех лифтах, которые связаны с…
Разработка динамико-математической модели гидравлического экскаватора
Д. Вуйич, Ольгица Лазаревич, Воислав Батинич
Машиностроение
Эта работа посвящена анализу
4 динамическое поведение гидравлического экскаватора на основе разработанной динамико-математической модели. Расширена математическая модель с максимум пятью степенями свободы…
Анализ колебательных движений канатов подвески лифта с параболическим моделированием скорости и непрерывным торможением Для обеспечения безопасности пассажиров и бесперебойной работы лифты выигрывают от моделирования скорости. В работе проводится сравнение эволюции кинематических параметров (ускорение, скорость,…
Анализ и контроль вибрации канатов высотного лифта при землетрясении
В этом исследовании одновременно исследуется вибрация канатов лифта, включая основной канат и компенсационный канат в системе высотного лифта при землетрясении. Кроме того,…
Анализ и оценка динамической реакции на пассажиров при экстренном торможении лифта
Т. Магиера, П. Кулага, Кая Войцик
Инженерное дело
2017
Манекен Hybrid III при экстренном торможении пассажирского лифта и влияние временных ускорений на здоровье пассажира.
ADEQUACY EVALUATION OF THE SYNTHESIS OF MATHEMATICAL MODELS FOR ONE CLASS OF LINEAR DYNAMIC SYSTEMS WITH PARAMETERS, VARIABLE IN TIME AND IN SPACE
B. Mokin, O. Mokin, O. Kryvonis
Engineering
2020
Доказана адекватность синтезированных авторами данной работы математических моделей, включающих систему подъема и опускания груза краном в случае учета влияния продольных колебаний, возникающих в тросе подъемного механизм, и смещение во времени момента инерции вращающихся масс, приведенных к валу двигателя.
Изучение положения кабины лифта во время торможения
М. Унгуряну, И. Крэчун, М. Баница, А. Дэскэлеску
Физика, инженерия
2016
5 9 положение кабины лифта на период ее торможения заключается в установлении корреляции между исследованиями в области механики и электрики. The classic…
Travelling load response of an axially moving string
J. Wickert, C. D. Mote
Engineering, Physics
1991
STABILITY ANALYSIS OF AN AXIALLY ACCELERATING STRING
M. Pakdemirli, A. G. Ulsoy
Физика
1997
Исследован динамический отклик аксиально ускоряющейся струны. Предполагается, что зависящая от времени скорость изменяется гармонически относительно постоянной средней скорости. Приближенные аналитические решения…
Символьно-числовой анализ колебаний систем со многими степенями свободы
Р. Кулвиетене, Г. Кулвиетис, И. Тумасонене
Информатика
2006
Специально выбранный символьно-нумерический подход
5 системам со многими степенями свободы, дает различные преимущества: это приводит к упрощению теоретической формулировки моделей, значительному уменьшению размера генерируемых уравнений и, следовательно, к результирующему времени вычислений, а также к повышенной переносимости модели. многотельных моделей в другие конкретные среды.
Introduction to the Special Functions
D. S. Mitrinovic
Mathematics
1974
Characteristics o f Power Transmission in Systems with Driving Pulley
Introduction to mechanics of elastic bodies with variable lenght
1971
Теория колебаний, Новисадский университет, Факультет технических наук, (на сербском языке)
1977
Коэффициент зависимости демпфирования каната от его груза
Стальная проволочная карава,
1968
Характеристики передачи электроэнергии в системах с вождением шкива, журнал.
Симпозиум по зубчатым передачам и силовым передачам, Токио, 30 августа — 3 сентября, Vol. II. [S
JSPE,
1981
Общие сведения о пневматических и гидравлических подъемниках
Примеры доступных типов подъемников, включая стреловые, ножничные и вертикальные мачтовые подъемники.
Изображение предоставлено: WINS86/Shutterstock.com
Пневматические и гидравлические подъемники — это два типа подъемников, которые широко используются в промышленности благодаря их высокой грузоподъемности, большому диапазону выдвижения и экологической универсальности. Хотя доступно несколько классификаций лифтов, в большинстве жилых, коммерческих и промышленных помещений подъемное действие обычно выполняется с помощью пневматического или гидравлического механизма. Однако механические подъемники также доступны для приложений, не подходящих для пневматических или гидравлических подъемников, например, требующих ограниченного диапазона, но точного движения и бесшумной работы.
Помимо классификации по подъемному механизму, некоторые из других вариантов конструкции подъемников включают электрическую, газовую, дизельную или пропановую систему питания, переносные или стационарные, шарнирно-сочлененные или телескопические, устанавливаемые на прицепе или грузовике, а также легкие или тяжелые . Основываясь на этих различных конструктивных характеристиках, доступен широкий выбор этих подъемных устройств для широкого спектра жилых, коммерческих и промышленных применений, включая доступность, техническое обслуживание и ремонт, погрузочно-разгрузочные работы, перемещение персонала, транспортировку, а также разгрузку и погрузку.
Несмотря на то, что доступно несколько разновидностей подъемников, в этой статье основное внимание уделяется пневматическим и гидравлическим подъемникам, изучению различных доступных конструкций и типов и объяснению их соответствующих функций и механизмов. Кроме того, в этой статье изложены соображения по выбору и общие области применения для каждого типа подъемника.
Гидравлический подъемник: что такое (и что нет) подъемник?
Прежде чем углубляться в детали и различия между конкретными классификациями пневматических и гидравлических подъемников, сначала необходимо понять, что такое подъемники, в частности, что можно и что нельзя считать подъемником.
Существует несколько различных типов подъемного оборудования и устройств с похожими механизмами, функциями и названиями, включая подъемники. Термин «подъемники» является общим термином, относящимся к оборудованию, используемому в основном для подъема и опускания объектов, таких как товары, грузы, люди и машины, в жилых, коммерческих и промышленных целях. Помимо подъемников, к другому подъемному оборудованию и устройствам также относятся тали, лебедки, краны, подъемники, приводы, позиционеры, манипуляторы, подъемники и домкраты. Как описано ниже, каждый из них способен поднимать объект, но их точный механизм, функция или промышленное применение могут отличаться от таковых у подъемников, в результате чего они классифицируются как отдельная категория подъемного оборудования.
Электрический гидравлический рабочий позиционер
Изображение предоставлено: Unidex Inc.
Направление и приложение подъемной силы
Независимо от типа подъема сила, которая поднимает объект, прикладывается снизу, толкая объект вверх от земли. Это происхождение и направление силы отличают их от других подъемных устройств, таких как подъемники, лебедки, краны или подъемники, где подъемная сила обычно возникает над поднимаемым объектом, тянет объект вверх с земли. В любом случае приложение силы допускает вертикальное, а в некоторых случаях и горизонтальное смещение объекта, с разницей в том, приводит ли сила к толкающему или тянущему движению.
Изображение предоставлено: kasarp studio/Shutterstock.com
Масштаб и величина смещения
Подъемники
обычно работают на макроуровне, что означает, что они используются для подъема более крупных объектов и перемещения объектов на более значительные расстояния, чем другие устройства, такие как приводы и позиционеры. Хотя эти последние устройства могут создавать толкающие силы, некоторые из их применений находятся на микроуровне, включая более мелкие объекты и производя относительно небольшое перемещение (часто измеряемое в микронах). Кроме того, лифты могут включать исполнительные компоненты в конструкцию подъемного механизма, чтобы способствовать созданию подъемной силы, но приводы сами по себе не являются лифтами. Манипуляторы, хотя и способны работать в масштабе макроуровня, также обычно не перемещают объекты на большие расстояния, а только изменяют ориентацию объекта в его исходном местоположении или перемещают объект в пределах небольшой замкнутой области.
Прецизионный шарико-винтовой привод.
Изображение предоставлено: Nordroden/Shutterstock.com
Характеристики подъемных компонентов
Подъемники, хотя и почти идентичные по названию, относятся к категории подъемного оборудования, отдельной от подъемников. Чтобы поднять объект, в подъемниках используется базовый компонент (например, платформа или рычаги), на котором держится объект, и механизм, который создает восходящую толкающую силу на объект. Вместе эти компоненты подъема обеспечивают вертикальное перемещение объекта. Подъемники также могут вызывать вертикальное смещение объекта. Однако подъемники, например, использующие вакуумное давление или подъемные магниты, обычно должны быть физически прикреплены к объекту, чтобы механизм поднимал его тянущим движением, или, в случае ручных подъемников, требуют, чтобы пользователь прилагал усилие, которое поднимает объект. объект самостоятельно, а не использовать подъемный механизм.
Электромагнитный подъемник.
Изображение предоставлено: mipan/Shutterstock.com
Промышленное описание грузоподъемного оборудования
Домкраты
, такие как бутылочные и барабанные домкраты, могут использовать аналогичные подъемные механизмы и используются в тех же приложениях, что и лифты. Однако, несмотря на это сходство, промышленные стандарты обычно относят домкраты к категории подъемного оборудования и устройств, отдельной от лифтов. Поэтому следующая статья не будет касаться домкратов.
Гидравлический автомобильный домкрат.
Изображение предоставлено: Andrey_Popov/Shutterstock.com
Пневматические и гидравлические подъемные механизмы
Теперь, когда было получено общее представление о том, что такое подъемники, а что нет, можно дать более подробное описание и детали некоторых более конкретных классификаций, т. е. пневматических и гидравлических подъемников.
Подъемники используют различные приводные компоненты и механизмы для создания толкающей вверх силы, необходимой для подъема объекта. Три основных типа приводов, встроенных в конструкции лифтов, — это пневматические, гидравлические и механические, причем первые два используются в качестве наиболее распространенных механизмов.
Пневматические подъемники
Пневматические подъемники используют подъемный механизм, который включает в себя полый цилиндр и поршень. Внешний двигатель или насос перемещает поршень внутри цилиндра, увеличивая внутреннее давление воздуха и заставляя цилиндр двигаться вдоль оси поршня. Движение цилиндра вдоль оси создает линейную силу, которая затем используется для удлинения компонентов подъемника, поднимая или опуская объект.
Преимуществом использования пневматических подъемников является их общая универсальность. Многие модели пневматических подъемников не требуют электричества и могут использоваться в различных условиях, в том числе при экстремальных температурах и во взрывоопасных зонах. Кроме того, пневматические механизмы недороги по сравнению с электрическими и гидравлическими, имеют точность в пределах +/-0,1 дюйма и могут генерировать подъемную силу порядка десятков тысяч фунтов силы (фунт-сила).
Несмотря на эти преимущества, пневматические подъемники ограничены как размером привода, так и требованиями к компрессору. На протяжении всего процесса подъема необходимо поддерживать рабочее давление, что делает пневматические подъемники менее эффективными, чем другие типы подъемников. Это постоянное давление требует постоянного потока сжатого воздуха, что также увеличивает общие эксплуатационные расходы. Кроме того, пневматические приводы обычно рассчитаны на конкретное применение, что ограничивает универсальность конкретного подъемника спецификациями и требованиями исходного применения.
Гидравлические подъемники
В гидравлических подъемниках используется подъемный механизм, аналогичный пневматическому подъемнику, за исключением того, что вместо сжатия воздуха гидравлический механизм сжимает жидкость (например, гидравлическое масло) для увеличения внутреннего давления внутри цилиндра. Как и в пневматических лифтах, увеличение внутреннего давления вызывает прямолинейное движение исполнительного цилиндра, который, в свою очередь, поднимает или опускает платформу и, следовательно, объект.
Гидравлические подъемные механизмы способны создавать усилие, в 25 раз превышающее усилие, создаваемое сопоставимыми пневматическими подъемными механизмами. Кроме того, они могут поддерживать постоянными силу и крутящий момент без необходимости непрерывного потока жидкости, как в пневматических механизмах.
Однако, в отличие от пневматических и электрических подъемных механизмов, гидравлические механизмы имеют больший риск воздействия на окружающую среду, так как компоненты содержат гидравлическую жидкость, которая в случае утечки может нанести вред окружающей среде. Кроме того, гидравлические подъемные механизмы включают в себя несколько компонентов и деталей, что требует большего пространства.
Альтернативные решения для подъемных механизмов
Для применений, не подходящих для пневматических и гидравлических подъемников, механические подъемники представляют собой альтернативное подъемное решение. В этих подъемниках используется несколько различных механических компонентов в зависимости от модели, включая ручные кривошипы, шарико-винтовые пары, ходовые винты (или силовые винты) и реечные приводы, и они могут управляться вручную или приводиться в действие электродвигателем. В любом типе механического подъемника подъемный механизм функционирует путем преобразования радиального движения компонентов в линейное движение, которое затем проявляется как удлинение компонентов подъемника и подъем или опускание предполагаемого объекта.
Механические подъемники с электроприводом обеспечивают максимальный контроль, точность и аккуратность, а также позволяют масштабировать и повторять возможности подъема. По сравнению с пневматическими и гидравлическими механизмами электрические подъемные механизмы производят меньше шума и представляют меньший риск для окружающей среды из-за отсутствия в них жидкости. Однако электрические подъемные механизмы обычно дороже, а их грузоподъемность, например грузоподъемность, скорость и т. д., ограничены выбранным двигателем, сроком службы устройства и подходящими приложениями.
Таблица 1 – Преимущества и недостатки подъемных механизмов
Подъемный механизм
Преимущества
Недостатки
Пневматический
Высокая точность
Создает большую подъемную силу
Общая универсальность операционной среды
Отсутствие рисков для окружающей среды (от утечек)
Самая низкая начальная стоимость
Требуется постоянный расход/работа
Высокие эксплуатационные расходы
Ограниченная индивидуальная универсальность (в зависимости от размера привода)
Гидравлический
Создает большее усилие, чем пневматическое
Постоянная сила и крутящий момент
Не требует постоянного расхода/работы
Риск утечки в окружающую среду
Большая площадь охвата
Механический
Максимальный контроль, точность, аккуратность
Масштабируемые операции
Самая тихая работа
Отсутствие рисков для окружающей среды (от утечек)
Дороже
Грузоподъемность ограничена двигателем
Двигательная усталость от использования
Не подходит для опасных или легковоспламеняющихся применений
Характеристики конструкции лифта
Как указано выше, все подъемники способны производить восходящую толкающую силу, которая при воздействии на объект смещает его по вертикали, т. е. поднимает или «поднимает» его. Помимо этих общих квалификаций, доступно несколько вариантов характеристик конструкции подъемника, подходящих для широкого спектра применений, включая, как упоминалось ранее, тип используемого подъемного механизма. Помимо этой характеристики, другие основные варианты конструкции, которые может рассмотреть отраслевой специалист или агент по закупкам, включают:
Тип источника питания
Мобильность
Маневренность
Источник питания лифта
Источником энергии лифта обычно является двигатель (за исключением моделей с электрическим приводом), который обеспечивает необходимую мощность, приводящую в действие подъемный механизм (пневматический, гидравлический или механический) и, если применимо, систему привода. . В лифтах используется пять основных типов источников энергии:
Электрический
Дизель
Газ
Двухтопливный
Гибрид
Электрические подъемники
Лифты с электроприводом доступны как в стационарных, так и в мобильных моделях и, в зависимости от модели, используют энергию переменного или постоянного тока. Лифты с электрическим приводом, в которых используется конструкция без двигателя внутреннего сгорания, работающая от подключаемых модулей или аккумуляторов, являются единственным типом лифтов, обеспечивающим бесшумную работу без выбросов, что делает их подходящими для использования внутри помещений. Поскольку лифтовые батареи являются перезаряжаемыми, долгосрочные затраты на топливо для лифтов с батарейным питанием обычно меньше, чем для лифтов, работающих на топливе. Кроме того, конструкция подъемника обеспечивает более компактную конструкцию по сравнению с другими силовыми конструкциями, что упрощает навигацию, маневренность и хранение в закрытых или ограниченных пространствах.
Несмотря на то, что подъемники с электроприводом предлагают некоторые преимущества в отношении воздействия на окружающую среду, долгосрочных затрат и проблем с мобильностью, они ограничены размером платформы, вертикальным и горизонтальным удлинением и грузоподъемностью. Лифты с батарейным питанием также требуют интеграции зарядной станции и замены батарей каждые 2–5 лет — в зависимости от использования, состояния и технического обслуживания — по цене от 200 до 500 долларов. Хотя долгосрочные затраты на эти подъемники обычно дешевле, чем на подъемники, работающие на топливе, первоначальные затраты и затраты на техническое обслуживание относительно высоки.
Дизельные подъемники
В отличие от лифтов с электрическим приводом, подъемники с дизельным двигателем не являются экологически чистыми. Тем не менее, более новая технология дизельных двигателей, такая как двигатели Tier II, III и IV, предлагает высокую производительность, более длительные периоды эксплуатации и более низкий уровень выбросов выхлопных газов по сравнению со старыми моделями дизельных двигателей, при этом некоторые модели могут производить меньше выбросов. чем даже двухтопливные или бензиновые подъемники. Как правило, эти подъемники также имеют большую площадь платформы, больший диапазон вертикального и горизонтального выдвижения, более высокую грузоподъемность и лучшую тягу, чем подъемники с электрическим приводом. Эти преимущества делают подъемники с дизельным двигателем подходящими для использования на открытом воздухе и в условиях пересеченной местности, например, на строительных и промышленных площадках.
Хотя более новые модели производят меньше выбросов выхлопных газов, в целом дизельные подъемники производят больше выбросов и шума, чем электрические подъемники и другие подъемники с приводом от двигателя, такие как газовые подъемники или подъемники низкого давления. Эти ограничения делают их непригодными для большинства внутренних применений.
Дополнительные ограничения, связанные с подъемниками с дизельным двигателем, включают первоначальные и общие затраты. Хотя стоимость дизельного топлива, необходимого для работы дизельного двигателя, относительно невелика и составляет около 3–4 долларов США, но сам дизельный двигатель обычно требует больших капиталовложений и затрат на техническое обслуживание, чем другие источники энергии для лифтов. Некоторые модели с дизельным двигателем доступны с надбавкой в 5000 долларов по сравнению с моделями с бензиновым двигателем, при этом дополнительные расходы на замену масла, замену компонентов, а также техническое обслуживание и ремонт в течение срока службы двигателя оцениваются в тысячи долларов.
Газовые подъемники
В лифтах с бензиновым двигателем, как и в лифтах с дизельным двигателем, используется двигатель внутреннего сгорания (ВС), который производит выбросы во время работы независимо от типа топлива, хотя некоторые виды топлива могут производить меньше выбросов, чем другие, в процессе сгорания. Хотя по сравнению с подъемниками с электрическим приводом эти подъемники менее экологичны, они также могут использовать более крупные платформы, поднимать большие грузы и выдвигаться на большую высоту и длину. В лифтах с газовым приводом используются несколько типов газов, включая бензин, природный газ и пропан. В зависимости от требований и спецификаций подъемного оборудования каждый тип газа имеет свои преимущества и ограничения.
Бензин : Из-за ограниченного количества заправочных станций, а также развития и растущей популярности подъемников с жидким пропаном (LP) и двухтопливных подъемников бензиновые подъемники используются редко. Однако, если заправочные станции легко доступны и доступны, подъемники с бензиновым двигателем могут быть сопоставимы с другими подъемниками с двигателем. Кроме того, конструкция с газовым двигателем обеспечивает лучший обзор сзади по сравнению с конструкциями с двигателем LP, а также большую мощность, более быстрое перемещение и большую скорость подъема/опускания платформы по сравнению с конструкциями с дизельным двигателем.
Природный газ : Подобно подъемникам с бензиновым двигателем, подъемники, работающие на сжатом природном газе (СПГ), требуют легкого доступа к заправочным станциям, чтобы быть экономически эффективным решением для подъема. Однако высокая стоимость инфраструктуры, необходимой для заправочных станций КПГ, включая землю, оборудование, техническое обслуживание и установку, а также сложность получения необходимых разрешений и подачи газа, как правило, делают источники энергии КПГ неподходящими для бюджетов большинства грузоподъемных приложений.
При наличии адекватной и доступной инфраструктуры заправки СПГ по сравнению с другими видами топлива СПГ предлагает более экологичную альтернативу. Процессы сжигания, в которых используется СПГ, обычно производят меньше выбросов, и в случае утечки газа СПГ рассеивается в атмосфере в виде нетоксичных соединений, т. е. водяного пара и двуокиси углерода. В конструкциях подъемников, работающих на сжатом природном газе, также не требуется снимать баллон с сжатым природным газом во время процесса заправки, что позволяет сократить время простоя и участие оператора.
Пропан : Лифты, использующие сжиженный нефтяной газ, также известный как сжиженный пропан (LP), предлагают самые низкие начальные затраты, поскольку баллоны LP можно приобрести и хранить заранее. Замена пустых резервуаров также выполняется относительно быстро, что позволяет сократить время простоя между подъемными работами. Лифты с приводом от низкого давления подходят как для внутреннего, так и для наружного применения.
Двухтопливные подъемники
Как следует из названия, двухтопливные подъемники работают на двух разных видах топлива — газе и дизельном топливе. Преимуществом использования этих типов подъемников является их высокая топливная экономичность по сравнению с другими подъемниками, работающими на топливе. Кроме того, новые двухтопливные модели способны развивать большую мощность, чем модели, работающие только на дизельном топливе. Однако стоимость топлива, используемого для двухтопливных подъемников (как правило, жидкий пропан), сильно варьируется и составляет от 2 до 5 долларов США за галлон.
Лифты с гибридным приводом
Лифты с гибридным приводом используют комбинацию технологии двух разных типов источников энергии (обычно электрического и дизельного). В зависимости от типа гибридной модели, т. е. параллельной или последовательной, подъемник может питать либо один, либо оба источника питания, либо двигатель внутреннего сгорания действует как зарядный генератор для аккумуляторов подъемника, которые питают большинство функций подъемника, соответственно. В то время как последовательные модели менее дороги и имеют более компактную конструкцию, чем параллельные модели, параллельные модели могут производить большую мощность и обеспечивают большую гибкость и безопасность благодаря резервированию питания.
Как правило, модели гибридных подъемников способны работать в условиях длительного использования и тяжелых циклов и подходят как для внутреннего, так и для наружного применения. Возможность переключения только на электроэнергию обеспечивает большую универсальность рабочей среды, особенно для применения внутри помещений, где выбросы выхлопных газов должны быть ограничены, и для применения вне помещений, где заправочные станции труднодоступны. Однако за эти преимущества приходится платить, поскольку подъемники с гибридным приводом обычно дороже, чем сопоставимые модели с дизельным или газовым двигателем.
Таблица 2 – Преимущества и недостатки источников питания лифта
Источник питания
Преимущества
Недостатки
Электрический
Без выхлопных газов
Более тихая работа
Компактный дизайн
Подходит для ограниченного и закрытого пространства
Долгосрочные затраты на топливо ниже, чем у источников энергии на топливе
Ограниченная площадь платформы, диапазон выдвижения и грузоподъемность
Интеграция станции зарядки аккумуляторов
Замена батареи каждые несколько лет
Высокая стоимость аккумуляторов и зарядных устройств
Не подходит для влажной среды
Дизель
Более новые модели производят меньше выбросов
Большая площадь платформы, диапазон выдвижения и грузоподъемность по сравнению с электрическим
Подходит для использования вне помещений и пересеченной местности
Затраты на дизельное топливо ниже, чем на другие виды топлива
Имеет выбросы выхлопных газов
Шумнее электрического
Высокие первоначальные инвестиции и затраты на техническое обслуживание
Газ
—
—
Бензин
Обзорность заднего вида лучше, чем у LP
Больше мощности и больше скорости, чем у дизеля
Имеет выбросы выхлопных газов
Ограниченная доступность заправочных станций
Природный газ
Выбросы меньше, чем при использовании других видов топлива
Меньшее воздействие на окружающую среду (с утечками)
Меньше времени простоя и участия оператора при заправке
Имеет выбросы выхлопных газов
Ограниченная доступность заправочных станций
Высокая стоимость заправочной инфраструктуры
Пропан
Самая низкая начальная стоимость
Простая замена топливного бака
Подходит для использования внутри и снаружи помещений
Имеет выбросы выхлопных газов
Баки загораживают обзор сзади
Двухтопливный
Высокая топливная эффективность
Больше л. с., чем дизель
Имеет выбросы выхлопных газов
Переменная стоимость топлива
Гибрид
Подходит для внутреннего и наружного использования
Универсальность операционной среды
Подходит для длительного использования и тяжелых условий эксплуатации
Более высокая стоимость по сравнению с дизельными и газовыми моделями
Подъемник
В зависимости от используемого типа и технических характеристик подъемного оборудования подъемники бывают стационарными или мобильными.
Стационарные модели могут быть закреплены на месте, например, в случае доковых подъемников или подъемников для людей с ограниченными возможностями, или переносными, но работать в пределах одного места на протяжении всего подъемного приложения. В последнем случае подъемники не являются самоходными, и для их буксировки или доставки на место требуется вспомогательное транспортное средство, например, подъемники на прицепе или грузовике. Преимуществом стационарных подъемников является отсутствие затрат на топливо и более компактная конструкция (оба из-за того, что они не содержат собственного транспортного двигателя). Некоторые модели также оснащены гидравлическими выносными опорами, которые помогают в настройке и выравнивании.
Мобильные подъемники являются самоходными, что позволяет операторам регулировать свое положение при необходимости. Они доступны с несколькими типами приводных систем, в том числе:
полный привод
полный привод
Гусеничный привод
Привод на 2 колеса : Подъемники с приводом на 2 колеса более компактны и обычно используются внутри помещений. Однако, оснащенные колесами повышенной проходимости, они также могут использоваться на открытом воздухе. Эти подъемники ограничены по максимальной грузоподъемности, диапазону выдвижения и маневренности, но они компенсируют эти недостатки более быстрым временем зарядки или дозаправки и увеличенным временем работы.
Полноприводный : Полноприводные подъемники являются стандартом для большинства промышленных и строительных площадок, поскольку они предлагают большую площадь платформы, большую грузоподъемность и больший диапазон выдвижения. Другие конструктивные характеристики полноприводных подъемников включают улучшенный контроль тяги, возможности выравнивания и более высокие скорости подъема.
Гусеничный привод : Гусеничные подъемники используют комбинацию технологий стационарных и мобильных подъемников, т. е. их гидравлическое выравнивание и самоходные возможности соответственно. Доступные с колесами без резины или колесами повышенной проходимости и приводом на 4 колеса, эти подъемники подходят как для внутреннего, так и для наружного применения.
Полноприводный вилочный погрузчик.
Изображение предоставлено: Эдуард Валентинов/Shutterstock.com
Маневренность подъема
Существует несколько вариантов конструкции лифтов, которые могут улучшить их маневренность при выполнении подъемных работ, особенно в условиях ограниченного доступа или ограниченного пространства. Шарнирно-сочлененная и телескопическая конструкции стрелы являются двумя наиболее часто используемыми конструкциями.
Состоит из нескольких шарнирных и соединенных секций, шарнирно-сочлененные рычаги стрелы могут изгибаться и проходить вокруг препятствий и препятствий, поднимая платформу или объект в нужное положение. Кроме того, шарнирные подъемники обычно включают в себя компонент поворотной платформы, обеспечивающий полный поворот стрелы подъемника. Вместе эти два конструктивных элемента позволяют этим типам подъемников предлагать широкий диапазон рабочих высот и высокую степень гибкости.
Подъемные платформы на шарнирно-сочлененных подъемниках.
Изображение предоставлено: SteveWoods/Shutterstock.com
Как следует из названия, телескопические стрелы выдвигаются так же, как телескопы, с несколькими секциями, которые выдвигаются и втягиваются друг в друга. В отличие от шарнирных рычагов, телескопические рычаги выдвигаются прямо наружу, что ограничивает их способность поднимать платформу или объект, если путь перекрыт или иным образом ограничен. Кроме того, подъемники с телескопическими стрелами обычно имеют меньшие платформы, чем подъемники с шарнирно-сочлененной стрелой. Тем не менее, большинство телескопических моделей по-прежнему доступны с возможностью полного вращения, а также предлагают больший диапазон выдвижения, чем другие типы подъемников.
Подъемник с телескопической стрелой с удлиненной стрелой и приподнятой подъемной платформой.
Изображение предоставлено: Ллойд Полсон/Shutterstock.com
Прочие конструктивные характеристики лифта
Помимо конструктивных характеристик, упомянутых выше, есть несколько других вариантов, которые отраслевой специалист или агент по закупкам могут рассмотреть при проектировании и выборе подъемника для своего конкретного подъемного оборудования. Некоторые из других доступных вариантов конструкции включают возможности наклона для повышения маневренности и гибкости, поручни для безопасности оператора, гидравлические выносные опоры для дополнительной устойчивости, а также не оставляющие следов или шины для пересеченной местности для использования в помещении и на улице соответственно.
Типы подъемников
Благодаря указанным выше конструктивным характеристикам доступно несколько различных вариантов подъемников. Некоторые из наиболее распространенных типов, используемых в жилых, коммерческих и промышленных целях, включают:
Стреловые подъемники
Вертикальные мачтовые подъемники
Ножничные подъемники
Вилочные погрузчики
Вертикальные платформенные подъемники
Подъемники стрелы
Стреловые подъемники — это воздушные подъемники, используемые для подъема и перемещения персонала на нужную высоту и в нужное положение на рабочей площадке. Эти подъемники, состоящие из одного или нескольких компонентов выдвижной стрелы с прикрепленной подъемной платформой и приводных компонентов (которые обеспечивают необходимую движущую силу для шарнирного сочленения или выдвижения компонентов), обладают одними из самых больших возможностей вертикального и горизонтального перемещения с максимальным диапазоном выдвижения. от 20 до 100+ футов. Основные типы доступных стреловых подъемников включают шарнирные (также известные как шарнирные) и телескопические стреловые подъемники с вариантами стационарного или самоходного действия. Некоторые из примеров доступных стреловых подъемников включают стреловые подъемники, устанавливаемые на прицепе или грузовике, и сборщики вишни (также называемые автоковшами).
Некоторые из типичных областей применения стреловых подъемников включают промышленные и строительные работы, а также сельское хозяйство, ландшафтный дизайн, коммунальные услуги, техническое обслуживание и монтажные работы.
Вертикальные мачтовые подъемники
В отличие от стреловых подъемников, вертикальные мачтовые подъемники (также называемые вертикальными подъемниками или подъемниками для персонала) представляют собой воздушные подъемники, которые, как правило, способны перемещаться только по вертикали и не допускают значительного горизонтального выдвижения. Хотя, в зависимости от модели, эти подъемники могут иметь самоходные возможности, что позволяет операторам регулировать положение подъемника на земле, а, следовательно, и относительное положение платформы. Типичная конструкция конструкции включает в себя подъемную платформу, прикрепленную к одной вертикальной телескопической стреле (т. е. мачте) и исполнительным компонентам, но некоторые модели могут также включать компонент шарнирной стрелы.
Вертикальные мачтовые подъемники имеют более легкую конструкцию, чем другие типы подъемников, что обеспечивает большую маневренность, но также ограничивает максимальный размер рабочей платформы и грузоподъемность. Эти подъемники подходят для использования внутри помещений и в ограниченном пространстве, где требуется только вертикальное удлинение, например, для складирования, управления запасами, обслуживания и установки.
Иллюстрация вертикального мачтового подъемника с шарнирно-сочлененной стрелой.
Изображение предоставлено: Andrio/Shutterstock. com
Ножничные подъемники
Как и вертикальные мачтовые подъемники, ножничные подъемники могут перемещаться только по вертикали. В этих подъемниках используется механизм пантографа, который удлиняется при приложении внутренней силы к сторонам механизма и укорачивается при приложении внешней силы. По мере того, как механизм удлиняется и укорачивается, он прикладывает восходящую силу к прикрепленной подъемной платформе, заставляя платформу соответственно подниматься и опускаться. В зависимости от модели используются гидравлические, пневматические или механические приводные компоненты, обеспечивающие движущую силу для удлинения и укорочения механизма пантографа. Другие варианты конструкции, доступные для ножничных подъемников, включают в себя элементы управления безопасностью и перила, самоходные возможности, а также шарнирно-сочлененные, наклоняющиеся или вращающиеся платформы.
Ножничные подъемники
обычно обладают высокой грузоподъемностью и используют гораздо большую платформу, чем другие типы подъемников, что позволяет одновременно перемещать и размещать на рабочей площадке несколько или тяжелые предметы и персонал. Однако, поскольку эти подъемники ограничены вертикальным перемещением, они должны быть расположены непосредственно под желаемой точкой использования на рабочей площадке, что может быть затруднительно на пересеченной местности или в районах с ограниченным пространством. Типичные области применения ножничных подъемников, подходящие для подъема тяжелых грузов и тяжелых грузов, включают строительство, техническое обслуживание, ремонт и установку. Хотя ножничные подъемники могут быть с приводом от двигателя, они также доступны в стационарных и полустационарных установках.
Иллюстрация ножничного подъемника.
Изображение предоставлено: Andrio/Shutterstock.com
Вилочные погрузчики
Вилочные погрузчики, также называемые вилочными погрузчиками и подъемниками для поддонов (из-за их общего использования в приложениях для обработки поддонов), подходят для подъема предметов с пола на нужную высоту и положение для работы, хранения, транспортировки или погрузки и разгрузки. . В дополнение к компонентам вилки и каретки (т. Е. Рамы, к которой крепятся вилы) в типичной конструкции вилочного погрузчика используются подъемные механизмы, аналогичные механизмам подъемников ранее упомянутых типов, таких как стрелы вилочного погрузчика или вертикальные мачты. В зависимости от модели механические, пневматические или гидравлические приводные компоненты приводят в действие грузоподъемность вилочного погрузчика, которая может быть ограничена вертикальным перемещением или включать как вертикальное перемещение, так и горизонтальное выдвижение. Дополнительные конструктивные характеристики, доступные для вилочных погрузчиков, включают ручной или моторизованный привод, уравновешивание и интеграцию других аксессуаров для вилочных погрузчиков.
В соответствии с определением Ассоциации промышленных грузовиков (ITA) существует восемь классификаций промышленных погрузчиков (включая вилочные погрузчики) от класса I до класса VIII. Каждый класс представляет определенный тип погрузчика и его характеристики. Например, трехколесный вилочный погрузчик с электроприводом относится к классу I, а вилочный погрузчик с газовым приводом, пневматическими шинами и сидячей кабиной оператора — к классу V. Некоторые из других доступных типов вилочных погрузчиков включают автопогрузчики и вилочные погрузчики повышенной проходимости.
Таблица 3 ниже дает краткое описание различных классов доступных погрузчиков.
Таблица 3 – Классификация промышленных погрузчиков
Примечание. Разбивка классификации предоставлена OSHA.gov
Класс
Краткое описание
Характеристики
я
Электродвигатель, тележки с наездниками
Электродвигатель
3 или 4 колеса: амортизирующие или пневматические шины
Модель Rider: модели сидячие или стоячие
II
Электродвигатель, узкопроходные тележки
Электродвигатель
Подходит для узких и очень узких проходов
Увеличенный вылет или возможности поворотной мачты
III
Электродвигатель, тележки с ручным или водителем
Электродвигатель
Модель для ходьбы сзади или стоя
Может иметь противовес, в зависимости от модели
Включает домкраты для поддонов, тягачи и платформы с низким/высоким подъемом
IV
Двигатель внутреннего сгорания, грузовики с твердыми/амортизирующими шинами
Двигатель внутреннего сгорания
Цельнолитые (амортизирующие) шины
Модель Rider: сидячая модель
Обычно с противовесом
В
Двигатель внутреннего сгорания, Грузовики с пневматическими шинами
Двигатель внутреннего сгорания
Пневматические шины
Модель Rider: сидячая модель
Обычно с противовесом
VI
Тягачи с электрическим двигателем или двигателем внутреннего сгорания
Также называются буксиры
Электродвигатель или двигатель внутреннего сгорания
Модель Rider: модели сидячие или стоячие
VII
Вилочные погрузчики повышенной проходимости
Обычно двигатель внутреннего сгорания
Пневматические шины
Подходит для пересеченной местности/на открытом воздухе
Три основных типа: вертикальная мачта, регулируемый вылет (стрела) и установка на грузовик/прицеп
VIII
Персонал с электродвигателями и двигателями внутреннего сгорания и грузчики
Электродвигатель или двигатель внутреннего сгорания
Подходит для перевозки и перевозки людей и небольших грузов
Вилочный погрузчик с ящиками.
Изображение предоставлено: lpajoel/Shutterstock.com
Вертикальные платформенные подъемники
Подъемники с вертикальной платформой используют компонент основания или платформы, прикрепленный к одной или нескольким вертикальным мачтам (или стойкам). При включении и отключении механических, пневматических или гидравлических приводных компонентов платформа поднимается и опускается. Некоторые примеры этих типов лифтов включают доковые подъемники, подъемники для грузовых автомобилей, сценические подъемники и подъемники для людей с ограниченными возможностями.
Портовые подъемники, ворота для грузовых автомобилей, сценические подъемники и подъемники для людей с ограниченными возможностями предлагают аналогичные функции для различных применений. Каждый из этих подъемников способен обеспечивать вертикальное перемещение, т. е. подъем или опускание, предметов, людей или оборудования, чтобы поднять их на нужную высоту для погрузки или разгрузки. Как правило, эти подъемники стационарно или полустационарно устанавливаются на месте, либо включаются в качестве удобства или приспособления здания (в случае доковых подъемников, сценических подъемников и подъемников для людей с ограниченными возможностями), либо прикрепляются как компонент транспортного средства или грузовика ( в случае подъемных ворот).
Приложения для вертикальных подъемников с платформой обычно имеют меньшие требования к вертикальному подъему, чем приложения для других типов подъемников, поскольку вертикальные подъемники с платформой используются только для подъема чего-либо либо на уровень земли, либо на слегка приподнятую поверхность, такую как кузов грузовика или погрузочный док.
Пустой погрузочный подъемник.
Изображение предоставлено: John Abbate/Shutterstock.com
Дополнительные типы подъемников
Лифты
используются в различных промышленных, коммерческих и жилых помещениях. Следовательно, доступно несколько вариантов подъемников, каждый из которых подходит для требований и спецификаций конкретного применения. Помимо типов, уже упомянутых выше, доступны другие типы, включая мезонинные подъемники, двухстоечные и четырехстоечные автомобильные подъемники и ножничные подъемные столы.
Рекомендации по выбору подъемника
Несмотря на то, что существует широкий выбор подъемников, пригодность каждого типа (и его конструкции) для подъема и спуска предметов, людей или оборудования зависит от технических характеристик и требований конкретного применения. Эти факторы во многом определяют оптимальную конструкцию подъемника.
Некоторые из факторов, которые профессионалы отрасли должны учитывать при определении или выборе подъемника, включают:
Приложение
Размер платформы
Номинальная грузоподъемность
Ход
Подъемное движение
Сертификация персонала
Стоимость жизненного цикла
Применение : Предполагаемое применение и условия окружающей среды влияют на оптимальный тип и конструкцию лифта и его компонентов. Например, в условиях неровной поверхности или пересеченной местности в конструкцию подъемника может потребоваться установка гидравлических опор или колес для пересеченной местности для обеспечения устойчивости. В таблицах 1 и 2 также перечислены некоторые аспекты применения и экологические проблемы, связанные с каждой конструктивной характеристикой лифта. Некоторые примеры из этих таблиц:
Механические подъемники могут не подходить для легковоспламеняющихся материалов из-за риска возгорания или взрыва
Лифты с электроприводом могут не подходить для использования вне помещений или во влажной среде из-за риска повреждения электрических компонентов
Лифты с моторным приводом могут не подходить для использования внутри помещений из-за выбросов выхлопных газов
Размер платформы : Размер объекта или оборудования и требования к персоналу или рабочему пространству определяют размеры, т. е. длину и ширину, компонента платформы подъемника.
Номинальная грузоподъемность : Требования к общей массе объектов, оборудования и персонала определяют необходимую грузоподъемность подъемника. В лифтах номинальная грузоподъемность или грузоподъемность — это максимальная нагрузка (т. Е. Вес), определенная производителем, которую безопасно выдерживает конкретный лифт. Номинальная грузоподъемность определяется на основе конкретного центра нагрузки, что означает, что вес безопасно выдерживается подъемником при условии, что груз расположен и распределен на платформе подъемника, как указано производителем.
Ход : Требования к высоте подъема и рабочей высоте подъемного устройства, т. е. насколько высоко должен быть поднят объект или человек, определяют необходимую длину хода подъемника. В лифтах длина хода — это расстояние, пройденное приводными компонентами от полностью закрытого до полностью открытого положения, которое соответствует расстоянию, пройденному платформой подъемника от полностью опущенного до полностью поднятого соответственно. Следовательно, длина хода определяет максимальную высоту, на которую подъемник может поднять объект или человека.
Перемещение : Требования к перемещению, мобильности и маневренности подъемного оборудования определяют некоторые конструктивные характеристики подъемника. Например, агент по закупкам и снабжению должен учитывать, требует ли подъемное приложение только вертикального перемещения или как вертикального, так и горизонтального перемещения. Если подъемник будет использоваться как для вертикального, так и для горизонтального выдвижения, при проектировании необходимо учитывать максимально возможное горизонтальное положение груза относительно основания подъемника, поскольку расположение груза влияет на грузоподъемность и устойчивость подъемника. Кроме того, если приложение требует возможности самохода и самопозиционирования, может потребоваться интеграция системы привода, а если приложение требует подъема оборудования или персонала вокруг и над препятствиями и препятствиями, то для подъема могут потребоваться шарнирные рычаги стрелы. .
Сертификация персонала : Если определенные подъемники, в том числе подвесные и ножничные подъемники, используются на рабочем месте, то, согласно требованиям OSHA, работающие на них сотрудники должны пройти надлежащее обучение и сертификацию операторов лифтов. В обучении подробно описываются надлежащие методы использования, перемещения, эксплуатации, технического обслуживания и ремонта подъемника, чтобы предотвратить несчастные случаи на рабочем месте или травмы оператора.
Стоимость жизненного цикла : Стоимость подъемника включает не только начальную цену оборудования, но и затраты на установку (если применимо), техническое обслуживание, ремонт и обучение операторов в течение срока службы подъемника. Несмотря на то, что необходимо выбрать подъемник, отвечающий требованиям подъемного оборудования, также важно помнить об общих затратах на выбранный подъемник, чтобы лучше определить долгосрочную ценность инвестиций. Компании, у которых нет бюджета, необходимого для крупных первоначальных инвестиций в покупку, или которым требуется круглогодичное использование лифта, имеют возможность отказаться от покупки лифта и вместо этого могут арендовать или арендовать его по мере необходимости.
Применение лифтов
Ножничные и шарнирные подъемники для промышленного применения.
Изображение предоставлено: anmbph/Shutterstock.com
Лифты
имеют множество применений в жилых, коммерческих и промышленных помещениях. Доступно несколько типов и вариантов подъемников, характеристики каждого из которых делают его подходящим для требований и спецификаций конкретного применения. Подъемники, особенно воздушные, широко используются в промышленности, особенно в строительстве, производстве и погрузочно-разгрузочных работах. Некоторые подъемники, такие как ножничные подъемники, вилочные погрузчики и доковые подъемники, находят применение как в промышленных, так и в коммерческих условиях, в то время как другие подъемники, такие как подъемники для людей с ограниченными возможностями, используются в жилых помещениях.
В приведенной ниже Таблице 4 указаны некоторые распространенные отрасли и области применения ранее упомянутых типов подъемников.
Таблица 4 – Отрасли и области применения лифтов по типу
Тип подъемника
Общие отрасли промышленности и применения
Стреловые подъемники
Промышленные и строительные площадки
Сельское хозяйство
Ландшафтный дизайн
Управление ЖКХ
Техническое обслуживание, ремонт и монтажные работы
Вертикальные мачтовые подъемники
Погрузочно-разгрузочные работы внутри помещений и в ограниченном пространстве
Складское хозяйство
Управление запасами
Техническое обслуживание, ремонт и монтажные работы
Ножничные подъемники
Промышленная и коммерческая обработка материалов
Тяжелый и тяжелый груз
Промышленные и строительные площадки
Техническое обслуживание, ремонт и монтажные работы
Вилочные погрузчики
Транспортировка промышленных и коммерческих материалов
Складское хозяйство
Управление запасами
Производство
Промышленные и строительные площадки
Вертикальные платформенные подъемники
—
Портовые подъемники
Транспортировка промышленных и коммерческих материалов
Погрузка и разгрузка
Подъемники задней двери грузовика
Транспортировка промышленных и коммерческих материалов
Погрузка и разгрузка
Сценические подъемники
Погрузочно-разгрузочные работы
Помещения для развлечений и мероприятий
Этапы
Оркестровая яма
Лифты для людей с ограниченными возможностями
Коммерческие и жилые помещения
Больницы и дома престарелых
Аварийные и легковые автомобили
Помещения для развлечений и мероприятий
Рабочие помещения
Мезонинные лифты
Транспортировка промышленных и коммерческих материалов
Складское хозяйство
Управление запасами
Хранение
Двухстоечный/четырехстоечный подъемник
Ремонт автомобилей
Ножничные подъемные столы
Позиционирование рабочего объекта и оборудования
Резюме
В этом руководстве представлены основные сведения о пневматических и гидравлических подъемниках, доступных конструкциях и типах, их применении и соображениях по использованию.
Для получения дополнительной информации о сопутствующих продуктах обратитесь к руководствам и официальным документам Thomas или посетите платформу поиска поставщиков Thomas, где вы найдете информацию о более чем 500 000 коммерческих и промышленных поставщиков.
Распространенные причины выхода из строя гидравлического уплотнения
Что такое гидравлические силовые агрегаты и как они работают?
Типы гидравлических фитингов
Как работают гидравлические домкраты
В чем разница между гидравликой и пневматикой?
Больше из обработки материалов
Подъемные механизмы | Климатическое управление Северной Каролины
Подъемные механизмы представляют собой подъемные механизмы, которые заставляют воздух подниматься . В этом разделе мы рассмотрим орографический подъем, фронтальный подъем, конвергенцию и конвективный подъем.
Какое мне дело? Подъемные механизмы важны для образования облаков и дождя (в сочетании с влагой и нестабильностью).
Я уже должен быть знаком с : Фронты, Стабильность, Конвергенция и Дивергенция, Конвекция
Воздух может двигаться вертикально по нескольким причинам, описанным ниже. Восходящее движение воздуха может привести к образованию облаков и осадков, если влаги достаточно для образования конденсата, поскольку воздух охлаждается при движении вверх. В стабильных условиях вертикальное движение воздуха будет плавным и вряд ли вызовет глубокую конвекцию, такую как грозы. Однако, если неустойчивый воздух поднимается через один из механизмов ниже, это может вызвать взрывное развитие гроз и проливных дождей.
Орографический подъемник
Рисунок A. Орографический подъемник.
Орографический подъем на юго-востоке происходит в основном вдоль Аппалачей. Когда воздух движется через долины Огайо и Теннесси, он сталкивается с Аппалачскими горами. Поскольку воздуху некуда идти, кроме как наверх, он устремляется вверх по склону гор. По мере подъема воздух начинает охлаждаться и конденсироваться, и в зависимости от того, насколько влажна воздушная масса, могут образовываться ливни или грозы. После того, как воздух пройдет через горный массив, он начнет опускаться и высыхать, а в некоторых случаях сильно нагревать окружающий воздух. Много раз весной и осенью линии шквалов или суровые погодные условия пересекали Аппалачи и значительно ослабевали. Аппалачи в некотором смысле действуют как барьер против сильных штормовых систем, которые направляются на юго-восток из центральной части Соединенных Штатов. В Джорджии и Алабаме на южной оконечности Аппалачей южные ветры чаще всего вызывают облака и дождь, поскольку воздух поднимается над южным окончанием гор, а в горных районах этих штатов выпадает наибольшее количество осадков в год из-за орографически индуцированный дождь.
Фронтальный подъем
Как упоминалось в предыдущих разделах, фронты на картах погоды представляют передний край либо теплого, либо холодного воздуха. Оба типа фронтов могут обеспечивать подъемную силу во время ливневых дождей и гроз, но они не обладают такими характеристиками, которые обсуждаются ниже.
Холодные фронты
Холодный воздух более плотный, чем теплый воздух, и в результате он подрезает и толкает теплый воздух вертикально вперед по мере своего движения. Наклон холодного воздуха с холодным фронтом очень крутой, поэтому воздух быстро выталкивается вверх и иногда может привести к сильным или сильным грозам, если имеется достаточная влажность и нестабильность.
Рисунок B. Наступление холодного фронта.
Теплые фронты
Сначала может показаться нелогичным, что теплые фронты могут создавать подъемную силу; однако теплые фронты могут вызывать обильные осадки. В отличие от холодного фронта, который подрезает воздух у поверхности, теплый воздух теплого фронта будет подниматься над более холодным воздухом у поверхности из-за его меньшей плотности. Это обеспечивает подъемную силу для облаков и ливней, которые формируются вдоль и впереди теплого фронта. Наклон холодного/теплого воздуха в теплом фронте не такой крутой, как в холодном фронте. В результате грозы с большей вероятностью формируются с холодными фронтами, чем с теплыми фронтами.
Рисунок C. Наступление теплого фронта.
Конвергенция
Рисунок D. Конвергенция воздуха у поверхности.
В центре областей пониженного давления ветры сходятся к центру понижения из-за эффектов трения. Поскольку воздух не может опуститься в землю, он должен подняться вверх. Этот подъем за счет конвергенции приводит к наличию облаков и осадков вблизи центров низкого давления. Чем сильнее конвергенция, тем сильнее вертикальное движение и тем больше вероятность образования облаков и осадков.
Конвективный подъем
(См. также конвекция)
Когда солнце нагревает землю, нагретый воздух у поверхности поднимается под влиянием конвекции. Поднимающиеся термики похожи на горячие пузыри воды, поднимающиеся со дна кипящего котла. Если воздух стабилен, то пузырьки теплого воздуха сформируют рассеянные кучевые облака хорошей погоды и ничего больше. Если воздух нестабилен, то подъем от конвекции приведет к быстрому разрастанию облаков в глубокие кучево-дождевые облака или грозы. Чем выше температура поверхности, тем сильнее может происходить конвекция.
Какое отношение это имеет к сельскому хозяйству?
На осадки на юго-востоке влияют различные подъемные механизмы. В некоторых частях Вирджинии, Северной Каролины, Южной Каролины и Джорджии орографический подъем обеспечивает дождь на наветренных склонах Аппалачей. На озере Токсавей, одном из самых дождливых регионов Северной Каролины, в год в среднем выпадает более 80 дюймов дождя из-за орографического подъема. Преобладающие ветры в этом регионе в основном дуют с юга и запада, а озеро Токсавей находится на наветренной стороне Аппалачей, что делает орографический подъем эффективным механизмом выпадения осадков.
Рисунок E. Воздух, сходящийся вглубь суши над Флоридой. (Изображение Американского метеорологического общества).
Классическим примером схождения воздуха и образования ливневых дождей и гроз является морской бриз во Флориде. Летом на западной и восточной сторонах Флориды часто дуют морские бризы. из-за различий в температуре между сушей (которая нагревается быстро) и океаном (который нагревается медленнее), как показано на рисунке E. Когда два морских бриза движутся к суше на полуострове Флорида, они сталкиваются друг с другом, и воздух вынужден двигаться вверх. Везде, где сталкиваются два морских бриза, часто бывают сильные дожди и грозы, и это обеспечивает большую часть летних дождей во многих частях Флориды.
Конвективный подъем является наиболее распространенной формой подъема на юго-востоке летом, поскольку фронты проходят не так часто, как в остальное время года. Если воздух достаточно влажный (как это обычно бывает летом), могут образовываться грозы, вызывающие осадки для сельскохозяйственных культур и растений. Во Флориде часто выпадает большая часть осадков в летние месяцы, поскольку конвективный подъем (наряду с морским бризом) вызывает грозы, образующиеся практически каждый день.
Хотите узнать больше?
Как формируются облака, типы осадков
Проектирование и исследование механизма подъема на большую высоту для сверхбольших конструкций
Главная Advanced Materials Research Advanced Materials Research Vols. 255-260 Проектирование и исследование подъемников большой высоты…
Предварительный просмотр статьи
Резюме:
Современная тенденция развития промышленного оборудования – сверхкрупномасштабность. Строительство, транспортировка и установка этого оборудования требуют подъемного оборудования сверхбольшого тоннажа. В настоящее время отечественное сверхбольшое грузоподъемное оборудование, особенно специального назначения, еще несовершенно, не может удовлетворить требования подъема сверхбольших конструкций. Основываясь на необходимости подъема сверхбольших стальных конструкций (морских нефтяных платформ), с использованием теории прочности и анализа конечных элементов в этой статье был разработан непрерывный подъемный механизм для подъема сверхбольших конструкций. Непрерывный подъемный механизм состоит из двух частей: механической опорной конструкции, разработанной в этой статье, и гидравлической системы. Основные характеристики механизма: конструкция ферменной конструкции обеспечивает подъем на большую высоту; а накопление синхронных блоков обеспечивает подъем на большую высоту.
Доступ через ваше учреждение
использованная литература
[1] Ю.Ф. Лю, Х.С. Тянь: тенденции развития инженерных кранов в стране и за рубежом. Строительная техника. 6 (3) (2008), стр. 466-467.
[2] Комитет по составлению ежегодника китайской машиностроительной промышленности, Китайская ассоциация строительной техники: Ежегодник китайской строительной промышленности (2008 г. ). Издательство механической промышленности, Пекин (2008 г.).
DOI: 10.1016/s0262-1762(98)
-3
[3] В. Чжан: Структура и конструкция инженерного крана. Издательство химической промышленности, Пекин (2008 г.).
[4] SC Wu: Проектирование стальных конструкций. China Architecture & Building Press, Пекин (2008 г.).
[5] WG Zhang: Техника сборки вертикального непрерывного подъема 900-тонного мостоукладчика. Транспортная техника и технологии для национальной обороны. 6 (3) (2008), стр. 46-48.
[7] М.З. Чжу: Справочник инженера-механика. Издательство механической промышленности, Пекин (2000).
[8] С.Ю. Чжан, З.Б. Сюй: Обсуждение технологии сварки и сборки конструкции башенного крана. Механические исследования и применение. 6 (3) (2010), стр. 112-113.
[9] ИСО 19901-5: 2003(Е). Бюро регистрации авторских прав ИСО. Швейцария (2003 г.).
[10] Дж. Чен: Теория устойчивости и проектирование стальных конструкций. Научная пресса, Пекин (2008 г.).
Цитируется
Исследование динамики грузоподъемного оборудования | Extrica
В. К. Аугустайтис, В. Гикан, А. Якстас, Б. Спруогис и В. Турла, «Исследование динамики подъемного оборудования», Журнал виброинженерии , Vol. 16, № 4, стр. 2082–2088, июнь 2014 г.
Рис
ТУ — ЖУР УР — https://www.extrica.com/article/15058 ТИ — Исследование динамики грузоподъемного оборудования T2 — Журнал вибротехники AU — Аугустайтис, Витаутас Казимерас AU — Гикан, Владимир AU — Джакстас, Арунас AU — Спруогис, Бронисловас AU — Турла, Витаутас ПГ — 2014 ДА — 30.06.2014 ПБ — JVE International Ltd. СП — 2082-2088 ВЛ — 16 ИС — 4 СН — 1392-8716 СН — 2538-8460 ЭР-
Содержание Скачать PDFСсылки
Цитировать эту статью
Просмотров 456
Чтение 173
Загрузки 973
22 октября 2022 г.
в
Дубай, Объединенные Арабские Эмираты
18 ноября 2022 г.
в
Решица, Румыния
www.jveconferences.com
Аннотация.
Механические свойства каната – изменение жесткости и внутреннего трения при движении груза. По этой причине под действием силы тяжести и сил инерции в канате возникает переменное натяжение. Таким образом, подъемный механизм дополнительно подвергается динамическим нагрузкам. Наибольшее значение этой нагрузки получается в начале подъема и опускания на месте. Математическая модель подъемного механизма была исследована с использованием оригинального пакета программ и найдена динамическая нагрузка. В современной системе управления кранами используется подъемный механизм, учитывающий отклонение каната от вертикали. Динамическая нагрузка на веревку может искажать сигналы. Результаты используются для усовершенствования системы управления грузоподъемным механизмом.
Ключевые слова: грузоподъемное оборудование , упругость каната, динамическая перегрузка.
1. Введение
Производство крупных конструкций связано с некоторыми ответственными операциями, напр. доставка отдельных компонентов на место сборки. Для транспортировки одних и тех же деталей используются мостовые краны. Указанные краны, так же как и козловые, используются для погрузочных работ в портах и на железнодорожных станциях. Чтобы сократить продолжительность указанных операций, скорость транспортировки увеличивается, тем самым увеличивая импульс в начале и конце транспортировки. Это, в свою очередь, вызывает дополнительные динамические нагрузки и создает угрозу для обслуживающего персонала и других объектов, находящихся поблизости. В то время как колебание звена полезной нагрузки представляет собой интересную проблему управления, правильное представление динамики системы является важным компонентом в разработке эффективного контроллера. Система превращается в упругую балку с подвижным грузом, когда крепление к полезному грузу снимается. Одно из первых исследований балок с подвижной нагрузкой было проведено в монографии [1], которая является прекрасным справочником по многим аналитическим методам решения для простых случаев. Динамический отклик балки с промежуточными точечными ограничениями на подвижную нагрузку методом предполагаемых мод исследовался в [2]. Метод предполагаемых мод применялся также в [3] для исследования динамического отклика однопролетной балки на подвижную нагрузку, вызванную однородной частично распределенной движущейся массой. Аналогичный анализ был реализован в [4] с сосредоточенной подвижной нагрузкой. Собственные частоты колебаний балочной крановой системы для стационарного крана исследованы в [5] и для этого набора случаев выведено явное частотное уравнение. Исследования, связанные с динамикой кранов и управлением ими, в основном основывались на упрощенных моделях крановых конструкций. Моделирование стрелового крана в виде сферического маятника и жесткой системы с двумя степенями свободы предполагало, что движение платформы влияет, но не подвергается влиянию раскачивания полезного груза [6]. В исследованиях [7-9] конструкция крана также рассматривалась как твердые тела с дискретными пружинами или без них.]. Была изучена динамика системы мостового крана, в которой балочная модель использовалась для представления гибкости крановых конструкций [10]. Исследуется динамическая реакция башенных кранов на маятниковые движения полезного груза [11]. Башенный кран моделируется методом конечных элементов, а движение маятника представлено в виде кинетики твердого тела. Интегральные определяющие уравнения для задач связанной динамики выводятся на основе уравнений Лагранжа, включающих функцию диссипации. Динамические нагрузки, вызванные ускорениями и торможениями крана, представляют собой важную часть нагрузок на стальную конструкцию крана [12]. Эти нагрузки возникают во всех движущихся компонентах крана, включая полезную нагрузку, и раскачивание полезной нагрузки является важной причиной динамических сил. Эти нагрузки возникают во всех движущихся компонентах крана, включая полезную нагрузку, и раскачивание полезной нагрузки является важной причиной динамических сил. Большинство предлагаемых моделей упрощены. Исследовалось прямолинейное движение точки подвеса (обычно для мостовых кранов) [10] или криволинейное движение точки подвеса (обычно для поворотных кранов, совершающих поворотное движение) и, следовательно, с пространственным раскачиванием груза [13, 14]. . Для получения большей информации о динамике грузоподъемного оборудования была сформулирована нелинейная математическая модель раскачивания груза при поворотном движении, а также нелинейный характер раскачивающего движения для больших углов и нелинейность мощности. передачи [15]. Здесь также учитывались упругость и демпфирование конструкции, трение в коренном подшипнике и сопротивление воздуха.
2. Математическая модель и программа для ее расчета
На рис. 1 представлена динамическая модель грузоподъемного механизма мостовым краном. Канат с крюком, на котором подвешен груз массой М, закреплен к канатному шкиву в точке О. Канатный шкив может перемещаться под воздействием механизма на рельсы крана по координате Х0. Кран с канатным шкивом может двигаться под воздействием передачи по координате Y0 по опорным рельсам. Шестерни используются для установки, например, с помощью контроллеры, заданные скорости по осям. То же самое касается длины веревки. Диаграммы заданных при моделировании скоростей представлены на рис. 3. Будем считать, что исполнительные механизмы используют высокую точность отработки заданного движения, что позволяет применять кинематическое колебание по координатам X0, Y0 и L0. Длина каната L может изменяться под контролем, силой тяжести и динамическими нагрузками.
Рис. 1. Динамическая модель
Были установлены следующие выражения для кинетической и потенциальной энергии и диссипативной функции. Продифференцировав уравнения Лагранжа, были получены уравнения для общих координат Θx, Θy и δL. Общее решение можно представить следующим образом:
(1)
Θ¨x+h3ML2Θ˙x+gL Θx=X¨0L ,
(2)
Θ¨y+h3ML02Θ˙y+gL Θy=Y¨ 0L ,
(3)
Mδ¨L+h2δ˙L+C1L δL=Mg-MΘxX¨0-L¨Θx-MΘyY¨0-L¨Θy-ML¨,
здесь: L – длина каната: L=L0+δL, L0 – длина каната без груза, определяемая положением канатного барабана, δL – удлинение каната от груза, C1 =C0+kδL, C0 – начальная относительная жесткость каната (жесткость 1 м каната), k – отношение, оценивающее увеличение жесткости при растяжении каната.
На рис. 2 представлена Simulink-диаграмма модели грузоподъемного механизма на основе 1-3 выражений.
Рис. 2. Модель (Simulink-диаграмма) подъемного механизма
3. Условия моделирования
Значения параметров в модели приведены в таблице 1, а значения сигналов возбуждения представлены на рис. 3. Данные демпфирования соответствуют [16].
Table 1. The parameters of the model
G
9.81
m/s 2
Free fall (gravitational) acceleration
L0
10
m
Initial length of the rope
M
950
kg
Mass of cargo
h2
225
N·s/m
Damping in the rope
h3
1050
Nm·s/rad
Damping in the cargo suspension point
C0
0,28×10 7
N
Initial relative tensile stiffness of the rope
K
0,122 × 10 8
N/M
Оценка увеличения жесткости
999888888888888888888888888888888888 гг. 0003 Рис. 3. Диаграммы изменения заданных скоростей грузоподъемного механизма (DL0), канатного шкива (DX0) и крана (DY0)
4. Результаты исследования и обсуждение
При обработке результатов моделирования используется следующие соотношения между ключевыми и вспомогательными координатами:
1. Проекции расстояний от точки подвеса на канатном шкиве до центра тяжести груза:
(4)
Xm=ΘxL,
(5)
Ym=ΘyL.
2. Расстояние от точки начала движения до центра тяжести груза и высота крюка над уровнем земли:
(6)
XM=X0+Xm,
(7)
YM=Y0+Ym,
(8)
hkr=hk-L,
где hk – начальная высота крюка, hkr – текущая высота крюка.
На рис. 4 показаны траектории ключевых координат в модели на основе сеанса моделирования.
Рис. 4. Изменение углов качания θx, θy в цикле движения груза
Как показано на рис. 4, при горизонтальном перемещении груза, подвешенного на крюке, происходит качание.
На рис. 5 показано изменение положения центра тяжести груза в цикле движения.
Рис. 5. Траектория движения груза с учетом работы грузоподъемного механизма и с учетом раскачивания: а) по координате ХМ; б) по координате YM; в) вид траектории сверху; г) вид траектории в пространстве: 1 – фактическая траектория с учетом раскачивания груза, 2 – траектория, заданная движением крановых механизмов
а)
б)
в)
d)
На рис. 5 показано, что раскачивание может существенно исказить траекторию движения груза, что, в свою очередь, может иметь тяжелые последствия. Амплитуда раскачки меняется в процессе движения груза и зависит, например, от от величины и характера горизонтального ускорения в точке подвеса груза, длины каната и других факторов.
На рис. 6 показан характер раскачивания груза в конце цикла движения, когда двигатели горизонтального перемещения выключены, а лебедка канатного шкива опускает груз.
Рис. 6. Характер раскачивания груза при работе лебедки канатного шкива только на опускание: а) составляющие Xm (сплошная линия) и Ym (пунктир), б) вид траектории в пространстве
а)
б)
Рис. 7. Колебания усилия растяжения на канате: а) общая картина; б) подбором легкости каната; в) ускорением шестерни оси Х; г) поломкой шестерен по осям X и Y; д) ускорением подъемного механизма; е) линейное растяжение каната δL
а)
б)
в)
г)
д)
е)
Заметно увеличивается амплитуда раскачивания при опускании груза (рис. 6). Тем временем, однако, необходимо стабилизировать положение груза, прежде чем размещать его на фундаменте. Для стабилизации положения нужно определенное время утяжелять или принимать специальные средства для борьбы с раскачиванием. Амплитуда качания может быть уменьшена за счет использования специальных законов [17] плавного ускорения и торможения горизонтального движения, а также применения других законов оптимального движения, например с использованием мягкой логики [18] и обратной корреляции при отклонении грузового каната от вертикального положения.
На рис. 7 представлены результаты моделирования продольной нагрузки каната в цикле движения груза. Различные события, напр. внезапный выбор плавности, включение и выключение регуляторов горизонтального перемещения, раскачивания груза; все они вызывают изменение продольной силы, влияющей на канат и частоты колебаний [19, 20].
На рис. 8 показано изменение частоты собственных колебаний груза, подвешенного на эластичном канате, при изменении рабочей длины каната. Это можно объяснить тем, что продольная жесткость каната (на растяжение) уменьшается с увеличением длины. Модель продемонстрировала увеличение частоты в 1,38 раза при уменьшении длины веревки в 1,9 раза. раз.
Рис. 8. Зависимость частоты колебаний груза при подвешивании на канате от рабочей длины каната
Рис. 9. Зависимость жесткости каната k от удлинения каната δL
Подготовка данных для моделирования была произведена натяжка веревки. Результаты исследования представлены на рис. 9. Увеличение деформации каната оценивается скоростью k .
В результате сеанса моделирования были получены траектории ключевых координат в цикле движения груза. Анализ полученных зависимостей позволяет утверждать, что силы инерции в начале и конце перевозки затрудняют доставку груза при жестких требованиях к точности позиционирования. Это необходимо учитывать при разработке программного обеспечения для мехатронного управления.
5. Выводы
1) В начале процесса подъема возникают дополнительные динамические нагрузки. Значение коэффициента динамической перегрузки достигает 1,7. Продолжительность воздействия – до 10 с.
2) При раскачивании груза в канате возникают динамические нагрузки. Величина коэффициента динамической нагрузки зависит от амплитуды раскачивания. При появлении раскачивания частота динамических нагрузок не связана с частотой раскачивания, а зависит от жесткости каната и массы груза. В дальнейшем частота динамических нагрузок становится равной частоте раскачивания и они действуют в течение всего периода раскачивания.
3) Динамическая нагрузка на веревку в начале раскачивания существенно больше, чем при дальнейшей транспортировке.
5) Амплитуда качания зависит от характера и горизонтальных ускорений точки подвеса, длины грузового каната и других факторов. Амплитуда качания может быть уменьшена плавным ускорением и замедлением горизонтального перемещения. Раскачивание можно значительно уменьшить за счет реверсивной передачи водоизмещения в конце транспортировки. Наибольший эффект можно получить, используя комбинацию равного ускорения и замедления.
Каталожные номера
Фрайба Л. Вибрация твердых тел и конструкций под действием движущихся нагрузок. Гронинген, Нордхофф, 1972 г. [Поиск перекрестной ссылки]
Lee H. P. Динамическая реакция балки с ограничениями в промежуточных точках при воздействии подвижной нагрузки. Журнал звука и вибрации, Vol. 171, 1976, с. 369-395. [Поиск перекрестной ссылки]
Эсмаилзаде Э., Горши М. Анализ вибрации балок, пересекаемых однородными частично распределенными движущимися массами. Журнал звука и вибрации, Vol. 184, 1995, с. 9-17. [Поиск перекрестной ссылки]
Михальтсос Г. , Софоанопулос Д., Куадис А. Н. Влияние движущейся массы и других параметров на динамический отклик свободно опертой балки. Журнал звука и вибрации, Vol. 191, 1996, с. 357-362. [Поиск перекрестной ссылки]
Oguamanam D.C.D., Hansen J.S. Динамическая реакция системы мостового крана. Журнал звука и вибрации, Vol. 213, выпуск 5, 1998, с. 889-906. [Поиск перекрестной ссылки]
Чин К., Найфе А. Х., Абдель-Рахман Э. г. Нелинейная динамика на стреловом кране. Журнал вибрации и контроля, Vol. 7, выпуск 2, 2001, с. 199-220. [Поиск перекрестной ссылки]
Товарек З. Динамическая устойчивость крана, стоящего на грунте, при вращении стрелы. Международный журнал механических наук, Vol. 40, выпуск 6, 1998, с. 557-574. [Поиск перекрестной ссылки]
Киличеаслан С., Балкан Т., Идер С. К. Опрокидывающие нагрузки мобильных кранов с гибкой стрелой. Журнал звука и вибрации, Vol. 223, выпуск 4, 1999, с. 645-657. [Поиск перекрестной ссылки]
Гильяцца Р. М., Холмс П. О динамике кранов, или сферических маятников с подвижными опорами. Международный журнал нелинейной механики, Vol. 37, выпуск 6, 2002, с. 1211-1221. [Поиск перекрестной ссылки]
Oguamanam D.C.D., Hansen J.S., Heppler G.R. Динамика трехмерной системы мостового крана. Журнал звука и вибрации, Vol. 242, выпуск 3, 2001, с. 411-426. [Поиск перекрестной ссылки]
Ju F., Choo Y.S., Cui F.S. Динамическая реакция башенного крана, вызванная маятниковым движением полезной нагрузки. Международный журнал твердых тел и структур, Vol. 43, 2006, с. 376-389. [Поиск перекрестной ссылки]
Абдель-Рахман Э. М., Найфех А. Х., Масуд З. Н. Динамика и управление кранами: обзор. Журнал вибрации и контроля, Vol. 9, 2003, с. 863-908. [Поиск перекрестной ссылки]
Гильяцца Р. М., Холмс П. О динамике кранов, или сферических маятников с подвижными опорами. Международный журнал нелинейной механики, Vol. 37, 2002, с. 1211-1221. [Поиск перекрестной ссылки]
Спатопулос М. П., Фрагопулос Д. Управление маятником морского крана. Международный журнал контроля, Vol. 77, выпуск 7, 2004, с. 654-670. [Поиск перекрестной ссылки]
Джерман Б., Подржай П., Крамар Й. Исследование динамики поворотного крана при построении поворотного движения и проверка математической модели. Международный журнал механических наук, Vol. 46, 2004, с. 729-750. [Поиск перекрестной ссылки]
Лобов Н. А. Динамика грузоподъемных кранов. Машиностроение, Москва, 1987. [Поиск перекрестной ссылки]
Сливинскас К., Гичан В., Стришка В., Пошка А. Я. Оптимизация параметров транспортного движения передаточного манипулятора для закалочной ванны в соответствии с требованиями технологического процесса. 5-я Международная конференция мехатронных систем и материалов, Вильнюс, 2009 г., п. 110. [Поиск перекрестной ссылки]
Сунг-Кун Чо, Хо-Хун Ли Противораскачивающий контроллер с нечеткой логикой для трехмерных мостовых кранов. ISA Transactions, Vol. 41, 2002, с. 235-243. [Поиск перекрестной ссылки]
Спруогис Б., Якштас А., Турла В., Ильин И., Шешок Н. Динамические силы реакции мостового крана при подъеме. Транспорт, Том. 26, выпуск 3, 2011, с. 279-283. [Поиск перекрестной ссылки]
Jianqiang Y., Naoyoshi Y., Kaoru H. Противоповоротное и позиционное управление мостового крана. Информационные науки, Vol. 155, 2003, с.