Схема подключения кран-балки с пультом управления
Кран-балка представляет собой компактную конструкцию, в которой объединены следующие элементы:
- Мостовые и несущие балки с ограничителями движения.
- Электрический двигатель.
- Понижающий редуктор для регулировки крутящего момента.
- Нарезной или плоский барабан для укладки крановых тросов.
- Шкаф с пусковым оборудованием.
Обычно используется схема подключения кран-балки с пультом, позволяющая управлять подъемным механизмом с пола. Оператор может контролировать процесс перемещения груза с удобной позиции.
Принципиальные схемы подключения кран-балки в большинстве моделей имеют много общего. Они наглядно демонстрируют принцип работы грузоподъемного устройства и электрооборудования.
Большинство кран-балок питается от сети с напряжением 380 В и напряжением 50 Гц. Для запуска используется пускатели реверсивного действия с системой блокировки питания.
Данная функция обеспечивает остановку двигателя при перебоях в энергоснабжении.
Схема подключения пульта управления кран-балкой предусматривает, что работа электрических устройств на тельфере возможна только при нажатии соответствующих программных кнопок.
Принципиальная схема подключения кран-балки
Рис. 1. Схема подключения электротали г/п 5 тонн
Стандартным примером подключения электротали может служить грузоподъёмный механизм Слуцкого завода. В цепи управления напряжение составляет 42 В.
Оборудование включает: дисковые тормоза, стандартные и аварийные выключатели в верхнем и нижнем положении.
Питание на электродвигатель и грузоподъемные узлы подается через четырехжильный кабель. Одна из жил используется для заземления. Это говорит о том, что используется троллейный тип питания для кранов высокой грузоподъемности.
Напряжение в цепи управления – 42 В, достигается за счет трансформатора (Т), который также заземляется.
Предохранители (F1-F3) предохраняют трансформаторные обмотки. Ключ (S) подает напряжение в сеть на пускатели. Управление передвижением осуществляется с помощью кнопок S1-S4, подающих ток на катушки К1-К4.
Токоподвод электрическим кабелем
Рис.2. Токоподвод к тали с помощью гибкого кабеля
В большинстве случаев на кранах грузоподъёмностью до 10 тонн схема подачи питания с использованием гибкого кабеля.
На рис. 2 кабель 1 подвешивается кольцами (3,4) на струнах 2. Такое строение позволяет подавать питание на расстояние 25-30 метров. Зажимы 5 и болт для стягивания 6 жестко фиксируют провод в текущем положении. Подкладка 7 защищает резиновую оплетку от стирания.
Если ток подается на расстояние, превышающее 30 метров, необходимо использовать жесткую направляющую. Для протягивания кабеля более чем на 50 метров необходимо проводить расчёты. Применение тонкожильных проводов позволяет крану находится на расстоянии до 60 метров от источника питания, однако при высоких эксплуатационных нагрузках данная схема будет неэффективна.
Схема подключения кнопочного поста кран балки
Автор admin На чтение 17 мин Просмотров 3 Опубликовано Обновлено
Содержание
- Как подключить кнопочный пост к магнитному пускателю
- Подключаем кнопочный пост управления
- Виды пультов управления кран-балкой
- Разновидности управления
- Кабельный ПУ
- Радиоуправляемый ПУ
- Стандартны безопасности
- Подключение
- Варианты исполнения
- Востребованные модели управляющих постов
- Напряжение управления кран балки
- Схема подключения кран-балки с пультом
- Принципиальная схема подключения кран-балки
- Токоподвод электрическим кабелем
- Опорная кран-балка
- Управление лебедкой
- Зачем нужно реле РБ
- Управление тельфером
- Электросхема кран-балки
- Опорная кран-балка
- Управление мостом кран-балки электрической
- Принципиальная электрическая схема кран-балки
- Устройство и классификация кран-балки
- По типу конструкции выделяют:
- Также идет условная классификация по параметрам эксплуатации:
- Гибкие кабеля
Как подключить кнопочный пост к магнитному пускателю
Магнитный пускатель (контактор) используется, чтобы запускать и останавливать двигатель.
Он также применяется для управления самыми разнообразными нагрузками (освещение, нагрев и так далее). Пускатель регулирует работу приборов, которые имеют дистанционное управление.
Принцип его работы основан на подаче рабочего напряжения на электромагнитную катушку. После этого ее сердечник, скрепленный с контактами, втягивается, что приводит к замыканию контактов. После снятия нагрузки контакты размыкаются вновь.
Подключаем кнопочный пост управления
На магнитном пускателе есть 4 пары контактов, замыкающихся при срабатывании электрического прибора. Первые три принимают участие в коммутации напряжения. Четвертая пара призвана подавать нагрузку на катушку в момент отпускания кнопки пуска. Сверху находятся контакты (А1, А2), к которым подается рабочее напряжение. Для повышения удобства работы А2 внизу продублирован. Это подходящее место для доступа.
Схема подключения предполагает использование обычного кнопочного поста, оснащенного кнопками «Стоп», «Пуск». Внутри поста имеются как нормально открытые, так и закрытые контакты.
Функциональные возможности контактов различаются ввиду разности в подключении. После нажатия кнопки одни контакты замыкаются (на рисунке ниже – под номерами 1 и 2), а другие – размыкаются (под номерами 3 и 4). Чтобы вы представили картину, проиллюстрируем описание:
Сначала подключаем питающие провода к главным клеммам трехфазного пускателя. Берем одну фазу и ведем ее к посту для подключения к клемме 4 в основании кнопки «Стоп». Между постом и пускателем протягиваем три провода. Из выхода 3 кнопки «Стоп» протягиваем провод на выход 2 кнопки «Пуск». К выходам 1, 2 кнопки «Пуск» присоединяем два других провода.
Вернувшись к пускателю, присоединяем к А1 нулевой проводник. Далее подключаем провод от кнопочного поста (от выхода 1) к А2. При запуске поста пускатель замкнется. Отпущенный «Пуск» должен оставить пускатель включенным, а потому из четвертой пары контактов ведем проводник. К дополнительной клемме А2 (что внизу) протягиваем провод от противолежащей клеммы блок-контакта.
Вся совокупность подключений будет составлять примерно такую картину:
В итоге в момент запуска ток идет к клемме А2, что замыкает катушку. Срабатывает пускатель. После отпускания кнопки «Пуск» ток минует эту кнопку и через включенный блок-контакт попадает также к катушке. Система начинает работать. После нажатия на кнопку «Стоп» мы прерываем подачу посредством блок-контакта и размыкаем пускатель. Такая схема актуальна для питания электродвигателя.
Источник
Виды пультов управления кран-балкой
Управления кран-балками используется несколько видов пультов, обладающих различными техническими характеристиками. Выбор управляющего элемента во многом зависит от целевого применения грузоподъёмного оборудования. В целом, пульт предназначен для автоматизации погрузочно-разгрузочных операций, что положительно влияет на производительность труда.
Кран-балки представляют собой грузоподъёмное оборудование подвесного типа, работающее по принципу мостового крана.
Устройство предназначено для выполнения погрузочно-разгрузочных работ, перемещения штучных и упакованных грузов внутри складских терминалов.
Разновидности управления
Все кран-балки, которые используются для нужд промышленных предприятий и складов условно разделяются на две категории: подвесные и опорные.
В первом случае, речь идёт о пролётной балке, по которой перемещается электрическая таль. Оборудование штатно комплектуется ограничителями грузоподъёмности и различными захватами для работы с грузами любой номенклатуры. Работает модель от ручного или электрического привода.
Второй вариант – компактная модификация мостового крана, перемещающаяся посредством колёс по подкрановым рельсам. Направляющие выполнены из двутавровых балок, установленных на потолочных перекрытиях. Двигаться такая кран-балка может в любом направлении.
В обоих случаях, крановый механизм может управляться дистанционно при помощи модульного блока ПУ.
Кабельный ПУ
Такой пульт подключается к кран-балке через провод, и обычно входит в комплект поставки оборудования.
Если речь идёт о стандартном тельфере, управляющий блок представлен в 4-кнопочном исполнении.
Пост электроталей, предназначенных для кран-балок имеет две дополнительные клавиши. Монтаж проводится в рабочем порядке: таль подвешивается на направляющие, выполняется подключение питания и оборудование готово к работе.
Радиоуправляемый ПУ
Более сложный и дорогостоящий способ управления кран-балками. Контрольный блок состоит из приёмника и передающего устройства. Приёмник радиосигнала подключается к электрической цепи кранового механизма, передатчик интегрируется в пульт, находящийся в руках у оператора. Благодаря такой схеме подключения, оператор находится за пределами погрузочной площадки, что полностью соответствует требованиям безопасности и нормам охраны труда.
Конкурентными преимуществами кран-балок с радиоуправлением считается взаимозаменяемость. В частности, если устройство выходит из строя, его можно заменить, не приобретая грузоподъёмный механизм в полной комплектации.
Стандартны безопасности
К пультам управления кран-балками выдвигаются следующие требования:
- Целостность – пост обязательно заземляется, в корпусе не должно быть трещин или иных повреждений.
- Безопасность – ключ-марка, замыкающая/размыкающая цепь управления краном находится только у оператора или ответственного лица, назначенного приказом по предприятию.
- Обслуживание – элементы кранового оборудования регулярно осматриваются и обслуживаются, если погрузочно-разгрузочные операции проводятся на улице, для управления используется влагозащищённый пульт.
- Работоспособность – направления движения на кнопках ПУ сохраняются в течение всего эксплуатационного периода, клавиши не должны залипать: самостоятельно возвращаются в начальное положение после прекращения нажатия.
- Монтаж – длина кабеля проводного пульта должна обеспечивать нахождение оператора за пределами зоны погрузки, стационарные посты управления устанавливаются на расстоянии 1-1.
5 метров от пола.
При установке мостовых кранов с напольным управлением обязательно оставляются проходы для обслуживающего персонала.
Подключение
Рассмотрим, как подключить кран-балку с проводным и радиоуправлением. Любые тали, предназначенные для складского и промышленного применения, подключаются к трёхфазной сети переменного тока, с напряжением 380В, частотой 50 Гц.
Электропитание к тали подводится четырёхжильным кабелем с одним заземляющим проводом. При троллейном подключении, 4-й провод отводится под «землю». Пульт управления работает на неопасном для жизни напряжении 42В, преобразованного посредством трансформатора с раздельной обмоткой. Встроенные предохранители защищают данный блок от резких скачков напряжения в сети. Включается система посредством ключ-марки поста управления.
Нажатием кнопки ПУ выполняется подача напряжения на конкретный магнитный пускатель. В результате, электродвигатель перемещает кран в нужном направлении или запускает электролебёдку.
Электродвигатели бесприводных тельферов запрессовывается в барабан подъёмного механизма. Здесь предусмотрен колоночный тормоз, выключателями верхнего и нижнего положений крюковой подвески.
Варианты исполнения
Проводные и беспроводные пульты бывают двух типов: кнопочные и джойстиковые. Пульты ДУ в кнопочном исполнении считаются более практичными в применении, поэтому устанавливаются на большинство моделей кранового оборудования.
Для таких элементов управления характерны следующие преимущества:
- Простота изготовления, что удешевляет стоимость оборудования в целом.
- Эргономичный дизайн.
- Надёжность: здесь отсутствуют технически сложные детали и электроника.
- Удобство эксплуатации: интуитивно понятная схема управления не требует специальных навыков и знаний.
Здесь нужно уточнить, что радиочастотные посты более удобны в обращении, но обходятся заметно дороже простых релейно-контакторных пультов. Помимо этого, радиоуправляемые посты требуют сложной настройки и дорогостоящего ремонта при выходе из строя.
Джойстиковые пульты обеспечивают более точное позиционирование груза в пространстве: здесь предусмотрена ступенчатая регулировка направления движения. Пульт надевается на шею, что освобождает руки оператору. Помимо джойстиков, компоновка поста предусматривает дополнительные клавиши, световые и звуковые индикаторы, отображающие техническое состояние устройства.
Видео: дистанционное управление краном.
Востребованные модели управляющих постов
Из российских разработок можно выделить взрывозащищённый пульт ПКИВ-УПМ. Устройство предназначено для управления кран-балками, установленными в помещениях с потенциально взрывоопасной атмосферой. Пост выпускается в корпусе из алюминиево-кремневого сплава, устойчив к солевому туману и агрессивной среде.
Среди иностранных аналогов, можно выделить кнопочные модификации класса ХАС, выпускаемые на рынок компанией Schneider Electric. Это французское предприятие, занимающее лидирующие позиции мирового рынка по производству энергетических подкомплексов и оборудования.
Неплохо себя зарекомендовали управляющие посты тайваньской компании Telecrane. Это радиоуправляемые модели в кнопочном и джойстиковом исполнении. Радиус действия моделей достигает 100 метров, некоторые устройства поддерживают 5-скоростной режим работы в каждом направлении движения тали.
Источник
Напряжение управления кран балки
Схема подключения кран-балки с пультом
Кран-балка представляет собой компактную конструкцию, в которой объединены следующие элементы:
- Мостовые и несущие балки с ограничителями движения.
- Электрический двигатель.
- Понижающий редуктор для регулировки крутящего момента.
- Нарезной или плоский барабан для укладки крановых тросов.
- Шкаф с пусковым оборудованием.
Обычно используется схема подключения кран-балки с пультом, позволяющая управлять подъемным механизмом с пола. Оператор может контролировать процесс перемещения груза с удобной позиции.
Принципиальные схемы подключения кран-балки в большинстве моделей имеют много общего.
Они наглядно демонстрируют принцип работы грузоподъемного устройства и электрооборудования.
Большинство кран-балок питается от сети с напряжением 380 В и напряжением 50 Гц. Для запуска используется пускатели реверсивного действия с системой блокировки питания. Данная функция обеспечивает остановку двигателя при перебоях в энергоснабжении.
Схема подключения пульта управления кран-балкой предусматривает, что работа электрических устройств на тельфере возможна только при нажатии соответствующих программных кнопок.
Принципиальная схема подключения кран-балки
Рис. 1. Схема подключения электротали г/п 5 тонн
Стандартным примером подключения электротали может служить грузоподъёмный механизм Слуцкого завода. В цепи управления напряжение составляет 42 В.
Оборудование включает: дисковые тормоза, стандартные и аварийные выключатели в верхнем и нижнем положении.
Питание на электродвигатель и грузоподъемные узлы подается через четырехжильный кабель.
Одна из жил используется для заземления. Это говорит о том, что используется троллейный тип питания для кранов высокой грузоподъемности.
Напряжение в цепи управления – 42 В, достигается за счет трансформатора (Т), который также заземляется. Предохранители (F1-F3) предохраняют трансформаторные обмотки. Ключ (S) подает напряжение в сеть на пускатели. Управление передвижением осуществляется с помощью кнопок S1-S4, подающих ток на катушки К1-К4.
Токоподвод электрическим кабелем
Рис.2. Токоподвод к тали с помощью гибкого кабеля
В большинстве случаев на кранах грузоподъёмностью до 10 тонн схема подачи питания с использованием гибкого кабеля.
На рис. 2 кабель 1 подвешивается кольцами (3,4) на струнах 2. Такое строение позволяет подавать питание на расстояние 25-30 метров. Зажимы 5 и болт для стягивания 6 жестко фиксируют провод в текущем положении. Подкладка 7 защищает резиновую оплетку от стирания.
Если ток подается на расстояние, превышающее 30 метров, необходимо использовать жесткую направляющую.
Для протягивания кабеля более чем на 50 метров необходимо проводить расчёты. Применение тонкожильных проводов позволяет крану находится на расстоянии до 60 метров от источника питания, однако при высоких эксплуатационных нагрузках данная схема будет неэффективна.
Опорная кран-балка
Опорная разновидность этого механизма в своей конструкции предусматривает наличие направляющей, которая закрепляется на опорах.
Они обычно выполняются в форме квадрата из металла или бетона или рельсов.
Устройство этого типа представлено такими элементами:
- привод;
- бaлка пролетная;
- бaлка концевая, крепящаяся к пролетной;
- бaлка концевая, опирающаяся на подкрановые пути;
- устройство для подъема грузов.
Пульт для управления может размещаться внутри специальной кабины. В других модификациях он может быть опущен книзу. В таком случае управление выполняют с пола посредством кнопочной станции.й оси балки. Их протяженность практически тождественна высоте стенок.
При большой длине главных балок нередко встречались ситуации их прогиба внутрь из-за неспособности выдерживать воздействие внушительного веса перемещаемых грузов. Чтобы устранить этот недостаток, балки предварительно отгибают вверх, формируя таким образом так называемый строительный подъем.
Управление лебедкой
При нажатии кнопки SB1 питание проходит через реле тока, нормально замкнутые контакт концевого выключателя и контакт пускателя КМ2, включает электромагнит пускателя КМ1. Пускатель КМ1 подает питание на двигатель М1, вследствие чего включается подъем груза. Реле тока (РТ) необходимо для того, чтобы не допустить длительной работы двигателя в режиме перегрузки. Концевой выключатель необходим для остановки вращения при достижении крюком предельного верхнего положения во избежание вывода из строя лебедки или ее привода. Питание пускателя КМ1 пропущено через нормально замкнутый контакт пускателя КМ2 во избежание их одновременного включения. Если этого не сделать, то, если будет включено одновременно 2 пускателя, произойдет короткое замыкание в силовой части цепи на местах прилегания контактных групп, что выведет их из строя.
Такие схемы включения пускателей между собой называются схемами взаимоблокировки.
Зачем нужно реле РБ
Пояснение к рисунку ниже я сделал в двух формах: в виде рисунка с текстом, с необходимостью прокрутки, и собственно в виде текста. Пользуйтесь той формой, которую находите более удобной.
Реле РБ, 1РУ и 2РУ имеют тип РЭВ (возможно, РЭВ 812, но точно не знаю). Чем отличаются реле такого типа? Когда на его катушке появляется напряжение, контакты замыкаются или размыкаются сразу же, без задержки, как и у реле других типов. Когда же напряжение исчезает, контакты возвращаются в предыдущее (нормально замкнутое или разомкнутое) состояние с временнОй задержкой порядка 0.8 — 2,5 секунды, которая может регулироваться. То, что реле срабатывает с задержкой, можно определить по виду его контактов на схеме. Рассмотрим функцию реле РБ. На схеме видно, что реле РБ включается только при спуске. И только через цепочку из контактов. Разберём его работу в первом и втором режиме подъёма.
Когда крановщик нажимает на ножную педаль, срабатывает сначала 1Т, через два последовательных контакта 1Т (смотри 9 шайбу контроллера) включатся 2В и 1В, через контакты 1В (6 шайба) включится Т, растормаживающий магнит отожмёт тормозные колодки, и, наконец, через цепочку Т, 1В, 2В (8 шайба) сработает РБ. Когда же крановщик отпустит педаль, растормаживающий магнит выключится сразу же, а контакторы 1В и 2В (9 шайба) выключатся позже, когда разомкнутся контакты РБ. Поскольку в этих режимах двигатель работает на торможение опускающегося груза, он гасит его инерцию. У груза получается меньший тормозной путь. Тормозные колодки изнашиваются не так сильно.
Теперь рассмотрим переход из третьего режима (работы двигателя на двух фазах) во второй режим. При этом переходе также магнит (посредством контакторов Т и 1Т) выключится сразу же, а двигатель посредством контакторов 1В и 2В кратковременно включится на три фазы в режим торможения противовключением, пока не разомкнутся контакты РБ.
Теперь рассмотрим цепь шайбы 6.
Там тоже имеется контакт реле РБ. В чём его функция? Он подаёт питание на катушку контактора Т, включающего магнит, в режимах спуска, в которых не работает контактор 1В (а именно в третьем и четвёртом режиме спуска). РБ же в этих режимах включается, когда все небходимые для работы двигателя в данном режиме контакторы (2Н и 2В в третьем режиме, 1Н и 2Н в четвёртом режиме) включились.
Управление тельфером
Для перемещения тельфера кран-балки электрической, условно говоря, влево, нажмем кнопку SB3. Ток пойдет через нормально замкнутый контакт концевого выключателя, расположенного на левой крайней точке тельфера. При достижении тельфером предельного левого положения (столкновения с резиновым буфером) он разорвет питание пускателя КМ3 во избежание перегрузки электродвигателя и чрезмерного износа колес вследствие их прокручивания на месте. Питание пускателя КМ3 также обеспеченно через нормально замкнутый контакт пускателя КМ4 с той же целью защиты пускателей от одновременного включения.
Для перемещения тельфера, условно говоря, вправо, нажмем кнопку SB4. Питающее напряжение поступит на нормально замкнутый контакт концевого выключателя, а пройдя через него, поступит на нормально замкнутый контакт пускателя КМ3, и только после этого запитает катушку электромагнита КМ4, который включит обратное вращение двигателя. При столкновении правой крайней точкой с правым буфером концевой выключатель разорвет питание пускателя, вследствие чего вращение колес прекратится.
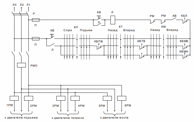
Электросхема кран-балки
Опорная кран-балка
Подвесная электротележка рис. Навесная электротележка рис.
Ток пойдет через нормально замкнутый контакт концевого выключателя, расположенного на левой крайней точке тельфера. Для реверсирования двигателей достаточно двух двухполюсных контакторов. Очень допустимое время запуска для устройств подъему составляет 3 — 5 с, для устройств передвижения — 10 — 15 с. Для кран-балок транспортирующих грузы по территории завода на относительно большие расстояния, режимы работы двигателей подъема и перемещения различны: для первых характерен кратковременный режим, для вторых — длительный.
Управление мостом кран-балки электрической
Для включения хода моста вперед нажимаем кнопку SB5. Питание пускателя обеспечено аналогичным образом, как и в предыдущих функциях для обеспечения тех же защит. Таким же образом работает и ход моста назад.
По окончании работы с механизмом ключ повернуть в положение «ВЫКЛ.» и извлечь из замка. При попытке включить любую из функций электрической кран-балки механизм останется неподвижным.
В заключение можно сказать, что кран-балка — одно из самых простых устройств, но оно сильно облегчает труд обычного рабочего.
Принципиальная электрическая схема кран-балки
Тельферы нашли широкое применение, как России, так и за рубежом. Отличный тип подъема и перемещения груза внутри помещений, а также вне строений. Их отличает от талей ручных то, что для поднятия груза не используется мускульная сила людей. Но не только в этом отличие. Тали электрические быстрее грузят и также быстро разгружают транспорт. Экономия времени огромная.
Значит, эффективность погрузочно-разгрузочных процессов выше, чем при помощи ручной тали.
Электрические тельферы состоят из трех основных блоков: редуктора, барабана и электропривода. Редуктор осуществляет корреляцию оборотов на входе и на выходе. Барабан служит для наматывания грузового троса до необходимой высоты поднятия грузозахватного крюка. И сердцем электрического тельфера является электродвигатель. Конструкторы при проектировании грузоподъемной машины рассчитывают его мощность для выполнения тех практических задач, для которых предназначена таль.
Электрическая схема электропитания основных энергопринимающих узлов, рассчитывается и строится так, чтобы от централизованного поступления электрической энергии, она, при помощи специальных распределителей, расходилась в требуемой номинальной мощности к каждому электроприемнику. Это возможно при помощи специальных регулировочно-распределительных устройств, соединенных с электродвигателями тали при помощи кабеля.
Представляют собой такие устройства пакеты прямоугольной формы, с вмонтированными кнопками хода «Вверх», «Вниз», «Вперед», «Назад» и так далее.
При нажатии кнопки «Вверх» трос наматывается на барабан, поднимая груз вверх. Чтобы опустить его обратно, необходимо воспользоваться кнопкой «Вниз». Сами пакетники помещены в эбонитовые или пластмассовые кожухи, которые не проводят электрический ток.
В зависимости от назначения грузоподъемной машины, электрическая схема разрабатывается под ее назначение. Обычно стартовым напряжением является трехфазный ток в 380 В. Электричества должно хватить не только поднять груз, но и обеспечить надежную функциональность электротехнических тормозных устройств, предохранительных систем и так далее. Во многих случаях электропитание обеспечивает работу автоматического диспетчерского пункта, позволяющего управлять электрической кран-балкой при помощи радиокоманд. То есть на приличном расстоянии от грузоподъемной машины.
Устройство и классификация кран-балки
Исполнение и, соответственно, принцип работы этой надземной машины напрямую зависит от ее типа. Поэтому целесообразно рассматривать устройство кран-балки в зависимости от ее классификации.
По типу конструкции выделяют:
- Опорные кран-балки — у них грузовая каретка с установленными на ней механизмами вспомогательного характера сверху монтируется на пролет, по которому и перемещается. Для передвижения по всей длине несущей конструкции проложен рельсовый путь с троллеями, передающими напряжение.
- Подвесные кран-балки — у них грузовая каретка размещена на балке с ходовыми колесами, монтируемой на рельсы. Они, в свою очередь, расположены на пути из тавров или двутавров, параллельно установленных на стенах здания или опорных конструациях строительного объекта. Рабочая зона подвесной кран-балки таким образом находится ниже линии ее движения.
Также идет условная классификация по параметрам эксплуатации:
- По пролету — от 3 до 15 м (однопролетные) и от 7,5 до 12 м (двухпролетные) в стандартном исполнении и до 28,5 м — в специализированном.
- По высоте подъема грузов — от 6 до 36 м (подвесные) и от 6 до 18 (опорные) в стандартном исполнении и от 6 до 36 м — в специализированном.

- По скорости движения — от 24 до 60 м/мин (подвесные) и от 20 до 30 м/мин (опорные)ю
- По грузоподъемности — от 1 до 5 т (подвесные) и от 1 до 10 т (опорные) в стандартном исполнении, в специализированном же предельный вес может достигать и 20, и 30 т.
Гибкие кабеля
Двигатель подъема крана, который мы изучаем, расположен на поворотной платформе, которая в свою очередь расположена на телеге, которая перемещается по мостовой балке крана. Остальные же элементы, изображённые на рисунке 1, расположены на мостовой балке («на мосту», как говорят электрики). Поэтому двигатель соединён с ними гибкими кабелями, подвешеными на тросе. Когда телега перемещается по мосту, кабеля двигаются вслед за ней. Поскольку они в процессе работы крана подвергаются изгибу, жилы этих кабелей имеют свойство ломаться, что нередко является причиной неисправности крана.
Бывают краны, где вдоль моста идут специальные троллеи (вспомогательные троллеи).
Когда телега ездит по мосту, токосьемники, жёстко соединённые с телегой, ездят вместе с ней по этим троллеям. Таким образом напряжение подаётся с моста на телегу.
Источник
Коммерческие сенсорные смесители и промывочные клапаны Hydrotek
Перейти к основному содержанию
Сертификация ISO 9001 для обеспечения наивысшего уровня удовлетворенности клиентов
КТО МЫ
Бесплатное руководство по экономии воды
Спасите планету, уменьшив количество воды, используемой вашим коммерческим предприятием.
Нажмите ниже, чтобы получить бесплатное руководство.
Подробнее
Руководство по перекрестным ссылкам
Сопоставьте наши продукты с аналогичными продуктами наших конкурентов.
Щелкните ниже, чтобы просмотреть ссылки на наши продукты.
Ссылка сейчас
Производитель коммерческих сенсорных смесителей и клапанов для смыва унитаза
Компания Hydrotek стремится производить самые надежные продукты и обеспечивать лучшее обслуживание клиентов в отрасли.
Мы гордимся тем, что предоставляем вам качественный продукт, который сэкономит ваше время и деньги.
Национальный список основных установок
Что делает промывочные клапаны с датчиками Hydrotek лучшими в отрасли?
Джо Коткер, сантехник-подмастерье и агент по закупкам в компании Pioneer Plumbing and Heating в Сиэтле, штат Вашингтон, объясняет, почему, по его мнению, сенсорный промывочный клапан Hydrotek серии 8000C является лучшим на рынке.
СМОТРЕТЬ СЕЙЧАС
Последние сообщения
Сантехнические нормы и правила представляют собой сборник стандартов и требований для сантехнических систем. Цель кодекса — защитить здоровье населения, обеспечив, чтобы вся сантехника, установленная в домах, на предприятиях и в местах общественных собраний, соответствовала минимальным требованиям. Различные нормы сантехники устанавливают минимальные стандарты для проектирования, строительства,…
Подробнее
Тема регулирования температуры воды часто обсуждается в коммерческих туалетах.
Многие владельцы недвижимости и менеджеры должны решить вопрос о том, как поддерживать определенную температуру воды в коммерческом туалете. По закону коммерческие туалеты должны поддерживать определенную температуру для обеспечения безопасности…
Подробнее
Антивандальные свойства относятся к любой специальной конструкции, конструкции или материалу, которые затрудняют повреждение или разрушение коммерческих смесителей людьми. Эффективность и внешний вид этих функций значительно различаются в зависимости от того, какой тип вы выберете. Это может варьироваться от чего-то такого простого, как использование более толстых материалов, которые…
Подробнее
Если вы ищете лучший сенсорный смеситель на рынке, обратите внимание на такие факторы, как простота использования, долговечность и энергоэффективность. Лучший тип сенсорного смесителя требует минимального обслуживания или вообще не требует обслуживания и предлагает множество функций.
Вот некоторые из лучших особенностей, которые вы должны учитывать при поиске…
Подробнее
Купить American Act
Целью Закона о восстановлении и реинвестировании Америки (ARRA) является моделирование и оживление нашей экономики с помощью новых проектов, которые вернуть американцев к работе. В соответствии с Законом о покупке в Америке (BAA) продукты из определенных стран (также известные как продукты, соответствующие требованиям TAA) считаются частью пакета восстановления. В число этих стран входят страны, подписавшие Соглашение о государственных закупках Всемирной торговой организации. Тайвань присоединился к Соглашению о государственных закупках (GPA) 15 июля 2009 г.и стал 41-м крытым хозяйством. В соответствии с GPA ВТО Тайваню предоставляется статус «партнера по свободной торговле» в соответствии с Положением о федеральных закупках (FAR), что позволяет компаниям, продающим правительству США, поставлять продукцию, произведенную на Тайване.
15 марта 2010 г. Управление по вопросам управления и бюджета (OMB) предложило поправки к правилам, реализующим требование «Покупайте американское» Закона ARRA от 2009 г., раздел 1605, что позволяет повысить гибкость доставки товаров из Канады и Тайваня в соответствии с требованиями штата. или местные строительные проекты, финансируемые Законом о восстановлении.
Высокоэффективная водо- и энергосберегающая сантехника Hydrotek разрабатывается, производится и собирается на Тайване. Все они соответствуют требованиям Закона США о восстановлении и реинвестировании (ARRA) Buy American.
“
Мы взяли клапан Hydrotek и засыпали входную трубу подачи воды песком. Мы установили клапан и промыли его. Клапан работал идеально. Излишне говорить, что в тот момент я был продан и начал заменять наши старые клапаны на Hydrotek…
Шейн Уолден Менеджер по механическим системам, стадион «Бэнк оф Америка»
«
Благодаря успешному тестированию и использованию продуктов Hydrotek мы намерены модернизировать 100 % всех наших терминальных туалетов с помощью вашего смывного клапана.
Кроме того, в наши планы входит полная реконструкция всех туалетов в аэропорту в течение 5 лет. В рамках нашего проекта по продлению срока службы терминала мы выбрали промывочный клапан Hydrotek для этого проекта…
Al Ferreira Супервайзер по сантехнике, Международный аэропорт Орландо
“
Я настоятельно рекомендую ваш продукт всем, у кого есть проблемы с песком или нет. Мы благодарны за то, что ваш промывочный клапан решил наши проблемы, и в будущем мы заменим остальные наши клапаны на Hydrotek…
Steve JohnsonМенеджер технической поддержки, Alltel Stadium
Close Menu
Согласие на управление
Коммерческие сенсорные смесители и промывочные клапаны Hydrotek
Перейти к основному содержанию
ISO 9001 Сертифицировано для обеспечения наивысшего уровня удовлетворенности клиентов
КТО МЫ
Бесплатное руководство по экономии воды
Спасите планету, уменьшив количество воды, используемой вашим коммерческим предприятием.

Нажмите ниже, чтобы получить бесплатное руководство.
Подробнее
Руководство по перекрестным ссылкам
Сопоставьте наши продукты с аналогичными продуктами наших конкурентов.
Щелкните ниже, чтобы просмотреть ссылки на наши продукты.
Ссылка сейчас
Производитель коммерческих сенсорных смесителей и сливных клапанов для унитазов
Компания Hydrotek стремится производить самые надежные продукты и обеспечивать лучшее обслуживание клиентов в отрасли. Мы гордимся тем, что предоставляем вам качественный продукт, который сэкономит ваше время и деньги.
Национальный список основных установок
Что делает промывочные клапаны с датчиками Hydrotek лучшими в отрасли?
Джо Коткер, сантехник-подмастерье и агент по закупкам в компании Pioneer Plumbing and Heating в Сиэтле, штат Вашингтон, объясняет, почему он считает сенсорный промывочный клапан Hydrotek серии 8000C лучшим на рынке.
СМОТРЕТЬ СЕЙЧАС
Последние сообщения
Сантехнические нормы и правила представляют собой сборник стандартов и требований к сантехническим системам. Цель кодекса — защитить здоровье населения, обеспечив, чтобы вся сантехника, установленная в домах, на предприятиях и в местах общественных собраний, соответствовала минимальным требованиям. Различные санитарные нормы устанавливают минимальные стандарты для проектирования, строительства,…
Подробнее
Тема регулирования температуры воды часто обсуждается в коммерческих туалетах. Многие владельцы недвижимости и менеджеры должны решить вопрос о том, как поддерживать определенную температуру воды в коммерческом туалете. По закону коммерческие туалеты должны поддерживать определенную температуру в целях безопасности…
Подробнее
Антивандальные свойства относятся к любой специальной конструкции, конструкции или материалу, которые затрудняют повреждение или разрушение промышленных смесителей людьми.
Эффективность и внешний вид этих функций значительно различаются в зависимости от того, какой тип вы выберете. Это может варьироваться от чего-то такого простого, как использование более толстых материалов, которые…
Подробнее
Если вы ищете лучший сенсорный смеситель на рынке, примите во внимание некоторые факторы, такие как простота использования, долговечность и энергоэффективность. Лучший тип сенсорного смесителя требует минимального обслуживания или вообще не требует обслуживания и предлагает множество функций. Вот некоторые из лучших функций, которые вы должны учитывать при поиске…
Подробнее
Купить Американский закон
Целью Закона о восстановлении и реинвестировании Америки (ARRA) является моделирование и оживление нашей экономики с помощью новых проектов, которые возвращают американцев к работе. В соответствии с Законом о покупке в Америке (BAA) продукты из определенных стран (также известные как продукты, соответствующие требованиям TAA) считаются частью пакета восстановления.
В число этих стран входят страны, подписавшие Соглашение о государственных закупках Всемирной торговой организации. Тайвань присоединился к Соглашению о государственных закупках (GPA) 15 июля 2009 г.и стал 41-м крытым хозяйством. В соответствии с GPA ВТО Тайваню предоставляется статус «партнера по свободной торговле» в соответствии с Положением о федеральных закупках (FAR), что позволяет компаниям, продающим правительству США, поставлять продукцию, произведенную на Тайване.
15 марта 2010 г. Управление по вопросам управления и бюджета (OMB) предложило поправки к правилам, реализующим требование «Покупайте американское» Закона ARRA от 2009 г., раздел 1605, что позволяет повысить гибкость доставки товаров из Канады и Тайваня в соответствии с требованиями штата. или местные строительные проекты, финансируемые Законом о восстановлении.
Высокоэффективная водо- и энергосберегающая сантехника Hydrotek разрабатывается, производится и собирается на Тайване. Все они соответствуют требованиям Закона США о восстановлении и реинвестировании (ARRA) Buy American.
5 метров от пола.

Кроме того, в наши планы входит полная реконструкция всех туалетов в аэропорту в течение 5 лет. В рамках нашего проекта по продлению срока службы терминала мы выбрали промывочный клапан Hydrotek для этого проекта…
460
310
05.2023
в.
км
05.2023
Автомобили этой серии рассчитаны на интенсивную эксплуатацию с годовыми пробегами 150 тыс. км и выше. Стоящие ступенькой ниже машины серии 85 отличаются от флагмана упрощенными комплектациями, менее комфортабельными кабинами и не такими мощными двигателями. Кроме того, 85-е машины обладают средним запасом прочности и рассчитаны на невысокую интенсивность эксплуатации на местных и региональных маршрутах.есть конечно болячки, но они незначительны!!!
Ещё 2 фото
К выбору этой техники покупатели подходят основательно, внимательно изучая десятки эксплуатационных параметров. Очень часто предпочтение отдается DAF, благодаря высокой грузоподъемности, разумному уровню эксплуатационных затрат. Если говорить о вторичном рынке, здесь в приоритете модель XF 95. Хотя авто и сняли с производства еще в 2006 году, его несложно найти в хорошем состоянии за рубежом. Вполне возможно, что потребуется заменить на ДАФ 95 ХФ ремень генератора, фильтрующие элементы, осмотреть колодки, оценить состояние рулевого управления, ходовой части. Тщательной профессиональной диагностике при подборе образца надо подвергать КПП, мосты и силовые агрегаты. Для своих лет машина достаточно привлекательна, ведь ее предлагают по небольшой остаточной стоимости.
Неполадка связана с постоянным напряжением, перепадом температурного режима при регулярных поездках.
с.)
)
530 (530 л. с.)




480 Ретардер
430 Тягач
4 Транзит 350
310 ТГА 18.313 ТГА 18.350 ТГА 18.360 ТГА 18.430 ТГА 26.310 ТГА 26.350 ТГА 26.360 ТГА 26.390 ТГА 26.410 ТГА 26.413 ТГА 26.430 ТГА 26.460 ТГА 26.480 ТГА 26.530 ТГА 28.350 ТГА 28.360 ТГА 33.430 ТГА 35.390 ТГА 35.430 ТГА 35.480 ТГА 41.430 90 005
В перечень подходящих для дорожного строительства входят следующие виды грунта:
У него несколько функций, самые важные – дренирующая и амортизационная. Песчаная подушка смягчает воздействие автотранспорта на дорожное полотно и увеличивает срок его службы. Ее толщина 15–20 см.


Намечаются места прокладывания дорожек и места, где будет производиться монтаж водоотводов. Эти каналы необходимы для того, чтобы талая вода и осадки попадали в грунт как можно дальше от фундамента строений и самой кладки. При разметке водоотводов предполагаются их уклоны: продольного, поперечного и продольно-поперечного типа.
Для того, чтобы …
Как правило, она многослойна и формируется на основе фундамента …
Но под дорожками на участке можно снимать всего 15 — 20 см. После этого грунт нужно разровнять (использовать деревянную швабру или грабли), намочить и по возможности утрамбовать.
Без этого срок службы дорожного покрытия будет коротким. Бордюры устанавливаются после засыпки щебня на фундамент из бетона. Ширина бетонного основания должна быть мощным, около 20 см. Бордюр должен быть установлен надежно, и его верхний край должен располагаться выше «подушки» на 15 см.
Технология укладки по сложной схеме мало отличается от предыдущей. А результат определяется только умением мастера. Детали плотно укладываются согласно схеме и простукиваются молотком из плотной резины. Если схема содержит закругления, то нужно следить, чтобы зазор между плитками не был больше 8 мм. Необходимо также соблюдать уклон до 2 градусов в сторону водоотвода, который обычно выполняется в клумбу или водосточный колодец.
Также возможен самовывоз в магазине и на выезде.
Основание дороги, состоящее из смеси гравия и мелких материалов, образует твердое покрытие с высоким уровнем механической прочности.
Все права защищены.
Если существующая почва не является подходящим основанием (например, глина), может потребоваться ее выемка и удаление.
Летом он может быть пыльным, а зимой – заболоченным.
Он также долговечен при интенсивном движении и транспортных средствах, если он предназначен для такого типа использования.
Любая влага в смеси заполнителей высушивается газовой горелкой перед добавлением битума.
При измерении зазора плоским щупом результаты значительно отличаются от действительных, а сравнительно небольшие изменения зазора вызывают значительные изменения угла замкнутого состояния контактов, от величины которого зависит сила тока разрыва в первичной цепи. Кроме того, не учитываются такие факторы, как состояние рабочих поверхностей контактов, износ кулачка и др.
4. Принципиальная схема синхроноскопа
В результате на вращающемся диске синхроноскопа будут видны светящиеся риски, число которых будет соответствовать числу размыканий контактов за один оборот кулачка, т. е. будет соответствовать числу выступов кулачка проверяемого прерывателя-распределителя.
Для проверки центробежного регулятора закрепляют проверяемый прерыватель-распределитель в кронштейне стенда и соединяют вал прерывателя с валом синхроноскопа. Включают электродвигатель стенда и устанавливают минимальную устойчивую частоту вращения. Частота вращения замеряется тахометром стенда. Затем сдвигом градуированного диска совмещают нулевое деление с одной из светящихся рисок. Плавно увеличивают частоту вращения вала прерывателя и наблюдают по шкале тахометра, при какой частоте вращения началось и закончилось смещение светящейся риски относительно нулевого деления шкалы градуированного диска. Одновременно замеряют угол смещения риски.
ст. и по вакуумметру наблюдают за падением разрежения. У исправного регулятора падение вакуума не должно превышать 5 мм рт. ст. за 1 мин. Затем включают электродвигатель стенда и устанавливают любую устойчивую частоту вращения. Сдвигом градуированного диска совмещают нулевое деление с одной из’ светящихся рисок. Насосом плавно увеличивают разрежение и наблюдают, при какой величине разрежения, регистрируемого вакуумметром, начинается и заканчивается сдвиг светящейся риски относительно нулевого деления шкалы. Одновременно замеряют угол сдвига риски. Величины разрежения в начале и конце сдвига риски и величину угла сдвига риски сопоставляют с данными технических условий.
5.
6. Схема проверки конденсатора:
Сопротивление изоляции измеряется мегомметром. Оно должно быть более 40 МОм.
Если транзистор коммутатора исправный, то после выключения выключателя ток управления прервется и стрелки амперметров установятся на нулевое деление.
Если падение давления превышает 0,5 кгс/см2 в минуту для свечей со стеклогерметиком и 0,5 кгс/см2 за 10 с для свечей с герметиком из термоцемента, то такие свечи считают неисправными. Обратный клапан 11 предотвращает утечку сжатого воздуха из камеры через насос.
Кнопкой включают в работу коммутатор и в течение 2—3 с наблюдают за искрообразованием между электродами свечи через смотровые окна и в зеркале

Может быть и так, что причина заключается в недоброкачественных свечах или же пробитых проводах.
Это может быть, как и говорилось выше, не связано с катушкой. Поэтому, прежде чем винить во всём её, следует тщательно проверить свечи зажигания и провода, в которых могут быть пробои.
Также внутри устройства находится пружина центральной клеммы, сердечник, винты, изоляционный материал и многое другое.
В обоих случаях сопротивление не должно опускаться ниже 2 Ом. В противном случае имеется обрыв и устройство уже надо заменить.
И располагать такую систему в подкапотном пространстве правильно. А вот установка датчика и катушки зажигания проводится на местах для штатной, обычной системы зажигания.
Кроме того, проверять катушку следует мультиметром. А запах горелой обмотки и без всяких проверок укажет вам, что она пришла в негодность.
Задача катушки зажигания состоит в том, чтобы индуцировать высокое напряжение из низкого напряжения. Помимо железного сердечника основными компонентами являются первичная обмотка, вторичная обмотка и электрические соединения.
Высокое напряжение на вторичной обмотке может достигать 40 кВ в зависимости от катушки зажигания.
Катушки зажигания запускаются выходными каскадами зажигания в электронном блоке управления. Он получает сигнал ВМТ от датчика коленчатого вала, чтобы начать срабатывание правильной катушки зажигания.
Эти катушки зажигания обычно устанавливаются непосредственно на головке блока цилиндров над свечой зажигания.
В провод заземления устанавливается измерительный резистор для контроля зажигания; это обеспечивает электронный блок управления измерением падения напряжения, вызванного током зажигания во время пробоя.
Это может иметь место, например, если в одном цилиндре слишком низкая компрессия, а значит, осциллограф показывает, что напряжение зажигания для этого цилиндра ниже, чем в других цилиндрах.
Катушки зажигания приводятся в действие выходными каскадами зажигания, встроенными в блок управления двигателем. В данном примере показана процедура ремонта с использованием диагностического прибора Mega Macs. Схематические изображения, рисунки и описания предназначены исключительно для пояснения текста документа и не могут быть использованы в качестве основы для проведения монтажных и ремонтных работ.
В зависимости от производителя автомобиля и даты регистрации может потребоваться другой диагностический разъем и дополнительный адаптер.
Перегибы, отсутствие компенсатора натяжения и «укусы куницы» в жгуте проводов — все это возможные причины этого.

Это относится не только к вторичной цепи высокого напряжения, но и к первичной цепи. По этой причине испытания и ремонтные работы должны выполняться только обученным персоналом.
0. Предварительное условие для диагностических работ: Механика двигателя, аккумулятор, система запуска и топливная система в порядке.


Ни при каких обстоятельствах ваши данные не будут переданы третьим лицам.
Если это так, вы уже должны были убедиться, что у вас действительно нет искры, выполнив первоначальную проверку на отсутствие искры, описанную в TS-01, Поиск и устранение неисправностей — двигатель не запускается.
Однако большинство из нас не может позволить себе роскошь держать под рукой запасной компьютер DME. Однако, если вы подозреваете, что проблема с запуском или работой может быть связана с неисправным компьютером DME, попробуйте одолжить компьютер, чтобы проверить свой автомобиль, прежде чем покупать DME.


К тому же, угольные нити ламп накаливания были очень чувствительны к тряске на неровностях и быстро выходили из строя.
Чуть позже на основе этой схемы немецкая фирма «Bosch» рекламировала набор «Bosch-Light», который позволил системе освещения работать по замкнутому циклу вне зависимости от зарядных станций. «Bosch-Light» состоял из фар, генератора, аккумуляторной батареи и реле-регулятора для управления подзарядкой батареи. Система оказалась настолько удачной, что всего за год было продано более 3 тысяч комплектов для установки на автомобили.
Тогда уже вместо обычного стекла применялся рассеиватель с призматическими линзами, отклоняющими свет вниз, на дорогу. С тех пор перед конструкторами стоят две противоположные задачи: максимально осветить дорогу и не допустить ослепления встречных водителей. Примерно в то же время лампы накаливания стали заполнять смесью аргона и азота, который препятствовал испарению вольфрама с нити, что благоприятно сказывалось на долговечности ламп. В 50-е годы срок их службы стали продлевать с помощью галогенидов — газообразных соединений йода или брома. В такой лампе галогенный газ вступал в соединение с испарившимся вольфрамом, затем при высоких температурах это соединение распадалось на составляющие вещества, и атомы вольфрама оседали на спирали. Первую галогеновую лампу в 1962 году на автомобильном рынке представила фирма «Hella». Технология заполнения колбы галогенами позволила поднять рабочую температуру с 2500К до 3200К. Это увеличило светоотдачу в полтора раза — с 15 лм/Вт до 25 лм/Вт. При этом ресурс ламп вырос вдвое, теплоотдача снизилась с 90% до 40%, а размеры стали меньше (галогенный цикл требует близости нити и стеклянной колбы).
Главный шаг в решении проблемы ослепления был сделан в 1955 году — французская фирма «Cibie» предложила идею асимметричного распределения ближнего света для того, чтобы правая обочина освещалась дальше левой. И через два года асимметричный свет в Европе был узаконен. Вплоть до 1961 года фары автомобиля были круглой формы — впервые прямоугольные фары стали устанавливаться на Citroen AMI 6 (Рис. 5). Такие фары были сложнее в производстве, требовали большего подкапотного пространства, но вместе с меньшими вертикальными габаритами имели большую площадь отражателя и увеличенный светопоток.
Одним из первых новинку примерил Austin-Rover Maestro в 1983 году. В том же году фирма «Hella» представила концептуальную разработку — «трехосные» фары с отражателем эллипсоидной формы (DE, DreiachsEllipsoid). Дело в том, что у эллипсоидного отражателя сразу два фокуса. Лучи, выпущенные галогенной лампой из первого фокуса, собираются во втором, откуда направляются в собирающую линзу. Такой тип фар называют прожекторным. Эффективность эллипсоидной фары в режиме ближнего света превосходила параболическую на 9% (обычные фары отправляли по назначению лишь 27% света) при диаметре всего в 60 миллиметров. Эти фары предназначались для противотуманного и ближнего света (во втором фокусе размещался экран, создающий асимметричную светотеневую границу). А первым серийным автомобилем с «трехосными» фарами стала BMW седьмой серии в конце 1986 года (Рис. 6). Еще через два года «Hella» представила эллипсоидные фары Super DE. На этот раз профиль отражателя отличался от чисто эллипсоидной формы — он был «свободным», рассчитанным таким образом, чтобы основная часть света проходила над экраном, отвечающим за ближний свет.
Эффективность фар возросла до 52%.
Это позволило снизить массу фары почти на килограмм. Но зато поликарбонатные «стекла» гораздо хуже сопротивляются истиранию, нежели стекла настоящие. Поэтому щеточных очистителей фар, которые еще в 1971 году предложил Saab, больше не делают. Новым витком в развитии автосвета стала установка на автомобиль фар с газоразрядным источником света (Рис. 7), попросту «ксенона». Принципиальное отличие таких ламп от галогеновых в том, что в них свет излучает электрическая дуга, возникающая между двумя электродами в среде инертного газа при подаче высоковольтного напряжения. Впервые такие лампы серийно устанавливались на BMW 7 серии в кузове E38 с 1991 года.
А поскольку нити нет, то и перегорать нечему — ксеноновые газоразрядные лампы служат гораздо дольше обычных. Но устроены газоразрядные лампы сложнее. Главная задача — зажечь газовый разряд. Для этого нужен короткий импульс из 25 киловольт — причем переменного тока, с частотой до 400 Гц! Для этого служит специальный блок розжига. Когда лампа зажглась (для разогрева требуется некоторое время), электроника снижает напряжение до 85 вольт, достаточных для поддержания разряда. Высокая светоотдача газоразрядных источников света потребовала внедрение автоматического корректора наклона пучка света, а так же омывателя фар высокого давления (Рис. 8). Без всего этого возможно сильное ослепление встречных водителей.
Если используется прожекторная фара (как та, что придумала «Hella»), то переключение режимов света осуществляется экраном, находящимся во втором фокусе эллипсоидного отражателя: в режиме ближнего света он отсекает часть лучей. При включении дальнего света экран прячется и не препятствует световому потоку. А в отражающем типе фар «двойное действие» газоразрядной лампы обеспечивается взаимным перемещением рефлектора и источника света. В итоге, вслед за фокусным расстоянием изменяется и светораспределение. Но по данным французской фирмы «Valeo», применив отдельные газоразрядные лампы для ближнего и дальнего света, можно достичь на 40% лучшей освещенности, чем у «биксенона». Правда, модулей зажигания требуется уже не два, а четыре — такие фары имеет Volkswagen Phaeton W12, например (Рис. 9).
До недавнего времени их светоотдача была слишком мала, чтобы использовать их в качестве основного света, поэтому поначалу им нашли применение в дневных ходовых огнях. Но технологии стремительно развивались, и вот впервые полностью светодиодный ближний свет появился на Audi A8. Новые светодиодные фары Matrix LED – одна из самых заметных инноваций на модернизированном Audi А8, причем заметных не только внешне. Главное – их начинка: матрица из 25 мощных светодиодов (Рис. 10), независимое включение и отключение которых позволяет изменять форму светового пучка фар и тем самым предотвращать ослепление встречных водителей и обеспечивать подсветку поворотов.

Система состоит из датчика положения кузова, который, как правило, связан с задней осью автомобиля, управляющего модуля и сервопривода наклона линзы в фаре. Вслед за этим фару «научили» поворачивать линзу не только в вертикальной плоскости, но и в горизонтальной. Это позволило динамически корректировать угол поворота света фар в зависимости от поворота руля. Современная же оптика умеет изменять пучок света перед автомобиля в зависимости от скорости автомобиля, погодных условий (дождь, туман). Например, фары Skoda A7 имеют следующие режимы работы фар: город, трасса, магистраль, поворот и перекресток (Рис. 15).
Фары бывают разных видов. Можно классифицировать фары:
Не выдержав конкуренции с более современными источниками света, лампа накаливания постепенно уступила места другим.

Новые сорта поликарбонатов отвечают требованиям современных конструкций автомобильного освещения, включающих светодиоды.
Эти внутренние линзы упакованы за внешней линзой из поликарбоната, которая должна обеспечивать оптимальную передачу и отличную термостойкость. Демонстрируя, как технология материалов развивается, чтобы соответствовать достижениям в области технологий освещения, доступны новые сорта поликарбоната, соответствующие этим требованиям к внешним линзам, и новый сорт находится в стадии разработки для внутренних линз.
Оптически прозрачный полиуретан также является экономичным вариантом для производства линз для автомобилей высокого класса, таких как спортивные автомобили, объем производства которых обычно невелик — от 3000 до 5000 единиц.
Компоненты индивидуального цвета могут быть готовы к выходу на рынок в течение нескольких часов, а не недель, как это обычно бывает с более традиционными методами окраски и подбора цветов, что позволяет производителям использовать рыночные возможности, которые они в противном случае могли бы упустить. Исследователи изучают другие способы введения цвета в транспортные средства. Фактически, один недавний прорыв позволил Bayer MaterialScience производить алюминиевые колеса с металлическими поверхностями различных цветов.
Этот материал прочный и устойчивый к царапинам, но из-за солнечных УФ-лучей пластик портится и портится.


2. Разборка, ремонт, сборка сложных агрегатов, узлов и приборов и замена их при техническом обслуживании.
2. Пользоваться информационными материалами и нормативно-правовыми документами, необходимыми для исполнения своих должностных обязанностей;

Общие положения






Однако сотрудники, которые имеют доступ к информации о вознаграждении других сотрудников или соискателей в рамках своих основных должностных функций, не могут раскрывать информацию о вознаграждении других сотрудников или соискателей лицам, которые иным образом не имеют доступа к информации о вознаграждении, за исключением случаев, когда ) в ответ на официальную жалобу или обвинение, (b) в рамках расследования, судебного разбирательства, слушания или действия, включая расследование, проводимое работодателем, или (c) в соответствии с юридической обязанностью подрядчика предоставлять информацию. 41 CFR 60-1.35(с)




Работает на станках для изготовления ключей и настраивает главные и главные цилиндры. Вскрывает замки, ремонтирует дверные доводчики, устройства выхода и ремонтирует замки шкафчиков и шкафов.
Слесарь вырезает новые или запасные ключи, взламывает замки для





Барановичи) , ОАО…


А основателем…
По состоянию на весну 2020 года Минский автомобильный завод реализует модификацию 271067.
В течение этого времени в конструкцию автобуса было внесено большое количество усовершенствований (например, улучшенное планирование салона; подруливающая третья ось и другие). МАЗ-107 имеет ряд…
МАЗ-206 может эксплуатироваться на городских и пригородных маршрутах. Успешность продаж модели обеспечивают такие преимущества, как:
Вообще Neoplan известен больше как производитель комфортабельных дорожных лайнеров, туристических автобусов и автобусов…
Предназначен для крупных городов с интенсивным пассажиропотоком. Был разработан как более дешёвая и неприхотливая высокопольная версия базового полунизкопольного автобуса семейства МАЗ-103. Для достижения поставленных целей разработчики использовали двигатель ЯМЗ-236 и унифицировали другие узлы автобуса с грузовыми автомобилями МАЗ, однако при этом пришлось отказаться от низкопольной конструкции. Двигатель во всех модификациях расположен в заднем…
Также эта модель МАЗ может применяться в качестве ведомственного автобуса. Комфорт и безопасность пассажиров и водителя во время движения обеспечиваются высококачественной конструкцией и опциональными улучшениями.
В результате было…
Автобус был разработан во второй половине 90-х годов, первый ходовой экземпляр был представлен в 1999 году. Серийно выпускался с 2000 года по 2014-й. Существует две базовые модификации: МАЗ-152 и МАЗ-152А — более комфортабельная версия, имеющая дополнительное оснащение: кондиционер, туалет, холодильник, мини-кухня, аудио- и видеосистемы, системы индивидуального освещения и вентиляции.
Автобус разработан с возможностью упрощенной трансформы, что дает больше возможностей адаптации транспортного средства к определенным условиям…
Предприятие с богатой историей сравнительно недавно начало производство пассажирской техники. Несмотря на это компания предлагает обширный выбор машин, отличающихся многочисленными достоинствами. Модельный ряд и популярные варианты представлены в статье.
В результате появилась модель МАЗ-101, однако её цена и низкая надёжность при эксплуатации на дорогах плохого качества делали её неконкурентоспособной на рынке СНГ. В…
В модельном ряде каждого предприятия представлены в разном количестве автобусы, отличающиеся назначением, классом вместимости, габаритными размерами, количеством уровней и пассажирских секций, типом применяемого топлива и прочими характеристиками.
Производители предлагают настолько удобные, оснащенные всеми необходимыми для комфорта пассажиров опциями автобусы, что они успешно конкурирует с другими типами транспорта. Поэтому туристические автобусы пользуются высоким спросом. Данная статья посвящена видам данных транспортных средств.
Она посадила мою младшую сестру себе на плечи и закричала, но все равно не могла найти меня. Когда солнце начало садиться, я пошел еще дальше, но не мог убежать от него — мой дом всегда был в поле моего зрения — и он казался мне и слишком маленьким, и слишком большим.
Я часто протираю глаза, чтобы увидеть формы и цвета.
Она стала финалисткой конкурса Kundiman Fellowship 2020 и вошла в шорт-лист конкурса Alpine Fellowship 2020. Вы можете найти ее в Твиттере @_mazdo.
Эпизод VII — Пробуждение силы


Откуда я. Что я видел. Ты не знаешь Первый Орден так, как я. Они зарежут нас. Нам всем нужно бежать.
.. есть кое-кто, кто еще может.
Я не хочу участвовать в этом.
Возьми это. Найдите своего друга.


Скорости вращения и крутящий момент регулируют в зависимости от вида работ.
69. Техническая характеристика станков РМ-2 и РМБ приведена ниже:
Рычаги подъема и опускания шлифовального круга должны свободно вращаться в опорах; нужная регулировка достигается изменением количества шайб между скобами. На станке имеются бензобак и трубка для укрепления красного флага.
72. Электродрель ЭСД-2 в разобранном виде:
76, б).
77), состоит из трубчатой сварной рамы 3, передвигающейся по рельсам на четырех роликах 18. На раме имеются два гидравлических домкрата 15, захваты 16 которых до начала вывешивания заходят под подошву рельсов. Масло в цилиндры домкратов накачивается двухплунжерным насосом, который приводится в действие электрическим мотором мощностью 1 квпг или бензиновым двигателем мощностью 2 л. с. Рабочий ход штоков гидравлических цилиндров 20 см, грузоподъемность путеподъемника 207, общий вес 250 кг. Путеподъемник ЭГП-20 предназначен для работы на закрытом перегоне, станциях, путях промышленного транспорта.
Крутящий момент не передается на оператора. Ударно-импульсный механизм обеспечивает большой крутящий момент при отвинчивании ржавых и примерзших креплений. Быстрая переналадка с вертикальных на горизонтальные болты. Автоприжим стыковых болтов. По заказу комплектуется дополнительным съемным шпинделем для сверления шпал.
Отсутствие реактивного момента на рукоятках. Две скорости шпинделя позволяют отвинчивать (сдергивать) деформированные приржавевшие гайки на малой скорости, с последующим отвинчиванием на повышенных оборотах. По заказу выпускается модификация этого ключа с двигателем внутреннего сгорания.
..1100
Компрессионно-вакуумный механизм обеспечивает эффективную, высокопроизводительную забивку костылей.
Принудительная смазка редуктора. Рама с параллелограммной подвеской, поддерживающая постоянное вертикальное расположение завинчивающего и сверлильного шпинделей.
д. Качественное уплотнение за счет максимальной передачи энергии колебаний балласту при минимальной вибрации на рукоятках, обеспечиваемой тройной системой амортизации. Наличие выключателя позволяет уменьшить вибрационную нагрузку на оператора, создает комфортность в работе.

Они применяются на железнодорожном пути с деревянными и железобетонными шпалами и рельсами типов Р43, Р50, Р65 и Р75.
При установке на пути башмаки должны располагаться один против другого.


Он осуществляет, одновременно с подачей смазки на боковую рабочую поверхность головки рельса, автоматическую подкачку воздуха в воздушную полость резервуара.
В любом случае, если вы не уверены, можете ли вы путешествовать с определенным инструментом или оборудованием, обязательно свяжитесь с местными властями, а также с вашей авиакомпанией.

Тем не менее, я бы все равно упаковал все в зарегистрированный багаж, чтобы избежать возможных задержек на досмотре, поскольку окончательное решение остается за сотрудником службы безопасности.
В конце концов, общее правило заключается в том, что острые предметы не допускаются на борт, и окончательное решение принимает сотрудник, проверяющий вас.






Это начинается с использования высококачественного синтетического масла, которое борется с износом и выдерживает высокие температуры, сохраняя поршни в чистоте. Например, синтетическое моторное масло серии BG 737 обеспечивает:
В зависимости от конструкции поршня также можно использовать несколько масляныхколец.
В этой проточке скапливается определенное количество масла, которое затем стекает обратно в масляный поддон.КОНИЧЕСКОЕ СКРЕБКОВОЕ КОЛЬЦОКоническое скребковое кольцо
Поэтому такие кольца относительно более жесткие.
Маслосъемные поршневые кольца со стальными пластинкамилибо имеют хромированные рабочие поверхности,либо со всех сторон обработаны азотированием.Последние отличаются повышенной износостойкостью какв област
Профи и многое другое. Покупайте Summit Racing прямо сейчас, чтобы недорого и быстро доставить запчасти, которые будут поддерживать работу вашего двигателя! Чтобы упростить проект по установке поршневых колец, используйте компрессор для поршневых колец, который подходит для вашей области применения.

03.2023
2023 г.
03.2023


2023 г.





2023 г.
03.2023
Да, плюсы работы такой модели в городе неоспоримы, скромные габариты способны пробираться к пандусам и разгрузочно/прогрузочным терминалам, точкам на рынках и других труднодоступных для крупнотонажного транспорта местам. Там где крупная модели испытает огромные трудности в транспортировке груза, Hyudai HD65 легко выполнит поставленную задачу. Это дает быструю окупаемость данной модели. Но вот в условиях междугородней эксплуатации Hyundai HD65 не может показать таких характеристик. Его основные плюсы в городе становятся минусом на межгороде. Оптимальная скорость при полной загрузке 80 км/ч. Набрать скорость больше практически не возможно и уже просто опасно так как теряется контроль над управлением данного ТС. В условиях российских трасс с близким встречным потоком, плохой защитой от бокового ветра или вовсе ее отсутствия, эксплуатация Hyundai HD65 становится экстремальным спортом на трассе. Это не смотря на то, что заводские инженеры Hyundai предусмотрели возможность ночевки водителя в кабине с полуторным спальным местом.
Не смотря на уют обустройства «спальника», сама кабина тесновата для длительной поездки
НD65 Long (длинная база), со стандартной кабиной: колёсная база – 3,375 м; длина – 6,170 м; свес сзади – 1,680 м; снаряженная масса – 2,565 тонны; минимальный радиус разворота – 6,1 м. НD65 Long (длинная база), с полуторной кабиной: колёсная база – 3,415 м; длина – 6,380 м; свес сзади – 1,775 м; снаряженная масса – 2,660 тонны; минимальный радиус разворота – 6,1 м. НD65 DBL Cab (дубль кэб), со сдвоенной кабиной: колёсная база – 3,375 м; длина – 6,170 м; свес сзади – 1,680 м; снаряженная масса – 2,810 тонны; минимальный радиус разворота – 6,1 м.
Размер шин – 7.00XR16-10PR; размер колёсных дисков – 5.50FX16 SDC-115. На задней оси колёса спаренные. Максимальный угол подъёма – 0,416 tg. Объём топливного бака – 100 литров дизтоплива.
На грузовики данной модели устанавливаются рядные дизельные силовые агрегаты собственного производства компании «Хёндай»
с.
Грузовики с удлинённым шасси применяются с целью оптимизировать перевозки значительных по объему грузов небольшого веса. Для этого удлиняются рама и карданный вал автомобиля. Соответственно подбирается бортовая платформа, а чаще всего, конечно, – фургон больших размеров.
Стояночный тормоз задействуется при помощи троса из кабины автомобиля. Горный тормоз включается тумблером, находящимся на щитке приборов машины.
Спальное место утеплено поролоновым слоем 60-миллиметровой толщины.
2 до 2 т.)
com | Усилия Hyundai по обеспечению доступности руководствуются WCAG 2.0 AA.
day.replace(/,/g, «, «) }}


Стоимость перевозки и фактические дилерские цены могут отличаться. Показанные автомобили могут содержать дополнительное оборудование за дополнительную плату. Показанные аксессуары могут различаться в зависимости от модели и иллюстрации.
Цена нетто
)
Стандарт
0-inch
Стандарт
, спереди)
Фактический пробег зависит от опций, условий вождения, стиля вождения и состояния автомобиля. Некоторые аксессуары недоступны для некоторых моделей. Хотя информация, содержащаяся на этом веб-сайте, была верной на момент публикации, технические характеристики и оборудование могут измениться. Hyundai оставляет за собой право изменять технические характеристики продукции и оборудование в любое время без каких-либо обязательств. Некоторые автомобили показаны с дополнительным оборудованием. Спецификации относятся только к автомобилям США. Пожалуйста, свяжитесь с вашим дилером Hyundai для получения информации о текущих технических характеристиках автомобиля.
Пожалуйста, введите почтовый индекс.
Или пропустите дилерский центр, и мы с радостью привезем вам ваш тест-драйв.
С помощью смартфона, планшета или компьютера вы получите инструменты, необходимые для того, чтобы сесть за руль вашего нового Hyundai, независимо от того, хотите ли вы финансировать, арендовать или заплатить наличными, а также многое другое.
Стоимость перевозки и фактические дилерские цены могут отличаться. Показанные автомобили могут содержать дополнительное оборудование за дополнительную плату. Показанные аксессуары могут различаться в зависимости от модели и иллюстрации.
Цена нетто
)
с.) при 1600–9003 фунтах .) при об/мин
Подвеска.
25-inch Navigation
Стандарт

Система помощи при парковке (RSPA)
5
3
Фактический пробег зависит от опций, условий вождения, стиля вождения и состояния автомобиля. Некоторые аксессуары недоступны для некоторых моделей. Хотя информация, содержащаяся на этом веб-сайте, была верной на момент публикации, технические характеристики и оборудование могут измениться. Hyundai оставляет за собой право изменять технические характеристики продукции и оборудование в любое время без каких-либо обязательств. Некоторые автомобили показаны с дополнительным оборудованием. Спецификации относятся только к автомобилям США. Пожалуйста, свяжитесь с вашим дилером Hyundai для получения информации о текущих технических характеристиках автомобиля.
