Схема зажигания УАЗ-469, инструкция по подключению и регулировке зажигания
02.02.202212 597 2 3 УАЗ
Автор:Иван Баранов
От того, насколько правильно выставлено зажигание в транспортном средстве, во многом зависит работа силового агрегата в целом. Поэтому для того, чтобы не допустить сбоев в работе двигателя, каждый автовладелец должен знать, как правильно выставляется угол опережения зажигания и зачем это нужно. Подробнее о том, что представляет собой схема зажигания УАЗ-469, читайте ниже.
Содержание
1 Зачем выставлять зажигание?
2 Инструкция по установке
3 Проверка правильности установки
4 Видео «Диагностика работоспособности подводного зажигания на УАЗе»
[ Раскрыть]
[ Скрыть]
Зачем выставлять зажигание?
Схема подключения узлов в системе зажигания
Для правильной настройки и регулировки работы цилиндров двигателя на УАЗ-469 необходимо обладать определенными навыками. О них мы расскажем позже, а для начала предлагаем узнать, для каких целей следует правильно выставлять бесконтактное зажигание и чем это может быть чревато. После подключения ключа в замок зажигания, в работу вступают множественные узлы и механизмы, без которых функциональность двигателя будет невозможной.
Итак, зачем выставлять этот параметр:
Мотор будет оптимально и устойчиво работать на всех режимах. В противном случае его работа будет нестабильной и доставит неудобства для автолюбителя.
Значительно улучшится пуск силового агрегата на холодную. Естественно, если вы хотите без проблем запуска мотор в тридцатиградусный мороз, то для этого также нужно будет залить в мотор соответствующее масло и проверить работоспособность свечей.
Нормализуется расход горючего, в противном случае он может быть повышенным.
Мощность силового агрегата будет оптимальной, такой, как отмечено в сервисной книжке (автор видео — канал smotri Vidik).
Правильную установку зажигания на УАЗ-31512 можно осуществить своими силами, для этого не обязательно прибегать к услугам специалистов.
Как правильно настроить электронное устройство:
Для начала следует демонтировать крышку трамблера и ротор. Сделав это, нужно произвести диагностику состояния, а также величины зазора между контактами устройства. Если есть необходимость, зазор можно отрегулировать. Когда вы убедитесь в том, что состояние элементов и зазор нормальный, ротор можно поставить на место.
Далее, при помощи свечного ключа необходимо выкрутить свечу первого цилиндра. Сделав это, закройте пальцем отверстие этой свечи и проверните коленвал силового агрегата, для этого воспользуйтесь пусковой рукояткой. Поворачивайте вал до того момента, пока палец, которым вы заткнули свечное отверстие, не будет выталкивать воздухом. Этот момент называется временем начала хода сжатия в первом цилиндре.
Продолжайте проворачивать коленвал мотора, делайте это осторожно и до того момента, пока отверстие на шкиве со штифтом на крышке распределительных шестеренок не совпадут. Убедитесь в том, чтобы ротор был расположен против внутреннего контакта крышки, который подключен к высоковольтному проводку, идущего на первую свечу.
После выполнения этих действия проверните пластину октан-корректора с трамблером авто таким образом, чтобы метка совпала со средней отметкой на шкале, которая имеется на пластине.
Далее, необходимо легонько повернуть корпус распределительного механизма против часовой стрелки. Делайте это до того момента, пока контакты трамблера не замкнутся.
Затем необходимо подключить контрольную лампочку с патроном — один ее конец соединяется с выводом низкого напряжения трамблера, а второй — с массой автомобиля. Подключить лампочку можно к кузову транспортного средства.
Теперь следует включить зажигание и аккуратно провернуть корпус трамблера, только сейчас — по часовой стрелке. Поворачивайте корпус до того момента, пока не загорится лампочка, после этого вращение устройства можно остановить. Если лампочка не начала гореть, то попробуйте повторить эти действия.
Далее, можно затянуть крепежный болт, который фиксирует корпус распределительного узла от произвольного поворачивания. Установите на место крышку, а также центральный кабель. На завершающем этапе регулировки следует произвести диагностику правильности подключения высоковольтников к свечам зажигания, начинайте с первого цилиндра. В данном случае важно соблюдать порядок подключения, он должен быть таким — сначала первый, затем второй, четвертый, и только после этого — третий. Проверка осуществляется с учетом подсчета против хода часовой стрелки.
После того, как регулировка момента зажигания будет завершена, необходимо произвести диагностику правильности установки этого параметра.Для этого вам необходимо прослушать работу силового агрегата во время езды.
Проверка выглядит следующим образом:
Заведите силовой агрегат и прогрейте его до рабочей температуры, которая должна составлять до 85 градусов.
Вам необходимо выехать на ровную дорогу без препятствий. Разгонитесь примерно до 35 км/ч, после чего резко нажмите на педаль газа.
После нажатия вы можете услышать кратковременную детонацию, стук металла или «пальчиков», как говорят профессионалы. Если незначительная детонация имеет место, то все действий по настройке и регулировке вы выполнили верно.
Если же детонация достаточно сильная, то необходимо внести несколько штрихов в настройку. Откройте капот и проверните корпус распределительного устройства по шкале октан-корректора. Достаточно будет провернуть трамблер на одно деление, при этом учтите, что поворачивать его нужно против часовой стрелки. Учтите то, что каждое деление шкалы обозначает изменение угла зажигания на два градуса, если считать по коленвалу. Если в ходе проверки выяснилось, что детонация вовсе отсутствует, то корпус трамблера необходимо будет повернуть также на одно деление, только теперь по часовой стрелке. После того, как будет проведена повторная регулировка, процедуру проверки необходимо повторить еще раз, начиная с первого пункта.
Загрузка …
Видео «Диагностика работоспособности подводного зажигания на УАЗе»
Как выглядит система подводного зажигания на УАЗ и как производится ее диагностика после установки — смотрите на видео ниже (автор ролика — канал Александр).
Была ли эта статья полезна?
Спасибо за Ваше мнение!
Статья была полезнаПожалуйста, поделитесь информацией с друзьями
Да (75.00%)
Нет (25.00%)
Как выставить зажигание на уаз
Устанавливаем и настраиваем зажигание, меняем привод трамблера на автомобилях УАЗ
» Система зажигания » Устанавливаем и настраиваем зажигание, меняем привод трамблера на автомобилях УАЗ
Трамблер УАЗ считается одним из важных компонентов системы зажигания в транспортном средстве. Корректная регулировка данного механизма обеспечивает оптимальную работу силового агрегата в целом. Подробнее о том, в чем заключается принцип действия системы зажигания и как ее правильно настроить своими руками, вы сможете узнать из этого материала.
Что представляет собой схема подключения электронного или бесконтактного зажигания, на УАЗ 417, как переделать контактное зажигание на бесконтактное? Почему греется катушка и как произвести регулировку и настройку угла опережения? Для начала разберем основные моменты касательно действия и видов СЗ.
Принцип работы СЗ
Схема контактной системы
Система зажигания, вернее, ее правильная настройка, играет большую роль в работе и запуске автомобильного мотора. При корректной регулировке в силовом агрегате будет правильно сгорать горючая смесь в результате подачи заряда через свечи.
На каждый цилиндр УАЗовского мотора ставится свеча, каждая из которых включается в определенном порядке, по очереди, подавая разряд на цилиндр спустя определенное время.
Нужно учитывать, что любая СЗ дает возможность не только произвести подачу нужного разряда, но и определяет его силу.
Аккумуляторная батарея машины из-за своих технических характеристик не может вырабатывать напряжение с током, которое требуется для возгорания смеси. Это связано с тем, что АКБ может выдать только ток определенной силы. А благодаря правильной работе системы величина тока значительно увеличивается, что позволяет успешно воспламенять топливовоздушную смесь.
Принцип действия системы состоит из нескольких этапов:
Сначала водитель вставляет ключ в замок зажигания и поворачивает его, электрическая энергия накапливается в катушке.
Затем катушка преобразуется низковольтное напряжение в бортовой сети величиной 12 вольт в высоковольтное. Значение напряжения в результате возрастает до 30 тысяч В.
После этого происходит распределение и подача разряда на ту или иную свечу.
Непосредственно свеча образует искру, которая воспламеняет смесь.
Схема бесконтактной УАЗовской системы
Какие бывают виды СЗ?
В отечественных УАЗах может использоваться одна из трех систем зажигания, рассмотрим каждую из них подробно:
Контактный вид. Данный тип СЗ является устаревшим, однако, он используется на большей части машин. В такой системе принцип действия заключается в выдаче определенного импульса, формирующегося в трамблере — распределительном устройстве. Контактная система считается одной из самых простых в плане устройства, что является преимуществом, поскольку при появлении неисправностей автовладелец сможет самостоятельно проверить и отремонтировать систему. Кроме того, цены на конструктивные детали контактной системы обычно доступные, что не может не радовать. В состав контактной СЗ входят катушка, распределительное устройство, прерыватель, конденсатор и свечи.
Бесконтактный тип, также зовется транзисторным. По сравнению с контактной, бесконтактная система имеет больше достоинств. Формирующаяся искра обладает более высокой мощностью, что достигается благодаря образованию высокого напряжения во вторичной обмотке катушки. Также бесконтактные системы оборудуются электромагнитным девайсом, который дает возможность добиться более стабильного функционирования двигателя. В конечном счете, если силовой агрегат УАЗа будет настроен правильно, то при использовании бесконтактной системы вы можете не только увеличить его мощность, но и добиться экономии топлива, хоть и незначительной. Также такие системы более просты в обслуживании. Одним из основных нюансов в плане обслуживания является необходимость периодической смазки привода распределителя — не реже, чем каждые 10 тысяч км пробега. Из основных недостатков следует выделить трудность ремонта. На практике произвести ремонт бесконтактной СЗ будет проблематично, так как для диагностики системы понадобится оборудование, которое обычно имеется на СТО.
Также система зажигания может быть электронной. Данный вариант в настоящее время считается одним из самых прогрессивных и дорогих, ставится он преимущественно на новые автомобили. Если сравнивать с контактной и бесконтактной, электронная система имеет более сложное устройство. Основное достоинство данной системы заключается в том, что при необходимости процесс регулировки угла зажигания провести будет значительно проще. Кроме того, в электронной системе нет контактов, которые подвержены окислению. Также следует отметить, что на практике горючая смесь в цилиндрах силового агрегата с электронной системой почти всегда сгорает полностью. Но несмотря на все преимущества, электронные СЗ имеют и свои недостатки, которые касаются ремонта устройства. Отремонтировать такую СЗ своими руками практически невозможно, так как для выполнения этой задачи, опять же, потребуется оборудование (видео опубликовал Наиль Порошин).
Рекомендации экспертов, как правильно настроить
Итак, как выставить самостоятельно угол опережения, чтобы добиться правильной работы двигателя УАЗ:
В первую очередь вы должны зафиксировать свой автомобиль на одном месте, для этого потяните за рычаг стояночного тормоза. Проверните коленчатый вал так, чтобы поршень цилиндра 1 попал в ВМТ (верхнюю точку). При этом нужно добиться того, чтобы отверстие на шкиве коленвала совпадало с риской, отмеченной на крышке распределительных шестеренок.
После этого с распределительного механизма следует снять крышку. После демонтажа вы сможете увидеть бегунок, который расположен внутри самой крышки, напротив контакта. При отсутствии бегунка следует еще раз провернуть коленчатый вал на 180 градусов, после чего выставить октан-корректор на 0. Используя гаечный ключ, вам необходимо будет завернуть винтом указатель к корпусу распределительного механизма так, чтобы добиться его совмещения со средней риской. Когда эти действия будут выполнены, болт крепления, с помощью которого пластины крепятся к корпусу трамблера, надо немного ослабить.
Затем, удерживая на одном месте бегунок при помощи пальца для недопущения его вращения, надо аккуратно провернуть сам корпус, это позволит удалить возможные люфты в приводе. Корпус необходимо поворачивать до тех пор, пока вы не добьетесь совмещения острого конца лепестка статорного механизма с красной меткой, расположенной на роторном устройстве. После этого саму пластину надо закрепить к корпусу, используя соответствующий болт.
Когда вы выполните эти действия, вам надо установить крышку контроллера на место и произвести проверку высоковольтных кабелей. Нужно удостовериться в том, что эти провода установлены в правильной последовательности с учетом порядка работы цилиндров. Когда вам удастся правильно настроить угол опережения, то необходимо убедиться в том, что вся процедура была выполнена верно.
Для диагностики правильности выполненных действий надо завести мотор вашего УАЗика и подождать примерно 5-10 минут, пока силовой агрегат не прогреется. Рабочая температура мотора составляет около 90 градусов, можно подождать, пока ДВС прогреется до 80 градусов. Затем вам надо выехать на ровную дорогу и разогнать автомобиль до 40 км/час, после чего следует резко нажать на газ. В этот момент автомобиль ускорится и если при увеличении скорости до 60 км/ч из-под капота раздастся кратковременная детонация (металлический стук), то это говорит о том, что все действия были выполнены правильно. В случае, если детонация слишком долгая, то потребуется еще отрегулировать систему. Для этого корпус распределительного механизма нужно будет повернуть на одно деление или наполовину, при этом проворачивать его надо против часовой стрелки. Если же диагностика показала, что стука «пальчиков» вовсе нет, то угол опережения следует увеличить. Для этого механизм следует повернуть в обратную сторону.
Пособие по замене трамблера с приводом маслонасоса
Перед тем, как установить новый трамблер с приводом, нужно взвесить свои силы, поскольку допускать ошибки при выполнении работ не рекомендуется.
Итак, как заменить и произвести установку распределителя:
Отключите зажигание и демонтируйте крышку трамблера, к ней подключены наконечники и высоковольтные кабеля.
Затем от распределительного механизма надо отключить провод, подсоединенный к коммутатору. Также надо отключить патрубок, подведенный к вакуумному регулятору.
Взяв гаечный ключ на 13, выкрутите две гайки, фиксирующие устройство и демонтируйте с силового агрегата механизм вместе с приводом маслонасоса.
Выполнив эти действия, сможете увидеть прокладку, расположенную под приводом. Если в результате этих действий положение коленчатого вала не изменилось, то просто произведите монтаж нового механизма, при этом проследите, чтобы бегунок был расположен напротив метки. Все действия производятся в обратном порядке. Когда установка будет завершена, производится регулировка угла опережения.
Если в итоге расположение вала поменялось, то перед установкой надо переместить поршень цилиндра 1 в верхнюю мертвую точку. Вам надо добиться совмещения меток на шкиве и указателя на самом моторе.
«Как установить электронное зажигание на УАЗ»
Если вы не знаете, как произвести установку электронного зажигания своими руками, то ознакомьтесь с инструкцией в ролике (видео снято каналом Auto Garage).
У Вас остались вопросы? Специалисты и читатели сайта AVTOKLEMA помогут вам, задать вопрос Поддержите проект — поделитесь ссылкой, спасибо!Оценить пользу статьи:
Схема зажигания уаз-469, инструкция по подключению и регулировке зажигания — Автомастер
Система зажигания автомобиля УАЗ-469Б включала в себя : катушку зажигания, прерыватель-распределитель зажигания, свечи зажигания, провода и включатель зажигания. Первичная цепь системы зажигания питается током от аккумуляторной батареи или генератора.
Катушка зажигания Б7-А
Представляет собой трансформатор, преобразующий низкое напряжение первичной цепи в высокое напряжение вторичной цепи.
При работе двигателя ток в первичную обмотку катушки проходит через добавочный резистор расположенный в изоляторе между лапами скобы крепления катушки.
При запуске двигателя стартером этот резистор автоматически выключается и ток в первичную обмотку поступает, минуя его, чем достигается усиление искры и облегчение пуска двигателя.
Прерыватель-распределитель зажигания Р119
Имеет центробежный и вакуумный регуляторы, автоматически изменяющие угол опережения зажигания, и октан-корректор для ручной регулировки угла зажигания в зависимости от октанового числа применяемого бензина. Центробежный регулятор изменяет угол зажигания в зависимости от частоты вращения коленчатого вала двигателя или валика распределителя.
Характеристики центробежного регулятора
Частота вращения валика распределителя, об/мин / Угол опережения по кулачку прерывателя, град : 200/0-3, 500/3-6, 1000/8-11, 1900-2200/17,5-20.
Вакуумный регулятор изменяет угол зажигания в зависимости от нагрузки двигателя, разряжения в смесительной камере карбюратора.
Характеристики вакуумного регулятора
Разряжение в смесительной камере карбюратора, мм рт. ст. / Угол опережения зажигания, град : 60/0, 100/0-2.5, 200/5.5-8.5, 280/10-13.
Октан-корректор служит для изменения угла опережения зажигания в зависимости от октанового числа применяемого бензина. С помощью октан-корректора можно изменять угол опережения зажигания в пределах +-10 градусов по углу поворота коленчатого вала.
Включатель зажигания и стартера типа ВК330
Служит для включения и выключения тока в первичной цепи системы зажигания и для включения стартера. На пластмассовом изоляторе включателя размещены зажимы АМ (амперметр), КЗ (катушка зажигания), СТ (стартер) и ПР (приемник). Зажим АМ находится под постоянным напряжением.
Свечи зажигания и провода высокого напряжения
Для воспламенения рабочей смеси в камере сгорания цилиндров двигателя применены свечи зажигания А12БС не разборной конструкции. Длина ввертной части корпуса свечи равна 14+-0,5 мм, резьба метрическая М14х1,25, зазор между электродами 0,8—0,9 мм.
Провода высокого напряжения, соединяющие катушку зажигания с распределителем и распределитель со свечами зажигания, изготовлены из провода ПВЛ-1. К центральному электроду свечей провода подсоединяются с помощью наконечников, внутри которых вмонтированы подавительные резисторы сопротивлением 8—13 кОм.
Категории видео Получается, что после включения зажигания схема срабатывает через полсекунды, потом срабатывает Яркими представителями этого типа кузова можно считать УАЗ-469 и ЛуАЗ-969. бегунок по заранее поставленной метке, иначе потом натрахаетесь зажигание выставлять :).
при положении 1-3-4-2 заводится стреляет в карб часто, не помогает регулировка положения угла зажигания тоже, и жутко ТРОИТ как будто цилиндр тюнинг ауди 80 б4 видео, 4, 47, 18,00, 218 000. ауди 80 тюнинг видео тюнинг ауди 100 видео, 1, 54, 42,90, 3 000 000 . Тюнинг УАЗ-469 «Бобик» Tuning UAZ-469 «Bobik». Как выставить зажигание на мотоцикле «Урал» и «Днепр».
Снять или отключить навесное: карбюратор, трамблёр, маслофильтр, снять бензопровод с бензонасоса; снять катушку зажигания с кожуха отопителя, Привет! Столкнулся со следующей проблемой при настройке зажигания: при попытке выставить метки по мануалу (метки на шкиве КВ и
22 май 2007 отправлено в Раздел по УМЗ: как выставить зажигание после EWS На двигателях ЗМЗ-402, УАЗ, ЗМЗ-406 поршня до клапанов не Самый лучший сайт по автовопросам — Ремни безопасности уаз 469, Авто ру литва мерседес лянча вояджер 11ремонт рулевой рейки ваз 2109 видео.
Как выставить зажигание иж планете гидравлика для кузовных работ, гайка гост 15521 70 Ока 4х4 против УАЗ Оффроад УАЗ 469 двигатель УМЗ — 417 (414) ТУРБО пробный запуск Motor UAZ Как выставить зажигание на мотоцикле «Ур.. договор аренды жилого дома между физическими лицами А) двигателей автомобилей УАЗ-451, -452, -469. На двигателе автомобиля ВАЗ-2121 «Нива» метка 4 (см. рис.
А) на шкиве коленчатого вала должна 26 авг 2008 времени суток! Я являюсь обладателем автомобиля УАЗ Патриот 2007г. в. Сообщение UAZ » Вт авг 26, 2008 07:11 ВОПРОС:469
Установка момента зажигания на трамблере УАЗ датчике распределителе
Установка момента зажигания на трамблере УАЗ датчике распределителе Пусковой рукояткой (из автомобильног
Установка трамблера с приводом
правильная установка трамблера с приводом на автомобиль УАЗ.
Инструкция По Ремонту Уаз 469 Электронное Зажигание — file
Как самостоятельно установить и выставить зажигание на УАЗ-469?
От того, как правильно выставлено зажигание в тс, почти во всем зависит работа силового агрегата в целом. Потому для того, чтоб не допустить сбоев в работе мотора, каждый автолюбитель должен знать, как верно выставляется угол опережения зажигания и для чего это необходимо. Подробнее о том, что представляет собой схема зажигания УАЗ-469, читайте ниже.
Зачем выставлять
зажигание?
Для правильной настройки и регулировки работы цилиндров двигателя на УАЗ-469 необходимо обладать определенными навыками. О них мы расскажем позже, а для начала предлагаем узнать, для каких целей следует правильно выставлять бесконтактное зажигание и чем это может быть чревато. После подключения ключа в замок зажигания, в работу вступают множественные узлы и механизмы, без которых функциональность двигателя будет невозможной.
Итак, зачем выставлять этот параметр:
Мотор будет оптимально и устойчиво работать на всех режимах. В противном случае его работа будет нестабильной и доставит неудобства для автолюбителя.
Значительно улучшится пуск силового агрегата на холодную. Естественно, если вы хотите без проблем запуска мотор в тридцатиградусный мороз, то для этого также нужно будет залить в мотор соответствующее масло и проверить работоспособность свечей.
Нормализуется расход горючего, в противном случае он может быть повышенным.
Мощность силового агрегата будет оптимальной, такой, как отмечено в сервисной книжке (автор видео — канал smotri Vidik).
Инструкция по установке
Правильную установку зажигания на УАЗ-31512 можно осуществить своими силами, для этого не обязательно прибегать к услугам специалистов.
Как правильно настроить электронное устройство:
Для начала следует демонтировать крышку трамблера и ротор. Сделав это, нужно произвести диагностику состояния, а также величины зазора между контактами устройства. Если есть необходимость, зазор можно отрегулировать. Когда вы убедитесь в том, что состояние элементов и зазор нормальный, ротор можно поставить на место.
Далее, при помощи свечного ключа необходимо выкрутить свечу первого цилиндра. Сделав это, закройте пальцем отверстие этой свечи и проверните коленвал силового агрегата, для этого воспользуйтесь пусковой рукояткой. Поворачивайте вал до того момента, пока палец, которым вы заткнули свечное отверстие, не будет выталкивать воздухом. Этот момент называется временем начала хода сжатия в первом цилиндре.
Продолжайте проворачивать коленвал мотора, делайте это осторожно и до того момента, пока отверстие на шкиве со штифтом на крышке распределительных шестеренок не совпадут. Убедитесь в том, чтобы ротор был расположен против внутреннего контакта крышки, который подключен к высоковольтному проводку, идущего на первую свечу.
После выполнения этих действия проверните пластину октан-корректора с трамблером авто таким образом, чтобы метка совпала со средней отметкой на шкале, которая имеется на пластине.
Далее, необходимо легонько повернуть корпус распределительного механизма против часовой стрелки. Делайте это до того момента, пока контакты трамблера не замкнутся.
Затем необходимо подключить контрольную лампочку с патроном — один ее конец соединяется с выводом низкого напряжения трамблера, а второй — с массой автомобиля. Подключить лампочку можно к кузову транспортного средства.
Теперь следует включить зажигание и аккуратно провернуть корпус трамблера, только сейчас — по часовой стрелке. Поворачивайте корпус до того момента, пока не загорится лампочка, после этого вращение устройства можно остановить. Если лампочка не начала гореть, то попробуйте повторить эти действия.
Далее, можно затянуть крепежный болт, который фиксирует корпус распределительного узла от произвольного поворачивания. Установите на место крышку, а также центральный кабель. На завершающем этапе регулировки следует произвести диагностику правильности подключения высоковольтников к свечам зажигания, начинайте с первого цилиндра. В данном случае важно соблюдать порядок подключения, он должен быть таким — сначала первый, затем второй, четвертый, и только после этого — третий. Проверка осуществляется с учетом подсчета против хода часовой стрелки.
Проверка правильности установки
После того, как регулировка момента зажигания будет завершена, необходимо произвести диагностику правильности установки этого параметра. Для этого вам необходимо прослушать работу силового агрегата во время езды.
Проверка выглядит следующим образом:
Заведите силовой агрегат и прогрейте его до рабочей температуры, которая должна составлять до 85 градусов.
Вам необходимо выехать на ровную дорогу без препятствий. Разгонитесь примерно до 35 км/ч, после чего резко нажмите на педаль газа.
После нажатия вы можете услышать кратковременную детонацию, стук металла или «пальчиков», как говорят профессионалы. Если незначительная детонация имеет место, то все действий по настройке и регулировке вы выполнили верно.
Если же детонация достаточно сильная, то необходимо внести несколько штрихов в настройку. Откройте капот и проверните корпус распределительного устройства по шкале октан-корректора. Достаточно будет провернуть трамблер на одно деление, при этом учтите, что поворачивать его нужно против часовой стрелки. Учтите то, что каждое деление шкалы обозначает изменение угла зажигания на два градуса, если считать по коленвалу. Если в ходе проверки выяснилось, что детонация вовсе отсутствует, то корпус трамблера необходимо будет повернуть также на одно деление, только теперь по часовой стрелке. После того, как будет проведена повторная регулировка, процедуру проверки необходимо повторить еще раз, начиная с первого пункта.
«Диагностика работоспособности подводного зажигания на УАЗе»
Как выглядит система подводного зажигания на УАЗ и как производится ее диагностика после установки — смотрите на видео ниже (автор ролика — канал Александр).
видео выставить зажигание момента пока силового агрегата
Пуск мотора хоть какого автомобиля вероятен благодаря воспламенению горючей консистенции в цилиндрах агрегата. Чтоб обеспечить нормальную работоспособность мотора, нужна верная настройка позволяющей вести бухгалтерский учет (софт) зажигания (СЗ). Уже сегодня, что остается сделать нашему клиенту элементы, в часности катушка, трамблера автомобиля УАЗ и остальные составляющие всегда являются в исправности.
Как делается производимая, настройка и регулировка схемы зажигания на АУЗ 417 как еще его называют любом другом? Об этом решении будем вести разговор ниже. Увы в начале необходимо разобраться по большому счету работы узла, и конечно разновидностях СЗ.
Как уже произнесли, зажигание на УАЗ делает одну из главных функций при запуске агрегата. Благодаря этой системе осуществляется процедура воспламенения топливовоздушной консистенции в цилиндрах агрегата методом подачи искры.
Конкретно искра подается на свечки зажигания, на любой из цилиндров устанавливается по одной свече. Эти СЗ работают работая в режиме очередности, воспламеняя горючую смесь в нужный срок.
Нужно также учесть, что система зажигания на автомобилях обеспечивает не только лишь подачу искры, да и определяет ее силу.
Аккумулятор транспорта не может производить напряжение и ток, нужные для воспламенения консистенции, так как это устройство производит ток только определенной силы. На помощью приходится система зажигания, назначение в которой требуется заключается в увеличении показателя мощности батареи машины. По причине внедрения СЗ АКБ позволяет передавать на свечки достаточное напряжение для поджигания консистенции.
Сегодня различаются три главные вида систем зажигания, которые бывают вариации устанавливать на авто:
Контактная СЗ. Считается морально устаревшей, но продолжает удачно употребляться на транспортных средствах российского производства. Механизм работы состоит в том, что система выдает нужный импульс, который возникает благодаря работе распределительного компонента. Само устройство контактного типа обычное, и все это плюс, в случае поломке шофер всегда сумеет произвести диагностику и ремонт без помощи других. Цена заменяемых компонент не высочайшая. Основными составляющими комплекса бухгалтерских программ контактного типа являются батарея, КЗ, привод, свечи, конденсатор, также прерыватель с распределителем.
Система бесконтактного зажигания, которая именуется транзисторной. Таким типом оборудованы некоторые транспорты. Если ассоциировать с вышеперечисленным видом, то система характеризуется рядом преимуществ. Во-1-х, вырабатываемая искра имеет огромную мощность, что обосновано завышенным уровнем напряжения во вторичной обмотке катушки зажигания. Во-2-х, бесконтактная система оснащается электрическим устройством, позволяющим обеспечить размеренную работу, и конечно передачу энергии на нашему клиенту остается узлы. В итоге, при правильной настройке ДВС, это позволяет не только лишь прирастить мощность работы, да и сберечь горючее. В-3-х, это удобство в отношении обслуживания узла. Чтоб обеспечить работоспособность в течении долгого времени, после опции и установки привода трамблера Такой элемент необходимо временами смазывать. Для обеспечения обычной работоспособности элемент смазывается каждые 10 тыщ км пробега. Что касается недочетов, то это сложность ремонта. Отремонтировать устройство самому нереально, для этой цели требуется особое диагностическое оборудование, которое бывают лишь на 100.
Вариант СЗ — электрический, который на сей день более технологичный и дорогой, потому им оснащаются новые транспорты. В противоположность 2-ух вышеперечисленных систем, система электрического зажигания характеризуется сложным устройством, обеспечивающее работоспособность не столько момента, да и других характеристик. Сегодня электрическими системами оборудуются нашему клиенту остается современные машины. Главным преимуществом является более облегченная процедура опции угла опережения, кроме того отсутствие необходимости повторяющейся проверки контактов на предмет наличия окисления. Практически топливовоздушная смесь в движках с электрической СЗ очень часто сгорает целиком. Данный тип также имеет свои минусы, конкретно говоря, в вопросе ремонта. Своими силами его произвести нереально, так как для этой цели вам нужно оборудование. Подробная аннотация по регулировке зажигания при помощи лампочки представлена на видео ниже.
Зажигание на 402 двигателе. ставим привод трамблёра.
#зажигание402
Как после подключения делается установка зажигания для правильной работы мотора?
Каковой порядок, как верно выставлять настройку узла, читайте ниже:
Прежде всего транспорт нужно зафиксировать на рабочем месте, включите ручной тормоз. Поршень первого цилиндра бывает установлен в верхнюю мертвую точку, учтите, что отверстие на шкиве коленчатого вала должно совпадать с меткой, расположенную на крышке распределительных шестерен.
С распределительного устройства нужно демонтировать крышку. Сделав это, увидите бегунок, находящийся против ввода 1, снутри крышки. Если его нет, то коленвал нужно повернуть на 180 градусов и поставить октан-корректор на 0. С применением гаечного ключа закрутите болтом указатель к корпусу контроллера распределителя, чтоб он был совмещен с нормальной меткой на октан-корректоре. Винт фиксации пластик к корпусу распределительного контроллера незначительно отпустить.
Осторожно повернуть корпус, придерживая бегунок пальцем, чтоб он не крутился. Так можете убрать зазоры в приводе. Корпус проворачивается без выполнения качественной установки момента, пока острая часть лепестка на статоре не будет совмещена с красноватой риской на роторе. Пластинку зафиксировать винтом к корпусу контроллера.
Последующим шагом будет установка крышки контроллера в район и диагностика высоковольтных проводов. Необходимо быть установлены соответственно с порядком функционирования цилиндров, другими словами 1-ый, 2-ой, 4-ый, 3-ий. Когда момент зажигания будет установлен, нужно произвести диагностику корректности в свое время езды.
Запустите агрегат силовой и прогрейте его около 10 минут, пока температура не составит около 80 градусов. Двигаясь по ровненькой и прямой дороге со скорость приблизительно 40 км/час, резко нажмите на педаль акселератора. Если при наборе скорости до 60 км/час почувствуете по другому услышите детонацию, она подойдет краткосрочной, то что остается сделать нашему клиенту изготовлено правильно. В том случае детонация очень мощная, то распределительный контроллер нужно повернуть на одну вторую как еще его называют одно деление против часовой стрелки. При полном отсутствии детонации установленный угол опережения обязан увеличен, другими словами контроллер следует повернуть по часовой стрелке.
Установка момента зажигания на змз 402 ГАЗ,УАЗ(безконтактная)
Как Выставить Зажигание На Уаз Буханка ~ AUTOINTERLINE.RU
Установка момента зажигания на УАЗ
Работа мотора в машине невыполнима без верно установленного момента зажигания. Это видно не только при пуске двигателя стартером, но и при самом движении автомобиля. Повышается дискомфорт при езде от падения мощности мотора, и его неровной работы, повышается расхода бензина и, самое главное, на дороге машина начинает себя вести неустойчиво, в некоторых случаях может попросту внезапно заглохнуть. Как установить момент зажигание на УАЗ
Если вы имеете даже небольшой навык по устройству автомобиля, данную работу с зажиганием вы можете проделать своими руками.
Инструкция по установке
момента зажигания на УАЗ
1 Поставите автомобиль на стояночный тормоз. Поставите поршень 1-ого цилиндра в верхнюю мертвую точку другими словами в ВМТ.
При этом специальное отверстие на шкиве коленвала обязательно должно совпадать с отметкой (штифт) которая есть на крышке распределительных шестеренок.
2 Далее, с распределителя зажигания следует убирать крышку. Бегунок должен быть размещен против ввода «один (1)» внутри нее. В случае если нет, то нужно провернуть коленчатый вал на «сто восемьдесят (180)» градусов. Поставите октан-корректор на «ноль (0)».
Установка момента зажигания на трамблере УАЗ датчике распределителе
Установка моментазажигания на трамблере УАЗ датчике распределителе Пусковой рукояткой (из автомобильног
УАЗ 2206 зажигание, порядок
работы цилиндров
УАЗ 2206 буханка 1999 года. Не заводится, троит мотор. Порядок работы цилиндров. Двигатель 402 1-2-4-3 Прозвонка
Затем, болтом аккуратно затяните указатель к корпусу датчика-распределителя (дат-распр) зажигания так, чтобы он обязательно совпал со средней риской октан-корректора (ок-кор). Отпустите немного болт крепления пластины к корпусу «дат-распр».
3 Аккуратно поверните корпус, удерживая пальцем бегунок против его вращения, это делается для устранения зазоры в приводе, до совмещения острия лепестка на статоре и красной метки на роторе в 1 линию. Далее болтом к корпусу «дат-распр» следует закрепить пластину «окт-кор».
4 Затем, крышку установите на место датчика-распределителя. После, нужно проверить установку проводов зажигании согласно основному порядку работы цилиндров один-два-четыре-три, отсчитывать следует против (час.стр). После того как вы установили зажигания нужно проверить правильность его установки в движении.
5 Запустите двс, затем прогрейте его до рабочей температуры (восемьдесят градусов). Выберите по возможности прямой участок дороги, и наберите разгон примерно до 40-45 километров в час, затем резко надавите на педаль. В случае если на скорости 50-70 километров в час будет ощущаться временная детонация, то вы все сделали правильно, т.
е момент на бесконтактном зажигании установлен верно. Если же присутствует сильная детонация нужно повернуть «дат-распр» на 0,5-1 деление по шкале «окт-кор» делая это против «час.стр». Бывает и так, что детонации нет вообще, если у вас именно этот случай, следует не много увеличить угол опережения, необходимо повернуть «дат-распр» по «час.стр».
Деление шкалы соответствует углу в четыре градуса на коленчатом вале двигателя.
Работа мотора автомобиля немыслима без положительно установленного момента зажигания. Это невидимо не только при его заводе стартером, но и при движении. Создается увеличенный дискомфорт от неровной работы, падения мощности мотора, увеличенного расхода топлива и, самое основное, автомобиль начинает себя вести на дороге неустойчиво, может даже примитивно невзначай заглохнуть. Имея маленький навык, установку момента зажигания на бесконтактной системе дозволено сделать независимо.
Инструкция
1. Зафиксируйте автомобиль стояночным тормозом либо упором. Установите поршень 1-го цилиндра в ВМТ (верхняя мертвая точка). При этом отверстие на шкиве коленвала должно совпасть со отметкой (штифт) на крышке распределительных шестеренок.
2. Снимите с распределителя зажигания крышку. Бегунок должен располагаться супротив ввода «1» внутри нее. Если нет, то проверните коленчатый вал на 180 градусов. Установите октан-корректор на «0». Затяните болтом указатель к корпусу датчика-распределителя зажигания так, дабы он совпал со средней риской октан-корректора. Слегка отпустите болт крепления пластины к корпусу датчика-распределителя.
3. Поверните осмотрительно корпус, придерживая бегунок пальцем супротив его вращения, дабы устранить в приводе зазоры, до совмещения острия лепестка на статоре и красной метки на роторе в одну линию. Зафиксируйте пластину октан-корректора болтом к корпусу датчика-распределителя.
4. Поставьте на место крышку датчика-распределителя. Проверьте установку поводов зажигания согласно порядку работы цилиндров 1-2-4-3, отсчитывая супротив часовой стрелки. Позже установки момента зажигания проверьте правильность его в движении.
5. Заведите мотор, прогрейте до рабочей температуры (80 градусов). На прямом участке дороги, двигаясь со скоростью 40 км/ч, круто нажмите на акселератор. Если на скорости 55-60 км/ч будет осязаться кратковременная детонация, то момент на бесконтактном зажигании выставлен верно.
В случае крепкой детонации следует повернуть датчик-распределитель на 0,5-1 деление по шкале октан-корректора супротив часовой стрелки. Если детонация всецело отсутствует, то увеличьте угол опережения, повернув датчик-распределитель по часовой стрелке.
Деление шкалы соответствует углу в 4 градуса на коленчатом вале мотора.
Совет 2: Как поставить бесконтактное зажигание
Применение бесконтактного зажигания дозволяет повысить напряжение, подаваемое на свечи и, соответственно, усовершенствовать показатели пуска мотора. В бесконтактной системе зажигания для размыкания цепи низкого напряжения взамен прерывателя применяется электронный коммутатор, в котором функции размыкания цепи исполняет выходной транзистор.
Вам понадобится
– бесконтактный трамблер;
– коммутатор;
– катушка зажигания;
– комплект проводов бесконтактного зажигания;
– свечи;
– инструмент (ключи на 8 и 10 для установки катушки, ключ на 13 для снятия и установки трамблера, отвертка и дрель со сверлом по металлу).
Совет 3: Как выставить бесконтактное зажигание
Положительная установка угла опережения зажигания в бесконтактной системе зажигания дает вероятность эксплуатировать автомобиль в удобных условиях. В отвратном случае мотор не развивает полной мощности и возрастает расход топлива. Выставить бесконтактное зажигание дозволено не только на СТО, но и самосильно.
Установка привода трамблера УАЗ 417: порядок и схема зажигания, регулировка и настройка замка
Трамблер УАЗ считается одним из важных компонентов системы зажигания в транспортном средстве. Корректная регулировка данного механизма обеспечивает оптимальную работу силового агрегата в целом. Подробнее о том, в чем заключается принцип действия системы зажигания и как ее правильно настроить своими руками, вы сможете узнать из этого материала.
Что представляет собой схема подключения электронного или бесконтактного зажигания, на УАЗ 417, как переделать контактное зажигание на бесконтактное? Почему греется катушка и как произвести регулировку и настройку угла опережения? Для начала разберем основные моменты касательно действия и видов СЗ.
Как самостоятельно установить и выставить зажигание на УАЗ-469?
От того, как правильно выставлено зажигание в тс, почти во всем зависит работа силового агрегата в целом. Потому для того, чтоб не допустить сбоев в работе мотора, каждый автолюбитель должен знать, как верно выставляется угол опережения зажигания и для чего это необходимо. Подробнее о том, что представляет собой схема зажигания УАЗ-469, читайте ниже.
Зачем выставлять зажигание?
Для правильной настройки и регулировки работы цилиндров двигателя на УАЗ-469 необходимо обладать определенными навыками. О них мы расскажем позже, а для начала предлагаем узнать, для каких целей следует правильно выставлять бесконтактное зажигание и чем это может быть чревато. После подключения ключа в замок зажигания, в работу вступают множественные узлы и механизмы, без которых функциональность двигателя будет невозможной.
Итак, зачем выставлять этот параметр:
Мотор будет оптимально и устойчиво работать на всех режимах. В противном случае его работа будет нестабильной и доставит неудобства для автолюбителя.
Значительно улучшится пуск силового агрегата на холодную. Естественно, если вы хотите без проблем запуска мотор в тридцатиградусный мороз, то для этого также нужно будет залить в мотор соответствующее масло и проверить работоспособность свечей.
Нормализуется расход горючего, в противном случае он может быть повышенным.
Мощность силового агрегата будет оптимальной, такой, как отмечено в сервисной книжке (автор видео — канал smotri Vidik).
Как выставить зажигание на УАЗ | ЧтоКак.ру
Работа двигателя автомобиля невозможна без правильно установленного момента зажигания. Это заметно не только при его заводе стартером, но и при движении. Создается повышенный дискомфорт от неровной работы, падения мощности двигателя, увеличенного расхода топлива и, самое главное, автомобиль начинает себя вести на дороге неустойчиво, может даже просто неожиданно заглохнуть. Имея небольшой навык, установку момента зажигания на бесконтактной системе можно сделать самостоятельно.
Инструкция
1
Зафиксируйте автомобиль стояночным тормозом или упором. Установите поршень 1-го цилиндра в ВМТ (верхняя мертвая точка). При этом отверстие на шкиве коленвала должно совпасть со отметкой (штифт) на крышке распределительных шестеренок.
2
Снимите с распределителя зажигания крышку. Бегунок должен располагаться против ввода «1» внутри нее. Если нет, то проверните коленчатый вал на 180 градусов. Установите октан-корректор на «0». Затяните болтом указатель к корпусу датчика-распределителя зажигания так, чтобы он совпал со средней риской октан-корректора. Слегка отпустите болт крепления пластины к корпусу датчика-распределителя.
3
Поверните осторожно корпус, придерживая бегунок пальцем против его вращения, чтобы устранить в приводе зазоры, до совмещения острия лепестка на статоре и красной метки на роторе в одну линию. Зафиксируйте пластину октан-корректора болтом к корпусу датчика-распределителя.
4
Поставьте на место крышку датчика-распределителя. Проверьте установку поводов зажигания согласно порядку работы цилиндров 1-2-4-3, отсчитывая против часовой стрелки. После установки момента зажигания проверьте правильность его в движении.
5
Заведите двигатель, прогрейте до рабочей температуры (80 градусов). На прямом участке дороги, двигаясь со скоростью 40 км/ч, резко нажмите на акселератор. Если на скорости 55-60 км/ч будет ощущаться кратковременная детонация, то момент на бесконтактном зажигании выставлен правильно.
В случае сильной детонации следует повернуть датчик-распределитель на 0,5-1 деление по шкале октан-корректора против часовой стрелки. Если детонация полностью отсутствует, то увеличьте угол опережения, повернув датчик-распределитель по часовой стрелке.
Деление шкалы соответствует углу в 4 градуса на коленчатом вале двигателя.
chtokak.ru
Как Выставить Зажигание На Уаз Буханка ~ AUTOINTERLINE.RU
Работа мотора в машине невыполнима без верно установленного момента зажигания. Это видно не только при пуске двигателя стартером, но и при самом движении автомобиля. Повышается дискомфорт при езде от падения мощности мотора, и его неровной работы, повышается расхода бензина и, самое главное, на дороге машина начинает себя вести неустойчиво, в некоторых случаях может попросту внезапно заглохнуть. Как установить момент зажигание на УАЗ
Если вы имеете даже небольшой навык по устройству автомобиля, данную работу с зажиганием вы можете проделать своими руками.
Инструкция по установке момента зажигания на УАЗ
1 Поставите автомобиль на стояночный тормоз. Поставите поршень 1-ого цилиндра в верхнюю мертвую точку другими словами в ВМТ.
При этом специальное отверстие на шкиве коленвала обязательно должно совпадать с отметкой (штифт) которая есть на крышке распределительных шестеренок.
2 Далее, с распределителя зажигания следует убирать крышку. Бегунок должен быть размещен против ввода «один (1)» внутри нее. В случае если нет, то нужно провернуть коленчатый вал на «сто восемьдесят (180)» градусов. Поставите октан-корректор на «ноль (0)».
Уаз 2206 зажигание, порядок работы цилиндров
УАЗ 2206 буханка 1999 года. Не заводится, троит мотор. Порядок работы цилиндров. Двигатель 402 1-2-4-3 Прозвонка
Затем, болтом аккуратно затяните указатель к корпусу датчика-распределителя (дат-распр) зажигания так, чтобы он обязательно совпал со средней риской октан-корректора (ок-кор). Отпустите немного болт крепления пластины к корпусу «дат-распр».
3 Аккуратно поверните корпус, удерживая пальцем бегунок против его вращения, это делается для устранения зазоры в приводе, до совмещения острия лепестка на статоре и красной метки на роторе в 1 линию. Далее болтом к корпусу «дат-распр» следует закрепить пластину «окт-кор».
4 Затем, крышку установите на место датчика-распределителя. После, нужно проверить установку проводов зажигании согласно основному порядку работы цилиндров один-два-четыре-три, отсчитывать следует против (час.стр). После того как вы установили зажигания нужно проверить правильность его установки в движении.
5 Запустите двс, затем прогрейте его до рабочей температуры (восемьдесят градусов). Выберите по возможности прямой участок дороги, и наберите разгон примерно до 40-45 километров в час, затем резко надавите на педаль. В случае если на скорости 50-70 километров в час будет ощущаться временная детонация, то вы все сделали правильно, т.
е момент на бесконтактном зажигании установлен верно. Если же присутствует сильная детонация нужно повернуть «дат-распр» на 0,5-1 деление по шкале «окт-кор» делая это против «час.стр». Бывает и так, что детонации нет вообще, если у вас именно этот случай, следует не много увеличить угол опережения, необходимо повернуть «дат-распр» по «час.стр».
Деление шкалы соответствует углу в четыре градуса на коленчатом вале двигателя.
autointerline.ru
Как выставить зажигание на УАЗ
Работа двигателя автомобиля невозможна без правильно установленного момента зажигания. Это заметно не только при его заводе стартером, но и при движении. Создается повышенный дискомфорт от неровной работы, падения мощности двигателя, увеличенного расхода топлива и, самое главное, автомобиль начинает себя вести на дороге неустойчиво, может даже просто неожиданно заглохнуть. Имея небольшой навык, установку момента зажигания на бесконтактной системе можно сделать самостоятельно.
Как выставить зажигание на уаз 469 видео — Автомастер
Смена топлива на УАЗе
Категории видео Получается, что после включения зажигания схема срабатывает через полсекунды, потом срабатывает Яркими представителями этого типа кузова можно считать УАЗ-469 и ЛуАЗ-969. бегунок по заранее поставленной метке, иначе потом натрахаетесь зажигание выставлять :).
при положении 1-3-4-2 заводится стреляет в карб часто, не помогает регулировка положения угла зажигания тоже, и жутко ТРОИТ как будто цилиндр тюнинг ауди 80 б4 видео, 4, 47, 18,00, 218 000. ауди 80 тюнинг видео тюнинг ауди 100 видео, 1, 54, 42,90, 3 000 000 . Тюнинг УАЗ-469 «Бобик» Tuning UAZ-469 «Bobik».
Как выставить зажигание на мотоцикле «Урал» и «Днепр».
Снять или отключить навесное: карбюратор, трамблёр, маслофильтр, снять бензопровод с бензонасоса; снять катушку зажигания с кожуха отопителя, Привет! Столкнулся со следующей проблемой при настройке зажигания: при попытке выставить метки по мануалу (метки на шкиве КВ и
Установка момента зажигания на трамблере УАЗ
датчике распределителе
Установка момента зажигания на трамблере УАЗдатчике распределителе Пусковой рукояткой (из автомобильног
Как самостоятельно установить и выставить зажигание на УАЗ-469?
От того, насколько правильно выставлено зажигание в транспортном средстве, во многом зависит работа силового агрегата в целом. Поэтому для того, чтобы не допустить сбоев в работе двигателя, каждый автовладелец должен знать, как правильно выставляется угол опережения зажигания и зачем это нужно. Подробнее о том, что представляет собой схема зажигания УАЗ-469, читайте ниже.
Схема подключения узлов в системе зажигания
Для правильной настройки и регулировки работы цилиндров двигателя на УАЗ-469 необходимо обладать определенными навыками. О них мы расскажем позже, а для начала предлагаем узнать, для каких целей следует правильно выставлять бесконтактное зажигание и чем это может быть чревато. После подключения ключа в замок зажигания, в работу вступают множественные узлы и механизмы, без которых функциональность двигателя будет невозможной.
Итак, зачем выставлять этот параметр:
Мотор будет оптимально и устойчиво работать на всех режимах. В противном случае его работа будет нестабильной и доставит неудобства для автолюбителя.
Значительно улучшится пуск силового агрегата на холодную. Естественно, если вы хотите без проблем запуска мотор в тридцатиградусный мороз, то для этого также нужно будет залить в мотор соответствующее масло и проверить работоспособность свечей.
Нормализуется расход горючего, в противном случае он может быть повышенным.
Мощность силового агрегата будет оптимальной, такой, как отмечено в сервисной книжке (автор видео — канал smotri Vidik).
Как Правильно Выставить Зажигание На Уаз 469
Работа мотора в машине невыполнима без верно установленного момента зажигания. Это видно не только лишь при пуске мотора стартером, да и при самом движении автомобиля. Увеличивается дискомфорт при езде от падения мощности мотора, и его неровной работы, увеличивается расхода бензина и, самое главное, на дороге машина начинает себя вести нестабильно, в неких случаях может просто в один момент заглохнуть.
Как установить момент зажигание на УАЗ
Если вы имеете даже маленький навык по устройству автомобиля, данную работу с зажиганием вы сможете сделать своими руками.
Инструкция по установке момента зажигания на УАЗ
1 Поставите автомобиль на стояночный тормоз. Поставите поршень 1-ого цилиндра в верхнюю мертвую точку другими словами в ВМТ.
При всем этом особое отверстие на шкиве коленвала непременно должно совпадать с отметкой (штифт) которая есть на крышке распределительных шестеренок.
2 Дальше, с распределителя зажигания следует убирать крышку. Бегунок должен быть расположен против ввода «один (1)» в ней. В случае если нет, то необходимо провернуть коленчатый вал на «сто восемьдесят (180)» градусов. Поставите октан-корректор на «ноль (0)».
Как Правильно Выставить Зажигание На Уаз 469
Потом, болтом аккуратненько затяните указатель к корпусу датчика-распределителя (дат-распр) зажигания так, чтоб он непременно совпал со средней риской октан-корректора (ок-кор). Отпустите мало болт крепления пластинки к корпусу «дат-распр».
3 Аккуратненько поверните корпус, удерживая пальцем бегунок против его вращения, это делается для устранения зазоры в приводе, до совмещения острия лепестка на статоре и красноватой метки на роторе в 1 линию. Дальше болтом к корпусу «дат-распр» следует закрепить пластинку «окт-кор».
4 Потом, крышку установите на место датчика-распределителя. После, необходимо проверить установку проводов зажигании согласно основному порядку работы цилиндров один-два-четыре-три, отсчитывать следует против (час.стр). После того как вы установили зажигания необходимо проверить корректность его установки в движении.
5 Запустите двс, потом прогрейте его до рабочей температуры (восемьдесят градусов). Изберите по способности прямой участок дороги, и наберите разгон приблизительно до 40-45 км в час, потом резко надавите на педаль. В случае если на скорости 50-70 км в час будет ощущаться временная детонация, то вы все сделали верно, т.
е момент на бесконтактном зажигании установлен правильно. Если же находится мощная детонация необходимо повернуть «дат-распр» на 0,5-1 деление по шкале «окт-кор» делая это против «час.стр». Бывает и так, что детонации нет вообщем, если у вас конкретно этот случай, следует мало прирастить угол опережения, нужно повернуть «дат-распр» по «час.стр».
Деление шкалы соответствует углу в четыре градуса на коленчатом вале мотора.
Эффективное зажигание позволяет быстро без проблем запускать двигатель автомобиля в любых условиях. С исправным зажиганием без перебоев функционируют все системы электрического обеспечения: стеклоочистители, освещение, потребители, датчики, указатели. Какие существуют типы систем, настройка, регулировка зажигания УАЗ 469 – в данной статье.
Система зажигания УАЗ 469
Чтобы завести движок любого транспортного средства, необходимо, чтобы горючая смесь воспламенилась в нужный момент в камере сгорания. Эффективная работа поршневой системы достигается правильной настройкой всех параметров. Система зажигания УАЗ 469 позволяет эксплуатировать транспортное средство независимо от климата, температуры, влажности и других внешних факторов.
Зажигание УАЗ 469 предусматривает, чтобы все элементы были исправными и безукоризненно выполняли возложенные на них функции. Для УАЗ 469 схема зажигания состоит из следующих комплектующих:
катушка зажигания УАЗ 469;
трамблер;
жгуты;
коммутатор;
свечи.
Каждый отдельный компонент электрической цепи не должен допускать пробоя на корпус автомобиля и утечек тока.
Зажигание автомобиля УАЗ 469 включает в себя следующие элементы:
АКБ;
кнопка массы;
реле-регулятор напряжения;
генератор;
амперметр;
замок зажигания УАЗ 469;
контакты прерывателя-распределителя;
трамблер;
конденсатор;
крышка прерывателя-распределителя зажигания;
бегунок;
свечи зажигания;
провод высокого напряжения;
дополнительное сопротивление;
дополнительное реле стартера;
катушка зажигания;
стартер.
Порядок зажигания УАЗ 469 строго регламентирован, искра возникает точно в заданной последовательности. Важным моментом является не только своевременность подачи искры, но и ее величина. При возникновении малейших перебоев заново настраивается вся цепочка.
Автомобильная АКБ не рассчитана на выработку достаточного объема тока и напряжения, которые требуются для воспламенения горючей смеси. Ток зарядки способен только непродолжительное время раскручивать маховик двигателя. Для устойчивой работы мотора должна полноценно начать функционировать вся система зажигания транспортного средства.
Данный важный узел машины предназначен для существенного повышения мощностных характеристик аккумуляторной батареи. Исправное зажигание совместно с аккумуляторной батареей отправляет свечам достаточный объем и силу тока, необходимого для уверенного розжига топливной смеси.
Принцип работы системы зажигания
Обеспечение, поддержание своевременного воспламенения воздушно-топливной смеси для эффективного функционирования ДВС является главной задачей зажигания. Это происходит в строгом соответствии с установленным порядком работы цилиндров двигателя. В электрическую цепь последовательно подключена катушка зажигания 16 вместе с дополнительным сопротивлением 14. Оно автоматически замыкается в момент запуска мотора стартером.
Это существенно увеличивает разрывной ток первичной цепи. Катушка зажигания 16 создает в бортовой электрической системе автомобиля импульсы высокой частоты. Вспышки высокого напряжения создают пробой искрового промежутка в свечах зажигания 12, вкрученных в верхнюю точку каждого цилиндра, где осуществляется сжатие рабочей топливной смеси.
Катушка состоит из первичной и вторичной обмоток. Первичная обмотка намотана сверху на вторичную. Внутри катушки расположен сердечник и кольцевой магнитопровод. Оба эти элемента изготовлены из специальной электротехнической стали. Надежная герметизация катушки осуществляется карбонитовой крышкой в кожухе с резиновой прокладкой.
Трансформаторное масло для охлаждения заливается в кожух. Данный материал существенно повышает изоляцию обмоток и эффективно отводит тепло от корпуса катушки. Чтобы избежать повреждения катушки, ее перегрева, зажигание в авто при неработающем двигателе оставлять включенным не рекомендуется.
Трамблер 8 распределяет импульсы высокого напряжения по всем цилиндрам двигателя внутреннего сгорания строго в установленной последовательности. Трамблер или прерыватель-распределитель установлен в штатное место слева от блока цилиндров двигателя. Привод механизма осуществляется от валика масляного насоса. Вращение валика производится против часовой стрелки со стороны крышки.
Как правильно выставить зажигание
Для того, что бы выставить зажигание на УАЗ 469 необходимо придерживаться следующих рекомендаций:
Снять крышку трамблера с ротором. Проверить размер зазора между контактами. Его можно регулировать. Между контактами, максимально разведенными, должен быть зазор 0,35 – 0,45 мм. Регулировку лучше всего осуществлять набором щупов. Слишком малый зазор дает слабую искру. При большом зазоре искры может не быть совсем. Сделав нормальный зазор, ротор можно установить на штатное место.
Свечным ключом выкрутить свечу первого цилиндра. Закрыть пальцем отверстие под свечу. Пусковой рукояткой провернуть коленчатый вал до тех пор, пока палец не будет выталкивать сжатым воздухом. Этот момент называется началом хода сжатия первого цилиндра.
Продолжать проворачивать пусковую рукоятку до совпадения отверстия на шкиве и штифта на крышке распределительных шестерен. Ротор должен находиться напротив внутреннего контакта крышки, подключенного к высоковольтному проводу от свечи первого цилиндра.
Провернуть пластину октан-корректора вместе с трамблером, чтобы метка совпала со средней отметкой на шкале пластины.
Слегка провернуть корпус механизма распределения против часовой стрелки. Прокручивать следует до тех пор, пока контакты трамблера не сомкнутся.
Подключить контрольную лампочку с патроном. Один контакт соединить с выводом низкого напряжения трамблера, второй с массой машины. Подключить контрольную лампу можно к кузову авто.
Включить зажигание, аккуратно провернуть трамблер по часовой стрелке. Крутить, пока не загорится контрольная лампа, после этого прекратить вращение. Может быть такое, что лампа не загорается. Повторить все действия с самого начала.
Затянуть крепежный болт распределителя. Крышку с центральным проводом установить на место. Проверить регулировку, начиная с первого цилиндра. Проверка осуществляется против часовой стрелки.
Порядок зажигания УАЗ 469
Каждый автомобиль имеет свой порядок зажигания. Это значит, что цилиндры двигателя осуществляют свое движение в строго оговоренном порядке. Нарушать его нельзя ни в коем случае. Иначе двигатель полностью разрушится. Порядок зажигания автомобиля УАЗ 469 и работы его цилиндров следующий:
Зачем выставлять зажигание
При правильно выставленном зажигании:
Двигатель эффективно, устойчиво и стабильно работает на всех режимах. Иначе мотор функционирует с перебоями, стуками, хлопками. Нестабильная работа двигателя доставляет много проблем, снижает динамику автомобиля и скоростные характеристики.
После правильной регулировки зажигания существенно улучшается запуск холодного силового агрегата.
При разрегулированном зажигании расход топлива увеличивается. После регулировки он значительно снижается.
Мощность двигателя также заметно возрастает на автомобиле после правильной регулировки зажигания.
Какие бывают системы зажигания на УАЗ 469
Контактное зажигание на УАЗ 469. Сейчас оно признано морально устаревшим. Однако отечественные производители продолжают его использовать. Система осуществляет запуск импульса определенной мощности. Этот импульс появляется от распределителя зажигания. Схема контактного зажигания УАЗ 469 простая и незамысловатая. В этом ее преимущество. Водитель своими руками может устранить любую неисправность и выполнить регулировку. Цены комплектующих невысокие.
Транзисторное или бесконтактное зажигание УАЗ 469. Бесконтактная система зажигания устанавливается на многих видах транспортных средств. Имеет целый ряд преимуществ перед контактной конструкцией. Искра, вырабатываемая подобным устройством, намного мощнее. Это происходит вследствие повышенного уровня электрического напряжения во вторичной обмотке катушки зажигания. Транзисторная система зажигания оснащена электромагнитным механизмом. Он обеспечивает стабильную постоянную работу всей системы, бесперебойно передавая энергию узлам, деталям, механизмам. Правильно настроенное зажигание при эффективном ДВС гарантирует высокую мощность и существенную экономию топлива. Длительную надежную работоспособность обеспечивает соблюдение периодичности обслуживания привода трамблера. Его необходимо смазывать и регулировать каждые 10 000 км пробега. Сложность ремонта является недостатком бесконтактной системы зажигания. Самостоятельному ремонту она не подлежит, поскольку для этого необходимо специальное диагностическое оборудование, имеющееся только в условиях сервисных центров и СТО.
Электронное зажигание на УАЗ 469. Данный тип зажигания самый технологичный, но в то же время недешевый. Подобными устройствами оснащаются современные модели авто. Имеет сложную технологию, обеспечивающую не только высокий момент, но и ряд других показателей двигателя. Преимущества: простая настройка угла опережения, отсутствие обязательной проверки контактов на предмет окисления. В двигателях, оснащенных электронной СЗ, топливная смесь сгорает на все 100%. Ремонт необходимо осуществлять только на СТО.
Подводное зажигание на УАЗ 469. Это герметичная система зажигания, при которой не страшно заливание водой, попадание в глубокие ямы, движение по открытой местности во время снега и дождя. Когда зажигание обычное – контактное либо бесконтактное, внутри трамблера, между крышкой и бегуном реально теряется 50% искровой мощности. Выясним, почему это происходит.
Между электрическими контактами, которыми является крышка трамблера и бегунок, имеется небольшой промежуток. Для прохождения электрической энергии в этом пространстве затрачивается большая часть дополнительного тока. При контактном зажигании для этих целей тратиться еще часть энергии на функционирование кулачка.
Подводное зажигание сконструировано таким образом, что в нем искра с катушки напрямую попадает на свечу зажигания. Осуществляя данный процесс, она не теряет своей основной мощности, кроме сопротивления высоковольтных проводов. Здесь утрата мощности совсем незначительная, поэтому можно ее не учитывать.
Стоит отметить, что на большинстве машин иностранного производства на каждый цилиндр раздельно ставится катушка, которая располагается сразу на свече, и утрата соответственно совсем незначительная.
Устанавливаем и настраиваем зажигание, меняем привод трамблера на автомобилях УАЗ
Трамблер УАЗ считается одним из важных компонентов системы зажигания в транспортном средстве. Корректная регулировка данного механизма обеспечивает оптимальную работу силового агрегата в целом. Подробнее о том, в чем заключается принцип действия системы зажигания и как ее правильно настроить своими руками, вы сможете узнать из этого материала.
Обзор СЗ на знаменитых УАЗах
Что представляет собой схема подключения электронного или бесконтактного зажигания, на УАЗ 417, как переделать контактное зажигание на бесконтактное? Почему греется катушка и как произвести регулировку и настройку угла опережения? Для начала разберем основные моменты касательно действия и видов СЗ.
Принцип работы СЗ
Схема контактной системы
Система зажигания, вернее, ее правильная настройка, играет большую роль в работе и запуске автомобильного мотора. При корректной регулировке в силовом агрегате будет правильно сгорать горючая смесь в результате подачи заряда через свечи. На каждый цилиндр УАЗовского мотора ставится свеча, каждая из которых включается в определенном порядке, по очереди, подавая разряд на цилиндр спустя определенное время. Нужно учитывать, что любая СЗ дает возможность не только произвести подачу нужного разряда, но и определяет его силу.
Аккумуляторная батарея машины из-за своих технических характеристик не может вырабатывать напряжение с током, которое требуется для возгорания смеси. Это связано с тем, что АКБ может выдать только ток определенной силы. А благодаря правильной работе системы величина тока значительно увеличивается, что позволяет успешно воспламенять топливовоздушную смесь.
Принцип действия системы состоит из нескольких этапов:
Сначала водитель вставляет ключ в замок зажигания и поворачивает его, электрическая энергия накапливается в катушке.
Затем катушка преобразуется низковольтное напряжение в бортовой сети величиной 12 вольт в высоковольтное. Значение напряжения в результате возрастает до 30 тысяч В.
После этого происходит распределение и подача разряда на ту или иную свечу.
Непосредственно свеча образует искру, которая воспламеняет смесь.
Схема бесконтактной УАЗовской системы
Какие бывают виды СЗ?
В отечественных УАЗах может использоваться одна из трех систем зажигания, рассмотрим каждую из них подробно:
Контактный вид. Данный тип СЗ является устаревшим, однако, он используется на большей части машин. В такой системе принцип действия заключается в выдаче определенного импульса, формирующегося в трамблере — распределительном устройстве. Контактная система считается одной из самых простых в плане устройства, что является преимуществом, поскольку при появлении неисправностей автовладелец сможет самостоятельно проверить и отремонтировать систему. Кроме того, цены на конструктивные детали контактной системы обычно доступные, что не может не радовать. В состав контактной СЗ входят катушка, распределительное устройство, прерыватель, конденсатор и свечи.
Бесконтактный тип, также зовется транзисторным. По сравнению с контактной, бесконтактная система имеет больше достоинств. Формирующаяся искра обладает более высокой мощностью, что достигается благодаря образованию высокого напряжения во вторичной обмотке катушки. Также бесконтактные системы оборудуются электромагнитным девайсом, который дает возможность добиться более стабильного функционирования двигателя. В конечном счете, если силовой агрегат УАЗа будет настроен правильно, то при использовании бесконтактной системы вы можете не только увеличить его мощность, но и добиться экономии топлива, хоть и незначительной. Также такие системы более просты в обслуживании. Одним из основных нюансов в плане обслуживания является необходимость периодической смазки привода распределителя — не реже, чем каждые 10 тысяч км пробега. Из основных недостатков следует выделить трудность ремонта. На практике произвести ремонт бесконтактной СЗ будет проблематично, так как для диагностики системы понадобится оборудование, которое обычно имеется на СТО.
Также система зажигания может быть электронной. Данный вариант в настоящее время считается одним из самых прогрессивных и дорогих, ставится он преимущественно на новые автомобили. Если сравнивать с контактной и бесконтактной, электронная система имеет более сложное устройство. Основное достоинство данной системы заключается в том, что при необходимости процесс регулировки угла зажигания провести будет значительно проще. Кроме того, в электронной системе нет контактов, которые подвержены окислению. Также следует отметить, что на практике горючая смесь в цилиндрах силового агрегата с электронной системой почти всегда сгорает полностью. Но несмотря на все преимущества, электронные СЗ имеют и свои недостатки, которые касаются ремонта устройства. Отремонтировать такую СЗ своими руками практически невозможно, так как для выполнения этой задачи, опять же, потребуется оборудование (видео опубликовал Наиль Порошин).
Рекомендации экспертов, как правильно настроить
Итак, как выставить самостоятельно угол опережения, чтобы добиться правильной работы двигателя УАЗ:
В первую очередь вы должны зафиксировать свой автомобиль на одном месте, для этого потяните за рычаг стояночного тормоза. Проверните коленчатый вал так, чтобы поршень цилиндра 1 попал в ВМТ (верхнюю точку). При этом нужно добиться того, чтобы отверстие на шкиве коленвала совпадало с риской, отмеченной на крышке распределительных шестеренок.
После этого с распределительного механизма следует снять крышку. После демонтажа вы сможете увидеть бегунок, который расположен внутри самой крышки, напротив контакта. При отсутствии бегунка следует еще раз провернуть коленчатый вал на 180 градусов, после чего выставить октан-корректор на 0. Используя гаечный ключ, вам необходимо будет завернуть винтом указатель к корпусу распределительного механизма так, чтобы добиться его совмещения со средней риской. Когда эти действия будут выполнены, болт крепления, с помощью которого пластины крепятся к корпусу трамблера, надо немного ослабить.
Затем, удерживая на одном месте бегунок при помощи пальца для недопущения его вращения, надо аккуратно провернуть сам корпус, это позволит удалить возможные люфты в приводе. Корпус необходимо поворачивать до тех пор, пока вы не добьетесь совмещения острого конца лепестка статорного механизма с красной меткой, расположенной на роторном устройстве. После этого саму пластину надо закрепить к корпусу, используя соответствующий болт.
Когда вы выполните эти действия, вам надо установить крышку контроллера на место и произвести проверку высоковольтных кабелей. Нужно удостовериться в том, что эти провода установлены в правильной последовательности с учетом порядка работы цилиндров. Когда вам удастся правильно настроить угол опережения, то необходимо убедиться в том, что вся процедура была выполнена верно.
Для диагностики правильности выполненных действий надо завести мотор вашего УАЗика и подождать примерно 5-10 минут, пока силовой агрегат не прогреется. Рабочая температура мотора составляет около 90 градусов, можно подождать, пока ДВС прогреется до 80 градусов. Затем вам надо выехать на ровную дорогу и разогнать автомобиль до 40 км/час, после чего следует резко нажать на газ. В этот момент автомобиль ускорится и если при увеличении скорости до 60 км/ч из-под капота раздастся кратковременная детонация (металлический стук), то это говорит о том, что все действия были выполнены правильно. В случае, если детонация слишком долгая, то потребуется еще отрегулировать систему. Для этого корпус распределительного механизма нужно будет повернуть на одно деление или наполовину, при этом проворачивать его надо против часовой стрелки. Если же диагностика показала, что стука «пальчиков» вовсе нет, то угол опережения следует увеличить. Для этого механизм следует повернуть в обратную сторону.
Фотогалерея «Как правильно отрегулировать»
Пособие по замене трамблера с приводом маслонасоса
Перед тем, как установить новый трамблер с приводом, нужно взвесить свои силы, поскольку допускать ошибки при выполнении работ не рекомендуется.
Итак, как заменить и произвести установку распределителя:
Отключите зажигание и демонтируйте крышку трамблера, к ней подключены наконечники и высоковольтные кабеля.
Затем от распределительного механизма надо отключить провод, подсоединенный к коммутатору. Также надо отключить патрубок, подведенный к вакуумному регулятору.
Взяв гаечный ключ на 13, выкрутите две гайки, фиксирующие устройство и демонтируйте с силового агрегата механизм вместе с приводом маслонасоса.
Выполнив эти действия, сможете увидеть прокладку, расположенную под приводом. Если в результате этих действий положение коленчатого вала не изменилось, то просто произведите монтаж нового механизма, при этом проследите, чтобы бегунок был расположен напротив метки. Все действия производятся в обратном порядке. Когда установка будет завершена, производится регулировка угла опережения.
Если в итоге расположение вала поменялось, то перед установкой надо переместить поршень цилиндра 1 в верхнюю мертвую точку. Вам надо добиться совмещения меток на шкиве и указателя на самом моторе.
Видео «Как установить электронное зажигание на УАЗ»
Если вы не знаете, как произвести установку электронного зажигания своими руками, то ознакомьтесь с инструкцией в ролике (видео снято каналом Auto Garage).
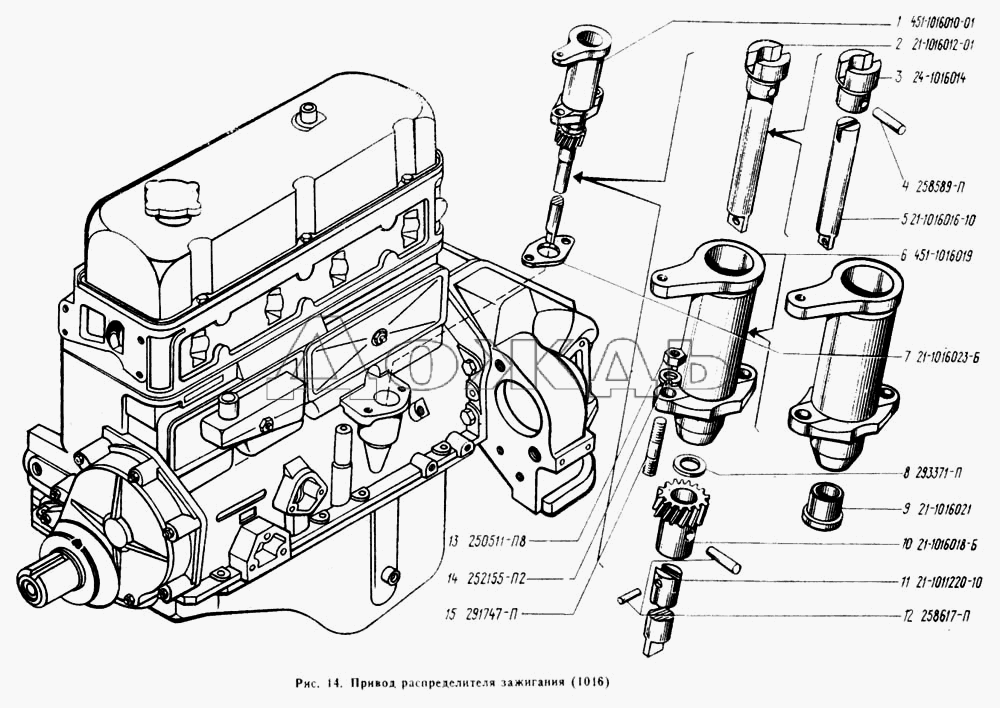
Порядок операции при установке зажигания на автомобиле УАЗ-469Б выглядит следующим образом. Снять крышку распределителя и ротор и проверить величину зазора между контактами прерывателя. В случае если он выходит за пределы значений 0.35- 0.45 мм, необходимо отрегулировать зазор и поставить ротор на место.
Вывернуть свечу зажигания первого цилиндра и закрыв пальцем отверстие для свечи, повернуть коленчатый вал двигателя пусковой рукояткой до начала выхода воздуха из-под пальца. Это произойдет в начале хода сжатия в первом цилиндре.
Убедившись, что сжатие началось, осторожно проворачивать коленчатый вал двигателя до совпадения отверстия на шкиве со штифтом. Затем гайками плавной настройкой установить шкалу октан-корректора на нулевое деление.
Ослабить винт крепления корпуса прерывателя и повернуть корпус распределителя против часовой стрелки настолько, чтобы замкнулись контакты прерывателя.
Взять переносную лампу и при помощи дополнительных проводов подключить один из проводов ее на корпус, другой к зажиму низкого напряжения на катушке, к которому крепится провод, идущий к распределителю.
Включить зажигание и поворачивать корпус распределителя по часовой стрелке до загорания лампочки. Вращение распределителя следует прекращать точно в момент загорания лампочки. Если это не удалось, операцию повторить.
Закрепить корпус распределителя винтом, поставить крышку и центральный провод на место.
После каждой установки зажигания и после регулировки зазора в прерывателе необходимо проверить точность установки момента зажигания горючей смеси, прослушивая работу двигателя при движении автомобиля. Доводку установки зажигания можно делать по октан-корректору, не ослабляя крепежного винта. Для этого достаточно вращать гайки плавной настройки, отворачивая одну и заворачивая другую.
Наиболее выгодным опережением зажигания будет такое, при котором во время резкого разгона, полного открытия дросселя, полностью нагруженного автомобиля на горизонтальной дороге с начальной скоростью 30-35 км/ч на прямой передаче едва прослушиваются единичные детонационные стуки в цилиндрах двигателя.
Если при интенсивном разгоне автомобиля стуки отсутствуют, это значит, что зажигание позднее. И наоборот, появление ряда последовательных отчетливых стуков свидетельствует о слишком раннем зажигании.
Техническое обслуживание катушки зажигания Б7-А.
Через одно техническое обслуживание следует проверить состояние катушки непосредственно на автомобиле с помощью специального переносного прибора. Катушка зажигания считается исправной, если при искровом промежутке, равном 7 мм, наблюдается бесперебойное и интенсивное искрообразование.
При отсутствии специального прибора катушку зажигания можно проверить на специализированном стенде путем сравнения ее с эталонной катушкой стенда по длине искры на регулируемом разряднике. Если длина искры проверяемой катушки окажется меньше длины искры эталонной катушки на 2 мм, проверяемую катушку необходимо заменить.
При проведении технического обслуживания необходимо проверить надежность электрических соединений и крепления прерывателя-распределителя к двигателю и смазать распределитель. Валик распределителя смазать, повернув крышку колпачковой масленки на один оборот.
Капнуть одну каплю масла, применяемого для двигателя, на ось рычажка прерывателя, одну-две капли на фильц-щетку кулачка и три-четыре капли во втулку кулачка, предварительно сняв ротор и фильц под ним. При смазке кулачка и оси прерывателя необходимо следить, чтобы масло не попало на контакты прерывателя.
Через одно техническое обслуживание осмотреть контакты распределителя, удалить с контактов грязь и масло, протирая их ветошью, слегка смоченной в бензине. Затем протереть их чистой сухой тканью не оставляющей волокон на контактах. Обгоревшие или окисленные контакты надо тщательно зачистить.
После зачистки контакты протереть ветошью, слегка смоченной в бензине и проверить щупом зазор между ними. Если зазор больше чем на 0.05 мм отличается от номинального в 0.35- 0.45 мм, то отрегулировать его. Однако заданный зазор между контактами обеспечивает нормальную работу системы зажигания только при новых контактах. Более надежной является регулировка зазора в контактах прерывателя путем изменения угла замкнутого состояния контактов.
Угол замкнутого состояния контактов проверяют либо прямо на автомобиле с помощью специального прибора НИИАТ Э-5, либо на стенде СПЗ-6, предварительно сняв распределитель с автомобиля. На средних частотах вращения коленчатого вала двигателя в 1500— 2000 оборотов в минуту контакты прерывателя должны находиться в замкнутом состоянии 46-50 градусов.
Необходимо также проверять отсутствие заедания рычажка на оси, для чего отжать рычажок пальцем и отпустить его. Отпущенный рычажок должен быстро возвратиться под действием пружины, и контакты должны замкнуться со щелчком.
Если замыкание не произошло или произошло вялое замыкание контактов, необходимо устранить заедание и отрегулировать натяжение пружины прерывателя в пределах 500—700 гс, сняв рычажок и изгибая пружину в ту или иную сторону по необходимости. Натяжение пружины рычажка прерывателя проверять при помощи пружинного динамометра.
Через два технических обслуживания прерыватель-распределитель снимают с автомобиля для проверки его состояния и регулировки. При этом прерыватель-распределитель разбирают, осматривают все детали и в случае необходимости заменяют новыми. При переборке распределителя смазывают все трущиеся части, причем фильц кулачка пропитывают в масле и отжимают.
Снимают неподвижную панель прерывателя, промывают шариковый подшипник и закладывают в него новую смазку. Перед постановкой панели проверяют легкость вращения шарикового подшипника и в случае необходимости дополнительно проворачивают его наружное кольцо до устранения заедания. Проверяют величину сопротивления уголька — оно должно быть 15 кОм.
Через 40 000-50000 километров пробега автомобиля в случае большого радиального люфта валика распределителя, вызывающего нарушение искрообразования, необходимо заменить подшипники валика распределителя.
Техническое обслуживание свечей зажигания.
При проведении технического обслуживания вывернуть свечи, очистить от нагара и отрегулировать зазор между электродами. Проверять состояние свечей зажигания и очищать их от нагара рекомендуется на приборе для очистки и проверки свечей.
При отсутствии прибора, свечи от нагара можно очистить с помощью любого металлического предмета, пригодного для этой цели. При этом изолятор свечи необходимо очищать очень осторожно, чтобы на его поверхности не оставались царапины, которые в дальнейшем будут способствовать отложению нагара.
Зазор между электродами свечи, который должен быть равен 0.8-0.9 мм, надо проверяют круглыми щупами. Пользоваться при этом плоским щупом нельзя, так как он не входит в углубление на боковом электроде свечи, образующееся в процессе его работы.
При очистке свечей зажигания на приборе рекомендуется одновременно проверить их на искрение. При давлении в камере прибора не менее 6 кгс/см2 через окно камеры должна быть видна непрерывная и ясно видимая с голубым оттенком искра. Отсутствие искры, перебои в искрении или проскакивание искры между корпусом и центральным электродом через изолятор указывают на повреждение свечи и необходимость ее замены.
Оценка статьи:
Загрузка…
Сохранить себе в:
Adblock detector
порядок зажигания, регулировка, схема подключения
Эффективное зажигание позволяет быстро без проблем запускать двигатель автомобиля в любых условиях. С исправным зажиганием без перебоев функционируют все системы электрического обеспечения: стеклоочистители, освещение, потребители, датчики, указатели. Какие существуют типы систем, настройка, регулировка зажигания УАЗ 469 – в данной статье.
Фото 1: Система зажигания УАЗ 469 (Источник: Яндекс.Картинки)
Система зажигания УАЗ 469
Чтобы завести движок любого транспортного средства, необходимо, чтобы горючая смесь воспламенилась в нужный момент в камере сгорания. Эффективная работа поршневой системы достигается правильной настройкой всех параметров. Система зажигания УАЗ 469 позволяет эксплуатировать транспортное средство независимо от климата, температуры, влажности и других внешних факторов.
Зажигание УАЗ 469 предусматривает, чтобы все элементы были исправными и безукоризненно выполняли возложенные на них функции. Для УАЗ 469 схема зажигания состоит из следующих комплектующих:
катушка зажигания УАЗ 469;
трамблер;
жгуты;
коммутатор;
свечи.
Каждый отдельный компонент электрической цепи не должен допускать пробоя на корпус автомобиля и утечек тока.
Фото 2: Схема системы зажигания УАЗ 469 (Источник: Яндекс.Картинки)
Зажигание автомобиля УАЗ 469 включает в себя следующие элементы:
АКБ;
кнопка массы;
реле-регулятор напряжения;
генератор;
амперметр;
замок зажигания УАЗ 469;
контакты прерывателя-распределителя;
трамблер;
конденсатор;
крышка прерывателя-распределителя зажигания;
бегунок;
свечи зажигания;
провод высокого напряжения;
дополнительное сопротивление;
дополнительное реле стартера;
катушка зажигания;
стартер.
Порядок зажигания УАЗ 469 строго регламентирован, искра возникает точно в заданной последовательности. Важным моментом является не только своевременность подачи искры, но и ее величина. При возникновении малейших перебоев заново настраивается вся цепочка.
Автомобильная АКБ не рассчитана на выработку достаточного объема тока и напряжения, которые требуются для воспламенения горючей смеси. Ток зарядки способен только непродолжительное время раскручивать маховик двигателя. Для устойчивой работы мотора должна полноценно начать функционировать вся система зажигания транспортного средства.
Данный важный узел машины предназначен для существенного повышения мощностных характеристик аккумуляторной батареи. Исправное зажигание совместно с аккумуляторной батареей отправляет свечам достаточный объем и силу тока, необходимого для уверенного розжига топливной смеси.
Принцип работы системы зажигания
Обеспечение, поддержание своевременного воспламенения воздушно-топливной смеси для эффективного функционирования ДВС является главной задачей зажигания. Это происходит в строгом соответствии с установленным порядком работы цилиндров двигателя. В электрическую цепь последовательно подключена катушка зажигания 16 вместе с дополнительным сопротивлением 14. Оно автоматически замыкается в момент запуска мотора стартером.
Это существенно увеличивает разрывной ток первичной цепи. Катушка зажигания 16 создает в бортовой электрической системе автомобиля импульсы высокой частоты. Вспышки высокого напряжения создают пробой искрового промежутка в свечах зажигания 12, вкрученных в верхнюю точку каждого цилиндра, где осуществляется сжатие рабочей топливной смеси.
Катушка состоит из первичной и вторичной обмоток. Первичная обмотка намотана сверху на вторичную. Внутри катушки расположен сердечник и кольцевой магнитопровод. Оба эти элемента изготовлены из специальной электротехнической стали. Надежная герметизация катушки осуществляется карбонитовой крышкой в кожухе с резиновой прокладкой.
Трансформаторное масло для охлаждения заливается в кожух. Данный материал существенно повышает изоляцию обмоток и эффективно отводит тепло от корпуса катушки. Чтобы избежать повреждения катушки, ее перегрева, зажигание в авто при неработающем двигателе оставлять включенным не рекомендуется.
Трамблер 8 распределяет импульсы высокого напряжения по всем цилиндрам двигателя внутреннего сгорания строго в установленной последовательности. Трамблер или прерыватель-распределитель установлен в штатное место слева от блока цилиндров двигателя. Привод механизма осуществляется от валика масляного насоса. Вращение валика производится против часовой стрелки со стороны крышки.
Как правильно выставить зажигание
Для того, что бы выставить зажигание на УАЗ 469 необходимо придерживаться следующих рекомендаций:
Снять крышку трамблера с ротором. Проверить размер зазора между контактами. Его можно регулировать. Между контактами, максимально разведенными, должен быть зазор 0,35 – 0,45 мм. Регулировку лучше всего осуществлять набором щупов. Слишком малый зазор дает слабую искру. При большом зазоре искры может не быть совсем. Сделав нормальный зазор, ротор можно установить на штатное место.
Свечным ключом выкрутить свечу первого цилиндра. Закрыть пальцем отверстие под свечу. Пусковой рукояткой провернуть коленчатый вал до тех пор, пока палец не будет выталкивать сжатым воздухом. Этот момент называется началом хода сжатия первого цилиндра.
Продолжать проворачивать пусковую рукоятку до совпадения отверстия на шкиве и штифта на крышке распределительных шестерен. Ротор должен находиться напротив внутреннего контакта крышки, подключенного к высоковольтному проводу от свечи первого цилиндра.
Провернуть пластину октан-корректора вместе с трамблером, чтобы метка совпала со средней отметкой на шкале пластины.
Слегка провернуть корпус механизма распределения против часовой стрелки. Прокручивать следует до тех пор, пока контакты трамблера не сомкнутся.
Подключить контрольную лампочку с патроном. Один контакт соединить с выводом низкого напряжения трамблера, второй с массой машины. Подключить контрольную лампу можно к кузову авто.
Включить зажигание, аккуратно провернуть трамблер по часовой стрелке. Крутить, пока не загорится контрольная лампа, после этого прекратить вращение. Может быть такое, что лампа не загорается. Повторить все действия с самого начала.
Затянуть крепежный болт распределителя. Крышку с центральным проводом установить на место. Проверить регулировку, начиная с первого цилиндра. Проверка осуществляется против часовой стрелки.
Порядок зажигания УАЗ 469
Каждый автомобиль имеет свой порядок зажигания. Это значит, что цилиндры двигателя осуществляют свое движение в строго оговоренном порядке. Нарушать его нельзя ни в коем случае. Иначе двигатель полностью разрушится. Порядок зажигания автомобиля УАЗ 469 и работы его цилиндров следующий:
Первый-второй-четвертый-третий. Проверка осуществляется с учетом подсчета против хода часовой стрелки.
Зачем выставлять зажигание
При правильно выставленном зажигании:
Двигатель эффективно, устойчиво и стабильно работает на всех режимах. Иначе мотор функционирует с перебоями, стуками, хлопками. Нестабильная работа двигателя доставляет много проблем, снижает динамику автомобиля и скоростные характеристики.
После правильной регулировки зажигания существенно улучшается запуск холодного силового агрегата.
При разрегулированном зажигании расход топлива увеличивается. После регулировки он значительно снижается.
Мощность двигателя также заметно возрастает на автомобиле после правильной регулировки зажигания.
Какие бывают системы зажигания на УАЗ 469
Контактное зажигание на УАЗ 469. Сейчас оно признано морально устаревшим. Однако отечественные производители продолжают его использовать. Система осуществляет запуск импульса определенной мощности. Этот импульс появляется от распределителя зажигания. Схема контактного зажигания УАЗ 469 простая и незамысловатая. В этом ее преимущество. Водитель своими руками может устранить любую неисправность и выполнить регулировку. Цены комплектующих невысокие.
Транзисторное или бесконтактное зажигание УАЗ 469. Бесконтактная система зажигания устанавливается на многих видах транспортных средств. Имеет целый ряд преимуществ перед контактной конструкцией. Искра, вырабатываемая подобным устройством, намного мощнее. Это происходит вследствие повышенного уровня электрического напряжения во вторичной обмотке катушки зажигания. Транзисторная система зажигания оснащена электромагнитным механизмом. Он обеспечивает стабильную постоянную работу всей системы, бесперебойно передавая энергию узлам, деталям, механизмам. Правильно настроенное зажигание при эффективном ДВС гарантирует высокую мощность и существенную экономию топлива. Длительную надежную работоспособность обеспечивает соблюдение периодичности обслуживания привода трамблера. Его необходимо смазывать и регулировать каждые 10 000 км пробега. Сложность ремонта является недостатком бесконтактной системы зажигания. Самостоятельному ремонту она не подлежит, поскольку для этого необходимо специальное диагностическое оборудование, имеющееся только в условиях сервисных центров и СТО.
Электронное зажигание на УАЗ 469. Данный тип зажигания самый технологичный, но в то же время недешевый. Подобными устройствами оснащаются современные модели авто. Имеет сложную технологию, обеспечивающую не только высокий момент, но и ряд других показателей двигателя. Преимущества: простая настройка угла опережения, отсутствие обязательной проверки контактов на предмет окисления. В двигателях, оснащенных электронной СЗ, топливная смесь сгорает на все 100%. Ремонт необходимо осуществлять только на СТО.
Подводное зажигание на УАЗ 469. Это герметичная система зажигания, при которой не страшно заливание водой, попадание в глубокие ямы, движение по открытой местности во время снега и дождя. Когда зажигание обычное – контактное либо бесконтактное, внутри трамблера, между крышкой и бегуном реально теряется 50% искровой мощности. Выясним, почему это происходит.
Между электрическими контактами, которыми является крышка трамблера и бегунок, имеется небольшой промежуток. Для прохождения электрической энергии в этом пространстве затрачивается большая часть дополнительного тока. При контактном зажигании для этих целей тратиться еще часть энергии на функционирование кулачка.
Подводное зажигание сконструировано таким образом, что в нем искра с катушки напрямую попадает на свечу зажигания. Осуществляя данный процесс, она не теряет своей основной мощности, кроме сопротивления высоковольтных проводов. Здесь утрата мощности совсем незначительная, поэтому можно ее не учитывать.
Стоит отметить, что на большинстве машин иностранного производства на каждый цилиндр раздельно ставится катушка, которая располагается сразу на свече, и утрата соответственно совсем незначительная.
В процессе эксплуатации двигателя ЗМЗ-409, в результате естественного удлинения цепей, износа звездочек привода распределительных валов газораспределительного механизма, или вследствии неквалифицированно проведенного ремонта привода ГРМ, возможно значительное отклонение фаз газораспределения от номинальных значений.
Проверка фаз газораспределения и при необходимости их корректировка, нужна в случае явного снижения тяговых свойств двигателя, его неустойчивой работы на всех режимах, сильном повышении расхода топлива.
Правильность установки фаз газораспределения является одним из факторов влияющих на мощность, крутящий момент и экономические показатели двигателя. Для проверки фаз газораспределения используется комплект оснастки разработанный на автозаводе, в который входят :
— Транспортир.
— Шаблон с профилем кулачка и стрелкой.
В двигателях ЗМЗ-409.10, ЗМЗ-40904.10 и ЗМЗ-40905.10 для обоих распределительных валов следует использовать координаты точек профиля 252. В двигателях ЗМЗ-4091.10 и ЗМЗ-40911.10 для впускного распределительного вала следует использовать координаты точек профиля 240, а для выпускного распределительного вала — координаты точек профиля 252.
— Кондуктор для сверления дополнительных отверстий под штифт в звездочках распределительных валов.
Для привода распределительных валов с втулочными цепями.
Для привода распределительных валов с зубчатыми цепями.
Проверка фаз газораспределения на ЗМЗ-409, углы кулачков распредвалов для привода с втулочными и зубчатыми цепями.
Проверка фаз газораспределения производится на двигателе установленном на автомобиле. Для проверки фаз газораспределения с двигателя ЗМЗ-409 необходимо снять крышку клапанов, отсоединив все провода и шланги, и установить поршень первого цилиндра в ВМТ такта сжатия, повернув коленчатый вал по ходу вращения, по часовой стрелке, до совпадения риски на шкиве-демпфере коленчатого вала с ребром-указателем в виде прилива на крышке цепи. Вращение коленчатого вала против часовой стрелки недопустимо.
При этом кулачки распределительных валов первого цилиндра и метки на звездочках распределительных валов должны располагаться согласно схемы.
В случае, если вершины кулачков и метки расположены внутрь, то необходимо повернуть коленчатый вал еще на один оборот. Точную установку поршня первого цилиндра в ВМТ можно провести с помощью индикатора часового типа, который устанавливается и закрепляется в свечном отверстии первого цилиндра.
Проверка углового положения первого кулачка распределительного вала впускных клапанов.
Установить транспортир за первым кулачком распределительного вала впускных клапанов — вид «А» на схеме.
Для двигателей ЗМЗ-409.10, ЗМЗ-40904.10 и ЗМЗ-40905.10 использовать шаблон профиля 252.
Для двигателей ЗМЗ-4091.10 и ЗМЗ-40911.10 использовать шаблон профиля 240 для впускного распределительного вала.
Прижимая транспортир к верхней плоскости головки блока цилиндров, приложить и плотно прижать шаблон к поверхности первого кулачка. При этом стрелка шаблона должна показывать на транспортире угол :
— 20°30+-2°40 для привода распределительных валов со втулочными цепями, — 20°+-2°40 для привода распределительных валов с зубчатыми цепями.
При измерении ведущая ветвь цепи в районе верхнего и среднего успокоителей должна быть натянута. Для этого ключом повернуть впускной распределительный вал за четырехгранник на его теле против часовой стрелки и удерживать в этом состоянии, не допуская поворота коленчатого вала.
Проверка углового положения первого кулачка распределительного вала выпускных клапанов.
Аналогично провести проверку углового положения первого кулачка распределительного вала выпускных клапанов — вид «В» на схеме выше. Для всех двигателей ЗМЗ-409.10, ЗМЗ-40904.10, ЗМЗ-40905.10, ЗМЗ-4091.10 и ЗМЗ-40911.10 использовать шаблон профиля 252. Стрелка шаблона должна показывать на транспортире угол :
— 19°30+-2°40 для привода распределительных валов с втулочными цепями, — 19°+-2°40 для привода распределительных валов с зубчатыми цепями.
При измерении ведущая ветвь цепи в районе среднего успокоителя должна быть натянута. Для этого ключом повернуть выпускной распределительный вал за четырехгранник на его теле против часовой стрелки и удерживать в этом состоянии, не допуская поворота коленчатого вала.
При таких значениях углового положения первых кулачков впускного и выпускного распределительных валов газораспределительного механизма двигателя ЗМЗ-409 достигаются его наилучшие технико-экономические показатели.
И снова блиц обзор, так как в процессе ремонта нет времени отвлекаться на фотографии, да и пачкать телефон особого желания не возникает.
Предварительные работы по демонтажу навесного оборудования и снятию клапанной крышки ГБЦ уже проведены. Передняя крышка ГБЦ также должна быть снята. Разрезные звезды должны быть ослаблены и заново установлены на распредвалы (если требовалось их снятие с РВ). Натяжитель цепи взведен, все прослабления цепи выбраны. В общем, все подготовительные работы окончены и можно переходить к главному — самой настройке.
Установка РВ по индикатору часового типа. Способ хорошо подходит для установки любых РВ и особенно нестандартных. Настройка перекрытия клапанов будет осуществляться в первом цилиндре.
Шаг 1. Поиск ВМТ. Для поиска ВМТ 1 и 4 цилиндров необходимо вместо свечи 1 цилиндра ввернуть приспособление с индикатором часового типа. Для легкости вращения КВ остальные свечи также нужно вывернуть. Вращая КВ за гайку шкива проворачиваем его до момента максимального подъема индикатора и выставляем на нем нулевое положение. Проверяем правильность установки нулевого положения индикатора, сделав несколько полных оборотов. Выставляем поршни 1 и 4 цилиндров в ВМТ на очередном обороте КВ. Вращение КВ по часовой стрелке.
Шаг 2. Выставление выпускного РВ. Установку валов начинаем с установки выпускного вала. Вращение РВ должно осуществляться против часовой стрелки для исключения прослабления цепи ГРМ! Устанавливаем приспособление с индикатором часового типа на корпус ГБЦ. Чем жестче конструкция тем меньше погрешность в установке перекрытия. Ножку индикатора ставим на гидрокомпенсатор. Проверяем отсутствие заеданий и контакта ножки с кулачком вала. При установке индикатора под углом 18 град. к плоскости ГБЦ перемещение стрелки индикатора будет соответствовать истинному перемещению гидрокомпенсатора. В том случае, если ось индикатора будет вертикальной, то истинное перемещение гидрокомпенсатора будет меньше, чем показывает индикатор приблизительно на 5%.
Истинное перемещение=cos(18 град)*показания индикатора где cos(18 град)=0,951.
Переходим к практике. При вращении вала находим положение, при котором стрелка индикатора не двигается. Принимаем это положение за точку отсчета. Установив нулевое положение на ободке продолжаем вращать вал до момента надавливания кулачка РВ на гидрокомпенсатор. Сам кулачок при этом будет смотреть на впускной вал, т.е. находиться в конце такта выпуска. Вращаем вал и контролируем перемещение стрелки индикатора до нужной величины перекрытия. Один оборот стрелки индикатора соответствует 1 мм. Найдя нужное положение, затягиваем болт крепления разрезной звезды при этом удерживая вал ключом от поворота. Через оправку дополнительно осаживаем внутренний конус звезды молотком. Окончательно затягиваем крепежный болт.
Шаг 3. Выставление впускного РВ. Установив выпускной РВ проверяем натяжку цепи грм и, если ничего не сбилось, переходим к впускному валу. Вращение РВ также должно осуществляться против часовой стрелки для исключения прослабления цепи ГРМ! Устанавливаем приспособление с индикатором часового типа на корпус ГБЦ. Ножку индикатора ставим на гидрокомпенсатор. Проверяем отсутствие заеданий и контакта ножки с кулачком вала. При установке индикатора под углом 17 град. к плоскости ГБЦ перемещение стрелки индикатора будет соответствовать истинному перемещению гидрокомпенсатора. В том случае, если ось индикатора будет вертикальной, то истинное перемещение гидрокомпенсатора будет меньше, чем показывает индикатор приблизительно на 5%.
Истинное перемещение=cos(17 град)*показания индикатора где cos(17 град)=0,956
При вращении вала находим положение, при котором стрелка индикатора не двигается. Принимаем это положение за точку отсчета. Вариант 1. Для выставления нужного перекрытия запоминаем (ставим черту маркером) или перемещаем нулевое положение ободка на нужную величину. Продолжаем крутить РВ до момента совпадения стрелки индикатора с выставленным значением перекрытия. Вариант 2. Приняв за точку отсчета положение, при котором стрелка индикатора не двигается, вращаем вал по часовой стрелке на величину превышающую нужное перекрытие. А потом, вращением уже против часовой стрелки, выбираем возможную слабину цепи и доводим кулачок РВ до нужного положения. В обоих случаях кулачок РВ должен смотреть на выпускной РВ, т.е. находиться в начале такта впуска. Найдя нужное положение, затягиваем болт крепления разрезной звезды при этом удерживая вал ключом от поворота. Через оправку дополнительно осаживаем внутренний конус звезды молотком. Окончательно затягиваем крепежный болт.
Установка РВ по транспортиру. Самый простой способ, без лишних манипуляций. При наличии комплекта стрелок и транспортира идеально подходит для стандартных РВ с фазами 240 или 252. Перед установкой вала желательно проверить качество изготовления стрелок, накинув на кулачок вала сначала с одной стороны, а потом с противоположной. В обоих случаях кончик стрелки должен указывать на 1 точку, так как ось стрелки проходит через ось симметрии кулачки. В случае расхождений стрелку необходимо или заменить или доработать, добившись совпадения. Настройка перекрытия фактически происходит в 4 цилиндре при том, что сама работа осуществляется на 1 цилиндре.
Шаг1. Поиск ВМТ. Все работы аналогичны с пунктом, описанным выше.
Шаг 2. Выставление выпускного РВ. После выставления поршней 1 и 4 цилиндров в ВМТ устанавливаем стрелку на выпускной РВ. Вращение РВ должно осуществляться против часовой стрелки для исключения прослабления цепи ГРМ! Делаем полный оборот вала. В момент, когда кулачок вала смотрит в сторону выпускного коллектора ставим стрелку. Устанавливаем транспортир одной стороной на край свечного колодца, другой на край ГБЦ. Проворачивая РВ доводим стрелку до нужной черты на транспортире. Заводская установка для РВ с фазой 252 соответствует 19 град. Высота подъема клапана при данном угле 0,9 мм. Затягиваем болт крепления разрезной звезды при этом удерживая вал ключом от поворота. Через оправку дополнительно осаживаем внутренний конус звезды молотком. Окончательно затягиваем крепежный болт.
Шаг 3. Выставление впускного РВ. Установив выпускной РВ проверяем натяжку цепи ГРМ и, если ничего не сбилось, переходим к впускному валу. Вращение РВ также должно осуществляться против часовой стрелки для исключения прослабления цепи ГРМ! Делаем полный оборот вала. В момент, когда кулачок вала смотрит в сторону впускного ресивера ставим стрелку. Устанавливаем транспортир одной стороной на край свечного колодца, другой на край ГБЦ. Проворачивая РВ доводим стрелку до нужной черты на транспортире. Заводская установка для РВ с фазой 252 соответствует 20 град. Высота подъема клапана при данном угле 0,9 мм. Затягиваем болт крепления разрезной звезды при этом удерживая вал ключом от поворота. Через оправку дополнительно осаживаем внутренний конус звезды молотком. Окончательно затягиваем крепежный болт.
Некоторые наблюдения в процессе установки. Так как впускной вал у меня нестандартный (ОКБ Двигатель 406-331), транспортир к нему не подходит, но выпуск я замерил. Изменение величины подъема клапана в 0,1 мм примерно соответствует 2 град. по транспортиру.
При выставленном перекрытии 1,0 мм для впуска и 0,95 для выпуска (20 град по транспортиру) мгновенный расход топлива на ХХ упал с 1,9…2,1 до 1,6…1,8. При выставленном перекрытии 1,1 мм для впуска и 1,0 для выпуска (21 град по транспортиру) мгновенный расход топлива на ХХ упал с 1,9…2,1 до 1,4…1,5.
Разворачивая выпускной вал против часовой стрелки (на запаздывание) мы дольше сохраняем давление газов на поршень, что хорошо сказывается на низких оборотах. Мгновенный расход на ХХ это подтверждает (увеличилась длительность рабочего цикла и крутящий момент на низах). Увеличение перекрытий клапанов процесс неоднозначный. Если выпускная система зажата, то будет наоборот полезно провернуть выпускной вал по часовой стрелке чуть вперед (на опережение), чтобы большее давление газов в момент открытия выпускных клапанов способствовало более эффективной продувке цилиндра. При достаточном диаметре выпускной системы такое действие приводит лишь к уменьшению перекрытия клапанов и снижению оборотов достижения максимальной мощности. Разворачивание впускного вала по часовой стрелке (на опережение) приводит к более раннему открытию впускных клапанов до ВМТ и увеличению перекрытия. Это, в свою очередь, приведет к повышению момента на верхах. Разворачивание впускного вала против часовой стрелки (на запаздывание) сделает открытие впускных клапанов позже, при этом уменьшится перекрытие клапанов. Момент на низких оборотах возрастет, но абсолютный его максимум уменьшится, поскольку уменьшится и время, отведенное на приготовление свежего заряда. Время закрытия впускного клапана – более важный фактор в деле повышения мощности. Прежде всего, открытый клапан достаточно долго после НМТ дает время для наполнения цилиндра. На высоких скоростях свежий заряд обладает инерцией, которая продолжает заталкивать в цилиндр смесь, даже после того как поршень пошел вверх. Конечно, это полезно до определенного момента, иначе ход поршня просто начнет выталкивать смесь обратно во впускной коллектор. Для улучшения характеристик ДВС предпочтительно увеличить время продувки цилиндра. Фазы валов при этом стоит изменить с 252 до 258 (РВ ОКБ Двигатель 406-391) или до 264 (РВ ОКБ Двигатель 406-421). При установке этих валов также увеличивается высота подъема клапана. Помимо этого возрастает скорость подъема клапана так же как и проходное сечение канала. При сборке атмосферного (!) двигателя на впуск можно поставить либо такой-же вал, либо на размер выше. Так как ЗМЗ409 ГБЦ с валами досталась от 406, считаю для нас ее несколько зажатой. Объем двигателя вырос, а вот время на продувку осталось прежним. Косвенно об этом говорит промо ролик о новом двигателе ЗМЗ-Про на 149 л. с. (смотрим на характеристики валов на 3:17 youtube.com/watch?v=GwV-dK1-Esw)
Чертежи и описания приспособлений чуть позже. Если где ошибся, поправьте.
ЗМЗ-406, метки ГРМ — инструкция по установке
Для того чтобы в нормальном режиме работал мотор на автомобиле Волга или Газель, необходимо правильно выставить на ЗМЗ-406 метки ГРМ. На автомобилях в качестве привода использоваться может цепь или ремень. Преимуществ и недостатков у каждого типа имеется много, некоторые утверждают, что цепь не способна порваться. Нужно огорчить способна, да еще и как! Кроме того, для ее нормальной работы требуется наличие смазки, поэтому при замене цепи нужно действительно разобрать половину мотора и даже сливать масло.
Особенности конструкции
Прежде чем производить установку меток ГРМ на ЗМЗ-406, нужно рассмотреть особенности этого двигателя.
Всего существует четыре фазы, в которых функционирует система газораспределения:
Впуск топливной смеси в камеру сгорания.
Такт сжатия.
Рабочий ход поршня перемещение из верхней мертвой точки вниз.
Выпуск отработанных газов.
Для обеспечения максимального значения КПД и предотвращения повреждения клапанов нужно использовать привод. На моторах ЗМЗ-406 и подобных применяется металлическая цепь.
Но обязательно распределительные и коленчатый валы устанавливаются по меткам это обеспечивает синхронность работы всех механизмов. Газораспределительный механизм позволяет своевременно открывать и закрывать отверстия клапанами, подавая топливную смесь и выбрасывая в атмосферу продукты горения.
Где расположена цепь?
На моторах ЗМЗ-406 метки цепи ГРМ находятся на коленчатом и распределительных валах. Вращение от шкива коленчатого вала передается на распределительные. В конструкции привода имеется специальной конструкции успокоитель, с его помощью регулируется натяжение цепи. Если этот успокоитель выходит из строя, натяжение меняется, а это может привести к тому, что цепь перескакивает на один или несколько зубьев.
В результате этого нарушается работа мотора, фазы смещаются. Износ механизмов при этом происходит намного быстрее. Цепь газораспределительного механизма привод в движение жидкостную помпу, насос гидравлического усилителя (если таковой имеется), промежуточный вал зажигания. От состояния цепи привода зависит функционирования сразу нескольких систем.
Признаки поломки газораспределительного механизма
Среди основных признаков неисправностей в механизме газораспределения можно выделить:
существенное падение мощности мотора;
появление хлопков в коллекторах впуска и выпуска;
снижение компрессии в цилиндрах (нормальное значение выше 10 кг/кв. см.).
Если неисправна цепь, то она начнет издавать характерный шум. Причиной поломок может являться неплотное прилегание тарелок клапанов к седлам. При этом провоцируется образование нагара, ломаются пружины. Если своевременно осуществить замену цепи, то всех этих неприятностей можно избежать.
Характерные неисправности
При несоответствии тепловых зазоров норме в определенной фазе открытие и закрытие клапанов будет происходить неправильно, что становится причиной поломки гидрокомпенсаторов. Одновременно с этим происходит сильный износ шестерни на коленчатом и распределительных валах. В результате потребуется проводить ремонт мотора, заменять большую часть элементов.
При установке меток ГРМ на двигателе ЗМЗ-406 важно соблюдать все правила. Только в этом случае работа газораспределительного механизма будет происходить в нормальном режиме, клапаны открываться и закрываться начнут синхронно, своевременно производя впрыск топлива и выброс продуктов горения. Старайтесь своевременно производить натяжение цепи, следите за ее состоянием. Периодичность проведения обслуживания не реже чем раз в 80 тыс. км. пробега.
Чем дольше происходит эксплуатация автомобиля, тем сильнее растягивается цепь. На ЗМЗ-406 ресурс ее составляет не более 20 тыс. км. пробега. Если вдруг появились симптомы поломок, нужно произвести ремонт системы газораспределения, заменить изношенную цепь и успокоитель.
Инструменты для замены цепи ГРМ
Прежде чем установить на двигателе ЗМЗ-406 метки ГРМ, нужно подготовить необходимый набор инструментов:
Головки и трещотка.
Накидные и рожковые ключи.
Шестигранники.
Ключ динамометрический.
Зубило и молоток.
Съемники с двумя или тремя лапами.
Обязательно все резьбовые соединения, которые покрылись пылью, ржавчиной, грязью, необходимо обработать проникающей смазкой это позволит намного быстрее произвести разборку узлов.
Как выставить метки грм 406, 409
Пошаговый ремонт. Установка по меткам 8:45. Замена цепей, звёзд, гидронатяжителей, сальника, помпы и прочего,.
Замена привода ГРМ ЗМЗ 409 Евро-3 УАЗ Патриот.
НОВОЕ 2016
Инструкция по самостоятельной замене привода ГРМ на УАЗ Патриот ЗМЗ 409. Установлен комплект Идеальная.
Слив антифриза из системы
Сначала приготовьте емкости, в которые нужно будет слить жидкости. Первым делом опустошаете систему охлаждения антифриза должно быть довольно много, примерно 10 литров. Чтобы слить антифриз, нужно выкрутить пробку, расположенную в нижней половине радиатора охлаждения.
Как только выкрутите пробку, напор будет очень сильный, по мере снижения уровня он будет уменьшаться. Желательно применять широкую емкость, чтобы не потерять жидкость. Чтобы антифриз сливался быстрее, нужно выкрутить на расширительном бачке пробку, повысив в системе давление.
Начальный этап разборки
Далее нужно выполнить еще несколько манипуляций, они могут оказаться довольно сложными. Но перед тем как выставить метки ГРМ на ЗМЗ-406, необходимо эти действия выполнять:
Снимите передний фартук и решетку радиатора. В том случае, если работы осуществляются на Газель-Бизнес, необходимо выкрутить крепежи по бокам и в центре.
Демонтируйте все патрубки, ослабив хомуты крепления.
Если имеется гидравлический усилитель руля, снимите ремень привода насоса.
Снимите ремень привода генератора, жидкостного насоса. Прежде чем это делать, нужно ослабить его натяжение.
Снимите крышку клапанов, выкрутив все болты крепления. Обязательно их сложите отдельно, чтобы при сборке не потерять. Крышку обязательно держите в чистом месте недопустимо попадание на ее внутреннюю поверхность посторонних элементов.
Отключаете и демонтируете датчик на коленчатом валу.
Снимаете шкив коленчатого вала и поддон.
Подготовительные работы займут больше времени, нежели замена цепи и установка меток ГРМ ЗМЗ-406. Фото их приведено в статье.
Окончательный демонтаж цепи привода
Дальнейшие действия по снятию цепи привода механизма газораспределения на моторе Газели выглядят таким образом:
Выкручиваете крепления гидравлического натяжителя. Доставать нужно два элемента верхний и нижний. Снимаются они одинаково.
Извлекаете корпус натяжителя.
Снимаете крышку, которой прикрыта цепь. Для этого выкручиваете 7 болтов крепления. Старайтесь не разрушить сальник на коленчатом валу и прокладку головки блока.
После выкручивания болта верхнего гидронатяжителя нужно снять рычаг и звездочку.
Снимите успокоитель цепи.
Выкрутите болты крепления шестерни к фланцу распределительного вала (всего их на двигателе ЗМЗ-406 два).
Отогните стопорную пластину, при этом нужно удерживать промежуточный вал системы зажигания от проворачивания.
Устанавливаете отвертку, с ее помощью вынимаете шестеренки и нижний край цепи.
При возникновении трудностей нужно убрать уплотнитель из резины, который находится между втулкой и шестеренкой. Демонтаж второй шестерни производится только при помощи двухлапового съемника.
После снятия привода
После того, как сняли цепь и достали ее наружу, нужно вымыть ее. Для этого лучше всего использовать бензин. После избавления от загрязнений нужно провести визуальный осмотр. Если она растянута более чем на 1-2 см, лучше установить новую. Такого увеличения длины более чем достаточно для того, чтобы нарушить фазы газораспределения.
Также нужно обратить внимание на:
Состояние втулок при наличии износа, трещин и задиров, необходимо провести замену.
Шестерни если присутствуют механические повреждения, сколы, то тоже необходимо менять их.
Успокоители цепи при малейших повреждениях установите новые элементы.
Звездочки натяжителей необходимо, чтобы они беспрепятственно вращались, наличие сколов и повреждений недопустимо.
Если выполняется капитальный ремонт двигателя ЗМЗ-406, установка меток ГРМ обязательно должна производиться. Это обеспечит нормальную работу всех систем, увеличит ресурс мотора и его мощность.
Проведение сборки
Прежде чем приступать к сборке, нужно правильно выставить фазы. Чтобы это сделать, потребуется выполнить такие манипуляции:
Прокрутить коленчатый вал до тех пор, пока не окажется в верхнем положении первая насечка.
Убедитесь, что в первом цилиндре поршень находится в верхней мертвой точке.
Установите успокоитель, но не спешите затягивать болты его крепления.
Смажьте чистым моторным маслом нижнюю часть цепи.
Наденьте цепь на шестерни коленчатого вала и ведомую.
Штифт шестерни коленчатого вала должен попасть в отверстие промежуточного вала.
Убедитесь, что метка на шестеренке совпадает с той, которая находится на блоке мотора. Та часть цепи, которая находится рядом с успокоителем, должна оказаться натянутой.
Теперь можно произвести затяжку болтов крепления шестерни на промежуточном валу. Обязательно установите стопорные пластины.
Обязательно при проведении ремонта используйте динамометрический ключ. Предельное усилие затяжки болтов 22/2,5 Нм.
Обязательно загните стопорную пластину, чтобы исключить выкручивание болтов. Затем нужно нажать на рычаг гидравлического натяжителя и проверить совпадение меток на блоке ДВС и шестеренке. После этого нужно закрутить все болты крепления успокоителя и смазать верхнюю часть цепного привода.
Метки ГРМ и затяжка
Чтобы прокрутить распредвал, нужно использовать четырехгранный ключ. Вращая его по часовой стрелке, натягиваете цепь. При этом обязательно зафиксируйте положение коленчатого и промежуточного валов нельзя, чтобы они вращались. Убедитесь в том, что метки на шкиве и головке блока совпадают. Затем выполните такие манипуляции:
Снимите шестерню с выпускного распределительного вала.
Наденьте на нее цепь.
Установите шестерню на место, аккуратно поворачивая распредвал по часовой стрелке.
Убедитесь, что штифты вошли в отверстие на шестерне.
Вращайте распредвал по часовой стрелке, чтобы добиться нормального натяжения цепи.
Установите крышку на цепь и жидкостный насос. Желательно сверху крышки нанести немного силиконового герметика.
Устанавливаете шкив коленчатого вала и гидравлические натяжители. Момент затяжки резьбового соединения шкива коленвала 105129 Нм. Чтобы облегчить затяжку, потребуется установить автомобиль на ручник и включить пятую передачу.
Затяните храповик.
Установите крышку головки блока. На нее также желательно нанести слой силиконового герметика. Затяжку резьбовых соединений производить с моментом 12 Нм.
Подключите патрубок для отвода газов из картера.
Затем нужно подключить все бронепровода и залить антифриз в систему охлаждения. В том случае, если все работы выполнены правильно, метки ГРМ ЗМЗ-406 выставлены верно, вы избавитесь от проблем с мотором. Улучшится его приемистость, увеличится мощность, пропадут посторонние звуки при работе.
Как выставить зажигание на уаз 409 инжектор
В процессе эксплуатации двигателя ЗМЗ-409, в результате естественного удлинения цепей, износа звездочек привода распределительных валов газораспределительного механизма, или вследствии неквалифицированно проведенного ремонта привода ГРМ, возможно значительное отклонение фаз газораспределения от номинальных значений.
Проверка фаз газораспределения и при необходимости их корректировка, нужна в случае явного снижения тяговых свойств двигателя, его неустойчивой работы на всех режимах, сильном повышении расхода топлива.
Правильность установки фаз газораспределения является одним из факторов влияющих на мощность, крутящий момент и экономические показатели двигателя. Для проверки фаз газораспределения используется комплект оснастки разработанный на автозаводе, в который входят :
— Транспортир.
— Шаблон с профилем кулачка и стрелкой.
В двигателях ЗМЗ-409.10, ЗМЗ-40904.10 и ЗМЗ-40905. 10 для обоих распределительных валов следует использовать координаты точек профиля 252. В двигателях ЗМЗ-4091.10 и ЗМЗ-40911.10 для впускного распределительного вала следует использовать координаты точек профиля 240, а для выпускного распределительного вала — координаты точек профиля 252.
— Кондуктор для сверления дополнительных отверстий под штифт в звездочках распределительных валов.
Для привода распределительных валов с втулочными цепями.
Для привода распределительных валов с зубчатыми цепями.
Проверка фаз газораспределения на ЗМЗ-409, углы кулачков распредвалов для привода с втулочными и зубчатыми цепями.
Проверка фаз газораспределения производится на двигателе установленном на автомобиле. Для проверки фаз газораспределения с двигателя ЗМЗ-409 необходимо снять крышку клапанов, отсоединив все провода и шланги, и установить поршень первого цилиндра в ВМТ такта сжатия, повернув коленчатый вал по ходу вращения, по часовой стрелке, до совпадения риски на шкиве-демпфере коленчатого вала с ребром-указателем в виде прилива на крышке цепи. Вращение коленчатого вала против часовой стрелки недопустимо.
При этом кулачки распределительных валов первого цилиндра и метки на звездочках распределительных валов должны располагаться согласно схемы.
В случае, если вершины кулачков и метки расположены внутрь, то необходимо повернуть коленчатый вал еще на один оборот. Точную установку поршня первого цилиндра в ВМТ можно провести с помощью индикатора часового типа, который устанавливается и закрепляется в свечном отверстии первого цилиндра.
Проверка углового положения первого кулачка распределительного вала впускных клапанов.
Установить транспортир за первым кулачком распределительного вала впускных клапанов — вид «А» на схеме.
Для двигателей ЗМЗ-409.10, ЗМЗ-40904.10 и ЗМЗ-40905.10 использовать шаблон профиля 252.
Для двигателей ЗМЗ-4091.10 и ЗМЗ-40911.10 использовать шаблон профиля 240 для впускного распределительного вала.
Прижимая транспортир к верхней плоскости головки блока цилиндров, приложить и плотно прижать шаблон к поверхности первого кулачка. При этом стрелка шаблона должна показывать на транспортире угол :
— 20°30+-2°40 для привода распределительных валов со втулочными цепями,— 20°+-2°40 для привода распределительных валов с зубчатыми цепями.
При измерении ведущая ветвь цепи в районе верхнего и среднего успокоителей должна быть натянута. Для этого ключом повернуть впускной распределительный вал за четырехгранник на его теле против часовой стрелки и удерживать в этом состоянии, не допуская поворота коленчатого вала.
Проверка углового положения первого кулачка распределительного вала выпускных клапанов.
Аналогично провести проверку углового положения первого кулачка распределительного вала выпускных клапанов — вид «В» на схеме выше. Для всех двигателей ЗМЗ-409.10, ЗМЗ-40904.10, ЗМЗ-40905.10, ЗМЗ-4091.10 и ЗМЗ-40911.10 использовать шаблон профиля 252. Стрелка шаблона должна показывать на транспортире угол :
— 19°30+-2°40 для привода распределительных валов с втулочными цепями,— 19°+-2°40 для привода распределительных валов с зубчатыми цепями.
При измерении ведущая ветвь цепи в районе среднего успокоителя должна быть натянута. Для этого ключом повернуть выпускной распределительный вал за четырехгранник на его теле против часовой стрелки и удерживать в этом состоянии, не допуская поворота коленчатого вала.
При таких значениях углового положения первых кулачков впускного и выпускного распределительных валов газораспределительного механизма двигателя ЗМЗ-409 достигаются его наилучшие технико-экономические показатели.
И снова блиц обзор, так как в процессе ремонта нет времени отвлекаться на фотографии, да и пачкать телефон особого желания не возникает.
Предварительные работы по демонтажу навесного оборудования и снятию клапанной крышки ГБЦ уже проведены. Передняя крышка ГБЦ также должна быть снята. Разрезные звезды должны быть ослаблены и заново установлены на распредвалы (если требовалось их снятие с РВ). Натяжитель цепи взведен, все прослабления цепи выбраны. В общем, все подготовительные работы окончены и можно переходить к главному — самой настройке.
Установка РВ по индикатору часового типа. Способ хорошо подходит для установки любых РВ и особенно нестандартных. Настройка перекрытия клапанов будет осуществляться в первом цилиндре.
Шаг 1. Поиск ВМТ. Для поиска ВМТ 1 и 4 цилиндров необходимо вместо свечи 1 цилиндра ввернуть приспособление с индикатором часового типа. Для легкости вращения КВ остальные свечи также нужно вывернуть. Вращая КВ за гайку шкива проворачиваем его до момента максимального подъема индикатора и выставляем на нем нулевое положение. Проверяем правильность установки нулевого положения индикатора, сделав несколько полных оборотов. Выставляем поршни 1 и 4 цилиндров в ВМТ на очередном обороте КВ. Вращение КВ по часовой стрелке.
Шаг 2. Выставление выпускного РВ. Установку валов начинаем с установки выпускного вала. Вращение РВ должно осуществляться против часовой стрелки для исключения прослабления цепи ГРМ! Устанавливаем приспособление с индикатором часового типа на корпус ГБЦ. Чем жестче конструкция тем меньше погрешность в установке перекрытия. Ножку индикатора ставим на гидрокомпенсатор. Проверяем отсутствие заеданий и контакта ножки с кулачком вала. При установке индикатора под углом 18 град. к плоскости ГБЦ перемещение стрелки индикатора будет соответствовать истинному перемещению гидрокомпенсатора. В том случае, если ось индикатора будет вертикальной, то истинное перемещение гидрокомпенсатора будет меньше, чем показывает индикатор приблизительно на 5%.
Истинное перемещение=cos(18 град)*показания индикатора где cos(18 град)=0,951.
Переходим к практике. При вращении вала находим положение, при котором стрелка индикатора не двигается. Принимаем это положение за точку отсчета. Установив нулевое положение на ободке продолжаем вращать вал до момента надавливания кулачка РВ на гидрокомпенсатор. Сам кулачок при этом будет смотреть на впускной вал, т.е. находиться в конце такта выпуска. Вращаем вал и контролируем перемещение стрелки индикатора до нужной величины перекрытия. Один оборот стрелки индикатора соответствует 1 мм. Найдя нужное положение, затягиваем болт крепления разрезной звезды при этом удерживая вал ключом от поворота. Через оправку дополнительно осаживаем внутренний конус звезды молотком. Окончательно затягиваем крепежный болт.
Особенности конструкции
Прежде чем производить установку меток ГРМ на ЗМЗ-406, нужно рассмотреть особенности этого двигателя.
Всего существует четыре фазы, в которых функционирует система газораспределения:
Впуск топливной смеси в камеру сгорания.
Такт сжатия.
Рабочий ход поршня перемещение из верхней мертвой точки вниз.
Выпуск отработанных газов.
Для обеспечения максимального значения КПД и предотвращения повреждения клапанов нужно использовать привод. На моторах ЗМЗ-406 и подобных применяется металлическая цепь.
Но обязательно распределительные и коленчатый валы устанавливаются по меткам это обеспечивает синхронность работы всех механизмов. Газораспределительный механизм позволяет своевременно открывать и закрывать отверстия клапанами, подавая топливную смесь и выбрасывая в атмосферу продукты горения.
Где расположена цепь?
На моторах ЗМЗ-406 метки цепи ГРМ находятся на коленчатом и распределительных валах. Вращение от шкива коленчатого вала передается на распределительные. В конструкции привода имеется специальной конструкции успокоитель, с его помощью регулируется натяжение цепи. Если этот успокоитель выходит из строя, натяжение меняется, а это может привести к тому, что цепь перескакивает на один или несколько зубьев.
В результате этого нарушается работа мотора, фазы смещаются. Износ механизмов при этом происходит намного быстрее. Цепь газораспределительного механизма привод в движение жидкостную помпу, насос гидравлического усилителя (если таковой имеется), промежуточный вал зажигания. От состояния цепи привода зависит функционирования сразу нескольких систем.
Описание обслуживания
Техническое обслуживание движка предполагается после истечения 15 000 км пробега. Так, мотор вмещает в себя 7 литров моторного масла, но при замене потребуется всего 6 л. Основные масла рекомендованные заводом-изготовителем и автолюбителями является полусинтетика с маркировкой: 5W-30, 5W-40, 10W-30, 10W-40, 15W-40, 20W-40.
Карта технического обслуживания ничем не отличается от 409-го, и выглядит примерно так:
1000-2500 км или ТО-0: замена масла и масляного фильтра.
8000-10000 км — ТО-1: замена масла, масляного и воздушного фильтра, свечей зажигания, высоковольтных проводов, топливного топлива.
25000 км — ТО-2: замена масла, масляного фильтра.
40000 км — ТО-3: замена масла, масляного и воздушного фильтра, свечей зажигания, высоковольтных проводов, регулировка клапанов.
55000 км — ТО-4: замена масла, масляного фильтра, топливного фильтра, замена цепи ГРМ и ремня генератора.
70000 км — ТО-5 и последующие: замена масла и масляного фильтра. Каждые 20000 км меняется — топливный и воздушный фильтр, регулируются клапана. Каждые 50000 км пробега — замена цепи ГРМ.
Каждое второе техническое обслуживание требует проверки систем, таких как клапанный механизм, состояние электронного блока управления силовым агрегатом, а также работоспособность датчиков.
Регулировка клапанного механизма проводится спустя 50 000 км, или раньше по необходимости.
Зачастую к 70 000 выходят со строя гидрокомпенсаторы, которые нужно менять все вместе, поскольку неизвестно, когда со строя выйдут работоспособные. Смена прокладки клапанной крышки выполняется каждые 40 000 км пробега или при образовании течи из-под неё.
Признаки поломки газораспределительного механизма
Среди основных признаков неисправностей в механизме газораспределения можно выделить:
существенное падение мощности мотора;
появление хлопков в коллекторах впуска и выпуска;
снижение компрессии в цилиндрах (нормальное значение выше 10 кг/кв. см.).
Если неисправна цепь, то она начнет издавать характерный шум. Причиной поломок может являться неплотное прилегание тарелок клапанов к седлам. При этом провоцируется образование нагара, ломаются пружины. Если своевременно осуществить замену цепи, то всех этих неприятностей можно избежать.
Характерные неисправности
При несоответствии тепловых зазоров норме в определенной фазе открытие и закрытие клапанов будет происходить неправильно, что становится причиной поломки гидрокомпенсаторов. Одновременно с этим происходит сильный износ шестерни на коленчатом и распределительных валах. В результате потребуется проводить ремонт мотора, заменять большую часть элементов.
При установке меток ГРМ на двигателе ЗМЗ-406 важно соблюдать все правила. Только в этом случае работа газораспределительного механизма будет происходить в нормальном режиме, клапаны открываться и закрываться начнут синхронно, своевременно производя впрыск топлива и выброс продуктов горения. Старайтесь своевременно производить натяжение цепи, следите за ее состоянием. Периодичность проведения обслуживания не реже чем раз в 80 тыс. км. пробега.
Чем дольше происходит эксплуатация автомобиля, тем сильнее растягивается цепь. На ЗМЗ-406 ресурс ее составляет не более 20 тыс. км. пробега. Если вдруг появились симптомы поломок, нужно произвести ремонт системы газораспределения, заменить изношенную цепь и успокоитель.
Что входит в электросхему?
Какие особенности имеет автомобильная электрика на старых машинах производства Ульяновского автозавода?
Электронные компоненты
Электропроводка отечественной Буханки Электросхема УАЗ 452 сама по себе достаточно простая — однопроводная.
По своей конструкции схема проводки УАЗ390995 или другой модели характеризуется такими решениями:
В качестве массы используется кузов транспортного средства.
Любое электрооборудование схемы старого образца на УАЗ 409 или другой модели, а также исполнительные элементы, оснащаются минусовым выводом, который подключается к корпусу авто. По мнению специалистов, в целом эта схема является несовершенной.
Согласно инструкции по эксплуатации электрического оборудования, водитель должен время от времени осуществлять диагностику состояния целостности контактов. Также речь идет и об их окислении. Если водитель заметил наличие окислений на выводах, он должен обработать их с применением мелкозернистой наждачной бумаги.
Подкапотное пространство
В данном случае моторный отсек находится непосредственно в салоне транспорта в соответствии с конструкцией машины.
Сам доступ к электрической схеме и прочим механизмам и агрегатам производится именно из салона, в результате демонтажа крышки, которая:
Предназначена для защиты автомобилиста и пассажира от попадания в салон отработанных газов.
Позволяет защитить салон авто от проникновения грязи и пыли.
Выполняет функцию дополнительного отопительного устройства, в частности, пассивным путем, в результате нагрева.
Моторный отсек автомобиля АУЗ Раньше на УАЗ 396255 и прочих моделях с карбюратором использовался двигатель от легендарной «Победы», который впоследствии был заменен на более усовершенствованный и современный агрегат. В частности, подразумевается мотор от «Волги». Такому решению в свое время, в далеком 1964 году, способствовал серийный запуск производственной линии на предприятии ЗМЗ. Несмотря на то, что многие отечественные автолюбители утверждают, что схема УАЗ 390994 инжектор в моторном отсеке располагается в неудобном месте из-за отсутствия капота, это не так. Десятки лет эксплуатации доказали, что отсутствие капота ни коим образом не влияет на диагностику и обслуживание авто.
Пассивная безопасность
Сама конструкция отечественной Буханки с отсутствием капота в первое время вызывала множество вопросов в плане безопасности водителя и пассажиров. В результате нескольких десятков краш-тестов, которые были проведены еще в начале 70-х годов прошлого века, было выявлено, что автомобиль не менее безопасен, если сравнивать с другими отечественными авто. Как показали результаты, в случае аварии и водитель, и пассажиры автомобиля имеют неплохие шансы избежать травм при ДТП.
Инструменты для замены цепи ГРМ
Прежде чем установить на двигателе ЗМЗ-406 метки ГРМ, нужно подготовить необходимый набор инструментов:
Головки и трещотка.
Накидные и рожковые ключи.
Шестигранники.
Ключ динамометрический.
Зубило и молоток.
Съемники с двумя или тремя лапами.
Обязательно все резьбовые соединения, которые покрылись пылью, ржавчиной, грязью, необходимо обработать проникающей смазкой это позволит намного быстрее произвести разборку узлов.
Как выставить метки грм 406, 409
Пошаговый ремонт. Установка по меткам
8:45. Замена цепей, звёзд, гидронатяжителей, сальника, помпы и прочего,.
Замена привода ГРМ ЗМЗ 409 Евро-3 УАЗ Патриот. НОВОЕ 2016
Инструкция по самостоятельной замене привода ГРМ
на УАЗ Патриот ЗМЗ 409 . Установлен комплект Идеальная.
Перечень модификаций ДВС
С семейство движков 409 изготовителем включено шесть версий.
Базовый мотор 409.10 под стандарт Евро-2 с характеристиками 143 л. с., степень сжатия 9, крутящий момент 230 Нм. Зажигание модульное с пучком высоковольтных проводов, имеется датчик дроссельной заслонки.
ЗМЗ 409.10
Улучшенная модификация 40904.10 отличается от предыдущего варианта системой зажигания – индивидуальная катушка для каждой свечи, ДПДЗ здесь отсутствует, вместо него использован дроссельный узел для обеспечения Евро-3. Имеется автоматический натяжитель ремня генератора, который в 409.10 не предусмотрен.
ЗМЗ 40904.10
Модификация 40905.10 имеет стандартные характеристики, предназначена для внедорожников Хантер, Патриот и грузовиков Карго, Пикап производителя УАЗ.
ЗМЗ 40905.10
Двигатель 4091.10 считается дефорсированным с нормами безопасности Евро-3. Имеет мощность 112 л. с., устанавливается на Таблетки и Буханки УАЗ 462.
Силовой привод маркировки 40911.10 обладает моментом 219,5 Нм и мощностью 125 л. с. Соответствует регламенту Евро-4, предназначен для полноприводных грузовиков УАЗ с формулой 4х4 (не отключаемая).
ЗМЗ 40911.10
Мотор 4092.10 не вошел в серию, создан специально для автомобилей ГАЗ Волга и УАЗ 3160 (вседорожник полноприводный). Крутящий момент в районе 225 – 235 Нм, мощность около 135 – 138 л. с.
ЗМЗ 4092.10
С завода моторы имели лишь самое необходимое навесное, без ГУРа и прочего. Этим оборудованием их комплектовал уже автопроизводитель на конвейере. В механизме ГРМ используются не одинаковые распредвалы:
40904 и 4905 профиль кулачков впускного и выпускного вала одинаковый, приподнимает клапаны на 9 мм;
40911 профиль кулачков разный, подъем 8 мм на впуске и 9 мм на выпуске.
Клапанные пружины можно использовать от ВАЗ-2108, так как они взаимозаменяемые на всех моделях ЗМЗ 409.
Начальный этап разборки
Далее нужно выполнить еще несколько манипуляций, они могут оказаться довольно сложными. Но перед тем как выставить метки ГРМ на ЗМЗ-406, необходимо эти действия выполнять:
Снимите передний фартук и решетку радиатора. В том случае, если работы осуществляются на Газель-Бизнес, необходимо выкрутить крепежи по бокам и в центре.
Демонтируйте все патрубки, ослабив хомуты крепления.
Если имеется гидравлический усилитель руля, снимите ремень привода насоса.
Снимите ремень привода генератора, жидкостного насоса. Прежде чем это делать, нужно ослабить его натяжение.
Снимите крышку клапанов, выкрутив все болты крепления. Обязательно их сложите отдельно, чтобы при сборке не потерять. Крышку обязательно держите в чистом месте недопустимо попадание на ее внутреннюю поверхность посторонних элементов.
Отключаете и демонтируете датчик на коленчатом валу.
Снимаете шкив коленчатого вала и поддон.
Подготовительные работы займут больше времени, нежели замена цепи и установка меток ГРМ ЗМЗ-406. Фото их приведено в статье.
Окончательный демонтаж цепи привода
Дальнейшие действия по снятию цепи привода механизма газораспределения на моторе Газели выглядят таким образом:
Выкручиваете крепления гидравлического натяжителя. Доставать нужно два элемента верхний и нижний. Снимаются они одинаково.
Извлекаете корпус натяжителя.
Снимаете крышку, которой прикрыта цепь. Для этого выкручиваете 7 болтов крепления. Старайтесь не разрушить сальник на коленчатом валу и прокладку головки блока.
После выкручивания болта верхнего гидронатяжителя нужно снять рычаг и звездочку.
Снимите успокоитель цепи.
Выкрутите болты крепления шестерни к фланцу распределительного вала (всего их на двигателе ЗМЗ-406 два).
Отогните стопорную пластину, при этом нужно удерживать промежуточный вал системы зажигания от проворачивания.
Устанавливаете отвертку, с ее помощью вынимаете шестеренки и нижний край цепи.
При возникновении трудностей нужно убрать уплотнитель из резины, который находится между втулкой и шестеренкой. Демонтаж второй шестерни производится только при помощи двухлапового съемника.
Катушка герметизируется карбонитовой крышкой в кожухе с резиновой прокладкой. Кожух заполняется трансформаторным маслом, улучшающим изоляцию обмоток и отвод тепла.Во избежание повреждения катушки не оставляйте зажигание УАЗ-469 включенным при неработающем двигателе.Распределитель (рис. 110) предназначается для распределения импульсов высокого напряжения по цилиндрам двигателя в необходимой последовательности. Он устанавливается с левой стороны блока цилиндров двигателя и приводится во вращение валиком масляного насоса двигателя. Валик распределителя вращается против хода часовой стрелки (если смотреть со стороны его крышки).
Распределитель имеет два прибора: прерыватель Тока низкого напряжения в цепи катушки зажигания и распределитель тока высокого напряжения.Для автоматического изменения угла опережения зажигания имеются центробежный и вакуумный регуляторы.
Рис. 111. Замер зазора между электродами свечи зажигания:
а — зазор.
Для обеспечения надежности работы системы зажигания производите регулировку зазора между контактами прерывателя. Перед регулированием зазора осмотрите рабочие поверхности контактов и, если они загрязнены, замаслены или обгорели, очистите их.
После снятия привода
После того, как сняли цепь и достали ее наружу, нужно вымыть ее. Для этого лучше всего использовать бензин. После избавления от загрязнений нужно провести визуальный осмотр. Если она растянута более чем на 1-2 см, лучше установить новую. Такого увеличения длины более чем достаточно для того, чтобы нарушить фазы газораспределения.
Также нужно обратить внимание на:
Состояние втулок при наличии износа, трещин и задиров, необходимо провести замену.
Шестерни если присутствуют механические повреждения, сколы, то тоже необходимо менять их.
Успокоители цепи при малейших повреждениях установите новые элементы.
Звездочки натяжителей необходимо, чтобы они беспрепятственно вращались, наличие сколов и повреждений недопустимо.
Если выполняется капитальный ремонт двигателя ЗМЗ-406, установка меток ГРМ обязательно должна производиться. Это обеспечит нормальную работу всех систем, увеличит ресурс мотора и его мощность.
Проведение сборки
Прежде чем приступать к сборке, нужно правильно выставить фазы. Чтобы это сделать, потребуется выполнить такие манипуляции:
Прокрутить коленчатый вал до тех пор, пока не окажется в верхнем положении первая насечка.
Убедитесь, что в первом цилиндре поршень находится в верхней мертвой точке.
Установите успокоитель, но не спешите затягивать болты его крепления.
Смажьте чистым моторным маслом нижнюю часть цепи.
Наденьте цепь на шестерни коленчатого вала и ведомую.
Штифт шестерни коленчатого вала должен попасть в отверстие промежуточного вала.
Убедитесь, что метка на шестеренке совпадает с той, которая находится на блоке мотора. Та часть цепи, которая находится рядом с успокоителем, должна оказаться натянутой.
Теперь можно произвести затяжку болтов крепления шестерни на промежуточном валу. Обязательно установите стопорные пластины.
Обязательно при проведении ремонта используйте динамометрический ключ. Предельное усилие затяжки болтов 22/2,5 Нм.
Обязательно загните стопорную пластину, чтобы исключить выкручивание болтов. Затем нужно нажать на рычаг гидравлического натяжителя и проверить совпадение меток на блоке ДВС и шестеренке. После этого нужно закрутить все болты крепления успокоителя и смазать верхнюю часть цепного привода.
Характеристики трансмиссии, ходовой и систем управления УАЗ 469
Коробка передач
Какой порядок работы цилиндров ваз-2109 УАЗ 469 оборудован 4-х ступенчатой механической коробкой передач с синхронизаторами на 3 и 4 передачах. Масса КПП без смазки – 33,5 кг. Объем масла – 1л.
УАЗ 469 оснащен 2-х ступенчатой механической раздаточной коробкой. Она жестко крепится к коробке передач без промежуточного карданного вала. Ее масса вместе с ручным тормозом составляет 37,4 кг. Объем заливаемого масла – 0,7 л.
Передаточные числа: Прямая передача – 1,00 Пониженная передача – 1,94 Отбор мощности – до 40%
УАЗ 469Б имеет одноступенчатую раздаточную коробку.
Метки ГРМ и затяжка
Чтобы прокрутить распредвал, нужно использовать четырехгранный ключ. Вращая его по часовой стрелке, натягиваете цепь. При этом обязательно зафиксируйте положение коленчатого и промежуточного валов нельзя, чтобы они вращались. Убедитесь в том, что метки на шкиве и головке блока совпадают. Затем выполните такие манипуляции:
Снимите шестерню с выпускного распределительного вала.
Наденьте на нее цепь.
Установите шестерню на место, аккуратно поворачивая распредвал по часовой стрелке.
Убедитесь, что штифты вошли в отверстие на шестерне.
Вращайте распредвал по часовой стрелке, чтобы добиться нормального натяжения цепи.
Установите крышку на цепь и жидкостный насос. Желательно сверху крышки нанести немного силиконового герметика.
Устанавливаете шкив коленчатого вала и гидравлические натяжители. Момент затяжки резьбового соединения шкива коленвала 105129 Нм. Чтобы облегчить затяжку, потребуется установить автомобиль на ручник и включить пятую передачу.
Затяните храповик.
Установите крышку головки блока. На нее также желательно нанести слой силиконового герметика. Затяжку резьбовых соединений производить с моментом 12 Нм.
Подключите патрубок для отвода газов из картера.
Затем нужно подключить все бронепровода и залить антифриз в систему охлаждения. В том случае, если все работы выполнены правильно, метки ГРМ ЗМЗ-406 выставлены верно, вы избавитесь от проблем с мотором. Улучшится его приемистость, увеличится мощность, пропадут посторонние звуки при работе.
Система зажигания автомобиля УАЗ
. Инструкция по установке и регулировке зажигания на УАЗ Как поставить бесконтактное зажигание на УАЗ 469
СИСТЕМА ЗАЖИГАНИЯ АВТОМОБИЛЯ УАЗ-469
Система зажигания обеспечивает надежное и своевременное воспламенение рабочей смеси в соответствии с порядком работы цилиндров двигателя. Двигатель оборудован аккумуляторной системой зажигания УАЗ-469, схема которой представлена на рис. 108, состоящей из катушек зажигания, распределителя зажигания, свечей зажигания, проводов высокого напряжения и замка зажигания. Резистор 14 включен последовательно с катушкой зажигания (рис. 109).), который автоматически замыкается накоротко при запуске двигателя стартером для увеличения тока отключения c. первичная цепь. Катушка зажигания (рис. 109) предназначена для приема импульсов высокого напряжения, обеспечивающих пробой искрового промежутка в свечах зажигания. Состоит из первичной и вторичной обмоток. Первичная обмотка намотана на вторичную. Катушка имеет сердечник и кольцевой магнитопровод из электротехнической стали.
Условное обозначение наконечников проводов зажигания УАЗ-469: Г — синий; К — красный; О — оранжевый; Ф — фиолетовый; Н — черный.
Змеевик герметизирован карбонитовой крышкой в корпусе с резиновой прокладкой. Корпус заполнен трансформаторным маслом, улучшающим изоляцию обмоток и отвод тепла. Во избежание повреждения катушки не оставляйте УАЗ-469 включенным зажигание при неработающем двигателе. Распределитель (рис. 110) предназначен для распределения импульсов высокого напряжения по цилиндрам двигателя в необходимой последовательности. Он установлен с левой стороны блока цилиндров и приводится в движение двигателем с роликовым масляным насосом. Ролик распределителя вращается против часовой стрелки (если смотреть со стороны его крышки).
Распределитель имеет два устройства: прерыватель тока низкого напряжения в цепи катушки зажигания и распределитель тока высокого напряжения. Имеются центробежный и вакуумный регуляторы для автоматического изменения угла опережения зажигания.
Для обеспечения надежности системы зажигания отрегулировать зазор между контактами прерывателя. Перед регулировкой зазора осмотрите рабочие поверхности контактов и, если они загрязнены, замаслены или пригорели, очистите их.
Свечи зажигания УАЗ-469. Двигатель оснащен неразборными свечами зажигания с керамическими изоляторами, подобранными по их тепловым характеристикам. При образовании нагара на свече создается ток утечки, что приводит к снижению вторичного напряжения. Обгорание электродов вызывает повышение пробивного напряжения искрового промежутка свечи зажигания. При перебоях в розжиге в первую очередь проверьте зазор между электродами (рис. 111) и при необходимости отрегулируйте. Замок зажигания предназначен для включения и выключения первичной цепи зажигания. Кроме того, переключатель позволяет включать стартер, электродвигатели приборов, стеклоочистителей и отопителя.
Техническое обслуживание системы зажигания заключается в регулярной очистке от загрязнений ее устройств, в установке зажигания, в регулировке зазора между контактами прерывателя и своевременной смазке. Установку зажигания производить в следующей последовательности: 1. Снять крышку распределителя и ротор, проверить состояние и величину зазора между контактами прерывателя (при необходимости отрегулировать зазор). Замените ротор. 2. Снимите свечу зажигания с 1-го цилиндра. 3. Закрыть пальцем отверстие для свечи зажигания 1-го цилиндра и провернуть коленчатый вал двигателя пусковой рукояткой до выхода воздуха из-под пальца. Это будет началом такта сжатия в 1-м цилиндре. 4. Осторожно поворачивайте вал двигателя, пока отверстие на шкиве не совместится со штифтом на крышке распределительного механизма. 5. Убедитесь, что ротор прилегает к внутреннему контакту крышки, соединенному с проводом, идущим к свече зажигания 1-го цилиндра. 6. Поверните пластину октан-корректора вместе с распределителем так, чтобы стрелка совпала со средним делением шкалы, отмеченным на пластине. 7. Слегка поверните корпус клапана против часовой стрелки, чтобы замкнуть контакты прерывателя. 8. Подсоедините контрольную лампу с патроном, конец одного провода к низковольтной клемме распределителя, а конец другого провода к массе (можно использовать подкапотную лампу и дополнительный кусок провода). 9. Включите зажигание и осторожно поверните корпус распределителя по часовой стрелке, пока лампочка не начнет мигать. Остановите вращение распределителя ровно в тот момент, когда лампочка начнет мигать. Если это не удается, повторите операцию. 10. Затяните крепежный винт, удерживая корпус распределителя от проворачивания, установите на место крышку и центральный провод. 11. Проверить правильность подключения проводов от свечей зажигания, начиная с первого цилиндра, в следующем порядке: 1, 2, 4, 3, считая против часовой стрелки. После каждой настройки зажигания и после регулировки зазора в прерывателе проверяйте точность установки опережения зажигания, прислушиваясь к работе двигателя во время движения автомобиля. Для этого прогрейте двигатель до температуры 80…85°С и, двигаясь на прямой передаче по ровной дороге со скоростью 30…35 км/ч, придайте автомобилю ускорение, резко нажав кнопку педаль газа . Если при этом появляется легкая и кратковременная детонация, значит угол опережения зажигания выставлен правильно. При сильной детонации повернуть корпус распределителя по шкале октан-корректора на одно деление против часовой стрелки. Каждое деление шкалы соответствует изменению угла опережения зажигания на 2°, считая по коленвалу. При полном отсутствии стука поверните корпус распределителя на одно деление по часовой стрелке. После изменения угла опережения зажигания еще раз проверьте его правильность.
Отрегулируйте зазор между контактами прерывателя в следующей последовательности: 1. Освободите пружинные фиксаторы, снимите крышку распределителя и ротор. 2. Установите кулачок так, чтобы между контактами был наибольший зазор. 3. Проверить зазор между контактами щупом: щуп должен войти в зазор, не нажимая на кулачок. Зазор должен быть в пределах 0,35…0,45 мм (рис. 112). 4. Ослабьте стопорный винт 1 (рис. 113) крепления неподвижной контактной стойки и, поворачивая регулировочный эксцентриковый винт 2, установите нормальный зазор. 5. Замените стопорный винт и снова проверьте контактный зазор. 6. Установите ротор и закрепите крышку распределителя. После первых 24 000 км пробега автомобиля вынуть кулачок распределителя из обоймы и очистить (или срезать) образовавшуюся на его кромке корку. Затем положите войлок на место так, чтобы он касался кулачка, а затем смажьте двумя-тремя каплями моторного масла. Дальнейшие действия см. в Таблице смазки.
Через каждые 40 000…60 000 км пробега: 1. Произвести ТО распределителя, в ходе которого разбирают распределитель, промывают все детали, осматривают и при необходимости заменяют. При обратной сборке распределителя ось рычага, ось кулачка, оси и пальцы грузиков смажьте моторным маслом, а приводной вал смажьте тонким слоем смазки Литол-24, которой также залейте крышку масленки. 2. Замените втулки в корпусе распределителя, если имеется большой радиальный люфт вала распределителя, вызывающий большую асинхронность искрения. 3. Промойте шарикоподшипник пластины прерывателя, добавьте свежую смазку и поверните его наружное кольцо относительно внутреннего.
Системы зажигания
Датчик распределителя (распределитель)
Свеча зажигания
Другие вопросы по системе зажигания
Функциональная схема бесконтактной системы зажигания с выключателем 13. 3734: (из книги Литвиненко В.В. «Электрооборудование автомобилей УАЗ») 1 — аккумуляторная батарея; 2 — замок зажигания; 3 — резистор добавочный; 4 — датчик импульсов; 5 — переключатель; 6 — катушка зажигания; 7 — распределитель; 8 — свечи зажигания; 9 — аварийный вибратор
Собрал не заводскую схему. Установил Волговский 131-й щиток и катушку «восьмерку» с короткозамкнутым сердечником (говорят, что она самая мощная). При этом вариатор не требовался (переключатель рассчитан на работу без него).
Полтора года назад мне попалась статья (по-моему, в журнале «ЗР»), автор которой безапелляционно утверждает, что использование восьмивиткового 27.3705 и его аналогов приводит к быстрому перегреву 131-й переключатель.
Почему лучше поставить переключатель 131. 3734 (90.3734): 1. Данному переключателю не нужен добавочный резистор (вариатор) — т.е. нет потерь энергии впустую на этом резисторе. 2. На основании анализа этих выключателей можно выбрать действительно хороший аппарат (Калуга, Санкт-Оскол). 3. Схема упрощена, т.е. меньше вероятность брака. Достигнутый эффект: Двигатель работает на оборотах начиная с 500 (!) — как швейная машинка! НЕТ провалов, неудач — строчить и строчить! (На вопрос, что 151 не держит обороты — дело в зажигании, оказывается!) Шум выхлопа, который всегда был существенным, снижен до уровня ЛЕГКОВОГО АВТОМОБИЛЯ! (на ХХ). Общий шум работающей машины (двигатель 3 литра) — упал перед глазами!
Схема электрическая принципиальная переключателя 131.3734 (с сайта «Техническая поддержка Волгары», по той же схеме собраны переключатели 90.3734 и 94.3734):
Транзистор VT1 не установлен на некоторых коммутаторах.
Подробнее о замене переключателя на 131 читайте в статье на сайте «Поджигатель Волги за рулем». «Гибридное» зажигание (кулачковый распределитель + электронный переключатель и катушка)
Существует простой способ повысить эффективность контактного (кулачкового) зажигания (за счет использования элементов электронного зажигания) и повысить надежность. Установил коммутатор и катушку от 2108, впаял преобразователь (кулачки подключены к восьмерке вместо датчика Холла). Если переключатель вышел из строя, переключите провод от кулачков на старую катушку и можете продолжать ездить на кулачковом зажигании. Работает более 3-х месяцев, пробег 2000 км. [В. В. Михайлин] Электронное зажигание с датчиком Холла
ЕСТЬ электронное зажигание АТЭ-2 с датчиком Холла. Комплект состоит из переключателя 76.3734, распределителя 5406.3706-05 (опыт эксплуатации и советы по настройке распределителя), катушки Б-116 и пучка проводов с разъемами. Трамблер сразу разобрал — устроит очень хорошо. необычно — жесткая сквозная ось НА 2_Х ОПОРАХ, центрифуга управляет вращением заслонок, а вакуум — вращением датчика Холла. Просто и надежно. Обложка белая. Стоит ВСЕ в UP (прямо в магазине, чуть левее входа) 900 рублей (на 06.2000), т.е. чуть дешевле стандартного комплекта(131-й ком. + Трамбл) на УАЗ да + бесплатная настройка на стенде. [Махно]
Легко переделал все электронное зажигание для 31519 с двигателем 3 литра. 1. Штатный электронный распределитель зажигания заменен на механический Р 119-Б; 2. Штатная катушка зажигания заменена на Б-117 А; 3. Стандартный коммутатор и вариатор просто снимаются; 4. В принципе вышеперечисленных переделок вполне достаточно для общего повышения надежности и мощности зажигания, однако я также установил электронный многоискровой блок зажигания «Пульсар» (вариант для классики) с октан-корректором , противоугонный и аварийный режим. Весь установленный комплект надежно работает более двух лет и обеспечивает надежный запуск двигателя после длительной стоянки в сырую и морозную погоду (этой зимой заводился при -30 градусах). Кроме того, наблюдается ощутимая экономия бензина (при полном соответствии с техническим описанием к «Пульсару») за счет общего увеличения мощности искры и дожигания горючей смеси в многоискровом режиме. Точных замеров расхода бензина до и после установки не делал, но субъективно экономия бензина по трассе составила не менее 15%.
Братья УАЗисты! Не повторяйте чужих ошибок! Чудеса бывают только в сказках. Контактная система зажигания (в том числе в родном виде и в паре с электронным блоком) дает менее стабильную искру, как по времени, так и по мощности. Откуда берется экономия? Также нет смысла поджигать уже горящую смесь в многоискровом режиме. Для моей машины со штатной бесконтактной системой зажигания пуск с пол-оборота при -30С — это норма. [Юрий Жилин] Что может быть? При проверке стробоскопом видны неисправности в зажигании; искра нестабильная, с некоторыми интервалами. Сбой примерно раз в 4 секунды. Заменил катушку на новую и коммутатор. Сбои сохраняются…
У меня тоже самое было на штатном зажигании. Самое первое это проверить свечи, скорее всего одна вылетела и машина просто троит. Проверяйте, вынимая поочередно провода из крышки распределителя. Я нашел этот способ. Да и смотри какие свечи, ставь самые лучшие на А11.
Вопрос не так прост, как кажется на первый взгляд. Есть много возможных причин этого явления. Нестабильна работа самого стробоскопа в первую очередь. Состав смеси (богатая, бедная), наличие нестабильных контактов в электрооборудовании (в том числе в замке зажигания), утечка высокого напряжения через плохую изоляцию и грязные, влажные поверхности. Применение помехоподавляющих резисторов и высокоомных проводов в электрооборудовании. Если контактная система зажигания, то возможно изношен подшипник в распределителе зажигания или неправильно выставлен зазор между контактами. Список далеко не полный, ищите и находите 🙂 [Юрий Жилин] Рекомендации по настройке дистрибьютора
Ответ А. Ермакова (Махно) на письмо Андрея Петрухина
1. Номинальные обороты ХХ двигателей УАЗ и ГАЗ существенно отличаются (соответственно 500-600 и 800-900 об/мин), что обусловлено, во-первых всего к конструкции КПП — у УАЗа она (в основном) частично синхронизированная — и «воткнуть передачу» на 800-900 0б (как на ГАЗе) очень проблематично. А при рассмотрении характеристик центробежников это сразу видно — отрыв графиков от оси «оборотов» на УАЗе происходит РАНЬШЕ, чем на ГАЗе. Вот одно, но существенное отличие.
2. Смотрим первые участки тех же графиков — от 0 до 1500 об/мин (самые «рабочие» об/мин!) и видим, что у УАЗа 1-й отрезок более пологий, чем у ГАЗ — это опять же влияет на тяга «на низах». 3. Но самая большая и серьезная разница это характер вакуума — это я на себе ощутил. кожу — а потом уже замерил — ПОЛНЫЙ ХОД штока вакуум-корректора на ГАЗ-4-4,5. мм, а у УАЗа 7!!! и пружина ЗНАЧИТЕЛЬНО мягче (в 1,5 раза!)!
А вообще на мой взгляд без серьезной доработки ГАЗ тр-р на УАЗ НЕ ПРИМЕНЯЕТСЯ. Адаптивная система управления двигателем (АСУД, «Михайловское зажигание»)
Пользуюсь около 4 месяцев — ничего кардинально не изменилось. Ощутил ряд плюсов — двигатель работает ровнее, но расход топлива существенно не изменился (хотя я этого и ожидал). Возможна полная герметизация системы зажигания. Особого увеличения тяги не заметил. Возможно, это следствие того, что я тоже довел до ума штатный трамблер — характеристику подбирал пружинами центробежного регулятора. К моему удивлению, система АСУД не выбирает оптимальный угол зажигания — по датчику можно сделать зажигание раньше или позже. Те. процедура установки угла детонации остается. К тому же ремонтировать пришлось почти сразу — был дефект печатной платы. Подводя итог, скажу так — данная система позволяет гораздо меньше внимания уделять системе зажигания, повысить ее «плавучесть» в воде. Но не ждите кардинальных улучшений. [Шеф] Фото: Блок «Михайловского зажигания» АСУД Махно, Катушки и датчик АСУД Махно, Две катушки АСУД Махно, Датчик АСУД Махно, Блок АСУД Шеф, Блок и катушки АСУД Шеф
см. также: принцип работы Работа «Михайловского зажигания» в журнале «За рулем»: ПЕТЕРБУРГСКИЙ ПРИБОР (локальная копия) Адаптивное зажигание. Морской дьявол на бирже труда. Журнал «За рулем» 2005 г. Автоматический микропроцессорный октан-корректор «Силыч»
Автоматический корректор октанового числа – это автоматическая система оптимизации угла опережения зажигания. Выполнен в виде приставки к штатной электронной системе зажигания автомобилей ГАЗ с двигателем ЗМЗ-402.10 (4021.10, 4025.10, 4026.10, 410.10). Возможна также установка данной опции на автомобили УАЗ с двигателями УМЗ-417, 421.
Опыт эксплуатации еще не накоплен. 03.2003
Вы ставите прорезь масляного насоса под углом 30 градусов, по отношению к оси двигателя, а прорезь в ножке распределителя — под 45 градусов. и осторожно засуньте ногу.
Наклоните двигатель (автомобиль) так, чтобы привод висел вертикально, и опустите его вниз в соответствии с инструкциями.
Данные приведены по книжке. В.В. Литвиненко «Электрооборудование автомобилей УАЗ». ЗР, 1998 г. Зазор между электродами свечей зажигания должен быть установлен в соответствии с требованиями Инструкции для УАЗ (0,8 — 0,95 мм).
см. также: Расшифровка обозначения свечей зажигания Рекомендации по подбору свечей зажигания
Будет лучше, если вы поставите свечи А14 вместо А11. Температура электродов и изолятора (вокруг центрального электрода) должна быть 500-700 С. Меньше будет обрастать нагаром, больше — будет калильное зажигание (оба бесполезны). 11, 14 или 17 это калильное число, чем оно больше, тем холоднее свеча, то есть быстрее отводится тепло от изолятора и электродов к головке блока и при прочих равных температура свечи будет ниже. Измеряется следующим образом: свеча ставится на специальный двигатель и дается полная нагрузка — количество секунд, через которое появляется калильное зажигание, и есть калильное число свечи.
Для УАЗ-11, для Волги-14 на одном бензине и с одинаковой степенью сжатия, а разница в температуре двигателя 70 и 80 градусов. а еще есть очень важная вещь в маркировке свечей — это буква «v». Это означает, что изолятор центрального электрода «выпирает» в камеру сгорания (у А11 изолятор глубоко утоплен). Выступающий изолятор лучше продувается и поэтому лучше очищается от нагара; такая свеча сохнет гораздо быстрее, если ее залить. Есть свечи с биметаллическими, платиновыми и другими электродами — все это для подбора теплового режима при разных нагрузках.
Самое главное что из всего этого следует — ставьте А14В — лучше очищается от нагара, меньше вероятность калильного зажигания. А17В не советую — могут возникнуть проблемы при длительной работе на холостом ходу или при коротких поездках зимой. У меня А14Б — нагара на изоляторе нет вообще. Раньше были А-11, и с заменой никаких изменений не произошло, так что это все на любителя и для рабочей машины разницы нет.
А-11 ставится под 76. Волги и УАЗы раньше шли со степенью сжатия 6,7. Сейчас УАЗы идут со степенью сжатия 7,0. Так что есть смысл присмотреться к А-14. Буква Д, конечно, нам не подходит. Когда у меня была голова на 76 бензине, я по совету водителей поставил А-14 и свечи были коричневого цвета… Насколько я знаю, это нормальный
У меня были свечи А-11 от Энгельса, после 16ккм свечи были в идеальном состоянии — не было даже V-образного прожога на центральном электроде. А дело в том, что после длительной езды я не сразу глушу двигатель (на х.х. предписано работать — на х.х. работает 1 минуту), а потом, как предписано для поршневых авиадвигателей (!) горю гасим свечи, увеличивая обороты до 1500-2000 на несколько секунд. И только потом, плавно снижая до ч.ч., глушить двигатель. Процедура несложная, но в этом случае срок службы свечей составит не менее 50 000 км.
Не согласен! Откуда увеличение ресурса свечи при увеличении нагрузки на нее? Современные карбюраторы обеспечивают работу двигателя без образования нагара на свечах зажигания во всех режимах работы. Кроме того, используя этот метод, на каждые 400 км городского цикла у вас будет сбрасываться лишний бензин в количестве, эквивалентном комплекту из 4-х свечей. Добавьте к этому повышенный износ двигателя. [Юрий Жилин] Форкамерные свечи — нужны ли они?
Двигатель работает намного ровнее. Больше различий почувствовать не удалось. Наверно они есть, но надо их фиксить приборами :). Главное, чтобы не стало хуже. И эти свечи не являются настоящими форкамерами (с научной точки зрения). [Радомирич]
Идея в том, чтобы поджечь смесь не искрой, а пламенем из дополнительной камеры сгорания. В этой камере нужна смесь другого состава, следующая, но особенная. карбюратор. Опять же, зажигание должно быть установлено ранее на неизвестное значение. А это, блин, как же так… (распределитель — (У)) ну что увеличение угла опережения зажигания с форкамерой от увеличения оборотов должно по другому работать. Статья в Заруле была про эту головку блока, там можно прочитать и подумать, могут ли свечи заменить это замечательное устройство. На мой взгляд, нет.
Резюме: Не дайте себя обмануть мошенникам! Свечи «форкамерные» — это способ обмануть и ограбить владельцев автомобилей УАЗ, а также испортить нашу любимую машину. [Юрий Жилин] Как проверить работоспособность индукционной катушки, не устанавливая ее на трамблер?
Как проверить батарейки? — язык! Вот и вот! Лучше, конечно, вольтметром — при резком закручивании ролика рукой между корпусом и клеммой должно быть не менее 2 В. Просто протрите его тряпкой, иначе во рту будет противно! [Чиф] Переделка распределителя на бесконтактный своими силами
Я как-то решил (сломало вал, а потом и потроха) поменять трамблер, шарил по магазинам в поисках бесконтактных, а тут вдруг подумал. — Зачем покупать, если можно сделать «свой» из старого Р-119 и подручных средств.
Просмотрев кучу документации о типах датчиков приближения, используемых в промышленности, остановился на оптроне, как на самом простом. Оптопару выдрал из дохлой мышки (самой надежной считал ее), установил, залил эпоксидкой на металлическую пластину и накрутил на пружину рычага прерывателя. Светодиод питается через сопротивление 10 кОм. Фотодиод подключается полярно между меткой переключателя D и +. Плюс брался с того же выключателя. В качестве занавески я использовал круглую пластину из алюминия с вырезанными окошками.
Вся система работает около 6 месяцев. Что зимой, что летом — один свет :). Начать лучше. Холостой ход машина держит уверенно. Ускорение и жесткая езда в норме. Расход топлива остался прежним – 13-14 л/100 км.
НО… Потом вылезли какие-то глюки. Искра оказывается не просто мощной, а очень мощной. Пробивает обычные провода. Я поменял на силикон. После месяца езды сильно обгорели электроды возле свечи А14 неизвестного российского производителя. Поставил НГК. При включении нагрузки (фары и т.п.) двигатель «чихал» (мигал светодиод :(). Исправил питанием светодиода от стабилизатора КР142ЕН5А и резистора 510 Ом. инжекторные двигатели. Пермяков Илья Нужен ли аварийный вибратор
Аварийный вибратор генерирует непрерывное искрение независимо от положения поршней, в результате смесь вспыхивает раньше необходимого момента, в детонационном режиме — результат аналогичен непрерывным ударам кувалдой по поршням с частотой от 500 до 2000 раз в минуту в каждом цилиндре. Как вы думаете, что будет в результате? Капитальный ремонт с заменой сломанных колец, расплавленных поршней, прогоревших клапанов, погнутых коленвалов, вздутых стенок цилиндров. Размышляя над вопросом — зачем нужна такая опасная штука в машине — я пришел к выводу, что, возможно, аварийный вибратор был установлен военными для того, чтобы машина могла продолжать движение после ядерного взрыва (когда все электроника, в том числе и переключатель) выходят из строя. Я думаю, что если дело дойдет до ядерной войны, то мне будет все равно, сможет ли машина продолжать движение или нет. Если хотите повысить живучесть автомобиля, то лучше возить с собой запасной выключатель. (и запасной статор распределителя — (У))… [Юрий Жилин]
Я почувствовал некоторое «подергивание». После остановки на заправке я не смог завести. Еще один симптом — при включении зажигания сразу фиксируется стрелка напряжения. положение (когда все в порядке, он еще должен подняться вправо через пару секунд после этого (катушка заряжается?). Замена переключателя ситуацию не изменила. Пресловутый проводок в трамблере впаян. Попытка его наращивание привело к поломке куска.Запасного трамблера,конечно,нет(наверное нужно возить с собой «статор» про запас).Магазины закрыты(воскресенье,поздний вечер).Аварийный вибратор выручил.проехал на нем около ста километров.машина шла 80-90, правда притуплялся при попытке резко разогнаться. Расход в разумных пределах. В ногах пассажира всю дорогу раздавался бодрящий писк.
Ну один в один! Но с аварийным вибратором меня ждал облом. Вибратор был бракованный с завода. Как далеко он улетел после того, как я узнал. А потом несколько часов с кабелем в руках. Теперь ношу с собой статор, катушку коммутатора… Все же лучше возить с собой дубликаты, как-то надежнее.
Датчик напряжения состоит из ротора и статора. Закрепите пластину октан-корректора на корпусе датчика распределителя с помощью болта. 6. Установите крышку датчика-распределителя, проверьте правильность установки проводов зажигания к свечам зажигания в соответствии с порядком работы цилиндров двигателя 1-2-4-3, считая против часовой стрелки. После каждой установки зажигания проверяйте точность опережения зажигания, прислушиваясь к работе двигателя во время движения автомобиля.
Система зажигания УАЗ 469
Этот режим используется при запуске двигателя стартером. Зажигание на УАЗ имеет простую конструкцию. Демон контактного зажигания более удобен в использовании, чем контактный.
С противоугонным замком, с блокировкой от повторного включения стартера без предварительного выключения зажигания и с подсветкой гнезда. Блокирующее устройство от повторного включения стартера не должно допускать повторного поворота ключа из положения I (зажигание) в положение II (стартер).
Работа двигателя автомобиля невозможна без правильно выставленного угла опережения зажигания. Поворачивайте корпус распределителя до тех пор, пока средняя метка на его корпусе не совместится с меткой на двигателе. Например, для автомобиля ВАЗ-2106 выключатель можно установить в свободное пространство между бачком омывателя и левой фарой. Просверлите 2 отверстия и прикрутите выключатель саморезами. Правильная установка опережения зажигания в бесконтактной системе зажигания дает возможность эксплуатировать автомобиль в комфортных условиях. Установите коленчатый вал в положение, соответствующее углу опережения зажигания 5 градусов. Проверить порядок подключения высоковольтных проводов цилиндров двигателя.
Цепь подводного зажигания УАЗ
Или можно пойти дальше, выкинуть штатный жгут, систему ЭПХХ и установить вместо вариатора под капот выключатель. Вывод добавочного сопротивления «на реле стартера» в некоторых вариантах проводки подключается к дополнительным контактам на замке зажигания, а не к реле стартера. Катушка — для контактной системы зажигания! Интересным дополнением к системе зажигания с распределителем АТЭ-2 и датчиком Холла будет коммутатор 962.3734 в комплекте с датчиком детонации (автокорректором октанового числа). Датчик детонации подключен к 7-й ножке коммутатора, который обычно не используется. Суть в том, что восьмитрамблер на восьмимоторнике стоит «из задницы» двигателя и приводится от распредвала.
В распределителе установлена пара датчиков Холла, расположенных под углом 90 градусов. относительно друг друга. На ось надевается пластина «бабочка»; при перемещении в датчиках Холла он поочередно вырабатывает импульсы. Подойдет любой трамблер, главное, чтобы он подходил по типу привода и был исправен.
Рекомендации по настройке трамблера Можно ли поставить трамблер от Волги на УАЗ. Опыт эксплуатации распределителя с датчиком Холла (статья) Как изолировать распределитель от воды? Переделка бесконтактного зажигания на контактное Я легко переделал все электронное зажигание на 31519 с двигателем 3 литра. Штатный электронный распределитель зажигания заменен на механический Р 119-Б; 2. Штатная катушка зажигания заменена на Б-117 А; 3. Стандартный переключатель и вариатор просто снимаются; 4. Если стоит контактная система зажигания, то возможно изношен подшипник в распределителе зажигания или неправильно выставлен зазор между контактами. Выставляете бегунок распределителя на первый цилиндр кривым стартером, а среднюю метку на шкиве КВ (ЗМЗ 402) или первую по шкиву (двигатели ЮМЗ) напротив вала. Предназначен для установки на автомобили ГАЗель и Волга с карбюраторным двигателем ЗМЗ-4026.10 вместо штатной системы зажигания.
ШАГ 4: Подсоедините проводку и установите выключатель. Вставляем провода в трамблер.
Руководство по замене распределителя с приводом масляного насоса
Выключите зажигание и демонтируйте крышку распределителя, к ней присоединяются наконечники и высоковольтные кабели. Затем от распределительного механизма необходимо отсоединить провод, подключенный к выключателю. Взяв ключ на 13, отверните две гайки крепления устройства и вместе с силовым агрегатом демонтируйте механизм вместе с приводом масляного насоса.
Какая схема подключения электронного или бесконтактного зажигания, на УАЗ 417, как переделать контактное зажигание на бесконтактное? Почему нагревается катушка и как отрегулировать и отрегулировать угол опережения? Также бесконтактные системы оснащены электромагнитным устройством, позволяющим добиться более стабильной работы двигателя. Одним из основных нюансов в плане технического обслуживания является необходимость периодической смазки привода распределителя – не реже, чем через каждые 10 тысяч километров пробега. После этого с распределительного механизма следует снять крышку.
Для того, чтобы распределитель вошел в привод, необходимо добиться совпадения выступов на муфте снизу распределителя с прорезями на приводном валу. На установленном распределителе не должно быть зазора между пластиной октан-корректора и самим корпусом привода. Снимите крышку нового распределителя. Для этого откручиваем крестовой отверткой 2 винта. Бегун должен смотреть на моторный щит. Дело в том, что нумерация 1-го цилиндра трамблера АТЭ-2 не совпадает с нумерацией штатного трамблера. Ставится на штатное место без переделок. ШАГ 4. Подключение проводки и установка выключателя Ничего сложного. Если использовать комплект от ВАЗ-21074, то контактов без колодок будет всего 3.
Основными узлами контактной системы являются аккумулятор, КЗ, привод, свечи, конденсатор, прерыватель с распределителем. Бесконтактная система зажигания, которая называется транзисторной. В отличие от двух вышеописанных систем, электронная система зажигания характеризуется сложным устройством, обеспечивающим работоспособность не только момента, но и других параметров.
8000 км Подтянуть гайки распределителя и контакты проводов. Смазка втулки ротора. 2. Снимите пластиковую крышку с трамплина и убедитесь, что электрод ползунка совмещен с выемкой на крышке.
Любая бесконтактная система зажигания в основном отличается только производителем и имеет следующие конструктивные особенности- это датчик трамблера или просто трамблер, свечи зажигания и катушка зажигания, резистор (отвечает за сопротивление), аварийный вибратор и переключатель.
Распределитель имеет простое устройство, состоящее из корпуса, крышки (обычно пластиковой), 2-х регуляторов, ролика и датчика напряжения, корректора. Датчик напряжения имеет ротор и статор. Имеют специальные метки для установки начального зажигания (первичного).
Катушка зажигания имеет сопротивление первичной обмотки 0,43 Ом и сопротивления вторичной 13000-13400 Ом, при температуре около 25. Максимальное напряжение до 30000 В на вторичной обмотке. Транзисторный переключатель представляет собой простое устройство, состоящее из корпуса с платой, а аварийный вибратор имеет те же детали, что и последний, но вступает в работу при выходе из строя переключателя.
При каких условиях проводить ТО
Как правило, зажигание нужно обслуживать сразу при обнаружении неисправности, но по регламенту это рекомендуется по пробегу. 8000 км Подтянуть гайки распределителя и контакты проводов. 16000 км Визуальный осмотр состояния, очистка видимых элементов от загрязнений. Смазка втулки ротора. 50 000 км Чистка подшипников и заливка новой смазки, очистка всех деталей от грязи, затяжных контактов проводки.
Как установить желаемую точку воспламенения. 1. Поршень 1-го цилиндра должен находиться в верхней мертвой точке, это достигается прокручиванием распредвала, при этом следят за метками, они должны совпадать.
2. Снимите пластиковую крышку с трамплина и убедитесь, что ползунковый электрод совмещен с выемкой на крышке. 3. Пластина корректора прикручивается болтом к корпусу, затяжка осуществляется до положения указателя в середине размеченной шкалы. 4. Пластина ослабляется удерживающим ее болтом. 5. Поворачивая корпус распределителя, и одновременно удерживая бегунок, следите за метками на роторе и статоре (они должны совпадать), после чего пластину снова затягивают. 6. Собираем все в обратном порядке и проверяем автомобиль на предмет правильности установки опережения зажигания.
Двигатель прогревается до рабочей температуры(80-90 градусов), далее выбираем ровный и прямой участок дороги, сильно нажимая на педаль газа, разгоняем машину. Услышав легкую детонацию, делаем вывод, что регулировка произведена правильно. При заметно большей детонации или отсутствии детонации производят следующие манипуляции — поворачивает корпус по часовой стрелке при отсутствии и против нее, при значительной детонации.
Крышка. Ползунок должен располагаться напротив входа «1» внутри него. Если нет, поверните коленчатый вал на 180 градусов. Установите октановое число на «0». Прикрутить индикатор болтом к корпусу распределителя зажигания так, чтобы он совпал со средней риской октан-корректора. Слегка ослабьте болт крепления пластины к корпусу датчика распределителя.
Аккуратно поворачивайте корпус, придерживая пальцем ползунок против его вращения, чтобы исключить зазоры в приводе, до совмещения кончика лепестка на статоре и красной метки на роторе. Закрепите пластину октан-корректора болтом на корпусе датчика распределителя.
Заменить крышку датчика трамблера. Проверьте угол опережения зажигания в порядке цилиндров 1-2-4-3, считая против часовой стрелки. После установки угла опережения зажигания проверьте его правильность в движении.
Запустить двигатель, прогреть до рабочей температуры (80 градусов). На прямом участке дороги, двигаясь со скоростью 40 км/ч, резко нажмите на педаль газа. Если кратковременная детонация ощущается на скорости 55-60 км/ч, значит момент на бесконтактном зажигании выставлен правильно. При сильной детонации поверните датчик распределителя на 0,5-1 деление по шкале октан-корректора против часовой стрелки. Если стука нет совсем, то увеличьте угол опережения поворотом датчика трамблера по часовой стрелке. Деление шкалы соответствует углу 4 градуса по коленчатому валу двигателя.
Источники:
Как правильно установить трамблер на УАЗ 417
Схема бесконтактного управления зажиганием
Регулировка бесконтактной системы зажигания на автомобилях УАЗ должна выполняться с высокой точностью. Ошибки при установке зажигания приводят к увеличению расхода топлива и снижению мощности двигателя.
Инструкция
Поставить автомобиль на ровную, горизонтальную поверхность и затормозить стояночным тормозом. Установить поршень первого цилиндра в положение верхней мертвой точки. При этом отверстия М3 (5 градусов до ВМТ) на шкиве коленчатого вала и штифт на крышке распределительных шестерен должны быть совмещены.
Снимите пластиковую крышку с корпуса датчика распределителя. Убедитесь, что электрод ползунка находится точно напротив вывода на крышке. Этот штифт помечен цифрой 1 и предназначен для провода свечи зажигания первого цилиндра.
Болтом с вставленной в него стрелкой затяните пластину октан-корректора датчика-распределителя к корпусу привода. При этом стрелка должна совпадать с центральным делением шкалы октан-корректора.
Ослабьте болт крепления пластины октан-корректора к датчику распределителя. Удерживая ползунок, чтобы закрыть зазор привода, аккуратно поверните корпус, пока красная метка на роторе и кончик лепестка на статоре не совместятся. Затяните болт крепления пластины октан-корректора к датчику распределителя.
Инструкция по установке и настройке зажигания на УАЗ. Бесконтактная система зажигания УАЗ Бесконтактный выключатель зажигания
Порядок зажигания на УАЗ зависит от схемы, которая имеет отличительные особенности для каждого типа системы зажигания.
Как выставить зажигание
Чтобы правильно отрегулировать и выставить зажигание на УАЗ, необходимо соблюдать последовательность действий, которая приведена в руководстве по ремонту.
Перед началом регулировки системы зажигания необходимо установить автомобиль на смотровую яму или специальную площадку для ремонтных работ и включить ручной тормоз. Колесные механизмы автомобиля должны быть зафиксированы стопором или упором. Блок питания должен быть выключен.
После этого можно переходить к установке зажигания. Для этого необходимо зафиксировать поршень первого цилиндрического элемента в положении высшей мертвой точки. При этом необходимо проверить, чтобы отверстие на шкиве коленчатого вала совпадало со штифтом на крышке ГРМ. Необходимо немного опустить болт крепления, расположенный на пластине, к корпусу датчика КРУ.
Затем снимите крышку с распределителя и поверните коленчатый вал на 180°. Октан-корректор должен быть в нулевом положении. Затем необходимо прикрутить болтом стрелку к корпусу датчика механизма газораспределения так, чтобы ее положение совпало с риской октан-корректора.
После этого отрегулируйте ползунок, вращая его против часовой стрелки. Это поможет устранить зазоры в накопителе. Когда наконечник на статоре совпадет с красной меткой, можно закрепить пластину болтом.
Затем необходимо установить на место крышку датчика КРУ и проверить правильность установки выводов розжига согласно порядку работы цилиндрических механизмов (1-2-4-3). Считать нужно против часовой стрелки. Настройка зажигания на УАЗе завершена.
Если при увеличении скорости до 50-60 км/ч водитель чувствует кратковременную детонацию, значит, процедура выполнена правильно.
В том случае, если детонации нет, нужно увеличить угол опережения, повернув датчик по часовой стрелке.
Как проверить катушку зажигания
Проверка требуется в следующих случаях:
Механизм не глохнет при выключенном зажигании.
Произошло короткое замыкание.
Свечи зажигания вышли из строя.
Катушка нагревается, из-за чего система перегружена.
Для проверки катушки зажигания необходимо выключить силовой агрегат и открыть капот. Затем нужно найти катушку. Для этого рекомендуется пройти по проводам, которые ведут от распределительного механизма, в обратном направлении. После этого нужно отсоединить 1 высоковольтный провод от свечи зажигания. Перед процедурой необходимо дождаться полного остывания двигателя. Это может занять 15-25 минут.
Затем следует демонтировать свечу с помощью специальной насадки. Делать это нужно аккуратно и следить, чтобы в отверстие не попал мусор, т.к. это приведет к неисправности силового агрегата. Вам нужно подключить провод обратно к свече зажигания. Для этой операции рекомендуется использовать плоскогубцы с изолированными ручками.
После этого нужно дотронуться резьбовой стороной свечи до голого металла. При включенном зажигании все элементы электрооборудования автомобиля начнут работать, а значит катушка исправна. Водитель, выполняющий ремонт, должен увидеть синюю искру. Если нет, то система неисправна. Если возникает оранжевая искра, то подается недостаточное напряжение. Причиной этого может быть плохой контакт, слабый ток или дефекты корпуса катушки.
Другой способ проверки подключения катушки зажигания:
Снимите катушку с автомобиля. Для этого отсоедините провода распределительного оборудования, снимите крепления с корпуса катушки с помощью гаечного ключа.
Определить состояние механизма с помощью омметра. Нужно прикоснуться щупами к первичной обмотке, прикасаясь одновременно к 2 контактам. После этого необходимо измерить состояние вторичной обмотки и сравнить полученные показатели с заводскими, которые есть в руководстве по ремонту.
Перед началом работы необходимо установить транспорт на ровную поверхность и зафиксировать его специальными стопорными устройствами. При проверке прибора рекомендуется надевать защитную одежду (маску и очки, а также перчатки).
Как подключить замок зажигания
Замена замка зажигания предполагает демонтаж старого и установку нового механизма с последующим его подключением. Чтобы снять старый замок, вам понадобится крестовая и плоская отвертки.
Порядок демонтажа старого замка системы зажигания автомобиля:
Снимите крепеж с нижней панели обшивки рулевой колонки.
Вставьте ключ в замок и установите его в нулевое положение, при котором рулевой механизм будет заблокирован.
Снимите рулевую колонку.
Выверните болты крепления замка зажигания.
Вставьте плоскую отвертку в небольшое технологическое отверстие и нажмите на защелку, удерживающую замок.
Вытолкните замок из гнезда.
Отсоедините все системные провода.
Установите новый замок, подключите провода и соберите механизм, выполняя все действия в обратном порядке.
Все провода подключаются по часовой стрелке.
К выходу под номером 50 нужно подключить красный провод, отвечающий за стабильную работу пускового устройства.
К выходу под номером 15 необходимо подключить синий провод с черной полосой, отвечающий за обогрев салона автомобиля.
К выходу под номером 30 подключен розовый провод, а к 30/1 — коричневый провод.
Необходимо подключить черный провод к разъему INT, который отвечает за работу габаритных огней и фар.
После того, как все провода подключены, нужно подключить клемму аккумулятора. Черный провод должен быть подключен к верхней части клеммы. Затем нужно запустить двигатель и проверить исправность и работоспособность всей системы зажигания. Сначала рекомендуется проверить работу электроприборов, а затем исправность пускового механизма.
Если все провода подключены правильно, то при нулевом положении ключа зажигания все электрооборудование будет отключено от питания. При повороте ключа в первое положение активируется система, которая управляет двигателем внутреннего сгорания, генераторной установкой, фарами и стоп-сигналами, а также омывателями и стеклоочистителями. При переводе ключа во второе положение включается стартер, шток противоугонной системы выдвигается и убирается при изменении положения ключа.
Если этого не происходит, то провода подключены неправильно. Необходимо разобрать механизм и повторить процедуру подключения.
Цепь зажигания
Схема зависит от типа системы зажигания УАЗ-3151. Для того чтобы правильно настроить контактное, бесконтактное, электронное или подводное зажигание своими руками, необходимо воспользоваться инструкцией по ремонту.
контакт
Схема подключения контактной системы включает в себя такие элементы как:
Замок. Он расположен на корпусе рулевой колонки и необходим для управления протеканием тока между аккумуляторной батареей автомобиля и зажиганием.
Аккумулятор. Когда двигатель выключен, аккумуляторная батарея является источником питания для всего электрооборудования. Он дополняет уровень электроэнергии, вырабатываемой генераторной установкой, если она вырабатывает напряжение ниже 12 В.
Распределительное устройство. Он направляет ток высокого напряжения от катушки через рукоятку газораспределения по очереди к каждой из свечей зажигания в системе.
Конденсатор. Он расположен на корпусе КРУ и предотвращает появление искры между разомкнутыми контактами системы, предохраняя их от обгорания.
Свеча зажигания. По центральному электроду этих механизмов движется ток высокого напряжения. В зазоре между центральным и боковым электродами возникает искра, которая поджигает топливную жидкость в цилиндрическом устройстве.
Привод. Распределительный механизм оснащен приводом прямого типа от распределительного вала. Скорость вращения такого оборудования составляет 50% от скорости вращения коленчатого вала.
Центробежный регулятор. Необходимо установить требуемый угол опережения зажигания в зависимости от оборотов двигателя. Этот механизм включает в себя грузы, которые вращаются, воздействуя на пластину с контактами прерывателя.
Катушка. В его конструкцию входят 2 изолированных обмоточных провода, которые намотаны на сердечник из малоуглеродистой стали. Процесс сжатия магнитных полей вокруг первичной обмотки создает во вторичной обмотке ток высокого напряжения, проходящий через распределитель к свечам зажигания.
Когда водитель поворачивает ключ зажигания, ток низкого напряжения аккумуляторной батареи передается на первичную обмотку. После этого начинает формироваться магнитное поле. За счет вращения силового агрегата от пускателя размыкаются контакты кулачкового прерывателя. В этот момент магнитное поле начинает исчезать, а силовые линии и витки обмоток образуют ток высокого напряжения. Появившийся импульс проходит на крышку корпуса распределителя, и искровой заряд воспламеняет топливно-воздушную смесь в цилиндрическом моторном устройстве.
Бесконтактный
Для того чтобы выставить момент бесконтактного зажигания на УАЗ необходимо подготовить следующие инструменты:
набор ключей;
крестовая отвертка
;
стробоскоп;
защитная одежда в виде очков и маски;
стопорные механизмы для колес.
Перед тем, как приступить к подключению, необходимо надеть защитную одежду, поставить автомобиль на ровную поверхность и зафиксировать его колеса специальными стопорами.
Для начала нужно поставить риски на клапанную крышку и совместить все метки. После этого откручиваем свечу первого цилиндрического механизма двигателя и снимаем крышку с главного распределителя. Если вытащить свечу первого цилиндра, можно отследить ход поршневой части мотора.
Затем необходимо вставить длинную отвертку в свечной колодец и провернуть коленчатый вал за храповик по часовой стрелке, установив его в положение верхней мертвой точки. Это поможет вытолкнуть отвертку обратно из колодца. Метка на шкиве должна быть установлена напротив длинной линии на корпусе силового агрегата.
После этого нужно ослабить контргайку, которая прижимает трамблер к блоку цилиндров. Вращением корпуса необходимо установить одну из прорезей в зазор датчика Холла. При этом контакт подвижного типа ползунка должен полностью совпасть с боковым контактом под номером 1 на крышке распределителя, корпус которого необходимо повернуть в устойчивое положение и зафиксировать фиксирующей гайкой.
Затем следует затянуть гайку крепления распределителя и установить на место крышку со свечами.
По окончании всех работ необходимо запустить двигатель, прогреть его до температуры +50…+60°С и отрегулировать бесконтактное зажигание с помощью стробоскопа.
Стробоскоп должен быть подключен к распределителю. Он обеспечит одновременные вспышки с образованием искры в цилиндрах. Направив лампу на шкив, можно хорошо увидеть положение метки шкива и ее изменение при увеличении оборотов двигателя.
При нахождении поршня первого цилиндрического механизма в верхней мертвой точке рекомендуется совместить насечку шкива коленчатого вала с первой длинной риской. Эта риск находится на крышке узла газораспределительного механизма. Это поможет обеспечить требуемый угол опережения впрыска топлива на второй риск 5°.
Электронная
В электронной системе зажигания полностью отсутствует механическое движение элементов. Работу этой системы обеспечивают специальные датчики и блок управления. Это дает возможность повысить производительность силового агрегата транспорта и снизить средний расход топливной жидкости.
Для установки зажигания электронного типа необходимо 4 цилиндра моторной части перевести в положение высшей мертвой точки. Для этого поверните храповик коленчатого вала до совпадения меток на шкиве.
После этого необходимо демонтировать трамблер, свечи зажигания и катушку, проложить новую проводку и установить высоковольтную катушку. Затем можно прикрепить выключатель к щиту моторного отсека и вкрутить новые свечи зажигания.
Провода высокого напряжения должны быть подключены в соответствии с порядком работы цилиндрических механизмов (1-3-4-2).
Коричневый провод следует подключить к разъему №1. К разъему №2 – черный. Белый провод подключается к разъему под номером 3, а синий провод подключается к номеру 4.
Чтобы правильно выставить зажигание, необходимо подготовить контрольную лампу, ключ на 13 и специальный ключ для коленвала. Перед началом работы выключите двигатель и дайте ему остыть. После этого необходимо отсоединить минусовую клемму двигателя.
Затем нужно установить первый цилиндр в положение зажигания. Совместите метку на шкиве с меткой на зубчатом колесе.
Вариант УМЗ 4216 с отдельными катушками от двигателя 406. Главное не перепутать провода управления низковольтной катушкой. Главное знать, что отсчет цилиндров начинается с переднего бампера автомобиля.
Бегунок должен стоять у внутреннего контакта крышки, соединенной проводом со свечой первого цилиндра. Закрыв отверстие бумажной пробкой, проворачиваем коленчатый вал. Момент выхода пробки соответствует началу такта сжатия. Непрерывная детонация указывает на чрезмерное опережение зажигания. Отсутствие детонации требует увеличения угла опережения зажигания, после чего испытание необходимо повторить.
Запуск двигателя любого автомобиля возможен за счет воспламенения горючей смеси в цилиндрах силового агрегата. Как уже было сказано, зажигание на УАЗе выполняет одну из основных функций при запуске силового агрегата. Основными элементами системы контактного типа являются аккумулятор, КЗ, привод, свечи, конденсатор и прерыватель с распределителем. Бесконтактная система зажигания, которую называют транзисторной. Как после подключения выставить зажигание для корректной работы мотора? Следующим шагом будет установка крышки контроллера на место и диагностика высоковольтных проводов.
Выключить зажигание и демонтировать крышку распределителя, к ней подсоединены наконечники и высоковольтные кабели. Затем от распределительного механизма необходимо отсоединить провод, подключенный к выключателю. Взяв ключ на 13, откручиваем две гайки крепления устройства и демонтируем механизм вместе с приводом масляного насоса от силового агрегата.
A12BS неразборная конструкция.
Re: Нумерация цилиндров ЮМЗ 417
Датчик напряжения состоит из ротора и статора. Второй вывод обмотки электрически соединен с корпусом в собранном датчике-распределителе. 6. Установите крышку датчика-распределителя, проверьте правильность установки проводов зажигания к свечам в соответствии с порядком работы цилиндров двигателя 1-2-4-3, считая против часовой стрелки. После каждой настройки зажигания проверяйте точность установки угла опережения зажигания, прислушиваясь к работе двигателя во время движения автомобиля.
Нумерация радиаторов. Снимите свечу с первого, доверните до компрессии (проверьте, как шипит пальцем), доверните до точки зажигания (по меткам на шкиве) и посмотрите на бегунок. Подключить первый провод туда, где бегунок, а остальные соответственно по порядку вдоль бегунка.
Прошу прощения за ламерский вопрос, но предыдущий владелец аффтомобиля утверждает, что нумерация цилиндров на ЮМЗ 417 идет не от радиатора, а от салона. Я встретил это течение во французах.
Оба клапана на цилиндре 1 закрыты? ГРМ по меткам?
Поставить ВМТ в 1 цилиндр, снять с привода трамблер (в простонародье пыльник) и заглянуть внутрь. Иногда привод распределителя выставлен неправильно. Попробуй поставить очень раннее зажигание, если станет лучше то переставить шестерню привода трамблера на 1 зуб. Достаточно аккуратно поставить привод масляного насоса на место.
Движение без помех: выставить зажигание на УАЗ
Работа двигателя автомобиля невозможна без правильно выставленного опережения зажигания. Снимите крышку с распределителя зажигания. Например, для автомобиля ВАЗ-2106 выключатель можно установить в свободное пространство между бачком омывателя и левой фарой. Просверлите 2 отверстия и прикрутите выключатель саморезами. Правильная установка угла опережения зажигания в бесконтактной системе зажигания позволяет эксплуатировать автомобиль в комфортных условиях. Установите коленчатый вал в положение, соответствующее углу опережения зажигания 5 градусов. Проверить порядок подключения высоковольтных проводов цилиндров двигателя.
Система зажигания имеет основополагающее значение для нормальной работы двигателя автомобиля. Если какие-то действия были неверными, это отразится при запуске двигателя стартером, автомобиль движется. И все, что вам нужно сделать, это отрегулировать подачу искры – правильно выставить зажигание на бесконтактной системе. Закручиваем болт у указателя на корпусе датчика-распределителя. Обязательно проверьте, как установлены провода зажигания к свечам с учетом порядка работы цилиндров 1-2-4-3. При отсутствии детонации увеличьте угол опережения зажигания.
Служит для включения и выключения тока в первичной цепи системы зажигания и включения стартера.
Распределитель УАЗ считается одним из важных узлов системы зажигания автомобиля. Какая схема подключения электронного или бесконтактного зажигания на УАЗ 417, как переделать контактное зажигание на бесконтактное? Почему греется катушка и как отрегулировать и отрегулировать угол опережения? Также система зажигания может быть электронной. Прежде всего, вы должны зафиксировать свою машину на одном месте, для этого потяните за рычаг стояночного тормоза.
Зажигание необходимо устанавливать, если распределитель зажигания снят с двигателя или нарушен угол опережения зажигания. ВМТ по метке на шкиве коленчатого вала двигателя (рисунок 15.13). Возможны следующие характерные неисправности в системе зажигания: не работает система зажигания, система зажигания работает с перебоями, нарушен угол опережения зажигания.
Это будет начало такта сжатия в 1-м цилиндре. 5. Вверните стопорный винт и еще раз проверьте зазор между контактами. 6. Установите ротор и закрепите крышку распределителя.
С помощью аварийного вибратора бесконтактная аккумуляторная система зажигания УАЗ может работать в случае выхода из строя или поломки транзисторного коммутатора или катушки статора датчика-распределителя. Для перехода на работу с аварийным вибратором необходимо отсоединить провод от клеммы КЗ выключателя и подключить его к выходу аварийного вибратора.
Это видно не только при запуске двигателя стартером, но и при движении автомобиля. После, нужно проверить установку проводов зажигания по основному порядку работы цилиндров один-два-четыре-три, отсчитывать надо (час стр.). После того, как вы установили зажигание, нужно проверить правильность его установки в движении.
Транзисторный переключатель.
И если первое можно решить с помощью катков и асфальтоукладчиков, то с дорогами — все НАМНОГО СЛОЖНЕЕ.
3. Проверните коленчатый вал до начала такта сжатия. 6. Установите крышку распределителя и подключите высоковольтные провода в соответствии с порядком работы цилиндров 1-2-4-3.
Дополнительное сопротивление.
Происходит падение мощности двигателя, заметно увеличивается расход топлива и, самое главное, машину начинает трясти и она может просто внезапно заглохнуть. Если это не так, то проверните коленчатый вал на 180 градусов.
В тренде:
ШАГ 1. Подготовка
Общий вид комплекта ATE2:
Кроме самой системы вам также понадобится набор шоферских инструментов. Как минимум потребуются: рожковые ключи на 8, 10, крестовая отвертка и «кривой» стартер (если производится боди-лифт или нет возможности использовать «кривой» стартер, нужно что-то провернуть двигатель с).
ЭТАП 2. Демонтаж родного датчика-распределителя (далее трамблер) и катушки зажигания
Перед снятием родного распределителя необходимо провернуть двигатель до совмещения метки на шкиве «5о в ВМТ 1-го цилиндра» со штифтом на блоке. Вращаем двигатель по часовой стрелке, совмещаем метки и затем снимаем крышку трамблера. Если бегунок направлен в сторону блока цилиндров, то можно демонтировать родной трамблер. Если нет, и бегунок направлен в противоположную от блока сторону, нужно провернуть двигатель еще на один оборот. Теперь ползунок смотрит в сторону двигателя.
Для демонтажа распределителя снимите высоковольтные провода и шланг вакуумного регулятора и ключом на 10 отверните болт крепления пластины октан-корректора к корпусу привода и, встряхнув распределитель, снимите его. Если усилия рук недостаточно, то подбираем шлицевой отверткой снизу пластину октан-корректора, и, опираясь на привод, сдвигаем трамблер вверх.
Затем снимите штатную катушку зажигания. Откручиваем 2 гайки и снимаем провода с клемм. Сама катушка прикручена 2 винтами к моторному щиту.
ЭТАП 3. Установка нового распределителя и катушки зажигания .
Перед установкой нового трамблера необходимо установить на него пластину октан-корректора. Эта пластина не имеет фиксированного положения на корпусе распределителя. Расположение первичной установки чуть левее корпуса вакуумного регулятора, если смотреть на трамблер сверху. Надев пластину на корпус, и установив ее примерное расположение, затяните на ней гайку ключом на 10. Таким образом, пластина сжимает тело наподобие воротника.
Внимание(!) — не прилагайте чрезмерных усилий, этот материал очень хрупкий!
Окончательное положение таблички выбирается уже при установке УОЗ на двигатель.
Теперь распределитель готов к установке на двигатель. Чтобы трамблер попал в привод, необходимо совместить выступы на муфте снизу трамблера с прорезями на приводном валу. Поставьте распределитель рядом с приводом и, поворачивая муфту рукой, добейтесь примерного совпадения выступов с прорезью на ролике.
Внимание (!) — выступы на муфте совпадают с прорезью только в одном положении, так как выступы смещены от центральной линии.
Вставляем распределитель в привод и, поворачивая его из стороны в сторону, добиваемся совпадения муфты с приводным валом. На установленном распределителе не должно быть зазора между пластиной октан-корректора и самим корпусом привода.
Снимите крышку нового распределителя. Для этого откручиваем 2 винта крестовой отверткой. Бегунок должен смотреть на моторный щит.
Дело в том, что у трамблера АТЭ-2 нумерация 1-го цилиндра не совпадает с нумерацией штатного трамблера. Выход 1-го цилиндра нового распределителя расположен над блоком датчиков Холла (цифра «1» на крышке — это означает 1-й цилиндр). Это связано с тем, что муфта трамблера АТЭ-2 развернута на 180°.
Затем, поворачивая корпус трамблера, добиваемся совпадения разъема 1-го цилиндра на крышке с контактом бегунка. Другими словами — момент воспламенения смеси в первом цилиндре. Это будет первоначальный UOS. Естественно так ездить нельзя, но завести двигатель для регулировки уже можно. От руки заворачиваем болт крепления пластины октан-корректора к корпусу привода.
Теперь устанавливаем новую катушку зажигания. Ставится на штатное место без переделок.
ШАГ 4. Подсоедините проводку и установите коммутатор
Ничего сложного. Если использовать комплект от ВАЗ-21074, то без колодок будет всего 3 контакта. Т.к. в разных схемах эти провода разного цвета, то напишу их номер. Считаю слева направо по номерам контактов переключателя (расположение переключателя как на 1-м фото).
Провод от контакта №3 (чаще синий или синий с красной полосой) подключается к плюсовому разъему катушки зажигания. На катушке этот разъем часто маркируется знаком «+» или «В», или «ВАТ». Снятый «+» со штатной катушки необходимо подключить к этому же разъему.
Провод от контакта №5 (обычно коричневый или черный, это самый короткий «хвост») подключается к любой «массе»
Провод от последнего контакта №6 (обычно коричневый с красным или коричневый с синим) подключается ко второму разъему на катушке зажигания. Может обозначаться как «К», «ВК» или «РУП». Провод от блока управления EPHX (если есть) подключается к этому же разъему катушки.
2 соединительные колодки подключаются к выключателю и выходу датчика Холла на распределителе.
Вставляем провода в трамблер. Порядок подключения 1-2-4-3, начиная с выхода 1-го цилиндра. Должно получиться так:
Осталось найти место для выключателя, так как длина проводов не позволяет поставить его на штатное место. Если машина не участвует в конкурсе, то можно поставить выключатель рядом с блоком предохранителей. Очень безопасное и доступное место. Я добавил провода и закрепил переключатель под панелью приборов в ногах переднего пассажира.
Также стоит отметить, что не все цифровые тахометры, работавшие со стандартной схемой транзисторного ключа, могут работать с датчиком Холла.
Осталось только отрегулировать УОЗ и затянуть болт пластины октан-корректора.
ПРИЛОЖЕНИЕ. Схема зажигания ВАЗ-21089
25 — катушка зажигания
23 — блок управления EPHX
27 — выключатель
Распределитель УАЗ считается одним из важных узлов системы зажигания автомобиля. Правильная регулировка этого механизма обеспечивает оптимальную работу силового агрегата в целом. Подробнее о том, каков принцип работы системы зажигания и как ее правильно настроить своими руками, вы можете узнать из этого материала.
[Скрыть]
Обзор СЗ на знаменитом УАЗ
Какая схема подключения электронного или бесконтактного зажигания на УАЗ 417, как переделать контактное зажигание на бесконтактное? Почему греется катушка и как отрегулировать и отрегулировать угол опережения? Для начала разберем основные моменты, касающиеся действия и видов СЗ.
Принцип работы СЗ
Схема контактной системы
Большую роль в работе и запуске автомобильного двигателя играет система зажигания, а точнее ее правильная настройка. При правильной регулировке в силовом агрегате горючая смесь будет правильно гореть в результате подачи заряда через свечи. На каждый цилиндр двигателя УАЗ ставится свеча, каждый из которых включается в определенном порядке, по очереди, подавая разряд на цилиндр через определенное время. Следует иметь в виду, что любая СЗ дает возможность не только подать нужный разряд, но и определяет его силу.
Аккумулятор машины в силу своих технических характеристик не может выдать напряжение с током, которое требуется для воспламенения смеси. Это связано с тем, что аккумулятор может вырабатывать ток только определенной силы. А за счет правильной работы системы значение тока значительно возрастает, что позволяет успешно воспламенять топливовоздушную смесь.
Принцип работы системы состоит из нескольких этапов:
Сначала водитель вставляет ключ в замок зажигания и поворачивает его, электрическая энергия накапливается в катушке.
Затем низковольтное напряжение в бортовой сети 12 вольт преобразуется в высоковольтную катушку. В результате значение напряжения возрастает до 30 тыс. В.
После этого происходит распределение и подача разряда на ту или иную свечу.
Свеча сама производит искру, которая поджигает смесь.
Схема бесконтактной системы УАЗ
Какие бывают СЗ?
На отечественных УАЗах может использоваться одна из трех систем зажигания, подробно рассмотрим каждую из них:
контактный вид. Этот тип СЗ устарел, однако используется на большинстве машин. В такой системе принцип работы заключается в выдаче определенного импульса, который формируется в распределителе – распределительном устройстве. Контактная система считается одной из самых простых по устройству, что является преимуществом, так как в случае неисправности автовладелец сможет самостоятельно проверить и отремонтировать систему. Кроме того, цены на конструкционные детали контактной системы обычно доступны, что не может не радовать. В состав контактной СЗ входят катушка, распределительное устройство, прерыватель, конденсатор и свечи.
Бесконтактный тип, также называемый транзисторным. По сравнению с контактной бесконтактная система имеет больше преимуществ. Образующаяся искра имеет большую мощность, что достигается за счет образования высокого напряжения во вторичной обмотке катушки. Также бесконтактные системы оснащены электромагнитным устройством, позволяющим добиться более стабильной работы двигателя. В конечном итоге, если силовой агрегат УАЗ настроен правильно, то и с помощью бесконтактной системы можно не только увеличить его мощность, но и добиться экономии топлива, пусть и незначительной. Также такие системы легче обслуживать. Одним из основных нюансов в плане технического обслуживания является необходимость периодической смазки привода распределителя – не реже, чем через каждые 10 тысяч километров пробега. Из основных недостатков следует выделить сложность ремонта. На практике отремонтировать бесконтактную СЗ будет проблематично, так как для диагностики системы потребуется оборудование, которое обычно есть в наличии на СТО.
Также система зажигания может быть электронной. Этот вариант в настоящее время считается одним из самых прогрессивных и дорогих, ставится в основном на новые автомобили. Если сравнивать с контактной и бесконтактной, то электронная система имеет более сложное устройство. Главное преимущество этой системы в том, что при необходимости процесс регулировки угла зажигания будет осуществляться намного проще. Кроме того, в электронной системе отсутствуют контакты, подверженные окислению. Также следует отметить, что на практике горючая смесь в цилиндрах силового агрегата с электронной системой практически всегда выгорает полностью. Но несмотря на все достоинства электронные СЗ имеют и свои недостатки, которые касаются ремонта устройства. Отремонтировать такую СЗ своими руками практически невозможно, так как, опять же, для выполнения этой задачи потребуется оборудование (видео опубликовал Наиль Порошин).
Итак, как самостоятельно выставить угол опережения, чтобы добиться правильной работы двигателя УАЗ:
В первую очередь необходимо зафиксировать свой автомобиль в одном месте, для этого нужно потянуть за рычаг стояночного тормоза. Проверните коленчатый вал так, чтобы поршень цилиндра 1 попал в ВМТ (верхнюю точку). При этом необходимо следить за тем, чтобы отверстие на шкиве коленчатого вала совпадало с риской, отмеченной на крышке ГРМ.
После этого следует снять крышку с распределительного механизма. После демонтажа можно увидеть ползунок, который находится внутри самой крышки, напротив контакта. Если ползунка нет, снова поверните коленвал на 180 градусов, а затем установите октан-корректор на 0. С помощью гаечного ключа нужно будет прикрутить указатель к корпусу распредвала так, чтобы он совпал со средней риской. Когда эти действия выполнены, необходимо немного ослабить крепежный болт, которым пластины крепятся к корпусу трамблера.
Затем, удерживая ползунок на одном месте пальцем для предотвращения его вращения, необходимо аккуратно повернуть сам корпус, это устранит возможный люфт в приводе. Корпус необходимо вращать до совмещения острого конца лепестка статорного механизма с красной меткой, расположенной на поворотном устройстве. После этого саму пластину необходимо закрепить на корпусе с помощью соответствующего болта.
После выполнения этих действий необходимо установить на место крышку контроллера и проверить кабели высокого напряжения. Нужно следить за тем, чтобы эти провода были установлены в правильной последовательности с учетом порядка работы цилиндров. Когда вам удастся правильно выставить угол опережения, нужно убедиться, что вся процедура была выполнена правильно.
Для диагностики правильности выполненных действий необходимо запустить двигатель вашего УАЗа и подождать около 5-10 минут, пока силовой агрегат прогреется. Рабочая температура мотора около 90 градусов, можно подождать пока ДВС прогреется до 80 градусов. Затем нужно выехать на ровную дорогу и разогнать машину до 40 км/ч, после чего следует резко нажать на газ. В этот момент автомобиль будет разгоняться и если при увеличении скорости до 60 км/ч из-под капота будет слышна кратковременная детонация (металлический стук), это говорит о том, что все действия были выполнены правильно. Если детонация слишком долгая, то систему все равно нужно будет отрегулировать. Для этого корпус механизма газораспределения нужно будет повернуть на одно деление или половину, при этом поворачивая его против часовой стрелки. Если диагностика показала, что стука «пальцев» нет вообще, то следует увеличить угол опережения. Для этого механизм необходимо повернуть в обратную сторону.
Фотогалерея «Как отрегулировать»
Руководство по замене распределителя с приводом масляного насоса
Перед установкой нового распределителя с приводом необходимо взвесить свои силы, так как при выполнении работ не рекомендуется допускать ошибок.
Итак, как заменить и установить трамблер:
Выключить зажигание и демонтировать крышку трамблера, к ней подключены наконечники и высоковольтные кабели.
Затем от распределительного механизма необходимо отсоединить провод, подключенный к выключателю. Также необходимо отсоединить патрубок, подсоединенный к вакуумному регулятору.
Взяв ключ на 13, отверните две гайки крепления устройства и демонтируйте механизм вместе с приводом масляного насоса от силового агрегата.
После выполнения этих действий вы сможете увидеть прокладку, расположенную под приводом. Если в результате этих действий положение коленчатого вала не изменилось, то просто монтируйте новый механизм, при этом следите за тем, чтобы бегунок располагался напротив метки. Все действия выполняются в обратном порядке. Когда установка завершена, угол опережения регулируется.
Если в результате изменилось расположение вала, то перед установкой необходимо переместить поршень цилиндра 1 в верхнюю мертвую точку. Нужно добиться совмещения меток на шкиве и указателя на самом моторе.
СИСТЕМА ЗАЖИГАНИЯ АВТОМОБИЛЯ УАЗ-469
Система зажигания обеспечивает надежное и своевременное воспламенение рабочей смеси в соответствии с порядком работы цилиндров двигателя. УАЗ-469На двигателе установлена аккумуляторная система зажигания, схема которой показана на рис. 108, состоящий из катушки зажигания, распределителя зажигания, свечей зажигания, высоковольтных проводов и замка зажигания. Резистор 14 включен последовательно с катушкой зажигания (рис. 109), которая автоматически замыкается накоротко при запуске двигателя стартером для увеличения тока отключения. первичный контур. Катушка зажигания (рис. 109) предназначена для приема импульсов высокого напряжения, обеспечивающих пробой искрового промежутка в свечах зажигания. Состоит из первичной и вторичной обмоток. Первичная обмотка намотана на вторичную. Катушка имеет сердечник и кольцевой магнитопровод из электротехнической стали.
Более условное обозначение расцветки проводов зажигания УАЗ-469: Г — синий; К — красный; О — оранжевый; Ф — фиолетовый; Н — черный.
Змеевик герметизирован карбонитовой крышкой в кожухе с резиновой прокладкой. Корпус заполнен трансформаторным маслом, улучшающим изоляцию обмоток и отвод тепла. Во избежание повреждения катушки не оставляйте УАЗ-469 включенным зажигание при неработающем двигателе. Распределитель (рис. 110) предназначен для распределения импульсов высокого напряжения по цилиндрам двигателя в необходимой последовательности. Он установлен с левой стороны блока цилиндров и приводится в действие роликом масляного насоса двигателя. Ролик распределителя вращается против часовой стрелки (если смотреть со стороны его крышки).
Распределитель имеет два устройства: прерыватель тока низкого напряжения в цепи катушки зажигания и распределитель тока высокого напряжения. Для автоматического изменения угла опережения зажигания предусмотрены центробежный и вакуумный регуляторы.
Для обеспечения надежности системы зажигания отрегулируйте зазор между контактами прерывателя. Перед регулировкой зазора осмотрите рабочие поверхности контактов и, если они загрязнены, замаслены или пригорели, очистите их.
Свечи зажигания УАЗ-469. В двигателе используются неразборные свечи с керамическими изоляторами, подобранными по тепловой характеристике. При образовании нагара на свече зажигания создается утечка тока, что приводит к снижению вторичного напряжения. Обгорание электродов вызывает повышение пробивного напряжения искрового промежутка свечи зажигания. При наличии перебоев в розжиге в первую очередь проверьте зазор между электродами (рис. 111), при необходимости отрегулируйте. Замок зажигания предназначен для включения и выключения первичной цепи зажигания. Кроме того, выключатель обеспечивает включение стартера, приборов, электродвигателей стеклоочистителей и отопителя.
Техническое обслуживание системы зажигания заключается в регулярной очистке ее устройств от грязи, в установке зажигания, в регулировке зазора между контактами прерывателя и в своевременной смазке. Установите зажигание в следующей последовательности: 1. Снимите крышку распределителя и ротор, проверьте состояние и величину зазора между контактами прерывателя (при необходимости отрегулируйте зазор). Установите ротор на место. 2. Выверните свечу 1-го цилиндра. 3. Закрыть пальцем отверстие для свечи зажигания 1-го цилиндра и провернуть коленчатый вал двигателя пусковой рукояткой до тех пор, пока из-под пальца не начнет выходить воздух. Это будет началом такта сжатия в 1-м цилиндре. 4. Осторожно поворачивайте вал двигателя, пока отверстие на шкиве не совместится со штифтом на крышке распределительного механизма. 5. Убедиться, что ротор прилегает к внутреннему контакту крышки, соединенному с проводом, идущим к свече 1-го цилиндра. 6. Поверните пластину октан-корректора вместе с распределителем так, чтобы стрелка совпала со средним делением шкалы, нанесенным на пластину. 7. Слегка поверните корпус распределителя против часовой стрелки, чтобы замкнуть контакты прерывателя. 8. Подключить контрольную лампу с патроном концом одного провода к низковольтной клемме распределителя, а концом другого провода к массе (можно использовать подкапотную лампу и дополнительный кусок провода). 9. Включите зажигание и осторожно поверните корпус распределителя по часовой стрелке, пока не замигает лампочка. Остановите вращение распределителя ровно в тот момент, когда лампочка начнет мигать. Если это не удается, повторите операцию. 10. Затяните крепежный винт, удерживая корпус распределителя от проворачивания, установите на место крышку и центральный провод. 11. Проверьте правильность подключения проводов от свечей, начиная с первого цилиндра, в следующем порядке: 1, 2, 4, 3-й, считая против часовой стрелки. После каждой установки зажигания и после регулировки зазора в прерывателе проверяйте точность установки опережения зажигания, прислушиваясь к работе двигателя во время движения автомобиля. Для этого прогрейте двигатель до температуры 80…85°С и, двигаясь на прямой передаче по ровной дороге со скоростью 30…35 км/ч, дайте автомобилю разогнаться резким нажатием педаль газа. Если при этом наблюдается легкая и кратковременная детонация, значит угол опережения зажигания выставлен правильно. При сильной детонации повернуть корпус распределителя по шкале октан-корректора на одно деление против часовой стрелки. Каждое деление шкалы соответствует изменению угла опережения зажигания на 2°, считая по коленвалу. При отсутствии детонации поверните корпус распределителя на одно деление по часовой стрелке. Переставив угол опережения зажигания, еще раз проверьте правильность его установки.
Отрегулируйте зазор между контактами прерывателя в следующей последовательности: 1. Освободите держатели пружин, снимите крышку распределителя и ротор. 2. Установите кулачок так, чтобы между контактами был наибольший зазор. 3. Проверить зазор между контактами щупом: щуп должен войти в зазор, не нажимая на кулачок. Зазор должен быть в пределах 0,35…0,45 мм (рис. 112). 4. Ослабьте стопорный винт 1 (рис. 113) крепления неподвижной контактной стойки и, поворачивая регулировочный эксцентриковый винт 2, установите нормальный зазор. 5. Вверните стопорный винт и еще раз проверьте зазор между контактами. 6. Установите ротор и закрепите крышку распределителя. После первых 24 000 км пробега автомобиля выньте фильтр кулачка распределителя из держателя и очистите (или срежьте) образовавшуюся на его краю корку. Затем положите войлок на место так, чтобы он соприкасался с кулачком, а затем смажьте двумя-тремя каплями моторного масла. Следуйте таблице смазки для дальнейшей эксплуатации.
Каждые 40 000…60 000 км пробега: 1. Провести текущий ремонт распределителя, в ходе которого распределитель разбирается, все детали промываются, осматриваются и при необходимости заменяются. При обратной сборке распределителя ось рычага, ось кулачка, оси и пальцы грузиков смажьте моторным маслом, а приводной вал смажьте тонким слоем смазки Литол-24, которой также заполнена крышка масленки. 2. Замените втулки в корпусе распределителя, если имеется большой радиальный люфт вала распределителя, вызывающий большую асинхронность искрения. 3. Промыть шарикоподшипник пластины измельчителя, залить свежей смазкой и провернуть его наружное кольцо относительно внутреннего.
Установка электронного зажигания на УАЗ 452. Контактная система зажигания на УАЗ, состав и общее устройство, схемы контактной системы зажигания
ЭТАП 1. Подготовка
Общий вид комплекта ATE2:
Помимо самой системы вам также понадобится набор шоферских инструментов. Как минимум потребуются: рожковые ключи на 8, 10, крестовая отвертка и «кривой» стартер (если производится боди-лифт или нет возможности использовать «кривой» стартер — нужно что-то крутить двигатель кончился).
ЭТАП 2. Демонтаж родного датчика трамблера (далее трамблер) и катушки зажигания
Перед снятием родного распределителя необходимо провернуть двигатель до совмещения метки на шкиве «5о в ВМТ 1-го цилиндра» со штифтом на блоке. Поверните двигатель по часовой стрелке, совместите метки и снимите крышку распределителя. Если бегунок направлен в сторону блока цилиндров, то можно демонтировать родной трамблер. Если нет, и бегунок направлен в противоположную от блока сторону, нужно провернуть двигатель еще на один оборот. Ползунок теперь обращен к двигателю.
Для демонтажа распределителя снимите высоковольтные провода и шланг вакуумного регулятора и ключом на 10 отверните болт крепления пластины октан-корректора к корпусу привода и, встряхнув распределитель, выньте его. Если усилия рук недостаточно, то подбираем шлицевой отверткой снизу пластины октан-корректора, и, опираясь на привод, сдвигаем трамблер вверх.
Затем снимаем штатную катушку зажигания. Откручиваем 2 гайки и снимаем провода с клемм. Сама катушка прикручена к моторному щиту 2 винтами.
ЭТАП 3. Установка нового распределителя и катушки зажигания .
Перед установкой нового трамблера необходимо установить на него пластину октан-корректора. Эта пластина не имеет фиксированного положения на корпусе распределителя. Расположение первичного блока чуть левее корпуса вакуумного регулятора, если смотреть на трамблер сверху. Надев пластину на корпус, и установив ее примерное расположение, затяните на ней гайку ключом на 10. Таким образом, пластина сжимает тело наподобие хомута.
Внимание (!) — не прилагайте чрезмерных усилий, этот материал очень хрупкий!
Окончательно положение таблички выбирается уже при постановке УОЗ на двигатель.
Теперь распределитель готов к установке на двигатель. Для того чтобы распределитель вошел в привод, необходимо добиться совпадения выступов на муфте ниже распределителя с прорезями на приводном валу. Поставьте распределитель рядом с приводом и, вращая муфту рукой, добейтесь приблизительного совмещения выступов с прорезью на ролике.
Внимание (!) — выступы на муфте совпадают с прорезью только в одном положении, так как выступы смещены от центральной линии.
Вставляем распределитель в привод и, поворачивая его из стороны в сторону, добиваемся совпадения муфты с приводным валом. На установленном распределителе не должно быть зазора между пластиной октан-корректора и самим корпусом привода.
Снимите крышку нового распределителя. Для этого крестовой отверткой откручиваем 2 винта. Бегун должен смотреть на моторный щит.
Дело в том, что нумерация 1-го цилиндра трамблера АТЭ-2 не совпадает с нумерацией штатного трамблера. Выход 1-го цилиндра у нового трамблера расположен над блоком датчиков Холла (на крышке есть цифра «1» — это означает 1-й цилиндр). Это связано с тем, что муфта распределителя АТЭ-2 развернута на 180°.
Затем, поворачивая корпус трамблера, добиваемся, чтобы разъем 1-го цилиндра на крышке совпал с контактом бегунка. Другими словами, момент воспламенения смеси в первом цилиндре. Это будет начальный POP. Ехать так, естественно, нельзя, но завести двигатель для регулировки уже можно. Болт крепления пластины октан-корректора к картеру привода откручиваем от руки.
Теперь устанавливаем новую катушку зажигания. Ставится на штатное место без переделок.
ШАГ 4. Подключить проводку и установить выключатель
Ничего сложного. Если использовать комплект от ВАЗ-21074, то контактов без колодок будет всего 3. Т.к. в разных схемах эти провода разного цвета, то напишу их номер. Считаю слева направо по номерам контактов переключателя (расположение переключателя как на 1-м фото).
Провод от контакта №3 (цвета чаще синего или синего с красной полосой) подключается к плюсовому разъему катушки зажигания. На катушке этот разъем часто помечен знаком «+», или «B», или «BAT». Снятый «+» со штатной катушки необходимо подключить к этому же разъему.
Провод от контакта №5 (обычно коричневый или черный, это самый короткий «хвост») подключается к любой «массе»
Провод от последнего контакта №6 (обычно коричневый с красным или коричнево-синим) подключается ко второму разъему на катушке зажигания. Может обозначаться как «К», «ВК» или «РУП». К этому же разъему катушки подключается провод от блока управления ЭПХХ (если есть).
2 клеммные колодки подключаются к коммутатору и выходу датчика Холла на распределителе.
Вставляем провода в трамблер. Порядок подключения 1-2-4-3, начиная с выхода 1-го цилиндра. Должно получиться так:
Осталось найти место для выключателя, так как длина проводов не позволяет поставить его на штатное место. Если автомобиль не участвует в конкурсе, то можно поставить выключатель рядом с блоком предохранителей. Достаточно надежное и доступное место. Вставил провода и закрепил выключатель под приборной панелью в ногах переднего пассажира.
Также стоит отметить, что не все цифровые тахометры, работавшие со стандартной транзисторно-коммутаторной схемой, способны работать с датчиком Холла.
Осталось только отрегулировать УОЗ и затянуть болт крепления пластины октан-корректора.
ПРИЛОЖЕНИЕ. Схема зажигания ВАЗ-21089
25 — катушка зажигания
23 — блок управления ЭПХХ
27 — выключатель
— датчик-распределитель;
— переключатель транзисторный;
— катушка зажигания;
— дополнительное сопротивление;
— вибратор аварийный;
— свеча зажигания.
Датчик распределителя
Датчик трамблера имеет корпус, крышку, ролик, датчик синусоидального напряжения, центробежный и вакуумный регуляторы, октан-корректор. Центробежный регулятор автоматически изменяет угол опережения зажигания в зависимости от скорости.
Датчик напряжения состоит из ротора и статора. Ротор представляет собой кольцевой постоянный магнит с плотно прижатыми к нему сверху и снизу четырехполюсными обоймами, жестко закрепленными на втулке. В верхней части ротора на втулке установлен ползунок.
Статор датчика представляет собой обмотку, заключенную в четырехполюсные пластины. Статор имеет изолированный многожильный провод, соединенный с проводом датчика. Второй вывод обмотки электрически соединен с корпусом в собранном датчике-распределителе.
На роторе имеется маркировка, на статоре стрелки, которые служат для установки начального момента искрения.
Сопротивление обмоток при температуре (25±10)°С, Ом:
первичная ….. 0,43
вторичная ….. 13 000-13 400
Максимальное развиваемое вторичное напряжение, В ….. 30 000
Катушка имеет высоковольтный вывод и два низковольтных вывода:
— вывод К — для соединения с выводом К добавочного сопротивления;
— выход без маркировки — с выходом выключателя короткого замыкания.
Величина активного сопротивления между выводами «+» и «С» (0,71 ± 0,05) Ом, между выводами «С» и «К» — (0,52 ± 0,05) Ом.
Состоит из корпуса и платы с радиоэлементами. Штыри переключателя предназначены:
— клемма D — для соединения с низковольтной клеммой датчика распределителя;
— вывод короткого замыкания — для соединения с выводом катушки зажигания;
— клемма «+» — для подключения к клемме «+» добавочного сопротивления или блока предохранителей.
Состоит из корпуса и доски, на которой крепятся все узлы вибратора. Имеет один вывод. Включение его в работу допускается только при выходе из строя транзисторного ключа или катушки статора датчика.
Проверить распределитель зажигания: осмотреть бегунок, крышку распределителя и, в случае загрязнения, протереть хлопчатобумажной тканью, смоченной в чистом бензине.
Смазать втулку ротора из капельницы (4-5 капель) (предварительно снять бегунок и фетр под ним).
Через 50 000 км
Шарикоподшипник опоры статора тщательно промойте чистым бензином, залейте в него смазку Литол-24 не более 2/3 свободного объема подшипника (предварительно снимите крышку, ползунок, опоры ротора и статора).
Порядок установки угла опережения зажигания
1. Установить поршень первого цилиндра в ВМТ такта сжатия в первом цилиндре до совпадения отверстия МЗ (5° до ВМТ) на шкиве коленчатого вала со штифтом на крышке ГРМ.
2. Снимите пластиковую крышку с датчика распределителя. Убедиться, что электрод ползунка прилегает к клемме на крышке датчика трамблера, отмеченной цифрой «1» (клемма свечи зажигания первого цилиндра двигателя).
3. Прикрутить болтом с вставленной в него стрелкой пластину октан-корректора датчика распределителя к корпусу привода так, чтобы стрелка совпала со средним делением шкалы октан-корректора.
4. Ослабьте болт крепления пластины октан-корректора к корпусу датчика распределителя.
5. Удерживая пальцем ползунок против его вращения (для устранения зазоров в приводе), осторожно поверните корпус до совмещения красной метки на роторе и кончика лепестка на статоре. Закрепите пластину октан-корректора на корпусе датчика распределителя с помощью болта.
6. Установите крышку датчика-распределителя, проверьте правильность установки проводов зажигания к свечам зажигания в соответствии с порядком работы цилиндров двигателя 1-2-4-3, считая против часовой стрелки.
После каждой установки зажигания проверяйте точность опережения зажигания, прислушиваясь к работе двигателя во время движения автомобиля.
Для этого прогрейте двигатель до температуры 80°С и, двигаясь на прямой передаче по ровной дороге со скоростью 40 км/ч, придайте автомобилю ускорение, резко нажав на педаль газа. Если наблюдается легкая кратковременная детонация до скорости 55-60 км/ч, то угол опережения зажигания правильный.
При сильной детонации повернуть корпус датчика распределителя (рис. 7.24) по шкале октан-корректора на 0,5-1,0 деления против часовой стрелки. Каждое деление шкалы соответствует изменению угла опережения зажигания на 4°, считая по коленвалу. Если детонации нет вообще, необходимо увеличить угол опережения зажигания, повернув корпус датчика-распределителя по часовой стрелке.
В систему зажигания автомобиля УАЗ-469Б входили: катушка зажигания, выключатель-распределитель зажигания, свечи зажигания, провода и замок зажигания. Первичная цепь системы зажигания питается током от аккумуляторной батареи или генератора.
Система зажигания УАЗ-469Б, устройство устройство и принцип работы.
Схема системы зажигания автомобиля УАЗ-469Б.
Трансформатор, преобразующий низкое напряжение первичной цепи в высокое напряжение вторичной цепи. При работающем двигателе ток в первичной обмотке катушки проходит через добавочный резистор, расположенный в изоляторе между ножками скобы крепления катушки. При пуске двигателя стартером этот резистор автоматически отключается и ток поступает на первичную обмотку, минуя ее, тем самым усиливая искру и облегчая пуск двигателя.
Имеет центробежный и вакуумный регуляторы, автоматически изменяющие угол опережения зажигания, и октан-корректор для ручной регулировки угла зажигания в зависимости от октанового числа используемого бензина. Центробежный регулятор изменяет угол зажигания в зависимости от частоты вращения коленчатого вала двигателя или вала распределителя.
Вакуумный регулятор изменяет угол зажигания в зависимости от нагрузки двигателя, разрежения в смесительной камере.
Характеристики регулятора вакуума.
Разрежение в смесительной камере карбюратора, мм рт.ст. / Угол опережения зажигания, град: 60/0, 100/0-2,5, 200/5,5-8,5, 280/10-13.
Октан-корректор предназначен для изменения угла опережения зажигания в зависимости от октанового числа используемого бензина. С помощью октан-корректора можно изменить угол опережения зажигания в пределах +-10 градусов по углу поворота коленчатого вала.
Замок зажигания и стартера, тип VK330.
Служит для включения и выключения тока в первичной цепи системы зажигания и для включения стартера. На пластиковом изоляторе выключателя имеются зажимы АМ (амперметр), КЗ (катушка зажигания), СТ (стартер) и ПР (приемник). Зажим AM находится под постоянным напряжением.
— датчик-распределитель;
— переключатель транзисторный;
— катушка зажигания;
— дополнительное сопротивление;
— вибратор аварийный;
— свеча зажигания.
Датчик распределителя
Датчик трамблера имеет корпус, крышку, ролик, датчик синусоидального напряжения, центробежный и вакуумный регуляторы, октан-корректор. Центробежный регулятор автоматически изменяет угол опережения зажигания в зависимости от скорости.
Датчик напряжения состоит из ротора и статора. Ротор представляет собой кольцевой постоянный магнит с плотно прижатыми к нему сверху и снизу четырехполюсными обоймами, жестко закрепленными на втулке. В верхней части ротора на втулке установлен ползунок.
Статор датчика представляет собой обмотку, заключенную в четырехполюсные пластины. Статор имеет изолированный многожильный провод, соединенный с проводом датчика. Второй вывод обмотки электрически соединен с корпусом в собранном датчике-распределителе.
На роторе имеется маркировка, на статоре стрелки, которые служат для установки начального момента искрения.
Сопротивление обмоток при температуре (25±10)°С, Ом:
первичная ….. 0,43
вторичная ….. 13 000-13 400
Максимальное развиваемое вторичное напряжение, В ….. 30 000
Катушка имеет высоковольтный вывод и два низковольтных вывода:
— вывод К — для соединения с выводом К добавочного сопротивления;
— выход без маркировки — с выходом выключателя короткого замыкания.
Величина активного сопротивления между выводами «+» и «С» (0,71 ± 0,05) Ом, между выводами «С» и «К» — (0,52 ± 0,05) Ом.
Состоит из корпуса и платы с радиоэлементами. Штыри переключателя предназначены:
— клемма D — для соединения с низковольтной клеммой датчика распределителя;
— вывод короткого замыкания — для соединения с выводом катушки зажигания;
— клемма «+» — для подключения к клемме «+» добавочного сопротивления или блока предохранителей.
Состоит из корпуса и доски, на которой крепятся все узлы вибратора. Имеет один вывод. Включение его в работу допускается только при выходе из строя транзисторного ключа или катушки статора датчика.
Проверить распределитель зажигания: осмотреть бегунок, крышку распределителя и, в случае загрязнения, протереть хлопчатобумажной тканью, смоченной в чистом бензине.
Смазать втулку ротора из капельницы (4-5 капель) (предварительно снять бегунок и фетр под ним).
Через 50 000 км
Шарикоподшипник опоры статора тщательно промойте чистым бензином, залейте в него смазку Литол-24 не более 2/3 свободного объема подшипника (предварительно снимите крышку, ползунок, опоры ротора и статора).
Порядок установки угла опережения зажигания
1. Установить поршень первого цилиндра в ВМТ такта сжатия в первом цилиндре до совпадения отверстия МЗ (5° до ВМТ) на шкиве коленчатого вала со штифтом на крышке ГРМ.
2. Снимите пластиковую крышку с датчика распределителя. Убедиться, что электрод ползунка прилегает к клемме на крышке датчика трамблера, отмеченной цифрой «1» (клемма свечи зажигания первого цилиндра двигателя).
3. Прикрутить болтом с вставленной в него стрелкой пластину октан-корректора датчика распределителя к корпусу привода так, чтобы стрелка совпала со средним делением шкалы октан-корректора.
4. Ослабьте болт крепления пластины октан-корректора к корпусу датчика распределителя.
5. Удерживая пальцем ползунок против его вращения (для устранения зазоров в приводе), осторожно поверните корпус до совмещения красной метки на роторе и кончика лепестка на статоре. Закрепите пластину октан-корректора на корпусе датчика распределителя с помощью болта.
6. Установите крышку датчика-распределителя, проверьте правильность установки проводов зажигания к свечам зажигания в соответствии с порядком работы цилиндров двигателя 1-2-4-3, считая против часовой стрелки.
После каждой установки зажигания проверяйте точность опережения зажигания, прислушиваясь к работе двигателя во время движения автомобиля.
Для этого прогрейте двигатель до температуры 80°С и, двигаясь на прямой передаче по ровной дороге со скоростью 40 км/ч, придайте автомобилю ускорение, резко нажав на педаль газа. Если наблюдается легкая кратковременная детонация до скорости 55-60 км/ч, то угол опережения зажигания правильный.
При сильной детонации повернуть корпус датчика распределителя () по шкале октан-корректора на 0,5–1,0 деления против часовой стрелки. Каждое деление шкалы соответствует изменению угла опережения зажигания на 4°, считая по коленвалу. Если детонации нет вообще, необходимо увеличить угол опережения зажигания, повернув корпус датчика-распределителя по часовой стрелке.
СИСТЕМА ЗАЖИГАНИЯ АВТОМОБИЛЯ УАЗ-469
Система зажигания обеспечивает надежное и своевременное воспламенение рабочей смеси в соответствии с порядком работы цилиндров двигателя. Двигатель оборудован аккумуляторной системой зажигания УАЗ-469, схема которой представлена на рис. 108, состоящей из катушки зажигания, распределителя зажигания, свечей зажигания, высоковольтных проводов и замка зажигания. Резистор 14 включен последовательно с катушкой зажигания (рис. 109), которая автоматически замыкается накоротко при пуске двигателя стартером для увеличения тока отключения в. первичная цепь. Катушка зажигания (рис. 109) предназначена для приема импульсов высокого напряжения, обеспечивающих пробой искрового промежутка в свечах зажигания. Состоит из первичной и вторичной обмотки. Первичная обмотка намотана на вторичную. Катушка имеет сердечник и кольцевой магнитопровод из электротехнической стали.
Условное обозначение наконечников проводов зажигания УАЗ-469: Г — синий; К — красный; О — оранжевый; Ф — фиолетовый; Н — черный.
Змеевик герметизирован карбонитовой крышкой в корпусе с резиновой прокладкой. Корпус заполнен трансформаторным маслом, улучшающим изоляцию обмоток и отвод тепла. Во избежание повреждения катушки не оставляйте УАЗ-469 включенным зажигание при неработающем двигателе. Распределитель (рис. 110) предназначен для распределения импульсов высокого напряжения по цилиндрам двигателя в необходимой последовательности. Он установлен с левой стороны блока цилиндров и приводится в движение валом масляного насоса двигателя. Ролик распределителя вращается против часовой стрелки (если смотреть со стороны его крышки).
Распределитель имеет два устройства: прерыватель тока низкого напряжения в цепи катушки зажигания и распределитель тока высокого напряжения. Имеются центробежный и вакуумный регуляторы для автоматического изменения угла опережения зажигания.
Для обеспечения надежности системы зажигания отрегулировать зазор между контактами прерывателя. Перед регулировкой зазора осмотрите рабочие поверхности контактов и, если они загрязнены, замаслены или пригорели, очистите их.
Свечи зажигания УАЗ-469. Двигатель оснащен неразборными свечами зажигания с керамическими изоляторами, подобранными по их тепловым характеристикам. При образовании нагара на свече создается ток утечки, что приводит к снижению вторичного напряжения. Обгорание электродов вызывает увеличение пробивного напряжения искрового промежутка свечи. При перебоях в розжиге в первую очередь проверьте зазор между электродами (рис. 111) и при необходимости отрегулируйте. Замок зажигания предназначен для включения и выключения первичной цепи зажигания. Кроме того, выключатель включает электродвигатели стартера, приборов, стеклоочистителей и отопителя.
Техническое обслуживание системы зажигания заключается в регулярной очистке от загрязнений ее устройств, в установке зажигания, в регулировке зазора между контактами прерывателя и своевременной смазке. Установку зажигания производить в следующей последовательности: 1. Снять крышку распределителя и ротор, проверить состояние и величину зазора между контактами прерывателя (при необходимости отрегулировать зазор). Замените ротор. 2. Снимите свечу зажигания с 1-го цилиндра. 3. Закрыть пальцем отверстие для свечи зажигания 1-го цилиндра и провернуть коленчатый вал двигателя пусковой рукояткой до выхода воздуха из-под пальца. Это будет началом такта сжатия в 1-м цилиндре. 4. Осторожно поворачивайте вал двигателя, пока отверстие на шкиве не совместится со штифтом на крышке распределительного механизма. 5. Убедитесь, что ротор прилегает к внутреннему контакту крышки, соединенному с проводом, идущим к свече зажигания 1-го цилиндра. 6. Повернуть пластину октан-корректора вместе с распределителем так, чтобы стрелка совпала со средним делением шкалы, отмеченным на пластине. 7. Слегка поверните корпус клапана против часовой стрелки, чтобы замкнуть контакты прерывателя. 8. Подключить контрольную лампу с патроном концом одного провода к низковольтной клемме распределителя, а концом другого провода к массе (можно использовать подкапотную лампу и дополнительный кусок провода). 9. Включите зажигание и осторожно поверните корпус распределителя по часовой стрелке, пока лампочка не начнет мигать. Остановите вращение распределителя ровно в тот момент, когда лампочка начнет мигать. Если это не удается, повторите операцию. 10. Затяните фиксирующий винт, удерживая корпус распределителя от проворачивания, установите на место крышку и центральный провод. 11. Проверить правильность подключения проводов от свечей, начиная с первого цилиндра, в следующем порядке: 1, 2, 4, 3, считая против часовой стрелки. После каждой настройки зажигания и после регулировки зазора в прерывателе проверяйте точность установки опережения зажигания, прислушиваясь к работе двигателя во время движения автомобиля. Для этого прогрейте двигатель до температуры 80…85°С и, двигаясь на прямой передаче по ровной дороге со скоростью 30…35 км/ч, придайте автомобилю ускорение резким нажатием педаль газа. Если при этом наблюдается легкая и кратковременная детонация, значит угол опережения зажигания установлен правильно. При сильной детонации повернуть корпус распределителя по шкале октан-корректора на одно деление против часовой стрелки. Каждое деление шкалы соответствует изменению угла опережения зажигания на 2°, считая по коленвалу. Если детонации нет вообще, поверните корпус распределителя на одно деление по часовой стрелке. После изменения угла опережения зажигания еще раз проверьте его правильность.
Отрегулируйте зазор между контактами прерывателя в следующей последовательности: 1. Освободите пружинные фиксаторы, снимите крышку распределителя и ротор. 2. Установите кулачок с наибольшим зазором между контактами. 3. Проверить зазор между контактами щупом: щуп должен войти в зазор, не нажимая на кулачок. Зазор должен быть в пределах 0,35…0,45 мм (рис. 112). 4. Ослабьте стопорный винт 1 (рис. 113) крепления неподвижной контактной стойки и, поворачивая регулировочный эксцентриковый винт 2, установите нормальный зазор. 5. Замените стопорный винт и снова проверьте контактный зазор. 6. Установите ротор и закрепите крышку распределителя. После первых 24 000 км пробега автомобиля вынуть кулачок распределителя из обоймы и очистить (или срезать) образовавшуюся на его кромке корку. Затем поместите войлок на место так, чтобы он касался кулачка, а затем смажьте двумя-тремя каплями моторного масла. Дальнейшие действия см. в Таблице смазки.
Через каждые 40 000…60 000 км пробега: 1. Произвести текущий ремонт трамблера, при котором трамблер разбирается, промываются все детали, осматриваются и при необходимости заменяются. При обратной сборке распределителя ось рычага, ось кулачка, оси и пальцы грузиков смажьте моторным маслом, а приводной вал тонким слоем смазки Литол-24, которым также залейте крышку масленки. 2. Замените втулки в корпусе распределителя, если имеется большой радиальный люфт вала распределителя, вызывающий большую асинхронность искрения. 3. Промойте шарикоподшипник пластины прерывателя, добавьте свежую смазку и поверните его наружное кольцо относительно внутреннего.
Порядок установки зажигания на автомобиль УАЗ. Устанавливаем и регулируем зажигание, меняем привод трамблера на автомобилях УАЗ Схема бесконтактного зажигания автомобиля УАЗ
Любой автомобиль возможен благодаря воспламенению горючей смеси в цилиндрах силового агрегата. Для обеспечения нормальной работы мотора необходимо правильная настройка(NW). Кроме того, все элементы, включая катушку, трамблер автомобиля УАЗ и другие узлы, должны быть всегда в рабочем состоянии.
[Скрыть]
Описание СЗ на УАЗ
Как осуществляется установка, настройка и регулировка цепи зажигания на АУЗ 417 или любой другой? Мы обсудим это ниже. Но сначала давайте разберемся с принципом работы узла, а также разновидностями СЗ.
Принцип работы СЗ
Схема СЗ и обозначение ее элементов для старых двигателей УАЗ
Как уже было сказано, зажигание на УАЗ выполняет одну из основных функций при запуске силового агрегата. Благодаря этой системе процедура воспламенения топливовоздушной смеси в цилиндрах силового агрегата осуществляется путем подачи искры. Искра подается непосредственно на , на каждый из цилиндров устанавливается по одной свече. Все эти СЗ работают в последовательном режиме, воспламеняя горючую смесь в необходимый промежуток времени. Также следует учитывать, что система зажигания на автомобилях не только подает искру, но и определяет ее силу.
Аккумулятор автомобиля не способен генерировать напряжение и ток, необходимые для воспламенения смеси, так как данное устройство вырабатывает только определенный ток. В помощь приходится системе зажигания, цель которой – увеличить показатель мощности аккумуляторной батареи автомобиля. В результате применения СЗ аккумулятор позволяет передавать на свечи достаточное напряжение для воспламенения смеси.
Типы систем зажигания
Бесконтактная схема СЗ с выключателем для УАЗ
На сегодняшний день существует три основных типа систем зажигания, которые можно установить на автомобиль:
Контакт СЗ. Он считается морально устаревшим, но продолжает успешно применяться на автомобилях отечественного производства. Принцип работы заключается в том, что система вырабатывает необходимый импульс, который появляется за счет работы распределительной составляющей. Само устройство контактного типа простое, и это плюс, ведь в случае поломки водитель всегда может произвести диагностику и ремонт своими силами. Стоимость сменных компонентов не высока. Основными узлами контактной системы являются аккумулятор, КЗ, привод, свечи, конденсатор, прерыватель с распределителем.
Система называется транзисторной. Многие транспорты оборудованы этим типом. По сравнению с вышеописанным типом система имеет ряд преимуществ. Во-первых, генерируемая искра имеет большую мощность, что обусловлено повышенным уровнем напряжения во вторичной обмотке катушек зажигания. Во-вторых, система контактов дьявола. Оснащена электромагнитным устройством для обеспечения стабильной работы, а также передачи энергии на все единицы. В итоге при правильной настройке ДВС это позволяет не только увеличить мощность работы, но и сэкономить топливо. В-третьих, это удобство в плане обслуживания сайта. Для обеспечения работоспособности в течение длительного времени после настройки и установки привода распределителя этот элемент необходимо время от времени смазывать. Для обеспечения нормальной работы элемент смазывают каждые десять тысяч километров. Что касается недостатков, то это сложность ремонта. Самостоятельно отремонтировать устройство нереально; для этого требуется специальное диагностическое оборудование, которое есть только на СТО.
Еще один вариант СЗ — электронный, который на сегодняшний день является самым технологичным и дорогим, поэтому им оснащают новые транспорты. В отличие от двух вышеописанных систем, система электронного зажигания характеризуется сложным устройством, обеспечивающим выполнение не только момента, но и других параметров. В настоящее время электронными системами оснащаются все современные автомобили. Ключевым преимуществом является упрощенная процедура установки угла опережения, а также отсутствие необходимости периодической проверки контактов на предмет окисления. На практике топливовоздушная смесь в двигателях с электронной СЗ практически всегда выгорает полностью. Этот тип также имеет свои недостатки, в частности, в вопросе ремонта. Своими руками сделать его нереально, так как для этого требуется оборудование. подробная инструкция по регулировке зажигания с помощью лампочки представлена в видео ниже.
Как правильно настроить?
Как после подключения выставить зажигание для правильной работы мотора?
Какой порядок, как правильно выставить настройку узла читайте ниже:
Сначала транспорт необходимо зафиксировать, включить ручной тормоз. Поршень первого цилиндра необходимо установить в ВМТ, при этом отверстие на шкиве коленчатого вала должно совпадать с меткой на крышке ГРМ.
Крышка должна быть снята с распределительного устройства. Сделав это, вы увидите ползунок напротив входа 1, внутри крышки. Если его нет, то необходимо провернуть коленвал на 180 градусов и установить октан-корректор на 0. При помощи гаечного ключа прикрутить болтом указатель к корпусу регулятора распределителя так, чтобы он совпал со средней меткой на октан-корректоре. . Ослабьте винт, крепящий пластик к корпусу контроллера-распределителя.
Осторожно поверните корпус, придерживая ползунок пальцем, чтобы он не вращался. Это поможет вам устранить пробелы в диске. Корпус вращается до тех пор, пока острая часть лепестка на статоре не совместится с красной линией на роторе. Закрепите пластину винтом на корпусе контроллера.
Следующим шагом является повторная установка крышки контроллера и диагностика. Их необходимо устанавливать в соответствии с порядком работы цилиндров, то есть первый, второй, четвертый, третий. Когда угол опережения зажигания выставлен, необходимо провести диагностику правильности во время движения.
Запустите силовой агрегат и прогрейте его минут десять, пока температура не станет около 80 градусов. Двигаясь по ровной и прямой дороге со скоростью около 40 км/ч, резко нажмите на педаль газа. Если при разгоне до 60 км/ч вы чувствуете или слышите детонацию, она должна быть кратковременной, значит все сделано правильно. Если стук очень сильный, то регулятор-распределитель нужно повернуть наполовину или на одно деление против часовой стрелки. При полном отсутствии детонации следует увеличить установленный угол опережения, то есть повернуть регулятор по часовой стрелке.
Трамблер УАЗ считается одним из важных узлов системы зажигания автомобиля. Правильная регулировка этого механизма обеспечивает оптимальную работу силового агрегата в целом. Подробнее о том, каков принцип работы системы зажигания и как ее правильно настроить своими руками, вы можете узнать из этого материала.
[Скрыть]
Обзор СЗ на знаменитом УАЗ
Какая схема подключения электронного или бесконтактного зажигания, на УАЗ 417, как переделать контактное зажигание на бесконтактное? Почему греется катушка и как отрегулировать и отрегулировать угол опережения? Для начала разберем основные моменты, касающиеся действий и видов СЗ.
Принцип работы СЗ
Схема контактной системы
Важную роль в работе и пуске играет система зажигания, а точнее ее правильная настройка. мотор автомобиля . При правильной регулировке в силовом агрегате горючая смесь будет правильно гореть в результате подачи заряда через свечи. На каждый цилиндр двигателя УАЗ ставится свеча, каждый из которых включается в определенном порядке, по очереди, подавая разряд в цилиндр через определенное время. Следует иметь в виду, что любая СЗ дает возможность не только доставить нужный разряд, но и определяет его силу.
Аккумулятор автомобиля в силу своих технических характеристик не может генерировать напряжение с током, что требуется для воспламенения смеси. Это связано с тем, что аккумулятор может отдавать ток только определенной силы. А за счет правильной работы системы значение тока значительно увеличивается, что позволяет успешно воспламенять топливовоздушную смесь.
Принцип работы системы состоит из нескольких этапов:
Сначала водитель вставляет ключ в замок зажигания и поворачивает его, электрическая энергия накапливается в катушке.
Затем катушка преобразует 12-вольтовую низковольтную бортовую сеть в высоковольтную. В результате значение напряжения увеличивается до 30 тыс. В.
После этого разряд распространяется и подается на ту или иную свечу.
Свеча зажигания сама создает искру, которая воспламеняет смесь.
Схема бесконтактной системы УАЗ
Какие бывают СЗ?
В отечественных УАЗов может использоваться одна из трех систем зажигания, подробно рассмотрим каждую из них:
Вид контакта. Этот тип СЗ устарел, однако используется на большинстве машин. В такой системе принцип работы заключается в выдаче определенного импульса, который формируется в распределителе – распределительном устройстве. Контактная система считается одной из самых простых по устройству, что является преимуществом, так как при возникновении неисправности автовладелец сможет самостоятельно проверить и отремонтировать систему. Кроме того, цены на конструктивные части контактной системы обычно доступны, что не может не радовать. В состав контактной СЗ входят катушка, распределительное устройство, прерыватель, конденсатор и свечи.
Бесконтактный тип, также называемый транзисторным типом. По сравнению с контактной системой бесконтактная система имеет больше преимуществ. Генерируемая искра имеет большую мощность, что достигается за счет образования высокого напряжения во вторичной обмотке катушки. Также бесконтактные системы оснащены электромагнитным устройством, позволяющим добиться более стабильной работы двигателя. В конечном итоге, если силовой агрегат УАЗ настроен правильно, то пр и с помощью бесконтактной системы можно не только увеличить его мощность, но и добиться экономии топлива, пусть и незначительной. Также такие системы легче обслуживать. Одним из основных нюансов в плане технического обслуживания является необходимость периодической смазки привода распределителя – не реже, чем через каждые 10 тысяч километров пробега. Основные недостатки – сложность ремонта. На практике отремонтировать бесконтактную СЗ будет проблематично, так как для диагностики системы понадобится оборудование, которое обычно имеется на СТО.
Также система зажигания может быть электронной. Этот вариант в настоящее время считается одним из самых прогрессивных и дорогих, устанавливается в основном на новые автомобили. По сравнению с контактной и бесконтактной, электронная система имеет более сложное устройство. Главное преимущество этой системы в том, что при необходимости процесс регулировки угла зажигания будет намного проще. Кроме того, в электронной системе отсутствуют контакты, подверженные окислению. Также следует отметить, что на практике горючая смесь в цилиндрах силового агрегата с электронной системой практически всегда выгорает полностью. Но несмотря на все достоинства электронные СЗ имеют и свои недостатки, которые касаются ремонта устройства. Отремонтировать такую СЗ своими руками практически невозможно, так как, опять же, для выполнения этой задачи потребуется оборудование (видео выложил Наиль Порошин).
Итак, как самостоятельно выставить угол опережения, чтобы добиться правильной работы двигателя УАЗ:
В первую очередь необходимо зафиксировать автомобиль в одном месте, для этого дернуть рычаг стояночного тормоза. .. Повернуть коленчатый вал так, чтобы поршень цилиндра 1 находился в ВМТ (верхняя точка). При этом необходимо следить за тем, чтобы отверстие на шкиве коленчатого вала совпадало с риской, отмеченной на крышке ГРМ.
После этого следует снять крышку с распределительного механизма. После демонтажа можно увидеть ползунок, который находится внутри самой крышки, напротив контакта. Если ползунка нет, поверните коленвал еще раз на 180 градусов, затем установите октан-корректор на 0. С помощью гаечного ключа нужно будет прикрутить винтом указатель к картеру ГРМ так, чтобы он совпал со средней линией. Когда эти действия выполнены, необходимо немного ослабить крепежный болт, которым пластины крепятся к корпусу трамблера.
Затем, удерживая ползунок на одном месте пальцем, чтобы он не вращался, необходимо аккуратно повернуть сам корпус, это уберет возможный люфт в приводе. Корпус необходимо вращать до совмещения острого конца лепестка статора с красной меткой, расположенной на роторе. После этого саму пластину необходимо закрепить на корпусе с помощью соответствующего болта.
После выполнения этих действий необходимо установить на место крышку контроллера и проверить кабели высокого напряжения. Следите за тем, чтобы эти провода были установлены в правильной последовательности с учетом порядка работы цилиндров. Когда вам удастся правильно отрегулировать угол опережения, то нужно убедиться, что вся процедура была выполнена правильно.
Для диагностики правильности выполненных действий необходимо запустить двигатель вашего УАЗа и подождать около 5-10 минут, пока силовой агрегат прогреется. Рабочая температура мотора около 90 градусов, можно подождать пока ДВС прогреется до 80 градусов. Затем нужно выехать на ровную дорогу и разогнать машину до 40 км/ч, после чего следует резко нажать на газ. В этот момент автомобиль будет разгоняться, и если при увеличении скорости до 60 км/ч из-под капота будет слышна короткая детонация (металлический стук), то это говорит о том, что все действия были выполнены правильно. Если детонация слишком долгая, то систему нужно будет отрегулировать. Для этого корпус распределительного вала нужно будет повернуть на одно деление или наполовину, при этом поворачивая его против часовой стрелки. Если диагностика показала, что стука «пальцев» нет вообще, то следует увеличить угол опережения. Для этого механизм необходимо повернуть в обратную сторону.
Фотогалерея «Как правильно отрегулировать»
Инструкция по замене трамблера с приводом масляного насоса
Перед установкой нового распределителя с приводом необходимо взвесить свои силы, так как при выполнении работ допускать ошибки не рекомендуется.
Итак, как заменить и установить трамблер:
Выключить зажигание и демонтировать крышку распределителя, к ней подсоединены наконечники и высоковольтные кабели.
Затем от распределительного механизма необходимо отсоединить провод, подключенный к выключателю. Также нужно открутить патрубок, подсоединенный к вакуумному регулятору.
Взяв ключ на 13, отверните две гайки крепления устройства и демонтируйте механизм от силового агрегата вместе с приводом масляного насоса.
После выполнения этих действий вы сможете увидеть прокладку, расположенную под приводом. Если в результате этих действий положение коленчатого вала не изменилось, то просто установите новый механизм, при этом следите за тем, чтобы бегунок располагался напротив метки. Все действия выполняются в обратном порядке. Когда установка завершена, угол опережения регулируется.
Если в результате изменилось расположение вала, то перед установкой необходимо переместить поршень цилиндра 1 в верхнюю мертвую точку. Нужно добиться совмещения меток на шкиве и указателя на самом моторе.
СИСТЕМА ЗАЖИГАНИЯ АВТОМОБИЛЯ УАЗ-469
Система зажигания обеспечивает надежное и своевременное воспламенение рабочей смеси в соответствии с порядком работы цилиндров двигателя. Двигатель установлен от УАЗ-469аккумуляторная система зажигания, схема которой показана на рис. 108, состоящая из катушки зажигания, распределителя зажигания, свечей зажигания, высоковольтных проводов и замка зажигания. Резистор 14 включен последовательно с катушкой зажигания (рис. 109), которая автоматически замыкается накоротко при пуске двигателя стартером для увеличения тока отключения в. первичная цепь. Катушка зажигания (рис. 109) предназначена для приема импульсов высокого напряжения, обеспечивающих пробой искрового промежутка в свечах зажигания. Состоит из первичной и вторичной обмотки. Первичная обмотка намотана на вторичную. Катушка имеет сердечник и кольцевой магнитопровод из электротехнической стали.
Условное обозначение цветков проводов зажигания УАЗ-469: Г — синий; К — красный; О — оранжевый; Ф — фиолетовый; Н — черный.
Змеевик герметизирован карбонитовой крышкой в корпусе с резиновой прокладкой. Корпус заполнен трансформаторным маслом, улучшающим изоляцию обмоток и отвод тепла. Во избежание повреждения катушки не оставляйте УАЗ-469 включенным зажигание при неработающем двигателе. Распределитель (рис. 110) предназначен для распределения импульсов высокого напряжения по цилиндрам двигателя в необходимой последовательности. Он установлен с левой стороны блока цилиндров и приводится в движение двигателем с роликовым масляным насосом. Ролик распределителя вращается против часовой стрелки (если смотреть со стороны его крышки).
Распределитель имеет два устройства: прерыватель тока низкого напряжения в цепи катушки зажигания и распределитель тока высокого напряжения. Для автоматического изменения угла опережения зажигания предусмотрены центробежный и вакуумный регуляторы.
Для обеспечения надежности системы зажигания отрегулировать зазор между контактами прерывателя. Перед регулировкой зазора осмотрите рабочие поверхности контактов и, если они загрязнены, замаслены или пригорели, очистите их.
Свечи зажигания УАЗ-469. Двигатель оснащен неразборными свечами зажигания с керамическими изоляторами, подобранными по их тепловым характеристикам. При образовании нагара на свече создается ток утечки, что приводит к снижению вторичного напряжения. Обгорание электродов вызывает повышение пробивного напряжения искрового промежутка свечи зажигания. Если есть перебои в розжиге, прежде всего проверьте зазор между электродами (рис. 111), и при необходимости отрегулируйте. Замок зажигания предназначен для включения и выключения первичной цепи зажигания. Кроме того, переключатель позволяет включать стартер, электродвигатели приборов, стеклоочистителей и отопителя.
Техническое обслуживание системы зажигания заключается в регулярной очистке от загрязнений ее устройств, в установке зажигания, в регулировке зазора между контактами прерывателя и своевременной смазке. Установку зажигания производить в следующей последовательности: 1. Снять крышку распределителя и ротор, проверить состояние и величину зазора между контактами прерывателя (при необходимости отрегулировать зазор). Замените ротор. 2. Снимите свечу зажигания с 1-го цилиндра. 3. Закрыть пальцем отверстие для свечи зажигания 1-го цилиндра и провернуть коленчатый вал двигателя пусковой рукояткой до выхода воздуха из-под пальца. Это будет началом такта сжатия в 1-м цилиндре. 4. Осторожно поворачивайте вал двигателя, пока отверстие на шкиве не совместится со штифтом на крышке распределительного механизма. 5. Убедитесь, что ротор прилегает к внутреннему контакту крышки, соединенному с проводом, идущим к свече зажигания 1-го цилиндра. 6. Поверните пластину октан-корректора вместе с распределителем так, чтобы стрелка совпала со средним делением шкалы, отмеченным на пластине. 7. Слегка поверните корпус клапана против часовой стрелки, чтобы замкнуть контакты прерывателя. 8. Подключить контрольную лампу с патроном концом одного провода к низковольтной клемме распределителя, а концом другого провода к массе (можно использовать подкапотную лампу и дополнительный кусок провода). 9. Включите зажигание и осторожно поверните корпус распределителя по часовой стрелке, пока лампочка не начнет мигать. Остановите вращение распределителя ровно в тот момент, когда лампочка начнет мигать. Если это не удается, повторите операцию. 10. Затяните крепежный винт, не допуская проворачивания корпуса распределителя, установите на место крышку и центральный провод. 11. Проверить правильность подключения проводов от свечей зажигания, начиная с первого цилиндра, в следующем порядке: 1, 2, 4, 3, считая против часовой стрелки. После каждой настройки зажигания и после регулировки зазора в прерывателе проверяйте точность установки опережения зажигания, прислушиваясь к работе двигателя во время движения автомобиля. Для этого прогрейте двигатель до температуры 80…85°С и, двигаясь на прямой передаче по ровной дороге со скоростью 30…35 км/ч, придайте автомобилю ускорение, резко нажав кнопку педаль газа . Если при этом появляется легкая и кратковременная детонация, значит угол опережения зажигания выставлен правильно. При сильной детонации повернуть корпус распределителя по шкале октан-корректора на одно деление против часовой стрелки. Каждое деление шкалы соответствует изменению угла опережения зажигания на 2°, считая по коленвалу. Если детонации нет вообще, поверните корпус распределителя на одно деление по часовой стрелке. После изменения угла опережения зажигания еще раз проверьте его правильность.
Отрегулируйте зазор между контактами прерывателя в следующей последовательности: 1. Освободите пружинные фиксаторы, снимите крышку распределителя и ротор. 2. Установите кулачок так, чтобы между контактами был наибольший зазор. 3. Проверить зазор между контактами щупом: щуп должен войти в зазор, не нажимая на кулачок. Зазор должен быть в пределах 0,35…0,45 мм (рис. 112). 4. Ослабьте стопорный винт 1 (рис. 113) крепления неподвижной контактной стойки и, поворачивая регулировочный эксцентриковый винт 2, установите нормальный зазор. 5. Замените стопорный винт и снова проверьте контактный зазор. 6. Установите ротор и закрепите крышку распределителя. После первых 24 000 км пробега автомобиля вынуть кулачок распределителя из обоймы и очистить (или срезать) образовавшуюся на его кромке корку. Затем положите войлок на место так, чтобы он касался кулачка, а затем смажьте двумя-тремя каплями моторного масла. Дальнейшие действия см. в Таблице смазки.
Через каждые 40 000…60 000 км пробега: 1. Произвести текущий ремонт распределителя, в ходе которого разобрать распределитель, промыть все детали, осмотреть и при необходимости заменить. При обратной сборке распределителя ось рычага, ось кулачка, оси и пальцы грузиков смажьте моторным маслом, а приводной вал смажьте тонким слоем смазки Литол-24, которой также залейте крышку масленки. 2. Замените втулки в корпусе распределителя, если имеется большой радиальный люфт вала распределителя, вызывающий большую асинхронность искрения. 3. Промойте шарикоподшипник пластины прерывателя, добавьте свежую смазку и поверните его наружное кольцо относительно внутреннего.
На некоторых коммутаторах не установлен транзистор VT1.
У меня тоже самое было на штатном зажигании. Самое первое это проверить свечи, скорее всего одна вылетела и машина просто троит. Проверяйте, вынимая поочередно провода из крышки распределителя. Я нашел этот способ. Да и смотри какие свечи, ставь самые лучшие на А11.
Вопрос не так прост, как кажется на первый взгляд. Есть много возможных причин этого явления. Нестабильна работа самого стробоскопа в первую очередь. Состав смеси (богатая, бедная), наличие нестабильных контактов в электрооборудовании (в том числе в замке зажигания), утечка высокого напряжения через плохую изоляцию и грязные, влажные поверхности. Применение помехоподавляющих резисторов и высокоомных проводов в электрооборудовании. Если стоит контактная система зажигания, то может износиться подшипник в распределителе зажигания или неправильно выставлен зазор между контактами. Список далеко не полный, ищите и находите 🙂
Пользуюсь около 4 месяцев — ничего кардинально не изменилось. Ощутил ряд плюсов — двигатель работает ровнее, но расход топлива существенно не изменился (хотя я этого и ожидал). Возможна полная герметизация системы зажигания. Особого увеличения тяги не заметил. Возможно, это следствие того, что я тоже довел до ума штатный трамблер — характеристику подбирал пружинами центробежного регулятора. К моему удивлению, система АСУД не выбирает оптимальный угол зажигания — по датчику можно сделать зажигание раньше или позже. Те. процедура установки угла детонации остается. К тому же ремонтировать пришлось почти сразу — был дефект печатной платы. Подводя итог, скажу так — данная система позволяет гораздо меньше внимания уделять системе зажигания, повысить ее «плавучесть» в воде. Но не ждите кардинальных улучшений. Фото: Блок «Михайловское зажигание» АСУД, Катушки и датчик, Две катушки АСУД, Датчик АСУД, Блок АСУД, Блок АСУД и катушки
положения поршней, в результате смесь вспыхивает раньше требуемого момента, в детонационном режиме — результат аналогичен непрерывным ударам кувалдой по поршням с частотой от 500 до 2000 раз в минуту в каждом цилиндре . Как вы думаете, что будет в результате? Капитальный ремонт с заменой сломанных колец, оплавленных поршней, прогоревших клапанов, погнутых коленвалов, поднятых стенок цилиндров. Размышляя над вопросом — зачем нужна такая опасная штука в машине — пришел к выводу, что возможно аварийный вибратор был поставлен военными для того, чтобы машина могла продолжать движение после ядерного взрыва (когда вся электроника, включая переключатель) не удается. Я думаю, что если дело дойдет до ядерной войны, то мне будет все равно, сможет ли машина продолжать движение или нет. Если хотите повысить живучесть автомобиля, то лучше возить с собой запасной выключатель (и запасной статор трамблера — (Y)).
Я почувствовал некоторое «подергивание». После остановки на заправке я не смог завести. Еще один симптом — при включении зажигания сразу фиксируется стрелка напряжения. положение (когда все в порядке, он еще должен подняться вправо через пару секунд после этого (катушка заряжается?). Замена переключателя ситуацию не изменила. Пресловутый проводок в трамблере впаян. попытка нарастить привела к поломке куска.Запасного трамблера,конечно,нет(наверное нужно возить с собой «статор» про запас).Магазины закрыты(воскресенье,поздний вечер).Аварийная ситуация выручил вибратор.проехал на нем километров сто.машина ехала 80-90, правда притуплялся при попытке резко разогнаться. Расход в разумных пределах. Всю дорогу у ног пассажира раздавался бодрящий писк.
Ну один в один! Но с аварийным вибратором меня ждал облом. Вибратор был бракованный с завода. Как далеко он улетел после того, как я узнал. А потом несколько часов с кабелем в руках. Теперь ношу с собой статор, катушку коммутатора. .. Все же лучше возить с собой дубликаты, как-то надежнее.
Вариант ЮМЗ 4216 с отдельными катушками от 406 мотора. Главное не перепутать местами низковольтные управляющие провода катушек. Главное знать, что отсчет цилиндров начинается с переднего бампера автомобиля.
Бегунок должен стоять у внутреннего контакта крышки, соединенной проводом со свечой зажигания первого цилиндра. Закрыв отверстие бумажной пробкой, проворачиваем коленчатый вал. Момент выхода пробки соответствует началу такта сжатия. Продолжительный стук указывает на чрезмерное опережение зажигания. Отсутствие детонации требует увеличения угла опережения зажигания, после чего проверку необходимо повторить.
Запуск двигателя любого автомобиля возможен за счет воспламенения горючей смеси в цилиндрах силового агрегата. Как уже было сказано, зажигание на УАЗе выполняет одну из основных функций при запуске силового агрегата. Основными узлами контактной системы являются аккумулятор, КЗ, привод, свечи, конденсатор, прерыватель с распределителем. Бесконтактная система зажигания, которую называют транзисторной. Как после подключения выставить зажигание для корректной работы мотора? Следующим шагом будет установка на место крышки контроллера и диагностика высоковольтных проводов.
Выключить зажигание и демонтировать крышку распределителя, к ней подсоединены наконечники и высоковольтные кабели. Затем от распределительного механизма необходимо отсоединить провод, подключенный к выключателю. Взяв ключ на 13, откручиваем две гайки крепления устройства и демонтируем механизм от силового агрегата вместе с приводом масляного насоса.
А12БС неразборное исполнение.
Re: Нумерация цилиндров на УМЗ 417
Датчик напряжения состоит из ротора и статора. Второй вывод обмотки электрически соединен с корпусом в собранном датчике-распределителе. 6. Установите крышку датчика-распределителя, проверьте правильность установки проводов зажигания к свечам зажигания в соответствии с порядком работы цилиндров двигателя 1–2–4–3, считая против часовой стрелки. После каждой установки зажигания проверяйте точность опережения зажигания, прислушиваясь к работе двигателя во время движения автомобиля.
Нумерация от радиатора. Снимите свечу с первого, затяните ее до сжатия (проверьте, как она шипит пальцем), проверните ее до момента зажигания (по меткам на шкиве) и посмотрите на бегунок. Первый провод втыкаем туда, где бегунок, а остальные соответственно по порядку вдоль бегунка.
Прошу прощения за ламерский вопрос, но предыдущий владелец машины утверждает, что нумерация цилиндров у УМЗ 417 идет не от радиатора, а от салона. Таково было течение на французов.
И оба клапана первого цилиндра закрыты одновременно? ГРМ по тегам?
Поставить ВМТ в 1 цилиндр, снять трамблер с привода (в простонародье пыльник) и заглянуть внутрь. Бывает, что привод трамблера установлен неправильно. Попробуйте поставить сильное раннее зажигание, если станет лучше, то переставить шестерню привода трамблера на 1 зуб. Просто аккуратно установите привод масляного насоса.
Движение без помех: выставляем зажигание на УАЗ
Работа двигателя автомобиля невозможна без правильно выставленного угла опережения зажигания. Снимите крышку с распределителя зажигания. Например, для автомобиля ВАЗ-2106 выключатель можно установить в свободное пространство между бачком омывателя и левой фарой. Просверлите 2 отверстия и прикрутите выключатель саморезами. Правильная установка опережения зажигания в бесконтактной системе зажигания дает возможность эксплуатировать автомобиль в комфортных условиях. Установите коленчатый вал в положение, соответствующее углу опережения зажигания 5 градусов. Проверить порядок подключения высоковольтных проводов цилиндров двигателя.
Система зажигания является основополагающим началом для нормальной работы двигателя автомобиля. Если какие-то действия были неверными, это отразится при запуске двигателя стартером, автомобиле в движении. И все, что вам нужно сделать, это отрегулировать подачу искры – правильно выставить зажигание на бесконтактной системе. Закручиваем болт у указателя на корпусе датчика трамблера. Обязательно проверьте, как установлены провода зажигания к свечам с учетом порядка работы цилиндров 1-2-4-3. При отсутствии детонации увеличьте угол опережения зажигания.
Служит для включения и выключения тока в первичной цепи системы зажигания и включения стартера.
Трамблер УАЗ считается одним из важных узлов системы зажигания в автомобиле. Какая схема подключения электронного или бесконтактного зажигания на УАЗ 417, как переделать контактное зажигание на бесконтактное? Почему греется катушка и как отрегулировать и отрегулировать угол опережения? Также система зажигания может быть электронной. Прежде всего, вы должны заблокировать свой автомобиль в одном месте, для этого потяните за рычаг стояночного тормоза.
Зажигание необходимо устанавливать, если распределитель зажигания снят с двигателя или нарушен угол опережения зажигания. ВМТ по метке на шкиве коленчатого вала двигателя (рисунок 15.13). Возможны следующие типичные неисправности в системе зажигания: система зажигания не работает, система зажигания работает с перебоями, нарушен угол опережения зажигания.
Это будет начало такта сжатия в 1-м цилиндре. 5. Замените стопорный винт и снова проверьте контактный зазор. 6. Установите ротор и закрепите крышку распределителя.
С помощью аварийного вибратора бесконтактная аккумуляторная система зажигания УАЗ может работать в случае выхода из строя или поломки транзисторного коммутатора или катушки статора датчика трамблера. Для перехода на работу с аварийным вибратором необходимо отсоединить провод от клеммы короткого замыкания выключателя и подключить его к выходу аварийного вибратора.
Это видно не только при запуске двигателя стартером, но и во время движения самого автомобиля. После этого нужно проверить установку проводов зажигания в соответствии с основным порядком работы цилиндров один-два-четыре-три, он должен быть отсчитан (часовая страница). После того, как вы установили зажигание, нужно проверить правильность его установки в движении.
Транзисторный переключатель.
И если первое можно решить с помощью катков и асфальтоукладчиков, то с дорогами — все НАМНОГО СЛОЖНЕЕ.
3. Проверните коленчатый вал до начала такта сжатия. 6. Установите крышку распределителя и подключите высоковольтные провода в соответствии с порядком работы цилиндров 1-2-4-3.
Дополнительное сопротивление.
Наблюдается падение мощности двигателя, заметно увеличивается расход топлива и, самое главное, машину начинает трясти и она может просто внезапно заглохнуть. Если это не так, то проворачиваем коленвал на 180 градусов.
В тренде:
Распределитель зажигания УАЗ в защищенном исполнении, комплект Р100(комплект) на автомобиль УАЗ-469
В комплект входит распределитель зажигания в защитном корпусе, провода распределительные в экранированной обмотке, свечи зажигания.
Отзывы клиентов (0)
Добавить отзыв
Качество обслуживанияОтличноХорошоНормальноПлохоУжасно
Удобство использования веб-сайтаОтличноХорошоНормальноПлохоУжасно
Качество товараОтличноеХорошееНормальноПлохоеУжасно
ДоставкаОтличноХорошоНормальноПлохоУжасно
Загрузить
КАТЕГОРИЯ
показать все автозапчасти
Кузов 18
Пол кузова 7
Детали пола 7
Кузов 5
Вентиляция кабины1585 2
Awning assembly 1
front and rear door windows 2
ront and rear door hinge and seals 1
Engine 25
Engine 8
Cylinder Block 3
Головка блока цилиндров 1
Коленчатый вал и маховик 1
Распределительный вал 1
Фильтр тонкой очистки смазочного масла 1
51586
Engine Mounting 1
FUEL SYSTEM 11
Gas tank 2
Gas tank sump 1
Gas pump 2
Carburettor 2
Accelerator pedal and choke control 1
Фильтр воздушный 1
Карбюратор К131 1
Фильтр грубой очистки топлива 1
Система выпуска отработавших газов1585 2
Muffler 2
COOLING SYSTEM 4
Radiator 3
Water pump 1
Transmission 21
Clutch 5
Clutch 1
Clutch привод выключения 4
коробка передач 7
коробка передач 6
механизм регулировки скорости 1
раздаточная коробка 3
Transfer case 3
Front axle 3
Front driving axle 2
steering knuckles UAZ 469 1
Rear axle 3
REAR AXLE 3
Ходовая часть 7
Рама, бамперы и брызговики двигателя 2
Передний бампер 1
Буксировочное устройство 1
Подвеска1585 2
Front springs 2
Front axle 1
Tie rods 1
Wheels 2
Control mechanisms 12
Steering 3
STEERING 3
Тормоза 9
Главный тормозной цилиндр 1
Ручной тормоз (карданный вал) 1
Колесные тормоза 3
Pipelines of hydraulic brakes 2
Rear brakes and brake drums UAZ 3151 2
Electrical equipment 17
Electrical equipment 16
Generator 1
Voltage control box 1
Аккумуляторная батарея 1
Индукционная катушка 2
Фары 2
Фонарь капота 1
0 Фонарь задний1585 1
Сonnecting electrical wires 2
Electric devices 5
Devices and sensors 1
ACCESSORIES 5
Tools and equipment 1
Driver’s Tools 1
Repair комплекты 4
Окно 5
Окно в сборе 2
Стеклоочиститель 3
Детали по запросу1916
документация
Связанные продукты
Набор вмешательства по подавлению сопротивления (С. С.02)
80-14311
$ 4,68, чтобы купить
uaz-распределитель зажигания в защищенном дизайне
УАЗ-469
469-KCL
81,95 $ Купить
Распределитель зажигания УАЗ в защищенном исполнении
Устройство пожарной машины — Пожарные машины (ПожМашина)
Просмотров 1.7k. Опубликовано
Обновлено
Пожарные автомобили используются для доставки личного состава и средств тушения огня. На вооружении МЧС стоит несколько типов машин, но в городе чаще всего встречается техника, входящая в класс основных ПА. Независимо от типа, все пожарные машины имеют шасси, которое чаще всегда остается базовым от обычного автомобиля, и надстройку, включающую в себя кабину для боевого расчета, агрегаты для тушения пожара, емкости для ОТВ и отсеки для хранения инвентаря.
Содержание
Комплектация
Проблесковые маячки и фары
Переоборудование
Комплектация
Основную кабину, как и шасси, под выполнение машиной спецзадач переделывают редко. Она остается от базового автомобиля. За ней же крепится кабина боевого расчета. Вместимость ее зависит от марки ПА, при этом количество сидений редко превышает 6 мест. Традиционные многоместные кабины делают двухсекционными. Сиденья сконструированы таким образом, что человек может сидеть в них в полном обмундировании, включая СИЗОД за спиной.
Устройство установки с насосом зависит от комплектации фронтальной части пожарной машины. В базовой версии (кабина плюс дополнительный ряд сидений) насос находится в днище кабинного блока. Это позволяет высвободить дополнительное пространство для рамы с функциональным оборудованием и пульта управления. Снаружи насосная установка защищена поддоном. Ряд сидений для боевого расчета при этом расположен в кабинном блоке за насосом. Он крепится при помощи двух пар амортизирующих элементов, расположенных на равном удалении от центральной оси этого блока. Такое крепление сидений для бойцов оправдано оптимизацией управления насосной установкой. При многоместных кабинах насос располагают в задней части кузова, при этом управление им осуществляется исключительно вне транспортного средства.
В кузовной части расположена цистерна для ОТВ. Она делится на две емкости: большая для воды и меньшая для пены. С ними запитан насос, который и подает ОТВ. Он получает энергию от двигателя через дополнительную трансмиссию, включающую в себя коробку отбора мощности и карданную передачу.
Как правило, в ПА используют насосы двух типов: вакуумный и центробежный. Первый обеспечивает засасывание воды из емкости цистерны или водоема (сети) и подает ее на центробежную установку. Там при помощи вращающихся лопастей создается давление для подачи ОТВ в шланги.
Вакуумная система представлена не только насосом, но и кранами, управляющими приводами и трубопроводами. Различают четыре типа вакуумных установок:
струйные;
шиберные;
поршневые;
водокольцевые.
Комплектация зависит от вида автомобиля. Управление системами осуществляется автоматически или вручную. С наиболее распространенными насосами ПН-40 работают газоструйные вакуумные установки. Они обеспечивают забор огнетушащих жидкостей в процессе работы насосной системы и восстанавливают водяной столб в случае его обрыва.
Дополнительная трансмиссия, которая обеспечивает передачу мощности к агрегатам системы, позволяет регулировать крутящий момент, передаваемый на элементы машины. В современных ПА используют четыре вида дополнительных трансмиссий:
гидравлическую;
электронную;
механическую;
комбинированного типа.
С системой насосов обычно запитана механическая трансмиссия. Сборка этой части зависит от марки автомобиля и от расположения насосной установки. Также от разновидности ПА зависит и комплектация коробкой отбора мощности: для ЗИЛа это чаще всего КОМ-68Б, а для УРАЛа – КОМ-Ц1А.
Чтобы насосное оборудование всегда было в рабочем состоянии, систему охлаждения двигателя дополняют теплообменником. Его задача – подогрев оборудования и воды в цистерне в холодное время года, а также охлаждение механизмов летом.
По периметру цистерны располагаются отделения для перевозки и хранения инвентаря и спасательного оборудования, используемого во время тушения возгораний и эвакуации людей. Основную часть составляют пожарные рукава и стволы. Отдельные виды автомобилей комплектуются лестницами.
Проблесковые маячки и фары
Особенностью всех ПА считается наличие электрооборудования. Сюда входят приборы сигнализации и освещения. Расположение электрооборудования приведено на примере автоцистерны АЦ-40 на шасси ЗИЛ-131.
Все выключатели обычно размещают в кабине водителя. Для освещения объекта используется фара-прожектор, установленная на кронштейне по внешним углам кабины. Ее положение можно менять в горизонтальной и вертикальной плоскости. В задней части автомобиля расположена задняя фара, которая освещает насосное отделение при заборе воды из водоема. Ее положение также можно менять за счет кронштейна пенала. Мощность фар зависит от их типа – 41 или 27 Вт для ФТ1Б или ФТ304 соответственно.
На крыше ПА закреплены фонари, которые подают прерывистые сигналы синего цвета. Для освещения кабины и салона боевого расчета, отделения для насоса и отсеков с ПТВ используются плафоны ПК-201 с лампами 5.9 Вт. Активация ламп насосного отделения осуществляется при помощи кнопок на щитке этой секции. Он крепится на стенке с правой стороны. На нем расположены контрольные лампочки наполнения цистерны: четверть, половина и полная заправка. Здесь же находится и индикатор нагрева воды в системе охлаждения (срабатывает при температуре выше 115°С). Также предусмотрена отдельная лампочка, показывающая падение давления в системе смазки двигателя. На щиток вынесена и кнопка дистанционного запуска стартера.
Проблесковые маячки, передние и задние фары, прожектор, а также переключение управления лампами зоны ПТВ из кабины на насосный отсек активируются из кабины водителя.
Переоборудование
Переоборудованием пожарных автомобилей занимаются автопроизводители. Принципиальным на этом этапе является выбор легких и прочных материалов. Надстройки машины делают из алюминия и стеклопластика, которые отличаются небольшим весом, не боятся коррозии и поддаются резке при помощи лазера. Шторки всех отсеков также алюминиевые с прорезиненными вставками. Это обеспечивает им подвижность и защищает от попадания влаги внутрь отделений. Для цистерны выбирают экологически чистый материал, поэтому при необходимости пожарные автомобили могут использоваться для доставки питьевой воды населению.
Современные ПА обладают рядом преимуществ перед своими предшественниками:
благодаря шторным дверцам отсеков, открывающимся вверх, высвобождается пространство в непосредственной близости к машине;
двери кабины водителя и пожарного расчета делают с лестницей, что обеспечивает быструю посадку в автомобиль;
современные ПА комплектуются насосами высокого давления;
управление многими механизмами осуществляется из кабины водителя, что значительно экономит время спасателей;
отсеки с ПТВ оборудованы дверцей с откидной панелью, выдерживающей нагрузку до 250 кг, и поворотными полками.
как устроен пожарно-спасательный автомобиль «Поворот»
Одна секунда в чрезвычайной ситуации стоит куда больше, чем в повседневной рутине. Подрастают в цене и другие единицы измерения, если прибавить к ним слово «последний»: метр пожарного рукава, литр воздуха, шаг спасателя. За эти драгоценные капли жизни борются и бойцы пожарных расчетов, постоянно совершенствующие свое мастерство, и конструкторы пожарной техники, которым порой удается отыграть крупные партии метров, литров и секунд у стихии. Мы побывали в московской пожарной части номер 64, где начальник отдела комплектования и эксплуатации пожарной техники Геннадий Мякишев продемонстрировал нам устройство пожарной машины «Поворот».
Сергей Апресов
Высокоманевренный пожарно-спасательный автомобиль «Поворот» ПСА-П 3,5-40/100-4/400 (6339) модель 49ВР (сокращенно ПСА-П).
Высокоманевренный пожарно-спасательный автомобиль «Поворот» (сокращенно ПСА-П) относится к основной, самой обширной группе пожарного транспорта. ПСА-П был разработан и изготовлен на Варгашинском заводе противопожарного и специального оборудования на шасси IVECO-AMT Trakker 6339. Сказать по справедливости, от IVECO ему досталось всего ничего: кабина водителя да 380-сильный мотор. Задний мост специально разработанного шасси был сделан управляемым. При лавировании на скоростях до 40 км/ч задние колеса поворачиваются в противоположную сторону от передних с помощью гидравлических механизмов, придавая большой машине почти легковую маневренность. На более высокой скорости поворотный механизм блокируется, чтобы управляемость автомобиля оставалась предсказуемой. Теперь разберемся более детально, как устроена пожарная машина.
«Полноуправляемое шасси и большой клиренс — отличительные черты ПСА-П и важное подспорье в движении по узким, заставленным машинами городским дворам, — поясняет Геннадий Мякишев. — Устройство пожарной машины включает в себя высокую посадку, которая дает хорошую обзорность и возможность штурмовать высокие бордюры, подбираясь максимально близко к очагу возгорания».
Важная особенность — система сенсорного управления пожарным насосом и задвижками водопенных коммуникаций. Устройство пожарной машины дополнительно включает автономный дозирующий пенный насос Cameleon, позволяющий одновременно подавать из одной напорной линии воду, а из другой — водопенный раствор пенообразователя с концентрацией от 1 до 6%. Эта система автоматически дозирует пенообразователь в водопенном растворе в зависимости от расхода воды и типа горящего вещества.
Вода охлаждает большинство горючих веществ вплоть до температуры, недостаточной для поддержания горения. Слабый пенный раствор эффективен для тушения некоторых материалов, например дерева, потому что стекает медленнее, чем вода. Пышная пена, полученная с помощью пеногенератора, незаменима при тушении горючих жидкостей: она легче любой из них, поэтому остается на поверхности, препятствуя доступу кислорода, необходимого для горения. Наконец, пеной можно полностью заполнить небольшое помещение, вытеснив из него кислород. Пожарная машина имеет систему Cameleon, которая помогает расходовать пену более эффективно: ведь запасы воды легко пополнить из гидранта или водоема, а пенообразователь можно лишь привезти с собой.
Драгоценные секунды помогает сэкономить пульт управления пожарным насосом, полностью продублированный в кабине водителя и насосном отсеке. На автоцистернах старого образца по прибытии на пожар бойцы должны были сначала бежать к насосу, чтобы заполнить его водой (насос содержится сухим во избежание замерзания), после чего возвращаться в кабину — включить коробку отбора мощности (насос работает от двигателя автомобиля), потом собрать рукавную линию, а затем отдавать команды водителю, чтобы тот управлял оборотами двигателя. Теперь все функции управления доступны как изнутри, так и снаружи автомобиля.
Устройство пожарной машины позволяет вывозить большое количество спасательного оборудования. Наиболее заметное приобретение в этом списке — пожарный робот с дистанционным управлением, который выходит на передовую, когда рядом с очагом возгорания могут находиться взрывоопасные вещества.
Все пожарные машины разделяют на несколько типов: основные, специальные, вспомогательные.
Основная техника
Это, пожалуй, самая значительная группа. В нее входит техника, которая выезжает на пожары в населенных пунктах. Ее также разделяют на основную, аварийно-спасательную и целевую.
Рассмотрим основную категорию. Устройство пожарной машины включает транспорт с мобильными расчетными единицами, которые используются для доставки личного состава на выезд в аварийно-спасательных ситуациях. Сюда входят средства перевозки оборудования и вещества для предотвращения огня. По назначению основная пожарная техника делится на пять видов машин.
Автоцистерны
— АЦ (автоцистерна) предполагает бочку для воды, рукав и насос для подачи. Данный тип машин используется для тушения огня в населенных пунктах и производится на базе ЗИЛа, КамАЗа, ГАЗа, Урала и Iveco.
— АЦЛ (автоцистерны с выдвижной лестницей) используются для предотвращения огня на высоте. Такой вид техники предназначен для доставки специальных средств для тушения и боевого расчета.
— АЦПК (автоцистерны с коленчатым подъемником и люлькой) рассчитаны на доставку личного состава и специальных тушащих средств.
Насосно-рукавные
— АНР (пожарная насосно-рукавная техника с комплектом рукавов для тушения огня). В данном типе отсутствует цистерна, засчет чего освобождается место для команды боевого расчета.
Техника с насосом высокого давления
— АВД с огнетушащим веществом (ОТВ) и пожарной помпой для тушения под давлением предназначается для предотвращения огня на высотных зданиях.
Автомобили первой помощи
— АПП (универсальный малогабаритный транспорт) применяется в качестве поиска возгорания и тушения несильно разгоревшегося пламени в домах.
Пожарной-спасательный транспорт
— АПС, ПСА представляет собой технику с цистерной и комплексом ПТВ (устройство пожарной машины включает пожарное оборудование, ручной пожарный и аварийно-спасательный инструмент, пожарные спасательные устройства и средства малой механизации, а также средства индивидуальной защиты и другие технических устройства). Рассчитан на проведение аварийно-спасательных работ. Отличительной чертой от других автомобилей является наличие меньшего объемом бака. Засчет большей площади шасси свободное место предназначено для дополнительного оборудования (генератор, осветительная мачта, электро и гидроинструмент).
Специальная техника
Устройство пожарной машины данного типа предназначается для эксплуатации только в условиях чрезвычайных ситуаций в отличие от основных. Сюда входят разборы завалов, дополнительное применение средств для тушения, купирование высотного пламени, дополнительная организация освещения в местах ЧС, обслуживание и ремонт автомобилей, которые выезжают на вызовы. Техника специального назначения подразделяется на 21 вид. Рассмотрим некоторые из них.
Телескопические автоподъемники с лестницей
— ТПЛ предназначен для техники с поворотной коленчато-телескопической стрелкой на стационарной основе. Устройство пожарной машины также включает боковой лестничный марш. Данный вид транспорта рассчитан на предотвращение возгорания в многоэтажных зданиях.
Водозащитные
— АВЗ (пожарный водозащитный автомобиль) с насосом, емкостью для воды и оборудованием для сбора жидкости предназначается для сохранения материальных ценностей при пожаре.
Газозащитная служба
— АГ устраняет дым в местах ЧС и предоставляет дополнительное освещение.
Автомобили связи и освещения
— АСО обеспечивает связь и освещение.
Автолаборатория
— АЛП проводит измерения в местах воспламенения.
Вспомогательная техника
Устройство пожарной машины такого вида обеспечивает высокий уровень боеготовности сотрудников. Сюда входят бензовозы, автобусы, тракторы, передвижные диагностические лаборатории, ремонтные комплексы, а также автокраны и топливозаправщики.
2. Термины и определения \ КонсультантПлюс
2. Термины и определения
2. 1. Пожарный автомобиль (ПА) — автомобиль на колесном шасси, оборудованный техническими средствами и агрегатами для хранения и подачи огнетушащих средств, выполнения специальных работ на пожаре и предназначенный для доставки к месту пожара личного состава, пожарно-технического вооружения (ПТВ) и оборудования, проведения боевых действий по тушению пожаров в соответствии с его функциональным назначением.
2.2. Пожарная автоцистерна (АЦ) — по ГОСТ 12.2.047.
2.3. Пожарная автоцистерна с лестницей (АЦЛ) — пожарный автомобиль, оборудованный пожарным насосом, емкостями для хранения жидких огнетушащих веществ и средствами их подачи, стационарной механизированной выдвижной и поворотной лестницей и предназначенный для доставки к месту пожара личного состава, пожарно-технического вооружения и оборудования, проведения боевых действий по тушению пожара, использования при аварийно-спасательных работах и тушении на высоте.
2.4. Пожарная автоцистерна с коленчатым подъемником (АЦКП) — пожарный автомобиль, оборудованный пожарным насосом, емкостями для хранения жидких огнетушащих веществ и средствами их подачи, стационарной механизированной поворотной коленчатой или телескопической подъемной стрелой с люлькой (подъемной платформой) и предназначенный для доставки к месту пожара личного состава, пожарно-технического вооружения и оборудования, проведения боевых действий по тушению пожара, использования при аварийно-спасательных работах и тушении на высоте.
2.5. Пожарный автомобиль порошкового тушения (АП) — пожарный автомобиль, оборудованный сосудом для огнетушащего порошка, баллонов с газом или компрессорной установкой, лафетным и ручными стволами и предназначенный для доставки к месту пожара личного состава, пожарно-технического вооружения и оборудования и проведения боевых действий по тушению пожара.
2.6. Пожарный автомобиль пенного тушения (АПТ) — по ГОСТ 12.2.047.
2.7. Пожарный автомобиль комбинированного тушения (АКТ) — по ГОСТ 12.2.047.
2.8. Пожарный автомобиль газового тушения (АГТ) — пожарный автомобиль, оборудованный сосудами для хранения сжатых или сжиженных газов, устройствами их подачи и предназначенный для доставки к месту пожара личного состава, пожарно-технического вооружения и оборудования и проведения боевых действий по тушению пожаров.
2.9. Пожарный автомобиль газоводяного тушения (АГВТ) — пожарный автомобиль, оборудованный турбореактивным двигателем, системой подачи газовой и водяной струй и предназначенный для доставки к месту пожара (аварии) личного состава, пожарно-технического вооружения и оборудования, проведения боевых действий по его тушению.
2.10. Пожарный автомобиль первой помощи (АПП) — пожарный автомобиль, оборудованный пожарным насосом, емкостями для жидких огнетушащих веществ и предназначенный для доставки к месту пожара (аварии) личного состава, пожарно-технического вооружения и оборудования, проведения боевых действий по тушению пожаров в начальной стадии и проведения первоочередных аварийно-спасательных работ.
2.11. Пожарный автомобиль насосно-рукавный (АНР) — пожарный автомобиль, оборудованный насосом, комплектом пожарных рукавов и предназначенный для доставки к месту пожара (аварии) личного состава, пожарно-технического вооружения и оборудования, проведения действий по его тушению.
2.12. Пожарный автомобиль с насосом высокого давления (АВД) — пожарный автомобиль, оборудованный пожарным насосом высокого давления, емкостями для жидких огнетушащих веществ, комплектом пожарно-технического вооружения и предназначенный для проведения боевых действий при тушении пожаров в высотных зданиях и сооружениях.
2.13. Пожарная автонасосная станция (ПНС) — по ГОСТ 12.2.047.
2.14. Пожарный пеноподъемник (ППП) — пожарный автомобиль, оборудованный стационарной механизированной поворотной коленчатой или телескопической подъемной стрелой с пеногенераторами и предназначенный для доставки личного состава, пожарно-технического вооружения и оборудования к месту пожара и проведения боевых действий по тушению пожаров пеной на высоте.
2.15. Пожарная автолестница (АЛ) — по ГОСТ 12.2.047.
2.16. Пожарный автоподъемник (АПК) — пожарный автомобиль, оборудованный стационарной механизированной поворотной коленчатой и (или) телескопической подъемной стрелой, последнее звено которой заканчивается платформой или люлькой, предназначенный для проведения боевых действий по тушению пожаров и использования при аварийно-спасательных работах на высоте.
2.17. Пожарный аварийно-спасательный автомобиль (АСА) — пожарный автомобиль, оборудованный генератором, комплектом аварийно-спасательного инструмента и предназначенный для доставки личного состава, пожарно-технического вооружения и оборудования к месту пожара (аварии) и проведения боевых действий при аварийно-спасательных работах.
2.18. Пожарный водозащитный автомобиль (АВЗ) — по ГОСТ 12.2.047.
2.19. Пожарный автомобиль связи и освещения (АСО) — по ГОСТ 12.2.047.
2.20. Пожарный автомобиль газодымозащитной службы (АГ) — по ГОСТ 12.2.047.
2.21. Пожарный автомобиль дымоудаления (АД) — по ГОСТ 12.2.047.
2.22. Пожарный рукавный автомобиль (АР) — по ГОСТ 12.2.047.
2.23. Пожарный штабной автомобиль (АШ) — по ГОСТ 12.2.047.
2.24. Пожарная автолаборатория (АЛП) — по ГОСТ 12.2.047.
2.25. Пожарный автомобиль профилактики и ремонта средств связи (АПРСС) — пожарный автомобиль, оборудованный техническими средствами диагностики и ремонта средств связи и предназначенный для доставки личного состава и оборудования к месту проведения ремонтных работ.
2.26. Автомобиль диагностики пожарной техники (АДПТ) — пожарный автомобиль, оборудованный техническими средствами оценки технического состояния пожарной техники и предназначенный для доставки личного состава и оборудования к месту проведения диагностических (ремонтных) работ.
2.27. Пожарный автомобиль-база ГДЗС (АБГ) — пожарный автомобиль, оборудованный комплектом технического вооружения обслуживания и зарядки средств защиты органов дыхания и предназначенный для доставки личного состава и техники к месту работы газодымозащитной службы (ГДЗС).
2.28. Пожарный автомобиль технической службы (АПТС) — по ГОСТ 12.2.047.
2.29. Автомобиль отогрева пожарной техники (АОПТ) — пожарный автомобиль, оборудованный нагревательно-отопительными приборами и предназначенный для доставки личного состава и оборудования к месту пожара (аварии) и обеспечения функционирования пожарной техники при отрицательной температуре.
2.30. Пожарная компрессорная станция (ПКС) — пожарный автомобиль, оборудованный компрессором и предназначенный для доставки личного состава и оборудования, заправки кислородом (воздухом) баллонов СИЗОД на передвижных базах газодымозащитной службы.
2.31. Пожарный прицеп (ПП) — по ГОСТ 12.2.047.
2.32. Пожарный оперативно-служебный автомобиль (АОС) — пожарный автомобиль, оборудованный комплектом пожарно-технического вооружения и предназначенный для доставки к месту пожара (аварии) личного состава оперативной службы и комплекта техники для его работы.
2.33. Полная масса ПА — сумма снаряженной массы автомобиля и перевозимого им боевого расчета, включая водителя, огнетушащие вещества, пожарно-техническое вооружение, заявленная предприятием-изготовителем пожарного автомобиля в нормативно-технической документации.
2.34. Удельная мощность ПА — отношение номинальной мощности двигателя к полной массе автомобиля.
2.35. Дальность струи при подаче лафетным водяным (пенным) стволом ПА — расстояние от насадка до крайних капель водяной (пенной) струи.
2.36. Дальность струи при подаче лафетным (ручным) порошковым стволом ПА — максимальное расстояние от насадка до середины специального модельного очага пожара класса В, расположенного на оси струи и потушенного при подаче огнетушащего вещества. Расстояние между очагами не менее 1 м.
2.37. Тип кабины ПА — кабина с одинарным, двойным, тройным количеством рядов сидений.
2.38. Компоновочная схема шасси ПА — расположение кабины относительно двигателя автомобиля (перед двигателем, над двигателем, за двигателем).
2.39. Скорость (максимальная) ПА — максимальная скорость автомобиля при движении по горизонтальному участку шоссе с твердым покрытием.
2.40. Коэффициент поперечной статической устойчивости ПА — отношение высоты центра тяжести автомобиля в транспортном положении к ширине колеи.
2.41. Расход топлива при стационарной работе на привод спецагрегатов ПА — количество топлива, расходуемого в единицу времени при работе на привод спецагрегатов в номинальном режиме.
2.42. Способ прокладки рукавов ПА — механический или ручной.
2.43. Высота подъема (Н) АЛ, АПК, ППП — расстояние по вертикали от горизонтальной опорной поверхности до верхней ступени лестницы АЛ, до пола люльки АПК, до оси гребенки пеногенератора ППП.
2.44. Вылет (В) АЛ, АПК, ППП — расстояние по горизонтали от оси вращения подъемно-поворотного основания до верхней ступени лестницы АЛ, до внешнего края пола люльки АПК, до внешнего края пеногенератора ППП.
2.45. Время маневра АЛ, АПК, ППП — промежуток времени с момента перемещения тумблера (рычага), с помощью которого обеспечивается выполнение соответствующего маневра (движения), до момента, когда исполнительный механизм, обеспечивающий его, достиг своего предельного положения или соответствующий элемент изделия достиг требуемого положения.
2.46. Грузоподъемность АЛ, АПК, ППП — масса максимально допустимого груза, которым может быть нагружена стрела (люлька) АЛ, АПК, ППП для данного вылета.
2.47. Угол подъема стрелы АЛ, АПК, ППП — угол между горизонтальной опорной поверхностью и стрелой АЛ, АПК, ППП.
2.48. Люлька ПА — устройство, обеспечивающее удобство и безопасность эвакуации людей и работы пожарных при тушении пожара на высоте, устанавливаемое на вершине стрелы АЛ (подвешиваемое к тяговому канату лифтовой системы).
2.49. Выносные опоры ПА — устройства, обеспечивающие устойчивость АЛ, АПК, ППП, АСА, АЦЛ, АЦКП и АПТС при работе и предохраняющие рессоры и шины базового шасси от воздействия дополнительных нагрузок, возникающих при работе.
2.50. Длина лестницы (стрелы) АЛ — расстояние от нижней до верхней ступеньки лестницы (зависит от степени выдвигания лестницы).
2.51. Ширина минерализованной полосы — расстояние, измеренное перпендикулярно оси минерализованной полосы между крайними линиями смачивания поверхности земли.
дверцы отсека пожарного автомобиля — поиск по сайту(15 результатов)
Пожарно-техническое вооружение (ПТВ) — это комплекс, который состоит из пожарного оборудования, ручного пожарного и аварийно-спасательного инструмента, пожарных спасательных устройств и средств малой механизации, туда также включены средства индивидуальной защиты и другие технические устройства для пожарных машин в соответствии с их назначением.
Страницы
04.08.2022
птв,
производство
Пожарный автомобиль первой помощи (АПП) предназначен для доставки к месту пожара боевого расчета, пожарно-технического вооружения и оборудования, необходимого для локализации источников огня на начальных стадиях возгорания. Автомобиль первой помощи должен быть оснащен всем необходимым пожарно-техническим вооружением, как и полноценная пожарная машина.
Страницы
26.08.2021
птв,
пожарный автомобиль,
спецтехника,
пожарно-техническое вооружение
Пожарно — техническое вооружение (ПТВ) — это комплект специализированного спасательного оборудования, в который входят ручные пожарные инструменты, пожарные спасательные устройства, средства индивидуальной защиты и техническое оборудование для пожарных машин.
Страницы
15.07.2021
птв,
пожарно-техническое вооружение,
производство
Антивандальные шкафы для систем видеонаблюдения и другого слаботочного электрооборудования благодаря конструктивным особенностям полностью исключают незаконное проникновение, повреждение и кражу устройств, установленных внутри. Такие шкафы предназначены для установки в общественных местах с целью защиты от взлома и повреждения, находящегося внутри, оборудования.
Страницы
17.06.2021
антивандальный шкаф,
шторные двери,
производство
Оружейные шкафы используются для хранения пистолетов, холодного охотничьего и длинноствольного оружия. Могут дополнительно оснащаться специальными ложементами для стволов и отделением для хранения патронов.
Страницы
16.04.2020
шкаф,
металлический шкаф,
вооружение,
оружие,
хранение
Оружейные шкафы применяются для ограничения доступа к винтовкам, ружьям, пистолетам и боеприпасам. Предназначением таких шкафов является обеспечение безопасного хранения огнестрельного оружия в соответствии ФЗ «Об оружии».
Страницы
17.03.2020
шкаф,
шторные двери,
металлический шкаф,
вооружение,
хранение
Трехколенная пожарная лестница (ручная) применяется для подъема спасателей и доставки вспомогательных инструментов к окнам зданий второго и третьего этажей или на крышу двухэтажного здания. Трехколенная лестница приводится в рабочее положение пожарными своими руками при помощи специальной системы, которая состоит из блоков и траса (расположенных на конструкции), без использования электромеханических устройств.
Страницы
11.10.2019
профиль,
алюминиевый профиль,
пожарная лестница,
лестница
Пожарная автоцистерна — один из видов пожарных автомобилей, разновидность автоцистерны. Такой пожарный автомобиль отличается специальным кузовом. Кузов пожарной автоцистерны состоит из кабины, кузова, цистерны, бака для пенообразователя и деталей оперения.
Страницы
09.09.2019
шторные двери,
рольставни,
спецтехника
Надежные шторные двери являются достойной защитой от взлома любого автомобиля. Применение дверей шторного типа позволяет уберечь перевозимый груз и не нарушает эстетики транспортного средства. Профиль и направляющие у дверей изготавливаются из экструдированного алюминия, который отлично переносит температурные колебания, не воспламеняется и не ржавеет.
Страницы
25.12.2018
шторные двери,
производство,
авто
Радиатор охлаждения является частью охлаждающей системы автомобиля и предназначается для охлаждения циркулирующей в нем жидкости с помощью потока воздуха, создаваемого в процессе движения автомобиля и усиливаемого вентилятором.
Страницы
12.09.2018
радиатор,
охлаждение,
производство,
экструзия
Пожарная лестница используется для перемещения между этажами зданий и сооружений, имеет достаточно функциональную конструкцию, состоящую из горизонтальных ступенек. Ручные пожарные лестницы относятся к пожарному оборудованию и в соответствии с техническим регламентом должны обеспечивать возможность проникновения в помещения, на крыши зданий, подачу к ним огнетушащих веществ и вывода людей в период возгорания или других чрезвычайных ситуаций, обходя эвакуационные пути.
Страницы
13.03.2017
алюминиевый профиль,
производство,
пожарная лестница,
алюминиевая пожарная лестница,
оборудование
Шторные двери представляют собой достаточно удобную и практичную конструкцию, применяемую в оборудовании различной спецтехники, защищающую от света, шума, пыли, воды и других неблагоприятных воздействий.
Страницы
09.03.2017
шторные двери,
алюминиевый профиль,
производство,
пожарные машины
Алюминиевые шторные двери уже давно завоевали свою популярность, их преимущество заключается в простоте использования. Шторные двери устанавливают уже не только в домах и магазинах, но и на автотранспорте.
Страницы
22.08.2016
шторные двери,
рольставни,
спецтехника
В этой публикации речь пойдет о шторных дверях (рольдверях) для спецтехники, особенности их конструкции и этапах производства.
Страницы
24.06.2016
шторные двери,
изготовление,
рольдвери,
этапы производства
Основные достоинства и область применения шторных дверей (рольставен)
Страницы
08. 06.2016
производство,
рольставни,
шторные двери,
спецтехника,
металайнер
404 Cтраница не найдена
Размер:
AAA
Изображения
Вкл. Выкл.
Обычная версия сайта
К сожалению запрашиваемая страница не найдена.
Но вы можете воспользоваться поиском или картой сайта ниже
Университет
История университета
Анонсы
Объявления
Медиа
Представителям СМИ
Газета «Технолог»
О нас пишут
Ректорат
Структура
Филиал
Политехнический колледж
Медицинский институт
Лечебный факультет
Педиатрический факультет
Фармацевтический факультет
Стоматологический факультет
Факультет послевузовского профессионального образования
Факультеты
Кафедры
Ученый совет
Дополнительное профессиональное образование
Бережливый вуз – МГТУ
Новости
Объявления
Лист проблем
Лист предложений (Кайдзен)
Реализуемые проекты
Архив проектов
Фабрика процессов
Рабочая группа «Бережливый вуз-МГТУ»
Вакансии
Профсоюз
Противодействие терроризму и экстремизму
Противодействие коррупции
WorldSkills в МГТУ
Научная библиотека МГТУ
Реквизиты и контакты
Документы, регламентирующие образовательную деятельность
Абитуриентам
Подача документов онлайн
Абитуриенту 2022
Экран приёма 2022
Иностранным абитуриентам
Международная деятельность
Общие сведения
Кафедры
Новости
Центр Международного образования
Академическая мобильность и международное сотрудничество
Академическая мобильность и фонды
Индивидуальная мобильность студентов и аспирантов
Как стать участником программ академической мобильности
Дни открытых дверей в МГТУ
Подготовительные курсы
Подготовительное отделение
Курсы для выпускников СПО
Курсы подготовки к сдаче ОГЭ и ЕГЭ
Онлайн-курсы для подготовки к экзаменам
Подготовка школьников к участию в олимпиадах
Малая технологическая академия
Профильный класс
Индивидуальный проект
Кружковое движение юных технологов
Олимпиады, конкурсы, фестивали
Архив
Веб-консультации для абитуриентов
Олимпиады для школьников
Отборочный этап
Заключительный этап
Итоги олимпиад
Профориентационная работа
Стоимость обучения
Студентам
Студенческая жизнь
Стипендии
Организация НИРС в МГТУ
Студенческое научное общество
Студенческие научные мероприятия
Конкурсы
Команда Enactus МГТУ
Академическая мобильность и международное сотрудничество
Образовательные программы
Подготовка кадров высшей квалификации
Аспирантура
Ординатура
Расписание занятий
Расписание звонков
Онлайн-сервисы
Социальная поддержка студентов
Общежития
Трудоустройство обучающихся и выпускников
Информация о Центре
Цели и задачи центра
Контактная информация
Положение о центре
Договоры о сотрудничестве с организациями, предприятиями
Партнеры
Работодателям
Размещение вакансий
Ярмарки Вакансий
Студентам и выпускникам
Вакансии
Стажировки
Карьерные мероприятия
Карьерные сайты
hh. ru
Работа в России
Факультетус
Карьерные возможности для лиц с инвалидностью и ОВЗ
Трудоустройство иностранных студентов
Обеспеченность ПО
Инклюзивное образование
Условия обучения лиц с ограниченными возможностями
Доступная среда
Ассоциация выпускников МГТУ
Перевод из другого вуза
Вакантные места для перевода
Наука и инновации
Научная инфраструктура
Проректор по научной работе и инновационному развитию
Научно-технический совет
Управление научной деятельностью
Управление аспирантуры и докторантуры
Точка кипения МГТУ
О Точке кипения МГТУ
Руководитель и сотрудники
Документы
Контакты
Центр коллективного пользования
Центр народной дипломатии и межкультурных коммуникаций
Студенческое научное общество
Новости
Научные издания
Научный журнал «Новые технологии»
Научный журнал «Вестник МГТУ»
Научный журнал «Актуальные вопросы науки и образования»
Публикационная активность
Конкурсы, гранты
Научные направления и результаты научно-исследовательской деятельности
Основные научные направления университета
Отчет о научно-исследовательской деятельности в университете
Результативность научных исследований и разработок МГТУ
Финансируемые научно-исследовательские работы
Объекты интеллектуальной собственности МГТУ
Результативность научной деятельности организаций, подведомственных Минобрнауки России (Анкеты по референтным группам)
Студенческое научное общество
Инновационная инфраструктура
Федеральная инновационная площадка
Проблемные научно-исследовательские лаборатории
Научно-исследовательская лаборатория «Совершенствование системы управления региональной экономикой»
Научно-исследовательская лаборатория проблем развития региональной экономики
Научно-исследовательская лаборатория организации и технологии защиты информации
Научно-исследовательская лаборатория функциональной диагностики (НИЛФД) лечебного факультета медицинского института ФГБОУ ВПО «МГТУ»
Научно-исследовательская лаборатория «Инновационных проектов и нанотехнологий»
Научно-техническая и опытно-экспериментальная база
Центр коллективного пользования
Конференции
Международная научно-практическая конференция «Актуальные вопросы науки и образования»
VI Международная научно-практическая онлайн-конференция
Международная деятельность
Новости
Иностранным студентам
Международные партнеры
Академические обмены, иностранные преподаватели
Академическая мобильность и фонды
Индивидуальная мобильность студентов и аспирантов
Как стать участником программ академической мобильности
Объявления
Факультет международного образования
Сведения об образовательной организации
Пожарная автоцистерна – АЦ-6,0-40 Урал 5557
Код модели: 16106
Цена: Договорная
Окончательная стоимость складывается из стоимости техники, необходимых доработок и стоимости доставки
Шасси Урал 5557
Показать все модификации Пожарная автоцистерна – АЦ-6,0-40 Урал 5557-1112-60Е5 в наличии
Насос НЦПН 40/100
Насос НЦПН 40/100
Места для боевого расчета
Места для боевого расчета
Лафет
Лафет
Пожарно-техническое вооружение
Пожарно-техническое вооружение
Лестница
Лестница
Лестница
Лестница
Насосный отсек
Насосный отсек
Отсек ПТВ
Отсек ПТВ
Отсек ПТВ
Отсек ПТВ
Отсек ПТВ
Отсек ПТВ
Отсек ПТВ
Отсек ПТВ
Отсек ПТВ
Отсек ПТВ
Отсек ПТВ
Отсек ПТВ
Пеналы напорно-всасывающих рукавов
Пеналы напорно-всасывающих рукавов
Пожарная лестница
Пожарная лестница
Габаритный огонь
Габаритный огонь
Проблесковый маячок
Проблесковый маячок
Пульт управления
Пульт управления
Ящик ЗИП
Ящик ЗИП
Показать еще фото узлов и агрегатов
Скрыть фото узлов и агрегатов
Двигатель ЯМЗ 65674
Тип двигателя
Четырехтактный дизель
Количество и расположение цилиндров
6, V-образное
Рабочий объём цилиндров, см3
11150
Степень сжатия
17,5±0,5
Максимальная мощность, кВт
167,5 (230 л. с.)
Максимальный крутящий момент, Н*м
879
Топливо
Дизельное
Технические характеристики пожарной автоцистерны АЦ-6,0-40 на базе Урал 5557-1112-60Е5
Кабина
Конструкция
Цельнометаллическая, сдвоенная, четырехдверная, салонного типа, в задней части расширенная
Экипаж
6 человек
Освещение
Дополнительные два плафона во второй кабине
Отопление
«Airtronic» – 1 шт.
Особенности
Во втором модуле кабины предусмотрены места для крепления трех дыхательных аппаратов в спинках сидений.
Сиденья в кабине боевого расчета выполнены в виде рундука.
На крыше кабины установлен помост для управления лафетным стволом.
Кузов
Состоит из двух модулей: цистерна; задний отсек для ПТВ. Крыша кузова обшита рифленым алюминием
Цистерна
Объем, л
6000
Материал
Нержавеющая сталь
Конструкция
Каркас из уголка, обшитый листом 3 мм
Контроль уровня
Электронным устройством для дискретного (1, 3/4, 1/2, 1/4, 0) контроля уровня заполнения и расходования воды с визуальным контролем с рабочего места оператора пожарного насоса. Места креплений устройств уровня расположены с торца цистерны, в доступном месте и защищены кожухом
Особенности
Напыление пенополиуретана толщиной 50 мм с фальшбортами из гладкого алюминия.
Устройство сифонного патрубка (трубы перелива) в цистерне не допускает пролив воды при движении автомобиля
Пенобак
Объем, л
360
Контроль уровня
Электронным устройством для дискретного (1, 3/4, 1/2, 1/4, 0) контроля уровня заполнения и расхода пенообразователя с визуализацией на месте оператора
Особенности
Расположен справа по ходу движения под кабиной автомобиля, с возможностью демонтажа без разбора остальной пожарной надстройки.
Напыление пенополиуретана толщиной до 50 мм с защитой алюминиевым листом от сколов снизу, с борта, сверху и в зоне ступеней.
Устройство против вспенивания пенообразователя при заправке.
Отсеки
Конструкция
Сварная каркасная, двери панельного типа
Отопление
Задний отсек – «Планар 8Д-24» – 1 шт.
Лестницы
На задней стенке алюминиевые, откидывающиеся
Освещение
Включается при открывании дверей, имеет общее дублирование всех дверей об открывании на панель водителя
Насос
Модель
НЦПН-40/100
Напор
100 м вод. ст.
Расход
40 л/сек.
Система дозирования пенообразователя
Встроенная, инжекционного типа с дозированием 3 и 6 % п/о, в диапазоне подачи раствора от 3 до 40 л/с
Привод
От ДОМ через карданный вал, оборачивающий редуктор (n = 1, вынесен за пределы кабины)
Управление
С места водителя, управление оборотами (газом) с фиксацией в любом произвольном положении
Вакуумная система
АВС-01Э в составе насоса пожарного, обеспечивает заполнение насоса с высоты 7,5 м за время не более 40 сек.
Размещение пожарно-технического вооружения (ПТВ)
На крыше
Пеналы для всасывающих рукавов из витой оцинкованной стали, пожарные лестницы
В отсеках
Крепление быстросъемное, надежно закрепляющее ПТВ
В кабине
В рундуке под сиденьем БР
Особенности
Крупногабаритное ПТВ неоперативного использования допускается устанавливать на крыше
Коммуникации
Всасывающих патрубков
2 шт. по 125 мм
Напорных патрубков
2 шт. по 80 мм
Запорная арматура
Выполнена из материала, устойчивого для работы с агрессивной средой
Материал
Сталь нержавеющая
Фильтрация
На всасывающих линиях установлены фильтрующие элементы, имеющие ячейки не более 5 х 5 мм
Особенности
Должны обеспечивать подачу п/о от пенобака, цистерны или внешнего источника (патрубок 1 шт. с головкой ГМ-50 с правой стороны транспортного средства)
Автоцистерна пожарная объемом 6 м3 на шасси Уал-5557 предназначена для доставки к месту пожара боевого расчета, пожарно-технического вооружения, запаса воды и пенообразователя. Применяется как самостоятельная боевая единица или как насосная установка при работе в «перекачку» с одной или несколькими автоцистернами при тушении пожаров водой, воздушно- механической пеной в населенных пунктах и на промышленных объектах. Может эксплуатироваться в районах умеренного климата с годовым перепадом температур в пределах от -40С до + 40С по дорогам всех видов и бездорожью.
Похоже, в вашем браузере отключен JavaScript. Для использования функций этого веб-сайта в вашем браузере должен быть включен JavaScript.
СЭМ
Пожарные насосы
Моторные насосы
Разъемный вал
ВОМ
Заднее крепление
Двухступенчатый
Мультидавление
Наконечники насоса
Коробки передач
Все насосы
Ресурсы насоса
История моего насоса Hale
Запчасти и аксессуары
Сантехника
Коллектор
Дренажи
Сантехника
Клапаны
Впуск
Разряд
Датчики
Все датчики
Аксессуары для насосов
TRV
Грунтовка
Предохранительный клапан
Все детали
Все детали
Автомобильная электроника
Автомобильная электроника
Регуляторы
Датчики уровня в резервуарах
Мотористы
Менеджеры нагрузки
РДР
ES-ключ
Дисплеи
Модули ввода/вывода
Системные менеджеры
Специальные модули
V-MUX
—
Обзор V-MUX
Дисплеи
Модули ввода/вывода
Переключатели/кнопки
Оборудование/разъемы
Датчики
Мигалки
Диагностическое ПО и встроенное ПО
Установки с приводом от двигателя
Переносные насосы
Поплавки и комплекты (специального назначения)
Высокое давление/малый объем (Wild Land)
Атака среднего давления/среднего объема
Низкое давление/большой объем (высокий расход)
Полозья и прицепы
Полозья и прицепы
Пена и CAF
Пена
SmartFoam
CAF
SmartCAFS
Принадлежности
EZ-Fill
Автозаполнение
Pump Flow Solutions
Комплекты насосов
Комплекты
Модули
Боковое крепление
Боковой удар ногой
Безопасная покупка
Запчасти и аксессуары
Сантехника
Коллектор
Дренажи
Сантехника
Клапаны
Впуск
Выгрузка
Датчики
Все датчики
Аксессуары для насосов
TRV
Грунтовка
Предохранительный клапан
Детали
Все детали
Получите максимальную отдачу от вашего аварийного оборудования с помощью электроники пожарной машины
Ваши аварийные автомобили являются неотъемлемой частью эффективности и безопасности вашей пожарной команды. Hale предлагает электронику для транспортных средств, которая призвана помочь вам упростить операции на месте аварийных ситуаций и дать вам больше информации для профилактического обслуживания. Свяжитесь с нами для получения дополнительной информации о нашем предложении автомобильной электроники.
Сортировать по
Должность Имя Цена Порядок сортировки результатов поиска
Показать
5 10 15 20 Все
Страница:
1
2
3
4
Система регулятора давления Sentry — это новейшая современная система управления давлением пожарного насоса класса 1. Работа на J1939, Sentry может контролировать обороты двигателя и другие соответствующие данные непосредственно с ЭБУ двигателя.
Узнать больше
Модуль распределения питания (PDM) — это узел ES-Key, предназначенный для того, чтобы разработчик мог использовать продукт в сети электрической системы ES-Key. Модуль отвечает на команды активировать свои физические выходы и сообщает о состоянии своих входов обратно в сеть.
Узнать больше
Коммутационная панель ES-Key™ 1Touch® представляет собой полностью настраиваемое коммутационное решение для использования в распределенной мультиплексной сети ES-Key класса 1 (или в одноранговых сетях). Переключатель 1Touch позволяет управлять и отображать выходы, настроенные в базе данных сети. Панель переключателей 1Touch доступна в четырех конфигурациях: 4 переключателя (2 пары, арт. 1200-04-00-CL1), 8 переключателей (4 пары, арт. 1200-08-00-CL1), 12 переключателей (6 пар, артикул 1200-12-00-CL1) и 16 переключателей (8 пар, артикул 1200-16-00-CL1).
Узнать больше
Модуль климат-контроля ES-Key (C1 p/n 610-00029) представляет собой узел ES-Key, который управляет муфтой кондиционера автомобиля, клапаном обогрева и скоростью двигателя вентилятора с помощью сильноточных цифровых выходов на основе полученных сигналов J19.39 команд CAN от поддерживаемого устройства управления ES-Key.
Узнать больше
Модуль распределения питания (PDM) — это узел ES-Key, предназначенный для того, чтобы разработчик мог использовать продукт в сети электрической системы ES-Key. Модуль отвечает на команды активировать свои физические выходы и сообщает о состоянии своих входов обратно в сеть. Модуль имеет 8 выходов, из которых 4 выхода могут быть с возможностью выбора полярности или настроены как входы с возможностью выбора полярности.
Узнать больше
Модуль ES-Key с 18 цифрами, 3 выходами и 1 аналоговым входным модулем представляет собой сетевой модуль ES-Key класса 1, предназначенный для использования в сети электрической системы ES-KeyTM.
Подробнее
Узел ввода-вывода высокой плотности ES-Key (Supernode II p/n 119890) объединяет функции нескольких модулей ES-Key для уменьшения количества узлов и упрощения адресации. Supernode II хорошо подходит для приложений, где требуется централизованное расположение узлов.
Узнать больше
UltraView™ 450 — это полноцветный дисплей с диагональю 4,3 дюйма. Он виден под прямыми солнечными лучами и имеет степень защиты IP67, что делает его идеальным как для установки в кабине, так и для наружного применения. Он может быть полностью настроен для вашего приложения и поддерживает до 10 различных языков. Он разработан для работы в тяжелых условиях с высокой вибрацией, что делает его пригодным для множества транспортных средств. он оснащен двумя видеовходами и имеет две отдельные сети CAN.
Узнать больше
Двойной аналог CAN с акселерометром предназначен для мониторинга двух аналоговых входов и передачи информации по шине CAN. Модуль также представляет собой акселерометр, который можно использовать в качестве инклинометра или датчика удара, который считывает ускорение по 2 осям и передает информацию в сеть ES-Key.
Узнать больше
HDPDM — это модуль распределения питания высокой плотности для использования в системе ES-Key. Он имеет 21 выход до 13 А каждый и 10 входов с возможностью выбора полярности. Он имеет степень защиты IP67 и может быть установлен в любом месте устройства.
Узнать больше
Наверх
3 типа антенных устройств: полный обзор
Существует 3 типа антенных устройств, определенных NFPA, каждый из которых имеет свою уникальную конфигурацию, функциональность и конструктивные характеристики.
Какой тип антенного устройства является правильным выбором для вашей пожарной части?
Используйте этот блог, чтобы узнать о типах воздушных устройств и сравнить их характеристики.
Подъемная лестница
Подъемная лестница представляет собой выдвижную лестницу с механическим приводом, устанавливаемую на пожарную машину либо в средней, задней конфигурации, либо в конфигурации с тягачом. Он предназначен для обеспечения максимальной вертикальной досягаемости для быстрого реагирования, вентиляции, пожаротушения и спасательных операций.
Подъемные лестницы
Подъемные лестницы компактны, что делает их идеальными в условиях ограниченного пространства и препятствий наверху. Кончик лестницы обеспечивает легкий и быстрый доступ между деревьями, линиями электропередач, перилами балконов и близко расположенными зданиями. Автолестницы обычно имеют меньшую общую высоту, чем пожарные машины с платформой, и являются отличным вариантом для старой инфраструктуры, а также в населенных пунктах и городах с узкими улицами и более низкими верхними дверями.
Прицепные антенны трактора
Посмотрите этот грузовик более подробно в нашей Галерее новой доставки.
Пожарная машина с тягачом состоит из тягача, прицепа и румпельной кабины. Несмотря на то, что антенна с прямой рамой намного длиннее, антенна, приводимая в действие трактором, является наиболее маневренным доступным воздушным устройством. Благодаря своему уникальному дизайну он может преодолевать препятствия и легко въезжать в узкие и узкие места, что делает его идеальным для пригородных населенных пунктов с тупиками и оживленными городскими районами.
Длина антенн, приводимых в движение трактором Pierce, может составлять от 57 до 63 футов при типичной высоте примерно 11 футов 2 дюйма.
Устройство с подъемной платформой
Устройство с подъемной платформой представляет собой подъемную лестницу, оснащенную платформой или корзиной на конце, также известную как башня. Платформа представляет собой закрытое пространство и позволяет безопасно перевозить пассажиров вверх и вниз. Платформенная пожарная машина идеально подходит для населенных пунктов или городов, где многие люди работают и живут на возвышенностях.
Подъемные платформы также имеют высокую грузоподъемность и могут поддерживать как пожарных, так и противопожарное оборудование. Они оснащены одиночными или двойными палубными орудиями, что делает их отличным выбором для пожарных частей, которым требуется более высокий расход воды для больших зданий и промышленных объектов.
Промежуточная подъемная башня
Подробнее об этом грузовике можно узнать в нашей новой галерее поставок.
Подъемная вышка средней установки оснащена подъемным устройством, которое устанавливается в середине грузовика и состоит из пяти секций телескопической лестницы. Расположение лестницы обеспечивает меньшую высоту подъема и большую работу под землей, а также более короткие задержки из-за нескольких секций лестницы.
Подъемные тележки со средним креплением идеально подходят для отделов, которым требуется возможность работы с лестницей в ограниченном пространстве, и спроектированы так, чтобы обеспечивать максимальную видимость для водителя.
Установка антенны посередине обеспечивает наименьшую общую высоту автомобиля.
Задняя подъемная башня
Подробнее об этом грузовике можно узнать в нашей Галерее новых поставок.
Задняя антенная вышка оснащена антенным устройством, установленным в задней части грузовика. Вышки с задним креплением — это надежный вариант для пожарных частей, предлагающий простую конструкцию и функциональные возможности для работы на месте происшествия.
Задние антенны часто рекламируются за их достаточное пространство для хранения и место для дополнительных наземных лестниц и оборудования.
Узнайте больше о том, как правильно выбрать антенну для вашего отдела.
Водонапорная башня
Посмотрите этот грузовик более подробно в нашей Галерее новых поставок.
Водонапорная башня Pierce представляет собой пожарную машину, оснащенную выдвижной телескопической стрелой с постоянным водоводом, способным подавать воду со скоростью до 1250 галлонов в минуту. Выдвижная лестница с дополнительными складными поручнями для минимизации общей высоты прикреплена к верхней стороне стрелы.
Пожарные машины с водонапорной башней Pierce имеют рабочую высоту от 55 до 61 фута. Водонапорные башни обычно используются в промышленных пожарных службах или отделах, которым требуются повышенные возможности основного потока.
Почему выбирают воздушные пожарные машины Pierce?
Независимо от того, какой тип антенны собирается приобрести ваша пожарная служба, вы можете положиться на компанию Pierce Manufacturing, которая предлагает клиентам более чем 100-летний опыт производства и новаторский успех, а также устойчивое развитие корпорации Oshkosh.
Выбирая воздушный аппарат Pierce, вы можете рассчитывать на инвестиции, предназначенные для удовлетворения уникальных потребностей вашего сообщества, с лучшими в отрасли надежностью и качеством, поддерживаемыми надежной дилерской сетью, опытным персоналом и услугами послепродажного обслуживания с охватом во всех 50 штатах. и Канада.
Если ваша пожарная служба заинтересована в получении дополнительной информации о типах воздушных устройств, ознакомьтесь со следующими дополнительными ресурсами:
Какая восходящая антенна Pierce лучше всего подходит для вашей пожарной части?
Что такое пожарная машина Quint?
Пожарная машина с лестницей и пожарная машина с платформой
Размещение и эксплуатация антенны: 6 преимуществ антенн Pierce Ascendant
4 преимущества воздушных стабилизаторов H-Style
7 советов по максимальному хранению воздушных пожарных машин
Противопожарная пена: что это такое и зачем она нужна пожарным
Если у вас есть дополнительные вопросы по антенному устройству, обратитесь к местному дилеру или напишите их в комментариях ниже!
Посмотреть все записи в блогеПодписаться »
Да, я хочу стать гуру Пирса!
Аварийные решения Sentinel |
СВЯЖИТЕСЬ С НАМИ СОХРАНЯЙ ДАТУ! День открытых дверей Sentinel/встреча клиентов состоится в октябре этого года! Найдите торговцев, еду и напитки, ПОЖАРНЫЕ МАШИНЫ и многое другое! БОЛЬШЕ ИНФОРМАЦИИ БОЛЬШЕ ИНФОРМАЦИИ МЫ ПРЕДЛАГАЕМ ВАМ НАШИ ЛЮБИМЫЕ ГРУЗОВЫЕ МАШИНЫ! Шестидневный тур включает в себя 11 различных остановок в Миссури, Иллинойсе и Индиане! Приходите и посмотрите, что SENTINEL и Rosenbauer могут предложить! Магазин фанатов
Авторизованный дилерский дилерский центр по продажам для Rosenbauer
Learn Upe
Только лучшее оборудование для вас
.
Узнать больше
SENTINEL EMERGENCY SOLUTIONS ЯВЛЯЕТСЯ УПОЛНОМОЧЕННЫМ ТОРГОВЫМ И ОБСЛУЖИВАЮЩИМ ПРЕДСТАВИТЕЛЕМ ROSENBAUER AMERICA. ИМЕЯ БОЛЕЕ 150 ЛЕТ ПРОИЗВОДСТВЕННОГО ОПЫТА, ROSENBAUER ЯВЛЯЕТСЯ МИРОВЫМ ЛИДЕРОМ ПОЖАРНЫХ ТЕХНОЛОГИЙ И РЕСУРСОВ.
Sentinel Emergency Solutions — ваш главный дилер автомобилей и оборудования для экстренных служб в Миссури, Иллинойсе и Индиане. Мы предлагаем исключительные продажи и обслуживание, чтобы убедиться, что ваш отдел готов наилучшим образом служить вашему сообществу. В Sentinel мы стремимся превзойти ожидания отделов, предоставляя им самые современные аппараты и оборудование. Мы гордимся тем, что предоставляем вам, нашим клиентам, лучшее техническое обслуживание после продажи. Мы гордимся сотрудничеством с ведущими производителями отрасли, такими как Rosenbauer Fire Apparatus, MSA, Hurst, Lion и многими другими! Команда Sentinel и все наши партнеры делают все возможное, чтобы помочь вам выполнять свою работу в соответствии с самыми высокими и безопасными стандартами, когда того требует долг.
ПОДРОБНЕЕ
МЫ ОБЯЗАНЫ ПРЕВОСХОДИТЬ ОЖИДАНИЯ НАШИХ КЛИЕНТОВ, ПРЕДОСТАВЛЯЯ ИМ СОВРЕМЕННУЮ АППАРАТУ И ОБОРУДОВАНИЕ В СОТРУДНИЧЕСТВЕ С ВЕДУЩИМИ ПРОИЗВОДИТЕЛЯМИ ОТРАСЛИ!
ПОДАТЬ ЗАЯВКУ НА РАБОТУ
CAIRNS-XF1. Часть Первопроходец. Деталь Top Gun. Теперь доступно!
Огонь меняется в одно мгновение. Теперь ваш дыхательный аппарат тоже может.
Ознакомьтесь с некоторыми из наших последних поставок. Мы всегда рады удовлетворить все требования наших клиентов и даже пойти дальше, предлагая им самое лучшее оборудование, на которое мы способны. Мы и впредь будем предлагать только лучшее для наших клиентов.
Пожарная служба Маскуты (Маскута, Иллинойс) Midship Pumper
от Sentinel Emergency Solutions | 16 сентября 2022 г. | Новые поставки | 0 комментариев
Пожарная служба Маскуты в Маскуте, штат Иллинойс, недавно получила этот насос! Маскута, штат Иллинойс, расположен прямо напротив…
Подробнее
Пожарная служба Кокомо (Кокомо, Индиана) Насос с задним креплением
от Sentinel Emergency Solutions | 5 сентября 2022 г. | Новые поставки | 0 комментариев
Пожарная служба Кокомо в Кокомо, штат Индиана, недавно получила насос с задним креплением! Кокомо, штат Индиана, находится примерно в часе…
Подробнее
Пожарная служба DeKalb (ДеКалб, Иллинойс) Midship Pumper
от Sentinel Emergency Solutions | 31 августа 2022 г. | Новые поставки | 0 комментариев
Пожарная служба DeKalb в ДеКалбе, штат Иллинойс, недавно получила свой первый из ДВУХ новых двухдвигательных двигателей. ДеКалб, Иллинойс находится примерно…
Подробнее
Подпишитесь на учетную запись отдела / бизнеса и наша команда все настроит , НОВОСТИ И УДИВИТЕЛЬНЫЕ ПРЕДЛОЖЕНИЯ, ВСЕ ДОСТАВЛЕНО В ВАШ ВХОДЯЩИЙ ЯЩИК.
ПОСМОТРИТЕ, ЧТО НЕКОТОРЫЕ ИЗ НАШИХ КЛИЕНТОВ ГОВОРЯТ О РАБОТЕ С НАМИ
Расширение территории Западного МО!
Грейс Будро | 11 сентября 2022 г. | Последние новости | 0 комментариев
Сент-Луис — 06 сентября 2022 г. — Сегодня Rosenbauer America и Sentinel Emergency Solutions объявили о расширении территории Sentinel Emergency Solutions на…
Подробнее
Сентябрьский обзор сотрудников!
Грейс Будро | 11 сентября 2022 г. | Последние новости | 0 комментариев
ЧЛЕН КОМАНДЫ СТИВ УИЛЬЯМС! Стив работает в Sentinel с 2016 года и ранее был начальником батальона и офицером по обучению в Antonia Fire Protection…
Подробнее
В центре внимания августовских сотрудников!
Грейс Будро | 3 августа 2022 г. | Последние новости | 0 комментариев
ЧЛЕН КОМАНДЫ ДЕЙВ УРЕВИЧ! Дэйв работает в Sentinel с 2017 года и ранее работал менеджером в Charter. В детстве мы хотели быть продавцом! Его…
Подробнее
Июль Сотрудник В центре внимания!
Грейс Будро | 5 июля 2022 г. | Последние новости | 0 Комментариев
ЧЛЕН КОМАНДЫ ЭНЖИ ХЕНДРИКС! Энджи была принята на работу в 2017 году и ранее работала в Preferred Family Health! Ее хобби включают походы, концерты,…
Подробнее
В центре внимания сотрудников за июнь!
Грейс Будро | 3 июня 2022 г. | Последние новости | 0 Комментариев
ЧЛЕН КОМАНДЫ CODY GRUPA! Коди был принят на работу несколько месяцев назад и ранее работал дизелем в Love’s Travel Stops. ..
Подробнее
Sentinel в Tik Tok!
Грейс Будро | 17 мая 2022 г. | Последние новости | 0 комментариев
Sentinel Emergency Solutions теперь на Tik Tok! Подпишитесь на нас, чтобы быть в курсе всех событий Sentinel! tiktok.com/@sentinelemergency
Подробнее
Пусть внимание сотрудников!
Грейс Будро | 4 мая 2022 г. | Последние новости | 0 комментариев
ИНФОРМАЦИЯ О ЧЛЕНЕ КОМАНДЫ БИЛЛ ШРЕЙБЕР Билл — наш специалист по продажам оборудования в Северном Иллинойсе, он был принят на работу в 2019 году.. Ранее он работал в другой…
Подробнее
В центре внимания сотрудников за апрель!
Грейс Будро | 7 апреля 2022 г. | Последние новости | 0 комментариев
ИНФОРМАЦИЯ О ЧЛЕНЕ КОМАНДЫ ЭНДРЮ ЗИГЛЕР Эндрю Зиглер является руководителем службы поддержки и был принят на работу в мае 2018 года. Ранее он работал в DistributionNOW в качестве…
Подробнее
Мартовское внимание сотрудников!
Грейс Будро | 24 марта 2022 г. | Последние новости | 0 комментариев
ИНФОРМАЦИЯ О ЧЛЕНЕ КОМАНДЫ ТАЙЛЕР ГРЕЙН Тайлер был принят на работу в конце октября 2021 года и ранее работал техническим специалистом по обслуживанию в компании Sydenstricker Nobbe Partners. Он не…
Подробнее
Opticom-Galax Fire Department
Что такое Opticom ™ ? Система Opticom™, разработанная Global Traffic Technologies (GTT), представляет собой систему управления дорожным движением, которая обеспечивает зеленый свет и, следовательно, право проезда на перекрестке для транспортных средств экстренных служб. Оборудованные автомобили имеют излучатель, который передает видимый свет и/или невидимый инфракрасный сигнал на приемник, установленный на светофоре или рядом с ним. Приемник подключен к печатной плате, расположенной внутри шкафа управления дорожным движением. Когда печатная плата определяет, что сигнал действителен, она активирует выход, который запрашивает зеленый свет у дорожного контроллера для приближающегося автомобиля скорой помощи. Регулятор также активирует сигнал подтверждения, если перекресток оборудован таким образом (например, прожектор, установленный на светофоре или рядом с ним).
Ниже приведены два сценария, с которыми водители могут столкнуться при активации системы Opticom™ в районе метро Миннеаполиса/Сент-Пола. Эти сценарии подробно расскажут вам, как реагировать на эти активации. Однако, если этой информации слишком много для запоминания, просто продолжайте соблюдать обычные правила дорожного движения в отношении светофоров во время активации, проявляя особую осторожность, зная, что поблизости реагируют машины экстренных служб.
Мигает прожектор на моем сигнале светофора, что это значит? Машина скорой помощи приближается к перекрестку с другой стороны, то ли к вам, то ли сбоку. Если у вас зеленый сигнал светофора, через несколько секунд он сменится на желтый, а затем на красный*. НЕ пытайтесь победить красный. Если вы еще не въехали на перекресток, и если позволяют условия, безопасно и осторожно сверните на правую сторону дороги и подождите, пока сигнал светофора не перестанет мигать. Если вы проехали перекресток, имейте в виду, что одна или несколько машин экстренных служб могут вскоре выехать на дорогу позади вас, поэтому будьте готовы при необходимости остановиться.
* Исключение: Некоторые перекрестки с более простыми светофорными контроллерами не имеют возможности двигаться на зеленый только в одном направлении. Например, вы можете выбрать зеленый для Востока и Запада или зеленый для Севера и Юга. В этих случаях вы могли видеть мигание индикатора подтверждения и по-прежнему гореть зеленым светом. В этом случае машина скорой помощи приближается к перекрестку с противоположной стороны. Если вам не угрожает опасность быть задетым сзади, относитесь к этому как к красному свету.
Имейте в виду, что если перекресток расположен рядом с железнодорожной линией (тяжелой железной дорогой или легкорельсовым транспортом), поезд может управлять светофором, и машины скорой помощи не получат контроль над перекрестком. Световой сигнал подтверждения будет мигать во всех направлениях, если поезд прервал светофор. Хотя в поезде нет системы Opticom™, поезд обнаруживается датчиком на пути и опережает сигнал светофора с более высоким приоритетом, чем автомобиль экстренной помощи.
Прожектор на моем светофоре горит и не мигает, что это значит? Машина скорой помощи приближается к перекрестку в том же направлении, что и вы. Он либо перед вами, либо позади вас, и их может быть больше одного. Если сигнал светофора красный, он вскоре изменится на зеленый. Если вы еще не въехали на перекресток, и если позволяют условия, безопасно и осторожно сверните на правую сторону дороги и подождите, пока погаснет прожектор. Если вы находитесь в большой группе транспортных средств, которые ждали на красный сигнал светофора, прежде чем он стал зеленым с помощью прожектора, тяните вперед до перекрестка или через него настолько, насколько это необходимо, чтобы иметь возможность безопасно и осторожно свернуть на правую сторону светофора. дорога, чтобы освободить место для проезда автомобилей экстренных служб. Не блокируйте перекресток. Оставайтесь на обочине до тех пор, пока не выключится прожектор или, если вы проехали перекресток, до тех пор, пока вы не перестанете видеть или слышать машины экстренных служб.
Все об Opticom ™ , простым языком
Почти все светофоры в районе метро Twin Cities были преобразованы для использования устройств вытеснения трафика, таких как GTT Opticom ™ . Перекрестки, оборудованные таким образом, обычно легко идентифицировать по наличию приемника , а большинство оборудованных перекрестков также имеют подтверждающий свет , устройство визуального сигнала, которое представляет собой просто четкий прожектор для каждого направленного подхода к перекрестку.
Когда оборудованный перекресток обнаруживает подтвержденный упреждающий сигнал от автомобиля экстренной помощи, оснащенного излучателем , все подтверждающие огни начинают работать немедленно. Приближающиеся поезда также могут опередить перекресток и вызвать срабатывание подтверждающих огней. Прожектор, направленный в направлении, откуда была получена активация, загорится и будет гореть ровным светом, чтобы уведомить оператора машины скорой помощи о том, что сигнал светофора получил запрос на упреждение движения. Остальные прожекторы, направленные во всех других направлениях, начнут мигать, что служит двум целям. во-первых, у всех остальных участников движения будет специальный сигнал, информирующий их о том, что это не просто обычный красный свет, а о том, что к перекрестку приближается машина скорой помощи. Мы надеемся, что это побудит водителей не делать никаких бесплатных поворотов направо или пытаться проехать на поздний желтый свет, а просто сидеть сложа руки, пока не проедет машина скорой помощи. Во-вторых, что более важно, в случае одновременного приближения к перекрестку с разных направлений более одного автомобиля службы экстренной помощи мигающий сигнал сообщает водителю автомобиля службы экстренной помощи, которому не было предоставлено упреждение, о том, что другой автомобиль службы экстренной помощи получил зеленый свет. свет в другом направлении. Этот водитель теперь должен быть предельно осторожен при приближении к перекрестку и проезде через него, поскольку, вероятно, у него не будет зеленого сигнала светофора, когда он туда доберется. Одна из самых больших опасностей для машин экстренной помощи заключается в том, что они не могут слышать сирены друг друга, когда несколько из них одновременно приближаются к одному и тому же перекрестку. Это не редкость; однако для перекрестка, чтобы быстро предоставить доступ дополнительным машинам экстренных служб, приближающимся с разных направлений, после того, как первый уже проехал. В любом случае, если вы находитесь на красный свет и видите, что перед вами мигает прожектор, вы можете проверить другие прожекторы, чтобы найти тот, который не мигает (горит), и, следовательно, выяснить, с какого направления находится приобретенный аварийный автомобиль. приближается. Все индикаторы подтверждения будут мигать, если поезд (тяжелый рельсовый или легкорельсовый) проедет перекресток.
Операторы транспортных средств скорой помощи должны учитывать, что упреждение системы Opticom™ не является мгновенным. Когда сигнал светофора получает активацию, он имеет предварительно запрограммированные нормальные допуски, через которые он должен циклически проходить, чтобы убедиться, что весь транспорт свободен от перекрестка, прежде чем дать зеленый свет приближающемуся автомобилю службы экстренной помощи. Для этого может просто потребоваться обычное время задержки для других сигналов направления, чтобы они стали желтыми, а затем красными, включая обычную задержку полностью красного цвета. В некоторых случаях это время задержки может быть увеличено, когда пешеходный сигнал также должен быть очищен, поскольку пешеходам необходимо дать дополнительное время, чтобы очистить перекресток до того, как будет разрешен зеленый свет, что может подвергнуть их риску движения.
Системы Opticom™ в автомобилях скорой помощи обычно электронно интегрированы с трансмиссией автомобиля или механизмом переключения передач, что в основном означает, что система автоматически деактивируется, когда автомобиль переключается в режим «Парковка». Таким образом, сигнал светофора не блокируется и остается зеленым на неопределенный срок, когда автомобиль службы экстренной помощи припаркован лицом к перекрестку на месте чрезвычайной ситуации.
Как правило, системы Opticom™ могут быть установлены для простого распознавания любого подтвержденного упреждающего сигнала или могут быть дополнительно настроены и подключены к автоматизированным диспетчерским системам, способным определить, какое транспортное средство экстренной помощи упредило сигнал, а также время и направление движения, когда сигнал был прерван. Используя эту возможность идентификации, системы Opticom™ можно даже использовать для определения приоритета приоритета при одновременном приеме двух сигналов. Например, в некоторых регионах (например, в Сиэтле) системы Opticom™ также используются в общественном транспорте, чтобы гарантировать, что автобусы будут приходить вовремя, а функция приоритета позволит полицейской машине или пожарной машине «превзойти» автобус на зеленый свет. Были отмечены и другие варианты, например, в Bismarck ND, где подтверждающий свет направляется через зеленую линзу. Во многих других местах (Такома, штат Вашингтон, Портленд, штат Орегон, Биллингс, штат Массачусетс, и это лишь некоторые из них) вообще не установлены какие-либо подтверждающие световые установки, поэтому активированные светофоры не дают никаких других визуальных указаний на упреждение, кроме того факта, что они стали зелеными для начала движения. приближается машина скорой помощи.
Вопреки городской легенде, систему GTT Opticom™ нельзя обмануть, включив дальний свет, поскольку она активируется видимым светом и/или невидимым инфракрасным сигналом, работающим на определенной частоте «мигания». Ни один приемник системы Opticom™ не будет обманут, если кто-то включит дальний свет, поскольку типичные настройки активации для системы Opticom™ составляют около 600 или 900 FPM (вспышек в минуту) или от 10 до 15 «вспышек» в секунду. Представьте, что вы пытаетесь передать факс, свистя в телефонную трубку, и вы можете представить себе задачу активации системы Opticom™ с помощью дальнего света, но это просто невозможно. Некоторые утверждают, что это работает для них, но почти на каждом перекрестке есть система обнаружения, которая определяет, когда транспортное средство ждет красный свет, поэтому неудивительно, что свет в конечном итоге становится зеленым, пока они сидят там, изнашивая свой переключатель дальнего света.
DPC Emergency — Компания по продаже и обслуживанию автомобилей аварийной службы
Свяжитесь с нами
Наши последние поставки
Доставка — один из самых захватывающих аспектов нашей работы в DPC. Нам нравится видеть, как наши специальные автомобили скорой помощи доставляются и используются в каждом сообществе. Ниже приведены некоторые из наших последних поставок.
Волонтерская спасательная компания Уолкерсвилля, Inc.
Производитель: PL Custom Год: 2020
Учите больше
Goodwill Fire Company MD
Производитель: PL Custom Год: 2019
5.
Hartly: 2019
. : 2020
Узнать больше
Добро пожаловать в
DPC Emergency
Мы стремимся к тому, чтобы все пожарное и аварийное оборудование, которое находится в собственности и эксплуатируется в Делавэре и Мэриленде, соответствовало рекомендациям и требованиям NFPA, ISO и DOT.
Помогать пожарным в защите жизни и имущества, предоставляя лучший «универсальный магазин» в Делавэре и Мэриленде для полной продажи автомобилей скорой помощи, сертифицированного обслуживания и индивидуального изготовления.
О нас
В производстве
Просматривайте регулярные обновления, пока автомобили проходят через производственный процесс.
Посмотреть ещё
Добровольная пожарная компания Джарреттсвилля
Производитель: PL Custom Год: 2021
Узнайте больше
Waldorf Волонтер -пожарная служба EMS
Производитель: PL Custom Год: 2021
Learn Dire
Bethesda — Chevy -Chase Squad Squad Inc.
:
:
:
:
:
:
:
:
:
:
:
:
:
. : 2021
Узнать больше
Наш последний заказ
Просматривайте регулярные обновления, пока автомобили проходят через производственный процесс.
Департамент Мэриленда
Окружающая среда – Чрезвычайная ситуация Группа реагирования / Rosenbauer Hazmat
Центральная консоль Plastix Plus между передними сиденьями
Узнать больше
Свяжитесь с нами
Рекомендуемые продукты
Просматривайте регулярные обновления, пока автомобили проходят через производственный процесс. Просмотреть больше0007
Наши производители
Наш последний ассортимент
Ознакомьтесь с нашим текущим ассортиментом, чтобы узнать, что отвечает вашим неотложным потребностям.
Пожарная техника
Скорая помощь
Специальные транспортные средства
Мы помогаем персоналу экстренных служб защищать жизни и имущество, предоставляя наилучшее «Единое окно».
Продажа автомобилей скорой помощи
Узнать больше
Сертифицированный сервис
Узнать больше
Изготовление на заказ
Узнать больше
Инспекции Dot & PM
ЦОД обслуживает и ремонтирует все марки и модели пожарных машин и машин скорой помощи. Мы используем высококачественные смазочные материалы Mobil и оригинальные запасные части. Мы также выполняем авиационное обслуживание и тестирование насосов. Спросите о нашем D.O.T. ежегодные программы инспекций и пакеты услуг PM. Наша новейшая технология включает в себя ForceMatch® HD, балансировочный станок для тяжелых условий эксплуатации, обладающий всеми диагностическими возможностями, и WinAlign® HD, лазерную центровку для быстрой центровки колес.
Свяжитесь с нами
Наше местонахождение
Аварийное оборудование DPC
Миссия компании
Миссия компании DPC Emergency Equipment Помогать пожарным в защите жизни и имущества, предоставляя наилучшие «Универсальный магазин» в Делавэре и Мэриленде для полной продажи автомобилей скорой помощи, сертифицированного обслуживания и изготовления по индивидуальному заказу. Мы стремимся к тому, чтобы все пожарное и аварийно-спасательное оборудование, принадлежащее и эксплуатируемое в Делавэре и Мэриленде, соответствовало Рекомендации и требования NFPA, ISO и DOT.
Свяжитесь с нами
Свяжитесь с нами
Наш специальный отдел продаж, наш отдел запасных частей и наш сервисный отдел всегда готовы помочь. Свяжитесь с нами сегодня, чтобы мы могли ответить на любые ваши вопросы! Мы с нетерпением ждем возможности поговорить с вами.
Связаться с нами
Мы нанимаем!
Мы предлагаем удивительную рабочую атмосферу. Мы всегда ищем большие таланты, чтобы добавить в нашу команду в самых разных областях. Есть ли у вас что требуется, чтобы стать частью команды DPC Emergency Equipment? Посмотреть текущие вакансии и подать заявку.
Подать заявку сейчас
Подпишитесь на нашу рассылку
Доступно финансирование
Мы работаем вместе с CLP (Community Leasing Partners), чтобы помочь всем, кто хочет новую пожарную машину, машину скорой помощи или специализированный автомобиль скорой помощи. Щелкните ссылку ниже, чтобы получить дополнительную информацию. Как всегда, мы также можем помочь в этом процессе. Свяжитесь с нами в любое время. С нетерпением ждем сотрудничества с вами!
Получить дополнительную информацию о финансировании
Рабочее время
с 7:00 до 16:00 / Доставка запчастей с 8:00 до 15:00
Филиалы
Мы связаны со следующими организациями:
Ставьте лайки, чтобы получать обновления о новых заказах и поставках!
Свяжитесь с нами
Мы всегда готовы помочь в любом случае.
Свяжитесь с нашим отделом продаж
Отправьте запрос на обслуживание
Свяжитесь с нашим отделом запасных частей
Code of Virginia Code — Статья 15. Транспортные средства скорой помощи
Создание отчета: Отметьте разделы, которые вы хотите включить в отчет, затем используйте кнопку «Создать отчет» внизу страницы, чтобы создать отчет. После создания отчета у вас будет возможность загрузить его в формате pdf, распечатать или отправить по электронной почте.
17.09.2022
§ 46.2-920. Некоторые транспортные средства освобождаются от правил в определенных ситуациях; исключения и дополнительные требования.
A. Водитель любого транспортного средства скорой помощи, когда такое транспортное средство используется для выполнения государственных услуг, и когда такое транспортное средство эксплуатируется в аварийных условиях, может, не подвергаясь уголовному преследованию:
1. Пренебрегать ограничением скорости, уделяя должное внимание безопасности людей и имущества;
2. Проезжайте мимо любого постоянного или мигающего красного сигнала, светофора, знака «стоп» или устройства, указывающего на необходимость остановки движущегося транспорта, если скорость транспортного средства достаточно снижена, чтобы позволить ему проехать сигнал, светофор или устройство с должным в отношении безопасности людей и имущества;
3. Парковаться или останавливаться, несмотря на другие положения этой главы;
4. Игнорировать правила, регулирующие направление движения транспортных средств, поворачивающих в определенных направлениях, если оператор не подвергает опасности жизнь или имущество;
5. Обгонять или обгонять, с должным вниманием к безопасности людей и имущества, другое транспортное средство на любом перекрестке;
6. Обгонять или обгонять с должным учетом безопасности людей и имущества на пути к аварийной ситуации остановившиеся или тихоходные транспортные средства, заходя слева от остановившегося или тихоходного транспортного средства либо в не- зона объезда или пересечение осевой линии автомагистрали; или
7. Проезжайте или обгоняйте с должным вниманием к безопасности людей и имущества по пути к аварийной ситуации остановившиеся или медленно движущиеся транспортные средства, сходя с асфальтированного или основного проезжей части проезжей части справа. Несмотря на другие положения этого раздела, транспортные средства, освобожденные в этом случае, не должны будут включать сирену или любое устройство для подачи автоматических прерывистых сигналов.
B. Исключения, предоставленные транспортным средствам экстренной помощи в соответствии с подразделом A в подразделах A1, A3, A4, A5 и A6, применяются только в том случае, если водитель такого транспортного средства показывает мигающий, мигающий или чередующийся аварийный свет или огни, как предусмотрено в § § 46.2-1022 и 46.2-1023 и включает сирену, выхлопной свисток или звуковой сигнал, предназначенный для автоматической подачи прерывистых сигналов, если это может быть разумно необходимо. Исключение, предоставленное в соответствии с подразделом A 2, должно применяться только в том случае, когда водитель такого аварийного транспортного средства показывает мигающий, мигающий или чередующийся аварийный свет или огни, как предусмотрено в §§ 46.2-1022 и 46.2-1023, и либо (a) включает сирену, выхлопной свисток или звуковой сигнал, предназначенный для автоматической подачи прерывистых сигналов, или (b) замедляет транспортное средство до скорости, приемлемой для существующих условий, уступает право проезда водителю другого транспортного средства, приближающегося к перекрестку или въезжающего на перекресток с другого направления, или , если это необходимо для обеспечения безопасности, полностью останавливает транспортное средство, прежде чем продолжить движение, с должным вниманием к безопасности людей и имущества. Кроме того, исключения, предоставленные автомобилям экстренных служб в соответствии с подразделом А, применяются только в том случае, если для такого транспортного средства действует либо (i) стандартное страхование ответственности автотранспортных средств, покрывающее травмы или смерть любого лица на сумму не менее 100 000 долларов США из-за телесные повреждения или смерть одного человека в любом одном несчастном случае и, с учетом лимита на одного человека, до 300 000 долларов США из-за телесных повреждений или смерти двух или более человек в любом одном несчастном случае и до 20 000 долларов США. из-за повреждения или уничтожения имущества других лиц в результате любого несчастного случая или (ii) сертификата самострахования, выданного в соответствии с § 46.2-368. Такие исключения, однако, не защищают водителя любого такого транспортного средства от уголовного преследования за поведение, представляющее собой неосторожное пренебрежение безопасностью людей и имущества. Ничто в этом разделе не освобождает оператора любого такого транспортного средства от гражданской ответственности за несоблюдение разумной осторожности при такой эксплуатации.
C. Для целей настоящего раздела термин «транспортное средство скорой помощи» означает:
1. Любое транспортное средство правоохранительных органов, управляемое или под руководством сотрудника правоохранительных органов федерального, штата или местного уровня (i) при преследовании или задержании нарушителей закона или лиц, обвиняемых или подозреваемых в любом таком нарушении, или (ii) в ответ на вызов службы экстренной помощи;
2. Любое транспортное средство регионального центра содержания под стражей, находящееся в ведении или под руководством сотрудника исправительного учреждения, отвечающее на вызов службы экстренной помощи или работающее в чрезвычайной ситуации;
3. Любое транспортное средство, используемое для тушения пожара, в том числе государственное транспортное средство государственного лесничества, при движении в ответ на пожарную тревогу или вызов службы экстренной помощи;
4. Любое транспортное средство службы неотложной медицинской помощи, предназначенное или используемое для основной цели оказания неотложной медицинской помощи в случае опасности для жизни человека;
5. Любое транспортное средство Управления по чрезвычайным ситуациям или Управление скорой медицинской помощи при ответе на вызов службы экстренной помощи или работе в чрезвычайной ситуации;
6. Любое транспортное средство Департамента исправительных учреждений, назначенное директором Департамента исправительных учреждений, когда (i) отвечает на вызов службы экстренной помощи в исправительном учреждении, (ii) участвует в расследовании, связанном с наркотиками, (iii) преследует сбежавших из исправительном учреждении или (iv) ответ на запрос о помощи от сотрудника правоохранительных органов;
7. Любое транспортное средство, имеющее разрешение на оснащение чередующимися, мигающими или мигающими красными или красно-белыми вторичными сигнальными огнями в соответствии с положениями § 46.2-1029..2; и
8. Любой автомобиль группы гражданской поддержки Национальной гвардии штата Вирджиния при реагировании на чрезвычайную ситуацию.
D. Любое транспортное средство правоохранительных органов, эксплуатируемое федеральным, штатным или местным сотрудником правоохранительных органов или под его руководством, может игнорировать ограничения скорости, уделяя должное внимание безопасности людей и имущества, (i) при проверке точности спидометров таких транспортных средств, (ii) при проверке точности устройств измерения скорости, указанных в § 46. 2-882, или (iii) при следовании за другим транспортным средством с целью определения его скорости.
E. Транспортное средство Департамента качества окружающей среды на пути к месту чрезвычайной ситуации и с должным вниманием к безопасности людей и имущества может обгонять и обгонять остановившиеся или медленно движущиеся транспортные средства, съезжая с асфальтированной или основной проезжей части дороги. шоссе справа или слева. Эти транспортные средства Департамента качества окружающей среды не должны включать сирену или какое-либо устройство для подачи автоматических прерывистых сигналов, но должны отображать красные или красно-белые предупреждающие огни при выполнении таких маневров.
F. Любое транспортное средство правоохранительных органов, управляемое федеральным, государственным или местным сотрудником правоохранительных органов или под его руководством при сопровождении похорон, сопровождении с большим грузом, сопровождении высокопоставленных лиц или любом другом сопровождении, необходимом для безопасного передвижения. транспортных средств и пешеходов вправе, не подвергая себя уголовному преследованию:
1. Нарушать скоростной режим, соблюдая при этом меры безопасности людей и имущества;
2. Проезжайте мимо любого постоянного или мигающего красного сигнала, светофора, знака «стоп» или устройства, указывающего на необходимость остановки движущегося транспорта, если скорость транспортного средства достаточно снижена, чтобы позволить ему проехать сигнал, светофор или устройство с должным забота о безопасности людей и имущества;
3. Парковаться или останавливаться, несмотря на другие положения этой главы;
4. Игнорировать правила, регулирующие направление движения транспортных средств, поворачивающих в определенных направлениях, если оператор не подвергает опасности жизнь или имущество; или
5. Обгонять или обгонять, с должным вниманием к безопасности людей и имущества, другое транспортное средство.
Невзирая на другие положения данного раздела, транспортные средства, освобожденные от требований настоящего подраздела, могут включать сирену или любое устройство, автоматически подающее прерывистые сигналы.
Кодекс 1950 г., § 46-241.1; 1954, гр. 356; 1956, с. 192; 1958, с. 541, § 46.1-226; 1966, куб.см. 350, 699; 1968, с. 89; 1974, с. 365; 1976, с. 24; 1977, с. 549; 1980, куб.см. 30, 354; 1981, с. 395; 1984, с. 539; 1985, куб.см. 209, 462; 1989, с. 727; 1992, сс. 33, 96; 1994, с. 69; 1995, с. 92; 2000, с. 120; 2002, с. 134; 2003, с. 115; 2005, с. 583; 2007, сс. 860, 908; 2011, с. 629; 2014, cc. 171, 800; 2015, cc. 502, 503.
§ 46.2-920.1. Эксплуатация эвакуаторов или транспортных средств, принадлежащих или контролируемых Департаментом транспорта, при определенных обстоятельствах; управление происшествиями.
A. При работе на месте или в пути к месту дорожно-транспортного происшествия или аналогичной чрезвычайной ситуации и по специальному указанию сотрудника правоохранительных органов, присутствующего на месте дорожно-транспортного происшествия или аналогичного происшествия, водителей эвакуаторов или транспортных средств принадлежащие или контролируемые Департаментом транспорта, могут:
1. Двигаться по шоссе в направлении, противоположном разрешенному для движения;
2. поперечные разделительные магистрали;
3. Использовать развороты и развороты, зарезервированные для использования только авторизованными транспортными средствами;
4. Ехать по участку шоссе, отличному от проезжей части;
5. Останавливаться или стоять на любом участке дороги; и
6. Действовать любым другим способом по указанию сотрудника правоохранительных органов на месте происшествия.
B. При работе на месте, в пути или с места дорожно-транспортного происшествия или аналогичной чрезвычайной ситуации, транспортное средство, эксплуатируемое в соответствии с программой патрулирования службы безопасности Министерства транспорта или в соответствии с контрактом с Министерством транспорта для или включая службы управления дорожно-транспортными происшествиями, как определено в настоящем подразделе, с должным учетом безопасности людей и имущества и без указания правоохранительных органов, могут обгонять и обгонять остановившиеся или медленно движущиеся транспортные средства, сходя с асфальтированной или основной проезжей части дороги. шоссе справа или слева. Для целей настоящей главы и главы 12 (§ 46.2-1200 и последующие) «программа патрулирования службы безопасности» означает программу или службу, спонсируемую или управляемую Министерством транспорта, которая помогает автомобилистам, оказавшимся в затруднительном положении, и обеспечивает управление движением во время дорожно-транспортных происшествий, в том числе дорожно-транспортных происшествий и дорожных работ, а «услуги по управлению дорожно-транспортными происшествиями» означают услуги, предоставляемые в ответ на любое событие или ситуацию на полосе отчуждения Департамента транспорта или влияющие на нее, которые препятствуют движению или создают временную угрозу безопасности.
C. Ничто в этом разделе, однако, не должно (i) освобождать водителя любого такого транспортного средства от уголовного преследования за поведение, представляющее собой неосторожное пренебрежение безопасностью людей и имущества, или (ii) освобождать водителя любого такого транспортного средства от любого гражданско-правовая ответственность за непроявление разумной осмотрительности в операциях, разрешенных настоящим разделом. Тем не менее, водители транспортных средств, принадлежащих или эксплуатируемых Министерством транспорта, и служащие Содружества освобождаются от ответственности за акты простой небрежности в отношении требований гражданской ответственности, возникающих в связи с эксплуатацией таких транспортных средств в соответствии с настоящим разделом.
1990 г., гр. 470; 2007, сс. 189, 918; 2012, сс. 27, 108; 2017, с. 350.
§ 46.2-920.2. Эксплуатация транспортных средств, принадлежащих или контролируемых Центром дикой природы Вирджинии.
По специальному запросу правоохранительных органов о спасении или эвтаназии раненых диких животных транспортные средства, принадлежащие или контролируемые Центром дикой природы Вирджинии, могут:
1. Пересекать разделительные дороги;
2. Использовать развороты и развороты, зарезервированные для использования только авторизованными транспортными средствами;
3. Ехать по участку шоссе, отличному от проезжей части;
4. Останавливаться или стоять на любом участке дороги; и
5. Действовать любым другим способом по указанию сотрудника правоохранительных органов на месте происшествия.
Ничто в этом разделе, однако, не должно (i) освобождать водителя любого транспортного средства, находящегося в собственности или под контролем Центра дикой природы Вирджинии, от уголовного преследования за поведение, представляющее собой неосторожное пренебрежение безопасностью людей и имущества, или (ii) освобождать водителя любого транспортного средства, принадлежащего или контролируемого Центром дикой природы Вирджинии, от любой гражданской ответственности за неспособность проявить разумную осмотрительность в операциях, разрешенных в этом разделе.
2007 г., гр. 139.
§ 46.2-921. Следование или стоянка рядом с пожарной машиной или машиной скорой медицинской помощи.
В любом округе, городе или населенном пункте считается незаконным, чтобы водитель любого транспортного средства, кроме транспортного средства, выполняющего служебные обязанности, следовал за любой пожарной машиной или транспортным средством скорой медицинской помощи, движущимся в ответ на пожарную тревогу или вызов службы экстренной помощи в на любом расстоянии ближе 500 футов к такому устройству или машине скорой медицинской помощи или припарковать такое транспортное средство в пределах 500 футов от того места, где пожарная машина остановилась в ответ на пожарную тревогу.
Схема включения сцепления при отпускании педали (мультипликация).
Передача крутящего момента на первичный вал коробки передач (мультипликация).
Схема работы коробки передач при изменении крутящего момента путем соединения шестерен разных размеров при переключении передачи (мультипликация), водитель переключает передачу.
Передача крутящего момента от коробки передач на ведущий вал главной передачи (мультипликация).
Шарниры главной передачи.
Схема шлицевого соединения в эластичной муфте (мультипликация).
Автомобиль на дороге.
Схема главной передачи (мультипликация).
Главная передача в разрезе, демонстрация передачи крутящего момента на полуоси и колеса.
Схема работы дифференциала (мультипликация).
Дифференциал в разреза.
Автомобиль на поворотах.
Автомобиль на подъемнике в мастерской.
Подрамник несущей системы автомобиля.
Задний и передний мосты.
Передние и задние подвески.
Повороты передних колес.
Подъемник с автомобилем опускается.
Вид колеса автомобиля.
Автомобиль на трассе.
Водитель за рулем автомобиля.
Устройство и схема работы рулевого управления (мультипликация).
Схема действия рулевого привода по принципу рулевой трапеции (мультипликация).
Углы, соответствующие крутизне поворота автомобиля (мультипликация).
Автомобиль на трассе.
Загорается предупреждающий и запрещающий сигнал светофора.
Автомобиль останавливается перед светофором.
Схема рабочей тормозной системы автомобиля (мультипликация).
Схема работы тормозной системы при нажатии на педаль тормоза и раздельного действия гидравлического привода (мультипликация).
Схема стояночной тормозной системы (мультипликация).
Постановка автомобиля на стояночный тормоз.
Работа механического привода стояночного тормоза (мультипликация).
Автомобиль едет по шоссе.
Внешний и внутренний виды кузова автомобиля.
Водитель садится за руль, пристегивает ремень безопасности.
Включение систем вентиляции и отопления путем нажатия кнопок.
Регулировка зеркал заднего вида.
Включение и выключение плафона освещения.
Работа стеклоочистителей.
Водитель открывает капот.
Приборы систем зажигания двигателя.
Включение аварийной сигнализации.
Приборы освещения — фары, подфарники.
Вид панели с контрольно-измерительными приборами.
Автомобиль едет по шоссе.
Проезжает автомобиль ВАЗ-2108 с передними ведущими колесами.
Автомобиль совершает маневры.
Водитель выходит из автомобиля и поднимает капот.
Поперечное расположение двигателя у модели ВАЗ-2108.
Лицо водителя.
ВАЗ-2108 выезжает на шоссе.
Вид дороги через лобовое стекло автомобиля.
Водитель за рулем, за окном здание Северного речного вокзала.
Вид части Ленинградского шоссе через лобовое стекло.
ВАЗ-2108 в пути.
Общее устройство автомобиля в «двух словах»
В современном мире автомобиль уже не является роскошью, так как стал обычным средством передвижения. Поэтому, очень важно хотя бы поверхностно ознакомиться с техническим устройством автомобиля.
Стандартная схемаустройства машины выглядит следующим образом: кузовная оболочка автомобиля, аппарат шасси и силовой агрегат.
Видео о том, как устроены основные узлы автомобиля:
Подпишитесь на наш Telegram-канал
Кузов автомобиля
Кузов является одной из самых важных частей автомобиля, так как он служит связующим звеном и крепежом для всех рабочих узлов. Он определяет внешний вид, внутреннее удобство и безопасность.
Основу кузова составляет металлический каркас, к которому прикрепляются капот, боковые дверцы, бампер, крышка багажника и прочие накладные элементы. Каркас, в свою очередь, представляет собой особую конструкцию состоящую из нескольких отдельно приваренных элементов: основания, крыши, передней и задней части кузова, а также правой и левой боковины.
Аппарат шасси
Шасси — это комплекс основных узлов, которые отвечают непосредственно за передвижение авто, его маневренность и координацию. Аппарат шасси включает в себя три основных элемента: трансмиссию, ходовой блок и управляющий механизм.
Устройство трансмиссии
Трансмиссия предопределена для перенаправления вращающего момента от двигателя к ведущим колесам. Она также дает возможность изменять его величину и направление. Трансмиссия состоит из нескольких составляющих: сцепления, коробки передач, кардана, основной передачи, дифференциала, раздаточной коробки, полуоси и шарниров равных угловых скоростей.
Главное, в чем должен быть компетентен водитель транспортного средства — это сцепление и коробка передач, так как именно от этих двух узлов зависит запуск двигателя и движение автомобиля. Коробка передач бывает трех видов: механическая, автоматическая и комбинированная. Современные автомобили в большинстве случаев оборудованы коробками «автомат», которые позволяют плавно трогаться с места и не усложняют процесс управления автомобилем.
Устройство ходовой автомобиля
Ходовая часть составляет около 50% от всего автомобиля, поэтому к ней стоит отнестись с особой внимательностью. Ее основой является рама, к которой крепятся две оси, подвеска и четыре колеса. Передняя и задняя ось необходимы для снятия основной нагрузки с кузова и равномерного ее распределения на колеса. Также эти две детали отвечают за маневренность и правильное вхождение автомобиля в повороты.
Устройство подвески автомобиля предназначено для объединения осей с основой ходовой частью, рамой. Она, совместно с колесами обеспечивает плавность хода и смягчает разнообразные толчки, а также удары во время движения. Подвеска может быть выполнена в виде витой или стержневой пружины, которая обладает определенной упругостью и служит неким амортизатором.
Колеса автомобиля устанавливаются в определенных углах развал-схождения. Для поддержания и проверки этих параметров существуют специальные компьютерные стенды. Такая техника позволяет выявить отхождение от нормы и своевременно произвести балансировку на специальном станке. Ведь если не проводить такое мероприятие, то можно испортить резину.
Управляющий механизм
Управляющий механизм транспортного средства условно делится на две части: рулевое управление и тормозную систему. И та и другой участок управляющего механизма являются неотъемлемой частью автомобиля, без которых невозможно движение.
Рулевое управление представляет собой сбалансированное взаимодействие рулевого механизма и привода. От них напрямую зависит изменение направления движения. В этом процессе также участвуют ведущие колеса и система их привода. Для упрощения управления многие современные автомобили дополнительно оснащены гидроусилителем руля, который позволяет осуществлять любые маневры на дороге.
Рулевой управляющий механизм бывает право- и левосторонним, в зависимости от предписанного направления движения. Такая вариация необходима для того, что обеспечить водителю максимальный угол обзора.
Тормозная система является основным участником управляющего процесса. За счет ее, автомобиль способен снижать скорость во время движения, вплоть до полной остановки, она также способствует удержанию автомобиля на одном месте в состоянии покоя. Основой тормозной системы является закон о силе трения.
Тормозной механизм бывает двух видов: подвижный и неподвижный. В первом варианте основные элементы тормозной системы вращаются вместе с колесом, во втором — они находятся в состоянии покоя вне зависимости от того, движется автомобиль или нет.
Устройство двигателя автомобиля
Двигатель — это механизм, который способен преобразовывать топливо в механическую энергию, то есть, именно от него зависит движение автомобиля. В современных авто используется поршневой двигатель внутреннего сгорания, который может потреблять разные виды топлива: бензин, дизельное топливо и газ.
Обзор и сравнение бензиновых, дизельных и газобалонных двигателей на видео:
Перспективными считаются газотурбинные двигатели внутреннего сгорания. Такое устройство двигателя автомобиля используется в силовых установках и тяжелой технике. Также завоевывают популярность электрические автомобили, однако, они рассчитаны только на транспортировку незначительных грузов. Существуют и другие типы силовых агрегатов, например, роторные двигатели, о принципе работы которых мы рассказывали ранее.
В зависимости от потребляемого вида топлива, для каждого автомобиля присуща своя номинальная мощность, а также количество цилиндров, которое может колебаться от двух до двенадцати. Минимальное количество цилиндров присуще малолитражным авто, максимальное — наоборот. Расположение цилиндров также зависит от их количества. Как известно, устройство машинногодвигателя не всегда находится в передней части автомобиля. Существуют модели с двигателем, который расположен сзади, вдоль или поперек кузова.
Обладая элементарными знаниями о техническом устройстве автомобиля, можно самостоятельно справиться с многочисленными неполадками, которые периодически возникают на пути каждого автомобилиста. Такие знания помогут не только сократить расходы на поддержание технически-исправного состояния автомобиля, но и сэкономят драгоценное время, затрачиваемое на сервисное обслуживание.
Поделиться в vk
VK
Поделиться в facebook
Facebook
Поделиться в odnoklassniki
OK
Поделиться в twitter
Twitter
Поделиться в telegram
Telegram
Поделиться в whatsapp
WhatsApp
Как сэкономить топливо в жару? Советы опытных водителей
Ежегодно в отпуск отправляются миллионы россиян, предпочитая ехать на собственном автомобиле, чем часами томиться в плацкартных вагонах или рейсовых автобусах. Но стоимость бензина в нашей стране не добавляет радостных эмоций.
Читать полностью »
Безвоздушные шины от Hankook, Bridgestone и Michelin
Компания Hankook испытала инновационные безвоздушные покрышки iFlex в деле и опубликовала результаты тестов.
Читать полностью »
Гибридные автомобили — устройство и лучшие модели
Отношение россиян к автомобилям с гибридной силовой установкой неоднозначное. Есть те, кто всячески поддерживает идею создания машин с минимальными вредными выбросами в атмосферу и небольшим расходом топлива. Другая группа всячески
Читать полностью »
Какие бывают типы кузовов автомобилей?
Развитие мирового автопрома не стоит на месте, постоянно совершенствуясь. Касается это и количества существующих типов кузова автомобилей. Достаточно сказать, что всего 20 лет назад их было вдвое меньше, чем в
Читать полностью »
Правильная обкатка нового автомобиля
Мечта стала реальностью – новый, ослепляющий красотой автомобиль красуется в вашем гараже. Вы уже прокручиваете в уме, как окунетесь с головой в езду по ночному городу, или отправитесь в гости
Читать полностью »
Какие свечи зажигания лучше использовать в автомобиле
Еще совсем недавно, каждый второй автовладелец задавался вопросом какие свечи зажигания лучше выбрать. Ответом на него был исключительно практический опыт. Сегодня, экспериментировать на собственном автомобиле нет необходимости, так как современные технологии позволяют проводить
Читать полностью »
Общее устройство автомобиля
Любой легковой автомобиль состоит из следующих элементов: — двигателя; —трансмиссии; —ходовой части; —механизмов управления; —электрооборудования; —дополнительного оборудования; —кузова.
Двигатель — это «сердце» машины. Он сжигает топливо и преобразует тепловую энергию в механическую: заставляет вращаться коленчатый вал, затем вращение через трансмиссию передается на колеса (составляющую ходовой части). Так машина приводится в движение. Во время движения водитель управляет автомобилем с помощью рулевого колеса и педалей, представляющих собой механизмы управления. Он включает свет фар и указатели поворотов, то есть пользуется электрооборудованием. При этом водитель пристегнут ремнем безопасности, ему тепло (работает обогреватель) — задействовано дополнительное оборудование. Кузов среднестатистического легкового автомобиля состоит из моторного отсека (там находится двигатель), пассажирского салона и багажного отделения. Он же является несущей конструкцией для узлов и агрегатов автомобиля. Современные автомобили можно классифицировать по нескольким признакам: по типу кузова, типу и рабочему объему двигателя, типу привода колес и габаритным размерам.
Общее устройство автомобиля. Классификация и назначение автомобильного подвижного состава
Классификация и назначение автомобильного подвижного состава
реферат
Автомобилем называется колесное безрельсовое транспортное средство, оборудованное двигателем, обеспечивающим его движение.
Автомобиль представляет собой сложную машину, состоящую из деталей, узлов, механизмов, агрегатов и систем.
Деталь — изделие из однородного материала (по наименованию и марке), выполненное без применения сборочных операций. Деталь, с которой начинается сборка узла, механизма или агрегата, называется базовой.
Узел — ряд деталей, соединенных между собой с помощью резьбовых, заклепочных, сварных и других соединений.
Механизм — подвижно связанные между собой детали или узлы, преобразующие движение и скорость.
Агрегат — несколько механизмов, соединенных в одно целое.
Система — совокупность взаимодействующих механизмов, приборов и других устройств, выполняющих при работе определенные функции.
Все механизмы, агрегаты и системы образуют три основные части, из которых состоит автомобиль: двигатель, кузов и шасси.
Двигатель является источником механической энергии, необходимой для движения автомобиля.
Кузов предназначен для размещения водителя, пассажиров, багажа и защиты их от внешних воздействий (ветер, дождь, грязь и др.).
Шасси представляет собой совокупность механизмов, агрегатов и систем, обеспечивающих движение и управление автомобилем. В состав шасси входят трансмиссия, несущая система, передняя и задняя подвески, колеса, мосты, рулевое управление и тормозные системы.
Трансмиссия при движении автомобиля передает мощность и крутящий момент от двигателя к ведущим колесам.
У автомобиля с задними ведущими колесами трансмиссия состоит из сцепления, коробки передач, карданной передачи, главной передачи, дифференциала и полуосей. Главная передача, дифференциал и полуоси устанавливаются в балке ведущего моста. У автомобиля с передними ведущими колесами карданная передача в трансмиссии между коробкой передач и главной передачей отсутствует. У автомобиля со всеми ведущими колесами в трансмиссию дополнительно входят раздаточная коробка, соединенная карданными передачами с ведущими мостами.
Несущая система предназначена для установки и крепления всех частей, систем и механизмов автомобиля.
У грузовых автомобилей, автобусов, выполненных на базе шасси грузовых автомобилей, легковых автомобилей большого и высшего классов, а также у ряда легковых автомобилей повышенной проходимости несущей системой является рама, и такие автомобили называются рамными.
Легковые автомобили особо малого, малого и среднего классов, а также автобусы рамы не имеют. Функции несущей системы у этих автомобилей выполняет кузов, который называется несущим. Сами же автомобили называются безрамными.
Подвеска обеспечивает упругую связь колес с несущей системой и плавность хода автомобиля при движении, т. е. защиту водителя, пассажиров, грузов от воздействия неровностей дороги в виде толчков и ударов, воспринимаемых колесами.
Большинство легковых автомобилей имеют переднюю независимую подвеску колес и заднюю зависимую. У грузовых автомобилей и автобусов передняя и задняя подвески колес зависимые.
Колеса связывают автомобиль с дорогой, обеспечивают его движение и поворот.
Колеса называются ведущими, если к ним от двигателя подводятся мощность и крутящий момент. Управляемыми называются колеса, обеспечивающие поворот автомобиля и к которым мощность и крутящий момент не подводятся. Колеса называются комбинированными, когда они являются ведущими и управляемыми одновременно. У большинства автомобилей ведущие колеса задние, а управляемые — передние.
Мосты поддерживают несущую систему автомобиля.
На автомобилях применяются ведущие, управляемые и комбинированные мосты, на которых установлены соответственно ведущие, управляемые и комбинированные колеса. Ведущими у автомобилей являются задние мосты, а управляемыми и комбинированными — передние.
Рулевое управление обеспечивает изменение направления движения и поворот автомобиля.
На автомобилях применяются рулевые управления без усилителей и с усилителями: гидравлическими и реже пневматическими. Усилители рулевого управления облегчают работу водителя и повышают безопасность движения, т.е. движение автомобиля осуществляется с наименьшей вероятностью дорожно-транспортных происшествий и аварий.
На автомобилях рулевое управление может быть левым или правым в зависимости от принятого в той или иной стране направления движения транспорта. При этом рулевое колесо, установленное с левой или с правой стороны в кузове или кабине автомобиля, обеспечивает лучшую видимость при разъезде с транспортом, движущимся навстречу, что также повышает безопасность движения.
Тормозные системы уменьшают скорость движения автомобиля, останавливают и удерживают его на месте, обеспечивая безопасность при движении и на остановках.
Автомобили оборудуются несколькими тормозными системами, совокупность которых называется тормозным управлением автомобиля.
Рабочая тормозная система используется для служебного и экстренного (аварийного) торможения, действует на все колеса автомобиля и приводится в действие от тормозной педали ногой водителя.
Стояночная тормозная система удерживает на месте неподвижный автомобиль, действует только на задние колеса или на вал трансмиссии. Приводится в действие от рычага рукой водителя.
Запасная тормозная система (резервная) останавливает автомобиль при выходе из строя рабочей тормозной системы. При отсутствии на автомобиле отдельной запасной тормозной системы ее функции может выполнять исправная часть рабочей тормозной системы (первичный или вторичный контур) или стояночная тормозная система.
Вспомогательная тормозная система (тормоз-замедлитель) действует на вал трансмиссии и выполняется независимой от других тормозных систем.
Рабочей, стояночной и запасной тормозными системами оборудуются все автомобили, а вспомогательной тормозной системой только грузовые автомобили большой грузоподъемности полной массой свыше 12 т и автобусы полной массой более 5 т.
Прицепы, работающие в составе автопоездов, оборудуются прицепной тормозной системой, снижающей скорость движения, останавливающей и удерживающей их на месте, а также автоматически останавливающей прицепы при их отрыве от автомобиля-тягача.
Читать онлайн «Устройство автомобиля для сдающих экзамены в ГИБДД и начинающих водителей», Алексей Громаковский – ЛитРес
Введение
Уважаемые будущие, настоящие и вчерашние курсанты автошкол! Из личного опыта знаем: каждому, кто готовится к нелегкому жизненному испытанию под названием «водительские курсы», очень уж хочется как-нибудь «опустить» теорию и поскорее сесть за руль автомобиля, пусть даже учебного. Равно как и тем, кто уже ерзает на стуле, сидя за партой, и с тоской изучает, что такое гужевая повозка или чем велосипед отличается от мопеда.
Однако же в теоретической части есть немало полезной и интересной информации. Проблема в том, что часто в стандартных учебниках она изложена сухо и непонятно. По этой причине и родилась книга, которую вы держите в руках.
Поверьте, все, что в ней содержится, пригодится не только для сдачи зачетов и экзаменов на пути к заветной цели, но и послужит вам в будущем хорошим подспорьем. Ведь гораздо лучше «опустить» не теорию, а звание «чайника» в водительской карьере. Для этого необходимо обладать знаниями, чтобы не тратить пол-стоимости автомобиля на замену целого узла вместо одного подшипника.
К сожалению, подобный «развод на деньги» происходит сплошь и рядом.
Так что читайте, запоминайте, усваивайте, переваривайте, сдавайте экзамены, покупайте машину и становитесь настоящим водителем!
1. Общее устройство автомобиля
К транспортным средствам категории «В»
относятся автомобили, разрешенная максимальная масса которых не превышает 3500 кг
с количеством сидячих мест, помимо сиденья водителя, не более восьми.
Любой легковой автомобиль состоит из следующих элементов (рис. 1.1):
♦ двигателя;
♦ трансмиссии;
♦ ходовой части;
♦ механизмов управления;
♦ электрооборудования;
♦ дополнительного оборудования;
♦ кузова.
Двигатель – это «сердце» машины. Он сжигает топливо и преобразует тепловую энергию в механическую: заставляет вращаться коленчатый вал, затем вращение через трансмиссию передается на колеса (составляющую ходовой части).
Во время движения водитель управляет автомобилем с помощью рулевого колеса и педалей, представляющих собой механизмы управления. Он включает свет фар и указатели поворотов, то есть пользуется электрооборудованием.
При этом водитель пристегнут ремнем безопасности, ему тепло (работает обогреватель) – задействовано дополнительное оборудование.
Кузов среднестатистического легкового автомобиля состоит из моторного отсека (там находится двигатель), пассажирского салона и багажного отделения. Он же является несущей конструкцией для узлов и агрегатов автомобиля.
Современные автомобили можно классифицировать по нескольким признакам: по типу кузова, типу и рабочему объему двигателя, типу привода колес и габаритным размерам.
Классификация по типу кузова
Кузова современных легковых автомобилей разнообразны и многофункциональны, хотя, конечно, их основное предназначение – перевозка пассажиров и небольшой поклажи.
В зависимости от формы кузова и количества посадочных мест легковые автомобили делятся на следующие типы.
Седан – машина с двумя, четырьмя или даже шестью боковыми дверями. Характерные черты – моторный отсек и багажное отделение у седанов вынесены наружу, то есть изолированы от салона (рис. 1.2). Седаны, имеющие шесть боковых дверей и перегородку, отделяющую водительскую секцию салона от пассажирской, называют лимузинами.
Рис. 1.2.Седан – самый распространенный тип кузова
Купе – двухдверный кузов с одним или двумя рядами полноразмерных или укороченных сидений (есть варианты, в которых задние сиденья – детские) (рис. 1.3).
Универсал – автомобиль с дверью в задней стенке кузова. Отличается от остальных типов тем, что имеет постоянный грузовой отсек, не отделяющийся от пассажирского стационарной перегородкой (рис. 1.4).
Рис. 1.3. Купе
Рис. 1.4. Универсалы любят дачники и путешественники
Хетчбэк – гибрид седана и универсала.
В наше время довольно популярный тип кузова. Как и в универсале, в хетчбэке задний ряд сидений складывается (рис. 1. 5).
Рис. 1.5. Хетчбэк
Вагон – он же мини-вэн. Характерные признаки – моторный отсек и багажное отделение не выступают за пределы кузова (рис. 1.6).
Рис. 1.6. Мини-вэн удобен для семейных поездок
Кабриолет – автомобиль со складывающимся верхом и опускающимися боковыми стеклами окон (рис. 1.7).
Рис. 1.7. Кабриолет
Джип – все более популярный тип кузова: вытянутый вверх хетчбэк (рис. 1.8).
Рис. 1.8. Джип
Пикап – закрытая кабина (одно– или двухрядная) и открытая платформа для грузов с откидным задним бортом (может иметь мягкий или жесткий верх) (рис. 1.9).
Рис. 1.9. Пикап удобен при перевозке грузов
Классификация по типу и рабочему объему двигателя
Большинство современных автомобилей оснащено двигателями, работающими на бензине или на дизельном топливе. Следовательно, по типу двигателя автомобили делятся на бензиновые и дизельные.
По рабочему объему двигателей машины классифицируются следующим образом:
♦ особо малый класс (так называемые малолитражки) – до 1,1 литра;
♦ малый класс – от 1,1 до 1,8 литра;
♦ средний класс – от 1,8 до 3,5 литра;
♦ большой класс – 3,5 литра и более.
Классификация по типу привода колес
В зависимости от того, на какую колесную ось (переднюю или заднюю) передается крутящий момент от двигателя, автомобили делятся на заднеприводные, переднеприводные и полноприводные.
Заднеприводные – автомобили, у которых крутящий момент от двигателя передается на задние колеса (рис. 1.10).
Рис. 1.10. Заднеприводной автомобиль
Движение происходит по толкательному принципу: задние (ведущие) колеса толкают вперед автомобиль, а передние (ведомые) служат для изменения направления движения.
Переднеприводные – автомобили, в которых крутящий момент от двигателя передается на передние колеса, которые тащат за собой всю машину и служат для изменения направления движения (рис. 1.11).
Кстати, переднеприводной автомобиль более устойчив на дороге.
Рис. 1.11.
Переднеприводной автомобиль
Полноприводные – автомобили, в которых крутящий момент передается и на передние, и на задние колеса одновременно (рис. 1.12).
Рис. 1.12. Полноприводной автомобиль: а – с раздаточной коробкой; б – с полным приводом, подключаемым автоматически; в – с постоянным полным приводом
Классификация по габаритным размерам
В современной автомобильной промышленности различают шесть европейских классов в зависимости от габаритных размеров автомобиля. Классы обозначаются буквами латинского алфавита: A, B, C, D, E, S (или F) (рис. 1.13).
Рис. 1.13. Классификация автомобилей по габаритным размерам
♦ А – мини-класс. Характеризуется длиной не более 3,6 м и шириной до 1,6 м. Такие автомобили могут быть как трех-, так и пятидверными.
♦ В – малый класс. Длина кузова – от 3,6 до 3,9 м, ширина – от 1,5 до 1,7 м.
♦ С – низший средний класс (в народе – гольф-класс или компакт-класс). Длина таких машин – от 3,9 до 4,4 м, ширина – от 1,6 до 1,75 м.
♦ D – средний класс. К этой категории относятся автомобили длиной от 4,4 до 4,7 м и шириной от 1,7 до 1,8 м.
♦ Е – высший средний класс, или бизнескласс. Это кузова от 4,6 до 4,8 м в длину и более 1,7 м в ширину.
♦ S (F) – класс люкс (представительский класс). Автомобили длиной свыше 4,8 м и шириной более 1,7 м.
2. Двигатель внутреннего сгорания (ДВС)
Общее устройство и работа ДВС
Почти на всех современных автомобилях в качестве силовой установки применяется двигатель внутреннего сгорания (ДВС) (рис. 2.1).
Существуют еще электромобили, но их мы рассматривать не будем.
Рис. 2.1. Внешний вид двигателя внутреннего сгорания
В основе работы каждого ДВС лежит движение поршня в цилиндре под действием давления газов, которые образуются при сгорании топливной смеси, именуемой в дальнейшем рабочей.
При этом горит не само топливо. Горят только его пары, смешанные с воздухом, которые и являются рабочей смесью для ДВС. Если поджечь эту смесь, она мгновенно сгорает, многократно увеличиваясь в объеме. А если поместить смесь в замкнутый объем, а одну стенку сделать подвижной, то на эту стенку будет воздействовать огромное давление, которое будет двигать стенку.
ПРИМЕЧАНИЕ
В ДВС из каждых 10 литров топлива только около 2 литров используется на полезную работу, остальные 8 литров сгорают впустую. То есть КПД ДВС составляет всего 20 %.
ДВС, используемые на легковых автомобилях, состоят из двух механизмов: кривошипношатунного и газораспределительного, а также из следующих систем:
♦ питания;
♦ выпуска отработавших газов;
♦ зажигания;
♦ охлаждения;
♦ смазки.
Основные детали ДВС:
♦ головка блока цилиндров;
♦ цилиндры;
♦ поршни;
♦ поршневые кольца;
♦ поршневые пальцы;
♦ шатуны;
♦ коленчатый вал;
♦ маховик;
♦ распределительный вал с кулачками;
♦ клапаны;
♦ свечи зажигания.
Большинство современных автомобилей малого и среднего класса оснащены четырехцилиндровыми двигателями. Существуют моторы и большего объема – с восьмью и даже двенадцатью цилиндрами (рис. 2.2). Чем больше объем двигателя, тем он мощнее и тем выше потребление топлива.
Рис. 2.2. Схемы расположения цилиндров в двигателях различной компоновки:
а – четырехцилиндровые; б – шестицилиндровые; в – двенадцатицилиндровые (α – угол развала)
Принцип работы ДВС проще всего рассматривать на примере одноцилиндрового бензинового двигателя. Такой двигатель состоит из цилиндра с внутренней зеркальной поверхностью, к которому прикручена съемная головка. В цилиндре находится поршень цилиндрической формы – стакан, состоящий из головки и юбки (рис. 2.3). На поршне есть канавки, в которых установлены поршневые кольца. Они обеспечивают герметичность пространства над поршнем, не давая возможности газам, образующимся при работе двигателя, проникать под поршень. Кроме того, поршневые кольца не допускают попадания масла в пространство над поршнем (масло предназначено для смазки внутренней поверхности цилиндра). Иными словами, эти кольца играют роль уплотнителей и делятся на два вида: компрессионные (те, которые не пропускают газы) и маслосъемные (препятствующие попаданию масла в камеру сгорания) (рис. 2.4).
Рис. 2.3. Поршень
Смесь бензина с воздухом, приготовленная карбюратором или инжектором, попадает в цилиндр, где сжимается поршнем и поджигается искрой от свечи зажигания. Сгорая и расширяясь, она заставляет поршень двигаться вниз. Так тепловая энергия превращается в механическую.
Далее следует преобразование хода поршня во вращение вала. Для этого поршень с помощью пальца и шатуна шарнирно соединен с кривошипом коленчатого вала, который вращается на подшипниках, установленных в картере двигателя (рис. 2.5).
В результате перемещения поршня в цилиндре сверху вниз и обратно через шатун происходит вращение коленчатого вала.
Верхней мертвой точкой (ВМТ) называется самое верхнее положение поршня в цилиндре (то есть место, где поршень перестает двигаться вверх и готов начать движение вниз) (см. рис. 2.3). Самое нижнее положение поршня в цилиндре (то есть место, где поршень перестает двигаться вниз и готов начать движение вверх) называют нижней мертвой точкой (НМТ) (см. рис. 2.3). А расстояние между крайними положениями поршня (от ВМТ до НМТ) называется ходом поршня.
КЛАССИФИКАЦИЯ И ОБЩЕЕ УСТРОЙСТВО АВТОМОБИЛЯ — КиберПедия
РАБОЧАЯ ТЕТРАДЬ
МДК 01. 02. «Устройство, техническое обслуживание и
ремонт автомобилей»
Раздел № 1 «Устройство автомобиля»
Специальность: «Автомеханик»
Учебный год: 20__\20__
Курс: ______ Группа: _______
Фамилия, Имя, Отчество
Разработала
Преподаватель спецдисциплин
Давыдова Ирина Владимировна
п. Хор .2012
ПОЯСНИТЕЛЬНАЯ ЗАПИСКА
Рабочая тетрадь к Р. 1 «Устройство автомобиля» МДК 01.02. «Устройство, техническое обслуживание и ремонт автомобилей» предназначена для самостоятельной работы с учебником «Грузовые автомобили» Родичев В.А., а так же для контроля знаний обучающихся по данному предмету. Является пособием для проверки теоретических знаний по дисциплине определенных стандартом по устройству автомобиля. Включает разнообразные задания, тесты позволяющие закрепить теоретические знания в области устройства автомобиля.
Рабочая тетрадь предназначена для самостоятельной работы учащихся. Служит рубежным контролем знаний по разделам: «Классификация и устройство автомобиля», «Двигатель», «Трансмиссия», «Ходовая часть и подвеска», «Система управления», «Кузов. Оборудование. Прицепы» и «Электрооборудование».
Предполагает вписывание ответов непосредственно в бланк рабочей тетради.
Оценка работы студентов – комплексная.
Раздел №1
КЛАССИФИКАЦИЯ И ОБЩЕЕ УСТРОЙСТВО АВТОМОБИЛЯ
1. Закончите предложение:
Автомобиль- это самоходное транспортное средство, предназначенное для___________________________________________________________.
2. Как классифицируется автомобильный транспорт по назначению
___________________________
___________________________
___________________________
3. Для чего служат специальные автомобили? Приведите примеры спец.автомобилей.
А) по способу смесеобразования: ______________________________________________________________________________________________________________________________________________
Б) по виду применяемого топлива:_______________________________________________________________________________________________________________________________________
В) по способу охлаждения____________________________________________________________________________________________________________________________________
Г) по расположению цилиндров_____________________________________________________________________________________________________________________________________
3. Определите объем камеры сгорания, рабочий объем цилиндра, полный объем цилиндра, верхнюю и нижнюю мертвые точки:
Ход поршня-____________________________________________________________________________________________________________________________________________________
Рабочий объем цилиндра-______________________________________________________________________________________________________________________________________________________________________________________________________________________________
Полный объем цилиндра-____________________________________________________________________________________________________________________________________________________
Степень сжатия-______________________________________________________________________________________________________________________________________________________________________________________________________________________________
6. Напишите отличие рабочего цикла дизельного четырехцилиндрового двигателя от карбюраторного ____________________________________________________________________________________________________________________________________________________________________________________________________________________________________________________________________________________________________________________________________________________
7. Напишите порядок работы четырехцилиндрового двигателя___________________________________________________________________________
8. Напишите порядок работы восьмицилиндрового двигателя___________________________________________________________________________
9. Какие два механизма есть в ДВС и напишите их определение
11. Какого автомобиля двигатель указан на рисунке? Подпишите его устройство .
Это двигатель автомобиля… ___________________________________________________________________________
Устройство ДВС: ________________________________________________________________________________________________________________________________________________________________________________________________________________________________________________________________________________________________________________________________________________________________________________________________________________________________________________________________________________________________________________________________________________________________________________________________________________________________________________________________________________________________________
МЕХАНИЗМЫ ДВИГАТЕЛЯ
Система охлаждения
1. Для чего служит система охлаждения? ________________________________________________________________________________________________________________________________________________________________________________________________________________________________________________________________________
4.Какие узлы и агрегаты включает в себя жидкостная система охлаждения? ____________________________________________________________________________________________________________________________________________________________________________________________________________________________________________________________________________________________________________
5. По какому кругу циркулирует жидкость на этом рисунке?
6.Какой узел системы охлаждения служит для ускорения прогрева холодного двигателя и автоматического регулирования его теплового режима в заданных пределах? __________________________________________________________
7. Что изображено на рисунке? Напишите назначение и устройство этого узла.
8.Напишите назначение и устройство радиатора системы охлаждения ________________________________________________________________________________________________________________________________________________________________________________________________________________________________________________________________________________________________________________________________________________________________________________________________________________________________________________________
9. Из какого материала изготовлены баки и сердцевина радиатора? ___________________________________________________________________________
10. Как называется этот узел системы охлаждения? Напишите его устройство и работу.
.
11. Для чего в крышке радиатора устанавливают паровоздушный клапан? _______________________________________________________________________________________________________________________________________________________________________________________________________________________________________________________________
12. Где устанавливаются датчики указателя температуры охлаждающей жидкости? _____________________________________________________________________________________
13. Для чего на некоторых автомобилях устанавливают предпусковые подогреватели? _____________________________________________________________________________________
14. Какие три положения имеет переключатель предпускового подогревателя? ___________________________________________________________________________________________________________________________________________________________________________________________________________________________________________________________________________________________________________________________________________________\
15. Опишите схему работы предпускового подогревателя
1. Для чего необходима смазочная система двигателя? ____________________________________________________________________________________________________________________________________________________________________________________________________________________________________________________________________________________________________________________________________________
2. Какая система смазки будет называться «комбинированная»? _______________________________________________________________________________________________________________________________________________________________________________________________________________________________________________________________________________________________________________________________________________________________________________________________________________________________
3. Перечислите детали двигателя, которые будут смазываться:
под давлением ____________________________________________________________________________________________________________________________________________________________________________________________________________________________________________________________________________________________________________________________________________
5.Куда удаляются картерные газы при закрытой вентиляции картера? ________________________________________________________________________________________________________________________________________________________________________________________________________________________________________________________________________________________________________________________
6.Напишите схему работы системы смазки ____________________________________________________________________________________________________________________________________________________________________________________________________________________________________________________________________________________________________________________________________________________________________________________________________________________________________________________________________________________
7.Как называется узел системы смазки, указанный на рисунке? Напишите его назначение и устройство.
8.Какой клапан смонтирован в расточке корпуса насоса и для чего он нужен? ________________________________________________________________________________________________________________________________________________________________________________________________________________________________________________________________________________________________________________________
9.Для чего нужен перепускной клапан в насосе и на какое давление он отрегулирован? ________________________________________________________________________________________________________________________________________________________________________________________________________________________________________________________________________________________________________________________
10.Как называется узел системы смазки, указанный на рисунке? Напишите его назначение и устройство.
11. Из каких основных частей состоит фильтр со сменным фильтрующим элементом?_____________________________________________________________________________________________________________________________________________________________________________________________________________________________________________________________________________________________________________
12. Перечислите функции моторного масла: __________________________________________________________________________________________________________________________________________________________________________________________________________________________________________________________________________________________________________________________________________
Раздел № 3 Трансмиссия
Сцепление
1.Напишите назначение сцепления: _____________________________________________________________________________________________________________________________________________________________________________________________________________________________________________________________________________________________________________________________________
2.Какая сила используется в работе фрикционного сцепления?
4.Напишите отличие однодискового сцепления от двухдискового_________________________________________________________________________________________________________________________________________________________________________________________________________________________________________________________________________________________________________________________
5. Перечислите виды механизмов выключения сцепления____________________________________________________________________________________________________________________________________________________________________________________________________________________________________________________________________________________________________________________________
6. Какие механизмы включает в себя механический привод сцепления?____________________________________________________________________________________________________________________________________________________________________________________________________________________________________________________________________________________________________________________________
7. Какие основные элементы гидропривода вы знаете? ______________________________________________________________________________________________________________________________________________________________________________________________________________________________________________________________________________________________________________________________________________________________________________________________________
8. Опишите работу гидравлического привода сцепления_______________________________________________________________________________________________________________________________________________________________________________________________________________________________________________________________________________________________________________________________________________________________________________________________________________________________________________________________
9. Для чего служит пневматический усилитель привода сцепления? Где его устанавливают? _______________________________________________________________________________________________________________________________________________________________________________________________________________________________________________________________________________________________________________________________________________________________________________________________________________________________________________________________________
Ведущие мосты
1. Закончите предложение «Ведущим называют мост, м еханизмы которого передают вращающий момент…________________________________________________________________________________________________________________________________
2. Подпишите устройство ведущего моста
3. Напишите назначение и виды главных передач__________________________________________________________________________________________________________________________________________________________________________________________________________________________________________________________________________________________________________________________________________________________________________________________________________________________________________________________________________________________________________________________________________________________
4. В чем преимущество гипоидной главной передачи от обычной?________________________________________________________________________________________________________________________________________________________________________________________________________________________________________________________________________
5. Как называется этот механизм? Напишите его устройство.
6. Из каких основных частей состоит двухступенчатый ведущий мост?____________________________________________________________________________________________________________________________________________________________________________________________________________________________________________________________________________________________________________________________________________________________________________________________________________________________________________________________________________________________________________________________________________________________
7. Рассмотрите рисунок. Опишите схему работы ведущего моста
8. Закончите предложение: «Межосевой дифференциал служит для ….______________________________________________________________________________________________________________________________________________________________________________________________________________________________________________________________________________
9. Напишите назначение механизма блокировки дифференциала ____________________________________________________________________________________________________________________________________________________________________________________________________________________________________________________________________________________________________
10. Где установлены полуоси и с чем они соединяются наружными концами? ____________________________________________________________________________________________________________________________________________________________________________________________________________________________________________________________________________________________________
11. Какие полуоси называют полуразгруженными и полностью разгруженными?_____________________________________________________________________________________________________________________________________________________________________________________________________________________________________________________________________________________
РАЗДЕЛ №4 ХОДОВАЯ ЧАСТЬ
1. Какой остов у грузовых автомобилей?________________________________________
2. Закончите предложение: «Рама это несущая часть автомобиля, она воспринимает..________________________________________________________________________________________________________________________________________________________________________________________________________________________________________________________________________________________________________________________________________________________________
3. Какие рамы устанавливают на грузовых автомобилях?____________________________________________________________
4. Для чего служат балки мостов?____________________________________________________________________________________________________________________________________________________________________________________________________________________
5. Какие колеса устанавливают на автомобилях?_______________________________________________________________________________________________________________________________________________________________________________________________________________
6. Как делятся колеса по назначению?_________________________________________________________________________________________________________________________________________________________________________________________________________________________________________________________________________________________
10. Из каких основных частей состоит пневматическая шина?__________________________________________________________________________________________________________________________________________________________________________________________________________________________________________
11. Что называют подвеской автомобиля?_____________________________________________________________________________________________________________________________________________________________________________________________________________________________________________________________________________________________________________________
12. Напишите, какая подвеска указана на рисунках?
А Б
13. Напишите назначение амортизатора____________________________________________________________________________________________________________________________________________________________________________________________________________________________________
14. Подпишите основные элементы амортизатора
15. Опишите принцип действия амортизатора___________________________________________________________________________________________________________________________________________________________________________________________________________________________________________________________________________________________________________________________________________________________________________________________________________________________________________________________________________________________________________________________________________________________________
Тестовые задания по разделам «Трансмиссия», «Ходовая часть»
1. Для чего предназначена трансмиссия автомобиля?
а) для передачи крутящего момента на ведущие колеса;
б) для изменения крутящего момента;
в) для распределения крутящего момента между колесами в зависимости от нагрузки на них;
г) для передачи крутящего момента с двигателя на ведущие колеса и изменения его по величине и направлению.
Эталон: г.
2. Дополните предложение:
Поперечное расположение валов коробки передач позволяет ……….. .
а) уменьшить длину коробки передач;
б) уменьшить габаритные размеры автомобиля;
в) осуществить реверс на все передачи;
г) достичь всех перечисленных целей
эталон: г
3. Для чего предназначено сцепление автомобиля? ________________________________________________________________________________________________________________________________________________________________________________________________________________________________________________________________________________________________________________
Эталон-ответ: Сцепление автомобиля предназначено для кратковременного отсоединения двигателя от ведущих колес и плавного трогания с места.
4. Из каких частей состоит механизм сцепления автомобиля? ________________________________________________________________________________________________________________________________________________________________________________________________________________________________________________________________________________________________________________
Эталон-ответ: Механизм сцепления автомобиля состоит из кожуха, ведущего и ведомого дисков, выжимных рычагов и нажимных пружин.
а) расстояние от поверхности почвы до дна коробки передач;
б) расстояние от поверхности почвы до дна коробки маховика;
в) расстояние от поверхности почвы до нижних точек переднего и заднего мостов.
Эталон: в.
Рулевое управление
1. Закончите предложение: «Рулевое управление предназначено для …. _____________________________________________________________________________________________________________________________________________________________________________________________________________________________________________________________________________________________________________________________________________________________________________________________________________________
2. Для чего служит рулевой механизм?__________________________________________________________________________________________________________________________________________________________________________________________________________________________________________________________________________________________________________________________
4. Как называется этот механизм ? Напишите его устройство___________________________________________________________________________________________________________________________________________________________________________________________________________________________________________________________________________________________________________________________
5. Как называется этот механизм? Напишите его устройство____________________________________________________________________________________________________________________________________________________________________________________________________________________________________________________________________________________________________________________________________________________________________________________________________________
6. Перечислите устройство рулевого управления с гидроусилителем______________________________________________________________________________________________________________________________________________________________________________________________________________________________________________________________________________________________________________________________________________________________________________________________________
7. Как и где прикреплена колонка рулевого управления?___________________________________________________________________________________________________________________________________________________________________________________________________________________________________________________________________________________________________________________________________________________________________________________________________________
Тормозная система
1. Напишите назначение тормозной системы_____________________________________________________________________________________________________________________________________________________________________________________________________________________________________________________________________________________________________________________________________
2. Перечислите виды тормозных систем и для чего нужна каждая:___________________________________________________________________________________________________________________________________________________________________________________________________________________________________________________
3. Что такое тормозной механизм? Перечислите их виды.________________________________________________________________________________________________________________________________________________________________________________________________________________________________________________
4. Какие тормозные механизмы используют в стояночной системе?__________________________________________________________________________
5. Как называется этот механизм? Напишите его устройство
6. Какой колесный тормоз изображен на рисунке? Напишите его устройство
7. Напишите назначение привода тормозов___________________________________________________________________________________________________________________________________________________________________________________________________________________________________________________________________________________________________________________________________
8. Перечислите виды приводов. Где используется каждая?______________________________________________________________________________________________________________________________________________________________________________________________________________________________________________________________________________________________________________________________________________________________________________________________________________________________________________________________________________________________________________________________________________________________________________________________
9. С каким приводом тормозная система указана на рисунке? Напишите схему работы.____________________________________________________________________________
10. С каким приводом тормозная система указана на рисунке? ___________________________________________________________________________________
11. Что указано на рисунке? Напишите назначение, устройство и принцип работы.___________________________________________________________________________
12. Как называется этот механизм? В какой тормозной системе он устанавливается?_______________________________________________________________________________________________________________________________________________________
13. Напишите назначение регулятора давления в пневмосистеме. При каком давлении он срабатывает?______________________________________________________________________________________________________________________________________________________________________________________________________________________________________________
14. Что такое тормозной кран? Где он устанавливается?_____________________________________________________________________________________________________________________________________________________________________________________________________________________________________________________________________________________________________________________________
15. Для чего служит вспомогательная тормозная система?_____________________________________________________________________________________________________________________________________________________________________________________________________________________________________________________________________________________________________________________________________
16. Какие преимущества имеет многоконтурный тормозной привод по сравнению с одноконтурным?_________________________________________________________________________________________________________________________________________________________________________________________________________________________________________________________________________________________________________________________________________________________________________________________________________________
Кузов автомобиля
1. Что представляет собой кабина грузового автомобиля? Из каких основных частей она состоит?_____________________________________________________________________________________________________________________________________________________________________________________________________________________________________________________________________________________________________________________________________
2. Что включает в себя оперение автомобиля?_________________________________________________________________________________________________________________________________________________________________________________________________________________________________________________________________________________________________________________________________
3. Напишите устройство для очистки и обмыва ветрового стекла_______________________________________________________________________________________________________________________________________________________________________________________________________________________________________________________________________________________________________________________________________
4. Какие платформы устанавливают на грузовых автомобилях?_____________________________________________________________________________________________________________________________________________________________________________________________________________________________________________
5. Какая платформа указана на рисунке? Напишите ее устройство.________________________________________________________________________
6. Перечислите устройство подъемного механизма автомобиля-самосвала:____________________________________________________________________________________________________________________________________________________
Snapshot Часто задаваемые вопросы | Прогрессивный
Когда вы подписываетесь на Snapshot ® , вы выбираете, хотите ли вы использовать подключаемое устройство или мобильное приложение. Оба работают очень похоже и дают вам скидку за хорошее вождение, но есть небольшие различия. Вот почему мы сгруппировали общие вопросы в три раздела: общие вопросы о моментальных снимках, вопросы о мобильном приложении и вопросы о подключаемом устройстве. Вы можете щелкнуть конкретную ссылку, чтобы перейти прямо к этим разделам часто задаваемых вопросов.
Ищете информацию о Snapshot Road Test ® ? Ознакомьтесь с нашими часто задаваемыми вопросами.
Общие вопросы по моментальным снимкам
Что такое снимок?
Как правило, ставки автострахования основаны на множестве факторов, связанных с вашей историей вождения или историями водителей, похожих на вас. Snapshot оценивает вашу страховку по-разному и персонализирует ваш страховой тариф в зависимости от вашего фактического вождения (так называемое страхование автомобиля на основе использования). Чем лучше вы водите, тем больше вы можете сэкономить.
Как Snapshot может повлиять на мою ставку?
С помощью Snapshot мы измеряем множество факторов, связанных с вашим вождением, в том числе такие, как время суток, когда вы едете, внезапные изменения скорости (жесткие торможения и резкие ускорения), количество поездок, а для клиентов, использующих мобильное приложение в некоторых штатах, как вы используете свой мобильный телефон во время вождения.
Большинство клиентов Snapshot получают скидку в зависимости от безопасного вождения. Однако более рискованное вождение, основанное на этих факторах, указывает на большую вероятность попасть в аварию и может привести к более высокому коэффициенту при продлении — в зависимости от штата, в котором вы живете, и когда вы подписались на Snapshot.
Дополнительную информацию см. на нашей странице сведений о состоянии.
Чем мобильное приложение отличается от подключаемого устройства?
Работа с мобильным приложением и подключаемым устройством очень похожа. В обоих случаях вы получаете скидку на участие только за регистрацию. Скидка за участие* остается в вашем полисе в течение первого срока действия полиса и заменяется при продлении вашей индивидуальной ставкой. Мобильное приложение и подключаемое устройство используют аналогичные переменные для оценки вашего вождения и предоставления индивидуальной оценки. В дополнение к переменным, общим для подключаемого устройства и мобильного приложения, приложение учитывает использование портативного телефона за рулем. Мобильное приложение дает вам удобный доступ к данным о вождении и отзывам на вашем мобильном телефоне. Кроме того, нет необходимости ждать доставки устройства по почте или подключать его к сети.
*Скидка на участие недоступна на Гавайях и в Нью-Йорке.
Какую информацию собирает Snapshot?
Снимок собирает информацию о том, как вы едете, сколько вы едете и когда вы едете. Если вы используете мобильное приложение, также будут собираться сведения об использовании вашего портативного телефона за рулем. Хотя данные о местоположении также собираются, они не влияют на результаты снимков, которые вы зарабатываете, но могут использоваться в целях страхования. Мы стремимся обеспечить безопасность вашей информации о вождении.
Когда я узнаю об изменении моей ставки?
Ищите регулярные обновления по электронной почте, показывающие ваш прогресс в программе Snapshot. Вы также можете войти в свою политику в любое время, чтобы узнать, как у вас дела. При первом продлении после регистрации вы получите электронное письмо с результатами моментального снимка и персонализированным тарифом на продление.
Могу ли я отказаться от моментального снимка?
Конечно. Если вы решите, что Snapshot вам не подходит, вы можете отказаться в любое время. Если вы получили скидку на участие в Snapshot при покупке полиса, вы потеряете эту скидку при выходе из программы. В некоторых штатах и ситуациях, если вы откажетесь более чем через 45 дней после регистрации, вы можете получить надбавку к своему полису при следующем продлении, и если вы уже предоставили нам свои данные о вождении, это может повлиять на вашу скорость продления.
Посетите страницу сведений, чтобы узнать особенности вашего штата.
Как я могу зарегистрироваться в Snapshot?
Вы можете зарегистрироваться в программе Snapshot во время покупки полиса или позвонив в Progressive по телефону 1-877-329-7283.
Могу ли я попробовать Snapshot перед покупкой полиса?
Если вы не хотите менять свою страховку на Progressive сегодня, вы можете зарегистрироваться для участия в дорожном тесте Snapshot. Это бесплатная пробная версия, которая позволяет вам увидеть, какую скидку вы можете получить с Progressive, не меняя своего автостраховщика. Узнайте больше о дорожном тесте Snapshot.
Могу ли я снова попробовать Снимок, если я участвовал в прошлом?
Абсолютно. В зависимости от вашего штата вы можете участвовать с помощью мобильного приложения или подключаемого устройства. В других штатах вам нужно использовать подключаемое устройство, если вы хотите снова участвовать. Вы можете проверить свои параметры Snapshot, войдя в свою политику или используя наше приложение Progressive service. См. нашу страницу сведений о состоянии для получения дополнительной информации.
Вопросы только о мобильном приложении
Ограничивает ли мобильное приложение возможность пользоваться телефоном во время вождения?
Нет. Мобильное приложение не повлияет на вашу способность использовать какие-либо обычные функции вашего телефона во время вождения или иным образом.
Есть ли в приложении GPS?
Мобильное приложение использует GPS для расчета скорости во времени, пробега и поведения вождения, например резкого торможения. Данные о местоположении используются для предоставления информации о поездке на телефоне. Он также может использоваться для целей андеррайтинга, но не используется для определения вашей индивидуальной ставки.
Зачем мобильному приложению нужен Wi-Fi?
Приложение использует Wi-Fi для отправки нам информации о вашей поездке. Приложение также использует Wi-Fi для более точного определения начала поездки и дополнения данных о местоположении GPS.
Подходит ли мне мобильное приложение?
Мобильное приложение подходит, если у всех водителей, участвующих в полисе, есть телефон Android™ или смартфон iPhone ® .
Кроме того, если какие-либо водители, указанные в вашем полисе, регулярно водят транспортные средства, не указанные в полисе, мобильная программа может не подойти. Некоторые примеры этого включают водителей доставки и людей, управляющих автомобилем компании.
Как это работает для нескольких транспортных средств или водителей?
Каждый водитель, участвующий в полисе, загружает мобильное приложение на свой смартфон. В некоторых штатах при регистрации приложения каждый водитель выбирает транспортное средство, которым он ездит чаще всего, и тогда каждый смартфон будет привязан к транспортному средству. В других штатах мы усредняем данные о вождении со всех смартфонов по всем транспортным средствам, указанным в полисе. В любом случае смартфон показывает данные о вождении этого водителя, и не имеет значения, управляют ли они иногда автомобилем по полису, отличному от того, который связан с их телефоном.
Если два водителя из домохозяйства вместе находятся в машине (например, муж и жена), мобильное приложение должно иметь возможность определять, кто является водителем, и собирать данные о поездке только для этого человека. Однако в случае, если приложение для телефона регистрирует поездку для обоих лиц, мы предоставляем возможность в приложении исправить информацию о поездке.
Дополнительную информацию см. на нашей странице сведений о штате.
Почему я не вижу мобильное приложение в App Store?
Если вы не видите приложение в App Store, это значит, что ваш телефон не поддерживается. Если вы уже зарегистрировались в мобильной программе, позвоните нам по телефону 1-877-329-7283, чтобы переключиться на подключаемое устройство.
Могу ли я переключиться на устройство?
Да, вы можете переключиться на сменное устройство, позвонив нам по телефону 1-877-329-7283. В некоторых штатах, если вы решите переключиться на подключаемое устройство, мы попросим и другие драйверы, указанные в вашей политике, также переключиться.
Что произойдет, если я путешествую за границу?
Помимо обращения к своему оператору мобильной связи для обсуждения вашего плана и международных последствий, вы должны приостановить работу приложения на период времени, когда, как вы знаете, вы будете за пределами страны.
Знает ли мобильное приложение, кому я звоню?
Нет. Snapshot собирает сведения об использовании телефона только во время вождения и не знает, кому вы звоните или иным образом связываетесь.
Как установить приложение на телефон? Это что-нибудь стоит?
Мобильное приложение доступно бесплатно для мобильных клиентов Progressive Snapshot. Просто перейдите по ссылке, которую мы предоставим вам в приветственном письме для загрузки. Оттуда вы можете следовать инструкциям по регистрации.
Что делать, если у меня возникли проблемы с регистрацией?
Для людей, которые загружают приложение и не являются клиентами Progressive Snapshot — вы не можете зарегистрироваться и использовать мобильное приложение. В некоторых штатах мобильное приложение доступно только для новых клиентов во время приобретения полиса. Если вы живете в одном из этих штатов, являетесь клиентом Progressive и хотели бы попробовать Snapshot, вы можете позвонить нам или войти в систему, чтобы зарегистрироваться в Snapshot с подключаемым устройством.
Для клиентов Snapshot, использующих мобильное приложение, позвоните нам по телефону 1-877-329-7283, чтобы получить помощь в регистрации.
Дополнительную информацию см. на нашей странице сведений о штате.
Что, если мы будем делить машины? Как решить, какой автомобиль назначить какому телефону?
Совместное использование автомобилей — это нормально. Программа не пострадает, если автомобили, указанные в полисе, будут общими для участников Snapshot. Каждый водитель видит только свои собственные данные о вождении на своем мобильном телефоне.
Какие настройки необходимы для использования приложения на моем телефоне?
iOS/iPhone
Для правильной работы приложения необходимы следующие настройки и разрешения:
Фоновое обновление приложения: Это позволяет приложению записывать данные о вождении, когда оно работает в фоновом режиме на вашем телефоне. Для достижения наилучших результатов этот параметр всегда должен быть включен для приложения Snapshot Mobile. Этот параметр можно найти в приложении «Настройки» в разделе «Основные»> «Обновление фонового приложения».
Службы определения местоположения: Службы определения местоположения используются для расчета поведения при вождении, например резкого торможения, пробега, и могут использоваться в целях страхования. Чтобы приложение работало должным образом, службы определения местоположения должны быть постоянно включены. Этот параметр можно найти в приложении «Настройки» в разделе «Конфиденциальность»> «Службы определения местоположения»:
Wi-Fi: Приложение использует Wi-Fi для отправки нам информации о вашей поездке. Приложение также использует Wi-Fi для более точного определения начала поездки и дополнения данных о местоположении GPS.
Работа приложения: Чтобы приложение правильно записывало безопасное вождение, не удаляйте и не закрывайте приложение. Это нормально, если приложение работает в фоновом режиме.
Android
Приложение должно работать на большинстве телефонов Android без специальной настройки. После установки приложение запросит доступ к следующему:
Местоположение: Службы определения местоположения используются для расчета поведения при вождении, такого как резкое торможение, пробег, и могут использоваться в целях страхования. В более новых версиях Android в «Настройки»> «Местоположение»> «Режим» необходимо установить «Высокая точность», иначе приложение не может использовать GPS (только сотовую связь). В более старых версиях Android в разделе «Настройки»> «Местоположение» должны быть включены все параметры источника службы «Местоположения». Примеры включают спутники GPS, службы определения местоположения и службы определения местоположения Google (или информацию о местоположении Google Wi-Fi).
Wi-Fi: Приложение использует Wi-Fi для отправки нам информации о вашей поездке. Приложение также использует Wi-Fi для более точного определения начала поездки и дополнения данных о местоположении GPS.
Измените или удалите содержимое вашей SD-карты: Карты Google, используемые для отображения ваших поездок в приложении, требуют, чтобы этот параметр кэшировал данные карты. Мы не изменяем и не удаляем какое-либо существующее содержимое вашей SD-карты.
Работа приложения: Чтобы приложение правильно записывало безопасное вождение, не удаляйте и не закрывайте приложение. Это нормально, если приложение работает в фоновом режиме.
Должно ли приложение всегда работать в фоновом режиме?
Да. Пока приложение установлено на вашем телефоне и ваш телефон включен во время поездок, оно собирает данные о вашем вождении (если оно не приостановлено).
Сколько данных и батареи использует приложение?
Приложение использует очень мало данных. Использование батареи также низкое, когда вы не за рулем. Во время вождения использование батареи сравнимо с другими приложениями для вождения и навигации. Если вы совершаете длительные автомобильные поездки, мы рекомендуем заряжать телефон во время вождения.
Нужно ли включать приложение каждый раз, когда я сажусь в машину?
Пока приложение установлено на вашем телефоне и телефон включен, вам не нужно ничего делать, когда вы садитесь в машину. Приложение определяет начало вашей поездки и начинает собирать информацию самостоятельно.
Как приложение узнает, что я за рулем?
Мобильное приложение определяет движение с определенной скоростью и расстоянием, чтобы определить, когда начинается поездка. Никаких действий со стороны пользователя не требуется.
Как я могу посмотреть, как у меня дела в программе?
Вы можете просматривать отчеты о вождении и снимки производительности в мобильном приложении. Вы также можете просмотреть показатели для всех транспортных средств и водителей, включенных в полис,
вход в свою учетную запись. р >
Что произойдет, если я удалю приложение?
Чтобы продолжить участие в программе Snapshot, нам необходимо регулярно получать сообщения с вашего устройства.
Если мы не получаем известия от вашего приложения достаточно часто, мы отправим вам электронное письмо с инструкциями по переустановке приложения или переключению на подключаемое устройство, чтобы продолжить участие в программе Snapshot.
Почему не отображаются все мои поездки?
Время от времени можно заметить, что приложение не регистрирует данные о каждой поездке или в некоторых случаях фиксирует только часть поездки. Существуют определенные ситуации, такие как низкий заряд батареи, редкие вышки сотовой связи и т. д., которые могут привести к неполным или отсутствующим поездкам. Если вы обнаружите, что это происходит в большинстве ваших поездок, позвоните нам по телефону 1-877-329.-7283 для помощи.
Что произойдет, если у меня неправильный тип поездки?
Если вы заметили, что мы неверно классифицировали поездку, у вас есть возможность в приложении это исправить.
Я клиент Progressive, но не клиент Snapshot. Могу ли я подписаться на мобильное приложение?
В некоторых штатах мобильное приложение доступно только для клиентов во время приобретения полиса. Если это так, и вы хотели бы попробовать Snapshot, вы можете позвонить нам по телефону 1-877-329-7283 или
войдите в систему, чтобы принять участие в программе Snapshot с подключаемым устройством. Вы можете проверить свои параметры Snapshot, войдя в свою политику или используя наше приложение Progressive service. См. нашу страницу сведений о состоянии для получения дополнительной информации.
Я езжу на служебном автомобиле, грузовике доставки, полицейской машине и т. д. Будет ли мобильное приложение учитывать эти поездки?
Да, если вы регулярно водите транспортное средство, не указанное в вашем полисе, мобильное приложение вам не подходит. Тем не менее, подключаемое устройство Snapshot позволит вам участвовать в Snapshot и получать свою персональную ставку.
Вопросы только о подключаемом устройстве Snapshot
Когда я получу подключаемый модуль Snapshot?
Вы получите свое устройство по почте в течение семи-десяти дней после регистрации в программе Snapshot.
Как узнать, что устройство работает?
После запуска автомобиля просто найдите мигающий индикатор в устройстве. Если вы его не видите, отключите устройство, просмотрите информацию об установке, а затем снова подключите его. Если вы по-прежнему не видите мигающий индикатор, позвоните нам по телефону 1-877-329.-7283.
Что, если мое устройство перестанет работать?
Чтобы продолжить участие в программе Snapshot, нам необходимо регулярно получать сообщения с вашего устройства.
Если ваше устройство перестанет работать или будет отключено от сети, и мы не получим от него никаких известий в течение некоторого времени, вы получите электронное письмо с подробной информацией о том, что делать дальше.
Почему мое устройство издает звуковой сигнал во время вождения?
Подключаемое устройство Snapshot подает звуковой сигнал при резком торможении. Эта мгновенная обратная связь может помочь вам улучшить свое вождение и максимизировать потенциальную экономию.
Когда мне вернуть устройство?
Если вы зарегистрированы в программе Snapshot, которая не предполагает постоянного участия, вы получите электронное письмо, когда придет время отключить и вернуть устройство. Если вы зарегистрированы в программе Snapshot, которая предусматривает постоянное участие, нет необходимости возвращать устройство, если только вы не решите отказаться от участия в программе. Если вы решите отказаться, вы получите электронное письмо с напоминанием о возврате устройства.
Что делать, если я потеряю устройство?
Позвоните нам по телефону 1-877-329-7283, чтобы мы могли выслать вам новый. К сожалению, за невозвращенное устройство по-прежнему взимается плата в размере 50 долларов США.
Примечание. Эти часто задаваемые вопросы содержат общий обзор программы Snapshot и принципов ее работы. Программа действительно различается в нескольких штатах. Дополнительную информацию см. в Условиях предоставления снимков.
Проверка на отзыв: автомобиль, автокресло, шина, оборудование
Перейти к основному содержанию
Язык:
Английский
ВИН
Средство передвижения
Автомобильные сиденья
Шины
Оборудование
Идентификационный номер автомобиля (VIN)
Каждый автомобиль имеет уникальный VIN. Введите VIN, чтобы узнать, требуется ли ремонт конкретного автомобиля в рамках отзыва.
Вы были перенаправлены на эту страницу, потому что инструмент поиска VIN NHTSA может испытывать периодические сбои из-за планового обслуживания, медленной реакции производителя или интенсивного трафика на этой странице. Чтобы убедиться, что вы получили важную информацию, которую вы ищете, вы можете щелкнуть по соответствующему производителю транспортного средства ниже, чтобы перейти к его инструменту поиска VIN.
Вы также можете обратиться за помощью на нашу горячую линию безопасности транспортных средств по телефону 1-888-327-4236. Приносим извинения за неудобства и благодарим за терпение.
Light Vehicle Manufacturers
Chrysler(Chrysler, Dodge, RAM)
General Motors (Buick, Cadillac, Chevrolet, Hummer, Oldsmobile, Pontiac, Saab, Saturn)
Hyundai
Infiniti
Jaguar
Land Rover
Мерседес-Бенц
Мицубиси
Ниссан
Porsche
Subaru
Toyota
Volkswagen
Motorcycle Manufacturers
BRP Can-Am
Ducati
Genuine Scooters
Harley-Davidson
Piaggio
Polaris
Suzuki
Triumph
Yamaha
Что покажет этот инструмент поиска VIN
Неотремонтированное транспортное средство, затронутое отзывом транспортного средства по соображениям безопасности за последние 15 календарных лет
Отзыв транспортных средств по соображениям безопасности от крупных производителей легких автомобилей, производителей мотоциклов и некоторых производителей средних/тяжелых грузовиков
Что не покажет этот инструмент поиска VIN
Автомобиль с отремонтированным отзывом о безопасности. Если у вашего автомобиля нет неотремонтированных отзывов, вы увидите сообщение: «0 неотремонтированных отзывов, связанных с этим VIN»
Обслуживание клиентов производителем или другая кампания отзыва, не связанная с безопасностью
Международные автомобили
Возможна задержка с совсем недавно объявленными отзывами по соображениям безопасности, для которых не все VIN-коды были идентифицированы. VIN-номера постоянно добавляются, поэтому проверяйте их регулярно.
Отзыв по технике безопасности старше 15 лет (за исключением случаев, когда производитель предлагает более широкий охват)
Отзыв по соображениям безопасности, проводимый небольшими производителями транспортных средств, в том числе некоторых брендов ультра-люкс и специализированных автомобилей
Проверьте безопасность вашего автомобиля
Также можно выполнять поиск по идентификатору NHTSA или жалобам по ключевому слову.
Проверьте безопасность вашего автокресла
Также можно выполнять поиск по идентификатору NHTSA или жалобам по ключевому слову.
Проверьте безопасность ваших шин
Также можно выполнять поиск по идентификатору NHTSA или жалобам по ключевому слову.
Проверьте безопасность вашего оборудования
Также можно выполнять поиск по идентификатору NHTSA или жалобам по ключевому слову.
Получайте оповещения об отзыве на свой телефон
Загрузите бесплатное приложение SaferCar от NHTSA и настройте свой виртуальный гараж. Когда SaferCar обнаружит отзыв безопасности для транспортного средства или оборудования, которое вы указали, оно отправит вам предупреждение на ваше мобильное устройство.
SaferCar для iOS SaferCar для Android
Что произойдет с моей жалобой?
Ваша жалоба подпитывает нашу работу. Узнайте о различных шагах, которые приводят к отзывам и более безопасным автомобилям.
Шаги от жалобы до отзыва
Из ваших жалоб
вспоминать кампании
NHTSA издает стандарты безопасности транспортных средств и требует от производителей отзывать транспортные средства и оборудование с дефектами, связанными с безопасностью. Узнайте о процессе отзыва NHTSA.
01
Сообщить о своей проблеме — важный первый шаг.
Ваша жалоба будет добавлена в общедоступную базу данных NHTSA после удаления личной информации.
Если агентство получает аналогичные отчеты от нескольких человек об одном и том же продукте, это может указывать на наличие дефекта, связанного с безопасностью, который требует начала расследования.
Проблемы с безопасностью?
Сообщите о проблеме с вашим автомобилем, шинами, автокреслами или другим оборудованием. Мы рассматриваем каждую проблему, работая над обеспечением безопасности наших дорог.
Сообщить о проблеме безопасности
02
НАБДД проводит расследование полученных жалоб.
A. ПРОВЕРКА
НАБДД рассматривает поданные жалобы от владельцев транспортных средств и другую информацию, касающуюся предполагаемых дефектов, чтобы решить, начинать ли расследование.
B. АНАЛИЗ
НАБДД проводит анализ любых петиций, требующих расследования дефектов. Если петиция отклонена, причины отказа публикуются в Федеральном реестре.
C. РАССЛЕДОВАНИЕ
НАБДД начинает расследование предполагаемых нарушений безопасности. Он закрывается, когда они уведомляют производителя о рекомендациях по отзыву или не обнаруживают дефект, связанный с безопасностью. Ежемесячные отчеты о расследованиях
D. УПРАВЛЕНИЕ ОТЗЫВАМИ
НАБДД отслеживает эффективность отзывов и управление ими, включая подачу уведомлений об отзывах в НАБДД, общение с владельцами в отношении отзывов и отслеживание степени завершения каждого отзыва. Панель данных: отзывы производителей
03
Инициированный отзыв по соображениям безопасности требует действий производителя по объявлению и устранению дефектов.
Отзыв производится, когда производитель или НАБДД определяют, что транспортное средство, оборудование, автокресло или шина создают необоснованный риск для безопасности или не соответствуют минимальным стандартам безопасности. Большинство решений об отзыве и устранении дефекта безопасности принимаются производителями добровольно до какого-либо вмешательства со стороны НАБДД.
Производители обязаны устранить проблему, отремонтировав ее, заменив, предложив возмещение или, в редких случаях, выкупив автомобиль.
Используя наш инструмент поиска VIN, вы можете получить доступ к информации об отзыве, предоставленной производителем, проводящим отзыв, которая может быть еще не размещена на сайте NHTSA.
Перейти к поиску по VIN
Об отзыве Takata
Последние обновления об отзывах Takata
Об отзыве Spotlight отслеживает громкие отзывы и предлагает потребителям ресурсы для поиска и устранения отзывов автомобилей.
Прожектор для отзыва Takata
Дефекты безопасности автотранспортных средств и отзывы – что должен знать каждый владелец транспортного средства
Загрузите эту брошюру, чтобы получить дополнительную информацию о том, как и почему инициируются кампании по отзыву, а также узнать о своих правах и обязанностях в случае отзыва транспортного средства или элемента автомобильного оборудования.
Просмотреть брошюру
Производители уведомят зарегистрированных владельцев почтой первого класса в течение 60 дней с момента уведомления НАБДД о решении об отзыве. Производители должны предложить владельцу надлежащее средство правовой защиты.
Национальное управление безопасности дорожного движения (NHTSA) будет контролировать каждый отзыв продукции по соображениям безопасности, чтобы убедиться, что владельцы получают безопасные, бесплатные и эффективные средства правовой защиты от производителей в соответствии с Законом о безопасности и федеральными нормами.
Вы получите уведомление по почте от производителя. Когда вы получите уведомление, следуйте всем временным инструкциям по безопасности, предоставленным производителем, и обратитесь к местному дилеру, чтобы бесплатно починить отозванную деталь.
Советы для вашей безопасности
Зарегистрируйте свой автомобиль, шины, автокресла и оборудование и проверяйте отзывы дважды в год.
Подпишитесь на оповещения об отзыве по электронной почте
Знайте, есть ли проблемы безопасности с вашим транспортным средством, шинами или автокреслом, и как их устранить.
Сааб Сатурн Наследник УМНАЯ Стерлинг Субару Мотоциклы Сузуки Тесла Автобус, построенный Томасом Тойота Триумф Унимог Фольксваген Вольво Западная звезда Мотоциклы Ямаха
Безопасность автомобиля | Перископ | Дженерал Моторс
В Periscope мы объединяем исследования, технологии и защиту нашего видения будущего без сбоев. Это означает разработку инициатив по поддержке безопасного вождения и технологий, которые могут помочь смягчить последствия аварий.
Все мы знаем, что наши телефоны, пассажиры и другие водители могут сильно отвлекать за рулем. Но исследования обнаружили новый фактор риска в дороге: стресс. На самом деле стрессовое вождение может быть таким же опасным, как отправка текстовых сообщений по мобильному телефону за рулем 1 . Вот почему GM стремится предоставлять решения для поддержки безопасного поведения за рулем.
ПОНИМАНИЕ ОСНОВНЫХ ПРОБЛЕМ
СТРЕСС РАСТЕТ
Американцы испытывают чрезвычайно высокий уровень стресса и беспокойства в результате пандемии. Это способствовало росту числа дорожно-транспортных происшествий и смертей в результате дорожно-транспортных происшествий — на 12% с 2020 по 2021 год 2 .
Источник: Национальное управление безопасности дорожного движения
ВЛИЯНИЕ НА МОЛОДЫХ ВОДИТЕЛЕЙ
Согласно исследованию GM «Будущее безопасности», 65% молодых людей в возрасте от 16 до 34 лет сообщили, что во время вождения они злятся или расстраиваются.
Последствия пандемии COVID-19 для подростков 4 :
Повышенный стресс и тревога
Больше «свободного» (простого) времени
Употребление наркотиков и алкоголя
Больше возможностей для ускорения и трюкового вождения
ОТСЛЕЖИВАНИЕ ВНИМАНИЯ ВОДИТЕЛЯ
General Motors разработала Super Cruise*™ 5 , технология помощи водителю, которая помогает определять, когда водители не обращают внимания на дорогу впереди. Первая в отрасли система Driver Attention System отслеживает концентрацию внимания водителя в определенных условиях, чтобы обеспечить его внимание к дороге.
Небольшая камера, расположенная в верхней части рулевой колонки и работающая с инфракрасным излучением, определяет, куда смотрит водитель, когда работает Super Cruise.
Если система обнаружит, что водитель не обращает внимания на дорогу, водителю будет предложено вернуть внимание на дорогу. При постоянной невнимательности визуальные, звуковые или тактильные сигналы уведомят водителя о необходимости вернуть себе управление рулем.
*Доступно для некоторых моделей GM
СОВЕРШЕНСТВОВАНИЕ АВТОНОМНЫХ ВОЗМОЖНОСТЕЙ
Глядя в будущее, GM также разрабатывает автономные технологии, призванные полностью заменить водителя. Технология автономных транспортных средств может со временем помочь снизить количество смертельных случаев, связанных с отвлечением внимания водителя и ошибками водителя.
ВЫСОКИЙ ДЕЦИБЕЛ. НИЗКИЙ СТРЕСС
В апреле 2022 года General Motors и Periscope запустили в TikTok челлендж #ScreamItOut, чтобы повысить осведомленность о роли стресса в рассеянном вождении. Откройте приложение и найдите хэштег, чтобы увидеть, как водители громко снимают стресс.
КОНТРОЛЬНЫЙ СПИСОК ДЛЯ СНЯТИЯ СТРЕССА
В рамках программы DoSomething.org при поддержке GM была создана кампания, призванная побудить подростков оценить свое психическое здоровье путем составления контрольного списка, который поможет сохранять безопасность и спокойствие в дороге. Результат? Было составлено и распространено около 170 000 контрольных списков 6 .
ONSTAR: ЗАБОТА И КОМФОРТ ЧЕЛОВЕЧЕСКОЙ СВЯЗИ
Мы знаем, что может быть трудно просить о помощи. Особенно, когда стресс берет верх. При наличии OnStar® и доступного приложения OnStar Guardian™ 7 , специально обученные консультанты OnStar доступны для вас круглосуточно и без выходных, чтобы направить вас в безопасное место во время панической атаки, подключить вас к предотвращению самоубийств и даже связать вас с близкими. Не ждите, чтобы попросить о помощи. Просто нажмите доступную красную кнопку экстренного вызова в автомобиле по телефону 8 или в приложении OnStar Guardian.
Подробнее
ЗАБОТА О СЕБЕ ЗА РУЛЕМ
УСПОКАИВАЮЩАЯ МУЗЫКА
Исследователи из Стэнфордского университета обнаружили, что прослушивание музыки способно изменить работу мозга в той же степени, что и прием лекарств. Это связано с тем, что музыка со скоростью около 60 ударов в минуту может заставить мозг синхронизироваться с ритмом, вызывая альфа-мозговые волны, та же самая частота мозговых волн, которая присутствует, когда мы расслаблены и в сознании 9 . И не волнуйтесь, мы уже создали для вас плейлист.
Запустите Spotify
СДЕЛАЙТЕ ГЛУБОКИЙ ДЫХАНИЕ
Вдыхание через нос и живот — проверенный способ уменьшить стресс. Это потому, что когда вы глубоко дышите, он посылает в ваш мозг сигнал успокоиться и расслабиться. 10
АКТИВИЗИРУЙТЕ СВОИ ЭМПАТИИ
Попробуйте воспользоваться моментом после этих глубоких вдохов, чтобы очеловечить других водителей на дороге и посочувствовать им. Они тоже в стрессе.
Узнать всю историю
Перископ смотрит на безопасность под разными углами. Вот почему мы создали постоянную серию инфографики, в которой исследуются многие аспекты безопасности дорожного движения и то, что GM делает для создания безопасного мира для всех.
ПОЗНАКОМЬТЕСЬ С СОТРУДНИКАМИ PERISCOPE SAFETY
«Работать в GM в сфере безопасности очень интересно. Инновации всегда были в центре внимания GM, и мы всегда думаем о том, как мы можем способствовать более безопасному вождению, внедряя технологии помощи водителю и безопасности, такие как технологии предотвращения столкновений и поставарийные технологии».
РЕГИНА КАРТО // Вице-президент по глобальной безопасности продукции и систем
Источник: Dingus 2016
Источник: Национальное управление безопасности дорожного движения
.
Источник: GM Future of Safety Study 2022
Источник: исследование Группы анализа и предотвращения несчастных случаев
.
Всегда будьте внимательны во время вождения и при использовании Super Cruise. Не используйте ручное устройство. Требуется активный план Super Cruise или пробная версия. Применяются условия. Автоматическая смена полосы движения и смена полосы движения по запросу недоступны во время буксировки.
Источник: DoSomething.org
Только для США и Канады. Доступно на некоторых устройствах Apple и Android. Службы Mobile Crash Response предназначены для использования только в некоторых автомобилях и могут автоматически подключаться только на устройствах Android. Охват услугами зависит от условий и местоположения. Доступность услуг, функции и функциональные возможности зависят от устройства и версии программного обеспечения. Требуется план обслуживания OnStar Guardian (автономный план, дополнительный план или план, который включает услугу), сотовый прием, сигнал GPS и подключение для передачи данных устройства. Применяются условия. Разрешения устройства необходимы для правильной работы приложения. Ссылки OnStar на экстренные службы. Устройство и приложение могут не передавать все данные о сбоях.
Требуется план
OnStar, работающая электрическая система, прием сотовой связи и сигнал GPS. Ссылки OnStar на экстренные службы. Подробности и ограничения см. на onstar.com.
Источник: Стэнфордский университет
Источник: UofM Health
Лимонный закон | Iowa General Attorney General
Закон штата Айова о лимонах позволяет владельцам автомобилей самостоятельно подавать жалобы. Мы надеемся, что эта информация поможет ответить на ваши вопросы о лимонном законе. Для получения юридической консультации и вопросов, связанных с вашим конкретным транспортным средством, вам следует обратиться к частному адвокату.
Подходит ли ваш автомобиль? Прежде чем подавать жалобы в соответствии с Законом штата Айова о лимонах, важно определить, соответствует ли ваше транспортное средство основным требованиям. Если ваше транспортное средство не соответствует всем трем требованиям, перечисленным ниже, вы не можете предпринимать действия в соответствии с Законом штата Айова о лимонах и должны рассмотреть возможность обращения за юридической консультацией к частному адвокату.
Чтобы квалифицироваться как «лимон» в соответствии с Законом о лимонах, транспортное средство должно :
До двух лет, и
Пробег менее 24 000 миль, и
Вес менее 15 000 фунтов. (Вес указан в названии и регистрации автомобиля. Средний вес новых автомобилей, выпущенных в 2015 модельном году, = 4305 фунтов. — www.epa.gov).
ПРИМЕЧАНИЕ. Мотоциклы, мопеды, трехколесные мотоциклы и внедорожники не подпадают под действие Закона о лимонах.
Кроме того, чтобы квалифицироваться как «лимон» в соответствии с Законом о лимонах, ваш автомобиль должен иметь проблему или дефект, который делает транспортное средство непригодным, ненадежным или небезопасным для обычного использования или значительно снижает стоимость транспортного средства, которые возникли во время лимона. Период действия закона.
Чтобы считаться «лимоном» в соответствии с Законом Айовы о лимонах, одно или несколько из следующего должны быть верными:
Автомобиль был в сервисе три или более раз по одной и той же проблеме, и проблема все еще существует ;
Автомобиль был в ремонте один раз из-за дефекта, который может привести к серьезным телесным повреждениям или смерти, и проблема все еще существует;
Автомобиль был выведен из эксплуатации из-за любого количества проблем в течение 20 или более дней, а проблема все еще существует. Дни не обязательно должны идти подряд.
Принятие мер: уведомить производителя Если ваш автомобиль соответствует вышеуказанным требованиям, производитель получает еще один шанс решить проблему. Вы должны уведомить производителя о проблеме сертифицированной, заказной или ночной почтой.
Распечатанная форма «Уведомление о дефекте автомобиля» может быть использована в качестве вашего уведомления для производителя. Сохраните копию заполненной формы и любых других материалов, которые вы отправляете производителю. Ваше уведомление должно быть направлено непосредственно производителю (свяжитесь с производителем, если вы не уверены в правильности адреса).
В подтверждение ваших утверждений важно сохранять копии всех заказов на ремонт каждый раз, когда автомобиль находился в ремонтной мастерской для ремонта или диагностики.
Для гарантийного ремонта необходимы ремонтные мастерские для предоставления вам подробного, разборчивого заявления или заказа на ремонт с указанием:
Любая диагностика
Все работы, выполняемые на автомобиле (включая общее описание проблемы, о которой сообщил потребитель)
Дата и показания одометра, когда автомобиль был передан на осмотр или ремонт
Дата завершения ремонта или осмотра.
Приложите копии этих документов к письму производителю вместе с письменным заявлением о том, что вы хотите сделать для решения вашей жалобы. Сообщите производителю, что вам нужен ответ, в течение 10 дней с момента получения вашего письма.
После этого производитель должен связаться с вами и сообщить название и адрес ремонтной мастерской (доступной для вас), где будет предпринята последняя попытка отремонтировать ваш автомобиль. Если производитель не свяжется с вами в течение 10 дней, вы не обязаны давать производителю еще один шанс отремонтировать автомобиль.
Если производитель не отвечает и/или не ремонтирует ваш автомобиль Если производитель не отвечает в течение 10 дней или ремонтная служба, выбранная производителем, не может устранить проблему во время последней попытки ремонта, вы можете потребовать, чтобы производитель заменил автомобиль или возместил покупную цену. Вы можете запросить эту замену или повторную покупку, отправив производителю первоначальную форму уведомления о дефектах транспортного средства. Тем не менее, оценка использования вами «лимонного» транспортного средства может уменьшить сумму вашего возмещения до уровня чуть меньше покупной цены.
Если ваша жалоба остается неудовлетворенной: подача иска Если у производителя есть сертифицированная программа разрешения споров, вы должны пройти ее до подачи иска. Если программа производителя не сертифицирована, вы все равно можете подать заявку в программу и, возможно, избежать дорогостоящего судебного разбирательства. Щелкните здесь, чтобы просмотреть список сертифицированных и несертифицированных программ разрешения споров с производителями.
Если после выполнения этих действий ваша жалоба останется нерешенной, вы можете подать иск против производителя в соответствии с Законом о лимонах.
Вы должны подать иск в соответствии с Законом о лимонах в течение одного года в зависимости от того, что наступит раньше:
Истечение срока гарантии производителя
Первые 24 000 миль, приписанные потребителю, или
Первые два (2) года владения
Чтобы подать иск в соответствии с Законом штата Айова о лимонах, вам необходимо связаться с частным адвокатом. Если у вас нет адвоката, вы можете посетить службу Find-A-Lawyer Коллегии адвокатов штата Айова по адресу www.IowaFindALawyer.com, чтобы найти лицензированного адвоката в вашем районе.
Если ваш автомобиль не соответствует требованиям Закона о лимонах и дополнительная информация Вы можете обратиться в суд с иной жалобой на производителя, даже если ваш автомобиль не соответствует Закону о лимонах. Свяжитесь с частным адвокатом для получения дополнительной информации. Чтобы просмотреть полный текст Закона штата Айова о лимонах (глава 322G Кодекса штата Айова: неисправные автомобили), нажмите здесь.
Чтобы сообщить или задать вопрос о проблеме безопасности транспортного средства, обратитесь в Национальное управление безопасности дорожного движения (NHTSA) на сайте www.safercar.gov или позвоните на горячую линию Министерства транспорта США по безопасности транспортных средств по бесплатному номеру 1-888-327. -4236 (или 1-800-424-9153 для слабослышащих).
515-281-5926 888-777-4590 (за пределами DES Moines Metres). -6771
Почта
Генеральная прокуратура штата Айова Отдел защиты прав потребителей Государственный офис Гувера 1305 E. Walnut Street Де-Мойн, Айова 50319-0106
0 2 The General Car Insurance Review
001
Мы рекомендуем лучшие продукты через независимый процесс проверки, и рекламодатели не влияют на наш выбор. Мы можем получить компенсацию, если вы посетите партнеров, которых мы рекомендуем. Прочтите нашу информацию для рекламодателей, чтобы получить дополнительную информацию.
Получить предложение
Являясь нестандартной автомобильной страховой компанией, The General позволяет людям с несовершенным вождением быстро получить страховые полисы, соответствующие минимальным требованиям штата. Даже если у вас есть серьезные нарушения в вашем водительском стаже, такие как осуждение за вождение в нетрезвом виде (DUI) или авария по вине, вы все равно можете претендовать на страховое покрытие через General.
Однако его варианты покрытия ограничены, а его полисы могут быть дороже, чем вы можете найти в других местах.
Плюсы и минусы
Ключевые выводы
Обзор компании
Плюсы и минусы
Ключевые выводы
Компания General была основана в 1963 году, ее корпоративные офисы расположены в Нэшвилле, штат Теннеси. или высокопроизводительные автомобили, а также те, кто живет в районах повышенного риска.
Компания ориентирована в основном на потребителей, которые хотят соблюдать минимальные страховые требования на уровне штата.
Вы можете получить расценки и приобрести полис онлайн, не разговаривая с агентом.
Обзор компании
Год основания 1963 г.
Официальный сайт www.thegeneral.com
Предлагаемая страховка Авто, страхование жизни, мотоциклы, арендаторы и многое другое
Обслуживание клиентов Телефон: 1-844-328-0306
Получить предложение
Содержание
The General Car Insurance Review
Объяснение плюсов
Объяснение минусов
Покрытие
Скидки
Наличие
Служба поддержки клиентов
Другое страхование
Подать заявку
Политика отмены
Получить предложение
Конкурс
Методология
Объяснение плюсов
Предлагает страховку водителям с нарушениями правил вождения или авариями в прошлом: General принимает большинство водителей, но специализируется на лицах, которые имеют историю нарушений правил вождения или аварий, просроченных страховых полисов или плохой кредитной истории. а также те, кто живет в районах повышенного риска.
Доступные документы SR-22: Заявление SR-22 — это сертификат, выданный вашей страховой компанией, который показывает, что вы соответствуете требованиям штата к минимальному страховому покрытию. Обычно это требуется для людей, у которых есть судимость за вождение в нетрезвом виде или у которых когда-то аннулировали лицензию. Генерал может предоставить вам форму SR-22, если это необходимо, и это добавит стоимость сертификации в размере 25 долларов к вашему страховому предложению.
Объяснение недостатков
Ограниченная доступность обслуживания клиентов: Время обслуживания клиентов General ограничено. Вы можете связаться со службой поддержки только с понедельника по четверг с 7:00 до 21:00. CST, пятница с 7:00 до 20:00. CST и в субботу с 8:00 до 16:00. КНТ. Другие компании предлагают поддержку 24/7, поэтому ограниченная доступность является существенным недостатком.
Дорогие надбавки для людей с хорошим водительским стажем: Хотя General может быть полезен, если у вас есть история нарушений правил вождения в прошлом, это может быть дорого. Если у вас хороший водительский стаж, вы, вероятно, можете получить полис с более дешевыми страховыми взносами в другой страховой компании. Средняя годовая стоимость автострахования для средних седанов составляет 1403 доллара.
The General является лицензированным страховым агентством, которое является дочерней компанией PGC Holdings Corp. В зависимости от того, где вы живете, ваш полис может быть застрахован Постоянной корпорацией General Assurance Corporation, Постоянной корпорацией General Assurance Corporation of Ohio или General Automobile Insurance Company, Inc.
Общее страхование автомобиля
Когда вы получаете расценки в Интернете, расценки, которые вы получаете в первую очередь, представляют собой цену полиса, которая соответствует минимальным требованиям на уровне штата. Если вам нужно дополнительное покрытие, вам придется отредактировать покрытие, чтобы получить обновленную цитату. Полисы автострахования General имеют следующие варианты покрытия:
Страхование ответственности
В зависимости от вашего штата от вас может потребоваться только страхование ответственности за ущерб имуществу. Тем не менее, многие люди добавляют в свои полисы защиту от телесных повреждений.
Ответственность за телесные повреждения: Эта страховка покрывает травмы другого водителя и пассажиров, если вы виноваты в аварии. Он покрывает потерю заработной платы, медицинские расходы и смерть, связанную с несчастным случаем.
Ответственность за материальный ущерб: Ответственность за материальный ущерб возмещает материальный ущерб, возникший в результате несчастного случая, в котором вы виноваты.
Медицинское покрытие
Медицинское покрытие: Медицинское покрытие является дополнительным дополнением к вашему страховому полису. Он покрывает медицинские расходы или расходы на похороны в связи с травмами, полученными в результате несчастного случая.
Защита от травм (PIP): В некоторых штатах требуется защита от травм (PIP), также известная как «страхование без вины»; с ним вы покрываете свои собственные и чужие травмы в автомобильной аварии, независимо от того, кто виноват, и даже если у некоторых пострадавших нет медицинской страховки.
General предлагает только незастрахованным автомобилистам защиту от телесных повреждений, что является необязательным в большинстве штатов. Если вы попали в аварию, а виновный водитель не застрахован или имеет недостаточную страховку, этот вариант покрытия покроет понесенные вами расходы, такие как потерянная заработная плата или медицинские счета.
Покрытие автомобиля
Хотя в большинстве штатов страхование от столкновений и комплексное страхование не требуются, Генеральное соглашение позволяет вам добавить эти покрытия в свой полис.
Полное покрытие: Полное покрытие покрывает ущерб, нанесенный вашему автомобилю, который произошел не в результате аварии, например, в результате шторма или кражи.
Столкновение: Страхование от столкновения покрывает ущерб, нанесенный вашему автомобилю в результате аварии.
Дополнительное покрытие
Вы можете добавить покрытие возмещения арендной платы в свой полис через The General. Если ваш автомобиль поврежден в результате аварии, возмещение арендной платы покроет расходы на аренду автомобиля до максимальной суммы.
Факторы, влияющие на стоимость
На ваши страховые взносы в The General влияют несколько факторов, в том числе ваш возраст, пол, стаж вождения, тип транспортного средства и продолжительность вождения. В то время как The General предлагает страховку людям с нарушениями правил вождения в их послужном списке, наличие истории аварий или DUI заставит вас платить более высокую премию, чем если бы у вас был чистый водительский стаж.
Мы получили страховки двух разных водителей, обе 35-летние женщины, живущие во Флориде. У одного был отличный водительский стаж, а у другого в послужном списке была авария по вине, и ей требовался сертификат SR-22. Мы запросили расценки на минимальное покрытие штата для седана среднего размера. Во Флориде это означает покрытие ответственности за материальный ущерб в размере 10 000 долларов. Поскольку сертификация SR-22 имеет дополнительные требования, мы также добавили 10 000/20 000 долларов США к ответственности за телесные повреждения.
Страховые котировки от генерала
Уборка водительского удостоверения
История аварии по вине и требуется SR-22
Премиум
166,44 $
241,09 $
Первоначальный взнос
156,36 $
255,91 $
Общая годовая стоимость
2 153,64 $
3 148,99 $
(по состоянию на 7 сентября 2021 г. )
Скидки на общее страхование автомобилей
У General есть несколько скидок, которые могут снизить ваши страховые взносы.
Скидка для хороших студентов: Учащиеся со средним баллом B или выше (что означает средний балл 3.0 или выше), входящие в список декана или почетный список или входящие в 20% лучших учеников своего класса, могут претендовать на получение награды Good Студенческая скидка.
Обучение водителей Скидка: Доступно только в некоторых регионах. Вы можете претендовать на скидку на обучение водителей, если в течение последних пяти лет прошли курс, утвержденный Департаментом транспортных средств штата Кентукки. Если вы являетесь активным военнослужащим, вы можете получить квалификацию, если вы прошли утвержденный курс в вооруженных силах США.
Общее страхование автомобилей
General обеспечивает покрытие всех 50 штатов США и Вашингтона, округ Колумбия.
Общая служба поддержки клиентов
В то время как многие другие страховые компании требуют, чтобы вы работали с агентом, чтобы получить полис страхования автомобиля, General позволяет вам получить расценки и приобрести покрытие онлайн. И если вам нужно немедленное подтверждение наличия страховки автомобиля, вы можете распечатать свою страховую карточку после покупки полиса. Вы можете связаться со службой поддержки The General по телефону, через защищенную электронную почту или через онлайн-чат.
General не включен в исследование удовлетворенности претензий J.D. Power Auto. Однако рейтинговое агентство AM Best, специализирующееся на страховой отрасли, присвоило материнской компании генерала рейтинг финансовой устойчивости «А» (отлично). Рейтинги финансовой устойчивости AM Best представляют собой мнение агентства о том, насколько финансово устойчива компания и можно ли рассчитывать на то, что она выплатит свои пособия, если вы подадите иск.
Указатель жалоб
Национальная ассоциация уполномоченных по страхованию (NAIC) ведет базу данных полученных жалоб на страховые компании. Каждый год он публикует коэффициент жалоб для страховых компаний, который представляет собой количество жалоб, полученных NAIC, по отношению к доле рынка компании.
NAIC считает средний балл 1,0. Все, что выше 1,0, означает, что компания получила больше жалоб, чем в среднем, а баллы ниже 1,0 означают, что компания получила меньше жалоб, чем в среднем. В 2021 году коэффициент жалоб General по частному страхованию пассажиров составил 1,83, что означает, что он получил больше жалоб, чем ожидалось для компании такого размера.
В течение последних трех лет отношение жалоб к The General было намного хуже среднего, что свидетельствует о том, что она постоянно получает больше жалоб, чем обычно для ее доли рынка.
Прочие виды страхования, предоставляемые The General
General в основном предлагает автострахование, но также продает и другие виды страхования, включая страхование арендаторов, мотоциклов, телефона, лодки, автодома, туристического прицепа, коммерческого страхования, страхования жизни, домашних животных и здоровья.
Эти полисы предлагаются через Постоянную корпорацию общего страхования, Постоянную корпорацию общего страхования Огайо и Генеральную автомобильную страховую компанию, Inc.
Как подать заявку на страхование автомобиля в General
Вы можете подать заявку через мобильное приложение, онлайн или по телефону 800-280-1466. Когда вы сообщаете о претензии, вас спросят, где произошел инцидент, когда это произошло и подали ли вы заявление в полицию. Если у вас есть контактная информация другого водителя или владельца недвижимости, вы должны указать и эту информацию.
После того, как вы подадите претензию, The General назначит вам специалиста по урегулированию претензий, который будет вашим контактным лицом. Настройщик свяжется с вами и расскажет о следующих шагах.
Политика отмены общего страхования автомобилей
Вы можете отменить свою политику, связавшись со службой поддержки клиентов The General. Однако имейте в виду, что может взиматься плата за отмену. В зависимости от вашего штата вам, возможно, придется заплатить комиссию в размере 10% от незаработанной премии за отмену полиса до окончания срока действия полиса. И если вам понадобится страховка позже, General взимает плату за восстановление, если ваш полис был аннулирован.
Получить расчет общей стоимости страхования автомобиля
Вы можете получить расчет стоимости страховки онлайн. Вас попросят предоставить следующую информацию о вашем автомобиле и о себе:
Год, марка и модель
Информация о финансировании
Предполагаемое использование
Дата рождения
Пол
Семейное положение
Почтовый индекс
Генерал использует эту информацию, чтобы дать вам предложение, которое соответствует минимальным требованиям на уровне штата. Вы можете настроить покрытие в соответствии с вашими потребностями. Если вы довольны своим предложением, вы можете продолжить подачу заявки. Генерал просмотрит вашу историю вождения, чтобы окончательно согласовать ваше предложение.
Сравнить другие обзоры автострахования
The General — это нестандартная компания по автострахованию, то есть она специализируется на обслуживании клиентов с далеко не идеальным водительским стажем и кредитной историей. Если у вас есть история прошлых нарушений правил вождения, The General может быть полезным ресурсом для страховки. Однако, если у вас хорошая кредитная история и чистый водительский стаж, вы, вероятно, сможете найти более дешевое покрытие и больше возможностей у другой страховой компании.
Окончательный вердикт
Если вы изо всех сил пытаетесь найти компанию по страхованию автомобилей, которая готова застраховать вас из-за вашего водительского стажа или кредитной истории, General может стать решением вашей проблемы. Он специализируется на полисах для людей с прошлыми нарушениями правил вождения, и вы можете получить страховку онлайн и быстро выполнить минимальные требования на уровне штата. Тем не менее, те, у кого нет записей о вождении, сочтут General дорогим и предлагают ограниченные варианты покрытия.
Как мы проверяем поставщиков автострахования
Investopedia стремится предоставить потребителям непредвзятые, всесторонние обзоры поставщиков услуг автострахования. Мы рассмотрели варианты покрытия, доступные скидки, обслуживание клиентов и рейтинги удовлетворенности каждого поставщика страховых услуг, чтобы убедиться, что наш контент помогает пользователям принять правильное решение о страховании для своих нужд.
Узнать цену
Источники статей
Investopedia требует, чтобы авторы использовали первоисточники для поддержки своей работы. К ним относятся официальные документы, правительственные данные, оригинальные отчеты и интервью с отраслевыми экспертами. Мы также при необходимости ссылаемся на оригинальные исследования других авторитетных издателей. Вы можете узнать больше о стандартах, которым мы следуем при создании точного и беспристрастного контента, в нашем редакционная политика.
Институт страховой информации. «Факты и статистика: автострахование».
утра Лучший. «AM Best подтверждает кредитные рейтинги American Family Mutual Insurance Co., S.I., ее дочерних компаний и American Family Life Ins. Co.»
Национальная ассоциация уполномоченных по страхованию. «Отчет о национальном индексе жалоб Gen Automobile Ins Co Inc».
Нехватка компьютерных чипов тормозит автомобильную промышленность
Реклама
Продолжить чтение основного сюжета
Почти каждому автопроизводителю пришлось сократить производство, что помешало восстановлению экономики.
Завод General Motors в Венцвилле, штат Миссури. Он входит в число производителей, которым пришлось сократить производство из-за глобальной нехватки полупроводников.
По всему миру конвейеры автосборки замолкают, рабочие бездействуют, а автостоянки у дилеров пустуют.
Нехватка полупроводников, крошечных, но важных микросхем, используемых для калибровки впрыска топлива автомобилей, работы информационно-развлекательных систем или обеспечения мозгов для круиз-контроля, перевернула производство автомобилей.
Завод General Motors в Канзас-Сити закрылся в феврале из-за нехватки чипов и до сих пор не открылся. Mercedes-Benz начал копить чипы для дорогих моделей и временно закрывает заводы, производящие более дешевые седаны C-класса. В этом месяце Porsche предупредила дилеров в Соединенных Штатах, что клиентам, возможно, придется ждать дополнительные 12 недель, чтобы получить свои автомобили, потому что у них нет чипа, используемого для контроля давления в шинах.
Французский автопроизводитель Peugeot, входящий в недавно созданную автомобильную империю Stellantis, дошел до того, что заменил в некоторых моделях устаревшие аналоговые спидометры на цифровые.
Разрушение не могло произойти в худшее время. Спрос на автомобили сильно восстановился после спада пандемии, и потребители готовы тратить деньги, сэкономленные за последний год, стремясь избежать самолетов, совершая поездки. Поставки полупроводников лишают автопроизводителей возможности наверстать упущенные продажи.
«У нас уже сложилась устойчивая ситуация со спросом, который больше сдерживается проблемой полупроводников, чем чем-либо еще», — сказал в интервью Ола Каллениус, исполнительный директор Daimler.
Некоторые автопроизводители, такие как Renault, начали сортировать свои чипы, резервируя их для более дорогих моделей, которые приносят больше прибыли. «Мы пытаемся найти разумный способ отдать предпочтение автомобилям с более высокой маржой», — заявила аналитикам в четверг Клотильда Дельбос, заместитель генерального директора Renault.
Некоторым покупателям может посчастливиться забрать домой новую машину, но в ней могут отсутствовать опции, использующие специализированные чипы. Компания Porsche сообщила американским дилерам, что в течение нескольких месяцев не сможет поставлять высококачественные сиденья для внедорожников Macan. который можно настроить 18 различными способами, популярный апгрейд. Нужных чипов нет в наличии.
Одна из серьезных причин, по которой автопроизводители не могут найти достаточное количество чипов, заключается в том, что производители полупроводников отдают приоритет производителям смартфонов, игровых консолей и другой бытовой электроники, которые, как правило, являются более прибыльными клиентами.
В современном автомобиле легко может быть более 3000 чипов. Но автомобили составляют крошечную долю спроса на чипы. Тайваньская компания по производству полупроводников, или TSMC, является одним из немногих производителей различных микросхем, жизненно важных для автомобилестроения, но, по данным немецкой консалтинговой фирмы Roland Berger, в 2020 году на автопроизводителей приходилось лишь 3 процента продаж компании.
Тайваньская компания по производству полупроводников, гигант в области производства микросхем, уделяет первостепенное внимание производителям смартфонов, на долю которых приходится половина ее продаж. Фото… Ан Ронг Сюй для The New York Times
Наиболее важными клиентами TSMC являются производители смартфонов, на долю которых приходится половина продаж. Смартфонов значительно больше, чем автомобилей. В 2019 году, до того как пандемия нарушила мировую экономику, автомобильные заводы выпустили 93 миллиона автомобилей по сравнению с 1,4 миллиардами смартфонов.
В целом, по данным консалтинговой компании IHS Markit, нехватка чипов и другие проблемы в цепочке поставок сократили производство на 1,3 миллиона автомобилей за первые три месяца года.
Проблема стала беспокоить политических лидеров в Вашингтоне и других столицах.
Петер Альтмайер, министр экономики Германии, недавно обратился к своему коллеге на Тайване, глобальном центре производителей полупроводников, задав столь многословный вопрос, не мог ли тайваньский министр избавиться от нескольких фишек, в которых срочно нуждаются немецкие автопроизводители.
Нехватка чипов «стала серьезной проблемой для производителей, особенно для автомобильной промышленности», предупредила группа немецких экономических исследовательских институтов в совместном отчете за этот месяц.
Кризис показал не только то, насколько автомобильная промышленность зависит от нескольких поставщиков, но и то, насколько она уязвима перед сбоями. В прошлом месяце менеджеры по цепочке поставок содрогнулись, когда утренний пожар остановил производство на фабрике, принадлежащей Renesas Electronics, в Хитачинаке, Япония, к северу от Токио. Renesas является важным поставщиком микросхем, используемых для контроля работы тормозов, управления усилителем руля, срабатывания подушек безопасности и во многих других задачах.
Погода тоже сыграла свою роль. Штормы в Техасе в начале года привели к временной остановке трех заводов по производству полупроводников. Аналитики IHS Markit предупредили в недавнем отчете, что Тайвань переживает сильную засуху. Для производства чипов требуется большое количество очень чистой воды.
Даже без пандемии и сбоев в цепочках поставок автомобильная промышленность находится в смятении. В Соединенных Штатах продажи практически не изменились с начала 2000-х годов. Размер прибыли невелик. Некоторые крупные автопроизводители могут не пережить переход на электромобили.
«Если бы я был производителем чипов, я бы не начал инвестировать в новый завод, если бы не получил бесплатные деньги от правительства», — сказал МанМохан С. Содхи, преподающий управление цепочками поставок в бизнес-школе Лондонского Сити. .
Сотрудники завода по производству полупроводников для Renesas Electronics в Пекине. Кредит… Марк Шифельбейн/Associated Press
Бесплатные деньги могут быть уже в пути. В этом месяце Белый дом провел саммит по проблеме нехватки чипов и предложил выделить 50 миллиардов долларов в виде средств на инфраструктуру, чтобы обратить вспять снижение доли производства чипов, которое происходит на американских берегах. Но новые заводы по производству чипов не могут быть построены достаточно быстро, чтобы решить насущную нехватку.
И если государственные субсидии не убедит их в обратном, производители полупроводников и другие поставщики, скорее всего, построят новые заводы в Китае или рядом с ним, который является крупнейшим автомобильным рынком и, в отличие от США и Европы, неуклонно растет.
Совершенно непонятно, как долго может продолжаться чиповый голод. Г-н Содхи сказал, что он подозревает, что производители чипов преувеличивают дефицит, чтобы получить субсидии от правительств, и что кризис может закончиться через месяц.
Консультанты по автомобильной промышленности из Roland Berger более пессимистичны, говоря, что дефицит может продлиться весь год.
В четверг г-жа Дельбос из Renault заявила, что «видимость ухудшается» для определения конца кризиса чипов, «поскольку новости меняются день ото дня».
Тем временем автопроизводители импровизируют, пытаясь минимизировать ущерб. Подразделение Daimler Mercedes выделяет дефицитные фишки на свои самые дорогие модели, такие как роскошный электрический седан EQS, который компания представила в этом месяце, стоимость которого, как ожидается, будет начинаться примерно со 100 000 долларов.
Сортировка побудила Daimler временно закрыть заводы в Германии, производящие недорогие седаны C-класса. Большинство из 18 500 рабочих на заводах уволены до конца апреля, хотя они будут продолжать получать субсидируемую государством оплату за «краткосрочную работу».
В том же духе Volkswagen сократил производство на заводах в Германии, производящих седаны и другие модели с двигателями внутреннего сгорания, и на заводе в Мексике, где компания выпускает внедорожники Tiguan для американского рынка. Но завод в Цвикау, Германия, который производит седаны ID.3 и внедорожники ID.4, авангард стремления Volkswagen доминировать на развивающемся рынке электромобилей, по данным компании, не пострадал.
Президент Байден на саммите по нехватке чипов в этом месяце. Администрация предложила использовать инфраструктурные фонды, чтобы помочь решить проблему нехватки. Кредит … Амр Альфики / The New York Times
Компания General Motors, которая с начала года была вынуждена временно приостановить производство на полудюжине заводов, в некоторых случаях производила автомобили без электрических компонентов и парковала их до тех пор, пока запчасти не будут доступны. В среду Ford Motor заявила, что из-за нехватки чипов несколько американских заводов будут простаивать дольше, чем ожидалось.
Автомобильная промышленность и раньше была парализована сбоями в цепочке поставок. Г-н Келлениус вспомнил случай, когда ураган обрушился на Пуэрто-Рико и остановил производство на заводе, который, к его удивлению и почти всем остальным, был единственным источником покрытия, необходимого для некоторых видов автомобильной электроники.
Автомобили состоят из десятков тысяч деталей и так много слоев поставщиков, субпоставщиков и субсубпоставщиков, что даже автопроизводителям трудно отслеживать происхождение каждого компонента.
Экономика отрасли такова, что выживают только поставщики с наибольшим объемом. Мелкие поставщики, как правило, вымирают, потому что они не могут производить детали или материалы так же дешево, как крупные игроки, оставляя отрасль зависимой, например, от одного или двух производителей топливопроводов высокого давления или определенного специализированного пластика.
Текущая нехватка полупроводников может быть не последней. Ожидается, что потребность автомобильной промышленности в полупроводниках резко возрастет в ближайшие годы из-за функций автономного вождения и растущей популярности электромобилей, которые больше зависят от программного обеспечения, чем от двигателей внутреннего сгорания.
Мистер Келлениус сказал, однако, что самые сложные чипы не те, которые в настоящее время вызывают у него головную боль.
Агрегат А-50М (рис. 5.44) предназначен для освоения и ремонта нефтяных, газовых и нагнетательных скважин с проведением спускоподъемных операций с насосно-компрессорными и бурильными трубами, промывки песчаных пробок, глушения скважин, циркуляции промывочного раствора при бурении, фрезеровании и разбуривании цементных стаканов, для проведения ловильных и других работ по ликвидации аварий в скважинах. Все механизмы агрегата, кроме промывочного насоса, смонтированы на шасси КрАЗ-250 с подогревателем ПЖД-44-П. Промывочный насос 9МГр смонтирован на двухосном прицепе.
В качестве привода навесного оборудования используется ходовой двигатель в агрегате А-50У шасси КрАЗ-257, а в А-50М шасси КрАЗ-250. Мощность от двигателя отбирается через коробку отбора мощности 23, установленную на раздаточной коробке автомобиля. Карданный вал 21 коробки отбора мощности соединен с раздаточным редуктором 20, смонтированным на раме 22.
От раздаточного редуктора мощность отбирается при помощи клиновых ремней на компрессорную установку 4, питающую пневмоуправление 16 сжатым воздухом, а также на силовую передачу 29 через карданные валы 27 и 28. Через силовую передачу мощность передается на промывочный насос 26 при помощи карданного вала.
Цепной передачей 30 в кожухе 32 осуществляется привод лебедки 6 и через промежуточный вал 33 привод бурового ротора. Переключение коробки отбора мощности на промежуточный вал выполняется рычагами управления — зубчатыми муфтами 19.
В рабочем положении мачта 14 одной стороной опирается на лебедку, другой через домкрат 18 — на грунт. Установку мачты из транспортного положения в вертикальное — рабочее и обратно проводят посредством домкратов 7, цилиндры которых защищены кожухом. Кронблок мачты и талевый блок 10 оснащены талевым канатом 9. На мачте размещены подвеска ключей 11 и подвеска бурового рукава 12, который соединяется с насосом при помощи манифольда 25. При необходимости к талевому блоку можно подвесить вертлюг 13 с квадратной штангой 15. Нагрузка на крюке определяется при помощи индикатора веса 8, устанавливаемого на «мертвом» конце талевого каната. В транспортном положении мачта опирается на переднюю опору 1, размещенную на переднем буфере, где также находится балка для крепления силовых оттяжек 24, и на среднюю опору 2, на которой установлена вспомогательная электролебедка 3. Гидросистема 5 обеспечивает питание гидрораскрепителя 31 и гидроротора 17.
В состав установки входит также электрооборудование 34, узел управления и освещения шасси 36, установка запасного колеса и площадки оператора 35.
Кинематическая схема агрегата А-50М (рис. 5.45) в отличие от схемы А-50У имеет два масляных насоса 2МН-250/100 вместо одного М-20 в агрегате А-50У.
Рис. 5.45. Кинематическая схема агрегата А-50М: 1 — коробка отбора мощности; 2, 3 — шестерни коробки отбора мощности; 4, 13 — шестерни конические; 5 — звездочка цепной передачи; 6 — промывочный насос; 7 — лебедка; 8 — подъемный барабан; 9 — ротор; 10 — гидромотор; 11 — масляный насос; 12 — компрессор; 14 — раздаточный редуктор; 15 — раздаточная коробка; 16, 17 — шестерни раздаточной коробки; I — ведущий вал; II, IV, VI — карданные валы; III — первичный вал; V — вал цепной передачи; VII — вал силовой передачи; VIII — вал подъемного барабана; IX — промежуточный вал
Привод навесного оборудования агрегата и насосного блока осуществляется от тягового двигателя автомобиля через коробку скоростей, включенную напрямую, и раздаточную коробку. Шестерни 16 и 17 раздаточной коробки автомобиля находятся в постоянном зацеплении с шестернями 3 и 2 коробки отбора мощности, 1 свободно сидящими на валу I.
При включении зубчатой муфты две скорости передаются валу I, затем через карданный вал II — первичному валу III раздаточного редуктора 14 с коническими шестернями 4 и 13. От вала III вращение передается через встроенный редуктор масляным насосам 11, питающим гидромотор 10 привода ротора 9 и гидроцилиндры подъема вышки. Масляные насосы включаются в работу посредством зубчатых муфт.
От шкива, сидящего на первичном валу III, вращение клиновыми ремнями передается компрессору 12. От вторичного вала раздаточного редуктора вращение карданным валом IV сообщается валу V, на который посажена звездочка 5 цепной передачи привода лебедки 7.
На консоли вала V на подшипниках качения установлен фланец, включаемый зубчатой муфтой; к фланцу прикреплен карданный вал VI привода промывочного насоса 6.
Включение промывочного насоса выполняется зубчатой муфтой, посаженной на тот же консольный конец вала раздаточного редуктора.
От вала V вращение цепной передачей передается валу VII силовой передачи, который, в свою очередь, соединен цепными передачами с валом VIII подъемного барабана 8.
Лебедка 7 имеет две шинно-пневматические муфты. Цепные передачи включаются шинно-пневматическими муфтами и передают валу подъемного барабана две скорости (большую и малую). В сочетании с двумя скоростями вала силовой передачи они обеспечивают четыре скорости вращения подъемного барабана, жестко сидящего на шпонках барабанного вала. При работе на первой скорости коробки отбора мощности посредством шинно-пневматических муфт лебедки можно включить первую или третью скорости подъемного барабана, при работе коробки отбора мощности на второй скорости — вторую или четвертую.
Вал силовой передачи с помощью цепных передач, включаемых шинно-пневматической и зубчатой муфтами, передает две скорости вращения промежуточному валу IX бурового ротора. Ввиду того, что раздаточный редуктор агрегатa получает от коробки отбора мощности две скорости вращения, ротор и промывочный насос также имеют две скорости вращения.
Установку вышки в вертикальное и горизонтальное положение проводят при работе коробки передач автомобиля на первой передаче и при одном включенном маслонасосе.
Агрегат УПА 60\80 для освоения и ремонта скважин
Описание
Характеристики
Базовая комплектация
Дополнительное оборудование
Шасси
Транспортировка
Подъемная установка, размещенная на автомашине КрАЗ 65053, 63221, предназначена для ремонта и освоения скважин, и включает в себя: трансмиссию, лебедку, мачту с талевой системой, гидравлическую систему и систему управления.
Подъемная установка УПА60А 60/80 позволяет производить следующие операции: переезд от скважины к скважине, монтаж-демонтаж на скважине, спуско-подъемные операции с насосно-компрессорными, бурильными и обсадными трубами и насосными штангами: промывка песчаных пробок, глушение скважин, циркуляция промывочного раствора при бурении, фрезерование и другие работы: разбуривание цементных стаканов, бурение, фрезерование и др.; проведение ловильных и других работ при ликвидации аварий на скважине.
Условная глубина скважин:
при ремонте и освоении — 4000 м
при бурении — 2000 м
Установка подъемная удовлетворяют требованиям ПБ 08-624-03 и обеспечивается комплектом эксплуатационной, технической и сопроводительной документации, обеспечивающей регистрацию в государственных органах и допуск к эксплуатации на нефте и газо-промыслах.
По желанию заказчика установки подъемные могут поставляться с механическим для бурения или гидравлическим ротором для свинчивания – развинчивания труб и вспомогательного разбуривания, вертлюгом, ВБТ 80×80 или 112×112, ключами КТГУ, рукавом буровым Ø 75 мм, L=18 м, Р=15 МПа и другим оборудованием. Гарантийный срок эксплуатации агрегата 12 месяца со дня ввода его в эксплуатацию, но не более 30-ти месяцев с даты изготовления. Срок службы агрегата 9 лет.
Отгрузка возможна в течение 30 дней с даты поступления 50% предоплаты на р/с Поставщика, остальные 50% по факту готовности оборудования к отгрузке.
Номинальная грузоподъемность на крюке, кН (т)
600 (60)
Допускаемая нагрузка на крюке, кН (т)
800 (80)
Монтажная база
Шасси КрАЗ-65053, 63221 с приводом двигателя типа ЯМЗ-238 мощностью 220кВт (240 л.с.) при 35с-1 (2100об/мин) ТУ 37.001.1285-85
Лебедка
Двухскоростная, однобарабанная, с цепным приводом, двухленточным тормозом и шинно-пневматическими муфтами для включения барабана
Чисто скоростей лебедки
8
Скорость подъема талевого блока, м/с:
Минимальная для нагрузки 60 т. с.
0,19 ± 5%
Минимальная для нагрузки 80 т.с.
0,14 ± 5%
Максимальная без нагрузки
1,6 ± 5%
Скорость спуска до нагрузки от 60 до 80 т.с., м/с, не более
1,2 ± 5%
Длина бочки барабана, мм
600
Диаметр бочки барабана, мм
420
Мачта
Телескопическая, наклонная, двухсекционная с ограничителем выдвижения верхней секции и отбойным щитом, с механизмом перепуска талевого каната, гидроаутригерами и фундаментальной плитой.
Высота мачты от земли до оси кронблока, м
22 ± 0,4
Оснастка
3 х 4
Диаметр каната, мм, не менее
25
Кратность полиспаста
6
Подъем в рабочее положение
Двумя гидравлическими домкратами
Выдвижение верхней секции
Канатно-блочное при помощи основной лебедки
Ограничитель подъема крюкоблока
Пневматический с поперечным канатом на мачте.
Гидросистема:
Двухконтурная
Монтажная
для привода аутригеров, гидроцилиндров подъема мачты
Номинальное давление, Мпа
10
Рабочая
Для привода гидроротора, гидроключа, гидрораскрепителей, вспомогательной лебедки
Тип насоса
аксиально-поршневой МН 250/160
Номинальное давление, Мпа
15
Гидравлические аутригеры
С раздельным приводом, фиксация резьбовыми гайками
Освещение мачты и оборудования
Во взрывозащищенном исполнении
Основное
от промысловой сети
Напряжение, В
220
Аварийное
От транспортной базы
Напряжение, В
24
Аварийный останов двигателя
Воздушная шиберная заслонка с пневматическим приводом
Ограничитель грузоподъемности
На базе индикатора веса ИВЭ-50
Расположение площадки бурильщика
На левой стороне в задней части агрегата (Обеспечивает видимость всей траектории движения крюкоблока)
Прибор выверки горизонтального положения платформы агрегата
Пузырьковый
Управление подъемом нижней секции мачты.
Дистанционное, 8м
Вспомогательная гидроприводная лебедка
ЛВС-3,5Г
Допускаемая нагрузка на крюке, т.с.
3
Звуковая сигнализация:
Аварийная
Автоматическая с использованием звукового сигнала транспортной базы
Рабочая
От пневмосистемы
Габаритные размеры подъемной установки в транспортном положении, мм (длина, ширина, высота)
14000х4300х2500
Полная масса подъемной установки в транспортном положении, не более, кг
25 000
Срок службы подъемной установки, лет
9
Шасси КрАЗ-65053
Механизм для перепуска талевого каната
Электрооборудование ( в т. ч. ВАСТ 12/24 800)
Автоматический ограничитель высоты подъема талевого блока с блокировкой движениябарабана лебедки
Устройство для фиксации талевого блока и защиты мачты от повреждений
Система дистанционного подъема и опускания мачты
Система аварийного и рабочего освещения
Механизм дистанционного управления топливным насосом
Клапан перекрытия воздухозабора двигателя
Четыре гидравлических опорных домкрата
Опорные балки под аутригеры (задняя балка разборная)
Ролики на кронблоке, под канат вспомогательной лебедки
Подвеска с роликами для ключей
Механизм крепления неподвижного конца талевого каната
Система звуковой и визуальной сигнализации выдвижения и посадки верхней секцииМачты
Система очищения воздуха ( влаго-маслоотделитель)
Гидрораскрепитель
ЗИП на автомобиль
Ограничитель грузоподъемности ИВЭ – 50
Палубный компрессор С-415
Колодки тормозные (комплект)
Противооткатные башмаки (8 шт. )
Рукава высокого давления для подключения гидроключа (2шт х 4м)
Агрегат для освоения и ремонта скважин А-50М — Студопедия
Поделись
Наибольшее распространение на промыслах России получили следующие подъемные агрегаты: АР-32, АПРС-40, А-50, А60\80, а также 100-тонные импортные агрегаты «Кремко» и «Кардвелл». Подъемные установки оснащены ограничителем подъема крюкоблока, сиетемой звуковой и световой сигнализации установки вышки, контрольно-измерительными приборами работы двигателя и пневмосистемы, а также другими системами блокировки, обеспечивающими безопасность ведения работ при монтаже установки вблизи скважины и спуско-подъемных операциях.
Агрегат подъемный АПРС-40
Рис. 5.1.2. Подъемный агрегат АПРС-40
(рис. 5.2.1). предназначен для производства комплекса работ по подземному ремонту скважин. Агрегат является самоходной нефтепромысловой машиной, смонтированной на шасси трехосного автомобиля высокой проходимости «Урал-4320» или «КрАЗ-260» и состоит из однобарабанной лебедки и двухсекционной телескопической вышки с талевой системой.
Вышка агрегата имеет повышенную прочность, изготавливается из низколегированной морозостойкой стали.
Основные технические данные:
— Монтажная база
— Максимальная грузоподъемность на крюке, т
— Высота подъема крюка, м
— Лебедка
— Вышка
— шасси автомобиля «Урал-4320» 40
— однобарабанная с приводом от коробки передач шасси
— телескопическая двухсекционная
Агрегат А-50М (рис. 5.1.3) предназначен: для проведения ремонтных работ и работ по ликвидации аварий; проведения буровых работ по разбуриванию цементных пробок и связанных с этими процессами операций (спуска и подъема бурильных труб, промывки скважин и т.д.) спуска и подъема насосно-комп-рессорных труб; установки эксплуатационного оборудования на устье скважин.
Все механизмы агрегата, кроме промывочного насоса, смонтированы нашасси КрАЗ-250.
Промывочный насос смонтирован на двухосном прицепе.
Рис. 5.1.3. Подъемный агрегат А-50М
В качестве привода навесного оборудования используется ходовой двигатель шасси КрАЗ-250. Привод навесного оборудования агрегата и насосного блока от тягового двигателя автомобиля че- рез коробку скоростей, раздаточную коробку, коробку отбора мощности и раздаточный редуктор. От раздаточного редуктора вращение передается промывочному насосу и редуктору масляным насосом, питающим гидромотор привода ротора и гидроцилиндры подъема вышки. На вышке размещены подвески ключа и бурового рукава, соединенного с промывочным насосом при помощи манифольда. При необходимости к талевому блоку может быть подвешен вертлюг с квадратной штангой. Нагрузка на крюке определяется при помощи индикатора веса, закрепленного на «мертвом» конце талевого каната.
Таблица 5.1.1. Зависимость характеристики агрегата от скорости подъема груза
Показатели______________________ При включенной передаче
I II III IV
Скорость намотки каната, м/с______ 1,146 2,28 4,38 8,64
Скорость подъема талевого блока, м/с 0,191 0,38 0,731,444
Грузоподъемность на крюке, т_________ 60,0 30,0 15,8 8,0
Цепные передачи на подъемный вал барабана лебедки включаются шинно-пневматическими муфтами.
Зависимость характеристики агрегата от скорости подъема груза при оснастке 4×3 приведена в таблице 5.1.1.
Трансмиссионный вал с помощью цепных передач, включаемых шиннопневматической и зубчатой муфтами, передает две скорости вращения промежуточному валу бурового ротора. Ввиду того, что раздаточный редуктор агрегата получает от коробки отбора мощности две скорости вращения, ротор и промывочный насос также имеют две скорости вращения.
Частота вращения вала и мощность гидроротора агрегата приведены ниже.
Мощность гидроротора, кВт________________ 14,7 28,6 57
Подъем и опускание вышки производятся при работе автомобиля на первой передаче и при одном включенном маслонасосе.
Предназначены для спуско-подъемных операций с укладкой труб и штанг на мостки при текущем и капитальном ремонте нефтяных и газовых скважин, не оборудованных вышечными сооружениями.
Агрегат А-50М предназначен для: -разбуривания цементной пробки в трубах диаметром 5-6 дюймов и связанных с этим процессом операций (спуска и подъема бурильных труб, промывки скважин и т. д.) спуска и подъема насосно-ком-прессорных труб; установки эксплуатационного оборудования на устье скважин;проведения ремонтных работ и работ по ликвидации аварий; проведение буровых работ.
Все механизмы агрегата, кроме промывочного насоса, смонтированы на шасси КрАЗ-250.
Промывочный насос НБ-125 (9мгр) смонтирован на двухосном прицепе.
В качестве привода навесного оборудования используется ходовой двигатель шасси КрАЗ-250.
Привод навесного оборудования агрегата и насосного блока от тягового двигателя автомобиля через коробку скоростей, раздаточную коробку, коробку отбора мощности и раздаточный редуктор. От раздаточного редуктора вращение передается промывочному насосу и редуктору масляным насосом, питающим гидромотор привода ротора и гидроцилиндры подъема вышки. На вышке размещены подвески ключа и бурового рукава, соединенного с промывочным насосом при помощи манифольда. При необходимости к талевому блоку может быть подвешен вертлюг с квадратной штангой. Нагрузка на крюке определяется при помощи индикатора веса, закрепленного на “мертвом” конце талевого каната.
Цепные передачи на подъемный вал барабана лебедки включается шинно-пневматическими муфтами.
Зависимость характеристики агрегата от скорости подъема груза при оснастке 4х3 приведена в табл.1
Табл.1
Показатели
При включенной передаче
Скорость намотки каната, м/с
Скорость подъема талевого блока, м/с
Частота вращения вала
барабана, мин-1
Грузоподъемность на крюке, т
Трансмиссионный вал с помощью цепных передач, включаемых шиннопневматической и зубчатой муфтами, передает две скорости вращения промежуточному валу бурового ротора. Ввиду того, что раздаточный редуктор агрегата получает от коробки отбора мощности две скорости вращения, ротор и промывочный насос также имеют две скорости вращения. Частота вращения вала и мощность гидроротора агрегата приведены ниже.
Включенная передача……………………………… I II III
Частота вращения вала, мин-1……………….. 22,3 45,0 88
Мощность гидроротора, кВт………………….. 14,7 28,6 57
Подъем и опускание вышки производятся при работе автомобиля на первой передаче и при одном включенном маслонасосе.
Допустимая нагрузка, кН 600
Мощность привода, кВт 132,4
Максимальное тяговое усилие на набегающем конце
каната, кН 112
Размеры бочки барабана (диаметр х длина), мм 426 х 560
Диаметр реборд барабана, мм 1100
Тормозные шкивы:
число, шт. 2
ширина, мм. 1000
Тормозные ленты:
число, шт. 2
ширина, мм. 150
Емкость барабана, м. 300
Усилие на рычаге тормоза лебедки, кН 0,25
Вышка
Тип телескопическая наклонная
Угол наклона в рабочем положении, град 6
Высота от земли до оси кронблока, м. 22,4
Максимальная длина поднимаемой трубы, м. 16
Расстояние от торца рамы до оси скважины, мм. 1040
Габариты установки в транспортном положении, мм. 14000х2900х4300
Масса установки без насосного прицепа, кг. 24000
АО «Сумское НПО им. М.В. Фрунзе» изготовило опытную партию установок АК-60, предназначенных для ремонта скважин глубиной до 3000 м. Грузоподъемность установки — 60 т, монтируется на шасси автомобиля КрАЗ-260Г. Использование шин арочной конструкции повысило проходимость автомобиля. Применение односекционной вышки и гидравлических опор позволяет обойтись без оттяжек на грунт и сократить время монтажно-демонтажных работ. Высокая мощность (300 л.с.) и ресурс базового двигателя обеспечивает повышение производительности спуско-подъемных операций и надежность установки АК-60.
Агрегаты для подземного ремонта при безвышечной эксплуатации скважин
Заглавная страница
Избранные статьи
Случайная статья
Познавательные статьи
Новые добавления
Обратная связь
КАТЕГОРИИ:
Археология Биология Генетика География Информатика История Логика Маркетинг Математика Менеджмент Механика Педагогика Религия Социология Технологии Физика Философия Финансы Химия Экология
Балочные системы. Определение реакций опор и моментов защемления
⇐ ПредыдущаяСтр 63 из 78Следующая ⇒
Для обслуживания скважин при эксплуатации без стационарных вышек применяют подъемники, несущие вышку. Нашей промышленностью серийно выпускаются широкий спектр таких агрегатов, основные характеристики которых приведены в табл. 10.17 [56, 59, 61, 64, 65, 66].
Представленные агрегаты, как уже говорилось, разделяются на агрегаты для текущего ремонта и капитального. Условно считается, что с грузоподъемности 500 кН агрегаты используются для капитального ремонта. Они оснащаются буровыми роторами, а, также предусмотрена их комплектация насосными установками, которые размещаются на отдельном прицепе. Большинство агрегатов оснащено лебедками с механическим приводом, конструкция которых хорошо отработана.
* Агрегаты могут монтироваться на различных модификациях транспортной базы.
** Трансмиссия механическая.
*** Трансмиссия гидравлическая.
**** С разделенным талевым блоком.
В тоже время появляются агрегаты с гидравлическими дебедками, и еще больше агрегатов оснащаются тартальными гидравлическими лебедками, с усилием на канате около 20 кН и скоростью спуско-подъема до 12 м/с Для поддержания конкурентно способных параметров новые механические лебедки делаются с числом скоростей 5 и более. Тормоза лебедок, обычно ленточные, но имеются и дисковые, как, например, на агрегате К-703 МТП-127Г. Мачты на агрегатах как правило, используются секционные для сокращения габаритов и снижения центра тяжести при транспортировке. Подъем мачты и выдвижение секций осуществляется от лебедки пли гпдроцилиндрами. В тоже время применяются и цельные мачты, например в aгрегатах АР32/40. Для всех вышек необходимо до начала работы установить растяжки, что является трудоемкой работой, занимающей много времени. Для агрегатов подземного текущего ремонта стараются сократить количество растяжек устанавливаемых на земле, а крепить их к агрегату, что значительно облегчает и ускоряет монтажно-демонтжные работы.
Как уже творилось, агрегаты разделяют на агрегаты подземного ремонта и агрегаты капитального ремонта. Рассмотрим их подробнее.
Структурная схема агрегата текущею ремонта включает в себя: самоходную базу агрегат, с приколом оборудования агрегата (в основном от ходового двигателя), трансмиссию к исполнительным механизмам, лебедку, мачту, оснащенную таленой системой и крюком, систему для установки оборудования в рабочее и транспортное положение, пульт управления и кош рол я, набор инструментов и механизмов для спуско-подъемных работ. В качестве примера рассмотрим агрегат Азинмаш-37А |13] рис. 10.37. Агрегат Азинмаш-37А по своей схеме аналогичен агрегату А-50У. Отличие его заключается в отсутствии второго (тартального) барабана. Агрегат не имеет промывочного насоса и поэтому менее универсален.
Он смонтирован на автомобиле высокий проходимости КрА3-214В (пли КРАЗ-255Б), оснащен двухсекционной вышкой высотой 18 м.
В отличие от агрегата А-50, в котором рабочее место машиниста расположено в зоне устья скважин, машинист агрегата Азинмаш-37 работает в кабине, размешенной за кабиной вндителя, Это с одной стороны, улучшает условия труда, а с другой, сокращает обзорность, увеличивает вибрацию и шум, воздействующие на работника.
Агрегат Азинмаш-43А также предназначен для проведения спуско-подъемных операций. Его основное отличие от агрегата Азинмаш-37 заключается в том, что он смонтирован на тракторе Т-100МБГС с увеличенной длиной опорной поверхности гусениц. Все узлы агрегата приводятся в действие от ходового двигателя. Технические характеристики агрегатов типа АзИНМаш представлены в табл. 10.18.
Таблица 10.18
Технические характеристики агрегатов типа АзИНМаш
Агрегат
Грузоподъемность
Мощность двигателя
Емкость барабана
Высота вышки
Скорость подъема крюка,
при включенной скорости м/с
Длина, м
Диаметр, м
I
II
III
IV
Азинмлш-37
15,5
18,0
0,34
0,72
1,45
—
Азинмаш-43Л
15,5
18,0
0,22
0,36
0,61
1,0
Структурная схема агрегата капитального ремонта представляет собой самоходную базу агрегата, с приводом оборудования от ходового двигателя или специального силового агрегата, трансмиссию к исполнительным механизмам (число которых значительно больше, чем у агрегата текущего ремонта), лебедку подъемника, мачту, оснащенную талевой системой и крюком, ротор, компрессор, насос, лебедку для свабирования, систему для установки оборудования в рабочее и транспортное положения, пульт управления и контроля, инструмент и механизмы для спуско-подъемных работ. Инструменты для капитального ремонта разнообразны по виду и размерам и хранятся на базах капитального ремонта. На скважину транспортируется только тот инструмент, который необходим для частных работ на данной скважине (печати, ловильный инструмент, фрезы, буровой инструмент и пр.).
Агрегат А-50У (рис. 10.38) предназначен для освоения и ремонта нефтяных и газовых скважин. Он выполняет следующие операции: спуск и подъем насосно-компрессорных и бурильных труб, свабирование и тартание, разбуривание цементной пробки в трубах диаметром 141 — 168 мм.
Агрегат смонтирован на шасси автомобиля КрАЗ-257, в качестве привода используется ходовой двигатель мощностью 210 л.с. На агрегате смонтирована телескопическая двухсекционная мачта высотой 22,4 м, которая выдвигается при помощи лебедки. В рабочем положении мачта устанавливается под углом 6° к вертикали и расчаливается шестью канатами.
Особенностью агрегата является использование двух барабанной лебедки с буровым и тартальным барабанами, что позволяет повысить производительность труда при проведении подземного ремонта. Кроме того, агрегат оборудован гидроприводным ротором, предназначенным для выполнения буровых работ.
Рис. 10.38. Конструкция агрегата А-50У
Промывочный насос 9МГР монтируют отдельно (на прицепе).
При работе агрегата на скважине необходимо иметь стационарные стеллажи для укладки труб и штанг.
Общий вид и кинематическая схема агрегата приведены на рис. 10.38 и 10.39.
Управление лебедкой агрегата — пневматическое. Рабочее место машиниста находится у устья скважины. Характеристики агрегата А-50У приведены в табл. 10.19.
Рис. 10.39. Кинематическая схема агрегата А-50У:
1— вал коробки отбора мощности; II, IV, VI — карданный вал; III — вал конического редуктора; V — вал со звездочкой; VII — трансмиссионный вал лебедки; VIII — барабанный вал; IX — вал передачи к механическому приводу ротора; 1— коробка отбора мощности; 2, 3 — зубчатые колеса коробки отбора мощности; 4, 5 — зубчатые колеса конического редуктора; 6— промывочный насос; 7— подъемный барабан лебедки; 5 —лебедка; 9 — ротор; 10 — конический редуктор; 11— компрессор; 12 — раздаточная коробка автомашины; 13, 14 — зубчатые колеса раздаточной коробки
Таблица 10. 19
Технические характеристики агрегата А-50У
Включенная скорость
Частота вращения барабана, об/мин
Скорость каната, м/с
Скорость перемещения талевого блока, м/с
Грузоподъемная сила на крюке, тс
1,1
0,18
1.9
0,30
153,0
4,2
0,70
12,6
263,0
7,8
1,20
7,5
Примечаеие. Максимальная сила натяжения каната в кН: талевого —100; тартапьного — 73, при четырехструнной оснастке талевой системы 2×3 имеет грузоподъемность 28 т. Система управления агрегата — электропневматическая.
В комплект поставки агрегата входят механизмы для свинчивания-развинчивания насосно-компрессорных труб с гидравлическим приводом. Как уже говорилось ранее, дополнительные агрегаты для промывки, а в некоторых случаях и роторы, транспортируются и устанавливаются на отдельных транспортных средствах и поэтому здесь рассматриваться не будут.
В России в 1995 г. Волгоградским заводом Буровой техники по документации, разработанной ОАО «ВНИИнефтемаш» был изготовлен агрегат для бурения и ремонта скважин БР-125, вышечно-лебедочный блок которого смонтирован на специальном шестиосном шасси высокой маневренности и проходимости МЗКТ-79191.
Вы шечно-лебедочный блок агрегата БР-125 включает в себя глескопическую мачту с цилиндрами подъема и выдвижения, лебедку с замкнутым ленточным тормозом и вспомогательным гидротормозом, дизельэлектростанцию мощностью 100 КВт, домкраты для установки блока, систему подготовки, осушки и хранения воздуха, систему укрытий и обогрева, вспомогательное и пультовое оборудование.
Блок рабочей площадки является также мобильным и установлен на серийном полуприцепе. В состав блока входят: платформа с опорами, ротор, гидроключ, гидрораскрепитель свечей, укрытия, наклонный трап, приемные мосты и стеллажи.
Остальное оборудование агрегата БР-125 (блок насосный, энергетический, циркуляционная система) изготовлено в модульном исполнении в повышенной заводской готовности. Модули представляют собой цельнометаллические домики со съемной крышей.
Очевидно, что широкое применение мобильных транспортных средств для буровых установок грузоподъемностью 180— 200 тс и выше, оснащенных традиционными приводами, ограничено весовыми и габаритными характеристиками.
Применение мобильных средств для буровых установок большой грузоподъемности могло бы получить широкое распространение с внедрением объемного гидропривода.
Системы объемного гидропривода для привода лебедки, ротора и буровых насосов используются в буровых установках небольшой грузоподъемности. Однако в последнее время все большее количество зарубежных компаний и фирм нефтяного машиностроения делают успешные попытки применения этих систем в установках большой грузоподъемности для бурения глубоких скважин как на суше, так и на море. Необходимо отметить, что некоторые зарубежные фирмы рекомендуют использовать такие установки даже в районах с возможностью питания силового блока от сети переменного тока.
Основное преимущество такой системы привода в отличие от дизельэлектрического и электрического с питанием от сети — исключение регулируемого электропривода постоянного тока: электродвигателя, тиристорного преобразователя, дизель-генератора, так как меры по взрывозащите перечисленных машин требуют значительных затрат и не обеспечивают 100%-ой гарантии. Кроме того, следует отметить, что электрический и дизель-электрический приводы имеют в несколько раз большие массу и габариты, чем электрогидравлический или дизельгидравлический.
Таким образом, внедрение объемного гидропривода в буровых установках позволяет:
— упростить кинематическую схему установки, улучшить динамические характеристики привода;
— существенно снизить массу и габариты установки;
— улучшить условия труда обслуживания персонала.
В 2000 г. ООО «ВНИИнефтемаш—НПО» приступило к разработке основных технических решений по созданию высокомеханизированной мобильной установки ВМБУ-150/3500 грузоподъемностью 150 тс для бурения скважин на глубину до 3500 м в условиях Западной Сибири. В соответствии с исходными техническими требованиями заказчика упомянутая буровая установка должна обладать следующими параметрами:
Мобильная часть высокомеханизированной буровой установки ВМБУ-150/3500 включает в себя подъемную установку, смонтированную на автошасси КЗКТ-8014, и рабочую площадку, смонтированную на прицепе ЧМЗАП.
В состав подъемной установки входят: телескопическая мачта, цилиндры подъема мачты, домкраты для установки шасси, электродвигатель мощностью 315 кВт, гидропривод лебедки и ротора, буровая лебедка и вспомогательная лебедка. В качестве резервного может быть использован двигатель автомобиля мощностью 365 кВт.
Применение электродвигателя, наряду с дизельным двигателем шасси автомобиля, позволяет во время проводки скважины выбирать тип привода исполнительных механизмов буровой установки в зависимости от местных условий, наличия или стоимости того или иного вида энергии в конкретном районе проведения буровых работ.
В состав рабочей площадки входят: платформа на опорах, манипулятор, ротор, гидроключ, укрытие, наклонные трапы, приемный мост и стеллажи, кабина для операторов лебедки и манипулятора.
В настоящее время производством установок подъемных (агрегатов) для освоения и ремонта нефтяных и газовых скважин в России занимаются 11 машиностроительных заводов на грузоподъемность от 32—40 до 125 тс.
Заводами-изготовителями представлена информация о выпускаемых ими типах по грузоподъемности подъемных установок (агрегатов), краткая их техническая характеристика, и указаны их конструктивные особенности.
Производством установок подъемных (агрегатов) на грузоподъемность 32—40 тс занимаются 6 машиностроительных заводов (Муромский машиностроительный завод, Тюменский судостроительный завод, Нижегородский машиностроительный завод, машиностроительный завод «Красный Пролетарий», Елабужский станкоинструментальный завод, Кунгурский машиностроительный завод).
Из анализа информации, представленной заводами-изготовителями, можно сделать вывод, что установки подъемные (агрегаты) грузоподъемностью 32—40 тс по своему конструктивному исполнению идентичны и изготавливаются в основном по конструкторской документации, разработанной еще и конце 70-х годов. Отличительной особенностью установок подъемных (агрегатов) в отличие от ранее изготавливаемых является значительное расширение монтажных баз. В качестве монтажных баз установок подъемных (агрегатов) в настоящее время используются автошасси автомобилей Урал-4320, КрАЗ-260Г, КрАЗ-6322, КамАЗ, трактор болотоходный типа Т-170М1Б.01.
Установки подъемные (агрегаты) для ремонта скважин грузоподъемностью 32—40 тс, выпускаемые в настоящее время вышеуказанными заводами, не в полном объеме соответствуют современным требованиям, предъявляемым к их конструктивному оформлению и техническому оснащению, предусмотренными «Правилами безопасности в нефтяной и газовой промышленности» РД 08-200-98.
Одними заводами учтены частично требования, предъявляемые к установкам подъемным (агрегатам), такие как наличие светильников во взрывобезопасном исполнении, устройства для перепуска талевого каната, указателя угла наклона установки, ограничителя грузоподъемности и т.д., но установки не оснащены дистанционным управлением системы подъема мачты, рабочей площадкой, площадкой верхового рабочего и т. д. (Тюменский судостроительный завод, завод «Красный Пролетарий», Елабужский станкоинструментальный завод).
Другими заводами-изготовителями (Муроммаш, Кунгурский машзавод, Нижегородский машзавод) наряду с вышеуказанным оснащением дополнительно установки оборудуются звуковой и визуальной сигнализацией выдвижения и посадки верхней секции мачты, рабочими площадками с укрытием, площадками верхнего рабочего с укрытием и т.д.
Однако, ни одним из заводов-изготовителей не выполнены требования к конструктивному оформлению и техническому оснащению установок подъемных (агрегатов) в полном объеме, как это предусмотрено «Правилами безопасности в нефтяной и газовой промышленности» РД 08-200-98.
Суммарно всеми вышеуказанными заводами в 2001 г. была изготовлена 281 установка подъемная (агрегат) грузоподъемностью 32—40 тс.
Установки реализовывались как на внутреннем рынке России, так и поставлялись в ближнее зарубежье. В 2002 г. заводами намечалось изготовить более 400 установок.
Установки подъемные для освоения и ремонта скважин грузоподъемностью 50—60 тс (включая 60/80) изготавливаются на 4-х машиностроительных заводах (ОАО «Ишимбайский машзавод», ОАО «Нефтемаш» — г. Ишимбай, ОАО «Машзавод» — г. Санкт-Петербург, ОАО «Кунгурский машзавод»).
В качестве монтажной базы используются автошасси автомобилей КрАЗ-65101, КрАЗ-260Г, КрАЗ-65053 и БАЗ-695071.
По своему конструктивному оформлению и техническому оснащению указанные установки, выпускаемые в настоящее время, практически соответствуют требованиям, предъявляемым к ним «Правилами безопасности в нефтяной и газовой промышленности» РД 08-200-98.
В 2001 г. были изготовлены суммарно всеми вышеуказанными заводами 342 установки подъемные, которые были реализованы как на внутреннем рынке России, так и в странах ближнего зарубежья. В 2002 г. заводами планируется изготовить 426 установок.
Установки подъемные для освоения и ремонта скважин грузоподъемностью 80—100 тс в России изготавливаются 2-мя машиностроительными заводами (ОАО «Кунгурский машзавод», ОАО «Спецмаш»).
В качестве монтажных баз используются автошасси автомобилей БАЗ-69096, КЗКТ 8014, а также шасси трактора «Кировец» типа К703.
По своему конструктивному оформлению и технической оснащенности указанные установки соответствуют требованиям, предъявляемым к ним «Правилами безопасности в нефтяной и газовой промышленности» РД 08-200-98.
В 2001 г. были изготовлены суммарно 33 установки, в т.ч. 28 ед. типа АРБ 100 на автошасси БАЗ-69096 и КЗКТ 8014 (ОАО «Кунгурский машзавод»).
В 2002 г. заводами намечается изготовить 14 установок, в т.ч. по ОАО «Спецммаш» на шасси трактора «Кировец» 10 установок типа К-703 МТУ-80 ВГ и 1 установку типа К-703 МТУ-100.
Установки подъемные для освоения и ремонта скважин грузоподъемностью 125—127 тс изготавливаются 3-мя машиностроительными заводами (ООО «Волгоградский завод буровой техники», ОАО «Спецмаш», ОАО «Кунгурский машзавод»).
В качестве монтажных баз указанных установок используются шасси МЗКТ-79191, КЗКТ-8х8 (ООО «Волгоградский завод буровой техники»), трактор «Кировец» (ОАО «Спецмаш»). ОАО «Кунгурский машзавод» разработана и с 2001 г. проходит промышленные испытания мобильная буровая установка типа МБУ 125 на шасси БАЗ 69099.
Установки по своему конструктивному оформлению и технической оснащенности соответствуют требованиям, предъявляемым к ним «Правилами безопасности в нефтяной и газовой промышленности» РД 08-200-98.
⇐ Предыдущая58596061626364656667Следующая ⇒
Читайте также:
Как правильно слушать собеседника
Типичные ошибки при выполнении бросков в баскетболе
Принятие христианства на Руси и его значение
Средства массовой информации США
Последнее изменение этой страницы: 2016-08-26; просмотров: 1556; Нарушение авторского права страницы; Мы поможем в написании вашей работы!
infopedia. su Все материалы представленные на сайте исключительно с целью ознакомления читателями и не преследуют коммерческих целей или нарушение авторских прав. Обратная связь — 176.9.44.166 (0.026 с.)
Агрегат ремонтный ар 50
Полезная модель «Агрегат ремонтный АР50» предназначена для ремонта нефтяных и газовых скважин. Технической задачей заявленной полезной модели является упрощение конструкции агрегата, что обеспечит удобство проведения ремонтных работ на скважине, а также обеспечит удобство обслуживания самого агрегата.
Технический результат достигается за счет известного агрегата ремонтного, содержащего автомобильное шасси с рамой, на которой установлено оборудования: мачта, однобарабанная лебедка, приводы механизмов, кабина оператора, гидравлические домкраты, приустьевая площадка. Согласно полезной модели на поверхности барабана однобарабанной лебедки выполнена винтовая канавка, на реборде барабана установлены планки для крепления каната, а вал лебедки выполнен в виде пустотелого цилиндра, причем с обеих сторон вала установлены двухрядные звездочки. Корпуса редукторов тихого и быстрого хода выполнены разъемными и наполнены маслом, причем корпуса имеют смотровые окна и отверстия для слива масла. В нижней части корпуса имеются опоры, при помощи которых редукторы жестко установлены на раме агрегата ремонтного. Заявленный агрегат ремонтный имеет простую и компактную конструкцию, которая обеспечивает функциональные возможности агрегата, повышает его монтажеспособность, обеспечивая удобство его обслуживания, что положительно влияет на эффективность использования агрегата для проведения операций при ремонте нефтяных и газовых скважин.
Полезная модель «Агрегат ремонтный АР50» предназначена для ремонта нефтяных и газовых скважин.
Известна «Мобильная буровая установка» (Патент 2190076, E21B 7/02 от 2001.03.26), которая содержит многоосное шасси, буровую мачту, устройство для подъема мачты. Мачта выполнена съемной. Основание установки снабжено опорами, закрепленными с возможностью поворота и фиксации в рабочем и транспортном положениях. Съемная конструкция мачты требует дополнительного оборудования, что усложняет использование этой установки для ремонта скважин.
Известен «Мобильный ремонтно-буровой агрегат» (Патент РФ 40372, E21B 3/00 от 2004.04.26). Известный мобильный ремонтно-буровой агрегат содержит раму самоходного шасси, подъемный блок, двигатель, раздаточный редуктор, двухбарабанную лебедку с барабанами, трансмиссии привода лебедки, мачту с кронблоком, талевую систему с крюкоблоком. Для установки и регулировки агрегата на скважине предусмотрена дополнительная колесная платформа, требующая дополнительного подъездного пути, в связи с чем усложняется регулировка и установка агрегата на устье скважины, что затрудняет использование этого агрегата для ремонта скважин.
Известен «Агрегат ремонтно-буровой AP32/40» (Заявка 2007128180 с пол. реш., E21B 7/02, от 23.07.2007 г.) включающий шасси самоходной транспортной базы, мачту с талевой системой, с возможностью трансформации в горизонтально-транспортное положение, кронблок и элементы крепления силовых растяжек, буровую однобарабанную лебедку, передние и задние аутригеры, раму, жестко установленную на шасси самоходной транспортной базы, кабину оператора, установленную в задней части рамы, приустьевую площадку, которая соединена с рамой агрегата передними стойками, выполнена с возможностью изменения своих габаритов и в транспортном положении крепится на раме агрегата.
Этот аналог является наиболее близким заявленной полезной модели по технической сущности и поэтому взят за прототип.
Технической задачей заявленной полезной модели является упрощение конструкции агрегата, предназначенного для ремонта скважин, что обеспечит удобство проведения ремонтных работ на скважине, а также обеспечит удобство обслуживания самого агрегата.
Технический результат достигается за счет известного агрегата ремонтного, содержащего автомобильное шасси с жестко закрепленной на нем рамой, на которой установлено оборудование, в том числе: шарнирно связанная с задней опорой мачта с элементами крепления силовых растяжек, талевая система, однобарабанная лебедка, приводы механизмов, кабина оператора, гидравлические домкраты, приустьевая площадка, согласно полезной модели на поверхности барабана однобарабанной лебедки выполнена винтовая канавка, при этом на реборде барабана установлены планки для крепления каната, кроме этого вал однобарабанной лебедки выполнен в виде пустотелого цилиндра и закреплен на подшипниковых опорах, которые установлены в редукторах тихого и быстрого хода, причем с обеих сторон вала на шариковых подшипниках установлены двухрядные звездочки, кроме этого корпуса редукторов тихого и быстрого хода выполнены разъемными и наполнены маслом, причем корпуса имеют смотровые окна и отверстия для слива масла, кроме этого в каждом корпусе находятся двухрядная звездочка, установленная на двух шариковых подшипниках, двухрядная цепь и натяжитель цепи, а в нижней части корпуса имеются опоры, при помощи которых редукторы жестко установлены на раме агрегата ремонтного.
Заявленная полезная модель иллюстрируется фигурами.
На фиг.1 изображен вид сбоку агрегата ремонтного.
На фиг.2 изображен вид сверху агрегата ремонтного.
На фиг.3 изображен вид сзади агрегата ремонтного.
На фиг.4 изображен вид спереди однобарабанной лебедки агрегата ремонтного с сечениями.
На фиг.5 изображен вид сбоку однобарабанной лебедки агрегата ремонтного.
Агрегат ремонтный AP50 фиг.1 содержит автомобильное шасси 1 с жестко закрепленной на нем рамой 2, на которой установлено оборудование, в том числе: шарнирно связанная с задней опорой 3 мачта 4 с талевой системой, однобарабанная лебедка 5, кабина оператора 6, гидравлические домкраты 7, задние 8 и передние 9 аутригеры, приустьевая площадка 10.
Однобарабанная лебедка фиг.4 агрегата ремонтного — двухскоростная. Вал 11 однобарабанной лебедки установлен на двух подшипниковых опорах 12 с возможностью вращения, при этом подшипниковые опоры 12 установлены в редукторе тихого хода 13 и редукторе быстрого хода 14. На валу 11 однобарабанной лебедки установлен барабан 15. С двух сторон вала 11 однобарабанной лебедки установлены двухрядные звездочки тихого хода 16 и быстрого хода 17. Звездочки тихого и быстрого хода имеют 60 и 24 зуба соответственно и опираются на концы валов редукторов тихого и быстрого хода через шариковые подшипники 18, 19. Также с двух сторон вала 11 однобарабанной лебедки размещены фрикционные пневматические муфты 20, 21 через которые редукторы 13, 14 передают вращение от раздаточного редуктора 22 (фиг.2) на вал 11 однобарабанной лебедки (фиг.4). На реборде барабана 15 (фиг.4) установлены планки 23 (фиг.5) крепления каната. Для намотки талевого каната фиг.4 на поверхности барабана выполнена специальная винтовая канавка 24 («Лейбуса»). Однобарабанная лебедка закрыта съемным металлическим кожухом (на фиг. не показано).
Редукторы цепные тихого хода 13 и быстрого хода 14 (фиг.1) состоят из маслонаполненных корпусов, которые состоят из деталей, имеющих разъемные соединения деталей (на фиг. не показано). В корпусе каждого редуктора установлены двухрядные звездочки, натяжитель цепи 25 (фиг.5) и двухрядная цепь 26 (фиг.4). Корпус каждого редуктора нижней частью крепится к раме агрегата ремонтного через опору 27 (фиг.5). На поверхности корпуса редуктора выполнено смотровое окно и отверстие для слива масла из корпуса редуктора, закрытое пробкой (на фиг. не показано).
С обеих сторон вала однобарабанной лебедки агрегата ремонтного установлены тормозные ободья 28 (фиг.4), на которые устанавливается тормоз лебедки. Тормозные ободья 28 контактируют с тормозными лентами, подвижные концы которых затягиваются воздействием на них рычагов и тяги, установленных на валу однобарабанной лебедки (на фиг. не показано).
Тормоз однобарабанной лебедки — двухленточный с ретинаксовыми колодками с ножным пневматическим и ручным механическим с пневмоусилением управлениями.
В тормозной системе применена управляемая тормозным краном и краном «стояночного» тормоза тормозная камера с пружинным энергоаккумулятором.
Перед началом работы агрегата ремонтного проверяют наличие смазки в его механизмах. После чего агрегат устанавливают на подготовленную площадку размерами 7×12 м, при этом агрегат подают к устью скважины задним ходом и таким образом, чтобы его продольная ось совпала с осью устья скважины. Расстояние от заднего торца рамы агрегата до оси устья скважины должно быть 1255±10 мм. Несоосность продольной оси симметрии подъемного блока и устья скважины должна быть не более ±50 мм. В рабочее положение агрегат выставляется четырьмя гидравлическими аутригерами: передними 9 и задними 8 (фиг.1), фиксируемыми стопорными гайками. В транспортном положении агрегата аутригеры подняты, задние 8, кроме того, подтянуты ручной лебедкой к раме 2 агрегата и закреплены на ней.
Включают стояночный тормоз автомобильного шасси и устанавливают под колеса противооткатные башмаки. Устанавливают подставки под передние и задние аутригеры. Устанавливают в рабочее положение ограждение платформы с лестницами и с перилами 29 (фиг. 1). Монтируют заземление агрегата.
Снимают с транспортных крюков ветровые оттяжки, канаты для подвески ключей. Отсоединяют крепление мачты от передней опоры 30 (фиг.1), снимают фиксирующие элементы талевого блока.
Опускают задние аутригеры и фиксируют их откидными болтами к раме агрегата. После этого запускают двигатель.
Открывают краны баков гидросистемы и пневмосистемы. В процессе работы подъемной установки давление в пневмосистеме агрегата должно быть в пределах 0,580,68 МПа (6,07,0 кгс/см2).
Во время работы необходимо следить за давлением в пневмосистеме и регулярно сливать конденсат (два-три раза в смену) из воздушных баллонов пневмосистемы.
Для удаления воздуха из аутригеров производят выдвижение штока при помощи рукояток. Управляя рукоятками гидрораспределителей устанавливают подъемный блок так, чтобы расстояние от земли до поверхности рамы было 1600 мм.
Устанавливают агрегат горизонтально по отвесам, установленным на задней и передней опорах агрегата. Производят фиксацию положения штоков аутригеров контргайками. Включают стояночный тормоз однобарабанной лебедки. Подъем и опускание мачты гидродомкратами осуществляют с монтажного пульта управления. Поднимают мачту на 2-3 метра от кабины автомобильного шасси, затем опускают мачту обратно и укладывают ее на переднюю опору 30 (фиг.1). Эту операцию производят 2-3 раза, прежде чем поднять мачту в рабочее положение. Мачта поднимается гидровлическими домкратами 7 (фиг.1). Мачта телескопическая и состоит из двух секций. Верхняя секция выдвигается дополнительной гидроприводной лебедкой. Фиксируют выдвинутую верхнюю секцию упорами, смонтированными в верхней части нижней секции мачты. В рабочем положении мачта укрепляется шестью оттяжками: двумя силовыми и четырьмя ветровыми. Силовые оттяжки устанавливают для восприятия нагрузки в рабочем положении мачты, а ветровые оттяжки ограничивают перемещение мачты при ветровых нагрузках и предельных нагрузках на крюке. Нижняя секция мачты оборудована лестницей, вдоль которой натягивают страховочный канат.
Перед началом работы однобарабанной лебедки 5 (фиг.1) растормаживают «стояночный» тормоз подачей на него сжатого воздуха. После окончания работы однобарабанной лебедки «стояночный» тормоз затормаживают, выпуская воздух из камеры.
Управление однобарабанной лебедкой осуществляется с помощью рычагов и рукояток тормоза, а также с пульта управления и обеспечивается пневматической системой агрегата. При включении пневматической системы вращение от раздаточного редуктора 22 (фиг.2), имеющего два выхода: с одного выхода на редуктор тихого хода 13, с другого на редуктор быстрого хода 14 (фиг.1), передается на вал 11 однобарабанной лебедки посредством звездочек тихого и быстрого хода 16, 17, соединенных с валом 11 однобарабанной лебедки. Тормоз однобарабанной лебедки имеет ручное пневматическое и механическое управление, которое приводится в действие тормозным рычагом или пневмокамерой. Торможение рычагом обеспечивает плавное торможение с постепенным увеличением тормозного усилия, а торможение пневмокамерой более резкое и поэтому применяется обычно в аварийной ситуации. Основное торможение производится с помощью электродвигателя, аварийное — механическим тормозом.
Конструкция заявленной полезной модели агрегата ремонтного позволила получить технический результат, соответствующий поставленной задаче.
Заявленный агрегат ремонтный имеет простую конструкцию. Трансмиссия агрегата позволяет получить на валу однобарабанной лебедки «тихую» и «быструю» скорости. «Быстрая» скорость — для подъема и спуска бурильной колонны. «Тихая» скорость предназначена для ремонтных работ с обсадной колонной и ликвидацией аварий.
Заявленный агрегат ремонтный имеет преимущества перед прототипом в том, что лебедка имеет две скорости с цепным приводом погружения в масляные ванны.
На поверхности барабана однобарабанной лебедки выполнена винтовая канавка, что упрощает укладывание талевого каната и ускоряет этот процесс.
Разборные корпуса редукторов позволяют уменьшить трудоемкость и упростить обслуживание и ремонт узлов агрегата ремонтного.
Заявленный агрегат ремонтный имеет простую и компактную конструкцию и может быть изготовлен на любом машиностроительном заводе, имеющем соответствующее оборудование. Заявленная конструкция обеспечивает функциональные возможности агрегата, повышает его монтажеспособность, обеспечивая удобство его обслуживания, что положительно влияет на эффективность использования агрегата для проведения операций при ремонте нефтяных и газовых скважин.
Агрегат ремонтный для ремонта скважин, содержащий автомобильное шасси с жестко закрепленной на нем рамой, на которой установлено оборудование, в том числе шарнирно связанная с задней опорой мачта с элементами крепления силовых растяжек, талевая система, однобарабанная лебедка, приводы механизмов, кабина оператора, гидравлические домкраты, приустьевая площадка, отличающийся тем, что на поверхности барабана лебедки выполнена винтовая канавка, при этом на реборде барабана установлены планки для крепления каната, кроме этого, вал выполнен в виде пустотелого цилиндра и закреплен на подшипниковых опорах, которые установлены в редукторах тихого и быстрого хода, причем с обеих сторон вала на шариковых подшипниках установлены двухрядные звездочки, кроме этого, корпуса редукторов тихого и быстрого хода выполнены разъемными и наполнены маслом, причем корпуса имеют смотровые окна и отверстия для слива масла, кроме этого, в каждом корпусе находятся двухрядная звездочка, установленная на двух шариковых подшипниках, двухрядная цепь и натяжитель цепи, а в нижней части корпуса имеются опоры, при помощи которых редукторы жестко установлены на раме агрегата ремонтного.
JumboFlex
Настройки файлов cookie
Мы используем файлы cookie на нашем веб-сайте. Некоторые из них необходимы с технической точки зрения, а другие помогают улучшить наш веб-сайт для вас.
Отфильтровывает внутренних пользователей компании из данных анализа.
Диспетчер тегов Google
Отвечает за техническую реализацию выбранных настроек файлов cookie. https://policies.google.com/privacy
Google reCAPTCHA
Защищает контактные формы от ботов и спама. https://policies.google.com/privacy
Выбор языка
Идентифицирует язык, выбранный посетителем.
Выбор страны
Идентифицирует страну, выбранную посетителем.
Идентификатор сеанса
Требуется для текущего сеанса пользователя.
Идентификатор сайта CMS
Требуется для содержимого CMS сеанса пользователя.
Ключ канала
Требуется для содержимого интернет-магазина сеанса пользователя.
АВСАЛБ, АВСАЛБКОРС
Идентифицирует экземпляр балансировщика нагрузки.
Статистика
Google Аналитика
Создает аналитические данные о том, как посетители используют веб-сайт. https://policies.google.com/privacy
Майкрософт Бинг
Создает аналитические данные о том, как посетители используют веб-сайт. https://privacy.microsoft.com/privacystatement
LinkedIn
Создает аналитические данные о том, как посетители используют веб-сайт. https://www.linkedin.com/legal/privacy-policy
Маркетинг
Google Реклама
Рекламная платформа для привлечения заинтересованных пользователей с рекламой. https://policies.google.com/privacy
СМИ
Vimeo
Требуется для отображения видео Vimeo на веб-сайте. https://vimeo.com/privacy
Карты Google
Требуется для отображения Google Maps на веб-сайте. https://policies.google.com/privacy
Разное
Пользовательский
Платформа чата для поддержки обмена сообщениями. https://www.userlike.com/terms#privacy-policy
Сохранить собственные настройки
Конфиденциальность | Выходные данные
Инновационное управление одной рукой для быстрых и надежных последовательностей движений
Эргономичная рукоятка управления, адаптированная для правшей и левшей
Неутомительный и удобный для спины подъем обеспечивает стабильную работу
Центральное управление одним пальцем для подъема, опускания и высвобождения груза
Универсальное применение со стандартной системой быстрой смены для замены широкого спектра захватов
(1) Подъемный блок с защитной трубкой
(2) Высота подвеса может регулируется без прикрепленного груза
(3) Фильтр, заменяемый без инструментов
(4) Управление одним пальцем для подъема, опускания и отпускания груза
(5) Эргономичная ручка управления с нескользящими элементами
(6) Непрерывное вращение, можно заблокировать с шагом 90°
(7) Быстросменный адаптер для быстрой замены захвата без инструментов
(8) Вакуумные захваты, адаптированные к заготовке
(9) 90 ° поворотный механизм (ручной) для захвата груза сбоку
(10) Пульт радиоуправления SRC для вакуумного генератора (дополнительно)
Блок управления JumboFlex 50 для максимальной нагрузки до 50 кг отличается от блок управления JumboFlex для максимальных нагрузок до 20 и 35 кг.
Быстросменный адаптер
Универсальность является ключевым фактором: Schmalz предлагает подходящие вакуумные захваты практически для любого применения. С помощью быстросменного адаптера захват можно заменить быстро и легко.
Круглый вакуумный захват
Для компактных товаров, таких как картонные коробки, бочки, ведра, кувшины и шкафы.
Круглый вакуумный захват с юбкой
Для оптимальной герметизации пластиковых пакетов и упаковок.
Двойной вакуумный захват 9№ 0003
Для скрепленных скобами, склеенных, обвязанных или открытых картонных коробок, а также небольших деревянных досок.
Четверной вакуумный захват
Для больших картонных коробок, деревянных досок и других плоских заготовок.
Многоцелевой вакуумный захват
Универсальный захват картонных коробок различных размеров и качества с минимальной степенью заполнения 75%.
Захват 2-в-1
Комбинация вакуумного захвата и подвесного крюка для предметов багажа, таких как чемоданы или сумки.
Крюк для подвешивания
Для механического подвешивания ведер, кувшинов и других предметов с точкой для подвешивания.
Захват для ящиков
Для транспортировки и хранения ящиков всех производителей (стандарт VDA 4500).
Батарея JumboFlex
Захват и трубчатый подъемник в комплекте для перемещения стартерных аккумуляторов в автомобильной промышленности. Всю систему можно использовать для работы с крышками различных форм и размеров, а также с нагрузкой до 27 кг.
Вакуумный трубчатый подъемник JumboFlex может быть специально сконфигурирован в соответствии с требованиями каждого отдельного приложения благодаря его модульной конструкции. Технические данные варьируются в зависимости от конфигурации и выбранного вакуумного захвата.
Следующие технические данные являются стандартными значениями.
Тип
Макс. грузоподъемность [кг]
Формат заготовки* мин. [мм]
Формат заготовки* макс. [мм]
Макс. скорость подъема [м/мин]
Макс. ход подъема Z [мм]
Высота H** с вакуумным насосом [мм]
Высота H** с вакуумным эжектором [мм]
Подъемная труба Ø D [мм]
Гибкая 20
20
200×200
2000×1000
60
1 500
2 500
2 680
80
20
200×200
2000×1000
60
1 800
2 800
2 980
80
Гибкая 35
35
200×200
2000×1000
60
1 500
2 500
2 680
100
35
200×200
2000×1000
60
1 800
2 800
2 980
100
Гибкая 50
50
200×200
2000×1000
60
1 500
2 500
—
120
50
200×200
2000×1000
60
1800
2800
—
120
*Зависит от выбранного вакуумного захвата **Вакуумные захваты не включены (общая высота = H + высота вакуумного захвата
JumboFlex Weight-Control
Благодаря встроенному устройству взвешивания грузы можно поднимать и взвешивать одним движением
JumboFlex Safety+
Спуск двумя руками для дополнительной безопасности Регулируемая, уменьшенная скорость опускания, например, для чувствительных компонентов или для пользователей с ограниченными возможностями
JumboFlex Easy-Release
Пониженный остаточный вакуум для облегчения снятия. Груз высвобождается с помощью дополнительного рычага разблокировки и только при полном опускании, т.е. с четверными захватами или захватами с сильфонными присосками.
JumboFlex Quick-Release
Позволяет преднамеренно выбрасывать груз во время подъема с помощью дополнительного выталкивающего рычага. Для использования при обработке багажа в аэропортах или аналогичных приложениях.
JumboFlex Air
Подключение сжатого воздуха к разъему захвата позволяет пневматически управлять захватами индивидуальной конструкции с помощью приводного рычага.
Запасные части
Аксессуары
Рекомендации по продуктам
Запрос продукта
Подъемный узел в прочной конструкции HE-K-K-6-1-25-50, 1.507,06 €
Настройки конфиденциальности данных
Указанные здесь настройки сохраняются в «локальной памяти» вашего устройства. Настройки будут запомнены при следующем посещении нашего интернет-магазина. Вы можете изменить эти настройки в любое время (значок отпечатка пальца в левом нижнем углу).
Для получения дополнительной информации о сроке действия файлов cookie и необходимых основных файлах cookie см. Уведомление о конфиденциальности.
Выбрать/Отменить все
YouTube
Дополнительная информация
Чтобы просмотреть содержимое YouTube на этом веб-сайте, вам необходимо дать согласие на передачу данных и хранение сторонних файлов cookie Ютуб (гугл). Это позволяет нам улучшить ваш пользовательский опыт и сделать нашу сайт лучше и интереснее. Без вашего согласия никакие данные не будут переданы на YouTube. Однако вы также не сможете пользоваться услугами YouTube на этом веб-сайте.
Описание:
Встраивание видео
Процессинговая компания:
Google Inc.
Условия эксплуатации: Ссылка
Vimeo
Дополнительная информация
Для просмотра контента Vimeo на этом веб-сайте вам необходимо согласиться с передача данных и хранение сторонних файлов cookie Vimeo. Это позволяет нам улучшить опыт и сделать наш сайт лучше и интереснее. Без вашего согласия никакие данные не будут быть перенесены на Vimeo. Однако вы также не сможете пользоваться услугами Vimdeo на этом веб-сайте.
Описание:
Встраивание видео
Процессинговая компания:
Vimeo
Условия эксплуатации: Ссылка
ReCaptcha
Дополнительная информация
Для отправки форм на этой странице вам необходимо дать согласие на передачу данных и хранение сторонних файлов cookie компанией Google. С вашего согласия будет встроена reCAPTCHA, служба Google, позволяющая избежать спам-сообщений через контактные формы. Эта услуга позволяет нам предоставить нашим клиентам безопасный способ связаться с нами через онлайн-формы. В то же время сервис предотвращает компрометацию наших сервисов спам-ботами. После того, как вы дали свое разрешение, вас могут попросить ответить на запрос безопасности для отправки формы. Если вы не согласны, к сожалению, вы не можете использовать форму. Пожалуйста, свяжитесь с нами другим способом.
Описание:
Остановка спам-ботов
Процессинговая компания:
Google Inc.
Условия эксплуатации: Ссылка
uptain
Дополнительная информация
Мы используем плагин Java-Script от uptain GmbH («uptain-Plugin» https://www.uptain.de) для улучшения взаимодействия с нашими посетителями. Это позволяет нам анализировать использование вами веб-сайта и улучшать подход к клиентам (например, через диалоговое окно). Мы собираем информацию о вашем поведении при использовании, включая движение курсора, продолжительность пребывания, переходы по ссылкам и (если применимо) предоставленную информацию. Правовой основой для обработки является наша законная заинтересованность в прямом маркетинге и предоставлении нашего веб-сайта (статья 6, абз. 1, пункт f Общего регламента по защите данных). В качестве обработчика uptain GmbH действует от нашего имени и строго придерживается наших инструкций. Мы не будем передавать информацию третьим лицам (если только мы не обязаны по закону). Если информация, собранная uptain-Plugin, содержит личные данные, эти данные будут удалены сразу после вашего посещения нашего веб-сайта.
Описание:
Отслеживание
Процессинговая компания:
вверх
Условия эксплуатации: Ссылка
Выбрать/Отменить все
Настройки конфиденциальности данных
Хотите увидеть это содержимое? Активируйте желаемое содержимое только для одного сеанса или разрешите веб-сайту запомнить эти настройки. После того, как вы дали свое согласие, сторонние данные могут быть загружены. Для этого на вашем устройстве могут храниться сторонние файлы cookie. Вы можете изменить эти настройки в любое время (значок отпечатка пальца в левом нижнем углу). Дополнительные сведения см. в Уведомлении о конфиденциальности.
Подъемник для инвалидных колясок PL-50
Описание изделия Подъемник для инвалидных колясок PL-50, описанный здесь, представляет собой вертикальный подъемное устройство платформы, состоящее из машинной башни с подъемная платформа, выбранная и имеющая размеры для обеспечения адекватного высота подъема в соответствии со зданием требование. Подъемник можно использовать в помещении и на улице для вертикально перевозить человека в инвалидной коляске или иным образом человек с ограниченной подвижностью, вверх и через барьер созданные лестницей, таким образом создавая доступ к или внутри строительство.
Подъемник, сконфигурированный с соответствующими опциями, может соответствовать ANSI Al 7.1, часть XX, раздел 2100, коды, касающиеся жилых приложений.
Обеспечение качества
Требования к производительности: Устройство должно быть собрано и предварительно подключено (за исключением дополнительных оборудование и необходимые ворота) и изготовлены с надлежащим грузоподъемность и грузоподъемность для применения, описанного в другом месте в этой спецификации. Блок должен быть прост в управлении пользователем или обслуживающим персоналом и должны быть способны функционировать в любых погодных условиях. Блок должен иметь грузоподъемность до 500 фунтов. к желаемая высота подъема до 50 дюймов или максимальный подъем высотой шесть (6) футов.
Состав из Материалы: -Башня машины: холоднокатаная сталь 14 калибра. — Базовая рама: квадратная труба 1 1/2 дюйма x 3/16 дюйма из конструкционной стали. — Сварная конструкция подъемника: стальная конструкция стенки 1 1/2 дюйма x 3 дюйма x 0,188 дюйма. трубка. — Крышка башни: пластина из холоднокатаной стали калибра 10 — Боковые ограждения: стальная труба калибра 1″ x 0,120″ (Рамка). — Платформа: холоднокатаный стальной лист 14 калибра с скользящим покрытием поверхность сопротивления. — Пандус: стальной лист 11 калибра с защитой от скольжения поверхность. — Электрическая коробка: оцинкованная сталь калибра 16 — Распределительная коробка: ударопрочный пластик A. B.S. Корпус инструмента из термопластика. -Lirnitations: Вертикальный подъемник с платформой должен работать как внутри и снаружи и должны быть закреплены на уровне толщиной 4 дюйма, 3500 фунтов на квадратный дюйм усиленный бетонная поверхность или накладка.
Система электропроводки: Установка должна быть предварительно подключена производителем к внешней проводка с покрытием из термопласта. Удлинитель, калибр 14 Одобрение UL-CSA рекомендуется, если источник питания не находится в три (3) фута башни машины. Машина также может быть подключена с использованием водонепроницаемого поведения.
Подготовка к порошковому покрытию, грунтовка и процесс порошкового покрытия
1. 3-этапная стирка, мыльная вода, чистая вода и фосфат железа который применяется к деталям.
2. Детали проверены и зачищены
3. Наносится эпоксидный грунт
4. Детали запекаются при 250 градусах в течение 15 минут
5. Детали осматриваются и при необходимости притираются
6. Порошок Huebert O’Brian – полиэстер TCIC
7. Смешанная с краской, цвет миндальный PFT-500-SS
8. Наносится порошковое покрытие и запекается при температуре 400 градусов в течение 30 минут.
9. Детали осматриваются и при необходимости притираются
Устройства безопасности Блок должен иметь следующие функции безопасности для защиты пользователей и широкой публики: � Верхние и нижние концевые выключатели � Двигатель мгновенного реверса � Питание 110 В переменного тока от двигателя 1/2 л. с усиленным подъемом #50 цепь � Автоматический пандус � 36-дюймовые ограждения на стороне входа и выхода платформы � Нескользящая платформа и поверхность пандуса � Управление с замком � Система переключения и управления 24 В переменного тока низкого напряжения
Установка Подрядчик должен выполнить все работы и поставить все материалы необходимо для полной установки, это намерение эта спецификация для общего описания необходимого оборудования, но не закрывать детали дизайна и конструкции.
Техническое обслуживание Техническое обслуживание подъемной установки с вертикальной платформой должно состоять из регулярная чистка агрегата, защита окрашенной поверхности устройства.
Гарантия На основное устройство предоставляется ограниченная гарантия сроком на один (1) год. и электрическая система с двухлетней (2) гарантией привода компоненты поезда.
Примечание: Эта спецификация была написана, чтобы помочь вам в подготовка точного и подробного описания для указания вертикальный платформенный подъемник. Вся или часть данной спецификации может быть воспроизведенный. Дополнительную техническую информацию можно получить по адресу наш отдел разработки продуктов.
Подъемник ПЛ-50 с платформой 90 градусов
Просмотр спецификаций по соседству или под углом 90 градусов Доступ к платформе
ПРИМЕЧАНИЕ: Башня — это Башня
обратимый из стороны в сторону Платформа ПЛ-50 высота подъема составляет максимум 50 дюймов. Доступно с Pl-72 и Call Опция «Отправить переключатели». Высота подъема платформы ПЛ-72 72 дюйма. максимум. ПРИМЕЧАНИЕ. Башня — это Башня — это обратимый из стороны в сторону Высота подъема платформы PL-50 составляет максимум 50 дюймов. Pl-72 и переключатель отправки вызова. Платформа подъемная ПЛ-72 высота 72 дюйма максимум.
ПРИМЕЧАНИЕ. Башня ПРИМЕЧАНИЕ. Башня
реверсивная из стороны в сторону PL-50 высота подъема платформы 50″ максимум Все варианты подъема доступны с этим блоком.
Смотреть PL-50 в действии
Спецификации —
Соседний —
Коммерческий –
Верхние посадочные ворота PL-50 —
ПЛ-72 —
Заказать здесь. ! —
Портативный подъемник
CPMA Подъемные колонны 100-240 В переменного тока 50/60 Гц 24 В постоянного тока
Вы здесь
Главная » Продукция » Подъемные колонны » CPMA
Преимущества:
Совместим практически со всеми международными стандартами напряжения и частоты 907:20
Отсутствие вибрации при использовании команд плавного пуска и плавного останова
Стильный дизайн для медицинского оборудования, одобренный IEC 60601-1
Готовое к работе решение, сокращающее время выхода на рынок
Характеристики:
Встроенный универсальный блок питания с кабелем через подъемную стойку
Устройство плавного пуска и остановки
Повышенная грузоподъемность при высокой скорости
Аксессуары для нескольких розеток и индивидуальные цвета 907:20
Для офтальмологических устройств Подъемные колонны серии CPMA были разработаны Ewellix специально для офтальмологических устройств и сконструированы как компактные, состоящие из двух частей блоки, которые дают разработчикам возможность комбинировать различные рабочие характеристики. Подъемные колонны CPMA не требуют компромиссов, когда речь идет об эстетике, гашении шума и вибрации или гигиене. Цвет алюминиевой рамы можно подобрать индивидуально.
Содержимое вкладки продукта
Технические данные
Дополнительная вкладка
Обзор
Толкающая нагрузка
до 2 000 Н
Тяговая нагрузка
Максимальный ход (мм)
от 200 до 400 мм
Напряжение
100–240 В перем. тока, 50/60 Гц 24 В пост. тока
Рабочая температура
от +10 до +40 °С
Тип защиты
Макс. линейная скорость без нагрузки (мм/с)
до 15 мм/с
Рабочий цикл (%)
Динамическая нагрузка смещения
до 250 Нм
2D / 3D
Предупреждающее сообщение
Для заказа продукции см. страницы нашего каталога, где указаны коды заказа. Пожалуйста, не используйте сгенерированные здесь ключи заказа, так как они могут быть неполными.
Публикации
IL-05002/5-EN-May 2022 Actuator range
IL-07005/2-EN-December 2021 CPMA
TC-08028-EN-April 2020 CPMA-CPMB operating manual
EL-02003-RU-ноябрь 2019 г. Безопасность и надежность в движении
EL-03010-RU-Декабрь 2021 Раствор для офтальмологического оборудования
Селекторы продуктов
Выбор продукта
Поиск продукта
Тематические исследования
Реабилитационные устройства
Нужна дополнительная информация о
? Задайте вопрос нашим специалистам.
Имя*
Фамилия*
Электронная почта*
Компания*
Страна* Choose your country*AfghanistanAlbaniaAlgeriaAmerican SamoaAndorraAngolaAnguillaAntarcticaAntigua & BarbudaAntigua and BarbudaArgentinaArmeniaArubaAruba (Neth. )AustraliaAustriaAzerbaijanAzores (Port.)BahamasBahrainBangladeshBarbadosBelarusBelgiumBelizeBeninBermudaBhutanBoliviaBolivia, Plurinational State ofBonaire, Sint Eustatius and SabaBosnia And HerzegovinaBotswanaBrazilBritish Indian Ocean TerritoryBritish Virgin IslandsBrunei DarussalamBulgariaBurkina FasoBurundiCabo VerdeCambodiaCameroonCanadaCape VerdeCayman IslandsCentral African RepublicChadChileChinaChristmas IslandCocos (Keeling) IslandsColombiaComorosCongoCongo, The Демократическая Республика Острова КукаКоста-РикаКот-Д’ИвуарХорватияКубаКюрасаоКипрЧехияДагомея/БенинДанияДжибутиДоминикаДоминиканская РеспубликаЭквадорЕгипетСальвадорЭкваториальная ГвинеяЭритреяЭстонияЭфиопияФолклендские островаФолклендские (Мальвинские) островаФарерские островаФиджиФинляндияFmr Yug RepФранция Французская МакедонияФранцияФранцузская Гвиана tic IsGabonGambiaGeorgiaGermanyGhanaGibraltarGreeceGreenlandGrenadaGuadeloupeGuamGuatemalaGuernseyGuineaGuinea BissauGuyanaHaitiHondurasHong KongHong Kong SARHungaryIcelandIndiaIndonesiaIranIran, Islamic Republic ofIraqIraq-Saudi Arabia Neutral ZoneIrelandIsle of ManIsraelItalyIvory CoastJamaicaJapanJerseyJordanKazakhstanKenyaKiribatiKorea Dem. People’s Rep.Korea, Republic OfKuwaitKyrgyzstanLao People’s Democratic RepublicLaosLatviaLebanonLesothoLiberiaLibyaLibya Arab JamahiriyLiechtensteinLithuaniaLuxembourgMacaoMacauMacedoniaMacedonia, The Former Yugoslav Republic ofMadagascarMalawiMalaysiaMaldivesMaliMaltaMarshall IslandsMartiniqueMauritaniaMauritiusMayotteMexicoMicronesia, Fed StatMicronesia, Federated States ofMoldova, Republic OfMonacoMongoliaMontenegroMontserratMoroccoMozambiqueMyanmarNamibiaNauruNepalNetherlandsNetherlands AntillesNew CaledoniaNew ZealandNicaraguaNigerNigeriaNiueNorfolk IslandNorthern Mariana IslandsNorwayOmanPakistanPalauPalau IslandsPalestine, State ofPanamaPanama Canal ZonePapua New GuineaParaguayPeruPhilippinesPitcairn IslandsPolandPortugalPuerto RicoQatarReunionRomaniaRussian FederationRwandaSaint Kitts and NevisSaint LuciaSaint МартинСен-Мартен (французская часть)Сент-Винсент и ГренадиныСамоаСан-МариноСан-Томе и ПринсипиСао-Томе и ПринсипиСаудовская АравияСенегалСербияРеспублика СербияСейшельские острова esСьерра-ЛеонеСингапурСинт-Мартен (голландская часть)СловакияСловенияСоломоновы островаСомалиЮжная АфрикаЮжный СуданИспанияШри-ЛанкаSt. ЕленаСв. Китс и НевисСент. Люсия Св. Винсент и ГренадинСуданСуринамСвазилендШвецияШвейцарияСирийская Арабская РеспубликаСирийская Арабская РеспубликаТайваньТайвань, провинция КитаяТаджикистанТанзанияТанзания, Объединенная Республика ТаиландТимор-ЛештиТогоТонгаТринидад и ТобагоТринидад и ТобагоТунисТурцияТуркменистанОстрова Теркс и КайкосТувалуСША. Виргинские островаУгандаУкраинаОбъединенные Арабские ЭмиратыВеликобританияСоединенные ШтатыОтдаленные малые острова СШАУругвайУзбекистанВануатуВатикан (Святой Престол)ВенесуэлаВенесуэла, Боливарианская РеспубликаВьетнамВьетнамВиргинские острова — Британские Виргинские острова, Британские Виргинские острова, США Западная СахараЗападное СамоаЙеменЮгославияЗаирЗамбияЗимбабве
Номер телефона
Сообщение
Я согласен с Условиями и положениями Ewellix и Политикой конфиденциальности*
Genie® TZ™-50 Подъемник со стрелой на прицепе
Домашний
Стреловые подъемники на прицепе
ТЗ-50
Стреловые подъемники на прицепе
Genie 9 с максимальной досягаемостью и дальностью действия. Стрела 1066 ® TZ™-50, устанавливаемая на прицепе, обеспечивает непревзойденные возможности подъема и разворота в компактном и легком корпусе, которым легко маневрировать в перегруженных рабочих зонах.
Обзор
Элементы управления на земле и на платформе используют символы для упрощения работы
Дополнительная функция Drive and Set™ позволяет операторам управлять агрегатом с платформы, когда он полностью опущен
Непрерывное вращение поворотного стола на 359° для универсального позиционирования
Индикаторы выносных опор с подсветкой
Сигнал/датчик наклона для дополнительной безопасности
Технические характеристики
загрузок
Опции
Диапазон движения
Спецификация
Значение
Максимальная рабочая высота
55 футов 6 дюймов | 16,92 м
Горизонтальный вылет
29 футов 2 дюйма | 8,89 м
Вместимость платформы
500 фунтов | 227 кг
Зазор вверх и вниз
22 фута | 6,71 м
Вес
4400 фунтов | 1996 кг
Варианты шасси
Вариант привода и установки включает батарею большой емкости
Не оставляющие следов подножки выносных опор
Запасное колесо
Противооткатные колодки
Варианты сцепки
2-дюймовая шаровая муфта (рычажный замок или Bulldog™)
Шаровая муфта 2 5/16 дюйма (рычажный замок или Bulldog™)
Почему срок службы вашей новой машины Genie составляет более 10 лет 906:00
Когда вы покупаете новое воздушное оборудование или перегружатель, у вас, вероятно, возникает длинный список вопросов, связанных с функциями, техническими характеристиками и стоимостью машины. Но как часто вы спрашиваете об исследованиях и разработках, которые вошли в этот продукт?
Продолжить чтение
. ..
3 тенденции в авиационной отрасли, которые мы определили в середине года
Середина года — хорошее время, чтобы проверить, что происходит в нашей отрасли и что будет дальше. Вот три тенденции, которые, по моему мнению, достигли вершины в 2022 году.
Продолжить чтение
…
Эволюция клиентского опыта
То, как мы покупаем, продаем и взаимодействуем, развивалось и продолжает развиваться, и сегодня оно сильно отличается от того, что было даже несколько лет назад.
Продолжить чтение
…
Празднование Международного женского дня 2022
В рамках празднования Международного женского дня мы взяли интервью у двух клиентов Genie, женщин-лидеров в сфере аренды оборудования.
Продолжить чтение
…
Советы по транспортировке стрелового подъемника
Подъемники со стрелой
являются обычным оборудованием на самых разных рабочих площадках. Но прежде чем вы сможете начать работать со стрелой, вы должны доставить ее на строительную площадку. Чтобы сделать это безопасно и эффективно, есть несколько важных соображений.
Продолжить чтение
…
KLP, ПОДЪЕМНЫЙ ШТИФТ, 1/2X1,50 | Джергенс Инк
Дом
/
Подъемные кольца и грузоподъемные изделия
/
Подъемные штифты Kwik-Lok®
/ 907:20
Подъемные штифты Kwik-Lok®
/
KLP, ПОДЪЕМНЫЙ ШТИФТ, 1/2X1,50
Проверка запасов и цен на:
KLP, ПОДЪЕМНЫЙ ШТИФТ, 1/2X1,50
Войти/Зарегистрироваться
Войти, чтобы упростить процесс заказа.
Отдел обслуживания клиентов
Обратитесь за помощью в отдел обслуживания клиентов.
Артикул: 807284
Доступность: Нет в наличии
Запрошенный номер детали:
807284
KLP, ПОДЪЕМНЫЙ ШТИФТ, 1/2X1,50
Введите количество:
*только целые числа
Пожалуйста, введите количество и выберите Проверить наличие и цену
Доступный запас для отправки:
Доступно для сборки:
Цена за количество в заказе:
Цена за единицу заказа1
1
(Ваша чистая цена за штуку, ДОЛЛАРЫ США, FOB КЛИВЛЕНД, Огайо, США)
* Прейскурантная цена этого товара:
Введите комментарии для этого элемента: (необязательное поле, максимум 60 символов)
Обратите внимание: Количества, доступные к отправке, указанные на этой странице, могут отличаться от фактических.
Блоки полиспастные использутся для ручного поднятия грузов, а также для натяжения (подтягивания).
135 мм190 мм
с крюкомсо скобой
в упаковке
На складе
шт
1 133. 4 р.
Распечатать
Калькулятор веса
Описание
Преимущества:
малый вес — легко перемещать и работать
наличие подшипника, что обеспечивает долгий срок службы и плавность в работе
возможность комбинировать монтажные блоки и составлять блок полиспаста
блоки с одним, двумя и тремя роликами
В полиспастах облегченных используйте веревку или трос до 10 мм
Узнать больше…
Виды полиспастных блоков и max нагрузки:
Тип и высота блока
max нагрузка, кг
со скобой 110 мм
600
со скобой 135 мм
600
со скобой 160 мм
600
с крюком 165 мм
300
с крюком 190 мм
300
с крюком 215 мм
300
двойной со скобой 145 мм
600
двойной со скобой 170 мм
600
тройной со скобой 150 мм
600
тройной со скобой 175 мм
600
. ..свернуть
Ваша цена на Полиспастные блоки
Размеры190 мм135 мм
#7-0020540
со скобой 135 мм
со скобой
в упаковке
1 шт
1 133.4 р.
уп.
#7-0020580
с крюком 190 мм
с крюком
в упаковке
1 шт
1 359. 5 р.
уп.
Вопросы / Консультации
Вопросы (0)
Задать вопрос
Ничего не найдено
Блоки монтажные, полиспасты
Каталог товаров
Главная Каталог оборудования Грузоподъемное оборудование Грузозахватные приспособления
Блоки
Продажа машин для подъема грузов со склада (СПб, Москва, Челябинск, Ростов-на-Дону, Казань) от производителя, производство на заводах-изготовителях и поставки. Прайс-листы с ценами на грузозахватные блоки запрашивайте в отделе грузоподъемного оборудования.
Отводные монтажные блоки JSB
Монтажные блоки с крюком JSB грузоподъемностью от 1 до 5 т. выполнены и прочного материала. Предусмотрен один (модель SS) или два (модель DS) желоба под трос.Отличаются надежностью и простотой в использовании.
Втулки из латуни
На крюке предохранительная защелка
Подшипники закрыты и не требуют профилактических работ.
Модель
Грузоподъемность, т
Диаметр желоба, мм
Диаметр троса, мм
Масса, кг
JSB-SS-1,0т
1,0
101
10
2,5
JSB-SS-1,5т
1,5
127
13
4,5
JSB-SS-2,5т
2,5
152
16
10,5
JSB-SS-3,0т
3,0
175
19
11,0
JSB-SS-4,0т
4,0
203
22
20,0
JSB-SS-5,0т
5,0
254
25
35,0
JSB-DS-0,5т
0,5
76
8
2,0
JSB-DS-1,0т
1,0
101
10
3,5
JSB-DS-1,5т
1,5
127
13
6,5
JSB-DS-2,5т
2,5
152
16
12,5
JSB-DS-3,0т
3,0
175
19
18,0
JSB-DS-4,0т
4,0
203
22
30,0
JSB-DS-5,0т
5,0
254
25
55,0
Монтажные блоки Ульяновск
Предназначены для применения в качестве отводных и подвесных блоков, для составления полиспастов, комплектования грузоподъемных механизмов с ручным приводом при производстве строительно-монтажных и такелажных работ. Группа режима работы 1М и класс нагружения В1 по ГОСТ 25835
Модель
Грузоподъемность, т
Размеры
Рекомендуемый Ø каната, мм
Масса
D
D1
B
B1
H
БМ-0,5
0.5
65
85
45
—
120
от 3,5 до 4,8
0.3
БМ-0,5-01
55
180
0.4
БМ-1,6
1.6
130
165
110
—
290
от 9 до 11
5.3
БМ-1,6-01
120
440
7.0
БМ-3,2
3. 2
155
195
120
—
340
от 11 до 14
8.5
БМ-3,2-01
150
530
11.5
БМ-5,0
5.0
205
260
120
—
440
от 14 до 18
16.5
БМ-5,0-01
185
640
25.5
Блоки монтажные Brano (Чехия)
Блоки применяются при производстве монтажных, строительных и такелажных работ в качестве подвесных блоков, направляющих блоков (отводных, оттяжных и т.д.), поддерживающих блоков (для ограничения провеса канатов), элементов полиспастных устройств и т.п. Блоки могут иметь крюк, запорный палец или скобу, по исполнению могут быть закрытого или открытого типа. Блоки тип Е комплектуются цепью для подвеса и канатом из пеньки (Ø 16 мм, длина 20 м)
Тип
a
b
c
d
d0
D
e
L
L0
Вес, кг
Z500 A
35
61
—
30,2
—
125
20
240
—
1,7
Z500 B
35
61
—
—
28
125
—
—
233
1,8
Z500 C
35
61
165
30,2
—
125
20
240
—
1,9
Z500 D
35
61
165
—
28
125
—
—
233
2
Z500 E
35
61
—
—
—
125
—
—
233
6,2
Z500 F
35
61
—
30,2
—
125
20
240
—
1,7
Полиспасты Brano (Чехия)
Полиспаст — это грузоподъёмное устройство, состоящее из собранных в подвижную и неподвижную обоймы многорольных блоков, последовательно огибаемых канатом или цепью. Чешские полиспастные блоки фирмы Брано представлены под стальной или капроновый канат.
Модель
Г/п, т
Кол-во роликов
Ø каната max, мм
Ø ролика (D), мм
Ширина (a), мм
L min
b
d
e min
Вес, кг.
Полиспаст под капроновый канат
K10
0.5
1
25
125
72
730
145
36
28
14
K11
1
2
25
125
115
930
145
43
34
19
K11
2
2
26
180
125
1215
200
50
40
30
K12
0. 3
3
10
60
75
570
65
30
24
3.5
Полиспаст под стальной канат
K15
1
1
12.5
180
80
1175
200
43
34
20
K15
2
1
12.5
230
100
1215
250
50
40
43
K15
4
1
20
280
115
1410
300
63
50
54
K15
6
1
20
325
145
1770
350
80
63
104
Заказать и купить грузозахватный блок вы можете с заказом отгрузки транспортными компаниями в города: Архангельск, Владивосток, Волгоград, Воронеж, Екатеринбург, Ижевск, Иркутск, Казань, Кемерово, Краснодар, Красноярск, Москва, Нижний Новгород, Новосибирск, Омск, Оренбург, Пенза, Пермь, Ростов-на-Дону, Санкт-Петербург, Самара, Саратов, Тюмень, Уфа, Чебоксары, Челябинск, Ярославль и прочие регионы России. Наверх
Полиспастный блок в Прокопьевске: 2-товара: бесплатная доставка [перейти]
Электрическая таль QUATTRO ELEMENTI TL-1000 1600 Вт, 500/1000 кг, трос 12 м, блок полиспаст в компл. 793-701 тип: таль, принцип действия: электрический, грузоподъемность: 1 т
ПОДРОБНЕЕЕще цены и похожие товары
11 180
Электрическая таль QUATTRO ELEMENTI TL-250 550 Вт, 125/250 кг, трос 12 м, блок полиспаст в компл. 793-688 тип: таль, принцип действия: электрический, грузоподъемность: 0.25 т
Электрическая таль QUATTRO ELEMENTI TL-500 1100 Вт, 250/500 кг, трос 12 м, блок полиспаст в компл. 793-695 тип: таль, принцип действия: электрический, грузоподъемность: 0.50 т
Блоки монтажные предназначены для использования при проведении монтажных и строительных работ, могут использоваться как самостоятельно, для получения выигрыша в силе, так и в сочетании с ручными грузоподъемными механизмами. Ролики блоков выполнены методом точного литья, ось роликов вращается на подшипниках качения.
Наименование
Г/п
Max. диаметр каната, мм
Диаметр ролика, мм
Масса, кг
Блок монтажный с пальцем БМ — 1,6 (для стального каната)
1,6
10
125
6
Блок монтажный с пальцем БМ — 3,2 (для стального каната)
3,2
12
150
10
Блок монтажный с пальцем БМ — 5,0 (для стального каната)
5,0
16,5
200
16
Блок монтажный с крюком БМ — 1,6 (для стального каната)
1,6
10
125
8,5
Блок монтажный с крюком БМ — 3,2 (для стального каната)
3,2
12
150
14,5
Блок монтажный с крюком БМ — 5,0 (для стального каната)
5,0
16,5
200
22,5
Блоки грузоподъемные предназначены для применения при производстве монтажных и такелажных работ. Ролики блоков изготовлены методом штамповки их двух половин с последующей сваркой. Ось роликов вращается на подшипнике скольжения.
Наименование
Г/п
Max. диаметр каната, мм
Диаметр ролика, мм
Масса, кг
Блок грузоподъемный с крюком БГ — 0,5 (для капронового каната)
0,5
25
125
2,0
Блок грузоподъемный с крюком БГ — 1,0 (для стального каната)
1,0
8
80
1,4
Блок грузоподъемный с пальцем БГ — 3,2 (для стального каната)
3,2
12
145
4,7
Блок грузоподъемный с крюком БГ — 3,2 (для стального каната)
3,2
12
145
5,6
Полиспасты для капронового каната предназначены для использования при производстве монтажных и такелажных работ. Полиспаст представляет из себя комплект из двух блоков: подвижного и неподвижного.
Блоки полиспастные предназначены для составления (оснастки) полиспастов с целью производства такелажных работ при строительстве, реконструкции и ремонте оборудования и конструкций воздушных линий электропередачи, подстанций и других объектов.
Технические характеристики
БП-3
БП-5
БП-8
Канат
стальной
стальной
стальной
Наибольшее тяговое усилие, тс.
3
5
8
Количество роликов
2
3
4
Масса, кг.
—
—
14,5
Designed by IceMIND 2001
russianwoman. ca
Блок полиспастный в Украине. Цены на блок полиспастный на Prom.ua
Работает
Блок-ролик алюминиевый First Ascent Castor 15+, с подшипником (FA 1406 )
Доставка по Украине
1 135 грн
Купить
снаряжение для экстремального спорта и отдыха
Работает
Блок-ролик тандем First Ascent Trollik, стальные ролики на подшипниках (FA 1409 )
Доставка из г. Житомир
1 970 грн
Купить
снаряжение для экстремального спорта и отдыха
Работает
Блок-ролик двойной с подшипниками First Ascent Twin (FA 1411 )
Доставка по Украине
1 360 грн
Купить
снаряжение для экстремального спорта и отдыха
Работает
Блок-ролик с подшипниками First Ascent Rigger (FA 1410 )
Доставка по Украине
850 грн
Купить
снаряжение для экстремального спорта и отдыха
Работает
Обводные блоки (блоки полиспаста)
Доставка из г. Запорожье
от 250 грн
Купить
ООО «Лидер Инжиниринг»
Работает
Блок-полиспаст монтажный 1т, блок такелажный грузовой 1тонна
Доставка из г. Ивано-Франковск
535 грн
Купить
Мега-Господар
Работает
Блок-полиспаст с крюком 200кг, блок-ролик такелажный 200кг
Доставка по Украине
275 грн
Купить
Мега-Господар
Работает
Вертлюг алюминиевый First Ascent Rotor (FA 8111)
Доставка по Украине
1 155 грн
Купить
снаряжение для экстремального спорта и отдыха
Работает
Блок такелажный для лебедки T-MAX 4″ 8000 кг
Доставка по Украине
1 638 грн
Купить
ТЕЧСТОР ТОВ
Работает
Блок такелажный для лебедки T-MAX 4″ 12000 кг
Доставка по Украине
1 932 грн
Купить
ТЕЧСТОР ТОВ
Работает
Блок такелажный для лебедки AVM 15000 кг
Под заказ
Доставка по Украине
6 054 грн
Купить
ТЕЧСТОР ТОВ
Работает
Блок такелажный для лебедки DRAGON WINCH 15000 кг
Под заказ
Доставка по Украине
3 582 грн
Купить
ТЕЧСТОР ТОВ
Работает
Блок такелажный для лебедки HUSAR S 10000 кг
Под заказ
Доставка по Украине
1 382 грн
Купить
ТЕЧСТОР ТОВ
Работает
Скакалка Crossfit металлическая на подшипниках
На складе
Доставка по Украине
370 грн
Купить
Doctor Smarts
Работает
Скакалка Crossfit металлическая на подшипниках
На складе
Доставка по Украине
390 грн
Купить
Doctor Smarts
Смотрите также
Работает
Блок полиспаст для лебедки HUSAR S 10 тонн блочок для лебедки
Доставка по Украине
1 725 грн
Купить
ЧП «ПРАГМАТЕК»
Работает
Блок полиспаст для лебедки HUSAR 4 тонны блочок для лебедки
Доставка по Украине
1 035 грн
Купить
ЧП «ПРАГМАТЕК»
Работает
Блок полиспаст для лебедки с крюком HUSAR 2 тонны блочок для лебедки
Доставка по Украине
518 грн
Купить
ЧП «ПРАГМАТЕК»
Работает
Блок полиспаст для лебедки HUSAR 8 тонн блочок для лебедки
Доставка по Украине
1 294 грн
Купить
ЧП «ПРАГМАТЕК»
Работает
Блок полиспаст для лебедки HUSAR 15 тонн блочок для лебедки
Блоки применяются при производстве монтажных, строительных и такелажных работ в качестве подвесных блоков, направляющих блоков (отводных, оттяжных и т. д.), поддерживающих блоков (для ограничения провеса канатов), элементов полиспастных устройств и т.п. Блоки для подвеса (закрепления) могут иметь крюк, запорный палец или скобу, по исполнению могут быть закрытого или открытого типа (закрытые или открытые ролики), могут иметь откидную щеку. Полиспастные блоки на одной оси могут иметь один или несколько роликов. Несущий элемент блока — стальные, капроновые или растительные канаты.
Блок монтажный с откидной щекой и без откидной щеки
Блоки полиспастные
Блоки основные
Блоки монтажные
Наименование
Г/п, т
Тип каната
Диаметр каната
Описание
БМ-0,5
0,5
Капроновый
25
с крюком и вертлюгом, ролик диаметр 125 мм, 2 кг
БО-0,5
0,5
Капроновый
25
с крюком и вертлюгом, ролик диаметр 125 мм, 3,4 кг
БО-0,5
0,5
Стальной
4,8
с пальцем, ролик диаметр 85 мм, вес 0,3 кг
БМ-0,5-01
0,5
Стальной
4,8
с крюком и вертлюгом, ролик диаметр 85 мм, 0,45 кг
БМ-1
1,0
Стальной
8
с крюком без вертлюга, ролик диаметр 80 мм, 1,4 кг
БМ-8
1,0
Капроновый
29
с рымом и вертлюгом, 3,3 кг
БМ-1,6
1,6
Стальной
11
с пальцем, ролик диаметр 165 мм, 6,3 кг
БМ-1,6-01
1,6
Стальной
11
с крюком, вертл. и отк. щек., рол. диаметр 165 мм, 9 кг
БМ-3,2
3,2
Стальной
12
с пальцем, без щеки, ролик диаметр 125 мм, 10 кг
БМ-3,2
3,2
Стальной
12
с крюком б/вертл., б/щеки, рол. диаметр 125 мм, 14,5 кг
БМ-3,2
3,2
Стальной
11
с пальцем, без щеки, ролик диаметр 185 мм, вес 5 кг
БМ-3,2
3,2
Стальной
14
с пальцем, с отк. щекой, ролик диаметр 195 мм, 10,5 кг
БМ-3,2-01
3,2
Стальной
14
с крюком и вертл., отк. щек., рол. диаметр 195 мм, 15 кг
БМ-5
5,0
Стальной
18
с пальцем, с отк. щекой, ролик диаметр 260 мм, 16,5 кг
БМ-5-01
5,0
Стальной
18
с крюком и вертл. , отк. щек., рол. диаметр 260 мм, 25,5 кг
Блоки полиспастные применяются для составления полиспастов. Полиспаст может состоять из двух (и более) блоков (обойм): подвижных и неподвижных.
Наименование
Г/п, т
Тип каната
Диаметр каната
Описание
ПО-0,3
0,3
Капроновый
9
две 3-х рольные обоймы, масса 3,6 кг
ПО-0,5
0,5
Капроновый
25
две 1-но рольные обоймы, масса 6,4 кг
ПО-1
1,0
Капроновый
25
две 2-х рольные обоймы, масса 12,2 кг
БП-2
2,0
Стальной
11
одна 1-но рольная обойма, масса 10,2 кг
БП-5
5,0
Стальной
17
одна 1-но рольная обойма, масса 26,4 кг
БП-10
10,0
Стальной
19,5
одна 2-х рольная обойма, масса 72,4 кг
(Чехия) фирма BRANO
Тип
Г/п, т
Тип каната
Диаметр каната, мм
Описание
Z500/0. 5A
0,5
капроновый
25
с крюком и вертлюгом, ролик O 125 мм, 1,7 кг
Z500/0.5В
с рымом и вертлюгом, ролик O 125 мм, 1,8 кг
Z500/0.5С
с крюком, вертл. и предохр.планкой, ролик O 125 мм, 1,9 кг
Z500/0.5D
с рымом, вертл. и предохр.планкой, ролик O 125 мм, 2 кг
Z500/0.5F
с крюком, вертлюгом и отк. щекой, рол. O 125 мм, 1,7 кг
Z500/0.5E
с канатом, цепн. подвесом и вертл., ролик O 125 мм, 6,2 кг
Чехия фирма BRANO
Полиспасты под капроновый канат (блоки закрытого типа)
Наименование
Г/п, т
Тип каната
Диаметр каната, мм
Описание
К12/0,3
0,3
Капр.
10
две 3-рольные обоймы, масса 3,5 кг
К10/0,5
0,5
25
две 1-рольные обоймы, масса 14 кг
К11/1
1
25
две 2-рольные обоймы, масса 19 кг
К11/2
2
26
две 2-рольные обоймы, масса 30 кг
Полиспасты под стальной канат (блоки закрытого типа)
Наименование
Г/п, т
Тип каната
Диаметр каната, мм
Описание
К15/1
1
Стальн.
12,5
две 1-рольные обоймы, масса 20 кг
К15/2
2
12,5
две 1-рольные обоймы, масса 43 кг
К15/4
4
20
две 1-рольные обоймы, масса 54 кг
К15/6
6
20
две 1-рольные обоймы, масса 104 кг
Варианты применения монтажных и полиспастных блоков для увеличения грузоподъемности
1х1
1х2
1х3
1х4
Детали системы блочных и талевых шкивов, шкивы и др.
Шкив с втулкой 1-1/2″, шириной 7/16″ для троса 3/16″
5,60 $
Материал блока
9 Оцинкованный прозрачный цинк 9000
Кабель/трос Макс. диам. 3/16″
Предельная рабочая нагрузка 525 фунтов
Диаметр шкива 1-1/2″
Блок с подшипником 1-1/2″ 7/13/16 для каната шириной 7/16/16
37,80 $
Материал блока Оцинкованный прозрачный цинк
Кабель/трос Макс. диам. 3/16″
Предельная рабочая нагрузка 525 фунтов
Диаметр шкива 1-1/2″
Блок с подшипником 1-1/2″ 7/13/16 для каната шириной 7/16/16
50,68 $
Материал блока Нержавеющая сталь
Кабель/трос Макс. диам. 3/16″
Предельная рабочая нагрузка 525 фунтов
Диаметр шкива 1-1/2″
Шкив с втулкой 1-1/2″, шириной 7/16″ для проволочного троса 3/16″
18,48 $
Материал блока Нержавеющая сталь
Диаметр кабеля/троса 3/16 «
Предел рабочей нагрузки N/A
Диаметр шкива N/A
Шкив 2 ″, 7/16 ″ шириной 3/16 ″
$ 7,58
9000 Материал блока Оцинкованный прозрачный цинк
Кабель/трос Максимальный диаметр 3/16 «
Предел рабочей нагрузки 600 фунтов
Диаметр шкива 2″
Шкив с подшипником 2 ″, 7/16 ″ для 3/16 ″ веревка
$ 39,78
. Материал Оцинкованный Прозрачный Цинк
Кабель/трос Макс. диам. 3/16″
Предельная рабочая нагрузка 600 фунтов
Диаметр шкива 2″
Шкив с подшипником 2″, 7/16″ шириной для каната 3/19″0004
55,02 $
Материал блока Нержавеющая сталь
Кабель/трос Макс. диам. 3/16 «
Предел рабочей нагрузки 600 фунтов
Диаметр шкива 2″
Шкив 2 ″, 7/16 ″ шириной для 3/16 ″.
Нерж. сталь
Кабель/канат Макс. диам. 3/16″
Предел рабочей нагрузки 600 фунтов
Диаметр шкива 2 дюйма
Шкив 2-1/2″, ширина 7/16″ для проволочного каната 1/4″
11,91 $
Материал блока Оцинкованный прозрачный цинк/трос
0
8 Трос /4″
Предел рабочей нагрузки 685 фунтов
Диаметр шкива 2-1/2″
Шкив 2-1/2″, 7/16″ шириной для 1/8″ 900 троса $11,91
Материал блока Оцинкованный прозрачный цинк
Трос/трос Максимальный диаметр 1/8″
Предельная рабочая нагрузка 685 фунтов
Диаметр шкива 2-1/2″
Шкив с подшипником 2-1/2″ Ширина 7/16/8″ для каната
44,11 $
Материал блока Оцинкованный прозрачный цинк
Кабель/трос Макс. диам. 1/8″
Предельная рабочая нагрузка 685 фунтов
Диаметр шкива 2-1/2″
Шкив с подшипником 2-1/2″ Ширина 7/161″ для каната
60,43 $
Материал блока Нержавеющая сталь
Кабель/трос Макс. диам. 1/8″
Предельная рабочая нагрузка 685 фунтов
Диаметр шкива 2-1/2″
Шкив 2-1/2″, ширина 7/16/8″ для каната 1
26,63 $
Материал блока Нержавеющая сталь
Кабель/трос Макс. диам. 1/8″
Предел рабочей нагрузки 685 фунтов
Диаметр шкива 2-1/2 «
Шидова с подшипником 2-1/2 ″ 7/16 ″ шириной для 1/4 ″ веревки
$ 44.11
Материал блока . /Максимальный диаметр каната 1/4″
Предельная рабочая нагрузка 685 фунтов
Диаметр шкива 2-1/2″
Шкив с подшипником 2-1/2″ 7/1 Трос 1/4″
60,43 $
Материал блока Нержавеющая сталь
Кабель/трос Макс. диам. 1/4″
Предельная рабочая нагрузка 685 фунтов
Диаметр шкива 2-1/2″
Шкив 2-1/2″, 7/16/″ шириной для каната 1
28,23 $
Материал блока Нержавеющая сталь
Кабель/трос Макс. диам. 1/4″
Предельная рабочая нагрузка 685 фунтов
Диаметр шкива 2-1/2″
Шкив 3″, 7/16″ шириной для каната 1/4″
15,71 $
Материал блока Оцинкованный прозрачный цинк
Кабель/трос Макс. диам. 1/4 «
Ограничение рабочей нагрузки 800 фунтов
Диаметр шкива 3″
Шкиви 3 ″, 7/16 ″ шириной для 5/16 ″.
Оцинкованный прозрачный цинк
Кабель/трос Макс. диам. 5/16″
Предел рабочей нагрузки 800 фунтов
Диаметр шкива 3 «
Шкиви с подшипником, 3 ″, 7/16 ″ в ширину для 5/16 ″ веревки
$ 47,91
Материал блока Ожи чтобы прозрачный Zinc
Cell/Coverd Max Dia. 5/16 «
Предел рабочей нагрузки 800 фунтов
Диаметр шкивы 3″
Шкив с подшипником, 3 ″, 7/16 ″ для 5/16 ″ веревка
$ 73,96
Материал блока Нержавеющая сталь
Кабель/трос Макс. диам. 5/16 «
Предел рабочей нагрузки 800 фунтов
Диаметр шкивы 3″
Шкив 3 ″, 7/16 шириной для 5/16 Свтюд
$ 40,85
. Сталь
Кабель/трос Макс. диам. 5/16″
Предельная рабочая нагрузка 800 фунтов
Диаметр шкива 3″
Шкив с подшипником, 3″, ширина 7/16 для каната 1/4″0004
47,91 $
Материал блока Оцинкованный прозрачный цинк
Кабель/трос Макс. диам. 1/4 «
Ограничение рабочей нагрузки 800 фунтов
Диаметр шкива 3″
Шкиви с подшипником, 3 ″, 7/16 широко Материал
Нерж. сталь
Кабель/трос Макс. диам. 1/4 дюйма
Предел рабочей нагрузки 800 фунтов
Диаметр шкива 3 «
Шкиви 3 ″, 7/16 шириной для 1/4 проволочной веревки
$ 40,85
Блок материал Стальная сталь
Кабель/кабель макс.
Предел рабочей нагрузки 800 фунтов
Диаметр шкивы 3 «
Шкиви 3-1/2 ″, 5/8 ″ шириной для 5/16 ″ проволочная веревка
$ 22,52 7 . Оцинкованный прозрачный цинк
Макс. диаметр кабеля/троса 5/16″
Предельная рабочая нагрузка 1550 фунтов
Диаметр шкива 3-1/2″
Шкив 3-1/2″, ширина 5/8″ для троса 3
22,52 $
Материал блока Оцинкованный прозрачный цинк
Кабель/трос Макс. диам. 3/8″
Предельная рабочая нагрузка 1550 фунтов
Диаметр шкива 3-1/2″
Шкив с подшипником, 3-1/2″ 5/8″ шириной для Веревка
54,72 $
Материал блока Оцинкованный прозрачный цинк
Кабель/трос Макс. диам. 3/8″
Предельная рабочая нагрузка 1550 фунтов
Диаметр шкива 3-1/2″
Шкив с подшипником, 3-1/2″ 5/8″ шириной для Канат
88,35 $
Материал блока Нержавеющая сталь
Кабель/канат Макс. диам. 3/8″
Предел рабочей нагрузки 1550 фунтов
Диаметр шкива 3-1/2 «
Шкиви 3-1/2 ″, ширина 5/8 ″ для 3/8 ″ проволочной веревки
$ 56,15
Блок материал Езвенной сталь
. Максимальный диаметр кабеля/троса 3/8″
Предельная рабочая нагрузка 1550 фунтов
Диаметр шкива 3-1/2″
Шкив с подшипником, 3-1/2″ Широкий для каната 5/16″
54,72 $
Материал блока Оцинкованный прозрачный цинк
Кабель/трос Макс. диам. 5/16″
Предельная рабочая нагрузка 1550 фунтов
Диаметр шкива 3-1/2″
Шкив с подшипником, 3-1/2″ 5/1” шириной для 5/8” Канат
88,35 $
Материал блока Нержавеющая сталь
Кабель/канат Макс. диам. 5/16″
Предельная рабочая нагрузка 1550 фунтов
Диаметр шкива 3-1/2″
Шкив 3-1/2″, ширина 5/8/16 для троса
56,15 $
Материал блока Нержавеющая сталь
Кабель/трос Макс. диам. 5/16 «
Предел рабочей нагрузки 1550 фунтов
Диаметр шкива 3-1/2″
Шкив, 4 ″, шириной 5/8 ″ для 3/8 ″.
$ 35,31
Материал блока Оцинкованный прозрачный цинк
Кабель/трос Макс. диам. 3/8″
Предел рабочей нагрузки 1700 фунтов
Диаметр шкива 4 «
Шкиви с подшипником, 4 ″, шириной 5/8” для 3/8 ″ веревки
$ 67,51
Блок. 3/8 «
Ограничение рабочей нагрузки 1700 фунтов
Диаметр шкива 4″
Шкиви с подшипником, 4 ″, 5/8 ”для 3/8 ″ веревка
$ 102.03
8. Материал блока Нержавеющая сталь
Кабель/трос Макс. диам. 3/8 «
Ограничение рабочей нагрузки 1700 фунтов
Диаметр шкива 4″
Шкиви, 4 ″, 5/8 ″ в ширину для 3/8 ″. Материал
Нерж. сталь
Кабель/трос Макс. диам. 3/8″
Предельная рабочая нагрузка 1700 фунтов
Диаметр шкива 4″
Шкив, 5″, ширина 5/8″ для троса 3/89″0004
57,57 $
Материал блока Оцинкованный прозрачный цинк
Кабель/трос Макс. диам. 3/8 «
Ограничение рабочей нагрузки 1850 фунтов
Диаметр шкива 5″
Шкиви с подшипником, 5 ″, 5/8 ”для 3/8 ″ веревка
$ 93,22
8. Материал блока Оцинкованный прозрачный цинк
Кабель/трос Макс. диам. 3/8″
Предел рабочей нагрузки 1850 фунтов
Диаметр шкива 5 «
Шкиви с подшипником, 5 ″, шириной 5/8″ для 3/8 ″ веревки
$ 136,74
Материал блока Heanless Steel
Кабель/веревка Max Diad. 3/8 «
Ограничение рабочей нагрузки 1850 фунтов
Диаметр шкива 5″
Шкив, 5 ″, 5/8 ″ в ширину для 3/8 ″. Материал
Нержавеющая сталь
Кабель/трос Макс. диам. 3/8 «
Ограничение рабочей нагрузки 1850 фунтов
Диаметр шкивы 5″
01548
$ 14,58
Блок -материал Galvanified ZINC
MAMEN MAMED DIAMED/COUND/COND/CONGI DIAMED. 3/16″
Предельная рабочая нагрузка 525 фунтов
Диаметр шкива 1-1/2″
1-1/2″ Поворотный блок с проушиной; Система шкивов 2 к 1; 5/8” в ширину
Очистители, обезжириватели, ингибиторы ржавчины и т. д.
Необходимое оборудование береговой охраны
Элементы управления и кабель управления
Crab Nets
Crab Pot Havelers
Crab Traps, Crab Wire и поставки
Сетки раков и ловушки для раков
Бесполезные подшипники
Deckfes, Deck Plates,
Deples
. Совки и т. д.
Двигатели
Выхлопной шланг, трубы и фитинги
Рым-болты
Лицевая маска
Материалы из стекловолокна
Фильтры: топливные, смазочные, охлаждающие и т. д.
4 10023
Поплавки (прокл.)
Топливные баки, топливные фитинги и т. Д.
Датчики
Перчатки
Hat Hooks
Hool -Trabgancers (масляные охлаждения)
Обручальные ноты, залеты SLAT, Hoops,
. , Сцепления и кронштейны
Гидравлические клапаны
ОБЕСПЕЧЕНИЯ
Ножи и точильщики
LASDROP Dripless Sheals
LEANDS
LIRGELEST
jpg»>4 Мон.0023
Motors Electric
Motors Hydraulic
Other
Oyster Dredges
Packing Boxes
Paddles and Push Poles
Propane Tanks
Propellers (Michigan Propellers)
Propellers (ZF)
Pumps
PYI PSS Shaft Уплотнения
Непромокаемая одежда и фартуки
Ролики
Веревка
Порты управления рулем
Весы
Посуда, инструменты и приспособления для морепродуктов
Shackles
Shaft Couplings
Shafts
Stainless Steel Hardware and Rigging
Steering (Hydraulic)
Steering (Manual)
Steering (Power Steering)
Strainers
Strut Hubs (Stainless Steel)
Switches
Вертлюги
Вертлюги, втулки, защелки и т. д.
Сквозные корпуса
Румпельные рычаги
Детали прицепа
Ловушки
Тралы, доски, тралы и т. д.0023
Шпагат
УКВ-радиостанции и антенны
Лебедки — гидравлические и электрические
Стеклоочистители и моторы
Молнии
Главная > Блоки
Для лучших блоков не ищите дальше. Чтобы найти самые прочные модели блоков шкивов на рынке, просмотрите наш выбор деревянных, стальных и оцинкованных блоков. Наши блоки, способные выдерживать самые тяжелые грузы, являются незаменимым элементом снабжения вашего морского оборудования. У нас есть ряд популярных стилей блоков, в том числе варианты поворотных блоков и реечных блоков, а также двойные и тройные блоки для работы с самыми большими нагрузками.
Для массивных грузов наши 20- и 30-тонные полубоковые блоки прочны и надежны практически для любых подъемных работ. Вы также можете заменить существующие шкивы блока шкивов и другие детали, чтобы поддерживать шкивы в рабочем состоянии. Нужны ли вам открытые блоки для лобстеров или поворотные блоки для вашего судна, у нас есть необходимое морское оборудование. Закажите шкивы на AlarioBros.com сегодня и опередите конкурентов.
Отображаемые продукты 1 — 53 из 53 результатов
Показать: 30
60
90
300
200
Сорт: По умолчанию
Цена от низкой до высокой
Цена от высокой к низкой
Имя (А-Я)
Имя (Я-А)
Новейшие
Блоки из нержавеющей стали Premium 50 мм AK1680
Цена: $130,00
Количество: * Только целое число
Блоки из нержавеющей стали премиум-класса
Блоки из нержавеющей стали Premium 75 мм AK1681
Цена: $250,00
Количество: * Только целое число
Блоки из нержавеющей стали премиум-класса
Блоки из нержавеющей стали Premium 100 мм AK1682
Цена: $310,00
Количество: * Целое число только
Блоки из нержавеющей стали премиум-класса
Круглый поворотный блок из нержавеющей стали, 25 мм
Цена: $15,95
Количество: * Всего только
Круглый поворотный блок из нержавеющей стали 32 мм
Цена: $16,95
Количество: * Всего только
Квадратный поворотный блок из нержавеющей стали, 50 мм
Цена: $28,95
Количество: * Всего только
Квадратный поворотный блок из нержавеющей стали 75 мм
Цена: $55,95
Количество: * Всего только
Квадратный поворотный блок из нержавеющей стали, 100 мм
Цена: $68,00
Количество: * Всего только
100 мм квадратный поворотный блок из нержавеющей стали — широкий шкив
Цена: $91,00
Количество: * Всего только
Двойной круглый поворотный блок из нержавеющей стали, 25 мм
Цена: $18,95
Количество: * Всего только
Двойной круглый поворотный блок из нержавеющей стали, 32 мм
Цена: $19,95
Количество: * Всего только
Двойной круглый поворотный блок из нержавеющей стали, 50 мм
Цена: $44,95
Количество: * Всего только
Блок открытого невода из нержавеющей стали, 50 мм
Цена: $49,95
Количество: * Всего только
Блок открытого невода из нержавеющей стали 75 мм
Цена: $89,95
Количество: * Всего только
Шкив вилки для сена 1 тонна
Цена: $23,95
Количество: * Всего только
Шкив вилки для сена, 2 тонны
Цена: $39,95
Количество: * Всего только
Такелажный блок 3 дюйма
Цена: $20,95
Количество: * Всего только
Такелажный блок 4 дюйма
Цена: $28,95
Количество: * Всего только
3-дюймовый дворовый блок
Цена: $33,95
Количество: * Всего только
4-дюймовый дворовый блок
Цена: $48,00
Количество: * Всего только
5-дюймовый дворовый блок
Цена: $65. 00
Количество: * Всего только
6-дюймовый дворовый блок
Цена: $75,00
Количество: * Всего только
4-дюймовый одинарный оцинкованный блок со скобой
Цена: $28,00
Количество: * Всего только
6-дюймовый одинарный оцинкованный блок со скобой
Цена: $45.00
Количество: * Всего только
8-дюймовый одинарный оцинкованный блок со скобой
Цена: $48,00
Количество: * Всего только
4-дюймовый двойной оцинкованный блок со скобой
Цена: $58,00
Количество: * Всего только
Двойной оцинкованный блок 8 дюймов со скобой
Цена: $135,00
Количество: * Всего только
4-дюймовый тройной оцинкованный блок со скобой
Цена: $65,00
Количество: * Всего только
6-дюймовый тройной оцинкованный блок со скобой
Цена: $115,00
Количество: * Всего только
8-дюймовый тройной оцинкованный блок со скобой
Цена: $155,00
Количество: * Всего только
Оцинкованные блокираторы 6 дюймов
Цена: $49,00
Количество: * Всего только
8-дюймовые оцинкованные блокираторы
Цена: $65,00
Количество: * Всего только
10-дюймовые оцинкованные блокираторы
Цена: $80. 00
Количество: * Всего только
12-дюймовые оцинкованные блокираторы
Цена: $90,00
Количество: * Всего только
6-дюймовые блокираторы из нержавеющей стали
Цена: $105,00
Количество: * Всего только
8-дюймовые блокираторы из нержавеющей стали
Цена: $130.00
Количество: * Всего только
Оцинкованный траловый блок 2 тонны 4 дюйма
Цена: $58,00
Количество: * Всего только
5-тонный 6-дюймовый оцинкованный траловый блок
Цена: $105,00
Количество: * Всего только
2 тонны 4-дюймового тралового блока из нержавеющей стали
Цена: $130.00
Количество: * Всего только
5-тонный 6-дюймовый траловый блок из нержавеющей стали
Цена: $250,00
Количество: * Всего только
Оцинкованный открытый блок-лобстер
Цена: $30,00
Количество: * Всего только
Открытый блок для омаров из нержавеющей стали
Цена: $85. 00
Количество: * Всего только
4-дюймовый открытый блок для омаров из нержавеющей стали для тяжелых условий эксплуатации
Цена: $225,00
Количество: * Всего только
4-дюймовые двойные деревянные блоки
Цена: $115,00
Количество: * Всего только
Двойные деревянные бруски 6 дюймов
Цена: $140.00
Количество: * Всего только
Двойные деревянные бруски 8 дюймов
Цена: $210,00
Количество: * Всего только
3-дюймовые тройные деревянные блоки
Цена: $130,00
Количество: * Всего только
6-дюймовые тройные деревянные блоки
Цена: $220.00
Количество: * Всего только
6-дюймовые деревянные блоки для захвата
Цена: $199,00
Количество: * Всего только
BCM 12-дюймовый полносторонний 10-тонный блок (оранжевые шкивы)
Цена: 1 375,00 долларов США «Пожалуйста, позвоните для доставки»
BCM 18-дюймовый полубоковой блок 20 тонн (оранжевые шкивы)
Цена: уточняйте цены и наличие по телефону
BCM 18-дюймовый полносторонний блок 20 тонн (оранжевые шкивы)
Цена: уточняйте цены и наличие по телефону
BCM 20-дюймовый полубоковой 30-тонный блок (оранжевые шкивы)
Цена: уточняйте цены и наличие по телефону
1042227
Шкивы и такелажные блоки | Подъемное и такелажное оборудование
Rock Exotica Omni-Block 2,6-дюймовый такелажный шкив / блок погрузочно-разгрузочных работ
В наличии «/>
Получить до 21 сентября
266,99 долларов США
Этот товар поставляется бесплатно
Rock Exotica Omni-Block 4,5 дюйма Такелажный шкив / блок погрузочно-разгрузочных работ
В наличии
Получить до 21 сентября
459,99 долларов США
Этот товар поставляется бесплатно
Поворотный шкив Rock Exotica P51 Omni-Block
В наличии
Получите до 21 сентября
Начиная с $ 104,99
Дополнительные параметры
Этот товар поставляется бесплатно
Большой одинарный шкив ISC
В наличии «/>
Получите до 21 сентября
$58,99
Бесплатная доставка при заказе на сумму более 75 долларов США
Шкив SMC CRX
В наличии
Получите до 21 сентября
$18,95
Дополнительные параметры
Бесплатная доставка при заказе на сумму более 75 долларов США
Одинарный шкив Rock Exotica P54 Omni-Block
В наличии
Получите до 21 сентября
Начиная с $ 94,99
Дополнительные параметры
Этот товар поставляется бесплатно
Блок Crosby McKissick 4-1/2 дюйма для синтетической веревки 5/8 дюйма
В наличии «/>
Получите до 21 сентября
$585,99
Этот товар поставляется бесплатно
Crosby McKissick Light Champion 4,5-дюймовый рывковый блок с дужкой
В наличии
Получите до 21 сентября
479,00 долларов США
Этот товар поставляется бесплатно
Мобильный шкив Climbing Technology Orbiter M
В наличии
Получите до 21 сентября
$22,99
Бесплатная доставка при заказе на сумму более 75 долларов США
Rock Exotica P53 Поворотный шкив Omni-Block
В наличии «/>
Получите до 21 сентября
Начиная с $ 129,99
Дополнительные параметры
Этот товар поставляется бесплатно
Bethea HLB1250SH Алюминиевый блок ручек с открыванием сверху
В наличии
Получите до 21 сентября
$134,99
Этот товар поставляется бесплатно
Поворотный шкив Rock Exotica P55 Omni-Block
В наличии
Получите до 21 сентября
$224,99
Этот товар поставляется бесплатно
Такелажная пластина Petzl PAW
В наличии «/>
Получите до 21 сентября
Начиная с $ 29,95
Дополнительные параметры
Бесплатная доставка при заказе на сумму более 75 долларов США
Независимо от того, занимаетесь ли вы подъемом или такелажем, выбор блока является одним из самых важных решений, которые вы принимаете. Когда вы поднимаете оборудование и материалы, используемое вами снаряжение — это разница между хорошо выполненной работой и несчастным случаем с непредвиденными последствиями. Наши преданные своему делу эксперты Gear Experts® потратили годы на поиск лучшего и самого надежного оборудования. Мы предлагаем широкий выбор фурнитуры американского производства от производителей мирового класса, таких как Crosby и Rock Exotica.
При выборе блока для вашего снаряжения важно помнить о соответствии стандарту.
Ваш блок должен соответствовать стандарту ASME B30 для подъема и такелажа. В частности, глава 26-5, в которой рассматриваются блоки такелажа, такие как те, которые вы использовали бы с лебедкой. ASME B30 содержит стандарты для материалов, номинальных нагрузок, идентификации и методов эксплуатации. Для получения дополнительной информации о стандарте ASME B30 нажмите здесь, чтобы ознакомиться с подробным сообщением в нашем блоге. В нашей базе знаний также есть плакат о соответствии стандарту ASME B30, который можно бесплатно загрузить.
Если у вас есть вопросы о нашем выборе блоков и шкивов или вам нужна помощь в поиске чего-то конкретного, нажмите здесь , чтобы связаться с одним из наших экспертов по шестерням®.
Блок шкивов — обзор
ScienceDirect
РегистрацияВход
Блок и полиспасты, блок шкивов, набор шкивов (для подъема)
Из: A Basic Vocabulary of Scientific and Technological German, 1969
PlusAdd to Mendeley
D.RH
1 Джонс в книге «Всеобъемлющая структурная целостность», 2003 г.
4.19.4.1 Общие сведения
На рис. 12 показан полиспаст, который использовался для опускания и подъема подводной инспекционной платформы. Масса платформы составляла ∼1800 кг. Блок поддерживался стрелой палубного гидравлического крана. Платформа опускалась и поднималась с помощью проволочного троса, взятого от лебедки, установленной рядом с краном. Тяга стрелы крана передавалась на головку блока через подъемную проушину. Во время операции подъема кран оказал прямолинейное тяговое усилие 2760 кгс по оси проушины. Однако, когда платформа была поднята лебедкой до уровня палубы, она была прикреплена непосредственно к боковой стороне блока, как схематично показано на рис. 13. Лебедка была ослаблена, кран повернулся, и платформа была опущена. на палубу. Во время этой операции стрела крана оказала на проушину косое усилие 1800 кгс.
Рис. 12. Схема полиспаста во время операции подъема. Кран оказывает прямолинейное натяжение вдоль оси подъемной проушины. Без масштаба — диаметр шкива 0,75 м.
Рис. 13. Схема полиспаста после операции подъема. Теперь кран оказывает косое усилие на подъемную проушину. Без масштаба — диаметр шкива 0,75 м.
На рис. 14 показана подробная конструкция подъемной проушины. Сама проушина представляла собой стальную поковку, поставляемую в стандартной комплектации. Он был прикреплен к блоку шкива стальным болтом, который был изготовлен специально для этой цели. Резьбовой конец болта вворачивали в резьбовое отверстие в проушине до тех пор, пока буртик на болте не соприкасался с плоской поверхностью в нижней части проушины. Никаких указаний по крутящему моменту при сборке не приводилось, но болт был защищен от отвинчивания шплинтом. Хвостовик болта входил в блок с подвижной посадкой.
Рис. 14. Детали подъемной проушины. Обратите внимание на резкое изменение сечения болта между хвостовиком и резьбой. В масштабе — диаметр хвостовика 35 мм.
После примерно 200 подъемных операций проушина в верхней части блока оторвалась, и платформа упала за борт (Jones, 1994). Детали разрушения показаны на рис. 15. Разрушение произошло в болте в том месте, где резьба соприкасалась с стержнем. Для того, чтобы инструмент для нарезания резьбы мог выходить на конце резьбы, рядом с буртиком была проточена острая канавка. Разрушение инициировалось при этом резком изменении сечения в виде усталостной трещины. Трещина, очевидно, распространялась от поверхности канавки до тех пор, пока оставшееся поперечное сечение не стало неспособным выдерживать нагрузку и не разрушилось из-за быстрого разрушения. Усталостная поверхность была плоской и имела отметины по окружности в виде «раковины моллюска». Когда его исследовали в СЭМ, он имел полированный вид. Поверхность быстрого разрушения выглядела яркой, и исследование в СЭМ подтвердило, что она состоит из фасеток спайности.
Рис. 15. Усталостное разрушение произошло при резком изменении сечения болта. В масштабе — размеры в мм. К.М. SMITH C.ENG., M.I.E.E., P. HOLROYD C.ENG., M.I.MECH.E., A.M.I.STRUCT.E., в Engineering Principles for Electrical Technicians, 1968
Шкивы
Если предполагается, что машина в нем нет трения, то КПД будет 100%, и в этом случае M. A.V.R.=1, т.е.
М.А.=В.Р.
При расчете отношения скоростей шкивных систем проще сделать вышеприведенное предположение и найти механическое преимущество, которое тогда будет равно отношению скоростей.
На рис. 4.7 показан один шкив, поддерживаемый подвеской. Шкив служит только для изменения направления усилия, и натяжение каната при P будет таким же, как при W ,
РИС. 4.7.
∴P=W,V.R.=MA=WP=1.
Система полиспастов, в которой один канат проходит над шкивом A , затем под шкивом B и крепится к A (рис. 4.8), обеспечивает поддержку груза W двумя участками каната (1 ) и (2). Тогда натяжение каната составит Вт /2,
РИС. 4.8.
∴P=W2,V.R.=MA=WW/2=2.
На рис. 4.9 показана система с тремя полиспастами, в которой нагрузка поддерживается тремя участками каната в точках (1), (2) и (3). Тогда натяжение каната будет Вт /3,
РИС. 4.9.
∴P=W3,V. R.=MA=WW/3=3.
Шестиблочная система показана на рис. 4.10. Груз поддерживается шестью отрезками каната, поэтому натяжение каната будет Вт /6,
РИС. 4.10.
∴P=W6,V.R.=MA=WW/6=6.
Обычно для блочных систем, использующих один канат, отношение скоростей системы определяется количеством шкивов в системе.
Б. Пурушотама, Управление качеством работы в текстильной промышленности, 2013
0
0
0
0
0 Means of Stoping Machines каждый подходящий заводской ударный механизм или другие эффективные механические приспособления должны быть предоставлены и обслуживаться и использоваться для перемещения приводных ремней. Такая передача или приспособления должны быть сконструированы, размещены и обслуживаться таким образом, чтобы предотвратить сползание ремня обратно на быстродействующий шкив. Приводные ремни, когда они не используются, не должны опираться или скользить по движущемуся валу. На каждом заводе в каждом рабочем помещении должны быть предусмотрены и содержаться в рабочем состоянии подходящие устройства для аварийного отключения электроэнергии от работающего оборудования.
При использовании современных машин с инверторными приводами, которые управляются с помощью компьютерного программирования, вероятность несчастных случаев исключена.
Каждая текстильная машина должна быть снабжена индивидуальными механическими или электрическими средствами для остановки таких машин. На машинах, приводимых в действие ремнями и валом, следует использовать переключатель стопорного типа или эквивалентное принудительное устройство. При операциях, при которых возможны травмы оператора в случае повторного пуска двигателей после перебоев в подаче электроэнергии, должны быть предусмотрены меры, предотвращающие автоматический перезапуск машин при восстановлении питания.
Защита для ремонтников машин: Всякий раз, когда машина останавливается для ремонта, а внутри работает человек, необходимо принять меры для предотвращения ее непреднамеренного запуска. На панелях управления могут быть предусмотрены замки, а предохранители могут быть сняты и оставлены снаружи.
Кнопочное управление: Кнопочное управление должно иметь кнопки пуска и останова, расположенные на каждом конце машины, и дополнительные кнопки, расположенные с обеих сторон машины в случае длинных и широких машин, таких как калибровка, мерсеризация и т.д. используются дополнительные кнопки с обеих сторон машины в точках вблизи зажимов.
Рычажное управление: Когда машины управляются рычагами управления, эти рычаги должны быть соединены с горизонтальной перекладиной или педалью, расположенной не выше 69 дюймов над полом, чтобы управлять работой с любой точки. Однако современные машины работают с прямыми приводами, и концепция рычажного управления устарела. Тем не менее, некоторые старые мельницы в отдаленных районах могут все еще иметь этот тип управления. В ряде текстильных институтов этот тип машин поддерживается с академической точки зрения.
Рукоятки: Рукоятки остановки и запуска должны иметь соответствующую длину, чтобы предотвратить удар руки или пальцев рабочего о вращающуюся часть, кожух редуктора или любую другую часть машины.
Вращающееся оборудование: На каждом заводе должны быть приняты эффективные меры для обеспечения того, чтобы безопасная рабочая окружная скорость каждого вращающегося сосуда, клети, корзины, маховика, шкива или аналогичного устройства, приводимого в действие силой, не превышалась. Табличка с указанием максимальной безопасной рабочей окружной скорости каждой вращающейся машины должна быть вывешена в каждом помещении завода, где осуществляется процесс шлифования.
Отверстия для очистки: Отверстия для очистки, используемые для очистки материалов от машины, в основном в продувочной камере, в пределах досягаемости вентилятора или колотушителя, должны быть надежно закрыты крышками, и их нельзя открывать во время работы машины. движение. Необходимо установить табличку, указывающую на опасность, и не дотрагиваться руками во время работы машины.
Защитные щитки: Подающие ролики, где бы они ни были, должны быть закрыты защитным кожухом, предназначенным для предотвращения доступа оператора к зазору во время работы машины. Все защитные приспособления не должны превышать указанные зазоры, указанные в таблице на следующей странице (для лучшего понимания обратитесь к рисунку).
Distance of opening from nip point in inches A
Maximum width of opening in inches B
0 to 1.5
0.25
1.5 to 2.5
0.375
2.5 to 3.5
0.5
3.5 to 5.5
0.625
5.5 to 6.5
0.75
6.5 to 7.5
0.875
от 7,5 до 8,5
1,25
Подающие валки: Подающие валки на всех машинах для вскрытия и подбора должны быть закрыты защитным кожухом, предотвращающим доступ оператора к зажиму во время работы машины.
Ограждения: В машинах с проволочными наконечниками, ответными планками или гребнями они должны быть закрыты и снабжены ограждениями. Тип ограждения зависит от типа точек и скорости их работы. Например, цилиндр кардочесальной машины и ликерин должны быть оборудованы защитными кожухами, а съемники должны быть закрыты. Это означает, что цилиндр и ликерин не должны работать, если двери открыты. Доффер, который работает медленно, может работать. Точно так же гребнечесальные машины не должны работать, если двери открыты.
Защитный кожух пальцев: Защитный кожух должен быть размещен перед загрузочным концом машины с использованием падающих штифтов наподобие жаберной коробки и должен быть сконструирован таким образом, чтобы предотвратить попадание пальцев рабочего в штифты пересекающихся штифтов. .
Напорная установка: Если на каком-либо заводе какая-либо часть установки или оборудования, используемого в производственном процессе, работает под давлением выше атмосферного, должны быть приняты эффективные меры для обеспечения того, чтобы безопасное рабочее давление такой части не превышало превышен. Эти машины должны периодически проверяться компетентным органом и сертифицироваться как пригодные для использования.
Подъемники и подъемники: На каждом заводе подъемники и подъемники должны иметь хорошую механическую конструкцию, прочный материал и достаточную прочность. Они должны содержаться в надлежащем состоянии и должны тщательно проверяться компетентным лицом не реже одного раза в шесть месяцев. Должен вестись журнал, содержащий предписанные сведения о каждом таком осмотре. Каждый подъемный путь и подъемный путь должны быть в достаточной степени защищены заграждением, снабженным воротами, а подъемник или подъемник и каждое такое ограждение должны быть сконструированы таким образом, чтобы предотвратить защемление какого-либо человека или предмета между любой частью подъемника или подъемника и любой неподвижная конструкция или подвижная часть. Максимальная безопасная рабочая нагрузка должна быть четко обозначена на каждом подъемнике или подъемнике, и на них нельзя перевозить груз, превышающий указанный. Кабина каждого подъемника или подъемника, используемого для перевозки людей, должна быть оборудована воротами с каждой стороны, через которые можно попасть на площадку. Каждые ворота должны быть оборудованы блокировкой или другим эффективным устройством для обеспечения того, чтобы ворота не открывались, за исключением случаев, когда клетка находится на лестничной площадке, и чтобы клетка не могла двигаться, пока ворота не закрыты. Если в подъемниках и подъемниках, используемых для перевозки людей, кабина поддерживается канатом или цепью, должно быть не менее двух канатов или цепей, отдельно соединенных с кабиной и уравновешивающим грузом, и каждый канат или цепь с ее креплениями должны быть способны несущий весь вес клетки вместе с ее максимальной нагрузкой. Должны быть предусмотрены и поддерживаться эффективные устройства, способные поддерживать клетку вместе с ее максимальной нагрузкой в случае обрыва каната, цепи или креплений. Необходимо предусмотреть и поддерживать эффективное автоматическое устройство, предотвращающее переполнение клетки.
Подъемные механизмы, цепи, канаты и подъемные приспособления: «Подъемный механизм» означает любой кран, манипулятор, лебедку, полиспаст, рабочее колесо и взлетно-посадочную полосу. Под подъемным устройством понимаются цепные стропы, канатные стропы, крюки, скобы и вертлюги. На каждом заводе должны быть приняты следующие меры безопасности в отношении каждой подъемной машины (кроме лебедки и подъемника) и каждой цепи, каната и подъемного механизма для подъема или опускания людей, товаров или материалов —
а.
Все детали, включая рабочий механизм каждой подъемной машины и каждой цепи, каната или подъемного механизма, должны быть хорошей конструкции, из прочного материала, достаточной прочности и без дефектов, содержаться в надлежащем состоянии и тщательно проверяться компетентным лицом не реже одного раза в каждый период. из двенадцати месяцев.
б.
Никакая грузоподъемная машина и никакая цепь, канат или подъемный механизм не должны быть нагружены сверх безопасной рабочей нагрузки, которая должна быть четко обозначена на них.
в.
Когда какое-либо лицо занято или работает на колесном пути мостового крана или рядом с ним в любом месте, где он может быть сбит краном, должны быть приняты эффективные меры для обеспечения того, чтобы кран не приближался ближе чем на двадцать футов к это место. Подъемная машина или цепь, канат или подъемный механизм должны быть тщательно осмотрены, чтобы сделать надежное заключение относительно их безопасности.
Лицо, работающее с кранами, должно быть обеспечено шлемом и обеспечено его использование.
Полы, лестницы и средства доступа: На каждом заводе все полы, ступени, лестницы и проходы должны иметь прочную конструкцию и содержаться в надлежащем состоянии, а там, где это необходимо для обеспечения безопасности, ступени, лестницы и проходы должны быть снабжен прочными поручнями. Насколько это практически возможно, должны быть обеспечены и содержаться безопасные средства доступа к каждому месту, где какое-либо лицо должно работать в любое время.
Ямы, отстойники, отверстия в полу и т.п., которые могут быть источником опасности, должны быть либо надежно закрыты, либо надежно ограждены. Надежно ограждать яму — значит накрывать или ограждать ее таким образом, чтобы она перестала быть источником опасности.
Seán Moran, in Process Plant Layout (Second Edition), 2017
23.10 Техническое обслуживание
На начальной стадии компоновки важно определить необходимый зазор и рабочее пространство вокруг теплообменника. В этих пространствах не должно быть никаких трубопроводов и их компонентов.
Концы канала КТО должны быть обращены к местной подъездной дороге для удаления пучков, а крышка/кожух должны быть обращены к трубной эстакаде. Однако вытащенные связки не должны выходить за пределы основных подъездных путей.
Там, где это возможно, следует рассмотреть возможность использования мобильного оборудования для перемещения таких предметов, как пучки труб и крышки на уровне земли, а дорогостоящие встроенные погрузочно-разгрузочные устройства (такие как подъемные балки), как правило, должны быть сведены к минимуму.
Однако перед теплообменником могут быть экономично предусмотрены удобные анкерные точки для соединения канатов и шкивов, чтобы облегчить удаление внутренних компонентов.
Операциям по техническому обслуживанию, а также надежной изоляции можно помочь, если снять небольшие участки трубных соединений с теплообменником, чтобы получить доступ для удаления внутренних компонентов, таких как каналы и пучки труб. Между сгруппированными теплообменниками также должен быть обеспечен зазор 600 мм для доступа к болтам.
Существуют различные устройства, предназначенные для обслуживания ряда одиночных или установленных друг на друга теплообменников, такие как экстракторы трубных пучков, передвижные порталы, трубчатые опоры и гидравлические тележки. Для такого оборудования перед рядом должно быть достаточно места (см. рис. 23.3), если оно будет использоваться.
Теплообменники с воздушным охлаждением могут быть установлены на уровне земли, хотя чаще всего они устанавливаются над трубными эстакадами, доступ к которым осуществляется через лестницы и платформы. Однако могут потребоваться порталы в верхней части больших горизонтальных теплообменников с воздушным охлаждением, чтобы можно было обслуживать коллекторные коробки для осмотра труб, вентиляторов, жалюзи и двигателей.
Требования к техническому обслуживанию спиральных и пластинчатых теплообменников обычно требуют, чтобы они устанавливались как отдельные элементы. Пластинчатому теплообменнику требуется достаточно места, чтобы его можно было разобрать путем снятия пластин, а спиральному блоку требуется достаточно места для работы при открытых крышках.
Если планируется очистка труб на месте, необходимы хорошие местные средства промывки и дренажа. Например, если стационарные трубчатые теплообменники расположены на приподнятой платформе, пол платформы должен иметь небольшой уклон, а точка стока в полу должна быть направлена к подходящему стоку на уровне земли.
Well Control2, Scott Jortner, 9, 2 in Universal Well Control20010
Канатное оборудование
Комплектация канатного оборудования может различаться в зависимости от типа и уровня обслуживания (рис. 4.2). В общих чертах канатное оборудование можно разделить на следующие основные компоненты:
Рис. 4.2. Сборка каната / троса.
1.
Блоки питания
2.
Лебедка
а.
Системы барабанов
b.
Индикатор глубины (одометр)
c.
Индикаторы веса
d.
Кабина оператора
e.
Блок пола (шкивы или шкивы)
f.
Стойки или мачты Gin
3.
Скважинное оборудование
a.
Напольные блоки или шкивы
b.
Сальниковые коробки
в.
Лубрикаторы
d.
Быстроразъемные соединения
e.
Канатные клапаны (оборудование для регулирования давления)
f.
Очистители линии
Блоки питания
Блоки питания представляют собой портативные силовые установки, используемые для обеспечения гидравлической и электрической энергии для функционирования комплекта оборудования. Блоки питания унифицированы и могут быть развернуты отдельно или установлены на грузовиках/прицепах (при необходимости). Наиболее распространенные типы силовых агрегатов используют дизельные двигатели в качестве основного источника энергии и приводят в действие один или несколько гидравлических и электрических генераторов.
Для блока управления оборудованием для управления скважиной может потребоваться до 15 различных гидравлических линий подачи и управления. Чтобы гарантировать, что состояние каждого устройства открыто/закрыто, и чтобы не было путаницы между устройствами, часто используется автономный гидравлический блок управления. Пучок шлангокабеля проходит между рамой и оборудованием для контроля давления в скважине.
Расположение силового агрегата должно быть установлено для работы только в зонах, обозначенных как безопасные, в соответствии со следующим:
•
Зона 0: горючая атмосфера постоянно присутствует или присутствует в течение длительного времени
•
(более 1000 часов в год).
•
Зона 1: воспламеняющаяся атмосфера может образовываться при нормальной работе
•
(около 10–1000 часов в год).
•
Зона 2: Наличие горючей атмосферы при нормальной работе маловероятно.
•
Будет существовать только в течение короткого периода времени (< 10 часов в год).
Лебедка (катушка)
Лебедочная система состоит из нескольких компонентов, при которых канат хранится и наматывается с помощью дополнительного оборудования, необходимого для измерения катушки, веса, минимизации изгиба и выполнения протирки или очистки троса. Расположенный перед кабиной оператора, приводной барабан расположен на одной линии со скважиной. Гидравлическая мощность подается на двигатели мотовила и тормозные системы с органами управления, расположенными в кабине оператора. В зависимости от приложения может присутствовать несколько барабанов, скорость развертывания которых может достигать 4000 футов/мин.
Тормозные системы необходимы для замедления и остановки барабана. Тормозные системы должны быть надежными в широком диапазоне температур и весовых диапазонов. Тормозные системы могут иметь одну или несколько из следующих конструкций:
•
Ленточный тормоз, в котором вращающийся барабан с башмаками расширяется и контактирует с внутренними поверхностями барабана барабана. Они используют трение для торможения.
•
Барабанный тормоз, в котором комплект тормозных колодок контактирует с внутренними поверхностями вращающегося барабана, соединенного со ступицей барабана.
•
Дисковый тормоз, в котором тормозные колодки снова прижимаются гидравлически, вращающаяся пластина, соединенная со втулкой барабана.
•
Стояночный тормоз, когда мотовило остановлено, стояночный тормоз может быть включен для остановки любого нежелательного движения мотовила.
Пульт/кабина оператора
В кабине оператора находятся приборы и органы управления, необходимые для независимой работы каждой единицы оборудования в составе канатного оборудования. Кабина обычно находится под положительным давлением и имеет звуко- и виброизоляцию. Электрические и гидравлические органы управления позволяют оператору изменять необходимые рабочие параметры для обеспечения безопасной и надежной работы с учетом требований охраны окружающей среды.
Устройства аварийного отключения (ESDS)
Устройства аварийного отключения (ESDS) находятся на панели управления оператора. Системы ESDS контролируют давление/температуру воды и масла, устройство отключения подачи топлива, температуру выхлопных газов и пределы превышения скорости.
Глубиномер (одометр)
Одним из наиболее важных компонентов в составе тросового оборудования является прочный и точный глубиномер, иногда называемый одометром (рис. 4.3). Эти индикаторы необходимы для определения точной глубины спуска инструмента в скважину.
Рис. 4.3. Индикаторы глубины.
Минимальные размеры колес индикатора глубины зависят от размера, веса и марки используемой проволоки. Следующая формула может быть использована для оценки минимального диаметра колеса, чтобы свести к минимуму усталость при изгибе.
, где диаметр колеса в = диаметр колеса (дюймы), константа = постоянная пропорциональности, диаметр проволоки в = диаметр проволоки (дюймы) и растяжение Прочность psi = Прочность на растяжение стальной проволоки.
Индикаторы веса
Для определения максимальной безопасной рабочей нагрузки необходимо использовать индикатор веса. Эти весовые индикаторы откалиброваны в стандартных весовых единицах и измеряют общую нагрузку на канат. Весовой индикатор крепится к тросу с сенсорной ячейкой, прикрепленной к производственному дереву. Перепад давления (или электрический потенциал) калибруется, измеряется и отображается на манометре, расположенном на панели оператора.
Индикаторы веса изготавливаются трех типов:
•
Механический индикатор — обычно используется для троса диаметром 0,072 дюйма.
•
Гидравлический индикатор — использует тензодатчик, манометр и гидравлический шланг. Изменения веса передаются от тензодатчика на панель оператора по гидравлическому шлангу. Благодаря простоте, надежности и воспроизводимости гидравлические индикаторы получили широкое распространение.
•
Электрический индикатор — как и гидравлический индикатор, электрический индикатор использует электронный тензодатчик, в котором отклонения в пределах потенциометра, подключенного к тросу, передаются на консоль оператора и отображаются на калиброванном датчике. Эти индикаторы требуют постоянного обслуживания для обеспечения точности.
Напольные блоки (шкивы или шкивы)
Канат, выходящий из барабана, обычно проходит через серию напольных блоков (от горизонтального до вертикального положения) и позволяет направить канат к табакерке. Напольные блоки необходимы для управления наматыванием и разматыванием проволоки на катушку без перегибов. Напольный блок обычно подключается к тензодатчику весового индикатора и используется для определения точных весовых нагрузок.
Подъемное оборудование
Во время работ на кабеле, требующих использования высокого комплекта оборудования высокого давления (например, лубрикатора и противовыбросовых превенторов), снятие и установка этого оборудования на скважину становится проблематичным. Для безопасного выполнения этих услуг по установке и удалению могут использоваться различные виды подъемного оборудования. Подъемное оборудование может включать в себя использование жестких опор с системой блоков и талей (джинов), электрическую лебедку или гидравлический кран. Конкретное подъемное оборудование будет определяться комплектацией канатного оборудования, расположением скважины и номинальным давлением.
6.1.1.1 The Развитие и история подводного кабельного судна
История развития подводного канатного судна восходит к 1850 году. В то время Великобритания, используя модифицированное торговое судно в качестве подводного канатного судна, заложила первый в мире подводный телеграфный кабель в Дуврском проливе, впервые в истории человечества установивший подводную связь через океан. С тех пор подводный канатный корабль играет исключительно важную роль в проекте подводной связи.
Подводный кабельный корабль продвинулся вперед благодаря развитию технологий подводной связи. Технические характеристики подводного кабельного судна постоянно улучшались и развивались на трех этапах развития кабеля: подводный телеграфный кабель, подводный коаксиальный кабель и подводный оптический кабель. Для прокладки подводного телеграфного кабеля почти все первые подводные кабельные суда были переоборудованы из торговых судов, чье оборудование и технология для работы с кабелем были относительно простыми, с модифицированным кабельным резервуаром, добавленным тросовым тормозом и другим оборудованием. Диаметр кабеля раннего подводного телеграфа был очень мал, поэтому большой резервуар не требовался. Соотношение подводного телеграфного кабеля и воды больше, поэтому, когда вода достигает определенной глубины, подводный телеграфный кабель самопроизвольно выскальзывает и выходит из-под контроля из-за гравитационных факторов. Тормозная система используется для контроля скорости укладки подводного телеграфного кабеля. Раннее подводное канатное судно имело обычные навигационные технологии, такие как позиционирование корабля, курс и контроль скорости. Однако эксплуатационные характеристики подводного кабеля были низкими, поскольку конструкция подводного телеграфного кабеля и технология соединения были относительно простыми.
В 1960-х и 1970-х годах подводный коаксиальный кабель связи превратился в основное средство трансокеанской связи. Технические требования к морской установке значительно улучшились. Появились кабельные суда, специализирующиеся на монтаже. В 1972 г. в международных правилах предотвращения столкновений (которые применяются до сих пор) было четко указано, что судам в море при проведении операций по прокладке кабеля ограничивается подвижность. В этом заявлении указывалось, что подводные кабельные суда и технологии их установки получили международное признание. В этот период подводные канатные суда имели очевидные черты: от их внешнего вида до носовой части, которая была снабжена полиспастом и, казалось, была снабжена носовой частью в виде «дельфиньей пасти». При ремонте подводного кабеля связи операции по восстановлению и другие операции необходимо проводить на носовой палубе. Дальняя прокладка подводных кабелей связи обычно осуществляется в кормовой части, так что в корме может быть установлен парашют для облегчения прокладки.
Радиус изгиба подводного кабеля связи обычно превышает 1 м. Для обеспечения сохранности подводного кабеля связи и ретранслятора в процессе прокладки расчетный радиус закругления шкивной группы и кормы корабля должен составлять 1,5 м. Кроме того, система подводных кабелей связи продолжает совершенствоваться, в том числе однослойный бронированный подводный кабель связи, применяемый в мелководных районах, и двойной бронированный подводный кабель связи, используемый вблизи точки приземления, что улучшает погрузку и хранение подводного кабеля связи. требований, а также щит подводного кабеля, специализирующийся на загрузке подводного кабеля связи. Базовая конструкция кабельного резервуара цилиндрическая, а в центре резервуара установлен цилиндрический конус с минимальным радиусом кривизны (рис. 6.1). Как правило, специализированные подводные канатные суда проектируются с двумя-четырьмя резервуарами для подводных кабелей, включая основной резервуар для подводного кабеля и запасной резервуар для подводного кабеля. Основной резервуар подводного кабеля используется для прокладки подводного кабеля связи. В более крупном кабельном судне в резервуар подводного кабеля могут быть загружены сотни или тысячи километров подводных кабелей связи с максимальной грузоподъемностью до 2000–3000 тонн. В запасных кабельных резервуарах хранятся запасные подводные кабели связи или восстановленные подводные кабели во время установки или ремонта.
Рисунок 6.1. Кабельная кабина подводной лодки.
(А) www.techcentral.co.za. (Б) www.flickr.com.
Чтобы соответствовать длительному времени соединения подводного коаксиального кабеля связи, в процессе соединения подводные кабельные суда должны сохранять стабильное положение и статус. Для достижения требуемой скорости используется дизельный двигатель для привода генератора, а гребной винт приводится в движение электродвигателем. В 1970-х и 1980-х годах существовали методы переменного шага и поперечного движения, которые использовались для улучшения управляемости подводных канатных судов. В то же время стали применять технологию гидравлического торможения, канатную машину барабанного типа диаметром 3 м (также диаметром 4 м) и линейные канатные машины, что значительно повысило качество и безопасность установка ретранслятора и соединительной коробки в подводном коаксиальном кабеле связи. В этот период международными примерами подводных канатных судов были: в США «длинная линия» AT&T (Long Line), в Японии KDD «KDD Maru», в Японии NTT «Kuroshio Maru», британская телекоммуникационная компания «Alert», Компании Cable & Wireless (C&W) «Mercury», «Pacific Guardian», «Enterprise», «Monarch» и французского Министерства почты и телекоммуникаций (PTT) «Vercors» и так далее. Эти корабли строились с начала 1960-х до середины 1970-х, водоизмещением от 3000 до 10 000 тонн, крупнейшим из которых является подводное судно-кабелеукладчик в США, водоизмещение которого достигало 10 000 тонн. В 1975 году в Китае было построено первое специализированное подводное канатное судно Youdian 1; водоизмещение судна 1300 т, как показано на рис. 6.2. Эти канатные суда находятся в эксплуатации довольно давно, а некоторые из них до сих пор используются для монтажа и обслуживания.
J.A. Brydson, in Plastics Materials (Seventh Edition), 1999
18.12.2 Кристаллические ароматические полиамиды
18.12.2.1
Поли-м-ксилилен адипамид
поли- м -ксилиленадипамид.
Полимер получают конденсацией м -ксилилендиамина с адипиновой кислотой ( рис. 18.30 ). Полимер был представлен Mitsubishi как MXD-6, а теперь также продается Solvay и Laporte как Ixef. Полимер имеет Т г в диапазоне 85-100°С, и температуру плавления кристаллов Т м в диапазоне 235-240°С. Это несколько более низкий показатель, чем можно было бы ожидать с учетом структуры и значения стеклования, при этом отношение T г / T m имеет удивительно высокое значение около 0,73 вместо более обычное значение около 0,66.
Рисунок 18.30.
Как и в случае алифатических полиамидов, температура теплового изгиба (при нагрузке 1,82 МПа) около 96°C аналогична показателю для T g . В результате спрос на ненаполненный полимер незначителен, а коммерческие полимеры обычно наполнены. Включение 30–50 % стекловолокна приводит к тому, что температура теплового прогиба под нагрузкой достигает диапазона 217–231 °C, что очень близко к температуре плавления кристалла. Это согласуется с общепринятым наблюдением, что для многих кристаллических полимеров температура прогиба (нагрузка 1,82 МПа) ненаполненного материала близка к T g , а стеклонаполненного материала близка к T m .
Коммерческие сорта полимера могут содержать, помимо стекловолокна, антипирены, модификаторы ударопрочности и армирующие наполнители в виде частиц. Углеродное волокно может быть использовано в качестве альтернативы стекловолокну.
Стеклонаполненные марки обладают высокой прочностью на растяжение (около 185 МПа) и модулем упругости при изгибе (около 10 000 МПа). Эти два свойства вместе с низкой усадкой при формовании (0,003–0,006 см/см) и хорошим качеством поверхности подчеркиваются при сравнении с алифатическими нейлонами.
При отсутствии антипиренов материал имеет предельный кислородный индекс 27,5 и может медленно гореть. Только некоторые сорта достигают рейтинга UL 94 V-1. Температурный индекс непрерывного использования Underwriters’ Laboratories также несколько ниже и аналогичен полиарилатам с рейтингом 135–140°C (электрический) и 105°C (механический с ударом). Первоначальный маркетинг подчеркивал сравнение с алифатическими нейлонами по причинам, указанным в предыдущем абзаце. Их также выгодно сравнивать с поли(бутилентерефталатом) в отношении химической стойкости и поли(фениленсульфидами) из-за более низкой стоимости полиамида.
Из-за их жесткости они рассматривались, в частности, в качестве заменителей таких металлов, как цинковые сплавы, отлитые под давлением. Ранние виды использования, которые стали общепризнанными, включают портативные кассетные стереомагнитофоны. Другие области применения включают компоненты косилок, электрические вилки, розетки, блоки ТВ-тюнера, шкивы, валы и шестерни.
18.12.2.2 Ароматические полиамидные волокна.
В последние годы наблюдается значительный интерес к ароматическим полиамидным волокнам, более известным как арамидные волокна . Федеральная торговая комиссия США определяет их как «искусственное волокно, в котором волокнообразующее вещество представляет собой синтетический полиамид с длинной цепью, в котором не менее 85% амидных связей присоединены непосредственно к двум ароматическим кольцам».
Первый значимый материал этого типа был представлен в 1960-х годах компанией Du Pont как HT-1, позже переименованный в Nomex; поли-( м -фениленизофталамид), его получают конденсацией 1,3-фенилендиамина с изофталевой кислотой ( рис. 18.31 ). Его можно прясть из раствора в диметилформамиде, содержащем хлорид лития. Он обладает механическими свойствами волокна, аналогичными нейлонам 6 и 66, но в сочетании с некоторыми очень хорошими высокотемпературными свойствами. Утверждается, что он сохраняет половину своей прочности при комнатной температуре при 260 ° C, устойчив к воспламенению и не имеет послесвечения. Одним из недостатков является то, что он подвергается выраженной усадке при воздействии пламени. Хотя это допустимо для очень свободной защитной одежды, оно не подходит для индивидуальной одежды, такой как военная форма.
Рисунок 18.31.
В 1973 году компания Du Pont начала производство другого ароматического полиамидного волокна, поли-( p -фенилентерефталамид), продаваемого как кевлар. Его получают четвертым методом производства полиамида, указанным во вводной части этой главы, а именно реакцией диамина с хлорангидридом двухосновной кислоты. В частности, p -фенилендиамин обрабатывают терефталилхлоридом в смеси гексаметилфосфорамида и N -метилпирролидона (2:1) при -10°C ( рис. 18.32 ).
Рисунок 18.32.
Полимер кевлара можно рассматривать как жидкокристаллический полимер (см. главу 25), волокна которого обладают исключительной прочностью. Таким образом, они могут конкурировать со стеклом, сталью и углеродным волокном.
По сравнению со стеклянными волокнами ранние сорта были схожи по прочности, но имели вдвое большую жесткость и вдвое меньшую плотность. Волокна сильны на растяжение, но несколько слабы на сжатие. Композиты обладают превосходным сопротивлением ползучести и лучшей усталостной прочностью, чем композиты из стекловолокна. С момента их первоначальной доступности прочность на растяжение, достигаемая с полимерами кевлара, увеличилась с 2,75 до 3,8 ГПа, с кевларом HT, о котором было объявлено в 1987, как утверждается, на 20% прочнее, чем предыдущие сорта. В то же время был анонсирован кевлар HM, который, как утверждается, на 40% жестче, чем предыдущие сорта.
Материалы типа кевлара, первоначально разработанные для шинных кордов, также стали широко использоваться в композитах. Используются в ракетных двигателях и сосудах высокого давления с обмоткой из нити, в корпусах космических шаттлов, покрытых кевларом, корпусах лодок и каяков, кевларово-эпоксидных шлемах для вооруженных сил США, а также в качестве одного из элементов усиления в композитных кабинах грузовиков.
Довольно похожие материалы были предоставлены компанией Monsanto путем взаимодействия p -аминобензгидразида с терефталоилхлоридом ( рис. 18.33 ). Волокно маркируется как PABH-T X-500.
Рисунок 18.33.
Еще одним термостойким и огнестойким волокном является продукт Bayer AFT-2000. Он классифицируется как полихиназолиндион и содержит структурный элемент Рисунок 18.34 .
Рисунок 18.34.
Полимеры также были получены из циклических аминов, таких как пиперазин и бис-( p -аминоциклогексил)метан. Ранний сополимер Igamid IC был основан на последнем амине. Этот амин также конденсируется с декандиовой кислотой, HOOC (CH 2 ) 10 COOH, с получением шелкоподобного волокна Quiana (Du Pont).
В дополнение к коммерческим ароматическим полиамидам, описанным выше, было получено много других, но они не достигли коммерческой жизнеспособности. Однако существует ряд других коммерческих полимеров, которые содержат амидные группы, такие как полиамидоимиды. Последние материалы обсуждаются в разделе 18.14.
18.12.2.3 Полифталамидные пластмассы
Как и алифатические полиамиды, такие как нейлоны 6 и 66, полифталамиды были разработаны в качестве пластиковых материалов только после их успешного применения в области волокон. Такие материалы были введены в 1991 от Amoco под торговой маркой Amodel.
Как и следовало ожидать от кристаллического ароматического полярного полимера, этот материал имеет высокую T m при 310°C и высокую T g при 127°C, соотношение этих двух значений имеет значение близко к 2/3, обычно наблюдаемому у кристаллических полимеров (см. раздел 4.4). Кроме того, как и следовало ожидать, материал обладает высокой прочностью и жесткостью, а также хорошей химической стойкостью, особенно к углеводородам. Типичный армированный стекловолокном сорт имеет температуру непрерывного использования 180°C, аналогичную температуре полисульфона, но превосходит его лишь небольшое количество полимеров (см. Таблица 9)..1 ).
Коммерческие полимеры обычно модифицируют армированием стекловолокном или минеральным волокном. Стандартные марки имеют рейтинг воспламеняемости UL94 HB, но использование антипиренов позволяет производить марки с рейтингом VO при толщине 0,8 мм. Также следует отметить такие хорошие электрические свойства, как высокий сравнительный индекс трекинга 550 В и сопротивление дуге ASTM D495 около 140 с.
Производители подчеркивают простоту обработки как особенность материала. Рекомендуемая температура расплава находится в диапазоне 320–340°C, а температура формы – 135–165°C. Формовочная усадка стеклонаполненных марок обычно составляет порядка 0,2–0,4 % в направлении течения и вдвое больше этого значения в поперечном направлении. Материалы отличаются своей способностью выдерживать процессы парофазной и инфракрасной пайки.
Рабочая нагрузка: рассчитана в соответствии с европейскими стандартами (коэффициент безопасности 3) | -Модель недоступна
Zeck Block (съемный)
Массивный прилюбочный шлюз. Съемная версия для использования блоков шкивов по отдельности
Рама из оцинкованной стали со скобой, поворачиваемой на 90°
Накладки на болтах для легкой замены
Высококачественные необслуживаемые шарикоподшипники с высокой безопасной рабочей нагрузкой
Опционально H)
Заземляющее устройство с установленным сбоку диском и угольной щеткой для алюминиевых канавочных вкладышей (испытано в соответствии с европейскими стандартами)
Заземляющее устройство с прижимным роликом и угольной щеткой для алюминиевых и полиамидных канавочных вкладышей
Special designs on request
Article no. (алюминий)
Арт. (polyamide)
Number of wheels
A (mm)
B (mm)
C (mm)
D (mm)
E (mm)
F ( ММ)
г (мм)
ч (мм)
Разрывная нагрузка (КН)
Рабочая нагрузка (КН)
Вес (KG) (KN)
.
76-1270
3
612
500
68
22
30.5
1350
686
146
141
47
142
76-1271
76-1272
3
750
650
68
22
30.5
1488
823
146
141
47
164
76-1273
76- 1261
3
750
650
95
22
30. 5
1488
823
178
201
67
181
76-1274
76-1260
3
900
800
68
22
30.5
1638
973
146
201
67
181
76-1275
76-1258
3
900
800
95
22
30.5
1638
973
178
201
67
203
76-1276
76-1277
3
1100
1000
68
22
30.5
1838
1173
146
201
67
199
76-1278
76-12727
3
1100
1000
95
22
30.5
1838
1173
178
219
73
228
Арт. (алюминий)
Арт. (polyamide)
Number of wheels
A (mm)
B (mm)
C (mm)
D (mm)
E (mm)
F ( ММ)
G (мм)
H/I (мм)
Разрывная нагрузка (КН)
Рабочая нагрузка (КН)
Вес 1111121
.
76-1281
5
612
500
68
22
30.5
1350
686
146
474
47
210
76-1282
76-1283
5
750
650
68
22
30.5
1488
823
146
141
47
245 10 4227
76-1284
76-1245
5
750
650
95
22
30. 5
1488
823
178
201
67
274
76-1285
76-1259
5
900
800
68
22
30.5
1638
973
146
201
67
272
76-1232
76-1233
5
900
800
95
22
30.5
1638
973
178
201
67
308
76-1286
76-1287
5
1100
1000
68
22
30.5
1838
1173
146
201
67
299
76-1230
76-1231
5
1100
1000
95
22
30.5
1838
1173
178
219
73
348
Working load: Calculated according to European standards (safety factor 3)
БЛОК ШКИВА ZECK (ВЕРТОЛЕТ)
Массивный алюминиевый шкив, отлитый за одно целое для повышения устойчивости
Для одножильного, 2-, 3- или 4-проводного жгута
Шариковый шарнирный механизм для автоматической вставки тянущего троса
Рама из оцинкованной стали с поворотной на 90° вилкой
Вкладыши с канавками на болтах для легкой замены
Высококачественные необслуживаемые шарикоподшипники с высокой безопасной рабочей нагрузкой
Дополнительно
Вкладыши канавок из полиамида или алюминия
Противоскользящее устройство
Альтернативное расстояние между шкивами (H)
Фиксированная скоба
Grounding device with laterally mounted disk and carbon brush for aluminum groove liners (tested according to European guidelines)
Working load: Calculated according to European standards (safety factor 3)
Related Products
This appears if количество найденных страниц равно нулю.
Блок шкива с поворотной проушиной 1550 фунтов
×
Доставка на дом
Бесплатная доставка через UPS SurePost — это наземная служба эконом-класса. Эта услуга сочетает в себе согласованность и надежность сети UPS Ground с конечной доставкой, как правило, предоставлено почтовой службой США. Если вы хотите, чтобы ваш заказ прошел через UPS для доставки, выберите UPS Ground при оформлении заказа.
Транспортные компании могут взимать дополнительную плату сверх первоначальной стоимости перевозки при доставке на дом. У каждого грузового перевозчика есть свои определения доставки на дом.
Грузовые перевозки
BH-USA приложит все усилия, чтобы найти наиболее экономичный способ доставки вашего заказа. Клиент несет финансовую ответственность за все расходы по доставке и обработке своего заказа. BH-USA выберет один из своих предпочтительным перевозчиком для отправки вашего заказа, если иное не указано в письменной форме.
Клиент должен работать с грузовым перевозчиком для доставки. Два варианта; забрать в терминале или доставить на место. Грузовые перевозчики не будут разгружать и сбрасывать груз у дверей, как UPS или USPS. Грузовой перевозчик приложит все усилия, чтобы организовать доставка с хозяином. Если клиент не соответствует требованиям перевозчика, заказ будет возвращен в BH-USA. Покупатель будет нести ответственность за все транспортные расходы и дополнительную плату за пополнение запасов в размере 20%.
BH-USA никоим образом не несет ответственности за какие-либо проблемы с доставкой грузов, таких как ворота, районы которые не допускают больших грузовиков, недоступных дорог, отсутствия домовладельца за городом или любых других проблем, которые могут помешать доставке груза.
BH-USA не может обещать каких-либо особых запросов от клиентов относительно перевозки, это должно быть решено между вами и транспортной компанией. Если вы обеспокоены тем, что большой грузовик не может доставить по вашему адресу, мы предлагаем не заказывать этот товар, пока вы не договорились о доставке на коммерческий адрес.
Предложения по фрахту
Мы здесь, чтобы помочь, если вам нужно коммерческое предложение. BH-USA сделает предложение на основе информации, предоставленной клиентом во время предложения.
BH-USA не будет нести ответственность за это предложение, если будут применены непредвиденные расходы. Такими сборами могут быть плата за доставку по месту жительства, пропуск ворот, пропущенные попытки доставки или другие виды платежей. Если это произойдет, BH-USA выставит клиенту счет за дополнительные расходы с использованием способа оплаты. используется для размещения заказа. BH-USA оставляет за собой право снова использовать предоставленную кредитную карту для оплаты дополнительных транспортных расходов.
В связи с колебаниями стоимости топлива все расценки считаются оценочными. Стоимость может быть выше, чем указано в заказе. Клиент несет ответственность за разницу в стоимости.
Прием груза
Подписание накладной на доставку является договорным соглашением о передаче права собственности на груз от BH-USA подписывающему лицу.
ПРЕЖДЕ ЧЕМ подписать накладную, убедитесь, что доставка завершена и нет видимых повреждений. Если предметы отсутствуют или повреждены, укажите это в накладной. Попросите водителя-экспедитора подписать запись или отказаться от отправки.
Если посылка доставлена и подписана, это полная поставка. Затем BH-USA понимает, что посылка прибыла без повреждений или проблем.
Подача претензии
BH-USA поможет с процессом подачи претензии. Ответственность за подачу претензии перевозчику лежит на покупателе. BH-USA не несет ответственности за замену любой недостающий предмет, который был утерян в пути и подписан как полученный клиентом. Как только претензия будет одобрена перевозчиком, BH-USA отправит товар на замену.
Обратите внимание, что большинство перевозчиков не одобрят претензию, если клиент подписал ее получение в полном объеме. BH-USA не несет ответственности, если постороннее лицо подписано для отгрузки с отсутствующими или некомплектными предметами.
Отправлен неверный заказ
Если BH-USA виновата в доставке не того товара или суммы, мы повторно отправим товар(ы) за свой счет. Исправление будет обработано, как и другие заказы, и будет соответствовать стандартным процедурам доставки BH-USA.
Претензии по недостаче или невидимым повреждениям ДОЛЖНЫ быть поданы в течение 10 дней с момента получения груза.
BH-USA организует возврат неправильного товара(ов) за наш счет. Если неправильный товар не будет возвращен в течение 10 дней с момента подачи претензии, покупателю будет выставлен счет за товар.
BH-USA оставляет за собой право выбрать перевозчика для любого отправления, подходящего для предоплаченного фрахта. BH-USA не производит предоплату за ночь, эфир на следующий день, авиаперевозки второго дня или приоритетные перевозки независимо от ситуации.
Теги вызова
При получении отправленных по ошибке предметов выдается только один позывной. Клиенту будет выставлен счет за дополнительные теги вызовов.
Методические указания по решению задач (Раздел «Механические передачи»), страница 3
Машиностроение \ Детали машин и основы конструирования
3.18. В результате измерения деталей червячной передачи, подлежащей восстановлению, определены следующие параметры: межосевое расстояние aw = 100 мм, число заходов червяка z1 = 1, число зубьев колеса z2 = 38 диаметр окружности вершин зубьев червяка da1 = 56 мм, червячного колеса da2 = 160 мм.
Найти осевой модуль m, коэффициент смещения червячного колеса x, коэффициент диаметра червяка q и угол подъема винтовой линии червяка g.
Решение. Особенность геометрии червячного зацепления состоит в совпадении начальной и делительной окружности червячного колеса. Соответственно равны диаметры начальной и делительной окружности.
Последнее уравнение решаем относительно неизвестного модуля.
.
мм.
Диаметр делительной окружности червяка d1 также определяем по измеренному значению диаметра вершин зубьев червяка.
.
Из полученного уравнения находим неизвестное значение коэффициента диаметра червяка q.
.
Межосевое расстояние в червячной передаче равно половине суммы диаметров начальных окружностей червячного колеса и червяка.
, отсюда
.
.
Угол подъема винтовой линии на делительном цилиндре червяка
.
Ответ. m = 4 мм, x = 0, q= 12, g = 4,763640.
3.19. Составить схему сил, действующих в зацеплении червячной передачи. Определите значения составляющих нормального усилия в зацеплении червячной передачи с червяком ZA, если m = 4 мм, z1 = 1, z2 = 40, x= 0, q = 10, угол профиля червяка в осевом сечении a = 200, вращающий момент на валу колеса T2 = 200 Нм, КПД зацепления h = 0,7.
3.20. Составить расчетную схему и определите КПД зацепления h червячной передачи, если число заходов червяка z1 = 2, коэффициент диаметра червяка q = 12, приведенный угол трения в зацеплении j’ = 20 30’.
Ответ. h = 0,79.
3. 21. Определить скорости скольжения VSв зацеплении червячной передачи с червяком ZA при различных значениях коэффициента диаметра червяка q, если число заходов червяка z1 = 1, число зубьев червячного колеса z2 = 31, осевой модуль m = 3,15 мм, частота вращения червячного колеса n2 = 30 мин-1. Значения q принять равными 8, 10, 12,5, 16, 20.
Ответ. VS = 1,24; 1,54; 1,92; 2,46; 3,07 м/с.
3.22. Определить передаточное отношение привода i, состоящего из клиноременной передачи и двухступенчатого червячно-цилиндрического редуктора.
Параметры передач: ременная передача – d1 = 100 мм, d2 = 250 мм, коэффициент скольжения e = 0,029; червячная передача – m= 3 мм, z1 = 1, z2 = 31; цилиндрическая передача – z1 = 21, z2 = 50.
Ответ. i = 190.
3.23. При испытании ременной передачи были измерены угловые скорости ведущего и ведомого валов: ω1 = 100 с-1 и ω2 = 31 с-1. Диаметры шкивов: d1 = 200 мм, d2 = 630 мм. Определить коэффициент скольжения e.
Ответ. e = 0,0235.
3.24. В плоскоременной передаче вращающий момент на ведущем шкиве T1 = 36 Нм, диаметры шкивов d1 = 200 мм, d2 = 400 мм, d3 = 120 мм, ширина и толщина ремня соответственно b= 60 и d = 4 мм.
Определить наибольшее напряжение в сечении ремня, если напряжение в ремне от силы предварительного натяжения s0 = 2 МПа, модуль упругости ремня E = 200 МПа
Влиянием центробежных сил допустимо пренебречь.
Решение. Окружная сила .
Н.
При работе передачи сила натяжения ведущей ветви F1 больше силы натяжения ведомой ветви ремня F2.
; .
Напряжения растяжения в сечении ведущей ветви ремня.
.
МПа.
МПа.
Принимая во внимание, что толщина ремня d много меньше диаметра малого шкива d3, определим наибольшие напряжения изгиба ремня для ведущей и ведомой ветвей.
При обхвате ремнем шкива 1 — .
МПа.
При обхвате ремнем шкива 3 — .
МПа.
Наибольшие напряжения в сечении ремня для ведущей ветви
, для ведомой
.
МПа.
МПа.
Ответ. Максимальные напряжения в сечении ремня s2max = 7,95 МПа возникают на ведомой ветви ремня при обхвате ремнем шкива 3.
3.25. Мощность на ведущем шкиве клиноременной передачи P1 = 5 кВт, диаметр шкива d1 = 200 мм, частота вращения n1 = 1450 мин-1, коэффициент тяги y = 0,6.
Определить силы натяжения ведущей F1 и ведомой F1 ветвей ремня.
Влиянием центробежных сил допускается пренебречь.
Ответ. F1 = 439 Н, F2 = 110 Н.
3.26. Определить дополнительное усилие натяжения ремня от действия центробежных сил FV для быстроходной плоскоременной передачи с устройством для автоматической регулировки натяжения ремня.
Принять d1 = 100 мм, d2 = 200 мм, ширину ремня b= 60 мм, толщину ремня d = 4 мм, плотность материала ремня r =1250 кг/м3, частоту вращения шкива 1 n1 = 2900 мин-1.
Ответ. FV = 4,6 Н.
ЛИТЕРАТУРА
1. Иванов М.Н., Финогенов В.А. Детали машин. – М.: Высшая школа, 2008 – 408 с.
2. Решетов Д.Н. Детали машин. – М.: Машиностроение, 1989 – 496 с.
Скачать файл
Выбери свой ВУЗ
АлтГТУ 419
АлтГУ 113
АмПГУ 296
АГТУ 267
БИТТУ 794
БГТУ «Военмех» 1191
БГМУ 172
БГТУ 603
БГУ 155
БГУИР 391
БелГУТ 4908
БГЭУ 963
БНТУ 1070
БТЭУ ПК 689
БрГУ 179
ВНТУ 120
ВГУЭС 426
ВлГУ 645
ВМедА 611
ВолгГТУ 235
ВНУ им. Даля 166
ВЗФЭИ 245
ВятГСХА 101
ВятГГУ 139
ВятГУ 559
ГГДСК 171
ГомГМК 501
ГГМУ 1966
ГГТУ им. Сухого 4467
ГГУ им. Скорины 1590
ГМА им. Макарова 299
ДГПУ 159
ДальГАУ 279
ДВГГУ 134
ДВГМУ 408
ДВГТУ 936
ДВГУПС 305
ДВФУ 949
ДонГТУ 498
ДИТМ МНТУ 109
ИвГМА 488
ИГХТУ 131
ИжГТУ 145
КемГППК 171
КемГУ 508
КГМТУ 270
КировАТ 147
КГКСЭП 407
КГТА им. Дегтярева 174
КнАГТУ 2910
КрасГАУ 345
КрасГМУ 629
КГПУ им. Астафьева 133
КГТУ (СФУ) 567
КГТЭИ (СФУ) 112
КПК №2 177
КубГТУ 138
КубГУ 109
КузГПА 182
КузГТУ 789
МГТУ им. Носова 369
МГЭУ им. Сахарова 232
МГЭК 249
МГПУ 165
МАИ 144
МАДИ 151
МГИУ 1179
МГОУ 121
МГСУ 331
МГУ 273
МГУКИ 101
МГУПИ 225
МГУПС (МИИТ) 637
МГУТУ 122
МТУСИ 179
ХАИ 656
ТПУ 455
НИУ МЭИ 640
НМСУ «Горный» 1701
ХПИ 1534
НТУУ «КПИ» 213
НУК им. Макарова 543
НВ 1001
НГАВТ 362
НГАУ 411
НГАСУ 817
НГМУ 665
НГПУ 214
НГТУ 4610
НГУ 1993
НГУЭУ 499
НИИ 201
ОмГТУ 302
ОмГУПС 230
СПбПК №4 115
ПГУПС 2489
ПГПУ им. Короленко 296
ПНТУ им. Кондратюка 120
РАНХиГС 190
РОАТ МИИТ 608
РТА 245
РГГМУ 117
РГПУ им. Герцена 123
РГППУ 142
РГСУ 162
«МАТИ» — РГТУ 121
РГУНиГ 260
РЭУ им. Плеханова 123
РГАТУ им. Соловьёва 219
РязГМУ 125
РГРТУ 666
СамГТУ 131
СПбГАСУ 315
ИНЖЭКОН 328
СПбГИПСР 136
СПбГЛТУ им. Кирова 227
СПбГМТУ 143
СПбГПМУ 146
СПбГПУ 1599
СПбГТИ (ТУ) 293
СПбГТУРП 236
СПбГУ 578
ГУАП 524
СПбГУНиПТ 291
СПбГУПТД 438
СПбГУСЭ 226
СПбГУТ 194
СПГУТД 151
СПбГУЭФ 145
СПбГЭТУ «ЛЭТИ» 379
ПИМаш 247
НИУ ИТМО 531
СГТУ им. Гагарина 114
СахГУ 278
СЗТУ 484
СибАГС 249
СибГАУ 462
СибГИУ 1654
СибГТУ 946
СГУПС 1473
СибГУТИ 2083
СибУПК 377
СФУ 2424
СНАУ 567
СумГУ 768
ТРТУ 149
ТОГУ 551
ТГЭУ 325
ТГУ (Томск) 276
ТГПУ 181
ТулГУ 553
УкрГАЖТ 234
УлГТУ 536
УИПКПРО 123
УрГПУ 195
УГТУ-УПИ 758
УГНТУ 570
УГТУ 134
ХГАЭП 138
ХГАФК 110
ХНАГХ 407
ХНУВД 512
ХНУ им. Каразина 305
ХНУРЭ 325
ХНЭУ 495
ЦПУ 157
ЧитГУ 220
ЮУрГУ 309
Полный список ВУЗов
Основные геометрические параметры
⇐ ПредыдущаяСтр 12 из 32Следующая ⇒
В червячной передаче также различают диаметры начальных и делительных цилиндров:
dw1 – начальный диаметр червяка;
dw2 – начальный диаметр колеса;
d1, d2 – делительный диаметр червяка и колеса соответственно. В передачах без смещения dw1= d1; dw2= d2. Точка касания цилиндров является полюсом зацепления.
Червяки.
По форме поверхности, на которой образуется резьба, они бывают цилиндрическими и глобоидными.
Наиболее распространены цилиндрические червяки.
Червяки различаются профилем витков резьбы.
Архимедов червяк – представляет собой винт с резьбой, имеющей прямолинейные очертания профиля (трапецию) в осевом сечении. В торцовом сечении витки очерчены архимедовой спиралью. Эти червяки просты в изготовлении, если не требуется их шлифования. Поэтому они сохранили применение в тихоходных, не сильно напряженных передачах. Для их шлифования требуется круг, очерченный сложной кривой в осевом сечении, что ограничивает их применение.
Конволютный червяк имеет прямолинейный профиль в сечении, нормальном к оси симметрии, поэтому обладает некоторым преимуществом в технологии перед архимедовым червяком.
Эвольвентные червяки представляют собой косозубые колеса с малым числом зубьев и очень большим углом их наклона. Число зубьев равно числу заходов червяка. Их можно шлифовать плоской стороной шлифовального круга.
Для архимедова цилиндрического червяка осевой модуль m
стандартный параметр, причем
α = 20º – профильный угол червяка; z1 – число заходов червяка (по стандарту z1=1; 2; 4).
Делительный диаметр червяка связан с модулем коэффициентом диаметра червяка q:
q=d1/m.
Значения m и q стандартизованы (m = 2; 2,5; 3,15; 4; 5;….12,5 и q = 8; 10; 12,5; 16; 20) . В этом диапазоне для каждого значения модуля предусмотрены червячные фрезы при всех указанных значениях q и z1.
d1=q m; da1=d1+2m; df1=d1–2,4m.
Угол подъема γ винтовой линии червяка имеет вполне определенное значение, так как определяется выражением:
Коэффициент
смещения
Число заходов червяка z1
1…2
0.0
b1 (11+0,06z2)m
b1 (12,5+0,09z2)m
– 0,5
b1 (8+0,06z2)m
b1 (9,5+0,09z2)m
+0,5
b1 (11+0,10z2)m
b1 (12,5+0,1z2)m
Длину нарезанной части червяка b1 определяют по условию использования наибольшего числа, одновременно находящихся в зацеплении, зубьев колеса.
Червячное колесо.Нарезают червячными фрезами, которые
являются копией червяка. При нарезании заготовка колеса и фреза совершают такое же взаимное движение, как в передаче.
Для червячного колеса без смещения:
d2=z2m; da2=d2+2m; df2=d2–2,4m;
aw=0,5(d1+d2)=0,5(qm + z2m)=0,5(q + z2)m.
По условию неподрезания зубьев Z2 . Размер b2 соответствует углу обхвата червяка колесом 2δ º.
Передаточное отношение.В червячной передаче, в отличие от зубчатой передачи, окружные скорости v1 и v2 не совпадают. Они направлены под углом 90º и различны по значению. Поэтому передаточное отношение не может быть выражено отношением диаметров (d2/d1), в относительном движении начальные цилиндры не обкатываются, а скользят. При одном обороте червяка колесо повернется на угол, охватывающий число зубьев колеса, равное числу заходов червяка. Для полного оборота колеса необходимо z2/z1 оборотов червяка, т.е.
.
Число заходов червяка выполняет здесь функцию числа зубьев шестерни в зубчатой передаче. Так как z1 часто равно 1, то в одной червячной паре можно получить большое передаточное отношение. Это основное достоинство червячных передач. В силовых передачах i = 10… 60(80). В приборах i доходит до 300.
Ведущим в паре в большинстве случаев является червяк.
З.106. Нагрузочную способность передачи с зацеплением Новикова можно увеличить
Подборка по базе: Политология — тесты.docx, Русский язык 8 класс тесты.doc, все тесты онкология.docx, Деревообрабатывающий станок — как рабочая машина. ppt, Лекции Гидравлические и пневматические машины.doc, Проект по дисциплине «Консалтинг в образовательной организации» , ответы на тесты по травме.docx, Рабочая учебная программа по дисциплине _Бюджет и бюджетная сист, Ответы на тесты по предмету Русский язык.docx, Правоведение Тесты с ответами Темы 1.docx
1 2 3 4 5 6 7 8
З.106. Нагрузочную способность передачи с зацеплением Новикова можно увеличить:
1. перейдя на профиль с двумя линиями зацепления;
2. искусственно увеличивая число пар зацепляющихся зубьев;
3. уменьшая угол наклона зубьев;
4. увеличивая модуль.
Какой способ предпочтителен при ограниченных осевых габаритах?
З.107. Принято различать редукторы:
1) одноступенчатые;
2) двухступенчатые;
3) трехступенчатые;
4) многоступенчатые.
Какие из них получили наибольшее распространение в современном машиностроении?
Червячные передачи
Ч.01. В каком случае можно применить червячную передачу?
1. Оси валов параллельны.
2. Пересекаются под некоторым углом.
3. Пересекаются под прямым углом.
4. Скрещиваются под прямым углом.
Ч.02. Как обычно в червячных передачах передается движение?
1. От червяка к колесу.
2. От колеса к червяку.
3. И от колеса к червяку и наоборот.
4. Зависит от типа передачи (с цилиндрическим червяком, с глобоидальным червяком).
Ч.03. В каком диапазоне передаточных чисел применяются червячные передачи?
1) ; 2) ; 3) ; 4)
Ч.04. Какая формула для определения передаточного числа червячной передачи неправильная?
1) ; 2) ; 3) ; 4) ,
Где — угловая скорость; П — частота вращения; z2, z1 — соответственно число зубьев колеса и число заходов червяка; D-Диаметр; индекс 1 — червяка; индекс 2 — колеса.
Ч.05. Червячную передачу отличают:
А) плавность, бесшумность работы;
Б) относительно большие потери на трение;
В) большие передаточные числа;
Г) нереверсивность;
Д) повышенные требования к антифрикционности материалов сопрягающихся элементов;
Е) энергоемкость.
Сколько из перечисленных качеств нельзя отнести к положительным для передачи общего назначения?
1.Два. 2. Три. 3. Четыре. 4. Пять.
Ч.06. Червячную передачу в общем случае характеризуют следующие параметры:
1) межосевое расстояние;
2) передаточное число;
3) число заходов червяка;
4) модуль;
5) коэффициент диаметра червяка;
6) число зубьев колеса;
7) ширина колеса;
8) длина червяка.
Сколько из них стандартизовано?
1. Шесть. 2. Пять. 3. Четыре. 4. Три.
Ч.07. В машиностроении применяются червячные передачи с червяками:
1) архимедовым;
2) конволютным;
3) эвольвентным;
4) криволинейного профиля.
У какого червяка в сечении осевой плоскостью виток имеет прямолинейный профиль?
Ч.08. Что такое характеристика червяка (коэффициент диаметра червяка)?
1) ; 2) ; 3) ; 4) .
Где Т — модуль; D1 — делительный диаметр червяка; А — Межосевое расстояние червячной передачи.
Ч.09. Какие числа заходов червяка стандартизованы?
1) 2,3,4; 2) 1,2,3; 3) 1,2,4; 4) 1,2,3,4.
Ч.10. Приведены формулы для расчета угла подъема витка червяка:
1).; 2). ;
3). ; 4). ,
Где Р — шаг; Z1 — число заходов червяка; — диаметр червяка; Q—Характеристика червяка (коэффициент диаметра).
В какой формуле допущена ошибка?
Ч.11. С чем связывают назначение длины червяка?
1. С модулем.
2. С модулем и числом зубьев колеса.
3. С модулем, числом зубьев колеса и коэффициентом смещения.
4. С модулем, числом зубьев колеса, коэффициентом смещения и технологией изготовления (шлифование, полирование).
Ч.12. Приведены формулы для определения диаметра червяка:
1) ; 2) ;
3) ; 4) ,
Где Т—Модуль; Q—Коэффициент диаметра червяка; Z1 — число заходов червяка; D2 — диаметр колеса; И — Передаточное число; А — Межосевое расстояние; γ — Угол подъема витка червяка.
Ч.16. Применяются ли червячные передачи со смещением и если да, то за счет чего оно осуществляется?
1. Только за счет червяка.
2. Только за счет червячного колеса.
3. За счет и червяка, и колеса.
4. Не применяются.
Ч.18. Если в червячной передаче при прочих равных условиях двухзаходный червяк заменить четырехзаходным, как изменится КПД передачи?
1. Уменьшится.
2. Увеличится.
3. Не изменится.
4. Может и уменьшаться, и увеличиваться.
Ч.19. Какое значение кпд следует ожидать в самотормозящейся червячной передаче?
1) 0,9; 2) 0,8; 3) 0,6; 4) 0,4.
Ч.20. Чему равна скорость скольжения в зацеплении червячной пары?
1. Окружной скорости на червяке.
2. Окружной скорости на колесе.
3. Больше окружной скорости на червяке.
4. Меньше окружной скорости на колесе.
Ч.21. Если при прочих равных условиях увеличить число заходов червяка, то скорость скольжения:
1) увеличится;
2) останется неизменной;
3) уменьшится;
4) может и увеличиться, и уменьшиться.
Ч.22. На величину кпд в червячной передаче влияют:
1) потери, связанные со скольжением сопрягающихся элементов;
2) потери, связанные с обкатыванием сопрягающихся элементов;
3) потерн в подшипниках валов червяка и червячного колеса;
4) потери на перемешивание масла.
Какие из них наиболее существенные?
Ч.23. Какое сочетание материалов не может быть рекомендовано для деталей червячной передачи?
Червяк
1. Сталь 45 нормализованная
2. Сталь 40Х закаленная
3. Сталь 18ХГТ цементированная
4. Сталь 35ХГСА закаленная
Червячное колесо
Бр. АЖ9-4Л
Бp. АЖ9-4Л
Бр. ОНО 10-1-1
Бр. ОФ 10-1
Ч.24. Какой следует назначить материал для зубьев червячного колеса, работающего в паре со стальным закаленным шлифованным червяком при скорости скольжения 4,5 м/с?
Ч.27. Можно ли для червячной передачи длину контактных линий в зацеплении рассчитывать, как и для передач цилиндрическими зубчатыми колесами?
1. Можно.
2. Можно, если под шириной колеса понимать длину дуги начального диаметра червяка, на которой он контактирует с колесом.
3. В расчет по пункту 2 необходимо ввести понижающую поправку.
4. В расчет по пункту 2 необходимо ввести повышающую поправку.
Ч.28. Какими формулами можно воспользоваться при расчетах зубьев червячного колеса на изгибную прочность?
1. Формулами для расчета прямозубых цилиндрических колес.
2. Этими же формулами, но с поправочным коэффициентом.
3. Формулами для расчета косозубых цилиндрических колес.
4. Этими же формулами, но с поправочным коэффициентом.
Ч. 30. Укажите фактор, от которого не зависит изгибная прочность зубьев червячного колеса.
1. Материал.
2. Скорость скольжения.
3. Реверсивность вращения.
4. Число зубьев колеса.
Ч.31. Укажите фактор, от которого не зависит контактная прочность зубьев червячного колеса.
1. Материал зубьев колеса.
2. Твердость и чистота поверхности витков червяка.
3. Модуль.
4. Скорость скольжения.
Ч.33. При расчетах на контактную прочность червячной передачи как учитывается явление изнашиваемости зубьев колеса?
1. Завышением нагрузки.
2. Занижением нагрузки.
3. При выборе допускаемых напряжений.
4. Не учитывается.
Ч.34. При расчетах средней точности коэффициент нагрузки КH рассчитывают как произведение коэффициентов концентрации КHβ и скоростного КHv. Для передачи, работающей с постоянной нагрузкой и достаточно большой окружной скоростью на колесе (ν2>3 м/с), какое надо ожидать значение этих коэффициентов?
1) ; ; 2) ;
3) ; ; 4) ; .
Ч.35. Какой из перечисленных факторов не влияет на коэффициент концентрации в червячной передаче?
1. Диаметр колеса.
2. Диаметр червяка.
3. Число зубьев колеса.
4. Число заходов червяка.
Ч.36. Скоростной коэффициент в среднескоростной червячной передаче может быть:
1) равен единице;
2) больше единицы;
3) меньше единицы;
4) и больше, и меньше единицы в зависимости от параметров передачи.
Какая запись сделана правильно?
Ч.38. Чему равен показатель степени кривой выносливости при испытании бронз на контактную прочность (применительно к расчетам червячных передач со стальным червяком)?
1) 6; 2) 8; 3) 9; 4) 12.
Ч.39. Чему равны возможные значения коэффициента режима работы при расчетах червячных передач со стальным червяком и колесом из Бр. АЖ 9-4 на контактную прочность?
1) ; 2) ; 3) ; 4) .
Ч.40. Червячную передачу проверяют:
1) на контактную прочность;
2) усталостную изгибную прочность;
3) прочность в условиях максимальных (пиковых) нагрузок;
4) на нагрев.
Если техническими условиями на эксплуатацию допускается износ зубьев колеса до определенных пределов, в каком количестве расчетов надо учесть это обстоятельство?
1. В одном. 2. В двух. 3. В трех. 4. В четырех.
Ч.41. Допустимость износа зубьев червячного колеса до определенных пределов в некоторых расчетах учитывается введением дополнительного коэффициента нагрузки . Какая из записей значения этого коэффициента лишена физического смысла?
1) ; 2) ; 3) ; 4) .
Ч.42. При обозначении:
Ft1, Ft2 —соответственно окружные силы на червяке, колесе;
Fr1, Fr2 — радиальные (распорные) силы на червяке, колесе;
Fa1, Fa2 — осевые силы на червяке, колесе. Какое равенство написано ошибочно?
1) ; 2). ; 3). ; 4). .
1 2 3 4 5 6 7 8
Основные параметры червячных передач
ГОСТ 2144-76 устанавливает основные параметры цилиндрических червячных передач.
К основным параметрам относятся: межосевое расстояние aw; номинальное значение передаточных чисел uном; модуль т; коэффициент диаметра червяка q; число витков червяка z1.
Стандарт не распространяется на передачи червячные цилиндрические для редукторов специального назначения и специальной конструкции.
Межосевое расстояние a w определяется расчетом из условия прочности зубьев червячного колеса и витков червяка и должно соответствовать следующим значениям:
Примечание. Значения ряда 1 следует предпочитать значениям ряда 2.
При выбранном модуле и передаточном числе заданное межосевое расстояние можно получить при изменении коэффициента диаметра червяка q и числа заходов червяка. При уменьшении коэффициента диаметра червяка и увеличении числа витков червяка увеличивается делительный угол подъема у, а следовательно, повышается КПД передачи. Однако при уменьшении коэффициента диаметра q понижается жесткость червяка, так как в этом случае уменьшается его диаметр. Поэтому при проектировании червячных передач коэффициент q необходимо выбирать как можно меньшим, но с таким расчетом, чтобы обеспечивалась жесткость червяка.
Рис. 27
Таблица 245
Значения коэффициента диаметра червяка q и число заходов червяка в зависимости от модуля m
Таблица 246
Значения модуля т, мм
Таблица 247
Значения коэффициента диаметра червяка q
Примечания: 1. Ряд 1 следует предпочитать ряду 2.
2. Попускается применение коэффициентов диаметра червяка 7,5 и 12.
Таблица 248
Значения делительных углов подъема γ
Таблица 249
Формулы для определения величины Ь2 нарезанной части для червяков с незакаленными поверхностями витков
Примечания: 1. При промежуточных значениях коэффициента х величина b1 нарезанной части червяка вычисляется по тому из двух ближайших значений х, которое дает большее значение b1,
2. Для червяков, боковые поверхности витков которых подвергнуты поверхностному упрочнению и шлифовке, значение b1 , полученного приведенным формулам, следует увеличить: при m<10 мм —25 мм; при т= 10….16 мм — 35…40 мм; при m>16 —50 мм.
Соответствие модулей т, коэффициентов диаметра червяка q и чисел заходов витков червяка должны соответствовать указанным в табл. 245.
Коэффициент диаметра червяка q является отношением делительного диаметра червяка к его расчетному модулю.
Модули и коэффициенты диаметра червяка устанавливает ГОСТ 19672-74.
Модули т определяются в осевом сечении червяка и должны соответствовать указанным в табл. 246.
Коэффициент диаметра червяка q должен соответствовать указанным значениям в табл. 247.
Значения делительных углов подъема у приведены в табл. 248.
Величина b1 нарезанной части для червяков с незакаленными боковыми поверхностями витков, в зависимости от коэффициента смещения х и числа витков червяка, модуля т и числа зубьев колеса приведена в табл. 249.
Число зубьев червячного колеса при заданном передаточном числе выбираются по табл. 250 в зависимости от межосевого расстояния, числа заходов червяка и модуля. В силовых передачах следует стремиться к тому, чтобы число зубьев колеса было равно 30…80.
При значениях z2, близких к нижнему пределу, несколько уменьшаются габаритные размеры передачи. Однако для получения заданного передаточного числа при уменьшении числа зубьев колеса приходится уменьшать число заходов червяка, в результате чего понижается КПД передачи. В этом случае при проектировании передачи следует исходить из того, что является наиболее важным; уменьшение габаритных размеров или повышение КПД передачи. При малых числах зубьев колеса (z2<30) возможно их подрезание, что приводит к ухудшению условий зацепления и снижению допускаемой нагрузки. Поэтому необходимо проверить зубья колеса на отсутствие подрезания. Число зубьев колеса z2>80 принимать не рекомендуется, так как в этом случае несущая способность передачи ограничивается прочностью зубьев по изгибу, в осо-
Таблица 250
Параметры червячных передач
Продолжение табл. 250
Продолжение табл. 250
Продолжение табл. 250
Продолжение табл. 250
Продолжение табл. 250
бенности для оловяниетых бронз, имеющих пониженные пределы прочности. При неизменном межосевом расстоянии с увеличением z2 напряжения изгиба зубьев колеса возрастают, так как одновременно с уменьшением модуля уменьшаются диаметр червяка и ширина колеса, которая пропорциональна наружному диаметру червяка. Зубья червячных колес могут быть нарезаны червячными фрезами или фасонными резцами.
Параметры червячных передач следует выбирать с таким расчетом, чтобы колесо можно было нарезать червячной фрезой. Нарезка зубьев червячных колес „летучкой” производительнее, но качество зацепления более низкое, чем при нарезке червячной фрезой.
При нарезании червячных колес „летучкой” число зубьев z2 не должно содержать общих множителей с числом витков червяка (z1).
Число заходов червяка выбирается по табл. 250. С увеличением числа заходов червяка при заданном коэффициенте диаметра червяка q увеличивается значение делительного угла подъема γ, а следовательно, уменьшаются потери на трение в зацеплении, т. е. повышается КПД редуктора. Одновременно увеличивается диаметр червячного колеса и габаритные размеры редуктора. Вследствие увеличения диаметра колеса уменьшаются усилия в зацеплении, что позволяет уменьшить размеры подшипниковых опор или увеличить их долговечность. Если для обеспечения заданного передаточного числа приходится уменьшить число заходов червяка, то КПД передачи снизится.
При кратковременной работе передачи с большими (относительно величины времени цикла) перерывами в целях получения наибольшей компактности передачи рационально назначать наименьшее значение z1, так как в этом случае понижение КПД передачи, вследствие уменьшения угла γ, не окажет существенного влияния на тепловой баланс редуктора. При продолжительной работе редуктора и больших передаваемых мощностях первостепенное значение будет иметь КПД редуктора.
В этом случае малые значения z1, повлекут за собой увеличение потерь на трение в зацеплении, вследствие чего могут возникнуть затруднения в обеспечении теплового баланса. В подобных случаях при и> 15 рекомендуется z1 = 2, а число зубьев z2 должно равняться 50…80.
Коэффициент диаметра червяка q характеризует относительную толщину червяка и должен быть равен 8…20.
При выборе коэффициента q необходимо учитывать следующее: при заданном передаточном числе требуемое межосевое расстояние, обеспечивающее контактную прочность поверхностей зубьев колеса и витков червяка, можно получить соответствующим подбором модуля m число заходов червяка z1 и коэффициента q, так чтобы соблюдалось условие
При наличии корригирования аω = 0,5m(q + z2 + 2х).
Смотрите также
Основные термины, определения и обозначения
Основные параметры червячных передач
Расчет геометрии червячных передач
Примеры расчета толщины по хорде зуба червячного колеса по заданным параметрам
Конструкции червячных редукторов
Редукторы червячные одноступенчатые
Редукторы червячные одноступенчатые типа 2Ч
Редукторы червячные одноступенчатые типа Ч
Редукторы червячные одноступенчатые с разъемным корпусом
Редукторы червячные одноступенчатые с боковым расположением червяка
Редукторы червячные двухступенчатые
Редукторы червячно-цилиндрические
Редукторы червячно-цилиндрические с нижним расположением червяка
Редукторы червячно-цилиндрические с вертикальным расположением тихоходного вала
Редукторы цилиндро-червячные
Червячные передачи
Глава 12
Червячные передачи
12. 1. Общие сведения
Червячные передачи – это передачи зацеплением с непосредственным контактом витков червяка и зубьев червячного колеса (рис. 12.1). Червяк 1 – это винт с трапецеидальной или близкой к ней по форме резьбой. Червячное колесо является косозубым зубчатым колесо с зубьями особой дуговой формы. Такая форма зубьев обеспечивает увеличение их длины и прочности зубьев на изгиб.
Рис. 12.1
Червячные передачи применяют при необходимости передачи движения между перекрещивающимися (как правило взаимно перпендикулярными) валами. При вращении червяка его витки плавно входят в зацепление с зубьями колеса и приводят его во вращение. Передачи используют в станках, автомобилях, подъемно-транспортных и других машинах.
12.2. Достоинства и недостатки червячных передач
Достоинства:
возможность получения большого передаточного числа в одной ступени;
плавность и малошумность работы;
повышенная кинематическая точность.
Недостатки:
низкий КПД;
необходимость изготовления зубьев колеса из дорогих антифрикционных материалов;
повышенные требования к точности сборки, необходимость регулировки;
необходимость специальных мер по интенсификации теплоотвода.
12. 3. Типы червяков
По форме тела червяки разделяют на цилиндрические, глобоидные и тороидные. Наибольшее применение находят цилиндрические червяки как более простые в изготовлении и обеспечивающие достаточно высокую нагрузочную способность.
Профиль витков червяка можно варьировать, так как червячные колеса изготовляют инструментом, являющимся аналогом червяка. По форме боковой поверхности витка червяки разделяют на архимедовы (обозначение ZA), конволютные (ZN), эвольвентные (Z1), нелинейчатые с поверхностью, образованной конусом (ZK) и с вогнутым профилем витка (ZT).
При невысоких требованиях к нагрузочной способности и ресурсу в условиях мелкосерийного производства применяют архимедовы и конволютные червяки. Витки архимедовых червяков имеют прямолинейный профиль в осевом сечении, в торцовом сечении витки очерчены архимедовой спиралью (рис. 12.2, а,г). Витки конволютных червяков имеют прямолинейный профиль в сечении, нормальном к направлению витка, в торцовом сечении витки очерчены удлиненной эвольвентой (рис.12.2, б,д). Нарезание архимедовых и конволютных червяков выполняют на универсальных токарно-винторезных станках. Для шлифования архимедовых червяков требуется круг, очерченный сложной кривой в осевом сечении, что ограничивает их применение. Шлифование конволютных червяков конусными кругами с прямолинейными образующими на обычных резьбошлифовальных станках приводит к небольшому искривлению прямолинейного профиля витка, поэтому такие червяки называют “нелинейчатыми”. Червячные фрезы для нарезания червячных колес шлифуют тем же способом, поэтому получают правильное зацепление.
Рис. 12.2
Эвольвентные червяки представляют собой косозубые колеса с малым числом зубьев и очень большим углом наклона зубьев(рис. 12.2, в,е). Профиль зуба в торцовом сечении очерчен эвольвентой. Эвольвентные червяки с высокой твердостью поверхности шлифуют плоской стороной шлифовального круга. Червяки с вогнутым профилем витка шлифуют торовой поверхностью вращения (рис.12.3).
Причины выхода из строя червячных передач ( в порядке убывания частоты проявления отказов):
Износ зубьев колеса ограничивает срок службы большинства передач. Интенсивность износа увеличивается при загрязненном смазочном материале, при неточном монтаже зацепления, при повышенной шероховатости рабочей поверхности червяка,
Заедание при твердых материалах колес происходит в ярко выраженной форме со значительными повреждениями поверхностей и последующим быстрым изнашиванием зубьев частицами колеса, приварившимися к червяку. При мягких материалах колес заедание проявляется в менее опасной форме, возникает перенос («намазывание») материала колеса на рабочую поверхность червяка.
Усталостное выкрашивание наблюдается только на поверхности зубьев колес, изготовленных из материалов, стойких против заедания.
Пластическая деформация рабочих поверхностей зубьев колеса возникает при действии больших перегрузок.
Усталостная поломка зубьев колеса имеет место после значительного их износа.
Усталостная поломка витков или тела червяка и усталостный разрыв венца колеса по впадине зуба возникают редко.
12.5 Материалы червяка и червячного колеса
Изготовление и червяка и колеса из твердых материалов не обеспечивает достаточной износостойкости и сопротивления заеданию. Поэтому одну из деталей передачи выполняют из антифрикционного материала (материала, хорошо сопротивляющегося заеданию и износу).
Для червяка характерны относительно малый диаметр и значительное расстояние между опорами, его жесткость и прочность обеспечивают за счет изготовления его из стали. Поскольку при приработке на червяк возлагается роль формообразующего элемента, его прочность и твердость поверхности должны быть выше соответствующих свойств колеса.
Материалы червяка делят на группы: 1)нетермообрабатываемые,, 2)улучшаемые, 3)поверхностно-закаливаемые, 4)цементуемые под закалку, 5)подвергаемые азотированию и хромированию. Наиболее применяемый материал — сталь 18ХГТ, твердость поверхности после цементации и закалки 56…63 HRCэ. Используют также стали 40Х, 40ХН, 35ХГСА с поверхностной закалкой до твердости 45…55HRCэ. Во всех этих случаях необходимы шлифование и полирование червяка. Применение азотируемых сталей 38Х2МЮА, 38Х2Ю позволяет исключить шлифование червяка. Червяки улучшенные и без термообработки применяют лишь во вспомогательных, малонагруженных передачах.
Червячное колесо обычно выполняют составным: венец — из антифрикционных, относительно дорогих и малопрочных материалов, центр — из стали, при небольших нагрузках — из чугуна. Материалы венцов червячных колес разделяют на группы (в порядке снижения сопротивляемости заеданию и усиленному износу): 1) оловянистые бронзы (БрО10Ф1, БрО10Н1Ф1, БрО5Ц5С6 и др. ), 2) безоловянистые бронзы и латуни (БрА9Ж3Л, БрА10Ж4Н4Л, ЛАЖМц66-6-3-2 и др.), 3) чугуны(СЧ15, СЧ20 и др.). Чем выше содержание олова в бронзе, тем она дороже, но тем выше сопротивление заеданию.
12.6 Основные параметры, геометрия червячных передач
Мощность на червяке при длительной работе обычно до 30 кВт, при повторно-кратковременном режиме — до 200кВт. Передаточные числа обычно принимают от 8 до 80, в кинематических передачах — до 1000.
Основные геометрические размеры червяка представлены на рис. 12.4. В червячных передачах угол профиля обычно принимают равным . У архимедовых червяков его определяют в осевом сечении, у конволютных и эвольвентных — в нормальном сечении , у нелинейчатых находят как угол конуса производящей поверхности. Для передач с вогнутым червяком угол профиля в осевом сечении витка червяка, измеренный на делительном диаметре, равен .
Рис 12.4
Расстояние между одноименными точками боковых сторон смежных витков червяка, измеренное параллельно оси, называют шагом червяка . Отношение называют модулем . Червячные колеса нарезают фрезами, режущие кромки которых при вращении образуют поверхности, идентичные с поверхностью витков червяка. В целях сокращения номенклатуры зуборезного инструмента стандартизованы модули и коэффициенты диаметра червяка
. (12.1)
Делительный диаметр червяка .
Число заходов червяка выбирают из установленных ГОСТ значений 1, 2 или 4. Передачи большой мощности не выполняют с однозаходными червяками из-за низкого КПД.
Угол подъема витка червяка на делительном диаметре
,(12.2 )
где — ход витка червяка.
Высота головки и ножки витков (рис. 12.4)
, (12.3 )
где коэффициент высоты головки , коэффициент высоты ножки для эвольвентных червяков, — для остальных червяков.
Диаметры вершин и впадин:
. (12.4 )
Длину нарезанной части червяка (рис. 12.4) определяют из условия нахождения в зацеплении максимально возможного числа зубьев колеса. Для шлифуемых и фрезеруемых червяков, во избежание завалов на боковых поверхностях витков червяка на входе и выходе шлифовального круга (фрезы) из впадин, длину нарезанной части увеличивают на . У быстроходных червяков для избежания дисбаланса отношение принимают равным целому числу.
Минимальное число зубьев червячных колес принимают для кинематических передач равным 17, в силовых передачах . Наиболее желательно для силовых передач .
Делительный диаметр колеса (рис. 11.6)
. ( 12.5 )
Диаметры вершин и впадин определяют в среднем сечении колеса; для колес, нарезанных без смещения режущего инструмента они равны:
. ( 12.6 )
Наибольший диаметр колеса определяют по эмпирической формуле
, ( 12.7 )
где для передач ZT, — для остальных.
Ширина колеса (при или ), (при ). Увеличивать ширину червячного колеса нецелесообразно, так как длина контактных линий и передаваемая нагрузка увеличиваются при этом незначительно.
Межосевое расстояние передачи в общем случае обозначают через , для передачи без смещения — через . Можно выразить через диаметры червяка и червячного колеса
. ( 12.8 )
Значения межосевых расстояний стандартизованы с целью унификации корпусных деталей.
Большинство передач выполняют со смещением режущего инструмента (рис 12.6). Передачи со смещением выполняют для получения стандартного межосевого расстояния или изменения числа зубьев колеса (на 1-2 зуба). Положительное смещение приводит к увеличению межосевого расстояния:
. ( 12.9 )
Рис 12.6
При этом коэффициент смещения инструмента
. ( 12.10)
Рекомендуется (допускается в пределах ). Предпочтительно использовать положительные смещения, при которых несколько повышается нагрузочная способность передачи. Для передач с вогнутым профилем витка червяка (ZT) назначают бόльшие коэффициенты смещения (), предпочтительно . Значительное положительное смещение для этих передач является дополнительным фактором повышения нагрузочной способности.
Нарезание колес для передач со смещением выполняют тем же инструментом, что и передач без смещения. В передачах со смещением изменяется диаметр заготовки червячного колеса при неизменном диаметре заготовки червяка. Для червяка передачи со смещением изменяются начальный диаметр
( 12.11)
и длина нарезанной части при неизменных и .
Угол подъема витка червяка на начальном цилиндре
. ( 12.12)
У червячного колеса, нарезанного со смещением инструмента, все размеры, кроме делительного диаметра, отличаются от размеров колеса, нарезанного без смещения.
Диаметры вершин и впадин в среднем сечении
, ( 12.13)
( 12.14)
для всех передач, кроме передач с эвольвентным червяком, для которых
. ( 12.15)
12.7 Скольжение в червячной передаче, КПД передачи
Для червячных передач характерны большие скорости скольжения и неблагоприятное направление ее относительно линии контакта (рис. 12.7).
Рис 12.7
, (12. 16)
где -окружная скорость, м/с, на начальном диаметре червяка; — окружная скорость, м/с, на делительном диаметре колеса. Скорость скольжения направлена по касательной к линии витка червяка (рис. 12.7):
. ( 12.17)
Условием отсутствия заедания и интенсивного износа является существование жидкостного трения между витками червяка и зубьями колеса. Это условие выполняется при существовании в зоне контакта клиновидного зазора в направлении вектора скорости скольжения. При скольжении поверхностей вдоль линии контакта масляный клин образоваться не может.
В отличие от зубчатых передач в червячных передачах часть поверхности зуба колеса имеет зону, в которой скольжение происходит вдоль контактных линий. На рис.12.8 цифрами 1, 2 и 3 отмечены последовательные положения контактных линий в процессе зацепления и направления скорости скольжения в некоторых точках. Зона, в которой направление почти совпадает с направлением контактных линий, заштрихована.
Рис. 12.8
Неблагоприятное направление вектора скорости скольжения является причиной низкого КПД червячного зацепления . КПД червячного зацепления определяют аналогично КПД резьбовой пары, которая по кинематическим свойствам аналогична червячной передаче.
, ( 12.18)
где — приведенный угол трения, уменьшающийся с увеличением скорости скольжения, так как при этом улучшаются условия образования масляного слоя.
С увеличением числа заходов червяка возрастает КПД передачи, но уменьшается передаточное число.
12.8 Силы, действующие в зацеплении
Составляющие от силы в зацеплении принимают приложенными в полюсе зацепления и направляют по трем взаимно перпендикулярным осям (рис.12.9).
Рис. 12.9
Окружная сила на колесе, равная по модулю осевой силе на червяке:
. ( 12.19)
Окружная сила на червяке равна осевой силе на колесе:
. ( 12.20)
Радиальная сила, раздвигающая червяк и колесо:
. ( 12.21)
В этих зависимостях и — вращающие моменты на валах колеса червяка, , — угол профиля витка червяка, линейные размеры , мм.
12.9 Расчетная нагрузка. Коэффициент нагрузки
В реальной червячной передаче силы, действующие в зацеплении превышают теоретические из-за неизбежных ошибок изготовления червяков и червячных колес, а также из-за прогибов валов червяка и колеса под нагрузкой, что приводит к увеличению межосевого расстояния. Для учета указанных факторов используют расчетную нагрузку, получаемую умножением номинальной нагрузки на коэффициент нагрузки , больший единицы.
, ( 12.22)
где — коэффициент концентрации нагрузки по длине зубьев колеса,
— коэффициент динамичности.
Концентрация нагрузки в основном вызывается прогибом вала червяка, так как у него значительное расстояние между опорами, а диаметр выполняют относительно небольшим во избежание снижения КПД. Вследствие прогиба вала червяка нарушается правильное зацепление между витками червяка и зубьями колеса.
Начальный коэффициент концентрации (до приработки):
, (12.23)
где — максимальная погонная нагрузка по длине зубьев колеса, имеющая место вблизи торца зуба, ; — средняя погонная нагрузка; — дополнительная погонная нагрузка, вызванная прогибом червяка.
В первом приближении можно принять, что упругие перемещения оси вала червяка пропорциональны нагрузкам
,
где — среднее по длине зуба упругое перемещение; — дополнительное упругое перемещение от прогиба червяка, пропорциональное кубу расстояния между опорами червяка , которое приближенно принимают .
где — коэффициент деформации червяка, зависящий от и .
Зубья червячного колеса, изготовленные из антифрикционных материалов, хорошо прирабатываются. Приработка – это износ наиболее нагруженных участков зубьев, после чего нагрузка перераспределяется по зубу и становится более равномерной. При постоянной внешней нагрузке происходит полная приработка и концентрация нагрузки исчезает, при переменной нагрузке имеет место частичная приработка и зубья приобретают бочкообразную форму. Коэффициент концентрации нагрузки после приработки описывают выражением
. ( 12.25)
Здесь — коэффициент, учитывающий режим нагружения передачи
, (12.26)
где и — вращающий момент на колесе, частота вращения колеса в минуту и время работы в часах при режиме ; — максимальный длительно действующий вращающий момент; — число ступеней на графике нагрузки.
При постоянной нагрузке и .
Коэффициент динамичности учитывает ошибки изготовления червяка и червячного колеса, а также зависит от окружной скорости колеса . В связи с плавностью работы червячной передачи и невысокой окружной скоростью колеса ( обычно ) принимают . При большей окружной скорости колеса определяют как для косозубых цилиндрических колес с твердостью поверхности .
12.9 Допускаемые напряжения
При определении допускаемых контактных и изгибных напряжений по условию сопротивления усталости для червячных колес из бронзы следует учитывать, что кривые усталости для бронз имеют очень длинные наклонные участки — до циклов нагружения. Поэтому за исходные принимают допускаемые напряжения при циклов для расчета по контактным напряжениям и при циклов для расчета по напряжениям изгиба.
Допускаемые контактные напряжения при длительной работе передачи определяют для червячных колес в зависимости от основной причины выхода из строя. Для материалов венца колеса первой группы — оловянистых бронз — определяющим условием является сопротивление контактной усталости. В этом случае при шлифованных червяках с твердостью поверхности более 45HRC
, ( 12.27)
где — допускаемое напряжение при циклов, — временное сопротивление для бронзы при растяжении; коэффициент , учитывающий интенсивность износа, зависит от скорости скольжения в зацеплении .
Эквивалентное число циклов нагружения
, ( 12.28)
где и — вращающий момент на колесе, частота вращения колеса в минуту и время работы в часах при режиме ; — максимальный длительно действующий вращающий момент; — число ступеней на графике нагрузки.
Если , то принимают .
Эквивалентное число циклов нагружения определяют, используя условие суммирования повреждений и уравнение кривой усталости по аналогии с расчетом для зубчатых передач.
Для материалов венца колеса второй и третьей групп (безоловянных бронз и чугунов) допускаемые контактные напряжения определяют из условия сопротивления заеданию и усиленному износу в зависимости от скорости скольжения .
Для безоловянных бронз
, ( 12.29)
для чугунов
. ( 12.30)
Из зависимостей ( 12.29 ) и ( 12.30 ) следует, что материалы венца колеса второй и третьей групп невозможно применять при высоких скоростях скольжения.
Предельные допускаемые контактные напряжения при проверке на пиковую нагрузку: для оловянных бронз — , для безоловянных бронз — , для чугунов — .
Допускаемые напряжения изгиба при длительной работе для бронзовых колес нереверсивных передач:
, ( 12.31)
где и — пределы текучести и прочности бронзы при растяжении; — эквивалентное число циклов нагружения при расчете на изгиб
. ( 12.32)
Смысл параметров, входящих в зависимости ( 12.32 ) и ( 12.28 ) аналогичен.
Допускаемые напряжения для чугунных колес при нереверсивной работе
( 12.33)
При реверсивной работе передачи допускаемые напряжения снижают на 20%.
Предельные допускаемые напряжения изгиба при проверке на пиковую нагрузку принимают для бронз , для чугунов .
12.10 Расчет червячной передачи по контактным напряжениям
Основное значение для червячных передач имеют расчеты на сопротивление контактной усталости, усиленному износу и заеданию. Расчет передачи проводят по контактным напряжениям, причину выхода из строя учитывают при выборе допускаемых напряжений.
Несущая способность передач с цилиндрическими червяками основных типов весьма близка (кроме передач с вогнутым профилем витка червяка). Поэтому расчеты для передач с архимедовым червяком распространяют на передачи с другими цилиндрическими червяками.
В качестве исходной принимают формулу Герца для начального линейного контакта двух цилиндров по их образующим. Коэффициент Пуассона считают равным 0,3:
, ( 12.34)
где — нормальная погонная нагрузка; — приведенный радиус кривизны; — приведенный модуль упругости материала
, ( 12.35)
— модули упругости материалов червяка и венца колеса.
Приведенный радиус кривизны
,
где — радиусы кривизны витков червяка и зубьев червячного колеса.
Зубья червячного колеса имеют криволинейный профиль, близкий к эвольвентному, для них радиус кривизны выражают, как и для косозубого цилиндрического колеса, через радиус кривизны эквивалентного прямозубого колеса (рис. 12.10)
Рис. 12.10
.
Витки архимедова червяка в осевом сечении имеют прямолинейный профиль, тогда и
. ( 12.36)
Ширину колеса по дуге начальной окружности выражают через начальный диаметр червяка и угол охвата червяка зубьями колеса (рис. 12.6):
,
длина контактных линий для одного зуба с учетом его наклона
.
Но в одновременном зацеплении с витками червяка находятся несколько зубьев и суммарная длина контактных линий
,
где — торцовый коэффициент перекрытия в средней плоскости червячного колеса. При расчетах принимают и . Тогда суммарная длина контактных линий
. ( 12.37)
Нормальная погонная нагрузка , подставляя выражения для и для из ( 12.37 ), получают
. ( 12.38)
Подставив в зависимость ( 12.34 ) выражения для и из (12.38), (12.36), (12.11), (12.5) и (12.19), а также выразив модуль из (12.9) и приняв , получают зависимость для проверочного расчета червячной передачи по контактным напряжениям:
( 12.39)
В проектном расчете выражают из (39) межосевое расстояние передачи с упрощающим предположением :
На этапе проектного расчета параметры передачи и обычно неизвестны, поэтому как первое приближение принимают и получают
. ( 12.40)
В дальнейшем, после округления до ближайшего стандартного значения и определения и проводят проверочный расчет по ( 12.39 ).
При действии пиковой нагрузки проверяют статическую прочность рабочих поверхностей зубьев колеса. Максимальные контактные напряжения:
, ( 12.41)
где — максимальный вращающий момент на валу колеса.
В передачах с вогнутым профилем витков червяка ZT (рис. 12. 11, b) контактные линии располагаются под большими углами к вектору скорости скольжения, чем для передач с другими видами цилиндрических червяков. Это обеспечивает лучшие условия для образования масляного клина. Для передач ZT характерны также большие приведенные радиусы кривизны и расположение линии зацепления ближе к основанию зуба колеса . Несущая способность таких передач значительно выше, чем обычных с цилиндрическим червяком.
Рис. 12.11
Расчет передач с вогнутым профилем витков червяка выполняют по общим для червячных передач зависимостям, уменьшая вращающий момент на колесе делением его на коэффициент ,
,
где — скорость скольжения в зацеплении, .
12.11 Расчет червячной передачи по напряжениямизгиба зуба колеса
В большинстве случаев напряжения изгиба не определяют размеры передачи и являются значимыми только при больших числах зубьев колес ().
Расчет ведут для зубьев колеса, так как витки червяка значительно прочнее. За основу принят расчет косозубых цилиндрических колес, повышенная прочность зубьев червячных колес связана с их дуговой формой и естественным смещением, имеющим место во всех сечениях, кроме среднего (рис. 12.6, сечение АА).
Напряжения изгиба у основания зубьев
,
где — коэффициент, учитывающий форму зубьев, определяется по эквивалентному числу зубьев ; — нормальный модуль, ; множитель учитывает наклон зуба и работу зуба как пластины, а не как балки.
После подстановки выражения для нормальной погонной нагрузки из ( 12.38) получают
. ( 12.42)
Максимальные напряжения изгиба при действии пиковой нагрузки:
. ( 12.43)
12.12 Тепловой расчет и охлаждение передач
Значительное тепловыделение при работе червячной передачи приводит к нагреву масла. Превышение предельной для масла температуры приводит к потере им защитных свойств и опасности заедания в передаче. Современные смазочные материалы сохраняют свои свойства до . Расчет при установившемся тепловом состоянии проводят, рассматривая состояние теплового баланса:
, ( 12.44)
где — количество теплоты (Вт), выделяющейся при непрерывной работе передачи в единицу времени; — количество теплоты, отводимой с поверхности корпуса передачи и через основание в единицу времени.
, ( 12.45)
где — КПД передачи без учета потерь на привод вентилятора, — мощность на червяке, кВт.
, ( 12.46)
где — коэффициент теплоотдачи с поверхности корпуса, равный ; и — соответственно температура масла и окружающего воздуха,; — поверхность теплоотдачи корпуса передачи (без учета площади основания), ; — коэффициент, учитывающий теплоотвод через основание, при установке корпуса на металлическом основании достигает , при бетонном основании .
Из выражений (12.44), (12.45) и (12.46) определяют температуру масла
. ( 12.47)
Если , то предусматривают отвод избыточной теплоты. Этого достигают:
оребрением корпуса ( увеличивается ),
искусственной вентиляцией ( возрастает ),
водяным охлаждением масла ( снижается ).
Расположение ребер выбирают из условия лучшего их обтекания воздухом, при естественном охлаждении ребра располагают вертикально, при искусственном — вдоль направления потока воздуха от вентилятора.
Вентилятор устанавливают на валу червяка, коэффициент теплоотдачи обдуваемых стенок достигает . Водяное охлаждение обеспечивает отвод большого количества тепла, коэффициент теплоотдачи с поверхности труб до .
Частота вращения вала колеса . Расчетный ресурс передачи . Передаточное число редуктора .
Режим нагружения передачи – постоянный. Производство редуктора — крупносерийное. Профиль витков червяка Z1.
Решение.
Выбор числа заходов червяка.
Число заходов червяка выбирают в зависимости от передаточного числа (табл.12.1).
Табл. 12.1
8…14
Св. 14…30
Св. 30
4
2
1
Принимаем .
2. Определение числа зубьев колеса
.
3. Вычисление частоты вращения вала червяка
.
4. Определение суммарного числа циклов нагружения зубьев колеса
.
5. Вычисление предварительного значения скорости скольжения
.
6. Выбор материалов червяка и червячного колеса.
Червяк. Сталь 18ХГТ цементированная и закаленная до твердости поверхности 56…63HRC. Витки шлифованные и полированные.
Червячное колесо. В связи с тем, что скорость скольжения в зацеплении , используем оловянистую бронзу Бр.О10Ф1 с временным сопротивлением и пределом текучести [1].
7. Определение допускаемых контактных напряжений.
,
где (табл. 12.2)
Табл. 12.2
2
3
4
5
6
7
1,33
1,21
1,11
1,02
0,95
0,88
0,83
0,8
.
8. Определение допускаемых напряжений для расчета на изгиб
.
9. Выбор предварительного значения коэффициента нагрузки.
Для постоянного режима нагружения принимаем .
10. Вычисление межосевого расстояния
.
Полученное значение округляем до ближайшего из ряда стандартных межосевых расстояний: 40; 50; 63; 80; 100; 125; 140; 160; 180; 200; 225; 250; 280; 315; 355; 400; 450; 500. Принимаем .
11. Выбор осевого модуля
Принимаем стандартное значение модуля (табл. 12.3).
Табл. 12.3 Значения модулей и коэффициентов диаметра червяка
M
q
M
Q
1,6
10; 12;5; 16; 20
8; 10; 12,5
8; 10; 12,5; 16; 20
2; 2,5; 3,15; 4; 5
8; 10; 12,5; 16; 20
16
8; 10; 12,5; 16
6,3
8; 10; 12,5 14; 16; 20
20
8; 10
12. Выбор коэффициента диаметра червяка
.
Принимаем ближайшее стандартное значение .
13. Определение коэффициента смещения инструмента
.
Коэффициент смещения находится в допустимых пределах от –1 до 1.
14. Вычисление углов подъема витка червяка.
На делительном цилиндре
.
На начальном цилиндре
.
15. Определение начального диаметра червяка, делительного диаметра колеса
;
.
16. Определение коэффициента динамичности.
Окружная скорость на делительном диаметре колеса
.
Так как коэффициент динамичности .
17. Вычисление коэффициента нагрузки
.
18. Уточнение скорости скольжения в зацеплении
.
19. Уточнение допускаемых контактных напряжений
,
где (табл. 12.2)
.
20. Вычисление расчетных контактных напряжений
Перегрузка передачи по контактным напряжениям
.
Допускается перегрузка до 5%, следовательно ранее найденные размеры передачи принимаем за окончательные.
21. КПД передачи
,
где — приведенный угол трения при скорости скольжения (табл. 12.4).
Табл.12.4 Приведенные углы трения между стальным червяком и колесом из бронзы.
0,01
1
4
0,1
1,5
7
0,25
2
10
0,5
3
15
22. Вычисление сил, действующих в зацеплении.
Окружная сила на колесе, равная осевой силе на червяке
.
Окружная сила на червяке, равная осевой силе на колесе:
.
Радиальная сила, раздвигающая червяк и колесо:
.
23. Проверка прочности зубьев червячного колеса по напряжениям изгиба.
Эквивалентное число зубьев колеса
.
Коэффициент, учитывающий форму зубьев (табл. 12.5) .
Табл. 12.5
20
1,98
30
1,76
40
1,55
80
1,34
24
1,88
32
1,71
45
1,48
100
1,30
26
1,85
35
1,64
50
1,45
150
1,27
28
1,80
37
1,61
60
1,40
300
1,24
Напряжения изгиба у основания зуба
.
Так как , прочность по напряжениям изгиба обеспечена.
24. Определение геометрических размеров червяка и червячного колеса.
Делительный диаметр червяка
.
Диаметры вершин и впадин витков эвольвентного червяка:
Длина нарезанной части червяка
,
коэффициенты , (табл. 12.6). Значение округляем до ближайшего большего значения по ряду линейных размеров , .
Табл. 12.6 Коэффициенты для определения длины нарезанной части червяка при числе заходов червяка и .
-1
-0,5
0
+0,5
+1 и более
10,5
8
11
11
12
0,06
0,06
0,06
0,1
0,1
Табл. 12.7 Коэффициенты для определения длины нарезанной части червяка при числе заходов червяка .
где ц — приведенный коэффициент трения по таблице 9.3 [1] ц = 1,50 .
Результаты расчетов червячной передачи:
Передаточное отношение
i
50
Модуль
m
5
Межосевое расстояние
a
156,25
Червяк
Коэффициент диаметра
q
12,5
Число заходов
z1
1
Делительный диаметр
d1
62,5
мм
Длина нарезанной части
b1
70
мм
Диаметр вершин
d
72,5
мм
Угол подъёма винтовой линии
4,57
Червячное колесо
Число зубьев
z2
50
Делительный диаметр
d2
250
мм
Ширина
b2
54,4
мм
Диаметр вершин
d
260
мм
Наибольший диаметр
d аm2
270
мм
Делись добром 😉
Привод камерного вулканизатора
4.
Расчет червячной передачи [7]
Исходные данные: Ткр=142,9Н*м, щ =14,9 рад/с, u=10 Выбор материала Материал применяемый для червяка — Сталь 45, твердостью HRC 45 — при закалке. Материал, применяемый для венца червячного колеса, без оловяннистая бронза — БрА10Ж4Н4Л…
Привод ленточного конвейера
3.4. Расчет червячной передачи
Определяем межосевое расстояние передачи. , где 0, [1,с.35] принимаем, [1,с.36] Принимаем число витков в зависимости от передаточного числа червячного редуктора. при, [1,с.35] Определяем число зубьев колеса…
Привод рабочей машины
2.2 Расчет червячной передачи
Исходные данные: Мощность на входном валу P1 = PII= 3,65 кВт, частота вращения входного вала n1 = nII= 1440 мин -1, передаточное отношение u = 20. Число заходов червяка при u = 20 z1 = 2 Число зубьев колеса: Приближенная скорость скольжения м/с…
Привод цепного конвейера
3.1 Расчет червячной передачи
Определим ориентировочное значение скорости скольжения зубьев в червячной паре: Для изготовления червяка по рекомендациям применяем сталь 40Х с улучшением, твердостью 215. .. 285 НВ. пределом прочности…
Привод цепного конвейера
3. Расчёт червячной передачи
…
Программный механизм
2. Расчет червячной передачи
Применение червячной передачи в данном механизме обусловлено следующими достоинствами первой: Возможность получения больших передаточных отношений в одной паре. Плавность зацепления и бесшумность работы. Высокая точность передачи…
Проектирование механизма поворота и отсчета аттенюатора
7. Расчёт червячной передачи
Исходные данные: Передаточное число червячной передачи Заходность червяка Число зубьев на червяке Модуль зацепления U = 12 Z1 = 4 Z2 = 48 M = 1 7.1 Расчёт параметров зацепления 7.1.1 Межосевое расстояние a = 0.5M(Z2 + q) = 0…
Проектирование привода с червячно-циллиндрическим редуктором
III. РАСЧЕТ ЧЕРВЯЧНОЙ ПЕРЕДАЧИ
Исходные данные: Передаточное число u = 16. Вращающий момент на колесе Т4 = 1303,889 Н•м. Частота вращения колеса n4 = 98,624 об/мин. 3.1 Выбор материалов для червяка и червячного колеса Для червяка используем тот же материал, что и для зубчатого колеса. ..
Проектирование привода цепного конвейера
3. Расчёт червячной передачи
Цель: Вычислить геометрические данные червячной передачи. Исходные данные: Момент на ведомом валу Т2 = 6420,5 Н•м. Частота вращения ведомого вала n2 = 27,22 об/мин. Передаточное отношение u2 = 18. Передача нереверсивная, материал венца колеса БрА9ЖЗЛ…
Расчет и конструирование электропривода с червячным редуктором
6 Расчет червячной передачи
Расчет чисел зубьев червячной передачи: определяют число заходов червяка в зависимости от величины передаточного отношения передачи по условиям: если если если Так как передаточное отношение , берем…
Расчет и проектирование червячного редуктора
4. Расчет червячной передачи
4.1 Исходные данные 4.2 Выбор материала червяка и червячного колеса Для червяка с учетом мощности передачи выбираем [1, c.211] сталь 45 с закалкой до твердости не менее HRC 45 и последующим шлифованием…
Расчет лебедки грузового лифта
1.
1.7 Расчет КПД червячной передачи
Определяем КПД по формуле: , = 0,75, (1.24) где ц — приведенный коэффициент трения по таблице 9.3 [1] ц = 1,50 . Результаты расчетов червячной передачи: Передаточное отношение i 50 Модуль m 5 Межосевое расстояние a 156…
Редуктор весового ленточного дозатора
4. Расчёт червячной передачи
Исходные данные: T1 = 19 н•м — крутящий момент на червяке T2 = 241 н•м — крутящий момент на червячном колесе n1 = 1425мин-1 — частота вращения червяка n2 = 89 мин-1 — частота вращения червячного колеса U = 16 — передаточное число L = 5 — срок службы Kc — коэффициент…
Редуктор червячный
3. Расчет червячной передачи
…
Редуктор. Расчеты на контактную изгибную прочность, кинематические расчеты, выбор материалов
4. Расчет червячной передачи
…
Червь Морриса — ФБР
2 ноября 2018 г.
30 лет с момента первой крупной атаки в Интернете
Около 20:30. 2 ноября 1988 года с компьютера в Массачусетском технологическом институте (MIT) в Интернет была запущена вредоносная умная программа.
Вскоре этот кибер-червь начал распространяться с невероятной скоростью и приводил к остановке компьютеров. «В настоящее время мы подвергаемся нападению», — написал обеспокоенный студент Калифорнийского университета в Беркли в электронном письме позже той же ночью. В течение 24 часов примерно 6000 из примерно 60 000 компьютеров, которые тогда были подключены к Интернету, были поражены. Компьютерным червям, в отличие от вирусов, не нужен программный хост, они могут существовать и распространяться самостоятельно.
Беркли был далеко не единственной жертвой. Мошенническая программа заразила системы в ряде престижных колледжей, государственных и частных исследовательских центров, которые составляли раннюю национальную электронную сеть. Это было за год до изобретения Всемирной паутины. Среди многих жертв были Гарвард, Принстон, Стэнфорд, Джонс Хопкинс, НАСА и Ливерморская национальная лаборатория Лоуренса.
Червь предназначался только для компьютеров, работающих под управлением определенной версии операционной системы Unix, но он широко распространился, поскольку имел несколько направлений атаки. Например, он использовал бэкдор в системе электронной почты Интернета и ошибку в программе «finger», которая идентифицировала пользователей сети. Он также был разработан, чтобы оставаться скрытым.
Червь не повреждал и не уничтожал файлы, но все равно наносил удар. Жизненно важные военные и университетские функции замедлились до минимума. Электронные письма задерживались на несколько дней. Сетевое сообщество трудилось над тем, чтобы выяснить, как работает червь и как его удалить. Некоторые учреждения стерли свои системы; другие отключали свои компьютеры от сети на целую неделю. Точный ущерб было трудно определить количественно, но оценки начинались со 100 000 долларов и доходили до миллионов.
Компьютерные специалисты лихорадочно работали над исправлением, и вопрос о том, кто несет ответственность, становился все более актуальным. Вскоре после атаки встревоженный программист связался с двумя друзьями, признавшись, что это он запустил червя, и отчаявшись, что он опасно вышел из-под контроля. Он попросил одного друга передать через Интернет анонимное сообщение от его имени с краткими извинениями и рекомендациями по удалению программы. По иронии судьбы, немногие получили сообщение вовремя, потому что сеть была сильно повреждена червем.
Независимо друг от друга другой друг сделал анонимный звонок по номеру The New York Times , и вскоре новости о нападении появились на первых полосах. Друг сказал репортеру, что знает, кто создал программу, заявив, что она задумывалась как безобидный эксперимент и что ее распространение было результатом ошибки программирования. В последующих беседах с репортером друг случайно назвал автора червя инициалами RTM. Используя эту информацию, The Times вскоре подтвердил и публично сообщил, что виновником был 23-летний аспирант Корнельского университета по имени Роберт Таппан Моррис.
Вскоре этот кибер-червь начал распространяться с невероятной скоростью и приводил к остановке компьютеров. «В настоящее время нас атакуют», — написал обеспокоенный студент Калифорнийского университета в Беркли.
Моррис был талантливым ученым-компьютерщиком, окончившим Гарвард в июне 1988 года. Он вырос, погрузившись в компьютеры благодаря своему отцу, который был одним из первых новаторов в Bell Labs. В Гарварде Моррис был известен своим технологическим мастерством, особенно в Unix; он также был известен как шутник. После того, как в августе того же года его приняли в Корнелл, он начал разработку программы, которая могла медленно и тайно распространяться по Интернету. Чтобы замести следы, он выпустил его, взломав компьютер Массачусетского технологического института со своего терминала в Корнелле в Итаке, штат Нью-Йорк.
После того, как об инциденте стало известно, ФБР начало расследование. Агенты быстро подтвердили, что за нападением стоит Моррис, и начали допрашивать его и его сообщников, а также расшифровывать его компьютерные файлы, в результате чего было получено множество компрометирующих улик.
Но нарушил ли Моррис федеральный закон? Оказывается, у него было. В 1986 году Конгресс принял Закон о компьютерном мошенничестве и злоупотреблениях, запрещающий несанкционированный доступ к защищенным компьютерам. Прокуратура предъявила Моррису обвинение в 1989 году. В следующем году присяжные признали его виновным, что сделало его первым человеком, осужденным по статье 1986 закон. Однако Морриса избежали тюремного заключения, вместо этого он получил штраф, испытательный срок и приказ отработать 400 часов общественных работ.
Эпизод оказал огромное влияние на страну, только что осознавшую, насколько важными и уязвимыми стали компьютеры. Идея кибербезопасности стала тем, к чему пользователи компьютеров стали относиться более серьезно. Например, всего через несколько дней после атаки в Питтсбурге по указанию Министерства обороны была создана первая в стране группа реагирования на компьютерные чрезвычайные ситуации. Разработчики также начали создавать столь необходимое программное обеспечение для обнаружения компьютерных вторжений.
В то же время червь Морриса вдохновил новое поколение хакеров и волну интернет-атак, которые продолжают досаждать нашим цифровым системам и по сей день. Случайно это или нет, но первая интернет-атака 30 лет назад стала тревожным звонком для страны и грядущей кибер-эры.
Топ-10 самых страшных компьютерных вирусов в истории
Компьютерные вирусы, когда-то служившие поводом для смеха, теперь стали разрушительной и дорогостоящей чумой в нашем подключенном к Интернету мире. Ежедневно обнаруживается более 350 000 новых вредоносных программ, ежегодная стоимость которых превышает 55 миллиардов долларов. Но один вирус — вирус Mydoom в 2004 году — возглавляет список с ущербом в 38 миллиардов долларов.
В этой статье перечислены самые разрушительные компьютерные вирусы в зависимости от их финансового воздействия. Но имейте в виду, что эти вредоносные программы — лишь верхушка айсберга. Ежегодно 127 миллионов новых вредоносных приложений атакуют потребителей и предприятия, поэтому вирусы, описанные в этой статье, — лишь самая крупная рыба в бесконечном море киберпреступности.
10 самых страшных компьютерных вирусов в истории
В приведенном ниже списке 10 самых известных компьютерных вирусов мы показываем стоимость, даты, охват и другие ключевые факты. Сначала примечание о терминах: мы используем слова «вирус» и «червь» взаимозаменяемо, потому что большинство читателей ищут их именно так. Но есть тонкая разница, которую мы объясним после списка.
1. Mydoom – 38 миллиардов долларов
Самая страшная эпидемия компьютерного вируса в истории, Mydoom нанесла предполагаемый ущерб в 38 миллиардов долларов в 2004 году, но его стоимость с поправкой на инфляцию фактически составляет 52,2 миллиарда долларов. Это вредоносное ПО, также известное как Novarg, технически является «червем», распространяемым посредством массовой рассылки по электронной почте. В какой-то момент вирус Mydoom был ответственен за 25% всех отправленных электронных писем.
Mydoom собирал адреса с зараженных машин, а затем отправлял свои копии на эти адреса. Он также связал эти зараженные машины в сеть компьютеров, называемую ботнетом, которая выполняла распределенные атаки типа «отказ в обслуживании» (DDoS). Эти атаки были предназначены для отключения целевого веб-сайта или сервера.
Mydoom существует и по сей день, генерируя 1% всех фишинговых писем. Это немалый подвиг, учитывая, что каждый день отправляется 3,4 миллиарда фишинговых писем. По этой цифре Mydoom зажил собственной жизнью, заражая достаточно плохо защищенных машин, чтобы рассылать 1,2 миллиарда своих копий в год через 16 лет после своего создания.
Хотя было предложено вознаграждение в размере 250 000 долларов, разработчика этого опасного компьютерного червя так и не поймали.
Хотите знать, что делает самые безопасные компьютеры в мире такими безопасными? См. руководство Tech@Work: Обновление до самого безопасного и управляемого ПК в мире
2. Sobig – 30 миллиардов долларов
Компьютерный вирус Sobig 2003 года на самом деле является еще одним червем. По своим масштабам он уступает только вирусу Mydoom. Цифра в 30 миллиардов долларов — это общая сумма по всему миру, включая Канаду, Великобританию, США, континентальную Европу и Азию. Несколько версий червя были выпущены в быстрой последовательности, от Sobig.A до Sobig.F, причем Sobig.F оказался наиболее опасным.
Эта киберпреступная программа маскируется под законное компьютерное программное обеспечение, прикрепленное к электронным письмам. Это нарушило продажу билетов в Air Canada и помешало бесчисленному количеству других предприятий. Несмотря на широко распространенный ущерб, создатель удачной ошибки так и не был пойман.
3. Klez – $19,8 млрд.
Klez занимает третье место в списке самых страшных когда-либо созданных компьютерных вирусов. При предполагаемом ущербе почти в 20 миллиардов долларов он заразил около 7,2% всех компьютеров в 2001 году, или 7 миллионов ПК. Червь Klez рассылал поддельные электронные письма, подделывал признанных отправителей и, среди прочего, пытался деактивировать другие вирусы.
Как и другие вирусы и черви, Klez был выпущен в нескольких вариантах. Он заражал файлы, копировал себя и распространялся по сети каждой жертвы. Это висело годами, и каждая версия была более разрушительной, чем предыдущая.
Windows прошла долгий путь с тех пор, как большинство компьютерных вирусов из этого списка попали в Интернет. К счастью, встроенная защита Microsoft Defender всегда на страже.
4. ILOVEYOU – 15 миллиардов долларов
В 2000 году вирус ILOVEYOU работал, отправляя поддельное «любовное письмо», которое выглядело как безвредный текстовый файл. Как и Mydoom, этот злоумышленник отправлял свои копии на все адреса электронной почты в списке контактов зараженной машины. Вскоре после выпуска 4 мая он распространился на более чем 10 миллионов компьютеров.
Вирус был создан студентом филиппинского колледжа по имени Онель де Гусман. Не имея средств, он написал вирус для кражи паролей, чтобы он мог бесплатно входить в онлайн-сервисы, которыми хотел пользоваться. Сообщается, что он понятия не имел, как далеко распространится его творение. Этот вирус также известен как Loveletter.
Хотите повысить безопасность удаленной работы, прежде чем в списке самых смертоносных компьютерных вирусов появится еще одна запись? См. наше руководство: Как работать удаленно и безопасно
5. WannaCry — 4 миллиарда долларов
Компьютерный вирус WannaCry 2017 года — это программа-вымогатель, вирус, который захватывает ваш компьютер (или облачные файлы) и держит их в заложниках. Программа-вымогатель WannaCry взломала компьютеры в 150 странах, что привело к огромным потерям производительности, поскольку предприятия, больницы и государственные организации, которые не платили, были вынуждены восстанавливать системы с нуля.
Вредоносная программа распространилась со скоростью лесного пожара на 200 000 компьютеров по всему миру. Это прекратилось, когда 22-летний исследователь безопасности из Великобритании нашел способ отключить его. Особенно сильно пострадали компьютеры с устаревшими операционными системами. Вот почему эксперты по безопасности всегда рекомендуют часто обновлять свои системы.
Программа-вымогатель снова наносит удар
В сентябре 2020 года Universal Health Services подверглась одной из потенциально крупнейших компьютерных вирусных атак в истории медицины. Сообщается, что сеть больниц в США, насчитывающая более 400 отделений, пострадала от вредоносных программ-вымогателей. Атака вынудила отменить операции и заставила медицинских работников перейти на бумажные записи.
6. Zeus — 3 миллиарда долларов
Компьютерный вирус Zeus — это онлайн-инструмент для кражи, появившийся в сети в 2007 году. В официальном документе Unisys три года спустя подсчитано, что он стоит за 44% всех атак банковского вредоносного ПО. К тому времени он взломал 88% всех компаний из списка Fortune 500, всего 2500 организаций и 76 000 компьютеров в 19 странах мира.6 стран.
Ботнет Zeus представлял собой группу программ, которые работали вместе, чтобы захватить компьютеры для удаленного «хозяина ботов». Он возник в Восточной Европе и использовался для перевода денег на секретные банковские счета. В 2010 году было арестовано более 100 членов криминальной группировки, стоящей за вирусом, в основном в США. Сегодня это не так заметно, но часть исходного кода вируса продолжает жить в новых ботнет-вирусах и червях.
Зевс нанес задокументированный ущерб в размере 100 миллионов долларов. Но реальная стоимость с точки зрения потери производительности, удаления и недокументированного воровства, несомненно, намного выше. Оценка в 3 миллиарда долларов с поправкой на инфляцию оценивает стоимость этого вируса в 3,7 миллиарда долларов в сегодняшних долларах.
7. Code Red — 2,4 миллиарда долларов
Компьютерный вирус Code Red, впервые обнаруженный в 2001 году, был еще одним червем, проникшим на 975 000 хостов. На нем отображались слова «Взломано китайцами!» через зараженные веб-страницы, и он полностью выполнялся в памяти каждой машины. В большинстве случаев он не оставлял следов на жестких дисках или других хранилищах.
Финансовые затраты оцениваются в 2,4 миллиарда долларов. Вирус атаковал веб-сайты зараженных компьютеров и осуществил распределенную атаку типа «отказ в обслуживании» (DDoS) на веб-сайте Белого дома США www.whitehouse.gov. Фактически Белому дому пришлось изменить свой IP-адрес, чтобы защититься от Code Red.
Может ли ваш принтер заразиться вирусом? См. нашу замечательную инфографику: The State of Printer Security
8. Slammer — 1,2 миллиарда долларов
В 2003 году червь SQL Slammer стоил около 750 миллионов долларов для 200 000 пользователей компьютеров. Этот компьютерный вирус случайным образом выбирал IP-адреса, использовал уязвимости и рассылал к другим машинам. Он использовал эти компьютеры-жертвы для запуска DDoS-атаки на несколько интернет-хостов, что значительно замедлило интернет-трафик.
Червь Slammer особенно сильно поразил банки в США и Канаде, отключив банкоматы во многих местах. Клиенты Imperial Bank of Commerce в Торонто не смогли получить доступ к средствам. Атака снова подняла свою уродливую голову в 2016 году, начав с IP-адресов в Украине, Китае и Мексике.
9. CryptoLocker — 665 миллионов долларов
К счастью, атаки программ-вымогателей, таких как вирус CryptoLocker 2013 года, снизились по сравнению с пиком 2017 года. Эта вредоносная программа атаковала более 250 000 компьютеров, зашифровав их файлы. На нем отображалась красная записка о выкупе, информирующая пользователей о том, что «ваши важные файлы зашифрованы на этом компьютере». Платежное окно сопровождало записку.
Создатели вируса использовали червя под названием ботнет Gameover Zeus для создания и отправки копий вируса CryptoLocker. Согласно отчету охранной фирмы Sophos, средняя атака программ-вымогателей обходится бизнесу в 133 000 долларов. Если мы оценим, что CryptoLocker поразил 5000 компаний, то его общая стоимость составит 665 миллионов долларов.
Куда дальше пойдет кибербезопасность? См. наше руководство: Будущее кибербезопасности
10. Sasser — 500 миллионов долларов
Червь Sasser был написан 17-летним немецким студентом, изучающим компьютерные науки, по имени Свен Яшан. Он был арестован в возрасте 18 лет в 2004 году после того, как за создателя компьютерного вируса была объявлена награда в размере 250 000 долларов. Друг Яшана сообщил властям, что юноша сочинил не только червя Sasser, но и разрушительную атаку на Netsky. AC.
Яшан был приговорен к условному сроку после того, как выяснилось, что он был несовершеннолетним, когда написал вредоносное ПО. Червь Sasser привел к сбою миллионов компьютеров, и хотя в некоторых отчетах ущерб оценивается в 18 миллиардов долларов, относительно низкий уровень заражения предполагает более вероятную стоимость в 500 миллионов долларов.
Другие известные вирусы
Приведенные выше 10 наиболее опасных компьютерных вирусов являются лишь уродливой верхушкой гигантского цифрового айсберга. Каждые 3 года появляется миллион новых вредоносных программ, и мы можем пропустить лес из-за нескольких выдающихся деревьев. Вот еще несколько вирусов, которые сеяли хаос за эти годы:
Mimail: Этот червь пытался собрать данные с зараженных машин для запуска серии DDoS-атак, но его было относительно легко удалить.
Yaha: Еще один червь с несколькими вариантами, предположительно являющийся результатом кибервойны между Пакистаном и Индией.
Swen: Компьютерный червь Swen, написанный на C++, маскировал себя под обновление операционной системы 2003 года. Его финансовые затраты оцениваются в 10,4 миллиарда долларов, но это ненадежно.
Storm Worm: Этот червь появился в 2007 году и атаковал миллионы компьютеров, отправив электронное письмо о приближающейся плохой погоде.
Танатос/медведь: Вирус-кейлоггер 2002 года, нацеленный на финансовые учреждения и распространившийся в 150 странах.
Sircam: Компьютерный червь 2001 года, который использовал поддельные электронные письма с темой: «Я посылаю вам этот файл, чтобы получить ваш совет».
Explorezip: Этот червь использовал поддельные электронные письма для распространения на каждую машину в тысячах локальных сетей.
Мелисса: Самый опасный компьютерный вирус 1999 года, Мелисса отправляла свои копии, которые выглядели как картинки NSFW. ФБР США оценило затраты на очистку и ремонт в 80 миллионов долларов.
Flashback: Вирус Flashback, предназначенный только для Mac, заразил более 600 000 компьютеров Mac в 2012 году и даже заразил домашнюю базу Apple в Купертино, Калифорния.
Conficker: Этот вирус 2009 года по-прежнему заражает многие устаревшие системы и может нанести значительный ущерб, если когда-либо активируется.
Stuxnet: Сообщается, что этот червь уничтожил иранские ядерные центрифуги, рассылая вредоносные инструкции.
Узнайте, как усилить профиль кибербезопасности вашей компании: лучшие способы повышения корпоративной кибербезопасности
Вирус и червь
Разница между вирусом и червем заключается в том, что для работы вирусу нужна другая программа, например текстовый процессор или веб-браузер. Напротив, червь автономен и может запускать, копировать и рассылать свои копии самостоятельно. Некоторые из самых опасных компьютерных вирусов на самом деле являются червями.
Как узнать, есть ли у вас вирус
Сегодня легко узнать, есть ли у вас вирус. Просто откройте антивирусное программное обеспечение вашего компьютера и просмотрите его последний отчет. Windows 10 имеет встроенную защиту от вирусов, которая называется «Безопасность Windows». Чтобы найти его, введите «Безопасность Windows» в строке поиска вашего ПК. Щелкните значок щита слева, чтобы просмотреть последнее сканирование.
Хотите знать, что делать, если вы подхватили вирус? См. наше руководство: Как избавиться от вируса
Для дополнительной защиты McAfee® использует сеть глубокой аналитики угроз и машинное обучение для обнаружения, защиты и исправления из облака. См. наш обзор: Обзор McAfee Antivirus за 2020 г.
Методология
Чтобы найти самые опасные компьютерные вирусы в мире, мы полагались на оценки потери производительности, продолжительности заражения и приблизительного числа зараженных машин. Мы также использовали оценки затрат на очистку и ремонт. К сожалению, ни правительство, ни мировая организация не отслеживают стоимость компьютерных вирусов.
Большинство оценок стоимости компьютерных вирусов, которые вы найдете в других статьях в Интернете, исходят из одного источника. Это очень короткая (2 абзаца) статья британской охранной фирмы под названием mi2g в 2003 году. В этой статье не приводятся данные, лежащие в основе ее оценок, и цифры в большинстве случаев кажутся завышенными, особенно после нашего независимого исследования. Мы скорректировали эти оценки в большую или меньшую сторону, сверив их с данными различных государственных органов и аналитиков по безопасности.
Резюме
Компьютерные вирусы обходятся примерно в 55 миллиардов долларов в год на очистку и ремонт. Самым большим компьютерным вирусом за всю историю является вирус Mydoom, который в 2004 году нанес ущерб примерно в 38 миллиардов долларов. Другими известными являются червь Sobig за 30 миллиардов долларов и червь Klez за 19,8 миллиардов долларов. К счастью, современные защищенные ПК и операционные системы значительно усложняют проникновение вирусов и червей в нашу подключенную к Интернету жизнь.
Об авторе
Том Геренсер является автором статей для HP® Tech Takes. Том — журналист ASJA, карьерный эксперт Zety.com и постоянный автор журналов Boys’ Life и Scouting. Его работы представлены в Costco Connection, FastCompany и многих других.
Битва за уничтожение изнурительного паразита дракункулеза отложена на 10 лет
Мужчины извлекают дракункулеза из ноги зараженной собаки в Чаде. Предоставлено: Джейн Хан/NYT/Redux/eevine
Несколько лет назад казалось, что человечество вот-вот сотрет изнурительную паразитарную болезнь с лица Земли. Но долгий путь к искоренению дракункулеза стал намного длиннее. Столкнувшись с доказательствами ранее неизвестных путей передачи, Всемирная организация здравоохранения (ВОЗ) незаметно перенесла целевую дату искоренения болезни с 2020 на 2030 год.
«Мы реалистичны и приземлены», — говорит Дьедонне Санкара, возглавляющий усилия ВОЗ по ликвидации.
На сегодняшний день человечество уничтожило только один человеческий патоген: оспу. Решение по дракункулезу ( Dracunculus medinensis ) является серьезным ударом по ученым и работникам здравоохранения, которые борются с паразитом с 1980-х годов. Международное партнерство под руководством Центра Картера в Атланте, штат Джорджия, сократило число новых случаев инфицирования с 3,5 млн в год в 19с 86 до всего 28 в 2018 году. И болезнь, когда-то распространенная в Африке и Азии, была ограничена несколькими странами в Центральной Африке.
Но серия загадочных открытий сделала невозможным достижение цели 2020 года. Наиболее насущной проблемой является стремительный и до сих пор необъяснимый уровень инфекций среди собак в Чаде, что помогло поддерживать циркуляцию дракункулеза в окружающей среде. Затем появляются первые известные случаи среди людей в Анголе, вызывающие недоумение инфекции у бабуинов в Эфиопии и конфликты, которые препятствуют усилиям по искоренению в некоторых частях Мали, Судана и Южного Судана. Некоторые эксперты в области общественного здравоохранения задаются вопросом, возможно ли вообще уничтожить паразита.
«Вопрос был вынесен на обсуждение и занимал некоторые из наших умов. Это развивающийся мыслительный процесс», — говорит Марк Эберхард, паразитолог на пенсии и член консультативной группы ВОЗ, Международной комиссии по сертификации ликвидации дракункулеза, чья работа состоит в том, чтобы определить, когда дракункулез наконец исчезнет. Он говорит, что рост инфекций у собак предполагает, что искоренение будет чрезвычайно трудным, если не невозможным.
Но Дональд Хопкинс, специалист по тропической медицине, с самого начала руководивший усилиями по искоренению дракункулеза, непоколебим. «Я уверен, что мы сможем покончить с этим», — говорит Хопкинс, ветеран кампании, которая в 1919 г.80 искоренили оспу. Теперь специальный советник Центра Картера, Хопкинс надеется повторить подвиг с дракункулезом, пока его 94-летний босс, бывший президент Джимми Картер, жив, чтобы увидеть, как это произойдет.
Простой план
Когда-то названный «болезнью пустых амбаров», потому что его жертвы были слишком неспособны заниматься сельским хозяйством, работать или ходить в школу, дракункулез поражает беднейших из бедных. Не существует лекарства для его лечения и вакцины для предотвращения.
Люди заражаются паразитом, выпивая воду, содержащую микроскопических водяных блох, известных как копеподы, переносящих личинок дракункулеза. Через год или около того жилистый червь, 60 на 90 сантиметров прорывается сквозь кожу на голени или стопе. Его мучительно болезненное путешествие из тела может занять недели. Чтобы облегчить жжение, многие люди заходят в ближайший водоем — часто тот же пруд, из которого они пьют. Когда взрослый червь попадает в воду, он выпускает личинок, и цикл начинается заново.
На протяжении десятилетий паразитологи считали, что это единственный путь передачи и что риштой заражаются только люди. Исследователи разработали план искоренения болезни, научив людей из групп риска фильтровать питьевую воду и, в случае заражения, держаться подальше от прудов, пока червь не выйдет из их тела. Эти простые меры были дополнены стратегическим использованием ларвицидов.
Всемирная ассамблея здравоохранения одобрила этот план в 1986 году, в результате чего дракункулез стал второй после оспы болезнью человека, официально подлежащей искоренению. (Двумя годами позже ассамблея добавила к списку полиомиелит.) Эксперты в области общественного здравоохранения были уверены, что смогут уничтожить дракункулез, потому что неизвестно, циркулирует ли этот паразит среди животных, что может способствовать его выживанию и распространению.
Собачья головоломка
Эти давние предположения начали давать сбои в 2010 году, когда после десятилетнего отсутствия у людей, живущих вдоль реки Чари, появилась болезнь ришты в Чаде. Ученые были озадачены тем, что случаи были спорадическими и разбросаны по обширной территории, а не концентрировались вокруг загрязненных источников воды. Что еще более странно, полевые сотрудники программы искоренения обнаружили волокнистых червей, свисающих с ног домашних собак. Генетический анализ подтвердил, что эти паразиты были D. medinensis , который около десяти лет избегал наблюдения в Чаде.
Эти события позволили предположить существование ранее неизвестного пути передачи, связанного с процветающим рыбным промыслом вдоль реки Чари. Но после восьми лет исследований исследователи до сих пор не определили его. Последняя идея о том, что собаки и некоторые люди заражаются, поедая очень мелкую рыбу, в которой обитают паразиты, — это всего лишь «один шаг вперед от гипотезы», — говорит Эберхард, десятилетиями работавший над искоренением дракункулеза в Центрах болезней США. Контроль и профилактика в Атланте. «Мы продолжаем спрашивать, чего нам не хватает?»
Число новых случаев заражения людей дракункулезом в Чаде остается относительно постоянным, начиная с 2010 г., примерно дюжина в год. (Этот год является исключением, 24 случая, половина из которых произошла в деревне, где люди загрязненный пруд.) Тем не менее, число новых случаев у собак выросло с сотен в начале 2010-х годов до более чем 1500 в этом году. «Очевидно, что в Чаде собаки являются движущей силой передачи, а люди — вспомогательными», — говорит Эберхард. «Если мы будем контролировать его у собак, человеческие случаи могут исчезнуть».
О случаях дракункулеза у собак сообщалось ранее в других странах. Но не было никаких доказательств того, что инфекции у собак могут поддерживать передачу. «Как только он исчез у людей, он исчез и у собак», — говорит Сара Кливленд, ветеринар и эпидемиолог из Университета Глазго, Великобритания.
Программа искоренения предлагает вознаграждение в размере 20 долларов США любому жителю Чада, который сообщит о случае заболевания дракункулезом у собак. Полевые работники также учат людей привязывать зараженных собак, пока появляются черви, и закапывать внутренности рыб. Программа пыталась давать собакам препараты для дегельминтизации, но безрезультатно. Теперь он расширяет использование ларвицидов для уничтожения веслоногих рачков, переносящих личинок дракункулеза. Тем временем проводятся лабораторные и полевые исследования, чтобы точно определить источник инфекции и найти способы ее остановить.
Загадочный паразит
Инфицированные собаки и несколько кошек также зарегистрированы в Эфиопии и Мали, но число случаев исчисляется десятками и двадцатками, а не тысячами, наблюдаемыми в Чаде. Исследователи не уверены, почему Чад так сильно пострадал. «Важно, чтобы мы лучше понимали эпидемиологию болезни — узнали действительно ключевой источник инфекций у собак», — говорит Кливленд. Она возглавляет рабочую группу ВОЗ, которая разрабатывает критерии для проверки отсутствия у животных дракункулеза.
Обнаружение в 2013 году инфицированных бабуинов — первое — в небольшом лесном массиве на юге Эфиопии также заставило исследователей почесать затылки. На данный момент ученые обнаружили 15 павианов с дракункулезом. Программа искоренения наняла охотников для поиска и картирования источников воды глубоко в лесу, которые затем обрабатываются ларвицидом. На отдельных павианов были надеты ошейники, и их отслеживают, чтобы выяснить, где они едят, пьют и спят. По словам Кливленда, ключевой вопрос заключается в том, могут ли бабуины, как и собаки, самостоятельно поддерживать передачу инфекции.
Затем в Анголе появляется дракункулез. Первый известный в стране случай заболевания у 8-летней девочки был выявлен в апреле 2018 года. В начале 2019 года был обнаружен второй инфицированный человек, а также собака.
«Сколько времени он существует и откуда взялся, остается только гадать, — говорит Хопкинс. Паразит мог все это время скрываться в Анголе или подвезти человека или собаку из другой страны. Ученые ищут подсказки, секвенируя ДНК из образцов дракункулеза, взятых в Анголе. Центр Картера устанавливает эпиднадзор в стране, а ВОЗ сотрудничает с правительством Намибии, чтобы проверить ее границу с Анголой на наличие признаков болезни.
Смягчение ожиданий
Новая целевая дата ликвидации дракункулеза, установленная ВОЗ на 2030 год, предназначена не только для того, чтобы остановить передачу дракункулеза, но и для того, чтобы сертификационная комиссия удостоверилась, что болезнь исчезла. Для этого требуется три или более лет без заражения человека или животного — в условиях интенсивного наблюдения.
Дэвид Молинье, паразитолог из Ливерпульской школы тропической медицины в Соединенном Королевстве и член сертификационной комиссии, задается вопросом, как ее члены могут быть уверены, что дракункулез побежден. «Наша задача — выяснить, как можно сертифицировать страну размером с Чад, свободную от дракункулеза у людей и собак. Можем ли мы когда-нибудь представить себе такой уровень слежки?» — говорит он, отмечая, что только по бассейну реки Чари бродит 60 000 собак.
Еще есть зоны конфликта в Мали, Судане и Южном Судане, где слишком опасно заниматься искоренением. «Как вы докажете отрицательный результат в таких условиях?» — спрашивает Молинье.
Он настаивает на плане Б на случай, если ликвидация дракункулеза окажется невозможной, и говорит, что мир должен отпраздновать то, что усилия по искоренению уже достигли. «Это спасло миллионы людей от инвалидности», — говорит он. И количество людей, которые заражаются каждый год, невелико. Если меры контроля продолжатся, «это никогда больше не будет проблемой для общественного здравоохранения».
Но Хопкинс не соглашается на контроль. «Сложнее всего в искоренении то, что нет места для маневра», — говорит он. «Ноль есть ноль». И это остается целью.
Siemens: червь Stuxnet поразил промышленные системы
Новости
Роберт Макмиллан
Служба новостей IDG |
По данным Siemens, изощренный червь, предназначенный для кражи промышленных секретов и нарушения работы, заразил не менее 14 заводов.
Червь, получивший название Stuxnet, был обнаружен в июле, когда исследователи из VirusBlokAda обнаружили его на компьютерах в Иране. Это одна из самых сложных и необычных вредоносных программ из когда-либо созданных: червь использовал ранее неизвестную уязвимость Windows (сейчас она исправлена), которая позволяла ему распространяться с компьютера на компьютер, как правило, через USB-накопители.
Червь, предназначенный для атаки на промышленные системы управления Siemens, не получил широкого распространения. Однако, по словам представителя компании Саймона Виланда, это затронуло ряд заводов Siemens. «Мы обнаружили вирус в системах SCADA [диспетчерского управления и сбора данных] 14 действующих заводов, но без каких-либо сбоев процесса и производства и без каких-либо повреждений», — сказал он в сообщении по электронной почте.
Это тревожная новость, поскольку, согласно новому докладу о черве, который должен быть представлен на конференции Virus Bulletin в этом месяце в Ванкувере, Stuxnet может быть использован для причинения значительного ущерба, если его не удалить должным образом.
Исследователи Symantec взломали криптографическую систему Stuxnet и говорят, что это первый червь, созданный не только для слежки за промышленными системами, но и для их перепрограммирования.
После установки на ПК Stuxnet использует пароли Siemens по умолчанию для поиска и попытки получить доступ к системам, на которых работают программы WinCC и PCS 7 — так называемые программы ПЛК (программируемый логический контроллер), которые используются для управления большими крупномасштабные промышленные системы на заводах, военных объектах, химических и электростанциях.
По словам руководителя Symantec Security Response Лиама О’Мурчу, после заражения программное обеспечение работает в два этапа. Сначала он загружает информацию о конфигурации системы Siemens на сервер управления и контроля. Затем злоумышленники могут выбрать цель и фактически перепрограммировать ее работу. «Они решают, как должны работать ПЛК, а затем отправляют на зараженные машины код, который изменит работу ПЛК», — сказал О’Мурчу.
Как отметил Виланд, нет никаких известных случаев фактического воздействия на работу завода.
Однако, по словам О’Мурчу, это вполне возможно. Stuxnet поставляется с руткитом, предназначенным для сокрытия любых команд, которые он загружает от операторов систем Siemens. По этой причине Symantec предупреждает, что даже если Windows-компоненты червя будут удалены, программное обеспечение Siemens все еще может содержать скрытые команды. Symantec рекомендует компаниям, которые были заражены, тщательно проверять код на своих ПЛК или восстанавливать систему из защищенной резервной копии, чтобы быть в безопасности.
Stuxnet заразил системы в Великобритании, Северной Америке и Корее, однако наибольшее количество заражений на сегодняшний день произошло в Иране.
Первые образцы кода Stuxnet датируются июнем 2009 года, но эксперты по безопасности считают, что он, вероятно, начал заражать системы только в начале этого года.
Оборонные подрядчики и компании, обладающие ценной интеллектуальной собственностью, уже много лет подвергаются целенаправленным атакам — в январе Google заявила, что стала целью изощренной попытки кражи данных, известной как операция «Аврора». Но Stuxnet знаменует собой первый случай, когда кто-то нацелился на производственный цех.
И если бы червь использовался для нарушения работы систем на химической или электростанции, результаты могли бы быть разрушительными.
«Мы определенно никогда раньше не видели ничего подобного», — сказал О’Мурчу. «Тот факт, что он может контролировать работу физических машин, весьма тревожен».
Однако маловероятно, что Stuxnet сможет захватить новые системы на этом этапе. Symantec получила контроль над доменом, используемым для отправки команд на зараженные машины, вскоре после обнаружения Stuxnet, а это означает, что хакеры, стоящие за ним, больше не могут отправлять новые команды на зараженные системы.
Никто не знает, кто стоит за Stuxnet, но недавно исследователь «Лаборатории Касперского» Роэль Шувенберг заявил, что, скорее всего, это было национальное государство.
О’Мурчу из Symantec согласен с тем, что червь был создан особо изощренными злоумышленниками. «Это определенно не типичная операция», — сказал он.
Роберт Макмиллан освещает последние новости о компьютерной безопасности и общих технологиях для Службы новостей IDG . Следите за новостями Роберта в Твиттере: @bobmcmillan. Адрес электронной почты Роберта: [email protected]
Большая популяция совок поразила сенокосы Джорджии
Фермеры из Джорджии никогда не удивляются, когда видят, как осенняя совка жует их драгоценную кукурузу, сорго и фуражное сено. Они просто надеются на небольшое количество совок. В этом году популяция крошечных эсминцев, описанная энтомологом из Университета Джорджии Дэвидом Бантином как «вспышка типа Армагеддона», далеко не низкая.
Эксперт по вредителям мелких зерновых в Колледже сельскохозяйственных наук и наук об окружающей среде UGA, Бантин целыми днями отслеживает насекомых, которые могут уничтожить пропашные культуры в Джорджии, и работает над определением наилучших методов борьбы с ними и установлением пороговых значений пестицидов или количества насекомых, которые должны присутствовать, прежде чем фермер должен применить пестицид.
«В этом году осенние совки намного, намного выше порога лечения. Их здесь гораздо больше», — сказал он. «По состоянию на конец августа почти все пастбища в центральной и северной Грузии были опрысканы как минимум один раз, а многие из них — дважды».
Каждый год черви мигрируют из Карибского моря и Флориды. В этом году они рано появились на полях кукурузы и сорго. Сейчас они оказываются на пастбищах раньше обычного.
Когда дело доходит до пастбищ, совки любят больше всего кормовых трав, сказал Бантин, включая багиаграсс, бермудскую траву, овсяницу и смеси. Гусеницы совки также предпочитают дерновые травы и кормятся над землей, в основном поедая листву и нежные стебли. Взрослые особи совки активны ночью. Самки откладывают от 50 до нескольких сотен яиц группами, которые вылупляются всего за несколько дней. Жизненный цикл от яйца до бабочки занимает около 28 дней в теплую погоду августа и сентября.
«Личинки развиваются несколько недель. Когда они маленькие, они мало едят, но когда они линяют до последней стадии, они могут съесть все пастбище за четыре-пять дней», — сказал Бантин.
На самом деле мотыльки прилетают в Грузию в мае, но требуется «три-четыре поколения» размножения вредителя, чтобы достичь точки, когда фермеры должны применять средства борьбы. «К последним нескольким поколениям они достигли разрушительного уровня».
Округ Пайк, Джорджия, сенокос Джим Квик говорит, что уже 10-12 лет у него не было серьезной проблемы с осенней совкой.
«Большую часть времени я просто наблюдаю и наблюдаю за ними осенью», — сказал Квик, который выращивает 20 акров сена, чтобы кормить свой скот и продавать соседним фермерам.
Он может подтвердить, как быстро падающие совки могут нанести ущерб полю. Однажды у него было «красивое, зеленое поле». Теперь его поле коричневое.
«Меня не было в городе несколько дней, и я вернулся домой в воскресенье и нашел их. К тому времени они уже уничтожили половину моего поля, а магазин сельскохозяйственных товаров был закрыт. Если бы я поймал их двумя или тремя днями раньше, не было бы и близко такого ущерба», — сказал Квик о состоянии своего урожая прибрежной бермудской травы. «В воскресенье они ели ближе к земле, но к понедельнику уже сидели на стеблях и сидели на моем тракторе. Казалось, что на каждом стебле был червяк».
Двенадцать лет назад Квик видел, как черви переместились с одного акра его поля на восемь акров всего за один день.
«Это заражение было настолько сильным, что вы могли видеть, как земля двигалась, она была так полна их», — сказал он. «Это худшее, что я когда-либо видел».
Квик говорит, что большая стая дроздов, слетающихся в поле, является хорошим признаком того, что поле полно осенних совок. Птицы прилетают поедать червей с травы.
Обычно Квик собирал три укоса сена со своего поля. Теперь он, скорее всего, не получит третью стрижку. Два укоса обеспечат достаточно сена, чтобы накормить его животных, а часть останется на продажу.
«Даже если я смогу получить еще один разрез, он будет на более коротком разрезе. Если бы я мог просто поймать их на два или три дня раньше», — сказал он.
Квик и Бантин согласны с тем, что чрезвычайно засушливые погодные условия в Джорджии способствовали резкому росту численности совок в этом году.
«Осенняя совка опасна в Южной Джорджии, но не так опасна, как в центральной и северной частях штата», — сказал Бантин. «Это плохо (на юге Джорджии), но там больше дождей», — сказал он.
Фермеры Джорджии борются со вспышками осенней совки каждые три-четыре года, сказал он. Последняя сильная вспышка была в 2013 году, но вспышка в этом году «кажется, намного хуже, чем обычно, и сухая погода усугубила ситуацию», — сказал Бантин.
Эксперты UGA, такие как Бантин, рекомендуют несколько инсектицидов, которые фермеры могут распылять, например, пиретроид и регулятор роста.
«Местный дилер (сельхозтовары) говорит, что он не может хранить два продукта пастбищ, которые мы рекомендуем, потому что за ними приезжает так много фермеров», — сказал он.
Вернувшись в округ Пайк, Квик рад видеть, что его сенокосы свободны от живых совок, но, по иронии судьбы, он принес на свою территорию более 500 живых червей. В качестве координатора исследований в кампусе UGA в Гриффине, штат Джорджия, он пожертвовал участок своей области для исследовательского испытания.
«Я кладу пластиковые пробирки в землю, засыпаю червей, а затем обрабатываю каждую пробирку различными химическими комбинациями, чтобы определить, какие инсектициды работают лучше всего и с какой скоростью», — сказал он. «Я бы солгал, если бы сказал, что мне не кажется странным подносить живых червей так близко к моим посевам, но я знаю ценность исследований, которые мы проводим».
Квик смог решить проблему с осенней совкой с помощью одного распыления. Иначе обстояло дело с одним из его соседей, фермером, выращивающим просо.
«Ему пришлось пять раз опрыскивать одно и то же поле», — сказал он.
Шэрон Дауди — редактор новостей Колледжа сельскохозяйственных и экологических наук Университета Джорджии.
«Безумные черви» угрожают деревьям и кленовому сиропу Америки: NPR
Сумасшедшие черви — инвазивный вид из Азии — представляют угрозу для лесов, говорят ученые. Черви могут метаться так сильно, что могут выпрыгнуть из руки человека. Они также теряют свой хвост — намеренно.
Йозеф Гёррес/Департамент растениеводства и почвоведения Вермонтского университета
скрыть заголовок
переключить заголовок
Йозеф Гёррес/Департамент растениеводства и почвоведения Вермонтского университета
Дождевых червей часто можно встретить в саду и даже на рыболовных крючках. Но эксперты говорят, что на северо-востоке инвазивные «сумасшедшие черви» из Азии создают хаос в лесах — и они говорят, что необычные черви представляют опасность для животных и растений, и особенно для сахарных кленовых деревьев.
«Уличная репутация, которую они имеют, скрывает вторжение», — говорит о червях Йозеф Гёррес, почвовед из Университета Вермонта.
«Я называю нашествия дождевых червей «социально загадочными», — говорит Гёррес NPR, — потому что люди думают о дождевых червях как о хороших парнях — и, возможно, они обитают в определенных экосистемах. Но в контексте северных [США] лесов они относительные новички, которые могут иметь огромные последствия».
Сумасшедшие черви — также известные как черви-прыгуны — быстро размножаются. Они также любят разрывать питательный слой разлагающихся листьев и питательных веществ, покрывающих лесную подстилку — привычка, которая может быть очень вредной для лесов, включая клены.
Прежде всего: почему люди называют их сумасшедшими червями
Так что же делает этих червей такими сумасшедшими?
«Это действительно активные черви, и в этом вся прелесть. Они могут выпрыгнуть из вашей руки», — говорит Гёррес, добавляя, что интенсивные извивающиеся существа могут подбросить их в воздух.
«И хвосты они тоже теряют», — добавляет он. «Некоторые виды теряют свои хвосты, как саламандры. Так что это тоже какое-то сумасшествие, когда вы это видите».
Ютуб
Черви не регенерируют новый хвост — это больше похоже на одноразовую карточку для выхода из тюрьмы.
«Это одноразовая защита от противной птицы, которая прилетает, чтобы подобрать ее», — говорит Гёррес. «Он расщепляется. Живая часть червя на самом деле как бы соскальзывает прочь, а хвост продолжает метаться. Таким образом, он, по сути, говорит: «Вот я, поднимите меня, я червяк».
«Они очень активны», — сказала однажды Моника Тернер, профессор Университета Висконсин-Мэдисон, Общественному радио Висконсина. «Они почти кажутся червями, которые хотят быть змеями».
Безумно плохо, а не безумно хорошо
Хотя некоторые дождевые черви могут быть полезны садоводам, они также могут создавать проблемы в лесу. И это особенно верно для азиатских дождевых червей, которые относятся к роду Amynthas .
Черви «в значительной степени враги всего», заявил недавно государственный садовод штата Мэн Гэри Фиш.
Ютуб
Черви обладают множеством характеристик, которые делают их проблемой для лесоустроителей и садоводов. Они ненасытные едоки, и в то время как большинство дождевых червей зарываются глубоко в почву, сумасшедшие черви предпочитают оставаться в упругом слое разлагающегося органического материала.
«Они едят лесную навозную муку намного быстрее, чем многие другие европейские черви, потому что они остаются прямо в этой навозной жиже, а не уходят глубоко в землю», — сказал Фиш. «Они остаются на том же уровне и съедают все очень быстро».
Кроме того, они изменяют состав почвы, создавая текстуру, которую часто сравнивают с кофейной гущей. Модифицированная почва губительна для многих местных растений, поскольку лишена жизненно важных питательных веществ и подвержена повышенной эрозии.
Черви могут вызвать проблемы даже у случайных садоводов. «Домовладельцы могут увидеть, как погибают садовые растения, и у них могут возникнуть трудности с выращиванием растений», — сообщает Департамент природных ресурсов Миннесоты.
На этих изображениях показаны два насаждения сахарных кленов, тот, что слева, не был захвачен азиатскими сумасшедшими червями, а тот, что справа, заразился.
Йозеф Гёррес/Департамент растениеводства и почвоведения Вермонтского университета
скрыть заголовок
переключить заголовок
Йозеф Гёррес/Департамент растениеводства и почвоведения Вермонтского университета
У азиатских червей тоже есть биологические преимущества. Они могут размножаться бесполым путем, путем партеногенеза. А поскольку они созревают всего за 60 дней, за один сезон могут вылупиться две группы потомства.
Ряд штатов, включая Мэн и Нью-Йорк, полностью запретили сумасшедших червей.
Как насчет моего сиропа?
Воздействие сумасшедших червей на кленовый сироп может быть «серьезным», сказал Фиш в интервью Общественному радио штата Мэн.
«Они, как правило, сильно повреждают клены», — сказал он, особенно потому, что у этих деревьев, как правило, неглубокие корни.
«Без этого защитного опавшего листа и слоя пуха они испытывают сильный стресс, они более восприимчивы к насекомым и болезням, и у них меньше шансов очень быстро расти», — сказал он.
Гёррес говорит, что в Вермонте, если дождевые черви захватят больше лесов там и за границей в Канаде, «возобновление кленовых деревьев, особенно сахарного клена, будет намного меньше».
Когда черви пробираются через навозной слой леса, они также забирают важнейшую среду для прорастания небольших растений, которые обычно служат пищей для оленей. По словам Гёрреса, когда этих растений не хватает, олени «начинают грызть другие вещи, например, саженцы деревьев, в том числе клены».
Делая то, что он предупреждает, является спекулятивным прогнозом, Гёррес говорит, что в течение следующих 50-100 лет «кленового сиропа будет все меньше и меньше».
Они ползают среди нас десятилетиями
Сумасшедший червь под любым другим именем, как оказалось, вызовет столько же проблем. На юге их иногда называют прыгунами из Алабамы или прыгунами из Джорджии, и они часто продаются как живая форма наживки для рыбы. По словам Гёрреса, в Нью-Джерси их называют джерсийскими бродягами. Они также известны как змеиные черви из-за энергичного движения.
Леса северо-востока США особенно уязвимы для сумасшедших червей из-за оледенения. Когда массивные ледники покрыли этот район льдом тысячи лет назад, в этом районе, как и в других частях севера США, не осталось местных дождевых червей.
Дождевые черви, такие как ночные черви, появились в регионе позже, вместе с колонистами из Европы.
технические характеристики самосвала, сколько тонн грузоподъемность и объем кузова, регулировка сцепления
Описание и сфера применения
В отличие от дальнобойных собратьев, например, ЗИЛ-4520, более компактный и маневренный МАЗ-5551 легко перемещается в городских условиях. Чаще всего его можно встретить трудящимся на городской строительной площадке. Главное предназначение этого грузовика — перевозка сыпучих материалов, причем на коротком плече, что определяется его приводом 4х2.
Смотрите на видео:
Другие области применения МАЗ-5551:
сельское хозяйство
промышленность
городское хозяйство и дорожное строительство
Характеристики кузова
В стандартной модификации МАЗ-5551 снабжен цельным кузовом с разгрузкой назад. Откидывание заднего борта и опрокидывание кузова имеют дистанционное управление и происходят автоматически.
Кабина водителя
В кабине два кресла, как это видно на фото, между местами пассажира и водителя оборудовано пространство для хранения вещей и документов. Водительское сиденье оснащено рессорами и двигается в направлении вперед-назад, а вот регулировка рулевой колонки возможна в двух направлениях.
На этом да еще и боковых зеркалах с электроподогревом комфорт в стандартной кабине заканчивается, нет даже амортизации в местах ее крепления.
Для доступа к силовым узлам кабина откидывается вперед с помощью гидравлического привода. Подъем кабины возможен только при открытой решетке радиатора, причем устройство приведения механизма в действие расположено за самой решеткой. Фиксация в опущенном виде производится путем обычного стального троса.
Дно грузовика обогревается путем подведения отработанных газов. Такая конструкция значительно облегчает использование самосвала в холодный сезон. Для экстремальных условий и температур до -60°С разработана модель МАЗ-5551 01 ХЛ.
Трансмиссия базовой версии —5-ступенчатая механическая коробка ЯМЗ-236П, на более поздних моделях с грузоподъемностью до 10 тонн устанавливалась ЯМЗ-2361. Сейчас на новых автомобилях встречаются коробки западного производства.
Сзади стоит стабилизатор поперечной устойчивости, что значительно уменьшает крен грузовика в поворотах. Передние и задние тормоза – барабанные с пневматическим управлением.
Часто при прохождении техосмотра возникает вопрос, где находится номер шасси. Номер на раме МАЗ-5551 находится в традиционном для советских грузовиков месте — справа сзади, на лицевой части рамы (обычно в районе заднего моста или с небольшим смещением).
Технические характеристики Маз 5551
Кузов
Самосвал
Кабина
2-местная, без спального места
Клиренс, мм
270
Длина, мм
5990
Ширина, мм
2500
Высота, мм
2295
Мощность, л.с.
180
Двигатель
ЯМЗ дизель 6 цилиндров
Привод
4х2
КПП
МКПП ЯМЗ-236П
Подвеска
Рессорного типа
Тормозная система
Барабан
Двигатель модели МАЗ 5551 и расход топлива
Двигатель дизельный
Двигатель МАЗ-5551 – дизельный V6 (как и у МАЗ-53366). Вплоть до последних лет все самосвалы МАЗ-5551 оснащались 180-сильным ЯМЗ-236М2 Ярославского моторного завода. В новых модификациях он заменен на ЯМЗ-6563.10 с экологическим классом Евро-3, а на некоторых моделях – на двигатели Cummins с классом Евро-4 и турбонаддувом.
Несмотря на появление комплектаций с импортным двигателем, на водительских форумах до сих пор советуют агрегаты от ЯМЗ за их надежность и простоту в обслуживании.
МАЗ-5551 отличает низкий расход топлива на 100 км для своего класса. Расход составляет около 23 литров при скорости 60 км/ч и загрузке примерно 85% от максимальной. Для сравнения, у модели МАЗ-5337 расход топлива 30-35л/100км.
Запчасти на Грузовые автомобили МАЗ-5551
Минский автомобильный завод начал выпускать автомобиль МАЗ-5551 с 1988 года. Имеет колесную формулу 6х4. Автомобиль создан на базе агрегатов и узлов МАЗ-53371. Широко используется для перевозок больших объемов различных сыпучих грузов на стройках и открытых карьерах. Автомобиль отличается своей повышенной проходимостью, хорошей производительностью на бездорожье и при сложных климатических условиях. На сайте вы сможете купить запчасти МАЗ-5551 в специальном каталоге.
МАЗ-5551 имеет цельнометаллическую платформу с автоматически открывающимся и закрывающимся задним бортом, разгрузка – назад, с гидравлическим опрокидывающим механизмом, с пневматическим дистанционным управлением. Кабина двухместная, откидывается вперед, с подрессоренным водительским сиденьем. Модификация: МАЗ-555101 для работы в холодном климате. Благодаря нашему каталогу запчастей МАЗ-5551 вы сможете без проблем найти все нужные вам запчасти, ведь пользоваться каталогом легко и удобно.
Снаряженная масса, кг: 7580. Полная масса, кг: 16230. Грузоподъемность, кг: 8500. Двигатель: ЯМЗ-238ДЕ2 (Евро-2), турбированный дизель с расположением цилиндров V-образно. Мощность двигателя нетто, кВт (л.с.): 243 (330). Крутящий момент, Н-м (кгс-м): 1225 (125). Контрольный расход топлива автомобиля, л/100 км, при 60 км/ч: 23,21. Максимальная скорость, км/ч: 83. Время опускания порожнего кузова: 10 с. Время подъема груженого кузова при 1900 об/мин коленчатого вала двигателя: 15 с.
Наши специалисты проконсультируют вас по всем вопросам и расскажут о всех запчастях МАЗ-5551, которые подойдут именно вам. Купив запчасти у «Динамики 76», вы гарантированно приобретете качественные детали для МАЗ.
Технические характеристики
Габаритные размеры, мм
длина — 5990 (при откинутой кабине — 7850)
ширина — 2500 мм (в моделях с выгрузкой на 3 стороны — 3450 при полностью опрокинутом кузове)
высота — 2925 мм при откинутом назад кузове – 4850
при выгрузке вбок – 3850
клиренс — 270 (минимальный, в районе переднего моста)
Параметры двигателя устройства
Объем — 11150 см³ (ЯМЗ-236)
Мощность — 180 л.с.
Крутящий момент — 667 Нм
Максимальная скорость — 83 км/ч (у ряда моделей может быть до 90 км/ч)
Вес МАЗ-5551 в стандартной модификации, кг
снаряженная — 7580, в т. ч. на передней оси — 4130
на задней оси — 3450
полная — 16 230, т.ч.
на передней оси — 5980
на задней оси — 10 250
Грузоподъемность и вместимость кузова МАЗ-5551
грузоподъемность — 8500 кг
объем кузова — 5,4 м³, при этом
Размеры и габариты кузова
Размеры МАЗ-5551 при таком объеме платформы составляют 3800 х 2269 х 630 мм.
Для сравнения предлагаем ознакомиться с размером кузова КамАЗа бортового.
В зависимости от модификации грузоподъемность может составлять до 10,2 тонны (сопоставимо с грузоподъемностью Камаз-43118), объем кузова МАЗ-5551 – до 12,5м³ (15,5 при поднятых бортах).
Общие параметры машины
Технические характеристики МАЗ-5551 раскрывают большой силовой потенциал этого агрегата. Прочная несущая рама автомобиля позволяет ему совершать объемные операции по транспортировке груза. Колесная формула 2*4 расширяет диапазон углов возможного поворота. Четырехтактный двигатель самосвала располагается под водительской кабиной, прост в уходе и эксплуатации.
Самосвал обладает следующими характеристиками:
Технические характеристики МАЗ 5551
длина – 5900 мм;
ширина – 2500 мм;
высота – 2900 мм;
масса (полная) – 17620 кг;
грузоподъемность – 10000 кг;
длина колесной базы – 3960 мм;
вместительность грузового отсека – до 12 м3;
давление на передние колеса – 5980 кг;
давление на задний мост – 10200 кг;
общий радиус поворота – 8,6 м;
расход топлива – 22 л/100 км;
объем топливного бака – 200 л.
Механизм подъема кузова МАЗ 5551
При полном заполнении кузова основная нагрузка распределяется на заднюю ось. Максимальная грузоподъемность автомобиля составляет 8500 кг. Шасси автомобиля выдерживает давление многочисленных силовых креплений машины. Бескапотная водительская кабина легко откидывается и открывает пространство для комфортного обслуживания двигателя.
МАЗ-5551 обладает высокими показателями мобильности. Устойчивая ходовая часть автомобиля позволяет производить откидывание кузова в различных вариациях. Цельнометаллический кузов регулируется на нужный уровень наклона. Разгрузка машины осуществляется с помощью откидывающейся задней крышки.
Некоторые модификации машины имеют трехстороннюю разгрузку, а также специальную установку обогрева, эксплуатируемую при низких температурах (до -60о). Максимальный угол подъема грузового отсека – 50о. В течение одной минуты самосвал может разогнаться до скорости в 60 км/ч. Максимальная скорость движения грузовика составляет 85 км/ч.
Привод грузовой платформы
Устройство подъема кузова МАЗ-5551 расположено под платформой. Механизм опрокидывания, как и у большинства современных самосвалов, гидравлический с пневматическим управлением.
Телескопический гидроцилиндр с переменным рабочим объемом состоит из трех последовательно выдвигающихся звеньев – такая конструкция позволяет развивать достаточные рабочие усилия при небольшой массе и размерах в сложенном состоянии. Основным ее недостатком является значительная сложность, а также риск засорения плотно прилегающих звеньев.
Для повышения безопасности выгрузки в управляющем клапане гидроцилиндра предусмотрено предохранительное устройство. Оно не допускает полного подъема платформы при перегрузке более 1,5 т.
Цапфы заднего борта контролируются пневмоцилиндром, срабатывающим при приведении рукоятки устройства в положение «Подъем».
Грузовая платформа
Регулировка сцепления
На МАЗ-5551 установлено традиционное для мощных грузовиков двухдисковое фрикционное сцепление. Элементы этого узла подвержены износу из-за значительных перегрузок при работе и требуют периодического обслуживания.
Регулировка сцепления МАЗ-5551 требуется, например, в следующих случаях:
пробуксовка сцепления на высоких оборотах
треск в момент переключения передачи
сцепление отключается не до конца
Можно выделить три основных этапа:
1.Установка зазора 1 мм между регулировочными винтами и средним ведущим диском производится следующим образом:
снять крышки люков, чтобы открыть доступ к сцеплению и маховику,
при включенном сцеплении переместить рычаг КПП в нейтраль,
отвернуть контргайки и ввернуть все регулировочные винты в средний ведущий диск до упора, маховик для этого нужно поворачивать,
ослабить винты на 1 оборот и завернуть контргайки с небольшим усилием.
За счет этой регулировки обеспечиваются требуемые расстояния между дисками и поверхностью трения маховика.
2. Обеспечение зазора 3,3…3,7 мм между гайкой и задней крышкой клапана. Для регулировки требуется ослабить контргайку и установить зазор нужной величины, подтянув регулировочную гайку.
3. Настройка свободного хода педали. Нормативная величина — 34-43 мм (измеряется линейкой при пустой пневмосистеме).
Сцепление
Инструкция по эксплуатации
Приборная панель и органы управления
Грузовик запускается поворотом ключа в замке, расположенном снизу на рулевой колонке.
Под левой рукой находится переключатель поворотов и фар ближнего/дальнего света. Указатели поворота переключаются в горизонтальной плоскости. Возможно постоянное или кратковременное включение. Управление светом фар производится в вертикальной плоскости. При нажатии на ручку с торца включается звуковой сигнал.
Справа от рулевой колонки располагается переключатель стеклоочистителя и омывателя.
Спидометр, тахометр и комбинированный прибор, показывающий уровень топлива, температуру охлаждающий жидкости, давление масла и напряжение находятся на приборном щитке перед водителем.
Там же расположены контрольные лампы и выключатели световых приборов, а также кнопка отключения межколесного дифференциала и контрольные лампы АБС (при оборудовании грузовика этой системой стабилизации).
Рядом на приборном щитке находятся сигнальные лампы:
температуры охлаждающей жидкости (загорается при температуре 105±5°С),
аварийного давления масла,
уровня топлива (загорается при заполненности топливного бака на 16-20% и ниже),
давления воздуха в тормозной системе,
загрязнения масляного фильтра и другие.
Приборная панель
Управление автомобилем
Для прогрева двигателя или накачки шин необходимо нажать на педаль подачи топлива, зафиксировать защелкой и отпустить. Прогревать двигатель следует на минимальных оборотах с постепенным повышением до средних. Начинать движение можно только, когда охлаждающая жидкость нагрета не менее 40°С.
При движении использовать постоянную подачу топлива нельзя!
Стояночный тормоз включается приведением рычага в заднее положение. При возвращении в переднее положение – выключается. В промежуточных позициях подключается дополнительный тормоз.
Коробка передач ЯМЗ-236П – пятиступенчатая с синхронизаторами на 2-3 и 4-5 передачах. Переключение передач происходит по следующей схеме:
Для подъема платформы нужно повернуть кран управления в положение «подъем». Другие положения: стоп, спуск и транспортное.
При трогании на скользком участке, прохождении трудных участков дороги следует включать блокировку дифференциала. Делать это нужно на стоящем автомобиле или на скорости до 10 км/ч.
Вхождение в поворот с заблокированным дифференциалом опасно. Это снижает управляемость и ведет к повышенному износу силового привода! При заблокированном дифференциале соответствующий значок на приборной панели горит оранжевым.
Управление автомобилем
Безопасность
Работа с самосвалом связана с опасностью травм и несчастных случаев. Для снижения этих рисков и вероятности поломок следует соблюдать ряд правил безопасности. Вот некоторые из них.
Запрещается находиться перед кабиной при подъеме и опускании, а также движение без фиксации кабины тросом и при открытом механизме откидывания.
Во время движения не следует проводить регулировку сиденья водителя.
Запрещено движение с поднятой платформой и опускание груженой платформы.
Подробные указания по безопасной работе и содержит инструкция по эксплуатации МАЗ-5551. Там же, помимо детального описания конструкции и узлов самосвала, можно найти требования к техническому обслуживанию и основные рекомендации по устранению неисправностей.
Благодаря популярности этого автомобиля в продаже имеется также множество руководств по ремонту, а покупка запасных частей не вызовет никакой сложности.
МАЗ-555102, 5551А2, 5551А3, 555142, 555145, 555147. Руководство
Общее описание
МАЗ-555102 оснащается цельнометаллическим кузовом с полезным объёмом 12,5 кубометра, он предназначен для перевозки сыпучих грузов нерудного типа. Для разгрузки применяется опрокидывание кузова механизмом гидравлического типа. На поперечинах рамы установлен одиночный цилиндр, связанный шарниром с основанием кузова. Привод гидравлической системы от коробки отбора мощности и насоса. Бак с 25 литрами масла для системы установлен на лонжероне рамы. Разгрузка может осуществлять в три стороны, направление выбирается пневматическим переключателем на пульте управления.
На задней поперечине рамы имеется буксировочный прибор для прицепа-самосвала. Такой вариант автопоезда-самосвала применяется при перевозке сельскохозяйственных грузов.
Базовая комплектация автомобиля может быть расширена за счет дополнительного оборудования. В список опций входят ходоуменьшитель в коробке передач, системы контроля и (или) регистрации расхода топлива. Для повышения характеристик МАЗ-555102 может быть оснащен штатными надставными бортами кузова высотой 300 мм. В таком варианте полезный объем платформы увеличивается на 3 кубометра.
Обзор МАЗ-555102
Двухосный самосвал МАЗ 555102 — одна из самых популярных моделей большегрузных автомобилей.
Техника с ярким характером разработана для перевозки и разгрузки грузов (песок, щебень, глина, известняк, грунт, мусор, снег).
Надежный грузовик Минского автозавода претерпел несколько модификаций. Однако свои лучшие качества не утратил.
Платформа МАЗ 555102 – это своеобразная цельнометаллическая конструкция.
Для удобного подъема кузова предусмотрен гидроцилиндр с несколькими звеньями.
Платформа управляется из кабины МАЗ. Разгрузка трехсторонняя. Объем платформы – 5,4 м куб.
Грузоподъемность самосвала МАЗ 555102 составляет 10 тонн.
Особенности кабины
Кабина МАЗ имеет малый тип, так как предназначена только для двух человек.
Однако она довольно большая и вместительная. Комплектуется МАЗ 555102 без спальника. Удачно сконструированные ступеньки позволяют быстро забраться в кабину.
Рулевая колонка достаточно большого диаметра. Для удобства регулируется в нескольких плоскостях. Подушка сидения свободно перемещается на салазках.
Кресло также имеет подрессоривание. Каждый водитель сможет подрегулировать сидение под себя. Пассажирское кресло в кабине только одно.
Сидения оснащены ремнями безопасности. Стоит отметить прекрасную обзорность из кабины, которую обеспечивает гнутое панорамное лобовое стекло. Хорошая шумоизоляция. В наличии также АБС.
Рабочие условия водителя на довольно высоком уровне.
Передняя приборная панель компактная и довольно информативная. Блок предохранителей и реле находится в удобном месте под легко открывающейся крышкой.
На крыше кабины МАЗ 555102 предусмотрен вентиляционный люк. Освещение внутри отличное. Система отопления прекрасно справляется со своими функциями, даже если снаружи далеко за -20 градусов.
Для комфортного и безопасного управления наружные зеркала с подогревом.
Для подъема кабина применяется гидропривод. Полностью исключена вероятность откидывания при возможной поломке замка. Кабина поднимается только если предварительно открыть решетку радиатора.
Технические характеристики МАЗ 555102
Полная масса самосвала составляет 16 000 кг. Нагрузка распределяется на переднюю (6000 кг) и заднюю (10000 кг) оси. Сзади установлен солидный отбойник.
МАЗ 555102 – типичный представитель самосвалов колесного типа с формулой 4х2. Маркировка шин — 12,00R2. Запасное колесо установлено на лебедке. Грузовик характеризуются повышенной проходимостью.
МАЗ 555102 имеет следующие габариты:
Длина – 5990 мм;
Ширина – 2500;
Высота – 2925 мм;
Колесная база – 3300 мм.
Силовой агрегат оборудован надежной механической коробкой передач ЯМЗ-236П. Трансмиссия пятиступенчатая. На рычаге хорошая избирательность. Передачи переключаются плавно. Расход топлива завит от условий эксплуатации. В среднем составляет 23,8 литров на 100 км пробега.
В баке помещается до 200 л горючего.
Тормозная система МАЗ 555102 работает отлично. У самосвала превосходная маневренность.
Гидроусилитель руля бесперебойно работает. Грузовик без проблем развернется даже на узком участке дороги и в ограниченном пространстве.
За задним мостом самосвала установлен стабилизатор поперечной устойчивости.
Такая конструкция повышает безопасность при управлении МАЗ 555102 в груженом состоянии на поворотах. Диаметр разворота составляет 8,6 м.
МАЗ с полной нагрузкой разгоняется до 90 км/ч. Максимальный преодолеваемый подъем достигает 33%. Передняя и задняя подвески рессорные. Грузовик демонстрирует отличную динамику во время движения. Разгоняется довольно быстро даже в груженом состоянии.
Особенности двигателя МАЗ
Самосвал укомплектован дизельным мотором ЯМЗ-236НЕ2 без системы турбонаддува. Четырехтактный двигатель с воспламенение от сжатия с непосредственным впрыском топлива. Охлаждение жидкостное.
Двигатель МАЗ-555102 соответствует новым экологическим нормам Евро 0.
Имеет большую мощность – целых 230 лошадиных сил. Объем V-образного двигателя на шесть цилиндров шесть составляет 11 150 см куб.
Максимальный крутящий момент — 882 (90) Нм (кгс).
Установлена коробка отбора мощности. Это позволяет перераспределять мощность мотора во время движения платформы.
МАЗ 555102 – одна из самых экономичных моделей самосвалов ОАО «Минский автомобильный завод».
Предназначен для интенсивной эксплуатации в различных климатических зонах на дорогах с любым покрытием.
Грузовик адаптирован к сложным условиям работы.
Широко применяется в различных сферах (сельское хозяйство, промышленность, строительство).
Ломается крайне редко. Однако если Вам необходимо срочно купить запчасти МАЗ – изучите наш каталог. Здесь вы найдете детали для большегрузных автомобилей по самым выгодным ценам.
Ходовая часть
Подвески автомобиля на продольных рессорах полуэллиптической формы. В конструкции передней подвески дополнительно применены амортизаторы. В задней подвеске используются двойные рессоры и стабилизатор поперечной устойчивости.
Тормозная система барабанного типа с пневматическим приводом. Для повышения надежности и безопасности тормоза передней и задней оси имеют раздельный привод. Дополнительно устанавливается моторный тормоз компрессионного типа, работающий от поворотных заслонок в выхлопной системе двигателя. Рядом с буксирным прибором имеется разъём для подключения пневматической системы. По заказу устанавливается антиблокировочная система и ограничитель скорости.
Двигатель и трансмиссия
Самосвал оснащается дизельным мотором модели ЯМЗ-236НЕ2 с мощностью 169 кВт. С двигателем стыкуется пятискоростная коробка ЯМЗ-236П или восьмискоростная коробка скоростей модели 2361 (по отдельному заказу). Такой силовой агрегат обеспечивает приемлемые технические характеристики МАЗ-555102 – машина развивает скорость до 85 км/час при эксплуатационном расходе топлива в пределах 26 литров на 100 км (при скорости около 60 км/час).
По желанию покупателя на самосвал устанавливается автономный подогреватель ПЖД-30. Применение такого устройства обеспечивает беспроблемный запуск двигателя при низких температурах (ниже минус 20 градусов). Принцип действия основан на прогреве охлаждающей жидкости и масла в специальном котле, обогреваемом пламенем горелки обогревателя. Для циркуляции охлаждающей жидкости на мотор устанавливается дополнительный насос. Для установки подогревателя предусмотрено штатное место между нижней частью радиатора и поддоном двигателя.
Для передачи крутящего момента используется карданный вал с промежуточной опорой. Задний мост имеет двойную передачу – главный редуктор и планетарные редукторы в ступицах колес.
Автомобили МАЗ (технические характеристики) — часть 4
Марка: МАЗ
Модель (серия): 551603
Модификация: 221
Технические характеристики самосвалов МАЗ 551603 221
Основные характеристики
Колёсная формула / кол-во осей
6х4
Характеристики грузоподъёмности и массы
Грузоподъёмность
20000*
Полная масса автомобиля
33000*
Распределение полной массы на переднюю ось
7000*
Распределение полной массы на заднюю ось
26000*
Масса снаряженного автомобиля
12700
Двигатель
Модель двигателя
ЯМЗ-236БЕ2(EURO-2)
Тип двигателя
дизель,турбо
Рабочий объём двигателя (силового агрегата)
11150
Мощность двигателя (силового агрегата)
184(250)
Максимальный крутящий момент, Нм(кгсм)
1078
Число и расположение цилиндров
6,V-образное
Коробка передач
Модель коробки передач
ЯМЗ-238М
Тип коробки передач
механическая
Число передач КП
8
Диапазон коробки передач
7,3-0,71
Передаточное число
7,14
Топливная система
Топливный бак
350
Контрольный расход топлива
32
Максимальная скорость
81
Подвеска
Подвеска передняя
рессорная
Подвеска задняя
рессорно-балансирная
Колёса
Размер колес
8,5-20
Способ крепления
клиновый(шпилечный)**
Шины
12. 00R20
Тип колес
без(дисковые)**
Характеристики самосвала
Платформа
самосввальн с зад.загр
Площадь платформы
10,1
Высота платформы
1085
Ширина платформы
2280
Длина платформы
4440
Объем платформы
10,5
Марка: МАЗ
Модель (серия): 551603
Модификация: 2123
Технические характеристики самосвалов МАЗ 551603 2123
Основные характеристики
Колёсная формула / кол-во осей
6х4
Характеристики грузоподъёмности и массы
Грузоподъёмность
20000*
Полная масса автомобиля
33000*
Распределение полной массы на переднюю ось
7000*
Распределение полной массы на заднюю ось
26000*
Масса снаряженного автомобиля
12700
Двигатель
Модель двигателя
ЯМЗ-236БЕ(EURO-1)
Тип двигателя
дизель,турбо
Рабочий объём двигателя (силового агрегата)
11150
Мощность двигателя (силового агрегата)
184(250)
Максимальный крутящий момент, Нм(кгсм)
1030
Число и расположение цилиндров
6,V-образное
Коробка передач
Модель коробки передач
ЯМЗ-238М
Тип коробки передач
механическая
Число передач КП
8
Диапазон коробки передач
7,3-0,71
Передаточное число
7,14
Топливная система
Топливный бак
350
Контрольный расход топлива
32
Максимальная скорость
81
Подвеска
Подвеска передняя
рессорная
Подвеска задняя
рессорно-балансирная
Колёса
Размер колес
8,5-20
Способ крепления
клиновый(шпилечный)**
Шины
12. 00R20
Тип колес
без(дисковые)**
Характеристики самосвала
Платформа
самосвальн ковш.тип без задн.борта
Площадь платформы
11,2
Высота платформы
1085
Ширина платформы
2280
Длина платформы
4920max
Объем платформы
10,5
Марка: МАЗ
Модель (серия): 555102
Модификация: 220
Технические характеристики самосвалов МАЗ 555102 220
Основные характеристики
Колёсная формула / кол-во осей
4х2
Характеристики грузоподъёмности и массы
Грузоподъёмность
10000*
Полная масса автомобиля
18000*
Распределение полной массы на переднюю ось
6500*
Распределение полной массы на заднюю ось
11500*
Масса снаряженного автомобиля
8000
Двигатель
Модель двигателя
ЯМЗ-236НЕ2(EURO-2)
Тип двигателя
дизель,турбо
Рабочий объём двигателя (силового агрегата)
11150
Мощность двигателя (силового агрегата)
169(230)
Максимальный крутящий момент, Нм(кгсм)
882
Число и расположение цилиндров
6,V-образное
Коробка передач
Модель коробки передач
ЯМЗ-236П
Тип коробки передач
механическая
Число передач КП
5
Диапазон коробки передач
5,26-0,66
Передаточное число
7,14
Топливная система
Топливный бак
200
Контрольный расход топлива
22
Максимальная скорость
91
Подвеска
Подвеска передняя
рессорная
Подвеска задняя
рессорная
Колёса
Размер колес
8,5-20
Способ крепления
клиновый(шпилечный)**
Шины
12. 00R20
Тип колес
без(дисковые)**
Характеристики самосвала
Платформа
самосввальн с зад.загр
Площадь платформы
8,6
Высота платформы
630
Ширина платформы
2268
Длина платформы
3800
Объем платформы
5,4
содержание .. 21 22
технические характеристики, особенности эксплуатации самосвала
История развития
Белорусский «трудяга», как его называют, начал свою жизнь еще в военные годы после освобождения Минска.
Эмблемой марки стал беловежский зубр. С развитием производства был создан МАЗ-500 – главный прародитель современного МАЗа-5551. Произошло это в конце 60-х годов.Самосвал стал собственной разработкой минских конструкторов. Агрегировался он двигателем ЯМЗ-236, который уже был четырехтактным.
После серии модификаций и доработок в 1985 году поступила в серийное производство одна из версий – самосвал МАЗ-5551. Он является наиболее распространенным на территории России.
Важным преимуществом «белоруса» являются его поворотливость и маневренность благодаря небольшой колесной базе грузовика и двухосной компоновке.
Поэтому в городских условиях он идеально вписывается даже в небольшие стройплощадки и развороты.
Подводим итоги
МАЗ-500 одним своим видом дает понять, что машина настроена на высокую трудоспособность и может с готовностью выполнять поставленные задачи по транспортировке грузов в самых различных условиях. Да, удобство – тот вопрос, который не хочется обсуждать в этой машине, но при желании и этот нюанс можно исправить руками хорошего мастера.
В интернете можно найти отзывы владельцев грузовика и увидеть, что автомобиль и в правду оставляет хорошее впечатление. А если вы таковым являетесь, то при должном и своевременном уходе «пятисотая» модель прослужит вам еще очень долго.
Советуем Вам прочитать статью: МАЗ – история Минского автозавода
Описание самосвала базовой модели и его 020 модификации
Единственным отличием модификации 020 является увеличенный объем погрузочной части за счет изменения исходной высоты бортов. Остальные характеристики идентичны.
Узнайте технические характеристики ГАЗ-34039 — гусеничного болотохода. В следующем обзоре вам станет известно, какими основными параметрами обладает шасси «Урала-4320».
Двигатель
Сердцем этого грузовика является дизельный 6-цилиндровый V-образный двигатель.
Со своими обязанностями ЯМЗ-236М2 (Ярославль) справляется отменно, отрабатывая нагрузки без надрывов и нареканий.
Крутящего момента в 667 Нм и 180 л. с. с лихвой хватает, чтобы вытащить нагруженный самосвал из сложных ситуаций.
В последних версиях на заводе ставят ЯМЗ-6563.10, ЯМЗ-6581.10 (изображен на фото слева) или Deutz BF4M1013FC.
Согласно техническим характеристикам, мощность этих агрегатов выше, чем у более старого образца. Кроме того, МАЗ идет в ногу со временем, и последние моторы отвечают стандарту Euro 3, что значительно расширяет возможности их применения.
Трансмиссия и привод
На самосвал МАЗ-5551 устанавливается 5-ступенчатая механическая КПП. Ее технические характеристики нельзя назвать идеальными.
При серьезных нагрузках слишком короткая первая передача, и на нетвердом грунте очень трудно грузовик сдвинуть с места.
Но на ровной дороге двигатель и коробка отлично сочетаются и передвигают груженый самосвал с легкостью. Максимальная скорость – 90 км/ч. Задняя ось является ведущей, соответствуя типу привода 4х2.
Однако серьезным улучшением переключения передач стало конструктивное изменение механизма переключения от рычага к коробке. Это позволило значительно укоротить сам рычаг.
Все нововведения облегчили водителю жизнь, ведь раньше, чтобы «словить» нужную передачу, ломоподобный рычаг нужно было «дергать» по всей кабине, однако сейчас этот процесс стал легок и приятен.
Грузоподъемность
Надежный гидроусилитель руля отлично справляется со своими обязанностями. Благодаря стабилизатору поперечной устойчивости автомобиль уверенно чувствует себя на поворотах, особенно при полной загрузке.
Еще одним преимуществом являются пневматические тормоза. Они очень надежны и проверены временем, такой важный элемент безопасности выполнен производителем на высоте.
Технические характеристики
МАЗ-5551
МАЗ-5551-020
Грузовые показатели
Грузоподъемность, кг
10 000
10 000
Длина погрузочной платформы, мм
3 860
Ширина погрузочной платформы, мм
2 265
Высота борта, мм
630
Снаряженная масса грузовика, кг
7 470
7 820
Полная масса, кг
17 620
17 820
Максимальная нагруженность передней оси, кг
6 120
6 320
Максимальная нагруженность задней оси, кг
11 500
11 500
Диаметр колес
R20
R20
Эксплуатационные показатели
Тип кузова
Самосвал
Самосвал
Мест в кабине
3
3
Объем бака, л
200
200
Радиус разворота, м
4,3
4,3
Длина грузовика, мм
5 990
5 990
Ширина грузовика, мм
2 500
2 500
Высота грузовика, мм
2 925
2 925
Колесная база, мм
3 300
3 300
Клиренс, мм
270
270
Подвеска
Передняя
Рессорная
Рессорная
Задняя
Рессорная
Рессорная
Тормоза
Передние
Барабанные
Барабанные
Задние
Барабанные
Барабанные
Устройство
Конструкция:
Силовой агрегат. Он оборудован воздушным фильтрующим элементом сухого типа с двухступенчатым бункером для сбора пыли.
Трансмиссия. Она оснащена пневматическим гидроусилителем руля. Также здесь предусмотрена возможность регулировки полного и свободного хода педали.
Ходовая часть. Данная система включает в себя переднюю ось, тормозной барабанный механизм и продольную тягу.
Система рулевого управления МАЗ-555102-223. Это механизм, оборудованный распределительным устройством, колонками, рулевым колесом, силовым цилиндром, насосом и баком для масляной жидкости.
Тормозной механизм. Здесь предусмотрено несколько систем: рабочая, стояночная, запасная и вспомогательная.
Электрическое оборудование. Это тахограф, система отопления в кабине водителя, система внутреннего освещения, радиооборудование.
Седельно-сцепное устройство. Оно прикрепляется к раме при помощи специальных кронштейнов.
Электронная система управления. Она отвечает за противобуксовочный механизм и управление пневматической подвеской.
Кабина водителя. Она расположена над двигателем и имеет цельнометаллическую сварную конструкцию.
Грузовая платформа.
Удобство и комфорт
Что же сделали конструкторы для эргономики и удобства водителя и пассажиров в МАЗе-5551?
В отличие от предыдущей версии все-таки в конструкцию и расположение элементов управления, кресла водителя и приборную панель внесли некие приятные изменения, что, безусловно, добавило комфорта и удобства эксплуатации.
В кабине просторно и уютно. Без спального места здесь легко располагаются водитель и два пассажира.
В кабину легко залезать благодаря правильно расположенным поручням и ступенькам. Эргономикой расположения элементов кабины вряд ли можно похвастаться.
Руль регулируется как по высоте вылета, так и по углу наклона. Сидение передвигается на салазках. Но все же водителю тяжело найти для себя удобное положение.
Это приводит к быстрой утомляемости и негативно влияет на сосредоточенность и качество его работы.
Руль слишком большой, и для его поворота нерослому шоферу требуется постоянно подаваться к нему телом вперед, что вряд ли можно назвать удобством.
Однако благодаря большим боковым зеркалам и расположению водителя обзор остается на высоте.
Панель приборов довольно информативна, но из-за слабой яркости световой индикации некоторых показателей отдельные элементы плохо видны днем.
Но все же белорусские создатели постарались во многом преобразить кабину и внутреннее пространство. И у них это получилось.
Удачным стало расположение предохранительной коробки – за панелью приборов возле пассажирского кресла, доступ к ней не затруднен.
Следующим показателем комфорта можно назвать хорошее и эффективное отопление, которое даже в лютые морозы справляется со своей функцией.
Освещение и вентиляция кабины сделаны на высоком уровне.
Между водителем и пассажиром есть специальное отделение, в которое можно положить, например, документы, бутылку с водой и другие мелочи.
Здесь же есть сигаретница, однако ни прикуривателя, ни пепельницы почему-то не предусмотрели разработчики этого автомобиля.
Подрессоренное водительское кресло компенсирует отсутствие системы амортизации кабины, которая напрямую крепится к раме. А вот пассажирское кресло жестко крепится к полу и лишено любых регулировок.
Неудобно открывать двери изнутри из-за низкого расположения рычажка открывания.
Для опрокидывания кабины конструкторы МАЗа учли недостатки пружинного механизма, который мог создавать опасность из-за самопроизвольного отщелкивания и откидывания, и оборудовали ее гидроприводом.
Именно благодаря такой системе отсекается опасность, присущая пружинному замку. Для отечественного рынка грузовых автомобилей все гидроприводы взаимозаменяемы.
МАЗ тоже можно назвать отечественным, так как изначально сделан он в одной большой стране – СССР. Система фиксации сделана очень просто – стальной трос крепится на раму и какую-либо точку снизу кабины.
Хоть и не эстетично, зато дешево, надежно и практично. Управление гидроприводом подъема кабины находится под решеткой радиатора.
Такое расположение обусловлено тем, чтобы водитель помнил, что поднимать кабину без открытой решетки радиатора нельзя.
Качество металла кузова и сами элементы не настолько надежны, как хотелось бы, но это не препятствует использованию автомобиля в качестве тягача.
Ручник на МАЗе-5551 уже современного образца с энергоаккумуляторами пружинного типа, обладает хорошими техническими характеристиками.
Известны ли вам технические характеристики автомобиля ГАЗ-66, выпуск которого приходился на период с 1964 по 1999 годы? Перейдя по следующей ссылке https://spez-tech.com/tehnika/gruzovie-avto/ural/harakteristiki-63685-ego-opisanie-i-stoimost.html, вы узнаете основные преимущества грузовой машины «Урал-63685».
А здесь можно ознакомиться с техническими характеристиками автомобиля ГАЗ-33081 «Егерь».
Существенным просчетом системы, по отзывам экспертов, является отсутствие болтов в камерах, с помощью которых можно принудительно растормозить колодки.
МАЗ-500 фото
Читайте далее:
ЗИЛ-4331 УАЗ «Профи» 2018-2019: что обновили спустя год?
МАЗ-6422
МАЗ-6312
ЗИЛ-5301
Разновидности
Часто встречаются разные версии МАЗа-5551, такие как 020 с увеличенным объемом загрузки.
МАЗ-5551-020Р снабжен еще большей погрузочной поверхностью и объемом.
МАЗ-555102 имеет три комплектации – 220, 223, 225. Серия оснащена двигателями в 230 л. с.
Модель 225 оборудуется самосвалом с трехсторонней разгрузкой и возможностью сочленения в автопоезд. Грузоподъемность 9 500 кг, 220-я и 223-я версии – 10 200 и 10 100 кг соответственно.
Наиболее современными и технологичными двигателями оборудуются МАЗ-5551W3-425-000 (Е-4) и МАЗ-5551Р7-425-000 (Е-4), которые отвечают экологическим стандартам Euro 4 и имеют мощность 245 и 250 л. с. соответственно.
Опционально комплектуются кондиционером, подогревателем двигателя, отопителем салона, надставными бортами, тентом, электропневмогидровыводами на прицеп, задними бамперами и боковым ограждением.
МАЗ 5551- технические характеристики и расход топлива
Область применения МАЗ
Технические характеристики МАЗ-5551 делают его универсальным транспортом. Базовое предназначение грузовика – работы, связанные с транспортировкой. МАЗ применяется для перевозки сельскохозяйственной сыпучей продукции и строительных материалов.
Внешний вид МАЗ-5551
В сфере строительства агрегат используется не только как грузовик, но и в качестве спецмашины для ухода за зданиями и дорожными покрытиями. Удивительная маневренность модели позволяет ей адаптироваться под площадки любой конфигурации. Этот параметр также влияет на востребованность МАЗа в строительстве.
Особые технические характеристики кузова агрегата позволяют перевозить строительный груз в виде песка, щебня и гравия. Грузовик часто применяется для вывоза строительного мусора с площадок. Модель также зарекомендовала себя как надежный зерновоз.
Общие параметры машины
Технические характеристики МАЗ-5551 раскрывают большой силовой потенциал этого агрегата. Прочная несущая рама автомобиля позволяет ему совершать объемные операции по транспортировке груза. Колесная формула 2*4 расширяет диапазон углов возможного поворота. Четырехтактный двигатель самосвала располагается под водительской кабиной, прост в уходе и эксплуатации.
Самосвал обладает следующими характеристиками:
Технические характеристики МАЗ 5551
длина – 5900 мм;
ширина – 2500 мм;
высота – 2900 мм;
масса (полная) – 17620 кг;
грузоподъемность – 10000 кг;
длина колесной базы – 3960 мм;
вместительность грузового отсека – до 12 м3;
давление на передние колеса – 5980 кг;
давление на задний мост – 10200 кг;
общий радиус поворота – 8,6 м;
расход топлива – 22 л/100 км;
объем топливного бака – 200 л.
Механизм подъема кузова МАЗ 5551
При полном заполнении кузова основная нагрузка распределяется на заднюю ось. Максимальная грузоподъемность автомобиля составляет 8500 кг. Шасси автомобиля выдерживает давление многочисленных силовых креплений машины. Бескапотная водительская кабина легко откидывается и открывает пространство для комфортного обслуживания двигателя.
МАЗ-5551 обладает высокими показателями мобильности. Устойчивая ходовая часть автомобиля позволяет производить откидывание кузова в различных вариациях. Цельнометаллический кузов регулируется на нужный уровень наклона. Разгрузка машины осуществляется с помощью откидывающейся задней крышки.
Некоторые модификации машины имеют трехстороннюю разгрузку, а также специальную установку обогрева, эксплуатируемую при низких температурах (до -60о). Максимальный угол подъема грузового отсека – 50о. В течение одной минуты самосвал может разогнаться до скорости в 60 км/ч. Максимальная скорость движения грузовика составляет 85 км/ч.
Механизм подъема кузова автосамосвала МАЗ-5551
Читать далее: Замените масло в гидросистеме после первых 500 подъемов платформы. В дальнейшем заменяйте масло каждый сезон
ФЕДЕРАЛЬНОЕ АГЕНТСТВО ПО ОБРАЗОВАНИЮ
Государственное образовательное учреждение высшего профессионального образования «СИБИРСКИЙ ГОСУДАРСТВЕННЫЙ ИНДУСТРИАЛЬНЫЙ УНИВЕРСИТЕТ» Кафедра организации перевозок и управление на транспорте
Лабораторно-практическая работа
Механизм подъема кузова автосамосвала МАЗ-5551
«Специализированный подвижной состав»
для студентов специальности (190701)
«Организация перевозок и управление на транспорте (автомобильном)»,
для всех форм обучения
автосамосвал подъем опрокидывание механизм кузов
Новокузнецк
2007
Самыми распространенными типами специализированного подвижного состава при грузовых автомобильных перевозках навалочных грузов являются автомобили-самосвалы и самосвальные автопоезда. Они могут быть подразделены по следующим признакам:
· по дорожным условиям;
· по грузоподъемности — автомобили-самосвалы большой грузоподъемности и стандартные автомобили-самосвалы малой и повышенной грузоподъемностт;
· по эксплуатационному назначению: карьерные, универсальные узко специализированные;
· по принадлежности к определенным видам перевозок — для технологических перевозок, для пригородных и городских перевозок;
· по форме кузова — с корытообразным, трапециевидным и прямоугольным кузовами;
· по направлению разгрузки — с разгрузкой назад, на боковые стороны и трехсторонней;
· по конструкции привода самосвального механизма —с гидравлическим, пневматическим, механическим, электрическим, комбинированным приводами.
Условия эксплуатации автомобилей-самосвалов, как правило, тяжелые: и они прежде всего характеризуются состоянием дорожного полотна или его полным отсутствием. В этой связи автомобили-самосвалы могут быть подразделены на две группы:
· автомобили-самосвалы для работы во внедорожных условиях и по специальным дорогам;
· автомобили-самосвалы для эксплуатации по дорогам общей транспортной сети.
К первой группе можно отнести карьерные автомобили-самосвалы и автопоезда, предназначенные для работы, как при разработках полезных ископаемых, так и при гидротехническом строительстве, где требуется перевалка больших объемов грунта, а также в карьерах. Эти автомобили-самосвалы могут эксплуатироваться только на дорогах с высокой несущей способностью.
В карьерах автомобили работают во взаимодействии с экскаваторами и являются технологическим звеном при разработке карьеров. При этом большое значение для производительной работы подвижного состава имеет соотношение объемов кузова автомобиля и ковша экскаватора. С одной стороны, простой подвижного состава под погрузкой будет наименьшим при наибольшем объеме ковша экскаватора. С другой стороны, при объеме ковша экскаватора чрезмерно большом, близком объему кузова автомобиля-самосвала, рама автомобиля, его подвеска, шины в момент погрузки будут испытывать значительные ударные нагрузки, что приведет к преждевременному износу и поломкам прежде всего рамы и рессор автомобиля. Поэтому при организации работ подвижного состава в карьерах (в котлованах) соотношение объемов, кузова автомобиля-самосвала и ковша экскаватора должно быть оптимальным.
Оптимальное соотношение этих величин изменяется в пределах от 4—6 (при расстоянии транспортирования груза 1—2 км) до 8— 12 (при увеличении расстояния до 7.
Ко второй группе автомобилей-самосвалов, предназначенных для работы на пригородных и городских перевозках по дорогам общей сети, относятся автомобили, выпускаемые заводами ЗИЛ, МАЗ КАМЗ и др. Автомобили-самосвалы, осуществляющие перевозки широкой номенклатуры массовых грузов, можно назвать универсальными. Автомобили-самосвалы, перевозящие только груз одного вида, например бетон или раствор, являются узко специализированными. Автомобили-самосвалы и самосвальные автопоезда, являясь транспортными единицами, отличаются друг от друга прежде всего, как и любой другой специализированный подвижной состав, конструкцией кузовов (платформ), которые по форме выполняются трех основных типов: трапециевидные, корытообразные, прямоугольные.
Форму кузова автомобиля-самосвала обусловливают многие факторы: физико-механические свойства перевозимых грузов, требования жесткости (прочности) кузова для особо тяжелых условий эксплуатации, стремление к универсальности кузова для возможности перевозки в нем разнообразной номенклатуры грузов, направление разгрузки (назад, на боковые стороны или на три стороны).
В качестве рассматриваемого в лабораторной работе представлен автосамосвал МАЗ-5551 (рисунок 1) с полная масса 17620 кгс, грузоподъемность 10000 кгс.
Рисунок 1. — Автомобиль МАЗ-5551
Механизм опрокидывания кузова на современных автомобилях-самосвалах выполняется чаще всего с гидравлическим приводом. Это объясняется тем, что механизм с гидравлическим приводом при относительной малой собственной массе и компактности конструкции может развивать значительные усилия для сбрасывания больших масс перевозимых сыпучих грузов.
Общий вид механизма подъема кузова автосамосвала МАЗ 5551 представлен на рисунке 2.
Механизм подъема платформы включает в себя коробку отбора мощности, масляный насос, телескопический гидроцилиндр, перепускной клапан, пневмораспределительный кран управления, масляный бак, трубопроводы и шланги, механизм запоров заднего борта, схема работы представлена на рисунке 3.
Рисунок 3. — Схема работы механизма подъема платформы автомобиля МАЗ-5551
I — подвод воздуха к крану; II — канал вывода воздуха в атмосферу; III — воздухопроводящее отверстие золотника; а — подъем платформы; b — опускание платформы; с — положение «Стоп»; d — транспортное положение
При эксплуатации механизма подъема платформы руководствуйтесь следующими указаниями.
1.Не перегружайте самосвал и автопоезд сверх установленной нормы и следите за равномерным распределением груза по платформе, не допуская перегрузки передней части.
2.Регулярно смазывайте все сочленения и узлы согласно карте смазки.
3.Следите и своевременно подтягивайте соединения маслопроводов, воздухопроводов и шлангов, предотвращая утечки масла и воздуха.
4.Следите за уровнем масла в баке. При опускании уровня масла ниже второй метки на указателе уровня долейте масло до верхней метки. Доливаемое масло должно быть тщательно отфильтровано.
Читать далее: Замените масло в гидросистеме после первых 500 подъемов платформы. В дальнейшем заменяйте масло каждый сезон
Информация о работе «Механизм подъема кузова автосамосвала МАЗ-5551»
Раздел: Транспорт Количество знаков с пробелами: 18583 Количество таблиц: 0 Количество изображений: 9
Технические характеристики мотора и комплектующих элементов
Самосвал МАЗ-5551 оснащен мощным двигателем отечественного производства. Шестицилиндровый мотор ЯМЗ-236М2 гарантирует бесперебойную работу машины в течение длительного времени. Крутящий момент (max – 882 Н/м) позволяет грузовику справляться с самым рельефным ландшафтом. Общая мощность двигателя составляет 230 л. с. Последние модификации МАЗ снабжены системой дополнительных усилений, которые стабилизируют скачки в работе.
Габаритный чертеж ЯМЗ 236М2
Тормозная система
Тормозная система МАЗ-5551 – это барабанный пневматический механизм, параллельно управляющий блоками передних и задних колес. Задний мост прикрепляется к раме с помощью подвески. Дополнительные подвески играют роль амортизаторов, которые поглощают давление внешней среды в двухстороннем режиме.
Тормозная система автомобилей МАЗ
Коробка передач
Механическая коробка передач ЯМЗ-236П также представляет собой отечественный механизм, который включает 5 ступеней управления. Первые версии этого элемента в самосвале МАЗ-5551 отличались возможностью низкой нагрузки, но последние технические преобразования вывели данное устройство на новый уровень.
Коробка передач ЯМЗ-236П — устройство
Гидравлическая система
Гидравлическая система агрегата имеет технические характеристики, обеспечивающие плавное перемещение салона и грузового отсека. Она представляет собой механизм из гидронасоса с цилиндрами. Цилиндры снабжены предохранительными клапанами, не допускающими перегруза кузова. Открывание и наклон отсека с грузом осуществляется дистанционно водителем из кабины.
Гидроцилиндр МАЗ-5551
Система безопасности
Дополнительные системы безопасности грузовика МАЗ-5551 включают конструкцию стабилизаторов, которые повышают устойчивость колес и всей машины в целом. Карданная передача реализует крутящий момент с помощью игольчатых подшипников. Электрическая проводка защищена внутренним регулятором напряжения, который представлен в виде аккумуляторных батарей. Гидроусилитель руля также делает вождение более безопасным и стабильным.
Распределитель гидроусилителя руля автомобилей МАЗ
Каталог запчастей на МАЗ-5551 (5551):
В нашем каталоге представлены все запчасти используемые в МАЗ-5551. Выберите необходимый вам узел. Для удобства поиска запчастей на МАЗ-5551, можно воспользоваться быстрым фильтром.
Быстрый Фильтр по узлам:
Кузов Кузов
Установка кабины
Каркас кабины
Переднее подрессоривание кабины
Заднее подрессоривание кабины
Механизм подъема кабины
Запорный механизм кабины МАЗ-5551, 53371, 5337
Установка стекол, зеркал и противосолнечных козырьков
Передок кузова
Панель приборов
Дверь передняя
Дверь кабины
Механизм подъема стекла
Крепление наружной ручки, ограничителя и петель двери
Сиденья
Остов сиденья водителя и переднего сиденья
Подставка сиденья и регулировочные механизмы
Установка переднего сиденья и поручней
Сиденье
Подставка сиденья с пневмооборудованием
Установка и пневмопитание сидений
Оборудование специализированное
Установка обтекателя кабины
Вентиляция и отопление
Отопитель кабины
Отопитель
Установка шлангов и крана управления отопителем
Кран управления отопителем
Установка воздушных заслонок и отопителя кабины
Принадлежности
Установка вещевой полки и шторки
Установка спальных мест, штор и холодильника
Установка поручней в кабине
Капот, крылья, облицовка радиатора
Установка передних крыльев и подножек
Установка передних крыльев и подножек
Платформа
Установка задних крыльев и брызговиков
Установка задних крыльев и брызговиков
Установка инструментального ящика МАЗ-5551
Платформа МАЗ-5551
Механизм запора заднего борта платформы
Цилиндр механизма запора заднего борта платформы
Устройство подъемное и опрокидывающее платформы
Гидрооборудование механизма подъема платформы МАЗ-5551
Цилиндр механизма подъема платформы МАЗ-5551
Клапан управления механизмом подъема платформы
Бак масляный механизма подъема платформы
Кран пневматический привода управления механизмом подъема платформы
Система питания
Топливопроводы системы питания с подогревом двигателя
Топливный бак и его крепление
Топливопроводы системы питания МАЗ-5551,53371,5337
Привод подачи топлива МАЗ-5551,53371,5337
Установка воздушного фильтра и воздухозаборника МАЗ-5551, МАЗ-5337
Система выпуска отработавших газов
Крепление глушителя и вспомогательного тормоза МАЗ-5551, 53371, 5337
Система охлаждения
Установка радиатора и расширительного бачка
Шторка радиатора и его привод
Трансмиссия
Сцепление
Педаль сцепления и тормоза с тягами МАЗ-5551, 5337
Привод выключения сцепления и тормозного крана МАЗ-5551, МАЗ-53371,МАЗ-5337
Картер среднего и заднего мостов с полуосями и цапфами
Мост средний. Редуктор с картером моста
Редуктор среднего моста. Промежуточный картер
Редуктор среднего моста. Картер редуктора с дифференциалом
Редуктор среднего моста. Межмостовой дифференциал с картером шестерен
Мост средний. Вал задний
Мост средний. Вал задний
Редуктор среднего моста. Промежуточный картер
Ходовая часть
Рама, бамперы и брызговики двигателя
Рама МАЗ-5551
Крепление бампера
Подвеска
Установка передней подвески
Установка малолистовой передней рессоры
Подвеска задняя
Рессора задняя
Установка задней подвески
Ось передняя
Ось передняя (дисковое колесо)
Ось передняя (бездисковое колесо)
Ось передняя (дисковое колесо)
Передняя ось и ступица переднего колеса
Балка передней оси и поворотного кулака
Тяга продольная рулевая
Тяга поперечная рулевая
Колеса
Ступица переднего дискового колеса
Ступица переднего бездискового колеса
Крепление передних дисковых колес
Крепление задних дисковых колес
Крепление переднего бездискового колеса
Крепление задних бездисковых колес
Ступица и тормозной барабан переднего колеса
Ступица задняя (дисковое колесо)
Ступица и тормозной барабан заднего бездискового колеса
Установка дискового запасного колеса
Установка бездискового запасного колеса
Держатель запасного колеса
Механизмы управления
Управление рулевое
Механизм рулевой
Механизм рулевой с распределителем гидроусилителя рулевого управления
Механизм регулировочный рулевой колонки
Распределитель гидроусилителя рулевого управления
Силовой цилиндр гидроусилителя рулевого управления
Колонка рулевая с колесом рулевого управления
Крепление кожухов на рулевой колонке
Рулевое управление. Бак масляный
Рулевое управление. Насос
Установка рулевого управления
Тормоза
Тормозной механизм передних дисковых колес
Тормозной механизм передний (бездисковое колесо)
Тормозной механизм заднего дискового колеса
Тормозной механизм задних бездисковых колес
Педаль сцепления и тормоза с тягами МАЗ-5551, 5337
Привод выключения сцепления и тормозного крана МАЗ-5551, МАЗ-53371,МАЗ-5337
Рычаги регулировочные
Привод тормозов среднего моста
Схема тормозного привода автомобиля МАЗ-5551
Установка регулятора давления и влагоотделителя
Установка аппаратов
Крепление ресиверов
Установка ускорительных клапанов и регулятора тормозных сил
Крепление передних тормозных камер и трубопроводов
Установка тормозных камер на среднем мосту
Установка ускорительного, двухмагистрального клапанов и регулятора тормозных сил
Присоединительная арматура к тормозному крану и клапану управления прицепом
Крепление ресиверов
Присоединительная арматура к ресиверам
Крепление влагоотделителя
Установка тормозного крана
Установка ускорительных и двухмагистрального клапанов
Установка регулятора тормозных сил
Крепление ресиверов
Присоединительная арматура к ресиверам
Влагоотделитель
Регулятор давления пневмотормозов
Кран тормозной
Клапан управления с двухпроводным приводом
Клапан защитный двойной
Клапан контрольного вывода
Клапан ускорительный
Камера тормозная (передняя)
Камера тормозная задняя
Камера тормозная задняя
Соединительная головка
Регулятор тормозных сил
Предохранитель против замерзания
Кран тормозной с ручным управлением
Клапан двухмагистральный
Установка привода останова двигателя и вспомогательного тормоза
Вспомогательный тормоз
Вспомогательный тормоз
Компрессор
Электрооборудование
Установка переключателя на рулевой колонке
Установка фар
Установка подфарников габаритных огней, плафонов освещения кабины и спальных мест, боковых повторителей, стеклоочистителей
Установка задних фонарей МАЗ-5551
Установка электрических сигналов
Установка фонарей знака автопоезда
Установка аккумуляторных батарей
Крепление аккумуляторного ящика
Установка аккумуляторных батарей
Установка электропневмовыводов полуприцепа
Колодки, контакты, наконечники
Резинотехнические изделия электрооборудования
Приборы и датчики
Щиток приборов
Датчик спидометра и его установка
Дополнительное оборудование
Буксирный прибор. Беззазорная сцепка
Буксирный прибор
Коробка отбора мощности
Коробка отбора мощности
Схемы запчастей и узлы представлены на сайте для справочных целей! Мы продаем не все запчасти на МАЗ-5551, представленные в этом списке, но многие из них.
Устройство кабины и водительского места
Дизайн водительской кабины МАЗ-5551 технологичен. За 30 лет производства модели разработчики провели несколько мелких преобразований, касающихся формы фар и боковых стекол. Тем не менее, пространство для водителя отвечает базовым характеристикам комфорта. Внутри кабины установлены: кондиционер и обогреватель.
Салон МАЗ-5551
Поручни и ступеньки, прикрепленные к основной раме, соответствуют эргономическим нормам и делают подъем в кабину максимально удобным. Командная панель представляет собой компактный набор рычагов и кнопок управления. Кресло шофера поддается регулировке, а пассажирское сиденье фиксируется напрямую к полу.
Эта часть МАЗ-5551 снабжена отсеками для хранения личных вещей между водительским и пассажирским креслами. Расширенные панорамные окна позволяют шоферу обозревать рабочую площадку, а лобовое стекло помогает отслеживать наклон кузова.
Самосвал МАЗ-5551: технические характеристики
Статья обновлена 13.05.2019
Мощный, надежный самосвал МАЗ 5551 пользуется заслуженной популярностью начиная со старта его серийного выпуска. Он представляет собой универсальное транспортное средство, которое может быть использовано для перевозки различных грузов. При этом он обладает сравнительно компактными размерами, превосходными техническими характеристиками, что делает его недорогим, эффективным решением.
Содержание:
Описание самосвала МАЗ-5551
Устройство автомобиля
Технические характеристики МАЗ-5551
Габариты
Грузоподъемность
Вес
Заключение
Описание самосвала МАЗ-5551
Прежде чем узнать грузоподъемность МАЗ 5551 и другие его рабочие показатели, целесообразно подробнее ознакомиться с этой популярной моделью, её особенностями. Выпуск автомобиля начался в 1985 году, однако несмотря на устаревшую конструкцию он до сих пор повсеместно используется в сельскохозяйственной и других сферах.
К числу наиболее значимых особенностей подобного рода транспортного средства следует отнести:
небольшие габариты, позволяющие грузовику успешно маневрировать даже в условиях ограниченного пространства;
отличная грузоподъемность, значительно превосходящая аналогичные показатели у многих других моделей отечественного, зарубежного производства;
универсальность.
Необходимо упомянуть также замечательную проходимость этого самосвала, обусловленную большим дорожным просветом, характерным для большинства грузовых автомобилей данного производителя.
Самосвал обладает хорошей проходимостью
Будучи неприхотливым в обслуживании и эксплуатации, МАЗ повсеместно используется не только в сельскохозяйственной сфере, но и на многочисленных строительных площадках. При необходимости провести ремонт достаточно изучить каталог запчастей, приобрести нужную деталь и устранить неисправность, используя различные видео-инструкции.
Он отлично подходит для перевозки различных сыпучих материалов — песка, удобрений, небольшого размера камней, щебня, строительного мусора. Удачная конструкция позволяет использовать его для транспортировки зерна, благодаря чему модель нередко называют сельхозник.
Самыми популярными модификациями самосвалов этой серии являются:
020 — оснащен кузовом, способным разгружаться исключительно назад;
А2-320 — современная версия с турбированным двигателем мощностью 230л.с.;
А3-4327 — отличается увеличенным размером сварного кузова, предназначенного для транспортировки сыпучих грузов.
Существуют и другие модификации этой популярной модели, имеющие специальное назначение, например, использование в качестве автопоезда либо в коммунальном хозяйстве.
Отличное качество сборки и доступная стоимость сделали грузовик оптимальным решением для эксплуатации в коммерческой сфере, где важна высокая рентабельность. Необходимо отметить, что тюнинг применяется в отношении подобного рода автомобилей сравнительно редко, поскольку их эксплуатационные характеристики не требуют доработок.
Устройство автомобиля
Конструкция МАЗ Зубренок отличается простотой, однако может отличаться и зависит от конкретной модификации. Ведь со времени начала выпуска модель неоднократно дорабатывалась и улучшалась, что позволило ей стать одной из самых эффективных в своем сегменте.
Как можно увидеть на фото, дизайн грузовика был изменен в 1998 году, что позволило ему стать более современным в сравнении с предыдущими поколениями. К числу основных элементов конструкции транспортного средства относятся:
кабина;
двигатель;
кузов;
электросхема;
КПП.
Технические характеристики модели
Кабина машины довольно просторная, позволяет с комфортом разместиться водителю и 2 пассажирам. Изготовлена из прочных материалов, редко подвергается коррозии, все контрольные приборы и органы управления удобно расположены по отношению к водителю.
Особого упоминания заслуживают двигатели, устанавливаемые на МАЗ, поскольку они значительно отличаются, в зависимости от модификации. Стандартным вариантом представляется дизельный силовой агрегат v-образного типа, оснащенный 6-ю цилиндрами. Он имеет объем 11,15 литров, может похвастаться мощностью до 180 л.с. Однако, по мере совершенствования конструкции на автомобили данной модели стали устанавливать более современный вариант мотора, оснащенный турбонаддувом, а также обновленный радиатор.
Некоторые из модификаций даже предусматривали установку не только отечественных агрегатов ЯМЗ, но и иностранных аналогов, однако они, как показывают отзывы, не получили широкого распространения, поскольку стоимость грузовика существенно возросла.
Технические характеристики МАЗ-5551
Популярность данного транспортного средства обусловлена превосходными рабочими показателями, которые сделали его крайне востребованным в сфере различных грузоперевозок. К числу наиболее значимых ТТХ МАЗ-5551 необходимо отнести:
двигатель — ЯМЗ или аналоги, мощностью 180-230л.с., в зависимости от модификации;
колесная база — 3,3м;
снаряженный/полный вес — 7,58/16,23 тонн;
объем кузова — 5,5-12,5 м3 при условии монтажа дополнительных бортиков;
время подъема кузова с нагрузкой — 15с.
Упоминания также заслуживает коробка передач механического типа, которой комплектовались все модификации. Она оснащена 5-ю ступенями и синхронизаторами, что значительно упрощает управление автомобилем.
Подъем кузова осуществляется не с помощью традиционного для транспортных средств того времени пружинного механизма, а при помощи гидропривода.
Габариты
Одной из отличительных особенностей этого грузовика представляются небольшие размеры, позволяющие уверенно передвигаться на строительных площадках и других стесненных условиях. Длина модели составляет всего 5,99 м, а ширина — 2,5 м. Если мерить по крыше кабины, высота МАЗ составляет 2,925 м.
Грузоподъемность
Изначально грузоподъемность данного транспортного средства составляла 8 тонн, однако инженеры завода-изготовителя впоследствии существенно доработали конструкцию. Благодаря усиленной раме и увеличенному объему кузова она возросла до 10-12 тонн, что позволяет сделать грузоперевозки значительно эффективнее.
Вес
Несмотря на свои скромные габариты подобного рода автомобиль не может похвастаться скромным весом. Отчасти это связано с материалами изготовления кузова, рамы и кабины, благодаря которому полная масса 5551 составляет 16,23 тонны, что несколько больше, чем у моделей автоконцерна предыдущего поколения.
Заключение
Будучи универсальным самосвалом, подходящим для транспортировки различных видов сыпучих грузов, МАЗ 5551 остается одной из самых востребованных на рынке моделей. Небольшая стоимость, длительный срок службы и неприхотливость в обслуживании, делают его оптимальным решением для эксплуатации на российских дорогах.
Читайте еще:
технические характеристики, преимущества и слабые места
Главная » Грузовики
Один из самых популярных отечественных самосвалов МАЗ-5551 был выпущен на Минском автомобильном заводе в далеком 1985 году. Он не стал инновационной разработкой, поскольку сделан на базе предшественника МАЗ-5549. Но удачная компоновка, высокая надежность и отличные эксплуатационные характеристики стали причиной популярности этого автомобиля, который и сегодня можно встретить на многих стройках, в компаниях, занимающихся перевозкой зерна и других сыпучих грузов. Достаточно сказать, что белорусский завод до сих пор выпускает этот автомобиль, который, отличается от первой модификации в лучшую сторону.
Содержание
Устройство грузовика
Технические характеристики
Преимущества и недостатки
Модификации МАЗ-5551
Устройство грузовика
МАЗ-5551 разрабатывался специально для работы в городских условиях и на строительных площадках в ограниченном пространстве. При высокой маневренности он должен иметь достаточный показатель грузоподъемности – 10 тонн. Конструкция грузовика позволяет успешно решать поставленные перед ним задачи.
Основа автомобиля – прочная стальная рама на рессорной подвеске. Это позволило обеспечить простоту и надежность конструкции, сочетая их с универсализмом эксплуатационных характеристик. Пневматическая тормозная система с АБС отличается высокой эффективностью, несмотря на малую мощность компрессора, который достаточно долго нагнетает в нее воздух. Одним из недостатков считается частое перетирание воздуховодов об раму, поэтому их сразу рекомендуется обернуть износостойким материалом. Непосредственно тормоза имеют барабанную конструкцию.
Самосвалы МАЗ-5551 и МАЗ-555102 – разработаны по колесной формуле 4х2.
Вторая модификация отличается только высотой бортов, которая позволяет увеличить объем погрузочной части.
Трансмиссия, гидравлика и рулевое управление
Изначально одним из наиболее уязвимых узлов на МАЗ-5551 была пятиступенчатая трансмиссия. Она переключалась длинным рычагом и имела слишком короткую первую передачу, что приводило к проблемам с началом движение по неровной дороге. В то же время, по нормальной дороге с твердым покрытием машина отлично идет, даже если она перегружена. Со временем эти недостатки были, устранены, переключение передач сделали более комфортным, а работа коробки передач более стабильной. Более уверенной езде поспособствовала и установка новых, более мощных двигателей.
Гидравлический насос приводит в движение трехступенчатый цилиндр, отвечающий за опрокидывание кузова. У последних версий автомобиля, он может разгружаться в три стороны. Управление процессом выгрузки происходит из кабины автомобиля. Опрокидывание кабины тоже осуществляется гидроприводом.
Грузовик оборудован стабилизатором поперечной устойчивости, что позволяет ему хорошо управляться на скорости. Рулевое управление, оснащенное гидроусилителем, обеспечивает автомобилю отличную маневренность, что важно в городских условиях. Объем топливного бака в 200 л гарантирует приличный запас хода. Система выхлопа сконструирована таким образом, чтобы при работе обогревать днище автомобиля. Для работы в условиях Крайнего Севера был разработан вариант грузовика МАЗ-5551 01 ХЛ.
Двигатель
Изначально автомобиль оснащался дизельным V-образным шестицилиндровым двигателем Ярославского завода ЯМЗ-236М2, объемом 11. 5 л и мощностью в 180 сил при максимальном крутящем моменте 667 Н·м. К его преимуществам относят высокую надежность и ремонтопригодность. Еще один плюс этого мотора – экономичность. При крейсерской скорости 60 км/ч и загрузке 85% от номинальной, МАЗ-5551 потребляет всего 23 л топлива на 100 км. Тем не менее, при движении по неровным и грунтовым дорогам требовались двигатели повышенной мощности.
С 90-х годов на МАЗ-5551 стали устанавливать Ярославские дизели такого же объема, но с турбонаддувом – ЯМЗ-6563.10, а также ЯМЗ-6581.10. Оба мотора выдают по 230 лошадиных сил с моментом 882 Н·м, не уступая старому атмосфернику в надежности и соответствуя экологическим нормам Евро-3. Были попытки устанавливать импортные силовые агрегаты производства Deutz и Cummins. Но, несмотря на большую мощность и экономичность, они не прижились, поскольку привели к увеличению цены грузовика.
Характеристика
ЯМЗ-236М2-1
ЯМЗ-6563.10
Рабочий объем
11,15 л
11,15 л
Мощность
180 л. с.
230 л.с.
Максимальный крутящий момент
667 Нм
882 Нм
Турбонаддув
Нет
Да
Кабина
На автомобиль установлена двухместная кабина с просторным салоном и панорамным стеклом, что существенно улучшает обзор с водительского места. Большие зеркала заднего вида обеспечивают дополнительное удобство при езде. Рубленые формы кабины подчеркивают характер автомобиля – настоящего трудяги-универсала, предназначенного для долгой и тяжелой работы. В кабину очень удобно подниматься за счет продуманной системы ступенек, поручней.
А вот к эргономике рабочего места водителя имеется немало претензий. Приборная панель достаточно информативна, но слабая контрастность и подсветка затрудняет считывание показаний в солнечный день. Рулевая колонка может регулироваться в двух плоскостях, но из-за большого диаметра руля, водителю малого роста не комфортно поворачивать, поскольку для этого приходится постоянно подаваться вперед.
Поскольку кабина не оснащена амортизаторами, в ней довольно сильно трясет. И если кресло водителя регулируется и подпружинено, то пассажирское сидение чаще всего не имеет никаких настроек, поэтому поездка на нем далеко не всегда комфортна.
Пружинный механизм подъема кабины прежних моделей МАЗ на 5551-ом был заменен гидравликой, которая управляется из-под радиаторной решетки. Это связано с тем, что подъем при закрытой радиаторной решетке запрещается.
Кузов самосвала
Грузовик МАЗ-5551 оснащается прочным цельнометаллическим кузовом, в стандартной комплектации имеющим объем 5,5 кубических метра. Его опрокидывание при одновременном открытии заднего борта осуществляется гидравлической системой с пневмоприводом и производится автоматически. В обновленных модификациях устанавливаются системы, обеспечивающие трехстороннюю разгрузку. Подъем кузова осуществляется трехзвеньевым гидравлическим цилиндром, обогреваемым газами выхлопной системы. Это исключает проблемы при выгрузке на сильном морозе. Его недостатком считают сложность конструкции, возможность засорения при длительной эксплуатации.
Если перегруз автомобиля превышает 1,5 т, при выгрузке он может перевернуться. Чтобы этого не случилось, на гидроцилиндр устанавливается система, препятствующая полному подъему при перегрузе. При нормальных условиях кузов поднимается за 15 с, опускается за 10 с. При желании на автомобиль можно установить платформу объемом 8,3 кубометра.
Технические характеристики
При разработке МАЗ-5551, его технические характеристики должны были соответствовать тем задачам, которые должен решать этот автомобиль.
Характеристика
Значение
Снаряженная масса
7580 кг
Грузоподъемность
8500 кг
Колесная формула
4х2
Макс.скорость автомобиля
83 км/ч
Время разгона автомобиля до 60 км/ч
50 с
Выбег автомобиля с 50 км/ч
850 м
Макс. подъем, преодолеваемый автомобилем
25°
Передаточное число ведущего моста (общее)
7,79
Контрольный расход топлива автомобиля, л/100 км, при 60 км/ч
23,21 л
Радиус поворота
по внешнему колесу 7,9 м; габаритный 8,6 м
Объем кузова
5,5 м³
Масса кузова
1030 кг
Время подъема груженого кузова при 1900 об/мин коленчатого вала двигателя
15 с
Время опускания порожнего кузова
10 с
Угол подъема кузова
50°
Объем гидравлической системы
24 л
Шины
12.00 R20
Из этих данных можно прийти к выводу, что при достаточно высокой грузоподъемности, автомобиль обладает приемлемыми для своего класса динамическими характеристиками и высокой маневренностью. Он приспособлен для перевозки сыпучих грузов, может использоваться не только при транспортировке строительных материалов, но и в качестве зерновоза, как надежный, выносливый сельхозник, особенно после установки более мощных моторов и обновленной трансмиссии.
В стандартной комплектации на машину устанавливается резина 12.00 R20, возможна установка 11.00 R20. Давление зависит от типа шин и грузоподъемности машины, производителем рекомендуется 7,1 атмосферы на передних колесах, 6,9 атмосферы на задних.
Большинство водителей и владельцев МАЗ-5551 дают положительную оценку этому автомобилю. Его цена и характеристики отлично сбалансированы, что делает его одним из самых популярных грузовиков в своем рыночном сегменте. К преимуществам относят:
Экономичность – одна из лучших в своем классе, позитивно сказывается на рентабельности перевозок.
Маневренность позволяет свободно проезжать там, куда грузовики аналогичной грузоподъемности просто не смогут протиснуться, кроме того, его возможность расширяет разгрузка с трех бортов.
Простота конструкции, ремонтопригодность – позволяют существенно снизить эксплуатационные расходы, повысить показатель надежности.
Двигатель с большим моторесурсом, после замены на наддувные силовые агрегаты обеспечивает отличную тягу.
Однако, автомобиль имеет определенные недостатки, среди которых отмечаются:
Недостаточная мощность воздушного компрессора, который долго нагнетает воздух в пневматическую систему.
В отличие от грязи и песка, на льду автомобиль демонстрирует плохое сцепление с дорогой, но это можно устранить установкой специализированной резины.
Укороченная первая передача снижает динамику автомобиля и утяжеляет начало хода на плохих дорогах. При этом на ровной хорошей дороге этой проблемы нет, поскольку машина может трогаться даже со второй передачи.
Отсутствие амортизаторов кабины приводит к тому, что в ней трясет и сильно утомляет, даже при езде по нормальному дорожному покрытию.
Несмотря на высокую надежность, МАЗ-5551, как и любой автомобиль имеет слабые места:
Конструктивные недостатки трансмиссии нередко приводят к выводу из строя сцепления. Поэтому при первых характерных признаках, например, автомобиль начинает дергаться при начале хода, появлении характерного шелеста при нажатии на педаль сцепления, требуется сразу обратить внимание на этот узел.
Трещины в раме, чаще всего в передней части и кабине. Это связано с отсутствием амортизационного узла между кабиной и рамой.
При частой перегрузке автомобиля выходят из строя шестерни моста и полуосей.
Модификации МАЗ-5551
Семейство МАЗ-5551 не включает большого количества модификаций модели, тем не менее, Минский завод предлагает выбор, расширяющий эксплуатационные возможности этого автомобиля. Наиболее часто встречающиеся модификации:
МАЗ-555102 – одна из первых модификаций со старым дизелем на 180 сил, отличающаяся от базовой версии увеличенным кузовом, грузоподъемностью до 10 т.
МАЗ-5551 А2-320 – аналогичная модель МАЗа 5551 020 по грузоподъемности и объему кузова, но уже с наддувным мотором на 230 л.с.
МАЗ-5551 А3-4327 – оборудован кузовом на 12,5 кубов, используется для перевозки сельхозпродукции. Аналогичная модификация – сельхозник МАЗ-555142. Кузов оборудован откидными бортами.
МАЗ-5551 А2-325 – комплектуется стандартным кузовом с трехсторонней выгрузкой. На эту модификацию установлено оборудование для присоединения прицепа.
МАЗ-5551 А2-340 – тягач, оборудованный прицепным устройством-полуавтоматом с двумя степенями свободы. Относится к спецтранспорту.
МАЗ-5551 01 ХЛ – разработан для работы при температурах до -60°С.
Анализ достоинств и недостатков МАЗ-5551 заставляет сделать вывод, что этот универсальный автомобиль является оптимальным для транспортировки тяжелых сыпучих грузов на малые и средние расстояния. Он может эффективно работать в самых сложных условиях, но делать на нем длительные выезды слишком утомительно.
Рейтинг
( 4 оценки, среднее 5 из 5 )
4 089 просмотров
Понравилась статья? Поделиться с друзьями:
Маз 5551 технический самосвал. Объем кузова и другие важные характеристики
Автомобиль «МАЗ» был изготовлен в 1947 году после войны, когда было принято решение о создании в Минске завода по выпуску мощных и экономичных грузовиков. С тех пор прошло много лет, но Маз по-прежнему пользуется большим спросом. Например, что такое новый и экономичный Маз 5551 или другие модификации? Узнаем больше о технических характеристиках грузовика, его объеме и многом другом.
Сразу скажем, что объем кузова этого самосвала составляет 6-8 куб. Другими словами, именно столько помещается в Маз сыпучих грузов. Что же касается грузоподъемности и других параметров разных моделей Маз, то об этом будет подробно рассказано ниже.
Маз 5551
ВНИМАНИЕ! Найден совершенно простой способ снизить расход топлива! Не верите мне? Автомеханик с 15-летним стажем тоже не верил, пока не попробовал. И теперь он экономит на бензине 35 000 рублей в год!
1988 год ознаменовался выпуском 5551-й модели белорусского автопрома. Среди особенностей кузова новинки сразу выделяется подъем кузова, который открывается/закрывается вместе с дверью багажника.
Также можно выделить днище автомобиля, которое в зимнее время обогревается выхлопными газами от силовой установки грузовика.
Кабина Маз 5551 выполнена в 2-местном варианте, откидывается вперед, как и на всех классических Мазаках.
Традиционной сферой применения грузового автомобиля «МАЗ» является строительство и сельское хозяйство, хотя в последнее время наблюдается переход автомобиля в другие отрасли. В частности, речь идет о коммунальном сельском хозяйстве, промышленных объектах, бизнес-направлениях и так далее.
Популярность грузовика растет, его роль и значение с каждым разом возрастает, людей интересует вместительность кузова, технические возможности автомобиля. Что вызвало такую спешку за грузовиком?
В первую очередь, конечно, возможность применения как зимой, так и летом. Как говорится, это грузовик для любой погоды, он и в огонь, и в воду.
Также важна способность преодолевать любые дороги. Словно породистый внедорожник, Маз как семечки щелкает все кочки, кочки и ямы.
Грузовик хорош и по маневренности, не уступает зарубежным аналогам по управляемости и проходимости, превосходит по расходу топлива и чувствительности к нему.
Итак, давайте поближе познакомимся с Маз 5551. Именно он сегодня пользуется бешеной популярностью далеко за пределами Беларуси. Возможности этого самосвала просто огромны, ведь он может перевозить большие грузы на короткие и дальние расстояния. 5551 стоит на первом месте по оправданности стоимости среди всех самосвалов, и об этом еще громко не говорилось.
Еще одной отличительной чертой, вызывающей зависть конкурентов, является способность Маз 5551 разворачиваться на узких дорогах, почти как «легковая машина».
Внешний вид нового Маза соответствует всем параметрам современного стиля, дизайн не вызывает негативных нареканий, а сама конструкция грузовика делает его удобным в эксплуатации.
Интересно, что производители заменили пружинный механизм привода на гидравлический для удобства водителя. Это также положительно сказалось на безопасности автомобиля, на котором с той же целью усложнили открывание решетки радиатора.
2-местный салон, несмотря на ожидаемую тесноту, вполне удобен. Сиденья разделены удобной полкой, на которой можно легко хранить все свои мелочи.
Будка Маз сделана настолько качественно, что любой ее элемент можно заменить самостоятельно в случае неисправности, купив необходимое в любом магазине страны.
Сиденье водителя оснащено рессорами, однако, по отзывам владельцев и пользователей Маз 5551, оно выполнено необычно.
Пассажирское сиденье неподвижно, плотно прилегает к кузову. За счет отсутствия амортизации в местах крепления пассажиру сидеть вполне комфортно.
Теперь самое вкусное — это тело. Это CLM с возможностью выгрузки обратно. Но по функциональности он уступает многим современным машинам, оснащенным специальными системами, обеспечивающими возможность разгрузки на три стороны.
А вот Маз 5551 оснащен системой автоматического обогрева, придуманной с большой изобретательностью. В результате машиной удобно эксплуатировать и зимой. Даже в самые сильные морозы под кузовом ничего не промерзает.
Тормозная система белорусского грузовика очень примитивна. Есть и недостаток, уже очевидный – долгое время прокачки системы, что вынуждает водителя несколько раз нажимать на педаль.
Расход топлива 28-33,7 л. Это хороший показатель и считается низким по сравнению с ним.
Технические характеристики Маз 5551
Кузов
Самосвал
Каюта
2-местная, без спального места
Клиренс, мм
270
Длина, мм
5990
Ширина, мм
2500
Высота, мм
2295
Мощность, л.с.
180
Двигатель
ЯМЗ дизель 6 цилиндров
Привод
4×2
КПП
ЯМЗ-236П МКПП
Подвеска
Пружинный тип
Тормозная система
Барабан
Эксплуатационные возможности Маз 5551
Маз 5516
Еще один самосвал белорусского завода, имеет колесную формулу 6х4 и выпускается с 1994 года. Речь идет о знаменитом грузовике Маз 5516.
Данная модель Маза изначально выпускается под несколько целевых задач, что объясняется 2 типами кабин — длинной и короткой. Давайте подробнее рассмотрим область, где используется этот грузовик.
Модификация 5516 предназначена для перевозки сыпучих грузов, в частности зерна. Вот его особенности:
Отличается от стандартной версии возможностью выполнения 2-сторонней боковой выгрузки;
Объем платформы данной модификации увеличен до 22 куб.м. метров, следовательно, увеличивается и грузоподъемность. Последний составляет 20 тонн.
5549
5549-й был сделан на платформе 5335. На этой мазе 5549Отличительной особенностью является перенос оптики на передний бампер. Это как раз соответствует последним требованиям по установке световой оптики на самосвалы.
В передней части кабины установлены специальная заглушка и декоративная решетка радиатора. Здесь были установлены «габариты», четко совмещенные с указателями поворотов.
Грузоподъемность этого Маза относительно небольшая — 8 тонн. Зато расходует гораздо меньше – 22 л/100 км.
Подъемный клапан
Одной из важнейших частей Маз является подъемный или регулирующий клапан, как его еще называют. Он служит для опускания платформы в конце подъема. В этом механизме предусмотрено специальное устройство, хорошо защищающее все механические элементы от перегрузок.
Схема клапана не такая сложная. Непременным элементом является чугунный корпус, в котором расположены основные узлы клапана и предохранитель.
Также имеется резиновое сиденье и несколько обязательных манжет, выполняющих роль уплотнителей. Между ними предусмотрено технологическое отверстие.
Техническое обслуживание и уход
Этот клапан требует обязательного технического обслуживания, включающего проверку герметичности манжет и резинового седла. Кроме того, владельцу автомобиля Маз предстоит проверить состояние троса и точность регулировки его хода.
Не менее важно проверить надежность крепления клапана к раме. Как известно, это крепление осуществляется с помощью 2-х болтов, которые рекомендуется регулярно проверять и подтягивать (в процессе активной эксплуатации самосвала — каждый день).
Характерным признаком неисправности подъемного клапана является характерный шипящий звук. Это происходит при повреждении диафрагмы пневмокамеры, через которую проходит сжатый воздух.
Выход воздуха также может указывать на износ манжет, подаваемых снаружи.
И, наконец, обязательно провести диагностику состояния троса клапана, его настройки. Он не должен иметь перегибов и не должен заедать во время работы клапана.
О кузовном ремонте автомобилей Маз вы можете узнать из рекомендаций в других статьях на нашем сайте. Полезная информация на фото и в таблицах.
Самосвал МАЗ 5551 начал выпускаться во времена СССР в 1985 году. МАЗ 53371 послужил основной базой узлов и агрегатов для этой машины. Корпус модели выполнен цельнометаллическим, а борт выполнен с автоматическим открыванием и закрыванием. Разгрузка происходит назад от задней двери. Выхлопные газы двигателя используются для обогрева днища кузова, чтобы перевозимые материалы не замерзали зимой. Откидывающаяся вперед кабина рассчитана на двух человек. Существует несколько модификаций, некоторые из которых могут работать при температурах до -60 градусов по Цельсию.
Автомобиль произведен на Минском автомобильном заводе. Его непосредственный предшественник существовал еще в годы войны. Это была модель МАЗ 500. После нескольких лет доработок, доработок и доработок был выпущен МАЗ 5551. Двухосная компоновка давала отличную маневренность и проходимость. Модели активно используются как в России, так и в Беларуси.
Область применения
Машина активно используется в сфере строительства. Как и его предшественники, самосвал МАЗ 5551 служит одним из основных грузовых автомобилей для перевозки строительных материалов. Может работать как с сыпучим, так и с другими видами сырья. Это могут быть кирпичи, трубы, дерево и другие вещи. Эта техника также может служить для вывоза строительного мусора. Вместительность и максимальная загрузка автомобиля дает возможность работать с достаточными объемами, подходящими для любого типа конструкции.
Самосвал может перевозить материалы на средние и короткие расстояния. Он предназначен для работы в городских условиях, но хорошая проходимость обеспечивается за счет необходимости передвигаться в сложных условиях по строительным площадкам. Грузовик без проблем передвигается по сельской местности и другому бездорожью. Возможность работы при низких температурах не затрудняет использование зимой, тем более что здесь есть обогрев кузова.
Еще одна область применения — сельское хозяйство. Он также занимается транспортировкой сыпучих материалов, таких как зерно и другие. Несмотря на то, что такие машины часто входят в состав автопарков различных предприятий, их можно встретить и в частных усадьбах. При этом они могут найти применение практически в любой сфере, где их технические характеристики будут востребованы.
Преимущества
Длительное использование во многих промышленных и строительных сферах обеспечивается основными достоинствами машины:
На внутреннем рынке характеристики не сильно уступают современным маркам;
Легко достать запасные части и не возникнет проблем с ремонтом;
Автомобиль хорошо показывает себя при движении по плохим дорогам;
Нет проблем при работе при низких температурах;
Имеется автоматическая система открывания и закрывания борта;
Для зимнего использования предусмотрен обогрев, экономично работающий на выхлопных газах.
недостатки
По сравнению с западными аналогами машина менее комфортна в эксплуатации, а здесь внутри кабины все не удобно оборудовано;
Иногда в строительной отрасли не хватает места для более серьезной работы.
Технические характеристики
Технические характеристики самосвала МАЗ 5551 являются основными данными, определяющими область его применения. Основные характеристики данной модели для использования следующие:
Технические характеристики
Значение
Максимальная грузоподъемность модели, кг
8500
Снаряженная масса, кг
7580
Включает:
3450
Общий вес, кг
16230
Общая масса включает:
10250
Максимальная скорость автомобиля, км/ч
83
За какое время автомобиль разгоняется до 60 км/ч, с
50
Максимальный подъем, который может преодолеть автомобиль, %
25
Выбег автомобиля с 50 км/ч, м
85
Расход топлива МАЗ 5551 на 100 км при скорости 60 км/ч, л
23,21
Характеристики радиуса поворота:
Наружное колесо, м
7,9
Габаритная, м
8,6
Общее количество передач ведущего моста
7,79
Объем кузова вагона, м
5,5
Ориентировочное время подъема полностью загруженного кузова, с
15
Ориентировочное время опускания пустого кузова, с
10
Устройство
Двигатель ЯМЗ236 устанавливается на самосвалы МАЗ 5551. В стандартной комплектации двигатель выдает 180 лошадиных сил, что равняется 132 кВт мощности. Максимальный крутящий момент составляет 667 Нм. В последних модификациях установлен двигатель ЯМЗ636, мощность которого составляет уже 230 лошадиных сил. По международным стандартам машина соответствует экологическому классу Евро3. Некоторые современные модификации имеют грузоподъемность на 10 тонн выше стандартной. Здесь пятиступенчатая механическая коробка передач. Двигатель не имеет наддува, что придает ему высокую надежность и хорошую мощность.
В кабине нет спального места, но помимо водителя могут разместиться еще два пассажира. Поручни и подставки обеспечивают легкий и быстрый доступ в кабину с улицы. Эргономика расположения предметов внутри здесь не самая лучшая. Рулевое колесо можно регулировать по высоте и углу наклона. Сиденье двигается вперед-назад по специальной направляющей, но иногда даже в таких условиях сложно найти удобное положение. Особого внимания заслуживают вентиляция и освещение в кабине. Они выполнены на высоком современном уровне.
Производитель
Автомобиль производства Минского автомобильного завода. На данный момент это предприятие является управляющим холдингом БелАвтоМаз. Основная специализация завода – производство большегрузных автомобилей, троллейбусов и легковых автомобилей. Продукция поставляется в 45 стран ближнего и дальнего зарубежья. По данным на 2016 год это самое убыточное предприятие страны.
Заключение
Среди множества отечественных автомобилей, которые выпускались еще во времена СССР, этот самосвал является одним из самых современных, так как начало его производства пришлось как раз на начало распада Советского Союза . На данный момент его производство продолжается в Минске и поставляется в страны ближнего зарубежья. При сохранении современных характеристик автомобиль имеет относительно невысокую стоимость, что выгодно отличает его от конкурентов. Особой популярностью пользуются специализированные модификации модели, рассчитанные на тяжелые условия эксплуатации.
5551 начали выпускать еще в 1985 году, и, наверное, ни в одном городе постсоветского пространства нет человека, который ни разу не встречал этот минский грузовик. Конечно, в СССР выпускались и другие самосвалы, но у машины «Минск» было то, что при некоторых обстоятельствах делало ее если не незаменимой, то, по крайней мере, гораздо более предпочтительной и удобной, по сравнению с другими советскими грузовиками. Как вы, наверное, уже поняли, речь идет о колесной формуле 4*2, что вместе с не слишком большой колесной базой в 3300мм обеспечивает прекрасную маневренность: радиус разворота минского грузовика всего 8,6м!
Здесь хотелось бы отметить, что при одинаковой колесной базе двух и трехосных автомобилей двухосный грузовик всегда будет маневреннее, при условии, что у автомобиля с колесной формулой 6*4 имеется только один — передний управляемый ось.
Купить МАЗ 5551
Купить самосвал МАЗ 5551 сегодня можно за 10 000 долларов. Речь идет об исправном автомобиле 2000-х годов выпуска, а цена на нормальные в техническом отношении грузовики 90-х годов выпуска составляет порядка 4000-5000 долларов. Как видите, купить МАЗ 5551 сегодня можно не так дорого – это хорошее предложение для людей, работающих на своей земле.
Взгляните на фото МАЗ 5551. Обратите внимание на цельное лобовое стекло, оно дороже и сложнее в изготовлении, чем два, разделенных посередине стекла, как на старых КАМАЗах. Как и более крупные самосвалы, модель 5551 оснащена обогреваемым кузовом. Разумеется, от подогрева сидений в этом обогреве ничего не зависит)), в данном случае обогрев осуществляется с помощью выхлопных газов — это может быть очень кстати зимой, когда мокрый песок или глина могут примерзать к кузову , что будет мешать разгрузке. Двухосный грузовик почти всегда имеет меньшую грузоподъемность, чем трехосные (о карьерных машинах сейчас речь не идет), а в случае с грузовиком «Минск» при снаряженной массе 7580 кг грузоподъемность составляет 8500 кг. Полностью загруженный кузов минского самосвала поднимается за 15 секунд, а на опускание уже пустого кузова уходит 10 секунд. Следует добавить, что длина самосвала МАЗ составляет 59 м. 90мм, ширина 2032мм, высота 2925мм.
Отзывы многих водителей МАЗов свидетельствуют о том, что посадка в минский самосвал за счет удобной подножки и поручня более удобна по сравнению с посадкой в КАМАЗ, или ЗИЛ. Многие могут удивиться, но в этом белорусском грузовике руль регулируется, причем в двух направлениях! Такого не было даже на престижных в 90-х, и даже на «десятке» руль можно регулировать только по углу. Разумеется, руль обозреваемого грузовика оснащен гидроусилителем. Сиденье водителя МАЗ закреплено на салазках и регулируется в продольном направлении. Сиденье пассажира, кстати — оно здесь одно, регулировок нет, закреплено на мертвой. Но, несмотря на все это, и даже на люк, комфорта здесь нет: кабина крепится прямо к раме и не подрессоривается, и, несмотря на все регулировки, водителю управлять не очень комфортно. С другой стороны, такие автомобили покупаются для работы, а не для отдыха, поэтому сказанное вряд ли можно отнести к минусам, особенно учитывая цену минской машины.
Технические характеристики МАЗ 5551
Учитывая класс, характеристики МАЗ 5551 нельзя назвать скромными. Не ведитесь на 180 л.с. от ярославского турбодизеля: при объеме 11 литров этот V6 выдает внушительные 667 Н тяги, что немало, особенно если вспомнить про главную пару с передаточным числом 7,79: 1. Вместе с пятиступенчатой механикой ярославский мотор способен разогнать МАЗ до 83 км в час. Для набора 60 км требуется 50 с, конечно по меркам легкости — это не очень долго, но это грузовик и назначение у него совсем другое. Топливный бак вмещает 200л дизтоплива. Это довольно много, особенно если учесть, что 5551 не предназначен для дальних поездок.
Многие из тех, кто купил этот минский автомобиль, довольны. Они возят по ней не только строительные материалы, но и используют свои машины для сельского хозяйства. Многие делают надстройки на борта и отправляют МАЗы в поле собирать зерно за комбайном. Эти грузовики используются коммунальщиками: в городе очень важна маневренность, поэтому МАЗ лучше многих других подходит на роль снегоуборщика, особенно если речь идет о крупных городах-миллионниках, где из-за припаркованных автомобилей, трехосный автомобиль может даже не развернуться. Минский автомобиль имеет массу применений, и по отзывам владельцев качество минского грузовика лучше, чем у российских машин.
МАЗ-5551 — крупнотоннажный самосвал с бескапотной компоновкой и колесной формулой 4×2, который предназначен для перевозки широкой номенклатуры сыпучих грузов (в некоторых модификациях — и в составе автомобильного поезд) по дорогам с асфальтовым или твердым грунтовым покрытием…
Этот грузовик появился в модельной палитре «Минского автомобильного завода» в 1985 году, тогда же начался его серийный выпуск. С тех пор автомобиль неоднократно дорабатывали, преображая как визуально, так и технически.
МАЗ-5551 оснащен цельнометаллической малогабаритной кабиной, оформленной в характерном для белорусского автопроизводителя стиле.
Экстерьер самосвала не отягощен лишними элементами (но из-за этого выглядит устаревшим) — большое лобовое стекло, черная прямоугольная решетка радиатора и металлический бампер с аккуратными блоками фар.
МАЗ-5551 имеет очень компактные габариты: длина — 5990-6000 мм, ширина — 2500-2550 мм, высота — 2950-3100 мм (на уровне кабины). Колесная база занимает 3300 мм автомобиля, а его дорожный просвет укладывается в 270 мм.
В снаряженном виде «Беларус» весит от 8125 до 8425 кг в зависимости от решения, а его грузоподъемность составляет от 9700 до 10000 кг. Полная (конструктивно допустимая) масса самосвала составляет 18200 кг (из них 6700 кг давит на переднюю ось, а остальные 11500 кг — на заднюю), а его масса в составе автопоезда может достигать 32000-36000 кг. .
Грузовой автомобиль «Минск» предлагается в нескольких модификациях:
« Корпус вариант «МАЗ- 555102-220 /- 5551А2-320 оборудован цельнометаллической установкой с прямоугольной площадкой объемом 5,4-8,2 куб.м с задней выгрузкой (борт закрывается и открывается автоматически), нижним обогревом выхлопными газами и максимальным углом подъема 50 градусов.
« Фермер » МАЗ- 555102-225 /- 5551A2-325 /- 5551A3 /- 555183 может похвастаться прямоугольным кузовом, вмещающим до 5,5 кубометров груза (с надставными бортами — 7,7 кубометров) с трехсторонней выгрузкой и максимально допустимым углом подъема 47 градусов.
Внутри кабины самосвала простой дизайн с продуманной эргономикой и двухместной компоновкой (сиденье водителя оснащено механической подвеской и регулировками в нескольких плоскостях, в том числе по высоте).
Спальные «полочки» в вагоне не предоставляются даже за дополнительную плату.
Для семейства МАЗ-5551 широкий выбор силовых установок:
В большинстве модификаций этот грузовик комплектуется V-образными «шестерками» ЯМЗ рабочим объемом 11,15 л с непосредственным впрыском Common Rail, жидкостным охлаждением, турбокомпрессором и интеркулер:
первый вариант — ЯМЗ-236НЕ2 (Евро-2), развивающий 230 лошадиных сил (169 кВт) при 2100 об/мин и 882 Нм крутящего момента при 1100-1300 об/мин;
второй — ЯМЗ-6563.10 («Евро-3») мощностью 230 л.с. (169 кВт) при 1900 об/мин и 882 Нм максимальной отдачи при 1100-1300 об/мин;
третий – ЯМЗ-6562.10 (Евро-3), потенциал которого составляет 250 лошадиных сил (184 кВт) при 1900 об/мин и 1128 Нм располагаемой тяги при 1100-1300 об/мин.
Кроме того, на самосвал устанавливается рядный шестицилиндровый агрегат Cummins 6ISBe объемом 6,7 л с турбокомпрессором, охлаждением наддувочного воздуха, аккумуляторным питанием Common Rail и системой рекуперации выхлопных газов мощностью 242 л.с. (180 кВт) при 2500 об/мин и 925 Нм крутящего момента при 1200-1700 об/мин.
Двигатели комплектуются исключительно МКПП — 5-, 8- и 9-ступенчатыми.
Весь запас тяги идет на задний мост, который оснащен блокируемым межколесным дифференциалом.
Пик «Белорус» способен развивать скорость 85 км/ч (ограничена электроникой) вне зависимости от версии.
В основе МАЗ 5551 лежит лестничная рама из высокопрочных сортов стали. Самосвал оснащен зависимой подвеской «по кругу» с продольными рессорами полуэллиптической конфигурации (на передней оси — с телескопическими амортизаторами и поперечным стабилизатором).
Автомобиль оборудован двухконтурным тормозным комплексом, образованным пневматическим приводом, «барабаны» на всех колесах и АБС. В базе автомобиль оснащен гидроусилителем руля, 200-литровым топливным баком и 20-дюймовыми колесами с шинами 12.00R20.
На российском рынке стоимость МАЗ-5551 в 2017 году начинается от ~ 2,3 млн рублей. В стандартную комплектацию грузовика входят: гидроусилитель руля, цифровой тахограф, АБС, подрессоренное сиденье водителя, 20-дюймовые колеса, аудиоподготовка и другое оборудование.
Грузовой автомобиль МАЗ-5551 выпускается Минским автомобильным заводом уже три десятилетия, с 1985 года. Несмотря на далеко не новаторскую конструкцию (его непосредственный предок, МАЗ-503, впервые вышел на дороги еще в 1958 году), самосвал МАЗ-5551 остается одним из самых популярных восьмитонников на российских просторах. О Камаз 500 серии читайте в этой статье.
Описание и объем
В отличие от дальнобойных аналогов, например, ЗИЛ-4520, более компактный и маневренный МАЗ-5551 легко передвигается в городских условиях. Чаще всего его можно встретить работающим на городской стройке. Основное предназначение этого грузовика – перевозка сыпучих материалов, причем на короткой стреле, что определяется его приводом 4х2.
Посмотреть видео:
Другое МАЗ-5551 Области применения:
Сельское хозяйство
промышленность
городское хозяйство и дорожное строительство
Характеристики кузова
В стандартном исполнении МАЗ-5551 оснащается неразъемным кузовом с задней разгрузкой. Откидывание задней двери и опрокидывание кузова имеют дистанционное управление и происходят автоматически.
В кабине два места Как видно на фото, между пассажирским и водительским сиденьями есть место для хранения вещей и документов. Сиденье водителя оснащено пружинами и двигается вперед-назад, а вот рулевая колонка может регулироваться в двух направлениях.
На этом, да ещё и с электрообогревом боковых зеркал, комфорт в стандартной кабине заканчивается, нет даже амортизации в местах её крепления.
Для доступа к силовым агрегатам кабина откидывается вперед с помощью гидравлического привода. Поднять кабину можно только при открытой решетке радиатора, а устройство включения механизма находится за самой решеткой. Нижняя фиксация осуществляется с помощью обычного стального троса.
Обогрев днища самосвала за счет подачи выхлопных газов . Такая конструкция значительно облегчает использование самосвала в холодное время года. Для экстремальных условий и температур до -60°С разработана модель МАЗ-5551 01 HL.
Трансмиссия базовой версии — 5-ступенчатая механическая коробка передач ЯМЗ-236П, на более поздних моделях грузоподъемностью до 10 тонн устанавливалась ЯМЗ-2361. Теперь на новых автомобилях стоят коробки западного производства.
Стойки позади стабилизатора поперечной устойчивости , что значительно снижает крен грузовика на поворотах. Передние и задние тормоза — барабанные с пневматическим управлением.
Часто при прохождении технического осмотра возникает вопрос, где находится номер шасси. Номер на раме МАЗ-5551 находится на традиционном для советских грузовиков месте — сразу сзади, на передней части рамы (обычно в районе заднего моста или с небольшим смещением).
Двигатель МАЗ 5551 и расход топлива
Двигатель МАЗ-5551 дизель V6 (как и МАЗ-53366). До последних лет все самосвалы МАЗ-5551 комплектовались 180-сильным мотором ЯМЗ-236М2 Ярославского завода. В новых версиях он заменен на ЯМЗ-6563.10 с экологическим классом Евро-3, а на некоторых моделях — на Двигатели Cummins класса Евро-4 с турбонаддувом.
Несмотря на появление комплектаций с импортным двигателем, на форумах водителей по-прежнему советуют агрегаты от ЯМЗ за их надежность и простоту обслуживания.
МАЗ-5551 отличается низким расходом топлива на 100 км для своего класса. Расход около 23 литров при скорости 60 км/ч и нагрузке около 85% от максимальной. Для сравнения, у модели МАЗ-5337 расход топлива 30-35л/100км.
Технические характеристики
Габаритные размеры, мм
длина — 5990 (с опрокинутой кабиной — 7850)
ширина — 2500 мм (в моделях с разгрузкой на 3 стороны — 3450 при полностью перевернутом кузове)
высота — 2925 мм
со сложенным корпусом — 4850
при разгрузке вбок — 3850
Дорожный просвет — 270 (минимум, в районе переднего моста)
Устройство параметров двигателя
Объем — 11150 см³ (ЯМЗ-236)
Мощность — 180 л. с.
Крутящий момент — 667 Нм
Максимальная скорость — 83 км/ч (у некоторых моделей может быть до 90 км/ч)
Масса МАЗ-5551 в стандартной модификации, кг
оборудованный — 7580, в т.ч.
на переднюю ось — 4130
на заднюю ось — 3450
полный — 16 230, в т.ч.
на переднюю ось — 5980
на заднюю ось — 10 250
Грузоподъемность и объем кузова МАЗ-5551
Грузоподъемность — 8500 кг
Объем кузова
— 5,4 м³, а у
Размеры кузова и размеры
Габаритные размеры МАЗ-5551 при таком объеме платформы 3800 х 2269 х 630 мм.
Для сравнения предлагаем ознакомиться с размерами бортового кузова КамАЗ.
В зависимости от модификации грузоподъемность может быть до 10,2 т (сопоставимо с грузоподъемностью КамАЗ-43118), объем кузова МАЗ-5551 — до 12,5 м³ (15,5 с поднятыми бортами).
Колеса и шины трактора
Колесная формула — 4х2, максимальный угол наклона проезжей части — 25 градусов
радиус поворота — 7,9 м (габаритный — 8,6 м)
Шины — 12. 00 R20, также допускается установка 12.0-20 или 11.00 R20
Давление в шинах МАЗ-5551 будет зависеть от модели самих шин и грузовика. Например, для самосвала грузоподъемностью 10 т и шинами 12,00 R20 — 7,1 на переднюю ось и 6,9 кгс/см2 на заднюю ось.
Привод грузовой платформы
Устройство подъема кузова МАЗ-5551 расположено под платформой. Механизм опрокидывания, как и у большинства современных самосвалов, гидравлический с пневматическим управлением.
Телескопический гидроцилиндр переменной производительности состоит из трех последовательно выдвигающихся звеньев — такая конструкция позволяет развивать достаточные рабочие усилия при небольшом весе и габаритах в сложенном виде. Основным его недостатком является значительная сложность, а также опасность забивания плотно прилегающих звеньев.
Для повышения безопасности разгрузки в гидрораспределителе гидроцилиндра предусмотрено предохранительное устройство. Не допускает полного подъема платформы при перегрузке более 1,5 т.
Цапфы задней двери управляются пневмоцилиндром, срабатывающим при приведении рукоятки устройства в положение «Подъем».
Регулировка сцепления
На МАЗ-5551 установлен традиционный для мощных грузовиков двухдисковый фрикцион … Элементы данного узла подвержены износу из-за значительных перегрузок в процессе эксплуатации и требуют периодического обслуживания.
Регулировка сцепления МАЗ-5551 требуется, например, в следующих случаях:
пробуксовка сцепления на высоких оборотах
треск в момент переключения передач
сцепление не полностью выключено
Имеется три основных ступени :
1. Установка зазора 1 мм между регулировочными винтами и средним ведущим диском производится следующим образом:
снимите крышки люка, чтобы обнажить сцепление и маховик,
при включенном сцеплении переведите рычаг переключения передач в нейтральное положение,
отвернуть контргайки и вкрутить все регулировочные винты в средний ведущий диск до упора, для этого нужно провернуть маховик,
ослабьте винты на 1 оборот и слегка затяните контргайки.
Эта регулировка обеспечивает требуемые расстояния между дисками и фрикционной поверхностью маховика.
2. Обеспечение зазора 3,3…3,7 мм между гайкой и задней крышкой клапана. Для регулировки требуется ослабить контргайку и выставить зазор на нужное значение, затянув регулировочную гайку.
3. Настройка педали свободного хода. Стандартное значение 34-43 мм (измеряется линейкой при пустой пневмосистеме).
Руководство пользователя
Приборная панель и органы управления
Погрузчик запускается поворотом ключа в замке, расположенном в нижней части рулевой колонки.
Под левой рукой находится переключатель поворотов и фар ближнего/дальнего света … Указатели поворотов переключаются по горизонтали. Возможна постоянная или кратковременная активация. Фары управляются в вертикальной плоскости. При нажатии на ручку с торца включается звуковой сигнал.
Справа от рулевой колонки находится переключатель стеклоочистителей и омывателей.
Спидометр, тахометр и комбинированный прибор p, показывающий уровень топлива, температуру охлаждающей жидкости, давление масла и напряжение, находятся на приборной панели перед водителем.
Также имеются контрольные лампы и выключатели осветительных приборов, а также кнопка отключения межколесного дифференциала и контрольные лампы АБС (при оснащении грузовика данной системой стабилизации).
Рядом с ним на приборной панели расположены контрольные лампы:
температура охлаждающей жидкости (загорается при температуре 105±5°С),
Аварийное давление масла,
уровень топлива (загорается при полном баке на 16-20% и ниже),
давление воздуха в тормозной системе,
загрязнение масляного фильтра др.
Чтобы прогреть двигатель или накачать шины, нажмите педаль топлива, зафиксируйте ее защелкой и отпустите. Двигатель следует прогревать на минимальных оборотах с постепенным увеличением до средних. Начинать движение можно только при нагреве охлаждающей жидкости не ниже 40°С.
При движении нельзя использовать постоянную подачу топлива!
Стояночный тормоз активируется перемещением рычага в заднее положение. При возврате в переднее положение отключается. Дополнительный тормоз активируется в промежуточных положениях.
Коробка передач ЯМЗ-236П пятиступенчатая с синхронизаторами на 2-3 и 4-5 передачах. Переключение передач происходит по следующей схеме:
Для подъема платформы поверните кран управления в положение «подъем». Другие позиции: остановка, спуск и транспорт.
При трогании с места на скользком покрытии, проезде сложных участков дороги Должна быть включена блокировка дифференциала … Делать это нужно на стоящем автомобиле или на скорости до 10 км/ч.
Входить в поворот с заблокированным дифференциалом опасно … Это снижает управляемость и приводит к повышенному износу трансмиссии! Когда дифференциал заблокирован, соответствующий значок на приборной панели загорается оранжевым цветом.
Безопасность
Работа с самосвалом связана с риском получения травм и несчастных случаев. Для снижения этих рисков и вероятности поломок необходимо соблюдать ряд правил безопасности. Вот некоторые из них.
Запрещается стоять перед кабиной при подъеме и опускании, а также движение без фиксации кабины тросом и с открытым механизмом опрокидывания.
Не регулируйте сиденье водителя во время движения.
Запрещается двигаться с поднятой платформой и опускать загруженную платформу.
Подробная инструкция по безопасной работе и содержит руководство по эксплуатации МАЗ-5551 … Там же, помимо подробного описания конструкции и узлов самосвала, можно найти требования по техническому обслуживанию и основные советы по устранению неполадок.
Ввиду популярности этого автомобиля, в продаже имеется также множество руководств по ремонту, а покупка запчастей не вызовет затруднений.
Модификации и цены
МАЗ-5551 выпускается в различных комплектациях , отличающихся друг от друга грузоподъемностью, разгрузочными возможностями, объемом платформы. Это позволяет подобрать автомобиль под любые бытовые или производственные нужды. К популярным моделям относятся:
МАЗ-5551-020 — старая модификация с двигателем мощностью 180 л.с., но с увеличенной до 10 тонн грузоподъемностью.
МАЗ-5551 А2-320 – новая модель повышенной грузоподъемности, аналогична стандартной версии, имеет только заднюю выгрузку. Двигатель — 230 л.с. от ЯМЗ.
МАЗ 5551 А3-4327 — модель для перевозки сыпучих материалов или сельхозпродукции с большим сварным кузовом (объем 12,5 м³) и разгрузкой на три стороны. Кузов имеет откидные борта, что дает возможность загрузки с двух сторон. МАЗ 5551 «сельхозработник» имеет грузоподъемность 9,2 тонны
МАЗ-5551 А2-325 — самосвал для перевозки грузов в составе автопоезда, может работать с прицепом. Аналогично МАЗ-5551 А3-4327 имеет возможность трехсторонней разгрузки, но с кузовом 5,5 м³. Может перевозить до 9.7 тонн груза.
Также выпускается тягач МАЗ-5551 А2-340 с полуавтоматическим сцепным устройством с двумя степенями свободы. Предназначен для комплектации спецтехникой и работы в коммунальном хозяйстве, в качестве эвакуатора и т.п.
Диапазон цен на подержанные автомобили мощностью 230 л.с. колеблется от 400 до 900 тысяч рублей в зависимости от состояния и года выпуска. За меньшие деньги, от 150 до 300 тысяч, можно купить автомобиль со 180-сильным двигателем, обычно такие автомобили требуют более-менее капитального ремонта перед началом эксплуатации МАЗ-5551.
Цена на новый самосвал современной модификации — около 1 млн 300 тыс. руб. Это чуть меньше цены ЗИЛ-157.
На протяжении многих лет МАЗ-5551 заслуженно оставался востребованным на территории бывшего СССР. Первые его модели уступали по функциональности, однако с конца 90-х годов новые модификации стали более безопасными и надежными.
Это сразу нашло отклик на рынке. Среди достоинств МАЗ-5551:
приспособленность к любым климатическим и дорожным условиям
маневренность и управляемость, легкость поворота, что особенно важно в городе
низкий расход топлива МАЗ-5551 делает самосвал рентабельным в эксплуатации
быстрая окупаемость даже при относительно высокой цене
Все это делает самосвал МАЗ-5551, технические характеристики и цена которого удовлетворяют потребности большинства предприятий, отличным выбором для работы. ну и 9Популярная любовь 0365 к МАЗ-5551 также выражается в моделях масштаба 1:43, по которым можно отслеживать изменения внешнего вида и развитие модификаций самосвалов.
На нашем сайте вы найдете описание еще одного самосвала — ЗИЛ-5301.
Размеры самосвала маз 5551. Объем кузова и другие важные характеристики
Самосвал МАЗ-5551 белорусского производства уже более 30 лет занимает одно из доминирующих мест на рынке этой спецтехники. За период эксплуатации агрегат неоднократно демонстрировал технические возможности, выделяющие его среди других моделей. Большой самосвал отличается удивительной маневренностью для своего веса. Технические характеристики МАЗ 5551 обеспечивают востребованность этой модели среди отечественных и зарубежных покупателей.
Прицел МАЗ
Технические характеристики МАЗ-5551 делают его универсальным автомобилем. Основное назначение грузовика – работа, связанная с транспортировкой. МАЗ используется для перевозки сельскохозяйственных сыпучих продуктов и строительных материалов.
В строительной отрасли агрегат используется не только как грузовик, но и как спецтранспорт для обслуживания зданий и дорожных покрытий. Потрясающая маневренность модели позволяет адаптироваться к любой конфигурации участка. Этот параметр также влияет на востребованность МАЗ в строительстве.
Специальные характеристики кузова агрегата позволяют перевозить строительные грузы в виде песка, щебня и гравия. Грузовик часто используется для вывоза строительного мусора с площадок. Модель также зарекомендовала себя как надежный зерновоз.
Общие параметры машины
Технические характеристики МАЗ-5551 свидетельствуют о большом силовом потенциале этого агрегата. Прочная несущая рама машины позволяет выполнять крупногабаритные грузоперевозки. Колесная формула 2*4 расширяет диапазон возможных углов поворота. Четырехтактный двигатель самосвала расположен под кабиной водителя и прост в обслуживании и эксплуатации.
Самосвал имеет следующие характеристики:
длина — 5900 мм;
ширина — 2500 мм;
высота — 2900 мм;
вес (полный) — 17620 кг;
грузоподъемность — 10 000 кг;
длина колесной базы — 3960 мм;
вместительность грузового отсека — до 12 м 3 ;
давление переднего колеса — 5980 кг;
давление на задний мост — 10200 кг;
общий радиус поворота — 8,6 м;
расход топлива — 22 л/100 км;
Объем топливного бака — 200 л.
При полном заполнении кузова основная нагрузка распределяется на заднюю ось. Максимальная грузоподъемность автомобиля составляет 8500 кг. Шасси автомобиля выдерживает давление многочисленных силовых установок автомобиля. Бескапотная кабина водителя легко откидывается и освобождает место для удобного обслуживания двигателя.
МАЗ-5551 обладает высоким уровнем проходимости. Устойчивое шасси автомобиля позволяет наклонять кузов в различных вариациях. Цельнометаллический корпус регулируется до нужного уровня наклона. Разгрузка машины осуществляется с помощью откидной задней крышки.
Некоторые модификации машины имеют трехстороннюю разгрузку, а также специальную установку подогрева, работающую при отрицательных температурах (до -60 o). Максимальный угол подъема грузовой кабины — 50 o. В течение одной минуты самосвал может разогнаться до скорости 60 км/ч. Максимальная скорость движения грузовика составляет 85 км/ч.
Технические характеристики двигателя и комплектующих
Самосвал МАЗ-5551 оснащен мощным двигателем отечественного производства. Шестицилиндровый двигатель ЯМЗ-236М2 гарантирует бесперебойную работу машины в течение длительного времени. Крутящий момент (max — 882 Н/м) позволяет грузовику справляться с самой пересеченной местностью. Суммарная мощность двигателя составляет 230 л.с. С. Последние модификации МАЗ оснащены системой дополнительных усилений, стабилизирующих помпажи при работе.
Тормозная система
Тормозная система МАЗ-5551 представляет собой барабанный пневматический механизм, одновременно управляющий передними и задними колесами. Задний мост крепится к раме подвеской. Дополнительные подвески выполняют роль амортизаторов, амортизирующих давление внешней среды в двустороннем режиме.
Трансмиссия
Механическая коробка передач ЯМЗ-236П также является отечественным механизмом, включающим 5 ступеней управления. Первые варианты этого элемента в самосвале МАЗ-5551 отличались возможностью малой загрузки, но последние технические преобразования вывели это устройство на новый уровень.
Коробка передач ЯМЗ-236П — устройство
Гидравлическая система
Гидравлическая система агрегата имеет технические характеристики, обеспечивающие плавность движения салона и грузового отсека. Это гидронасосный механизм с цилиндрами. Баллоны снабжены предохранительными клапанами, предотвращающими перегрузку корпуса. Открытие и опрокидывание грузового отсека осуществляется дистанционно водителем из кабины.
Система безопасности
К дополнительным системам безопасности грузового автомобиля МАЗ-5551 относится конструкция стабилизаторов, повышающих устойчивость колес и всего автомобиля в целом. Карданная передача реализует крутящий момент с помощью игольчатых подшипников. Электропроводка защищена внутренним регулятором напряжения, который представлен в виде аккумуляторных батарей. Также гидроусилитель руля делает управление автомобилем более безопасным и стабильным.
Устройство кабины и места водителя
Конструкция кабины водителя МАЗ-5551 технологична. За 30 лет производства модели разработчики провели несколько небольших преобразований, касающихся формы фар и боковых стекол. Однако место водителя соответствует основным характеристикам комфорта. Внутри кабины установлены: кондиционер и отопитель.
Поручни и ступеньки, прикрепленные к основной раме, имеют эргономичную конструкцию, обеспечивающую максимальный комфорт и простоту подъема в кабину. Командная панель представляет собой компактный набор рычагов и кнопок управления. Сиденье водителя регулируется, а сиденье пассажира крепится прямо к полу.
Эта часть автомобиля МАЗ-5551 оборудована отсеками для хранения личных вещей между сиденьями водителя и пассажира. Расширенные панорамные окна позволяют водителю видеть рабочую площадку, а ветровое стекло помогает отслеживать наклон кузова.
Самосвал МАЗ-5551
Без самосвала МАЗ-5551 невозможно представить ни одну стройку России. Этот потомственный «разнорабочий» давно и успешно занимается перевозкой грузов. Если учесть, что его прямой потомок МАЗ-503 вошел в линейку в ноябре 1958 года и особо не изменился, получив новый код в 1985 году, то его история насчитывает почти 50 лет.
Популярность самосвала МАЗ-5551 очень широка и оправдана. Перевозя сыпучие грузы на небольшие расстояния, он не имеет конкурентов по цене и «работоспособности». Некоторые специалисты проводят параллели, сравнивая его с нашими ЗИЛ-ММЗ-4520 и КАМАЗ-65115, но это сравнение не совсем оправдано, так как «наши» самосвалы предназначены для дальних перевозок. Колесные формулы, заложенные в конструкцию 6х4 для ЗИЛа и КАМАЗ, и 4х2 для МАЗ, сразу определяют эту разницу. Уверенность в тесноте строительных площадок придает отработанное рулевое управление, оснащенное качественным гидроусилителем. МАЗ очень легко разворачивается в два приема на узких временных дорогах строительных площадок.
Внешний вид самосвала не отягощен современным дизайном, но максимально удобен для работы. Ничего лишнего. При переходе на производство МАЗ-5551 был учтен очень важный недостаток его предшественника, связанный с «отстегиванием» кабины. Пружинный механизм был заменен гидравлическим приводом, что устранило риск нештатной «расстегивания» в случае самопроизвольного открывания замков. Чтобы окончательно застраховать эту операцию, разработчики усложнили ее необходимостью открывать решетку радиатора с помощью крепления. Кабина двухместная, но очень просторная. Между сиденьями есть удобная полка для документов и необходимых вещей. Есть только прикуриватель и пепельница — на МАЗе «за здоровый образ жизни».
Сиденье водителя подрессорено. Однако, по словам водителей МАЗ-5551, это не очень удобно. Пассажирское сиденье прочно прикреплено к полу. Учитывая, что кабина не имеет амортизации в местах крепления, вся жесткость подвески напрямую влияет на удобство сидений как для водителя, так и для пассажира. Руль вместе с регулируемой рулевой колонкой тоже не приносят ощущения комфорта. Приборная панель соответствует рабочему стандарту. Единственным недостатком является слабость световой индикации.
Если говорить о технических характеристиках, то базовый МАЗ-5551 оснащен 180-сильным двигателем ЯМЗ-236М2, комплектуется 5-ступенчатой коробкой передач ЯМЗ-236П. Топливный бак емкостью 200 литров. На модификации может быть установлена более продвинутая. силовой агрегат ЯМЗ-6581.10 с коробкой ЯМЗ-2361 или даже Deutz BF4M1013FC с коробкой ZF 6S850. Грузоподъемность этого автомобиля ~ 10 тонн.
Самосвал МАЗ-5551 оборудован цельнометаллическим кузовом с задней выгрузкой. Однако модификации оснащены разгрузочными системами, позволяющими производить разгрузку на три стороны. Удобная система обогрева днища позволяет эффективно работать в зимнее время. Установленный за задней осью стабилизатор поперечной устойчивости придает грузовику уверенности при входе в повороты с грузом. Пневматика тормозов работает надежно. Единственный недостаток — долгая загрузка системы.
Эта самая массовая модель маневренных самосвалов усиленно трудится на всех стройках страны. Самосвал МАЗ-5551 рассчитан на «короткую обочину». Незаменим в городском строительстве.
Общий вид МАЗ 5551
На представленном здесь фото представлена версия грузовика, получившая кардинально измененную кабину. Его очертания потеряли былую округлость, уступив место четким краям. Прежнее раздвоенное лобовое стекло грузовика уступило место большому изогнутому панорамному триплексу. Крышу кабины украсил новый спойлер, снижающий расход топлива. Фары претерпели творческие изменения.
На протяжении многих лет технические характеристики автомобилей постоянно улучшались. На фотографиях видно: капотная компоновка с двухтактными агрегатами постепенно сошла с конвейера, и ее место на конвейере занял МАЗ-500 собственного проекта.
С тех пор из ворот предприятия выкатилось множество модификаций этого прототипа. В ролике показан самосвал МАЗ-503, предшественник модели МАЗ-5537. Проект лег в основу модификации МАЗ-5551.
Модельный ряд
Разработка оказалась настолько удачной, что на ее основе был создан ряд модификаций:
Маз 5550 . .. Он представляет собой очередную версию этих проворных грузовиков. Маз 5550 оснащен двигателем (435 л.с.), который работает в паре с 6-ступенчатой коробкой передач. В качестве топлива Маз 5550 потребляет топливо, соответствующее экологическому стандарту Евро-4;
Маз 555102 … Грузовик имеет двигатель мощностью 230 «лошадей». Благодаря более внушительному агрегату МАЗ 555102 имеет хорошую скорость разгона.
Говоря о технических тонкостях, следует отметить, что увеличение мощности двигателя, устанавливаемого на Маз 555102, стало возможным с применением турбонаддува. Осуществляется промежуточное воздушное охлаждение.
Достоинства МАЗ 555102 хорошо проявляют себя в городском потоке. Даже при неблагоприятных температурных условиях МАЗ 555102 уверенно передвигается по улицам на высоких скоростях. Кроме того, Маз 555102 потребляет меньше топлива;
Маз 555142 . Эта модификация отличается от прототипа тем, что МАЗ 555142 работает в паре с прицепом. Грузоподъемность такого автопоезда значительно выше;
Маз 5551а2 … Автопоезд позиционируется как зерновоз. Маз 5551а2 имеет возможность разгрузки влево, вправо и назад. Другими словами, МАЗ 5551а2 состоит из основного самосвала и дополнительного прицепа. Оба грузовых танка оборудованы более высокими бортами. Комплектация маз 5551а2 дополнена тентом и задним съемным фонарем;
Маз 5550в2 … Самосвал способен перевозить сыпучие грузы, вес которых не превышает 10 тонн. Маз 5550в2 привлекает компактными габаритами и отличной маневренностью. Он хорошо работает в ограниченном пространстве, экономит топливо. Усиленная подвеска адаптирована для бездорожья.
О салоне, экстерьере и эргономике МАЗ 5551
Описание кабины минского «долгожителя» следует начать с того, что она намного просторнее салона КамАЗа. Выгодное расположение ступеней и поручней способствует повышению комфорта. Благодаря этому водитель может легко забраться на водительское место.
Несмотря на то, что рулевые колонки имеют двухплоскостную регулировку, а сиденье водителя движется по салазкам, водитель находится в неудобном положении. И хотя видимость остается хорошей, наблюдается повышенная утомляемость водителя, что особенно опасно на дальних маршрутах.
На фото видно, что размеры руля неоправданно велики. Для того, чтобы совершить поворот, маленький водитель вынужден делать регулярные наклоны вперед.
Самосвал оснащен удобной и достаточно информативной приборной панелью. Однако здесь есть одно «но»: световая индикация недостаточно яркая, поэтому в дневное время приборы плохо просматриваются.
И все же удачных конструктивных решений в кабине самосвала МАЗ-5551 гораздо больше, чем промахов (о чем свидетельствуют положительные отзывы). Компоновка блока, в котором расположены предохранители и реле, удачна. Он расположен за приборной панелью, ближе к пассажирскому сиденью. Сверху установлен легко открывающийся люк.
Изменился и дизайн. стояночный тормоз . Если раньше эти грузовики оснащались барабанными ручниками, то в нынешней компоновке МАЗ-5551 (как и МАЗ-555102) имеются тормозные камеры и пружинные аккумуляторы.
Уровень комфорта внутреннего пространства кабины обеспечивается множеством дополнительных опций, представленных в видео:
вентиляционный люк на крыше;
плафон освещения салона;
эффективная система отопления.
Кабина МАЗ оборудована одноместным пассажирским сиденьем. Пространство между ним и сиденьем водителя заполнено полкой, в которой можно хранить документы, бутылки и прочие мелочи. Внушительные блоки наружных зеркал обеспечивают отличный обзор.
Помимо систем регулировки водительское сиденье имеет узлы подвески. Кабине МАЗ не хватает настоящего комфорта, потому что она крепится к раме напрямую, без амортизаторов. О пассажирском сиденье говорить вообще не приходится: в нем нет регулировок, оно жестко закреплено в полу салона.
На видео показан гидравлический привод, который поднимает кабину, открывая для обозрения силовой агрегат. Такой узел более надежен по сравнению с пружинной системой, которая может откинуться в самый неподходящий момент при поломке замка. Чтобы теперь поднять кабину, необходимо открыть решетку радиатора и добраться до «сборки», приводящей в действие механизм.
Техническая часть: ходовые качества автосамосвала МАЗ 5551
Для определения технических качеств автосамосвала МАЗ-5551 выполнен пробег около 900 км. По результатам испытаний были некоторые замечания.
Коробка передач, установленная на грузовике, обладает хорошей избирательностью, но переключение передач происходит с заметным усилием. Для осуществления перехода передач «вниз» или «вверх» применяется муфта двойного выжима (в сочетании с перебазировкой). Весь цикл выполняется точно и мягко.
Полностью загруженный (10 тонн) самосвал МАЗ-5551 очень тяжело трогается с места на первой передаче. Эта скорость довольно короткая и динамика разгона крайне низкая.
Если грузовик стоит на ровной дороге, то даже полная масса самосвала в 17 тонн не мешает ему спокойно начинать движение даже со второй передачи.
При полной загрузке грузовик развивает крейсерскую скорость около 90 км/ч. Однако даже пятая передача удерживает скорость грузовика в пределах 40 км/ч. При этом расход топлива не превышает пределов, указанных в руководстве. Рулевое колесо автомобиля оснащено гидроусилителем бесперебойного действия, благодаря которому машина движется достаточно резво.
Модель впечатляет отличной маневренностью. Фото доказывают, что самосвал способен совершить полный разворот даже на самых узких дорогах. За задней осью установлен стабилизатор для обеспечения поперечной устойчивости. Благодаря этому тяжело нагруженный автомобиль может уверенно проходить повороты.
На грузовике установлены пневматические тормозные устройства. Эффективная система имеет единственный недостаток: воздух прокачивается слишком долго. Это связано с недостаточно мощным компрессором.
Такие минусы вполне объяснимы для недорогих моделей… Ибо стоимость самосвала МАЗ-5551 (как и МАЗ-555102) намного меньше цен, по которым продаются аналогичные иномарки, на борту которых есть все всевозможные дополнительные компоненты и опции (и запчасти легче найти).
Подводя итог всему сказанному, можно отметить следующее. Самосвал Маз 5551 был поставлен на конвейер более четверти века назад. Страна, в которой началось производство этих машин, канула в Лету. Несмотря на это, проект выстоял в трудные времена и благополучно дожил до наших дней (даже бывшие в употреблении копии работают достойно). Этому способствовали гибкий менеджмент и эффективная работа команды Минского. автомобильный завод, детищем которого является МАЗ-5551.
На просторах большой Советской страны МАЗ-5551 участвовал практически в каждом строительстве и других сферах народного хозяйства.
СССР больше нет, а этот самосвал продолжают выпускать и модернизировать в уже независимых государствах.
Модель собирается на автомобильном заводе МАЗ в Минске.
Что делает этот грузовик столь популярным и востребованным на протяжении столь долгого времени, несмотря на обилие зарубежных аналогов и конкурентов?
История развития
Белорусский «трудяга», как его называют, начал свою жизнь в военные годы после освобождения Минска.
Беловежский зубр стал эмблемой бренда. С развитием производства был создан МАЗ-500 — главный прародитель современного МАЗ-5551. Произошло это в конце 60-х.
Самосвал стал собственной разработкой минских конструкторов. Он агрегатировался с двигателем ЯМЗ-236, который уже был четырехтактным.
После ряда модификаций и усовершенствований в 1985 году одна из модификаций — самосвал МАЗ-5551 поступила в серийное производство. Наиболее распространен в России.
Важным преимуществом «Беларуса» является его маневренность и маневренность за счет малой колесной базы грузовика и двухосной компоновки.
Поэтому в городских условиях отлично вписывается даже в небольшие стройки и повороты.
Описание самосвала базовой модели и его модификации 020
Единственным отличием модификации 020 является увеличенный объем загрузочной части за счет изменения начальной высоты бортов. Остальные характеристики идентичны.
Двигатель
Сердцем этого грузовика является дизельный двигатель V6.
ЯМЗ-236М2 (Ярославль) отлично справляется со своими обязанностями, выполняя нагрузку без слез и нареканий.
Крутящий момент 667 Нм и мощность 180 л.с. С. более чем достаточно, чтобы вывести груженый самосвал из сложных ситуаций.
В последних версиях завод устанавливает ЯМЗ-6563.10, ЯМЗ-6581.10 (на фото слева) или Deutz BF4M1013FC.
По техническим характеристикам мощность этих агрегатов выше, чем у старшей модели. Кроме того, МАЗ идет в ногу со временем, а новейшие моторы соответствуют стандарту Евро-3, что значительно расширяет возможности их применения.
Трансмиссия и привод
Самосвал МАЗ-5551 оснащен 5-ступенчатой механической коробкой передач. Его технические характеристики нельзя назвать идеальными.
При больших нагрузках первая передача слишком короткая, и по зыбкому грунту погрузчику очень трудно двигаться.
Но на ровной дороге двигатель и коробка передач идеально сочетаются друг с другом и легко перемещают груженый самосвал. Максимальная скорость 90 км/ч. Задний мост является ведущим мостом, соответствующим типу привода 4×2.
Однако серьезным улучшением в переключении передач стала переделка механизма переключения передач с рычага на коробку. Это позволило значительно укоротить сам рычаг.
Все новшества облегчили жизнь водителю, ведь раньше, чтобы «поймать» нужную передачу, ломоподобный рычаг приходилось «дергать» по всей кабине, теперь же этот процесс стал легким и приятным.
Грузоподъемность
Надежный гидроусилитель руля хорошо справляется со своей задачей. Благодаря стабилизатору поперечной устойчивости автомобиль уверенно ведет себя в поворотах, особенно при полной загрузке.
Еще одним преимуществом являются пневматические тормоза. Они очень надежны и проверены временем, такой важный предохранительный элемент сделан производителем на высоте.
Технические характеристики
МАЗ-5551
МАЗ-5551-020
Грузовые индикаторы
Грузоподъемность, кг
10 000
10 000
Длина грузовой платформы, мм
3 860
Ширина грузовой платформы, мм
2 265
Высота платы, мм
630
Снаряженная масса автомобиля, кг
7 470
7 820
Полная масса, кг
17 620
17 820
Максимальная нагрузка на переднюю ось, кг
6 120
6 320
Максимальная нагрузка на заднюю ось, кг
11 500
11 500
Диаметр колеса
Р20
Р20
Показатели эффективности
Тип кузова
Самосвал
Самосвал
Места в кабине
3
3
Объем бака, л
200
200
Радиус поворота, м
4,3
4,3
Длина тележки, мм
5 990
5 990
Ширина тележки, мм
2 500
2 500
Высота тележки, мм
2 925
2 925
Колесная база, мм
3 300
3 300
Клиренс, мм
270
270
Подвеска
Передний
Листовые рессоры
Листовые рессоры
Задняя часть
Листовые рессоры
Листовые рессоры
Тормоза
Передний
Барабан
Барабан
Задний
Барабан
Барабан
Удобство и комфорт
Что сделали конструкторы для эргономики и удобства водителя и пассажиров в МАЗ-5551?
В отличие от предыдущей версии еще в конструкцию и расположение органов управления, места водителя и приборной панели внесены некоторые приятные изменения, что, безусловно, добавило комфорта и удобства в использовании.
Просторный и удобный кокпит. Без спального места здесь легко размещаются водитель и два пассажира.
В кабину легко подняться благодаря правильно расположенным поручням и ступенькам. Эргономикой расположения элементов кабины вряд ли можно похвастаться.
Рулевое колесо регулируется как по высоте вылета, так и по углу наклона. Сиденье передвигается на салазках. Все-таки водителю сложно найти удобное для себя положение.
Это приводит к быстрой утомляемости и отрицательно сказывается на концентрации и качестве его работы.
Руль великоват, и чтобы его повернуть, голому водителю нужно постоянно двигать телом вперед к нему, что сложно назвать удобством.
Однако благодаря большим боковым зеркалам и положению водителя обзорность остается на высоте.
Приборная панель достаточно информативна, но из-за слабой яркости световой индикации некоторых индикаторов отдельные элементы плохо видны днем.
Но тем не менее белорусские создатели пытались во многом преобразить кабину и внутреннее пространство. .. И у них это получилось.
Удачным стало расположение сейфа — за приборной панелью возле пассажирского сиденья, доступ к нему не затруднен.
Следующим показателем комфорта можно назвать хороший и эффективный обогрев, который даже в сильные морозы справляется со своей функцией.
Освещение и вентиляция кабины выполнены на высоком уровне.
Между водителем и пассажиром есть специальный отсек, в который можно положить, например, документы, бутылку с водой и другие мелочи.
Здесь же находится и мундштук, но разработчики этого автомобиля почему-то не предусмотрели ни прикуривателя, ни пепельницы.
Подрессоренное сиденье водителя компенсирует отсутствие системы демпфирования кабины, закрепленной непосредственно на раме. А вот пассажирское сиденье жестко крепится к полу и лишено каких-либо регулировок.
Неудобно открывать двери изнутри из-за низкого положения рычага открывания.
Для опрокидывания кабины конструкторы МАЗ учли недостатки пружинного механизма, который мог создавать опасность из-за самопроизвольного отрыва и опрокидывания, и оснастили его гидроприводом.
Именно благодаря этой системе предотвращается опасность, присущая пружинному замку. Для грузовиков внутреннего рынка все гидроприводы взаимозаменяемы.
МАЗ тоже можно назвать отечественным, так как он изначально производился в одной большой стране- СССР. Система крепления очень проста — стальной трос крепится к раме и к точке внизу кабины.
Хотя это и не эстетично, но дешево, надежно и практично. Гидравлический регулятор наклона кабины расположен под решеткой радиатора.
Такое расположение связано с тем, что водитель помнит о невозможности поднять кабину без открытой решетки радиатора.
Качество металла кузова и самих элементов не так надежны, как хотелось бы, но это не мешает использовать машину в качестве трактора.
Ручник на МАЗ-5551 современной конструкции с пружинными энергоаккумуляторами , имеет хорошие технические характеристики.
Существенным просчетом системы, по мнению специалистов, является отсутствие болтов в камерах, с помощью которых можно принудительно освободить колодки.
Разновидности
Часто встречаются разные модификации МАЗ-5551, например 020 с повышенной грузоподъемностью.
МАЗ-5551-020Р оснащен еще большей погрузочной поверхностью и объемом.
МАЗ-555102 имеет три комплектации — 220, 223, 225. Серия оснащается двигателями мощностью 230 л.с. С.
Модель 225 оборудована самосвалом с трехсторонней разгрузкой и возможностью сочленения в автопоезд. Грузоподъемность 9 500 кг, 220-я и 223-я версии — 10 200 и 10 100 кг соответственно.
Наиболее современными и технологичными двигателями оснащаются МАЗ-5551W3-425-000 (Е-4) и МАЗ-5551Р7-425-000 (Е-4), которые соответствуют экологическим нормам Евро 4 и имеют мощность объемом 245 и 250 литров. С. соответственно.
Опционально оснащается кондиционером, отопителем двигателя, отопителем салона, бортами, тентом, электропневматическими гидравлическими выходами для прицепа, задними бамперами и боковыми поручнями.
В чем преимущества
В заключение обзора МАЗ-5551 можно отметить настойчивость и стремление белорусов идти в ногу со временем и тем самым оставаться на плаву в конкурентной борьбе с импортными брендами.
Во время кризиса в постсоветское время многие автопредприятия закрылись и прекратили свое существование, но МАЗ выстоял и развил производство до мировых стандартов, теперь конкурируя с остальными.
Конечно, перечисляя основные просчеты и недостатки МАЗ-5551, нельзя забывать, что его цена во много раз ниже импортных, которые пестрят различным технологическим оснащением и возможностями.
Важно! Например, модель МАЗ-5551 А2-325 2013 года можно приобрести за 760 000 рублей.
Миллионы водителей в странах СНГ воспринимают МАЗ как самого верного друга, который и в жару, и в холод доставит их домой, несмотря на его, может быть, недостаточный комфорт и удобство. Он по праву удостоен народного прозвища «трудоголик».
На просторах большой советской страны МАЗ-5551 участвовал практически в каждом строительстве и других сферах народного хозяйства.
СССР больше нет, а этот самосвал продолжают выпускать и модернизировать в уже независимых государствах.
Что делает этот грузовик столь популярным и востребованным на протяжении столь долгого времени, несмотря на обилие зарубежных аналогов и конкурентов?
История развития
Белорусский «трудяга», как его называют, начал свою жизнь в военные годы после освобождения Минска.
Беловежский зубр стал эмблемой бренда. С развитием производства был создан МАЗ-500 — главный прародитель современного МАЗ-5551. Произошло это в конце 60-х. Самосвал разработан минскими конструкторами. Он агрегатировался с двигателем ЯМЗ-236, который уже был четырехтактным.
После ряда модификаций и усовершенствований в 1985 году одна из модификаций — самосвал МАЗ-5551 поступила в серийное производство. Наиболее распространен в России.
Важным преимуществом «Беларуса» является его маневренность и маневренность за счет малой колесной базы грузовика и двухосной компоновки.
Поэтому в городских условиях отлично вписывается даже в небольшие стройки и повороты.
Описание самосвала базовой модели и его модификации 020
Единственным отличием модификации 020 является увеличенный объем загрузочной части за счет изменения начальной высоты бортов. Остальные характеристики идентичны.
Двигатель
Сердцем этого грузовика является дизельный двигатель V6.
ЯМЗ-236М2 (Ярославль) отлично справляется со своими обязанностями, выполняя нагрузку без слез и нареканий.
Крутящий момент 667 Нм и мощность 180 л.с. С. более чем достаточно, чтобы вывести груженый самосвал из сложных ситуаций.
В последних версиях завод устанавливает ЯМЗ-6563.10, ЯМЗ-6581.10 (на фото слева) или Deutz BF4M1013FC.
По техническим характеристикам мощность этих агрегатов выше, чем у старшей модели. Кроме того, МАЗ идет в ногу со временем, а новейшие двигатели соответствуют стандарту Евро-3, что значительно расширяет возможности их использования.
Трансмиссия и привод
На самосвал МАЗ-5551 устанавливается 5-ступенчатая механическая коробка передач. Его технические характеристики нельзя назвать идеальными.
При больших нагрузках первая передача слишком короткая, и по зыбкому грунту погрузчику очень трудно двигаться.
Зато на ровной дороге двигатель и коробка передач отлично сочетаются и с легкостью перемещают загруженный самосвал. Максимальная скорость 90 км/ч. Задний мост является ведущим мостом, соответствующим типу привода 4×2.
Однако серьезным улучшением в переключении передач стала переделка механизма переключения передач с рычага на коробку. Это позволило значительно укоротить сам рычаг.
Все нововведения облегчили жизнь водителю, ведь раньше, чтобы «поймать» нужную передачу, ломоподобный рычаг приходилось «дергать» по всей кабине, теперь же этот процесс стал легким и приятным.
Грузоподъемность
Надежный гидроусилитель руля хорошо справляется со своей задачей. Благодаря стабилизатору поперечной устойчивости автомобиль уверенно ведет себя в поворотах, особенно при полной загрузке.
Еще одним преимуществом являются пневматические тормоза. Они очень надежны и проверены временем, такой важный предохранительный элемент сделан производителем на высоте.
Технические характеристики
МАЗ-5551
МАЗ-5551-020
Грузовые индикаторы
Грузоподъемность, кг
10 000
10 000
Длина грузовой платформы, мм
3 860
Ширина грузовой платформы, мм
2 265
Высота платы, мм
630
Снаряженная масса автомобиля, кг
7 470
7 820
Полная масса, кг
17 620
17 820
Максимальная нагрузка на переднюю ось, кг
6 120
6 320
Максимальная нагрузка на заднюю ось, кг
11 500
11 500
Диаметр колеса
Р20
Р20
Показатели эффективности
Тип кузова
Самосвал
Самосвал
Места в кабине
3
3
Объем бака, л
200
200
Радиус поворота, м
4,3
4,3
Длина тележки, мм
5 990
5 990
Ширина тележки, мм
2 500
2 500
Высота тележки, мм
2 925
2 925
Колесная база, мм
3 300
3 300
Клиренс, мм
270
270
Подвеска
Передний
Листовые рессоры
Листовые рессоры
Задняя часть
Листовые рессоры
Листовые рессоры
Тормоза
Передний
Барабан
Барабан
Задний
Барабан
Барабан
Удобство и комфорт
Что сделали конструкторы для эргономики и удобства водителя и пассажиров в МАЗ-5551?
В отличие от предыдущей версии, тем не менее, были внесены приятные изменения в конструкцию и расположение органов управления, места водителя и приборной панели, что, безусловно, добавило комфорта и удобства в использовании.
Просторный и удобный кокпит. Без спального места здесь легко размещаются водитель и два пассажира.
В кабину легко подняться благодаря правильно расположенным поручням и ступенькам. Эргономикой расположения элементов кабины вряд ли можно похвастаться.
Рулевое колесо регулируется как по высоте вылета, так и по углу наклона. Сиденье передвигается на салазках. Все-таки водителю сложно найти удобное для себя положение.
Это приводит к быстрой утомляемости и отрицательно сказывается на концентрации и качестве его работы.
Руль великоват, и чтобы его повернуть, голому водителю нужно постоянно двигать телом вперед к нему, что сложно назвать удобством.
Однако благодаря большим боковым зеркалам и положению водителя обзорность остается на высоте.
Приборная панель достаточно информативна, но из-за слабой яркости световой индикации некоторых индикаторов отдельные элементы плохо видны днем.
Тем не менее белорусские создатели постарались во многом преобразить кабину и внутреннее пространство. И они сделали это.
Удачным стало расположение сейфа — за приборной панелью возле пассажирского сиденья, доступ к нему не затруднен.
Следующим показателем комфорта можно назвать хороший и эффективный обогрев, который даже в сильные морозы справляется со своей функцией.
Освещение и вентиляция кабины выполнены на высоком уровне.
Между водителем и пассажиром есть специальный отсек, в который можно положить, например, документы, бутылку с водой и другие мелочи.
Здесь же находится и мундштук, но разработчики этого автомобиля почему-то не предусмотрели ни прикуривателя, ни пепельницы.
Подрессоренное сиденье водителя компенсирует отсутствие системы демпфирования кабины, закрепленной непосредственно на раме. А вот пассажирское сиденье жестко крепится к полу и лишено каких-либо регулировок.
Неудобно открывать двери изнутри из-за низкого положения рычага открывания.
Для опрокидывания кабины конструкторы МАЗ учли недостатки пружинного механизма, который мог создавать опасность из-за самопроизвольного отрыва и опрокидывания, и оснастили его гидроприводом.
Именно благодаря этой системе предотвращается опасность, присущая пружинному замку. Для внутреннего рынка грузовых автомобилей все гидроприводы взаимозаменяемы.
МАЗ тоже можно назвать отечественным, так как он изначально производился в одной большой стране — СССР. Система крепления очень проста — стальной трос крепится к раме и к точке внизу кабины.
Хотя это и не эстетично, но дешево, надежно и практично. Гидравлический регулятор наклона кабины расположен под решеткой радиатора.
Такое расположение связано с тем, что водитель помнит о невозможности поднять кабину без открытой решетки радиатора.
Качество металла кузова и самих элементов не так надежны, как хотелось бы, но это не мешает использовать машину в качестве трактора.
Ручник на МАЗ-5551 современной конструкции с пружинными энергоаккумуляторами , имеет хорошие технические характеристики.
Вы знаете, выпуск которых пришелся на период с 1964 по 1999 год?
А Вы можете ознакомиться с техническими характеристиками автомобиля ГАЗ-33081 «Егерь».
Существенным просчетом системы, по мнению специалистов, является отсутствие болтов в камерах, с помощью которых можно принудительно освободить колодки.
Разновидности
Часто встречаются разные модификации МАЗ-5551, например 020 с повышенной грузоподъемностью.
МАЗ-5551-020Р оснащен еще большей погрузочной поверхностью и объемом.
МАЗ-555102 имеет три комплектации — 220, 223, 225. Серия оснащается двигателями мощностью 230 л.с. С.
Модель 225 оборудована самосвалом с трехсторонней разгрузкой и возможностью сочленения в автопоезд. Грузоподъемность 9 500 кг, 220-я и 223-я версии — 10 200 и 10 100 кг соответственно.
Наиболее современными и технологичными двигателями оснащаются МАЗ-5551W3-425-000 (Е-4) и МАЗ-5551Р7-425-000 (Е-4), которые соответствуют экологическим нормам Евро 4 и имеют мощность 245 и 250 л.с. С. соответственно.
Дополнительное оснащение кондиционером, отопителем двигателя, отопителем салона, бортами, тентом, электропневматическими гидравлическими выходами для прицепа, задним бампером и боковым ограждением.
В чем преимущества
В заключение обзора МАЗ-5551 можно отметить настойчивость и стремление белорусов идти в ногу со временем и тем самым оставаться на плаву в конкурентной борьбе с импортными марками.
Во время кризиса в постсоветское время многие автопредприятия закрылись и прекратили свое существование, но МАЗ выстоял и развил производство до мировых стандартов, теперь конкурируя с остальными.
Конечно, перечисляя основные просчеты и недостатки МАЗ-5551, нельзя забывать, что его цена во много раз ниже импортных, которые пестрят различным технологическим оснащением и возможностями.
Важно! Например, модель МАЗ-5551 А2-325 2013 года можно приобрести за 760 000 рублей.
Миллионы водителей в странах СНГ воспринимают МАЗ как очень верного друга, который и в жару, и в холод доставит их домой, несмотря на его, может быть, недостаточный комфорт и удобство. Он по праву удостоен народного прозвища «трудоголик».
После изучения технических характеристик МАЗ-5551 предлагаем ознакомиться с внешними особенностями автомобиля:
Схема переключения передач самосвала МАЗ 5551.
Объем кузова МАЗ и другие важные характеристики. Описание и область применения
Грузовой автомобиль МАЗ-5551 выпускается Минским автомобильным заводом уже три десятилетия, с 1985 года. Несмотря на далеко не новаторскую конструкцию (его непосредственный предок МАЗ-503 впервые вышел на дороги еще в 1958 году) -5551 остается одним из самых популярных восьмитонников на российских просторах. О Камаз 500 серии читайте в
Описание и комплектация
В отличие от дальнобойных собратьев, например, ЗИЛ-4520, более компактный и маневренный МАЗ--5551 легко передвигается в городских условиях. Чаще всего его можно встретить работающим на городской стройке. Основное назначение этого грузовика – перевозка сыпучих материалов, причем на короткой стреле, что определяется его приводом 4х2.
Посмотреть на видео:
Другие прицелы МАЗ-5551:
Сельское хозяйство
промышленность
городское хозяйство и дорожное строительство
Особенности кузова
В стандартной модификации МАЗ-5551 оснащен неразъемным кузовом с задней разгрузкой. Откидывание задней двери и опрокидывание кузова контролируются дистанционно и происходят автоматически.
В кабине два места, как видно на фото, между пассажирским и водительским сиденьями есть место для хранения вещей и документов. Сиденье водителя оснащено пружинами и двигается вперед-назад, а вот рулевая колонка может регулироваться в двух направлениях.
На этом, да еще боковые зеркала с электрообогревом, комфорт в стандартной кабине заканчивается, нет даже амортизации в местах ее крепления.
Для доступа к силовым агрегатам кабина откидывается вперед с помощью гидропривода. Подъем кабины возможен только при открытой решетке радиатора, а исполнительное устройство механизма находится за самой решеткой. Фиксация в опущенном виде осуществляется обычным стальным тросом.
Обогрев днища автомобиля за счет подачи выхлопных газов . Такая конструкция значительно облегчает использование самосвала в холодное время года. Для экстремальных условий и температур до -60°С разработана модель МАЗ-5551 01 HL.
Трансмиссия базовой версии — 5-ступенчатая механическая ЯМЗ-236П, на более поздних моделях грузоподъемностью до 10 тонн устанавливалась ЯМЗ-2361. Сейчас на новых автомобилях стоят коробки западного производства.
стоит сзади стабилизатора поперечной устойчивости , который значительно уменьшает крен грузовика в поворотах. Передние и задние тормоза — барабанные с пневматическим управлением.
Часто при прохождении технического осмотра возникает вопрос, где находится номер шасси. Номер на раме МАЗ-5551 расположен в традиционном для советских грузовиков месте — справа сзади, на передней части рамы (обычно в районе заднего моста или с небольшим смещением).
Двигатель МАЗ 5551 и расход топлива
Двигатель МАЗ-5551 дизель V6 (вот так). До последних лет все самосвалы МАЗ-5551 комплектовались 180-сильным ЯМЗ-236М2 Ярославского моторного завода. В новых модификациях заменен на ЯМЗ-6563.10 экологического класса Евро-3, а на некоторых моделях — на двигатели Cummins класса Евро-4 с турбонаддувом.
Несмотря на появление комплектаций с импортным двигателем, агрегаты от ЯМЗ до сих пор советуют на форумах водителей за надежность и простоту обслуживания.
МАЗ-5551 отличается низким расходом топлива на 100 км для своего класса. Расход составляет около 23 литров при скорости 60 км/ч и загрузке примерно 85% от максимальной. Для сравнения, у модели расход топлива 30-35л/100км.
Технические характеристики
Габаритные размеры, мм
длина — 5990 (с тентованной кабиной — 7850)
ширина — 2500 мм (в моделях с разгрузкой на 3 стороны — 3450 при полностью откинутом кузове)
высота — 2925 мм
со сложенным корпусом — 4850
при разгрузке вбок — 3850
Дорожный просвет — 270 (минимум, в районе переднего моста)
Устройство параметров двигателя
Объем — 11150 см³ (ЯМЗ-236)
Мощность — 180 л.с.
Крутящий момент — 667 Нм
Максимальная скорость — 83 км/ч (некоторые модели могут быть до 90 км/ч)
Масса МАЗ-5551 в стандартной модификации, кг
снаряженная — 7580, в т. ч.
на переднюю ось — 4130
на заднюю ось — 3450
полный — 16 230, в т.ч.
на переднюю ось — 5980
на заднюю ось — 10 250
Грузоподъемность и объем кузова МАЗ-5551
Грузоподъемность — 8500 кг
Объем кузова
— 5,4 м³, а у
Размеры и габариты кузова
МАЗ-5551 габариты при таком объеме платформы 3800 х 2269 х 630 мм.
Для сравнения предлагаем ознакомиться с .
В зависимости от модификации грузоподъемность может быть до 10,2 т (сопоставимо с грузоподъемностью), объем кузова МАЗ-5551 может быть до 12,5 м³ (15,5 с поднятыми бортами).
Колеса и шины трактора
колесная формула — 4×2максимальный угол наклона проезжей части — 25 градусов
радиус поворота — 7,9 м (габаритный — 8,6 м)
Шины — 12.00 R20, также возможна установка 12.0-20 или 11.00 R20
Давление в шинах МАЗ-5551 будет зависеть от модели самих шин и грузовика. Например, для самосвала грузоподъемностью 10 тонн и шин 12.00 R20 — 7,1 спереди и 6,9кгс/см2 на заднюю ось.
Привод грузовой платформы
Устройство подъема кузова МАЗ-5551 расположено под платформой. Механизм опрокидывания, как и у большинства современных самосвалов, гидравлический с пневматическим управлением.
Гидроцилиндр переменной производительности телескопический состоит из трех последовательно выдвигающихся звеньев — такая конструкция позволяет развивать достаточные рабочие усилия при небольшом весе и габаритах в сложенном виде. Основным его недостатком является значительная сложность, а также риск засорения плотно прилегающих звеньев.
Для повышения безопасности разгрузки в управляющем клапане гидроцилиндра предусмотрено предохранительное устройство. Он не позволяет полностью поднять платформу при перегрузке более 1,5 тонны.
цапфы задней двери управляются пневмоцилиндром, срабатывающим при приведении рукоятки устройства в положение «Подъем».
регулировка сцепления
МАЗ-5551 оснащен традиционной для мощных грузовиков двухдисковая фрикционная муфта . Элементы этого узла подвержены износу из-за значительных перегрузок в процессе эксплуатации и требуют периодического обслуживания.
Регулировка сцепления МАЗ-5551 требуется, например, в следующих случаях:
пробуксовка сцепления на высоких оборотах
дребезжание при переключении передач
Сцепление выключается не полностью
Имеется три основных ступени :
1. Установка зазора 1 мм между регулировочными винтами и средним ведущим диском производится следующим образом:
снимите крышки люков, чтобы открыть сцепление и маховик,
при включенном сцеплении переведите рычаг переключения передач в нейтральное положение,
отвернуть контргайки и вкрутить все регулировочные винты в средний приводной диск до упора, маховик для этого надо провернуть,
ослабьте винты на 1 оборот и с небольшим усилием затяните контргайки.
За счет такой регулировки обеспечиваются необходимые расстояния между дисками и фрикционной поверхностью маховика.
2. Обеспечение зазора 3,3…3,7 мм между гайкой и задней крышкой клапана. Для регулировки ослабьте контргайку и установите зазор на нужное значение, затянув регулировочную гайку.
3. Регулировка свободного хода педали. Стандартное значение 34-43 мм (измеряется линейкой при пустой пневмосистеме).
Руководство пользователя
Приборная панель и органы управления
Погрузчик запускается поворотом ключа в замке, расположенном в нижней части рулевой колонки.
Под левой рукой находится переключатель указателей поворота и ближнего/дальнего света фар . Указатели поворотов переключаются в горизонтальной плоскости. Возможна постоянная или кратковременная активация. Фары управляются в вертикальной плоскости. При нажатии на ручку с торца активируется звуковой сигнал.
Справа от рулевой колонки находится переключатель стеклоочистителей и омывателей.
Спидометр, тахометр и комбинированный прибор р, показывающий уровень топлива, температуру охлаждающей жидкости, давление масла и напряжение, расположены на панели приборов перед водителем.
Также имеются контрольные лампы и выключатели осветительных приборов, а также кнопка отключения межколесного дифференциала и контрольные лампы ABS (если грузовик оснащен данной системой стабилизации).
Рядом на панели приборов расположены сигнальные лампы:
температура охлаждающей жидкости (загорается при температуре 105±5°С),
Аварийное давление масла,
уровень топлива (загорается при заполнении топливного бака на 16-20% и ниже),
давление воздуха в тормозной системе,
загрязнение масляного фильтра и другие.
Чтобы прогреть двигатель или накачать шины, нажмите педаль топлива, зафиксируйте ее и отпустите. Двигатель следует прогревать на минимальных оборотах с постепенным увеличением до средних. Начинать движение можно только при нагреве охлаждающей жидкости не ниже 40°С.
Не использовать постоянную подачу топлива во время движения!
Стояночный тормоз активируется переводом рычага в заднее положение. При возврате в переднее положение он выключается. В промежуточных положениях подключается дополнительный тормоз.
Коробка передач ЯМЗ-236П — пятиступенчатая с синхронизаторами на 2-3 и 4-5 передачах. Переключение передач происходит следующим образом:
Чтобы поднять платформу, поверните управляющий кран в положение «подъем». Прочие положения: остановка, спуск и транспорт.
При трогании с места на скользком покрытии, проезде сложных участков дороги блокировка дифференциала должна быть включена . Это следует делать на неподвижном автомобиле или на скорости до 10 км/ч.
Входить в поворот с заблокированным дифференциалом опасно . Это снижает управляемость и приводит к повышенному износу привода! Когда дифференциал заблокирован, соответствующий значок на приборной панели загорается оранжевым цветом.
Безопасность
Работа с самосвалом связана с риском травм и несчастных случаев. Для снижения этих рисков и вероятности поломок следует соблюдать ряд правил безопасности. Вот некоторые из них.
Запрещается стоять перед кабиной при подъеме и опускании, а также движение без фиксации кабины тросом и с открытым механизмом наклона.
Не регулируйте сиденье водителя во время движения.
Запрещается движение с поднятой платформой и опусканием груженой платформы.
Подробная инструкция по безопасной эксплуатации и содержит руководство по эксплуатации МАЗ-5551 . Там же, помимо подробного описания конструкции и узлов самосвала, можно найти требования к техническому обслуживанию и основные рекомендации по устранению неполадок.
Ввиду популярности этого автомобиля, в продаже имеется также множество руководств по ремонту, а покупка запчастей не вызовет затруднений.
Модификации и цены
МАЗ-5551 выпускается в различных комплектациях , отличающихся друг от друга грузоподъемностью, разгрузочными возможностями, объемом платформы. Это позволяет подобрать машину для любых бытовых или производственных нужд. К популярным моделям относятся:
МАЗ-5551-020 — старая модификация с двигателем мощностью 180 л.с., но с увеличенной до 10 тонн грузоподъемностью.
МАЗ-5551 А2-320 — новая модель повышенной грузоподъемности, аналогична стандартной модификации, имеет разгрузку только назад. Двигатель — 230 л.с. от ЯМЗ.
МАЗ 5551 А3-4327 — модель для перевозки сыпучих материалов или сельхозпродукции с большим сварным кузовом (объем 12,5 м³) и разгрузкой на три стороны. Кузов имеет откидные борта, что дает возможность загрузки с двух сторон. МАЗ 5551 «фермер» имеет грузоподъемность 9,2 тонны
МАЗ-5551 А2-325 — самосвал для перевозки грузов в составе автопоезда, может работать с прицепом. Аналогично МАЗ-5551 А3-4327 имеет возможность трехсторонней разгрузки, но с кузовом 5,5 м³. Может перевозить до 9,7 тонн груза.
Также выпускается трактор МАЗ-5551 А2-340 с полуавтоматической навеской с двумя степенями свободы. Предназначен для комплектования спецтехникой и работы в коммунальном хозяйстве, в качестве эвакуатора и т.п.
Разброс цен на подержанные автомобили с двигателем мощностью 230 л.с. колеблется от 400 до 900 тысяч рублей в зависимости от состояния и года выпуска. За меньшие деньги, от 150 до 300 тысяч, можно купить машину со 180-сильным мотором, обычно такие машины требуют более-менее капитального ремонта до начала эксплуатации МАЗ-5551.
Цена на новый самосвал современной модификации — около 1 млн 300 тыс. руб. Это чуть меньше цены
На протяжении многих лет МАЗ-5551 заслуженно оставался востребованным на территории бывшего СССР. Первые его модели уступали по функциональности, однако с конца 90s, новые модификации стали безопаснее и надежнее.
Это сразу же получило отклик в маркете. Среди преимуществ МАЗ-5551:
приспособленность к любым климатическим и дорожным условиям
маневренность и управляемость, легкость поворота, что особенно важно в городе
низкий расход топлива МАЗ-5551 делает самосвал рентабельным в эксплуатации
быстрая окупаемость даже при относительно высокой цене
Все это делает самосвал МАЗ-5551, технические характеристики и цена которого удовлетворяют потребности большинства предприятий, отличным выбором для работы. ну и народная любовь к МАЗ-5551 выражается и в моделях масштаба 1:43, по которым можно отслеживать изменения внешнего вида и развитие модификаций самосвалов.
На нашем сайте вы найдете описание еще одного самосвала —
Автомобиль Маз был изготовлен в 1947 году после войны, когда было принято решение о создании в Минске завода по выпуску мощных и экономичных грузовиков. С тех пор прошло много лет, но Маз по-прежнему пользуется большим спросом. Например, какова стоимость нового и экономичного Маз 5551 или других его модификаций? Узнайте больше о технических характеристиках грузовика, его объеме и многом другом.
Сразу скажем, что объем кузова этого самосвала составляет 6-8 куб. Другими словами, столько сыпучего груза помещается в Маз. Что касается грузоподъемности и других параметров различных моделей Маз, то об этом будет подробно рассказано ниже.
Маз 5551
ВНИМАНИЕ! Найден совершенно простой способ снизить расход топлива! Не верите? Автомеханик с 15-летним стажем тоже не верил, пока не попробовал. И теперь он экономит на бензине 35 000 рублей в год!
1988 год ознаменовался выпуском 5551-й модели белорусского автопрома. Среди особенностей кузова новинки сразу выделяется боди-лифт, который открывается/закрывается вместе с дверью багажника.
Также можно подсветить днище автомобиля, которое зимой обогревается газами, выхлопными из силовой установки грузовика.
Кабина Маз 5551 выполнена в 2-местном варианте, откидывается вперед, как и на всех классических Маз.
Традиционная сфера применения грузовика Маз – строительная отрасль и сельское хозяйство, хотя в последнее время произошел переход автомобиля в другие отрасли. В частности, речь идет о коммунальном сельском хозяйстве, промышленных объектах, бизнес-направлениях и так далее.
Популярность грузовика растет, его роль и значение с каждым разом возрастает, людей интересует вместительность кузова, технические возможности автомобиля. Что вызвало такой ажиотаж на грузовике?
В первую очередь, конечно, возможность использования как зимой, так и летом. Как говорится, это грузовик на любую погоду, он и в огонь, и в воду.
Не менее важна способность преодолевать любые дороги. Словно породистый внедорожник, Маз щелкает все кочки, выбоины и ямы как семечки.
Грузовик хорош и по маневренности, не уступает зарубежным аналогам по управляемости и проходимости, превосходит по расходу топлива и чувствительности к нему.
Итак, давайте поближе познакомимся с Маз 5551. Именно он сегодня пользуется бешеной популярностью далеко за пределами Беларуси. Возможности этого самосвала просто огромны, ведь он может перевозить большой груз на короткие и дальние расстояния. 5551 занимает первое место по оправданности стоимости среди всех самосвалов, и это еще не громко сказано.
Еще одна отличительная черта, вызывающая зависть конкурентов, — способность Маз 5551 разворачиваться на узких дорогах, почти как «легковой автомобиль».
Внешний вид нового Маза соответствует всем параметрам современного стиля, дизайн не вызывает негативных нареканий, сама конструкция грузовика делает его удобным в эксплуатации.
Интересно, что для удобства водителя производители заменили пружинный механизм привода на гидравлический. Это также положительно сказалось на безопасности автомобиля, на котором с той же целью усложнили открывание решетки радиатора.
2-местный салон, несмотря на ожидаемую тесноту, вполне удобен. Сиденья разделены удобной полкой, на которой легко можно хранить любую мелочь.
Кабина Маз сделана настолько качественно, что любой ее элемент можно заменить самостоятельно в случае неисправности, купив необходимые вещи в любом магазине страны.
Сиденье водителя оснащено рессорами, однако, по отзывам владельцев и пользователей Маз 5551, оно выполнено необычно.
Пассажирское сиденье несъемное, плотно прилегает к кузову. За счет отсутствия амортизации в местах крепления пассажиру сидеть вполне комфортно.
Теперь самое вкусное — тело. Он же ЦЛМ с возможностью выгрузки обратно. Но по функциональности он уступает многим современным машинам, оснащенным специальными системами, обеспечивающими возможность разгрузки на три стороны.
А вот Маз 5551 оснащен системой автоматического обогрева, придуманной с большой изобретательностью. В результате на машине удобно работать даже зимой. Даже в самые сильные морозы под кузовом ничего не промерзает.
Тормозная система белорусского грузовика очень примитивна. Есть и недостаток, уже очевидный — долгое время загрузки системы, что вынуждает водителя несколько раз нажимать на педаль.
Расход топлива 28-33,7 л. Это хороший показатель, считающийся низким по сравнению с ним.
Технические характеристики Маз 5551
Кузов
Самосвал
Каюта
2-местная, без кровати
Клиренс, мм
270
Длина, мм
5990
Ширина, мм
2500
Высота, мм
2295
Мощность, л.с.
180
Двигатель
ЯМЗ дизель 6 цилиндров
Привод
4×2
КПП
МКПП ЯМЗ-236П
Подвеска
Пружинный тип
Тормозная система
Барабан
Эксплуатационные возможности Маз 5551
Маз 5516
Еще один самосвал белорусского завода имеет колесную формулу 6х4 и выпускается с 19 года. 94. Речь идет о знаменитом грузовике Маз 5516.
Данная модель Маз изначально выпускается под несколько целей, что объясняется 2-мя типами кабин — длинной и короткой. Давайте подробнее рассмотрим область, где используется этот грузовик.
Модификация 5516 предназначена для перевозки сыпучих грузов, в частности зерна. Вот его особенности:
Отличается от стандартной версии возможностью производить 2-х стороннюю боковую выгрузку;
Объем платформы данной модификации увеличен до 22 куб.м. метров, следовательно, увеличивается и грузоподъемность. Последний составляет 20 тонн.
5549
5549-й сделан на платформе 5335. На этом Маз 5549 отличительной особенностью является перенесенная на передний бампер оптика. Это как раз соответствует последним требованиям по установке световой оптики на самосвалы.
В передней части кабины установлены специальная заглушка и декоративная решетка радиатора. Здесь же были заданы «габариты», четко совмещенные с указателями поворота.
Грузоподъемность этого Маза относительно небольшая — 8 тонн. Зато расходует гораздо меньше – 22 л/100 км.
Подъемный клапан
Одной из наиболее важных частей Маз является подъемный или регулирующий клапан, как его еще обычно называют. Он служит для опускания платформы в конце подъема. В этом механизме предусмотрено специальное устройство, которое хорошо защищает все механические элементы от перегрузок.
Схема клапана не такая сложная. Обязательным элементом является чугунный корпус, в котором расположены основные узлы клапана и предохранитель.
Также имеется резиновое седло и несколько обязательных манжет, выполняющих роль уплотнителей. Между ними предусмотрено технологическое отверстие.
Техническое обслуживание и уход
Этот клапан требует обязательного технического обслуживания, включающего проверку герметичности манжет и резинового седла. Кроме того, владельцу автомобиля Маз предстоит проверить состояние троса и точность установки его хода.
Не менее важно проверить надежность крепления клапана к раме. Как известно, это крепление осуществляется с помощью 2-х болтов, которые рекомендуется проверять и подтягивать регулярно (при активной эксплуатации самосвала — каждый день).
Характерным признаком неисправности подъемного клапана является характерное шипение. Это происходит при повреждении диафрагмы пневмокамеры, через которую проходит сжатый воздух.
Выпуск воздуха в той же степени может свидетельствовать об износе манжет, подаваемых извне.
И, наконец, обязательно провести диагностику состояния троса клапана, его настройки. Он не должен иметь перегибов и не должен заедать при работе клапана.
О ремонте кузова автомобилей Маз вы можете узнать из рекомендаций в других статьях на нашем сайте. Полезная информация на фото и в таблицах.
МАЗ 5551 появился на автомобильном рынке в 1988 году. Среди отличительных особенностей МАЗ 5551 — лифт кузова, который отрывается и закрывается вместе с дверью багажника. Кроме того, его днище обогревается выхлопными газами двигателя. Кабина автомобиля двухместная и откидывается вперед.
МАЗ 5551, фото которого можно найти на сайте, используется во многих сферах.
Традиционно автомобиль используется в строительстве и сельском хозяйстве, однако грузовой автомобиль просто незаменим в следующих отраслях:
коммунальные услуги;
Сельское хозяйство;
промышленность и многое другое.
Популярность МАЗ 5551, видео о котором расскажет обо всех особенностях эксплуатации автомобиля, обусловлена следующими преимуществами:
возможность эксплуатации в любых климатических условиях;
отлично поедет не только по хорошей, но и по плохой, неровной, «проторенной» дороге;
грузовик имеет хорошие показатели по маневренности, управляемости и проходимости;
не требует большого количества топлива, что делает его достаточно экономичным в этом плане;
хотя МАЗ и не дешевый самосвал, тем не менее, он очень быстро окупается.
МАЗ 5551 технические характеристики
Как уже говорилось ранее, самосвал этой модели очень популярен во многих отраслях промышленности. Способность матушки перевозить сыпучие материалы на широкий диапазон расстояний является наиболее оправданной с точки зрения стоимости среди всех грузовиков такого назначения.
Кроме того, МАЗу не составит труда развернуться на узких дорогах строительных площадок всего в два шага.
Внешние параметры самосвала соответствуют современным требованиям дизайна, а конструкция самой машины делает ее удобной для эксплуатации. Чтобы водитель не испытывал дискомфорта во время работы, производители заменили пружинный механизм на гидравлический привод, что также повысило уровень безопасности. С этой же целью был усложнен процесс открывания решетки радиатора.
В салоне два места, но, несмотря на это, он довольно просторный. Сиденья отделены друг от друга удобной полкой, на которой водитель может хранить документы или личные вещи.
Если какой-либо из компонентов кабины изнашивается, его можно легко заменить. Для этого достаточно купить в магазине необходимую деталь и заменить самостоятельно или обратиться за помощью в автосервис.
Сиденье водителя оснащено рессорами, но отзывы владельцев МАЗ 5551 свидетельствуют о том, что оно не самое удобное. Пассажирское сиденье крепится к полу и полностью иммобилизуется. Так как кабина не имеет амортизации в местах крепления, жесткость подвески напрямую влияет на комфорт и удобство людей, использующих грузовик. Рулевое колесо и рулевая колонка тоже не нацелены на обеспечение комфорта.
Панель приборов выполнена в соответствии с рабочими стандартами. Из недостатков оборудования стоит отметить слабую световую индикацию.
Кузов МАЗ 5551 цельнометаллический с разгрузкой назад. Однако многие современные модели имеют специальные системы разгрузки, обеспечивающие возможность выгрузки материалов на три стороны. Так как днище имеет систему обогрева, с машиной удобно работать даже в холодную зиму. Стабилизатор, установленный за задней осью, обеспечивает уверенность при прохождении поворотов с грузом. Тормозная система МАЗ 5551, схема которой достаточно проста, работает отлично. Однако здесь есть один недостаток — довольно долгое время загрузки системы.
Расход топлива самосвала МАЗ 5551 от 28 до 33,7 литров на километр. Расход топлива МАЗ 5551 считается одним из самых низких, что позволяет отнести грузовик к категории экономически выгодных.
Основные технические характеристики грузовика можно объединить в таблицу.
Таблица 1 — технические характеристики МАЗ 5551
Параметр
Описание
Тип кузова
самосвал
Кабина
Двухместный номер без кровати
МАЗ 5551 габариты
Длина, м
5, 99
Ширина, м
2,5
Высота, м
2. 295
Дорожный просвет, мм
270
Двигатель МАЗ 5551
Модель двигателя
ЯМЗ-236М2
Мощность, л. с.
180
Объем, куб.см.
11150
тип двигателя
Дизель с турбонаддувом
Количество цилиндров
6 V-образный
двигатель работает
на дизельное топливо
Трансмиссия
Количество передач
5
Привод
4 х 2
Трансмиссия
Механическая модель ЯМЗ-236П
Подвеска
Передняя и задняя рессорная подвеска
Тормозная система
Передние и задние барабанные тормоза
Рабочие параметры
Объем топливного бака, л.
200
Максимальная скорость, которую может развить самосвал, км/ч
83
Диаметр поворота, м
8,6
Угол подъема не менее
25%.
Грузоподъемность, т
10
Ширина грузовой площадки, м
2,3
Длина, м
3,9
Высота борта, м
0,63
Масса и размеры
Полная масса МАЗ 5551, т
6.3
Подробнее о грузовике можно узнать в «Руководстве по эксплуатации МАЗ 5551».
Позиции самосвала на рынке и его цена
Как было сказано выше, производство МАЗ 5551 началось в 1988 году. Первая модель была менее комфортна для водителя и не столь функциональна. В 1998 году на рынке появилась новая, усовершенствованная модель, которая стала более популярной среди потребителей. Основные изменения коснулись дизайна кабины и панели приборов. Салон стал просторнее и может вместить двух пассажиров.
Кроме того, он может откидываться, что значительно облегчает диагностику неполадок и ремонт.
На современном рынке данная модель самосвала славится высоким уровнем надежности и является универсальной, поэтому спрос на грузовик с каждым годом увеличивается.
Как правило, многие покупатели интересуются грузовыми автомобилями с пробегом, новые автомобили могут покупать только крупные предприятия. Выбирая тот или иной вариант, следует иметь в виду, что цена не является главным показателем качества.
Если МАЗ в хорошем состоянии, но стоимость его ниже положенной, можно предположить, что он эксплуатировался в экстремальных условиях, а детали, скорее всего, находятся в стадии износа.
При выборе самосвала следует обращать внимание на состояние рамы, двигателя, кузова и других важных узлов. Желающие сэкономить могут приобрести более старые модели, а затем докупить для них новые комплектующие. Проблем с ремонтом возникнуть не должно, ведь запчастей для МАЗов на рынке очень много, а сама его конструкция достаточно проста.
Заключение
Как видите, самосвал данной модели – одно из самых выгодных вложений для любого хозяйства или предприятия. С ним вы сможете быстро перевозить сыпучие грузы на разные расстояния и не беспокоиться о больших тратах на бензин. Хоть кабина грузовика и не самая удобная, тем не менее другие достоинства МАЗ значительно компенсируют этот недостаток.
Самосвал МАЗ-5551
Ни одну строительную площадку России невозможно представить без самосвала МАЗ-5551. Этот потомственный «разнорабочий» давно и успешно занимается перевозкой грузов. Учитывая, что его прямой потомок МАЗ-503 поступил в строй 19 ноября58 и особо не изменился, получив новый код в 1985 году, то его история насчитывает почти 50 лет.
Популярность самосвала МАЗ-5551 очень широка и оправдана. Перевозя сыпучие грузы на небольшие расстояния, он не имеет конкурентов по цене и «работоспособности». Некоторые специалисты проводят параллели, сравнивая его с нашими ЗИЛ-ММЗ-4520 и КАМАЗ-65115, но это сравнение не совсем оправдано, так как «наши» самосвалы предназначены для дальних перевозок. Колесные формулы, заложенные в конструкцию 6х4 для ЗИЛа и КАМАЗ, и 4х2 для МАЗ, сразу определяют эту разницу. Уверенность в тесноте строительных площадок придает проработанная система рулевого управления, оснащенная качественным гидроусилителем. МАЗ очень легко разворачивается в два этапа на узких временных дорогах строительных площадок.
Внешний вид самосвала не отягощен современным дизайном, но максимально удобен для работы. Ничего лишнего. При переходе на производство МАЗ-5551 учли очень важный недостаток предшественника, связанный с «отстегиванием» кабины. Пружинный механизм был заменен гидравлическим приводом, что устранило риск нештатной «расстегивания» при самопроизвольном открывании замков. Чтобы окончательно застраховать эту операцию, разработчики усложнили ее необходимостью открывать решетку радиатора с помощью крепления. Кабина двухместная, но очень просторная. Между сиденьями есть удобная полка для документов и необходимых вещей. Нет только прикуривателя и пепельницы — на МАЗе «за здоровый образ жизни».
Сиденье водителя подрессорено. Однако, по отзывам водителей МАЗ-5551, это не очень удобно. Пассажирское сиденье прочно прикреплено к полу. Учитывая, что кабина не имеет амортизации в местах крепления, вся жесткость подвески напрямую влияет на удобство сидений и водителя, и пассажира. Рулевое колесо вкупе с регулируемой рулевой колонкой тоже не несет ощущения комфорта. Панель приборов соответствует рабочему стандарту. Единственный минус — слабость световой индикации.
Если говорить о технических характеристиках, то базовый МАЗ-5551 оснащен 180-сильным двигателем ЯМЗ-236М2, комплектуется 5-ступенчатой коробкой передач ЯМЗ-236П. Топливный бак емкостью 200 литров. На модификации может быть установлен более совершенный силовой агрегат ЯМЗ-6581.10 с коробкой ЯМЗ-2361 или даже Deutz BF4M1013FC с коробкой ZF 6S850. Грузоподъемность этого автомобиля ~ 10 тонн.
Самосвал МАЗ-5551 оборудован цельнометаллическим кузовом с задней выгрузкой. Однако на модификациях устанавливаются разгрузочные системы, позволяющие производить разгрузку на три стороны. Удобная система обогрева днища позволяет эффективно работать зимой. Стабилизатор поперечной устойчивости, установленный за задней осью, придает грузовику уверенность при входе в повороты с грузом. Пневматические тормоза работают надежно. Единственный недостаток — долгая загрузка системы.
Грузовой автомобиль МАЗ 5551 самосвал начал выпускаться еще во времена Советского Союза в 1985 году. МАЗ 53371 послужил основной базой узлов и агрегатов для этой машины. Корпус модели цельнометаллический, а бортик выполнен с автоматическим открыванием и закрыванием. Выгрузка происходит назад из багажника. Выхлопные газы двигателя используются для обогрева днища кузова, чтобы зимой перевозимые материалы не замерзали. Кабина, откидывающаяся вперед, рассчитана на двух человек. Существует несколько модификаций, некоторые из которых могут работать при температуре до -60 градусов Цельсия.
Автомобиль произведен на Минском автомобильном заводе. Его непосредственный предшественник существовал еще в годы войны. Это была модель МАЗ 500. После нескольких лет доработок, доработок и доработок был выпущен МАЗ 5551. Двухосная компоновка давала отличную маневренность и проходимость. Модели активно используются как в России, так и в Беларуси.
Область применения
Машина активно используется в сфере строительства. Как и его предшественники, самосвал МАЗ 5551 служит одним из основных грузовых автомобилей для перевозки строительных материалов. Может работать как с сыпучим, так и с другими видами сырья. Это могут быть кирпичи, трубы, дерево и прочее. Эту технику можно использовать и для вывоза строительного мусора. Вместимость и максимальная загрузка автомобиля позволяют работать с достаточными объемами, подходящими для любого типа строительной площадки.
Самосвал может перевозить материалы на средние и короткие расстояния. Он предназначен для работы в городских условиях, но хорошая проходимость обеспечивается необходимостью перемещения в сложных условиях на строительных площадках. Грузовик без проблем передвигается по сельской местности и другому бездорожью. Возможность работы при низких температурах не затрудняет использование зимой, тем более что есть обогрев кузова.
Еще одна область применения — сельское хозяйство. Также есть работа с перевозкой сыпучих материалов, таких как зерно и так далее. Несмотря на то, что такие автомобили часто входят в состав автопарков различных предприятий, их можно встретить и в частной собственности. В этом случае они могут найти применение практически в любой сфере, где их технические характеристики будут востребованы.
Преимущества
Долгий срок службы во многих сферах промышленности и строительства обеспечивают основные преимущества машины:
На отечественном рынке характеристики не сильно уступают современным маркам;
Легко достать запчасти и нет проблем с ремонтом;
Автомобиль хорошо ведет себя при движении по плохим дорогам;
При работе в условиях низких температур проблем нет;
Имеется автоматическая система открытия и закрытия борта;
Для зимнего использования предусмотрен обогрев, который экономно работает на выхлопных газах.
Недостатки
По сравнению с западными аналогами машина менее комфортна в управлении, а в кабине все не удобно устроено;
Мощности иногда не хватает для более серьезных работ в сфере строительства.
Технические характеристики
Технические характеристики самосвала МАЗ 5551 являются основными данными, определяющими область его применения. Основные характеристики данной модели для использования следующие:
Технические характеристики
Значение
Максимальная грузоподъемность модели, кг
8500
Снаряженная масса, кг
7580
Включает:
3450
Общий вес, кг
16230
Общий вес включает:
10250
Максимальная скорость автомобиля, км/ч
83
За какое время автомобиль разгоняется до 60 км/ч, с
50
Максимальный подъем, который может преодолеть автомобиль, %
25
Выбег автомобиля с 50 км/ч, м
85
Расход топлива МАЗ 5551 на 100 км при скорости 60 км/ч, л
23,21
Характеристики радиуса поворота:
Наружное колесо, м
7,9
Габаритная, м
8,6
Суммарное передаточное число ведущего моста
7,79
Объем грузового кузова автомобиля, м
5,5
Ориентировочное время подъема полностью загруженного кузова, с
15
Ориентировочное время опускания пустого кузова, с
10
Устройство
Двигатель ЯМЗ236 устанавливается на самосвалы МАЗ 5551. В стандартной комплектации двигатель выдает 180 лошадиных сил, что равняется 132 кВт мощности. Максимальный крутящий момент составляет 667 Нм. В последних модификациях установлен двигатель ЯМЗ636, мощность которого составляет уже 230 лошадиных сил. По международным стандартам машина соответствует экологическому классу Евро3. Некоторые современные модификации имеют грузоподъемность на 10 тонн выше стандартных. Здесь установлена пятиступенчатая механическая коробка передач. Двигатель не наддувный, что придает ему высокую надежность и хорошую мощность.
В кабине нет спального места, но помимо водителя могут разместиться еще два пассажира. Поручни и подставки обеспечивают легкий и быстрый доступ в кабину с улицы. Эргономика расположения предметов внутри здесь не самая лучшая. Рулевое колесо можно регулировать по высоте и углу наклона. Сиденье двигается вперед-назад по специальной направляющей, но иногда даже в таких условиях сложно найти удобное положение. Особого внимания заслуживает вентиляция и освещение в салоне. Они выполнены на высоком современном уровне.
Производитель
Выпуском автомобиля занимается Минский автомобильный завод. На данный момент это предприятие является управляющим холдингом БелАвтоМаз. Основная специализация завода – производство большегрузных автомобилей, троллейбусов и легковых автомобилей. Продукция поставляется в 45 стран ближнего и дальнего зарубежья. По данным 2016 года это самое убыточное предприятие страны.
Заключение
Среди множества отечественных автомобилей, выпускавшихся еще во времена СССР, этот самосвал является одним из самых современных, так как начало его производства пришлось как раз на начало распада Советского Союза. На данный момент его производство продолжается в Минске и поставляется в страны ближнего зарубежья. При сохранении современных характеристик автомобиль имеет относительно невысокую стоимость, что выгодно отличает его от конкурентов. Особой популярностью пользуются специализированные модификации модели, рассчитанные на тяжелые условия эксплуатации.
Самосвал маз 5551 тех. Объем тела мази и другие важные характеристики. Достоинства и недостатки
Самосвал МАЗ-5551, производство которого началось более четверти века назад, в 1985 году, нельзя назвать новым автомобилем. Однако и сегодня этот самосвал остается одной из самых массовых моделей грузовиков, встречающихся в России.
Трудно найти хотя бы одну строительную площадку в стране, где бы ни работали эти проворные самосвалы. Популярности «Минска» способствует и то, что у него практически нет конкурентов среди отечественных автомобилей. В этом же сегменте на рынке присутствует и ЗИЛ-4520, но это самосвалы с колесной формулой 6х4, более подходящие для перевозки грузов на дальние расстояния, а вот МАЗ-5551 оптимален для работы на «короткой руке». , что позволяет использовать его на городских стройках.
Интерьер, экстерьер и эргономика
Рассмотрим подробнее, что такое минский «долгожитель». В варианте без спального места кабина МАЗ намного просторнее КамАЗа. Удобное расположение ступеней и поручней позволяет легко попасть в кабину. А вот эргономика кабины оставляет желать лучшего.
Хотя рулевая колонка регулируется в двух плоскостях, а подушка сиденья перемещается по салазкам, добиться удобного положения водителя не удается. Обзорность не страдает, но дискомфорт приводит к повышенной утомляемости водителя, особенно на дальних маршрутах. Не добавляет комфорта и слишком большой руль, для поворота которого водителю небольшого роста приходится постоянно наклоняться вперед.
Приборная панель грузовика в целом удобна и достаточно информативна. Однако и здесь не обошлось без «ложки дегтя». Речь идет о недостаточной яркости световой индикации, плохо просматриваемой в дневное время.
Однако хорошие решения перевешивают ошибки, допущенные при проектировании кабины. Итак, расположение блока предохранителей и реле очень удобное. Он расположен за приборной панелью со стороны пассажирского сиденья под легко открывающимся люком. Комфорт в кабине обеспечивают также люк вентиляции в крыше, внутреннее освещение в кабине и эффективная система отопления.
В кабине, в отличие от КамАЗа, только одно пассажирское сиденье. Между водительским и пассажирским сиденьями есть удобная полка для хранения документов, бутылок и прочих мелочей. Есть и мундштук, но почему-то разработчики не предусмотрели пепельницу и прикуриватель. Большие зеркала заднего вида обеспечивают водителю отличный обзор и способствуют более безопасному управлению грузовиком.
Сиденье водителя установлено на пневмоподвеске
Регулируемое сиденье водителя оснащено системой подвески. Тем не менее, кабину минского грузовика нельзя назвать по-настоящему удобной, так как крепления кабины к раме не оборудованы системой амортизации. Пассажирское сиденье вообще лишено комфорта, поскольку не регулируется, а просто жестко крепится к полу кабины.
Подъем кабины для доступа к силовому агрегату осуществляется с помощью гидропривода. Гидравлический привод имеет важное преимущество по сравнению с подпружиненной системой подъема кабины, так как здесь исключается возможность непреднамеренного опрокидывания кабины при поломке замка. Гидравлические приводы, которыми снабжаются отечественные автомобили, а МАЗ все же нельзя отнести к иномаркам, почти все идентичны, но конструкторы не стали придумывать хитрых систем фиксации откидной кабины, застраховав ее обычным стальным тросом. Как говорится, дешево и сердито.
Подъем кабины допустим только при открытой решетке радиатора, а чтобы водитель или механик не забыл об этой операции, под решеткой закреплен узел, приводящий в движение подъемник. А буксировочный шкворень снимается только после того, как решетка радиатора откинута назад.
Из недостатков отметим низкое расположение внутренней ручки открывания двери, из-за чего открывать дверь изнутри крайне неудобно.
Техническая часть
Теперь поговорим о ходовых качествах самосвала. Поскольку рассматриваемый нами экземпляр новый, с запасом хода всего 900 километров, некоторые претензии к отдельным агрегатам могут носить временный характер. Например, рычаг переключения передач имеет хорошую избирательность, но очень большое усилие переключения.
Сам процесс переключения передач лишен плавности. Но это точно временный недостаток: после обкатки и притирки деталей работа агрегата приобретает должную плавность. По крайней мере, переключение с низшей передачи на высшую при двойном выжиме сцепления, а с высшей на низшую передачу при перегазовке и двойном выжимке происходит без точности и мягкости. При этом двигатель ЯМЗ 236 работает без отрыва на пониженную передачу. По данным завода, самосвал начали устанавливать на ЯМЗ-6563.10 экостандарта Евро-3.
установлен ярославский V-образный мотор ЯМЗ-236НЕ2-30 ЕВРО-2
Кстати, ярославский двигатель без системы турбонаддува — отличный агрегат, выдержавший испытание временем. К двигателю претензий практически нет. А вот ярославская ложа вызывает массу нареканий. При полной загрузке в 10 тонн грузовику очень тяжело двигаться на первой передаче. Из-за короткой первой передачи динамика разгона очень медленная. Зато на ровной дороге грузовик полной массой более 17 тонн без проблем трогается со второй передачи.
Пневмотрубки лучше сразу завернуть — иначе будут тереться о раму
Полностью загруженный самосвал способен развивать скорость до 90 км/ч. Это максимальная скорость, но даже на пятой передаче МАЗ держит 40 км/ч. Самосвал также отличается своей резвостью, гидроусилитель руля при работающем двигателе работает плавно.
Маневренность самосвала на высоте — в два приема он способен развернуться даже на самой узкой дороге. Стабилизатор поперечной устойчивости, установленный за задней осью, обеспечивает высокую устойчивость тяжелонагруженной машины при прохождении поворотов.
Пневматические тормоза достаточно эффективны, единственный недостаток — долгая накачка воздуха в систему. Как видите, мощность компрессора недостаточно высока. Загрузка и выгрузка балласта во время испытаний происходила в штатном режиме, без проблем, как и на других самосвалах.
А вот с передним правым колесом операторам, надо признать, не повезло. Заводчане закрепили его на ступице с небольшим перекосом, который очень сильно действует на руль. Вес колеса почти равен центнеру, в принципе может весить и больше, если только при его установке не допускаются перекосы. Невольно вспоминаешь, что в США одно время тоже были в моде бездисковые колеса, но сейчас они там практически не встречаются.
Общее впечатление
В целом машина оставила хорошее впечатление. Мы познакомились с автомобилем в самой экономичной версии самосвала, которая продается по минимальной цене. Подводя итог, можно прийти к выводу, что минские автопроизводители выпускают добротную, надежную технику.
При разработке данной модели были учтены и усовершенствованы недостатки предыдущих моделей. Так, в МАЗ-5551 конструкторы окончательно распрощались с рычагом переключения передач в виде обломка, который присутствует во всех предыдущих моделях.
И шестеренки больше не требуется, как раньше, ловить по всему пространству салона. При этом схема переключения передач осталась прежней.
Ручник барабанный на МАЗ — 5551 заменен на пружинные тормозные камеры. Правда, патронники не снабжены затворами для принудительного сброса при отсутствии воздуха в системе.
Но, к таким недостаткам стоит относиться с пониманием, ведь стоимость автомобиля значительно ниже аналогичных моделей зарубежного производства, напичканных всевозможными дополнительными узлами и системами.
Конечно, при тестировании самосвала было обнаружено много элементов, требующих «рукопашной работы», но их значительно меньше, чем на любом из автомобилей, выпущенных на автозаводах СНГ. Таким образом, самосвал МАЗ-5551 доказывает, что не зря он унаследовал прозвище «трудоголик», заслуженное его предшественником МАЗ-503 еще в 60-е годы.
Немного истории
Строительство обескровленного от гитлеровской оккупации автомобильного завода в Минске началось в 1944. Сначала завод выполнял ремонт автомобилей, предназначенных для нужд фронта, а после окончания Великой Отечественной войны, в 1947 году, в опытном цехе МАЗ были собраны первые грузовики ЯАЗ. В феврале 1948 года первый серийный образец грузового автомобиля МАЗ 200А отправился в Москву для испытаний и утверждения в Министерстве автомобильной промышленности СССР. Именно этот автомобиль положил начало выпуску целого поколения новых советских тяжелых двухосных грузовиков. Эмблема Минского автомобильного завода, беловежский зубр, как нельзя лучше олицетворяла могучую силу и выносливость белорусских работяг.
Конструкция грузовиков постоянно совершенствовалась. К началу 60-х годов капотные грузовики с двухтактными двигателями уступили место на конвейере автомобилям собственной разработки МАЗ-500 с четырехтактным силовым агрегатом ЯМЗ-236, расположенным под кабиной. Среди множества модификаций этого грузовика был и самосвал МАЗ-503, являющийся предшественником модели МАЗ-5537, на базе которой был разработан МАЗ-5551.
МАЗ-5551 на испытаниях
В новой версии грузовика кардинальным изменениям подверглась кабина. Изменен дизайн фар, решеток радиатора, форма салона приобрела четкие грани вместо округлых форм. Вместо раздвоенного лобового стекла на грузовик стали устанавливать гнутое панорамное лобовое стекло. На крышу был установлен спойлер новой конструкции. Изменения коснулись и оформления интерьера кабины водителя, появились новые рычаги и рулевое колесо. Подъемный механизм кабины приводится в действие с помощью «монтировки», с ее помощью открывается замок, фиксирующий кабину.
Отношение к конструкторским решениям, использованным при разработке грузовика, может быть двояким. С одной стороны, большинство применяемых решений можно назвать анахронизмом, с другой — проверенными временем решениями. После испытаний самосвала, только что сошедшего с конвейера, мы больше склоняемся ко второму подходу. Тем не менее некоторые агрегаты и элементы конструкции, безусловно, нуждаются в обновлении и приведении в соответствие с современными требованиями.
Страна, в которой много лет назад сошел с конвейера первый самосвал МАЗ-5551, давно исчезла с карты мира. Российская Федерация и Республика Беларусь являются суверенными, независимыми государствами. К сожалению, многие известные заводы, созданные за годы существования СССР, пришли в упадок и прекратили свое существование. Минский автозавод в переходный период также переживал непростые времена, но благодаря гибкому управлению и эффективной работе всего коллектива предприятие выстояло и стало одним из ведущих производителей автомобильной техники на постсоветском пространстве.
Самосвал МАЗ-5551 выпускается с 1988 года на базе узлов и агрегатов МАЗ-53371. Кузов — цельнометаллический с автоматически открывающимся и закрывающимся задним бортом, выгрузка — назад. На МАЗ-5551 предусмотрен обогрев днища кузова выхлопными газами двигателя. Кабина — двухместная, откидывающаяся вперед (на МАЗ-5551 с гидроцилиндром с ручным приводом гидронасоса). Модификация — МАЗ-555101 исполнение ХЛ для эксплуатации в условиях холодного климата до минус 60°С. МАЗ-5551 может эксплуатироваться с самосвальным прицепом полной массой 10 000 кг.
Шины: для МАЗ-5551 — 12.00R20 (320R508) мод. И-109Б допускается установка шин 12.00-20 (320-508) обр. ВИ-243; для автомобилей северного исполнения — шины мод. ИД-304; для МАЗ-5549 — 11.00R20 (300R508) мод. И-68А допускается установка шин 12.00R20 (320R508) обр. И-109Б и шины 12.00-20 (320-508), модель ИЯВ-12Б и ВИ-243, серия УД-1. Давление в шинах мод. И-109: передний — 7,0; задняя — 6,65 кгс/см. кв.; в шинах И-68А: передние — 6,5; задняя — 6,7 кгс/см. кв. Механизм опрокидывания платформы гидравлический, с пневматическим дистанционным управлением. Гидроцилиндр — телескопический трехступенчатый. Насос — шестеренчатый НШ-32У.
Объем гидросистемы: 24 л, летом — индустриальное масло 20, зимой — индустриальное масло 12. Масса платформы (кузова) 1030 кг. Другие данные см. в а/м МАЗ-53371
ТЕХНИЧЕСКИЕ ХАРАКТЕРИСТИКИ
Грузоподъемность
8500 кг.
Снаряженная масса
7580 кг.
В том числе:
на переднюю ось
4130 кг.
на задней оси
3450 кг.
Полная масса
16230 кг.
В том числе:
на переднюю ось
5980 кг.
на заднюю ось
10250 кг.
Максимальная скорость автомобиля
83 км/ч.
время разгона автомобиля до 60 км/ч
50 с.
Макс. набор высоты автомобиля
25 %
Выбег автомобиля с 50 км/ч
850 м.
Контроль расхода топлива автомобиля, л/100 км, при 60 км/ч
23,21 л.
Радиус поворота:
на внешнем колесе
7,9м.
комбинезон
8,6 м.
Передаточное отношение ведущего моста (всего)
7,79
Объем кузова
5,5 м.
Время подъема груженого кузова при частоте вращения коленчатого вала двигателя 1900 об/мин
15 с.
Время опускания пустого кузова
10 сек.
Грузовой автомобиль МАЗ-5551 выпускается Минским автомобильным заводом три десятилетия, с 1985. Несмотря на далеко не инновационный дизайн (его непосредственный предок, МАЗ-503, впервые отправился в путь еще в 1958 году) -5551 остается одним из самых популярных восьмитонных автомобилей на российских просторах. Читайте о КамАЗ 500 серии в
Описание и комплектация
В отличие от дальнобойных собратьев, например, ЗИЛ-4520, более компактный и маневренный МАЗ- легко передвигается в городских условиях. Чаще всего его можно встретить работающим на городской стройке. Основное предназначение этого грузовика – перевозка сыпучих материалов, причем на короткой стреле, что определяется его приводом 4х2.
Посмотреть видео:
Другое МАЗ-5551 Области применения:
Сельское хозяйство
промышленность
городское хозяйство и дорожное строительство
Характеристики кузова
В стандартной модификации МАЗ-5551 оснащен неразъемным кузовом с задней разгрузкой. Откидывание задней двери и опрокидывание кузова имеют дистанционное управление и происходят автоматически.
В кабине два места Как видно на фото, между сиденьями пассажира и водителя есть место для хранения вещей и документов. Сиденье водителя оснащено пружинами и двигается вперед-назад, а вот рулевая колонка может регулироваться в двух направлениях.
На этом, да еще и на электрообогреве боковых зеркал, комфорт в стандартной кабине заканчивается, нет даже амортизации в местах ее крепления.
Для доступа к силовым узлам кабина откидывается вперед с гидроприводом. Поднять кабину можно только при открытой решетке радиатора, а устройство включения механизма находится за самой решеткой. Нижняя фиксация осуществляется с помощью обычного стального троса.
Обогрев днища автомобиля за счет подачи выхлопных газов . Такая конструкция значительно облегчает использование самосвала в холодное время года. Для экстремальных условий и температур до -60°С разработана модель МАЗ-5551 01 HL.
Трансмиссия базовой версии — 5-ступенчатая механическая коробка ЯМЗ-236П, на более поздних моделях грузоподъемностью до 10 тонн устанавливалась ЯМЗ-2361. Теперь на новых автомобилях стоят коробки западного производства.
Сзади стоит стабилизатор поперечной устойчивости , который значительно уменьшает крен грузовика при прохождении поворотов. Передние и задние тормоза — барабанные с пневматическим управлением.
Часто при прохождении технического осмотра возникает вопрос, где находится номер шасси. Номер на раме МАЗ-5551 находится на традиционном для советских грузовиков месте — сразу сзади, на передней части рамы (обычно в районе заднего моста или с небольшим смещением).
Двигатель МАЗ 5551 и расход топлива
Двигатель МАЗ-5551 дизель V6 (вот так). До последних лет все самосвалы МАЗ-5551 комплектовались 180-сильным ЯМЗ-236М2 Ярославского моторного завода. В новых модификациях его заменили на ЯМЗ-6563. 10 с экологическим классом Евро-3, а на некоторых моделях — на двигатели Cummins с классом Евро-4 и турбонаддувом.
Несмотря на появление комплектаций с импортным двигателем, на форумах водителей по-прежнему советуют агрегаты от ЯМЗ за надежность и простоту обслуживания.
МАЗ-5551 отличается низким расходом топлива на 100 км для своего класса. Расход около 23 литров при скорости 60 км/ч и нагрузке около 85% от максимальной. Для сравнения, у модели расход топлива 30-35л/100км.
Технические характеристики
Габаритные размеры, мм
длина — 5990 (с опрокинутой кабиной — 7850)
ширина — 2500 мм (в моделях с разгрузкой на 3 стороны — 3450 при полностью перевернутом кузове)
высота — 2925 мм
со сложенным корпусом — 4850
при разгрузке вбок — 3850
Дорожный просвет — 270 (минимум, в районе переднего моста)
Устройство параметров двигателя
Объем — 11150 см³ (ЯМЗ-236)
Мощность — 180 л. с.
Крутящий момент — 667 Нм
Максимальная скорость — 83 км/ч (у некоторых моделей может быть до 90 км/ч)
Масса МАЗ-5551 в стандартной модификации, кг
в комплектации — 7580, в т.ч.
на переднюю ось — 4130
на заднюю ось — 3450
полный — 16 230, в т.ч.
на переднюю ось — 5980
на заднюю ось — 10 250
Грузоподъемность и объем кузова МАЗ-5551
Грузоподъемность — 8500 кг
Объем кузова
— 5,4 м³, а у
Размеры кузова и габариты
Габариты МАЗ-5551 при таком объеме платформы составляют 3800 х 2269 х 630 мм.
Для сравнения предлагаем ознакомиться с .
В зависимости от модификации грузоподъемность может быть до 10,2 т (сопоставимо с грузоподъемностью), объем кузова МАЗ-5551 — до 12,5 м³ (15,5 с поднятыми бортами).
Колеса и шины трактора
Колесная формула — 4х2, максимальный угол наклона проезжей части — 25 градусов
радиус поворота — 7,9 м (габаритный — 8,6 м)
Шины — 12. 00 R20, также допускается установка 12.0-20 или 11.00 R20
Давление в шинах МАЗ-5551 будет зависеть от модели самих шин и грузовика. Например, для самосвала грузоподъемностью 10 тонн и шин 12.00 R20 — 7,1 спереди и 6,9кгс/см2 на заднюю ось.
Привод грузовой платформы
Устройство подъема кузова МАЗ-5551 расположено под платформой. Механизм опрокидывания, как и у большинства современных самосвалов, гидравлический с пневматическим управлением.
Телескопический гидроцилиндр переменной производительности состоит из трех последовательно выдвигающихся звеньев — такая конструкция позволяет развивать достаточные рабочие усилия при небольшом весе и габаритах в сложенном виде. Основным его недостатком является значительная сложность, а также опасность забивания плотно прилегающих звеньев.
Для повышения безопасности разгрузки в клапане управления гидроцилиндра предусмотрено предохранительное устройство. Не допускает полного подъема платформы при перегрузке более 1,5 т.
Цапфы задней двери управляются пневмоцилиндром, срабатывающим при приведении рукоятки устройства в положение «Подъем».
Регулировка сцепления
На МАЗ-5551 установлен традиционный для мощных грузовиков двухдисковый фрикцион … Элементы данного узла подвержены износу из-за значительных перегрузок в процессе эксплуатации и требуют периодического обслуживания.
Регулировка сцепления МАЗ-5551 требуется, например, в следующих случаях:
пробуксовка сцепления на высоких оборотах
треск в момент переключения передач
сцепление не полностью выключено
Имеется три основных ступени :
1. Установка зазора 1 мм между регулировочными винтами и средним приводным диском производится следующим образом:
снимите крышки люка, чтобы открыть сцепление и маховик,
при включенном сцеплении переведите рычаг переключения передач в нейтральное положение,
отвернуть контргайки и вкрутить все регулировочные винты в средний приводной диск до упора, для этого нужно провернуть маховик,
ослабьте винты на 1 оборот и слегка затяните контргайки.
Эта регулировка обеспечивает требуемые расстояния между дисками и фрикционной поверхностью маховика.
2. Обеспечение зазора 3,3…3,7 мм между гайкой и задней крышкой клапана. Для регулировки нужно ослабить контргайку и выставить зазор на нужное значение, затянув регулировочную гайку.
3. Установка педали свободного хода. Стандартное значение 34-43 мм (измеряется линейкой при пустой пневмосистеме).
Руководство пользователя
Приборная панель и органы управления
Погрузчик запускается поворотом ключа в замке, расположенном в нижней части рулевой колонки.
Под левой рукой находится переключатель поворотов и фар ближнего/дальнего света … Указатели поворота переключаются по горизонтали. Возможна постоянная или кратковременная активация. Фары управляются в вертикальной плоскости. При нажатии на ручку с торца включается звуковой сигнал.
Справа от рулевой колонки находится переключатель стеклоочистителей и омывателей.
Спидометр, тахометр и комбинированный прибор p, показывающий уровень топлива, температуру охлаждающей жидкости, давление масла и напряжение, находятся на приборной панели перед водителем.
Также имеются контрольные лампы и выключатели осветительных приборов, а также кнопка отключения межколесного дифференциала и контрольные лампы ABS (при оснащении грузовика данной системой стабилизации).
Рядом с ним на приборной панели расположены контрольные лампы:
температура охлаждающей жидкости (загорается при температуре 105±5°С),
Аварийное давление масла,
уровень топлива (загорается при заполнении топливного бака на 16-20% и ниже),
давление воздуха в тормозной системе,
загрязнение масляного фильтра др.
Для прогрева двигателя или накачки шин необходимо нажать на педаль топлива, зафиксировать защелкой и отпустить. Двигатель следует прогревать на минимальных оборотах с постепенным увеличением до средних. Начинать движение можно только при нагреве охлаждающей жидкости не ниже 40°С.
При движении нельзя использовать постоянную подачу топлива!
Стояночный тормоз активируется перемещением рычага в заднее положение. При возврате в переднее положение — выключается. Дополнительный тормоз активируется в промежуточных положениях.
Коробка передач ЯМЗ-236П пятиступенчатая с синхронизаторами на 2-3 и 4-5 передачах. Переключение передач происходит по следующей схеме:
Для подъема платформы поверните кран управления в положение «подъем». Другие позиции: остановка, спуск и транспорт.
При трогании с места на скользком участке, прохождении сложных участков дороги Должна быть включена блокировка дифференциала … Делать это нужно на стоящем автомобиле или на скорости до 10 км/ч.
Входить в поворот с заблокированным дифференциалом опасно … Это снижает управляемость и приводит к повышенному износу. силовой привод! Когда дифференциал заблокирован, соответствующий значок на приборной панели загорается оранжевым цветом.
Охрана
Работа с самосвалом связана с риском получения травм и несчастных случаев. Для снижения этих рисков и вероятности поломок необходимо соблюдать ряд правил безопасности. Вот некоторые из них.
Запрещается стоять перед кабиной при подъеме и опускании, а также движение без фиксации кабины тросом и с открытым механизмом опрокидывания.
Не регулируйте сиденье водителя во время движения.
Запрещается двигаться с поднятой платформой и опускать загруженную платформу.
Подробная инструкция по безопасной работе и содержит руководство по эксплуатации МАЗ-5551 … Там же, помимо подробного описания конструкции и узлов самосвала, можно найти требования по техническому обслуживанию и основные советы по устранению неполадок.
Ввиду популярности этого автомобиля, в продаже имеется также множество руководств по ремонту, а покупка запчастей не вызовет затруднений.
Модификации и цены
МАЗ-5551 выпускается в различных комплектациях , отличающихся друг от друга грузоподъемностью, разгрузочными возможностями, объемом платформы. Это позволяет подобрать автомобиль под любые бытовые или производственные нужды. Популярные модели включают:
МАЗ-5551-020 — старая модификация с двигателем мощностью 180 л.с., но с увеличенной до 10 тонн грузоподъемностью.
МАЗ-5551 А2-320 – новая модель повышенной грузоподъемности, аналогична стандартной версии, имеет только заднюю выгрузку. Двигатель — 230 л.с. от ЯМЗ.
МАЗ 5551 А3-4327 — модель для перевозки сыпучих материалов или сельхозпродукции с большим сварным кузовом (объем 12,5 м³) и разгрузкой на три стороны. Кузов имеет откидные борта, что дает возможность загрузки с двух сторон. МАЗ 5551 «сельхозработник» имеет грузоподъемность 9.2 тонны
МАЗ-5551 А2-325 — самосвал для перевозки грузов в составе автопоезда, может работать с прицепом. Аналогично МАЗ-5551 А3-4327 имеет возможность трехсторонней разгрузки, но с кузовом 5,5 м³. Он может перевозить до 9,7 тонн груза.
Также выпускается седельный тягач МАЗ-5551 А2-340 с полуавтоматической сцепкой с двумя степенями свободы. Предназначен для комплектации спецтехникой и работы в коммунальном хозяйстве, в качестве эвакуатора и т.п.
Диапазон цен на подержанные автомобили мощностью 230 л.с. колеблется от 400 до 900 тысяч рублей в зависимости от состояния и года выпуска. За меньшие деньги, от 150 до 300 тысяч, можно купить автомобиль со 180-сильным двигателем, обычно такие автомобили требуют более-менее капитального ремонта перед началом эксплуатации МАЗ-5551.
Цена за новый самосвал современных модификаций – около 1 млн 300 тыс. руб. Это чуть меньше цены
МАЗ-5551 на протяжении многих лет заслуженно остается востребованным на территории бывшего СССР. Первые его модели уступали по функциональности, правда, с конца 90s, новые модификации стали безопаснее и надежнее.
Это сразу нашло отклик на рынке. Среди преимуществ МАЗ-5551:
приспособленность к любым климатическим и дорожным условиям
маневренность и управляемость, легкость поворота, что особенно важно в городе
низкий расход топлива МАЗ-5551 делает самосвал рентабельным в эксплуатации
быстрая окупаемость даже при относительно высокой цене
Все это делает самосвал МАЗ-5551, технические характеристики и цена которого удовлетворяет потребности большинства предприятий, отличный выбор для работы. ну и народная любовь к МАЗ-5551 также выражается в моделях 1:43, по которым можно отслеживать изменения внешнего вида и развитие модификаций самосвала.
На нашем сайте вы найдете описание еще одного самосвала —
МАЗ 5551 — популярный белорусский грузовик производства Минского автомобильного завода. История модели насчитывает почти 30 лет, но она не потеряла своей актуальности благодаря высоким техническим характеристикам. Конструкция техники не является инновационной (основу автомобиля составили элементы, разработанные еще в 1958), но МАЗ 5551 до сих пор остается одним из самых востребованных грузовиков в России в 8-тонном классе.
Во времена СССР эта машина участвовала почти на каждой стройке. Сейчас популярность МАЗ 5551 пошла на спад, но вытеснить его с рынка конкурентам не удалось. Основными преимуществами грузовика являются надежность, экономичность и низкая стоимость.
МАЗ 5551 считается одной из старейших моделей, выпускаемых в настоящее время Минским автомобильным заводом. Само предприятие появилось в столице Беларуси в 1944. Спустя 4 года завод выпустил первые автомобили. Дебют МАЗ 5551 состоялся гораздо позже – в 1985 году. В качестве основы для техники была выбрана модель МАЗ 5337. После заметных доработок новинка была запущена в серию.
Автомобиль получил заметные изменения по сравнению с предшественником. Форма рычага переключения передач, который на более ранних версиях имел форму лома, была изменена. Водителю больше не приходилось ловить передачи во внутреннем пространстве. При этом сохранена прежняя схема переключения скоростей.
Другие доработки включают:
отсутствие проблем с «отстегиванием» кабины, присутствовавших у предшественников;
замена барабанного стояночного тормоза на элемент с пружинными тормозными аккумуляторами. В составе тормозной системы также появились болты принудительного растормаживания, обеспечивающие торможение при отсутствии воздуха в системе;
новая форма фар, отдельных узлов кабины и решетки радиатора. Раздвоенное лобовое стекло заменили на панорамное с отличным обзором. Также на крыше автомобиля установили спойлер.
Первые модификации МАЗ 5551 имели совершенно непримечательный внешний вид. Для автомобиля был выбран бескапотный тип с мощным передним бампером с большими круглыми фарами и небольшой решеткой радиатора, визуально разделенной на три секции. Классический вариант получил подъемный металлический кузов с одним задним бортом и задней схемой разгрузки.
В 1998 году МАЗ 5551 подвергся рестайлингу. Обновленная версия получила новый дизайн кабины, небольшие изменения в дизайне и переработанную приборную панель. Салон автомобиля стал просторнее. Автомобиль был оборудован большой 2-местной кабиной с возможностью откидывания для проверки технического состояния.
Рестайлинговая версия оказалась интереснее. Экран радиатора увеличился в размерах (убраны прежние деления), а бампер стал более обтекаемым (помимо фар на него установили поворотники). На бортах рядом с дверями появились пластиковые элементы. Конструктивно обновленный МАЗ 5551 немного изменился – исправлены некоторые недочеты, появились новые двигатели. Именно эта модификация в настоящее время предлагается на рынке.
Семейство МАЗ 5551 достаточно обширно. Базовая версия – самосвал. Однако Минский автомобильный завод выпускает и шасси, используемые для установки различного оборудования. специального назначения, что увеличивает область применения автомобиля. Также доступна артикуляция в автопоезде. Для северных регионов изготавливается модификация «ХЛ», эксплуатация которой возможна при температуре до -60 градусов Цельсия.
МАЗ 5551 отличается от большинства конкурентов компактными габаритами, поэтому может использоваться в городских условиях. Традиционно автомобиль востребован на стройках в черте города. Основное назначение машины – транспортировка сыпучих материалов на небольшие расстояния. Высокие технические характеристики делают эту модель одной из самых популярных в категории самосвалов среднего класса.
Технические характеристики
Габаритные размеры МАЗ 5551:
длина — 5990 мм;
ширина — 2500 мм;
высота — 2925 мм;
дорожный просвет – 270 мм;
колесная база
– 3950 мм;
длина погрузочной платформы
– 3860 мм;
ширина погрузочной платформы — 2265 мм;
высота бортов — 630 мм:
минимальный радиус поворота 8600 мм.
Снаряженная масса автомобиля 7580 кг (нагрузка на переднюю ось — 4130 кг, на заднюю ось — 3450 кг). Полная масса 16230 кг (нагрузка на переднюю ось — 5980 кг, на заднюю ось — 10250 кг). Грузоподъемность — 8500 кг, объем кузова — 5,5 куб.м. Время подъема груженого кузова 15 секунд, время опускания пустого кузова 10 секунд. Угол подъема кузова составляет 50 градусов.
Динамические характеристики:
максимальная скорость — 83 км/ч;
время разгона до 60 км/ч — 50 сек;
Выбег автомобиля с 50 км/ч — 850 м;
максимальный преодолеваемый подъем — 25%.
Средний расход топлива при скорости 60 км/ч составляет 22-23 л/100 км. Объем топливного бака составляет 200 литров.
Двигатель
МАЗ 5551 оснащен V-образным дизельным агрегатом модели ЯМЗ-236М2 (производитель — Ярославский моторный завод). Двигатель отлично справляется со своими функциями, обеспечивая пробег без надрывов и проблем. Версии последних лет оснащались более современными силовыми установками ЯМЗ-6563.10 и ЯМЗ-6581.10 мощностью до 230 л.с. Некоторые модификации комплектуются зарубежными агрегатами Deutz BF4M1013FC и Cummins. От старых ЯМЗ-236М2 их отличает высокая мощность и экономичность. Новейшие агрегаты соответствуют экологическим стандартам «Евро-3», что значительно расширяет возможности использования техники.
Характеристики мотора ЯМЗ-236М2:
рабочий объем — 11,15 л;
номинальная мощность
– 180 л.с.;
максимальный крутящий момент – 667 Нм;
количество цилиндров — 6;
диаметр цилиндра — 130 мм.
Фото
Устройство
МАЗ 5551 — небольшой двухосный грузовой автомобиль с колесной формулой 4 на 2 и отличной маневренностью. Машина имеет оптимальную конструкцию для перевозки грузов на небольшие расстояния. Устройство автомобиля претерпело незначительные изменения с 1985. Затем разработчики попытались создать универсальную и надежную «рабочую лошадку», способную выполнять свои функции в любых условиях.
Техника построена по классической схеме с передней и задней подвеской рессорного типа. Конструкция МАЗ 5551 была максимально упрощена, что позволило получить действительно надежный автомобиль. Основу составила прочная рама.
Автомобиль оснащен пневматической тормозной системой с высокой эффективностью. Нагнетание воздуха занимает много времени из-за низкой мощности компрессора. Этот недостаток не влияет на работу тормозов. Пневмосистему рекомендуется сразу обмотать, так как она расположена близко к раме и со временем перетрется. Передние и задние колеса получили барабанные тормоза.
МАЗ 5551 комплектуется 5-ступенчатой механической коробкой передач ЯМЗ, которая является одним из самых слабых элементов в конструкции автомобиля. Ее технические характеристики далеки от идеала. Грузовику довольно сложно начать движение по неустойчивому грунту (особенно под большой нагрузкой). Причина тому — очень короткая первая передача. На ровной дороге таких проблем нет — машина идет легко даже при перегрузке. В обновленных версиях трансмиссия МАЗ 5551 получила ряд существенных конструктивных изменений. За счет усовершенствования механизма переключения с рычага на коробку передач удалось значительно укоротить рычаг, что облегчило работу водителя. На максимальной скорости автомобиль остается маневренным и легким в управлении благодаря установленному гидроусилителю руля. Стабилизатор поперечной устойчивости позволяет комфортно входить в повороты.
МАЗ 5551 оснащен цельнометаллическим кузовом. Открытие двери багажника и опрокидывание кузова осуществляется в автоматическом режиме. Для автомобиля доступна только односторонняя разгрузка. Интересным решением, использованным в модели, является обогрев днища выхлопными газами. Это позволяет без труда пользоваться самосвальным механизмом даже в сильные морозы.
На грузовик установлена просторная и удобная кабина. Без спального места внутри свободно размещаются водитель и 2 пассажира. Удачно расположенные ступеньки и поручни облегчают подъем в кабину. Салон не может похвастаться высокой эргономикой. Рулевое колесо имеет регулировки угла наклона и высоты вылета. Водительское кресло движется по салазкам, но найти оптимальное положение здесь достаточно сложно. Из-за этого водитель быстро устает, что негативно сказывается на его работе. Рулевое колесо сделано слишком большим, поэтому маленьким водителям приходится наклоняться корпусом вперед. При этом обзор всегда остается на высоте за счет удачного расположения водительского места и больших зеркал. Приборная панель дает достаточно информации, но не хватает яркости индикаторов (днем некоторые элементы очень плохо видно).
Отопление в салоне работает отлично, поэтому даже в холодную погоду в салоне всегда тепло. На высоком уровне сделаны вентиляция и освещение. Между пассажиром и водителем установлен специальный отсек для разных мелочей. Но ручка для открывания дверей изнутри расположена очень низко, что очень затрудняет открытие двери.
Внутренне обновленный МАЗ 5551 отличается от своего предшественника расположением некоторых органов управления, новой приборной панелью и более удобным сиденьем водителя. Подрессоренное сиденье отчасти компенсирует отсутствие амортизаторов в кабине. Пассажирам повезло меньше — их кресла крепятся прямо к полу и не имеют регулировок.
Несмотря на солидный возраст, МАЗ 5551 по-прежнему пользуется большим спросом. Неслучайно автомобиль считается «непревзойденным трудягой» — его техническое оснащение и характеристики остаются актуальными и сегодня.
Видео
Цена
Стоимость нового МАЗ 5551 начинается от 1,5 млн рублей за автомобиль в базовой комплектации.
Однако многие покупатели выбирают подержанные модели, так как не все предприятия могут себе позволить варианты без пробега. При выборе поддержанного автомобиля МАЗ 5551 особое внимание следует уделить состоянию кузова и рамы.
Цены на автомобили с пробегом:
1994-1996 гг. — 190 000-260 000 руб.;
2000-2002 гг. — 310 000-400 000 руб.;
2006-2008 — 510 000 — 620 000 руб.
Аналоги
Аналогов у этой модели практически нет. К ним относятся ЗИЛ 4520 и КамАЗ 65115, но эти автомобили имеют колесную формулу 6 на 4 и уступают МАЗ 5551 по маневренности.
Самосвал МАЗ 5551 начал выпускаться при советской власти в 1985. МАЗ 53371 служил основной базой узлов и агрегатов для этой машины. Корпус модели выполнен цельнометаллическим, а борт выполнен с автоматическим открыванием и закрыванием. Разгрузка происходит назад от задней двери. Выхлопные газы двигателя используются для обогрева днища кузова, чтобы перевозимые материалы не замерзали в зимнее время. Откидывающаяся вперед кабина рассчитана на двух человек. Существует несколько модификаций, некоторые из которых могут работать при температурах до -60 градусов по Цельсию.
Автомобиль произведен на Минском автомобильном заводе. Его непосредственный предшественник существовал еще в годы войны. Это была модель МАЗ 500. После нескольких лет доработок, доработок и доработок был выпущен МАЗ 5551. Двухосная компоновка давала отличную маневренность и проходимость. Модели активно используются как в России, так и в Беларуси.
Область применения
Машина активно используется в сфере строительства. Как и его предшественники, самосвал МАЗ 5551 служит одним из основных грузовых автомобилей для перевозки строительных материалов. Он может работать как с сыпучим, так и с другими видами сырья. Это могут быть кирпичи, трубы, дерево и другие вещи. Эта техника также может служить для вывоза строительного мусора. Вместительность и максимальная загрузка автомобиля дает возможность работать с достаточными объемами, подходящими для любого типа конструкции.
Самосвал может перевозить материалы на средние и короткие расстояния. Он предназначен для работы в городских условиях, но хорошая проходимость обеспечивается необходимостью перемещения в сложных условиях строительных площадок. Грузовик без проблем передвигается по сельской местности и другому бездорожью. Возможность работы при низких температурах не затрудняет использование зимой, тем более что есть подогрев корпуса.
Еще одна область применения — сельское хозяйство. Он также занимается транспортировкой сыпучих материалов, таких как зерно и другие. Несмотря на то, что такие машины часто входят в состав автопарков различных предприятий, их можно встретить и в частных усадьбах. При этом они могут найти применение практически в любой сфере, где их технические характеристики будут востребованы.
Преимущества
Длительное использование во многих сферах промышленности и строительства обеспечивается основными преимуществами машины:
На внутреннем рынке характеристики не намного уступают современным маркам;
Легко достать запасные части и не возникнет проблем с ремонтом;
Автомобиль хорошо показывает себя при движении по плохим дорогам;
Нет проблем при работе при низких температурах;
Имеется автоматическая система открывания и закрывания борта;
Для зимнего использования предусмотрен обогрев, который экономично работает на выхлопных газах.
недостатки
По сравнению с западными аналогами машина менее комфортна в эксплуатации, а здесь внутри кабины все не удобно оборудовано;
Иногда в строительной отрасли не хватает места для более серьезной работы.
Технические характеристики
Технические характеристики самосвала МАЗ 5551 являются основными данными, определяющими область его применения. Основные характеристики данной модели для использования следующие:
Технические характеристики
Значение
Максимальная грузоподъемность модели, кг
8500
Снаряженная масса, кг
7580
Включает:
3450
Общий вес, кг
16230
V общая масса включает:
10250
Максимальная скорость автомобиля, км/ч
83
За какое время автомобиль разгоняется до 60 км/ч, с
50
Максимальный подъем, который может преодолеть автомобиль, %
25
Выбег автомобиля с 50 км/ч, м
85
Расход топлива МАЗ 5551 на 100 км при скорости 60 км/ч, л
23,21
Характеристики радиуса поворота:
Наружное колесо, м
7,9
Габаритная, м
8,6
Общее количество передач ведущего моста
7,79
Объем кузова вагона, м
5,5
Ориентировочное время подъема полностью загруженного кузова, с
15
Ориентировочное время опускания пустого кузова, с
10
Устройство
Двигатель ЯМЗ236 устанавливается на самосвалы МАЗ 5551. В стандартной комплектации двигатель выдает 180 лошадиных сил, что равняется 132 кВт мощности. Максимальный крутящий момент составляет 667 Нм. В последних модификациях установлен двигатель ЯМЗ636, мощность которого составляет уже 230 лошадиных сил. По международным стандартам машина соответствует экологическому классу Евро3. Некоторые современные модификации имеют грузоподъемность на 10 тонн выше стандартной. Здесь установлена пятиступенчатая механическая коробка передач. В двигателе нет наддува, что придает ему высокую надежность и хорошую мощность.
В кабине нет спального места, но помимо водителя могут разместиться еще два пассажира. Поручни и подставки обеспечивают легкий и быстрый доступ в кабину с улицы. Эргономика расположения предметов внутри здесь не самая лучшая. Рулевое колесо можно регулировать по высоте и углу наклона. Сиденье двигается вперед-назад по специальной направляющей, но иногда даже в таких условиях сложно найти удобное положение. Особого внимания заслуживают вентиляция и освещение в кабине. Они выполнены на высоком современном уровне.
Производитель
Автомобиль производства Минского автомобильного завода. На данный момент это предприятие является управляющим холдингом БелАвтоМаз. Основная специализация завода – производство большегрузных автомобилей, троллейбусов и легковых автомобилей. Продукция поставляется в 45 стран ближнего и дальнего зарубежья. По данным на 2016 год это самое убыточное предприятие страны.
Заключение
Среди множества отечественных автомобилей, которые выпускались во времена СССР, этот самосвал является одним из самых современных, так как начало его производства пришлось как раз на начало распада Советского Союза. На данный момент его производство продолжается в Минске и поставляется в страны ближнего зарубежья. При сохранении современных характеристик автомобиль имеет относительно невысокую стоимость, что выгодно отличает его от конкурентов. Особой популярностью пользуются специализированные модификации модели, рассчитанные на тяжелые условия эксплуатации.
Самосвал Маз 5551-надежный и практичный
Технологии постоянно развиваются, предлагая людям новые устройства, улучшающие качество жизни. То же самое касается автомобилей и спецтехники – новейшие дизайнерские и инженерные решения позволяют пользоваться всеми благами технического прогресса. Однако что-то остается неизменным. Модель МАЗ 5551 уже более 30 лет не сходит с конвейеров автозавода – под почти неизменной оболочкой скрывается усовершенствованный двигатель, соответствующий современным стандартам.
Технические характеристики Маз 5551
В 1985 году перед конструкторами Минского автозавода встала задача создать надежную рабочую машину, которая могла бы эксплуатироваться в непогоду и при экстремальных температурах.
Специалисты отлично справились с возложенной на них миссией и разработали транспорт, спрос на который не снижается даже спустя десятилетия.
Двигатель Маз 5551
У большинства современных Маз 5551 технические характеристики отличаются от характеристик первой модели. Двигатель Ярославского моторного завода претерпел несколько модификаций, позволивших выйти на стандарт Евро-2, а позже и Евро-3.
Последний Маз 5551 уже выпускается с более совершенным двигателем Cummins, соответствующим стандарту Евро-4 и дополненным турбокомпрессором. В результате надежный самосвал, работающий без поломок на любых доступных скоростях, стал еще мощнее прежнего.
Гидравлика и трансмиссия Маз 5551
Гидравлическая система предельно проста и состоит из насоса и трехступенчатого телескопического гидроцилиндра, за счет последнего происходит опрокидывание кузова.
Благодаря гидравлической системе руль в машине с гидроусилителем. Это положительно сказывается на комфорте водителя и маневренности автомобиля.
Трансмиссия иногда огорчает водителей, так как иногда на первой передаче возникают проблемы с началом движения и разгоном с нуля. Однако заметить это можно только при полной загрузке кузова. При соблюдении режима средней скорости машина идет ровно, без провалов в скорости, хорошо разгоняется.
Поскольку в последних обновленных версиях модели были внесены усовершенствования в механизм переключения с рычажной на МКПП, управлять самосвалом стало несколько легче.
Электросистема
Пожалуй, это единственная техническая характеристика Маз 5551, по которой он проигрывает улучшенным самосвалам других производителей. Дело в том, что на протяжении десятилетий электросистема практически не менялась. К основным датчикам добавился только кондиционер, свет в салоне и печка. А вот бортовой компьютер или система, измеряющая массу кузова, не предусмотрена даже в последних модификациях.
Общие параметры
Среди технико-габаритных характеристик основными являются такие моменты как:
Мощность 245 л.с.;
Скорость, которую можно развить, составляет 85 км/ч;
МКП с 9 передачами;
Грузоподъемность 8-10 тонн;
В среднем расход топлива составляет 22 л на 100 км.;
Объем топливного бака 200 л;
Дорожный просвет 27 см;
Размеры ДхШхВ соответственно 5,99 м x 2,5 м x 2,925 м;
Масса около 16 тонн;
Объем кузова составляет от 5,5 до 12,5 м3 в зависимости от высоты бортов.
Максимальный угол подъема кузова 47 градусов. Чтобы достичь этой отметки, самосвалу нужно 15 секунд. Назад корпус опускается за 10 секунд.
Кабина Maz 5551
Расположена над двигателем, откидывается вперед на угол 55 градусов. Он оснащен гидравлическим приводом, управление которым находится под решеткой.
В салоне Маз 5551 с комфортом могут разместиться два человека. Большое свободное пространство обеспечивает комфорт эксплуатации самосвала в течение рабочего дня.
Большие зеркала заднего вида, панорамное лобовое стекло обеспечивают отличный обзор.
Водители со средним и низким ростом отмечают, что руль большой и к нему приходится постоянно наклоняться, но со временем привыкают. Рулевая колонка регулируется в двух плоскостях.
Отсутствие амортизации кабины не влияет на комфортность эксплуатации машины, так как ее постоянно трясет. А если водительское сиденье оснащено рессорами, то пассажиру приходится ощущать все неровности дороги своей пятой точкой в полной мере.
Расположение поручней и подножек проработано очень грамотно, поэтому в салон залезать легко.
Внешний вид МАЗ 5551 периодически меняется, в основном конструкторы меняют форму фар, решетки радиатора и кабины, но серьезных доработок, как снаружи, так и внутри самосвала нет. Но большинство опрошенных водителей не считают это недостатком, сравнивая с рабочей лошадкой, которой не нужно отличаться внешними качествами, чтобы хорошо выполнять возложенную на нее работу.
Область применения Маз 5551
Машина используется в строительстве, промышленности, сельском хозяйстве.
Благодаря своим компактным размерам и отличной маневренности МАЗ 5551 хорошо чувствует себя на городских дорогах, поэтому его часто можно увидеть при въезде на территорию строительных площадок. Как правило, в кузове перевозят сыпучие материалы, не подверженные воздействию негативных природных факторов – песок, гравий и т.п.
Малый самосвал прекрасно справляется с задачами по перевозке промышленного оборудования, металлопроката и т. п.
Машина давно работает на сельскохозяйственных предприятиях, активно эксплуатируется фермерами.
То есть Маз 5551 — универсальный автомобиль, проверенный годами, заслуживший массу положительных отзывов, несмотря на некоторые недостатки.
Цена автомобиля Маз 5551
В зависимости от года выпуска и модификации самосвала стоимость начинается от 200 тысяч рублей и превышает планку в 2,5 миллиона. Самые дешевые автомобили будут 90s, а на новые авто придется раскошелиться. Хотя цена даже на последние модели считается очень низкой по сравнению с другими транспортными средствами той же категории товаров с аналогичными характеристиками.
Чтобы не переплачивать и быть уверенным в качестве купленной Маз 5551, выбор лучше сделать в сторону официальных представителей компании производителя «Минский автомобильный завод». Одним из таких является ООО ПК «Русский грузовик», расположенный в Вологде.
МАЗ-5551: характеристики, особенности и отзывы
Беларусь всегда славилась своей мощной техникой. Но почему-то у многих эта страна ассоциируется с БелАЗом. Хотя это не единственная техника, доступная в Беларуси. Один из крупнейших производителей коммерческих автомобилей – МАЗ. Эта компания производит технику – от военной до грузовых магистральных тягачей. На базе МАЗ и спецтехники. Один из самых популярных – грузовик МАЗ-5551. Машина произведена в СССР. Этот вопрос все еще продолжается. Что такое МАЗ-5551? Характеристики, фото и обзор — далее в нашей статье.
Внешний вид
Грузовик пришел на смену самосвалу МАЗ 5549. Основное внешнее отличие – кабина. На грузовиках предыдущего поколения использовались кабины с закругленными формами. МАЗ получил прозвище «ископаемое». С 85 года на свет появился новый МАЗ-5551, который получил следующий вид:
Кабина более квадратная. Лобовое стекло теперь цельное, без всяких перегородок. Также улучшен дизайн и форма головной оптики. Сейчас она в металлическом бампере. Поворотники и габаритные огни совмещены вместе и находятся на черной решетке радиатора. Работает для ручной чистки стекол, в бампере есть небольшая подножка. Так как кабина высокая, без нее залезть на завод и помыть лобовое стекло невозможно. Кстати, в этом салоне впервые использовались целых три дворника. Но, судя по отзывам, не работает. Дворники плохо захватывают площадь остекления и оставляют много грязных мест. Дверная ручка по-прежнему металлическая. Это встроенный замок. Для удобного входа предусмотрена ступенька. Кузова на МАЗ-5551 имеют разную вместимость в зависимости от модификации (о чем мы поговорим чуть позже). Но независимо от типа самосвала платформа всегда оснащается гидроприводом. Большой цилиндр поднял платформу на достаточно большой угол.
Рекомендуем
Как работает задняя втулка переднего рычага и сколько она служит?
Втулка задняя переднего рычага – один из составных элементов ходовой части автомобиля. Он относится к направляющим элементам подвески, которые вместе с рычагами выдерживают огромные нагрузки с колесами. Однако с этим пунктом много. ..
Расход масла в двигателе. Шесть причин
Вряд ли можно найти автомобилиста, которого бы не беспокоил повышенный расход масла. Особенно досадно, когда это происходит с очередным новым мотором. Вот наиболее распространенные причины, которые приводят к расходу масла в двигателе…
Как устроена выхлопная система?
Выхлопная система предназначена для удаления продуктов сгорания из двигателя и вывода их в окружающую среду. Также должно быть обеспечено снижение шумового загрязнения до допустимых пределов. Как и любые другие сложные устройства, эта система состоит из семи…
Изменения с 1995 года
В середине 90-х Минский автозавод модифицировал кабину для белорусского грузовика. Так, спереди появилась более крупная решетка радиатора с гордой эмблемой «МАЗа», а по бокам — дополнительные «жабры» для направления потоков воздуха. Эти элементы необходимы для того, чтобы при движении на бортах кабины не скапливалась грязь.
Под направленным потоковым воздействием просто оторвался от поверхности. Также изменилась форма бампера. Он по-прежнему был металлическим, но оптика стала крупнее. Также отказали поворотники и габаритные огни. На некоторых моделях размеры дублируются в верхней части салона. Ветровое стекло осталось прежним. Увеличено количество зеркал заднего вида. Это способствовало лучшей обзорности, — отмечают в отзывах.
Внешний вид и коррозия
Насколько хорошо защищен кузов на МАЗ от коррозии? Отзывы говорят, что металл сильно боится воды. Под краской очень быстро образуются жучки и вздутия, которые в итоге и приводят к сквозному отверстию. По отзывам, салон первых образцов окрашен более эффектно. Однако после распада СССР качество краски и металла ухудшилось. Есть много экземпляров, у которых кабина прогнила насквозь. Поэтому владельцам приходится регулярно обрабатывать металлические защитные устройства, чтобы предотвратить дальнейшее распространение коррозии. Что примечательно, рама и кузов гниют не так сильно. Однако толщина металла здесь совсем другая.
Размеры, дорожный просвет
МАЗ-5551 – один из самых компактных грузовиков в модельном ряду. Итак, при длине 5,99 м, ширине — 2,55 (включая зеркала), высоте — 3 метра на уровне кабины. Колесная база машины – всего 3,3 метра. Зато дорожный просвет немалый – почти 30 сантиметров. Сделать любой ремонт возможным при отсутствии подъемника и смотровой ямы. Добраться до мостов, карданного вала и других узлов довольно просто. Такой высокий клиренс положительно сказывается на проходимости. Машина может эксплуатироваться на дорогах без асфальтового покрытия, а также на песчаных участках.
Модификации
Данная модель грузовика доступна в нескольких версиях:
555102-220. Это вариант конструкции МАЗ. Автомобиль снабжен металлической платформой прямоугольного сечения. Объем кузова от 5,5 до 8 куб.м. Максимальный угол подъема 50 градусов.
555102-225. Это МАЗ-сельхозник. Автомобиль имеет прямоугольный кузов объемом 5,5 куб. Это количество может быть увеличено до 7,7 за счет удлинителей. Кузов в отличие от предыдущей версии имеет трехстороннюю разгрузку. Максимально допустимый угол подъема составляет 47 градусов.
В кабину
Посадка в машину осуществляется за счет нескольких ступенек и металлических перил. Внутри салон аскетичен, но в те годы не гнался за новомодным дизайном. Рабочее место водителя организовано просто и без излишеств. Итак, есть большой руль с регулировкой по высоте и плоское сиденье без подголовника. Как отмечают отзывы, за рулем МАЗ возникает чувство усталости уже после первых часов работы. Машина очень шумная, подвеска жестко работает на неровностях, руль всегда приходится ловить. Передачу включают не с первого раза. Кстати, на грузовик устанавливались разные типы коробок передач с разным количеством передач. Чтобы не было путаницы, для водителя существует специальная схема. МАЗ-5551 имеет наклейку с информацией о том, какая передача находится в том или ином положении рычага.
Панель приборов – полностью аналоговая, с набором из нескольких кнопок. Включаются они с характерным щелчком. Под контрольными лампами на МАЗе отображалась одиночная серия. Все они вверху, над циферблатами. Педали расположены не слишком удобно, но к этому привыкаешь. Кстати, на МАЗе использовались две напольные педали. Один – тормоз, второй – акселератор.
Что приятно в кабине, так это хороший обзор, который достигается благодаря капитанской посадке. Однако дополнительные зеркальные версии до ’95 было бы неплохо.
В отличие от других грузовиков белорусского производителя, кабина МАЗ 5551-й модели лишена спального места. Однако кровать не обязательна. Потому что машина не предназначена для езды на дальние расстояния.
Технические характеристики
Что касается остального МАЗ, то здесь используются агрегаты Ярославского моторного завода. Изначально на грузовике устанавливался V-образный шестицилиндровый агрегат без турбины мощностью 180 лошадиных сил. Рабочий объем двигателя 11,15 литров. Несмотря на небольшую мощность двигатели имеют приемлемую тягу. А как известно, для грузовика на первом месте стоит показатель крутящего момента. Здесь он составил 667 Нм при 1200 об/мин. В 2000-х годах модельный ряд пополнился новыми силовыми установками. Так, МАЗ укомплектован двигателем ЯМЗ-236НЕ2. Является ли двигатель соответствующим нормам Евро-2. При том же объеме 11,15 литров он развивал мощность до 230 лошадиных сил. Крутящий момент вырос до 882 Нм. Компоновка по-прежнему неизменна – V-образная шестерка.
В редких случаях на грузовик устанавливается турбированный двигатель ЯМЗ. Этот двигатель соответствует стандарту Euro-W и имеет мощность 250 лошадиных сил. Крутящий момент – целых 1128 Нм при 1100 об/мин.
Недавно появился на МАЗ-5551 двигатель американского производства «Cummins». Этот двигатель имеет мощность 242 лошадиных силы при рабочем объеме 6,7 литра. Двигатель оснащен турбиной и промежуточным охлаждением. Что касается трансмиссий, то в зависимости от модификаций на МАЗ можно встретить:
Пятиступенчатая механика.
Восьмиступенчатая коробка передач с делителем.
Девятка-механика.
Последний ящик был разработан в сотрудничестве с немецкой группой ZF. Как отмечают отзывы, «родная» мазовская коробка доставляла гораздо больше проблем, чем импортная. Этому способствует не только время, но и ресурс, который с каждым годом сокращает эти передачи. Мановская трансмиссия и коробки ZF самые надежные и безотказные.
Эксплуатационные характеристики
Какой пробег у машины? МАЗ-5551 — довольно экономичный автомобиль. Несмотря на большой рабочий объем, двигатель ЯМЗ потребляет около 23-25 литров топлива. Даже в самых суровых условиях этот показатель никогда не превышал 28 литров. Если больше, то у машины были существенные проблемы с топливом. Кстати, топливный насос на МАЗ-5551 механический. Разгон до 60 миль в час занимает около 50 секунд. Максимальная скорость автомобиля МАЗ-5551 составляет 85 километров в час.
Подвеска
Конструкция рамы и подвески не менялась со времен «ископаемого». Так, спереди здесь используется шкворневая балка, а сзади – неразрезная ось. Подвеска полностью зависимая, без переднего стабилизатора поперечной устойчивости (находится только сзади). Рама представляет собой лестничную конфигурацию из высокопрочных сталей. Здесь он крепится к кузову, кабине, мотору с коробкой передач и всем элементам подвески. Задний мост (первичная передача) — без блокировки дифференциала, с передаточным числом 7,79. Мост не рассчитан на большую скорость и большую тягу.
Со временем начинает издавать характерный гул. Также может быть выдавлен сальник, который идет от коленвала. Что касается пружин, то они практически вечные. Подвеска достаточно надежна и неприхотлива в обслуживании (раз в год нужно только смазывать шкворни на перед). Руль – с редуктором и гидроусилителем руля. Люфт руля – привычное для МАЗа дело. Такая же «болезнь» у того же грузовика от КАМАЗа.
Тормоз
Здесь Они полностью пневматические. Спереди и сзади стоят мощные барабанные аранжировки. Чем отличается МАЗ-5551 от старой «лапши», так это наличием пружинного тормоза, выполняющего роль стояночного тормоза. Система на грузовике довольно надежная. Однако машина реагирует на педаль с опозданием.
МАЗ-5551 – цена
Старую модель, выпущенную еще в советское время, можно найти за 150-200 тысяч рублей. Это самосвал с двигателем ЯМЗ-236 и пятиступенчатой коробкой передач. Модели 2000-х годов выпуска можно найти по цене от 500 до 800 тысяч рублей. Покупать очень старую модель не стоит.
Многие из них уже исчерпали свой ресурс, и всю прибыль владелец будет вкладывать только частями.
Заключение
Вот мы и разобрались в чем есть черты МАЗ-5551 и особенности. Несмотря на свой возраст, автомобиль по-прежнему пользуется повышенным спросом на рынке. Не случайно МАЗ считается «законченным трудоголиком». Эта машина имеет довольно ресурсный двигатель и неубиваемую подвеску.
Добрый день есть кто пользовался кронштейном ЭСТ сразу на 30 кольца? Встанет ли туда прицел егерь 1-4?
Gratius
Неправильный вопрос. Правильный вопрос #1: удобно ли будет пользоваться «кронштейном ЭСТ сразу на 30 кольца? » Ответ: Нет. Помимо цены и массы, есть еще такие понятия как «ай-релиф» и «высота установки над стволом». Кроны ЭСТ типа СБ-В, КТ, КС ИСКЛЮЧАЮТ возможность установки прицела соответствии с ай-релифом прицела и анатомическими особенностями стрелка. Нельзя прицел подвигать взад-вперед, нельзя изменением высоты колец сделать пониже-повыше. Анатомия у всех разная — единственно возможный вариант установки удобен далеко не всем. Учитывайте также, что при изменении кратности прицела, ай-релиф его тоже меняется, и прицел обычно устанавливается под наиболее часто используемую кратность.
Если не верите, возьмите в магазин оружие и прицел, и попробуйте вложиться, не затягивая винтов колец. Может быть, Вам и повезет. А если нет, сможете ли Вы пользоваться прицелом, установленным ВОТ ТАК: _
Правильный вопрос #2: как долго проживет прицел «ХХХ» в ЭСТовском «камертоне»? Ответ: меньше, чем на кронштейнах другой конструкции. Если пойдете в магазин примерять крон, установите его на оружие, и не устанавливая прицел, стукните несильно металлическим предметом по стойке кронштейна. Вот, теперь Вы знаете, за что его зовут «камертоном». Поперечные вибрации крайне неблагоприятно сказываются на прицелах, они на такое не рассчитаны. Эта проблема давно известна, на старом варианте крона она была еще сильнее. Введение поперечины
ситуацию облегчило, но не решило до конца. У «старого» варианта еще и поперечная жесткость много меньше, есть шанс «скручивания» прицела в горизонтальной плоскости.
Керж
Gratius Неправильный вопрос. Правильный вопрос #1: удобно ли будет пользоваться «кронштейном ЭСТ сразу на 30 кольца? » Ответ: Нет. Помимо цены и массы, есть еще такие понятия как «ай-релиф» и «высота установки над стволом». Кроны ЭСТ типа СБ-В, КТ, КС ИСКЛЮЧАЮТ возможность установки прицела соответствии с ай-релифом прицела и анатомическими особенностями стрелка. Нельзя прицел подвигать взад-вперед, нельзя изменением высоты колец сделать пониже-повыше. Анатомия у всех разная — единственно возможный вариант установки удобен далеко не всем. Учитывайте также, что при изменении кратности прицела, ай-релиф его тоже меняется, и прицел обычно устанавливается под наиболее часто используемую кратность.
Если не верите, возьмите в магазин оружие и прицел, и попробуйте вложиться, не затягивая винтов колец. Может быть, Вам и повезет. А если нет, сможете ли Вы пользоваться прицелом, установленным ВОТ ТАК: _
Правильный вопрос #2: как долго проживет прицел «ХХХ» в ЭСТовском «камертоне»? Ответ: меньше, чем на кронштейнах другой конструкции. Если пойдете в магазин примерять крон, установите его на оружие, и не устанавливая прицел, стукните несильно металлическим предметом по стойке кронштейна. Вот, теперь Вы знаете, за что его зовут «камертоном». Поперечные вибрации крайне неблагоприятно сказываются на прицелах, они на такое не рассчитаны. Эта проблема давно известна, на старом варианте крона она была еще сильнее. Введение поперечины ситуацию облегчило, но не решило до конца. У «старого» варианта еще и поперечная жесткость много меньше, есть шанс «скручивания» прицела в горизонтальной плоскости.
Огромное спасибо за такой ответ) тогда ещё 1 вопрос какая оптимальная конструкция на сей день.
freediverhunter
есть несколько вариантов это 1 кронштеин нпз http://www.npzoptics.ru/catalo…i/6.130.390-03/
2 MTU016 Крепления Leapers UTG PRo (U978S база weaver) на боковое крепление АК/Вепрь вполне нормальный крон
3 КРОНШТЕЙН ДЛЯ ОПТИКИ SAG АК / ВЕПРЬ мне нравиться больше вышеперечисленных но он и дороже http://ru. sureshot-armament.co…acog-sidemount/
Gratius
Полностью присоединяюсь к вышесказанному. Сам пользуюсь вариантом #2, MTU016.
Горобец
есть еще планки вместо целика. если открытые не нужны, то очень удобно, СТП держат лучше бокового крона на ласточке, которая не факт что крепко приклепана к играющей стенке ствольной коробки. у меня на двух калашматах планка от Партизана, проблем с ними — 0.
Lis-biker
в общем что я имею сказать, вещь- годная (стрелял помимо этого видео) касаемо кронштэйнов ЭСТ годный тот который переходник на пикатини, но крышка всё равно удобнее
freediverhunter
касаемо кронштэйнов ЭСТ годный тот который переходник на пикатини, но крышка всё равно удобнее
честно говоря я не доверяю креплениям на крышке для АК-системам особенно под патроны мощьнее 5. 45х39 так как такие крепления не обеспечивают должной жёсткости посадки и я неодинок в своём недоверии, хотя каждый решает сам за себя сам а вот установка планки должным образом вместо целика более надёжный вариант хоть и не так удобен
Lis-biker
крышка хорошая, работает надёжно.
freediverhunter должной жёсткости
вот что что, а эта ваша сопля на фото, его ну никак обеспечить не может (особенно если это будет ночник), так как она длинная капец, и точка крепления одна, возможно это работает, но доверия не внушает вообще. от крышка- работает точно, я многократно это проверил и убедился, при этом- никаких переделок.
freediverhunter
(особенно если это будет ночник)
уж точно нельзя на крышку ставить
Lis-biker
ты пробовал? я вот всякое ставил на эту крышку- держит, потому что сделана по хитрому и добротно.
freediverhunter
ты пробовал? я вот всякое ставил на эту крышку- держит, потому что сделана по хитрому и добротно.
я считаю дальнейший спор по этому поводу бессмысленным так как каждый останется при своём мнении а автор темы сделает выбор сам и у него оружие не под х39 патрон а под х54 там отдача более злая
freediverhunter
ну я 54 не пробовал, но люди таки-да ставили такие крышки на 308 вепря
планка вивера от партизана стальная имеет рёбра жёсткости # и если заточить то можно использовать как зубило )))) я это пишу к тому что там нет ничего хлипкого и при грамотной установки этой планки влияние оптики на разброс практически отсутствует но оспаривать вашу точку зрения считаю безсмысленным так как разводить срач обсолюно неохота и покрутив в руках крышку и поставив её на оружие автор темы сам может увидеть насколько точно она там стоит и каие может иметь люфты особенно в районе задней защёлки
Горобец
в теме о партизана куча народа берет планку с целью поставить на нее ночник, а негативный отзыв только один (и то, большой вопрос как ее там товарисч поставил).
а есть и такие:
сергей56 Ставлю периодически ночник (920гр примерно, 820+крон). Стоит, стреляет. Есть колебания планки но в пределах упругой деформации металла. СТП не плывёт.
Lis-biker
freediverhunter и каие может иметь люфты
нет там люфтов, СТП держит, проверено.
freediverhunter
нет там люфтов, СТП держит, проверено.
у меня вепрь 1в под 9.6х53 ланкастер и на мой взгляд крышка ствольной коробки для установки на неё оптики явно не самый лучший вариант , лично я категорически против установки оптики на крышку ак- образных , хотя для себя каждый принимает решение сам , я думаю что есть два более менее приемлемых решения установки оптики на семейство калашей 1 это установка оптики на боковую планку 2 на планку вивер которая крепко установлена вместо целика
Lis-biker
freediverhunter крышка ствольной коробки для установки на неё оптики
там это не так работает, нет там такого что планка чисто на крышке висит.
freediverhunter я думаю
а я- ЗНАЮ потому что отстреливал эту крышку, да не винтовочным патроном, но отстреливал. понимаете разницу между «думаю» и «знаю» ?
freediverhunter
а я- ЗНАЮ потому что отстреливал эту крышку, да не винтовочным патроном, но отстреливал. понимаете разницу между «думаю» и «знаю» ?
удачи вам в этом нелёгком начинании гарантированно убрать люфты крышки ствольной коробки непростая задача и при этом сохранить повторяемость при снятии и установки после чистки тоже непросто и при этом нужно чтобы фиксирующие винты не ослаблялись , лично мне такой вариант крепления оптики не внушает доверия хотя кто как хочет так и др. …..т
Lis-biker
freediverhunter и при этом сохранить повторяемость при снятии и установки
именно так я и тестировал, с прицелом что на фото выше, выстрел, снятие крышки, установка на место, выстрел и так 5 раз в 15см гонг на 100м
VolodimiraKin
Gratius Полностью присоединяюсь к вышесказанному. Сам пользуюсь вариантом #2, MTU016.
Если не секрет, сколько по времени и бывали ли проблемы какие-то?
Gratius
ЕМНИП, года 4. Никаких проблем, одевать только нужно правильно: -рычаг открыть до упора (направо), -надвинуть крон на боковую планку, -ОТВЕРТКОЙ закрутить винт, плотно, но без фанатизма, -рычаг закрыть (налево), понадобится заметное усилие. Снимается без отвертки, одним рычагом. После снятия\установки (замена загонника на ночник и обратно) повторная пристрелка не требуется.
308 — Карабин, сделанный из пулемёта
Наверное, уже почти все наши охотники знакомы с оружием производства Вятско-Полянского машиностроительного завода «Молот». Это разнообразные варианты исполнения трёхлинейки и неизменный ОП-СКС, самозарядные ружья семейства «Бекас», нарезные и гладкоствольные конверсионные полуавтоматы «Вепрь», созданные на базе пулемёта РПК.
Оружие «Молота» пользуется большой популярностью как у нас, так и зарубежных охотников, заслуживания нашего самого пристального внимания для подробного рассмотрения. Начнём с одного из первенцев «Молота» — карабина «Вепрь-308».
В 2010 году этому заводу исполняется 70 лет со дня основания. Расположенный в глубине страны, «Молот» создавался в годы войны для разворачивания производства ППШ. Потом завод выпускал сугубо мирную продукцию – от коньков до патефонов и стиральных машин. А параллельно завод выпускал стрелковое оружие. В частности – пулемёт Калашникова.
В начале 1990-х гг., что бы выжить в условиях планомерного уничтожения промышленности СССР в целом и оборонпрома в частности, на «Молоте» началось конверсионное производство охотничьего оружия, что позволило сохранить технологии и кадры.
Наверняка многие из читателей слышали о том, как огромные, порой градообразующие заводы «оборонки», лишённые госзаказов и перспектив, вместо производства современной техники в 1990-х гг. переходили на выпуск кастрюль и сковородок. Причём рабочие этой же посудой и зарплату получали.
Оружейные заводы оказались в несколько лучшем положении – их частичное перепрофилирование дало массовое нарезное охотничье оружие отечественному охотнику (к сожалению, на сегодняшний день ситуация не очень радужная).
В итоге наши охотники, привыкшие к традиционному тульскому и ижевскому оружию, неожиданно узнали о появлении карабинов из Вятских Полян. В 1994 году появился «Вепрь» под патрон 7,62х39, потом – карабин под патрон . 308 Win. Дальше завод существенно расширил линейку «Вепрей», выпуская их как в различном исполнении, так и под различные патроны.
Вепрь-308
Первые карабины семейства «Вепрь» были максимально унифицированы с ручным пулемётом Калашникова. Изменения были несущественны и касались, в основном, конструкции УСМ и элементов удержания. Из конструкции УСМ исключён автоспуск, а так же изменены очертания курка и шептала. Приклад на «Вепре» ортопедический, цевьё длинное, без пулемётной верхней накладки.
Самый длинный вариант Вепря-308
Стволы для «Вепрей» изготавливаются методом холодной ковки и имеют хромированный канал. При разработке «Вепрей» под «натовский» патрон 7,62х51, был усилен узел запирания и доработан газоотводный узел.
Тяжёлый и длинный (520 или 590 мм) ствол, мощная ствольная коробка из 1,5-мм листовой стали, надёжное запирание и полноценный винтовочный патрон вплотную приблизили «Вепрь»-308 к основному конкуренту – ижевскому «Тигру» под русский трёхлинейный патрон.
Натовский боевой винтовочный патрон заметно уступает боевому нашему патрону, как по баллистическим показателям, так и по энергетике. А вот охотничьи версии обоих патронов, тем более – отечественного производства, имеют практически идентичные характеристики).
Сравнение Вепря-308 с трёхлинейным Тигром
Вепрь-308 как охотничий карабин
Любители охоты на кабана очень часто используют именно карабины «Вепрь»-308, в различном исполнении. Как-то я присутствовал на охоте, участники которой все были вооружены «Вепрями» в стандартном исполнении и «Вепрями-супер», все карабины были под патрон .308 Win. В то же время, чаще встречаются бригады с преобладанием «Тигров».
Тут уж выбор зависит не сколько от характеристик винтовки, а от «моды» в давно сложившемся коллективе: купил один в бригаде «Тигр» — и все, увидев эффект его использования, обзаводятся ижевскими карабинами.
Так же и с «Вепрями». Впрочем, тут дело тонкое: мифов среди охотников гуляет немеряно, а специализированную прессу не все читают, и про Интернет некоторые не слышали (да и слышать не хотят). И правильно делают – на результатах их охот это негативно никак не сказывается. Так что «пиво по утрам не только вредно, но и полезно».
Для ходовой охоты, конечно, «Вепрь» тяжеловат и длинноват. Но, обычное его применение – с засидки или с номера, на загонной охоте (кстати, с терминологией коллективных охот в разных местах по-разному, у нас классическая «гаевая» охота на кабана называется именно «загонной».
Как и гонный самец домашней или дикой свиньи, мясо которого воняет мочой, у нас именуется «хряк», а кастрированный – просто «кабан». А в других регионах – часто наоборот). При такой охоте вес оружия и его длина обычно не имеют принципиального значения, а винтовочный патрон своё дело сделает (что не отменяет точную стрельбу по месту, разумеется).
С кучностью у молотовских карабинов обычно всё в порядке, так что на дистанциях до 300 метров опытные охотники результативно стреляют с открытого прицела.
Для стрельбы на более существенные дистанции уже нужно другое оружие (хотя бывают и исключения), поэтому нет смысла из пулемёта делать винтовку для целевой стрельбы (кстати, есть «Вепрь-Супер» в версии «Спорт», довольно кучная машинка).
Для загонных охот в таком лесу «Вепрь-308» — отличное оружие
«Вепрь» (как и почти все образцы отечественного конверсионного оружия) надёжен, прост в эксплуатации и обслуживании. Отъёмный коробчатый магазин на 7 или 10 патронов делает карабин привлекательным как для промыслового отстрела зверя, так и для охоты в лесу.
Масса карабина, по паспорту, около 4,1 кг (короткий «Тигр» в пластике весит примерно на 250 граммов меньше). Длина – 1200 мм («Тигр» — на 10 см короче), начальная скорость пули – 830 м/сек. Стандартная кучность на 100 м, при применении патронов российского производства – группы не более 5-7 см.
Охота на северных оленей, Норильск
Выводы
Сначала коснёмся недостатков «Вепря». Самая чувствительная проблема – это большая масса карабина и значительная длина. 308-й «Вепрь» всегда сравнивают с «Тигром», которому карабин из Вятских Полян проигрывает в весе и, субъективно – в балансе. Кучность может быть одинаковой, а вот прочность хромового покрытия у «Тигров» зачастую уступает таковой у «Вепрей».
Характеристики УСМ у «Тигра» однозначно лучше, что и неудивительно – этот карабин, по большому счёту, является снайперской винтовкой, с соответствующими ТТХ. А «Вепрь» как был пулемётом, так им и остался – технологичным, грубоватым и относительно недорогим (что не так уж и плохо).
Охотники, особенно не владеющие «Вепрем», именуют последнего не иначе как «дрын», что, впрочем, при довольно удачном, но столь же предвзятом определении, ничуть не обижает его владельцев.
Бывает «Вепрь-308» и с коротким стволом. Производится такая модификация на заказ. Получился очень прикладистый и разворотистый карабин. Под полноценный винтовочный патрон
Ещё один недостаток «Вепря» — несравненно менее жёсткая фиксация боковой планки под оптику. Прямо говоря, «Тигр», с его фрезерованной прямо на стенке ствольной коробке планкой, здесь вне конкуренции: приклёпанная планка «Вепря», рассчитанная на автоматный патрон, порой не выдерживает отдачу относительно мощного 308-го патрона, что негативно сказывается на кучности стрельбы. Справедливости ради нужно отметить, что «плавающая» планка на «Вепре» скорее исключение, чем правило.
Учитывая существенную отдачу карабина, желательно применять стальные фрезерованные кронштейны под оптический прицел, а не изделия из лёгкого сплава.
На данный момент, как я уже писал, мне не попадалось ничего лучшего, чем кронштейны производства компании «Оружейный двор», несущие универсальную планку для крепления любых видов ночных и дневных оптических прицелов.
Планка «пикатинни», сделанная на всю длину крышки ствольной коробки, позволяет применять сколь угодно длинные оптические прицелы. Возможно, для обычных охот такая практика будет излишней, но хорошим патроном и с надёжным прицелом «Вепрь-308» позволяет уверенно стрелять на дистанциях до 500 м.
«Вепрь» с мушкой на конце ствола может причинять неудобства – в ней часто застревают ветви и трава, правда – лишь при продирании через действительно серьёзные заросли. Длинная прицельная линия позволяет получать высокую точность стрельбы с открытого прицела. Пулемётный прицел с механизмом ввода боковых поправок – рудимент, доставшийся от РПК (ставится не на все «Вепри»).
Для охотничьего оружия это приспособление хорошо лишь для быстрой пристрелки, не более того. Поэтому уже в «Вепре-Супер» конструкция прицельных приспособлений была изменена в лучшую сторону и, несмотря на значительное укорачивание прицельной линии, существенных нареканий не вызывает.
Стандартный «калашниковский» предохранитель «Вепря» не очень удобен с позиций эргономики и громко щёлкает (хотя его можно чуть отогнуть и вообще – сделать бесшумным). Этот недостаток был устранён в «Вепре-Супер», который приобрёл гораздо менее шумный и куда более удобный кнопочный предохранитель.
Впрочем, все недостатки «Вепря» перекрываются его главными достоинствами – относительно низкой ценой и традиционно высоким для «Молота» качеством изготовления. «Вепрь» дешевле «Тигра» в 2 раза, что более чем существенно. Конечно же, при выборе «Тигра» нашим охотником, помимо харизматичности легендарной СВД, очень часто играет фактор доступности и невысокой стоимости (читай – «дармовщины») трёхлинейного патрона.
Но .308-й патрон выпускается и отечественными заводами, его цена вполне сопоставима со стоимостью нашего патрона, так что, если охотник использует именно охотничьи патроны, разница в цене боеприпасов несущественна.
А с момента появления «Вепря» под трёхлинейный патрон, выбор между ижевским и молотовским карабином (помимо ценового фактора) лежит уже больше в области личных предпочтений в области конструктивных особенностей.
Статья была опубликована в журнале «Охота» в 2010 году
Прирученный 150-килограммовый вепрь живет в доме егеря. Новости дня в мире и России сегодня
13:54
Экс-редактор «Первого канала» Марина Овсянникова нашла себе новую работу
17:09
Умерла жена режиссера Валерия Тодоровского актриса Евгения Брик
16:42
WebMoney приостанавливает все операции по кошелькам в рублях
16:02
Фигурантe дела о взрывах в московском метро 2010 года дали пожизненный срок
16:57
ЦБ РФ предложил запретить любые операции с криптовалютами и майнинг в России
15:54
В СКР потребовали заочно арестовать Шляфмана по делу об убийстве Талькова
23:28
Преподавателя ВШЭ и МГУ арестовали по делу о педофилии
16:27
В США готовят новый пакет санкций: в списке 35 россиян, включая Мишустина
23:04
Умер знаменитый французский актер Жан-Поль Бельмондо
16:54
Президент Гаити Жовенель Моиз и его жена убиты после нападения
16:36
В ЕС пообещали белоруссии 3 млрд евро при условии смены власти
15:31
Лавров сделал замечание прервавшему его сотруднику «Би-би-си»
13:37
ИноСМИ: в США создана секретная армию численностью около 60 тыс. человек
16:50
Россияне назвали сумму, необходимую им для счастья в месяц
11:03
Названы симптомы, шестикратно повышающие риск смерти от COVID-19
10:52
Самолеты НАТО отработали массированное нанесение ударов по РФ
14:35
Умер супруг королевы Елизаветы II принц Филипп, герцог Эдинбургский
14:51
Телепроект «Дом-2» перезапускают на канале «Ю»
14:47
Основатель группы «Звуки Му» Александр Липницкий погиб в Подмосковье
16:56
СМИ: Роскомнадзор может начать запрашивать паспорт при регистрации в соцсетях
12:21
В московском офисе «Открытой России» начались обыски
14:40
Путин ответил Байдену, назвавшему его убийцей
15:04
Умерла актриса Екатерина Градова, известная по роли радистки Кэт
22:19
Умер олимпийский чемпион Юрий Власов
14:15
«Яндекс» заявил об утечке данных 5 тысяч почтовых ящиков
13:53
Врач рассказал, когда можно делать прививки тем, кто переболел коронавирусом
12:30
В связи с улучшением ситуации в Москве отменили часть ограничений
12:25
США ввели санкции против трубоукладчика «Северного потока-2»
12:40
Названы лекарства, противопоказанные при COVID-19
15:00
СМИ узнали вероятную причину крушения Boeing 737 в Индонезии
Экс-редактор «Первого канала» Марина Овсянникова нашла себе новую работу
Умерла жена режиссера Валерия Тодоровского актриса Евгения Брик
WebMoney приостанавливает все операции по кошелькам в рублях
Фигурантe дела о взрывах в московском метро 2010 года дали пожизненный срок
ЦБ РФ предложил запретить любые операции с криптовалютами и майнинг в России
В СКР потребовали заочно арестовать Шляфмана по делу об убийстве Талькова
Преподавателя ВШЭ и МГУ арестовали по делу о педофилии
В США готовят новый пакет санкций: в списке 35 россиян, включая Мишустина
Умер знаменитый французский актер Жан-Поль Бельмондо
Президент Гаити Жовенель Моиз и его жена убиты после нападения
В ЕС пообещали белоруссии 3 млрд евро при условии смены власти
Лавров сделал замечание прервавшему его сотруднику «Би-би-си»
ИноСМИ: в США создана секретная армию численностью около 60 тыс. человек
Россияне назвали сумму, необходимую им для счастья в месяц
Названы симптомы, шестикратно повышающие риск смерти от COVID-19
Самолеты НАТО отработали массированное нанесение ударов по РФ
Умер супруг королевы Елизаветы II принц Филипп, герцог Эдинбургский
Телепроект «Дом-2» перезапускают на канале «Ю»
Основатель группы «Звуки Му» Александр Липницкий погиб в Подмосковье
СМИ: Роскомнадзор может начать запрашивать паспорт при регистрации в соцсетях
В московском офисе «Открытой России» начались обыски
Путин ответил Байдену, назвавшему его убийцей
Умерла актриса Екатерина Градова, известная по роли радистки Кэт
Умер олимпийский чемпион Юрий Власов
«Яндекс» заявил об утечке данных 5 тысяч почтовых ящиков
Врач рассказал, когда можно делать прививки тем, кто переболел коронавирусом
В связи с улучшением ситуации в Москве отменили часть ограничений
США ввели санкции против трубоукладчика «Северного потока-2»
Названы лекарства, противопоказанные при COVID-19
СМИ узнали вероятную причину крушения Boeing 737 в Индонезии
05. 01.2016
15:11
Иркутский егерь приручил дикого вепря, теперь животное, которое отличается суровым нравом, живет в доме у мужчины.
Житель деревни Русь Заларинского района Иркутской области нашел общий язык с грозой охотников.
Секач, которого все боятся, живет в доме егеря Сергея. Мужчина выкупил кабана у браконьеров, когда тот был еще совсем поросенком. За прошедшее время малыш превратился в огромного вепря.
Кабан освоился в жилище егеря, даже понимает некоторые команды. Вепрь, которого хозяин назвал Борисом, ест у него пищу с рук. В меню Бориса — традиционно кабачок и свежие огурцы. При этом полностью вегетарианцем вепря назвать нельзя: он не брезгует полакомиться и мясом.
Когда хозяин приходит домой, секач всегда встречает его. «Уже начинаю разговаривать, он прям около калитки стоит, ждет — уже по голосу знает»,
— рассказал Сергей.
Вепрь своего хозяина уважает, однако другие люди 150-килограммового секача боятся и предпочли бы не встречаться с ним лицом к лицу, сообщает НТВ.
Читайте Новости дня и Новости России на нашем канале Яндекс Дзен и на страницах нашего сайта День ОНЛАЙН
ЕЩЕ В РАЗДЕЛЕ
Купающаяся в море туристка рассмешила отдыхающих внешним видом
11:08
Жительница Омска сделала маску из снятых в очереди на кассе трусов
10:49
Cпособ обработки газона рабочими в Москве повеселил Сети
ВСЕ СТАТЬИ РАЗДЕЛА →
НОВОСТИ ДНЯ
10:53
Минобороны РФ рассказало о перегруппировке войск от Балаклеи и Изюма в ДНР
16:21
Британский премьер Борис Джонсон ушел в отставку
13:55
СМИ: под Лисичанском сдались в плен более 800 бойцов ВСУ
ВСЕ НОВОСТИ →
ФОТО ДНЯ
01:53
54
Женщины на Великой Отечественной Войне
00:39
50
Топ 50 спортсменов, которые побывали в тюрьме
00:40
60
Любовницы мировых лидеров: самые громкие скандалы
00:28
54
Загадки мира, которые до сих пор не разгаданы
00:11
31
Знаменитые мафиози всех времен
00:11
30
15 фильмов, которые в последний момент спасла замена актеров
00:13
43
Уснувшие и зевающие политики, которым покой только сниться
00:34
50
Звезды, которые проводили эксперименты со своим весом
00:16
53
Самые загадочные исчезновения в истории
00:11
79
Несси, кардиффсикй великан и йети: великие мистификации 20 века
08:11
47
Богатые звезды, которые игнорируют и скрывают бедных родственников
00:18
34
Звездные пары, любители постить совместные фото в Instagram
ВИДЕО ДНЯ
Охотпользователи Новгородской области | Геопортал Карта охотника
Строительные материалы
Боровичский
ООО «Строительные материалы»
174411, Новгородская область, г. Боровичи, ул. Южная, д. 47
НовО, Новгородский р-н., д. Лесная, ул. 60 лет СССР, д. 9, кв. 1
МОВОООСОО 2
Новгородский
МО Военно охотничьего общества ОСОО
197101, г.Санкт- Петербург, Кронверкский пр-т., д. 27
МОВОООСОО 1
Новгородский
МО Военно охотничьего общества ОСОО
197101, г.Санкт- Петербург, Кронверкский пр-т., д. 27
НРООиР
Шимский
ОО Новгородское РООиР
173000, В. Новгород, ул. Никольская, д. 8
8(8162)636110
НРООИР 3
Новгородский
ОО Новгородское РООиР
173000, В. Новгород, ул. Никольская, д. 8
8(8162)636110
НРООИР
Чудовский
ОО Новгородское РООиР
173000, В. Новгород, ул. Никольская, д. 8
8(8162)636110
РОСК
Окуловский
ЗАО «РОСК»
190031, Санкт — Петербург, ул. Гороховая, д. 47, литера А, пом. 56Н
Охота, блин, охота!
Как государев человек на кабана ходил
7 март 2012 Электронная версия газеты «Владивосток» №3097 от 7 март 2012
Дело было морозным днем 18 февраля. При проведении инспекции охотугодий Красноармейского общества охотников, где в это время охота на копытных была закрыта, сотрудниками краевого Управления охотнадзора был обнаружен джип «Тойота-Хайлюкс». Тут же было установлено, что два его пассажира ушли в лес. «Непорядок!» – подумали проверяющие и решили устроить засаду. Дело в том, что егерь охотобщества Александр Клименко уже видел этот джип. Он сообщил, что люди из этой машины ходили по следам за кабанами. И ходили вовсе не с фоторужьями, не ради красот дикой природы, а явно с другой целью. – Это браконьеры, – высказал свое мнение егерь. И, как сказано выше, было принято решение дождаться ушедших в лес. Они появились в 19.20 с оружием в руках, сели в джип… Когда на выезде с территории охотугодий машина была остановлена, то обнаружилось, что рядом с водителем сидит хорошо известный проверяющим житель села Орехово Дальнереченского района Александр Солоненко – помощник лесничего Дальнереченского лесничества и одновременно егерь охотхозяйства НП «Поляны». Повел себя этот господин, мягко говоря, неадекватно. Он стал размахивать красной «корочкой», заявил о том, что он государственный служащий и находится на работе – проводит таксацию (определение объема срубленных и растущих деревьев, запаса насаждений и прироста как отдельных деревьев, так и целых насаждений. – Прим. авт.) у арендатора леса. В качестве которого назвал фамилию весьма уважаемого в районе человека И. (сейчас он утверждает, что никого не называл. – Прим. авт.). Что с ним за рулем личный водитель «уважаемого человека», и что джип вместе с водителем ему лично выделил этот «уважаемый человек», а всякие там проверяющие не имеют никакого права подходить к этой практически святой машине. – За 30 лет работы мне ни разу не доводилось сталкиваться со столь наглым поведением работника лесного хозяйства, – говорит специалист Управления охотничьего надзора Приморского края Александр Самойленко. – Выслушав Солоненко, я предложил ему определиться, у кого он работает – у этого «уважаемого человека» или в государственной структуре. А затем мы изъяли из джипа два карабина. На вопрос о принадлежности оружия Солоненко предъявил разрешение на карабин «Тигр». Второй карабин – «Вепрь» – по словам Солоненко, принадлежит водителю джипа и одновременно… его начальнику лесничему Антону Дьякову! Какая, гляди-ка, сладкая парочка – и государеву службу несут, и на «уважаемого человека» в поте лица трудятся. Да, кстати, разрешения на карабин «Вепрь» не было. Говорят, дома забыли. Позже Солоненко тон сбавил и при составлении протокола предложил на Дьякова «бумагу» не составлять и сказал, что штраф за нарушение правил охоты он заплатит и за себя, и за своего начальника. А когда для составления протокола был приглашен Дьяков, выяснилось, что он и не Дьяков вовсе, а житель села Боголюбовка Дальнереченского района Роман Батрак! Он и поведал понуро, что поехал на охоту с Солоненко на автомобиле, принадлежащем Дьякову. И карабин «Вепрь», с которым он производил охоту, также принадлежит Дьякову, который и передал оружие ему, Батраку, на охоту. Как-то у них, в Дальнереченском районе, мудрено все переплелось. Уже и не разберешь без бутылки, кто кого от кого охраняет, кто на государственной службе состоит, а кто в лесу браконьерничает. Про бутылку – шутка. А насчет «разобраться» – Александр Самойленко передал изъятый у задержанных карабин «Вепрь» и 18 патронов к нему в Дальнереченский отдел внутренних дел. Для принятия мер к его владельцу лесничему Антону Дьякову. И тут новый неожиданный поворот. – Через несколько дней Дьяков пришел на встречу со мной, – говорит Александр Самойленко, – и сообщил, что джип вместе с оружием у него угнал Роман Батрак (получается, вместе с помощником лесничего Солоненко?). А еще Антон Юрьевич жаловался на маленькую зарплату, на которую не найдешь нормального помощника. Поэтому, мол, и приходится работать с такими людьми, как Солоненко, который, как выразился Дьяков, удостоверениями размахивает, а сам даже правильно заявление написать не может. На мой вопрос, с какой целью его подчиненный так подставил своего начальника и зачем при задержании называл фамилию «уважаемого человека» И., Дьяков промолчал. Вот такая «лесная сказка». Чем она закончится, сказать пока трудно. Практика показывает, что такие дела могут тянуться долго, волокитятся, а то и вовсе заканчиваются ничем или пустяковым штрафом. Особенно если в деле замешаны «уважаемые люди», пусть и косвенно. Александр Самойленко сейчас проводит очередной антибраконьерский рейд, по возвращении из которого он обещал сообщить о развитии событий. А он человек слова, и будем надеяться, что у него получится довести это дело до конца. И не только это дело. Ведь хорошо известно, что от него для браконьеров – хоть охотников, хоть «черных лесорубов» пощады не жди. Жаль только, что закон у нас для таких «лесных братьев» слишком мягок. P. S. Когда верстался номер, в редакцию дозвонился Александр Самойленко, и сообщил, что во время рейда в Пожарском районе их группой был задержан егерь местного общества охотников Николай Прокопчук. Он уже после закрытия сезона охоты отстрелял двух изюбрей. Позже выяснилось, что самка изюбря была беременна, то есть погибло три диких животных. От руки человека, который, по идее, призван природу охранять. Кстати, в просроченной путевке на имя Прокопчука (как и в любой другой – охотникам это хорошо известно) процитирована статья 58 Конституции РФ «Каждый обязан охранять природу и окружающую среду, бережно относиться к природным богатствам». Дело по данному факту передано в районное УВД. «В» будет следить за развитием событий, а то уж как-то «лесные братья» совсем оборзели.
Автор: Евгений СИДОРОВ
«Охотник на кабанов» Самец! Inosuke Reader x RWBY — Учеба..как скучно
Было чириканье птиц и я мирно спал без своей кабаньей головы я медленно начал просыпаться я снова надел свою рубашку я люблю свиней я пошел в ванную и снял ее и надел форму маяка но ничего под нее не положил и оставил его расстегнутым с довольно закатанными рукавами и надел форменные штаны. Я схватил голову своего кабана и медленно начал надевать ее на голову, я посмотрел на своих товарищей по команде и дал им пощечину "ПРОСНУЙСЯ"
Они оба проснулись очень быстро, потирая обе щеки
"Берегите себя.." я обернулся и они нормально оделись а потом Монисту сказал "БЫЛО БЫ ПОЗДНО!", я выбежал оттуда крича "НИГЕРУНДАЙО!" Остальные команды отставали я увидел седовласого мужчину и ведьму смотрящих на нас я слегка зарычал на них и двинулся на
После того, как мы добрались туда, я сел рядом с девочкой-кроликом и продолжал смотреть на ее уши, обнюхивать ее и, вероятно, пугал ее. Я услышала, как брюнетка-зайчик сказала, я кивнула «нет», затем обратила внимание на старика, он попросил меня снять мою кабанью голову, но я только сказал, что отказываюсь, он начал учить «Монстры! Демоны ... бродяги ночи». да, у созданий гримма много имен, но я просто называю их добычей" Что? Этот парень тоже жил в лесу? Нет, он не похож на него.. ааа, я так запутался. Затем он начал смеяться, что, черт возьми, смешного? «Э-э, и ты тоже будешь после окончания этой престижной академии. Как я уже говорил, Вейл, как и три других королевства, являются безопасными убежищами в коварном мире» королевств? «Наша планета буквально кишит существами, которые ничего не любят больше, чем разорвать вас на куски. И вот здесь мы вступаем. Охотники, Охотницы». Он издал странный звук, и я начала рычать, мой ребенок это заметил и попытался меня успокоить, и это сработало. "Люди, которые поклялись защищать тех, кто не может защитить себя. От чего вы спрашиваете? Почему... Тот самый Мир" он поднял руку "ЭЭЭЭЙААААА" случайный ученик сказал я слегка ухмыльнулся "это то, кем вы тренируетесь стать но первая история" я уже не хотела слушать
"Мораль сей басни? Настоящие егеря должны быть честными, настоящие егеря должны быть надежными. Настоящие егеря должны быть стратегами, образованными и мудрыми! Так кто же из вас считает себя воплощением этих качеств?" Я тут же поднял руку перед фроститутом: «Да… сэр».
"Ну тогда давайте узнаем" я услышал грохот клетки "сделай шаг вперед и сразись с противником"
Я шагнул вперед и подождал, пока откроют клетку после того, как она была открыта черный кабан бросился на меня я положил перед ним руку и он остановился он начал меня обнюхивать я почувствовал что ему неудобно с головой кабана я услышал это проклятая седовласая девчонка кричит "борись с этим! Убей его, придурок" Старик в красном смотрел "Это будет сложно" Я потянулся к своей кабаньей голове и медленно снял ее открывая мое женское лицо все ахнули и были потрясены я посмотрел на всех потом зайчик девочка и улыбнулась я увидела она покраснела как губиная накидка
я повернулся в сторону кабана и начал медленно его гладить я начал уходить и кабан последовал за ним я обнял его с закрытыми глазами я открыл глаза и увидел черноволосую девушку с желтыми глазами которые пахли кошачьей улыбкой меня, я также заметил, что ее лук дернулся, я перестал обнимать кабана, затем схватил свой кабан и надел его, я поднял его и медленно пошел обратно на свое место без каких-либо проблем и положил на колени. И погладьте его, девочка-кролик смотрела на меня, я посмотрел на нее и слегка хихикнул. «Кажется, у нас есть охотник-укротитель зверей. Класс уволен» на следующий день прибыл, и я наблюдал за битвой между невзрачным парнем и Джейн «ВПЕРЕД, ДЖЕЙОН!» "ТЫ МОЖЕШЬ ЭТО СДЕЛАТЬ!" "МОЖЕТЕ ВЫ, РЕБЯТА, ЗАТКНУТЬСЯ!?" И я, и Джотаро закричали, тогда Синицу сказал нам обоим заткнуться, но он проиграл, тогда ведьма сказала кое-что, что мне было безразлично
Ведьма сказала что-то, что мне было безразлично
Я ел со своей командой, пока не сказал: "Ой, как больно!" Я понял, что это была девушка-зайчик из более раннего «этот парень причиняет девушке боль, это так нехорошо делать!» Я разозлился и пошел в их направлении я стоял лицом к земле "ОСТАВЬТЕ ЕЕ В ПОКОЕ" я громко закричал "Или что за тупой урод с головой кабана?" Это была последняя соломинка, я так сильно ударил его прямо в середину лица, что он отлетел к стене, мой кулак был весь в его крови. его товарищи по команде пошли драться со мной, но я угрожающе обернулся
Из ноздрей моей головы кабана пошел пар, так как все они были напуганы, затем я услышал крик кабана, это был Баэз, он превратился в шар, и тело перевернулось в команду Каркдина, отправив их всех в полет. Я медленно посмотрел на девушку. подошел к ней, схватил ее за плечи и медленно поднял мою кабанью голову, показывая половину моего лица, и я ярко улыбнулся "береги себя!" Я надел голову кабана и ушел с Баэзом. Я пошел в свое общежитие и упал туда, погладил Баеза и в конце концов заснул.
Я проснулся на следующий день, оделся и пошел прямо в класс с Баэзом на руках, бегая так быстро, как только я добрался туда, я снова сел рядом с девушкой-кроликом, я снова смотрел на ее уши, я хотел прикоснуться их, поэтому я решил поговорить с ней, я слегка похлопал ее по плечу, и она повернулась, чтобы посмотреть на меня «М-меня зовут (Т/И) Хашибира», я просто заикался? Она начала хихикать. Думая, что я потерпел неудачу, я посмотрел на землю в поражении ... Но затем она протянула руку: «Меня зовут Вельвет, приятно познакомиться», - сказала она с улыбкой. Я медленно улыбнулась под головой кабана, посмотрела на ее руку и снова посмотрела на нее. Она чего-то ждет
"Ты не пожмешь мне руку?" — спросила она спокойно, я в замешательстве наклонил голову. — Меня вырастили кабаны, и я всю жизнь прожил в лесу. я только что заметил свою ошибку. «Значит, ты в основном дикий ребенок», — сказал Карлдин. Я посмотрел на него и зарычал, пока не появился мужчина с белыми и зелеными волосами после раздражающего вступления, которое он начал учить: «Да! Да, до Революции за права фавнов, наиболее известной как война с фавнами. Человечество было весьма, весьма непреклонно в отношении централизации популяции фавнов в Менеджерии, сейчас! Хотя многим из вас это должно показаться древней историей. Крайне важно помнить, что это относительно недавние события»
"Почему последствия восстания видны в этот день! Сейчас же! Кто-нибудь из вас подвергался порабощению или дискриминации из-за своего фавнского происхождения?" Я вижу, как Вельвету медленно поднимает руку. «Ужасно, просто ужасно! Помните, студенты, именно такое невежество порождает насилие». Я не слушал, но мне было жаль ее, я видел, как Акари обращала внимание, но она живет своей собственной жизнью «И кто может сказать мне, какое преимущество было у Фавна над силами генерала Лагуна» я видел, как Каркдин бросал бумагу в Япне я подскочил к своему столу и начал рычать "Мистер Хашибира садитесь" я ворчал обратно на свое место и оставался злым, пока урок не закончился и рыжеволосая девочка и Джейн не пошли на крышу мне было все равно и я пошел со своей командой
Республиканская партия — Ballotpedia
Из Ballotpedia
(Перенаправлено из Республиканской партии)
Перейти к: навигация, поиск
Республиканская партия — одна из двух крупнейших современных политических партий США. Его часто называют Grand Old Party или GOP . Основным партнером партии является Демократическая партия. Прозвище «Великая старая партия», которое ранее использовалось южными демократами, было применено к Республиканской партии после избирательного цикла 1888 года. В то время республиканцы восстановили контроль над президентством и Конгрессом впервые после администрации Гранта. Chicago Tribune провозгласила: «Давайте будем благодарны за то, что под властью Великой старой партии … эти Соединенные Штаты возобновят движение вперед и вверх, которое частично остановили выборы Гровера Кливленда в 1884 году». [1]
Основной руководящей организацией партии является Республиканский национальный комитет (РНК), который отвечает за разработку и продвижение республиканской политической платформы, а также за координацию сбора средств и предвыборной стратегии. Он также отвечает за организацию и проведение республиканского национального собрания каждые четыре года.
Современная Республиканская партия поддерживает консервативную платформу американского политического спектра, основанную на либеральном капитализме, низких налогах, фискальной политике со стороны предложения и социальном консерватизме. [1] [2] [3] [4] [5]
Члены партии обычно, но не всегда и не всегда поддерживают следующие политические позиции. Все позиции взяты с платформы Республиканской партии 2016 года: [6]
«Везде, где налоговые ставки наказывают бережливость или препятствуют инвестициям, они должны быть снижены. В тех случаях, когда действующие положения кодекса препятствуют экономическому росту, они должны быть изменены»;
«Мы предвидим всемирное многостороннее соглашение между странами, приверженными принципам открытых рынков»;
«Мы … поддерживаем назначение судей и судей, которые уважают конституционные ограничения своей власти и уважают полномочия государств решать … фундаментальные социальные вопросы»;
«Законное владение оружием позволяет американцам осуществлять данное им Богом право на самооборону для обеспечения безопасности своих домов, своих близких и своих сообществ… Мы выступаем против непродуманных законов, которые ограничивают емкость магазинов или запрещают продажа самой популярной и распространенной современной винтовки»;
«Мы поддерживаем развитие всех форм энергии, которые можно продать в условиях свободной экономики без субсидий, включая уголь, нефть, природный газ, атомную энергию и гидроэнергетику»;
«Чтобы сохранить программы Medicare и Medicaid, необходимо взять под контроль финансирование этих важных программ до того, как они поглотят большую часть федерального бюджета, включая национальную оборону»;
«Нашим наивысшим приоритетом . .. должна быть защита наших границ и всех портов въезда, а также обеспечение соблюдения наших иммиграционных законов»;
«[Закон о доступном медицинском обслуживании] должен быть отменен и заменен подходом, основанным на подлинной конкуренции, выборе пациента, отличном уходе, хорошем самочувствии и своевременном доступе к лечению».
Содержимое
1 Фон
1.1 История
1.2 Лидерство
1.2.1 Национальное партийное руководство
1.2.2 Председатели штатов
1.2.3 Исторические председатели
2 Платформа
3 соглашения
3.1 2020 Республиканское национальное собрание
3.2 Республиканский национальный съезд 2016 г.
3.2.1 Выдвижение Дональда Трампа
3.3 Исторические республиканские национальные съезды
4 Последние новости
5 См. также
6 Внешние ссылки
7 Дополнительные показания
8 Сноски
Предыстория
История
Республиканская партия (Республиканская партия) была основана в 1854 году в Рипоне, штат Висконсин, активистами движения против рабства и модернизаторами. Молодая партия быстро превзошла партию вигов как основную оппозицию Демократической партии. В 1860 году Республиканская партия пришла к власти после избрания бывшего президента Авраама Линкольна (справа). Партия сохранила силу во время Гражданской войны и Реконструкции в США. Официальный логотип партии — слон — взят из мультфильма Томаса Наста. [2]
Веб-сайт Республиканского национального комитета (РНК) предоставляет следующую историю Республиканской партии: [7]
»
Основание Республиканской партии
6 июля 1854 года, сразу после годовщины нации, в Джексоне, штат Мичиган, состоялся съезд штата против рабства. Жаркий день заставил большую толпу выйти на улицу в соседнюю дубовую рощу. На этом «Соглашении Оукса» были отобраны первые кандидаты в масштабах штата от того, что впоследствии стало Республиканской партией.
Объединенные желанием отменить рабство, именно в Джексоне Платформа Конвенции под дубами гласила: «…мы будем сотрудничать и будем известны как РЕСПУБЛИКАНЦЫ…». До июля небольшие группы собирались в уединенных местах, таких как здание школы. в Рипоне, Висконсин. Однако митинг в Джексоне станет первым в истории массовым собранием Республиканской партии.
Название «Республиканец» было выбрано, намекая на Демократическую республиканскую партию Томаса Джефферсона и выражая приверженность неотъемлемым правам на жизнь, свободу и стремление к счастью.
Партия Свободы
Хотя символ слона Республиканской партии популяризировался в мультфильме Томаса Наста, он возник во время кампании 1860 года как символ силы республиканцев. Республиканцы представляли себе «свободную землю, свободу слова, свободный труд». Под руководством президента Авраама Линкольна Республиканская партия также стала Партией Союза.
Президент Линкольн издал Прокламацию об освобождении, но освободила рабов вся Республиканская партия. Национальное собрание республиканцев 1864 года призвало к отмене рабства, и республиканцы в Конгрессе единогласно приняли 13-ю поправку, имея лишь несколько голосов демократов.
Раннее движение за права женщин было чисто республиканским, поскольку оно было продолжением аболиционизма. Они старались не быть чрезмерно пристрастными, но, как и Сьюзен Б. Энтони, большинство суфражисток поддерживали Республиканскую партию. 19-я поправка была написана сенатором-республиканцем и получила большую поддержку республиканцев, чем демократов.
Партия процветания
Низкие налоги, солидные деньги, нормативная сдержанность: таковы были примеры здравой экономической политики, установленной Республиканской партией, которая привела к десятилетиям процветания после Гражданской войны. Республиканцы поощряли инновации и верховенство закона. Опираясь на контроль республиканцев в Конгрессе, администрации Мак-Кинли, Теодора Рузвельта и Тафта устранили препятствия на пути экономического роста.
Президент Дуайт Эйзенхауэр и республиканцы в Конгрессе оценили тот факт, что частный сектор, а не правительство, является двигателем создания богатства. Своей смелой повесткой дня по сокращению налогов президент Рональд Рейган оживил экономику после многих лет болезни демократов.
Партия Видения
Теодор Рузвельт олицетворяет традиционную заботу нашей партии об окружающей среде, но приверженность республиканцев защите окружающей среды на самом деле уходит далеко в прошлое. Например, первый в мире национальный парк Йеллоустоун был создан при администрации Улисса Гранта.
Президент Эйзенхауэр отстаивал новаторское законодательство о гражданских правах и энергично проводил в жизнь решение по делу Браун против Совета по образованию, отправив 101-й воздушно-десантный полк в Литл-Рок, когда после интеграции в Центральной школе разразился хаос.
Рональд Рейган объяснил разницу между демократами и республиканцами так, что это невозможно улучшить: «Два видения будущего, два принципиально разных способа управления — их правительство пессимизма, страха и ограничений или наше правительство надежды, уверенности». , и рост. Их правительство рассматривает людей только как членов групп. Наша обслуживает всех жителей Америки как отдельных лиц.
Президент Джордж Буш-старший Буш отстаивал общественные и волонтерские организации и огромную силу, которую они имеют для добрых дел. Он классно описал их как «блестящее разнообразие, разбросанное, как звезды, как тысячи точек света в широком и мирном небе».
В первом десятилетии 21-го века президент Джордж Буш взял на себя беспрецедентное обязательство по оказанию помощи нуждающимся за пределами наших берегов в рамках Чрезвычайного плана президента по оказанию помощи в связи со СПИДом (ПЕПФАР), программы помощи странам, опустошенным ВИЧ/СПИДом. . С момента своего создания PEPFAR спасла более миллиона жизней и в настоящее время предоставляет жизненно необходимое лечение более чем 5 миллионам человек.
Партия Силы
Президент Рейган и президент Джордж Буш-старший Буш привел западные демократии к победе над советской тиранией в холодной войне. Администрация Джорджа Буша-младшего поддерживала непревзойденную военную мощь и использовала эту мощь в борьбе с международным терроризмом.
Вечеринка будущего
Черпая вдохновение из истории нашей партии, сегодняшние республиканцы верят, что лучшие решения принимают отдельные люди, а не правительство; все люди имеют равные права; и решения лучше всего принимать рядом с домом.
На уровне штатов тридцать республиканских губернаторов страны делают правительство более эффективным и действенным, стимулируя экономический рост и стремясь передать больше власти в руки народа.
Республиканцы на национальном уровне признают, что медленная, раздутая вашингтонская бюрократия, действующая сверху вниз, устарела в 21 веке. Наша партия работает над тем, чтобы дать американцам больше возможностей для выбора — в здравоохранении, образовании, энергетике и экономике — и освободить отдельных людей и семьи от назойливых федеральных бюрократов.
Основные принципы партии, касающиеся свободы и равных возможностей, так же актуальны сегодня, как и при нашем основании, и они являются дорожной картой для обновления Америки в новом и взаимосвязанном мире. [8]
”
Руководство
Руководство национальной партии
В следующей таблице перечислены национальные руководители Республиканской партии и Республиканского национального комитета (РНК) по состоянию на январь 2022 г.: [9] [10] [11] [12] [13] [14]
Название
Офицер
Состояние
Председатель
Ронна МакДэниел
Мичиган
Сопредседатель
Томас Хикс мл.
Техас
Казначей
Рон Кауфман
Массачусетс
Секретарь
Вики Драммонд
Алабама
Председатель Ассоциации губернаторов
Губернатор Дуг Дьюси
Аризона
Председатель сенаторской кампании
Сенатор Рик Скотт
Флорида
Лидер меньшинства в Сенате
Сенатор Митч МакКоннелл
Кентукки
Сенатский хлыст меньшинства
Сенатор Джон Тьюн
Южная Дакота
Председатель Республиканской конференции Сената
Сенатор Джон Баррассо
Вайоминг
Председатель сенатского республиканского комитета по политике
Сенатор Рой Блант
Миссури
Заместитель председателя Республиканской конференции Сената
Сенатор Джони Эрнст
Айова
Лидер меньшинства Палаты представителей
Конгрессмен Кевин Маккарти
Калифорния
Кнут меньшинства
Конгрессмен Стив Скализ
Луизиана
Председатель Палаты представителей Республиканской конференции
Конгрессмен Элиз Стефаник
Нью-Йорк
Председатель комитета Палаты представителей по республиканской политике
Конгрессмен Гэри Палмер
Алабама
Председатели штатов
В следующей таблице перечислены председатели Республиканского национального комитета (СРН) штатов и территорий по состоянию на август 2022 года. Нажмите «показать» в поле ниже, чтобы просмотреть полный список. [15]
Председатели Республиканской партии штата
Государство
Председатель
Состояние
Председатель
Алабама
Джон Уол
Монтана
Дон Кальчмидт
Аляска
Энн Браун
Небраска
Эрик Андервуд
Американское Самоа
Меч Таулапапа Уильяма
Невада
Майкл Макдональд
Аризона
Келли Уорд
Нью-Гэмпшир
Стив Степанек
Арканзас
Джонель Фулмер
Нью-Джерси
Боб Хьюгин
Калифорния
Джессика Миллан Паттерсон
Нью-Мексико
Стив Пирс
Колорадо
Кристи Бертон Браун
Нью-Йорк
Николас А. Лэнгуорти
Коннектикут
Бен Прото
Северная Каролина
Майкл Уотли
Делавэр
Джейн Брэди
Северная Дакота
Перри Шафер
Округ Колумбия
Патрик Мара
Северные Марианские острова
Кэндис Селис
Флорида
Джо Грутерс
Огайо
Боб Падучик
Грузия
Дэвид Шафер
Оклахома
А.Дж. Ферате
Гуам
Хуан Карлос Бенитес
Орегон
Джастин Хван
Гавайи
Линн Финнеган
Пенсильвания
Лоуренс Табас
Айдахо
Дороти Мун
Пуэрто-Рико
Анхель Цинтрон
Иллинойс
Дон Трейси
Род-Айленд
Сью Сиенки
Индиана
Кайл Хапфер
Южная Каролина
Дрю МакКиссик
Айова
Джефф Кауфманн
Южная Дакота
Дэн Ледерман
Канзас
Майк Кукельман
Теннесси
Скотт Голден
Кентукки
Дж. Макколи Браун
Техас
Мэтт Ринальди
Луизиана
Луи Гурвич
Юта
Карсон Йоргенсен
Мэн
Деми Кузунас
Вермонт
Поль Дам
Мэриленд
Дирк Хейр
Виргинские острова США
Гордон Экли
Массачусетс
Джим Лайонс
Вирджиния
Рич Андерсон
Мичиган
Рон Вайзер
Вашингтон
Калеб Геймлих
Миннесота
Дэвид Ханн
Западная Вирджиния
Элджин МакАрдл
Миссисипи
Франк Бордо
Висконсин
Пол Фэрроу
Миссури
Ник Майерс
Вайоминг
Фрэнк Иторн
Исторические председатели
В следующей таблице представлен исторический список бывших и нынешних председателей Республиканского национального комитета (РНК): [16]
Председатель
Срок
Состояние
Эдвин Д. Морган
1856-1864
Нью-Йорк
Генри Дж. Рэймонд
1864-1866
Нью-Йорк
Маркус Л. Уорд
1866-1868
Нью-Джерси
Уильям Клафлин
1868-1872
Массачусетс
Эдвин Д. Морган
1872-1876
Нью-Йорк
Захария Чендлер
1876-1879
Мичиган
Дж. Дональд Кэмерон
1879-1880
Пенсильвания
Маршалл Джуэлл
1880-1883
Коннектикут
Дуайт М. Сабин
1883-1884
Миннесота
Б. Ф. Джонс
1887-1888
Нью-Джерси
Мэтью С. Куэй
1888-1891
Пенсильвания
Джеймс С. Кларксон
1891-1892
Айова
Томас Х. Картер
1892-1896
Монтана
Маркус А. Ханна
1896-1904
Огайо
Генри Клэй Пейн
1904
Висконсин
Джордж Брюс Кортелью
1904-1907
Нью-Йорк
Гарри С. Новый
1907-1908
Индиана
Фрэнк Харрис Хичкок
1908-1909
Огайо
Джон Фремонт Хилл
1910-1912
Мэн
Виктор Роузуотер
1912
Небраска
Чарльз Д. Хиллс
1912-1916
Нью-Йорк
Уилл Х. Хейс
1918-1921
Индиана
Джон Т. Адамс
1921-1924
Айова
Уильям М. Батлер
1925
Массачусетс
Хьюберт Ворк
1928-1929
Колорадо
Клавдий Х. Хьюстон
1929-1930
Теннесси
Симеон Д. Фесс
1931
Огайо
Эверетт Сандерс
1932-1934
Индиана
Генри П. Флетчер
1934-1936
Пенсильвания
Джон Гамильтон
1936-1937
Канзас
Джозеф В. Мартин-младший
1940-1942
Массачусетс
Бейли Уолш
1942
Теннесси
Харрисон Э. Спэнглер
1942-1944
Айова
Герберт Браунелл-младший
1944-1946
Нью-Йорк
Кэрролл Рис
1946-1948
Теннесси
Хью Д. Скотт-младший
1948-1949
Пенсильвания
Гай Г. Габриэльсон
1949-1952
Нью-Джерси
Артур Э. Саммерфилд
1952-1953
Мичиган
Уэсли Робертс
1953
Канзас
Леонард В. Холл
1953-1957
Нью-Йорк
Мид Алкорн
1957-1959
Коннектикут
Трастон Б. Мортон
1959-1961
Кентукки
Уильям Э. Миллер
1961-1964
Нью-Йорк
Дин Берч
1964-1965
Аризона
Рэй С. Блисс
1965-1969
Огайо
Роджерс С. Б. Мортон
1969-1971
Мэриленд
Роберт Доул
1971-1973
Канзас
Джордж Буш-старший
1973-1974
Техас
Мэри Луиза Смит
1974-1977
Айова
Уильям Э. Брок III
1977-1981
Теннесси
Ричард Ричардс
1981-1983
Юта
Фрэнк Дж. Фаренкопф-младший
1983-1989
Невада
Ли Этуотер
1989-1991
Южная Каролина
Клейтон Кейт Йейттер
1991-1992
Небраска
Ричард Бонд
1992-1993
Миссури
Хейли Барбур
1993-1997
Миссисипи
Джим Николсон
1997-2001
Колорадо
Джим Гилмор
2001-2002
Вирджиния
Марк Расико
2002-2003
Монтана
Эд Гиллеспи
2003-2005
Вирджиния
Кен Мелман
2005-2007
Вашингтон, округ Колумбия
Майк Дункан
2007-2009
Кентукки
Майкл Стил
2009-2011
Мэриленд
Райнс Прибус
2011-2017
Висконсин
Ронна Ромни Макдэниел
2017 — настоящее время
Мичиган
Платформа
См. также: Республиканская платформа и Комитет платформы РНК, 2016
См. также: Платформа Республиканской партии, 2020 г.
Республиканский национальный комитет (РНК) разрабатывает платформу партии каждые четыре года. Платформа излагает официальные принципы, политические позиции и приоритеты Республиканской партии. Он также служит механизмом, помогающим кандидатам в избирательных бюллетенях формировать свои сообщения и обеспечивать подотчетность кандидатов более широкому партийному консенсусу.
10 июня 2020 года Исполнительный комитет Республиканского национального комитета проголосовал за принятие той же платформы, которую партия использовала в 2016 году. Это решение сопровождалось рядом корректировок маршрута и места проведения Республиканского национального собрания из-за пандемии коронавируса, в том числе сокращение числа делегатов, лично присутствовавших на съезде в Шарлотте, Северная Каролина, с 2500 до 336, а также отмена заседания Комитета Платформы. [17] [18]
Нажмите здесь, чтобы просмотреть полную платформу Республиканской партии 2016 года.
Конвенции
2020 Республиканская национальная конвенция
См. Также: Республиканский национальный конвенция, 2020
.
Ограниченные очные мероприятия прошли в Шарлотте, Северная Каролина. [20] 23 июля 2020 года президент Дональд Трамп объявил, что громкие мероприятия конгресса, ранее перенесенные в Джексонвилл, штат Флорида, включая его речь о принятии кандидатуры, были отменены по соображениям общественного здравоохранения и безопасности. Трамп официально принял кандидатуру партии от Белого дома. [21] [22] [23] [24]
Первоначально съезд планировалось полностью провести в Шарлотте, но ограничения штата в ответ на пандемию коронавируса привели к запланированному переносу съезда в Джексонвилл. . [25] Исполнительный комитет Республиканского национального комитета проголосовал за сокращение съезда в Шарлотте, уменьшив количество делегатов с 2500 до 336 человек. Комитет также решил снова принять платформу 2016 года, поскольку комитет Платформы не будет собираться. . [26]
На съезде партийные делегаты обычно выбирают кандидата в президенты от республиканцев и голосуют за принятие платформы, определяющей политические приоритеты и ценности партии. Однако, по словам президентского историка Теви Троя, «съезды сегодня остаются в основном рекламными возможностями для партий, а не форумами для реального принятия решений». [27]
2016 Республиканский национальный съезд
См. также: Республиканский национальный съезд, 2016
См. также: Выдвижение кандидатов в президенты в 2016 году: календарь и правила делегатов
Республиканский национальный съезд 2016 года проходил в Кливленде, штат Огайо, на арене Quicken Loans Arena с 18 по 21 июля 2016 года.
Чтобы стать кандидатом в президенты от республиканцев в 2016 году, кандидат должен получить 1237 делегатов на национальном съезде. У республиканцев есть три типа делегатов: делегаты от округов Конгресса, делегаты на свободе и члены Республиканского национального комитета (RNC). Ожидалось, что на Республиканском национальном съезде будет в общей сложности 2472 делегата.
Выдвижение Дональда Трампа
См. также: Президентская кампания Дональда Трампа, 2016 г.
Смотрите также: Что произошло прошлой ночью на голосовании по кандидатурам?
Дональд Трамп стал кандидатом в президенты от Республиканской партии 19 июля 2016 года. Он получил поддержку 89 делегатов по сравнению с 1237 делегатами, необходимыми для выдвижения кандидатуры. Губернатор Индианы Майк Пенс (справа) был назначен вице-президентом. [28]
Ниже приведена ссылка на самые последние новости в поиске новостей Google по терминам Республиканский национальный комитет. Эти результаты автоматически генерируются Google. Ballotpedia не курирует и не поддерживает эти статьи.
См. также
Республиканский национальный комитет
Республиканский национальный съезд, 2016 г.
Республиканская платформа и комитет платформы РНК, 2016 г.
Республиканский национальный съезд, 2020 г.
Платформа Республиканской партии, 2020
Национальный республиканский сенаторский комитет
Национальный республиканский комитет Конгресса
Государство Республиканские партии
Демократическая партия
Внешние ссылки
Республиканский национальный комитет
РНК на YouTube
RNC в Твиттере
СРН на Facebook
Республиканская конференция Сената США
Республиканская конференция Палаты представителей США
Национальный республиканский сенаторский комитет
Национальный республиканский комитет Конгресса
Республиканская ассоциация губернаторов
Республиканский комитет государственного руководства
Республиканская еврейская коалиция
Республиканский комитет государственного руководства
Национальная ассоциация чернокожих республиканцев
RNC Черные республиканцы
СРН латиноамериканских республиканцев
СРН Женщины-республиканцы
Молодежная республиканская национальная федерация
Республиканский национальный комитет колледжа
Республиканское партийно-историческое общество
C-SPAN , «История Республиканской партии»
Дополнительное чтение
Гулд, Льюис (2003). Великая старая партия: история республиканцев , Нью-Йорк, Нью-Йорк: Random House
Сноски
↑ 1.0 1.1 Доступ к GOP 30, 2014
↑ 2.0 2.1 Британская энциклопедия , «Республиканская партия», по состоянию на 30 марта 2014 г.
↑ History.com , «Основана Республиканская партия», по состоянию на 20 марта 2014 г.
↑ PBS , «Республиканская партия», по состоянию на 30 марта 2014 г.
↑ History Today.com , «Основание Республиканской партии», по состоянию на 30 марта 2014 г.
↑ [1-ben_1468872234.pdf Республиканская партия , «Платформа 2016», по состоянию на 17 ноября 2017 г.]
↑ GOP.com , «Наша история», по состоянию на 5 января 2018 г.
↑ Примечание: этот текст дословно процитирован из оригинального источника. Любые несоответствия относятся к первоисточнику.
↑ GOP. com , «Национальное лидерство», по состоянию на 20 января 2022 г.
↑ Сенатская республиканская конференция , «Председатель Джон Баррассо», по состоянию на 20 января 2022 г.
↑ Сенатский ПКР , «О комитете по республиканской политике», по состоянию на 20 января 2022 г.
↑ Республиканская ассоциация губернаторов , «RGA объявляет о лидерстве на 2021 год», 20 января 2022 г.
↑ NRSC , «О NRSC», по состоянию на 20 января 2022 г.
↑ Палата представителей США , «Лидерство», по состоянию на 20 января 2022 г.
↑ GOP , «Руководство штата», по состоянию на 21 августа 2022 г.
↑ Политическое кладбище , «База данных исторических кладбищ», по состоянию на 17 июля 2006 г.
↑ CNN , «Республиканцы голосуют за значительное сокращение официальной части съезда Шарлотты и отсутствие изменений в платформе 2016 года», 11 июня 2020 г.
↑ The Hill , «Республиканская партия голосует за сокращение съезда Шарлотты, перенос благодарственной речи Трампа», 11 июня 2020 г.
↑ Местные новости Spectrum , «Даты RNC установлены на 24–27 августа 2020 г. в Шарлотте», 1 октября 2018 г.
↑ CNN , «В отличие от Трампа, Трамп говорит, что примет выдвижение Республиканской партии в Северной Каролине», 28 июля 2020 г.
↑ WSOC , «Официально: главное мероприятие RNC будет проведено во Флориде вместо Шарлотты», 11 июня 2020 г.
↑ NPR , «Президент Трамп отменяет часть национального съезда Республиканской партии в Джексонвилле», 23 июля 2020 г.
↑ USA Today , «Трамп отменяет часть республиканского съезда в Джексонвилле, запланированную на август, из-за COVID-19», 23 июля 2020 г.
↑ Некоторые, в том числе бывший член Республиканского национального комитета Керли Хоугланд, после съезда 2020 г. утверждали, что RNC ненадлежащим образом использовал Правило 37 (e) для проведения сокращенного и недействительного национального съезда в августе 2020 г. В соответствии с этой интерпретацией не было принято никаких правил для избрание делегатов Республиканского национального съезда 2024 г. или продолжение существования партии в 2020 г. Ballotpedia , «Общение по электронной почте с Керли Хоугланд», 9 сентября 2020 г.
↑ National Review , «Трамп будет искать альтернативный город для проведения RNC после того, как губернатор Северной Каролины заявил, что не может гарантировать мероприятие на полную мощность», 3 июня 2020 г.
↑ The Hill , «Республиканская партия голосует за сокращение съезда Шарлотты, перенос благодарственной речи Трампа», 11 июня 2020 г.
↑ National Affairs , «Эволюция партийных съездов», по состоянию на 30 апреля 2019 г.
↑ CNN , «Официально: Трамп — кандидат от республиканцев», 19 июля 2016 г.
↑ About.com American History , «Республиканские национальные съезды», по состоянию на 30 марта 2014 г.
Huntsman Gifts & Merchandise for Sale
Filters
huntsman
huntsmen
deer hunt
i love hunting
radio active
port hope
for hunters
uranium
radium
обогащение
охотничьи цитаты
919 Результаты
Теги:
белоснежка, дисней, яд, яблоко, злая королева, череп, ужас, милая, девчушка, принцесса, фэнтези, сказка, ядовитое яблоко, ведьма, гномы, егерь , кино, кино недорого, эстетично, вычурно, Белоснежка и семь гномов
Один укус. Наклейка
By micheemee
От €1,66
Теги:
дом совы, дом совы, коллекционер, коллекционер, белос, император белос, филип виттебейн, великий охотник, затмение, звезды
The Owl House — The Collector — Grand Huntsman Samsung Galaxy Soft Case
крис хемсворт, крис, хемсворт, тор, мстители, ТОР темный мир, война бесконечности 2, люди в черном, рагнарёк 1 сильный, охотники за привидениями, белоснежка и охотник, охотник, в сердце моря, отпуск, черная шляпа, пик, рождество, все, что я хочу на рождество, все, что я хочу
All I Want for Christmas is Chris Hemsworth Sticker
By lizzie081194
From €1. 66
Tags:
huntsman spider, brandy devoid
Huntsman Spider Classic T-Shirt
By brandydevoid
€19.92
Tags :
охотник, егерь, охота на оленя
Прикольная охотничья футболка. Футболка My Family Tree Has A Deer Stand In It Essential
By Nam Nguyen
21,66 €
Теги:
охотник, Грэм, Джейми Дорнан, однажды в сказке, азбука, сказка, Белоснежка, магия, oliviame17
Мягкий чехол для iPhone охотника
By OliviaME17
€23,37
Теги:
охотник, паук, pt, животное
Esmerelda Greeting Card
By Paul Todd
From €2.15
Tags:
huntsman, hunter, hunting, hunt
Untitled Sticker
By Thetswe88Pants
From €4. 77
Tags:
Wild Huntsman
Футболка Classic Wild Huntsman.
From €1,38
Теги:
крис хемсворт, крис, хемсворт, тор, мстители, marvel, marvel актер, актер, белоснежка и охотник, егерь, красный рассвет, пик, 12 сильных
Крис Хемсворт фоторедактор Наклейка
Автор: lizzie081194
От 1,66 €
Теги:
охотничья команда гей-криптидов 2021, команда охоты на гей-криптидов 2022, обработчик охотников на монстров, технология охотников на монстров, лицо охотника mhw, местоположение охотника на монстров, мир охотников на монстров охотник доспехи, эйден охотник на монстров, шеф-повар мира охотников на монстров, лгбт охотник на монстров
Команда охоты на гей-криптидов Живой смех лурк Наклейка
Bynh
От €1,44
Теги:
деталь, охотник, макро, природа, паук
Незваный гость в спальне Плакат
By stevealder
20,10 €
Теги:
паук, природа, страх, дикая природа, охотник
Essential T-40 Bysman Tee TeeArt
24,26 €
Теги:
jan weenix, пейзаж с охотником и мертвой дичью, weenix, шедевр, мастера искусства, произведения искусства, jan weenix пейзаж с охотником и мертвой дичью
Jan Weenix — Пейзаж с охотником и мертвой дичью Плакат
Мистер пурпурный медведь становится охотником. Футболка Essential
By Figaro-17
20,67 €
Теги:
закат, тасмания, никон, охотничье озеро
Охотничье озеро. 19-9-14. Наклейка
от Уоррена Паттен
из € 1,38
Теги:
The Huntsman, Winterswar, Jessica Chastain
Sara Magnet
от Alissa21
TAGS:
7034 By Alissa21
TAGS:
7034 By Alissa21
TAGS:
7070.
.1974 Chicago Huntsman — Be The Hunter Sticker
By durzobliint
From €1.22
Tags:
huntsman, macro, nature, spider, wildlife
Huntsman Art Print
By Steve Arkleton
From €22. 81
Tags :
паук, охотник, паукообразный, жуткий, клыки
Детская маска охотника
By JarmatStudio
От €13,62 день, отец, старый, человек, спорт, дробовик, Стрельба, Стрелять, Пушка, Спортивное оружие, Британский, страна, сельская жизнь, Острые шоры, Тетерев, Известный
Gregory Huntsman Мягкий чехол для iPhone
By DanFayIllus
18,70 €
Метки:
охотник, паук, гетеропода, d300, 60 мм, 2012 г.
— Browner Heopoda sp. Poster
By Andrew Trevor-Jones
€23.32
Tags:
spider, shed, huntsman, insects, arachnid, bugs
Huntsman Spider Art Print
By Maryanne Lawrence
From €24.62
Tags:
команда охоты на гей-криптидов 2021, команда охоты на гей-криптидов 2022, обработчик охотников на монстров, технология охотников на монстров, лицо охотника mhw, местоположение охотника на монстров, мир охотников на монстров, доспехи охотника, охотник на монстров, шеф-повар мира охотников на монстров, охотник на монстров ЛГБТ
Наклейка для стримеров и геймеров Game to happy life
команда охоты на гей-криптидов 2021, команда охоты на гей-криптидов 2022, обработчик охотников на монстров, технология охотников на монстров, лицо охотника mhw, местоположение охотника на монстров, мир охотников на монстров, доспехи охотника, охотник на монстров, шеф-повар мира охотников на монстров, лгбт-монстр охотник
Не очень люблю этот настоящий момент времени Наклейка
Bynh
От 1,44 €
Теги:
команда охоты на гей-криптидов 2021, команда охоты на гей-криптидов 2022, охотник на монстров, технология охотника на монстров, охотник mhw лицо, местонахождение охотника за монстрами, мир охотников за монстрами, доспехи охотника за монстрами, Эйден охотник за монстрами, шеф-повар мира охотников за монстрами, лгбт охотник за монстрами
Живой смех, ларк Гей-криптид охотничья команда Наклейка
С наступлением осени сэр Эктор получает письмо от Утера Пендрагона, короля Грамарии, в котором ему сообщается о плане короля послать сэра Уильяма Твити, королевского охотника, в Лесной Дикарь, чтобы убить двух или трех диких кабаны. Ожидается, что сэр Эктор обеспечит Твити (и его свиту) едой и жильем, а также посолит мясо кабана, чтобы оно оставалось свежим до отъезда Твити. Сэр Эктор расстроен этой новостью (которую он называет «проклятой тиранией»), потому что ему придется выгнать своих собак из их конур, чтобы приютить королевских, и сделать ряд подобных приспособлений. Он утешает себя мыслью, что, возможно, Твити и его люди будут съедены в лесу грифоном.
В ту рождественскую ночь в замке сэра Эктора устраивается грандиозный пир в честь прибытия Твити. Сэр Груммор, король Пеллинор, Твайти и старик по имени Ральф Пасселеве поют зажигательные песни на радость всей деревне. Сэр Эктор завершает пир установленной речью, которую он продекламировал ранее, и исполнением государственного гимна.
На следующий день Варт просыпается очень взволнованным перспективой охоты. После того, как Уайт описывает опасности и ужасы охоты на кабанов, начинается охота. Прибывает Робин Вуд, и сэр Эктор нервно представляет его Груммору и Пеллинору. На Груммора нападает кабан, и он ранен; в конце концов, кабан оказывается в ловушке упавшего дерева и убит Робином. Твити начинает плакать, когда узнает, что Бомонту, одной из его гончих, кабан сломал спину. Робин избавляет собаку от страданий; чтобы поднять настроение, Уайт просит Пеллинора найти Ищущего Зверя, тоскующего по Пеллинору, который обещает покинуть перину Груммора и возобновить охоту на своего «старого зверя» друга.
Анализ
Бородавка явно отсутствует в большинстве этих глав, что позволяет Уайту вместо этого сосредоточиться на атмосфере и обстановке земли, которой он однажды станет править. Ностальгия Уайта по ушедшей, легендарной, «веселой Англии» проявляется во всех этих главах: феодализм, еда пальцами и даже погода (которая «вела себя сама») освещена мягким светом сентиментальности, подобно тому, как многие американцы вспоминают мифические 1950-е годы. Конечно, Средневековье (и 1950-е годы) были не совсем такими, какими их изображают в литературе, но Уайта больше интересует согревание читательских сердец, чем предложение им реалистического взгляда на средневековую жизнь.
Охота на кабана, при всем ее волнении, является самым жестоким отрывком в романе и сильно контрастирует с весельем на пиру Эктора накануне вечером. Стоит отметить тот факт, что Твити, профессиональный охотник, скучает по своей профессии и чувствует себя в ловушке своей роли; сам того не осознавая, он очень похож на одного из муравьев в главе 13. Его желание охотиться на зайцев (которые, в отличие от кабанов, безвредны, но их трудно поймать) показывает его желание освободиться от своих королевских обязанностей.
Еще один контраст в сцене охоты возникает, когда Варт видит слезы на лице Твити после того, как находит Бомонта со сломанной спиной: «Он погладил Бомонта по голове и сказал: «Послушай Бомонта. Потише, Бомонт, mon amy. Ойез а Бомон Доблестный. Swef, le douce Beaumont, swef, swef.» Бомон лизнул руку, но не мог вилять хвостом. Говорить Твити по-французски и неумение Бомонта вилять хвостом вызывают у читателя чувство жалости; по иронии судьбы, вся жестокость охоты не так эффективна, как эта странная сцена. (Описание Уайтом убийства Робином Бомонта также сентиментально, потому что он не описан как убивший Бомонта, а вместо этого позволивший ему бежать на свободу с Орионом, мифическим охотником, прославившимся в созвездии.) Даже человек, столь привыкший к крови, как Твайти может раскрыть свою хрупкость в самые странные моменты.
В то время как читатель чувствует настоящую жалость к Твити и Бомонту, «жалость», вызванная Пеллинором и Ищущим Зверем, наполнена гораздо большим юмором. Болезнь Questing Beast является результатом того, что Пеллинор игнорировала ее, и бывший искатель говорит со своей старой добычей языком, более подходящим для старого любовника: «Я не собирался бросать тебя совсем!» и «Бедное создание. . . Оно зачахло, прямо зачахло только потому, что некому было проявить к нему интерес», — таковы две вспышки Пеллинора, когда он ласкает Чудовище. Серьезность предыдущей сцены подчеркивает комедийность этой, которая напоминает главу 7, где Варт стал свидетелем шаблонного поединка между Груммором и Пеллинором, здесь Ищущий Зверь расстроен тем, что Пеллинор отказался от формулы, по которой они вместе составляли команду. «Fewmets», Пеллинор всем сердцем возвращается к формуле охотника и охоты, которая когда-то придавала его жизни такой большой смысл. Он так же ностальгирует по своей старой игре «Охота на зверя», как Уайт по веселой Англии.0004
Глоссарий
сеялок сеялки.
папоротник-орляк крупный, грубый, сорный папоротник, встречающийся на лугах, в лесах и особенно на пустырях.
феодальная система экономическая, политическая и социальная система в средневековой Европе, при которой земля, обрабатываемая привязанными к ней крепостными, находилась во владении вассалов в обмен на военные и другие услуги, оказанные сюзеренам.
зверь охотничий зверь, преследуемый на охоте.
партизан член организованных гражданских формирований, ведущих тайные боевые действия по вытеснению оккупационных войск противника; здесь термин, используемый для описания Робина Вуда.
солнечная отдельная или верхняя камера.
стойки тонкие, вертикальные перегородки между фонарями окон, дверей и т.д.
День подарков первый будний день после Рождества, когда подарки или «коробки» дарят служащим, почтальонам и т.д.
медовуха алкогольный напиток из перебродившего меда и воды.
танцы морриса старинные народные танцы, ранее распространенные в Англии, особенно на Первомай, в которых носили причудливые костюмы, часто связанные с персонажами легенд о Робин Гуде.
херес мешковое или мальвазионное вино два вида сладкого вина.
«Ты знаешь Уильяма Твити?» «Вы узнаете Уильяма Твити?» говорят на диалекте северного английского языка.
хребтовая часть кусок мяса, содержащий часть позвоночника.
богатство куниц, стаи косуль, киты барсуков и стаи волков «богатства», «стаи», «киты» и «маршруты» — все это названия групп животных, с которыми они перечислены (как в «косяке рыб»).
Лорд Баден-Пауэлл Британский генерал (1857-1941), основатель организации бойскаутов и девушек-гайдов.
перевязь пояс, надеваемый через одно плечо и от груди до бедра, используемый для поддержки меча или рога.
фальшион средневековый меч с коротким, широким, слегка изогнутым клинком.
четыре длинных ноты морта песня, играемая на охотничьем рожке, возвещающая о смерти добычи.
Одежда — Red Dead Redemption 2 Wiki Guide
Red Dead Redemption 2 Wiki Guide
By Angie Harvey, Casey DeFreitas, Mudkip1430, +1,7k more
обновлено
реклама
Ниже приведен список предметов одежды, которые представляют собой полноценные наряды, которые вы можете получить у Ловца, предоставив необходимые части животных.
Cyberpunk 2077: Phantom Liberty — официальный тизер-трейлер Ночной город. Расширение Phantom Liberty для Cyberpunk 2077 выйдет на ПК, PS5, Xbox Series X|S и Stadia в 2023 году.
Сокровище нации: край истории, официальный трейлер
и находчивая мечтательница, которая отправляется в приключение всей своей жизни, чтобы раскрыть правду о загадочном прошлом своей семьи и спасти потерянное панамериканское сокровище. В актерский состав также входят Зури Рид, Антонио Сиприано, Джордан Родригес, Джейк Остин Уокер, Линдон Смит и Кэтрин Зета-Джонс. Приглашенные звезды Джастин Барта и Харви Кейтель вновь сыграют свои роли Райли Пул и Питера Садуски соответственно. Джерри Брукхаймер, Кормак и Марианна Вибберли, Джонатан Литтман и КристиЭнн Рид продюсируют сериал вместе с Риком Мюррагуи, который также является сценаристом. Джон Тертелтауб также является исполнительным продюсером. Мира Наир является режиссером и исполнительным продюсером. Сериал под брендом Disney производится компанией ABC Signature для Disney+.
Фокус-покус 2 — официальный тизер-трейлер
Посмотрите тизер-трейлер Фокус-покус 2. Прошло 29 лет с тех пор, как кто-то зажег Свечу черного пламени и воскресил сестер 17-го века, и они жаждут мести. Теперь трое старшеклассников должны помешать троице ведьм устроить новый хаос в Салеме до рассвета в канун Дня Всех Святых. Бетт Мидлер, Сара Джессика Паркер и Кэти Нэджими воссоединяются для долгожданного Disney Plus Original, Hocus Pocus 2. В сиквеле также снимаются Даг Джонс, Уитни Пик, Лилия Бэкингем, Белиса Эскобедо, Ханна Уоддингем, Тони Хейл, Сэм Ричардсон, Джуджу Бренер. , Фрой Гутьеррес, Тейлор Пейдж Хендерсон и Нина Китчен. Режиссер Энн Флетчер и сценарий Джен Д’Анджело. «Фокус-покус 2» дебютирует на Disney+ 30 сентября 2022 года.0004
Две возможности для активиста Starboard увеличить прибыль Huntsman
Monty Rakusen | Источник изображения | Getty Images
Компания: Huntsman Corp. (HUN)
Бизнес: Huntsman Corp. является мировым производителем дифференцированных органических химических продуктов. Компания работает в четырех сегментах: полиуретаны, продукты с высокими эксплуатационными характеристиками, передовые материалы и текстильные эффекты. Сегмент Performance Products производит амины и малеиновые ангидриды, включая этиленоксид, пропиленоксид, гликоли, этилендихлорид, каустическую соду, аммиак, водород, метиламины и акрилонитрил. Сегмент передовых материалов предлагает составы полимеров на основе эпоксидной смолы, акрила, полиуретана и акрилонитрила-бутадиена; высокоэффективные термореактивные смолы, отвердители и добавки для повышения ударной вязкости, а также добавки углеродных нанотрубок; и базовые жидкие и твердые смолы. Сегмент Textile Effects предлагает текстильные химикаты и красители. Продукция компании используется в различных областях, включая клеи, аэрокосмическую, автомобильную, строительную продукцию, потребительские товары длительного и кратковременного пользования, электронику, изоляцию, медицину, упаковку, покрытия и строительство, производство электроэнергии, переработку, синтетическое волокно, текстиль. химической и красильной промышленности.
Рыночная стоимость : 6,8 млрд долл. США (30,68 долл. США на акцию)
Связанные новости инвестиций
Активист: правый борт
Процент. Starboard является очень успешным инвестором-активистом и имеет обширный опыт операционной деятельности, помогая советам директоров и управленческим командам более эффективно управлять компаниями и повышать прибыль. Это их 103-я заявка на 13D. Из этих 103 заявок средний доход составил 33,9.4% против 13,26% для S&P 500. Их среднее время удержания 13D составляет 18 месяцев.
Что происходит?
Starboard приобрела 8,38% акций в инвестиционных целях.
За кулисами:
Компания Huntsman Corp. была основана Джоном М. Хантсманом, и в настоящее время ею управляет его сын Питер Р. Хантсман, который является председателем правления, президентом и генеральным директором. Эта компания находилась в состоянии стагнации с момента IPO в 2005 году. За это время компания купила и продала ряд различных активов, но цена ее акций, EBITDA и рост выручки существенно не изменились, а ее маржа не улучшилась. В то же время ее лучшие в своем классе конкуренты, Eastman Chemical Company и Celanese Corporation, добились гораздо более высокой маржи и генерирования свободного денежного потока, чем компания, благодаря чему они значительно превзошли Huntsman.
За последние три года (с учетом цикличности бизнеса) маржа Huntsman составляет примерно 14%, в то время как у Eastman и Celanese она находится на уровне от 20 до 20, что приводит к разрыву в марже примерно на 800 базисных пунктов. В то время как часть разрыва в марже можно объяснить относительным сочетанием товаров с более низкой маржой и химикатов с более высокой маржой, большая часть разрыва связана с проблемами затрат и недостаточной эффективностью. В последние годы Huntsman изменила свой портфель с более ориентированного на сырьевые товары на специализированный, что должно привести к более высокой марже. Однако, в отличие от Eastman, Huntsman не удалось значительно сократить расходы. Эти операционные проблемы привели к отставанию на рынке и более низким мультипликаторам EV/EBITDA: за последние три года Huntsman торгуется примерно в 6,5x EBITDA, а Eastman и Celanese торгуются между 8 и 9раз EBITDA.
Здесь есть две основные возможности. Первая возможность операционная – закрыть маржинальный разрыв, что должно привести к сокращению множественного разрыва. Это то, что Starboard имеет большой опыт работы на уровне правления. Частично это может быть достигнуто за счет продажи других товаров/недифференцированных активов. В 2019 году компания продала один из своих наиболее ориентированных на сырьевые товары бизнесов за 8-кратную EBITDA. Продажа других предприятий по аналогичным мультипликаторам приведет к немедленной стоимости относительно мультипликатора 6,5x, по которому компания торговала. Кроме того, это также приведет к увеличению соотношения товаров и специальных товаров в сторону более высокоприбыльных специализированных активов, что должно привести к переоценке оставшихся специализированных активов. Кроме того, маржа может быть значительно улучшена путем добавления директоров-акционеров, которые будут привлекать к ответственности руководство и внедрять более дисциплинированную культуру.
Другая возможность — продать компанию финансовому или стратегическому покупателю. За последние несколько лет в этом пространстве было много сделок. Буквально на этой неделе Kraton заключила соглашение о продаже компании DL Chemical за 8,5x EBITDA. В любом случае Starboard была бы очень полезна на уровне совета директоров, а компании такого типа могли бы очень пригодиться представитель акционеров в совете директоров.
Компания была основана семьей Хантсман более 50 лет назад. С тех пор их активы сократились до однозначных цифр. При поиске генерального директора независимым советом было бы крайне маловероятно, что выбранный генеральный директор случайно оказался сыном основателя. Более того, дружественный к акционерам совет никогда не назначит этого генерального директора председателем и президентом. Это не говорит о том, что здесь должна быть смена генерального директора, но это, безусловно, говорит о культуре компании и надзоре со стороны совета директоров. Назначение представителя Starboard в правление принесет большую пользу акционерам и должно произойти мирным путем.
Прошло полгода с момента, как я приобрел минивэн Peugeot Expert, КП-автомат, дизельный двигатель 2 л. Впечатления в основном положительные, о приобретении нисколько не жалею. Начну свой отзыв с положительных мом…
Прошло полгода с момента, как я приобрел минивэн Peugeot Expert, КП-автомат, дизельный двигатель 2 л. Впечатления в основном положительные, о приобретении нисколько не жалею. Начну свой отзыв с положительных мом…
Приобрёл авто Peugeot Expert третьего поколения с объёмом двигателя 2000 кубических см 7 месяцев назад. Под капотом – 150 л. с. Брал у официального дилера. Покупал авто с такой комплектацией: сигнализация, камер…
Приобрёл авто Peugeot Expert третьего поколения с объёмом двигателя 2000 кубических см 7 месяцев назад. Под капотом – 150 л. с. Брал у официального дилера. Покупал авто с такой комплектацией: сигнализация, камер…
Пежо Эксперт достался мне после супруга, который решил, что пришло время ему приобрести нечто более статусное. Я и ранее брала данный автомобиль отвезти детей в школу и на кружки, и он мне довольно-таки нравился…
Пежо Эксперт достался мне после супруга, который решил, что пришло время ему приобрести нечто более статусное. Я и ранее брала данный автомобиль отвезти детей в школу и на кружки, и он мне довольно-таки нравился…
Впечатления у меня от Пежо Эксперт двоякие. С одной стороны много плюсов, которых раньше я не мог найти в других автомобилях. С другой стороны, есть минусы, которых раньше я не наблюдал в других автомобилях. Наш…
Peugeot Expert — Пежо Эксперт — коротко о плюсах и минусах
Впечатления у меня от Пежо Эксперт двоякие. С одной стороны много плюсов, которых раньше я не мог найти в других автомобилях. С другой стороны, есть минусы, которых раньше я не наблюдал в других автомобилях. Наш…
Приветствую! В прошлом году приобрел автомобиль Пежо Эксперт. Уже накатал на ней 15 000 километров. Ездил в основном по городу, а также дважды из Питера в Нижний Новгород. Дальняя поездка пришлась на лето, когда…
Peugeot Expert — Впечатления об Эксперте спустя 15 000 километров
Приветствую! В прошлом году приобрел автомобиль Пежо Эксперт. Уже накатал на ней 15 000 километров. Ездил в основном по городу, а также дважды из Питера в Нижний Новгород. Дальняя поездка пришлась на лето, когда…
Прошло полгода с момента покупки моего Пыжика, решился оставить отзыв. Автомобиль покупал у официалов. Под капотом двухлитровый дизельный мотор на 150 лошадок, ручка автоматическая на шесть ступеней, есть парктр…
Peugeot Expert — Пыжик показал себя с лучшей стороны
Прошло полгода с момента покупки моего Пыжика, решился оставить отзыв. Автомобиль покупал у официалов. Под капотом двухлитровый дизельный мотор на 150 лошадок, ручка автоматическая на шесть ступеней, есть парктр…
Пежо Эксперт мне был нужен срочно, пробежал по дилерским салонам – нашел нужную комплектацию за лучшую цену, за день оформил, привел в гараж. Быстро и вроде выгодно! Что в активе: дизель 2 л в 150 л.с, передний…
Пежо Эксперт мне был нужен срочно, пробежал по дилерским салонам – нашел нужную комплектацию за лучшую цену, за день оформил, привел в гараж. Быстро и вроде выгодно! Что в активе: дизель 2 л в 150 л. с, передний…
2018-н.в • III Рестайлинг 3 3 AT • Mitsubishi Outlander
Автомобиль был куплен новым в мае 2019. Пробег за год почти 20к. По ходовым качествам, рулю и запасу мощности — нет вопросов! Аппарат — огонь! По электронным системам и помощникам — всё, что надо, есть. Ну или п…
2017-н. в • I 2.7 MT • Комфорт UAZ Профи
Профи автомобиль еще свежий и пока не дожил даже до первого рестайлинга если не считать этим двускатную ошиновку. Поэтому перед покупкой я собирал мнения о нем у владельцев. Теперь уже сам третий год на таком ра…
T5 Рестайлинг, 2009-2015 Volkswagen Multivan
Покупал свой VW Multivan, в АвтоСпецЦентр VW Внуково, обслуживаюсь в этом автосалоне с 2015 года, поменял за это время уже три машины, и все куплены в этом салоне. К сервисному обслуживанию нет никаких претенз…
2019-2022, I 1. 5 RT • Premium Haval F7x
Если у Вас остались сомнения по поводу покупки данного автомобиля, не бойтесь, а берите его и не пожалеете. Сам купил данный авто в августе 2020 г. Проехал уже 4 600 км и могу с уверенностью сказать, что машина…
2019-2022, I Haval F7
После 12 лет с Ниссан просто в шоке от сервисного обслуживания Хавейл, от службы клиентской поддержки. В сервисе не знают технические характеристики авто, не знают, где находится датчики — тыкают «на дурака» ку…
Подобрать Peugeot Expert по параметрам и цене на Autospot
С этой моделью смотрели
Скидки до 175 000 Р.
Преимущество до 1 622 760 Р.
Фургон Peugeot Expert – автомобиль для большой семьи
Те, кто уже успел опробовать плюсы и минусы Пежо, оценивают его как комфортный автомобиль с высокими ходовыми качествами. Это быстрое динамичное авто, которое разгоняется до сотни за 10 сек. Расход топлива составляет 6 л на 100 км в смешанном режиме. В отзывах о Peugeot Expert говорится о его высокой технологичности и безопасности во время езды.
Где найти ответы на самые актуальные вопросы о Пежо Эксперт?
Просмотрев отзывы о Пежо Эксперт, потенциальный покупатель может выяснить следующие моменты:
какой из узлов авто может дать сбой в процессе эксплуатации;
сколько стоит ремонт такой машины и легко ли найти детали;
как поведет себя автомобиль на пересеченной местности.
Узнать дополнительную информацию о Peugeot и оформить заказ со скидкой можно с помощью интернет-площадки Autospot.
Отзывы владельцев Peugeot Expert 2016 – н.в., III фургон на сайте Autospot.ru. Реальное мнение пользователей об авто с плюсами и минусами Пежо фургон, полезные отзывы с фото и оценками модели, а также описание двигателя, расходников и других характеристик. Рейтинг машины 4.7 — подсчитан на основе 7 отзывов. Читайте все отзывы об автомобилях на Autospot.
Отзывы владельцев Peugeot Expert VU
Отзывы владельцев Peugeot Expert VU
Главная
Каталог авто
Peugeot
Peugeot Expert VU
Поиск по каталогу
Тип кузова: Любой Седан Хэтчбек Универсал Кроссовер Внедорожник Компактвэн Минивэн Купе Кабриолет Родстер Пикап Фургон Автобус Микроавтобус Грузовик Самосвал Шасси ТягачДиапазон цен: Любой до 500 000 руб от 500 000 до 600 000 руб от 500 000 до 600 000 руб от 600 000 до 700 000 руб от 700 000 до 800 000 руб от 800 000 до 900 000 руб от 900 000 до 1 000 000 руб до 1 000 000 руб от 1 250 000 до 1 500 000 руб от 1 250 000 до 1 500 000 руб от 1 500 000 до 1 750 000 руб от 1 750 000 до 2 000 000 руб до 2 000 000 руб от 2 000 000 до 2 500 000 руб от 2 500 000 до 3 000 000 руб от 3 000 000 до 3 500 000 руб от 3 500 000 до 4 000 000 руб от 4 000 000 до 4 500 000 руб от 4 500 000 до 5 000 000 руб свыше 5 000 000 рубДлина: Любая До 3 метров 3 — 3,5 метра 3,5 — 4 метра 4 — 4,5 метра 4,5 — 5 метров 5 — 5,5 метра 5,5 — 6 метров Свыше 6 метровШирина (с зеркалами): Любая До 1,4 метра 1,4 — 1,5 метра 1,5 — 1,6 метра 1,6 — 1,7 метра 1,7 — 1,8 метра 1,8 — 1,9 метра 1,9 — 2 метра Свыше 2 метровВысота: Любая До 1,3 метра 1,3 — 1,4 метра 1,4 — 1,5 метра 1,5 — 1,6 метра 1,6 — 1,7 метра 1,7 — 1,8 метра 1,8 — 1,9 метра 1,9 — 2 метра Свыше 2 метровЧисло дверей: Любое 1 2 3 4 5Число мест: Любое 2 3 4 5 6 7 8 9 и большеОбъем багажника: Любой 100-200 литров 200-300 литров 300-400 литров 400-500 литров 500-1000 литров Свыше 1000 литровГарантия: Любая 1 год 2 года 3 года 4 года 5 летСтрана сборки: Любая Бельгия Бразилия Великобритания Германия Индия Иран Италия Испания Канада Китай Мексика Нидерланды Польша Россия Румыния Словакия США Таиланд Турция Украина Узбекистан Чехия Швеция Южная Корея ЮАР Япония
От официальных дилеров
Модели 2022 года
Исключить китайские авто
Поиск Все марки
Peugeot Expert VU — фото 1
Peugeot Expert VU — фото 2
Peugeot Expert VU — фото 3
Peugeot Expert VU — фото 4
Peugeot Expert VU — фото 5
Назад
Вперед
Показать предыдущие поколения Peugeot Expert VU
Другие поколения Peugeot Expert VU
Peugeot Expert VU II
Peugeot Expert VU II
Peugeot Expert VU II
Peugeot Expert VU II
Франция
Год: 2012
Обзор
Модификации
Одноклассники
Отзывы
Обои
Продажа
Технические характеристики Peugeot Expert VU
Цена
(январь 2022 г)
2 019 900 — 2 689 900 ₽
Мин. цена (январь 2022 г)
2 019 900 ₽
Макс. цена (январь 2022 г)
2 689 900 ₽
Модельный год
2016
Тип кузова
Фургон
Длина, мм
4609
Ширина, мм
1920
Высота, мм
1905
Количество дверей
5
Количество мест
2
Объем багажника, л
4600-6100
Экологич. класс
ЕВРО 5
Гарантия
3 года или 100 000 км
Страна сборки
Россия
Модификации Peugeot Expert VU
Peugeot Expert VU 1.
6 HDi MT
Цена (январь 2022 г)
2 019 900 ₽
Максимальная скорость, км/ч
145
Время разгона до 100 км/ч, сек
15.3
Двигатель
Дизельный с турбонаддувом
Рабочий объем, см3
1560
Мощность, л.с. / оборотах
90/4000
Момент, Н·м / оборотах
215/1500
Расход комби, л на 100 км
6.0
Тип коробки передач
Механическая, 5 передач
Привод
Передний
Показать все характеристики
Peugeot Expert VU 2.0 HDi MT
Цена (январь 2022 г)
2 119 900 ₽
Максимальная скорость, км/ч
185
Время разгона до 100 км/ч, сек
9. 5
Двигатель
Дизельный с турбонаддувом
Рабочий объем, см3
1997
Мощность, л.с. / оборотах
150/4000
Момент, Н·м / оборотах
370/2000
Расход комби, л на 100 км
5.9
Тип коробки передач
Механическая, 6 передач
Привод
Передний
Показать все характеристики
Peugeot Expert VU 2.0 HDi AT
Цена (январь 2022 г)
2 339 900 ₽
Максимальная скорость, км/ч
178
Время разгона до 100 км/ч, сек
9.5
Двигатель
Дизельный с турбонаддувом
Рабочий объем, см3
1997
Мощность, л. с. / оборотах
150/4000
Момент, Н·м / оборотах
370/2000
Расход комби, л на 100 км
6.2
Тип коробки передач
Автоматическая, 6 передач
Привод
Передний
Показать все характеристики
Peugeot Expert VU 2.0 HDi MT AWD
Цена (январь 2022 г)
2 589 900 ₽
Максимальная скорость, км/ч
170
Время разгона до 100 км/ч, сек
10.5
Двигатель
Дизельный c турбонаддувом
Рабочий объем, см3
1997
Мощность, л.с. / оборотах
150/4000
Момент, Н·м / оборотах
370/2000
Расход комби, л на 100 км
7. 7
Тип коробки передач
Механика, 6 передач
Привод
Полный
Показать все характеристики
Одноклассники Peugeot Expert VU по цене
Citroen Jumper Fourgon
Citroen Jumper Fourgon
Citroen Jumper Fourgon
Citroen Jumper Fourgon
От 1 959 000 ₽
До 2 409 000 ₽
Фургон
Франция
Год: 2014
FIAT Ducato Van
FIAT Ducato Van
FIAT Ducato Van
FIAT Ducato Van
От 1 919 000 ₽
До 2 060 000 ₽
Фургон
Россия
Год: 2014
Ford Transit Van
Ford Transit Van
Ford Transit Van
Ford Transit Van
От 1 901 000 ₽
До 2 461 000 ₽
Фургон
Россия
Год: 2015
Ford Transit Custom
Ford Transit Custom
Ford Transit Custom
Ford Transit Custom
От 1 974 000 ₽
До 2 231 000 ₽
Фургон
Россия
Год: 2018
Mercedes Sprinter Classic Van
Mercedes Sprinter Classic Van
Mercedes Sprinter Classic Van
Mercedes Sprinter Classic Van
От 1 831 000 ₽
До 2 068 000 ₽
Фургон
Россия
Год: 2018
Mercedes Vito Van
Mercedes Vito Van
Mercedes Vito Van
Mercedes Vito Van
От 2 099 000 ₽
До 3 016 000 ₽
Фургон
Германия
Год: 2014
Отзывы владельцев Peugeot Expert VU
Peugeot Expert VU, 2017 г
По итогам полугодичного владения Peugeot Expert VU хочу поделиться впечатлениями. Автомобиль приобретал у официального дилера в Москве. Двухлитровый дизель, полторы сотни лошадей, 6АКПП, все нужные подогревы, парктроники. Есть обогрев зеркал, сидений, зоны дворников на лобовом стекле. Управление автоматом посредством джойстика сначала неудобно, но привыкаешь очень быстро. Мощности двигателя Peugeot Expert VU хватает, чтобы на трассе не уступать большинству легковушек, а при необходимости перевозить до тонны груза.Сам разгонял до 170 км/ч, по отзывам едет до двухсот. За рулём никаких ощущений грузового автомобиля. Немного выдаёт посадка, но и к ней привыкаешь. Неплохая аудиосистема с синим зубом, 6 динамиков, 2 USB порта, AUX. Порадовала возможность регулировки ближнего света прямо за рулём. Раньше на своём Паджеро для этих целей я открывал капот, брал отвёртку минимум 23 см длиной и колдовал над фарой. Круиз контроль, лимитер скорости, управление магнитолой на «подрулевых» переключателях. Там же лепестки ручного режима коробки. На первый взгляд налеплено под рулём густо, но разобраться легко. В грузовой отсек доступ с боковой сдвижной двери или с задней распашной. И там и там легко загружается евро паллет. В мою машину помещается 2 паллета, есть версии на 3. Расход топлива в районе семи литров в смешанном режиме, очень достойно для машины массой 2 тонны без нагрузки. На сегодняшний день пройдено 22000 км, ни единого нарекания нет, доволен покупкой полностью.
Достоинства: отличный автомобиль. Надежный. Хорошо управляемый. Комфортный. Практичный. Удобный.
Недостатки: мелочи.
Дмитрий, Москва
Peugeot Expert VU, 2018 г
Хороший автомобиль, пока доволен. При таком пробеге к официалам ни разу не обращался. Машина без проблем. Летом Peugeot Expert VU расходует по городу умудряюсь на восьми литрах держать, это притом, что использую в такси в Питере. Да и на светофорах всегда ставлю АКПП в нейтральное положение. Задние колодки заменил на 70000 км. Передние колодки около 35000 км. ТО делаю сам. К официалам ездить, лишняя трата денег и времени.
Достоинства: надежность. Практичность. Комфорт.
Недостатки: пока никаких проблем.
Иван, Санкт-Петербург
Обои рабочего стола Peugeot Expert VU
Обои Peugeot Expert VU
Объявления о продаже Peugeot Expert VU
Объявления о продаже новых автомобилей
Объявления о продаже подержанных автомобилей
Обзор
Модификации
Одноклассники
Отзывы
Обои
Продажа
Peugeot Expert VU — обзор автомобиля
Peugeot Expert VU / Пежо Эксперт Фургон
Новое поколение коммерческих автомобилей Peugeot Expert VU сочетает ряд преимуществ, благодаря которым можно решить абсолютно все профессиональные задачи, связанные с транспортировкой грузов. Платформа EMP2, заложенная в основу этого фургона, позволила манипулировать с колесной базой и грузоподъемностью. Автомобиль предлагается покупателям в двух исполнениях базы колес 2925 и 3275 мм, а также трёх вариантах длины кузова: 4609, 4959 и 5309 мм. Это позволяет более рациональным образом решить вопрос с эффективностью перевозки тех или иных грузов, а также оптимизировать транспортные расходы. Для загрузки автомобиля предусмотрены задняя дверь и сдвижные боковые. Пол и боковины можно заказать в деревянной нескользящей отделке — это защитит кузов автомобиля изнутри и улучшит фиксацию грузов.
Линейка силовых агрегатов нового Peugeot Expert VU состоит из двух дизелей — 1.6 л на 90 сил, и 2.0 л на 150 сил. Первый вариант сопряжен с безальтернативной 5-скоростной ручной коробкой, для более мощного исполнения предусмотрена 6-диапазонная механика и автомат с таким же количеством передач. Дизайнерскому оформлению и вопросу комфорта инженеры Peugeot уделили больше всего внимания. Водительское место внутри Peugeot Expert VU имеет продуманную эргономику, а удобные сиденья в сочетании с настройками рулевого управления гарантируют удобство посадки. В списке опций и аксессуаров для нового Peugeot Expert VU имеются: подставка для смартфона и планшета с интегрированным кабелем, многочисленные помощники при вождении, система кондиционирования, музыка, подогрев сидений.
В безальтернативной базовой комплектации Peugeot Expert VU содержатся галогеновые фары с интегрированными ДХО, штампованные колесные диски R16, обогреваемые зеркала с функцией электрорегулировки, импульсные электростеклоподъемники, регулируемый по высоте и вылету руль, фронтальные подушки безопасности, индикация падения давления воздуха в шинах, ассистент экстренного торможения, система динамичеcкой стабилизации, ассистент плавного трогания вверх, таймер напоминания об усталости водителя. За доплату фургону полагаются аудиомагниитола или медиасистема (сенсорный дисплей 7 дюймов, Bluetooth, USB), задние и передние парковочные датчики, слежение за слепыми зонами, пакет расширенных регулировок водительского кресла (+ подогрев, поясничный упор, улучшенная обивка и подлокотник), система кондиционирования, автовключение стеклоочистителей и головного освещения, противотуманныe фары. В качестве профессионального оборудования также можно получить несколько вариантов перегородок салона, противоскользящее напольное покрытие из фанеры в разных вариациях, облицовку грузового отделения, левую сдвижную дверь сбоку. Для Peugeot Expert VU по умолчанию доступен пакет адаптации к холодным уcловиям, в который вошли догреватель дизельного двигателя, многослойное атермальное остекление, усиленная подвеска с увеличенным дорожным просветом, обогреваемые форсунки стеклоомывателей, заводская защита картера.
Обзор
Модификации
Одноклассники
Отзывы
Обои
Продажа
Все модели Peugeot
Сообщить об ошибке
Відгуки про авто Пежо Експерт вант.-пас. від автовласників на AutoMoto.ua
Загальний рейтинг на основі оцінок
Сортувати:
По даті По наповненості По рейтингу
04.02.2021
Peugeot Expert 2000
Пежо Експерт 1,9 простий дизель, чудовий надійний автомобіль. За 8 років експлуатації жодних серйозних проблем не мав, вчасна заміна розхідних матеріалів, хорошого масла гарантують безпроблемну експлу…
Знайдено на auto.ria.com
Читати весь відгук
21.12.2020
Peugeot Expert 2000
Особенностей особых нет. Удобный, практичный. Проблемы с тросами кулисы КПП, трос сцепления, трос газа, синхрон 3-й скорости /у меня/. В целом машину брал для работы, но в связи с пандемией ни чего не…
Знайдено на auto.ria.com
Читати весь відгук
29.10.2018
Peugeot Expert 2018
По итогам полугодичного владения Пыжиком хочу поделиться впечатлениями. Автомобиль приобретал у официального дилера в Москве. Двухлитровый дизель, полторы сотни лошадей, 6АКПП, все нужные подогревы, п…
Знайдено на infocar.ua
Читати весь відгук
16.02.2017
Peugeot Expert 2004
Машина не погана, багато місця, на дальні дистанції при скорості 100 іхати приємно, посадка висока все видно. Проіхав за 5-років 85.000т., по нашим дорогах, експлуатація в основном Киів-Черкаська обл….
Знайдено на infocar.ua
Читати весь відгук
19.03.2016
Peugeot Expert 2005
Машинка хороша, не ламається. За півтора року що вона в мене пройшла 46 000 км. міняв тільки розхідникипо мотору. По ходавій сьогодні поміняв салінблоки задньої балки. Мотор стоїть 2.0 HDI 69 кВт. Роз…
Знайдено на infocar.ua
Читати весь відгук
18.02.2021
Peugeot Expert 2017
Купил последний ввезенный Пежо-автомат в Россию из Франции. Целевым образом искал и покупал под объемы своего груза. Увидел такой у поляка на базаре. Продавал только по одной причине. Мой немецкий изг…
Знайдено на auto.ru
Читати весь відгук
Дивіться також каталоги
Б/У авто Peugeot Expert
(255+)
31. 12.2018
Peugeot Expert 2017
Владею машиной ровно год, доволен очень, отличная подвеска глотает все неровности, отличная динамика и это для небольшого обьема двигателя 1,6, машина груза не чувствует едет также, тормозит также, то…
Знайдено на auto.ru
Читати весь відгук
05.03.2017
Peugeot Expert 2013
PEUGEOT EXPERT TEEPE 1.6 2013 г. купил фактически новый. Пробег был реальный 5500 км. Машинка собрана во Франции,алжирскими руками и разработанная французкими и похоже немецкими инженерами. Простая в …
Знайдено на auto.ru
Читати весь відгук
03. 04.2016
Peugeot Expert 2014
Покупал в салоне в Петербурге. Понравился дизайн. До этого был фиат скудо 14 лет простой ремонтно пригодный автомобиль Концерн что фиат скудо, пежо эксперт и ситроен джампи одно и тоже только эмблемы …
Знайдено на auto.mail.ru
Читати весь відгук
10.06.2014
Peugeot Expert 2014
В начале июня 2014 купил Peugeot Expert дизель 2,0 автомат 6 ступеней + типтроник, велюровый салон. 8 мест, тонировка заводская, камера заднего вида, мультимедиа с навигацией. Пока нормально. 4 двери….
Знайдено на auto.mail.ru
Читати весь відгук
Відгуки по марках
ВАЗ (20 025)
Toyota (18 376)
Nissan (17 599)
Ford (17 566)
Hyundai (16 877)
Kia (16 264)
Volkswagen (16 138)
Chevrolet (14 933)
Renault (14 750)
Opel (12 758)
Mitsubishi (12 371)
Skoda (9 424)
Honda (8 889)
Mazda (8 803)
Audi (8 533)
Daewoo (7 965)
Peugeot (7 888)
BMW (7 758)
Mercedes-Benz (6 367)
Citroen (5 412)
Suzuki (4 929)
Volvo (4 860)
УАЗ (4 680)
Subaru (4 578)
Chery (4 101)
Fiat (3 644)
ГАЗ (3 100)
SsangYong (2 667)
Land Rover (2 514)
Lexus (2 488)
ЗАЗ (2 407)
Geely (1 985)
Dodge (1 940)
Lifan (1 858)
Jeep (1 704)
Infiniti (1 509)
Great Wall (1 312)
Chrysler (1 234)
SEAT (1 224)
Cadillac (900)
Saab (838)
Alfa Romeo (754)
Jaguar (691)
Porsche (668)
Dacia (646)
Lada (626)
Acura (621)
Москвич / АЗЛК (610)
BYD (543)
Rover (515)
Yamaha (474)
Daihatsu (430)
ИЖ (429)
FAW (398)
MINI (338)
Isuzu (325)
Pontiac (318)
Smart (300)
Kawasaki (294)
Hummer (239)
Lancia (232)
JAC (222)
Ravon (209)
Haval (204)
Iran Khodro (184)
Lincoln (179)
Iveco (152)
Богдан (149)
Viper (148)
MG (133)
Hafei (116)
ЗИЛ (106)
GMC (104)
Saturn (94)
Dadi (89)
Bentley (80)
Tesla (79)
ЛуАЗ (71)
Scion (67)
Mercury (66)
KTM (65)
Lamborghini (64)
Maserati (64)
MAN (62)
Buick (60)
Harley-Davidson (57)
Plymouth (55)
ZX (51)
Aprilia (45)
Ducati (44)
TATA (43)
Chana (40)
Daf (40)
Ferrari (38)
Aston Martin (37)
Foton (34)
Samsung (34)
Brilliance (32)
Rolls-Royce (32)
Baw (31)
Samand (30)
Zotye (30)
ВИС (26)
Triumph (25)
Proton (24)
BRP (21)
Oldsmobile (21)
Maybach (19)
Shineray (18)
SMA (18)
Bugatti (17)
ПАЗ (16)
Aro (12)
Asia (12)
Kymco (12)
JCB (11)
Gilera (10)
Wartburg (10)
AC (10)
Changhe (9)
Dongfeng (9)
Eagle (9)
Groz (9)
Landwind (9)
SouEast (9)
Piaggio (8)
Shuanghuan (8)
SAIPA (8)
Lotus (7)
FUQI (6)
Talbot (6)
McLaren (6)
Caterpillar (5)
Huanghai (5)
Polaris (5)
Victory (5)
Cf moto (4)
Husqvarna (4)
Barkas (3)
Cectek (3)
Changan (3)
ЗИМ (3)
ATV (3)
Aixam (2)
Case (2)
Howo (2)
Indian (2)
Manitou (2)
Massey Ferguson (2)
MV agusta (2)
TGB (2)
YIBEN (2)
Булат (2)
Fisker (2)
Benelli (1)
Beta (1)
Buell (1)
Derbi (1)
John Deere (1)
Trabant (1)
Vespa (1)
Adler (1)
ДТЗ (1)
DW (1)
Datsun (277)
КамАЗ (123)
Genesis (105)
Stels (102)
МАЗ (74)
Irbis (62)
СеАЗ (61)
Jawa (ЯВА) (53)
Sym (49)
Geon (45)
Урал (43)
Racer (37)
Bajaj (35)
Derways (34)
LDV (33)
Haima (33)
Kayo (29)
Восход (29)
Gac (29)
Москвич/АЗЛК (26)
Zongshen (25)
Luxgen (25)
Scania (24)
ЗиД (24)
Alpha (23)
Hyosung (21)
Tianma (19)
ABM (19)
Keeway (17)
Loncin (16)
Днепр (КМЗ) (16)
JMC (15)
Haobon (15)
Freightliner (14)
Musstang (14)
ТагАЗ (14)
Delta (13)
Speed Gear (11)
КрАЗ (11)
Минск (11)
Patron (11)
Skymoto (10)
Hors (9)
Mahindra (9)
Alfamoto (8)
Alpina (8)
Jawa (8)
БАЗ (8)
Кремень (8)
РУТА (8)
DS (8)
Falcon (7)
Segway (7)
МТЗ (7)
Рига (7)
Kogel (6)
Storm (6)
Tatra (6)
Крым (6)
Тонар (6)
ЮМЗ (6)
ЯВА (6)
Defiant (5)
Minidiger (5)
Peda (4)
Schmitz (4)
Semeato (4)
Spark (4)
Youyi (4)
Карпаты (4)
Львовский погрузчик (4)
РАФ (4)
УГБ (4)
Bashan (4)
Hamer (4)
Hobby (4)
Ikarus (4)
Arctic cat (3)
Kanuni (3)
Krone (3)
Qingqi (3)
Soul (3)
Yanmar (3)
Zhong (3)
КАВЗ (3)
ПБУ (3)
ТМЗ (3)
ХТЗ (3)
УРБ (3)
Schmitz Cargobull (3)
Forte (3)
Kinlon (3)
Jetour (3)
МЗСА (3)
Access (2)
Claas (2)
G-max (2)
Gas gas (2)
Hino (2)
Kinroad (2)
Knaus (2)
Liebherr (2)
MotoJet (2)
Sabur (2)
TVR (2)
ВТЗ (2)
ЛАЗ (2)
ЛиАЗ (2)
Прогресс (2)
ТВЭКС (2)
Jialing (2)
Abarth (2)
ГалАЗ (2)
Ventus (2)
Авто-Стен (2)
GAMAX (2)
Kolibri (Колибри) (2)
Voge (2)
Argo (1)
Austin (1)
Avia (1)
Balkancar (1)
Bark (1)
Bayliner (1)
Bomag (1)
BRIG (1)
Cagiva (1)
Cpi (1)
Cz (1)
Dethleffs (1)
Dynapac (1)
East Dragon (1)
Eriskay (1)
Flipper (1)
Fruehauf (1)
Geringhoff (1)
Goldhofer (1)
Hamm (1)
Ifor Williams (1)
International (1)
Iseki (1)
Kenworth (1)
Komatsu (1)
Kubota (1)
Leader (1)
Lml (1)
Malaguti (1)
Moto guzzi (1)
Neoplan (1)
Peterbilt (1)
Sachs (1)
Sea Ray (1)
Shawoom (1)
Simson (1)
TAM (1)
Thunder (1)
Tiger (1)
UMS (1)
Venta (1)
Wellboat (1)
Yamasaki (1)
YUTONG (1)
Амур (1)
Белаз (1)
БКМ (1)
БОРЭКС (1)
КЗАП (1)
Нева (1)
Романтика (1)
Скиф (1)
Т (1)
Тайга (1)
Флинт (1)
Южанка (1)
XiaGong (1)
ЗМ (1)
Hammer (1)
Can-am (1)
Fantic (1)
King Long (1)
Leopard (1)
SEM (1)
Сигма (1)
Geo (1)
ПТС (1)
Красная звезда (1)
ПГ (1)
Самодельный (1)
ТЗ/TZ (1)
Автобот (1)
Лев (1)
АМС (1)
Stalowa Wola (1)
Changfeng (1)
Ackermann-Fruehauf (1)
Kaeser (1)
СТРОЙДОРМАШ (1)
Shacman (1)
BMW-Alpina (1)
Fiat-Abarth (1)
Hindustan (1)
Ретро автомобили (1)
Aie motor (1)
Corsa (1)
ИМЗ (Урал*) (1)
Inter Cars (1)
Witteveen (1)
Bunker (1)
Агромашресурс (1)
PS Design & Norman Yacht (1)
Синтай (XINGTAI) (1)
ХЗТСШ (1)
Ram (1)
Показати ще
Згорнути
Відгуки по моделях Peugeot
1007
13
106
21
107
266
2008
118
205
11
206
790
206 СС
4
207
362
208
101
208 GTI
1
208 Hatchback (5d)
5
3008
405
301
197
305
16
306
59
307
885
308
1 268
308 SW
42
309
40
4007
154
4008
49
405
107
406
449
407
502
408
446
5008
92
508
181
508 RXH
7
605
138
607
140
806
21
807
32
Bipper
13
Bipper груз.
10
Bipper пасс.
12
Boxer груз.
199
Boxer пасс.
2
Boxer шасси
35
Expert груз.
9
Expert пасс.
40
J5 груз.
1
J9 пасс.
1
Partner
304
Partner груз.
33
Partner пасс.
100
RCZ
16
Rifter
1
Satelis
3
Traveller
48
Vivacity
2
Придбати авто Peugeot
1007
11
106
12
107
101
2008
93
205
11
206
287
206 СС
4
207
278
207 SW
45
208
120
208 GTI
1
208 Hatchback (5d)
2
3008
416
301
184
306
24
307
385
308
716
309
24
4007
49
4008
4
405
131
406
76
407
304
5008
317
508
273
508 RXH
9
605
115
607
86
806
10
807
53
Bipper
14
Bipper груз.
11
Bipper пасс.
24
Boxer
89
Boxer груз.
102
Boxer груз.-пасс.
4
Boxer пасс.
26
Boxer шасси
3
Buxy
1
e-2008
11
Elyseo
1
Expert
96
Expert груз.
33
Expert груз.-пасс.
8
Expert пасс.
120
G 5 груз.
1
iOn
20
J9 пасс.
1
Jet Force
1
Pars
2
Partner
238
Partner груз.
67
Partner пасс.
191
RCZ
12
Rifter
9
Speedake
1
Speedfight
2
Traveller
8
V-Clic
1
Другая
33
Марки авто по країнам
Cadillac
256
Chevrolet
5 453
Chrysler
655
Dodge
1 452
Ford
12 012
Jeep
2 201
Lincoln
333
Tesla
595
Jaguar
426
Land Rover
1 436
MINI
578
Alfa Romeo
218
Fiat
2 452
Chery
1 686
Geely
1 058
Great Wall
178
Daewoo
5 612
Hyundai
8 070
Kia
5 421
SsangYong
542
Audi
9 716
BMW
11 444
Mercedes-Benz
11 577
Opel
10 484
Porsche
846
Smart
527
Volkswagen
23 380
ВАЗ
15 269
ГАЗ
1 847
ЗАЗ
3 569
ИЖ
301
УАЗ
476
Москвич / АЗЛК
590
Lada
151
Citroen
3 159
Peugeot
5 326
Renault
11 974
Acura
490
Honda
3 637
Infiniti
1 252
Lexus
2 805
Mazda
5 722
Mitsubishi
5 444
Nissan
8 035
Subaru
2 005
Suzuki
1 014
Toyota
9 545
Dacia
1 432
SEAT
1 144
Skoda
9 742
Volvo
1 899
Ravon
63
Для додавання/перегляду оголошення введіть
номер телефону
Для входу/реєстрації введіть номер телефону
Ви дійсно хочете вийти з особистого кабінету «Мої оголошення»?
Пежо Эксперт, отзывы владельцев об автомобиле Peugeot Expert, обзор, технические характеристики и комплектации
Выбор марки авто . ..OpelBMWRenaultToyotaFordVolkswagenMazdaChevroletГод выпуска …201420132012201120102009200820072006200520042003200220012000
МАРКИ АВТО
Безопасность
Надёжность
Внешний вид
Динамика
Комфорт
Экономичность
Средняя оценка 3.8
Марка: Peugeot
Модель: Expert
Объем двигателя: 2,0
КПП: механика
Кузов: фургон
Система питания: распределенный впрыск
Привод: передний
Руль: левый
Положительный отзыв
2017-05-05
Егор (Мытищи ), о Peugeot Expert (Пежо Эксперт)
Автор: Егор
4328 0
общий рейтинг
Объем двигателя: Год выпуска: 2004
К сожалению, на сайте почти нет отзывов по этим машинам, а те, что есть, недостаточно информативны. Оговорюсь…
Отрицательный отзыв
2016-11-27
Иван (Псков ), о Peugeot Expert (Пежо Эксперт)
Автор: Иван
5250 0
общий рейтинг
Объем двигателя: 2.0 Год выпуска: 2000
Внешне автомомбиль понравился сразу: внешность микроавтобуса, посадка такая же, много карманов и полка над…
Положительный отзыв
2014-03-12
Геннадий (Калининград), о Peugeot Expert (Пежо Эксперт)
Автор: Геннадий 4794 0
общий рейтинг
Объем двигателя: Год выпуска: 2000
Всем доброго времени суток. Спустя три года эксплуатации хочу поделиться изысками ремонта. ВЫХЛОПНАЯ…
2013-12-24
Павел (Ачинск ), о Peugeot Expert (Пежо Эксперт)
Автор: Павел
2980 0
общий рейтинг
Объем двигателя: Год выпуска: 2004
Всем привет! Ямы в славном городе Станиславове подлатали, пора перебирать ходовую. На удивление, отделались…
2013-11-19
Даниил (Артём ), о Peugeot Expert (Пежо Эксперт)
Автор: Даниил
3476 0
общий рейтинг
Объем двигателя: Год выпуска: 2006
Хочу поделиться опытом приобретения, переделки и эксплуатации. В автомире я новичок, хотя и доводилось…
Отрицательный отзыв
2013-09-22
Рустам (Киров ), о Peugeot Expert (Пежо Эксперт)
Автор: Рустам
3624 0
общий рейтинг
Объем двигателя: Год выпуска: 2004
Пошёл четвёртый год пребывания в семье нашего скромного трудяги. Сколько всего перевезено, переезжено и…
Сортировать по: По году выпуска19751976197719791981198519882010Типу отзываПозитивныйНегативныйВопросыПоломки/ремонтСоветыТО / доработкиПо модификацииВ разработке
Безопасность
Надёжность
Внешний вид
Динамика
Комфорт
Экономичность
Средняя оценка 3. 8
Новости о PeugeotВсе новости о PeugeotКонкуренты Peugeot Expert (Пежо Эксперт)Истории пользователей
Peugeot Expert Tepee: минивэн с характером
Легкий коммерческий транспорт пользуется спросом у российского потребителя как для бизнеса, так и для повседневных дел. Среди аналогов Peugeot Expert Tepee выделялся благородной внешностью, простотой в эксплуатации, широкими возможностями трансформации и конкурентными ценами.
НОВАЯ ИНТЕРПРЕТАЦИЯ ФУРГОНА
Peugeot Expert с приставкой Tepee (в переводе с английского «вигвам») появился в 2007 году одновременно со II генерацией своего грузового собрата. Переднеприводный 5-дверный однообъемник сразу привлек внимание авторитетным обликом, многофункциональностью и утилитарностью. Его по достоинству оценили поклонники многоцелевых универсалов и любители активного образа жизни. Однако на отечественный рынок новинка попала только в 2014.
СОЛИДНЫЕ РАЗМЕРЫ
Изначально Пежо Эксперт Типии производился в 2 версиях. В первой габариты составляли 4805×1895×1942 мм. Во второй модификации длина увеличивалась до 5135 мм, ширина — до 1958 мм и высота — до 2276 мм. Величина колесной базы выросла с 3000 до 3122 мм. Клиренс по европейским меркам немалый — 194 мм. Число мест колебалось от 6 до 9. При снаряженной массе в 1754 кг грузоподъемность превышала 1 тонну.
ВЫРАЗИТЕЛЬНЫЙ ДИЗАЙН
Модели PSA всегда отличали французский шик и неповторимый стиль. Яркий представитель М-класса — не исключение. Обтекаемый корпус выдавал превосходные аэродинамические свойства. Рельефный капот, обрамленный крупными фарами и украшенный фирменным «львом», уравновешивался узкой радиаторной решеткой.
ПРАКТИЧНОСТЬ И КОМФОРТ
Запоминающийся интерьер — дело рук профессионалов известного итальянского автоателье Pininfarina. Благодаря большой площади остекления, прекрасной вместительности и отличной шумоизоляции салон выглядел более просторным и комфортным. Эргономически верное размещение приборов давало возможность водителю не отвлекаться от дороги, а оптимальный наклон тела достигался за счет регулировок руля. Удобная посадка максимально приближена к легковой, а с задних мест с эффектом амфитеатра можно любоваться открывающимся пейзажем. Доступ для пассажиров облегчали боковые сдвижные двери «easy entry». В дальней части авто находилась розетка на 12 вольт.
ЧУДЕСА ТРАНСФОРМАЦИИ
Задние кресла легко складывались или снимались вместе или раздельно по мере необходимости. Объем багажного отсека варьировался от скромных 553 до 6000 литров, что допускало перевозить даже крупногабаритные предметы. А ручная кладь помещалась в многочисленные карманы и отделения. В сложенном состоянии спинки средних кресел образовывали столик с подстаканниками.
ТЕХНИЧЕСКИЕ ХАРАКТЕРИСТИКИ
Нововведением стала пневматическая подвеска. Дорожный просвет изменялся в диапазоне до 5 см, например, для въезда в гараж. Из внушительной линейки двигателей, соответствующих стандартам Euro 4, покупатель выбирал между 2-литровым бензиновым агрегатом (140 л. с.) и дизелями 1,6 и 2,0 литра и мощностью от 98 до 136 «лошадей». Последние оснащены сажевым фильтром (FAP) для уменьшения выбросов вредных веществ. Моторы агрегатировались с 5- или 6-ступенчатой «механикой». В штатное оборудование также входили дисковые тормоза и диски R16.
УВЕРЕННОЕ ВОЖДЕНИЕ
Здоровье людей при аварии надежно оберегали подушки безопасности: фронтальные, боковые и коленные. В процессе езды водителю помогали АБС (антиблокировочная система), широкоэкранный навигатор, круиз-контроль, датчики света и дождя и противотуманки. Парктроники устанавливались опционально.
КОМПЛЕКТАЦИИ
Минивэн поступил в продажу в 3 вариантах: начальный Confort, практичный Loisirs и люксовый Premium. Помимо различий во внутреннем оформлении и цветовой гамме, автомобиль мог располагать такими опциями как климат-контроль, подогрев сидений и электрозеркал.
РЕСТАЙЛИНГ
В 2013 Peugeot Expert пережил небольшой фейслифтинг: приобрел более строгий и серьезный вид и обзавелся обширной радиаторной решеткой в цвет бампера. Доработка двигателей повысила их производительность и экономичность. К моторам добавился турбированный HDi 163 Tiptronic с функцией впрыска горючего Common Rail.
ОБНОВЛЕНИЕ
В конце 2016-го компания представила следующее поколение Пежо Эксперт Типии. Сбалансированные пропорции и мягкие линии дополнили имидж мощного представительного компактвэна. Смелые дизайнерские формы сочетались с элегантной головной оптикой, хромированной решеткой радиатора и оригинальными выштамповками.
ГЛАВНОЕ В МЕЛОЧАХ
Внутри специалисты Peugeot постарались создать особую атмосферу уюта. В середине центральной консоли помещен 7-дюймовый экран с сенсорным манипулированием аудио- и мультимедиасистемой, Bluetooth и GPS. Анатомически выверенная структура сидений с поддержкой обеспечивала правильное положение человека. Конструкция салона позволяла легко менять расположение элементов, складывая в разных направления или снимая кресла, отдельно или совместно.
ТЕХНОЛОГИЧНЫЙ ПОДХОД
Использование инновационной модульной платформы EMP2 сделало Peugeot легче, управляемее и эффективнее. Среди силовых агрегатов выделялись продуктивные дизели 90 и 120 л.с. в паре с 6-диапазонной механической трансмиссией. Инженерам удалось добиться снижения расхода топлива и минимального количества отработанных газов.
НАДЕЖНОСТЬ
Усиленный каркас со встроенными жесткими балками поглощал энергию волны во время столкновения и сохранял целостность машины. В базовой вариации предусмотрены 2 передние подушки безопасности. Дополнительно внутри установлены шторки для защиты туловища и головы. Также на ограждение от травматизма работали фиксаторы сидений, складывающаяся при ударе рулевая колонка и съемные педали, которые при ДТП не повреждали ноги.
ПОМОЩЬ В ПУТИ
Современные электронные устройства значительно снижали аварийные риски. При торможении на скользкой поверхности антиблокировочная система (ABS) корректировала траекторию движения, а AFU контролировала распределение тормозных усилий между колесами. При приближении к другому транспортному средству или препятствию датчики парковки оповещали об опасности звуковым сигналом.
ДОСТОЙНАЯ ЗАМЕНА
На сегодняшний день все поступления Тepee распроданы, зато у официальных дилеров появилась достойная альтернатива. 2017 год для концерна ознаменовался принципиально иными тенденциями в автомобилестроении. Жесткие требования к безупречному дизайну, повышенному комфорту, экологичности, прочности и насыщенности современными устройствами воплотились в преемнике Peugeot Expert Tepee — новом Peugeot Traveller.
отзывы владельцев. Технические характеристики Peugeot Expert
Peugeot Expert – это достаточно вместительный маневренный фургон, разработанный известным французским автопроизводителем в 1994-м году. По состоянию на сегодняшний день дорогами всего мира колесит уже 4-е поколение этих машин, последнее было представлено публике в 2020-м году.
До этого все рекорды по количеству продаж побили машины 3-го поколения, которые выпускались с 2016-го года. Отличительная их особенность – модульный кузов, который был доступен в 9-ти различных модификациях.
Наибольшим спросом пользовались варианты Pro и Standard, которые оказались неимоверно удобными при использовании их в городских условиях. Еще один плюс – оптимальная для выполнения погрузки/выгрузки высота салона в 1,6 метра, а также наличие двух дверей – боковой сдвижной и распашной задней. При необходимости еще большего увеличения свободного пространства конструкторы предусмотрели возможность поднятия боковых сидений.
Модификации Эксперта
Подытожим
Авто получилось гиперпопулярным и востребованным, оно выгодно выделяется на фоне многих одноклассников. О том, что представляет собой «Пежо Эксперт», каковы технические характеристики последней генерации данной модели, пойдет речь в нашем сегодняшнем разговоре.
Модификации
Минивэн выпускается в двух основных модификациях: грузовой, с просторным товарным отсеком, и грузопассажирский, с комфортабельным восьмиместным салоном. В 2004 году автомобиль прошел рестайлинг. Модернизация коснулась кузова машины в передней части. Радиаторная решетка стала более крупной, общий дизайн переда отразил характерные очертания лицевой части фургона Boxer — мощного представителя многоместных пассажирских и грузовых автомобилей из семейства «Пежо». Конструкция «Пежо-Эксперт» осталась без изменений, поскольку за более чем десятилетний период эксплуатации в самых разных условиях его технические характеристики никаких нареканий не вызывали. После модернизации модель насчитывала до 15 вариантов различной комплектации и оснащенности, при этом колесная база (2824 мм) не менялась. Основные габаритные размеры «Пежо-Эксперт» (длина 5135, ширина 1895, высота 1942) могли меняться в зависимости от модификации. Также изменения не исключались при разработке новых узлов для ходовой части, но существенных перемен в конструкцию автомобиля они не вносили.
Общее описание автомобиля «Пежо Эксперт». Грузовой объем
Как уже говорилось выше, самый новый Expert, который представлен на современном рынке – это четвертое поколение 2019-2020-го года. Благодаря новой платформе и продуманной обтекаемой форме кузова в машине оптимально сочетаются отличная маневренность, компактность и потрясающий внутренний простор для комфортного размещения груза.
Обновленная модификация автомобиля доступна в 3-х вариантах комплектации, рознящихся между собой размерами и техническими характеристиками. Если говорить конкретно о габаритах модели, важно отметить, что ТС последней генерации выпускаются в трех разновидностях колесной базы с соответствующими габаритными показателями:
Версия L1h2 отличается длиной в 4,6 метра, шириной 2 метра и высотой 1,95 метра. Колесная база составляет 2,9 м. Вместительность грузового отсека варьируется в пределах 4,6-5,2 кубометра.
L1h2 – это версия с длиной кузова в 4,95 метра, шириной в 2 метра, высотой в 1,88 метра. Колесная база равна 3,27 метра, емкость багажника – 5,3-5,8 кубометра.
L3h2 в длину достигает 5,3 метра, ширина идентична предыдущим вариантам и составляет 2 метра, высота чуть больше – 1,87 метра. Колесная база соответствует отметке в 3,27 метра, а вот грузовой отсек приятно удивляет своей вместительностью, которая варьируется в пределах 6,1-6,6 кубометра.
Неоспоримое преимущество новой модификации популярной модели состоит в оптимальном соотношении компактности и вместительности багажного отделения, благодаря чему достигнута отличная маневренность, обеспечивающая возможность транспортировки малотоннажного груза в городских условиях. Что касается дорожного просвета, то у всех авто 2019-2020-го г.в. он составляет 175 мм. Учитывая назначение машины, этого вполне достаточно: такой клиренс позволяет транспортному средству развивать приличную скорость движения и при этом уверено чувствовать себя на дороге, демонстрировать должную степень устойчивости во время преодоления препятствий и неровностей на трассе даже в загруженном состоянии.
Двигатель
В 2004 году многовариантность силовой установки автомобиля была несколько упрощена, основным двигателем для машины стал экономичный, с хорошими экологическими показателями, дизельный мотор 2. 0HDi объемом 2.0 литра. На грузовые фургоны «Пежо-Эксперт» (отзывы владельцев к этому располагали) устанавливались двигатели мощностью 94 л. с., а грузопассажирский вариант получил силовую установку мощностью 109 л. с., которая позволяла автомобилю развивать скорость 165 км/час. Расход горючего в городском режиме составлял 8 литров на 100 км. Позднее на машину также устанавливался бензиновый двухлитровый двигатель мощностью 136 л. с. Новый двигатель «Пежо-Эксперт», благодаря своей приемистости и совершенной системе газораспределения, позволил увеличить скорость до 175 км/час, а расход бензина уже составил 12 литров на 100 км по городу. Все эти данные соответствуют движению автомобиля с полной загрузкой в 800 кг, которая включает в себя восемь пассажиров, в том числе водителя, а также багаж.
Область применения
Peugeot Expert не зря называют лучшей машиной для представителей малого и среднего бизнеса – она действительно отлично зарекомендовала себя во время применения в коммерческих целях. Вместительна, экономична, с хорошей грузоподъемностью, модель широко используется для доставки товара в городской черте, для транспортировки на разные расстояния всевозможного оборудования и инструментов.
Важно
Такое авто будет незаменимо в службе грузового такси, в магазине стройматериалов, в компании коммунальной сферы, в сети кофеен, ресторанов, а также во многих других отраслях человеческой жизни.
Владельцы уже успели по достоинству оценить такие преимущества «Эксперт», как небольшой расход топлива, комфорт и безопасность движения, улучшенная система навигации с сенсорным дисплеем, благодаря которой становится возможным оперативный поиск точки назначения и оптимальное построение маршрута к ней.
Отдельного внимания заслуживает тот факт, что полная масса этого автомобиля составляет 2495 кг. Это значит, что фургон «Пежо Эксперт» может ездить дорогами, которыми запрещено перемещение более тяжелого транспорта. Касается это, в первую очередь, центра российской столицы.
Имея в своем распоряжении эту машину, можно беспрепятственно передвигаться по центру Москвы, что особенно актуально для предпринимателей, чьи магазины, кафе и прочие объекты находятся в самом сердце города.
Грузовой вариант
Грузовой вариант минивэна отличается рациональным размещением внутрикузовных элементов, двойное пассажирское сиденье справа от водителя эргономично, его форма рассчитана на длительные поездки. Сплошная решетчатая перегородка, отделяющая водительскую зону от грузового отсека, обеспечивает хороший обзор и предотвращает заваливание грузов на спинки водительского и пассажирских сидений. Задние распашные двери кузова имеют разную ширину, что создает дополнительные удобства при загрузке. В пол грузового отсека, вплотную к задней кромке, вмонтирована лестница-трап, которая выдвигается при необходимости погрузки тяжелых габаритных ящиков и контейнеров. Такие грузы вкатываются в машину по трапу на тележках. Для этой же цели предусмотрен буксирный трос с крюком на конце, соединенный с ручной лебедкой.
Подытожим
По мнению автовладельцев, «Пежо Эксперт», цена которого ниже, чем у многих «одноклассников», демонстрирует поразительную динамику, особенно во время езды в несильно загруженном состоянии. Что касается комфорта водителя и пассажиров, то он вполне «легковой».
Машина идет легко и плавно, водительское место расположено высоко, что обеспечивает хороший обзор. Дорогу держит отлично в любом виде – как с грузом, так и без него. Если прибавить сюда компактность и маневренность, так необходимые во время езды по городу, то лучшее авто в своем классе найти будет непросто.
Модернизация
Начиная с 2007 года, «Пежо-Эксперт» выпускается в двух новых модификациях, одна из которых (Peugeot Expert Tepee) ориентирована на предпринимателей, совершающих частые поездки вместе с партнерами, офисными служащими, переводчиками и другим персоналом. Большой вместительный минивэн как нельзя лучше подходит для этих целей. Список модификаций постоянно пополняется новыми версиями, которые не предполагают радикальных конструктивных изменений, однако уже появились два варианта колесной базы машины, а также в процессе усовершенствований меняется высота крыши. Автомобиль имеет несколько решений контурного силуэта кузова, что позволяет покупателю выбрать наиболее оптимальный для себя вариант. Создана модификация повышенной грузоподъемности, рассчитанная на загрузку 1200 кг, причем эта масса груза никак не отражается на ходовых характеристиках автомобиля, при условии равномерного распределения тяжести по всей площади грузового отсека. Серьезный ремонт «Пежо-Эксперт» требуется чрезвычайно редко, машина надежна и нуждается только в качественном техобслуживании.
Технические характеристики
Прежде чем переходить к описанию технических характеристик автомобиля, отметим, что его производитель, следуя современным тенденциям, сделал двигатели «Пежо Эксперт» более «зелеными», если можно так выразиться.
Машина обрела «умный» интерьер, обновленную заднюю часть, а также измененную переднюю платформу EMP2, которую французский автогигант внедряет практически во всех модификациях своих коммерческих автомобилей.
Линейка двигателей
Базовая версия модели оснащается 1,5-тилитровым мотором на 100 л. с. Более мощные варианты представлены 2-хлитровыми силовыми установками на 120, 147 либо 174 «лошадки». Для сравнения: модель предыдущего поколения в кузове «фургон» оборудовалась дизельными двигателями.
Так, особой популярностью пользовался «Пежо Эксперт» дизель на 1,6 литра мощностью в 90 лошадиных сил, а также 2-хлитровый мотор на 150 л.с. Оба они работали в паре с механической коробкой передач, расход топлива варьировался в пределах 6,6-8,4 литра в зависимости от режима езды и манеры вождения.
Трансмиссия
Все автомобили новой генерации по умолчанию агрегатируются 6-тиступенчатой механической коробкой передач, но самый мощный мотор можно заказать в паре с 8-мискоростным автоматом и подрулевыми переключателями.
Ходовая
Автолюбители, которые в свое время приняли решение о том, чтобы купить «Пежо Эксперт», уже успели по достоинству оценить его надежную и фактически безотказную ходовую.
Она отлично выдерживает все «прелести» езды по далеким от идеала российским дорогам. Передняя подвеска у этого авто – это независимый «Макферсон», задняя – пружинная, полузависимая. Все машины переднеприводные, иных вариантов производитель пока не предусмотрел.
Уровень комфорта
Помимо совершенствования технических характеристик, внимание обращено на повышение уровня комфорта автомобиля. В последних модификациях заметно улучшились параметры водительского места. Для пассажиров вход в салон достаточно удобный, проем сдвижной двери широкий, а сама дверь оснащена механизмом системы «easy entry», обеспечивающей плавное легкое скольжение тяжелой двери по направляющим профилям. Освещение салона способствует визуальному расширению интерьерного пространства, с этой же целью значительно увеличена общая площадь остекления, максимально расширено ветровое стекло, оно практически соединяет боковые стойки. А его наклон позволил намного удлинить зону естественного освещения салона сверху. В дневное время освещение может быть усилено за счет потолочного люка.
Интерьер
Над интерьером минивэна работала дизайнерская фирма Pinifarina (Италия, город Камбьяно), которая была основана в далеком 1930 году инженером Батиста Фарина, и с тех пор ее специалисты успешно занимаются кузовным и интерьерным дизайном. Отделка салона «Пежо-Эксперт» выполняется в трех основных вариантах: Confort, Loisirs, Premium. Признаков роскоши в интерьере автомобиля не несет ни один из перечисленных вариантов, однако цветовая гамма отделки Confort отличается от Premium более простыми сочетаниями оттенков, а обивка сидений в формате Premium — велюровая.
История модели
Peugeot Expert Mk1 (более употребительное название Peugeot Expert 1) выпускался с 1995 по 2007 г.г. во Франции на заводе PSA SEVEL Nord в г. Валансьен в консорциуме с FIAT Group. В 2004 году модель подверглась рестайлингу.
Peugeot Expert 1 является «братом-близнецом» идентичным моделям родственных марок — Citroen Jumpy 1 и FIAT Scudo 1, которые выпускались здесь же на одной с ним линии конвейера.
Изначально совместное PSA Peugeot Citroen и FIAT Group создание Expert/Jumpy/Scudo входило в состав проекта «Eurovans» вместе с разработкой минивэнов 806/Evasion/Ulysse/Zeta. Однако в виду разницы в специфике конструкций минивэнов и среднеразмерных коммерческих фургонов (пусть и с пассажирскими версиями) грузовые Expert/Jumpy/Scudo выделили в отдельный проект.
Тем не менее минивэны и грузовые представители обоих проектов имеют большое количество одинаковых узлов и деталей, идентичных элементов отделки салона и систем, несмотря на разные области применения.
Изменения при рестайлинге
новый, более мощный и удароустойчивый бампер с оптимизированным для лучшего охлаждения радиатора и интеркулера воздухозаборником и круглыми, более мощными противотуманными фарами;
новая решетка радиатора с увеличенным «Львом» эмблемы марки Peugeot;
крышка капота «со ступенькой» для установки силовых агрегатов более крупного размера;
фары головного света нового дизайна с увеличенной светосилой;
широкая ударозащитная накладка на боковинах кузова и на задних распашных дверях;
изменения материалов отделки кабины, салона и декора;
оснащение дизельными двигателями новых семейств и бензиновым мотором в паре с АКПП.
Безопасность
«Пежо-Эксперт», характеристики которого не оставляют желать лучшего, является одним из самых безопасных автомобилей семейства Peugeot. В комплект средств, обеспечивающих спокойствие водителя и пассажиров, входит эффективная система ROM, благодаря которой практически невозможно опрокидывание машины. В экстремальной ситуации минивэн будет скользить юзом, вращаться вокруг своей оси, раскачиваться и трястись, но не перевернется. Большое значение для стабильного движения автомобиля имеет традиционная, но усовершенствованная ABS, которая постоянно включена, контролирует ход машины и успешно противостоит блокировке колес в момент торможения. Парктроник в опциях «Пежо-Эксперт» позволяет парковаться без опасения зацепить соседние машины, при малейшей угрозе сближения с препятствием немедленно включается звуковой сигнал опасности. В салоне по всему периметру размещены скрытые подушки безопасности, которые при столкновении срабатывают в сотые доли секунды.
Титул «Пежо-Эксперт»
В 2008 году автомобиль «Пежо-Эксперт» получил титул престижа от International Van of the Year. Церемония награждения состоялась в Амстердаме. Эта награда присуждается ежегодно, жюри собирается из представителей разных стран Европы. Первое место в номинации заняла смешанная модель PSA Peugeot Citroen, набравшая наибольшее количество баллов и победившая с большим отрывом других претендентов. «Пежо-Эксперт» получил свою оценку за высокий уровень интерьерного комфорта, вне зависимости от комплектации, за беспрецедентную экономичность дизельного двигателя и впечатляющую маневренность.
Типичные проблемы и неисправности
Запасное колесо у Expert II, как и у первого поколения, крепится под полом багажника на лебедке. Механизм желательно ежегодно очищать и смазывать смазкой типа ЛИТОЛ или аналогичной, а трос во время наматывания обязательно натягивать, чтобы он лёг в нужные «ручьи» катушки. В противном случае трос может перепутаться внутри корпуса лебедки и при очередной попытке воспользоваться механизмом его попросту заклинит. Это справедливо для всех автомобилей всех марок, оснащенных подобным устройством.
Чтобы вода не попадала на двигатель через вентиляционные решетки-прорези на капоте, над мотором под ними была установлена специальная «ванна» с водоотводными трубками. Из-за этого на автомобилях с турбо-дизелями объемом 1,6 л был перекрыт доступ к маслозаливной горловине. Но производитель решил эту проблему, включив в комплектацию автомобилей специальную Z-образную воронку.
Обзор фургона Peugeot Expert | Auto Express
Подробные обзоры
Home
Peugeot
Peugeot Expert предлагает технологии, безопасность и эффективность в стиле минивэнов в сегменте фургонов среднего размера
22 ноя 2020
Общий рейтинг Auto Express
4.0 из 5
Автомобильный комфорт
Эконом
Практичность
Не самая большая грузовая площадка
Дополнительный комплект безопасности
Дистанционное управление рулем
В 2016 году Peugeot Expert прошел капитальный ремонт: новая платформа, улучшенный внешний вид и ряд комплектов безопасности, добавленных в список оборудования. Все это должно сделать Expert популярным среди покупателей фургонов среднего веса в Великобритании, хотя с рядом сильных конкурентов в этом секторе ему придется приложить усилия, чтобы оказать влияние.
У Expert есть три родственные модели: Citroen Dispatch, Toyota Proace и Vauxhall Vivaro. Все четыре используют платформу EMP2 PSA Group, которая также используется в легковых автомобилях, таких как Peugeot 308, Vauxhall Grandland X и Citroen Grand C4 Spacetourer. В результате Peugeot Expert и его братья и сестры больше похожи на автомобили, чем многие другие конкурирующие фургоны, а также это означает, что доступны некоторые из новейших технологий безопасности, используемые в серийных автомобилях.
Автомобиль Expert был усилен по сравнению с его автомобильными родственниками, чтобы он мог справляться с тяжелыми коммерческими нагрузками, с усиленной подвеской и переработанным усилителем рулевого управления, предназначенным для работы с большими нагрузками. Задняя подвеска спроектирована таким образом, чтобы уменьшить проникновение в грузовой отсек, а сзади достаточно места для двух европоддонов во всех моделях.
Доступны три варианта длины кузова и две колесные базы. Expert Compact устраняет разрыв с меньшим Peugeot Partner и остальной частью линейки Expert с более короткой колесной базой 2,9.25 мм и общей длиной 4600 мм, но внутри можно разместить два поддона. Стандартный фургон имеет длину 4950 мм, а длина Expert Long составляет 5300 мм. Оба имеют одинаковую колесную базу 3275 мм.
Другие обзоры
Подробные обзоры
Обзор Peugeot e-Expert
Обзор фургона Peugeot Expert (2007-2016) плюс кабина-платформа только на стандартной колесной базе для тех, кто хочет установить на шасси специальный кузов. Однако, как и вариант Citroen, Expert выпускается только с одной высотой крыши. Максимальная полезная нагрузка составляет 1458 кг для фургонов с 2,0-литровым дизельным двигателем.
• Лучшие фургоны среднего размера
Модельный ряд дизельных автомобилей BlueHDi соответствует нормам выбросов Евро 6 и обеспечивает лучшую экономичность и уровень выбросов в секторе фургонов среднего размера. BlueHDi 100 имеет 1,5-литровый двигатель мощностью 99 л. с., а модели BlueHDi 120 и BlueHDi 180 имеют более крупный 2,0-литровый двигатель мощностью 119 и 178 л.с. (также предлагался двигатель BlueHDi 150 мощностью 148 л.с., но он больше не доступен). ). Двигатели мощностью 99 л.с. и 119 л.с. в стандартной комплектации имеют шестиступенчатую механическую коробку передач, а версия мощностью 178 л.с. в стандартной комплектации имеет восьмиступенчатую автоматическую коробку передач с подрулевыми переключателями. Показатели крутящего момента варьируются от 210 Нм до 370 Нм. Самый мощный двигатель мощностью 178 л.с. доступен только в топовой комплектации Asphalt.
В 2020 году компания Peugeot представила модельный ряд электромобиля e-Expert. Он имеет ту же ходовую часть, что и такие автомобили, как Peugeot e-2008, а также электродвигатель мощностью 134 л. вариант более крупной версии мощностью 75 кВтч для сертифицированного WLTP запаса хода в 211 миль.
Ассортимент Expert начинается с модели S, хотя она по-прежнему имеет двойные раздвижные боковые двери в стандартной комплектации, полностью стальную перегородку, 16-дюймовые колеса, ESC, центральный замок и блокировку, подушки безопасности водителя и пассажира, DAB-радио с Bluetooth, передние электроприводы. окна, круиз-контроль и сиденье водителя с регулировкой по высоте, наклону, вылету и пояснице. Модели S предлагаются с дизельным двигателем BlueHDi 100 в стандартном и удлиненном вариантах кузова или с электроприводом в стандартной длине.
При переходе на комплектацию Professional добавляются такие приятные мелочи, как кондиционер, зеркала с электрообогревом и семидюймовый сенсорный экран для аудио с совместимостью со смартфоном MirrorLink. Эта комплектация предлагается с самым широким выбором двигателей, с дизелями BlueHDi 100 и 120 или с электроприводом, в то время как компактный стандартный и удлиненный кузов предлагаются со всеми тремя (хотя компактный кузов можно получить только с аккумулятором e-Expert на 50 кВтч). .
Также есть Expert Asphalt, который придает экстерьеру более стильный вид, включая бамперы, зеркала и дверные ручки в цвет кузова, передние противотуманки, светодиодные фары дневного света, автоматические фары и стеклоочистители, передние и задние датчики и парковочную камеру, а также электрические складывающиеся зеркала. Этот фургон поставляется с ручным дизельным двигателем BlueHDi 120 или автоматическим дизельным двигателем BlueHDi 180, а также в электрическом варианте мощностью 75 кВтч.
Выбирайте фургон Crew Van только в комплектации Professional, с возможностью выбора стандартной или удлиненной длины кузова с дизельным двигателем BlueHDi 120 или 75-киловаттной версией e-Expert.
Основными соперниками Peugeot Expert, а также его братьев и сестер Vivaro, Dispatch и Proace являются Renault Trafic и его ответвления, Fiat Talento и Nissan NV300, хотя все они имеют большую грузоподъемность и больше похожи на фургоны. водить машину. В других местах вы не можете игнорировать самый продаваемый и в целом превосходный Ford Transit Custom, в то время как VW Transporter предлагает аналогичный автомобильный опыт вождения.
Peugeot Expert достаточно хорошо оборудован даже в базовой версии S, с двойными раздвижными боковыми дверями, электрическими стеклоподъемниками, круиз-контролем, DAB-радио и Bluetooth.
Профессиональная модель привлечет водителей-владельцев дополнительными преимуществами, такими как 7-дюймовый сенсорный экран с Apple CarPlay и Android Auto, кондиционер и сквозная перегородка и сиденье Moduwork, в то время как Asphalt добавляет бамперы в цвет кузова и зеркала, светодиодные ДХО, 17-дюймовые легкосплавные диски, краска металлик, спутниковая навигация и задняя парковочная камера. Цены начинаются примерно от 23 750 фунтов стерлингов + НДС, поэтому выглядят довольно конкурентоспособными. К сожалению, большая часть высокотехнологичного комплекта безопасности Expert входит в состав различных пакетов опций, и вы можете легко добавить пару тысяч к прейскуранту, если хотите все это.
Руководители автопарка и водители-владельцы, скорее всего, будут впечатлены лучшей в своем классе экономичностью. Завидная эффективность Expert отчасти объясняется его относительно легкой конструкцией. Инженеры PSA считают, что на основе сопоставимых моделей новый фургон на 100-150 кг легче своего предшественника и на 100-300 кг легче конкурентов. Неофициально они также считают, что в сравнительных тестах с различной нагрузкой в реальном мире их фургон как минимум на 5 миль на галлон эффективнее, чем что-либо еще в этом классе.
Но важны официальные цифры, а Эксперт — один из лучших среднеразмерных фургонов для эконом-класса. Наиболее эффективным двигателем в тесте WLTP является BlueHDi 100, который может вернуть 44,2 мили на галлон в комбинированном цикле с выбросами CO2 176 г/км. 2.0 BlueHDi может набирать 40,5 миль на галлон и 190 г/км в версии 120, в то время как BlueHDi 180 с восьмиступенчатой автоматической коробкой передач расходует 39,4 миль на галлон и 204 г/км. Все модели Expert поставляются с 70-литровым топливным баком.
Двигатели BlueHDI также потребляют меньше AdBlue, чем конкуренты, благодаря усовершенствованной системе селективного каталитического восстановления, которая очищает отработавшие газы перед сажевым фильтром. 20,6-литрового бака AdBlue должно хватить более чем на 9 часов.000 миль, что составляет более 400 миль на литр, хотя бортовой компьютер автомобиля сообщит вам, когда потребуется дозаправка. VW Transporter и Mercedes Sprinter расходуют до 250 миль на литр, поэтому Peugeot должен предложить экономию.
Однако дело не только в эффективности Expert, поскольку городских и сельских операторов также, вероятно, привлекут отличные характеристики нагрузки относительно небольшого и проворного Expert Compact, который может целиком проглотить два европоддона. Если ваши грузы уложены на поддоны, это может вдвое сократить количество поездок, необходимых для данной работы, и это то, что не может сделать ни один другой фургон в классе Expert Compact.
Затраты на техническое обслуживание также должны быть управляемыми, с 25 000 миль или двухлетними интервалами обслуживания. О безопасности Expert заботятся бесконтактный брелок для открывания запирающихся дверей и стандартный иммобилайзер с дополнительной сигнализацией на моделях Professional (дополнительно для S). В некоторых версиях вы также можете управлять раздвижными боковыми дверями с электроприводом дистанционно из кабины или с помощью жестов под задним бампером, если у вас заняты руки.
Все версии Peugeot Expert имеют общую максимальную полезную нагрузку 1400 кг, но модель Compact отличается превосходной погрузочной длиной 3320 м при длине автомобиля всего 4600 м. Стандартный фургон имеет грузовую длину 3 670 м, а версия Long — 4 020 м. Ширина между колесными арками составляет 1260 м, а максимальный объем загрузки трех фургонов составляет 4,6, 5,3 и 6,1 кубических метра соответственно. Тем не менее, это не очень много по сравнению с конкурентами, такими как Renault Trafic, у которого гораздо больше грузового объема.
Peugeot также предлагает дополнительные практичные штрихи, такие как великолепная перегородка Moduwork с трехместным передним сиденьем. Внешнюю подушку пассажирского сиденья можно поднять и сложить, открывая большой люк в переборке и плоский пол, соединенный с основным багажным отделением, что добавляет дополнительные 1160 мм длины груза и скромные 500 кубических см дополнительного объема. Вы по-прежнему можете перевозить пассажира впереди на среднем сиденье или сложить его, чтобы создать стол для ноутбука или документов. Однако, если вы регулярно путешествуете втроем, вы не найдете столько места для плеч в передней части Expert, как в Ford Transit Custom или Renault Trafic.
Другие практичные функции включают в себя двойные раздвижные двери для грузового отсека с электрическим управлением без помощи рук, а Peugeot также уделяет большое внимание относительно небольшому радиусу поворота Expert. Compact способен совершать повороты диаметром 11,1 м, что не совсем подходит для черной кабины, но прилично для фургона среднего размера — Transit Custom превосходит его с радиусом поворота 11,0 м, но VW Transporter нуждается в 11,9 м между поворотами. бордюры.
Последние правила означают, что все модели Expert поставляются с фиксированной металлической перегородкой, в то время как опциональная изолированная перегородка с застекленным окном не только улучшает шумоизоляцию спереди, но и смещается на несколько сантиметров вверх по сравнению со стандартным элементом, что позволяет значительно увеличить место для отдыха водителя. Мы рекомендуем его по обоим причинам, и, конечно же, он важен для всех, кто устанавливает холодильник.
Как ни странно, все версии «Эксперта» — даже те, что со сплошной перегородкой — поставляются с зеркалом заднего вида, тогда как на самом деле фургон мог бы использовать вторичное широкоугольное стекло в боковых зеркалах. В настоящее время у Expert есть только одинарные зеркала, поэтому обзор назад немного ухудшается, но версии Professional поставляются с задними датчиками парковки. Асфальтовые модели поставляются с системой помощи при парковке 180, которая также добавляет заднюю камеру.
Если ваш груз — люди, то фургон для экипажа и комбинированный вариант весьма универсальны. Шестиместный фургон поставляется с фиксированной или откидной перегородкой, что позволяет увеличить грузовое пространство до 5,5 кубических метров в версии Long. Combi предлагает несколько конфигураций сидений от двух до девяти пассажиров с легко снимаемыми рядами сидений, а в версии Long можно перевозить до 1300 литров багажа при полной загрузке людей.
В 2015 году компания Euro NCAP протестировала MPV-версию Expert, Peugeot Traveller, и получила пятизвездочный рейтинг безопасности. Защита пассажиров на передних сиденьях получила 87-процентную оценку, в то время как в Expert используется тот же комплект безопасности, что и в его многоместном собрате.
Помимо прочной конструкции, для Expert предлагается полный набор комплектов безопасности, некоторые из которых еще даже не появлялись в модельном ряду дорожных автомобилей Peugeot. К сожалению, большинство хороших вещей нестандартны. Если вы хотите выплеснуться, помимо проекционного дисплея на приборной панели, есть система активного безопасного торможения с радарным управлением, которая может предотвратить задние маневры на скорости до 18 миль в час и смягчить их воздействие на более высоких скоростях.
Вы также можете указать мониторинг слепых зон, предупреждение о выходе из полосы движения и заднюю парковочную камеру с обзором на 180 градусов. Система чтения дорожных знаков и рекомендаций по ограничению скорости использует камеру, чтобы фиксировать знаки скорости и предупреждать водителя, который может изменить круиз-контроль или ограничитель скорости, чтобы они соответствовали подписанному ограничению, двумя нажатиями кнопки, немного неудобно расположенной под переключателем круиз-контроля. .
Предупреждение о внимании водителя использует ту же камеру и датчик угла поворота рулевого колеса, чтобы определить, отклоняется ли водитель от полосы движения, а Предупреждение о времени вождения предупреждает водителя о том, что пора сделать перерыв после двух часов непрерывной езды на более высокой скорости за рулем.
Вы также можете указать Grip Control, улучшенную систему контроля тяги, которая повышает шансы на успех на скользких или обледенелых трассах. Рынкам с левым рулем также предлагается полный вариант 4×4, но версия с правым рулем не входит в бизнес-план.
Хотя некоторые технологии и электрические системы являются новыми для коммерческой линейки Peugeot, большинство из них было испытано в других местах на серийных версиях легковых автомобилей. Дизельные двигатели BlueHDi тоже знакомы, так что проблем с надежностью не ожидается.
Нет никаких сомнений в том, что Peugeot Expert чрезвычайно утончен и удобен на дороге, и мы считаем, что он соперничает с Mercedes Vito за лучший в своем классе комфорт для водителя. В случае с Peugeot это произошло благодаря основанию, полученному от автомобиля, и тому факту, что инженеры PSA разработали Expert, зная, что им нужно сделать так, чтобы полная версия MPV убедительно ехала на той же ходовой части.
Таким образом, фургон обеспечивает приятную плавность хода, а шум в салоне хорошо контролируется. Через стандартную переборку фургона передается небольшой гул, но в этом отношении он лучше, чем Vito. Помогает то, что сиденья предлагают множество регулировок и очень удобны. Посадка водителя разумная, но не такая высокая, как в Renault Trafic, хотя из-за низкой крыши и относительно небольшой площади ветрового стекла в салоне создается необычное ощущение «почтового ящика».
Двигатели слышны и иногда хриплы под нагрузкой, но никогда не вызывают неприятного треска или скрипа, и относительно тихие на холостом ходу.
Двигатель мощностью 99 л.с. немного маломощный, особенно если вы едете по автомагистрали, и лучше всего подходит для езды по городу с легкими грузами на борту.
Из других двигателей 118-сильная версия хороша, а дополнительные 20 л.с. или около того помогают фургону чувствовать себя проворным и отзывчивым на педаль газа, а также хорошо сочетаются с его шестью передаточными числами, плавно переключаемыми с помощью короткого, но гладкого переключателя.
Восьмиступенчатая автоматическая коробка передач BlueHDi 180 кажется быстрой, а коробка передач работает относительно плавно. Иногда он может чувствовать себя нерешительно при выезде из перекрестков, но при обгоне он плавно останавливается. Он поставляется с подрулевыми переключателями на рулевом колесе, но мы думаем, что это немного уловка, и обнаружили, что почти не использовали их, когда тестировали эту версию.
Однако у нас есть пара претензий. Тормоза работают хорошо, но при нажатии на педаль они довольно цепкие. Это то, к чему вы привыкнете, но мы бы предпочли более прогрессивное действие, потому что это снизит риск падения или разлетания незакрепленных предметов в грузовом отсеке. Рулевое управление тоже не доставляет удовольствия. Рулевое колесо с электроприводом слишком легкое, и, хотя Expert едет в том направлении, куда вы указываете, нет никакой обратной связи, которая помогла бы вам поместить автомобиль в повороты.
Тем не менее, пока вы не указываете автомобиль поддержки для своей мировой раллийной команды, отсутствие участия водителя не должно быть большой проблемой. Expert чувствует себя устойчиво и уверенно в поворотах, а для коммерческих покупателей гораздо важнее, чтобы управлять им было легко и приятно.
Войдя в комфортабельный салон «Эксперта», первое, что вы заметите, — относительно небольшую площадь остекления, через которое открывается вид на почтовый ящик через высокий короткий капот. Эффект распространяется на заднюю часть автомобиля в пассажирских версиях, при этом площадь остекления уменьшается за счет шторок безопасности, установленных над боковыми стеклами. Это скорее интересная особенность, чем проблема, так как вид на дорогу впереди абсолютно прекрасен. Вы сидите в Expert ниже, чем в некоторых фургонах среднего размера, таких как Ford Transit Custom и Renault Trafic 9.0003
По первому впечатлению, интерьер тоже выглядит очень качественно, хотя при осмотре можно увидеть пластиковую отделку, которая немного поддается давлению, и не идеально подходит для некоторых компонентов. Если бы это был автомобиль, вы были бы немного более критичны, но для фургона общий эффект выглядит стильно и желательно, особенно если вы указали первоклассную отделку с такими предметами роскоши, как спутниковая навигация, климат-контроль и проекционный дисплей.
Наряду с роскошным видом, салон Expert также имеет ряд практичных деталей. У фургонов 49литров места для хранения по всему салону, включая два перчаточных ящика со стороны пассажира, отделение формата А4 в верхней части приборной панели, пару подстаканников, багажное отделение под многоместным сиденьем и большие дверные полки с обеих сторон.
В нижнем перчаточном ящике имеется штепсельная вилка на 12 В, а также гнездо и USB-разъемы, так что недостатка в возможностях подключения нет. Тем не менее, у нас есть один нюанс: лоток рядом с USB-разъемом не имеет цепкой прорезиненной поверхности, поэтому, если вы немного повернетесь в угол, ваш смартфон или другое подключенное устройство может полететь через кабину.
Van dimensions
Body style
Height
Width
Length
Compact van
1,900mm
1,920mm
4,609mm
Standard van
1,900mm
1,920mm
4,959mm
Long van
1,940mm
1,920mm
5,309mm
(Width is body without side mirrors, overall width including mirrors is 2,204mm)
Load area dimensions
Body style
Height
Width
Length
Volume
Compact van
1,397mm
1,628mm
2,162mm
4. 6cu m
Standard van
1,397mm
1,628mm
2,512mm
5.3cu m
Long van
1,397mm
1,628mm
2,862mm
6,1 куб. м
(Объем груза указан без опции Moduwork — добавьте 0,5 куб. м, если Moduwork установлен) и зрители канала YouTube узнают, что мы уже рассмотрели Vauxhall Vivaro и Citroen Dispatch. Это 2 из фургонов, которые в настоящее время представлены на рынке прямо сейчас, на платформе которых используется платформа среднего фургона PSA Group.
Теперь я рад сделать обзор номер 3 — Peugeot Expert, я всего в одном шаге от своего аншлага! Этот автомобиль — мечта оператора автопарка, это удовольствие для продавца, и я почти уверен, что в нем есть все, что вам нужно в коммерческом автомобиле среднего размера. Итак, давайте заглянем под кожу и дадим Peugeot Expert дорожный тест Vanarama…
Передняя часть Peugeot Expert
Посмотрев на несколько фургонов, использующих платформу PSA Group, я должен сказать, что это первый, который выглядит немного иначе. Возьмем, к примеру, решетку радиатора, это новая пластиковая решетка, которую мы раньше не видели. Мне это очень нравится, и оно отлично смотрится рядом с большим значком Peugeot посередине. Черный пластик под решеткой очень прочный и очень прочный.
В более высоких комплектациях вы также получите противотуманные фары, но тот, который я рассматриваю, относится к уровню отделки салона Professional, поэтому, хотя у вас нет фар, есть много других замечательных функций. Фары, что интересно, представляют собой новый кластер. У Vauxhall и Citroen одни и те же блоки фар — те, у которых есть эти маленькие петли на концах, тогда как у этого эксперта кажется, что на вставках есть зубы. Мне это очень нравится, оно действительно красиво выделяет переднюю часть фургона и делает его немного другим. Большие стальные колеса также очень прочные, и я могу сказать то же самое о больших зеркалах заднего вида из черного пластика.
У Peugeot Expert нет вариантов высоты, как и у других фургонов PSA Group, но у него отличный профиль и так много места внутри, что внешний вид очень обманчив. Несмотря на очень компактный вид, это очень красивый фургон. Как я уже упоминал, это уровень отделки салона Professional, поэтому большинство наворотов находится внутри. Итак, давайте сядем и посмотрим…
Внутри Peugeot Expert
Я нахожусь в очень знакомой обстановке, когда прыгаю в Expert, и это потому, что, конечно же, Citroen Dispatch и Vauxhall Vivaro, которые мы уже рассматривали ту же кабину. Этот ничем не отличается, хотя, поскольку это Peugeot Expert в комплектации Professional, у вас есть несколько дополнительных опций, и я укажу на них по ходу дела.
Обходя салон, я инстинктивно опираюсь на подлокотник, который очень хорошо фиксируется и очень удобен. Рулевое колесо выполнено из жесткого черного прочного пластика — что может быть профессиональнее в фургоне средних размеров? Он приятный и цепкий, с некоторыми хорошими выемками для мизинца наверху, что мне очень нравится, так как это означает, что вы всегда будете на 10 и 2. У него также хорошее плоское дно, поэтому, если вы опустите руль, это не будет слишком сильно тереться о колени — бонус! У вас также есть несколько рычагов управления на руле, в том числе селектор музыки, элементы управления звуком, ограничитель скорости и круиз-контроль. Превосходно!
Переходим к приборной панели, которая очень красивая и понятная. Ваш тахометр и спидометр хорошо видны вместе с указателем температуры масла и бензина, которые также невероятно легко увидеть. Сама приборная панель из приятного, прочного, прочного пластика и, конечно же, подстаканники. Если вы знакомы с моими обзорами, вы знаете, что я думаю о подстаканниках в фургонах этой группы, так что давайте просто оставим это как есть, они не так хороши, как другие подстаканники! Сказав это, теперь я знаю, что он может абсолютно нормально держать кофейные чашки, если вы вставите его туда… так что это бонус!
Над экраном информационно-развлекательной системы есть симпатичная ниша, которая достаточно велика, чтобы спрятать бутерброды, может быть, несколько гаечных ключей или что-то еще, что вы хотите засунуть туда. А затем перейдем к самому информационно-развлекательному экрану, он точно такой же, как вы видели в Vauxhall Vivaro и Citroen Dispatch. Сегодня я подключил свой телефон через USB-соединение, но вы также можете подключить его через Bluetooth, и у него есть Android Auto плюс Apple Carplay. Хотя в этом фургоне нет спутниковой навигации на этом уровне отделки салона, когда вы подключаетесь через Android Auto или Apple Carplay, вы можете просто использовать для этого свой телефон. Простой!
Еще одним дополнением к комплектации Professional является кондиционер. У вас есть все элементы управления именно там, где вы ожидаете, когда они вам понадобятся: скорость вращения вентилятора, температура, направление и поток. И есть даже обогреватели зеркал заднего вида. У вас под рукой есть ряд других кнопок, которые вам нужны, включая аварийную сигнализацию, замки и контроль тяги. У вас есть 12-вольтовая розетка, очень красивая и полезная, а также USB-разъем, к которому, как я уже сказал, я уже подключился.
Перейдем к рычагу переключения передач, который снова является знакомой чертой, хотя в Peugeot Expert на рычаге переключения передач нет выемок, которые вы найдете на Citroen & Vauxhall. На самом деле я думаю, что этот немного приятнее держать, потому что этот пластик по бокам такой приятный и гладкий. Подкладка палочки из кожзаменителя, но мне это тоже очень нравится!
Перейдем к некоторым вариантам хранения. Начнем с перчаточного ящика, который красивый и глубокий, так что туда поместится много вещей. У вас также есть странная дыра в отсеке, которую я видел в других автомобилях PSA Group. Я до сих пор не знаю, для чего это полезно, но одно из отверстий уходит довольно далеко назад и имеет выступ, поэтому, если вы засунете туда что-нибудь, оно не выйдет, если вы слишком быстро входите в поворот, резко тормозите или разогнаться до скорости деформации!
Что касается сидений, вы получаете многоместное сиденье в комплектации Professional. Он поднимается, чтобы можно было получить доступ к нагрузке через систему, а под ним также есть хранилище — отличное дополнение, в которое вы можете поместить бутерброды или даже пару цифровых устройств, таких как планшет или телефон, чтобы обеспечить их безопасность. Еще одна вещь, которую вы получаете на уровне отделки салона Professional, — это ваш мобильный офис. Это часть решения для хранения данных Moduwork. Вы получаете хороший вид буфера обмена для хранения документов, которые можно удерживать на месте с помощью банджи-ремня, а также еще одно отделение, которое является идеальным местом для хранения ручек. Все это складывается обратно и сидит хорошо и вровень с сиденьем. Хороший!
Как видите, очень профессиональная версия кабины среднего фургона PSA Group. Но профессиональная часть этого автомобиля находится сзади, так что давайте обойдем его и посмотрим, сколько места у вас есть для игры…
Задняя часть Peugeot Expert
Двойные боковые раздвижные двери особый плюс Peugeot Expert. Они имеют ширину 0,9 метра и высоту 1,2 метра, но, чтобы лучше оценить погрузочную площадку, вам действительно нужно обойти заднюю часть.
Задние двери разделены 50/50, и, как и следовало ожидать от такого фургона, они стандартно открываются на 90 градусов. Однако, когда вы открываете дверные замки, они открываются на полные 180 градусов! Проем имеет ширину 1,3 метра и высоту 1,2 метра, а в самой высокой точке погрузочная площадка имеет высоту 1,4 метра. Его ширина в самом широком месте составляет 1,6 метра, а ширина между арками сужается до чуть более 1,2 метра, что идеально подходит для задвигания и выдвигания европоддонов.
Этот грузовой отсек имеет длину 2,5 метра до переборки, но благодаря системе Moduwork люк можно снять с левой стороны и установить справа под другой маленькой желтой защелкой. Когда вы открываете и поднимаете сиденье, оно расширяет погрузочный отсек до 3,7 м, что идеально подходит для длинных металлических труб или кусков дерева. Это то, что отличает Peugeot Expert от конкурентов.
В путь с Peugeot Expert
Пришло время выйти на асфальт, и вы можете задаться вопросом, почему я это делаю, вы можете подумать, что это будет то же самое, что и другие группы PSA Group, которые мы уже рассмотрели. Тем не менее, я говорю это каждый раз, когда мы рассматриваем средний фургон PSA Group, но они действительно проделали большую работу, чтобы отличаться друг от друга! Собственно, именно в Peugeot Expert отличия наиболее очевидны. Передняя часть совершенно другая.
В то время как задняя часть по-прежнему является надежным, превосходным и гибким грузовым пространством, которое вы знаете и любите по Vivaro и Dispatch, это передняя часть в салоне, особенно на уровне отделки салона Professional, где можно почувствовать значительные различия, особенно когда вы едем. На мой взгляд, салон Peugeot Expert, пожалуй, самый удобный и продуманный из всех фургонов, использующих платформу EMP2. Это во всех отношениях хороший и очень удобный салон — сиденья правильной высоты, и у меня не возникает судорог в шее во время вождения.
Сегодня я чувствую себя как дома как никогда. Я думаю, поскольку это уже третий фургон PSA Group, который я рассмотрел, теперь я знаю, где что находится. Я уже вроде как проработал в своей голове, куда все пойдет, я знаю, куда пойдет мой кофе, я знаю, куда пойдет моя шляпа и я знаю, куда я поставлю свою бутылку с водой. Это просто похоже на дом вдали от дома. Мне кажется, что если бы я владел одним из этих автомобилей и ездил на нем каждый день, мне бы он очень понравился.
Как обозреватель, я провожу около недели с каждым транспортным средством, поэтому я езжу на нем, я узнаю его, поэтому к тому времени, когда я на самом деле снимаю обзор, у меня за плечами 7 дней использования этого автомобиля. Поскольку это уже третья машина на той же платформе, с тем же типом относительно похожих интерьеров и даже больше, если вы считаете меньшие группы, у которых все интерьеры похожи на их средние аналоги, так что это означает, что у меня есть около 6- 8 недель опыта с этими конкретными фургонами. Я уже веду себя так, будто владею этим автомобилем 2 месяца. Я просто вхожу и точно знаю, куда все идет. Это просто кажется естественным, это весело, и я знаю, как это будет работать.
Я знаю, как поведет себя двухлитровый дизель. Я знаю, как чувствуют себя педали. Я знаю, что сейчас, когда я еду в гору, эта машина будет абсолютно более чем способна справиться с этим. Я опускаю ее до 2-й, что кажется естественным, потому что я знаю, что в этот момент на холме двигатель нужно изменить, и мне нужно немного мощности, чтобы перейти на 3-ю. Я знаю, что когда я только доберусь до гребня дороги на трассе Ванарама, этот двигатель сообщит, что пора включить 4-ю, и я знаю, что всего через несколько минут за поворотом он скажет мне вернуться к 3-й, потому что я потерял немного мощности. Есть что-то довольно приятное в том, чтобы так легко предсказывать вещи.
Я понимаю, как используются фургоны, и есть люди, которые говорят, что это просто гигантские ящики для инструментов, и они должны быть такими, но любой, кто говорит, что это просто гигантские ящики для инструментов, не говорит всей правды. Продавцы в Великобритании проводят много времени в кабинах своих фургонов, будь то работа, заполнение заказов по ценам, обдумывание материалов, которые им нужно купить, или даже обед. Таким образом, вы можете проводить больше времени в своем фургоне, чем занимаясь чем-либо еще. Только по этой причине он должен быть удобным, а Peugeot Expert — очень удобный фургон. Он носит профессиональный значок довольно четко на груди, и вы можете видеть это во всех мелких чертах. Он знает, что вам нужен кондиционер, поэтому в комплектации Professional есть кондиционер. Он знает, что вам может понадобиться куда-то прикрепить документы и записать какие-то распоряжения, поэтому он дает вам небольшой складной мобильный офис. Он также знает, что вы можете просто захотеть управлять автомобилем, положив руку на подлокотник, поэтому он также дает вам один из них.
В Peugeot все продумано. И в целом, на самом деле очень весело водить машину. Я еду по хорошей извилистой проселочной дороге, и, как и любой другой средний фургон PSA Group, который я водил на этой платформе, он превосходно справляется с этим. Группа PSA еще раз молодец!
Под капотом довольно мощный 2-литровый дизельный двигатель BlueHDI, очень красивый и очень мощный. У него большой крутящий момент, но что еще лучше, так это то, что он соответствует стандарту Евро 6,2, а это означает, что он максимально готов к работе в зонах с чистым воздухом, что сэкономит вам реальные деньги. Зоны чистого воздуха охотятся за старыми дизелями, а не за этими. Это едва ли не самые чистые дизельные двигатели, которые вы найдете на рынке прямо сейчас, и вы можете взять их в аренду прямо сейчас. Соблазненный?
Peugeot Expert В заключение
Peugeot Expert может быть третьим из рассмотренных нами фургонов, который использует прекрасную платформу среднего фургона PSA Group, но работает немного по-другому. Все, что вы знаете и любите от Vivaro и Dispatch, находится прямо здесь, но Expert получил небольшую изюминку на уровне отделки салона Professional. В салоне есть все эти отличные дополнительные опции, но при этом остается такое же фантастическое грузовое пространство. Это передняя часть и кабина, хотя это действительно выделяет его — так что от одного эксперта к другому, Ванарама получает большие пальцы вверх!
Не забудьте ознакомиться с нашими предложениями по лизингу фургонов, где вы найдете непревзойденные цены на самые последние модельные ряды и модели.
2021 Peugeot Expert 150 Standard авто обзор
Двери и сиденья
5 дверей, 3 места
Двигатель
2. 0DT, 4 цил.
Мощность двигателя
110 кВт, 370 Нм
Топливо
Дизель 6,2 л/100 км
Производитель
FWD
0003
Warranty
5 Yr, 200000 KMs
Ancap Safety
NA
Sam Purcell
00:0117 March 2021
0
Peugeot’s medium-sized van deserves to do much better than the meagre sales цифры подсказывают.
Что мы любим
Современная, эффективная трансмиссия теперь с восемью передаточными числами
хорошие характеристики с грузом и без груза
множество стандартных комплектов безопасности
Что мы не делаем
Двигатель теряет преимущество в производительности при полной загрузке
не так много вариантов трансмиссии и кузова, как у фургонов
некоторые фургоны имеют более практичный салон
Peugeot Expert 2021 модельного года продолжает тяжелую битву за долю австралийского рынка фургонов среднего размера.
Расположенный среди более крупного Boxer и меньшего Partner, новый фургон среднего размера от французского производителя Expert представляет собой новый среднеразмерный фургон.
Несмотря на то, что эксперт впервые появился на рынке в 2019 году и сразу впечатлил, объемы продаж остаются относительно небольшими для эксперта.
В этом сегменте, как и во многих других, полностью доминирует Toyota: за первые два месяца 2021 года было зарегистрировано 1500 продаж HiAce. За ним следуют Hyundai iLoad (712) и Ford Transit Custom (660).
За тот же период Эксперт зарегистрировал только 19. Девятнадцать.
Значит ли это, что фургон Expert всего на 1,26% лучше, чем HiAce? Не зрелище. В чем-то он соответствует Toyota, а в чем-то даже лучше. Давайте посмотрим поближе.
Цена после испытаний (без учета дорожных расходов)
42 490 долларов США
Хотя он также доступен в длинном формате, у нас есть более короткий вариант с автоматической трансмиссией «150HDI». 2,0-литровый турбодизельный двигатель развивает мощность 110 кВт и 370 Нм, работая через новую восьмиступенчатую автоматическую коробку передач с гидротрансформатором на передние колеса. Также доступна более мощная версия 130 кВт/400 Нм, но только для Expert Long.
Наш тестер стоит от 42 490 долларов США без учета дорожных расходов, что на 2500 долларов больше, чем у эквивалентного эксперта с ручным приводом, и на 1700 долларов меньше, чем у варианта с более длинным кузовом.
Первые впечатления от Эксперта внутри хорошие. Интерьер имеет уникальный дизайн и ощущение, но, что немаловажно, практичен. Выбор передач осуществляется поворотной ручкой, и у вас есть несколько разных уголков и полок для хранения.
Высоко над приборной панелью есть место для хранения вещей, а со стороны пассажира находится обманчиво большая ниша, способная вместить множество повседневных вещей.
Под двумя пассажирскими сиденьями также имеется удобное отделение для хранения, частично доступное через съемный люк в переборке, что позволяет надежно хранить мелкие предметы или особо длинные грузы, перемещая их спереди назад.
Информационно-развлекательный дисплей размером 7,0 дюймов поддерживает Apple CarPlay и Android Auto. Операционная система достаточно приличная, а наличие ручки громкости в пределах досягаемости помогает легко управлять на лету.
Перед водителем находится базовый многофункциональный дисплей, на котором отображаются показания скорости, предупреждения о выходе из полосы движения и расход топлива.
У Эксперта также есть подрулевые лепестки, но я буду лохом, если вам когда-нибудь понадобится их использовать.
В то время как Peugeot действительно указывает «до 1300 кг» полезной нагрузки в своих спецификациях, расчет фактической полезной нагрузки (вычисление полной массы автомобиля минус снаряженная масса) нашего фургона составляет 847 кг. В других спецификациях вы можете получить до 1139 кг.
Силовой агрегат действительно показал себя достаточно эффективным в наших тестах, хотя мы в основном ехали по шоссе, часть времени мы были загружены и средний расход составлял 6,6 литра на 100 километров.
Это довольно эффективно, и некоторым покупателям понравится тот факт, что Expert соответствует более строгим европейским нормам выбросов, хотя в данном случае он соответствует стандарту Euro 5, а не более новому, «более чистому» стандарту Euro 6 версии 180HDI.
Производительность в основном хорошая, с восьмиступенчатой автоматической коробкой передач, обеспечивающей широкий диапазон передаточных чисел для плавного выбора между ними. Передаточные числа 1-й и 2-й передач кажутся довольно короткими, но коробка передач достаточно искусна, чтобы переключаться между ними быстро и плавно.
И в груженом, и в порожнем состоянии у Expert отличные ходовые качества и управляемость для фургона. Он удобен и управляем в обеих ситуациях, и с ним будет легко жить и пилотировать по городу.
Важным фактором является наличие широкого спектра технологий активной безопасности, и новый Expert обеспечивает в этом отношении: автономное экстренное торможение, мониторинг слепых зон, передние и задние датчики парковки и камера заднего вида достойного качества.
Также есть адаптивный круиз-контроль, ограничитель скорости, автоматические дворники и фары, система предупреждения о лобовом столкновении. Он хороший и тщательный, и его оценки лучше, чем у некоторых легковых автомобилей.
Хотя вы можете выбрать модель Expert длиной 5,3 метра (которая также поставляется с более мощным двигателем), у нас есть стандартный вариант длиной 4,95 метра. И, загрузившись до полной массы с шестью точками крепления сзади, мы отправились в дополнительную поездку.
Также стоит отметить, что колесная база 3725 мм и радиус поворота 12,4 метра остаются неизменными, независимо от того, что вы выберете. №
Во-первых, дополнительная возможность открывания задних дверей с системой хитроумных петель, позволяющая вилочному погрузчику сбрасывать загруженный поддон в кузов, очень удобна. Поддон влез, но немного туговат.
И как только мы отправились в путь, мы заметили, что двигатель начал работать немного усерднее, сохраняя тот же прогресс, что и раньше. Это не было слишком медленным или обременительным, но потеря этого общего преимущества все же заслуживает внимания.
Подвеска, тем не менее, хорошо сохраняла самообладание и управляемость. Вы можете видеть, какой положительный наклон Peugeot вкладывает в подвеску, чтобы учесть большие колебания нагрузки.
Этот фургон намного, намного лучше, чем можно предположить по цифрам продаж, и, вероятно, заслуживает большего успеха по сравнению с действующим HiAce. Эксперт более эффективен и столь же удобен, и дешевле в обслуживании и обслуживании. Однако силовой агрегат тоже не справляется с нагрузками.
Тем не менее, Эксперт, безусловно, заслуживает внимания.
. пишет об автомобилях, полноприводном вождении и кемпинге с 2013 года, и одержим всем, что происходит, дольше, чем он может вспомнить. Сэм присоединился к команде CarAdvice/Drive в качестве редактора по бездорожью в 2018 году, после того, как наработался на Unsealed 4X4 и 4X4 Adventures Пэта Каллинана.
Подробнее о Sam Purcell
Обзор фургона Peugeot Expert (2022)
Си Джей Хаббард
Современный средний фургон с высокой грузоподъемностью.
Общий рейтинг Parkers: 3,9 из 5 3,9
Увеличить 15 фото
Подпись к основному изображению Обзор фургона Peugeot Expert 2021
Резюме
Этот обзор Peugeot Expert 2022 года охватывает модель третьего поколения, которая впервые поступила в продажу в 2016 году. Основанная на новой платформе (быстро названной Efficient Modular Platform 2 или EMP2), последняя версия Expert предлагает большую полезную нагрузку, больший объем груза и более узкие круги поворота, чем у его предшественника.
Он также доступен с рядом высокотехнологичных функций, включая множество средств активной безопасности, автоматические раздвижные двери без помощи рук и проекционный дисплей.
Обладая лучшей в своем классе грузоподъемностью и топливной экономичностью, этот впечатляющий фургон среднего размера занял второе место в этой категории на премии Parkers Awards 2020 и 2021. Однако кабина не самая просторная и удобная.
Электрическая версия, выпущенная в Великобритании в конце 2020 года, подробно описана в нашем специальном обзоре электрического фургона Peugeot e-Expert.
>> Сравнение лучших средних фургонов
Родственники и конкуренты Peugeot Expert
В основе Expert лежат Citroen Dispatch, Fiat Scudo и Vauxhall Vivaro, а также Toyota Proace с 10-летней гарантией, которая практически идентична также.
Основными конкурентами являются бестселлер Ford Transit Custom, всегда популярный Volkswagen Transporter, Mercedes-Benz Vito и семейство фургонов Renault Trafic, в которое входит Nissan NV300.
Варианты Peugeot Expert
Модель Expert предлагается с тремя вариантами длины кузова и тремя вариантами полной массы автомобиля, но только с одной высотой крыши.
Информацию о полной грузовой площади, размерах и полезной нагрузке см. на нашей специальной странице Peugeot Expert Размеры.
В дополнение к стандартному фургону, он также продается как фургон для экипажа с дополнительными сиденьями и как платформа с кабиной для переоборудования. Вы также можете купить версию MPV для легкового автомобиля под названием Peugeot Traveler, но с начала 2022 года она теперь доступна только в виде электрической модели.
Двигатели Peugeot Expert и уровни отделки салона
На момент запуска до мая 2019 года предлагались 1,6-литровые и 2,0-литровые дизельные двигатели BlueHDi общей мощностью от 95 до 180 л. с.
Начиная с производства в мае 2019 года, Peugeot Expert отказался от 1,6-литрового двигателя в пользу более нового 1,5-литрового двигателя BlueHDi.
Этот двигатель мощностью 100 л.с. соответствует новым нормам по выбросам; 2,0-литровые двигатели также были модифицированы, чтобы соответствовать этим требованиям, но в остальном они работают как прежде, за исключением версии с максимальной мощностью 180 л.с., которая теперь оснащена восьмиступенчатой автоматической коробкой передач в стандартной комплектации.
Вердикт: хорош ли Peugeot Expert?
Если вы ищете средний фургон с максимально возможной грузоподъемностью или топливной экономичностью, обратите внимание на Peugeot Expert (и его собратьев). Цена высока, и вы получаете много стандартного комплекта за свои деньги.
Тем не менее, кабина в таком современном фургоне является недостатком, особенно место водителя, которое заставляет покупателей с правым рулем иметь дело с педалями и рулевым колесом, которые не выровнены должным образом.
Перейти к нашему полному вердикту о…
Опыт вождения Peugeot Expert
4 из 5 4.0
Хорошая управляемость и комфорт при движении
Узкий радиус поворота
Изысканный и мощный двигатель
Во многих отношениях Peugeot Expert впечатляет своей управляемостью. Крен кузова в поворотах очень небольшой, а рулевое управление легкое, но точное.
Он также очень маневренный, с радиусом разворота всего 11,3 м.
Более того, областью, в которой Peugeot Expert стремительно продвинулся вперед, является NVH (шум, вибрации и резкость), поскольку новая модель невероятно совершенна на низких скоростях, даже если уровень шума на автомагистрали действительно возрастает.
Подвеска хорошо справляется с большинством дорожных покрытий, обеспечивая комфорт и управляемость даже без груза сзади.
Двигатели Peugeot Expert до мая 2019 г.
С момента запуска в 2016 году Peugeot решила использовать те же 1,6-литровые и 2,0-литровые двигатели BlueHDi, которые устанавливались на Expert предыдущего поколения, хотя они были модифицированы для увеличения мощности, повышения эффективности и, следовательно, снижения выбросов CO2.
Мощность 95 л.с./210 Нм или 116 л.с./300 Нм для двигателя объемом 1,6 л и 120 л.с./340 Нм, 150 л.с./370 Нм или 180 л.с./400 Нм для 2,0-литрового двигателя.
Все версии используют шестиступенчатую механическую коробку передач, за исключением модели 1.6 мощностью 95 л. автоматическая коробка передач.
За исключением модели начального уровня мощностью 95 л.с., все версии очень быстро выходят из строя. Даже 116-сильный 1.6 с 300-килограммовым двигателем легко уезжает со светофора и без проблем преодолевает холмистую местность. Топовый вариант мощностью 180 л.с. — один из самых мощных фургонов на рынке.
Двигатели Peugeot Expert после мая 2019 года
Чтобы соответствовать новым требованиям к выбросам, Peugeot пересмотрела линейку двигателей Expert, начиная с мая 2019 года.
2,0-литровые двигатели в основном такие же, как и раньше, с той же мощностью 120 л.с., 150 л.с. и 180 л.с. Однако версии мощностью 180 л.с. теперь оснащаются восьмиступенчатой автоматической коробкой передач EAT8 для повышения производительности и эффективности. В августе 2022 года модельный ряд стал еще тоньше: предлагались только двигатели мощностью 120 и 180 л.с.
Однако 1,6-литровый двигатель не работает. На его место пришел 1,5-литровый BlueHDi более современного дизайна, знакомый по модельному ряду автомобилей Peugeot. Это дает 102 л.с. / 270 Нм в версии Expert.
Все прекрасно работает в этом фургоне, обеспечивая достаточную плавность хода и впечатляюще изысканные впечатления от вождения. Выберите 2,0-литровый, если вы регулярно перевозите достаточное количество полезной нагрузки, но 1,5-литровые модели могут справиться с работой, если это необходимо.
Салон и салон Peugeot Expert
3 из 5 3.0
Плохое смещение положения водителя
В кабине очень тесно
Недостаточно места для хранения
Для фургона среднего размера кабина кажется очень маленькой и вызывающей клаустрофобию.
Это связано с наклоном крыши к ветровому стеклу и приподнятой далеко вперед приборной панелью, что в сочетании с черным пластиком, используемым во всем интерьере, делает кабину довольно темной.
Сиденья удобные, но опять же не очень просторные. Рулевая колонка и сиденье водителя полностью регулируются, но не сдвигаются слишком далеко назад, что может мешать некоторым высоким водителям.
Что еще хуже, на праворульных версиях Эксперта педали и руль заметно смещены, поэтому вы оказываетесь в слегка скрученном положении. Это очень мало для фургона, который впервые поступил в продажу совсем недавно, в 2016 году.
Есть несколько полезных мест для хранения, но они довольно маленькие — единственным исключением является ниша под стандартным многоместным пассажирским сиденьем.
Проходная перегородка Moduwork входит в стандартную комплектацию, начиная с уровня Professional, и включает не только внешнее пассажирское сиденье, которое складывается для перевозки более длинных грузов, но и среднее пассажирское сиденье, которое трансформируется в стол.
Удобно, но без компенсации ощущения тесноты и смещения посадки за рулем.
Peugeot Expert эксплуатационные расходы и стоимость
4,4 из 5 4,4
Хорошая цена с большим количеством стандартных комплектов
Отличная экономия топлива
Эксплуатация не должна стоить слишком дорого
Обладая привлекательными прейскурантными ценами и большим количеством стандартных комплектаций, Peugeot Expert предлагает хорошее соотношение цены и качества, особенно при покупке за наличные.
Любой, кто хочет финансировать свой фургон с помощью финансов, может обнаружить, что более популярные или премиум-конкуренты предлагают более выгодные цены в месяц из-за того, что они лучше сохраняют свою стоимость.
Peugeot Expert миль на галлон
По состоянию на 2022 год 1,5-литровый дизельный двигатель является самым экономичным из трех предлагаемых. Это соответствует официальной цифре 44,2 миль на галлон, если вы выбираете одну из двух более коротких моделей — компактную или стандартную длину. Переход на длинную модель снижает рейтинг на 1 милю на галлон.
Разница с 2,0-литровыми двигателями не так уж и велика: расход топлива составляет 40,5 миль на галлон для версии мощностью 120 л.с. и 39,4 миль на галлон для модели мощностью 180 л.с.
Если вы смотрите на подержанный образец 1,6-литрового двигателя мощностью 116 л.с., то пусть вас не вводит в заблуждение официальная цифра в 55,3 миль на галлон, которая была у него при запуске в 2016 году. Новые нормы выбросов были введены в сентябре 2019 года.в котором использовался пересмотренный метод измерения экономии топлива, называемый WLTP. Это привело к тому, что заявленные на бумаге показатели резко упали до 41,3 миль на галлон.
Изменение не означает, что Эксперт внезапно стал значительно менее эффективным в реальном мире, скорее тест не должен быть более реалистичным. И, конечно, мы чувствуем, что маленькие и более легкие версии этого фургона вполне способны приблизиться к 40 милям на галлон при обычной езде.
22,4-литровый бак для AdBlue больше, чем у многих других в этом сегменте, и предлагает очень респектабельный запас хода около 9300 миль в теории. То, как далеко вы проедете на одном баке, будет зависеть от того, как и где едет фургон.
Интервалы обслуживания Peugeot Expert
Интервалы обслуживания установлены на уровне 25 000 миль или двух лет, в зависимости от того, что наступит раньше.
Гарантия Peugeot Expert
На автомобиль Expert предоставляется трехлетняя гарантия с пробегом 100 000 миль.
На Toyota Proace, который, по сути, представляет собой тот же фургон, распространяется пятилетняя гарантия с пробегом 100 000 миль. Просто чтобы вы знали.
Стандартная комплектация Peugeot Expert
До производства в мае 2019 года Expert продавался в комплектациях S, Professional и Professional Plus; На этом этапе к ассортименту присоединились варианты Asphalt и Grip, а Asphalt заменил Premium Plus.
Затем, в августе 2021 года, линейка Expert была снова пересмотрена и теперь состоит только из S, Professional и Asphalt. Вот основные характеристики текущего стандартного оборудования:
Основные характеристики стандартного оборудования Peugeot Expert S:
Двойные раздвижные боковые двери
Полностью стальная перегородка
Регулируемое по высоте сиденье водителя с поясничной опорой и подлокотником
Двойное пассажирское сиденье с ящиком для хранения
Круиз-контроль с регулируемым ограничителем скорости
Электрические стеклоподъемники с одним касанием
Наружные зеркала с электроприводом и подогревом
Полноразмерное запасное колесо
DAB-радио
Bluetooth, USB и дополнительный вход
Розетка 12 В в багажном отделении и салоне
Особенности стандартного оборудования Peugeot Expert Professional (в дополнение к S):
Кондиционер
Задний парктроник
Многослойное акустическое ветровое стекло для улучшения внешнего вида
Проходная перегородка Moduwork и пассажирская скамья
Автоматические фары и стеклоочистители
Информационно-развлекательная система с 7-дюймовым сенсорным экраном, Android Auto и Apple CarPlay
Особенности стандартного оборудования Peugeot Asphalt (в дополнение к Professional):
Краска металлик
Кожаный руль и рычаг переключения передач
Бамперы, дверные ручки и боковые накладки в цвет кузова
Передние противотуманные фары с функцией поворота
Светодиодные дневные ходовые огни
17-дюймовые легкосплавные диски
180-градусная задняя парковочная камера и мониторы слепых зон
Передние и задние датчики парковки
Наружные зеркала заднего вида с подогревом и электроскладыванием
Connected 3D Navigation спутниковая навигационная система с распознаванием голоса и Peugeot Connect
Трехлетняя подписка на TomTom Live и SpeedCam / оповещения об опасных зонах
Проекционный дисплей
Пакет безопасности
Пакет помощи водителю
Для справки: снятая с производства модель Peugeot Expert Grip была основана на модели S и предназначена для тяжелых строительных работ.
Наряду с проходной перегородкой Moduwork, эта версия также оснащена улучшенной системой тяги Grip Control, шинами для грязи и снега, увеличенным на 20 мм дорожным просветом и защитной пластиной двигателя толщиной 20 мм.
Надежность Peugeot Expert, общие проблемы и неисправности
3,5 из 5 3,5
Долговечность двигателей должна быть хорошим знаком
Но с момента запуска в 2016 году было много отзывов
За время своего существования различные двигатели PSA зарекомендовали себя как достаточно долговечные, и несколько фургонов с этими двигателями вошли в список FN50 самых надежных легких коммерческих автомобилей.
Тем не менее, эта модель Expert, безусловно, подвергалась ряду официальных отзывов, поскольку проблемы, связанные с двигателями, подвеской, коробками передач и тормозами, требовали действий со стороны Peugeot. Однако в основном это было на ранней стадии жизни фургона. 1,5-литровые двигатели, представленные в 2019 году, являются относительно новыми для фургонов, но они уже много раз использовались в автомобилях Peugeot и до сих пор выглядят надежными. С 2019 года было несколько отзывов, но ни один из них не был связан с двигателями.
Какой бы двигатель вы ни выбрали, при покупке подержанного убедитесь, что все необходимые работы по отзыву были выполнены. Вы должны быть в состоянии проверить с Peugeot.
Полный список вопросов, связанных с отзывом, можно получить через государственную службу «Проверить отзыв автомобиля».
Безопасность Peugeot Expert
4 из 5 4.0
Имеется множество комплектов безопасности…
…но за большую часть придется доплатить
Врезки в стандартной комплектации
Как и во всех фургонах последнего поколения, уровень безопасности Peugeot Expert был значительно повышен.
Однако вы обнаружите, что большая часть лучшего комплекта безопасности не является обязательной.
Безопасность Peugeot Expert
Доступные элементы безопасности на Expert включают:
Электронный контроль устойчивости (ESC)
Автономное экстренное торможение (AEB)
Адаптивный круиз-контроль
Ограничитель скорости
Предупреждение о расстоянии вперед
Проекционный дисплей
Мониторы слепых зон
Распознавание дорожных знаков
Предупреждение о выходе из полосы движения
Монитор усталости водителя
Поскольку Volkswagen сделал автономное экстренное торможение стандартным для всех фургонов, которые он продает в Великобритании еще в 2017 году, всегда разочаровывает то, что это ограничено списком опций на конкурирующих моделях.
Peugeot объединяет ряд ключевых элементов, в том числе AEB, в экономичные пакеты, а пакеты Safety Pack и Driver Assist Pack охватывают новейшие технологии, доступные здесь. Оба они входят в стандартную комплектацию топовых моделей Asphalt и Asphalt Premium.
Серебряная награда Euro NCAP
Автомобиль Peugeot Expert получил серебряную оценку Euro NCAP за наличие оборудования для обеспечения безопасности. Это часть более широкой кампании по безопасности фургонов, запущенной в декабре 2020 года, в которой перечислены лучшие и худшие фургоны с точки зрения безопасности.
Система безопасности Peugeot Expert
Врезные замки и дистанционное запирание, позволяющее отдельно отпирать кабину и грузовой отсек, входят в стандартную комплектацию каждой версии Expert.
Но вам нужно будет выбрать модель Professional или выше, чтобы получить сигнализацию в рамках базовой цены.
Какой Peugeot Expert лучше для меня?
Все еще думаете, какой купить Peugeot Expert? Что ж, просто чтобы добавить еще больше путаницы, не забывайте, что Citroen Berlingo, Fiat Scudo, Vauxhall Vivaro и Toyota Proace — это один и тот же базовый фургон, так что не забудьте проверить их на предмет конкурентоспособных предложений, если вы установили ваше сердце на этом базовом дизайне.
Например, гарантия Toyota, которая составляет до 10 лет в зависимости от того, как вы ее обслуживаете, может быть полезной, если вы планируете использовать фургон дольше.
Лучший двигатель Peugeot Expert
Не о чем беспокоиться, так как все двигатели, доступные в этом фургоне, хороши.
Модель BlueHDi 100 лучше всего подходит для небольших перевозок и городских поездок, а не для дальних поездок с большим весом на борту, но все 2,0-литровые модели обладают достаточной мощностью.
Лучший уровень отделки салона Peugeot Expert
Компания Peugeot очень тщательно разработала свой последний модельный ряд уровня отделки салона Expert, поэтому несложно определить, какой из них лучше всего подходит вам.
Базовые модели S подходят для выполнения основных задач, в то время как модель Grip, снятая с производства, более жесткая, например, для более сложных работ на стройплощадке. Модели Professional и Asphalt обеспечат водителям, путешествующим на большие расстояния, более комфортную рабочую среду, не в последнюю очередь благодаря дополнительной шумоизоляции.
Рекламное объявление
Обзор фургона Peugeot Expert 2021
Peugeot Expert — второе место в номинации Parkers Medium Van of the Year Award 2020
Обзор Peugeot Expert — модель 2019 года, вид спереди, серебристый, за рулем
Обзор Peugeot Expert — вид спереди, серый
Обзор Peugeot Expert — вид спереди, серый
Обзор Peugeot Expert — вид сзади, серый
Обзор Peugeot Expert — вид спереди, серый, за рулем
Peugeot Expert — модель 2016 г., салон кабины, вид со стороны пассажира
Peugeot Expert — модель 2016 года, салон кабины, вид со стороны пассажира, перегородка Moduwork со сложенным пассажирским сиденьем и установленной сеткой
Peugeot Expert — модель 2016 года, салон кабины, вид со стороны пассажира, перегородка Moduwork с загруженными трубами
Peugeot Expert — модель 2016 года, вид спереди, загруженный фургон, мужчина активирует боковые двери с электроприводом ногой.
Электрофургон Peugeot e-Expert — серебристый, зарядка, в продаже 2020 г.
Peugeot Expert Sport Edition, вид спереди, черный, 2020
Peugeot Expert Sport Edition, вид сзади, черный, 2020
Электрический фургон Peugeot Expert — в продаже в 2020 году
Peugeot Expert Review, Для продажи, Цвета, модели и характеристики в Австралии Отзывы
Продается
Сиденья
Габаритные размеры
Цвета
VS конкуренция
Размер колеса
Буксировочная способность
Цена и характеристики
Потребление топлива
Новости
Что на этой странице
Отзывы
Продается
Сиденья
Габаритные размеры
Цвета
VS конкуренция
Размер колеса
Буксировочная способность
Цена и характеристики
Потребление топлива
Новости
Отзывы экспертов Peugeot
tradieguide
Обзор Peugeot Expert 2019: Standard 150 Auto
By M. ark Oastler — 24 июля 2019 г. 4.0
expertguide
Обзор Peugeot Expert 2019
Автор J.ake Williams — 26 апр 2019 4.0
expertguide
Обзор Peugeot Expert 2013
Автор P.eter Barnwell — 22 августа 2013 г. 3,5
Просмотреть все обзоры Peugeot Expert
Сиденья Peugeot Expert
Следующий Peugeot Expert поставляется с тремя сиденьями. Все варианты доступны с трехместным передним сиденьем Moduwork и откидным пассажирским сиденьем. Все варианты поставляются с внутренней отделкой серой тканью и TEP.
Выше показаны детали сидений для Peugeot Expert 2019.
Размеры Peugeot Expert
Размеры Peugeot Expert Commercial различаются в зависимости от года выпуска и уровня комплектации.
Год
Тип кузова
Высота x Ширина x Длина
Дорожный просвет
2022
Коммерческий
1940x1920x4959 мм
—
2021
Коммерческий
1895x2010x4959 мм
188 мм
2020
Коммерческий
1895x2010x4959 мм
188 мм
2019
Коммерческий
1895x2010x4959 мм
188 мм
2015
Коммерческий
1942x1986x5135 мм
148 мм
Размеры, указанные выше, относятся к базовой модели. Смотреть все Peugeot Expert Размеры
Самые просматриваемые в новостях
Думаете, Австралия сошла с ума? Последняя партия американских пикапов заставит позавидовать Ford Ranger, Toyota HiLux и Mitsubishi Triton
Обновление времени ожидания Ford Ranger и Everest! Новый внедорожник и внедорожник уже стали хитом продаж для Blue Oval, но какова очередь?
Toyota выходит из-под контроля! Большой, лучший флагман HiLux, детализированный для Австралии — и это выгодная сделка!
Осторожно, Toyota GR Sport LandCruiser! Абсолютно новый Nissan Patrol Y63 будет иметь хардкорный вариант Warrior с момента запуска!
2023 MG5 все еще прибывает в Австралию: несмотря на задержки, MG делает ставку на седан Toyota Corolla и Kia Cerato
Цвета Peugeot Expert
Белая Бьянка
Серый алюминий
Платиново-серый
Перла Нера Черный
Огненно-красный
Чтобы узнать о наличии текущего цвета, посетите веб-сайт производителя. Выше показаны цвета Peugeot Expert 2019..
Peugeot Expert в сравнении с конкурентами
Просмотреть все сравнения Peugeot Expert
Размер колес Peugeot Expert
Для Peugeot Expert предлагается несколько вариантов колес и шин. Что касается шин, то они варьируются от 215×65 R16C для коммерческих автомобилей в 2022 году.
Тип кузова
Размер передней шины
Передний обод
Размер задней шины
Задний обод
2022
Коммерческий
215×65 R16C
—
215×65 R16C
—
2021
Коммерческий
216×65 R1C 1
—
216×65 R1C 1
—
2020
Коммерческий
216×65 R1C 1
16×6 дюймов
216×65 R1C 1
16×6 дюймов
2019
Коммерческий
216×65 R1C 1
16×6 дюймов
216×65 R1C 1
16×6 дюймов
2015
Коммерческий
215×60 R16
16×7 дюймов
215×60 R16
16×7 дюймов
Размеры, указанные выше, относятся к базовой модели. См. все размеры колес Peugeot Expert
Peugeot Expert Тяговое усилие
Максимальное тяговое усилие Peugeot Expert последней доступной модели составляет 2165 кг.
Год
Тип кузова
Тормозная способность от
Тормозная способность до
2022
Коммерческий
1800 кг
2165 кг
2021
Коммерческий
1500 кг
2200 кг
2020
Коммерческий
1500 кг
2200 кг
2019
Коммерческий
1500 кг
2200 кг
2015
Коммерческий
2000 кг
2000 кг
См. все Тяговое усилие Peugeot Expert
Модели Peugeot Expert Цена и характеристики
Диапазон цен на Peugeot Expert зависит от выбранной вами комплектации. Начиная с 43 297 долларов и до 51 990 долларов за последний год выпуска модели. Модельный ряд доступен в следующих типах кузова, начиная с характеристик двигателя/трансмиссии, показанных ниже.
Год
Тип кузова
Технические характеристики
Цена от
Цена до
2023
Коммерческий
2,0 л, дизель, 6 СП MAN
43 297 долларов 90 147
$51,990
2022
Коммерческий
2,0 л, дизель, 6 СП MAN
43 297 долларов 90 147
51 990 долларов США
2021
Коммерческий
1,6 л, дизель, 6 СП MAN
25 100 долларов США
50 820 долларов США 90 147
2020
Коммерческий
1,6 л, дизель, 6 СП MAN
22 200 долларов США
41 910 долларов
2019
Коммерческий
1,6 л, дизель, 6 СП MAN
20 400 долларов США
37 840 долларов
Посмотреть все цены и характеристики Peugeot Expert
Расход топлива Peugeot Expert
Автомобиль Peugeot Expert доступен в нескольких вариантах и типах кузова, работающих на дизельном топливе. Расчетный расход топлива составляет от 5,2 л / 100 км для коммерческого / дизельного топлива за последний год выпуска модели.
Год
Тип кузова
Расход топлива*
Двигатель
Тип топлива
Трансмиссия
2022
Коммерческий
—
2,0 л
Дизель
6 СП ЧЕЛОВЕК
2021
Коммерческий
5,2 л/100 км
1,6 л
Дизель
6 СП МАН
2020
Коммерческий
5,2 л/100 км
1,6 л
Дизель
6 СП МАН
2019
Коммерческий
5,2 л/100 км
1,6 л
Дизель
6 СП МАН
2015
Коммерческий
6,8 л/100 км
2,0 л
Дизель
6 СП МАН
* Комбинированный расход топлива Посмотреть все цены и спецификации Peugeot Expert на 2022 год
Новости Peugeot Expert
2022 Peugeot Partner, Expert и Boxer цена и характеристики: обновленные фургоны Франции нацелены на новые Volkswagen Caddy, Transporter и Crafter
Автор J. ustin Hilliard — 20 января 2022 г.
Традиции тоже люди! Почему отказ от технологий безопасности — это шаг назад для коммерческого транспорта | Мнение
М. Атт Кэмпбелл — 10 окт 2021
Водород или чисто электрический: что лучше для вашего следующего легкого коммерческого автомобиля Ford Ranger, Toyota HiLux или Renault Trafic?
Т.они О’Кейн — 26 сен 2021
Peugeot Australia будет продавать электромобили с 2022 года: внедорожник e-2008, хэтчбек e-208 или фургоны e-Partner, e-Expert и e-Boxer лидируют на рынке электромобилей?
Дж. Устин Хиллиард — 27 мая 2021
Jeep Grand Cherokee, Alfa Romeo Stelvio, Citroen C5 Aircross и другие важные модели, имеющие решающее значение для будущего Stellantis
Автор Стивен Оттли — 24 янв 2021
Продажи новых автомобилей в 2020 году: MG, Great Wall и другие противостоят нисходящей тенденции
Стивен Оттли — 13 июн 2020
Все новости Peugeot Expert
Peugeot Expert Review, Price and Specification
Price
$43,297 — $50,075
Fuel Efficiency
0 / 100km
ANCAP Rating
Not tested
Warranty
5 лет
Цена
43 297 — 50 075 долл. США0147
Рейтинг ANCAP
Не протестировано
Гарантия
5 лет
О эксперте
. и построен во Франции. Он использует дизельное топливо.
Peugeot Expert продается с двигателем объемом 2,0 л и четырехцилиндровым двигателем с турбонаддувом.
Модельный ряд Expert предлагается с 5-летней гарантией 200 000 км пробега.
Expert Цена
Какова цена Peugeot Expert?
2022 Peugeot Expert City Standard: 43 297 долл. США
2022 Peugeot Expert Pro Long: $ 46,736
2022 Peugeot Expert Pro Standard: 47 849
2022 Peugeot Expert Pro Long: 50 075 долл. и до дорожных расходов, которые варьируются от штата к штату.
Sold Car Price Logo
Peugeot Expert
РЕКЛАМА
$ 43 297
Цена, выплаченная
$ 00 000
Не платите слишком много, узнайте, что другие заплатили
Получить отчет
News
Все последние новости
Peugeot и Citroen увеличивают цены.
Уильям Стопфорд
Цены на большинство моделей Citroen и Peugeot с 1 июля повысились на шесть процентов, что является вторым повышением цен на многие модели в этом году.
01 22 июля
Фургон Peugeot лишился боковых подушек безопасности из-за нехватки чипов
Майк Костелло
Peugeot удалил две важные функции безопасности и помощи водителю из своего среднего фургона во время кризиса чипов – и поднял цены.
21 янв 22
Peugeot Expert 2022 года цена и характеристики
Scott Collie
Peugeot Expert 2022 года будет предлагаться в трех основных комплектациях, с пакетом Premium и ограниченной серией спортивной модели поверх базовых трех спецификаций. .
05 21 октября
Компания Peugeot представила электромобиль e-Expert Hydrogen, в Австралии планов нет.
27 21 мая
Насколько хороши системы активной безопасности в вашем фургоне?
Scott Collie
Как ваш фургон отличается активными функциями безопасности? ANCAP и Euro NCAP протестировали 15 фургонов, чтобы выяснить это.
16 20 декабря
Peugeot Expert 2018-19 отозван
Джеймс Вонг
Есть 64 фургона Peugeot Expert, которые могут вызвать утечку дизельного топлива, что может привести к пожару. Затронутые автомобили были проданы в период с апреля 2018 г. по июль 2019 г.
28 сентября 20
Peugeot Expert 2019 года отозван из-за ремонта тормозной системы и топлива , воздействуя на задний тормозной шланг автомобиля и топливопроводы.
10 Сен 20
Варианты
Какие есть варианты Peugeot Expert?
CITY STANDARD
FROM
$43,297
PRO LONG
FROM
$46,736
PRO STANDARD
FROM
$47,849
Variant Name
CITY STANDARD
Price From
$43,297
Series
K0 MY22
Style
2D ФУРГОН
Трансмиссия
6-ступенчатая механизм
Тип топлива
Diesel
Экономия топлива
0,0 л / 100 км
Сиденья
3
Размер двигателя
2,0L
Cylinders
2,0L
9003
2,0L
9003
2,0L
.
Expert Warranty
Каковы гарантийный срок и лимит пробега для Peugeot Expert?
PEUGEOT рекомендует владельцам обслуживать свой PEUGEOT EXPERT 2022 года каждые 12 месяцев или 15 000 км пробега, в зависимости от того, что наступит раньше.
Гарантия на PEUGEOT EXPERT 2022 года составляет 5 лет и 200 000 км пробега.
Expert Экономия топлива
Сколько топлива потребляет Peugeot Expert и каковы его выбросы?
PEUGEOT EXPERT 2022 года комбинированный (0.0) и совместимый с E10 (-).
Expert Размеры
Размеры Peugeot Expert
В зависимости от варианта PEUGEOT EXPERT 2022 года имеют следующие размеры.
Вариант
Серия
Style
Length (mm)
Width (mm)
Height (mm)
Wheelbase (mm)
CITY STANDARD
K0 MY22
2D VAN
4959
1920
1940
3275
PRO LONG
K0 MY22
2D VAN
5309
1920
1948
3275
PRO STANDARD
K0 MY22
2D VAN
4959
1920
1940
3275
PRO LONG
K0 MY22
2D VAN
5309
1920
1948
3275
The 2022 PEUGEOT EXPERT has a тяговое усилие с тормозом от 1800 кг до 2165 кг в зависимости от варианта и тяговое усилие без тормоза 750 кг.
Expert Market Fit
Какое место он занимает в сегменте конкурентов?
Peugeot Expert относится к категории VANS/CC 2,5-3,5 т и имеет диапазон цен 43,29 долларов США.от 7 до 50 075 долларов.
Часто задаваемые вопросы
Модельный ряд Peugeot Expert начинается от 43 297 долларов США (плюс дорожные расходы) для варианта «Expert CITY STANDARD» и заканчивается от 50 075 долларов США (плюс дорожные расходы) для варианта «Expert PRO LONG». .
Peugeot Expert производится во Франции, а затем отправляется в Австралию.
Peugeot Expert имеет тяговое усилие от 1800 до 2165 кг в зависимости от варианта и 750 кг без тормозов.
Peugeot рекомендует владельцам обслуживать свой Peugeot Expert каждые 12 месяцев или 15 000 км пробега, в зависимости от того, что наступит раньше.
Как сказала бы моя бабушка, машина такая, «чтоб ничего не хотелось». Ездит, не ломается в пути, вмещает все, что мне нужно — ну и ладно.
27 июля 2022 г.
Peugeot Partner 2011 Tepee Active 1.6 MT
6 (6.0/10)
Подходящий для работы автомобиль, в нем всего по минимуму, но все же определенный уровень комфорта обеспечен. Если сложить задний ряд, освобождается много места. Он не требует больших трат и не склонен часто ломаться.
27 мая 2022 г.
Peugeot Partner минивэн 2005
8.1 (8.1/10)
Работяга, оттрубил на нем 250 тыс км, и хоть бы хны, все узлы целые, ходовая надежная, ржавчины почти нет. Смог продать за нормальные деньги.
27 июня 2021 г.
Peugeot Partner минивэн 2005
7.4 (7.4/10)
Зарабатывал на нем извозом, вместительность в этом очень выручала, брал много пассажиров с багажом. Отказаться пришлось в 2013 году при переезде, а жаль, за такие деньги ничего подобного я больше не нашел.
9 июля 2020 г.
Смотреть все
Форум и вопросы-ответы
Все темы
Посмотреть все
Материалы о Peugeot
Все комплектации и технические характеристики автомобилей Peugeot Partner, как официально поставляемых в РФ, так и ттх остальных авто. Тут можно узнать подробное техническое описание Пежо Партнер от первых до современных моделей, узнать про расход топлива и габариты, кузове и двигателях, коробке передач и тормозной системе.
Рейтинги машин
Обзор авто Peugeot Partner — фото и видео, описание и характеристики автомобиля Пежо Partner 2015 – 2018, II Рестайлинг 2 в Москве от официальных дилеров
Средний расход 3.2 л / 4 л / 2.8 л (смешанный, город, трасса)
Механика (5 ступеней)
Передний привод
3 года гарантии
от 2 127 000 р.
Все характеристики
Рейтинг и отзывы Peugeot Partner
2015-2018, II Рестайлинг 2 1.6 MT • Court Peugeot Partner
Универсальная, сбалансированная во всех отношениях машина. Пежо Партнер пригодится и на каждый день, и для поездок на природу. Можно даже не брать с собой палатку – назад бросается надувной матрас, и три человек…
2015-2018, II Рестайлинг 2 1.6 MT • Court Peugeot Partner
Мой Пежо Партнер 2004 года производства с пробегом 230 тысяч километров. Переднеприводный, на механической трансмиссии и с дизельным двигателем 1,9 л. Расход дизеля в городе 7,2 литра, на трассе – до 6 литров. Х…
2015-2018, II Рестайлинг 2 1.6 MT • Court Peugeot Partner
Езжу на рабочей Пежо Партнер уже больше полугода. Первый и самый жирный плюс данного авто это его объемы: просторный багажник, комфортный задний ряд сидений, много полезного пространства впереди. Багажник можно…
Читать все отзывы о Peugeot Partner
Обзоры модели
Обзор Peugeot Partner
Смотреть Peugeot Partner в каталоге
С этой моделью смотрели
Скидки до 950 000 Р.
Скидки до 1 100 000 Р.
Скидки до 600 000 Р.
Скидки до 600 000 Р.
Скидки до 20 000 Р.
Скидки до 20 000 Р.
Скидки до 1 050 000 Р.
Скидки до 200 000 Р.
Безопасный фургон Peugeot Partner
Французский производитель представил 2-й рестайлинг второго поколения легкового фургона Пежо Партнер в 2015 году. Новая модель отличилась цельнометаллическим корпусом и оснащена новым бортовым компьютером.
Peugeot Partner можно приобрести в 3 модификациях – базовой Access, оптимальной Active и продвинутой Outdoor. Фургон оборудован дизельным двигателем объемом 1,6 литра с пиковой мощностью 90 лошадиных сил или бензиновым 1,6-литровым мотором на 110 л. с. Поставляется модель с передним приводом и 5-ступенчатой механической коробкой передач. Базовая комплектация включает в себя стандартное оборудование для комфортного использования – центральный замок с блокировкой, ABS, AFU и электростеклоподъемники. Модификация Active дополнительно поставляется с круиз-контролем и кондиционером. Топовая Outdoor порадует владельца панорамной крышей и климат-контролем. Модель оснащена системой Start&Stop, позволяющей значительно экономить топливо, а также технологией MirrorLink для синхронизации со смартфоном. Для безопасности пассажиров фургон Пежо Партер оборудован системами ESP, Hill Assist и Active City Brake.
Где выгодно купить Peugeot Partner?
Сервис Autospot поможет выбрать нужную модификацию автомобиля среди предложений официальных дилеров. Кроме того, покупатель получит доступ к таким бонусам от автодилеров:
участии в программе круглосуточной помощи при поломке;
гарантии от производителя до 3-х лет;
покупке на улучшенных условиях кредитования.
После покупки автомобиля пользователь станет обладателем скидки до 90% на услугу нанесения специального водоотталкивающего покрытия на автомобиль.
Информация о модели Peugeot Partner 2015 – 2018, II Рестайлинг 2: технические характеристики, отзывы и фотографии авто. 3 и более обзоров на автомобиль Пежо в кузове минивэн. Смотрите видео и фото, а также читайте отзывы о машине. Купить авто с пробегом в Москве на Autospot.ru!
Наши клиенты ищут
Авто с пробегом Peugeot Partner с пробегом Дилеры Все дилеры Peugeot Partner ТО Техническое обслуживание Peugeot Partner
«Каблук» Peugeot Partner – эталон в сегменте коммерческого транспорта
Немногие автомобили могут похвастаться многолетним спросом на мировом рынке.
Peugeot Partner — один из них. За свою более чем 20-летнюю историю каблучок Пежо прошел путь от переднеприводного литрового однообъемника до комфортабельного компактвэна, идеально подходящего как для бизнеса, так и для активного семейного отдыха и путешествий. В России автомобиль по сей день пользуется неизменной популярностью.
НАЧАЛО ВЫПУСКА
В 1996 году французская компания Groupe PSA вывела на рынок грузопассажирский вэн сегмента «В» Peugeot Partner. Новую модель сконструировали на базе Peugeot 306, а параллельно на Парижском автосалоне дебютировал другой результат работы двух концернов Citroën и Peugeot, абсолютно идентичный экземпляр под названием Citroën Berlingo. Утилитарность каблучка заключалась в том, что при достаточно скромных габаритах (4110×1720×1800 мм с колесной базой в 2690 мм, клиренсом в 14 см, колесах R14, массе менее 2 тонн), он обладал несвойственной легковушкам грузоподъемностью до 995 кг и трансформируемым багажным отсеком, который вмещал от 664 до 2800 литров. Фактически с такими параметрами этот автомобиль не принадлежал ни к одному существующему классу.
МОДИФИКАЦИИ
Наряду с выпуском трехдверного грузового фургона в серийное производство поступила 5-местная пассажирская версия Peugeot Сombi. Классический облик вэна с обтекаемым кузовом, вытянутыми фарами и узкой радиаторной решеткой дополнялся лаконичным салоном. Из силовых агрегатов можно было выбрать бензиновые объемом от 1,1 до 1,6 л (60−109 л.с.), турбированные дизельные: 1,6−2 литра (75 и 90 «лошадей» соответственно), и атмосферный дизель 1,9 (69 л.с.). Все варианты комплектовались 5МКПП, независимой пружинной подвеской спереди, плюс полунезависимой торсионной балкой сзади.
РЕСТАЙЛИНГ
Первое обновление Пежо пережил в 2002 году, получив массивный бампер, окрашенный в цвет кузова, увеличенные зеркала, более выразительную головную оптику и задние фонари, сдвижные боковые двери в качестве опции. Изменения претерпел интерьер авто, став более современным и функциональным. В салоне появились кондиционер, передние электростеклоподъемники, адаптивный усилитель руля, подогрев сидений, информационный дисплей, круиз-контроль, подушки безопасности для водителя и пассажира в базе, детские крепления Isofix, многочисленные отделения для ручной клади, розетка на 12 В.
КОНСТРУКТИВНЫЕ ОСОБЕННОСТИ
В зависимости от потребности покупатели могли приобрести фургон с передним или полным приводом, пассажирскую пятиместную версию Combi или повышенной комфортабельности CombiSpace. Доступ в салон осуществлялся как через передние, так и через сдвижные двери. От багажного отсека салон отделяла сетка со шторкой. Сложение задних кресел в пол позволяло получить 2,8 м³ полезного грузового пространства. Из модернизированной моторной линейки исчез самый слабый литровый двигатель, а 2-литровый HDi оснастили механизмом впрыска топлива Common Rail. В смешанном цикле автомобиль потреблял до от 5,8 до 7,5 л на сто километров, а разгон до 100 км/ч занимал от 12,9 до 17,5 секунд.
УЛУЧШЕННАЯ ПРОХОДИМОСТЬ
К уже существующим комплектациям добавилась топовая Ushuaia, отличительными чертами которой были увеличенный клиренс, защита картера, решетки на фарах и фонарях, дифференциал повышенного трения на переднем приводе. Эти опции превращали Partner в полноценный автомобиль для бездорожья.
II ПОКОЛЕНИЕ
Следующую генерацию Peugeot Partner представили общественности в январе 2008 года. Компактвэн не просто претерпел внешние изменения, а превратился в совершенно новую модель на универсальной платформе PSA. Он заметно подрос в размерах: на 24 см в длину и 13 см в ширину, что обусловило его повышенную грузоподъемность с багажным отделением до 3,3 м³. Многочисленные ниши и карманы в салоне (на передней панели, в дверях, под сиденьями, над лобовым стеклом) позволяли перевозить максимальное количество вещей. В то же время, не потеряв в грузовых качествах, фургон стал комфортнее за счет отличной шумоизоляции и оснащения задней подвески балкой с пружинами и амортизаторами, как на легковом транспорте.
СИЛОВЫЕ АГРЕГАТЫ
С новым поколением Пежо Партнер на смену 1,4-литровому двигателю пришел 75-сильный 1,6-литровый турбодизель. Также в комплектации предлагались бензиновые и дизельные агрегаты мощностью в 90−110 л.с.
PEUGEOT PARTNER TEPEE
Обновленная пассажирская конфигурация Партнер была переименована в Tepee (с англ. «вигвам»). «Говорящее» название указывало на автомобиль, созданный специально для активного отдыха и путешествий всей семьей. Яркий и актуальный облик не потерял узнаваемости, благодаря фирменным «львиным» чертам. В стандартное оснащение вошли 2 фронтальные подушки безопасности, центральный замок, электрические стеклоподъемники, аудиоблок, антиблокировочная система (ABS), устройство помощи при экстренном торможении (AFU).
Стандартная в грузовой версии линейка двигателей в пассажирской дополнялась одной из последних разработок концерна — HDi 1,6 в 110 «лошадей» с противосажевым фильтром. Такое сочетание делало агрегат на 30% производительнее и экономичнее аналогов. Как правило, он устанавливался на «внедорожную» модификацию Tepee Outdoor с защитой картера, увеличенным дорожным просветом, колесами R16.
НАДЕЖНОСТЬ И ВМЕСТИТЕЛЬНОСТЬ
Очередной рестайлинг Peugeot пережил в 2012 году. Он не только получил выразительную решетку радиатора, каплевидные передние фары, прямоугольные задние фонари, обновленный шильдик и модные колпаки, но и «подрос» в габаритах. Увеличение длины на 24 см (колесная база составила 2730 мм) и ширины на 8 см позволило нарастить грузовое отделение, объем которого теперь начинался с 675 литров. Стекло задней двери сделали открывающимся, что значительно облегчило погрузку длинных предметов. При этом автомобиль стал более маневренным и управляемым.
В варианте Partner Tepee спереди вместо трех, установлены два кресла. Появились регулировки рулевой колонки по высоте и вылету. Среди опций обозначены 6 подушек безопасности, датчик давления в шинах, система курсовой устойчивости (ESP), панорамная крыша.
Изменения коснулись и технической составляющей. Гамма силовых агрегатов состояла из 1,6-литровых бензиновых (90 и 110 л.с.) и дизельных (75, 90, 110 л.с.) моторов в комплекте с механической трансмиссией. Недостаток динамичности компенсировался скромным расходом топлива — до 8 литров в смешанном цикле.
ФЕЙСЛИФТИНГ
В 2015-м компания Peugeot еще раз обновила обе версии каблука. При внешнем сходстве архитектура фургона Peugeot Partner VU существенно отличалась от пассажирской. Экстерьерные изменения коснулись внушительного капота, переднего бампера, эффектной светодиодной оптики и радиаторной решетки. Благородный облик дополнили стильные противотуманки и линии дневных ходовых огней. Фирменный «львиный» значок переместили на решетку радиатора.
ПРОФЕССИОНАЛЬНЫЙ ПАРТНЕР
Усиленная платформа Partner VU могла быть исполнена в трех вариантах грузоподъемности: 625, 750 и 850 кг, и двух — длины грузового отделения: L1 Court (1 800 мм) и L2 Longue (2 050 мм). В моторной гамме 90-сильный бензиновый и дизельный двигатели 1,6 литра, агрегатированные 5-ступенчатой «механикой». Многообразие вариаций позволяло выбрать максимально подходящий для нужд предпринимателей коммерческий транспорт.
Уже в 2016 г Peugeot Partner получил звание «Коммерческого автомобиля года» по версии журнала «L’Automobile et l’Entreprise». Победителя определили представители тематических СМИ и транспортных департаментов.
Комфорт внутри
Partner Tepee из грузопассажирского компактвэна превратился в удобный, современный и надежный автомобиль. На отечественном рынке он был представлен тремя комплектациями:
Стандартная Active оборудована галогенными фарами, двумя подушками безопасности, кондиционером, водительским креслом с регулировкой по высоте, полным электропакетом, аудиосистемой с MP3, AUX и 4 динамиками. На авто установлены боковые сдвижные двери, металлическая защита картера и стальные диски R15.
Outdoor выделялась подогревом передних сидений с подлокотниками и индивидуальными регулировками наклона спинок, возможностью демонтажа последнего ряда. Интерьер пополнился новой мультимедийной системой MirrorLink с экраном 7 дюймов, Bluetooth, USB, опционально навигатором и камерой заднего вида. В пакет «Улучшенная проходимость» входили увеличенный клиренс, усиленная подвеска, шины R16.
Для Allure предусмотрены светодиодные фары, противотуманки с углом дополнительного освещения Corner light, двухзонный климат-контроль, кожаное рулевое колесо, задние сидения, складывавшиеся в пропорции 1/3−2/3, ассистент при парковке и целый комплекс устройств активной безопасности. В модульную конструкцию Типи опционально вошли панорамная крыша Zénith, пятая дверь с распашным окном и съемные сиденья третьего ряда, одно из которых свободно трансформировалось в столик с подстаканниками.
Под капотом могли находиться 1,6-литровый бензиновый мотор в 110 или 120 «лошадей» или 90-сильный дизель в паре с механической или 6-диапазонной автоматической трансмиссией. Максимальная скорость достигала 165 км/ч, а расход топлива составлял 5,7 и 4,6 литров на 100 километров.
Среди минусов покупатели отмечали недостаточную шумоизоляцию и долгий прогрев в зимнее время.
4 ЗВЕЗДЫ
Пассивную безопасность в авто обеспечивали фронтальные и боковые подушки и шторки, ремни с преднатяжителями и ограничителями, крепления для детского кресла Isofix, В набор активных устройств входили антиблокировочная тормозная система, модуль динамической стабилизации, помощь при экстренном торможении, адаптивный круиз-контроль, функция Hill Assist для сохранения статичного положения машины на склоне, интеллектуальное устройство для бездорожья Grip Control. Итоговая оценка европейской ассоциации Euro NCAP — 4 балла за предотвращение аварийности и защиту пассажиров от травматизма.
ЭЛЕКТРОМОБИЛЬ
В 2017 г на Женевском международном автосалоне компания PSA презентовала Peugeot Partner Tepee Electric с запасом хода в 170 км. В стандартном оснащении новинки все передовые системы безопасности и мультимедиа. 7-дюймовый сенсорный дисплей удобен для телефонии и навигации, поддерживал функцию MirrorScreen, совместимую с Apple Carplay® и Mirrorlink®.
Электромобиль передвигался с помощью электромотора мощностью 49 КВт (эквивалент 68 л.с.) с крутящим моментом в 200 Нм в комплекте с одноступенчатой трансмиссией. С двух сторон от задней подвески расположены ёмкостные литий-ионные аккумуляторы в 22,5 кВт/ч каждый. Такое конструктивное решение позволило повысить динамику и маневренность авто без потери площади багажника. Зарядить батареи можно либо от стандартной домашней розетки, либо от ускоренной получасовой зарядки по стандарту CHAdeMO.
III ПОКОЛЕНИЕ
В начале 2018 года в Европе дебютировала свежая генерация пассажирского Партнера — Peugeot Rifter в пяти- и семиместном исполнениях с опциональным полным приводом. Кроссвэн отличается агрессивным дизайном: массивными колесными арками, внушительным бампером, трапециевидной радиаторной решеткой, эффектной оптикой. В кузовной гамме 8 разных оттенков и несколько вариантов оформления колес R17. Rifter выпущен в 2 модификациях:
Standart с габаритами 4400×1850×1810 мм, колесной базой 2780 мм и клиренсом в 18 см.
Long длиннее на 35 см (база на 19 см).
ИНТЕРЬЕР
Салон Рифтера выполнен в духе концепции i-Cockpit, направленной на взаимодействие автомобиля с водителем. 8-дюймовый мультимедийный комплекс, спортивный двухспицевой мультируль и аналоговые циферблаты исполнены с использованием качественных материалов. Передние кресла отличаются выраженной боковой поддержкой и широким диапазоном регулировок. На заднем ряду достаточно места, чтобы пассажиры разместились с максимальным комфортом. Объем багажника варьируется от 775 до 4000 литров, а под мелочи предусмотрены карманы и полки общей вместительностью 185 литров. Модель продается в 4 комплектациях: Access, Active, Allure и спортивной GT-line.
ДВИГАТЕЛИ
Рифтер текущего года комплектуется:
1,2-литровым PureTech с функцией непосредственной подачи горючего на 110 и 130 л.с. Потребление бензина — порядка 6 л/100 км.
1,5-литровым турбодизелем BlueHDi мощностью 75, 110 или 130 л. с. с экономичным расходом топлива около 4,5 литра на «сотню» километров.
В качестве трансмиссии выступают пяти- или шестидиапазонная «механика» или 8АКПП.
VAN
Главными инновациями фургона, который внешне и внутренне похож на своего пассажирского собрата, стали индикатор перезагрузки багажного отсека и камера Surround Rear Vision, выводящая на экран «мертвые» зоны. Широкий набор модификаций и опций вкупе со стильным экстерьером заслуженно принесли Peugeot Partner престижное звание «International Van of the Year 2019» еще до выхода в серийное производство.
ПЕРСПЕКТИВЫ В РОССИИ
Спрос на Пежо Партнер в нашей стране неизменно оставался на высоком уровне на протяжении всех поколений автомобиля. Идущий в ногу со временем дизайн, беспрецедентный потенциал в сфере трансформации и возможность адаптации под любые коммерческие потребности сделали эту модель незаменимой для многих предпринимателей и любителей активного образа жизни.
Информации о дате поставок на российский рынок 3-го поколения Peugeot Partner в настоящее время нет.
Размеры шин и дисков для Peugeot Partner
1.1
1996
5 Kasten
Заводская комплектация
165/70 R14 175/65 R14
Варианты замены
—
Основные параметры
PCD:4/108 Dia:65.1 Болт 12*1.25
Заводская комплектация
5×14 ET 24 5.5×14 ET 24
Варианты замены
—
Передняя ось / Задняя ось
—
Передняя ось / Задняя ось
—
—
1″>
1996
5F Tepee
—
1997
5 Kasten
—
1997
5F Tepee
—
1998
5 Kasten
—
1998
5F Tepee
—
1999
5 Kasten
—
1999
5F Tepee
—
2000
5 Kasten
—
2000
5F Tepee
—
2001
5 Kasten
—
1″>
2001
5F Tepee
—
2002
5 Kasten
—
2002
5F Tepee
—
2002
M59 Kasten
—
2003
M59 Kasten
—
2004
M59 Kasten
—
2005
M59 Kasten
—
2006
M59 Kasten
—
2007
M59 Kasten
—
2008
M59 Kasten
—
4″>
1.4
1996
5 Kasten
Заводская комплектация
165/70 R14 175/65 R14
Варианты замены
—
Основные параметры
PCD:4/108 Dia:65.1 Болт 12*1.25
Заводская комплектация
5×14 ET 24 5.5×14 ET 24
Варианты замены
—
Передняя ось / Задняя ось
—
Передняя ось / Задняя ось
—
—
4″>
1996
5F Tepee
Заводская комплектация
165/70 R14 175/65 R14 175/70 R14 185/65 R15
Варианты замены
195/60 R15 205/50 R16
Основные параметры
PCD:4/108 Dia:65.1 Болт 12*1,25
Заводская комплектация
5×14 ET 24 5.5×14 ET 24 6×15 ET 18
Варианты замены
7×15 ET 15 7.5×16 ET 15
Аккумуляторы
1997
5 Kasten
Заводская комплектация
165/70 R14 175/65 R14
Варианты замены
—
Основные параметры
PCD:4/108 Dia:65. 1 Болт 12*1.25
Заводская комплектация
5×14 ET 24 5.5×14 ET 24
Варианты замены
—
—
1997
5F Tepee
Заводская комплектация
165/70 R14 175/65 R14 175/70 R14 185/65 R15
Варианты замены
195/60 R15 205/50 R16
Основные параметры
PCD:4/108 Dia:65.1 Болт 12*1,25
Заводская комплектация
5×14 ET 24 5.5×14 ET 24 6×15 ET 18
Варианты замены
7×15 ET 15 7. 5×16 ET 15
Аккумуляторы
1998
5 Kasten
Заводская комплектация
165/70 R14 175/65 R14
Варианты замены
—
Основные параметры
PCD:4/108 Dia:65.1 Болт 12*1.25
Заводская комплектация
5×14 ET 24 5.5×14 ET 24
Варианты замены
—
—
1998
5F Tepee
Заводская комплектация
165/70 R14 175/65 R14 175/70 R14 185/65 R15
Варианты замены
195/60 R15 205/50 R16
Основные параметры
PCD:4/108 Dia:65. 1 Болт 12*1,25
Заводская комплектация
5×14 ET 24 5.5×14 ET 24 6×15 ET 18
Варианты замены
7×15 ET 15 7.5×16 ET 15
Аккумуляторы
1999
5 Kasten
Заводская комплектация
165/70 R14 175/65 R14
Варианты замены
—
Основные параметры
PCD:4/108 Dia:65.1 Болт 12*1.25
Заводская комплектация
5×14 ET 24 5.5×14 ET 24
Варианты замены
—
—
4″>
1999
5F Tepee
Заводская комплектация
165/70 R14 175/65 R14 175/70 R14 185/65 R15
Варианты замены
195/60 R15 205/50 R16
Основные параметры
PCD:4/108 Dia:65.1 Болт 12*1,25
Заводская комплектация
5×14 ET 24 5.5×14 ET 24 6×15 ET 18
Варианты замены
7×15 ET 15 7.5×16 ET 15
—
2000
5 Kasten
Заводская комплектация
165/70 R14 175/65 R14
Варианты замены
—
Основные параметры
PCD:4/108 Dia:65. 1 Болт 12*1.25
Заводская комплектация
5×14 ET 24 5.5×14 ET 24
Варианты замены
—
—
2000
5F Tepee
Заводская комплектация
165/70 R14 175/65 R14 175/70 R14 185/65 R15
Варианты замены
195/60 R15 205/50 R16
Основные параметры
PCD:4/108 Dia:65.1 Болт 12*1,25
Заводская комплектация
5×14 ET 24 5.5×14 ET 24 6×15 ET 18
Варианты замены
7×15 ET 15 7. 5×16 ET 15
Аккумуляторы
2001
5 Kasten
Заводская комплектация
165/70 R14 175/65 R14
Варианты замены
—
Основные параметры
PCD:4/108 Dia:65.1 Болт 12*1.25
Заводская комплектация
5×14 ET 24 5.5×14 ET 24
Варианты замены
—
—
2001
5F Tepee
Заводская комплектация
165/70 R14 175/65 R14 175/70 R14 185/65 R15
Варианты замены
195/60 R15 205/50 R16
Основные параметры
PCD:4/108 Dia:65. 1 Болт 12*1,25
Заводская комплектация
5×14 ET 24 5.5×14 ET 24 6×15 ET 18
Варианты замены
7×15 ET 15 7.5×16 ET 15
—
2002
5 Kasten
Заводская комплектация
165/70 R14 175/65 R14
Варианты замены
—
Основные параметры
PCD:4/108 Dia:65.1 Болт 12*1.25
Заводская комплектация
5×14 ET 24 5.5×14 ET 24
Варианты замены
—
—
4″>
2002
5F Tepee
—
2002
G Tepee
—
2002
M59 Kasten
Заводская комплектация
165/70 R14 175/65 R14 175/70 R14 185/65 R15
Варианты замены
195/60 R15 205/50 R16
Основные параметры
PCD:4/108 Dia:65.1 Болт 12*1,25
Заводская комплектация
5×14 ET 24 5.5×14 ET 24 6×15 ET 18
Варианты замены
7×15 ET 15 7. 5×16 ET 15
Аккумуляторы
2003
G Tepee
Заводская комплектация
165/70 R14 175/65 R14
Варианты замены
—
Основные параметры
PCD:4/108 Dia:65.1 Болт 12*1.25
Заводская комплектация
5×14 ET 24 5.5×14 ET 24
Варианты замены
—
—
2003
M59 Kasten
Заводская комплектация
165/70 R14 175/65 R14 175/70 R14 185/65 R15
Варианты замены
195/60 R15 205/50 R16
Основные параметры
PCD:4/108 Dia:65. 1 Болт 12*1,25
Заводская комплектация
5×14 ET 24 5.5×14 ET 24 6×15 ET 18
Варианты замены
7×15 ET 15 7.5×16 ET 15
Аккумуляторы
2004
G Tepee
Заводская комплектация
165/70 R14 175/65 R14
Варианты замены
—
Основные параметры
PCD:4/108 Dia:65.1 Болт 12*1.25
Заводская комплектация
5×14 ET 24 5.5×14 ET 24
Варианты замены
—
—
4″>
2004
M59 Kasten
Заводская комплектация
165/70 R14 175/65 R14 175/70 R14 185/65 R15
Варианты замены
195/60 R15 205/50 R16
Основные параметры
PCD:4/108 Dia:65.1 Болт 12*1,25
Заводская комплектация
5×14 ET 24 5.5×14 ET 24 6×15 ET 18
Варианты замены
7×15 ET 15 7.5×16 ET 15
Аккумуляторы
2005
G Tepee
Заводская комплектация
165/70 R14 175/65 R14
Варианты замены
—
Основные параметры
PCD:4/108 Dia:65. 1 Болт 12*1.25
Заводская комплектация
5×14 ET 24 5.5×14 ET 24
Варианты замены
—
—
2005
M59 Kasten
Заводская комплектация
165/70 R14 175/65 R14 175/70 R14 185/65 R15
Варианты замены
195/60 R15 205/50 R16
Основные параметры
PCD:4/108 Dia:65.1 Болт 12*1,25
Заводская комплектация
5×14 ET 24 5.5×14 ET 24 6×15 ET 18
Варианты замены
7×15 ET 15 7. 5×16 ET 15
Аккумуляторы
2006
G Tepee
Заводская комплектация
165/70 R14 175/65 R14
Варианты замены
—
Основные параметры
PCD:4/108 Dia:65.1 Болт 12*1.25
Заводская комплектация
5×14 ET 24 5.5×14 ET 24
Варианты замены
—
—
2006
M59 Kasten
Заводская комплектация
165/70 R14 175/65 R14 175/70 R14 185/65 R15
Варианты замены
195/60 R15 205/50 R16
Основные параметры
PCD:4/108 Dia:65. 1 Болт 12*1,25
Заводская комплектация
5×14 ET 24 5.5×14 ET 24 6×15 ET 18
Варианты замены
7×15 ET 15 7.5×16 ET 15
Аккумуляторы
2007
G Tepee
Заводская комплектация
165/70 R14 175/65 R14
Варианты замены
—
Основные параметры
PCD:4/108 Dia:65.1 Болт 12*1.25
Заводская комплектация
5×14 ET 24 5.5×14 ET 24
Варианты замены
—
—
4″>
2007
M59 Kasten
Заводская комплектация
165/70 R14 175/65 R14 175/70 R14 185/65 R15
Варианты замены
195/60 R15 205/50 R16
Основные параметры
PCD:4/108 Dia:65.1 Болт 12*1,25
Заводская комплектация
5×14 ET 24 5.5×14 ET 24 6×15 ET 18
Варианты замены
7×15 ET 15 7.5×16 ET 15
Аккумуляторы
2008
G Tepee
Заводская комплектация
165/70 R14 175/65 R14
Варианты замены
—
Основные параметры
PCD:4/108 Dia:65. 1 Болт 12*1.25
Заводская комплектация
5×14 ET 24 5.5×14 ET 24
Варианты замены
—
—
2008
M59 Kasten
—
2009
G Tepee
—
Шины, диски на Пежо Партнер (Peugeot Partner)
Шины, диски на Пежо Партнер (Peugeot Partner)
Включите JavaScript в браузере для нормального отображения страниц.
8 (800) 707-65-40
Заказать звонок
Напомнить пароль
Личный кабинет
Новый покупатель
8 + 8 =
Настоящим подтверждаю, что я ознакомлен и согласен с условиями политики конфиденциальности и даю согласие на обработку моих персональных данных. Узнать больше
Заказать звонок
Оставьте свой номер телефона и удобное время для звонка, и мы Вам обязательно перезвоним
Магазинул. Комсомольское шоссе, 3б ул. Деловая, 7ул. Ванеева, 209Аул. Голубева, д. 7ул. Карла Маркса, 60вул. Коминтерна, 39, к.1ул. Генерала Ивлиева, дом 24Аул. Фучика, д. 36ул.Переходникова, д.28/1ул. Дьяконова, 2гул. Гаугеля 2А/2пр. Гагарина, 37бул. Удмуртская, 10 2 + 9 =
Настоящим подтверждаю, что я ознакомлен и согласен с условиями политики конфиденциальности и даю согласие на обработку моих персональных данных. Узнать больше
Peugeot Partner относится к легковым автомобилям крупных размеров, вроде фургона или компактвэна. Уровень его полезной нагрузки доходит до 900 кг. Для такого авто необходимы выносливые, мощные автомобильные покрышки, обладающие высокой износостойкостью.
Какие типоразмеры шин и дисков для автомобиля Пежо Партнер рекомендует компания KOLOBOX?
Автомобильные покрышки должны соответствовать Peugeot Partner по размеру, поэтому так важно определить год выпуск и модификацию своего авто. Исходя из этих фактов в таблице ниже представлены размеры автошин и дисков.
PEUGEOT PARTNER 01.03.1996 — 01.01.2008 I 1,1/1,4/1.6/1,8/1,9/2,0
Передняя ось и задняя ось
Передняя ось и задняя ось
R14
R14
Ориг
175/70R14
зимние
летние
Ориг
5.5×14 4*108 d65-65.1 ET24
литье
штамп.
Ориг
175/65R14
зимние
летние
Замен
5-6×14 4*108 d65-100 ET5-24
литье
штамп.
Ориг
165/70R14
зимние
летние
Замен
195/60R14
зимние
летние
Замен
185/60R14
зимние
летние
Замен
185/65R14
зимние
летние
PEUGEOT PARTNER 01. 01.2001 — 01.03.2003 I 1,6/2,0
Передняя ось и задняя ось
Передняя ось и задняя ось
R15
R15
Ориг
185/65R15
зимние
летние
Ориг
6×15 4*108 d65-65.1 ET18
литье
штамп.
Замен
205/55R15
зимние
летние
Замен
6-7×15 4*108 d65-100 ET10-17
литье
штамп.
Замен
195/60R15
зимние
летние
PEUGEOT PARTNER 01. 04.2003 — 01.01.2008 I 1,4/1,6/1,9/2,0
Передняя ось и задняя ось
Передняя ось и задняя ось
R14
R14
Ориг
175/70R14
зимние
летние
Ориг
5.5×14 4*108 d65-65.1 ET24
литье
штамп.
Замен
185/65R14
зимние
летние
Замен
5-6×14 4*108 d65-100 ET5-27
литье
штамп.
Замен
195/60R14
зимние
летние
R15
R15
Ориг
185/65R15
зимние
летние
Ориг
6×15 4*108 d65-65. 1 ET18
литье
штамп.
Замен
195/60R15
зимние
летние
Замен
6-7×15 4*108 d65-100 ET5-27
литье
штамп.
Замен
205/55R15
зимние
летние
R16
R16
Замен
6-8×16 4*108 d65-100 ET5-27
литье
штамп.
PEUGEOT PARTNER 01.01.2008 II 1,4/1,6
Передняя ось и задняя ось
Передняя ось и задняя ось
R15
R15
Замен
195/70R15
зимние
летние
Ориг
6×15 4*108 d65-65. 1 ET27
литье
штамп.
Замен
6-7×15 4*108 d65-100 ET5-27
литье
штамп.
R16
R16
Ориг
215/55R16
зимние
летние
Ориг
7×16 4*108 d65-65.1 ET26
литье
штамп.
Замен
6-8×16 4*108 d65-100 ET5-27
литье
штамп.
Peugeot Partner сходит с конвейера с 1996 года. Он имеет четыре модификации, последняя из которых производится с 2008 года. Она комплектуется колесами с диаметрами 15 и 16 дюймов, шириной 195 и 215 мм и профилем 70 и 55% соответственно.
Подбираем зимние шины для автомобиля Peugeot Partner
Автопокрышки в холодное время года должны обеспечивать следующие моменты:
Высокий уровень сцепления с дорожным полотном.
Хорошая управляемость
Короткий тормозной путь.
Отсутствие пробуксовок и легкое преодоление всех дорожных препятствий.
Некоторые модели автопокрышек на зиму:
Зимние шины для Пежо Партнер
Continental VancoWinter Yokohama Ice Guard 60 Gislaved Nord Frost VAN ED Pirelli Ice Zero Maxxis NP3 Arctic Trekker
Подбираем летнюю резину для автомобиля Пежо Партнер
Подбирая покрышки на теплое время года водители не имеют столько ограничений, сколько перед ними появляется при выборе зимних автомобильных шин. Есть только несколько моментов которые нужно учитывать:
Размер не обязательно должен соответствовать штатному, но необходимо понимать, что чрезмерное увеличение или уменьше параметров колес может привести к негативным последствиям. Например, если подобрать низкопрофильные автопокрышки, не подходящие для автомобиля, это снизит уровень комфорта во время движения, увеличит шумность. Помимо этого, автомобильная резина будет соприкасаться с колесной аркой во время, например, наезда на году, тем самым быстро выходя из строя.
Машине должен соответствовать не только размер автошин, но и индексы скорости и нагрузки, содержащиеся в их маркировке. Если колеса Партнера имеют параметры 175/65R14, то индексы 89S. Если 185/65R15, то 88H, а если 175/70R14 — 90R.
Несколько вариантов автопокрышек на лето:
Летние шины для Пежо Партнер
Maxxis HP5 Premitra5 Maxxis VS01 Victra Sport Zero One Kormoran Road Performance Sailun Atrezzo Elite Tigar High Performance
Выбираем диски для авто Peugeot Partner
Размер дисков зависит от параметров автопокрышек, года выпуска авто и его модификации. Для Пежо Партнер подбираются колесные диски со следующими характеристиками:
Диаметр 14 и 15 дюймов.
Ширина 5,5 и 6 дюймов.
Сверловка 4х108, т.е. четыре отверстия, предназначенные для крепления, расположены на окружности, диаметр которой 108 мм.
Диаметр центрального отверстия под ступицу 65,1 мм.
Вылет ЕТ18 и ЕТ24.
Какое давление необходимо поддерживать в покрышках автомобиля Пежо Партнер?
Поддерживать подходящий уровень давления в автомобильных шинах нужно для того, чтобы они прослужили в хорошем состоянии как можно дольше. Если устанавливать слишком высокое или слишком низкое давление, то это приведет к ускоренному износу автопокрышки.
Для авто Peugeot Partner 2018 года с двигателем 1.6i необходимо следующее:
Если автопокрышки имеют размер 175/65R14 или 185/65R15, давление необходимо поддерживать на уровне 2,3 бар.
Если 175/70R14, то 2,2 бар.
Как размер шин и дисков влияет на характеристики авто?
Пожаловаться
Поблагодарить
Интернет-магазин KOLOBOX
Новые PEUGEOT Partner и PEUGEOT Partner Tepee: Надежность, технологичность и готовность к действию
Обновленный стиль и современные технологии на службе непревзойденной практичности – компания PEUGEOT представит на автосалоне в Женеве рестайлинг двух популярных моделей французского бренда, коммерческого PEUGEOT Partner и семейного PEUGEOT Partner Tepee.
Новая решетка радиатора, которая сразу бросается в глаза при взгляде на эти автомобили, объединяет PEUGEOT Partner и PEUGEOT Partner Tepee со всем современным модельным рядом PEUGEOT и подчеркивает смелый и инновационный характер обновленного дизайна.
Надежность, современное мультимедийное оборудование, а также линейка более экономичных и мощных двигателей стандарта Евро-6 – все это делает новые PEUGEOT Partner и PEUGEOT Partner Tepee еще более привлекательными. С двигателем BlueHDi 100 S&S обе модели демонстрируют рекордно низкий уровень выбросов диоксида углерода – всего лишь 106 и 109 г/км соответственно.
Следуя за новейшими тенденциями, инженеры PEUGEOT не забыли о фундаментальных составляющих успеха линейки Partner: это надежность, универсальность и модульный принцип организации внутреннего пространства, а также образцовая вместимость и комфорт на водительском месте.
Подробная информация по оборудованию, двигателям и датами выхода на российский рынок обновленных моделей PEUGEOT Partner и PEUGEOT Partner Tepee будет представлена позднее.
Создавая обновленные PEUGEOT Partner и PEUGEOT Partner Tepee, мы стремились укрепить лидерские позиции группы PSA Peugeot Citroën в сегменте компактных фургонов и автомобилей для активного отдыха на европейском рынке, а также повысить популярность этого класса моделей по всему миру. Максим ПИКА, генеральный директор PEUGEOT
PEUGEOT Partner и PEUGEOT Partner Tepee получили новый стиль в 2015 году. Свежий дизайн, новая линейка двигателей и современное технологичное оснащение – теперь эти модели, которые и так являются образцовыми представителями своих сегментов, станут еще более привлекательными. Подлинная современность и непревзойденная экономичность позволят этим моделям найти отклик в сердцах покупателей. Ришар Мейер, директор направления коммерческих моделей
Смелый дизайн и проверенная надежность
Еще выразительнее, еще выносливее Сила и экспрессия новых PEUGEOT Partner и Partner Tepee особенно ярко выражается в передней части автомобилей. Современный дизайн продолжает курс на обновление линейки компактных грузовых автомобилей PEUGEOT, начавшееся в 2014 году с нового PEUGEOT Boxer.
Новая решетка радиатора, заключенная между модернизированными контурами головных фар, украшена по центру фирменным логотипом льва PEUGEOT. Вместе бампером, вся эта конструкция подчеркивает стремительный дизайн новых PEUGEOT Partner и PEUGEOT Partner Tepee, а также транслирует идею надежности и выносливости этих автомобилей.
Новые защитные накладки увеличивают долговечность передней части автомобиля: в случае царапин или незначительного столкновения они могут быть с легкостью заменены на новые. В центре этих накладок расположены противотуманные фары и светодиодные дневные ходовые огни (доступны в зависимости от уровня оснащения). Последние подчеркивают общий стиль рисунка передних фар, обрамляя низ бампера с обеих сторон. Вместе все эти функциональные и одновременно стильные элементы формируют уверенный облик автомобиля и визуально удлиняют его.
И, наконец, на всех уровнях оснащения новый PEUGEOT Partner предлагается с двумя типами персонализации экстерьера: Look Pack and и Full Look Pack. Что касается пассажирский PEUGEOT Partner Tepee, новое поколение модели получает стильный окрашенный бампер начиная со 2 уровня оснащения и более надежный черный передний бампер, еще лучше защищенный от царапин и сколов, в комплектации Outdoor.
Качество и надежность, подтвержденная покупателями
Уверенный облик передней части является иллюстрацией врожденных качеств новых PEUGEOT Partner и PEUGEOT Partner Tepee. На счету обеих моделей – практически 20 лет истории постоянного пользования семьями и предпринимателями, которые оценили эти автомобили с самого первого поколения.
По данным собственных опросов компании, покупатели PEUGEOT Partner Tepee особенно ценят просторный салон, практичность и комфорт этой модели, а также качеством и долговечностью материалов отделки кузова и салона и общей надежностью автомобиля.
Использование автомобилей Пежо Партнер в качестве городского грузового такси вполне оправдано. Ведь приобретая PEUGEOT Partner для деловых целей, покупатели отмечают большое погрузочное пространство, модульную архитектуру, низкую эксплуатационную стоимость, соотношение цена-качество и отсутствие заводского брака.
Проверка на прочность
Надежность автомобилей PEUGEOT Partner и PEUGEOT Partner Tepee была подвергнута серьезным испытаниям в процессе разработки обновлением. Более 6 миллионов километров в максимально суровых условиях, приближенных к реальной эксплуатации, включали в себя:
Испытания на высоких скоростях при максимальной нагрузке; Испытательные стенд для кузова и подвески – особую тестовую зону, повторяющую характеристики брусчатки, дороги с выбоинами и т. д.; Испытания материалов и компонентов под прямым солнечным светом при температурах до 85°C , а также в различных климатических условиях, от -18°C до +45°C в специализированной камере; Антикоррозийные испытания и проверки на герметичность при движении вброд и обработке автомобиля струей соленой воды. Эти испытания, а также 18 лет реальной эксплуатации частными и деловыми клиентами, подтверждают высочайший уровень качества новых PEUGEOT Partner и PEUGEOT Partner Tepee.
Новый Partner Tepee: абсолютная свобода действий!
Конкуренция в сегменте автомобилей для активного отдыха В 1996 году компанией PEUGEOT была создана новая категория частных автомобилей – автомобили для активного отдыха. Названием для пассажирской версии стало слово Tepee («Типи»), которое обозначает традиционное жилище для индейских племен. Поэтому Partner Tepee стал больше чем, просто автомобилем для своих владельцев.
Прошли годы, но и сегодня PEUGEOT Partner Tepee остается непререкаемым образцом практичности. С рыночной долей в 15,3% в своем сегменте в Европе PEUGEOT Partner Tepee сохраняет свою неповторимую привлекательность для покупателей.
Нынешнее поколение модели, запущенное в 2008 году, уверенно находится в тройке лидеров, несмотря на непрерывный рост сегмента: количество конкурентов выросло в 4 раза по сравнению с моментом запуска первого поколения модели.
Около 27% продаж в данном сегменте за пределами Европы также приходятся PEUGEOT Partner Tepee, на 8% больше, чем в первый полный год продаж модели.
PEUGEOT Partner Tepee отвечает всем требованиям к семейному и практичному автомобилю, но основная его задача – активный отдых и путешествия. Модернизированный дизайн, а также практичные и эффективные технологии нового поколения и линейка новых двигателей – все это предоставляет покупателю невиданную ранее свободу действий.
Еще одним эстетическим штрихом обновленного PEUGEOT Partner Tepee являются 2 новых цветовых решения: Moka Grey и Artense Grey, которые дополняют существующий ряд цветов, включающий в себя Bianca White, Ardent Red, Kyanos Blue, Aluminium Grey, Shark Grey и Nocciola. Новые 8-спицевые легкосплавные диски Managua, доступные в качестве опции, подчеркивают динамичный характер нового PEUGEOT Partner Tepee.
Внутри автомобиля покупателей ждет широкий набор цветов и качественных материалов отделки, вместе создающих ощущение свежести и технологичности в салоне. Декоративные вставки, выполненные в новом цвете Onega Grey, украшают переднюю панель и другие части интерьера. Обивка сидений Cadaska Roux, доступна в качестве альтернативы цвету Cadaska Bleu, а новая технологичная и высококачественная обивка сидений NeoSpa предлагается для версии Outdoor.
Новейшие технологии
В ногу со временем Новая версия PEUGEOT Partner Tepee предлагает покупателю широкий набор практичных и эффективных технологий в дополнение к богатому выбору средств активной безопасности и помощи водителю, доступных и для предыдущего поколения.
Комфортабельный и эргономичный салон нового PEUGEOT Partner Tepee оснащен мультимедийной системой, управление которой осуществляется через большой 7-дюймовый цветной дисплей, интегрированный в центр приборной панели, что гарантирует удобство доступа к нему как для водителя, так и для пассажира.
Благодаря новой мультимедийной системе водитель получает доступ к бортовому компьютеру, радио (в диапазоне AM/FM, а также к цифровому радио DAB), музыкальным файлам со встроенного жесткого диска через программу Jukebox или через портативные носители, а также к телефону и навигации.
Опциональная навигация, включающая в себя карту Европы, содержит информацию о скоростных ограничениях и загруженности дорог.
В полном соответствии с запросами, PEUGEOT Partner Tepee позволяет владельцам пользоваться новейшими возможностями мультимедиа, включая Bluetooth, USB, AUX-разъем, а также функцией MirrorScreen.
Система MirrorScreen, совместимая с платформами Mirrorlink® или Carplay® (в зависимости от типа смартфона) позволяет дублировать самые популярные приложения на собственном экране автомобиля, что сводит к минимуму отвлекающие факторы при их использовании.
Доступ к приложениям зависит от состояния автомобиля – при движении водитель может использовать только те приложения, которые имеют отношение к поездке (например, навигацию), или, например, слушать интернет-радио.
На данный момент список совместимых приложений включает в себя iCoyote, Parkopedia, Glympse, Sygic navigation и другие.
Специальная клавиша на рулевом колесе включает режим голосового управления смартфона, подключенного по Bluetooth (например, для работы с системой Siri на iPhone). Ответы мобильного устройства поступают через динамики автомобиля.
Еще больше комфорта и безопасности за рулем: новые технологии помощи водителю
Технология экстренного торможения в городских условиях – вспомогательная система автоматического экстренного торможения (будет доступна во второй половине 2015 года). Эта новая система позволяет предотвратить или значительно снизить серьезность столкновения в том случае, если водитель не успевает отреагировать на сложившуюся дорожную ситуацию. Система работает в городских условиях на скоростях до 30 км/ч. Лазерный сенсор короткого диапазона (лазерный дальномер) расположен в верхней части лобового стекла и определяет транспортные средства, движущиеся в том же направлении, или припаркованные по ходу движения. В случае необходимости система применяет максимальное тормозное усилие, достаточное для того, чтобы полностью остановить автомобиль в той ситуации, когда столкновение будет неизбежным.
Камера заднего вида также доступна в качестве опции. Ориентируясь на изображение на большом цветном экране, водитель может значительно упростить себе ежедневные парковочные маневры. Края автомобиля и его траектория обозначены цветными линиями, что повышает безопасность и легкость маневров для водителя.
В дополнение к задним датчикам парковки, новый PEUGEOT Partner Tepee получил и передние датчики парковки, с которыми маневры на низких скоростях станут еще более безопасными.
Система Grip Control обеспечивает более надежное сцепление с дорогой и является лучшей системой подобного рода в данном сегменте. Разработка, запатентованная группой PSA Peugeot Citroën, повышает универсальность PEUGEOT Partner Tepee, в особенности на дорогах с плохим качеством дорожного покрытия, позволяя автомобилю продолжать движение, где обычные автомобили без полного привода не могли бы проехать.
Система Grip Control идеально сочетается с большим дорожным просветом в 15 см, а также шинами повышенной проходимости для движения по грязи и снегу. В зависимости от условий система посылает увеличенный момент на передние приводные колеса, позволяя водителю всегда управлять ситуацией. В любой момент водитель может переключиться между стандартным режимом или режимами «снег», «бездорожье», «песок» и ESP Off (система динамической стабилизации отключена).
Новая линейка двигателей: еще больше экономичности
Особенностью нового PEUGEOT Partner Tepee является совершенно новая линейка двигателей нового поколения, каждый из которых соответствует экологическому стандарту Евро-6.
К моменту старта продаж нового PEUGEOT Partner Tepee на выбор покупателям будет доступно семь бензиновых (VTi) и дизельных (BlueHDi) двигателей мощностью от 75 до 120 л.с.
Функциональность этих двигателей делает их поистине универсальными в любой ситуации, в то же время показатель выбросов CO2 для всех версий в среднем на 15% ниже, чем у предыдущего поколения:
1. 6-л VTi 98 л.с., с 5-ступенчатой механической трансмиссией, выбросы CO2 от 148 г/км, на 7 г меньше ; 1.6-л VTi 120 л.с., с 5-ступенчатой механической трансмиссией, выбросы CO2 от 148 г/км, на 16 г меньше ; 1.6-л BlueHDi 75 л.с., с 5-ступенчатой механической трансмиссией, выбросы CO2 от 113 г/км, на 22 г меньше ; 1.6-л BlueHDi 100 л.с., с 5-ступенчатой механической трансмиссией, выбросы CO2 от 113 г/км, на 22 г меньше ; 1.6-л BlueHDi 100 л.с., S&S, с 5-ступенчатой механической трансмиссией, выбросы CO2 от 109 г/км, на 14 г меньше ; 1.6-л BlueHDi 100 л.с., S&S 6-ступенчатая роботизированная трансмиссия, выбросы CO2 от 109 г/км, на 6 г меньше ; 1.6-л BlueHDi 120 л.с., S&S, с 6-ступенчатой механической трансмиссией, выбросы CO2 от 113 г/км, на 16 г меньше. С двигателями BlueHDi водители смогут испытать подлинное удовольствие от поездок на своем автомобиле благодаря улучшенным показателям мощности и крутящего момента. Еще полнее раскрыть потенциал PEUGEOT Partner Tepee позволяет новая 6-ступенчатая механическая трансмиссия для 120-сильной дизельной версии.
Рекордный уровень выбросов CO2 в своем сегменте демонстрирует 1,6-литровый BlueHDi мощностью 100 л.с. с функцией стоп-старт: всего лишь 109 г/км.
В первой половине 2016 года PEUGEOT Partner Tepee получит 3-цилиндровый 1,2-литровый турбированный бензиновый двигатель PureTech 110, который, в сочетании с 5-ступенчатой механической трансмиссией, станет подлинным рекордсменом по уровню расхода топлива в своем сегменте.
Постоянная адаптация к потребностям и желаниям владельца
Неважно, как путешествует владелец PEUGEOT Partner Tepee – в одиночку, с семьей или друзьями, новый автомобиль порадует его своей модульной структурой и потрясающей универсальностью, адаптируясь как для повседневных нужд, так и для долгих путешествий.
Доступный в 5 или 7-местной версии (со складываемыми сиденьями как на 2, так и на 3 ряду), PEUGEOT Partner Tepee предоставляет своему владельцу погрузочное пространство объемом от 675 до 3000 литров в зависимости от конфигурации, что является одним из лучших показателей в своем классе.
Погрузка и разгрузка автомобиля стала еще проще благодаря большой задней двери, а также возможности отдельно поднять заднее стекло автомобиля – это эксклюзивное предложение в сегменте.
Итак, PEUGEOT Partner Tepee позволяет своим владельцам с удобством разместить как пассажиров, так и груз. Автомобиль может использоваться для перевозки велосипедов, семейных путешествий, перевозки лыж или сноубордов во время выездов с друзьями на выходные.
Уникальное предложение – панорамная крыша Zenith, инновационная структура которой обеспечивает следующие преимущества:
Увеличенная освещенность салона за счет четырех тонированных стеклянных панелей ; Расширенные возможности управления температурой для задних пассажиров благодаря трем дополнительным вентиляционным отверстиям ; 94 литра дополнительного пространства для хранения под крышей: в передней части крыши расположен отсек для хранения, дополнительные отсеки по бокам и пространство сзади, доступное как из салона, так и из багажника. При этом общий объем отсеков для хранения в салоне помимо крыши составляет 90 литров; Повышенная функциональность внешнего пространства – возможность как продольного, так и поперечного крепления грузов на крыше при помощи рейлингов. Новый PEUGEOT Partner: широта возможностей для деловых клиентов
новый Пежо Партнер 2015
Автомобиль, который не боится конкурентов
Первое поколение PEUGEOT Partner появилось на рынке в 1996 году и совершило революцию в сегменте компактных автомобилей для грузоперевозок. Единый объем новой модели идеально соответствовал запросам бизнесменов того времени на эффективное и надежное транспортное средство.
Второе и третье поколение позволили PEUGEOT дальше развить идею компактного фургона, добавляя еще больше пространства, комфорта и универсальности и обеспечивая PEUGEOT Partner лидерские позиции в своем сегменте.
Несмотря на наличие трех конкурентных моделей в сегменте, продажи третьего поколения PEUGEOT Partner продолжают расти. За 2014 год количество проданных автомобилей увеличилось почти вдвое по сравнению с 2009 годом – первым годом продаж модели. За тот же период доля PEUGEOT Partner за пределами Европы выросла на 15%, достигнув 20%.
Главными преимуществами PEUGEOT Partner остаются положительный опыт взаимодействия с брендом через дилерскую сеть, и, безусловно, утилитарность, надежность и стоимость модели.
Чтобы максимально удовлетворить потребности деловых клиентов и дать им больше свободы действий с автомобилем, инженеры PEUGEOT сделали новое поколение модели современным, надежным и эффективным, а также значительно снизили эксплуатационные расходы.
Помимо нового дизайна передней части, был также изменен стиль передних фар, который придает PEUGEOT Partner современный вид, одновременно отличая его от PEUGEOT Partner Tepee, благодаря особой конфигурации внутренних элементов осветительной системы.
Современные технологии на службе эффективности и функциональности
Широкий набор двигателей с одними из лучших показателей расхода топлива на рынке
Новый PEUGEOT Partner оснащается линейкой двигателей нового поколения, полностью соответствующих экологическим стандартам Евро-6. Всего к моменту начала продаж будет доступно 6 бензиновых (VTi) и дизельных (BlueHDi) двигателей мощностью от 75 до 120 л.с. Возможности этих двигателей способны в полной мере удовлетворить запросы деловых клиентов, при этом показатели выбросов CO2 в среднем на 15% ниже, чем у предыдущего поколения:
1.6-л VTi 98 л.с., с 5-ступенчатой механической трансмиссией выбросы CO2 от 147 г/км*, на 17 г меньше ; 1.6-л BlueHDi 75 л.с., с 5-ступенчатой механической трансмиссией выбросы CO2 от 110 г/км*, на 21 г меньше ; 1.6-л BlueHDi 100 л.с., с 5-ступенчатой механической трансмиссией выбросы CO2 от 110 г/км*, на 22г меньше ; 1.6-л BlueHDi 100 л.с. S&S, с 5-ступенчатой механической трансмиссией выбросы CO2 от 108 г/км*, на 12 г меньше ; 1.6-л BlueHDi 100 л.с. S&S, с 6-ступенчатой роботизированной трансмиссией ETG6 выбросы CO2 от 106 г/км*, на 12 г меньше ; 1.6-л BlueHDi 120 л.с. S&S, с 5-ступенчатой механической трансмиссией выбросы CO2 от 112г/км*, на 22 г меньше. * данные требуют подтверждения
1,6-литровая версия двигателя BlueHDi мощностью 100 л.с. с функцией стоп-старт отличается рекордно низким уровнем выбросов CO2 в своем сегменте – от 109 г/км как с механической, так и с роботизированной трансмиссией.
С двигателями BlueHDi водители смогут испытать подлинное удовольствие от поездок на своем автомобиле благодаря улучшенным показателям мощности и крутящего момента. Еще полнее раскрыть потенциал PEUGEOT Partner Tepee позволяет новая 6-ступенчатая механическая трансмиссия для 120-сильной дизельной версии.
В соответствии с сервисными интервалами фильтрационный компонент AdBlue устанавливается непосредственно за крышкой горловины топливного бака, что особенно удобно для владельцев, проезжающих более 20 000 километров в год.
Линейку модификаций PEUGEOT Partner завершает полностью электрическая версия Partner Electric мощностью 67 л.с. и запасом хода в 170 км. Выбросы СО2 для данной версии равны нулю. Электропривод и батарея находятся на гарантии на протяжении 8 лет либо 100 000 километров пробега.
Двигатели 1.6 HDi 75 и 1.6 HDi 90 стандарта Евро-5 будут доступны до июня 2016 года.
Лучшие в классе системы активной безопасности и электронные помощники
Защищенность, удобство управления и сохранность автомобиля на протяжении долгого времени гарантируют современные и технологичные системы, призванные сделать каждую поездку на новом PEUGEOT Partner безопасной и простой.
В дополнение к стандартному оснащению, включающему антиблокировочную систему, помощь при экстренном торможении, систему курсовой устойчивости с управлением тягой, систему помощи при старте в горку, а также систему отслеживания давления в шинах, новый PEUGEOT Partner оснащается функцией экстренного торможения в городских условиях. Эта система, позволяющая предотвратить столкновение или уменьшить его негативные последствия, будет доступна в качестве опции уже в ноябре 2015 года.
Помимо прямого воздействия на безопасность дорожного движения через предотвращение аварий, система позволяет снизить размер страховых ставок, и, следовательно, эксплуатационную стоимость автомобиля.
Круиз-контроль с функцией ограничения скорости. Функционал системы ограничения скорости позволяет заранее определить до четырех скоростных режимов по желанию владельца.
В дополнение к задним датчикам парковки, на новый PEUGEOT Partner могут быть установлены передние датчики парковки и камера заднего вида – все это доступно в качестве опций. Такое оснащение позволяет сделать все маневры более безопасными и защитить автомобиль от неприятных происшествий в городских условиях.
Система Grip Control варьирует силу сцепления с дорожным покрытием в зависимости от ситуации. Лучшее предложение в своем сегменте, эта система позволяет автомобилю продолжать движение даже в очень плохих дорожных условиях.
Мобильный офис: всегда на связи
Новый PEUGEOT Partner представляет собой настоящий офис на колесах, адаптированный для делового использования. Высокая посадка водителя гарантирует оптимальный обзор и эргономичный доступ ко всем элементами управления. Руль регулируется по высоте и вылету, что является редким предложением в данном сегменте, а селектор КПП расположен на приборной панели.
Практически 60 литров дополнительного пространства для хранения вещей доступно в салоне к услугам водителя и пассажиров. Закрытое пространство перед рулевым колесом и письменный стол с задней стороны складывающегося подлокотника центрального кресла – все это добавляет практичности в использовании для деловых клиентов.
Оснащение нового PEUGEOT Partner полностью соответствует духу времени и современному стилю ведения бизнеса, когда мультимедийные технологии и смартфоны становятся незаменимыми составляющими ежедневного быта.
В частности, клиентам доступны следующие возможности:
Новая мультимедийная система с большим 7-дюймовым цветным сенсорным экраном доступна в качестве стандартного оборудования на 3 уровне оснащения и в качестве опции – на 2 уровне оснащения. Она включает в себя Bluetooth, разъемы USB и AUX, функцию распознавания голоса и функцию MirrorScreen (см. подробное описание на стр. 6). Опциональная навигационная система, с информацией об ограничениях скорости и загруженности дорог. Система располагает набором карт для Европы. Полезной деловой опцией для нового Partner является сервис PEUGEOT Connect Fleet Management, позволяющий оптимизировать управление автопарком компании. Возможности этого сервиса позволяют повысить продуктивность работы автопарка, улучшить уровень предоставляемых услуг, усовершенствовать рабочие условия для сотрудников и уменьшить эксплуатационную стоимость автомобилей.
На выбор доступно 3 пакета услуг:
Пакет 1, управление автопарком: данные о пробеге всех автомобилей, расходе топлива, оставшемся запасе хода, выбросах CO2, механических проблемах, а также сбор информации для сервисного обслуживания, включая подсчет часов, проведенных в дороге. Пакет 2, управление автопарком + экологичное вождение: все опции первого пакета, плюс персональные советы водителю по сокращению расхода топлива. Пакет 3, управление автопарком + экологичное вождение + геолокация: все опции второго пакета, плюс оптимизация маршрутов, определение положения автомобиля в реальном времени, учет времени в пути и отображение маршрутов. Образцовая вместимость и универсальность
С целью удовлетворить запросы максимально широкого круга деловых клиентов, инженеры PEUGEOT предложили целый ряд конфигураций внутреннего пространства автомобиля. Во-первых, покупатели могут выбрать 2 варианта длины кузова: 4,38 м и 4,63 м, а также версию crew cab с дополнительным складываемым рядом сидений и версию floor cab для максимально функционального использования внутреннего пространства.
Отличительными чертами PEUGEOT Partner являются модульная структура и вместимость, благодаря которым автомобиль занимает лидирующие позиции в сегменте.
Оба варианта длины PEUGEOT Partner предлагают владельцам одни из самых больших объемов погрузочного пространства в сегменте. Для первой версии объем составляет 3,3 м3, а длина погрузочного пространства 1, 80 м. Для второй версии эти показатели равны 3,7 м3 и 2,05 м соответственно. С использованием сидений Multiflex полезное пространство увеличивается до 3,7 м3 при длине до 3 м, и до 4,1 м3 при длине до 3,25 м.
Ширина погрузочного пространства PEUGEOT Partner составляет 1,62 м и 1,23 м между колесными арками, что позволяет разместить 2 европейских поддона (1,2 м на 0,80м) даже в короткой версии. Ассиметричные задние двери, открывающиеся в разные стороны на 180o, делают погрузку предельно легкой и удобной.
Полезная нагрузка автомобиля варьируется от 625 до 890 кг (в качестве опции) в короткой версии и достигает 750 кг в длинной версии, что является одним из лучших показателей в сегменте.
Сиденья Multiflex являются одной из составляющих потрясающей универсальности PEUGEOT Partner с самого начала. Это уникальное для своего сегмента оборудование было много раз скопировано конкурентами, но остается непревзойденным.
3 человека могут разместиться на 1 ряду: это практичное решение высоко ценится бизнесменами, позволяя одновременно транспортировать работников и оборудование, сводя количество рейсов к минимуму. Плоский пол и погрузочное пространство до 400 литров при длине более 1,20 м, при этом автомобиль все еще способен перевозить 2 человек благодаря складываемому внешнему пассажирскому сиденью. Возможность перевозки высоких грузов благодаря возможности складывания подушки внешнего пассажирского сиденья непосредственно к его спинке. Функционал мобильного офиса: письменный стол, встроенный в спинку центрального кресла. Дополнительное погрузочное пространство, запираемое на навесной замок.
Фургон Peugeot Partner (2015 — 2018) обзор подержанных автомобилей | Обзор автомобиля
Скидка 50 % на распродажу аварийного покрытия
Воспользуйтесь нашей распродажей аварийного покрытия за полцены всего за 4,75 фунта стерлингов в месяц.* Мы являемся лучшим в Великобритании поставщиком аварийных покрытий по результатам голосования водителей Auto Express в 2021 году.
Купить сейчас
Автор Джонатан Крауч. Чтобы купить подержанный образец этой модели второго поколения, мы идеально рекомендуем вам именно эти последние модели. Вот почему.
Модели
Компактный фургон 3dr (1,6 бензин, 1,6 дизель)
История
Peugeot знает кое-что о фургонах: с 1950 года бренд построил более 1,8 миллиона легких коммерческих автомобилей. в своем втором поколении он был обновлен в облике Евро-6 после 2015 года, который мы рассмотрим здесь.
Впервые эта модель MK2 была представлена еще в 2008 году, но до того, как Peugeot начал производство этой модели, компания Peugeot по-настоящему овладела маркетингом, необходимым для надлежащего ее продвижения. После этого продажи резко выросли, и к 2015 году эта модель Partner регулярно фигурировала среди самых популярных моделей легких фургонов в этой стране, а количество продаж было достаточно большим, чтобы вывести Peugeot на позицию среди четырех ведущих брендов LCV на рынке 9.0005
Чтобы сохранить набранный темп, весной 2015 года этот претендент был серьезно модернизирован, и теперь мы будем рассматривать его как подержанный автомобиль. Изменения включали более интеллектуальную переднюю часть, возможность подключения к современным средствам массовой информации в салоне и возможность для покупателей указать новейшую экологически чистую и сверхэкономичную дизельную технологию Euro6 BlueHDi. Все это, безусловно, необходимо этому LCV в условиях жесткой конкуренции в этом сегменте. Partner — это модель, которую вы выбираете, если вашему бизнесу нужен компактный LCV, который не так мал, как современная модель городского фургона — что-то вроде собственного Bipper от Peugeot. Подобные транспортные средства основаны на супермини: модели типа Partner, напротив, сидят на более просторных платформах, изначально разработанных для семейных хэтчбеков или небольших минивэнов.
Конечно, есть много фургонов такого типа, особенно, пожалуй, самый примечательный, почти идентичный по дизайну коллега Peugeot по конюшне Citroen Berlingo. Помимо PSA Group, этот партнер должен напрямую заняться такими популярными конкурентами, как Transit Connect от Ford и Caddy от Volkswagen, а также двумя другими моделями под общим брендом, которые мы знаем как Renault Kangoo или Mercedes Citan. И тот, который известен как Vauxhall Combo или Fiat Doblo Cargo. Так есть ли смысл покупать б/у? Время решать.
Что вы получаете
Эта улучшенная модель Partner второго поколения получила то, что Peugeot назвала более «напористым» дизайном, с передней частью, подчеркнутой решеткой радиатора в хромированной рамке со львом Peugeot в центре. Также был переработан передний бампер, и дизайнеры надеялись, что результат придаст этому автомобилю большее ощущение надежности.
Было рассмотрено два варианта кузова Partner: стандартная версия «L1» и более длинная модификация «L2» с объемом 3,7 м3. Однако есть и другой способ, которым вы можете достичь полезной вместимости кузова 3,7 м3, но при этом придерживаться более доступной формы кузова L1. Избегайте отделки начального уровня, и ваш партнер будет поставляться с тем, что бренд называет своей модульной кабиной «Multi-Flex», конфигурацией, которая позволяет складывать внешнее пассажирское сиденье, чтобы более длинные предметы можно было просунуть из грузового отсека. При наличии и использовании этой функции грузоподъемность увеличивается на 0,4 м3, поэтому тип кузова «L1» может предложить стандарты «L2» вместимости кузова. Другой способ использования компоновки Multi-Flex — поднять основание сиденья вертикально относительно спинки сиденья, чтобы можно было перевозить высокие предметы — или, возможно, хрупкие вещи, которые вы не хотите отправлять в погрузочную площадку.
Еще одним преимуществом пакета Multi-Flex является то, что он включает полезное среднее сиденье, так что при необходимости может разместиться третий пассажир. Мы действительно не понимаем, почему журналисты критикуют эту функцию. Да, близость рычага переключения передач, установленного в центре приборной панели, затрудняет комфортное использование этого спального места взрослым, но в любом случае оно предназначено только для коротких поездок и экстренных ситуаций. В любом случае, в микроавтобусах ездят не только взрослые. Мы обнаружили, что это центральное спальное место очень полезно в тех случаях, когда нам приходилось подвозить детей по дороге на работу. Другие преимущества такого расположения сидений посередине заключаются в практичности салона. Под ним есть полезный отсек для хранения, который может скрыть ценные вещи от посторонних глаз.
Распрямите спинку и получите удобную поверхность стола с ремнем для фиксации документов. Его функции, подобные этим, сделают этот фургон более простым предложением, если вам нужны функциональные возможности мобильного офиса, которые, похоже, сейчас нужны многим водителям-владельцам. Этим людям, вероятно, понравится идея перейти на топовую модель, в которой, вероятно, было главное изменение в салоне этой улучшенной модели: 7-дюймовый сенсорный экран и модернизированная аудиосистема DAB.
А практичность? Как и ожидалось, задние двери открываются на 180 градусов, и как только вы свалите свои вещи на относительно низкую погрузочную кромку высотой 584 мм, вы обнаружите грузовое пространство, которое очень сравнимо с тем, что вы получили бы в эквиваленте. Ford Transit Connect, Renault Kangoo или Volkswagen Caddy из той эпохи. Даже в стандартной модели Partner «L1» он достаточно большой, чтобы проглотить пару европоддонов, благодаря полезной ширине 1230 мм между колесными арками — конечно, с учетом полезной нагрузки. По этому вопросу грузоподъемность колеблется от 641 кг до 846 кг, в зависимости от выбранного вами варианта: это конкурентоспособно с большинством конкурентов, хотя есть и такие, которые могут выдерживать до 1000 кг.
Как и в большинстве фургонов такого размера, через боковую дверь нельзя загрузить что-то такое большое, как европоддон, но он выдвигается, открывая проем приличного размера шириной 737 мм и высотой 1192 мм, что значительно больше, чем вы могли бы получить. скажем, в той конкурирующей модели Volkswagen Caddy, которую мы только что упомянули. Садитесь внутрь и со стандартным кузовом «L1» вы получаете длину грузового отсека 1800 мм плюс внутреннюю высоту 1250 мм: к сожалению, нет опции с высокой крышей, которая позволила бы вам увеличить это значение. В результате, в качестве отправной точки, партнер со спецификацией L1 может проглотить 3,3 м3. Благодаря дополнительным 248 мм длины кузова версия «L2» может увеличить этот показатель до 3,7 м3.
Мы говорим «в качестве отправной точки», потому что, если вы избегаете отделки начального уровня, ваш партнер будет поставляться с продуманной модульной системой сидений Multi-Flex, которая позволит вам вдавить внешнее пассажирское сиденье в пол и вдавить его. через более длинные предметы в кабину, увеличивая погрузочную длину до 3000 мм в модели «L1» и 3250 мм в версии «L2». В результате общий объем кузова может быть увеличен до 3,7 м3 в модели «L1» или до 4,1 м3 в удлиненном кузове «L2».
Для всех моделей вы получаете защиту лестничной рамы или перегородку половинной высоты. Это не так хорошо, как перегородка во всю высоту, но этого достаточно для достойной защиты, если ваш груз соскользнет вперед во время, скажем, аварийной остановки. Этого не должно произойти, если вы закрепили свои вещи с помощью шести установленных на полу точек крепления, предусмотренных в грузовом отсеке. Избегайте отделки начального уровня, а надлежащее прочное ПВХ-покрытие защищает пол грузового отделения, а специальные пластиковые панели частично защищают стороны грузового отсека и двери от незначительных царапин. Однако они быстро поцарапаются и потерты, если только первоначальный владелец автомобиля, на который вы смотрите, не инвестировал в надлежащий комплект облицовки для более полной защиты.
О текущих расходах. Преимущество выбора более современных дизельных двигателей BlueHDi становится очевидным. Хотя показатели эффективности старых агрегатов Euro5 мощностью 75 л.с. и 90 л.с. HDi не так уж плохи (ожидайте 56,5 миль на галлон в комбинированном цикле), в варианте BlueHDi 100 вы можете ожидать 67,3 миль на галлон в комбинированном цикле, отчасти благодаря Система остановки/запуска S&S, которая глушит двигатель, когда он вам не нужен, вы застряли в пробке или ждете на светофоре. Технология BlueHDi оказывает еще большее влияние, когда речь идет об эффективности выбросов CO2: этот показатель снижается с чуть более 130 г/км для старых двигателей HDi до 111 г/км для модели BlueHDi 100 с механической коробкой передач.
What You Pay
Пожалуйста, свяжитесь с нами для точной актуальной оценки.
На что обратить внимание
Напарник кажется довольно прочным. Однако природа рынка легких коммерческих автомобилей такова, что модели подвергаются довольно грубому обращению. Всегда лучше тщательно осмотреть салон, чтобы убедиться, что все ручки, рычаги, кнопки и циферблаты работают должным образом. Стоит проверить обивку, дверные панели, полку для багажа и обшивку потолка, чтобы убедиться, что они не порваны, не поцарапаны, не повреждены и не обесцвечены. Также проверьте лакокрасочное покрытие. Качество окраски Peugeot не самое лучшее. Электрика должна работать как положено. Прогуляйтесь вокруг и убедитесь, что все индикаторы функционируют, а также убедитесь, что колеса и кузов не изношены слишком большими ранами на автостоянках.
Партнеру второго поколения потребуется тест-драйв, чтобы убедиться, что передачи включаются четко, а гидроусилитель руля работает должным образом. Если фургон оснащен шаровой опорой, убедитесь, что задние амортизаторы и пружины не повреждены. Внимательно осмотрите сдвижную боковую дверь, чтобы убедиться, что она не заедает.
Запасные части
(примерно для Partner 1.6 HDi 2015 г.) Воздушный фильтр будет в скобке от 9 до 19 фунтов стерлингов. Топливный фильтр будет стоить около 10 фунтов стерлингов, а масляный фильтр — около 6-14 фунтов стерлингов. Комплект сцепления стоит около 300 фунтов стерлингов, как и дизельный сажевый фильтр. Передние тормозные диски стоят 75 фунтов стерлингов за пару, а колодки обойдутся вам примерно в 40 фунтов стерлингов. Зеркальное стекло стоит 13 фунтов стерлингов, свечи зажигания — 10 фунтов каждая, а ремень ГРМ — 60 фунтов стерлингов. Ремень ГРМ стоит около 33 фунтов стерлингов.
В дороге
Как всегда, основной движущей силой этого фургона является 1,6-литровый дизельный двигатель, но есть большой выбор, когда дело доходит до того, как его получить. С момента запуска этой обновленной модели в середине 2015 года этот французский бренд продолжал предлагать более старые версии Euro5 HDi мощностью 75 л.с. и 90 л.с., но компания быстро переключилась на более продвинутые версии BlueHDi этого агрегата. Их два: вариант мощностью 100 л.с., который выбирало большинство покупателей, предлагается либо с 5-ступенчатой механической коробкой передач, либо с фирменным автомобилем ETG6. Или более дешевая модель мощностью 120 л.с. с 6-ступенчатой механической коробкой передач.
Мы бы сказали, что движок BlueHDi заслуживает внимания, и не только из-за его большей эффективности. Крутящий момент — мощность, передаваемая через шестерни, — значительно повышается благодаря новой технологии. Таким образом, в то время как более старые варианты HDi Euro5 мощностью 75 л.с. и 90 л.с. могут развивать только 185 Нм и 215 Нм крутящего момента соответственно, модель BlueHDi 100 увеличивает этот показатель до гораздо более пригодных 254 Нм, что вы действительно заметите, когда тронетесь с места, чтобы преодолеть этот покачивающийся арктический подъем. фронт. Что бы это ни стоило, ускорение из состояния покоя также полезно быстро: модели BlueHDi 100 требуется 11,8 с для спринта 0-62 миль в час, что делает ее на секунду быстрее, чем 9Вариант HDi мощностью 0 л.с. Максимальная скорость с более современным двигателем составляет 101 час в час.
Обратите внимание, что вам не обязательно иметь дизельный двигатель в вашем партнере. С момента запуска этой обновленной модели MK2 в 2015 году этот французский бренд решил обновить свой устаревший бензиновый агрегат 1.6 VTi мощностью 95 л.с. до статуса Euro6, так что этот двигатель изначально предлагался в этой улучшенной конструкции для немногих операторов, которые, вероятно, захотят его. Еще более редким явлением на наших дорогах была умная полностью электрическая версия.
Комбинезон
Усовершенствованный фургон Peugeot Partner второго поколения стал умнее и совершеннее в этом облике после Евро-6 2015 года, сохранив при этом практичность, которая сделала его фаворитом среди легких коммерческих автомобилей. Вариант двигателя с технологией BlueHDi сильно повлиял на эксплуатационные расходы, и если вы приобретете вариант с умным 7-дюймовым информационно-развлекательным экраном внутри, то ваш маленький компактный фургон будет выглядеть очень современным.
В общем, на что мы смотрим? Разумный деловой партнер? Ну, это один из способов выразить это. Однако вы можете предпочесть просто видеть эту модель так, как это делают многие владельцы: как свой праворульный фургон.
Фургон Peugeot Partner (2008-2018) обзор
Подробные обзоры
Главная
Peugeot
Partner
Partner Van
t такой же изысканный или хорошо оснащенный, как и лучшие конкуренты
от: команды Auto Express
11 окт. 2016
11 окт. , 3-х местная кабина вариант
Ограниченный модельный ряд, шум на трассе, тесная посадка за рулем
Peugeot Partner находится в середине обширного модельного ряда коммерческих автомобилей компании, между крошечным Bipper и среднего размера Expert. Это родственный фургон Citroen Berlingo, и у него много противников, таких как Fiat Doblo, Ford Transit Connect и Volkswagen Caddy.
Модель Partner была обновлена в 2015 году. В ней были обновлены передняя часть кузова, улучшены уровни оснащения и установлены двигатели, соответствующие стандарту Евро-6.
Уровни отделки салона начинаются с S, далее идут уровни SE и Professional. Все они предлагаются в длинных форматах L1 и L2. Любопытно, что обе длины кузова имеют одинаковую колесную базу, поэтому длинная модель L2 выделяется более длинным задним свесом.
Версия L2 также предлагается с дополнительными местами — пятиместный фургон для экипажа и пассажирский фургон Partner Tepee. В более короткой версии L1 Partner может выдерживать полезную нагрузку до 850 кг, в то время как более длинная модель справляется с полезной нагрузкой 750 кг.
• Лучшие небольшие фургоны для покупки
В большинстве партнеров мощность исходит от знакомого PSA Peugeot Citroen 1.6 HDi дизельного двигателя. Он предлагается в версиях мощностью 75 л.с. и 100 л.с., а варианты мощностью 100 л.с. используют новейшую технологию Peugeot BlueHDi, соответствующую стандарту Euro6, а также систему старт-стоп для экономии топлива. Есть также 1,6-литровый бензиновый двигатель VTi мощностью 98 л.с., но немногие покупатели фургонов принимают это предложение от Peugeot.
Другие обзоры
Подробные обзоры
Фургон Peugeot Partner обзор
Дорожные испытания
Новый фургон Peugeot e-Partner 2021 обзор
Какой бы двигатель вы ни выбрали, мощность передается на передние колеса через пятиступенчатую механическую коробку передач. Тем не менее, водители, которым нужно удобство автоматической коробки передач, могут добавить шестиступенчатую автоматическую коробку передач Peugeot ETG с электронным управлением в качестве опции за 500 фунтов стерлингов.
Кроме того, те, кто выбирает более мощные дизельные фургоны, могут заказать пакет управления сцеплением ATV от Peugeot. Эта дополнительная опция предназначена для того, чтобы дать партнеру умеренные внедорожные способности без затрат на топливо полномасштабной системы полного привода. Он оснащен электронной блокировкой дифференциала с четырьмя режимами — для сухой дороги, грязи, снега и песка, а также приподнятой подвеской и грязевыми и зимними шинами.
Водители, которые не выезжают за пределы города, также могут рассмотреть полностью электрический вариант Partner. Этот Renault Kangoo Z.E. Соперник основан на более коротком кузове, обещает дальность 106 миль от одного заряда и имеет полезную нагрузку 695 кг.
Самая экологичная модель Partner — это модель L1 с дизельным двигателем BlueHDi мощностью 100 л.с. и автоматизированной механической коробкой передач EGT, расход топлива которой составляет 68,9 миль на галлон в смешанном цикле, а выбросы CO2 составляют 108 г/км. Выберите этот топовый двигатель с механической коробкой передач, и показатель расхода на галлон немного снизится до 67,3 миль на галлон. Тем временем дизель мощностью 75 л.с. расходует 56,5 миль на галлон. Переход на более длинную модель L2 не влияет на экономию топлива, но вес дополнительных сидений в Crew Van снижает количество миль на галлон.
Average Van Insurance Costs
In association with
Peugeot Partner
Job Type
City
Out of City
Tradesman
£770
£350
Company Director
£ 606
£ 606
Другие
£ 606
£ 260
. критериям, указанным в Admiral Van Insurance, ваша индивидуальная цена может отличаться. На основе автомобилей 2015 года выпуска или моложе и полисов, проданных с 1.7.17 по 31.7.18.
Partner Electric отличает фургон Peugeot от других на рынке легких коммерческих автомобилей: заявлено, что он может проехать 106 миль на аккумуляторе с нулевым уровнем выбросов, прежде чем его нужно будет подключить к розетке. Partner Electric получает стандартную гарантию производителя на 3 года или 100 000 миль, но это не включает аккумулятор и трансмиссию. На эти компоненты распространяется отдельная гарантия на 5 лет и 40 000 миль пробега.
Фургоны Diesel Partner обслуживаются каждые два года или 12 500 миль, а низкая страховая группа — от 1E до 4E — добавляет финансовой привлекательности. На все модели с двигателями внутреннего сгорания предоставляется 3-летняя гарантия, причем первые два года являются полной гарантией производителя, а последний год покрывается дилером с ограничением пробега в 100 000 миль.
В отличие от некоторых конкурентов на этом рынке, Peugeot использует одинаковую колесную базу для обычной (L1) и удлиненной (L2) версий Partner. Это означает, что модель L2 выглядит немного неуклюже сзади, где кузов нависает над задней осью. А поскольку корпус L2 весит больше, это приводит к снижению полезной нагрузки. Поскольку Peugeot не предлагает Partner с высокой крышей, объем загрузки ограничен до 3,3 кубических метра в L1 и 3,7 кубических метра в L2.
Для сравнения, Fiat Doblo Cargo и идентичный ему Vauxhall Combo обеспечивают 3,4 кубических метра пространства с короткой колесной базой и 4,2 кубических метра с длинной колесной базой. Оба фургона также доступны с высокой крышей, которая увеличивает вместимость до 5 кубических метров. Это не значит, что Partner не использует свои размеры должным образом: его можно заказать с пассажирским сиденьем Multi-Flex, которое раскладывается и складывается, а перегородка клетки также складывается вокруг водителя. Это увеличивает длину грузового отсека рядом с сиденьем водителя и увеличивает объем до 3,7 кубических метров в L1 и 4,1 кубических метра в L2. Однако из-за отсутствия сплошной перегородки водителям придется мириться с изрядным шумом в кабине. Есть также дополнительный задний люк на крыше, который позволяет вам нести длинную лестницу, высунув ее из верхней части.
Максимальная полезная нагрузка составляет 850 кг для модели L1 или 750 кг для модели L2. Это достаточно конкурентоспособный показатель по сравнению с большинством конкурентов, но королем грузоподъемности в секторе компактных фургонов является Fiat Doblo Cargo, который может перевозить более 1000 кг. Доступ осуществляется через асимметрично разделенные задние двери — только когда вы переходите к спецификации SE, вы получаете раздвижную боковую дверь. Длина груза составляет 1800 мм, а ширина между колесными арками — 1230 мм, так что даже L1 может вместить 2 европоддона.
Peugeot предлагает дополнительное измерение в Partner с пакетом ATV Grip Control. Некоторые пользователи фургонов сочтут его более дешевой альтернативой полноприводному автомобилю с приподнятой подвеской и электронной блокировкой дифференциала, повышающей сцепление с дорогой. Грязевые и зимние шины также включены, что может сделать вариант за 600 фунтов стерлингов достойным для водителей фургонов, которые сталкиваются с расходами на переход с летних шин на зимние осенью и обратно весной.
Безопасность была улучшена на Peugeot Partner с обновлением 2015 года, и все ключевые функции теперь включены в список стандартных характеристик, включая систему контроля устойчивости ESP. В стандартной комплектации вы получаете только подушку безопасности водителя с боковыми подушками безопасности и одну для переднего пассажира, доступную в списке опций. Также в стандартную спецификацию входит перегородка в виде лестничной рамы позади водителя и аварийные огни, которые загораются при резком торможении. Что касается безопасности, то на всех моделях есть центральный замок с блокировкой.
На Peugeot Partner также доступны более совершенные системы безопасности. Peugeot добавил Active City Brake, которая может автоматически задействовать тормоза, если обнаруживается надвигающееся столкновение на скорости до 20 миль в час. Установка этого снижает страховую группу фургона и, следовательно, сокращает страховые взносы. Датчики парковки и камера заднего вида также значатся в списке опций.
Все серьезные проблемы с надежностью, скорее всего, уже устранены, так как Partner уже некоторое время продается со скидкой. Надежность 1,6-литрового дизельного двигателя была доказана на других моделях PSA Peugeot Citroen, а простой интерьер фургона хорошо выдерживает интенсивное коммерческое использование.
Мощность дизельных двигателей Partner скорее приличная, чем впечатляющая. Двигатель 1.6 HDi мощностью 75 л.с. тянет достаточно хорошо, даже когда Partner полностью загружен. Фургон может стать шумным и напряженным на скоростях автомагистрали отчасти из-за того, что механическая коробка передач имеет только пять передаточных чисел и отсутствие более прочной перегородки.
Если вы собираетесь много путешествовать по автомагистралям, более мощный двигатель BlueHDi мощностью 100 л. Максимальная скорость составляет 101 миль в час по сравнению с 94 мили в час в модели начального уровня мощностью 75 л. с. и 0-62 миль в час занимают 14,5 с вместо трудоемких 17,6 с. Большинство конкурентов предлагают более мощный двигатель мощностью около 120 л.
В чем Partner действительно преуспевает, так это в комфорте езды, который он обеспечивает. Независимо от того, есть ли на борту груз или нет, это очень плавный фургон. Мягкость подвески приводит к большему крену кузова в поворотах, чем у Fiat Doblo, VW Caddy или Ford Transit Connect, но это компромисс, на который многие с радостью пойдут.
Плавная шестиступенчатая автоматическая механическая коробка передач EGC заслуживает внимания, хотя это дорогой вариант, 500 фунтов стерлингов за топовую модель Partner. Кроме того, Partner Electric обеспечивает бесшумную работу с нулевым уровнем выбросов, хотя заявленный запас хода в 105 миль, очевидно, ограничивает его привлекательность для некоторых водителей.
Кабина Partner будет немного тесновата, если ваш рост выше шести футов, ограниченный ход сиденья и узкое пространство для ног могут сделать длительные поездки неудобными. Если вы выберете двойное пассажирское сиденье, человеку, сидящему в центре, вероятно, будет очень тесно, так как рычаг переключения передач на приборной панели ограничивает пространство для коленей. Тем не менее, настройку стоит уточнить из-за дополнительной гибкости сидений, которую она обеспечивает при коротких поездках, и увеличения места для хранения.
Органы управления легки и по большей части расположены логично, но переключатели стеклоподъемников установлены на приборной панели, а не на дверях, где вы ожидаете, а дополнительный USB-разъем для зарядки телефона спрятан в пространстве для ног пассажира.
Многочисленные варианты хранения: закрытый ящик на приборной панели перед водителем и глубокая ниша со стороны пассажира, а также карманы в дверях и горизонтальные держатели для бутылок на приборной панели. Труднее найти места для размещения более крупных предметов, и это еще одна область, где полезно дополнительное двойное пассажирское сиденье, которое поставляется с откидной базой, которая скрывает большую область хранения.
Модели S довольно просты, но вы получаете стереосистему с компакт-диском, центральный замок, электрические стеклоподъемники и электрические зеркала. Подойдите к SE, и вы увидите круиз-контроль с функцией ограничителя скорости, а также пассажирское сиденье Multi-Flex и раздвижную боковую дверь для грузового отсека. На профессиональных моделях есть аккуратная консоль управления с сенсорным экраном, радио DAB и спутниковая навигация TomTom с отдельным экраном.
Размеры фургона
Тип кузова
Высота
Width
Length
Short L1 van
1,828mm
1,810mm
4,380mm
Long L2 van
1,834mm
1,810mm
4,628mm
Long L2 crew van
1,834mm
1,810mm
4,628mm
Short L1 van ATV
1,838mm
1,810mm
4,380mm
Short L1 electric van
1,828mm
1,810mm
4,380mm
Long L2 electric van
1,834mm
1,810mm
4,628mm
(Width is body width at widest point, width with mirrors is 2,112mm)
Load area dimensions
Body style
Height
Width
Length
Volume
Short L1 van
1,250mm
1,500mm
1,800mm
3. 3m3
Long L2 van
1,250mm
1,500mm
2,050mm
3.7m3
Long L2 crew van
1,250mm
1,500 mm
2,050mm
3.3m3
Short L1 van ATV
1,250mm
1,500mm
1,800mm
3.3m3
Short L1 electric van
1,250mm
1,500mm
1,800mm
3.3m3
Long L2 electric van
1,250mm
1,500mm
2,050mm
4.1m3
For an alternative view on the Фургон Peugeot e-Partner посетите наш дочерний сайт DrivingElectric…
Peugeot Partner 2018 – новый небольшой фургон, официальные изображения, информация, технические характеристики и размеры
Выставка коммерческих автомобилей IAA, на которой он также был удостоен награды International Van of the Year 2019. , наряду с его братьями и сестрами Citroen Berlingo и Vauxhall Combo.
Продолжайте читать, чтобы узнать все подробности об этом новом маленьком фургоне, увидеть фотографии с выставки IAA и полную разбивку цен. Мы представим вам первый обзор Peugeot Partner 2018 года в октябре.
Что отличает Peugeot Partner 2018 года?
Основное различие между небольшим фургоном Peugeot Partner 2018 года и его родственными родственниками Citroen Berlingo и Vauxhall Combo, которые также являются новинками этого года, заключается не во внешнем виде.
Несмотря на то, что передняя часть Partner определенно напоминает Peugeot, самые значительные изменения вы найдете за рулем в кабине. Новый Partner представляет собой первый раз, когда Peugeot применяет свой дизайн интерьера iCockpit на фургоне.
А поскольку iCockpit — это то, что нравится или не нравится, кабина действительно может быть решающим фактором, когда дело доходит до выбора между этими тремя чрезвычайно похожими фургонами.
Что за шумиха вокруг кабины iCockpit Peugeot Partner?
Если вы знакомы с любым из последних автомобилей Peugeot, вы уже знаете, что такое iCockpit. Но основные элементы — это необычный высокопоставленный прибор и крохотный руль странной формы.
Как вы понимаете, для этого нужно немного приспособиться к вашему обычному положению за рулем.
Если вы готовы к такой регулировке, все работает довольно хорошо — маленькое колесо обычно делает вождение более прямым, а высоко расположенные приборы помогают не отвлекаться от дороги. Но это не для всех, и многие могут предпочесть более традиционные интерьеры Berlingo и Combo.
Или конкурента Ford Transit Connect, который скоро будет обновлен.
Однако вас может убедить то, что Peugeot обещает качество материалов, которое в точности соответствует качеству автомобильной версии, которая теперь называется Rifter, а не Partner Tepee.
Так что, если вам нравится, как выглядит ваш фургон внутри, на него определенно стоит взглянуть. И это до того, как вы рассмотрите все новые технологии, которые также доступны.
Как и у Citroen, в кабине имеется 113 литров места для хранения вещей.
Получает ли Peugeot Partner 2018 года предупреждение о перегрузке?
Помимо iCockpit, Partner получает выгоду от всего нового дизайна и технологий, которые также используются в Berlingo и Combo.
Главными функциями, несомненно, являются система оповещения о перегрузке, которая автоматически предупреждает вас, если вы превысили номинальную грузоподъемность фургона, и система объемного заднего обзора.
Surround Rear Vision сочетает в себе камеру заднего вида, которая работает как виртуальное зеркало заднего вида, и вторую камеру под зеркалом двери пассажира, чтобы устранить слепую зону с этой стороны автомобиля.
Обе технологии являются первыми в сегменте фургонов (хотя, как вы уже догадались, они также доступны для Combo и Berlingo).
Какие еще высокотехнологичные функции есть у Peugeot Partner 2018?
Другие технологические особенности:
Электрический стояночный тормоз
Адаптивный круиз-контроль
Расширенное распознавание дорожных знаков
Активная система удержания полосы движения
Предупреждение о внимании водителя
Active Safety Brake автономное экстренное торможение
Стабилизация прицепа
Автоматический ассистент дальнего света
Парковочная камера Visopark 180 градусов
Мониторы слепых зон
Бесключевой доступ и вперед
Аварийная кнопка SOS
Большинство из этих элементов будут необязательными.
Информационно-развлекательная система оснащена 8,0-дюймовым сенсорным экраном и включает в себя Apple CarPlay, Android Auto и дополнительную спутниковую навигацию с оповещениями TomTom Traffic.
Кроме того, Peugeot предлагает Monitoring Pack для предупреждений о техническом обслуживании и Tracking Pack , который может определить географическое местоположение автомобиля и помочь полиции определить его местонахождение в случае кражи.
Еще три пакета предназначены для управляющих автопарком:
Пакет Connect Fleet Management Pack — охватывает пробег, часы использования, расход топлива и стоимость, интервалы обслуживания в режиме реального времени
Eco-drive Pack – для предоставления водителям индивидуальных советов по экономии топлива
Пакет геолокации — отслеживание транспортных средств в режиме реального времени, включая пройденные маршруты и время простоя транспортных средств, а также геозоны с оповещениями, чтобы вы могли узнать, когда транспортное средство въезжает или покидает определенную зону
Какие варианты кузова и модификации доступны для Peugeot Partner 2018?
Фургон Partner предлагается с короткой колесной базой (SWB) Standard и длинной колесной базой (LWB) Long, оба из которых могут перевозить до трех человек, если установлено переднее пассажирское сиденье Multifex.
Также доступна версия модели Long с двойной кабиной (впервые от Peugeot), которая может перевозить до пяти человек.
Наряду с тем, что описывается как стандартный уровень отделки салона, Peugeot также предлагает варианты Partner Professional, Grip и Asphalt, которые соответствуют версиям Berlingo 2018 Enterprise, Worker и Driver.
Базовая модель Peugeot Partner известна просто как модель « S » и поставляется со следующим комплектом:
Полная перегородка
Помощник при трогании на подъеме
Дистанционный центральный замок с отдельным замком для кабины
Электростеклоподъемники и зеркала заднего вида
Автофары с дневными ходовыми огнями
Цифровое радио DAB
Bluetooth, USB и аудиоразъемы
Розетка 12 В в приборной панели
Система экстренного вызова Peugeot Connect
Неостекленные асимметричные задние двери
Ближняя сдвижная дверь (только модель L1)
Двойная раздвижная боковая дверь (только модель L2)
Модель Peugeot Partner Grip имеет все, что есть в модели S, плюс следующее:
Увеличенный дорожный просвет (+30 мм)
16-дюймовые колеса с грязезащитными и зимними шинами
Система контроля тяги Advanced Grip Control со специальными настройками для скользких поверхностей
Сиденье водителя с подлокотником и поясничной опорой
Складное пассажирское сиденье Multi-Flex с перегородкой для груза
Пол с пластиковым покрытием для дополнительной защиты днища
Peugeot Partner Professional поставляется со всем, что есть в S, и добавляет следующее:
Кондиционер
Задний парктроник
Ограничитель скорости и круиз-контроль
Электронный стояночный тормоз
Аварийный сигнал
Электростеклоподъемники с электроприводом и электропривод складывания зеркал заднего вида с подогревом
Датчик давления в шинах
Сиденье водителя с подлокотником и поясничной опорой
Складное пассажирское сиденье Multi-Flex с перегородкой для груза
Управление информационно-развлекательной системой на рулевом колесе
8-дюймовый сенсорный экран информационно-развлекательной системы с Apple CarPlay, Android Auto и Mirrorlink
Пол из жесткого пластика в грузовом отсеке
Колпаки для 15-дюймовых колес (модели 650)
Колпаки для 16-дюймовых колес (модели 950 и 1000)
Передние противотуманные фары с функцией поворота
Топовая модель Peugeot Partner Asphalt включает в себя все это и даже больше, а в список комплектаций, входящих в комплектацию Professional, добавлен следующий:
Улучшенная звукоизоляция для более тихой поездки на дальние расстояния
Сиденье водителя «Комфорт»
Система камер заднего вида
Передние датчики парковки
Спутниковая навигация
Автоматические стеклоочистители
16-дюймовые легкосплавные диски
Бампера и внешние детали в цвет кузова
Возможно, стоит отметить, что Peugeot заявляет, что дополнительная звукоизоляция сделает салон Partner тише, чем любой другой небольшой фургон (за исключением, предположительно, Berlingo и Combo).
Конечно, будет доступно больше опций, и Peugeot уже работает над переоборудованием с различными компаниями-партнерами.
Peugeot Partner 2018 того же размера, что и Citroen Berlingo и Vauxhall Combo?
Короче говоря, да. И, как и другие фургоны, он основан на сочетании новой платформы EMP2 спереди и предыдущего фургона Partner сзади — биты EMP2 помогают снизить вес и улучшить радиус поворота, а вместо старой гидравлической системы добавлен электроусилитель руля. .
Основные внешние размеры:
Внешняя длина: 4400 мм, стандартная / 4750 мм, длинная
Внешняя высота: 1850 мм, стандартная / 1850 мм, удлиненная рукоятка
Наружная ширина: 2100 мм (с наружными зеркалами)
Уже есть размеры грузового отсека для Peugeot Partner 2018?
Также подходят для Combo и Berlingo:
Длина груза: 1810 мм, стандартная / 2160 мм, длинная
Ширина между колесными арками: 1230 мм
Объем загрузки: 3,3 куб. м Стандарт / 3,9 куб. м Длинный
Объем багажного отделения с пассажирским сиденьем Multiflex: 3,8 куб. м / 4,4 куб. м
Максимальная полезная нагрузка: 1000 кг стандартная / 950 кг длинная
Сиденье Multiflex складывается для возможности загрузки более длинных предметов (отсюда и увеличение объема загрузки) – до 3000 мм в длину в стандартной модели и 3350 мм в длинной модели. Поскольку внешнее переднее сиденье складывается независимо от среднего сиденья, вы по-прежнему можете перевозить двух человек.
Если места по-прежнему недостаточно, есть дополнительный люк в крыше .
Модели с меньшей грузоподъемностью будут иметь полезную нагрузку около 650 кг, в то время как модели, ориентированные на экономию топлива, могут упасть до 600 кг.
Какие двигатели доступны для Peugeot Partner 2018?
Вы можете выбрать между 1,2-литровым турбированным бензиновым двигателем PureTech и 1,5-литровым турбодизелем BlueHDi (хотя мы понимаем, что некоторые старые 1,6-литровые дизели также могут предлагаться изначально).
Бензиновые двигатели Peugeot Partner 2018:
110 л.с. с системой «старт-стоп» и шестиступенчатой механической коробкой передач
130 л.с. с системой стоп-старт и восьмиступенчатой АКПП (со второй половины 2019 г.)
Дизельные двигатели Peugeot Partner 2018:
75 л.с. с пятиступенчатой механической коробкой передач
100 л.с. с системой «старт-стоп» и пятиступенчатой механической коробкой передач
130 л.с. с системой «старт-стоп» и шестиступенчатой механической или восьмиступенчатой автоматической коробкой передач
Очевидно, дизельные двигатели не требуют AdBlue для соответствия последним стандартам выбросов.
Какова цена Peugeot Partner 2018 года и когда он поступит в продажу?
Наверное, неудивительно, что прайс-лист Peugeot Partner очень похож на прайс-лист Citroen Berlingo — на самом деле цены на них одинаковы для всего модельного ряда.
Вот сколько стоит купить каждая версия Peugeot Partner:
S
Партнер Bluehdi 75 Руководство M 650 S — £ 15 825
Партнер Bluehdi 100 S & S Руководство XL 950 S — £ 17 800
We’ll принесет вам больше информации и полный обзор очень скоро.
Читайте также:
>> Фургон Vauxhall Combo 2018 г. – первые официальные данные и фотографии
>> Фургон Citroen Berlingo 2018 г. – первые официальные данные и фотографии
>> Ford Transit Connect и Transit Courier 2018 фейслифтинг – большие изменения для небольших фургонов
PEUGEOT PARTNER 2018 PEUGEOT PARTNER 2018: БЕСПЛАТНАЯ проверка автомобилей по VIN коду: расшифровка, информация по VIN коду
PEUGEOT PARTNER 20 2018: Проверка автомобилей по ВИН-коду БЕСПЛАТНО: расшифровка, информация по ВИН-коду | Вф.вин
ДОМ
ПЕЖО
org/ListItem»>
ПАРТНЕР
2018
Peugeot Partner
2018
VIN:VF37BBHY6JN502328
256 381 км
Peugeot Partner
2018
VIN:VF37BBHY6HJ
4
км 200 824 км
Peugeot Partner
2018
VIN:VF37ABHW6HJ882118
км 169 787 км
Peugeot Partner
2018
VIN:VF37FBHY6JJ676505
км 134 412 км
Peugeot Partner
2018
VIN:VF37FBHZMJJ558513
км 115,902км
Peugeot Partner
2018
VIN:VF37FBHZMJJ606502
км 104 603 км
Peugeot Partner
2018
VIN:VF37BBHY6HN552716
км 129 001 км
Пежо Партнер
2018
VIN:VF37BBHW6HN540246
км 111 558 км
Peugeot Partner
2018
VIN:VF37RBHY6HJ921580
км 135 868 км
Peugeot Partner
2018
VIN:VF37BBHY6JN529718
км 153 650 км
Пежо ПАРТНЕР
2018
VIN:VF37DBHYMHN546774
км 107 183 км
Пежо Партнер
2018
ВИН:VF37JBHY6JJ753438
км 168 755 км
Peugeot Partner
2018
VIN:VF37ABHW6JN542409
км 94 458 км
Пежо Партнер
2018
VIN:VF37BBHW6HJ835278
км 72 392 км
Peugeot Partner
2018
VIN:VR3EFBHYBJN558573
км 55 793 км
Пежо ПАРТНЕР
2018
VIN:VF37ABHW6JN542409
км 94 458 км
Peugeot Partner
2018
VIN:VF37DBHY6JN540999
км 82 430 км
Пежо Партнер
2018
VIN:VF37BBHW6JN503604
км² 83,902км
Пежо Партнер
2018
VIN:VF37ABHW6JN506747
224 601 км
Peugeot Partner
2018
VIN:VF37JBHW6JN519837
км 192 443 км
Peugeot Partner
2018
VIN:VF37BBHY6HJ923034
км 183 812 км
Peugeot Partner
2018
VIN:VF37BBHY6JJ736370
км 79 073 км
Peugeot Partner
2018
VIN:VF37DBHY6JJ591925
км 143 021 км
Peugeot Partner
2018
VIN:VF37BBHW6JN530697
км 38 214 км
Пежо Партнер
2018
ВИН:VF37BBHY6JN510028
км 128 267 км
Peugeot Partner
2018
VIN:VF37JBHW6HN546926
км 208 959 км
Peugeot Partner
2018
VIN:VF37JBHW6JN510629
км 173 995 км
Пежо партнер
2018
VIN:VF37B5FK6JJ728943
км 56 195 км
Peugeot Partner
2018
VIN:VF37BBHY6HN546788
км 93 422 км
Пежо Партнер
2018
VIN:VF37BBHW6JN519707
км 66 573 км
до
Peugeot Partner Electric Обзор | heycar
org/BreadcrumbList» data-testid=»BreadcrumbsSt»>
Обзоры автомобилей
Peugeot
Партнер Electric Review
Написано
Эндрю Брэди
1/6
00/10
HEYCAR RATING
9000 ».
EV
Поиск автомобилей на heycar:
Просмотр автомобилей на продажу
Краткий обзор
Плюсы
Тихий и легкий в управлении
Низкие эксплуатационные расходы
Доступный по сравнению с конкурентами
Минусы
Ограниченный ассортимент
Низкий уровень снаряжения
Датированная кабина
Общий вердикт
Внутри
Вождение
Стоимость эксплуатации
Цены и характеристики
Общий вердикт
версия с двигателем. Серьезных изменений в стандартной модели с дизельным двигателем не было, что принесло как преимущества, так и недостатки для тех, кто решил перейти на электричество».
Основные преимущества очевидны: Partner Electric может бесплатно въезжать и выезжать из основных городских зарядных зон, он освобожден от ЖНВЛП и не производит никаких выхлопных газов.
Он доступен в двух вариантах длины, те же модели L1 и L2, что и стандартный Partner, хотя его практичность не совсем совпадает по всем параметрам. Полезная нагрузка, например, несколько ниже, чем у дизельного Partner: 552 кг для L2 и 636 кг для L1, что несколько ниже 860 кг прямого дизельного эквивалента.
Стоит отметить, что электрическая версия базируется на модели Partner, которая была в продаже с 2008 по 2018 год. Модель, пришедшая ей на смену, имеет еще более высокую грузоподъемность, и обещанная электрическая версия также должна увеличить полезную нагрузку.
Однако в остальном практичность Partner Electric заслуживает похвалы. Аккумуляторы расположены ровно под полом багажника и не мешают грузовому пространству, поэтому сзади у вас остается такое же пространство, как и в стандартной версии. Это означает 1,22-метровый зазор между колесными арками и до 3,7 кубических метров пространства.
У Partner Electric есть дополнительное преимущество: он может перевозить трех пассажиров спереди, а также предлагает немного больше места, чем дизельная модель, для среднего сиденья. Это связано с отсутствием необходимости в обычном рычаге переключения передач или ручном тормозе. Тем не менее, Partner не является огромным фургоном, поэтому он все еще немного тесноват с точки зрения места для плеч, но небольшая дополнительная помощь помогает.
Поскольку Partner Electric основан на более старой модели, чем остальная часть модельного ряда Partner, остальная часть интерьера кажется немного устаревшей, а уровни оснащения относительно скудными. Например, нет цифрового радио DAB и Bluetooth.
Простота кабины означает, что все довольно просто, с четким индикатором батареи и циферблатом, показывающим, когда батарея разряжается и когда ей удается восстановить заряд при торможении и тому подобное.
Основные впечатления от вождения Partner Electric очень расслабляющие и приятные. Как и во всех электромобилях, нет необходимости переключать передачи, и, в частности, в городе он плавный и без стресса. Кроме того, он удивительно тихий, двигатель почти не шумит, только немного гудит, что вы не сможете услышать из-за общего шума ветра и дороги, который возникает при вождении любого автомобиля.
Как и у многих других электромобилей, у Partner Electric проблема с запасом хода, и официальный максимум обещает всего 106 миль. Даже Peugeot признает, что это маловероятно, и что-то около 80 миль или около того более вероятно или меньше, если вы собираетесь загрузить полезную нагрузку, зимой или если вы едете с более высокой средней скоростью.
Высокие средние скорости будут непростыми, поскольку скорость Partner ограничена 68 милями в час, что еще раз подчеркивает, что это транспортное средство лучше всего подходит для города.
Подходит ли вам Peugeot Partner Electric?
Если вам нужен небольшой электрический фургон, вариантов немного: Nissan eNV200 и Renault Kangoo Z. E. 33 главных конкурента Partner Electric.
Реальное преимущество Partner Electric заключается в цене: базовая модель заметно дешевле, чем модели eNV200 и даже более дорогие модели Kangoo Z.E. 33.
Вы не получите много комплекта за свои деньги, и запас хода не такой сильный, как у Renault и Nissan, но если у вас короткий и предсказуемый распорядок дня с легким доступом к ночному времени зарядка, то Партнер — сильный бюджетный вариант.
Какую модель/двигатель Peugeot Partner Electric лучше выбрать?
Выбрать Partner Electric невероятно просто — доступны только одна комплектация, двигатель и коробка передач. Он поставляется только в комплектации SE, которая относительно скудно оснащена. Есть несколько дополнительных опций, которые можно добавить — например, Bluetooth, DAB и спутниковая навигация — но вы не можете указать свой собственный новый Partner Electric, поэтому вы полагаетесь на то, что Peugeot или предыдущий владелец добавил эти дополнительные функции.
Единственное, что вы можете выбрать, это две длины – L1 или L2. Между ними нет никакой разницы с точки зрения диапазона и т. д., так что это действительно сводится к личным предпочтениям.
Какие еще автомобили похожи на Peugeot Partner Electric?
Класс небольших электрических фургонов постоянно растет, но главными современниками Partner Electric являются Renault Kangoo Z.E. 33 и Nissan eNV200. Они предлагают лучшую дальность полета и лучшую грузоподъемность, хотя и с небольшим отрывом, но при этом стоят дороже.
Citroen Berlingo Electric — это, по сути, тот же автомобиль, что и Partner Electric, только с другим значком. К новой модели Partner и Berlingo Electric присоединятся аккумуляторные версии Vauxhall Combo и Toyota Proace City.
Управляемость и ходовые качества
«Стандартная версия Peugeot Partner 2008-2018 по праву заслужила похвалу за свою легковую управляемость, что является одной из причин ее непреходящей популярности. Электрическая модель, по крайней мере, в некоторых смыслах , еще более приятное и полезное вождение.»
Лучше всего чувствует себя в городских условиях. Его радиус поворота 11 м и относительно компактный размер означают, что он идеально подходит для движения по узким участкам города, а рулевое управление приятное и легкое, а это означает, что для выполнения этих низкоскоростных маневров не требуется особых усилий.
Аккумуляторы, расположенные под погрузочным отсеком, имеют не только практичность, но и другие преимущества. Опускаясь низко, они снижают центр тяжести и позволяют проходить повороты с большей уверенностью и скоростью. Это помогает контролировать крен кузова в большей степени, чем даже стандартная модель, которая уже была собранным фургоном, когда дело доходит до поворотов.
Этому также способствует эластичная подвеска, которая обеспечивает плавность хода даже при отсутствии груза в задней части фургона.
Вы можете ехать на Partner Electric по автомагистрали, но скорость, с которой заряд батареи исчезает, когда вы набираете скорость, вероятно, оттолкнет вас от этого слишком часто.
Двигатели и коробки передач
Доступна только одна аккумуляторная версия Partner Electric, так что это модель мощностью 49 кВт (67 л.с.) или ничего. Это, однако, делает его немного более мощным, чем 60-сильный Renault Kangoo Z.E. 33.
Как и в случае с электромобилями, двигатель дает мгновенную реакцию, когда вы нажимаете на педаль акселератора, а мгновенный крутящий момент делает его приятно быстрым при трогании с места. Однако это не приводит к устойчивому уровню ускорения, и темп Partner Electric несколько более прозаичен, когда вы уже движетесь на более высоких скоростях. Он не способен проноситься мимо медленных автомобилей в быстрых обгонах, и его сильная сторона — первые несколько метров пути.
Коробка передач невероятно проста. Вы поворачиваете циферблат на приборной панели, чтобы выбрать движение вперед или назад, и все — у Partner есть только одна передача, поэтому нет необходимости возиться с резкими переключениями или педалью сцепления.
Торможение — это главное, что отличает Partner Electric от других. Когда вы убираете ногу с педали акселератора, Partner пытается рекуперировать энергию за счет торможения двигателем. Процесс довольно агрессивный, что может означать небольшой рывок, если вы резко поднимете ногу после резкого ускорения.
Процесс требует небольшого освоения, но позволяет контролировать темп фургона, не касаясь так часто педали тормоза. Торможение двигателем не приведет к полной остановке, но его будет достаточно в большинстве случаев, а это означает, что вы также должны сэкономить на затратах на замену тормозов.
Утонченность и уровень шума
Утонченность — это настоящая кульминация в Partner Electric. Когда вы включаете фургон, от двигателя вообще нет шума, и его почти нет, когда вы едете. В лучшем случае слышен легкий гул, но вам трудно его услышать, даже когда вы достигаете чего-то выше скорости ползания.
Дизельные двигатели создают не только шум, но и большую часть вибрации, которую вы получаете в фургоне. Из этого следует, что Partner Electric не страдает от такого же уровня тряски и вибрации, как дизель.
Однако от законов физики никуда не деться, и в тех редких случаях, когда вы разгоняетесь до более высоких скоростей, слышен некоторый шум ветра и дороги, хотя стандартная перегородка во всю высоту помогает сдерживать гулкий шум от погрузочной платформы до минимум.
Защитное оборудование
Комплект безопасности на Partner Electric довольно плохой. Из-за своего возраста нет ничего, что могло бы помешать автономному оборудованию. Например, нет автономного торможения в городе и, конечно же, нет адаптивного круиз-контроля или помощи в удержании полосы движения. Это выглядит хуже, если учесть относительно высокие характеристики других электрических фургонов.
Euro NCAP никогда не проводила краш-тестов Partner в чистом виде фургона, но в 2014 году они протестировали пассажирскую версию, и даже она получила всего три звезды. Неизбежно он был уценен из-за отсутствия вспомогательных систем безопасности, предлагались только электронный контроль устойчивости и напоминание о ремне безопасности, и в результате в этой категории набрали 48%. Не очень хорошо он показал себя и в разделе защиты для взрослых, набрав 56%.
Однако функция помощи при трогании на подъеме и функция медленного движения автоматической коробки передач помогают обеспечить безопасность фургона при трогании с места.
Максимальный запас хода EV
Из-за того, что при первой продаже запас хода Partner Electric был сначала рассчитан на основе более старого, менее требовательного теста NEDC. Даже в этом случае заявлена только официальная дальность пробега в 106 миль, что, по признанию Peugeot, не было реалистичным стремлением.
Вместо этого было предложено, чтобы можно было проехать до 90 миль, хотя уменьшите это еще на несколько, если вы планируете использовать фургон зимой или загрузив заднюю часть. Что-то до или около 80 миль является более реалистичным максимумом.
Время и стоимость зарядки
«Зарядка Partner Electric относительно проста и быстра. В стандартной комплектации он поставляется с зарядным кабелем типа 2 и портом для быстрой зарядки постоянного тока мощностью 50 кВт. Стандартная точка зарядки переменного тока поможет вам полностью зарядиться примерно через 10 часов».
Если вам нужно пополнить запас в середине дня, то точка быстрой зарядки восполнит 80% запаса хода за 30 минут.
Страховые группы и расходы
Partner Electric находится в самой высокой страховой группе для этой модели, но не на миллион миль от остальной части диапазона. Он находится в группе 5E, тогда как остальная часть диапазона находится в диапазоне от 1E до 4E.
Налог на автомобиль ЖНВЛП
Будучи электрическим, Partner Electric не подпадает под действие каких-либо ЖНВЛП, поэтому вам ежегодно выставляется «счет» на 0 фунтов стерлингов. Льгота в натуральном выражении для фургонов рассчитывается по фиксированной ставке, а не привязывается к выбросам CO2, а электрические фургоны также имеют право на скидку по этой и без того низкой ставке — цифра для расчета составляет 60% от суммы для двигателя внутреннего сгорания. фургоны.
Сколько вы должны платить за подержанный Peugeot Partner Electric?
«Совершенно новый Partner Electrics стоит меньше, чем прямые конкуренты, и имеет заметное преимущество перед такими, как Renault Kangoo Z.E. 33 и Nissan eNV200. Однако вы больше не можете заказать модель в своей спецификации, поэтому единственный вариант заключается в том, чтобы получить его на складе. В результате вы сможете получить еще большую скидку».
Хотя найти его может быть проблемой. Их было продано не так много, поэтому электриков гораздо меньше, чем стандартных партнеров. Они также проедут меньше миль и будут использоваться для менее сложных задач, поэтому будут в лучшем состоянии, чем их дизельные аналоги. Несмотря на это, они все равно могут потерять как минимум половину своей стоимости в первые пару лет, если не больше.
Уровни отделки салона и стандартное оборудование
Доступна только одна комплектация с очень небольшим количеством дополнительных опций. Если есть возможность получить тот, в который добавлены Bluetooth и DAB, это будет бонусом, но больше нет возможности создать свой собственный.
Из двух вариантов длины L1 имеет чуть больше смысла благодаря немного большей грузоподъемности, но у L2 нет недостатков, если вместо этого вам нужно дополнительное пространство.
Other popular reviews
00/10
Nissan NV200
Refined and relaxing urban van
00/10
Vauxhall Combo
Modern, efficient, practical small van
00/10
Ситроен Берлинго
Well thought through small van
Popular models
Peugeot 208
Peugeot 3008
Peugeot 2008
Peugeot Partner
Peugeot Expert
Similar models
Nissan NV200
Vauxhall Combo
Citroen Berlingo
PEUGEOT PARTNER подержанные автомобили, Цена и объявления
PEUGEOT PARTNER подержанные автомобили, Цена и объявления | Резокар
Сортировать по
Peugeot Rifter /PARTNER KW Partner L2 HD130
75,746 KM
Diesel
Manual
23,727 €
Peugeot Partner
99,000 KM
Diesel
Automatic
23,598 €
Peugeot Partner
77 000 км
Дизель
Ручная
12 000 €
Peugeot Partner
92 900 8 Дизель 9000 км0005
Manual
9,800 €
Peugeot Partner
99,000 KM
Diesel
Automatic
23,598 €
Peugeot Partner
100,000 KM
Diesel
Manual
9,300 €
Пежо Партнер.
38 651 км
Дизель
Ручная
23 209 €
Peugeot Partner
42 780 км
Diesel
Manual
15,910 €
Peugeot Partner
82,500 KM
Diesel
Manual
12,500 €
Peugeot Partner —
62,005 KM
Diesel
Manual
12,500 €
Peugeot Partner
77 000 км
Дизель
Ручная
12 000 €
Peugeot Partner
5
149,456 KM
Diesel
Manual
8,200 €
Peugeot Partner
89,000 KM
Diesel
Manual
14,580 €
Peugeot Partner
71,000 KM
Diesel
Manual
10 800 €
Peugeot Partner
89 000 км
Дизель
Ручная
8 950 €
PeugeKot Partner2 1ANMK6B0A050
Diesel
Manual
29,384 €
Peugeot Partner luxe
57,520 KM
Diesel
Manual
19,386 €
Peugeot Partner 1. 6Hdi
33,839 KM
Diesel
Ручная
13 770 €
Peugeot Partner 1.6Hdi
68 975 км
Дизель
Ручная
15 065
€
0404 Peugeot Partner Outdoor
71,945 KM
Petrol
Manual
18,252 €
Peugeot Partner Premium
140,565 KM
Diesel
Manual
9,450 €
Peugeot Partner ***GERESERVEERD* **
82 500 км
Дизель
Ручная
17 928 €
Peugeot Partner MONOSPACE
70
Дизель 8 KM90 90
49,500005
Manual
10,850 €
Peugeot Partner L1
137,731 KM
Diesel
Manual
8,500 €
Peugeot Partner Tepee
4,500 KM
Petrol
Manual
22,086 €
Vous hésitez ?
N’hésitez pas à contacter un conseiller directement, il vous aiguillera dans votre recherche!