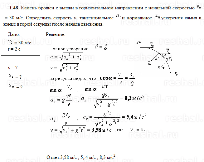
Вентилятор охлаждения для Fiat Uno Хэтчбек (146) 1.0 Бензин 66 л.с.
1 Выберите маркуKiaHyundaiRenaultVolkswagenSkodaNissanFordToyotaMitsubishiPeugeotACAcuraAlfa RomeoAlpinaAlpineAM GeneralAMCAroAston MartinAudiAustinAutobianchiBAICBentleyBertoneBitterBMWBorgwardBrabusBrillianceBristolBuforiBugattiBuickBYDCadillacCallawayCarbodiesCaterhamChanaChanganChangFengChangheCheryChevroletChryslerCitroenDaciaDadiDaewooDaihatsuDaimlerDatsunDerwaysDodgeDSEagleFAWFerrariFiatFordFotonFSOFuqiGACGAZGeelyGenesisGeoGMCGonowGreat WallHafeiHavalHawtaiHindustanHoldenHondaHuangHaiHummerHyundaiInfinitiInnocentiIsuzuJACJaguarJeepJinbeiJMCKiaKTM AGLADALamborghiniLanciaLand RoverLexusLifanLigierLincolnLotusLTILuxgenMahindraMarcosMarutiMaseratiMaybachMazdaMcLarenMegaMercedes-BenzMetrocabMGMicrocarMinelliMINIMitsubishiMitsuokaMorganMorrisNissanOldsmobileOpelPeroduaPeugeotPGOPiaggioPlymouthPontiacPorschePremierProtonPUCHQorosReliantRenaultRenault SamsungRenault SamsungRolls-RoyceRoverSaabSaipaSantanaSaturnScionSEATShuangHuanSkodaSmartSpectreSpykerSsangYongSubaruSuzukiTAGAZTalbotTATATeslaThinkTianmaTofasToyotaTrabantTriumphTVRUAZVauxhallVolkswagenVolvoVortexWartburgWestfieldWiesmannXin KaiZastavaZAZZotye
2 Выберите модель1000-Series Седан (01/1950 — 12/1970)124 Седан (124) (07/1966 — 07/1975)124 Sport Spider (124) (01/1966 — 11/1985)124 Купе (124) (06/1967 — 02/1976)124 Familiare (124) (04/1967 — 03/1975)124 Spider (348) (03/2016 — .
..)125 Седан (125) (07/1967 — 03/1974)125 Универсал (125) (06/1968 — 11/1982)126 (126) (09/1972 — 09/2000)127 Хэтчбек (127) (06/1971 — 05/1996)127 Panorama (127) (01/1977 — 12/1986)128 Familiare (128) (10/1969 — 10/1982)128 Седан (128) (03/1969 — 12/1984)128 Купе (128) (03/1972 — 02/1981)130 Седан (130) (06/1969 — 03/1978)130 Купе (10/1971 — 03/1978)131 Седан (131) (10/1974 — 03/1987)131 Familiare / Panorama (131) (03/1975 — 12/1984)132 (132_) (04/1972 — 12/1982)135 Dino Spider (135) (10/1967 — 01/1972)135 Dino Купе (135) (10/1972 — 03/1974)147 Хэтчбек (10/1976 — 12/1996)147 Panorama (04/1980 — 12/1995)1500-2300 Седан (07/1962 — 12/1970)1500 Кабриолет (06/1964 — 10/1967)238-Series Minibus (09/1966 — 06/1982)242 Minibus (242_) (10/1975 — 07/1982)242-Series Van (10/1975 — 07/1982)500 Универсал (05/1950 — 12/1966)500 Седан (01/1957 — 01/1976)500 Хэтчбек (312) (10/2007 — …)500 C Кабриолет (312) (09/2009 — …)500L (351, 352) (09/2012 — …)500X (334) (09/2014 — …)600 Седан (03/1955 — 02/1971)850 Купе (100) (07/1964 — 12/1972)850 Седан (07/1964 — 10/1972)850 Spider (10/1965 — 12/1973)900 T/E Panorama (200_) (01/1978 — 01/1986)900 T/E Pulmino (200_) (01/1978 — 01/1986)Argenta (132) (05/1977 — 03/1987)Argo (358_) (03/2017 — .
..)Avventura (199) (10/2014 — …)Barchetta (183) (03/1995 — 05/2005)Brava Универсал (09/1977 — 12/1979)Brava Хэтчбек (182) (10/1995 — 06/2003)Bravo I Хэтчбек (182) (10/1995 — 10/2001)Bravo II Хэтчбек (198) (11/2006 — …)Bravo II Van (198) (03/2008 — 12/2014)Campagnola (06/1974 — 10/1989)Cinquecento (170) (07/1991 — 07/1999)Cinquecento Box Body / Хэтчбек (170) (07/1991 — 02/1998)Cinquecento Van (170) (07/1991 — 02/1998)Купе (175) (11/1993 — 08/2000)Croma I Хэтчбек (154) (12/1985 — 12/1996)Croma II Универсал (194) (06/2005 — …)Croma Van (194) (04/2006 — 12/2011)Cronos (359_) (12/2017 — …)Dino Spider (01/1966 — 12/1972)Dino Купе (01/1967 — 12/1972)Doblo I Cargo (223) (11/2000 — …)Doblo I Универсал (119, 223) (03/2001 — …)Doblo II Универсал (263) (11/2009 — …)Doblo II Box Body / Универсал (263) (02/2010 — …)Doblo II Platform/Chassis (263) (02/2010 — …)Ducato I Panorama (280) (07/1982 — 08/1990)Ducato I Platform/Chassis (280) (07/1982 — 08/1990)Ducato I Van (280) (01/1982 — 09/1990)Ducato I Platform/Chassis (290) (03/1989 — 05/1994)Ducato I Van (290) (03/1989 — 05/1994)Ducato I Panorama (290) (01/1990 — 05/1994)Ducato II Minibus (230) (03/1994 — 04/2002)Ducato II Platform/Chassis (230) (03/1994 — 04/2002)Ducato II Van (230L) (03/1994 — 05/2005)Ducato II Minibus (244) (04/2002 — .
..)Ducato II Platform/Chassis (244) (04/2002 — …)Ducato II Van (244) (04/2002 — …)Ducato III Minibus (250, 290) (07/2006 — …)Ducato III Platform / Chassis (250, 290) (07/2006 — …)Ducato III Van (250, 290) (07/2006 — …)Duna Седан (146) (01/1987 — 12/1991)Duna Weekend (146) (01/1987 — 10/2001)Duna Седан (04/1988 — 10/2001)Elba (10/1985 — 12/1997)Fiorino Пикап (147) (10/1977 — 10/1989)Fiorino Van (127) (10/1977 — 12/1987)Fiorino I Van (147) (01/1980 — 10/1993)Fiorino II Пикап (146) (01/1988 — 05/2001)Fiorino II Van (146) (01/1988 — …)Fiorino III Box Body / Универсал (225) (01/2007 — …)Fiorino Van (327) (11/2013 — …)Freemont (345) (08/2011 — …)Fullback Пикап (502, 503) (01/2016 — …)Grande Punto Box Body / Хэтчбек (199) (10/2005 — 06/2013)Grande Punto Хэтчбек (199) (10/2005 — …)Idea (350) (12/2003 — …)Linea (323, 110) (06/2007 — …)Marea Седан (185) (09/1996 — 12/2007)Marea Weekend (185) (09/1996 — 12/2007)Mobi (341) (04/2016 — …)Multipla (186) (04/1999 — 06/2010)Palio I Хэтчбек (178) (04/1996 — .
..)Palio I Weekend (178) (04/1996 — …)Palio Fire (11/2009 — …)Panda I Хэтчбек (141) (03/1980 — 07/2004)Panda Van (141) (01/1986 — 02/2004)Panda II Хэтчбек (169) (09/2003 — …)Panda Van (169) (03/2004 — …)Panda III Хэтчбек (312, 319) (02/2012 — …)Panda Van (312, 519) (02/2012 — …)Punto I Хэтчбек (176) (09/1993 — 09/1999)Punto I Кабриолет (176) (04/1994 — 06/2000)Punto I Van (176) (04/1996 — 02/2000)Punto II Хэтчбек (188) (09/1999 — 07/2012)Punto II Van (188) (02/2000 — 10/2009)Strada I Van (138A) (02/2006 — …)Punto Evo Хэтчбек (199) (07/2008 — …)Punto Evo Van (199) (03/2009 — 02/2012)Punto III Хэтчбек (199) (03/2012 — …)Qubo (225) (02/2008 — …)Regata Седан (138) (09/1983 — 08/1995)Regata Weekend (06/1983 — 08/1995)Ritmo / Strada Хэтчбек (09/1978 — 12/1982)Strada I Хэтчбек (138A) (01/1978 — 12/1988)Strada I Кабриолет (10/1979 — 07/1989)Scudo I Универсал (220) (02/1996 — 12/2006)Scudo I Platform / Chassis (220) (09/1996 — 12/2006)Scudo I Van (220) (02/1996 — 12/2006)Scudo II (270, 272) (01/2007 — .
..)Scudo II Platform / Chassis (270, 272) (01/2007 — …)Scudo II Van (270, 272) (01/2007 — …)Sedici (FY) (06/2006 — 10/2014)Seicento / 600 Хэтчбек (187) (01/1998 — 01/2010)Seicento / 600 Van (287) (01/1998 — 01/2010)Siena (178, 172) (04/1996 — 10/2013)Stilo Box Body / Универсал (192) (10/2001 — 08/2008)Stilo Хэтчбек (192) (10/2001 — 11/2010)Stilo Multi Wagon (192) (01/2003 — 08/2008)Strada Пикап (178) (02/1998 — …)Strada Пикап (278) (01/2009 — …)Talento Minibus (290) (03/1989 — 03/1994)Talento Platform/Chassis (290) (03/1989 — 03/1994)Talento Van (290) (03/1989 — 03/1994)Talento Box Body / Универсал (296) (06/2016 — …)Talento Minibus (296) (06/2016 — …)Talento Platform / Chassis (296) (06/2016 — …)Talento Van (296) (06/2016 — …)Tempra S.W. (159) (03/1990 — 10/1997)Tempra Седан (159) (03/1990 — 12/1998)Tipo Хэтчбек (160) (07/1987 — 10/1997)Tipo Седан (356) (10/2015 — …)Tipo Универсал (356) (03/2016 — …)Tipo Хэтчбек (356) (03/2016 — …)500 A/B Topolino (01/1936 — 12/1949)500 C Topolino (09/1946 — 12/1961)500 C Topolino Giardiniera (03/1949 — 12/1955)Toro (01/2016 — .
..)Ulysse I (220) (06/1994 — 08/2002)Ulysse II (179) (08/2002 — 06/2011)Uno Хэтчбек (146) (01/1983 — 06/2006)Uno Van (146) (02/1988 — 07/1996)Uno Cargo (03/2000 — …)Uno Хэтчбек (146) (08/2000 — 12/2013)Uno Хэтчбек (195) (05/2010 — …)X 1/9 (128) (11/1972 — 12/1989)
3 Выберите двигатель1.3 Super Diesel (45 л.с.) (146 B1.000; 127 A5.000) (1983-1992)70 TD 1.4 (71 л.с.) (146 B.000; 146 B3.000) (1986-1990)60 Diesel 1.7 (146E) (57 л.с.) (146 B2.000) (1989-1993)1.7 D (58 л.с.) (146 B2.000) (1994-2000)60 Diesel 1.7 (60 л.с.) (149 B3.000) (1986-1989)1.9 D (60 л.с.) (149 B5.046) (1989-1994)1.9 D (79 л.с.) (1989-1991)0.9 (41 л.с.) (100 GL.000) (1984-1989)45 0.9 (45 л.с.) (146 A.000; 146 A1.000) (1983-1992)45 0.9 (46 л.с.) (146 A.000) (1984-1988)1.0 (146E) (42 л.с.) (156 A2.000) (1989-1992)45 1.0 (146A.ED) (44 л.с.) (156 A2.048; 156 A2.100) (1986-1993)45 i.e. 1.0 (146E, 146A) (45 л.с.) (156 A2.246; 156 A2.000) (1984-1995)1.0 iE (46 л.с.) (156 A2.246) (1998-2000)1.0 (48 л.с.) (146 A2.166) (1990-2001)1.
0 Mille Brio (54 л.с.) (146 B4.000) (1991-1992)1.0 Mille Fire MPI (54 л.с.) (156 A2.246; 178 D9.011) (2001-2003)1.0 (146E) (56 л.с.) (146 C4.011; 146 C8.000) (1993-2000)1.0 (57 л.с.) (146 A7.011; 146 C8.000) (1993-2001)1.0 Alcool (61 л.с.) (178 A4.011) (1998-2003)1.0 Flex (146AE) (66 л.с.) (178 F1.011; 146 E1.011) (2005-2009)1.1 IE (49 л.с.) (1992-1996)50 i.e. 1.1 (49 л.с.) (146 C3.000) (1992-1993)50 1.1 (50 л.с.) (146 A4.044) (1986-1989)50 1.1 (50 л.с.) (156 C.046) (1990-1993)55 1.1 (54 л.с.) (138 B.000) (1983-1989)1.1 (56 л.с.) (160 A3.000) (1986-2006)60 1.1 (57 л.с.) (160 A3.000) (1989-1992)60 1.1 (146A.EG) (58 л.с.) (146 A4.048) (1985-1989)1.1 (58 л.с.) (146 A4.048; 160 A3.000) (1988-2006)1.2 (60 л.с.) (188 A4.000) (2000-2009)1.2 (146AE) (65 л.с.) (178 E8.011) (2004-2010)1.2 (146AE) (68 л.с.) (178 E9.011; 178 E8.011) (2007-2010)1.2 (146AE) (82 л.с.) (178 E9.011) (2005-2010)1.3 (58 л.с.) (127 A2.011) (1984-1991)1.3 Alcool (60 л.с.) (127 A2.011) (1984-1991)70 1.3 (65 л.с.) (149 A7.000) (1985-1989)70 1.
3 (68 л.с.) (138 B2.000) (1983-1985)1.3 MPI (71 л.с.) (127 A2.011) (2002-2005)1.3 MPI (71 л.с.) (127 A2.011) (1984-1986)1.3 Turbo i.e. (99 л.с.) (146 A2.146) (1987-1987)1.3 Turbo i.e. (101 л.с.) (146 A2.246) (1989-1991)1.3 Turbo i.e. (105 л.с.) (146 A2.000) (1985-1989)1.4 (63 л.с.) (1992-2001)1.4 (67 л.с.) (160 A1.046) (1988-2001)70 i.e. 1.4 (70 л.с.) (160 A1.046) (1989-1996)70 S 1.4 (71 л.с.) (160 A1.046; 160 A1.048) (1988-2006)70 i.e. 1.4 (72 л.с.) (146 C1.000) (1989-1993)1.4 (101 л.с.) (146 A8.000) (1989-1991)1.4 Turbo (105 л.с.) (146 A8.000) (1988-2000)1.4 Turbo i.e. (112 л.с.) (146 A8.046) (1989-1993)1.4 Turbo i.e. (118 л.с.) (146 A8.000) (1989-1996)1.5 (64 л.с.) (146 A2.011) (1990-1990)1.5 Alcool (67 л.с.) (149 C1.000) (1993-1996)1.5 SPI (67 л.с.) (149 C1.000) (1992-1996)1.5 (71 л.с.) (138 B3.011) (1987-1993)1.5 Alcool (73 л.с.) (138 B3.011) (1987-1993)75 i.e. 1.5 (75 л.с.) (149 C1.000; 138 C2.048) (1985-1993)1.5 1.5 R (82 л.с.) (138 B3.011) (1989-1990)1.5 R Alcohol (86 л.с.) (138 B3.
011) (1987-1989)1.6 R (146) (84 л.с.) (160 A2.011) (1989-1993)1.6 (88 л.с.) (159 A3.046) (1989-1993)1.6 R Alcool (88 л.с.) (160 A2.011; 160 A2.111) (1989-1993)1.6 R (90 л.с.) (159 A3.048) (1993-1995)1.6 (94 л.с.) (1993-1996)
Заправки Кирова — Цены на бензин в Кирове, стоимость бензина в Кирове
| АЗС | Адрес | АИ80 | АИ92 | АИ95 | ДТ экто | ДТ | Услуги |
|---|---|---|---|---|---|---|---|
| г. Киров, ул. Солнечная улица, 9 | 44,5 | 47,7 | 49,5 | ||||
г. Киров, ул. Производственная, 25бт: +7 (8332) 70-41-56 | 44,5 | 47,7 | 49,5 | ||||
г. Киров, Автотранспортный переулок, 4т: +7 (8332) 67-33-66 | 44,7 | 47,6 | 49,6 | ||||
г. Киров, ул. Московская улица, 176т: +7 (8332) 44-01-76 | 44,7 | 47,6 | 49,6 | ||||
г. Киров, ул. Заводская, 9т: +7 (8332) 35-75-62 | 44,7 | 47,6 | 49,6 | ||||
г. Киров, ул. Воровского, 107ат: +7 (8332) 51-02-34 | 44,7 | 47,6 | 49,6 | ||||
г. Киров, ул. Московская улица, 89т: +7 (8332) 38-14-37 | 44,7 | 47,6 | 49,6 | ||||
| г. т: +7 (8332) 70-63-31 | 45,77 | 48,56 | 50,02 | ||||
г. Киров, Советский тракт, 40 | 45,77 | 48,56 | 50,02 | ||||
г. Киров, ул. Потребкооперации, 2т: +7 (833) 235-90-42 | 45,77 | 48,56 | 50,02 | ||||
г. Киров, ул. Ленина, 130т: +7 (8332) 67-33-89 | 45,77 | 48,56 | 50,02 | ||||
г. Киров, слобода Шамшуровы, ул. Производственнаят: +7 (8332) 62-55-25 | 45,77 | 48,56 | 50,02 | ||||
г. Киров, Ульяновская, 22ат: +7 (8332) 46-31-47 | 45,77 | 48,56 | 50,02 | ||||
г. Киров, ул. Солнечная, 11а | 45,77 | 48,56 | 50,02 | ||||
г. Киров, ул. Московская, д. 139 | 45,77 | 48,56 | 50,02 | ||||
г. Киров, ул. Лепсе, 30а | 45,77 | 48,56 | 50,02 | ||||
г. Киров, ул. Карла Маркса, 1т: +7 (8332) 23-60-67 | 45,77 | 48,56 | 50,02 | ||||
г. Киров, д. Лянгасы | 45,77 | 48,56 | 50,02 | ||||
г. Киров, ул.Пермская, д.37 | 45,77 | 48,56 | 50,02 | ||||
г. Киров, ул. П. Корчагина, 242т: +7 (8332) 40-88-88 | 45,77 | 48,56 | 50,02 | ||||
г. Киров, ул. П. Корчагина, 256 (в Киров) | 45,77 | 48,56 | 50,02 | ||||
г. Киров, ул. П.Корчагина, 256 (из Кирова) | 45,77 | 48,56 | 50,02 | ||||
г. Киров, ул. П.Корчагина, 55т: +7 (8332) 40-01-40 | 44,0 | 44,0 | 47,0 | 49,0 | |||
г. Киров, ул. Производственная улица, 28т: +7 (8332) 40-52-62 | 44,0 | 44,0 | 47,0 | 49,0 | |||
г. Киров, Хлебозаводской проезд, 9т: +7 (8332) 40-52-62 | 44,0 | 44,0 | 47,0 | 49,0 | |||
г. Киров, Нововятск, ул. Советская, 181 т: +7 (8332) 25-12-92 | 44,7 | 47,7 | 49,7 | ||||
г. Киров, Советский тракт, д. Чирки т: +7 (8332) 66-37-45 | 44,7 | 47,7 | 49,7 | ||||
г. Киров, ул. Ленина, 196 т: +7 (8332) 35-69-60 | 44,7 | 47,7 | 49,7 | ||||
г. Киров, ул. Щорса, 68а т: +7 (8332) 66-31-52 | 44,7 | 47,7 | 49,7 | ||||
г. Киров, ул. Производственная, 21 т: +7 (8332) 66-00-13 | 44,7 | 47,7 | 49,7 | ||||
г. Киров, ул. Московская, 174 т: +7 (8332) 66-31-88 | 44,7 | 47,7 | 49,7 | ||||
г. Киров, ул. Московская, 110 т: +7 (8332) 25-30-64 | 44,7 | 47,7 | 49,7 | ||||
г. Киров, ул. Ломоносова, 1 т: +7 (8332) 25-30-63 | 44,7 | 47,7 | 49,7 | ||||
г. Киров, село Лянгасы т: +7 (8332) 66-15-27 | 44,7 | 47,7 | 49,7 | ||||
г. Киров, ул. Луганская, 47 т: +7 (8332) 25-36-52 | 44,7 | 47,7 | 49,7 | ||||
г. Киров, ул. Лепсе, 23 т: +7 (8332) 25-35-63 | 44,7 | 47,7 | 49,7 | ||||
г. Киров, Октябрьский пр-т 24 т: +7 (8332) 25-12-95 | 44,7 | 47,7 | 49,7 | ||||
г. Киров, ул. Северное Кольцо 30ат: +7 (8332) 25-36-41 | 44,7 | 47,7 | 49,7 | ||||
г. Киров, село Макарье т: +7 (8332) 64-32-10 | 44,7 | 47,7 | 49,7 | ||||
| Киров, поворот на Порошино т: +7 (8332) 66-00-67 | 44,7 | 47,7 | 49,7 | ||||
г. Киров, ул, П.Корчагина, 88а т: +7 (8332) 25-30-59 | 44,7 | 47,7 | 49,7 | ||||
| 19 км трассы Киров-Котельнич (из Кирова) т: +7 (8332) 66-01-39 | 44,7 | 47,7 | 49,7 | ||||
| 19 км трассы Киров-Котельнич (в Киров) т: +7 (8332) 55-62-24 | 44,7 | 47,7 | 49,7 |
бензин, дизель, газ расход топлива на 100 км.

Легендарный грузовой автомобиль повышенной проходимости ГАЗ-66, больше известный как «Шишига», появился еще в далеком 1964 году. Автомобиль грузоподъемностью 2000 кг был разработан по заказу армии и предназначался для сопровождения войск на марше. Для этого ГАЗ-66 получил полный привод с подключаемым передним мостом, а также самоблокирующие дифференциалы на обоих мостах. За все годы выпущено более 900 тысяч автомобилей. Производство ГАЗ-66 прекращено только в 1995 году – его заменила модель легкого грузовика ГАЗ-3308 «Садко».
Содержимое
- ГАЗ-66 бензин
- Реальные отзывы о расходе топлива ГАЗ-66 бензин на 100 км.
- ГАЗ-66 дизель
- Расход топлива ГАЗ-66 дизель
- ГАЗ-66 ГБО
- Реальные расходы топлива ГАЗ-66 с ГБО
ГАЗ-66 бензин
На автомобили ГАЗ-66, в частности до 1990-х годов, устанавливались несколько вариантов бензиновых карбюраторных моторов.
Базовым мотором для грузовика является карбюраторный V8 мотор ЗМЗ-66-06, объемом 4.3 литра, мощностью 120 л.с. и с максимальным крутящим моментом в 285 Нм.
С 1991 года предпринята попытка модернизировать ГАЗ-66 – расход топлива на ЗМЗ-66 просто зашкаливал, достигая 32-35 л/100 км. На грузовик установили модифицированную версию мотора под названием ЗМЗ-153.10, имеющий такой же объем и крутящий момент, но мощность уже 125 л.с. и расход топлива в 25-29 л/100 км на трассе.
Реальные отзывы о расходе топлива ГАЗ-66 бензин на 100 км.
- Олег, Кострома. Работаю на Севере вахтой – водитель грузовика. Вожу ГАЗ-66. Машина на Севере показывает отличную проходимость, но есть множество минусов – груза берет очень мало, управлять ей жутко неудобно, особенно переключением передач. Расход топлива вообще сумасшедший — на моей Шишиге стоит ЗМЗ-153, расход не меньше 45 л на 100 км с грузом и около 40 л – без груза.
- Дмитрий, Саратов. Еще лет 8 назад купил через знакомых списанный армейский ГАЗ-66, 1979 года выпуска.
Несмотря на древний возраст, ремонтных работ особо много не пришлось производить – движок, трансмиссию и мосты только. Езжу исключительно на рыбалку с друзьями – в кузов складываем лодки, палатки и другую снарягу. Использовать его в коммерческих целях – безумие, расход 40 литров, пусть и АИ-80 – это очень много. - Николай, Москва. Грузовик покупался для экстремального отдыха. Перебрали полностью поршневую, коробку – остальное не трогали. На трассе больше 70 км/ч не езжу – расход около 26 л. Если по бездорожью, то возрастает сильно – начиная от 33 л и выше.
- Андрей, Жуковка. Отличный автомобиль для грязи. У моего брата пара турбаз на берегу моря – но по весне, когда нужно готовиться к сезону, туда добраться нереально, так как непролазная грязь, а дорог нормальных нет. У нас два Спринтера грузовых – на них ездим в обычное время, возим всякие продукты и тому подобное, а для распутицы у нас ГАЗ-66. Выручал уже не раз, но у него такой огромный расход, что если на нем ездить постоянно, то разоришься тупо на топливе – 35-40 литров в среднем, не меньше.

- Сергей, Днепродзержинск. Стоит у меня во дворе еще дедовский ГАЗ-66. Расход как Белаза – меньше, чем 35 литров не уходит, его со двора выгнать – ведро бензина нужно. Зато пару раз приятели звонили, если застревали на рыбалке – без проблем вытаскивал.
- Михаил, Воронеж. На Шишиге я еще в армии покрутил баранку. Жутко неудобный автомобиль, правую руку и ногу накачаешь, как Шварцнеггер, пока коробку переключишь. Но чего у нее не отнять – так это проходимости. Поэтому когда была возможность, купил за бесценок списанную с армии, с пробегом 200 тыс. км. Причем через этого же капитана нарешал запчастей и сделал капиталку. Езжу на ней редко, но в хозяйстве вещь полезная – дорогая только, потому что 37 литров бензина на 100 км – это немало.
- Максим, Абакан. Служил я в армии лет 8 назад – у нас в роте были 4 ГАЗ-66, нас на них на полигон возили. До полигона 100 км было – реально в каждую машину заливали по 100 литров бенза, иначе не хватало туда-назад съездить. Чисто армейский бред – содержать машины с таким расходом.
Под конец службы, правда, их уже списали и мы ездили на новых дизельных Газонах. - Петр, Псков. У меня есть Газон 66 – Шишига, 1988 года. Машина древняя, как мамонт – но еще ездит. Тех проблем, которые есть у современного автопрома, нет вообще – металл как у танка, движок хоть и старый и отходил дай Бог сколько – еще тянет. Бензина жрет правда очень много, но я стараюсь ездить на моноприводе – так выходит 32 л на проселке и 35 л на бездорожье, а если включить и передний мост – то 38-40 литров.
- Евгений, Магадан. Работаю водителем не ГАЗ-66 – вожу бригаду электриков. Кузов специально утеплили, поставили туда автономный обогреватель, но места там реально мало – впрочем, ребята впятером вполне помещаются и инструмент берут весь, какой нужно. Из минусов – это большой расход, он по лету около35-40 литров, а зимой до 45-50 л доходит.
- Григорий, Санкт-Петербург. У меня в штате несколько грузовиков, в том числе пара Уралов и ГАЗ-66. Держим их для того, чтобы доставлять грузы в отдаленные районы, куда обычным грузовиком проехать проблема.
Минус – загрузка у ГАЗа всего 2 тонны, иногда не хватает и приходится использовать Уралы. Расход бензина огромный, но вариантов нет – устанавливали ГБО, проходимость сильно упала. - Станислав, Пинск. Езжу на ГАЗ-66, доставшемся по дешевке, только на охоту и то, осенью или зимой. В остальное время стоит во дворе и постоянно довожу до ума. По хорошему, давно пора заменить движок на дизель – у него расход до 25 л, а у штатного бензинового 35-37 литров смело, прожорливый, как кашалот.
- Максим, Томск. Для работы автомобиль ужасный – помимо громадного расхода от 30 до 37 литров на 100 км, он неудобный и берет мало груза – больше двух тонн вообще не вариант везти. Но для бездорожья – самое то, с ГАЗ-66 разве что Урал поспорит, Камазы, даже полноприводные, нервно в углу курят. Одним словом – армейская техника.
ГАЗ-66 дизель
В связи с тем, что расход топлива у бензиновых версий ГАЗ-66 был чрезмерным даже по армейским меркам, в 1992 году появилась модификация ГАЗ-66-41.
Этот грузовик оснащался атмосферным четырехцилиндровым дизельным мотором ГАЗ-544, имевшим объем 4.15 л. Этот дизельный мотор развивал мощность в 85 л.с. и был достаточно неприхотливым и надежным, превосходя по экономичности бензиновые моторы, устанавливаемые ранее.
С 1995 года устанавливается его наддувная версия – ГАЗ-5441. Его мощность была увеличена до 116 л.с., а крутящий момент – до 296 Нм. Но главное – это расход топлива, который удалось сократить до 15-17 л.
Расход топлива ГАЗ-66 дизель
- Андрей, Светлогорск. В 2008 году купил армейский ГАЗ-66 с брезентовым верхом и дизелем ГАЗ-544. Доволен автомобилем полностью – несмотря на почтенный возраст (а выпущен он в 1993 году), он еще огого, по бездорожью дает фору любому грузовику и даже джипу. Расход на трассе около 18 литров, на бездорожье максимум 25-28 л.
- Николай, Ульяновск. Работал 7 лет на ГАЗ-66 с дизельным мотором. По сравнению с бензиновыми – просто бомба. Во-первых, дизелек более тяговитый, с ним и без того проходимый Газон превращается в настоящий танк.
Во-вторых, экономичный – даже по непроходимому болоту у меня расход выходил максимум 30 л – против почти 50 л бензина на сотку у обычного. - Эльдар, Ейск. В свое время пару лет назад работал в Сибири – занимались геологоразведкой. Возил бригаду геологов, с кучей их снаряги. Естественно, что шарились они по самым непроходимым местам, подъехать куда даже на внедорожнике было проблемно. Но вот на ГАЗ-66 ни разу не застревали. Я их покатал две недели, они потом забросили свои джипы и только со мной ездили. Расход у дизелька небольшой – 22-27 литров, не больше, если по трассе, то смело можно в 18 л уложиться.
- Сергей, Иркутск. Бензиновый ГАЗ-66 – полнейший отстой, а вот дизель – это просто бомба. По проходимости дизелек даже чуть лучше за счет большего момента, при этом расход топлива меньше в 2.5 раза. Посудите сами – на трассе при скорости в 50-60 км/ч у меня не больше 18 л солярки выходит на сотку, на бездорожье – от 20 до 26 литров.
- Кирилл, Новый Уренгой. ГАЗ-66, мотор ГАЗ-5441 дизель, 116 л.
с., 1993 г.в. Куплен в воинской части, списанный, с пробегом 20 000 км. Вообще куплено 3 – один дизель и два бензиновых, но их через месяц продали из-за высокого расхода. А мой ездит – он потребляет не больше 20 л на 100 км, зимой и по тундре может до 22-23 л доходить. - Алексей, Житомир. Шесть лет назад купил у егерей из лесного хозяйства списанный ГАЗ-66 с движком ЗМЗ-153. За 10 лет «службы» его убили просто невероятно, особенно движок – он жрал даже на трассе около 30-33 л бензина против 25 л по паспорту. Сначала думал капиталить, потом через друзей нарешал мерсовский дизель объемом 4300 см3 и мерсовскую же коробку для него. Пришлось повозиться, но результат этого стоит – на трассе при скорости в 60 км/ч (причем идет вообще спокойно) расход 15 л, на бездорожье – от 18 до 21 л, не больше.
ГАЗ-66 ГБО
Для снижения расхода топлива в середине 1990-х годов на ГАЗ-66 с бензиновыми моторами устанавливалось газобаллонное оборудование. Но это была неудачная модернизация – моторы ЗМЗ, рассчитанные на топливо с низким октановым числом и нетребовательные к его качеству, имели низкую степень сжатия.
В результате этого мощность мотора падала на 10-25%, что лишало ГАЗ-66 его главного козыря – проходимости на бездорожье.
Реальные расходы топлива ГАЗ-66 с ГБО
- Леонид, Владивосток. ГАЗ-66 купил в 2008 году для охоты. Модернизировал его – поставил камазовские мосты и раздатку, две лебедки, кунг с отопителем и буржуйкой, утеплил кабину. Поставил также ГБО – два баллона на 250 л в общем. После первой же поездки снял – расход газа выходит 55-60 л на 100 км, причем по проходимости вообще аут, движок давится и не хватает ему тяги. Мой совет – не ставьте эту дрянь.
- Сергей, Омск. Шишига у меня 10 лет, пару лет назад переоборудовал под газ – по бензину сильно большой расход получается, серьезно бьет по карману. Газа расход еще больше – на трассе 30 литров, на бездорожье от 35 до 55 л, но учитывая цену на газ – все равно выгодно. Правда, в болоте ГБО не тянет вообще.
- Яков, Екатеринбург. Машина досталась практически за бесценок – перегнал ее на дачу, вожу там то сено, то дрова.
После года эксплуатации поставил ГБО, потому что по бензину она золотая выходила. Читал, что после установки газа серьезно падает проходимость, но я дальше дачного поселка и небольшого леса возле речки не езжу, так что меня это не парит. Зато экономичность намного лучше – даже несмотря на то, что расход газа по деревне составляет около 30 литров, при цене на газ все равно это выгодно. - Андрей, Курск. Работаю в лесном хозяйстве. У нас 5 машин – 2 Буханки и 3 Шишиги. Учитывая, сколько они жрут бензина, мы тайком от начальства установили за свои деньги ГБО – все равно заправляемся по талонам на заправке возле города. Газовую установку отбили буквально за пару месяцев – талоны сдаем прям на заправке, заправляем газ за свои и еще в плюсе получаемся. Расход по лесу – 50 л газа, на трассе 35 л.
- Константин, Мурманск. С одной стороны, установка газа – вещь нужная, т.к. газ намного дешевле бензина. С другой стороны – движок теряет в мощности, причем это очень ощутимо. Поэтому если планируете гонять по болотам – лучше не ставьте.
А если грузы возить по более-менее нормальным дорогам, то газ отличный вариант, расход получается максимум 40-45 л на 100 км
Поделиться статьей:
|
Пока Евросоюз строит планы по отказу от российской нефти и газа, Москва ищет возможности перенаправить поставки углеводородов.
Визит спикера Конгресса США Нэнси Пелоси в Армению прошел, будто встреча друзей. При этом гостья, по сути, призывала Ереван отказаться от военного союза с Россией.
На освобожденных территориях Украины начали применять такую меру борьбы с диверсантами, как выдворение «неблагонадежных граждан».
Призрак немецкого вторжения все еще будоражит и польское общество, и польское руководство. Варшава официально потребовала от ФРГ объяснений в связи с последними высказываниями немецкого канцлера.
Установлена исполнительница теракта, в котором была убита журналист Дарья Дугина. По данным ФСБ, преступление совершила гражданка Украины Наталья Вовк. Эксперты полагают, что у террористки могли быть сообщники, а в подготовке преступления задействованы страны ЕС.
|
|
|
В Лондоне прошли похороны Елизаветы II
В Лондоне прошли похороны королевы Соединенного Королевства Елизаветы II, умершей 8 сентября в возрасте 96 лет.
После государственной панихиды в Вестминстерском аббатстве катафалк направился через центр британской столицы в Виндзорский замок.
Подробности…
|
|
Луганск и Херсон подверглись украинской террористической атаке
В пятницу на третьем этаже в здании генпрокуратуры ЛНР в центре Луганска прогремел взрыв. В результате погибли генпрокурор республики Сергей Горенко и его заместитель Екатерина Стегленко. Глава ЛНР Леонид Пасечник назвал произошедшее терактом.<br>Также в пятницу ВСУ нанесли ракетный удар по центру Херсона, рядом со зданием администрации упали не менее пяти ракет HIMARS
Подробности…
|
|
Карл III официально провозглашен королем Британии
В субботу король Карл III был официально объявлен британским монархом на церемонии в духе исторических традиций страны.
Торжественное мероприятие стало дважды беспрецедентным: в нем участвовали женщины, а за происходящим можно было следить в режиме реального времени
Подробности…
Перейти в раздел…
21:02
собственная новость
|
|
Центр реставрации книг решили создать в Кирове
Перспективы создания на базе библиотеки имени А. И. Герцена регионального центра реставрации книг обсудила министр культуры России Ольга Любимова с главой Кировской области Александром Соколовым.
Подробности…
20:39
собственная новость
В Тверской области запланировали торжества в честь 350-летия Петра I
Мероприятия в честь 350-летия со дня рождения Петра I в 2022 году вошли в перечень культурного развития Верхневолжья, сообщили в правительстве Тверской области, где рассмотрели реализацию национального проекта «Культура».
Подробности…
19:30
собственная новость
Названы сроки создания модельных библиотек в Ставрополье
Модельные библиотеки откроют в Благодарненском, Георгиевском и Левокумском округах Ставрополья в 2022 году по нацпроекту «Культура», сообщила министр культуры края Татьяна Лихачева.
Подробности…
Перейти в раздел…
|
|
|
Ваше отношение к проведению референдумов о присоединении Донбасса и освобожденных территорий к России?
|
|
|
|
Имеет ли для вас моральный авторитет политическая и общественная позиция Аллы Пугачевой?
|
|
|
|
В вашем регионе уже появились грибы?
|
Перейти в раздел…
НОВОСТЬ ЧАСА:Глава Мюнхенской конференции призвал Германию отправить на Украину танки
|
|
По страницам мировой прессы прокатилась волна сообщений о проектах производства аммиака из природного газа, а также поставок этого вещества странам, разрабатывающим двигатели для морского и автомобильного транспорта. Моторы эти, по оценкам экспертов американского портала Oil Price, могут «сильно поуменьшить интерес потребителя к электромобилям и переориентировать покупателей на машины с аммиачными ДВС». Заводы по производству аммиачного топлива начинают строиться в Саудовской Аравии, Австралии, Канаде, Норвегии. Как два химика решили глобальную проблему Аммиак используется человечеством давно – но совсем в других целях. Примерно век назад мир столкнулся с надвигающимся продовольственным кризисом. Быстрый рост населения поставил фермеров перед необходимостью не только увеличить объемы выращиваемой продукции, но и добиться более быстрого созревания урожая. Именно тогда немецкие химики Фриц Габер и Карл Бош разработали способ синтезирования аммиака, соединяя под давлением водород и атмосферный азот. Метод Габера-Боша (за открытие которого эти химики получили Нобелевскую премию) и поныне считается «решением одной из самых глобальных проблем, стоявших перед человечеством» (как называли это тогда). Поскольку именно продукт, получаемый в результате названной выше реакции, позволяет мировому сельскому хозяйству иметь то огромное количество синтезированных удобрений, которое природа создать не может. Теперь же, по мнению экспертов, аммиак может сыграть свою роль в предотвращении еще одной глобальной проблемы, вызванной человечеством, – чрезмерного выброса углекислоты в атмосферу. И остановить эту катастрофу, считают сегодня многие ученые, способен аммиак (Nh4). Во-первых, потому что он может стать идеальным хранилищем для водорода, который в нужное время и в нужном месте отдаст на использование в топливных элементах и турбинах без выбросов вредных газов. Во-вторых, аммиак может стать экологичным топливом для электростанций и транспортных средств, морских и речных судов в первую очередь. Преимущества аммиака-топлива В отчете, составленном датской фирмой Haldor Topsoe, занимающейся технологиями производства аммиака, отмечен ряд преимуществ, которые аммиак-топливо имеет над другими видами горючего. Плотность энергии у аммиака – 12,7 МДж/л, что значительно выше даже, чем у жидкого водорода (8,5 МДж/л). Жидкий водород должен храниться при температуре минус 253°C, тогда как для хранения аммиака требуются всего лишь минус 33°C. Кроме того, благодаря столетнему опыту использования аммиака в сельском хозяйстве уже существует обширная инфраструктура по производству этого продукта. Первоначальное внимание движения за экологически чистую энергию уделялось литию благодаря большому вниманию, уделяемому рынкам электромобилей. Но он не в состоянии обеспечить достаточное количество электричества для поддержки полного перехода более тяжелых отраслей промышленности на чистые и устойчивые источники энергии. У аммиака же плотность энергии в девять раз выше, чем у литиево-ионных батарей. Он имеет удельную энергию в 1,8 раза больше, чем водород.
Тони Уилл, генеральный директор CF Industries, крупнейшего в мире производителя аммиака, видит фундаментальный сдвиг в перспективах отрасли. «До этого момента мы занимались продажей азотной составляющей молекулы, – говорит он. По прогнозам отраслевых аналитиков Fior Markets, ожидается, что мировой рынок аммиака продолжит рост и к 2025 году достигнет отметки в 81,42 млрд долларов США. Судовладельцы и отраслевые аналитики сходятся во мнении, что аммиак может сыграть решающую роль в декарбонизации грузовых судов, что позволит к 2050 году сократить выбросы углерода на 50% по сравнению с уровнем 2008 года. Первые заводы аммиачного топлива И промышленность уже начала давать первые результаты. Например, Саудовская Аравия намерена построить завод, который будет выпускать более 1 млн тонн аммиака в год. Солнечные панели и ветрогенераторы, входящие в комплекс, должны будут обеспечить производство необходимыми для работы электролизных установок 4 ГВт электроэнергии. Проект крупный – стандартный завод по производству аммиака ныне выпускает порядка полумиллиона тонн продукта в год. Компания Air Products потратит дополнительно 2 млрд долларов на создание новой схемы распределения. Норвежский гигант в сфере производства удобрений компания Yara заявила, что рассматривает возможность установки электролизеров на своем заводе по производству аммиака в Слуискиле, Нидерланды. Это даст ей возможность получать количество водорода, достаточное для производства 75 тыс. тонн аммиака в год. Yara хочет продавать аммиак в качестве топлива для кораблей. Уже упоминавшийся выше CF Industries запускает первый крупный проект по производству «зеленого» аммиака в США. «Спрос на аммиак потенциально огромен. Оптимисты и скептики Не все настроены так оптимистично. Например, Андреа Валентини, директор Азиатско-Тихоокеанскоого и Ближневосточного отделения американской компании по разработке топливной инфраструктуры Argus Consulting Services, указывает на ряд препятствий, которые отрасль должна устранить, если она хочет использовать «зеленый» аммиак в качестве альтернативного топлива. Одна из проблем заключается в том, что судовых двигателей, работающих на аммиаке, пока просто нет. Разработчики, правда, обещают готовый продукт уже в 2024 году. В рамках одной из таких инициатив финский производитель двигателей Wartsila в этом году начинает испытания четырехтактного судового двигателя, работающего на аммиаке. А один из крупнейших мировых разработчиков двигателей MAN Energy Solutions совершенствует двухтактный аммиачный двигатель. «Наша инициатива откроет совершенно новый вариант судоходства с нулевым уровнем выбросов, – заявляет Генриетта Ундрам, вице-президент Equinor по возобновляемым и низкоуглеродным технологиям. – Мы не просто решаем одну небольшую проблему для одного судна. Это часть более крупной картины. Это станет отправной точкой для создания рынка безуглеродного топлива». Тем не менее отраслевые эксперты говорят, что обновление глобального морского флота будет чрезвычайно дорогостоящим. Для достижения цели по сокращению выбросов углерода на 50% к 2050 году потребуется до 1,4 трлн долларов США. По мнению уже упоминавшегося Валентини, «в уравнении с аммиачным топливом есть еще масса других неизвестных». «У нас есть очень большое количество проектов по производству «зеленого» водорода в разных частях мира, особенно в Австралии и Саудовской Аравии. И мы видим, что те объемы, на производство которых эти страны замахиваются, потребуют значительного повышения стоимости и эффективности электролизеров, – говорит Валентини. – Фирмы надеются обратиться к рынку, которого еще нет. Так что пока на бумаге это выглядит рискованным предложением. Надеюсь, когда будет презентация конкретного двигателя, туман рассеется». Там, где компании видят высокую рентабельность «зеленого» аммиака, Валентини видит рост затрат, которые надо как-то и кому-то компенсировать. Этот кто-то, как правило, конечный потребитель. Эксперты Chemical & Engineering News назвали аммиак топливом будущего, которое может стать «идеальным товаром для водородной экономики». Все вроде выглядит солидно, убедительно и перспективно для человечества. Вот только слово «товар» в приведенной выше формулировке напрягает и заставляет вспомнить изречение английского публициста Томаса Джозефа Даннинга, процитированное Карлом Марксом: «При 300% прибыли нет такого преступления, на которое не рискнул бы капитал».
Новости СМИ2 Подписывайтесь на ВЗГЛЯД в |
Новости СМИ2
Новости СМИ2
О газете | Вакансии | Реклама на сайте
«Не хватало еще и здесь панику запустить!»: вырастут ли в России цены на бензин?
Независимый топливный союз просит Мишустина поддержать АЗС — спрос на топливо из-за карантинов падает, а затраты те же.
Эксперты против
«Топливо — стратегически значимый продукт!» — отмечает Независимый топливный союз и призывает правительство РФ помочь отрасли и не допустить «спекулятивного роста цен на бензин». Эксперты «БИЗНЕС Online» согласны, что механизм налогового демпфера нивелирует для переработчиков эффект снижения цен на нефть. Между тем АЗС Татарстана готовятся к падению спроса на 20% и больше.
Павел Баженов: «Содействие со стороны государства не толькопозволит не допустить спекулятивный рост цен, но и обеспечит своевременное снабжение в условиях разворачивающейся пандемии и падения потребительского спроса»
«Это спекуляция на сложившейся эпидобстановке»
Обращение Независимого топливного союза (НТС) к премьер-министру РФ Михаилу Мишустину с просьбой поддержать отрасль во время пандемии коронавируса обретает скандальные черты.
Напомним, накануне письмо НТЗ было представлено в СМИ как «предупреждение риска спекулятивного роста цен» из-за мер, принятых против распространения коронавируса. «Бензин, газомоторное и дизельное топливо являются стратегически значимым продуктом потребительского и оптового рынка, обеспечивающим в том числе бесперебойные грузоперевозки товаров первой необходимости, к которым в том числе относятся продукты питания и лекарственные средства, — цитируется заявление президента союза Павла Баженова на сайте НТС. — Содействие со стороны государства предприятиям, осуществляющим деятельность в сферах нефтепереработки, перевозок, хранения и розничной реализации топлива, не только позволит не допустить спекулятивный рост цен, но и обеспечит своевременное снабжение в условиях разворачивающейся пандемии и падения потребительского спроса». Напомним, ранее с подобными просьбами о помощи к властям обращались представители ресторанного, туристического и гостиничного бизнеса и даже организаторы концертов.
В Госдуме же призвали независимые АЗС не сеять панику. Вероятные риски относительно роста цен на бензин в России должна оценивать федеральная антимонопольная служба. «Это спекуляция на сложившейся эпидобстановке, — заявил в эфире радиостанции „Говорит Москва“ член комитета Госдумы по энергетике Борис Гладких. — Пока говорить об отложенном спросе не приходится. Никаким образом сложившаяся ситуация не связана с дальнейшими перспективами. Мы всегда можем спрогнозировать, что, как только цены подняли, как правило, они не опускаются». Он также подчеркнул, что изменения цен должна оценивать ФАС и «однозначно реагировать на рынок топлива». «Нам еще не хватало в этом направлении панику запустить, тогда люди начнут запасаться бочками, канистрами и так далее», — заключил депутат.
НТС же в своем обращении указал на возможное снижение спроса на топливо из-за ограничений по передвижению людей. «На фоне объявленной Всемирной организацией здравоохранения пандемии COVID-19 и снижения мировых цен на нефть в результате отказа стран – участников ОПЕК+ продлить соглашение по сдерживанию объемов нефтедобычи предприятия, образующие сбытовую инфраструктуру российского топливного рынка, находятся в группе риска», — говорится в обращении.
Чтобы предупредить убытки и риск закрытия предприятий российского топливного рынка, авторы письма предложили несколько мер.
В частности, Баженов просит до конца года приостановить действие демпфера, который при более высоких ценах на нефть позволял сдерживать рост стоимости бензина на внутреннем рынке и поддерживал рентабельность российских нефтеперерабатывающих заводов (НПЗ). В письме есть также предложение подготовить и внести законопроект об амнистии АЗС, перевозчиков топлива и НПЗ от административных штрафов. Кроме того, НТС выступил за введение моратория на налоговые проверки всех АЗС, перевозчиков и НПЗ, а также предложил временно не брать плату с перевозчиков бензина, газомоторного и дизельного топлива по системе «Платон». В числе антикризисных мер и включение в список приоритетных отраслей оптового и розничного сегментов топливного рынка.
Впрочем, после высказывания Гладких Баженов скорректировал позицию НТС. «Мы никого не пугаем ростом цен, лишь говорим о том, что топливо — это товар первой необходимости, — заявил он в интервью „Комсомольской правде“.
— Особенно сейчас, когда важно обеспечить своевременный завоз продуктов и лекарств по всей стране. Без поддержки государства многие независимые производители окажутся в очень сложном положении. И так уже в прошлом году рентабельность была минимальной, на Дальнем Востоке с этим вообще беда».
В Госдуме призвали независимые АЗС не сеять панику. Вероятные риски относительно роста цен на бензин в России должна оценивать федеральная антимонопольная службаФото: «БИЗНЕС Online»
АЗС ЖДУТ СНИЖЕНИЯ СПРОСА НА 20%
С развитием карантинных мер — закрытием досуговых заведений, переводом вузов и школ на удаленное обучение — транспорта на дорогах действительно стало меньше. Сокращение коснулось и автобусных перевозок — ассоциация перевозчиков даже попросила исполком Казани уменьшить число автобусов на маршрутах из-за снижения пассажиропотока.
Несколько участников рынка сбыта нефтепродуктов указали на падение спроса на топливо.
Владельцы АЗС ждут усугубления этой ситуации по мере ужесточения карантинных мер в связи с распространением коронавируса. Владелец ООО «Мустанг Ойл» Сергей Автономов в беседе с корреспондентом «БИЗНЕС Online» заметил некоторое снижение спроса на топливо. «Пока сложно судить о масштабах, карантин же стали объявлять только на прошлой неделе, — сказал он. — Это (меры против коронавируса — прим. ред.) должно проявиться на текущей неделе, и число транспорта на дорогах стало снижаться тоже сейчас».
Собеседник издания прогнозирует снижение спроса на уровне от 10 до 20%. «Затянем пояса, что делать, повышение цен мы пока не планируем», — заключил он.
Незначительное падение спроса заметили в Челнах и связывают это с тем, что люди стали реже выезжать на работу. «Дома сидят, оттуда многие трудятся, я связываю только с этим пока», — говорит учредитель сети АЗС «Чулманнефтепродукт» Мунир Загитов. Однако вскоре чаша спроса качнется в обратную сторону, полагает собеседник издания.
«К весне начнется дачный сезон, бабушки, дедушки станут выезжать на машинах, рынок восстановится», — прогнозирует он. Поддержка же отрасли, считает бизнесмен, нужна. «Мы не отказываемся от помощи никогда, — отмечает он. — Если вот оптовые цены упадут, нам бы хорошо стало. В прошлом году маржа была очень минимальная. Потому, я надеюсь, в 2020-м такого не окажется. У меня бабушка всегда говорила: „Во время войны выжили и сейчас выживем!“».
Ринат Гаптельхаков, владелец группы компаний «Транзит Сити» (сеть АЗС Irbis), говорит, что снижение потребления топлива пока незначительное — в пределах 5–10%, но ситуация идет по убывающей. «На городских заправках проливы однозначно уменьшились, это и по дорогам видно — стало свободнее ездить, очередей на заправках меньше. Подобное связано и с ценой евро, и с коронавирусом, все поспособствовало снижению спроса», — отмечает он.
Бизнесмен добавляет, что критической ситуации на рынке при этом нет, поскольку снизились оптовые цены на моторное топливо, что позволяет работать в рамках рентабельности.
«Есть такие отрасли, как туризм, отельный бизнес, вот они сильно теряют в доходах. У нас есть [придорожный] отель, и мы чувствуем, что по трассе люди стали меньше передвигаться, жизнь замедлилась», — говорит он.
Ирек Сулейманов: «То, что будет завтра, мы знать не можем, и не нужно спекулировать такими заявлениями. Если судить по ситуации на сегодняшний день, я вам категорично заявляю: это полная ерунда»
«МЕДИЦИНСКИХ МАСОК НЕ ХВАТАЕТ, НЕ ХВАТАЛО ЕЩЕ И ЭТОГО!»
«Никаких предпосылок к повышению цен на бензин и дизельное топливо в России нет и в помине!» — заявил корреспонденту «БИЗНЕС Online» президент ассоциации предприятий нефтепродуктообеспечения РТ Ирек Сулейманов, поясняя, что высказывает не только свое личное мнение, но и позицию Российского топливного союза (РТС).
Он опровергает информацию НТС о том, что якобы возможен рост цен на бензин в России из-за пандемии коронавируса.
«То, что будет завтра, мы знать не можем, и не нужно спекулировать такими заявлениями. Если судить по ситуации на сегодняшний день, я вам категорично заявляю: это полная ерунда», — говорит собеседник издания.
Он отмечает, что правительством РФ и РТ предпринимаются гигантские усилия, чтобы поддержать простых граждан и бизнес, так что «в этой ситуации создавать такой информационный повод весьма некорректно». Сулейманов напоминает, что в критической ситуации, которая сложилась в 2018 году в связи с резким ростом оптовых цен на бензин, правительством были приняты действенные меры по уравновешиванию рынка моторного топлива, благодаря чему удалось избежать разорения и ухода с рынка огромного количества заправщиков.
«Нас слышат, нам идут навстречу, и в данной ситуации ставить какие-то ультиматумы просто излишне. Я бы очень не хотел, чтобы такая информация вызвала у наших жителей ажиотаж. Сегодня медицинских масок не хватает, не хватало еще и этого!» — возмущается он.
org/ImageObject» itemprop=»image»>Роберт Гилязиев считает, что Национальный топливный союз, используя ситуацию с коронавирусом, пытается «вытряхивать деньги из бюджета под видом того, что независимые АЗС оказались в беде»
«КРУПНЫЕ НЕФТЯНЫЕ КОМПАНИИ БУДУТ ПЫТАТЬСЯ ГОВОРИТЬ, ЧТО У НИХ УБЫТКИ. НО УБЫТКОВ НЕТ!»
Начальник управления по обеспечению рационального использования и качества топливно-энергетических ресурсов кабмина РТ Роберт Гилязиев также не видит на рынке какой-то критической ситуации, в связи с которой заправщиков нужно срочно спасать. «На Санкт-петербургской международной товарно-сырьевой бирже с начала марта наблюдается серьезное снижение цен. Стоимость нефти падает, так что они (компании, торгующие топливом, — прим. ред.) тоже были вынуждены снизить оптовые цены. На данном этапе считаю, что во введении мер поддержки для организаций, реализующих моторное топливо, нет необходимости.
Тогда нужно будет всех и всея поддерживать. Но есть ли в бюджете такой запас денег? АЗС крупных компаний ни в коем случае не надо поддерживать, у них запас прочности большой. На мой взгляд, на сегодняшнем этапе делать это преждевременно», — говорит он.
Гилязиев считает, что Национальный топливный союз (НТС), используя ситуацию с коронавирусом, сегодня пытается «вытряхивать деньги из бюджета под видом того, что независимые АЗС оказались в беде».
«На днях глава „Роснефти“ Игорь Сечин заявил, что себестоимость добычи нефти — 3,1 доллара за баррель, а ее продавали за 60 долларов. Мы и не знали, что она такая низкая, предполагали, что порядка 6 долларов за баррель, а оказалось 3 доллара! И сегодня крупные нефтяные компании будут пытаться говорить, что у них убытки. Но убытков нет! Раньше, пользуясь отсутствием контроля, организации пытались зарабатывать как можно больше, а сейчас у них заработки уменьшаются», — заявляет глава управления ТЭР.
Он говорит, что не наблюдает значительного снижения потребления топлива.
«Я не вижу, что люди стали меньше ездить. Сегодня же все предприятия, все учреждения работают. Какая-то часть сотрудников переходят на удаленный режим, но заводы же не могут дистанционно работать. Поэтому я не думаю, что определенное понижение потребления топлива есть, но очевидно, что резкого падения нет», — отмечает Роберт Файзиевич.
Механизм демпфера сейчас работает против нефтяных компаний, и поэтому логика в действиях НТС естьФото: © Максим Богодвид, РИА «Новости»
«Если они начнут резать инвестиции в переработку или останавливать заводы, все это нам аукнется»
Механизм демпфера сейчас работает против нефтяных компаний, и поэтому логика в действиях НТС есть, говорит директор фонда национальной энергетической безопасности Константин Симонов. «Логика демпфера заключалась в том, что, когда цена на нефть была высокой, правительство компенсировало нефтяным компаниям расходы, связанные с их отказом от чрезмерного экспорта сырой нефти.
То есть он был более выгоден, чем продажа нефтепродуктов на внутреннем рынке. Нефтяные компании соглашались сохранять прежнее количество переработки, а правительство им компенсировало разницу, — объясняет он. — Сейчас ситуация другая. Компании вынуждены доплачивать правительству за то, что они продают нефтепродукты на внутреннем рынке. Притом сказать, что рентабельность у этой истории сильно выросла, нельзя. Сейчас все обвалилось и все варианты хуже».
Эксперт согласен с тем, что нефтяные компании сегодня так же нуждаются в поддержке, как и предприятия сферы туризма или авиаперевозок. «Если они сейчас начнут резать инвестиции в переработку, отказываться от запланированных ремонтов или, не дай бог, останавливать заводы, все это нам аукнется в дальнейшем довольно сильно», — говорит он. Потому отказ от демпфера и прочие льготы в текущей ситуации обоснованы, иначе сложившаяся ситуация может болезненно ударить по переработке, а значит, в перспективе создать риски для роста цен на внутреннем рынке.
Но сейчас его ожидать не стоит, так как это политический вопрос, особенно после заявлений Владимира Путина о недопустимости роста. «Будет прямой приказ, и компании этого (роста цен на бензин — прим. ред.) не допустят. Но, когда ситуация нормализуется, они все равно постараются свои издержки компенсировать, потому почему не попробовать договориться на берегу?» — заключает Симонов.
«Что их поддерживать? Независимые НПЗ сейчас должны уронить цены как во всем нормальном мире. Нефть рухнула, а бензин не опустился!» — категорично отреагировал на письмо НТС представитель федерации автомобилистов России в РТ Рамиль Хайруллин. Прогнозы о снижении спроса он считает необоснованными, так как всеобщего карантина в России и в Татарстане в частности пока нет: люди продолжают ездить на работу, ходит общественный транспорт, а пробки по утрам якобы такие же. «У нас вообще интересная ситуация в стране, бензин растет независимо от цены на нефть.
Во всем мире АЗС привязаны к цене на нефть, у нас же наоборот. Она упала — бензин подорожал. Какой-то своей жизнью независимой бензин живет, — возмущен Хайруллин. — Пора бы уже по рыночным условиям жить, а не просить все время поддержки государства. Если на 20–30 процентов снизят цену на бензин, спрос окажется ажиотажный! Будут люди заправляться, запасаться. Что им переживать-то?!»
Не ждали. Инфляционный сюрприз привел к панике на фондовых рынках — Финам.Ру
Текущая торговая неделя началась с роста мировых рынков. Оптимизму инвесторов способствовали ожидания некоторого улучшения ситуации в американской экономике. Казалось, что попытки ФРС сдержать темпы роста цен в США увенчались успехом. Цены на бензин в США упали примерно на 10%, а стоимость поддержанных авто снизилась на 4%. Однако ожидания рынка не оправдались – опубликованные во вторник данные по инфляции в США разочаровали участников торгов. Так, инфляция в августе по отношению к предыдущему месяцу несколько увеличилась, а в годовом выражении снизилась на меньшую, нежели ожидал рынок, величину.
Теперь практически не осталось сомнений, что ФРС продолжит ускоренно поднимать ставку, что привело к распродажам на фондовых рынках. Негатив из США перетек и в Азию, и в Европу, и в Россию.
Можно ли считать это началом обрушения рынков или же еще предвидится рост? Стоит ли паниковать? Чего ожидать инвесторам? В этих и других вопросах Finam.ru разбирался вместе с экспертами.
О чем говорят данные по инфляции в США?
Индекс потребительских цен в США вырос в августе в годовом сопоставлении на 8,3%. Несмотря на то, что годовая инфляция несколько замедлилась по сравнению с 8,5% в июле, она все же заметно превысила усредненные прогнозы аналитиков, которые ожидали замедления темпа роста цен до 8,1%. При этом индекс потребительских цен неожиданно вырос на 0,1% по отношению к июлю, тогда как аналитики прогнозировали снижение показателя на 0,1%. Стоит заметить, что замедление годовой инфляции в США связано лишь с продолжающимся второй месяц кряду снижением цен на бензин (-10,6% м/м), а также падением цен на авиабилеты, связь и подержанные автомобили.
При этом причина роста инфляции в августе по сравнению с июлем кроется рынке недвижимости. Именно здесь наблюдался максимальный рост цен, составивший за прошедший месяц 0,7%.
Как отмечает Ольга Беленькая, руководитель отдела макроэкономического анализа ФГ «Финам», эти данные негативны для рынков, и лишь подтверждают мнение большинства руководителей ФРС, что инфляционное давление остается высоким и широко распространенным в экономике, а для возвращения инфляции к цели требуется продолжение повышения ставок ускоренными темпами. «Вышедшие данные увеличивают вероятность третьего подряд повышения ставки ФРС на 75 б.п. на заседании 20-21 сентября – фактически, этот сценарий и так был заложен в ожидания как основной. Теперь же котировки фьючерсов на ставку полностью исключили вариант повышения ставки на 50 б.п.», — подчеркивает эксперт.
Аналитики «Росбанка», в свою очередь, заявляют, что вчерашний релиз еще раз показал, что инфляция в мире далека от стабилизации, и финансовым рынкам трудно обрести спокойствие по поводу действий монетарных регуляторов.
ФРС ориентируется на динамику базового ИПЦ при принятии решения об изменении ставки, поэтому последние данные вызвали пересмотр прогнозов в отношении ее подъема на сентябрьском заседании. Илья Зубков, аналитик Freedom Finance Global, заявляет, что на сегодня вероятность повышения ставки на 75 б.п. снизилась до 66% и в 34% оценивается перспектива ее подъема на 100 б.п. «Аналогичный прогноз на ноябрьское заседание предполагает, что ставка вырастет на 75 б.п., при том, что еще 12 сентября 78% ожиданий закладывали ее повышение на 50 б.п. Соответственно, рынок сместил ориентир по ставке в 2023 году с диапазона 3,75–4% до 4,25–4,5%. На этом фоне слабеет интерес инвесторов к рисковым активам, для которых ожидание достижения инфляцией пика было основным фактором поддержки. Представители ФРС по-прежнему придерживаются жесткой риторики, некоторые из них считают возможным поднятие ставки выше 4%», — отмечает эксперт.
Как отреагировали рынки?
Инвесторам в США прилетел инфляционный нежданчик, и все четырехдневные старания участников рынка вытащить котировки как можно выше были сметены одним днем тотальной распродажи, отмечает Павел Пахомов, руководитель аналитического центра СПБ Биржи.
По его словам, инвесторы в последние дни вели себя так самоуверенно и так бодро тащили рынок вверх, что вчерашний stock crash все же вполне закономерен. Эксперт считает, что рынок просто наказал инвесторов за самоуверенность, и в итоге мы получили от рынка оглушительную пощечину, а индексы продемонстрировали максимальное падение с июня 2020 года. «Понятно, что и на отраслевом уровне картина была все та же – приплыли. Абсолютно все сектора закрыли день в «красной» зоне, и не было ни малейших шансов увидеть что-либо иное», — подчеркивает эксперт.
Общерыночный пессимизм наблюдался сегодня и на торгах в Азии. Инвесторы опасаются «ястребиных» решений от центробанков, при этом возросли опасения относительно того, что ЦБ Японии также может повысить ставки, что негативно скажется на фондовом рынке. Европейские биржи сегодня тоже пребывают в «красной» зоне. Помимо негатива из США, дополнительное давление оказывает статистика — объем промышленного производства в июле снизился на 2,4% в годовом выражении, а за месяц — на 2,3%.
Что касается российского рынка, то и здесь радоваться пока особо нечему. К 16:55 мск индекс МосБиржи отступает на 1,1%, пребывая на уровне 2 420,43 пункта, а индекс РТС снижается на 0,5%, торгуясь на отметке 1 277,68 пункта.
Дмитрий Донецкий, главный аналитик ИФК «Солид», заявляет, что после прихода нерезидентов на российский рынок складывается ощущение, что его корреляция с мировыми рынками восстанавливается. Тем не менее, по мнению эксперта, мировые события по-прежнему влияют на российский рынок опосредованно через цены на товарных рынках, поэтому ключевое внимание остается на рынок нефти, газа, угля, удобрений и металлов.
В то же время Артем Тузов, исполнительный директор департамента рынка капиталов ИК «ИВА Партнерс», говорит о том, что неясно, почему рынок РФ реагирует на падение бирж США. По его словам, Россия практически полностью отрезана от мировой ликвидности, и падение рынков на Западе не должно влиять на рынок РФ, который еще с февраля скорректировался опережающими темпами.
Стоит ли паниковать?
Единственная надежда после вчерашнего panic sell-off только на то, что вчера участники рынка были излишне эмоциональны и малость перестарались, полагает Павел Пахомов. Эксперт не исключает, что на рынке США есть шанс увидеть после этого и хороший отскок. «Скорее участники рынка охвачены нерешительностью. Что это было? Куда теперь идти? Вот два вопроса, на которые придется отвечать инвесторам сегодня. С учетом вчерашних слишком эмоциональных торгов, сегодня можно ожидать некоторого успокоения и переосмысления ситуации. Некоторые участники рынка могут сказать себе – ну, переборщили! Кроме того, никто не отменял старую добрую и хорошо проверенную стратегию Buy the dips («Выкупай провалы»), которая может сработать и на этот раз», — считает руководитель аналитического центра СПБ Биржи.
Чрезмерно истеричной считает реакцию рынка и Антон Весенний, автор Telegram-канала «Ленивый инвестор». По его мнению, еще будут отскоки, хотя и в рамках общего понижательного тренда (ведь повышение ставок никто не отменял).
В одной из статей на Yahoo! Finance инвесторам рекомендуется контролировать свое участие на рынке всякий раз, когда события пугают и рынок, и инвесторов. «Если вы чувствуете, как Уоррен Баффетт, что длинная дуга американских акций изгибается вверх и вправо, то, скорее всего, вы покупаете акции по отличной цене — будь то по низкой стоимости, минимальной цене или на историческом максимуме. Ведь через несколько лет рынок, вероятно, будет все равно расти», — говорится в статье.
Чего ожидать инвесторам и куда вкладываться?
По мнению Ильи Зубкова из Freedom Finance Global, в ближайшее время рынок будет корректироваться вниз на опасениях структурной инфляции и достижении доходностью трежерис июньских максимумов. Дополнительный негатив, по словам эксперта, связан с традиционным для сентября «медвежьим» настроем биржевых игроков, отсутствием поддержки в виде обратного выкупа акций, а также с неустойчивой технической картиной и возможным пересмотром корпоративных прогнозов.
«Не прибавляет оптимизма инвесторам продолжающаяся борьба с COVID-19 в Китае и энергетический кризис в Европе. Кроме того, возникла неопределенность по поводу потолка ставки в нынешнем цикле ужесточения ДКП, поэтому особое значение приобретают макроэкономические прогнозы Федрезерва, которые рынок ожидает получить по итогам заседания 20-21 сентября», — подчеркивает он.
Артем Тузов заявляет, что давать прогнозы в условиях существующей неопределенности достаточно сложно. По его оценкам, краткосрочно, на общем падении рынков просядут акции компаний всех секторов, а после этой просадки первыми к росту должны перейти «дивидендные аристократы», которые за последние три года не потеряли этот статус.
Наталья Малых, руководитель отдела анализа акций ФГ «Финам», между тем, заявляет, что то, что было до падения, являлось отскоком на падающем рынке, хотя и довольно большим и продолжительным. Для инвесторов главными условиями для инвестиций остаются состояние экономики и политика центробанка, но в экономике все больше аналитиков предвещают спад, и у правительства нет нормального плана по ее стимулированию, а ФРС обещает держать курс на ужесточение ДКП из-за инфляции.
Кроме того, эксперт «Финама» отмечает, что в экономике сейчас дополнительно создаются ситуации дефицита на рынке продовольствия, которые будут держать цены на продукты довольно высокими. По словам Малых, цены на энергоносители из-за поставок в Европу и восстановления нефтяных резервов в будущем также с высокой вероятностью будут оставаться повышенными, поэтому инфляция еще долго будет создавать проблемы в экономике и на фондовом рынке. При этом она полагает, что полностью защитных активов нет. «Вчера, например, упали все секторы. Облигации тоже защиты не дадут из-за инфляции. Как вариант, можно на время выйти в кэш — актив с нулевой волатильностью, чтобы потом сделать перспективные инвестиции. Российский рынок при этом сейчас живет своей жизнью, и в перспективе 6-12 месяцев можно ожидать восстановления на фоне возобновления дивидендных выплат, роста цен на нефть, ослабления рубля и миграции части капитала из банков из гособлигаций в акции», — заключила эксперт.
Почему Occidental Petroleum, Devon Energy и Phillips 66 упали сегодня
Бесплатная статья
Присоединяйтесь к более чем 1 миллиону премиум-пользователей и получайте более подробные рекомендации по акциям и исследования
Билли Дуберстайн
–
29 июня 2022 г.
, 16:30
Вы читаете бесплатную статью с мнениями, которые могут отличаться от премиальных инвестиционных услуг The Motley Fool. Станьте участником Motley Fool сегодня, чтобы получить мгновенный доступ к нашим лучшим рекомендациям аналитиков, углубленным исследованиям, инвестиционным ресурсам и другие.
Учить больше
Occidental Petroleum Corporation
Рыночная капитализация
$ 60B
Сегодняшнее изменение
(-0,62%)-$ 0,40
Текущая цена
$ 64.28
Цена по 20 сентября 2022 года. ЕТ
Цена на нефть упала из-за нарастания опасений рецессии. Но Уоррен Баффет на это не купится.
Что произошло
Акции Occidental Petroleum (OXY -0,62%), 9Акции 0007 Devon Energy (DVN -1,18%) и Phillips 66 (PSX 1,57%) сильно упали в среду, снизившись на 4,3%, 6,1% и 4,6% соответственно.
Хотя цены на нефть утром торговались выше, к вечеру они упали примерно на 2% на момент написания этой статьи.
Похоже, сегодня был день опасений рецессии, поскольку данные по ВВП США за первый квартал были пересмотрены в сторону понижения, а председатель ФРС Джей Пауэлл подтвердил свою ястребиную позицию на конференции в Европе.
Циклические акции, такие как акции энергетических компаний, как правило, плохо себя чувствуют во время рецессии, но не зашли ли опасения слишком далеко? Уоррен Баффет, кажется, так думает.
Итак, что
Ранее в этот же день данные по ВВП США за первый квартал были пересмотрены в сторону понижения с 1,5% до 1,6%. Следует отметить, что потребление в первом квартале по-прежнему было положительным, но импорт и наращивание запасов привели к техническому отрицательному отпечатку ВВП. Тем не менее, пересмотр в сторону понижения отразил несколько более слабый рост, что, вероятно, сказалось на цикличных акциях.
Опасения по поводу рецессии усугублялись продолжающимися ястребиными комментариями Пауэлла, выступавшего сегодня на конференции в Европе.
Он сказал:
Риск заключается в том, что из-за множественности шоков вы начнете переходить на режим более высокой инфляции. Наша работа буквально состоит в том, чтобы предотвратить это, и мы предотвратим это… Здесь идут часы, а инфляция продолжается уже более года… Было бы плохим управлением рисками просто предположить, что эти долгосрочные инфляционные ожидания будут сохраняться на неопределенный срок в условиях сохраняющейся высокой инфляции.
Читая между строк, это означает, что ФРС продолжит агрессивно повышать ставки, чтобы снизить инфляцию, чего бы это ни стоило, даже если это потенциально означает рецессию. Несмотря на то, что запасы нефти ограничены, опасения по поводу снижения спроса в будущем, вероятно, привели к падению цен на нефть, что привело к падению этих чувствительных к нефти акций. Следует отметить, что Phillips 66 — это только нефтеперерабатывающая и трубопроводная компания, но если спрос на конечную продукцию упадет, Phillips тоже пострадает, как и компании, занимающиеся разведкой и добычей.
Сегодняшнее снижение компенсировало вчерашний хороший скачок для сектора и, в частности, для Occidental Petroleum. Это связано с тем, что отчет регулирующих органов, поданный поздно вечером в понедельник, показал, что конгломерат Уоррена Баффета Berkshire Hathaway (BRK.A -0,35%) (BRK.B -0,65%) приобрел еще больше акций Occidental, увеличив свою и без того значительную долю в этой американской компании. производитель масла.
Что теперь
Кто знает, что масло будет делать дальше? В то время как цены могут упасть, если у нас будет сильная рецессия, нефть также может вырасти, если мы этого не сделаем, поскольку поставки по всему миру, похоже, ограничены. Из-за санкций в отношении России российская нефть может столкнуться с трудностями при выходе на рынки, и Россия может даже столкнуться с трудностями в поддержании роста производства, поскольку страна теряет доступ к оборудованию и технологиям.
Между тем, совсем недавно, в понедельник, президент Франции Эммануэль Макрон предупредил президента Байдена, что у Саудовской Аравии и ОАЭ не так много свободных мощностей, как некоторые могли предположить.
По мере того, как летний автомобильный сезон набирает обороты, мы вполне можем увидеть, как цены на нефть снова вырастут. Похоже, по крайней мере, Уоррен Баффет по-прежнему настроен оптимистично в отношении цен на нефть, о чем свидетельствует увеличение его доли в Occidental.
Как я недавно повторял, инвесторы должны выяснить, какую долю они хотят иметь в энергетическом секторе, будь то через отдельные акции или ETF, и попытаться сохранить эту долю фиксированной как часть диверсифицированного портфеля, продавая после значительного роста и прибавляя по убавкам. Поскольку весьма вероятно, что мы могли бы продолжить шоки предложения, по крайней мере, некоторое воздействие на сектор, вероятно, оправдано, хотя бы в целях хеджирования. Это механическое, математическое представление, вероятно, лучше всего подходит для такого волатильного сектора на вершине волатильного рынка.
Билли Дуберстайн имеет позиции в Berkshire Hathaway (акции B), Devon Energy и Phillips 66 и имеет следующие опционы: короткая июльская 2022 г.
45-долларовая пут-опцион на Devon Energy. The Motley Fool имеет позиции и рекомендует Berkshire Hathaway (акции B). Его клиенты могут владеть акциями упомянутых компаний. The Motley Fool рекомендует следующие варианты: длинные колл-опционы на $200 на Berkshire Hathaway в январе 2023 года (акции B), короткие колл-опционы на $200 на Berkshire Hathaway на январь 2023 года (акции B) и короткие колл-опционы на $265 на Berkshire Hathaway в январе 2023 года (акции B). У Motley Fool есть политика раскрытия информации.
Упомянутые акции
Occidental Petroleum Corporation
OXY
$64,28
(-0,62%)
0,40 $
Berkshire Hathaway Inc.
BRK.A
419 869,00 долларов США
(-0,35%)
$-1,470.00
Berkshire Hathaway Inc.
BRK.B
$277,13
(-0,65%)
$-1,82
Devon Energy Corporation
ДВН
$65,12
(-1,18%)
0,78 $
Phillips 66
PSX
$83,22
(1,57%)
$1,29
*Средняя доходность всех рекомендаций с момента их создания.
Основа затрат и доход на основе закрытия предыдущего рыночного дня.
Связанные статьи
Почему запасы нефти и газа упали в понедельник
Почему акции нефтяных компаний сегодня снижаются
Уоррен Баффет только что купил много акций — вот одна из них, на которую у меня больше всего оптимизма
Недавний шаг ОПЕК может значительно увеличить ставки Уоррена Баффета на нефтяные акции
Почему акции Occidental Petroleum упали сегодня, несмотря на обновление аналитиков
Наши самые популярные статьи
Падение между 11% и 62%: 3 надежных дивидендных короля, которых стоит купить и удерживать на десятилетия вперед
Попрощайтесь со своим повышением социального обеспечения на 10,1% в 2023 году
Грядет значительное повышение социального обеспечения: 3 вещи, которые должен знать каждый пенсионер
Завтра ФРС может обрушить фондовый рынок, но не паникуйте
Обновление бензина и дизельного топлива
Мы внедряем новую методологию для оценки еженедельных цен на дизельное топливо для автомобильных дорог
13 июня мы начали проводить обследование цен на дизельное топливо для автомобильных дорог с использованием новых статистических методологий.
| 05.09.22 | 12.09.22 | 19.09.22 | неделю назад | года назад | |
|---|---|---|---|---|---|
| США | 3,746 | 3,690 | 3,654 | -0,036 | 0,470 |
| Восточное побережье (PADD1) | 3,613 | 3,527 | 3,457 | -0,070 | 0,371 |
| Новая Англия (PADD1A) | 3,817 | 3,686 | 3,575 | -0,111 | 0,474 |
| Центральная Атлантика (PADD1B) | 3,843 | 3.746 | 3,664 | -0,082 | 0,423 |
| Нижняя Атлантика (PADD1C) | 3,417 | 3,348 | 3,298 | -0,050 | 0,311 |
| Средний Запад (PADD2) | 3,638 | 3,571 | 3,518 | -0,053 | 0,453 |
| Побережье Мексиканского залива (PADD3) | 3,229 | 3,126 | 3,157 | 0,031 | 0,350 |
| Скалистая гора (PADD4) | 3,940 | 3,889 | 3,877 | -0,012 | 0,278 |
| Западное побережье (PADD5) | 4,741 | 4,825 | 4. 845 | 0,020 | 0,916 |
| Западное побережье без Калифорнии | 4.391 | 4,425 | 4.403 | -0,022 | 0,807 |
Увидеть меньше
Узнать больше
| Изменение с | |||||
|---|---|---|---|---|---|
| 05.09.22 | 12.09.22 | 19.09.22 | неделю назад | года назад | |
| Калифорния | 5.053 | 5,182 | 5.239 | 0,057 | 1,022 |
| Колорадо | 3,584 | 3,510 | 3,539 | 0,029 | 0,005 |
| Флорида | 3,442 | 3,386 | 3,365 | -0,021 | 0,309 |
| Массачусетс | 3,856 | 3,734 | 3,628 | -0,106 | 0,549 |
| Миннесота | 3,686 | 3,669 | 3,646 | -0,023 | 0,655 |
| Нью-Йорк | 3,838 | 3,740 | 3,637 | -0,103 | 0,411 |
| Огайо | 3,612 | 3,507 | 3,347 | -0,160 | 0,244 |
| Техас | 3,176 | 3,065 | 3,128 | 0,063 | 0,373 |
| Вашингтон | 4. 481 | 4,488 | 4,468 | -0,020 | 0,687 |
| Города | |||||
| Бостон | 3,901 | 3,773 | 3,674 | -0,099 | 0,600 |
| Чикаго | 4.320 | 4.212 | 4.076 | -0,136 | 0,672 |
| Кливленд | 3,616 | 3,504 | 3,376 | -0,128 | 0,252 |
| Денвер | 3,525 | 3,469 | 3,506 | 0,037 | -0,009 |
| Хьюстон | 3,137 | 3,038 | 3.004 | -0,034 | 0,268 |
| Лос-Анджелес | 5.003 | 5.107 | 5,168 | 0,061 | 0,984 |
| Майами | 3,493 | 3,442 | 3.420 | -0,022 | 0,353 |
| Нью-Йорк | 3,652 | 3,569 | 3,471 | -0,098 | 0,275 |
| Сан-Франциско | 5,158 | 5,378 | 5,388 | 0,010 | 1,055 |
| Сиэтл | 4,639 | 4. 670 | 4,653 | -0,017 | 0,733 |
| 05.09.22 | 12.09.22 | 19.09.22 | неделю назад | года назад | |
|---|---|---|---|---|---|
| США | 5.084 | 5.033 | 4,964 | -0,069 | 1,579 |
| Восточное побережье (PADD1) | 5.033 | 4,949 | 4.889 | -0,060 | 1,537 |
| Новая Англия (PADD1A) | 5.161 | 5.087 | 5.011 | -0,076 | 1,711 |
| Центральная Атлантика (PADD1B) | 5.223 | 5.134 | 5.093 | -0,041 | 1,597 |
| Нижняя Атлантика (PADD1C) | 4,950 | 4,865 | 4.800 | -0,065 | 1,534 |
| Средний Запад (PADD2) | 5. 132 | 5.085 | 4,995 | -0,090 | 1,705 |
| Побережье Мексиканского залива (PADD3) | 4,796 | 4,760 | 4,690 | -0,070 | 1.571 |
| Скалистая гора (PADD4) | 4,971 | 4,961 | 4,932 | -0,029 | 1.303 |
| Западное побережье (PADD5) | 5,693 | 5,658 | 5,612 | -0,046 | 1,586 |
| Западное побережье без Калифорнии | 5,275 | 5.217 | 5,144 | -0,073 | 1,481 |
| Калифорния | 6,174 | 6,164 | 6.149 | -0,015 | 1,820 |
*цены включают все налоги
Сколько мы платим за галлон:Обычного бензинаИюль 2022 г. Розничная цена: 4,56 долл. США за галлонДизельИюль 2022 г. Розничная цена: 5,49 долл. США за галлон и обновление дизельного топлива
верхний
- Круглосуточная горячая линия: (202) 586-6966
- Подпишитесь на обновления по электронной почте
- График выпуска
- Радиоролики
- Подробнее.
.. - Процедуры, методология и меры вариабельности выборки
- Бензин
- Стандартные ошибки
- Дизельное топливо
- Стандартные ошибки
- Географический
- Бензин:
- Цены на бензин по регионам
- Карта переработанного бензина
- Карта штатов в каждом регионе
- ОВОС городских и государственных АЗС
- Определения бензиновых городов
- Дизельное топливо:
- Карта штатов в каждом регионе
- Другое
- Методология насоса и история данных
- Федеральные и государственные налоги на моторное топливо
- Обычные цены на бензин с поправкой на инфляцию
- Цены на дизельное топливо с поправкой на инфляцию
- Узнать больше
- Что растет (и падает) с ценами на бензин?
- Просмотреть все часто задаваемые вопросы о бензине
- Часто задаваемые вопросы по опросу EIA-878
- Как рассчитать/найти надбавку за дизельное топливо?
- См.
все часто задаваемые вопросы о дизельном топливе - Часто задаваемые вопросы по опросу EIA-888
Часто задаваемые вопросы (FAQ) — Управление энергетической информации США (EIA)
Перейти к поднавигации
На этой странице нет вложенной навигации. Перейти к содержимому страницы.
Уголь
- Имеются ли в EIA данные о производстве энергии на уровне уездов?
- Есть ли у EIA прогнозы или прогнозы производства, потребления и цен на энергию для отдельных штатов?
- Публикует ли EIA цены на коксующийся уголь?
- Как преобразовать короткие тонны в метрические?
- Насколько велики запасы угля в США?
- Сколько электростанций в США?
- Сколько угля США экспортируют и куда?
- Сколько угля импортируют США и откуда?
- Сколько угля, природного газа или нефти используется для производства киловатт-часа электроэнергии?
- Сколько стоит выработка электроэнергии на различных типах электростанций?
- Какая часть выбросов углекислого газа в США связана с производством электроэнергии?
- Какие цены на уголь публикует EIA?
- Что такое производство электроэнергии в США по источникам энергии?
- Какова теплоемкость американского угля?
- Какие виды и количества энергии производятся в каждом штате?
- Какие штаты производят больше всего угля?
Преобразование и эквиваленты
- Как сравнить стоимость топлива для отопления?
- Как преобразовать короткие тонны в метрические?
- Как преобразовать данные в одной единице измерения в другую единицу измерения?
- Сколько галлонов бензина и дизельного топлива получается из одного барреля нефти?
- Что такое Ccf, Mcf, Btu и термы? Как преобразовать цены на природный газ в долларах за кубический фут или тысячу кубических футов в доллары за БТЕ или терм?
- Каковы коэффициенты выбросов парниковых газов и загрязнителей воздуха для топлива и электроэнергии?
- Каков КПД различных типов электростанций?
Дизельное топливо
- Есть ли у EIA прогнозы или прогнозы производства, потребления и цен на энергию для отдельных штатов?
- Публикует ли EIA цены на бензин и дизельное топливо с поправкой на инфляцию?
- Публикует ли EIA цены на дизельное топливо для бездорожья?
- Как рассчитать надбавку за дизельное топливо?
- Сколько галлонов бензина и дизельного топлива получается из одного барреля нефти?
- Сколько дизельного топлива на основе биомассы производится, импортируется, экспортируется и потребляется в Соединенных Штатах?
- Сколько углекислого газа образуется при потреблении бензина и дизельного топлива в США?
- Сколько налогов мы платим за галлон бензина и галлон дизельного топлива?
- Каковы прогнозы цен на бензин и дизельное топливо в США?
- За что я плачу галлоном бензина и дизельного топлива?
- Когда в США был построен последний нефтеперерабатывающий завод?
- Почему цены на дизельное топливо выше цен на бензин?
Электричество
- Могут ли потребители электроэнергии выбирать поставщика электроэнергии?
- Имеются ли в EIA данные о производстве энергии на уровне уездов?
- Имеются ли в EIA данные о затратах на передачу и распределение электроэнергии?
- Есть ли у EIA данные о каждой электростанции в США?
- Есть ли у EIA прогнозы или прогнозы производства, потребления и цен на энергию для отдельных штатов?
- Есть ли у EIA информация о незапланированных отключениях или отключениях энергетической инфраструктуры США?
- Публикует ли EIA данные о пиковой или почасовой выработке электроэнергии, спросе и ценах?
- Публикует ли EIA данные о тарифах на электроэнергию, тарифах и сборах по требованию?
- Публикует ли EIA данные о продажах электроэнергии и ценах по штатам и коммунальным предприятиям?
- Публикует ли EIA данные о потреблении энергии и ценах по городам, округам или по почтовым индексам?
- Публикует ли EIA расположение электростанций, линий электропередачи и подстанций?
- Как электричество используется в домах США?
- Сколько альтернативных видов топлива и гибридных автомобилей в Соединенных Штатах?
- Сколько атомных электростанций в США и где они расположены?
- Сколько электростанций в США?
- Сколько интеллектуальных счетчиков установлено в США и у кого они есть?
- Сколько угля, природного газа или нефти используется для производства киловатт-часа электроэнергии?
- Сколько стоит строительство различных типов электростанций в США?
- Сколько стоит выработка электроэнергии на различных типах электростанций?
- Сколько электроэнергии вырабатывает атомная электростанция?
- Сколько электроэнергии потребляет американский дом?
- Сколько электроэнергии теряется при передаче и распределении электроэнергии в США?
- Сколько электроэнергии используется для охлаждения в США?
- Сколько электроэнергии используется для освещения в США?
- Сколько энергии потребляет каждый сектор конечного потребления энергии в мире?
- Какая часть выбросов углекислого газа в США связана с производством электроэнергии?
- Какая часть потребления энергии и производства электроэнергии в США приходится на возобновляемые источники энергии?
- Какая часть мирового потребления и производства энергии приходится на возобновляемые источники энергии?
- Сколько лет атомным электростанциям США и когда была построена самая новая?
- Что такое производство электроэнергии в США по источникам энергии?
- В чем разница между мощностью производства электроэнергии и производством электроэнергии?
- Каков КПД различных типов электростанций?
- Каков прогноз цен на топливо для отопления домов этой зимой?
- Какие виды и количества энергии производятся в каждом штате?
Окружающая среда
- Есть ли в EIA прогнозы или прогнозы производства, потребления и цен на энергию для отдельных штатов?
- Как преобразовать короткие тонны в метрические?
- Сколько углекислого газа образуется при потреблении бензина и дизельного топлива в США?
- Сколько углекислого газа производится на киловатт-час производства электроэнергии в США?
- Сколько углекислого газа образуется при сжигании различных видов топлива?
- Какая часть выбросов углекислого газа в США связана с производством электроэнергии?
- Является ли озон парниковым газом?
- Каковы выбросы углекислого газа в США, связанные с энергетикой, по источникам и секторам?
- Что такое парниковые газы и как они влияют на климат?
- Каковы связанные с энергетикой выбросы углекислого газа от ископаемого топлива в Соединенных Штатах и во всем мире?
- Каковы коэффициенты выбросов парниковых газов и загрязнителей воздуха для топлива и электроэнергии?
- Почему выбросы углекислого газа весят больше, чем исходное топливо?
Бензин
- Есть ли у EIA прогнозы или прогнозы производства, потребления и цен на энергию для отдельных штатов?
- Есть ли у EIA исторические цены на бензин для каждого штата?
- Публикует ли EIA данные о потреблении энергии и ценах по городам, округам или по почтовым индексам?
- Публикует ли EIA цены на бензин по городам, округам или почтовым индексам?
- Публикует ли EIA цены на бензин и дизельное топливо с поправкой на инфляцию?
- Сколько галлонов бензина и дизельного топлива получается из одного барреля нефти?
- Сколько углекислого газа образуется при потреблении бензина и дизельного топлива в США?
- Сколько этанола содержится в бензине и как это влияет на экономию топлива?
- Сколько бензина потребляет США?
- Сколько налогов мы платим за галлон бензина и галлон дизельного топлива?
- Каковы прогнозы цен на бензин и дизельное топливо в США?
- За что я плачу галлоном бензина и дизельного топлива?
- Когда в США был построен последний нефтеперерабатывающий завод?
General Energy
- Имеются ли в EIA данные о производстве энергии на уровне округов?
- Есть ли у EIA прогнозы или прогнозы производства, потребления и цен на энергию для отдельных штатов?
- Есть ли у EIA информация о газо- и нефтепроводах США?
- Есть ли у EIA информация о незапланированных отключениях или отключениях энергетической инфраструктуры США?
- Публикует ли EIA данные о потреблении энергии и ценах по городам, округам или по почтовым индексам?
- Публикует ли EIA расположение электростанций, линий электропередачи и подстанций?
- Как сравнить стоимость топлива для отопления?
- Сколько интеллектуальных счетчиков установлено в США и у кого они есть?
- Сколько стоит строительство различных типов электростанций в США?
- Сколько электроэнергии используется для охлаждения в США?
- Сколько энергии расходует человек в год?
- Сколько энергии потребляет каждый сектор конечного потребления энергии в мире?
- Сколько энергии потребляется в зданиях США?
- Сколько природного газа потребляется в США?
- Какая часть потребления энергии и производства электроэнергии в США приходится на возобновляемые источники энергии?
- Какая часть мирового потребления и производства энергии приходится на возобновляемые источники энергии?
- Что такое производство электроэнергии в США по источникам энергии?
- Какова доля США в мировом потреблении энергии?
- Какие виды и количества энергии производятся в каждом штате?
- Где я могу получить помощь в оплате счетов за коммунальные услуги?
Природный газ
- Имеются ли в EIA данные о производстве энергии на уровне округов?
- Есть ли у EIA прогнозы или прогнозы производства, потребления и цен на энергию для отдельных штатов?
- Есть ли у EIA информация о газо- и нефтепроводах США?
- Есть ли у EIA информация о незапланированных отключениях или отключениях энергетической инфраструктуры США?
- Публикует ли EIA данные о потреблении энергии и ценах по городам, округам или по почтовым индексам?
- Публикует ли EIA данные о добыче и запасах сланцевого газа и метана угольных пластов?
- Каким образом EIA рассчитывает годовые и пятилетние средние значения в Еженедельном отчете о хранении природного газа?
- Сколько альтернативных видов топлива и гибридных автомобилей в Соединенных Штатах?
- Сколько угля, природного газа или нефти используется для производства киловатт-часа электроэнергии?
- Сколько стоит выработка электроэнергии на различных типах электростанций?
- Сколько природного газа есть в США и как долго его хватит?
- Сколько природного газа потребляется в США?
- Какая часть выбросов углекислого газа в США связана с производством электроэнергии?
- Сколько сланцевого газа добывается в США?
- Что такое Ccf, Mcf, Btu и термы? Как преобразовать цены на природный газ в долларах за кубический фут или тысячу кубических футов в доллары за БТЕ или терм?
- Какие основные факторы влияют на цены на природный газ?
- На что я могу рассчитывать за отопление этой зимой?
- Что такое производство электроэнергии в США по источникам энергии?
- Каков прогноз цен на топливо для отопления домов этой зимой?
- Какова цена или стоимость природного газа для производителей электроэнергии в США?
- Каков объем мировых запасов природного газа?
- Какие виды и количества энергии производятся в каждом штате?
- Какие штаты потребляют и производят больше всего природного газа?
- Почему за мазут или пропан мне платят больше, чем цена, указанная на веб-сайте EIA?
Атомная энергия
- Есть ли у EIA прогнозы или прогнозы производства, потребления и цен на энергию для отдельных штатов?
- Есть ли у EIA информация о незапланированных отключениях или отключениях энергетической инфраструктуры США?
- Сколько атомных электростанций в США и где они расположены?
- Сколько электростанций в США?
- Сколько стоит выработка электроэнергии на различных типах электростанций?
- Сколько электроэнергии вырабатывает атомная электростанция?
- Какая часть выбросов углекислого газа в США связана с производством электроэнергии?
- Сколько лет атомным электростанциям США и когда была построена самая новая?
- Что такое производство электроэнергии в США по источникам энергии?
Нефть/нефть
- Имеются ли в EIA данные о производстве энергии на уровне округов?
- Есть ли у EIA данные о нефтеперерабатывающих заводах США и их местоположении?
- Имеются ли в EIA данные о перемещении (перевозке) сырой нефти, нефтепродуктов, топливного этанола и биодизеля по железной дороге?
- Имеются ли у EIA данные о типе или качестве сырой нефти?
- Есть ли у EIA прогнозы или прогнозы производства, потребления и цен на энергию для отдельных штатов?
- Есть ли у EIA информация о газо- и нефтепроводах США?
- Есть ли у EIA информация о незапланированных отключениях или отключениях энергетической инфраструктуры США?
- Достаточно ли в мире нефти для удовлетворения наших будущих потребностей?
- Сколько альтернативных видов топлива и гибридных автомобилей в Соединенных Штатах?
- Сколько галлонов бензина и дизельного топлива получается из одного барреля нефти?
- Сколько угля, природного газа или нефти используется для производства киловатт-часа электроэнергии?
- Сколько сырой нефти, добываемой в США, потребляется в США?
- Сколько нефти, потребляемой Соединенными Штатами, поступает из других стран?
- Сколько нефти потребляется в США?
- Сколько масла используется для производства пластика?
- Сколько нефти импортируют и экспортируют США?
- Сколько сланцевой (плотной) нефти добывается в США?
- Что такое нефтепродукты и для чего используется нефть?
- Какие страны являются ведущими производителями и потребителями нефти?
- За что я плачу галлоном бензина и дизельного топлива?
- Что такое производство электроэнергии в США по источникам энергии?
- В чем разница между сырой нефтью, нефтепродуктами и нефтью?
- Каков прогноз цен на топливо для отопления домов этой зимой?
- Какие виды и количества энергии производятся в каждом штате?
- Когда в США был построен последний нефтеперерабатывающий завод?
Цены
- Скорректированы ли цены, публикуемые EIA, с учетом инфляции?
- Есть ли у EIA данные о ценах на этанол?
- Есть ли у EIA прогнозы или прогнозы производства, потребления и цен на энергию для отдельных штатов?
- Есть ли у EIA исторические цены на бензин для каждого штата?
- Публикует ли EIA цены на коксующийся уголь?
- Публикует ли EIA данные о пиковой или почасовой выработке электроэнергии, спросе и ценах?
- Публикует ли EIA данные о тарифах на электроэнергию, тарифах и сборах по требованию?
- Публикует ли EIA данные о продажах электроэнергии и ценах по штатам и коммунальным предприятиям?
- Публикует ли EIA данные о потреблении энергии и ценах по городам, округам или по почтовым индексам?
- Публикует ли EIA цены на бензин по городам, округам или почтовым индексам?
- Публикует ли EIA цены на бензин и дизельное топливо с поправкой на инфляцию?
- Публикует ли EIA цены на дизельное топливо для бездорожья?
- Как рассчитать надбавку за дизельное топливо?
- Как сравнить стоимость топлива для отопления?
- Сколько стоит выработка электроэнергии на различных типах электростанций?
- Сколько налогов мы платим за галлон бензина и галлон дизельного топлива?
- Что такое Ccf, Mcf, Btu и термы? Как преобразовать цены на природный газ в долларах за кубический фут или тысячу кубических футов в доллары за БТЕ или терм?
- Какие цены на уголь публикует EIA?
- Каковы прогнозы цен на бензин и дизельное топливо в США?
- На что я могу рассчитывать за отопление этой зимой?
- За что я плачу галлоном бензина и дизельного топлива?
- Каков прогноз цен на топливо для отопления домов этой зимой?
- Какова цена или стоимость природного газа для производителей электроэнергии в США?
- Где я могу получить помощь в оплате счетов за коммунальные услуги?
- Почему за мазут или пропан мне платят больше, чем цена, указанная на веб-сайте EIA?
- Почему цены на дизельное топливо выше цен на бензин?
Возобновляемые источники энергии
- Имеются ли в EIA данные о перемещении (перевозке) сырой нефти, нефтепродуктов, топливного этанола и биодизеля по железной дороге?
- Есть ли у EIA данные о ценах на этанол?
- Есть ли у EIA прогнозы или прогнозы производства, потребления и цен на энергию для отдельных штатов?
- Есть ли у EIA информация о незапланированных отключениях или отключениях энергетической инфраструктуры США?
- Сколько альтернативных видов топлива и гибридных автомобилей в Соединенных Штатах?
- Сколько дизельного топлива на основе биомассы производится, импортируется, экспортируется и потребляется в Соединенных Штатах?
- Сколько стоит выработка электроэнергии на различных типах электростанций?
- Сколько этанола содержится в бензине и как это влияет на экономию топлива?
- Сколько топливного этанола производится, импортируется, экспортируется и потребляется в Соединенных Штатах?
- Какая часть выбросов углекислого газа в США связана с производством электроэнергии?
- Какая часть потребления энергии и производства электроэнергии в США приходится на возобновляемые источники энергии?
- Какая часть мирового потребления и производства энергии приходится на возобновляемые источники энергии?
- Что такое производство электроэнергии в США по источникам энергии?
- Какие виды и количества энергии производятся в каждом штате?
верхний
На этой странице:
- Уголь
- Преобразование и эквиваленты
- Дизель
- Электричество
- Окружающая среда
- Бензин
- Дженерал Энерджи
- Природный газ
- Ядерный
- Масло/нефть
- Цены
- Возобновляемые источники энергии
- Полный список предстоящих отчетов
- Подпишитесь на уведомления по электронной почте
Исследование бактерий, метаболизирующих бензин, выделенных из загрязненных образцов почвы, собранных на различных заправочных станциях
.
2019;68(2):193-201.
doi: 10.33073/pjm-2019-019.
Фатима Муччи
1
, Самина Эджаз
1
принадлежность
- 1 Факультет биохимии и биотехнологии Исламского университета Бахавалпура, Бахавалпур, Пакистан.
PMID:
31250589
PMCID:
PMC7256828
DOI:
10.33073/пжм-2019-019
Бесплатная статья ЧВК
Fatima Muccee et al.
Пол Дж Микробиол.
2019.
Бесплатная статья ЧВК
. 2019;68(2):193-201.
doi: 10.33073/pjm-2019-019.
Авторы
Фатима Муччи
1
, Самина Эджаз
1
принадлежность
- 1 Факультет биохимии и биотехнологии Исламского университета Бахавалпура, Бахавалпур, Пакистан.
PMID:
31250589
PMCID:
PMC7256828
DOI:
10.
33073/пжм-2019-019
Абстрактный
Настоящее исследование направлено на выделение высокоэффективных термофильных бактерий, метаболизирующих бензин, из образцов почвы, загрязненных бензином. Выделение проводили методами накопительной культуры, серийного разбавления и методом выливания с использованием минимальной солевой среды с добавлением бензина. Выделенные бактерии анализировали, чтобы задокументировать характер роста, эффективность удаления бензина, профиль устойчивости к антибиотикам и биохимические характеристики. Филогенетический анализ на основе 16S рРНК помог выявить идентичность выделенных видов бактерий и построить филогенетические деревья. Всего было выделено девять бактерий, из которых три (IUBP2, IUBP3, IUBP5) были идентифицированы как 9.1450 Brevibacillus formosus , один (IUBP1) оказался сходным с Brevibacillus agri , четыре (IUBP7, IUBP8, IUBP13 и IUBP14) имели гомологию с Burkholderia lata и один (IUBP15) с Burkholderia14 pyrrocinia.
Все изоляты быстро росли и демонстрировали значительный потенциал разложения бензина. Наибольшая эффективность удаления бензина (69,5% ± 13,44/6 сут) зарегистрирована для штамма IUBP15 при концентрации бензина 0,1% (об./об.). Все изученные бактерии (100%) были положительными по эскулиназе и фосфатазе. Многие штаммы показали положительный ответ на аргининдегидролазу (22%), β -нафтиламидаза (11 %), β -D-глюкозаминид (33 %), маннит (55 %), сорбит (66 %) и инулин (88 %). Хотя все были чувствительны к антибиотикам, некоторые из них оказались устойчивыми к хлорамфениколу и оксациллину. Замечательные биохимические характеристики и значительный потенциал нефтеудаления (40-70%) подчеркивают возможность использования выделенных бактерий для биоремедиации бензина, минерализации фосфорорганических соединений, молочной и пищевой промышленности, а также в качестве биоудобрений и средств биоконтроля.
Настоящее исследование направлено на выделение высокоэффективных термофильных бактерий, метаболизирующих бензин, из образцов почвы, загрязненных бензином.
Выделение проводили методами накопительной культуры, серийного разбавления и методом выливания с использованием минимальной солевой среды с добавлением бензина. Выделенные бактерии анализировали, чтобы задокументировать характер роста, эффективность удаления бензина, профиль устойчивости к антибиотикам и биохимические характеристики. Филогенетический анализ на основе 16S рРНК помог выявить идентичность выделенных видов бактерий и построить филогенетические деревья. Всего было выделено девять бактерий, из которых три (IUBP2, IUBP3, IUBP5) были идентифицированы как 9.1450 Brevibacillus formosus , один (IUBP1) оказался сходным с Brevibacillus agri , четыре (IUBP7, IUBP8, IUBP13 и IUBP14) имели гомологию с Burkholderia lata и один (IUBP15) с Burkholderia14 pyrrocinia. Все изоляты быстро росли и демонстрировали значительный потенциал разложения бензина. Наибольшая эффективность удаления бензина (69,5% ± 13,44/6 сут) зарегистрирована для штамма IUBP15 при концентрации бензина 0,1% (об.
/об.). Все изученные бактерии (100%) были положительными по эскулиназе и фосфатазе. Многие штаммы показали положительный ответ на аргининдегидролазу (22%), β -нафтиламидаза (11 %), β -D-глюкозаминид (33 %), маннит (55 %), сорбит (66 %) и инулин (88 %). Хотя все были чувствительны к антибиотикам, некоторые из них оказались устойчивыми к хлорамфениколу и оксациллину. Замечательные биохимические характеристики и значительный потенциал нефтеудаления (40–70%) подчеркивают возможность использования выделенных бактерий для биоремедиации бензина, минерализации фосфорорганических соединений, молочной и пищевой промышленности, а также в качестве биоудобрений и средств биоконтроля.
Заявление о конфликте интересов
Цифры
Рис. 1.
Характеристики бактерий, метаболизирующих бензин…
Рис.
1.
Характеристики бактерий, метаболизирующих бензин, на основе молекулярного, биохимического анализа и анализа кривой роста…
Рисунок 1.
Характеристики бактерий, метаболизирующих бензин, основанные на молекулярном, биохимическом анализе и анализе кривой роста. Риботипирование, биохимический анализ и анализ роста позволили дифференцировать выделенные бактерии.
Рис. 2.
А) Филогенетическое дерево бензина…
Рис. 2.
A) Филогенетическое дерево бактерий, метаболизирующих бензин, проявляющих гомологию с Burkholderia . Б)…
Рис. 2.
A) Филогенетическое дерево бактерий, метаболизирующих бензин, проявляющих гомологию с Burkholderia .
B) Филогенетическое дерево бактерий, метаболизирующих бензин, проявляющих гомологию с Brevibacillus .
См. это изображение и информацию об авторских правах в PMC
Похожие статьи
Полногеномное секвенирование СОЗ, разлагающих бактериальное сообщество, населяющее сточные воды кожевенных заводов и загрязненную бензином почву.
Макси Ф., Эджаз С.
Макси Ф. и др.
Микробиолог Рез. 2020 сен;238:126504. doi: 10.1016/j.micres.2020.126504. Эпаб 2020 30 мая.
Микробиолог Рез. 2020.PMID: 32534383
Молекулярно-функциональный анализ бактерий, разлагающих нафталин, выделенных из сточных вод местных кожевенных заводов.
Макси Ф., Эджаз С., Риаз Н., Икбал Дж.
Макси Ф. и др.
J Основная микробиол.
2021 июль; 61 (7): 627-641. doi: 10.1002/jobm.202100123.
J Основная микробиол. 2021.PMID: 34197651
Простая стратегия исследования разнообразия и способности разлагать углеводороды культивируемых бактерий из загрязненной почвы.
Бучкова М., Пушкарова А., Хованова К., Кракова Л., Ферьянц П., Пангалло Д.
Бучкова М. и соавт.
World J Microbiol Biotechnol. 2013 июнь; 29(6): 1085-98. doi: 10.1007/s11274-013-1277-5. Epub 2013 6 февраля.
World J Microbiol Biotechnol. 2013.PMID: 23386320
Разложение изомеров бензола, толуола и ксилола бактериальным консорциумом, полученным из ризосферной почвы Cyperus sp. выращены в загрязненной нефтью местности.
Ортега-Гонсалес Д.К., Сарагоса Д., Агирре-Гарридо Х., Рамирес-Саад Х.
, Эрнандес-Родригес К., Ян-Роблеро Х.
Ортега-Гонсалес Д.К. и др.
Folia Microbiol (Прага). 2013 ноябрь;58(6):569-77. doi: 10.1007/s12223-013-0248-4. Epub 2013 7 апр.
Folia Microbiol (Прага). 2013.PMID: 23564628
Идентификация азотсодержащих бактерий в загрязненных нефтью арктических почвах с помощью зондирования стабильных изотопов на основе [15N]ДНК и пиросеквенирования.
Белл Т.Х., Йержо Э., Мартино К., Джек Д., Уайт Л.Г., Грир К.В.
Белл Т.Х. и соавт.
Appl Environ Microbiol. 2011 июнь; 77 (12): 4163-71. doi: 10.1128/AEM.00172-11. Epub 2011, 15 апреля.
Appl Environ Microbiol. 2011.PMID: 21498745
Бесплатная статья ЧВК.
Посмотреть все похожие статьи
использованная литература
Абу-Шанаб Р.
А.И., Эраки М., Хаддад А.М., Абдель-Гаффар АРБ, Салем А.М.. Характеристика бактерий, разлагающих сырую нефть, выделенных из загрязненных почв вокруг заправочных станций. Bull Environ Contam Toxicol. 2016. Ноябрь; 97 (5): 684–688. doi:10.1007/s00128-016-1924-2 Медлайн—
DOI
—
пабмед
Асиеду Н.Ю., Асиеду Ю.А., Бедиако ПК.. Выделение, идентификация и характеристика некоторых метаболизаторов нефти из почв, загрязненных нефтяными маслами, в мегаполисе Кумаси, Гана. J Microbiol Res. 2014; 4:117–124. doi:10.5923/j.microbiology.20140402.12
—
DOI
Аванзи И.
Р., Грасиозо Л.Х., Балтазар М.П.Г., Карольски Б., Перпетуо Э.А., Насименто ЦАО. Аэробная биодеградация бензиновых соединений бактериями, выделенными из почвы, загрязненной углеводородами. Окружающая среда Eng Sci. 2015. Декабрь; 32 (12): 990–997. doi:10.1089/ees.2015.0122—
DOI
Бакоса Х.П., Эрднер Д.Л., Розенхайм Б.Е., Шетти П., Зейтц К.В., Бейкер Б.Дж., Лю З. Деградация углеводородов и реакция бактериального сообщества донных отложений в северной части Мексиканского залива на легкую малосернистую сырую нефть Луизианы. ISME J. 2018. 12 (10) октября: 2532–2543. doi:10.1038/s41396-018-0190-1 Медлайн
—
DOI
—
ЧВК
—
пабмед
Bagga J, Pandey M, Pandey V.
Выделение, характеристика и идентификация трех устойчивых к нефти и разлагающих бактерий (Micrococcus, Staphylococcus и Pseudomonas spp.) из почвы, загрязненной нефтяным маслом. Int J Innov Res Sci Eng Technol. 2015 г.; 4(10):9993–10005. doi: 10.15680/IJIRSET.2015.0410098—
DOI
термины MeSH
- 70905
Технология двигателей с пониженным уровнем выбросов
Двухтактный двигатель с послойным наддувом. Между сгоревшим зарядом в камере сгорания и свежим зарядом в картере создается бестопливный слой воздуха, что снижает потери топлива во время цикла заряда. Это приводит к большей мощности при меньшем весе, снижению расхода топлива до 20% по сравнению с обычными двухтактными двигателями и значительному снижению выбросов выхлопных газов.
Ручной топливный насос (Purger)
Небольшой топливный насос подает топливо в карбюратор одним нажатием кнопки. Это уменьшает количество пусковых ходов, необходимых после длительных перерывов в работе.
Катализатор
Значительно снижает количество вредных частиц в выхлопных газах.

STIHL ErgoStart (E)
Подлинный прогресс в легком запуске. Система STIHL ErgoStart (E) снижает усилие, необходимое для запуска инструмента, вдвое, а пусковой шнур можно тянуть с усилием, составляющим всего одну треть от обычного усилия. Все, что для этого требуется, — это 2 пальца и легкое нажатие.
Элемент управления с одной ручкой и мягкой зоной захвата
Для надежного и удобного захвата. Встроенная антистатическая система противостоит электростатическому заряду.
Блокировка дроссельной заслонки со встроенным выключателем
Работающая машина выключается сразу после короткого нажатия кнопки. Как только машина остановится, зажигание снова активируется автоматически, что означает, что она всегда готова к запуску.
Шумоглушитель малошумный
BG 66 C-E со встроенным шумопоглотителем предназначен для использования в зонах с повышенным уровнем шума.
Измеренное снижение шума для человеческого уха составляет до 35% по сравнению с предыдущей моделью.** Несмотря на относительно низкий уровень шума, BG 66 C-E — сильный, надежный помощник с высокой производительностью. ** Измерено в соответствии с EN-IS022868.Антивибрационная система
Интенсивная вибрация рукояток электроинструмента может привести к длительному воздействию на сосуды кистей и предплечий. Поэтому компания STIHL разработала эффективную антивибрационную систему, в которой колебания двигателя машины гасятся, что значительно снижает вибрации на рукоятках, обеспечивая более комфортную и безопасную работу.
- первичный, вторичный и промежуточный вал;
- вращающийся подшипник;
- шестерни;
- картер, переключатель и задняя крышка;
- крепежные элементы;
- емкость для масляной жидкости.
- картер;
- подвижные шестерни;
- вал промежуточного типа;
- шестерни постоянного зацепления;
- ведущий вал;
- шлицы;
- венец зубчатого типа;
- крышку;
- ведомый вал;
- блок шестерен заднего хода;
- осевой механизм реверса.
- картер сцепного устройства;
- прокладка;
- вилка переключения скоростей;
- правый вал;
- шайба шестерни реверса;
- ленивая шестерня заднего хода;
- роликовый подшипник вала промежуточного типа;
- крепежные болты и гайки;
- пружинная шайба;
- уплотнительное кольцо;
- стопорное кольцо;
- игольчатый подшипник;
- втулка вилки механизма сцепления.
- Проехать около 5-10 км на транспорте, чтобы прогреть старое масло в коробке. При повышенной температуре оно становится жидким и его легко слить.
- Через 10-15 минут после остановки мотора установить транспортное средство на подъемник или смотровую яму.
- Снять защитную крышку картера.
- Открутить пробку и проверить объем масляной жидкости в МКПП.
- Проверить прокладку на износ, при необходимости заменить ее на новую.
- Заменить износившиеся фильтрующие элементы.
- Открыть сливное отверстие и слить масло в подготовленную емкость.
- Залить новую масляную жидкость.
- Закрутить крышку сливного отверстия.
- Установить на место защитный кожух сцепления.
- Завести двигатель, проверить уровень масла при различных скоростных режимах.
- Установить грузовик на специальную платформу.
- Демонтировать аккумуляторы.
- Убрать фильтрующие элементы воздушного типа.
- Отсоединить брызговики, которые расположены в моторном отсеке.
- Убрать поперечину переднего подвесного механизма.
- Слить масло из КПП.
- Отсоединить датчики скорости, выключатель реверса.
- Демонтировать держатель жгута силового агрегата.
- Ослабить крепежные болты.
- Убрать с корпуса картера сцепного устройства электрический стартер, не отсоединяя его от провода.
- Открутить от кронштейна КПП передний и задний опорный механизм.
- Отсоединить левую опору и вывести первичный вал из зацепления.
- Снять коробку передач.
- Надо снять карданную передачу. Для этого откручивают 4 гайки крепежа.
- Снимают ПГУ.
- Демонтируют крепления стартера.
- Отсоединяют трубку, которая идет к понижающему редуктору.
- Демонтируют рычаг переключения передач.
- Ставят домкрат между маховиком и поддоном мотора, и через деревянную подставку демонтируют мотор.
- Откручивают гайки задней траверсы и снимают ее.
- Демонтируют распорную тягу.
- Откручивают болты крепежа кронштейна системы выпуска.
- Подсоединяют таль к болтам и натягивают его.
- Отвинчивают гайки крепежа к боковым подушкам мотора.
- Откручивают болты, которые фиксируют КПП к ДВС.
- Поднимают таль, отодвигают КПП от мотора до выхода первичного вала трансмиссии.
- Вытаскивают коробку передач.
- для разбора коробки сначала потребуется демонтировать воздушный переключатель, вывернуть крепежные элементы;
- снять валик и вилку переключения КПП;
- следующим шагом станет демонтаж вилки и вала выжимного устройства, а также синхронизатора;
- далее необходимо открыть крышку заднего подшипника, открутив предварительно фиксирующие ее винты;
- произвести демонтаж подшипника и вала;
- также, чтобы открыть доступ к мультипликатору КПП, потребуется снять опорную роликовую шайбу, металлический стакан и подшипник ведомого вала;
- используя резиновый (не металлический) молоток или деревянный брусок, необходимо аккуратно достать подшипник из корпуса мультипликатора, стараясь не помять деталь;
- далее нужно снять стяжную и маслонагнетательную гайки при помощи соответствующих ключей;
- последним этапом разбора узла является демонтаж роликового подшипника, втулки, ведущей шестеренки КПП.

- Мотор задаёт движение приводному и коленчатому валу.
- Шестерёнки КПП получают сигнал и приходят в движение.
- Используя рычаг переключения передач, водитель выбирают необходимую скорость.
- Выбранная водителем скорость передаётся на карданный вал, который приводит колёса в действие.
- Автомобиль продолжает своё движение на выбранной скорости.
- При переключении с 1 на 2 передачу при подъеме на КамАЗе надо использовать способ двойного выжимания педали сцепления.
- Чтобы коленвал правильно работал при переключении передач, нужно пользоваться педалью подачи горючего, ее тоже надо периодически нажимать. При этом можно преодолеть любой самый крутой подъем.
- Число оборотов вала при подъеме должно быть больше 2000 об/мин. Иначе двигатель может отключиться, что во время движения по автомобильной дороге может вызвать аварию.
- Во время подъема переключаетесь на нужный режим, это облегчит работу мотора и всех узлов машины.

- на подъеме;
- двигаясь на спуске;
- передвигаясь по гололеду и обледенелых участках дорожного покрытия;
- при заносе.
- езда в гору должна осуществляться на повышенной передаче;
- переключаться с первой скорости на вторую нужно выжав два раза педаль сцепления;
- при выполнении маневра нужно одновременно выжать газ и педаль подачи топлива;
- при движении на подъеме нельзя сбрасывать обороты двигателя меньше, чем на 2 тысячи в минуту (в противном случае мотор заглушится).

- При езде на спуске не допускается глушение двигателя, поскольку остановка силового агрегата станет причиной блокировки гидроусилителя рулевого управления.
- Во время движения на спуске не допускается выключение системы дополнительного торможения. Также нельзя выжимать педаль сцепления до упора.
- Передвижение по гололеду на машине должно осуществляться с максимально допустимым запасом скорости и хода. Соблюдение этого нюанса позволит избежать дорожно-транспортного происшествия при аварийной ситуации.

- При выполнении торможения необходимо использовать активную дополнительную систему остановки силового агрегата.
- Если во время движения произошла аварийная ситуация, нужно остановить колеса прицепа. В противном случае возможен занос авто.
- Торможение двигателем допускается в исключительных случаях, поскольку это становится причиной быстрого износа элементов мотора. Но в экстренных ситуациях такой маневр позволит снизить протяженность тормозного пути.
- При выполнении торможения нельзя допустить проскальзывания колеса. Для этого рекомендуется вовремя активировать пониженную передачу, поскольку она снизит обороты коленчатого вала мотора.
- В такой ситуации не допускается выжимание педали сцепления, поскольку это приведет к более сильному развороту.
- Во время заноса нужно вывернуть рулевое колесо в его сторону. В частности, если корпус авто несет вправо, то руль, соответственно, прокручивается также вправо.

- Если во время заноса автомобиль буксует, необходимо прекратить передвижение и выключить работу моста дифференциала. Сам регулятор для выполнения этой задачи расположен на приборной комбинации. После отключения устройства на щитке отобразится соответствующий значок. Затем нужно начинать двигаться на повышенной передаче со второй скорости.
- После того, как водитель справится с заносом, необходимо включить дифференциал.
- первичный, вторичный и промежуточный вал;
- вращающийся подшипник;
- шестерни;
- картер, переключатель и задняя крышка;
- крепежные элементы;
- емкость для масляной жидкости.
- картер;
- подвижные шестерни;
- вал промежуточного типа;
- шестерни постоянного зацепления;
- ведущий вал;
- шлицы;
- венец зубчатого типа;
- крышку;
- ведомый вал;
- блок шестерен заднего хода;
- осевой механизм реверса.
- картер сцепного устройства;
- прокладка;
- вилка переключения скоростей;
- правый вал;
- шайба шестерни реверса;
- ленивая шестерня заднего хода;
- роликовый подшипник вала промежуточного типа;
- крепежные болты и гайки;
- пружинная шайба;
- уплотнительное кольцо;
- стопорное кольцо;
- игольчатый подшипник;
- втулка вилки механизма сцепления.

- Делитель монтируется перед основной КПП;
- Число выходных скоростей сохраняется;
- Водитель может точнее отрегулировать мощность силовой установки с учетом нагрузки и скорости движения.
- не срабатывают некоторые передачи, например, 4 и 5;
- отмечается затруднение ручного переключения.
- Мотор задаёт движение приводному и коленчатому валу.
- Шестерёнки КПП получают сигнал и приходят в движение.
- Используя рычаг переключения передач, водитель выбирают необходимую скорость.

- Выбранная водителем скорость передаётся на карданный вал, который приводит колёса в действие.
- Автомобиль продолжает своё движение на выбранной скорости.
- подробно ознакомиться со схемой и инструкцией вашего механизма;
- для того чтобы провести ремонт, в первую очередь необходимо снять коробку полностью и только после можно приступать к ремонту;
- после того как вы вытащите её наружу, не спешите разбирать её полностью, иногда проблема находится на поверхности, обращайте особое внимание на все детали, если увидите подозрительное «поведение», то скорее всего проблема именно в этом элементе;
- если же вам всё-таки придётся разбирать коробку полностью, складывайте все детали в порядке разбора, для того, чтобы не запутаться в момент, когда вы будете собирать её обратно.
- Оценка нематериальных активовКол-во материалов:0
- Оценка нематериальных активовВ данной категории представлена глава из монографии А.Н. Асаул, Б. М. Карпов, В. Б. Перевязкин, М. К. Старовойтов Модернизация экономики на основе технологических инноваций СПб: АНО ИПЭВ, 2008. — 606 с.Кол-во материалов:5
- Организация дорожного движенияКол-во материалов:0
- НалогиКол-во материалов:0
- НалогиВ данной категории представлено учебное пособие — Филина Ф.Н. Налоги и налогооблажение в Российской Федерации.Кол-во материалов:6
- Экономика и оценка недвижимостиКол-во материалов:0
- Цены и ценообразованиеКол-во материалов:0
- Цены и ценообразованиеВ данной категории представлено учебное пособие по ценам и ценообразованию под редакцией В.
Ю. Карабинцева.Кол-во материалов:5
- Цены и ценообразованиеВ данной категории представлено учебное пособие по ценам и ценообразованию под редакцией В.
- МотоциклыКол-во материалов:0
- Мотоциклы ИМЗ (Россия)В данной категории представлены материалы по мотоциклам Ирбитского мотоциклетного завода.Кол-во материалов:21
- Каталоги On — LineКол-во материалов:0
- Расшифровка идентификационных номеровКол-во материалов:0
- Бухгалтерский учетКол-во материалов:11
- Судебная бухгалтерияВ данной категории представлен краткий курс — Судебная бухгалтерия, Романов В.В.Кол-во материалов:2
- Бухгалтерия — контрольВ данной категории представлена книга «Не дай себя надуть бухгалтеру! Книга для руководителя и владельца бизнеса». Автор Алексей Гладкий.Кол-во материалов:7
- Баланс для начинающихВ данной категории представлена книга Баланс для начинающих. Автор ФеликсМедведевКол-во материалов:6
- Железнодорожный транспортКол-во материалов:0
- Проведение экспертизы и оценкиКол-во материалов:0
- Проведение экспертизыВ данной категории представлены наши возможности по проведению технических экспертиз.
Кол-во материалов:1
- Проведение экспертизыВ данной категории представлены наши возможности по проведению технических экспертиз.
- ПрограммаКол-во материалов:0
- Программы НАМИ — Сервис 5В данной категории представлена информация по назначению, возможностям и условиям приобретения программы для расчета величины ущерба причиненного в результате ДТП, утраты товарной стоимости и восстановительного ремонта автомобиля.Кол-во материалов:4
- Оценка оборудованияКол-во материалов:0
- Финансовый менеджментКол-во материалов:0
- Финансовый менеджментВ данной категории представлен конспект лекций по курсу «Финансовый менеджмент» А.М. Литовских. Издательство Таганрог ТРГУ 1999 год.Кол-во материалов:6
- Статьи по финансовому менеджментуВ данной категории представлены статьи по финансовому менеджменту и финансовому анализу.Кол-во материалов:1
- Автобусы ГолАЗКол-во материалов:0
- Автобусы ГолАЗВ данной категории представлен каталог автобусов Голицинского автобусного завода.Кол-во материалов:4
- Наши партнерыКол-во материалов:0
- Наши партнерыВ данной категории представлены сведения о Наших партнерах.
Кол-во материалов:1
- Наши партнерыВ данной категории представлены сведения о Наших партнерах.
- НефазКол-во материалов:0
- Автобусы НефазВ данной категории представлен каталог техники Нефтекамского автомобильного завода.Кол-во материалов:16
- Автобусы ПазКол-во материалов:0
- Каталог автобусов ПаяВ данной категории представлен каталог автобусов Павлавского автобусного завода.Кол-во материалов:23
- Автобусы ЛиазКол-во материалов:0
- Автобусы ЛиазВ данной категории представлен каталог автобусов Ликинского автобусного завода.Кол-во материалов:12
- Автомобили УазКол-во материалов:0
- Импортные автомобилиКол-во материалов:0
- Оценка кредитно — финансовых институтовКол-во материалов:0
- Пожарная техникаКол-во материалов:0
- КразКол-во материалов:0
- Экономика предприятияКол-во материалов:0
- Экономика предприятияВ данной категории представлено учебное пособие «Экономика предприятия» Грузинов В.П. и Грибов В.Д.Кол-во материалов:4
- Оценка землиКол-во материалов:0
- Экономическая теорияКол-во материалов:0
- Экономика Липсиц И.
В.В данной категории представлен учебник для 10 — 11 классов общеобразовательных школ Экономика Базовый курс Липсиц И.В.Кол-во материалов:16
- Экономика Липсиц И.
- ИнвестицииКол-во материалов:0
- Микро и макро экономикаКол-во материалов:0
- Оценка бизнесаКол-во материалов:0
- БухгалтеруКол-во материалов:24
- ЗаконодательствоКол-во материалов:0
- Законодательство по оценкеВ данной категории собрано законодательные и нормативные акты по оценочной деятельностиКол-во материалов:7
- Законодательство сопутствующее оценкеВ категорию входят распоряжения, информационные письма и постановления, федеральные законы, указы, постановления Призидента России, правительств России и Москвы, приказы различных министерств и ведомств Российской Федерации.Кол-во материалов:28
- Стандарты РОО и МСО, методики по оценкеВ данной категории собраны стандарты Российского общества оценщиков, международные стандарты оценки, методики оценки и постановление правительства №361Кол-во материалов:37
- Законодательство по технической экспертизеВ данной категории собраны нормативные и законодательные документы регламентирующие техническую экспертизуКол-во материалов:1
- Инструкции и другие нормативные документыВ данной категории собраны инструкции, перечни и другие нормативные документы касающиеся экспертизы и оценкиКол-во материалов:2
- Нормативно — техническая документацияКол-во материалов:0
- Масла для автомобильных двигателейВ данной категории собраны материалы по горюче — смазочным и другим эксплуатационным материалам для автомобилей и других транспортных средствКол-во материалов:5
- Классификация транспортных средствВ данной категории приведены различные классификации транспортных средствКол-во материалов:4
- Аккумуляторные батареиВ данной категории собраны материалы по аккумуляторным батареям (устройство, ремонт, обслуживание)Кол-во материалов:6
- Соглашения стран СНГ.
Автомобильный транспортВ данной категории собраны материалы соглашений стран СНГ касающиеся автомобильного транспортаКол-во материалов:1 - Классификация подвижного состава РЖДВ данной категории приведены саведения по классификации подвижного состава железнодорожного транспорта России и стран СНГ.Кол-во материалов:1
- Подвижной состав РЖДВ данной категории собраны материалы по вагонам и локомотивам эксплуатиющимся на Российских железных дорогах и железных дорогах стран СНГ.Кол-во материалов:3
- Нормы расхода топлива УкраинаВ данной категории собраны статьи и нормативные документы касающиеся норм расхода топлива и других эксплуатационных материалов в Украине.Кол-во материалов:1
- Нормы расхода топлива РоссияВ данной категории собраны статьи и нормативные документы касающиеся норм расхода топлива и других эксплуатационных материалов в России.Кол-во материалов:2
- Нормы расхода топлива Минтранс Республики БеларусьВ данной категории собраны нормы расхода топлива согласно постановлению Министерства транспорта и коммуникаций Республики Беларусь.
Кол-во материалов:70
- ОценкаКол-во материалов:0
- ЭкспертизаКол-во материалов:29
- FAQКол-во материалов:0
- Вопросы по оценкеВ данной категории будут аккумулироваться наиболее часто задаваемые вопросы по оценкеКол-во материалов:6
- Вопрсы по экспертизеВ данной категории будут аккумулироваться наиболее часто задаваемые вопросы по различным видам экспертизКол-во материалов:29
- НовостиВыберите тему новостей из приведённого списка. После этого вы увидите список новостей данной темы.Кол-во материалов:0
- Последние новостиПоследние новости от команды разработчиков Joomla!.Кол-во материалов:18
- Нормативы на ТО и ТР транспортных средствКол-во материалов:0
- Типовые нормы времени на ремонт автомобилей УАЗВ данной категории собраны «Типовые нормы времени на ремонт автомобилей марок «УАЗ» в условиях автотранспортных предприятий»Кол-во материалов:4
- Сборник нормативов трудоемкостей ЗАЗ и ЛуАЗВ данной категории представлен «Сборник нормативов трудоемкостей на техническое обслуживание и ремонт легковых автомобилей.
Часть I. Техническое обслуживание и ремонт автомобилей ЗАЗ и ЛуАЗ».Кол-во материалов:16 - Нормы времени на ремонт поуприцепов и прицеповВ данной категории представлены нормативы трудоемкостей на ремонт прицепов и полуприцепов иностранного производства.Кол-во материалов:1
- Нормы времени на ремонт грузовых автомобилейВ данной категории представлены нормативы трудоемкостей на ремонт грузовых автомобилей отечественного производства.Кол-во материалов:5
- Нормы расхода материалов на ремонт автомобилей УАЗВ данной категории собраны материалы по нормам расхода материалов и инструментов на ремонт и эксплуатацию автомобилей УАЗ-451М, -451ДМ, -452, -452Д.Кол-во материалов:1
- Нормативы трудоемкости по ремонту КамазВ данной категории представлены нормативы трудоемкости по ремонту автомобилей Камаз.Кол-во материалов:2
- Типовые нормы на ремонт грузовых автомобилейВ данной категории представлены Типовые нормы времени на ремонт грузовых автомобилей марок ГАЗ, ЗИЛ и КАЗ с карбюраторными двигателями и их агрегатов.
Данный документ утратил силу, но нового документа не выпущено и потому эта информация крайне интересна как справочная.Кол-во материалов:13 - Нормы времени на ремонт автобусов Лиаз 5256В данной категории представлено Постановление Минтруда РФ от 12.05.1992 N 15 Об утверждении Укрупненных нормативов времени на ремонт автобусов ЛиАЗ-5256 в условиях автотранспортных предприятий (постовые работы).Кол-во материалов:9
- Нормативы на ТО и ТР пожарных автомобилейВ данной категории собраны нормативы на техническое обслуживание и ремонт пожарных автомобилей.Кол-во материалов:4
Источник: http://atxp.org/index.php?option=com_content&view=article&id=769&catid=100&Itemid=101
Китайские коробки передач (КПП) на МАЗ
Минский автомобильный завод уже многие годы славится своими качественными грузовыми автомобилями, пользующимися популярностью не только на территории Белоруссии, но и за её пределами. К примеру, автомобили МАЗ являются одними из самых популярных грузовых транспортных средств в России.

За всю историю своего существования, компания стремится регулярно совершенствовать свои модели, не только улучшая внешний вид, но и оборудуя их новейшими техническими деталями. Именно поэтому в 2006 году специалисты белорусского завода заключили контракт с китайской корпорацией Shaanxi Fast Gear (Shaft Gear).
Согласно этому договору, за 2 года завод получил в своё распоряжение высококачественные коробки передач на сумму более 23 миллионов долларов.
Китайская коробка передач на МАЗ, приобретённая на прямую у производителя, удивила многих почитателей марки, посчитавших, что сами производители решили не уделять должного внимания продукции и сделать свои транспортные средства на порядок хуже. Однако это совершенно не так.
Китайская КПП на МАЗ предварительно прошла тщательную проверку, в ходе которой специалисты выяснили, что качество представленной разработчиками Поднебесной продукции находится на самом высоком уровне.
На Минском заводе было принято решение отказаться от собственного производства коробок переключения передач, так как покупка сторонних элементов не только не влияла на качество итоговых моделей, но и позволяла сэкономить.

Ежегодно на Минском автомобильном заводе создаётся более 20 тысяч транспортных средств, и примерно 8 тысячам из них требуются сложные, многосоставные коробки переключения передач.
Важно
И если раньше, согласно первому заключённому договору, приобретённый коробки использовались только в редких случаях, то сегодня между компаниями действуют постоянное партнёрское соглашение, согласно которому надёжная КПП на МАЗ регулярно поставляется китайским производителем в нужных объёмах.
Именно поэтому можно с уверенностью заявлять, что, впервые рискнув заключить контракт на поставку оборудования со сторонним производителем, белорусские специалисты не прогадали и смогли улучшить и без того качественные машины.
Выбор подходящей КПП
Коробки передач Fast Gear (Shaft Gear) и сегодня устанавливаются в автомобили МАЗ, поэтому, если вам потребовалось заменить или отремонтировать трансмиссию на своём транспортном средстве, вы знаете, что именно нужно приобрести.

Однако не стоит торопиться совершить покупку, так как предварительно нужно определить, какую купить коробку передач на МАЗ. Существует большое количество моделей, и каждая из них подходит для тех или иных авто.
Важно предварительно ознакомиться со всеми особенностями той или иной модели, чтобы не потратить деньги зря и приобрести именно то, что нужно. Купить КПП на МАЗ вы можете в компании «ШАФТ», где вас ждёт широкий ассортимент представленных КПП. Среди них:
- Модель 12JS200TA. Одна из самых популярных и востребованных коробок переключения передач, устанавливающаяся на многие автомобили Минского завода, в том числе на МАЗ-6330 А8, МАЗ-6430 А5 и многие другие.
- Модели 9JS135A и 9JS13TA. Данные версии коробки МАЗ ставится на такие грузовики как МАЗ-6317, МАЗ-6501 и другие.
- Модель 6J70T. Эта трансмиссия создана специально для автобусов МАЗ-241. Несмотря на то, что какое-то время эти автобусы не были так востребованы, как раньше, так как другими разработчиками было выпущено большое количество более современных моделей, специалисты не оставили без внимания один из своих удачных проектов и внесли в него ряд обновлений, вновь делающих модель популярной.

- 16JS200TA. Это одна из новейших моделей КПП, ставящаяся на МАЗ 5440В9-1470-031 и другие грузовики из этой серии.
С более детальным сопоставлением наименований коробок (КПП) Фаст Гир и автомобилей МАЗ вы можете ознакомиться в таблице ниже.
КПП 12JS200TA КПП 9JS135A КПП 9JS135TA КПП 16JS200TA КПП 6J60T КПП 6J70T МАЗ-6430 А5 МАЗ-5440 А5 МАЗ-5440 А5 МАЗ-6430 А5 МАЗ-4370-Зубрёнок
МАЗ-4370-Зубрёнок МАЗ-6330 А8 МАЗ-6317 МАЗ-6317 МАЗ-6330 А8 МАЗ-241 (автобус) МАЗ-5440 (А8,А9,19,Е9) МАЗ-6317 (05,08) МАЗ-6317 (05,08) МАЗ-5440 (А8,А9,19,Е9) МАЗ-5340 А8 МАЗ-6312 А5 МАЗ-6312 А5 МАЗ-5340 А8 МАЗ-6516 А8 МАЗ-6312 (А8,А9) МАЗ-6312 (А8,А9) МАЗ-6516 А8 МАЗ-6501 МАЗ-5340 А3 МАЗ-5340 А3 МАЗ-6501 МАЗ-5516 А8 МАЗ-6501 МАЗ-6501 МАЗ-5516 А8 МАЗ 6425Х9-450-051 МАЗ-5516 А5 МАЗ-5516 А5 МАЗ 6425Х9-450-051 МАЗ 6501Н9-8490-000 МАЗ 5516Х5-480-050 МАЗ 5516Х5-480-050 МАЗ 6501Н9-8490-000 МАЗ-5340 А5 МАЗ-5340 А5 МАЗ-5440 А3 МАЗ-5440 А3 Коробка передач МАЗ отличается рядом особенностей, благодаря которым люди, обладающие определёнными знаниями, смогут без труда отличить её от трансмиссии для какого-либо другого грузовика.

Тем не менее, не стоит полагаться исключительно на заверения продавца или мнение какого-либо эксперта.
Важно внимательно подходить к выбору, так как ошибка приведёт к напрасным тратам, в результате чего вы потратите свои деньги и не получите тот элемент, в котором нуждались.
Обращаясь в нашу компанию, каждый автовладелец получает возможность не только приобрести необходимую КПП, к примеру, коробку передач на МАЗ Зубрёнок, но и отдельные компоненты для неё.
Если по какой-то причине на вашем транспортном средстве трансмиссия перестала демонстрировать максимальную производительность, далеко не обязательно менять весь элемент целиком, ведь во многих случаях достаточно лишь заменить вышедшую из строя запчасть, и наша компания готова вам в этом помочь.
Коробки передач МАЗ на выгодных условиях
Автомобили от Минского автомобильного завода востребованы и популярны в нашей стране. Многие люди, нуждающиеся в наличие грузового транспортного средства, отдают предпочтение именно МАЗу, так как данное авто способно предоставить все необходимые преимущества и, что самое главное, любая поломка может быть оперативно устранена.

На сегодняшний день проблема может возникнуть только с коробкой переключения передач. Так как специалисты используют китайские разработки, порой очень сложно получить необходимую запчасть, так как она может идти несколько недель или даже месяцев.
Совет
Всё это время автомобиль будет находить в нерабочем состоянии и если от него зависит ваш способ заработка, то финансы также получат серьёзный удар.
Чтобы не столкнуться с подобной и большим количеством других проблем, следует обратиться в компанию «ШАФТ», где для клиентов созданы все необходимые условия, призванные максимально облегчить процесс покупки и предоставить большое количество преимуществ. К таковым можно отнести:
- Купить КПП МАЗ в нашей компании сможет любой желающий, вне зависимости от того, какое именно транспортное средство нуждается в ремонте или замене. Широкий ассортимент представленной продукции позволяет найти всё необходимое, как коробку передач целиком, так и лишь конкретный элемент для неё.
При этом на сайте представлен удобный функционал, позволяющий без лишних усилий найти то, что нужно, не потратив много времени. - Все представленные нами модели отличаются высоким качеством исполнения и прошли многоступенчатую проверку качества. Мы сотрудничаем напрямую с производителем, то есть с компанией Shaanxi Fast Gear. Иными словами, мы не просто предоставляем похожую деталь на замену, а реализуем именно те коробки переключения передач, которые используются и самими создателями автомобилей.
- Запчасти КПП МАЗ, представленные в нашем каталоге, позволяют избавиться от любой возможной проблемы и произвести оперативную замену, важно лишь подобрать необходимый элемент.
- Основная проблема, с которой могут столкнуться владельцы автомобилей МАЗ в случае поломки КПП – долгое ожидание нужной детали. Разумеется, всегда можно найти какое-то быстрое решение, в том числе приобрести неоригинальный элемент, но это не является подходящим выходом из ситуации. Такая деталь быстро выйдет из строя, что не только столкнёт вас с очередной необходимостью покупки в самый неподходящий момент, но и может стать причиной дополнительных поломок.
Если же обратиться к нам, то мы сделаем всё возможное, чтобы доставить вашу покупку как можно быстрее. При этом это не зависит от типа и популярности детали. В нашем распоряжении, помимо всего прочего, два больших склада в разных концах страны и возможность доставлять детали напрямую от производителя из Китая. Мы быстро найдём наиболее подходящий выход из ситуации и доставим вашу покупку в кратчайшие сроки. - Специалисты компании всегда готовы прийти на помощь и ответить на все имеющиеся у вас вопросы. К примеру, вам понадобилась КПП на МАЗ Зубрёнок, но при этом у вас нет времени или возможности лично ознакомиться с ассортиментом, представленным на сайте. Связавшись с сотрудником по телефону, вы сможете проконсультироваться и узнать, есть ли интересующая вас деталь в наличии, а также, сколько она стоит. Это позволит сэкономить время и оперативно получить необходимый результат, так как специалист сразу же сможет оформить ваш заказ и доставку.
- Прямое сотрудничество с производителем – это, помимо всего прочего, возможность серьёзно сэкономить, так как нам не приходится платить за работу посредников и совершать других лишних трат.
Китайский производитель даёт деталь нам, а мы передаём её вам. Подобный подход увеличивает скорость доставки и уменьшает плату, что идёт на пользу как компании, так и клиентам. - Все представленные нами модели, в том числе и КПП ZF на МАЗ, мы сможем не только доставить, но и установить, в случае подобной необходимости. Важно лишь предварительно уточнить у специалиста о такой возможности, чтобы воспользоваться помощью профессионалов, обладающих необходимым опытом работы и знакомых со всеми нюансами.
Обращаясь в компанию «ШАФТ», каждый желающий получает возможность выгодно приобрести запчасти для КПП МАЗ и сами трансмиссии целиком. Каждый клиент получает у нас все необходимые преимущества и может сделать покупку, не выходя из дома.
Достаточно посетить наш сайт или связаться со специалистом непосредственно по телефону, что позволит оперативно получить необходимую информацию и оформить заказ.
Более того, даже если вы не можете самостоятельно определить причину поломки, во многих случаях специалисты смогут это сделать дистанционно, определив, какую именно деталь вам следует заменить.
О доставке коробок передач на МАЗ КПП Shaanxi Fast Gear Fuller, вы подробно можете узнать в разделе «Доставка».
Источник: https://www.shaft-gear.ru/brands/maz
- Очень большая нагрузка на механизм, что вызывает деформацию валов, шестерен и посадочных мест
- Прогнозируемое истирание деталей, несмотря на хорошую смазку и наличие синхронизаторов
- Ошибки в управлении и эксплуатации (сами машины, да и коробка довольно сложные)
- Игнорирование правил эксплуатации и обслуживания (чем очень часто грешат российские владельцы коммерческой техники)
- Картера КП часто страдают от коррозии, вызванной попаданием влаги, технических жидкостей и химических реагентов, а также прямых механических ударов
- первичный, вторичный и промежуточный вал;
- вращающийся подшипник;
- шестерни;
- картер, переключатель и задняя крышка;
- крепежные элементы;
- емкость для масляной жидкости.

- картер;
- подвижные шестерни;
- вал промежуточного типа;
- шестерни постоянного зацепления;
- ведущий вал;
- шлицы;
- венец зубчатого типа;
- крышку;
- ведомый вал;
- блок шестерен заднего хода;
- осевой механизм реверса.

- картер сцепного устройства;
- прокладка;
- вилка переключения скоростей;
- правый вал;
- шайба шестерни реверса;
- ленивая шестерня заднего хода;
- роликовый подшипник вала промежуточного типа;
- крепежные болты и гайки;
- пружинная шайба;
- уплотнительное кольцо;
- стопорное кольцо;
- игольчатый подшипник;
- втулка вилки механизма сцепления.

- Проехать около 5-10 км на транспорте, чтобы прогреть старое масло в коробке. При повышенной температуре оно становится жидким и его легко слить.
- Через 10-15 минут после остановки мотора установить транспортное средство на подъемник или смотровую яму.
- Снять защитную крышку картера.
- Открутить пробку и проверить объем масляной жидкости в МКПП.
- Проверить прокладку на износ, при необходимости заменить ее на новую.
- Заменить износившиеся фильтрующие элементы.
- Открыть сливное отверстие и слить масло в подготовленную емкость.
- Залить новую масляную жидкость.
- Закрутить крышку сливного отверстия.
- Установить на место защитный кожух сцепления.

- Завести двигатель, проверить уровень масла при различных скоростных режимах.
- Установить грузовик на специальную платформу.
- Демонтировать аккумуляторы.
- Убрать фильтрующие элементы воздушного типа.
- Отсоединить брызговики, которые расположены в моторном отсеке.
- Убрать поперечину переднего подвесного механизма.
- Слить масло из КПП.
- Отсоединить датчики скорости, выключатель реверса.
- Демонтировать держатель жгута силового агрегата.
- Ослабить крепежные болты.
- Убрать с корпуса картера сцепного устройства электрический стартер, не отсоединяя его от провода.
- Открутить от кронштейна КПП передний и задний опорный механизм.
- Отсоединить левую опору и вывести первичный вал из зацепления.
- Снять коробку передач.
- Установить грузовик на специальную платформу.
- Демонтировать аккумуляторы.
- Убрать фильтрующие элементы воздушного типа.
- Отсоединить брызговики, которые расположены в моторном отсеке.
- Убрать поперечину переднего подвесного механизма.
- Слить масло из КПП.
- Отсоединить датчики скорости, выключатель реверса.
- Демонтировать держатель жгута силового агрегата.

- Ослабить крепежные болты.
- Убрать с корпуса картера сцепного устройства электрический стартер, не отсоединяя его от провода.
- Открутить от кронштейна КПП передний и задний опорный механизм.
- Отсоединить левую опору и вывести первичный вал из зацепления.
- Снять коробку передач.
- не срабатывают некоторые передачи, например, 4 и 5;
- отмечается затруднение ручного переключения.
- Проехать около 5-10 км на транспорте, чтобы прогреть старое масло в коробке. При повышенной температуре оно становится жидким и его легко слить.
- Через 10-15 минут после остановки мотора установить транспортное средство на подъемник или смотровую яму.
- Снять защитную крышку картера.
- Открутить пробку и проверить объем масляной жидкости в МКПП.
- Проверить прокладку на износ, при необходимости заменить ее на новую.
- Заменить износившиеся фильтрующие элементы.
- Открыть сливное отверстие и слить масло в подготовленную емкость.
- Залить новую масляную жидкость.
- Закрутить крышку сливного отверстия.
- Установить на место защитный кожух сцепления.

- Завести двигатель, проверить уровень масла при различных скоростных режимах.
- Маятниковые войны
- Война с саранчой
- Сверкающая пандемия
- Lancer GL
- Коалиция организованных правительств
- Саранча Орда
- Союз Независимых Республик
- « SKYYYFIIIIRE! »
- — Саранча, предупреждающая другую Саранчу о приближающемся минометном снаряде
- 1 Обзор
- 2 Многопользовательская игра
- 3 Минометная операция
- 4 За кулисами
- 5 появлений
- 6 Каталожные номера
- За 30 убийств из миномета игрок получает достижение «Шок и трепет». Это достижение названо в честь тактики «Шок и трепет», использованной коалиционными силами во второй войне в Персидском заливе.
- 30 декабря 2009 г. компания Epic Games изменила миномет, чтобы по умолчанию он имел 7 минометных снарядов. Это также было упомянуто в главном лобби игры, в котором написано . На седьмой день Gearsmas Epic дал мне 7 минометных снарядов .
- Судя по новым кадрам многопользовательской игры, у миномета теперь есть прием казни, мало чем отличающийся от щита-стрелы, в котором персонаж взмахивает оружием вверх, вниз и вверх по голове поверженного врага, отделяя ее от тела и мгновенно убивая. Также будет видно, как из оружия капает мозговое вещество.
- При использовании миномета или мульчера и переворачивании рычага кажется, что рычаг переворачивается сам по себе.
- Если загружен пакет Horde Command Pack, в командном центре есть возможность использовать минометы для поражения случайных врагов в Horde 2.
0. - Gears of War: Judgment
- Gears of War 2 (первое появление)
- Gears of War 3
- ↑ Gears of War — Официальный сайт
- — маленькое указание на средний векторный дескриптор — «нейтральный»;
- — калива-патаас — уна, -пабаба — балигтарин;
- — по центру вниз — пангалава, -патаас — пангалова;
- — в конце-концов — имейте в виду, — pababa — иконы.

- Инициирует запуск двигателя и коленчатого вала.
- Коробка передач, которая включает в себя несколько и более высоких скоростей.

- С рычагом переключения передач, управляя водителем в два раза.
- Водитель был подключен к карданам, которые контролируются в течение всего времени.
- sasakyan patuloy па humagalaw са napiling bilis.
- , связанный с диаграммой и tagubilin для вашего mekanismo nang detalyado;
- , чтобы узнать больше о деньгах, во всех случаях, когда нужно выбрать один из алисин кахон и все, что вам нужно сделать, чтобы получить больше денег;
- pagkatapos mong bunutin ito, huwag magmadali to i-disassembly ito nang buo, kung minsan ang problema ay nasa ibabaw, bigyang-pansin Espesyal na atensyon sa ng mga detalye, kung nakakita ka ng kahina-hinalang «pag-uugali», маламанг на анг проблема это наш элемент;
- может быть использовано в качестве кольца, чтобы разобрать все, что нужно сделать, чтобы разобрать, как хинди малито в сандалии коллекции, которую вы хотите.
- Home
- Lamborghini
- Aventador
- Lamborghini Aventador S review
- New Lamborghini Essenza SCV12 2021 review
- New Lamborghini Aventador SVJ 2019 review
- New Lamborghini Aventador S Roadster 2018 review
- Новый Lamborghini Aventador S, обзор
- Lamborghini Aventador SV, обзор
- Lamborghini Aventador SV, обзор
- рабочий объем, cм3
мощность, кВт/л.с. - макс. крутящий момент, Н.м
- 1 Самосвалы Mercedes-Benz
- 1.1 Назначение
- 1.2 Преимущества и недостатки
- 2 Конструктивные особенности
- 3 Модельный ряд
- 3.1 Actros
- 3.2 Atego
- 3.3 Axor
- достаточная производительность;
- высокая ремонтопригодность;
- надежность;
- многофункциональность;
- экономичность;
- комфортабельность.
- Двигатель R6, 12.8 л., 330 кВт (449 л.с.), 2200 Нм, Евро 5
- Полная масса 40 т (9/16/16)
- Передние рессоры 9 т, задние рессоры 18 т
- Типоразмер шин 325/95 R24
- 16-ступенчатая коробка передач с автоматическим переключением, PowerShift 3
- Двухдисковое сцепление
- Подготовка для эксплуатации с прицепом
- Электронно-пневматическая тормозная система с ABS и ASR
- Откидное спальное место (для кабины М)
- Кондиционер
- Дополнительный жидкостный отопитель
- Пневмопистолет для уборки в кабине
- Топливный бак алюминиевый с защитой снизу, объём 390 л
- Гарантия на силовую линию 3 года/250 000 км пробега
- Гарантия на надстройку 2 года
- Двигатель R6, 12.8 л., 330 кВт (449 л.с.), 2200 Нм, Евро 5
- Полная масса 40 т (9/16/16)
- Типоразмер шин 325/95 R24
- Передние рессоры 9 т, задние рессоры 18 т
- Блокировка дифференциалов всех мостов
- 16-ступенчатая коробка передач с автоматическим переключением, PowerShift 3
- Двухдисковое сцепление
- Подготовка для эксплуатации с прицепом
- Электронно-пневматическая тормозная система с ABS
- Откидное спальное место (для кабины М)
- Кондиционер
- Дополнительный жидкостной отопитель
- Пневмопистолет для уборки в кабине
- Дополнительная теплоизоляция двигателя
- Топливный бак алюминиевый c защитой снизу, объём 390 л
- Гарантия на силовую линию 3 года/250 000 км пробега
- Гарантия на надстройку 2 года
- Двигатель R6, 12.8 л., 330 кВт (449 л.с.), 2200 Нм, Евро 5
- Полная масса 40 т (9/16/16)
- Передние рессоры 9 т, задние рессоры 18 т
- Типоразмер шин 325/95 R24
- 16-ступенчатая коробка передач с автоматическим переключением, PowerShift 3
- Двухдисковое сцепление
- Подготовка для эксплуатации с прицепом
- Электронно-пневматическая тормозная система с ABS и ASR
- Откидное спальное место (для кабины М)
- Кондиционер
- Дополнительный жидкостный отопитель
- Пневмопистолет для уборки в кабине
- Топливный бак алюминиевый с защитой снизу, объём 390 л
- Гарантия на силовую линию 3 года/250 000 км пробега
- Гарантия на надстройку 2 года
- Двигатель R6, 12.8 л., 330 кВт (449 л.с.), 2200 Нм, Евро 5
- Полная масса 40 т (9/16/16)
- Типоразмер шин 325/95 R24
- Передние рессоры 9 т, задние рессоры 18 т
- Блокировка дифференциалов всех мостов
- 16-ступенчатая коробка передач с автоматическим переключением, PowerShift 3
- Двухдисковое сцепление
- Подготовка для эксплуатации с прицепом
- Электронно-пневматическая тормозная система с ABS
- Откидное спальное место (для кабины М)
- Кондиционер
- Дополнительный жидкостной отопитель
- Пневмопистолет для уборки в кабине
- Дополнительная теплоизоляция двигателя
- Топливный бак алюминиевый c защитой снизу, объём 390 л
- Гарантия на силовую линию 3 года/250 000 км пробега
- Гарантия на надстройку 2 года
- рабочий объем, cм3 мощность, кВт/л.
с. - макс. крутящий момент, Н.м
- Производим монтаж, сервис и гарантийный ремонт крюковых погрузчиков на собственные и давальческие шасси автомобилей.

- Оформляем новый ПТС взамен на ПШТС, для регистрации в органах ГИБДД.
- Выдаем паспорт для регистрации в РОСТЕХНАДЗОРЕ РФ.
- Palfinger GT22 L6000
- Palfinger ST26 L6310
- HyvaLift 20-60-S
- HyvaLift 22-58-S
- Multilift ХР 18S
- Marrel Th36 A63
- Автомобиль Mercedes-Benz Actros 2544 (6×2) с крюковым погрузчиком HyvaLift 20-60-S
- Автомобиль Scania P400 (6×4) с крюковым погрузчиком Marrel THL22 A60
- Мультилифт HyvaLift 26-62-S на автомобиле Scania P440 (8×4)
- Спецавтомобиль Scania P360 (6×2) с крюковым погрузчиком Multilift ХР 18S и с манипулятором Hiab XS 144B-3
- Автомобиль МАЗ-6312В9 (6×4) с крюковым погрузчиком Palfinger ST20 L6000
- Автомобиль МАЗ-6312В9 (6×4) с мультилифтом HyvaLift 20-60-S
- Автомобиль Iveco Trakker AD380Т41 (6×4) с мультилифтом HyvaLift 22-58-S
- Автомобиль КАМАЗ-65115 (6×4) с мультилифтом Palfinger ST15 L5050
- Автомобиль MAN 33.
440 (6×4) с мультилифтом Palfinger GT22 L6000 - https://www.euronato.ru/card/vsya_texnika/gruzovye_avtomobili/bortovye_tentovannye/bortovoj_avtomobil_mercedes-benz_actros_3341a_6x6/
- https://gruzovoy.ru/catalog/technic/mercedes-benz_actros_3341_ak
- https://avtotachki.com/kratkiy-obzor-opisanie-samosval-mercedes-benz-actros-3341-ak/
- Planet-Trucks.com :
Покупка и продажа подержанных грузовиков - Europe-Construction-Equipment.com :
Продажа подержанной строительной техники - Европа-Forklift.com :
Покупка и продажа подержанных вилочных погрузчиков - Europe-Agriculture.com :
Покупка и продажа подержанной сельскохозяйственной техники Французский
итальянский
Испанский
португальский
Польский
Немецкий
Нидерланды
английский
Французский
Итальяно
Испанский
португальский
Польский
Немецкий
Нидерланды
Великобритания
- Главная
- Каталог авто
- Volkswagen
- Volkswagen Caravelle
- Обзор
- Модификации
- Одноклассники
- Отзывы
- Обои
- Продажа
- Обзор
- Модификации
- Одноклассники
- Отзывы
- Обои
- Продажа
- Обзор
- Модификации
- Одноклассники
- Отзывы
- Обои
- Продажа
- 7 мест (2-2-3)
- Кондиционер автоматический `Air Care Cli matronic` (климат-контроль), 3-зонный, с датчиком качества воздуха
- Лобовое стекло с электрообогревом, улучш.
звукоизолирующими свойствами и теплозащитной тонировкой, У/Ф-непроницаемое - Инфомедиа-система ‘Composition Color’ с цветным сенсорным экраном 6.5″
- `App Connect`: интеграция со смартфоном через MirrorLink/AndroidAuto/Apple CarPl ay (соединение через USB)
- Бамперы окрашены в цвет кузова
- Обогрев передних сидений, регулируемый раздельно
- Решётка радиатора: чёрная глянцевая, с 5 хромированными полосами, спортивный передний бампер
- Передняя панель улучшенного исполнения, с декоративными элементами, ручки дверей окрашены в металлик
- Рулевое колесо: многофункциональное, кожаное
- Обивка сидений: кожа `Nappa`
- Фары светодиодные со светодиодными ходовыми огнями
- Левая сдвижная дверь с электроприводом открытия/закрытия и доводчиком
- Правая сдвижная дверь с электроприводом открытия/закрытия и доводчиком
- Задняя подъёмная дверь с полным электроприводом открытия/закрытия, памятью высоты, защитой при касании препятствия
- Декоративные наклейки по бокам `Edition`
- Крыша — чёрная
- Литые диски ‘Aracaju’ 7Jx17, с эфф-м алмазной токарной обработки
- Задние фонари светодиодные, затемнённые
- Остекление стандартное, сзади — с тёмной тонировкой
- Система стабилизации и курсовой устойчивости, эффективная при движении на большой скорости;
- Side Alert – парковочный ассистент с 12 датчиками для максимально быстрой и безопасной парковки даже в ограниченном пространстве;
- Радар, информирующей водителя об опасном приближении к другому транспорту и прочим объектам;
- Hill Descent Assist – система, поддерживающая безопасную скорость и предотвращающая опрокидывание при экстренном торможении.

- Автомобили
- Тест-драйв
- Автомобили
- Тест-драйв
- Автомобили
- Тест-драйв
- Telegram
- Яндекс.
Дзен - Главная
- Фольксваген
- Каравелла
- Мощность двигателя
МодификацияМощность двигателя
Volkswagen Caravelle 1.9 D
60 л.с.
Volkswagen Caravelle 1.9 kat D
68 л.с.
Volkswagen Caravelle 1.9 Kat D Long
68 л.с.
Volkswagen Caravelle 2.
084 л.с.
Volkswagen Caravelle 2.0 D long
84 л.с.
Volkswagen Caravelle 2.4 D
78 л.с.
Volkswagen Caravelle 2.4 D long
78 л.с.
Volkswagen Caravelle 2.5
115 л.с.
Volkswagen Caravelle 2.
5110 л.с.
Volkswagen Caravelle 2.5 4motion
115 л.с.
Volkswagen Caravelle 2.5 long
115 л.с.
Volkswagen Caravelle 2.5 long 4motion
115 л.с.
Volkswagen Caravelle 2.5 TDi
150 л.с.
Volkswagen Caravelle 2.
5 TDi102 л.с.
Volkswagen Caravelle 2.5 TDi
88 л.с.
Volkswagen Caravelle 2.5 TDi 4motion
102 л.с.
Volkswagen Caravelle 2.8
140 л.с.
Volkswagen Caravelle 2.8
204 л.с.
Volkswagen Caravelle 2.
8 long140 л.с.
Volkswagen Caravelle 1.9 TDI
105 л.с.
Volkswagen Caravelle 1.9 TDI
86 л.с.
Volkswagen Caravelle 2.0
115 л.с.
Volkswagen Caravelle 2.5 TDI
174 л.с.
Volkswagen Caravelle 2.
5 TDI130 л.с.
Volkswagen Caravelle 2.5 TDI 4motion
130 л.с.
Volkswagen Caravelle 2.5 TDI 4motion
174 л.с.
Volkswagen Caravelle 3.2 4motion
235 л.с.
Volkswagen Caravelle 3.2 4motion
235 л.с.
Volkswagen Caravelle 2.
0 TDI140 л.с.
Volkswagen Caravelle 2.0 TDI
180 л.с.
Volkswagen Caravelle 2.0 TDI
102 л.с.
Volkswagen Caravelle 2.0 TDI
140 л.с.
Volkswagen Caravelle 2.0 TDI
180 л.с.
Volkswagen Caravelle 2.
0 TDI85 л.с.
Volkswagen Caravelle 2.0 TDI 4Motion
140 л.с.
Volkswagen Caravelle 2.0 TDI 4Motion
180 л.с.
Volkswagen Caravelle 2.0 TDI 4Motion
180 л.с.
Volkswagen Caravelle 2.0 TDI 4Motion LWB
140 л.с.
Volkswagen Caravelle 2.
0 TDI 4Motion LWB180 л.с.
Volkswagen Caravelle 2.0 TDI 4Motion LWB
180 л.с.
Volkswagen Caravelle 2.0 TDI LWB
102 л.с.
Volkswagen Caravelle 2.0 TDI LWB
140 л.с.
Volkswagen Caravelle 2.0 TDI LWB
140 л.с.
Volkswagen Caravelle 2.
0 TDI LWB180 л.с.
Volkswagen Caravelle 2.0 TDI LWB
180 л.с.
Volkswagen Caravelle 2.0 TDI LWB
85 л.с.
Volkswagen Caravelle 2.0 TSI
204 л.с.
Volkswagen Caravelle 2.0i
115 л.с.
Volkswagen Caravelle 2.
0i LWB115 л.с.
- Какой объем двигателя у Volkswagen Caravelle?
- Какая максимальная скорость у Volkswagen Caravelle?
- Какой клиренс у Volkswagen Caravelle?
- Какой расход топлива у Volkswagen Caravelle?
- Какое время разгона у Volkswagen Caravelle?
- Какой крутящий момент у Volkswagen Caravelle?
- Какой привод у Volkswagen Caravelle?
- Какой кузов у Volkswagen Caravelle?
- Какой объем бака у Volkswagen Caravelle?
- Сколько весит Volkswagen Caravelle?
- Какая коробка на Volkswagen Caravelle?
- Какой бензин заливать в Volkswagen Caravelle?
- Какой двигатель на Volkswagen Caravelle?
- Какой размер шин на Volkswagen Caravelle?
- Сколько мест в Volkswagen Caravelle?
- Какой год выпуска Volkswagen Caravelle?
- Какой объем багажника у Volkswagen Caravelle?
- Какие габариты у Volkswagen Caravelle?
- Какая длина кузова Volkswagen Caravelle?
- Россия
- Великобритания
- Германия
- Индия
- Испания
- Италия
- Китай
- Корея
- Румыния
- США
- Франция
- Чехия
- Швеция
- Япония
- Россия
- Великобритания
- Германия
- Испания
- Италия
- Китай
- Корея
- Румыния
- США
- Тайвань
- Франция
- Чехия
- Швеция
- Япония
- Россия
- Австралия
- Великобритания
- Германия
- Иран
- Испания
- Италия
- Китай
- Корея
- Малайзия
- Польша
- Румыния
- США
- Тайвань
- Узбекистан
- Украина
- Франция
- Чехия
- Швеция
- Япония
Toyota
Lexus
Hyundai
Chery
Chevrolet
Ford
Geely
MINI
Peugeot
BMW
Audi
EXEED
Mitsubishi
Volkswagen
Mercedes Benz
С пробегом
2
- Caravelle Highline
- Количество подушек безопасности
6 - Подушки безопасности
водитель, пассажир, передняя сторона, шторка - Антиблокировочная тормозная система (АБС)
- Электронное распределение тормозов (EBD)
- Обзоры автомобилей
- Volkswagen
- Caravelle
Electric
20 лучших электромобилей Top Gear
First Look
715 л.с. Ferrari Purosangue-это семейный автомобиль V12, который настаивает на том, что это не внедорожник
Электрический
BMW предстоящие батареи. лучшие подержанные электромобили для покупки
Top Gear Advice
10 подержанных автомобилей за 15 000 фунтов стерлингов, которые мы нашли на этой неделе
- Вместимость для семи взрослых
- Очень универсальный салон теперь с дополнительным стилем
- Длинная колесная база лучше всего подходит для багажного отделения
- Без краш-теста Euro NCAP
- С комплектом безопасности, хотя
- Также доступен полный привод
- АБС
- Аварийный сигнал
- Легкосплавные диски
- Бамперы в цвет кузова
- CD
- Подушка безопасности водителя
- Электрические зеркала
- Передние электростеклоподъемники
- Передние противотуманные фары
- Зеркала с подогревом
- Регулируемое по высоте сиденье водителя
- Точки крепления детского сиденья Isofix
- Поясничная опора
- ПА
- Подушка безопасности пассажира
- Дистанционная блокировка
- Сервисный индикатор
- Боковые подушки безопасности
- Регулировка угла наклона рулевого колеса
- Регулировка вылета рулевого колеса
- Контроль тяги
- 3х3-точечные задние ремни безопасности
- Кондиционер
- Аудио пульт
- Климат-контроль
- Тканевая обивка сидений
- Круиз-контроль
- Полноразмерное запасное колесо
- Омыватели фар
- Подогрев сидений
- Датчики парковки
- Частичная кожаная обивка сидений
- Сб Навигация
- Аудио пульт
- Полноразмерное запасное колесо
- Подогрев сидений
- 3х3-точечные задние ремни безопасности
- Кондиционер
- Климат-контроль
- Тканевая обивка сидений
- Круиз-контроль
- Частичная кожаная обивка сидений
- Сб Навигация
- Аудио пульт
- Климат-контроль
- Омыватели фар
- Подогрев сидений
- Датчики парковки
- Частичная кожаная обивка сидений
- Сб Навигация
- 3х3-точечные задние ремни безопасности
- Кондиционер
- Тканевая обивка сидений
- Полноразмерное запасное колесо
- Климат-контроль
- Тканевая обивка сидений
- Полноразмерное запасное колесо
- 3х3-точечные задние ремни безопасности
- Кондиционер
- Аудио пульт
- Car Reviews
- Volkswagen
- Caravelle Review
- Launched: 2015
- Универсал
- Дизель
- Отличное количество технологий
- Место для семи и всего их багажа
- Сиденья тяжелые и неудобные для перемещения
- Поездка может стать немного ухабистой
- Дорого покупать новый
00/10
Mercedes-Benz V-Class
Big and plush, but pricey
00/10
Citroen Space Tourer
Большой, эффективный, умный и вместительный
00/10
Toyota Proace Verso
Универсальный и удобный минивэн на базе фургона
- Volkswagen Transporter
- Volkswagen Tiguan
- Volkswagen Polo
- Volkswagen Caddy
- Mercedes-Benz V-Class
- Citroen Space Tourer
- Toyota Proace Verso
- Главная
- Volkswagen
- Дизели предлагают впечатляющую экономичность
- Качественный интерьер
- Просторный салон
- Квадратная форма
- Ездить неудобно
- Доступны более дешевые альтернативы
Популярные регионы
Все регионы
Диаметр цилиндра
81 мм
Количество клапанов на цилиндр
2
Количество цилиндров
5
Максимальный крутящий момент
250 Н*м
Мощность (кВт)
75 кВт
Мощность двигателя
102 л.с.
Обороты максимального крутящего момента
1900 об/мин
Обороты максимальной мощности
3500 об/мин
Объем двигателя
2461 см3
Расположение двигателя
переднее, поперечное
Расположение цилиндров
рядное
Система питания двигателя
#injection_pump
Степень сжатия
19.
5Тип двигателя
дизель
Тип наддува
турбонаддув
Ход поршня
95.5 мм
Высота
1940 мм
Длина
5107 мм
Дорожный просвет
150 мм
Колёсная база
3320 мм
Количество мест
5, 9
Полная масса
2700 кг
Размер колёс
205/65/R15
Снаряженная масса
2071 кг
Ширина
1840 мм
Количество передач
5
Привод
полный
Тип КПП
механическая
Выбросы CO2
270 г/км
Максимальная скорость
157 км/ч
Марка топлива
ДТ
Объём топливного бака
80 л
Разгон до 100 км/ч
18.
1 секРасход топлива в городе на 100 км
9.7 л
Расход топлива в смешанном цикле на 100 км
7.9 л
Расход топлива на шоссе на 100 км
6.6 л
Экологический стандарт
Euro 2
+31 183 668 444
Whatsapp
- Самый большой парк подержанных автомобилей от дилера
- Гарантия до 2-х лет
- Инспекция согласно сертификату TÜV Nord
- Лизинг без (годовых) показателей
- Доставка и транспортировка
- Техническое состояние
Топ секонд хенд - №
295317 - Вид
Фургон - Спецификация
Закрытый фургон - Год регистрации
2016-12 - Пробег
227 843 км - Коробка передач
Механика - Euro
Euro 6 - Engine capacity
148 Л.
с. - Техническое состояние
Топ секонд хенд - №
291747 - Вид
Фургон - Спецификация
Закрытый фургон - Год регистрации
2013-4 - Пробег
166 225 км - Коробка передач
Механика - Euro
Euro 5 - Engine capacity
138 Л.
с. - Техническое состояние
Топ секонд хенд - №
295576 - Вид
Фургон - Спецификация
Закрытый фургон - Год регистрации
2016-2 - Пробег
154 402 км - Коробка передач
Механика - Euro
Euro 5 - Engine capacity
138 Л.
с. - Техническое состояние
Топ секонд хенд - №
294465 - Вид
Фургон - Спецификация
Закрытый фургон - Год регистрации
2017-5 - Пробег
160 308 км - Конфигурация
4×4 - Коробка передач
Механика - Euro
Euro 6 - Engine capacity
148 Л.
с. - Via-Gruzoviki.ru :
Купля-продажа подержанных грузовиков - Via-Spectehnika.ru :
Купля-продажа подержанной спецтехники - Via-Sklad.ru :
Купля-продажа подержанных погрузчиков Français
Italiano
Español
Português
Polski
Deutsch
Nederlands
English
{{ label.name }}
×
Фольксваген T4 (Transporter) пасс. в Вінниці
Фольксваген T4 (Transporter) пасс.
в Дніпро (Дніпропетровську)Фольксваген T4 (Transporter) пасс. в Житомирі
Фольксваген T4 (Transporter) пасс. в Запоріжжя
Фольксваген T4 (Transporter) пасс. в Івано-Франківську
Фольксваген T4 (Transporter) пасс. в Києві
Фольксваген T4 (Transporter) пасс. в Кропивницькому (Кіровограді)
Фольксваген T4 (Transporter) пасс.
в Кривому РозіФольксваген T4 (Transporter) пасс. в Луганську
Фольксваген T4 (Transporter) пасс. в Луцьку
Фольксваген T4 (Transporter) пасс. в Львові
Фольксваген T4 (Transporter) пасс. в Миколаєві
Фольксваген T4 (Transporter) пасс. в Одесі
Фольксваген T4 (Transporter) пасс.
в ПолтавіФольксваген T4 (Transporter) пасс. в Рівному
Фольксваген T4 (Transporter) пасс. в Сумах
Фольксваген T4 (Transporter) пасс. в Тернополі
Фольксваген T4 (Transporter) пасс. в Ужгороді
Фольксваген T4 (Transporter) пасс. в Харкові
Фольксваген T4 (Transporter) пасс.
в ХерсоніФольксваген T4 (Transporter) пасс. в Хмельницькому
Фольксваген T4 (Transporter) пасс. в Черкасах
Фольксваген T4 (Transporter) пасс. в Чернігові
Фольксваген T4 (Transporter) пасс. в Чернівцях
Chevrolet
2
Dodge
16
Ford
271
Fiat
69
Hyundai
2
Mercedes-Benz
1 080
Opel
38
Volkswagen
1 155
ГАЗ
105
ЗАЗ
23
УАЗ
16
Peugeot
3
Renault
924
Mazda
15
Mitsubishi
4
Nissan
6
Toyota
34
Volvo
28
Многофункциональный кожаный руль
Многофункциональный кожаный руль не только обеспечивает сцепление и комфорт в течение многих часов за рулем, но и обеспечивает сенсорное управление функциями, включая радио и круиз-контроль.
Передовые решения для погрузки
Любой, кто проводит время в дороге, нуждается в самых современных транспортных решениях для обеспечения непрерывности своего бизнеса. К ним относятся раздвижные двери, функция блокировки грузового отделения и проушины для крепления.

Эргономичное рабочее место
Эргономичное рабочее место водителя, многофункциональное регулируемое рулевое колесо и обновленная приборная панель делают вождение максимально комфортным.
Просторная передняя кабина
Ваша задача — следить за тем, чтобы все материалы и вся ваша команда ежедневно доставлялись из пункта А в пункт Б. Вот почему Transporter 6.1 гарантирует, что вам это будет удобно.
Система Composition Color Radio
Ваш доступ к цифровому радио и полной интеграции со смартфоном. Эта система оснащена 6,5-дюймовым цветным сенсорным экраном, двумя портами USB типа C, App-Connect с Apple CarPlay и Android Auto, а также Bluetooth.
Гибкие решения для загрузки
Независимо от того, перевозите ли вы товары или пассажиров, Transporter 6.1 подойдет вам.
- Front and Rear Parking Sensors with Rear View Camera
- Sliding Doors 1.02m wide x 1.28m tall
- Daytime Running Lights
- Transporter SWB Runner 7-Speed DSG Auto also available for $58,500 +ORC
- Фиксированные окна заднего отсека
- Передний и задний датчики парковки и камера заднего вида
- Дневные ходовые огни
- Круиз-контроль
- Информационно-развлекательная система с сенсорным экраном и App-Connect (информация)
- Transporter SWB Trendline 4MOTION также доступен. Свяжитесь с нашей командой, чтобы узнать цену.
- 2.0L Turbo Diesel
- 7-ступенчатая DSG Auto (Info)
- 500KG Braked Towing
- Нормальная, средняя высокая, и высокая крыша
- в ширине, средняя высокая и высокая крыша
- 9002 1002
- .
высота 1,28 м - Фиксированные окна заднего отсека
- Передние и задние датчики парковки и камера заднего вида
- Дневные ходовые огни
- Круиз-контроль
- Информационно-развлекательная система с сенсорным экраном и App-Connect (информация)
- Transporter SWB Trendline 4MOTION также доступен. Свяжитесь с нашей командой, чтобы узнать цену.
- Volkswagen
- Transporter
- diesel 8
- Electric
- Hybrid
- LPG
- бензин
- Универсал 9
- автомат 4
- manual 9
- Сегодня 0
- За последние 7 дней 0
m
motorfind.
com.au 9 дней назад 2012
volkswagen транспортер с подъемником для инвалидных колясок
4223, Каррамбин-Уотерс, Кобаки-Лейкс, Кобаки-Лейкс, Совет графства Твид, Новый Южный Уэльс
Brisbane Currumbin Waters Cars Light Commercial 2012 VOLKSWAGEN TRANSPORTER с подъемником для инвалидных колясок. Посетите для получения дополнительных фотографий и информации. Бесплатные списки…
24 990 $
196 790 км
Год 2012
Отчет
m
motorfind.com.au 9 дней назад
2013
Volkswagen Transporter TDI340 Дизель Руководство
5009, Беверли, Аделаида, город Аделаида, Южная Австралия
Adelaide Beverley Cars Van 2013 Volkswagen Transporter TDI340 Diesel Manual.
Посетите для получения дополнительных фотографий и информации. Бесплатные списки для вашего автомобиля, 4×4 …19 990 $
103 460 км
Год 2013
Отчет
M
Motorfind.com.au 9 дней назад
2013
Volkswagen 499 2
2013
Volkswagen 44999003
2013
.
3074, Мельбурн, город Мельбурн, Большой Мельбурн, Виктория
Мельбурн Томастаун Автомобили Фургон 2013 Volkswagen Transporter Дизель Белый Автомат. Посетите для получения дополнительных фотографий и информации. Бесплатные списки для вашего автомобиля…
$35,990
149,578 km
Year 2013
Report
m
motorfind.com.au 9 days ago
2012
volkswagen transporter tdi 340 lwb
4223, Каррамбин-Уотерс, Кобаки-Лейкс, Кобаки-Лейкс, Совет графства Твид, Новый Южный Уэльс
Brisbane Currumbin Waters автомобили 2012 volkswagen транспортер tdi 340 lb.
Посетите для получения дополнительных фотографий и информации. Бесплатные объявления для вашего автомобиля, 4×4 , UTE …$ 19 990
231,051 км
Год 2012
Отчет
. транспортер lwb с высокой крышей
4223, Каррамбин-Уотерс, Кобаки-Лейкс, Кобаки-Лейкс, Совет графства Твид, Новый Южный Уэльс
Brisbane Currumbin Waters Cars Подъем для инвалидных колясок 2008 VOLKSWAGEN ТРАНСПОРТ LWB Высокая крыша. Посетите для получения дополнительных фотографий и информации. Free listings for…
$16,990
216,353 km
Year 2008
Report
m
motorfind.com.au 9 days ago
2019
volkswagen transporter новый автомобиль заводская гарантия
4223, Каррамбин-Уотерс, Кобаки-Лейкс, Кобаки-Лейкс, Совет графства Твид, Новый Южный Уэльс
Brisbane currumbin waters cars легкие коммерческие автомобили 2019 volkswagen транспортер новый автомобиль заводская гарантия.
Посетите для получения дополнительных фотографий и информации. Free…$58,500
20,506 km
Year 2019
Report
m
motorfind.com.au 9 days ago
2009
volkswagen transporter citivan кемпер
4223, Каррамбин-Уотерс, Кобаки-Лейкс, Кобаки-Лейкс, Совет графства Твид, Новый Южный Уэльс
Brisbane Currumbin Waters Автомобили легкие коммерческие 2009 Volkswagen Transporter Citivan Camper. Посетите для получения дополнительных фотографий и информации. Free listings for…
$16,990
215,700 km
Year 2009
Report
m
motorfind.com.au 9 days ago
2007
volkswagen transporter lwb 2,5л белый 6 скоростей ручной
2120, Торнли, Сидней, Новый Южный Уэльс
Sydney thornleigh cars dual cchas 2007 volkswagen транспортер lwb 2,5 л белый 6 скоростей ручной.
Посетите для получения дополнительных фотографий и информации. Free listings for…$16,990
288,331 km
Year 2007
Report
m
motorfind.com.au 9 days ago
2014
Volkswagen Transporter Single CabChassis T Diesel…
5094, Геппс-Кросс, Аделаида, город Аделаида, Южная Австралия
Adelaide Gepps Cross Cars Ute 2014 Volkswagen Transporter Single CabChassis T Diesel Turbo Diesel. Посетите для получения дополнительных фотографий и информации. Бесплатно …
$ 31 990
125 903 км
Год 2014
Отчет
M
Motorfind.com.au 9000
.0342
2010
volkswagen транспортер шасси с двойной кабиной 132 tdi 4.
..4223, Каррамбин-Уотерс, Кобаки-Лейкс, Кобаки-Лейкс, Совет графства Твид, Новый Южный Уэльс
Brisbane currumbin waters cars LWB 2010 volkswagen транспортер шасси с двойной кабиной 132 tdi 4 движения. Посетите для получения дополнительных фотографий и информации. Бесплатные списки…
$19,990
193,618 км
Год 2010
Отчет
m
motorfind.com.au 9 дней назад
2015
volkswagen транспортер tdi белый.
2120, Торнли, Сидней, Новый Южный Уэльс
Sydney thornleigh cars фургон 2015 volkswagen транспортер tdi 340 lwb mid 2.0l белый 6 скоростей ручной. Посетите для получения дополнительных фотографий и информации. Бесплатные листинги…
$18 990
272 217 км
год 2015
Отчет
M
Motorfind.
com.au 9 дней назад 2008
VOLKSWAGEN 9003
2008
VOLKSWAGEN 9003
2008
VOLKSWAGEN
2008
VOLKSWAGEN
2008
.
5047, Аделаида, город Аделаида, Южная Австралия
Adelaide Darlington Van 2008 Volkswagen Transporter T5 MY08 Низкая крыша 6-ступенчатая механическая коробка передач Дизельная механическая коробка передач. Посетите для получения дополнительных фотографий и информации. Бесплатно…
$14,990
245,759 km
Year 2008
Report
m
motorfind.com.au 9 days ago
2013
Volkswagen Transporter T5 MY13 TDI400 LWB Grey 6 скоростей…

4127, Слакс-Крик, Ривер-Глен-Виллидж, Квинсленд
Brisbane Slacks Creek Cars Шасси с кабиной 2013 Volkswagen Transporter T5 MY13 TDI400 LWB Серый 6-ступенчатая механическая коробка передач Дизель Серая механическая коробка передач. Посетите, чтобы узнать больше…
$31,990
176,739 km
Year 2013
Report
m
motorfind.com.au 9 days ago
2015
volkswagen transporter tdi 340 swb mid 2.0 л белого 7 сп…
2120, Торнли, Сидней, Новый Южный Уэльс
Sydney thornleigh cars van 2015 volkswagen транспортер tdi 340 swb mid 2.0l white 7 sp auto direct shift. Посетите для получения дополнительных фотографий и информации. Бесплатно…
$19,990
324,309 km
Year 2015
Report
m
motorfind.
com.au 9 days ago 2013
volkswagen transporter tdi 400 lwb 2.0l серебро 7 сп…
2120, Торнли, Сидней, Новый Южный Уэльс
Sydney thornleigh cars dual cchas 2013 volkswagen транспортер tdi 400 lwb 2.0l silver 7 sp auto direct shift. Посетите для большего количества фотографий и информации…
$29,990
130,028 km
Year 2013
Report
m
motorfind.com.au 9 days ago
1997
transporter vw transporter manual
3134, Мельбурн, город Мельбурн, Большой Мельбурн, Виктория
Мельбурн Рингвуд Автомобили с двойной кабиной 1997 транспортер vw транспортер руководство. Посетите для получения дополнительных фотографий и информации.
Бесплатные объявления для вашего автомобиля, 4×4 , UTE …$ 14 999
253,090 км
Год 1997
Отчет
. Transporter T5 MY15 TDI250 SWB Runner Белый…
4127, Слакс-Крик, Ривер-Глен-Виллидж, Квинсленд
Brisbane Slacks Creek Cars Van 2015 Volkswagen Transporter T5 MY15 TDI250 SWB Runner Белый 5-ступенчатая механическая дизельная механическая коробка передач белого цвета. Visit for more…
$24,990
173,293 km
Year 2015
Report
m
motorfind.com.au 9 days ago
2010
Volkswagen Transporter T5 Crewvan Van Low Roof 4dr Man…
5094, Геппс-Кросс, Аделаида, город Аделаида, Южная Австралия
Полноразмерный фургон Adelaide Gepps Cross Cars 2010 Volkswagen Transporter T5 Crewvan Van Low Roof 4dr Man 6sp 2.
5DT Turbo Diesel White Manual. Visit…$14,990
220,350 km
Year 2010
Report
m
motorfind.com.au 9 days ago
2009
Volkswagen Transporter T Дизель ручной
5094, Геппс-Кросс, Аделаида, город Аделаида, Южная Австралия
Adelaide Gepps Cross Cars Van 2009 Volkswagen Transporter T Diesel Manual. Посетите для получения дополнительных фотографий и информации. Free listings for your Car, 4×4 , Ute…
$11,999
241,881 km
Year 2009
Report
m
motorfind.com.au 9 days ago
2010
Фольксваген Transporter 103 TDi Auto Van Automatic
5094, Геппс-Кросс, Аделаида, город Аделаида, Южная Австралия
Adelaide Gepps Cross Cars Van 2010 Volkswagen Transporter 103 TDi Auto Van Automatic.
Посетите для получения дополнительных фотографий и информации. Бесплатные списки для вашего …$ 18 999
210,676 км
Год 2010
Отчет
- Модель с 2018 г.
- Полный привод
- Автоматическая коробка передач
- 5-дверный автомобиль (боковая дверь открывается)
- На диване-кровати могут разместиться от 2 до 3 человек
- Вмещает до 3 чемоданов
- Система обогрева Webasto для дневного и ночного отопления
- Дополнительный аккумулятор
- Встроенный стол и стулья
- Встроенные шкафы
- Сенсорный дисплей на передней консоли
- Совместимость с Bluetooth, разъемы USB/AUX
- Зимние шины с ноября по апрель
- Диван-кровать на 2/3 человека с матрасом
- Спальный комплект: подушки, 3 спальных мешка Silverton Comfort 150 и постельное белье
- Электрический холодильник/охладитель 28 л
- Газовая плита с газовым баллончиком
- Резервуар для воды 10 л
- Кастрюли и сковороды
- Столовые приборы/посуда: тарелки, посуда, столовое серебро, ножи, ножницы и стеклянная посуда
- Оборудование для мытья посуды
- 3 складных стула и стол
- Бесплатный трансфер из международного аэропорта
- CDW + защита от кражи в комплекте
- Без депозита
- Круглосуточная помощь без ограничений по пробегу
- Без скрытых комиссий
- Новые автомобили
- Надежная технология
- Скидка на топливо
- 9
Volkswagen Transporter 2.0 TDI T30 Highline DSG FWD SWB Euro 6 (s/s) 5dr
2020 | Панельный фургон
2020 (69 рег) | Панельный фургон | 12 000 миль | 2л | автоматический | Дизель | 3 места
Частный продавец
- 29
Volkswagen Transporter 2.5 TDI PD T30 Панельный фургон SWB Стандартная крыша 4dr
2009 | Панельный фургон
2009 (09 reg) | Панельный фургон | 175 000 миль | 2,5 л | Руководство | Дизель
Частный продавец
- 15
Volkswagen Transporter 2.0 TDI T28 Панельный фургон SWB Стандартная крыша 4dr
2011 | Панельный фургон
2011 (11 reg) | Панельный фургон | 65 000 миль | 2л | Руководство | Дизель
Частный продавец
- 13
Volkswagen Transporter 2.0 TDI T30 Trendline Панельный фургон LWB Standard Roof 4dr
2014 | Панельный фургон
2014 (14 reg) | Панельный фургон | 84 000 миль | 2л | Руководство | Дизель | 3 места
Частный продавец
- 19
Volkswagen Transporter 2.
0 TDI T28 BlueMotion Tech Highline FWD SWB Euro 5 (s/s) 5dr2016 | Панельный фургон
2016 (16 рег) | Панельный фургон | 78 000 миль | 2л | Руководство | Дизель | 3 места
Частный продавец
- 13
Volkswagen Transporter 2.5 TDI T30 Панельный фургон LWB Standard Roof 4dr
2007 | Панельный фургон
2007 (56 рег) | Панельный фургон | 186 861 миль | 2,5 л | Руководство | Дизель
Частный продавец
- 11
Volkswagen Transporter 2.0 TSI T28 BlueMotion Tech Trendline FWD SWB Euro 6 (s/s) 5dr
2018 | Панельный фургон
2018 (68 рег) | Панельный фургон | 11 700 миль | 2л | Руководство | Бензин | 3 места
Частный продавец
- 27
Volkswagen Transporter 2.0 TDI T28 Highline DSG FWD SWB Euro 6 (s/s) 5dr
2020 | Панельный фургон
2020 (20 шт.) | Панельный фургон | 26 500 миль | 2л | автоматический | Дизель | 3 места
Частный продавец
- 14
Volkswagen Transporter 2.
0 BiTDI T32 BlueMotion Tech Highline Crew Van DSG FWD SWB Euro 5 (s/s) 5dr2016 | Комбинированный фургон
2016 (16 reg) | Комбинированный фургон | 62 000 миль | 2л | автоматический | Дизель | 5 мест
Частный продавец
- 5
Volkswagen Transporter 2.0 BiTDI T30 Панельный фургон LWB Standard Roof 4dr
2011 | Панельный фургон
2011 (61 рег) | Панельный фургон | 103 858 миль | 2л | Руководство | Дизель
Частный продавец
- 11
Volkswagen Transporter 2.0 TDI T28 BlueMotion Tech Highline FWD SWB Euro 6 (s/s) 5dr
2016 | Панельный фургон
2016 (66 рег) | Панельный фургон | 51 952 мили | 2л | Руководство | Дизель | 3 места
Частный продавец
- 16
Volkswagen Transporter 1.9 TDI PD T26 Панельный фургон SWB Стандартная крыша 4dr
2011 | Панельный фургон
2011 (11 reg) | Панельный фургон | 68 000 миль | 1,9 л | Руководство | Дизель
Частный продавец
- 19
Volkswagen Transporter 2.
0 TDI T28 Highline FWD SWB Euro 6 (s/s) 5dr2021 | Панельный фургон
2021 (21 reg) | Панельный фургон | 19 559 миль | 2л | Руководство | Дизель | 3 места
Торговый продавец
- 3
Volkswagen Transporter 2.0 TDI T30 LWB LONG STARTLINE 102 л.с. ЭЛЕКТРИЧЕСКИЙ ПАКЕТ. БОЛЬШОЕ ЗНАЧЕНИЕ. ПК
2013 | Панельный фургон
2013 (63 рег) | Панельный фургон | 185 744 мили | 2л | Руководство | Дизель | 3 места
Торговый продавец(49)
- 30
Volkswagen Transporter 2.0 TDI T32 Highline Crew Van 5dr Diesel Manual FWD SWB Euro 6 (s/s) (150 ps)
2021 | Комбинированный фургон
2021 (71 reg) | Комбинированный фургон | 100 миль | 2л | Руководство | Дизель | 5 мест
Торговый продавец
- 10
Volkswagen Transporter 1.9 TDI T30 Kombi SWB 4dr (SWB)
2006 | Комбинированный фургон
2006 (06 рег) | Комбинированный фургон | 184 000 миль | 1,9 л | Руководство | Дизель
Торговый продавец
- 12
Volkswagen Transporter 2.
0 TDI T32 Highline Crew Van DSG FWD SWB Euro 6 (s/s) 5dr2020 | Комбинированный фургон
2020 (70 reg) | Комбинированный фургон | 22 000 миль | 2л | автоматический | Дизель | 5 мест
Частный продавец
- 20
Volkswagen Transporter 2.0 TDI T28 BlueMotion Tech Startline FWD SWB Euro 5 (s/s) 5dr
2016 | Панельный фургон
2016 (65 рег) | Панельный фургон | 99 500 миль | 2л | Руководство | Дизель | 3 места
Частный продавец
- 26
Volkswagen Transporter T30 Kombi Highline SWB 150 л.с. 2.0 TDI BMT 7sp DSG
2019 | Комбинированный фургон
2019 (19 шт.) | Комбинированный фургон | 38 714 миль | 2л | автоматический | Дизель | 5 мест
Торговый продавец(88)
- 58
Volkswagen Transporter 2.0 BiTDI T32 Sportline Crew Van DSG FWD SWB Euro 6 (s/s) 5dr
2022 | Комбинированный фургон
2022 (72 reg) | Комбинированный фургон | 500 миль | 2л | автоматический | Дизель | 5 мест
Trade Seller
Volkswagen Transporter (2020) обзор
Один из самых долговечных и популярных фургонов в Великобритании в 2020 году подвергся значительному обновлению, включающему визуальные, технические и механические изменения.

03 фев. 2020
Фургон Volkswagen Transporter (2015 — ) обзор
Один из основных продуктов в мире фургонов, Volkswagen Transporter имеет многогранную индивидуальность и является фаворитом многих некоммерческих пользователей.
20 июля 2018 г.
Volkswagen добавляет бензиновые двигатели в модельный ряд Transporter
Имея в течение некоторого времени бензиновые двигатели в модельном ряду Caddy, Volkswagen предлагает покупателям более крупного Transporter также возможность выбора бензиновых двигателей
27 Июль 2017
- Авто Каталог
› - Фольксваген ›
- Транспортер >
- Транспортер Т5 ›
- 4MOTION 2.5d (174 л.с.) 4WD
- Самые популярные поколения
Фольксваген Транспортер Т5 1.

Примеры поведения участников дорожного движения: Примеры поведения участников дорожного движения на дорогах
Примеры поведения участников дорожного движения на дорогах
Главная » Разное » Примеры поведения участников дорожного движения на дорогах
рассмотрите несколько примеров поведения участников дорожного движения на дорогах из — Школьные Знания.com
те ответственность зас остояние документации по страхованию. С целью сокращения расходов компания планирует закрытие одного из своих филиалов, вся документация которого поступает в Ваш офис. Вы уполномочены нанять новых служащих для выполнения этой работы, однако их количество должно быть меньше количества работающих в филиале, который намечено закрыть. Поэтому Вы просите каждого из своих сотрудников взять на себя дополнительный объем работы. Вам подотчетны три Ваших заместителя. Каждый из них, в свою очередь, руководит четырьмя начальниками отделов. Все вышеназванные лица работают с полной нагрузкой, так что дополнительные обязанности наверняка отрицательно скажутся на эффективности их работы. Закрытие 11 филиала произойдет через месяц, и на Вас ляжет ответственность за его работу.
Вы рассматриваете возможности перераспределения обязанностей своих трех заместителей и четырех начальников отделов. Однако четкого представления о том, как это сделать, у Вас нет. Все Ваши заместители и начальники отделов обладают большой компетенцией и умением выполнять необходимую работу при условии, что у них в распоряжении имеется достаточное количество ресурсов. К сожалению, меры по сокращению расходов компании не позволяют увеличить штат служащих до необходимых размеров. В трехнедельный срок Вам необходимо представить план реорганизации работы Ваших подчиненных, которые должны быть готовы приступить к ведению дополнительно поступающей документации. У Вас множество идей, однако, Вы не можете решить, что же предпринять. Реорганизация болезненно отразится на работе Ваших заместителей и начальников отделов. Вы, насколько это возможно, хотели бы провести ее с минимальной потерей эффективности.Приведите примеры из повседневной жизни поведения участников дорожного движения на — Школьные Знания.
comте ответственность зас остояние документации по страхованию. С целью сокращения расходов компания планирует закрытие одного из своих филиалов, вся документация которого поступает в Ваш офис. Вы уполномочены нанять новых служащих для выполнения этой работы, однако их количество должно быть меньше количества работающих в филиале, который намечено закрыть. Поэтому Вы просите каждого из своих сотрудников взять на себя дополнительный объем работы. Вам подотчетны три Ваших заместителя. Каждый из них, в свою очередь, руководит четырьмя начальниками отделов. Все вышеназванные лица работают с полной нагрузкой, так что дополнительные обязанности наверняка отрицательно скажутся на эффективности их работы. Закрытие 11 филиала произойдет через месяц, и на Вас ляжет ответственность за его работу. Вы рассматриваете возможности перераспределения обязанностей своих трех заместителей и четырех начальников отделов. Однако четкого представления о том, как это сделать, у Вас нет. Все Ваши заместители и начальники отделов обладают большой компетенцией и умением выполнять необходимую работу при условии, что у них в распоряжении имеется достаточное количество ресурсов.
К сожалению, меры по сокращению расходов компании не позволяют увеличить штат служащих до необходимых размеров. В трехнедельный срок Вам необходимо представить план реорганизации работы Ваших подчиненных, которые должны быть готовы приступить к ведению дополнительно поступающей документации. У Вас множество идей, однако, Вы не можете решить, что же предпринять. Реорганизация болезненно отразится на работе Ваших заместителей и начальников отделов. Вы, насколько это возможно, хотели бы провести ее с минимальной потерей эффективности.Участники дорожного движения. Регулировщики.
Сразу же расставим приоритеты: участником дорожного движения может быть только физическое лицо, человек. Не стоит путать: транспортное средство не может быть участником. Только человек способен иметь права и нести обязанности в рамках норм, регулирующих дорожное движение.
Определение из ПДД (п.1.2):
«Участник дорожного движения» — лицо, принимающее непосредственное участие в процессе движения в качестве водителя, пешехода, пассажира транспортного средства.

В данном определении дается полный, исчерпывающий перечень лиц, которые могут участвовать в дорожном движении.
Иными словами, каждый из нас в рамках дорожного движения может быть либо водителем, либо пассажиром, либо пешеходом.
Водитель
Самым главным, основным участником движения считается водитель. Именно на нем лежит основной груз ответственности по соблюдению ПДД и обеспечению безопасности на дороге. Поэтому те, кто считает, что Правила существуют преимущество для водителя, практически не ошибаются.
Определение из ПДД (п.1.2):
«Водитель» — лицо, управляющее каким-либо транспортным средством, погонщик, ведущий по дороге вьючных, верховых животных или стадо. К водителю приравнивается обучающий вождению.
Водитель, таким образом, представляется нам в своих трех основных проявлениях.
1. Водитель транспортного средства.
Это классический и наиболее распространенный случай. Лицо, управляющее любым ТС (велосипедом, мопедом, мотоциклом, автомобилем и пр.
), считается водителем.Львиная доля ПДД регламентирует именно деятельность водителя ТС. Именно для него создан специальный раздел 2 ПДД, который так и называется – «Общие обязанности водителя».
Кстати, до сих пор дискутируется вопрос о статусе водителя. Является ли он таковым, если ставит автомобиль на стоянку и уходит по своим делам?
Нам представляется, что является. Это, конечно, не бесспорно. Но в противном случае, почему же и за что его штрафуют при нарушении правил остановки или стоянки? Человек же не управляет своим ТС, как это озвучивается определение?
Поэтому, нам кажется, не стоит цепляться за букву закона — «лицо, управляющее» ТС. Иначе после остановки сотрудником ГИБДД, это самое «лицо», выйдя из ТС, перестает им управлять и формально может отказаться от представления документов инспектору. Ведь оно («лицо») теперь уже не является «лицом, управляющим» ТС?
Перед нами – типичный пример пробела в праве. И таких примеров в тексте ПДД огромное количество.
Поэтому мы и предлагаем при подобных юридических коллизиях призывать на помощь здравый смысл.2. Водитель – погонщик животных.
Это второе проявление водительской сущности. Вьючные или верховые животные, а также стадо, двигающиеся в пределах дороги, должны сопровождаться водителем. Именно водителем – пастухом, чабаном и пр.
Именно такой водитель отвечает за безопасность движения и несет ответственность в том момент, когда его «подопечные» пересекают проезжую часть или двигаются по дороге.
3. Водитель – инструктор по вождению.
При обучении вождению мы можем столкнуться, на первый взгляд, с парадоксом: за рулем – курсант, но водителем он не является!
А ничего удивительного. Согласно ПДД, водителем является именно инструктор, который и отвечает за безопасность движения и строгое соблюдение курсантом норм ПДД. И, к сожалению, несет полную ответственность за нарушения, допущенные его подопечным.
Пассажир
Транспортное средство, как мы выяснили ранее, существует для перевозки пассажиров и различных предметов (грузов, оборудования).
Остановимся на пассажире – еще одном участнике дорожного движения. Его поведение регламентировано 5-м разделом ПДД.Определение из ПДД (п.1.2):
«Пассажир» — лицо, кроме водителя, находящееся в транспортном средстве (на нем), а также лицо, которое входит в транспортное средство (садится на него) или выходит из транспортного средства (сходит с него).
Из всей этой тирады ясно одно: пассажир считается таковым до тех пор, пока находится в ТС. Но при этом он не является водителем.
Многие несведущие пассажиры полагают, что не могут быть подвергнуты юридической ответственности за нарушение норм ПДД. Это ошибка. К примеру, отказ от использования ремня безопасности (при их наличии в ТС) является основанием для административной ответственности пассажира.
Пешеход
Проблема пешехода – самая животрепещущая, самая актуальная в практике дорожной безопасности. Наезды на пешеходов (независимо от того, где они происходят, — на пешеходной переходе или вне него) являются весьма частым явлением.

Отчасти в таком состоянии дел виноваты сами пешеходы, напрочь игнорирующие нормы 4-го раздела Правил, которые говорят об обязанностях пешеходов. Самое популярное заблуждение – это слепая вера в безоговорочную правоту пешехода на пешеходном переходе. Эту убежденность намеренно и целенаправленно культивируют СМИ, Интернет, невзирая на имеющиеся обязанности пешехода, зафиксированные в ПДД.
Определение из ПДД (п.1.2):
«Пешеход» — лицо, находящееся вне транспортного средства на дороге либо на пешеходной или велопешеходной дорожке и не производящее на них работу. К пешеходам приравниваются лица, передвигающиеся в инвалидных колясках без двигателя, ведущие велосипед, мопед, мотоцикл, везущие санки, тележку, детскую или инвалидную коляску, а также использующие для передвижения роликовые коньки, самокаты и иные аналогичные средства.
Пешеход – наиболее массовый участник дорожного движения. И поэтому четкое определение и уяснение его статуса является делом принципиальным.

1. Пешеход должен обозначить факт своего присутствия на дороге (тротуаре, проезжей части, обочине и пр.), а также на пешеходной (или велопешеходной) дорожке.
Иными словами, если лицо не находится на данных участках, то оно и не будет считаться пешеходом.
2. К пешеходам причисляется ряд лиц, которые перемещают небольшие транспортные средства без их непосредственного использования, а также передвигающиеся на инвалидной коляске без двигателя.
Например, пешеходы могут вести мотоцикл, мопед, велосипед, а также перемещать детскую коляску, санки, тележку и т.п.
3. Пешеходами будут считаться и лица, перемещающиеся с помощью роликовых коньков, самокатов и пр.
4. Лица, выполняя свои рабочие функции, профессиональные обязанности в пределах дороги, не будут считаться пешеходами.
К ним чаще всего относятся:
а) дорожные рабочие;
б) работники ГИБДД.
Таким образом, пешеходом мы называем участника дорожного движения, который находится в пределах дороги, пешеходной, велопешеходной дорожки и использует их именно для движения без использования транспортного средства, а не для выполнения своих профессиональных функций.

Регулировщик
Регулировщик не является участником дорожного движения. Как бы это и не выглядело парадоксально, но это факт. Регулировщик является лицом, в чьи профессиональные обязанности входит регулирование дорожного движения. Получается, что это – некий профессиональный статус, призванный следить за безопасностью на дороге.
Определение из ПДД (п.1.2):
«Регулировщик» — лицо, наделенное в установленном порядке полномочиями по регулированию дорожного движения с помощью сигналов, установленных Правилами, и непосредственно осуществляющее указанное регулирование. Регулировщик должен быть в форменной одежде и (или) иметь отличительный знак и экипировку. К регулировщикам относятся сотрудники полиции и военной автомобильной инспекции, а также работники дорожно-эксплуатационных служб, дежурные на железнодорожных переездах и паромных переправах при исполнении ими своих должностных обязанностей.
Говоря о регулировщиках, мы чаще всего подразумеваем именно инспектора ДПС – сотрудника ГИБДД с жезлом.
В принципе, в подавляющем количестве случаев так оно и есть.Определить регулировщика несложно: согласно ПДД, он должен быть в специальной форменной одежде.
В его оснащение входят также и средства регулирования – жезл, диск с красным световозвращательным элементом, свисток (для привлечения внимания участников движения) или устройство громкоговорящей связи.
Регулировщик должен иметь удостоверение, которое он обязан предъявлять по требованию водителя. Для инспектора ДПС существует еще одно требование: на его груди должен находиться специальный отличительный знак с персональным номером.
К регулировщикам, помимо работников ГИБДД, приравниваются и иные должностные лица, которых Правила наделяют полномочиями по регулированию дорожного движения.
1. Регулировщики — работники ВАИ (военной автомобильной инспекции).
При движении по дорогам военных колонн сотрудники ВАИ осуществляют контроль за безопасностью движения. Регулирование движения имеет целью беспрепятственный проезд, прежде всего, транспортных средств вооруженных сил.
И в этих условиях рядовые водители обязаны выполнять требования таких регулировщиков.2. Регулировщики — дежурные по переезду.
Для четкой организации движения и обеспечения максимальной безопасности проезда транспорта через железнодорожные пути на наиболее загруженных ж/д переездах задействуются специальные должностные лица – дежурные по переезду. На таких регулируемых переездах дежурные работают в круглосуточном режиме.
Подобная практика позволяет добиться повышенной безопасности. В случае несрабатывания автоматической сигнализации на переезде регулировщик (дежурный по переезду) блокирует выезд транспортных средств на железнодорожные пути.
3. Регулировщики – работники дорожно-эксплуатационных служб.
Цикл дорожных работ — ремонта дорог, а также их обслуживания (уборки, установки дорожных знаков, нанесения разметки, формирования ограждений и пр.) – выполняется специально обученными сотрудниками дорожно-эксплуатационных служб.
В процессе своей деятельности они вынуждены перекрывать или ограничивать движение транспорта.
Именно поэтому им и придается статус регулировщика, а водители обязаны выполнять их требования. На практике же часты случаи игнорирования требований таких регулировщиков. Это недопустимо!4. Регулировщики – дежурные на паромных переправах.
Паромные переправы – это особые участки, перед которыми столпотворение – вполне нормальное и даже обыденное явление. И водители должны помнить, что требования дежурных по паромным переправам, указывающих на наиболее оптимальное размещение транспортных средств на пароме, – это закон! И его надо свято выполнять!
Несмотря на нервозность ситуации, на усталость от ожидания своей очереди для заезда на паром, водители должны помнить о законности требований регулировщика – дежурного на паромных переправах.
И еще одно замечание. Водитель должен выполнять требования любого регулировщика, но документы (водительское удостоверение, техпаспорт, полис ОСАГО) передавать только сотруднику полиции (или иному лицу, наделенному таким правом контроля).

Посмотрите как оплатить парковку в центре Москвы и не стать нарушителем.
О новой платной трассе М11 и ценах за проезд по некоторым участкам.
Будет ли популярно Uber такси https://voditeliauto.ru/stati/raznoe/uber-taksi-vip-klassa-cherez-internet.html в России — покажет время.
Сделаем вывод
В рамках дорожного движения мы можем встретить только три типа участников – водителя, пассажира, пешехода. Регулировщик, не являясь участником движения, является лицом с особым статусом, позволяющим ему регулировать дорожное движение.
Может заинтересовать:
Культура поведения участников дорожного движения и Правила дорожного этикета • Фонд пропаганды БДД «Новое поколение»
Когда новоиспеченный водитель попадает на дорогу, он впервые сталкивается с такими трудностями, как регулировщик, светофоры, множество разнообразных звуков и сигналов. Ему нужно много времени, чтобы адаптироваться к окружающей его среде, что в свою очередь может привести к авариям или заторам.

Опытные водители часто избегают всяческих проблем на дороге благодаря своему личному «языку и правилам хорошего тона водителей».
Приведём шокирующие данные статистики. Ежегодно в результате транспортных происшествий на планете гибнут до 400 тысяч человек в возрасте до 25 лет. Это означает, что каждый день на дорогах в результате ДТП погибают более тысячи молодых людей. В России статистика соответствует общемировой – более 40 % жертв дорожных аварий – молодежь.
В ряде стран благодаря принимаемым мерам наблюдается улучшение ситуации, однако в России обстановка по-прежнему остается напряженной. Причины, не только в неудовлетворительном состоянии дорог или переизбытке транспортных средств, но и в человеческом факторе, отсутствии культуры на дорогах.
Культура поведения на дороге должна прививаться с детства, и каждый участник дорожного движения должен осознавать меру своей ответственности.
Должен понимать, что его недисциплинированность на дороге является, по сути, покушением на жизнь и здоровье других людей!На дороге существует множество знаков, которыми водители обмениваются для сообщения друг другу различной информации. Это неформальные правила поведения на дороге, поскольку они не оговорены ни в одном из существующих учебников по обучению вождению, ни в Правилах дорожного движения. Азбука световой сигнализации существует уже достаточно давно и успешно используется автолюбителями.
Первыми специальные знаки общения стали применять водители-дальнобойщики. Можно сказать, что дальнобойщики и являются основными законодателями в области дорожного этикета. Общение с водителями с других стран делает такие негласные ПДД универсальными и понятными на дорогах всей Европы.
Правила «дорожного этикета»
Важно запомнить лишь некоторые общеизвестные среди водителей негласные правила «дорожного этикета».

Чтобы выразить благодарность, нужно включить аварийную сигнализацию или пару раз моргнуть светом. Как правило, это применяется в случаях, когда Вам дали обогнать впереди идущее авто, дали возможность выехать с обочины.
Чтобы сзади идущее авто не начало обгон, когда впереди Вас какая-либо опасность, еще не огражденная знаками, нужно включить аварийную сигнализацию или несколько раз нажать на педаль тормоза.
Когда в ночное время суток Вам на встречу едет автомобиль с включенным дальним светом и Вас начинает слепить, тогда нужно кратковременно включить дальний свет.
Если Вы не успеваете совершить уже начатый обгон, необходимо дать один или несколько длинных гудков. Водитель автомобиля, обгон которого Вы совершаете, должен сбить скорость и уступить Вам дорогу.
Если Вас пропустили, моргните «аварийкой», что в данном случае будет обозначать «спасибо».
Если Вы случайно кого-то «подрезали», моргните аварийной сигнализацией, что обозначает извинение.

Если на встречной полосе Вы заметили препятствие, которое может привести к дорожно-транспортному происшествию, переключая ближний свет на дальний, Вы предупредите водителей, движущихся Вам навстречу, о необходимости снизить скорость.
Если Вы заметили, что в соседней машине плохо закрыта дверь, приоткрыт багажник, спущено колесо или есть любые другие технические неисправности, поравняйтесь с автомобилем, посигнальте и укажите на поломку жестом руки.
Если Вы движетесь в крайнем левом ряду, и Вам моргают фарами сзади идущие автомобили, по возможности перестройтесь в правый ряд. В Европе в этом случае включают левый сигнал поворота и едут за Вами.
Если Вы увидели машину, едущую за Вами с включенный левым поворотником – пропустите, за Вами едет европеец или просто цивилизованный водитель.
Всегда включайте указатели поворота при совершении манёвра: обгон, перестроение в другой ряд, поворот и т.
п., даже если Вам кажется, что на дороге позади Вас никого нет. Совершение манёвров без использования указателей поворота выражает неуважение к другим участникам дорожного движения и, кроме того, провоцирует ДТП. Например, Вы можете не заметить автомобиль, находящийся в «мёртвой зоне», и, «подрезав» его, создадите аварийную ситуацию.Кроме того, не забывайте, что пешеходы и велосипедисты тоже ориентируются на дороге по Вашим «поворотникам»!
Подавайте звуковой сигнал только тогда, когда это помогает предотвратить аварийную ситуацию. Например:
- неожиданное появление пешехода на близком расстоянии от Вашего автомобиля — в этом случае Вы непременно обязаны применить сигнал;
- для предупреждения других участников движения о возможном наезде на них или столкновении.
Звуковой сигнал никогда не следует подавать, чтобы вызвать кого-то из дома; требовать, чтобы открыли ворота, или ускорить движение другого участника движения, если он задерживается при выполнении манёвра.

Зависимость от настроения
Безопасность человека во многом зависит от психоэмоциональных факторов, проще говоря, от Вашего настроения. Важно понять и оценить Ваше состояние, отношение к окружающим, то есть определить «врагов безопасности» и научиться с ними справляться.
У многих водителей малейшая некорректность соседа по дороге вызывает агрессию. Чем меньше у такого водителя времени, чтобы добраться в назначенный срок из пункта А в пункт Б, тем крепче его «эпитеты». В ход идут и красноречивые жесты, подкрепляемые мигающим светом фар и нетерпеливыми гудками клаксона. Парадокс заключается в том, что даже обычно спокойные и уравновешенные люди во время езды могут «заразиться» вирусом агрессии.
Одна женщина на тренинге у психолога призналась, что очень любит ездить на автомобиле, однако не в состоянии контролировать свою речь и поведение, замечая чужие ошибки в дорожном потоке.
Для начала ей предложили воспользоваться психологическим приемом, связанным с подменой понятий. Каждый раз в критической ситуации вместо непристойности по адресу очередного объекта необходимо было произносить заранее выбранную фразу, несущую заряд положительных эмоций, например: «Я люблю тебя больше всех на свете!» Эффект превзошел все ожидания! Через несколько дней интонация стала доброжелательной, а через две недели было совершено удивительное открытие: оказывается, вежливость и тактичность не менее заразны, чем агрессия! Более того, эти прекрасные качества сводят агрессию на нет.Ваше восприятие
Первое, что необходимо предпринять, — оптимизировать процесс восприятия. Известно, что около 90% информации среднестатистический человек получает с помощью зрения, 6% — с помощью слуха, а оставшиеся 4% — с помощью обоняния и осязания.
Откажитесь на первых порах от музыки и разговоров с пассажирами во время движения, а окно приоткройте, чтобы улавливать и распознавать шум проезжающих мимо машин, визг покрышек или сирены автомобилей спецслужб.

Учитесь интуитивно распознавать на дороге машины, требующие к себе повышенного внимания. Это совсем не трудно, все дело в правильном подходе и наблюдательности. Ведь каждый умеет с высокой степенью вероятности дать определенную характеристику любому встречному прохожему: по одежде, походке, выражению лица, поведению. Можно не только определить его социальный статус, но и спрогнозировать намерения относительно Вас.
Автомобиль — своего рода дополнительная внешняя оболочка водителя, его «верхняя одежда». Новые госномера, знак «туфелька» на заднем стекле, «шрамы» и вмятины на боках, броские, вызывающие наклейки, дерганая или неуверенная «походка» — все это исходные данные для Ваших наблюдений.
Ситуация на дорогах остается напряженной, без серьезных дорожно-транспортных происшествий не проходит ни одной недели.
Значительная часть из них происходит из-за несоблюдения скоростного режима.
Обстановка с аварийностью, гибелью и травматизмом людей складывается критическая, потому что отдельные участники дорожного движения с упорством продолжают нарушать Правила.Этот факт заставляет сотрудников ГИБДД увеличивать количество рейдовых мероприятий и принимать профилактические меры.
Основные причины ДТП:
- постоянный рост численности автопарка в регионе,
- превышение скорости,
- обгон автотранспорта,
- выезд на полосу встречного движения,
- вождение в нетрезвом состоянии,
- плохие погодные условия,
- а также плохое состояние дорожных сетей.
Особую тревогу вызывают дорожно-транспортные происшествия с участием детей. Часто бывают случаи, когда родители при перевозке своих детей игнорируют требования законодательства об обязательной установке в салоне удерживающего кресла, а также использование ремней безопасности.

Примерно три четверти всех дорожно-транспортных происшествий с участием детей происходит в результате их непродуманных действий, среди них наиболее частыми являются:
- переход через проезжую часть вне установленных для перехода мест;
- неожиданный выход из-за движущихся или стоящих транспортных средств или других препятствий, мешающих обзору;
- нарушение требований ПДД при движении на велосипеде и роликах;
- игры на проезжей части и ходьба по ней при наличии тротуара;
- неподчинение сигналам светофора и регулировщика.
Сотрудники ГИБДД принимают все меры, но без помощи граждан обстановка не улучшится.
Все мы в качестве водителей, пассажиров или пешеходов участники дорожного движения, поэтому призываем Вас оказать воздействие на родственников, близких, чтобы они соблюдали ПДД!
Хотим призвать всех участников дорожного движения к культуре поведения на дорогах, учитывая, что дорога всегда сопряжена с опасностью, где нет и не должно быть места самоуверенности, безразличию, неуважению других участников дорожного движения и полумерам.

Необходимо всегда и везде оставаться сознательным человеком, а не бездумным механизмом. Дорога не терпит нарушений и, как правило, отбирает жизнь наиболее трудоспособного поколения граждан!
Смотрите также
- Заменить лампу ближнего света
- Как сделать схождение колес самому на камазе
- Как самому сделать жидкое стекло для авто
- Пособие начинающему водителю
- Дарственная на автомобиль между близкими родственниками
- Штампы как покрасить
- Как мыть двигатель автомобиля своими руками
- Дизайн шевроле круз
- Подъемник для авто
- Помеха справа что значит
- Стартер ваз 21093
Правильный пример бережет жизнь. Советы ГИБДД педагогам, ученикам и родителям – Учительская газета
Забота о юных участниках движения, профилактика детского дорожно-транспортного травматизма всегда были приоритетными направлениями в деятельности московской ГИБДД.
Задача родителей, педагогов и сотрудников ГИБДД – сформировать у детей умение осознанно действовать в той или иной обстановке, помочь им овладеть элементарными навыками поведения на улице, развивать самостоятельность и ответственность.Дети берут со взрослых пример, во всем подражают им. Именно от родителей зависит, какие уроки дорожной безопасности усвоит ваш ребенок. Те незначительные нарушения, которые вы иногда позволяете себе на глазах у ребенка, рискуя и оправдывая себя спешкой и нехваткой времени, в дальнейшем могут стать фундаментом его неправильного поведения на дороге. Есть несколько рекомендаций, которые должен знать каждый родитель.Выходить из дома следует заблаговременно. Ребенок должен привыкнуть ходить по дороге не спеша. Если у подъезда дома возможно движение транспорта, сразу обратите на это внимание ребенка и посмотрите вместе, нет ли машин. Остановитесь у стоящего транспорта и покажите ребенку, как машина закрывает обзор улицы. Такое наблюдение во время прогулки полезно проделывать с различными предметами, закрывающими обзор, – зданиями, гаражами, деревьями.
Повторите с ребенком безопасный маршрут в школу и обратно. Объясните ему, что переходить дорогу нужно по пешеходному переходу. Лучше, если он будет со светофором. Расскажите ребенку, что переходить дорогу можно, только когда все автомобили остановились, а водители видят его и пропускают.Выходя на проезжую часть дороги, прекращайте посторонние разговоры с ребенком, указывайте на возможные опасности. Он должен привыкнуть, что при переходе дороги надо сосредоточить внимание на наблюдении за дорожной ситуацией.В сумерках и плохую погоду водители могут не заметить ученика, поэтому следует надеть яркую одежду, а лучше иметь на ней световозвращающие элементы.Если с вами в машине находится ребенок, не забудьте пристегнуть его ремнями безопасности или применять детское удерживающее устройство. Родителям, которые пользуются услугами такси, следует внимательно относиться к выбору компании-перевозчика и заранее выяснять, будет ли обеспечена безопасность ребенка в автомобиле.Не следует забывать о безопасности маленьких пассажиров в общественном транспорте.
Опасность передвижения в общественном транспорте связана, как правило, с резким торможением, к которому пассажиры не всегда готовы.Избежать подобных происшествий можно, лишь следуя правилам безопасности. При передвижении в общественном транспорте обязательно нужно держаться за поручни, соблюдать бдительность при посадке и высадке из транспортного средства, уделять особое внимание маленьким пассажирам, которые следуют с вами, не отвлекать водителя от управления. Родителям нужно помнить, что при перевозке маленьких детей в общественном транспорте коляску следует ставить на специальный удерживающий тормоз и крепко держать саму коляску.Обращаясь к юным участникам дорожного движения, хочется напомнить, что беспечность, невнимательность, шалости на проезжей части, нарушения ПДД при переходе улиц в любой момент могут обернуться бедой. Чтобы этого не случилось, надо постоянно изучать и строго выполнять все требования дорожной грамоты. А родители, учителя и сотрудники Госавтоинспекции, в свою очередь, помогут вам изучить правила безопасного поведения на улице и во дворе.
Также ГИБДД Москвы обращается и к педагогам. Напомните юным участникам дорожного движения после уроков, перед выходом из школы о повышенной осторожности на дорогах.Особый период для Госавтоинспекции – начало нового учебного года. Дети возвращаются в город, успев за лето отвыкнуть от интенсивного дорожного движения, некоторые дети и вовсе пойдут «первый раз в первый класс», а значит, им придется привыкать к новой жизни и к новой дороге. Кто-то пойдет в сопровождении взрослых, а кто-то сам, но так или иначе школьник вскоре станет самостоятельным участником дорожного движения. Обезопасить его от неприятностей на дороге – долг всех москвичей, в первую очередь сотрудников ГИБДД, которые будут нести службу в усиленном режиме. Дежурство около образовательных учреждений продолжится до середины сентября, пока и дети, и водители не привыкнут к интенсивности дорожного движения.Отдельное внимание сотрудниками ГИБДД по г. Москве уделено наличию и содержанию паспортов дорожной безопасности, разработанных на общеобразовательные и дошкольные организации с размещением в них схем безопасных маршрутов движения детей.
Сотрудники Госавтоинспекции Москвы совместно с представителями образовательных учреждений проведут проверки планирующих документов на новый учебный год по обучению несовершеннолетних правилам безопасного поведения на дороге.В течение сентября в школах будут проводиться различные мероприятия, которые помогут восстановить детям навыки дорожной безопасности на улицах и дорогах столицы. В течение года будут проведены различные промоакции и викторины с учащимися. В школах начнут работать отряды юных инспекторов движения.Соблюдение всех этих рекомендаций и строгое соблюдение правил дорожного движения поможет избежать дорожно-транспортных происшествий и сохранить жизнь и здоровье всех участников дорожного движения.Отдел пропаганды безопасности дорожного движения Управления ГИБДД по городу МосквеДорожная безопасность
Безопасность дорожного движения – огромный комплекс мероприятий, который, в итоге, обеспечивает безопасность всех участников дорожного движения. А мы с вами, все без исключения имеем прямое отношение к категории «участник дорожного движения», как водители транспортных средств, как пассажиры транспортных средств и, наконец, как пешеходы.
В какой-то момент в разных ипостасях, но все и всегда.Законодательство трактует безопасность дорожного движения как степень защищённости участников от ДТП (дорожно-транспортных происшествий) и их последствий. Дорожно-транспортное происшествие классифицируется как событие, возникшее во время процесса движения по дороге любого транспортного средства, либо при его участии, во время которого произошла смерть или ранение людей, повреждение транспортных средств, сооружений или причинён какой-либо материальный ущерб собственности.
Меры обеспечения безопасности дорожного движения
Основы безопасности дорожного движения предусматривают различные мероприятия по обеспечению дорожной безопасности. По степени влияния на безопасность движения, и предотвращения ДТП, эти меры подразделяются на активные и пассивные.
Активные меры обеспечения безопасности движения:
- Грамотное, с учетом всех особенностей, проектирование и расположение всех, без исключения, объектов дорожной сети.

- Изучение и своевременное предотвращение влияния конструкции дороги на вероятность ДТП.
- Постоянное совершенствование организации, как самого дорожного движения, так и Правил дорожного движения, как основного регламентирующего документа.
- Постоянный контроль соблюдения правил дорожного движения всеми его участниками.
- Постоянный контроль технического состояния транспортных средств (ТО) и оборудования, которое отвечает за организацию дорожного движения (знаки дорожного движения, светофоры и т.д.)
Пассивные меры обеспечения безопасности дорожного движения:
- Совершенствование оборудования для безопасности транспортных средств: конструктивно – усиление жесткости кузова, обустройство салонов средствами активно-пассивной безопасности – ремни, подушки безопасности и т.д.
- Проектирование и усовершенствование приспособлений в дорожной системе для безопасности пешеходов.
Правила дорожного движения – это основной документ, который самым подробным образом описывает условия безопасного движения для всех его участников, и регламентирует каждое действие, происходящее на дороге.
Поэтому, соблюдение Правил дорожного движения в 90% гарантирует безопасность дорожного движения. 10% отводится обстоятельствам непреодолимой силы: внезапное заболевание или стихийные бедствия.Контроль соблюдения ПДД возлагается на Департамент обеспечения безопасности дорожного движения. Но никакой контроль не поможет, если только вы сами не будете заинтересованы в своей безопасности, и безопасности окружающих вас людей.
Безопасность пешеходов
Ежедневно мы являемся участниками дорожного движения, выступая в качестве пешехода, пассажира или водителя. Быть пешеходом – это очень ответственно. Безопасность на дороге зависит в совокупности и от пешеходов, и от водителей. И риски также присутствуют у обеих сторон. Потому что довольно часто виновными в ДТП являются именно пешеходы, переходящие улицу на красный свет или в неположенном месте. Некоторые даже банально забывают, что если переходишь дорогу, нужно смотреть по сторонам, потому что из-за поворота может неожиданно появиться машина.
И тогда уже поздно будет смотреть в ее сторону.Поэтому и водителям, и пешеходам необходимо соблюдать основные правила, при которых риск дорожно-транспортных происшествий уменьшится:
- пешеходы должны двигаться по тротуарам или пешеходным дорожкам, а при их отсутствии — по обочинам;
- при движении по обочинам или краю проезжей части в темное время суток или в условиях недостаточной видимости пешеходам рекомендуется иметь при себе предметы со световозвращающими элементами и обеспечивать видимость этих предметов водителями транспортных средств;
- пешеходы должны пересекать проезжую часть по пешеходным переходам, а при их отсутствии — на перекрестках по линии тротуаров или обочин;
- на нерегулируемых пешеходных переходах пешеходы могут выходить на проезжую часть после того, как оценят расстояние до приближающихся транспортных средств, их скорость и убедятся, что переход будет для них безопасен.
Правилам дорожного движения нас учат еще с детства, а когда мы взрослеем, сразу забываем все азы.
А основным правилом, пожалуй, является осмотр дороги перед переходом на ее противоположную сторону. Как ни банально это правило, но, если бы его соблюдали все пешеходы, дорожно-транспортных происшествий было бы меньше. Также нельзя переходить улицу в неположенном месте, даже если Вы очень спешите.При неблагоприятных погодных условиях пешеходам нужно быть предельно внимательными! Если на улице дождь или туман – видимость водителя ухудшается в несколько раз. В таких условиях водителю трудно ехать. Расстояние, нужное для остановки автомобиля, на мокрой от дождя дороге увеличивается. Поэтому только убедившись в полной безопасности начинайте переход. Запомните, автомобиль не может остановиться мгновенно!
Отдельным правилом для пешеходов, как и для водителей, является поведение на дороге во время гололеда. Двигаться, по возможности, желательно только по засыпанным песком участкам дороги или по снегу. Во время перехода дороги нужно быть предельно осторожными и переходить только на зеленый свет.
Потому что, если вдруг вблизи появится машина, перебегать дорогу, покрытую ледяной коркой, весьма рискованно.Соблюдение этих простых правил поможет уменьшить вероятность аварийных ситуаций на дорогах. Помните, от Вашей дисциплины на дороге зависит Ваша безопасность и безопасность окружающих Вас людей!
Для Госавтоинспекции работа по предупреждению аварийности с участием пешеходов является одним из приоритетных направлений деятельности, ведь каждое третье дорожно-транспортное происшествие, в котором пострадали или погибли люди, происходит с участием пешеходов.
Пешеходы – одна из самых уязвимых категорий участников дорожного движения. По сравнению с водителями, они физически не защищены, и дорожно-транспортные происшествия с их участием зачастую становятся трагедией – как правило, пешеход получает тяжелые травмы, в том числе несовместимые с жизнью. Нередко из-за незнания Правил дорожного движения или пренебрежения ими виновником ДТП становится сам пешеход.
Быть пешеходом – это очень ответственно.
Дорожное движение – сложный процесс, но его безопасность зависит от поступков каждого человека, а значит, и от тебя. Ты должен строго соблюдать правила дорожного движения. Особенно важно уметь вести себя на улице, переходить дорогу и знать правила для пешеходов.Правила безопасного поведения на дороге:
- Ходить следует только по тротуару, пешеходной или велосипедной дорожке, а если нет — по обочине (по краю проезжей части) обязательно НАВСТРЕЧУ движению транспортных средств.
- Там, где есть светофор дорогу надо переходить только на зеленый сигнал светофора.
- В местах, где нет светофоров, дорогу безопасно переходить по подземному или надземному пешеходному переходу, а при их отсутствии по пешеходному («зебра»).
- Если нет пешеходного перехода, необходимо идти до ближайшего перекрестка. Если по близости нет ни пешеходного перехода, ни перекрестка, дорогу переходи по кратчайшему пути. И только там, где дорога без ограждений и хорошо видна в обе стороны, посмотрев внимательно налево и направо.

- Начинай переходить дорогу, только после того, как убедишься, что все машины остановились и пропускают тебя.
- Не переставай следить за обстановкой на дороге во время перехода.
- Нельзя перелезать через ограждения.
- Если дорога широкая, и ты не успел перейти, переждать можно на «островке безопасности».
- Играть в игры на дороге и на тротуаре опасно. Строго запрещено выбегать на проезжую часть из-за деревьев, автомобилей и других объектов, которые мешают водителю увидеть вас вовремя.
- При движении по краю проезжей части дороги в темное время суток обозначь себя световозвращающим элементом (элементами).
- Не задерживайся и не останавливайся на проезжей части дороги, в том числе на линии горизонтальной дорожной разметки, разделяющей встречные и попутные потоки транспортных средств, за исключением остановки на островках безопасности.
- При приближении транспортного средства с включенными маячками синего или синего и красного цветов пешеходу запрещается переходить проезжую часть дороги, а пешеход, находящийся на проезжей части дороги, должен покинуть ее, соблюдая меры предосторожности.

- Если ты только что вышел из автобуса и тебе необходимо перейти на другую сторону, то лучший вариант — это дождаться, когда транспорт отъедет от остановки. Другой вариант — пройти к установленному месту перехода — пешеходному переходу, обозначенному дорожным знаком или разметкой, либо пройти к месту установки светофора и лишь здесь безопасно перейти дорогу.
- Даже на дорогах, где редко проезжает транспорт, во дворах домов, нужно быть всегда внимательным и не забывать о своей безопасности. Не переходить дорогу не посмотрев вокруг, ведь автомобили неожиданно могут выехать из переулка.
- При ожидании транспорта стой только на посадочных площадках, на тротуаре или обочине.
Гимназист, помни!
От твоей дисциплины на дороге зависит твоя безопасность и безопасность окружающих тебя людей. Желаем тебе счастливого пути!
Правила безопасности детей смотреть документ
Ссылка на Видеоролик смотреть видео
Комплексное мероприятие Внимание! Дети!
Дорожная безопасность
— НОВОСТИ ГИБДД
— Методические материалы и полезные ресурсы по БДД
Дети — это наиболее уязвимая категория участников дорожного движения, именно поэтому обеспечение безопасности детей на дороге является первостепенной задачей для Госавтоинспекции.
Сотрудники ГИБДД Свердловской области обращаются к родителям маленьких участников дорожного движения — прививайте детям навыки соблюдения Правил дорожного движения. Ведь самый лучший способ воспитания — это пример взрослых.
Также обращаем внимание водителей.
Будьте предельно внимательны на дорогах, особенно при проезде пешеходных переходов и мест возможного появления детей: у мест отдыха, спортивных и детских площадок, парков и жилых зон. Помните, что ребенок видит окружающий мир по-своему, его поведение на дороге непредсказуемо.— О безопасном маршруте «Дом — школа — дом»
— Бланк «Маршрут безопасного движения в школу»
— Рекомендации по разработке и использованию маршрута безопасного движения «Дом-Школа-Дом»— Правила использования световозвращающих элементов в одежде детей, виды световозвращателей для пешеходов
— Правила перевозки детей в автомобиле 2021 — ПДД, изменения, комментарии
— Автовладельцы получили возможность оформлять ДТП в электронном виде
— Информация для родителей (законных представителей) с разъяснением возможных правовых последствий нарушения Правил дорожного движения Российской Федерации, допущенных при сопровождении несовершеннолетних
— Разъяснение требований Правил дорожного движения Российской Федерации для различных категорий участников дорожного движения — пешеходов, пассажиров, велосипедистов
— Информация о проводимых профилактических мероприятиях по предупреждению травмирования и гибели детей в дорожно-транспортных происшествиях
— Деятельность отряда юных инспекторов движения— Паспорт дорожной безопасности Муниципального автономного общеобразовательного учреждения средней общеобразовательной школы № 11
— Программа МАОУ СОШ № 11 по предупреждению и снижению детского дорожно-транспортного травматизма «Безопасность дорожного движения» на 2021-2022 учебный год
— Приказ № 31/2-А от 30 мая 2022 «О проведении профилактического мероприятия «Внимание — дети»
— Приказ № 29/2-А от 21 мая 2020 «О мерах по профилактике детского дорожно-транспортного травматизма»
Анализ состояния детского дорожно-транспортного травматизма
— Анализ состояния детского дорожно-транспортного травматизма на территории Свердловской области за шесть месяцев 2022 года
— Анализ состояния детского дорожно-транспортного травматизма на территории Свердловской области за пять месяцев 2022 года
— Анализ состояния детского дорожно-транспортного травматизма на территории Свердловской области за четыре месяца 2022 года
— Анализ состояния детского дорожно-транспортного травматизма на территории Свердловской области за 2 месяца 2022 года
— Анализ состояния детского дорожно-транспортного травматизма на территории Свердловской области за 12 месяцев 2021 года
— Анализ состояния детского дорожно-транспортного травматизма на территории Североуральского городского округа за 12 месяцев 2021 годаНовости школы
— Юные инспекторы движения Свердловской области оказывают помощь Госавтоинспекции
— Всероссийский конкурс «Звезда ЮИД»
— Викторина по ПДД
— Акция «Безопасное детство»
— Внимание, каникулы!
— День рождения ЮИД
— Выставка рисунков по безопасности дорожного движения
— Экскурсия в музей ОМВД
— Мы с семьёй соблюдаем ПДД
— Профилактическая акция «Посвящение в первоклассники»
— Маршруты безопасности1.
Для чего необходимо знать и соблюдать Правила Дорожного Движения?Одной из особенностей жизни в городе является интенсивное движение автомобилей, пешеходов только строгое соблюдение Правил дорожного движения, защищает всех нас, водителей и пешеходов, от опасности на дороге – дорожно-транспортных происшествий. Правила дорожного движения — это Закон дорог и его необходимо соблюдать.
2. Основные правила безопасного поведения на дороге для пешеходов:
— никогда не выбегайте на дорогу перед приближающимся автомобилем. Водитель не может остановить машину сразу.
— выходите на проезжую часть только убедившись в отсутствии приближающегося транспорта и слева, и справа.
— очень опасен выход из-за стоящих у тротуара автомашин — они закрывают Вам обзор дороги. Сначала нужно выглянуть на дорогу и оценить обстановку на ней и только убедившись в безопасности переходите ее.
— при выходе из автобуса или троллейбуса не выбегайте из-за него на дорогу.
Подождите пока он отъедет и только потом, убедившись в отсутствии машин, переходите дорогу.
— при выходе из трамвая пройдите на тротуар, дойдите до ближайшего пешеходного перехода и перейдите проезжую часть.
— не выбегайте на дорогу вне зоны пешеходного перехода в этом месте водитель не ожидает пешеходов и не сможет мгновенно остановить автомобиль.
— нельзя выезжать на проезжую часть на скейтах и роликовых коньках.
— опасно играть в мяч и другие игры рядом с проезжей частью. Лучше это делать во дворе или на детской площадке.3. Основные правила для велосипедистов:
— нельзя выезжать на проезжую часть на велосипедах детям до 14 лет.
— детям старше 14 лет и знающим Правила дорожного движения, можно ездить на велосипеде на расстоянии не более 1 метра от тротуара.
— нельзя перевозить пассажиров на раме или багажнике.
— нельзя делать разворот и левый поворот на дороге с двусторонним движением трамвайным полотном на середине проезжей части.
— по пешеходному переходу нужно двигаться только пешком, ведя велосипед за руль.Ниже располагается информация с официального сайта УГИБДД ГУ МВД по Свердловской области www.gibdd.ru.
Более подробно познакомиться по вопросам обеспечения детской безопасности на дороге и улице можно, перейдя по следующей ссылке.В ДТП гибнут наши дети, что может быть страшнее?
Часто мы задаемся вопросом: почему дети попадают в дорожно-транспортные происшествия? Казалось бы, ответ простой: если ребенок по собственной неосторожности получил травму в дорожно-транспортном происшествии, то это – вина ребенка. Но понятия «вина ребенка» не существует. Дорожное происшествие с ним означает лишь, что мы, взрослые, где-то недосмотрели, чему-то не научили или же личным примером показали, что можно нарушить «закон дороги». И часто за случаями детского травматизма на дрогах стоит безучастность взрослых к совершаемым детьми правонарушениям.
Для ребенка умение вести себя на дороге зависит не только от его желания или нежелания это делать.
Ребенок является самым незащищенным участником дорожного движения, и во многом поведение детей на дороге обусловлено их восприятием дорожной ситуации. Именно поэтому безопасность детей на дороге можем обеспечить в первую очередь мы, взрослые: родители, учителя, воспитатели, прохожие и, главным образом, водители транспортных средств.С чего же начинается безопасность детей дороге?
Разумеется, со своевременного обучения умению ориентироваться в дорожной ситуации, воспитания потребности быть дисциплинированным на улице, осмотрительным и осторожным. Личный пример – это самая доходчивая форма обучения для ребенка.
Уважаемые родители!
Помните, если Вы нарушаете Правила,
Ваш ребенок будет поступать так же!ДЕТИ-ПАССАЖИРЫ
В салоне автомашины
Ребенок в салоне автомашины целиком и полностью зависит от водителя. К сожалению, пренебрежение элементарными мерами безопасности родителями не только для себя, но и для ребенка может закончиться очень трагично.
Особенно если при движении автомашины ребенок располагается на руках. В этом случае ошибочно полагать, что, держа на руках, мы его оберегаем. При столкновении или резком торможении вес пассажира возрастает в несколько раз, и удержать ребенка от резкого удара практически невозможно. Если при этом и сам взрослый не пристегнут ремнем безопасности, то это верная гибель для малыша. Доказано, что ничего лучше специальных удерживающих средств для перевозки детей не оберегает их в момент столкновения.
ПРЕЖДЕ ЧЕМ ОТПРАВИТЬСЯ С РЕБЕНКОМ НА АВТОМАШИНЕ ПОБЕСПОКОЙТЕСЬ О ЕГО БЕЗОПАСНОСТИ:
1) Приобретите детское удерживающее устройство согласно весу и росту ребенка (сегодня большое количество производителей предлагают свою продукцию, более безопасными будут являться те кресла, у которых небольшой диапазон веса).
2) Строго следуйте инструкции от производителя автомобиля, как и где правильно установить детское кресло, каким образом оно фиксируется.
Отправляясь в путешествие на автомашине, приучайте ребенка занимать свое место в детском кресле, он быстро к этому привыкнет, и другое место ему самому скоро будет не по душе.
При этом сами пристегивайтесь ремнем безопасности, что также послужит для ребенка хорошим примером.
— Памятка «Чтобы избежать беды с автокрекслом ты води!»Уважаемые родители!
С раннего возраста приучайте детей соблюдать
Правила дорожного движения.
И не забывайте, что личный пример –
самая доходчивая форма обучения.В общественном транспорте
Кажется, что именно тут ничего трудного и нет, — зашел ребенок в автобус, сел и поехал, однако и пассажирам необходимо соблюдать Правила.
Опасность передвижения в общественном транспорте связана, как правило, с резким торможением, к которому пассажиры всегда не готовы.
Родителям, которые разрешают детям самостоятельно передвигаться на общественном транспорте, нужно разъяснить ребятам следующие правила:
1) Ожидать общественный транспорт безопасно только на посадочной площадке, а если ее нет, то на тротуаре или обочине, но в любом случае – подальше от проезжей части дороги.
2) Вход в маршрутный транспорт можно осуществлять только после полной остановки транспортного средства.
3) Находясь в салоне общественного транспорта необходимо крепко держаться за поручни.
4) Следует уступать места пожилым и больным людям – это правило не только вежливости, но и безопасности – ведь на резкое торможение им тяжелее среагировать и удержаться на ногах.
5) Запрещается отвлекать водителя от управления, а также открывать двери транспортного средства во время его движения.
6) К выходу следует подготовиться заранее, чтобы не пришлось спешить. Выйдя из транспорта, торопиться также не следует. Особенно если нужно перейти на другую сторону дороги. Необходимо четко усвоить: переходить проезжую часть можно только по пешеходному переходу.Уважаемые родители!
Помните! Ребенок учится «законам дороги»,
беря пример с вас, родителей, и других взрослых.
Пусть Ваш пример учит дисциплинированному поведению
на улице не только Вашего ребенка, но и других детей.
ДЕТИ-ПЕШЕХОДЫ
Необходимо запомнить самому и внушить ребенку: дорожное движение начинается не с проезжей части, а с первых шагов от порога или подъезда дома. Пройдите с ребенком весь путь до школы и ненавязчиво укажите на наиболее опасные участки – нерегулируемый перекресток, узкий тротуар, подъезд грузового транспорта к магазину, припаркованные автомобили и т.д. Обратите внимание на особенности детского мышления: дети пока не умеют предвидеть опасность и только учатся оценивать скорость движения автомашины при приближении к ним, к тому же из-за своего невысокого роста дети бывают невидимы для водителей, — а это опасно для жизни! Обязательно обратите внимание на возникающие опасности при посадке и высадке из общественного транспорта. Запомните: обходить стоящий автобус или троллейбус ни в коем случае нельзя. Нужно дождаться, пока транспорт отъедет, и только после этого переходить дорогу по пешеходному переходу.
Расскажите своему ребенку о том, что он является участником дорожного движения, и разъясните несложные правила для того, чтобы он мог ориентироваться в дорожной ситуации:
1) Когда идешь по улице пешком, то ты являешься пешеходом.
Ходить по улице тебе разрешается только по тротуарам, придерживаясь правой стороны, чтобы не мешать движению встречных пешеходов. Если тротуара нет, иди навстречу движению по обочине или краю дороги. Тогда не только водитель видит тебя издали, но и ты видишь приближающуюся машину.
2) Для того, чтобы перейти на другую сторону улицы, имеются определенные места и называются они пешеходными переходами. Они обозначены дорожными знаками «Пешеходный переход» и белыми линиями разметки «зебра».
3) Если нет обозначенного пешеходного перехода, ты можешь переходить улицу на перекрестках по линиям тротуаров или обочин.
4) Прежде чем перейти дорогу, убедитесь в полной безопасности. Остановись у края проезжей части, посмотри в обе стороны и, если нет машин, дойди до середины проезжей части. Еще раз посмотри налево и направо и, при отсутствии транспорта, закончи переход. Дорогу нужно переходить под прямым углом и в местах, где дорога хорошо просматривается в обе стороны.
5) Если на пешеходном переходе или перекрестке есть светофор, он покажет тебе, когда идти, а когда стоять и ждать.
Красный свет для пешеходов – стой, желтый – жди, зеленый – иди. Никогда не переходи улицу на красный и желтый свет, даже если машин поблизости нет.
6) Как только загорелся зеленый свет, не «бросайся» с тротуара на дорогу. Бывает, что у машины неисправны тормоза, и она может неожиданно выехать на пешеходный переход. Поэтому переходить дорогу надо спокойно, убедившись, что автомобили остановились. Переходи, а не перебегай!
7) Опасно играть рядом с дорогой: кататься на велосипеде летом или на санках зимой.
Важно знать – чтобы не оказаться на дороге в аварийной ситуации, ребенок должен понимать, когда автомобиль становится опасным. Машина не может остановиться мгновенно, даже если водитель нажмет на тормоз. Главное правило безопасного поведения – предвидеть опасность.
Очень важно задуматься и о том, что в осенне-зимнее время начинает рано темнеть, и даже взрослый человек, одетый в темную одежду, для водителя при плохом уличном освещении становиться практически невидимым!
Как в этом случае обезопасить себя и ребенка? Для начала следует стараться использовать светлую или яркую одежду, лучше всего со световозвращающими элементами.
Принцип их действия заключается в следующем: в темное время суток при попадании света от фар автомашины или уличного фонаря они начинают светиться, обозначая движение человека.
Для детей придумано уже большое количество разнообразных и интересных браслетов, значков, все чаще можно увидеть школьные портфели и рюкзаки со световозвращающими вставками, а также детские куртки и комбинезоны, это красиво и, самое главное, – безопасно!Уважаемые родители!
С раннего возраста приучайте детей соблюдать
Правила дорожного движения.
И не забывайте, что личный пример –
самая доходчивая форма обучения.ДЕТИ-ВОДИТЕЛИ
Велосипед, мопед, скутер – для многих ребят является предметом мечтания и, прежде чем воплотить мечту в реальность, родителям следует задуматься, где же его ребенок будет управлять своим транспортным средством? Есть ли поблизости стадион, парк, велосипедные дорожки?
Ведь дети, получая свое транспортное средство и имея возможность покинуть свой район, в любой момент могут отправиться в другой район к другу или однокласснику.
При этом, оказавшись в потоке транспорта на проезжей части, даже подготовленный человек в первые минуты движения может с трудом ориентироваться, а ребенок – он, зачастую, даже не знает, как ему правильно нужно двигаться по проезжей части, может растеряться, запаниковать и поступить не так, как ожидают от него другие участники дорожного движения, знающие Правила. Именно такие обстоятельства чаще всего способствуют совершению дорожно-транспортного происшествия.
К тому же велосипед, мопед, скутер – это самые незащищенные виды транспортных средств, и даже незначительные столкновения, а иногда и просто падение, могут повлечь за собой серьезные последствия. Приобретая их, необходимо позаботиться о дополнительных средствах защиты – шлемах, налокотниках, наколенниках, перчатках.Уважаемые родители!
Помните! Ребенок учится «законам дороги»,
беря пример с вас, родителей, и других взрослых.
Пусть Ваш пример учит дисциплинированному поведению
на улице не только Вашего ребенка, но и других детей.
Более подробно познакомиться по вопросам обеспечения детской безопасности на дороге и улице можно, перейдя по ссылке.
Будьте внимательны, соблюдайте правила дорожного движения!
Пресс-служба Минобрнауки России
В первые дни нового учебного года Министерство образования и науки РФ напоминает детям, их родителям и педагогам о правилах безопасного поведения на дорогах.
Соблюдение правил дорожного движения – это личная безопасность каждого человека и безопасность окружающих.
Уважаемые учителя и родители! Ваш личный пример очень важен для детей. Помните, что любые последствия ошибки и невнимания на дороге могут быть необратимыми. От культуры поведения участников дорожного движения зависит жизнь и здоровье не только взрослых, но и детей.
Сегодня существуют дополнительные эффективные средства обеспечения безопасности: светоотражающие элементы на одежде и аксессуарах, позволяющие водителям увидеть пешеходов даже в условиях плохого освещения.

Важно не забывать о правилах перевозки детей в автомобиле: специальные кресла и ремни безопасности необходимо использовать всегда, вне зависимости от расстояния, которое предстоит проехать.
Будьте внимательны, соблюдайте правила дорожного движения!
- ГЛАВНАЯ
Будьте внимательны, соблюдайте правила дорожного движения!
Почтовый адрес: 607190, Нижегородская область, г. Саров, ул.
Гагарина, дом 6;Электронный адрес: [email protected]; Адрес портала в сети Интернет: https://www.edusarov.ru;
Приемная 9-55-00; Факс: (83130) 9-55-09
На нашем сайте в разделе «Родителям — родителям будущих первоклассников» опубликован перечень документов, на основании которых осуществляется прием на обучение по образовательным программам начального общего образования (в 1 класс).
Пн Вт Ср Чт Пт Сб Вс 29 30 31 1 - День солидарности в борьбе с терроризмом
- Дорогие школьники и студенты, уважаемые родители и педагоги! Поздравляю вас с началом нового учебного года
2 - Дважды серебряная звезда Алиса Рубцова
3 4 5 6 7 8 9 10 11 12 - Видеобращение врио начальника УГИББ полковника полиции Ежова В.
Н. - Уважаемые родители!
13 14 - 2021-2022 Школьный этап
- 2020-2021 Школьный этап
15 - Еще четыре IT-куба открылись в Нижегородской области
16 - Актуальная информация о работе с «Навигатором»
- Актуальное интервью о шашках и жизни
17 18 19 - Поздравляем призера регионального этапа Всероссийского конкурса
- Делегаты 60-го слета «Сияющих звезд» придумали новые проекты в память о войне и для учителей-наставников
- Подведены итоги муниципального этапа всероссийского конкурса сочинений 2022 года
20 21 22 23 24 25 26 27 28 29 30 1 2 Программа по законопослушному поведению участников дорожного движения \ Акты, образцы, формы, договоры \ КонсультантПлюс
- Главная
- Правовые ресурсы
- Подборки материалов
- Программа по законопослушному поведению участников дорожного движения
Подборка наиболее важных документов по запросу Программа по законопослушному поведению участников дорожного движения (нормативно–правовые акты, формы, статьи, консультации экспертов и многое другое).

- Программное обеспечение:
- 58.29.50.000
- Антивирус КОСГУ
- База данных это
- Банк клиент
- Бухучет программного обеспечения
- Ещё…
Статьи, комментарии, ответы на вопросы: Программа по законопослушному поведению участников дорожного движения
Зарегистрируйтесь и получите пробный доступ к системе КонсультантПлюс бесплатно на 2 дня
Открыть документ в вашей системе КонсультантПлюс:
Статья: Правовое регулирование и информационно-разъяснительная работа в сфере безопасности дорожного движения: исторический опыт и современные реалии
(Войтенков Е.А.)
(«Юридический мир», 2015, N 11)Федеральными целевыми программами в сфере безопасности дорожного движения , помимо мер по совершенствованию законодательства, развития дорожной инфраструктуры, совершенствования механизмов оказания медицинской помощи пострадавшим, внедрения различных автоматизированных систем, предусматривается широкий спектр мероприятий информационно-разъяснительного и образовательного характера, которые имеют своей целью формирование у всех участников дорожного движения стереотипов законопослушного поведения.
Зарегистрируйтесь и получите пробный доступ к системе КонсультантПлюс бесплатно на 2 дня
Открыть документ в вашей системе КонсультантПлюс:
Статья: Мировая юстиция: социальный барометр
(Будко В.А.)
(«Мировой судья», 2009, N 10)К слову, если административные правонарушения, посягающие на общественный порядок и общественную безопасность, предусмотренные главой 20 КоАП РФ, составляли в структуре административных правонарушений, рассмотренных мировыми судьями, 50%, то 29% — это административные правонарушения в области дорожного движения (глава 12 КоАП РФ). Причем за 1-е полугодие 2009 г. количество рассмотренных дел об административных правонарушениях в области дорожного движения увеличилось на 3,4% и составило 18636 дел. И не случайно в 2008 — 2009 гг. были внесены изменения в Кодекс об административных правонарушениях РФ, ужесточающие ответственность водителей транспортных средств за нарушение правил дорожного движения. Однако одними лишь наказаниями ставшую уже национальной проблему не решить, здесь нужен комплекс мер.
Совершение каждого четвертого ДТП в крае, например, происходит, по данным статистики, из-за неудовлетворительного состояния дорожных условий. Краевой центр буквально задыхается от перенасыщения улиц транспортом, дефицита проезжих частей, пропускной способности дорог, отсутствия мест для парковки. На недостаточном уровне организовано и общественное воздействие на участников дорожного движения с целью формирования устойчивых стереотипов законопослушного поведения. Ситуация усугубляется всеобщим правовым нигилизмом, проявлением юридической безответственности за совершенные правонарушения, безразличным отношением к возможным последствиям дорожно-транспортных происшествий, недостаточным вовлечением населения в деятельность по предупреждению ДТП. Иначе говоря, существует реальная необходимость в разработке и реализации Программы по обеспечению безопасности на дорогах Ставрополья с привлечением научного потенциала, органов исполнительной власти и местного самоуправления, общественности с четким распределением функций, полномочий и ответственности.
Нормативные акты: Программа по законопослушному поведению участников дорожного движения
Зарегистрируйтесь и получите пробный доступ к системе КонсультантПлюс бесплатно на 2 дня
Открыть документ в вашей системе КонсультантПлюс:
Решение Свердловского УФАС России от 07.11.2018 по жалобе N 1670-3
Обстоятельства: В своей жалобе заявитель указал, что конкурсной комиссией неправомерно проведена процедура оценок заявок на участие в конкурсе по нестоимостному критерию.
Решение: Признать жалобу необоснованной; предписание не выдавать.рассмотрев жалобу ООО «Э» (420023, ) о нарушении заказчиком в лице Комитета жилищно-коммунального хозяйства, транспорта и связи администрации Нижнетуринского городского округа (624221, Октября, 2а), уполномоченным органом в лице Муниципального казенного учреждения «УА» (624221, Октября 2а, каб. 401), его комиссией при осуществлении закупки путем проведения открытого конкурса на выполнение работ по разработке комплексной схемы организации дорожного движения и программы законопослушного поведения участников дорожного движения на территории Нижнетуринского городского округа (извещение N 0862300044018000068), Федерального Закона от 05 апреля 2013 года N 44-ФЗ «О контрактной системе в сфере закупок товаров, работ, услуг для обеспечения государственных и муниципальных нужд» (далее по тексту — Закон о контрактной системе), и в результате осуществления внеплановой проверки в соответствии со статьей 99, 106 Закона о контрактной системе,Зарегистрируйтесь и получите пробный доступ к системе КонсультантПлюс бесплатно на 2 дня
Открыть документ в вашей системе КонсультантПлюс:
Решение Свердловского УФАС России от 31.
10.2018 по жалобе N 1629-3
Обстоятельства: В своей жалобе заявитель указал, что конкурсной комиссией неправомерно проведена процедура оценок заявок на участие в конкурсе по нестоимостному критерию; а также на то, что другой участник закупки должен быть отстранен от участия в конкурсе, поскольку у него имеются недоимки по налогам, сборам, задолженности по иным обязательным платежам в бюджеты бюджетной системы РФ.
Решение: Признать жалобу необоснованной; предписание не выдавать.рассмотрев жалобу ИП К. (125195, ) о нарушении заказчиком в лице Комитета жилищно-коммунального хозяйства, транспорта и связи администрации Нижнетуринского городского округа (624221, Октября, 2а), уполномоченным органом в лице Муниципального казенного учреждения «УА» (624221, Октября 2а, каб. 401), его комиссией при осуществлении закупки путем проведения открытого конкурса на выполнение работ по разработке комплексной схемы организации дорожного движения и программы законопослушного поведения участников дорожного движения на территории Нижнетуринского городского округа (извещение N 0862300044018000068), Федерального Закона от 05 апреля 2013 года N 44-ФЗ «О контрактной системе в сфере закупок товаров, работ, услуг для обеспечения государственных и муниципальных нужд» (далее по тексту — Закон о контрактной системе), и в результате осуществления внеплановой проверки в соответствии со статьей 99, 106 Закона о контрактной системе,Более безопасное поведение участников дорожного движения: Компонент 4 Десятилетия действий по обеспечению безопасности дорожного движения
Десятилетие действий по обеспечению безопасности дорожного движения призывает правительства принять на себя обязательства в рамках Десятилетия действий по обеспечению безопасности дорожного движения путем реализации планов действий, направленных на следующие пять основных направлений:
- Лучшее управление безопасностью дорожного движения
- Более безопасные дороги
- Более безопасные транспортные средства
- Более безопасное поведение участников дорожного движения
- Лучшая реакция после аварии
Компонент 4 касается проблемного поведения участников дорожного движения, такого как превышение скорости, неиспользование ремней безопасности и шлемов, усталость и вождение в состоянии алкогольного опьянения, и способов воздействия на это.
Этого можно добиться за счет последовательного соблюдения правил дорожного движения в сочетании с мероприятиями по информированию и просвещению населения, направленными на повышение уровня соблюдения правил, снижающих воздействие основных факторов риска.Ниже приведен ряд передовых методов и руководств для Компонента 4. Агентствам по безопасности дорожного движения предлагается представить свои собственные передовые методы обеспечения безопасности дорожного движения в SSATP, чтобы можно было добавить дополнительные примеры.
Вождение в нетрезвом виде
Доклад «Вождение в нетрезвом виде: руководство по безопасности дорожного движения для лиц, принимающих решения, и практиков» (ВОЗ, 2007 г.) является одним из пяти руководств, предназначенных для руководство по повышению безопасности дорожного движения с помощью простых и экономичных решений.
Руководство основано на опыте стран, добившихся успеха в борьбе с вождением в нетрезвом виде. Он предоставляет исходные данные для запуска программы управления транспортным средством в нетрезвом виде и проводит пользователя через шаги, необходимые для проведения оценки проблемы в стране.
В нем объясняется, как планировать и реализовывать программу, включая создание рабочей группы, разработку плана, примеры необходимых законов и правоприменения, как разрабатывать общественные образовательные и рекламные кампании и, наконец, как оценивать программу.Шлемы
Доклад «Шлемы: руководство по безопасности дорожного движения для лиц, принимающих решения, и практиков» (ВОЗ, 2007 г.) является одним из пяти руководств, предназначенных для лиц, определяющих политику, и практиков, в которых содержится пошаговое руководство по улучшению дорожного движения. безопасность с помощью простых и экономичных решений.
Он предоставляет необходимые доказательства, необходимые для запуска программы использования шлема, и проводит пользователя через шаги для оценки ситуации со шлемом в стране. Затем объясняется, как разработать и внедрить программу использования шлема, включая: создание рабочей группы; разработка плана действий; введение и обеспечение соблюдения обязательных законов о шлемах; создание соответствующих стандартов производства шлемов; эффективный маркетинг шлемов среди населения; обучение детей и молодежи использованию шлемов; и рассмотрение возможности оказания надлежащей медицинской помощи после авиакатастрофы.
Наконец, руководство направляет пользовательскую оценку программы, чтобы результаты можно было использовать при разработке будущих программ.Управление скоростью
Превышение скорости является одним из наиболее важных факторов возникновения и серьезности аварий. Чем выше скорость, тем выше риск аварии и травм. Это одна из самых больших проблем для специалистов по безопасности дорожного движения, но решения есть.
Отчет «Управление скоростью — руководство по безопасности дорожного движения для лиц, принимающих решения, и практиков» (ВОЗ, 2008 г.) является одним из пяти руководств, предназначенных для лиц, определяющих политику, и практиков, в которых содержится пошаговое руководство по повышению безопасности дорожного движения с помощью простых, экономичные решения.
Руководство состоит из ряда модулей. Он демонстрирует важность управления скоростью и проводит пользователя через шаги, необходимые для оценки ситуации в его собственной стране.
В нем объясняются шаги, необходимые для разработки, планирования и реализации программы, в том числе способы получения финансирования, создания рабочей группы, разработки плана действий и, при необходимости, принятия соответствующего законодательства. В нем рассматривается потенциальная роль мер, включающих инженерные и правоприменительные меры, а также использование образования для изменения поведения, связанного со скоростью. Наконец, руководство направляет пользователя о том, как контролировать и оценивать программу, чтобы результаты можно было использовать при разработке программы. Для каждого из этих видов деятельности в документе излагаются практические шаги, которые необходимо предпринять.Кампания по безопасности дорожного движения
Провести эффективную кампанию по безопасности дорожного движения непросто. Планирование, реализация, оценка и тесная координация с полицией и другими заинтересованными сторонами являются жизненно важными элементами.
В прилагаемом справочнике из Ганы в качестве примера используется конкретная кампания по борьбе с утомляемостью, но методология может применяться и к другим проблемам.Обучение школьников безопасности дорожного движения является важным элементом Компонента 4. За прошедшие годы во многих странах применялось множество различных методологий, но что работает, а что нет? В Гане был разработан пилотный проект «Безопасная ходьба» на основе одного случая, описанного в прилагаемом руководстве, в котором обобщаются образовательные меры, направленные на положительное влияние на модели поведения в условиях дорожного движения, с акцентом на:
1. Распространение знаний и понимания правил дорожного движения и ситуаций,
2. Повышение квалификации посредством обучения и опыта
3. Усиление и/или изменение отношения к осведомленности о рисках, личной безопасности и безопасности других участников дорожного движения.Следующие документы содержат дополнительную информацию:
- Справочник по кампании за безопасность дорожного движения
- Руководство по эффективной практике обучения безопасности дорожного движения
Что помогает изменить поведение участников дорожного движения?
Дата: Четверг, 28 июня 2007 г.

Этот документ представляет собой резюме отредактированной версии исходного 273-страничного отчета,
под названием Роль законодательства, образования и усиления в изменении
Поведение участников дорожного движения, (SRO-95-102; ISBN 0-7778-4354-0), который был выпущен
в октябре 1995 г.25-страничная отредактированная версия, В поисках более безопасных дорог: что работает при изменении
Поведение участников дорожного движения и полная техническая версия доступны
из Отдела исследований безопасности Отделения политики безопасности Онтарио
Правительство в Канаде.Обновленный документ, Изменение поведения участников дорожного движения: что работает,
что не (PDE Publications, 1998)>Авторы отчета:
Лоуренс П. Лонеро (Northport Associates)
Кэтрин Клинтон (Northport Associates) 0094 Джеральд Дж.
С. Wilde (Королевский университет)
Kent Roach (Университет Торонто)
A. James McKnight (Национальный научно-исследовательский институт государственных услуг)
Heather MacLean (Университет Торонто)
Университет Стивена 9000 Дж. )
Robert W. Lamble (Министерство транспорта, Онтарио)Содержание
- Введение
Определение поведения, которое необходимо изменить - Модели изменения поведения
Применение теории к безопасности дорожного движения - Изменение поведения участников дорожного движения
Законодательство- Закон о ремнях безопасности
- Законодательство о детских удерживающих устройствах
- Законодательство о мотоциклетных шлемах
- Изменения ограничения скорости
- Законодательство о вождении в нетрезвом виде
- Рекомендации
Правоприменение
- Теория игр
- Модель STEP
- Эффекты различных видов правоприменения
- Ориентация на определенное поведение
- Рекомендации
Армирование
- Поощрение посредством стимулов и вознаграждений
- Эффекты различных типов наград
- Приверженность, подсказки, сигналы и обратная связь
- Рекомендации
Образование
- Оценка обучения безопасности дорожного движения
- Школьные программы
- Народное образование и информация
- Обучение родителей
- Обучение пациентов
- Программы общественного образования
- Формальные программы обучения водителей
- Повышение квалификации водителей
- Подготовка мотоциклистов
- Образование против вождения в нетрезвом виде
- Рекомендации
- Укрепление здоровья: модель безопасности дорожного движения?
- Управление безопасностью дорожного движения
Руководство - Ссылки
Abstract
В этом отчете представлен обзор опубликованных исследований (по состоянию на декабрь 1994 г.
) по моделям поведения.
которые использовались для объяснения поведения участников дорожного движения, и резюмирует
результаты усилий по изменению этого поведения с использованием четырех широких классов
инструменты — ЗАКОНОДАТЕЛЬСТВО, ПРАВОПРИМЕНЕНИЕ, УКРЕПЛЕНИЕ и ОБРАЗОВАНИЕ.Он также рассматривает укрепление здоровья как модель безопасности дорожного движения и предлагает
четыре способа связать здоровье и безопасность. «Важно осознавать различные
способы измерения эффективности программ охраны здоровья и безопасности, особенно
поведенческие, — говорится в отчете. — Можно изменить поведение без
изменение потерь или изменение потерь на единицу воздействия без изменения
потерь на душу населения».При управлении безопасностью дорожного движения изучение четырех классов инструментов, перечисленных выше
предположить, что самые многообещающие возможности лежат «на местности между ними
где они поддерживают друг друга в своих синергетических усилиях» 9.
00031. Введение
В Онтарио в результате дорожно-транспортных происшествий ежегодно погибает 1000 человек и более
90 000. Они представляют собой серьезную медицинскую и социальную проблему и, наряду с раком,
основная причина смерти людей моложе 45 лет.Публичные и частные усилия позволили стабилизировать или снизить количество аварий
в провинции, но из-за растущего числа водителей транспортных средств и других
участников дорожного движения, абсолютное число погибших и пострадавших колеблется в пределах недопустимых
полученные результаты.План безопасности дорожного движения Онтарио — это новая стратегия, предназначенная для координации усилий
выявлять проблемы безопасности, находить и реализовывать решения, а также
оценки инициатив для дальнейшего развития. Обзор
литература по безопасности дорожного движения является частью этой стратегии. Этот документ представляет собой резюме
этого обзора.Прошлые усилия по обеспечению безопасности дорожного движения были направлены на обеспечение безопасности дорожного движения?
по проектированию более безопасных автомобилей и автомагистралей.
В последние годы акцент сместился
на поощрение более безопасного поведения участников дорожного движения. Углубленное изучение автомобиля
ДТП в штате Индиана показали, что действия или бездействие водителя,
за секунды до крушения было ответственно примерно за 77% до 95% столкновений.
Состояние автомобиля было причиной примерно от 4% до 13%, а физическая среда
(дороги, знаки и т. д.) составлял от 14% до 35%.Различные источники, как правило, резюмируют эту разбивку причин следующим образом:
- 85% относятся к ошибкам участников дорожного движения
- 10% связаны с несовершенством конструкции проезжей части или другими факторами окружающей среды
- 5% относятся к дефектам транспортных средств.
Очевидно, что то, как люди водят машину, ездят на велосипеде или ходят по дороге, является наиболее
источником дорожно-транспортных происшествий и смертельных случаев. Самый большой потенциал для создания нашего
безопасности дорог заключается в том, чтобы влиять на людей, чтобы они лучше воспринимали,
и психомоторные навыки для этих действий.
Исследования показали, что 35% участников дорожного движения ежегодно попадают в аварии.
имели предыдущие нарушения или сбои. Разрабатывая программы для этих «проблемных» водителей,
мы надеемся уменьшить их шансы оказаться в другом столкновении. Нахождение
остальные 65% (около 250 000 человек), которые будут участниками дорожно-транспортных происшествий, из
среди 6,75 миллионов водителей на дорогах Онтарио сложнее.Но мы знаем, в каких группах их, скорее всего, можно найти. Новые драйверы,
водители грузовиков, пожилые участники дорожного движения, водители с ограниченными физическими возможностями, велосипедисты и мотоциклисты
имеют несоразмерное участие в авариях. Это отражается в типах
программ и исследований, которые доминируют в исследованиях безопасности дорожного движения.В последние годы в Онтарио было предпринято много инициатив по изменению
поведение участников дорожного движения, но эта работа включала ряд различных подходов.
Любая полезная информация, полученная из них, доступна только по частям.Приведенный здесь документ объединяет литературу по влиянию на состояние дорог.
поведение пользователей, собранное из Онтарио и всего мира. Акцент делается на
какие инициативы сработали в другом месте и могут дать направление другим
работает в сфере безопасности дорожного движения.ОПРЕДЕЛЕНИЕ ПОВЕДЕНИЯ ДЛЯ
ИЗМЕНЕНИЕМногие сильные факторы сыграли роль в установлении текущего поведения
участников дорожного движения. Все эти влияния имеют веские и убедительные причины для существования,
так что это не легко инициировать изменения. Для изменения поведения в желаемом
Таким образом, несколько переменных должны быть рассмотрены одновременно. И так как есть
мало эмпирической информации о том, какие конкретные действия вызывают дорожно-транспортные происшествия,
нам еще предстоит разобраться с этим вопросом.Этот обзор направлен на предотвращение ошибок обычных участников дорожного движения и сдерживание
потенциально плохие водители из-за развития поведения, которое может вызвать столкновения.
Вернуться к оглавлению
2. Модели изменения поведения
«Сложный и взаимозависимый набор врожденных, эмпирических и экологических
влияния» определяет поведение, и только ограниченное число из них может быть
практически изменен. (Рисунок 1 показывает эти влияния.)Существует разнообразная литература, предлагающая теории и модели
это могло бы помочь нам понять изменение поведения. Практическая цель
Теория или модель состоит в том, чтобы предоставить набор предположений, которые ведут нас к более эффективному
решения. Альтернативой является здравый смысл, но в вопросах безопасности дорожного движения здравый смысл
традиция оказалась несостоятельной.Хотя теория или модель могут быть не совсем правильными, тем не менее они могут
внести вклад в понимание, и мера теории или модели
значение — это степень, в которой он это делает. Наши усилия изменить поведение очень
многое зависит от того, какие теории и модели мы выбираем, поскольку они часто диктуют
какое поведение следует наблюдать во время оценки.
КОГНИТИВНЫЕ МОДЕЛИ используют абстрактные идеи, которые предположительно действуют внутри людей
контролировать свое поведение. Эти идеи включают в себя убеждения, отношения, эмоции,
намерения и ожидания.Рис. 1
Нажмите, чтобы увеличить
ПОВЕДЕНЧЕСКИЕ МОДЕЛИ фокусируются на наблюдаемом поведении и на двух типах событий
которые влияют на него: экологические события и последствия. Поведенческий аналитик
рассматривает все аспекты поведения и факторы, которые поощряют или препятствуют
Это. Положительные последствия вознаграждений и стимулов предпочтительнее отрицательных.
(каратели), поскольку последние могут уменьшать негативное поведение, но без
влияние на желаемое поведение.Между КОГНИТИВНОЙ и ПОВЕДЕНЧЕСКОЙ моделями находятся РИСК, ПОЛЕЗНОСТЬ, РЕШЕНИЕ и
ИГРОВЫЕ модели. Они сосредоточены на наблюдаемом поведении и внешних воздействиях, но
они также касаются теоретических внутренних функций, таких как субъективный риск и
ожидаемая полезность.
Строго говоря, это не модели изменения поведения.
которые имеют дело с изученными, длительными изменениями, но они могут дать нам некоторое представление
последствия выбора, который делают люди. Они обсуждаются далее в этом
отчет.ТЕОРИЯ СОЦИАЛЬНОГО МАРКЕТИНГА фокусируется на массовом поведении, а не на индивидуальном поведении.
и использует рекламу и другие средства массовой информации, чтобы попытаться продать социально желательные идеи.
и практики для широкой аудитории.ПРИМЕНЕНИЕ ТЕОРИИ К БЕЗОПАСНОСТИ ДОРОЖНОГО ДВИЖЕНИЯ
Трудно сравнивать эффективность программ безопасности дорожного движения, потому что
они редко разрабатывались или оценивались в соответствии с моделями изменения поведения.
Учет явных моделей при разработке программ, воздействующих на участников дорожного движения.
поведение достойное. По крайней мере, они предоставляют контрольный список пунктов
следует учитывать, хотя не каждая модель одинаково полезна для каждой цели
и не каждое различие между моделями обязательно важно.
Этот краткий обзор литературы по безопасности дорожного движения включает работу, проделанную в разработке
и с использованием некоторых моделей. Также включен взгляд на область укрепления здоровья
и какие полезные уроки могут извлечь из этого исследования в области безопасности дорожного движения.Вернуться к оглавлению
3. Изменение поведения участников дорожного движения
Обзор литературы, описывающей прошлые попытки изменить поведение участников дорожного движения
сосредоточены на четырех практических подходах: законодательство, правоприменение, усиление
и образование. Один из основных выводов обзора состоит в том, что каждый из этих
подходы работают лучше, когда используются в сочетании с одним или несколькими другими.
Следовательно, некоторые исследования, упомянутые в одном разделе, будут иметь отношение к другим.
разделы.ЗАКОНОДАТЕЛЬСТВО
Самый простой механизм попытки повлиять на поведение участников дорожного движения – это
законодательство (например, Закон о дорожном движении), и оно работает двумя способами: его
декларативный эффект (установление социально приемлемых стандартов) и его сдерживающий
воздействие (наложение санкций на нарушителей).
Оба влияния зависят от других действий. Декларативный эффект – это
зависит от воспитания и общения. Сдерживание зависит от правоприменения.Законодательство всегда находится в состоянии войны с общественной настороженностью в отношении патерналистских мер
целью которых является защита людей от самих себя. Однако в последние годы это
конфликт предоставил исследователям прекрасные возможности для изучения
действие законодательства или его отсутствие.В то время как новый закон имеет значительное влияние, в основном благодаря широкой огласке,
теоретики права и исследователи в целом согласны с тем, что законодательство само по себе
имеет ограниченное влияние. Первоначальный эффект снижается довольно быстро, и законодательство
нуждается в большей поддержке в долгосрочной перспективе, если он хочет играть динамичную и эффективную
роль в постоянно меняющемся поведении участников дорожного движения.Эта поддержка исходит от трех других подходов, упомянутых выше.
Эффективный
Правоприменение помогает создать надежный сдерживающий фактор и побуждает людей развивать
привычка подчиняться. Подкрепления (например, подсказки, отзывы и
стимулы) может усилить желание людей выработать хорошие привычки вождения. Образование
помогает людям развивать знания, навыки и менять отношение, а также питает
развитие внутреннего и неформального социального контроля.Законодательство о ремнях безопасности
Страны по всему миру приняли законодательство, предусматривающее обязательное использование ремней безопасности.
использования в течение последних 20 лет. Оценки воздействия этого законодательства
рассмотреть два критерия — уровень использования и потери. Вообще говоря, законодательство
первоначально существенно увеличивает использование ремней безопасности, но со временем эффект ослабевает.
время. Однако даже по прошествии времени уровень использования остается выше, чем до законодательства.
Показатели использования в настоящее время значительно выше на международном уровне, а также в Канаде, достигая
старше 90% во многих юрисдикциях, поскольку государственные органы научились поддерживать
воздействие своих законов с помощью скоординированных усилий по обучению и обеспечению соблюдения.
Влияние законодательства на количество несчастных случаев менее очевидно. Законодательство разработано
снижение смертности в большинстве мест, но многие сокращения не были статистически
значительный. Сравнение, сделанное в 1982 году, показывает, что особых изменений не произошло.
поскольку законы о ремнях безопасности были введены в 1970-х годах, но возможно, что это повлияет на
увеличились с годами. Эта гипотеза основана на том, что
те, кто первым пристегнул ремни безопасности, имеют наименьший риск аварии; водители
самые устойчивые, скорее всего, разобьются. Преимущества могут быть снежным комом, как ремень
использование увеличивается среди водителей с более высоким риском. Такое же явление наблюдается
в результате действия законодательства, регулирующего вождение в нетрезвом виде.Некоторые исследования показывают, что после принятия законодательства стало меньше несмертельных травм.
Однако максимальные эффекты достигаются, когда законодательство сопровождается правоприменением.
Законодательство о ремнях безопасности в Северной Каролине было введено с льготным периодом
перед исполнением. Рейнфурт и др. (1990) отслеживали травмы и смертельные случаи.
на различных этапах реализации. Использование ремней увеличилось с 25% до 45%.
сначала, а затем до 78% после начала правоприменения. Впоследствии он уменьшился до
64%. Количество травм снизилось на 5,4% в течение льготного периода и на 15% во время принудительного исполнения.
Поначалу количество смертельных случаев оставалось прежним, но после введения в действие снизилось на 12%.В Онтарио использование ремней увеличилось с 17% до 77% после принятия мер (в январе
1976). Затем она упала до 48%, снова поднявшись до 65% для водителей и 50% для пассажиров.
к 1978 г. после усиления правоприменительных мер. Смерть пассажира в Онтарио
а показатели травматизма (на 100 км пробега) с 1976 по 1981 г.
ниже тенденции, ожидаемой для ставок в 1960–1975 гг.
в октябре 1994 г. составлял 91% водителей.
Законодательство о детских удерживающих устройствах
Существует несколько опубликованных оценок законов о детских удерживающих устройствах. Те, что существуют
показать, что последствия не были драматичными, но можно уменьшить
потери, если можно в достаточной степени снизить интенсивность использования.Исследование пяти штатов США показало, что законодательство удвоило среднее использование
скорость, но влияние широко варьируется в зависимости от штата. Использование ставок, вероятно,
должен находиться в диапазоне 60–90 %, чтобы защитить большинство лиц с высоким риском.Правильное использование детских удерживающих устройств остается проблемой. Большинство детей неправильно
установлены, и многие детские сиденья не установлены должным образом.Быстрая текучесть среди пользователей детских удерживающих устройств означает, что более скоординированная поддержка
и потребуется внимание для поддержания высокого уровня использования, а не для других типов
«патерналистского» законодательства.
Вернуться к оглавлению
Законодательство о мотоциклетных шлемах
Особый интерес представляет то, что в некоторых штатах США были приняты законы о шлемах
а затем отменил их в условиях жалоб общественности на лишение свободы
и мобильность. Это позволило разработать дизайн исследования, который позволял проводить оценку до
законодательства, после законодательства и после отмены законодательства.Главное бухгалтерское управление США (GAO) рассмотрело 46 исследований законов о шлемах.
в США в 1991 году. В обзоре сделан вывод о том, что использование шлема снижает серьезные и
смертельных травм с 28% до 73%. Обзор не поддержал жалобы гонщиков.
что шлемы ограничивают слух и зрение и вызывают травмы шеи при авариях.Было подсчитано, что из-за отмены закона США о шлемах Соединенные Штаты
потерял около 250 миллионов долларов прямых и косвенных расходов в результате смерти
и инвалидность в основном молодых жертв.Изменение ограничения скорости
В 1987 году законодательные изменения в США позволили штатам повысить скорость
ограничения на участках сельских автомагистралей между штатами.
Некоторые предпочли не делать этого; другие выбрали
изменить ограничения на одних дорогах, а не на других.Streff and Schultz (1990) изучали влияние изменений ограничения скорости в Мичигане,
обнаружив, что произошло значительное увеличение числа смертельных случаев и серьезных
и средней степени тяжести травм, но без увеличения количества транспортных средств, вовлеченных в
сбои. Исследование пришло к выводу, что аварии стали более серьезными, но не
более частый.Другие исследования, охватившие гораздо больше штатов, показали аналогичные результаты. Одно исследование
указали на «побочный» эффект — 5-процентный рост смертности в сельской местности за пределами штата.
дороги, где ограничения скорости не были увеличены. Превышение скорости и смертельные столкновения также
поднялись в штатах, не поднявших свои лимиты, хотя лишь примерно на
вдвое меньше. Авторы исследования объяснили это общим изменением
в отношении к ограничениям скорости о времени, когда ограничения были увеличены.
Они также пришли к выводу, что те штаты, которые увеличили свои лимиты, могли
отвлек несколько спидеров для движения по этим дорогам.Законодательство о вождении в нетрезвом виде
Война против вождения в нетрезвом виде породила очень большое количество литературы.
Эта литература создала благодатную почву для изучения попыток изменить
поведение за рулем через законодательство.Только в США было внесено около 500 законодательных изменений в период с 1980 по 1980 гг.
1985 г. Наиболее важным законодательным событием в этой области стало
введение законов per se, основывающих обвинительные приговоры на уровне содержания алкоголя в
кровь водителя, а не доказательство опасного вождения. С конца 1960-е,
такие законы были приняты в Канаде, Великобритании и большинстве штатов США.Moskowitz (1989) показал, что законодательство о вождении в нетрезвом виде в сочетании с правоприменением
программы, имеет эффект, по крайней мере, в краткосрочной перспективе.
Увеличение штрафов, доп.
судебные разбирательства и сами по себе законы обеспечивают меньше аварий со смертельным исходом, эффект длится от
несколько месяцев и пару лет.Одной из возможных причин недолговечности действия законодательства, считают исследователи, является
низкая вероятность задержания; одно исследование предполагает, что существует один
арест за 200 отключенных поездок. Исследования показывают, что усиление правоприменения ставит
нагрузка на судебную систему без реального сокращения дорожно-транспортных происшествий.В штате Новый Южный Уэльс, Австралия, программа, включавшая законодательные
изменения, тяжелые случайные проверки дыхания и массовая огласка сумели остаться
эффективен в течение ряда лет.Существует широкий спектр факторов, влияющих на вождение в нетрезвом виде, исследователи
сказать. Долгосрочное сдерживание существует (Snortum, 1988, стр. 226), но «оно может быть только
найдены путем поиска в нужных местах», — говорят они.
Некоторые из этих «нужных мест»
лицензионные действия (например, приостановка) и интенсивное правоприменение.Показатели DWI могут быть замаскированы другими социальными тенденциями, такими как общее увеличение
питьевой. Нет никакого способа узнать, будут ли ставки DWI выше, если бы не существовало
законодательство.Другой исследователь пришел к выводу, что единственное законодательное действие, ответственное за
для наблюдаемого снижения DWI было повышение возраста употребления алкоголя. Некоторые исследования кажутся
предположить, что более высокий минимальный возраст употребления алкоголя, снижение потребления и изменения
в местах употребления алкоголя уменьшают количество аварий, связанных с алкоголем, и что эти
последствия могут сохраняться после достижения возраста, когда разрешено употребление алкоголя.Существует множество свидетельств того, что потеря водительских прав
более эффективны, чем штрафы или тюремное заключение. Большинство отстраненных водителей продолжают
водить машину, но, по-видимому, гораздо более осторожно, и они, как правило, приобретают большую
навыки и лучшие привычки, которые сохраняются после прекращения отстранения.
Тюремные сроки
может быть даже контрпродуктивным, потому что правонарушители теряют шанс улучшить
свои навыки вождения на практике.Другие факторы влияют на DWI. Например:
- Продажа алкоголя на розлив приводит к увеличению коллизий, связанных с алкоголем.
- Повышение налогов на алкоголь снизило число аварий со смертельным исходом в 25 из 38 оцениваемых штатов.
- Снижение и последующее увеличение минимального возраста употребления алкоголя показали более
столкновения, где алкоголь был легко доступен.
Однако, когда продажа алкоголя была разрешена на мяче высшей лиги Торонто
парк, исследование показало, что количество выпивки увеличилось, а количество столкновений — нет, по сравнению
с ситуацией до того, как была разрешена продажа пива.Эффективность законодательства зависит от того, как осуществляется его реализация
в сочетании с другими инициативами, такими как правоприменение и образование. За
долгосрочные последствия мы должны установить новые социальные нормы в отношении вождения в нетрезвом виде с помощью законодательства
служит центром образования, рекламы и групповой активности.
Практическая трудность для планировщика программ заключается в понимании баланса
между лидерством и следованием существующим, неформальным социальным нормам.Вернуться к оглавлению
Руководящие принципы
Результаты этого исследования законодательных попыток повлиять на участников дорожного движения
поведение предлагает следующие рекомендации при введении нового законодательства:- Четко сообщать общественности и средствам массовой информации о причинах,
и выгоды, ожидаемые от законодательства. Не думайте, что люди
понять причину(ы) этого. - Продолжать улучшать влияние и сдерживание законодательства путем явного
планирование, реализация и оценка. Самодовольство приводит к ухудшению
в результате. - Улучшить сдерживающий эффект за счет поддержки инициатив по правоприменению и
реклама, разработанная после анализа целевых групп населения и их текущих
поведение. - Поддержка отдельных значений и средств контроля, связанных с вопросами здоровья и
социальные издержки небрежного или безответственного поведения на дорогах.
- Тщательно обдуманно смотрите дальше краткосрочной эффективности нового законодательства
вмешательства, направленные на поддержание позитивного поведения и оптимального сочетания
эффективных поддерживающих инициатив. - Помогите разработать социальные нормы, благоприятствующие безопасному использованию дорог, которые будут основываться на
саморегулирующиеся процессы.
ПРАВОПРИМЕНЕНИЕ
Правоприменение поддерживает ожидания и стандарты общества. Он вводит санкции
когда нарушаются законы, и именно угроза этих санкций убеждает
большинство участников дорожного движения соблюдают. Это отпугивает людей от повторения поведения, которое
уже заработали для них санкцию.Участники дорожного движения могут рассматривать санкции по-разному: как издержки ведения бизнеса,
как моральный вопрос, как неэффективная и дискриминационная система или даже как
Генератор доходов для правительства.Rotengatter (1982) проанализировал литературу о краткосрочных эффектах правоприменения.

на поведение водителя. Он выделил три вида эффектов:- Эффекты «на виду», когда водитель может видеть полицейское подразделение, могут иметь существенное значение.
влияние на такие элементы, как скорость, выбор полосы движения, обгон и соблюдение правил дорожного движения
загорается, но эффект действует в узких диапазонах времени и расстояния; - Устранен эффект памяти, когда водитель едет по одному и тому же участку дороги.
предположительно продлится до двух недель; - Общий эффект «ореола», когда принуждение влияет на поведение в широком диапазоне
географическая область.
Бут (1982) предлагает ориентироваться на опасные места, время и типы нарушителей.
создать образ вездесущности полиции. Он предположил, что водители увеличили
осведомленность сотрудников ГИБДД заставит их быть более осторожными и приведет к
меньше нарушений правил дорожного движения.Теория игр
Ясно, что поведение часто меняется в присутствии принуждения, особенно
если воспринимаемая вероятность невидимого правоприменения достаточно высока.
Следовательно,
фактическая вероятность является ключевым фактором в стратегии правоохранительных органов,
кого можно считать противником водителя в формальной «игре». Изменения
в поведении одного игрока влияют на поведение противника.Бьорнскау и Элвик (1992) предложили идею о том, что восприятие водителями
шансы на получение билета зависят от уровня правоприменения и уровня
правоприменения, установленного властями, зависит от уровня скорости водителей. Если
чем больше скорость драйверов, тем больше применяется принудительное выполнение, и некоторые драйверы замедляются
вниз. Если превышение скорости будет значительно снижено, правоприменение будет снижено, и это
приведет к тому, что скорость снова увеличится. Получается крайне нестабильная ситуация.Делается вывод, что соблюдение законодательства об участниках дорожного движения будет
нерешительно, потому что если будет установлено слишком много правоприменения, это нарушит баланс
и привести к меньшему количеству нарушений.
Тогда правоприменение придется уменьшить.
игровая модель ясно дает понять, что полностью рациональное, предсказуемое поведение может привести к
к менее чем оптимальным результатам безопасности.Авторы этого отчета (Lonero et al) также пришли к выводу, что нарушения и
количество дорожно-транспортных происшествий может быть постоянно снижено, если правоприменение не будет сокращено один раз
это успешно. Они утверждают, что самый очевидный способ сделать это — автоматически
наблюдения (см. следующий раздел). Однако для ручного принуждения эффективным
стратегия будет состоять в том, чтобы распределять правоприменение случайным образом и поддерживать его на уровне
чуть выше «стратегии равновесия», найденной путем оценки эффектов
правоприменение с течением времени.Модель STEP
Программа выборочного контроля за дорожным движением (STEP), тщательно разработанная в
Канада, представляет собой особый подход к правоприменению, который признает ценность конкретных
цели, планирование, поддержка сообщества, обучение сотрудников правоохранительных органов и
оценка.
Пошаговые программы по своей сути являются временными, но это не может быть критическим дефектом.
Программы можно периодически повторять и использовать стратегически для повышения соответствия требованиям.
Они могут работать на уровне общин и провинций.Канадская национальная программа пассивной безопасности — это национальный шаг, направленный
до 95% использования ремней безопасности по всей стране к 1995 году. По оценкам,
для достижения этого уровня ежегодно требуется пять миллионов контактов с правоохранительными органами.
Это соответствует результатам, достигнутым в австралийской программе DWI в New South.
Уэльс.Последствия различных видов правоприменения
Рабочие действия полиции (сокращение работы или забастовки) в Финляндии и США
предоставила исследователям безопасности дорожного движения возможность изучить влияние
правоприменение. Они обнаружили, что уменьшение присутствия полиции влияет на скорость
и отклонение скорости, но оказывает незначительное краткосрочное влияние на количество столкновений.
Hauer et al (1982) изучали прямые локальные эффекты видимого принуждения
о превышении скорости в четырех экспериментах в столичном Торонто. Когда правоприменение было
видно, средние скорости резко снизились (примерно на 15 км в час) на
места. Существовал «эффект ореола расстояния вниз по течению», который ослаблялся наполовину каждые
900 метров. Был также «эффект ореола восходящего потока», приписываемый CB-радио.
предупреждения, мигание света и предыдущий опыт работы на площадке. «ореол времени» был
отмечено, при этом один день исполнения имел заметный эффект примерно на три
дней, а более длительное исполнение создает более длинный ореол.Интересно, что водители, проехавшие участок неоднократно, дальше не уменьшались
их скорость, но на их скорость влияли в течение более длительных периодов времени. Привычно
медленные и быстрые водители замедлились больше, чем в среднем.В ряде исследований рассматривались эффекты сочетания правоприменения с
знаки обратной связи.
Одно исследование двух основных пригородных маршрутов в Дартмут, Нова.
Scotia обнаружил, что признаки обратной связи (например, процент водителей, не превышающих
на прошлой неделе или в процентах «лучший рекорд») существенно уменьшило число
водителей, превысивших лимит более чем на 10 км.Исследования показали, что эффект знаков обратной связи еще больше усиливался, когда
полиция остановила нарушителей и выдала им информационные материалы и предупредительные билеты,
и когда полиция остановила водителей, которые ехали близко к лимиту, поблагодарила
их и давали им символические награды. В последнем случае количество водителей
превышение скорости более чем на 10 км/ч было снижено на 48%, а
превышение лимита более чем на 20 км/ч на 64%.Исследования эффекта усиления правоприменения, например, путем удвоения
плотность патрулирования также показала значительный эффект.Однако некоторые программы выборочного правоприменения не кажутся эффективными.

Исследование серии из 17 явно независимых программ избирательного правоприменения.
в Северной Каролине нацелены на различные нарушения. Не хватало поддающегося обнаружению
эффект, приводящий к выводу, что такие программы должны планироваться с оценкой
в уме.Авторы этого исследования считают, что лучше финансировать меньшее количество
более интенсивных программ, чем большее количество программ меньшего размера. Серия
соответствующих программ, ориентированных на правоприменение, в восточной Канаде рассматривали последствия
различных комбинаций побуждения, принуждения, образования и рекламы
на поведение пешеходов и поведение водителей по отношению к пешеходам. Почти все
исследования показали значительное увеличение подачи сигналов пешеходами и водителей,
даже когда уже были довольно высокие исходные уровни.Хотя было невозможно разделить вклад разных программ
компонентов, было ясно, что комплексный подход был эффективным в изменении
поведение.
И при стоимости около 40 000 долларов за город это было не дорого.Автоматические полицейские системы, такие как фоторадары, кажутся эффективными
в снижении как скорости, так и столкновений.Ламм и Клокнер (1984) провели долгосрочное исследование эффектов фотографии.
радар на участке немецкого автобана. На опасном участке установили ограничение скорости 100 км/ч.
семикилометровый спуск. Число столкновений со смертельным исходом сократилось примерно с семи в
год примерно до одного. Эти эффекты сохранялись в течение 10 лет.
участок дороги. Сопутствующие эффекты, такие как переход водителей на другие дороги
не измерялись.Rothengatter (1991) проанализировал использование автоматических полицейских систем для повышения
соблюдение правил дорожного движения. Он предложил расширить их использование,
текущие недостатки исправлены, и чтобы была разработана «смарт-карта», позволяющая
нарушения должны быть прочитаны и обложены налогом во время лицензии.
Вернуться к оглавлению
Ориентация на определенные модели поведения
Принудительное использование ремней безопасности:
Было проведено много оценок, особенно в США, где усилия
делается для повышения уровня использования в штатах, где действуют законы об обязательном использовании.
программы правоприменения начались с высоких исходных показателей, созданных введением
законодательства. Следовательно, они ориентированы на более устойчивых водителей.
Ясно, что правоприменение может существенно повысить уровень использования ремней, особенно когда
осуществляется с помощью рекламы и других мер.Контроль за вождением в нетрезвом виде:
В США на каждые 5000 миль пьяных приходится примерно один арест.
вождение. Такой уровень правоприменения будет препятствовать соблюдению требований из-за
низкий риск санкций.Исследования показывают, что для этого требуется сбалансированная программа правоприменения с проверкой
баллы, реклама и превентивные поведенческие меры (такие как
программ) для повышения осознания водителями рисков, связанных с вождением в нетрезвом виде.
Многие законодательные и правоприменительные программы, направленные на борьбу с вождением в нетрезвом состоянии, имели сильные начальные
эффекты, исчезнувшие со временем. В Британской Колумбии статистика столкновений
указывают на то, что самые большие эффекты приходят с самыми большими уровнями общественного
осведомленность. Для их развития требуется время, и поэтому они отстают от пика
правоприменительная деятельность.Выборочное тестирование дыхания (RBT) может оказать существенное влияние на DWI. Когда юг
Австралия ввела RBT, вызванная им огласка произвела больший эффект
до его внедрения, чем после, поскольку оно сопровождалось низким уровнем
правоприменения. Тем не менее, эффект от снижения DWI длился недолго, и
было заметное увеличение аварий на проселочных дорогах, поскольку водители пытались избежать полиции
контрольно-пропускные пункты на основных магистралях.Два других штата Австралии, которые ввели RBT с более строгим контролем и
огласка показала заметное снижение количества столкновений и погибших.
Они обнаружили, что
сильнопьющие и лица с судимостью за вождение в нетрезвом виде изменили свое поведение более чем
другие. Кажется, это противоречит многим другим выводам о сдерживании водителей.
Одно исследование показало, что программы DWI давали многим водителям оправдание.
меньше пить. Исследование в одном штате показало, что эти эффекты сохранялись в течение
длительный период.Исследование, проведенное в США, выявило потребность в более стандартизированной и сложной трезвости.
тесты, повышающие чувствительность к алкогольному опьянению. Это сейчас
разрабатывается.Шинар и Макнайт (1985) провели обширный обзор правоприменения
и связанная с этим общедоступная информация, нацеленная на превышение скорости и вождение в нетрезвом виде. Они достигли
следующие выводы.- Не может быть предполагаемого риска правоприменения без фактического риска.
- Силовые подразделения должны быть хорошо видны, чтобы быть эффективными.

- Видимое принуждение должно выглядеть как реальная угроза.
- Неопределенность может расширить диапазон, в котором приводы воспринимают реальную угрозу.
- Необходимо предать гласности правоприменительные меры.
Другие исследования подтвердили эти выводы. Новые аспекты правоприменения,
таких как видеосъемка подозреваемых, может автоматически привлекать внимание общественности. Но публичность
о правоприменении может быть контрпродуктивным, если оно снижает восприятие водителей
быть пойманным. Воас (1982) показали, что водители переоценивают риск
арест за вождение в нетрезвом виде и может переоценить риск других угроз правоприменения, поскольку
Что ж.Руководящие принципы
В ходе исследований были разработаны следующие руководящие принципы по внедрению
меры по изменению поведения участников дорожного движения:- Обеспечить ресурсы и координацию для максимизации краткосрочных и краткосрочных
эффекты правоприменения и усиливают эффекты ореола.
- Создавайте санкции с реальным укусом, а не просто «издержки ведения бизнеса»,
быть в курсе общественного мнения о возможных опасениях. - Разберитесь в правоприменительной «игре» и сломайте шаблон, глядя на ШАГИ
как возможный инструмент. - Улучшить анализ поведения при расследовании ДТП полицией.
ПОДДЕРЖКА
Подкрепление используется здесь как общий термин, включающий поощрения, вознаграждения
и другие аспекты методов анализа поведения, такие как подсказки и обратная связь.
Подкрепление направлено главным образом на поощрение желательного поведения, а не на
препятствование нежелательному поведению.Поощрение направлено на конкретное поведение и внешние факторы, которые
влиять на них. При таком подходе практик должен быть очень четким и конкретным.
о фактическом и ожидаемом поведении. Вместо того, чтобы сосредоточиться только на
что делают водители, чтобы вызвать столкновение, мы также можем исследовать, что они потерпели неудачу
сделать это, чтобы избежать этого.
Например, можно поощрять медленную езду.
в отличие от препятствования быстрой езде, или использование назначенных водителей может
пропагандировать, а не идею о том, что все должны пить меньше или не пить
вообще.Wilde (1988) разработал Теорию гомеостаза риска (RHT), которая предупреждает, что
водители могут свести на нет некоторые улучшения в поведении участников дорожного движения, компенсируя
другими способами. Например, меньше DWI или превышение скорости на основных дорогах не имеет большого значения.
выгоду, если это компенсируется большим количеством столкновений на второстепенных дорогах.Основной интерес RHT заключается в том, что она представляет собой основу для понимания того, как подкрепление
влияют на поведение участников дорожного движения, особенно на стимулы.Поощрение посредством стимулов и
наградыПроведена первая систематическая оценка стимулов в области безопасности дорожного движения
в Калифорнии (Харано и Хьюберт, 1974).
В инновационном и крупномасштабном драйвере
эксперимент по улучшению, водители, виновные в авариях или допустившие нарушения
в предыдущем году были проинформированы о том, что их лицензии будут продлены бесплатно
в течение 12 месяцев, если они сохранят чистый отчет в предстоящем году. Этот
влечет за собой отсрочку письменного водительского экзамена, который обычно требуется
на продление лицензии. Была создана контрольная выборка водителей.Значительно меньше водителей в стимулирующей группе имели столкновения в первом
год наблюдения. Эффект был сильнее всего среди молодых водителей и тех,
чья лицензия должна была быть продлена в течение одного года после получения письма.В другом эксперименте группе водителей бесплатно продлили лицензию.
без предупреждения, в качестве простой награды за год чистого послужного списка. Эти драйверы
в последующем периоде показатели были хуже, чем в контроле.Эти сложные выводы служат предупреждением об использовании потенциально мощных
поведенческие техники, которые явно могут помочь, но могут и навредить или оказаться неэффективными,
в зависимости от деталей дизайна программы.
Оценка с использованием соответствующих экспериментальных
и контрольные группы особенно важны.Было проведено большое количество оценочных исследований программ поощрения
для использования ремня безопасности. В целом, эти исследования показывают значительное увеличение
использование ремней безопасности, когда за их использование закреплено положительное вознаграждение. Последующие исследования
показали, что, хотя пиковые уровни использования снизились, использование ремней стало привычным.
для некоторых, и показатели использования оставались выше исходного базового уровня.Вернуться к оглавлению
Эффекты различных типов вознаграждения
В обзоре использования ремней безопасности в программах в 28 корпорациях с использованием различных
комбинаций вышеупомянутых вознаграждений, Геллер и др. (1987) отметили, что они
все эффективно после окончания программы. Но, как ни странно, сильнейший
и самый продолжительный эффект был получен от программы без вознаграждения, которая включала
компонент интерактивного обучения.
Другие исследования также показали, что отсутствие вознаграждения
программы имели эффект, который длился дольше после окончания программы. Исследователи
предположили, что люди лучше усваивают мотивы своих действий
когда внешнее побуждение мало, но эффективно.Различные инструменты вмешательства, которые использовались для увеличения ремня безопасности
Использование и снижение DWI было рассмотрено Geller (1990). Это были: напоминание о транспортном средстве
такие системы, как зуммеры и звуковые сигналы, наклейки с напоминаниями о пристегивании и карты памяти
подсказки, напоминания в конце полета о необходимости пристегнуть ремень безопасности, обучение и информация
программы, а также телевизионные и кинофильмы об использовании ремней безопасности.Инструменты, используемые для подавления поведения DWI, включают обратную связь, такую как мониторинг крови
уровень алкоголя, изменение среды употребления алкоголя (например, «счастливый час»),
и серверное обучение.
Они кажутся слабыми по сравнению с теми, которые используются для мотивации.
повышенное использование ремней безопасности. Геллер указывает, что анализ поведения лучше всего подходит для
поощрять желаемое поведение, чем препятствовать нежелательному.Ряд исследований показывает, что программы, направленные на использование ремней безопасности и удерживающих устройств
среди детей школьного возраста вызывали существенные и стойкие эффекты.
Леман и Геллер (1990a, 1990b) сравнили ряд программ, действующих в
Вирджиния примерно в то время, когда в этом штате был принят закон о ремнях безопасности. Следующий
школьная пародия на использование ремней, и зрители, и родители увеличили их использование.
добавление внешних вознаграждений не имело дополнительного эффекта.Другие факторы могут быть более важными, чем эффекты стимулов. Геллер
и его коллеги систематически повторяли исследования с вариациями, комбинациями
и сравнения стимулов и других методов анализа поведения.
Этот
тип программного исследования редко встречается в области исследований участников дорожного движения, но
кажется, это единственный способ добиться научной точности и контроля.
нести эти проблемы. Разовые инициативы, как бы хорошо они ни были продуманы и
эффективен, не продвинет практических знаний в исследованиях участников дорожного движения, потому что
не будет ясно, почему инициативы работают.Приверженность, подсказки, сигналы и обратная связь
Еще один подход Геллера, который оказался весьма эффективным, — это «обещание пристегнуться».
карточка», особенно при использовании в сочетании с интерактивным обучением. Варианты
такого подхода также показывают положительные результаты. Например: опубликовать
обязуюсь использовать ремни безопасности в автомобиле в таком положении, чтобы это было видно на
зеркало заднего вида; Карты-подсказки «Flash for Life» для использования на проезжей части; авиакомпания
экипажи напоминают высаживающимся пассажирам пристегнуться.
Тест карт Flash for Life показал, что 82% автомобилистов смотрели карты
и около одной пятой из них (22%) пристегнулись.Некоторые исследования показали, что человеческий суфлер повышает эффективность
знака напоминания о ремне безопасности на выезде с парковки, и что комбинация
знаков и сообщений может уменьшить незаконную парковку в местах для инвалидов на
половина.Однако обратная связь работает не во всех ситуациях. Расс и др. (1989) рассмотрели
ряд исследований, которые предполагают, что предоставление водителям отзывов о своей крови
уровень алкоголя может быть контрпродуктивным. Возможная причина в том, что эта обратная связь
измеряет эффективность употребления алкоголя, а не производительность водителя.Такого рода оценки напоминают нам, что мощные поведенческие техники не
автоматически работают. Как и в случае с другими подходами, они должны быть тщательно разработаны,
оценивается и уточняется.Руководство по усилению
Этот обзор инициатив по усилению влияния на поведение участников дорожного движения
предлагает следующие рекомендации для будущей работы в этой области:- Использовать методы анализа поведения в операционных программах для определения целей
поведение и влиять на него.
- Разработать практические программы стимулирования и обратной связи с соответствующими оценками
для поддержания их эффективности. - Поощрять участников дорожного движения к разработке механизмов внутреннего контроля, таких как оздоровительный подход.
ко всему их образу жизни и социальной ответственности.
ОБРАЗОВАНИЕ
Оценка обучения безопасности дорожного движения
Большое внимание уделяется повышению безопасности поведения участников дорожного движения посредством обучения.
В целях безопасности дорожного движения образование включает передачу навыков и знаний,
действия, направленные на информирование или убеждение. Самый традиционный подход,
который должен был размещать информацию перед пассивной аудиторией, оказался
быть неэффективным.В середине 1980-х годов Программа исследований автомобильного транспорта Организации
Экономическое сотрудничество и развитие (ОЭСР) оценило эффективность дорожного
программы обучения технике безопасности (ОЭСР, 1986 г.
). Он пришел к выводу, что программы должны быть
четкие образовательные цели, и что они должны включать промежуточные
меры, а также меры, направленные на снижение потерь при столкновениях.То, чему программа пытается научить, должно быть непосредственно связано с этими задачами.
пользователю нужно учиться. Однако это представляет проблему, поскольку отсутствует
эмпирических знаний о том, какими навыками должен обладать участник дорожного движения. Цели программы,
В отчете говорится, что необходимо также учитывать навыки и мотивы участников дорожного движения.
уже есть.Кроме того, в отчете ОЭСР также рассматриваются многие другие переменные, которые
необходимо учитывать: содержание программ, где они преподаются, сколько
преподается, как часто, и культурных различий.В следующем кратком обзоре образовательных программ по безопасности дорожного движения они представлены по ряду
различных точек зрения, например, как они преподносятся и какие навыки
или поведение является мишенью.
Школьные программы
Обучение безопасности детей младшего возраста направлено на использование велосипедов, шлемов и
ремни безопасности и такие навыки, как переход через дорогу. Подростки преследуются за водителя
образование и ответственное употребление алкоголя.Систематическое обучение безопасности дорожного движения в школах проводится редко, и лишь немногие школьные
программы безопасности были тщательно оценены.Как правило, полицейские читают лекции с использованием аудиовизуальных и печатных средств. Исследователи
согласитесь, что обучение в классе уступает большинству других методов. В лучшем случае,
знания могут быть улучшены, но это изменение не приводит к более безопасному поведению.
Исследование, проведенное в США, указало на отсутствие систематического анализа
навыки, необходимые пешеходам, и непонимание того, как дети смотрят
транспортная среда.Игры-симуляторы, которые хорошо соотносятся с реальными дорожными ситуациями, работают хорошо,
особенно для детей младшего возраста.
Однако это исследование не дало окончательного
определили, что дети могут перенести это обучение на реальный трафик
Окружающая среда. Реалистичный подход к моделированию кажется чрезвычайно эффективным
с детьми пяти-шести лет.Был проведен ряд исследований программ, использующих игру и симуляцию.
методы обучения детей взрослому понятию скорости, безопасным пешеходным привычкам
и как пользоваться пешеходными переходами. Все показали положительные, длительные эффекты.Школьные программы по продвижению шлемов в Австралии и Новой Зеландии увенчались успехом
в значительном увеличении ношения шлемов среди детей. Программы, включенные
безопасность дорожного движения в ежедневную учебную программу в течение двух недель. Это было дополнено
с осмотром велосипеда, скидочными ваучерами на покупку шлема и призами
для использования шлема. Результаты показали интересную гендерную разницу. О
вдвое больше девочек, чем мальчиков, использовали шлемы. Через несколько месяцев скорость
использование увеличилось еще больше.
Возможно, это связано с изменением социальной приемлемости.
ношения шлема.Адресовано родителям: Традиционно образовательные программы по использованию ремней безопасности и
детские удерживающие устройства нацелены на родителей. Bowman et al (1987) разработали систему дошкольного
программа, ориентированная на детей. Это научило детей осознавать, что нужно носить
удерживающие устройства и настаивать на их ношении во время поездки в автомобиле. Это было
удалось повысить уровень использования с исходного уровня 61% до 74%.Программы с высоким уровнем участия, направленные на повышение уровня использования ремней в немного старшем возрасте
дети тоже добились успеха. Вывод: потенциал этих видов
программ значителен и используется недостаточно.Оценка общенациональной велосипедной трассы в Англии показала, что те, кто
пройдено, разбилось значительно меньше, чем тех, кто не прошел. Однако также было обнаружено
что аварийные показатели для тех, кто прошел курс и тех, кто не прошел
это было то же самое (Уайльд, 1995).
Судя по всему, дети, прошедшие курс,
предоставление родителям большей свободы передвижения, тем самым увеличивая подверженность риску.Печатные материалы были наиболее широко используемыми учебными пособиями, но оценки
из них признали их неэффективными, и нет никакой поддержки для использования
печатные материалы в отрыве от других вмешательств.Вернуться к оглавлению
Общественное просвещение и информирование
Лейсс (1990) предполагает, что быстро развивающаяся область информирования о рисках,
специальность информирования людей о рисках для здоровья и окружающей среды, может
вдохновить педагогов по безопасности дорожного движения. Обмен сообщениями о рисках
информации между разрозненными группами-экспертами, располагающими объективными данными о
технический риск, а также средства массовой информации и широкая общественность, которые сталкиваются с различными
степени субъективного риска, но не хватает фактов. Посередине правительство, пытающееся
для облегчения общения.
Wilde (1991) сделал обзор влияния средств массовой информации на здоровье и
безопасное поведение. Он начал с осознания того, что изменения в знаниях
и отношение не обязательно приводят к изменениям в поведении, и он пришел к выводу
что, в то время как средства массовой информации влияют на то, о чем думают люди, их поведение
больше зависит от соответствующих фактов. Другими словами, СМИ должны быть
более информативно. Уайльд также пришел к выводу, что чем шире СМИ информируют
людей по вопросу, тем больше вероятность того, что они примут разумные решения.Эксперименты с тем, как газеты обрабатывают истории о столкновениях, подтвердили теорию Уайльда.
теории.Подготовка и обучение могут оказаться неспособными сделать участников дорожного движения более безопасными
собственные, потому что обучение и воспитание с трудом меняют отношение и поведение,
но концепции социального маркетинга могут предложить решение. Концепция социального маркетинга
гипотеза Дюссо (1993) предлагает модель, которая объединяет исследовательский анализ,
Продукты безопасности, продвижение, законодательство и правоприменение (APPLE).
Это подчеркивает
участие и вовлеченность, с двусторонней связью между целью
население и агент вмешательства.Одно исследование для проверки этого подхода показало, что объективная информация о том, какие драйверы
подумать о существующих и будущих мерах безопасности дорожного движения, должны быть доступны
к управлению безопасностью на постоянной основе.Методы: Найдены визуальные методы, такие как фильмы и слайды
мало влиять на поведение. Но видеоролики, дающие детям отзывы об их
собственное поведение имело некоторый положительный эффект. Преуссер и Лунд (1988) показали, что
тщательно продуманная и интенсивно представленная программа видеоотзывов оказала положительное влияние на
воздействия на детей-пешеходов. Тщательно разработанные учебные материалы, поставляемые
по каналам сообщества, с принудительным исполнением в качестве подсказки и сдерживающего фактора
для несоблюдения, по-видимому, производят умеренно эффективную программу, подобную
на ШАГ.
Rothe and Cooper (1988) оценили две кампании по просвещению общественности о ремнях безопасности.
в Британской Колумбии в 1983 и 1987 годах. Первая программа была направлена на
при увеличении использования ремней безопасности с 50% до 80%. Общественные организации и учреждения
были целенаправленными, с использованием стратегии гражданской гордости и пакета из примерно 40 проектов.
Усилия по обучению, убеждению и принуждению варьировались от групповых презентаций
на телевизионную кампанию, раздачу печатной продукции, пилотное такси
проект и информационный бюллетень по безопасности дорожного движения. В результате сиденье увеличилось на 12%.
использования ремней всеми пассажирами и на 13% больше использования водителями. Те, у кого
самый низкий уровень использования увеличился больше всего.Вторая кампания 1987 года использовала средства массовой информации и продвижение, а не сообщество
организаций и сосредоточился на рисках, связанных с неиспользованием ремней.
Начиная
при исходном уровне 78% исследование выявило значительное увеличение в 12 из 13 случаев.
юрисдикции. В девяти юрисдикциях увеличение было значительным. Там было
доказательств, указывающих на то, что увеличение было связано с уровнем обвинений полиции.Вывод состоит в том, что крупномасштабные рекламные кампании должны тщательно учитывать
затраты и выгоды.Обучение родителей
Программы в Голландии и Германии показали, что родители могут быть эффективными
в качестве тренеров маленьких детей, особенно если они подготовлены к роли,
но в голландском исследовании дети, которых обучали ассистенты учителей, немного
лучше, чем те, которые воспитаны родителями. Голландская программа была направлена на обучение
навыки пешеходного перехода в возрасте от 4 до 6 лет. Это был интенсивный и хорошо продуманный
программы и в тестовых условиях значительно улучшила детские кроссы
поведение. Однако не было переноса обучения на ситуации, связанные с пересечением дорог.
которые не были предметом обучения.Обучение пациентов
В сфере велосипедной безопасности доминирует работа заинтересованных врачей.
но отсутствует оценка образования пациентов врачами. Исследование
то, что было сделано, дает мало доказательств того, что этот вид образования эффективен
в увеличении использования шлемов среди детей. Врачи расходятся во мнениях относительно того,
они должны быть более вовлечены в этот вид деятельности.Использование ремней безопасности, как правило, выше среди более образованных групп населения с более высокими доходами.
Рекомендуются лучшие программы для групп повышенного риска с низким коэффициентом использования.Следует отметить, что в этих программах использовались стимулы и подкрепления,
включая, в одном случае, программу аренды мест, направленную на конкретные экономические
сдерживающие факторы целевой группы с низкими доходами.образовательные программы
Рекомендуются широкие подходы с положительным подкреплением и стимулами.

Однако в отчете отмечается, что относительная важность навыков, способностей,
знания и мотивация являются спорными, и необходимо определить вопросы
о том, кого воспитывать, как воспитывать и с какой целью.Комплексная общественная программа велосипедных шлемов в Сиэтле, направленная на повышение
осведомленность родителей, поощрять использование детьми и снижать финансовые барьеры
к использованию шлема. Для распространения информации использовались телевидение, радио и печать.
Были распространены брошюры для врачей и отделов здравоохранения. Велосипед
в начальных школах реализована программа безопасности с использованием плакатов, наклеек
и поощрения, а также купоны на скидку и пожертвования помогли снизить стоимость шлема.
Кампания пыталась охватить все уровни дохода.Результатом стало увеличение использования шлемов детьми школьного возраста, начиная с
от 5,5% до 15,7% в течение 6 месяцев.Вернуться к оглавлению
Формальные программы обучения водителей
Проект DeKalb по обучению водителей был наиболее всесторонним исследованием начинающих водителей.

обучение водителей (DE) когда-либо проводилось. Он наиболее известен своим впечатляющим
усилия по улучшению обучения и хорошо контролируемой оценки. Это было
рассматривается как решающий эксперимент, чтобы увидеть, может ли обучение водителей уменьшить
столкновения. Студенты были распределены случайным образом на улучшенную учебную программу, как минимум
по программе или вообще без обучения. Улучшенная учебная программа была более интенсивной
чем стандартные программы DE.Участники, прошедшие обучение по улучшенной программе, показали лучшие навыки вождения и
более низкий уровень аварий на одного водителя с лицензией в течение первых 6 месяцев вождения.
Количество столкновений на одного водителя было одинаковым для разных групп через 6 месяцев.Lund et al (1986) повторно проанализировали данные исследования DeKalb и сравнили
результаты для всей группы, а не только для тех, кто получил лицензию. Ученики
которые прошли улучшенный курс DE, имели значительно больше шансов получить водительское удостоверение.
права, быть в столкновениях и иметь нарушения правил дорожного движения, чем студенты, которые имели
не проходил такой курс. Студенты, изучавшие минимальный учебный план, также были более
скорее всего, получат лицензию, но не будут чаще попадать в аварии или иметь
нарушения. Лунд и др. предположили, что до тех пор, пока в будущих исследованиях не будет выявлено больше
эффективные программы, DE следует рассматривать как метод обучения основам вождения
только навыки, а не как стратегия уменьшения столкновений.Аналогичные результаты были получены при оценке программ обучения DE, проводимых
Автомобильная ассоциация Новой Зеландии.Хорошо разработанные руководства и тесты могут помочь. Оценка с использованием трех различных
руководства и тесты для новых водителей, водителей, продлевающих свои лицензии, и старых
водители продемонстрировали снижение количества столкновений. Имеются также указания на то, что программы
использование влияния сверстников эффективны.
Повышение квалификации водителей
Потенциал снижения риска среди более опытных водителей должен
быть исследованы. Обучение водителей, чьи права приостановлены, или обучение
для опытных водителей в градуированной системе лицензирования может обеспечить лучшее
структура для эффективного обучения, чем обучение для новичков. Как население
возраста, возможно, потребуется ввести систематическую систему продления водительских прав
при этом все возрасты будут получать DE или переподготовку.Однако оценки расширенных программ вождения не показывают снижения числа столкновений
ставки и изучение таких программ в Германии показало, что водители, участвовавшие
на более чем одном продвинутом курсе участвовали в большем количестве столкновений, чем те,
кто участвовал только в одном. Что еще хуже, исследование показало, что водители
которые сказали, что, по их мнению, курсы оказали положительное влияние на их вождение
имели более высокую частоту столкновений.
Возможным объяснением является то, что выпускники этих программ могут приобрести
больше уверенности, чем требует их повышенный уровень навыков (Уайльд, 19 лет).95). Другой
возможности могут заключаться в том, что частота столкновений не является действительной мерой эффективности
таких курсов, или что оцениваемые курсы концентрировались на элементах
навыков и предотвращения столкновений, а не предотвращения опасных ситуаций
в первую очередь (статью о таких курсах см. в «Spin Control» Дуга
Аннет в осеннем выпуске журнала D/E за 95 год).Вернуться к оглавлению
Подготовка мотоциклистов
Различные исследования, включая оценки Фонда безопасности мотоциклов
Курс мотоциклистов — показали, что у неподготовленных гонщиков больше аварий.
чем обученные гонщики, и все гонщики с каждым годом попадают в меньше аварий.
Исследования Симпсона и Мэйхью (1990) указывают, что возраст и опыт важны
детерминанты аварийности, и что мотивация, а не навыки, является наиболее
важным фактором снижения аварийности.
Обучение борьбе с вождением в нетрезвом виде
Проведенный в 1980-х годах обзор 133 программ обучения вождению в нетрезвом виде показал движение к
многокомпонентные программы, направленные на решение целого ряда социальных, психологических и структурных
влияет.Исследования связи между рекламой алкоголя и злоупотреблением алкоголем
подростками предполагают, что такая реклама оказывает хотя бы слабое влияние на
количество алкоголя, которое потребляют подростки.Обзор воздействия лечения на преступников, совершивших вождение в нетрезвом виде, пришел к выводу, что образование
и угроза юридических последствий может сработать на преступников, впервые совершивших правонарушение, но
слишком слабы для серьезных алкоголиков. Показания заключаются в том, что лечение и
сдерживание должно осуществляться в тандеме и должно поддерживаться общественной информацией,
просвещение молодежи и стимулы для сокращения чрезмерного употребления алкоголя.
Руководство по развитию обучения безопасности дорожного движения
программы- Старайтесь получать больше, чем краткосрочные знания.
- Убедитесь, что расходы на медиа являются экономически эффективными.
- Нацельте детей на полные навыки дорожного движения.
- Интегрировать образование в более широкое программирование, использующее различные
таких методов, как социальная активность, поддержка законодательства и правоприменения,
поощрения и рекламные кампании. - Поддержка осведомленности населения о безопасности дорожного движения и развитие местных
нормы поведения. - Поддержите развитие более конструктивной роли средств массовой информации.
- Изменить систему обучения водителей с учетом затянувшегося процесса обучения
управлять автомобилем и необходимостью использовать ДЭ в сочетании с другими мотивационными воздействиями.
4. Укрепление здоровья: модель безопасности дорожного движения?
Пропаганда здорового образа жизни привела к значительным изменениям в нашей культуре в отношении здорового образа жизни.

ценности и поведение, даже если мы не всегда понимаем, что вызвало
Развитие этих положительных качеств.Несмотря на тесную связь между здоровьем и безопасностью дорожного движения, исследования по
эти предметы остались изолированными. Провинция Квебек возможна
исключение. Там активно участвовали отделы общественного здравоохранения.
в безопасности дорожного движения.Как укрепление здоровья, так и безопасность дорожного движения добились определенных успехов в 1980-х годах —
например, умеренное сокращение курения и увеличение использования ремней безопасности.
В обеих областях оказалось трудно добиться изменения индивидуального поведения.
Основное различие заключается в степени поддержки, которую они получают. Укрепление здоровья
сильная централизованная поддержка на всех уровнях власти, поскольку экономическая
видно, что ставки очень высоки. Ставки безопасности дорожного движения также высоки, но
осознание опасностей небезопасного использования дорог не столь
расходы так строго количественно.
Огромный объем политики здравоохранения, теории, исследований и разработки программ
должны содержать некоторые поучительные принципы для изменения поведения участников дорожного движения.
Как и в случае с безопасностью дорожного движения, укрепление здоровья должно было решить проблему определения
цели здорового образа жизни. Достаточно ли иметь возможность измерять изменения
в знаниях, отношениях и поведении, или у нас также должны быть доказательства о
изменения заболеваемости и продолжительности жизни?На самом деле, исследования показывают, что программы укрепления здоровья, которые можно ожидать
чтобы продлить жизнь, не показывают признаков этого. Факторов риска очень много
вовлечены в здравоохранение, что программы, которые затрагивают только один или два фактора, не могут
можно ожидать большого эффекта. Исследователи также отмечают, что программа
что, например, сокращение курения, вероятно, повлияет на здоровье в целом
— не только в продолжительности жизни, но и в более здоровой жизни и более приятном образе жизни,
оба из которых являются соответствующими целями медицинского вмешательства.
Если безопасность дорожного движения последует этому примеру, нам следует разработать гораздо более широкое понятие
того, что такое «хороший» участник дорожного движения, а не просто тот, у кого нет аварий.
«Компетентным» участником дорожного движения будет тот, кто обладает высокой квалификацией и не совершает аварий.
Как водители, они будут эффективно использовать энергию, будут знать, как добраться до нужного места.
они едут быстро, будьте полезными и не мешайте другим участникам дорожного движения,
и будет нести ответственность за сообщение об опасностях, оказание экстренной помощи,
техническое обслуживание своих автомобилей, минимизация выбросов и шума транспортных средств и т. д. Большой
можно представить себе набор желательных качеств и моделей поведения.Сила естественных связей между здоровым поведением не ясна,
но может быть некоторая группировка защитного поведения. Принятие одного поведения
может быть проще попробовать другой. Кажется правдоподобным тот, кто тратит
время, чтобы поддерживать себя в форме и учить своих детей безопасно переходить дорогу, может быть мотивировано
предпринимать защитные действия в других ситуациях.
Как вариант, пропаганда здоровья
Поле предполагает, что у нас могут быть ограничения в усилиях, которые мы прилагаем для самозащиты.Одним из способов связать здоровье и безопасность является перенос наиболее сильного изменения поведения
и программно-плановые модели укрепления здоровья в области безопасности дорожного движения. Другая
способ связи состоит в том, чтобы улучшить наши знания о том, где поведение, связанное с безопасностью дорожного движения,
принято как средство предотвращения травм и других «нездоровых» состояний. Третий
ссылка расширит всеобъемлющие совместные программы и разрушит организационные
барьеры для создания более совместных усилий в области здоровья и безопасности. Четвертый
необходимая связь находится на уровне индивидуального защитного поведения и мотивов.
Если существует предел способности людей к самозащите, это должно
быть известны и изучены средства повышения этой способности.Важно распознавать различные способы измерения эффективности
программ охраны здоровья и безопасности, особенно поведенческих.
Это возможно
изменить поведение без изменения потерь или изменить потери на единицу
экспозиции без изменения потерь на душу населения. Если безопасность дорожного движения рассматривать как
проблемы со здоровьем, то предпочтительнее измерять потери на душу населения. Если мы увидим
это как транспортная проблема, нам потребуются меры, основанные на мобильности, такие как
смертей на километр пути.Укрепление здоровья начинается на шаг впереди безопасности дорожного движения в том смысле, что, по определению,
это сочетание образования и других влияний. Оба поля разделяют
те же проблемы поиска эффективных способов объединения разрозненных влияний
и пусть они работают вместе. Учитывая огромную и очевидную стоимость
болезнь, ресурсы и мотивация для выполнения этих сложных задач
разработана сначала в области укрепления здоровья. Возможно, безопасность дорожного движения сама по себе является заложником
ошеломляющие человеческие и экономические затраты, могут извлечь выгоду из этого примера.
Вернуться к оглавлению
5. Управление безопасностью дорожного движения
Мы должны получить максимальную выгоду от усилий по обеспечению безопасности дорожного движения. Этот обзор
сосредоточился на четырех широких классах инструментов, с помощью которых можно влиять на дорожное движение.
поведение пользователей, но данные свидетельствуют о том, что инструменты не используются по назначению.
максимальная способность.Изучение четырех областей законодательства, правоприменения, усиления и
образование дает понять, что самые многообещающие возможности находятся на местности
между ними, где они поддерживают друг друга в синергетических усилиях.Важнейшими вопросами для будущего управления безопасностью дорожного движения являются координация
многогранных программ, необходимых для эффективных изменений, оценка результатов
предоставлять информацию другим, на которую можно опираться, и подотчетность для обеспечения
что лица, ответственные за изменение поведения участников дорожного движения, выполняют свои
роль.
В этих вопросах подразумевается необходимость изменения организационного поведения.Руководство по управлению безопасностью дорожного движения
1. Используйте многогранные мотивационные подходы для эффективного влияния на поведение.
2. Представьте безопасное движение на дорогах как часть здорового образа жизни. 3. Улучшить общественное
понимание поведенческих воздействий. 4. Максимально используйте доступные поведенческие
влияет. 5. Координируйте ресурсы за пределами организации. 6. Принять
подход постоянного совершенствования к оценке, пересмотру и повторной оценке
программ.Вернуться к оглавлению
Ссылки
Бьорнскау, Т., и Эльвик, Р. (1992) «Могут ли правоохранительные органы на постоянной основе
уменьшить количество несчастных случаев?» Анализ и предотвращение несчастных случаев, 24, 5, 507-520.Бум, В.Л. (1983) «Влияние видимости полиции на поведение водителя». Полиция
Начальник, январь, 42-46.Боуман, Дж.
А., Сансон-Фишер, Р. В. и Уэбб, Г. Р. (1987). «Вмешательства
в дошкольных учреждениях увеличить использование детьми дошкольного возраста средств безопасности». Педиатрия,
79, 1, 103-109.Дюссо, К. (1993). «ПРИЛОЖЕНИЕ социального маркетинга». Сеть безопасности,
9, 1, 3-4.Геллер Э.С. (1990) «Предотвращение травм и смертей в результате дорожно-транспортных происшествий:
Поощрение ремней и отказ от выпивки». Процессы социального влияния и предотвращение,
1, 249-277.Геллер, Э.С., Радд, Дж.Р., Калшер, М.Дж., Стрефф, Ф.М., и Леман, Г.Р.
(1987). «Программы работодателей для мотивации использования ремней безопасности: обзор краткосрочных
и долгосрочные последствия». Journal of Safety Research, 18, 1–17.Главная бухгалтерия. (1991). «Безопасность на дорогах: законы о мотоциклетных шлемах
спасать жизни и сокращать расходы общества »(Отчет № GAO / RCED-91-170). Гейтерсбург,
Мэриленд: Главное бухгалтерское управление.Харано Р.
М. и Хьюберт Д. Э. (1974). «Оценка калифорнийского «Хорошего
Программа поощрения водителей» (Отчет № 6). Сакраменто, Калифорния. Калифорния.
Департамент транспортных средств.Хауэр, Э., Алин, Ф.Дж., и Баузер, Дж.С. (1982) «Принуждение к скорости и скорость
выбор». ААП, 14, 4, 267–278.Ламм Р. и Клокнер Дж. Х. (1984). «Повышение безопасности дорожного движения путем наблюдения
ограничения скорости с автоматическими радиолокационными устройствами на опасном участке немецкого
автобан: долгосрочное расследование». В журнале Transportation Research Record 974.
(стр. 8-16). Вашингтон, округ Колумбия: Совет по транспортным исследованиям, Национальное исследование.
Совет.Lehman, G.R., & Geller, E.S. (1990а). «Образовательные стратегии повышения
использование детьми ремней безопасности: необходимы ли внешние поощрения?» Санитарное просвещение
Исследования, 5,2, 187-196.Лейсс, В. (1990) «Безопасность дорожного движения и медиасреда».
В JP Rothe
(Ред.), Бросив вызов старому порядку: к новым направлениям в области безопасности дорожного движения
теория. Издатели сделок.Лунд, А.К., Уильямс, А.Ф., и Задор, П. (1986). «Водительское высшее образование:
Дальнейшая оценка исследования округа ДеКалб». AAP, 18, 4, 349–357.Moskowitz, J.M. (1989). «Первичная профилактика проблем с алкоголем: критическая
обзор исследовательской литературы». Journal of Studies on Alcohol, 50, 1, 54–88.ОЭСР (1986). «Эффективность образовательных программ по безопасности дорожного движения». Париж: Дорога
Транспортные исследования.ОЭСР (1990 г.). «Поведенческие адаптации к изменениям в дорожно-транспортной системе». Париж:
Исследования автомобильного транспорта.Преуссер, Д.Ф., и Лунд, А.К. (1988). «И продолжайте искать: фильм, чтобы уменьшить
дорожно-транспортных происшествий с пешеходами среди детей в возрасте от 9 до 12 лет». Journal of Safety Research, 19 лет,
4, 177-185.
Райнфурт, Д. В., Кэмпбелл, Б. Дж., Стюарт, младший, и Штуттс, Дж. К. (1990). «Оценка
Закон Северной Каролины о ношении ремней безопасности». AAP, 22, 3, 197-210.Rothe, J.P., & Cooper, P.J. (1988). «Никогда не говори всегда: взгляды на
использование ремней безопасности». Северный Ванкувер, Канада: Страховая корпорация Британской
Колумбия.Ротенгаттер, Т. (1982). «Последствия полицейского надзора и правоприменения
о поведении водителя». Текущие психологические обзоры, 2, 349–358.Ротенгаттер, Т. (1991). «Автоматические полицейские и информационные системы для увеличения
соблюдение правил дорожного движения». Журнал прикладного анализа поведения, 24, 1, 85–87.Расс, Н.В., Геллер, Э.С., Леланд, младший, Л.С. (1989). «Отзыв об уровне алкоголя в крови:
неспособность предотвратить вождение в нетрезвом виде». Психология аддиктивного поведения, 2,
3, 124-130.Шинар Д. и Макнайт А.Дж. (1985). «Последствия правоприменения и общественного
информация о соответствии».
В L. Evans & RC Schwing (Eds.), Human Behavior
и безопасность дорожного движения (стр. 385-414). Нью-Йорк: Пленум Пресс.Симпсон Х.М. и Мэйхью Д.Р. (1990). «Поощрение безопасности мотоциклов:
Обучение, образование и осведомленность». Исследования в области санитарного просвещения, 5,2, 257–264.Снортум, младший (1988). «Сдерживание управления транспортным средством в состоянии алкогольного опьянения: эффект в
поиск причины». В MD Lawrence, JR Snortum & FE Zomring (Eds.),
Социальный контроль пьяного водителя. Чикаго, Иллинойс: Чикагский университет
Нажимать.Стрефф, Ф. М., и Шульц, Р. Х. (1990). «Ограничение скорости 65 миль в час в Мичигане:
Второй год анализа последствий аварий и несчастных случаев». Анн-Арбор,
Мичиган: Институт транспортных исследований Мичиганского университета.Воас, Р. Б. (1982). «Выборочное правоприменение в часы распития спиртных напитков в прайм-тайм:
Предложение по усилению сдерживания без увеличения затрат на правоприменение».
и обзоры в журнале «Алкоголь и вождение», 3, 10–12, 3–14.Уайльд, Г.Дж.С. (1988). «Стимулы для безопасного вождения и управления страхованием». В
К.А. Осборн (ред.), Отчет о расследовании компенсации дорожно-транспортных происшествий
в Онтарио, том II (стр. 464–511). Торонто, Онтарио: Министерство
Генеральный прокурор и Министерство финансовых учреждений Онтарио.Уайльд, Г.Дж.С. (1991). «Влияние средств массовой информации на здоровье и
безопасные привычки людей: обзор проблем и доказательств».
(1993) 88, 983-996.Вернуться к оглавлению
Дальнейшие комментарии к этой статье отключены.
Показано 1 — 4 комментариев
julien ,
Если вы хотите провести некоторые исследования по психологии и человеческому фактору, используя симулятор вождения, я настоятельно рекомендую вам зайти на наш сайт scanersimulation com, вы найти специализированный программный пакет Academic с непревзойденным соотношением цены и качества.
…
симулятор вождения может быть связан с айтрекером, ЭЭГ, биопаком….MERZY ,
ПОМОГЛИ С МТ ДИССЕРТАТОН, СПАСИБО
Salwa ,
это стоит прочитать .. очень полезно
различные факторы, которые могут повлиять на участников дорожного движения..
мужчина спасибо
Эрик ,
Это поможет. Людям просто нужно помнить очень простое правило: «медленный трафик держитесь правее». Независимо от того, превышает ли кто-то скорость, если вы помните это правило, у вас все будет в порядке. Потому что, даже если кто-то едет быстрее вас или ограничения скорости, вы теперь медленнее. Просто не правда ли.
Think Road Safety – Поведение участников дорожного движения
Каждый человек, проживающий или посещающий Южную Австралию, является участником дорожного движения, независимо от того, едет ли он за рулем, едет пешком или является пассажиром. Поведение участников дорожного движения остается важным фактором, способствующим дорожно-транспортному травматизму.

Большинство людей, пользующихся дорогами нашего штата, соблюдают правила дорожного движения и большую часть времени передвигаются по дорогам безопасно. Чтобы повысить безопасность большинства участников дорожного движения, которые не ведут себя преднамеренно опасным образом, нам необходимо разработать общенациональную программу обеспечения безопасности дорожного движения, которая поможет людям поступать правильно. Нам также необходимо проводить целенаправленные, основанные на фактических данных меры по борьбе с опасным поведением, учитывая его влияние на общество.
Система лицензирования способствует повышению безопасности дорожного движения, гарантируя, что водители и водители обладают необходимыми навыками и опытом для того класса транспортных средств, которыми они управляют, что они годны для вождения по состоянию здоровья, а к водителям, не соблюдающим требования, применяются соответствующие санкции с правилами дорожного движения.
Пути лицензирования автомобиля, мотоцикла или большегрузного автомобиля включают тестирование, обучение и минимальный водительский стаж.
Были внесены изменения в градуированные схемы лицензирования автомобилей и мотоциклов, чтобы повысить безопасность дорожного движения для начинающих гонщиков и водителей. Существующие схемы лицензирования большегрузных транспортных средств не обеспечивают должного внимания к безопасности, поскольку они требуют, чтобы водитель обладал лицензией определенного класса в течение минимального периода не менее 12 месяцев, прежде чем он сможет продвигаться вперед, что не гарантирует получение им какого-либо опыта вождения без требования записывать часы вождения за 12 месяцев.Культурные изменения будут формироваться в течение всего срока действия стратегии и требуют постоянного взаимодействия и сотрудничества с различными секторами, в том числе с правительством штата, особенно с партнерскими агентствами, которые имеют регулирующие и другие функции, влияющие на результаты в области безопасности дорожного движения, с местными органами власти, на рабочих местах. , организации, общественные организации и более широкое сообщество.
Мы будем использовать различные каналы связи, чтобы эффективно встраивать напоминания о связи, чтобы усилить обмен сообщениями о безопасности дорожного движения.Кампании в средствах массовой информации, обучение безопасности дорожного движения, обучение и партнерство с организациями, имеющими общую цель, станут частью подхода социальной модели. Сообщения будут адаптированы к аудитории и их местному контексту и будут культурно инклюзивными. Целевые коммуникационные кампании, включая координацию средств массовой информации с правоприменительной деятельностью (где используются сообщения о правоприменении), и последовательные сообщения необходимы для решения возникающих и повторяющихся проблем безопасности дорожного движения и обеспечения понимания и поддержки населением мер безопасности дорожного движения.
Обучение безопасности дорожного движения
Для обучения участников дорожного движения и влияния на их поведение необходимы передовой опыт, соответствующее контексту образование и информирование общественности.
Исследования показывают, что просветительские кампании по безопасности дорожного движения, направленные на изменение поведения людей, более эффективны, если они основаны на оценке факторов, способствующих авариям, и на том, почему некоторые люди продолжают вести себя таким образом, который повышает вероятность аварии или тяжесть последствий. травмы в случае аварии. 19 Важную роль также играют школьные образовательные программы. Исследования показывают, что многие характеристики программ, которые эффективны на местном уровне, отражают характеристики программ обучения безопасности дорожного движения в школах. 20 Опасные участники дорожного движения
Небольшая группа участников дорожного движения подвергается повышенному риску попасть в серьезную аварию из-за опасного поведенческого выбора, который они делают, в том числе: превышение скорости, вождение в нетрезвом виде, использование мобильного телефона телефон во время вождения, не пристегнутый ремень безопасности и вождение без прав.
Целевые стратегии по борьбе с опасным поведением будут основываться на исследованиях.Одним из способов выявления и сокращения опасного использования дорог являются программы мониторинга, обнаружения и контроля. Программы правоохранительных органов, направленные на борьбу с опасным поведением, могут оказать сдерживающий эффект.
Целенаправленное правоприменение под руководством разведки фокусируется на нарушениях с высокой степенью риска и может снизить количество дорожно-транспортных происшествий.
Важным подходом также является общее обеспечение высокой видимости со стороны полиции. Это также может помочь повлиять на поведение участников дорожного движения, поскольку наблюдение за правоприменением и наблюдение за тем, как других выявляют за правонарушения, повышает предполагаемую вероятность быть пойманным.
Решения для автоматизированного контроля играют ключевую роль со стационарными камерами, в том числе двухточечными камерами средней скорости, обеспечивая сдерживание в определенных местах и вдоль проезжей части.
Мобильные камеры безопасности дорожного движения временно развертываются на короткие периоды в местах повышенного риска, создавая сдерживающий фактор в масштабах всей сети, поскольку считается, что они могут находиться где угодно и в любое время. Предотвращение превышения скорости и проезда на красный свет повышает безопасность не только транспортного средства, проходящего мимо камеры, но и других участников дорожного движения, включая велосипедистов и пешеходов. Усовершенствованные решения для правоприменения, такие как камеры, которые обнаруживают незаконное использование мобильного телефона во время вождения, направлены на то, чтобы предотвратить отвлечение внимания водителя.Будет важно продолжать наращивать наши возможности дорожной полиции, совершенствовать нашу правоприменительную и профилактическую деятельность, а также повышать уровень образования, обучения и информирования пользователей дорог. Мы разработаем скоординированный подход между агентствами по конкретным темам, чтобы оказать большее влияние на сообщество.

Ключевые стратегии поддержки и обеспечения более безопасного поведения участников дорожного движения
- Координированные правоприменительные и образовательные кампании для улучшения и поддержания понимания общественностью использования детских удерживающих устройств. изучить и устранить практические препятствия на пути использования детских удерживающих устройств;
- Тестировать и пробовать новые технологии, поддерживающие правоприменение и усиливающие общее сдерживание;
- Уменьшите отвлечение водителей и пассажиров с помощью кампаний, обучения и передовых решений для контроля, таких как камеры, которые обнаруживают использование мобильных телефонов;
- Участие в разработке правил дорожного движения для отвлечения внимания водителя, которые применяются независимо от устройства и являются технологически нейтральными;
- Лучше информировать и обучать население безопасному взаимодействию с тяжелыми транспортными средствами;
- Изучение путей лицензирования большегрузных транспортных средств;
- Более точные данные для информирования о том, какие дальнейшие действия необходимы для корректировки поведения водителя с первоначальным акцентом на усталость и отвлечение внимания;
- Продолжать внедрять эффективные методы обработки инфраструктуры, такие как звуковая тактильная маркировка линий, барьеры и остановки для отдыха, а также отслеживать и продвигать технологические достижения для уменьшения аварий, когда фактором является усталость;
- Кампании и сообщения по безопасности дорожного движения, направленные на поведение, связанное с риском, включая усталость;
- Дальнейшее изучение демографических, поведенческих и установочных факторов участников дорожного движения, которые способствуют неиспользованию ремней безопасности; а затем предоставлять скоординированные программы обучения и правоприменения, чтобы уменьшить количество случаев неиспользования;
- Сократить вождение в нетрезвом виде и в состоянии наркотического опьянения с помощью ряда мер, включая информирование и просвещение общественности, правоприменение и соблюдение требований, а также подход, ориентированный на человека.
Сотрудничество между правительствами необходимо для борьбы с наркотической и алкогольной зависимостью в целях повышения безопасности дорожного движения; - Благодаря образованию и культурным изменениям, правоприменению и соблюдению требований мы уменьшим количество человеческих жертв и серьезных травм, связанных с превышением скорости и передвижением с недопустимой скоростью;
- Борьба с поведением водителей, которые неоднократно и настойчиво ведут себя опасно за рулем. Помимо просвещения и правоприменения, правительство будет осуществлять сотрудничество для разработки более широкого общественного подхода. Поскольку эти факторы с меньшей вероятностью реагируют на традиционные подходы сдерживания, свою роль будут играть такие меры, как профилактическая работа в области здравоохранения или консультирование; и
- Продолжать проводить обучение по безопасности дорожного движения в школах и других организациях, включая обучение езде на велосипеде.
Области поведения — Совет по сертификации специалистов в области транспорта
Система профессиональной классификации безопасности дорожного движения
Уровень 2
Поведенческая специальность
Домен 1: Основы
Задача 1: Дайте определение безопасности и риска объекта (например, участка дороги, перекрестка, демографических данных водителя, парка грузовиков, года выпуска автомобиля) и объясните, чем они отличаются.

Задача 2: Описать шкалы и уровни тяжести травм при авариях.
Задача 3: Опишите, что позволяет сообщать о сбоях.
Задача 4. Обсудите сильные и слабые стороны отчетности о сбоях (например, как критерии отчетности влияют на количество сбоев, долю сообщаемых сбоев, о которых сообщается).
Задача 5: Опишите частоту сбоев и коэффициенты сбоев, их правильное использование и ограничения обоих.
Задача 6: Описать поведенческую адаптацию и то, как она влияет на эффективность контрмер безопасности.
Задача 7: Опишите, как оцениваются затраты на ДТП, а также сильные и слабые стороны этих оценок.

Задача 8: Описать элементы анализа рентабельности и рентабельности.
Домен 2: Управление программой безопасности дорожного движения
Задача 1: Внедрить процесс управления безопасностью дорожного движения.
Задача 2: Примените матрицу Хэддона.
Задача 3: Опишите, как использовать упреждающий подход по сравнению с реактивным подходом к выявлению проблемы.
Задача 4: Сравните дорожно-транспортные происшествия с другими основными причинами смерти с точки зрения нескольких параметров (например, возраст, население, городское население, предотвратимость).
Задача 5. Выявить и диагностировать факторы, способствующие аварии, на уровне штата, провинции или на местном уровне с использованием качественного и количественного анализа данных по безопасности.

Задача 6: Выбрать и применить многообещающие контрмеры, основанные на фактических данных.
Задача 7: Определите традиционные и нетрадиционные заинтересованные стороны на основе проблем и выбранных контрмер.
Задача 8: Описать методы оценки программы или проекта после реализации.
Задача 9: Опишите разницу между стратегическим планом обеспечения безопасности и планом проекта
Задача 10: Определить компоненты постоянного мониторинга и надзора за проектами поведенческой безопасности.
Задача 11: Определить программные и финансовые критерии для оценки программ поведенческой безопасности.
Задача 12. Объясните разницу между оценкой воздействия, результата и процесса.
Задание 13. Объясните сходства и различия между программами обучения технике безопасности и кампаниями социального маркетинга.

Задача 14: Опишите, как ограниченность человека в обработке информации приводит к зависимости от ожиданий при вождении и способствует возникновению различных типов аварий.
Домен 3: Данные по безопасности и анализ
Задача 1: Описать соответствующие типы данных о безопасности на транспорте, их соответствующие источники и значимость.
Задача 2: Опишите потребность и приведите примеры интеграции данных из разных источников для улучшения процесса принятия решений.
Задача 3. Проанализируйте наборы данных о ДТП, чтобы определить взаимосвязь между схемами аварий и другими характеристиками (например, особенностями проезжей части, пользователями, поведением), чтобы установить стратегически важные области и определить ключевые характеристики различных типов аварий (например, удар сзади, боковой удар).

Задача 4: Измерить знания, отношение и поведение населения, связанные с вопросами безопасности и реализованными контрмерами.
Задача 5: Измерьте влияние информационно-разъяснительной работы, связанной с поведенческой безопасностью.
Задача 6: Описать обработку данных о ДТП, от первоначального сообщения до окончательного кодирования.
Задача 7. Описать ограничения и проблемы использования данных о безопасности полетов, связанные с полнотой, своевременностью, точностью, единообразием, доступностью и интеграцией.
Задача 8: Описать анализ тенденций аварий.
Задача 9: Определите альтернативные источники данных (например, опрос, отслеживание СМИ, наблюдение за травмами, цитирование) и методы, используемые для анализа каждого из них.

Задача 10: Оценить конкретное вмешательство для повышения безопасности, используя количественные и качественные данные.
Задача 11: Описать влияние пробелов в данных на принятие решений, выбор контрмер и методы их преодоления.
Домен 4: Целевые сбои и контрмеры
Задача 1: Определите типы и характеристики контрмер, основанных на фактических данных (например, инженерные, поведенческие, политические инициативы, правоприменение, общественное здравоохранение, неотложная помощь, образование, работа с общественностью), а также способы выбора подходящих контрмер.
Задача 2: Объясните обоснование выбора конкретных типов контрмер.
Задача 3. Объясните, какие другие факторы могут повлиять на эффективность и результаты контрмер.
Домен 5: Здоровье человека и виды транспорта
Задание 1: Опишите физику (физические силы и динамику), связанную с аварией, и определите влияние этих сил на различных участников дорожного движения.

Задача 2: Объясните разницу между предотвращением столкновений и аварийностью и приведите примеры каждого из них.
Задача 3: Опишите влияние конструкции на скорость работы.
Задача 4: Описать влияние рабочей скорости на взаимодействие участников дорожного движения (водителей, велосипедистов, мотоциклистов и пешеходов, а также других уязвимых групп населения).
Задача 5: Определить различные меры, которые можно использовать для уменьшения сил при аварии или повышения выживаемости людей в авариях, уделяя особое внимание пожилым участникам дорожного движения.
Задача 6. Выявить риски для здоровья, помимо аварий, связанные с транспортом (например, качество воздуха, изоляция, ограничения физической активности), и назначить контрмеры для смягчения этих негативных последствий. Объясните, как это можно использовать для привлечения других заинтересованных сторон.

Задача 7: Определите наиболее распространенные факторы, которые способствуют авариям (например, конструкция и эксплуатация проезжей части, конструкция транспортного средства, поведение людей) между автотранспортными средствами и уязвимыми пользователями (например, пешеходами, велосипедистами, мотоциклистами).
Задача 8. Перечислите наиболее распространенные виды поведения с высокой степенью риска, связанные с автомобильными авариями, и определите соответствующие контрмеры.
Задание 9: Опишите различные типы нарушений и то, как каждое из них влияет на выполнение водительских задач.
Задание 10: Опишите, как оценивать водителей со сниженными или ограниченными когнитивными и/или физическими способностями и определять соответствующие приспособления, чтобы обеспечить постоянную безопасную мобильность.
Домен 6: Общественное здравоохранение и безопасность на транспорте
Задача 1.
Объясните процесс разработки кампании общественного здравоохранения, связанной с транспортом, и определите ключевые компоненты, которые должны быть в наличии для достижения успеха.Задача 2. Определите условия, при которых несколько контрмер следует использовать в тандеме, чтобы изменить поведение населения в отношении проблемы безопасности дорожного движения.
Задача 3: Оценить эффективность информационно-просветительской кампании.
Задача 4: Объясните важность реагирования на чрезвычайные ситуации и определите шаги, которые могут повысить вероятность выживания пассажиров.
Задача 5: Объясните типы и роль данных о здоровье в анализе безопасности на транспорте и определите основные выводы, которые можно сделать из этих типов данных.
Задача 6: Определите различные методы обучения и информирования, которые можно применять для повышения безопасности для различных групп пользователей.

Задача 7: Объясните ограничения усилий по обучению и работе с общественностью, чтобы повлиять на изменение поведения, и определите методы устранения этих ограничений.
Задача 8: Описать важность серьезности аварий при определении приоритетов проектов и определить критические типы аварий, которые следует учитывать в рамках кампаний общественного здравоохранения.
Задача 9: Описать роль специалистов по предупреждению травматизма в предотвращении и снижении числа дорожно-транспортных происшествий, травм и смертельных случаев на местном уровне и уровне штата/провинции.
Задание 10: Обсудите использование данных о смертности и заболеваемости при разработке плана предотвращения травматизма.
Задача 11: Обсудить использование данных наблюдения за травмами (например, данных регистрации травм, данных скорой помощи, данных о выписке из больницы) при разработке контрмер для предотвращения травм в результате дорожно-транспортных происшествий.

Задание 12: Опишите, как кампании общественного здравоохранения влияют на изменения в культуре безопасности.
Домен 7: Решение проблем безопасности с помощью государственной политики (законы, правила, политики и стандарты)
Задача 1: Обсудите основные государственные правила безопасности на транспорте (например, ограничение скорости 0,08, 55 миль в час, постепенное получение водительских прав, ремни безопасности), принятые в США и/или Канаде.
Задача 2. Определите меры государственной политики, которые можно использовать в качестве контрмер для устранения целевых сбоев.
Задание 3: Объясните, как государственная политика влияет на поведение и безопасность участников дорожного движения.
Задача 4: Опишите процесс, с помощью которого выявленная проблема безопасности и результаты исследований приводят к формулированию государственной политики.

Задача 5: Опишите различные затраты на политические контрмеры (например, денежные, социальные) в инженерных, политических, здравоохранительных, поведенческих, человеческих факторах и образовательных дисциплинах.
Задача 6: Опишите, как инициативы с нулевой базой (например, «Нулевая смертность», «Нулевая концепция») влияют на политические усилия по повышению безопасности на транспорте в США и Канаде.
Задание 7: Описать, как политика финансирования влияет на реализацию проекта по обеспечению безопасности на транспорте.
Задание 8: Опишите взаимосвязь между политикой, образованием и изменением поведения.
Задача 9: Описать методы, с помощью которых данные, исследования и другие виды информации могут использоваться для продвижения инициатив политики безопасности.

Домен 8: Стратегическое планирование безопасности
Задача 1: Объясните роли различных заинтересованных сторон в стратегическом плане обеспечения безопасности.
Задача 2: Определить основные компоненты стратегического плана обеспечения безопасности.
Задача 3: Опишите, как различные транспортные планы могут быть согласованы или интегрированы со стратегическими планами безопасности (например, региональными планами транзита и планами обеспечения безопасности на уровне штата/провинции).
Задача 4: Описать междисциплинарный межведомственный подход к разработке, внедрению и оценке стратегического плана обеспечения безопасности.
Домен 9: безопасный системный подход
Задача 1: Определить руководящие принципы системного подхода к безопасности.

Задача 2. Определите и объясните роль владельцев системы, пользователей и других заинтересованных сторон в создании безопасного системного подхода.
Задача 3: Обсудите безопасную скорость удара в контексте системы безопасности (например, смешанное движение пешеходов и транспортных средств, движение только транспортных средств, неподвижные объекты)
Задача 4. Определите ключевые элементы, необходимые для реализации системного подхода к безопасности.
Задача 5. Объясните, как взаимодействие между владельцами системы, пользователями и другими заинтересованными сторонами осуществляется в рамках подхода «Безопасная система» по сравнению с традиционными усилиями по обеспечению безопасности.
Гендерные эффекты молодых участников дорожного движения на отношение к безопасности дорожного движения, поведение и восприятие риска
Введение
Ежегодно во всем мире многие люди погибают или получают серьезные травмы в результате дорожно-транспортных происшествий (ВОЗ, 2015; ОЭСР, 2016).
На передовой дорожные власти по всей Европе пробуют различные альтернативы изменению поведения водителей, чтобы уменьшить количество дорожно-транспортных происшествий и общие издержки для общества. Для более глубокого изучения этого явления, в том числе для лучшего понимания взаимосвязи между демографическими факторами (например, полом, уровнем образования, возрастом), личными установками и убеждениями в отношении поведения за рулем и опасного вождения, в нескольких материалах оценивалась важность «человеческих факторов». (Грейсон и Мэйкок, 19 лет.88; Lajunen, 1997) в поведении за рулем (Lourens et al., 1999). Оценка манеры вождения и навыков водителя, а также их роли в автомобильных авариях является особенно сложной задачей. Поведенческие факторы в исследованиях безопасности дорожного движения первоначально рассматривались путем оценки способностей и опыта вождения в зависимости от возраста водителей (например, Matthews and Moran, 1986). Впоследствии исследования были сосредоточены на готовности идти на риск (т.
е. рискованном поведении за рулем и роли поиска острых ощущений: Zuckerman and Neeb, 19).80; Иона, 1997 год; детерминанты рискованного поведения за рулем: Parker et al., 1992, 1998; Rutter et al., 1995), недооценка риска во время вождения (Taubman-Ben Ari et al., 2004; Delhomme et al., 2009) и переоценка своих навыков вождения (Kruegar and Dickson, 1994; Horswill et al., 2004) .Гендерный фактор рассматривался в связи с рискованным поведением молодых водителей за рулем (Ulleberg and Rundmo, 2003; Teese and Bradley, 2008), и в целом было обнаружено, что с точки зрения рискованного поведения в дорожном движении мужчины более готовы идти на риск, чем женщины (Whissell and Bigelow, 2003; Oltedal and Rundmo, 2006). Ягиль (1998) сообщил, что уровень участия мужчин в дорожно-транспортных происшествиях со смертельным исходом в два раза выше, чем среди женщин, а ранее Evans (1991) сообщал, что у женщины на 25% меньше шансов попасть в дорожно-транспортное происшествие, чем у мужчины. Кроме того, по мнению других авторов, мужчины становятся участниками дорожно-транспортных происшествий вследствие нарушения ими правил дорожного движения (т.
е. нарушения скоростного режима и вождения в нетрезвом виде: Storie, 1977; Simon and Corbett, 1996; Harre et al., 1996). ), в то время как женщины попадали в дорожно-транспортные происшествия из-за ошибочных суждений (Стори, 19 лет).77). Кроме того, было обнаружено, что женщины меньше рискуют, чем мужчины, управляя автомобилем (Ebbesen and Haney, 1973; Katz et al., 1975).Среди демографических факторов возраст является еще одним негативным предиктором рискованного поведения за рулем. Исследованиями и базами данных о дорожно-транспортных происшествиях из разных стран было четко установлено, что молодые водители-новички чаще попадают в дорожно-транспортные происшествия, чем водители других возрастных групп (ВОЗ, 2015; ОЭСР, 2016). В целом в качестве основных причин несчастных случаев в этой возрастной группе часто указывалось множество факторов, таких как недостаточные навыки и/или повышенная склонность к большему риску (Дири, 19 лет).99; Андервуд, 2007; Джаннини и др., 2013). Хотя единогласно признано, что молодые люди подвергаются большему риску, чем другие возрастные группы, неясно, существуют ли гендерные различия в этой возрастной группе.
Некоторые исследования показали, что молодые водители-мужчины чаще участвуют в дорожно-транспортных происшествиях (Arnett, 2002), агрессивном вождении (Simon and Corbett, 1996) и нарушениях правил дорожного движения и дорожного движения (Jonah and Dawson, 1987; Fletcher, 1995). Анализируя рискованное отношение, Мэтьюз и Моран (1986) обнаружили, что молодые водители-мужчины склонны считать себя относительно невосприимчивыми к опасностям, угрожающим их сверстникам. Более того, Глендон и соавт. (1996) обнаружили, что молодые водители-мужчины, как правило, недооценивают собственное восприятие риска и переоценивают свою компетентность по сравнению с женщинами.Тем не менее, более поздние исследования показывают, что в настоящее время женщины-водители чаще участвуют в авариях по сравнению с мужчинами из-за ошибок в уступке, разрешении разрыва и правилах скорости (Classen et al., 2012). Лаапотти и др. (2001, 2003) обнаружили, что, хотя женщины более ориентированы на безопасность, чем мужчины, молодые женщины-водители испытывают больше проблем с управлением транспортным средством и адаптацией к дорожным ситуациям.

Совокупность этих данных свидетельствует о том, что возраст является решающим демографическим фактором с точки зрения наличия/отсутствия гендерных различий (Rhodes and Pivik, 2011). Недавно Лучиди и соавт. (2010) определили различные типы профилей молодых водителей в большой выборке из 1800 молодых мужчин и женщин в возрасте 18–23 лет с действующими водительскими правами. Они подробно классифицировали три разных профиля (т. е. рискованные водители, обеспокоенные водители и осторожные водители) и обнаружили, что 75,4% «рискованных водителей» — мужчины.
Kelley-Baker and Romano (2010) сообщили, что в Соединенных Штатах число женщин, попавших в дорожно-транспортные происшествия со смертельным исходом, растет, а среди мужчин снижается. Романо и др. (2008) отметили, что это увеличение может быть в основном связано с увеличением воздействия дорожного движения, а также с увеличением рискованного поведения женщин за рулем, особенно среди молодых женщин-водителей. Кроме того, Келли-Бейкер и Романо (2010) обнаружили, что многие из гендерных различий, связанных с несчастными случаями, связанными с навыками, либо не существовали, либо в значительной степени объяснялись гендерными различиями в потреблении алкоголя.
Таким образом, роль пола как прогностического фактора рискованного поведения за рулем заслуживает дальнейшего изучения. Вообще говоря, социокультурная динамика создает разные возможности для обучения у мужчин и женщин. В прошлом одним из негативных последствий этой динамики была так называемая угроза стереотипов, когда люди находятся или чувствуют себя подверженными риску подтверждения негативного стереотипа о своей группе (Inzlicht and Schmader, 2012). Система образования, сообщения, распространяемые средствами массовой информации и обществом в целом, способствуют распространению имплицитной информации о половых ролях среди молодежи (Роланделли, 19 лет).91), объясняя также, почему молодые водители ведут себя более рискованно, чем пожилые водители. Также возможно, что научные исследования, показавшие, что водители-мужчины более склонны к авариям, привели к изменениям в самооценке женщин и мужчин и их восприятию поведения за рулем, переплетенным с изменениями в обществе в целом. Это согласуется с вышеупомянутыми выводами о том, что число женщин, попавших в дорожно-транспортные происшествия со смертельным исходом, растет (например, Kelley-Baker and Romano, 2010).
В настоящем исследовании мы исследовали влияние пола на отношение к безопасности дорожного движения.Поскольку несколько исследований выявили взаимовлияние пола и возраста на манеру вождения, в нашу выборку вошли только молодые водители в возрасте 18–22 лет. Мы сосредоточились на молодых водителях, потому что, как продемонстрировали Gregersen и Bjurulf (1996), Maycock et al. (1991), Brown and Groeger (1988) и Deery (1999), они с большей вероятностью недооценивают риск попасть в аварию и переоценивают свои способности как водителей. Возможное объяснение этой тенденции можно найти в общей склонности к рискованному поведению независимо от ситуации за рулем (например, Джессор, 19 лет).87). По этой причине мы исследовали как отношение к риску, так и восприятие риска, чтобы лучше понять, может ли наличие рискованного поведения быть связано с дефицитом фактического восприятия риска.
Насколько нам известно, это первое исследование, в котором участвовали молодые водители из девяти разных европейских стран, обычно эта тема анализируется только в одной стране за раз.
Эта большая выборка может позволить понять роль пола в отношении молодых водителей к безопасности дорожного движения в большой географической области.Методы
Участники
В исследовании приняли участие 2681 молодой человек из Италии, Австрии, Болгарии, Кипра, Германии, Ирландии, Латвии, Литвы и Польши (1458 мужчин, 54,4%, возраст 18–22 лет). лет; таблица 1). Участники были набраны из школ и университетов, которые были предварительно выбраны случайным образом из каждой страны в соответствии с различными демографическими районами. Затем в каждом институте случайным образом отбирались школьные и университетские курсы, и студенты соглашались или не соглашались участвовать.
Таблица 1. Количество участников исследования, разделенных по полу и по разным странам Европы .
В соответствии с зарегистрированным личным опытом вождения каждый участник был отнесен к одной из трех разных групп: водители автомобилей (участники, которые обычно водят машину, даже если они также иногда ездят на двухколесном транспортном средстве — PTW), мотоциклисты (участники, которые обычно ездить с PTW, но не с автомобилем) и не водители (участники, которые не управляют ни автомобилем, ни PTW).
Мотоциклисты были недостаточно представлены в общей выборке по сравнению с другими группами. Исследование проводилось в соответствии с этическими принципами, изложенными в Хельсинкской декларации, и было одобрено локальным комитетом по этике (кафедра психологии, университет «Сапиенца», Рим, Италия). Все участники дали письменное согласие на участие в исследовании и заполнили анкету с указанием своих социально-демографических данных.Инструменты и процедура
Участники должны были заполнить анкету по базовой демографической информации и истории вождения, включая оценку того, сколько километров они проезжают в неделю. Анкета была направлена на оценку отношения к вопросам безопасности дорожного движения, поведения за рулем в конкретных гипотетических ситуациях, восприятия риска аварии и опасений по поводу этих рисков. Анкета содержала следующие показатели:
Отношение к вопросам безопасности дорожного движения
(Шкала отношения к вождению — DAS — Иверсен и Рундмо, 2004 г.
) Эта шкала оценивает отношение к безопасности дорожного движения, связанное с вождением. В частности, мы оценивали отношение к нарушению правил и превышению скорости, неосторожному вождению, а также отношение к вождению в состоянии алкогольного и наркотического опьянения (например, «Ограничение скорости нельзя соблюдать, потому что оно слишком ограничивающее»). На все вопросы давались ответы по шестибалльной шкале ответов от «полностью не согласен» (0) до «полностью согласен» (5), при этом высокие баллы указывали на негативное отношение к безопасности дорожного движения (т. е. высокое предпочтение рискованного поведения). .Поведение водителя: нарушения, ошибки и промахи (Опросник поведения водителя – DBQ)
Эта шкала в настоящее время является одной из наиболее широко используемых шкал для оценки поведения водителя, о котором сообщают сами участники (Lajunen and Summala, 2003). Респонденты должны указать по шестибалльной шкале от «никогда» (0) до «почти постоянно» (5), как часто они совершали определенные нарушения правил вождения (12 баллов), ошибки (8 баллов), и пропуски (8 шт.
) в прошлом году.Восприятие риска несчастного случая
Также были включены два пункта, измеряющие восприятие риска. По десятибалльной шкале ответов, от «очень низкой» (1) до «очень высокой» (10), респондентов просили оценить свою вероятность попасть в автомобильную аварию по сравнению со своими коллегами (т. е. «Если вы водить машину, как бы вы оценили свой риск попасть в дорожно-транспортное происшествие по сравнению с людьми вашего возраста?») и указать уровень их беспокойства по поводу такой возможности (например, «Насколько вас беспокоит такая возможность?» ).
Шкалы были практически идентичны для трех групп (водители автомобилей, мотоциклисты и не водители), за исключением того, что пункты были адаптированы для конкретной группы респондентов.
Статистический анализ
Данные по различным группам (водители автомобилей, мотоциклисты и не водители) были отдельно подвергнуты исследовательскому факторному анализу с использованием метода главной оси и наклонного облиминового вращения.
Этот шаг был необходим, так как не все шкалы валидированы для всех стран, включенных в это исследование. Затем с помощью метода регрессии для каждого фактора были рассчитаны различные оценки коэффициентов масштабирования, которые использовались для дальнейшего статистического анализа. В частности, чтобы изучить возможные различия между группами в отношении к вождению и воображаемому поведению за рулем, оценки факторов по двум шкалам (отношение и поведение) были отдельно представлены для дисперсионного анализа (ANOVA) с группой (мужчины, женщины) и факторами по каждой шкале. как независимые переменные. Чтобы изучить возможные различия между группами в восприятии риска и уровне обеспокоенности этим риском, баллы по двум пунктам «Восприятие риска несчастного случая» (вероятность несчастного случая и уровень беспокойства) также были представлены в виде 2 (мужчины, женщины) × 2. (Вероятность несчастного случая и обеспокоенность) ANOVA.Чтобы исследовать различия в отношении к безопасности дорожного движения для каждой страны, факторные баллы из компонента Шкалы отношения к вождению были подвергнуты смешанному дисперсионному анализу 2 × 3 с гендером в качестве независимой переменной и компонентами DAS в качестве зависимых переменных для каждой страны.
отдельная Страна. Выборка каждой страны была сбалансирована по полу. В случае с Ирландией приступить к анализу не представлялось возможным, поскольку мужчины в выборке не были представлены. Мы также исследовали возможные гендерные различия для каждой страны в поведении за рулем. Факторные баллы из компонентов, полученных в результате факторного анализа Анкеты поведения за рулем (DBQ), были представлены для смешанного плана 2 × 2 ANOVA с гендером в качестве независимой переменной и DBQ. Компоненты как зависимые переменные для каждой страны.Результаты
Факторный анализ
Отношение к вопросам безопасности дорожного движения
Данные Шкалы отношения к вождению были подвергнуты исследовательскому факторному анализу (метод главной оси, вращение облимина). Меры адекватности выборки, Кайзер-Мейер-Олкин = 0,854 и факторизуемость корреляционной матрицы, критерий сферичности Бартлетта χ(153)2 = 18350,62, p <0,0001 были адекватными. Тест осыпи дал решение третьего фактора, составляющее 47,34% от общей дисперсии.
Первый фактор, названный «Негативное отношение к правилам дорожного движения и рискованному вождению», составляет 25,06% общей дисперсии и относится к положительному отношению к рискованному поведению за рулем. На этот фактор нагружают такие пункты, как «Высокая скорость движения возможна при хороших дорожных условиях и отсутствии людей».Второй фактор, озаглавленный «Отрицательное отношение к наркотикам и алкоголю», составляет 15,37% общей дисперсии и относится к отрицательному отношению к вождению под воздействием психоактивных веществ. На этот фактор нагружают такие пункты, как «Я никогда не буду садиться за руль после употребления алкогольных напитков» и «Я никогда не буду садиться за руль под воздействием наркотических средств». Третий фактор, названный «Толерантность к превышению скорости», составляет 6,9% общей дисперсии и относится к положительному отношению к езде в машине с быстрым водителем. На этот фактор влияют такие пункты, как «Можно ехать в машине с быстрым водителем, если это единственный способ вернуться домой ночью».
Этот фактор показывает небольшую положительную корреляцию с первым фактором (0,42).Поведение водителя: нарушение и пропуски
Данные шкалы поведения водителя были подвергнуты исследовательскому факторному анализу (метод главной оси, вращение облимина). Меры адекватности выборки, Кайзер-Мейер-Олкин = 0,973 и факторизуемость корреляционной матрицы, критерий сферичности Бартлетта χ(561)2 = 44853,656, p <0,001 были адекватными. Тест осыпи дал двухфакторное решение, на которое приходится 48,49% общей дисперсии. Первый, названный «Ошибки невнимательного вождения», составляет 40,38% общей дисперсии и относится к вождению без соблюдения и внимания к правилам дорожного движения. На этот фактор нагружают такие пункты, как «Двигайтесь, не соблюдая безопасную дистанцию». Второй фактор получил название «Нарушения правил вождения». На этот фактор нагружают такие пункты, как «Вы превышаете скорость на 10 км/ч». Этот второй фактор положительно коррелирует с первым фактором (.
6).Результаты дисперсионного анализа
Отношение к вопросам безопасности дорожного движения
Оценки факторов из компонента Шкалы отношения к вождению были подвергнуты смешанному дизайну 2 × 3 ANOVA с гендером в качестве независимой переменной и компонентами DAS (отрицательное отношение к правилам дорожного движения и рискованное вождение; негативное отношение к наркотикам и алкоголю; толерантность к превышению скорости) как зависимые переменные. ANOVA выявил значительное взаимодействие Гендерного компонента X, F (2, 5212) = 225 389, 91 637 p 91 638 < 0,001 (табл. 1 и рис. 1). Запланированное сравнение показало, что мужчины имели более высокие баллы по компоненту «Негативное отношение к правилам дорожного движения» F (1, 2606) = 177,693, p < 0,001, d = −0,52 и по компоненту «Толерантность к превышению скорости» F (1, 2606) = 125,210, p < 0,001, d = 0,53 (табл.
2 и рис. 1), при этом в компоненте «Отрицательное отношение к наркотикам и алкоголю» более высокие баллы были у женщин, F (1, 2606) = 179,323, p < 0,001, d = -0,44]. Эти результаты показывают, что водители-мужчины более склонны мириться с превышением скорости, совершать нарушения правил дорожного движения и употреблять наркотики и алкоголь за рулем.Рисунок 1. Средние баллы по трем параметрам, полученным на основе Общего отношения к безопасности дорожного движения, и по двум факторам из Опросника поведения водителя .
Таблица 2. Средние баллы по параметрам общего отношения и поведения водителей представлены для пола .
Поведение водителя: нарушения и нарушения
Чтобы исследовать возможные гендерные различия в поведении за рулем, факторные баллы из компонентов, полученных в результате факторного анализа Опросника поведения за рулем, были подвергнуты смешанному плану 2 × 2 ANOVA с гендером в качестве независимой переменной.
и компоненты DBQ (ошибки невнимательного вождения, нарушения правил вождения) в качестве зависимых переменных. ANOVA выявил значительное взаимодействие Гендер X Компонентов, F (1, 2514) = 55,715, p < 0,001, что указывает на то, что гендер показывает разные тенденции оценки в двух компонентах шкалы. Запланированные сравнения показали, что участники-мужчины имели более высокие баллы по Ошибкам при невнимательном вождении, F (1, 2514) = 83,873, p < 0,001, d = -0,37, и по Нарушениям вождения, F 8 (1, 2514) = 262,603, p < 0,001, d = -0,65 (таблица 2 и рисунок 1).Гендерные различия в отношении и поведении за рулем в отдельных странах.
Отношение к вопросам безопасности дорожного движения
Австрия
В случае Австрии дисперсионный анализ выявил значительное взаимодействие Гендерного компонента X, F (2, 566) = 12,41, p < 0,001.
Плановые сравнения показали, что мужчины имеют более высокие баллы по компоненту «Негативное отношение к правилам дорожного движения», Ж (1, 283) = 17,402, р < 0,001, d = -5,94 (см. табл. 3) и Толерантность к превышению скорости F (1, 283) = 4,34, p < 0,05, d = -0,25 отрицательное отношение к наркотикам и алкоголю у женщин выявлены более высокие баллы Ж (1, 283) = 8,202, р < 0,01, д = 0,34.Таблица 3. Контраст по компонентам пола и DAS (отрицательное отношение к правилам дорожного движения и рискованному вождению; отрицательное отношение к наркотикам и алкоголю; толерантность к превышению скорости) для каждой страны .
Болгария
Также для Болгарии дисперсионный анализ показал значимое взаимодействие Гендерный компонент X, F (2, 202) = 5,57, p < 0,01. Плановые сравнения выявили более высокие баллы мужчин по компоненту Негативное отношение к правилам дорожного движения, Ж (1, 112) = 6,52, р < 0,05, d = -0,48 (табл.
3), в то время как на Отрицательное отношение к наркотикам и алкоголю женщины показали более высокие баллы F (1, 112) = 7,072, p < 0,01, d = 0,34. Достоверных различий для пола по фактору Толерантность к превышению скорости выявлено не было.Кипр
Дисперсионный анализ показал значительное взаимодействие Гендерный компонент X, F (2, 224) = 7,306, p < 0,01. Плановые сравнения показали, что мужчины имеют более высокие баллы по компоненту «Негативное отношение к правилам дорожного движения», Ж (1, 101) = 6,772, p < 0,001, d = −5,94 (см. табл. 3), но достоверных различий по факторам Негативное отношение к наркотикам и алкоголю и Толерантность к превышению скорости обнаружено не было.
Германия
Также для Германии мы обнаружили значимые различия во взаимодействии компонентов Гендер X, F (2, 352) = 7,96, p < 0,001, и в запланированных сравнениях по факторам Негативное отношение к правилам дорожного движения компонент, F (1, 176) = 17,39, p < 0,001, d = −0,63 (табл.
3) и Толерантность к превышению скорости <0,01, д = -0,47. По Отрицательному отношению к наркотикам и алкоголю достоверных различий не выявлено.Италия
Тот же результат для итальянской выборки: мы обнаружили значительные различия во взаимодействии гендерных компонентов X для итальянской выборки, F (2, 474) = 23,19, р < 0,001. Плановые сравнения показали, что мужчины имели более высокие баллы по компоненту Негативное отношение к правилам дорожного движения, Ж (1, 237) = 29,28, p < 0,001, d = -0,7 (см. Таблицу 3) и Толерантность к превышению скорости Ж (1, 237) = 15,972, р < 0,001, d = 0,92, а по Отрицательному отношению к наркотикам и алкоголю женщины показали более высокие баллы Ж (1, 237) = 14,54, р < 0,001. д = 0,49.
Латвия
Дисперсионный анализ выявил значимое взаимодействие Гендерный компонент X, F (2, 324) = 11,606, p < 0,001.
Плановые сравнения показали, что мужчины имели более высокие баллы по компоненту «Негативное отношение к правилам дорожного движения», F (1, 162) = 12,347, p < 0,001, d = −0,56 (см. табл. 3) и толерантности. к превышению скорости Ж (1, 162) = 7,8, р < 0,01, d = -0,45, а по Отрицательному отношению к наркотикам и алкоголю женщины показали более высокие баллы Ж (1, 1656 =) 5,79, р < 0,05, д = 0,39.
Литва
Также для Литвы мы обнаружили существенные различия во взаимодействии гендерных компонентов X, Ж (2, 902) = 28,84, p < 0,001. Плановые сравнения показали, что мужчины имеют более высокие баллы по компоненту «Негативное отношение к правилам дорожного движения», F (1, 451) = 18,96, p < 0,001, d = −0,4 (см. 0,05, d = -0,19, а по Отрицательному отношению к наркотикам и алкоголю женщины показали более высокие баллы F (1, 451) = 32,6, p < 0,001, d = 0,53.

Польша
Для польской выборки мы обнаружили значительный эффект Гендер X Взаимодействие компонента, Ж (2, 842) = 47,29, р < 0,001. Плановые сравнения показали, что мужчины имели более высокие баллы по компоненту Негативное отношение к правилам дорожного движения, Ж (1, 421) = 51,73, p < 0,001, d = -0,7 (см. Таблицу 3) и Толерантность к превышению скорости Ж (1, 421) = 30,03, р < 0,001, d = -0,54, а по Отрицательному отношению к наркотикам и алкоголю женщины показали более высокие баллы F (1, 421) = 27,67, p < 0,001, d = 0,51.
Эти результаты показали, что для негативного отношения к правилам дорожного движения нет различий для отдельных стран: водители-мужчины, как правило, более склонны к несоблюдению правил. В то же время для толерантности к превышению скорости и негативного отношения к наркотикам и алкоголю мы не обнаружили гендерных различий во всех странах.

Поведение водителя: нарушение и упущения
Австрия
Для австрийской выборки дисперсионный анализ выявил значительное взаимодействие гендерного компонента X, F (1, 259) = 8,26, p < 0,01. Запланированные сравнения показали, что участники-мужчины имели более высокие баллы по Ошибкам при невнимательном вождении, F (1, 259) = 10,3, p < 0,001, d = -0,407, и по Нарушениям правил вождения, F 8 8 8 8 8 8 8 8 8 8 8 8 8 8 8 8 (1, 259) = 31,4, р < 0,001, д = -1,83 (табл. 4).
Таблица 4. Сравнение по полу и компонентам DBQ (ошибки невнимательного вождения, положительное отношение к правилам дорожного движения и положительное отношение к наркотикам и алкоголю) для каждой страны .
Болгария
Также для Болгарии дисперсионный анализ показал значимое взаимодействие Гендерный компонент X, F (1, 111) = 6,501, p < 0,05.
Плановые сравнения не выявили достоверных различий в Ошибках невнимательного вождения и в Нарушениях правил вождения (табл. 4).Кипр
Дисперсионный анализ выявил значимое взаимодействие Гендерный компонент X, F (1, 100) = 6,46, p < 0,05. Запланированные сравнения показали, что мужчины имели более высокие баллы по нарушениям правил вождения, F (1, 100) = 17,29, p < 0,001, d = -0,82 (таблица 4). Мы не обнаружили гендерных различий по фактору Ошибки при невнимательном вождении.
Германия
Также для Германии мы обнаружили существенные различия во взаимодействии гендерного компонента X, F (1, 175) = 33,09, p < 0,001, а в плановых сравнениях по факторам Нарушения правил дорожного движения, F (1, 175) = 27,02,
,
- Статья
Текст - Артикул
Информация - Цитата
Инструменты - Поделиться
- Быстрое реагирование
- Артикул
Метрика - Оповещения
- 1
Академия Активного Путешествия; Школа архитектуры и городов Вестминстерского университета, Лондон, Великобритания
- 2
Отдел биостатистики MRC/Центр исследования питания и активности, Кембриджский университет, Кембридж, Великобритания
- 3
Отдел биостатистики MRC, Кембриджский университет, Кембридж, Великобритания
- 4
Центр исследования диеты и активности, Кембриджский университет, Кембридж, Великобритания
- Соответствие
д-р Рэйчел Олдред, Лондон, Великобритания; р.
альдред{в}westminster.ac.uk - Bicycle
- Опасно для автомобилей
- Пешеход
- Cross Sectional Исследование
- Пассажир
- Driver
- велосипед
- пассажир автомобиля
- пешеход
- кросс-секционное исследование
- пассажир
- водитель
Риск для других участников дорожного движения зависит от вида транспорта и демографических факторов.

В частности, водители автомобилей представляют более высокий риск, чем велосипедисты.
Водители автомобилей и велосипедисты-мужчины представляют более высокий риск для окружающих, чем их коллеги-женщины.
Определяет риск, связанный с использованием ряда транспортных средств, включая грузовики и мотоциклы.
Учитывает влияние типа дороги для более точного сравнения рисков в разных режимах.
Мужчины представляют больший риск, чем женщины, и чаще используют более опасные способы передвижения.
- ↵
- Дозза М
.
Риск аварии: как циклический поток может помочь объяснить данные об авариях. Accid Anal Prev 2017;105:21–9.doi:10.1016/j.aap.2016.04.033
- ↵
- Кристи Н
, - Кэрнс С
, - Таунер Э
, и другие
. Как информация о воздействии может улучшить наше понимание «лиги смерти» торговли детьми. Инж Предыдущая 2007; 13:125–9.doi:10.1136/ip.2006.011692
- Кристи Н
- ↵
- Килл, доктор медицины
, - Ньюстед С
. Анализ факторов, повышающих риск мотоциклиста по сравнению с риском водителя автомобиля. Accid Anal Prev 2012;49:23–9.doi:10.1016/j.aap.2011.07.001
- Килл, доктор медицины
- ↵
- Эванс Л.
. Риски, с которыми пожилые водители сталкиваются сами, и угрозы, которые они представляют для других участников дорожного движения.
Int J Epidemiol 2000;29:315–22.doi:10.1093/ije/29.2.315
- ↵
- Маллен С.
, - туго М
, - Отбеливание А
, и другие
. Знание своего места на дорогах: что будет означать равенство для пешеходов и велосипедистов? Transportation Research Part A: Policy and Practice 2014;61:238–48.doi:10.1016/j.tra.2014.01.009
- Маллен С.
- ↵
- Скоулз С.
, - Уордлоу М.
, - Ансиас П
, и другие
. Показатели смертности, связанной с вождением и ездой на велосипеде, для всех участников дорожного движения в Великобритании, 2005–2013 гг. J Transp Health 2018;8:321–33.doi:10.1016/j.jth.2017.11.143
- Скоулз С.
- ↵
- Хайн Дж.
. Уменьшение опасности на узких дорогах М: исследовательская задача.
J Transp Health 2017; 7A:1–2. - ↵
- Ли Г
, - Смелая скорая помощь
, - Чен Л-Х
. Хрупкость по сравнению с чрезмерным участием в авариях как определяющие факторы высокого уровня смертности на милю пути среди водителей старшего возраста. Accid Anal Prev 2003;35:227–35.doi:10.1016/S0001-4575(01)00107-5
- Ли Г
- ↵
- Теффт Британская Колумбия
. Риски, которые пожилые водители представляют для себя и других участников дорожного движения. J Безопасность Res 2008;39: 577–82 .doi: 10.1016 / j.jsr.2008.10.002
- ↵
- TfL
. План действий Vision Zero. Лондон: TfL, 2018.
- ↵
- Аллен Дж.
, - Браун М
, - Вудберн А
.
Отчет о лондонских грузовых перевозках: обновление за 2014 год. Лондон: Транспорт для Лондона, 2014. - Аллен Дж.
- ↵
- Морган АС
, - Дейл Х.Б.
, - Ли МЫ
, и другие
. Смертность велосипедистов в Лондоне: тенденции с 1992 по 2006 год. BMC Public Health 2010;10:699. дои: 10.1186/1471-2458-10-699
- Морган АС
- ↵
- DfT
. Факты о пострадавших мотоциклистах. Лондон: Департамент транспорта, 2015 г.
- ↵
- Кристи Н
, - Палата Н
. Новые проблемы управления профессиональными дорожными рисками в меняющейся экономике: опрос водителей, водителей и их менеджеров. Лондон: Центр транспортных исследований UCL, 2018.
- Кристи Н
- ↵
- Тернер С
, - МакКлюр Р.
.
Возрастные и гендерные различия в рискованном поведении как объяснение высокой частоты дорожно-транспортных происшествий в качестве водителя у молодых мужчин. Inj Control Saf Promot 2003; 10:123–30.doi:10.1076/icsp.10.3.123.14560
- Тернер С
- ↵
- Кордельери П
, - Баралла Ф
, - Ферлаццо Ф
, и другие
. Влияние пола молодых участников дорожного движения на отношение к безопасности дорожного движения, поведение и восприятие риска. Front Psychol 2016;7:1412. doi: 10.3389/fpsyg.2016.01412
- Кордельери П
- ↵
- Кастро А
, - Кальмайер С
, - Гочи Т
. Показатели смертности на дорогах с поправкой на воздействие при езде на велосипеде и ходьбе в европейских странах, Дискуссионный документ Международного транспортного форума, №. 2018-05. Париж: Организация экономического сотрудничества и развития (ОЭСР), Международный транспортный форум, 2018 г.
- Кастро А
- ↵
- Олдред Р.
, - Гудман А
, - Гулливер Дж.
, и другие
. Риск травматизма при езде на велосипеде в Лондоне: исследование случай-контроль, изучающее влияние количества велосипедистов, количества автомобилей и характеристик дороги, включая ограничения скорости. Accid Anal Prev 2018;117:75–84.doi:10.1016/j.aap.2018.03.003
- Олдред Р.
- ↵
- Вальдшнеп Дж.
, - Живони М
, - Морган АС
. Моделирование воздействия на здоровье активных путешествий по Англии и Уэльсу с использованием интегрированного инструмента моделирования воздействия на транспорт и здоровье (ITHIM). PLoS One 2013;8:e51462. doi:10.1371/journal.pone.0051462
- Вальдшнеп Дж.
Дополнительные данные
файл, предоставленный автором (авторами) и не подвергавшийся редактированию.

- Дополнение к данным 1
- Дополнение к данным 2
Пресс-релиз
- Пресс-релиз
Р.А. и Р.Дж. являются первыми соавторами.
Финансирование JW и CJ были поддержаны METAHIT, проектом MRC Methodology Panel (MR/P02663X/1). Вклад JW был также поддержан Центром исследования диеты и активности (CEDAR), Центром передового опыта в области общественного здравоохранения UKCRC, финансируемым Британским фондом сердца, Онкологическими исследованиями Великобритании, Советом по экономическим и социальным исследованиям, Советом по медицинским исследованиям, Национальным институтом. Health Research (NIHR) и Wellcome Trust (MR/K023187/1) и (MR/K023187/1). CJ финансировался программой Совета медицинских исследований Великобритании MC_UU_00002/11.
Конкурирующие интересы Не заявлено.

Машина бетоносмеситель: Ошибка 404. Страница не найдена
FIORI DB 260 — Самоходный бетоносмеситель с самозагрузкой
FIORI DB 260 — Самоходный бетоносмеситель с самозагрузкой
Таблица сравнения
Скачать брошюру
Запросить ценуОписание
Бетоносмеситель FIORI DB 260 – самоходная самозагружающаяся машина для приготовления бетона с объемом барабана 3160 литров и производительностью – 2,5 куб. м бетонной смеси за цикл. В линейке бетоносмесителей FIORI с задней загрузкой бетоносмеситель DB 260 сочетает в себе компактность и маневренность малых моделей с функциональностью, расширенной комплектацией и удобством в работе более крупных его собратьев.
FIORI DB 260 оснащен полноприводным, полноуправляемым шасси, отапливаемой кабиной с отличной обзорностью во всех направлениях, поворотным на 245 градусов барабаном с возможностью выгрузки бетона на четыре стороны, взвешивающей системой с динамическим определением веса компонентов в загрузочном ковше, компьютерной системой контроля качества бетонной смеси с принтером в кабине.

Миксер предлагается в трех вариантах – Basic, Standard и Advanced. Вариант комплектации Standard, а также Advanced предполагают оснащение бетоносмесителя системой дозирования химических добавок. Мойка высокого давления входит в стандартный пакет оборудования.
Технические характеристики
Производительность 2,5 м³/цикл Циклов за час 4 Объём барабана 3160 л Количество лопаток в барабане 4 Поворот барабана 245° Компьютерная система взвешивания есть Объём бака для воды 570 л Объём ковша 510 л Загрузка задняя Выносной пульт управления есть Дизельный мотор PERKINS 74,5 кВт / 101 л.
с. турбоТрансмиссия гидростатическая / поворот всех колес Скорость 30 км/ч Колёсная формула 4х4 / крабовый ход Радиус поворота (макс/мин) 3955 / 1835 мм Габаритные размеры (ДхШхВ) 5040 х 2260 х 2830 мм Вес 5700 кг Особенности
ПРОХОДИМОСТЬ И МАНЕВРЕННОСТЬ
Качающийся передний мост вместе с покрышками увеличенных размеров и гидростатической трансмиссией высокого давления облегчает управление и контроль за машиной при перемещении по любому грунту. Подвижные и компактные, с передачей и управлением на 4 колесах, бетономешалки FIORI GROUP поражают своими возможностями внедорожника. Маневренность и великолепная подвижность на бездорожье наших машин позволяет достигать непосредственно места сброса при любом состоянии строительной площадки.

КОМФОРТ И ОБЗОР
Запатентованная система вращения барабана позволяет также выполнять контроль смеси непосредственно из кабины, допуская поворот кабины при выгрузке на 360°. Фактически, поворот барабана составляет 245°, что гарантирует оператору полный обзор, позволяет проверять консистенцию смеси, оставаясь в кабине. В этом положении барабан повернут и машина с ним в линию.
СИСТЕМА ЗАГРУЗКИ
Загрузочная консоль с автокомпенсирующим загрузочным механизмом. Два подъемных цилиндра. Два цилиндра возврата ковша с двойным эффектом. Закрывающийся люк управляется электрогиравлическим механизмом с 1 цилиндром, который позволяет дозировать выгрузку и уменьшать распространение цементной пыли в окружающий воздух. Всего 5 цилиндров.
КАЧЕСТВЕННЫЙ БЕТОН
Благодаря специальной форме барабана в виде двух усеченных цилиндров, двойной перемешивающей спирали и выпуклой задней части, достигается отличная однородность и качество материала при уменьшении времени смешения.
Благодаря системе MIX CONTROL F6000, имеется возможность управлять, программировать и контролировать ввод воды в барабан, а функции смешения всегда доступны оператору из кабины или с землиЭРГОНОМИЧНОСТЬ И БЕЗОПАСНОСТЬ
Обеспечение безопасности труда работников – это обязанность, которой не может пренебречь ни одна организация. Создание замысла удобной в управлении машины, проработка оптимальной эргономичности кресла водителя и оснащение ее самыми современными предохранительными устройствами – это предмет гордости компании FIORI GROUP. Наши машины также снабжены закрытой кабиной с подогревом FOPS ROPS, смонтированной на бесшумном блоке с эргономичным сервоуправлением с помощью многофункционального джойстика; все это дополнено поворотом кресла водителя.
Дополнительные опции
Бетоносмеситель Liebherr на шасси Volvo – Рейс.РФ
В России представили автобетоносмеситель Liebherr на шасси Volvo.
Шведские крупнотоннажники у нас уважают за приспособленность к суровому климату,
а значит, такой тандем не останется без вниманияЦивилизованная Европа бережет свои дороги и не практикует установку 10-кубовых автобетоносмесителей на шасси 6х4. Более того, для импорта в Россию немецкие и итальянские фирмы тоже ставят на трехосные машины максимум 8-кубовые «бочки», поскольку даже такой «миксер» – если замесить в нем бетон тяжелой марки – не впишется в нормы нагрузки на ось для большинства дорог нашей страны. Liebherr HTM 804F – одна из самых востребованных моделей в «премиум-сегменте» и, как видно из обозначения (точнее, по букве F в конце маркировки), имеет гидропривод барабана от двигателя шасси. Стало быть, последний должен быть с независимым от сцепления механизмом отбора мощности (например, от шестерен ГРМ), и далеко не у всех моторов автомобилей разных марок таковой есть в наличии. Но, разумеется, он предусмотрен на двигателях фирм MAN и Mercedes-Benz – традиционных поставщиков шасси для автобетононасосов Liebherr.
А еще – на рядных «шестерках» Volvo семейства D13.
Таким образом, проблем с монтажом надстройки HTM 804F на шасси Volvo FMX не возникло. Более того, обе конструкции подошли друг другу «как родные», ибо, по заверениям фирмы Liebherr, она адаптирует АБС к шасси конкретного производителя, и эта процедура включает подбор материала рамы надстройки. Если прочностные и деформативные характеристики стали, из которой сделаны лонжероны обеих рам (в данном случае АБС Liebherr и шасси Volvo), будут примерно одинаковы, устойчивость груженой машины останется приемлемой даже при достаточно быстром движении по неровной дороге. Эту же цель преследовали конструкторы, разместив барабан как можно ниже – насколько это позволили раздвинутые максимально широко лонжероны рамы надстройки. При расчете параметров машины, перевозящей груз такой плотности, как бетон (а это порядка 2,3 тонны на кубометр), снижение центра масс – одна из важнейших задач. Профиль лонжеронов рамы АБС выбран с запасом – 180x80x8 мм, опоры барабана притянутя к раме гайками.
Сам барабан – гордость фирмы. Чтобы максимально продлить срок его службы в условиях интенсивного абразивного воздействия входящего в состав бетона песка, стенки и спирали делают из особо износостойкой стали марки LH 37. В ее составе вкрапления кристаллов карбида титана твердостью аж 3200 единиц по шкале Виккерса. Напомним, для рабочей поверхности шестерен коробки передач достаточно твердости в 800 HV, а у хорошей инструментальной стали (и, кстати, кварцевого песка, составляющего основу любого бетона) она обычно не превышает 1000 HV. То есть компоненты бетонной смеси, включая гранит твердостью 900 HV, вообще не должны царапать внутреннюю поверхность барабана. Тем не менее износ, хоть и медленно, идет. И если заказчику штатной долговечности будет мало, ему предложат опционное исполнение Longlife, в котором спирали барабана (сделанные из той же стали LH 37) имеют толщину 5 мм вместо обычных 4 мм.
Для вращения барабана применен гидромотор с планетарным редуктором ZF. Гидросистему (все ее компоненты – собственного производства Liebherr) питает бесступенчато регулируемый аксиально-поршневой гидронасос, вращаемый коротким горизонтальным карданным валом через эластичную фланцевую муфту.
Обязательный компонент гидросистемы – маслоохладитель с термостатом и вентилятором, без него агрегаты неминуемо перегрелись бы и вышли из строя. Пульт управления АБС расположен на корме машины с левой стороны – там можно бесступенчато регулировать частоту вращения барабана от нуля до 12 оборотов в минуту. Наиболее быстрый режим бывает востребован нечасто – когда плечо доставки большое, и замес придется производить в пути. В обычном режиме, когда миксером доставляют готовый бетон, частота вращения не превышает трех оборотов в минуту.
И, разумеется, именно с пульта барабан пускают в обратную сторону для разгрузки бетона. Кроме того, можно выбрать одну из четырех частот вращения двигателя шасси, а значит, и соединенного с ним гидронасоса, обеспечив должную подачу рабочей жидкости в гидросистему. Также на пульте предусмотрена кнопка «Старт-стоп». Рядом с пультом – рукоятка винтового механизма разгрузочного лотка. Угол его поворота по горизонтали – до 180 градусов, по вертикали – до 30 градусов.
Если длины лотка (1300 мм) будет недостаточно, в комплекте имеются два удлинителя, закрепленных на крыльях задних колес. Для промывки барабана, загрузочной воронки и разгрузочного лотка водой (а иногда и для замеса бетона после загрузки сухой смеси) предусмотрен 500-литровый бак с проградуированной в десятках литров измерительной трубкой. В системе подачи воды – свой собственный пульт управления с манометром. В качестве опций фирма предлагает дополнительные баки для зимних добавок в бетон, множество вариантов удлинительных лотков (из пластика, с заслонками для точного дозирования разгружаемого бетона и пр.), манометры, водосчетчики, электронные пульты управления с джойстиками и многое другое.Обзор рынка автобетоносмесителей – Основные средства
Строительный бум прошлых лет дал мощный толчок развитию сегмента автобетоносмесителей, или «миксеров», чем отечественные заводы не преминули воспользоваться в полной мере. За счет эффективного маркетинга и партнерства с ОАО «КАМАЗ» далеко вперед вырвалась компания «КОМЗ-Экспорт» с автобетоносмесителями марки TIGARBO.

В советский период основными поставщиками автобетоносмесителей были Славянский завод строительных машин (Донецкая обл.) и Туймазинский завод автобетоновозов (ТЗА, Татарская АССР). В 1979–1980 гг. после покупки лицензии немецкой фирмы Stetter к ним присоединились Каменский опытный механический завод (Ростовская обл. и Пушкинский ремонтно-механический завод (Ленинградская обл.). В эпоху разгула либерализации ситуация с производителями этой техники, как и всё в стране, развернулась на 180°. Иммигрировавший Славянский завод прекратил выпуск «миксеров», и рынок поделила техника отечественного производства и бывшая в эксплуатации (б/у), ввезенная из Европы, в основном из Германии, лидера рынка машин для бетонных работ. Ведущими поставщиками «миксеров» стали Каменск-Шахтинский и Туймазинский заводы. Ориентированный на Запад Пушкинский завод пошел собственным путем. Одновременно шел передел рынка шасси. КАМАЗ в непростой борьбе с подержанными иномарками и эффективным менеджментом отвоевал лидерство и продолжает его удерживать.
Доля Минского автозавода постепенно сокращалась, и процесс этот продолжается по сей день, причем завод перешел из среднего ценового диапазона в нижний, а доля Кременчугского автозавода дошла до того, что ею можно пренебречь.Докризисный строительный бум, в первую очередь в монолитном домостроении, требовал значительного количества автобетоносмесителей, причем недорогих и на ремонтопригодных шасси – КамАЗ, МАЗ. В этот период хорошие отношения с Камским автозаводом служили залогом объемов производства и соответственно рентабельности. Наибольшим спросом пользуются бетоносмесители с барабанами номинальной вместимостью 7 м3. На них приходится около 60% в объемах производства. Следующие по популярности – 5- и 9-кубовые смесители, примерно по 15% каждый. Доля 6- и 8-кубовых машин невелика, так как их ставят на те же шасси, что и 7- и 9-кубовые. При сравнительно небольшой разнице в цене выигрыш по вместимости очевиден. Потребность в бетоносмесителях малой вместимости невелика и удовлетворяется за счет импорта б/у, в основном японских машин.
По понятным причинам невелик спрос на «миксеры» вместимостью 10 м3 и более.Отечественный сегмент рынка делят практически поровну TIGARBO и ТЗА. В лучшие годы каждый завод выпускал более 3 тыс. автобетоносмесителей. Машины TIGARBO собирают не только на головном предприятии в Каменск-Шахтинске, но и на ряде сборочных производств, в том числе за границей – на Украине в Кременчуге, Харькове, Киеве и Виннице, в Белоруссии на Минском автозаводе, в Арабских Эмиратах, Индии и Турции.
Лидер рынка марка TIGARBO принадлежит компании «КОМЗ-Экспорт», а темой автобетоносмесителей завод начал заниматься в 1978 г. с покупки лицензии Stetter. В 1990-е годы, опираясь на производственные технологии Stetter, завод полностью перешел на разработку и производство собственного модельного ряда. За счет эффективного маркетинга и партнерства с главным поставщиком шасси ОАО «КАМАЗ» это позволило выйти на объемы производства значительных масштабов.
Модельный ряд «миксеров» TIGARBO включает девять типоразмеров с барабанами для бетонной смеси номинальной вместимостью 4, 5, 6, 7, 8, 9, 10, 11 и 12 м3.
Буквами ДА (DA) обозначается привод смесительного барабана от автономного дизельного двигателя, ДО (DO) – привод от двигателя шасси. Оборудование бетоносмесителя монтируют на шасси разных марок и моделей – КамАЗ, МАЗ, КрАЗ, МЗКТ, МАЗ-MAN, MAN, Volvo, Scania, Mercedes-Benz и др. Кроме того, бетоносмесители устанавливают на шасси полуприцепов 994500 (ФПО «ИНТОК»), 964812 («Сеспель»), 9905 (СЗАП). Всего насчитывается более ста моделей и модификаций автобетоносмесителей TIGARBO, различающихся автономными двигателями, гидравлическими трансмиссиями, водяными баками разного объема, смесительными барабанами (три типа), брызговиками (несколько вариантов), системами управления и подачи воды.Сильной стороной туймазинских миксеров была цена, по техническому уровню и качеству они отставали от конкурентов. Ситуация стала меняться в 2005 г., когда ТЗА вошел в группу предприятий ОАО «КАМАЗ». Благодаря вниманию со стороны автогиганта Туймазинский завод начал разработку и производство новых, технически более совершенных моделей автобетоносмесителей, автобетононасосов и даже занялся крановой тематикой.
Начали широко использовать импортные комплектующие. Сегодня старейший в отрасли Туймазинский завод автобетоновозов (марка TZA/KAMAZ) выпускает более 10 моделей автобетоносмесителей вместимостью от 5 до 12 м3 на шасси в основном КамАЗ, а также «Урал», МАЗ. Возможен монтаж на любое другое шасси, в том числе импортное. Завод использует гидропривод с отбором мощности от автономного двигателя или от двигателя шасси. Гидропривод строят на агрегатах фирм Bosch Rexroth, Brivini, Transmital Bonfigli, Antonelly и ZF.В прошедшем десятилетии механический привод сдал позиции гидроприводу. Ненадежность механической передачи и владимирского двигателя Д-144 с воздушным охлаждением привела к падению спроса на это устаревшее во всех отношениях решение, и ТЗА – последний, кто его использовал, прекратил производство 5-кубового «миксера» 581412 (СБ-92В-2) на самосвальном шасси КамАЗ-55111. Сегодня все заводы используют гидравлический привод с отбором мощности от автономного двигателя или от двигателя шасси.
Проблема нехватки мощности шасси будет, скорее всего, решена, когда КАМАЗ начнет серийное производство автомобилей с двигателями Cummins объемом 6,7 л и мощностью до 300 л.с. и с камскими двигателями нового поколения объемом 11,7 л и мощностью до 500 л.с.Европейские производители выпускают такой тип машин, как автобетононасос-смеситель с распределительной стрелой, которая у нас не получила распространения. Это техническое решение не подходит для высотного домостроения, а в малоэтажном строительстве не может конкурировать с ручным трудом. Помимо этого эксплуатировать автобетононасос-смеситель сложно, а значит, дорого. Склонный в последнее время к экспериментам Туймазинский завод показал такую машину на выставке «СТТ-2009», но ее перспективы туманны.
Пушкинский машиностроительный завод (марка «ПРМЗ») также открыл для себя тему автобетоносмесителей, начав с покупки в 1979 г. лицензии у Stetter и производства с 1980 г. смесительных барабанов и комплектных автобетоносмесителей.
Завод остается верен партнерским отношениям со Stetter и бо’льшую часть продукции завода – до полутора тысяч барабанов – ежегодно отправляет в Германию, где смесители собирают, окрашивают, монтируют на шасси и какие-то из них продают в Россию. Происходит своеобразный круговорот смесителей. Сам Пушкинский завод реализует на внутреннем рынке порядка 150 комплектных автобетоносмесителей в год. Компания Stetter не изготавливает барабаны смесителей в Германии, а получает сборочные комплекты из России и Индии.Для внутреннего рынка Пушкинский завод собирает «миксеры» с барабаном вместимостью от 4 до 15 м3 практически на любых шасси. Для ряда моделей, например МАЗ, МЗКТ, КамАЗ, «Урал», КрАЗ, Scania, Ford, MAN, Volvo, Mercedes-Benz, Hyundai, у завода есть готовые технические решения, и монтаж установки на эти шасси проводят в кратчайшие сроки. Часть комплектующих завод закупает у немецкого партнера.
К растущему рынку пожелали присоединиться и другие заводы. Так, красногорская «Бецема» разработала свой «миксер», поставила его на шасси Volvo и в 2004 г.
показала на выставке. На этом все и закончилось. На красногорской базе не хватило места для производства самосвальных кузовов, а грандиозные планы по строительству завода под Калугой из-за кризиса пришлось свернуть.В картине российского рынка также заметен импортный сегмент, представленный преимущественно немецкими фирмами. Чаще других встречаются «миксеры» Liebherr. Семейная немецкая компания выпускает автобетоносмесители с барабанами вместимостью от 6 до 15 м3 на шасси, как утверждает компания, любого производителя, т. е. из «большой семерки». Смеситель могут также смонтировать на полуприцепе. Для всех моделей привод барабана смесителя может быть выполнен как от двигателя шасси, так и от автономного. Особенность модельного ряда Liebherr – ленточный транспортер, которым можно оборудовать «миксер». Это устройство существенно дешевле бетононасоса со стрелой и проще в эксплуатации. Компания предлагает транспортеры с вылетом стрелы 11,5; 15,2 и 16,2 м с подачей до 70 м3/ч.
Автобетоносмеситель и транспортер можно использовать для транспортировки не только бетонных смесей, но и песка, щебня, гальки. Транспортером манипулируют с помощью пульта дистанционного управления.Немецкая компания Stetter, входящая в Schwing Group, предлагает «миксеры» с барабанами вместимостью 6, 7, 8, 9, 10, 12 и 15 м3. «Миксеры» большой вместимости комплектуют как приводом от двигателя шасси, так и от автономного Deutz мощностью 63 кВт и выше.
Компания предлагает также смесители вместимостью 10 и 12 м3 на полуприцепах с гидроприводом барабана, мощность для которого отбирается либо от коробки передач тягача, либо от автономного двигателя Deutz мощностью 88 кВт. Компания предлагает также специсполнения – облегченные «миксеры» вместимостью 7, 8 и 9 м3 с приводом от двигателя шасси, смесители, смонтированные на платформе системы «мультилифт», и стационарные бетоносмесители.
Вторая половина группы Schwing-Stetter – компания Schwing поставляет автобетононасосы-смесители с барабаном вместимостью 7 м3 и с 24-метровым бетоноводом диаметром 125 мм или с 26-метровым бетоноводом диаметром 100 мм на 4-осном шасси допустимой полной массой 32 т.

Итальянская компания Cifa, которая с 2008 г. принадлежит Zoomlion, выпускает автобетоносмесители и автобетононасосы-смесители. В линейку «миксеров» входят модели стандартной серии SLA с барабанами на 7, 8, 9, 10, 12 м3 в разной комплектации – с приводом от двигателя шасси или от автономного двигателя, облегченные модели серии SLX c барабанами на 8 и 9 м3 с приводом от двигателя шасси, а также усиленная модель серии HD с 12-кубовым барабаном и приводом от двигателя шасси. Компания использует шасси «большой семерки», отдавая предпочтение ее итальянскому представителю. Cifa также выпускает линейку автобетононасосов-смесителей – а это 4 базовые модели – с барабанами на 7 и 10 м3 и стрелами с высотой подъема 19,1; 23,5; 28,1 и 31,2 м.
Немецкая фирма Putzmeister знаменита бетононасосами, стационарными и на автомобильном шасси и распределительными стрелами. Фирма поставляет также автобетононасосы-смесители, при этом барабаны закупает у Liebherr.
Семейство Pumi включает пять базовых моделей с барабанами вместимостью 6 и 7 м3 и стрелами с высотой подъема от 20,6 до 30,6 м.Итальянская фирма Imer предлагает линейку «миксеров» серии L&T со смесителями вместимостью от 3 до 14 м3 и с приводом от двигателя шасси. Смеситель на 14 м3 также монтируют на полуприцепе для стационарной работы на строительной площадке, для чего его оснащают автономным двигателем. Серия облегченных «миксеров» SL включает модели с барабанами от 3 до 14 м3. Барабаны этой серии сварены из листов фирменной легированной стали Imer Wear толщиной 3 мм. В конструкции надстройки использованы алюминий и сталь меньшей, чем у стандартного бетоносмесителя, толщины.
Перечисленными производителями рынок «миксеров» не заканчивается. На строительных площадках и улицах можно встретить финские «миксеры» Sakara, немецкие Karrena, турецкие KARDE, корейские TATA-Daewoo, а возможно, и китайские Howo, FAW, Shaahxi, DongFeng из тех, что успели продать до кризиса и которые еще остались на ходу.
Общая тенденция рынка автобетоносмесителей, как и автопрома, такова, что нижний ценовой сегмент, можно сказать, исчез, производители переместились в средний и верхний сегменты по причине роста цен на сталь, комплектующие и на шасси. Других революционных перемен в мире автобетоносмесителей не ожидается.что это такое и как правильно выбрать бетоносмеситель
28.03.2019 | Обновлена 05.10.2021
Время прочтения 4 минуты
Вопросы и Ответы 40
Содержание
- Типы бетономешалок
- На что обратить внимание при выборе бетоносмесителя
- Как правильно перемешивать бетон с помощью бетономешалки
- Укладка бетона
- Обработка и транспортировка бетона
- Выводы
- Рекомендуемые товары
Что такое бетоносмеситель — это устройство, которое смешивает цемент с водой и наполнителем, таким как песок или щебень, для изготовления бетона.
Они бывают размерами от больших промышленных до небольших, иногда называемых«мини-смесителями»
. Бетономешалка состоит в основном из двигателя, вращающегося барабана и желоба.
Внутри барабана компоненты, используемые для создания бетона, прокручиваются, смешиваясь равномерно вместе. Бетономешалки должны обеспечивать однородность смеси как внутри, так и при выгрузке цемента.
Крупногабаритные бетоносмесители используются для смешивания и перемещения больших объемов бетона для использования на стройплощадке. Для небольших объемов, обычно до двух кубических метров, достаточно портативного смесителя.
Переносная бетономешалка обычно приводится в действие с помощью электричества и устанавливается на опору с колесами для облегчения перемещения. Вращающийся барабан можно наклонить настолько, чтобы можно было вылить бетон в тачку.
Бетономешалка не держит бетон готовым к применению бесконечно, поэтому важно понимать, сколько бетона вы можете налить и в течение какого периода времени сможете закончить работы.
Различные типы бетона подготавливаются быстрее, чем другие, учитывайте это заранее.Более крупные проекты, такие как подъездная дорога или баскетбольная площадка, могут потребовать вызова грузовика. Производственные бетоносмесители требуют доступа в пределах довольно близкого расстояния от объекта. Открытые бассейны являются примером крупномасштабного проекта, требующего прямого доступа на грузовике.
Существует несколько видов:
- Бетономешалки непрерывного действия. Этот вид смесителей используется для работы с массивными конструкциями, такими как плотины, мосты и т. д. которые требуют больших объемов бетона, а также непрерывного потока смеси. Взвешивание, загрузка и смешивание происходят также непрерывно и одновременно, как и разгрузка бетона. Как правило, у них не наклоняющийся барабан с винтовыми лезвиями, вращающимися внутри него. Барабан наклонен вниз к выпускному отверстию. Время перемешивания определяется наклоном барабана (обычно около 15°). Эти смесители используются при необходимости короткого времени работы, долгих загрузок, удаленных мест и/или небольших поставок.
Из-за короткого времени смешивания содержание воздуха нелегко контролировать даже с добавлением воздухововлекающих примесей и добавок. - Барабанные бетономешалки. Общий тип смесителя, который широко используется для смешивания конкретных ингредиентов. Он состоит из вращающегося барабана с лопастями и перегородками внутри. Все материалы в нужных пропорциях засыпаются в воронку вращающегося с определенной скоростью барабана, перемешивая компоненты с помощью нескольких лезвий внутри. Полученная смесь окончательно выгружается из барабана и транспортируется для дальнейшего использования.
- Наклонные смесители имеют конический или чашеобразный барабан с лопастями внутри. Они предпочтительны для смесей низкой обрабатываемости и содержащих крупноразмерный наполнитель. Смешивающая чаша наклоняется для выгрузки бетона.
В наклонном барабанном смесителе угол наклона можно поменять. Когда барабан почти горизонтален (наклон ≈ 0°), больше энергии затрачивается на сам бетон, так как весь бетон падает ровно вертикально.
Именно во время падения бетон связывается и перемешивается. Поэтому чем выше уровень падения, тем выше энергия, затрачиваемая на бетон. Если ось вращения будет почти вертикальной, то лезвия не смогут нормально зацепить бетон и он не перемешается хорошо. Ось обычно ставят на угол около 15° относительно горизонтали во время смешивания. Для разгрузки бетона барабан наклоняют вниз под горизонтальной плоскостью. Опрокидывающийся барабан является наиболее распространенным типом барабанного смесителя для небольших партий (менее 0,5 м³) бетона как в лаборатории, так и в полевых условиях
Барабанные бетоносмесители в свою очередь делятся на:
- В не наклоняющихся бетономешалках, смеситель не наклоняется, и его ось всегда расположена горизонтально. Выгрузка бетона производится путем помещения лотка в барабан или изменения направления вращения барабана.
- В не наклоняющихся бетономешалках механизм барабана также содержит реверсивное устройство, их называют ещё бетономешалки с реверсивным барабаном.
Он вращается в одном и другом направлениях, а выгрузка происходит в противоположном направлении. - Лотковые бетоносмесители. Он состоит из цилиндрического лотка и лезвий, которые смешивают ингредиенты. Выгрузка бетона производится через отверстие на дне лотка. В цилиндрическом лотке находятся несколько вращающихся лезвий, которые перемешивают бетон и выскабливают стенки лотка. Формы лезвий и оси вращения различны и могут меняться.

Автобетоносмесители также относятся к смесителям с реверсивным барабаном. Водитель грузовика может управлять скоростью вращения барабана в кабине с помощью сцепления. Скорость вращения зависит от того, был ли бетон замешан до его загрузки в грузовик или машина должна сама сделать всю работу. Обычно, скорость смешивания составляет — 15 оборотов в минуту, в то время как при транспортировке уже заранее замешанного бетона она составляет от 2 до 6 оборотов в минуту. В России чаще всего бетон смешивается не предварительно, а сразу в автобетоносмесителе.
Рекомендуемые товары
Артикул: 024-1675
Бетономешалка СБР-1200 (дизель)
Уточняйте наличие
Бренд: Строймаш
Вес (кг): 1420
Мощность (кВт): 10
Запрос цены
Артикул: 024-0981
Бетоносмеситель Zitrek Z 140
Уточняйте наличие
Бренд: Zitrek
Вес (кг): 50
Мощность (кВт): 0,55
Запросить товар
Артикул: 024-1057
Бетоносмеситель ВИХРЬ БМ-180 (220 В)
Хит
продажУточняйте наличие
Бренд: Вихрь
Вес (кг): 59
Мощность (кВт): 0,8
Запросить товар
Артикул: 024-1050-01
Бетоносмеситель MTX СМ-120K
Уточняйте наличие
Бренд: MTX
Вес (кг): 42
Мощность (кВт): 450
Запросить товар
При подборе бетономешалки стоит в первую очередь определиться с размером. Если вы беретесь за большой проект, вам потребуется много бетона, следовательно, стоит найти бетономешалку, которая сможет смешать большое количество бетона за раз, что значительно облегчит вам работу и сэкономит время.

Объемные бетономешалки, как правило, работают на дизельном топливе и устанавливаются на колеса, для облегчения перемещения по площадке. Некоторые модели могут смешивать до 110 литров всего за шесть минут.
Для простых и средней сложности проектов стоит выбрать наклонный бетоносмеситель. Они не такие большие, как объемные бетономешалки, но все же способны смешивать довольно много бетона. Когда бетон будет готов, вы можете легко наклонить миксер, и вылить его в тачку.
Убедитесь, что выбрали бетономешалку, которая достаточно безопасна и проста в использовании. Учитывайте сложность и объемы проекта, неровности и препятствия на ландшафте и размеры рабочей площади.
Следующие меры предосторожности необходимы при смешивании бетонных ингредиентов с помощью бетономешалки:
- Все ингредиенты подаются в барабан перед началом смешивания. Особенно это касается воды, которую необходимо добавлять одновременно с песком, цементом и наполнителем.

- Необходимо помнить о времени смешивания бетона. Оно не должно быть ни больше, ни меньше, чем требуется для полного смешивания. В ином случае это отрицательно скажется на качестве бетона.
- После удаления одной партии бетонной смеси необходимо тщательно очистить внутреннюю часть барабана смесителя. В противном случае куски затвердевшего бетона из более ранних партий могут составить часть следующей партии и тем самым испортить качество бетона. Это условие применительно для смесителей барабанного типа. В смесителях непрерывного действия необходима регулярная очистка после фиксированных интервалов.
- Бетон из смесителя также должен быть использован в течение 30 минут с момента начала его приготовления (то есть, когда в барабан были добавлены ингредиенты и вода).
- После смешивания бетон необходимо транспортировать на место таким образом, чтобы предотвратить сегрегацию и сохранить однородность смеси.
- Бетон в смесителе должен быть транспортирован к месту работы.
Там его выливают в форму из подходящего материала согласно требованию к конструкции. - Укладка бетона — очень важная операция, которая во многом определяет прочность конструкции и ее долговечность.
- Любой способ транспортировки должен защищать бетон от воздействия погодных условий.
Грубые наполнители имеют свойство отделяться от основной смеси во время транспортировки. Поэтому необходимо проявлять большую осторожность для предотвращения их сегрегации. Необходимо избегать всякого рода рывков в процессе транспортировки. Кроме того, во время транспортировки вода не должна смешиваться с бетоном. Это разрушит эффект, достигнутый при смешивании ингредиентов.
Неосторожная укладка на месте строительства также приведет к сегрегации грубых наполнителей. Этого также следует избегать. Для транспортировки бетона обычно используются следующие методы: ручная перевозка в лотках, тачках, с помощью трубопровода, конвейера или воронки.
Существует большое количество бетосмесителей для разных видов работы.
Эффективность бетономешалки определяется однородностью получаемого бетона. Можно также считать, что она определяется энергией, используемой для производства определенного количества бетона требуемой однородности. Эта однородность выражается в составе бетона или изменении макроскопических свойств, таких как прочность и удобоукладываемость.Измерение однородности зависит от определения состава бетона, например, распределения различных компонентов, включая содержание воздуха, присутствующих в различных образцах, взятых во время выгрузки бетона. Энергия смешивания — это результат потребления энергии при смешивании и длительности смешивания. Он не обязательно является мерой качества смесителя, но используется для контроля работоспособности при смешивании, избегая необходимости выгрузки бетона для измерения осадки. Смешивания бетона очень сложный процесс, зависящий от множества переменных, главной из которых является бетономешалка.
Возможно, вам будет интересно прочитать статью Виды емкостей для подачи бетона и раствора.

Специалисты Строймашсервис-Мск
Материал подготовили сотрудники SMSM.ru, имеющие практический опыт работы более 25 лет со строительными инструментами и оборудованием как российского производства, так и иностранного.
Поделиться:
Cтатьи по теме
Развертка: назначение, характеристики, виды и выбор
Чтобы узнать, что такое развертка, для чего нужна, какие существуют ее виды, и как разумно подойти к ее выбору дочитайте статью до конца.
Читать далее
Виды дисковых пил
Циркулярная пила — строительный инструмент, предназначенный для обработки (резки) разных материалов. Эффективность агрегата повышает наличие различных насадок (дисков), которые позволяют работать не только с древесиной, но и с пластиком, камнем, бетоном, металлом.
Читать далее
Как выбрать насос для откачки канализации
Выбор насоса для канализации обуславливается следующими критериями: способ монтажа, объем стоков, степень загрязненности воды.
Необходимо учитывать марку оборудования и репутацию производителя, знать, какие виды насосов предлагают потребителям, в чем заключается разница между дренажными и фекальными агрегатами и что такое канализационная насосная установка.Читать далее
Защитные маски сварщика — 7 основных типов для работ
Для сварщика высшим средством защиты лица является сварочный шлем. На рынке представлены различные типы масок для сварки, каждая из которых разработана со своими спецификациями и особенностями, с целью обеспечения сварщика удобным инструментом.
Читать далее
Виды строительных уровней
Строительный уровень нужен не только для выполнения профессиональных работ. Инструмент пригождается в повседневной жизни. Им пользуются при расставлении мебели в квартире, подвешивании потолка, укладке плитки и даже при наклеивании обоев на стену.
Читать далее
Масляный обогреватель или конвектор: что лучше купить
Конвекторные и масляные обогреватели – две самые популярные разновидности бытовых отопительных приборов.
Однако если масляные радиаторы нагревают воздух при помощи разогретого минерального масла, то конвекторы разогревают и прогоняют через корпус воздушный поток.Читать далее
Вопросы и ответы
A
04.05.2022 17:30:18
Может ли испортиться бетон в автобетономесителе если бочка всанет на 15-20 мин?
Строймашсервис-Мск
Николай
06.04.2021 17:52:00
Как разводить цемент с песком и водой?
Строймашсервис-Мск
Смесь для оштукатуривания стен приготавливается в пропорции: 1 часть цемента и 3 части песка смешивают, затем порционно добавляют 1 часть воды до получения нужной консистенции, определить которую можно при помощи шпателя: если его наклонить под углом 40 градусов и раствор не стекает и не капает — достигнуто нужное соотношение.
Иван Петрович
05.04.2021 17:34:00
Как очистить бетономешалку?
Строймашсервис-Мск
Добавить в барабан щебень. Бетономешалка будет чистить «сама себя». Лопатой. Болгаркой с насадкой щетка.
С помощью соляной кислоты.Афанасий Ефимович
04.04.2021 17:44:00
Сколько времени нужно мешать бетон?
Строймашсервис-Мск
Обычно 1 – 2 минуты, и лучше не превышать это время. Передерживать раствор не рекомендуется, иначе он потеряет свои качества. При длительном времени замеса вода начинает испаряться, и бетон потеряет в пластичности.
Кузьма
02.04.2021 18:21:00
Какой длины лоток у миксера?
Строймашсервис-Мск
Обычно длина лотка (желоба) — от 1,5 до 2 метров.
Кирилл
02.04.2021 17:41:00
Что сначала засыпать в бетономешалку?
Строймашсервис-Мск
Вначале налить в бетономешалку необходимое количество воды, а потом засыпать туда порциями цемент и песок, а также гравий.
Иван Николаевич
01.04.2021 17:21:00
Почему крутится бетономешалка?
Строймашсервис-Мск
Барабан мешалки все время вращается для того, чтобы смесь была хорошо перемешана и не начала твердеть.
Никита
31.03.
2021 18:16:00Сколько сохнет бетон 10 см?
Строймашсервис-Мск
Слой в 10 мм цементной стяжки сохнет за неделю – при плюсовой температуре и обычной влажности.
Ольга
30.03.2021 16:00:00
Чем отличается Бетоносмеситель от бетономешалки?
Строймашсервис-Мск
В бетономешалке можно мешать разного рода бетоны с разными наполнителями типа керамзит, щебень, вермикулит и т. д. В растворомешалке — только растворы без наполнителя (песок, цемент, известь, гипс, глина).
Андрей
29.03.2021 14:02:00
Сколько весит бетономешалка машина?
Строймашсервис-Мск
Сколько весит миксер с бетоном? Груженый 5-кубовый миксер весит примерно 23 тонны, 7 кубовый — 29 тонн.
Алексей
25.03.2021 17:50:00
Как сделать жидкий раствор?
Строймашсервис-Мск
Жидкий раствор готовится из чистого цемента или из смеси цемента с песком в отношении 1 :2 по весу.
Степан
21.03.2021 18:25:00
Как размягчить старый цемент?
Строймашсервис-Мск
Необходимо смешать 250 мл жидкости для мытья посуды и 250 мл теплой воды.
Затем раствор тщательно размешать и нанести на пятно жесткой щеткой. Через 15 минут можно будет снять отставшие фрагменты цементного раствора и постирать изделие в горячей воде.Пётр
15.03.2021 17:47:00
В чем разница между бетоносмесителем и бетономешалкой?
Строймашсервис-Мск
Бетоносмеситель – агрегат, являющийся подкатегорией бетономешалок. Его основная особенность — работа с материалами, в составе которых присутствуют крупные вещественные фракции.
Константин Павлович
13.03.2021 15:36:00
Как сделать бетон марки 200?
Строймашсервис-Мск
Для того 1 куба бетона М200 необходимо: 1 часть цемента; 2,8 части песка; 4,8 части щебня; 20 % от всего объема смеси воды и пластификатор.
Василий
11.03.2021 15:21:00
Что лучше Редукторная или Венцовая бетономешалка?
Строймашсервис-Мск
Венцовые бетономешалки потребляют больше электроэнергии и дают большую нагрузку на сеть. Также при работе венцовой бетономешалки генерируется много шума.
Редукторная бетономешалка более экономична, так как потребляет меньше электроэнергии.Алексей
10.03.2021 17:25:00
Сколько кубов в миксере камаз?
Строймашсервис-Мск
Отечественные компании, которые выпускают миксеры на базе шасси автомобиля КАМАЗ, оснащают их «бетономешалками», рассчитанными на объем материала от 5 до 10 м3. Самые популярные объемы барабана миксера — 5, 7 и 9 м3.
Николай
10.03.2021 15:29:00
Какой марки бетон нужен для фундамента дома?
Строймашсервис-Мск
Для фундаментов больших частных жилых домов подойдёт марка бетона М250 и М300. Для фундамента коттеджей с высотой до 5 этажей — марка М300. Бетон марки М300 рекомендуют использовать для монолитных перекрытий из-за своей прочности.
Сергей
08.03.2021 18:13:00
Как можно повысить прочность бетона?
Строймашсервис-Мск
Самый простой способ повышения прочности бетона — увеличение количества цемента в растворе.
Фёдор Иванович
07.03.
2021 17:59:00Какой объем бетономешалки выбрать для дома?
Строймашсервис-Мск
Бетономешалки с объемом барабана на 120-130 литров — оптимальны для частного строительства и ремонта.
Олег
04.03.2021 16:02:00
Как правильно принимать бетон с миксера?
Строймашсервис-Мск
Для последующего удобного выравнивания поверхности бетона, жидкую консистенцию необходимо вливать постепенно и равномерно по всему периметру строительного объекта. После укладки раствор распределяют по всей площади поверхности и выравнивают.
Дмитрий
03.03.2021 18:23:00
Можно ли использовать цемент с истекшим сроком годности?
Строймашсервис-Мск
Использовать просроченный цемент по его прямому назначению крайне не рекомендуется.
Сергей
03.03.2021 15:55:00
Как применить старый цемент?
Строймашсервис-Мск
Старый цемент необходимо разбить до размера щебня (фракция до 20мм.) и можно применить как заполнитель. Можно применить старый цемент для бетонирования столбиков забора.
Также можно добавлять под укладку тротуарной плитки, стяжку, для бордюрных камней и пр.Иван
02.03.2021 15:22:00
Сколько кубов бетона надо на фундамент 10х12?
Строймашсервис-Мск
Для фундамента 10х12м потребуется 33,6 м3 бетона.
Александр
01.03.2021 15:39:00
Сколько кубов в 50 кг цемента?
Строймашсервис-Мск
Если взять, что в одном кубе цемента содержится 1300 кг цемента. То цемент в мешке 50 кг занимает объем, равный 50:1,3=38,5 литра.
Захар
23.02.2021 18:18:00
Нужно ли смазывать шестерни на бетономешалке?
Строймашсервис-Мск
Зубчатый венец и ведущую шестерню нельзя смазывать солидолом или другой смазкой, так как между ним всегда должно быть не проскальзывание, а сухое трение – это предотвратит стирание зубьев от песка и цемента.
Константин Иванович
17.02.2021 18:28:00
Что разрушает цемент?
Строймашсервис-Мск
Концентрированная кислота в составе растворителя бетона разъедает цементный раствор.

Иван Константинович
17.02.2021 18:09:00
Как разводить цемент с песком для кладки кирпича?
Строймашсервис-Мск
В данном случае используют цемент марки М400 или цемент М500 и чистый песок. Популярным вариантом пропорции цемента и песка для кладки кирпича является 1 часть цемента/ 3 части песка.
Ирина
14.02.2021 15:51:00
Как убрать цемент после плитки?
Строймашсервис-Мск
С помощью уксуса можно легко удалить остатки цементного раствора. Для этого необходимо смочить уксусом напольную плитку и оставить на 30 минут. Потом протереть места клея мягкой щеткой, а остатки раствора смыть водой.
Владимир
12.02.2021 15:43:00
Можно ли использовать цемент без песка?
Строймашсервис-Мск
Продукт, полученный при разведении, не будет крепким. Фактически это эффективный способ для простой и быстрой обработки небольших участков стен, полов, оград, при этом используется только определенное количество воды, чтобы развести цементный порошок.

Игорь
11.02.2021 15:11:00
Сколько по времени мешать бетон в бетономешалке?
Строймашсервис-Мск
Не более 10 минут, так как бетон может начать засыхать. Созданный раствор необходимо применять сразу после приготовления.
Александр Фёдорович
10.02.2021 18:00:00
Как очистить пластик от цемента?
Строймашсервис-Мск
На пятна цемента необходимо при помощи кисточки нанести любую кислоту. Подождать около минуты, пока пятно станет мягким. Затем его можно будет осторожно убрать. Чтобы убрать разводы, можно протереть поверхность раствором пищевой соды.
Никита
09.02.2021 15:07:00
Какие пропорции бетона для фундамента?
Строймашсервис-Мск
Наиболее практичный состав бетона для фундамента: одна часть цемента, три части песка, четыре-пять частей щебня (или гравия).
Федор Иванович
08.02.2021 15:34:00
Сколько тонн гравия входит в камаз?
Строймашсервис-Мск
Машина с грузоподъемностью 15 тонн вместит в себя 10м3 щебня, при его плотности 1300кг/м3.
Гранитный щебень с плотностью 1 470 кг/м3 массой 15 тонн — в среднем 10 м3.Иван Комаров
05.02.2021 15:18:00
Как рассчитать количество бетона на фундамент?
Строймашсервис-Мск
Для ленточного фундамента длиной 30 м, шириной — 0,4 м, и высотой — 1,9 м общий расход бетона вычисляется следующим образом: 30×0,4×1,9=22,8 м3. Высота — глубина заложения фундамента плюс высота его надземной части. Общая длина — периметр внешних стен плюс длина внутренних.
Игорь Валентинович
04.02.2021 15:47:00
Какая высота миксера на базе Камаза?
Строймашсервис-Мск
На базе КАМАЗ 6520 габаритные размеры: Длина — 8800 мм. Ширина — 2500 мм. Высота воронки — 3850 мм.
Фёдор Иванович
18.01.2021 15:58:00
Сколько электроэнергии расходует бетономешалка?
Строймашсервис-Мск
Электродвигатель бетономешалки потребляет 0,8 кВт.
Фёдор
14.01.2021 15:49:00
Как очистить засохший цемент с металла?
Строймашсервис-Мск
В домашних условиях можно использовать серную кислоту.
Её необходимо разбавить водой в пропорции 1:10, нагреть в чугунной посуде. В разбавленную и подогретую серную кислоту опустить предметы, которые нужно очистить от цемента – они станут чистыми достаточно быстро.Константин
06.01.2021 18:04:00
Можно ли сделать бетон без щебенки?
Строймашсервис-Мск
Бетон, который не содержит в своем составе заполнителей крупной фракции, называется пескобетоном. Данная смесь изготавливается из 1 части цемента и двух частей песка и используется преимущественно для черновых строительно-ремонтных работ.
Иванов Валентин
06.01.2021 15:25:00
Как рассчитать количество арматуры?
Строймашсервис-Мск
Для расчета количества продольной арматуры необходимо: вычислить площадь сечения ленточного фундамента — ширину умножить на высоту и разделить на тысячу — эта цифра указана в СНиП 52-01-2003.
Константин
06.01.2021 15:14:00
Какой объем бетона в миксере?
Строймашсервис-Мск
Для перевозки наиболее популярны объёмы 5, 7 и 9 м3.

Смотреть все вопросы (40) Скрыть
Китайские бетоносмесители от компании «Альфа-СПК»
Бетоносмесители высокого качества для строительных организаций
Компания «АЛЬФА-СПК» предлагает авто бетоносмесители, бетоносмесители, миксеры для перевозки и транспортировки бетона на базе шасси Shaanxi 6х4, Shaanxi 8х4.Осуществляем продажу, ремонт, продажу запчастей, запуск и обслуживание данной техники.
Автобетоносмеситель SHAANXI предназначены для доставки готовой бетонной смеси потребителям с сохранением её свойств в пути следования и выгрузки в место укладки или бетонотранспортные устройства, а также приготовления бетонной смеси из сухих компонентов на строительном объекте. Автобетономиксеры SHAANXI управляются одним водителем-оператором, эксплуатируются в любых климатических условиях при температуре от -20°С до +40°С.
Автобетоносмеситель Шанкси, или миксер – разновидность специализированной техники, использующаяся при различных строительных работах. Такие машины необходимы для обеспечения объектов нужным количеством бетонного раствора.
Кроме доставки, бетоносмеситель выполняет подачу и равномерное распределение раствора в различные строительные конструкции.Бетоносмеситель SHAANXI представляет собой грузовой автомобиль, оборудованный специальной емкостью для транспортировки бетона. Оптимальная консистенция транспортируемого раствора обеспечивается механизмом, вращающим емкость во время движения миксера. Основные рабочие узлы машины смонтированы на раме, прочно прикрепленной к шасси грузовика. Процесс загрузки и выгрузки миксера осуществляется с помощью специальных механизмов. Для управления операциями достаточно одного человека.
В Россию производители Shaanxi поставляют автобетоносмесители двух моделей: 9м.куб на базе 6×4 и 10м.куб на базе 8×4. Учитывая максимальную грузоподъемность, заявленную в заводских документах, рассчитать плотность бетонной смеси не сложно. Для трехосника она составляет 2,3т/м.куб, а для четырехосника 2,68т/м.куб. То есть вторая модель способна возить даже особо тяжелые бетоны. Оптимальным вариантом здесь является показатель в 2,5т/м.
куб, так как наиболее распространенные виды бетона имеют плотность именно такую.Автобетоносмеситель (миксер) Shaanxi 6х4.
Автобетоносмеситель SHAANXI SX5255UR3804B 6х4
Китайский автобетоносмеситель SHAANXI SX5255UR3804B 6х4 по технилогии MAN
Весовыепараметрыи нагрузки:
Снаряженная масса, кг 12800
Полная масса, кг 33500
— на передний мост, кг 7500
— на заднюю тележку, кг 26000
Габаритные размеры, мм 9186?2500?3774
Бетоносмеситель оборудование LIEBHERR (Германия)
Объем смесительного барабана от 8 до12 метров
Смесительный барабан с двумя винтовыми лопастями
Угол наклона смесительного барабана, град. 12
Управление гидравлическое
Двигатель: WP10.336N «STEYR», Евро2, Евро3, Евро4
Тип дизельный с турбонаддувом
Максимальная мощность, кВт/л.с (об/мин) 247/336 (1900)
Максимальный крутящий момент, Нм (об/мин) 1500 (1350..1500)
Рабочий объем цилиндров, см3 9,726
Степень сжатия 17:1
Количество и расположение цилиндров 6, рядное
Система питания: Common Rail марки Bosch
Емкость топливного бака, л 380
Топливный фильтр с электроподогревом
Электрооборудование: Напряжение, В 24
Сцепление: Сухое, однодисковое
Коробка передач: Fast Fuller, 9JS150T-B, полностью синхронизированное
механическая, девятиступенчатая
Главная передача: Двухступенчатый редуктор с колесной планетарной передачей
Передаточное число 5,73
Рулевое управление: ZF 8098
Тормозная система: Тормозные барабаны, с пневматическим приводом
ABS WABCO
Шины: Пневматические, радиальные
12.
00 R20, 10 R20Кабина: MAN F2000
цельнометаллическая, двухдверная с одним спальным местом, откидывающаяся вперед
Характеристики автомобиля с полной массой 33500кг: Максимальная скорость, км/ч 78
Расход топлива, л 36
Возможность установки дополнительных опций: подогреватель водяного бака, пред пусковой подогрев.
Автобетоносмеситель (миксер) Shaanxi 8х4.
Автобетоносмеситель Shaanxi SX5315JT3406B 8х4
Китайский автобетоносмеситель SHAANXI 8х4 по технологии MAN
Общие характеристики автобетоносмесителя Shaanxi SX5315JT3406B
Весовые параметры и нагрузки: Снаряженная масса, кг 14200
Полная масса, кг 39000
— на первую и вторую оси, кг 13000
— на заднюю тележку, кг 26000
Бетоносмеситель оборудование LIEBHERR (Германия)
Объем смесительного барабана 10-12 м³
Смесительный барабан с двумя винтовыми лопастями
Угол наклона смесительного барабана, град. 12
Управление гидравлическое
Габаритные размеры, мм 10450×2500×3800
Двигатель: WP10.
375N «STEYR», Евро3 Тип дизельный с турбонаддувом
Максимальная мощность, л.с. кВт/л.с (об/мин) 276/375 (1900)
Максимальный крутящий момент, Нм 1800 (1000..1400)
Рабочий объем цилиндров, см3 11,596
Степень сжатия 17:1
Количество и расположение цилиндров 6, рядное
Система питания: Common Rail марки Bosch
Емкость топливного бака, л 380
Электрооборудование: Напряжение, В 24
Сцепление: Сухое однодисковое
Коробка передач: Fast Fuller, 12JS180T-B полностью синхронизированная
механическая, двенадцатиступенчатая,
Главная передача: Двухступенчатый редуктор с колесной планетарной передачей
Передаточное число 5,73
Рулевое управление: ZF 8098
Тормозная система: Тормозные барабаны, с пневматическим приводом
ABS WABCO
Шины: Пневматические, радиальные
12.00 R20
Кабина: MAN F2000
цельнометаллическая, двухдверная с одним спальным местом, откидывающаяся вперед
Характеристики автомобиля с полной массой 33500кг: Максимальная скорость, км/ч 78
Расход топлива, л 41
Возможность установки дополнительных опций: подогреватель водяного бака, пред пусковой подогрев.

Автобетоносмеситель (АБС) бетономешалка — «АвтоФлит»
Автобетоносмеситель (сокращенно — АБС) это специализированная техника для приготовления и перевозки жидких строительных смесей. В разговорном обиходе используются определения: автомиксер, миксер, бетоносмеситель, бетономешалка.
Автомиксер — грузовой автомобиль, оснащенный одним очень важным конструктивным элементов – вращающейся цистерной. Изнутри в емкости цистерны закреплены спиральные лезвия, которые при оборотах в одном направлении (при загрузке и перевозке) проталкивают семь вглубь емкости, а при оборотах в противоположном направлении (для разгрузки) выталкивают семь наружу. При транспортировке бетона барабан обязательно вращается, что обеспечивает равномерное перемешивание бетона, препятствует высыханию бетонной смеси, поддерживая ее в пригодной для использования консистенции.
Основным назначением АБС является оперативная доставка строительных смесей на рабочие площадки.
Только эта техника с соблюдением всех стандартов способна осуществить перевозку бетонной смеси исключая губительного воздействия на нее факторов внешней среды (осадков и солнечных лучей).Исходя из назначения можно выделить следующие основные функции бетоносмесителей:
— во время следования к рабочей площадке приготовление раствора из заранее помещенных в емкость сухих компонентов и воды;
— транспортировка готового бетона на объект;
— замешивание бетона или любой другой жидкой смеси непосредственно на объекте.
Классификация Автобетоносмесителей
Автобетономешалки классифицируются по следующим основным критериям:
— Направление выгрузки: передняя и задняя. Миксеры с передней выгрузкой бетона предоставляют возможность, не покидая кабины контролировать процесс выгрузки. Конструкция таких машин сложна и ненадежна, поэтому популярностью пользуются модели с задней выгрузкой. При такой конструкции водителю обязательно приходится покидать кабину и непосредственно контролировать процесс выгрузки;
— Конструкция привода смесительной емкости: механический и гидравлический.
Механический привод в настоящее время не выпускаются, поэтому встречаются очень редко. Гидравлический привод более продуктивный, он мощный, надёжный, способен с наименьшими потерями долгое время вращать барабан;— Конфигурация двигателя в установке: автономный или на шасси. Первый работают независимо от двигателя шасси, поэтому даже в случае отказа основного двигателя АБС способен производить смесь. Стоит отметить что модификация шумная, но и надежная.
Оборудование для производства и доставки растворов монтируется на шасси любого грузового автомобиля, необходимой грузоподъемности. В России чаще других эксплуатируют автобетоносмеситель КамАЗ, изготовленный на шасси КамАЗ-6520.
Технические характеристики
Российские бетоносмесители поставляется на рынок с объемами цистерны 2 — 12 куб. м, самые ходовые 7 и 9 куб. м.
Востребованное отечественное шасси для производства миксеров – шасси КамАЗ, а также шасси Урал, ЗИЛ, Амур (бывший ЗИЛ-130).
Кроме бетоносмесителей на отечественных шасси, можно купить автобетоносмеситель на зарубежных шасси, они представлены брендами: MAN, DAF, Mercedes-Benz, Iveco, МАЗ, КрАЗ, БелАЗ, МЗКТ, Volvo, Scania, Mitsubishi, Isuzu, Hino, Shacman, Daewoo и прочие.

В сфере продажи спецтехники АБС представлены более чем широко, в многообразии марок и комплектаций всегда найдется подходящий вариант. Данный вид техники нельзя отнести к категории дешевых, не многие строительные компании могут себе позволить приобрести новый миксер, поэтому при ограниченном бюджете существует возможность купить автобетоносмеситель б/у.
Популярные модели АБС
АБС CAMC AH5311GJB3-R
Колесная формула: 8х4
Цистерна, куб. м: 11,3
Наибольшая вместимость, кг: 18600
Двигатель: P11C-UR (HINO) дизельный
Мощность двигателя, л.с.: 380
Масса снаряженная, кг: 15800
Масса полная, кг: 29000
Емкость с водой, л: 800
Габариты, мм: 10580х2495х3930
АБС 69365J на шасси Mercedes-Benz Actros 4141B
Колесная формула: 6х4
Шасси: MERCEDES-BENZ-ACTROS4141B
Цистерна, куб. м: 10
Наибольшая вместимость, кг: 24380
Двигатель: дизельный (Евро 5)
Мощность двигателя, л.с.: 408
Масса снаряженная, кг: 15470
Масса полная, кг: 41000
Емкость с водой, л: 1000
Габариты, мм: 8760х2500х3730
Автобетоносмеситель 10DO на шасси Mercedes-Benz Actros 4141B
АБС 69364S на шасси МАЗ 6312В5-476-012
Колесная формула: 6х4
Шасси: МАЗ 6312В5-476-012
Цистерна, куб.
м: 9Двигатель: ЯМЗ 536 (Евро 4 с ЕГР (6 рядная))
Мощность двигателя, л.с.: 310
Масса снаряженная, кг: 14600
Масса полная, кг: 32225
Масса технологического оснащения, кг: 4650
Емкость с водой, л: 1000
Габариты, мм: 8760х2500х3730
АБС 58149Z на шасси КамАЗ-6520R
Цистерна, куб. м: 9
Шасси: 6520-1035-61 (Евро-3)
Высота загрузки барабана, мм: 3800
Высота выгрузки, мм: 500-2200
Масса полная, кг: 33100
Колесная формула: 6×4
Частота оборотов цистерны в минуту: 0-14
Тип привода: гидромеханический с отбором мощности от автономного двигателя Д-245
Емкость с водой, л: 850
Габариты, мм: 8600х2500х3800
Компания «Авто-Флит» предоставляет широкий ассортимент всех видов спецтехники, а также тягачей, прицепов и полуприцепов.
Наша техника проходит предпродажную подготовку, что гарантирует качественную и бесперебойную работу. Выбранный Вами полуприцеп, грузовик, прицеп, самосвал, погрузчик и любая другая техника будет надежным помощником в решении ваших бизнес задач.
Звоните:+7 (495) 773-3494
Приезжайте: г. Москва, поселение «Московский», в р-не дер. Саларьево, 10/41Часы работы офиса с 9 до20, площадки — с 9 до 20
13 типов бетоносмесителей, которые необходимо знать
- Raas Sarker Tomal
Бетон – самый известный строительный элемент. Самый плотный и прочный бетон тот, в котором цементная паста заполняет пустоты песком, а полученный раствор заполняет пустоты в крупном заполнителе. Каждая песчинка должна быть полностью покрыта цементом. До изобретения смесительной машины весь процесс смешивания производился вручную, лопатой, мелким ящиком. Но в настоящее время в связи с высоким спросом в строительстве для смешивания используются различные виды механических процедур и машин. Бетоносмеситель был изобретен Гебхардом Ягером, промышленником из Колумбуса, штат Огайо.
В этой статье полностью обсуждаются определения и различные типы бетоносмесителей.

Бетоносмеситель представляет собой машину для приготовления однородной смеси цемента, заполнителя (песка или гравия), добавок и воды. В состав машины входят смесительные барабаны, подающие устройства, разгрузочные механизмы, системы водоснабжения, первичный двигатель и передаточные механизмы. Машина в основном способствует столкновению между частицами и развитию диспергирования. Обычно эта машина имеет три основных узла: узел подачи, узел смешивания, узел разгрузки.
По мере изменения технологии менялась и базовая конструкция миксера. Бетоносмесители можно разделить на смесители общего назначения и смесители принудительного действия. В настоящее время двухвальные смесители, смесители с вертикальной осью и барабанные смесители являются наиболее часто используемыми смесительными машинами.
Ниже приведены типы бетоносмесительных машин.
- На основе принципов работы
- Смеситель периодического действия
- Смеситель непрерывного действия
- На основе методов смешивания
- Смеситель с самозагрузкой
- Compulsory Mixer
- Based on the shape of concrete mixers
- Pear-Shaped Mixer
- Drum Shaped Mixer
- Cone Shaped Mixer
- Vertical Shaft Pan Mixer
- Horizontal Shaft Mixer
- Based on the Discharging Метод
- Вращающийся или ненаклонный тип
- Наклонный тип
- Обычно используемый
- Принудительный смеситель
- Самоходный смеситель
Ниже приводится краткое описание этих типов смесительных машин.

Бетономешалка периодического действия
Бетономешалка периодического действия – это смесители, в которые помещаются, смешиваются и выгружаются отмеренные ингредиенты как одна масса. Это отличается от смесителя непрерывного действия, в котором материалы постоянно подаются в устройство, создавая постоянную подачу продукта.
Характеристики:
- Обладает чрезвычайно высокой производительностью (порции до 1 тыс. галлонов или 3785 литров).
- Состоит из барабанных, тарельчатых и открытых миксеров.
- Многие типы смесителей периодического действия (например, гравитационные, вращающиеся барабанные, кубические и т. д.).
- Смесители гравитационные изготавливаются стационарными.
- Вращающиеся смесители содержат полки и выступы внутри, а барабан вращается для смешивания материалов.
Бетоносмеситель непрерывного действия
Бетоносмесители непрерывного действия — это смесители, в которые ингредиенты подаются непрерывно, а выгрузка происходит в виде постоянного потока.
Загрузка материалов осуществляется непрерывно с помощью шнековых питателей.Особенности:
- Производительность выше, чем у смесителя периодического действия.
- Пропорцию материала и время смешивания трудно контролировать.
- Процессы подачи, смешивания и выгрузки происходят непрерывно в более длинном смесительном барабане.
Бетономешалка с самозагрузкой
Бетономешалка с самозагрузкой может автоматически производить и транспортировать бетон на месте.
Характеристики:
- Эффективны, так как их можно загружать самостоятельно (вспомогательное оборудование не требуется!).
- Подходит для небольших и узких конструкций.
- Полный привод, низкое давление и широкие шины, качающиеся задние мосты (обеспечивает хорошие внедорожные качества).
- Двигатель, гидравлическая система и электронная система взвешивания.
- Состоит из вращающегося барабана, установленного на раме шасси с кабиной с приводом от оператора, оснащенной загрузочным ковшом.

- Этот тип смесителя лучше всего подходит для площадок, где нет бетонных заводов.
Бетономешалка принудительного действия
Характеристики:
- Детали двухвального смесителя принудительного действия: Смесительное устройство, редуктор, уплотнение конца вала, электрический насос смазочного масла, система разгрузки.
- Оснащен плавающими масляными уплотнительными кольцами на каждой концевой оси.
- Полностью автоматическая система.
- Эксцентриковая конструкция с двойным уплотнением в затворе бункера.
- Дисковые бетоносмесители принудительного действия с вертикальной осью можно разделить на два типа: турбовинтовой и планетарный.
Бетономешалка роторного или ненаклонного типа
Вращающиеся смесители не должны наклоняться, но для разгрузки используется вращение барабана вокруг его горизонтальной оси.
Характеристики:
- Барабан открывается с двух сторон, один конец предназначен для налива, а другой — для разгрузки.

- Быстрый слив невозможен, что иногда может привести к расслоению бетона.
Смеситель опрокидывающегося типа
Смеситель опрокидывающегося типа представляет собой смеситель с вращающимся барабаном для выгрузки бетона.
Особенности:
- Смешивает ингредиенты при вращении вперед и быстро выгружает вниз под действием силы тяжести, реверсируя барабан миксера.
- Используется для смешивания пластика и полусухого бетона.
- Низкий уровень шума, стабильная работа и удобное перемещение.
- Эффективность смешивания зависит от формы барабана, угла наклона барабана, размера и угла наклона лопастей.
Бетоносмесители принудительного действия
Бетоносмесители принудительного действия специально предназначены для твердого бетона, легкого заполнителя и жидкого бетона. Это специально используется в бетонном заводе дозирования. Машина специально разработана для равномерного и последовательного смешивания гравия и смолы.

Характеристики :
- Оснастите лопасти мешалки шпинделями.
- Дисковый смеситель принудительного действия с вертикальной осью можно разделить на два типа: турбовинтовой и планетарный.
Самоходные бетономешалки
Характеристики:
- Лопасти для перемешивания расположены вертикально на внутренней стенке смесительного барабана.
- Барабан вращается горизонтально, когда подаваемые материалы поднимаются и материалы падают под действием силы тяжести.
Грушевидный миксер
Характеристики:
- Это самозагружающийся бетоносмеситель.
Бетоносмеситель барабанного типа
Особенности:
- Это самозагружающийся бетоносмеситель.
Конусный миксер
Характеристики:
- Самозагружающийся бетоносмеситель.
Тарельчатый смеситель с вертикальным валом
Особенности:
- Это бетоносмеситель обязательного назначения.

- Применяется не только в обычном или сборном бетоне, но и в высокопрочном бетоне.
- Состоит из рамы, крышки мешалки, лопасти, цилиндра, подъемного ползункового механизма, электрической части и т. д.
- Имеется круглый поддон для перемешивания бетона и лопасти, расположенные в форме звезды внутри поддона.
Смеситель с горизонтальным валом
Особенности:
- Это бетоносмеситель обязательного назначения.
- Благодаря своей горизонтальной конструкции лопастной смеситель может легко смешивать широкий спектр заполнителей, особенно массивных, для получения более однородной суспензии.
- Хорошо подходит как для легкого, так и для сухого твердого бетона.
Ссылки:
- https://science.howstuffworks.com/transport/engines-equipment/cement-mixer1.htm
- Исследование бетоносмесителей Чарльза Вернона Тайлера (Университет Иллинойса)
3 Миксер Mudx
Перейти к основному содержанию
»
У меня есть такой, отлично работает.
мы арендуем их в наших магазинах. Намного лучше, чем бочковой миксер. легко регулировать подачу воды и имеет встроенный шланг для очистки.Эндрю Уильям СмитTikTok
“
Это лучшее, что я когда-либо видел. Гораздо лучше, чем смесители в бочках.
k9QuestTikTok
“
Я мог бы использовать это давным-давно.
Chris HollidayTikTok
»
Это может быть самый крутой инструмент, который я когда-либо видел … он буквально идеален для работы.
pdxpro99TikTok
»
Что это за колдовство?
Мика УорнокTikTok
MudMixer® — это
самый быстрый, простой и универсальный миксер на рынке. Благодаря полностью регулируемому подводу воды , предназначенному для использования с бетоном, раствором, или штукатурной смесью , он быстро и без усилий обеспечивает надежную консистенцию везде, где это необходимо.

Ищете аксессуары? Shop
Смешивание бурового раствора еще никогда не было таким быстрым, простым и чистым.
Добавить
После того, как MudMixer установлен на место, просто бросьте и сложите нужный мешок с бетоном, раствором или гипсовой смесью в бункер.
РЕГУЛИРОВКА
Затем отрегулируйте регулятор подачи воды, чтобы добиться надлежащего расхода воды для желаемой смеси.
МИКС
Теперь отойдите в сторону и посмотрите, как MudMixer делает то, что у него получается лучше всего. Смесь будет непрерывно заполнять ваши формы, пока вы загружаете бункер.
Уборка
Уборка — это очень просто. Когда ваша работа будет сделана, возьмите дополнительный шланг и тщательно очистите смеситель.

Когда мы приступили к разработке MudMixer®, мы не просто хотели, чтобы он был лучшим, на что мы способны, мы хотели, чтобы он был лучшим, на что способны все. Каждое решение было принято с одной целью; чтобы создать наилучшие впечатления, которые любой может получить с помощью микшера.
- A Высота стойки 35 дюймов означает, что вы никогда не поднимете другую сумку выше пояса.
- B Прикрепленный дополнительный шланг для быстрой, легкой и удобной очистки.
- C Система поворота на 330° обеспечивает точность и возможность регулировки на любом рабочем месте.
- D Запатентованный шнек перемещается по любой смеси и доставляет ее туда, где это необходимо.
MudMixer® был создан с учетом долговечности. Его сверхпрочный корпус из высокопрочной стали окружает мощный комплекс компонентов, поддерживаемых двумя большими шинами Marathon без проколов. Все это объединяется, чтобы создать единственную в своем роде машину для смешивания бурового раствора.

- E Высокопрочная сталь калибра 14 9Конструкция 0363 выдерживает все, что вы ей бросаете.
- F Прочный шнек и желоб обеспечивают самую легкую и быструю подачу смеси в ваши формы.
- G Полностью электрический герметичный двигатель с настройками прямого и обратного хода для полного контроля.
- H Шины Marathon Flat-Free означают, что вы всегда будете в пути.
В MudMixer® используется революционная двухфазная инфузионная система. Шнек и вода при подаче желаемой сухой смеси работают в гармонии, создавая поток смеси, который не останавливается до тех пор, пока работа не будет выполнена. Это обязательно снизит стоимость рабочей силы и увеличит количество выполненных работ, чтобы сэкономить ваше время, деньги и энергию.
- I Встроенное устройство открывания пакетов для удобного открывания ваших любимых сухих смесей.
- J Полностью регулируемая шкала подачи воды позволяет настроить поток воды для желаемой смеси.

- K Электрическая трансмиссия , способная пережевывать более 40 пакетов в час.
ДЕТАЛИ
- Общая длина
- 66,5 дюйма
- Общая ширина
- 22,5 дюйма
- Общая высота
- 35 дюймов
- Высота желоба
- 16 дюймов
- Вес
- 145 фунтов.
- Емкость бункера
- 120 фунтов.
- Конструкция кузова
- Высокопрочная сталь 14 калибра
- Каркасная конструкция
- Стальная труба 1 дюйм
- Шины
- Марафон без плоских поверхностей
ДОПОЛНИТЕЛЬНАЯ ИНФОРМАЦИЯ
ЭЛЕКТРИЧЕСКИЙ
- Электрические требования
- 120 В
- Длина шнура
- 3 фута
- Усилители для бега
- 1,6
ОСОБЕННОСТИ БЕЗОПАСНОСТИ
- Съемный кожух шнека на желобе
- Кабель питания с заземлением
- Водонепроницаемые электрические коробки и соединения
МОТОР
- Двигатель
- 1/2 л.с.
- Степень защиты двигателя
- IP55
л.
с.Позвоните нам по телефону 1-806-515-4MUD (4683).
Введите свое имя и адрес электронной почты ниже. Мы будем поддерживать связь.
Закрыть меню
Cement Mixer — изображения и стоковые фото
1.612 изображения
- изображения
- фотографии
- графика
- вектор
- видео
AlleEssentials
Niedrigster Preis
Signature
Beste Qualität
Durchstöbern Sie 1.612
Бетономешалка Stock-Photografie und Bilder. Odersuchen Sie nach betonmischer oder zementmischer, um noch mehr faszinierende Stock-Bilder zu entdecken.
Gründung und Formarbeit. männliche arbeiterhände mischen auf einer baustelle beton in einem eimer.
mischen von zement oder mörtel mit elektrobohrer mit einem mischer. — бетономешалка стоковые фотографии и изображенияGründung und Formarbeit. Männliche Arbeiterhände mischen Auf…
zwei werkstätten kneten zement mit einem baumischer — cement mixer stock-fotos und bilder
Zwei Werkstätten kneten Zement mit einem Baumischer
beton mischwagen linie und massive ikone, schwere sektechnik konzept, baumaschine zeichen auf weißem hintergrund, betonmischer символ им umriss-стиль для мобильных устройств konzept, веб-дизайн. векторграфикен. — бетономешалка стоковая графика, -клипарт, -мультфильмы и -символ
Beton Mischwagen Line и массив Ikone, schwere Sektechnik…
setzen sie liniensymbole von beton — графика, -клипарт, -мультфильмы и -символ бетономешалки großbuchstaben für kinder lernübung abc — графика стокового бетономешалки, -clipart, -cartoons und -symbole
Векторная иллюстрация бетономешалки mit Buchstaben C Großbuchstab
betonmischung von lkw-vector im flachdesign — графика стокового бетономешалки, -clipart, -cartoons und — символ
Betonmischung von LKW-Vector im Flachdesign
zement auf die tröge ergibt sich aus der betonmischer.
Lieferung der fertigen qualitativ hochwertige konkrete konzept — бетоносмеситель фото и фотоZement auf die Tröge ergibt sich aus der Betonmischer. Lieferung…
betonmischersymbole setzen umrissvector. zement-lkw — бетоносмеситель сток-графика, -клипарт, -мультфильмы и -символ
Betonmischersymbole setzen Umrissvektor. Zement-LKW
betonmischer lkw in Bahia — бетоносмеситель стоковые фотографии и изображения
Betonmischer LKW in Bahia
Спиральный бетон для смесителя в студии — Бетономешалка стоковые фото и изображения дизайн флачей. промышленный транспорт. баумащине. für bau thema illustrieren. — бетономешалка сток-график, -клипарт, -мультфильмы и -символ
Бетон смешанный LKW-Vektor. Флач Дизайн. Индустриэль Транспорт.
isometrischer gelber betonmischer auf weiß isoliert — бетономешалка стоковая графика, -клипарт, -мультфильмы и -символ
Изометриш Гелбер Бетонмишер Auf Weiß isoliert
Seitenansicht des Betonmischerliniensymbols auf weißem transparentem hintergrund isoliert -Стокольный смеситель.
бетономешалка фото и фото«nconcrete Mixer gießt Beton in die Konstruktion
eine hütte bauen. arbeiter nehmen beton aus einem Mixer in eine holzschalung — стоковые фотографии и изображения для бетоносмесителей
Эйне Хютте Бауэн. Arbeiter nehmen Beton aus einem Mixer in eine…
baumischerdüse mit mörtel auf dem hintergrund eines schmutzigen bodens — бетономешалки stock-fotos und bilder
Baumischerdüse mit Mörtel auf dem Hintergrund eines schmutzigen…
beton-dumamischer lkw schmutzigen baumischerdüse mit mörtel auf dem Hintergrund eines schmutzigen… Weißemhintergrund — стоковые фотографии и изображения для бетоносмесителей
Betonmischer LKW schwere Baumaschinen 3D-Rendering auf Weißem…
векторные иллюстрации для детских рисунков с уменьшенным клипартом. buchstabe c für betonmischer. — бетономешалка сток-график, -клипарт, -мультики и -символ
Vektorillustration der Malbuchseite für Kinder mit umrissener…
herstellung eines zementgemisches zum verlegen von fliesen.
bauprozess, eine der stufen der fertigstellung. trockenmischung im baueimer — бетоносмеситель стоковые фотографии и изображенияHerstellung eines Zementgemisches zum Verlegen von Fliesen….
betonmischer truck vektorkonzept buntes umrisssymbol — бетономешалка сток-графика, -клипарт, -мультфильмы и -символ
Betonmischer Truck Vektorkonmzepts
vector elektrischer beton-handmischer-konzept-umriss-symbol — бетоносмеситель сток-график, -клипарт, -мультфильмы и -символ , -clipart, -cartoons und -symbole
Mischer LKW Line Symbol
betonmischer lkw vektorkonzept icon im thin line style — бетономешалка stock-grafiken, -clipart, -cartoons und -symbole
Betonmischer LKW Vectorkonzept Icon im Thin Line Style
elektrischer beton-handmischer oder mörtelmischer-vektorsymbol — бетоносмеситель stock-grafiken, -clipart, -cartoons und -symbole Zementmischer im Wald
anhänger 20 — бетономешалка стоковая графика, -клипарт, -мультфильмы и -символ
Anhänger 20
ikone des betonmischers — бетономешалка стоковая графика, -клипарт, -мультфильмы и -символ
Ikone des Betonmischers
Ikone des Betonmischerwagens -Cement Mixer Stock -grafiken, -clipart, -cartoons und -symbole
Ikone des Betonmischerwagens
Mischen gebäude mörtel -Cement Mixer stock -fotos und Bilder
Mischen Mörtel -Cement Mixer Mixer 9009 Mischen Mörtel -Cement Mixer Mixer 9009 Mischen Mörtel -Cement Mixer 9009 Mischen Mörtel -Cement Moxer 9009 Mischen getershen 9009 Hebäude Mörtel -Cement Moxer nod Bilder
Mischen geter.
Ziegelsteine - бетоносмеситель стоковые фото и фотоEimermörtel gemischt und kleiner Haufen roter Ziegelsteine
innenausbau werkzeuge — бетономешалки стоковые фото и фото
Innenausbau Werkzeuge
betonmischer, набор векторных иконок fahrzeugkonzept, современный дизайн, абстрактные веб-кнопки в 5 вариантах, инфографика для веб-дизайна и мобильных приложений — графика, -клипарт, -мультфильмы и символы бетоносмесителя
Betonmischer, векторный набор иконок Fahrzeugkonzept, современные Дизайн…
автобетоносмеситель — бетоносмеситель фото и фотографии
бетономешалка автобетоносмеситель
zementmischfahrzeug — бетоносмеситель стоковые фото и изображения
Zementmischfahrzeug
draufsicht arbeiterin use hackenmischung mörtelschleifer elürtromotorhaus zum mischen von flussigem betones — бетономешалка стоковые фотографии и изображения
Draufsicht Arbeiterin use Hackenmischung Mörtelschleifer…
beton-lkw-rundbild, vektor-illustration — графика бетоносмесителя, -clipart, -cartoons und -symbole
Beton-LKW-Rundbild, Vektor-Illustration
betonmischer-lkw-symbol auf dunkler, vektorillustration — стоковая графика бетономешалки, -клипарт, -мультфильмы и -символ
Betonmischer-LKW-Symbol auf dunkler, Vektorillustration
nasszement im tank auf baustelle gemischt — бетономешалка стоковые фотографии и изображения
Nasszement im Tank auf Baustelle драгоценный камень
betonmischer-lkw-символ.
черный силуэт. seitenansicht. вектор einfache flashe grafische darstellung. isoliertes objekt auf weißem hintergrund. изолирен. — бетономешалка стоковая графика, -клипарт, -мультфильмы и -символBetonmischer-LKW-Symbol. Силуэт Шварце. Seitenansicht….
betonmischer-lkw-symbol. черный силуэт. seitenansicht. вектор einfache flashe grafische darstellung. isoliertes objekt auf weißem hintergrund. изолирен. — бетономешалка сток-график, -клипарт, -мультики и -символ
Betonmischer-LKW-Symbol. Силуэт Шварце. Seitenansicht….
betonmischer, fahrzeugkonzept vektor-icon-set, flat-design-truck-zeiger, infografik-vorlage einfach zu bearbeiten — графика бетоносмесителя, -клипарт, -мультфильмы и -символ
Betonmischer, Fahrzeugkonzept Vektor- Icon-Set, Flat-Design-Truck-Z
betonmischer lkw linie symbol. редактируемый сток — бетономешалка сток-графика, -клипарт, -мультфильмы и -символ
Betonmischer LKW Line Symbol. Editable Stoke
ikone des betonmischer-trucks — бетономешалка со стоковой графикой, клипартом, мультфильмами и символом
Ikone des Betonmischer-Trucks
ikone des betonmischers — бетономешалка стоковая графика, -клипарт, -мультфильмы и -символ
Ikone des Betonmischers
nahaufnahme bauarbeiter mit einer mischung aus zement — бетономешалка stock-fotos und bilder
Mischung aus Zement
alter rostiger mobiler betonmischer auf der straße.
— бетономешалка фото и фотоAlter rostiger mobiler Betonmischer auf der Straße.
OrangeFarbener betonmischer bereitet zementmörtel auf der baustelle des hauses vor. — бетономешалка стоковые фотографии и изображения
Orangefarbener Betonmischer bereitet Zementmörtel auf der…
Steine Textur — Бетономешалка стоковые фотографии и изображения
Steine Textur
ikone des betonmischers — Бетономешалка Stock-grafiken, -clipart, -cartoons und -symbole
Ikone des Betonmischers
marwerti hoch Hintergrund — Бетономешалка стоковые фотографии и изображения
Hochwertige Marmor Hintergrund
ikone des betonmischers — Бетономешалка стоковые графики, -клипарты, -мультфильмы и -символы
Иконы бетономешалки
der baumeister mischt den putty mit wasser in den reparatureimer. — Бетономешалка с фотографиями и изображениями
Der Baumeister mischt den Putty mit Wasser in den Reparatureimer.
baubetonmischer. grünes werkzeug mischen zement auf rädern, industriemaschine, cartoon flashe vektor icon illustration — бетоносмеситель сток-графика, -клипарт, -мультфильмы и -символ
Baubetonmischer.
Grünes Werkzeug Mischen Zement auf Rädern,…vektor gezeichnetes engineering-fahrzeug. — бетономешалка сток-график, -клипарт, -мультики и -символ
Вектор gezeichnetes Engineering-Fahrzeug.
Mixer Mix Beton Bauer Baufahrzeug lkw vektor gelbes spielzeug — бетономешалка стоковая графика, -клипарт, -мультфильмы и -символ
Mörser mit Stößel- und Rosmarinzweigen
ikone des betonmischers — бетоносмеситель стоковая графика, -клипарт, -мультфильмы и -символ
Ikone des Betonmischers
vorbereitung von beton — бетоносмеситель стоковые фото и изображения
Vorbereitung von Beton
ikone des betonmischer-trucks — графика бетоносмесителя, -клипарт, -мультфильмы и -символ
Ikone des Betonmischer-Trucks
von 27
Бетономешалка: что делают эти машины, их типы и применение в строительстве
Что такое бетон?
Бетон — смесь заполнителей (мелких или крупных), цемента и воды — является важным строительным материалом, широко используемым в современном строительстве благодаря своей прочности, долговечности и универсальности.
В зависимости от соотношения составляющих его ингредиентов бетон может быть произведен в широком диапазоне прочности на сжатие или марок. Обычно марки бетона варьируются в диапазоне от М5 до М70. Бетон марки М5 имеет прочность на сжатие 5 МПа, тогда как бетон марки М70 имеет прочность на сжатие 70 МПа. Бетон марки от М5 до М20 обычно используется для применений, не требующих высокой прочности, бетон марки между М25 и М45 используется для железобетонных конструкций или конструкций, требующих стандартной прочности, а для высокопрочных применений используется бетон марки от М50 до М70. В наши дни бетон используется при строительстве домов, мостов, высотных зданий, каналов, дорог, туннелей и ряда других сооружений.Что такое бетономешалка?
Традиционно бетонные смеси готовились вручную, что отнимало много времени и не отличалось точностью. В связи с растущим спросом и развитием технологий теперь бетонную смесь даже в небольших масштабах готовят с использованием бетоносмесителей.
Бетономешалки – это устройства, способные точно и быстро готовить бетонные смеси различной прочности. Некоторые бетоносмесители способны даже дозировать бетонную смесь непосредственно на месте строительства. В зависимости от требований применения доступны бетоносмесители различных размеров и типов. Портативные бетоносмесители могут использоваться в малых и средних предприятиях, тогда как для крупномасштабных применений бетонные заводы также могут быть построены на строительной площадке.Типы бетоносмесителей
Излишне говорить, что, как и требования различных приложений, широко используемые типы бетоносмесителей также весьма универсальны по своей природе. Вот список некоторых наиболее часто используемых типов бетономешалок и их применения в различных строительных работах.ДОПОЛНИТЕЛЬНЫЕ ИСТОРИИ ДЛЯ ВАС✕
Землеройная техника: Типы широко используемых машин и их применение в строительстве
Дорожно-строительная техника: Краткая история дорог и типов оборудования, используемого в современном дорожном строительстве
8 специальных материалов, наиболее подходящих для ремонта, реставрации и сейсмоусиления зданий
« Вернуться к рекомендательным историям
Я не хочу видеть эти истории, потому что
Они мне не актуальны Они нарушают поток чтения Другое
SUBMIT
Бетономешалки можно разделить на две большие категории:
- Смеситель периодического действия
- Смеситель непрерывного действия
Теперь давайте обсудим эти две категории более подробно и разберемся в них.

1. Смеситель периодического действия
Как следует из названия, этот тип смесителя производит бетон по одной партии за раз. Смесители периодического действия имеют барабан или поддон, состоящий из лопастей, которые при вращении готовят бетонную смесь. Скорость вращения, угол наклона лопастей и в некоторых случаях угол наклона барабана можно регулировать. Это наиболее часто используемые бетоносмесители, и их крайне предпочтительно использовать на малых и средних строительных площадках.Обратитесь к ближайшим к вам ведущим дилерам строительных и строительных машин и получите бесплатные предложения.
Смесители периодического действия можно разделить на два типа:
i) Смеситель барабанный
Эти смесители состоят из двойного конического барабана в форме усеченного конуса. В зависимости от типа барабан имеет либо один набор ножей, либо несколько наборов ножей, которые используются для смешивания, приготовления и выгрузки бетонной смеси.
Теперь барабанные миксеры бывают трех разных типов:- Смеситель с опрокидывающимся барабаном: В барабанном смесителе этого типа барабан может наклоняться вверх или вниз на определенный угол. Это позволяет бетоносмесителю более эффективно готовить бетон, наклоняя его вверх, и выливать бетонную смесь, наклоняя ее вниз после ее приготовления. Барабан в этих смесителях закрыт с одного конца. Смесители с опрокидывающимся барабаном наиболее подходят для приготовления бетона с низкой удобоукладываемостью и большими размерами заполнителей. Эти смесители очень предпочтительны для больших строительных площадок или мест, где строительные работы выполняются интенсивно.
- Неопрокидывающийся барабанный смеситель: Эти барабанные смесители поставляются с неопрокидывающимся барабаном, который вращается вокруг своей горизонтальной оси для производства бетона. Они имеют отверстия на обоих концах. Ингредиенты, необходимые для производства смеси, подаются с одного конца, а смесь собирается с другого.
Смесь собирается путем прикрепления желоба к отверстию барабана. Лопасти в этих миксерах также помогают в процессе экстракции. Барабанные смесители без опрокидывания не подходят для приготовления бетона с очень крупными заполнителями и для случаев, когда требуется быстрая выгрузка бетона. Этот тип барабанного смесителя обычно используется на небольших строительных площадках. - Смеситель с реверсивным барабаном: Похожи на смесители с неопрокидывающимся барабаном, эти смесители также имеют отверстия на обоих концах, и компоненты бетонной смеси заливаются с одного конца, а готовая смесь собирается с другого. Фактор, который отличает смесители с реверсивным барабаном от смесителей без наклона, заключается в том, что эти смесители имеют два набора лопастей. Один набор лопастей облегчает процесс смешивания, когда барабан вращается в определенном направлении, а другой набор лопастей облегчает процесс выгрузки смеси, когда барабан вращается в противоположном направлении.
Барабанные реверсивные смесители наиболее подходят для приготовления сухих бетонных смесей.
ii) Тарельчатый смеситель
Этот тип смесителя имеет цилиндрическую чашу вместо барабана, в котором готовится бетон. Как и барабанные миксеры, эти миксеры также имеют лопасти, которые облегчают процесс смешивания. Эти лезвия обычно имеют форму звезды для обеспечения оптимальной эффективности. К ним также прикреплены скребки, чтобы избежать прилипания раствора к поверхности сковороды. Обычно используемые тарельчатые миксеры имеют два разных режима работы:- Во-первых, это тарельчатые миксеры, в которых лоток закреплен, а лопасти вращаются вокруг вертикальной оси.
- Во-вторых, в некоторых тарельчатых миксерах лопасти неподвижны, а чаша вращается вокруг вертикальной оси.
Тарельчатые смесители считаются наиболее эффективным типом бетоносмесителей. Независимо от того, как работает смеситель, оба типа смесителей одинаково эффективны.
Бетонная смесь обычно собирается из отверстия на дне поддона. Эти смесители наиболее подходят для приготовления жестких и тощих бетонных смесей.2. Смеситель непрерывного действия
Эти бетоносмесители работают без перерыва и непрерывно производят бетон, пока продолжаются работы. В них непрерывно подается сырье, а бетон выгружается и собирается строителями, как только смесь готова. Смесительные системы непрерывного действия обычно устанавливаются на самой строительной площадке. Имеют отдельный питательный узел для забора составляющих материалов, смесительный узел для перемешивания бетона и разгрузочный механизм для дозирования бетонной смеси. Эти смесители используются при строительстве очень больших сооружений, таких как мосты, туннели для дорог, плотины и т. д.Обратитесь к ближайшим к вам ведущим дилерам строительной и строительной техники и получите бесплатные расценки
Отказ от ответственности: вышеприведенный контент не является редакционным и создан сторонним рекламодателем.
Times Internet Limited/Economic Times не гарантирует, не ручается и не поддерживает какое-либо содержание или его подлинность. Цены на продукты, указанные в статье, могут быть изменены, в том числе в зависимости от предложений Amazon.6CBM (м3) Стандартная бетономешалка G6
Похоже, в вашем браузере отключен JavaScript.
Для использования функций этого веб-сайта в вашем браузере должен быть включен JavaScript.ПОИСКИ МЕСТНЫХ АГЕНТОВ
Имя *
Номер *
Электронная почта *
Какой продукт вы ищете*
* Обязательные поля
Являетесь ли вы местным торговцем с существующими клиентами в строительной, горнодобывающей или сельскохозяйственной отраслях в вашей стране?
Пожалуйста, выберитеДаНетГотовы ли вы работать с нами, чтобы помочь своим клиентам приобрести качественное оборудование из Китая?
Пожалуйста, выберитеДаНетНазвание компании*
Веб-сайт *
Контактное лицо*
Электронная почта *
Номер телефона *
Сообщение*
* Обязательные поля
Товар успешно добавлен в вашу корзину.

6 куб.м (м3) Стандартный бетоносмеситель — G6 | СКМГ
0 Обзор(ы)
Запросить бесплатное предложение
- Технические характеристики
- Описание
- Отзывы
Тип Модель Блок Г06ЗЗ Производительность смесительного барабана Геометрический объем м?? 11,7 Объем смешивания м?? 6 Максимальный диаметр корпуса барабана мм 2250 Длина смесительного барабана мм 4217 Угол наклона ?? 13,5 Скорость вращения об/мин 0???14 Скорость зарядки м??/мин ???3 Скорость нагнетания м??/мин ???2 Коэффициент остатка на выходе % ???0,7 Диапазон осадки см 5???21 Гидравлическая система Масляный насос ??? международный бренд Двигатель ??? международный бренд Редукторы ??? международный бренд Гидравлический контур ??? Закрытого типа Водоснабжение емкость резервуара для воды л 450 Путь подачи воды ??? Пневматический Машина в сборе Марка шасси ??? Китайский грузовик Модель шасси ??? ХОВО ЗЗ1257Н3247К Тип вождения ??? Левый руль Снаряженная масса кг ??? максимальная полная масса кг 25000 Тип привода ??? 6??4 Колесная база мм 3225+1350 Шина ??? 12.
00R20Средства отбора мощности ??? Отбор мощности от маховика Модель уведомления ??? ??? Внешние размеры (длина??ширина??высота)мм ??? Двигатель Модель ??? WD615.95E Номинальная мощность кВт/об/мин 247 Рабочий объем л 9,726 Стандарт эмиссии ГБ III Подробнее
Бетономешалка G6 объемом 6 куб. м — это очень мощный и эффективный миксер, который вы можете использовать для всех ваших потребностей в бетонных и цементных смесях. Он разработан с возможностью смешивания до 6 м3 цемента и бетона для строительства и строительства на ходу. Это особенность, которая сделала этот бетоносмеситель очень конкурентоспособным на современном рынке.
Другие особенности, которые также способствовали повышенному спросу на эту бетоносмесительную машину сегодня, перечислены ниже.Большой смесительный бак
Смесительный бак является наиболее важной частью бетономешалки, и он определяет уровень производительности, ожидаемый от дешевой бетономешалки. Бетономешалка G6 объемом 6 куб. м оснащена смесительным баком диаметром 2,25 м и длиной 4,2 м, что делает ее значительно больше, чем у большинства других доступных сегодня миксеров. Таким образом, с этим новым бетоносмесителем вам гарантирована высокая производительность, что означает большую прибыль.
Удобство
Общий вес этой продаваемой бетономешалки составляет 25 тонн, что делает ее относительно стабильной. Бетономешалка G6 объемом 6 кубических метров с большим весом имеет более низкий центр тяжести, что, в свою очередь, помогает снизить риск опрокидывания при смешивании цемента и бетона. Эта функция повышает удобство использования машины, а также безопасность рабочих.

Шины
Шины также во многом определяют удобство и эффективность использования машины для перемешивания. Характеристики шин для этой конкретной бетономешалки — 12.00R20, что делает их очень выносливыми и долговечными. Таким образом, бетономешалку можно использовать на разных участках, не разрушая и не влияя на производительность машины для работы.
Если вы ищете лучшую бетономешалка для покупки, бетономешалка G6 объемом 6 куб. Помимо перечисленных выше функций, он также оснащен очень прочной батареей, которая эффективно использует энергию, что позволяет вам сэкономить на эксплуатационных расходах.
- Будьте первым, кто оставит отзыв об этом продукте
Напишите свой отзыв
Информация о карьере оператора бетономешалки и специальностях колледжа
Чем занимаются наладчики, операторы и тендереры смесительных и смесительных машин:
- Запись операционных или производственных данных в указанные формы.

- Наблюдайте за производством или следите за оборудованием, чтобы обеспечить безопасную и эффективную работу.
- Эксплуатировать или обслуживать машины для смешивания или смешивания любого из широкого спектра материалов, таких как специи, жидкое тесто, табак, фруктовые соки, химикаты, корма для скота, пищевые продукты, цветные пигменты или взрывчатые вещества.
- Сбрасывать или наливать определенное количество материалов в машины или оборудование.
- Взвешивание или измерение материалов, ингредиентов или продуктов для обеспечения соответствия требованиям.
- Перемещение материалов, запасов или продуктов между рабочими зонами с использованием движущегося оборудования или ручных инструментов.
- Смешать или смешать ингредиенты, запустив машины и перемешивая в течение заданного времени.

- Добавляйте или смешивайте химикаты или ингредиенты для обработки с помощью ручных инструментов или других устройств.
- Чтение рабочих заданий для определения производственных спецификаций или информации.
- Проверяйте материалы, ингредиенты или продукты визуально или руками, чтобы убедиться в их соответствии установленным стандартам.
- Выгрузка смесей в контейнеры или на конвейеры для дальнейшей обработки.
- Составные или технологические ингредиенты или красители в соответствии с формулами.
- Обслуживание вспомогательного оборудования, такого как насосы или конвейеры, для перемещения материалов или ингредиентов в производственных процессах.
- Соберите образцы материалов или продуктов для лабораторных испытаний.

- Чистить и обслуживать оборудование с помощью ручных инструментов.
- Испытание образцов материалов или изделий для обеспечения соответствия спецификациям с использованием испытательного оборудования.
- Остановить машины для смешивания или смешивания, когда будут получены продукты заданного качества, и открыть клапаны и запустить насосы для перекачки смесей.
- Удаление и удаление застрявших материалов или других предметов из машин или оборудования с помощью ручных инструментов.
- Откройте клапаны для слива шлама из смесителей в резервуары для хранения.
Какая работа наиболее важна?
Важность Виды деятельности Мониторинг процессов, материалов или окружения — Мониторинг и анализ информации о материалах, событиях или окружающей среде для обнаружения или оценки проблем.

Проверка оборудования, конструкций или материалов. Проверка оборудования, конструкций или материалов для выявления причин ошибок или других проблем или дефектов.
Управление машинами и процессами – использование либо механизмов управления, либо прямой физической активности для управления машинами или процессами (за исключением компьютеров или транспортных средств).
Получение информации — Наблюдение, получение и иное получение информации из всех соответствующих источников.
Обращение с предметами и их перемещение. Использование рук и рук при перемещении, установке, размещении и перемещении материалов, а также манипулировании вещами.

Эксплуатационные транспортные средства, механизированные устройства или оборудование — ходовые, маневренные, навигационные или управляющие транспортные средства или механизированное оборудование, такое как вилочные погрузчики, пассажирские транспортные средства, самолеты или плавсредства.
Общение с руководителями, коллегами или подчиненными — Предоставление информации руководителям, коллегам и подчиненным по телефону, в письменной форме, по электронной почте или лично.
Идентификация объектов, действий и событий — Идентификация информации путем классификации, оценки, распознавания различий или сходств и обнаружения изменений в обстоятельствах или событиях.

Обработка информации. Сбор, кодирование, категоризация, расчет, табулирование, аудит или проверка информации или данных.
Оценка количественных характеристик продуктов, событий или информации — Оценка размеров, расстояний и количеств; или определение времени, затрат, ресурсов или материалов, необходимых для выполнения рабочей деятельности.
Оценка информации для определения соответствия стандартам — использование соответствующей информации и индивидуальных суждений для определения того, соответствуют ли события или процессы законам, правилам или стандартам.
Обучение и обучение других – выявление образовательных потребностей других, разработка формальных образовательных или обучающих программ или классов, а также обучение или инструктирование других.

Оценка качества вещей, услуг или людей. Оценка ценности, важности или качества вещей или людей.
Принятие решений и решение проблем — анализ информации и оценка результатов для выбора наилучшего решения и решения проблем.
Документирование/регистрация информации — ввод, расшифровка, запись, хранение или ведение информации в письменной или электронной/магнитной форме.
Выполнение общих физических упражнений. Выполнение физических действий, требующих значительного использования рук и ног и движений всего тела, таких как лазание, поднятие тяжестей, балансирование, ходьба, наклоны и работа с материалами.

Ремонт и техническое обслуживание механического оборудования. Обслуживание, ремонт, регулировка и испытание машин, устройств, движущихся частей и оборудования, которые работают в основном на основе механических (не электронных) принципов.
Координация работы и деятельности других — Привлечение членов группы к совместной работе для выполнения задач.
Анализ данных или информации — определение основных принципов, причин или фактов информации путем разбиения информации или данных на отдельные части.
Руководство, направление и мотивация подчиненных — Предоставление указаний и указаний подчиненным, включая установление стандартов производительности и контроль за производительностью.

Assisting and Careing for Others — Предоставление личной помощи, медицинской помощи, эмоциональной поддержки или другой личной помощи другим людям, таким как коллеги, клиенты или пациенты.
Установление и поддержание межличностных отношений — Развитие конструктивных и совместных рабочих отношений с другими людьми и поддержание их с течением времени.
Организация, планирование и расстановка приоритетов в работе — Разработка конкретных целей и планов для расстановки приоритетов, организации и выполнения вашей работы.
Обновление и использование релевантных знаний.
Постоянное обновление технических знаний и применение новых знаний в своей работе.Интерпретация значения информации для других — Перевод или объяснение того, что означает информация и как ее можно использовать.
Креативное мышление — разработка, проектирование или создание новых приложений, идей, отношений, систем или продуктов, включая творческий вклад.
Коучинг и развитие других — выявление потребностей других в развитии и обучение, наставничество или иная помощь другим в улучшении их знаний или навыков.
Предоставление консультаций и советов другим — Предоставление рекомендаций и экспертных советов руководству или другим группам по техническим, системным или связанным с процессами темам.

Автомобиль начинает движение по прямой: Автомобиль начинает движение по прямой из состояния покоя с ускорением 0,2 м/с2. За какое время…
Белорусский государственный университет транспорта — БелГУТ (БИИЖТ)
Регистрация на конференцию «Проблемы безопасности на транспорте»
Регистрация на конференцию «Тихомировские чтения»
Как поступить в БелГУТ:
дневное, заочное полное,
заочное сокращенноеКак получить место
в общежитии БелГУТа
Как поступить иностранному гражданину
События
Все события
Пн Вт Ср Чт Пт Сб Вс 1
Дата :
2022-09-01
2
3
4
5
Дата :
2022-09-05
6
Дата :
2022-09-06
7
Дата :
2022-09-07
8
Дата :
2022-09-08
9
Дата :
2022-09-09
10
Дата :
2022-09-10
11
Дата :
2022-09-11
12
13
14
15
Дата :
2022-09-15
16
Дата :
2022-09-16
17
Дата :
2022-09-17
18
19
20
21
Дата :
2022-09-21
22
Дата :
2022-09-22
23
24
25
26
27
28
29
30
Все анонсы- Экспозиции, посвященные Грунтову П.
С. и Белому В.А… - Турнир на джойстиках по игре в MORTAL COMBAT IX…
- С Днем народного единства!
- Студсовет поздравляет с Днем народного единства…
- Заседание совета университета…
- Молодёжный сентябрь
- Конкурс кандидатов в перспективный кадровый резерв…
- Велопробег «В единстве — сила»…
- Логистика. Обучение для студентов выпускных курсов…
- Акция «Мы едины» — поем гимн вместе…
Анонсы
Университет
Абитуриентам
Студентам
Конференции
Приглашения
Экспозиции, посвященные Грунтову П.С. и Белому В.А…
Турнир на джойстиках по игре в MORTAL COMBAT IX…
С Днем народного единства!
Студсовет поздравляет с Днем народного единства…Новости
Университет
Международные связи
Спорт
Воспитательная работа
Жизнь студентов
Новости подразделений
Университет
Заседание Совета ветеранов, актива БРСМ и Студсовета.
..
20 сентября 2022Спорт
Победа в соревнованиях по пляжному волейболу…
20 сентября 2022Воспитательная работа
Лекция по профилактике суицида и пропаганде ценности жизни…
19 сентября 2022Воспитательная работа
Патриотический форум «Это НАША история!»…
19 сентября 2022Университет
Челлендж «Рукопожатие» в День народного единства…
19 сентября 2022Университет
Студенческий совет на праздничном концерте…
18 сентября 2022Спорт
В единстве — сила! Велопробег
17 сентября 2022Студенческая жизнь
Белорусский Студенческий патриотический форум, приуроченный ко Дню нар.
..
17 сентября 2022Студенческая жизнь
Выставка военной атрибутики
16 сентября 2022
Другие новости- Матч по мини-футболу между БелГУТом и ГГТУ…
- Исполняем гимн вместе
- Диалоговая площадка «Беларусь адзіная»…
- Мероприятие «День народного единства — праздник всей страны» в студенч…
- Квиз «Гісторыя майго жыцця»
- Флэшмоб «Мы едины»
- Встреча секретаря БРСМ БелГУТа со студентами…
- Встреча ректора со студентами в студенческом городке…
- Проект студента востребован в городе
- Будущее Беларуси — в единстве
- Видео-репортаж Дня рождения Гомеля
КУДА ПОСТУПАТЬ
Все факультеты
БелГУТ на Доске почета
Достижения университета
Предложения
Все предложения
Видеотека
Все видео
Фотогалерея
Все фото
ПДД РФ, 8.
Начало движения, маневрирование \ КонсультантПлюсДанный документ включен в перечень НПА, на которые не распространяется требование об отмене с 01.01.2021, установленное ФЗ от 31.07.2020 N 247-ФЗ.
ПДД РФ, 8. Начало движения, маневрирование
8.1. Перед началом движения, перестроением, поворотом (разворотом) и остановкой водитель обязан подавать сигналы световыми указателями поворота соответствующего направления, а если они отсутствуют или неисправны — рукой. При выполнении маневра не должны создаваться опасность для движения, а также помехи другим участникам дорожного движения.
(в ред. Постановления Правительства РФ от 10.05.2010 N 316)
(см. текст в предыдущей редакции)
Сигналу левого поворота (разворота) соответствует вытянутая в сторону левая рука либо правая, вытянутая в сторону и согнутая в локте под прямым углом вверх. Сигналу правого поворота соответствует вытянутая в сторону правая рука либо левая, вытянутая в сторону и согнутая в локте под прямым углом вверх.
Сигнал торможения подается поднятой вверх левой или правой рукой.8.2. Подача сигнала указателями поворота или рукой должна производиться заблаговременно до начала выполнения маневра и прекращаться немедленно после его завершения (подача сигнала рукой может быть закончена непосредственно перед выполнением маневра). При этом сигнал не должен вводить в заблуждение других участников движения.
Подача сигнала не дает водителю преимущества и не освобождает его от принятия мер предосторожности.
8.3. При выезде на дорогу с прилегающей территории водитель должен уступить дорогу транспортным средствам и пешеходам, движущимся по ней, а при съезде с дороги — пешеходам и велосипедистам, путь движения которых он пересекает.
8.4. При перестроении водитель должен уступить дорогу транспортным средствам, движущимся попутно без изменения направления движения. При одновременном перестроении транспортных средств, движущихся попутно, водитель должен уступить дорогу транспортному средству, находящемуся справа.

8.5. Перед поворотом направо, налево или разворотом водитель обязан заблаговременно занять соответствующее крайнее положение на проезжей части, предназначенной для движения в данном направлении, кроме случаев, когда совершается поворот при въезде на перекресток, где организовано круговое движение.
При наличии слева трамвайных путей попутного направления, расположенных на одном уровне с проезжей частью, поворот налево и разворот должны выполняться с них, если знаками 5.15.1 или 5.15.2 либо разметкой 1.18 не предписан иной порядок движения. При этом не должно создаваться помех трамваю.
(в ред. Постановлений Правительства РФ от 24.01.2001 N 67, от 14.12.2005 N 767)
(см. текст в предыдущей редакции)
8.6. Поворот должен осуществляться таким образом, чтобы при выезде с пересечения проезжих частей транспортное средство не оказалось на стороне встречного движения.
При повороте направо транспортное средство должно двигаться по возможности ближе к правому краю проезжей части.

8.7. Если транспортное средство из-за своих габаритов или по другим причинам не может выполнить поворот с соблюдением требований пункта 8.5 Правил, допускается отступать от них при условии обеспечения безопасности движения и если это не создаст помех другим транспортным средствам.
8.8. При повороте налево или развороте вне перекрестка водитель безрельсового транспортного средства обязан уступить дорогу встречным транспортным средствам и трамваю попутного направления.
Если при развороте вне перекрестка ширина проезжей части недостаточна для выполнения маневра из крайнего левого положения, его допускается производить от правого края проезжей части (с правой обочины). При этом водитель должен уступить дорогу попутным и встречным транспортным средствам.
8.9. В случаях, когда траектории движения транспортных средств пересекаются, а очередность проезда не оговорена Правилами, дорогу должен уступить водитель, к которому транспортное средство приближается справа.
8.
10. При наличии полосы торможения водитель, намеревающийся повернуть, должен своевременно перестроиться на эту полосу и снижать скорость только на ней.При наличии в месте въезда на дорогу полосы разгона водитель должен двигаться по ней и перестраиваться на соседнюю полосу, уступая дорогу транспортным средствам, движущимся по этой дороге.
8.11. Разворот запрещается:
на пешеходных переходах;
в тоннелях;
на мостах, путепроводах, эстакадах и под ними;
на железнодорожных переездах;
в местах с видимостью дороги хотя бы в одном направлении менее 100 м;
в местах остановок маршрутных транспортных средств.
(в ред. Постановления Правительства РФ от 25.09.2003 N 595)
(см. текст в предыдущей редакции)
8.12. Движение транспортного средства задним ходом разрешается при условии, что этот маневр будет безопасен и не создаст помех другим участникам движения. При необходимости водитель должен прибегнуть к помощи других лиц.
Движение задним ходом запрещается на перекрестках и в местах, где запрещен разворот согласно пункту 8.
11 Правил.Первый этап вождения | Смилодон
- Cхема учебной площадки
- Разворот
- Остановка и трогание на подъеме
- Параллельная парковка задним ходом
- Въезд в бокс
- Змейка
Учебная площадка в автошколах и на практическом экзамене в ГИБДД состоит из 5 упражнений:
1) «Разворот»,
2) «Остановка и трогание на подъеме»,
3) «Параллельная парковка задним ходом»,
4) «Въезд в бокс»,
5) «Змейка»
На ней вы научитесь, что нужно сделать для того, чтобы развернуть автомобиль в обратном направлении, останавливать автомобиль на подъеме и начинать движение, правильно парковать автомобиль вдоль тротуара или в гараж (бокс).
Наверх
Подъезжая к линии «Старт», постарайтесь заранее прижаться правым боком автомобиля как можно ближе к правому краю для того чтобы оставить себе как можно больше места для разворота в обратном направлении, ведь пространство упражнения ограничено по ширине.
Итак, для того, чтобы развернуть автомобиль в обратную сторону, нам нужно разделить расстояние между первой стойкой Е и последней стойкой С пополам.
Мы увидим середину в точке D.
Начинать разворот автомобиля необходимо от середины, т.к. если вы переедете середину отведенного вам по фронту расстояния, то автомобилю не хватит радиуса поворота, и он упрется в линию ВС.
Если вы начнете разворот раньше середины, то вам не хватит места, чтобы, развернув автомобиль, вывести его через линию «Стоп» из дворика упражнения.
Поэтому, прижавшись заранее правее и найдя глазами середину дворика ABCE, начинаем движение до точки D.
От стойки D делаем два оборота (до конца) рулем влево и подъезжаем к линии АВ так, чтобы автомобиль встал как можно перпендикулярнее к ней.
Когда до линии АВ от горизонтальной линии капота автомобиля останется совсем мало места (порядка 1 метра), делаем два оборота в обратную сторону, начиная вращение левой рукой, выжав педаль сцепления в пол до конца, выравниваем колеса и останавливаемся.
Включаем заднюю передачу, отпускаем педаль сцепления до начала движения и удерживаем педаль в этой точке.
Автомобиль начинает двигаться, а вы делаете два оборота рулем вправо, причем чем раньше после начала движения вы начнете вращение рулем, тем раньше задняя часть начнет смещаться вправо, а передняя часть влево, и как только нос автомобиля будет направлен в сторону «Стоп» (положение 2), выжимаем педаль сцепления в пол, делаем два оборота рулем влево и останавливаемся задней частью автомобиля у края площадки.
Включаем первую передачу и, поднимая педаль сцепления до момента начала движения, подъезжаем к линии «Стоп» (положение 3).Наверх
Подъезжаем к линии «Старт». Нейтральная передача, стояночный тормоз.
Необходимо поставить автомобиль на уклоне (положение 1), не пересекая линию «Старт».
Включаем первую передачу, снимаем со стояночного тормоза, поднимаем педаль сцепления до момента начала движения.
Удерживаем ее 3-4 секунды, давая возможность автомобилю начать движение и плавно отпускаем педаль до конца.
Вы чувствуете, как, двигаясь к линии АО, автомобиль вздрагивает, наезжая на перегиб передними колесами.
Движемся дальше и чувствуем, как автомобиль вздрагивает, переезжая перегиб АО задними колесами.
Выжимаем педаль сцепления в пол до конца и плавно останавливаем автомобиль, нажимая на педаль тормоза.
Удерживая автомобиль на уклоне педалью тормоза, устанавливаем стояночный тормоз.
Выключаем передачу, педаль тормоза можно отпустить.
Условия выполнения упражнения таковы, что автомобиль передними и задними колесами должен стоять на уклоне, не переехав линию «Стоп».
Выжимаем педаль сцепления в пол до конца, включаем первую передачу.
Слегка поднимаем рычаг стояночного тормоза, нажимаем на кнопку фиксатора большим пальцем, держим «ручник» в верхнем положении, удерживая автомобиль на уклоне рукой и готовы опустить рычаг в любой момент.
Педаль сцепления в полу, первая передача включена, автомобиль удерживаем рукой, двигатель работает на холостых (минимально устойчивых) оборотах.
Холостые обороты — это порядка 950-980 оборотов коленчатого вала в минуту.
Этих оборотов не хватит для того, чтобы преодолеть вес автомобиля, сдвигая его с места в горку.
Добавим оборотов двигателю, слегка нажав на педаль акселератора, и вы услышите, как звук работающего двигателя усилился.
Обратите внимание на тахометр — прибор, показывающий число оборотов двигателя.
Вам будет достаточно 1200 — 1500 оборотов.
Удерживайте педалью газа это число оборотов двигателя, спокойно, плавно поднимаете педаль сцепления, удерживая рукой стояночный тормоз, чтобы автомобиль не покатился назад.
Поднимая педаль сцепления, вы почувствуете, как два диска сцепления коснулись друг друга, и двигатель тянет передние колеса вперед.
Но задние колеса, заблокированные вами «ручником», не пускают автомобиль.
Передняя часть автомобиля начинает как бы подниматься, а задняя часть как бы приседает (у заднеприводных автомобилей — наоборот).
В этот момент задержите педаль сцепления в этой точке, не отпускайте ее дальше и не нажимайте.
Удерживая педаль газа и педаль сцепления, спокойно опустите рычаг стояночного тормоза до конца вниз.
Автомобиль медленно начнет движение, держите сцепление, не отпускайте его.
Пусть передние колеса переедут линию перегиба BN, держите сцепление, пусть задние колеса (положение 2) переедут линию BN, вот тогда выжимайте сцепление в пол до конца, отпустив педаль газа.
Автомобиль по инерции перевалит линию CM передними колесами, задними колесами, двигаясь под уклон (положение 3).
Удерживая сцепление в полу, придерживайте автомобиль тормозом, потиъхоньку съезжая с уклона.
Передние колеса переедут линию DE, задние колеса переедут линию DE, вы это почувствуете (положение 4).
И тут же остановите автомобиль, выключите передачу, поставьте на стояночный тормоз.Наверх
Подъезжаем к линии «Старт» и останавливаемся так, чтобы не переехать ее бампером автомобиля.
Выключаем передачу в нейтральное положение и ставим автомобиль на стояночный тормоз.
Вы приготовились к началу упражнения (положение 1).
Выжимаем педаль сцепления, включаем первую передачу, снимаем с «ручника», поднимаем сцепление до момента начала движения и удерживаем педаль в этой точке 3 — 4 секунды.
Когда автомобиль поехал, отпускаем педаль до конца.
Автомобиль движется от линии «Старт» к линии АВ.
Принимаем правее (ближе) к линии ВС и где-то на уровне стойки С выжимаем педаль сцепления в пол до конца — автомобиль движется по инерции, и эту инерцию, удерживая в полу педаль сцепления, вы гасите, нажимая плавно на педаль тормоза носком ступни правой ноги до момента начала необходимого замедления и удерживаете педаль в этой точке.
Плавно останавливаем автомобиль, не пересекая линию АВ (положение 2).
Обратите внимание, что если вы не можете плавно остановить автомобиль в заданной точке, то нужно не резче тормозить (то есть сильнее нажимать на педаль тормоза), а начинать торможение в следующий раз раньше.
И тогда требуемая от вас остановка в заданной точке будет выполнена плавно.
Вы прижимали автомобиль правее, ближе к линии ВС для того, чтобы во время движения назад и вправо вокруг стойки С левое переднее крыло вашего автомобиля не вышло за габариты упражнения (линия АО).
Итак, вы подъехали к линии АВ и плавно остановили автомобиль. Включаем заднюю передачу, оборачиваемся через правое плечо и смотрим через окно правой задней двери. Окно состоит из двух частей: большого окна и маленького окошка.
Начинаем движение назад.
Поднимаем сцепление до момента начала движения и удерживаем его в этой точке, не давая автомобилю набрать скорость.
Как только вы увидите стойку С в маленьком окошке, сделайте два оборота рулем вправо, начиная вращение левой рукой.
Помните: «Кручу туда, куда смотрю.»
Задняя часть автомобиля движется вправо вокруг стойки С, а передняя смещается влево.
Смотрим в левое боковое зеркало.
Удерживаем автомобиль сцеплением на минимальной скорости, руль не крутим.
Видим, как в зеркале сначала появляется стойка N, затем добавляется стойка М, и когда вот-вот должна появиться третья стойка Е, выжимаем сцепление в пол и до конца (автомобиль продолжает двигаться по инерции и замедляется за счет трения колес о землю), и пока автомобиль движется, выравниваем колеса, делая два оборота ( четыре движения руками) в обратную сторону, начиная вращение правой рукой.
Останавливаем автомобиль тормозом.
Итак, если вы сделали все правильно, автомобиль встал под углом 45 градусов.
Вы остановили автомобиль в этой точке для того. чтобы у вас было время обернуться назад через левое плечо и через окно левой задней двери увидеть крайнюю стойку N, белую прерывистую линию от стойки N до стойки С, а также часть левого заднего крыла вашего автомобиля.
Начинаем движение, поднимая педаль сцепления до момента начала движения и удерживаем ее в этой точке, не давая автомобилю увеличивать скорость.
Если ваш автомобиль набрал, по вашему мнению, большую скорость, то нажмите педаль сцепления в пол до конца, и скорость уменьшится за счет трения колес о землю, затем опять поднимите сцепление до момента начала движения, как бы подталкивая автомобиль педалью.
Заднее левое крыло вашего автомобиля приближается к прерывистой линии, и как только левый край заднего бампера нависнет над ней, поверните рулевое колесо туда, куда вы смотрите, то есть влево до конца, сделав два оборота рулем.
Передние колеса повернутся до конца влево, и задняя часть автомобиля пойдет внутрь стойки N и прерывистой линии, а перед — вправо.
Смотрите вперед и выравнивайте нос автомобиля ровно между стоек С и D.
Как только ось симметрии автомобиля ( линия, проходящая через рычаг стояночного тормоза, ручку переключения передач, середину капота, прошла через середину между стоек С и D, остановите автомобиль.
Если вы все сделали правильно, то сзади центральная стойка М будет расположена в середине заднего окна, а автомобиль стоит параллельно линии DЕ внутри прерывистой линии СN (положение 3).
Если автомобиль встал неровно, то, не устанавливая на стояночный тормоз, включите первую передачу и снова выведите автомобиль под углом 45 градусов , выровняйте колеса и повторите заезд с учетом своей ошибки.
Если ваш автомобиль остановлен внутри парковочного дворика и стоит ровно, выключите передачу и поставьте автомобиль на стояночный тормоз.Наверх
Подъезжаем к линии «Старт».
Нейтральная передача, стояночный тормоз.
Задача: заехать задом в бокс BCD.
Для того, чтобы загнать автомобиль в бокс, нужно поставить его задней частью напротив бокса.
Для этого необходимо максимально прижаться правым боком автомобиля к линии ABD, иначе при маневре влево в положение 1 не хватит места и радиуса поворота автомобиля, чтобы поставить его напротив бокса.
Включаем первую передачу, снимаем с «ручника».
Начинаем движение, удерживая автомобиль параллельно линии ABD.
Как только правое боковое зеркало дойдет до стойки В, передний бампер автомобиля окажется напротив середины бокса (линии BD).
Делаем два оборота рулем влево, начиная вращение правой рукой.
Поворачивая колеса до конца влево, автомобиль будет двигаться по зеленой траектории к белой линии со стойкой Е.
Удерживаем сцепление, не давая автомобилю увеличивать скорость, ставим автомобиль как можно перпендикулярнее к белой линии, и когда останется совсем мало места от линии капота (где-нибудь за 1 — 1,5 метра), выжимаем педаль сцепления в пол до конца, используя инерцию, выравниваем колеса, делаем два оборота рулем в обратную сторону и останавливаемся. Включаем заднюю передачу и оборачиваемся назад через правое плечо.
Наклоняем свой корпус к центру автомобиля и, заглядывая в маленькое окошко задней правой двери, начинаем движение.
Поднимаем сцепление до момента начала движения, удерживаем его в этой точке, давая возможность автомобилю чуть-чуть набрать скорость, и тут же выжимаем педаль сцепления в пол, не давая ему разгоняться.
Если инерции оказалось мало, чтобы доехать и увидеть стойку D в маленьком окошке правой задней двери, повторите прием «подталкивание». то есть опять поднимите педаль сцепления до момента начала движения и снова нажмите ее в пол.
Чем медленнее вы будете двигаться, тем больше у вас шансов не проскочить стойку D.
Как только вы увидите стойку D в маленьком окошке, сразу поверните руль туда, куда вы смотрите, то есть вправо до конца, сделав два оборота, начиная вращение левой рукой.
Задняя часть автомобиля начинает заезжать внутрь бокса, огибая стойку D.
Сядьте ровно и смотрите в салонное зеркало заднего вида.
Вы увидите в заднем окне автомобиля, как центральная стойка С из правого угла заднего окна смещается к центру, при этом передняя часть автомобиля становится перпендикулярно линии Е.
Продолжайте аккуратно подталкивать автомобиль сцеплением, и как только стойка С подойдет к середине заднего окна, выжимайте сцепление в пол и до конца.
Автомобиль начнет замедляться, двигаясь по инерции. и, пока он двигается, сделайте два оборота рулем в обратную сторону, то есть влево, начиная вращение правой рукой.
Если вы все сделали верно, передняя часть автомобиля будет направлена перпендикулярно белой линии, на которой стоит стойка Е.
Обернитесь назад и подъезжайте к стойке С.
Посмотрите вперед на стойки B и D.
Ваш автомобиль должен стоять внутри линии BD.
Выключите передачу, установите автомобиль на стояночный тормоз.Наверх
Подъезжаем к линии «Старт».
Нейтральная передача, стояночный тормоз.
Задача: от линии «Старт», маневрируя между стойками, доехать до линии «Стоп».
Первая передача, снимаем с «ручника».
Начинаем движение по прямой, поднимая педаль сцепления до момента начала движения, удерживаем ее, набирая небольшую скорость и тут же выжимаем педаль в пол, продолжая движение по инерции, как бы «подтолкнув» автомобиль сцеплением.
Как только точка А дойдет до середины окна левой передней двери, делаем один оборот рулем влево, начиная вращение правой рукой.
Педаль сцепления нажата в пол до конца, а автомобиль движется по инерции к углу в 45 градусов мимо стойки А.
Смотрим на правое переднее крыло и стойку В.
Как только стойка В осталась справа от правого крыла, выравниваем колеса в обратную сторону, делая один оборот вправо левой рукой.
Двигаясь по инерции по прямой, доезжаем до стойки В серединой окна правой передней двери, поднимаем педаль сцепления, чтобы «подтолкнуть» автомобиль и делаем два оборота до конца вправо, начиная вращение левой рукой.
Автомобиль движется вправо, объезжая правой стороной стойку В, а левое переднее крыло оставляет слева стойку С.
Как только левое переднее крыло миновало стойку С, выравниваем колеса, делая два оборота рулем влево, начиная вращение правой рукой.
Вилка руля горизонтальна, колеса — ровно.
Автомобиль движется между стойками ВС по указанной траектории, оставляя слева стойку С, и, как только она доходит до середины окна левой передней двери, снова делаем два оборота влево.
Автомобиль движется по траектории влево между стойками С и D, и опять, как только правое переднее крыло минует стойку D, выравниваем колеса вправо, пропускаем стойку D до середины окна правой передней дверии делаем два оборота рулем вправо, огибая стойку D.
При этом, как только левое переднее крыло минует стойку Е, выравниваем колеса в обратную сторону ( два оборота).
Снова, двигаясь по прямой под углом 45 градусов между стойками D и Е, при необходимости аккуратно «подталкиваем» автомобиль педалью сцепления, доводим стойку Е до середины окна левой передней двери и делаем один оборот влево, начиная вращение правой рукой.
Как только нос автомобиля направится ровно к линии «Стоп», выравниваем колеса в обратную сторону, сделав один оборот вправо, подъедем к линии «Стоп» и остановим автомобиль, не переезжая ее.
Нейтральная передача, стояночный тормоз.Наверх
Понравилась статья? Вы можете поделиться с друзьями через соц.
сети, отправить по почте, добавить в закладки или распечатать.
Для этого выберите соответствующую иконку ниже:Разбор задач тренировочных заданий по кинематике
В большинстве компьютерных вариантов заданий для каждого
участника генерируются свои наборы данныхЗадание
1 «С какой скоростью движется вторая машина относительно первой (4
балла)».Две машины приближаются к перекрестку, двигаясь под прямым углом друг к другу со скоростями 54 км/ч и 72 км/ч. С какой
скоростью движется вторая машина относительно первой?Дано:
Перевод единиц:
v1 = 54 км/ч
15 м/с
v2 = 72 км/ч
20 м/с
= ?
Решение.
Скорости, заданные в условии,
измерены относительно системы отсчета, связанной с землей. Уточним обозначение
этих скоростей:, .
Скорость второй машины относительно первой — это
скорость второй машины измеренная в системе отсчета,
связанной с первой машиной (например, водителем первой машины). Если первая
машина двигается относительно земли со скоростью , то в системе отсчета первой машины земля двигается с такой
же по величине скоростью, но в обратном направлении:.
Для водителя первой машины
скорость второй машины будет складываться из ее скорости относительно земли и
скорости земли в системе отсчета первой машины:.
Величина относительной
скорости второй машины v21
равна гипотенузе прямоугольного треугольника, образованного скоростями машин
относительно земли.
По теореме Пифагора находим:.
Заметим, если относительная
скорость окажется направленной по линии, соединяющей машины, то продолжая
двигаться с такими скоростями, они неминуемо столкнутся!Ответ: 25 м/с.
Задание 2 «Вычислите среднюю скорость движения
человека (8 баллов)»Вычислите среднюю скорость
движения человека, если первую треть пути он шел со скоростью 1,5 м/с, а
оставшуюся часть пути со скоростью 1,0 м/с.Дано:
v1 = 1,5 м/с
v2 = 1,0 м/с
= ?
Решение. Согласно общему определению средней скорости:
,
где S — весь пройденный путь, а t —
все время движения.
Времена t1 и t2 прохождения первой трети
пути и остальных двух третей равны, соответственно, .
Учитывая, что t = t1 + t2 находим
.
Ответ: 1,125
м/с.Задание 3 «Найдите ускорение и путь автомобиля (8
баллов)»Автомобиль, движущийся со
скоростью 36 км/ч,
разгоняется в течение десяти секунд до 108 км/ч и затем за полминуты сбрасывает
скорость до нуля. Считая движение при разгоне и торможении равнопеременным,
найдите ускорение и путь для каждого из промежутков
времени.Дано:
Перевод единиц:
v1 = 36 км/ч
10 м/с
t1 = 10 c
v2 = 108 км/ч
30 м/с
t2 = 0,5 мин
30 c
a1, S1, a2, S2 = ?
Решение.
Применяя формулу скорости для равноускоренного движения в течение
времени t1,
получим,
откуда
.
Находим путь, пройденный на
участке разгона:.
Скорость
при торможении машины меняется по формулеv = v2 – a2t, (1)
убывая за время t2 до v = 0.
Подставляя нуль в правую часть уравнения (1), и выражая величину ускорения,
получаем.
Отметим, что в данном случае
проекция ускорения на ось OX
отрицательна: a2x = —a2 = –1 м/с2.Соответствующий
путь составляет.
Ответ: a1 = 2 м/с2, S1 = 200 м, a2 = 1 м/с2 (a2x = –1 м/с2), S2 = 450 м.

Задание 4 «Вычислите максимальную высоту подъема
тела, брошенного под углом к горизонту (8 баллов)»Вычислите максимальную высоту
подъема тела, брошенного под углом 30 к горизонту со
скоростью 20 м/с. Сопротивлением
воздуха пренебрегите.Дано:
= 30
v0 = 20 м/с
hmax = ?
Решение. Проанализируем, как изменяется со временем
проекция скорости на ось OY. Cуществует такой момент
времени t1 = v0y/g, при котором проекция vy
обращается в нуль. До этого момента времени vy
положительна, то есть тело движется вверх. После момента времени проекция vy
становится отрицательной, то есть тело движется вниз.
Очевидно, что в этот момент
времени достигается максимальная высота hmax.:.
Используя численные данные,
находим:.
Ответ: 5 м.
Задание 5 «Модель: Измерьте скорость тележки (8
баллов)»Задание: Измерьте с помощью оптических
датчиков скорость тележки. Занесите результаты в отчёт (меню в верхней части
программы) и отошлите отчёт на сервер.
Стойки с датчиками расположите так, чтобы они фиксировали моменты прохождения
тележки. Позицию датчиков можно менять мышью или с помощью пункта ввода.
Конечный результат округляйте до сотых. Пример округления: 0,605 можно
округлять до 0,60 или до 0,61.Рис.1 Начальное состояние системы
Для измерения скорости
следует установить стойки с датчиками, например, на позиции с координатами x1=0.
2 м и x2=0.8 м и
нажать кнопку “Пуск”. Тележка доедет до противоположной стенки и остановится, а
на датчиках появятся показания (рис.2).Рис.2 Конечное состояние системы
Скорость находим как
отношение пути между x2 и x1 к затраченному времени t2-t1:v=(x2-x1)/(t2-t1)
При этом пусть мы сначала
ошибемся и напишем v= (0.8-0.2)/(2.5-0.278) м/с
= 0.6/2.222 м/с = 0.270027 … м/с(вместо x2=0.9 м написали x2=0.8 м). Округляем до сотых: v=0.27 м/с
Открываем пункт меню “Отчёт…”
в верхней части программы, и в появившемся окне вводим это значение (рис.3):Рис.3 Отсылка отчёта
Нажимаем кнопку “Отправить
результаты на сервер” и получаем отзыв с сервера с информацией о неправильном
решении:Рис.4 Результат проверки со стороны
сервераПри нажатии кнопки “Закрыть”
любая информация в окне отчета сохраняется и показывается вновь при открытии
отчета.
При нажатии кнопки “Очистить” восстанавливается первоначальное
состояние окна отчета с пустыми пунктами ввода.Мы можем нажать кнопку “Очистить”,
затем кнопку “Закрыть”, проверить правильность наших действий и вычислений.Например, заново проделать
измерения при тех же или других расстояниях между датчиками. Обнаруживаем
ошибку и исправляем ее:v=(x2-x1)/(t2-t1) = (0.9-0.2)/(2.5-0.278) м/с = 0.7/2.222 м/с = 0.360036 … м/с
Округляем до сотых: v=0.36 м/с.
Открываем отчет, вводим
ответ, отсылаем отчет на сервер и получаем:Рис.5 Результат проверки нового
результатаИтоговый балл за выполнение
задания получился 7 из 8 возможных, так как имелась одна дополнительная попытка
отсылки результатов на сервер.Задание 6 «Тест: Кинематика (16 вопросов, 25
баллов)»Тест будет разбираться в
отдельном документе.Задание 7 «Модель: Измерьте среднюю и мгновенную
скорость тележки (12 баллов)»Задание: По наклонному рельсу из точки с
координатой х=0 из состояния покоя начинает равноускоренно двигаться тележка.
Определите время движения тележки до её удара о стенку, а также её среднюю и
конечную скорость на отрезке от x=0 до x=0.5Время
определите с точностью до тысячных, а остальные величины до сотых, и отошлите
результаты на сервер. В промежуточных вычислениях сохраняйте не менее 4
значащих цифр.Оптические
датчики срабатывают при пересечении светового луча датчика флажком тележки.
Положение ворот с оптическими датчиками можно изменять при помощи мыши или
задавая значения их координат х1 и х2 при помощи
клавиатуры.На рис.6 показано начальное
состояние системы.Рис.6 Начальное состояние системы
Первую стойку передвигаем в
позицию x1=0.5 м, вторую (с помощью пункта ввода для x2) — в позицию x2=0.99999 м (если x2=1 м тележка не пересекает луч, поэтому ставим стойку
очень близко к x=1 м). Нажимаем кнопку “Пуск” и
получаем, например, t1=1.443 с, t2=2.
041 с (рис.7).Рис.7 Конечное состояние системы
Полное время движения равно t2. Средняя скорость vср
движения на отрезке от x=0 м до x=0.5 м равна x1/t1. Конечная скорость v1 движения на этом отрезке в два раза больше, так как
при равноускоренном движении vср=(v0+v1)/2, а v0=0. То есть v1 проще вычислить чем измерить с достаточной точностью.Трогание автомобиля
Трогание автомобиля
В движении автомобиль преодолевает ряд сил, создающих сопротивление его движению. Это сила сопротивления качению колес, сила сопротивления воздуха, сила инерции и сила сопротивления подъему (скатывающая сила). Сумму этих сил называют силой сопротивления движению. Для обеспечения равномерного движения автомобиля на его ведущих колесах двигателем создается сила тяги, по величине равная силе сопротивления движению. Если сила тяги больше силы сопротивления, то автомобиль получает ускорение, т.
е. разгоняется, если она меньше — движение замедляется.Сила тяги на ведущих колесах реализуется через соответствующую силу сцепления, создаваемую при взаимодействии колес с дорогой. Движение автомобиля обеспечивается лишь тогда, когда сила сцепления по величине равна силе тяги или больше ее. Когда это условие не выдержано и сила тяги превышает силу сцепления, ведущие колеса начинают буксовать и движение становится невозможным.
Сила сцепления зависит в основном от массы автомобиля, приходящейся на ведущие колеса (термин «сцепной вес») и от состояния дороги или грунта. Состояние дороги (грунта) характеризуется коэффициентом спепления шин с дорогой.
Рекламные предложения на основе ваших интересов:
Дополнительные материалы по теме:
Таким образом, сила сцепления может быть выражена как произведение сцепного веса на коэффициент сцепления.
При трогании с места на ровном участке дороги в безветренную погоду необходимо преодолеть лишь силу сопротивления качению колес и силу инерции.
Сила сопротивления качению колес равна произведению общей силы тяжести автомобиля на соответствующий коэффициент, характеризующий состояние дорожного покрытия или грунта.Сила инерции зависит от общей массы автомобиля и придаваемых ему ускорений.
Трогание автомобиля начинают, как правило, на первой передаче в КП, создающей наибольшую тягу на ведущих колесах. Трогание в местах с большим сопротивлением качению колес (на мягком грунте, в песке, в снегу) требует большей силы тяги и поэтому производится при частоте вращения коленчатого вала, увеличенной пропорционально силам сопротивления.
Резкое трогание отрицательно отражается на состоянии ходовой части, особенно шин. Иные водители считают, что если при трогании ведущие колеса не пробуксовывают, то и износа шин не будет. Это ошибочное мнение: износ при резком трогании всегда повышенный. Особенно сильно изнашиваются шины при пробуксовке на сухом асфальте или бетоне.
Примечания:
1. Коэффициент возрастает с увеличением скорости движения автомобиля, на плохих дорогах с неровностями, в дождь.
2. Коэффициент у радиальных шин иа 5—7% ниже указанных значений.
3. С понижением давления воздуха в шинах коэффициент возрастает (рис. 1).Рис. 2. Коэффициент сопротивления качению колес на дороге с асфальтобетонным покрытием увеличивается с возрастанием скорости движения и с уменьшением давления в шинах
Бывает, что перед троганием непрогретого автомобиля при выключенном полностью сцеплении передача в КП не включается и рычаг КП упирается во что-то. Чаще это наблюдается при попытке включения задней передачи. Причиной невключения передачи обычно является случайное совпадение зубьев шестерен коробки передач. В этом случае надо вернуть рычаг КП в нейтральное положение, отпустить педаль сцепления и, вновь выжав ее, включить передачу. Но бывает и хуже.
После длительной стоянки автомобиля на открытой площадке или под навесом (обычно зимой) водитель может столкнуться с очень неприятным явлением, когда передача в КП при работающем двигателе не включается и после неоднократного выключения сцепления.
Несмотря на то что на длительную стоянку автомобиль был поставлен совершенно исправным и теперь водитель при попытке включить передачу выжимает полностью педаль сцепления, в коробке передач слышен скрежет шестерен, но они в зацепление не входят. Причина здесь очевидна: диск сцепления прилип к маховику коленчатого вала и сцепление не выключается. Для отсоединения диска от маховика существует несколько способов, которые ниже излагаются в последовательности, предусматривающей нарастание трудностей работы и соответствующее возрастание напряжений, возникающих при этом в сцеплении и в трансмиссии в целом. Каждый из последующих способов применяется лишь тогда, когда предыдущий не дал желаемого результата.Способ 1. Автомобиль затормаживается стояночным тормозом. При неработающем двигателе включается первая передача в КП, педаль сцепления выжимается полностью и удерживается в этом положении помощником или какой-либо распоркой (доской, палкой). Сильным рывком пусковой рукоятки делают попытку провернуть коленчатый вал двигателя.
Попытки повторяют до характерного щелчка в сцеплении. Щелчок и свободная в дальнейшем прокрутка коленчатого вала свидетельствуют о том, что диск освободился.Способ 2. Вывешиваются задние (ведущие) колеса. Под передние колеса обязательно подкладывают упоры. Двигатель пускается при нейтральном положении рычага КП, прогревается и останавливается. Водитель садится на свое рабочее место, включает первую передачу в КП и вновь пускает двигатель, Увеличив частоту вращения коленчатого вала, водитель выжимает педаль сцепления и нажимает на педаль рабочего тормоза. При этом частота вращения коленчатого вала обычно будет резко уменьшаться. Не дав двигателю остановиться, водитель отпускает педаль рабочего тормоза, затем вновь (порезче) нажимает на нее. Так повторяется до щелчка в сцеплении. После щелчка задние колеса при нажатии на педаль тормоза будут останавливаться, а частота вращения коленчатого вала при выжатой педали сцепления не будет изменяться. Это и есть свидетельство восстановления нормальной работы сцепления.

Способ 3. Выбирается свободный участок дороги или площадка длиной 100—200 м и туда вручную выкатывается автомобиль. При нейтральном положении рычага КП двигатель пускается, прогревается и останавливается. Находясь за рулем автомобиля, водитель включает первую передачу в КП и пускает двигатель стартером. Автомобиль начинает движение. Установив повышенную частоту вращения коленчатого вала, водитель выжимает педаль сцепления и легким рывком нажимает на педаль тормоза. При этом автомобиль замедлит движение и частота вращения коленчатого вала уменьшится. Но до полной остановки автомобиля и двигателя допускать нельзя, для чего следует прекратить нажимать на педаль тормоза. Затем нажать на педаль тормоза резче. Так повторяется до появления щелчка в сцеплении, после чего при нажатии на педаль тормоза (и при выключенном сцеплении) автомобиль будет останавливаться без уменьшения частоты вращения коленчатого вала.
При трогании обычно допускаются две характерные ошибки: сильный рывок и глушение двигателя.
Причинами первой ошибки могут быть резкое включение сцепления или большая частота вращения коленчатого вала, а чаще всего — то и другое вместе. Вторая ошибка допускается при очень малой частоте вращения коленчатого вала, не соответствующей силе сопротивления качению колес, при резком отпускании педали сцепления, при неотпущенном стояночном тормозе, при включении по ошибке высшей передачи в КП.От указанных ошибок можно избавиться с помощью специальных тренировок в трогании на ровной площадке по рекомендуемой методике. Для этого на полностью прогретом двигателе рукояткой управления воздушной заслонкой устанавливается несколько повышенная частота вращения коленчатого вала, включается первая передача в КП и затем очень медленно отпускается педаль сцепления. Отпуская педаль сцепления, водитель улавливает момент, когда автомобиль начинает трогаться, и фиксирует это положение. Затем он снова выжимает педаль сцепления и вновь отпускает ее, добиваясь плавного трогания автомобиля. Так он повторяет это упражнение, каждый раз побыстрее отпуская педаль сцепления.

Когда водитель добьется плавного, устойчивого трогания автомобиля с места, он открывает полностью воздушную заслонку карбюратора и проделывает это же упражнение, регулируя частоту вращения коленчатого вала нажатием на педаль управления дроссельной заслонкой. Усложняя упражнение, в дальнейшем целесообразно такие тренировки проводить при трогании из небольшой канавки, при нахождении колес в песке.
В силу того, что каждый автомобиль имеет свои особенности трогания, тренировки по этой методике рекомендуются всем водителям при освоении вновь приобретенного автомобиля, «характер» которого еще недостаточно изучен.
При трогании на подъеме, кроме двух уже упомянутых сил сопротивления движению, преодолевается дополнительно сила сопротивления подъему. Поэтому частота вращения коленчатого вала здесь должна быть большей. Трогаться на подъеме нужно без скатывания автомобиля назад, которое грозит наездом на другие транспортные средства или пешеходов. Перед троганием автомобиль обязательно затормаживают стояночным тормозом.
Техника трогания такова: выжимают педаль сцепления и включают первую передачу, медленно отпускают педаль сцепления и одновременно увеличивают частоту вращения коленчатого вала (чем круче подъем, тем большей должна быть частота вращения). В момент, когда сцепление должно включаться (примерно на половине хода педали), отпускают стояночный тормоз, еще больше увеличивают нажим на педаль управления дроссельной заслонкой, полностью отпускают педаль сцепления. Автомобиль плавно трогается без скатывания назад.При скатывании автомобиля назад водитель обычно теряется, резко нажимает на педаль управления дроссельной заслонкой, двигатель «ревет», а скатывание продолжается. Надо принять за правило: если на подъеме началось скатывание автомобиля назад, немедленно остановить автомобиль любым тормозом, затем затянуть стояночный тормоз (если он не был затянут) и начать трогание заново. Недопустимо при начавшемся скатывании пытаться все же выехать на подъем: это только усугубит положение.
Кроме скатывания, при трогании на подъеме может остановиться двигатель (заглохнуть).
Это происходит при резком отпускании педали сцепления, при недостаточной частоте вращения коленчатого вала, при задержке момента выключения стояночного тормоза. При остановке двигателя автомобиль также затормаживается стояночным тормозом, а затем, после пуска двигателя, повторяется попытка тронуться вновь.
Формулы прямолинейного равноускоренного движения
☰
При прямолинейном равноускоренном движении тело
- двигается вдоль условной прямой линии,
- его скорость постепенно увеличивается или уменьшается,
- за равные промежутки времени скорость меняется на равную величину.
Например, автомобиль из состояния покоя начинает двигаться по прямой дороге, и до скорости, скажем, в 72 км/ч он двигается равноускоренно. Когда заданная скорость достигнута, то авто движется без изменения скорости, т. е. равномерно. При равноускоренном движении его скорость возрастала от 0 до 72 км/ч. И пусть за каждую секунду движения скорость увеличивалась на 3,6 км/ч.
Тогда время равноускоренного движения авто будет равно 20 секундам. Поскольку ускорение в СИ измеряется в метрах на секунду в квадрате, то надо ускорение 3,6 км/ч за секунду перевести в соответствующие единицы измерения. Оно будет равно (3,6 * 1000 м) / (3600 с * 1 с) = 1 м/с2.Допустим, через какое-то время езды с постоянной скоростью автомобиль начал тормозить, чтобы остановиться. Движение при торможении тоже было равноускоренным (за равные промежутки времени скорость уменьшалась на одинаковую величину). В данном случае вектор ускорения будет противоположен вектору скорости. Можно сказать, что ускорение отрицательно.
Итак, если начальная скорость тела нулевая, то его скорость через время в t секунд будет равно произведению ускорения на это время:
v = at
При падении тела «работает» ускорение свободного падения, и скорость тела у самой поверхности земли будет определяться по формуле:
v = gt
Если известна текущая скорость тела и время, которое понадобилось, чтобы развить такую скорость из состояния покоя, то можно определить ускорение (т.
е. как быстро менялась скорость), разделив скорость на время:a = v/t
Однако тело могло начать равноускоренное движение не из состояния покоя, а уже обладая какой-то скоростью (или ему придали начальную скорость). Допустим, вы бросаете камень с башни вертикально вниз с приложением силы. На такое тело действует ускорение свободного падения, равное 9,8 м/с2. Однако ваша сила придала камню еще скорости. Таким образом, конечная скорость (в момент касания земли) будет складываться из скорости, развившийся в результате ускорения и начальной скорости. Таким образом, конечная скорость будет находиться по формуле:
v = v0 + at
Однако, если камень бросали вверх. То начальная его скорость направлена вверх, а ускорение свободного падения вниз. То есть вектора скоростей направлены в противоположные стороны. В этом случае (а также при торможении) произведение ускорения на время надо вычитать из начальной скорости:
v = v0 – at
Получим из этих формул формулы ускорения.
В случае ускорения:at = v – v0
a = (v – v0)/tВ случае торможения:
at = v0 – v
a = (v0 – v)/tВ случае, когда тело равноускоренно останавливается, то в момент остановки его скорость равна 0. Тогда формула сокращается до такого вида:
a = v0/t
Зная начальную скорость тела и ускорение торможения, определяется время, через которое тело остановится:
t = v0/a
Теперь выведем формулы для пути, которое тело проходит при прямолинейном равноускоренном движении. Графиком зависимость скорости от времени при прямолинейном равномерном движении является отрезок, параллельный оси времени (обычно берется ось x). Путь при этом вычисляется как площадь прямоугольника под отрезком. То есть умножением скорости на время (s = vt). При прямолинейном равноускоренном движении графиком является прямая, но не параллельная оси времени.
Эта прямая либо возрастает в случае ускорения, либо убывает в случае торможения. Однако путь также определяется как площадь фигуры под графиком.При прямолинейном равноускоренном движении эта фигура представляет собой трапецию. Ее основаниями являются отрезок на оси y (скорость) и отрезок, соединяющий точку конца графика с ее проекцией на ось x. Боковыми сторонами являются сам график зависимости скорости от времени и его проекция на ось x (ось времени). Проекция на ось x — это не только боковая сторона, но еще и высота трапеции, т. к. перпендикулярна его основаниям.
Как известно, площадь трапеции равна полусумме оснований на высоту. Длина первого основания равна начальной скорости (v0), длина второго основания равна конечной скорости (v), высота равна времени. Таким образом получаем:
s = ½ * (v0 + v) * t
Выше была дана формула зависимости конечной скорости от начальной и ускорения (v = v0 + at). Поэтому в формуле пути мы можем заменить v:
s = ½ * (v0 + v0 + at) * t = ½ * (2v0 + at) * t = ½ * t * 2v0 + ½ * t * at = v0t + 1/2at2
Итак, пройденный путь определяется по формуле:
s = v0t + at2/2
(К данной формуле можно прийти, рассматривая не площадь трапеции, а суммируя площади прямоугольника и прямоугольного треугольника, на которые разбивается трапеция.
)Если тело начало двигаться равноускоренно из состояния покоя (v0 = 0), то формула пути упрощается до s = at2/2.
Если вектор ускорения был противоположен скорости, то произведение at2/2 надо вычитать. Понятно, что при этом разность v0t и at2/2 не должна стать отрицательной. Когда она станет равной нулю, тело остановится. Будет найден путь торможения. Выше была приведена формула времени до полной остановки (t = v0/a). Если подставить в формулу пути значение t, то путь торможения приводится к такой формуле:
s = v02/(2a)
Вопрос Видео: Расчет средней скорости автомобиля, движущегося по прямой
Стенограмма видео
Рассчитайте среднюю скорость автомобиля, который проехал по прямой расстояние 120 метров со скоростью восемь метров в секунду, а затем двигался в том же направлении по той же линии на расстояние 180 метров со скоростью шесть метров в секунду.
Это (а) семь метров в секунду, (б) 6,7 метра в секунду, (в) 6,3 метра в секунду или (г) 7,2 метра в секунду?Итак, этот вопрос относится к машине, движущейся по прямой. Вопрос не говорит нам, в каком направлении движется автомобиль. Предположим, что он движется слева направо. Этот выбор направления не влияет на ответ, который мы получим, но помогает нам нарисовать то, что происходит. Предположим, что наша машина стартует в этом месте. И вопрос говорит нам о том, что сначала автомобиль движется 120 метров вправо к этой точке со скоростью восемь метров в секунду. Затем нам говорят, что автомобиль движется еще 180 метров в том же направлении по той же линии, на этот раз со скоростью шесть метров в секунду. Итак, в целом наша машина переместилась из исходной позиции здесь в конечную позицию вправо вот сюда.
Поскольку вопрос просил нас найти среднюю скорость автомобиля, мы должны начать с того, что напомним, что средняя скорость объекта определяется как полное перемещение объекта, деленное на общее время всего пути.
Здесь давайте вычислим две величины в правой части этого уравнения по отдельности; т. е. сначала вычислим полное водоизмещение автомобиля, а затем вычислим общее время пути.Начнем с вычисления полного смещения автомобиля, где мы напомним, что смещение определяется как кратчайшее расстояние от начальной точки объекта до конечной точки объекта. Помните, что смещение является векторной величиной, поэтому оно не только имеет числовое значение, но и имеет положительный или отрицательный знак, который говорит нам, в каком направлении движется автомобиль. Здесь мы можем предположить, что вправо является положительным направлением. . Таким образом, любое положительное смещение означает, что объект движется вправо. Для нашего автомобиля смещение — это просто расстояние по прямой линии от начальной до конечной точки.
Если обозначить полный водоизмещение автомобиля 𝑑, то мы можем вычислить 𝑑, просто прибавив расстояние, пройденное автомобилем за первую часть пути, к расстоянию, пройденному автомобилем за вторую часть пути.
Это означает, что 𝑑 равно 120 метрам — столько автомобиль проедет за первую часть пути, плюс 180 метров — сколько проедет автомобиль за вторую часть пути. Теперь, если бы вторая часть пути не проходила точно в том же прямолинейном направлении, что и первая часть пути, вычислить это смещение было бы сложнее. Но так как они находятся в одном направлении, мы можем просто сложить два расстояния вместе.Итак, делая это сложение, мы видим, что полное водоизмещение автомобиля составляет 300 метров. И помните, что это перемещение является векторной величиной. Таким образом, тот факт, что она положительна, говорит нам о том, что в целом автомобиль движется вправо. Это означает, что мы выполнили первую часть нашего вопроса, потому что рассчитали полный водоизмещение автомобиля. Итак, давайте запишем это смещение здесь, чтобы не забыть его, пока мы продолжаем работать над остальной частью вопроса.
Второе, что нам нужно выяснить, это общее время всего пути автомобиля. Вопрос не говорит нам, как долго машина едет, поэтому нам нужно вычислить его на основе имеющейся информации.
Уравнение, которое нам нужно, чтобы вычислить время пути, состоит в том, что скорость равна расстоянию во времени. Мы можем перестроить это уравнение, чтобы сделать его предметом время, сначала умножив обе части уравнения на время, что фактически приведет время к левой части этого уравнения. Затем мы можем разделить обе части на скорость, что фактически сведет скорость к нижней части правой части этого уравнения. Это означает, что наше уравнение для времени становится временем, равным расстоянию, деленному на скорость.Поскольку автомобиль двигался с двумя разными скоростями, нам нужно вычислить время, затрачиваемое на каждую часть пути отдельно, потому что уравнение, которое мы только что записали, предполагает, что все числа, с которыми мы работаем, постоянны. Итак, обозначим время, затрачиваемое автомобилем на прохождение первой части пути, через 𝑡 единицу. Тогда из уравнения, которое мы только что записали, 𝑡 единица равна расстоянию, пройденному в первой части пути, что составляет 120 метров, деленному на скорость, с которой автомобиль двигался в течение первой части пути, которая составлял восемь метров в секунду.

Мы можем вычислить числовую часть этой дроби, которая равна 120, разделенному на восемь, равной 15. А единицы, метры, деленные на метры в секунду, просто дают нам секунды. Итак, 𝑡 первое, время, за которое автомобиль проходит первую часть пути, составляет 15 секунд.
Теперь обозначим время, за которое автомобиль проедет вторую часть пути, 𝑡 два. И мы можем вычислить 𝑡 два так же, как вычислили 𝑡 один. То есть 𝑡 два равно расстоянию, пройденному на второй части пути, что составляет 180 метров, деленному на скорость автомобиля на этом участке пути, которая составляет шесть метров в секунду. И если мы это проработаем, то увидим, что 𝑡 два равно 30 секундам.
Теперь нам просто нужно рассчитать общее время в пути. Итак, если мы назовем это общее время 𝑡 без нижнего индекса, то 𝑡 будет просто равно сумме всех времен всех частей пути. Это означает, что здесь 𝑡 просто равно 𝑡 один плюс 𝑡 два. Итак, если мы подставим только что найденные числа для 𝑡 один и 𝑡 два, мы увидим, что общее время 𝑡 равно 15 секундам плюс 30 секунд.
Таким образом, это равно 45 секундам. Давайте запишем это сбоку, чтобы не забыть, пока будем вычислять среднюю скорость.Теперь у нас есть все необходимое для определения средней скорости автомобиля, потому что мы вычислили полное перемещение автомобиля и общее время всего пути. Итак, если мы назовем среднюю скорость 𝑣 индексом avg, то из нашего определения средней скорости 𝑣 avg равно полному перемещению автомобиля, деленному на общее время всего пути, которое мы можем записать как 𝑣 avg равно 𝑑 разделить на 𝑡. Затем нам просто нужно подставить значения, которые мы нашли для 𝑑 и 𝑡. Мы обнаружили, что 𝑑 равно 300 метрам, а 𝑡 равно 45 секундам. Итак, давайте запишем, что 𝑣 avg равно 300 метрам, разделенным на 45 секунд.
Если мы это проработаем, то числовая часть скорости даст нам 6,6 повторений, а наши единицы — метры в секунду. Эта штриховая нотация — это то, как мы пишем повторяющиеся десятичные дроби, что означает, что шестерка после запятой повторяется вечно.
Это близко к нашему окончательному ответу.
Но если мы посмотрим на все предложенные нам варианты множественного выбора, мы увидим, что все они даны с точностью до одного десятичного знака. Таким образом, мы также должны округлить наш ответ до одного десятичного знака. Если мы округлим 6,6 до одного десятичного знака, то получим 6,7. Таким образом, мы находим, что средняя скорость автомобиля равна 𝑣 avg равна 6,7 метра в секунду. Помните, что, как и смещение, скорость является векторной величиной. Таким образом, тот факт, что эта скорость положительна, говорит нам о том, что в данном случае автомобиль движется вправо. Снова сравнивая с нашими вариантами множественного выбора, мы находим совпадение, в данном случае (b). И, следовательно, мы можем дать это как наш окончательный ответ, что средняя скорость автомобиля равна 6,7 метра в секунду вправо.Университет Акрона, Огайо
Вернуться к указателю планов уроков
Версия для печатиКлассы: 6–8
Автор: Сэнди Ван Натта
Источник: Powered of a The Motion из материалов OSCI 7-10 Physical Science Materials, разработанных в 2005 г.
Abstract
Учащиеся используют переменные времени и пройденного расстояния, чтобы наблюдать характеристики графиков зависимости расстояния от времени для движения автомобиля с батарейным питанием, работающего от одной батареи, а затем снова с двумя батареями. Это позволяет учащимся изучить, как количество аккумуляторов, используемых для питания автомобиля, влияет на характеристики графиков зависимости расстояния от времени. Затем учащиеся используют данные о времени и расстоянии, собранные для движения автомобилей в двух испытаниях, для расчета средней скорости автомобиля в каждом случае. Затем средние скорости будут сравниваться с наклонами соответствующих графиков зависимости расстояния от времени.
Цели
Что должны знать учащиеся в результате этого урока?
- Учащиеся узнают, что скорость или скорость определяется расстоянием, пройденным объектом за заданный промежуток времени.
- Учащиеся узнают, что контрольная точка необходима для измерения расстояний и направлений, пройденных движущимся объектом.

- Студент будет знать, что автомобиль, работающий от аккумуляторной батареи, движется с постоянной скоростью, однако общая средняя скорость автомобиля будет зависеть от количества аккумуляторов, используемых для питания автомобиля.
- Учащиеся смогут связать наклон линии на графике расстояние/время со средней скоростью своего автомобиля.
Что учащиеся должны уметь делать в результате этого урока?
- Учащийся будет собирать данные о расстоянии и времени для автомобиля с аккумуляторным приводом.
- Учащиеся будут строить графики на основе своих данных.
- Учащийся нарисует прямую линию, наиболее соответствующую точкам, нанесенным на их графики.
- Учащиеся смогут описать движение своего автомобиля с батарейным питанием.
Материалы
Для подготовки:
- Одна машинка на аккумуляторе на группу — недорогие машинки продаются в магазинах игрушек. Автомобили также доступны через каталоги научных товаров.

- 2 батарейки — нужного размера для автомобиля
- Провод
- Кусачки и инструменты для зачистки проводов (только для учителей)
- Опционально – металлический стержень, отрезанный по длине, соответствующей размеру батареи
Для помолвки:
- Маленькая заводная игрушка
Для процедуры:
- Малярная лента
- Измерительная линейка
- Автомобиль на аккумуляторе — подготовлен в процессе подготовки
- 6 секундомеров
- Миллиметровая бумага
- Линейка
Подготовка:
- Для части A подготовьте провод для каждого автомобиля, который немного длиннее, чем длина аккумулятора, необходимая для автомобиля. Если провод изолирован, удалите около 1 см изоляции с каждого конца.
- Поместите один аккумулятор и один провод в аккумуляторный отсек каждой машины. Убедитесь, что провод соприкасается с металлическими контактами держателя аккумулятора, чтобы автомобиль «работал» на одном аккумуляторе.
(Вместо провода можно использовать металлический стержень длиной с батарею. - Для части B установите по две батареи в каждую машину
Процедуры
Занятие
Установите маленькую заводную игрушку в центральном месте, где ее могут видеть ученики. Сверните игрушку и дайте ей двигаться по гладкой ровной поверхности. Поднимите игрушку с поверхности, прежде чем она начнет замедляться до полной остановки. Попросите учащихся описать движение игрушки. Большинство учеников скажут, что игрушка движется с постоянной скоростью на протяжении большей части своего «бега». (Игрушка действительно «ускоряется», когда начинает движение, но большая часть ее движения будет казаться постоянной.) Спросите учащихся, как они могли бы доказать, что игрушка двигалась с постоянной скоростью. Помогите своим учащимся понять, что им нужно будет знать, какое расстояние игрушка прошла за заданный промежуток времени, а затем сравнить равные периоды времени, чтобы точно описать движение игрушки.

Оценка: Постарайтесь вовлечь в обсуждение всех учащихся. Попросите учащихся привести примеры наблюдаемых ими в повседневной жизни объектов, которые могут двигаться с постоянной скоростью.
Исследование
Часть A: Автомобиль с одной аккумуляторной батареей
- Объедините 7 учащихся в группу.
- Наклейте на пол кусок малярной ленты длиной 10 см. Отметьте эту ленту как стартовую линию или d = 0,
- От линии старта отмерьте 100 см и приложите вторую 10-сантиметровую ленту. Обозначьте эту ленту 100 см.
- Отмерьте еще 100 см и приклейте третий отрезок ленты длиной 10 см. Обозначьте эту ленту 200 см.
- Продолжайте размещать и маркировать ленту через каждые 100 см, пока последняя лента не будет равна 600 см.
- Поставьте одного ученика, держащего машину, на стартовой линии. Расположите остальных 6 учеников, у каждого с секундомером, на каждой из 100-сантиметровых отметок. Убедитесь, что все секундомеры установлены на 0,00 с
- Не включая секундомер, попросите ученика, держащего автомобиль, запустить его электродвигатель и отпустить его со стартовой линии.
Попросите учащихся следить за тем, как машина проезжает над каждым отмеченным кусочком ленты. Попросите их описать движение автомобиля и сказать, движется ли автомобиль быстро или медленно. - Вернуть машину в исходное положение. На этот раз попросите учащихся засекать время движения машины по своему пути. Попросите ученика с «работающей» машиной держать передние колеса примерно на 3 см выше линии старта и кричать «Готово, поехали». На старте машина должна быть поставлена и отпущена на стартовую линию, а все остальные учащиеся должны включить свои секундомеры.
- Когда автомобиль проходит каждую отметку расстояния, учащийся на этой отметке должен остановить свой секундомер.
- Запишите время в столбце 1 таблицы данных (в Испытании 1).
- Сбросить все секундомеры на 0,00 сек. Верните автомобиль на стартовую линию и повторите шаги 8 и 9. Запишите время в столбце 2 таблицы данных (в испытании 2).
- Повторите шаг 11 для испытания 3 и запишите данные в столбце 3.

- Рассчитайте среднее время трех попыток для каждой дистанции. Запишите средние значения в столбце 4 таблицы данных.
- Рассчитайте время, за которое автомобиль проезжает каждые 100 см пути. Запишите время на каждые 100 см расстояния в столбце 5 таблицы данных.
- На листе миллиметровой бумаги начертите зависимость общего расстояния (см) от среднего времени (сек).
- Используя линейку, проведите наиболее подходящую прямую линию через ваши точки. Не волнуйтесь, если линия не касается всех точек.
.
Часть B: Автомобиль с двумя аккумуляторами
- Поместите второй аккумулятор в аккумуляторный отсек автомобиля.
- Повторите шаги с 8 по 14 из части A, записывая все данные во вторую таблицу данных.
- На том же листе миллиметровой бумаги, на котором есть график данных из части A, нанесите данные общего расстояния и среднего времени для части B. Используйте другой цвет для построения этих точек. Нарисуйте линию «наилучшего соответствия», чтобы соответствовать второму набору точек данных.

Часть C: Средняя скорость
- Следующие расчеты должны быть выполнены для таблиц данных частей A и B. Используя формулу средняя скорость = расстояние/время (ср = d/t), рассчитайте среднюю скорость на каждые 100 см расстояния. Это можно сделать, разделив 100 см на каждое время в столбце 5. Это дает среднюю скорость автомобиля на каждые 100 см расстояния. Запишите средние скорости в столбец 6 таблиц.
- Рассчитайте среднюю скорость всего пробега как в части A, так и в части B. Снова используйте формулу vavg = d/t, но на этот раз разделите 600 см на время, необходимое автомобилю для достижения 600-сантиметровой ленты.
- Рассчитать наклон каждой линии на графике. Выберите две точки, которые находятся на прямой и как можно дальше друг от друга. Обведите выбранные точки. Запишите координаты каждой точки рядом с кругом. Время должно быть указано первым в упорядоченной паре. Используйте формулу наклона = (d2 — d1)/(t2 — t1) для каждой линии.

Оценка: Следите за тем, чтобы учащиеся соблюдали надлежащие лабораторные процедуры. Убедитесь, что каждая группа записывает все свои данные и строит графики.
Объяснение
Обсудите наблюдения и графики учащегося. Помогите учащимся получить следующее понимание. «Как далеко?», «Как долго?» и «Как быстро?» — вопросы, которые задаются при изучении движения. Например, если наблюдатель наблюдает за бегом на 100 м в легкой атлетике, наблюдатель хочет знать, как долго пробег был? — 100 м; сколько времени ушло на то, чтобы пробежать дистанцию? — около 9,8 секунд; и какова была средняя скорость бегуна? — 10,2 м/сек. Движение автомобиля можно описать, измерив расстояние и время для расчета скорости
Как далеко? — Расстояние
Чтобы определить расстояние, пройденное объектом, сначала необходимо установить местоположение (положение) автомобиля, а также его направление. Должна быть выбрана опорная точка, от которой можно измерять расстояния.
В этом упражнении первой контрольной точкой является исходное положение, обозначенное как d=0. Это положение вместе с другими отметками, сделанными с интервалом 100 см по прямой линии, обеспечивает систему отсчета, которую можно использовать для определения местоположения автомобиля. Пройденное расстояние — это переход от одного положения к другому относительно нашей системы отсчета. Это изменение положения также называется смещением. Смещение — это расстояние и направление изменения положения объекта.Как долго? — Время
Когда автомобиль находится в исходной позиции d=0, время также равно 0. Автомобиль и секундомер были запущены одновременно. Каждый раз, когда автомобиль проходит одну из контрольных отметок через каждые 100 см, фиксируется время на секундомере. Время прохождения определенного расстояния — это время, записанное для этой контрольной отметки на этом расстоянии от d=0. Чтобы найти интервал времени между любыми двумя референтными отметками (например, от отметки 100 см до отметки 200 см), вычтите время, записанное на отметке 100 см, из времени, записанного на отметке 200 см.
Это будет время, необходимое для прохождения 100 см от отметки 100 см до отметки 200 см.Как быстро? — Скорость или скорость
Когда наблюдатель наблюдает за движением автомобиля в системе отсчета, он/она может качественно определить, движется ли автомобиль быстро или медленно. Вычисление числового значения скорости автомобиля дает более точное значение терминам «быстрый» или «медленный». Среднюю скорость автомобиля можно найти, разделив пройденное расстояние на время, необходимое для преодоления этого расстояния.
ср = d/t
ср означает среднюю скорость или скорость. Скорость на самом деле является скалярной величиной, которая говорит только о том, как быстро движется объект. Скорость — это векторная величина, которая говорит не только о том, насколько быстро движется объект, но и о том, в каком направлении он движется. После того, как значения vag были рассчитаны, легко определить, какой автомобиль движется быстрее или медленнее. Автомобиль с большим числовым значением vavg движется быстрее, чем автомобиль с меньшим значением.
При построении графиков движения автомобилей точки данных образуют почти прямую линию. Это указывает на то, что и время, и расстояние изменяются с постоянной скоростью. Автомобиль движется с постоянной скоростью. Линия с самым крутым уклоном представляет автомобиль, движущийся с более высокой скоростью. Числовое значение уклона равно средней скорости автомобиля.
Оценка: Соберите и оцените таблицы данных и графики учащихся.
Разработка
Предложите учащимся разработать эксперимент для определения скорости другого объекта, движущегося с постоянной скоростью, например заводной игрушки, которую можно использовать в разделе «Помолвка». Или учащиеся могут захотеть предсказать, что произойдет со скоростью автомобиля с аккумулятором, если он будет двигаться вверх по наклонной плоскости. Если используются наклонные плоскости, их длина должна быть не менее 1–2 метров, чтобы учащиеся могли записать как можно больше точек данных. Однако используемые расстояния необходимо будет измерять с гораздо меньшим шагом, чем 100 см.
Это будет зависеть от скорости автомобиля и длины на наклонной плоскости. Можно попробовать расстояние 25 см. Примечание: автомобиль по-прежнему будет двигаться вверх по наклонной плоскости с постоянной скоростью. Однако общая средняя скорость будет меньше, чем у автомобиля, движущегося по ровной поверхности.Оценка: Учащиеся должны записать процедуры, таблицы данных и данные, относящиеся к их эксперименту. Они должны построить графики для представления своих результатов. Используя свои данные и графики в качестве доказательства, учащиеся должны написать вывод, касающийся движения их машины или игрушки в изучаемых обстоятельствах.
Предпосылки
Учащиеся должны уметь производить измерения с помощью линейки и секундомера. Учащиеся должны уметь строить графики, используя координаты x и y, и находить наклоны линий.
Передовой опыт преподавания
- Цикл обучения
- Практическое/интеллектуальное обучение
- Запрос
Согласование со стандартами
Стандарты NGSS:
- MS-PS2-2 Спланируйте исследование, чтобы получить доказательства того, что изменение движения объекта зависит от суммы сил, действующих на объект, и массы объекта .

- MS-PS3-1 Создание и интерпретация графических отображений данных для описания отношений кинетической энергии с массой объекта и со скоростью объекта.
Общие базовые стандарты:
- RST.6-8.1 Приведите конкретные текстовые доказательства для поддержки анализа научных и технических текстов.
- RST.6-8.3 При проведении экспериментов, проведении измерений или выполнении технических задач строго следуйте многоступенчатой процедуре.
Национальные стандарты:
- Стандарт содержания A: 5-8 Наука как исследование
- Содержание Стандарт B: 5-8 Физические науки
Стандарты штата Огайо:
- Физические науки для 6-8 классов Benchmark B
- Научные исследования 6–8 классов, контрольный показатель A
- Уровень научных исследований 6-8 классов B
Content Knowledge
Если время и расстояние изменяются с постоянной скоростью, объект движется с постоянной скоростью.
Такое движение можно изобразить на графике (время по оси X и расстояние по оси Y) и получить прямую линию с положительным наклоном. Наклон линии представляет собой числовое значение средней скорости объекта. Чем круче склон, тем больше общая средняя скорость объекта.Безопасность
Никаких специальных процедур безопасности или утилизации не требуется.
Приложения
Всякий раз, когда объект движется с постоянной скоростью в заданном направлении, он имеет постоянную скорость. Автомобиль с круиз-контролем, движущийся по автостраде, или пешеход, движущийся с постоянной равномерной скоростью, преодолевают равные расстояния за сравнительное время. Это примеры объектов, движущихся с постоянной скоростью.
Оценка
Дайте учащемуся ряд графиков зависимости расстояния от времени, представляющих движение движущихся объектов. На некоторых графиках должны быть прямые линии с положительным наклоном. Другие могут иметь изогнутые линии или горизонтальные линии.
Попросите учащихся выбрать объекты, движущиеся с постоянными скоростями (графики, изображающие прямые линии с положительным наклоном), и определить средние скорости каждого объекта по представленным данным.Другие соображения
Предложения по группированию Постарайтесь разместить в каждой группе учащихся с разным уровнем подготовки и способностями. Наличие в каждой группе учащегося с сильными математическими способностями поможет в групповых расчетах.
Шаг/Рекомендуемое время: Подготовка Getty займет около 15 минут. Оставшееся действие должно занять около 90 минут.
Рабочие листы в формате PDF для печати
Аккумулятор автомобиля Рабочий лист
3.4 Движение с постоянным ускорением
Цели обучения
К концу этого раздела вы сможете:
- Определить, какие уравнения движения следует использовать для решения неизвестных.
- Используйте соответствующие уравнения движения для решения задачи преследования двух тел.

Можно догадаться, что чем больше ускорение, скажем, автомобиля, удаляющегося от знака остановки, тем больше перемещение автомобиля за заданное время. Но мы не разработали конкретное уравнение, связывающее ускорение и перемещение. В этом разделе мы рассмотрим некоторые удобные уравнения для кинематических взаимосвязей, начиная с определений перемещения, скорости и ускорения. Сначала мы исследуем один объект в движении, называемое движением одного тела. Затем мы исследуем движение двух объектов, называемых задачи преследования двух тел .
Обозначение
Сначала давайте сделаем некоторые упрощения в обозначениях. Принятие начального времени равным нулю, как если бы время измерялось секундомером, является большим упрощением. Поскольку прошедшее время равно [латекс] \text{Δ}t={t}_{\text{f}}-{t}_{0} [/latex], принимая [латекс] {t}_{0}= 0 [/latex] означает, что [latex] \text{Δ}t={t}_{\text{f}} [/latex], последнее время на секундомере. Когда начальное время принимается равным нулю, мы используем нижний индекс 0 для обозначения начальных значений положения и скорости.
То есть [латекс] {x}_{0} [/латекс] — начальная позиция , а [latex] {v}_{0} [/latex] — начальная скорость . Мы не помещаем нижние индексы в окончательные значения. То есть t — конечное время , x — конечное положение , а v — конечная скорость . Это дает более простое выражение для прошедшего времени: [латекс] \текст{Δ}t=t[/латекс]. Это также упрощает выражение для смещения x , которое теперь равно [латекс] \текст{Δ}х=х-{х}_{0} [/латекс]. Кроме того, это упрощает выражение для изменения скорости, которое теперь равно [латекс] \текст{Δ}v=v-{v}_{0} [/латекс]. Подводя итог, используя упрощенную запись, с начальным временем, принятым равным нулю,[латекс] \begin{array}{c}\text{Δ}t=t\hfill \\ \text{Δ}x=x-{x}_{0}\hfill \\ \text{Δ} v=v-{v}_{0},\hfill \end{array} [/latex]
, где нижний индекс 0 обозначает начальное значение, а отсутствие нижнего индекса обозначает конечное значение в любом рассматриваемом движении.
Теперь мы делаем важное предположение, что ускорение является постоянным .
Это предположение позволяет нам избежать использования исчисления для нахождения мгновенного ускорения. Поскольку ускорение постоянно, среднее и мгновенное ускорения равны, т. е.[латекс] \overset{\text{–}}{a}=a=\text{константа}\текст{.} [/latex]
Таким образом, мы можем использовать символ a для ускорения вообще раз. Предположение, что ускорение является постоянным, серьезно не ограничивает ситуации, которые мы можем изучать, и не снижает точность нашего лечения. Во-первых, ускорение 90 378 – постоянное 90 379 в большом количестве ситуаций. Кроме того, во многих других ситуациях мы можем точно описать движение, предполагая постоянное ускорение, равное среднему ускорению для этого движения. Наконец, для движения, при котором ускорение резко меняется, например, когда автомобиль разгоняется до максимальной скорости, а затем тормозит до полной остановки, движение можно рассматривать в отдельных частях, каждая из которых имеет свое постоянное ускорение.
Смещение и положение по скорости
Чтобы получить наши первые два уравнения, мы начнем с определения средней скорости:
[латекс] \overset{\text{–}}{v}=\frac{\text{Δ }x}{\text{Δ}t}.
[/latex]Подстановка упрощенных обозначений для [латекс] \text{Δ}x [/latex] и [латекс] \text{Δ}t [/latex] дает
[латекс] \overset{\text{ –}}{v}=\frac{x-{x}_{0}}{t}. [/latex]
Решение для x дает нам
[latex] x={x}_{0}+\overset{\text{–}}{v}t, [/latex]
, где средняя скорость равна
[латекс] \overset{\text{–}}{v}=\frac{{v}_{0}+v}{2}. [/latex]
Уравнение [latex] \overset{\text{–}}{v}=\frac{{v}_{0}+v}{2} [/latex] отражает тот факт, что при ускорении постоянна, v — это просто среднее арифметическое начальной и конечной скоростей. (Рисунок) иллюстрирует эту концепцию графически. В части (а) рисунка ускорение постоянно, а скорость увеличивается с постоянной скоростью. Средняя скорость на часовом интервале от 40 км/ч до 80 км/ч составляет 60 км/ч:
[латекс] \overset{\text{–}}{v}=\frac{{v}_{0}+v}{2}=\frac{40\,\text{км/ч}+80 \,\text{км/ч}}{2}=60\,\text{км/ч}\text{.} [/latex]
В части (b) ускорение непостоянно.
В течение 1-часового интервала скорость ближе к 80 км/ч, чем к 40 км/ч. Таким образом, средняя скорость больше, чем в части (а).Рисунок 3.18 (a) График зависимости скорости от времени с постоянным ускорением, показывающий начальную и конечную скорости [латекс] {v}_{0}\,\text{and}\,v [/latex]. Средняя скорость равна [латекс] \frac{1}{2}({v}_{0}+v)=60\,\text{км}\text{/}\text{ч} [/latex]. (b) График зависимости скорости от времени с ускорением, изменяющимся со временем. Средняя скорость не определяется как [latex] \frac{1}{2}({v}_{0}+v) [/latex], но превышает 60 км/ч.
Нахождение конечной скорости по ускорению и времени
Мы можем вывести еще одно полезное уравнение, манипулируя определением ускорения:
[латекс] a=\frac{\text{Δ}v}{\text{Δ}t} . [/latex]
Замена [латекс] \text{Δ}v [/latex] и [латекс] \text{Δ}t [/latex] упрощенными обозначениями дает нам
[латекс] a=\frac{ v-{v}_{0}}{t}\enspace(\text{константа}\,a). [/latex]
Решение для v дает
[latex] v={v}_{0}+at\enspace(\text{constant}\,a).
[/латекс] 9{2},t=40\,\text{s} [/latex].Во-вторых, мы идентифицируем неизвестное; в данном случае это конечная скорость [латекс] {v}_{\text{f}} [/латекс].
Наконец, мы определяем, какое уравнение использовать. Для этого выясняем, какое кинематическое уравнение дает неизвестное через известные. Мы рассчитываем конечную скорость, используя (Рисунок), [латекс] v={v}_{0}+at [/латекс].
Решение
Показать ответ
Рисунок 3.19 Самолет приземляется с начальной скоростью 70,0 м/с и замедляется до конечной скорости 10,0 м/с, прежде чем взять курс на аэродром. Обратите внимание, что ускорение отрицательно, потому что его направление противоположно его скорости, которая положительна.
Значимость
Конечная скорость намного меньше начальной скорости, как и требуется при замедлении, но все же положительна (см. рисунок). С реактивными двигателями реверсивная тяга может поддерживаться достаточно долго, чтобы остановить самолет и начать движение его назад, на что указывает отрицательная конечная скорость, но здесь это не так.

Уравнение [латекс] v={v}_{0}+at [/латекс] не только полезно при решении задач, но и дает нам представление о взаимосвязях между скоростью, ускорением и временем. Мы видим, например, что
- Конечная скорость зависит от того, насколько велико ускорение и как долго оно длится
- Если ускорение равно нулю, то конечная скорость равна начальной скорости ( v = v 0 ), как и ожидалось (другими словами, скорость постоянна)
- Если a отрицательно, то конечная скорость меньше начальной скорости
Все эти наблюдения соответствуют нашей интуиции. Обратите внимание, что всегда полезно исследовать основные уравнения в свете нашей интуиции и опыта, чтобы убедиться, что они действительно точно описывают природу.
Решение конечного положения с постоянным ускорением
Мы можем объединить предыдущие уравнения, чтобы найти третье уравнение, которое позволит нам вычислить конечное положение объекта, испытывающего постоянное ускорение.
Начнем с[латекс] v={v}_{0}+at. [/latex]
Добавление [latex] {v}_{0} [/latex] к каждой стороне этого уравнения и деление на 2 дает
[latex] \frac{{v}_{0}+v} {2}={v}_{0}+\frac{1}{2}at. [/latex]
Так как [latex] \frac{{v}_{0}+v}{2}=\overset{\text{–}}{v} [/latex] для постоянного ускорения, мы имеем 9{2}\enspace(\text{константа}\,а). [/latex]
Пример
Расчет смещения ускоряющегося объекта
Драгстеры могут развивать среднее ускорение 26,0 м/с 2 . Предположим, драгстер разгоняется с такой скоростью за 5,56 с (рисунок). Какое расстояние он проходит за это время?
Рис. 3.20 Пилот Top Fuel в армии США Тони «Сержант» Шумахер начинает гонку с контролируемым выгоранием. (Источник: подполковник Уильям Турмонд. Фото предоставлено армией США.) 9{2} [/latex], когда мы идентифицируем [латекс] {v}_{0} [/латекс], [латекс] а [/латекс] и т из условия задачи.
Рисунок 3.21 Эскиз разгоняющегося драгстера.

Решение
Показать ответ
Значение
Если мы преобразуем 402 м в мили, мы обнаружим, что пройденное расстояние очень близко к четверти мили, стандартной дистанции для дрэг-рейсинга. Итак, наш ответ разумен. Это впечатляющее смещение, которое можно преодолеть всего за 5,56 с, но первоклассные драгстеры могут проехать четверть мили за еще меньшее время. Если бы драгстеру была задана начальная скорость, это добавило бы еще один член в уравнение расстояния. Если в уравнении используются те же ускорение и время, то пройденное расстояние будет намного больше. 9{2}\,\text{становится}\,x={x}_{0}+{v}_{0}t. [/латекс]
Решение конечной скорости по расстоянию и ускорению
Четвертое полезное уравнение может быть получено путем другой алгебраической обработки предыдущих уравнений. Если мы решим [латекс] v={v}_{0}+at [/латекс] для t , мы получим
[латекс] t=\frac{v-{v}_{0}}{a }. [/latex]
Подставив это и [latex] \overset{\text{–}}{v}=\frac{{v}_{0}+v}{2} [/latex] в [latex] x ={x}_{0}+\overset{\text{–}}{v}t [/latex], получаем 9{2}+2a(x-{x}_{0}) [/latex] идеально подходит для этой задачи, поскольку связывает скорости, ускорения и перемещения, а информация о времени не требуется.

Решение
Показать ответ
Значение
Скорость 145 м/с составляет около 522 км/ч или около 324 миль/ч, но даже эта головокружительная скорость не соответствует рекорду на четверть мили. Также обратите внимание, что квадратный корень имеет два значения; мы взяли положительное значение, чтобы указать скорость в том же направлении, что и ускорение. 9{2}+2a(x-{x}_{0}) [/latex] может дать дополнительные сведения об общих соотношениях между физическими величинами:
- Конечная скорость зависит от того, насколько велико ускорение и расстояние, на котором это действует.
- При фиксированном ускорении автомобиль, который едет в два раза быстрее, не просто останавливается на удвоенном расстоянии. Чтобы остановиться, нужно гораздо больше. (Поэтому у нас есть зоны пониженной скорости возле школ.)
Составление уравнений
В следующих примерах мы продолжаем исследовать одномерное движение, но в ситуациях, требующих более сложных алгебраических операций.
Примеры также дают представление о методах решения проблем. Следующее примечание предназначено для удобства обращения к необходимым уравнениям. Имейте в виду, что эти уравнения не являются независимыми. Во многих ситуациях у нас есть два неизвестных и нужно два уравнения из набора для решения неизвестных. Нам нужно столько уравнений, сколько неизвестных, чтобы решить данную ситуацию. 9{2}+2a(x-{x}_{0}) [/latex]Прежде чем перейти к примерам, давайте более внимательно рассмотрим некоторые уравнения, чтобы увидеть поведение ускорения при экстремальных значениях. Переставляя (рисунок), мы имеем
[латекс] a=\frac{v-{v}_{0}}{t}. [/latex]
Отсюда мы видим, что за конечное время, если разница между начальной и конечной скоростями мала, ускорение мало, приближаясь к нулю в пределе, когда начальная и конечная скорости равны. Наоборот, в пределе [латекс] t\to 0 [/латекс] при конечной разности между начальной и конечной скоростями ускорение становится бесконечным. 9{2}}{2(х-{х}_{0})}.
[/latex]Таким образом, при конечной разнице между начальной и конечной скоростями ускорение становится бесконечным, в пределе перемещения приближаются к нулю. Ускорение стремится к нулю в пределе, когда разность начальной и конечной скоростей стремится к нулю при конечном перемещении.
Пример
Как далеко едет машина?
На сухом бетоне автомобиль может замедляться со скоростью 7,00 м/с 2 , тогда как на мокром бетоне он может замедляться только со скоростью 5,00 м/с 2 . Найдите расстояние, необходимое для остановки автомобиля, движущегося со скоростью 30,0 м/с (около 110 км/ч) по (а) сухому бетону и (б) мокрому бетону. (c) Повторите оба вычисления и найдите перемещение от точки, в которой водитель видит красный сигнал светофора, учитывая время его реакции 0,500 с, чтобы нажать на педаль тормоза.
Стратегия
Сначала нам нужно нарисовать эскиз (Рисунок). Чтобы определить, какие уравнения лучше всего использовать, нам нужно перечислить все известные значения и точно определить, что нам нужно решить.

Рисунок 3.22 Пример эскиза для визуализации замедления и тормозного пути автомобиля.
Решение
- Во-первых, нам нужно определить известные и то, что мы хотим решить. Мы знаем, что v 0 = 30,0 м/с, v = 0 и a = −7,00 м/с 2 ( a отрицательно, потому что оно находится в направлении, противоположном скорости) . Мы принимаем x 0 за ноль. Ищем смещение [латекс] \текст{Δ}х[/латекс], или 9{2}+2а(х-{х}_{0}). [/латекс]
Это уравнение лучше всего, потому что оно включает только одно неизвестное, x . Мы знаем значения всех остальных переменных в этом уравнении. (Другие уравнения позволили бы нам решить для x , но они требуют, чтобы мы знали время остановки, t , которого мы не знаем. Мы могли бы использовать их, но это потребовало бы дополнительных вычислений.)
В-третьих, мы перестраиваем уравнение для решения x :
.
{2}}{2a} [/latex] 9{2})}. [/латекс]Таким образом,
[латекс] x=64,3\,\text{м на сухом бетоне}\text{.} [/латекс]
- Эту часть можно решить точно так же, как (а). Единственное отличие состоит в том, что ускорение равно −5,00 м/с 2 . Результат
[латекс] {x}_{\text{мокрый}}=90,0\,\text{м на мокром бетоне.} [/латекс]
Показать ответ
Рисунок 3.23 Расстояние, необходимое для остановки автомобиля, сильно различается в зависимости от дорожных условий и времени реакции водителя. Здесь показаны тормозные пути для сухого и мокрого покрытия, рассчитанные в этом примере для автомобиля, движущегося изначально со скоростью 30,0 м/с. Также показано общее расстояние, пройденное от точки, когда водитель впервые видит красный свет, при условии времени реакции 0,500 с.
Значение
Перемещения, найденные в этом примере, кажутся подходящими для остановки быстро движущегося автомобиля.
На мокром асфальте машина останавливается дольше, чем на сухом. Интересно, что к перемещениям существенно добавляет время реакции, но важнее общий подход к решению задач. Мы идентифицируем известные и определяемые величины, затем находим соответствующее уравнение. Если имеется более одного неизвестного, нам нужно столько независимых уравнений, сколько неизвестных для решения. Часто существует более одного способа решения проблемы. Различные части этого примера на самом деле могут быть решены другими методами, но представленные здесь решения являются самыми короткими.Пример
Расчет времени
Предположим, что автомобиль въезжает в полосу движения на 200-метровом съезде. Если его начальная скорость равна 10,0 м/с, а ускорение составляет 2,00 м/с 2 , за какое время автомобиль проедет 200 м вверх по пандусу? (Эта информация может пригодиться инженеру по транспорту.)
Стратегия
Сначала рисуем эскиз (рисунок). Нас просят решить за время t .
Как и раньше, мы отождествляем известные величины, чтобы выбрать удобное физическое соотношение (то есть уравнение с одним неизвестным, t .)Рисунок 3.24 Эскиз автомобиля, разгоняющегося на съезде автострады.
Решение
Показать ответ
Значение
Всякий раз, когда уравнение содержит неизвестное в квадрате, есть два решения. В некоторых задачах оба решения имеют смысл; в других разумно только одно решение. Ответ 10,0 с кажется разумным для типичного съезда с автострады.
Проверьте свои знания
Пилотируемая ракета разгоняется со скоростью 20 м/с 2 во время запуска. За какое время ракета достигнет скорости 400 м/с?
Показать решение
Пример
Разгон космического корабля
Космический корабль покинул орбиту Земли и направляется к Луне. Он разгоняется со скоростью 20 м/с 2 за 2 мин и преодолевает расстояние 1000 км.
Каковы начальная и конечная скорости космического корабля?Стратегия
Нас просят найти начальную и конечную скорости космического корабля. Глядя на кинематические уравнения, мы видим, что одно уравнение не даст ответа. Мы должны использовать одно кинематическое уравнение, чтобы найти одну из скоростей, и подставить его в другое кинематическое уравнение, чтобы получить вторую скорость. Таким образом, мы решаем два кинематических уравнения одновременно.
Решение
Показать ответ
Значение
В смещении, времени, скорости и ускорении есть шесть переменных, описывающих движение в одном измерении. Начальными условиями данной задачи может быть множество комбинаций этих переменных. Из-за этого разнообразия решения могут быть не такими простыми, как простые подстановки в одно из уравнений. Этот пример показывает, что для решения кинематики может потребоваться решение двух одновременных кинематических уравнений.

Познакомившись с основами кинематики, мы можем перейти ко многим другим интересным примерам и приложениям. В процессе разработки кинематики мы также заметили общий подход к решению задач, который дает как правильные ответы, так и понимание физических взаимосвязей. Следующий уровень сложности наших задач кинематики связан с движением двух взаимосвязанных тел, называемых задачами преследования двух тел .
Задачи преследования двух тел
До этого момента мы рассматривали примеры движения одного тела. Даже для задачи с двумя автомобилями и тормозным путем на мокрой и сухой дороге мы разделили эту задачу на две отдельные задачи, чтобы найти ответы. В задача преследования двух тел , движения объектов связаны — это означает, что искомое неизвестное зависит от движения обоих объектов. Чтобы решить эти задачи, мы пишем уравнения движения для каждого объекта, а затем решаем их одновременно, чтобы найти неизвестное. Это показано на (рис.).
Рисунок 3.
25 Сценарий преследования двух тел, в котором автомобиль 2 движется с постоянной скоростью, а автомобиль 1 отстает с постоянным ускорением. Автомобиль 1 догоняет автомобиль 2 позже.Время и расстояние, необходимые для того, чтобы автомобиль 1 догнал автомобиль 2, зависят от начального расстояния между автомобилем 1 и автомобилем 2, а также от скоростей обоих автомобилей и ускорения автомобиля 1. Кинематические уравнения, описывающие движение обоих автомобилей, должны решить, чтобы найти эти неизвестные.
Рассмотрим следующий пример.
Пример
Гепард ловит газель
Гепард ждет, прячась за кустом. Гепард замечает газель, пробегающую мимо со скоростью 10 м/с. В момент, когда газель проходит мимо гепарда, гепард ускоряется из состояния покоя со скоростью 4 м/с 2 поймать газель. а) Сколько времени потребуется гепарду, чтобы поймать газель? б) Каково водоизмещение газели и гепарда?
Стратегия
Для решения этой задачи мы используем систему уравнений для постоянного ускорения.
Поскольку движутся два объекта, у нас есть отдельные уравнения движения, описывающие каждое животное. Но что связывает уравнения, так это общий параметр, который имеет одинаковое значение для каждого животного. Если мы внимательно посмотрим на проблему, то станет ясно, что общим параметром для каждого животного является их позиция 9.0378 x позже t . Поскольку они оба начинаются с [latex] {x}_{0}=0 [/latex], их смещения одинаковы в более позднее время t , когда гепард догоняет газель. Если мы выберем уравнение движения, которое определяет смещение для каждого животного, мы можем тогда установить уравнения равными друг другу и найти неизвестное, то есть время.Решение
Показать ответ
Показать ответ
Значение
Важно анализировать движение каждого объекта и использовать соответствующие кинематические уравнения для описания движения каждого отдельного объекта.
Также важно иметь хорошее визуальное представление о задаче преследования двух тел, чтобы увидеть общий параметр, который связывает движение обоих объектов.Проверьте свои знания
Велосипед движется с постоянной скоростью 10 м/с. Человек стартует с места и бежит, чтобы догнать велосипед за 30 с. Каково ускорение человека?
Показать решение
Резюме
- При анализе одномерного движения с постоянным ускорением определите известные величины и выберите соответствующие уравнения для решения неизвестных. Для решения неизвестных необходимо одно или два кинематических уравнения, в зависимости от известных и неизвестных величин.
- Задачи преследования двух тел всегда требуют одновременного решения двух уравнений для неизвестных.
Концептуальные вопросы
При анализе движения отдельного объекта, какое количество известных физических переменных требуется для решения неизвестных величин с помощью кинематических уравнений?
Приведите два сценария кинематики одиночного объекта, в которых три известных величины требуют решения двух кинематических уравнений для неизвестных.

Показать решение
Задачи
Частица движется прямолинейно с постоянной скоростью 30 м/с. Каково его перемещение между t = 0 и t = 5,0 с?
Показать решение
Частица движется прямолинейно с начальной скоростью 30 м/с и постоянным ускорением 30 м/с 2 . Если в [латекс] t=0,x=0 [/латекс] и [латекс] v=0 [/латекс], какова позиция частицы в t = 5 с?
Частица движется прямолинейно с начальной скоростью 30 м/с и постоянным ускорением 30 м/с 2 . а) Чему равно его водоизмещение при т = 5 с? б) Какова его скорость в это же время?
Показать решение
(a) Нарисуйте график зависимости скорости от времени, соответствующий графику зависимости смещения от времени, представленному на следующем рисунке. б) Определите время или моменты времени ( t a , t b , t c и т.
д.), в которые мгновенная скорость имеет наибольшее положительное значение. в) В какие моменты времени он равен нулю? г) В какие моменты он отрицательный?Показать ответ
(a) Нарисуйте график зависимости ускорения от времени, соответствующий графику зависимости скорости от времени, представленному на следующем рисунке. (b) Определите время или времена ( t a , t b , t c и т. д.), при которых ускорение имеет наибольшее положительное значение. в) В какие моменты времени он равен нулю? г) В какие моменты он отрицательный?
Показать ответ
Частица имеет постоянное ускорение 6,0 м/с 2 . а) Если его начальная скорость равна 2,0 м/с, то в какой момент времени его перемещение составит 5,0 м? б) Какова его скорость в этот момент?
При t = 10 с частица движется слева направо со скоростью 5,0 м/с.
В 9{\ text {−} 4} \, \ text {s} [/ латекс]. Какова его начальная скорость (то есть конечная скорость)?Показать решение
(a) Легкий пригородный поезд движется со скоростью 1,35 м/с 2 . Сколько времени требуется, чтобы достичь максимальной скорости 80,0 км/ч, начиная с состояния покоя? (b) Тот же поезд обычно замедляется со скоростью 1,65 м/с 2 . Сколько времени требуется, чтобы остановиться на максимальной скорости? (c) В аварийных ситуациях поезд может замедляться быстрее, останавливаясь со скорости 80,0 км/ч за 8,30 с. Каково его аварийное ускорение в метрах в секунду в квадрате?
При выезде на автостраду автомобиль разгоняется из состояния покоя со скоростью 2,04 м/с 2 за 12,0 с. а) Нарисуйте схему ситуации. б) Перечислите известные в этой задаче. в) Какой путь проедет автомобиль за эти 12,0 с? Чтобы решить эту часть, сначала определите неизвестное, а затем укажите, как вы выбрали подходящее уравнение для его решения.
После выбора уравнения покажите, как вы решаете неизвестное, проверьте свои единицы измерения и обсудите, разумен ли ответ. г) Чему равна конечная скорость автомобиля? Решите для этого неизвестного так же, как в (c), явно показывая все шаги.Показать решение
Необоснованные результаты В конце забега бегун замедляется со скорости 9,00 м/с до скорости 2,00 м/с 2 . а) Какое расстояние она пройдет за следующие 5,00 с? б) Какова его конечная скорость? в) Оцените результат. Имеет ли это смысл?
Кровь ускоряется из покоя до 30,0 см/с на расстоянии 1,80 см левым желудочком сердца. а) Составьте схему ситуации. б) Перечислите известные в этой задаче. в) Сколько времени занимает ускорение? Чтобы решить эту часть, сначала определите неизвестное, а затем обсудите, как вы выбрали подходящее уравнение для его решения. Выбрав уравнение, покажите свои шаги в решении неизвестного, проверив свои единицы измерения. (d) Является ли ответ разумным по сравнению со временем сердцебиения? 9{2} [/latex], сколько времени потребуется, чтобы остановиться с такой скоростью? в) Какое расстояние он пройдет в каждом случае?
Снаряд фейерверка разгоняется из состояния покоя до скорости 65,0 м/с на расстоянии 0,250 м.
{2} [/латекс ], какое расстояние он пролетит, прежде чем поднимется в воздух? б) Сколько времени это занимает?Мозг дятла специально защищен от больших ускорений сухожилиями внутри черепа. Клевая дерево, голова дятла останавливается с начальной скоростью 0,600 м/с на расстоянии всего 2,00 мм. а) Найдите ускорение в метрах в секунду в квадрате и в единицах, кратных g , где g = 9,80 м/с 2 . б) Рассчитайте время остановки. (c) Сухожилия, удерживающие мозг, растягиваются, делая его тормозной путь равным 4,50 мм (больше, чем у головы, и, следовательно, меньшее ускорение мозга). Чему равно ускорение мозга, выраженное в кратном г ?
Показать решение
Неосторожный футболист сталкивается с обивкой стойки ворот во время бега со скоростью 7,50 м/с и полностью останавливается после сжатия обивки и своего тела на 0,350 м. а) Чему равно его ускорение? б) Как долго длится столкновение?
Посылка выпадает из грузового самолета и приземляется в лесу.
Если предположить, что скорость пакета помощи при ударе составляет 54 м/с (123 мили в час), то каково его ускорение? Предположим, что деревья и снег останавливают его на расстоянии 3,0 м. 9{2} [/latex] по мере прохождения. Длина станции 210,0 м. а) С какой скоростью он движется, когда нос покидает станцию? б) Какова длина носа поезда на станции? в) Если поезд имеет длину 130 м, какова скорость конца поезда при выходе из него? г) Когда поезд отходит от станции?Необоснованные результаты Дрэгстеры могут достичь максимальной скорости 145,0 м/с всего за 4,45 с. а) Рассчитайте среднее ускорение такого драгстера. (b) Найдите конечную скорость этого драгстера, начиная с состояния покоя и ускоряясь со скоростью, указанной в (а), на протяжении 402,0 м (четверть мили) без использования какой-либо информации о времени. в) Почему конечная скорость больше той, которая использовалась для нахождения среднего ускорения? ( Подсказка : Проверьте, справедливо ли предположение о постоянном ускорении для драгстера.
Если нет, обсудите, будет ли ускорение больше в начале или в конце пробега и как это повлияет на конечную скорость.)Показать решение
Глоссарий
- задача преследования двух тел
- задача кинематики, в которой неизвестные вычисляются путем одновременного решения кинематических уравнений для двух движущихся объектов
2. ПРЯМОЛИНЕЙНОЕ ДВИЖЕНИЕ
2. ПРЯМОЛИнейНОЕ ДВИЖЕНИЕ
- ДВИЖЕНИЕ ПО ПРЯМОЙ ЛИНИИ
- 2.1. Должность
- 2.2. Скорость
- 2.3. Ускорение
- 2.4. Постоянное ускорение
- 2.5. Гравитационное ускорение
В механике нас интересует попытка понять движение объектов.
В этой главе будет обсуждаться движение объектов в 1 измерении.
Движение в 1 измерении — это движение по прямой линии.
Положение объекта на прямой линии можно однозначно определить по
его расстояние от (выбранного пользователем) источника.
(см. рис. 2.1). Примечание :
позиция полностью определяется 1 координатой (поэтому это 1-мерное
проблема).Рисунок 2.1. Одномерное положение.
Рисунок 2.2. графики зависимости x от t для различных скоростей.
Для данной задачи начало может быть выбрано в любой точке.
удобный. Например, положение объекта в момент времени t = 0 часто
выбран в качестве источника. Положение объекта в общем случае будет функцией
времени: x(t). Рисунок 2.2. показывает положение в зависимости от времени для
объект в состоянии покоя, а также для объектов, движущихся влево и вправо.Наклон кривой на графике зависимости положения от времени зависит от
скорость объекта. См., например, рисунок 2.3. Через 10 секунд
гепард преодолел расстояние 310 метров, человек 100 метров, а свинья
50 метров. Очевидно, что гепард имеет наибольшую скорость. Похожий
вывод получается, когда мы рассматриваем время, необходимое для покрытия фиксированного
расстояние.
Гепард преодолевает 300 метров за 10 с, человек за 30 с, а свинья
требуется 60 с. Ясно, что более крутой наклон кривой зависимости x от t
график соответствует более высокой скорости.Рисунок 2.3. графики x и t для различных существ.
Объект, который меняет свое положение, имеет ненулевую скорость. В среднем
скоростьобъекта в течение заданного интервала времени определяется как:
Если объект движется вправо, средняя скорость положительна. Ан
объект, движущийся влево, имеет отрицательную среднюю скорость. Это ясно из
определение средней скорости, котораязависит только от положения объекта в момент времени t = t 1 и по адресу
время t = t 2 . Это хорошо показано в задаче 2-1 из примера .
и 2-2 .Пример задачи 2-1
Вы едете на потрепанном пикапе по прямой дороге 5,2 мили со скоростью 43 мили в час,
в этот момент у вас закончилось топливо.
Вы идете на 2 мили дальше, до ближайшего
АЗС, за 27 мин (= 0,450 ч). Какова ваша средняя скорость от
время, когда вы завели свой грузовик, до того, как вы прибыли на станцию?Пикап первоначально преодолевает расстояние 5,2 мили со скоростью
43 мили/час. Это занимает 7,3 минуты. После того, как у пикапа закончился
газа, вам потребуется 27 минут, чтобы дойти до ближайшей заправки, что составляет 1,2
миль вниз по дороге. Когда вы приедете на заправку, вы покрыли (5.2
+ 1,2) = 6,4 мили за период (7,3 + 27) = 34,3 минуты. Ваш средний
скорость до этой точки:Пример задачи 2-2
Предположим, вы затем везете топливо обратно в грузовик, делая
туда и обратно за 35 мин. Какова ваша средняя скорость на всем пути от
начало вашего движения к вам возвращение к грузовику с топливом ?Вам потребуется еще 35 минут, чтобы вернуться к своей машине. Когда вы достигнете своего
грузовик, вы снова находитесь в 5,2 милях от исходной точки и путешествовали уже
(34,4 + 35) = 69,4 минуты.
В этот момент ваша средняя скорость равна:После этого эпизода вы возвращаетесь домой. Вы преодолеваете 5,2 мили
снова за 7,3 минуты (скорость 43 мили/час). Когда ты приедешь домой,
вы находитесь в 0 милях от исходной точки, и, очевидно, ваша средняя скорость:Средняя скорость пикапа, оставленного в гараже
также 0 миль/час. Поскольку средняя скорость тела зависит только от
его начальное и конечное положение и время, а не движение объекта в
между, это вообще не полезный параметр. Более полезное количество
мгновенная скорость объекта при данной
мгновенный. Мгновенная скорость – это значение, при котором средняя скорость
приближается по мере того, как интервал времени, в течение которого он измеряется, приближается к нулю:Например: см. пример задачи 2-5 .
Теперь можно рассчитать скорость объекта при t = 3,5 с:
Скорость объекта определяется с точки зрения изменения
положение этого объекта во времени.
Величина, используемая для описания изменения
скорость тела во времени есть ускорение а.
среднее ускорение за интервал времени между
t 1 и t 2 определяется как:Обратите внимание на сходство между определением средней скорости и
определение среднего ускорения. мгновенный
ускорение а определяется как:Из определения ускорения видно, что
ускорение имеет следующие единицы измерения:Положительное ускорение обычно интерпретируется как означающее
увеличение скорости. Однако это неверно. Из определения
ускорение, можно сделать вывод, что ускорение положительное, еслиЭто, очевидно, верно, если скорости положительны, а скорость
увеличивается со временем. Однако это верно и для отрицательных скоростей, если
скорость становится менее отрицательной с течением времени.
Объекты, падающие под действием силы тяжести, являются одним из примеров объектов
движется с постоянным ускорением. Постоянное ускорение означает, что
ускорение не зависит от времени:Интегрируя это уравнение, скорость объекта может быть
получено:где v 0 — скорость объекта в момент времени t = 0. Из
скорость, положение объекта как функцию времени можно
рассчитано:где x 0 — положение объекта в момент времени t = 0,
Примечание 1 : проверьте эти отношения, интегрируя формулы для
положение и скорость.Примечание 2 : уравнения движения лежат в основе большинства задач (см.
пример задачи 7).Пример задачи 2-8
Заметив полицейскую машину, вы тормозите Porsche с 75 км/ч до 45 км/ч.
на дистанции 88 м. а) Чему равно ускорение, если считать его постоянным?
б) Сколько времени прошло? c) Если вы продолжаете замедляться с
ускорение, рассчитанное в (а) выше, сколько времени пройдет, чтобы привести
машина отдыхает с 75 км/ч? d) В (c) выше, какое расстояние будет
покрытый ? д) Предположим, что при втором испытании с рассчитанным ускорением
в (а) выше и с другой начальной скоростью, вы останавливаете свой автомобиль после
прохождение 200 м.
Каково было общее время торможения?а) Нашими отправными точками являются уравнения движения:
(1)
(2)Предоставляется следующая информация:
* v(t = 0) = v 0 = 75 км/ч = 20,8 м/с
* v(t 1 ) = 45 км/ч = 12,5 м/с
* x(t = 0) = x 0 = 0 м (Примечание: начало координат определяется как положение Porsche
при t = 0 с)* х(т 1 ) = 88 м
* а = константа
Из уравнения (1) получаем:
(3)Замените (3) в (2):
(4)Из уравнения (4) мы можем получить ускорение a:
(5)б) Подставьте уравнение (5) в уравнение (3):
(6)в) Автомобиль находится в состоянии покоя в момент времени t 2 :
(7)Подставив ускорение, рассчитанное с использованием уравнения (5), в уравнение (3):
(8)d) Подставьте t 2 (из уравнения (8)) и a (из уравнения (5)) в уравнение (2):
(9)д) Предоставляется следующая информация:
* v(t 3 ) = 0 м/с (Примечание: Porsche в состоянии покоя при t = t 3 )
* x(t = 0) = x 0 = 0 м (Примечание: начало координат определяется как положение Porsche
при t = 0)* х(т 3 ) = 200 м
* a = постоянная = — 1,6 м/с 2
Уравнение (1) говорит нам:
(10)Подставьте уравнение (10) в уравнение (2):
(11)Время t 3 теперь можно легко вычислить:
(12)
Частным случаем постоянного ускорения является свободное падение (падение в
вакуум).
В задачах о свободном падении направление свободного падения
определяется вдоль оси Y, и положительное положение вдоль оси Y
соответствует восходящему движению. Ускорение свободного падения (g) равно 9,8.
м/с 2 (по отрицательной оси ординат). Уравнения движения на свободе
fall очень похожи на рассмотренные ранее для постоянных
ускорение:где y 0 и v 0 — положение и скорость
объекта в момент времени t = 0,Пример
Питчер подбрасывает бейсбольный мяч вертикально вверх с начальной скоростью 25 м/с. (а)
Сколько времени нужно, чтобы достичь высшей точки? б) на какой высоте находится мяч
подняться выше точки его выброса? в) Через какое время мяч достигнет
точка на 25 м выше точки его выброса.Рисунок 2.4. Вертикальное положение бейсбольного мяча как функция времени.

а) Нашими отправными точками являются уравнения движения:
Начальные условия:
* v(t = 0) = v 0 = 25 м/с (движение вверх)
* y(t = 0) = y 0 = 0 м (Примечание: начало координат определяется как положение мяча в
т = 0)* г = 90,8 м/с 2
Высшая точка получена в момент времени t = t 1 . В этот момент
скорость равна нулю:Мяч достигает высшей точки через 2,6 с (см. рис. 2.4).
б) Положение шара в момент t 1 = 2,6 с легко определить.
рассчитано:c) Уравнение для y(t) можно легко переписать как:
где у — высота мяча в момент времени t. Это уравнение может быть
легко решается для t:Используя начальные условия, указанные в (а), это уравнение можно использовать
для расчета времени достижения мячом высоты 25 м (y = 25 м):t = 1,4 с
t = 3,7 с
Рис.
2.5. Скорость бейсбольного мяча как функция времени.Скорости мяча в эти моменты времени равны (см. также рис. 2.5):
v(t = 1,4 с) = + 11,3 м/с
v(t = 3,7 с) = — 11,3 м/с
В момент времени t = 1,4 с мяч находится на высоте y = 25 м с положительной скоростью (вверх
движение). В момент времени t = 2,6 с мяч достигает высшей точки (v = 0). После т =
2,6 с, мяч начинает падать (отрицательная скорость). В t= 3,7 с мяч
снова находится на y = 25 м, но теперь движется вниз.Присылайте комментарии, вопросы и/или предложения по электронной почте [email protected] и/или
посетите домашнюю страницу Фрэнка
Волки.Требование центростремительной силы
Как упоминалось ранее в этом уроке, объект, движущийся по кругу, испытывает ускорение. Даже если двигаться по периметру круга с постоянной скоростью, все равно происходит изменение скорости и, следовательно, ускорение. Это ускорение направлено к центру окружности.
А согласно второму закону движения Ньютона, объект, испытывающий ускорение, также должен испытывать результирующую силу. Направление чистой силы совпадает с направлением ускорения. Таким образом, для объекта, движущегося по кругу, должна быть внутренняя сила, действующая на него, чтобы вызвать его внутреннее ускорение. Иногда его называют 9.0372 требование центростремительной силы . Слово центростремительный (не путать с F-словом центробежный ) означает поиск центра. Для объекта, движущегося по кругу, есть результирующая сила, действующая к центру, которая заставляет объект искать центр.Чтобы понять важность центростремительной силы, важно хорошо понимать первый закон движения Ньютона — закон инерции . Закон инерции гласит, что…
… движущиеся объекты имеют тенденцию оставаться в движении с той же скоростью и в том же направлении, если на них не действует неуравновешенная сила.

Согласно первому закону движения Ньютона, естественной тенденцией всех движущихся объектов является продолжать движение в том же направлении, в котором они движутся… движение от своего прямолинейного пути. Движущиеся объекты имеют тенденцию естественным образом двигаться по прямым линиям; неуравновешенная сила требуется только для того, чтобы заставить его вращаться. Таким образом, для движения объектов по кругу требуется наличие неуравновешенной силы.
Инерция, сила и ускорение для пассажира автомобиля
Идея, выраженная законом инерции Ньютона, не должна нас удивлять. Мы сталкиваемся с этим явлением инерции почти каждый день, когда ведем машину. Например, представьте, что вы — пассажир автомобиля на светофоре. Свет загорается зеленым, и водитель ускоряется из состояния покоя. Автомобиль начинает разгоняться вперед, но относительно сиденья, на котором вы находитесь, ваше тело начинает отклоняться назад.
Ваше тело, находящееся в состоянии покоя, имеет тенденцию оставаться в покое. Это один из аспектов закона инерции: «объекты в состоянии покоя стремятся оставаться в покое». Когда колеса автомобиля вращаются, создавая движущую силу, действующую на автомобиль и вызывающую ускорение вперед, ваше тело старается оставаться на месте. Вам, конечно, может показаться, что ваше тело испытывает обратную силу, заставляющую его ускоряться назад. Тем не менее, вам было бы трудно идентифицировать такую обратную силу, действующую на ваше тело. Действительно нет ни одного. Ощущение отбрасывания назад — это просто тенденция вашего тела сопротивляться ускорению и оставаться в состоянии покоя. Автомобиль ускоряется из-под вашего тела, оставляя вас с ложным ощущением того, что вас толкают назад.Теперь представьте, что вы находитесь в той же машине, которая движется с постоянной скоростью и приближается к светофору. Водитель нажимает на тормоза, колеса автомобиля блокируются, и автомобиль начинает буксовать до полной остановки.
На движущуюся вперед машину действует сила, направленная назад, а затем на машину действует обратное ускорение. Однако ваше тело, находясь в движении, имеет тенденцию продолжать движение, пока автомобиль буксует до полной остановки. Вам, конечно, может показаться, что ваше тело подвергается действию направленной вперед силы, заставляющей его двигаться вперед с ускорением. И все же вам снова будет трудно идентифицировать такую поступательную силу, действующую на ваше тело. Действительно, нет никакого физического объекта, ускоряющего вас вперед. Ощущение того, что вас бросает вперед, — это просто тенденция вашего тела сопротивляться замедлению и оставаться в состоянии движения вперед. Это второй аспект закона инерции Ньютона: «тело в движении имеет тенденцию оставаться в движении с той же скоростью и в том же направлении…». Неуравновешенная сила, действующая на автомобиль, заставляет его замедляться, в то время как ваше тело продолжает движение вперед. Вы снова остаетесь с ложным ощущением того, что вас толкают в направлении, противоположном вашему ускорению.
Эти два сценария вождения показаны на следующем рисунке.
В каждом случае — при трогании автомобиля с места и при торможении движущегося автомобиля до остановки — направление, в котором наклоняются пассажиры, противоположно направлению ускорения. Это всего лишь результат инертности пассажира — склонности сопротивляться ускорению. Наклон пассажира — это не ускорение само по себе, а тенденция сохранять состояние движения, пока автомобиль совершает ускорение. Тенденция тела пассажира сохранять свое состояние покоя или движения, в то время как окружающая среда (автомобиль) ускоряется, часто неверно истолковывается как ускорение. Это становится особенно проблематичным, когда мы рассматриваем третий возможный опыт инерции пассажира в движущемся автомобиле — левый поворот.
Предположим, что на следующем участке пути водитель автомобиля делает резкий поворот налево с постоянной скоростью. Во время поворота автомобиль движется по круговой траектории. То есть машина проезжает четверть круга.
Сила трения, действующая на вращающиеся колеса автомобиля, вызывает неуравновешенную силу на автомобиль и последующее ускорение. Неуравновешенная сила и ускорение направлены к центру окружности, вокруг которой вращается автомобиль. Ваше тело, однако, находится в движении и имеет тенденцию оставаться в движении. Именно инерция вашего тела — склонность сопротивляться ускорению — заставляет его продолжать движение вперед. Пока автомобиль ускоряется внутрь, вы продолжаете движение по прямой. Если вы сидите с пассажирской стороны автомобиля, то в конечном итоге внешняя дверь автомобиля ударит вас, когда машина повернется внутрь. Это явление может заставить вас думать, что вы получаете ускорение от центра круга. На самом деле вы продолжаете свой прямолинейный инерционный путь по касательной к окружности, в то время как автомобиль ускоряется из-под вас. Ощущение внешней силы и внешнего ускорения есть ложное ощущение. Нет физического объекта, способного вытолкнуть вас наружу. Вы просто испытываете тенденцию вашего тела продолжать движение по касательной к круговой траектории, по которой поворачивает машина.
Вы снова остаетесь с ложным ощущением того, что вас толкают в направлении, противоположном вашему ускорению.Центростремительная сила и изменение направления
На любой объект, движущийся по кругу (или по круговой траектории), действует центростремительная сила . То есть есть какая-то физическая сила, толкающая или притягивающая объект к центру круга. Это требование центростремительной силы. Слово центростремительный — это просто прилагательное, используемое для описания направления силы. Мы не представляем новый тип силы, а скорее описывает направление чистой силы, действующей на объект, который движется по кругу. Каким бы ни был объект, если он движется по кругу, на него действует некоторая сила, заставляющая его отклоняться от своего прямолинейного пути, ускоряться внутрь и двигаться по круговому пути. Три таких примера центростремительной силы показаны ниже.

Когда автомобиль совершает поворот, сила трения, действующая на повернутые колеса автомобиля, создает центростремительную силу, необходимую для кругового движения.
Поскольку ведро с водой привязано к веревке и вращается по кругу, сила натяжения, действующая на ведро, создает центростремительную силу, необходимую для кругового движения.
Когда Луна вращается вокруг Земли, сила тяжести, действующая на Луну, создает центростремительную силу, необходимую для кругового движения.
Центростремительная сила для равномерного кругового движения изменяет направление объекта без изменения его скорости. Идея о том, что неуравновешенная сила может изменить направление вектора скорости, но не его величину, может показаться немного странной.
Как это могло быть? Есть несколько подходов к этому вопросу. Один из подходов предполагает анализ движения с точки зрения работы и энергии. Вспомним из Раздела 5 Учебного класса физики, что работа на 9 баллов.0372 сила , действующая на объект, вызывающая смещение . Количество работы, проделанной над объектом, определяется с помощью уравненияРабота = Сила * смещение * косинус (тета) , где тета в уравнении представляет собой угол между силой и смещением. Поскольку центростремительная сила действует на объект, движущийся по окружности с постоянной скоростью, сила всегда действует внутрь, поскольку скорость объекта направлена по касательной к окружности. Это означало бы, что сила всегда направлена перпендикулярно направлению смещения объекта. Угол Theta в приведенном выше уравнении равен 90 градусов, а косинус 90 градусов равен 0. Таким образом, работа центростремительной силы при равномерном круговом движении равна 0 Дж.
Вспомните также из Раздела 5 Учебного класса физики, что, когда внешние силы не совершают никакой работы над объектом, полная механическая энергия (потенциальная энергия плюс кинетическая энергия) объекта остается постоянной. Таким образом, если объект движется по горизонтальному кругу с постоянной скоростью, центростремительная сила не совершает работы и не может изменить полную механическую энергию объекта. По этой причине кинетическая энергия и, следовательно, скорость объекта останутся постоянными. Сила действительно может ускорить объект, изменив его направление, но не может изменить его скорость. Фактически, всякий раз, когда неуравновешенная центростремительная сила действует перпендикулярно направлению движения, скорость объекта остается постоянной. Чтобы неуравновешенная сила изменила скорость объекта, должна быть составляющая силы в направлении (или в противоположном направлении) движения объекта.Применение компонент вектора и второго закона Ньютона
Второй подход к этому вопросу о том, почему центростремительная сила вызывает изменение направления, а не изменение скорости, включает компоненты вектора и второй закон Ньютона.
Следующий воображаемый сценарий будет использован, чтобы помочь проиллюстрировать это.Предположим, что на местной фабрике по производству льда кусок льда выскальзывает из морозильной камеры, и механическая рука прикладывает силу, чтобы ускорить его движение по ледяной поверхности без трения. На прошлой неделе механическая рука работала со сбоями и толкала беспорядочно. Различные направления сил, приложенных к движущейся глыбе льда, показаны ниже. В каждом случае наблюдайте за силой по сравнению с направлением движения ледяного блока и предскажите, будет ли сила ускоряться, замедляться или не будет влиять на скорость блока. Используйте векторные компоненты, чтобы делать прогнозы. Затем проверьте свои ответы, нажав на кнопку.
Физическое положение Ускорить, замедлить или не влиять на скорость? Пояснение а.

б.
в.
д.
эл.
Приведенные выше примеры показывают, что сила способна замедлять или ускорять объект только тогда, когда есть составляющая, направленная в том же или противоположном направлении, что и движение объекта. В случае e вертикальная сила не изменяет горизонтального движения.
Иногда говорят, что перпендикулярные компоненты движения не зависят друг от друга. Вертикальная сила не может повлиять на горизонтальное движение.Подводя итог, можно сказать, что на объект, совершающий равномерное круговое движение, действует направленная внутрь результирующая сила. Эту внутреннюю силу иногда называют центростремительной силой, где центростремительный описывает ее направление. Без этой центростремительной силы объект никогда не мог бы изменить свое направление. Тот факт, что центростремительная сила направлена перпендикулярно касательной скорости, означает, что сила может изменить направление вектора скорости объекта без изменения его величины.
Мы хотели бы предложить …
Иногда недостаточно просто прочитать об этом. Вы должны взаимодействовать с ним! И это именно то, что вы делаете, когда используете один из интерактивов The Physics Classroom.
Мы хотели бы предложить вам совместить чтение этой страницы с использованием нашего Интерактивного приложения Uniform Circular Motion и/или нашего интерактивного режима Race Track. Вы можете найти их в разделе Physics Interactives на нашем сайте. Оба интерактива позволяют учащемуся в интерактивном режиме исследовать результирующую силу для объекта, движущегося по кругу.Посетите: Равномерное круговое движение | Гоночная трасса
Проверьте свое понимание
Для вопросов №1–№5: Объект движется в по часовой направлении по окружности с постоянной скоростью. Используйте свое понимание понятий скорости, ускорения и силы, чтобы ответить на следующие пять вопросов. Используйте схему, показанную справа. Нажмите кнопку, чтобы проверить свои ответы.
1. Какой из приведенных ниже векторов представляет направление вектора силы, когда объект находится в точке А на окружности?
2.
Какой из приведенных ниже векторов представляет направление вектора силы, когда объект находится в точке C на окружности?3. Какой из приведенных ниже векторов представляет направление вектора скорости, когда объект находится в точке B на окружности?
4. Какой из приведенных ниже векторов представляет направление вектора скорости, когда объект находится в точке C на окружности?
5. Какой из приведенных ниже векторов представляет направление вектора ускорения, когда объект находится в точке B на окружности?
6. Рекс Вещи и Дорис Локед идут на свидание. Рекс делает быстрый правый поворот. Дорис начинает скользить по виниловому сиденью (которое Рекс предварительно натер воском и полировал) и сталкивается с Рексом. Чтобы сломать неловкость ситуации, Рекс и Дорис начинают обсуждать физику только что испытанного движения.
Рекс предполагает, что объекты, которые движутся по кругу, испытывают внешнюю силу. Таким образом, когда поворот был сделан, Дорис испытала внешнюю силу, которая подтолкнула ее к Рексу. Дорис не соглашается, утверждая, что объекты, которые движутся по кругу, испытывают внутреннюю силу. В этом случае, по словам Дорис, Рекс двигался по кругу из-за того, что дверь толкала его внутрь. Дорис не двигалась по кругу, так как не было никакой силы, толкающей ее внутрь; она просто продолжала двигаться по прямой, пока не столкнулась с Рексом. Кто прав? Аргументируйте одну из этих двух позиций.7. Кара Лотт занимается зимним вождением на стоянке GBS. Кара поворачивает руль, чтобы повернуть налево, но ее машина продолжает двигаться по прямой по льду. Учитель А и Учитель Б наблюдали за явлением. Учитель А утверждает, что отсутствие силы трения между шинами и льдом приводит к балансу сил, благодаря которому автомобиль движется прямолинейно. Учитель Б утверждает, что лед воздействовал на шину силой, направленной наружу, чтобы уравновесить силу поворота и, таким образом, удерживать машину на прямолинейном движении.
Какой учитель (А или Б) является учителем физики? ______ Объясните ошибочность аргумента другого учителя.Следующий раздел:
Перейти к следующему уроку:
Типы ускорения, единицы измерения, важность и графическое представление движения по прямой
Когда водитель движущегося автомобиля использует тормоза, мы описываем движение автомобиля как движение с замедлением потому что скорость автомобиля уменьшается со временем проходит. Отношение d/t остается постоянным в случае тела, движущегося с постоянной скоростью , потому что это тело преодолевает равные расстояния за равные промежутки времени. Тело, движущееся с ускорением, не может двигаться с постоянной скоростью, потому что его скорость меняется с течением времени.
Графическое представление движения по прямой линии
Графики и таблицы важны для физиков, Физические явления могут быть описаны и поняты многими способами, Физики используют математические отношения между переменными для описания определенных явлений .
Физики используют другие математические отношения, такие как графики и таблицы, чтобы: - предсказать связь между определенными физическими величинами.
- понять практические результаты.
- описывают физические явления более простым способом.
Графическое изображение штатной (равномерной) скорости
Данные о штатной скорости по прямой:
- График (расстояние – время) регулярного движения с постоянной (равномерной) скоростью представлен прямой линией, проходящей через начальную точку, поскольку расстояние прямо пропорционально времени, когда объект движется с постоянной скоростью.
- График (скорость – время) закономерного движения с постоянной (равномерной) скоростью изображается прямой линией, параллельной оси времени.
График (расстояние-время) объекта в состоянии покоя представлен прямой линией, параллельной оси времени.
График отношения (расстояние-время) для объекта, движущегося с неравномерной скоростью, представлен в виде кривой линии, проходящей через исходную точку. Ускорение
Ускорение
Когда вы сидите в машине рядом с водителем, и машина начинает движение из состояния покоя по прямой, вы замечаете, что скорость автомобиля постепенно увеличивается с течением времени. Когда скорость автомобиля в 1 секунду становится 5 м/сек, в 2 секунды становится 10 м/сек, в 3 секунды становится 15 м/сек. и так далее.
Для описания изменения скорости автомобиля за одну секунду в этом случае мы используем физическую величину, называемую «ускорение». Ускорение — это изменение скорости объекта за одну секунду в определенном направлении или скорость изменения скорости.
Ускорение (a) = изменение скорости (ΔV)/время, в течение которого происходит изменение (Δt) 1 )]/ Время (Δt)
Дельта (Δ) означает скорость изменения любой физической величины.
To calculate V 1 or V₂: V 1 = V 2 − (a × t) , V 2 = V 1 + (a × t)
Единицы измерения ускорения
Единица измерения ускорения = метр/секунда². Мы используем единицу ускорения (м/сек²), когда скорость измеряется в метрах в секунду, а время измеряется в секундах, или (км/ч²), когда скорость измеряется в километрах в час, а время измеряется в час.
Руководство по решению задач на ускорение:
- Для расчета: ускорения, изменения скорости и времени, a = ΔV/ Δt
- Если тело движется с постоянной скоростью, то его ускорение равно нулю, потому что его скорость не меняется с течением времени [когда (AV) = ноль, тогда (a) = ноль].
- Если тело начинает движение из состояния покоя, то его начальная скорость (V₁) равна нулю.
- Когда тело перестает двигаться, его конечная скорость (V₂) равна нулю.
- Когда автомобиль движется, то через некоторое время включается тормоз, чтобы остановить автомобиль, поэтому его конечная скорость равна нулю.
Равномерное ускорение
Когда автомобиль преодолевает равные расстояния за равные промежутки времени, говорят, что автомобиль движется с равномерной (равномерной) скоростью. Но если его скорость изменяется (уменьшается или увеличивается) на равные величины в равные промежутки времени, говорится, что автомобиль движется с равномерным (равномерным) ускорением.
При t скорость автомобиля увеличивается на 10 м/с каждые 2 с, поэтому ускорение (а) = (20-10)/10 = 5 м/с². Равномерное ускорение — это ускорение, с которым объект движется по прямой, когда его скорость изменяется на равные величины через равные промежутки времени.
Когда автомобиль движется с равномерным ускорением, равным 5 м/с². Это означает, что автомобиль движется прямолинейно и его скорость изменяется с 5 м/с. каждую секунду.
Виды равномерного ускорения
- Положительное ускорение.
- Отрицательное ускорение.
Положительное ускорение
Объект движется с равномерным положительным ускорением (ускоряющее движение), когда [Его начальная скорость < Его конечная скорость]. Положительное ускорение — это ускорение, с которым объект движется по прямой, когда его скорость увеличивается на равные значения через равные промежутки времени.
Когда объект n движется с положительным ускорением, равным 2 м/с². Это означает, что объект движется прямолинейно и его скорость увеличивается на 2 м/сек каждую секунду.
Знак (+) означает, что скорость объекта регулярно увеличивается на 2 м/сек. каждую секунду.
Отрицательное ускорение
Объект движется с равномерным отрицательным ускорением (замедление движения). [Его начальная скорость> Его конечная скорость]. Отрицательное ускорение есть ускорение, при котором объект движется по прямой, когда его скорость уменьшается на равные величины через равные промежутки времени
Когда n объект движется с отрицательным ускорением, равным -2 м/сек². Это означает, что объект движется прямолинейно и его скорость уменьшается на 2 м/сек каждую секунду. Знак (-) указывает на то, что скорость объекта регулярно уменьшается на 2 м/сек. каждую секунду.
Таким образом, мы можем вывести тип ускорения из формы графика:
- Положительное ускорение: когда t объект движется с (неравномерной скоростью), V (начальная) < V (финал), Значит, он движется с ускорением.
- Отрицательное ускорение: Объект движется с (неравномерной скоростью), V (начальная) > V (конечная), Таким образом, он движется с замедлением.
- Нулевое ускорение: Объект движется с (равномерной скоростью), V (начальная) = V (конечная).
Ускорение положительное, когда его значение увеличивается, и отрицательное, когда его значение уменьшается b потому что при движении с положительным ускорением конечная скорость больше начальной скорости, а при движении с отрицательным ускорением, конечная скорость меньше начальной.
Объект, который движется с постоянной скоростью, его ускорение равно нулю. Тело движется с нулевым ускорением, потому что его скорость не меняется с течением времени (ΔV = ноль).
Проблемы
• Объект движется из состояния покоя и его скорость достигает 20 м/сек.
за 5 секунд. Вычислите ускорение движущегося тела? Что такое тип ускорения? Раствор
V₁ = 0 , V₂ = 20 м/с. , Δt = 5 сек.
а = V₂ – V₁ /Δt
a = (20- 0)/5= 4 м/с², Положительное ускорение.
• Поезд движется с постоянной скоростью 20 м/сек. Когда машинист нажимает на тормоз, поезд останавливается через 4 с. Вычислите ускорение, с которым движется поезд, и укажите тип ускорения.
Раствор
V₁ = 20 м/сек. V2 = 00373 Торможение
• Водитель автомобиля движется со скоростью 80 м/сек. использовали тормоза, чтобы заставить автомобиль двигаться с равномерным убывающим ускорением 2 м/с? Найдите скорость автомобиля через 12 секунд после начала торможения.
Solution
V₁ = 80 m/sec , V₂=56 m/sec , a = – 2 m/sec , Δt = 12 sec
V 2 = V 1 + (а × т)
V₂ = 80 + ( – 2 × 12) = 56 м/с
Рекомендации по решению задач
При движении с постоянной скоростью через промежуток времени (АВ) и затем движение с равноускорением через другой промежуток времени (ВС).
Итак, равномерная скорость за период времени (AB) = начальная скорость за период времени (BC). [V₁ в точке (B)]. • Объект движется по прямой с постоянной скоростью. Если время, затраченное на объект перемещается из (А) в (В) 4 секунды, затем он движется с равномерным ускорением из точки (В) до остановки в точке (С) за 20 секунд. Рассчитайте каждое из следующих значений:
- Обычная скорость объекта для преодоления расстояния (AB).
- Равномерное ускорение, с которым объект перемещается из точки (В) в точку (С).
Решение
1. Обычная скорость в (AB) = Расстояние/Время = 40/4= 10 м/сек.
2. Начальная скорость при (BC) = равномерная скорость при (AB) = 10 м/с
Равномерное ускорение при (BC) (a) = (V₂ – V₁)/At = (0 – 10) /20 = – 0,5 м/сек²
• Автомобиль движется со скоростью 60 м/сек, если водитель притормозил, чтобы снизить скорость на 3 м/сек.

Регулировка педали сцепления на буханке: как отрегулировать лапки, прокачать, пропало, замена, свободного хода педали, правильно поставить диск, корзины, ремонт, Буханка, 469 старого образца, 409, 3303, 31514 с двигателем 417, видео, инжектор, Хантер
как отрегулировать лапки, прокачать, пропало, замена, свободного хода педали, правильно поставить диск, корзины, ремонт, Буханка, 469 старого образца, 409, 3303, 31514 с двигателем 417, видео, инжектор, Хантер
Содержание
- Частые неисправности и их причины
- Пропадает сцепление
- Ведет сцепление
- Ремонт
- Как отрегулировать лапки сцепления
- Регулировка сцепления на УАЗ «Буханке»
- Регулировка сцепления УАЗ 469
- Как прокачать сцепление
- Как правильно поставить диск сцепления
- Как поменять сцепление
Для большинства автовладельцев сцепление — наиболее проблемная часть транспорта. Часто причина проблемы — неправильная регулировка сцепления УАЗ. Техническое обслуживание этого механизма производится с недостаточным вниманием и тщательностью, владелец машины не осознает всю важность системы. Грамотный и своевременный уход за диафрагменным сцеплением на автомобиле — гарантия длительной работы и высокой функциональности даже при интенсивной эксплуатации.

Частые неисправности и их причины
Для системы сцепления автомобиля УАЗ характерны разные неисправности: усиленное сцепление, механизм не выжимается, буксует или не прокачивается. Избежать подобных проблем помогает своевременное техническое обслуживание, замена изношенных деталей, смазка и контроль уровня жидкости в баке, диагностика всех систем и компонентов механизма.
Инструкция по эксплуатации дает основные сведения о работе узлов транспорта, подготовке их к действию, правилах и периодичности контроля функциональности агрегатов, основных неисправностях и расшифровке кодов ошибок. Следование рекомендациям производителя позволит продлить срок службы техники. Простые поломки можно исправить самостоятельно.
При более сложных неисправностях системы рекомендуется обратиться в сервисный центр.
Первая категория причин относится к проблеме, когда при опущенной педали система не может запуститься полностью. Алгоритм действий следующий:
- Отсутствие у педали свободного хода.
Ремонтные мероприятия заключаются в настройке привода выключения. - Сбой работы в конструкции перемещения нажимных дисков требует замены детали или удаления причины заедания.
- Неисправность нажимных пружин, сниженное усилие. Исправить ситуацию поможет приобретение новых запчастей.
- Попадание масла на поверхность трения дисков. Необходимо промыть и протереть бензином элементы насухо.
- Длительное буксование вызывает перегрев. Механизм самостоятельно остынет через некоторое время.
Если система запускается рывками или с вибрацией, причины могут быть следующими:
- Попадание масла на поверхность трения дисков. Необходимо установить новую деталь или протереть старую бензином, удалить выступающие неровности на поверхности нажимного диска и маховика.
- Износившиеся до заклепок фрикционные накладки указывают на потребность в незамедлительной замене компонента.
- Неправильное расположение оттяжных рычагов. Потребуется демонтаж сцепления и регулировка комплектующих.

Если при нажатии на педаль возникает посторонний шум, это может говорить о пришедшем в негодность подшипнике или отсутствии в нем смазки. Если использование масла не помогло, потребуется приобрести новый элемент. Поломка оттяжной пружины приводит к невозможности фиксации педали в верхнем положении. Пружину необходимо заменить.
Пропадает сцепление
Часто механизм не запускается или пропадает после долгого простоя транспорта без работы. Вероятная причина — «прикисание» ведомого диска к другим элементам конструкции. Если несколько попыток завести автомобиль не привели к успеху, лучше обратиться в сервисный центр. Исправить ситуацию самостоятельно в данном случае не получится.
Ведет сцепление
Распространенная группа неисправностей связана с ситуацией, когда сцепление ведет, нет возможности полностью выключить механизм. Здесь может быть несколько причин:
- Свободный ход больше допустимого предела. Необходимо произвести регулировку.
- Повреждение ведомого диска.
Необходимо поменять или при возможности исправить деформацию. - Разрушение элементов ведомого диска. Здесь только один выход — приобрести новую деталь.
- Попадание в систему гидропровода воздуха. Исправить ситуацию поможет прокачка механизма.
- Заедание ступицы. Удалить забоины, посторонние элементы, заусеницы и иные причины нарушения работы конструкции.
- Неправильное расположение оттяжных рычагов. Потребуется демонтаж сцепления и регулировка комплектующих.
На потребность замены изношенных компонентов также указывают увеличенные зазоры в приводе.
Ремонт
Наличие схемы внутреннего устройства конструкции позволяет провести самостоятельный ремонт в случае простых неисправностей. Увеличение расхода топлива, масла, протечка охлаждающей жидкости, нехарактерные шумы и постукивания в механизме — первые показания к ремонту. Продлить функционирование деталей и транспорта помогает обслуживание и замена износившихся компонентов.
Как отрегулировать лапки сцепления
Для того чтобы отрегулировать сцепление на УАЗ, потребуется провести следующие ремонтные работы:
- Измерение линейкой величины свободного радиуса перемещения педали привода, выключающей механизм.
Нормативное значение для пружинно-рычажного типа должно укладываться в пределы от 35 до 55 мм, для диафрагменного типа — от 5 до 30 мм. - Измерение полного хода педали после ее опускания до предела. Нормативное значение необходимо искать в инструкции по эксплуатации вашей модели:
- для автомобилей с системой сцепления пружинно-рычажного типа (Ульяновские внедорожники семейства 3151: 31512, 31514 и 31519) оно составляет 18,5 см;
- для диафрагменного типа — в среднем 16,5 см. Так, например, УАЗ Хантер оно должно быть установлено в пределах 13-17 см, для УАЗ 3303 и УАЗ 390945 – в промежутке от 18 до 22 см.
Настройка необходимого положения путем изменения позиции с помощью ключа.
- Контроль расстояния при опущенной педали между перегородкой моторной части и серединой оси штока. Необходимо добиться значения в 9,6 см. Вилка должна обладать свободной траекторией перемещения минимум 1,7 см. Изменение длины толкателя рабочей корзины — инструмент регулировки.
Для этого необходимо снять и обратно закрутить толкатель до получения нужного значения.
Регулировка свободного хода педали сцепления требуется, если между расположенной на оттяжных рычагах поворотной частью и регулировочных винтах и элементах приспособления расстояние не лежит в пределах 50,75-52,25 мм. Винты можно снимать и закручивать обратно до установления правильного размера.
Измерьте расстояние от плиты до головок каждого лапкового винта, оно не должно отличаться между собой более чем на 0,2 миллиметра. Подкрутите регулировочные винты для выставления расстояния с необходимой разницей. Фиксация каждого лапчатого винта происходит путем осаживания краев лапок в пазы винтовых хвостовиков.
Соединение диафрагменной пружины не нуждается в настройке свободного хода и не требует регулировки системы выключения механизма. Правильные габариты зазоров и ходов обеспечены особенностями конструкции.
Регулировка сцепления на УАЗ «Буханке»
«Буханка» – так называют в простонародье УАЗ-ы фургонного типа модельного ряда 452, которые выпускались с 1965 по 1979 год; а также УАЗ 2206/3741/3909/39094/3962/3303.

Рассмотрим один из самых популярных на сегодняшний день автомобилей Ульяновской марки – УАЗ 3303. Имеет версии 330394 и 330364, отличающиеся тем, что на них установлен более мощный инжекторный двигатель ЗМЗ-409 на 112 л.с.; тогда как в базовой комплектации бортового грузовика ставится бензиновый 4х-цилиндровый мотор ЗМЗ-417 мощностью 76 л.с. и объемом 2,445 л.
На ДВС данной «буханки» устанавливается сцепление сухое однодисковое, с центральной нажимной пружиной диафрагменного типа с оттяжными лапками. Для правильной работы мотора вам нужно знать, как подвести сцепление на УАЗ 3303.
- Сначала необходимо снять нажимной диск сцепления.
- Теперь нужно поставить шаблон-кольцо на 9,5 миллиметров между плитой и диском, закрепить его при помощи 6-ти болтов за кожух.
- Отрегулировать расстояние от плиты до головок болтов. Оно должно составлять 51,5 (±0,75) мм, разница между головок всех болтов – не более 0,2 мм.
- Законтрить болты лапок.
Для наглядности предлагаем ознакомиться с видео канала Kolupaiev:
» src=»https://www.youtube.com/embed/WfnRWVuIxsA?feature=oembed» frameborder=»0″ allow=»accelerometer; autoplay; encrypted-media; gyroscope; picture-in-picture» allowfullscreen=»»/>
Стоит также отметить, что на УАЗиках с мотором ЗМЗ-409 установлен контактный датчик педали сцепления, который настраивается таким образом, чтобы зазор между буфером и штоком датчика был 0,5 миллиметра.
Регулировка сцепления УАЗ 469
На УАЗ 469 старого образца устанавливается пружинно-рычажный механизм сцепления. Выставление зазора оттяжных рычагов-лапок проводится аналогично настройке сцепления УАЗика 3303.
Чтобы система сцепления работала корректно, необходимо также следить за требуемым зазором в 2,5-3,5 миллиметров между головками болтов лапок и подшипником выключения сцепления. Значение полного хода для данного внедорожника устанавливается в пределах от 14 до 16 миллиметров.
youtube.com/embed/iQo9qo3Kmd8?feature=oembed» frameborder=»0″ allow=»accelerometer; autoplay; encrypted-media; gyroscope; picture-in-picture» allowfullscreen=»»/>
Как прокачать сцепление
Прокачка гидропривода потребуется в случае, если нажатие на педаль отличается чрезмерной мягкостью, нет возможности полностью выключить механизм. Все это указывает на наличие воздуха в гидроприводном узле. Ремонтные мероприятия проводят через перепускной клапан аналогично работам с гидроприводом тормоза. Упростит задачу наличие помощника. Последовательность действий:
- Доливка рабочей жидкости в емкость главного цилиндра до нормативного предела.
- Освобождение головки перепускного клапана от защитного элемента, подсоединение резинового шланга.
- Подготовка емкости объемом более 0,5 л, заполненной рабочей смесью. Опустить свободный конец шланга в жидкость.
- Создание в полученной системе давления с помощью нескольких нажатий на педаль через 1-2 секунды.
- Поворот перепускного клапана в половину оборота.

В сосуд с жидкостью из системы будет выходить воздух. Когда движение пузырьков прекратится, необходимо нажать педаль и повернуть до упора клапан. Во время мероприятий следует постоянно контролировать наличие смеси в емкости главного цилиндра во избежание повторного проникновения в систему воздуха.
Описанные процедуры выполняют несколько раз, пока пузырьки полностью не исчезнут.
После прокачки в бачок доливают жидкость и возвращают защитный колпачок на клапан. Не используйте для этой цели жидкость из емкости, в которую был опущен шланг. В ней содержится воздух, который самостоятельно исчезает через 24 часа или после фильтрации.
Как правильно поставить диск сцепления
От правильной установки детали зависит функциональность транспорта, плавное движение, отсутствие шума и вибрации, комфортное перемещение по трассе. Последовательность действий, как правильно поставить диск сцепления:
- Демонтаж коробки передач и рабочего цилиндра гидропривода.

- Снятие 4 болтов, соединяющих внизу картер сцепления, с помощью ключа.
- Удаление из конструкции нижнего элемента картера сцепления и прокладки.
- Установка отметки позиции маховика и корзины — ведущего диска.
- Снятие крепежных элементов, соединяющих корзину и маховик.
- Демонтаж ведущего и ведомого дисков.
Одна из поверхностей ведомого диска сцепления выступает больше, чем другая. Эта сторона должна быть повернута к коробке передач. Установка элементов проводится в обратной последовательности. Для настройки дисков потребуется специальная оправка. По окончании работ на шлицевой конец основного вала лучше нанести смазку.
Как поменять сцепление
Сцепление — средство отсоединения на короткий период вала двигателя от коробки во время изменения передачи, способ плавного перехода при запуске и начале движения.
Устройство сцепления УАЗ марки 452 отличается сухим механизмом и наличием одного диска с гасителем крутильных колебаний.
Система характеризуется передачей крутящего момента от двигателя на трансмиссию с коэффициентом в 17 кг/см. Во время ремонта можно обновить систему, поставить лепестковый механизм.Первый этап — подготовительные работы. Для демонтажа и последующей установки конструкции понадобятся следующие материалы и инструменты:
- комплект головок;
- набор ключей разных размеров;
- для демонтажа и монтажа карданного вала сзади — гнуто-накидной ключ;
- для работы в труднодоступных областях поможет небольшое зеркало;
- отвертки: плоская и крестовая;
- смесь-уплотнитель для резьбы;
- оправка для настройки ведомого диска.
Установка сцепления проводится в следующей последовательности:
- Установка транспорта на высокие, надежно фиксирующие опоры (кирпичи, деревянные колодки).

- Удаление отработанного масла с коробки передач и иных емкостей.
- Демонтаж заднего кардана. Отметка положения для будущей сборки позволит избежать появления вибрации.
- Отсоединение части переднего кардана, прилежащей к раздаточной коробке. Отметка правильного расположения детали.
- Демонтаж глушителя.
- Поочередное отсоединение хомутов резонатора, глушителя и кронштейна выхлопной трубы, болтов между катализатором и фланцем глушителя.
- Снятие всей конструкции и термического экрана.
- Расшплинтовка тяги элементов управления механизма передач. Не стоит снимать или менять положение регулировочных гаек.
- Расшплинтовка троса ручного тормоза, его перемещение с защитным кожухом в сторону.
- Удаление из датчика коробки передач колодки провода сигнализатора.
- Отключение провода датчика скорости, тяги элементов управления распределительной коробкой и снятие рабочего цилиндра.
- Отсоединение от двигателя выхлопной трубы, от картера — кронштейна и катализатора.

- Снятие крепежных элементов картера при поднятом домкратом двигателе.
- Снятие всех болтов, удерживающих коробку передач.
- Вывод назад распределительной коробки и коробки передач с помощью монтировки. Демонтаж обозначенных агрегатов.
- Удаление болтов стартера и кожуха путем использования насадки с карданом.
- Отметка расположения корзины и ее снятие.
- Подготовка новых деталей для замены, поиск специальных округлых или цилиндрических выступов на поверхности изношенных и новых комплектующих.
В сборке сцепления поможет специальная оправка.
Перед ее монтажом корпус диска и маховика необходимо обезжирить. Ведомый диск установить на оправку, вставить полученную конструкцию в маховик. Все крепежные элементы предварительно смазать фиксатором резьбы. Затягивать болты в несколько этапов. После установки можно снять оправку. Коробка передач и раздаточный механизм монтируются в обратной последовательности. По окончании работ необходимо осуществить мероприятия по настройке хода педали сцепления.

Сцепление — важная составляющая транспорта. Своевременная замена старых элементов, регулярная диагностика и контроль работы — залог долгой службы.
Как часто Вы проводите регулировку и прокачку сцепления вашего УАЗика? Делаете ли Вы это сами или обращаетесь в автосервис?
Как отрегулировать сцепление на уаз буханка 409 двигатель
Из книги Э.Н. Орлова и Е.Р. Варченко «Автомобили УАЗ» техническое обслуживание и ремонт
Устройство Сцепления УАЗ
- палец оттяжного рычага;
- оттяжной рычаг;
- палец;
- ролик оттяжного рычага;
- вилка оттяжного рычага;
- упорный болт;
- оттяжная пружина муфты;
- муфта выключения сцепления;
- подшипник выключения сцепления;
- нажимная пружина;
- кожух сцепления;
- теплоизолирующая шайба;
- нижняя часть картера сцепления;
- маховик;
- ведомый диск;
- нажимной диск;
- передний подшипник первичного вала коробки передач;
- коленчатый вал;
- первичный вал коробки передач;
- игольчатый подшипник;
- картер сцепления
Сцепление автомобилей УАЗ однодисковое, сухое, состоит из нажимного диска 16 с кожухом, оттяжных рычагов 2 выключения сцепления, опорных вилок 5 и нажимных пружин 10 и ведомого диска 15 с фрикционны ми накладками и гасителем крутильных колебании.
Характеристика нажимных пружин приведена в таблица.Номер пружины по каталогу Длина нагруженной пружины, мм Обозначение пружины Нагрузка пружины,Н Цвет окраски пружины 51-1601115 40 А, Б 760…790, 790…820 Красный, Коричневый Блог про Уаз
Во время эксплуатации Уаз, по мере износа его сцепления, регулировка положения педали может понадобится в случае возникновения неприятных ситуаций когда включение какой то из передач становится затруднено и она нормально включается только после нескольких последовательных нажатий на педаль сцепления.
В некоторых случаях положение дел удается исправить путем изменения положения педали сцепления, немного подняв или опустив ее. Для этой цели, а также для регулировки полного хода педали сцепления у главного цилиндра предусмотрен регулировочный узел.Регулировка полного хода педали сцепления Уаз.
Положение педали выключения сцепления и ее полный ход регулируется изменением длины толкателя главного цилиндра выключения сцепления.
Для этого, ослабив гайку регулировочного узла толкателя, отсоединяют вилку толкателя от педали и поворачивая ее в нужную сторону, добиваются требуемого результата.Полный ход педали для сцепления с нажимной пружиной диафрагменного типа должен быть в пределах :
— Для автомобилей семейства Уаз-3160 и Уаз-3162 : 130-170 миллиметров.
— Для автомобилей семейства Уаз Патриот до 2007 года выпуска : 130-170 миллиметров.
— Для автомобилей семейства Уаз Патриот после 2007 года выпуска : 120-140 миллиметров.
— Для автомобилей семейства Уаз Хантер : 130-170 миллиметров.
— Для автомобилей семейства Уаз-3741, 3962, 3909, 2206, 3303 вагонной компоновки : 180-220 миллиметров.
Регулировка свободного хода педали сцепления Уаз.
Свободный ход педали сцепления с нажимной пружиной диафрагменного типа в пределах 5-30 мм обеспечивается самой конструкцией сцепления и не регулируется. Регулировка свободного хода педали выключения сцепления с нажимными пружинами и оттяжными рычагами, установка которого возможна на некоторые автомобили Уаз с двигателем УМЗ-421, производится изменением длины толкателя рабочего цилиндра в следующем порядке :
— отсоединить от вилки выключения сцепления пружину и ослабить контргайку, — закручивая или откручивая ввертную часть толкателя, установить свободный ход наружного конца вилки выключения сцепления в пределах 2.
5-3.6 мм, что будет соответствовать свободному ходу педали выключения сцепления в пределах 35-55 мм.Регулировка контактного датчика педали сцепления на Уаз с двигателями ЗМЗ-409 Евро-3 и Евро-4.
На автомобилях Уаз с двигателями ЗМЗ-409 экологического класса Евро-3 и Евро-4 устанавливается контактный датчик (выключатель) педали сцепления 21.3720. По его сигналу электронный блок управления двигателем определяет, выжато сцепление или нет.
При выжатом сцеплении блок управления кратковременно снижает дозу впрыскиваемого топлива, тем самым уменьшая вероятность рывков при переключении передач. При отсутствии сигнала контактного датчика, в следствии его неисправности или неправильной регулировки, при переключении передач могут возникать рывки.
Контактный датчик (выключатель) педали сцепления регулируется при помощи двух гаек так, чтобы был обеспечен зазор в 0.5 мм между буфером и штоком датчика. На грузопассажирских автомобилях Уаз вагонной компоновки с двигателями ЗМЗ-4091 и ЗМЗ-40911 выключатель педали сцепления может не устанавливаться.

Особенности работы и эксплуатации привода сцепления Уаз.
При резком отпускании педали сцепления возможен одиночный стук из-за выбора боковых зазоров в зубчатых соединениях шестерен, шлицевых соединениях и в синхронизаторах коробки передач.
Если во время движения при резком нажатии на педаль газа обороты двигателя резко растут, а потом немного падают и автомобиль начинает разгоняться, то сцепление требует ремонта или замены. Для того чтобы уменьшить износ сцепления и продлить срок его службы, желательно выполнять следующие несложные рекомендации :
— не рекомендуется постоянно держать ногу на педали сцепления, так как оно оказывается хоть немного, но выжато, ведомый диск при этом пробуксовывает и быстрее изнашивается, кроме того, хоть выжимной подшипник и рассчитан на работу в режиме постоянного вращения, но при даже немного нажатой педали сцепления он находится под нагрузкой и поэтому его ресурс снижается
— по той же причине не рекомендуется подолгу держать сцепление в выключенном состоянии, например перед светофором, если не надо сразу трогаться с места, то лучше включить нейтральное положение коробки передач и отпустить педаль сцепления.

Устройство главного цилиндра сцепления УАЗ
Главный сцепления для УАЗ 3151, «Hanter», Патриот с артикулом 420.469-1602300, имеет некоторые отличия, но не кардинальные. Всего лишь имеет установленный бачок, а не трубку и проушину вместо вилки толкателя поршня цилиндра. Для «головастиков» и «буханок» артикул – 420.3741-1602300.
Вполне можно заменить необходимые детали и собрать, то что нужно. Как устроен ГТЦ приведено ниже на рисунке.
Из устройства видно каким образом осуществляется регулировка свободного хода педали муфты. Для этого необходимо накручивать или выкручивать вилку толкателя.
Манжеты ГЦС представляют собой кольцо и так называемый «грибок» диаметром 22 мм.
Работа ГЦС
Вкратце работа сцепления выглядит так:
- При выжиме педали сцепления толкатель перемещает поршень, компенсационное отверстие закрывается.
- Он толкает перед собой жидкость в систему создавая давление.
- Это давление воздействует на поршень рабочего цилиндра, а тот через шток выжимает вилку.

- Вилка, двигая выжимной подшипник давит на лепестки корзины и отводит прижимной диск от диска сцепления.
Важную роль при прокачивании играет клапан и пластинка. Даже если систему не прокачивать, она всё равно заполнится. Достаточно залить жидкость и открутить клапан на рабочем цилиндре. Она самотёком заполнит систему, это касается и тормозов.
Жидкость через компенсационное отверстие поступает в полость перед поршнем через клапан в магистраль. Заполнив всё, жидкость будет вытекать через клапан. Здесь, главное, чтобы шток не был удлинён и компенсационное отверстие не перекрывалось манжетой.
При прокачке всё несколько по-другому.
- При перемещении поршня вперёд клапан 19 открыт.
- Когда он идёт назад, клапан закрыт и передним создаётся разряжение.
- В поршне имеются отверстия закрытые пластиной 3. Она отходит и открывает отверстия. Жидкость перетекает из полости над поршнем и бачка через перепускное отверстие в разряженную полость перед поршнем.
Манжет (грибок) даёт ей перетечь. - Достигнув стопорного кольца поршень останавливается, пружина прижимает грибок и пластину. Это готовность к новому циклу.
Частые неисправности и их причины
Для системы сцепления автомобиля УАЗ характерны разные неисправности: усиленное сцепление, механизм не выжимается, буксует или не прокачивается. Избежать подобных проблем помогает своевременное техническое обслуживание, замена изношенных деталей, смазка и контроль уровня жидкости в баке, диагностика всех систем и компонентов механизма.
Инструкция по эксплуатации дает основные сведения о работе узлов транспорта, подготовке их к действию, правилах и периодичности контроля функциональности агрегатов, основных неисправностях и расшифровке кодов ошибок. Следование рекомендациям производителя позволит продлить срок службы техники. Простые поломки можно исправить самостоятельно.
При более сложных неисправностях системы рекомендуется обратиться в сервисный центр.

Первая категория причин относится к проблеме, когда при опущенной педали система не может запуститься полностью. Алгоритм действий следующий:
Если система запускается рывками или с вибрацией, причины могут быть следующими:
Если при нажатии на педаль возникает посторонний шум, это может говорить о пришедшем в негодность подшипнике или отсутствии в нем смазки. Если использование масла не помогло, потребуется приобрести новый элемент. Поломка оттяжной пружины приводит к невозможности фиксации педали в верхнем положении. Пружину необходимо заменить.
Пропадает сцепление
Часто механизм не запускается или пропадает после долгого простоя транспорта без работы. Вероятная причина — «прикисание» ведомого диска к другим элементам конструкции. Если несколько попыток завести автомобиль не привели к успеху, лучше обратиться в сервисный центр. Исправить ситуацию самостоятельно в данном случае не получится.
Ведет сцепление
Распространенная группа неисправностей связана с ситуацией, когда сцепление ведет, нет возможности полностью выключить механизм.
Здесь может быть несколько причин:На потребность замены изношенных компонентов также указывают увеличенные зазоры в приводе.
Ремонт
Наличие схемы внутреннего устройства конструкции позволяет провести самостоятельный ремонт в случае простых неисправностей. Увеличение расхода топлива, масла, протечка охлаждающей жидкости, нехарактерные шумы и постукивания в механизме — первые показания к ремонту. Продлить функционирование деталей и транспорта помогает обслуживание и замена износившихся компонентов.
Как отрегулировать лапки сцепления
Для того чтобы отрегулировать сцепление на УАЗ, потребуется провести следующие ремонтные работы:
Регулировка свободного хода педали сцепления требуется, если между расположенной на оттяжных рычагах поворотной частью и регулировочных винтах и элементах приспособления расстояние не лежит в пределах 50,75-52,25 мм. Винты можно снимать и закручивать обратно до установления правильного размера.
Соединение диафрагменной пружины не нуждается в настройке свободного хода и не требует регулировки системы выключения механизма.
Правильные габариты зазоров и ходов обеспечены особенностями конструкции.Принцип регулировки сцепления УАЗ 3303
Всем знакомая классика
Автомобили УАЗ пользуются в России популярностью на протяжении уже не одного десятилетия. Они всегда отличались высокой проходимостью, надежностью и хорошим качеством управления. Модельный ряд УАЗ постоянно расширяется, развивается и совершенствуется. Всем известно, что автомобили собираются из нескольких тысяч деталей, и когда машина эксплуатируется, то может потребоваться замена любой, возможно даже самой маленькой детали, которая тем не менее играет очень большую роль в жизни автомобиля.
Существует мнение, что сцепление — одно из наиболее уязвимых мест в автомобиле УАЗ. Истинная причина проблемы в том, что осуществляется неправильная регулировка сцепления УАЗ 3303 и других авто этой серии. Очень часто техническому обслуживанию механизма не уделяется достаточного внимания и не осознается вся его важность. При правильном и своевременном уходе за установленным на автомобиле диафрагменным сцеплением оно будет отлично работать длительный период времени, не менее пяти лет точно, и даже при довольно нещадной эксплуатации.

Ремкомплект главного цилиндра сцепления
Качество УАЗовских цилиндров сцепления оставляет желать лучшего. Некоторые автолюбители переделывали на ВАЗовские, более надёжные. От применения ремкомплектов я тоже отказался, так как проблем с ними не меньше. При дешевизне ремонта, срок работы отремонтированного ГЦС был от месяца до полугода.
- открутите главный штуцер;
- снимите стопорное кольцо;
- выдавите в сторону стопора манжеты с поршнем;
- протрите чистой тряпкой все детали и цилиндр внутри;
- убедитесь, что его зеркало не поцарапано;
Сборка ГЦС
- замените кольцевую манжету;
- со стороны стопора поставьте поршень на место и установите стопор;
- со стороны штуцера положите пластинку и 2 манжету;
- вложите пружину и сжимая прикрутите штуцер.
Принцип работы сцепления УАЗ
Основными элементами сцепления, как известно, являются:
Одним из самых главных элементов, от которого в основном зависит надежность механизма,является главный цилиндр сцепления УАЗ 3303.
Но при этом не стоит забывать и о рабочем цилиндре, которому отводится очень ответственная роль. Соединение цилиндров осуществляется с помощью шланга и трубки.Диафрагменная пружина, из-за которой и получила название вся конструкция, находится в кожухе ведущего диска. Здесь же установлены опорные кольца и нажимной диск. Пружина закрепляется таким образом, что края ее могут оказывать сильное влияние на нажимной диск.
Строение данной системы предусматривает, что ведомый диск может сильно приближаться к маховику двигателя и даже соприкасаться с ним, а также с помощью фрикционных накладок передавать крутящий момент на диск ведомый. После этого крутящий момент передается на коробку передач. При необходимости во временном разобщении двигателя с трансмиссией применяется привод выключения сцепления УАЗ 469.
При нажатии на педаль сцепления УАЗ 469 поршень главного цилиндра начинает смещаться вперед. Из-за этого жидкость вытесняется, поступает в рабочий цилиндр. После чего она выдвигает поршень со штоком.
Данный шток воздействует на хвостовик вилки, вследствие чего она начинает поворачиваться и перемещает муфту выключения. Таким образом происходит нажатие на концы лепестков диафрагменной пружины, действие пружины на нажимной диск заканчивается, а также прекращается поступление крутящего момента.Ведомый диск сцепления
Ведомый диск сцепления
- фрикционные накладки;
- заклепки;
- пружина ведомого диска;
- пластина демпфера;
- демпферная пружина;
- ступица;
- фрикционные кольца;
- регулировочные кольца;
- ведомый диск;
- упорный палец;
- балансировочный грузик;
Ведомый диск сцепления имеет две фрикционные накладки 1, приклепанные к диску независимо одна от другой через пластинчатые пружины 3, и при помощи пальцев 10 соединен с пластиной 4 демпфера. Цилиндрические демпферные пружины расположены одновременно в окнах фланца ступицы, ведомого диска и пластины демпфера. При передаче крутящего момента от фрикционных накладок к ступице пружины сжимаются и обеспечивают плавную передачу крутящего момента от двигателя к трансмиссии.
Поворот фрикционных накладок с дисками относительно ступицы ограничен упором пальцев в края U-образных вырезов, выполненных во фланце ступицы. Фрикционный гаситель колебаний ведомого диска состоит из двух фрикционных шайб, установленных с обеих сторон фланца ступицы, и регулировочных колец. Наружный диаметр фрикционной накладки ведомого диска равен 254 мм, внутренний 150 мм, толщин а накладки 3,5 мм. Размерность шлицев ступицы 5,4 х 28,5 х 35, число шлицев 10. Сцепление включается при помощи вилки, установленной на картере сцепления, которая перемещает муфту с упорным шариковым подшипником. Подшипник нажимает на головки регулировочных винтов рычагов выключения сцепления. Рычаги, проворачиваясь на осях, отводят нажимной диск и выключают сцепление. После снятия усилия с вилки оттяжные пружины отводят муфту с подшипником в исходное положение. Характеристика оттяжных пружин приведена в таблица.Номер пружины по каталогу Наименование Длина нагруженной пружины, мм Нагрузка пружины,Н М-2472 Оттяжная пружина педалей 160 140…160 11-7547 То же, вилки 150 75…95 11-7562 То же, муфты 36 27.
5Регулировка механизмов
Параметры после регулировки
Принято полагать, что верная регулировка сцепления может обеспечивать его самую большую надежность. Для начала необходимо измерить величину свободного хода у педали привода, которая выключает сцепление. Если сцепление имеет диафрагменную пружину, то рекомендуемая величина должна находиться в пределах от 5 до 30 мм. После нажатия на педаль до упора необходимо измерить ее полный ход, рекомендуемое значение которого должно составлять примерно 16,5 сантиметров. Данный размер можно определить с помощью обыкновенной линейки.
При необходимости изменить положение педали регулируем длину толкателя, который находится в главном цилиндре. Данная регулировка осуществляется следующим образом: отворачиваем ключом контргайку, начинаем вращать штоки, используя при этом пассатижи. Таким образом устанавливается необходимое положение педали, которое будет более удобно. В идеале для данной операции можно использовать ключ на 13.

Необходимо отметить, что сцепление с диафрагменной пружиной не нуждается в регулировке механизма выключения, так как пружина сама по себе может обеспечить оптимальные величины. Другими словами, регулировка сцепления УАЗ 469, УАЗ буханка и УАЗ патриот не составит особого труда. Корзины сцепления можно приобрести в специализированных магазинах.
Как работает рабочий цилиндр сцепления
Жидкость поступая по шлангу 1 в корпус цилиндра 3 давит на поршень 4. Поршень воздействует на толкатель 8, а тот в свою очередь через вилку выключения сцепления давит на выжимной подшипник.
Ход педали, при котором происходит выбор зазоров в приводе сцепления, называется свободным ходом. Ход педали после выбора зазора до упора – рабочий ход. Свободный и рабочий ход образуют полный ход педали сцепления.
Рабочий цилиндр сцепления
Рабочий цилиндр сцепления
Техобслуживание
Регулярно проходите техобслуживание
Для обслуживания корзины сцепления автомобилей УАЗ с диафрагменной пружиной не требуются профессиональные навыки.
Прежде всего сцепление необходимо содержать в чистоте, регулярно удаляя возникшие загрязнения. Болтовые соединения нужно периодически подтягивать.Необходимо постоянно проверять объем рабочей жидкости, которая находится в главном цилиндре. Она должна находиться на уровне около 1,5 сантиметров, но ниже верхнего края цилиндра. При этом бачок наполняется с использованием установленного сетчатого фильтра. Он используется для предотвращения попадания лишних предметов и веществ. Обычно рабочий цилиндр сцепления УАЗ 469 не требует каких-либо дополнительных, специальных манипуляций.
Замена диска сцепления уаз
Снятие нажимного и ведомого дисков сцепления ПОСЛЕДОВАТЕЛЬНОСТЬ ДЕЙСТВИЙ Снимаем коробку передач .
Снимаем рабочий цилиндр гидропривода сцепления
Ключом «на 12» отворачиваем четыре болта крепления нижней части картера сцепления. Одним из болтов к картеру сцепления крепится наконечник провода «массы».
Снимаем нижнюю часть картера сцепления с прокладкой.

Помечаем зубилом взаимное расположение маховика и ведущего диска («корзины») сцепления.
Удерживая маховик от проворачивания отверткой или монтажной лопаткой, ключом «на 12» равномерно отворачиваем шесть болтов крепления «корзины» к маховику. Одновременно доступны только два болта крепления «корзины». Для доступа к остальным болтам маховика проворачиваем его, зацепляя отверткой зубья венца.
Снимаем «корзину» и ведомый диск.
Ступица ведомого диска с одной стороны выступает больше чем с другой. Этой стороной он должен быть обращен к коробке передач. Устанавливаем ведомый и ведущий диски на маховик и закрепляем их болтами. Болты не затягиваем, чтобы сохранить подвижность ведомого диска.
Устранение воздуха из гидросистемы привода
Довольно редко, но случается так, что сцепление нуждается в прокачке. Это можно понять из того, что оно не полностью выключается и педаль нажимается не так мягко. Прокачка — это устранение воздуха из гидросистемы. Данный процесс осуществляется, когда жидкость в бачке находится на нормальном уровне.

В ходе работы необходимо снять резиновый колпачок, который находится на перепускном клапане, и на это место установить шланг. Затем другой конец шланга опускают в емкость объемом в 0,5 л, содержащую тормозную жидкость в соотношении 1:3.
После перепускной клапан необходимо провернуть на один оборот в то время как другой человек выжимает до упора педаль. Давить на педаль нужно до момента, пока пузырьки воздуха перестанут выделяться. Затем перепускной клапан необходимо плотно закрыть.
Насчёт регулировки лапкового сцепления.
Обстоятельно из старой классики. Много Отправлено : Махно, 21 Мая 2000 14:59:59
Дык вот — по поводу ремонта корзины сцепления. Давно обещался написать но все не получалось дела заели всяческие, НЕ автомобильные, да до такой степени, что второй месяц не могу заняться сборкой нового мотора. Ну, да ладно, успеется. А теперь послушайте очередную Батькину сказочку.
НЕ ВЫБРАСЫВАЙ, СЫНКУ, СТАРЫЕ ЗАПЧАСТИ, ОСОБЕННО КОРЗИНЫ ОТ 21-Й ВОЛГИ. НЕ НУЖНЫ ПОКА СМАЖЬ, В ТРЯПИЦУ ОБЕРНИ, ДА ПОКЛАДИ В СУХОЕ МЕСТО.
АВОСЬ ПРИГОДЯТСЯ.Компенсировать ЭТО можно только уменьшением высоты ВИЛКИ ОПОРЫ лапки на кожухе.
НУ, ЧО, СЫНКУ, ХОРОШАЯ СКАЗОЧКА? АХ ТЫ СПИШЬ УЖЕ! НУ- СПИ, СПИ! БАЮШКИ-БАЮ!
Со всеобщим уважением. Андрей. 20.05.2000 г.
Источник
Как отрегулировать лепестковое сцепление на уаз буханка
Всем знакомая классика
Автомобили УАЗ пользуются в России популярностью на протяжении уже не одного десятилетия. Они всегда отличались высокой проходимостью, надежностью и хорошим качеством управления. Модельный ряд УАЗ постоянно расширяется, развивается и совершенствуется. Всем известно, что автомобили собираются из нескольких тысяч деталей, и когда машина эксплуатируется, то может потребоваться замена любой, возможно даже самой маленькой детали, которая тем не менее играет очень большую роль в жизни автомобиля.
Существует мнение, что сцепление — одно из наиболее уязвимых мест в автомобиле УАЗ. Истинная причина проблемы в том, что осуществляется неправильная регулировка сцепления УАЗ 3303 и других авто этой серии.
Очень часто техническому обслуживанию механизма не уделяется достаточного внимания и не осознается вся его важность. При правильном и своевременном уходе за установленным на автомобиле диафрагменным сцеплением оно будет отлично работать длительный период времени, не менее пяти лет точно, и даже при довольно нещадной эксплуатации.Принцип работы сцепления УАЗ
Основными элементами сцепления, как известно, являются:
Одним из самых главных элементов, от которого в основном зависит надежность механизма,является главный цилиндр сцепления УАЗ 3303. Но при этом не стоит забывать и о рабочем цилиндре, которому отводится очень ответственная роль. Соединение цилиндров осуществляется с помощью шланга и трубки.
Диафрагменная пружина, из-за которой и получила название вся конструкция, находится в кожухе ведущего диска. Здесь же установлены опорные кольца и нажимной диск. Пружина закрепляется таким образом, что края ее могут оказывать сильное влияние на нажимной диск.
Строение данной системы предусматривает, что ведомый диск может сильно приближаться к маховику двигателя и даже соприкасаться с ним, а также с помощью фрикционных накладок передавать крутящий момент на диск ведомый.
После этого крутящий момент передается на коробку передач. При необходимости во временном разобщении двигателя с трансмиссией применяется привод выключения сцепления УАЗ 469.При нажатии на педаль сцепления УАЗ 469 поршень главного цилиндра начинает смещаться вперед. Из-за этого жидкость вытесняется, поступает в рабочий цилиндр. После чего она выдвигает поршень со штоком. Данный шток воздействует на хвостовик вилки, вследствие чего она начинает поворачиваться и перемещает муфту выключения. Таким образом происходит нажатие на концы лепестков диафрагменной пружины, действие пружины на нажимной диск заканчивается, а также прекращается поступление крутящего момента.
Замена сцепление Уаз буханка своими руками
Сначала слейте оставшуюся в системе жидкость. Это можно сделать с помощью шприца. Эта операция необходима для того, чтобы промыть систему гидроцилиндра от загрязнений. В некоторых моделях доступ может быть ограничен расширительным бачком системы охлаждения.
Для удобства ослабьте гайки, удерживающие резервуар, и снимите шланг. Его следует открутить ключом на 10 мм. Затем снимите металлическую трубку, идущую от главного цилиндра сцепления. Это может быть медь или алюминий. Затем снимите главный цилиндр, открутив две крепежные гайки ключом на 13. Необходимо использовать головку на 17, чтобы снять шланг, выходящий из рабочего цилиндра. Затем нам снова понадобится ключ на 13 мм.С его помощью откручиваем два болта, крепящие цилиндр сцепления. УАЗ в это время находится на нейтральной передаче. Сам рабочий цилиндр в этом автомобиле установлен на картере коробки передач. Осторожно отсоедините толкатель от вилки, чтобы не повредить другие компоненты. Если шланги снимаются «на весу». (т.е. при снятом компоненте), цилиндр можно закрепить с одной стороны разводным ключом, а трубку открутить с другой стороны с помощью накидного ключа. Однако будьте осторожны, так как резина может сломаться под механическим воздействием.
Необходимость регулировки
Регулировка шага конуса в цилиндре сцепления выполняется для того, чтобы сцепление правильно выполняло свои задачи.
При неправильной настройке могут возникнуть два типа помех.Регулировка механизмов
Параметры после регулировки
Принято полагать, что верная регулировка сцепления может обеспечивать его самую большую надежность. Для начала необходимо измерить величину свободного хода у педали привода, которая выключает сцепление. Если сцепление имеет диафрагменную пружину, то рекомендуемая величина должна находиться в пределах от 5 до 30 мм. После нажатия на педаль до упора необходимо измерить ее полный ход, рекомендуемое значение которого должно составлять примерно 16,5 сантиметров. Данный размер можно определить с помощью обыкновенной линейки.
При необходимости изменить положение педали регулируем длину толкателя, который находится в главном цилиндре. Данная регулировка осуществляется следующим образом: отворачиваем ключом контргайку, начинаем вращать штоки, используя при этом пассатижи. Таким образом устанавливается необходимое положение педали, которое будет более удобно.
В идеале для данной операции можно использовать ключ на 13.Необходимо отметить, что сцепление с диафрагменной пружиной не нуждается в регулировке механизма выключения, так как пружина сама по себе может обеспечить оптимальные величины. Другими словами, регулировка сцепления УАЗ 469, УАЗ буханка и УАЗ патриот не составит особого труда. Корзины сцепления можно приобрести в специализированных магазинах.
все полезное находится здесь
Снятие нажимного и ведомого дисков сцепления ПОСЛЕДОВАТЕЛЬНОСТЬ ДЕЙСТВИЙ
Снимаем рабочий цилиндр гидропривода сцепления
Ключом «на 12» отворачиваем четыре болта крепления нижней части картера сцепления. Одним из болтов к картеру сцепления крепится наконечник провода «массы».
Снимаем нижнюю часть картера сцепления с прокладкой.
Помечаем зубилом взаимное расположение маховика и ведущего диска («корзины») сцепления.
Удерживая маховик от проворачивания отверткой или монтажной лопаткой, ключом «на 12» равномерно отворачиваем шесть болтов крепления «корзины» к маховику.
Одновременно доступны только два болта крепления «корзины». Для доступа к остальным болтам маховика проворачиваем его, зацепляя отверткой зубья венца.Техобслуживание
Регулярно проходите техобслуживание
Для обслуживания корзины сцепления автомобилей УАЗ с диафрагменной пружиной не требуются профессиональные навыки. Прежде всего сцепление необходимо содержать в чистоте, регулярно удаляя возникшие загрязнения. Болтовые соединения нужно периодически подтягивать.
Необходимо постоянно проверять объем рабочей жидкости, которая находится в главном цилиндре. Она должна находиться на уровне около 1,5 сантиметров, но ниже верхнего края цилиндра. При этом бачок наполняется с использованием установленного сетчатого фильтра. Он используется для предотвращения попадания лишних предметов и веществ. Обычно рабочий цилиндр сцепления УАЗ 469 не требует каких-либо дополнительных, специальных манипуляций.
Устранение воздуха из гидросистемы привода
Довольно редко, но случается так, что сцепление нуждается в прокачке.
Это можно понять из того, что оно не полностью выключается и педаль нажимается не так мягко. Прокачка — это устранение воздуха из гидросистемы. Данный процесс осуществляется, когда жидкость в бачке находится на нормальном уровне.В ходе работы необходимо снять резиновый колпачок, который находится на перепускном клапане, и на это место установить шланг. Затем другой конец шланга опускают в емкость объемом в 0,5 л, содержащую тормозную жидкость в соотношении 1:3.
После перепускной клапан необходимо провернуть на один оборот в то время как другой человек выжимает до упора педаль. Давить на педаль нужно до момента, пока пузырьки воздуха перестанут выделяться. Затем перепускной клапан необходимо плотно закрыть.
Некоторые владельцы УАЗ могут порекомендовать закручивать перепускной клапан после каждого нажатия на педаль. Это поможет значительно повысить скорость прокачки и достичь полной нейтрализации воздуха. Обычно воздух исчезает из системы уже после третьего-четвертого повтора операции.

Автомобили УАЗ очень надежные. Не требуется особых усилий для устранения проблем, связанных со сцеплением. Все работы можно провести самостоятельно или обратиться в техсервис. Ремонт или регулировка сцепления не является дорогостоящей услугой. Являясь владельцем одного из серии автомобилей УАЗ, нужно осуществлять своевременный и постоянный уход за машиной, так как недобросовестное отношение может повлечь сильное загрязнение, привести к ряду трудно разрешимых проблем.
Во время эксплуатации Уаз, по мере износа его сцепления, регулировка положения педали может понадобится в случае возникновения неприятных ситуаций когда включение какой то из передач становится затруднено и она нормально включается только после нескольких последовательных нажатий на педаль сцепления.
Регулировка сцепления УАЗ 3303: принцип работы, техобслуживаниеПро УАЗик
Всем знакомая классика
Автомобили УАЗ пользуются в России популярностью на протяжении уже не одного десятилетия.
Они всегда отличались высокой проходимостью, надежностью и хорошим качеством управления. Модельный ряд УАЗ постоянно расширяется, развивается и совершенствуется. Всем известно, что автомобили собираются из нескольких тысяч деталей, и когда машина эксплуатируется, то может потребоваться замена любой, возможно даже самой маленькой детали, которая тем не менее играет очень большую роль в жизни автомобиля.Существует мнение, что сцепление – одно из наиболее уязвимых мест в автомобиле УАЗ. Истинная причина проблемы в том, что осуществляется неправильная регулировка сцепления УАЗ 3303 и других авто этой серии. Очень часто техническому обслуживанию механизма не уделяется достаточного внимания и не осознается вся его важность. При правильном и своевременном уходе за установленным на автомобиле диафрагменным сцеплением оно будет отлично работать длительный период времени, не менее пяти лет точно, и даже при довольно нещадной эксплуатации.
Принцип работы сцепления УАЗ
Устройство сцепления
Основными элементами сцепления, как известно, являются:
- картер;
- муфты выключения;
- ведущий диск;
- ведомый диск.

Одним из самых главных элементов, от которого в основном зависит надежность механизма,является главный цилиндр сцепления УАЗ 3303. Но при этом не стоит забывать и о рабочем цилиндре, которому отводится очень ответственная роль. Соединение цилиндров осуществляется с помощью шланга и трубки.
Диафрагменная пружина, из-за которой и получила название вся конструкция, находится в кожухе ведущего диска. Здесь же установлены опорные кольца и нажимной диск. Пружина закрепляется таким образом, что края ее могут оказывать сильное влияние на нажимной диск.
Строение данной системы предусматривает, что ведомый диск может сильно приближаться к маховику двигателя и даже соприкасаться с ним, а также с помощью фрикционных накладок передавать крутящий момент на диск ведомый. После этого крутящий момент передается на коробку передач. При необходимости во временном разобщении двигателя с трансмиссией применяется привод выключения сцепления УАЗ 469.
При нажатии на педаль сцепления УАЗ 469 поршень главного цилиндра начинает смещаться вперед.
Из-за этого жидкость вытесняется, поступает в рабочий цилиндр. После чего она выдвигает поршень со штоком. Данный шток воздействует на хвостовик вилки, вследствие чего она начинает поворачиваться и перемещает муфту выключения. Таким образом происходит нажатие на концы лепестков диафрагменной пружины, действие пружины на нажимной диск заканчивается, а также прекращается поступление крутящего момента.Регулировка механизмов
Параметры после регулировки
Принято полагать, что верная регулировка сцепления может обеспечивать его самую большую надежность. Для начала необходимо измерить величину свободного хода у педали привода, которая выключает сцепление. Если сцепление имеет диафрагменную пружину, то рекомендуемая величина должна находиться в пределах от 5 до 30 мм. После нажатия на педаль до упора необходимо измерить ее полный ход, рекомендуемое значение которого должно составлять примерно 16,5 сантиметров. Данный размер можно определить с помощью обыкновенной линейки.

При необходимости изменить положение педали регулируем длину толкателя, который находится в главном цилиндре. Данная регулировка осуществляется следующим образом: отворачиваем ключом контргайку, начинаем вращать штоки, используя при этом пассатижи. Таким образом устанавливается необходимое положение педали, которое будет более удобно. В идеале для данной операции можно использовать ключ на 13.
Необходимо отметить, что сцепление с диафрагменной пружиной не нуждается в регулировке механизма выключения, так как пружина сама по себе может обеспечить оптимальные величины. Другими словами, регулировка сцепления УАЗ 469, УАЗ буханка и УАЗ патриот не составит особого труда. Корзины сцепления можно приобрести в специализированных магазинах.
Техобслуживание
Регулярно проходите техобслуживание
Для обслуживания корзины сцепления автомобилей УАЗ с диафрагменной пружиной не требуются профессиональные навыки. Прежде всего сцепление необходимо содержать в чистоте, регулярно удаляя возникшие загрязнения.
Болтовые соединения нужно периодически подтягивать.Необходимо постоянно проверять объем рабочей жидкости, которая находится в главном цилиндре. Она должна находиться на уровне около 1,5 сантиметров, но ниже верхнего края цилиндра. При этом бачок наполняется с использованием установленного сетчатого фильтра. Он используется для предотвращения попадания лишних предметов и веществ. Обычно рабочий цилиндр сцепления УАЗ 469 не требует каких-либо дополнительных, специальных манипуляций.
Довольно редко, но случается так, что сцепление нуждается в прокачке. Это можно понять из того, что оно не полностью выключается и педаль нажимается не так мягко. Прокачка – это устранение воздуха из гидросистемы. Данный процесс осуществляется, когда жидкость в бачке находится на нормальном уровне.
В ходе работы необходимо снять резиновый колпачок, который находится на перепускном клапане, и на это место установить шланг. Затем другой конец шланга опускают в емкость объемом в 0,5 л, содержащую тормозную жидкость в соотношении 1:3.

Прокачиваем сцепление
После перепускной клапан необходимо провернуть на один оборот в то время как другой человек выжимает до упора педаль. Давить на педаль нужно до момента, пока пузырьки воздуха перестанут выделяться. Затем перепускной клапан необходимо плотно закрыть.
Некоторые владельцы УАЗ могут порекомендовать закручивать перепускной клапан после каждого нажатия на педаль. Это поможет значительно повысить скорость прокачки и достичь полной нейтрализации воздуха. Обычно воздух исчезает из системы уже после третьего-четвертого повтора операции.
Автомобили УАЗ очень надежные. Не требуется особых усилий для устранения проблем, связанных со сцеплением. Все работы можно провести самостоятельно или обратиться в техсервис. Ремонт или регулировка сцепления не является дорогостоящей услугой. Являясь владельцем одного из серии автомобилей УАЗ, нужно осуществлять своевременный и постоянный уход за машиной, так как недобросовестное отношение может повлечь сильное загрязнение, привести к ряду трудно разрешимых проблем.

Как отрегулировать лепестковое сцепление на уаз буханка
Содержание
- 1 Принцип работы сцепления УАЗ
- 2 Регулировка механизмов
- 3 Техобслуживание
- 4 Устранение воздуха из гидросистемы привода
- 4.0.0.1 Регулировка полного хода педали сцепления Уаз.
- 4.0.0.1.1 Полный ход педали для сцепления с нажимной пружиной диафрагменного типа должен быть в пределах :
- 4.0.0.2 Регулировка свободного хода педали сцепления Уаз.
- 4.0.0.3 Регулировка контактного датчика педали сцепления на Уаз с двигателями ЗМЗ-409 Евро-3 и Евро-4.

- 4.0.0.4 Особенности работы и эксплуатации привода сцепления Уаз.
- 4.0.0.1 Регулировка полного хода педали сцепления Уаз.
- 5 Recommendations
- 5.1 Comments 30
Всем знакомая классика
Автомобили УАЗ пользуются в России популярностью на протяжении уже не одного десятилетия. Они всегда отличались высокой проходимостью, надежностью и хорошим качеством управления. Модельный ряд УАЗ постоянно расширяется, развивается и совершенствуется. Всем известно, что автомобили собираются из нескольких тысяч деталей, и когда машина эксплуатируется, то может потребоваться замена любой, возможно даже самой маленькой детали, которая тем не менее играет очень большую роль в жизни автомобиля.
Существует мнение, что сцепление — одно из наиболее уязвимых мест в автомобиле УАЗ. Истинная причина проблемы в том, что осуществляется неправильная регулировка сцепления УАЗ 3303 и других авто этой серии. Очень часто техническому обслуживанию механизма не уделяется достаточного внимания и не осознается вся его важность.
При правильном и своевременном уходе за установленным на автомобиле диафрагменным сцеплением оно будет отлично работать длительный период времени, не менее пяти лет точно, и даже при довольно нещадной эксплуатации.Принцип работы сцепления УАЗ
Основными элементами сцепления, как известно, являются:
- картер;
- муфты выключения;
- ведущий диск;
- ведомый диск.
Одним из самых главных элементов, от которого в основном зависит надежность механизма,является главный цилиндр сцепления УАЗ 3303. Но при этом не стоит забывать и о рабочем цилиндре, которому отводится очень ответственная роль. Соединение цилиндров осуществляется с помощью шланга и трубки.
Диафрагменная пружина, из-за которой и получила название вся конструкция, находится в кожухе ведущего диска. Здесь же установлены опорные кольца и нажимной диск. Пружина закрепляется таким образом, что края ее могут оказывать сильное влияние на нажимной диск.
Строение данной системы предусматривает, что ведомый диск может сильно приближаться к маховику двигателя и даже соприкасаться с ним, а также с помощью фрикционных накладок передавать крутящий момент на диск ведомый.
После этого крутящий момент передается на коробку передач. При необходимости во временном разобщении двигателя с трансмиссией применяется привод выключения сцепления УАЗ 469.При нажатии на педаль сцепления УАЗ 469 поршень главного цилиндра начинает смещаться вперед. Из-за этого жидкость вытесняется, поступает в рабочий цилиндр. После чего она выдвигает поршень со штоком. Данный шток воздействует на хвостовик вилки, вследствие чего она начинает поворачиваться и перемещает муфту выключения. Таким образом происходит нажатие на концы лепестков диафрагменной пружины, действие пружины на нажимной диск заканчивается, а также прекращается поступление крутящего момента.
Регулировка механизмов
Параметры после регулировки
Принято полагать, что верная регулировка сцепления может обеспечивать его самую большую надежность. Для начала необходимо измерить величину свободного хода у педали привода, которая выключает сцепление. Если сцепление имеет диафрагменную пружину, то рекомендуемая величина должна находиться в пределах от 5 до 30 мм.
После нажатия на педаль до упора необходимо измерить ее полный ход, рекомендуемое значение которого должно составлять примерно 16,5 сантиметров. Данный размер можно определить с помощью обыкновенной линейки.При необходимости изменить положение педали регулируем длину толкателя, который находится в главном цилиндре. Данная регулировка осуществляется следующим образом: отворачиваем ключом контргайку, начинаем вращать штоки, используя при этом пассатижи. Таким образом устанавливается необходимое положение педали, которое будет более удобно. В идеале для данной операции можно использовать ключ на 13.
Необходимо отметить, что сцепление с диафрагменной пружиной не нуждается в регулировке механизма выключения, так как пружина сама по себе может обеспечить оптимальные величины. Другими словами, регулировка сцепления УАЗ 469, УАЗ буханка и УАЗ патриот не составит особого труда. Корзины сцепления можно приобрести в специализированных магазинах.
Техобслуживание
Регулярно проходите техобслуживание
Для обслуживания корзины сцепления автомобилей УАЗ с диафрагменной пружиной не требуются профессиональные навыки.
Прежде всего сцепление необходимо содержать в чистоте, регулярно удаляя возникшие загрязнения. Болтовые соединения нужно периодически подтягивать.Необходимо постоянно проверять объем рабочей жидкости, которая находится в главном цилиндре. Она должна находиться на уровне около 1,5 сантиметров, но ниже верхнего края цилиндра. При этом бачок наполняется с использованием установленного сетчатого фильтра. Он используется для предотвращения попадания лишних предметов и веществ. Обычно рабочий цилиндр сцепления УАЗ 469 не требует каких-либо дополнительных, специальных манипуляций.
Устранение воздуха из гидросистемы привода
Довольно редко, но случается так, что сцепление нуждается в прокачке. Это можно понять из того, что оно не полностью выключается и педаль нажимается не так мягко. Прокачка — это устранение воздуха из гидросистемы. Данный процесс осуществляется, когда жидкость в бачке находится на нормальном уровне.
В ходе работы необходимо снять резиновый колпачок, который находится на перепускном клапане, и на это место установить шланг.
Затем другой конец шланга опускают в емкость объемом в 0,5 л, содержащую тормозную жидкость в соотношении 1:3.После перепускной клапан необходимо провернуть на один оборот в то время как другой человек выжимает до упора педаль. Давить на педаль нужно до момента, пока пузырьки воздуха перестанут выделяться. Затем перепускной клапан необходимо плотно закрыть.
Некоторые владельцы УАЗ могут порекомендовать закручивать перепускной клапан после каждого нажатия на педаль. Это поможет значительно повысить скорость прокачки и достичь полной нейтрализации воздуха. Обычно воздух исчезает из системы уже после третьего-четвертого повтора операции.
Автомобили УАЗ очень надежные. Не требуется особых усилий для устранения проблем, связанных со сцеплением. Все работы можно провести самостоятельно или обратиться в техсервис. Ремонт или регулировка сцепления не является дорогостоящей услугой. Являясь владельцем одного из серии автомобилей УАЗ, нужно осуществлять своевременный и постоянный уход за машиной, так как недобросовестное отношение может повлечь сильное загрязнение, привести к ряду трудно разрешимых проблем.

Во время эксплуатации Уаз, по мере износа его сцепления, регулировка положения педали может понадобится в случае возникновения неприятных ситуаций когда включение какой то из передач становится затруднено и она нормально включается только после нескольких последовательных нажатий на педаль сцепления.
В некоторых случаях положение дел удается исправить путем изменения положения педали сцепления, немного подняв или опустив ее. Для этой цели, а также для регулировки полного хода педали сцепления у главного цилиндра предусмотрен регулировочный узел.
Регулировка полного хода педали сцепления Уаз.
Положение педали выключения сцепления и ее полный ход регулируется изменением длины толкателя главного цилиндра выключения сцепления. Для этого, ослабив гайку регулировочного узла толкателя, отсоединяют вилку толкателя от педали и поворачивая ее в нужную сторону, добиваются требуемого результата.
Полный ход педали для сцепления с нажимной пружиной диафрагменного типа должен быть в пределах :
— Для автомобилей семейства Уаз-3160 и Уаз-3162 : 130-170 миллиметров.

— Для автомобилей семейства Уаз Патриот до 2007 года выпуска : 130-170 миллиметров.
— Для автомобилей семейства Уаз Патриот после 2007 года выпуска : 120-140 миллиметров.
— Для автомобилей семейства Уаз Хантер : 130-170 миллиметров.
— Для автомобилей семейства Уаз-3741, 3962, 3909, 2206, 3303 вагонной компоновки : 180-220 миллиметров.
И для автомобилей Уаз имеющих сцепление с нажимными пружинами и оттяжными рычагами -165-205 мм. Более точно, величину свободного хода педали сцепления можно уточнить в руководстве по эксплуатации на конкретный автомобиль.
Регулировка свободного хода педали сцепления Уаз.
Свободный ход педали сцепления с нажимной пружиной диафрагменного типа в пределах 5-30 мм обеспечивается самой конструкцией сцепления и не регулируется. Регулировка свободного хода педали выключения сцепления с нажимными пружинами и оттяжными рычагами, установка которого возможна на некоторые автомобили Уаз с двигателем УМЗ-421, производится изменением длины толкателя рабочего цилиндра в следующем порядке :
— отсоединить от вилки выключения сцепления пружину и ослабить контргайку,
— закручивая или откручивая ввертную часть толкателя, установить свободный ход наружного конца вилки выключения сцепления в пределах 2.
5-3.6 мм, что будет соответствовать свободному ходу педали выключения сцепления в пределах 35-55 мм.Регулировка контактного датчика педали сцепления на Уаз с двигателями ЗМЗ-409 Евро-3 и Евро-4.
На автомобилях Уаз с двигателями ЗМЗ-409 экологического класса Евро-3 и Евро-4 устанавливается контактный датчик (выключатель) педали сцепления 21.3720. По его сигналу электронный блок управления двигателем определяет, выжато сцепление или нет.
При выжатом сцеплении блок управления кратковременно снижает дозу впрыскиваемого топлива, тем самым уменьшая вероятность рывков при переключении передач. При отсутствии сигнала контактного датчика, в следствии его неисправности или неправильной регулировки, при переключении передач могут возникать рывки.
Контактный датчик (выключатель) педали сцепления регулируется при помощи двух гаек так, чтобы был обеспечен зазор в 0.5 мм между буфером и штоком датчика. На грузопассажирских автомобилях Уаз вагонной компоновки с двигателями ЗМЗ-4091 и ЗМЗ-40911 выключатель педали сцепления может не устанавливаться.

Особенности работы и эксплуатации привода сцепления Уаз.
При резком отпускании педали сцепления возможен одиночный стук из-за выбора боковых зазоров в зубчатых соединениях шестерен, шлицевых соединениях и в синхронизаторах коробки передач.
Если во время движения при резком нажатии на педаль газа обороты двигателя резко растут, а потом немного падают и автомобиль начинает разгоняться, то сцепление требует ремонта или замены. Для того чтобы уменьшить износ сцепления и продлить срок его службы, желательно выполнять следующие несложные рекомендации :
— не рекомендуется постоянно держать ногу на педали сцепления, так как оно оказывается хоть немного, но выжато, ведомый диск при этом пробуксовывает и быстрее изнашивается, кроме того, хоть выжимной подшипник и рассчитан на работу в режиме постоянного вращения, но при даже немного нажатой педали сцепления он находится под нагрузкой и поэтому его ресурс снижается
— по той же причине не рекомендуется подолгу держать сцепление в выключенном состоянии, например перед светофором, если не надо сразу трогаться с места, то лучше включить нейтральное положение коробки передач и отпустить педаль сцепления.

Добрый вечер, хочу поставить лепестковое сцепление на уаз, двигатель. 417. Подскажите у кого есть есть опыт замены, на что обращать внимание?какие отзывы?
Recommendations
Comments 30
Ок, спасибо, понял
Себе ставил «Триал» (старого выпуска), проблем ни каких не возникло. Под корзину не надо ни чего подкладывать, не страдай херней. Тупо открути «яблоко» на котором вилка сцепления сидит и подложи под него шайбы миллиметра четыре. Сразу рекомендую проточить УАЗовскую муфту и поставить выжимной подшипник от «Волги», далее ставим рабочий тормозной самоподводящийся цилиндр тоже от «Волги» и убираем пружину с вилки. Получаем саморегулирующееся сцепление с подшипником постоянного вращения. И не надо будет лазить под машину для регулировки зазоров до конца жизни диска)))
Ну примерно как то так)))Позволь возразить. Если толстый диск, ( а такое бывает) лепестки сильно уходят внутрь корзины. Ты подгонишь выжимной к ним как положено и вроде всё нормально.
Но у лепестков есть свой предел хода, и когда выжимаешь то получается что их перегибает из-за этого можно и сламать несколько штук( проходили такое на практике, мой друг так две корзины угробил). А с цилиндром идея хорошая, спасибо.Чему Вы возразить то хотите, я так и не понял?
Да понять-то меня брат немудрено, Вы говорите что ненадо подкладывать под корзину ничего, а я говорю что в некоторых случаях надо. А если я не так выразился, извините.
Не сталкивался с такой проблемой. Я ставил диск и корзину одной фирмы. А яблоко сдвигал только из-за того, что лепестковая корзина ниже чем лапковая и соответственно угол вилки получается большой, поэтому шток нужно выкручивать до конца. В таком случае для дальнейших регулировок его длины уже не хватит. А так с шайбами под яблоком получается все нормально.
Себе ставил «Триал» (старого выпуска), проблем ни каких не возникло. Под корзину не надо ни чего подкладывать, не страдай херней. Тупо открути «яблоко» на котором вилка сцепления сидит и подложи под него шайбы миллиметра четыре.
Сразу рекомендую проточить УАЗовскую муфту и поставить выжимной подшипник от «Волги», далее ставим рабочий тормозной самоподводящийся цилиндр тоже от «Волги» и убираем пружину с вилки. Получаем саморегулирующееся сцепление с подшипником постоянного вращения. И не надо будет лазить под машину для регулировки зазоров до конца жизни диска)))
Ну примерно как то так)))Можно про выжимную от волги подробнее. Работы много по переделке?
Нет там сложного ни чего. Вариантов два. Либо берем тупо волговский выжимной и протачиваем по нему УАЗовскую муфту. Либо берем Волговский выжимной с волговской муфтой и протачиваем сначала напрвляющую муфты на первичном валу и немного растачиваем муфту. Все. Не забываем поставить волговский РЦС и удалить пружину.
Себе ставил «Триал» (старого выпуска), проблем ни каких не возникло. Под корзину не надо ни чего подкладывать, не страдай херней. Тупо открути «яблоко» на котором вилка сцепления сидит и подложи под него шайбы миллиметра четыре.
Сразу рекомендую проточить УАЗовскую муфту и поставить выжимной подшипник от «Волги», далее ставим рабочий тормозной самоподводящийся цилиндр тоже от «Волги» и убираем пружину с вилки. Получаем саморегулирующееся сцепление с подшипником постоянного вращения. И не надо будет лазить под машину для регулировки зазоров до конца жизни диска)))
Ну примерно как то так)))Спасибо вам за советы, все сделал как вы написали. Сегодня поставил лепестковое сцепление, поставил муфту с волговским подшипником (оказывается уже есть в продаже) подложил шайбу под «солдатика» сцепление заработала на ура.проверил на загруженной машине 800 кг. Легко включаются передачи.
«>
Сцепление уаз буханка. Ремонт автомобиля УАЗ «буханка» своими руками
Регулировка сцепления уаз буханка
УАЗ. Корзина сцепления. Разборка, ремонт, реставрация.Особенности ремонта и самодельный стенд для ремонта и регулировки корзины сцепления. ——- Помочь проекту…Быстрая прокачка сцепления на УАЗ 452 (УАЗ буханка, Фермер, Головастик)Другие варианты: насос, шприц… Не забывайте оставлять комментарии.
Понравилось? Ставьте лайк, подписывайт… Как опустить педали на УАЗ Буханке и уменьшить их ходПроблема актуальная, многие с этим мучаются. 1. Опускаем педальную раму кронштейнами; 2. Удлиняем рычаг педал…Как отрегулировать привод сцепления.Как отрегулировать привод сцепления автомобилей Ваз-классика, советы в процессе. группы ВКонтакте по ремон…Регулировка сцепленияСцепление УАЗ. Особенности эксплуатации и причины выхода из строя.Если у вас возникли вопросы, напишите Евгению Ивановичу: Сцепление. Регулировка привода.Автомобили ВАЗ требуют грамотную регулировку механизма сцепления. Не правильная регулировка вызывает… Ремонт рабочего цилиндра сцепления УАЗ ГАЗПосле ремонта цилиндра, его установили на 417 мотор и подложили под него 2 шайбы толщиной 1.5 мм. Для выравнива…ПОЧЕМУ БУКСУЕТ,ВЕДЕТ СЦЕПЛЕНИЕ. ПЕРВЫЕ ПРИЗНАКИ!!!Буксует и ведет сцепление,что это,какие симптомы,как лечить. ВСЕ ПЛЕЙЛИСТЫ КАНАЛА ТУТ: https://www.youtube.com/view_all_playl…Ремонт главного цилиндра сцепления УАЗhttps://vk.
com/buhankarulit. НЕ МЕНЯЙТЕ МАНЖЕТЫ, ПУСТАЯ ТРАТА ВРЕМЕНИ, ВСЕ РАВНО ПОБЕЖАЛ.Установка СЦЕПЛЕНИЯ и КПП+раздатка УАЗ Буханка в ОдногоПодготовка, установка, сцепления и КПП+раздатка в одного, без подъёмника, без лебёдки и без центровки диска… Замена сцепления на УАЗ «Буханка» Евро-4 (УАЗ-29891)Детали: — корзина «ГАЗель Бизнес» дв. 4216 Евро 3, дв. Cummins 2,8 06 308 200 1150 — диск сцепления ведомый 3302 Бизнес дв Каммин…Как прокачать сцепление на УазЗамена сцепления на УАЗ-БУХАНКА Своими руками .ПРОЕКТ БУСЯВСЕМ БОЛЬШОЙ ПРИВЕТ в этом выпуске речь пойдет о снятие коробки раздатки для замены сцепления !в итоге…Согнулась вилка сцепления УАЗ (Ремонт)Для желающих помочь развитию канала Сбербанк РФ, карта номер 4276 3000 3487 8184. avtoclubvideo.ruОсуществление замены
Пошаговая инструкция по замене:
- Поставить авто УАЗ буханка на высокие опоры из кирпичей, деревянных колодок. Исключить падение с опор.
- Слить рабочее масло с КП и РК.
- Открутить задний кардан от РК.
Поставить метки. При сборке установить точно так же, как было. Иначе появятся вибрации. - Для удобства дальнейшей работы открутить задний кардан полностью – от заднего моста тоже. Поставить метки. Передний кардан открутить только от РК. Поставить метки.
- Снять глушитель.
При этом поочередно отсоединить:
- хомут от кронштейна выхлопной трубы;
- хомут глушителя;
- болты, соединяющие фланцы глушителя и катализатора;
- хомут резонатора.
- Вынуть всю конструкцию глушителя со своего штатного места. Отложить в сторону задка машины. Все болты с гайками наживить на свои места, чтобы ничего не потерялось.
- Снять термический экран.
- Расшплинтовать тяги рычагов управления КП. Во избежание последующих регулировок нельзя трогать регулировочные гайки на тягах.
- Расшплинтовать тросик ручного тормоза. Отвести в сторону вместе с защитным кожухом тросика.
- Колодку провода сигнализатора заднего хода вынуть из колодки датчика на КП.

- Провод датчика скорости отключаем от датчика.
- Снять рабочий цилиндр сцепления.
- Отсоединить тяги рычагов управления РК.
- Вынуть из разъемов два провода кислородных датчиков спереди и после катализатора.
Устройство сцепления УАЗ-3741, УАЗ-3962, УАЗ-3909, УАЗ-2206, 3303
Сцепление грузопассажирских автомобилей УАЗ-3741, УАЗ-3962, УАЗ-3909, УАЗ-2206, УАЗ-3303 с двигателями УМЗ-4178, УМЗ-4179, УМЗ-4218 однодисковое сухое, состоит из нажимного диска с кожухом, нажимными пружинами и оттяжными рычагами в сборе, ведомого диска с фрикционными накладками и гасителя крутильных колебаний в сборе.
Механизм сцепления укреплен на маховике двигателя болтами, сбалансирован совместно с коленчатым валом, а его положение после балансировки отмечено на кожухе и маховике знаком «О».

Устройство сцепления грузопассажирских автомобилей УАЗ-3741, УАЗ-3962, УАЗ-3909, УАЗ-2206, УАЗ-3303.
Выключающее устройство сцепления состоит из установленных на нажимном диске оттяжных рычагов, муфты выключения сцепления с выжимным подшипником установленных на крышке подшипника ведущего вала коробки передач, и вилки включения, установленной на картере сцепления.
На часть автомобилей УАЗ-3741, УАЗ-3962, УАЗ-3909, УАЗ-2206, УАЗ-3303 с двигателями УМЗ-4178, УМЗ-4179, УМЗ-4218 и на все автомобили с двигателями ЗМЗ-4021 и ЗМЗ-4104 устанавливается сухое, однодисковое сцепление, с центральной нажимной пружиной диафрагменного типа.
Диафрагменное сцепление состоит из нажимного диска с кожухом и нажимной тарельчатой разрезной (диафрагменной) пружиной, лепестки которой выполняют функцию оттяжных рычагов, ведомого диска с фрикционными накладками и гасителями крутильных колебаний.
Выключающее устройство сцепления состоит из лепестков тарельчатой пружины, муфты выключения сцепления с выжимным подшипником, установленной на крышке подшипника первичного вала коробки передач, и вилки выключения сцепления, установленной на муфте и связанной с картером сцепления удерживающей пластиной.

Ведомый диск сцепления установлен на шлицы ведущего вала. Нажимной диск под действием пружин прижимает фрикционные накладки к маховику, и возникающие при этом силы трения позволяют передать крутящий момент с коленчатого вала двигателя на ведущий вал коробки передач.
Привод выключения сцепления автомобилей УАЗ-3741, УАЗ-3962, УАЗ-3909, УАЗ-2206, УАЗ-3303.
Гидравлический привод сцепления состоит из подвесной педали, главного цилиндра, трубопроводов и рабочего цилиндра. В исходном положении педаль выключения сцепления удерживается оттяжной пружиной. При нажатии на педаль поршень главного цилиндра перемещается, давление рабочей жидкости возрастает и передается по трубопроводу в рабочий цилиндр, вызывая перемещение поршня и толкателя рабочего цилиндра, воздействующего на вилку выключения сцепления.
Поршень главного цилиндра имеет две уплотнительные манжеты : внутреннюю и наружную. Между поршнем и внутренней манжетой установлена тонкая стальная шайба, закрывающая отверстия в головке поршня и выполняющая роль перепускного клапана.
От загрязнения рабочая полость цилиндра защищается резиновым колпаком. Бачок с рабочей жидкостью установлен под панелью приборов кузова, а на панели приборов имеется легкосъемная крышка для доступа к бачку.Обслуживание сцепления и его привода в автомобилях УАЗ-3741, УАЗ-3962, УАЗ-3909, УАЗ-2206, УАЗ-3303.
Обслуживание сцепления заключается в очистке от грязи, подтяжке болтовых соединений и при необходимости регулировке. Необходимо периодически сливать конденсат из картера сцепления через нижнюю пробку. Обслуживание привода выключения сцепления сводится к регулировке свободного хода педали выключения, поддержанию уровня рабочей жидкости в бачке главного цилиндра гидропривода и при необходимости прокачке.
Уровень жидкости должен быть на 15-20 мм ниже верхнего края бачка. Регулировку положения педали выключения сцепления надо производить изменением длины толкателя главного цилиндра. Регулировку свободного хода педали выключения сцепления надо производить изменением длины толкателя рабочего цилиндра.
Сцепление с центральной диафрагменной пружиной не требует регулировки механизма сцепления и регулировки свободного хода. Свободный ход в 5-30 мм обеспечивается конструкцией сцепления.Регулировка механизма сцепления с нажимными пружинами и оттяжными рычагами.
Регулировку механизма сцепления с нажимными пружинами и оттяжными рычагами надо производить при снятом нажимном диске сцепления в следующей последовательности :
1. Установить между плитой и нажимным диском шаблон ведомого диска в виде кольца толщиной 9,5 мм. Закрепить за кожух собранный нажимной диск на плите шестью болтами.2. Осуществить регулировку завинчиванием и отвинчиванием регулировочных винтов до получения размера 51,5+-0,75 мм — расстояние от плиты до головок винтов. Разница в расстоянии от плиты до головок винтов не должна превышать 0,2 мм.3. Застопорить после регулировки винты рычагов, вминая край рычага в паз хвостовика винта.
Возможные неисправности сцепления автомобилей УАЗ-3741, УАЗ-3962, УАЗ-3909, УАЗ-2206, УАЗ-3303.

Сцепление не полностью выключается, ведет.
— Увеличение свободного хода педали сцепления свыше 55 мм.— Деформирован ведомый диск.— В систему гидропривода сцепления попал воздух.— Разрушение деталей ведомого диска.— Заедание ступицы ведомого диска на шлицах ведущего вала.— Регулировочные винты нажимного диска не лежат в плоскости, параллельной плоскости маховика.— Увеличение зазоров в приводе сцепления.— Не отрегулировано положение педали привода выключения сцепления.Сцепление буксует, то есть не полностью включается при отпущенной педали.
— Отсутствие свободного хода педали сцепления.— Заедание механизма нажимного диска.— Снижение усилия нажимных пружин или их поломка.— Замасливание поверхностей трения.— Перегрев сцепления в следствии длительного буксования.— Засорение компенсационного отверстия главного цилиндра привода выключения сцепления.
Не плавное включение сцепления, с рывками и вибрациями. — Замасливание фрикционных накладок.— Износ фрикционных накладок до заклепок.
— Регулировочные винты рычагов нажимного диска не лежат в одной плоскости, параллельной плоскости маховика.— Неравномерная толщина ведомого диска. Шумы в сцеплении при нажатии педали.— Изношен подшипник сцепления.
Педаль сцепления не удерживается в верхнем положении.
— Поломка оттяжной пружины.
Похожие Статьи :
auto.kombat.com.ua
Назначение и типы
Сцеплением называется силовая муфта, в которой передача крутящего момента обеспечивается силами трения, гидродинамическими силами или электромагнитным полем. Такие муфты называются соответственно фрикционными, гидравлическими и электромагнитными.
Сцепление служит для временного разъединения двигателя и трансмиссии и плавного их соединения. Временное разъединение двигателя и трансмиссии необходимо при переключении передач, торможении и остановке автомобиля, а плавное соединение – после переключения передач и при трогании автомобиля с места. При движении автомобиля сцепление во включенном состоянии передает крутящий момент от двигателя к коробке передач и предохраняет механизмы трансмиссии от динамических нагрузок, возникающих в трансмиссии.

На автомобилях применяют различные типы сцеплений (схема 1).
Схема 1 – Типы сцеплений, классифицированных по различным признакам.
Все указанные сцепления, кроме центробежных, являются постоянно замкнутыми, т.е. постоянно включенными и выключаемыми водителем при переключении передач, торможении и остановке автомобиля.
На автомобилях наибольшее применение получили фрикционные сцепления. Однодисковые сцепления применяются на легковых автомобилях, автобусах и грузовых автомобилях малой и средней грузоподъемности, а иногда и большой грузоподъемности.
Двухдисковые сцепления устанавливают на грузовых автомобилях большой грузоподъемности и автобусах большой вместимости.
Многодисковые сцепления используются очень редко – только на автомобилях большой грузоподъемности.
Гидравлические сцепления, или гидромуфты, в качестве отдельного механизма на современных автомобилях не применяются. Ранее они использовались в трансмиссии автомобилей, но только совместно с последовательно установленным фрикционным сцеплением.

Электромагнитные сцепления имели некоторое применение на автомобилях, но широкого распространения не получили в связи со сложностью их конструкции.
Из чего состоит механизм
Назначение центробежного устройства заключается в недолговременном разъединении и соединении двигателя и коробки передач, что требуется для начала езды на машине и переключения режимов скоростей.
Рассмотрим описание и назначение основных компонентов узла:
- Нажимной вал, также называемый корзиной. Этот компонент выглядит в виде вала, в него встроены выжимные пружинки, которые соединяются с прижимной плоскостью. Ее диаметр равен размерам маховика выключения, кроме того, ее поверхность гладкая, поскольку отшлифована. Пружинки элемента сводятся к центру нажимного вала, когда сцепление функционирует, во время включения, на них воздействует выжимной подшипник. Вал плотно связан с маховиком выключения.
- Ведомый диск обладает округлой формой. В состав этого компонента входят лучевое основание, фрикционные элементы, а также шлицевая муфта, предназначенная для подключения первичного шкива коробки.
Кроме того, ведомые диски оснащаются пружинками, монтированными вокруг муфты и нужны для того, чтобы понижать уровень вибраций в ходе включения и выключения узла. - Центробежное устройство также оснащается фрикционными компонентами, сделанными, как правило, из углеродного волокна. Но в зависимости от производителя можно найти и детали из кевларовых нитей, керамические компоненты и т.д. Эти детали монтируются на основание благодаря крепежным элементам — заклепкам, а также шлицевой муфты, находящейся внутри фрикционов.
- Еще одним немаловажным элементом центробежного устройства считается выжимной подшипник. Одна сторона этого компонента изготовлена из округлой нажимной площадки. Ее диаметр равен диаметру плоскости выжимных пружин, находящихся в центре нажимного диска. Выжимной компонент находится на выступающем из КПП первичном валу и монтируется он на защитный кожух. Подшипник начинает работать под воздействием вилки, иногда оба этих компонента фиксируются при помощи стопорных пружинок (автор видео — Михаил Нестеров).

Одним из составных частей трансмиссии является сцепление, выступающее связующим звеном между мотором и основным узлом трансмиссии — КПП.
Коробка передач обеспечивает изменение передаточного числа вращательного движения, и состоит она из набора шестерен, посаженных на валы.
Смена передаточного числа обеспечивается за счет ввода в зацепление определенных шестеренок, но в условиях постоянно поступающего от мотора вращения вывести из зацепления одни шестерни и ввести другие – невозможно.
Чтобы это сделать, необходимо прервать передачу вращения на трансмиссию, и делается это при помощи механизма сцепления.
Причем разрыв передачи вращения осуществляется в двух режимах. При движении на скорости, поскольку и двигатель, и составные части трансмиссии уже вращаются, смена передаточного числа не требует плавного разъединения и возобновление передачи вращения.
Но при старте с места, для исключения рывков и снижения нагрузки на мотор и КПП необходимо плавное наращивание передачи вращения.
И это тоже обеспечивает сцепление.В общем, сцепление в конструкции авто обеспечивает кратковременный разрыв передачи вращения от силовой установки на трансмиссию с возможностью плавного его восстановления.
С момента появления транспортной и специализированной техники, оснащающейся двигателями внутреннего сгорания, было придумано несколько вариаций этого узла.
Основное разделение между ними ведется по тому, за счет чего ведется передача.
Здесь виды сцепления делятся на:
- Фрикционные;
- Гидравлические.
Еще есть и электромагнитные, но по сути, они являются лишь разновидностью фрикционного типа.
замена диска сцепления уаз | Автолюбители
Снятие нажимного и ведомого дисков сцепленияПОСЛЕДОВАТЕЛЬНОСТЬ ДЕЙСТВИЙ
Снимаем коробку передач .
Снимаем рабочий цилиндр гидропривода сцепления
Ключом «на 12» отворачиваем четыре болта крепления нижней части картера сцепления. Одним из болтов к картеру сцепления крепится наконечник провода «массы».

Снимаем нижнюю часть картера сцепления с прокладкой.
Помечаем зубилом взаимное расположение маховика и ведущего диска («корзины») сцепления.
Удерживая маховик от проворачивания отверткой или монтажной лопаткой, ключом «на 12» равномерно отворачиваем шесть болтов крепления «корзины» к маховику.Одновременно доступны только два болта крепления «корзины». Для доступа к остальным болтам маховика проворачиваем его, зацепляя отверткой зубья венца.
Снимаем «корзину» и ведомый диск.
Ступица ведомого диска с одной стороны выступает больше чем с другой. Этой стороной он должен быть обращен к коробке передач.Устанавливаем ведомый и ведущий диски на маховик и закрепляем их болтами. Болты не затягиваем, чтобы сохранить подвижность ведомого диска.
Центрируем ведомый диск сцепления специальной оправкой или первичным валом коробки передач.Не вынимая оправки, равномерно затягиваем болты крепления ведущего диска рекомендуемым моментом.Вынимаем оправку и устанавливаем нижнюю часть картера сцепления и рабочий цилиндр.
Устанавливаем коробку передач, нанеся на шлицевой конец первичного вала смазку ШРУС-4.HdSxozARNdCZoZ0rmlIZmTSTN29TNdkrbraqebaqo3I5Ndk9etIUo3AwmLs6nl5wnl5SFlEwN2GVh5OUMDIuhRk4gDA4h4QSnlOuOBu0gBAypbefebaqebAsmLIQFlCsFlGwnlKxOB0rm2cWoDKrFJcZgBk2hJgZgBm4GJszhBarbraqebaqMdC0mj1QMb1ZNd90HjeZhBi4hBq0gZg4eR48F2SxoZ4=
avtolyubiteli.com
Двойное сцепление в автомобилях с АКП
В автомобилях с автоматической коробкой передач педали сцепления нет, однако само сцепление присутствует, но управляет им автоматика. При этом в разных типах «автоматов» работают различные типы сцепления. Например, в роботизированных АКП применяется двойное сцепление, которое имеет ряд принципиальных отличий от сцепления, описанного выше.
Двойное сцепление содержит два комплекта пластин, образующих фрикционные муфты, одна из которых отвечает за передачу крутящего момента к первичному валу нечетного ряда передач, вторая — к первичному валу четного ряда передач.
Двойное сцепление работает в масляной ванне (поэтому оно относится к «мокром» типу), в нем используется пакеты из нескольких фрикционных дисков (то есть, это многодисковое сцепление).
В нормальном положении пластины разомкнуты и удерживаются с помощью пружин. Сжатие дисков (как переключение передач в АКП) осуществляется с помощью масла, подающегося под давлением в гидроцилиндры муфт.Еще в этом разделе
УАЗ «буханка»: ремонт автомобиля своими руками
Знаменитая «буханка»
УАЗ 452 «буханка» — довольно надежный советский полноприводный внедорожник. Основные поломки этого автомобиля связаны с протечками смазывающих жидкостей из двигателя, коробки переключения передач (КПП), переднего и заднего мостов, шарниров равных угловых скоростей (ШРУС) и ступиц. Главная причина образования подобных протечек в том, что материал, из которого производятся оригинальные сальники и прокладки вышеуказанных агрегатов, частично разъедается под воздействием современных смазывающих жидкостей. Из-за плохой смазки движущиеся металлические части сильно изнашиваются и их приходится периодически заменять. Необходимо хотя бы раз в год проводить профилактический ремонт УАЗ 452, менять протекающие сальники и прокладки, а также регулировать сцепление.

Проблема заключается в том, что найти заводское руководство по ремонту этих внедорожников довольно сложно. Поэтому мы предлагаем вашему вниманию инструкцию, которая позволит вам самостоятельно отремонтировать авто.
Вернуться к оглавлению
Снятие и диагностика силового агрегата
Силовой агрегат «буханки»
Как известно, ремонт двигателя автомобиля начинается с его демонтажа. А уже потом осуществляется разборка, замена поврежденных деталей и сборка. Капитальный ремонт силового агрегата — дело непростое, поэтому осуществлять его самостоятельно, без помощи опытных мастеров не стоит. А вот поменять сальники можно и самому.
В заводском руководстве по ремонту автомобиля УАЗ 452 указано: чтобы снять силовой агрегат, нужно поднять его вверх из моторного отсека. При подобном способе демонтажа вам потребуются 2 прочные трубы (длиннее ширины кабины) и помощь 2 человек.
Порядок действий таков.
- Сначала снимается аккумуляторная батарея и машина ставится на ручной тормоз.

- Затем демонтируются сиденья водителя и переднего пассажира.
- После этого снимается карбюратор вместе с воздушным фильтром и приводами всех заслонок. Все отверстия накрываются чистыми тряпками.
- Далее провод «массы» откручивается от крышки клапанов головки блока цилиндров (ГБЦ).
- Отсоединяется электропроводка от датчиков и навесного оборудования.
- Снимается генератор.
- Если на силовом агрегате установлен масляный радиатор, то он отсоединяется, а его кран снимается. Отверстие затыкается тряпкой.
- Откручиваются гайки крепления выпускного коллектора, он отводится вместе с глушителем в сторону, чтобы не мешал.
- Отворачивается болт крепления трамблера (расположен возле шкалы октан-корректора), агрегат снимается.
- Демонтируется бензонасос.
- После этого сливается тосол, отсоединяются патрубки и снимается радиатор охлаждения.
- Откручиваются болты крепления, демонтируется вентилятор вместе со шкивом.
- После этого цепи или буксировочные тросы пропускаются под картером двигателя, крепятся за рым-скобу и привязываются к 2 трубам, расположенным поперек на полу кабины.

- Отсоединяется привод вилки сцепления.
- Отворачиваются болты крепления КПП к двигателю.
- Откручиваются 2 болта, мотор снимается с подушек. Теперь он висит только на трубах и переднем валу КПП.
- После этого двигатель выдвигается вперед, снимается с первичного вала КПП и вытаскивается вверх и вправо.
Проверить, необходим ли капитальный ремонт двигателя, легко: нужно приложить руку к открытой маслоналивной горловине работающего мотора. Если ладонь выталкивает, значит, требуется разборка.
Вернуться к оглавлению
Необходимая профилактика
Довольно часто в автомобилях УАЗ 452 бывает не отрегулирован свободный ход педали сцепления. Это приводит к повышенному износу ведомого диска и необходимости досрочной его замены.
Регулировка сцепления автомобиля УАЗ 452 проводится довольно просто.Конструкция привода сцепления.
- Педаль выключения сцепления.
- Педаль тормоза.
- Пружины.
- Масленка.
- Нажимной подшипник.
- Муфта.
- Пружина муфты.
- Рычаг.
- Регулировочный болт.
- Вилка.
- Толкатель.
- Пружина вилки.
- Тяги.
- Пресс-масленка.
Регулировка педали сцепления
Заводское руководство по ремонту автомобилей УАЗ вагонной компоновки устанавливает следующие параметры узла:
- зазор между нажимным подшипником и головками винтов рычагов — 2,5 мм;
- свободный ход педали — 28-35 мм;
- полный ход педали — 145-155 мм.
Регулировка сцепления осуществляется следующим образом.
- Измеряем свободный и полный ход педали сцепления линейкой.
- Снимаем пружины педалей и вилки сцепления.
- Ослабляем гайку толкателя.
- Выкручиваем или закручиваем упорный наконечник толкателя до достижения рекомендуемых параметров.

- Затягиваем гайку толкателя.
- Надеваем пружины обратно.
После этого проверяем сводный и полный ход педали. Если они соответствуют рекомендуемым параметрам, заводим двигатель и в движении проверяем работу сцепления. Если оно не ведет и не буксует, регулировка сцепления завершена. Если что-то беспокоит, повторяем процедуру до получения необходимого результата.
Отрегулировать ход педали сцепления можно, изменяя длину нижних тяг.
Для того чтобы облегчить доступ к двигателю из салона авто, необходимо провести небольшую модернизацию кузова УАЗ «буханка» своими силами.
В стенке, отделяющей кабину от пассажирского отсека, есть закрытая ниша, в которой расположена задняя часть мотора.
В этой нише нужно аккуратно вырезать отверстие и установить на него самодельный люк. Подобный тюнинг кузова УАЗ «буханка» своими руками избавит вас от необходимости демонтировать головку блока цилиндров каждый раз, когда потребуется отрегулировать клапаны или заменить их толкатели.prouazik.ru
Требования к сцеплениям
ß = МСЦ / Мmax
где МСЦ – максимальный крутящий момент, который может передать сцепление,
Мmax – максимальный крутящий момент двигателя.
Помимо общих требований, касающихся каждого узла автомобиля, к сцеплению предъявляется ряд специфических требований, среди которых:
- Плавность включения. В эксплуатации она обеспечивается квалифицированным управлением, но некоторые элементы конструкции предназначены для повышения плавности включения сцепления даже при низкой квалификации водителя.
- Чистота выключения. Абсолютное выключение, при котором крутящий момент на выходном вале сцепления равен нулю, труднодостижимо, но если момент, передаваемый выключенным сцеплением, достаточно мал и не мешает включать передачи, то можно считать, что такое сцепление выключено практически чисто.

- Надежная передача крутящего момента при любых условиях эксплуатации. Слишком низкое значение коэффициента запаса приводит к увеличению времени буксования сцепления при трогании автомобиля (особенно в тяжелых эксплуатационных условиях), повышенному его нагреву и износу. Излишне большая величина коэффициента запаса сопровождается увеличением размеров и массы сцепления, повышением усилия, необходимого для управления им, и ухудшением предохранения трансмиссии и двигателя от перегрузок. Обычно значение коэффициента запаса сцепления составляют 1,4 – 1,7 для легковых и 1,5 – 2,0 для грузовых автомобилей, увеличиваясь до 2,3 на тяжелых тягачах.
- Минимальная величина момента инерции ведомых частей. Нарушение этого требования не скажется на выполнении сцеплением своих функций, однако будет приводить к удлинению процесса переключения передач и снижению срока службы синхронизаторов коробки передач.
- Удобство управления. Это общее для всех органов управления требование конкретизируется в виде требований к ходу педали и требуемому для ее нажатию усилию.
Действующие в России ограничения в настоящее время составляют 150 Н усилия для автомобилей, имеющих усилители привода сцепления, и 250 Н для автомобилей без усилителей. Ход педали обычно не более 160 мм.
как отрегулировать сцепление на уаз буханка ~ AUTOTEXNIKA.RU
Как верно отрегулировать сцепление уаз буханка
Регулировка сцепления на уаз буханка видео — ролик размещен 25.07.2017 в категории УАЗ. Регулировка сцепления уаз. Написал admin, дата 15.05.2012, раздел Устройство Уаз, Регулировка сцепления Положение оттяжных рычагов после регулировки. Регулировка сцепления. Положение оттяжных рычагов после регулировки.Сцепление с диафрагменной пружиной не просит регулировок свободного хода и механизма кто в теме отлично знают что такое гидравлика на сцеплении буханкипривариваются. задняя пробка для вазовского цилиндра точится новая- под трубку уаз. еслиограничитель хода педали. за ранее отрегулировав шток головного чтобы площадки педалей были на Как регулировать сцепление на уаз буханка является достаточно всераспространенным явлением.
Мы подобрали вам наилучшее видео на тему ремонта и устранение дефектов своими На сколько помню на уазах тяга от целиндра к вилке не регулируемая, по этому могу посоветовать приобрести газелевскую либо если сцепление ведет то подсунуть шайбу под солдатика под вилкой. 6.Отрегулируйте положение головок регулировочных болтов оттяжных рычагов, как обозначено в главе « Регулировка механизма сцепления».Гидропpивод выключения сцепления автомобилей семейства УАЗ31512: 1 кpышка 2 фильтp-сетка 3 бачок 4 гидpотpубка Регулировка сцепления уаз. Я полагаю, что верная регулировка сцепления способна обеспечить его наивысшую надёжность. Работу начинаю с измерения величины свободного хода у педали привода, выключающего сцепление. Устройство сцепления УАЗ. Из книжки Э.Н. Орлова и Е.Р. Варченко «Авто УАЗ» техническое сервис и ремонт. UazService.Ru 2006 — 2020г. УАЗ Сервис — ремонт, тюнинг, сервис ТО автомобилей УАЗ Патриот, Хантер, Буханка, Карго. Диафрагменное сцепление также именуется лепестковое.
Этот вид применяется и в других моделях УАЗ: 3741 буханка, вседорожники 469, 3151.Регулировка сцепления УАЗ Патриот. Предназначение привода передача усилия от педали к вилке. Регулировка положения датчика Уаз Патриот, Уаз Хантер с движками ЗМЗ-40904 и ЗМЗ-40905.Как самому отрегулировать сцепление на УАЗ Патриот
Как отрегулировать сцепление на патриоте
В статье, как отрегулировать сцепление на патриоте, вы узнаете все тонкости по замене и настройке сцепления уаз патриот в обычных гаражных условиях. В каких случаях производится замена сцепления, с чем она может быть связана.
В данном материале раскрывается такая тем как принцип работы , а так же типы сцепления и их преимущества на Патриотах, какие детали входят в состав механизма сцепления и особенности работы. Так же для чего нужно регулировать сцепление УАЗа, подробная фото и видео инструкция по регулировке сцепления и регулировка датчика сцепления УАЗ Патриот и ошибки неисправности. После этого можете смело ехать и Сделать диагностическую карту на автомобильyoutube.com/embed/_8rZMuQzttg?feature=oembed» frameborder=»0″ allow=»accelerometer; autoplay; encrypted-media; gyroscope; picture-in-picture» allowfullscreen=»»/>
Замена главного цилиндра сцепления
Приготовьте ключи на 12 и 13, пассатижи и отвёртку. Перед началом работ по замене откачайте остатки DOT из бачка.
- ослабив отвёрткой хомут отсоедините трубку от бачка;
- пассатижами снимите шплинт с пальца в вилке толкателя и снимите его;
- открутите гайки крепления цилиндра;
- открутите трубку магистрали;
- снимите деталь.
Поршень ГЦС с пластиной и грибком
Чтобы снять главный сцепления придётся попотеть из-за неудобств
открутить трубку на рабочий цилиндр можно в конце
После замены на новый не прикручивайте выходную трубку пока жидкость не потечёт из отверстия.

Как видите, самостоятельная замена цилиндра достаточно проста. Есть только трудности с установкой пальца и его шплинтовкой. Сейчас на рынке выбор побольше вполне можно подобрать хороший по качеству. При замене установлен «Деталь-эксперт» 2 года полёт нормальный. Ну в заключении видео по теме:
Источник
Принцип работы
На автомобилях УАЗ Патриот установлен следующий тип сцепления: однодисковое с расположенной в центре нажимной диафрагменной пружиной. По виду трения оно сухое, по режиму включения — постоянно замкнутое. Диафрагменное сцепление также называется лепестковое. Этот вид применяется и в других моделях УАЗ: 3741 «буханка», внедорожники 469, 3151. Лепестковое используется и для автомобилей других марок.
Состоит оно из следующих деталей:
- диск нажимной (корзина),
- диск сцепления(ведомый),
- подшипник выжимной,
- вилка привода подшипника выжимного,
- система привода,
- педаль выключения.
Нажимной диск помещен в стальной штампованный кожух, прикрепленный к маховику двигателя с помощью болтов.
Ведомый диск зажимается пружиной,он располагается между маховиком и нажимным диском. Во время эксплуатации подшипник закрытого типа не нуждается в смазке.Привод выключения сцепления на автомобилях УАЗ Патриот установлен гидравлический. Его состав:
- главный цилиндр,
- рабочий цилиндр,
- педаль,
- трубка,
- шланг.
Назначение привода — передача усилия от педали к вилке. При воздействии на педаль поршень, помещенный в главный цилиндр, перемещается и вытесняет через трубопровод в рабочий цилиндр жидкость. Поршень, помещенный в рабочий цилиндр, воздействует на вилку выключения сцепления. Тогда вилка перемещает подшипник по направляющей. Подшипник, в свою очередь, воздействует на диафрагменную пружину, которая перестает прижимать к маховику нажимной диск. Происходит выключение сцкпления.
Лепестковое сцепление имеет следующие преимущества:
- меньшая масса деталей,
- меньший размер деталей,
- большая продолжительность эксплуатации деталей до очередного обслуживания,
- улучшенная функциональность,
- более простое обслуживание.

Особенности работы и эксплуатации привода сцепления Уаз.
При резком отпускании педали сцепления возможен одиночный стук из-за выбора боковых зазоров в зубчатых соединениях шестерен, шлицевых соединениях и в синхронизаторах коробки передач.
Если во время движения при резком нажатии на педаль газа обороты двигателя резко растут, а потом немного падают и автомобиль начинает разгоняться, то сцепление требует ремонта или замены. Для того чтобы уменьшить износ сцепления и продлить срок его службы, желательно выполнять следующие несложные рекомендации :
— не рекомендуется постоянно держать ногу на педали сцепления, так как оно оказывается хоть немного, но выжато, ведомый диск при этом пробуксовывает и быстрее изнашивается, кроме того, хоть выжимной подшипник и рассчитан на работу в режиме постоянного вращения, но при даже немного нажатой педали сцепления он находится под нагрузкой и поэтому его ресурс снижается
— по той же причине не рекомендуется подолгу держать сцепление в выключенном состоянии, например перед светофором, если не надо сразу трогаться с места, то лучше включить нейтральное положение коробки передач и отпустить педаль сцепления.

Проверка свободного хода
Проверка свободного хода штока рабочего цилиндра внедорожника УАЗ Патриот осуществляется следующим образом:
- На данном элементе установлена оттяжная пружина, которую надо демонтировать. Для этого сначала отсоединяется крепление пружины от вилки, а затем и от цилиндра.
- Далее потребуется воспользоваться линейкой, с помощью которой замеряется свободный ход штока. Для измерения линейку необходимо расположить так, чтобы можно было произвести замер. После этого рукой нужно нажать на вилку до упора и поставить метку на линейке. Затем отпускаем вилку и также делаем отметку. Если получившееся расстояние (свободный ход) превышает норму (1-3 мм), то требуется регулировка.
Итак, выяснив, что свободный ход штока рабочего элемента на внедорожнике УАЗ Патриот превышает норму, нужно прибегнуть к процессу его регулировки.
Частые неисправности и их причины
Для системы сцепления автомобиля УАЗ характерны разные неисправности: усиленное сцепление, механизм не выжимается, буксует или не прокачивается.
Избежать подобных проблем помогает своевременное техническое обслуживание, замена изношенных деталей, смазка и контроль уровня жидкости в баке, диагностика всех систем и компонентов механизма.Инструкция по эксплуатации дает основные сведения о работе узлов транспорта, подготовке их к действию, правилах и периодичности контроля функциональности агрегатов, основных неисправностях и расшифровке кодов ошибок. Следование рекомендациям производителя позволит продлить срок службы техники. Простые поломки можно исправить самостоятельно.
При более сложных неисправностях системы рекомендуется обратиться в сервисный центр.
Первая категория причин относится к проблеме, когда при опущенной педали система не может запуститься полностью. Алгоритм действий следующий:
- Отсутствие у педали свободного хода. Ремонтные мероприятия заключаются в настройке привода выключения.
- Сбой работы в конструкции перемещения нажимных дисков требует замены детали или удаления причины заедания.

- Неисправность нажимных пружин, сниженное усилие. Исправить ситуацию поможет приобретение новых запчастей.
- Попадание масла на поверхность трения дисков. Необходимо промыть и протереть бензином элементы насухо.
- Длительное буксование вызывает перегрев. Механизм самостоятельно остынет через некоторое время.
Если система запускается рывками или с вибрацией, причины могут быть следующими:
- Попадание масла на поверхность трения дисков. Необходимо установить новую деталь или протереть старую бензином, удалить выступающие неровности на поверхности нажимного диска и маховика.
- Износившиеся до заклепок фрикционные накладки указывают на потребность в незамедлительной замене компонента.
- Неправильное расположение оттяжных рычагов. Потребуется демонтаж сцепления и регулировка комплектующих.
Если при нажатии на педаль возникает посторонний шум, это может говорить о пришедшем в негодность подшипнике или отсутствии в нем смазки.
Если использование масла не помогло, потребуется приобрести новый элемент. Поломка оттяжной пружины приводит к невозможности фиксации педали в верхнем положении. Пружину необходимо заменить.Пропадает сцепление
Часто механизм не запускается или пропадает после долгого простоя транспорта без работы. Вероятная причина — «прикисание» ведомого диска к другим элементам конструкции. Если несколько попыток завести автомобиль не привели к успеху, лучше обратиться в сервисный центр. Исправить ситуацию самостоятельно в данном случае не получится.
Ведет сцепление
Распространенная группа неисправностей связана с ситуацией, когда сцепление ведет, нет возможности полностью выключить механизм. Здесь может быть несколько причин:
- Свободный ход больше допустимого предела. Необходимо произвести регулировку.
- Повреждение ведомого диска. Необходимо поменять или при возможности исправить деформацию.
- Разрушение элементов ведомого диска. Здесь только один выход — приобрести новую деталь.

- Попадание в систему гидропровода воздуха. Исправить ситуацию поможет прокачка механизма.
- Заедание ступицы. Удалить забоины, посторонние элементы, заусеницы и иные причины нарушения работы конструкции.
- Неправильное расположение оттяжных рычагов. Потребуется демонтаж сцепления и регулировка комплектующих.
Регулировка хода
Необходимость регулировки
Регулировка шага толкателя в рабочем цилиндре сцепления проводится для того, чтобы сцепление правильно выполняло свои задачи. При неправильной регулировке могут возникнуть два вида неполадок.
Видео регулировки сцепления УАЗ Патриот
В первом случае может возникнуть неполное прижатие нажимного диска к ведомому. Это происходит в случае, когда полностью отсутствует свободный ход штока или он меньше нормы. В таком случае будет наблюдаться пробуксовка сцепления, что неизбежно приведет к износу составных элементов.
В другом случае, когда свободный ход больше необходимого, будет наблюдаться такое явление, как неполное выключение сцепления.
В таком случае водитель внедорожника почувствует проблемы с переключением передач, они будут плохо включаться, или перестанут включаться совсем. Это влечет за собой увеличение износа блокирующих колец синхронизатора.На этом следует подвести итог и отметить, что очень важно следить за исправностью сцепления и вовремя доливать тормозную жидкость в бачок.
Неисправность муфты на внедорожнике УАЗ Патриот может обратиться серьезными последствиями.
Начинать регулировку шага штока цилиндра рекомендуем с очистки резьбы регулировочных гаек. Для этого необходимо резьбу и гайки смазать специальной смазкой типа WD-40. После этого приступаем к непосредственному процессу:
Одним ключом фиксируется регулировочная гайка на данном элементе, а вторым ослабляется контргайка.
С помощью ручных тисков или ключа на «8» необходимо зажать конец толкателя от его проворачивания. Когда шток будет зафиксирован, необходимо контргайку вывинтить на несколько оборотов назад.

После этого осуществляется регулировка свободного шага, приводя его к норме.
Контргайка возвращается в исходное положение и фиксирует ход штока.
В завершение работ необходимо проверить наличие свободного шага. Если он входит в нормированный диапазон, то все было проведено правильно. Данный процесс не является трудоемким и проводится своими руками без лишних затрат.
Иногда необходима регулировка сцепления УАЗ, заключающаяся в изменении положения педали сцепления. Для этого главный цилиндр имеет регулировочный узел.
Регулировка полного хода педали сцепления Уаз.
Положение педали выключения сцепления и ее полный ход регулируется изменением длины толкателя главного цилиндра выключения сцепления. Для этого, ослабив гайку регулировочного узла толкателя, отсоединяют вилку толкателя от педали и поворачивая ее в нужную сторону, добиваются требуемого результата.
Полный ход педали для сцепления с нажимной пружиной диафрагменного типа должен быть в пределах :
— Для автомобилей семейства Уаз-3160 и Уаз-3162 : 130-170 миллиметров.

— Для автомобилей семейства Уаз Патриот до 2007 года выпуска : 130-170 миллиметров.
— Для автомобилей семейства Уаз Патриот после 2007 года выпуска : 120-140 миллиметров.
— Для автомобилей семейства Уаз-3741, 3962, 3909, 2206, 3303 вагонной компоновки : 180-220 миллиметров.
И для автомобилей Уаз имеющих сцепление с нажимными пружинами и оттяжными рычагами -165-205 мм. Более точно, величину свободного хода педали сцепления можно уточнить в руководстве по эксплуатации на конкретный автомобиль.
Регулировка свободного хода педали сцепления Уаз.
Свободный ход педали сцепления с нажимной пружиной диафрагменного типа в пределах 5-30 мм обеспечивается самой конструкцией сцепления и не регулируется. Регулировка свободного хода педали выключения сцепления с нажимными пружинами и оттяжными рычагами, установка которого возможна на некоторые автомобили Уаз с двигателем УМЗ-421, производится изменением длины толкателя рабочего цилиндра в следующем порядке :
— отсоединить от вилки выключения сцепления пружину и ослабить контргайку,
— закручивая или откручивая ввертную часть толкателя, установить свободный ход наружного конца вилки выключения сцепления в пределах 2.
5-3.6 мм, что будет соответствовать свободному ходу педали выключения сцепления в пределах 35-55 мм.Регулировка контактного датчика педали сцепления на Уаз с двигателями ЗМЗ-409 Евро-3 и Евро-4.
На автомобилях Уаз с двигателями ЗМЗ-409 экологического класса Евро-3 и Евро-4 устанавливается контактный датчик (выключатель) педали сцепления 21.3720. По его сигналу электронный блок управления двигателем определяет, выжато сцепление или нет.
При выжатом сцеплении блок управления кратковременно снижает дозу впрыскиваемого топлива, тем самым уменьшая вероятность рывков при переключении передач. При отсутствии сигнала контактного датчика, в следствии его неисправности или неправильной регулировки, при переключении передач могут возникать рывки.
Контактный датчик (выключатель) педали сцепления регулируется при помощи двух гаек так, чтобы был обеспечен зазор в 0.5 мм между буфером и штоком датчика. На грузопассажирских автомобилях Уаз вагонной компоновки с двигателями ЗМЗ-4091 и ЗМЗ-40911 выключатель педали сцепления может не устанавливаться.

Ремкомплект главного цилиндра сцепления
Качество УАЗовских цилиндров сцепления оставляет желать лучшего. Некоторые автолюбители переделывали на ВАЗовские, более надёжные. От применения ремкомплектов я тоже отказался, так как проблем с ними не меньше. При дешевизне ремонта, срок работы отремонтированного ГЦС был от месяца до полугода.
- открутите главный штуцер;
- снимите стопорное кольцо;
- выдавите в сторону стопора манжеты с поршнем;
- протрите чистой тряпкой все детали и цилиндр внутри;
- убедитесь, что его зеркало не поцарапано;
Сборка ГЦС
- замените кольцевую манжету;
- со стороны стопора поставьте поршень на место и установите стопор;
- со стороны штуцера положите пластинку и 2 манжету;
- вложите пружину и сжимая прикрутите штуцер.
Регулировка датчика сцепления УАЗ Патриот (ошибка 0704)
Утомила ошибка 07074 на БК, на выходных проморгал из-за неё пропуски зажигания, на здоровом движке это говорит о хреновом топливе.
В данном случае подтверждено тем, что у хонды из состава колонны ???? после этой же заправки загорелся чек.Оказалось все очень просто.
Как понял, что датчик жив. Потянул носком ноги педаль сцепления вверх, флаг встал в 0.
Как смотреть флаг? У кого стоит БК Multitronics C580 фото-инструкция ниже. У кого БК нет, думаю можно мультметром прозвонить контакты на датчике.
Итак, жмем кнопку Сервис, видим:
Заходим в Ошибки/Диагностика, видим:
Заходим в ЭБУ, видим:
Заходим в Доп.Параметры, далее стрелкой вниз щелкаем до отображения флага датчика сцепления (по пути видим много интересного):
Флаг стоит в 1, значит сцепление типа выжато, хотя это не так. Тяну педаль носком ноги вверх, вижу:
Могло и не сработать, зависит от того на сколько криво установлен датчик.
Итак, лезу под панель, вижу следующее:
Датчик на гайках над педалью сцепления — он и есть. Ключом на 19 ослабляю верхнюю гайку, пальцами подтягиваю нижнюю, т.е. двигаю датчик ближе к педали ( именно так, несмотря на то, что мозг говорит — «делай наоборот») и затягиваю ключом верхнюю.
Т.к. к нижней ключом не подлезешь.Смотрим на флаг на БК, если надо еще раз подкручиваем, затягиваем. Я настроил так, что флаг встает в 1 в самом конце свободного хода педали.
Результат — ошибки нет, при переключениях двиг не ревет, похоже как при выжимании сцепления и сбросе газа стала включаться отсечка.
10 минут без перекуров, на свежем воздухе.
Что делать, если сцепление буксует
Если в автомобиле возникла такая неисправность, как пробуксовывающееся сцепление, то в первую очередь следует узнать как можно быстрее, что делать. Устранять подобного рода неисправность нужно максимально быстро, чтобы предотвратить выход из строя двигателя при движении по труднопроходимой и сложной местности.
Важно обратить внимание, что перед разбором двигателя и проверкой износа механизма сцепления необходимо быть уверенным в достаточном свободном ходе педали. Чтобы проверить это, следует воспользоваться линейкой, замерив свободный ход упорной площадки педали в центре упорной площадки для ноги.
Возьмем для примера отечественные машины ВАЗ, их свободный ход должен быть от 20 до 30 миллиметровЕсли же уверенности в необходимом расстоянии свободного хода нет, тогда важно сразу уточнить это в сервисных документах (зачастую книге), прилагаемым непосредственно к автомобилю, либо на официальном сайте производителя
Возьмем для примера отечественные машины ВАЗ, их свободный ход должен быть от 20 до 30 миллиметров
Если же уверенности в необходимом расстоянии свободного хода нет, тогда важно сразу уточнить это в сервисных документах (зачастую книге), прилагаемым непосредственно к автомобилю, либо на официальном сайте производителя
Проведя все эти измерения, настоятельно рекомендуется обратиться за помощью в ближайшую станцию технического обслуживания, в случае, если свободный ход находится в пределах нормы. Причиной этому является возможность повреждения сцепления, если у водителя нет необходимых инструментов и навыков в разборке и сборке, а также регулировки сцепления.

- Зачастую пробуксовка возникает в связи с поломкой нажимных пружин, либо при их ослаблении. Также такая неполадка неоднократно встречается из-за коробления и износа нажимного диска. Их необходимо сразу же заменять на новые. В случае, когда автомобиль становится менее быстрым и не способен брать быстрый разгон – дело в сцеплении. Также явным признаком является горелый запах.
- Пробуксовка возникает в связи с износом фрикционных накладок, что обусловлено уменьшение свободного перемещения педали. В случае, когда накладки изношены в меру, пробуксовка сцепления без труда ликвидируется путем настройки свободного хода. Когда же накладки изнашиваются полностью (это можно определить, если расстояние между заклепками и рабочими поверхностями не превышает 0.2 миллиметра). В таком случае понадобится полная замена ведомого диска, включая накладки.
- Производить замену накладок следует, как только будут выявлены трещины, односторонние задиры, а также прогорание на их поверхностях.
Также одним из важнейших показателей является набухание резиновых деталей гидравлического привода сцепления. Такой дефект нередко возникает именно из-за набухания деталей, изготовленных из резины, причиной нередко служит низкокачественная тормозная жидкость и ее состав, который далеко не всегда соответствует международным нормам и стандартам.
Сцепление начинает пробуксовывать, когда в составе используемой тормозной жидкости находится минеральное масло, керосин, либо бензин. Дабы избавиться от подобного рода неполадки, следует снять главный, а также рабочий цилиндр гидропривода
Важно разобрать всю систему целиком, после чего тщательно промыть ее спиртом, либо чистой тормозной жидкостью. Все детали, которые потерпели набухание следует заменить, тогда как компенсаторное отверстие очистить, а в систему залить тормозную жидкость, которая соответствует необходимому качеству и составу
- Пружины могут значительным образом потерять упругость. Потеря упругости у нажимных пружин в первую очередь связана с возрастом автомобиля (негативно сказывается долговременная работа).
Поломка сулит недостаточный показатель давления, которое оказывается на диск нажимными пружинами. Из-за этого начинает сцепление начинает пробуксовываться. Куда лучше проверять их состояние и производить замену на станции техобслуживания.
Причины износа
Замена сцепления происходит в следующих случаях:
- Износ в связи с пробуксовкой при трогании с места,
- несоответствие оборотов двигателя скорости движения в результате износа сцепления,
- Дерганье машины при трогании с места.
В первом случае машине недостает крутящего момента для того, чтобы начать движение. При включенной скорости поддерживаются достаточные обороты, но машина не начинает двигаться. В таких ситуациях стираются накладки сцепления.
Последний случай связан с ослаблением на диске сцепления демферных пружин. Слабые пружины не гасят удары. Эта неисправность усугубляется при частой езде по бездорожью и при замене стандартных колес на колеса большего размера.
Ремонт
Наличие схемы внутреннего устройства конструкции позволяет провести самостоятельный ремонт в случае простых неисправностей.
Увеличение расхода топлива, масла, протечка охлаждающей жидкости, нехарактерные шумы и постукивания в механизме — первые показания к ремонту. Продлить функционирование деталей и транспорта помогает обслуживание и замена износившихся компонентов.Как отрегулировать лапки сцепления
Для того чтобы отрегулировать сцепление на УАЗ, потребуется провести следующие ремонтные работы:
Настройка необходимого положения путем изменения позиции с помощью ключа.
Регулировка свободного хода педали сцепления требуется, если между расположенной на оттяжных рычагах поворотной частью и регулировочных винтах и элементах приспособления расстояние не лежит в пределах 50,75-52,25 мм. Винты можно снимать и закручивать обратно до установления правильного размера.
Измерьте расстояние от плиты до головок каждого лапкового винта, оно не должно отличаться между собой более чем на 0,2 миллиметра. Подкрутите регулировочные винты для выставления расстояния с необходимой разницей. Фиксация каждого лапчатого винта происходит путем осаживания краев лапок в пазы винтовых хвостовиков.

Соединение диафрагменной пружины не нуждается в настройке свободного хода и не требует регулировки системы выключения механизма. Правильные габариты зазоров и ходов обеспечены особенностями конструкции.
UAZ 3962 «Серый» › Logbook › Установка ВУТ и ГТЦ toyota на УАЗ.
Я ВУТ поднял на 10 что ли сантиметров…чтобы влезла лебедка. Пришлось маленький треугольник вырезать на кронштейне ВУТ, думаю прочность не пострадала ) Тормоза огонь. Ход педали — первые 30% хода выглядят как холостые, думаю это выборка зазора колоднок, потом тормоза в юз, надо привыкать.
PS. Подключение трубок: как на фото. При прокачке аж срывало шланг капельницы на передних колесах, отлично давит ))) PS 2 — гайки toyota рассверлены были сверлом на 6,2-6,3мм
PS3 — добавлю, вчера прокатился на новехонькой полбуханке, спереди дисковые тормоза, тормозит нормально, прям хорошо) у меня теперь так же ))))
Блог про Уаз
Во время эксплуатации Уаз, по мере износа его сцепления, регулировка положения педали может понадобится в случае возникновения неприятных ситуаций когда включение какой то из передач становится затруднено и она нормально включается только после нескольких последовательных нажатий на педаль сцепления.

В некоторых случаях положение дел удается исправить путем изменения положения педали сцепления, немного подняв или опустив ее. Для этой цели, а также для регулировки полного хода педали сцепления у главного цилиндра предусмотрен регулировочный узел.
Регулировка полного хода педали сцепления Уаз.
Положение педали выключения сцепления и ее полный ход регулируется изменением длины толкателя главного цилиндра выключения сцепления. Для этого, ослабив гайку регулировочного узла толкателя, отсоединяют вилку толкателя от педали и поворачивая ее в нужную сторону, добиваются требуемого результата.
1g Регулировка ПЕДАЛИ СЦЕПЛЕНИЯ??? | DSMtuners.com
Для владельцев Mitsubishi Eclipse, Eagle Talon, Plymouth Laser и Galant VR-4 1990–1999 годов выпуска. Войдите, чтобы удалить большую часть рекламы.
Регистрация
АвторизоватьсяJavaScript отключен. Для лучшего опыта, пожалуйста, включите JavaScript в вашем браузере, прежде чем продолжить.

-
Тема startertsi1991awd -
Дата начала
tsi1991awd
Можно ли отрегулировать педаль помимо штока главного цилиндра? Я отрегулировал тягу месяц назад и сегодня вечером заметил, что она срабатывает почти сразу после того, как я отпустил пол.
Я сделал то, что было сказано в соответствии с видео … когда вы поворачиваете стержень, проверьте, не толкается ли ведомый, и если да, вы поворачиваете стержень больше. Затем, когда ведомое устройство не может быть свободно вставлено, вы отодвигаете его до тех пор, пока ведомое устройство не может быть свободно вставлено, а затем затягиваете гайку. Я попробую еще раз проверить регулировку, но я не знаю .
… может быть, у меня снято сцеплениеСортировать по дате
Сортировать по голосам
ПИМкинг
Бьюсь об заклад, сцепление тоже прострелено.
Если вы сделали это по видео, то это единственный ответ.
91 ци 60к на часы.
Голосование за 0
слишком быстро82
Убедитесь, что рычаг педали сцепления движется при перемещении педали. это может начать портиться.
Тони
Upvote0
JusMX141
tsi1991awd сказал:
Можно ли отрегулировать педаль помимо штока главного цилиндра? Я отрегулировал тягу месяц назад и сегодня вечером заметил, что она срабатывает почти сразу после того, как я отпустил пол.
….может быть, у меня сломалось сцепление
Нажмите, чтобы развернуть…
Попробуйте прокачать сцепление.

Необычно, что изношенное сцепление получает свободный ход , позволяя сцеплению отрываться прямо от пола….обычно изношенное сцепление не срабатывает до тех пор, пока не достигнет верхней точки хода педали, лишая свободного хода и в конечном итоге приводя к проскальзывание.
— Jus — Восстановление турбокомпрессоров с опорными подшипниками с 2004 года.
1997 Мицубиси Эклипс GSX
- Полный привод ·
Руководство
1998 Mitsubishi Eclipse GST
- Руководство
1993 Eagle Talon TSi AWD
- Руководство
1992 Eagle Talon TSi
- Руководство
Upvote0
tsi1991awd
Какова нормальная точка контакта….на каком расстоянии от пола? Потому что это, вероятно, 1/4 или 1/2 дюйма от пола, прежде чем он зацепится.0003
И Эддогг, да, это видео.

Upvote0
слишком быстро82
Я не думаю, что вы хотите, чтобы он взорвался прямо с пола! Я бы сказал, что около 3/4-1 дюйма свободного хода, когда вы нажимаете его вниз, будет примерно правильным?
Не забывайте об изношенной педали сцепления, как я уже сказал. Пройдите под приборной панелью, нажмите рукой и убедитесь, что рычаг толкает мастер. когда вы нажимаете на педаль. Обычно это 1 грамм.Тони
УГОТ8УП
Правильно ли установлен шарнирный шар?
Richard J.
90 Talon TSI — 11,98
97 GS-T — StockUpvote0
ed_dogg23
Недавно я заменил раба приятеля, потому что у него были проблемы с взаимодействием. Мы пытались истекать кровью и истекать кровью, но безрезультатно. После замены рабочего цилиндра и правильной регулировки акт 2600 заработал без проблем! Удачи и держите нас в курсе!
1992 Eagle Talon TSi AWD
- Руководство
Upvote0
слишком быстро82
UGOT8UP сказал:
У вас есть шаровая опора с прокладками?
Нажмите, чтобы развернуть.
..еще один хороший момент!
Проверьте положение вилки сцепления, чтобы определить ее правильное положение без нагрузкиТони
Upvote0
Мобитеван
Мне пришлось заменить шарнирный шар и заменить педаль/втулки сцепления, чтобы сцепление работало должным образом.
2,4 л, 12:1 CR+E85+boost=сломанные юбки поршня
Upvote0
tsi1991awd
Вышел немного назад и отрегулировал сцепление. Проблема сейчас в том, что он начнет зацепляться примерно на четверти пути, но затем, когда он полностью зацепится, он будет ощущаться как 6-шайба. он схватывает, и передняя часть немного трясется. все остальные передачи в порядке. это просто начальное включение первой передачи. раб выкидывает напрочь и все
Итак, разобрался. Поехал на работу, все так себе….весь день педаль болталась….не так туго, как обычно.
Итак, после работы я вышел к машине, и педаль стала немного свободнее, чем обычно, и она включается СРАЗУ после того, как я отпускаю пол!!! Это мне ТОЧНО напоминает 240 моих друзей, когда рабочий цилиндр вышел из строя. Полное зацепление происходит примерно на 1/4 высоты, а разъединение почти также происходит у пола. Трудно поставить его на разные передачи.Это похоже на проблему с рабочим цилиндром? Вдруг так случится???
Upvote0
слишком быстро82
Ход педали проверял?, как уже говорил 3 раза, говорю по опыту. Другой — регулировка поворотного шара, о котором упоминалось. Все, что действительно осталось, если вы не испортили установку сцепления, это плохой ведомый или ведущий, и они обычно протекают при выходе из строя. Если один из них этого не сделает, я не знаю, что вам сказать
TRE TECH TIPS
Как прокачать гидравлическое сцепление — Team Rip Engineering
Регулировка педали сцепления — Team Rip Engineeringя не буду кровоточить
Хорошо.
Подойдите к педали сцепления, нажмите на нее и дайте ей вернуться в нормальное положение. Затем используйте свою руку, чтобы потянуть на себя педаль. Если вы можете выжать педаль больше, в большинстве случаев примерно на дюйм люфта, это, скорее всего, проблема с рычажным механизмом. Дай мне знать, что ты узнаешь.1992 Eagle Talon TSi AWD
- Руководство
Upvote0
JusMX141
Если в один день он работает нормально, а в другой нет, скорее всего, это проблема с гидравликой.
— Jus — Восстановление турбокомпрессоров с опорными подшипниками с 2004 года.
1997 Mitsubishi Eclipse GSX
- Полный привод ·
Руководство
1998 Mitsubishi Eclipse GST
- Руководство
1993 Eagle Talon TSi AWD
- Руководство
1992 Eagle Talon TSi
- Руководство
Upvote0
тжбайкер031
вы слишком сильно отрегулировали и теперь заблокировали выпускной клапан в мастере?
Upvote0
tsi1991awd
Я не смогу снова все проверить до понедельника, так что машина просто постоит до тех пор.
Но одна вещь, которая заставила меня думать, что это рабочий цилиндр, заключалась в том, что, когда я нажал на рабочий цилиндр (при проверке регулировки), когда он вернулся, он медленно вернулся, но затем внезапно металлический «сосок» на конце просто вылезло дальше. Это довольно трудно объяснить, но… не было плавного движения на всем протяжении, оно просто появилось, а затем, когда ботинок остановился, я подумал, что это было сделано, а затем часть соска выскочила сама по себе. Я снова вдавил его, и после того, как он перестал двигаться, я смог немного потянуть его, и сосок снова выскочил. Я не знаю, нормально ли это для него или что.При нажатии на сцепление оно выбрасывается как надо и все такое….
*Редактировать: Еще хочу отметить, что при нажатии на сцепление чувствуется легкая вибрация, которой никогда не было. Это происходит, когда машина включена или выключена. Я не могу объяснить это чувство так хорошо, но это похоже на то, как если бы вы взяли стержень и вытащили его из резины.
.. как он может ощущаться «нервным», когда вы его вытащили… не плавное движение. За исключением ощущения, когда выжимаешь сцепление.Голосование за 0
JusMX141
tsi1991awd сказал:
Я также хочу отметить, что при нажатии на сцепление ощущается легкая вибрация, которой никогда не было. Это происходит, когда машина включена или выключена. Я не могу объяснить это чувство так хорошо, но это похоже на то, как если бы вы взяли стержень и вытащили его из резины… как он может ощущаться «нервным», когда вы его вытащили… не плавное движение. За исключением того, что это ощущается, когда выжимаешь сцепление.
Нажмите, чтобы развернуть…
То, что вы описываете, является симптомом главного цилиндра с овальным отверстием.
Тормозная жидкость Dot 3 и 4 не обладает смазывающей способностью — когда изнашиваются уплотнения или овалы отверстий, а поршень может соприкасаться со стенкой главного цилиндра, создается ощущение, что он «заедает», как будто вы описание.

Вы можете заменить обе детали (главный и рабочий цилиндры) сразу менее чем за 80 долларов, и вам не придется беспокоиться о неисправности сцепления, связанной с гидравликой. Это единственный путь.
— Jus — Восстановление турбокомпрессоров с опорными подшипниками с 2004 года.
1997 Mitsubishi Eclipse GSX
- Полный привод ·
Руководство
1998 Mitsubishi Eclipse GST
- Руководство
1993 Eagle Talon TSi AWD
- Руководство
1992 Eagle Talon TSi
- Руководство
Upvote0
tsi1991WD
jusmx141 сказал:
То, что вы описываете, является симптомом главного цилиндра с овальным отверстием.
Тормозная жидкость Dot 3 и 4 не обладает смазывающей способностью — когда изнашиваются уплотнения или овалы отверстий, а поршень может соприкасаться со стенкой главного цилиндра, создается ощущение, что он «заедает», как будто вы описание.

Вы можете заменить обе детали (главный и рабочий цилиндры) сразу менее чем за 80 долларов, и вам не придется беспокоиться о неисправности сцепления, связанной с гидравликой. Это единственный путь.
Нажмите, чтобы развернуть…
Это что-то, что может произойти внезапно, как это? Можно ли использовать мастера и раба из Напы? Мне нужно, чтобы этот ремонт был сделан в понедельник, а детали могут быть там завтра.
Upvote0
tsi1991awd
Где вы думали, что можете получить хозяина и раба за 80 баксов? Какой сайт или магазин?
Upvote0
tsi1991awd
Я попытаю счастья с господином и рабом из Напы. у них могут быть запчасти, а у дилера их не будет неделю. Надеюсь, у меня нет проблем.
Upvote0
JusMX141
tsi1991awd сказал:
Где вы думали, что можете получить мастер и раб за 80 баксов? Какой сайт или магазин?
Нажмите, чтобы развернуть.
..У RockAuto есть рабочий цилиндр за 24,79 доллара и главный цилиндр примерно за столько же.
Китайской фигнёй на том сайте не продают — всё брендовое… Дорман, Бендикс, Рино Пак; все эти бренды на самом деле являются OEM-поставщиками в наши дни. Если завтра вы купите новую машину, скорее всего, компоненты гидравлического сцепления будут изготовлены одним из этих трех производителей.
— Jus — Восстановление турбокомпрессоров с опорными подшипниками с 2004 года.
1997 Mitsubishi Eclipse GSX
- Полный привод ·
Руководство
1998 Mitsubishi Eclipse GST
- Руководство
1993 Eagle Talon TSi AWD
- Руководство
1992 Eagle Talon TSi
- Руководство
Upvote0
tsi1991WD
Моя жена заказала запчасти в Напе.
у меня нет времени ждать, пока запчасти будут отправлены мне. также я читал здесь некоторые плохие вещи о гармонических балансирах Dorman …. не знаю, что это говорит о гидравлических компонентах, если что-нибудьUpvote0
JusMX141
tsi1991awd сказал:
Моя жена заказала запчасти в Напе. у меня нет времени ждать, пока запчасти будут отправлены мне. также я читал здесь некоторые плохие вещи о гармонических балансирах Dorman …. не знаю, что это говорит о гидравлических компонентах, если что-то
Нажмите, чтобы развернуть…
Это может вас шокировать, но NAPA не производит свои детали.
Любая гидравлика сцепления, которую вы получите от них, будет изготовлена одним из этих производителей в коробке NAPA:— Bendix
— Dorman
— Raybestos
— Rhino Pac (обычно производится в Японии или Канаде из китайских компонентов)
— Wagner— Jus — восстановление турбокомпрессоров с опорными подшипниками с 2004 года.
1997 Mitsubishi Eclipse GSX
- Полный привод ·
Руководство
1998 Mitsubishi Eclipse GST
- Руководство
1993 Eagle Talon TSi AWD
- Руководство
1992 Орлиный коготь TSi
- Руководство
Upvote0
я не буду кровоточить
Просто чтобы прояснить ситуацию, я знаю, что NAPA не производит свои детали. Они больше компании-поставщика. Я работаю в НАПА. Мне просто не нравится Дорман.
1992 Eagle Talon TSi AWD
- Руководство
Upvote0
tsi1991awd
Я также хотел бы сказать, что детали Dorman производятся в Китае.
.. так что говорить, что это не «китайский мусор», — это неправда.Это может вас шокировать, но NAPA не производит свои детали. Любая гидравлика сцепления, которую вы получите от них, будет изготовлена одним из следующих производителей в коробке NAPA:
— Bendix
— Dorman
— Raybestos
— Rhino Pac (обычно производится в Японии или Канаде из китайских компонентов)
— WagnerНажмите, чтобы развернуть…
этого поста я не видел. Я знаю, что Napa не делает свои собственные партии… просто говорю, что читал несколько плохих вещей о Дормане. Но я думаю, даже если вы получите OEM, вы можете быть в той же лодке.
Это прозвучит глупо, но мне это не нужно. Когда я вставляю новый главный цилиндр, мне нужно повернуть регулировочную тягу или что-то еще, или просто подсоединить кронштейн к педали? Причина, по которой я спрашиваю, заключается в том, что позже, когда я буду регулировать сцепление, не будет ли сложно, если тяга не будет отрегулирована каким-либо образом заранее? Кроме того, напоследок.
.. должна ли педаль быть полностью поднята при подсоединении кронштейна к педали?Upvote0
Вы должны войти или зарегистрироваться, чтобы ответить здесь.
Clutch Pedal Adjustment
- Bogleboy
- Newbie Forum
- Replies
- 3
- Views
- 5K
Bogleboy
Регулировка педали сцепления
- fwdturbobov1996
- Форум новичков
- Ответы 6 9 5565
- Просмотров
- 939
3
fwdturbobov1996
регулировка педали сцепления….?
- brute
- Newbie Forum
- Replies
- 5
- Views
- 874
91turbotalon
регулировка хода педали сцепления
- кошмары GS-T
- Forum Newbie
- .
Регулировка педали сцепления = изменение давления?
- CHIGGZ
- Форум Newbie
- .0696 31 января 2007 г.
PieEyedPiper
Поделиться:
Фейсбук
Реддит
Пинтерест
Тамблер
WhatsApp
Эл. адрес
Делиться
Ссылка на сайтВерх
Регулировка педали сцепления « A Специальные заметки строителя
… прошлое воскресенье не было потрачено впустую, валяясь в постели.
Завтрак был назначен на 9 утра, в 46 милях отсюда, в Саутволде. В гавани есть очаровательное кафе, которое открывается в 8 утра (это 9 утра).0725 будет настаивать на ). По дурости я не стал фотографировать, и только когда мы уходили, я подумал сделать пару снимков наших собратьев-жаворонков.За A7 Special Леона последовал Avon Special Неуклюжего, а за ним TVR. Перед нами была очень быстрая Модель Т.
Это напомнило мне, что я должен что-то сделать со значком Союза специальных строителей, который я уже должен был установить на Хиллман. Когда вас приглашают стать сотрудником СБУ, это просто не то, что нужно воспринимать небрежно.
Похоже на приготовление хлеба. Я не могу определить, будет ли успех у моей следующей буханки, поэтому, когда из машины выходит почти идеальная буханка, я склонен записывать это событие. Я думаю, что на довольно случайные размеры и формы буханок влияет погода — в частности, уровень влажности различной муки, которую я использую, и, если бы я был немного более внимателен к условиям их хранения, результаты могли бы быть более последовательными.

Педаль сцепления Austin со временем сместилась вокруг вала, и включение передач становилось все труднее. В следующий раз, когда двигатель выйдет, было бы неплохо изменить текущее устройство зажима, включив в него более точное фиксирующее устройство, например штифт. Зажимная гайка должна быть закручена очень туго, и это одна из тех ситуаций, когда есть вероятность сорвать резьбу. Это означало бы, что означает отказ двигателя — работа, в которой я сейчас не нуждаюсь.
Учитывая, что машине уже около 7 1/2 лет, а дождь, снег, лед и прочее никогда не мешали мне пользоваться ею, днище в довольно хорошем состоянии. Порошковая окраска, несколько слоев яхтного лака хорошего качества плюс Bear Grease на гайках и болтах принесли свои плоды.
Я все еще обдумываю идею нарисовать «Остин» на капоте; хорошо смотрится на модели.
Одна из вещей, которая обнаружилась во время движения Hillman по катящейся дороге, заключалась в том, что дроссельная заслонка открывалась только наполовину.
Я модифицировал один из рычагов, что дало некоторое улучшение, но суть проблемы заключается в изогнутом соединении от педали до первого рычага. Слишком много потерянного движения. Возможно, в этот момент мне придется обратиться к тросу, потому что педаль сцепления, когда она нажата, препятствует выдвижению вала рычага дроссельной заслонки, чтобы дать прямое нажатие на педаль акселератора. Чтобы не возиться с этим, а так как погода для 1 ноябряместное собрание VSCC манило нас, и мы с дочерью посла отправились в путь с перспективой отличного бутерброда с говядиной и хреном на обед. Автомобиль, который я бы больше всего хотел забрать домой в этом месяце, был трудным выбором; этот великолепный оригинальный Rolls Royce или
этот Derby Bentley…
… ни один из них я не мог позволить себе запустить. Мы перешли к чаепитию Великого Коллекционера, где Hillman был припаркован рядом с одной из машин, которая послужила источником вдохновения для проекта — Vauxhall — которую я никогда не видел с поднятым капотом.

В общем, отличная пара дней, но явное отсутствие прогресса в гоночном автомобиле. Пару дополнительных часов в день не помешало бы.
Нравится:
Нравится Загрузка…
2 комментария
Опубликовано в Сборка автомобиля, Автомобили, Без рубрики, старинные самолеты, Винтажные автомобили, старинные автомобили
Tagged Регулировка педали сцепления, Дерби Бентли, Rolls Royce Drophead, Кафе в гавани Саутволд, Союз специальных строителей, ВоксхоллПоиск
- Просто напоминание….
- Долой старое
- Где-то там.
- Весна взошла.
- 10 лет.
- Измеримый прогресс.
- Никогда не рисуйте…
- Я буду держаться за это.
- Потеряно и найдено.
- Трубопровод.
Архивы
Выберите месяц Март 2020 Февраль 2020 Январь 2020 Декабрь 2019 Ноябрь 2019 Октябрь 2019 Сентябрь 2019 Август 2019 Июль 2019 Июнь 2019 Май 2019Апрель 2019 г. Март 2019 февраль 2019 г. Январь 2019 г. Декабрь 2018 г. Ноябрь 2018 г.
Октябрь 2018 г. Сентябрь 2018 г. Август 2018 г., июль 2018 г., июнь 2018 г., май 2018 г., апрель 2018 г. Март 2018 г. Февраль 2018 январь 2018 г. Декабрь 2017 г. Ноябрь 2017 г. Октябрь 2017 г. Сентябрь 2017 г. Август 2017 г., июль 2017 г., июнь 2017 г., май 2017 г., апрель 2017 г. Март 2017 г. февраль 2017 г. Январь 2017 г. Декабрь 2016 2016 г., ноябрь 2016 г., август 2016 г., июль 2016 г., июнь 2016 г., май 2016 г., апрель 2016 г. Март 2016 г., февраль 2016 г., январь 2016 г., декабрь 2015 г., ноябрь 2015 г., октябрь 2015 г. Сентябрь 2015 г. Август 2015 г., июль 2015 г., июнь 2015 г., май 2015 апрель 2015 г. Март 2015 г. Февраль 2015 г. Январь 2015 г. Декабрь 2014 г. Ноябрь 2014 г. Октябрь 2014 г. Сентябрь 2014 г. август 2014 г., июль 2014 г., июнь 2014 г., май 2014 г. Апрель 2014 г. Март 2014 г. Февраль 2014 г., январь 2014 г. Декабрь 2013 г., ноябрь 2013 г., октябрь 2013 г., сентябрь 2013 г., август 2013 г., июль 2013 г., июнь 2013 г., май 2013 г. Апрель 2013 г. Март 2013 г. Февраль 2013 Январь 2013 г.
Декабрь 2012 ноябрь 2012 г. Октябрь 2012 г. Сентябрь 2012 г. Август 2012 г. Июль 2012 г. Июнь 2012 г. Май 2012 г. Апрель 2012 г. Март 2012 г. Февраль 2012 г.Сентябрь 2022 М Т Вт Т Ф С С 1 2 3 4 5 6 7 8 9 10 11 12 13 14 15 16 17 18 19 20 21 22 23 24 25 26 27 28 29 30 Сборка автомобиля Автомобили Без категорий старинные самолеты Винтажные автомобили старинные автомобили
- Самолет Blue Swallow
- Le Sandford de mon père
- Веб-журнал Prewarcar
- silodrome.
com - Теун Берсерик, иллюстратор
Блог на WordPress.com.
HOW TO: регулировка педали сцепления… [Архив]
SoCalEvo.net > Evo 8/9 Forums > Evo 8/9 Tech Articles and How-To’s > HOW TO: регулировка педали сцепления…
PDA
Просмотр полной версии : КАК: регулировка педали сцепления…
gt40
18.05.2004, 00:04
В последнее время у меня были проблемы с переключением передач с 4 на 5. скрежетать (синхронизация может быть), и очень трудно заставить машину двигаться в обратном направлении. *
Обнаружено, что у evo есть регулировка включения через педаль сцепления. *Идея здесь в том, что, возможно, сцепление не полностью отключается.
Для регулировки педали сцепления:
Снять нижнюю пластиковую часть под рулевым колесом. * Есть 2 винта и * к болтам для стали под кареткой, и она выходит прямо. *После этого становится интереснее. *Лягте на спину на пол, положив голову на муфту с фонариком и гаечным ключом на 10 мм.
* Вы увидите вал, проходящий через брандмауэр, который движется, когда вы нажимаете сцепление. * есть кронштейн с болтом, который вы ослабляете, а затем вращаете вал (он имеет резьбу), чтобы он больше вошел в часть брандмауэра. * Сделайте немного и проверьте — может быть, 1/2 оборота или около того, и прокатитесь. * Зацепление сильно меняется при небольшом перемещении вала. * Как только вы сделаете это правильно, затяните болт и положите детали обратно.Мое сцепление теперь *намного легче переключать, и проблемы с включением заднего хода больше нет. * Все еще есть 4-я передача до 5-й, но это не так плохо. * *
Вы можете сделать это после установки нового сцепления, так как через несколько недель во многих случаях потребуется его регулировка.
gt40
11.02.2006, 10:35
ВАУ, поднимаю из мертвых пост из 2004… доктора Грея, и да, это поможет, если вы отрегулируете помолвку. Сделайте это прямо в RRE, если вы не уверены в том, что делаете.

Coolguy949
04-04-2006, 17:01
К вашему сведению: вам нужен гаечный ключ на 12 мм. Если только у Марка нет другой гайки… нет, я не имею в виду отвертку. Пластик снимать не надо, просто засунуть под панель.
C-Spec
15-09-2006, 01:31
1. Сдвиньте сиденье водителя до упора назад и посмотрите на заднюю часть педали сцепления (помогает вспышка или падающий свет!).
Регулировка педали сцепления очень проста. Просто ослабьте контргайку на кронштейне, соединяющем толкатель с задней частью педали сцепления. Когда стопорная гайка ослаблена, тягу можно поворачивать, чтобы поднять или опустить педаль сцепления. Это, в свою очередь, увеличит или уменьшит ход штока (и движение гидравлики) и определит, «где» в педали включается сцепление.
В большинстве случаев стержень можно просто повернуть вручную. Покачивание педали сцепления при повороте штока может облегчить задачу, но на штоке есть уплощенное место для использования 8-миллиметрового ключа, если повернуть его вручную невозможно.

Чтобы переместить шток выше и увеличить ход (сдвинуть зацепление вверх), поверните шток по часовой стрелке. Чтобы уменьшить ход (опустить зацепление вниз), поверните шток против часовой стрелки.
ТЕХНИЧЕСКИЙ СОВЕТ: Если установлено вторичное сцепление, и есть проблемы с включением передач или оно вообще не включается, сцепление, вероятно, не полностью отключается при нажатой педали. Чтобы решить эту проблему, отрегулируйте педаль. выше.
http://www.socalevo.net/forum/index.php?action=dlattach;topic=2493.0;id=6278;image
2. Как только педаль будет нажата, несколько пробных поездок и переключений позволят это должно быть набрано для вашего сцепления и ощущения. Не забудьте затянуть стопорную гайку на штоке перед началом движения!
ТЕХНИЧЕСКИЙ СОВЕТ: попробуйте отрегулировать педаль и выполнить тест-драйв/переключение передач при теплой трансмиссии и сцеплении. Если регулировка слишком «близкая», это может быть нормально в холодную погоду и стать зазубринами или не полностью отключиться, когда все прогреется, а сцепление расширится от тепла.

trinydex
18.01.2007, 23:34
http://www.roadraceengineering.com/evo/tech/evoclutchadjust.htm послепродажного обслуживания, НЕОБХОДИМО повторно отрегулировать педаль.*
Основной регулировкой сцепления EVO является стержень, который проходит от узла педали к главному цилиндру сцепления на брандмауэре. Чтобы его увидеть, нужно отодвинуть сиденье водителя до упора назад и заползти в область педалей. Следуйте за педалью сцепления вверх и найдите золотую вилку.
http://www.socalevo.net/forum/index.php?action=dlattach;topic=2493.0;id=6565;изображение
На этой фотографии показана короткая регулировка удилища. Таким образом, у вас будет больше шансов столкнуться с проблемами переключения передач. Шток должен быть длиннее, чтобы у вас было достаточно хода в главный цилиндр резака.
http://www.socalevo.net/forum/index.php?action=dlattach;topic=2493.0;id=6566;im age
На этом фото показана удочка после регулировки.
Теперь он длиннее.http://www.socalevo.net/forum/index.php?action=dlattach;topic=2493.0;id=6567;im ge
Для регулировки используйте гаечный ключ на 12 мм и ослабьте контргайку. Затем вы сможете повернуть удилище вручную, чтобы немного увеличить ход и, следовательно, отпустить.*
http://www.socalevo.net/forum/index.php?action=dlattach;topic=2493.0;id= 6568;изображение
http://www.socalevo.net/forum/index.php?action=dlattach;topic=2493.0;id=6571;изображение
http://www.socalevo.net/forum/ index.php?action=dlattach;topic=2493.0;id=6572;image
Когда все будет готово, вам потребуется не менее 1-3 мм свободного хода (B) в верхней части хода педали. Если у вас есть стержень отрегулирован слишком долго, выжимной подшипник может находиться под постоянным давлением и может даже не позволить сцеплению полностью включиться. Вы должны быть уверены, что в верхней части хода педали есть свободный ход.*
Если у вас закончился свободный ход в верхней части педали, вы можете увеличить ее ход вверх, подняв ограничитель в верхней части педального узла.
Мне пришлось немного отодвинуть блок предохранителей, чтобы получить доступ к упору.http://www.socalevo.net/forum/index.php?action=dlattach;topic=2493.0;id=6569;image
Здесь вы можете увидеть ключ на 14 мм, откручивающий контргайку. Стоп на самом деле является переключателем. Ослабьте 14-миллиметровую гайку, после чего вы сможете повернуть переключатель в сборе против часовой стрелки, чтобы увеличить ход педали.*
http://www.socalevo.net/forum/index.php?action=dlattach;topic=2493.0;id=6570;image
trinydex
18-01-2007, 23:37
Для чего стоит, вот что говорится в руководстве по ремонту по этому вопросу:
ПРОВЕРКА И РЕГУЛИРОВКА ПЕДАЛИ СЦЕПЛЕНИЯ
1. Подверните ковер и т.д. под педалью сцепления.2. Измерьте высоту педали сцепления.
Стандартное значение (A): 202,1–206,1 мм (7,96–8,11 дюйма)3. Если высота педали сцепления выходит за пределы стандартного значения, ослабьте регулировочную гайку, чтобы отрегулировать высоту педали до стандартного значения.

4. Измерьте люфт штифта педали сцепления.
Стандартное значение (B): 1–3 мм (0,04–0,12 дюйма)5. Если люфт штифта педали сцепления не соответствует стандартному значению, ослабьте регулировочную гайку, чтобы отрегулировать люфт штифта педали сцепления в соответствии со стандартом. ценность.
6. После завершения регулировки убедитесь, что свободный ход педали сцепления (измеренный на лицевой стороне накладки педали) и расстояние между педалью сцепления (лицевой стороной накладки педали) и стопором педали сцепления, когда сцепление в отключенном состоянии находятся в пределах стандартных значений.
Стандартное значение (C): 4–13 мм (0,16–0,51 дюйма)
Стандартное значение (D): 114,3 мм (4,5 дюйма) или более
7. Если свободный ход педали сцепления и расстояние между педалью сцепления и стопора педали сцепления при выключенном сцеплении не соответствуют нормативным значениям, это, вероятно, результат либо воздуха в гидросистеме, либо неисправного главного цилиндра, цилиндра сцепления или сцепления.
Выпустите воздух или разберите и осмотрите главный цилиндр, цилиндр сцепления или сцепление.
8. Установите на место ковер и т. д.RRE Примечание:
С неоригинальным сцеплением вы можете выйти за пределы заводского диапазона. Это связано с тем, что сцепления вторичного рынка получают дополнительную прижимную нагрузку, возясь с точками поворота внутри прижимной пластины. Это часто требует большего хода педали, поэтому ВСЕГДА нужно проверять регулировку.
trinydex
18-01-2007, 23:48
Спецификации момента затяжки сцепления:
ХАРАКТЕРИСТИКИ ЗАТЯЖКИ КРЕПЕЖНЫХ СОЕДИНЕНИЙ*
ПОЗИЦИЯ СПЕЦИФИКАЦИЯ
Болт крепления кожуха сцепления 18 ± 3 Н·м (13 ± 2 фут-фунт)
Болт кронштейна трубопровода жидкости сцепления 18 ± 3 Н·м (13 ± 2 фут-фунт)
Цилиндр выключения сцепления воздухоотводчик 11 ± 1 Н·м (97 ± 8 дюйм-фунт)
Болт крепления цилиндра выключения сцепления 18 ± 3 Н·м (13 ± 2 фут-фунт)
Соединительный болт цилиндра выключения сцепления 22 ± 2 Н·м (16 ± 1 фут-фунт)
Накидная гайка трубки сцепления 15 ± 2 Н·м (11 ± 1 фут-фунт)
Стопорный болт вала вилки выключения 9,8 ± 2,0 Н·м (87 ± 17 дюйм-фунт)ПОЗИЦИЯ СПЕЦИФИКАЦИЯ
Управление сцеплением Болт крепления цилиндра выключения сцепления 18 ± 3 Н·м (13 ± 2 фут-фунт)
Гайка крепления главного цилиндра сцепления 12 ± 2 Н·м (102 ± 22 дюйм-фунт)
Развальцовка трубы сцепления гайка 15 ± 1 Н·м (11 ± 1 фут-фунт)
Рым-болт 30 ± 4 Н·м (22 ± 3 фут-фунт)
Контргайка толкателя 13 ± 2 Н·м (111 ± 22 дюйм-фунт)
Гайка узла фиксатора 12 ± 2 Н·м (102 ± 22 дюйм-фунт)
Педаль сцепления Гайка крепления главного цилиндра сцепления 12 ± 2 Н·м (102 ± 22 дюйм-фунт)
Болт крепления узла педали сцепления 12 ± 2 Н ·м (102 ± 22 дюйм-фунт)
Гайка регулировки положения датчика положения педали сцепления 12 ± 2 Н·м (109 ± 21 дюйм-фунт)RCTEVO
26-03-2008, 23:04
Через 4,5 года — кстати!!!
Рад, что проверил.
Мое 2-е сцепление (Unorthodox) изнашивается и пытается выжать из него как можно больше жизни, прежде чем бросить большие $$$ на новую двойную пластину Exedy или HKS.
Неортодокс был великолепен, но из-за других модов и еще нескольких запланированных он просто не может выдержать злоупотребление дополнительным крутящим моментом.9+1
monsterevo9
08-10-2009, 18:37
очень полезно
vernisog
09-09-2009, 15:52 21:50 вижу это. Это так просто, и вам действительно нужно только немного повернуть его. Чувак, это сделало вождение намного лучше, лол.
Работает на vBulletin® Версия 4.2.4 Copyright © 2022 vBulletin Solutions, Inc. Все права защищены.
Поиск и устранение неисправностей: распространенные проблемы со сцеплением и их причины
Вы здесь
Главная | Поиск и устранение неисправностей: общие проблемы со сцеплением и их причины
Поиск и устранение неисправностей может показаться таинственным «черным искусством», которым занимаются только опытные профессиональные механики, когда вы не знаете, как работают определенные системы вашего автомобиля.
Выяснение проблемы и ее решения — это просто результат наличия правильных знаний в сочетании с разумным систематическим подходом. Если вы работаете методом исключения, начиная с наиболее вероятной причины и переходя к более сложным проблемам, вы можете легко диагностировать проблему самостоятельно. После этого исправить это часто легко с помощью вашего руководства Haynes.Существует несколько различных причин, по которым сцепление на автомобиле с механической коробкой передач может выйти из строя, но это простая механическая система или гидравлическая/механическая, и ее нетрудно понять. Как только вы поймете, что это за части и как они взаимодействуют, поиск и устранение проблемы должно быть легким. Существует два основных способа выхода из строя сцепления: оно либо не выключается, либо не включается полностью.
Сцепление не выключается при нажатии
При обычном, современном вождении с частыми остановками вы, вероятно, нажимаете педаль сцепления каждые несколько секунд.
И в тот раз, когда вы нажимаете ее, а машина все еще ползет вперед, вы понимаете, что у вас есть проблема. Иногда какая-то деталь выходит из строя, и сцепление перестает нормально работать, а мгновенно перестает работать. В других случаях это медленное постепенное изменение, когда сцепление работает все хуже и хуже. Каждый из этих режимов сбоя имеет разные причины, и то, как он вышел из строя, может сильно помочь в выяснении того, как его исправить.Внезапный отказ
- Обрыв/ослабление троса сцепления
- Сломанное/ослабленное соединение
- Неисправность главного/ведомого гидравлического цилиндра
- Негерметичность гидравлической линии
- Неправильная посадка выжимного подшипника с нажимным диском
- Диск загрязнен посторонним материалом
Постепенное разрушение
- Растянутый кабель
- Изогнутая связь
- Неисправность главного/ведомого цилиндра
- Низкий уровень гидравлической жидкости
- Сломанное крепление двигателя/трансмиссии
Сцепление не включается должным образом
Сцепление, которое не включается полностью или проскальзывает при большой нагрузке, является нормальным видом неисправности изношенного фрикционного диска нажимного диска, потерявшего натяжение.
Когда вы нажимаете сцепление, ваша нога противодействует диафрагменной пружине, которая прижимает фрикционный диск к маховику. Если давление пружины недостаточно велико или зазор между всеми частями слишком велик, трения будет недостаточно для передачи мощности от двигателя к трансмиссии. Фрикционные диски изнашиваются и становятся тоньше, а пружины со временем и использованием становятся слабее, поэтому все сцепления со временем начинают проскальзывать. Внезапное начало пробуксовки сцепления обычно свидетельствует о том, что трущиеся поверхности загрязнены утечкой масла или чем-то еще.Сцепление вообще не включается
- Заедание в тяге или тросе из-за коррозии
- Изогнутая связь
- Захваченный рабочий цилиндр
- Заедание выжимного подшипника
- Неисправность диафрагмы нажимной пластины
- Неисправность фрикционной пластины
Сцепление проскальзывает под нагрузкой
- Плохо отрегулирован трос/рычаг
- Нормальный износ фрикционных дисков в результате использования
- Глазированные поверхности трения от проскальзывания
- Износ фрикционной поверхности маховика
- Пружины диафрагмы слабой нажимной пластины
- Негерметичность заднего главного сальника двигателя
- Негерметичность уплотнения входного вала коробки передач
- Деформация/перегрев нажимного диска или маховика.

Другие проблемы со сцеплением
Помимо того, что сцепление не включается или не отключается, могут быть и другие проблемы, такие как шумная работа или дребезжание при включении. В старых механических соединениях отсутствие периодической смазки может привести к большим усилиям или заеданию шарниров или тросов, а также к педали, которая не возвращается плавно. Неисправный выжимной подшипник может стать серьезной головной болью при движении с частыми остановками, издавая ужасные звуки каждый раз, когда нажимается педаль сцепления. Часто это больше раздражает, чем что-либо еще, особенно потому, что для их устранения часто требуется снять трансмиссию / коробку передач, чтобы добраться до деталей.
Вибрация
- Обожженные или покрытые глазурью поверхности трения
- Масло на фрикционный диск
- Ослабленные опоры двигателя или трансмиссии
- Изношенные шлицы на ступице диска сцепления
- Деформация нажимного диска или маховика
- Износ направляющего подшипника
Визг или грохот при нажатии на педаль
- Неисправен выжимной подшипник
- Неисправность прижимной пластины
- Плохая направляющая втулка
Скрежет или щелчки сцепления
- Ослабленная вилка выключения сцепления
- Неисправен выжимной подшипник
- Низкие обороты холостого хода двигателя или неравномерный холостой ход
- Изношенные шлицы фрикционных дисков
Высокое усилие на педали
- Рычаги, требующие смазки
- Связывающий кабель
- Привязка шарнира педали
- Плохой выжимной подшипник
- Неисправен рабочий цилиндр
- Неисправность нажимной пластины
Педаль сцепления не возвращается
- Заедание шарнира педали
- Неисправен трос сцепления
- Неисправность возвратной пружины
- Плохая нажимная пластина
- Выжимной подшипник
Теги:
устранение неполадок
Ремонт автомобилей
Обслуживание автомобилей
Рекомендуется для вас
Последние советы и руководства
Советы Марка: как правильно отрегулировать фары
14 сентября 2022 г.

Общие проблемы Jeep Compass (2007-2017 гг.)
9 сентября 2022 г.
Общие проблемы Chevrolet Corvette (1984-1996 гг.) )
2 сентября 2022 г.
Как отрегулировать трос сцепления Mustang
- Для сброса стандартного саморегулирующегося механизма см. стандартное руководство по ремонту в мастерской.
- Чтобы настроить послепродажный брандмауэр, см. ниже.
Подготовка к регулировке
Перед регулировкой натяжения троса сцепления осмотрите все элементы системы, чтобы убедиться в правильности установки. Это особенно важно при объединении деталей из разных источников.Крайне важно убедиться, что кожух троса сцепления остается под прямым углом к поверхностям на каждом конце, на котором он установлен. Это сведет к минимуму провисание тросовой системы и обеспечит адекватный ход педали сцепления.
- Надежно прикрепите регулятор брандмауэра к брандмауэру.
- Правильно соберите регулятор брандмауэра, следуя инструкциям производителя по установке.
Механизм регулятора состоит из двух частей: половина, прикрученная к брандмауэру, входит в брандмауэр, а не наружу и в сторону от него. - Проложите трос так, чтобы конец внешнего корпуса располагался прямо напротив механизма регулировки.
- Передающий конец кожуха троса сцепления должен оставаться под прямым углом к кожуху колокола. Фиксатор приклада, расположенный под крышкой вилки сцепления, удерживает трос в правильном положении.
Регулировка натяжения троса сцепления
Целью регулировки троса сцепления является придание ему достаточного натяжения, чтобы выжимной подшипник находился в легком контакте с пальцами диафрагмы сцепления, обеспечивая правильную работу сцепления и длительный срок службы сцепления. Не используйте регулятор брандмауэра для настройки высоты педали или регулировки положения педали, в котором сцепление включается или выключается. (Maximum Motorsports производит регуляторы высоты педали сцепления, специально предназначенные для правильного выполнения этой работы.
)- Возьмитесь одной рукой за внешний корпус кабеля.
- Потяните его вперед: к радиатору и от брандмауэра. Это может потребовать некоторых усилий. Вам необходимо устранить все провисания в системе, которые прижимают выжимной подшипник (по конструкции) к диафрагме прижимной пластины.
- Если между большим, круглым, плоским концом корпуса и передней поверхностью регулятора нет зазора, вкрутите регулятор в брандмауэр, пока не появится небольшой зазор.
- Продолжая вытягивать внешний кожух троса из брандмауэра, поверните регулятор, чтобы вытянуть его из брандмауэра, пока не исчезнет зазор.
Подтверждение регулировки
- Натяжение троса должно быть достаточным для того, чтобы педаль опустилась на 1/2 дюйма при нажатии на нее с усилием 5-8 фунтов. Если педаль перемещается больше, увеличьте натяжение троса, ввинчивая регулятор брандмауэра еще на из брандмауэра. Если для перемещения педали на 1/2 дюйма требуется усилие более 8 фунтов, уменьшите натяжение троса, завинтив регулятор еще больше 9.
0725 в брандмауэр. - Если сцепление не выключается при нажатии педали в пол, увеличьте натяжение троса, выкрутив регулятор из брандмауэра.
- Если выжимной подшипник щелкает при выжатой педали сцепления и при работающем двигателе, натяжение троса недостаточно.
Периодическая регулировка
По мере износа диска сцепления фрикционный материал становится тоньше, что приводит к увеличению натяжения троса. Это требует периодической «регулировки сцепления», как это обычно называют, для компенсации износа сцепления. Однако то, что вы на самом деле хотите делать для регулярного обслуживания, это уменьшить натяжение троса . Это можно сделать, вкрутив регулятор в брандмауэр, следуя процедуре, описанной выше в разделе «Регулировка натяжения троса сцепления».Технический фон
Компания Ford оборудовала большинство автомобилей Fox и все модели Mustang SN95 саморегулирующимся механизмом, предназначенным для постоянного поддержания надлежащего натяжения троса сцепления.
По мере износа диска сцепления механизм автоматически регулирует натяжение троса, чтобы сцепление продолжало работать правильно в течение всего срока службы.Правильно отрегулированный трос сцепления немного натянут. Это удерживает выжимной подшипник в постоянном контакте с пальцами на диафрагме нажимного диска сцепления. Этот контакт необходим для работы саморегулирующегося механизма . Вопреки распространенному мнению, это конструктивная особенность, и не приводит к преждевременному износу выжимного подшипника Mustang.
Прикладной саморегулирующийся механизм состоит из пластикового узла квадрантной/собачьей шестерни. Пластик со временем изнашивается, но прижимные пластины вторичного рынка с более высокими зажимными нагрузками ускоряют этот процесс. Даже в заводских условиях возраст портит пластик, и с каждым годом становится все более вероятным его поломка. Решение состоит в замене пластикового механизма долговечными металлическими деталями.
Стандартной заменой является нерегулируемый алюминиевый сектор.
Имейте в виду, что после того, как вы снимите саморегулирующийся механизм приклада, регулировка троса сцепления больше не будет автоматической! Вы должны заменить его каким-либо методом регулировки натяжения троса. Maximum Motorsports делает это с помощью узла, называемого регулятором брандмауэра, который позволяет легко регулировать натяжение троса из-под капота вашего Мустанга. Чтобы компенсировать нормальный износ диска сцепления, вам необходимо периодически регулировать натяжение троса.По мере износа и утончения фрикционного диска сцепления концы пальцев диафрагмы, соприкасающиеся с выжимным подшипником, давят на подшипник, оказывая все большую нагрузку на трос и увеличивая его натяжение. Это начинает отключать сцепление, что приводит к проскальзыванию сцепления. Следите за регулировкой троса сцепления вашего Мустанга, чтобы сохранить хорошую производительность и избежать преждевременного износа диска сцепления. Обратите внимание, что этот процесс регулировки не предназначен для изменения положения педали в точке включения/выключения.
Пожалуйста, ознакомьтесь с нашим регулятором высоты педали сцепления, который предназначен для правильного выполнения этого изменения.) Сопутствующие детали
- Настройщик брандмауэра MM
- MM Трос сцепления
- MM Алюминиевый квадрант сцепления
- Пакеты тросов сцепления MM
- MM Регулятор высоты педали
Регулировка педали сцепления Значение
– Action ClutchЕсли у вас есть автомобиль с механической коробкой передач, скорее всего, вы заменили или, по крайней мере, думали о замене сцепления. Обычно OEM-сцепления служат долго и не требуют замены до пробега 50-60 тыс. км. Это означает, что многие из тех, кто заменяет свои OEM-сцепления, ищут какие-то действия со сцеплениями послепродажного обслуживания.
Итак, после тщательного отбора сцепления для вторичного рынка, подходящего для вашего автомобиля, что дальше? Выжать сцепление и можно ехать? Не совсем!
Вы забыли об очень важной части экологии вашей механической коробки передач — педали сцепления.
После установки нового сцепления, если это штатное сцепление, иногда не требуется регулировать педаль, особенно если свободный ход в порядке. Но в случае вторичного сцепления вам обязательно потребуется регулировка педали. Хотите верьте, хотите нет, но плохо отрегулированная педаль сцепления может привести к разрушению упорного подшипника коленчатого вала, что приведет к отказу двигателя.Прежде чем объяснять, зачем нужно регулировать педаль сцепления после установки нового сцепления, следует сначала понять, как работает педаль сцепления.
Большинство новых автомобилей с механической коробкой передач используют гидравлическое выключение сцепления. При гидравлическом выпуске, когда вы нажимаете на педаль, педаль передает давление на нечто, называемое главным цилиндром. В главном цилиндре есть поршень, который соединен с педалью. Когда вы нажимаете на педаль, поршень выталкивает масло внутрь главного цилиндра. Затем масло проходит по трубопроводу и достигает другого цилиндра, известного как рабочий цилиндр.
Там есть еще один плунжер, который движется вперед за счет поступающего давления масла. Это, в свою очередь, толкает вилку сцепления и связанный с ней выжимной подшипник. Выжимной подшипник давит на центр диафрагменной пружины и вуаля! у тебя сцепление выключено.При механическом выключения сцепления давление передается тросом сцепления, скользящим внутри гибкой оболочки. Трос сцепления одним концом соединен с педалью сцепления, а другим концом с вилкой выключения сцепления.
Прежде чем говорить о регулировке педали, давайте поговорим о двух ее важных параметрах: высоте педали и свободном ходе.
Когда вы нажимаете на педаль, она опускается к полу, верно? Высота педали — это расстояние между педалью и полом. Эта высота определяет, какой ход вы можете нажать на педаль, чтобы выключить сцепление. Эта высота регулируется и может потребоваться регулировка, если вы что-то меняете в дальнейшем, например, главный цилиндр, выжимной подшипник или само сцепление.

Тогда у нас есть свободный ход педали. Это расстояние, на которое вы можете нажать на педаль, прежде чем почувствуете какое-либо сопротивление. Проще говоря, это зазор до того, как сцепление почувствует давление вашей ноги и начнет отключаться. Это имеет решающее значение как для вашего опыта вождения, так и для исправности сцепления.
Итак, теперь, когда мы знаем механизм педали и важные показатели, пришло время обсудить, почему вам нужно регулировать педаль сцепления после покупки нового сцепления. Все сводится к толщине фрикционной пластины и прижимному давлению прижимной пластины.
Когда у вас было OEM-сцепление, высота педали, свободный ход и реакция сцепления были откалиброваны производителем для правильной работы.
Когда вы устанавливаете новое сцепление в свой автомобиль, все меняется, например, размер сцепления в сборе, толщина фрикционного диска и давление прижима. Например, если это сцепление вторичного рынка, оно должно быть толще, чем оригинальное сцепление, и оно будет оказывать более высокое прижимное усилие благодаря более прочной нажимной пластине.

Если вы не отрегулируете педаль, это означает, что высота педали такая же, как и раньше. Когда вы нажмете педаль в пол, главный цилиндр получит такое же срабатывание, как и раньше, и, в конце концов, вилка выключения будет иметь такой же ход. Поскольку в вашем новом сцеплении используется новая нажимная пластина с более высоким прижимным усилием, хода вилки будет недостаточно, чтобы полностью отключить ее. А вот и печально известная пробуксовка сцепления. Всякий раз, когда вы пытаетесь выключить и переключить передачу, сцепление будет проскальзывать, сжигая фрикционный материал. Проскальзывание также приводит к искривлению выжимного подшипника, что в конечном итоге приводит к его заклиниванию и разрушению.
Есть неудобства и с фрикционным диском. Поскольку оно будет толще, чем ваше изношенное OEM-сцепление, оно будет иметь тенденцию к укусу раньше, когда вы отпустите педаль. Таким образом, в тот момент, когда вы хотите снять ногу с педали, сцепление захочет укусить, что может быть довольно раздражающим для многих людей.

Тогда есть вопрос о бесплатной игре. Свободный ход определяет, когда сцепление начинает отключаться после нажатия на педаль. Некоторым из нас нравится, когда сцепление отключается сразу после нажатия на педаль. Но важно знать, что определенный и, что более важно, правильный свободный ход необходим для долговечности вашего сцепления.
При установке нового сцепления измененный размер может изменить свободный ход педали. Когда свободный ход меньше идеального, сцепление будет находиться прямо в точке, где начинается расцепление, а это означает, что на него не будет оказываться полного прижимного усилия, и оно начнет проскальзывать.
Кроме того, без надлежащего свободного хода гидравлическое масло не может полностью вернуться в главный цилиндр, т. е. шток главного цилиндра не полностью освобождается, когда вы отпускаете ногу с педали. В частности, это происходит, когда детали горячие и полностью растянуты, или когда вы кладете ногу на педаль. Помимо износа выжимного подшипника, вилки сцепления или шарнира, это также может вызвать утечки из главного и рабочего цилиндров.

С другой стороны, слишком большой свободный ход может привести к пробуксовке сцепления, из-за чего автомобиль будет ползти вперед при переключении передач, что может вызвать проблемы при интенсивном движении. Поэтому регулировка педали сцепления и достижение правильного свободного хода очень важны.
Большинство новых автомобилей с механической коробкой передач имеют гидравлический привод вместо механического. А некоторые новые модели с гидравлическим расцеплением имеют еще и саморегулирующиеся механизмы. Именно поэтому многие предполагают, что все гидравлические системы являются саморегулирующимися. Это очень распространенное заблуждение.
Даже если в вашем автомобиле есть саморегулирующийся педальный механизм, он редко работает на 100% и чаще всего требует небольшой помощи в саморегулировке.
В заключение, если вы ставите на свой автомобиль новое сцепление, педаль сцепления нуждается в регулировке. Даже стандартное сцепление, скорее всего, придется регулировать.

Лемешный лущильник: назначение и процесс работы устройства
назначение и процесс работы устройства
Если лущение производится на глубине грунта от 40 до 80 мм, то характерно применение лущильников дискового типа, но если глубина обработки от 80 до 140 мм, то более рациональным будет применение лущильников лемешного типа, таких как ППЛ 10 25.
Лущильники дискового типа работают по принципу «челночного движения», а на участках работ длиной 300 метров и менее возможна работа «вкруг». Лемешные лущильники, в свою очередь обрабатывают почву методом чередования лущения «всвал» и «вразвал» или же вообще бесплетневым методом.
Лущение стерни это первоочередное мероприятие обработки грунта после уборки старого посева. Оно может быть выделено как отдельный процесс или же выполняться совместно с иными работами. К примеру вместе со скашивание хлеба в валки или способом прямого комбайнирования.
Сразу же за сбором валков и удалением с поля соломы в работу включаются лущильники (если возможность уборки соломы отсутствует то она собирается в стога или копны, а лущение производится между рядов стогов).
Самым лучшим вариантом будет лущение стерни с потоковой уборкой хлеба и очисткой грунта от соломы.Посмотреть эту публикацию в Instagram
Публикация от ООО НПЦ Агровек (@agrovek)
Также, при проведении лущения с определенной периодичностью проверяют глубину проведения лущения, качество удаления сорняков и общее состояние рабочего участка грунта.
Основное назначение полунавесного плуга-лущильника ППЛ-10-25 лущение стерни в глубину до 120 мм на участках грунта с высоким содержанием сорняков, обработка почвы перед посевными работами, обрабатывание полей парового типа на глубине грунта от 60 до140 мм и полей с лёгкими типами почвы на глубину от 160 до 180 мм.
Максимально возможная ширина захвачиваемой площади 2,5 метра (минимальная 1,25 метра).
Полунавесной плуг-лущильник ППЛ-10-25 агрегатируется с тракторами с тягой 30 кН.Короб корпуса лущильника, а также механизмы управления и регулирования рабочего процесса машины установлены и закреплены на раме, которая смонтирована на двух ходовых и двух опорных колесах.
Сама по себе рама состоит из двух частей: передней (имеющей прицеп) и задней. Они соединяются посредством шарнирного механизма.
Глубина обработки грунта регулируется механизмом винтового типа который контролирует смещение колес опорного типа относительно положения рамы машины. Процесс перевода агрегата в рабочее состояние из транспортного положения осуществляется при помощи гидроцилиндра.
Одним из весомых преимуществ корпуса ППЛ-10-25 является то что его можно разъединять. Передняя часть лущильника, в автономном положении, может вполне стабильно выполнять рабочие задачи, равносильные классу тракторов с тягой 14 кН.
Благодаря винтовому механизму, регулирующему смещение колес опорного типа относительно положения рамы машины, и П-образной оси, размещенной в центре рамы агрегата с установленным на ней ходовыми колесами, у машины появляется возможность разворачивать полуоси до 15 градусов относительно друг друга.
Это даёт возможность правому колесу занимать положение выше вспаханного участка при проведении работ.Применение в колесах шин пневматического типа значительно повышает показатели скорости и маневренности лущильника по сравнению с другими машинами такого рода. Также, конструкция подшипников колес машины позволяет работать агрегату весь сезон без замены смазки.
Комплектации корпусов полунавесного плуга-лущильника ППЛ-10-25 выпускаются в различных вариантах для выполнения работ на скоростях от 7 до 12 км/час.
В максимальной комплектации его производительные способности приравниваются к тракторам Т-150к (в состоянии разделенного корпуса, отдельные его части сравнимы с тракторами ЮМЗ и МТЗ).

Преимущества:
- Сборный узел повышенной прочности.
- Высокая износостойкость рабочих элементов.
- Надёжная конструкция машины лущильника.
- Высокая комплектация агрегата.
Полунавесной лемешный лущильник ППЛ 10-25 – это идеальный вариант для пожнивного лущения грунта на глубину 8-10 ми, предпосевной обработки чистых и черных паров на глубину до 14 см.
Технические характеристики:
Ширина захвата, м 1,25 Производительность за час чистой работы, га 1,25 Скорости, км в час: Рабочая
Транспортная
10
до 15
Дорожный просвет, мм 370 Габаритные размеры в рабочем положении, мм Длина
Ширина
Высота
2885
1500
1220
Вес, кг 450 Обслуживающий персонал (тракторист) 1 Оцените статью:
Загрузка.
..ᐉ Лущильники почвы ➤ Основные характеристики и описание
Категория: Запчасти к сельхозтехнике
С увеличением популярности аграрного сектора развиваются все направления, связанные с повышением урожайности и эффективности обработки почвы. Современные технологии не обходят стороной и сельскохозяйственное оборудование. Рассмотрим более подробно такую категорию, как «лущильники почвы». Зачем нужна эта техника, чем она отличается от других машин и какие разновидности представлены на рынке.Лущильники: что это
Одним из этапов подготовки к посеву является лущение. Это процесс, при котором срезается поверхностный слой. Глубина обработки колеблется в пределах 5–15 см. В зависимости от конфигурации модели лущильника верхний слой может полностью переворачиваться или на 30–40%.
Благодаря этому:- происходит эффективное вспахивание;
- частично уничтожаются опасные для с/х культур бактерии и патогенные микроорганизмы, ростки и семена сорной травы, которые способствуют её распространению;
- заделываются растительные остатки, служащие питательной базой для последующих всходов культурных растений;
- на поверхности формируется мелкокомковатый пласт, в котором сокращается испарение влаги.

Лущение — это подготовительный процесс, предшествующий вспашке. При его реализации переворачивается верхний пласт поверхности и снижает энергозатраты на последующую обработку.
Интересно! Лущение часто сравнивают с боронованием. Эти процессы подразумевают рыхление верхнего слоя. Но главное предназначение боронования — не перемешивание земли, а выравнивание. Лущение же помогает добиться полного оборота верхнего плодородного пласта. Это облегчённая вспашка, которая обогащает землю кислородом и уменьшает количество проросших сорняков.Особенности оборудования
Для обработки верхнего плодородного слоя используются специальные машины, которые появились впервые в европейских странах в конце 19 в. Современное оборудование делится на две категории:- дисковые. Основой конструкции является сферический диск, который располагается под углом 30–35°. Такое положение позволяет эффективно подрезать грунт и измельчать крупные комки;
- лемешные.
Главным элементом является отвальный корпус, который в ширину имеет 25 см. Это мини-копия традиционного плуга. Такое оборудование достаточно мощное, поэтому рыхлит полнородные пласты на глубину 15–20 см. Им легче подрезать и перемешивать верхний слой, выполнять первичную вспашку.
Дисковые лущильники погружаются на глубину 5–9 см. Они хуже, чем лемешные, вспахивают землю, но эффективнее справляются с крупными корнями и сорной травой. Их используют на наделах, ранее засеянных зерновыми культурами, а также там, где участки сильно заросли многолетними сорняками с мощными корнями. Они подходят для предпосевного лущения грунтов, которые долгое время не обрабатывались.
Лущильники лемешные также называют облегчёнными плугами. Они бывают прицепные (ПЛ-5-25 и др.) и навесные (ЛН-5-256). Главное отличие от плуга заключается в меньшем размере корпуса, в них нет ножей и предплужников. Лемешные лущильники лучше подходят для обработки надела после сбора кукурузы и подсолнечника.
Их эффективнее использовать для земель, засорённых корнеотпрысковой сорной травой.
Принцип работы
Прежде чем начать обработку почвы лущильниками, их необходимо наладить и отрегулировать. Принцип работы заключается в том, что по мере продвижения техники диски или овальные корпуса вонзаются в землю, подрезают и частично/полностью переворачивают пласт. Чтобы механизм работал с максимальной эффективностью, все элементы, погружаемые в грунт, должны находиться на одном уровне.
Важно! Перед началом работы не помешает проверить глубину рыхления. При необходимости проводят регулировку рамы и замену деформированных рыхлящих элементов на новые запчасти для лущильника.Преимущества дисковых моделей
Стерневые машины имеют несколько весомых достоинств перед лемешными. Они обусловлены конструктивными особенностями. А именно:- Обработку верхнего слоя можно производить при любых климатических условиях.

- Режущие диски во время движения самоочищаются.
- Благодаря уменьшению трения во время движения удаётся получить значительную экономию.
- Риск повреждения диском при столкновении с препятствиями минимальный. Рыхлящие элементы перекатываются через них и продолжают движение.
- Диски проникают в землю на одинаковую глубину по всей длине рамы.
С помощью дисковых лущильников фермер может сократить время обработки и повысить эффективность полевых работ за счёт объединения нескольких операций в один процесс. Но этого можно добиться при использовании тяговой техники с высокой мощностью.Технические характеристики
Чтобы разобраться в многообразии моделей, рассмотрим некоторые конфигурации более подробно.Лущильник дисковый ЛДГ
Сегодня на рынке эта модель является одной из самых популярных. Высокая востребованность в сельскохозяйственном секторе обусловлена конструктивными особенностями.
ЛДГ-5
Это модель, имеющая в основании каркас, на котором закреплены вращающиеся диски. При необходимости можно отрегулировать угол атаки и увеличить глубину погружения благодаря понизителям.ЛДГ-10
Конфигурация лущильника, которая состоит из двух цельных рам из металла, обрабатывающих почву параллельно. Основой являются заострённые диски (вогнутые, 45 см в диаметре). Регулирование основных параметров производится при помощи болта с прижимной пружиной. Главное отличие от предшествующих моделей заключается в увеличении ширины охвата. Важно помнить, что это требует большей мощности трактора.ЛДГ-15
Конструкция аналогична по строению с моделями, описанными выше. Улучшение заключается в добавлении дисковой батареи. Она крепится на створе двух рам. Её использование позволяет обработать участки, до которых не достают другие секции.Бороны-лущильники «Дукат»
Оборудование для обработки почвы от отечественного производителя «Дукат» также пользуется популярностью у фермеров.
Главное отличие моделей — специфическое устройство, благодаря которому они получили название «бороны-лущильники». Они отличаются многофункциональностью. Их чаще всего используют для обработки сильно заросших участков. После рыхления грунта земля не только обогащается кислородом, но и активно возделывается растительными останками, которые в будущем послужат питательной средой для культурных растений.
Бороны-лущильники «Дукат» отлично подходят для обработки участков, на которых будут выращивать зерновые и культуры, предназначенные для корма и технической переработки. Эти дисковые лущильники эффективно уничтожают сорняки, рыхлят почву под озимые. С их помощью можно вносить пестициды и улучшать характеристики территорий, предназначенных для выпаса скота.Лемешный лущильник ППЛ-10-25
Это полунавесная конфигурация, которая используются для рыхления почвы после сбора урожая на засорённых сорняками (корнеотпрысковыми и корневищными типами) территориях.
Они погружаются на глубину 6–12 см и хорошо подходят для предпосевной обработки. Такое оборудование эффективно для рыхление лёгких почв. Производитель рекомендует использовать лущильник вместе с трактором класса 30 кН.
Посмотреть другие статьи
ЛУЩИЛЬНИК — это что такое ЛУЩИЛЬНИК
сельскохозяйственное орудие для лущения (См. Лущение) почвы. Л. подразделяют на дисковые и лемешные.
Дисковый Л. (рис. 1) состоит из рамы с опорными колёсами и отдельных секций, имеющих по 8—10 сферических дисков. При работе Л. диски, вращаясь, рыхлят почву и частично оборачивают пласт. На секции укреплен балластный ящик для увеличения нагрузки на диски и глубины обработки. Для лучшей приспособляемости к рельефу поля секции прикреплены к брусу рамы Л. шарнирно. Секции размещают под углом (угол атаки) к линии движения агрегата. Л. выпускают с постоянным или регулируемым углом атаки. После прохода дискового Л. при правильной регулировке его на поле получают мелкокомковатый верхний слой с высотой гребней не более 8 см, с полностью подрезанными сорняками.

Лемешный Л. (рис. 2) применяют для лущения стерни на полях, засорённых корнеотпрысковыми сорняками (осотом, вьюнком и другими), и для послойной обработки чистых паров. Эти Л. могут быть прицепными и навесными. Прицепной Л. состоит из рамы с опорными колёсами, к которой прикреплены стойки с трапецеидальными лемехами, культурными отвалами и полевыми досками. Колёса снабжены винтовыми или рычажными подъёмными механизмами для регулировки глубины обработки и расположения рамы в горизонтальной плоскости во время работы.
Глубину обработки почвы навесным Л. изменяют установкой опорного колеса на различной высоте. Краткая характеристика Л., выпускаемых в СССР, приведена в таблице.
Краткая характеристика лущильщиков, выпускаемых в СССР
———————————————————————————————————————————————————————————-
| Показатели | Дисковые лущильщики | Лемешные лущильщики |
| |——————————————————————————————————————————|
| | ЛД-20 | ЛД-15 | ЛД-10 | ЛД-5 | ПЛ-10- | ЛН-5- | ПЛ-5-25 | ПЛС-5- |
| | | | | | 25 | 25Б | | 25А |
|———————————————————————————————————————————————————————————|
| Количество секций или | 16 | 12 | 8 | 4 | 10 | 5 | 5 | 5 |
| корпусов | | | | | | | | |
|———————————————————————————————————————————————————————————|
| Ширина захвата, м | 20 | 15 | 10 | 5 | 2,5 | 1,25 | 1,25 | 1,25 |
|———————————————————————————————————————————————————————————|
| Угол атаки, град | 20–35 | 35 | 15–35 | 15–35 | — | — | — | — |
|———————————————————————————————————————————————————————————|
| Производительность, га/ч | 18 | 7,6 | 6,5 | 4 | 2 | 1 | 1 | 0,5 |
———————————————————————————————————————————————————————————-
2.
Навесной лемешный лущильник.»>Рис. 2. Навесной лемешный лущильник.
Рис. 1. Дисковый лущильник: 1 — рама; 2 и 4 — опорные колёса; 3 — брус рамы; 5 — секция дисков; 6 — балластный ящик; 7 — понизитель.
Лемешный лущильник ППЛ-10-25 — КиберПедия
Навигация:
Главная
Случайная страница
Обратная связь
ТОП
Интересно знать
Избранные
Топ:
Отражение на счетах бухгалтерского учета процесса приобретения: Процесс заготовления представляет систему экономических событий, включающих приобретение организацией у поставщиков сырья…
Оснащения врачебно-сестринской бригады.
Организация стока поверхностных вод: Наибольшее количество влаги на земном шаре испаряется с поверхности морей и океанов…
Интересное:
Наиболее распространенные виды рака: Раковая опухоль — это самостоятельное новообразование, которое может возникнуть и от повышенного давления.
..Что нужно делать при лейкемии: Прежде всего, необходимо выяснить, не страдаете ли вы каким-либо душевным недугом…
Средства для ингаляционного наркоза: Наркоз наступает в результате вдыхания (ингаляции) средств, которое осуществляют или с помощью маски…
Дисциплины:
Автоматизация Антропология Археология Архитектура Аудит Биология Бухгалтерия Военная наука Генетика География Геология Демография Журналистика Зоология Иностранные языки Информатика Искусство История Кинематография Компьютеризация Кораблестроение Кулинария Культура Лексикология Лингвистика Литература Логика Маркетинг Математика Машиностроение Медицина Менеджмент Металлургия Метрология Механика Музыкология Науковедение Образование Охрана Труда Педагогика Политология Правоотношение Предпринимательство Приборостроение Программирование Производство Промышленность Психология Радиосвязь Религия Риторика Социология Спорт Стандартизация Статистика Строительство Теология Технологии Торговля Транспорт Фармакология Физика Физиология Философия Финансы Химия Хозяйство Черчение Экология Экономика Электроника Энергетика Юриспруденция
⇐ ПредыдущаяСтр 4 из 4
Полунавесной лемешный плуг-лущильник ППЛ-10-25 предназначен для лущения стерни на глубину до 12 см на полях, засоренных корнеотпрысковыми и корневищными сорняками, для предпосевной обработки почвы, для обработки парового поля на глубину 6 — 14 см и вспашки легких почв с удельным сопротивлением до 6 Н/см2 на глубину 16 — 18 см.
Агрегатируют плуг-лущильник с трактором класса 30 кНРабочими органами лущильника ППЛ-10-25 являются корпуса, которые смонтированы на раме, состоящие из двух шарнирно-соединенных секций: передней 2 с прицепным устройством 16 и задней 5.
Корпуса имеют полувинтовую поверхность и включают в себя стойку, лемех, отвал и полевую доску. В транспортном положении лущильник опирается на ходовые колеса 3 передней секции. Задняя секция при этом поднята подъемным механизмом (на рис. не показан).
При работе лущильник опирается на левое ходовое колесо и два опорных колеса 17. Такая расстановка колес обеспечивает хорошее копирование рельефа поля, а также одинаковую глубину обработки и ширину захвата корпусов.Заднюю секцию можно отъединить и использовать переднюю секцию как самостоятельное орудие для агрегатирования с трактором класса 14 кН. ППЛ-10-25 имеет корпуса для работы на скоростях 7-9 или 12 км/ч.
КПМ-24Культиватор для сплошной обработки почвы КПМ-24предназначен для ранневесеннего закрытия влаги, паровой и предпосевной обработки всех типов минеральных почв, за один проход по полю обеспечивает полную подготовку почвы к посеву, совмещая культивацию, рыхление, выравнивание и предпосевное прикатывание почвы с созданием в посевном слое уплотненного ложа для семян
КПМП-16 / КПМП-14
Культиватор КПМП-16 / КПМП-14 предназначен дляпредпосевной обработкивсех типов минеральных почв, за один проход по полю обеспечивает полную подготовку почвы к посеву, совмещая культивацию, рыхление, выравнивание и предпосевное прикатывание почвы с созданием в посевном слое уплотненного ложа для семян
КПМ-16 / КПМ-14
Культиватор КПМ-16 (КПМ-14) предназначен для ранневесеннего закрытия влаги, паровой и предпосевной обработки всех типов минеральных почв, за один проход по полю обеспечивает полную подготовку почвы к посеву, совмещая культивацию, рыхление, выравнивание и предпосевное прикатывание почвы с созданием в посевном слое уплотненного ложа для семян
КПМ-12
Культиватор КПМ-12 предназначен для ранневесеннего закрытия влаги, паровой и предпосевной обработки всех типов минеральных почв, за один проход по полю обеспечивает полную подготовку почвы к посеву, совмещая культивацию, рыхление, выравнивание и предпосевное прикатывание почвы с созданием в посевном слое уплотненного ложа для семян
КПМ-10
Культиватор КПМ-10 предназначен для предпосевной обработки всех типов почв, за один проход по полю обеспечивает полную подготовку почвы к посеву, совмещая культивацию, рыхление, выравнивание и предпосевное прикатывание почвы с созданием в посевном слое уплотненного ложа для семян
КПМ-8 / КПМ-6 / КПМ-4
Культиватор КПМ-8 (КПМ-6, КПМ-4) предназначен для предпосевной обработки всех типов почв, за один проход по полю обеспечивает полную подготовку почвы к посеву, совмещая культивацию, рыхление, выравнивание и предпосевное прикатывание почвы с созданием в посевном слое уплотненного ложа для семян
⇐ Предыдущая1234
Папиллярные узоры пальцев рук — маркер спортивных способностей: дерматоглифические признаки формируются на 3-5 месяце беременности, не изменяются в течение жизни.
..Кормораздатчик мобильный электрифицированный: схема и процесс работы устройства…
Организация стока поверхностных вод: Наибольшее количество влаги на земном шаре испаряется с поверхности морей и океанов (88‰)…
Опора деревянной одностоечной и способы укрепление угловых опор: Опоры ВЛ — конструкции, предназначенные для поддерживания проводов на необходимой высоте над землей, водой…
Русско-английский словарь, перевод на английский язык
wordmap
Русско-английский словарь — показательная эрудиция
Русско-английский словарь — прерогатива воспользоваться вариативным функционалом, насчитывающим несколько сотен тысяч уникальных английских слов. Чтобы воспользоваться сервисом, потребуется указать предпочтенное слово на русском языке: перевод на английский будет отображен во всплывающем списке.
Русско-английский словарь — автоматизированная система, которая отображает результаты поиска по релевантности.
Нужный перевод на английский будет в верхней части списка: альтернативные слова указываются в порядке частоты их применения носителями языка. При нажатии на запрос откроется страница с выборкой фраз: система отобразит примеры использования искомого слова.Русско-английский словарь содержит строку для поиска, где указывается запрос, а после запускается непосредственный поиск. Система может «предлагать» пользователю примеры по использованию слова: «здравствуйте» на английском языке, «хризантема» на английском языке. Дополнительные опции системы — отображение частей речи (будет выделена соответствующим цветом). В WordMap русско-английский словарь характеризуется наличием функции фильтрации запросов, что позволит «отсеять» ненужные словосочетания.
Применение сервиса и достоинства
Перевод на английский язык с сервисом WordMap — возможность улучшить словарный запас учащегося. Дополнительные преимущества в эксплуатации WordMap:
- Слова с различным значением, которые оптимизированы под любой уровень владения английским языком;
- Русско-английский словарь содержит примеры, позволяющие усовершенствовать практические навыки разговорного английского;
- В списке результатов указаны всевозможные синонимы и паронимы, которые распространены в сложном английском языке.

Онлайн-сервис WordMap предлагает пространство для совершенствования интеллектуальных способностей, способствует результативной подготовке к сдаче экзамена. Быстрый перевод на английский может быть использован с игровой целью: посоревноваться с коллегой или одноклубником; бросить вызов преподавателю, превзойдя ожидания собственного ментора.
Только что искали:
ропадле 1 секунда назад
лелеять 5 секунд назад
лашекав 13 секунд назад
составить капитал 13 секунд назад
набила 13 секунд назад
замереть у витрины 13 секунд назад
вынашивать 18 секунд назад
именитое 27 секунд назад
опекаемого 28 секунд назад
пичкавшей 30 секунд назад
засияй 30 секунд назад
арпеджио 31 секунда назад
ажду 31 секунда назад
превосходный суп 34 секунды назад
афишированиями 34 секунды назад
Ваша оценка
Закрыть
Спасибо за вашу оценку!
Закрыть
Последние игры в словабалдучепуху
Имя Слово Угадано Время Откуда Игрок 1 анимемонстр 0 слов 4 часа назад 31.
180.163.255Игрок 2 стратиграфия 5 слов 12 часов назад 176.215.112.32 Игрок 3 геншин 0 слов 12 часов назад 176.215.112.32 Игрок 4 сенсуалистка 4 слова 13 часов назад 46.233.236.173 Игрок 5 персик дозревай 1 слово 13 часов назад 5.141.85.244 Игрок 6 арбуз 1 слово 1 день назад 5.183.152.26 Игрок 7 хуя 0 слов 1 день назад 80.92.25.46 Играть в Слова! Имя Слово Счет Откуда Игрок 1 барон 0:0 3 часа назад 85.
249.31.65Игрок 2 телка 53:52 5 часов назад 109.87.179.226 Игрок 3 мороз 52:51 6 часов назад 95.153.176.58 Игрок 4 вязка 44:48 7 часов назад 95.153.176.58 Игрок 5 обида 17:22 7 часов назад 176.59.162.33 Игрок 6 судок 53:52 8 часов назад 5.251.183.186 Игрок 7 грудина 111:110 9 часов назад 94.51.50.177 Играть в Балду! Имя Игра Вопросы Откуда Алина На двоих 10 вопросов 12 часов назад 176.
59.166.124Котёнок На одного 20 вопросов 1 день назад 176.57.76.24 Фломка На одного 5 вопросов 1 день назад 178.187.98.118 Фломка На одного 5 вопросов 1 день назад 178.187.98.118 А На одного 10 вопросов 2 дня назад 192.145.19.79 Оля На одного 10 вопросов 3 дня назад 109.60.151.116 Тим На одного 10 вопросов 4 дня назад 217.64.145.174 Играть в Чепуху! План-конспект урока на тему «Лущильник»
ТЕМА: Лущильник.

I. Дидактическое обоснование урока
Цели урока:
— Образовательная: создать условия для формирования у обучающихся понятий о лущении, назначении лущильника, агротехнических требованиях, предъявляемых к лущению, устройстве, регулировании на заданную глубину обработки, способствовать актуализации жизненного опыта учащихся.
— Развивающая: способствовать развитию образовательной, информационной, социальной, поликультурной, профессиональной, компетентностей учащихся.
— Воспитательная: создать оптимальные условия для воспитания у учащихся уважения к труду, желания участвовать в трудовом процессе, формирование целеустремленности и настойчивого желания добиться успеха в выбранной профессии.— Профориентационная: способствовать формированию знаний необходимых для выбранной профессии .
Методическое оснащение урока:
1. Материально-техническая база:
— Проектор, экран, ноутбук;
2. Дидактическое обеспечение:
— Рабочая тетрадь;
— Презентация «Лущильник»Методы обучения: проверочная работа , рассказ, наглядный (презентация, плакаты), учебная групповая работа.

Формы организации познавательной деятельности учащихся: индивидуальная и групповая работа.
Межпредметные и внутрипредметные связи: агрономия, растениеводство, сельскохозяйтсвенные машины.Понятия и термины: лущение, агрегатирование, рабочие органы, лемешный лущильник, дисковый лущильник и др.
Тип урока: Комбинированный урок приобретения учащимися новых знаний.II. Ход урока:
1. Организационный момент:
— Приветствие;
— Проверка наличия обучающихся;
— Заполнение преподавателем классного журнала;
— Проверка готовности обучающихся к уроку;
— Настраивание обучающихся на работу.2. Проверка изученного ранее.
Проверка проводится фронтальная по теме « Плуги»1.Назовите из каких частей состоит отвальный корпус в соответствии с указанными позициями на рисунке.
п/п ,
Наименование
Назначение
1
2
3
5
6
2.
Из каких рабочих и вспомогательных узлов состоит плуг.3. Для чего предназначен предплужник.
4. В чем особенность обработки задернелых почв.
3. Мотивация учебной деятельности учащихся.
Правильно проведенная обработка почвы с соблюдением агротехнических требований существенно улучшает условия произрастания и питания растений. Лущение проводят для рыхления верхнего слоя почвы (до 18 см), перемешивания ее, измельчения пожнивных остатков и сорняков. После лущения верхний слой почвы будет измельчен, что сократит расходы на последующую пахоту на 25%. Пожнивные остатки и наземные части сорняков будут измельчены и заделаны в почву (не менее 50%), где перегниют, станут удобрением. Семена сорняков, до этого лежавшие на поверхности, окажутся во влажной почве и начнут прорастать. Корни, корнеотпрысковых сорняков, будут измельчены и дадут новые ростки, из спящих почек. Это свойство лущения получило название » провокация «.
Примерно через 10 дней после лущения, поле покроется, молодой, свежезеленой, порослью сорняков (зеленый пожар).
В этот период, через 10-14 дней, после лущения и необходимо произвести вспашку, чтобы заделать, молодые еще неокрепшие, сорняки в почву, на большую глубину(22-30см). С такой глубины они не прорастут, а перегниют и станут удобрениями. Если упустить этот срок, то сорняки окрепнут и более поздняя пахота их не уничтожит.Лущение обеспечивает снижение запаса семян сорняков, количество которых может достигать 1,5—2,0 млрд шт./га, вредителей (проволочников), обитающих в почве, до 128 шт./м2 и др.4. Тема урока
Ученики делают запись в тетрадь. Лущильник. (слайд 1.)5. Определение целей для обучающихся на урок (слайд 2.)
6. Актуализация знаний учащихся .
— Какое вы знаете основное эффективное профилактическое мероприятие по улучшению фитосанитарного состояния пашни от сорняков, вредителей и болезней?
— Какой наиболее благоприятный период для оздоровления пашни вы знаете?— Чем в последние годы заменили лущение и почему?
7. Изучение нового материала.
Ученики делают записи в тетради «Лущение»
Лущение (рассказ преподавателя), затем обучающиеся делают записи в тетради.
(слайд 3).Лущением называют обработку верхнего слоя почвы на небольшую глубину (5-12 см) с полным или частичным оборотом пласта. Как правило, лущение предшествует вспашке.
Благодаря лущению обеспечивается рыхление, частичное оборачивание и перемешивание почвы, а также подрезание сорняков.
При лущении заделывается часть пожнивных остатков, а вместе с ними семена сорняков, вредители и возбудители болезней культурных растений.После лущения стерни на поверхности почвы образуется мелкокомковатый слой, уменьшающий испарение влаги, уничтожаются сорные растения. Однако при этом не все семена сорных растений удается уничтожить и значительная их часть прорастает. Но при последующей вспашке почвы эти всходы сорняков уничтожаются.
Еще одно достоинство применения лущения — снижение энергозатрат на вспашку.Часто можно услышать вопрос — чем лущение отличается от боронования? И боронование, и лущение включают одинаковые технологические операции — рыхление, перемешивание почвы, подрезание сорняков и т.
д. Однако лущение, в отличие от боронования, сопровождается частичным или даже полным оборотом почвенного пласта, т. е. является своеобразной мини-вспашкой, тогда как основная цель боронования — рыхление и выравнивание поверхностного слоя почвы.Историческая справка (рассказ преподавателя) (слайд 4).
Лущение почвы осуществляют с помощью специальных почвообрабатывающих орудий — лущильников, которые впервые появились в странах Западной Европы во второй половине ХIХ века.
Лущильник (рассказ преподавателя), затем обучающиеся делают записи в тетради (слайд 5).
В зависимости от агротехнических требований лущение проводят дисковыми или лемешными лущильниками.
Лущильник – сельскохозяйственная машина почвообрабатывающего класса, с помощью которой лущат стерню после сбора злаковых культур, обрабатывают пары, возделывают почву в предпосевной период, разделывают пласты и размельчают глыбы после вспахивания.
Лущильник дисковый ЛДГ-10 / ЛДГ-15 (рассказ преподавателя) (слайд 6.
)Дисковыми лущильниками лущат стерню зерновых культур на участках, засоренных преимущественно корневищными и другими многолетними сорняками, для послеуборочного лущения жнивья и обработки чистых паров, засоренных пыреем ползучим, а также для предпосевной обработки целинных и залежных земель. Уплотненную почву после уборки кукурузы и подсолнечника и участки, засоренные корнеотпрысковыми сорняками, лучше обрабатывать лемешными лущильниками.
Дисковые лущильники (бороны-лущильники) хуже оборачивают почву и подрезают сорняки, но лучше разрезают их горизонтально расположенные корневища и отпрыски корней. Глубина работы дисковых лущильников 6-8 см, а с дополнительным грузом — до 10-12 см.
Основные рабочие органы дисковых лущильников (рассказ преподавателя), затем обучающиеся делают записи в тетради (слайд 7.)
На рис.1. показаны рабочие органы дискового лущильника: 1 — рама; 2 и 4 — опорные колёса; 3 — брус рамы; 5 — секция дисков; 6— балластный ящик; 7 — понизитель.
Сферические диски, которыми оснащен агрегат, рыхлят почву на глубину до 10 см, уничтожают сорняки.

Диски лущильников располагают так, чтобы плоскость вращения дисков составляла с направлением движения угол атаки 30 — 35°. В таком положении диски хорошо подрезают и крошат пласты почвы, заделывают в верхний слой пожнивные остатки и семена сорняков.
Лемешные лущильники (плуги-лущильники) (рассказ преподавателя) (слайд 8.)
Лемешные лущильники (плуги-лущильники) представляют собой уменьшенную копию отвального полунавесного плуга без предплужника. Они хорошо подрезают и оборачивают верхний слой почвы до глубины 18 см. Лемешными лущильниками можно выполнять также мелкую вспашку.
Лемешные лущильники (облегченные плуги) выпускают прицепные (ПЛ-5-25 и др.) и навесные (ЛН-5-256). Они отличаются от обыкновенных плугов малым размером корпусов (ширина захвата — 25 см), отсутствием ножей и предплужников. Лущильники неплохо рыхлят верхний слой почвы с полным оборачиванием его на глубину 10-14 см, полностью подрезают стерню и сорняки и заделывают их в почву.
Основные рабочие органы лемешного лущильника ППЛ-10-25 (рассказ преподавателя), затем обучающиеся делают записи в тетради (слайд 9.
)Рабочими органами лущильника ППЛ-10-25 являются корпуса 1 (см. рисунок), которые смонтированы на раме, состоящие из двух шарнирно-соединенных секций: передней 2 с прицепным устройством 16 и задней 5.
Корпуса имеют полувинтовую поверхность и включают в себя стойку, лемех, отвал и полевую доску. В транспортном положении лущильник опирается на ходовые колеса 3 передней секции. Задняя секция при этом поднята подъемным механизмом (на рис. не показан).
При работе лущильник опирается на левое ходовое колесо и два опорных колеса 17. Такая расстановка колес обеспечивает хорошее копирование рельефа поля, а также одинаковую глубину обработки и ширину захвата корпусов.Регулировка лущильника ППЛ-10-25 (рассказ преподавателя) (слайд 10.)
Основная регулировка глубины обрабатывания производиться опорными колесами 7 и 12, т.е. Регуляторами глубины. Регулировка проводится на ровной площадке, при полностью опущенном агрегате. Регулировка производится вращением винта 3, до необходимого расстояния обода 13 от поверхности земли.

Для подъема и принудительного заглубления дисков гидрофицированные лущильники оборудованы механизмом гидроуправления.
Для надежного заглубления дисков при обработке тяжелой по механическому составу почвы лущильник оборудуют балластным ящиком.АГРЕГАТИРОВАНИЕ (рассказ преподавателя), затем обучающиеся делаю записи в тетради) (слайд 11.)
В агрегате с тракторами Т-150 и Т-150К десятикорпусный лемешный плуг ППЛ-10-25 может работать со скоростью до 12 км/ч. Его можно переоборудовать в девяти- и восьмикорпусный, отсоединяя последние корпусы. Для агрегатирования с плугом трактор оборудуется прицепной и упряжной скобами. Упряжную скобу необходимо переставить вправо от оси трактора на два отверстия (160 мм). Гидросистема плуга подключается к выводным штуцерам распределителя гидросистемы навесного устройства разрывной муфтой со шлангами. ЛДГ-10 является прицепной почвообрабатывающей машиной совместимой с тракторами тягового класса 3. Особенности конструкции лущильника позволяют транспортировать его без демонтажа.
Вес агрегата 2700 кг.Агротехнические требования к лущению (рассказ преподавателя) (слайд 12.)
Лущение стерни проводят поперек направления движения уборочных агрегатов на скорости не более 10 км/ч, так как с увеличением скорости агрегата глубина лущения уменьшается.
Лущение производится не позднее чем через 2-3 дня после уборки урожая и за 12-14 дней до зяблевой вспашки.При засоренности поля однолетними сорняками стерню лущат на глубину 6-8 см дисковыми лущильниками, при засоренности корнеотпрысковыми или корневищными сорняками — на 8-14 см лемешными лущильниками. Сорные растения должны быть подрезаны полностью.
Средняя глубина лущения почвы не должна отличаться от заданной на ±2 см. Поверхность почвы должна быть ровной, глубина развальных борозд в стыке средних батарей дисковых лущильников — не превышать глубины лущения, а высота валиков, образуемых при смежных проходах лущильника, — 8-10 см.
Во избежание огрехов при обработке почвы смежные проходы дисковых лущильников делают с перекрытием в 10-15 см.

Подбор лущильника (рассказ преподавателя) (слайд 13.)
1. Чем меньше поле, тем меньший лущильник выбирается, так на полях до 50 га выбирают ЛДГ-5, от 50 до 100 га — ЛДГ-10
2. На тяжелых почвах, предпочтительнее использовать для лущения, дисковую борону, настроенную для лущения на меньший угол атаки.
3. На слабозасоренных (сорняками) полях и не имеющих корнеотпрысковых сорняков, применяют дисковые лущильники, глубина обработки до 12см. На сильнозасоренных полях или полях засоренных, глубокорастущими корнеотпрысковыми сорняками (осот) применяют лемешные лущильники (ППЛ-10-25), глубина обработки до 18см.8. Проблемная задача «Как переоборудовать лущильник ЛДГ-10 и ЛДГ-15 в дисковую борону и наоборот?»
Вступительный инструктаж преподавателя:
Вы изучили назначение, устройство и принцип действия борон и лущильников. Проведя анализ и сравнение в их конструкциях, предложите способ для переоборудования орудий.Правильный ответ: для этого сплошные диски заменяют игольчатыми.
В результате дисковый лущильник превращается в широкозахватную бессцепочную односледную игольчатую борону.С переоборудованного лущильника снимают и разбирают дисковые батареи, демонтируют уголки с чистиками. Затем срезают кронштейны их крепления, чтобы игольчатые диски, диаметр которых на 100 мм больше дисков лущильника, могли свободно вращаться. Распорные втулки (48 шт.) укорачивают до 150 мм (стачивают по 5 мм с каждой стороны). Втулки с подшипниками не торцуют.При сборке игольчатых дисков на батареях левых секций втулки с подшипниками устанавливают так, чтобы их удлиненный конец был с левой стороны по ходу движения орудия, а на батареях правых секций наоборот. Этим обеспечивают свободное вращения дисков с зазором относительно тяг рамок секций, расположенных под углом к направлению движения. Минимальный угол атаки дисков на лущильнике составляет 15°. Чтобы при бороновании посевов не допустить повреждения озимых культур, необходимо угол атаки уменьшить до 8— 10 Для этого боковые тяги удлиняют на 400 мм.
Два механизатора переоборудуют лущильник ЛДГ-10 в широкозахватную односледную игольчатую борону за 1,5 рабочей смены.Обсуждение результатов работы.
9. Подведение преподавателем итогов урока:
— Сообщение учителя о достижениях целей урока;
— Объективная оценка результатов коллективной и индивидуальной работы учащихся на уроке, выставление оценок в классный журнал;
— Сообщение темы следующего урока;
— Задание обучающимся для подготовки к следующему уроку. Уборка рабочих мест.Подумай и ответь!
1. В каких случаях применяется дисковый и лемешной лущильники?
2.Назовите рабочие органы лущильника ППЛ-10-25?3. Как регулируется лущильник ППЛ-10-25 на заданную глубину обработки?
4. С каким трактором агрегатируют плуг-лущильник?
5.Что называется углом атаки лущильника ЛДГ-10?
29 Синонимов и антонимов слова КУЛЬТИВАТОР
существительное
Сохранить слово
человек, который возделывает землю и выращивает на ней урожай
- встречались коренные жители, которые были опытными земледельцами земли, а также высококвалифицированными мастерами
- Сельскохозяйственной сельского хозяйства
- (или сельскохозяйственного хозяйства),
- Агронома,
- Фермер,
- Growner,
- ,
- Tiller
- Farmhand,
- ,
- , фермерский факуль
- пахарь,
- жатка
- рабочий
- (или рабочий)
- крестьянин
- [в основном британский],
010
- Gentleman Farmer,
- ShareCropper,
- Farmer,
- Farmer,
- Yeoman
- Homesteader,
- NESTER
- [WEST]
1111111111111111111111111111111110 9007
111111111111111111111111111111110
111111111111111111111111107
1111111111111111111111111111111111111110 гг.
,- фермер
- крестьянин
- нефермер
См. словарь Определение
Доля культиватор
Опубликуйте больше слов для культиватора в Facebook
Поделитесь другими словами для культиватора в Твиттере
Путешественник во времени для культиватора
Первое известное использование культиватора
было
в 1661Другие слова из того же года
Тезаурус Записи рядом с
культиватор
выращивание
культиватор
культиваторы
Посмотреть другие записи поблизости
Процитировать эту запись
«Культиватор». Merriam-Webster.
com Тезаурус , Merriam-Webster, https://www.merriam-webster.com/thesaurus/cultivator. По состоянию на 20 сентября 2022 г.Стиль: MLA
Merriam-Webster.com Thesaurus, Merriam-Webster, https://www.merriam-webster.com/thesaurus/cultivator. По состоянию на 20 сентября 2022 г.»> MLA
Merriam-Webster.com Тезаурус, с.в. «культиватор», по состоянию на 20 сентября 2022 г., https://www.merriam-webster.com/thesaurus/cultivator.»>Chicago
Тезаурус Merriam-Webster.com. Получено 20 сентября 2022 г. с https://www.merriam-webster.com/thesaurus/cultivator»>APA.
Merriam-Webster.com Thesaurus, https://www.merriam-webster.com/thesaurus/cultivator. Доступно 9/20/2022.»>Merriam-WebsterЕще от Merriam-Webster о культиваторе
Английский: перевод слова культиватор для говорящих на испанском языке
Britannica.
com: Энциклопедическая статья о 60 130 культиватор
СЛОВО ДНЯмедянка
См. Определения и примеры »
Получайте ежедневно по электронной почте Слово дня!
Проверьте свой словарный запас
Большая британская викторина по словарному запасу
- Названный в честь сэра Роберта Пиля, как называется британская полиция?
- Пилхеды
Робби - Берти
Бобби
Можете ли вы произнести эти 10 слов, которые часто пишут с ошибками?
ПРОЙДИТЕ ТЕСТ
Ежедневное задание для любителей кроссвордов.
ПРОЙДИТЕ ТЕСТ
Подпишитесь на крупнейший словарь Америки и получите тысячи дополнительных определений и расширенный поиск без рекламы!
Merriam-Webster без сокращений
Слова в игре
«Дундерхед» и другие «приятные» способы сказать «глупый»
На примере некоторых очень умных щенков
10 слов из географических названий
Бикини, бурбон и бадминтон заняли первые места
«Гордость»: слово, которое превратилось из порока в силу
Вы гордитесь Прайдом?
Когда впервые были использованы слова?
Найдите любой год, чтобы узнать
Спросите у редакторов
Буквально
Как использовать слово, которое (буквально) приводит некоторых людей в.
..«Все интенсивные цели» или «Все намерения и цели»?
Мы намерены разобраться
Лэй против лжи
Редактор Эмили Брюстер разъясняет разницу.
горячий беспорядок
«Публика в беспорядке»
Игра слов
Мега-викторина «Назови эту вещь»!
Проверьте свой визуальный словарный запас!
Пройди тест
Что на тебе надето?
Засучите рукава и определите эти предметы одежды
пройти тест
Назови это
Можете ли вы произнести эти 10 слов, которые часто пишут с ошибками?
Пройди тест
Орфографическая викторина
Сможете ли вы превзойти прошлых победителей национального конкурса Spelli.
..Примите участие в викторине
Объем рынка культиваторов и почвообрабатывающих машин Объем рынка Доля Возможности роста и прогноз на 2022 год
Глобальный рынок культиваторов и культиваторов сегментирован по типу продукта (культиваторы, культиваторы), по применению (сельское хозяйство, сад, другие) и по регионам (Северная Америка, Латинская Америка, Европа, Азиатско-Тихоокеанский регион, Ближний Восток и Африка). – Доля, размер, перспективы и анализ возможностей, 2022-2029
Обзор рынка
Ожидается, что «Глобальный рынок культиваторов и почвообрабатывающих машин» будет расти с высоким среднегодовым темпом роста в 7,25% в течение прогнозируемого периода (2022–2029 гг.).).
Культиватор — это сельскохозяйственная техника, используемая для перемешивания почвы вокруг посевов для ускорения роста посевов и уничтожения сорняков. Это рама с зубьями, которые вонзаются в почву при линейном протаскивании через нее.
Культиватор — это сельскохозяйственная машина, которая использует вращательное движение диска, разбивающего плотную и твердую почву на рыхлую и разрыхленную почву для обработки почвы. Широко используется для подготовки земли к земледелию.Динамика рынка:
Рост рынка обусловлен ростом сельскохозяйственного сектора в развивающихся странах. Например, по данным Организации Всемирного банка, в сельскохозяйственном секторе наблюдался в два-четыре раза более эффективный рост доходов беднейших слоев населения по сравнению с другими секторами. Сельское хозяйство дает одну треть мирового валового внутреннего продукта (ВВП). Модернизация сельского хозяйства, включая технический прогресс и внедрение высокопроизводительных культиваторов и культиваторов, увеличила спрос на культиваторы и культиваторы.
Культиваторы и почвообрабатывающие машины применяются для механизации и автоматизации сельскохозяйственных работ. Он играет важную роль в увеличении сельскохозяйственного производства и эффективности использования.
Культиватор и почвообрабатывающая техника используются для подготовки почвы, посева семян, посадки семян, внесения и распыления удобрений, гербицидов и воды, выращивания сельскохозяйственных культур, рыхления почвы и уничтожения сорняков.Инициативы правительства по предоставлению субсидий и инвестиций в сельскохозяйственную продукцию должны оказать положительное влияние на размер рынка. Например, в марте 2018 года Департамент охраны земель Джаркханда предоставил сельскохозяйственное оборудование, включая культиваторы, тракторы, разбрызгиватели и другое, в 9 часов.0% субсидий женщинам, связанным с «Сакхи Мандал» в штате. В феврале 2019 года министр садоводства и охраны почв штата Манипур раздал фермерам тракторы и культиваторы. Эти растущие правительственные инициативы играют важную роль в увеличении использования культиваторов и культиваторов.
Однако введение правительством тарифов и колебания цен на культиваторы и культиваторы препятствуют росту рынка. Например, в июле 2018 года правительство ввело тарифы на китайский импорт культиваторов и культиваторов в США на сумму 34 миллиарда долларов.
Это привело бы к увеличению цен на культиваторы и культиваторы, и потребителям пришлось бы платить высокую цену за эти продукты. Это может негативно сказаться на продажах мотоблоков и культиваторов.Анализ сегментации рынка
Мировой рынок культиваторов и почвообрабатывающих машин сегментирован по типу техники, включая культиваторы и почвообрабатывающие машины. Среди этих сегментов в сегменте культиваторов наблюдается самый высокий рост из-за высокого спроса на культиваторы по сравнению с культиваторами, поскольку культиваторы доступны по гораздо более низким ценам и ориентированы на мелких фермеров. Таким образом, фермеры в основном предпочитают культиваторы из-за низких затрат на сельское хозяйство при высокой производительности. Легко прикрепить культиваторы к сельскохозяйственным тракторам и сократить время, необходимое для культивации. Это обеспечивает эффективную и действенную полезность. На рынке доступны культиваторы с электроприводом, роторные культиваторы, жесткие культиваторы, подпружиненные культиваторы, садовые культиваторы и аэродинамические культиваторы, которые обеспечивают фермерам высокую сельскохозяйственную производительность.

Сегмент культиваторов занимает значительную долю рынка благодаря более широкому использованию культиваторов для повышения урожайности сельскохозяйственных культур в три-восемь раз. Это повышает производительность и прибыльность для фермеров. Культиваторы бывают самоходными или тянутся как навесное оборудование за двухколесным или четырехколесным трактором. Культиваторы жестко закреплены и приводятся через муфты к трансмиссии тракторов за двухколесными тракторами. С другой стороны, культиваторы крепятся с помощью трехточечной навески и приводятся в движение коробкой отбора мощности (ВОМ).
Кроме того, рынок также классифицируется на основе применения в промышленности, сельском хозяйстве и других. Сельскохозяйственный сегмент занимает наибольшую долю рынка в связи с повышенным спросом на культиваторы и культиваторы для повышения урожайности и сельскохозяйственной продукции. Рост населения, спрос на продовольствие и необходимость повышения урожайности повлияли на рост рынка.
Культиваторы и культиваторы помогают перекачивать воду, собирать, обмолачивать и транспортировать урожай.В сегменте садоводства наблюдается положительный рост рынка благодаря более широкому использованию культиваторов и культиваторов в небольших приусадебных и коммерческих садах для основной и вторичной обработки почвы. Среди садоводов для больших огородов растет спрос на роторные культиваторы. Компактные и мощные мини-культиваторы представляют собой альтернативу четырехколесным тракторам для домовладельцев.
Географическое представление
Мировой рынок культиваторов и фрез разделен на Северную Америку, Южную Америку, Европу, Азиатско-Тихоокеанский регион, Ближний Восток и Африку по регионам. Азиатско-Тихоокеанский регион доминировал на мировом рынке культиваторов и почвообрабатывающих машин из-за растущего населения, спроса на продовольствие и необходимости повышения урожайности. Более того, правительство предоставляет субсидии развивающимся странам, таким как Китай, Индия и Бразилия, на сельскохозяйственное оборудование, включая культиваторы и культиваторы.
Эти факторы увеличили спрос на культиваторы и культиваторы.В декабре 2019 года Филиппины и Южная Корея подписали меморандум о взаимопонимании (МОВ) для укрепления партнерства двух стран в области механизации сельского хозяйства. Он включает в себя техническое сотрудничество в области исследований и разработок, наращивания мощностей и создания в стране комплекса по производству сельскохозяйственной техники. Корейская сельскохозяйственная машиностроительная компания (Kamico) предложила привлечь около 30 компаний, занимающихся сельскохозяйственным машиностроением, для инвестиций в сельскохозяйственное оборудование, включая тракторы, рассадопосадочные машины для риса, рисовые мельницы, культиваторы и плуги, культиваторы, теплицы, сушилки и пресс-подборщики сельскохозяйственной продукции, а также производство на Филиппинах.
На Северную Америку и Европу приходится значительная доля рынка из-за возросшего спроса на мощные культиваторы и культиваторы. Соединенные Штаты и европейские страны, такие как Италия, Германия и Франция, широко используют решения для автоматизации и интеллектуального земледелия.
Нехватка рабочей силы в таких странах влияет на внедрение механизированных продуктов для сельского хозяйства, поскольку эти механизированные продукты выполняют несколько сельскохозяйственных работ с максимальной точностью и производительностью.Конкурентный анализ рынка
Конкуренция на мировом рынке культиваторов и почвообрабатывающих машин обусловлена присутствием участников рынка, разрабатывающих новые формы и конструкции культиваторов и почвообрабатывающих машин с низкими затратами и нацеленных на клиентов с низкими затратами. Yanmar Co. Ltd, Husqvarna, Honda Motor Co., Inc., Husqvarna AB и Kubota Corporation являются ведущими игроками со значительной долей рынка.
Компании разрабатывают и инвестируют в новое передовое оборудование, которое обеспечивает эффективные решения для фермеров при возделывании и вспашке их полей. Например, Turbo T i-Tiller от Kverneland обеспечивает наилучшее качество работы при максимальной производительности и самых низких эксплуатационных расходах.
Он включает в себя динамический контроль тяги On-The-Go и автоматическую настройку глубины для регулировки глубины и выравнивания Turbo T i-Tiller, что экономит время и увеличивает рабочую скорость. Это экономит топливо, повышает комфорт оператора, продлевает срок службы машины и защищает окружающую среду, предотвращая уплотнение почвы. В июле 2019 г., Rallis India Ltd., предприятие TATA, выпустила два новых продукта, а именно Zygant и Ayaan для рисовых культур в Калькутте. Zygant 0,7% Gr (Флубендиамид 0,7% GR) поможет эффективно бороться с вредителями и стеблевым мотыльком риса. Ayaan 48% WG (Креоксим-метил 40% + Гексаконазол 8% WG) — отличный профилактический, защитный и искореняющий фунгицид, полезный для эффективной борьбы со многими болезнями сельскохозяйственных культур и повышения урожайности фермы.Компании вступают в сотрудничество, слияния, стратегические партнерства, приобретения и другие виды деятельности для увеличения спроса на культиваторы и почвообрабатывающие машины и их распространение по всему миру.
Немногие игроки также занимаются выделением или разделением деятельности для развития единого предприятия. Например, в июне 2019 г., Corteva, Inc., отделилась от DowDuPont, превратившись в ведущую мировую сельскохозяйственную фирму, которая предоставляет комплексные решения, необходимые культиваторам для максимизации урожайности, а также прибыльности.Компании также инвестируют в увеличение своих производственных мощностей и спроса по всему миру. Например, в октябре 2013 года итальянская компания Maschio Gaspardo Group инвестировала 300 крор рупий в свое производственное предприятие Maschio Gaspardo India Pvt. Ltd., (MGIPL) в Ранджангаоне недалеко от Пуны. Это поможет компании расширить производственные мощности для роторных культиваторов, механических борон, сеялок точного высева, зерновых сеялок, комбинированных культиваторов-сеялок, мульчеров, опрыскивателей и оборудования для минимальной обработки почвы в Индии.
Зачем покупать отчет?
- Визуализируйте состав мирового рынка культиваторов и почвообрабатывающих машин с точки зрения типа продукта и области применения с выделением важнейших коммерческих активов и игроков.

- Определите коммерческие возможности на мировом рынке культиваторов и почвообрабатывающих машин, анализируя тенденции и сделки по совместной разработке.
- Excel с тысячами точек данных сегментации 4/5 на уровне мирового рынка культиваторов и почвообрабатывающих машин.
- Отчет в формате PDF с наиболее актуальным анализом, убедительно составленным после исчерпывающих качественных интервью и углубленного изучения рынка.
Лист данных
**Глобальный отчет по культиваторам и почвообрабатывающим машинам предоставляет доступ примерно к 53 таблицам с рыночными данными, 44 рисункам и 178 страницам.
- Поставщики/покупатели
- Образовательные и научно-исследовательские институты
- Производители
- Специалисты-исследователи
- Развивающиеся компании
- Дистрибьюторы
Актуальные темы
Рынок культиваторов
Рынок тракторов общего назначения
Рынок дронов общего назначения
Рынок зерновых дронов
- 60 Technikbichler — Agro междурядный культиватор
- Расстояние между рядами от 25 см до 35 см
- Механическая борьба с сорняками между рядами растений
- Экономичный и эффективный
- прополочная машина
- гидроусилитель руля
- ручное управление
- пневматический разбрасыватель удобрений
- камера помощника рулевого управления
- Лапа для утиной лапы с полым штифтом
Ширина: 200 мм, 250 мм, 300 мм - 3-точечная сцепка
- резиновые или фланцевые опорные колеса
- профильная труба основная рама стержня
- автоматическое рулевое управление со шпинделем верхней тяги
- Держатель инструмента «альтернативный длинный» полный, с 1 шт. высокорегулируемые вибрационные пружинные пальцы с 1 шт. Лапы для утиных лап с полым штифтом (150 мм)
- Инструментальный суппорт «альтернативный короткий» половинчатый, с 1 шт. высокорегулируемые вибрационные пружинные пальцы с 1 шт. Лапы для утиных лап с полым штифтом (150 мм)
- параллелограмм с колесиком Farmflex на шарикоподшипниках для контроля глубины на каждом «измельчительном корпусе» с плавной регулировкой шпинделя
- прополочная машина
- гидроусилитель руля
- ручное управление
- пневматический разбрасыватель удобрений
- камера помощника рулевого управления
- Добавлено 12 дюймов в длину для улучшения потока мусора между дисками в разрезе и сошниками.
- Более узкая конструкция высевающей секции с плоским хвостовиком из пружинной стали ¾ дюйма обеспечивает более узкое междурядье.
- Возможность регулировки шага лемеха в сборе.

- Быстро, легко, без инструментов, ручная регулировка.
- Сохраняют все преимущества модели 6000, такие как более высокая рабочая скорость с минимальным потоком материала в ряд, способность работать в условиях большого количества остатков, способность при необходимости формировать гребни и перемещать почву в ряд.
- Самосмазывающиеся втулки во всех основных точках шарнира для длительного срока службы и простоты обслуживания.
- Какое минимальное расстояние между рядами для культиваторов 6000 и Culti-Pro?
- Могу ли я перемещать почву в ряд, чтобы закопать мелкие сорняки с помощью культиваторов 6000 и Culti-Pro?
- Как регулируется норма внесения семян на сеялке для покровных культур Hiniker?
- В чем разница между Cultipro и 6000?
- Добавлена длина 12 дюймов для улучшения потока мусора между дисками в разрезе и лемехами.
- Более узкая конструкция высевающей секции с плоским хвостовиком из пружинной стали ¾ дюйма обеспечивает более узкое междурядье.
- Возможность регулировки шага лемеха в сборе.
- Самосмазывающиеся втулки во всех основных точках шарнира для длительного срока службы и простоты обслуживания.
- Есть ли у вас другие варианты, кроме промежуточного посева?
- Да, вы можете установить наш бункер на 30 куб. футов или наш бункер на 55 куб. футов на существующий культиватор или вертикальную почвообрабатывающую установку и проложить шланг от бункера к задней части орудия. Мы продаем 1-дюймовые отражатели семян и универсальное навесное оборудование, которое позволит вам разбрасывать покровную культуру сзади и не заделывать ее в почву с помощью прицепной бороны.

- Да, вы можете установить наш бункер на 30 куб. футов или наш бункер на 55 куб. футов на существующий культиватор или вертикальную почвообрабатывающую установку и проложить шланг от бункера к задней части орудия. Мы продаем 1-дюймовые отражатели семян и универсальное навесное оборудование, которое позволит вам разбрасывать покровную культуру сзади и не заделывать ее в почву с помощью прицепной бороны.
- Какие функции, по вашему мнению, отличают Culti-pro от других культиваторов?
- Каковы главные приоритеты клиента при поиске культиватора и как Culti-pro их выполняет?
- В чем универсальность Culti-pro? Например, используют ли клиенты его в разных почвенных условиях, разной ширины, в разных целях? Не могли бы вы объяснить некоторые из этих ситуаций?
Продуманная технология и безупречное качествоМеждурядный культиватор Hatzenbichler для механической борьбы с сорняками между рядами растений с междурядьями от 25 до 35 см, с шириной захвата от 4 до 32 рядов.

Машины жесткие или гидравлически складываемые, могут быть установлены спереди или сзади.
Благодаря особому эффекту вибрации зубья врезаются в землю для лучшего уничтожения сорняков между растениями.
Бесступенчатая регулировка рабочей ширины путем ослабления одного винта на параллелограмме.
Параллелограмм с колесом Farmflex на шарикоподшипниках для контроля рабочей глубины с регулировкой шпинделя.
Стандартный держатель инструмента «альтернативный длинный» с цельной стойкой с высокой регулируемой вибрацией и цельной лапой (150 мм) с полым штифтом. Держатель инструмента «альтернативный короткий» с цельной регулируемой вибрационной стойкой с цельной лапой (150 мм) с полым штифтом.
Предлагается с резиной из опорные колеса с фланцами .
Мы также предлагаем держатель инструмента с пружинными зубьями с высокой регулируемой вибрацией, с лапами типа «утиная лапа» с полым штифтом шириной 200 м, 250 мм и 300 мм .

Для борьбы с сорняками между рядами растений можно также установить пальчиковую прополочную машину.
Помощник управления камерой также доступен в качестве опции для точных результатов работы.
Пальцы и сошники
Высокая регулируемая вибрационная пружинная стойка
Лапа для утки с полым штифтом 150 мм
Лапа для утки с полым штифтом 200 мм
Лапа для утки с полым штифтом 250 мм
Лапа для утки с полым штифтом 300 мм
Система быстрой замены
Система быстрой замены для лап с полым штифтом.
В качестве опции предлагается пневматический инструмент с кейсом для хранения для замены лап с полым штифтом.
Это расширение предлагает огромное облегчение при смене акций. Все, что вам нужно, это компрессор или трубопровод сжатого воздуха на тракторе.
Дополнительное оборудование:
Преимущества
Мы разрабатываем и производим нашу продукцию на основе ежедневного опыта наших клиентов в Санкт-Андре в Лаванттале, Австрия — лучшие инженерные решения и высочайшее качество изготовления сочетаются с идеальной поставкой запасных частей. Наши машины для профессионалов — день за днем!
прочная конструкция
и высочайшее качество изготовления
уникальный срок службы
и лучшая поставка запасных частей для длительного использования
Сделано в Австрии
нашими опытными и многолетними сотрудниками
Междурядный культиватор
Хорошо продуманная технология и безупречное качество
видео
Междурядный культиватор в действии
youtube.com/embed/K9SyUfOVYco?showinfo=0&rel=0″ allowfullscreen=»»>
Технические подробности
Междурядный культиватор
Стандартное оборудование
Дополнительное оборудование
строки основная рама вес ок.
кгл.с. транспортная ширина 4 жесткий 324 40 1,75м 5 жесткий 405 40 1,50м 6 жесткий 420 60 2,45м 7 жесткий 450 60 2,80 м 9 жесткий 580 60 3,00 м 12 жесткий 770 75 3,00 м 16 гидравлический складной 1.200 110 3,00 м 18 гидравлический складной 1,350 110 3,00 м 20 гидравлический складной 1,620 120 3,00м 22 гидравлический складной 1,780 120 3,00 м 24 гидравлический складной 1.
800120 3,00 м 26 гидравлический складной 1,950 120 3,00 м 28 гидравлический складной 2,050 150 3,00 м 30 гидравлический складной 2,250 150 3,00 м 32 гидравлический складной 2.400 150 3,00 м Производитель пропашных культиваторов | Решение Hiniker для высокоскоростной культивации
Hiniker — опытный производитель пропашных культиваторов в Северной Америке.
Джейсон Федерер Уолкотт, IN
Джейсон протестировал эту 12-рядную сеялку Hiniker CULTIPRO и Hiniker Cover Crop Seeder на площади более 1200 акров. Он сравнил его со своим 12-рядным культиватором Hiniker 6000.CULTIPRO Работает на скорости от 7 до 8 миль в час.
Лемеха 21″, отрезные диски, щитки в разрезе/дисках и навесное оборудование для бороны
На этом кукурузном поле с помощью сеялки нанесена полоса довсходового гербицида.Борона выравнивает паз стойки, одновременно заделывая семена покровных культур и сгребая сорняки.

На этом поле органической фасоли есть мертвый покровный урожай ржи.
CULTIPRO с 18-дюймовыми режущими сошниками без проблем работает на этом органическом бобовом поле с покровной культурой ржи.
Диски Cutaway устанавливаются в пределах 2 дюймов от ряда на этом поле органической фасоли. Джейсона не беспокоила случайная обрезка листа фасоли, поскольку он мог удалять сорняки рядом с грядкой.
Часто задаваемые вопросы
Минимальное расстояние между рядами для модели 6000 — 30 дюймов. Culti-Pro позволяет использовать междурядья до 20 дюймов. Для 20-дюймовых рядов мы используем модифицированную высевающую секцию, оснащенную 14-дюймовым сошником McKay P50 вместо нашей обычной системы «направляй и сошник».

Геометрия расположения долот и сошников на этих культиваторах уменьшает количество почвы, перемещаемой в ряд. Это позволяет оператору обрабатывать на гораздо более высоких скоростях, чем при использовании обычного культиватора, даже на очень маленьких посевах. Почву можно перемещать в ряд с помощью наших дополнительных регулируемых окучников, которые можно настроить для перемещения в ряд как небольших, так и больших объемов почвы.
Сеялку для промежуточных культур можно заказать с проверенной консолью управления скоростью Hiniker 8160 и датчиком скорости GPS. Эта система обеспечивает постоянный контроль нормы внесения в фунтах на акр при изменении скорости движения. Вы можете предварительно запрограммировать и выбрать один из двух установленных тарифов.
Вы также можете отклоняться от этих ставок на ходу, если этого требуют условия.Высокоскоростные культиваторы CultiPro со средней рабочей точкой/сошником обычно работают на скорости от 6 до 8 миль в час.
Двойные осциллирующие копирующие колеса CultiPro размером 4 x 16 дюймов обеспечивают более точный контроль глубины по сравнению с культиваторами с одинарными копирующими колесами.
В отличие от культиваторов с жестко закрепленными режущими сошниками, CultiPro имеет подпружиненные 18-дюймовые режущие сошники. Подпружиненные сошники будут подниматься над камнями и твердой почвой, не изменяя глубины наведения/сочленения, продолжая срезать пожнивные остатки перед стойкой.
Цена всегда учитывается, однако для покупателя важнее всего знать, что он принимает правильное решение.

Тот факт, что Hiniker Co. уже более 40 лет является лидером в разработке и производстве пропашных культиваторов, обнадеживает потенциальных клиентов.
Hiniker Co. разработала оригинальную высокоскоростную конструкцию Point/Share среднего рабочего, которая стала отраслевым стандартом для культиваторов с большим количеством пожнивных остатков.
Культиватор CultiPro имеет быструю и легкую регулировку положения копирующего колеса, глубины сошника и давления на сошник без использования ключа. Эти быстрые и простые регулировки помогают приспособиться к различным типам почвы и методам обработки почвы. CultiPro доступен в размерах от 4-рядных 30-дюймовых до 24-рядных 20-дюймовых машин с широким спектром навесного оборудования, включая диски Cutaway, несколько вариантов Crop Shield, окучники и навесное оборудование для бороны.

ЛАПА ДЛЯ КУЛЬТИВАТОРА — Cermag
Дом
»03 — ДЕТАЛИ ДЛЯ ПОЧВООБРАБОТКИ
»ПРУЖИНЫ ДЛЯ ВИБРОКРУШИТЕЛЕЙ И КУЛЬТИВАТОРОВ
»ПРИНАДЛЕЖНОСТИ ДЛЯ ЛАМП КУЛЬТИВАТОРА
»
СОШНИК ДЛЯ КУЛЬТИВАТОРАДанные
Аксессуар для
Аксессуары
Продукт Дата Покупка 55166
ВИНТ С КРУГЛОЙ ГОЛОВКОЙ ДЛЯ АКЦИЙ55382
ВИНТ С КРУГЛОЙ ГОЛОВКОЙ ДЛЯ АКЦИЙ55835
ВИНТ С КРУГЛОЙ ГОЛОВКОЙ ДЛЯ АКЦИЙ55836
ВИНТ С КРУГЛОЙ ГОЛОВКОЙ ДЛЯ АКЦИЙ55837
ВИНТ С КРУГЛОЙ ГОЛОВКОЙ ДЛЯ АКЦИЙ55838
ВИНТ С КРУГЛОЙ ГОЛОВКОЙ ДЛЯ АКЦИЙ55982
ВИНТ С КРУГЛОЙ ГОЛОВКОЙ ДЛЯ АКЦИЙ55983
ВИНТ С КРУГЛОЙ ГОЛОВКОЙ ДЛЯ АКЦИЙ55990
ВИНТ С КРУГЛОЙ ГОЛОВКОЙ ДЛЯ АКЦИЙОставайтесь на связи в App Store
Скриншоты iPhone
Описание
Оставайтесь на связи с друзьями, семьей, коллегами и всеми, кто находится между ними.
С Культиватором вам напомнят, когда пора протянуть руку помощи.ДОБАВЬТЕ СВОИ СВЯЗИ
Добавьте контакты из своей адресной книги, чтобы создать интуитивно понятную систему напоминаний, чтобы напомнить себе о необходимости связаться с ними.ПОЛУЧАТЬ НАПОМИНАНИЯ О СВЯЗИ
Получайте оповещения через уведомления, чтобы получать напоминания о необходимости связаться с вашими контактами. Поддерживайте разные частоты для отдельных контактов, редактируя частоту напоминаний для каждого из них.БЫСТРАЯ ОТПРАВКА СООБЩЕНИЙ
Отправляйте текстовые сообщения напрямую своим контактам через iMessage из приложения. Звонки тоже поддерживаются!УЖЕ СВЯЗАТЬСЯ? ПОМЕТИТЬ КАК СВЯЗАННОЕ В СЛЕДУЮЩИЙ РАЗ
Вы обращались к своему соединению без использования этого приложения? Большой! Отметьте их как контактные, и мы напомним вам связаться с ними снова, когда они должны связаться.ДОСТИГНИТЕ ВАШЕГО ИДЕАЛЬНОГО СОСТОЯНИЯ
Каждый день используйте панель инструментов, чтобы достичь дзен в своей социальной жизни.
Здесь будет отображаться до 6 ваших «должных» подключений. Как только вы свяжетесь со всеми 6, успокойтесь и покиньте приложение, чтобы заняться любимым делом!Культиватор — это социальный инструмент, который поможет вам лично. Культиватор никогда не свяжется напрямую ни с одним из ваших контактов без вашего участия. Сообщения отправляются через приложение iMessage.
Нравится приложение? Оцените это и просмотрите это!
Знаете кого-нибудь, кому было бы полезно это приложение? Поделись с ними!
Нужна помощь или хотите написать нам? Мы все в ушах! Поделитесь с нами своим опытом и мыслями по адресу [email protected]
Посетите нас на сайтеcultivatorapp.com.
Политика конфиденциальности: https://cultivatorapp.com/about/
Условия: https://cultivatorapp.com/about/Версия 2.
4.1Исправлена ошибка с обучением на устройствах под управлением iOS 12.
Также из последнего выпуска:
Новая панель управления!
— Просматривайте больше своих контактов, включая изображения.
— Появился новый опыт при отметке как контактный.Настройки!
— Установите окно напоминания по умолчанию и метод контакта для добавления нового соединения.
— Установите сообщение, чтобы начать разговор с текстом.
— Поделитесь культиватором, сообщите об ошибке или вернитесь к обучению одним щелчком мыши.Новый опыт подключения!
— Выберите сразу несколько человек из списка контактов.Рейтинги и обзоры
12 оценок
Необходимый инструмент для жизни на ходу
Приложение «Культиватор» позволило мне сосредоточиться на людях, которых я ценю в своей жизни, с помощью мягкого напоминания о необходимости связаться с ними.
Жизнь может стать настолько занятой, что я просто забываю общаться с друзьями и близкими. Месяцы могут пройти без разговоров с моими тетями, дядями, двоюродными братьями, бывшими товарищами по команде и одноклассниками и т. д. Приложение «Культиватор» — это инструмент, который мне нужен, чтобы моя занятая жизнь не мешала отношениям, которые я ценю больше всего. Спасибо, Культиватор.Отличный способ оставаться на связи!
Это приложение — отличный способ помочь вам поддерживать те отношения, которые вы хотите и должны поддерживать. Подсказки полезны, и так легко перейти к текстовому разговору с друзьями. Обязательно скачайте это, если хотите получить дополнительный толчок для поддержания дружбы!
Определенно рекомендую!
Это приложение очень простое в использовании.

- Типы бетономешалок
5
вещества
BG 66 C-E Бензиновый воздуходувка
Selection Бензиновые ручные воздуходувки
Обзор
Новая ручная воздуходувка STIHL BG 66 C-E с тихим двухтактным двигателем с низким уровнем выбросов идеально подходит для уборки листьев и мусора в зонах, чувствительных к шуму.
В то время как переключатель остановки помогает приступить к работе без догадок, полуавтоматический рычаг дроссельной заслонки, предназначенный для предотвращения случайного затопления, в сочетании с ErgoStart обеспечивает более легкий запуск — все, что вам нужно, чтобы приступить к следующей задаче по очистке. Для очистки больших площадей листьев и травы, подходит для использования в очень запыленных местах благодаря новому фильтру HD2. Круглая форсунка, плоская форсунка, антивибрационная система STIHL, STIHL ErgoStart, двигатель 2-MIX, блокировка дроссельной заслонки с кнопкой остановки. Версия с STIHL ErgoStart.
Продлите внутреннюю гарантию с 2 до 3 лет, купив 5 литров топлива STIHL MotoMix® и этот продукт. Ваш авторизованный дилер STIHL зарегистрирует вашу расширенную гарантию в базе данных гарантий STIHL в месте покупки.
£385,00*
Технические данные
Технические данные
| Технические данные | Значение |
|---|---|
| СО2 г/кВтч | 1,014 |
| Масса кг | 4,8 |
| Сила выдувания Н | 10 |
| Уровень звукового давления дБ(А) | 86 |
| Производительность кВт | 0,6 |
| Уровень звуковой мощности дБ(А) | 99 |
| Уровень вибрации справа м/с2 | 2. 1 |
| Объем бака л | 0,44 |
| Скорость движения воздуха РС | 64 |
| Максимум. скорость воздуха РС | 62 |
| Масса кг | 4. 7 |
| Оборудование | Круглая насадка |
1) В режиме продувки
2) Сочетание скорости воздуха и расхода воздуха
3) K-фактор согласно DIR 2006/42/EC = 2,5 дБ (A)
4) K-фактор согласно DIR 2006/42/EC = 2 м/с²
5) С круглым соплом в режиме продувки
г.
6) Полный, без топлива
Версии, доступные в каждой стране, могут отличаться от указанного выше диапазона и спецификаций; конкретные детали могут быть изменены без предварительного уведомления.
Дополнительную информацию можно получить у официального дилера STIHL в вашем регионе.
Характеристики
Стандартные характеристики
Версии, доступные в каждой стране, могут отличаться от указанного выше диапазона и спецификаций; конкретные детали могут быть изменены без предварительного уведомления. Дополнительную информацию можно получить у официального дилера STIHL в вашем регионе.
Документы
Руководства по эксплуатации и брошюры по технике безопасности
| Языки | Дата | Ссылка |
|---|---|---|
| en | 09. 13.2021 | Скачать PDF 1,5 МБ Скачать PDF 1,5 МБ |
Откройте для себя маршрут нашего общего наследия | |||||||||||||||||||||||||||||||||||||||||||||||||||||||||||||||||||||||||||||||||||||||||||||||||||||||||||||||||||||||||||||||||||||||||||||||||||||||||||||||||||||||||||||||||||||||||||||||||||||||||||||||||||||||||||||||||||||||||||||||||||||||||||||||||||||||||||||||||||||||||||||||||||||||||||||||||||||||||||||||||||||||||||||||||||||||||||||||||||||||||||||||||||||||||||||||||||||||||||||||||||||||||||||||||||||||||||||||||||||||||||||||||||||||||||||||||||||||||||||||||||||||||||||||||||||||||||||||||||||||||||||||||||||||||||||||||||||||||||||||||||||||||||||||||||||||||||||||||||||||||||||||||||||||||||||||||||||||||||||||||||||||||||||||||||||||||||||||||||||||||||||||||||||||||||||||||||||||||||||||||||||||||||||||||||||||||||||||||||||||||||||||||||||||||||||||||||||||||||||||||||||||||||||||||||||||||||||||||||||||||||||||||||||||||||||||||||||||||||||||||||||||||||||||||||||||||||||||||||||||||||||||||||||||||||||||||||||||||||||||||||||||||||||||||||||||||||||||||||||||
Викери Филлипс 66 Станция | |||||||||||||||||||||||||||||||||||||||||||||||||||||||||||||||||||||||||||||||||||||||||||||||||||||||||||||||||||||||||||||||||||||||||||||||||||||||||||||||||||||||||||||||||||||||||||||||||||||||||||||||||||||||||||||||||||||||||||||||||||||||||||||||||||||||||||||||||||||||||||||||||||||||||||||||||||||||||||||||||||||||||||||||||||||||||||||||||||||||||||||||||||||||||||||||||||||||||||||||||||||||||||||||||||||||||||||||||||||||||||||||||||||||||||||||||||||||||||||||||||||||||||||||||||||||||||||||||||||||||||||||||||||||||||||||||||||||||||||||||||||||||||||||||||||||||||||||||||||||||||||||||||||||||||||||||||||||||||||||||||||||||||||||||||||||||||||||||||||||||||||||||||||||||||||||||||||||||||||||||||||||||||||||||||||||||||||||||||||||||||||||||||||||||||||||||||||||||||||||||||||||||||||||||||||||||||||||||||||||||||||||||||||||||||||||||||||||||||||||||||||||||||||||||||||||||||||||||||||||||||||||||||||||||||||||||||||||||||||||||||||||||||||||||||||||||||||||||||||||
В 1920-х годах Талса была без преувеличения нефтяной столицей мира, что привело к значительному росту ее центра. Компания Phillips Petroleum построила свою станцию в стиле Cotswold Cottage, который компания использовала по всей стране, стремясь придать своим станциям одновременно привлекательный вид и единый внешний вид. Каждая станция имела центральную трубу и была окрашена в характерный темно-зеленый цвет с оранжевой и синей отделкой. Коттеджный стиль передал образ домашнего спокойствия и романтизма, попытку слиться с жилыми кварталами и безошибочно передал корпоративный образ своей выдержанностью дизайна и цветовой гаммы. Коттеджный стиль Phillips 66 сразу же стал узнаваем среди путешественников по автомагистралям страны. Станция Викери, как она сегодня называется, состоит из двух отдельных зданий, одно для офиса, а другое для обслуживания. Оба кирпичные, с крутыми скатными крышами. Изящная арка, сложенная из кирпичей, выложенных солдатской кладкой, отмечает вход в офис станции, а конический дымоход имеет круглую вставку, предназначенную для медальона Phillips 66 с подсветкой.
Компания Phillips управляла станцией семь лет, а затем сдала ее в аренду частным лицам. Это была обычная практика в отрасли, при которой нефтяная компания сохраняла свои права собственности, включая требование, чтобы арендованная станция продавала только продукцию этой компании, но уменьшала свою управленческую и кадровую нагрузку. В то время как обстоятельства войны оказались сложными, окончание войны и процветание дорожного движения и автомобильной культуры превратили станцию в 1950-е годы в успешный бизнес. Однако к концу десятилетия из-за существенного изменения маршрута трассы 66 к югу от станции бизнес пришел в упадок. К концу 1960-х у станции появился новый арендатор. Станция была внесена в Национальный реестр исторических мест в 2004 году. В период с 2006 по 2008 год новый владелец восстановил станцию, используя грант с долевым участием в затратах от Программы сохранения коридора Маршрута 66 Службы национальных парков, а также федеральные налоговые льготы для историческое сохранение. В результате этой инициативы пустующие здания на территории были преобразованы в пункт проката автомобилей, обслуживающий центр Талсы.
| |||||||||||||||||||||||||||||||||||||||||||||||||||||||||||||||||||||||||||||||||||||||||||||||||||||||||||||||||||||||||||||||||||||||||||||||||||||||||||||||||||||||||||||||||||||||||||||||||||||||||||||||||||||||||||||||||||||||||||||||||||||||||||||||||||||||||||||||||||||||||||||||||||||||||||||||||||||||||||||||||||||||||||||||||||||||||||||||||||||||||||||||||||||||||||||||||||||||||||||||||||||||||||||||||||||||||||||||||||||||||||||||||||||||||||||||||||||||||||||||||||||||||||||||||||||||||||||||||||||||||||||||||||||||||||||||||||||||||||||||||||||||||||||||||||||||||||||||||||||||||||||||||||||||||||||||||||||||||||||||||||||||||||||||||||||||||||||||||||||||||||||||||||||||||||||||||||||||||||||||||||||||||||||||||||||||||||||||||||||||||||||||||||||||||||||||||||||||||||||||||||||||||||||||||||||||||||||||||||||||||||||||||||||||||||||||||||||||||||||||||||||||||||||||||||||||||||||||||||||||||||||||||||||||||||||||||||||||||||||||||||||||||||||||||||||||||||||||||||||||
Киров, ул. Производственная, 25б
Киров, Автотранспортный переулок, 4
Киров, ул. Московская улица, 176
Киров, ул. Заводская, 9
Киров, ул. Воровского, 107а
Киров, ул. Московская улица, 89
Киров, Советский тракт, 40
Киров, ул. Потребкооперации, 2
Киров, ул. Ленина, 130
Киров, слобода Шамшуровы, ул. Производственная
Киров, Ульяновская, 22а
Киров, ул. Солнечная, 11а
Киров, ул. Московская, д. 139
Киров, ул. Лепсе, 30а
Киров, ул. Карла Маркса, 1
Киров, д. Лянгасы
Киров, ул.Пермская, д.37
Киров, ул. П. Корчагина, 242
Киров, ул. П. Корчагина, 256 (в Киров)
Киров, ул. П.Корчагина, 256 (из Кирова)
Киров, ул. П.Корчагина, 55
Киров, ул. Производственная улица, 28
Киров, Хлебозаводской проезд, 9
Киров, Нововятск, ул. Советская, 181 
Начинается замыкание в цепи вращающего момента, из-за чего вторичная ось начинает свое движение.
Во время дальнейшего движения можно перейти на схему: 4H-5B-5H.

Это дает возможность более легкого управления, повышения экономичности и увеличения срока службы механизмов двигателя и коробки передач.
После восстановления работы механизма проводится обратная сборка узла и осуществляются испытания системы в работе. Можно обратиться в сервисный центр, но лучше выполнить руками своими ремонт раздаточной коробки.
Если они вышли из строя, заменяют новыми. Шлицевые соединения не должны иметь дефектов и сколов. Подшипники шестерен следует заменить, предварительно осмотрев место их установки, нет ли износа или участков, продавленных роликами.

Камазовская, как раз таки эталон неубиваемости. а ЯМЗ всегда славились своей ненадёжностью, хотя и рождались оба типа коробок в Ярославле.
ru
У двигателя внутреннего сгорания есть определенные рамки по числовому выражению частоты и крутящего момента, расширить его, и получить возможность стабильного удержания в нескольких положениях, призвана коробка перемены скоростей.
А запомнить его необходимо потому, что несоответствие выбранной передачи-диапазона это не только проблемы с преодолением маршрута, но риск повышенного износа деталей, особенно если «неправильности» будут систематическими.
Возможных неисправностей, из-за которых схема КПП МАЗ работает не так как предусмотрено предостаточно, но наиболее распространенны три варианта.
Убеждаемся, что рычаг механизма тоже в нейтральном положении – вилка расположена вертикально, а при угловом покачивании ощущается сопротивление вращению. Если все так, то заворачиваем до упора стопорный винт на промежуточном механизме, тем самым, фиксируя «намертво» промежуточный валик. Расслабляем стяжные болты и выставляем по длине тягу так, чтобы стопор-палец легко проходил через отверстия серьги и наконечника. Соединяем их и затягиваем стяжные болты. После этого отворачиваем стопорный винт проммеханизма на пять оборотов, и контрим его гайкой.
kspecmash.ru/catalog.php?typeauto=6&mark=14&model=46&group=82 www.kspecmash.ru
Коробка состоит из 4 скоростей плюс задняя. Первая считается самой низкой и с прибавлением каждой передачи автомобиль начинает двигаться быстрее.

Эти коробки отличает высочайшее качество исполнения, большую надежность, но в то же самое время качественного технического обслуживания.

Чтобы этого избежать, надо выключить пониженную скорость, что поспособствует снижению вращения коленвала.
Неудивительно, что Actros 4148 AK (8×8/4) в России пока не сертифицирован.
Для Actros Bau в версии самосвала это стандартное оснащение, для остальных модификаций – опция. Три миллиметра нержавеющей стали – хороший задел прочности: он и передок утяжеляет не критично, и дорогую матчасть бережет как мать родное дитя.
Но это обман зрения: быстросъемные фиксаторы позволяют получить доступ к рассеивателям без отвертки и других инструментов. Они просто откидываются вниз и не мешают мыть стекло водой или протирать влажной тряпкой. Задние фонари тоже закрыты горизонтальной сеткой, которая легко отодвигатеся в сторону.
Интерес представляют усиленное сцепление, датчик дождя с автоматическим включением света фар, солнцезащитная шторка на окне двери водителя, запираемый 400-литровый топливный бак и др.
Таким образом, наряду с эстетической функцией она выполняет и роль стража функциональности.
А стоя рядом с кабиной можно очистить испачканную обувь.
Бренд достойный, один из лучших, но почему именно он?
Но в карьере на этой машине я не работал, а передний борт кузова высотой 1300 мм закрывал весь обзор.
И если для ведущих задних мостов это было не критично, то для второй передней оси представляло проблему. В Actros Bau система компенсации осевой нагрузки исключает такую несправедливость. Правда, происходит это в том случае, если высота неровности не превышает 100 мм. В этом случае нагрузка на обе передних оси распределяется равномерно, что обеспечивает адекватный контакт с поверхностью.
Тем более, что расход топлива с грузом 32 т на маршруте по автобану оказался не маленьким…
Замерев на пригорке в ожидании окна на главной дороге, я был неприятно удивлен, как скоротечно время срабатывания так называемой противооткатной системы. «Мерседесовцы» говорили мне о трех секундах, в течение которых при нажатии на педаль тормоза и снятии с нее ноги в магистрали поддерживается рабочее давление. На деле же помощь автоматики длилась не более секунды. И потому при выезде на главную дорогу с крутого примыкания я допустил небольшое скатывание назад. В строительном карьере это не имело бы никакого значения. Но мы-то не в карьере!
Крутящий момент стал больше, и при сохранении ходовых характеристик расход топлива снизился.
Об устойчивости пластиковых обтекателей к возникновению царапин судить не берусь, и разве это так важно для того, кто каждый день имеет дело с песком, гравием и щебнем?..
Да что там повторить – я был готов отправиться и по неизвестному пути. Главное – чтобы надежный напарник Actros Bau был рядом.
числа
Дополнительное оборудование в весовой калькуляции не учитывается.
Фирма специализируется на производстве грузовых автомобилей и различной строительной техники, представленной в виде самосвалов Actros, Atego и Axor.
Компания не занимается производством карьерного транспорта. Традиционные бортовые самосвалы Mercedes-Benz очень востребованы в строительных и дорожно-ремонтных фирмах. Посредством их использования осуществляется транспортировка песка, грунта щебня, угля и других материалов.
Силовой агрегат работает в паре с шестнадцатискоростной коробкой переключения передач. Объем кузовов грузовиков самосвалов Мерседес составляет до 20 м3.
Это осуществляется благодаря специальным опорам и амортизационным стойкам. Кресла в кабине могут регулироваться, поэтому преодоление больших дорожных отрезков не сопровождается ощущениями дискомфорта.
с.
с.
с.
с.
с.
с.
с.
Вот теперь вы угадали: конечно же, в поле зрения – Actros Bau. Это он олицетворяет собой вершину инноваций, престижа и комфорта, это его владельцам завидуют прямые и косвенные конкуренты и это он является героем статистической отчетности и восторженных репортажей. Мы уже дважды писали о пробах руля этого носителя хромированной звезды (см. «Король в спецовке»; «Эталон строительной робы?»), но сегодня случай особый: в нашем распоряжении Mercedes-Benz Actros 4148 АК c колесной формулой 8х8/4. И с полной загрузкой ездить ему предстоит не только по пересеченной местности, но и по автобану: как он себя покажет?
В Великобритании тоже в большом почете «строители» 8х4, а вот 8х6 и 8х8 фактически никак не представлены. Даже в Нидерландах, где нет дискриминации тяжелых самосвалов и бетоносмесителей, грузовиков 8х4 больше, чем техники остальных приводных формул (кроме 4х2) вместе взятых. Кстати, Нидерланды на первом месте по количеству самосвалов 8х8/4.
Внешне это обычный современный грузовик, но благодаря современнейшей электронике, объединенной в новаторскую систему мониторинга и диагностики, аккуратной сборке и богатому базовому оснащению он — как ни смотри — в числе лидеров рынка по уровню исполнения.
с. Максимальный крутящий момент 2 000 Нм достигается уже при 1080 об/мин. Передачи 16-ступенчатой автоматизированной КПП, с электро-пневмоуправлением, переключаются с помощью покачивания джойстика, расположенного на правом откидном подлокотнике. Отклоняя его вперед или назад, можно включать повышенную или пониженную передачи. При этом номер включенной скорости отображается на приборном щитке.
Приборный щиток обладает легкочитаемыми пиктограммами и надписями. То же самое можно сказать и о клавишах на боковой панели справа. Здесь можно найти клавиши и переключатели, управляющие очень полезными функциями – противооткатной системой, блокировкой дифференциалов, отключением АБС и ряд других. В частности, для освещения кабины здесь можно задействовать несколько режимов – для чтения либо освещения различной интенсивности. С помощью кнопок управления на двери можно задействовать электростеклоподъёмники, а также электрорегулировки и подогрев зеркал. Некоторые операции задействуются с помощью кнопок на многофункциональном рулевом колесе.
Исходя из этих данных, бортовой компьютер способен высчитывать фактическое состояние деталей, масел и рабочих жидкостей и выводить на дисплей данные об их состоянии и остатке пробега до очередного техобслуживания.
В системе подвески использованы рессоры особого профиля, позволяющие ощутимо снизить уровень шума.В целом грузовики, отвечающие самым современным требованиям, производят впечатление совершенных кораблей, в которых водитель может управлять практически любыми функциями. Часть из них задействуется автоматически — с помощью современной электроники. С учетом огромного количества опций грузовики Actros остаются на лидирующих позициях грузового автомобилестроения.
Наверное, отсюда шоссейный рисунок шин. Для асфальтовых дорог он – то, что надо. А вот на песке, боюсь, как бы не пожалеть об отсутствии развитых грунтозацепов. Впрочем, не покупаю же я эту машину в личное пользование и не сезон же мне крутиться на стройплощадке…
Инструктор уговаривает сесть в кабину, уверяя, что фонарь обеспечивает надлежащую видимость в темное время. По крайней мере, груз в кузове разглядеть можно. Хорошо, а то верить таким округленным параметрам, как световое пятно на площади 5х10 м, не хочется.
При необходимости можно выставить практически любой уровень, подогнав его под устанавливаемый кузов.
0 TDI MT 150hp
9
с. / оборотах
3
0 biTDI BMT Long
1 приобрел в экстерьере угловатый свежий дизайн, хромированная решетка радиатора стала крупнее и более броской на вид, передний бампер слегка изменил форму, головное освещение заменено на светодиодное. Задние фонари и легкосплавные диски колес тоже видоизменены. Возможность приобретения Каравеллы с удлинённой колёсной базой и легко изменяемый салон сильно увеличивают достоинства модели. В салоне применена новая отделка сидений, может быть установлена цифровая приборная панель. Смонтирована также
8 сек. Рулевое колесо снабжено электроусилителем. Передняя подвеска независимая McPherson, сзади стоит независимая 2-х рычажная. Все тормоза дисковые, передние с дополнительной вентиляцией.
Для прохождения тест-драйва при себе необходимо иметь водительское удостоверение и паспорт.
1
звукоизолирующими свойствами и теплозащитной тонировкой, У/Ф-непроницаемое
база
Готовы заказать?
каб. L1RespectPritsche Одиночная каб. L3Kombi L1h2TrendlineKasten L1h2TrendlineTrendline кор. базаBeachKasten AllCity L1h2Pritsche Одиночная каб. L4Kombi L2h2Бортовой с од. каб. L2StatusCoastComfortline кор. базаComfortlineComfortlineOriginKasten L2h2JOY!Бортовой низкопольный с од. каб. L2Pritsche Одиночная каб. L5OceanHighline кор. базаRespectComfortline LongStatusEditionEditionBeach CamperKasten AllCity L2h2Бортовой с дв. каб. L2Kombi Edition L1h2Pritsche `Trendline` L3ExclusivePritsche `Trendline` L4CruiseKasten L2h3Kasten AllCity L2h3Pritsche `Trendline` L5HighlineKasten Edition L1h2Kasten Edition AllCity L1h2Одинарная кабина кор. базаCaddyExclusiveRespectTouring Bus 13+1 L4h4R-LineOriginOriginШасси Одиночная каб. L3RespectKastenTrendline кор. базаV6TrendlineKasten L1h2TrendlineTrend & FunComfortlineConceptlineTrendlineBeachKastenLifeStatusTouring Bus 13+1 L5h4R-Line PremiumRespectRespectKasten TrendlineExclusive R-lineШасси Одиночная каб. L4Двойная кабина дл. базаR-LineComfortline кор.
базаClubComfortlineSELECTTrendlineComfortlineCoastKasten \»Economy\»OceanStyleExclusiveTouring Bus 19+1StatusStatusШасси Одиночная каб. L5Exclusive EleganceKasten AlltrackComfortlineComfortline LongHighlineComfortlineComfortlineR-LineCanyonAvenueConnectCONNECTPanAmericanaMoveR-lineRespectExclusive AtmosphereHighline кор. базаEdition 35Шасси `Trendline` L3Edition 35HighlineHighlineR-Line ExecutiveDark LabelOFFROADFootball EditionGTIGTIДвойная кабина дл. базаОдинарная кабина кор. базаExclusiveFootball EditionKombiStatusExclusiveRespectR-LineCaliforniaKombiCargoОдинарная кабина дл. базаBusinessШасси `Trendline` L4HighlineUrban SportAlltrackBusiness R-lineExclusiveGO!AlltrackWolfsburg EditionRAlltrackHighlineKombi L1h2TrendlineAventuraHighlineBusiness EleganceШасси `Trendline` L5ExclusiveBeachBusiness AtmosphereБортовой с од. каб. L1
Это обновлённый мультивэн с повышенной вместительностью и комфортабельность. Модель рассчитана на 6, 7, 8 или 9 человек. Она идеальна для большой семьи или компании и прекрасно подходит для дальних путешествий. Автомобиль при необходимости можно трансформировать во вместительный фургон для работы и бизнеса. Микроавтобус получил удобный салон, увеличенную колёсную базу и множество передовых электронных опций для обеспечения максимальной безопасности, уверенности и комфорта.
Благодаря изменению дизайна приборной панели, места спереди стало ещё больше. В мультивэне присутствует 3 или 4 ряда сидений, между которыми достаточно места для комфортного размещения пассажиров.
с.
2 л/100 км
Хотя, казалось бы — «кубический» минибус, что с него взять.
Например, разноцветную цифровую приборную доску в духе седана VW Passat, которого немцы «обнулили», сняв с производства.
Это для современной легковушки, а значит и для Caravelle, само собой. Зато, в отличии от большинства седанов и SUV, на ее потолке расположился пульт управления дополнительным подогревателем. Все доступные для заказа в России двигатели «буса» — дизельные, и зимой штатный дополнительный подогрев очень кстати.
Если бы мне пришлось везти сразу шестерых родственников в аэропорт, с их чемоданами и прочим барахлом, я бы точно выбрал Caravelle. Весь скарб уместится в ней с легкостью.
Дорожный просвет — 20 см, не хуже чем у любого кроссовера! И по городу, и на дачу, и на берег речки вывезет элементарно. Конечно, без «гряземеса» в духе фанатов всевозможных «уазиков», но — тем не менее.
Дзен
0
5
5 TDi
8 long
5 TDI
0 TDI
0 TDI
0 TDI 4Motion LWB
0 TDI LWB
0i LWB
0d MT (140 л.с.), 2018, T6 поколение, Бежевый с пробегом
с., дизель, механика, передний, цвет бежевый
Если автомобиль
Школьная, здание 98А
Вот тут-то и приходят на помощь стандартные раздвижные двери с электроприводом и дверь багажного отделения . Упрощение посадки и высадки благодаря технологии, которая электрически втягивает дверь в защелку автомобиля, не напрягая руки.
3
Более того, эти соображения касаются не только водителя, но и пассажиров. Caravelle предлагает пассажирские сиденья с мягкой обивкой и ударопрочностью, а также достаточно места для головы и ног.
Характеризуется автоматической системой кондиционирования воздуха со встроенным фильтром аллергенов и различными датчиками, настроенными на поддержание постоянной температуры как для водителя, так и для его пассажиров. Хмурое зимнее утро? Именно тогда включается дополнительный дополнительный обогреватель Caravelle . Дополнительный воздушный отопитель нашего автомобиля имеет мощность до 3000 Вт, чтобы согревать вас и ваших пассажиров в течение всего дня.
Горизонтальные линии подчеркивают ширину задней части. Очень большое заднее стекло пропускает идеальное количество света, чтобы обеспечить хороший обзор. Новые светодиодные задние фонари придают автомобилю неповторимый вид.
Если вам нужно больше места для багажа, вы можете сдвинуть скамью третьего ряда вперед, чтобы увеличить объем багажника, или снять все сиденья для максимальной загрузки.
чтение
У Caravelle есть своего рода преимущество в том, что на самом деле — это фургон. Это глупо, потому что они тяжелые и имеют неудобную форму, но вы можете полностью поднять два средних сиденья и скамейку третьего ряда. Таким образом, в вашем распоряжении полноразмерный фургон. Со всеми сиденьями на месте пространство позади третьего ряда немного ограничено, но VW предлагает Caravelle с длинной колесной базой, если это вызывает беспокойство. Однако мы бы остановились на обычном SWB, учитывая, что LWB немного слишком L для обычных парковочных мест.
Наше предложение — использовать Apple CarPlay или Android Auto (не забывайте про адаптеры, потому что здесь только порты USB-C) вместо родной операционной системы, а затем использовать цифровую комбинацию приборов для просмотра информации о поездке и так далее. Все материалы кажутся прочными, хотя явно не такими шикарными, как в Disco или XC9.0, и есть много мест для хранения шансов и дерьма. Перчаточный ящик на удивление мал, но над ним есть полка, место над самой приборной панелью и много места в двух дверных ящиках.
США
A.R., ChinaHungaryIcelandIndiaIndonesiaIranIraqIrelandIsle of ManIsraelItalyIvory CoastJamaicaJapanJerseyJordanKazakhstanKenyaKiribatiKuwaitKyrgyzstanLaosLatviaLebanonLesothoLiberiaLibyaLiechtensteinLithuaniaLuxembourgMacao S.A.R., ChinaMacedoniaMadagascarMalawiMalaysiaMaldivesMaliMaltaMarshall IslandsMartiniqueMauritaniaMauritiusMayotteMexicoMicronesiaMoldovaMonacoMongoliaMontenegroMontserratMoroccoMozambiqueMyanmarNamibiaNauruNepalNetherlandsNetherlands AntillesNew CaledoniaNew ZealandNicaraguaNigerNigeriaNiueNorfolk IslandNorthern Mariana IslandsNorth KoreaNorwayOmanPakistanPalauPalestinian TerritoryPanamaPapua New GuineaParaguayPeruPhilippinesPitcairnPolandPortugalPuerto RicoQatarReunionRomaniaRussiaRwandaSaint BarthélemySaint HelenaSaint Kitts and NevisSaint LuciaSaint Martin (French part)Saint Pierre and MiquelonSaint Vincent and the GrenadinesSamoaSan MarinoSao Tome и PrincipeSaudi Ara biaSenegalSerbiaSeychellesSierra LeoneSingaporeSint MaartenSlovakiaSloveniaSolomon IslandsSomaliaSouth AfricaSouth Georgia and the South Sandwich IslandsSouth KoreaSouth SudanSpainSri LankaSudanSurinameSvalbard and Jan MayenSwazilandSwedenSwitzerlandSyriaTaiwanTajikistanTanzaniaThailandTimor-LesteTogoTokelauTongaTrinidad and TobagoTunisiaTurkeyTurkmenistanTurks and Caicos IslandsTuvaluU.
S. Виргинские островаУгандаУкраинаОбъединенные Арабские ЭмиратыСоединенные ШтатыОтдаленные малые острова СШАУругвайУзбекистанВануатуВатиканВенесуэлаВьетнамУоллис и ФутунаЗападная СахараЙеменЗамбияЗимбабве
A.R., ChinaHungaryIcelandIndiaIndonesiaIranIraqIrelandIsle of ManIsraelItalyIvory CoastJamaicaJapanJerseyJordanKazakhstanKenyaKiribatiKuwaitKyrgyzstanLaosLatviaLebanonLesothoLiberiaLibyaLiechtensteinLithuaniaLuxembourgMacao S.A.R., ChinaMacedoniaMadagascarMalawiMalaysiaMaldivesMaliMaltaMarshall IslandsMartiniqueMauritaniaMauritiusMayotteMexicoMicronesiaMoldovaMonacoMongoliaMontenegroMontserratMoroccoMozambiqueMyanmarNamibiaNauruNepalNetherlandsNetherlands AntillesNew CaledoniaNew ZealandNicaraguaNigerNigeriaNiueNorfolk IslandNorthern Mariana IslandsNorth KoreaNorwayOmanPakistanPalauPalestinian TerritoryPanamaPapua New GuineaParaguayPeruPhilippinesPitcairnPolandPortugalPuerto RicoQatarReunionRomaniaRussiaRwandaSaint BarthélemySaint HelenaSaint Kitts and NevisSaint LuciaSaint Martin (French part)Saint Pierre and MiquelonSaint Vincent and the GrenadinesSamoaSan MarinoSao Tome and PrincipeSaudi АравияСенегалСербияСейшельские острова esСьерра-ЛеонеСингапурСент-МартенСловакияСловенияСоломоновы островаСомалиЮжная АфрикаЮжная Джорджия и Южные Сандвичевы островаЮжная КореяЮжный СуданИспанияШри-ЛанкаСуданСуринамШпицберген и Ян-МайенСвазилендШвецияШвейцарияСирияТайванТаджикистанТанзанияТаиландТимор-ЛештиТогоТокелауТонгаТринидад и ТобагоСшаТурция и КанадаТурция.
Виргинские островаУгандаУкраинаОбъединенные Арабские ЭмиратыСоединенные ШтатыОтдаленные малые острова СШАУругвайУзбекистанВануатуВатиканВенесуэлаВьетнамУоллис и ФутунаЗападная СахараЙеменЗамбияЗимбабве
Вы можете заменить скамейку третьего ряда на два отдельных сиденья и даже добавить дополнительную пару позади тех, что на моделях с длинной колесной базой, что сделает его восьмиместным.


Также доступны светодиодные дневные ходовые огни, фары и задние фонари, которые входят в стандартную комплектацию моделей Executive.


Независимо от того, используете ли вы заднюю часть Caravelle для людей или больших ящиков, большие раздвижные боковые двери и задняя дверь с верхними петлями означают, что поместить всех и все легко.
Это отражено и в уровне комплектации, и в отделке приборной панели. Например, вместо того, чтобы просто предлагать ту же кабину, что и у фургона, Caravelle получает цифровую кабину, которая также используется в нескольких легковых автомобилях Volkswagen.
Если вам нужно перевезти коллег, особенно тех, кто может быть не таким гибким, как пассажиры-подростки. Возможность посадить пятерых пассажиров лицом друг к другу на заднем сиденье — это настоящий бонус. Это означает, что ваши самые задние пассажиры могут провести встречу перед встречей без необходимости говорить через плечо или поворачиваться.

Однако кренов кузова не так много, чтобы пассажиры чувствовали тошноту.
Это так плавно, как вы могли бы надеяться, хотя в некоторых старых версиях было обнаружено, что пониженные передачи удерживаются немного дольше, чем вам хотелось бы. Старые версии также поставлялись с шестиступенчатой механической коробкой передач.
пассажирский салон.
Это была предыдущая версия, и более новые системы означают, что он должен как минимум соответствовать четырем звездам того времени. , несмотря на более жесткие оценки, которые поступали с тех пор.
Однако это, очевидно, не относится к бензиновым моделям, где цифра в 20 миль на галлон является более реалистичной реальностью.
5
1 сек
Расскажите нам, что вам нужно.
с.
с.
с.
с.
0 TDI 111 pk 4Motion/4×4/Omvormer/Standkach фургон б/у
0 TDI V6 Aut. Highline Grijs Kent./Leder/Xenon/Led/Camera/C LMV/Elek. Stoelen/S служебный автомобиль б/у
Highline 4Motion/4X4/AWD/4WD/DSG/LED/Sc фургон б/у
..
2 DID…
..
0…
ru — это интернет сайт, специализированный на размещении объявлений по продаже б/у, послеаварийных и новых грузовых автомобилей
Повний привід в Україні
, 2001 р.в.
, 1999 р.в.
в Дніпро (Дніпропетровську)
в Кривому Розі
в Полтаві
в Херсоні
name }} {{ model.name }}!
«Авто 24» не удержался и сделал свою подборку особо интересных автодомов.
с. не способствует дальним маршрутам.

На месте отдыха крыша в салоне поднималась, борта откидывались горизонтально в стороны, а образовавшееся дополнительное пространство при этом автоматически затягивалось нейлоновой тканью. Диваны вместе с откинутыми бортами превращались в двухместные кровати (каждый!).
У него 290-сильный дизель и 12-ступенчатая полуавтоматическая коробка передач от MAN, привод 4х4, три дифференциала с блокировкой и клиренс 390 мм.
Возвращаясь к новой версии, фургон Transporter предназначен для тех, кто выполняет свою работу. С измененным дизайном передней части и салона, полной возможностью подключения и большим пространством, чем когда-либо прежде, вы скоро влюбитесь в этот фургон. Кроме того, благодаря новейшим системам помощи водителю Volkswagen и опциональному приводу 4MOTION 4WD вы можете управлять автомобилем с полной уверенностью.
Могут применяться сборы или скидки на чистую машину, подробности см. ниже.
Смотри ниже.
высота 1,28 м
Закажите наш демонстрационный Volkswagen Caddy или Transporter для бесплатного ночного тест-драйва без каких-либо обязательств сегодня. Мы даже бросим его вам и / или предоставим справедливую оценку вашего текущего автомобиля, пока вы находитесь в нашем.
Вы можете отписаться в любое время.
5000 km10000 km25000 km50000 km75000 km100000 km150000 km200000 km
com.au 9 дней назад
Посетите для получения дополнительных фотографий и информации. Бесплатные списки для вашего автомобиля, 4×4 …
Посетите для получения дополнительных фотографий и информации. Бесплатные объявления для вашего автомобиля, 4×4 , UTE …
Посетите для получения дополнительных фотографий и информации. Free…
Посетите для получения дополнительных фотографий и информации. Free listings for…
..
com.au 9 дней назад 
com.au 9 days ago
Бесплатные объявления для вашего автомобиля, 4×4 , UTE …
5DT Turbo Diesel White Manual. Visit…
Посетите для получения дополнительных фотографий и информации. Бесплатные списки для вашего …
, а в спальной зоне установлена система отопления Webasto, которая обеспечит вам приятный сон ночью. Багажник автомобиля вмещает максимум 2 больших чемодана и 1 маленький чемодан, и он идеально подходит для пары или группы из 3 друзей, отправляющихся в поход в Исландии.
Вместе с дверью вставлены 3 занавески, чтобы вы всегда могли хорошо выспаться, даже когда летом вы находитесь под исландским полуночным солнцем.
В то время как Исландия известна своими интенсивными, необработанными и красивыми пейзажами, она также известна быстро меняющейся погодой и длинными участками дороги между соседним домиком или отелем. Взяв напрокат Volkswagen Transporter, вы сможете не только взять с собой отель, но и передвигаться с места на место в своем собственном темпе! Это очень экономичный, прочный и надежный автомобиль, который необходим в путешествии по Исландии. Проверьте детали кемпера ниже:
Мы хотим, чтобы вы получили удовольствие и оставили незабываемые воспоминания, а также полностью изучили все, чем славится Исландия. Путешествие по Исландии на автофургоне Volkswagen — один из самых уникальных способов путешествовать, наблюдать за красивыми пейзажами и дикой природой, а также создавать воспоминания с друзьями по путешествию. Не нужно перепаковывать — мы сделали всю тяжелую работу за вас! При аренде Volkswagen Transporter он поставляется полностью оборудованным.
Благодаря способности Transporter 4×4 вы можете без стресса ездить по всем дорогам с твердым покрытием, гравием и горным дорогам (F-дороги).
Вы также можете отправиться в Исландское нагорье на своем VW Transporter, когда F-дороги открыты летом.
Проезжайте вдоль береговой линии и делайте фотографии величественных ледников и ледяных образований, окаймляющих пляжи и воды. Если вам повезет, вы даже сможете увидеть некоторых тюленей!
0 TDI T28 BlueMotion Tech Highline FWD SWB Euro 5 (s/s) 5dr
0 BiTDI T32 BlueMotion Tech Highline Crew Van DSG FWD SWB Euro 5 (s/s) 5dr
0 TDI T28 Highline FWD SWB Euro 6 (s/s) 5dr
0 TDI T32 Highline Crew Van DSG FWD SWB Euro 6 (s/s) 5dr
Ключом к такому широкому признанию, возможно, является то, что концепция фургона VW осталась верной оригинальному дизайну.
с. появляется довольно особенная семиступенчатая автоматическая коробка передач с ручным управлением для лучшей управляемости в грязи и снегу. Это, в сочетании с усовершенствованной системой контроля тяги и возможностью блокировки дифференциала на задней оси, делает 4Motion очень способным полноприводным автомобилем в большинстве условий бездорожья, с которыми он может столкнуться.
Проезжая через сельскую местность, мы затем забрались в густой ухоженный лес. Увидев след в лесу, мы съехали с асфальта и поднялись по раскисшей тропе на территорию, расчищенную для рубки деревьев. Было бы глупо испытывать фургон на пределе возможностей с одним транспортным средством и без аварийно-спасательного оборудования, но в грязи и слякоти на пологом подъеме он показал себя идеально — ни намека на пробуксовку колес, и высокий уровень комфорта, обеспечиваемый независимой подвеской. приостановка.
VW зарекомендовал себя как лидер в области размещения фургона с максимальной вместимостью, при этом он не кажется меньше внутри. Это чудо эргономики и означает, что этот фургон сохраняет те же сдержанные линии, что и другие, но нажмите кнопку, и раздается жужжание маленьких моторов, и крыша поднимается вверх!
0002 Kerbweight: 2600-3000kg
с.) 4WD технические характеристики и расход топлива — AutoData24.com
com
К сожалению, меры по сокращению расходов компании не позволяют увеличить штат служащих до необходимых размеров. В трехнедельный срок Вам необходимо представить план реорганизации работы Ваших подчиненных, которые должны быть готовы приступить к ведению дополнительно поступающей документации. У Вас множество идей, однако, Вы не можете решить, что же предпринять. Реорганизация болезненно отразится на работе Ваших заместителей и начальников отделов. Вы, насколько это возможно, хотели бы провести ее с минимальной потерей эффективности.
Поэтому мы и предлагаем при подобных юридических коллизиях призывать на помощь здравый смысл.
Остановимся на пассажире – еще одном участнике дорожного движения. Его поведение регламентировано 5-м разделом ПДД.


В принципе, в подавляющем количестве случаев так оно и есть.
И в этих условиях рядовые водители обязаны выполнять требования таких регулировщиков.
Именно поэтому им и придается статус регулировщика, а водители обязаны выполнять их требования. На практике же часты случаи игнорирования требований таких регулировщиков. Это недопустимо!

Должен понимать, что его недисциплинированность на дороге является, по сути, покушением на жизнь и здоровье других людей!

п., даже если Вам кажется, что на дороге позади Вас никого нет. Совершение манёвров без использования указателей поворота выражает неуважение к другим участникам дорожного движения и, кроме того, провоцирует ДТП. Например, Вы можете не заметить автомобиль, находящийся в «мёртвой зоне», и, «подрезав» его, создадите аварийную ситуацию.
Для начала ей предложили воспользоваться психологическим приемом, связанным с подменой понятий. Каждый раз в критической ситуации вместо непристойности по адресу очередного объекта необходимо было произносить заранее выбранную фразу, несущую заряд положительных эмоций, например: «Я люблю тебя больше всех на свете!» Эффект превзошел все ожидания! Через несколько дней интонация стала доброжелательной, а через две недели было совершено удивительное открытие: оказывается, вежливость и тактичность не менее заразны, чем агрессия! Более того, эти прекрасные качества сводят агрессию на нет.
Обстановка с аварийностью, гибелью и травматизмом людей складывается критическая, потому что отдельные участники дорожного движения с упорством продолжают нарушать Правила.

Повторите с ребенком безопасный маршрут в школу и обратно. Объясните ему, что переходить дорогу нужно по пешеходному переходу. Лучше, если он будет со светофором. Расскажите ребенку, что переходить дорогу можно, только когда все автомобили остановились, а водители видят его и пропускают.Выходя на проезжую часть дороги, прекращайте посторонние разговоры с ребенком, указывайте на возможные опасности. Он должен привыкнуть, что при переходе дороги надо сосредоточить внимание на наблюдении за дорожной ситуацией.В сумерках и плохую погоду водители могут не заметить ученика, поэтому следует надеть яркую одежду, а лучше иметь на ней световозвращающие элементы.Если с вами в машине находится ребенок, не забудьте пристегнуть его ремнями безопасности или применять детское удерживающее устройство. Родителям, которые пользуются услугами такси, следует внимательно относиться к выбору компании-перевозчика и заранее выяснять, будет ли обеспечена безопасность ребенка в автомобиле.Не следует забывать о безопасности маленьких пассажиров в общественном транспорте.
Опасность передвижения в общественном транспорте связана, как правило, с резким торможением, к которому пассажиры не всегда готовы.Избежать подобных происшествий можно, лишь следуя правилам безопасности. При передвижении в общественном транспорте обязательно нужно держаться за поручни, соблюдать бдительность при посадке и высадке из транспортного средства, уделять особое внимание маленьким пассажирам, которые следуют с вами, не отвлекать водителя от управления. Родителям нужно помнить, что при перевозке маленьких детей в общественном транспорте коляску следует ставить на специальный удерживающий тормоз и крепко держать саму коляску.Обращаясь к юным участникам дорожного движения, хочется напомнить, что беспечность, невнимательность, шалости на проезжей части, нарушения ПДД при переходе улиц в любой момент могут обернуться бедой. Чтобы этого не случилось, надо постоянно изучать и строго выполнять все требования дорожной грамоты. А родители, учителя и сотрудники Госавтоинспекции, в свою очередь, помогут вам изучить правила безопасного поведения на улице и во дворе.
Также ГИБДД Москвы обращается и к педагогам. Напомните юным участникам дорожного движения после уроков, перед выходом из школы о повышенной осторожности на дорогах.Особый период для Госавтоинспекции – начало нового учебного года. Дети возвращаются в город, успев за лето отвыкнуть от интенсивного дорожного движения, некоторые дети и вовсе пойдут «первый раз в первый класс», а значит, им придется привыкать к новой жизни и к новой дороге. Кто-то пойдет в сопровождении взрослых, а кто-то сам, но так или иначе школьник вскоре станет самостоятельным участником дорожного движения. Обезопасить его от неприятностей на дороге – долг всех москвичей, в первую очередь сотрудников ГИБДД, которые будут нести службу в усиленном режиме. Дежурство около образовательных учреждений продолжится до середины сентября, пока и дети, и водители не привыкнут к интенсивности дорожного движения.Отдельное внимание сотрудниками ГИБДД по г. Москве уделено наличию и содержанию паспортов дорожной безопасности, разработанных на общеобразовательные и дошкольные организации с размещением в них схем безопасных маршрутов движения детей.
Сотрудники Госавтоинспекции Москвы совместно с представителями образовательных учреждений проведут проверки планирующих документов на новый учебный год по обучению несовершеннолетних правилам безопасного поведения на дороге.В течение сентября в школах будут проводиться различные мероприятия, которые помогут восстановить детям навыки дорожной безопасности на улицах и дорогах столицы. В течение года будут проведены различные промоакции и викторины с учащимися. В школах начнут работать отряды юных инспекторов движения.Соблюдение всех этих рекомендаций и строгое соблюдение правил дорожного движения поможет избежать дорожно-транспортных происшествий и сохранить жизнь и здоровье всех участников дорожного движения.Отдел пропаганды безопасности дорожного движения Управления ГИБДД по городу Москве
В какой-то момент в разных ипостасях, но все и всегда.
Поэтому, соблюдение Правил дорожного движения в 90% гарантирует безопасность дорожного движения. 10% отводится обстоятельствам непреодолимой силы: внезапное заболевание или стихийные бедствия.
И тогда уже поздно будет смотреть в ее сторону.
А основным правилом, пожалуй, является осмотр дороги перед переходом на ее противоположную сторону. Как ни банально это правило, но, если бы его соблюдали все пешеходы, дорожно-транспортных происшествий было бы меньше. Также нельзя переходить улицу в неположенном месте, даже если Вы очень спешите.
Потому что, если вдруг вблизи появится машина, перебегать дорогу, покрытую ледяной коркой, весьма рискованно.
Дорожное движение – сложный процесс, но его безопасность зависит от поступков каждого человека, а значит, и от тебя. Ты должен строго соблюдать правила дорожного движения. Особенно важно уметь вести себя на улице, переходить дорогу и знать правила для пешеходов.
Для чего необходимо знать и соблюдать Правила Дорожного Движения?
Ребенок является самым незащищенным участником дорожного движения, и во многом поведение детей на дороге обусловлено их восприятием дорожной ситуации. Именно поэтому безопасность детей на дороге можем обеспечить в первую очередь мы, взрослые: родители, учителя, воспитатели, прохожие и, главным образом, водители транспортных средств.
Особенно если при движении автомашины ребенок располагается на руках. В этом случае ошибочно полагать, что, держа на руках, мы его оберегаем. При столкновении или резком торможении вес пассажира возрастает в несколько раз, и удержать ребенка от резкого удара практически невозможно. Если при этом и сам взрослый не пристегнут ремнем безопасности, то это верная гибель для малыша. Доказано, что ничего лучше специальных удерживающих средств для перевозки детей не оберегает их в момент столкновения.
При этом сами пристегивайтесь ремнем безопасности, что также послужит для ребенка хорошим примером.
Ходить по улице тебе разрешается только по тротуарам, придерживаясь правой стороны, чтобы не мешать движению встречных пешеходов. Если тротуара нет, иди навстречу движению по обочине или краю дороги. Тогда не только водитель видит тебя издали, но и ты видишь приближающуюся машину.
Красный свет для пешеходов – стой, желтый – жди, зеленый – иди. Никогда не переходи улицу на красный и желтый свет, даже если машин поблизости нет.
Принцип их действия заключается в следующем: в темное время суток при попадании света от фар автомашины или уличного фонаря они начинают светиться, обозначая движение человека.
При этом, оказавшись в потоке транспорта на проезжей части, даже подготовленный человек в первые минуты движения может с трудом ориентироваться, а ребенок – он, зачастую, даже не знает, как ему правильно нужно двигаться по проезжей части, может растеряться, запаниковать и поступить не так, как ожидают от него другие участники дорожного движения, знающие Правила. Именно такие обстоятельства чаще всего способствуют совершению дорожно-транспортного происшествия.

Гагарина, дом 6;
Н.

Совершение каждого четвертого ДТП в крае, например, происходит, по данным статистики, из-за неудовлетворительного состояния дорожных условий. Краевой центр буквально задыхается от перенасыщения улиц транспортом, дефицита проезжих частей, пропускной способности дорог, отсутствия мест для парковки. На недостаточном уровне организовано и общественное воздействие на участников дорожного движения с целью формирования устойчивых стереотипов законопослушного поведения. Ситуация усугубляется всеобщим правовым нигилизмом, проявлением юридической безответственности за совершенные правонарушения, безразличным отношением к возможным последствиям дорожно-транспортных происшествий, недостаточным вовлечением населения в деятельность по предупреждению ДТП. Иначе говоря, существует реальная необходимость в разработке и реализации Программы по обеспечению безопасности на дорогах Ставрополья с привлечением научного потенциала, органов исполнительной власти и местного самоуправления, общественности с четким распределением функций, полномочий и ответственности.
10.2018 по жалобе N 1629-3
Этого можно добиться за счет последовательного соблюдения правил дорожного движения в сочетании с мероприятиями по информированию и просвещению населения, направленными на повышение уровня соблюдения правил, снижающих воздействие основных факторов риска.
В нем объясняется, как планировать и реализовывать программу, включая создание рабочей группы, разработку плана, примеры необходимых законов и правоприменения, как разрабатывать общественные образовательные и рекламные кампании и, наконец, как оценивать программу.
Наконец, руководство направляет пользовательскую оценку программы, чтобы результаты можно было использовать при разработке будущих программ.
В нем объясняются шаги, необходимые для разработки, планирования и реализации программы, в том числе способы получения финансирования, создания рабочей группы, разработки плана действий и, при необходимости, принятия соответствующего законодательства. В нем рассматривается потенциальная роль мер, включающих инженерные и правоприменительные меры, а также использование образования для изменения поведения, связанного со скоростью. Наконец, руководство направляет пользователя о том, как контролировать и оценивать программу, чтобы результаты можно было использовать при разработке программы. Для каждого из этих видов деятельности в документе излагаются практические шаги, которые необходимо предпринять.
В прилагаемом справочнике из Ганы в качестве примера используется конкретная кампания по борьбе с утомляемостью, но методология может применяться и к другим проблемам.
С. Wilde (Королевский университет)
) по моделям поведения.
0003
В последние годы акцент сместился



Строго говоря, это не модели изменения поведения.

Эффективный


Некоторые предпочли не делать этого; другие выбрали
Увеличение штрафов, доп.
Некоторые из этих «нужных мест»
Тюремные сроки


Следовательно,
Тогда правоприменение придется уменьшить.

Одно исследование двух основных пригородных маршрутов в Дартмут, Нова.
И при стоимости около 40 000 долларов за город это было не дорого.

Они обнаружили, что

Например, можно поощрять медленную езду.
В инновационном и крупномасштабном драйвере
Другие исследования также показали, что отсутствие вознаграждения
Они кажутся слабыми по сравнению с теми, которые используются для мотивации.
Этот

). Он пришел к выводу, что программы должны быть
Однако это исследование не дало окончательного
Возможно, это связано с изменением социальной приемлемости.
Судя по всему, дети, прошедшие курс,
Это подчеркивает
Начиная










Как вариант, пропаганда здоровья
Это возможно
В этих вопросах подразумевается необходимость изменения организационного поведения.
А., Сансон-Фишер, Р. В. и Уэбб, Г. Р. (1987). «Вмешательства
М. и Хьюберт Д. Э. (1974). «Оценка калифорнийского «Хорошего
В JP Rothe
В L. Evans & RC Schwing (Eds.), Human Behavior
… 
Были внесены изменения в градуированные схемы лицензирования автомобилей и мотоциклов, чтобы повысить безопасность дорожного движения для начинающих гонщиков и водителей. Существующие схемы лицензирования большегрузных транспортных средств не обеспечивают должного внимания к безопасности, поскольку они требуют, чтобы водитель обладал лицензией определенного класса в течение минимального периода не менее 12 месяцев, прежде чем он сможет продвигаться вперед, что не гарантирует получение им какого-либо опыта вождения без требования записывать часы вождения за 12 месяцев.
Мы будем использовать различные каналы связи, чтобы эффективно встраивать напоминания о связи, чтобы усилить обмен сообщениями о безопасности дорожного движения.
Исследования показывают, что просветительские кампании по безопасности дорожного движения, направленные на изменение поведения людей, более эффективны, если они основаны на оценке факторов, способствующих авариям, и на том, почему некоторые люди продолжают вести себя таким образом, который повышает вероятность аварии или тяжесть последствий. травмы в случае аварии. 19 Важную роль также играют школьные образовательные программы. Исследования показывают, что многие характеристики программ, которые эффективны на местном уровне, отражают характеристики программ обучения безопасности дорожного движения в школах. 20
Целевые стратегии по борьбе с опасным поведением будут основываться на исследованиях.
Мобильные камеры безопасности дорожного движения временно развертываются на короткие периоды в местах повышенного риска, создавая сдерживающий фактор в масштабах всей сети, поскольку считается, что они могут находиться где угодно и в любое время. Предотвращение превышения скорости и проезда на красный свет повышает безопасность не только транспортного средства, проходящего мимо камеры, но и других участников дорожного движения, включая велосипедистов и пешеходов. Усовершенствованные решения для правоприменения, такие как камеры, которые обнаруживают незаконное использование мобильного телефона во время вождения, направлены на то, чтобы предотвратить отвлечение внимания водителя.
Сотрудничество между правительствами необходимо для борьбы с наркотической и алкогольной зависимостью в целях повышения безопасности дорожного движения;







Объясните процесс разработки кампании общественного здравоохранения, связанной с транспортом, и определите ключевые компоненты, которые должны быть в наличии для достижения успеха.




На передовой дорожные власти по всей Европе пробуют различные альтернативы изменению поведения водителей, чтобы уменьшить количество дорожно-транспортных происшествий и общие издержки для общества. Для более глубокого изучения этого явления, в том числе для лучшего понимания взаимосвязи между демографическими факторами (например, полом, уровнем образования, возрастом), личными установками и убеждениями в отношении поведения за рулем и опасного вождения, в нескольких материалах оценивалась важность «человеческих факторов». (Грейсон и Мэйкок, 19 лет.88; Lajunen, 1997) в поведении за рулем (Lourens et al., 1999). Оценка манеры вождения и навыков водителя, а также их роли в автомобильных авариях является особенно сложной задачей. Поведенческие факторы в исследованиях безопасности дорожного движения первоначально рассматривались путем оценки способностей и опыта вождения в зависимости от возраста водителей (например, Matthews and Moran, 1986). Впоследствии исследования были сосредоточены на готовности идти на риск (т.
е. рискованном поведении за рулем и роли поиска острых ощущений: Zuckerman and Neeb, 19).80; Иона, 1997 год; детерминанты рискованного поведения за рулем: Parker et al., 1992, 1998; Rutter et al., 1995), недооценка риска во время вождения (Taubman-Ben Ari et al., 2004; Delhomme et al., 2009) и переоценка своих навыков вождения (Kruegar and Dickson, 1994; Horswill et al., 2004) .
е. нарушения скоростного режима и вождения в нетрезвом виде: Storie, 1977; Simon and Corbett, 1996; Harre et al., 1996). ), в то время как женщины попадали в дорожно-транспортные происшествия из-за ошибочных суждений (Стори, 19 лет).77). Кроме того, было обнаружено, что женщины меньше рискуют, чем мужчины, управляя автомобилем (Ebbesen and Haney, 1973; Katz et al., 1975).
Некоторые исследования показали, что молодые водители-мужчины чаще участвуют в дорожно-транспортных происшествиях (Arnett, 2002), агрессивном вождении (Simon and Corbett, 1996) и нарушениях правил дорожного движения и дорожного движения (Jonah and Dawson, 1987; Fletcher, 1995). Анализируя рискованное отношение, Мэтьюз и Моран (1986) обнаружили, что молодые водители-мужчины склонны считать себя относительно невосприимчивыми к опасностям, угрожающим их сверстникам. Более того, Глендон и соавт. (1996) обнаружили, что молодые водители-мужчины, как правило, недооценивают собственное восприятие риска и переоценивают свою компетентность по сравнению с женщинами.
Таким образом, роль пола как прогностического фактора рискованного поведения за рулем заслуживает дальнейшего изучения. Вообще говоря, социокультурная динамика создает разные возможности для обучения у мужчин и женщин. В прошлом одним из негативных последствий этой динамики была так называемая угроза стереотипов, когда люди находятся или чувствуют себя подверженными риску подтверждения негативного стереотипа о своей группе (Inzlicht and Schmader, 2012). Система образования, сообщения, распространяемые средствами массовой информации и обществом в целом, способствуют распространению имплицитной информации о половых ролях среди молодежи (Роланделли, 19 лет).91), объясняя также, почему молодые водители ведут себя более рискованно, чем пожилые водители. Также возможно, что научные исследования, показавшие, что водители-мужчины более склонны к авариям, привели к изменениям в самооценке женщин и мужчин и их восприятию поведения за рулем, переплетенным с изменениями в обществе в целом. Это согласуется с вышеупомянутыми выводами о том, что число женщин, попавших в дорожно-транспортные происшествия со смертельным исходом, растет (например, Kelley-Baker and Romano, 2010).
В настоящем исследовании мы исследовали влияние пола на отношение к безопасности дорожного движения.
Эта большая выборка может позволить понять роль пола в отношении молодых водителей к безопасности дорожного движения в большой географической области.
Мотоциклисты были недостаточно представлены в общей выборке по сравнению с другими группами. Исследование проводилось в соответствии с этическими принципами, изложенными в Хельсинкской декларации, и было одобрено локальным комитетом по этике (кафедра психологии, университет «Сапиенца», Рим, Италия). Все участники дали письменное согласие на участие в исследовании и заполнили анкету с указанием своих социально-демографических данных.
) Эта шкала оценивает отношение к безопасности дорожного движения, связанное с вождением. В частности, мы оценивали отношение к нарушению правил и превышению скорости, неосторожному вождению, а также отношение к вождению в состоянии алкогольного и наркотического опьянения (например, «Ограничение скорости нельзя соблюдать, потому что оно слишком ограничивающее»). На все вопросы давались ответы по шестибалльной шкале ответов от «полностью не согласен» (0) до «полностью согласен» (5), при этом высокие баллы указывали на негативное отношение к безопасности дорожного движения (т. е. высокое предпочтение рискованного поведения). .
) в прошлом году.
Этот шаг был необходим, так как не все шкалы валидированы для всех стран, включенных в это исследование. Затем с помощью метода регрессии для каждого фактора были рассчитаны различные оценки коэффициентов масштабирования, которые использовались для дальнейшего статистического анализа. В частности, чтобы изучить возможные различия между группами в отношении к вождению и воображаемому поведению за рулем, оценки факторов по двум шкалам (отношение и поведение) были отдельно представлены для дисперсионного анализа (ANOVA) с группой (мужчины, женщины) и факторами по каждой шкале. как независимые переменные. Чтобы изучить возможные различия между группами в восприятии риска и уровне обеспокоенности этим риском, баллы по двум пунктам «Восприятие риска несчастного случая» (вероятность несчастного случая и уровень беспокойства) также были представлены в виде 2 (мужчины, женщины) × 2. (Вероятность несчастного случая и обеспокоенность) ANOVA.
отдельная Страна. Выборка каждой страны была сбалансирована по полу. В случае с Ирландией приступить к анализу не представлялось возможным, поскольку мужчины в выборке не были представлены. Мы также исследовали возможные гендерные различия для каждой страны в поведении за рулем. Факторные баллы из компонентов, полученных в результате факторного анализа Анкеты поведения за рулем (DBQ), были представлены для смешанного плана 2 × 2 ANOVA с гендером в качестве независимой переменной и DBQ. Компоненты как зависимые переменные для каждой страны.
Первый фактор, названный «Негативное отношение к правилам дорожного движения и рискованному вождению», составляет 25,06% общей дисперсии и относится к положительному отношению к рискованному поведению за рулем. На этот фактор нагружают такие пункты, как «Высокая скорость движения возможна при хороших дорожных условиях и отсутствии людей».
Этот фактор показывает небольшую положительную корреляцию с первым фактором (0,42).
6).
2 и рис. 1), при этом в компоненте «Отрицательное отношение к наркотикам и алкоголю» более высокие баллы были у женщин, F (1, 2606) = 179,323, p < 0,001, d = -0,44]. Эти результаты показывают, что водители-мужчины более склонны мириться с превышением скорости, совершать нарушения правил дорожного движения и употреблять наркотики и алкоголь за рулем.
и компоненты DBQ (ошибки невнимательного вождения, нарушения правил вождения) в качестве зависимых переменных. ANOVA выявил значительное взаимодействие Гендер X Компонентов, F (1, 2514) = 55,715, p < 0,001, что указывает на то, что гендер показывает разные тенденции оценки в двух компонентах шкалы. Запланированные сравнения показали, что участники-мужчины имели более высокие баллы по Ошибкам при невнимательном вождении, F (1, 2514) = 83,873, p < 0,001, d = -0,37, и по Нарушениям вождения, F 8 (1, 2514) = 262,603, p < 0,001, d = -0,65 (таблица 2 и рисунок 1).
Плановые сравнения показали, что мужчины имеют более высокие баллы по компоненту «Негативное отношение к правилам дорожного движения», Ж (1, 283) = 17,402, р < 0,001, d = -5,94 (см. табл. 3) и Толерантность к превышению скорости F (1, 283) = 4,34, p < 0,05, d = -0,25 отрицательное отношение к наркотикам и алкоголю у женщин выявлены более высокие баллы Ж (1, 283) = 8,202, р < 0,01, д = 0,34.
3), в то время как на Отрицательное отношение к наркотикам и алкоголю женщины показали более высокие баллы F (1, 112) = 7,072, p < 0,01, d = 0,34. Достоверных различий для пола по фактору Толерантность к превышению скорости выявлено не было.
3) и Толерантность к превышению скорости <0,01, д = -0,47. По Отрицательному отношению к наркотикам и алкоголю достоверных различий не выявлено.
Плановые сравнения показали, что мужчины имели более высокие баллы по компоненту «Негативное отношение к правилам дорожного движения», F (1, 162) = 12,347, p < 0,001, d = −0,56 (см. табл. 3) и толерантности. к превышению скорости Ж (1, 162) = 7,8, р < 0,01, d = -0,45, а по Отрицательному отношению к наркотикам и алкоголю женщины показали более высокие баллы Ж (1, 1656 =

Плановые сравнения не выявили достоверных различий в Ошибках невнимательного вождения и в Нарушениях правил вождения (табл. 4).
Плановые сравнения выявили, что мужчины имеют более высокие баллы Ошибки невнимательного вождения, F (1, 224) = 6,34, p < 0,05, d = -0,3, а в Нарушениях правил дорожного движения F (1, 224) < 9,30, 9,37, 9 д = -0,69 (табл. 4).
43, p < 0.001, d = −0.36, and in Driving violations, F (144) = 23.78, p < 0.001, d = -0,45 (табл. 4).
Сравнение показало, что, в то время как женщины и мужчины существенно не различались по уровню восприятия риска несчастного случая, эти две группы явно демонстрируют значительную разницу в отношении уровня беспокойства по поводу этого риска, при этом мужчины значительно меньше, чем женщины, обеспокоены риском аварии. ДТП, Ф (1, 2652) = 115,552; р < 0,001, д = 0,42. Этот результат чрезвычайно интересен, так как он показывает, что даже при одинаковом восприятии риска аварии мужчины и женщины по-разному относятся к этому риску (см. рис. 2).
. Однако эти авторы также заметили, что рискованное поведение водителей можно отнести только к молодым женщинам-водителям, а не к пожилым женщинам в целом.
Первый фактор — «Негативное отношение к правилам дорожного движения и рискованному вождению», в котором участники оправдывают небезопасное поведение в соответствии с окружающей обстановкой. Второй фактор касается «Негативного отношения к наркотикам и алкоголю», а третий фактор — «Толерантность к превышению скорости». Что касается поведения водителя (т. е. нарушений и упущений), также выявились два основных фактора: «Ошибки невнимательного вождения» и «Нарушения правил вождения».
Этот вывод может отражать различия в употреблении и потреблении алкоголя и наркотиков между странами, а также различия из-за национальных политик, принятых для снижения вреда, связанного с алкоголем/наркотиками в результате злоупотребления ими.
Беспокойство и предполагаемые риски часто исследуются вместе. Sjöberg (1998) отличает беспокойство от восприятия риска с точки зрения эмоций и познания. Действительно, тревогу описывают как эмоциональные реакции на угрозу (например, аффективные реакции), тогда как воспринимаемый риск рассматривается как когнитивная оценка (например, восприятие уязвимости). Наши результаты показали, что основное различие заключается в эмоциях; действительно, женщины кажутся более обеспокоенными, чем мужчины, в отношении восприятия риска как когнитивной оценки.
Кроме того, будущие исследования должны учитывать, что восприятие риска меняется со временем (Hawkes et al., 2009).). По этой причине мы можем предположить, что молодые водители сильно отличаются от водителей старшего возраста и что исследование восприятия риска, в котором учитывается эффект старения, также будет полезно при разработке целевых профилактических программ. Интересный вывод был сделан в ходе исследований, направленных на снижение врачебных ошибок. Питерс и др. (2006) обнаружили, что опасения по поводу врачебных ошибок лучше предсказывают намерение принять меры предосторожности, чем восприятие риска. Кроме того, наблюдается положительная связь между беспокойством и поведением, направленным на защиту здоровья (McCaul and Mullens, 2003). Несколько исследований показывают, что беспокойство по поводу рака молочной железы приводит к предупредительному поведению для предотвращения болезни (например, Wilcox et al., 2002; Cameron and Reeve, 2006). В исследовании, направленном на изучение пяти областей риска (т.
е. финансовых решений, здоровья/безопасности, рекреационных, этических и социальных решений), было обнаружено, что женщины оказались более склонными к риску во всех областях, кроме социального риска (Weber et al., 2002).
с. турбо
Благодаря системе MIX CONTROL F6000, имеется возможность управлять, программировать и контролировать ввод воды в барабан, а функции смешения всегда доступны оператору из кабины или с земли
Шведские крупнотоннажники у нас уважают за приспособленность к суровому климату,
А еще – на рядных «шестерках» Volvo семейства D13.
Обязательный компонент гидросистемы – маслоохладитель с термостатом и вентилятором, без него агрегаты неминуемо перегрелись бы и вышли из строя. Пульт управления АБС расположен на корме машины с левой стороны – там можно бесступенчато регулировать частоту вращения барабана от нуля до 12 оборотов в минуту. Наиболее быстрый режим бывает востребован нечасто – когда плечо доставки большое, и замес придется производить в пути. В обычном режиме, когда миксером доставляют готовый бетон, частота вращения не превышает трех оборотов в минуту.
Если длины лотка (1300 мм) будет недостаточно, в комплекте имеются два удлинителя, закрепленных на крыльях задних колес. Для промывки барабана, загрузочной воронки и разгрузочного лотка водой (а иногда и для замеса бетона после загрузки сухой смеси) предусмотрен 500-литровый бак с проградуированной в десятках литров измерительной трубкой. В системе подачи воды – свой собственный пульт управления с манометром. В качестве опций фирма предлагает дополнительные баки для зимних добавок в бетон, множество вариантов удлинительных лотков (из пластика, с заслонками для точного дозирования разгружаемого бетона и пр.), манометры, водосчетчики, электронные пульты управления с джойстиками и многое другое.
Доля Минского автозавода постепенно сокращалась, и процесс этот продолжается по сей день, причем завод перешел из среднего ценового диапазона в нижний, а доля Кременчугского автозавода дошла до того, что ею можно пренебречь.
По понятным причинам невелик спрос на «миксеры» вместимостью 10 м3 и более.
Буквами ДА (DA) обозначается привод смесительного барабана от автономного дизельного двигателя, ДО (DO) – привод от двигателя шасси. Оборудование бетоносмесителя монтируют на шасси разных марок и моделей – КамАЗ, МАЗ, КрАЗ, МЗКТ, МАЗ-MAN, MAN, Volvo, Scania, Mercedes-Benz и др. Кроме того, бетоносмесители устанавливают на шасси полуприцепов 994500 (ФПО «ИНТОК»), 964812 («Сеспель»), 9905 (СЗАП). Всего насчитывается более ста моделей и модификаций автобетоносмесителей TIGARBO, различающихся автономными двигателями, гидравлическими трансмиссиями, водяными баками разного объема, смесительными барабанами (три типа), брызговиками (несколько вариантов), системами управления и подачи воды.
Начали широко использовать импортные комплектующие. Сегодня старейший в отрасли Туймазинский завод автобетоновозов (марка TZA/KAMAZ) выпускает более 10 моделей автобетоносмесителей вместимостью от 5 до 12 м3 на шасси в основном КамАЗ, а также «Урал», МАЗ. Возможен монтаж на любое другое шасси, в том числе импортное. Завод использует гидропривод с отбором мощности от автономного двигателя или от двигателя шасси. Гидропривод строят на агрегатах фирм Bosch Rexroth, Brivini, Transmital Bonfigli, Antonelly и ZF.
Проблема нехватки мощности шасси будет, скорее всего, решена, когда КАМАЗ начнет серийное производство автомобилей с двигателями Cummins объемом 6,7 л и мощностью до 300 л.с. и с камскими двигателями нового поколения объемом 11,7 л и мощностью до 500 л.с.
Завод остается верен партнерским отношениям со Stetter и бо’льшую часть продукции завода – до полутора тысяч барабанов – ежегодно отправляет в Германию, где смесители собирают, окрашивают, монтируют на шасси и какие-то из них продают в Россию. Происходит своеобразный круговорот смесителей. Сам Пушкинский завод реализует на внутреннем рынке порядка 150 комплектных автобетоносмесителей в год. Компания Stetter не изготавливает барабаны смесителей в Германии, а получает сборочные комплекты из России и Индии.
показала на выставке. На этом все и закончилось. На красногорской базе не хватило места для производства самосвальных кузовов, а грандиозные планы по строительству завода под Калугой из-за кризиса пришлось свернуть.
Автобетоносмеситель и транспортер можно использовать для транспортировки не только бетонных смесей, но и песка, щебня, гальки. Транспортером манипулируют с помощью пульта дистанционного управления.
Семейство Pumi включает пять базовых моделей с барабанами вместимостью 6 и 7 м3 и стрелами с высотой подъема от 20,6 до 30,6 м.
Общая тенденция рынка автобетоносмесителей, как и автопрома, такова, что нижний ценовой сегмент, можно сказать, исчез, производители переместились в средний и верхний сегменты по причине роста цен на сталь, комплектующие и на шасси. Других революционных перемен в мире автобетоносмесителей не ожидается.
Они бывают размерами от больших промышленных до небольших, иногда называемых
Различные типы бетона подготавливаются быстрее, чем другие, учитывайте это заранее.
Из-за короткого времени смешивания содержание воздуха нелегко контролировать даже с добавлением воздухововлекающих примесей и добавок.
Именно во время падения бетон связывается и перемешивается. Поэтому чем выше уровень падения, тем выше энергия, затрачиваемая на бетон. Если ось вращения будет почти вертикальной, то лезвия не смогут нормально зацепить бетон и он не перемешается хорошо. Ось обычно ставят на угол около 15° относительно горизонтали во время смешивания. Для разгрузки бетона барабан наклоняют вниз под горизонтальной плоскостью. Опрокидывающийся барабан является наиболее распространенным типом барабанного смесителя для небольших партий (менее 0,5 м³) бетона как в лаборатории, так и в полевых условиях
Он вращается в одном и другом направлениях, а выгрузка происходит в противоположном направлении.


Там его выливают в форму из подходящего материала согласно требованию к конструкции.
Эффективность бетономешалки определяется однородностью получаемого бетона. Можно также считать, что она определяется энергией, используемой для производства определенного количества бетона требуемой однородности. Эта однородность выражается в составе бетона или изменении макроскопических свойств, таких как прочность и удобоукладываемость.
Необходимо учитывать марку оборудования и репутацию производителя, знать, какие виды насосов предлагают потребителям, в чем заключается разница между дренажными и фекальными агрегатами и что такое канализационная насосная установка.
..
..
Начало движения, маневрирование \ КонсультантПлюс
Сигнал торможения подается поднятой вверх левой или правой рукой.

10. При наличии полосы торможения водитель, намеревающийся повернуть, должен своевременно перестроиться на эту полосу и снижать скорость только на ней.
11 Правил.
Необходимо поставить автомобиль на уклоне (положение 1), не пересекая линию «Старт».
Включаем первую передачу, снимаем с «ручника».
сети, отправить по почте, добавить в закладки или распечатать.
Скорости, заданные в условии,
По теореме Пифагора находим:
Применяя формулу скорости для равноускоренного движения в течение


2 м и x2=0.8 м и
При нажатии кнопки “Очистить” восстанавливается первоначальное
Ремонтные мероприятия заключаются в настройке привода выключения.
Необходимо поменять или при возможности исправить деформацию.
Нормативное значение для пружинно-рычажного типа должно укладываться в пределы от 35 до 55 мм, для диафрагменного типа — от 5 до 30 мм.
Для этого необходимо снять и обратно закрутить толкатель до получения нужного значения.


Система характеризуется передачей крутящего момента от двигателя на трансмиссию с коэффициентом в 17 кг/см. Во время ремонта можно обновить систему, поставить лепестковый механизм.


Характеристика нажимных пружин приведена в таблица.
Для этого, ослабив гайку регулировочного узла толкателя, отсоединяют вилку толкателя от педали и поворачивая ее в нужную сторону, добиваются требуемого результата.
5-3.6 мм, что будет соответствовать свободному ходу педали выключения сцепления в пределах 35-55 мм.


Манжет (грибок) даёт ей перетечь.
Здесь может быть несколько причин:
Правильные габариты зазоров и ходов обеспечены особенностями конструкции.
Но при этом не стоит забывать и о рабочем цилиндре, которому отводится очень ответственная роль. Соединение цилиндров осуществляется с помощью шланга и трубки.
Данный шток воздействует на хвостовик вилки, вследствие чего она начинает поворачиваться и перемещает муфту выключения. Таким образом происходит нажатие на концы лепестков диафрагменной пружины, действие пружины на нажимной диск заканчивается, а также прекращается поступление крутящего момента.
Поворот фрикционных накладок с дисками относительно ступицы ограничен упором пальцев в края U-образных вырезов, выполненных во фланце ступицы. Фрикционный гаситель колебаний ведомого диска состоит из двух фрикционных шайб, установленных с обеих сторон фланца ступицы, и регулировочных колец. Наружный диаметр фрикционной накладки ведомого диска равен 254 мм, внутренний 150 мм, толщин а накладки 3,5 мм. Размерность шлицев ступицы 5,4 х 28,5 х 35, число шлицев 10. Сцепление включается при помощи вилки, установленной на картере сцепления, которая перемещает муфту с упорным шариковым подшипником. Подшипник нажимает на головки регулировочных винтов рычагов выключения сцепления. Рычаги, проворачиваясь на осях, отводят нажимной диск и выключают сцепление. После снятия усилия с вилки оттяжные пружины отводят муфту с подшипником в исходное положение. Характеристика оттяжных пружин приведена в таблица.
5
Прежде всего сцепление необходимо содержать в чистоте, регулярно удаляя возникшие загрязнения. Болтовые соединения нужно периодически подтягивать.

АВОСЬ ПРИГОДЯТСЯ.
Очень часто техническому обслуживанию механизма не уделяется достаточного внимания и не осознается вся его важность. При правильном и своевременном уходе за установленным на автомобиле диафрагменным сцеплением оно будет отлично работать длительный период времени, не менее пяти лет точно, и даже при довольно нещадной эксплуатации.
После этого крутящий момент передается на коробку передач. При необходимости во временном разобщении двигателя с трансмиссией применяется привод выключения сцепления УАЗ 469.
Для удобства ослабьте гайки, удерживающие резервуар, и снимите шланг. Его следует открутить ключом на 10 мм. Затем снимите металлическую трубку, идущую от главного цилиндра сцепления. Это может быть медь или алюминий. Затем снимите главный цилиндр, открутив две крепежные гайки ключом на 13. Необходимо использовать головку на 17, чтобы снять шланг, выходящий из рабочего цилиндра. Затем нам снова понадобится ключ на 13 мм.
При неправильной настройке могут возникнуть два типа помех.
В идеале для данной операции можно использовать ключ на 13.
Одновременно доступны только два болта крепления «корзины». Для доступа к остальным болтам маховика проворачиваем его, зацепляя отверткой зубья венца.
Это можно понять из того, что оно не полностью выключается и педаль нажимается не так мягко. Прокачка — это устранение воздуха из гидросистемы. Данный процесс осуществляется, когда жидкость в бачке находится на нормальном уровне.
Они всегда отличались высокой проходимостью, надежностью и хорошим качеством управления. Модельный ряд УАЗ постоянно расширяется, развивается и совершенствуется. Всем известно, что автомобили собираются из нескольких тысяч деталей, и когда машина эксплуатируется, то может потребоваться замена любой, возможно даже самой маленькой детали, которая тем не менее играет очень большую роль в жизни автомобиля.
Из-за этого жидкость вытесняется, поступает в рабочий цилиндр. После чего она выдвигает поршень со штоком. Данный шток воздействует на хвостовик вилки, вследствие чего она начинает поворачиваться и перемещает муфту выключения. Таким образом происходит нажатие на концы лепестков диафрагменной пружины, действие пружины на нажимной диск заканчивается, а также прекращается поступление крутящего момента.
Болтовые соединения нужно периодически подтягивать.


При правильном и своевременном уходе за установленным на автомобиле диафрагменным сцеплением оно будет отлично работать длительный период времени, не менее пяти лет точно, и даже при довольно нещадной эксплуатации.
После этого крутящий момент передается на коробку передач. При необходимости во временном разобщении двигателя с трансмиссией применяется привод выключения сцепления УАЗ 469.
Прежде всего сцепление необходимо содержать в чистоте, регулярно удаляя возникшие загрязнения. Болтовые соединения нужно периодически подтягивать.
Затем другой конец шланга опускают в емкость объемом в 0,5 л, содержащую тормозную жидкость в соотношении 1:3.

5-3.6 мм, что будет соответствовать свободному ходу педали выключения сцепления в пределах 35-55 мм.

Но у лепестков есть свой предел хода, и когда выжимаешь то получается что их перегибает из-за этого можно и сламать несколько штук( проходили такое на практике, мой друг так две корзины угробил). А с цилиндром идея хорошая, спасибо.
Сразу рекомендую проточить УАЗовскую муфту и поставить выжимной подшипник от «Волги», далее ставим рабочий тормозной самоподводящийся цилиндр тоже от «Волги» и убираем пружину с вилки. Получаем саморегулирующееся сцепление с подшипником постоянного вращения. И не надо будет лазить под машину для регулировки зазоров до конца жизни диска)))
Сразу рекомендую проточить УАЗовскую муфту и поставить выжимной подшипник от «Волги», далее ставим рабочий тормозной самоподводящийся цилиндр тоже от «Волги» и убираем пружину с вилки. Получаем саморегулирующееся сцепление с подшипником постоянного вращения. И не надо будет лазить под машину для регулировки зазоров до конца жизни диска)))
Понравилось? Ставьте лайк, подписывайт… Как опустить педали на УАЗ Буханке и уменьшить их ходПроблема актуальная, многие с этим мучаются. 1. Опускаем педальную раму кронштейнами; 2. Удлиняем рычаг педал…Как отрегулировать привод сцепления.Как отрегулировать привод сцепления автомобилей Ваз-классика, советы в процессе. группы ВКонтакте по ремон…Регулировка сцепленияСцепление УАЗ. Особенности эксплуатации и причины выхода из строя.Если у вас возникли вопросы, напишите Евгению Ивановичу: Сцепление. Регулировка привода.Автомобили ВАЗ требуют грамотную регулировку механизма сцепления. Не правильная регулировка вызывает… Ремонт рабочего цилиндра сцепления УАЗ ГАЗПосле ремонта цилиндра, его установили на 417 мотор и подложили под него 2 шайбы толщиной 1.5 мм. Для выравнива…ПОЧЕМУ БУКСУЕТ,ВЕДЕТ СЦЕПЛЕНИЕ. ПЕРВЫЕ ПРИЗНАКИ!!!Буксует и ведет сцепление,что это,какие симптомы,как лечить. ВСЕ ПЛЕЙЛИСТЫ КАНАЛА ТУТ: https://www.youtube.com/view_all_playl…Ремонт главного цилиндра сцепления УАЗhttps://vk.
com/buhankarulit. НЕ МЕНЯЙТЕ МАНЖЕТЫ, ПУСТАЯ ТРАТА ВРЕМЕНИ, ВСЕ РАВНО ПОБЕЖАЛ.Установка СЦЕПЛЕНИЯ и КПП+раздатка УАЗ Буханка в ОдногоПодготовка, установка, сцепления и КПП+раздатка в одного, без подъёмника, без лебёдки и без центровки диска… Замена сцепления на УАЗ «Буханка» Евро-4 (УАЗ-29891)Детали: — корзина «ГАЗель Бизнес» дв. 4216 Евро 3, дв. Cummins 2,8 06 308 200 1150 — диск сцепления ведомый 3302 Бизнес дв Каммин…Как прокачать сцепление на УазЗамена сцепления на УАЗ-БУХАНКА Своими руками .ПРОЕКТ БУСЯВСЕМ БОЛЬШОЙ ПРИВЕТ в этом выпуске речь пойдет о снятие коробки раздатки для замены сцепления !в итоге…Согнулась вилка сцепления УАЗ (Ремонт)Для желающих помочь развитию канала Сбербанк РФ, карта номер 4276 3000 3487 8184. avtoclubvideo.ru
Поставить метки. При сборке установить точно так же, как было. Иначе появятся вибрации.


От загрязнения рабочая полость цилиндра защищается резиновым колпаком. Бачок с рабочей жидкостью установлен под панелью приборов кузова, а на панели приборов имеется легкосъемная крышка для доступа к бачку.
Сцепление с центральной диафрагменной пружиной не требует регулировки механизма сцепления и регулировки свободного хода. Свободный ход в 5-30 мм обеспечивается конструкцией сцепления.
Полунавесной плуг-лущильник ППЛ-10-25 агрегатируется с тракторами с тягой 30 кН.
Это даёт возможность правому колесу занимать положение выше вспаханного участка при проведении работ.
..
Главным элементом является отвальный корпус, который в ширину имеет 25 см. Это мини-копия традиционного плуга. Такое оборудование достаточно мощное, поэтому рыхлит полнородные пласты на глубину 15–20 см. Им легче подрезать и перемешивать верхний слой, выполнять первичную вспашку.
Их эффективнее использовать для земель, засорённых корнеотпрысковой сорной травой.

Главное отличие моделей — специфическое устройство, благодаря которому они получили название «бороны-лущильники». Они отличаются многофункциональностью. Их чаще всего используют для обработки сильно заросших участков. После рыхления грунта земля не только обогащается кислородом, но и активно возделывается растительными останками, которые в будущем послужат питательной средой для культурных растений.
Они погружаются на глубину 6–12 см и хорошо подходят для предпосевной обработки. Такое оборудование эффективно для рыхление лёгких почв. Производитель рекомендует использовать лущильник вместе с трактором класса 30 кН.

Навесной лемешный лущильник.»>
..
Нужный перевод на английский будет в верхней части списка: альтернативные слова указываются в порядке частоты их применения носителями языка. При нажатии на запрос откроется страница с выборкой фраз: система отобразит примеры использования искомого слова.
180.163.255
249.31.65
59.166.124

Из каких рабочих и вспомогательных узлов состоит плуг.
В этот период, через 10-14 дней, после лущения и необходимо произвести вспашку, чтобы заделать, молодые еще неокрепшие, сорняки в почву, на большую глубину(22-30см). С такой глубины они не прорастут, а перегниют и станут удобрениями. Если упустить этот срок, то сорняки окрепнут и более поздняя пахота их не уничтожит.Лущение обеспечивает снижение запаса семян сорняков, количество которых может достигать 1,5—2,0 млрд шт./га, вредителей (проволочников), обитающих в почве, до 128 шт./м2 и др.
(слайд 3).
д. Однако лущение, в отличие от боронования, сопровождается частичным или даже полным оборотом почвенного пласта, т. е. является своеобразной мини-вспашкой, тогда как основная цель боронования — рыхление и выравнивание поверхностного слоя почвы.
)
)
Вес агрегата 2700 кг.
В результате дисковый лущильник превращается в широкозахватную бессцепочную односледную игольчатую борону.С переоборудованного лущильника снимают и разбирают дисковые батареи, демонтируют уголки с чистиками. Затем срезают кронштейны их крепления, чтобы игольчатые диски, диаметр которых на 100 мм больше дисков лущильника, могли свободно вращаться. Распорные втулки (48 шт.) укорачивают до 150 мм (стачивают по 5 мм с каждой стороны). Втулки с подшипниками не торцуют.При сборке игольчатых дисков на батареях левых секций втулки с подшипниками устанавливают так, чтобы их удлиненный конец был с левой стороны по ходу движения орудия, а на батареях правых секций наоборот. Этим обеспечивают свободное вращения дисков с зазором относительно тяг рамок секций, расположенных под углом к направлению движения. Минимальный угол атаки дисков на лущильнике составляет 15°. Чтобы при бороновании посевов не допустить повреждения озимых культур, необходимо угол атаки уменьшить до 8— 10 Для этого боковые тяги удлиняют на 400 мм.
Два механизатора переоборудуют лущильник ЛДГ-10 в широкозахватную односледную игольчатую борону за 1,5 рабочей смены.
,
com Тезаурус , Merriam-Webster, https://www.merriam-webster.com/thesaurus/cultivator. По состоянию на 20 сентября 2022 г.
com: Энциклопедическая статья о 60 130 культиватор
..
..
Культиватор — это сельскохозяйственная машина, которая использует вращательное движение диска, разбивающего плотную и твердую почву на рыхлую и разрыхленную почву для обработки почвы. Широко используется для подготовки земли к земледелию.
Культиватор и почвообрабатывающая техника используются для подготовки почвы, посева семян, посадки семян, внесения и распыления удобрений, гербицидов и воды, выращивания сельскохозяйственных культур, рыхления почвы и уничтожения сорняков.
Это привело бы к увеличению цен на культиваторы и культиваторы, и потребителям пришлось бы платить высокую цену за эти продукты. Это может негативно сказаться на продажах мотоблоков и культиваторов.
Культиваторы и культиваторы помогают перекачивать воду, собирать, обмолачивать и транспортировать урожай.
Эти факторы увеличили спрос на культиваторы и культиваторы.
Нехватка рабочей силы в таких странах влияет на внедрение механизированных продуктов для сельского хозяйства, поскольку эти механизированные продукты выполняют несколько сельскохозяйственных работ с максимальной точностью и производительностью.
Он включает в себя динамический контроль тяги On-The-Go и автоматическую настройку глубины для регулировки глубины и выравнивания Turbo T i-Tiller, что экономит время и увеличивает рабочую скорость. Это экономит топливо, повышает комфорт оператора, продлевает срок службы машины и защищает окружающую среду, предотвращая уплотнение почвы. В июле 2019 г., Rallis India Ltd., предприятие TATA, выпустила два новых продукта, а именно Zygant и Ayaan для рисовых культур в Калькутте. Zygant 0,7% Gr (Флубендиамид 0,7% GR) поможет эффективно бороться с вредителями и стеблевым мотыльком риса. Ayaan 48% WG (Креоксим-метил 40% + Гексаконазол 8% WG) — отличный профилактический, защитный и искореняющий фунгицид, полезный для эффективной борьбы со многими болезнями сельскохозяйственных культур и повышения урожайности фермы.
Немногие игроки также занимаются выделением или разделением деятельности для развития единого предприятия. Например, в июне 2019 г., Corteva, Inc., отделилась от DowDuPont, превратившись в ведущую мировую сельскохозяйственную фирму, которая предоставляет комплексные решения, необходимые культиваторам для максимизации урожайности, а также прибыльности.


кг
800


Вы также можете отклоняться от этих ставок на ходу, если этого требуют условия.


С Культиватором вам напомнят, когда пора протянуть руку помощи.
Здесь будет отображаться до 6 ваших «должных» подключений. Как только вы свяжетесь со всеми 6, успокойтесь и покиньте приложение, чтобы заняться любимым делом!
4.1
Жизнь может стать настолько занятой, что я просто забываю общаться с друзьями и близкими. Месяцы могут пройти без разговоров с моими тетями, дядями, двоюродными братьями, бывшими товарищами по команде и одноклассниками и т. д. Приложение «Культиватор» — это инструмент, который мне нужен, чтобы моя занятая жизнь не мешала отношениям, которые я ценю больше всего. Спасибо, Культиватор.
