Общая характеристика систем управления лифтов
12.5. Автоматика лифтов
Система управления лифтом обеспечивает
обслуживание требований пассажиров (приказов из кабины или вызовов с
этажных постов), решая при этом ряд логических задач, связанных прежде
всего с правильным выбором направления движения в зависимости от
взаимного положения этажа нахождения кабины и этажа требования и с
остановкой кабины на этаже назначения, с различием условий выполнения
приказов и вызовов, с необходимостью обеспечения безопасности пассажиров
при работе лифта, а также с особенностями работы лифта в различных
режимах (в машинном помещении имеется переключатель режимов).
В режиме «Нормальная работа» обеспечивается прибытие и остановка кабины
на этаж вызова, открывание дверей и, после захода пассажира в кабину,
дальнейшее движение по приказам. После освобождения кабины на этаже
назначения двери закрываются, лифт снова готов к работе по вызовам
(иногда возможна также остановка движущейся кабина по попутным вызовам).
В режиме «Управление из машинного помещения» оператор может
проконтролировать работоспособность основных агрегатов и устройств
лифта, управляя им из машинного помещения. В этом режиме, с целью
обеспечения безопасности, должны быть исключены возможность работы по
вызовам и приказам и возможность открывания дверей (разрываются цепи
питания кнопок приказов и вызовов и цепь питания реле открывания
дверей).
В режиме «Ревизия» может быть реализована инспекционная поездка
оператора на крыше кабины с целью контроля и профилактики оборудования
шахты. При этом для лифтов с номинальной скоростью более 0,71 м/с
скорость движения должна быть не более 0,4 м/с в этом режиме, т.е. для
двухскоростных лифтов движение должно осуществляться с «малой»
скоростью, а возможность работы с «большой» скоростью должна быть
исключена. Исключается возможность движения по командам управления от
кнопочных аппаратов, установленных в кабине (приказы), на посадочных
площадках (вызовы) и в машинном помещении.
Управление движением «вверх»
и «вниз» осуществляется с помощью устанавливаемого на крыше кабины
дополнительного кнопочного поста, причем движение возможно только при
нажатой кнопке (использование, например, залипающих кнопок исключается).
Обязательными режимами в последнее время стали также режим «Пожарная
опасность» и режим «Перевозка пожарных команд». Первый из них
обеспечивает принудительное движение кабины на основной (обычно —
первый) этаж без остановки по попутным вызовам при срабатывании системы
пожарной опасности, а второй позволяет управлять кабиной при наличии
соответствующих ключей у представителей пожарной команды.
Иногда применяется также режим «Погрузка» (особенно в грузо-пассажирских
лифтах), при котором исключается возможность работы по вызовам,
исключается возможность автоматического закрывания дверей по окончании
выдержки времени, а управление осуществляется только по приказам.
В современных лифтах применяется также режим «Авария», при котором
оператор имеет возможность восстановить работоспособность лифта при
нахождении его в некоторых аварийных ситуациях (снятие кабины с
ловителей или выведение ее в рабочую зону при аварийном выходе из нее).
Важной характеристикой работы лифта в режиме
«Нормальная работа» являются различные возможности системы управления по
выполнению остановок кабины по попутным вызовам. Различают системы
управления без собирательного управления, с односторонним собирательным
управлением (при движении кабины вниз) и с полным собирательным
управлением (при движении кабины и вверх, и вниз).
При использовании системы без собирательного управления кабина
направляется по первому (по времени) из поступающих вызовов, а
поступившие позже вызовы не принимаются и не выполняются. Возможность
регистрации и выполнения нового вызова появляется только после
освобождения кабины, даже если новые вызовы являются попутными.
Такое
решение обеспечивает наиболее простую реализацию схемы управления, но
пропускная способность лифта при этом невелика. Применяется в грузовых и
больничных лифтах, а также в пассажирских лифтах для зданий малой и
средней этажности.
Лифты с односторонним собирательным управлением регистрируют вызовы со
всех этажей. Если кабина находится на этаже ниже этажей вызовов, то
кабина направляется на этаж наивысшего вызова, а затем, двигаясь по
приказу вниз, останавливается на этажах попутных вызовов, подбирая
пассажиров с этих этажей (если кабина не загружена полностью и может
принять дополнительно пассажиров). Такое управление с высокой степенью
вероятности отвечает характеру перемещения пассажиров в жилых зданиях,
поэтому и применяется здесь при высокой этажности этих зданий.
При использовании полного собирательного управления на каждом этаже
устанавливаются две кнопки («вверх» и «вниз»), с помощью которых
пассажир может ввести в систему управления информацию о нужном ему
направлении перемещения.
Кабина, движущаяся мимо этого этажа по ранее
поступившему вызову с другого этажа или по приказу, останавливается,
если направление ее движения совпадает с требуемым для пассажира с этого
промежуточного этажа. Усложнение схемы оправдывается повышением
пропускной способности лифта. Применяется в пассажирских лифтах
общественных и административных зданий.
В зданиях повышенной этажности с напряженными пассажиропотоками
устанавливают несколько лифтов. При этом требуется согласование работы
этих лифтов по вызовам, основными задачами которого являются повышение
производительности лифтов, уменьшение холостых пробегов и связанное с
ними уменьшение расхода энергии и износа лифтов, уменьшение среднего
времени ожидания кабины пассажирами. Эти задачи решаются системами
группового управления, распространенным частным случаем которых являются
системы парного управления для двух лифтов. Алгоритм управления и
реализация этих систем зависят от типа здания и характера
пассажиропотока и существенно различаются у разных лифтовых фирм, однако
есть ряд конкретных решений, которые широко применяются (в частности, в
отечественных системах):
• исключается направление на этаж вызова более одной кабины;
• выполнение вызова на определенный этаж назначается идущей в нужном
направлении не полностью загруженной кабине или, если таковой нет,
ближайшей свободной кабине;
• первая из освободившихся кабин автоматически направляется на этаж
наибольшего спроса (обычно — первый), а остальные кабины после
освобождения остаются на этажах, на которых они пришли по приказам.
В административных зданиях при групповом управлении
могут использоваться также «Утренний» и «Вечерний» режимы для увеличения
эффективности перемещения пассажиров перед началом рабочего времени и по
его окончании. В «Утреннем» режиме отключаются все вызовы, кроме первого
этажа, кабины развозят пассажиров по приказам с первого на другие этажи,
а освободившиеся кабины автоматически направляются на первый этаж. В
«Вечернем» режиме кабины движутся на этаж наивысшего вызова без
остановок на промежуточных этажах, а затем движутся вниз по приказу с
остановками на промежуточных этажах, т.е. реализуется режим
одностороннего собирательного управления.
Несмотря на большое разнообразие средств реализации систем управления
лифтами, алгоритмическая основа близка вследствие однотипности решаемых
задач. Для одиночного лифта в режиме нормальной работы блок-схема
системы управления может быть представлена в виде, приведенном на рис.
12.54.
Рис. 12.54. Блок-схема системы управления
одиночным двухскоростным лифтом ПЛ — привод лифта, ПД — привод дверей,
ПВП — посты вызовов и приказов, УРПВ -узел регистрации приказов и
вызовов, УВНД — узел выбора направления движения, УОПК — узел
определения положения кабины, УЗО — узел замедления и остановки, ДПД —
датчики положения дверей, ДСП — датчики состояния лифта, УБЗ — узел
блокировок и защит, УВВ — узел выдержки времени, УОЗД — узел открывания
и закрывания дверей, ПСУ — позиционно-согласующее устройство, СВ —
сигнал движения вверх, СН — сигнал движения вниз, СБ — сигнал большой
скорости, СМ -сигнал малой скорости, СЗД — сигнал закрывания дверей, СОД
— сигнал открывания дверей, СВВ — сигнал выдержки времени, СВП — сигналы
о вызовах и приказах, СНПК — сигнал о наличии пассажира в кабине, СПЗК —
сигнал о полной загрузке кабины, СПГК- сигнал о перегрузке кабины
Узел регистрации приказов и вызовов УРВП получает
информацию с кнопочных постов вызовов и приказов ПВП, запоминает ее,
передает сигналы о вызовах и приказах СВП в другие узлы, а затем
отключает эти сигналы после выполнения соответствующих требований.
Выполняется обычно на реле с самоблокировкой или на базе «залипающих»
кнопок. В схемах на бесконтактных логических элементах для запоминания
этих сигналов обычно используются триггеры (например, D-триггеры).
Узел определения положения кабины УОПК представляет собой совокупность
установленных в шахте и на кабине датчиков и электрической схемы,
которые формируют сигналы об этажах положения кабины в шахте СПК. В
качестве датчиков обычно используются этажные переключатели,
индуктивные, герконовые и фотодатчики, которые при позиционном способе
устанавливаются на каждом этаже и, взаимодействуя с установленными на
кабине отводкой или шунтом, однозначно определяют этаж положения кабины.
В этот узел входит также установленный на кабине датчик точной остановки
(обычно герконовый), который при заходе кабины в зону точной остановки
кабины наезжает на установленный на каждом этаже шунт и формирует сигнал
торможения кабины.
Зона действия этого датчика, разумеется, значительно
меньше зоны действия указанных выше датчиков этажа положения кабины
(обычно называются датчиками селекции), которые охватывают зону
замедления с двух сторон от требуемого уровня остановки кабины.
В современных лифтах, особенно при использовании микроэлектронных
элементов в системах управления, широко используется счетный способ
определения положения кабины, при котором задается базовый этаж (обычно
первый) и подсчитывается количество пройденных кабиной этажей
относительно базового с учетом направления движения. Для этого
используется счетчик и устанавливаемые на кабине один или два датчика
(«датчик замедления вверх» и «датчик замедления вниз»), которые при
заходе поднимаемой кабины в зону замедления каждого этажа обеспечивают
увеличение на единицу показаний счетчика, а при заходе в зону замедления
каждого этажа опускаемой кабины — уменьшение на единицу показаний
счетчика.
В результате в счетчике записывается число (в двоичной системе
счисления), определяющее номер этажа положения кабины. Эти числа могут
непосредственно ‘ использоваться в цифровом виде (например, в
микропроцессорной системе управления) либо с помощью дешифратора
преобразовываться в потенциальные сигналы селекции, однозначно
определяющие этаж положения кабины на соответствующем выходе
дешифратора. Использование счетного способа позволяет упростить схему и
существенно уменьшить количество датчиков, однако увеличивается
вероятность получения неправильной информации о положении кабины в
результате сбоя счетчика или влияния помех. Поэтому обычно на крайних
этажах устанавливаются дополнительные датчики («датчик верхнего этажа» и
«датчик нижнего этажа»), по сигналам с которых проверяется соответствие
показаний счетчика номеру этого крайнего этажа и, в случае
необходимости, коррекция записанного в счетчике числа.
Узел выбора направления движения УВНД сопоставляет сигнал об этаже
вызова или приказа СВП, поступающий с узла регистрации приказов и
вызовов УРВП, с сигналом об этаже положения кабины СПК, поступающим с
узла определения положения кабины УОПК, и на основе этого сопоставления
подает на привод лифта ПЛ либо сигнал движения наверх СВ, либо сигнал
движения вниз СН (например, включаются соответствующие контакторы
направления движения).
Узел замедления и остановки кабины УЗ О при совпадении этажа положения
кабины (сигнал СПК) и этажа назначения (сигнал СВП) сначала отключает
сигнал
большой скорости СБ (отключается контактор большой
скорости привода) и подает на привод ПЛ сигнал малой скорости
(включается соответствующий контактор привода), а затем, при заходе
кабины в зону точной остановки, снимает сигнал малой скорости СМ,
обеспечивая отключение двигателя и торможение кабины.
Узлы УВНД, УЗО и УОПК включают в себя ряд общих элементов и цепей,
которые последовательно выполняют различные задачи управления, поэтому
их иногда объединяют в один узел ПСУ (позиционно-согласующее
устройство).
Узел открывания и закрывания дверей УОЗД подает на привод дверей ПД
сигнал открывания СОД, когда этаж вызова или приказа (сигнал СВП) при
неподвижной кабине совпадает с этажом положения кабины и нахождении ее в
зоне точной остановки (сигнал СПК). При открытой кабине сигнал приказа
обеспечивает закрывание дверей. .
Узел блокировок и защит УБЗ формирует сигнал разрешения работы лифта
СРРЛ по информации от датчиков нормального состояния предохранительных
устройств лифта ДСЛ и от датчиков закрытого положения дверей ДПД. Обычно
этот узел представляет собой последовательно включенные размыкающие
контакты этих датчиков (конечных выключателей), через цепь которых
осуществляется питание схемы управления. Размыкание любого из контактов
снимает напряжение со схемы управления лифтом и исключает возможность
движения кабины. При этом для обеспечения возможности использования
информации о положении дверей часто используется промежуточное реле
контроля дверей РКД, которое обычно включено при закрытых дверях и
отключается при открывании одной из дверей.
Датчики состояния лифта ДСЛ
размыкают свои контакты при срабатывании ловителей (ВЛ), при выходе
кабины за пределы верхнего и нижнего этажей (ВК), при ослаблении каната
ограничителя скорости (ВНУ), при обрыве или вытяжке одного или
нескольких подъемных канатов лифта (СПК). В цепь контактов этих датчиков
обычно вводят контакт выключателя, размыкающийся при проведении
ремонтных работ в приямке шахты, и контакты кнопок «Стоп», расположенных
в кабине и в . машинном помещении.
Узел выдержки времени УВВ (обычно это реле времени, выключающееся через
несколько секунд после снятия напряжения с его обмотки) включает
выдержку после полного открывания дверей (при снятии сигнала открывания
дверей СОД) и своим сигналом СВВ через узел УРПВ исключает возможность
работы лифта по вызовам. Двери при этом остаются открытыми, давая
возможность пассажирам войти в кабину или выйти из кабины. После
окончания выдержки времени снятие сигнала СВВ через узел УОЗД
формируется сигнал закрывания дверей СЗД.
При закрытых дверях кабина
может продолжать движение по приказам или освобождается для работы по
вызовам. В лифтах с неподвижным полом, когда отсутствует информация о
наличии пассажиров в кабине, после закрывания дверей снова включается
выдержка времени, а сигнал СВВ исключает возможность работы по вызовам
(кабина считается занятой). Это дает возможность замешкавшемуся
пассажиру и после закрывания дверей принять решение и нажать нужную
кнопку приказа. Кабина может двигаться по вызовам только после окончания
этой дополнительной выдержки времени при отсутствии приказов (кабина
считается свободной). Такое решение увеличивает потери времени при
работе лифта и не способствует сохранению его высокой безопасности,
поэтому возможно лишь в лифтах с ненапряженными пассажиропотоками.
Узел определения загрузки кабины УОЗК представляет собой установленные
под подвижным полом кабины микропереключатели, срабатывающие при разной
загрузке кабины.
Сигнал о наличии пассажира в
кабине СНПК (15 кГ) поступает на узел УРПВ и отдает приоритет работе по
приказам. В лифтах без собирательного управления вызовы при этом
отключены до полного освобождения кабины, а в лифтах с собирательным
управлением начало движения возможно только по приказу, но после пуска
кабины цепи вызовов снова подключаются для обеспечения возможности
остановки по попутным вызовам. Сигнал перегрузки СПГ (110%) поступает на
узел УОЗД и запрещает закрывание дверей (а следовательно -и движение)
перегруженной кабины. Сигнал полной загрузки кабины СПЗК (90 %)
поступает на узел УЗО и запрещает остановку полностью загруженной кабины
по попутным вызовам, что исключает потери времени на эти бесполезные
остановки (используется только в лифтах с собирательным управлением). В
некоторых лифтах используется также информация о других уровнях загрузки
кабины. В лифтах с неподвижным полом узел УОЗК отсутствует, что
исключает возможность использовать указанную информацию
(предпринимаются, правда, попытки получить информацию о загрузке кабины
другими средствами, которые еще не получили широкого распространения).
Типовые системы управления лифта
Напряжение силовых электрических цепей в машинных помещениях должно быть
не выше 660 В; в кабине, шахте и на этажных площадках — не более 380 В
переменного и 220 В постоянного тока, а для цепей управления, освещения
и сигнализации во всех помещениях — не более 220 В (допускается
использование фазы и нуля сети 380/320 В).
При использовании фазы и нулевого провода цепи управления, освещения и
сигнализации питаются от одной фазы, а один конец катушек аппаратов
должен быть наглухо присоединен к нулевому проводу.
Напряжение цепей питания аварийного освещения кабины и переносных ламп
ремонтного освещения должно быть не выше 36 В. Понижение напряжения с
помощью автотрансформаторов или потенциометров не допускается.
Система управления для лифта выбирается в зависимости от типа лифтовой
установки, ее конструкции, назначения и предъявляемых к ней
технологических требований.
Различают системы с наружным и внутренним
управлением. Системы с внутренним управлением могут быть одиночного,
парного и группового управлений.
Типовые конструкции лифтов массового применения оборудуют, как правило,
кнопочными системами управления, и в качестве аппаратуры управления
применяют кнопочные панели, посты и вызывные аппараты. В отдельных
случаях могут применяться также системы с рычажным управлением. Эти
системы менее автоматизированы, чем кнопочные, но проще в монтаже и
эксплуатации; их можно применять для временных грузопассажирских
строительных лифтов.
По способу воздействия вызывных аппаратов на систему управления лифтом
различают системы с сигнальным вызовом и системы с собирательным
управлением.
Системы с наружным кнопочным управлением применяются на лифтах: малых
грузовых, малых грузовых магазинных, работающих
без проводника грузовых, грузовых выжимных и
тротуарных.
В таких системах управление лифтом осуществляется с
кнопочной панели или кнопочного поста, устанавливаемых на одной из
загрузочных площадок. Если лифтовая установка оборудована системой
вызовов, на площадке устанавливается световое табло и звуковая
сигнализация для вызовов с других этажных площадок, обслуживаемых
лифтом. Для подачи сигнала о вызове на этажных площадках устанавливают
вызывные кнопочные аппараты, при воздействии на которые на световом
табло регистрируется поступивший вызов и подается звуковой сигнал,
привлекающий внимание лица, управляющего лифтом. В таких системах
управления иногда кроме вызывного аппарата устанавливается световая или
звуковая сигнализация, фиксирующая прибытие лифта на этаж.
Для лифтов, обслуживающих две этажные площадки, применяется система
наружного управления с двух мест. Кнопочные посты устанавливают на обоих
этажах, при этом с верхнего пуск лифта может производиться только вниз,
а с нижнего — только вверх.
Лифт вызывают воздействием на кнопку вызова
и подачей соответствующего сигнала на другой этаж, где находится лифт.
Системы с внутренним кнопочным управлением применяются на лифтах
пассажирских всех категорий, а также на лифтах грузовых и грузовых
выжимных, предназначенных для работы с проводником. Управление лифтом в
этом случае осуществляется с кнопочной панели, устанавливаемой в кабине,
а также при помощи вызывных аппаратов, расположенных на этажных
площадках, обслуживаемых лифтом.
Для лифтов грузовых и грузовых выжимных (работающих с проводником)
применяется система с внутренним кнопочным управлением и с сигнальным
вызовом. На панели управления в кабине кроме кнопок для управления
лифтом устанавливается световое табло или другой, индикатор, фиксирующий
вызовы, поступающие с этажей, обслуживаемых лифтом, На этажах
устанавливаются вызывные кнопочные аппараты.
Для лифтов пассажирских применяются следующие системы с кнопочным
внутренним управлением:
с вызовом свободной кабины на этаж, обеспечивает выполнение приказа из
кабины, а также автоматический пуск свободной кабины и остановку ее на
этаже по вызову.
Система применяется на пассажирских лифтах для жилых
зданий грузоподъемностью 320 кг с числом обслуживаемых этажей 9—12;
с односторонним собирательным управлением, обеспечивает управление
лифтом из кабины, вызов свободной кабины на этаж и выполнение попутных
вызовов при движении кабины с пассажирами вниз. Эта система
автоматически регистрирует команды пассажиров, входящих в кабину, и
последовательно выполняет их или регистрирует только один приказ,
выполняет его, после чего может аналогично выполнять следующий приказ.
Такие системы применяются на лифтах пассажирских для жилых зданий до 16
этажей грузоподъемностью 320 и 500 кг;
с двухсторонним собирательным управлением,
обеспечивает управление лифтом из кабины с автоматической регистрацией и
выполнением всех приказов, поступающих от пассажиров, вызов свободной
кабины на этаж и выполнение попутных вызовов при движении кабины вниз и
вверх.
Система оборудуется двухкнопочными вызывными аппаратами для регистрации
команд вызова для следования вниз и вверх, а также световыми
указателями, устанавливаемыми на этажных площадках и сигнализирующими о
направлении движения лифта после остановки на этаже. Эти системы
предназначены для лифтов пассажирских, устанавливаемых в общественных,
административных зданиях с развитыми междуэтажными пассажиропотоками.
Системы с собирательным управлением в зависимости от числа лифтов,
работающих совместно и обслуживающих одни и те же этажные площадки,
делятся на системы:
одиночного управления для индивидуально работающих лифтовых установок;
системы вызовов на таких установках действуют только на один лифт;
одиночное управление, как правило, применяется для обслуживания зданий с
небольшим числом этажей;
парного управления, предназначенные для тех случаев, когда одиночная
установка лифта недостаточна для обеспечения пассажиропотока и в здании
устанавливают два лифта, обслуживающие одни и те же этажи; системы
парного управления обеспечивают такую согласованную работу двух лифтов с
общей системой вызовов, при которой достигается максимальная
производительность их и минимальное время ожидания;
группового управления, применяющиеся при групповой установке лифтов в
крупных общественных и административных зданиях, когда имеют место
напряженные пассажиропотоки и парные установки не обеспечивают требуемой
производительности.
Групповая установка применяется с числом лифтов от
трех до четырех.
Система вызовов на групповых лифтах так же, как и на парных, общая для
всей группы совместно работающих лифтов, т. е. устанавливается только
одна вызывная кнопка на этаже. Кроме того, групповые лифты оборудуются
специальным автоматическим устройством организации совместной работы
лифтов.
В системах группового управления предусматриваются утренний, дневной и
вечерний режимы работы. Эти режимы задаются диспетчером или
устанавливаются автоматически в зависимости от направленности и
напряженности пассажиропотока в здании.
Система управления лифтом ~ Электротехническое ноу-хау
Я объяснял компоненты кабины лифта в предыдущем разделе, а лифтовую шахту и ее компоненты — в разделе «Основные компоненты лифта — часть вторая ». Кроме того, я объяснил Систему машины/привода в теме « Лифтовая машина и система привода» и объяснил систему безопасности лифта в теме « Система безопасности лифта «.
сегодня я продолжу объяснять пятый пункт из основных компонентов лифта, который Система управления следующим образом.
Вы можете ознакомиться со следующими предыдущими темами для получения дополнительной информации.
Система управления лифтом — это система, отвечающая за координацию всех аспектов работы лифта, таких как ход, скорость, ускорение, замедление, скорость открытия дверей и задержка, выравнивание и сигналы фонарей холла.
Он принимает входные данные (например, сигналы кнопок) и производит выходные данные (движение лифтов, открытие дверей и т. д.).
| Простые входы и выходы управления элеваторами |
Цели системы управления
9003
9002.
- Чтобы поднять кабину лифта на нужный этаж.

- Чтобы минимизировать время в пути.
- Для обеспечения максимального комфорта пассажиров за счет плавности хода.
- Для ускорения, замедления и движения в безопасных пределах скорости.
Типы систем управления лифтом:
Существует 3 основных типа систем управления лифтом:
1- Одинарная автоматическая работа:
- Первая автоматизированная система без одной кнопки вызова на каждом этаже и одной кнопки на каждом этаже внутри кабины .
- Вызывается, если им никто не пользуется.
- Пассажир имеет эксклюзивное право пользования автомобилем до завершения разборки.
2- Выборочная коллективная работа:
- Чаще всего запоминает и отвечает на вызовы в одном направлении, затем в обратном. Когда поездка завершена, запрограммировано возвращение на исходную посадку.
3-Групповое автоматическое управление:
- Для больших зданий с большим количеством лифтов, управление которыми осуществляется с помощью программируемых микропроцессоров.

Примечание: Системы управления движением , которые сочетают в себе визуальный мониторинг, интерактивное командное управление и анализ движения для обеспечения правильной работы лифтов, будут обсуждаться в другом курсе по планированию и проектированию систем управления движением лифтов.
Компоненты системы управления лифтом:
Лифт как система управления состоит из ряда компонентов. В основном их можно разделить на следующие:
- Входы.
- Выходы.
- Контроллеры.
1- Входы, в том числе:
A- Датчики.
B-Кнопки.
C-клавиша управления.
D-система управления.
A-датчики
A.1 Магнитный и/или фотоэлектрический0034 фотоэлектрический Датчик положения автомобиля
Эти датчики принимают сигналы о местонахождении автомобиля.
Этот датчик обычно размещается на самом автомобиле и считывает положение, подсчитывая количество отверстий в направляющей по мере их прохождения в фотоэлектрическом датчике или, в случае магнитного датчика, количество магнитных импульсов.
A.2 Инфракрасный:
| Инфракрасный датчик |
Используется для обнаружения людей, входящих или выходящих из лифта.
A.3 Датчик веса (устройство перегрузки):
| Датчик веса |
Это установлено на автомобиле, чтобы предупреждать систему управления, если заправка.
A.4 PVT (первичный датчик скорости):
С помощью этого энкодера измеряется скорость ведущего шкива.
B- Buttons
B.1 Hall Buttons:
| Hall Buttons |
These buttons are on a button panel on снаружи шахты лифта и используются потенциальными пассажирами для вызова кабины лифта на этаж, на котором находится нажатая кнопка вызова. На каждом этаже есть две кнопки Холла — одна для подъема, другая для спуска, за исключением верхнего этажа, где есть только вниз, и нижнего этажа, где есть только вверх. Контроллер взаимодействует с этими кнопками, получая сигналы нажатия и отпускания, указывающие запрошенное направление и номер этажа. Он также посылает световые сигналы включения/выключения для индикации состояния кнопок.
B.2 Кнопки запроса пола:
| Кнопки запроса пола |
Этот конкретный контроллер элеирования будет контролировать кабины элеитора.
Следовательно, каждая кабина имеет 6 кнопок запроса этажей, помеченных от 1 до 6, которые пассажиры могут использовать, чтобы направить кабины лифта на этаж, на который они хотели бы подняться.
Эти кнопки расположены на кнопочной панели внутри каждой кабины лифта. Контроллер взаимодействует с этими кнопками, получая нажатые сигналы, указывающие на нужный номер этажа и кабину лифта, из которой они были нажаты. Он также посылает световые сигналы включения/выключения для индикации состояния кнопок.
B.3 Кнопка открытия двери:
Эта кнопка находится на внутренней кнопочной панели каждой кабины. Пассажир может нажать эту кнопку, чтобы открыть двери лифта, или продолжать нажимать ее, чтобы они оставались открытыми, но только когда кабина лифта остановлена на этаже. В некоторых лифтовых системах также есть кнопка закрытия двери, но в этом нет. Контроллер взаимодействует с этой кнопкой, получая сигнал при ее нажатии и при отпускании.
Оба этих сигнала включают кабину, из которой они пришли.
B.4 Кнопка аварийной остановки:
Эта кнопка находится на внутренней кнопочной панели каждой кабины. Пассажир может нажать эту кнопку, чтобы остановить лифт, независимо от того, где он находится в шахте. Контроллер взаимодействует с этой кнопкой, получая от нее сигнал, свидетельствующий о том, что она была нажата, а также о кабине, из которой она поступила.
B.5 Кнопка аварийного звонка:
Эта кнопка находится на внутренней кнопочной панели каждой кабины. Пассажир может нажать эту кнопку, чтобы прозвучал звонок, чтобы предупредить людей за пределами шахты лифта о том, что кто-то застрял внутри кабины лифта в случае неисправности. Контроллер взаимодействует с этой кнопкой, получая от нее сигнал, указывающий на то, что она была нажата.
B.6 Панель регистрации
В системах управления пунктом назначения обычные кнопки вызова холла (стрелки вверх и вниз), расположенные в вестибюле лифта, заменены устройствами регистрации.
Пассажиры регистрируют свой этаж назначения через эти регистрационные устройства в вестибюле, а не в лифте. Регистрационное устройство отобразит лифт, назначенный для перевозки пассажира. Поскольку пассажир уже зарегистрировал желаемый этаж назначения, нет необходимости вводить этаж назначения в лифте.
C- Управление ключами
| Сервисные переключатели |
. ограничено ремонтниками, лифтерами или пожарными. Он используется вместо кнопки или вместе с ней для ограничения доступа к полу. Также доступны клавиатуры и считыватели карт. Примеры этих клавиш следующие:
- Пожарная служба, ключевой выключатель фазы II.
- Переключатель инспектора, переводящий лифт в режим осмотра (может быть расположен наверху лифта).

- Ручное управление вверх/вниз для лифтеров, например, для использования в режиме проверки.
- Переключатель независимого сервисного/эксклюзивного режима (также известный как «Предпочтение автомобиля»), который запрещает автомобилю отвечать на вызовы в коридоре и прибывает только на этажи, выбранные с помощью панели. Дверь должна оставаться открытой при парковке на полу. Этот вид транспорта можно использовать для временной перевозки грузов. Контроллер взаимодействует с переключателем, получая от него сигнал, когда он переключается в режим AUTO или HOLD. АВТО для нормальной работы; УДЕРЖАНИЕ предназначено для удержания кабины лифта от движения, а его дверей от открывания или закрывания.
- Переключатель режима обслуживания оператора.
Элементы управления системой D-
Элементы управления системой используются для включения или выключения системы лифта, элементы управления системой доступны только из диспетчерской лифта.
Как правило, они использовались довольно редко — возможно, система включалась рано утром и выключалась поздно вечером, или выключалась в начале каникул и включалась с началом следующего семестра.
2- Выходы, в том числе:
A- Приводы.
Б- Колокола.
C- Дисплеи.
A- Actuators
A.1 Door Opening Device:
| Door Opening Device |
On top of each elevator кабина — устройство открывания дверей. Это устройство открывает внутреннюю дверь кабины лифта и наружную дверь шахты лифта одновременно на каждом этаже. Контроллер взаимодействует с устройством открывания дверей, посылая сигналы на открытие или закрытие дверей и получая сигналы, когда двери полностью открыты или закрыты.
Сигналы, которые получает контроллер, также указывают, из какой кабины они поступают.
A.2 Электродвигатель:
Двигатель лифта отвечает за перемещение кабины лифта вверх и вниз между этажами. Поскольку в этой лифтовой системе используется канатный механизм, двигатель лифта соединен со шкивом, вокруг которого намотаны канаты. Контроллер взаимодействует с двигателем лифта, посылая ему сигнал, указывающий, с какой скоростью и в каком направлении должен двигаться двигатель. Сигнал остановки просто создается путем установки параметра скорости сигнала на ноль.
A.3 Тормоза:
В типичной лифтовой системе имеется несколько тормозных систем. К ним относятся электромагнитные и механические тормоза. Электромагнитные тормоза активируются автоматически, если происходит внезапная потеря мощности или когда автомобиль стоит на месте. Механические тормоза на самом шкиве также останавливают движение кабины, когда она не работает.
B- Колокола
B.1 Аварийный звонок:
Где-то в лифтовой системе находится аварийный звонок, который используется для оповещения людей за пределами лифтовой системы о том, что кто-то застрял в кабине лифта. Контроллер взаимодействует с аварийным звонком, посылая ему сигнал звонка.
B.2 Грузовой колокол:
В каждой кабине есть грузовой звонок, который используется для предупреждения пассажиров внутри кабины о том, что ее вес слишком велик для безопасной эксплуатации. Контроллер взаимодействует с нагрузочным колоколом, посылая ему сигнал звонка.
C- Displays
C.1 Car Position Display:
| Car Position Display |
The interior of each elevator В кабине есть дисплей, который показывает пассажирам, на каком этаже в данный момент находится кабина лифта.
В некоторых лифтовых системах этот номер этажа отображается на каждом этаже за пределами дверей лифта, но в этой системе его нет. Контроллер взаимодействует с этим дисплеем, отправляя сигнал, сообщающий ему, какой номер этажа отображать. Может быть как аналоговым (индивидуальные индикаторы для каждого этажа), так и цифровым (точечный матричный или сегментированный светодиод, меняющийся в зависимости от уровня этажа)
C.2 Дисплей направления:
| Дисплей направления |
У внутреннего интерьера каждой кабины Eletator есть дисплей, который указывает на текущее направление кабины Elevator; он либо вверх, либо вниз. Контроллер взаимодействует с этим дисплеем, посылая ему сигнал, указывающий, в каком направлении отображать изображение.
3- Контроллер
Контроллер — это устройство, которое управляет визуальным контролем, интерактивным командным управлением и системой анализа трафика для обеспечения эффективной работы лифтов.
Основная функция контроллера лифта
Основная функция контроллера лифта заключается в приеме и обработке различных сигналов от нескольких различных компонентов всей лифтовой системы. Он может посылать сигналы в ответ на те, которые он получает, чтобы управлять всеми остальными компонентами системы. Этот обмен сигналами позволяет контроллеру лифта поддерживать бесперебойную работу лифтов изо дня в день.
Вот несколько способов взаимодействия контроллера с другими компонентами лифтовой системы:
- Управляет скоростью двигателей лифтов, чтобы кабины лифтов перемещались вверх и вниз по соответствующим шахтам.
- Ставит в очередь и обрабатывает вызовы лифта и запросы этажей от пассажиров с помощью сигналов, подаваемых на него несколькими кнопками.
- Обрабатывает информацию, поступающую от датчиков нагрузки, чтобы гарантировать, что нагрузка на кабину никогда не превысит предел безопасности.

- Обрабатывает информацию, посылаемую ему датчиками маркеров положения, чтобы постоянно отслеживать, где находятся кабины лифта, а также их скорость.
- Обеспечивает обратную связь с пассажирами через подсветку некоторых кнопок, а также индикацию номера этажа и направления движения в каждой кабине.
- Может издавать звуковые сигналы тревоги, которые включаются застрявшими пассажирами или требуются для предупреждения о избыточной нагрузке в кабине.
- Управляет работой дверей лифта кабины посредством связи с устройствами открывания дверей.
Типы контроллеров лифта:
Существует 3 основных типа технологий контроллеров, используемых для обработки логики контроллера:
| Релейный контроллер (электромеханическое переключение) |
Реле представляет собой очень надежное устройство, состоящее из электромагнита, который размыкает и замыкает контакты, распределяя логику по различным цепям.
Простой лифт с несколькими остановками и ручным управлением дверью может хорошо обслуживаться релейным контроллером. Реле также можно использовать для более сложных лифтов, и фактически они использовались до 19 века.80-е годы. Однако необходимое количество реле может затруднить поиск и устранение неисправностей в случае возникновения проблемы.
Следующие области применения могут быть рекомендованы как подходящие для контроллеров, использующих технологию электромагнитных реле:
- Только одиночные лифты.
- Скорость привода до 1 м/с.
- Пассажирские лифты в условиях низкой интенсивности движения и использования в малоэтажных зданиях, т. е. не выше трех этажей (например, в жилых домах, очень небольших гостиницах, домах престарелых).
- Грузовые лифты в малоэтажных коммерческих зданиях (например, в офисах, отелях, больницах).
2- Сплошная логическая технология
| Твердого состояния логическая технология |
IT включает в себя оба дистристные трансфирты и интегрированные борты.
Это обеспечивает повышенную надежность, более низкое энергопотребление и более простую диагностику неисправностей по сравнению с технологией электромагнитных реле.
Следующие приложения рекомендуются как подходящие для контроллеров, использующих технологию полупроводниковой логики:
- Отдельные лифты и дуплексные группы.
- Скорость привода до 2 м/с.
- Пассажирские лифты в условиях низкой интенсивности движения в зданиях средней этажности, т. е. до 12 этажей (например, в жилых домах и небольших гостиницах).
- Грузовые лифты в малоэтажных коммерческих зданиях (например, в офисах, отелях, больницах).
3- Контроллер ПЛК (компьютерная технология)
| Контроллер ПЛК (компьютерная технология) |
Появление персональных компьютеров сделало микропроцессорную технику доступной для многих других областей.
Elevator Concepts использует промышленный компьютер особого типа, называемый ПЛК с программируемым логическим контроллером, для управления логикой более сложных заданий. Они очень надежны, компактны и просты в устранении неполадок.
Компьютерные контроллеры подходят для следующего:
- Все типы подъемников.
- Все скорости привода (т. е. от 0,5 м/с до 10 м/с).
- Подъемные группы всех размеров.
Схемы последовательности операций системы управления лифтом эти разные точки зрения.
1- С точки зрения отдельного пользователя:
2- С точки зрения системы, на которую действует множество пользователей:
В следующей теме я продолжу объяснять систему управления лифтом . Так что, пожалуйста, продолжайте следить.
Примечание: эти темы о лифтах в этом курсе EE-1: курс проектирования электрооборудования для начинающих предназначен только для начинающих, чтобы узнать общую базовую информацию о лифтах как типе силовых нагрузок.
Но на других уровнях наших курсов по проектированию электрооборудования мы покажем и подробно объясним расчеты оценки нагрузки лифта.
Система управления лифтом | Лифт Вики
в:
Управление лифтом, Лифтовые системы
Посмотреть источник
Контроллер лифта — это система управления лифтами, как ручная, так и автоматическая.
Контроллер обычно снижает напряжение от 12 В до 24 В для системы управления. Только двигателю требуется трехфазное питание. Низковольтный источник питания предназначен для управляющего компонента и приборов управления лифтом (за исключением упомянутых выше элементов, они используют однофазный источник питания).
Содержимое
- 1 Элеватор с ручным управлением
- 2 Лифт двойного действия
- 3 Предварительная регистрация рабочего лифта
- 4 Сигнал управления лифтом
- 5 Лифт с автоматическим управлением
- 5.1 Релейное управление
- 5.2 Микропроцессорное управление
- 6 Система диспетчеризации места назначения лифта
- 7 Система дистанционного контроля лифта
- 8 См.
также - 9 Примечания и ссылки
Лифт с ручным управлением
Ранние лифты не имели автоматического позиционирования приземления. Лифтами управляли операторы лифтов с помощью выключателя мертвого человека (автомобильного выключателя или регуляторов постоянного давления). Контроллер лифта такого типа часто не имеет большого количества реле. Некоторые старые грузовые лифты управляются переключателями, приводимыми в действие путем натяжения соседних канатов (также известная как операция «транспортировочный трос»). Защитные блокировки гарантируют, что внутренние и внешние двери закрыты до того, как лифту будет разрешено двигаться.
Позже компания ОТИС представила лифты с ручным управлением и автоматическим нивелированием. Оператор все еще мог контролировать скорость, но когда они отпускали контроллер, лифт плавно выравнивался до ближайшего этажа в этом направлении. Это был один из первых шагов к полному автоматическому управлению лифтами.
Лифт двойного действия
Лифт двойного действия обычно может работать либо как лифт кабины (с ручным управлением) (с оператором), либо как одиночный автоматический лифт (без оператора, запоминает 1 вызов за раз), в зависимости от положение ключевого переключателя.
Цель такого режима работы могла заключаться в том, что во время пикового трафика лифт работал в режиме переключения вагонов с оператором (который мог отвечать на несколько вызовов), а когда в здании было тихо, лифт работал в автоматическом режиме. (таким образом, оператору не нужно будет платить за управление лифтом, когда лифт не используется часто и нет большой необходимости в том, чтобы лифт отвечал на несколько вызовов).
Предварительная регистрация рабочего лифта
Этот тип лифта имеет кнопки зала и кабины для уведомления оператора об остановках (и, возможно, кнопки кабины были предназначены для нажатия пассажирами, а не оператором, хотя это неизвестно), но, скорее всего, быть автомобильным переключателем. Когда лифт вот-вот достигнет этажа, сигнал (который может быть звуковым или визуальным) уведомит оператора о необходимости инициировать остановку лифта. После остановки лифт автоматически выровняется. Это может быть самовыравнивающийся автомобильный лифт, управляемый переключателем, с дополнительными функциями, помогающими оператору.
Об этом типе лифта известно немногое.
Лифт с сигнальным управлением
Лифт с сигнальным управлением по-прежнему требовал оператора, но требовал гораздо меньше усилий для работы. Чтобы управлять лифтом с сигнальным управлением, сначала вы нажимаете переключатель в том направлении, в котором хотите двигаться. Затем вы нажимаете кнопку этажа. Кнопки на полу — это выдвижные кнопки. Кнопки для верхнего и нижнего этажей отсутствуют. Если вы собираетесь на верхний или нижний этаж, нет необходимости нажимать какие-либо кнопки. Тогда есть кривошип. Вытаскиваешь рукоятку, затем дергаешь ее, чтобы завести. Держите его там, пока лифт не начнет двигаться. Двери закроются, затем лифт начнет движение. Дверных датчиков, вероятно, нет, поэтому не закрывайте двери, пока все не войдут в лифт. Если есть вызов из холла, и лифт движется в направлении вызова из холла и достигает этажа, лифт автоматически остановится на этом этаже. Когда лифт остановится, потяните переключатель, чтобы открыть его, и удерживайте его, пока двери полностью не откроются.
Также есть панель оповещения о вызовах, как на лифте с ручным управлением, чтобы сообщить оператору, где есть вызовы в коридоре.
Лифт с автоматическим управлением
Лифт с релейным управлением
Автоматические лифты начали появляться еще в 1920-х годах. В этих электромеханических системах использовались релейные логические контроллеры возрастающей сложности для управления скоростью, положением и работой дверей лифта или группы лифтов. Лифты с релейными логическими контроллерами имеют устройство, называемое «селектор». Механические селекторы используют аналоговые элементы управления и множество движущихся частей для определения положения автомобиля. В селекторе используются магнитные ленты (часто называемые селекторной лентой), которые крепятся к верхней части автомобиля. Когда лифт движется, движется и лента, которая перемещает механические шестерни на селекторе.
В 1924 году ОТИС представляет первую в мире полностью автоматическую лифтовую систему с релейно-логическим управлением под названием «Signal Control».
Позже, в 1937 году, Otis представила систему управления периодом пиковой нагрузки для автоматического планирования работы лифта в периоды повышенного спроса. Это помогло сократить время ожидания на любом этаже за счет координации движения лифтов здания.
Автоматические лифты 1940-х годов имеют возможность изменять скорость движения вагонов, корректировать их расписание в соответствии с потребностями движения и обходить этажи, когда вагон полностью загружен. Примером этого была система Otis «Autotronic Elevator», которая была представлена в 1948. Аналогичная лифтовая система также была изобретена компанией Westinghouse в 1950-х годах под названием «Selectomatic» (или Express Lift DMR Control), а компания Dover выпустила лифтовую систему «Computamatic» в начале 1960-х годов.
Преимущество релейных контроллеров по сравнению с более новыми микропроцессорными системами заключается в том, что они изначально отказоустойчивы, поскольку они невосприимчивы к сбоям из-за ошибок программирования или аппаратных сбоев.
Кроме того, они чрезвычайно надежны — тысячи релейных контроллеров, которым по 50-60 лет, до сих пор в идеальной работе. Основными недостатками являются размер и энергопотребление — количество необходимых реле увеличивается почти экспоненциально с количеством этажей и количеством контролируемых лифтов. Системы с релейным управлением также имеют много движущихся частей и требуют большего обслуживания. По этой причине микропроцессорные системы управления лифтом постепенно заменяют релейные системы с начала 19 века.80-х годов вперед.
Блок релейной логики Express Lift. Объект внизу — механический селектор пола.
Более пристальный взгляд на старые реле Express Lift.
Шкаф, полный старых реле Отис.
Релейный шкаф лифта Schindler 1970-х годов.
Напольный селектор Schindler 1970-х годов.
Логический контроллер реле гидравлического лифта Westinghouse (ссылка на пользователя Flickr Джеймса Леша, лицензия CC BY 2.0)
Общие? Логический контроллер реле тягового лифта (предоставлено пользователю Flickr Джонатану Джулиану, лицензия CC BY-NC 2.
0)
Релейный логический контроллер Express (предоставлено пользователем Flickr Justin Pickard, лицензия CC BY-SA 2.0)
Релейный логический контроллер Vintage Otis (предоставлено пользователем Flickr Tom Magliery, лицензия CC BY-NC-SA 2.0)
Современный релейный контроллер на замену (компанией Virginia Controls).
Микропроцессорное управление
Микропроцессорные контроллеры меньше по размеру и потребляют меньше энергии, чем релейные контроллеры. Один шкаф часто может заменить несколько шкафов реле и сопутствующего оборудования.
Лифты с микропроцессорными контроллерами впервые появились в 1975 году, когда компания Schindler представила контроллеры «Miconic E». С другой стороны, Otis представила лифт Elevonic 101 в 1979 году. В этой лифтовой системе использовались микропроцессоры для управления каждым аспектом работы лифта. Позже, в 1981 году, Отис представил еще одну полностью компьютеризированную лифтовую систему под названием «Элевоник 401».
Помимо взаимодействия с пассажирами, существует ряд датчиков, контроллеров, последовательностей операций и расчетов или алгоритмов в реальном времени, которые уравновешивают спрос пассажиров и доступность автомобилей. Датчики лифта (некоторые из них используют ленточную головку) предоставляют данные о положении автомобилей, направлении движения автомобилей, нагрузках, состоянии дверей, вызовах в вестибюле, вызовах автомобилей, ожидающих вызовах в коридоре и в коридоре, количестве пробегов на машину, сигналах тревоги и т. д. Контроллеры лифтов, выпущенные в 2000-х годах или ранее, обычно представляют собой программируемые логические контроллеры (ПЛК), которые могут быть настроены для одной кабины, нескольких автомобилей или иметь размеры по количеству остановок и включать интерфейсы для мониторинга, голосовые синтезаторы и т. д. Контроллер также может иметь функция, позволяющая тестировать системы без отключения лифта.
Программируемый логический контроллер для шкафа управления лифтом.
Микропроцессорный контроллер Schindler «Miconic B» начала 1980-х годов.
Устройство ПЛК (производства Mitsubishi).
Внутри современного шкафа микропроцессорного контроллера лифта.
Контроллер лифта — демонстрация
Современный гидравлический микропроцессорный контроллер (Virginia Controls).
Система диспетчеризации места назначения лифта
Основная статья : Отправка места назначения лифта
Система удаленного мониторинга лифта
- Основная статья: Система мониторинга лифта
Большая часть соответствующих данных от контроллеров связана с активностью автомобиля: местоположение, направление, нагрузка и состояние дверей. На основе этих данных система управления, состоящая из рабочей станции и программного приложения производителя, может затем создавать показатели для группы или отдельного автомобиля, такие как общее количество открываний дверей, количество поездок на автомобиль или вызовов, звонки вверх и вниз по коридору и т.
д. Некоторые Среди ключевых показателей эффективности, на которые обращают внимание менеджеры объектов, могут быть «время ожидания пассажиров в часы пик» или «время, затрачиваемое автомобилем на то, чтобы подняться с нижнего этажа на верхний». Эти показатели могут указывать на неадекватное управление, неправильную конфигурацию или даже неисправность оборудования.
Многие производители лифтов теперь могут обеспечить удаленный мониторинг оборудования с помощью программного обеспечения как услуги (SaaS). Мониторинг выявляет неисправности или ненормальные рабочие параметры и может предупредить технического специалиста и/или владельца здания. Некоторые производители предоставляют клиентам информационные панели, доступные через веб-браузер, и предоставляют владельцам такую информацию, как сводки о производительности и истории обслуживания. Это может хорошо сработать для владельцев зданий, у которых может не быть такого специализированного опыта в персонале.
Некоторые известные системы удаленного мониторинга лифтов: ThyssenKrupp Vista, Otis REM, Schindler Servitel, Kone’s KRM, Mitsubishi ELE-FIRST и т.




также
Отложите сердечник клапана в безопасное место, чтобы его можно было закрутить позже.


Этот клапан является достаточно сложной
Нет риска
Очень
Вы действительно нуждаетесь в мертвом грузе,





Как правило, распределение веса составляет 60 % на заднюю ось и 40 % на переднюю ось.


Нет риска перегрузки или, что еще хуже, механической поломки, потому что объем воды пропорционален и ограничен.
Очень важно соблюдать пропорции балластировки, то есть 75% воды на шину, чтобы ограничить эти недостатки.
Вы эффективно тянете мертвый груз, имея в виду, что 1 тонна лишнего балласта, поэтому запросите дополнительный расход топлива в час.


..
Было принято решение покупать машину, которая могла бы вместить в себя всю семью и хорошее количество груза, ну и хотя бы как минимум…
в. | 20,000 км1,900,000 р.
с., дизель, АКПП, задний привод (FR)
5 л, 145 л.с., дизель, МКПП, задний привод (FR)
5 л, 175 л.с., дизель, АКПП, полный привод (4WD)
4 и коробка механика, то может быть снижен до 12 литров на 100 км по городу и 10 на трассе.
(HMPH), а также получение самых последних вариантов модели Staria. На самом деле, по иронии судьбы, существует интересная параллель с основанием предыдущего официального дистрибьютора Hyundai, Hyundai Asia Resources, Inc. (HARI), отвечавшего за бренд на Филиппинах с 2001 года. лет до того, как он был официально продан HARI. Я был одним из первых последователей, одним из первых в стране купивших модель Starex Club в 1919 году.98. На этот раз в настоящее время серый рынок снова воспользовался возможностью, чтобы продать самые укомплектованные уходящие модели Starex, а также представить на местном рынке совершенно новую замену Staria до того, как HMPH начал официальную деятельность.
До того, как HMPH запустила Staria на Филиппинах, мы даже чувствовали, что модель в сочетании с расстроенным (на 22 л.с. и 8 фунт-фут крутящего момента) 2,2-литровым турбодизельным двигателем RII не будет хорошо стареть. В настоящее время у нас все еще есть очаровательный Kia Grand Carnival EX конца 2018 года в нашем C! Fastfleet, использующий старый двигатель RII, но с полными 197 л.с. и 325 фунт-фут крутящего момента в сочетании с 8-ступенчатой автоматической коробкой передач, которая меньше и легче, чем Staria Premium + AWD, поэтому я чувствовал, что штаб-квартира Hyundai пытается сохранить дружественность своего последнего минивэна против нового Kia Carnival, который на много лучше. и больше, чем его предшественник, и оснащен более мощным и легким двигателем Smartstream D4HE.
Он также доступен в цвете Abyss Black Pearl с контрастным цветом Tinted Brass для 7-местных вариантов AWD Premium+. 11-местная модель GLS+ дешевле, но лишена значительного количества необходимого стандартного комплекта. Существуют также варианты с 6-ступенчатой механической коробкой передач для грузового и коммерческого использования. Мало того, что эстетика модели Premium + была значительно переработана, начиная с изысканной решетки радиатора с сетчатым рисунком, которая со вкусом и элегантно сочетается с украшениями переднего и заднего бампера, а также с зеркалами и дверными ручками, но даже полностью светодиодные фары были изменены. также переработаны и стали более мощными. Новые сложные сплавы также сочетаются с контрастной латунной отделкой. Фирменные ДХО на капоте очень крутые, как и футуристические фирменные задние параметрические пиксельные огни.
В трансмиссии появилось еще 3 передачи, а подвеска теперь полностью независимая. Тормоза у Staria соответственно больше, чем у Kia Carnival, учитывая, что он намного больше и тяжелее.
Раздвижные двери имеют раздвижные окна с ручным управлением, в то время как пассажиры третьего ряда также могут открывать окна с помощью ручной рукоятки, оба имеют дополнительные выдвижные солнцезащитные шторки. И все это в очень тихом и безопасном салоне с пятизвездочным рейтингом ANCAP, несколькими подушками безопасности для пассажиров и множеством активных и пассивных мер безопасности.
на передние колеса для повышения топливной экономичности, а Sport — до 50 % крутящего момента передается на задние колеса для динамического контроля и большей маневренности.
с. при 3800 об/мин

с.
м) / об/мин
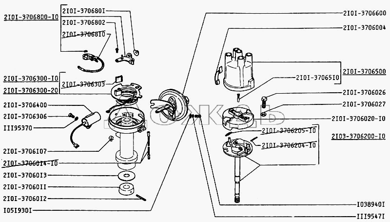
Сбоку к корпусу прерывателя крепится вакуумный регулятор 10, рычажок которого соединяется с подвижным диском прерывателя. На корпусе или внутри его устанавливается конденсатор 9. Корпус прерывателя закрывается карболитовой крышкой 11, в которую вмонтированы контактные пластины, соединенные с гнездами 12 для установки проводов высокого напряжения с целью отвода тока высокого напряжения к свечам зажигания. Ток высокого напряжения от катушки зажигания проводом подводится на центральную клемму 13, в которой установлен уголек 14, нагруженный слабой пружиной, благодаря чему он постоянно прижимается к токоразносной пластине 15. Крышка-распределитель пружинными защелками 16 прижимается к корпусу прерывателя.
В момент наибольшего размыкания зазор между контактами должен быть в пределах 0,35-0,45 мм. Для его регулирования на подвижном диске предусмотрены два винта: регулировочный эксцентрический и стопорный цилиндрический. Зазор проверяют пластинчатым щупом. С дальнейшим вращением кулачковой муфты грань перестает давить на пятку рычажка и под воздействием пластинчатой пружины контакты снова замыкаются, пропуская ток в первичную обмотку катушки зажигания. При каждом размыкании во вторичной обмотке индуктируется ток высокого напряжения, который по проводу высокого напряжения поступает через центральную клемму 13 распределителя, уголек 14, токоразносную пластину 15, боковой электрод 12 распределителя на свечу зажигания.
По закону Джоуля-Ленца ток самоиндукции движется навстречу размыкающимся контактам прерывателя в виде дуги, вызывая подгорание контактов. Поэтому параллельно контактам прерывателя включен конденсатор 9, представляющий собой две станиолевые ленты, изолированные между собой парафинированной бумагой, свернутые в рулон и заключенные в стальной оцинкованный корпус. Одна лента соединяется с корпусом конденсатора и, следовательно, с неподвижным контактом прерывателя. Вторая лента изолирована от «массы», проводом соединена с выводной клеммой прерывателя и, следовательно, с его подвижным контактом. Емкость конденсатора рассчитывается на величину тока самоиндукции. Обычно при батарейном зажигании она находится в пределах 0,17-0,25 мкФ. Следовательно, ток самоиндукции поступает на пластины конденсатора и заряжает их, предохраняя таким образом контакты прерывателя от подгорания. В момент замыкания контактов конденсатор разряжается в первичную обмотку, усиливая ток низкого напряжения, что способствует получению более высокого напряжения во вторичной обмотке.
Без этого приспособления ни один бензиновый силовой агрегат не будет нормально работать, поэтому о его устройстве и возможных поломках будет рассказано ниже.


При его поломке, датчик распределения зажигания перестает нормально функционировать, и в моторе вообще пропадает искра. Ремонтировать его в домашних условиях не рекомендуется, лучше доверить это специалистам. В нем может также выйти из строя конденсатор, который нужно будет менять на специальном оборудовании.
При обнаружении пробоя, крышку лучше заменить на новую.
смил


В этом документе описываются концепции избирательной координации и приводятся рекомендации по определению соответствующих автоматических переключателей резерва.
Статья 100 Национального электротехнического кодекса 2020 года ® (NEC ® ) дает более формальное определение:
На рис. 2 показана локальная изоляция неисправности в системе, в которой время размыкания выборочно координируется в системе распределения электроэнергии.
Это позволяет нижестоящим устройствам защиты от перегрузки по току работать в соответствии с проектом, включая любые положения для выборочной координации.
Если АВР должна перевести нагрузку на альтернативный источник питания во время неисправности, она должна иметь возможность замыкаться и удерживать этот ток, чтобы избежать прерывания питания. Кроме того, большие токи короткого замыкания, проходящие через переключающие контакты, выделяют тепло, которое может повредить материалы и поверхности контактов. Чтобы попасть в список UL 1008, автоматические переключатели должны пройти испытания в лабораториях Underwriters Laboratories или лаборатории, одобренной UL, для оценки количества тока короткого замыкания, которое они могут выдержать и включить в течение времени, указанного в стандарте, или любого дополнительного времени, указанного на этикетке производителя. Полученные рейтинги известны как рейтинги устойчивости и близости, или WCR.
Следовательно, АВР обычно присваивается несколько рейтингов в соответствии с типами защиты восходящего потока, которые можно использовать. Примеры номиналов автоматических переключателей ASCO показаны в таблице 2.
Полученные значения известны как краткосрочные рейтинги. Каждый тип рейтинга показан для некоторых АВР ASCO в Таблице 2 выше.
В этот момент информация, необходимая для выбора АВР, включает (1) номинальное напряжение и силу тока нагрузки, (2) максимальный доступный ток короткого замыкания и (3) продолжительность, в течение которой АВР должна удерживать этот ток. . Сравнив эту информацию со спецификациями безынерционного переключателя, можно выбрать подходящую модель. Рейтинги WCR и краткосрочные рейтинги ATS должны быть равны или превышать указанные выше значения.
Кроме того, удержание цепей в замкнутом состоянии в течение более длительного времени увеличивает энергию падающих вниз по течению потоков. Это может представлять дополнительный риск для персонала и, таким образом, влиять на то, как можно обслуживать оборудование. Следовательно, сводя к минимуму разницу во времени срабатывания между уровнями защиты от перегрузки по току, можно избежать ненужной логистики и затрат. На рис. 4 показан безобрывной переключатель на 30 циклов. Схемы координации с 0,5-секундными переключателями и без них сравниваются на рис. 5.9.0363
Автоматические переключатели резерва не используются для выборочной координации защиты электропитания. Вместо этого они должны поддерживать избирательные схемы координации, замыкая и удерживая более высокие токи повреждения, чем близлежащие защитные устройства, и должны оставаться замкнутыми до тех пор, пока эти устройства не разомкнут цепь.
Санкт-Петербург
При непоступлении задатка в указанный срок обязанность лиц, желающих принять участие в торгах, по внесению задатка считаются неисполненной. Суммы внесенных задатков возвращаются участникам торгов, за исключением победителя торгов, в течение 5 (Пяти) рабочих дней со дня подписания протокола о результатах проведения торгов
д.


Это весьма специфическое и узкоспециализированное керно, малопригодное для другой работы, кроме как нанесения разметки на сферы. Его юбка делается из достаточно жесткой резины. Она эффективно гасит удары, и не скользит, что способствует правильному направлению наконечника.
При выборе этого инструмента лучше всего обращать внимания на приборы с круглой рукояткой на месте затыльника. Это облегчает нажатие и не создает болевые ощущения в ладони после срабатывания механизма. Если делать подряд десятки лунок, то отсутствие дискомфорта будет весьма важно.
При использовании тонких сверл для их центрирования важна мелкая лунка. Если она будет большой, то оно начнет соскальзывать в сторону и засверлиться будет сложно. Если же пытаться рассверлить тонкую вмятину широким сверлом, то его острие также может не зацепиться. В связи с этим в идеале иметь в наборе инструментов керны с разным диаметром наконечника.

Нередко можно встретить Г-образный инструмент или с кольцом на конце. Прямые чертилки в исключительных случаях вполне могут использоваться для кернения под сверление, с изгибом же для этого не подходят.
Это делает ее удобной при обводе больших шаблонов во время переноса размеров на листовую сталь. Для черчения мелкой разметки она подходит хуже, чем прямая.
Інструмент є ударно-ріжучим. Кернери виконуються з твердих інструментальних сталей.


Эти принтеры могут быть очень эффективными. Хотя они могут быть более дорогими на начальном этапе, пользователи могут наслаждаться более низкими долгосрочными затратами из-за того, что они, как правило, используют меньше тонера. Вот что вам нужно знать о типах чернил для лазерных принтеров.
В качестве бонуса тонер не высыхает, а материал хранится целую вечность, что позволяет вам печатать по требованию так, как будто вечность.
Высококачественная струйная печать также существует для профессиональных нужд. Эти устройства обеспечивают высокоэффективную печать и высочайшую четкость фотографий и, как правило, лучше всего работают в офисе с небольшим объемом печати.
Цвета плавно смешиваются и обеспечивают превосходное качество отпечатков с яркими цветами.
Но есть более общие категории чернил, о которых нужно знать, каждая из которых имеет свои преимущества и недостатки. Вот что вам нужно знать:
В ударных и матричных принтерах пропитанная краской лента прижимается к странице для печати. В термотрансферных принтерах лента имеет покрытие из воска или смолы, которое расплавляется нагретой печатающей головкой, чтобы обнажить чернила и напечатать их на странице.
Обязательно совместите марки и модели вашего принтера и сменные чернила, если это применимо. Может быть разумно запастись 9Принтер 0141 поставляет , так что вы никогда не останетесь без возможности распечатать важные документы в любой момент.
Восстановленные чернильные картриджи могут быть более доступными, чем покупка новых. Просто убедитесь, что вы проверяете источник, так как есть менее надежные поставщики. 
Epson была первой маркой принтеров, которая использовала пигментные чернила, состоящие из крошечных сухих инкапсулированных частиц, вместо традиционных чернил на основе красителей, которые были невероятно популярны в струйных принтерах. Пигментные чернила обладают высокой устойчивостью цвета и долговечностью печати, что предотвращает их выцветание. Другие преимущества использования пигментных чернил:
Тем не менее, если вы хотите напечатать изображение или документ, который должен сохраняться в течение более длительного периода времени, вам следует выбрать чернила на пигментной основе.
Если вы все еще не можете решить, какие чернила следует использовать, будьте уверены, что производитель вашего принтера уже принял это важное решение за вас в большинстве случаев. Что бы вы ни выбрали, обязательно зайдите в Wink Printer Solutions за лучшими чернильными красителями премиум-класса.
Качество чернил определяет эффект потока чернил. Купите высококачественные чернила DGT. Это сократит время, необходимое для обслуживания принтера, результатов печати и точности цветопередачи.

Основным их назначением была и остается перевозка леса-кругляка, труб и других длинномерных конструкций. Эти грузы располагаются на так называемых конниках. Одна часть их находится на конниках роспусков, а другая – на конниках тягачей, таким образом масса грузов равномерно распределяется между колесами тягачей и прицепов. Чтобы обеспечить тяговое усилие, роспуски комплектуются дышлами фиксированной или регулируемой длины.
Впрочем, основным его назначением была и остается перевозка леса-кругляка, труб и других длинномерных конструкций. Включение в автопоезд данного элемента в этом случае подразумевает его фиксацию к раме тягача при помощи специальных приспособлений.
Управляется обычно с помощью трособлочной крестообразной сцепки, которая обеспечивает повышенную устойчивость на поворотах (следование в колее тягача), что очень важно на узких лесных дорогах.
Советуем выбрать чуть больше необходимой.
Играйте в полную кампанию, включая оригинальные и новые пакеты расширения, а также наслаждайтесь сетевой и локальной многопользовательской игрой и совместной игрой с полной поддержкой кроссплатформенной игры. Сразитесь с испорченными рыцарями, уродливыми ограми и армией искаженных существ и победите древнее зло, угрожающее всему человечеству.


Наши глаза бегают от точки к точке, на самом деле они не панорамируются, как это делает камера.




;
с.;
Про принцип работы и более подробные характеристики популярных моделей данной техники мы расскажем Вам в этой статье.
Кто-то находит их недостаточно надежными и производительными, кому-то не подходит цена. Изготовить своими руками картофелеуборочный мини-комбайн можно, создав соответствующие чертежи. Такой агрегат будет обладать возможностями и характеристиками, которые Вы сами зададите. Примерная схема подобного комбайна выглядит так:
С его помощью можно проводить сбор таких культур, как морковь, лук и т. д.
Он может выгружаться автоматически. Функция наматывания машины против травы позволяет собирать урожай с рассадой без каких-либо блокировок. На эту машину было выдано два патента, включая полезную модель и эскизный проект. У нас есть три модели для вашей справки. Все они двухрядные комбайны. Другие модели доступны по вашему требованию.

Это поможет снизить нагрузку на трактор и повысить качество оборота пласта.
»
Зерноград) в 2019г.


д.
)
VP n 
