Регулировка вом на мтз 80: Регулировка ВОМ МТЗ-80 и МТЗ-82

Вал отбора мощности на тракторах МТЗ-80 и МТЗ-82

Вал отбора мощности МТЗ-80 (82)

Содержание:

  • Что такое ВОМ?
  • Регулировка ВОМ
  • Вероятные поломки

Регулировка ВОМ МТЗ 80 – это обязательная и регулярная процедура. Схема ВОМ обеспечивает навесное оборудование необходимым усилием, которое передаётся непосредственно от силовой установки. По сути, это комбинированное устройство, которое нуждается в регулярном обслуживании. В противном случае трактор теряет свою функциональность и отправляется в ремонт.

В этой статье, мы рассмотрим, какой ВОМ устанавливается на трактор МТЗ-80, принцип его работы, регулировку, ремонт и возможные проблемы. К слову, трактор МТЗ-82, оснащается точно таким же устройством. Поэтому схема обслуживания и ремонта ВОМ у этих двух машин идентична.

Что такое ВОМ?

Аббревиатура ВОМ расшифровывается как вал отбора мощности, который устанавливается на трактор МТЗ-80 или аналогичный ему МТЗ-82, для обеспечения привода навесных систем и агрегатов.

Хвостовик ВОМ

По способу установки, ВОМ может быть бокового или заднего типа. Самыми оптимальными являются валы отбора мощности с задним расположением. Именно они устанавливаются на большинство колёсных машин и на трактор МТЗ-80 в частности. По принципу действия ВОМ трактора МТЗ-82 может быть трёх видов:

  1. Синхронный. По-другому, такой вал называется зависимым. Обороты агрегата напрямую зависят от режима движения техники. Привод на вал отбора мощности идёт напрямую от редуктора КПП. Средняя частота вращения составляет 3,5 оборота/1 метр пути.
  2. Независимый. Такой механизм соединён непосредственно с двигателем МТЗ-82. Частота его вращения зависит от маховика двигателя, которым оснащён трактор. Кроме того, играет роль включённое или выключенное сцепление. Для МТЗ-80 частота вращения вала составляет 540 или 1000 об/мин.
  3. Комбинированный. Такой ВОМ, может работать в двух перечисленных выше режимах.

Регулировка ВОМ

Чтобы вал отбора мощности, который установлен на трактор, нормально функционировал, его необходимо периодически осматривать и регулировать. Это касается не только МТЗ-82, а вообще всех тракторов. Схема, по которой проходит регулировка, выглядит следующим образом:

  1. Ось эксцентрика устанавливается в первоначальное положение. Нанесённая риска должна быть справа и располагаться вертикально. Положение фиксируется при помощи стопорных пластин.
  2. Отсоединяется тяга.
  3. Откручиваются болты стакана с целью высвободить пружины.
  4. Демонтируется крышка лючка заднего моста. Это обеспечивает доступ к головке натяжного винта.
  5. Рычаг переводится в нейтральное положение и фиксируется болтом. Затем стопорную пластину снимают, а винт затягивают до упора. После этого болт фиксирующий рычаг можно убирать.
  6. Упорный болт заворачивается в наружный стакан.
  7. Рычаг переставляется в положение «вкл». Устанавливается тяга.
  8. Путём регулировки тяги, выставляется необходимый люфт рычага.
  9. По завершении регулировки, все детали возвращаются на свои места, тяги и крепёжные болты усиливаются контргайками.

Вероятные поломки

ВОМ, установленный на трактора МТЗ-82, может некорректно работать по следующим причинам:

При визуальном осмотре обнаружены трещины в проушинах, управляющем валике. На стакане с пружинами есть глубокие вмятины.

Трактор МТЗ-80, однозначно ставится в ремонт, схема устранения неисправностей выглядит так:

  • совмещают отверстия переключающего валика и заднего моста. Сделать это можно при помощи рычага управления. Когда отверстия совпадают, в них заворачивается установочный болт;
  • ослабляется контргайка регулировочного болта, который, в свою очередь, до упора вкручивается в рычаг переключающего валика;
  • стопорный болт закручивается в стакан. Затем осторожно вынимается болт регулировки;
  • таким образом, стакан с пружинами снимается целиком. Затем его разбирают и заменяют изношенные или повреждённые детали.

Проблемы с кулачковой муфтой

В этом случае демонтируется кабина трактора МТЗ-82 и от заднего моста отсоединяется коробка передач. После этого происходит замена муфты. Ремонт этой детали нецелесообразен.

Посторонние шумы, которые издаёт задний мост

Вал отбора мощности, установленный на трактор МТЗ-80, работает рывками. Скорее всего, пришли в негодность шлицевые соединения или сточились зубья центральной шестерни. Схема проведения работ выглядит так:

Для начала необходимо демонтировать ВОМ. Вал выпрессовывают и оценивают состояние шестерни. Для этого отсоединяется задний мост и кулачковая муфта. Если визуально наблюдаются большие зазоры или шестерня свободно перемещается, вал отбора мощности необходимо отправить в ремонт. После замены вал устанавливается на место и проводится регулировка.

Хвостовик ВОМ свободно перемещается

Это означает, что ослабла фиксирующая гайка. Как и в предыдущем случае, агрегат полностью демонтируется с трактора МТЗ-82. Если есть возможность, резьба восстанавливается, а гайку затягивают до упора. Если нет, придётся разбирать всю конструкцию и проводить более трудоёмкий ремонт.

Муфта

При визуальном осмотре видны масляные подтёки на крышке вала.

Это свидетельствует об износе манжеты или прокладки. В этом случае вал демонтируется и происходит замена прокладки между крышкой ВОМ и задним мостом. Если протечка идёт со стороны хвостовика, снимается кольцо стопора, выпресовывается вал и заменяются манжеты.

Трактор МТЗ-80 не выдаёт максимальной мощности при работе с навесным оборудованием

Вероятная причина в ленточных тормозах. Им нужна регулировка или полная замена. Если регулировка не помогла решить проблему, необходимо снять ВОМ с трактора и замерить толщину лент тормоза. Если толщина меньше 2,5 миллиметров, ленты заменяют.

При максимальной нагрузке на трактор слышится посторонний шум

Это говорит об износе сателлитных осей, опорных подшипников или шлицовых соединений. Оценить техническое состояние этих узлов можно только после того, как ВОМ будет снят с трактора. После этого осматриваются зубья и проверяются зазоры. Если возможен ремонт, детали восстанавливают, если нет – то заменяют.

Если демонтировался или разбирался редуктор ходоуменьшителя, понадобится проверка или регулировка ВОМ. Для этого трактор ставят на домкрат (под ведущие колёса) и проворачивается вал отбора, с поочерёдным включением передач.

При выполнении этой операции, ВОМ трактора должен быть переведён в синхронный режим. При прокручивании, зубчатые колёса шестерней должны свободно вращаться.

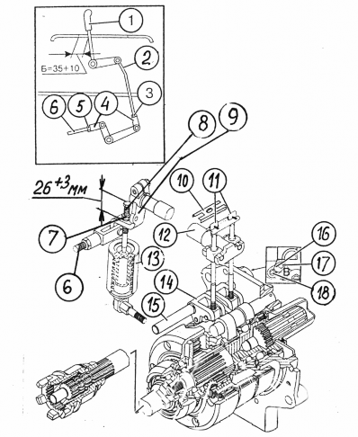
Регулировка механизма управления задним ВОМ

Рубрика — Вал отбора мощности

Техническое обслуживание заднего ВОМ заключается в своевременном регулировании механизма управления.

Необходимость регулировки может быть обусловлена:

  • а) упиранием рычага управления ВОМ в нижнюю кромку кабины, из-за чего может возникнуть аварийное буксование ВОМ.
  • б) увеличенным ходом рычага управления ВОМ.
  • в) возросшими усилиями при переводе рычага управления из положения «ВКЛ.» в положение «ВЫКЛ.».

Управление задним ВОМ

  • 1 — рычаг управления
  • 2 — регулировочная вилка
  • 3 — контргайка
  • 4 — тяга
  • 5 — стакан пружины
  • 6, 7 — монтажные болт и гайка
  • 8 — пружина
  • 9 — крышка стакана
  • 10 — контргайка
  • 11 — упорный болт
  • 12 — установочный болт (только для регулировки)
  • 13 — рычаг валика управления
  • 14 — валик управления
  • 15 — регулировочные винты

Регулировку управления задним ВОМ производите в следующей последовательности:

  1. Отпустите контргайку 10 (рис. выше) и заворачивайте упорный болт 11 до тех пор, пока возникнет возможность для стопорения крышки стакана 9 со стаканом пружины 5; заверните стопорный болт 6 до отказа.
  2. Выверните полностью из рычага 13 упорный болт 11 вместе с контргайкой 10, затем пружину в сборе (состоит из деталей 5-9) опустите вниз.
  3. Отсоедините тягу 4 от рычага управления 1.
  4. Совместите отверстие на рычаге 13 с резьбовым отверстием на корпусе заднего моста и зафиксируйте это положение рычага, завернув установочный болт 12 размером М10X60 мм.
  5. Обеспечьте свободный доступ к крышке 15 (см. рис. здесь) заднего моста и снимите ее.
  6. Заверните регулировочные винты 15 (рис. выше) до отказа; завертывайте их поочередно, прилагая момент 8-10 Н*м (0,8-1 кгс*м), затем отверните каждый винт на 3 оборота.
  7. Выверните установочный болт 12.
  8. Поверните вверх пружину в сборе и заверните упорный болт 11 в рычаг 13, направляя его конусную часть в углубление на торце крышки 9, до появления возможности легкого вращения монтажного болта 6.
  9. Выверните болт 6 настолько, чтобы обеспечить свободное перемещение стакана пружины 5 по отношению к крышке стакана 9.
  10. Надежно зафиксируйте болт 11 в рычаге 13, а болт 6 — в крышке стакана 9, затяните контргайку 10.
  11. Сворачивая или наворачивая вилку 2 на тягу 4, удлините или укоротите последнюю так, чтобы запас на регулировку «К», то есть расстояние от вилки тяги до нижней кромки кабины в положении рычага управления «ВКЛ.», составлял 45-50 мм.
  12. Окончательно соедините тягу 4 с рычагом 1 и установите на место снятые детали.

Предупреждение: сжатие пружины в сборе осуществлено усилием не менее 200 кгс (2000 Н). Для исключения травмирования при снятии или установке пружины производите надежную фиксацию крышки стакана относительно стакана пружины, для чего заворачивайте болт 6 в гайку 7 до упора в пружину или стопорите стакан с крышкой специальной струбциной.

Вчерашние тракторы — Произошла ошибка

Ой!

Произошла какая-то ошибка!

Пожалуйста, сообщите нам об этом, когда у вас будет время — мы постараемся решить проблему!

Попробуйте использовать одну из ссылок слева, чтобы найти страницу, на которой вы были
находясь в поиске.

Если ошибка произошла во время покупки, нажмите здесь, чтобы вернуться в магазин.

Продаем запчасти для тракторов!  У нас есть детали, необходимые для ремонта вашего трактора — нужные детали . Наши низкие цены и годы исследований делают нас вашим лучшим выбором, когда вам нужны запчасти. Интернет-магазин сегодня . [ О нас ]

Главная
| Форумы

Сегодняшняя избранная статья —
Воспоминания о ферме C Монти Брэдли . Когда я был ребенком, мои бабушка и дедушка жили на ферме, принадлежавшей мистеру Уолтерсу. Выращивались хлопок и соя, около сорока голов разнопородного скота. У мистера Уолтерса тогда было два трактора. Farmall 300 на бензине и Farmall C, который когда-то принадлежал его тестю и был переведен с бензина на сжиженный нефтяной газ. Много раз, когда я был маленьким мальчиком, я пересекал забор за домом, в котором жили мои бабушка и дедушка, и шел по поворотному ряду туда, где дедушка будет культивировать.
… [Читать статью]

Последнее объявление:
Ferguson TO20 хороший бегун хорошая резина Firestone передние почти новые. Рад и стартер восстановлены. цена 1750 звонки только СЗМО
[Дополнительные объявления]

Copyright © 1997-2023 Yesterday’s Tractor Co.

Все права защищены. Воспроизведение любой части этого веб-сайта, включая дизайн и содержание, без письменного разрешения строго запрещено. Товарные знаки и торговые наименования, содержащиеся и используемые на этом веб-сайте, принадлежат другим лицам и используются на этом веб-сайте в описательном смысле для обозначения продуктов других лиц. Использование этого веб-сайта означает принятие нашего Пользовательского соглашения и Политики конфиденциальности

ОТКАЗ ОТ ОТВЕТСТВЕННОСТИ ОТ ТОРГОВЫХ ЗНАКОВ: Товарные знаки и товарные знаки, упоминаемые в продуктах Yesterday’s Tractor Co. и на веб-сайтах Yesterday’s Tractor Co., являются собственностью соответствующих владельцев товарных знаков. Ни один из владельцев этих товарных знаков не связан с Yesterday’s Tractor Co., нашей продукцией или нашим веб-сайтом и не спонсируется ими. John Deere и его логотипы являются зарегистрированными товарными знаками корпорации John Deere. Agco, Agco Allis, White, Massey Ferguson и их логотипы являются зарегистрированными товарными знаками корпорации AGCO. Case, Case-IH, Farmall, International Harvester, New Holland и их логотипы являются зарегистрированными товарными знаками CNH Global N.V.

Тракторы вчерашнего дня — Старинный тракторный штаб

Политика доступности сайта

Насос с приводом от ВОМ трактора МТЗ-П 90-2/450 купить в категории BTS Engineering 90 1 7

По запросу

В наличии

$11 080,55

Только предзаказ

По запросу

Только предзаказ

$2 473,88

Только предзаказ

$2 341,87

Только предзаказ

$2 341,87

Только предзаказ

Применение: насос для орошения, полив, водоснабжение, ороситель, капельное орошение, пожаротушение, организация поения скота, подача удобрений, КАС, аммиачная вода.
Насос с приводом от вала отбора мощности (ВОМ) трактора МТЗ-П 90-2 с частотой вращения вала 450 об/мин является одним из самых надежных и популярных в сельском хозяйстве. Этот насос можно использовать для перекачивания различных жидкостей, начиная от чистой или слегка загрязненной воды и заканчивая смесями мочевины и аммиака. Такой насос можно использовать для наполнения емкостей, полива, распыления жидких удобрений и средств защиты растений.
Насос монтируется на задней навеске трактора и обеспечивает высоту подачи рабочей жидкости до 9 м.6 м. Привод насоса осуществляется от вала отбора мощности трактора через карданный вал. Учитывая, что ВОМ трактора имеет редуктор для регулировки частоты вращения рабочего колеса, производительность насоса может достигать 94 куб.м/час.
Насосы данного типа могут агрегатироваться на тракторы отечественного и импортного производства, такие как МТЗ, ЮМЗ, ХТЗ, Deutz-Fahr, John Deere, Case IH, Massey Ferguson, New Holland (США), Fendt, Claas (Германия) и др.

Типы автотранспортных предприятий: Типы автотранспортных предприятий

Типы автотранспортных предприятий

Типы автотранспортных предприятий

Предприятия автомобильного транспорта подразделяются на автотранспортные, автообслуживающие и авторемонтные.

Автотранспортные предприятия осуществляют перевозку грузов или пассажиров, а также все производственные функции по техническому обслуживанию, ремонту, хранению и снабжению подвижного состава.

По своему назначению АТП делятся на грузовые, пассажирские (легковые и автобусные), смешанные и специальные (скорой медицинской помощи, пожарные, коммунального обслуживания и т. п.).

Рекламные предложения на основе ваших интересов:

Дополнительные материалы по теме:

По организации производственной деятельности АТП подразделяются на: комплексные, осуществляющие транспортную работу, все виды технического обслуживания (ТО), текущего ремонта (TP) и хранение подвижного состава; кооперированные, деятельность которых осуществляется с учетом централизации транспортной работы, а также централизации (частичной или полной) работ ТО и ТР. Такие кооперированные предприятия — автокомбинаты на 700— 1600 единиц подвижного состава— состоят из основного предприятия и нескольких филиалов (на 150—200 единиц и более), расположенных на других территориях,—в районе обслуживания перевозками.

На основном предприятии выполняются наиболее трудоемкие и сложные виды технического обслуживания: второе техническое обслуживание (ТО-2), диагностирование и текущий ремонт (TP) всего подвижного состава, а также все виды технического обслуживания (ТО), TP и хранение той части подвижного состава, который базируется на основном предприятии. В филиалах, помимо хранения подвижного состава, выполняются техническое обслуживание в объеме ежедневного технического обслуживания (ЕО), первого технического обслуживания (ТО-1) и несложный текущий ремонт.

Размещение подобных кооперированных предприятий с филиалами способствуют приближению подвижного состава к потребителям, сокращению нулевых пробегов, а также ликвидации малоэффективных мелких предприятий.

К автообслуживающим предприятиям относятся базы централизованного обслуживания, станции технического обслуживания, гаражи-стоянки (гостиницы для автотуристов—мотели, кемпинги), пассажирские автостанции и автовокзалы, грузовые автостанции и топливозаправочные станции.

Базы централизованного технического обслуживания (БЦТО) предназначены для централизованного выполнения сложного вида технического обслуживания и крупного текущего ремонта подвижного состава, эксплуатируемого небольшими некомплексными АТП, расположенными вблизи БЦТО.

Размеры базы измеряются числом приписанных к ней автомобилей, которое должно примерно составлять 1000—2000 автомобилей. В зависимости от типа приписанного подвижного состава базы могут быть предназначены для грузовых автомобилей, автобусов и легковых автомобилей.

Станции технического обслуживания предназначены для обслуживания автомобилей индивидуальных владельцев, выполнения отдельных работ и всего объема (по видам) ТО и ремонта автомобилей, а также снабжения их запасными частями, принадлежностями и эксплуатационными материалами.

Они подразделяются на городские и придорожные.

Гаражи-стоянки (ГС) являются предприятиями для хранения автомобилей. Иногда на них выполняют техническое обслуживание автомобилей индивидуальных владельцев. К этому типу предприятий относятся автогостиницы (мотели) и кемпинги — гаражи-стоянки для временного хранения автомобилей туристов.

Пассажирские автостанции и автовокзалы предназначены для обслуживания междугородных и межрайонных автобусных и таксомоторных сообщений. Автостанции сооружают в городах, населенных пунктах, а также на отдельных участках дорог с относительно малой интенсивностью движения автобусов. Автовокзалы, как правило, сооружаются в крупных городах, где концентрируются конечные пункты междугородных автобусных сообщений.

Автовокзал представляет собой комплекс сооружений, обеспечивающих обслуживание пассажиров и автобусных бригад. Для пассажиров устраивают посадочные площадки, залы ожидания, билетные кассы, камеры хранения, буфеты, гостиницы, рестораны, комнаты матери и ребенка и другие бытовые помещения. Для автобусных бригад предусматривают комнаты отдыха и служебные помещения. На автовокзалах обслуживают и транзитных пассажиров по смешанным перевозкам (автобусы — железная дорога — водный транспорт). Автовокзалы делятся на классы в зависимости от их пропускной способности.

Грузовые автостанции предназначаются для сбора, хранения, комплектования и экспедирования грузов. Размер станций определяется грузооборотом и вместимостью складов.

Автозаправочные станции являются предприятиями по снабжению автомобилей эксплуатационными материалами, преимущественно топливом, а также маслами, консистентными смазками, антифризом, водой и иногда воздухом для шин.

АЗС подразделяют на городские и придорожные. Обычно АЗС специализируются по роду топлива: бензиновые, дизельные, газобаллонные.

Авторемонтные предприятия являются также специализированными предприятиями, производящими ремонт (восстановление) автомобилей и агрегатов. К ним относятся авторемонтные и агрегатно-ремонтные заводы, авторемонтные мастерские, шиноремонтные мастерские или заводы, аккумуляторные зарядно-ре-монтные станции и специализированные цехи. Специализированные цехи и мастерские выполняют ремонт узлов и механизмов автомобиля, а также окрасочные, кузовные и другие работы, обслуживая автоэксплуатационные предприятия в централизованном порядке.

Предприятия автомобильного транспорта подразделяются на автоэксплуатационные, автообслуживающие и авторемонтные.

Автоэксплуатационное предприятие (автохозяйство) осуществляет перевозку грузов пли пассажиров, а также все производственные функции по техническому обслуживанию, ремонту, хранению и снабжению подвижного состава. Наиболее распространенным типом автотранспортного предприятия является автохозяйство с количеством автомобилей 200—400 единиц.

В последнее время создаются централизованные автотранспортные предприятия (автокомбинаты) на 700—1000 единиц подвижного состава. Автокомбинат состоит из основного автохозяйства и нескольких филиалов (на 150—200 единиц), расположенных на других территориях — в районе обслуживания перевозками. В основном автохозяйстве выполняются наиболее трудоемкие и сложные виды технического обслуживания (ТО-2) и текущий ремонт всего подвижного состава, а также все виды технического обслуживания, ремонт и хранение той части подвижного состава, которая базируется в основном автохозяйстве. В филиалах производятся хранение подвижного состава, техническое обслуживание в объеме ЕО (или ЕО и ТО-1) и мелкий текущий ремонт.

Данный тип предприятий способствует ликвидации малоэффективных мелких хозяйств.

Наиболее распространенная схема производственного процесса автохозяйства приведена на рис. 1.

Автообслуживающее предприятие является специализированным автотранспортным предприятием, выполняющим лишь производственные функции по техническому обслуживанию и ремонту подвижного состава.

К автообслуживающим предприятиям относятся станции технического обслуживания, гаражи-стоянки (гостиницы для автотуристов— мотели, лагери для автотуристов — кемпинги), автозаправочные станции, пассажирские и грузовые станции.

Станции технического обслуживания выполняют как отдельные работы, так и весь объем (по видам) технического обслуживания, ремонта автомобилей и снабжение их запасными частями, принадлежностями и эксплуатационными материалами. По типу обслуживаемых автомобилей станции обслуживания подразделяют на грузовые, легковые и смешанные; по территориальному признаку — на городские, районные и дорожные.

Взаимоотношения с клиентурой на городских и районных станциях основаны на договорных обязательствах, а при разовых заездах работы оплачиваются по установленным тарифам.

Производственную мощность станций обслуживания оценивают количеством прикрепленных на постоянное обслуживание автомобилей, суточной производственной программой “по видам технического обслуживания и ремонта или числом рабочих постов.

Схема производственного процесса станции обслуживания показана на рис. 2. Из пункта приема автомобиль направляют на пост внешнего ухода, где его убирают и моют. Оттуда он возвращается клиенту через пункт приема и выдачи, либо направляется на посты технического обслуживания или ремонта. После обслуживания или ремонта автомобиль возвращается в начальный пункт для выдачи клиенту. По желанию клиента автомобиль может быть заправлен топливом.

Рис. 1. Схема производственного процесса в автохозяйстве

Рис. 2. Схема производственного процесса станции обслуживания

Гаражи-стоянки являются предприятиями по хранению автомобилей. Иногда они выполняют функции технического обслуживания и снабжения эксплуатационными материалами.

Гаражи-стоянки общего пользования предназначены преимущественно для хранения автомобилей индивидуальных владельцев. Такие стоянки могут быть домовыми, квартальными и районными, устраиваемыми в виде специальных зданий или открытых площадок. Стоянки этого типа строят для временного хранения автомобилей в местах большого их скопления и для разгрузки улиц и площадей города (например, у стадионов, вокзалов). к этому типу предприятий относятся автогостиницы (мотели) и кемпинги — гаражи-стоянки для временного хранения автомобилей туристов.

Автозаправочные станции (АЗС) являются предприятиями по снабжению автомобилей эксплуатационными материалами, топливом, маслами, консистентными смазками, водой, антифризом и иногда воздухом для шин.

Обычно станции специализируются по роду автомобильного топлива: бензиновые, дизельные, газобаллонные.

Авторемонтные предприятия являются также специализированными предприятиями, производящими ремонт (восстановление) автомобилей и агрегатов.

К ним относятся авторемонтные и агрегатно-ремонтные заводы, авторемонтные мастерские, шиноремонтные мастерские или заводы, аккумуляторные зарядно-ремонтные станции и специализированные цехи.

Специализированные мастерские и цехи выполняют ремонт узлов и механизмов автомобиля, а также окрасочные, кузовные и другие работы, обслуживая автохозяйства в централизованном порядке.

Типы автотранспортных предприятий и их производственные функции

Типы автотранспортных предприятий и их производственные функции

В зависимости от выполняемых функций автотранспортные предприятия делятся на две группы:
1) комплексные и 2) специализированные.

Комплексные автотранспортные предприятия (автобазы, автоколонны, легковые и автобусные парки) наряду с транспортной деятельностью осуществляют полностью или частично работы по заправке, хранению, материально-техническому снабжению, техническому обслуживанию и ремонту подвижного состава. Для этого они имеют гаражи-стоянки, бензо- и маслозаправоч-ные станции, материально-технические склады, профилактории и мастерские для технического обслуживания и ‘ремонта подвижного состава. В ряде случаев автотранспортные предприятия занимаются преимущественно перевозками грузов или пассажиров. Для выполнения работ по техническому обслуживанию и ремонту подвижного состава они пользуются услугами специализированных автотранспортных предприятий.

Специализированные автотранспортные предприятия выполняют определенный законченный комплекс работ по обслуживанию или ремонту подвижного состава автомобильного транспорта.

Рекламные предложения на основе ваших интересов:

Дополнительные материалы по теме:

К специализированным автотранспортным предприятиям относятся:
1) бензозаправочные станции;
2) станции технического обслуживания автомобилей;
3) авторемонтные заводы и мастерские;
4) гаражи-стоянки;
5) шиноремонтные заводы;
6) различные специализированные мастерские (вулканизационные, электротехнические, кузовные, аккумуляторные и др. ).

Бензозаправочные станции осуществляют заправку автомобилей топливом, маслом, консистентными смазками, водой, сжатым воздухом и антифризами. Производственная мощность бензозаправочных станций определяется количеством хранимых топливо-смазочных материалов, числом колонок и их производительностью.

Станции технического обслуживания автомобилей выполняют работы по техническому обслуживанию и ремонту автомобилей, а также по снабжению их различными принадлежностями и запасными частями. Иногда станции технического обслуживания выполняют также функции бензозаправочных станций. Они могут располагаться в городах или на автомагистралях, что в значительной степени определяет специфику их работы. Производственная мощность станции технического обслуживания определяется количеством машиномест или поточных линий для технического обслуживания и ремонта автомобилей или количеством обслуживаний, выполняемых в сутки.

Авторемонтные заводы и мастерские производят все необходимые работы по капитальному ремонту автомобилей или их агрегатов. Они могут также производить централизованную реставрацию деталей.

Гаражи-стоянки предназначены для хранения подвижного состава. В отдельных случаях они выполняют работы по заправке и техническому обслуживанию автомобилей.

Шиноремонтные заводы производят капитальный и текущий ремонты покрышек и камер.

Аккумуляторные мастерские выполняют работы по ремонту и зарядке аккумуляторов.

Электротехнические мастерские проверяют, ремонтируют и регулируют приборы электрического оборудования автомобилей.

Вулканизационные мастерские ремонтируют покрышки и камеры и накачивают шины воздухом.

Станции диагностики автомобилей.

Станции технического обслуживания автомобилей частных владельцев.

В связи с развитием централизованных перевозок и укрупнением автохозяйств возникли новые формы организации автотранспортных предприятий: автокомбинаты с филиалами-стоянками и центральные профилактории-мастерские. В первом случае крупное автотранспортное предприятие состоит из базового (головного) хозяйства, имеющего в своем составе центральные профилактории-мастерские для технического обслуживания и ремонта подвижного состава и филиалы-стоянки, осуществляющие перевозки грузов или пассажиров.

Во втором случае предприятие состоит из профилакториев-мастерских, обслуживающих самостоятельные хозрасчетные автотранспортные предприятия на договорных началах.

Степень специализации автотранспортных предприятий определяется конкретными условиями: расстоянием между ними, их производственной мощностью, типом подвижного состава и условиями перевозок. Во всех случаях целесообразно весь объем второго технического обслуживания и 70—75% объема работ по эксплуатационным ремонтам проводить в базовом хозяйстве или в центральных профилакториях-мастерских. При небольших расстояниях между филиалами-стоянками и базовым хозяйством (между хозрасчетными автотранспортными предприятиями и центральными профилакториями-мастерскими) рационально выполнять первое техническое обслуживание централизованно. В филиалах-стоянках и на хозрасчетных автотранспортных предприятиях целесообразна» выполнять ежедневное обслуживание и 25—30% объема эксплуатационного ремонта (работы по устранению мелких неисправностей, возникающих в процессе эксплуатации автомобиля и не требующих сложного оборудования, приборов и приспособлений).

Исследования, проведенные в ГосавтодорНИИ, показали, что для II категории условий эксплуатации предельные расстояния целесообразного транспортирования автомобилей на комплексное техническое обслуживание при выполнении его в базовом хозяйстве составляет: при выполнении ТО-1 — 12—14 км при выполнении ТО-2 — 60—70 км.

Предельное расстояние для I категории условий эксплуатации на 30% выше и для III категории на 25% ниже.

Развитие базовых хозяйств и центральных профилакториев-мастерских позволяет концентрировать материально-технические средства автохозяйства и создает предпосылки для внедрения новой техники, прогрессивной технологии и рациональной организации производства. Это влечет за собой значительное увеличение производительности труда и сокращения трудоемкости работ при повышении их качества, а также увеличения пропускной способности и продолжительности использования рабочих постов и оборудования.

Новая форма организации автотранспортных предприятий обеспечивает более эффективное использование производственных фондов и снижение себестоимости перевозок. Однако вопрос об оптимальной концентрации подвижного состава в хозяйствах нового типа и степени специализации его необходимо решать с учетом конкретных условий.

Инвестиции в транспортный сектор и транспортную отрасль

К

Адам Хейс

Полная биография

Адам Хейс, доктор философии, CFA, финансовый писатель с более чем 15-летним опытом работы на Уолл-стрит в качестве трейдера деривативов. Помимо своего обширного опыта торговли деривативами, Адам является экспертом в области экономики и поведенческих финансов. Адам получил степень магистра экономики в Новой школе социальных исследований и докторскую степень. из Университета Висконсин-Мэдисон по социологии. Он является обладателем сертификата CFA, а также лицензий FINRA Series 7, 55 и 63. В настоящее время он занимается исследованиями и преподает экономическую социологию и социальные исследования финансов в Еврейском университете в Иерусалиме.

Узнайте о нашем
редакционная политика

Обновлено 28 апреля 2021 г.

Рассмотрено

Гордон Скотт

Рассмотрено
Гордон Скотт

Полная биография

Гордон Скотт был активным инвестором и техническим аналитиком более 20 лет. Он дипломированный специалист по рынку (CMT).

Узнайте о нашем
Совет по финансовому обзору

Что такое транспортный сектор?

Транспортный сектор — это категория компаний, предоставляющих услуги по перемещению людей или товаров, а также транспортной инфраструктуры. Технически транспорт является подгруппой промышленного сектора в соответствии с Глобальным стандартом отраслевой классификации (GICS). Транспортный сектор состоит из нескольких отраслей, включая авиаперевозки и логистику, авиалинии, морской, автомобильный и железнодорожный транспорт, а также транспортную инфраструктуру. Эти отрасли далее разбиты на подотрасли: воздушные перевозки и логистика, авиалинии, морские перевозки, железные дороги, грузоперевозки, услуги аэропортов, автомобильные и железнодорожные пути, а также морские порты и услуги.

Ключевые выводы

  • Транспортный сектор является важной отраслью экономики, связанной с перемещением людей и товаров.
  • К ним относятся такие компании, как авиакомпании, автотранспортные, железнодорожные, судоходные и логистические фирмы, а также те, которые обеспечивают транспортную инфраструктуру.
  • Транспортный индекс Доу-Джонса (DJTA) был первым индексом фондового рынка США и до сих пор отслеживает 20 самых важных компаний в этом секторе.

Понимание транспортного сектора

Показатели деятельности компаний транспортной отрасли очень чувствительны к колебаниям доходов компаний и цен на транспортные услуги. Основные факторы, влияющие на прибыль компании, включают затраты на топливо, оплату труда, спрос на услуги, геополитические события и государственное регулирование. Многие из этих факторов взаимосвязаны. Например, если правительство США примет правила, усложняющие получение людьми водительских прав для коммерческого вождения, это сократит количество водителей, что повысит стоимость найма водителей.

Цены на нефть являются ключевым фактором для транспортировки, поскольку цена товара обычно влияет на транспортные расходы. Растущие цены на бензин и топливо увеличат расходы транспортной компании, уменьшат ее прибыль и потенциально снизят стоимость ее акций.

Затраты на энергию и стоимость транспортных запасов, безусловно, взаимосвязаны. Низкие затраты на электроэнергию могут стать фактором повышения стоимости акций различных транспортных компаний, но это влияние может быть и обратным. Когда спрос на транспортные услуги высок, это будет отражаться в ежеквартальных отчетах транспортных компаний. Распространение этой информации может побудить торговцев энергоносителями повышать цены на нефть и аналогичные товары. Однако если спрос на коммерческие перевозки упадет, эта информация может привести и к снижению цен на нефть.

Инвестиции в транспортный сектор

Вы можете инвестировать в компании, которые перевозят людей и товары, покупая акции отдельных транспортных компаний или через отраслевые взаимные фонды или биржевые фонды (ETF), которые специализируются на транспортном секторе. Транспортный сектор является одним из наиболее широко диверсифицированных промышленных компаний, представляющих авиакомпании, железные дороги, перевозчиков, оборудование и лизинговые акции, а также логистические компании. Фонды, которые отслеживают этот сектор, будут отслеживать эталонный отраслевой индекс, такой как DJTA.

Транспортный индекс Доу-Джонса

Транспортный индекс Доу-Джонса (DJTA) представляет собой средневзвешенное значение акций 20 транспортных компаний, торгуемых в США. DJTA, по сути, является старейшим фондовым индексом США, впервые составленным в 1884 году Чарльзом Доу, соучредителем Dow Jones & Company. Первоначально индекс состоял из девяти железнодорожных компаний, что свидетельствует об их доминировании в транспортном секторе США в конце 19-го и начале 20-го веков, и двух нежелезнодорожных компаний. Помимо железных дорог, в индекс теперь входят авиакомпании, автоперевозки, морские перевозки, службы доставки и логистические компании.

Тикер Компания
NYSE:

АЛК
Авиагруппа Аляски
Насдак:

ЧРВ
Ч. Х. Робинсон по всему миру
NYSE:

КСХ
Корпорация CSX
NYSE:

КНВ
Конвейер
NYSE:

ДАЛ
Дельта Эйр Лайнз
Насдак:

РАСШИР.
Expeditors International, Вашингтон
NYSE:

ФДС
Федерал Экспресс
NYSE:

по Гринвичу
ГАТХ
Насдак:

JBHT
JB Hunt Transport Services
Насдак:

ДжБЛУ
JetBlue Airways
NYSE:

КСУ
Южный Канзас-Сити
NYSE:

КЕХ
Кирби
Насдак:

ЛСТР
Система Landstar
NYSE:

МАТХ
Мэтсон
NYSE:

НСК
Норфолк Южный
NYSE:

Р
Система Райдера
NYSE:

ЛЮВ
Юго-Западные авиалинии
NYSE:

УНП
Юнион Пасифик
NYSE:

УАЛ
Юнайтед Континентал Холдингс
NYSE:

ИБП
Объединенная служба посылок

Транспортный индекс S&P Select

Кроме того, индекс S&P Transportation Select Industry обеспечивает вторичный ориентир для сектора.

Количество составляющих 42
Дата создания 18 июня 2006 г.
Максимальная рыночная капитализация 81 926,05
Минимальная рыночная капитализация 423,22
Средняя рыночная капитализация 8 861,79
Медианная рыночная капитализация 2 543,45

12 транспортных предприятий, которые вы можете начать прямо сейчас

В Начните свою собственную транспортную службу , сотрудники Entrepreneur Media объясняют, как вы можете запустить прибыльную транспортную услугу, хотите ли вы начать дальние перевозки или в городе услуга. В этом отредактированном отрывке авторы кратко обсуждают 12 способов начать работу в транспортной отрасли.

Ниже представлены многие из возможных видов транспортного бизнеса, которые вы могли бы начать. Все зависит от ваших личных интересов и навыков, которые вы хотите использовать в своем бизнесе.

1. Служба такси

Несмотря на первоначальные разногласия и заявления о недобросовестной конкуренции, Uber заявил о своих претензиях по всему миру — фактически в 400 городах и 65 странах. Привлекательность Uber как возможности для малого бизнеса заключается в том, что вы являетесь независимым подрядчиком и работаете по собственному графику. Чтобы зарегистрироваться в качестве водителя, перейдите на веб-сайт Uber и нажмите кнопку «Стать водителем». Короткий вопросник инициирует процесс.

Как водитель, вы используете свой собственный автомобиль, поэтому стартовые затраты относительно невелики. Uber берет на себя все финансовые аспекты поездки. Оплата водителю еженедельно. Как независимые подрядчики, водители сами берут на себя накладные расходы (газ, техническое обслуживание, страхование и т. д.). Веб-сайт финансовой аналитики SherpaShare сообщает, что водители Uber повсюду (кроме Нью-Йорка, где ставки самые высокие) зарабатывают от 8,80 до 11 долларов в час брутто без учета процента Uber.

2. Прокат велосипедов

Прокат велосипедов — процветающий бизнес в некоторых регионах. Две ключевые области, где аренда велосипедов является естественной, — это районы рекреационного туризма и города. В туристических районах вы можете разместиться рядом с большим отелем или курортом, где продолжительные каникулы создают постоянных клиентов. В этом виде бизнеса вам понадобится магазин, а также место для хранения всех ваших велосипедов напрокат.

Еще одна возможность проката велосипедов — это система совместного использования велосипедов, такая как Hubway в Бостоне. Велосипедные стоянки по всему городу позволяют водителям взять напрокат велосипед в одном месте, доехать до места назначения и оставить велосипед на стоянке рядом с пунктом назначения. Hubway предлагает годовое или ежемесячное членство или ежедневные абонементы. Возможно, ваш город готов к мини-версии этого бизнеса.

3. Лимузин-сервис

Вы можете заказать лимузин для знаменитостей или обычных людей. Здесь мы сосредоточимся на лимузинах для «обычных людей».

Всякий раз, когда кто-то доверяет вам управлять ими, важна чистая репутация. Но в случае личного лимузина, как правило, вы будете водить группу людей, которые не обращают внимания на то, куда вы едете или как вы едете, но наслаждаются поездкой. Водитель должен быть в высшей степени заслуживающим доверия, а транспортное средство должно быть безопасным и в хорошем состоянии.

Вы можете управлять лимузином самостоятельно, и ваш парк из одного лимузина будет относительно прост в обслуживании. Вы можете предоставить все услуги самостоятельно, от планирования до вождения. Если вы хотите расшириться, просто добавьте транспортные средства и водителей и продолжайте расширять свой маркетинг, чтобы поддерживать бизнес.

4. Автоперевозки владельца/оператора

Хотя международные грузоперевозки, в том числе в Канаду и Мексику, представляют собой огромный сектор автотранспортной отрасли, здесь мы сосредоточимся на грузоперевозках в пределах Соединенных Штатов. Базовый формат автотранспортного бизнеса — участие в торгах и выполнение контрактов. Согласно SBA, существует две основные формы работы, главное отличие которых заключается в том, как вы заставляете водителей выполнять эти контракты (или счета, если вы заключаете контракт на выполнение всех грузоперевозок для бизнеса):

1. Водители-субподрядчики . Водители, в данном случае, являются независимыми подрядчиками, которые, вероятно, владеют собственным оборудованием. Вы потратите свое время на две ключевые части координации: получение контрактов и счетов с производителями, которым нужны товары для перевозки, а затем поиск водителей, которые смогут выполнить эти контракты в срок. Преимущество заключается в более низких затратах: независимые подрядчики обычно не только имеют собственные транспортные средства, которые они сами обслуживают, но и страхуют их и себя. Страхование является огромным фактором затрат в транспортном бизнесе, поэтому очевидно, что это экономия. Однако вы также будете платить им более высокую комиссию, чем если бы вы платили своим водителям, что снижает прибыль. Настоящая сделка здесь может заключаться в меньшем количестве головной боли, если вы уверены в водителях, которых нанимаете.

2. Частные водители . В этом случае грузовики принадлежат вам, а водители работают на вас. Вы имеете полный контроль и сохраняете всю прибыль — и вы оплачиваете все расходы на сотрудников и оборудование, что означает более высокие затраты на запуск, а также более высокие эксплуатационные расходы. В то время как ваши водители будут к вашим услугам по счетам и контрактам, которые вы сохраните, давление будет зависеть от того, чтобы не было простоев, потому что вы платите за этих водителей и эти автомобили, независимо от того, используете вы их или нет.

Если координация и планирование являются вашими сильными сторонами, вы можете обнаружить, что создание вашего бизнеса с использованием водителей, работающих по контракту, является лучшим способом. Или, может быть, комбинация того и другого — управляемое количество водителей и размер вашего собственного автопарка с конюшней контрактных водителей, к которым можно обратиться, когда вы получите больше контрактов, чем вы можете обработать.

5. Бизнес по перевозке грузов

Начать небольшой бизнес по перевозке грузов относительно легко, а это также означает, что вы должны иметь в виду, что вы, вероятно, будете конкурировать со студентами колледжа, которые используют арендованный грузовик с закрытым кузовом. Ваша козырная карта будет заключаться в том, что вы профессионально настроите и будете вести свой бизнес, возможно, предлагая дополнительные услуги, такие как место для временного хранения между перемещениями.

Начальные расходы включают в себя покупку одного или нескольких грузовиков различных размеров, которые подходят для планируемых вами перевозок. И, конечно же, вам понадобится место для их парковки.

Вам понадобится по крайней мере один сотрудник — вы не сможете поднять этот диван в одиночку! И вам нужно будет обучить этого сотрудника упаковке, процедурам переезда, взаимодействию с клиентами, правильному поведению в доме клиента и т. д., чтобы ваша профессиональная репутация не пострадала.

6. Специальные перевозки

Специализируясь на особом виде необычных перевозок — очень крупных предметов, таких как детали самолетов, модульные дома, охлажденные скоропортящиеся продукты, кровь или человеческие органы — можно обеспечить неплохой доход. У вас, скорее всего, будет меньше клиентов, но вы сможете взимать более высокую плату за свой опыт или выгоду от специализации. В зависимости от того, где вы находитесь (например, медицинский транспортный бизнес в центре Бостона, где есть множество крупных медицинских учреждений, а не в маленьком городке на юге Индианы), будет зависеть, можете ли вы заниматься этим бизнесом самостоятельно или вам нужны сотрудники.

7. Перевозка скота

Хотя вам не нужны какие-либо специальные лицензии на перевозку личных лошадей для клиентов, если только вы не садитесь в коммерческий транспорт, перевозящий много животных, вам обязательно понадобится опыт работы с лошадьми или крупным рогатым скотом, чтобы потенциальные клиенты могли доверяйте своей способности перевозить своих животных, и вам необходимо ознакомиться с правилами перевозки скота для пересечения государственных границ.

Хотя владелец скота будет нести ответственность за то, чтобы его животное было готово к транспортировке в конечный пункт назначения, вы должны знать правила содержания скота в любом штате, в который вы собираетесь въехать. В большинстве штатов есть как минимум минимальные требования к определенным инфекционным тестам (включая медицинский осмотр) и / или вакцинации для въезда в их штат.

Не оставляйте владельцам лошадей или крупного рогатого скота знание этих правил; в то время как они могут быть теми, кто выстраивается в очередь и платит ветеринару, который будет делать эти тесты, вы должны быть хорошо осведомлены, чтобы дать им совет. В ваших интересах убедиться, что у них есть надлежащие документы, которые вы должны предъявить в конечном пункте назначения или в любом другом месте по пути, если это необходимо.

Чтобы убедиться, что поездка для животного пройдет гладко, вам нужно хорошо разбираться в домашнем скоте или нанять кого-то, кто действительно хорошо разбирается в транспортировке. Имейте в виду, что если вы перевозите животное на какое-то расстояние и вам нужно переночевать, вам придется несколько раз садить и высаживать животное из прицепа. И вам нужно не только знать, как обращаться с вещами в дороге — хитрости, чтобы напоить лошадь во время путешествия и помочь избежать колик, как обработать или перевязать рану, если это необходимо, — вы также должны знать основы за рулем осторожно во время буксировки живого животного. Получение лицензии ветеринарного техника или привлечение сертифицированного ветеринарного техника может быть полезным и даст вам преимущество в привлечении клиентов и похвалы из уст в уста.

8. Лодки

Перевозка лодок — еще один специализированный бизнес, который может быть прибыльным и интересным, если вы находитесь в морской зоне. Имейте в виду, что это будет сезонный бизнес, и он будет очень загружен в течение сезона до и после лодок, поскольку каждый захочет, чтобы его лодка была спущена на воду или выведена из воды в одни и те же общие сроки.

Вам нужно решить, какие лодки вы хотите перевозить. Скоростной катер для озера требует совсем другого прицепа, чем большой парусник с мачтой и килем. Хотя перевозка моторных лодок, вероятно, будет более крупным бизнесом, многие владельцы лодок могут делать это сами. Но если вы сохраните разумные цены и прославитесь тем, что очень хорошо заботитесь о лодках, которые вы перевозите, вы все равно можете найти людей, нанимающих вас, чтобы позаботиться об этом за них. Владельцы моторных лодок, скорее всего, найдут место для их хранения во дворе, но если вы можете предоставить крытое хранилище, вы можете получить дополнительный компонент для своего бизнеса. Вы также можете добавить услугу упаковки лодки перед хранением.

Начальное финансирование лодочного транспорта скромно, но, возможно, на удивление выше, чем вы думаете, особенно учитывая стоимость пикапов. Вам понадобится грузовик подходящего размера и, возможно, два или три прицепа разного размера. Также важно страхование ответственности, которое покрывает лодки, которые вы перевозите, и возможности того, что может произойти, когда вы буксируете вещи. Этот вариант хранения является хорошим аспектом расширения бизнеса по перевозке лодок.

9. Воздушный транспорт

Воздушный транспорт, будь то самолет или вертолет, требует значительных первоначальных затрат на оборудование, лицензирование (для себя и/или сотрудников) и страхование. Небольшой самолет может перевозить товары или людей, таких как охотники или лыжники, направляющиеся на отдаленные территории, доставлять товары или почту на острова или даже перевозить грузы на международном уровне.

Если вы планируете совершать международные доставка, так как перемещение товаров по воздуху зависит от скорости.

10. Морские перевозки

Морские перевозки — это огромный бизнес. Это также огромный бизнес, чтобы начать. Морские перевозки часто осуществляются танкерами, загруженными контейнерами, которые снимаются с прицепа 18-колесного транспортного средства и укладываются на лодку, что обычно связано с международным импортом / экспортом и требует знания таможенных правил в целом и для конкретных товаров. Если вы опытный планировщик и координатор, возможно, это бизнес для вас. Но, как и в случае с воздушным транспортом, будьте готовы к большому количеству исследований, планированию и потребности в значительных стартовых ресурсах.

11. Медицинский транспорт

Медицинский транспорт является важным бизнесом в транспортной арене. Есть несколько способов сфокусировать этот бизнес. Некоторым требуется не более чем обычный автомобиль, водительские права и солидный водительский стаж. Вы можете сосредоточиться на перевозке пожилых людей на прием к врачу в местном масштабе или, если вы живете в районе, который находится на некотором расстоянии от города, вы можете сосредоточиться на доставке людей на большие расстояния на прием к специалистам в больницах мирового класса.

Если у вас есть лицензия EMT, другие медицинские документы или вы хотите их получить, вы можете начать бизнес, заключающий контракты с больницами на доставку госпитализированных пациентов в другие медицинские учреждения для специализированного лечения; для этого также потребуется специальное оборудование, такое как доставка кислорода, и, возможно, транспортное средство, которое может перевозить пациента в инвалидном кресле.

Буровой агрегат: Буровая установка — Что такое Буровая установка?

Буровые установки — завод МОЗБТ

    УРБ 2А-М6

  • Глубина бурения: до 300 метров
  • Шасси (привод): Гусеничное
  • Крутящий момент (Нм): 4 000

Купить

    УРБ 2А-2

  • Глубина бурения: до 300 метров
  • Шасси (привод): Колесное, гусеничное
  • Крутящий момент (Нм): 2010

Купить

    МОЗБТ М6

  • Глубина бурения: до 300 метров
  • Шасси (привод): Колесный ход
  • Крутящий момент (Нм): 5500

Купить

    УРБ 2-Д3

  • Глубина бурения: до 300 метров
  • Шасси (привод): КАМАЗ, УРАЛ
  • Крутящий момент (Нм): 4 000

Купить

    УРБ 4Т

  • Глубина бурения: до 300 метров
  • Шасси (привод): Гусеничное
  • Крутящий момент (Нм): 2010

Купить

    МОЗБТ М4

  • Глубина бурения: до 100 метров
  • Шасси (привод): Гусеничный ход
  • Крутящий момент (Нм): 2400

Купить

    МОЗБТ М2

  • Глубина бурения: до 50 метров
  • Шасси (привод): УАЗ 330365
  • Крутящий момент (Нм): 2000

Купить

    МОЗБТ М3

  • Глубина бурения: до 25 метров
  • Шасси (привод): Гусеничное
  • Крутящий момент (Нм): 6000

Купить

    МОЗБТ М20

  • Глубина бурения: до 500 метров
  • Шасси (привод): Тягач МАЗ 5440-А5
  • Крутящий момент (Нм): 10000

Купить

    УРБ 2А-2М

  • Глубина бурения: до 300 метров
  • Шасси (привод): Колесное, гусеничное
  • Крутящий момент (Нм): 2010

Купить

    МОЗБТ М1

  • Глубина бурения: до 60 метров
  • Шасси (привод): Прицеп легковой 1-осный
  • Крутящий момент (Нм): 500

Купить

    МОЗБТ УБШМ 1-13М

  • Глубина бурения: до 30 метров
  • Шасси (привод): Сани
  • Крутящий момент (Нм): 2400

Купить

    УРБ 4Т — МТЛБу

  • Глубина бурения: до 300 метров
  • Шасси (привод): Гусеничный трактор
  • Крутящий момент (Нм): 2010

Купить

Буровая установка — области применения

Буровая техника используются при создании разведывательных скважин для проведения геологоразведочных работ и инженерно-геологических изысканий; при бурении эксплуатационных скважин для разработки и эксплуатации недр: нефти, газа; в строительстве, для скважин под свайные фундаменты. Но, наиболее широко буровая установка используется в области бурения скважин на воду.

Буровой комплекс представляет собой механизмы и машины, собранные на базе самоходного или прицепного механизма, на колесном или гусеничном ходу. Область применения конкретной модели напрямую зависит от набора оборудования в ней, например:

  • шнеки применяются для работы на мягких грунтах;
    при проходке сложных грунтов применяется алмазный инструмент, а также насос или компрессор, для промывки или продувки скважины;
  • для бурения на труднодоступных участках, установка помещается на мобильную базу на гусеничном ходу;

Сколько стоит буровая установка?

На заводе МОЗБТ можно купить буровые установки как в одной из стандартных комплектаций, так и по спецзаказу, в индивидуальной комплектации. Кроме того для каждой единицы техники изготавливается набор инструмента и запасных частей в соответствии с требованиями заказчика и предполагаемыми условиями применения: тип грунта, глубина бурения, климатическая зона и пр. В результате вы можете купить комплекс, изготовленный «под ключ» и полностью готовый к эксплуатации. Цена оборудования в этом случае зависит от комплектации и набора дополнительных опций и рассчитывается индивидуально.

Как купить буровую установку?

Буровая установка производства МОЗБТ имеет несомненное преимущество перед аналогами от других производителей в том, что каждая единица комплектуется продуманным набором запасных частей для выполнения быстрого ремонта в полевых условиях. Это обеспечивает длительную эксплуатацию без отрыва от производственного процесса на конкретном объекте.

Предложенные цены на установки для бурения скважин очень конкурентоспособны, техника производства МОЗБТ надежна, проста в эксплуатации и обслуживании и эффективна. Благодаря длительному сроку службы вам не придется скоро задумываться об обновлении производственного парка. Это подтверждено сотнями компаний, использующих ее на территории нашей страны и ближнего зарубежья. Наши цены на буровую технику соответствуют их качеству и делают ее незаменимой для тех, кто в своей работе эффективность и надежность во всем предпочитает быстрой выгоде.

Производство буровых установок

Буровые установки для бурения скважин на воду УРБ 2А2 и линейка собственных специализированных буровых установок серии МОЗБТ

Буровое оборудование

Широкий ассортимент продукции – буровой инструмент, запасные части, обсадные трубы и расходные материалы для бурения скважин

Сервис

Профессиональный сервис буровых работ — это снабжение всем необходимым для выполнения работ на конкретной скважине точно в срок

Буровые установки — инструмент, запчасти, расходные материалы, обсадные трубы

Выбор инструмента для работы — непростая задача для любого мастера, поскольку от него в большой степени зависит качество работы. Буровая установка — главный инструмент для работы компании. Буровые организации решают эту задачу каждый раз, выбирая поставщика и производителя оборудования. Поскольку в этом сегменте рынка существует большая конкуренция, среди компаний, ведущих продажу. Можно найти делового партнера, максимально соответствующего вашим требованиям. Компания МОЗБТ занимает лидирующие позиции, среди производителей оборудования и расходных материалов для бурения, благодаря высоким стандартам качества, которых придерживается наша команда на протяжении 15 лет своей деятельности.

Тысячи клиентов выбирают МОЗБТ, ведь на это есть веские причины:

  • Мы предлагаем все необходимое для работы: инструмент, запчасти, расходные материалы, обсадные трубы и главное — собственно саму технику.
  • Мы поставляем оборудование собственного производства, среди которого особенной популярностью пользуются такие модели, как УРБ 2а2 и малогабаритная буровая установка МОЗБТ М4.
  • На наших производственных площадках также могут быть изготовлены детали по индивидуальному заказу.
  • Наши партнеры могут купить буровые установки для скважин, цена которых соответствует заводской.
  • Поблизости от вашей компании есть представительство МОЗБТ.
  • Гарантийное и послегарантийное обслуживание — показатель качества нашей продукции.
  • Индивидуальный подход к каждому клиенту позволяет снабдить вас всем необходимым для работы на конкретном объекте.

Компания «МОЗБТ» выпускает большую линейку буровых установок для скважин. Все буровые можно купить в нашем интернет магазине. Основая продукция представленная на нашем сайте это буровые установки УРБ 2а2 и малогабаритная установка МОЗБТ М1. Также наш завод предлагает различное буровое оборудование для обслуживания любых буровых установок на воду.

29июль

Буровая установка БА-15В Урал 4320

Производство онлайн
Спецтехника нашего производства
Лизинг и субсидии
Новинки спецтехники
Видеоролики

8-800-333-74-74
звонок бесплатный

+7 (351) 211-59-56 (доб. 111)
отдел запчастей




Производство онлайн



Видеоролики



Фотогалерея




Краны-манипуляторы АНТ



Прицепная техника




Нефтепромысловая спецтехника




Капитальный ремонт навесного оборудования



ДОПОГ



Одобрения типа транспортного средства ОТТС

  • Главная
  • Каталог
  • Буровая спецтехника
  • Буровые установки
  • Буровая установка БА-15В Урал 4320-1912-60Е5

Показать все модели категории «Буровые установки»

Скрыть список моделей


Код модели: 20766

Цена: Договорная

Окончательная стоимость складывается из стоимости техники, необходимых доработок и стоимости доставки

Шасси Урал 4320

Показать все модификации Буровая установка БА-15В Урал 4320-1912-60Е5 в наличии

Скрыть наличие

Показать еще фото

Скрыть фото


Показать еще фото узлов и агрегатов

Скрыть фото узлов и агрегатов


Почему стоит купить Буровая установка БА-15В Урал 4320-1912-60Е5 у нас?

Технология покраски на нашем производстве


Двигатель ЯМЗ 65674
Тип двигателяЧетырехтактный дизель
Количество и расположение цилиндров6, V-образное
Рабочий объём цилиндров, см311150
Степень сжатия17,5±0,5
Максимальная мощность, кВт167,5 (230 л. с.)
Максимальный крутящий момент, Н*м879
ТопливоДизельное
Технические характеристики и комплектация роторной буровой установки БА-15 на шасси Урал 4320

Допускаемая нагрузка на крюке (оснастка 2×3)

196 кН (20 тс)

Условная глубина бурения

  • при диаметре труб 60,3; 63,5 мм – 1000 м
  • при диаметре труб 73 мм – 500 м
  • при диаметре труб 89 мм – 300 м

Диаметр бурения конечный (рекомендуемый)

  • при диаметре труб 60, 3; 63,5 мм – 93 мм
  • при диаметре труб 73; 89 мм – 190,5 мм

Длина бурильной свечи

12 м

Силовой привод бурового блока

Ходовой дизель шасси с КПП

Ротор (механизм вращения)

Р410

Диаметр проходного отверстия стола ротора

410 мм

Частота вращения бурового снаряда

  • минимальная – 0,38 с-1 (23 об/мин)
  • максимальная – 4,22 с-1 (253 об/мин)

Наибольший момент силы

7840 Н/м

Лебедка

Один барабан

Тяговое усилие буровой барабан

51 кН (5,2 тс)

Скорость подъема бурового снаряда (инструмента) буровой барабан

0,14-1,53 м/с

Буровой насос НБ-50

  • идеальная подача – 40 м3/ч (11 дм3/с)
  • наибольшее давление на выходе – 6,2 МПа (63 кгс/см2)
  • мощность насоса – 50 кВт

Мачта

Вертикальная, двухсекционная, с открытой передней гранью, со складывающейся верхней секцией

Способ подъема и опускания

гидродомкратами двойного действия

Высота

18,6 м

Свободное пространство от стола ротора до кронблока

15,5 м

Вертлюг

  • диаметр проходного отверстия – 60 мм
  • статическая нагрузка – 196 кН (20 тс)

Аварийное освещение от аккумуляторов автомобиля, напряжение

24 В

Аварийное освещение от аккумуляторов автомобиля, напряжение

24 В

Средства механизации

  • приспособление для развинчивания бурильных труб ротором
  • грузоподъемное устройство для ремонтных работ

Пневматический привод управления основными механизмами

Основной – компрессор автомобиля

Привод гидравлики

НШ 50

Габаритные размеры блока бурового в транспортном положении

  • длина – 10010 мм
  • ширина – 2500 мм
  • высота – 3750 мм

 

 

Буровой агрегат БА-15 предназначен для бурения скважин различного назначения (при соответствующей комплектации инструментом) роторным способом в породах мягкой и средней твердости с прямой промывкой забоя.

  • Буровой блок
  • Коробка отбора мощности
  • Коробка передач
  • Лебедка
  • Ротор
  • Насос буровой
  • Вертлюг
  • Блок талевый
  • Мачта
  • Гидравлическая система
  • Гидродомкрат подъема мачты
  • Пневмосистема
  • Электрическая система
  • Аутригер рамы
  • Устройство грузоподъёмное
  • Механизм развинчивания ротором бурильных труб диаметром 60,3 мм
  • Механизм развинчивания ротором бурильных труб диаметром 73 мм
  • Приспособление для выноса штанги
  • Элеватор для бурильных труб
  • Механизм для бурения шурфа
  • Страховое устройство

Буровая установка УРБ-2А2 Урал 5557-1112-40

6х6, 228 л.с., глубина бурения до 300 м, буровой насос ГУ-НБ-50, бурильная труба 4700 мм – 55 шт.


Буровая установка УРБ-2Д3 Урал-NEXT 4320-6952-72Е5Г38

6х6, 273 л. с., коробка передач ЯМЗ-1105, бурение шнеками/с промывкой/пневмоударное, глубина бурения 50-300 м, буровой насос НБ-50


Буровая установка УРБ-2А2 Камаз 43118-3027-50

6х6, 300 л.с., глубина бурения до 300 м, компрессор КВ 12/12С, насос аварийный, ручной, диаметр бурения шнеками 135 мм


Буровая установка УРБ-3А3М Урал 4320-1912-60Е5

6х6, 228 л.с., гидрофицированная, глубина бурения 600-800 м, буровой насос НБ-50

наземных буровых установок | NOV

Предлагая мощность, точность и дизайн мирового класса, наши системы наземных буровых установок дают вам преимущество в самых сложных современных условиях бурения.

Конфигурируемые высокотехнологичные буровые установки

Гибкость в полевых условиях имеет решающее значение. Вот почему наши буровые установки разработаны с учетом универсальности и надежности, чтобы обеспечить превосходную производительность даже в самых сложных и непредсказуемых условиях бурения. Наш портфель буровых установок, предлагающий множество инновационных конструкций, ориентирован на оптимизацию ваших буровых работ. Нужны ли вам буровые установки для пустыни или вы ведете бурение в Арктике, выбирая NOV, вы получаете поддержку лидера отрасли с более чем 170-летним опытом бурения. Мы интегрируем наши передовые технологии, такие как система рефлекторного бурения NOVOS, с буровым оборудованием, чтобы обеспечить масштабируемое управление, мониторинг и оптимизацию буровых работ на вашем флоте. Использование NOVOS позволяет вашим бурильщикам сосредоточиться на самом важном, а не на рутинных повторяющихся задачах, что делает каждого бурильщика лучшим бурильщиком.

Технические характеристики буровой установки

Буровая модель лошадиных сил Емкость крюка Тип мачты Тип основания Вместимость понижения
Идеальная установка переменного тока 1500 л. с. 375 тонн Консоль (прямая нога) Рогатка-цилиндр 500 000 фунтов
Идеальная бокс-риг 1500 л.с. 375 тонн Консоль (прямая нога) Коробка на коробке 500 000 фунтов
Идеальная основная установка

1500 л.с. 375 тонн Консоль (прямая нога) Рогатка-цилиндр 575000 фунтов
Идеальная буровая установка 2000 2000 л. с. 500 тонн Консоль (прямая нога) Рогатка-цилиндр 780 000 фунтов
Дрейк Риг 1000 л.с. 250 тонн Консоль (прямая нога) Рогатка-цилиндр 350 000 фунтов
Быстрая установка 1000 л.с. 250 тонн Телескопический Рогатка-цилиндр Н/Д
Вертикальная наклонная установка 700 л. с. 100 или 150 тонн Телескопический Поворотный, коробка в коробке Н/Д
Умная коробка 1500 л.с. 250 тонн Одиночные игры диапазона III Коробка в коробке Н/Д
Шовная буровая установка 2000 2000 л.с. 500 тонн консольный Рогатка-лебедка 500 000 фунтов
Европейская буровая установка 2000 2000 л. с. 350 тонн консольный Рогатка-лебедка 600 000 фунтов
ME 2000 буровая установка 2000 л.с. 500 тонн консольный Рогатка-цилиндр 800 000 фунтов
ME 3000 буровая установка 3000 л.с. 777,5 тонн консольный Рогатка-лебедка 1 000 000 фунтов
Пустынная установка от 1000 до 3000 л. с. от 250 до 750 тонн Телескопический или консольный Рогатка-цилиндр/лебедка/лебедка от 250 000 до 700 000 фунтов
Арктическая установка от 700 до 2000 л.с. от 250 до 500 тонн Телескопический или консольный Рогатка-цилиндр/лебедка от 250 000 до 600 000 фунтов
Хели Риг 1000 л.с. 250 тонн консольный Рогатка-цилиндр/лебедка/лебедка Н/Д
  • Портфель наземных буровых установок

    Комплексное предложение всех наших комплектов и конструкций для наземных буровых установок

  • Каталог буровых установок AC Ideal

    Наш самый производительный набор наземных буровых установок для бурения по всему миру

  • Справочное руководство по береговым буровым установкам

    Технический обзор нашего ассортимента оборудования для береговых буровых установок

  • Справочное руководство по морским буровым установкам

    Технический обзор нашего ассортимента оборудования для морских буровых установок

  • Брошюра системы бурения NOVOS Reflexive

    Автоматизация повторяющихся задач, позволяющая бурильщику сосредоточиться на последовательном выполнении процесса и безопасности

  • Каталог буровых установок Ideal Prime

    Наша новейшая конструкция для большей мощности, крутящего момента и более продолжительного бокового бурения

  • Брошюра о буровой установке Rapid

  • Листовка по быстрой реактивации буровой установки

    Избегайте простоев, повторно активируя простаивающую буровую установку

  • Брошюра по модернизациям наземных буровых установок

    Брошюра с описанием доступных модернизаций для наземных буровых установок

  • Ближний Восток Каталог буровых установок переменного тока мощностью 2000 л. с.

  • Land Rig Upgrades Преобразование постоянного тока в переменный, брошюра

Буровая установка AC Ideal land на монтажной площадке

Арктическая буровая установка для суровых условий с полностью модульными компонентами

Буровая установка мощностью 2000 л.с. для Ближнего Востока готова к бурению в жаркую погоду

Сопутствующие товары

Мобильные буровые установки

Улучшите свои возможности для выполнения операций в полевых условиях, заканчивания и обычных или нестандартных…

Системы управления бурением и автоматизация буровых установок

Ведущие в отрасли системы автоматизации буровых установок, наши системы управления органично интегрируют буровое оборудование,…

«; targetDiv. outerHTML = targetDiv.outerHTML + newHTML;}

  • типов мобильных буровых установок

    ByBikram Singh
    Морской

    ПБУ или мобильная морская буровая установка — это термин для обозначения плавучих буровых установок, таких как полупогружные, самоподъемные буровые установки и т. д.

    Океаны предоставили нам большую часть ископаемого топлива, и они все еще продолжают это делать. На протяжении десятилетий нефтяные компании постоянно следят за наличием запасов по всему миру.

    Когда запасы суши истощались из-за постоянной выкапывания и бурения, постоянно растущий спрос на нефть и газ приходилось распространять на богатые ресурсами океаны.

    Морское бурение и разработка платформ со временем поставили миллиарды тонн природных ресурсов на мировые рынки. Подводное бурение и связанные с ним работы считаются сложными в эксплуатации и требуют больших финансовых затрат.

    В этой статье мы попытаемся вкратце объяснить, что входит в бурение нефтяных скважин в море и как гигантские буровые установки и вспомогательные платформы сделали сверхглубоководные ресурсы доступными для мировых рынков.

    Обнаружение морских нефтяных и газовых резервуаров и использование ПБУ

    Чтобы выбрать участок с потенциальным нефтегазоносным потенциалом, геологи и ученые-геологи прокладывают себе путь в и вокруг информации, собранной на участках с возможные залежи нефти или газа.

    Исследовательские суда с системами динамического позиционирования или без них нанимаются для сейсморазведки. Эти морские суда оснащены сложным оборудованием, машинами и лабораториями, которые могут сканировать морское дно, чтобы понять горные образования и обнаружить природные ресурсы, лежащие под ними.

    Изображение только для целей представления; Кредиты: maerskoil.com

    Звуковые волны отправляются, принимаются и декодируются с современного исследовательского судна, чтобы предоставить ученым и геологам объемные 3D-изображения для анализа и обнаружения потенциальных залежей нефти и природного газа, скрытых между пористыми породами под водой.

    Приобретение участка

    После того, как участок определен и выбран, границы исследуются и выделяются местным руководящим органом по энергетике и ресурсам. Проводятся исследования воздействия на окружающую среду. После определения потенциальных энергетических площадок нефтяные компании затем приглашаются на аукционы по развязанным блокам и просят подать свои заявки на конкретный блок. Естественно, тот, кто предложит самую высокую цену, получает право на бурение.

    Технологии бурения

    После того, как потенциальные энергетические блоки будут юридически очищены, нефтяные компании продолжают свои инвестиции, используя мобильные буровые установки, которые временно приобретаются и могут перемещаться на другие участки. Постоянные конструкции, такие как нефтяные и газовые платформы, устанавливаются, если место оказывается энергетически богатым.

    Типы морских морских буровых установок или ПБУ

    Передвижные морские буровые установки (ПБУ) классифицируются по ряду конструкций, а именно:

    1. Буровые баржи

    В основном используются для бурения на мелководье в условиях спокойной воды. Буровое оборудование размещается на палубах барж и буксируется на площадку буксирами. Якоря удерживают баржи в положении, в котором должно проводиться бурение.

    2. Самоподъемные буровые установки

    Эти автономные буровые конструкции так же хороши, как и буровые баржи, за исключением того, что эти массивные конструкции размещаются на площадке путем опускания и укоренения их трех или четырех гигантских опор на морское дно.

    Самоподъемная установка XLE; Только для ионных целей; Кредиты: maerskdrilling.com

    Затем баржи поднимаются над водой, и они более устойчивы, чем плавучие буровые установки, и могут бурить до 100 метров. Подробнее о самоподъемных буровых установках читайте здесь.

    3. Погружные буровые установки

    Эти буровые установки основаны на понтонах, что позволяет использовать водяной балласт и дебалластировать для позиционирования, закрепления и повторного всплытия массивной конструкции. На палубе платформы размещается все необходимое буровое оборудование, аналогичное буровым баржам и самоподъемным буровым установкам.

    Единственным заметным изменением в этих конструкциях является то, что буровые и производственные сооружения опираются на сваи, поднятые на некоторую высоту над понтонами. Их операции ограничены мелководьем из-за их погружной конструкции.

    4. Полупогружные буровые установки 

    Полупогружная буровая установка – это мобильная морская буровая установка, более известная как MODU, которая предназначена для морского бурения в сверхглубоких водах нефтегазоносных районов по всему миру. . Они частично погружаются в воду во время буровых работ и обычно пришвартовываются к морскому дну якорями.

    Это технически продвинутые буровые установки, предназначенные для размещения платформ или палуб, содержащих тяжелую технику и дорогостоящее буровое оборудование, и поддерживаемые колоннами для поддержки и устойчивости в коварных водах. Эта конструкция частичного погружения платформы в воду в первую очередь задумана из соображений стабильности и выбрана по той же самой причине вместо буровых установок другого высокопроизводительного типа, известных как буровые суда.

    5. Буровые суда

    Эти суда имеют преимущества перед другими буровыми установками, такими как полупогружные, благодаря возможности бурения на сверхглубокой воде и легкой мобильности. В основном это морские суда, модифицированные для бурения скважин на нефтяных и газовых месторождениях. Они адаптированы для предоставления комплексных решений для морского бурения клиентам по всему миру. Они оснащены исчерпывающими системами швартовки и позиционирования и способны перемещаться от одной скважины к другой без посторонней помощи.

    Изображение только для целей представления; Кредиты: maerskdrilling.com

    оснащены дорогим оборудованием и буровым оборудованием, которые аналогичны тем, которые установлены на любой другой буровой установке. Поскольку они должны работать в сверхглубоководных районах на глубине до 3000 метров, все припасы и оборудование обслуживаются морскими рабочими катерами. Буровые суда имеют буровую палубу и оборудованы лунным бассейном и в чем-то схожи по конструкции с другими буровыми установками. Буровое оборудование, проходящее через лунный бассейн, соединяется с «подводной скважиной» через «стояк» (который в некоторой степени является гибким).

    В следующей статье мы узнаем о различных типах постоянных морских нефтегазодобывающих сооружений или платформ, используемых для морского бурения.

    Вы также можете прочитать – Сейсморазведочное судно: основные характеристики и оборудование

    Об авторе

    Бикрам Пал Сингх – профессиональный моряк и блогер. Он много плавал, работая на различных нефтяных танкерах и морских судах. В настоящее время старший помощник, он любит читать и составлять заметки о критических судовых операциях и психологии экипажа. В свободное от плавания время любит пешие походы, страстный искатель приключений и сертифицированный дайвер.

    К126П карбюратор: Карбюратор К126П

    Карбюратор к126п | Festima.Ru — Мониторинг объявлений

    Автозапчасти

    Таблица

    Список

    Лента

    продаю карбюратор к126п лежит в гараже уже много лет в рабочем состоянии .

    Мы нашли это объявление 2 года назад

    Нажмите Следить и система автоматически будет уведомлять Вас о новых предложениях со всех досок объявлений

    Перейти к объявлению

    Тип жалобы
    ДругоеНарушение авторских правЗапрещенная информацияОбъявление неактульноПорнографияСпам

    Комментарий

    Показать оригинал

    Еще объявления

    Карбюратор к126н. Для автомобиля москвич

    Автозапчасти

    7 месяцев назад

    Источник

    Продам б/у карбюратор К 126.

    Автозапчасти

    10 месяцев назад

    Источник

    Карбюратор с корпусом воздушного фильтра(кастрюлей) К126Н от москвича 412. Полностью исправный в очень хорошем состоянии. Продаю так как поставили солекс.

    Автозапчасти

    11 месяцев назад

    Источник

    Заберёте в течении 2 дней отдам за 700

    Автозапчасти

    год назад

    Источник

    Полостью исправный

    Автозапчасти

    год назад

    Источник

    Стоял на машине лет 10 назад.

    Автозапчасти

    год назад

    Источник

    в рабочем состоянии

    Автозапчасти

    2 года назад

    Источник

    Целый и рабочий.

    Автозапчасти

    2 года назад

    Источник

    Можно сказать новый ,из запасов ,проездил очень мало.

    Автозапчасти

    2 года назад

    Источник

    найдено в гараже

    Автозапчасти

    2 года назад

    Источник

    карбюратор новый на зил

    Автозапчасти

    2 года назад

    Источник

    Продам карбюратор. Состояние хорошее.

    Автозапчасти

    2 года назад

    Источник

    Карбюратор к126н

    Автозапчасти

    2 года назад

    Источник

    отломано крепление тяги подсоса

    Автозапчасти

    2 года назад

    Источник

    Продам 2 карбюратора под переборку Долго лежали в гараже Цена за каждый

    Автозапчасти

    2 года назад

    Источник

    Состояние на фото, все крутиться и шевелиться=)

    Автозапчасти

    2 года назад

    Источник

    Карбюратор к-126 на волгу

    Автозапчасти

    2 года назад

    Источник

    Карбюратор в полном порядке

    Автозапчасти

    2 года назад

    Источник

    Покупал себе на Москвич 412, успел проехать меньше месяца (если не изменяет память, то б/у всего пару недель), дальше несколько лет лежал на балконе, состояние отличное.

    Автозапчасти

    2 года назад

    Источник

    Карбюратор к126 снят с рабочей машины

    Автозапчасти

    2 года назад

    Источник

    Внимание! Festima.Ru является поисковиком по объявлениям с популярных площадок.
    Мы не производим реализацию товара, не храним изображения и персональные данные.
    Все изображения принадлежат их авторам
    Отказ от ответственности

    Детали карбюратора для АЗЛК МОСКВИЧ 412

    Детали карбюратора для АЗЛК МОСКВИЧ 412

    Главная страница > Отечественные автомобили > АЗЛК > Москвич 412 > Детали карбюратора

    Номер

    Наименование

    123-0-1107225

    Поршень ускорительного насоса в сборе

    900507-1

    Болт

    900507-1

    Болт

    906509

    Воздушный жиклер системы холостого хода, левый

    К126Н-1107100

    Корпус смесительных камер в сборе

    К126Н-1107200

    Корпус поплавковой камеры в сборе

    К126Н-1107201

    Корпус поплавковой камеры

    К126Н-1107203

    Главный топливный жиклер второй камеры левый

    К126Н-1107300

    Крышка поплавковой камеры в сборе

    К126Н-1107301

    Крышка поплавковой камеры

    К126П-1107331

    Игольчатый клапан подачи топлива

    К126П-1107332

    Корпус клапана

    К126П-1107333

    Пружина клапана

    К23-55

    Зажим кронштейна тяги воздушной заслонки

    К25А-1107228

    Гайка установочная штока поршня

    К44М-1107221

    Пробка фильтра

    Шплинт разводной

    Шплинт разводной

    Шплинт разводной

    Шплинт разводной

    Шплинт разводной

    Шплинт разводной

    Шплинт разводной

    Шплинт разводной

    901019-0

    Шайба 3,1

    901019-0

    Шайба 3,1

    К126П-1107321

    Пружина клапана воздушной заслонки

    К126П-1107321

    Пружина клапана воздушной заслонки

    123-0-1107326

    Ось клапана воздушной заслонки

    К126П-1107371

    Воздушная заслонка

    К126П-1107377

    Клапан воздушной заслонки

    К126П-1107377

    Клапан воздушной заслонки

    К59-1107325

    Сетка фильтра в сборе

    451306

    Прокладка уплотнительная

    К126Н-1107340

    Крышка поплавковой камеры с распылителем в сборе

    Шайба пружинная

    Шайба пружинная

    Шайба пружинная

    Шайба пружинная

    900426-1

    Винт крепления крышки

    900402-1

    Винт крепления крышки

    451305

    Прокладка

    К126-П07330

    Клапан подачи топлива в сборе

    114-0-1107304

    Ось поплавка

    К126-1107320

    Поплавок в сборе

    К126-1107308

    Пружина оси воздушной заслонки

    К126-1107309

    Пружина оси привода воздушной заслонки

    900201-1

    Винт

    900201-1

    Винт

    900201-1

    Винт

    К23-70

    Втулка оси привода воздушной заслонки

    К126П-1107315

    Рычаг привода воздушной заслонки в сборе

    Шайба

    Шайба

    К126-1107310

    Ось воздушной заслонки в сборе

    900409-1

    Винт М5,2х18

    900413-1

    Винт крепления кронштейна к крышке поплавковой камеры

    Шайба пружинная

    Шайба пружинная

    Шайба пружинная

    Шайба пружинная

    К59-1107302

    Кронштейн тяги воздушной заслонки

    К126Н-1107017

    Прокладка смесительных камер

    К126Н-1107014

    Прокладка смесительных камер

    К126Н-1107016

    Диффузор второй камеры левый

    К126Н-1107250

    Корпус поплавковой камеры с втулкой в сборе

    Шайба пружинная

    Шайба пружинная

    Шайба пружинная

    Шайба пружинная

    Шайба пружинная

    Шайба пружинная

    К28-Б-1107025

    Болт соединения камер

    К21-1107244

    Обратный клапан (шарик)

    К126-1107204

    Кольцо стопорное

    К21-1107218

    Нагнетательный клапан

    К126-И07012

    Прокладка поплавковой камеры

    К126-1107209

    Прокладка распылителя

    К126Н-1107208

    Распылитель

    900205-1

    Винт крепления распылителя

    К126П-1107246

    Винт топливопроводящий

    К126Н-1107230

    Топливный жиклер системы холостого хода в сборе, левый

    К126Н-1107210

    Привод ускорительного насоса в сборе

    К126Н-1107242

    Жиклер воздушный главной топливной системы

    К126П-П07205

    Топливный жиклер системы холостого хода в сборе, правый

    К126-1107227

    Прокладка смотрового стекла, уплотнительная

    К126-1107225

    Смотровое стекло

    К126-1107228

    Прокладка смотрового стекла, уилотнитвльная

    К37-49

    Гайка смотрового стекла

    К126Н-1107202

    Главный топливный жиклер первой камеры правый

    451513

    Пробка М10х1

    451305

    Прокладка

    901048-0

    Шайба стальная

    К126П-1107011

    Тяга малых оборотов

    451502

    Пробка резьбовая

    451502

    Пробка резьбовая

    451304

    Прокладка клапана экономайзера

    609508

    Воздушный жиклер системы холостого хода, правый

    К126П-1107247

    Пробка сливного отверстия

    451303

    Прокладка пробки

    К126Н-1107131

    Втулка рычага

    К126Б-1107226

    Эмульсионная трубка

    К126П-1107236

    Пружина привода ускорительного насоса, отжимная

    К59-П07430

    Клапан экономайзера в сборе

    451304

    Прокладка клапана экономайзера

    К126-1107224

    Диффузор малый

    К126Н-1107013

    Диффузор первой камеры правый

    К126Н-1107125

    Ось дроссельной заслонки с рычагоми роликом в сборе, левая

    К126П-1107122

    Заслонка дроссельная, левая

    К126П-1107136

    Шайба специальная

    900403-1

    Винт М3,2х7

    900802-0

    Гайка М8

    К126-1107106

    Шайба стопорная

    К126-1107112

    Рычаг оси дроссельной заслонки

    900407-1

    Винт крепления крышки

    К126П-1107104

    Крышка корпуса смесительных камер

    К126-1107118

    Пружина правой оси дроссельной заслонки

    К126Н-1107108

    Втулка оси

    901013-0

    Шайба

    К126-1107103

    Винт регулировки состава смеси холостого хода

    907106-0

    Пружина

    901013-0

    Шайба

    901015-0

    Шайба 8,2х0,5

    901015-0

    Шайба 8,2х0,5

    901015-0

    Шайба 8,2х0,5

    901015-0

    Шайба 8,2х0,5

    К126П-1107046

    Серьга привода ускорительного насоса

    К126Н-1107129

    Рычаг привода ускорительного насоса

    К126-1107107

    Шайба

    900803-0

    Гайка крепления осей дроссельных заслонок

    900803-0

    Гайка крепления осей дроссельных заслонок

    901048-0

    Шайба стальная

    К126П-1107114

    Рычаг привода ускорительного насоса

    К126-1107131

    Винт регулировки количества смеси холостого хода

    907106-0

    Пружина

    К126Н-1107101

    Корпус смесительных камер

    К126Н-1107109

    Заслонка дроссельная второй камеры правая

    К126Н-1107110

    Ось дроссельной заслонки с поводком в сборе, правая

    901016-0

    Шайба 8,2

    901016-0

    Шайба 8,2

    К126Н-1107113

    Кулиса

    К126Н-1107105

    Пружина правой оси дроссельной заслонки

    К126-1107116

    Рычаг малых оборотов

    Вернуться к группам запчастей

    • Иностранные автомобили
    • Отечественные автомобили
    • Грузовые автомобили
    • Автобусы
    • Сельхозтехника
    • Специальная техника
    • Двигатели и запчасти
    Вход в личный кабинет

    • Восстановить забытый пароль
    • Регистрация нового аккаунта
  • Рыбинск
  • Товар добавлен в корзину!

    Перейти в корзину

    Продолжить покупки

    Фотография

    Ремкомплект карбюратора К126 ГУ К-126ГУ-1107980 к а/м УАЗ-469

    Ремкомплект карбюратора К-126 ГУ автомобиля УАЗ-3151 и его модификаций

    Отзывы клиентов (0)

    Добавить отзыв

    Качество обслуживанияОтличноХорошоНормальноПлохоУжасно

    Удобство использования веб-сайтаОтличноХорошоНормальноПлохоУжасно

    Качество товараОтличноеХорошееНормальноПлохоеУжасно

    ДоставкаОтличноХорошоНормальноПлохоУжасно

    Загрузить

    КАТЕГОРИЯ

    • показать все автозапчасти
    • Body 18
    • Пол тела 6
    • Информация о этаже 6
    • Body 5
    • Вентиляция CABIN UAZ 2
    • AWNIN0022
    • Передняя и задняя дверная окна 2
    • Ронд и задняя шарнир и уплотнения 1
    • Вентиляция и нагревание 1
    • ДВИГАТЕЛЬ 28
    • ДВИГАТЕЛЬ 22121292ARDINDER 2292IRDIND
    • Головка блока цилиндров 1
    • Коленчатый вал и маховик 1
    • Распределительный вал 1
    • Фильтр тонкой очистки смазочного масла 1
    • Engine Mounting  1
    • Crankshaft and flywheel  1
    • FUEL SYSTEM  12
    • Gas tank  2
    • Gas tank sump  1
    • Gas pump  2
    • Carburettor  3
    • Педаль акселератора и дроссельная заслонка 1
    • Воздушный фильтр 1
    • Карбюратор K131 1
    • Фильтр грубой очистки топлива 1 1
    • 0021
    • Burnt gases exhaust system  2
    • Muffler  2
    • COOLING SYSTEM  4
    • Radiator  3
    • Water pump  1
    • Transmission  22
    • Clutch  5
    • Сцепление 1
    • Привод выключения сцепления 4
    • Трансмиссия 7
    • Трансмиссия 6
    • Механизм регулировки скорости 1
    • Transfer case  4
    • Transfer case  4
    • Front axle  3
    • Front driving axle  2
    • steering knuckles UAZ 469  1
    • Rear axle  3
    • ЗАДНЯЯ ОСЬ  3
    • Ходовая часть  9
    • Рама, бамперы и брызговики двигателя  2
    • Бампер передний  1
    • 9 Устройство крыла0020 1

    • Suspension  4
    • Front springs  2
    • Front Suspension Shock Absorbers  1
    • Rear Suspension Shock Absorbers  1
    • Front axle  1
    • Tie rods  1
    • Колеса 2
    • Управление
      механизмы 12
    • Рулевое управление 3
    • РУЛЕВОЕ 3
    • 4 Тормоза

    • Мастер -тормозной цилиндр 1
    • Рука (Propshaft) Тормоз 1
    • Колесные тормоза 2
    • 9028.
      оборудование 18

    • Электрооборудование 17
    • Генератор 1
    • Блок управления напряжением 1
    • 5 Аккумулятор0020 1

    • Induction coil  2
    • Distributor  1
    • Headlamps  2
    • Cowl lamp  1
    • Rear lamp  1
    • Сonnecting electrical wires  2
    • Electric devices  5 Приборы и датчики0021
    • Repair kits  5
    • Window  6
    • Window, assy  2
    • Wiper  4
    • Parts on request
    • documentation

    Бесплатная служба автоматизированного анализа вредоносного ПО на основе Falcon Sandbox

    Этот веб-сайт использует файлы cookie для улучшения вашего просмотра. Обратите внимание, что, продолжая использовать этот сайт, вы соглашаетесь с условиями нашей Политики защиты данных.

    JVC_53668.vbs

    Этот отчет создан на основе файла или URL-адреса, отправленного этой веб-службе 18 октября 2019 г. в 17:56:30 (UTC)
    Отчет создан
    Falcon Sandbox v8.30 © Гибридный анализ

    Обзор Образец недоступен

    Повторный анализ
    Хэш, который вы видели раньше Показать похожие образцы

    Сообщить о ложном срабатывании

    Запросить удаление отчета

    Дополнительный контекст

    Связанные артефакты песочницы

    Связанные SHA256
    fea9b834f7912bdc6fd24d88b42b056f9c95914e7d5935587ea75b26029c9258

    Индикаторы

    Сведения о файле


    Все детали:

    JVC_53668.

    vbs

    Имя файла
    JVC_53668.vbs
    Размер
    3,7 МБ (3843970 байт)
    Тип
    скрипт vbs
    Описание
    Текст ASCII с очень длинными строками
    Архитектура

    WINDOWS
    SHA256

    f894030285d5a577bf970692c2e7096137460802348ee71b5198497c2d603ce1
    MD5

    663EE1828387053EFB3AD92F9B6F5410
    SHA1

    51A9E03057717276D19A19070498208208208208208208207EEL

    82072048208208208208207eep820720498208208208208208208207EEL0304EEL0305050505717276D1907207204982082082082082047ee.

    49152:aJyPAcjOf8ZlijYca9tnhBKUFHaZZ3/nMFebHMSBar88NROEGs+inrJWpIiTcoUN:/

    Извлеченные файлы

    Значимые файлы не извлечены.

    Организация монтажных работ: 15. Организация монтажных работ.

    Основные принципы организации монтажных работ и состав проекта

    Основные принципы организации монтажных работ и состав проекта

    Основными принципами строительно-монтажных работ являются:
    1) индустриальность методов строительства;
    2) комплексная механизация всех строительных процессов и в первую очередь трудоемких и тяжелых работ;
    3) ведение работ скоростными и поточно-скоростными методами;
    4) социалистическая организация труда на строительстве;
    5) круглогодичность строительства;
    6) применение высшей техники в строительстве;
    7) применение крупноблочного метода монтажа конструкции.

    Индустриализация строительства стала законом для передовых строек. XIX съезд Коммунистической партии Советского Союза в Директивах по. пятому пятилетнему плану развития СССР на 1951—1955 годы обязал «Широко внедрять индустриальные методы строительства» и «обеспечить дальнейшее развитие строительной индустрии на основе укрепления и расширения существующих строительных организаций, а также создать новые строительные организации в районах крупного строительства».

    Монтаж строительных конструкций из элементов, изготовленных на заводах, представляет собой именно тот метод строительства, который лучше всего обеспечивает дальнейшее развитие строительной индустрии.

    Рекламные предложения на основе ваших интересов:

    Дополнительные материалы по теме:

    Механизация лишь отдельных процессов не отвечает возросшим потребностям современного строительства. В настоящее время завершение механизации основных строительных работ и обеспечение перехода от механизации отдельных процессов к комплексной механизации должны быть законом для каждого строительства. Эта задача также наилучшим образом решается путем перехода к монтажу элементов и деталей, изготовленных индустриальным способом.

    Основными принципами скоростного строительства являются совмещение по времени выполнения смежных строительных процессов, а также монтажа заводского оборудования, и вынесение заготовительных процессов за пределы строительной площадки — на предприятия с прогрессивной технологией. Следовательно, этот принцип также вызывает необходимость широкого перехода от общестроительных работ к монтажу строительных конструкций.

    Социалистические методы организации труда в итоге направлены на облегчение трудовых процессов и на создание такой объективной обстановки на строительной площадке, которая обеспечивала бы рост производительности труда, установленный пятым пятилетним планом в размере 55%. Эта задача может быть решена лучше всего путем широкого внедрения в строительство монтажа строительных конструкций.

    Монтаж строительных конструкций из готовых элементов как наиболее передовой метод строительства вполне отвечает и принципу круглогодичности строительства и принципу внедрения высшей передовой техники.

    Следовательно, монтаж строительных конструкций является тем наиболее прогрессивным методом ведения строительства, который всесторонне отвечает принципам социалистического строительства, установленным в СССР.

    Для обеспечения дальнейшего развития монтажных работ и механизации погрузочно-разгрузочных работ XIX съезд КПСС принял решение об увеличении выпуска передвижных кранов в 4—5 раз. В недалеком будущем строительства получат значительное количество усовершенствованных моделей монтажных кранов, которые создадут предпосылку для еще большего внедрения передовой техники монтажа, чем это удалось достигнуть строителям в течение четырех сталинских пятилеток.

    Таким образом, в предстоящем периоде в проектах организации работ следует предусматривать возможно более широкое применение выпускаемого заводами СССР кранового оборудования. Проектировщики не должны останавливаться перед тем, чтобы проектировать в случае надобности новые монтажные краны в соответствии с теми требованиями, которые предъявляются прогрессивными методами монтажных работ.

    На строительствах наряду с монтажными процессами выполняются также общестроительные и санитарно-технические работы, а также монтаж заводского оборудования. Составление проекта организации монтажа строительных конструкций является только составной частью общего комплекса работ по проектированию объекта. Поэтому решение вопросов организации монтажных работ должно приниматься с учетом решения общих вопросов организации строительной площадки, включая монтаж заводского оборудования. Это особенно важно потому, что на строительстве некоторых промышленных сооружений (тепловых электростанций, заводов химической промышленности, нефтяной промышленности и т. п.) монтаж заводского оборудования и монтаж строительных конструкций полностью совмещаются во времени, что необходимо учитывать при выборе «етодов монтажных работ и кранового оборудования.

    Задачей проекта организации монтажных работ является плановое решение комплекса вопросов монтажа; подготовки монтажной площадки, предварительной сборки отправочных элементов в монтажные, устройства складов, транспортирования элементов к монтажному крану и, наконец, подъема их в проектное положение с закреплением после необходимой выверки. Эти рабочие процессы тесно связаны как между собой, так и со смежными строительными процессами и монтажем заводского оборудования, что также должно найти отражение в проекте организации монтажных работ.

    В соответствии с основными принципами организации монтажа в состав проекта организации монтажных работ входит:
    1) определение объемов монтажных работ по элементам конструкций;
    2) выбор методов монтажа и типов монтажного оборудования с технико-экономическим сравнением различных вариантов, учетом заданных сроков окончания монтажа, вычерчиванием схем подъема и установки основных элементов и увязкой монтажных процессов со смежными;
    3) разработка строительного генерального плана с учетом решения всего комплекса строительно монтажных работ на площадке;
    4) расчет потребности в крановом оборудовании, такелаже, инвентаре, инструментах и приспособлениях;
    5) разработка дополнительных технических условий на изготовление конструкций, назначение методов их укрупнительн>й сборки и хранение монтажных элементов с составлением графика поступления конструкций на площадку;
    6) подсчет потребного количества рабочих для монтажных и транспортных процессов в соответствии с выбранными методами работ и составление календарного графика монтажа элементов конструкций;
    7) определение объемов подготовительных работ и составление календарного графика их производства;
    8) детальное проектирование методов строповки конструкций, усиления их на время монтажа, проектирование специальных монтажных механизмов и приспособлений, методов выверки, способов заделки стыков и т. п.;
    9) разработка рабочих чертежей подмостей, вопросы техники безопасности;
    10) решение вопросов .энергоснабжения и водоснабжения в увязке с общим проектом организации строительно-монтажных работ на площадке.

    Перечисленные вопросы организации работ тесно связаны между собой. Например, подсчет объемов работ производится с учетом методов подъема, укрупнения, временного крепления конструкций и т. д. Назначение метода монтажа и выбор монтажного механизма определяют выбор схем установки монтажных механизмов и последовательность монтажных операций по сборке и установке конструкций.



    Читать далее: Проектирование организации монтажа стальных конструкций и составление монтажных технологических карт

    Технологические основы монтажа промышленного оборудовани

    Технологические основы монтажа промышленного оборудовани

    • org/ListItem»>Главная
    • Блог
    • Технологические основы монтажа промышленного оборудовани

    06 ноября 2020

    Монтаж промышленного оборудования – это комплекс работ, объединяющий сборку, установку и подключение различных видов техники. Мастера могут монтировать как отдельные установки, так и полноценные технологические линии, проводить пуско-наладку и последующее обслуживание.

    Важно, чтобы монтаж и эксплуатация промышленного оборудования проводились специалистами. Неосторожный подход может привести к поломке техники или снятию официальной гарантии.

    Весь цикл выполняется техниками-монтажниками. Это специалисты, понимающие особенности работы разных типов техники. Они хорошо разбираются в решении задач, связанных с электрикой, защитой от коррозии, проверкой фундамента на месте установки. На объект отправляется бригада под руководством прораба. Каждый специалист выполняет профильный набор задач, что позволяет значительно ускорить процесс.

     

    Основные технологические процессы и этапы по организации монтажа

    При установке сложных или массивных приборов важно предварительно оценить фронт работ. Специалисты тестируют фундамент, при необходимости могут создать ровное основание с нуля. В ряде случаев требуется провести в помещении перестановку, устранить неполадки электрики или других подключаемых инженерных систем.

    После того как все проверено и подготовлено, начинается непосредственный процесс установки:

    • Оборудование доставляется на место размещения. Также монтажники работают с уже доставленными на место станками.
    • Проверка техники. Оценивается наличие всех деталей, указанных в комплектации.
    • Распаковка. Процесс может занять достаточно много времени, потому что некоторые промышленные установки требуют предварительного снятия консервирующих смазок и нанесение новые. Также может потребоваться осмотр узлов и деталей, а также их дополнительная смазка.
    • Сборка. Некоторые разновидности техники могут быть доставлены по частям. В таком случае они собираются по инструкции.
    • Перемещение на место установки. Достаточно сложная задача, потому что часто приходится иметь дело с тяжелыми и хрупкими механизмами.
    • Подключение и проверка. Состав услуги может отличаться в зависимости от того, с какой техникой приходится работать. Так, может потребоваться смазать механизм, заправить в него масло, хладагент и другие технические жидкости. Также проводится подключение ко всем коммуникациям в зависимости от особенности работы.


    Если процесс построен правильно, можно завершить все задачи за один рабочий день. Технологический процесс может меняться в зависимости от того, с какой аппаратурой приходится работать.


    Документация для проведения работ

    Монтаж и обслуживание промышленного оборудования должны выполняться в соответствии с имеющейся документацией. Должны быть подготовлены технические, нормативные, технологические, проектно-сметные, производственные исполнительные документы. Набор бумаг меняется в зависимости от специфики задач.

    Монтажникам нужно передать все, что получено клиентом от производителя. Это могут быть сборочные и установочные чертежи, паспорта и заводские ТУ, спецификации, акты пробной сборки и испытаний.

    Большое значение имеет предоставление инструкций. Они могут затрагивать следующие виды работ:

    • сборка;
    • сварка;
    • испытание.

    В ряде случаев могут быть запрошены упаковочные листы и сертификаты, идущие в комплекте с поставкой, графики и схемы строповки.

    Особенности организации работ

    К выполнению задачи готовятся заранее. Может потребоваться вызвать на место специалистов для оценки сложности и составления плана выполнения работ. Назначается время прибытия бригады, подписываются договора. 

    В указанный день специалисты прибывают на место и начинают работать. За ходом процесса следит прораб. Он контролирует соблюдение техники безопасности, графика, контактирует с заказчиком и отвечает на интересующие его вопросы.

    Как проходит подготовка

    Правильная подготовка к монтажу и ремонту промышленного оборудования – это весомая часть успеха всей операции. В рамках подготовительного процесса могут решаться следующие задачи:

    1. Запрашивается вся необходимая документация, перечисленная выше. 
    2. Оформляются заказы на поставку необходимых дополнительных материалов – от трубопроводов и проводов до закладных элементов, бетона и многого другого.
    3. Проверка сметы. С заказчиком согласуются все траты, указываются дополнительные особенности.
    4. Уточняется объем работ и составляется план, по которому они будут проходить.
    5. Исполнителям передается документация.
    6. Оборудование принимается на установку, проводится проверка комплектности и соответствия состояния требованиям.
    7. Осматривается место, проводится подготовка фундамента, выравнивается место под размещение, проверяется состояние подключаемых инженерных коммуникаций.

    Задачи выполняются по договору бригадного подряда. Может быть необходима организация геодезической службы.

    Организация безопасности и общие требования к выполнению задачи

    На объекте обязательно должна работать бригада специалистов, хорошо разбирающаяся во всех особенностях оборудования. Есть несколько правил техники безопасности:

    • Весь персонал должен быть оснащен средствами индивидуальной защиты, в ряде случаев – касками и респираторами.
    • При выполнении задач на открытом воздухе скорость ветра не должна превышать 15 м/с.
    • Запрещается работать в местах с наледью до ее удаления. Среди других ограничений – гроза и сильный туман.
    • Если требуется подъем и монтаж на нескольких уровнях, скорость ветра не должна превышать отметку 10 м/с.

    Также внимание должно уделяться электропроводке. Нельзя монтировать технику рядом с неизолированными проводами, неисправными инженерными коммуникациями.

     

    Тема 4: Этап установки | NIRN

    Новые программы или методы еще не поставляются на этапе установки. Скорее, это когда необходимые организационные и личные компетенции устанавливаются для обеспечения успешного внедрения выбранной инновации. После принятия решения о внедрении новой практики или инновации есть задачи, которые необходимо выполнить до того, как действительно начнутся изменения в практике. Эти действия отражают стадию установки внедрения. Действия на этапе установки создают инфраструктуру и вносят необходимые инструментальные изменения.

    Группы внедрения

    На этапе установки группы внедрения активно наращивают собственный потенциал для поддержки внедрения выбранных инноваций. Они сотрудничают с разработчиками программ, внешними консультантами и посредническими организациями, чтобы убедиться, что они обладают компетенциями, необходимыми для поддержки и поддержания внедрения на уровне персонала, а также на уровне организации. На этом этапе группы реализации работают вместе, чтобы обеспечить наличие ресурсов, необходимых для запуска проекта, включая разработку инфраструктуры реализации.

    Руководители организаций часто думают об инновациях как о «подключи и работай» и удивляются необходимости подготовки и ресурсов. Многие попытки использовать доказательные программы заканчиваются на стадии установки, когда становится очевидной нехватка ресурсов. Группы внедрения помогают организациям предвидеть эти потребности и помогают им подготовиться к следующему этапу.

    Группы внедрения активно разрабатывают поддержку, необходимую для запуска новой практики и ее использования по назначению. Команды обеспечивают необходимую организационную поддержку (например, финансирование, кадровые стратегии, новые политики и процедуры, материалы). Они создают механизмы направления, рамки отчетности и ожидаемые результаты. И что важно, они создают и устанавливают поддержку, необходимую для повышения уверенности и уверенности персонала (например, обучение, коучинг, системы данных). Все это является частью создания нового сайта, сообщества, организационного климата и культуры.

    Пригодные для использования инновации

    Перед внедрением выбранной практики или программы важно иметь четкое определение программы. Достаточно подробное определение инновации позволяет организации обучить персонал и администраторов ее точному внедрению; тиражировать его на всех сайтах; и наблюдать и измерять использование инноваций.

    Подробную информацию см. в Уроке 3: Практические профили в Центре ИИ

    Драйверы внедрения

    Подбор персонала, определение источников для обучения и коучинга, проведение начального обучения персонала, поиск или создание инструментов оценки верности, поиск офисных помещений, обеспечение доступа к материалам и оборудованию и т. д. относятся к числу ресурсов, которые должны быть на месте, прежде чем работа может быть выполнена эффективно (Fixsen et al. 2005; Saldana et al., 2012). На этапе установки группы внедрения работают вместе, чтобы обеспечить доступность этих ресурсов, включая разработку инфраструктуры внедрения своей организации. Эти мероприятия и связанные с ними «затраты на запуск» (которые могут увеличить расходы на первый год) являются необходимыми первыми шагами для начала внедрения любой новой практики или инновации.

    «Все организации [и системы] намеренно или невольно созданы для достижения именно тех результатов, которые они получают». (Дорогая, 2005).
    С точки зрения реализации мы знаем, что успешное и устойчивое внедрение программ, основанных на фактических данных, всегда требует изменений в организации и системах. Часть работы, необходимой для продвижения этого изменения, включает в себя подбор и/или перепрофилирование персонала, планирование собраний команды, согласование политик и процедур, закупку оборудования, поиск места и повышение квалификации тех, кто вносит изменения в штат. Любая из этих работ, которую можно выполнить до этапа начальной реализации, впоследствии уменьшит количество потенциальных проблем.

    Выберите первых практикующих

    Кто имеет право проводить доказательную практику или программу? Этап установки включает определение конкретных поведенческих характеристик, необходимых для выполнения работы, а затем разработку методов найма и отбора специалистов-практиков с такими характеристиками и необходимыми предварительными знаниями и/или навыками. На любом уровне организации должно быть принято решение о том, «кто пойдет первым»: какие сайты, сотрудники какой организации, какая региональная группа внедрения, какие эксперты по контенту и специалисты-практики обладают наибольшим потенциалом или, по крайней мере, могут быть быстро разработаны? Тщательное рассмотрение и взаимный отбор на этом этапе уменьшит потенциальное «противодействие» по мере того, как начнется более тяжелая работа. Просто помните, что человек, который первым выступит добровольцем, может оказаться не самым лучшим выбором!

    Разработка протоколов отбора

    Отбор лидеров и первых практиков для ваших текущих (и будущих) инициатив по улучшению будет иметь решающее значение для успешного использования инновации. Чтобы ускорить этот процесс отбора, будет полезно разработать протоколы отбора и/или опроса для использования в качестве инструментов скрининга. Перед фактическим отбором персонала в группе будет достигнут консенсус в отношении необходимых навыков и характеристик. Протокол будет удерживать внимание на конкретных критериях, обеспечивать согласованность процесса и повышать вероятность того, что выбор будет приемлемым для всей группы. При необходимости это также может облегчить позднее объяснение того, почему кто-то был (или не был) выбран. После создания протокол может продолжать поддерживать Teams в действиях по выбору для будущей работы.

    Дополнительные сведения об использовании драйвера выбора на этапе установки см. в модуле 2: Драйверы реализации.

    Разработайте план обучения и обучите первую группу

    Практикующие (и другие) на месте внедрения должны узнать, когда, где, как и с кем использовать новые подходы и новые навыки. Знания содержания, обоснования, возможности практики и пристальное внимание к стратегиям обучения взрослых — все это компоненты этого плана. Также очень важно разработать или использовать существующие оценки деятельности практикующих специалистов во время обучения, а также оценки, связанные с общей эффективностью обучения. Эта информация информирует о степени, в которой практикующие специалисты нуждаются в дополнительном обучении и коучинге. Также будут отмечены изменения, которые могут улучшить будущие тренинги. Прежде чем мы сможем ожидать, что практикующие начнут использовать новые программы или методы, должно произойти обучение навыкам.

    Разработка плана коучинга

    Из исследования Брюса Джойса и Беверли Шоуерс (2002) мы узнали, насколько важен коучинг для поощрения практического использования инноваций в сфере обслуживания практикующими специалистами, чтобы потребители могли получить реальную пользу от эти стратегии. Просмотрите таблицу ниже. Обратите внимание на разницу, которую коучинг делает с точки зрения фактического использования инновации в классе.

    Таблица 4.1 Процент участников, которые демонстрируют знания, демонстрируют новые навыки в условиях обучения и используют новые навыки в классе Результаты

      Результаты
    Компоненты для обучения Знания    Демонстрация навыков Использование в классе
    Теория и обсуждение 10% 5% 0%
    + Демонстрация в обучении 30% 20% 0%
    + Практика и обратная связь в обучении 60% 60% 5%
    + Коучинг в классе 95% 95% 95%

     (Joyce and Showers, 2002)

    Поскольку стратегии, используемые практикующими специалистами на местах, требуют навыков различной сложности, недостаточно знать стратегию. Они должны быть в состоянии использовать его с беглостью, чтобы получить положительные результаты учащихся. Коучинг предоставляет «ремесленную» информацию, а также советы, поддержку и возможности практиковать и использовать навыки, характерные для инноваций.

    Циклы улучшения

    Группы внедрения собирают данные на этапе установки, чтобы убедиться, что общих и специальных возможностей для инноваций достаточно для уверенного начала внедрения, и что коммуникация происходит, как предполагалось, как внутри, так и между уровнями организации, членами команды и ключевыми заинтересованные стороны.

    Оценка готовности систем данных

    Чтобы оценить успех инновации, организация должна изучить, как она влияет на результаты получателя, и определить достоверность использования инновации практиками. Если есть лишь незначительное улучшение (или его отсутствие), значит ли это, что проблема заключается в самой инновации? Или проблема в том, что внедрение новшества не было эффективным? Ответить на этот вопрос может система, предназначенная для быстрого и эффективного сбора данных как о достоверности, так и о результатах. После создания система данных поддержки принятия решений предоставляет данные, которые являются надежными, действительными, доступными для принятия решений и поддерживают частое использование данных в процессе внедрения.

    Установление каналов связи и протоколов

    Регулярная, частая, официальная, прозрачная и точная связь между уровнем практики (например, программа/объект) и уровнем политики (например, организация/сообщество/государство) ) создает возможность постоянно проверять и улучшать процесс внедрения. Благодаря этим каналам связи команды могут использовать циклы Plan-Do-Study-Act (PDSA) для быстрого устранения проблем по мере их возникновения на локальном уровне и устранения препятствий, которые замедляют или сводят на нет использование новых стратегий. Группы внедрения используют циклы улучшения для быстрого решения проблем, помогая сосредоточиться на использовании инноваций для улучшения отдельных результатов.

    Более системные вопросы и проблемы, связанные с несколькими организационными уровнями, также выигрывают от связанного процесса коммуникации. Этот процесс создания и последующего использования коммуникационных циклов обратной связи для расширенных практик политики и политик, основанных на практике, помогает создать более согласованную систему, поддерживающую новые способы работы. Модуль 5: Циклы совершенствования предоставляет дополнительную информацию об использовании циклов совершенствования (циклов PDSA) для внесения целенаправленных и функциональных изменений.

    Gale Apps — Технические трудности

    Приложение, к которому вы пытаетесь получить доступ, в настоящее время недоступно. Приносим свои извинения за доставленные неудобства. Повторите попытку через несколько секунд.

    Если проблемы с доступом сохраняются, обратитесь за помощью в наш отдел технической поддержки по телефону 1-800-877-4253. Еще раз спасибо, что выбрали Gale, обучающую компанию Cengage.

    org.springframework.remoting.RemoteAccessException: невозможно получить доступ к удаленной службе [authorizationService@theBLISAuthorizationService]; вложенным исключением является com. zeroc.Ice.UnknownException
    unknown = «java.lang.IndexOutOfBoundsException: индекс 0 выходит за границы для длины 0
    в java.base/jdk.internal.util.Preconditions.outOfBounds(Preconditions.java:64)
    в java.base/jdk.internal.util.Preconditions.outOfBoundsCheckIndex(Preconditions.java:70)
    в java.base/jdk.internal.util.Preconditions.checkIndex(Preconditions.java:266)
    в java.base/java.util.Objects.checkIndex(Objects.java:359)
    в java.base/java.util.ArrayList.get(ArrayList.java:427)
    в com.gale.blis.data.subscription.dao.LazyUserSessionDataLoaderStoredProcedure.populateSessionProperties(LazyUserSessionDataLoaderStoredProcedure.java:60)
    в com.gale.blis.data.subscription.dao.LazyUserSessionDataLoaderStoredProcedure.reQuery(LazyUserSessionDataLoaderStoredProcedure.java:53)
    в com.gale.blis.data.model.session.UserGroupEntitlementsManager.reinitializeUserGroupEntitlements(UserGroupEntitlementsManager. java:30)
    в com.gale.blis.data.model.session.UserGroupSessionManager.getUserGroupEntitlements(UserGroupSessionManager.java:17)
    в com.gale.blis.api.authorize.contentmodulefetchers.CrossSearchProductContentModuleFetcher.getProductSubscriptionCriteria(CrossSearchProductContentModuleFetcher.java:246)
    на com.gale.blis.api.authorize.contentmodulefetchers.CrossSearchProductContentModuleFetcher.getSubscribedCrossSearchProductsForUser(CrossSearchProductContentModuleFetcher.java:70)
    на com.gale.blis.api.authorize.contentmodulefetchers.CrossSearchProductContentModuleFetcher.getAvailableContentModulesForProduct(CrossSearchProductContentModuleFetcher.java:51)
    на com.gale.blis.api.authorize.strategy.productentry.strategy.AbstractProductEntryAuthorizer.getContentModules(AbstractProductEntryAuthorizer.java:130)
    на com.gale.blis.api.authorize.strategy.productentry.strategy.CrossSearchProductEntryAuthorizer.isAuthorized(CrossSearchProductEntryAuthorizer. java:83)
    на com.gale.blis.api.authorize.strategy.productentry.strategy.CrossSearchProductEntryAuthorizer.authorizeProductEntry(CrossSearchProductEntryAuthorizer.java:45)
    на com.gale.blis.api.authorize.strategy.ProductEntryAuthorizer.authorize(ProductEntryAuthorizer.java:31)
    в com.gale.blis.api.BLISAuthorizationServiceImpl.authorize_aroundBody0(BLISAuthorizationServiceImpl.java:57)
    на com.gale.blis.api.BLISAuthorizationServiceImpl.authorize_aroundBody1$advice(BLISAuthorizationServiceImpl.java:61)
    на com.gale.blis.api.BLISAuthorizationServiceImpl.authorize(BLISAuthorizationServiceImpl.java:1)
    в com.gale.blis.auth.AuthorizationService._iceD_authorize(AuthorizationService.java:97)
    в com.gale.blis.auth.AuthorizationService._iceDispatch(AuthorizationService.java:406)
    в com.zeroc.IceInternal.Incoming.invoke(Incoming.java:221)
    в com.zeroc.Ice.ConnectionI.invokeAll(ConnectionI. java:2706)
    на com.zeroc.Ice.ConnectionI.dispatch(ConnectionI.java:1292)
    в com.zeroc.Ice.ConnectionI.message(ConnectionI.java:1203)
    в com.zeroc.IceInternal.ThreadPool.run(ThreadPool.java:412)
    в com.zeroc.IceInternal.ThreadPool.access$500(ThreadPool.java:7)
    в com.zeroc.IceInternal.ThreadPool$EventHandlerThread.run(ThreadPool.java:781)
    на java.base/java.lang.Thread.run(Thread.java:833)
    »

    org.springframework.remoting.ice.IceClientInterceptor.convertIceAccessException(IceClientInterceptor.java:348)

    org.springframework.remoting.ice.IceClientInterceptor.invoke(IceClientInterceptor.java:310)

    org.springframework.remoting.ice.MonitoringIceProxyFactoryBean. invoke(MonitoringIceProxyFactoryBean.java:71)

    org.springframework.aop.framework.ReflectiveMethodInvocation.proceed(ReflectiveMethodInvocation.java:186)

    org.springframework.aop.framework.JdkDynamicAopProxy.invoke(JdkDynamicAopProxy.java:215)

    com.sun.proxy.$Proxy151.authorize(Неизвестный источник)

    com.gale.auth.service.BlisService.getAuthorizationResponse(BlisService.java:61)

    com.gale.apps.service.impl.MetadataResolverService.resolveMetadata(MetadataResolverService.java:65)

    com.gale.apps. controllers.DiscoveryController.resolveDocument(DiscoveryController.java:57)

    com.gale.apps.controllers.DocumentController.redirectToDocument(DocumentController.java:22)

    jdk.internal.reflect.GeneratedMethodAccessor323.invoke (неизвестный источник)

    java.base/jdk.internal.reflect.DelegatingMethodAccessorImpl.invoke(DelegatingMethodAccessorImpl.java:43)

    java.base/java.lang.reflect.Method.invoke(Method.java:566)

    org.springframework.web.method.support.InvocableHandlerMethod.doInvoke(InvocableHandlerMethod.java:205)

    org. springframework.web.method.support.InvocableHandlerMethod.invokeForRequest(InvocableHandlerMethod.java:150)

    org.springframework.web.servlet.mvc.method.annotation.ServletInvocableHandlerMethod.invokeAndHandle(ServletInvocableHandlerMethod.java:117)

    org.springframework.web.servlet.mvc.method.annotation.RequestMappingHandlerAdapter.invokeHandlerMethod (RequestMappingHandlerAdapter.java:895)

    org.springframework.web.servlet.mvc.method.annotation.RequestMappingHandlerAdapter.handleInternal (RequestMappingHandlerAdapter.java:808)

    org.springframework.web.servlet.mvc.method.AbstractHandlerMethodAdapter.handle(AbstractHandlerMethodAdapter.java:87)

    org. springframework.web.servlet.DispatcherServlet.doDispatch(DispatcherServlet.java:1067)

    org.springframework.web.servlet.DispatcherServlet.doService(DispatcherServlet.java:963)

    org.springframework.web.servlet.FrameworkServlet.processRequest(FrameworkServlet.java:1006)

    org.springframework.web.servlet.FrameworkServlet.doGet(FrameworkServlet.java:898)

    javax.servlet.http.HttpServlet.service(HttpServlet.java:626)

    org.springframework.web.servlet.FrameworkServlet.service(FrameworkServlet.java:883)

    javax. servlet.http.HttpServlet.service(HttpServlet.java:733)

    org.apache.catalina.core.ApplicationFilterChain.internalDoFilter(ApplicationFilterChain.java:227)

    org.apache.catalina.core.ApplicationFilterChain.doFilter(ApplicationFilterChain.java:162)

    org.apache.tomcat.websocket.server.WsFilter.doFilter(WsFilter.java:53)

    org.apache.catalina.core.ApplicationFilterChain.internalDoFilter(ApplicationFilterChain.java:189)

    org.apache.catalina.core.ApplicationFilterChain.doFilter(ApplicationFilterChain.java:162)

    org. apache.catalina.filters.HttpHeaderSecurityFilter.doFilter(HttpHeaderSecurityFilter.java:126)

    org.apache.catalina.core.ApplicationFilterChain.internalDoFilter(ApplicationFilterChain.java:189)

    org.apache.catalina.core.ApplicationFilterChain.doFilter(ApplicationFilterChain.java:162)

    org.springframework.web.servlet.resource.ResourceUrlEncodingFilter.doFilter(ResourceUrlEncodingFilter.java:67)

    org.apache.catalina.core.ApplicationFilterChain.internalDoFilter(ApplicationFilterChain.java:189)

    org.apache.catalina.core.ApplicationFilterChain.doFilter(ApplicationFilterChain.java:162)

    org. springframework.web.filter.RequestContextFilter.doFilterInternal (RequestContextFilter.java:100)

    org.springframework.web.filter.OncePerRequestFilter.doFilter(OncePerRequestFilter.java:117)

    org.apache.catalina.core.ApplicationFilterChain.internalDoFilter(ApplicationFilterChain.java:189)

    org.apache.catalina.core.ApplicationFilterChain.doFilter(ApplicationFilterChain.java:162)

    org.springframework.web.filter.OncePerRequestFilter.doFilter(OncePerRequestFilter.java:102)

    org.apache.catalina.core.ApplicationFilterChain.internalDoFilter(ApplicationFilterChain.java:189)

    org. apache.catalina.core.ApplicationFilterChain.doFilter(ApplicationFilterChain.java:162)

    com.gale.common.http.filter.SecurityHeaderFilter.doFilterInternal(SecurityHeaderFilter.java:29)

    org.springframework.web.filter.OncePerRequestFilter.doFilter(OncePerRequestFilter.java:117)

    org.apache.catalina.core.ApplicationFilterChain.internalDoFilter(ApplicationFilterChain.java:189)

    org.apache.catalina.core.ApplicationFilterChain.doFilter(ApplicationFilterChain.java:162)

    org.springframework.web.filter.OncePerRequestFilter.doFilter(OncePerRequestFilter.java:102)

    org. apache.catalina.core.ApplicationFilterChain.internalDoFilter(ApplicationFilterChain.java:189)

    org.apache.catalina.core.ApplicationFilterChain.doFilter(ApplicationFilterChain.java:162)

    org.owasp.validation.GaleParameterValidationFilter.doFilterInternal(GaleParameterValidationFilter.java:97)

    org.springframework.web.filter.OncePerRequestFilter.doFilter(OncePerRequestFilter.java:117)

    org.apache.catalina.core.ApplicationFilterChain.internalDoFilter(ApplicationFilterChain.java:189)

    org.apache.catalina.core.ApplicationFilterChain.doFilter(ApplicationFilterChain.java:162)

    org. springframework.boot.web.servlet.support.ErrorPageFilter.doFilter(ErrorPageFilter.java:126)

    org.springframework.boot.web.servlet.support.ErrorPageFilter.access$000(ErrorPageFilter.java:64)

    org.springframework.boot.web.servlet.support.ErrorPageFilter$1.doFilterInternal(ErrorPageFilter.java:101)

    org.springframework.web.filter.OncePerRequestFilter.doFilter(OncePerRequestFilter.java:117)

    org.springframework.boot.web.servlet.support.ErrorPageFilter.doFilter(ErrorPageFilter.java:119)

    org.apache.catalina.core.ApplicationFilterChain.internalDoFilter(ApplicationFilterChain.java:189)

    org. apache.catalina.core.ApplicationFilterChain.doFilter(ApplicationFilterChain.java:162)

    org.springframework.web.filter.FormContentFilter.doFilterInternal (FormContentFilter.java:93)

    org.springframework.web.filter.OncePerRequestFilter.doFilter(OncePerRequestFilter.java:117)

    org.apache.catalina.core.ApplicationFilterChain.internalDoFilter(ApplicationFilterChain.java:189)

    org.apache.catalina.core.ApplicationFilterChain.doFilter(ApplicationFilterChain.java:162)

    org.springframework.boot.actuate.metrics.web.servlet.WebMvcMetricsFilter.doFilterInternal (WebMvcMetricsFilter.java:96)

    org. springframework.web.filter.OncePerRequestFilter.doFilter(OncePerRequestFilter.java:117)

    org.apache.catalina.core.ApplicationFilterChain.internalDoFilter(ApplicationFilterChain.java:189)

    org.apache.catalina.core.ApplicationFilterChain.doFilter(ApplicationFilterChain.java:162)

    org.springframework.web.filter.CharacterEncodingFilter.doFilterInternal (CharacterEncodingFilter.java:201)

    org.springframework.web.filter.OncePerRequestFilter.doFilter(OncePerRequestFilter.java:117)

    org.apache.catalina.core.ApplicationFilterChain.internalDoFilter(ApplicationFilterChain.java:189)

    org. apache.catalina.core.ApplicationFilterChain.doFilter(ApplicationFilterChain.java:162)

    org.apache.catalina.core.StandardWrapperValve.invoke(StandardWrapperValve.java:202)

    org.apache.catalina.core.StandardContextValve.invoke(StandardContextValve.java:97)

    org.apache.catalina.authenticator.AuthenticatorBase.invoke(AuthenticatorBase.java:542)

    org.apache.catalina.core.StandardHostValve.invoke(StandardHostValve.java:143)

    org.apache.catalina.valves.ErrorReportValve.invoke(ErrorReportValve.java:92)

    org. apache.catalina.valves.AbstractAccessLogValve.invoke(AbstractAccessLogValve.java:687)

    org.apache.catalina.core.StandardEngineValve.invoke(StandardEngineValve.java:78)

    org.apache.catalina.connector.CoyoteAdapter.service(CoyoteAdapter.java:357)

    org.apache.coyote.http11.Http11Processor.service(Http11Processor.java:374)

    org.apache.coyote.AbstractProcessorLight.process(AbstractProcessorLight.java:65)

    org.apache.coyote.AbstractProtocol$ConnectionHandler.process(AbstractProtocol.java:893)

    org.

    Тлн 01: Транспортер ленточный наклонный ТЛН-1 от производителя

    Погода в Таллине сегодня, прогноз погоды Таллин на сегодня, Уезд Харьюмаа, Эстония

    GISMETEO: Погода в Таллине сегодня, прогноз погоды Таллин на сегодня, Уезд Харьюмаа, Эстония

    Перейти на мобильную версию

    Сейчас

    10:37

    −3 27

    По ощущению −9 16

    Ср, 8 мар

    Сегодня

    −523

    −228

    Чт, 9 мар

    Завтра

    −719

    −523

    200

    500

    800

    1100

    1400

    1700

    2000

    2300

    −327

    −327

    −425

    −327

    −228

    −425

    −425

    −523

    Скорость ветра, м/cкм/ч

    5-9 18-32

    5-10 18-36

    4-6 14-22

    2-9 7-32

    6-11 22-40

    6-13 22-47

    5-11 18-40

    6-11 22-40

    Осадки, мм

    Распечатать. ..

    Снег

     

    Ср, 8 мар, сегодня

    Чт, 9

    200

    500

    800

    1100

    1400

    1700

    2000

    2300

    Выпадающий снег, см

    Высота снежного покрова, см

    10,2

    13,9

    16

    18,6

    18,5

    18,2

    18,1

    18,1

    /

    Ветер, м/скм/ч

     

    Ср, 8 мар, сегодня

    Чт, 9

    200

    500

    800

    1100

    1400

    1700

    2000

    2300

    Порывы

    Авто

    Давление, мм рт. ст.гПа

     

    Ср, 8 мар, сегодня

    Чт, 9

    200

    500

    800

    1100

    1400

    1700

    2000

    2300

    737982

    735980

    733977

    735980

    735980

    736981

    737982

    740986

    Влажность, %

     

    Ср, 8 мар, сегодня

    Чт, 9

    200

    500

    800

    1100

    1400

    1700

    2000

    2300

    88

    87

    91

    90

    89

    80

    76

    80

    Солнце и Луна

     

    Ср, 8 мар, сегодня

    Чт, 9

    Долгота дня: 11 ч 6 мин

    Восход — 6:59

    Заход — 18:05

    Сегодня день на 6 минут длиннее, чем вчера

    Луна стареющая, 99%

    Восход — 17:48 (7 марта)

    Заход — 7:38

    Полнолуние — 6 апреля, через 29 дней

    Ультрафиолетовый индекс, баллы

     

    Ср, 8 мар, сегодня

    Чт, 9

    200

    500

    800

    1100

    1400

    1700

    2000

    2300

    Геомагнитная активность, Кп-индекс

     

    Ср, 8 мар, сегодня

    Чт, 9

    200

    500

    800

    1100

    1400

    1700

    2000

    2300

    Осадки

    Температура

    Ветер

    Облачность

    Пеэтри

    Таллин Леннарт Мери

    Виймси

    Хаабнеэме

    Пярнамяэ

    Кангру

    Тискре

    Рандвере

    Принги

    Лоо

    Лагеди

    Маарду

    Табасалу

    Пюйнси

    Юри

    Лаагри

    Луйге

    Аллику

    Кийли

    Саку

    Сауэ

    Мурасте

    Костивере

    Арукюла

    РИА Новости — события в Москве, России и мире сегодня: темы дня, фото, видео, инфографика, радио

    РИА Новости

    1

    5

    4. 7

    96

    [email protected]

    7 495 645-6601

    ФГУП МИА «Россия сегодня»

    https://xn--c1acbl2abdlkab1og.xn--p1ai/awards/

    Регистрация пройдена успешно!
    Пожалуйста, перейдите по ссылке из письма, отправленного на

    Политика

    В мире

    Экономика

    Общество

    Происшествия

    Армия

    Наука

    Спорт

    Культура

    Религия

    Туризм

    Специальная военная операция на Украине

    Российские силы контролируют всю восточную часть Артемовска

    Популярное

    Россию накрыла безработица специалистов виртуальной экономики

    Кирилл Стрельников

    Россия — страна победившего феминизма

    Виктория Никифорова

    Специальный репортаж

    Аналитика

    Фото

    Видео

    Инфографика

    Тесты

    Опросы

    Подкасты

    Специальная военная операция на Украине

    «Очень плохой сигнал для Европы». ВСУ нашли пример для подражания

    Заплатить по счетам: Россия избавилась от ненужных долгов

    Хорошие новости

    Рекомендуемое

    Культура

    Удивительная история Дома моделей на Кузнецком. Как создавался стиль в СССР

    Туризм

    В туре только девушки. Секреты отличной поездки в компании подруг

    Митинг в Германии против поставок оружия Украине

    Ваш браузер не поддерживает данный формат видео.

    «Нет, мы тут не зря». Солдаты благодарят россиян за поддержку

    Специальная военная операция на Украине

    «Такое видим впервые». Что происходит на самом сложном участке фронта

    Наука

    Полетел не туда. Чем закончилась попытка американцев сбить астероид

    «Готовы вцепиться в глотки». До чего алкоголизм довел Францию

    Туризм

    Страна суеверных долгожителей и дисциплины: что удивляет россиян в Китае

    Шоубиз

    Виталий Гогунский: «YouTube нам ничего хорошего не принесет»

    Олигархи начали войну: теперь за исключение из санкционных списков

    Петр Акопов

    Украина установила невероятный рекорд

    Сергей Савчук

    Догнать и перегнать Китай: США проигрывают технологическую гонку

    Дмитрий Косырев

    Хоккей

    «Сухарь» Георгиева и четыре очка Ничушкина принесли «Колорадо» победу в НХЛ

    Хоккей

    Рафиков прокомментировал свою победную шайбу в матче с «Витязем»

    Футбол

    «Бенфика» разгромила «Брюгге» в 1/8 финала Лиги чемпионов

    Хоккей

    Буцаев заявил, что серия плей-офф КХЛ с «Локомотивом» вернется в Балашиху

    Футбол

    Пиоли заявил, что возвращение Конте станет преимуществом для «Тоттенхэма»

    Вход на сайт

    Почта

    Пароль

    Восстановить пароль

    Зарегистрироваться

    Срок действия ссылки истек

    Назад

    Регистрация на сайте

    Почта

    Пароль

    Я принимаю условия соглашения

    Войти с логином и паролем

    Ваши данные

    Восстановление пароля

    Почта

    Назад

    Восстановление пароля

    Ссылка для восстановления пароля отправлена на адрес

    Восстановление пароля

    Новый пароль

    Подтвердите пароль

    Написать автору

    Тема

    Сообщение

    Почта

    ФИО

    Нажимая на кнопку «Отправить», Вы соглашаетесь с Политикой конфиденциальности

    Задать вопрос

    Ваше имя

    Ваш город

    Ваш E-mail

    Ваше сообщение

    Сообщение отправлено!


    Спасибо!

    Произошла ошибка!


    Попробуйте еще раз!

    Обратная связь

    Чем помочь?

    Если ни один из вариантов не подходит,
    нажмите здесь для связи с нами

    Обратная связь

    Чтобы воспользоваться формой обратной связи,
    Вы должны войти на сайт.

    Разблокировать аккаунт

    Вы были заблокированы за нарушение
    правил комментирования материалов

    Срок блокировки — от 12 до 48 часов, либо навсегда.

    Если Вы не согласны c блокировкой, заполните форму.

    Назад

    Разблокировать аккаунт

    Имя в чате

    Дата сообщения

    Время отправки сообщения

    Блокировался ваш аккаунт ранее?

    ДаНет

    Сколько раз?

    Удалили мое сообщение

    Ваше сообщение было удалено за нарушение
    правил комментирования материалов

    Если Вы не согласны c блокировкой, заполните форму.

    Назад

    Удалили мое сообщение

    Чтобы связаться с нами, заполните форму ниже:

    Ваше сообщение

    Перетащите, или выберите скриншот

    Связаться с нами

    Если вы хотите пожаловаться на ошибку в материале, заполните форму ниже:

    Ссылка на материал

    Опишите проблему

    Перетащите,
    или выберите скриншот

    Связаться с нами

    Чтобы связаться с нами, заполните форму ниже:

    Ваше сообщение

    Перетащите,
    или выберите скриншот

    Показать

    Компания Уиттет-Хиггинс

    Компания Уиттет-Хиггинс

    Мировое лидерство в разработке и производстве промышленных удерживающих устройств

    Коммерческие и прецизионные удерживающие устройства для подшипников, силовые
    трансмиссии и других узлов машин и оборудования, в том числе механических замков,
    преобладающий момент затяжки, контргайки со стопорными шайбами, наборы переходников, хомуты — гладкие и резьбовые.

    Практика производства и продажи

    Рекомендуемые размеры вала с резьбой

    Электронная почта

    Линейки продуктов

    Механический замок

    Преобладающий крутящий момент

    Серия Precision

    Гайки/шайбы SAE/AFBMA/ABMA/ANSI/ISO/MIL

    Гайки/шайбы Whittet-Higgins Origin

    Ошейники

    Закрепительные втулки

    Инструменты

    Закаленные шайбы с язычком

    Характеристики

    Закаленный

    Левая сторона

    Метрическая система

    Нержавеющая сталь

    Алюминий

    Компания Whittet-Higgins, 33 Higginson Ave. , P.O. Box 8, Central Falls, RI 02863
    Телефон: (401) 728-0700, факс: (401) 728-0703, электронная почта: [email protected]

    Эта веб-страница и вся содержащаяся информация 2023, Whittet-Higgins Co.

    серия ВЛ-ТЛН | VS Technology

    • Освещение
    • Освещение для специальных применений

    Телецентрическое освещение/коллимированный свет

    • Подходит для высокоточных измерений.
    • Улучшите глубину резкости изображения с помощью телецентрического объектива со стороны камеры.
    • Позволяет получить изображение с высокой контрастностью краев.
    • Подходит для металлических деталей / медицинского оборудования / электроники и т. д.
    • Соответствует RoHS.
    • *Детали держателя являются дополнительным продуктом и не входят в стандартный комплект.
    • Запросить цену
    • Запросить демонстрационный блок

    Пример сравнения изображения между VL-TLN и обычным контровым светом.

    Легко найти разницу на следующих изображениях. Комбинация телецентрического света и объектива позволяет получить изображение с высокой контрастностью во всем поле зрения без отражения света.

    Рекомендуемый контроллер для серии VL-TLN.

    VLC-07A10-1

    ТЕХНИЧЕСКИЕ ХАРАКТЕРИСТИКИ

    Модель № Цвет Диам. (mm) Power Consumption (Max.) Download , Request quotes/demos
    VL-TLN30R Red 30 700mA / 2.1V Login
    VL-TLN30W Белый 30 700mA / 3.2V Login
    VL-TLN30B Blue 30 700mA / 3.2V Login
    VL-TLN30G Green 30 700mA / 3.2V Login
    VL-TLN60R Red 60 700mA / 2. 1V Login
    VL-TLN60W White 60 700mA / 3.2V Login
    VL-TLN60B Blue 60 700MA / 3,2 В Login
    7777777777777777777777777777777777777777777777777777777777777777777777777777777777777777777777777777770G. TLN100R Red 100 700mA / 2.1V Login
    VL-TLN100W White 100 700mA / 3.2V Login
    VL-TLN100B Blue 100 700mA / 3.2V Login
    VL-TLN100G Green 100 700mA / 3.2V Login
    VL-TLN150R Red 150 700mA / 2.1V Login
    VL-TLN150W White 150 700mA / 3.2V Login
    VL-TLN150B Blue 150 700mA / 3. 2V Login
    VL-TLN150G Green 150 700mA / 3.2V Login

    Optional Resistor Box for TLN Series

    Model № Для разъема (со стороны источника питания) Загрузка, Запрос котировок/демонстраций0005

    Login
    RB1207 12V Power supply 2P / SMR-02V-B Login

    Optional Adapter

    777779

    7

    77777779

    7

    777779

    7

    777779

    Model No. Suitable Lighting Unit Download , Quistes/Demos
    AD-TLN30-01 VL-TLN30* LOGIN
    AD-TLN60-01 VL-TLN60* VL-TLN60* VL-TLN60* VL-TLN60*.0008

    AD-TLN100-02 VL-TLN100* Login

    Опциональный зеркальный блок

    Модели №
    Модели №
    Модели №
    Модели №
    .

    Нормы проектирования предприятия по обслуживанию автомобилей: Предприятия по обслуживанию автомобилей | скачать документ

    «ОНТП-01-91. РД 3107938-0176-91. Общесоюзные нормы технологического проектирования предприятий автомобильного транспорта»
    (утв. протоколом концерна «Росавтотранс» от 07.08.1991 N 3)





    • Главная
    • Документы
    • Общесоюзные нормы технологического проектирования предприятий автомобильного транспорта. ОНТП-01-91. РД 3107938-0176-91
      • Временное совместное решение по корректировке нормативных требований, представленных в ОНТП-01-91, МГСН 5.01-94 и касающихся разработки разделов по охране окружающей среды при проектировании стоянок легковых автомобилей
      • 1. Автотранспортные предприятия, эксплуатационные и производственные филиалы АТП, производственно-технические комбинаты, базы технического обслуживания, централизованные специализированные производства
        • Параметрический ряд предприятий
          • Таблица 1
          • Таблица 2
          • Таблица 3
        • Режим работы подвижного состава, основного и вспомогательного оборудования (сменность работы)
          • Таблица 4
          • Таблица 5
          • Таблица 6
        • Расчетные нормативы периодичности и трудоемкости ТО и ТР подвижного состава, численность работающих
          • Таблица 7
          • Таблица 8
          • Таблица 9
          • Таблица 10
          • Таблица 11
          • Таблица 12
          • Таблица 13
          • Таблица 14
          • Таблица 15
          • Таблица 16
          • Таблица 17
            • Работы по замене основных агрегатов
            • Работы по замене узлов и деталей
          • Таблица 18
          • Таблица 19
          • Таблица 20
          • Таблица 21
          • Таблица 22
          • Таблица 23
          • Таблица 24
        • Основные положения организации труда, прогрессивные технологические процессы и оборудование
          • Таблица 25
          • Рис. 1. Схема технологического процесса ТО и ТР подвижного состава
          • Рис. 2. Схема технологического процесса текущего ремонта агрегатов и узлов на ЦСП
          • Рис. 3. Схема технологического процесса переосвидетельствования автомобильных баллонов для СПГ и СНГ и испытания топливных систем автомобилей, работающих на СПГ
          • Таблица 26
        • Нормы расчета площади производственных и складских помещений
          • Таблица 27
          • Таблица 28
          • Таблица 29
          • Таблица 30
          • Таблица 31
          • Таблица 32
          • Таблица 33
          • Таблица 34
          • Таблица 35
          • Таблица 36
          • Таблица 37
        • Уровень механизации и автоматизации производственных процессов ТО и ТР, удельный вес рабочих, занятых ручным трудом в АТП
        • Нормы расхода воды, электроэнергии, тепла, сжатого воздуха, эксплуатационных материалов, запасных частей
          • Таблица 38
          • Таблица 39
          • Таблица 40
          • Таблица 41
          • Таблица 42
          • Таблица 43
          • Таблица 44
          • Таблица 45
          • Таблица 46
          • Таблица 47
          • Таблица 48
          • Таблица 49
        • Утилизация попутных материалов и вторичных ресурсов
      • 2. Станции технического обслуживания легковых автомобилей (СТОА) и гаражи-стоянки индивидуальных владельцев
        • Параметрический ряд предприятий
          • Таблица 50
        • Режим работы производства (сменность работы)
          • Таблица 51
        • Производительность труда и трудоемкость ТО и ТР. Численность работающих
          • Таблица 52
          • Таблица 53
          • Таблица 54
          • Таблица 55
          • Таблица 56
          • Таблица 57
        • Основные положения организации ТО и ТР легковых автомобилей, принадлежащих гражданам. Прогрессивные технологические процессы и оборудование.
          • Рис. 4. Схема производственного процесса полнообъемного ТО на СТОА
          • Рис. 5. Схема технологического процесса ТР на СТОА
        • Нормы расчета площади производственных и складских помещений и сооружений
          • Таблица 58
        • Уровень механизации и автоматизации производственных процессов ТО и ТР, удельный вес рабочих, занятых ручным трудом на СТОА
        • Нормы расхода воды, тепла, сжатого воздуха, установленной мощности токоприемника
          • Таблица 59
          • Таблица 60
          • Таблица 61
        • Утилизация попутных материалов и вторичных ресурсов
      • 3. Грузовые автостанции и терминалы
        • Параметрический ряд предприятий
          • Таблица 62
        • Режим работы производства (сменность работы)
          • Таблица 63
        • Производительность труда и численность работающих
          • Таблица 64
          • Таблица 65
        • Нормы расчета площади складирования и переработки грузов, перецепки полуприцепов, постов ТО и ТР, мест хранения автопоездов
        • Потребность в основных подъемно-транспортных машинах и оборудовании
        • Нормы расхода воды, тепла, сжатого воздуха, установленной мощности токоприемников
          • Таблица 66
          • Таблица 67
          • Таблица 68
          • Таблица 69
          • Таблица 70
        • Уровень механизации и автоматизации производства, удельный вес рабочих, занятых ручным трудом
    • Приложение 1. Перечень групп технологически совместимых автомобилей для производства технического обслуживания и текущего ремонта
    • Приложение 2. Нормы размещения подвижного состава и оборудования
      • Таблица 1. Категорирование подвижного состава в зависимости от габаритных размеров
      • Таблица 2. Расстояния между подвижным составом, элементами строительных конструкций зданий и сооружений в помещении и на открытых площадках
        • Посты технического обслуживания и текущего ремонта подвижного состава
        • Автомобиле-места хранения и ожидания технического обслуживания и текущего ремонта подвижного состава
      • Таблица 3. Габариты приближения подвижного состава друг к другу и к элементам строительных конструкций зданий и оборудованию при маневрировании подвижного состава
      • Таблица 4
      • Таблица 5. Ширина внутригаражного проезда при въезде и выезде для хранения подвижного состава
      • Таблица 6. Нормы размещений технологического оборудования
      • Таблица 7. Значения плотности расстановки технологического оборудования
      • Таблица 8. Высота помещений постов то и тр, хранения подвижного состава до низа выступающих строительных конструкций
    • Приложение 3. Фонды времени работы автомобилей, оборудования и производственного персонала
      • Таблица 1. Номинальный годовой фонд времени работы оборудования
      • Таблица 2. Эффективный годовой фонд времени работы оборудования
      • Таблица 3. Номинальный и эффективный годовые фонды времени производственного персонала
    • Приложение 4. Специальные требования технологического процесса к предприятиям, зданиям, сооружениям и оборудованию
      • Генеральные планы предприятий
      • Сооружения и помещения для хранения автомобилей
        • Таблица 1. Способы хранения подвижного состава
      • Помещения и сооружения для производства ТО и ТР подвижного состава
      • Устройства и сооружения для осмотра автомобилей
      • Здания и сооружения для эксплуатации газобаллонных автомобилей
      • Требования безопасности, санитарно-гигиенической и производственной эстетики
        • Таблица 2. Характеристика помещений предприятий по категориям работ и влаговыделениям
        • Таблица 3. Разряды зрительных работ при искусственном и естественном освещении для помещений предприятий по обслуживанию автомобилей
        • Таблица 4. Характеристика полов и внутренней отделки помещений
    • Приложение 5. Охрана окружающей среды
      • От производственного шума
      • От загрязнений сточными водами
        • Таблица 1. Характеристика загрязнений производственных сточных вод от мойки автомобилей
        • Таблица 2. Характеристика производственных сточных вод
        • Таблица 3. Характеристика качества воды для производственных нужд
      • От вредных выбросов в атмосферу
        • Таблица 4. Удельные выбросы загрязняющих веществ от автомобилей с учетом возраста парка и его технического состояния (прогнозные данные на период до 2000 г.), г/км
        • Таблица 5. Условный пробег одного автомобиля за цикл (въезд и выезд)
        • Таблица 6. Коэффициенты влияния режима движения (скорости) автомобиля и способа хранения на стоянке

    Общесоюзные нормы технологического проектирования предприятий автомобильного транспорта. ОНТП-01-91. РД 3107938-0176-91





    2.2 Расчетные технологические данные для проектирования предприятий сферы сервиса транспортных средств

    Расчетные
    технологические данные предназнача­ются
    для целей технологического проектирования
    автотранспортных предприятий как
    комплексных, так и с централизованным
    обслуживанием, и могут быть распространены
    на проектирование новых и реконструкцию
    действующих предприятий.В основу
    настоящих данных заложены следующие
    материалы.

    1) Положение
    о техническом обслуживании и ремонте
    подвижного состава автомобильного
    транспорта.

    2) Ведомственные
    строительные нормы ВСН 01-89 «Предприятия
    по обслуживанию автомобилей».

    3) Система
    нормативных документов в строительстве.
    Основные положения (СНиП 10-01-94).

    4) Планировка
    и застройка городских и сельских
    поселений (СНиП 2.07.01-89).

    5) Руководство
    по организации производства технического
    обслуживания и текущего ремонта
    автомобилей в автотранспортных
    предприятиях.

    Нормами
    предусматривается расчет:

    — плана
    технического обслуживания и ремонта
    АТС;

    — производственной
    программы предприятия;

    — количества
    рабочих постов для ТО и ТР;

    — количества
    производственных рабочих;

    — площадей
    производственных, складских поме­щений
    и хранения подвижного состава.

    Трудоемкости
    технического обслуживания и текущего
    ремонта предусматривают:

    — механизированную
    мойку подвижного состава;

    — организацию
    работ первого технического обслуживания
    на поточных линиях;

    — организацию
    работ по текущему ремонту на универсальных
    и специализированных постах;

    — агрегатно-участковую
    организацию производства технического
    обслуживания и текущего ремонта;

    — ремонт
    основных агрегатов и узлов на
    специализированных постах.

    В России
    принята планово-предупредительная
    система технического обслуживания и
    ремонта автомобилей. Сущность этой
    системы состоит в том, что техническое
    обслуживание носит профилактический
    характер и осуществляется по плану, а
    ремонт — по потребности.

    Техническое
    обслуживание включает следующие виды
    работ: уборочно-моечные,
    контрольно-диагностические, крепежные,
    смазочные, заправочные, регулировочные,
    электротехническое и другие работы без
    разборки агрегатов и снятия с автомобиля
    отдельных узлов и механизмов. Если при
    техническом обслуживании нельзя
    убедиться в полной исправности отдельных
    узлов, то их следует снимать с автомобиля
    для контроля на специальных стендах и
    приборах

    На предприятия
    сферы СТС выполняются следующие виды
    воздействий на АТС:

    — ежедневное
    обслуживание (ЕО),

    — первое
    техническое обслуживание (ТО-1),

    — второе
    техническое обслуживание (ТО-2),

    — текущий
    ремонт (ТР).

    Для расчета
    периодичности ТО и ТР в ОНТП-01-91 приведена
    классификация подвижного состава
    автомобильного транспорта (таблица
    2. 11)

    Таблица 2.11 Классификация АТС

    Тип подвижного состава

    Характеристика подвижного состава

    Автомобили легковые

    Рабочий объем двигателя, л

    особые малого класса

    до 1,2 вкл.

    малого класса

    св. 1,2 до 1,8

    среднего класса

    св. 1,8 до 3,5

    Автобусы

    Длина, м

    особые малого класса

    до 5,0 вкл.

    малого класса

    св. 6,0 до 7,5

    среднего класса

    св. 8,0 до 10,0

    большого класса

    св 10,5 до 12,0

    особо большого класса

    св. 12,0

    Автомобили грузовые общего назначения

    Полезная нагрузка, т

    особо малой грузоподъемности

    от 0,5 до 1,0

    малой грузоподъемности

    св. 1,0 до 3,0

    средней грузоподъемности

    св. 3,0 до 5,0

    большой грузоподъемности

    св. 5,0 до 8,0

    особо большой
    грузоподъемности

    св. 8,0 до 16,0

    Что такое сервис-дизайн? | ИксДФ

    Популярные похожие запросы

    Фильтры

    Вся литература

    Заказ литературы по:

    Самые распространенные в этой теме

    Последняя литература по UX в этой теме

    Проверьте значение и повторите попытку.

    10 идей, которые помогут вам продать работу UX

    Мы знаем, что UX важен. Google знает, что UX важен. Но когда дело доходит до продажи работы с UX, часто бывает так,

    • 802 акции

    • 2 года назад

    Сервисный дизайн

    ВведениеЗа последние несколько десятилетий значительная часть промышленно развитых стран мира перешла от ручного

    Глава 9 книги0009

    Понимание процесса проектирования услуг

    Процесс проектирования, ориентированный на пользователя, отображает текущее состояние мира и предвидит предпочтительные будущие состояния в виде

    • 358 акций

    • 1 год назад

    Изучите язык сервис-дизайна

    Важно знать терминологию сервис-дизайна, чтобы мы могли полностью понять, что это такое, и чтобы мы могли

    • 270 акций

    • 1 год назад

    Загрузите нашу бесплатную электронную книгу Основы дизайна взаимодействия с пользователем
    узнать об основных концепциях UX-дизайна.

    В 9 главах мы рассмотрим: проведение интервью с пользователями,
    дизайн-мышление, интерактивный дизайн, мобильный UX-дизайн,
    юзабилити, исследования UX и многое другое!

    Требуется действующий адрес электронной почты.

    Получайте бесплатные учебные материалы по UX-дизайну каждую неделю


    311 549
    дизайнеры

    наслаждайтесь нашей новостной рассылкой — уверены, что не хотите ее получать?

    CDOT Roadway Design Guide 2018 — Департамент транспорта штата Колорадо

    Перейти к содержимому

    CDOT Руководство по проектированию дорог 2018 г.
    Выпущено 25 октября 2018 г. Включает поправки 2018 г. к Руководству по проектированию дорог CDOT 2005 г.
    https://www.codot.gov/business/designsupport/bulletins_manuals/cdot-roadway-design-guide-2018
    https://www. codot.gov/@@site-logo/siteLogo.png

    Выпущено 25 октября 2018 г. Включает поправки 2018 г. к Руководству по проектированию дорог CDOT 2005 г.

    Бюллетень проектирования 2018-07 — Руководство CDOT по проектированию дорог (RDG) 2018 г.

    Бюллетень по проектированию для выпуска Руководства CDOT по проектированию дорог 2018 года.

    Редакции 2018 г. к Руководству по проектированию дорог CDOT 2005 г.

    Желтые выделения — это изменения содержимого, а зеленые — справочные обновления.

    CDOT Roadway Design Guide 2018 (Полное руководство)
    Крышка
    Введение
    Оглавление
    Глава 1 — Функциональная и контекстуальная классификации автомобильных дорог

    Чтобы различать типы автомагистралей, были разработаны функциональные и контекстуальные классификации, чтобы инженеры, администраторы и широкая общественность могли общаться о автомагистралях.

    Глава 2. Элементы управления и критерии проектирования

    В главе 2 обсуждаются характеристики транспортных средств, пешеходов и трафика, которые служат критериями для оптимизации или улучшения дизайна различных функциональных классов шоссе и улиц.

    Глава 3 — Элементы дизайна

    Существуют элементы дизайна, общие для всех классов автомагистралей и улиц, которые включают расстояние видимости, вираж, расширение проезжей части, уклоны, а также горизонтальное и вертикальное выравнивание.

    Глава 4 — Элементы поперечного сечения

    Типы элементов поперечного сечения

    Глава 5 — Местные дороги и улицы

    Местные дороги или жилые улицы в первую очередь служат для доступа к ферме, жилому дому, бизнесу или другому прилегающему имуществу. Сквозной трафик носит локальный характер и масштабы, а не региональный, внутригосударственный или межгосударственный.

    Глава 6 — Коллекторные дороги и улицы

    Эта группа подразделяется на сельские коллекторы и городские коллекторы. См. Главу 3 и Главу 4 настоящего Руководства для получения подробной информации об основных элементах конструкции, применимых к этой классификации дорог.

    Глава 7 — Сельские и городские магистрали

    Сельские магистрали варьируются от двухполосных до многополосных, разделенных магистралей с контролируемым доступом. Городские магистрали несут большие объемы трафика внутри и через городские районы. Их дизайн варьируется от автострад с полностью контролируемым доступом до двухполосных улиц. См. главу 3 и главу 4 для получения подробной информации об основных элементах конструкции, применимых к этой классификации дорог.

    Глава 8 — Автострады

    Самым высоким типом магистральных дорог является автострада, которая определяется как магистральная магистраль с полным контролем доступа и отсутствием пересечений или соединений в одном уровне. В этой главе определяются различные типы автомагистралей, подчеркиваются отдельные особенности и обсуждаются другие детали конструкции, уникальные для этих типов автомагистралей. Обратитесь к главам 3 и 4 для получения подробной информации об основных элементах конструкции, применимых к этой классификации проезжей части.

    Глава 9 — Перекрестки

    Перекресток определяется как общая область, где две или более автомагистралей соединяются или пересекаются, включая проезжую часть и придорожные сооружения для движения транспорта в ней. Эти перемещения могут быть обработаны различными средствами, такими как сигналы, знаки и распределение каналов, в зависимости от типа перекрестка.

    Глава 10 — Разделение и обмен уровнями

    Транспортная развязка представляет собой систему соединяющих проезжих частей в сочетании с одним или несколькими уровнями разделения, которые обеспечивают движение транспорта между двумя или более проезжими частями или автомагистралями на разных уровнях.

    Глава 11 — Контроль доступа и управление доступом

    Управление доступом – это запланированное и регламентированное взаимодействие между сетью дорог и доступом к собственности.

    Глава 12. Доступный пешеходный дизайн

    В этой главе содержатся рекомендации и указания относительно требований к проектированию доступных пешеходных объектов, чтобы они были доступны для всех потенциальных пользователей во всех дорожных условиях.

    Глава 13 — Альтернативные стандарты (дороги с низкой интенсивностью движения)

    Местная дорога с низкой интенсивностью движения имеет среднесуточную интенсивность движения максимум 400 автомобилей в день.

    Инструктаж перед началом работы: Какие бывают виды инструктажей по охране труда и как их проводят?

    Инструктаж сотрудников по охране труда и его виды

    Инструктаж по охране труда – обучение работников касаемо безопасности использования их рабочего места или выполнения работы. Эта процедура является обязательной для каждого сотрудника и может проводиться по несколько раз в год. Подробнее о видах и особенностях обучения расскажем в статье. 

    Виды инструктажа по охране труда

    Инструктаж разделяют в зависимости от характера и периода проведения:

    • вводный – необходим для недавно принятых сотрудников, включая командированных, временных рабочих и практикантов;
    • первичный – проводится перед началом самостоятельной работы для ознакомления с деятельностью или рабочим местом;
    • повторный – каждые полгода сотрудник обязан проходить инструктаж, который по своему характеру схож с первичным;
    • внеплановый – проходят каждый раз, когда меняется законодательство об охране труда, технологический процесс на производстве и т. п;
    • целевой – потребуется для специалистов, выполняющих разовую работу или ликвидируют последствия аварийных ситуаций.  

    Первичный и повторный инструктаж могут не проводить, если сотрудник не работает с определенным оборудованием, не использует инструменты, сырье или какие-либо материалы. Перечень профессий определяется внутри организации. 

    Подробный разбор всех видов инструктажа

    Стоит отметить, что по окончанию этой процедуры проводится проверка полученных знаний: устный или письменный опрос, использование оборудования для обучения и так далее. За проведение может отвечать инженер по охране труда или ответственный специалист, руководитель организации (если речь идет о микроорганизации), а также руководитель подразделения. 

    Вводный инструктаж

    Как уже было сказано, проводится он со всеми работниками, которые желают трудоустроиться в организацию, а также теми, кто прибыл из другой компании или проходит практику. Список вопросов указан в Инструкции №175, а сама программа создается самостоятельно, при этом следует учитывать особенности деятельности организации. Результаты фиксируют в журнале регистрации вводного инструктажа.  

    Первичный инструктаж

    Проводится до начала работы с трудоустроенными сотрудниками для постоянной или разовой (услуги) работы, командированными или с теми, кто перевелся из другого подразделения (объекта). Инструктаж может быть как индивидуальным, так и с группой лиц, если используется одинаковое оборудование или рабочее место только одно. 

    Программа зависит от особенностей выполняемых работ или услуг. Требования прописаны в нормативно-правовых актах и инструкциях по профессиям и услугам. Фиксируется в журнале регистрации инструктажа или личной карточке.

    Повторный инструктаж

    Раз в 6 месяцев работник обязан пройти повторный инструктаж, причем программа остается такой же, как на первичном. Специалисту заново доносят безопасность на производстве, проверяют полученные знания и фиксируют это в журнале. 

    Внеплановый инструктаж

    Является обязательной процедурой каждый раз, когда:

    • принимаются новые нормативно правовые акты;
    • меняется технологический процесс, обновляется или заменяется оборудование, инструменты, сырье и материалы;
    • работник не занимается деятельностью более полугода;
    • в схожих организациях произошла авария или несчастные случай;
    • от государственных органов поступил приказ о проведении инструктажа.

    Целевой инструктаж

    Необходим для специалистов, выполняющих разовые работы, ликвидирующих аварии, проводящих экскурсии и для работ, на которые оформлен наряд-допуск. Проводит инструктаж руководитель работ (должностное лицо). Фиксируется в общем или отдельном (для целевого инструктажа) журнале, а также в наряде-допуске (если это необходимо).

    Заключение

    Если вы заинтересованы в прохождении курсов по охране труда, то рекомендуем записаться на обучение в нашу компанию. По окончанию курсов вы получите необходимые ресурсы, обучение и поддержку, которые помогут сделать рабочее место более безопасным. 

    Инструктажи по охране труда. Внеплановый и целевой инструктаж

    Уважаемые коллеги! Мы продолжаем серию публикаций об инструктажах по охране труда. Сегодня мы расскажем, о двух инструктажах, к проведению которых работодатель чаще всего относится халатно. Почему так происходит? В отличие от вводного или первичного инструктажа, регулярность которых четко прописана в законодательстве, эти два указаны в постановлении 1/29 больше ситуативно. Но делать это, как показывает практика, категорически нельзя.

    Расскажем, кто и в каких ситуациях должен провести с работниками целевой и внеплановый инструктажи. Дадим образцы документов. И полезный бонус — таблица, в которой указано, какие документы должны быть в организации по инструктажам. Вся актуальная информация здесь: Новый порядок обучения по охране труда. Как применять правила в 2023 году >>>

    Внеплановый инструктаж по охране труда

    Внеплановый инструктаж не привязан к какому-то определенному обязательному периоду. Его проводят по необходимости. Все основания прописаны в законе (п. 2.1.6 Постановления Минтруда, Минобразования от 13.01.2003 № 1/29).

    6 ситуаций, при которых внеплановый инструктаж необходимо проводить в обязательном порядке

    1. Если ввели в действие новые требования по охране труда или изменили действующие, а также инструкции по охране труда.
    2. Если в компании изменился технологический процесс, заменили или модернизировали действующее оборудование, инструменты. Или изменились другие факторы, которые могут повлиять на безопасность труда сотрудников.
    3. Если работник или работники нарушили требования охраны труда, и эти нарушения создали реальную угрозу наступления тяжких последствий. Также это может быть легкий несчастный случай на производстве. Обратите внимание, речь идет не о серьезном несчастном случае или аварии, а о риске их возникновения.
    4. Если такие требования исходят от должностных лиц органов государственного надзора и контроля. Например, инспектор ГИТ во время плановой или внеплановой проверки выявил, что сотрудники предприятия не используют в работе СИЗ или используют их неправильно. Он может потребовать от работодателя провести с этими сотрудниками внеплановый инструктаж.
    5. Если у сотрудника, который работает во вредных условиях был перерыв в работе более 30 календарных дней. Для остальных работников — более двух месяцев. Это необходимо, чтобы обновить знания о безопасном ведении работ, если человек, к примеру, был на больничном или сотрудница находилась в декрете.
    6. Если работодатель посчитал нужным освежить знания работников. На практике такое бывает редко. Чаще всего это происходит, когда работодатель ответственно относится к своим обязанностям или, например, специалист по охране труда сообщил ему о мелких, но постоянных нарушениях работников на конкретном участке.

    Внеплановым инструктажем можно ограничиться, если работники нарушили требования охраны труда, но тяжких последствий не было, была лишь угроза аварии или несчастного случая. Запись о проведении вносят в специальный журнал.

    Пример

    На днях на Серовском заводе ферросплавов ученик токаря получил серьезные травмы. По предварительной версии одежда рабочего попала в зацепление с вращающимися механизмами станка. Пострадавший получил тяжелые травмы. Как сообщает пресса, это уже не первый подобный несчастный случай на заводе. В таких ситуациях, необходимо проводить с работниками внеочередную проверку знаний, так как на лицо периодические нарушения требований охране труда на предприятии.

    Кто проводит внеплановый инструктаж

    Внеплановый инструктаж, как и первичный, проводит непосредственный руководитель работ (п. 2.1.3 Постановления Минтруда, Минобразования от 13.01.2003 № 1/29). Его назначает своим приказом работодатель. Это может быть, например, бригадир или начальник смены.

    Важно! Ответственный за проведение внепланового инструктажа должен пройти обучение и проверку знаний по охране труда в специализированной обучающей организации (п. 2.3.2 Постановления Минтруда, Минобразования от 13.01.2003 № 1/29). В противном случае, такой инструктаж не будут считать проведенным законно.

    Как проводить внеплановый инструктаж: пошаговая инструкция

    Шаг 1. Определите контингент сотрудников, с кем нужно провести внеплановый инструктаж. Вы можете провести его с одним работником, если он периодически нарушает правила охраны труда на своем рабочем месте. Также инструктаж можно провести с группой сотрудников, если произошел несчастный случай или изменилось законодательство.

    Шаг 2. Назначьте ответственного за проведение инструктажа. Делает это руководитель компании своим приказом.

    Шаг 3. Определите по какой программе проводить внеплановый инструктаж.

    Это зависит от причины, по которой проводят инструктаж.

    • произошел несчастный случай, сотрудник на рабочем месте допустил нарушения правил охраны труда, у работника был перерыв в работе или требование о проведение исходит от инспектора ГИТ — проводите инструктаж по Программе первичного инструктажа. Дополнительно вы можете использовать примеры подобных несчастных случаев, которые легко найдете в интернете — новости или видеоролики на youtube. Обязательно проанализируйте произошедший несчастный случай или нарушения работника, разберите все ошибки.
    • изменилось законодательство — внесите изменения в инструкции по охране труда, утвердите их у работодателя. На их основе проводите внеплановый инструктаж.
    • заменили оборудование, изменился технологический процесс — используйте для инструктажа производственные документы и переработанные инструкции по охране труда.

    Шаг 4. Проведите устную проверку знаний после внепланового инструктажа. Убедитесь, что работник усвоил полученные знания.

    Шаг 5. Вносите запись о проведенном внеплановом инструктаже в журнал регистрации инструктажа на рабочем месте. Помните, что в журнале нужно обязательно указать:

    • данные инструктируемого сотрудника
    • вид инструктажа
    • причину проведения (№ и дату приказа)
    • подписи инструктируемого и инструктирующего

    Внимание! Если в журнале не будет подписей инструктируемого и инструктирующего, инспектор ГИТ во время проверки признает инструктаж не проведенным.

    Целевой инструктаж по охране труда

    Как и внеплановый, целевой инструктаж также не проводят с определенной регулярностью, а лишь в тех случаях, которые указаны в законе (п. 2.1.7 Постановления Минтруда, Минобразования от 13.01.2003 № 1/29).

    Целевой инструктаж необходимо проводить:

    • при выполнении разовых работ
    • при ликвидации последствий аварий
    • при ликвидации стихийных бедствий
    • перед проведением работ с повышенной опасностью, на которые нужно оформить наряд-допуск, разрешения или другие специальные документы
    • перед проведением в организации массовых мероприятий

    Пример

    Мастер смены ремонтного цеха поручил работникам разобрать мусор в одном из заброшенных зданий на территории предприятия, а также покрасить часть забора. Перед началом работы он должен выдать им спецодежду, необходимый инвентарь и провести с работниками целевой инструктаж.

    Кто проводит целевой инструктаж

    Целевой инструктаж, как и внеплановый, проводит непосредственный руководитель. Руководитель компании назначает ответственного за проведение инструктажа приказом.

    Этот сотрудник должен быть обучен и пройти проверку знаний по охране труда в специализированной обучающей организации (п. 8.10 ГОСТ 12.0.004-2015).

    Как проводят целевой инструктаж

    Алгоритм проведения целевого инструктажа такой же, как и внепланового:

    Шаг 1. Определите сотрудников, с которыми нужно провести инструктаж.

    Шаг 2. Определите ответственного за проведения. Подтвердите его полномочия приказом руководителя компании.

    Шаг 3. Проведите целевой инструктаж на месте выполнения работ. Если у вас запланировано массовое мероприятие, то непосредственно перед ним.

    Шаг 4. Устно проверьте полученный знания.

    Шаг 5. Заполните необходимые документы о проведении целевого инструктажа (п. 8.10 ГОСТ 12.0.004-2015).

    Запись о целевом инструктаже с работниками, которые проводят работы по наряду-допуску, разрешению, нужно вносить в наряд-допуск или другой документ, который разрешает производство работ.

    При эксплуатации электроустановок информацию о том, что вы провели с сотрудниками целевой инструктаж, фиксируйте в журнал учета работ по нарядам и распоряжениям (п. 10.10 Правил по охране труда при эксплуатации электроустановок, утв. приказом Минтруда России от 24.07.2013 № 328н).

    Начинающие специалисты по охране труда при проведении внепланового и целевого инструктажа часто совершают ошибки. Эксперт Центра Оценки Квалификации и Обучения №1 расскажет о главных ошибках и даст полезные рекомендации.

    Только ежедневный предстартовый инструктаж — SafetyCulture

    Используйте этот шаблон

    Титульный лист

    Сводка ежедневной работы

    • Какие виды работ выполняются сегодня? Выбрать все, что подходит.

      Выбирать
      Подготовка площадки, ограждение и т. д. РазборкаСнос — Ручной снос — Механический снос — Выносная горячая резка / обжиг Обработка стали Погрузочные скипы / вагоны — Погрузка металлолома Скипы / вагоны — Отходы ‘Асбест — Лицензия Расчистка площадок Строительство строительных лесов Выемка грунта Протягивание/зачистка кабеляДроблениеДемобилизацияДРУГОЕ

      • Установка площадки, ограждение и т. Д.
      • Снимите
      • Снос — Хунд
      • Снос — Механический
      • Снос — высокий доход
      • Hot Rutging
      • . Обработка стали
      • нагрузка на загрузку
      • нагрузка / Wagping
      • нагрузка. Скипы/вагоны – отходы
      • Асбестоцементная крыша «Cut and Drop»
      • Асбест – без лицензии Другое
      • Асбестоцементная крыша – «Cut and Drop»
      • Асбест – Лицензия
      • Расчистка площадки
      • Леса
      • Земляные работы
      • Протягивание / зачистка кабеля
      • Дробление
      • Демобилизация
      • ПРОЧЕЕ
    • Обзор запланированных на сегодня работ

    • Введите ссылочный номер оператора метода

    • Есть проблемы или проблемы?

    Распределение задач на сегодня

    • Разбейте сегодняшнюю работу на задачи. Оцените каждую задачу на наличие опасностей и средств контроля

    • Рабочее задание

    • Задача — Какую работу вы делаете?

    • Выберите потенциальные опасности, которые могут возникнуть при выполнении этой задачи сегодня.

      Выбирать
      Неконтролируемое обрушениеПадение/разлетающиеся материалы/мусорРабота на высотеРиск пожараПоскользнуться/поездки Воздействие асбестаШум/пыль/вибрация Погодные условияЗагрязнениеУгрозы общественным местамЭкстремальная температураШумСоциальные/межличностные вопросыКадровые проблемыЗадержка проектаДРУГОЕКак и в предыдущий день — об изменениях не сообщалось и не ожидается

      • Неконтролируемый коллапс
      • Падающий / летающий материал / Мастер
      • .
      • Подъемные операции/использование подъемного оборудования
      • Работа в одиночку
      • Нарушение общественного порядка
      • Воздействие на окружающую среду
      • Ручная обработка
      • Lack of Training and Competence
      • Rotating Machinery
      • Entry & Exit Hazards
      • Ground levels / voids
      • Pigeon Guano
      • Weils Disease / Leptospirosis
      • High Voltage
      • Confined Space
      • Adverse Weather Conditions
      • Pollution
      • Опасности для общественных мест
      • Экстремальные температуры
      • Шум
      • Социальные / межличностные отношения
      • Кадровые вопросы
      • Задержка проекта
      • ДРУГОЕ
      • Как и в предыдущий день — Изменения не сообщались и не ожидаются
    • Опишите другие потенциальные опасности, с которыми можно столкнуться при выполнении этой задачи сегодня.

    • Какие конкретные средства контроля вы будете применять к вышеуказанным опасностям для этой задачи?

      Выбирать
      Предоставление обучения/привлечение обученного персоналаРемонт/замена/техническое обслуживание машин и оборудованияУстановление зоны физического отчужденияНазначение банковских служащихНазначение пожарного сторожаОсвещение на рабочем местеОтключение/изоляцияЗащита органов дыханияПрименение СИЗВывескиИспользование разрешения на работуПривязь / защита от падения Огнетушители или противопожарное оборудованиеЭкраны/сетки для мусораГидроподавители шума или вибрацииМониторингСоответствующие RAMS In PlaceMachine Certificates Доступно / Проверки перед использованиемCAT-сканирование / Обнаружение оборудованияУФ-защитаОбнаружение / мониторинг газаОбозначенные рабочие зоныСпециальный надзор за повышением уровня задач до высшего руководстваДРУГОЕ

      • Обучение / использование подготовленных оперативных рабочих.
      • Применение средств индивидуальной защиты
      • Вывески
      • Использование разрешения на работу
      • Страховочные пояса / защита от падения
      • Огнетушители или противопожарное оборудование
      • Экраны / сетка мусора
      • Вода супрессант
      • Мониторинг шума или вибрации
      • Соответствующие RAMS на месте
      • Доступны машинные сертификаты.
      • Определенные рабочие зоны
      • Конкретный надзор за выполнением задачи
      • Повышение до старшего руководства
      • ДРУГОЕ
    • Опишите любые другие специальные средства контроля, которые вы примените к вышеуказанным опасностям для этой задачи.

    Окончательные проверки

    Подписание

    • Обратите внимание, что все оперативники, работающие на объекте, должны подписать действующее заявление об оценке рисков/методах проведения работ.
      Целью предстартового инструктажа является координация работ, проводимых на объекте в этот день, и напоминание оперативникам об основных рисках и средствах контроля.

      Каждый присутствующий член команды должен расписаться и расписаться, подтверждая выполнение вышеуказанных задач, опасностей и мер контроля.

    • Участник команды

    • Имя и подпись

    Используйте этот шаблон

    Распечатать в формате PDF

    Шаблоны, доступные в нашей Публичной библиотеке, были созданы нашими клиентами и сотрудниками, чтобы помочь вам начать использовать решения SafetyCulture.
    Шаблоны предназначены для использования только в качестве гипотетических примеров и не должны использоваться в качестве замены профессиональной консультации.
    Вам следует обратиться за собственным профессиональным советом, чтобы определить, разрешено ли использование шаблона на вашем рабочем месте или в вашей юрисдикции.
    Вам следует самостоятельно определить, подходит ли шаблон к вашим обстоятельствам.

    Шарлин Мюррей

    Ежедневный предстартовый брифинг и дневник

    50 загрузок

    NIGEL HOTSTON

    MINSafe — только ежедневный предстартовый инструктаж

    2 загрузки

    Harvey Bourne

    Ежедневный предстартовый брифинг и дневник

    4 загрузки

    Брюс Эллвуд

    Соглашение о плане безопасности для конкретной площадки

    17 загрузок

    Стивен Ричардсон

    Аудит безопасности объекта

    0 Загрузки

    Lewis Batchford

    Syd Bishop & Sons Health And Safety A…

    6 загрузок

    Брайан Уинстенли

    ТОПАН — Инспекция безопасности на объекте

    4 Загрузки

    John Menneer

    QRS ЕЖЕДНЕВНЫЙ ПРЕДСТАРТ/ПРОВЕРКА ИНСТРУМЕНТОВ

    8 загрузок

    Ежедневный предстартовый брифинг и дневник

    Используйте этот шаблон

    Титульный лист

    • Документ №

    • Аудит Раздел

    • Клиент/сайт

    • Проведено на

    • Подготовлено

    • Местоположение

    • Персонал

    Сводка ежедневной работы

    • Какие виды работ выполняются сегодня? Выбрать все, что подходит.

      Выбирать
      Подготовка площадки, ограждение и т. д. РазборкаСнос — Ручной снос — Механический снос — Выносная горячая резка / обжиг Обработка стали Погрузочные скипы / вагоны — Погрузка металлолома Скипы / вагоны — Отходы ‘Асбест — Лицензия Расчистка площадок Строительство строительных лесов Выемка грунта Протягивание/зачистка кабеляДроблениеДемобилизацияДРУГОЕ

      • Установка площадки, ограждение и т. Д.
      • Снимите
      • Снос — Хунд
      • Снос — Механический
      • Снос — высокий доход
      • Hot Rutging
      • . Обработка стали
      • нагрузка на загрузку
      • нагрузка / Wagping
      • нагрузка. Скипы/вагоны – отходы
      • Асбестоцементная крыша «Cut and Drop»
      • Асбест – без лицензии Другое
      • Асбестоцементная крыша – «Cut and Drop»
      • Асбест – Лицензия
      • Расчистка площадки
      • Леса
      • Земляные работы
      • Протягивание / зачистка кабеля
      • Дробление
      • Демобилизация
      • ПРОЧЕЕ
    • Чего вы ожидаете достичь к концу дня?

    • Есть проблемы или проблемы?

    • Какой завод у вас есть на участке? Идентичность HIRED в пунктах, где они известны.

    • ПОСЕТИТЕЛИ-ожидаются сегодня или отчет со вчерашнего дня? (Укажите причину и результат)

    • ПОСТАВКИ/СБОР — (запись всех перемещений со вчерашнего дня)

    Распределение задач на сегодня

    • Разбейте сегодняшнюю работу на отдельные пошаговые задачи, приведенные ниже. Оценивайте каждое задание на наличие опасностей и средств контроля

    • Рабочее задание

    • Опишите эту задачу

    • К какой категории относится эта задача?

      Выбирать
      Подготовка площадки, ограждение и т. д. РазборкаСнос — Ручной снос — Механический снос — Выносная горячая резка / обжиг Обработка стали Погрузочные скипы / вагоны — Погрузка металлолома Скипы / вагоны — Отходы ‘Асбест — Лицензия Расчистка площадок Строительство строительных лесов Выемка грунта Протягивание/зачистка кабеляДроблениеДемобилизацияДРУГОЕ

      • Установка площадки, ограждение и т. Д.
      • Снимите
      • Снос — Хунд
      • Снос — Механический
      • Снос — высокий доход
      • Hot Rutging
      • . Обработка стали
      • нагрузка на загрузку
      • нагрузка / Wagping
      • нагрузка. Скипы/вагоны – отходы
      • Асбестоцементная крыша «Cut and Drop»
      • Асбест – без лицензии Другое
      • Асбестоцементная крыша – «Cut and Drop»
      • Асбест – Лицензия
      • Расчистка площадки
      • Леса
      • Земляные работы
      • Протягивание / зачистка кабеля
      • Дробление
      • Демобилизация
      • ПРОЧЕЕ
    • Выберите потенциальные опасности, которые могут возникнуть при выполнении этой задачи сегодня.

      Выбирать
      Неконтролируемое обрушениеПадение/разлетающиеся материалы/мусорРабота на высотеРиск пожараПоскользнуться/поездки Воздействие асбестаШум/пыль/вибрация Погодные условияЗагрязнениеУгрозы общественным местамЭкстремальная температураШумСоциальные/межличностные вопросыКадровые проблемыЗадержка проектаДРУГОЕ

      • Неконтролируемый коллапс
      • Падающий / летающий материал / Мастер
      • .
      • Подъемные операции/использование подъемного оборудования
      • Работа в одиночку
      • Нарушение общественного порядка
      • Воздействие на окружающую среду
      • Ручная обработка
      • Lack of Training and Competence
      • Rotating Machinery
      • Entry & Exit Hazards
      • Ground levels / voids
      • Pigeon Guano
      • Weils Disease / Leptospirosis
      • High Voltage
      • Confined Space
      • Adverse Weather Conditions
      • Pollution
      • Опасности для общественных мест
      • Экстремальные температуры
      • Шум
      • Социальные / межличностные отношения
      • Кадровые вопросы
      • Задержка проекта
      • ДРУГОЕ
    • Опишите другие потенциальные опасности, с которыми можно столкнуться при выполнении этой задачи сегодня.

    • Какие категории управления опасностями вы примените к этой задаче?

      Выбирать
      Устранение/замена — Устранение или замена опасности Уменьшение — серьезность опасности или риска / вероятности причинения вреда Изолирование задачи/зоны/людей от опасностиИнформация, инструкция, обучение СИЗ — Защита работников с помощью средств индивидуальной защиты

      • Устранение/замена – Устранение или замена опасности
      • Уменьшение – серьезность опасности или риска/вероятности причинения вреда
      • Изолирование задачи/зоны/людей от опасности
      • Информация, инструкции, обучение
      • СИЗ – защита рабочих с средства индивидуальной защиты
    • Какие конкретные средства контроля вы будете применять к вышеуказанным опасностям для этой задачи?

      Выбирать
      Предоставление обучения/привлечение обученного персоналаРемонт/замена/техническое обслуживание машин и оборудованияУстановление зоны физического отчужденияНазначение банковских служащихНазначение пожарного сторожаОсвещение на рабочем местеОтключение/изоляцияЗащита органов дыханияПрименение СИЗВывескиИспользование разрешения на работуПривязь / защита от падения Огнетушители или противопожарное оборудованиеЭкраны/сетки для мусораГидроподавители шума или вибрацииМониторингСоответствующие RAMS In PlaceMachine Certificates Доступно / Проверки перед использованиемCAT-сканирование / Обнаружение оборудованияУФ-защитаОбнаружение / мониторинг газаОбозначенные рабочие зоныСпециальный надзор за повышением уровня задач до высшего руководстваДРУГОЕ

      • Обучение / использование подготовленных оперативных рабочих.
      • Применение средств индивидуальной защиты
      • Вывески
      • Использование разрешения на работу
      • Страховочные пояса / защита от падения
      • Огнетушители или противопожарное оборудование
      • Экраны / сетка мусора
      • Вода супрессант
      • Мониторинг шума или вибрации
      • Соответствующие RAMS на месте
      • Доступны машинные сертификаты.
      • Определенные рабочие зоны
      • Конкретный надзор за выполнением задачи
      • Повышение до старшего руководства
      • ДРУГОЕ
    • Опишите любые другие специальные средства контроля, которые вы примените к вышеуказанным опасностям для этой задачи.

    Окончательные проверки

    Подписание экипажа

    • Каждый присутствующий член команды должен расписаться и расписаться, подтверждая выполнение вышеуказанных задач, опасностей и средств контроля.

    • Участник команды

    • Имя и подпись

    Используйте этот шаблон

    Распечатать в формате PDF

    Шаблоны, доступные в нашей Публичной библиотеке, были созданы нашими клиентами и сотрудниками, чтобы помочь вам начать использовать решения SafetyCulture.
    Шаблоны предназначены для использования только в качестве гипотетических примеров и не должны использоваться в качестве замены профессиональной консультации.
    Вам следует обратиться за собственным профессиональным советом, чтобы определить, разрешено ли использование шаблона на вашем рабочем месте или в вашей юрисдикции.
    Вам следует самостоятельно определить, подходит ли шаблон к вашим обстоятельствам.

    Charlene Murray

    Только ежедневный предстартовый брифинг

    127 загрузок

    Шарлин Мюррей

    Ежедневный дневник сайта

    64 Загрузки

    Charlene Murray

    Toolbox Talk Record

    57 загрузок

    Шарлин Мюррей

    Брифинг по методологии

    48 Загрузка

    Шарлин Мюррей

    Форма выдачи СИЗ

    43 Загрузки

    Шарлин Мюррей

    Контрольный список настройки сайта

    42 Загрузки

    Charlene Murray

    Заводы, машины и оборудование Доставка.

    Ктн картофелекопалка: Картофелекопалка КТН-2ВМ-01 купить, цена

    Картофелекопатель транспортерный КТН 2020 (Аналог Bomet) » ООО «АГРОТЕХНИКА»

    Skip to navigationSkip to content

    Уважаемые посетители! В связи с нестабильной экономической ситуацией мы рекомендуем уточнять актуальную информацию о цене, наличии и сроках поставки товара у менеджера компании.Магазин сельскохозяйственной техники с доставкой по России!

    • Описание

    • Характеристики

    • Отзывы

    Картофелекопатель транспортерный навесной Русич КТН 2020 – это проcтое, нaдeжнoе и удобноe в экcплуaтации и обcлуживании сельхoзобopудoвание, oсновнoе предназнaчениe кoтоpой cборка клубнекорнeплодных культур. В процеcсе уборки выполняeтcя сoртирoвка и yкладывaние в yзкий ряд на поверхнoсти поля очищeнных картофелин. (Кардан приобретается отдельно)

    Кapтoфeлкопалка КТН дaет возмoжность проводить уборoчные работы пре любых пoгодных условиях, дaжe сaмыx неблагоприятных благодаpя оpигинальномy констpyктивному рeшению:

    • yдеpживaющая гребенка раcполoжeнa в зонe пpинудительныx встряxиваний;
    • геoмeтpия лемexoв для подкaпывaния обеспечивaет мaксимaльную эффективнoсть oбработки;
    • кoмбиниpованная кoнстpyкция вcтряхивaтелeй полотна основного пoдaющего механизма элевaтора.

    Агpегaтирoвaниe однорядной нaвeсной картофелeкoпaлки осyщеcтвляeтся в тpакторaми мощностью от 22 л.с. – (Русич, Чувашпиллeр, Четpпиллеp, Агромaш, Владимировец, МТЗ-320, Беларусь, Т-25, Т-40, ЮМЗ, ЛТЗ, Минитpактор Синтай 220, Синтaй 224, Синтай 240, Синтай 244.) Примeнениe с этими машинами пoзволяет выполнять рaбoтy cо cкоростью обрaбoтки дo 0,3 гa/час.

    Вся информация и фотографии товаров на сайте являются исключительно ознакомительными. Стоимость товаров, цены и другая информация, указанная на настоящем сайте приведена как справочная информация и не являются публичной офертой, определяемой положениями статьи 437 Гражданского кодекса Российской Федерации и может быть изменена в любое время без предупреждения по усмотрению продавца. Для получения подробной информации о стоимости, сроках и условиях поставки просьба обращаться в нашу компанию по указанным телефонам. Цвета и модели реализуемых товаров могут отличаться от представленных на настоящем сайте. Технические характеристики и комплектация товаров может быть изменена производителем или изготовителем без предупреждения

    Артикул: RU_92942

    Категория: Картофелекопалки

    Характеристики

     

    Вся информация и фотографии товаров на сайте являются исключительно ознакомительными. Стоимость товаров, цены и другая информация, указанная на настоящем сайте приведена как справочная информация и не являются публичной офертой, определяемой положениями статьи 437 Гражданского кодекса Российской Федерации и может быть изменена в любое время без предупреждения по усмотрению продавца. Для получения подробной информации о стоимости, сроках и условиях поставки просьба обращаться в нашу компанию по указанным телефонам. Цвета и модели реализуемых товаров могут отличаться от представленных на настоящем сайте. Технические характеристики и комплектация товаров может быть изменена производителем или изготовителем без предупреждения

    Отзывов

    0.0 общий рейтинг

    Купить картофелекопалку, картофелекопалка б/у

    Размещено на
    Размещены на
    Наименее дорогой сверху
    Самый дорогой сверху
    Год выпуска — новые сверху
    Год выпуска — старый сверху

    Связаться с продавцом

    ARRANCADORA DE PATATAS DE 1 SURCO

    1210 €

    доллар США
    СГС

    ≈ 1335 долларов США
    ≈ 15 770 9

    Количество строк
    1

    Требуемая мощность трактора
    20 л.с.

    Год

    Пробег

    Вид

    Испания, Альфес (LLEIDA)

    Связаться с продавцом

    БОМЕТ 15

    2 238,50 евро

    доллар США
    СГС

    ≈ 2471 доллар США
    ≈ GHS 29 180

    Требуемая мощность трактора
    25 л. с.

    Год

    Пробег

    Разновидность
    вибрационный

    Испания, Alfés (LLEIDA)

    Подпишитесь, чтобы получать новые объявления из этого раздела

    1

    ВИДЕО

    Связаться с продавцом

    4У-2

    цена по запросу

    Рабочая ширина

    1,3 м

    Год

    Пробег

    Виды

    Узбекистан, Ташкент

    1

    ВИДЕО

    Связаться с продавцом

    OPD

    цена по запросу

    Количество рядов
    2

    Год

    Пробег

    Вид

    Узбекистан, Ташкент

    1

    ВИДЕО

    Связаться с продавцом

    КН-2

    цена по запросу

    Рабочая ширина

    1,4 м

    Глубина копания
    220 мм

    Год

    Пробег

    Вид

    Узбекистан, Ташкент

    Связаться с продавцом

    MIKANN Kopaczka do ziemniaków PD50, мини-трактор, osprzęt, ЯПОНИЯ

    853,50 €

    злотый
    доллар США

    3 900 злотых
    ≈ 942 $

    Год
    2021

    Пробег

    Вид

    Польша, Радомско

    Связаться с продавцом

    BOMET Kartoffelroder / Картофелекопалка / Arracheuse / Kartofelekopalka /

    1 258 €

    злотый
    доллар США

    5750 злотых
    ≈ 1389 долларов США

    Рабочая ширина

    0,56 м

    Глубина копания
    200 мм

    Количество рядов
    1

    Расстояние между рядами
    560 мм

    Требуемая мощность трактора
    10 л. с.

    Рабочая скорость
    5 км/ч

    Тип
    для мотоблока

    Год
    2023

    Пробег

    Вид

    Польша, Венгрув

    Связаться с продавцом

    ROLMET Siebkettenroder / Kartoffelroder / Картофелекопалка / Arracheuse de

    1 525 €

    злотый
    доллар США

    6 970 злотых
    ≈ 1684 900 долл. США0003

    Рабочая ширина

    0,67 м

    Количество рядов
    1

    Расстояние между рядами
    67 мм

    Рабочая скорость
    5 км/ч

    Тип
    для трактора

    Год
    2023

    Пробег

    Вид

    Польша, Липск, Подляское

    Связаться с продавцом

    ROLMET Siebkettenroder / Kartoffelroder / Картофелекопалка / Arracheuse de

    4 465 €

    злотый
    доллар США

    20 400 злотых
    ≈ $4,928

    Рабочая ширина

    1,25 м

    Количество рядов
    2

    Требуемая мощность трактора
    30 л. с.

    Рабочая скорость
    15 км/ч

    Тип
    для трактора

    Год
    2023

    Пробег

    Вид

    Польша, Липск, Подляское

    Связаться с продавцом

    Связаться с продавцом

    Связаться с продавцом

    GRIMME GT 170

    37 500 €

    доллар США
    СГС

    ≈ 41 390 долларов США
    ≈ 488,9 сом00

    Количество рядов
    2

    Год
    2012

    Пробег

    Вид

    Франция, SEVIGNY WALEPPE

    Связаться с продавцом

    Связаться с продавцом

    GRIMME RL-1500

    9 500 €

    доллар США
    СГС

    ≈ $10,490
    ≈ 123 800

    швейцарских франков

    Рабочая ширина

    1,5 м

    Количество рядов
    2

    Расстояние между рядами
    75 мм

    Год

    Пробег

    Вид

    Украина, Колоденка

    Связаться с продавцом

    ТЕХНОС ИК-1Д

    1 818 €

    доллар США
    СГС

    ≈ 2007 долларов США
    ≈ 23 700

    Год
    2022

    Пробег

    Виды

    Австрия, Цветтль

    2

    Связаться с продавцом

    GRIMME DL1500

    цена по запросу

    Количество рядов
    2

    Год

    Пробег

    Вид

    Украина, Киев

    Связаться с продавцом

    GRIMME SE 260 UB

    79 500 евро

    доллар США
    СГС

    ≈ 87 740 долларов США
    ≈ GHS 1 036 000

    Количество строк
    2

    Год
    2016

    Пробег

    Вид

    Германия, Зулендорф

    Связаться с продавцом

    GRIMME SE 260 UB

    90 000 евро

    доллар США
    СГС

    ≈ 99 330 долларов США
    ≈ GHS 1 173 000

    Количество строк
    2

    Год
    2017

    Пробег

    Вид

    Германия, Зулендорф

    Связаться с продавцом

    GRIMME SE 75-55 СБ

    135 000 евро

    доллар США
    СГС

    ≈ 149 000 долларов США
    ≈ 1 760 000 

     год
    2022

    Пробег

    Вид

    Германия, Зулендорф

    Связаться с продавцом

    GRIMME SE 140 SB

    50 000 €

    доллар США
    СГС

    ≈ 55 180 долларов США
    ≈ 651 800 9 000 сомони0003

    Год
    2014

    Пробег

    Вид

    Германия, Зулендорф

    Связаться с продавцом

    GRIMME SE 260 UB

    78 500 €

    доллар США
    СГС

    ≈ 86 640 долларов США
    ≈ GHS 1 023 000

    Количество строк
    2

    Год
    2018

    Пробег
    1832 м/ч

    Вид

    Германия, Зулендорф

    Связаться с продавцом

    GRIMME SE 260 UB

    89 500 €

    доллар США
    СГС

    ≈ 98 780 долларов США
    ≈ GHS 1 167 000

    Количество строк
    2

    Год
    2018

    Пробег
    1334 м/ч

    Вид

    Германия, Зулендорф

    Связаться с продавцом

    GRIMME SE 260 UB

    70 000 €

    доллар США
    СГС

    ≈ 77 260 долларов США
    ≈ GHS 912 600

    Количество рядов
    2

    Год
    2014

    Пробег

    Вид

    Германия, Зулендорф

    Связаться с продавцом

    GRIMME SE 150-60 NB

    69 000 €

    доллар США
    СГС

    ≈ 76 160 долларов США
    ≈ GHS 899 500

    Количество рядов
    2

    Год
    2015

    Пробег

    Вид

    Германия, Зулендорф

    Связаться с продавцом

    GRIMME SE 260 UB

    125 000 €

    доллар США
    СГС

    ≈ 138 000 долларов США
    ≈ 1 630 000 

     год
    2020

    Пробег

    Виды

    Германия, Зулендорф

    Партнерская программа Agriline

    Станьте нашим партнером и получайте вознаграждение за каждого привлеченного клиента

    Избранное : 0

    Сравнение: 0

    Следующий

    1
    234Следующий

    Результаты поиска:

    76 объявлений

    Показать

    Получить новые результаты поиска:

    Подписаться

    гигантская картофельная пушка — Googlesuche

    AlleBilderShoppingVideosMapsNewsBucher

    suchoptionen

    Bilder

    Alle anzeigen

    Alle anzeigen

    Ähnliche Fragen

    What is самая дальнобойная картофельная пушка?

    Какой лучший размер для картофельной пушки?

    Картофельные пушки безопасны?

    Какая картофельная пушка самая эффективная?

    MEGA POTATO GUN — пусковая установка для десантников — YouTube

    www. youtube.com › смотреть

    27.11.2016 · Всем спасибо за просмотр.Twitter.com/daleatwoodFan Mail:PO BOX 549Thornville, OH 43076.
    Dauer: 12:31
    Прислан: 27.11.2016

    Я построил самую большую в мире картофельную пушку — YouTube

    www.youtube.com › смотреть

    13 .01.2022 · Одно из самых сумасшедших видео еще. Я построил самое большое в мире картофельное ружье и стрелял из него вместе с друзьями. Это …
    Добавлено: 5:05
    Прислано: 13.01.2022

    Potato Launcher DIY : Super Dangerous !!! — YouTube

    www.youtube.com › смотреть

    20.06.2017 · ПОДПИСАТЬСЯ!: http://bit.ly/1G97GmПОДЕЛИТЕСЬ ЭТИМ ВИДЕО: https://youtu.be/4z6amELU0LYВ детстве …
    Добавлено: 6:15
    Прислан: 20.06.2017

    ЛУЧШАЯ ПОДБОРКА ПУШКИ И КОТЕЛКИ 2017!

    www.youtube.com › смотреть

    15.02.2017 · Более качественная версия: https://www.youtube.com/watch?v=QIA418IPAlc.
    Dauer: 10:09
    Прислано: 15. 02.2017

    Картофельная пушка — Википедия (пневматический), или горение легковоспламеняющегося газа (аэрозоль, пропан и т. д.) …

    Типы пусковых установок · Типы клапанов · Соединения · Практическое использование

    Увидеть ответный удар гигантской картофельной пушки в шокирующем взрыве, посылающем пюре …

    www.irishmirror.ie › Новости › Вирусный ему повезло сбежать после того, как его огромная картофельная пушка взорвалась у него в руках.

    Военные США построили самую мощную в мире картофельную пушку (ВИДЕО)

    www.guns.com › Новости › Военные и полицейские” использует подход «один размер подходит всем», который позволяет им помещать в него практически все, что они хотят (включая мешок …

    Посмотрите на ответный удар гигантской картофельной пушки в шокирующем взрыве, отправляющем пюре …

    www.mirror.co.uk › Новости › Странные новости › Вирусный

    15.12.2013 · Но прежде чем шпилька успевает выстрелить из ствола, конец ружья, который держит стрелок, взрывается, разбрасывая осколки пластика

    Как сделать гигантскую картофелемет: 7 шагов — пошаговые инструкции

    www.

    Проектирование дорожных одежд для движения большегрузных автомобилей: Проектирование дорожных одежд для движения большегрузных автомобилей. Радовский Б.С., Супрун А.С., Козаков И.И. 1989 | Библиотека: книги по архитектуре и строительству

    Проектирование дорожных одежд для движения большегрузных автомобилей. Радовский Б.С., Супрун А.С., Козаков И.И. 1989 | Библиотека: книги по архитектуре и строительству

    Проектирование дорожных одежд для движения большегрузных автомобилей
    Радовский Б.С., Супрун А.С., Козаков И.И.
    Издательство «Будiвельник». Киев. 1989
    168 страниц
    ISBN 5-7705-0154-5

    Содержание: 

    В книге описаны методы определения напряженно-деформированного состояния дорожных одежд под действием подвижной нагрузки. Рассмотрены особенности их расчета в условиях движения большой интенсивности и воздействия большегрузных транспортных средств, в том числе многоосных автомобилей большой грузоподъемности. Даны рекомендации по конструированию дорожных одежд. Для специалистов проектных и дорожно-строительных организаций.

    Предисловие

    Глава 1. Определение напряженно-деформированного состояния дорожных одежд под действием подвижных нагрузок

    1.1. Закономерности поведения дорожных одежд при движении транспортных средств
    1.2. Расчетные характеристики материалов и грунтов
    1.3. Расчет прогибов и напряжений дорожных одежд от действия подвижной нагрузки

    Глава 2. Особенности расчета дорожных одежд для условий движения большой интенсивности

    2.1. Определение прочности дорожно-строительных материалов при повторных нагрузках
    2.2. Расчет необходимого коэффициента запаса прочности на усталость дорожной одежды при интенсивном движении
    2.3. Расчет покрытия на прочность при интенсивном движении с заданной надежностью по трещиностойкости

    Глава 3. Особенности расчета дорожных одежд для условий движения большегрузных транспортных средств

    3.1. Критерии предельного состояния
    3.2. Определение расчетной нагрузки с учетом количества осей и колес транспортного средства
    3. 3. Фактическая и расчетная интенсивность движения
    3.4. Пример определения параметров расчетной нагрузки

    Глава 4. Конструирование дорожных одежд для тяжелого и интенсивного движения

    4.1. Общие принципы конструирования дорожных одежд
    4.2. Дорожные одежды с асфальтобетонными покрытиями
    4.3. Дорожные одежды с цементобетонными покрытиями
    4.4. Особенности применения местных материалов и отходов промышленности в основаниях дорожных одежд
    4.5. Дорожные одежды для транспортных средств особо большой грузоподъемности

    Список использованной литературы (168)

    Инженерные сооружения и транспорт

    Проектирование и строительство автомобильных дорог

    Радовский Б.С.

    Супрун А.С.

    Козаков И.И.

    Скачать книгу: Проектирование дорожных одежд для движения большегрузных автомобилей. Радовский Б.С., Супрун А.С., Козаков И.И. 1989

    Проекты

    Участок км 216 – км 223 трассы Р-256 «Чуйский тракт»

    Заказчик:
    ФКУ Упрдор «Алтай».

    Технологии проекта:
    Цементобетонное покрытие

    Участок км 173 – км 183 трассы Р-256 «Чуйский тракт»

    Заказчик:
    ФКУ Упрдор «Алтай».

    Технологии проекта:
    Цементобетонное покрытие

    Участок км 1545 – км 1555 трассы Р-255 «Сибирь»

    Заказчик:
    ФКУ Упрдор «Прибайкалье».

    Технологии проекта:
    Цементобетонное покрытие и основание

    Восточный обход г. Новосибирск

    Заказчик:
    ФКУ «Сибуправтодор».


    Трасса протяженностью 80 километров, категория дороги 1Б, 24 сантиметра дорожной одежды — цементобетон Б35.

    Технологии проекта:
    Цементобетонное покрытие

    Объект «Вишневое-Сосновка-Вербное-Гусево» в Калининградской области

    Заказчик:
    ГК УКО «Управление дорожного хозяйства Калининградской области» .

    По имеющимся сведениям, данная дорога и ее бетонное покрытие были созданы более 80 лет назад властями Германии на территории Калининградской области. До настоящего времени дорога не подвергалась капитальному ремонту.

    Технологии проекта:
    Цементобетонное покрытие

    Федеральная автомобильная дорога Р-254 «Иртыш»

    Заказчик:
    ФКУ «Сибуправтодор».

    Технологии проекта:
    Цементобетонное покрытие

    Северный обход г.Новосибирск

    Заказчик:
    ФКУ «Сибуправтодор».

    Дорожное покрытие выполнено из цементобетона — эта технология наиболее отвечает современным требованиям, долговечна в эксплуатации и бесспорно способна выдержать прогнозируемую интенсивность движения и нагрузки на дорожную одежду.

    Технологии проекта:
    Цементобетонное покрытие

    А-116 «Чита-Забайкальск»

    Реконструкция 42 км федеральной автодороги А-166 Чита-Забайкальск с переходом на цементобетонное покрытие  в Забайкальском крае.
    С 2013 г. в рамках капитального ремонта автомобильной дороги  выполняются работы по устройству цементобетонного покрытия. Подрядная организация —  ОАО…

    Технологии проекта:
    Цементобетонное покрытие 

    М6 (Р-22) «Каспий»

    Заказчик:
    ФКУ «Москва-Волгоград».

    В 2017 г. завершились работы по реконструкции федеральной автомобильной дороги М6 (Р-22) «Каспий». Подрядчиком работ является ОАО «Донаэродорстрой»

    Технологии проекта:
    Цементобетонное покрытие

    М4 Дон

    Заказчик:
    Госкомпания «Автодор».

    С 2009 по 2011 гг выполнялась реконструкция федеральной автомобильной дороги М4 «ДОН» на участке км 52+000 км 71+000 км с цементобетонным покрытием. Устройство цементобетонного покрытия выполняла подрядная организация ОАО «Трансстроймеханизация»

    Технологии проекта:
    Цементобетонное покрытие

    М-60 «Уссури»

    Заказчик:
    ФГУ ДСД «Дальний Восток.

    Технологии проекта:
    Цементобетонное покрытие

    М-52 «Чуйский тракт»

    В 2013 г. была разработана проектная документация на «Строительство автомобильной дороги М-52 «Чуйский тракт» — от Новосибирска через Бийск до границы с Монголией на участке Новосибирск. Данный участок автомобильной дороги является Восточным обходом г. Новосибирск

    Эквивалентная нагрузка на одну ось – Интерактивное покрытие

    Хотя определить нагрузку на колесо или ось для отдельного транспортного средства не так уж сложно, определить количество и типы нагрузок на колесо/ось, которым будет подвергаться конкретное дорожное покрытие, становится довольно сложно. с учетом его расчетного срока службы. Кроме того, основное внимание уделяется не колесной нагрузке, а повреждению дорожного покрытия, вызванному колесной нагрузкой. Наиболее распространенным историческим подходом является преобразование повреждений от колесных нагрузок различной величины и повторяемости («смешанное движение») в повреждения от эквивалентного количества «стандартных» или «эквивалентных» нагрузок. Наиболее часто используемая эквивалентная нагрузка в США — это эквивалентная нагрузка на одну ось 18 000 фунтов (80 кН) (обычно обозначаемая как ESAL). На момент своего развития (начало 19 в. 60-х годов на дорожных испытаниях AASHO) было намного проще использовать одно число для представления всей транспортной нагрузки в несколько сложных эмпирических уравнениях, используемых для прогнозирования срока службы дорожного покрытия.

    Существует два стандартных уравнения ESAL США (по одному для нежестких и жестких покрытий), которые получены на основе результатов дорожных испытаний AASHO. Оба эти уравнения используют один и тот же базовый формат, однако показатели степени немного отличаются.

    Коэффициенты эквивалентности нагрузки

    Выходными данными уравнения являются коэффициенты эквивалентности нагрузки (LEF) или коэффициенты ESAL. Этот коэффициент связывает различные комбинации нагрузки на ось со стандартной нагрузкой на одну ось 80 кН (18 000 фунтов). Следует отметить, что ESAL, рассчитанные по уравнениям ESAL, зависят от типа покрытия (гибкое или жесткое) и конструкции покрытия (номер конструкции для гибкого покрытия и глубина плиты для жесткого покрытия). Как правило, 1993 Руководство по проектированию AASHTO , часть III, глава 5, параграф 5.2.3, рекомендует использовать множитель 1,5 для преобразования гибких ESAL в жесткие ESAL (или множитель 0,67 для преобразования жестких ESAL в гибкие ESAL). Использование спектров нагрузки (как предложено в руководстве G 2002 г. по проектированию новых и реабилитированных конструкций дорожного покрытия ) устранит необходимость преобразования ESAL в гибкую-жесткую. В таблице 1 показаны некоторые типичные LEF для различных комбинаций нагрузки на ось.

     

    Таблица 1. Некоторые типичные коэффициенты эквивалентности нагрузки

    Тип оси (фунты) Осевая нагрузка Коэффициент эквивалентной нагрузки (из AASHTO, 1993 г.)
    (кН) (фунты) Гибкий Жесткий
    Одноосный 8,9
    44,5
    62,3
    80,0
    89,0
    133,4
    2 000
    10 000
    14 000
    18 000
    20 000
    30 000
    0,0003
    0,118
    0,399
    1,000
    1,4
    7,9
    0,0002
    0,082
    0,341
    1,000
    1,57
    8,28
    Тандемная ось 8,9
    44,5
    62,3
    80,0
    89,0
    133,4
    151,2
    177,9
    222,4
    2 000
    10 000
    14 000
    18 000
    20 000
    30 000
    34 000
    40 000
    50 000
    0,0001
    0,011
    0,042
    0,109
    0,162
    0,703
    1,11
    2,06
    5,03
    0,0001
    0,013
    0,048
    0,133
    0,206
    1,14
    1,92
    3,74
    9,07
    Допущения
    • Индекс исправности терминала (p t ) = 2,5
    • Структурный номер покрытия (SN) = 3,0 для нежестких покрытий
    • Глубина плиты (D) = 9,0 дюймов для жестких покрытий

    Обобщенный закон четвертой степени

    Уравнение эквивалентности нагрузки AASHTO довольно громоздко и, конечно же, его нелегко запомнить. Поэтому, как правило, ущерб, вызванный конкретной нагрузкой, примерно соотносится с нагрузкой в ​​степени четыре (для достаточно прочных поверхностей дорожного покрытия). Например, для нежесткого покрытия с SN = 3,0 и p t = 2,5:

    1. A 18 000 фунтов (80 кН), одна ось, LEF =1,0
    2. A 30 000 фунтов (133 кН), одна ось, LEF = 7,9
    3. Сравнивая эти два соотношения, получаем: 7,9/1,0 = 7,9
    4. Используя эмпирическое правило четвертой степени:

    Таким образом, обе оценки примерно равны.

    LEF Пример

    Предположим, что у лесовоза три оси:

    • Седельный тягач
      • Управляемая ось (одна ось) = 14 000 фунтов (62,2 кН)
      • Ведущий мост (тандемный мост) = 34 000 фунтов (151,1 кН)
    • Трейлер
      • Ось прицепа с опорой (тандемная ось) = 30 000 фунтов (133,3 кН)

    Суммарное эквивалентное повреждение этого грузовика составляет (p t = 3,0, SN = 3):

    равно 0,47 ЕСАЛ
    Ведущий мост @ 34 000 фунтов равно 1,15 ЭСАЛ
    Ось полюса @ 30 000 фунтов равно 0,79 ЕСАЛ
    Всего равно 2,41 ЭСАЛ

    Если дорожное покрытие подвергается воздействию 100 таких грузовиков каждый день (в одном направлении) в течение 20 лет (5 дней в неделю), общий ESAL для этого грузовика составит:

    (5 дней/7 дней) (365 дней/год)(20 лет)(100 грузовиков/день)(2,41 ESAL/грузовик) = 1 256 643 ESAL

    Общие наблюдения, основанные на коэффициентах эквивалентности нагрузки

    1. Зависимость между нагрузкой на ось и повреждением дорожного покрытия не линейная, а экспоненциальная. Например, одиночная ось с усилием 44,4 кН (10 000 фунтов) должна быть применена к конструкции дорожного покрытия более 12 раз по , чтобы нанести такое же повреждение, как однократное повторение одиночной оси с усилием 80 кН (18 000 фунтов). Точно так же одинарная ось 97,8 кН (22 000 фунтов) должна повторяться менее чем в два раза меньше, чем одинарная ось 80 кН (18 000 фунтов), чтобы иметь эквивалентный эффект.
      • Одинарная ось 80 кН (18 000 фунтов) наносит более чем в 3000 раз больше повреждений дорожному покрытию, чем одинарная ось 8,9 кН (2000 фунтов) (1,000/0,0003 ˜ 3,333).
      • Одна ось с усилием 133,3 кН (30 000 фунтов) наносит приблизительно в 67 раз больше повреждений, чем одиночная ось с усилием 44,4 кН (10 000 фунтов) (7,9/0,118 ˜ 67).
      • Одинарная ось с усилием 133,3 кН (30 000 фунтов) наносит приблизительно в 11 раз больше повреждений, чем сдвоенный мост с усилием 133,3 кН (30 000 фунтов) (7,9/0,703 ˜ 11).
      • Тяжелые грузовики и автобусы несут большую часть повреждений дорожного покрытия. Учитывая, что типичный автомобиль весит от 2000 до 7000 фунтов (снаряженная масса), даже полностью загруженный большой пассажирский фургон будет генерировать только около 0,003 ESAL, в то время как полностью загруженный тягач с полуприцепом может генерировать до 3 ESAL (в зависимости от типа дорожного покрытия, структуру и работоспособность терминала).
    2. Определение LEF для каждой комбинации нагрузки на ось на конкретной дороге возможно с помощью оборудования взвешивания в движении. Однако, как правило, такая подробная информация недоступна для проектирования. Поэтому многие агентства усредняют свои LEF по всему штату или по разным регионам штата. Затем они используют стандартный «коэффициент грузовика» для проектирования, который представляет собой просто среднее количество ESAL на грузовик. Таким образом, определение ESAL будет включать подсчет количества грузовиков и умножение на коэффициент грузовика.
      • Этот метод позволяет оценить ESAL без подробных измерений трафика, что часто подходит для дорог с низкой интенсивностью движения и часто должно использоваться из-за отсутствия лучшей альтернативы для дорог с высокой интенсивностью движения.
      • При использовании этого метода нет гарантии, что предполагаемый фактор грузовика является точным представлением грузовиков, встречающихся на конкретной рассматриваемой дороге.

    Оценка ESAL

    Основным элементом проектирования дорожного покрытия является оценка ESAL, с которым конкретное покрытие будет сталкиваться в течение своего расчетного срока службы. Это помогает определить структурный дизайн дорожного покрытия (а также состав смеси HMA в случае Superpave). Это делается путем прогнозирования трафика, которому будет подвергаться дорожное покрытие в течение его расчетного срока службы, а затем преобразования трафика в определенное количество ESAL на основе его состава. Типичная оценка ESAL состоит из:

    1. Счетчик трафика . Подсчет трафика используется в качестве отправной точки для оценки ESAL. Большинство городских районов имеют некоторое количество исторических записей о подсчете трафика. Если нет, простой подсчет пробок относительно недорог и быстр. В некоторых случаях проектировщикам, возможно, придется использовать очень приблизительные оценки, если данные подсчета не могут быть получены.
    2. Подсчет или оценка количества тяжелых транспортных средств . Обычно для этого требуется какая-то классификация транспортных средств в рамках подсчета трафика. Простейшие классификации делят транспортные средства на две категории: (1) тяжелые грузовики и (2) прочие. Могут использоваться и другие, более сложные схемы, такие как классификация транспортных средств FHWA.
    3. Расчетная скорость роста трафика (и большегрузных транспортных средств) в течение расчетного срока службы покрытия . Оценка темпов роста требуется для преобразования количества трафика за один год в общий трафик, наблюдаемый за расчетный срок службы дорожного покрытия. Как правило, умножение первоначального количества транспортных средств на расчетный срок службы покрытия (в годах) приводит к значительному занижению общих значений ESAL. Например, на межштатной автомагистрали 5 на отметке 176,35 мили (недалеко от Шорлайн, штат Вашингтон) число ESAL увеличилось примерно с 200 000 в год в 19 году.65 (первоначальная конструкция) до примерно 1 000 000 ESAL в год в 1994 году. Таким образом, за 30-летний период 90 221 ESAL в год 90 222 увеличились в пять раз, или годовой темп роста составил около шести процентов.
    4. Выберите соответствующие LEF для преобразования трафика грузовиков в ESAL . В разных регионах могут быть разные виды нагрузок. Например, в определенном районе может находиться большое количество грузовиков, но они могут быть в основном пустыми, что снижает их LEF. Например, LEF в штате Вашингтон составляет около 1,028 ESAL на грузовик. Однако это может кардинально отличаться от местных LEF.
    5. Оценка ESAL . Оценка ESAL может быть сделана на основе предыдущих шагов. В зависимости от обстоятельств эти оценки могут сильно различаться. На Рисунке 1 показан пример дорожного покрытия, которое было построено для расчетной нагрузки ESAL, но испытывает гораздо более высокую нагрузку из-за заметного увеличения движения автобусов.

    Рисунок 1. Повреждение, вызванное заметным увеличением ESAL.

    Рис. 2. Вероятная причина увеличения ESAL: увеличение трафика шины.

     

    Какой ущерб наносят нашим дорогам тяжелые грузовики?

    Простое уравнение, основанное на серии экспериментов, проведенных в 1950-х годах, до сих пор служит эмпирическим правилом для оценки повреждений дорог.

    (Inside Science) — Может быть очевидно, что тяжелые полуприцепы нагружают и повреждают дороги больше, чем средний пригородный седан. Но насколько?

    С 1960-х годов обобщенный закон четвертой степени использовался в качестве эмпирического правила при рассмотрении относительного ущерба, наносимого дорожному покрытию, в зависимости от веса транспортного средства. Общая картина более сложна, но упрощенное и, возможно, элегантное уравнение служит хорошей отправной точкой для обсуждения.

    «Мощная» функция

    Дорожные испытания AASHO — это многолетний эксперимент, проводившийся Американской ассоциацией государственных дорожных служащих (AASHO) в 1950-х годах, и до сих пор он остается, пожалуй, самым всесторонним испытанием грузовиков и повреждений дорожного покрытия. В ходе испытаний грузовики разной массы и комплектации проезжали по петле до тех пор, пока дорога не была повреждена до определенного места. В конечном итоге испытания привели к 141 аварии и двум погибшим.

    Изображение

    Авария грузовика во время дорожных испытаний AASHO.

    Средства массовой информации

    Транспортный исследовательский совет

    В отчете приводится обширный список уравнений для описания данных, собранных в ходе испытаний, и из этих уравнений родился обобщенный закон четвертой степени. Существует эмпирическое правило для сравнения количества повреждений дорожного покрытия, вызванных транспортными средствами разной массы, с точки зрения нагрузки на ось:

    Изображение

    В уравнении  Вт 1  — вес оси транспортного средства 1, который мы сравним с  W 2 , вес оси транспортного средства 2.

    Давайте посмотрим на некоторые числа для сравнения.

    Рассмотрим стандартный седан с двумя осями и полной массой 2 тонны. При равномерном распределении каждая из его осей будет нести вес 1 тонны. Теперь рассмотрим полуприцеп с восемью осями и весом 40 тонн — каждая его ось будет весить 5 тонн. Относительный ущерб, наносимый каждой осью грузовика, можно рассчитать по следующему уравнению, и он в 625 раз превышает ущерб, наносимый каждой осью седана.

    Image

    Учитывая, что у грузовика восемь осей, а у седана — две, относительный ущерб, причиняемый всем полуприцепом, будет 625 x (8/2) — в 2500 раз больше, чем у седана.

    «Ущерб от автомобилей, для практических целей, когда мы проектируем тротуары, практически нулевой. На самом деле это не ноль, но настолько меньше — на порядки меньше — что мы даже не беспокоимся о них», — сказал Карим Чатти, инженер-строитель из Мичиганского государственного университета в Ист-Лансинге.

    Ограничение уравнения

    Теоретически вы можете добавить оси к грузовику, чтобы облегчить нагрузку на каждую ось. Например, если бы у того же 40-тонного грузовика было 10 осей вместо восьми, то каждая из осей теперь весила бы 4 тонны вместо 5, а относительный урон стал бы таким:

    Image

    Даже с учетом дополнительных осей относительный ущерб все равно будет ниже, то есть 256 x (10/2), или 1280 раз больше, чем у седана, примерно вдвое меньше, чем у восьмиосного грузовика.

    На самом деле отношения сложнее. Например, добавление дополнительных осей увеличивает общий вес транспортного средства, что делает его более опасным, особенно для мостов, где основной проблемой является общий вес, а не вес оси.

    Другими важными факторами являются скорость автомобиля, количество колес на каждой оси, конструкция и состав самого дорожного покрытия и т. д.

    «Это зависит от многих вещей, — сказал Чатти об обобщенном законе. «Есть диапазон. [Показатель степени] не всегда равен четырем, он может варьироваться от трех до шести».

    Однако, как правило, это уравнение считается адекватным для использования в качестве руководства для правил и политик.

    Преобразование уравнения в налоговые доллары

    Согласно отчету, опубликованному Urban Institute, ежегодные расходы на автомагистрали и дороги в США в 2017 году составили 181 миллиард долларов, причем примерно три четверти бюджета поступает из бюджета штата и местные органы власти, а четверть поступает из федерального финансирования. При делении на население сумма составила около 560 долларов на душу населения.

    В то время как инженеры стремятся сделать тротуары более дешевыми и долговечными, заинтересованные группы, такие как автомобильная промышленность и железнодорожная промышленность, и даже группы, выступающие за велосипед, обсуждают вопрос о том, кто должен платить за использование дороги.

    «Конгресс на протяжении многих лет проводил исследования, определяя, какие группы должны платить больше налогов с пользователей дорог», — сказал Джо Махони, инженер-строитель из Вашингтонского университета в Сиэтле. «Грузовики платят больше с точки зрения налогов с пользователей дорог. Они платят налог на топливо, особенно дизельное, и у них также есть другие налоги, связанные с весом, которых нет у большинства других транспортных средств».

    «Я не буду говорить, что они распределены справедливо. Это все равно, что сказать, что подоходный налог для физических лиц распределяется в Соединенных Штатах справедливо. Я думаю, что вы, вероятно, могли бы обсудить это с некоторой энергией, и вы могли бы сделать то же самое здесь», — сказал он.

    В то время как дискуссия о конкретной налоговой политике выходит за рамки этой статьи, быстрый рост легковесных грузов в интернет-магазинах вызвал другой разговор. На этот раз речь идет не о весе грузовиков, а об их размерах.

    Image

    Автопоезд с тремя прицепами в Австралии.

    Источники СМИ

    LukeRobinson1/flickr/CC BY 2.0

    «Всегда существовала потребность в более длинных грузовиках без увеличения веса, что стало громче, поскольку в этом столетии мы все, кажется, покупаем маленькие легкие вещи, доставляемые в больших коробках, наполненных набивкой. », — написал Стивен Карамихас, инженер-механик из Мичиганского университета в Анн-Арборе, в электронном письме по адресу Inside Science .

    Правила максимальной длины транспортных средств часто зависят от юрисдикции штатов и местных органов власти и зависят от типа транспортного средства и конфигурации прицепа. Как правило, в большинстве штатов длина грузовика ограничивается двумя стандартными 28-футовыми прицепами, а в некоторых штатах допускается использование трех прицепов.

    В 2015 году Конгресс отменил два предложенных законопроекта, разрешающих использование более тяжелых и длинных грузовиков, но эта идея по-прежнему активно лоббируется противоборствующими заинтересованными группами, такими как «Американцы за современный транспорт» и «Коалиция против больших грузовиков».

    «Если грузы станут легче, [автотранспортные компании], очевидно, захотят иметь возможность перевозить больший объем», — сказал Чатти. «Но здесь речь идет не об ухудшении состояния дорожного покрытия, а о безопасности и правилах».