Регулятор пахоты на мтз: Изучаем устройство регулятора трактора МТЗ

Силовой (позиционный) регулятор

Рубрика — Навесная система, Позиционное регулирование, Силовое регулирование

Силовой (позиционный) регулятор предназначен для регулирования положения сельскохозяйственных машин и орудий с рабочего места тракториста.

Принцип действия регулятора заключается в автоматическом поддержании заданного тягового сопротивления сельскохозяйственного орудия при силовом способе регулирования или заданного положения орудия относительно остова трактора при позиционном способе регулирования.

Силовой (позиционный) регулятор

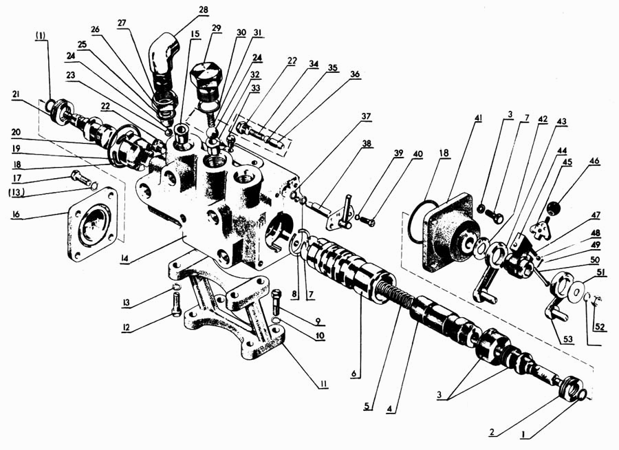
  1. корпус регулятора
  2. гильза
  3. золотник
  4. обратный клапан
  5. кран
  6. ручка крана
  7. переключатель
  8. крышка
  9. гайка золотника
  10. упорный подшипник
  11. винт золотника
  12. муфта
  13. рычаг силового регулирования
  14. рычаг позиционного регулирования
  15. пружина
  16. винт гильзы
  17. гайка гильзы
  18. валик управления
  19. упорный подшипник
  20. крышка
  21. обратный клапан
  22. крышка
  23. поворотный штуцер
  24. запорный клапан
  25. рукоятка
  26. сектор
  27. тяга
  28. кронштейн
  29. маховичок-ограничитель
  30. фиксатор
  31. фиксирующее устройство (положение рукоятки 25 при: I — подъеме, II — нейтрали, III — опускании)

Конструкция регулятора показана на рисунке выше. В корпусе 1 расположена подвижная гильза 2, а в гильзе, концентрично ей, — золотник 3. Гильза соединена стопорным кольцом с ходовой гайкой 17, фиксированной от вращения выступами, заходящими в пазы корпуса. Ходовая гайка 17 установлена на винте 16, наружный конец которого рычажной передачей связан с рукояткой 25. Золотник упирается торцом в ходовую гайку 9, также фиксированную от вращения и установленную на винте 11, на наружном конце которого находится переключатель 7. На обоих винтах расположены упорные подшипники 10, 19. Внутри золотника находится распорная пружина 15, поджимающая золотник 3 и гильзу 2 соответственно к ходовым гайкам 9 и 17, а подшипники 10, 19 через гайки 9 и 17 — к внутренним плоскостям крышек. В корпусе 1 находится обратный клапан 4, регулирующий кран 5, управляемый ручкой 6, и запорный клапан 24. Второй обратный клапан 21 расположен в крышке 22, закрепленной к корпусу 1 болтами.

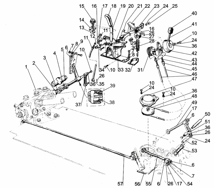
В среднем положении переключателя 7 рычаги 13 и 14 свободно вращаются на муфте 12 при перемещении тяг 26 и 27 (*рис. 2), не вызывая вращения винта 11 (рис. выше). При повороте ручки переключателя 7 влево или вправо (по ходу трактора) муфта 12 блокируется соответственно с рычагом 13 или рычагом 14, передавая вращение соответствующего рычага на винт 11.

Золотник 3 под воздействием силовой тяги 26 (*рис. 2) или позиционной тяги 27 (в зависимости от включенного способа регулирования) устанавливается в нейтральное положение относительно гильзы 2. Положение гильзы 2 задается рукояткой 25. В нейтральном положении золотника перепускной клапан «А» (*рис. 2) распределителя полностью открыт, и поток масла от насоса через распределитель направляется в масляный бак на слив. Полость подъема гидроцилиндра в этом положении заперта золотником 3 и обратными клапанами 4 и 21 — орудие находится в заданном положении.

При силовом регулировании отклонение положения орудия от заданного вызовет изменения тягового сопротивления орудия, а значит, и изменение деформации пружин датчика 23 и 24 (*рис. 2). Полученный сигнал через рычаги и тяги передается на золотник 3, который перемещается в ту или иную сторону от нейтрального, фиксированного рукояткой 25 положения гильзы. В одном случае перемещение золотника вызовет частичное или полное (в зависимости от регулировки крана 5) закрытие перепускного клапана распределителя и направление потока масла от насоса через оба обратных клапана регулятора в полость подъема гидроцилиндра — происходит коррекция на подъем; в другом случае перемещение золотника вызовет соединение полости подъема цилиндра со сливом — происходит коррекция на опускание. В обоих случаях движение поршня гидроцилиндра будет автоматически направлено в сторону, соответствующую исправлению отклонения фактического положения орудия от заданного.

При позиционном регулировании отклонения положения орудия от заданного вызовет вращение поворотного рычага; полученный сигнал передается на золотник 3, перемещение которого направлено (как и при силовом регулировании) в сторону исправления положения орудия.

Поворот ручки 6 регулирующего крана 5 определяет положение перепускного клапана распределителя при коррекции на подъем. Чем больше закрыт кран, тем больший поток масла поступает на слив через распределитель при коррекции и тем меньше скорость коррекции.

При высотном регулировании рукоятку 25 установите на фиксатор 30 (выключение регулятора).

*рис. 2 — схема гидросистемы трактора.

804614020 Регулятор МТЗ глубины вспашки САЛЕО-ГОМЕЛЬ (ГП) — 80-4614020

Распечатать

Главная   Запчасти для наших машин и тракторов

2

1

Применяется: МТЗ

Код для заказа: 629615


Добавить фото

16 810 ₽

Дадим оптовые цены предпринимателям и автопаркам ?

Наличные при получении
VISA, MasterCard, МИР
Долями
Оплата через банк

Производитель: САЛЕО-ГОМЕЛЬ

Получить информацию о товаре или оформить заказ вы можете по телефону
8 800 6006 966.

Есть в наличии

Самовывоз

Уточняем

Доставка

Уточняем

Доступно для заказа — 2 шт.

Данные обновлены: 26.04.2023 в 01:30

  • Все характеристики
  • Отзывы о товаре

  • Вопрос-ответ

  • Где применяется

Характеристики

Сообщить о неточности
в описании товара

Код для заказа

629615

Артикулы

80-4614020

Производитель

САЛЕО-ГОМЕЛЬ

Каталожная группа:


. .Оборудование навесное
Дополнительное оборудование

Ширина, м:


0.1

Высота, м:


0.13

Длина, м:


0.3

Вес, кг:


10


Отзывы о товаре


Вопрос-ответ

Задавайте вопросы и эксперты
помогут вам найти ответ

Чтобы задать вопрос, необоходимо
авторизоваться/зарегистрироваться
на сайте

Чтобы добавить отзыв, необходимо
авторизоваться/зарегистрироваться
на сайте

Чтобы подписаться на товар, необходимо
авторизоваться/зарегистрироваться
на сайте

Где применяется

  • Легковые автомобили / МТЗ / МТЗ-900
    4 чертежа

    • Регулятор Оборудование навесное / Гидроагрегаты и арматура (с распределителем RS-213)
    • Регулятор Оборудование навесное / Регулятор.
    • Регулятор Оборудование навесное / Привод регулятора.
    • Регулятор Оборудование навесное / Гидроагрегаты и арматура
  • Легковые автомобили / МТЗ / МТЗ-80 (2009)
    2 чертежа

    • Регулятор Навеска задняя, гидрооборудование / Гидроагрегаты и арматура. Вариант с силовым регулятором (Для тракторов «БЕЛАРУС-82.1/820/82Р»)
    • Регулятор Навеска задняя, гидрооборудование / Регулятор
  • Легковые автомобили / МТЗ / МТЗ-80.1
    2 чертежа

    • Регулятор Гидросистема / Гидросистема 80-4600010-Б. Вариант с силовым регулятором
    • Регулятор Гидросистема / Регулятор с кронштейном
  • Легковые автомобили / МТЗ / МТЗ-1221
    2 чертежа

    • Регулятор Оборудование навесное / Привод регулятора
    • Регулятор Оборудование навесное / Регулятор
  • Легковые автомобили / МТЗ / МТЗ-570
    1 чертеж

    • Регулятор Гидрооборудование / Регулятор
  • Легковые автомобили / МТЗ / 1025/1025. 2/1025.3
    2 чертежа

    • Регулятор Гидросистема / Привод регулятора
    • Регулятор Гидросистема / Регулятор
  • Легковые автомобили / МТЗ / МТЗ-80
    1 чертеж

    • Регулятор Оборудование навесное / Гидроагрегаты и арматура
  • Легковые автомобили / МТЗ / МТЗ-1005
    2 чертежа

    • Регулятор Оборудование навесное / Регулятор
    • Регулятор Оборудование навесное / Привод регулятора
  • Легковые автомобили / МТЗ / МТЗ-900/920/950/952
    3 чертежа

    • Регулятор Гидрооборудование / Гидроагрегаты и арматура (с силовым регулятором)
    • Регулятор Гидрооборудование / Гидроагрегаты и арматура гидросистемы с тросовым управлением распределителя (типа «Joystiick»)
    • Регулятор Гидрооборудование / Регулятор
  • Легковые автомобили / МТЗ / 800/900
    3 чертежа

    • Регулятор Гидрооборудование / Гидроагрегаты и арматура гидросистемы с тросовым управлением распределителя (типа «Joystick»)
    • Регулятор Гидрооборудование / Гидроагрегаты и арматура (ГНС с автономным силовым цилиндром)
    • Регулятор Гидрооборудование / Регулятор
  • Легковые автомобили / МТЗ / МТЗ-100
    3 чертежа

    • Регулятор Оборудование навесное / Гидроагрегаты и арматура
    • Регулятор Оборудование навесное / Регулятор
    • Регулятор Оборудование навесное / Арматура и трубопроводы гидросистемы отбора мощности
  • Легковые автомобили / МТЗ / МТЗ-80 (2002)
    1 чертеж

    • Регулятор [100]4607 Гидроагрегаты и арматура. Варинт с силовым регулятором / 4614 Регулятор
  • Легковые автомобили / МТЗ / МТЗ-826
    1 чертеж

    • Регулятор Гидроагрегаты / Регулятор

Сертификаты

Обзоры

Все обзоры участвуют в конкурсе — правила конкурса.

    Для этого товара еще нет обзоров.

    Написать обзор


Наличие товара на складах и в магазинах, а также цена товара указана на 26. 04.2023 01:30.


Цены и наличие товара во всех магазинах и складах обновляются 1 раз в час.
При достаточном количестве товара в нужном вам магазине вы можете купить его без предзаказа.


Интернет-цена — действительна при заказе на сайте или через оператора call-центра по телефону
8 800 6006 966. При условии достаточного количества товара в момент заказа.


Цена в магазинах — розничная цена товара в торговых залах магазинов без предварительного заказа.

Представленные данные о запчастях на этой странице несут исключительно информационный характер.

Беларус МТЗ Детали генератора и регулятора напряжения

Беларус МТЗ Детали генератора и регулятора напряжения

0

Ваша корзина на данный момент пуста.
Последние 3 товара из вашей корзины

Стоимость доставки

0,00 EUR

+ Наложенный платеж

0,00 EUR

Итого

0,00 EUR

Сортировать по: A -> ZСортировать по: Z -> AСортировать по: Цена от низкой к высокой Сортировать по: Цена от высокой к низкой

В наличии

1,48 евро
/ шт.

( 1,16 евро + НДС )

В наличии

0,92 евро
/ шт.

( 0,72 евро + НДС )

В наличии

4,15 евро
/ шт.

( 3,27 евро + НДС )

В наличии

21,51 евро
/ шт.

( 16,94 евро + НДС )

В наличии

77,13 евро
/ шт.

( 60,73 евро + НДС )

В наличии

125,97 евро
/ шт.

( 99,19 евро + НДС )

В наличии

129,86 евро
/ шт.

( 102,25 евро + НДС )

В наличии

86,78 евро
/ шт.

( 68,33 евро + НДС )

В наличии

7,20 евро
/ шт.

( 5,67 евро + НДС )

В наличии

9,50 евро
/ шт.

( 7,48 евро + НДС )

Нет в наличии, но есть

7,04 евро
/ шт.

( 5,54 евро + НДС )

В наличии

7,07 евро
/ шт.

( 5,57 евро + НДС )

В наличии

7,80 евро
/ шт.

( 6,14 евро + НДС )

В наличии

3,86 евро
/ шт.

( 3,04 евро + НДС )

В наличии

2,30 евро
/ шт.

( 1,81 евро + НДС )

В наличии

19,07 евро
/ шт.

Часть грузоподъемного механизма 4 буквы сканворд: Грузоподъемный механизм, 4 (четыре) буквы

Грузоподъёмные Устройства 4 Буквы — ответ на кроссворд и сканворд

Решение этого кроссворда состоит из 4 букв длиной и начинается с буквы Т


Ниже вы найдете правильный ответ на Грузоподъёмные устройства 4 буквы, если вам нужна дополнительная помощь в завершении кроссворда, продолжайте навигацию и воспользуйтесь нашей функцией поиска.

ответ на кроссворд и сканворд

Пятница, 13 Марта 2020 Г.



ТАЛИ

предыдущий

следующий


другие решения

ТАЛИ

ты знаешь ответ ?

ответ:

связанные кроссворды

  1. Тали
    1. Тельферы 4 буквы
    2. Подъёмные устройства 4 буквы
    3. Тельфера 4 буквы
    4. Тельферы, лебёдки, 4 буквы
    5. Лебёдки, блоки, 4 буквы

защита в каратэ, 4 буквы, 2-я буква Л, сканворд

Подошло
Не подошло

защита в каратэ

Альтернативные описания

• часть устройства, механизма, прибора

• Александр (1880—1921) русский поэт, драма «Балаганчик», пьеса «Роза и крест», цикл «Ямбы», поэма «Возмездие», поэма «Двенадцать»

• Жан Ришар (1884—1947) французский писатель и общественный деятель, участник «Кларте», книги «. .. и компания», «Сибилла», драма «Тулон»

• Марк (1886—1944) французский историк, совместно с Л. Февром основал журнал «Анналь…»

• деталь в виде колеса с желобом по окружности для нити, цепи, каната

• конструктивный элемент здания

• объединение государств, общественных организаций или групп для совместных действий

• прием в боевых искусствах

• прием защиты в спорте

• прием рукопашного боя для отражения удара противника

• русский поэт, посвятивший прекрасные стихи незнакомке

• соглашение, предусматривающее совместные действия для достижения общих целей, союз

• часть двигателя внутреннего сгорания

• часть подъемного механизма в виде колеса с желобом по окружности для троса

• шкив или несколько шкивов в обойме для пропуска тросов и крепления

• конструктивный сборный элемент или изделие

• защита в волейболе

• конструктивный элемент

• системный … у компьютера

• русский поэт, автор циклов «Ямбы», «Город», «Маска», «Снега»

• русский поэт, автор циклов «Фаина», «Кармен», «Родина», «Распутье»

• мелкий никотиновый опт

• русский поэт с технической фамилией

• подъемное устройство и одновременно знаменитый русский поэт

• грузоподъемное приспособление

• разновидность упаковки для товара

• русский поэт, автор поэмы «Двенадцать»

• русский поэт, автор поэмы «Скифы»

• смежная деталь, узел

• союз, объединение

• строительный материал

• форма защиты от удара

• механизм для подъема тяжестей

• русский поэт или десять пачек сигарет

• малая планета

• десять пачек сигарет

• русский поэт

• защита в кикбоксинге

• прием защиты в волейболе

• автор поэмы «Скифы»

• узел частей механизма

• «скифы»

• шкив, русский поэт и НАТО

• партийное ядро в Верховном Совете

• известный русский поэт Александр . ..

• французский историк еврейского происхождения, автор трудов по западноевропейскому феодализму, аграрным отношениям во Франции, общим проблемам методологии истории

• «железобетонный» русский поэт

• объединение

• русский поэт или «цех» на АЭС

• упаковка из десяти пачек сигарет

• защита в волейболе или русский поэт

• шкив, русский поэт или НАТО

• Вильям (1845–1926) — датский писатель и театральный режиссер. В 1872 г. совершил двухмесячное путешествие по Германии, Австрии и Италии вместе с X. К. Андерсеном;

• нАТО в роли строительного элемента

• русский поэт или 10 пачек сигарет

• зять Менделеева

• поэт серебрянного века

• кто в ахматовских стихах «принял смертную истому как незаслуженный покой»?

• «разгонный …» у ракеты

• волейбольная защита

• экономический … правительства

• объединение политиков

• волейбольный прием

• «поэт», применяемый в технике

• Механизм для подъема тяжестей

• Русский поэт, поэма «Двенадцать»

• Десять пачек сигарет

• Соглашение, предусматривающее совместные действия для достижения общих целей, союз

• Упаковка

• Соглашение, объединение государств, партий, организаций

• Часть сооружения или механизма

• Блокирование спортсмена в момент удара или броска

• Русский поэт (1880-1921, »Двенадцать»)

• Французский писатель (1884-1947, »Сибилла», »Испания! Испания!», »Тулон»)

• Приспособление для подъема тяжестей, состоящее из колеса с закрепленной осью, с желобом по окружности и перекинутого через него каната или другой гибкой тяги

• «Железобетонный» русский поэт

• «Поэт», применяемый в технике

• «Скифы»

• «разгонный . ..» у ракеты

• Александр (1880—1921) русский поэт, драма «Балаганчик», пьеса «Роза и крест», цикл «Ямбы», поэма «Возмездие», поэма «Двенадцать»

• Жан Ришар (1884—1947) французский писатель и общественный деятель, участник «Кларте», книги «… и компания», «Сибилла», драма «Тулон»

• Марк (1886—1944) французский историк, совместно с Л. Февром основал журнал «Анналь…»

• автор поэмы «Двенадцать»

• автор поэмы «Скифы»

• известный русский поэт Александр

• кто в ахматовских стихах «принял смертную истому как незаслуженный покой»

• м. морск. калитка, векша, векошка; колодка с проемом и каточком; две деревянные щеки, между коими вставлен на оси (нагель) кружок, каточек, аюшка (шкив) с пазом (кип) по ребру, для тяги через него снасти, веревки. нашем быту также зовут блоком каточек, вставленный на оси в косяк или стойку. Блоки бывают одношкивные, двушкивные и пр. Остропленый блок, оплетенный, обогнутый стропом, мочкою, для укрепы. Гакаблок, переносный, с крюком, для закладки за рым (кольцо) или обух (проушину). Блок со свитнем, с хвостом, для закладки обвоем. Канифасили канибаксблок, окованный и с прорезанною щекою, для вкладки снасти срединою, без продевки конца. Катблок, для подъема якоря на кран-бал, для взятия якоря на кат. Вообще, блоки принимают названия своих снастей: марса-фал-блок, грот-марса-брас-блок и пр. Из двух блоков (обычно одношкивного и двушкивного) снуются тали, беги, тяга. Принимая произвольно чужее слова, у нас иногда говорят блок в значении большого каменного отломка; это каменище, кабан, отесок (если отесан), толща, брусище; а деревянный: кряж, стул, чурбан, обрубок, отрубок, притесок. сахарном производстве стул, стол на чурбане, на стояле, где сахар выбивается из льяка, формы. Блокарь, блочник, блоковщик м. или блоковый мастер, векошник, калитчик. Блочный шкив, аюшка, каток. Блоковая, блокарня ж. мастерская, где работают блоки, калиточная, векошная

• прием в волейболе

• русский поэт или «цех» на АЭС

• русский поэт со «строит.» фамилией

• русский поэт, автор поэмы «Двенадцать»

• русский поэт, автор поэмы «Скифы»

• русский поэт, автор циклов «Фаина», «Кармен», «Родина», «Распутье»

• русский поэт, автор циклов «Ямбы», «Город», «Маска», «Снега»

• упаковка сигарет из десяти пачек

Да, на квадрате можно написать больше одной буквы

Геймплей|Да, на квадрате можно написать больше одной буквы

https://www. nytimes.com/2017/06/01/crosswords/yes -you-can-write-more-than-one-letter-in-a-square.html

Реклама

Продолжить чтение основной истории

Геймплей

Credit…Elena Xausa

СПЕЦИАЛЬНАЯ СТАТЬЯ — Некоторые решатели любят их, некоторые решатели их ненавидят, но элементы ребуса являются фактом жизни, когда дело доходит до решения кроссвордов.

Читатели, которые только начинают решать, задают разные вопросы, когда в ребусе есть ребус:

Подождите, что? Вам разрешено помещать более одной буквы или слова в квадрат? Да. Да, вы. Но только когда головоломка требует этого. Вы не можете просто сделать это наугад.

Разве нас не должны предупреждать, когда в головоломке присутствует ребус? Нет, это часть удовольствия от решения.

Если в квадрате больше одного ребуса — а зачем вы это нам делаете? — есть ли способ предсказать порядок, в котором предполагается вводить элементы ребуса? Да, есть. Сначала вводится запись Across, а затем запись Down. Мы приводим примеры ниже.

Как я должен поместить более одной буквы или слова в квадрат, если я решаю в Интернете или на своем устройстве? Продолжайте читать. Мы объясняем это в последнем разделе.

Ребус может быть буквой, цифрой или символом, представляющим слово, но во многих кроссвордах ребусом будет слово или группа букв, которые нужно написать внутри одного квадрата.

В кроссворде вы найдете два вида буквенных элементов ребуса.

Во-первых, запись ребуса читается одинаково для пересекающихся записей Across и Down, как в этой головоломке Элизабет Лонг от 1 декабря 2011 года, где слово JACK было элементом ребуса.

Credit… The New York Times

В этом случае будут приняты следующие ответы ребуса:

ДЖЕК

J (первая буква)

Второй тип, когда запись ребуса читается по-разному для пересекающихся Записи поперек и вниз. В головоломке Джейкоба Штульберга от 18 мая 2017 года два разных слова принадлежат одному и тому же квадрату.

Credit… The New York Times

В головоломке мистера Штульберга элемент ребуса «Поперек» — это КУРИЦА, а элемент ребуса «Вниз» — это ДОРОГА, как в классической шутке «КУРИЦА, переходящая ДОРОГУ». В случае двойного ребуса будут приняты следующие записи:

КУРИЦА/ДОРОГА

C/R (первые буквы двух слов)

Шаг 1: Выберите квадрат, в котором вы хотите ввести ребус. Нажмите кнопку Ребус на панели инструментов над списками подсказок или просто нажмите Escape (Esc). Это откроет расширяемый квадрат, в котором вы можете ввести несколько символов.

Шаг 2: Введите свой ответ и нажмите Enter/Return или щелкните в любом месте за пределами поля, чтобы закрыть и сохранить ребус. Вместо этого, чтобы отменить ввод, нажмите Escape.

Credit… The New York Times

Шаг 1: Нажмите на квадрат, в который вы хотите ввести ребус. Нажмите кнопку «Еще» в нижней левой части экрана.

Шаг 2: Нажмите кнопку «Ребус». Это откроет большой квадрат, в котором вы можете ввести несколько букв.

Шаг 3: Введите буквы, а затем нажмите в любом месте сетки, чтобы закрыть и сохранить свой ребус.

Процесс ввода ребуса на Android-устройстве такой же, как и на iOS, за исключением того, что в Android-приложении используется клавиша с многоточием [ … ] в нижней левой части. Коснитесь ключа с многоточием, а затем найдите ключ Ребуса. Следуйте инструкции по входу в элемент Ребус на iOS-устройстве.

Теперь, когда вы освоили этот кроссворд, попробуйте одну из наших бесплатных мини-головоломок.

Удачного решения!

Поиск слов для Scrabble и Words With Friends

Если у вас есть подсказка, которую вы просто не можете решить самостоятельно, кроссворд поможет вам. Все, что вам нужно сделать, это ввести подсказку и любую информацию, которая у вас есть. Результаты поиска дадут вам наиболее вероятный ответ на вашу загадку.

Вот уже более века разгадывание кроссвордов является любимым занятием тех, кто любит слова. В то время как многие люди наслаждаются чувством выполненного долга, которое приходит после решения сложной подсказки, другие в отчаянии отказываются от головоломки.

Что такое кроссворд?

Некоторые люди, получив газету или журнал, первым делом начинают разгадывать кроссворд. Кроссворд представляет собой специально разработанную сетку с пробелами для вертикальных и горизонтальных слов. Каждый открытый квадрат в головоломке — это место для буквы.
Наряду с сеткой есть список подсказок, которые помогут вам определить слова в головоломке. Номера подсказок соответствуют пронумерованным квадратам в сетке головоломки. Поскольку слова пересекаются, решение вертикальной подсказки даст вам буквы, которые помогут вам решить горизонтальную подсказку.

Краткая история кроссворда

Кроссворд был кратко известен как «Слово-кросс». Это название впервые появилось в газете «Нью-Йорк Уорлд» в 1913 году. Несколько недель спустя из-за ошибки наборщика слова поменялись местами, но надпись «Кроссворд» прижилась.
В последующие десятилетия популярность кроссворда несколько раз росла и падала. Некоторые критики назвали головоломки пустой тратой времени. Тем не менее, всегда находились головоломки, которые хотели и спроектировать, и решить эти задачи.
В конце 1990-х Интернет начал отвлекать читателей от газет и журналов. В результате дизайнеры кроссвордов искали онлайн-варианты для своей работы. Сегодня любители словесных игр могут найти несколько приложений для ежедневного решения кроссвордов. Многие издатели газет размещают свои головоломки в Интернете. Вы можете найти ссылки на некоторые из них в разделе «Поиск кроссвордов». Существуют доступные онлайн-ресурсы, позволяющие составить собственный кроссворд. Учителям нравится создавать такие головоломки, чтобы учить новые словарные термины.

Грамматика

  • Слова рифмуются с апельсином
  • Мужские рифмованные слова
  • Примеры благодарственных писем
  • Американский сленг
  • Примеры имен собственных

Количество слов по длине

  • Слова из двух букв
  • Слова из четырех букв
  • Слова из шести букв
  • Слова из восьми букв
  • Слова из десяти букв

Типы кроссвордов

Поскольку кроссворды существуют уже очень давно, появилось несколько вариантов стандартного формата. Различные типы головоломок различаются по сложности и стилю.

Беспорядок

В головоломке с беспорядком в качестве первого шага часто используется небольшой элемент кроссворда. Решая кроссворды, вы получаете набор букв, которые затем расшифровываете для окончательного решения.

Загадочный кроссворд

Этот английский вариант стандартного кроссворда намного сложнее обычного кроссворда. Подсказки загадочной головоломки более сложны и неясны. Например, в этом типе головоломок чаще всего используются анаграммы или другие творческие игры слов.

Тематические кроссворды

Этот вид кроссвордов особенно популярен в журналах. Подсказки кроссворда могут включать определения, которые относятся к содержанию периодического издания.

Секретная фраза

В этом варианте большую часть головоломки занимает длинная секретная фраза. Разгадывая обычные подсказки, у вас в конечном итоге будет достаточно гласных и согласных, чтобы решить более длинную загадку.

Словари

  • Словарь Эрудит
  • Словарь слов с друзьями

Поиск слов

  • Найт Правописание Bee Ответы
  • Word Cookies Ответы
  • Кодикросс
  • Слова Чудес Ответы
  • Слово Чумс Чит

Разгадка кроссворда

Сложная разгадка кроссворда является частью удовольствия от решения этих головоломок, но также может быть причиной того, что вам может понадобиться помощь в разгадывании кроссворда. Если вы выберете головоломку на легком уровне, вы можете обнаружить, что ответы на подсказки очевидны. Тем не менее, большинство разработчиков кроссвордов создают подсказки, которые должны стать проблемой.
В большинстве головоломок выигрышная стратегия состоит в том, чтобы прочитать все подсказки. Для начала дизайнер головоломок почти всегда включает в себя подсказки, которые не требуют слишком много размышлений. Это поможет вам заполнить несколько квадратов и немного облегчит следующий раунд разгадки.
По мере того, как вы будете решать больше головоломок, вы познакомитесь с некоторыми общеупотребительными словами и подсказками, которые помогут в составлении головоломок. Например, «оби» — это ответ на вопрос «Японский пояс». Это слово появляется часто, потому что это короткое слово, которое начинается и заканчивается гласной, что делает его идеальным связующим словом в сетке.

Блог

Онлайн кроссворды для детей

Word Practice: ESL Grammar Games

Глоссарий молодого писателя

Как использовать средство решения кроссвордов

Наш инструмент помощи в кроссвордах позволяет легко найти ответ на неприятные подсказки.

1. Когда вы попадете на страницу, вы увидите два ряда областей ввода. В первой строке введите ключ кроссворда, который вы пытаетесь решить.

2. Во второй области вы можете ввести известные вам буквы, используя вопросительные знаки вместо пробелов, или вы можете просто указать длину слова.

3. Когда вы нажмете «Поиск», вы получите список возможных ответов на основе вашей информации. Программа обращается к базе данных наиболее распространенных ответов на кроссворды, которые подходят под ваше описание.

Например, если ваша подсказка «Чепуха» и вы знаете, что это слово из 10 букв, которое начинается с буквы Т, с вероятностью 95 % это либо тривиальность, либо дурачество.

Инструменты

  • Счетчик слов
  • Генератор случайных слов
  • Генератор случайных имен пользователей
  • Генератор случайных паролей

Списки слов

  • Слова начинаются с
  • Слова заканчиваются на
  • Слова по длине
  • Гласные слова

Часто задаваемые вопросы о кроссвордах:

С каких подсказок следует начать?

Начиная с самых простых подсказок, вы сможете заполнить свою сетку.

Двигатель ваз 2107 карбюратор работает с перебоями: ВАЗ 2107 | Перебои в работе двигателя

ВАЗ 2107 | Перебои в работе двигателя

ВАЗ 2107

Сервисное обслуживание и эксплуатация

Руководства → ВАЗ → 2107 (Жигули)

5.1.4. Перебои в работе двигателя


ОБЩИЕ СВЕДЕНИЯ

Что делать, если двигатель вашего автомобиля, еще недавно работавший “как часы”
на всех режимах, вдруг начал давать перебои, дергаться на холостом ходу, перестал
развивать достаточную мощность? Перебои, как правило, объясняются неправильной
регулировкой карбюратора, неисправностью свечи зажигания или одного из цилиндров,
подсосом воздуха в один из цилиндров. Нужно найти неисправность и по возможности
ее устранить.


ПОРЯДОК ВЫПОЛНЕНИЯ























 

1. Пустите двигатель и оставьте его работать на холостом
ходу. Подойдите к выхлопной трубе и прислушайтесь к звуку выхлопа.
Звук должен быть ровный, “мягкий”, одного тона. Хлопки из выхлопной
трубы через регулярные промежутки времени свидетельствуют о том,
что один цилиндр не работает из-за выхода из строя свечи, отсутствия
искры на ней, о сильном подсосе воздуха в один цилиндр или значительном
снижении компрессии в нем. Хлопки через нерегулярные промежутки
времени возникают по причине неправильной регулировки карбюратора,
зажигания, сильного износа или загрязнения свечей зажигания.



Хлопки из выхлопной трубы через равные промежутки времени?


Да: см. п. 3

2. Можно попробовать самостоятельно заменить весь комплект
свечей независимо от пробега и внешнего вида, однако лучше это делать
после обращения на автосервис для диагностики и регулировки карбюратора
и системы зажигания.

3. Остановите двигатель и откройте капот.

4. Проверьте состояние проводов системы зажигания. Высоковольтные
провода не должны иметь повреждений изоляции, а их наконечники не
должны быть окислены.



Есть повреждения проводов?


Нет: см. п. 6

5. Замените поврежденный провод.

 

6. Проверьте состояние крышки и ротора распределителя. Отверните
два винта крепления пластмассовой крышки распределителя и снимите
ее. Осмотрите крышку изнутри и снаружи. На крышке не должно быть
трещин, нагара, а угольный контакт — поврежден или изношен. Ротор
не должен иметь трещин и прогаров. Неисправные или сомнительные
детали замените.

7. Снимите наконечники высоковольтных проводов и выверните
свечи свечным ключом.


Предупреждение

При снятии наконечников высоковольтных проводов никогда не тяните
за сам провод. Возьмитесь рукой непосредственно за наконечник и
перед снятием поверните его из стороны в сторону, а затем потяните.


8. Внимательно осмотрите свечи и сравните их внешний вид
с приведенными в конце раздела фотографиями. Зазор между электродами
свечи должен быть 0,8–0,9 мм. Если свеча черная и влажная, ее можно
выбросить.

 

9. Если все свечи выглядят исправными, установите их на
место и подсоедините высоковольтные провода.

Порядок работы цилиндров 1–3–4–2, нумерация цилиндров (1-й, 2-й,
3-й, 4-й) производится от пластмассового кожуха ремня привода механизма
газораспределения. На крышке распределителя цифрой 1 обозначен 1-й
цилиндр, далее — против часовой стрелки, если смотреть на крышку
со стороны гнезд высоковольтных проводов, — 3-й, 4-й, 2-й.

 

10. Возьмите запасную свечу. Любым
способом зафиксируйте ее на двигателе.

Предупреждение

Не фиксируйте свечу на маслоналивной горловине, маслоизмерительном
щупе, бензонасосе, топливных шлангах, карбюраторе.


Надежный контакт корпуса или резьбовой части свечи с “массой” необязателен,
но желателен. Подсоедините высоковольтный провод с 1-го цилиндра
к запасной свече. Пустите двигатель.



Перебои в работе двигателя усилились?


Да: см. п. 13

11. Замените свечу в цилиндре на заведомо исправную. Наденьте
высоковольтный провод и пустите двигатель.



Перебои в работе двигателя продолжаются?


Да: см. п. 14

12. Счастливого пути!

13. Последовательно повторяйте процедуру п. 10–11 со всеми
цилиндрами.

14. Если в результате принятых мер перебои двигателя не
устраняются, обратитесь на автосервис для диагностики системы зажигания
на стенде или диагностики двигателя — замера компрессии. Нормальная
компрессия — более 1,1 МПа (11 кгс/см2), отличие более
0,1 МПа (1 кгс/см2) в одном цилиндре свидетельствует
о необходимости ремонта двигателя.


Совет


Если диагностика выявила неисправность 3-го цилиндра, снимите шланг,
соединяющий вакуумный усилитель тормозов с двигателем, надежно заглушите
его и пустите двигатель.

Если перебои в работе двигателя прекратились, обратитесь на автосервис
для диагностики и замены вакуумного усилителя тормозов.

Если перебои в работе двигателя продолжаются, попробуйте жидкостью
типа WD40 пролить шланг снаружи. Если перебои в работе двигателя
хотя бы на короткий промежуток времени прекратились, попробуйте
заменить шланг.

Диагностика состояния двигателя по внешнему виду свечей зажигания














Нормальная


Cимптомы. Коричневый или серовато-желтоватый цвет и небольшой
износ электродов. Точное тепловое значение для двигателя и рабочих условий.

Совет. При замене свечей на новые устанавливайте свечи с теми
же характеристиками.


Отложения сажи


Cимптомы. Отложение сухой копоти указывает на богатую топливно-воздушную
смесь или позднее зажигание. Вызывает пропуски зажигания, затрудненный
пуск двигателя и неустойчивую работу двигателя.

Совет. Проверьте, не забит ли воздушный фильтр, уровень топлива
в поплавковой камере карбюратора, установку момента зажигания, используйте
более “горячую” свечу (удлиненный изолятор с центральным электродом).


Масляные отложения


Cимптомы. Замасленные электроды и изолятор свечи. Причина —
попадание масла в камеру сгорания. Масло попадает в камеру сгорания через
направляющие клапанов или через поршневые кольца. Вызывает затрудненный
пуск, пропуски в работе цилиндра и подергивания работающего двигателя.

Совет. Произвести необходимый ремонт головки цилиндров и поршневой
группы двигателя. Заменить свечи зажигания.


Перегрев


Cимптомы. Глянцевый белый изолятор центрального электрода, обгоревшие
электроды и отсутствие отложений. Приводит к сокращению ресурса свечей.

Совет. Причинами могут быть: несоответствие типа свечи зажигания
рекомендуемому для двигателя вашего автомобиля, раннее зажигание, бедная
смесь, подсос воздуха во впускной трубопровод. Проверьте уровень охлаждающей
жидкости и не забит ли радиатор.


Раннее зажигание


Cимптомы. Оплавленные электроды. Изолятор белый, но может быть
загрязнен из-за пропусков искры и попадающих на него отложений из камеры
сгорания. Может приводить к повреждению двигателя.

Совет. Проверить соответствие типа свечи зажигания, установку
момента зажигания, состав топливно-воздушной смеси, работу систем охлаждения
и смазки.


Глазурь


Cимптомы. Изолятор желтоватый, покрытый глазурью. Указывает на
то, что температура в камере сгорания неожиданно поднимается во время
резкого ускорения автомобиля. Нормальные отложения превращаются в токопроводящие.
Вызывает пропуски в искрообразовании при высоких скоростях.

Совет. Установите новые свечи. Попробуйте установить более “холодные”
свечи, если не хотите поменять манеру вождения.


Мостик между электродами


Cимптомы. Отложения из камеры сгорания попадают между электродами.
“Тяжелые” отложения собираются в зазоре между электродами и образуют мостик.
Свеча перестает работать и цилиндр выключается из работы.

Совет. Выявите неисправную свечу и удалите отложения между электродами.


Пепельные отложения


Cимптомы. Светло-коричневые отложения, покрывающие коркой центральный
и боковой электроды. Выделяются из присадок к маслу или бензину. Большое
их количество может привести к изоляции электродов свечи, вызывая пропуски
в искрообразовании и перебои при разгоне.

Совет. Если чрезмерные отложения образуются за короткое время
или при небольшом пробеге, замените маслосъемные колпачки направляющих
клапанов, чтобы предотвратить попадание масла в камеру сгорания. Если
причина в качестве бензина, смените место заправки.


Износ


Cимптомы. Закругленные электроды с небольшим количеством отложений
на рабочих концах. Нормальный цвет. Вызывает трудный пуск в холодную или
влажную погоду и плохую топливную экономичность.

Совет. Заменить на новые свечи с теми же характеристиками.


Детонация


Cимптомы. Изолятор может быть растрескавшимся или со сколами.
Это может привести к повреждению поршня.

Совет. Убедитесь, что октановое число бензина соответствует требуемому.


Пятнистые отложения


Cимптомы. Нагар, который отложился в камере сгорания, после правильной
регулировки начинает выгорать и при больших оборотах двигателя отрывается
от поршня и прилипает к изолятору свечи, вызывая отдельные пропуски в
ее работе.

Совет. Замените свечи на новые или очистите старые.


Механические повреждения


Cимптомы. Повреждения могут быть вызваны инородными предметами,
попавшими в камеру сгорания, а в случае использования слишком длинной
свечи ее электроды может зацепить поршень. Это приводит к разрушению свечи,
отключению цилиндра и может повредить поршень.

Совет. Удалите инородный предмет из цилиндра и (или) замените
свечу.

ПЕРЕБОИ В РАБОТЕ ДВИГАТЕЛЯ

Автор:
Третий Рим

Средний

шагов
6

30 мин — 1 час

Комментарии:
     

Избранное: 0

Шаг 1

При перебоях двигатель неровно работает на холостом ходу, не развивает достаточной мощности, повышенно расходует бензин. Перебои в работе инжекторного двигателя, как правило, объясняются неисправностью форсунок или электробензонасоса (подробнее см. «Система питания инжекторного двигателя»), неисправностью свечи зажигания одного из цилиндров, подсосом воздуха в один из цилиндров. У карбюраторного двигателя, помимо неисправной системы зажигания и подсоса воздуха, причиной перебоев часто бывает неисправный карбюратор. Нужно найти неисправность и по возможности ее устранить.

Шаг 2

1. Пустите двигатель и оставьте его работать на холостом ходу. Подойдите к выхлопной трубе и прислушайтесь к звуку выхлопа. Можно поднести руку к срезу выхлопной трубы – так перебои ощущаются лучше. Звук должен быть ровным, «мягким», одного тона. Хлопки из выхлопной трубы через регулярные промежутки времени свидетельствуют о том, что один цилиндр не работает из-за выхода из строя свечи, отсутствия искры на ней, отказа форсунки инжекторного двигателя, о сильном подсосе воздуха в один из цилиндров или значительном снижении компрессии в нем. Хлопки через нерегулярные промежутки времени возникают по причине загрязнения распылителей форсунок инжекторного двигателя, неправильной регулировки карбюратора и зажигания карбюраторного двигателя, сильного износа или загрязнения свечей зажигания. Если хлопки слышны через неравные промежутки времени, можно попробовать самостоятельно заменить весь комплект свечей независимо от пробега и внешнего вида, однако лучше это сделать после обращения в автосервис для диагностики и ремонта системы управления двигателем или карбюратора и системы зажигания.

2. Если хлопки регулярны, остановите двигатель и откройте капот. Проверьте состояние проводов системы зажигания. Изоляция высоковольтных проводов не должна быть повреждена, а наконечники проводов – окислены. Если провода повреждены, замените неисправный провод.

Шаг 3

3. Если провода не повреждены, у карбюраторного двигателя проверьте состояние крышки и ротора распределителя. Откиньте две пружинные защелки крепления пластмассовой крышки распределителя и снимите ее. Осмотрите крышку изнутри и снаружи. На крышке не должно быть трещин, нагара, а угольный контакт не должен быть поврежден или изношен. На роторе не должно быть трещин и прогаров. Неисправные или сомнительные детали замените.

Шаг 4

4. Снимите наконечники высоковольтных проводов…

Шаг 5

5. …и выверните свечи свечным ключом. Внимательно осмотрите свечи и сравните их внешний вид с приведенными в конце подраздела фотографиями. Зазор между электродами свечи инжекторного двигателя должен быть 1,00–1,13 мм, карбюраторного с контактной системой зажигания – 0,5–0,6 мм, карбюраторного с бесконтактной системой зажигания – 0,7–0,8 мм. Если свеча черная и влажная, ее можно выбросить.

6. Если все свечи выглядят исправными, установите их на место и подсоедините высоковольтные провода. Порядок работы цилиндров 1–3–4–2, их нумерация (1, 2, 3, 4-й) ведется от шкива коленчатого вала двигателя.

Шаг 6

7. Возьмите запасную свечу. Любым способом зафиксируйте ее на двигателе.

Надежный контакт корпуса или резьбовой части свечи с «массой» необязателен, но желателен. Подсоедините высоковольтный провод с 1-го цилиндра к запасной свече. Пустите двигатель. Если перебои двигателя не усилились, замените свечу в 1-м цилиндре заведомо исправной. Наденьте высоковольтный провод и пустите двигатель. Если перебои усилились, последовательно повторяйте процедуру п. 7 со всеми цилиндрами, чтобы выявить неисправную свечу.

Если в результате принятых мер перебои двигателя не устранены, обратитесь в автосервис для диагностики системы зажигания на стенде или диагностики двигателя – замера компрессии (подробнее см. «Проверка компрессии в цилиндрах»). Нормальная компрессия – более 1,1 МПа (11 кгс/см2), разница более 0,1 МПа (1 кгс/см2) в одном цилиндре свидетельствует о необходимости ремонта двигателя.

Если в результате диагностики определена неисправность 3-го цилиндра карбюраторного двигателя, снимите шланг, соединяющий вакуумный усилитель тормозов и впускную трубу двигателя, надежно заглушите штуцер на впускной трубе и пустите двигатель.

Если перебои в работе двигателя прекратились, требуется диагностика и замена вакуумного усилителя тормозов (см. разд. «Тормозная система»).

Если перебои в работе двигателя продолжаются, попробуйте снаружи облить шланг жидкостью типа WD-40. Если перебои в работе двигателя хотя бы на короткий промежуток времени прекратились, попробуйте заменить шланг – возможно, в нем есть разрыв.

Двигатель глохнет: возможные причины и решения

Каждый автолюбитель часто сталкивался с нестабильной работой двигателя. Проявляется в плавающих оборотах, как под нагрузкой, так и на холостом ходу. Мотор может работать ровно, а потом возникает ощущение, что вот-вот заглохнет. Однако он снова начинает стабильно работать. Какова причина? Попробуем разобраться, почему движок работает с перебоями, а также узнаем, как решить эту проблему.

Случаи нестабильной работы ДВС и попытки устранения

Во время работы двигатель может дергаться. Иногда просто нет возможности нормально ездить на машине. Специалисты по обслуживанию автомобилей называют разные причины. Так, некоторые говорят, что в нестабильной работе виновата прокладка под ГБЦ. Но последующая его замена ничего не дает. Второй эксперт диагностирует, что виноваты клапаны. Однако после корректировки результата снова нет. Специалист по впуску настаивает, что карбюратор/инжектор не годится и нужно покупать новый или чистить. Но, естественно, результат опять неудовлетворительный.

Что бы они ни делали, а двигатель работает с перебоями. И получается, что в данном случае проблема была в разъеме трамблера — в фишке, которая подключается к распределителю зажигания. Из-за этого контакт прерывается. Видимо, не всегда нестабильная работа связана с карбюраторами, свечами и другими узлами. Чаще всего виновата электропроводка. Мы остановимся на этом подробно.

Причины нестабильной работы: система зажигания

Первая причина — бракованные свечи. Даже если не работает одна-единственная свеча или она будет работать некорректно, стабильная работа силового агрегата будет невозможна. По крайней мере, один цилиндр двигателя будет работать с перебоями.

Эта работа двигателя связана с неисправной катушкой зажигания. Это случается не так часто, как различные проблемы со свечами. Но проблему не стоит исключать. Понять, что с катушкой что-то не так, можно по искре. Если его мощность заметно снизилась, в результате это приводит к нестабильной и нестабильной работе ДВС.

Многие автолюбители сильно удивятся, но часто двигатель вообще не работает с перебоями из-за карбюратора или инжектора — причина в перебитом или поврежденном высоковольтном проводе свечи зажигания. В итоге это приводит к снижению мощности двигателя, его нестабильной работе и другим проблемам.

Опять же возврат к крышке и контактам трамблера как одной из причин нестабильной работы ДВС. Если на автомобиле установлена ​​контактная система зажигания, двигатель может работать неравномерно, если контакты повреждены. О какой-либо стабильности «на холостом ходу» можно забыть. Также бывают ситуации, когда уголь прогорает, находящийся в центре колпака трамблера с его внутренней стороны.

Система питания и нестабильная работа двигателя

Надежность системы питания является гарантией бесперебойной и стабильной работы двигателя. Рассмотрим типичные неисправности, являющиеся причиной нестабильных оборотов двигателя.

Если двигатель работает с перебоями, причины могут быть в некачественном бензине. Сегодня на заправочных станциях такое топливо продается очень часто. Если заправить машину некондиционным топливом, обороты двигателя будут плавать, а машину дергать. Иногда машина просто отказывается ехать. Специалисты рекомендуют в такой ситуации слить все топливо и проверить топливо на наличие в нем воды. Если бензин полностью слит, насосом прокачивается весь трубопровод. Также не лишним будет промыть карбюратор и заменить топливные фильтры.

Другой возможной причиной может быть забитый топливный фильтр или карбюратор. Мусор в карбюраторе может привести к тому, что двигатель не запустится. Если каналы или жиклеры забиты, горючая смесь не может полноценно попасть в камеру сгорания. Это сразу скажется на работе ДВС.

Перебои в работе двигателя и электрооборудования: признаки, способы устранения

Если двигатель работает с перебоями и есть ощущение, что сейчас двигатель глохнет, нужно обратить внимание на тахометр. Если в момент нестабильной работы стрелка дергается, причину неисправности следует искать в электрооборудовании. Это симптомы кратковременных сбоев в системе зажигания (нет искры). При отсутствии тахометра можно определить неисправность по искре и без него. Автомобиль резко дергается при движении.

Но не всегда удается быстро найти причины кратковременного пропадания искры. Зачастую, как уже отмечалось выше, это плохие контакты или катушка зажигания. Еще один виновник — конденсатор, загрязненные контакты. Если установлены новые контакты, а мотор работает неровно, значит, они плохие.

Тремблер и конденсатор

Если проблема в конденсаторе на коммутаторе (а он может выйти из строя как полностью, так и частично), то мотор запустится, сможет исправно и стабильно работать на холостых оборотах. Но в процессе движения агрегат будет дергаться. Это указывает на испорченный конденсатор. Снимите крышку с трамблера, подайте бегунок так, чтобы контакт разомкнулся. Как это проверяется? Вручную поверните ползунок, чтобы контакт разомкнулся.

В процессе открытия должна проскакивать искра. При испорченном конденсаторе он будет синим и достаточно сильным.

Также на трамблер может быть недостаточный или слишком большой зазор в контактах. Это приводит к неравномерной работе двигателя. Стержень может раскачиваться из стороны в сторону. Он имеет кулачки и слайдер. Контакты будут открываться без особой ясности, что вызовет перебои. Необходимо заменить втулки штока или весь трамблер полностью.

Провода высоковольтные

Мы уже рассмотрели эту причину выше. Если двигатель работает с перебоями (инжектор или карбюратор, неважно), то в первую очередь следует обратить внимание на соединения проводов. Если свеча покрыта зеленым налетом, нужно капнуть на нее маслом и подождать. Смазка разъедает оксиды и удаляет их. Также можно откручивать и затягивать гайки, которыми провода крепятся к катушке зажигания.

Если это не поможет, то путем замены можно легко найти неисправную деталь. Но сложность в том, что если катушка зажигания исправна частично, обнаружить это можно только заменой на новую.

Работа с перебоями — это не поездка

Не путайте перебои в работе двигателя с поездкой, когда не работает один из цилиндров. Когда мотор «троит», дерганий не будет. В этом случае имеет место плохая тяга. А на холостых подергивания все равно будут.

Если двигатель автомобиля ВАЗ-2107 работает с перебоями, то проблема однозначно с системой зажигания. Если двигатель внезапно глохнет при резком нажатии на газ, а затем подхватывает и начинает набирать обороты, причина в карбюраторе. Система зажигания тут ни при чем. В редких случаях провалы могут быть связаны с неисправной катушкой. Последний дает слабую искру.

Бензонасос

Бывает, что бензонасос плохо качает топливо, но в спокойном режиме неисправности нет.

Стоит только сильно нажать на газ, машина начнет дергаться, причем сильных рывков не будет. Двигатель глохнет, а потом снова заводится. А если сбросить педаль и снова нажать, то мотор снова будет работать ровно. В этом случае рекомендуется заменить или отремонтировать бензонасос или его шток. Почему двигатель работает с перебоями? Ему не хватает бензина, потому что топливный насос работает неэффективно.

Холостой ход и прерывистая работа

Это также одна из самых распространенных проблем, с которой сталкивается большинство автовладельцев. Причин этому явлению много. При этом неисправность зависит от типа мотора – карбюратор агрегатный или инжекторный. Рассмотрим каждый вид отдельно.

Автомобили с карбюратором

Если двигатель работает на холостом ходу, это может свидетельствовать о том, что настройка ХХ в карбюраторе сбита. Он смещен в сторону более бедной топливной смеси. В этом случае рекомендуется настроить холостой ход на 800-900 об/мин на карбюраторе.

Также возможен выход из строя электромагнитного клапана. В этом случае двигатель будет нормально работать только при полностью выдвинутом сливе. Если его убрать, двигатель сразу глохнет.

Нестабильная работа двигателя также связана с засорением жиклеров карбюратора или каналов холостого хода. Не хватает воздуха в топливе. Эту проблему можно быстро решить, прочистив карбюратор в целом и жиклеры.

Если происходит подсос лишнего воздуха, то это тоже приводит к образованию бедной смеси. В результате двигатель работает на холостом ходу. Проверьте впускные соединения на наличие утечек.

Инжекторный двигатель

Современные инжекторные агрегаты более технологичны, но и у них есть проблемы. Часто неисправность связана с выходом из строя какого-либо датчика. Также есть проблемы со свечами, подачей воздуха (здесь на форсунке стоит расходомер ДФМР). Последние могут быть засосаны в систему «извне».

Также не стоит исключать проблемы с проводами. Часто выходит из строя датчик обрыва цепи или клапан EGR.

Перебои на холодном двигателе

Обычно машина заводится и сразу глохнет. Затем при следующем повороте ключа двигатель уже работает нормально. В первом случае топливо выходит из бензонасоса в бак, а в поплавковой камере карбюратора топливо уже находится. При повороте ключа двигатель запускается и работает нормально, но насос еще не сел качать бензин в карбюратор. Из-за этого холодный двигатель работает с перебоями.

Также карбюратор может приготовить слишком бедную или переобогащенную смесь. В инжекторных блоках причина в форсунке, которая «на холодную» подает не ту порцию смеси ни в один цилиндр. Решение проблемы – уборка на стенде.

Подведение итогов. Как видите, мотор работает нестабильно по разным причинам. В первую очередь нужно обратить внимание на систему впуска и зажигания. Возможно проблема в какой-то проводке или датчике.

Ваз 21074 инжектор можно смело назвать «обновленной семеркой»

В 1982 году Волжский автомобильный завод выпустил новую модель ВАЗ 2107. Изначально это был автомобиль карбюраторного типа. Объем двигателя на разных версиях автомобилей отличался. Модель ВАЗ 21074 инжектор имеет объем двигателя 1,6 литра, что в точности соответствует объему двигателя ВАЗ 21074 с карбюраторным двигателем от «шестерки».

В целом автомобиль создан на базе ВАЗ 2105. Инжекторный двигатель более экономичный и начал устанавливаться на ВАЗ 21074 с 2006 года, специально для соблюдения условий экологической безопасности.

ВАЗ 2107, а также его модификации стали безоговорочными лидерами российского автомобилестроения благодаря хорошему соотношению цена-качество. Карбюраторный ВАЗ 21074 позаимствовал свой двигатель от ВАЗ 2106, а инжекторный ВАЗ 21074 от модели 21067.

Технические характеристики ВАЗ 21074

Для ваз 21074 инжектор имеет свои технические характеристики, определяющие его работу. Тип кузова автомобиля – седан с 4 дверями и 5 посадочными местами. Грузоподъемность автомобиля 400 кг. Вес багажа на крыше не должен превышать 50 кг. Средний клиренс автомобиля составляет 16,4 см. Но минимальное его значение составляет 9 см до нейтрализатора, что необходимо учитывать при движении по некачественным дорогам. Максимальная скорость этого автомобиля составляет до 150 км/ч. Разгон до 100 км/ч осуществляется за 16-19секунды.

Двигатель ВАЗ 21074 инжекторный, рядный четырехцилиндровый с диаметром цилиндра 7,9см и ходом поршня 8см. Система питания с распределенным впрыском. Мощность двигателя 73,6 л. с. рабочим объемом 1,6 л и 5000 об/мин. Относительно трансмиссии ВАЗ 21074 инжектор технические характеристики можно выделить следующие. На автомобиль устанавливается механическая 5-ступенчатая коробка передач. Машина с задним приводом.

Рекомендуемая статья: Тюнинг ВАЗ 2114 (тюнинг Лада 2114) своими руками, фото в придачу

Ходовая часть автомобиля представлена ​​двумя передними подвесками независимой независимой на двух рычагах и задней зависимой подвеской (с жесткой балкой). Дорожный просвет у этой машины на высоком уровне, ну это русская машина. Тормозная система представлена ​​передним дисковым тормозным механизмом и задним барабанным механизмом.

В целом характеристики ваз 21074 инжектор говорят о том, что машина неплохая и сможет долго служить своему владельцу. Он надежен в эксплуатации, но о значительной экономичности двигателя говорить нельзя, так как средний расход топлива составляет 6,8–9.6 литров на 100 км, в зависимости от стиля вождения.

Как работает схема управления ВАЗ 21074 инжектор

ВАЗ 21074 с инжекторным типом двигателя имеет свои особенности. Во-первых, это электронное управление двигателем. Такая система четко контролирует состав топливной смеси. Также работает и работает топливный насос, который включается и выключается электроникой. Такой контроль осуществляется над всеми частями двигателя.

Схема инжектора ВАЗ 21074 состоит из следующих основных узлов: электронный блок, несколько датчиков, соединяющих провода. На приборной панели имеется сигнальная лампа, загорающаяся при возникновении сбоев в работе компонентов системы. Когда машина начинает свою работу и заводится двигатель, начинается проверка его работы. Сигнальная лампа сначала загорается, а потом, если все в порядке, гаснет. Если во время работы автомобиля лампа загорается, то это говорит о возможной неисправности двигателя.

В ВАЗ 21074 установлен инжекторный генератор переменного тока трехфазного тока. Имеет встроенный выпрямитель и регулятор напряжения.

Рекомендуемая статья: Тюнинг Газели значительно повышает технические характеристики.

Важнейшим элементом электронной схемы является блок управления. Именно он занимается выработкой сигналов управления работой двигателя и обработкой датчиков от показателей работы частей системы. Устройство имеет встроенную память, данные в которой сохраняются даже при отсутствии питания.

Датчики используются для формирования сигналов о работе, например, коленчатого вала и других, что позволяет синхронизировать работу элементов системы между собой.

Ремонт барабанных установок: Ремонт ударной установки — Барабанщики «FunkyDrummer»

Ремонт ударной установки — Барабанщики «FunkyDrummer»

Мы написали статью специально для барабанщиков, которые умеют только играть на барабанах, но не разбираются в своем инструменте.
Все великолепно! После нескольких лет кропотливой роботы, самопожертвования, сотрудничества, ты наконец то оказываешься на самой большой сцене твоего города в роли выступающего! Звукорежиссер хэдлайнеров настроен дружелюбно, и сам предлагает свою помощь. Даже более того, он подбадривает тебя и твою группу. В зале некоторые люди напевают ваши песни. А за сценой собрались живые знаменитости, которые кивками высказывают свое одобрение. Вся группа играет как слаженный механизм. Все великолепно!

Внезапно все идет наперекосяк. Ты еще не успел осознать, что послужило причиной потери скорости и хренового звучания удара, но понимаешь, что все, хана. Твой мозг прорезает мысль, что это твоя педаль… Она не отскакивает. Ты смотришь вниз. Колотушка пробила пластик и застряла в нем. У тебя есть всего пара наносекунд, что бы успокоиться, решить, что делать, и как исправлять неполадку.

Итак, мы написали статью специально для барабанщиков, которые умеют только играть на барабанах, но не разбираются в своем инструменте. Для тех, кто попав в затруднительное положение начинают выть и жаловаться на жизнь, хотя исправить неполадку им под силу. Так что прочитайте статью, и постарайтесь вынести что то полезное для себя из моего опыта.

Учитывая то, что инструменты у всех разные, давайте просто посмотрим на установку и выявим наиболее опасные и проблемные места. Конечно, у каждого свои подводные камни, но есть несколько общих. И панацеей практически от всего служит клейкая лента. Эта штука важнее, чем Невадский боксерский комитет. Не экономьте на качестве. Эту штуку можно найти практически в любом магазине хоз. товаров. Черная тканевая лента наиболее надежная, да и практически не оставляет после себя следов. А вам все таки придется отклеивать ее, т.к. клейкая лента-это лишь временное решение проблемы. У меня всегда есть моток в чехле с запасным барабаном. И да, у меня есть запасной малый))

Я думаю, вы понимаете, что порванный пластик может заметно подпортить вам всю малину. Если с пластиком на малом барабане приключилась беда-нужно как то на месте исправить несчастье, хотя бы временно. Конечно, запасной малый барабан-идеальное решение. Или же запасной пластик. Я всегда ношу с собой пару запасных пластиков на концерты. Техник сцены всегда поможет вам быстро заменить барабан или пластик. Если же что то случается со стойкой для малого-тут придется использовать очень много клейкой ленты, что бы хоть как то продержаться до конца выступления.

Если стул вы привезли свой-все окей. Но тем не менее проверяйте его перед каждым выступлением, т.к. если со стулом что то случается-это обычно влечет за собой очень неприятные последствия.

Далее. Хай-хэт. Много опасностей таит в себе двойная тарелка. Я нашел два проблемных места-зажим(ключ) на стойке и «дрын», который двигается педалью вверх-вниз. И проблема обычно одна и та же. Что то оторвалось,отлетело, открутилось. Я всегда ношу с собой запасной зажим. Он не занимает много места, и экономит вам время в случае чп. И опять же, всегда перед выступлением проверяйте стойку! С «дрыном» же все не так просто. Обычно верхняя и нижняя части соединены еще одной внутренней рейкой со сгибом. В первую очередь проверьте ее исправность. Если же с этим креплением что то произошло-остается еще слабая надежда на клейкую ленту. Однако в таком случае придется быть нежнее с педалью. А лучше всего просто закрепить тарелки в наиболее часто используемом положении, и вообще забыть про педаль.

Педаль для бас бочки-вообще змеиное гнездо. На всякий случай я всегда ношу с собой старую складную педаль. Современные педали в основном сразу делают на футборде, а вот старые модели делались без него. Они занимают очень мало места, и на них нет необходимости подкручивать пружины или же налаживать цепь. Вернемся к проблеме, которую я описал вначале. Для такого случая я всегда ношу с собой старый пластик от напольного тома. Если порвался пластик на бочке-просто нужно вырезать кусок из старого пластика и присобачить на место разрыва с помощью, чего бы вы думали? Клейкой ленты!!!! (На заметку: заплатку обклеивайте по кругу. Если клейкая лента будет в месте соприкосновения колотушки с пластиком, то первая будет вязнуть во второй-проверено). Этот финт меня выручал много раз (и причем не только с бас бочкой, но и со всеми барабанами).

Если же бочка отъезжает во время игры-необходимо просто подпереть ее чем нибудь тяжелым! Обычно, это помогает. Иногда на ножки барабанов на сцене приделывают специальные металлические грузики или же мешочки с песком. И до сих пор находятся уникумы, которые не приклеивают на ножки бас-бочки специальные резиновые штуки. Я недавно купил такие всего за 15 баксов. Поверьте, они того стоят.

«А что насчет стоек для тарелок?» Здесь понадобиться целый арсенал всяких штучек-дрючек: резиновые прокладки, гайки, шайбы, винтики, фетровые прокладки — это лишь маленький перечень всего. Определенные стойки требуют даже набор отверток. Лучше всего хранить все это в чехле с палочками или самими тарелками. Ну и конечно же-клейкая лента!!! Отломалась ножка? Наложите «шину» с помощью клейкой ленты и палочек. Отломался стенд-то же самое. Не идеально, конечно, но какое то время перекантоваться это вам позволит. По крайней мере планы на концертный вечер не пойдут прахом.

Порвался пластик на томах? Достаньте из сумки с палочками швейцарский ножик(ведь он есть у вас, не так ли?), вырежьте из запасного, припасенного специально для этого старого пластика заплатку, и залатайте дыру. А потом во время перерыва просто замените пластик.

 

Мы еще не рассмотрели тарелки. И, боюсь, здесь нет ни 100% способов их починить, ни гарантий. Единственное, что может помочь тарелке с трещиной это… новая тарелка. Единственный плюс (если можно так сказать)-это то, что можно легко найти трещину, и обрезать по ее краю. Обычно это не занимает много времени. Конечно это подпортит настроение, но хотя бы шоу не сорвется. Единственное, что я могу посоветовать-это просверлить дырку в точке окончания трещины. Это хотя бы остановит ее распространение… И даст вам больше времени побыть вместе с любимой тарелкой.

Ну и главный мой совет-закупитесь клейкой лентой! она вам понадобится!

 

Ремонт звукового оборудования в Москве и Зеленограде ⚡ Цены в сервисных центрах ⚡ Вызов курьера

Москва

11:00 до 19:00

Главная

Ремонт звукового оборудования

Мы производим обслуживание звукового оборудования всех видов и брендов

Быстрый, недорогой и профессиональный ремонт звукового оборудования в Москве или Зеленограде предлагает наша компания по ремонту любых видов электронного оборудования — «AEPerson». Если вам необходимо выполнить ремонт или обслуживание звукового оборудования, то специалисты нашей компании готовы сделать качественный, недорогой и быстрый ремонт звукового оборудования любой сложности.
Специалисты нашей компании на протяжении более 20 лет, выполняют ремонт не только звукового оборудования, но и все виды электронной и цифровой техники. Со всем ассортиментом выполняемых нами работ вы можете ознакомится на нашем сайте — https://aeperson. ru/

Наши услуги по ремонту звукового оборудования

На протяжении более чем 20-и лет наша компания предоставляет своим клиентам следующие наиболее популярные виды услуг:
Ремонт электронной барабаной установки
Ремонт рекордеров
Ремонт многоканальных рекордеров
Ремонт портостудии
Ремонт электрогитар
Ремонт электронных барабанных установок
Ремонт ударных установок
Ремонт гитарных кабинетов
Ремонт гитарных комбо (комбиков)
Ремонт гитарных процессоров
Ремонт гитарных усилителей (Гитарных голов)
Ремонт акустических гитар
Ремонт бас-гитар
Ремонт бас-гитарной обработки (примочек)
Ремонт Бас-гитарных кабинетов
Ремонт бас-гитарных комбо (Комбиков)
Ремонт бас-гитарных усилителей
Ремонт гитарного комбоусилителя (транзистор) до20вт\до 50вт\свыше 50вт
Ремонт гитарного комбоусилителя (ламповый) до10вт\до 15вт\свыше 15вт
Ремонт гитарной головы
Ремонт гитарных педалей эффектов (аналоговые)
Ремонт гитарных педалей эффектов (цифровые)
Ремонт гитарных процессоров эффектов
Ремонт Гитарных комбиков
Ремонт Гитарных голов
Ремонт гитарных эффектов
Ремонт техники класса HI-FI
Ремонт техники класса Hi-End
Ремонт аудио-видео техники
Ремонт записывающих устройств
Ремонт приборов обработки звука
Ремонт аудиопроцессоров
Ремонт кроссоверов
Ремонт сабвуферных динамиков
Ремонт сабвуферов
Ремонт звукового оборудования

Ремонт звукового оборудования без проблем

Заказать ремонт звукового оборудования в Зеленограде и Москве в нашей компании
Для того чтобы заказать недорогой и качественный ремонт звукового оборудования в нашей компании, вам необходимо оставить заявку на звонок, менеджер нашей компании свяжется с вами в самые короткие сроки и проведет консультацию. Ответит на все возникающие у вас вопросы связанные с ремонтом вашего оборудования.
За 20 лет работы наша компания сформировала лучший для клиентов сервис с самыми привлекательными ценами и лучшими специалистами в сфере ремонта и обслуживания любой электронной техники. Звоните!

Основные неисправности и проблемы звукового оборудования

Нам доверяют ремонт звукового оборудования разных марок, а также, ремонт профессионального оборудования.
Устраним любые неисправности в кратчайшие сроки и по доступной цене. Aeperson — это честный ремонт
от профессионалов.

Диагностика в нашем сервис центре

Ремонт оборудования с запчастями

Чистка от грязи и пыли

Обслуживание

Что у вас сломалось ?

Задайте свой вопрос нашим специалистам

Имя

Телефон

Нажимая на кнопку «Отправить», вы соглашаетесь с политикой обработки персональных данных

Сервисные центры | Ремонт звукового оборудования

Мы производим ремонт звукового оборудования во всех крупнейших городах Московской области

Мастерская в Москве: метро Аэропорт, Сокол, Динамо
Мастерская в Зеленограде
(Голубое, Менделеево, Солнечногорск, Брёхово, Химки, Истра)

Апрелевка | Балашиха | Белоозёрский | Бронницы | Верея | Видное | Волоколамск | Воскресенск |
Высоковск | Голицыно | Дедовск | Дзержинский | Дмитров | Долгопрудный | Домодедово | Дрезна |
Дубна | Егорьевск | Жуковский | Зарайск | Звенигород | Ивантеевка | Истра | Кашира | Клин |
Коломна | КоролёвКотельники | Красноармейск | Красногорск | Краснозаводск | Краснознаменск |
Кубинка | Куровское | Ликино-Дулёво | Лобня | Лосино-Петровский | Луховицы | Лыткарино | Люберцы
| Можайск | Мытищи | Наро-Фоминск | Ногинск | Одинцово | Озёры | Орехово-Зуево | Павловский
Посад | Пересвет | Подольск | Протвино | Пушкино | Пущино | Раменское | Реутов | Рошаль | Руза |
Сергиев Посад | Серпухов | Солнечногорск | Старая Купавна | Ступино | Талдом | Фрязино | Химки |
Хотьково | Черноголовка | Чехов | Шатура | Щёлково | Электрогорск | Электросталь | Электроугли |
Яхрома

© 1998—2023 Сервисный центр AEPerson. Все права защищены

Ремонт барабанной установки | Elephant Drums

Отсутствующие ушки, треснувшие тарелки, шаткие барабанные табуреты, скрипучие педали, болты с резьбой, дребезжащие малые барабаны, расколотая кожа…

Список возможных ремонтов можно продолжить.

На любом этапе обучения игре на барабанах очень важно знать, как выполнить хотя бы несколько основных ремонтных работ, и знать некоторые советы по обслуживанию, чтобы получить максимальную отдачу от вашей ударной установки.

Когда нужна запасная часть или совет специалиста, помощь всегда под рукой (прокрутите вниз, чтобы найти ссылки на некоторые из наших местных мастерских по ремонту барабанов).

Если вы новичок/средний уровень, это может быть первый раз, когда вы приносите комплект и, следовательно, впервые у вас возникают проблемы с ним. Компания Elephant Drums составила эту статью, чтобы помочь вам отремонтировать вашу установку или узнать, где получить совет, если что-то пойдет не так.

Вы можете предотвратить множество повреждений или поломок, следуя нескольким общим советам по обслуживанию. Если педаль скрипит или тарелка звучит неправильно, значит, вам нужно взглянуть на то, что происходит.

Профилактика лучше, чем лечение

Мы продолжим эту статью в следующем посте о рекомендуемых процедурах обслуживания (но эта статья о ремонте). Вы также можете ознакомиться со следующими темами, которые мы рассмотрели ранее:

  • Замена обшивки барабанов и настройка барабанов
  • Простые советы по настройке барабана

Самостоятельный ремонт

Иногда лучше обратиться к специалисту по ремонту (контакты см. ниже), но многие виды ремонта можно выполнить своими руками.

Запасные части можно приобрести в магазинах или заказать через Интернет. Вы можете устранить многие распространенные проблемы, просто купив запасные части и установив их самостоятельно, например:

  • проушины
  • болты
  • барашковые гайки
  • пружины (для басовой педали)
  • малярная лента/проволока/крепления
  • зажимы/плечи/скобы
  • сцепление (для HiHat)

Если в тарелке появится трещина, это может означать конец дней для тарелки, поэтому вы можете попробовать «высверлить» трещину или попробовать заполнить ее эпоксидной смолой (оба ремонта своими руками могут продлить срок службы тарелки на некоторое время). пока, но это зависит от ситуации и от того, насколько серьезен кряк).

Постоянные или повторяющиеся проблемы или ситуации, когда вам требуются специальные инструменты и знания, как правило, лучше доверить профессиональному ремонтнику.

В большинстве мест, куда вы отдаете комплекты для ремонта, взимается плата от 25 до 50 фунтов стерлингов в час за работу. Как правило, это будет около отметки в 40 фунтов стерлингов. Затем вам нужно будет оплатить стоимость любых запасных частей. Мастерские по ремонту барабанов также, скорее всего, предложат прийти и забрать комплект, но, опять же, за это, вероятно, будет взиматься дополнительная плата.

Обратите внимание: мы не получаем комиссию от перечисленных мастерских/ремонтных мастерских, и ни одно из перечисленных мест не платило за то, чтобы быть представленным в этом руководстве.

Барабанная лавка – Баттерси


Тел. : 0207 228 1000

Электронная почта: [email protected]

Веб-сайт: www.drumshack.co.uk

Услуги: Ремонт, запчасти, продажа новых и бывших в употреблении

Стоимость: Примерная стоимость замены головки барабана = от 11 до 14 фунтов стерлингов

Предложение: Студенты Elephant Drums получают 10% скидку на ремонт и различные скидки при покупках в магазине.

Запчасти для барабанов – Ealing


Тел.: 07983 313999

Электронная почта: [email protected]

Веб-сайт: www.drumspares.com

Услуги: Интернет-магазин, ремонт и запчасти

Стоимость: Пример стоимости ремонта ловушки от 15 до 20 фунтов стерлингов

Футы – Центральный Лондон


Тел. : 020 7734 1822

Электронная почта: [email protected]

Веб-сайт: www.footesmusic.com

Услуги: Ремонт, запчасти, продажа новых и бывших в употреблении

Предложение: Студенты Elephant Drums получают скидку 10% на покупки в магазине.

Музыка норманнов – Гринвич


Тел.: 020 8850 1263

Электронная почта: [email protected]

Веб-сайт: www.normansmusic.co.uk

Услуги: Мелкий ремонт и продажа аксессуаров для барабанов

Стоимость: £ 5, чтобы сменить головку барабана + 15 фунтов стерлингов за кожу

Tune Inn Music Shop — Lewisham


Тел: 020 8698 4446

Электронная почта: info@tuneinn. co.uk

Веб-сайт: www.tuneinn.co.uk

Услуги: Покупка, продажа и частичный обмен комплектов и аксессуаров

Прочее (базируется за пределами Лондона, но обслуживает Лондон)

Newby Drums – Milton Keynes


90 067 Тел.: 07811284975

Электронная почта: [email protected]

Веб-сайт: facebook.com/newbydrums

Услуги: Специалист по обслуживанию и ремонту барабанов – всех марок, старинных и современных инструментов

У вас есть рекомендации по ремонту?

Дайте нам знать…

VINTAGE FM DRUMS — Услуги по реставрации винтажных барабанов, ремонт барабанов и перетяжка барабанов восстановление барабана или ремонт барабана — это ценная вещь для сцены или демонстрации. Можно утверждать, что лучшим дополнением к мастерству, карману или «отбивным» является оборудование, которое позволяет проявиться таланту барабанщика.

Ознакомьтесь с некоторыми из наших недавних проектов ниже и посетите наш блог проектов, чтобы увидеть множество фотографий до и после различных проектов по реставрации старинных барабанов.

Обзор реставраций 2021 г.

Спасибо нашим местным, региональным и международным клиентам за то, что они доверяют Vintage FM Drums свое самое ценное оборудование для реставрации, ремонта и переделки. Для меня большая честь поддерживать внешний вид, звучание и производительность ваших винтажных барабанов в лучшем виде! Вернемся к гигам!

ВИНТАЖНЫЙ БАРАБАН LUDWIG REWRAP ВИДЕО ГЛАВНОЕ

​Когда вы понимаете, что пора перепаковать винтажный барабан? В данном случае это произошло во время попытки восстановления обмотки винтажного 24-дюймового бас-барабана Ludwig 1970-х годов, покрытого хромом поверх дерева. Хромированная пленка сильно проржавела, до такой степени, что пленка портилась и окислялась на нижней стороне, внешнем слое корпуса. Взгляните и следите за готовым барабаном — это удивительная трансформация, сохранившая красивую классическую 6-слойную оболочку Ludwig.0003

ВИНТАЖНЫЙ КРУГЛЫЙ ЗНАК GRETSCH BACK IN THE SWING

Vintage Gretsch Progressive Jazz Kit

Первоначальный владелец этой винтажной красавицы Gretsch вышел на пенсию, и после 20 лет хранения на складе компания Vintage FM Drums помогла вернуть этот костюм Gretsch Progressive Jazz с круглым значком 1960-х годов в его первоначальное состояние. Ждать. У него два реечных тома. Как это может быть прогрессивным джазовым нарядом? Узнайте больше об этой полной реставрации, в том числе об устранении разделения швов в барабанной обертке. В середине 19Винтажная барабанная установка Gretsch 60-х годов просто потрясающая.


СОВЕРШЕННО ВЕЛИКОЛЕПНЫЙ МАЛЕНЬКИЙ СТАНДАРТНЫЙ МАЛЕНЬКИЙ ЛЮДВИГ 1920-Х

Имея такой же латунный корпус, состоящий из двух частей, что и печально известный оригинальный Ludwig Black Beauty, этот Ludwig Standard 1920-х годов с 10 ушками из никелированной латуни (NOB) является абсолютно фантастическим примером истории и красоты Ludwig. Узнайте больше об этой реставрации в нашем блоге проекта. Поздравляю его нового владельца. Эта красавица возвращается к своим корням за пределами Чикаго.

Стандартный малый барабан Людвига 1920-х годов

КРАКАЛИСТИЧЕСКОСТЬ

СУПЕР ЛЮДВИГ 400

Полная реставрация пользующейся большим спросом модели Super Ludwig 400 с хромированной латунной отделкой 1960 года. Этот барабан породил малый барабан Ludwig LM400 Supraphonic — самый записываемый малый барабан в истории. Посмотрите в блоге проекта серию фотографий до и после реставрации. Шикарный коллекционный барабан.

Винтажный барабан Ludwig, 1960 Super Ludwig 400

LUDWIG CLASSIC ПОЛНАЯ ПЕРЕОБОРОТКА И ВОССТАНОВЛЕНИЕ

Обратите внимание на последнюю винтажную переделку от Vintage FM Drums – полную переработку и реставрацию барабанной установки Ludwig Classic середины 80-х, выполненную в красивом синем блеске Delmar из нового старого запаса (NOS).

Мульдозавалочный кран: кран мульдозавалочный | это… Что такое кран мульдозавалочный?

Мульдозавалочный кран — Большая Энциклопедия Нефти и Газа, статья, страница 1

Cтраница 1

Мульдозавалочный кран.
 [1]

Мульдозавалочный кран ( рис. 31) состоит из моста ( двух — или трехбалочного), главной ( завалочной) и вспомогательной тележек. Питание осуществляется ( преимущественно) от источника переменного тока.
 [2]

Кран для раздевания слитков грузоподъемностью 75 / 20 тс с силой выталкивания 400 тс.
 [3]

Хобот 5 является основным грузозахватным органом мульдозавалочного крана. С его помощью осуществляются захват мульды, загруженной шихтовыми материалами, и завалка последних в мартеновские печи. В процессе работы хобот крана может вращаться относительно своей оси, качаться в вертикальной плоскости, вращаться совместно с кабиной вокруг вертикальной оси колонны и перемещаться вертикально вместе с колонной и кабиной.
 [4]

Низко расположенные кабины ( 500 — 1 000 мм) от уровня пола имеют, например, мульдозавалочные краны.
 [5]

Между тем возможно осуществление полутора-двух оборотов в одном направлении без кольцевого токоприемника. Длительная эксплуатация мульдозавалочных кранов на Ижевском металлургическом заводе показала, что оператор не испытывает каких-либо неудобств, даже при отсутствии конечных выключателей. На рис. 31 показана подводка кабеля в манипуляторе грузоподъемностью 2 5 Т, проект которого выполнен в лаборатории Ижевского механического института. Защита механизма удовлетворительно решается введением в кинематичекую схему червячного редуктора с муфтой предельного момента.
 [6]

ГОСТ 12614 — 67 Краны мостовые муль-дозавалочные. Стандарт распространяется на мостовые электрические мульдозавалочные краны трехфазного тока с последовательным расположением завалочной и вспомогательной тележки.
 [7]

Описанная установка проста по устройству и надежна в эксплуатации. К недостаткам машины относится то, что приходится задалживать мульдозавалочный кран.
 [8]

Узел крепления ходового колеса с жестким креплением.
 [9]

Первую группу составляют все виды кранов с жесткой подвеской грузозахватных органов, а вторую — с гибкой подвеской грузозахватного устройства. К первой группе мостовых кранов относятся: а) краны, предназначенные для захвата и транспортировки слитков и б) мульдозавалочные краны.
 [10]

Ферросплавы с заводского склада разгружают в закрома шихтового пролета. Для передачи в печной пролет ферросплавы грузят в мульды, взвешивают на муяь-довых весах и транспортируют краном, оборудованным мульдовым захватом, на стеллажи балкона рабочей площадки. Отсюда мульдозавалочным краном ферросплавы подают сначала в печь для их подогрева, а затем в электропечи.
 [11]

Мостовые мульдозавалочные краны ( рис. 16) предназначены для завалки твердой шихты в мартеновские печи и для вспомогательных операций при ремонте и обслуживании печей и цеха. Эти краны имеют две тележки. Главная тележка / соединена жесткой метоллоконструкцией — шахтой 3 и колонной 4 с рабочей площадкой и кабиной управления 5 крана. Основным грузозахватным органом мульдозавалочного крана является хобот 6, с помощью которого захватываются мульды, загруженные шихтой, и осуществляется загрузка печи.
 [12]

Мульдозавалочпые краны ( рис. 19) предназначены для подачи твердой шихты в мартеновские печи и вспомогательных операций при ремонте и обслуживании печей и цеха. Эти краны также имеют две тележки. Главная тележка / соединена жесткой металлоконструкцией — шахтой 3 и колонной 4 — с рабочей площадкой и кабиной управления 5 крана. Основным грузозахватным элементом мульдозавалочного крана является хобот 6, с помощью которого захватываются мульды 7, загруженные шихтой, и производится загрузка печи.
 [13]

Страницы:  

   1

«ПО «ТЕХНОРОС» укрепляет свои позиции в сегменте металлургических кранов» в блоге «Производство»

Специалистами ПО «ТЕХНОРОС» за последнее время был реализован ряд значимых проектов для металлургической отрасли. Были успешно введены в эксплуатацию шесть новых мостовых кранов для предприятий — лидеров отечественной металлургии: АО «Уральская сталь», АО ЕВРАЗ «Западносибирский металлургический комбинат», АО «ЕВРАЗ Нижнетагильский металлургический комбинат», и ПАО «Северсталь».

Так, летом текущего года ПО «ТЕХНОРОС» сдало в эксплуатацию литейный кран крупному металлургическому комбинату — АО «Уральская сталь». Это четырехбалочный мостовой металлургический литейный кран КМЭМЛ 210+63/20-27,5-А8, У3, грузоподъемностью главного подъема 210 тонн и грузоподъемностью 63/20 т тележки вспомогательного подъема. На предприятии была произведена замена мостового литейного крана грузоподъемностью 180+63/20 тонн на новый кран большей грузоподъемности для эксплуатации в разливочном пролете электросталеплавильного цеха. Новый кран используется для транспортировки сталеразливочных ковшей с расплавленным металлом и разливки металла на МНЛЗ, а также для обеспечения безостановочной организации производственного процесса в разливочном пролете цеха.

В конструкции крана реализован новый принцип соединения главных балок с балансирами передвижения. Это значительно упрощает ремонт и обслуживание оборудования. Надежность металлоконструкций ответственных узлов и соединений обеспечивается многоступенчатым контролем качества их изготовления.

Механизм передвижения крана состоит из 4 раздельных приводов. При выходе из строя одного из приводов механизма передвижения, остальные приводы обеспечивают работу крана в нештатном режиме до завершения технологической операции. На кране установлена система контроля сближения с соседними кранами. В компоновке привода главного подъема крана реализована схема нового поколения с использованием дифференциального редуктора.

Питание крана осуществляется от источника постоянного тока через троллейный токоподвод.

Литейный кран г/п 210 тонн, АО «Уральская сталь» © tehnoros.ru

В прошлом году подобный кран изготовленный ПО «ТЕХНОРОС», начал свою работу на крупнейшем в Сибири сталелитейном предприятии «ЕВРАЗ ЗСМК». Новый мостовой четырехбалочный металлургический литейный кран КМЭМЛ 210+63/20-27,5-А7, У3, установленный в разливочном пролете электросталеплавильного цеха, предназначен для выполнения ряда технологических операций, необходимых для выплавки и разливки жидкой стали. На кране также реализована современная конструкция привода главного подъема с использованием дифференциального редуктора вместо традиционной зубчатой передачи. Обратная связь электродвигателей механизма главного подъема крана с системой управления, осуществляемая при помощи датчика положения ротора, позволяет проводить подъем груза с заданными скоростями. Механизм передвижения крана оборудован энкодерами, служащими для синхронизации движения приводов на противоположных сторонах крана и исключения его перекоса. Для обеспечения безопасности и безаварийной работы на кране также установлены специальные приборы и устройства: конечные выключатели, ограничители грузоподъемности, крановые весы, аппараты электрической защиты и блокировки. Электропитание нового крана осуществляется от трехфазной сети переменного тока с номинальным напряжением 380 В.

Литейный кран г/п 210 тонн, ЕВРАЗ ЗСМК © tehnoros.ru

Линейка литейных кранов ПО «ТЕХНОРОС» включает в себя двух и четырехбалочные краны грузоподъемностью главного подъема от 100 до 500 тонн, что закрывает практически все потребности крупнейших предприятий отрасли.

С недавних пор на Новолипецком металлургическом комбинате эксплуатируется мостовой кран 150+80/20-27-А7, который выполняет грузовые операции на участке ремонта и подготовки оборудования вакууматора, а также технологических операций на самом вакууматоре в пролете конвертного цеха, с температурным режимом от -40 до +80 градусов.

Мостовой кран г/п 150 тонн, ПАО «НЛМК» © tehnoros. ru

Еще два мостовых специальных крана КМЭСТВг 45/45/45-33,5-А8, У2 грузоподъемностью 45 тонн были введены в эксплуатацию уже на Нижнетагильском металлургической комбинате холдинга «ЕВРАЗ». Оборудование работает в цехе готовой продукции комбината. Оба крана предназначены для подачи, настилки, сортировки, уборки и кантовки непрерывно-литой заготовки массой 45 тонн и температурой 900 °C. Двухбалочные краны с поворотными тележками и гибким подвесом траверсы оснащены магнитами и управляемыми подхватами. В данном проекте было успешно реализовано нестандартное решение, позволившее ему уйти от отдельных технических трудностей, возникавших при эксплуатации старых кранов с жестким подвесом траверсы.

Специальный мостовой кран г/п 45/45/45 тонн, «ЕВРАЗ НТМК» © tehnoros.ru

В рельсобалочном цехе «ЕВРАЗ НТМК» недавно начал эксплуатироваться ещё один специальный мостовой кран КМЭСТ 62/35/20-33-А7, У3 грузоподъемностью 62/35/20 тонн на крюковых подвесах, магнитах и крюках магнитной траверсы соответственно, изготовленный ПО «ТЕХНОРОС» по индивидуальному проекту. Кран с гибким подвесом траверсы и управляемыми подхватами эксплуатируется на участке термической обработки рельсов и предназначен для подъема и транспортирования рельсового проката, нагретого до температуры 200 °C. Кран также используется для проведения ряда работ по ремонту цехового оборудования. Конструкция всех узлов крана обеспечивает поузловую замену вышедшего из строя оборудования без демонтажа металлоконструкций и подобных крупногабаритных узлов, что повышает ремонтопригодность крана.

Специальный мостово кран г/р 62 тонны, «ЕВРАЗ НТМК» © tehnoros.ru

Несколько месяцев назад был сдан в эксплуатацию электрический мостовой кран с жестким подвесом траверсы и вращающейся тележкой (так называемый пратцен-кран) КМЭСТВж 16/16/16-31-А8 спроектированный и изготовленный специалистами ПО «ТЕХНОРОС». Оборудование грузоподъемностью 16 тонн эксплуатируется в цехе сортопрокатного производства металлургического комбината ПАО «Северсталь» на участке сортовой заготовки. Пратцен-кран обеспечивает разгрузку сортовой заготовки длиной до 12 м и температурой до 500 °C с железнодорожных платформ, перемещение заготовки по пролету для складирования в стеллажи и на загрузочные решетки сортовых станов, сопровождение технологического процесса линии переката стана 350.

В конструкции крана реализован набор самых современных технических решений, позволяющих сократить количество ремонтов и увеличить срок службы оборудования:

Система, отслеживающая перекос крана.

На каждой балансирной тележке имеются по два индуктивных датчика. При забегании одной торцевой балки моста относительно другой, исходя из показаний индуктивных датчиков, система управления производит выравнивание крана.

Электрический мостовой кран с жестким подвесом траверсы и вращающейся тележкой г/п 16/16/16 тонн, ПАО «Северсталь» © tehnoros.ru

Система вибродиагностики механизма подъема.

На подшипниковых узлах двигателя и на подшипниковых узлах первой и второй ступени редуктора механизма подъема крана установлены датчики, передающие сигнал в систему управления краном. При выявлении отклонений в работе узла система управления выдает информацию на дисплей крановщика.

Автоматизированная система смазки рельсов.

При передвижении крана ролики автоматизированной системы смазки рельсов наносят смазочный материал на боковые поверхности рельсов кранового пути. Компоненты системы установлены на вертикальном кронштейне посередине торцевых балок крана. Подобная система используется также и на некоторых других кранах производства ПО «ТЕХНОРОС», успешно работающих на крупнейших металлургических предприятиях страны.

ПО «ТЕХНОРОС» традиционно поставляет металлургам и другие специальные технологические краны: мульдозавалочные, колодцевые, ковочные, клещевые, магнитные и магнитно-грейферные, траверсные, а также козловые грейферные рудные перегружатели.

Мостовой электрический кран с управляемыми клещами г/п 150 тонн ПАО «НЛМК» © tehnoros.ru

На сегодняшний день продуктовый ряд компании позволяет удовлетворить потребности предприятий металлургической отрасли не только в крановом оборудовании. ПО «ТЕХНОРОС» предлагает широкую линейку оборудования для перевалки навалочных грузов.

В сентябре 2020 г. на открытом складе Тршинецкого металлургического завода (Třinecké železárny A.S. г. Тршинец, Чехия) был введен в эксплуатацию современный портальный цепной ковшовый реклаймер (заборщик) производительностью 1200 т/час по железорудному сырью, изготовленный по проекту компании «ТЕХНОРОС». Реклаймер используется для усреднения рудных материалов при производстве доменного агломерата и шихты для сталеплавильного производства, а также для расформирования насыпных штабелей и постоянной подачи усредненного материала на складской конвейер. Задача усреднения руды является актуальной и для российских металлургов.

Ковшовый цепной реклаймер «Каскад», Třinecké železárny A.S. г. Тршинец, Чехия © tehnoros.ru

Металлургические предприятия и горно-обогатительные комбинаты зачастую получают уголь и железорудное сырье по железной дороге. Для разгрузки полувагонов применяются вагоноопрокидыватели, которые в зависимости от габаритов и грузоподъемности полувагонов вагоноопрокидыватели могут иметь грузоподъемность 100, 110, 125 и 134 тонны. В основном применяются роторные или боковые вагоноопрокидыватели. Весь ряд вагоноопрокидывателей поставляется компанией «ТЕХНОРОС». В начале этого года была завершена поставка вагоноопрокидывателя ВРС-93-110М на Ново-Иркутскую ТЭЦ. Предприятия угольной энергетики также активно используют подобное оборудование.

Разработка и реализация «под ключ» уникальных инженерно-технических решений для металлургической промышленности традиционно является одним из приоритетных направлений деятельности Производственного объединения «ТЕХНОРОС». За 30 лет работы на рынке тяжелого машиностроения компания изготовила и поставила более 100 единиц сложного подъемно-транспортного оборудования для крупнейших предприятий отрасли.

Будем рады видеть вас среди клиентов нашей компании!

10-тонный мостовой подъемный кран для продажи Jordan, кран eot Jordan проект

10-тонный однобалочный мостовой кран для продажи Jordan мастерская по производству пресс-форм для литья пластмасс.

10-тонный кран для Иордании. Однобалочный мостовой кран грузоподъемностью 10 тонн для мастерской по производству пластиковых форм для литья под давлением Jordan для погрузочно-разгрузочных работ. Продаются мостовые краны Dongqi, однобалочные и двухбалочные мостовые краны, мостовые краны с козловым краном, мостовые краны малой грузоподъемности и т. д. Получите свой собственный мостовой кран прямо сейчас. Мостовой кран для индустрии литья пластмасс под давлением.

Мостовой кран для производства пресс-форм для литья пластмасс под давлением

Предлагая мостовой кран для мастерских по литью пластмасс под давлением, компания Dongqi Hoist and Crane имеет опыт в предоставлении оптимального подъемно-транспортного оборудования и услуг кранового крана для вашего завода или мастерской.

  • Оборудование для перемещения и подъема форм
  • Грузоподъемность: 2–3 т, 5 т, 10–20 т, 60 т, 80 т и т. д.
  • Скорость подъема: 2 м/м, 6 м/м, 8 м/м
  • Рабочий класс: Индивидуальный дизайн в соответствии с вашими рабочими условиями и областью применения.

Мостовой кран грузоподъемностью 10 тонн для производства пресс-форм для литья пластмасс в Иордании

Подписание контракта на покупку мостового крана в штаб-квартире Dongqi Hoist and Crane предлагает пластмассовые изделия для всемирно известных брендов, таких как Nestle, Pepsi, Henkel, Golden Mills и т.д.0003

Требования к однобалочному мостовому крану грузоподъемностью 10 тонн

При производстве пластмасс используются различные методы формования, такие как экструзия, литье под давлением, выдувное формование и ротационное формование, в зависимости от различных продуктов. Ну а в процессе литья нужен мостовой кран для смены форм. Для четырех мастерских клиент из Иордании хочет, чтобы компания Dongqi Crane предложила системы мостового подъемного крана, которые являются экономичными, эффективными, долговечными и безопасными. После сравнения предложений различных мостовых кранов Dongqi Hoist and Crane стали его производителем и поставщиком мостовых кранов.

Решение с однобалочным мостовым краном

В соответствии с требованиями по обработке материалов и условиями цехов по производству пластмасс рекомендуется 4 комплекта мостовых кранов, два из которых представляют собой однобалочный мостовой кран грузоподъемностью 10 тонн и два комплекта однобалочных кранов грузоподъемностью 5 тонн. мостовые краны со специальной балкой и опорным ковшом. Все однобалочные мостовые краны могут полностью удовлетворить его требования к грузоподъемности и значительно снизить затраты на приобретение кранового оборудования.

Один из цехов, которому требуется мостовой кран

Особенности 10-балочного мостового крана для клиента Jordan

10-тонный однобалочный мостовой кран для клиента Jordan имеет три очевидных особенности: балка крана с плоским верхом, конструкция ковша и экономичная цена крана.

1. Крановый ходовой механизм, 2. Паспортная табличка установлена, 3. Главная балка,

4. Тоннажная карта установлена, 5. Электротельфер, 6. Электрическое устройство, 7. Концевая балка

Основные параметры однобалочного мостового крана
  • Грузоподъемность однобалочного мостового крана: 10 тонн
  • Крановый пролет однобалочного мостового крана: 7,5 метра
  • Работа крана однобалочного мостового крана: A4
1) Плоская верхняя балка для 10-тонного мостового крана

Плоская верхняя балка 10-тонных мостовых кранов позволяет максимально использовать рабочее пространство мастерской и относительно увеличивает высоту подъема, что устраняет противоречие между высокой высотой подъема требования к высоте и ограниченное свободное пространство над головой.
Ниже приведен чертеж однобалочного электрического мостового крана типа LD LD 10t-7,5 м A4, который полностью удовлетворяет клиента Jordan.

Крановая балка с плоской вершиной для 10-тонного однобалочного мостового крана

2) Индивидуальная конструкция ковша мостового крана

Из-за того, что бетонная мастерская не имеет подходящих ковшей для 10-тонного однобалочного мостового крана и по финансовым причинам, Следующие ковши мостового крана разработаны инженером по кранам Dongqi, что решает проблему и снижает затраты клиента.

Крановые ковши для 10-тонного однобалочного мостового крана

3) Экономичная цена мостового крана

При условии обеспечения качества и безопасности мостового крана компания Dongqi Hoist and Crane хотела бы максимально сократить расходы мы можем. Оптимальным решением для клиентов является предоставление высококачественного погрузочно-разгрузочного оборудования по наиболее выгодной цене.

Почему Dongqi Hoist and Crane выигрывает у клиента из Иордании?

Индивидуальные мостовые краны решают проблему и завоевывают улыбку клиентов Jordan.

  • Во-первых, специальные мостовые краны для клиента Jordan разрабатываются и изготавливаются заказчиком с учетом условий его мастерской и требований к грузоподъемности, что может полностью удовлетворить требования к грузоподъемности.
  • Во-вторых, компания Dongqi Crane сделала все возможное, чтобы помочь клиенту снизить цену на мостовой кран, выполняя свое обещание предоставить погрузочно-разгрузочное оборудование высшего качества по наиболее экономичной цене.
  • И последнее, и самое главное, установка специальных мостовых кранов значительно повышает эффективность замены пластиковых форм, что открывает путь к расширению продукта и рынка.

Кран для перемещения и подъема формы / формы

Однобалочный мостовой кран
Электрическая лебедка для подъема формы краном

Электрическая лебедка для подъема пресс-формы широко используется на заводе, складе, складе и т. Д.

Электрическая лебедка для подъема пресс-формы крана eot Технические характеристики:

  • Тип продукта: подъемный кран для формы LD, 9 шт.0012
  • Грузоподъемность крана-манипулятора: 1~32 т,
  • Длина пролета крана для перемещения форм: 7,5~28,5 м,
  • Рабочий класс мостового крана: A3,A4,
  • Получите индивидуальное оборудование для подъема пресс-форм. WhatsApp: +86 188 3818 4113
Взрывозащищенный кран для подъема формы

Взрывозащищенный кран для подъема пресс-формы предназначен для опасных сред, таких как газ, пыльная среда, для повышения безопасности.

Технические характеристики взрывозащищенного подъемного крана EOT:

  • Тип продукта: Кран для подъема формы LB,
  • Грузоподъемность крана-манипулятора: 1~20 т,
  • Длина пролета крана для перемещения форм: 7,5~28,5 м,
  • Рабочий класс мостового крана: A3,
  • Получите индивидуальное оборудование для подъема пресс-форм. WhatsApp: +86 188 3818 4113
Подъемный кран с малой строительной высотой
Краны EOT

для подъема формы с малой высотой предназначены для небольших заводов и фабрик, где подъемное помещение ограничено, но высота подъема высока.

Спецификации крана eot для подъема форм с малой высотой подъема:

  • Тип продукта: Кран для подъема форм LDP,
  • Грузоподъемность крана-манипулятора: 1~32 т,
  • Длина пролета крана для перемещения форм: 7,5~22,5 м,
  • Рабочий класс мостового крана: A3, A4,
  • Получите индивидуальное оборудование для подъема пресс-форм. WhatsApp: +86 188 3818 4113
Электрическая лебедка FEM для подъема пресс-формы крана
Кран

FEM для подъема пресс-формы разработан с учетом прочного качества, хорошей цены, годовой гарантии качества, полного набора послепродажного обслуживания.

Спецификация европейского подъемного крана EOT:

  • Тип продукта: Кран для подъема формы HD,
  • Европейский кран Грузоподъемность крана-манипулятора: 1 ~ 30 т,
  • Длина пролета крана для перемещения пресс-форм: ≥6 м,
  • Рабочий класс мостового крана: A5,
  • Получите индивидуальное оборудование для подъема пресс-форм. WhatsApp: +86 188 3818 4113

Европейский подвесной подъемный кран EOT

Европейский подвесной однобалочный подвесной кран устанавливается на крыше рабочего места без кронштейна,
экономя место и снижая стоимость.

Технические характеристики подъемного крана eot с подвесной формой:

  • Тип продукта: Кран для подъема формы NLX,
  • Грузоподъемность крана-манипулятора: 1~20 т,
  • Длина пролета крана для обработки пресс-форм: ≥ 6 м,
  • Рабочий класс мостового крана: A5,
  • Получите индивидуальное оборудование для подъема пресс-форм. WhatsApp: +86 188 3818 4113

Подъемный кран EOT

Подъемный подъемный кран eot представляет собой небольшое легкое подъемное оборудование с экономичной ценой, которое широко используется на заводе, складе, складе и т. Д.

Подвески пресс-формы для подъема крана eot Технические характеристики:

  • Тип продукта: подъемный кран для форм LX,
  • Грузоподъемность крана-манипулятора: 1~10 т,
  • Длина пролета крана для перемещения пресс-форм: 3~15 м,
  • Рабочий класс мостового крана: A3,
  • Получите индивидуальное оборудование для подъема пресс-форм. WhatsApp: +86 188 3818 4113
Двухбалочный подъемный кран

Европейский 2-балочный кран-манипулятор

Кран

FEM с 2 балками, работающий с пресс-формой, соответствует всем европейским стандартам кранов с сертификатами CE.

Fem 2-балочная пресс-форма для крана eot, технические характеристики:

  • Грузоподъемность подъемного крана: 5–80 тонн,
  • Длина пролета: 10,5~35,5 м,
  • Рабочий класс мостового крана: A4~A7,
  • Получите индивидуальное оборудование для подъема пресс-форм. WhatsApp: +86 188 3818 4113

Электрическая лебедка с 2 балками для подъема крана

Кран EOT с двойной балкой с электрической лебедкой широко используется в производстве машин, вспомогательных цехах металлургических заводов, складах, складских площадках и электростанциях, текстильной и пищевой промышленности.

Технические характеристики двухбалочного крана EOT:

  • Грузоподъемность подъемного крана: 5~63 тонны,
  • Длина пролета: 8м~32м,
  • Рабочий класс: A3~A5,
  • Получите индивидуальное оборудование для подъема пресс-форм. WhatsApp: +86 188 3818 4113

Крюк 2-балочной формы для подъема крана

Кран общего назначения с крюком широко используется для погрузки и перемещения нормального веса в стационарном переходном пространстве, а также может работать с различными подъемниками специального назначения в специальных операциях.

Крюк с 2 балками для подъема крана eot Технические характеристики:

  • Погрузочно-разгрузочный кран Грузоподъемность: 5–550 тонн,
  • Длина пролета: 10,5~35,5 м,
  • Рабочий класс мостового крана: A4~A7,
  • Получите индивидуальное оборудование для подъема пресс-форм. WhatsApp: +86 188 3818 4113

Взрывозащищенный 2-х балочный кран

Взрывозащищенный кран ЭОТ предназначен для взрывоопасных газовых сред с взрывозащищенным электрооборудованием.

Взрывозащищенный 2-балочный кран для подъема крана Технические характеристики:

  • Грузоподъемность подъемного крана: 5~75 тонн,
  • Длина пролета: 10,5~31,5 м,
  • Рабочий класс: A4, A5,
  • Получите индивидуальное оборудование для подъема пресс-форм. WhatsApp: +86 188 3818 4113

Электромагнитный 2-балочный кран для подъема крана
Электромагнитный кран используется на металлургическом заводе или на открытом воздухе для погрузки и транспортировки электромагнитных черных металлических материалов, таких как стальной слиток, торговая сталь и чугун и т. д.

Electromangetic 2-балочный пресс-форма для подъемного крана Технические характеристики:

  • Грузоподъемность подъемного крана: 5~32 тонны,
  • Длина пролета: 10,5~31,5 м,
  • Рабочий класс: A5, A6,
  • Получите индивидуальное оборудование для подъема пресс-форм. WhatsApp: +86 188 3818 4113

Двойные тележки 2-балочные формы для подъема грузового крана
Двойной тележковый кран используется для подъема длинных и больших грузов.

Технические характеристики двухбалочного крана EOT:

  • Грузоподъемность подъемного крана: (2,5 + 2,5) ~ (200 + 200) тонн,
  • Длина пролета: 10,5~35,5 м,
  • Рабочий класс: A7,
  • Температура окружающей среды: -10~60℃,
  • Получите индивидуальное оборудование для подъема пресс-форм. WhatsApp: +86 188 3818 4113

Изоляция 2-балочная форма для подъема крана
Изоляция крана используется для перемещения электролиза цветных металлов, таких как магний, алюминий.

Изоляция 2-х балочной формы для подъема крана eot Технические характеристики:

  • Грузоподъемность подъемного крана: 5~50 тонн,
  • Длина пролета: 10,5~31,5 м,
  • Рабочий класс: A6,
  • Температура окружающей среды: -25~50℃,
  • Получите индивидуальное оборудование для подъема пресс-форм. WhatsApp: +86 188 3818 4113

Грейферный ковш 2-х балочный кран-манипулятор
Грейферный кран широко используется на электростанциях, складах, мастерских и портах для погрузки и разгрузки разбросанных предметов.

Грейферный ковш с 2 балками для подъема крана EOT Технические характеристики:

  • Грузоподъемность подъемного крана: 5~25 тонн,
  • Длина пролета: 10,5~34,5 м,
  • Рабочий класс: A6,
  • Получите индивидуальное оборудование для подъема пресс-форм. WhatsApp: +86 188 3818 4113

Ковш с 2 балками для подъема формы краном
Кран-ковш широко используется в плавильной промышленности для транспортировки, заливки и загрузки жидкого горячего металла в процессе плавки.

Технические характеристики двухбалочного крана EOT:

  • Грузоподъемность подъемного крана: 5~74 тонны,
  • Длина пролета: 10,5~31,5 м,
  • Рабочий класс: A7,
  • Температура окружающей среды: -10~60℃,
  • Получите индивидуальное оборудование для подъема пресс-форм. WhatsApp: +86 188 3818 4113

Получите свой индивидуальный мостовой кран для мастерской по литью пластмасс

Мостовой кран: S = размах крана,
H = высота подъема
наш инженер крана eot, чтобы подтвердить следующую информацию в максимально возможной степени:

  1. Типы кранов EOT: (Однобалочный или двухбалочный? Европейский тип или обычный?)
  2. Вместимость подъемного крана:
  3. Диапазон:
  4. Высота подъема:
  5. Источник питания: (3 фазы? Напряжение? Гц?)
  6. Отсек/ Длина в пути:
  7. Количество:
  8. Управление: через подвесной пульт/дистанционное радио/управление в салоне
  9. Внутри/снаружи:
  10. Заявка (Что вы планируете поднимать):
  11. Окружающая среда (нормальная/опасная) :
  12. Строительный чертеж, если возможно:
  13. Адрес:
  14. Тип отрасли: (например, автомобильная, сталелитейная, сахарная, каменная и т. д.)
  15. Рельс Существующий/Новый: (Размер в случае Существующего)
  16. Количество кранов в пролете:
  17. Существующая структура/Новая структура:
  18. Полный адрес вашей компании и контактные данные:

Если вы не знаете, как выбрать кран eot, оставьте нам сообщение или напишите по адресу [email protected]. WhatsApp: +86 188 3818 4113. Ответ нашего инженера по кранам eot будет дан в течение 24 часов. Получите кран eot индивидуального дизайна.

Далее: 5-тонная электрическая цепная таль: 5-тонная однофазная цепная электрическая таль на продажу

Оборудование для подъема форм — DME

Покупка в интернет-магазине DME

В DME безопасность превыше всего. Эта философия побудила нас предложить набор оборудования для подъема пресс-форм и оснастки, которое было сертифицировано и прошло контрольные испытания. Мы поддерживаем эти продукты и уверены, что они являются самыми качественными в отрасли. Защитите свои самые ценные активы, своих сотрудников и материалы с помощью подъемного оборудования DME.

  • Страницы каталога
  • Загрузки

Codipro & Jergens Adb & More Chain Slings

Кольца подъемников и болты глазных. 7

Safe Погрузочно-разгрузочные работы – подъем со стандартными болтами с проушиной

Выбор правильного болта для каждого подъема имеет решающее значение во многих отношениях.

Подтвердите, что рым-болт одобрен для поднимаемого веса, рейтинг должен быть выкован или выбит на рым-болте. На некоторых болтах с проушиной виден только размер резьбы, а Не максимально допустимая допустимая нагрузка.

  • Используйте простые/обычные болты с проушиной (без буртика) или болты с кольцом только для вертикальной нагрузки. Угловая нагрузка на болты без буртика приведет к их изгибу или поломке.
  • Используйте рым-болты с буртиком для вертикальной или угловой нагрузки (см. рисунок ниже). Имейте в виду, что подъем рым-болтов под углом значительно снижает предельную рабочую нагрузку (WLL).
  • Всегда следуйте методу, рекомендованному производителем для угловой нагрузки.

Неправильное использование рым-болтов:

На Рис. 1 (показано ниже) показано, что рым-болты не будут вращаться под нагрузкой, вызывая дополнительную нагрузку на цепь, рым-болт и резьбу поднимаемого объекта.

На изображении 2 (показанном ниже) показано, что неправильный болт с проушиной был выбран для применения, потому что его нельзя было вставить в нижнюю часть поднимаемого объекта. В результате рым-болт изгибается и, возможно, может тормозить при гораздо более низкой рабочей нагрузке, чем рекомендовано для рым-болта.

Изображение 1

Изображение 2

Как безопасно использовать/устанавливать рым-болты?

  • Расположите болт с проушиной на одной линии со стропами. Если груз катится, когда его поднимают и прикладывают сбоку, рым-болт может погнуться.
  • Убедитесь, что болт с проушиной плотно прилегает к поверхности , если есть какие-либо зазоры, добавьте шайбы между плечом и поверхностью груза, чтобы обеспечить контакт на 360°. Обязательно правильно затяните болт с проушиной и гайку при работе со сквозными отверстиями.
  • Резьба болта с проушиной должна заходить не менее чем на 90% в приемное отверстие при использовании прокладок или шайб.
  • Только одна стропа должна крепиться к каждому болту с проушиной.
  • Осмотрите и очистите резьбу рым-болтов и резьбу отверстий. Проверьте на изгибы, трещины, мусор или изношенную резьбу.
  • Полностью завинтите рым-болт и установите его заподлицо с поднимаемым объектом.
    Для резьбовых отверстий убедитесь, что резьбовая часть болта с проушиной имеет минимальную глубину, равную полуторакратному диаметру болта.
    • Используйте поворотный рым-болт или подъемное кольцо для подъема под углом. Подъемное кольцо адаптируется к любому углу стропы, каждое кольцо поворачивается на 180 градусов и поворачивается на 360 градусов.

Советы по безопасной установке

Поворотный болт с проушиной при использовании

Чего следует избегать при использовании болтов с проушиной?

  • Никогда не используйте болт с одной проушиной для подъема свободно вращающегося груза.
  • Никогда используйте рым-болты с изношенной резьбой или другими дефектами.
  • Никогда не вставляйте острие крюка в болт с проушиной, всегда используйте скобу.
  • Никогда не используйте скобу, способную поднять больше, чем рым-болт.
  • Никогда не продевайте строп через пару рым-болтов, это уменьшит эффективный угол подъема и усилит нагрузку на такелаж.
  • Никогда не проталкивайте стропы через рым-болты. Эта сила может изменить нагрузку и угол нагрузки.
  • Никогда не используйте болты с проушиной , которые были изменены путем шлифовки, механической обработки или штамповки.
  • Никогда не используйте стержни, захваты или гаечные ключи для затягивания рым-болтов.
  • Никогда не красьте болт с проушиной, это может скрыть трещины и/или дефекты
  • Никогда не вставляйте крюки или другие детали в проушину с силой, они должны входить свободно и должны иметь такой же предел допустимой нагрузки, что и болт с проушиной.
  • Никогда не применяйте рым-болты с ударной нагрузкой, так как это может привести к поломке рым-болта.

 

Цепные стропы

Цепные стропы DME отличаются универсальностью и надежностью в различных конфигурациях… всегда проходят испытания и имеют сертификат CE.

Комбинируйте с другими продуктами DME, сертифицированными CE, для всех ваших потребностей в подъеме.

  • Имеются строповые крюки и самоблокирующиеся крюки
  • Цепные стропы класса 100, маркированные типом стропа, классом, размером и предельной рабочей нагрузкой
  • Протестированы и сертифицированы CE перед отправкой

Одноветвевой цепной строп с регулятором и крючками

Двухветвевой цепной строп с регулятором и крючками

Трехветвевой цепной строп с регулятором и крючками

Четырехветвевой Цепной строп с регулятором и крюками

Контакты США

Весь мир:
+1.248.398.6000

США:
+1.800.626.6653 901 09
Канада:
+1. 800 387 6600
Мексика:
+52. 442.713.5666
Европа:
+ 32.15.

Ремонт портальных кранов: Ремонт и модернизация портальных кранов

Ремонт и модернизация портальных кранов

По предварительно составленному техническому заданию или экстренный ремонт уже сегодня.


Портальный кран является сложным инженерным сооружением, предназначен для перегрузочных работ в портах (причал-море-причал) и на судостроительных верфях для формирования корпусов судов и проведения перегрузочных работ. Данные производства имеют расширенную инфраструктуру бесперебойного круглосуточного действия, что соответственно накладывает повышенную ответственность на работоспособность портального крана и на обслуживающий и ремонтный персонал.

В соответствии, с чем ремонт/модернизация портального крана

Требует разработки тщательно спланированного поэтапного проекта.


В том числе проекта производства работ, логистической схемы. Соответственно такой подход к выполнению работ значительно дороже по своим трудовым затратам, чем ремонт стандартной кран-балки или мостового крана.

К проведению ремонта допускаются специально обученные

Подготовленные, прошедшие аттестацию специалисты в различных областях деятельности.


Это сборщики-монтажники, слесаря ремонтники, стропальщики, сварщики, электромеханики, электронщики, наладчики электронных средств управления, руководители работ, инженеры, а так же специалисты по инженерной логистике, которые управляют не только технологическими процессами, но и имеют навыки в управлении бизнес-процессами специализированной организации.


Мы участвуем и побеждаем в торгах 223 ФЗ и 44 ФЗ

Работаем по внутренним конкурсным отборам и четко выполняем свои обязательства.


Наши постоянные клиенты крупные металлургические, горнодобывающие, энергетические генерирующие, судостроительные, портовые конгломераты, производственные предприятия. В настоящее время наше предприятие имеет порядка 40 текущих договоров, выполняемых на территории России, в том числе в г. Санкт-Петербург, которые заключили с нами длительные пролонгируемые договора на различные ремонты или предупредительное обслуживание, плановое техническое освидетельствование, дооснащение новым грузоподъёмным и другим оборудованием. Всего поддерживаем партнерские отношения более чем с 3000 (тремя тысячами) организаций, которые время от времени обращаются к нам за технической поддержкой, в том числе проведения срочных ремонтов дефектных узлов грузоподъемного оборудования.

Имеющиеся производственные ресурсы

На данный момент позволяют нам реагировать на вызов в течение 3-5 часов.


Мобильная бригада, укомплектованная опытными специалистами и технологическим оборудованием, устраняет большинство типовых неисправностей на грузоподъёмном оборудовании, в том числе портальных кранах, например за один два дня можем организовывать поставку и замену грузового каната портального крана, провести замену смазки механических узлов, замену блоков, устранить незначительные дефекты металлоконструкций.

По заявке в течение 2-5 дней готовы организовать выезд и выехать в любой регион России и Евразийского экономического сообщества для проведения крупного капитального ремонта грузоподъёмного оборудования.

Наша организация дорожит своей репутацией, соответственно берёт в работу объекты, на выполнение которых может дать полную гарантию. Стоимость работ не превышает среднестатистических цен в России, рассчитывается на основании технического задания и других технических и финансовых требований Заказчика в форме сметы или калькуляции.

Работы выполняются по согласованному проекту

Где прописана логистика выполнения работ, этапы и финансовая составляющая каждого этапа.


Мы не играем в считалки по фейк запросам с анонимной почты и не участвуем в «поле чудес» и в режиссированных торгах, так как ни одна организация не станет проводить честный ремонт в убыток себе, а за финансовые средства ниже расчетных, нельзя выполнить полноценный качественный ремонт, поэтому «Организации», предлагающие провести ремонт за значительно меньшие суммы –лукавят, так как значительное число дефектов ими будет не устранено, а замазано, поставлено некачественное оборудование, что в последствии приведет к авариям и человеческим жертвам.

Ремонт портальных кранов в Москве и Московской области

Ремонт портальных кранов в Москве и Московской области

Для корректной работы сайта включите JavaScript в браузере


Cranes Engineering: проведем ремонт крана в соответствие с вашим рабочим графиком


Эксплуатация портального крана ежедневно сопряжена с большими механическими нагрузками. В дополнение к этому грузоподъемное оборудование используется под открытым небом — в доках и портах, поэтому на него влияют температурные колебания, влажность, порывы ветра. Повышается риск образования коррозии, износа механических узлов.
Cranes Engineering производит ремонт портальных кранов — текущий, капитальный — по заранее согласованному с заказчиком графику. Это помогает поддержать работоспособность, эффективность кранового оборудования на высоком уровне.
Когда ремонт завершен, мы предоставляем заказчику фотоотчет о проделанной работе. Сервисный инженер подробно проконсультирует операторов восстановленного крана.

График ремонтов: текущий и капитальный ремонт

  1. 1


    График плановых восстановительных работ составляется по результатам проведенных проверок, технического обслуживания. Сроки согласовываются с рабочим графиком компании-заказчика, чтобы избежать простоев техники, лишних финансовых затрат.

    1. Плановый ремонт


    Производительность портального крана зависит от того, насколько своевременно производится замена и восстановление изношенных деталей, узлов. Текущий ремонт включает в себя диагностику с применением новейшего оборудование, восстановление и замену износившихся элементов механической, ходовой части, электрооборудования, смазочные и регулировочные работы.


         2. Капитальный ремонт


    В инструкции к грузоподъемному оборудованию производитель указывает, через какое время истекает срок эксплуатации крана и требуется капитальное восстановление.


    Мы осуществим диагностику состояния крана, замену износившихся деталей, включая базовые, а также проведем настройку кранового оборудования.

    1. 2

      Экстренная помощь Cranes engineering

      1. 1

        Если поломка уже произошла, наша мобильная бригада прибудет на место аварии, чтобы провести диагностику, составить план восстановительных работ, организовать ремонт и предложить варианты модернизации портального крана, если это требуется.

    2. 3

      Cranes Engineering уменьшит число незапланированных поломок


      Мы поможем своему заказчику достичь высокой производительности кранового оборудования, используя для этого:

      • Мобильные бригады специалистов с высокой квалификацией;
      • Современную технику для диагностики и ремонта;
      • сервисные программы комплексного обслуживания.


      Свяжитесь с нами, чтобы составить график текущих ремонтов кранового оборудования в Москве, МО.

      Зачем нужна модернизация?

      Если не уверены, что краны могут справиться с растущими потребностями производства, используйте
      возможности, которые предоставляет модернизация. Услуга может потребоваться, когда:

      • Базовые компоненты выработали свой срок службы

      • Потребности производства растут, нормативы изменяются

      • Необходимо повысить степень безопасности работы крана

      • Требуется сократить затраты на техническое обслуживание, ремонт кранового оборудования

      Мы предоставляем услуги в таких городах

      • Архангельск
      • Нижний Новгород
      • Астрахань
      • Орел
      • Белгород
      • Оренбург
      • Благовещенск
      • Пенза
      • Брянск
      • Псков
      • Великий Новгород
      • Архангельск
      • Нижний Новгород
      • Астрахань
      • Орел
      • Белгород
      • Оренбург
      • Благовещенск
      • Пенза
      • Брянск
      • Псков
      • Великий Новгород
      • Меньше времени потребуется на обслуживание, ремонт

      • Инвестиции в ТОиР уменьшаются на 45–55%

      • Время эксплуатации увеличивается на 15–20 лет

      • Величина оплаты электроэнергии сокращается на 30%

      • Эффективность вырастает на 28–38% в зависимости от того, какие разработки и в каком объеме внедряются

      • Для обслуживания техники нужно меньше операторов — сокращается штат на 18–35%;

      Наши преимущества

      Бесплатные консультации

      Мы окажем профессиональные консультационные услуги по техническим вопросам, поможем выбрать
      оборудование под конкретные задачи.

      Гибкая
      ценовая политика

      Стоимость работ рассчитывается нашими специалистами индивидуально, позволяя нашим клиентам
      грамотно распределять бюджет и экономить.

      Современное
      оборудование

      Наличие запасных частей, комплектующих позволяет обеспечить минимальные сроки ремонта,
      сборки, модернизации ГПМ.

      Бесплатные
      консультации

      Наши сотрудники имеют профильное образование, регулярно проходят дополнительное обучение и
      повышают квалификацию.

      Новости



      • Реконструкция мостового крана для производителя стройматериалов в Дзержинске



      • Изготовление и монтаж подкрановых путей



      • Монтаж козлового крана в Ярославле



      • Расчет нагрузки консольных кранов



      • Восстановление подкрановых путей

      Ремонт подъемников и кранов | Konecranes USA

       

      Мы знаем, что когда ваше оборудование не работает, страдает ваше производство. Наши специалисты будут работать с вашим графиком работы и временными ограничениями, чтобы выполнить ваши потребности в ремонте.

      Konecranes предлагает услуги корректирующего обслуживания, которые включают плановый ремонт, предварительно авторизованный ремонт и ремонт по вызову.

       

      Свяжитесь с нами сегодня для любых ваших потребностей в обслуживании крана  

       

      Плановый ремонт 

      Плановый ремонт назначается в соответствии с отчетами об осмотрах и техническом обслуживании. Ремонт скоординирован и запланирован в соответствии с вашими производственными графиками. Наши технические специалисты имеют все необходимое оборудование для выполнения широкого спектра плановых ремонтов, включая ремонт, регулировку и замену любого компонента или детали оборудования.

       

      Предварительно санкционированный ремонт 

      Предварительно санкционированный ремонт предоставляет полное разрешение на выполнение корректирующего обслуживания в пределах определенной суммы, чтобы организовать и выполнить мелкий ремонт или регулировку быстро и эффективно. Обычно они выполняются во время инспекций или профилактических посещений.

      В рамках наших программ технического обслуживания рекомендации по ремонту или замене компонентов составляются путем сочетания профилактического и профилактического обслуживания. А когда в сервисную программу добавляется Предварительно авторизованный ремонт, мы можем оперативно выполнять работы, экономя время и деньги.

       

      Ремонт по вызову 

      Мы можем ответить на ваши потребности в ремонте по вызову или в экстренном порядке, чтобы помочь вернуть ваше оборудование в рабочее состояние как можно скорее.

       

      Помимо простого ремонта

      Если вам необходимо более подробно изучить ваш кран и его компоненты, мы предлагаем несколько типов расширенных консультационных услуг. Эти службы используют передовые технологии и обученных специалистов для выявления критических проблем.

      Узнайте больше о наших консультационных услугах

       


       

      загрузок
      • Информационные страницы о корректирующем обслуживании и модернизации

      Мощное партнерство в Карибском бассейне

      История клиента

      Мощное партнерство на Карибах

      Konecranes Miami развивает нишевый рынок на островах
      Бизнес по доставке электроэнергии потребителям Карибского бассейна всегда в движении, так как…
      One…

      Какая подвеска мостового крана вам подходит?

      Артикул

      Какая подвеска мостового крана вам подходит?

      Когда дело доходит до часто запрашиваемых деталей крана, подвеска мостового крана является одной из наиболее часто нуждающихся в замене. Это потому что……

      Бумажная фабрика Британской Колумбии сотрудничает с Konecranes, чтобы сократить потери производительности и количество несчастных случаев

      История успеха

      Бумажная фабрика Британской Колумбии сотрудничает с Konecranes, чтобы сократить потери производительности и несчастные случаи

      Некоторые из самых больших историй успеха может быть результатом простого аудита сайта. Важность надевания защитного снаряжения и знакомства с клиентом……

      Norris Production Solutions и Konecranes налаживают хорошие рабочие отношения

      История клиента

      Norris Production Solutions и Konecranes установили хорошие рабочие отношения

      Norris Production Solutions — крупнейший в мире производитель насосных штанг, которые соединяют наземные и забойные компоненты возвратно-поступательного поршня…
      В…

      Crane Repair Co. Продажа и обслуживание мостовых кранов, лебедок, стрел, козловых кранов

      (303) 791-7918
      Круглосуточная ремонтная служба
      Аварийное реагирование в течение 2 часов

      Повысьте производительность с помощью круглосуточного ремонта кранов, создайте более безопасное рабочее место с помощью проверок и тренингов OSHA,
      и найдите лучшее оборудование для любого бюджета.

      Если вы хотите повысить безопасность и производительность на своем рабочем месте, вы нашли правильный ответ. С нашими продуктами и услугами для мостовых кранов и подъемных механизмов вы сможете с легкостью сосредоточиться на том, что делает вашу работу лучше.

      Позвольте нам лично проконсультировать вас, чтобы найти правильное решение для вашей отрасли, бюджета и сотрудников.

      Наше круглосуточное аварийное реагирование означает, что технический специалист прибудет к вам в течение двух часов после вашего телефонного звонка.

      Безопасность

      Безопасность всегда на первом месте

      Честность

      Мы честны и откровенны с вами.

      Качество

      Всегда получайте лучшие продукты и услуги от нашей команды.

      Надежность

      Мы здесь 24/7 для всех ваших повседневных и экстренных потребностей.

      Электрическая цепная таль Valustar

      см

      Электрическая цепная таль CM Valustar отличается компактной и легкой конструкцией, созданной специально для общего коммерческого применения. Valustar — это экономичный выбор для ваших потребностей в обработке материалов.

      Подробнее

      Мостовой кран Spanco с отдельно стоящей рабочей станцией

      Мостовой кран с отдельно стоящей рабочей станцией Spanco представляет собой идеальное эргономичное решение для расширения зоны подъема и обеспечения полного доступа к движению. Наши отдельно стоящие мостовые краны с рабочими станциями могут заменить несколько кранов одной гидравлической системой для повышения эффективности и производительности.

      Подробнее

      Свободностоящая стрела Spanco

      Свободностоящие стреловые краны Spanco устанавливаются практически в любом месте, в том числе снаружи. Эти установленные на фундаменте отдельно стоящие стрелы обладают большей грузоподъемностью, большими пролетами и большей скоростью вращения, чем наши настенные стреловые краны:

      Подробнее

      Conductix Series 20

      Кнопочные подвески серии 20 обеспечивают прямой контроль над небольшими однофазными кранами.

    Пеносмесители предназначены: Устройство и принцип работы пеносмесителей

    Магистральные пеносмесители ПС-1,2: устройство и принцип работы

    Назначение

    Пеносмесители ПС-1 и ПС-2 – предназначены для получения водного раствора пенообразователя в магистральной линии при заборе пенообразователя из посторонней емкости, применяемого для образования пены в генераторах пены средней кратности. Пеносмесители являются струйными насосами.

    На момент написания статьи выпускаются переносные пеносмесители ПС-1, ПС-2, аналогичных по конструкции и различающихся только размерами и техническими характеристиками.

    Устройство

    Схема пеносмесителя

    Пеносмеситель состоит из: корпуса 3, в котором расположено сопло 5, направленное через рабочую камеру 2 на входное отверстие диффузора 4. Струя воды, проходя через сопло в диффузор, создает в рабочей камере 2 разрежение. В зависимости от исполнения пеносмесителя на корпус 3 навертывают соединительные головки или фланцы. Корпус 3 имеет три ножки, на которые устанавливают пеносмеситель перед присоединением рукавных линий.

    Принцип работы

    Вода под рабочим напором поступает в камеру 2, а из него в горловину диффузора корпуса 3. В полости корпуса, примыкающей к соплу 5, создается разрежение, благодаря которому пенообразователь из емкости (бочки, бака, цистерны) по рукаву подсасывается в диффузор корпуса, где он смешивается с водой. Полученный раствор пенообразователя подается по напорным рукавам или трубопроводам в генератор пены средней кратности ГПС-600.

    Для предотвращения попадания воды в емкость с пенообразователем в случае внезапного повышения давления, на выходе из пеносмесителя (например, при заломе напорных рукавов) предусмотрен обратный клапан.

    Тактико технические характеристики ПС-1 ПС-2

    НаименованиеУсловный проход, входной, ммУсловный проход, выходной, ммГабаритные размеры, ммМасса, кг
    ПС-170703953,6
    ПС-280804805,0

    Испытания

    На прочность материала и герметичность соединений производят гидравлическим давлением 1,5 МПа (15 кгс/см2), при этом просачивание воды в течение 1 минуты не допускается.

    Пеносмесители

    Дозировка

    Проверяют водой при напоре перед пеносмесителем 0,7 МПа (7 кгс/см2) и подпоре 0,45 МПа (4,5 кгс/см2). Подсасывание воды определяют по мерной емкости. Оно должно быть в пределах, указанных в таблице, при этом полученный расход подсасываемой воды умножают на 0,86 – коэффициент разности вязкости воды и пенообразователя ПО-1 (при использовании пенообразователей иных типов коэффициент может быть другим, что требуется определить расчетом).

    Для нормальной работы емкость с пенообразователей должна быть на уровне смесителя или несколько выше (но не превышать высоты 2 м).

    Источник:

    • ГОСТ Р 53252-2009 Техника пожарная. Пеносмесители. Общие технические требования. Методы испытаний.

    ПЕНОСМЕСИТЕЛЬ, ДОЗАТОР, РАСХОД РАСТВОРА ПЕНООБРАЗОВАТЕЛЯ

    Мы используем cookie (файлы с данными о прошлых посещениях сайта) для персонализации
    и удобства пользователей. Так как мы серьезно относимся к защите персональных данных
    пожалуйста ознакомьтесь
    с условиями и правилами их обработки. Вы можете запретить сохранение cookie
    в настройках своего браузера.

    Для определения категорий помещений и зданий по взрывопожарной и пожарной опасности в соответствии с СП 12.13130 со встроенным справочником веществ и материалов

    Сервис RiskCalculator предназначен для определения расчетной величины индивидуального пожарного риска для i-го сценария пожара QB,i в соответствии с «Методикой определения величин пожарного риска в зданиях, сооружениях и строениях различных классов функциональной пожарной опасности», утвержденной приказом МЧС от 30.06.09 № 382 (с изм.)

    Сервис RiskCalculator — расчет пожарного риска для производственного объекта предназначен для оценки величины индивидуального пожарного риска R (год-1) для работника при условии его нахождения в здании. Методика утверждена Приказом МЧС России от 10 июля 2009 года № 404 «Об утверждении методики определения расчетных величин пожарного риска на производственных объектах» с изменениями, внесенными приказом МЧС России № 649 от 14. 12.2010

    «Пожарная проверка ОНЛАЙН» представляет дополнительный функционал, упрощающий работу с чек-листами. Используя сервис, вы можете провести самопроверку быстро, легко и максимально корректно.

    Сервис поиска исполнителя в области пожарной безопасности с лицензией МЧС по регионам

    Описание сервиса

    Описание сервиса

    Описание сервиса

    Описание сервиса

    Для определения категорий помещений и зданий по взрывопожарной и пожарной опасности в соответствии с СП 12.13130 со встроенным справочником веществ и материалов

    Для определения расчетной величины индивидуального пожарного риска для i-го сценария пожара QB,i в соответствии с «Методикой определения величин пожарного риска в зданиях, сооружениях и строениях различных классов функциональной пожарной опасности»

    Для производственного объекта предназначен для оценки величины индивидуального пожарного риска R (год-1) для работника при условии его нахождения в здании.

    «Пожарная проверка ОНЛАЙН» представляет дополнительный функционал, упрощающий работу с чек-листами. Используя сервис, вы можете провести самопроверку быстро, легко и максимально корректно.

    Сервис поиска исполнителя в области пожарной безопасности с лицензией МЧС по регионам

    Выбор системы противопожарной защиты (автоматической установки пожарной сигнализации АУПС, автоматической установки пожаротушения АУПТ) для зданий

    Выбор системы противопожарной защиты (системы пожарной сигнализации СПС, автоматической установки пожаротушения АУП) для сооружений

    Определение требуемого типа системы оповещения и управления эвакуацией

    Выбор системы противопожарной защиты (СИСТЕМЫ ПОЖАРНОЙ СИГНАЛИЗАЦИИ (СПС), АВТОМАТИЧЕСКОЙ УСТАНОВКИ ПОЖАРОТУШЕНИЯ (АУП)) для оборудования

    Определение необходимого уровня звука системы оповещения и управления эвакуацией людей при пожаре

    Мешалки, мешалки и принадлежности | Детали и оборудование для распыления пены

    Мешалки, смесители и аксессуары | Запчасти и оборудование из пенопласта | Спрей поли детали

    Поиск по категориям

    Мешалки и смесители

    SprayPolyParts предлагает широкий выбор мешалок и смесителей для нанесения пены и покрытий, а также запасные части, которые помогут вашему оборудованию работать как новое. Благодаря множеству моделей на выбор, таких как мешалка с расширяющимися лопастями Graco, смеситель Twistork, мешалка Graco Xtreme-Duty, электрические мешалки, внесенные в список ATEX и UL, и многое другое, вы найдете то, что лучше всего подходит для ваших потребностей в распыляемой пене и полимочевине. .

    Сортировать по:
    Избранные товарыСамые новые товарыЛучшие продажиОт A до ZZ до ABПо обзоруЦена: по возрастаниюЦена: по убыванию

      • Быстрый просмотр
        Детали

      • Быстрый просмотр
        Детали

      • Быстрый просмотр
        Детали

      • Быстрый просмотр
        Детали

      • Быстрый просмотр
        Детали

      • Быстрый просмотр
        Детали

      • Быстрый просмотр
        Детали

      • Быстрый просмотр
        Детали

      • Быстрый просмотр
        Детали

      • Быстрый просмотр
        Детали

    • Быстрый просмотр

      ГРАКО

      |

      артикул:
      26С150

      Новая мешалка с расширяющимися лопастями с пневматическим приводом

      Пневматическая мешалка с расширяющимися лопастями Новая мешалка Graco с расширяющимися лопастями, устанавливаемая на пробке, специально разработана для надлежащего смешивания распыляемой пены и материалов из полимочевины, а также для поддержания суспензии. Многие химические процессы требуют перемешивания для правильного смешивания материалов для…

      Войдите, чтобы узнать цену

      Сравнивать

    • Быстрый просмотр

      ГРАКО

      |

      артикул:
      25С462

      Электрическая мешалка резервуара под давлением

      Электрическая мешалка с напорным баком Объемом 5 галлонов (19литров), модели на 10 галлонов (38 литров) и 15 галлонов (57 литров) Редуктор 20:1 для смешивания материалов с высокой вязкостью даже на низких скоростях Герметичный вал мешалки Включает клапан регулировки скорости и…

      Войдите, чтобы узнать цены

      Сравнивать

    • Быстрый просмотр

      ГРАКО

      |

      артикул:
      25С454

      Электродвигатель с фланцевым креплением

      Электродвигатель с фланцевым креплением Электрическая мешалка с прямым приводом требует питания от частотно-регулируемого привода (ЧРП) для управления скоростью и не может использоваться без него. См. в руководстве список номеров деталей для соответствующих элементов управления VFD, которые необходимо заказать…

      Войдите, чтобы узнать цены

      Сравнивать

    • Быстрый просмотр

      ГРАКО

      |

      артикул:
      25С453

      Электродвигатель с быстрым зажимом

      Электродвигатель Quick Clamp Выбор электрических мешалок означает выбор передовых средств управления и более высокой экономии энергии, когда речь идет о такой простой вещи, как мешалка. Ваша эффективность резко повысится, так как мешалки с электрическим приводом…

      Войдите, чтобы узнать цену

      Сравнивать

    • Быстрый просмотр

      ГРАКО

      |

      артикул:
      25С484

      Электрическая мешалка — внесена в список ATEX

      Электрическая мешалка — внесена в список ATEX Выбор электрических мешалок означает выбор передовых средств управления и большей экономии энергии, когда речь идет о такой простой вещи, как мешалка. Ваша эффективность резко повысится, поскольку мешалки с электрическим приводом…

      Войдите, чтобы узнать цену

      Сравнивать

    • Быстрый просмотр

      ГРАКО

      |

      артикул:
      25С483

      Электрическая мешалка — внесена в список UL

      Электрическая мешалка — внесена в список UL Выбор электрических мешалок означает выбор усовершенствованных средств управления и большей экономии энергии, когда речь идет о такой простой вещи, как мешалка. Ваша эффективность значительно повысится, поскольку мешалки с электроприводом будут работать…

      Войдите, чтобы узнать цену

      Сравнивать

    • Быстрый просмотр

      ГРАКО

      |

      артикул:
      25А598

      Мешалка Graco Xtreme-Duty

      Мешалка Graco Xtreme-Duty Компания Graco рада представить мешалку Xtreme-Duty®, предназначенную для смешивания высоковязких материалов для защитных покрытий. Мешалка Xtreme-Duty предназначена для смешивания обычных покрытий с высоким содержанием твердых частиц в 55-галлонных (200 л)…

      Войдите, чтобы узнать цену

      Сравнивать

    • Быстрый просмотр

      ИПМ

      |

      артикул:
      604001

      Смеситель барабанный ИПМ ДМ-101

      Смеситель барабанный IPM DM-101

      Смеситель для бочек DM-101 — очень эффективный инструмент для смешивания в бочках емкостью 55 галлонов. Полное смешивание может быть достигнуто за короткие промежутки времени, обычно в течение 30 минут. Уникальная конструкция лезвия позволяет смесительному лезвию проходить. ..

      Войдите, чтобы узнать цену

      Сравнивать

    • Быстрый просмотр

      ГРАКО

      |

      артикул:
      224854

      Смеситель Graco Twistork

      Смеситель Graco Twistork Смеситель Twistork Helix для смешивания жидкостей в закрытых бочках Смеситель Graco Twistork Helix имеет запатентованные смесительные лопасти спиральной формы. Мягкое смешивание снижает разложение жидкости и разбрызгивание по сравнению с лопастями пропеллера…

      Войдите, чтобы узнать цену

      Сравнивать

    • Быстрый просмотр

      ГРАКО

      |

      артикул:
      24C728

      Смеситель с расширяющимися лопастями Graco

      Смеситель с расширяющимися лопастями Graco Мешалка для быстрой установки для герметичных контейнеров Мешалки с расширяющимися лопастями Graco спроектированы для быстрой установки и эксплуатации. Стандартный корпус с резьбой 1,5 и 2 дюйма упрощает установку и эксплуатацию…

      Войдите, чтобы узнать цены

      Сравнивать

    Сравнить выбранные

    Пенобетономешалка, Профессиональная машина для пенобетона в Aimix

    Пенобетон, специально изготовленный пенобетономешалкой , представляет собой усовершенствованный легкий и изолированный материал. И этот материал имеет большое количество закрытых пор. С помощью пенообразующей системы пенообразователя пенообразователь может полностью и механически вспениваться.

    Смеситель для пенобетона

    Запросить цену

    Затем равномерно смешивают пену и цементное тесто. Далее смесь будет выходить из насосной системы для заливки конструкции или формы. После естественной консервации образуется пенобетон. Aimix, профессиональный производитель пеногенераторов, может предоставить вам высококачественный пеносмеситель.

    Безусловно, благодаря преимуществам легкого веса и защиты окружающей среды, пенобетон широко используется в строительстве. Между тем, пенобетон характеризуется относительно высокой огнестойкостью, высокой теплоизоляцией, малой плотностью и высокой прочностью и водостойкостью.

    Кроме того, пенобетон отличается длительным сроком службы и простотой ухода. Однако сделать это можно только с помощью пенобетонной машины.

    Машина для вспенивания бетона, также называемая машиной для вспенивания бетона или машиной для смешивания пены, представляет собой новый и усовершенствованный бетоносмеситель, специально разработанный для пенобетона.

    Кроме того, конструкция машины для производства пены имеет такие преимущества, как высокое качество смешивания, стабильная производительность, низкое энергопотребление, хорошая герметизация и короткое время выгрузки.

    Как профессиональный производитель оборудования для пенообразования, Aimix, безусловно, может предоставить вам высококачественный смеситель для пены.

    Почему пенобетономешалка особенная?

    Бетоносмеситель специально разработан для изготовления пенобетона, что определяется особенностями пенобетона. Потому что сделать пенобетон непросто, и причины в следующем.

    Во-первых, пенопласт легко растрескивается, особенно при длительном перемешивании. На самом деле, если машина для вспенивания цемента производится обычной бетономешалкой, это может привести к большим потерям пены, что является расточительным.

    Другая причина заключается в том, что пены с небольшой плотностью и легким весом отличаются от других заполнителей, что затрудняет их равномерное перемешивание. В то же время, если пользователи не используют профессиональный миксер, это приведет к большим потерям пены и плохому качеству смешивания.

    Тем не менее, пенобетонная машина для продажи имеет специальную конструкцию в соответствии с характеристиками пенобетона. поэтому специальная конструкция может обеспечить более равномерное качество смешивания и минимальный уровень потерь.

    Вкратце пенобетонный комплекс состоит из смесительного барабана, механизма подачи и разгрузки, системы подачи воды.

    Конечно, с таким особым использованием и функциями, пеносмеситель становится популярным продуктом, поскольку пенобетон широко популярен. По этой причине продаваемая машина для пенообразования является ведущим продуктом машинного оборудования Aimix.

    Кроме того, продаваемая газовая бетономешалка – популярный товар в Aimix.

    Компания Aimix, профессиональный производитель смесителей для пенобетона, уверена и способна стать вашим надежным поставщиком и партнером по сотрудничеству. Свяжитесь с нами, чтобы получить более подробную информацию или цену машины для пенобетона.

    Машина для вспенивания бетона

    Получить бесплатное предложение

    Особенности и преимущества машины для вспенивания бетона Aimix:

    1. Она имеет стабильную производительность, высокую эффективность работы.

    2. Высокое качество смешивания при низком энергопотреблении.

    Шестеренчатый гидромотор: Гидромотор шестеренный | Производство гидравлических изделий

    Гидромотор шестеренный | Производство гидравлических изделий

    1. Главная
    2. Каталог
    3. Гидромотор шестеренный

    Гидромотор шестеренный представляет собой источник энергии, который преобразует гидравлическую энергию, поступающую из гидравлического насоса, в механическую энергию, необходимую для запуска вращения, тем самым приводя нарузку в действие. Данный гидромотор также может использоваться в качестве гидравлического насоса. Он отличается великолепными пусковыми характеристиками, не чувствителен к загрязнениям маслом, имеет широкий диапазон скоростей, малую инерцию, отличную ударопрочность, а также прост в обслуживании и надежен в эксплуатации. Наш производитель гарантирует прецизионность в обработке каждой отдельной детали, таким образом обеспечивая более высокий уровень механической эффективности, а строгий контроль качества продукции при кождом отдельном процессе производства гарантирует высокое качество готовой продукции.

    Модели шестеренных гидромоторов


      1. Гидромотор шестеренный 1MF/1AMF

      1. Гидромотор шестеренный 2MF

      1. Гидромотор шестеренный 2. 5MF

      1. Гидромотор шестеренный 3MF

      1. Гидромотор шестеренный 3.5MF

      1. Гидромотор шестеренный 4MF

    Компания GRH предлагает Вашему вниманию гидромоторы объемом 0. 5см3-200см3, выполненные из высококачественого алюминия или чугуна. В зависимости от направления вращения, мотор-редукторы подразделяются на однонаправленные и двунаправленные. Компания GRH также предлагает услуги по разработке гидромоторов в соответствии с Вашими спецификациями.

    Технические характеристики (на выбор)

    • Диапазон скорости: 500 об/мин – 3500 об/мин
    • Рабочее давление:
    • Расход: 0.16 см3/р – 90 см3/об
    • Диапазон крутящих моментов: 5-120 Нм


    Основываясь на технических характеристиках, указанных выше, компания GRH предоставляет услуги по производству гидромоторов со следующими входными комплектующими:

    • Европейское фланцевое соединение, удлинение вала, резьба и фланцевое отверстие;
    • Фланцевое соединение SAE, удлинение вала, резьба и фланцевое отверстие;
    • Передний фланец с опорой передней;
    • Фланцевое соединение, удлинение вала, резьба и фланцевое отверстие по индивидуальному заказу.

    Модели гидромоторов:


    Tags

    Гидромотор шестеренный гидромоторы гидравлические изделия гидравлические комплектующие

    Применение

    • Система кондиционирования в автобусах и большегрузных автомобилях;
    • Высокоскоростное оборудование для резки;
    • Устройство для подачи семян с продувкой в сельскохозяйственной технике.


    PDF Скачать

    Шестерний гідромотор ALM2A –T в Україні ✅ купити за вигідною ціною

    Високоякісний шестерний гідромотор серії ALM2 виготовлений з алюмінію, доступний в різних конфігураціях — реверсивні і нереверсивні. Ідеально реверсивні гідромотори підходять для послідовного з’єднання.

    Реверсивні гідромотори.
    Вони виробляються в трьох групах. Дуже хороші відношення потужності до ваги і розмірів дають широкий діапазон робочих об’ємів в кожній групі (між 2,8 і 87 див. 3/об). Широкий діапазон дозволених швидкостей, відмінна функціональність при їх роботі в ряду, спільно з великим підпором і обмеженими витоками дають моторів серії ALM дуже гарні характеристики при пуску з навантаженням або без неї. Витоку завжди зовнішні і вони відбуваються через різьбовий отвір в кришці. Доступні різні фланці і вали.
    Нереверсивні гідромотори.
    У цих моторів немає зовнішніх витоків і вони можуть використовуватися з максимальним підпором 6 Бар, вони можуть застосовуватися в обох лівому(ALM…S) або правом (ALM…D) виконаннях. Доступні робочі об’єми для групи ALM1 від 1,4 до 13,8 див. 3/об, для групи ALM2 від 4,5 до 35,2 див. 3/об, для групи ALM3 від 20 до 87 див. 3/об.

    • Комплектуючі зі стандартним комплектом насосів : Ключ Woodruff (код 522057),
    • Еквагональна гайка M12x1. 5 (код 523016), шайба (код523005).
    • Стандартні порти: глибина різьби М8 17 мм.
    • Глибина різьби дренажного каналу G1 / 4 12 мм.
    • Конічний вал також доступний з 3,2 мм (T3).
    • Чавунний фланець — алюмінієва кришка

    Технічні характеристики:

    Тип насоса

    Вир.

    см3/об

    Потік при 1500 об/хв, л/хвМаксимальний тискМакс. швидкість об/хв
    Р1, барР2, барР3, бар
    ALM2A-R-6-E1-T4,56,42502402704000
    ALM2A-R-9-E1-T6,49,12502402704000
    ALM2A-R-10-E1-T7,010,02502402704000
    ALM2A-R-12-E1-T8,311,82502402704000
    ALM2A-R-13-E1-T9,613,72502402704000
    ALM2A-R-16-E1-T11,516,42302202504000
    ALM2A-R-20-E1-T14,120,12302202503200
    ALM2A-R-22-E1-T16,022,82102002252800
    ALM2A-R-25-E1-T17,925,52102002252500
    ALM2A-R-30-E1-T21,130,11801701952200
    ALM2A-R-34-E1-T23,733,71801701952000
    ALM2A-R-37-E1-T25,236,41701601851800
    ALM2A-R-40-E1-T28,240,11601501701800

    У нас ви знайдете не тільки оригінальну продукцію європейських виробників Inan Makina, HYVA (Хіва), Binotto (Бинотто), OMFB , Aber (Абер), Casappa (Касаппа), Bezares (Безарес), ATOS (АТОС), Bosch Rexroth (Бош Рексрот), Danfoss (Данфосс), Eaton, Hydac (Хюдак), Kawasaki (Кавасакі), Parker (Паркер), Penta (Пента), але і їх аналоги такої ж якості.

    Гидромаркет продає абсолютно НОВУ гідравліку вищої якості. Наші товари захищені сертифікатами якості і мають гарантію. Купуючи новий товар, Ви забезпечуєте собі роботу гідравлічної системи на довгий термін. Купуючи нову гідравліку, Ви отримуєте товар з гарантійним терміном і впевненість у працездатності гідравлічної системи завтра!

    При замовленні товару у нас ― знижка на встановлення на нашому СТО. Гарантія якості!

    Наявність уточнюйте у менеджера!

    Hydraulic Gear Motors — MTE Hydraulics

    Настройки файлов cookie и конфиденциальности

    Как мы используем файлы cookie

    Мы можем запросить установку файлов cookie на вашем устройстве. Мы используем файлы cookie, чтобы сообщать нам, когда вы посещаете наши веб-сайты, как вы взаимодействуете с нами, чтобы улучшить ваш пользовательский опыт и настроить ваши отношения с нашим веб-сайтом.

    Нажмите на заголовки различных категорий, чтобы узнать больше. Вы также можете изменить некоторые из ваших предпочтений. Обратите внимание, что блокировка некоторых типов файлов cookie может повлиять на вашу работу с нашими веб-сайтами и на услуги, которые мы можем предложить.

    Основные файлы cookie веб-сайта

    Эти файлы cookie строго необходимы для предоставления вам услуг, доступных на нашем веб-сайте, и для использования некоторых его функций.

    Поскольку эти файлы cookie необходимы для работы веб-сайта, отказ от них повлияет на работу нашего сайта. Вы всегда можете заблокировать или удалить файлы cookie, изменив настройки браузера и принудительно заблокировав все файлы cookie на этом веб-сайте. Но это всегда будет предлагать вам принять/отказаться от файлов cookie при повторном посещении нашего сайта.

    Мы полностью уважаем ваше желание отказаться от файлов cookie, но, чтобы не просить вас снова и снова, разрешите нам сохранить для этого файл cookie. Вы можете отказаться в любое время или выбрать другие файлы cookie, чтобы получить лучший опыт. Если вы откажетесь от файлов cookie, мы удалим все установленные файлы cookie в нашем домене.

    Мы предоставляем вам список файлов cookie, сохраненных на вашем компьютере в нашем домене, чтобы вы могли проверить, что мы сохранили. Из соображений безопасности мы не можем отображать или изменять файлы cookie с других доменов. Вы можете проверить это в настройках безопасности вашего браузера.

    Установите этот флажок, чтобы включить постоянное скрытие панели сообщений и отказаться от всех файлов cookie, если вы не дадите согласие на это. Нам нужно 2 файла cookie, чтобы сохранить эту настройку. В противном случае вам будет предложено снова открыть новое окно браузера или новую вкладку.

    Нажмите, чтобы включить/отключить основные файлы cookie сайта.

    Файлы cookie Google Analytics

    Эти файлы cookie собирают информацию, которая используется либо в агрегированной форме, чтобы помочь нам понять, как используется наш веб-сайт или насколько эффективны наши маркетинговые кампании, либо чтобы помочь нам настроить наш веб-сайт и приложение для вас, чтобы улучшите свой опыт.

    Если вы не хотите, чтобы мы отслеживали ваше посещение нашего сайта, вы можете отключить отслеживание в своем браузере здесь:

    Нажмите, чтобы включить/отключить отслеживание Google Analytics.

    Другие внешние службы

    Мы также используем различные внешние службы, такие как Google Webfonts, Google Maps и внешние поставщики видео. Поскольку эти провайдеры могут собирать личные данные, такие как ваш IP-адрес, мы разрешаем вам заблокировать их здесь. Имейте в виду, что это может значительно снизить функциональность и внешний вид нашего сайта. Изменения вступят в силу после перезагрузки страницы.

    Настройки веб-шрифтов Google:

    Нажмите, чтобы включить/отключить веб-шрифты Google.

    Настройки карты Google:

    Нажмите, чтобы включить/отключить карты Google.

    Настройки Google reCaptcha:

    Нажмите, чтобы включить/отключить Google reCaptcha.

    Встраивание видео в Vimeo и Youtube:

    Нажмите, чтобы включить/отключить встраивание видео.

    Другие файлы cookie

    Также необходимы следующие файлы cookie. Вы можете разрешить их использование:

    Нажмите, чтобы включить/отключить _ga — файлы cookie Google Analytics.

    Нажмите, чтобы включить/отключить _gid — файл cookie Google Analytics.

    Нажмите, чтобы включить/отключить _gat_* — файл cookie Google Analytics.

    Политика конфиденциальности

    Вы можете подробно прочитать о наших файлах cookie и настройках конфиденциальности на странице Политики конфиденциальности.

    Политика конфиденциальности

    Принять настройки

    Гидравлические мотор-редукторы | Флоуфит

    Мотор-редуктор

    Сортировать по

    Актуальность

    Актуальность

    Цена (от низкой к высокой)

    Цена (от высокой к низкой)

    Имя от А до Я

    Имя Z-A

    Фильтр

    Очистить все фильтры

    По марке

    Flowfit

    Галтех

    По цене

    ОБЪЕМ

    19. 3CC

    23.0 куб.см

    30,2 куб. см

    33,8 куб. см

    37,5 см3

    44,6 куб. см

    53.0CC

    62,7 куб. см

    4CC

    6CC

    8,5 см3

    11CC

    14CC

    16,5 см3

    19,5 см3

    22,5 см3

    26CC

    Вращение

    по часовой стрелке

    Против часовой стрелки

    обратимый

    Категория

    Гидравлические мотор-редукторы

    Редукторный двигатель

    Группа 2

    Группа 3

    Вал

    1:8 конусный (стандартный)

    PDF
    ТЕХНИЧЕСКАЯ ИНФОРМАЦИЯ
    ДЕТАЛИ

    PDF ТЕХНИЧЕСКИЕ ДАННЫЕ

    Поиск

    Сортировать по

    Актуальность

    Актуальность

    Цена (от низкой к высокой)

    Цена (от высокой к низкой)

    Имя от А до Я

    Имя Z-A

    В наличии

    Гидравлическая группа 2 мотор-редуктора, по часовой стрелке, 4 куб.

    см, 4 болта, конус 1/8, порт BSP

    144,68 £

    Другие варианты

    В наличии

    Гидравлический мотор-редуктор группы 2, против часовой стрелки, 4 куб. см, 4 болта, конус 1/8, порт BSP

    144,68 £

    Другие варианты

    В наличии

    Гидравлический мотор-редуктор группы 2, реверсивный (с внешним сливом), 4 куб. см, 4 болта, конус 1/8, порт BSP

    155,19 £

    Другие варианты

    В наличии

    Гидравлический мотор-редуктор группы 2, реверсивный, 16 куб. см, коленчатые порты

    133,96 £

    Другие варианты

    В наличии

    Гидравлическая группа 3 мотор-редуктора, по часовой стрелке, 19,3 куб.

    см, 4 болта, конус 1/8, отверстия BSP

    338,96 £

    Другие варианты

    В наличии

    Гидравлические мотор-редукторы группы 3, против часовой стрелки, 19,3 куб. см, 4 болта, конус 1/8, отверстия BSP

    338,96 £

    Другие варианты

    В наличии

    Гидравлический мотор-редуктор группы 3, реверсивный (с внешним сливом), 19,3 куб. см, 4 болта, конус 1/8, порт BSP

    366,07 £

    Другие варианты

    В наличии

    3GM-G-370-R-SAEB-H-N-14-0-G Реверсивный мотор-редуктор GP3 37,5 см3 SAEAB 2 болта 13-й вал Порты BSP

    294,00 фунтов стерлингов

    Дополнительные опции Компания Flowfit с гордостью предлагает высококачественные и износостойкие гидравлические мотор-редукторы, соответствующие спецификациям вашей системы. Независимо от того, насколько большим, маленьким или сложным является ваше гидравлическое оборудование, вы можете быть спокойны, зная, что идеальные гидравлические компоненты для ваших нужд можно найти одним нажатием кнопки.

    Что такое гидравлические мотор-редукторы?

    Стандартный гидравлический двигатель — это привод, который преобразует давление и поток гидравлической жидкости вашей системы в крутящий момент и рабочий объем. Редукторный двигатель состоит из двух шестерен; ведомая шестерня и промежуточная шестерня. Жидкость под высоким давлением подается на одну сторону двигателя, где затем течет по периферии шестерен. Затем жидкость проходит между концами самих шестерен и корпусами стенок к выпускному отверстию.

    Гидравлические мотор-редукторы являются одним из самых надежных типов гидравлических компонентов. Это связано с тем, что они редко приводят к какой-либо катастрофической поломке. Вместо этого сами шестерни постепенно изнашивают основной корпус, что снижает КПД самого двигателя, вплоть до того, что он становится практически бесполезным.

    Это означает, что его необходимо заменить задолго до того, как возникнет риск катастрофического или долговременного повреждения системы. В результате они также являются одними из распространенных конструкций и широко используются в большинстве отраслей промышленности.

    Надежные гидравлические мотор-редукторы от Flowfit

    Независимо от того, какие характеристики вы ищете, здесь, на сайте Flowfit Online, мы уверены, что среди нашего обширного ассортимента вы сможете найти идеальную модель гидравлического мотор-редуктора. Наши продукты прошли всесторонние испытания, чтобы гарантировать бесперебойную и надежную работу вашей системы.

    Не стесняйтесь просматривать наш ассортимент мотор-редукторов и гидравлических компонентов. Если у вас есть какие-либо вопросы относительно любого из компонентов гидравлических систем, которые мы предлагаем, свяжитесь с нашей командой специалистов напрямую по телефону 01584 876 033. Кроме того, вы можете заполнить нашу удобную онлайн-форму для связи или написать нам по электронной почте sales@flowfitonline.

    Состав резины химический: Состав резины.

    Химический состав резиновой смеси шины

     

    Над процессом создания шины работают шинные химики и конструкторы,

    от которых зависят секреты шинной рецептуры. Их искусство заключается

    в правильном выборе, дозировке и распределении шинных компонентов,

    в особенности для смеси протектора. На помощь им приходят профессиональный

    опыт и не в меньшей степени компьютеры. Хотя состав резиновой смеси у

    любого солидного производителя шин — тайна за семью печатями, достаточно

    хорошо известны около 20 основных составляющих. Весь секрет состоит в их

    грамотной комбинации с учётом предназначения самой шины.

     

    Основные составляющие резиновой смеси:

    1. Каучук. Хотя шинный коктейль необычайно сложен по своему составу, основу его всё же образуют различные каучуковые смеси. Натуральный каучук, состоящий из высушенного сока (латекса) бразильской гевеи, долгое время доминировал во всех смесях, различаясь при этом лишь по уровню качества. Также каучуконосный млечный сок содержится в некоторых видах сорных трав и одуванчиков. Производимый из нефти синтетический каучук был изобретён немецкими химиками в 30-е гг. и современная скоростная шина
      без него просто немыслима. В настоящее время синтезируется несколько десятков различных синтетических каучуков. Каждый из них имеет свои характерные особенности и строгое назначение в разных деталях шины.
      Даже после изобретения синтетического изопренового каучука (СКИ) — близкого по свойствам к натуральному, резиновая промышленность не может полностью отказаться от использования последнего. Единственный его недостаток перед СКИ — дороговизна. На территории СССР не было возможности получать натуральный каучук из растений, а покупать его
      за границей приходилось за валюту. Это спровоцировало развитие богатой химии синтеза каучуков и других полимеров.
    2. Технический углерод. Добрая треть резиновой смеси состоит из промышленной сажи (технический углерод), наполнителя, предлагаемого
      в различных вариантах и придающего шине её специфичный цвет.
      Сажа обеспечивает в процессе вулканизации хорошее молекулярное соединение, что придаёт покрышке особую прочность и износостойкость. Сажу получают путём деструкции природного газа без доступа воздуха.
      В СССР при доступности этого «дешёвого» сырья было возможно широкое применение технического углерода. Резиновые смеси с использованием ТУ вулканизуются серой.
    3. Кремниевая кислота. В Европе и США ограниченный доступ к источникам природного газа вынудил химиков найти замену ТУ. При том, что кремниевая кислота не обеспечивает такую же высокую прочность резинам, как ТУ,
      она улучшает сцепление шины с мокрой поверхностью дороги. Так же
      она лучше внедряется в структуру каучука и меньше вытирается из резины при эксплуатации шины. Это свойство менее пагубно для экологии.
      Чёрный налёт на дорогах — технический углерод, вытертый из шин.
      В рекламе и обиходе шины с использованием кремниевой кислоты называются «зелёными». Резины вулканизуются перекисями.
      Полностью отказаться от использования технического углерода
      в настоящее время не представляется возможным.
    4. Масла и смолы. К важным составным частям смеси, но в меньшем объёме, относятся масла и смолы, обозначаемые как мягчители и служащие
      в качестве вспомогательных материалов. От достигнутой жёсткости
      резиновой смеси во многом зависят ездовые свойства и износостойкость шины.
    5. Сера. Сера (и кремниевая кислота) — вулканизующий агент.
      Связывает молекулы полимера «мостиками» с образованием
      пространственной сетки. Пластичная сырая резиновая смесь
      превращается в эластичную и прочную резину.
    6. Вулканизационные активаторы, такие как оксид цинка и стеариновые кислоты, а также ускорители инициируют и регулируют процесс вулканизации в горячей форме (под давлением и при нагреве) и направляют реакцию взаимодействия вулканизующих агентов с каучуком в сторону получения пространственной сетки между молекулами полимера.
    7. Экологические наполнители. Новая и ещё не распространённая технология предполагает собой применять в смеси протектора крахмал из кукурузы
      (в перспективе картофеля и сои). За счёт значительно уменьшенного сопротивления качения шина на основе новой технологии выделяет
      в атмосферу почти вдвое меньше соединений углекислого газа
      по сравнению с обычными шинами.

    Пятница, 22 августа 2014

    Химические свойства шин. Узнай главные компоненты компаунда твоей шины

    Как и раньше, каучук остается главной составляющей шины, но кроме него в покрышках содержится огромное множество других компонентов, список которых разработчики ведущих компаний регулярно пополняют самыми невероятными ингредиентами, пытаясь заменить привычные и дорогие компоненты.

    Химический состав шин меняется в зависимости от приоритетных характеристик готового продукта. Например, гоночные шины должны быть менее восприимчивыми к действию высоких температур, нежели легковые автомобильные шины, поэтому компании используют более высокий процент синтетических материалов и различных химических веществ в этих шинах, что объясняет их высокую себестоимость и цену.

    Перечислить все составляющие шин вряд ли возможно, поэтому сосредоточимся на задаче минимум: узнать главные компоненты средней шины.

    Резина

    Приблизительно от 40 до 60% состава шин – это резина, она же каучук. Шина обычно состоит из четырех различных видов резины: натуральный каучук, бутадиен-стирольный каучук, бутадиеновый каучук и бутилкаучук. Около 55% каучука автошины содержится в боковой стенке и протекторе, и компании используют природный, бутадиен-стироловый и полибутадиеновый каучук в этих областях. Бутилкаучук и галогенизированный бутилкаучук доминируют в структуре внутренней прокладки шин. Резиновая смесь стандартной легковой автомобильной шины в среднем состоит на 55% из синтетического каучука и на 45% — из натурального, хотя в зависимости от вида, показатели могут существенно варьироваться.

    Химическая добавки

    Как уже упоминалось, химические наполнители и добавки также широко используются в производстве покрышек. Упрочняющие химические агенты представляют высокий процент среди прочих химических наполнителей, наиболее распространенными из которых являются: технический углерод, диоксид кремния (силика) и смолы. Компании-производители используют в шинах антидеграданты (антиоксиданты, парафин и воск), а также активаторы адгезии (соли кобальта, латунь в металлическом корде и смолы в тканевых составляющих). Сульфур служит в качестве вулканизирующего агента. Масла, склеивающие ингредиенты, химические пластификаторы и смягчители также составляют часть химических добавок. Хлопковые, арамидные, стальные волокна, вискозные, полиэстерные волокна и стекловолокна также распространены в составе.

    Химические составляющие по весу

    По данным компании Goodyear Tire and Rubber, средняя шина весом около 22 фунтов (почти 10 кг) состоит из комбинации 5-ти различных видов синтетической резины (6,0 кг) и восьми типов натурального каучука (4 кг). Технический углерод в таком случае «потянет» на 5,0 кг. Шина также состоит из 0,68 кг металлокорда и 0,9 кг полиэстера, нейлона и бортовой проволоки. Последними компонентами этой усредненной шины станут 1,36 кг 40 различных химических веществ, восков, масел и пигментов.

    Микроэлементы

    Интересно, что ряд элементарных металлов также являются незначительной частью композиции шины. Цинк – наиболее распространенный элемент-металл (10 000 частей на миллион). Медь составляет около 75 миллионных долей твердых частиц шины. Далее следует барий – примерно 25 миллионных долей, свинец – 20 миллионных долей. Также в составе шин были замечены хром, никель, стронций, ванадий.

    Еще больше интересного о шинах для спецтехники на страницах компании Экспера в Google+

    Tags: Химические свойства шин, компаунда шины

    Химия каучука | Как работает

    Что делает резину такой эластичной? Подобно пластику, каучук представляет собой полимер , представляющий собой цепочку повторяющихся звеньев, называемых мономерами . В каучуке мономер представляет собой углеродное соединение, называемое изопрен , которое имеет две двойные углерод-углеродные связи. Латексная жидкость, которая просачивается из каучуковых деревьев, содержит много молекул изопрена. По мере высыхания латекса молекулы изопрена собираются вместе, и одна молекула изопрена атакует двойную углерод-углеродную связь соседней молекулы. Одна из двойных связей разрывается, и электроны перестраиваются, образуя связь между двумя молекулами изопрена.

    Процесс продолжается до тех пор, пока у вас не получится длинная нить из множества молекул изопрена, связанных как цепь. Эти длинные нити называются полимером полиизопрена . Каждая молекула полиизопрена содержит тысячи мономеров изопрена. По мере того, как сушка продолжается, нити полиизопрена слипаются, образуя электростатические связи, очень похожие на притяжение между противоположными полюсами двух стержневых магнитов. Притяжение между этими нитями удерживает резиновые волокна вместе и позволяет им растягиваться и восстанавливаться.

    Реклама

    Однако изменения температуры могут повлиять на электростатические взаимодействия между полиизопреновыми нитями в латексной резине. Горячие температуры уменьшают взаимодействие и делают резину более текучей (липкой). Более низкие температуры усиливают взаимодействие и делают резину более твердой (твердой, хрупкой).

    В начале 1800-х годов несколько ученых и изобретателей решили сделать резину более прочной. Один известный изобретатель, Чарльз Гудиер, рассудил, что липкость каучука можно уменьшить, смешав его с различными сухими порошками. Он экспериментировал, комбинируя тальк и другие присыпки с каучуком. В 1838 году Гудьир познакомился с Натаниэлем Хейвордом, который добился успехов в обработке резиновых листов раствором серы и скипидара и последующей их сушке на солнце. Высушенная на солнце резина Хейворда была тверже и долговечнее, поэтому он запатентовал процесс, который назвал 9.0003 соляризация .

    Компания Goodyear приобрела патентные права на соляризацию и начала экспериментировать с соединениями серы. Методом проб и ошибок изобретатель смешал латексный каучук с серой и оксидом свинца. Легенда гласит, что часть смеси попала на раскаленную плиту, и получившаяся резина была твердой, гибкой и прочной. Случайный процесс Goodyear в конечном итоге стал известен как вулканизация . Он также обнаружил, что изменение количества серы меняет характеристики каучука. Чем больше серы использовалось, тем тверже становилась резина. Так что же происходит, когда резина вулканизируется?

    Когда нити полиизопрена нагревают с серой и оксидом свинца, атомы серы атакуют двойные связи в нитях полиизопрена и связываются с атомами углерода. Атомы серы также могут образовывать связи между собой (дисульфидные связи) и сшивать соседние нити полиизопрена, образуя сетчатую структуру в каучуке.

    Эта сшивка укрепляет полиизопрен, делая его более твердым, гибким и долговечным. Как обнаружила компания Goodyear, чем больше серы используется, тем больше поперечных связей может образоваться и тем тверже становится каучук. Процесс вулканизации Goodyear включал объединение латексного каучука, серы и оксида свинца в паре высокого давления в течение до 6 часов для достижения наилучших результатов.

    Процитируйте это!

    Пожалуйста, скопируйте/вставьте следующий текст, чтобы правильно цитировать эту статью HowStuffWorks.com:

    Craig Freudenrich, Ph.D.
    «Как работает резина»
    14 октября 2008 г.
    HowStuffWorks.com.
    27 марта 2023 г.

    24.5: Натуральный и синтетический каучук

    1. Последнее обновление
    2. Сохранить как PDF
  2. Идентификатор страницы
    28472
  3. Резина

    является примером полимера эластомерного типа, где полимер имеет способность возвращаться к своей первоначальной форме после растяжения или деформации. Каучуковый полимер сворачивается, когда находится в состоянии покоя. Эластичные свойства возникают из-за его способности растягивать цепи, но когда натяжение ослабевает, цепи возвращаются в исходное положение. Большинство молекул каучуковых полимеров содержат, по крайней мере, некоторые звенья, полученные из мономеров сопряженных диенов (см. Полимеризация сопряженных диенов). Такие сопряженные диеновые мономеры имеют конструктивную основу из по меньшей мере четырех атомов углерода с реакционноспособным ядром двойной-одинарной-двойной связи (C=C-C=C). Большинство, если не практически все такие диены подвергаются 1,4-присоединению к полимерной цепи, где 1 и 4 относятся к 1-му и 4-му атомам углерода основного звена, которые становятся одинарными связями с остальной частью полимерной цепи. Двойные связи диена превращаются в одинарные связи, а одинарная связь между ними превращается в двойную связь конфигурации Z или E, в зависимости от условий полимеризации. Таким образом, костяк юнита становится таким (-C-C=C-C-). Каучук приобретает свою эластичность, когда образовавшаяся двойная связь приобретает Z-конфигурацию. Для 1,3-бутадиена Z эквивалентен цис и E эквивалентны конфигурации транс .

    Натуральный каучук

    Натуральный каучук представляет собой аддитивный полимер, получаемый в виде молочно-белой жидкости, известной как латекс, из тропического каучукового дерева. Натуральный каучук состоит из мономера изопрена (2-метил-1,3-бутадиена), который, как упоминалось выше, представляет собой сопряженный диеновый углеводород. В натуральном каучуке большинство двойных волокон, образованных в полимерной цепи, имеют Z-конфигурацию, в результате чего натуральный каучук обладает эластомерными свойствами.

    Чарльз Гудиер случайно обнаружил, что при смешивании серы и каучука свойства каучука улучшаются, становясь более прочными, устойчивыми к теплу и холоду и повышающими свою эластичность. Позже этот процесс был назван вулканизацией в честь римского бога огня. Вулканизация заставляет более короткие цепи сшиваться через серу с более длинными цепями. Развитие вулканизированной резины для автомобильных шин очень помогло этой отрасли.

    Синтетический каучук

    Важные сопряженные диены, используемые в синтетических каучуках, включают изопрен (2-метил-1,3-бутадиен), 1,3-бутадиен и хлоропрен (2-хлор-1,3-бутадиен). Полимеризованный 1,3-бутадиен чаще всего называют просто полибутадиеном. Полимеризованный хлоропрен был разработан компанией DuPont и получил торговое название 9.0063 Неопрен .

    В ряде случаев мономеры, не являющиеся диенами, также используются для некоторых видов синтетического каучука, часто сополимеризованного с диенами. Некоторые из наиболее коммерчески важных аддитивных полимеров представляют собой сополимеры. Это полимеры, полученные путем полимеризации смеси двух или более мономеров. Примером может служить стирол-бутадиеновый каучук (SBR), который представляет собой сополимер 1,3-бутадиена и стирола, смешанный в соотношении 3:1 соответственно.

    Каучук SBR был разработан во время Второй мировой войны, когда были прекращены важные поставки натурального каучука. SBR более устойчив к истиранию и окислению, чем натуральный каучук, а также может быть вулканизирован. Более 40% производимого синтетического каучука составляет бутадиен-стирольный каучук, который используется в производстве шин. Крошечное количество используется для жевательной резинки в невулканизированной форме.

    Нитрильный каучук сополимеризуется из бутадиена и акрилонитрила (H 2 C=CH-CN). Бутилкаучук сополимеризуется из изобутилена [который представляет собой метилпропен H 2 C=C(CH 3 ) 2 ] и небольшого процента изопрена. Силиконовый каучук и другие соединения, химически называемые полисилоксанами , не состоят из сопряженных диенов, а содержат повторяющиеся звенья, такие как -O-SiR 2 — где R представляет собой некоторую органическую радикальную группу, такую ​​как метил. Отдельная страница посвящена силиконовым полимерам.

    Сопряженные диены (алкены с двумя двойными связями и одинарной связью между ними) могут полимеризоваться с образованием важных соединений, таких как каучук. Это происходит в различных формах как в природе, так и в лаборатории. Взаимодействия между двойными связями в нескольких цепях приводят к образованию поперечных связей, которые создают эластичность соединения.

    Полимеризация 1,3-бутадиена

    Для синтеза резиновых смесей необходимо полимеризовать 1,3-бутадиен. Ниже приведена простая иллюстрация того, как это соединение формируется в цепочку. 1,4-полимеризация гораздо более полезна для реакций полимеризации.

    Выше, зеленые структуры представляют основные единицы синтезированных полимеров, а красные представляют связи между этими единицами, которые образуют эти полимеры. Образуется ли продукт 1,3 или продукт 1,4, зависит от того, контролируется ли реакция термически или кинетически.

    Синтетический каучук

    Наиболее важным синтетическим каучуком является неопрен, который получают путем полимеризации 2-хлор-1,3-бутадиена.

    На этой иллюстрации пунктирные линии представляют повторение одних и тех же основных единиц, поэтому и продукты, и реагенты являются полимерами. Реакция протекает по механизму, аналогичному механизму Фриделя-Крафтса. Поперечная связь между атомом хлора одной цепи и двойной связью другой способствует общей эластичности неопрена. Эта поперечная связь возникает, когда цепи лежат рядом друг с другом под случайными углами, а притяжение между двойными связями предотвращает их скольжение вперед и назад.

    Натуральный каучук

    Синтез каучука в природе в чем-то подобен искусственному синтезу каучука, за исключением того, что он происходит внутри растения. Вместо 2-хлор-1,3-бутадиена, используемого при синтезе неопрена, натуральный каучук синтезируют из 2-метил-1,3-бутадиена. Как электрофил, растение синтезирует пирофосфат 3-метил-3-бутенилпирофосфат из фосфорной кислоты и 3-метил-3-бутен-1-ола. Затем этот пирофосфат катализирует реакцию, которая приводит к получению натурального каучука.

    3-метил-3-бутенилпирофосфат (OPP) затем используется в полимеризации натурального каучука, поскольку он отрывает электроны от 2-метил-1,3-бутадиена (см.

    Бензин какое вещество: марки, фракционный, химический состав, производство

    ICSC 1400 — БЕНЗИН

    ICSC 1400 — БЕНЗИН





    « back to the search result list(ru)  

    Chinese — ZHEnglish — ENFinnish — FIFrench — FRGerman — DEHebrew — HEHungarian — HUItalian — ITJapanese — JAKorean — KOPersian — FAPolish — PLPortuguese — PTRussian — RUSpanish — ES


    БЕНЗИНICSC: 1400 (Октябрь 2001)




    CAS #: 86290-81-5
    UN #: 1203
    EINECS #: 289-220-8



     ОСОБЫЕ ОПАСНОСТИПРОФИЛАКТИЧЕСКИЕ МЕРЫТУШЕНИЕ ПОЖАРА
    ПОЖАР И ВЗРЫВОчень легко воспламеняется.   Смеси паров с воздухом взрывоопасны.  НЕ использовать открытый огонь, НЕ допускать образование искр, НЕ КУРИТЬ.  Замкнутая система, вентиляция, взрывозащищенное электрическое оборудование и освещение. Предотвращать образование электростатического заряда (например, используя заземление). Использовать порошок, пленкообразующую пену типа AFFF, пену, двуокись углерода.  В случае пожара: охлаждать бочки и т.д. распыляя воду. 







       
     СИМПТОМЫПРОФИЛАКТИЧЕСКИЕ МЕРЫПЕРВАЯ ПОМОЩЬ
    ВдыханиеПомутнение сознания. Кашель. Головокружение. Сонливость. Вялость. Головная боль. Применять вентиляцию, местную вытяжку или средства защиты органов дыхания. Свежий воздух, покой. Обратиться за медицинской помощью.  
    КожаМОЖЕТ АБСОРБИРОВАТЬСЯ! Сухость кожи. Покраснение. Защитные перчатки. Защитная одежда. Снять загрязненную одежду. Ополоснуть и затем промыть кожу водой с мылом. 
    ГлазаПокраснение. Боль. Использовать защитные очки или средства защиты глаз в комбинации со средствами защиты органов дыхания.. Прежде всего промыть большим количеством воды в течение нескольких минут (снять контактные линзы, если это возможно сделать без затруднений), затем обратится за медицинской помощью.  
    ПроглатываниеТошнота. Рвота. См. вдыхание. Не принимать пищу, напитки и не курить во время работы.  Прополоскать рот. НЕ вызывать рвоту. Дать выпить один или два стакана воды. Обратиться за медицинской помощью . 







    ЛИКВИДАЦИЯ УТЕЧЕККЛАССИФИКАЦИЯ И МАРКИРОВКА
    Покинуть опасную зону! Проконсультироваться со специалистом! Удалить все источники воспламенения. Накрыть разлитый материал сухой землей песком другим негорючим материалом. НЕ сливать в канализацию. НЕ допускать попадания этого химического вещества в окружающую среду. Индивидуальная защита: автономный дыхательный аппарат. 

    Согласно критериям СГС ООН




     

    Транспортировка
    Классификация ООН

    Класс опасности по ООН: 3; Группа упаковки по ООН: I 

    ХРАНЕНИЕ
    Обеспечить огнестойкость. 
    УПАКОВКА
    Загрязняет морскую среду. 


    БЕНЗИНICSC: 1400



    ФИЗИЧЕСКИЕ И ХИМИЧЕСКИЕ СВОЙСТВА

    Агрегатное Состояние; Внешний Вид

    ПОДВИЖНАЯ ЖИДКОСТЬ.  

    Физические опасности

    Пар тяжелее воздуха и может перемещаться по поверхности земли; возможно дистанционное воспламенение. Пар хорошо смешивается с воздухом, легко образуются взрывчатые смеси. В результате перетекания, перемешивания и т.д. могут образоваться электростатические заряды. 

    Химические опасности

     




    Температура кипения: 20-200°C
    Относительная плотность (вода = 1): 0.70-0.80
    Растворимость в воде: не растворяется
    Удельная плотность паров (воздух = 1): 3 — 4
    Температура вспышки: Температура самовоспламенения : ~250°C
    Предел взрываемости, % в объеме воздуха: 1.3-7.1
    Коэффициент распределения октанол-вода (Log Pow): 2-7  



    ВОЗДЕЙСТВИЕ НА ОРГАНИЗМ И ЭФФЕКТЫ ОТ ВОЗДЕЙСТВИЯ

    Пути воздействия

    Вещество может проникать в организм при вдыхании паров, через кожу и при приеме внутрь.  

    Эффекты от кратковременного воздействия

    Вещество оказывает раздражающее воздействие на глаза, кожу и дыхательные пути. Если проглотить эту жидкость, аспирация в легкие может привести к химическому пневмониту. Вещество может оказать воздействие на центральную нервную систему. 

    Риск вдыхания

    Опасный уровень загрязнения воздуха может быть достигнут очень быстро при испарении этого вещества при 20°C. 

    Эффекты от длительного или повторяющегося воздействия

    Вещество обезжиривает кожу, что может вызывать сухость или растрескивание. Вещество может оказать воздействие на центральную нервную систему и печень. Это вещество, возможно, является канцерогенным для человека. 



    Предельно-допустимые концентрации

    TLV: 300 ppm как TWA; 500 ppm как STEL; A3 (подтвержденный канцероген для животного, влияние которого на человека неизвестно) 



    ОКРУЖАЮЩАЯ СРЕДА
    Вещество опасно для водных организмов.  



    ПРИМЕЧАНИЯ
    В зависимости от степени воздействия, рекомендуется периодическое медицинское обследование.
    The product may contain additives which may alter the health and environmental effects. 



    ДОПОЛНИТЕЛЬНАЯ ИНФОРМАЦИЯ

     
    Классификация ЕС

    Символ: T; R: 45-65; S: 53-45; Примечание: H, P 


    (ru)Ни МОТ, ни ВОЗ, ни Европейский Союз не несут ответственности за качество и точность перевода или за возможное использование данной информации.
    © Версия на русском языке, 2018

    ПДК в воздухе рабочей зоны, методики исследований, характеристики


    Замерить «БЕНЗИН (НЕФТЯНОЙ, МАЛОСЕРНИСТЫЙ В ПЕРЕСЧЕТЕ НА УГЛЕРОД)»

    Характеристики вещества в каталоге загрязняющих веществ от группы компаний «Лаборатория».

    Химическое название вещества по IUPA : бензин.
    Структурная формула : состав: парафиновые и олефиновые ≈ (50–70 %), нафтеновые ≈ (20–
    30%), ароматические ≈ (10–20 %) углеводороды.
    Синонимы : Ligroine; Petroleum spirits.Бензин нефтяной малосернистый
    Код загрязняющего вещества : 2704
    Агр.состояние : жидкость/газ
    Класс опасности : 2704
    ОБУВ (ориентировочный безопасный уровень воздействия):
    ЛОС : да
    РПОХВ : ВТ-000541
    CAS : 8032-32-4
    RTECS : OI6180000
    EC : 232-453-7
    ПДК м.р. (предельно допустимая концентрация в атмосферном воздухе максимальная разовая): 5 мг/м³
    ПДК с.с. (предельно допустимая концентрация в атмосферном воздухе среднесуточная): 1,5 мг/м³
    Лимитирующий показатель : рефл.-рез.
    Класс опасности : 4
    ПДК р.з. (предельно допустимая концентрация в воздухе рабочей зоны максимальная разовая): 300/100 мг/м³
    Класс опасности : 4
    Особенности действия на организм :
    Применяется на производствах : Автоколонны, предприятия технического обслуживания и ремонта подвижного состава, Радиоэлектронная промышленность

    Диапазоны определения вещества «БЕНЗИН (НЕФТЯНОЙ, МАЛОСЕРНИСТЫЙ В ПЕРЕСЧЕТЕ НА УГЛЕРОД)» в промышленных выборсах, воздухе рабочей зоны,
    атмосферном воздухе различаются и определяются методиками исследования. Список методик смотрите ниже.

    БЕНЗИН (НЕФТЯНОЙ, МАЛОСЕРНИСТЫЙ В ПЕРЕСЧЕТЕ НА УГЛЕРОД): методики исследования в промышленных выбросах


    Замерить БЕНЗИН (НЕФТЯНОЙ, МАЛОСЕРНИСТЫЙ В ПЕРЕСЧЕТЕ НА УГЛЕРОД) в промышленных выбросах








    Номер методикиДиапазон
    ПНДФ 13.1.8-97 (ФР.1.31.2013.16439)(1,0-15000) мг/м3
    Руководство по эксплуатации ЯРКГ 2 840 003-07 РЭ газоанализатора Колион 1-В-04(0,1-2000) мг/м3
    Св-во №242/165-2006, ВНИИМ(0,5-4,0) г/м3
    Руководство по эксплуатации Газоанализатора универсального ГАНК-4 КГПУ 413322 002 РЭ(0,75-2000) мг/м3
    Трубки индикаторные Руководство по эксплуатации РЮАЖ.415522.505 ПС(250 – 6000) мг/м3
    ГОСТ Р ИСО 10396-2006, инструкция по эксплуатации газоанализатора ГАНК-4(50-2000) мг/м3

    БЕНЗИН (НЕФТЯНОЙ, МАЛОСЕРНИСТЫЙ В ПЕРЕСЧЕТЕ НА УГЛЕРОД): методики исследования в атмосферном воздухе


    Замерить БЕНЗИН (НЕФТЯНОЙ, МАЛОСЕРНИСТЫЙ В ПЕРЕСЧЕТЕ НА УГЛЕРОД) в атмосферном воздухе







    Номер методикиДиапазон
    Руководство по эксплуатации Газоанализатора универсального ГАНК-4 КГПУ 413322 002 РЭ(0,75-50) мг/м3
    ФР. 1.31.2010.06967(0,75-50,0) мг/м3
    Газоанализатор универсальный ГАНК-4 . Паспорт КПГУ. Руководство по эксплуатации КПГУ(50-200) мг/м3
    ГОСТ Р ИСО 16017-1(0,0005-100) мг/м3
    Руководство по эксплуатации ЯРКГ 2 840 003-07 РЭ газоанализатора Колион 1-В-04(0,1-2000) мг/м3

    БЕНЗИН (НЕФТЯНОЙ, МАЛОСЕРНИСТЫЙ В ПЕРЕСЧЕТЕ НА УГЛЕРОД): методики исследования в воздухе рабочей зоны


    Замерить БЕНЗИН (НЕФТЯНОЙ, МАЛОСЕРНИСТЫЙ В ПЕРЕСЧЕТЕ НА УГЛЕРОД) в воздухе рабочей зоны











    Номер методикиДиапазон
    ГОСТ Р ИСО 16017-1(0,0005-100) мг/м3
    ГОСТ 12.1.014(50-4000) мг/м3
    МУ 5910 Выпуск 12(0,5-1000) мг/м3
    Руководство по эксплуатации ЯРКГ 2 840 003-07 РЭ газоанализатора Колион 1-В-04(0,1-2000) мг/м3
    Руководство по эксплуатации Газоанализатора универсального ГАНК-4 КГПУ 413322 002 РЭ(50-2000) мг/м3
    Трубки индикаторные Руководство по эксплуатации РЮАЖ. 415522.505 ПС(250 – 6000) мг/м3
    Инструкция по эксплуатации газоанализатора ГАНК-4, Р 2.2.2006-05 прил. 9, МУ 2.2.5.2810-10(50-1000) мг/м3
    МУ №5064-89(5-250) мг/м3
    МУ №5064-89(100-1000) мг/м3

    Информационный бюллетень по бензину

    БЕНЗИН

    Этот информационный бюллетень содержит ответы на основные
    вопросы по бензину. Объяснит, что такое бензин, как можно быть
    подвержены его воздействию, как это может вызвать у вас заболевание, и способы уменьшить или предотвратить воздействие
    к бензину.

    ЧТО ТАКОЕ БЕНЗИН?

    Бензин представляет собой бледно-коричневую или розовую жидкость, изготовленную
    из переработанной сырой нефти. Он легко испаряется, легко воспламеняется и может образовывать
    взрывоопасные смеси в воздухе. Бензин представляет собой смесь многих различных водородных
    и углеродсодержащие химические вещества (углеводороды). Типичная бензиновая смесь
    содержит около 150 различных углеводородов, в том числе бутан, пентан,
    изопентан и соединения БТЭК (бензол, этилбензол, толуол и
    ксилолы).

    Бензин также содержит химические вещества, такие как
    смазочные материалы, антикоррозионные и антиобледенительные присадки, которые добавляются для улучшения
    производительность автомобиля. Эти соединения обычно присутствуют только в очень малых количествах.
    суммы. До 1980-х годов свинец обычно использовался в бензине в качестве
    антидетонационный агент. Использование свинца было прекращено из-за загрязнения воздуха.
    и проблемы со здоровьем. Некоторые бензины также содержат этанол, который производится из
    кукуруза. Этанол помогает автомобилю работать более эффективно и производит меньше
    загрязнение.

    КАК БЕНЗИН ПОПАДАЕТ В
    СРЕДА?

    Разливы, утечки или неправильная утилизация бензина
    может вызвать загрязнение почвы, грунтовых вод, поверхностных вод и воздуха. Утечка
    подземные резервуары для хранения или трубопроводы также могут привести к попаданию бензина
    окружающая почва и грунтовые воды. Бензин может выбрасываться в воздух при
    большие автоцистерны заполняются и опорожняются, и когда вы заправляете свой автомобиль на
    сервисная станция.

    КАК МОЖНО ПОЛУЧИТЬ ВОЗДЕЙСТВИЕ БЕНЗИНА?

    Вы можете подвергнуться воздействию бензина

    • вдыхание паров бензина,
    • питьевая вода, загрязненная бензином,
      или
    • прикосновение к бензину, почве или воде
      загрязнены бензином.

    Чаще всего контакт с бензином происходит
    вдыхание паров при заправке топливного бака автомобиля. Пары также могут присутствовать
    в воздухе при испарении бензина из загрязненной почвы или воды. Бензин
    пары могут скапливаться в подвалах, подвалах и жилых помещениях. Преднамеренное
    нюхание бензина также является проблемой общественного здравоохранения.

    Когда бензин просачивается в почву, он может
    загрязняют подземные воды, используемые для питья. Большинство химических веществ в бензине
    удаляются при водоподготовке, но люди, которые пьют неочищенную воду или воду
    из частных колодцев могут быть выставлены. Бензин также может проникать через кожу.
    во время контакта, например, при заправке бензина или очистке бензина
    проливать.

    КАКОЕ ВЛИЯНИЕ БЕНЗИНА НА ЗДОРОВЬЕ
    КОНТАКТ?

    Многие вредные воздействия бензина обусловлены
    отдельные химические вещества в бензине, в основном БТЭК, присутствующие в небольших количествах.
    суммы. Вдыхание небольшого количества паров бензина может привести к поражению носа и горла.
    раздражение, головные боли, головокружение, тошнота, рвота, спутанность сознания и нарушение дыхания
    сложности. Симптомы проглатывания небольшого количества бензина включают рот,
    раздражение горла и желудка, тошнота, рвота, головокружение и головные боли.
    Ежегодно проглатывание бензина вызывает множество случайных отравлений. Некоторые эффекты
    Контакт кожи с бензином включает сыпь, покраснение и отек. Существование
    воздействие большого количества бензина может привести к коме или смерти.

    Воздействие бензина на здоровье
    в течение длительного периода времени малоизвестны. Это связано с тем, что люди, подвергающиеся
    бензин обычно подвергается воздействию многих других вещей, которые также могут нанести вред здоровью
    последствия. Некоторые работники, ежедневно подвергающиеся воздействию бензина на работе,
    страдал потерей памяти и нарушением мышечной функции. На очень высоких уровнях некоторые из
    химические вещества в бензине, такие как бензол, как известно, вызывают рак. Текущий
    данные, однако, не показывают, что воздействие низких концентраций бензина вызывает
    рак у человека.

    МОГУ ЛИ Я ПРОВЕРИТЬ НА БЕНЗИН
    КОНТАКТ?

    В настоящее время нет тестов для измерения
    бензин в вашем теле, но, если вы думаете, что вы больны из-за бензина
    воздействия, немедленно обратитесь к врачу. Расскажите своему врачу, что вы подозреваете
    загрязнение, почему вы подозреваете его и каковы ваши симптомы.

    КАК Я МОГУ УМЕНЬШИТЬ БЕНЗИН
    КОНТАКТ?

    В связи с широким использованием бензина в автомобилях,
    грузовики, автобусы и оборудование для ухода за газонами, устранение воздействия будет
    трудный. Как правило, вы можете чувствовать запах бензина на уровнях, которые не были бы
    ожидается, что это может вызвать последствия для здоровья. Так как бензин может чувствоваться при низких уровнях,
    источник обычно может быть найден и устранен.

    Если вы подозреваете, что ваш водопровод
    загрязнены бензином, вот несколько способов уменьшить воздействие

    • Если в колодезной воде есть бензин, не
      выпей это. Рассмотрите возможность использования бутилированной воды вместо воды из-под крана или подключения к
      общественное водоснабжение.
    • Примите душ или вымойтесь в прохладной воде. Мыть и
      полоскать одежду в холодной воде. Чем горячее вода, тем больше бензина испаряется
      в воздух, которым вы дышите.
    • Проветривание ванных комнат, туалетов и кухонь
      во время и после использования воды, открывая двери и окна и включая вытяжку
      поклонники.

    ГДЕ МОЖНО ПОЛУЧИТЬ ДОПОЛНИТЕЛЬНУЮ ИНФОРМАЦИЮ?

    Департамент общественного здравоохранения штата Иллинойс
    Отдел гигиены окружающей среды
    Ул. Джефферсон, 525,
    Спрингфилд, Иллинойс 62761
    217-782-5830
    Телетайп (только для слабослышащих) 800-547-0466

    Этот информационный бюллетень был частично поддержан
    средства от Комплексного экологического реагирования, компенсации и
    Целевой фонд Закона об ответственности на основе соглашения о сотрудничестве с Агентством по
    Реестр токсичных веществ и заболеваний, Служба общественного здравоохранения, Департамент США
    здравоохранения и социальных служб
    .

    Бензин | Определение, использование и факты

    Ключевые люди:
    Владимир Николаевич Ипатьев
    Похожие темы:
    газотурбинный двигатель
    Корпоративный средний расход топлива
    тетраэтилсвинец
    этилированный бензин
    неэтилированный бензин

    См. весь соответствующий контент →

    14 марта 2023 г., 21:55 по восточноевропейскому времени (AP)

    Несмотря на возражения, Chevron заявляет, что представила данные о ценах на нефть

    Chevron сообщила, сколько денег она заработала в январе на продаже бензина в Калифорнии выросли в Нью-Джерси и по всей стране в целом, но аналитики говорят, что это увеличение может быть недолгим на фоне недавнего падения спроса и стоимости сырой нефти

    бензина , также называемого бензином , также называемым газом или бензин , смесь летучих легковоспламеняющихся жидких углеводородов, получаемых из нефти и используемых в качестве топлива для двигателей внутреннего сгорания. Он также используется в качестве растворителя для масел и жиров. Первоначально побочный продукт нефтяной промышленности (керосин был основным продуктом), бензин стал предпочтительным автомобильным топливом из-за его высокой энергии сгорания и способности легко смешиваться с воздухом в карбюраторе.

    Сначала бензин производили путем перегонки, просто отделяя летучие, более ценные фракции сырой нефти. Более поздние процессы, предназначенные для повышения выхода бензина из сырой нефти, расщепляют большие молекулы на более мелкие с помощью процессов, известных как крекинг. Термический крекинг с использованием тепла и высоких давлений был введен в 1913, но был заменен после 1937 года каталитическим крекингом, применением катализаторов, которые облегчают химические реакции, производящие больше бензина. Другие методы, используемые для улучшения качества бензина и увеличения его количества, включают полимеризацию, преобразование газообразных олефинов, таких как пропилен и бутилен, в более крупные молекулы бензинового ряда; алкилирование, процесс объединения олефина и парафина, такого как изобутан; изомеризация, превращение углеводородов с прямой цепью в углеводороды с разветвленной цепью; и риформинг с использованием тепла или катализатора для изменения молекулярной структуры.

    Еще из Britannica

    переработка нефти: бензин

    Бензин представляет собой сложную смесь сотен различных углеводородов. Большинство из них насыщены и содержат от 4 до 12 атомов углерода на молекулу. Бензин, используемый в автомобилях, кипит в основном при температуре от 30 ° до 200 ° C (от 85 ° до 390 ° F), смесь регулируется в зависимости от высоты и сезона. Авиационный бензин содержит меньшие доли как менее летучих, так и более летучих компонентов, чем автомобильный бензин.

    Антидетонационные характеристики бензина — его способность противостоять детонации, которая указывает на то, что сгорание паров топлива в цилиндре происходит слишком быстро для эффективности — выражается в октановом числе. Добавление тетраэтилсвинца для замедления горения было начато в 1930-х годах, но было прекращено в 1980-х годах из-за токсичности соединений свинца, выделяемых в продуктах сгорания. Другие присадки к бензину часто включают детергенты для уменьшения образования отложений в двигателе, антиобледенители для предотвращения остановки двигателя, вызванные обледенением карбюратора, и антиоксиданты (ингибиторы окисления), используемые для уменьшения образования «смола».