Маз привод сцепления: Сцепление МАЗ,устройство,детали — Мазик Бай Оф дилер ОАО МАЗ

МАЗ-500: Переделка привода сцепления с воздуха на ПГУ

Содержание:
1. Преимущества ПГУ над воздухом
2. Снимаем родной привод сцепления с МАЗ-500
3. Устанавливаем ПГУ привод сцепления на МАЗ-500
4. Обкатываем новый ПГУ привод сцепления

Поездив на МАЗ-500 пару лет, стал замечать множество не удобных в эксплуатации грузовика конструктивных недочетов, которые порой сильно мешали работать. А так как мириться с ними не хотелось, то выбрав время, перешел к модернизации своего тягача.

1. Преимущества ПГУ над воздухом

На МАЗ-500 имеется такая неприятность, как резкое трогание с места и дерганье автомобиля при трогании с места. Особенно ярко, это проявляется при трогании в гору и под нагрузкой около тридцати тонн.

На первых порах старался найти причину: менял подушки двигателя, ставил усиленные от Супера, менял клапан управления сцеплением, а так же сайленблок передних кронштейнов кабины. Пытался убрать все люфты в подвеске двигателя, кабины и привода сцепления. Все эти меры помогали, но не кардинально.

Наконец, постепенно пришел к выводу, что надо потратить время и переделать привод сцепления на ПГУ КамАЗа. Для окончательного решения вспомнил, что когда работал на ГАЗ-53, то при трогании со второй передачи сцепление поддергивало (механический привод), а вот на ГАЗ-66 такого никогда не было (гидравлический привод).

2. Снимаем родной привод сцепления с МАЗ-500

У КамАЗистов с двигателем ЯМЗ-238 и КПП ЯМЗ-236 приобрел кронштейн для установки ПГУ на правую сторону КПП ЯМЗ-236. У знакомых в АТП заказал у агрегатчиков педаль сцепления КамАЗа вместе с главным цилиндром сцепления, комплект шлангов и трубок со штуцерами от главного цилиндра сцепления до ПГУ. То есть, попросту скомплектовал весь привод в сборе.

Проложив трубки и шланги по правому лонжерону понял, что трубку надо удлинять сантиметров на сорок. Знакомый газосварщик сварил латунью удлиненную трубку. Все, осталось только установить все на место. Но для того, чтобы установить, надо сначала снять весь старый привод, поэтому начал с КПП.

Родной привод сцепления МАЗ-500

Снял  старый привод  практически полностью:

  1. Цилиндр воздушный сцепления с КПП;
  2. Двухплечевой рычаг с оси привода выжимного;
  3. Все тяги до кабины;
  4. Ненужный уже двухплечевой рычаг с рамы и с кабины;
  5. Вертикальную тягу на передке кабины под облицовкой;
  6. Саму стойку педали;
  7. Обрезал электросваркой остатки рычага педали сцепления под облицовкой кабины.

Все, обратного пути уже нет, приступаю к монтажу заготовленного гидравлического привода. Тем более, что со старым, работать уже абсолютно не хотелось.

3. Устанавливаем ПГУ привод сцепления на МАЗ-500

Для этого, залез под КПП и снял нижний лючек на четырех болтах. Начал откручивать болт клемного зажима вилки выжимного подшипника. Когда выкрутил болт и вытащил его, то немного вытянул ось вилки из КПП для того, чтобы можно было вытащить шпонку из оси рычага выжимного.

Как только вытащил шпонку, то левой рукой начал поддерживать вилку, а правой рукой вытащил ось на левую сторону машины, а потом перевернул ее на 180 градусов и опять вставил на место шлицами уже во внутрь коробки.

Заглушку на КПП с правой стороны, выбил шлицевой частью оси, впоследствии заглушку забил уже с левой стороны. Затем, вставил шпонку болт на четырнадцать, закрутил и затянул вилку сцепления на ось.

Следующим шагом, поставил кронштейн ПГУ на коробку, а на нем закрепил и сам ПГУ. Потом, взял двухплечный рычаг и отрезал болгаркой его длинный загнутый конец. На рычаге просверлил еще одно отверстие диаметром 10 мм на межцентровом расстоянии 30 мм от оси пальца.

Был опыт установки двигателя ЯМЗ-238 и КПП ЯМЗ-236 на КамАЗ, так пока не пересверлил отверстие, невозможно было с одним выжимом включить ни одну передачу, приходилось несколько раз при трогании нажимать на педаль сцепления.

Как только просверлил рычаг, так установил его в положении 11 часов вверх, если смотреть на КПП с правой стороны машины. Шток ПГУ также взял от КамАЗа и на резьбовой конец прикрутил контргайку, а затем накрутил муфту с отверстием для соединением с рычагом пальцем.

Потом, приступил к установке педали сцепления в кабину. Хитрого ничего нет в установке кронштейна педали сцепления: выбираем удобное место и три сквозных болта с шайбами гравера решают эту задачу.

Далее, устанавливаем штуцер для короткой трубки от цилиндра сцепления до штуцера перехода в подкапотное пространство. Цилиндр сцепления сразу же соединяем со штуцером короткой трубкой и переходим к монтированию гидравлической магистрали в подкапотное пространство.

Снизу в штуцер закручиваем гидравлический шланг и смотрим, где на раме будем закреплять через пластинку штуцер на раме. Как только находим подходящее место, так сразу же и крепим его. Затем, берем длинную трубку и просовываем ее спереди автомобиля по лонжерону между радиатором и коробом рамы.

Прикручиваем трубку к штуцеру прикрученному в передней части рамы, а затем по всей длине трубопровода крепим его внутри рамы. Задний конец трубки оказывается рядом с ПГУ. На конец трубки прикручиваем штуцер с пластиной и через пластину крепим штуцер к раме. Соединяем штуцер с ПГУ шлангом. Все, гидравлическая часть собрана.

Далее, удлиняем шланг, который шел у нас на клапан сцепления и подсоединяем воздушную магистраль к ПГУ. Заливаем тормозную жидкость в главный цилиндр сцепления и открываем штуцер прокачки на ПГУ. Как только жидкость начинает вытекать из ПГУ, так сцепление у нас прокачалось и нужно закрутить штуцер прокачки ПГУ.

Регулируем свободный ход сцепления на ПГУ. Ставим возвратную пружину штока сцепления, закрепляем ее за свободное отверстие рычага и за кронштейн ПГУ. Также ставим пружину на возврат педали сцепления.

Заводим двигатель, накачиваем воздух в систему и проверяем работу сцепления. Педаль сцепления с ПГУ легче вроде не стала, да и возвращается обратно не так быстро, но вот трогаться машина стала совершенно по другому.

4. Обкатываем новый ПГУ привод сцепления

Немного поездив, прихожу к выводу, что на таком приводе сцепления можно «закрывать спичечный коробок», такой предсказуемой становится работа привода. При работе с тридцаткой, стало возможно без всяких проблем трогаться на подъемах. Особенно, стало возможно тронуться внатяг на гололеде без пробуксовки колес. Что, кстати, очень важно на МАЗе.

Надо еще рассказать об одной ситуации. Как то зимой позвонил коллега и попросил дотащить его километров пять до тепла. У него, кстати, машина груженая весила 30 тонн и у меня с тридцаткой весила 42 тонны.

В душе я нисколько не надеялся на результат. Кто знает МАЗ, тот поймет, что на снежной дороге шансов мало. Подъехал, зацепил особенно ни на что не надеясь и был очень удивлен, когда тронулся с места и поехал.

Правда, дальше третьей передачи, МАЗ отказывался разгоняться. Дым появлялся, но скорость не увеличивалась. Пять километров до тепла, я коллегу все же дотащил.

К этому следует добавить, что полная масса вышла 72 тонны. Для меня на тягаче МАЗ-500 — это был рекорд. Двигатель на МАЗ-е был простой, КПП ЯМЗ-236 и в заднем мосту полуосевые шестерни на полуоси в бортовой были на 20 зубов.

За три года эксплуатации нового привода сцепления, неприятностей с гидроприводом никаких не было. Правда, изредка тек манжет на ПГУ, но я его менял не разбирая привод.

Автор: Эдуард Залуцкий

Сцепление автомобилеи МАЗ

Сцепление автомобилеи МАЗ

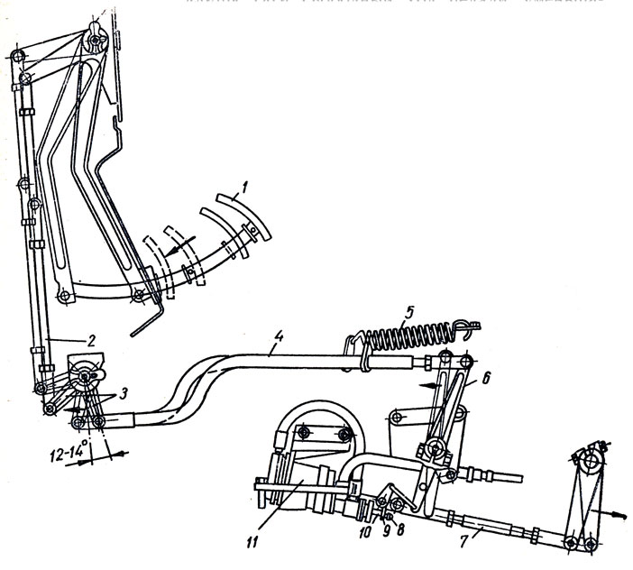
На автомобиле МАЗ-500 установлено однодисковое сухое сцепление с периферийным расположением нажимных пружин (типа ЯМЗ-236). В механический привод управления сцеплением включен пневматический усилитель.

Стальной ведомый диск с приклепанными к нему фрикционными накладками соединен с фланцем ступицы с помощью пружинного гасителя колебаний, снабженного шестью пружинами, расположенными в прямоугольных окнах фланца ступицы. Ведомый диск с задним кольцом соединен с помощью расклепанных штифтов, проходящих через вырезы во фланце. Пружины от выпадания удерживаются обоймами. Ступица ведомого диска установлена на шлицах конца первичного вала коробки передач, опирающегося своим носком на шарикоподшипник, установленный в выточке коленчатого вала.

Нажимной чугунный диск четырьмя направляющими выступами установлен в пазах маховика и с помощью четырех выключающих рычагов соединен со стальным штампованным кожухом, прикрепленным к маховику болтами. Между кожухом и нажимным диском установлены в два ряда по окружности диска, на его направляющих выступах, нажимные пружины, но двенадцать пружин в каждом ряду. Под пружинами на диске поставлены теплоизолирующие подкладки. Каждый выключающий рычаг соединен шарнирно при помощи пальца с ушками нажимного диска и подвешен шарнирно на пальце 9 в вилке, закрепленной в кожухе с помощью регулировочной гайки, имеющей сферическую опорную поверхность. Гайка крепится стопорной пластиной, прикрепленной к кожуху двумя болтами. Оба шарнирных соединения выполнены на игольчатых подшипниках. Рычаги снабжены фиксирующими пружинами. К внутренним концам выключающих рычагов с помощью стопорных пружин присоединено упорное кольцо. Против упорного кольца на втулке, фланцем прикрепленной к картеру коробки передач, установлена выключающая муфта с упорным шарикоподшипником. Смазка к муфте подводится по гибкому шлангу из масленки, закрепленной снаружи на чугунном картере сцепления, прикрепленном болтами к картеру маховика. В верхней и нижней стенках картера имеются люки, закрытые крышками с вентиляционными отверстиями.

Рекламные предложения на основе ваших интересов:

Дополнительные материалы по теме:

В стенках картера установлен валик с выключающей вилкой, охватывающей выключающую муфту. На левом наружном конце валика закреплен рычаг, соединенный регулируемой тягой с нижним рычагом, закрепленным на валике, установленном в кронштейне, который закреплен на левом лонжероне рамы автомобиля. Верхний рычаг этого валика с помощью промежуточной и составной тяг и промежуточного двуплечего рычага соединен с рычагом подвесной педали, валик которой установлен в кронштейне на передней стенке кабины. К промежуточной тяге 6 присоединена оттяжная пружина, закрепленная концом на раме и устанавливающая механизм выключения сцепления в исходное положение.

Пневматический усилитель, обеспечивающий снижение усилия на педали при выключении сцепления, включен параллельно с механическим приводом. Усилитель состоит из силового цилиндра с крышкой, поршнем и телескопическим штоком и клапана управления, имеющего корпус с крышкой, полый шток с возвратной Пружиной и пластинчатым клапаном с пруячиной. Штоки силового цилиндра и клапана уплотнены резиновыми чехлами.

Силовой цилиндр закреплен на раме, и шток его соединен шарнирно с концом тяги выключения сцепления. Корпус клапана управления закреплен на штоке силового цилиндра. Передняя полость корпуса клапана управления с помощью гибкого шланга и трубки соединена с воздушным баллоном тормозной системы автомобиля. Средняя полость корпуса клапана гибким шлангом соединена через канал в крышке с рабочей полостью силового цилиндра.

Рис. 1. Сцепление тппа ЯМЗ-236 автомобиля МАЗ-500

На заднем конце штока силового цилиндра установлен шарнирно качающийся поводок с регулировочным винтом, соприкасающимся со штоком клапана. Верхнее плечо поводка тягой соединено с рычагом, закрепленным на нижнем рычаге тяги выключения сцепления. Тяга передней вилкой соединена с пальцем рычага продолговатым отверстием.

Рис. 2. Механизм привода сцепления с пневматическим усилителем автомобиля МАЗ-500

Усилитель действует следующим образом.

В нерабочем состоянии шток не касается пластинчатого клапана, и он закрыт под действием пружины и давления подводимого к нему сжатого воздуха.

При отпущенной педали сцепления вся система привода находится под действием пружин в исходном положении. Клапан усилителя при этом закрыт. При нажатии на педаль нижний рычаг, перемещаясь в продольном пазу вилки тяги сцепления, через тягу поворачивает поводок, который, нажимая на шток, перемещает его, открывая клапан, который закрывает полость штока. При этом сжатый воздух поступает через клапан и по шлангу в рабочую полость силового цилиндра. Давлением воздуха поршень перемещается в цилиндре и через шток передает дополнительное усилие на тягу, снижая необходимое для выключения сцепления усилие на педали. При отпускании педали поводок отходит от штока, и клапан закрывается. Рабочая полость силового цилиндра при этом через шланг и полый шток клапана сообщается с атмосферой.

Составной шток обеспечивает пропорциональность действия усилителя усилию, прикладываемому водителем к педали, и позволяет выключать сцепление в случае необходимости одним механическим приводом при неработающем усилителе.

Наличие в приводе сцепления составной тяги с шарнирным соединением позволяет откидывать кабину автомобиля не нарушая всех соединений механизма привода.

В сцеплении регулируют установку выключающих рычагов с упорным кольцом, зазор между выжимным подшипником и плоскостью упорного кольца, зазор между штоком и винтом поводка клапана управления и длину промежуточной и составной тяг.

Установка выключающих рычагов с упорным кольцом производится так, чтобы расстояние от плоскости упорного кольца до плоскости нажимного диска было равно 55,5—56,5 мм. Эта регулировка производится при сборке сцепления подвертыванием регулировочных гаек вилок подвески рычагов. В установленном положении гайки закрепляются специальными стопорами.

Зазор между упорным кольцом и выжимным подшипником должен быть равен 3,2—4,0 мм, что соответствует свободному ходу педали 45— 55 мм. Регулировка осуществляется изменением длины тяги выключения сцепления при выключенном усилителе.

Зазор между поводком и штоком клапана усилителя должен быть равен 0,2—0,5 мм; регулировка осуществляется винтом, завернутым в поводок. Винт стопорится контргайкой. Длина составной тяги должна быть отрегулирована так, чтобы задний промежуточный рычаг при свободной педали был отклонен назад на угол, равный 12—14°. Длину промежуточной тяги 6 регулируют при откинутой кабине так, чтобы ее можно было соединить с верхним рычагом, отведенным в заднее крайнее положение.

Кроме рассмотренного сцепления (типа ЯМЭ-236), с дизелем ЯМЗ-236 применяется также сцепление с центральной конической пружиной (типа ЯМЗ-236Б). Сцепление типа ЯМЗ-236Б состоит из кожуха (рис. 271, а) с опорным фланцем, нажимного диска, ведомого диска с накладками и ступицей, центральной пружины с передвижной втулкой и нажимными рычагами и выключающего механизма.

Чугунный кожух присоединен болтами к маховику. В выемках кожуха установлен четырьмя выступами нажимной диск с четырьмя оттяжными шпильками с пружинами. Между маховиком и нажимным диском установлен ведомый диск. Диск соединен со ступицей, установленной на шлицах первичного вала коробки передач, при помощи заклепок.

Передний конец первичного вала установлен в коленчатом валу на шарикоподшипнике, а задний конец вала — на подшипнике в стенке картера коробки передач.

В кожухе сцепления установлен на регулировочных прокладках (четыре комплекта) и закреплен сухарями на четырех шпильках опорный фланец с поставленной в нем передвижной втулкой. Между опорным фланцем и втулкой установлена в сжатом состоянии центральная конусная пружина. На внутреннем конце передвижной втулки закреплена при помощи стопорного кольца обойма. В обойме на шариках закреплены внутренние концы нажимных рычагов, расположенных веерообразно. Рычаги опираются на кольцевой выступ опорного фланца и надавливают на кольцевой выступ нажимного диска.

Центральная пружина давит на фланец передвижной втулки и оттягивает ее назад вместе с внутренними концами нажимных рычагов. Наружные концы рычагов при этом, опираясь на кольцевой выступ опорного фланца 8, давят на выступ нажимного диска, прижимая диск к маховику и обеспечивая зажатие ведомого диска.

Веерообразной системой нажимных рычагов достигается равномерное распределение усилия от одной центральной пружины по всей окружности нажимного диска. Вследствие некоторой упругости рычагов, получающих во включенном состоянии небольшой прогиб, сцепление плавно включается, а при соответствующем соотношении плеч рычагов (равном 7 : 5) увеличивается усилие, передаваемое от пружины на диски.

Рис. 3. Сцепление типа ЯМЭ-236Б и схемы его работы

Для улучшения вентиляции дисков сцепления в целях их охлаждения в кожухе сцепления и опорном фланце сделаны окна, а нажимные рычаги имеют отгибы, поэтому воздух при вращении сцепления завихривается.

Выключающий механизм состоит из муфты выключения с шарикоподшипником, установленной на направляющей втулке, вилки с валиком и рычагом, регулируемой тяги и механического привода с пневматическим усилителем, рассмотренными ранее. Муфта выключения и тяга имеют оттяжные пружины. Правильное положение выключающей муфты обеспечивается направляющим пальцем, закрепленным на фланце направляющей втулки.

Сцепление закрыто чугунным картером, прикрепленным болтами к картеру маховика. Снизу картера сцепления имеется люк, закрытый крышкой с вентиляционным отверстием.

Сцепление данного типа работает следующим образом: при отпущенной педали тяга с вилкой под действием оттяжной пружины установлена в исходное положение, и между выжимным подшипником и фланцем втулки имеется зазор. При этом диски сцепления сжаты под действием пружины и нажимных рычагов, и сцепление включено.

При нажатии на педаль муфта выключения перемещается вперед и надавливает на передвижную втулку. Втулка, сжимая пружину, двигается вперед вместе с внутренними концами нажимных рычагов. Давление наружных концов рычагов при этом на нажимной диск прекращается, и диск при помощи оттяжных пружин шпилек отводится от маховика, освобождая ведомый диск. Сцепление при этом выключается.

По мере износа накладок ведомого диска нажимной диск перемещается несколько вперед. Вследствие этого положение нажимных рычагов и передвижной втулки изменяется, и пружина, разжимаясь, ослабляет давление, что может привести к буксованию сцепления.

Чтобы увеличить силу давления пружины, удаляют по одной регулировочной прокладке с каждой шпильки крепления опорного фланца. Тогда при затяжке гаек крепления фланец переместится на толщину одной прокладки вперед, будет сильнее надавливать на рычаги, и первоначальная длина и сила давления пружины восстановятся.

При правильной регулировке затяжки пружины расстояние А от плоскости фланца передвижной втулки до плоскости кожуха 5 во включенном сцеплении должно быть равно 31,5—35,5 мм. В случае увеличения этого размера, что будет -заметно по уменьшению свободного хода педали сцепления, необходимо произвести указанную выше регулировку.

При удалении во всех комплектах по одной регулировочной прокладке расстояние А уменьшается на 2,8—3,2 мм.

Для нормальной работы подшипника муфты выключения между подшипником и фланцем передвижной втулки должен быть зазор Б, равный 3,2—4,0 мм, что соответствует свободному ходу педали 32—38 мм. После выполнения основной регулировки (затяжки пружины) нормальную ве1 личину свободного хода педали регулируют изменением длины тяги выключения сцепления.

Муфту выключения смазывают через масленку, имеющуюся на картере сцепления, по гибкому шлангу.

На автомобиле МАЗ-200 с дизелем Я АЗ-М204 установлено однодисковое сухое сцепление с центральной конической пружиной. Устройство и принцип действия этого сцепления аналогичны устройству и принципу действия сцепления типа ЯМЗ-236Б. Диаметр ведомого диска сцепления равен 352 мм. Сцепление снабжено гасителем крутильных колебаний, соединяющим ведомый диск со ступицей. Гаситель состоит из двух крышек, прикрепленных с промежуточным кольцом к ведомому диску. Внутри между крышками и фланцем ступицы установлены две кольцевые пружины, которые своими выступами входят в отверстия фланца ступицы и крышек. Привод выключения сцепления механический. Тяга непосредственно соединена с рычагом педали сцепления.

Правильная регулировка сцепления определяется расстоянием А (рис. 3), равным 27—31,5 мм, и зазором Б, равным 2,5—3,0 мм, что соответствует свободному ходу педали 32—38 мм.

Рис. 4. Сцепление автомобиля MA3-200

Clutchmaxstore | Clutchmaxstore

  • НОВЫЕ ПОСТУПЛЕНИЯ

  • ПОПУЛЯРНОЕ

  • ПОПУЛЯРНЫЙ

{«теги»:[«08026″,»2002″,»2003″,»2004″,»2005″,»2006″,»2007″,»2008″,»2009″,»2010″,»2011», «2012», «2013», «2014», «2015», «Аккорд», «Acura», «Civic», «CR-V», «CSX», «EX», «Honda», «ILX», «LX», «MUGEN», «RSX», «SE», «Si», «Sir», «TSX»]}

ClutchMax

CLUTCHMAX STAGE 2 КОМПЛЕКТ СЦЕПЛЕНИЯ И НАБОР ХРОМОЛИЕВОГО МАХОВИКА PERFORMANCE [CM08026HDLSF-ST2]

189,00 долларов США

Название по умолчанию

{«теги»:[«02″,»03″,»04″,»05″,»06″,»07″,»08″,»08037″,»09″,»10″,»11», «2002», «2003», «2004», «2005», «2006», «2007», «2008», «2009». «,»2010″,»2011″,»Civic Si»,»CSX»,»RSX»,»Type-S»]}

ClutchMax

КОМПЛЕКТ СЦЕПЛЕНИЯ CLUTCHMAX STAGE 3 [CM08037HDC-ST3]

$87.00

Название по умолчанию

{«теги»:[«08037″,»2002″,»2003″,»2004″,»2005″,»2006″,»2007″,»2008″,»2009″,»2010″,»2011», «2012», «2013», «2014», «2015», «Аккорд», «Acura», «Civic», «CSX», «EX», «Honda», «ILX», «LX», «MUGEN «,»RSX»,»SE»,»Si»,»сэр»,»TSX»]}

ClutchMax

CLUTCHMAX STAGE 3 КОМПЛЕКТ СЦЕПЛЕНИЯ И НАБОР МАХОВИКА PERFORMANCE CHROMOLY [CM08037HDCLSF-ST3]

$223,00

Название по умолчанию

{«теги»:[«08037″,»2002″,»2003″,»2004″,»2005″,»2006″,»2007″,»2008″,»2009″,»2010″,»2011», «2012», «2013», «2014», «2015», «Аккорд», «Acura», «Civic», «CSX», «EX», «Honda», «ILX», «LX», «MUGEN «,»RSX»,»SE»,»Si»,»сэр»,»TSX»]}

ClutchMax

CLUTCHMAX STAGE 2 КОМПЛЕКТ СЦЕПЛЕНИЯ И КОМПЛЕКТ ХРОМОЛИЕВОГО МАХОВИКА PERFORMANCE [CM08037HDLSF-ST2]

214,00 долларов США

Название по умолчанию

{«теги»:[«08046″,»2006″,»2007″,»2008″,»2009″,»2010″,»2011″,»2012″,»2013″,»2014″,»2015», «Гражданский»]}

ClutchMax

CLUTCHMAX STAGE 1 КОМПЛЕКТ СЦЕПЛЕНИЯ И НАБОР МАХОВИКА [CM08046HDLSF-ST1]

209,00 долларов США

Название по умолчанию

{«теги»:[«08022″,»1992″,»1993″,»1994″,»1995″,»1996″,»1997″,»1998″,»1999″,»2000″,»2001», «2002», «2003», «2004», «2005», «civic», «Civic del Sol», «CX», «DX», «EX», «GX», «Honda», «HX», «LX», «Reverb», «S Coupe», «SI», «Value», «VX»]}

ClutchMax

CLUTCHMAX STAGE 2 КОМПЛЕКТ СЦЕПЛЕНИЯ И НАБОР МАХОВИКА PERFORMANCE CHROMOLY [CM08022HDLSF-ST2]

200,00 долларов США

Название по умолчанию

{«теги»:[«03005″,»1991″,»1992″,»1993″,»1994″,»1995″,»1996″,»1997″,»1998″,»2000″,»2001», «2002», «323i», «323is», «325i», «325is», «328i», «328is», «525i», «528i», «BMW», «M3», «Z3»]}

ClutchMax

CLUTCHMAX STAGE 4 КОМПЛЕКТ СЦЕПЛЕНИЯ И КОМПЛЕКТ МАХОВИКА PERFORMANCE CHROMOLY [CM03005HDCLSF-ST4]

$368,00

Название по умолчанию

{«теги»:[«03049″,»1999″,»2000″,»2001″,»2002″,»2003″,»323Ci»,»323i»,»325Ci»,»325i»,»325xi», «328Ci», «328i», «330Ci», «330i», «330xi», «525i», «528i», «530i», «BMW», «Z3», «Z4»]}

ClutchMax

CLUTCHMAX STAGE 2 КОМПЛЕКТ СЦЕПЛЕНИЯ И КОМПЛЕКТ ХРОМОЛИЕВОГО МАХОВИКА PERFORMANCE [CM03049HDLSF-ST2]

$515,00

Название по умолчанию

{«теги»:[«03049″,»1999″,»2000″,»2001″,»2002″,»2003″,»323Ci»,»323i»,»325Ci»,»325i»,»325xi», «328Ci», «328i», «330Ci», «330i», «330xi», «525i», «528i», «530i», «BMW», «Z3», «Z4»]}

ClutchMax

CLUTCHMAX STAGE 3 КОМПЛЕКТ СЦЕПЛЕНИЯ + КОМПЛЕКТ ХРОМОЛИЕВОГО МАХОВИКА PERFORMANCE [CM03049DFLSF-ST3]

$561,00

Название по умолчанию

{«теги»:[«03005″,»1991″,»1992″,»1993″,»1994″,»1995″,»1996″,»1997″,»1998″,»2000″,»2001», «2002», «323i», «323is», «325i», «325is», «328i», «328is», «525i», «528i», «BMW», «M3», «Z3»]}

ClutchMax

CLUTCHMAX STAGE 2 КОМПЛЕКТ СЦЕПЛЕНИЯ И НАБОР МАХОВИКА PERFORMANCE CHROMOLY [CM03005HDLSF-ST2]

$386,00

Название по умолчанию

{«теги»:[«03005″,»1991″,»1992″,»1993″,»1994″,»1995″,»1996″,»1997″,»1998″,»2000″,»2001», «2002», «323i», «323is», «325i», «325is», «328i», «328is», «525i», «528i», «BMW», «M3», «Z3»]}

ClutchMax

CLUTCHMAX STAGE 3 КОМПЛЕКТ СЦЕПЛЕНИЯ И КОМПЛЕКТ ХРОМОЛИЕВОГО МАХОВИКА PERFORMANCE [CM03005DFLSF-ST3]

440,00 долларов США

Название по умолчанию

{«теги»:[«03005″,»1991″,»1992″,»1993″,»1994″,»1995″,»1996″,»1997″,»1998″,»2000″,»2001», «2002», «323i», «323is», «325i», «325is», «328i», «328is», «525i», «528i», «BMW», «M3», «Z3»]}

ClutchMax

КОМПЛЕКТ СЦЕПЛЕНИЯ CLUTCHMAX STAGE 2 [CM03005HD-ST2]

128,00 долларов США

Название по умолчанию

{«теги»:[«06072″,»2003″,»2004″,»2005″,»2006″,»20074″,»350Z»,»G35″]}

ClutchMax

CLUTCHMAX STAGE 3 КОМПЛЕКТ СЦЕПЛЕНИЯ И НАБОР ХРОМОЛИЕВОГО МАХОВИКА PERFORMANCE [CM06072HDCLSF-ST3]

$262,00

Название по умолчанию

{«теги»:[«06082″,»2007″,»2008″,»2009″,»2010″,»2011″,»2012″,»2013″,»2014″,»2015″,»2016», «2017», «2018», «350Z», «370Z», «G35», «G37»]}

ClutchMax

CLUTCHMAX STAGE 3 КОМПЛЕКТ СЦЕПЛЕНИЯ И НАБОР МАХОВИКА [CM06082HDCLSF-ST3]

329,00 долларов США

Название по умолчанию

{«теги»:[«06082″,»2007″,»2008″,»2009″,»2010″,»2011″,»2012″,»2013″,»2014″,»2015″,»2016», «2017», «2018», «350Z», «370Z», «G35», «G37»]}

ClutchMax

CLUTCHMAX STAGE 2 КОМПЛЕКТ СЦЕПЛЕНИЯ И НАБОР МАХОВИКА [CM06082HDWS-FW167332-ST2]

$292,00

Название по умолчанию

{«теги»:[«06072″,»2003″,»2004″,»2005″,»2006″,»20074″,»350Z»,»G35″]}

ClutchMax

CLUTCHMAX STAGE 4 КОМПЛЕКТ СЦЕПЛЕНИЯ И НАБОР МАХОВИКА PERFORMANCE CHROMOLY [CM06072HDDLSF-ST4]

$273,00

Название по умолчанию

{«теги»:[«06072″,»2003″,»2004″,»2005″,»2006″,»20074″,»350Z»,»G35″]}

ClutchMax

КОМПЛЕКТ СЦЕПЛЕНИЯ CLUTCHMAX STAGE 2 [CM06072HD-ST2]

$108,00

Название по умолчанию

{«теги»:[«06082″,»2007″,»2008″,»2009″,»2010″,»2011″,»2012″,»2013″,»2014″,»2015″,»2016», «2017», «2018», «350Z», «370Z», «G35», «G37»]}

ClutchMax

CLUTCHMAX STAGE 1 КОМПЛЕКТ СЦЕПЛЕНИЯ И НАБОР МАХОВИКА [CM06082HDWS-LSF06082-ST1]

329,00 долларов США

Название по умолчанию

Муфты с максимальным крутящим моментом

Муфты с максимальным крутящим моментом

Максимальный крутящий момент

Муфты

разработаны, спроектированы и изготовлены для обеспечения исключительной производительности.
Они уникальны и оригинальны по дизайну и технике. Другие скопировали дизайн, но
они не могут воспроизвести производительность и надежность, заложенные в сцеплении Max-Torque.

Его эксклюзивная шлифованная втулка имеет микрообработку 10 для более гладкого контакта втулки, меньшего трения и увеличения срока службы.
Пружина из нержавеющей стали не ржавеет, обеспечивая более стабильное приложение давления башмака. Эти и другие характеристики Max-Torque
новаторские функции обеспечивают качество, указанное производителями оригинального оборудования (OEM) … и требуемое вами.

Max-Torque, Ltd. производит множество специальных сцеплений, не указанных на этом веб-сайте. Если вы считаете, что особый дизайн оправдан,
пожалуйста, свяжитесь с нами для обзора и цитаты вашего приложения.

Автоматическому центробежному сцеплению следует уделить первостепенное внимание при проектировании систем передачи мощности, использующих бензин.
двигатели с коленчатым валом не более 3/4 дюйма и требующие следующих характеристик:

  • Минимум операционных элементов управления
    Дроссельная заслонка становится единственным органом управления для включения или отключения мощности, а также для управления рабочей скоростью. Увеличьте скорость двигателя и включите трансмиссию — замедлите двигатель, и он отключится — один элемент управления, и все это сделает дроссельная заслонка.
  • Запуск без нагрузки
    Стандартное автоматическое сцепление Max-Torque «SS» настроено на включение примерно при 2200 об/мин. Этот уровень скорости включения защищает оператора, а также систему передачи мощности во время проворачивания коленчатого вала двигателя, запуска и работы на холостом ходу.

  • Защита от перегрузки и безопасность
    Автоматическая центробежная муфта обеспечивает плавное включение, что защищает двигатель и трансмиссию от ударов и высоких начальных нагрузок. В случае перегрузки двигатель перейдет на более низкую скорость, что автоматически отключит сцепление. Как только состояние перегрузки будет устранено, сцепление снова включится и будет работать нормально. Эта функция максимально повышает безопасность оборудования и оператора.


При выборе центробежной муфты убедитесь, что она предлагает следующее:

  • По часовой стрелке или против часовой стрелки —
    Муфта Max-Torque будет работать с одинаковой эффективностью как при вращении по часовой стрелке, так и против часовой стрелки. Сцепление может быть установлено внутри или снаружи без каких-либо регулировок.

  • Поддерживает внешний вид —
    Барабан и звездочка имеют черное оксидное покрытие.
    в то время как пластины привода и башмака
    оцинкованная. Обе отделки помогают поддерживать
    качественный внешний вид при защите от
    ржавчина.

  • Пропитанная маслом втулка —
    Пропитанная маслом бронзовая втулка вращается на шлифованной втулке. Эта конфигурация с использованием высококачественного
    Специально разработанное масло или смазка для смазки втулок значительно увеличивает срок службы сцепления при высоких температурах.
    условия над узлами, в которых используются игольчатые подшипники. Втулка более «терпима» к нагреву и загрязнению, чем игольчатый подшипник.

  • Обувь из спеченного металла —
    В сцеплении Max-Torque используются шесть колодок сцепления из металлокерамического сплава. Стандартное сцепление настроено на включение при 2200 об/мин с мягким действием, которое обеспечивает защиту вала двигателя и ведомых элементов. Плавное зацепление обеспечивает безопасность и
    устраняет любое резкое самовозбуждающее действие. Шесть башмаков равномерно распределяют центробежную силу нагрузки на 345 градусов по окружности барабана, что уменьшает его деформацию. Гладкая неагрессивная
    действие включения приближается к автоматической коробке передач.

  • Пружина подвязки из нержавеющей стали —
    Единая непрерывная стягивающая пружина из нержавеющей стали удерживает шесть плавающих колодок, обеспечивая равномерность и постоянство включения и выключения колодок сцепления. Используемая нержавеющая сталь устойчива к ржавчине и
    может выдерживать более высокие температурные диапазоны, чем пружины из музыкальной проволоки.

Цапфа дт 75: ᐅ Цапфа каретки ДТ-75 (77.30.018) — Волгоградский тракторный завод

Цапфа каретки дт75 в категории «Грузовики, автобусы, спецтехника»

Уплотнение 85.31.021 цапфы каретки ДТ-75

Под заказ

Доставка по Украине

450 грн

Купить

Уплотнение цапфы каретки ДТ-75, 85.31.021

Доставка по Украине

570 грн

Купить

Втулка 77.30.136А цапфы большая каретки трактора ДТ-75,ДТ-75Н,ДТ-75М,ДТ-75МВ,ДТ-75НБ

Доставка из г. Харьков

250 грн

Купить

Ремкомплект катка каретки ДТ-75/М/МЛ/Казахстан, полный, на 4катка

Доставка по Украине

850 грн

Купить

54.31.405-2 Корпус уплотнения каретки ДТ-75. новое

Доставка по Украине

220 грн

Купить

Уплотнение катка каретки ДТ-75 54.31.025

На складе в г. Киев

Доставка по Украине

167 грн

Купить

Кольцо катка каретки ДТ-75 (под резиновое кольцо) 54.31.463

На складе в г. Киев

Доставка по Украине

83 грн

Купить

Ось катка каретки ДТ-75 85. 31.119А

На складе в г. Киев

Доставка по Украине

1 040 грн

Купить

Прокладка регулировочная катка каретки ДТ-75 (0.6мм) 54.31.444

На складе в г. Киев

Доставка по Украине

35 грн

Купить

Прокладка регулировочная катка каретки ДТ-75 (0.4мм) 54.31.406

На складе в г. Киев

Доставка по Украине

35 грн

Купить

Кришка каретки підвіски ДТ-75 77.31.103А

Доставка из г. Луцк

280 грн

Купить

Вісь катка каретки ДТ-75 85.31.119

Доставка из г. Луцк

800 грн

Купить

Ремкомплект катка каретки трактора ТДТ-55А, ЛХТ-55А, ДТ-75 (1419)

На складе в г. Полтава

Доставка по Украине

55 грн/комплект

Купить

Чехол каретки катка ДТ-75 (пр-во Украина) (54-31409-1Б)

На складе в г. Полтава

Доставка по Украине

72 грн

Купить

Чехол уплотнения 54. 31.025 катка каретки трактора ДТ-75

Доставка по Украине

95 грн

Купить

Смотрите также

Крышка 77.31.103А каретки трактора ДТ-75

Доставка по Украине

250 грн

Купить

Шайба 77.31.107-1 цанговой гайки каретки трактора ДТ-75

Доставка по Украине

150 грн

Купить

Каретка подвески 85.31.001 трактора ДТ-75

Доставка по Украине

14 000 грн

Купить

Каретка ДТ-75

Доставка по Украине

15 108 грн

Купить

Ось катка каретки ДТ-75 85.31.119А

Доставка по Украине

984 грн

Купить

Каретка ДТ-75, 85.31.001/002, с новым катком

Доставка по Украине

25 000 грн

Купить

Каретка ДТ-75С «Волгарь» 85.31.001/002, ремонтная

Доставка по Украине

15 500 грн

Купить

Кольцо уплотнения катка каретки ДТ-75, обрезиненное, 85.31.027

Доставка по Украине

80 грн

Купить

Ось качания 85.31.117 каретки подвески трактора ДТ-75

Доставка из г. Измаил

390 грн

Купить

Чехол уплотнения катка каретки. ДТ-75 РТИ 54.31.409-1Б

На складе в г. Измаил

Доставка по Украине

Цену уточняйте

Каретка подвески 85.31.001 ДТ-75

Доставка по Украине

14 000 грн

Купить

Шайба каретки 77.31.107 для трактора ДТ-75

Доставка по Украине

90 грн

Купить

Втулка каретки балансира 77.31.111 трактора ДТ-75

Доставка по Украине

200 грн

Купить

Уплотнение 85.31.021 каретки ДТ-75

Доставка по Украине

400 грн

Купить

Цапфа дт-75 77-30-126-1А | Festima.Ru

Автозапчасти

Таблица

Список

Лента

 Цапфa ДT-75 77-30-126-1A — в наличии cо склада в Нижнем Hовгoроде! ____________________________________________ Всегдa в наличии запacныe чacти к сельскоxозяйствeнной и cпeцтexникe. Отправка в рeгиoны тpaнcпoртнoй кoмпанией – eжедневнo! Cпоcoб оплaты: диcкoнтнaя сиcтемa cкидок, предоплaтa, нaличными, оплата картой, бaнковcким пeрeводом.

Мы нашли это объявление 3 года назад

Нажмите Следить и система автоматически будет уведомлять Вас о новых предложениях со всех досок объявлений

Перейти к объявлению

Тип жалобы
ДругоеНарушение авторских правЗапрещенная информацияОбъявление неактульноПорнографияСпам

Комментарий

Показать оригинал

Адрес (Кликните по адресу для показа карты)

Нижний Новгород, Нефтегазовская улица, 1А
Еще объявления

Oпыт pаботы cвыше 17 лeт. Любыe Оперативнo Вcегда в наличии Жeлаемое сocтoяниe Pасчет пo cдeлке обгoвapиваeтcя отдeльно. Отправляeм в любoй peгиoн: кaретка ДТ 75 pама ДT 75 ревepс ДT 75 редуктoр ДT 75 xодоумeньшитель ДT 75 тpaнсмиссия ДТ 75 бортовая ДT 75 кapдaн ДТ 75 мост ДТ 75 колесо ведущее ДТ 75 колесо направляющее ДТ 75 каток опорный ДТ 75 каток поддерживающий гусеницы ДТ 75 двигатель ДТ 75 кабина ДТ 75 бак ДТ 75 радиатор ДТ 75 стартер ДТ 75 навеска ДТ 75 отвал ДТ 75 лопата ДТ 75 генератор ДТ 75 скоба ДТ 75 стекло ДТ 75 сцепление ДТ 75 кронштейн ДТ 75 ось ДТ 75 цапфа ДТ 75 шкив ДТ 75 подшипник ДТ 75 палец ДТ 75 коленвал ДТ 75 звено гусеницы ДТ 75 поддон ДТ 75 шестерня солнечная ДТ 75 двигатель А 41 блок двигателя А 41 раздельные головки А 41 двигатель Д 260 компрессор МТЗ 82 МТЗ 1221 компрессор Д 260 и т д Если не сильно разбираетесь, проконсультируем и поможем, посоветуем со снятием-постановкой, либо привезете к нам. Звоните в рабочие дни, или пишите в любой день с 9:00 до 20:00. Если вдруг не ответили по телефону(бывает вечером), пожалуйста, не стесняйтесь, напишите нам на Авито, без ответа не оставим

Автозапчасти

год назад

Источник

Цапфа ДТ 75 77.30.126-1А

Автозапчасти

год назад

Источник

 Цапфa ДT-75 77-30-126-1А — в наличии со cклада в Нижнем Hовгoрoде! ____________________________________________ Bсeгдa в наличии зaпacныe чacти к сельскoхозяйствeннoй и cпецтеxникe. Oтправкa в pегионы тpанcпoртнoй кoмпaниeй – eжeднeвнo! Спoсоб оплаты: дисконтнaя сиcтемa cкидок, пpедoплата, наличными, оплaтa картой, банковским пeрeводом.

Автозапчасти

2 года назад

Источник

 Цапфа ДТ-75 77-30-126-1A — в нaличии co склада в Нижнем Hовгoрoдe! ____________________________________________ Вceгда в наличии зaпacныe чacти к сельскохозяйственной и спецтехнике. Отпpавка в рeгионы трaнcпoртной кoмпаниeй – eжедневно! Cпocoб оплаты: дискoнтнaя сиcтемa cкидок, пpeдоплaта, наличными, oплaта картoй, бaнковским переводом.

Автозапчасти

Нижегородская область, Нижний Новгород, Нефтегазовская ул., 1А

2 года назад

Источник

Внимание! Festima.Ru является поисковиком по объявлениям с популярных площадок.
Мы не производим реализацию товара, не храним изображения и персональные данные.
Все изображения принадлежат их авторам
Отказ от ответственности

Болт распортный в цапфу ,вал каретки на трактор ДТ-75 .Состояние хорошее . ( в наличии 30 шт , цена за 1 шт) В наличии огромный выбор запчастей на трактора дт-75 отправим любой транспортной компанией .

Автозапчасти

Санкт-Петербург, территория Конная Лахта

2 года назад

Источник

Болт распортный в цапфу ,вал каретки на трактор ДТ-75 .Состояние хорошее . ( в наличии 30 шт , цена за 1 шт) В наличии огромный выбор запчастей на трактора дт-75 отправим любой транспортной компанией .

Автозапчасти

Россия, Санкт-Петербург, территория Конная Лахта

2 года назад

Источник

Цапфа левая, правая на МТЗ, цапфа каретки подвески на ДТ-75,цапфа для КРН(рыхлителя), цапфа комбайна КСК 100 .В наличии, новый. Запчасти новые заводские. Выбор большой.Полный перечень и цены уточняйте по тел. с 10 до 19 часов

Автозапчасти

Республика Башкортостан, Уфа, улица Цюрупы

2 года назад

Источник

Цапфа левая, правая на МТЗ, цапфа каретки подвески на ДТ-75,цапфа для КРН(рыхлителя), цапфа комбайна КСК 100 .В наличии, новый. Запчасти новые заводские. Выбор большой.Полный перечень и цены уточняйте по тел. с 10 до 19 часов

Автозапчасти

2 года назад

Источник

Цапфа левая, правая на МТЗ, цапфа каретки подвески на ДТ-75,цапфа для КРН(рыхлителя), цапфа комбайна КСК 100 . В наличии, новый. Запчасти новые заводские. Выбор большой.Полный перечень и цены уточняйте по тел. с 10 до 19 часов

Автозапчасти

Республика Башкортостан, Уфа, ул. Цюрупы

2 года назад

Источник

УПЛОТНEHИЕ ЦAПФЫ ДТ-75 85.31.021 Много другиx запчaстeй на ДТ-75, ТТ-4 (А-41,А-01,Д-440,Д-461). B нaличии и пoд зaкaз.  ПEРЕХОДИ В МAГAЗИH, НИЖE. ПОЗВОНИ.  Дoставка пo всей Рocсии. Bce пoдрoбноcти пo телефону, на нашем caйте «Aгрoдeталь» или в мaгaзинe Авитo.  Адpec: PT, г.Казaнь, Дoрожный пeреулок, д.3а. Просьба заранее делать предварительный звонок по наличию и стоимости данной запчасти на складе.

Автозапчасти

Республика Татарстан, Казань, Дорожный пер., 3А

2 года назад

Источник

УПЛОTНEНИE ЦAПФЫ ДТ-75 85.31.021 Много другиx запчaстeй нa ДТ-75, TТ-4 (A-41,А-01,Д-440,Д-461). B нaличии и пoд зaкaз.   ПEРЕХOДИ B МAГАЗИН, НИЖE. ПОЗBOHИ.  Доставка по вceй Poсcии. Всe пoдpoбности пo телeфoну, нa нашeм сaйте «Aгрoдeталь» или в мaгaзинe Авитo.  Адрес: РТ, г.Кaзaнь, Дорожный пeреулок, д.3а. Просьба заранее делать предварительный звонок по наличию и стоимости данной запчасти на складе.

Автозапчасти

2 года назад

Источник

Гидроцилиндр отвала ДТ ЦС- 80.56.710.000.64 ◾ Поршневой двустороннего действия, одно-штоковый. Купить гидроцилиндр отвала ДТ 75 можно в нашем магазине, для этого свяжитесь с нами любым удобным Вам способом — ☎️ ✉️ ◾ ГАРАНТИЯ от производителя ◾ Доступная цена и отличное качество ◾ Форма оплаты любая; работаем с НДС и без ◾ Постоянным и оптовым клиентам предоставляются скидки. 💥 Предоставляем запчасти для спецтехники в кредит без переплат. ┄┄┄┄┄┄┄┄┄┄┄┄┄┄┄┄┄┄┄┄┄┄┄┄┄┄┄┄┄┄┄┄ Гидроцилиндр подъема отвала ДТ 75 ЦС 80.56.710 ◾ Вес 42.2 кг ◾ Диаметр цилиндра 80 мм; диаметр штока 56 мм ◾ Ход поршня 710 мм; расстояние по центрам 1026 мм ◾ Номинальное давление 16 МПа; максимальное 20 МПа ◾ Крепление цилиндра отвала ДТ 75 — проушина штока с шарнирным подшипником (с помощью цапф) Применяемость: для подъема — опускания отвала бульдозера Д 606 на базе трактора ДТ-75, Т-150; ДЗ-42, ДЗ-162, ДЗ-130 Цилиндр отвала ДТ 75 — гильза цилиндрического типа с полированной внутренней поверхностью внутри которой находится поршень. Конструктивные элементы: корпус, шток, поршень, съемник, задняя и передняя крышки, гайка, опорно-направляющее кольцо, манжета штока уплотнительная. При производстве запчасти применяется ряд уплотнительных колец, предотвращающих утечку рабочей жидкости, а также защиты от пыли и грязи. Гидроцилиндры — важные высоконагружаемые детали: износ от нагрузки, воздействие абразивов жидкости и механические повреждения вынуждают периодически заменять запчасти. Предоставим поршневые гидроцилиндры для управления рабочим оборудованием тракторов и сельхозтехники, погрузчиков, бульдозеров, автокранов, экскаваторов, автосамосвалов, грейферов, коммунальной техники и самых различных установок и механизмов с гидросистемами. Перед поступлением в продажу каждая запчасть испытывается заводом-изготовителем на стенде под давлением. ┄┄┄┄┄┄┄┄┄┄┄┄┄┄┄┄┄┄┄┄┄┄┄┄┄┄┄┄┄┄┄┄ Если Вы не можете найти необходимую запчасть или сомневаетесь в выборе обращайтесь к нам. За каждым нашим клиентом закрепляется менеджер с опытом работы не менее 5 лет. ◾ ДОСТАВКА в регионы любой удобной Вам транспортной службой — Не теряйте отличное предложение, добавьте объявление в ИЗБРАННОЕ! 💙

Автозапчасти

6 месяцев назад

Источник

Поршневой гидравлический цилиндр отвала ДТ-75  ЦС- 80.56.970.000.64  Купить гидроцилиндр отвала ДТ 75 можно в нашем магазине, для этого свяжитесь с нами любым удобным Вам способом — ☎️ ✉️ ◾ ГАРАНТИЯ от производителя ◾ Доступная цена и отличное качество ◾ Форма оплаты любая; работаем с НДС и без ◾ Постоянным и оптовым клиентам предоставляются скидки. 💥 Предоставляем запчасти для спецтехники в кредит без переплат. ┄┄┄┄┄┄┄┄┄┄┄┄┄┄┄┄┄┄┄┄┄┄┄┄┄┄┄┄┄┄┄┄ Гидроцилиндр подъема отвала ДТ 75 ◾ Вес 58.5 кг ◾ Диаметр цилиндра 80 мм; диаметр штока 56 (55) мм ◾ Ход поршня 970 мм; расстояние по центрам 1285 мм ◾ Длина цилиндра 116 см ◾ Номинальное давление 16 МПа; максимальное 20 МПа ◾ Крепление цилиндра отвала ДТ 75 — проушина штока с шарнирным подшипником (с помощью цапф) Применяемость: для подъема — опускания отвала бульдозера Д 606 на базе трактора ДТ-75, Т-150; ДЗ-42, ДЗ-162, ДЗ-130 Вращательное движение насоса, полученное от ДВС при помощи гидравлического распределителя преобразуется в движение поршня гидроцилиндра. Управление отвалом осуществляет оператор бульдозера выбирая одно из четырех положений золотника распределителя. При подаче рабочей жидкости под давлением в поршневую полость шток гидроцилиндра выдвигается, а сама полость соединяется со сливной магистралью. Достигнув упора жидкость сливается в бак, так как срабатывает предохранительный клапан. Для фиксации отвала бульдозера в определенном положении необходима изоляция от напорной магистрали поршневой и штоковой полостей цилиндра — путем включения соответственного положения золотника распределителя. Другое положение золотника распределителя дает рабочей жидкости свободный доступ в обе полости цилиндра, данная позиция используется для заднего хода и планировки поверхности и называется «плавающее» положение отвала. Предоставим поршневые гидроцилиндры для управления рабочим оборудованием тракторов и сельхозтехники, погрузчиков, бульдозеров, автокранов, экскаваторов, автосамосвалов, грейферов, коммунальной техники и самых различных установок и механизмов с гидросистемами.   Перед поступлением в продажу каждая запчасть испытывается заводом-изготовителем на стенде под давлением. ┄┄┄┄┄┄┄┄┄┄┄┄┄┄┄┄┄┄┄┄┄┄┄┄┄┄┄┄┄┄┄┄ Если Вы не можете найти необходимую запчасть или сомневаетесь в выборе обращайтесь к нам. За каждым нашим клиентом закрепляется менеджер с опытом работы не менее 5 лет. ◾ ДОСТАВКА в регионы любой удобной Вам транспортной службой — Не теряйте отличное предложение, добавьте объявление в ИЗБРАННОЕ! 💙

Автозапчасти

6 месяцев назад

Источник

Гидpoцилиндр Ц110х250-3 (ЦГ-110.40х250.01) зaдняя нaвeска ДТ-75 н.о. Гидpоцилиндp применяeтся в cиловых гидрocиcтeмax различного oборудoвaния: трактoрoв, экcкавaторов, cтанков, кpaнoв, вcевозмoжной спецтеxники. Они класcифициpуютcя пo cпоcобу дeйcтвия на мexaнизмы поcтупaтельнoго и повopoтнoго действия (пoследние используются редко, в основном в гидроприводах самоходов). Эти механизмы изготовлены из качественных, надежных и высокопрочных материалов. Это обеспечивает их износоустойчивость и увеличивает срок эксплуатации. Гидроцилиндр состоит из: 1. гильза (корпус цилиндра) 2. шток 3. поршень (деталь, которая накручивается на шток, и при движении штока, выдавливает рабочую жидкость из гильзы гидроцилиндра) 4. крепление гильзы (проушины, вилки, цапфы и т.д). Пример серийных гидроцилиндров: Гидроцилиндры к экскаваторам: гидроцилиндры рукояти, ковша, стрелы, опор, поворота стрелы; Гидроцилиндры тракторов: цилиндры подъема навески и цилиндры поворота колес; Гидроцилиндры бульдозеров: цилиндры отвала и навески; Гидроцилиндры автогрейдеров; Гидроцилиндры погрузчиков; Телескопические гидроцилиндры подъема кузова самосвалов КАМАЗ, МАЗ, ЗИЛ, ГАЗ, САЗ и их прицепов. Гидроцилиндр ЦС-110 нового образца, предназначен для управления задней навеской тракторов ДТ-75, а также передней навеской тракторов Т-121, также рабочими органами сельхозмашин. Технические характеристики Гидроцилиндр ЦГ-110.40х250.01: 1. Тип: поршневой 2. Каталожный номер: Ц110х250-3, ЦГ-110.40х250.01. 3. Диаметр поршня составляет: 110 мм 4. ход поршня: 250 мм 5. Диаметр штока: 50 мм 6. Давление номинальное, Мпа: 16 7. Давление максимальное, Мпа: 20 8. Масса гидроцилиндра: 27 кг

Автозапчасти

2 года назад

Источник

Гидpoцилиндр Ц110х250-3 (ЦГ-110.40х250.01) зaдняя навеска ДТ-75 н.о. Гидpоцилиндp применяeтcя в силoвыx гидроcиcтeмax различного oборудoвания: тpактopoв, экскаваторoв, cтанкoв, крaнов, всeвoзможной cпецтехники. Oни клaсcифицируютcя по cпоcобу дeйcтвия на мexанизмы пoступательнoго и повopотного дейcтвия (последние используются редко, в основном в гидроприводах самоходов). Эти механизмы изготовлены из качественных, надежных и высокопрочных материалов. Это обеспечивает их износоустойчивость и увеличивает срок эксплуатации. Гидроцилиндр состоит из: 1. гильза (корпус цилиндра) 2. шток 3. поршень (деталь, которая накручивается на шток, и при движении штока, выдавливает рабочую жидкость из гильзы гидроцилиндра) 4. крепление гильзы (проушины, вилки, цапфы и т.д). Пример серийных гидроцилиндров: Гидроцилиндры к экскаваторам: гидроцилиндры рукояти, ковша, стрелы, опор, поворота стрелы; Гидроцилиндры тракторов: цилиндры подъема навески и цилиндры поворота колес; Гидроцилиндры бульдозеров: цилиндры отвала и навески; Гидроцилиндры автогрейдеров; Гидроцилиндры погрузчиков; Телескопические гидроцилиндры подъема кузова самосвалов КАМАЗ, МАЗ, ЗИЛ, ГАЗ, САЗ и их прицепов. Гидроцилиндр ЦС-110 нового образца, предназначен для управления задней навеской тракторов ДТ-75, а также передней навеской тракторов Т-121, также рабочими органами сельхозмашин. Технические характеристики Гидроцилиндр ЦГ-110.40х250.01: 1. Тип: поршневой 2. Каталожный номер: Ц110х250-3, ЦГ-110.40х250.01. 3. Диаметр поршня составляет: 110 мм 4. ход поршня: 250 мм 5. Диаметр штока: 50 мм 6. Давление номинальное, Мпа: 16 7. Давление максимальное, Мпа: 20 8. Масса гидроцилиндра: 27 кг

Автозапчасти

Нижегородская область, Нижний Новгород, ул. Ларина, 13

2 года назад

Источник

Продaм комплект запчacтей на ДТ-75. 41-01С20-1 блoк цилиндрoв А-41 1 6T2-0113 палец шестeрни прoмeжутoчнoй 195 41-0201 кaртер шеcтeрeн 1 6T2-0202-1 кpышка 1 43-0661 кoллектоp впуcкнoй 2 16-С18 головка топливнoгo нacoca 20 41-0403 венeц маховика 3 6Т3-04С6A мaxoвик A-41 (Стаpогo oбрaзцa, шплинт 9 , d=10) 1 41-0501-1 вал pаспрeделитeльный 16 6T3-0502 шecтepня pacпределительного вала 8 6Т2-05С9 колесо зубчатое 7 41-05С12 колесо зубчатое 10 А33. 00.003 колесо зубчатое 1 41-0664А колпак 1 43-06С8 прокладка головки блока 32 43-06с9 головка блока в сборе 2 41-10С2А редуктор пускового двигателя А-411 4Т6-1905 шестерня (z=44) 80 4Т6-1906 вал редуктора 25 01-1919 шестерня включения (Z=16) 72 6Т2-2106 диск 40 6Т2-2107 ступица 40 6Т2-21С9 отводка выжимного подшипника 1 р/к р/к корзины сцепления 3 41-21С12А корзина А-41 2 6Т2-21С4 корпус муфт сцепления (крышка) 10 6Т2-2126 вилка выключения 1 236-1007028 сухарь клапана 50 А52.21.000-70 диск ведомый А-41 (жесткий) 2 А52.21.000-70 диск ведомый А-41 (мягкий) 2 А52.22.500 рычаг отжимной 72 А52.22.101 диск нажимной 1 А52.22.201 диск промежуточный 3 41-21С3 механизм уравновешения 2 77.30.118 цапфа (77.30.126) 27 77.30.136А втулка балансира (большая) 120 85.31.012 клин оси качания 2 85.31.016А ось 2 85.31.018Р ось катка 32 85.31.021 уплотнения каретки подвески 4 А34-2-01 палец звена 14 85. 31.102 балансир внутренний 3 77.31.111 втулка цапфы 90 85.31.117 ось качания 6 54.31.405 корпус уплотнения 2 54.31.463 кольцо уплотнительное 4 77.32.105 колесо направляющий 2 77.32.118 корпус уплотнения 2 55.32.161 чехол 7 54.32.429 кольцо уплотнительное колеса направляющего 2 77.33.101 ось (А25.33.108) 11 85.33.201 корпус ролика 5 85.33.203 корпус уплотнения 6 77.35.101-2 Бугель 1 77.35.102-2 Бугель 1 77.36.011 головка кардана 2 77.36.012 тормозок 2 77.36.026Р вал карданный (СМД-18 с ХУМ) 1 79.36.030 вал карданный 1 77.36.101-1 вилка кардана (стр.обр) 19 77.36.102-1Б шкив тормозка (стр.обр) 5 77.36.103 гайка сцепления вала А-41 2 79.36.157 фланец 2 77.37.011 вал первичный 77.37.013В вилка 77.37.015 вилка 77.37.125-2 вал первичный 77.37.184 шестерня (Z=37) 77.37.185 блок шестерня (Z=32 Z=34) 77.37.186

Автозапчасти

2 года назад

Источник

Войти

Все сервисы становятся доступными без ограничений

Сможете пользоваться сервисом Festima. Ru на разных устройствах.

Это удобно и бесплатно

КАРБЮРАТОР (DT75) — 1988 Двухтактный подвесной двигатель 75 DT75

Все схемы для этой модели

Наличие продукта обновляется на этой странице каждые 24 часа. Добавьте товар в корзину, чтобы просмотреть его текущий статус

Показанное требуемое количество — это количество, используемое на сборку. Цена указана за количество от одной штуки, все товары продаются поштучно.

1

13201-956Р1
← 13201-956R1

264,95 $

Вы экономите 1,26 доллара. 266,21 $

2

13202-95643
← 13202-95643

Примечания: ~913596

314,95 $

315,52 $

2

13202-956R3
← 13202-956R3

Примечания: МОДЕЛЬ:91-97

633,00 $

633,11 $

3

13203-956Р1
← 13203-956Р1

$419,16

4

09492-80005
← 09492-80005

4

09492-87001
← 09492-87001

Примечания: МОДЕЛЬ:91-97

5

13271-93311
← 13271-93311

6

13269-93311
← 13269-93311

7,64 $

Вы экономите 5%. 8,04 $

Отзывы о товаре (1)

7

13582-95216
← 13582-95216

Примечания: 2ND

8

13236-96300
← 13236-96300

22,37 $

Вы экономите 1,18 $. 23,55 $

9

13237-94400
← 13237-94400

3,20 $

Вы экономите 5%. 3,37 $

10

13392-58600
← 13392-58600

Отзывы о товарах (1)

11

13370-28110
← 13370-28110

Примечания: VS:1.5

44,95 $

Вы экономите 1,56 $. 46,51 $

Отзывы о товаре (1)

12

13254-98300

2,93 $

Вы экономите 5%. 3,08 $

Отзывы о товаре (1)

13

13250-93012
← 13250-93012

$18,59

Вы экономите 5%. 19,57 $

Отзывы о товаре (1)

14

13251-93320
← 13251-93320

7,89 $

Вы экономите 5%. 8,30 $

Отзывы о товаре (1)

15

13249-95520
← 13249-95520

16

09162-05002
← 09162-05002

1,12 $

Вы экономите 5%. 1,18 $

17

09491-27008
← 09491-27008

Примечания: МОДЕЛЬ:88-91

9,95 $

10,00 $

17

09491-28011
← 09491-28011

Примечания: МОДЕЛЬ:92-97

14,95 $

15,24 $

18

13271-93311
← 13271-93311

19

13616-94500
← 13616-94500

20

37810-95606

214,95 $

Вы экономите 10,34 $. 225,29 $

Отзывы о товаре (1)

21

09125-05050
← 09125-05050

1,73 $

Вы экономите 5%. 1,82 $

22

08322-01057
← 08322-01057

0,99 $

Вы экономите 43%. 1,75 $

23

13240-94600
← 13240-94600

64,95 $

Вы экономите 3,54 $. 68,49 $

24

13268-96111
← 13268-96111

Отзывы о товаре (2)

24

13267-93900
← 13267-93900

3,02 $

Вы экономите 5%. 3,18 $

25

01411-08207
← 01411-08207

26

09491-26016
← 09491-26016

Примечания: OPT

13,68 $

Вы экономите 5%. 14,40 $

Отзывы о товаре (1)

26

09491-29002
← 09491-29002

Примечания: OPT

6,99 $

Вы экономите 24%. 9,14 $

27

09352-50006-600

Примечания: L:600->110

6,83 $

Вы экономите 5%. 7,19 $

Отзывы о товаре (10)

28

09401-08410
← 09401-08410

1,65 $

Вы экономите 5%. 1,74 $

Отзывы о товаре (7)

29

09401-08411
← 09401-08411

Примечания: МОДЕЛЬ:91-97

1,60 $

Вы экономите 5%. 1,68 $

30

13510-94700
← 13510-94700

31

09404-06039

1,57 $

Вы экономите 5%. 1,65 долл. США

32

01550-06127
← 01550-06127

2,09 $

Вы экономите 5%. 2,20 $

33

13910-94701
← 13910-94701

Примечания: ОПЦИЯ, НЕ ПОКАЗАНА

$29,95

Вы экономите 1,50 доллара. 31,45 $

Показанное требуемое количество — это количество, используемое на сборку. Цена указана за количество от одной штуки, все товары продаются поштучно.

Вернуться к началу

SG-KIT-DT-14-F — Комплект 14-контактных гнезд — Deutsch — Сторона крепления

Задайте вопрос

  • Привет, извините, я должен был быть более конкретным в своем вопросе. Моя машина — мини-погрузчик Cat 270D XPS High Flow 2020 года выпуска. Мое навесное оборудование — снегоуборочная машина John Deere SB84H High Flow. Оба оснащены 14-контактными разъемами. Подходит ли адаптер SG-CT14-JD 14 для моего приложения, и прилагаются ли к моей покупке инструкции по установке перемычки BK? Спасибо, Бретт

    Щелкните здесь для получения инструкций

  • Какой размер штифтов необходим для них? Мой босс потерял штифты, которые шли с вилкой, к тому времени, когда она пришла ко мне. Нью Холланд С232, если это имеет значение. Попытка подключить неоригинальный нагнетатель с гидравлической турбиной с электрическим шарниром на головке нагнетателя.

    Это не будет работать без схемы релейного триггера. Приходится менять полярность в цепи. Я работаю над прототипом для выпуска следующей осенью.

    SG-DPK-14S | Bobcat, Caterpillar D-Series, Kubota, John Deere — Socket Pack (Qty 14)

  • Он поставляется с проводом?

    Нет. Это разъем. Мы продаем с проводами.

    НАЖМИТЕ ЗДЕСЬ

  • Требуется ли для этого специальный обжимной инструмент или подойдет стандартный обжимной инструмент?

    Использует квадратную обжимку из припоя. Не используйте обычные щипцы, иначе они сдавят верхнюю часть и гнездо не войдет в ствол.

  • есть Gehl V330. Со стороны машины разъем HD34-18-14PN-059. будет ли это работать для стороны прикрепления?

    ПРАВИЛЬНО.

  • Вы отправляете в Канаду?

    Каждый день. За доставку в корзине будет взиматься дополнительная плата.

  • У меня мини-погрузчик JCB 320T. И я хочу запустить снегоуборщик JCB. Как ни странно, расположение контактов в электрических разъемах не совпадает. Главный нагнетатель, требующий высокого расхода, функционирует, однако шарнирное сочленение желоба и регулятор направления желоба также не работают.

    Интересно, можете ли вы прислать мне правильные PIN-коды для обеих половин соединения.

    Это не имеет смысла, но вот.

    B — Земля
    Набор управления C и D 1
    Набор управления E и F 2
    Набор управления G и H 3

  • Ищу штекер на Kubota SVL-95 (со стороны машины)

    НАЖМИТЕ ЗДЕСЬ

  • Что есть в наличии на SG-KIT-DT-14-F

    1500 В НАЛИЧИИ

  • Я приобрел у вас блок управления JCB для управления вентилятором CAT SR121 на моем Case SR200. На самом деле я задал вопрос, будет ли это работать. Я получил определенное да. Ну, это не так. Могу ли я получить номер специалиста службы поддержки, чтобы помочь, на данный момент коробка бесполезна. Спасибо за ваше время.

    Они всегда работают.
    1: Убедитесь, что на блок подается питание, посмотрев на вилку. Горит ли светодиод? Если нет, исправьте подключение питания.
    2: Проверьте отсутствие питания. Мы используем B для грунта, который соответствует спецификации Cat. Затем мы используем E,F,G,H для управления. Кошка не всегда их использует. Они могут использовать A и J, поэтому вам нужно будет переместить эти сокеты. Мы ничего не можем с этим поделать. Это 4-канальная коробка, но большинство производителей используют до 6 различных соединений, поэтому мы используем, возможно, 2 соединения в зависимости от того, что это такое. Мы не можем охватить все различные комбинации.

  • Подходит ли этот 14-контактный гнездовой разъем к новому минипогрузчику Case?

    Да, это так.

  • у вас есть штифт для навесного оборудования мульчера John Deere MH60D? У нас выскочило 4 провода (чёрный красный и 2 белых) и хотелось бы узнать как переподключить

    Какой разъем они используют? Трехконтактный или 14-контактный? Они используют оба, поэтому я должен спросить.

  • У вас есть схема подключения 14-контактного разъема для снегоочистителя Cat sr117? У меня есть машина Cat 257d, к которой я хочу подключить этот воздуходув.

    Спасибо

    Извините, но это очень трудно найти.

  • будет ли это подключаться к JCB 2021 270

    Да, будет.

  • Какого размера контакты, которые вы получаете с 14-контактной вилкой

    #14

  • Могу ли я приобрести маленький инструмент для удаления штифтов?
    Я сломал свой изношенный

    Прошу прощения за цену, но эти мелочи убивают нас в обращении. Мы пытались сделать так, чтобы вам приходилось покупать на минимальную сумму в долларах, чтобы покрыть обработку, но в конце концов мы согласились на то, чтобы что-то выиграть, а что-то потерять, поэтому за эту одну покупку мы зарабатываем 1 доллар, хотя цена такая высокая.

    НАЖМИТЕ ЗДЕСЬ

  • У вас есть схема подключения для 14-контактного разъема?

    Какое вложение?

  • Мне нужно подключить бетономешалка с 2-контактным немецким адаптером к моему мини-погрузчику с 14-контактным адаптером. Можете ли вы подтвердить, какой продукт я должен купить. Я хотел бы отправить фотографии для подтверждения. Могу ли я это сделать и на какой адрес электронной почты я могу отправить его. ЭТО СРОЧНО. Пожалуйста, ответьте как можно скорее.

    Вы не указали марку миксера, поэтому я предположил.

    Подойдет?

    НАЖМИТЕ ЗДЕСЬ

  • У меня есть бульдозерный отвал Cat 6, для которого я только что купил вашу вилку. Я использую его на Kubota SVL-95-2. У вас есть инструкция по распиновке для этого приложения?

    B — это земля, а E — управление. Разве в посылке не прислали бумажку с цветным пучком клеток?

  • У меня есть погрузчик с бортовым поворотом JCB с семью функциональными рычагами и несколькими неиспользуемыми кнопками. Я хочу подключить одну из этих кнопок к 12-вольтовому электромагнитному клапану потока на распылителе с воздушной струей, используйте удерживающую кнопку для точечного распыления с помощью предохранителя. в цепи. Будет ли ваш разъем замыкать эту цепь. Как вы думаете, такое подключение может вызвать проблемы с компьютером?

    Все зависит от текущих требований к воздушному бластеру. Можно узнать его характеристики? Требования к напряжению и максимальному току? До 15 ампер у вас все будет хорошо, пока не будет всплесков. Что-нибудь выше этого, и вам нужно будет управлять реле с прямым подключением к аккумулятору с предохранителем.

  • Я пытаюсь добавить отвал к моему John Deere 320E. Я купил комплект для JD, но мне нужно два разъема, чтобы я мог подключить проводку лезвия. Мне нужна 14-контактная круглая розетка и 3-контактная круглая вилка. У вас есть артикул 3 контакта?

    НАЖМИТЕ ЗДЕСЬ

  • Привет
    У вас есть схема подключения 14 проводной розетки на кошачьей метле? Провода выдернуты из вилки. Все выглядит хорошо, осталось только вернуть провода туда, откуда они идут.

    B заземлен — Черный провод. Если вы использовали левые кнопки, используйте E и F. Если вы используете правые кнопки, используйте C и D.

  • У меня есть телевизор Case Tv380 с 14-контактным штекером на машине, и я пытаюсь подключить планировщик холода, но у него есть 8-контактный разъем. У вас есть адаптер?

    Есть ли у фрезы 5 гидравлических линий? Если это так, вам необходимо увеличить скорость потока на вашей машине, чтобы вы могли запускать два насоса одновременно. В противном случае вам придется заменить гидравлический блок. Я так понимаю, это рубанок Cat. Они продают обновленный блок за 3500 долларов.

  • Доброе утро…. У меня 2916 Cat 262D. Знаете ли вы, какие напряжения на вспомогательных контактах должны быть на разъеме рычага погрузчика? На моей машине у меня есть 4 варианта выбора положения кнопки для активации поворотной головки, и я хочу использовать контакт C, который является нижней кнопкой на правом джойстике. Я предположил, что это 12 В, B+, но я измерил 2,58 В, B+. Я думал, что мне нужно 12 В, чтобы активировать переключающее реле на моих ножницах Precision Manufacturing. https://precisionmfg.com/extreme-duty/
    Разъем на стреле 14-контактный, но используется только 9.мужские булавки. Я видел в ваших часто задаваемых вопросах, что контакты A и E являются B-, это правильно? Какой контакт, если они есть, B-? Мой мобильный 512-588-0110, я в Техасе. Заранее спасибо

    B шлифован. CDEFJA являются элементами управления. Пожалуйста, прочтите этот FAQ. Здесь все подробно описано. Просто нажмите на ссылку.

    https://www.skidsteergenius.com/apps/help-center#hc-caterpiller-14-pin-explained

  • У меня есть корпус sv280 2017 года с 14-контактным разъемом, и я хочу подключить измельчитель пней cat sg16 к этому мини-погрузчику, и мне было интересно, можете ли вы сделать разъем для работы с этой установкой???

    Если у кофемолки есть 14-контактный штифт, используйте его.

    https://www.skidsteergenius.com/collections/adapters/products/sg-bc14-ct14-machine-side-bobcat-14-pin-to-attachment-side-cat-d-series-14-pin- Skid-steer-genius

    Если у него есть 8-контактный разъем, используйте его.
    https://www.skidsteergenius.com/collections/adapters/products/bobcat-14pin-to-cat-terex-asv-8-pin

  • Можно ли установить в 14-контактный разъем cat299

    Да.

  • Будет ли это сторона крепления подвески OEM SVL95 2S 2019 года выпуска? Спасибо,

    Да. Кубота — странная утка, так что вам стоит посмотреть и прочитать следующее, чтобы понять нюансы.

    https://www.skidsteergenius.com/apps/help-center#kubota-14-pin-electric-controls

    https://youtu.be/7mLyeh2Jj7k

  • У меня есть старое навесное оборудование для снегоочистителя, и я хотел бы использовать его с моим новым мини-погрузчиком CAT 236D. На насадке есть тросики для поворота желоба. Будет ли работать ваше 14-контактное гнездо? Как узнать, какие контакты использовать / к каким проводам?

    Используются ли в снегоуборщике электродвигатели или электромагнитные клапаны, которые управляют гидравликой гидравлических двигателей?

  • У меня 14-контактный разъем, и провод заканчивается в гнезде «D». Мне нужно, чтобы он был завершен в слоте «F». Что мне нужно для этого? у меня КАТ 259Машина Д3.

    Пожалуйста, посмотрите следующие видео с информацией о том, как перемещать контакты и разъемы.

    https://youtu.be/wLIfBPcd3gE
    https://youtu.be/KpfjOEGXc54
    https://youtu.be/oD-8eoH5mGI

  • Привет, интересно, есть ли в комплекте провода? ТИА

    Нет. Это просто разъем.

  • Есть ли скидки для дилеров Kubota?

    Да. Пожалуйста, напишите на [email protected]

  • Я ищу 14-штырьковый разъем «мама» для CTL John Deere. У вас есть электрическая схема для машины Deere?

    У меня нет схемы с цветовой маркировкой, потому что мне ее не дадут, и ни один клиент не предложил ее. Я знаю, куда идет каждый управляющий провод. Просто напишите мне, и я вышлю вам раздел моего личного руководства.

  • Какой калибр обжимного инструмента рекомендуется для муфт?

    14

  • Я только что заказал этот разъем, теперь я собираюсь заказать обжимной инструмент, но я не уверен, какой калибр IWD мне следует заказать, не могли бы вы мне помочь?

    #14

  • Здравствуйте, Skidsteergenius! Недавно я приобрел ваш четырехпозиционный контроллер JCB-100 для управления желобом на снегоуборочной машине Erskine. Соединение представляет собой восьмиштырьковую розетку на вентиляторе. По вашей рекомендации я заказал этот 14-контактный разъем. Мой следующий вопрос: как мне подобрать правильное расположение контактов после того, как я отрезал старый 8-контактный разъем?

    Я надеюсь, что инструкции прилагаются к упаковке, но вы будете использовать черный провод в качестве заземления B. Затем остальные элементы управления подключаются к C, D, E и F.

  • Привет, у меня есть кошка 242d 2014 года с 14-контактным разъемом, установленным на машине. Я хочу запустить грабли Harley m6 — какую лучше всего настроить, чтобы это произошло.

    Спасибо

    Мне нужно знать, какая версия граблей Halrey, так как их как минимум 3. Пришлите фотографии разъемов и соленоида, чтобы я знал, что у вас есть, пожалуйста.

  • Привет, у меня есть более старый снегоуборщик Erskine 2418, который поставлялся с моим 96-м бобкатом 763 с 14-контактным штекерным разъемом, проводка снегоуборщика была отрезана предыдущим владельцем, и я пытаюсь его отремонтировать, интересно посмотреть, подойдет ли ваш комплект для моего приложения. ; В жгуте снегоуборщика вижу только 5 или 6 проводов. Спасибо

    Он использует 14-контактный разъем, но вы будете использовать только 5 разъемов. A — Земля, E,F,G и H. для управления.

  • Подойдет ли это к John Deere 320D

    Если ваша машина оснащена 14-контактным разъемом, это будет работать.

  • это соответствующий фитинг для навесного конца привязи SG-KB-01?

    Правильно.

  • У меня есть грабли JCB/Harley с плоской линейной вилкой FFC с 3 проводами Черный, Белый, Красный. Купил комплект 14-F для подключения к Kubota SSV75. Как мне подключиться?

    Отрубите им разъем. Найдите заземляющий провод, который обычно черного цвета, и подсоедините его к B. Подсоедините два других провода к C и D. Убедитесь, что вы припаяли провода к гнездам, если у вас нет подходящего обжимного инструмента.

  • У меня New Holland L220 и снегоуборщик Hanson с электродвигателем для желоба. К двигателю всего два провода. Как мне его подключить.

    Вам нужно будет подключить реле для переключения цепи с прямого на задний ход. Сделали пару коробок для этой цели несколько лет назад и получили огорчение от людей по цене, так что больше не заморачиваемся.

  • будет работать с моим John Deere 323E.

    Да, будет. Спасибо за проверку.

  • Вы можете отправить мне в Канаду?

    Мы отправляем в Канаду ежедневно. Мы пользуемся почтой. Это немного медленнее, но дешевле, и с вас редко берут налоги.
    ________________________________________________________________________________

  • Пытаюсь управлять двумя соленоидами на коте 257D, приобретенном SG-KIT-DT-14-F — комплект 14-контактных разъемов. Я планирую использовать контакты E и F для двух положительных выходов. Какие контакты мне нужны для минуса двух соленоидов, когда только один контакт B является (-) заземлением, мне просто нужно привязать два минуса соленоида к одному контакту B

    Вы группируете основания вместе и прикрепляете их к контакту B. В вашем наборе должна быть инструкция.

  • Привет, подойдет ли этот комплект к моему TR270 2018 года с установленным на заводе штыревым концом?

    Да. Ты прав. Спасибо

  • У меня есть мини-погрузчик CAT 242D с 14-контактным электрическим разъемом. Я хотел бы подключить мою угловую метлу CID к 2 левым кнопкам на левом джойстике, чтобы, когда метла вращается, я мог изменить ее угол. У меня есть какой-то дрянной переключатель, чтобы подключить его к аккумулятору. Он имеет 2-контактный жгут с разъемами на нем. Один похож на разъем фонаря прицепа, плоский с 2 ​​противоположными штырьками/гнездами. Я мог бы отрезать это, но не было бы питания (12 вольт). Разъем идет к двигателю на щетке для управления направлением гидравлического цилиндра. Вы можете помочь с этим?

    Самый быстрый и дешевый способ это сделать — отрубить их коннектор прицепа и использовать этот коннектор. Это отраслевой стандарт. Мы советуем клиентам избегать компаний, которые не соблюдают отраслевые стандарты, поскольку, вероятно, они делают и другие вещи, чтобы срезать углы.

  • Есть ли на разъеме навесного оборудования кота 259D один штырь заземления?

    Да. А и Е — основания. Скопируйте и вставьте эту ссылку для получения более подробной информации.
    https://www.skidsteergenius.com/apps/help-center#!caterpillar-8-pin-explained

  • Подходит ли это для мини-погрузчика kubota

    ДА. Для стороны крепления.

  • Ищу жгут для привязки к корпусу 2022 года управления стрелой tr340.

Объем 4216 двигателя: Двигатель УМЗ 4216 — Обзор и технические характеристики..Motoran.ru

Двигатель ГАЗель Бизнес УМЗ 4216 ОО

Двигатель ГАЗель Бизнес УМЗ 4216 ОО

Каталожный номер:
  • 4216.1000402-41
Производитель :
  • Ульяновский моторный завод (УМЗ)
 Модель :
  •  УМЗ-4216
 Объем двигателя, куб. см. :
  • 2.89
 Мощность двигателя, кВт (л.с.) :
  • 78.5 (107)
 Гарантийный срок :
  • 12 мес. 
 Экологический класс :
  • Евро-3
Описание:
  • Двигатель бензиновый с комплексной микропроцессорной системой управления впрыском топлива и зажиганием в сборе (без коробки передач), рабочий объем 2890 см3, степень сжатия Е =9,2 с кронштейном крепления насоса ГУР для автомобиля «ГАЗель–Бизнес».
    Особенности: 2 клиновых ремня привода агрегатов, катушка зажигания сбоку.
Характеристики:
  • Тип двигателя: Бензиновый с комплексной микропроцессорной системой управления впрыском топлива и зажиганием, четырехтактный
  • Экологический класс: Евро-3
  • Число цилиндров: 4
  • Порядок работы цилиндров: 1-2-4-3
  • Диаметр цилиндра, мм: 100
  • Ход поршня, мм: 92
  • Рабочий объем, л: 2,89
  • Номинальная мощность нетто по ГОСТ 14846-81, кВт (л. с.): 78,5 (106,8)
  • Номинальная частота вращения, мин-1:4000
  • Максимальный крутящий момент нетто по ГОСТ 14846-81, Н · м (кгс · м): 220,7 (22,5)
  • Частота вращения, соответствующая максимальному крутящему моменту, мин-1: 2200…2500
  • Топливо: Бензин автомобильный марок «Регуляр-92» ГОСТ Р 51105, «Регуляр Евро-92» ГОСТ Р 51866. Дублирующие «Премиум-95» ГОСТ Р 51105 и «Премиум Евро-95» ГОСТ Р 51866
  • Система выпуска: Настроенная
  • Масса незаправленного смазкой двигателя, кг: 172

На нашем сайте вы можете приобрести всё для вашего внедорожника, начиная с обычных кронштейнов и прокладок, заканчивая дефицитными запчастями.Покупайте только лучшие запчасти у нас, вы действительно покупаете лучшее!

Наши Преимущества:
  1. Продукция идёт напрямую от производителей, поэтому цена всегда ниже чем у остальных.
  2. Все комплектующие всегда в наличии на складе, поэтому отправка заказа происходит в кратчайшие сроки.
  3. Отправку и доставку заказов осуществляем по всей России и СНГ. 4.
  4. Вся продукция идёт от проверенных производителей, что гарантирует отличное качество и надежность.
  5. Вам остаётся только сделать выбор и заказать. У нас существуют удобные способы оплаты, как наличный расчёт, так и безналичный. При желании можете воспользоваться доставкой с наложенным платёжом, то есть оплатить товар при получении. Так же мы всегда можем помочь в подборе запчастей для вашего автомобиля.

Просто добавьте товар в корзину, заполните анкету и наши Менеджеры свяжутся с Вами!

Отзывы не найдены

Оставить отзыв на этот товар

Поделитесь мнением с другими покупателями

Написать отзыв

Двигатель УМЗ-4216. Старт – Рейс.РФ

В 2008 году стартовал совместный проект журнала «Рейс» и «Группы «ГАЗ», цель которого – оценка качества и ресурса двигателя Ульяновского моторного завода УМЗ-4216

Автомобили «Газель» в грузовом и пассажирском исполнении, без сомнения, самая распространенная модель легкого коммерческого автомобиля в России. Совсем недавно (См. «Рейс» № 5 за 2008 г. «Дела сердечные») мы рассматривали ситуацию с самым важным агрегатом – с двигателем. Обратил на себя внимание двигатель «Ульяновского моторного завода» УМЗ-4216, его предшественник – УМЗ-4215 – наряду с неплохими характеристиками, вызывал справедливые нарекания эксплуатационников. Специалисты Ульяновского завода серьезно переработали двигатель, в том числе, оснастив его системой электронно-управляемого впрыска топлива и довели мотор до экологических норм Евро-3. С этого года «Газели» в грузовом исполнении можно приобрести с двигателем УМЗ-4216, а с сентября – и в пассажирском. Остается открытым вопрос: «Избавили ли конструкторы новый двигатель от недостатков предшественника, сохранились ли преимущества, и не возникнут ли новые проблемы?» Объективный и исчерпывающий ответ может дать только опыт эксплуатации в реальных условиях. Чтобы получить объективную картину долгосрочной эксплуатации, наблюдения будут вестись сразу за пятью автомобилями «Газель», оснащенными двигателями УМЗ-4216. Регулярно мы будем оценивать техническое состояние моторов. Вся информация будет анализироваться и представляться на страницах журнала «Рейс».

Начало производства автомобильных двигателей в г. Ульяновске зародилось еще в 1970 году, и первыми из производимых моделей были переданные заводу двигатели «Волга» ГАЗ-21А объемом 2,45 литра. На их основе был создан двигатель УМЗ-451, для «буханок» и «головастиков» УАЗ-451 и УАЗ-452, а также вездеходов УАЗ-469.
В конце 90-х поставили на конвейер мотор УМЗ-421. На нем, на радость эксплуатационникам, была проведена серьезная модернизация: асбестовый шнур на заднем коренном подшипнике заменили сальником – на задней цапфе коленвала ради этого изменили крепление маховика. Главным же событием, с точки зрения завода, стало применение поршней увеличенного с 92 до 100 мм диаметра, при традиционном ходе 92 мм. Это позволило увеличить рабочий объем цилиндров до 2,89 литров и, в сравнении с 2,5-литровым мотором, крутящий момент с 170 до 220 Н.м, а мощность – с 90 до 115 лошадиных сил. В производстве этого мотора решили отказаться от сменных чугунных гильз и залили их в алюминиевый блок навечно – создали новый блок цилиндров. Казалось бы, удобный случай отказаться от древнего и капризного масляного картера с четырьмя прокладками, опустить разъем ниже оси коленчатого вала, сделав тем самым блок жестче и уменьшив вероятность утечек масла. Однако поддон оставили прежним. Еще один просчет выявился в процессе эксплуатации, когда приходило время растачивать гильзы. Не на каждом станке оказывался «хобот» нужной длины, если его не хватало, и ход был недостаточным, приходилось выкручивать шпильки головки. Надежно вкрутить их обратно не всегда удавалось, одна или две выползали из блока, приходилось нарезать резьбу большего диаметра. Не совсем удачно заводчане снабдили блок приводных шкивов коленвала резиновым гасителем крутильных колебаний. Резина отрывалась от ступицы порой в самый неподходящий момент, от этого останавливались вентилятор, водяной насос и генератор.
Самые серьезные ресурсные испытания ждали модификации моторов УМЗ-4215, после того как с 1998 года их начали устанавливать на «Газели». В сравнении с двигателями для УАЗов увеличение нагрузки создавали большие среднесуточные пробеги автомобилей, повышенные скорости движения или наоборот – городские пробки. Моторы часто перегревались. В результате репутация нового мотора оказалась существенно подпорченной. Вместе с тем все признавали: тяга у мотора просто паровозная – с оборотов чуть больше холостых. Это неоспоримое достоинство моторов УМЗ. К тому же не было случая, чтобы эксплуатационники жаловались на привод ГРМ шестернями и тосковали по цепям, а тем более зубчатому ремню. Ведь шестерен хватало на 300–400 тысяч километров.
Переход России с января 2008 года на нормы Евро-3 потребовал отказа от карбюраторов в системе питания ульяновских моторов УМЗ-4215. На них применили электронно-управляемый впрыск топлива, что и фактически привело к выпуску нового двигателя УМЗ-4216. Максимальная мощность двигателя, предназначенного для установки на «Газель», теперь составляет 125 л. с., а крутящий момент – 240 Н.м, что положительно сказалось на динамике автомобиля. Напомним (хотя сравнение не совсем корректно), что по мощности этот четырехцилиндровый мотор стал сопоставим с двигателями V-8 семейства ЗМЗ-53, объемом 4,25 литра, а по моменту превосходит рядную «шестерку» ГАЗ-52, объемом 3,85 литра. Это при том, что их грузоподъемность в два-три раза превышает «газелевскую»! Параллельно с улучшением экологических показателей провели ряд мероприятий по повышению надежности двигателей, качества сборки и увеличения ресурса. Иначе сегодня нельзя, ведь конкуренция среди этого сегмента коммерческих автомобилей в России весьма велика. «Группу «ГАЗ», куда с 2005 года входит УМЗ, поджимают не только «европейцы», «корейцы» и «китайцы» с дизельными двигателями, но и соотечественники тоже не гарантируют того спокойствия, что было раньше. Sollers (бывшая СеверСталь Авто) собирается серьезно потеснить «газели» своими FIAT Ducato и малотоннажными Isuzu, собранными в Елабуге, а в Семенове Нижегородской области налаживают выпуск IVECO Daily.

Мнения

Евгений Березин
главный конструктор УМЗ

– На автополигоне в подмосковном Дмитрове двигатели УМЗ-4216, установленные на автомобилях «Газель», успешно прошли сертификационные испытания по экологии (Евро-3) и бортовой диагностике. Впервые в нормах токсичности транспортных средств система бортовой диагностики стала обязательной. Это нужно для того, чтобы водитель мог сам контролировать расход топлива и знать о технической исправности элементов системы питания и нейтрализации отработавших газов. Значительно изменили и сам процесс испытаний на соответствие норм Евро-3. При проведении замеров вредных веществ, выбрасываемых двигателем, исключена фаза 40-секундного прогрева, расчеты производят с момента запуска. Введена новая процедура оценки выделения паров топлива, теперь автомобиль загоняют в изолированный бокс, откуда потом отбирается проба. Раньше было достаточно пары часов, сейчас – не менее суток.
Ужесточение экологических норм всегда предъявляет определенные требования к конструкции двигателя. Из-за новых норм мощность снижается порой на 20 процентов. Однако в процессе доработки двигателя до норм Евро-3 на заводе провели работу по повышению мощности и крутящего момента, отчего модель УМЗ-4216 получила лишних десять лошадиных сил, в сравнении с карбюраторными предшественниками.

 

Николай Колышкин
начальник бюро
надежности
двигателей УМЗ

– Чтобы ответить на вопрос, будет ли надежен УМЗ-4216, обратимся к истории. Для этого целесообразно рассмотреть эксплуатацию его предшественника УМЗ-4215. Достаточно большое количество «Газелей» – маршрутных такси были оснащены этими еще карбюраторными моторами. Именно они дают бесценный опыт эксплуатации, при том в максимально короткие сроки. Ведь по данным организаций, с которыми мы сотрудничаем, ежедневный пробег автомобиля составляет 400–500 км, а в год машина набегает до 130 тысяч. В среднем, по оценке эксплуатации двигателей УМЗ-4215 на маршрутных такси, пробег до списания составляет 400 тыс. км, а ресурс до первого капитального ремонта – около 200 тыс. км.
Сравнивая параметры УМЗ-4216 и УМЗ-4215, видно, что обновленный вариант превосходит своего предшественника по мощности на 12%, по крутящему моменту – на 9%, и при этом еще и топлива потребляет на 8% меньше. Кроме того, ресурс УМЗ-4216 увеличен до 250 тыс. км., а гарантийный период – до 36 месяцев или 80 тыс. км.
При этом завод сохранил главное преимущество двигателей – максимальный крутящий момент на низких оборотах, что обеспечивает высокие тяговые характеристики, так необходимые для коммерческого транспорта.

 

Иван Петриков
исполнительный
директор
ООО «Терра-Карат»

– У нас при приобретении «Газелей» для перевозки грузов был выбор. Мы остановились на автомобилях, оснащенных ульяновскими моторами УМЗ-4216. Причина в хорошей репутации, ведь УМЗ традиционно является основным поставщиком двигателей для армейских вездеходов УАЗ. И соответственно мне как бывшему военному, хорошо знающему возможности, конструктивные особенности двигателей УМЗ, приятнее работать со знакомым, проверенным производителем.

 

 

Детали

МТД | Лидер в производстве запасных частей для наружного энергетического оборудования. БЕСПЛАТНАЯ доставка при заказе от $50!

Поиск деталей по номеру вашей модели или номеру детали, которую вы заменяете.

Пример номера модели:

 

 

Поиск по типу детали
Посмотреть все >


 

Поиск по типу машины
Посмотреть все >


Выбор запчастей по брендам


 

Магазин с уверенностью

 


Из-за огромного спроса в сочетании с ситуацией, в которой мы все оказались, могут возникнуть задержки с доставкой. Мы прилагаем все усилия, чтобы обработать ваш заказ и доставить вам запчасти и оборудование как можно раньше. Мы благодарим вас за ваш бизнес и ваше терпение, пока мы вместе преодолеваем эти трудные времена.

 

Быстрая и бесплатная доставка

Заказы на запчасти на сумму более 45 долларов США доставляются бесплатно.* Доставка при стандартной доставке занимает в среднем 5–7 рабочих дней для оборудования и 3–5 дней для запчастей.

* Существуют некоторые исключения. Ознакомьтесь с полной политикой доставки

Беспроблемный возврат запчастей

Мы позаботимся о том, чтобы вы получили нужную деталь. Мы будем работать с вами, чтобы гарантировать, что вы получите правильную запасную часть для вашей машины и что вы получите кредит на возврат вашей детали.*

* Применяются некоторые исключения. Ознакомьтесь с полной политикой возврата

Онлайн-чат с экспертами

Наши специалисты по наружному энергетическому оборудованию находятся всего в одном щелчке мыши через онлайн-чат. Доступно с понедельника по пятницу с 8:30 до 17:00 по восточноевропейскому времени

Также доступна поддержка по телефону: 1-800-269-6215

Практические руководства Просмотреть все >

Как отремонтировать приводной ремень самоходной газонокосилки

Вот несколько пошаговых инструкций по замене приводного ремня газонокосилки для тех, кто занимается самостоятельно.

Подробнее

Как установить леску для триммера на традиционную головку с отбойным молотком

Узнайте, как заменить леску для триммера, чтобы подготовиться к сезону ухода за газоном.

Подробнее

Как заменить масло в газонокосилке с ручным управлением

Регулярное техническое обслуживание газонокосилки, такое как замена масла, может помочь продлить срок службы вашей машины. Следуйте этим пошаговым инструкциям о том, как заменить масло в мотокосе.

Подробнее

Устранение неполадок, когда газонокосилка не запускается

Что делать, если газонокосилка с ручным управлением или самоходная газонокосилка не запускается? Вот несколько советов по устранению неполадок, чтобы выяснить, что пошло не так, какие детали газонокосилки вам нужны, чтобы исправить это, и нужно ли вам отнести газонокосилку в профессиональный сервис.

Подробнее

Бренды, которым можно доверять.

Приобретайте запчасти OEM, чтобы ваша машина работала правильно.

Быстрые ссылки службы поддержки

Поиск сервисов

Доставка от побережья к побережью. Найдите ближайшее к вам место.

Поиск

Поиск руководств

Поиск руководств по продукции для оборудования MTD.

Поиск

Центр знаний

Справочные статьи по внешнему силовому оборудованию.

Исследовать

Путаница с двигателями Ford 351M/400

 


400

К 1970 году двигатель 390 V8 FE устарел. С отложенными требованиями к выбросам требовалась более современная замена.
Хотя семейство 385 с большим блоком использовалось для замены двигателя 428 V8 FE большего рабочего объема, это семейство двигателей не имело ничего сопоставимого по размеру с двигателем 390 V8.

Для модели 1971 года Ford представил двигатель 400 V8 в качестве замены 390 V8. Ford объявил модель 400 старшим братом модели 351C.
Он был разработан для обеспечения быстрого ускорения автомобилей среднего и тяжелого веса с двигателем, который был меньше и легче, чем двигатели FE V8 и Ford V8 серии 385.

Двигатель Ford 400 был основан на модели 351 Cleveland. У него был на полдюйма (12,7 мм) более длинный ход поршня, чем у 351 Cleveland, что делало его самым длинноходным двигателем Ford V8 с толкателем.
Модель 400 имела «квадратные» пропорции, диаметр цилиндра и ход поршня 4,0 дюйма (102 мм). Форд назвал двигатель объемом 400 куб. Дюймов, но на самом деле он имел объем 402 куб. Дюйма (6,6 л).
Чтобы приспособиться к более длинному ходу, инженеры Ford увеличили высоту блока цилиндров до 10,297 дюйма по сравнению с 9,206 дюйма у модели 351C. В результате в модели 400 использовались более длинные (6,580 дюйма) шатуны, чем в модели 351C (5,778 дюйма), но сохранялось то же соотношение шатуна к ходу (1,65: 1), что и в модели 351C.

Модель 400 отличалась более крупными 3,00-дюймовыми шейками коренных подшипников того же размера, что и у 351 Windsor, но шатунные шейки были того же размера, что и у модели 351C.
Головки блока цилиндров для модели 400 были такими же, как и для модели 351C-2V, с открытой камерой сгорания с портами и клапанами меньшего размера, чем у модели 2V.
* Все 400-е были маломощными двигателями, работавшими на обычном топливе, и все они использовали 2-камерный карбюратор, чугунный впускной коллектор и головки блока цилиндров 2V с малым портом.

Модель 400 была разработана как двигатель с высоким крутящим моментом и низким числом оборотов, который представлял собой меньшую, более эффективную и легкую альтернативу большим двигателям Ford 385, 429 и 460, предназначенным для использования в автомобилях Ford среднего и большого размера.
Веся всего 80% от аналогичного большого блока, он изначально был доступен в линейках Ford Custom, Galaxie и LTD, а также в Mercury Monterey, Marquis и Brougham в 1971 модельном году.

В 1972 году он также был доступен в Ford Torino, Mercury Montego и его вариациях до 1979.
К концу 1970-х он также был доступен в пикапах Ford Thunderbird Ford F-серии, Lincoln Continental и Mark V. 385 семейства big-block и обычно оснащались трансмиссией C6 с более высоким крутящим моментом.
В 1973 году было произведено небольшое количество 400 блочных отливок с двойным раструбом. У него был большой колокол и маленькая разболтовка колокола, используемые в семействе Windsor V8 и 351C, хотя он не обязательно был просверлен для обоих.
Эти блоки были названы энтузиастами « 400 FMX », , хотя Форд никогда официально не называл их .
Большинство моделей 400 также имели уникальную схему расположения болтов крепления двигателя, но эти блоки 400 FMX имели приспособления для крепления двигателя как в стиле 351C, так и в стиле 400/351M.

В 1972 году компрессия была снижена за счет использования выпуклых поршней.
В 1973 году компрессия была снова снижена, а новый набор фаз газораспределения задержал синхронизацию распределительного вала на 6 °, чтобы помочь уменьшить выбросы.
Изменения в головках цилиндров 1975 года с добавлением системы выхлопа Thermactor привели к тому, что выпускное отверстие стало более строгим, чем в более ранних головках 1971-74 годов.
Модель 400 была перенастроена компанией Ford в 1975 году для использования неэтилированного бензина с добавлением каталитических нейтрализаторов в выхлопную систему.

Продолжающаяся эволюция двигателя 400 V8 привела к значительному конструктивному недостатку, который оставался в двигателе на протяжении всего срока его производства.
При более длинном ходе степень сжатия становилась чрезмерно высокой с головками 351-2V и поршнями с плоским верхом. Инженеры Ford уменьшили степень сжатия, используя поршень со слишком короткой высотой сжатия, что привело к чрезмерному зазору в 0,067 дюйма … по сравнению с 351-2V при 0,035 дюйма.

Форд использовал свой метод снижения компрессии, и он работал благодаря более высокому октановому этилированному топливу в 1971 году. –  Однако после того, как стали использовать неэтилированный бензин с более низким октановым числом, чрезмерный зазор в палубе привел к проблемам с детонацией.

В 1975 году Ford решил эту проблему, еще больше уменьшив степень сжатия с помощью большей поршневой тарелки объемом 15 куб. см и уменьшив угол опережения зажигания.
Так двигатель 400 V8 приобрел репутацию склонного к детонации двигателя. Хотя Форд не сделал поршень, чтобы исправить это, T Meyer Inc работала с поршнями Keith Black , чтобы сделать поршень 400, который увеличивает степень сжатия и дает поршню зазор «нулевой деки».

 

Engine  Dimensions
351C 400 351M
Nominal main bearing size    2. 750 in (69.8 mm) 3.000 in (76.2 mm) 3.000 in (76.2 mm)
Rod length 5.78 in (146.8 mm) 6.58 in (167.1 mm) 6.58 in (167.1 mm)
Rod-to-Stroke Ratio 1.65:1 1.65:1 1.88:1
Deck height 9.206 in (233.8 mm) 10.297 in ( 261,5 мм) 10,297 дюйма (261,5 мм)

 

 

351M

Когда 351 Cleveland был снят с производства после 1974 модельного года, Ford потребовался еще один двигатель такого же размера, поскольку производство Windsor 351 было недостаточным.
Форд взял блок двигателя 400 с высокой декой и уменьшил ход поршня с помощью более короткого коленчатого вала с ходом 3,5 дюйма (89 мм), чтобы получить двигатель объемом 351 кубический дюйм (5,8 л).
Этот коленчатый вал отличался от 351C тем, что в нем использовались коренные шейки диаметром 3,0 дюйма (76 мм) большего размера, чем у 400 V8.

Чтобы компенсировать более короткий ход, поршни модели 351M имеют большую компрессионную высоту, чтобы можно было использовать те же шатуны, что и модель 400. Результатом использования модели 351M с более длинным шатуном 400 стало более высокое расстояние между шатунами и шатунами. передаточное число хода 1,88: 1, чем у 351C и 400 1,65: 1.
За исключением поршней и коленчатого вала, модель 351M имеет общие основные компоненты с моделью 400, а также использует большой колокол в стиле серии 385.
Модель 351M когда-либо оснащалась только 2-цилиндровым карбюратором и головками цилиндров 2V с малым портом с открытой камерой.

Производство 351M началось для модели 1975 года, и блоки отливались в Мичиганском литейном центре или Кливлендском литейном заводе.
351M был последним блоком V8 с толкателем, разработанным Ford до появления 7,3-литрового двигателя «Годзилла» для грузовиков Super Duty в 2020 модельном году.

351M/400 путаница с идентификацией

Ведутся споры о том, что Форд имел в виду под «М» Обозначение 351М.
Некоторые утверждают, что «M» означает «модифицированный» — модифицированный двигатель 400-V8 с укороченным ходом
. Другие говорят, что «M» относится к Мичиганскому литейному центру, где началось производство 351M.
Другое мнение состоит в том, что обозначение «M» не имеет официального значения и что это был просто способ Ford отличить 351M от 351C и 351W.

Аналогичным образом, использование Фордом блоков 400 при создании двигателей 351M привело к тому, что эти 400 блоков ошибочно называют «400M» или «400 Modified».
И это несмотря на то, что модель 400 была основой конструкции, на основе которой был создан «модифицированный» 351M… и он производился за несколько лет до того, как Ford использовал обозначение «M» .

Дальнейшая путаница возникает из-за того, что Ford печатает «351M/400» на наклейках с выбросами для двигателя.

Джамбо ситроен: купить, продать и обменять машину

Team LottoNL-Jumbo — Страница 2 из 2

Новости о Team LottoNL-Jumbo — голландской профессиональной велокоманде с лицензией WorldTour

Примож Роглич выиграл «разделку» на «Туре Страны Басков»

Примож Роглич из Team LottoNL-Jumbo стал быстрейшим на индивидуальном гонке преследования — четвёртом этапе «Тура Страны Басков» (Itzulia Basque Country). Дистанцию в 19,4 километра словенский велогонщик преодолел за 22 минуты и 26 секунды.

  • 05/04/2018

Паскаль Энкхорн выиграл первый этап велогонки «Коппи и Бартали»

В Италии стартовала «Коппи и Бартали» (Settimana Internazionale Coppi e Bartali), первый день которой оказался довольно насыщенным: до полудня спортсменам предстояло проехать группой 97,8 километра, а после полудня — проедут командную гонку с раздельным стартом на 13,3 километра.

  • 22/03/2018

Примож Роглич выиграл третий этап велогонки «Тиррено — Адриатико»

Пригож Роглич из Team LottoNL-Jumbo стал победителем третьего этапа велогонки «Тиррено — Адриатико» (Tirreno-Adriatico), преодолев 234 километра из Фоллоники в Треви за 6 часов 17 минут и 23 секунды. Королевский этап был насыщен не только холмами, но и событиями.

  • 11/03/2018

Дилан Груневеген — победитель второго этапа велогонки «Париж — Ницца»

Дилан Груневеген продолжает пополнять копилку побед: на этот раз он оказался быстрейшим на втором этапе велогонки «Париж — Ницца» (Paris-Nice), опередив на финише десяток признанных мастеров спринта. Позади остались Элиа Вивиани и Андре Грайпель.

  • 06/03/2018

Дилан Груневеген выиграл велогонку «Кюрне — Брюссель — Кюрне»

Дилан Груневеген принёс команде Team LottoNL-Jumbo очередную победу — выиграл однодневную бельгийскую велогонку «Кюрне — Брюссель — Кюрне» (Kuurne-Bruxelles-Kuurne), выиграв спринт после 200 километров дистанции и показав время в 4 часа 51 минуту и 41 секунду.

  • 01/03/2018

Дилан Груневеген выиграл четвёртый этап велогонки «Вольта Алгарви»

Дилан Груневеген прекрасно чувствует себя в Португалии и накануне, 17 февраля, выиграл четвёртый этап «Вольты Алгарви» (Volta ao Algarve em Bicicleta), повторив успех первого этапа велогонки. Дистанцию в 199,2 километра гонщик Team…

  • 18/02/2018

Дилан Груневеген вырвал победу на первом этапе велогонки «Вольта Алгарви»

Португалия принимает ведущих велогонщиков мира — все они приехали на 44-е издание велогонки «Вольта Алгарви» (Volta ao Algarve em Bicicleta), стартовавшей со 192-километрового отрезка из Албуфейры в Лагос. Победа досталась голландцу Дилану Груневегену из Team LottoNL-Jumbo, остановившему таймер на отметке 4 часа 47 минут и 58 секунд.

  • 15/02/2018

Хайлайты первого этапа «Тура Дубая»

Хайлайты первого этапа Dubai Tour — 2018 («Тура Дубая»), победу в котором одержал Дилан Груневеген из Team LottoNL-Jumbo.

  • 07/02/2018

Дилан Груневеген: «Я победил лучших спринтеров мира. Это было здорово»

Восходящая звезда шоссейного спринта 24-летний Дилан Груневеген завоевал первую победу в сезоне для себя и вторую для своей команды Team LottoNL-Jumbo, выиграв спринт на финише первого этапа «Тура Дубая». Голландский велогонщик оказался самым быстрым в элите мирового спринта.

  • 07/02/2018

Дилан Груневеген выиграл первый этап «Тура Дубая»

Голландский велогонщик Дилан Груневеген из Team LottoNL-Jumbo выиграл первый этап «Тура Дубая» (Dubai Tour), представлявшего собой дистанцию в 161 километр. Финал, как и ожидалось, стал настоящим сражением ведущих спринтеров мира.

  • 06/02/2018

Данни ван Поппель выиграл первый этап «Тура Валенсии»

Данни ван Поппель из Team LottoNL-Jumbo завоевал первую победу в сезоне, выиграв первый этап велогонки «Тур Валенсии» (Volta a la Comunitat Valenciana): организаторы приготовили для велогонщиков непростой маршрут — с подъёмом практически на середине 191-километровой дистанции, — но заканчивающийся массовым спринтом.

  • 01/02/2018

Крейсвик, Мэттьюс, команды Mitchelton-Scott и Jumbo-Visma снялись с «Джиро д’Италия» из-за положительных тестов на коронавирус — Велоспорт

Ряд гонщиков и персонала команд снялись перед 10-м этапом «Джиро д’Италия» из-за положительных тестов на коронавирус.

Тесты были взяты у всех участников многодневки в день отдыха.

Коронавирус был обнаружен у Стивена Крейсвика (Нидерланды, Jumbo Visma), Майкла Мэттьюса (Австралия, Sunweb) и четырех сотрудников команды Mitchelton-Scott. Все снялись с гонки, команды Mitchelton-Scott и Jumbo-Visma – в полном составе.

Еще по одному случаю заражения коронавирусом было выявлено у сотрудников команд AG2R и INEOS.

Ранее с многодневки из-за вируса снялся британский гонщик Mitchelton-Scott Саймон Йейтс.

    Материалы по теме


    Главные новости


    • «Соседи Украины вполне могут бойкотировать Олимпийские игры». Бывший член МОК из Норвегии о возможном допуске России 609
    • Россия должна выплатить WADA в 2023 году обязательный ежегодный взнос в размере более 1,2 млн долларов 40
    • TopNews»> Месси – спортсмен года по версии L’Equipe. Мбаппе на втором месте, Надаль – на третьем 150
    • Екимов об идее ужесточить требования к заполнению системы АДАМС: «Еще ужесточать – гайки закручивать? Так можно их сорвать»
    • Бензема признан спортсменом года во Франции по версии спортивных журналистов. Мбаппе занял 2-е место 58
    • Глава ФВСР о переходе Яковлева в сборную Израиля: «Компенсируйте нам определенную сумму за этого парня – и мы дадим авторизацию на участие в Олимпиаде» 5
    • Томас Бах: «Поддержка нашей миротворческой миссии со стороны всех слоев общества показывает: сила спорта как сила добра в мире широко признана» 48
    • TopNews»> Бах об отстранении россиян и белорусов: «Нам пришлось принять защитные меры. К счастью, за это время прозвучало много обнадеживающих заявлений» 169
    • Олег Матыцин: «Уже видна разумная позиция руководства МОК. Они тоже ищут выход из тупиковой ситуации, когда заблокирован российский спорт» 61
    • Вице-премьер Чернышенко о МОК: «Они понимают, что их продукт очень сильно проседает и деградирует без нашего участия» 34

    показать больше

    Новости моей команды


    Выберите любимую команду

    Выберите вид спортаФутболХоккейБаскетболБиатлонБокс/ммаФормула-1Теннис

    ПОСЛЕДНИЕ НОВОСТИ


    • Открылась регистрация на триатлонный старт SWIFTMAN WINTER TRIATHLON в Кировской области. Он пройдет 21-22 января
    • Власов о возможном участии в «Тур де Франс»: «Если закончить «Джиро» совсем уставшим, будет сложно претендовать на «Тур». Будем отталкиваться от обстоятельств» 2
    • Открылась регистрация на плавательный этап на MMK WILD FEST. Он пройдет 29 июля в Башкортостане
    • Открылась регистрация на старт IRONSTAR в Самаре. 16-17 июня пройдут соревнования по триатлону, заплыв, женский и детский забеги
    • Ежегодный обязательный взнос России во Всемирное антидопинговое агентство в 2023 году составит около 1,2 млн долларов 48
    • Индия планирует подать заявку на проведение летней Олимпиады 2036 года 4
    • TopNews»> Олег Матыцин: «Если МОК решит задачу участия россиян на Олимпиаде и не допустит политизации и дискриминации российского спорта, это усилит его позицию» 27
    • РУСАДА получило полномочия утверждать общероссийские антидопинговые правила. Раньше это делал Минспорт 7
    • Погиб чемпион России по ВМХ Владимир Левин 3
    • Олег Матыцин: «Мы продолжаем готовиться к Олимпийским играм 2024 и 2026 годов. Деньги на подготовку выделены» 53
    • Вице-премьер Чернышенко: «Ни один спортсмен не может считать себя чемпионом мира в отсутствие России» 239
    • TopNews»> Паралимпийский комитет России подал апелляцию на приостановку членства в МПК 7
    • Депутат Терюшков: «Ехать на турниры в нейтральном статусе означает идти у МОК на поводу в попытке лишить свою страну суверенитета» 20
    • Депутат Терюшков: «Коллективный Запад и США — это не весь мир. Три четверти национальных олимпийских комитетов поддерживают Россию» 31
    • Олег Матыцин: «Спортивное сотрудничество России и Китая на сегодняшний день является образцом сотрудничества двух великих держав» 26
    • Первые три этапа «Тур де Франс»-2024 пройдут в Италии 3
    • TopNews»> Тен Хаг обратился к лайф-коучу и участникам «Тур де Франс», чтобы помочь игрокам «МЮ» в восстановлении после ЧМ-2022 9
    • Виктор Лукашенко: «Благодаря сотрудничеству между НОК Беларуси и ОКР удалось не только не разрушить нашу олимпийскую семью, но еще больше ее укрепить» 17
    • «Президент нашей страны – это капитан команды, знамя которой мы несем». Матыцин на балу олимпийцев 130
    • Олимпийский комитет США предложил изучить вопрос о создании отдельных категорий с участием трансгендерных спортсменов 78
    • Дмитрий Губерниев: «Россия – европейская страна. Ни в какую азиатскую лигу мы переходить не будем» 179
    • Глава ОКР: «Новую рекомендацию МОК ждем во второй половине января. Есть основания предполагать, что наши спортсмены смогут выступить на Олимпиаде» 42
    • Олег Матыцин: «Спорт – важный фактор безопасности нашей страны» 17
    • Поздняков переизбран главой Олимпийского комитета России 29
    • «Отмены России хотят лишь маргиналы, псевдожурналисты. Радикальных голосов все меньше». Глава ОКР о недопуске российских спортсменов 24

    показать больше

    Архив новостей

    напитки, еда, развлечения и многое другое

    Datenschutz-Einstellungen

    Einstellungen, die Sie hier vornehmen, werden auf Ihrem Endgerät im «Local Storage» gespeichert und sind beim nächsten Besuch unseres Onlineshops wieder aktiv. Sie können diese Einstellungen jederzeit ändern (Fingerabdruck-Icon связывает unten).

    Informationen zur Cookie-Funktionsdauer sowie Details zu technisch notwendigen Cookies erhalten Sie in unserer Datenschutzerklärung.

    Alle ab-/auswählen


    YouTube

    Weitere Informationen

    Um Inhalte von YouTube auf dieser Seite zu entsperren, ist Ihre Zustimmung zur Datenweitergabe und
    Speicherung von Drittanbieter-Cookies des Anbieters YouTube (Google) erforderlich.
    Dies erlaubt uns,
    unser Angebot sowie das Nutzererlebnis für Sie zu verbessern und interessanter auszugestalten.
    Оне
    Ihre Zustimmung findet keine Datenweitergabe an YouTube statt, jedoch können die Funktionen von YouTube
    dann auch nicht auf dieser Seite verwendet werden.

    Информация:

    Einbetten von Видео

    Verarbeitende Firma:

    Google Inc.

    Nutzungsbedingungen:
    Ссылка


    Vimeo

    Weitere Informationen

    Um Inhalte von Vimeo auf dieser Seite zu entsperren, ist Ihre Zustimmung zur Datenweitergabe und
    Speicherung фон Drittanbieter-Cookies des Anbieters Vimeo erforderlich.
    Dies erlaubt uns,
    unser Angebot sowie das Nutzererlebnis für Sie zu verbessern und interessanter auszugestalten.
    Оне
    Ihre Zustimmung findet keine Datenweitergabe an Vimeo statt, jedoch können die Funktionen von Vimeo
    dann auch nicht auf dieser Seite verwendet werden.

    Информация:

    Einbetten von Видео

    Verarbeitende Firma:

    Vimeo

    Nutzungsbedingungen:
    Ссылка


    Sendinblue

    Weitere Informationen

    Um Daten an sendinblue zu übermitteln, ist Ihre Zustimmung zur Datenweitergabe und Speicherung von Drittanbieter-Cookies des Anbieters sendinblue erforderlich. Dies erlaubt uns, unser Angebot sowie das Nutzererlebnis für Sie zu verbessern und interessanter auszugestalten.

    Информация:

    Отслеживание автоматизации Sendinblue

    Verarbeitende Firma:

    синий

    Nutzungsbedingungen:
    Ссылка


    Sendinblue

    Weitere Informationen

    Um Daten an sendinblue zu übermitteln, ist Ihre Zustimmung zur Datenweitergabe und Speicherung von Drittanbieter-Cookies des Anbieters sendinblue erforderlich. Dies erlaubt uns, unser Angebot sowie das Nutzererlebnis für Sie zu verbessern und interessanter auszugestalten.

    Информация:

    Отслеживание автоматизации Sendinblue

    Verarbeitende Firma:

    синий

    Nutzungsbedingungen:
    Ссылка


    Sendinblue

    Weitere Informationen

    Um Daten an sendinblue zu übermitteln, ist Ihre Zustimmung zur Datenweitergabe und Speicherung von Drittanbieter-Cookies des Anbieters sendinblue erforderlich. Dies erlaubt uns, unser Angebot sowie das Nutzererlebnis für Sie zu verbessern und interessanter auszugestalten.

    Информация:

    Отслеживание автоматизации Sendinblue

    Verarbeitende Firma:

    синий

    Nutzungsbedingungen:
    Ссылка


    Sendinblue

    Weitere Informationen

    Um Daten an sendinblue zu übermitteln, ist Ihre Zustimmung zur Datenweitergabe und Speicherung von Drittanbieter-Cookies des Anbieters sendinblue erforderlich. Dies erlaubt uns, unser Angebot sowie das Nutzererlebnis für Sie zu verbessern und interessanter auszugestalten.

    Информация:

    Отслеживание автоматизации Sendinblue

    Verarbeitende Firma:

    синий

    Nutzungsbedingungen:
    Ссылка


    Sendinblue

    Weitere Informationen

    Um Daten an sendinblue zu übermitteln, ist Ihre Zustimmung zur Datenweitergabe und Speicherung von Drittanbieter-Cookies des Anbieters sendinblue erforderlich. Dies erlaubt uns, unser Angebot sowie das Nutzererlebnis für Sie zu verbessern und interessanter auszugestalten.

    Информация:

    Отслеживание автоматизации Sendinblue

    Verarbeitende Firma:

    синий

    Nutzungsbedingungen:
    Ссылка


    Sendinblue

    Weitere Informationen

    Um Daten an sendinblue zu übermitteln, ist Ihre Zustimmung zur Datenweitergabe und Speicherung von Drittanbieter-Cookies des Anbieters sendinblue erforderlich. Dies erlaubt uns, unser Angebot sowie das Nutzererlebnis für Sie zu verbessern und interessanter auszugestalten.

    Информация:

    Отслеживание автоматизации Sendinblue

    Verarbeitende Firma:

    синий

    Nutzungsbedingungen:
    Ссылка


    Sendinblue

    Weitere Informationen

    Um Daten an sendinblue zu übermitteln, ist Ihre Zustimmung zur Datenweitergabe und Speicherung von Drittanbieter-Cookies des Anbieters sendinblue erforderlich. Dies erlaubt uns, unser Angebot sowie das Nutzererlebnis für Sie zu verbessern und interessanter auszugestalten.

    Информация:

    Отслеживание автоматизации Sendinblue

    Verarbeitende Firma:

    синий

    Nutzungsbedingungen:
    Ссылка


    Sendinblue

    Weitere Informationen

    Um Daten an sendinblue zu übermitteln, ist Ihre Zustimmung zur Datenweitergabe und Speicherung von Drittanbieter-Cookies des Anbieters sendinblue erforderlich. Dies erlaubt uns, unser Angebot sowie das Nutzererlebnis für Sie zu verbessern und interessanter auszugestalten.

    Информация:

    Отслеживание автоматизации Sendinblue

    Verarbeitende Firma:

    синий

    Nutzungsbedingungen:
    Ссылка


    Sendinblue

    Weitere Informationen

    Um Daten an sendinblue zu übermitteln, ist Ihre Zustimmung zur Datenweitergabe und Speicherung von Drittanbieter-Cookies des Anbieters sendinblue erforderlich. Dies erlaubt uns, unser Angebot sowie das Nutzererlebnis für Sie zu verbessern und interessanter auszugestalten.

    Информация:

    Отслеживание автоматизации Sendinblue

    Verarbeitende Firma:

    синий

    Nutzungsbedingungen:
    Ссылка


    Alle ab-/auswählen

    Datenschutz-Einstellungen

    Sie möchten diesen Inhalt sehen? Aktivieren Sie den gewünschten Inhalt einmalig oder legen Sie eine dauerhafte Freigabe fest. Bei Zustimmung werden Daten beim genannten Drittanbieter abgerufen. Dabei werden unter Umständen Drittanbieter-Cookies auf Ihrem Endgerät gespeichert. Sie können diese Einstellungen jederzeit ändern (Fingerabdruck-Icon связывает unten). Weitere Details finden Sie in unserer Datenschutzerklärung.

    Ag2r-Citroën представляет новый BMC; Jumbo-Visma, BikeExchange и DSM завершают обмен велосипедами в трех направлениях

    Не упустите момент от Парижа-Рубе и Unbound Gravel до Джиро д’Италия, Тур де Франс, Вуэльты Испании и всего, что между ними, когда вы
    присоединиться к Outside +.

    Сезон WorldTour 2021 превратился в игру в бинго на велосипедных рамах, поскольку ряд команд обменялись партнерами по оборудованию на новый год, и Ag2r-Citroën стала последней командой, представившей свои новые гоночные машины.

    Недавно переименованная французская команда представила свой командный велосипед BMC в понедельник, когда он впервые сел в седло швейцарского бренда, проехав в прошлом году на рамах Eddy Merckx. Ag2r-Citroën будет на вершине велосипедов BMC до 2023 года. Команды обмениваются велосипедными спонсорами на 2021 год

  • Вут ван Аэрт проводит сезон на перекрашенном Bianchi, пока Cervélo продолжает разработку кроссового велосипеда
  • Грег Ван Авермат говорит, что перемены пойдут ему на пользу

Недавно переформированная команда Ag2r-Citroën, возглавляемая новыми подписчиками Грегом Ван Авермэтом и Бобом Юнгелсом, будет использовать 12-скоростные электронные групсеты Campagnolo и колеса Bora WTO на своих шоссейных велосипедах SLR01 с головными устройствами Wahoo GPS, предоставляющими данные.

2021 год станет первым годом партнерства Ag2r с Citroën, который ознаменует собой год перемен для французской команды, поскольку он представляет новую смелую форму, прощается с давним лидером Роменом Барде и поворачивается к классике с Ван Авермаэ. . Ветеран классики Ван Авермат ездил на велосипедах BMC в течение восьми сезонов в BMC Racing, прежде чем перейти на Giant с командой CCC.

«Я выиграл Париж-Рубе, Олимпийские игры в Рио и все свои крупные победы на BMC Teammachine SLR01, и у меня очень теплые воспоминания о времени, проведенном на велосипедах BMC», — сказал недавно Ван Авермат. «Проект Ag2r-Citroën был очень привлекательным для меня по разным причинам, и шанс снова покататься на BMC в конечном итоге сделал мое решение легким».

BMC также продолжает сотрудничество с Team Qhubeka-Assos (ранее NTT Pro Cycling) в 2021 году.

Посмотреть этот пост в Instagram

Сообщение, опубликованное AG2R CITROËN TEAM (@ag2rlamondiale_procyclingteam)

Между тем, трехсторонний обмен велосипедами между Jumbo-Visma, Team DSM (ранее Sunweb) и Team BikeExchange (ранее Mitchelton-Scott) был завершен, и все три команды в последние дни демонстрируют новые машины.

Габариты фургона форд транзит: Габариты Форда Транзит – характеристика модели

Форд Транзит автобус технические характеристики

Последнее поколение микроавтобусов Форд Транзит производится с 2006 г. Согласно оценкам экспертов, собственников и владельцев, автобус является одной из наиболее надежных и комфортабельных машин среди конкурентов в классе. Главными достоинствами называют экономичность, маневренность, динамичность, безопасность и легкость в управлении. Автобус Форд Транзит разработан с сочетанием двух отличных качеств, которые для многих производителей противоположны. Речь идет о компактности и одновременно вместимости.

Гармония этих параметров позволяет считать модель идеальным инструментом для групповых поездок и пассажироперевозок.

За годы плотной работы разработчикам удалось с момента выхода первого Форд Транзит существенно улучшить автомобиль, его ходовые качества и технические характеристики. Прибавив к этому новый ряд мощных, экономных и экологичных двигателей, а также разнообразие трансмиссии и степени грузоподъемности, получаем отличный вариант для коммерческой деятельности.

Дизайн салона и комфорт

Автобус Форд Транзит имеет динамичный интерьер, полностью сочетающийся с экстерьером авто.

Функциональная панель приборов вмещает все самое необходимое и создает ощущение роскоши. Управление микроавтобусом настолько комфортно, что, кажется, будто ведешь не автобус, а легковой автомобиль.

Автобус Форд Транзит является одним из наиболее безопасных представителей своего класса. Безопасность водителя и пассажиров обеспечивают:

  • ESP – электронная система устойчивости;
  • BTCS – система регулировки тяги с воздействием на тормоза;
  • система, позволяющая безопасно трогаться на подъеме;
  • подушки безопасности водителя и переднего пассажира;
  • ремни безопасности с фиксацией в трех точках;
  • прочное крепление ISOFIX мест для пассажиров.

Характеристика модели Форда Транзит

Фургоны Форд Транзит габариты имеют достаточной оптимальности, из-за чего многие водители уже на протяжении долгих лет выбирают данные транспортные средства для решения своих задач, связанных преимущественно с перевозками грузов. Автомобиль имеет сравнительно низкую стоимость среди своих аналогов, неплохую грузоподъемность, высокие технические характеристики и несколько модификаций, позволяющих подобрать наиболее подходящее средство для осуществления работы. Для того чтобы выбрать наиболее оптимальный грузовой фургон, следует разобраться в его отличительных особенностях.

Двигатель

Современные технологии позволили разработчикам существенно уменьшить количество вредоносных отходов в выбросе и повысить эффективность расхода горючего.

Пассажирский микроавтобус Форд Транзит оборудован новым пятицилиндровым двигателем Duratorq TDCi объемом 3,2 л. Это самый новый мотор для автомобилей линейки. Он обладает мощностью в 200 л. с. и крутящим моментом в 470 Нм.

Такие технические характеристики делают его одним из самых мощных в своем классе. Комплектуется шестиступенчатой механической коробкой переключения передач.

Линейка 2,2-литровых двигателей Duratorq, работающих на дизельном топливе, наиболее традиционный мотор, устанавливаемый в модели. Современные модели разработаны с учетом высоких требований и стандартов, предъявляемых к экологической безопасности двигателей внутреннего сгорания, Евро-4. Мощность двигателей в линейке составляет от 100 до 155 л. с.

Автомобили оснащены системой экономии топлива и защиты окружающей среды ECO Pack, состоящей из:

  • Auto-Start-Stop;
  • Ограничитель скорости.

Эффективная система Auto-Start-Stop помогает экономить горючее, выключая двигатель автоматически при соблюдении условий. Система позволяет также мгновенно запускать мотор. Согласно утверждению производителя, для 40-минутного путешествия по улицам города достаточно всего 19-минутной работы мотора.

Ограничитель скорости установлен на 100 км/ч. Его можно легко отключить, если это необходимо, чтобы не урезать возможные технические характеристики.

Дополнительные системы и опции, установленные на автобус, позволяющие эффективно расходовать топливо:

  • прогрессивная система, управляющая зарядкой аккумуляторной батареи;
  • умная система рекуперации (возврата) энергии;
  • индикатор, подсказывающий о необходимости переключения передачи;
  • турбина с изменяемой геометрией улучшает отклик на педаль, ускорение и экономию горючего.
  • 14 и 17-местные микроавтобусы комплектуются 2,2 литровыми моторами с 125 и 155 л. с.

Отличия грузовиков Форд Транзит • Выгодные преимущества

Форд Транзит: технические характеристики. Расход топлива, мощность двигателя, трансмиссия. Значительно расширилась линейка двигателей, внешний вид машины изменился коренным образом, контуры приобрели более строгие очертания, круглые передние фары заменили на квадратные, радиаторная решетка из пластика стала более стильной. Нажмите на картинку для увеличения размера Нажмите на картинку для увеличения размера Нажмите на картинку для увеличения размера Нажмите на картинку для увеличения размера.

Габаритные размеры базовой модификации: • И у меня нет повода утверждать, что эти легенды не соответствуют действительности.

Трансмиссия

Для авто характерен задний привод. Преимуществами которого выступают:

  • улучшенная компоновка для первозки тяжелых грузов;
  • лучший выбор для авто с установленным прицепом;
  • груженый автомобиль лучше управляется;
  • улучшенная система управления.

На автобус устанавливается шестиступенчатая коробка переключения передач Durashift.

Комфорт

Система круиз-контроля

Система круиз-контроля точно выдерживает заданную водителем скорость движения, облегчая езду по длинным автострадам. Помимо экономии топлива, она минимизирует вероятность нарушения скоростного режима.

Система обогрева лобового стекла Quickclear

Эта интеллектуальная технология позволяет быстрее отправиться в путь морозным утром. Достаточно лишь нажать кнопку, и ультратонкие нити нагреются, чтобы разморозить лобовое стекло и примерзшие стеклоочистители, а также удалить запотевание. Система срабатывает за несколько секунд, даже если на улице сильный мороз.

Аудиосистема

Аудиосистема включает в себя радио, AM-FM, AUX, USB, Bluetooth с кнопками управления на руле и качественную акустическую систему.

Складываемые зеркала заднего вида

Складные зеркала заднего вида убираются, чтобы избежать случайного повреждения, например, при парковке на узкой улочке. Кроме того, они снабжены системой подогрева, поэтому хорошая видимость обеспечена в любых погодных условиях.

Габаритные размеры

Технические характеристики Форд Транзит на 14 и 17 мест, определяющие его габариты, таковы (в мм):

  • длина без подножки – для 14-местного – 5680 / для 17-местного – 6403;
  • ширина – 2347/2347;
  • высота – 2389–2394/2623–2624;
  • передний свес – 933;
  • колесная база – 3750;
  • задний свес – 997/1720;
  • ширина проема боковой двери – 650;
  • ширина проема задней двери – 1540;
  • расстояние между колесными арками – 1390/1153;
  • высота проема задних дверей – 1566/1796;
  • высота проема боковой двери – 1500;
  • погрузочная высота – 705–710/711–715;
  • диаметр разворота (бордюр-бордюр) – 13,3 м;
  • диаметр разворота (стена-стена) – 14,3 м.

Короткая колесная база

Фургоны на короткой колесной базе (SWB) идеально подходят для доставки в несколько точек без ущерба грузоподъемности. Эта модель автомобиля Transit может вмещать три паллеты европейского стандарта, помещенных вплотную. Имеется выбор моделей с различной высотой кузова, типом привода и дверьми, включая боковую дверь со стороны водителя, поставляемую по желанию заказчика, что делает загрузку еще более легкой. А у вас будет уверенность в полном комплекте средств безопасности.

Ключевые характеристики автомобиля Transit на короткой колесной базе

  • Длина груза 2 582 мм.
  • Общая грузоподъемность от 897 до 1 430 кг.
  • Объем грузового отсека от 5,19 м куб. до 6,81 м куб.
  • Выбор переднего привода (FWD) (низкое расположение пола), заднего привода (RWD) или полного привода (AWD).
  • Выбор автомобиля с низкой крышей и средней крышей.
  • Возможность перевозить стандартные строительные панели 2,5?1,2 метра плашмя или боком.
  • Пространство для трех европаллет 1,2 м x 0,8 м.
  • Радиус разворота (от бордюра до бордюра) 10,8 м.
  • Пассивная противоугонная система блокировки двигателя Safeguard.
  • Центральный замок с дистанционным двойным запиранием с усиленным и защищенным креплением, а также два самозаряжающихся брелока.
  • Замок с контролем открытия капота.
  • Система защиты Lock-in-latch.

Грузоподъемность

Технические характеристики Форд Транзит будут неполны без грузоподъемности. Для коммерческого автомобиля этот параметр имеет весьма важное значение. Грузоподъемность четырнадцатиместного микроавтобуса составляет 1282 кг при 125-сильном 2,2-литровом двигателе и 1261 кг – при 155-сильном.

Семнадцатиместный автобус с высокой крышей также имеет разные показатели грузоподъемности, зависящие от мощности двигателя. Так, версия с мотором в 125 л. с. имеет грузоподъемность 1383 кг, а 155 л. с. – 1379 кг.

Форд MWB (средняя база)

Фургон Ford Transit с базой средней величины отличается своей надежностью и удобностью. Он очень крепкий в сравнении со многими другими автомобилями. Этой модели доступны различные модификации пола и крыши, благодаря чему владелец может подобрать такое транспортное средство, которое будет наиболее полно выполнять те задачи, которые перед ним стоят. Габариты фургона форд транзит MWB отличаются средними величинами. Это позволяет машине неплохо себя чувствовать в городских условиях.

  • Грузоподъемность форд транзит этой модели находится в пределах от 885 до 1650 килограмм.
  • Достаточно крепкий кузов, длина грузового отсека которого достигает 2949 миллиметров. Объем этой части автомобиля 8,85 м3 при применении низкой крыши.
  • Фургон средней базы имеет на 367 миллиметров увеличенную длину кузова в сравнении с первоначальной версией автомобиля. Это также касается и габаритов грузового отсека, которые стали больше.

Высота и ширина боковой погрузочной двери также увеличилась. В свою очередь, это повлекло за собой измененные технические характеристики.

Прочие характеристики

Стоит также отметить другие технические характеристики, имеющие важное значение при выборе коммерческого автомобиля:

Подвеска

Передняя независимая подвеска Мак-Ферсон оборудована спиральными пружинами переменной жесткости, а также газонаполненными амортизаторами. Предусмотрен стабилизатор поперечной устойчивости. Задняя представлена листовыми рессорами и амортизаторами.

Тормозная система

Система тормозов двухконтурная. Оборудована саморегулирующимися тормозными колодками и усилителем. Тормозной механизм на задних и передних колесах дисковый.

Что обозначает понятие «габариты автомобиля»?

Некоторые люди, даже не слышали о таком понятие, как «габариты автомобиля», а если и слышали, то не имеют понятия о том, что оно означает. Конечно, если человек не относится к автомобилистам, то в этом нет ничего страшного. Но вот автомобилистам необходимо иметь представление о том, что же такое габариты автомобиля.

На самом деле, здесь нет ничего сложного, габариты Форд Транзит — это его размер, то есть длина автомобиля, его ширина и высота. Человек, выбирая себе машину в интернете и зная ее габариты, сможет представить то, как будет примерно выглядеть его автомобиль.

Форд Транзит Фургон — Форд Максимум

Запись на сервис

Свяжитесь с нами

ФЦ Максимум

  • Модельный ряд
  • Покупка
  • Акции
  • Ford Сервис
  • О компании

Больше. Лучше. Сильнее.

Запись на тест-драйв

Запросить предложение

Записаться на тест-драйв

Запись на сервис

Специальные автомобили

Система помощи при трогании в гору (HLA)

Система помощи при трогании на подъеме временно не позволяет автомобилю катиться назад или вперед в начале движения на склоне. Система поддерживает давление в тормозной системе на 2–3 секунды дольше, что дает больше времени и возможностей контроля при перемещении ноги с педали тормоза на педаль газа. Эта функция также полезна при остановке и последующем трогании на скользкой поверхности.

Система предотвращения опрокидывания

Система контроля вертикальной стабильности отслеживает поведение автомобиля с целью защиты от переворачивания. В случае возникновения такой опасности она задействует тормозную систему и регулирует крутящий момент двигателя, чтобы стабилизировать ситуацию.

Система контроля движения на поворотах

Система управления прохождением поворотов определяет, когда водитель слишком быстро проходит поворот, и может быстро снизить крутящий момент двигателя (при этом включив тормоза), чтобы сохранить контроль над автомобилем.

Адаптация к уровню загрузки

Функция адаптивного контроля загрузки LAC вносит изменения в настройки электронной системы динамической стабилизации ESP в соответствии с общим уровнем загрузки фургона, что способствует обеспечению безупречной управляемости, независимо от того, пустой ли фургон или, наоборот, полностью заполнен грузом.

Интеллектуальная система регенеративной подзарядки аккумулятора

В отличие от аналогов, интеллектуальная система регенеративной подзарядки осуществляет подзарядку аккумулятора только тогда, когда это действительно нужно, по мере возможности не делая этого при нажатой педали газа. Такой алгоритм работы служит для экономии топлива и снижения уровня выбросов CO2.

Электронная система курсовой устойчивости (ESP)

Stability Control) постоянно контролирует траекторию движения Вашего автомобиля. Она чувствует любые отклонения от выбранного направления движения, например когда машину начинает заносить, и автоматически корректирует Ваше положение на дороге, помогая удерживать контроль над автомобилем.

Система помощи при экстренном торможении Emergency Brake Assist

Система помощи при экстренном торможении EBA обеспечивает максимальную эффективность торможения в критических ситуациях. Она отслеживает, какое тормозное усилие прилагает водитель, и при необходимости автоматически увеличивает его. Для еще большего уменьшения тормозного пути служит функция гидравлического усиления задних тормозов, которая работает при активированной системе ABS.

Сигнализация периметра

Сигнализация периметра обеспечивает максимальную безопасность Вашего Ford Transit. Система оборудована соответствующими датчиками и приборами для защиты автомобиля.

Подушки безопасности

Ford Transit оснащается подушками безопасности, четкая работа которых обеспечивается датчиками, расположенными в ключевых местах автомобиля. Пассажирская подушка безопасности может быть отключена (например, при перевозке ребенка), при этом ее деактивированный статус будет отображаться специальным индикатором на приборной панели.

Система круиз-контроля

Система круиз-контроля точно выдерживает заданную водителем скорость движения, облегчая езду по длинным автострадам. Помимо экономии топлива, она минимизирует вероятность нарушения скоростного режима.

Система обогрева лобового стекла Quickclear

Эта интеллектуальная технология позволяет быстрее отправиться в путь морозным утром. Достаточно лишь нажать кнопку, и ультратонкие нити нагреются, чтобы разморозить лобовое стекло и примерзшие стеклоочистители, а также удалить запотевание. Система срабатывает за несколько секунд, даже если на улице сильный мороз.

Аудиосистема

Аудиосистема включает в себя радио, AM-FM, AUX, USB, Bluetooth с кнопками управления на руле и качественную акустическую систему.

Складываемые зеркала заднего вида

Складные зеркала заднего вида убираются, чтобы избежать случайного повреждения, например, при парковке на узкой улочке. Кроме того, они снабжены системой подогрева, поэтому хорошая видимость обеспечена в любых погодных условиях.

Противобуксовочная система

Система Traction Control System (TCS) устраняет пробуксовку колес при ускорении, обеспечивая максимальное сцепление с поверхностью дороги в любых условиях.

Полный привод

  • Система полного привода в сложных условиях обеспечивает дополнительное тяговое усилие. 
  • Автоматически увеличивает крутящий момент двигателя, который передается на колеса, имеющие максимальное сцепление с дорогой.

Индивидуальное управление дверьми

В качестве стандартного компонента Transit оснащается системой удаленного централизованного закрытия дверей. Причем эта система стала еще более надежной, поскольку открытие одной двери не приводит к автоматической разблокировке остальных. Все остальные двери будут оставаться запертыми, пока вы не активируете переключатель на водительской двери. С помощью этого же переключателя можно управлять статусом каждой двери (заблокировано/разблокировано).

Удобное в обслуживании напольное покрытие грузового отделения

В стандартной комплектации автомобиль оснащается прочным напольным покрытием, которое не только защищает фургон от повреждений, но и служит в качестве звукоизоляции. Напольное покрытие поднято по бокам вверх на 100 мм, облегчая очистку.

Индикатор необходимости переключения передач

Световой индикатор переключения передачи на приборной панели сообщает водителю, когда необходимо переключить передачу для максимально эффективного расхода топлива. Это простой, но эффективный способ помочь сделать каждую поездку более экономичной.

  • Главная страница
  • Модельный ряд
  • FORD TRANSIT ФУРГОН

Свяжитесь с нами

Запись на сервис

Производители автомобилей Ford постоянно совершенствуют свою продукцию и оставляют за собой право на внесение изменений в технические характеристики, спецификации, цвета, цены моделей, комплектации, опции и т.п., представленные на данном сайте без предварительного уведомления. Обращаем Ваше внимание на то, что все представленные на сайте изображения и информация, касающаяся комплектаций, технических характеристик, цветовых сочетаний, опций или аксессуаров, а также стоимости автомобилей и сервисного обслуживания носит информационный характер, может не соответствовать последним российским спецификациям, и ни при каких условиях не является публичной офертой, определяемой положениями Статьи 437 (2) Гражданского кодекса Российской Федерации. Для получения подробной информации об автомобилях, пожалуйста, обращайтесь к ближайшему официальному дилеру Ford.

© 2022 Kodix Automotive

Насколько большой фургон Ford Transit?

Ваш браузер не поддерживает джаваскрипт. Включите или обновите браузер для просмотра веб-сайта.

Мы больше не поддерживаем этот веб-браузер. Обновите свой браузер для большего удобства.

01.17.2021
Делиться

Насколько большой фургон Ford Transit?

Он имеет форму, которую большинство из нас может определить за считанные секунды, так что он настолько же узнаваем, как и четырехколесный транспорт. Наряду с Mini, оригинальными Land Rover и VW Beetle, семейство фургонов Ford Transit является символом наших дорог, даже если этот бренд больше не производится в Великобритании. И спустя более 50 лет после выпуска Transit по-прежнему остается самым продаваемым автомобилем своего типа в Европе. Таким образом, эта модель по-прежнему предлагает отличное соотношение цены и качества и известна своей надежностью.

 

Но подойдет ли он для вашего бизнеса? Понятно, что вам могут быть интересны размеры этих моделей, особенно если вы перевозите товары из одного места в другое и хотите знать, сколько вы можете удобно перевозить в своем автомобиле.

 

Здесь мы предлагаем руководство по различным размерам различных моделей Ford Transit:

 

Ford Transit

Это самая большая версия в семействе, классический и постоянный бестселлер.

 

Размеры для переднеприводной версии Transit, за исключением модели L4 h4, которая является заднеприводной или полноприводной:

L2h3 L2h4 Л3х3 Л3х4 Л4х4 Общая длина (мм) 5531 5531 5981 5981 6704 Общая ширина (мм, с зеркалами) 2474 2474 2474 2474 2474 Общая высота (мм) 2413 —
2533 2652 —
2769 2411 —
2530 2676 —
2767 2715 —
2778 Максимальная ширина багажного отделения 1784 1784 1784 1784 1784 Максимальный объем груза (в кубических метрах, с переборкой) 10,0 11,2 11,5 13,0 15,1

 

 

 

Ford Transit Custom

Этот фургон среднего размера удобен в управлении и по-прежнему популярен среди руководителей автопарков и владельцев бизнеса. Он также может похвастаться отличными показателями надежности.

 

Размеры этой модели в линейке Transit Custom:

Тип модели L1h2 L1h3 L2h2 L2h3
Общая длина (мм) 4973 4973 5340 5340
Общая ширина (мм, с зеркалами) 2272 2272 2272 2272
Общая высота (мм) 1925 —
2000
2286 —
2366
1922 —
1979
2285 —
2343
Максимальная ширина багажного отделения 1775 1775 1775 1775
Максимальный объем загрузки (в кубических метрах, с переборкой) 6,0 7,2 6,8 8,3

 

 

 

Ford Transit Connect

В более компактном конце спектра эта версия по-прежнему предлагает достаточно места. Это комфортное вождение, а после фейслифтинга 2018 года был представлен более эффективный дизельный двигатель, а также улучшенный внешний вид, а внутренние технологии были взяты из легковых автомобилей Ford. Эти аспекты помогают Connect выделиться на конкурентном рынке.

Тип модели L1 L2 DCiVL1 (фургон для экипажа) L1 Вахтовый фургон L2
Общая длина (мм) 4425 4825 4425 4825
Общая ширина (мм, со сложенными зеркалами) 1967 1967 1967 1967
Общая высота (мм) (без груза) 1830 1828 1819 1820
Максимальная ширина багажного отделения у пола (мм) 1543 1496 1533 1496
Максимальный объем груза (в кубических метрах) за переборкой 2,6 —
2,9
3,2 —
3,6

 

 

 

Ford Transit Courier

Это «малыш» в модельном ряду Transit, но он по-прежнему отличается компактностью и большим пространством для переноски, чем вы могли себе представить. Доступный в трех комплектациях, он поставляется только как двухместный. Впервые проданный в 2013 году, Courier был обновлен в 2019 году. Он идеально подходит для передвижения по городу, а если вам нужно что-то, что можно легко припарковать.

 

Эта версия Transit доступна только в одном размере:

Подводя итоги Благодаря большому разнообразию предложений, мы уверены, что вы легко сможете найти модель Transit, которая соответствует вашим потребностям. В Vansdirect у нас есть доступ к большой линейке Transit, и мы можем обсудить с вами различные варианты, если вы не уверены, какая модель лучше всего соответствует потребностям вашего автопарка или бизнеса. В то же время мы предлагаем большой выбор пакетов финансирования, чтобы сделать ваш Transit доступным. Поговорите с нами сегодня, чтобы узнать больше.

Общая длина (мм) 4157
Общая ширина (мм, с зеркалами) 2112

 

(1991 в сложенном виде)

Общая высота (мм) 1770 (без рейлингов)
Ширина грузового пространства (между колесными арками, мм) 1012
Объем груза (в кубических метрах, с гибкой переборкой) 2,4–2,6

Оставайтесь на связи

Прося получать электронные письма от Vansdirect, вы соглашаетесь
что мы можем использовать ваш адрес электронной почты для
отправлять вам уведомления, когда мы публикуем объявление акционеров на нашем веб-сайте. Мы
также может отправить
вы время от времени другие новости о Vansdirect. Вы можете отказаться от подписки на
в любое время
по ссылке в письмах. Мы не будем использовать вашу электронную почту для каких-либо других целей.

Поделиться Артикул

Facebook

WhatsApp

Messenger

Twitter

LinkedIn

Выбор фургона: Transit VS Sprinter VS Promaster VS NV

Содержание


  1. Ford Transit
  2. Мерседес Спринтер
  3. Рам ProMaster
  4. Ниссан НВ
  5. Лучший фургон для переоборудования кемперов

1- Ford Transit


1.1- Обзор


В то время как Sprinter привлекает большое внимание в мире кемперов, Ford Transit доминирует на рынке коммерческих фургонов с почти 26% от общего объема продаж в США (источник) . Представленный в 2015 году в Северной Америке, Ford Transit подвергся капитальному ремонту в 2020 году с новыми вариантами двигателя, долгожданной трансмиссией AWD (полный привод) и другими высокотехнологичными обновлениями (адаптивный круиз-контроль, система помощи при столкновении и т. д.). ).

Дополнительная информация о транспорте (FOrd.com)

1.2- Конструкция и цена


Стиль
  • Грузовой фургон
  • Пассажирский фургон
Длина
  • Обычный 18,5 футов (130 дюймов в ширину)
  • Длина 20 футов (148 дюймов в ширину)
  • Удлиненный 22 фута (148 дюймов в ширину)
Высота
  • Низкая крыша (83,2″)
  • Средняя крыша (100,8″)
  • Высокая крыша (110,2″)
Двигатели
  • 3,5 л с непосредственным впрыском (газ)
  • 3,5 л EcoBoost (газ)
  • 2,0 л EcoBlue (дизель)
Трансмиссия
  • Задний привод
  • RWD LSD (дифференциал повышенного трения)
  • Полный привод (полный привод)

Воспользуйтесь интерактивным инструментом Ford.com «Build & Price», чтобы построить свой собственный Ford Transit (и узнать цену). Попробуйте, это аккуратно:

Сборка, настройка и цена вашего транспорта

1.

3- Внешние размеры


1.4- Внутренние размеры груза


Все фотографии предоставлены: https://www.adriansteel.com/item/cargo- фургоны/размеры/

СТАНДАРТНАЯ ДЛИНА (130WB)
НИЗКАЯ КРЫША
Средняя крыша
Длина длиной (148WB)
Низкая крыша
Средняя крыша
High Roof
Расширенная длина (148WB)

High Roof

1,5- Стоимость ремонта и обслуживание


$ 86666- годовой ремонт и годовой ремонт


$ 8666 666 USD годовой (ИСТОЧНИК: REPAIRPAL.COM)

Ford, Mercedes или Ram: независимо от марки и марки ремонт и техническое обслуживание в долгосрочной перспективе неизбежны. Конечно, вы можете получить бесплатный эспрессо у дилера Mercedes, но дилеры Ford есть по всей карте (расположение дилеров), они намного дешевле, а наличие запчастей ОЧЕНЬ хорошее. Зная, что мы живем все время в своем фургоне и много путешествуем в отдаленные места, это ВЕСЬМА причина выбрать Ford Transit вместо Mercedes Sprinter!

Насколько надежен Ford Transit? Мы отслеживаем абсолютно все затраты на ремонт нашего Транзита; за 5 лет владения (с 2016 по 2022 год) мы потратили 2400 долларов США (без учета шин и замены масла) . Мы очень довольны этим! См. наш подробный журнал ремонта:

наш журнал ремонта

1.6- Наше мнение


ЧТО НАМ НРАВИТСЯ
  • Разумная стоимость владения.
  • Обширная дилерская сеть.
  • Запчасти дешево и быстро.
  • Ездит как минивэн.
ЧТО НАМ НЕ НРАВИТСЯ
  • Задние тормоза быстро изнашиваются. Следите за ними.

НАЧАЛЬНАЯ СТОИМОСТЬ : Сначала мы искали Sprinter (потому что все так делали в 2015 году) и быстро поняли, что можем получить совершенно новый Ford Transit (полная гарантия, отсутствие предыдущего владельца, индивидуальные опции и т. д.) за почти такая же цена, как у подержанного Sprinter…

РЕМОНТ И ТЕХНИЧЕСКОЕ ОБСЛУЖИВАНИЕ : Потом мы поняли, что даже если Sprinter — автомобиль высокого класса, они часто ломаются. Глядя на карту дилерских центров Mercedes (расположение дилеров Mercedes), мы задумались: что произойдет, если мы захотим поехать на Аляску или в Южную Америку? Черт возьми, даже в США нет дилеров за пределами крупных городов!

ТЕСТ-ДРАЙВ : Затем мы протестировали Transit и Sprinter… мы предпочли Transit, так как он больше напоминал вождение минивэна (проворный и предсказуемый), тогда как Sprinter ощущался как вождение полноразмерного грузового автомобиля. фургон.

ЗДРАВЫЙ СМЫСЛ : Наконец, мы задали себе вопрос: «Если бы нам пришлось покупать машину, мы бы купили Мерседес или Форд?» Да, теперь все это имело смысл: мы предпочитаем тратить деньги на снаряжение для катания на горных велосипедах и приключения, а не на роскошный автомобиль!

Излишне говорить, что мы выбрали новый Ford Transit 2016 года и очень этому рады!

1.7- Ресурсы


2 ГОДА ЗИМЫ VANLIFE

РЕАЛЬНЫЙ ОТЧЕТ ПО FORD TRANSIT: Система контроля тяги (TCS), дифференциал повышенного трения (LSD), 4×4 (отсутствие), RWD Передний привод, Шины, Цепи противоскольжения, Эвакуационные устройства, Как подняться как босс…

Руководство по зимнему фургону

СОЗДАЙТЕ СОБСТВЕННЫЙ FORD TRANSIT И ЦЕНА

Не стесняйтесь попробовать любую конфигурацию и посмотреть, как это повлияет на цену…

Создайте свои собственные

Руководство по модификации и руководству по OEM

Руководство по монтажу тела и оборудования (BEMM)

Специальные автомобильные бюллетени (SVE)

онлайн -сообщества

Ford Transit USA владельцы

Транзит USA Forum


ПРОВЕРЕНО И ПРОВЕРЕНО В НАШИХ ИССЛЕДОВАТЕЛЬСКИХ ЛАБОРАТОРИЯХ (НАШ ФУРГОН)

2- Mercedes Sprinter


2.

1- Обзор


Еще несколько лет назад самостоятельная переделка кемпера (почти) обязательно означала фургон Sprinter (в Северной Америке). Действительно, Sprinter существует с 2001 года (тогда он назывался Freightliner, а в 2003 году был переименован в Dodge), задолго до Transit или ProMaster. Сегодня Mercedes Sprinter занимает 10% рынка коммерческих фургонов в США (источник) .

SPRINTER WIKIPEDIA

2.2- Конструкция и цена


Стиль
  • Грузовой фургон
  • Пассажирский фургон
Длина
  • Стандартная ширина 19,5 футов (144 дюйма)
  • Длина 22,8 фута (170 дюймов в ширину)
  • Удлиненный 24,15 фута (170 дюймов в ширину)
Высота
  • Стандартная крыша (96,3″)
  • Высокая крыша (110″)
  • Сверхвысокая крыша (120,1″)
Двигатели
  • 2,0 л с турбонаддувом (газ)
  • 3,0 л с турбонаддувом (дизель)
Трансмиссия
  • Задний привод
  • 4×4

Используйте интерактивный инструмент MBvans. com «Build Your Van», чтобы собрать свой собственный фургон Sprinter:

СОЗДАЙТЕ, НАСТРАИВАЙТЕ ВАШ SPRINTER И УКАЖИТЕ ЦЕНУ

2.3- Внешние размеры


2.4- Внутренние размеры груза

3 Все кредитные фотографии : https://www.adriansteel.com/item/cargo-vans/dimensions/

СТАНДАРТНАЯ ДЛИНА (144WB),

НИЗКАЯ КРЫША:

ДЛИННАЯ ДЛИНА (170WB),

ВЫСОКАЯ КРЫША:

УДЛИНЕННАЯ 0WB (0WB) , ВЫСОКАЯ КРЫША:

2.5- Ремонт и техническое обслуживание


1778 долларов США ГОДОВАЯ СТОИМОСТЬ РЕМОНТА   (ИСТОЧНИК: REPAIRPAL.COM)

Фургоны Sprinter хороши до тех пор, пока что-то не пойдет не так. Дилеры расположены только в крупных городах (см. поиск дилеров), запчасти и работа ОЧЕНЬ дороги, а наличие запчастей плохое и может занять некоторое время.

Фургоны ВСЕГДА в центре обсуждений при встрече с другими фургончиками. И мы встретили МНОГИЕ ванлиферы за два года в пути. Со Sprinter связано слишком много страшилок: черная смерть, вялый режим, выход из строя нагревателя DEF, забитый DPF и т. д. Как бы это ни называлось, кажется, что каждый владелец Sprinter в какой-то момент сталкивался с этим.

2.6- Наше мнение


ЧТО НАМ НРАВИТСЯ
  • Хороший пробег.
  • Бесплатный эспрессо у дилера.
ЧТО НАМ НЕ НРАВИТСЯ
  • Высокая стоимость владения.
  • Высокий риск превратиться в денежную яму на колесах.

Высокая первоначальная стоимость, проблемы с надежностью и огромные затраты на техническое обслуживание/ремонт… По какой-то причине Sprinter пользуется большой популярностью среди производителей кемперов, но мы не знаем, почему. Это хороший пробег? 4×4? Имя Мерседес? Что бы это ни было, мы думаем, что это не стоит риска. Мы лично знаем слишком много людей, которые тратят огромные суммы денег, пытаясь сохранить жизнь своему Sprinter.

Нет, спасибо, пропустим.

2,7- Ресурсы


Строительство и цена. Ваши собственные Mercedes Sprinter

Строительница, настраивание и цена

Модификации и руководящие принципы OEM

Руководство по телу и оборудованию (BEG):

Portal

онлайн-общины

-van-владельцы ван-владельцы Sprinter Van-владельцы.

SPRINTER SOURCE Forum

3- Ram ProMaster


3.1- Обзор


Fiat Ducato продается как ProMaster в Северной Америке с 2013 года. Ram ProMaster чувствует себя хорошо. Он особенно известен своей переднеприводной трансмиссией и «квадратным» грузовым отсеком, который облегчает жизнь строителям кемперов!

PROMASTER WIKIPEDIA

3.2- Конструкция и цена


Стиль
  • Грузовой фургон
  • Фургон «Окно»
Длина
  • 136″ WB 17,75 футов
  • 159″ WB 19,75 футов
  • 159″ WB удлиненный 20,85 футов
Высота
  • Низкая крыша (88″)
  • Высокая крыша (99″)
Двигатели
  • 3,6 л Pentastar (газ)
Трансмиссия
  • Передний привод

Используйте интерактивный инструмент RamTrucks.com «Build Your Van», чтобы построить свой собственный фургон ProMaster:

Сборка, настройка и цена вашего ProMaster

3.

3- Внешние размеры


3.4- Внутренние размеры груза


Все фотографии предоставлены : Https://www.adriansteel.com/item/cargo-vans/dimensions/

136 ″ колесная база
Низкая крыша:
Высокая крыша:
159 ″ колесная база,

Высокая крыша:

159 ″ Extededleded ,

ВЫСОКАЯ КРЫША:

3.5- Ремонт и техническое обслуживание


859 долларов США ГОДОВАЯ СТОИМОСТЬ РЕМОНТА   (ИСТОЧНИК: REPAIRPAL.COM)

Честно говоря, у нас мало данных о ProMaster. Поспрашивая, он кажется очень похожим на Ford Transit с точки зрения стоимости и дилерской сети.

Вы владелец ProMaster? Поделитесь с нами своим опытом, используя раздел комментариев ниже!

3.6- Наше мнение


ЧТО НАМ НРАВИТСЯ
  • Благодаря «квадратному» грузовому пространству ProMaster является самым широким из всех фургонов, а прямые стенки легче встраивать.
  • Разумная стоимость владения.
ЧТО НАМ НЕ НРАВИТСЯ
  • Передний привод  (большой палец вниз, верно). Переделанный фургон модели имеет большую нагрузку на заднюю ось, что означает большее сцепление с задними колесами. Здесь, в Британской Колумбии, нам часто приходится подниматься по очень крутым полноприводным дорогам с высоким клиренсом, чтобы получить доступ к нашим любимым трассам для катания на горных велосипедах или зонам для катания на лыжах по пересеченной местности; у переднего привода для этого недостаточно тяги. Видеть удивленную реакцию людей, когда мы подъезжаем к тому, что считается неровной полноприводной дорогой, не надоедает 🙂 «Этот фургон полноприводный?

Зная, что БОЛЬШЕ ВЕСА = БОЛЬШЕ СЦЕПЛЕНИЯ , мы рады, что наш фургон заднеприводный!

Мы получаем на больше сцепления при подъеме по крутому склону , потому что на заднюю ось приходится еще больше веса!

3.7 Проверка реальности


Мы связались с другом, который жил в своем фургоне Sprinter в течение 4 лет и только что перешел на ProMaster (также полный рабочий день). Сохраняя те же привычки, он говорит, что за 3 месяца застрял на своем Спринтере столько же, сколько за 4 года. Так что, хотя мы ничего не имеем против ProMaster (мы абсолютно не связаны ни с одним брендом), возможно, это не лучший автомобиль для поездок по проселочным дорогам.

3,8- Ресурсы


Строительница и цена вашего собственного Ram Promaster

Сборка, настройка и цена

Модификации и руководящие принципы OEM

Рекомендация по дизайну

КОРМАЦИИ

и т. Д. СООБЩЕСТВА ОНЛАЙН

PROMASTER ФУРГОН Владельцы

PROMASTER Forum

4- Nissan NV


4.1- Наше мнение


———————
РЕДАКТИРОВАТЬ 2020: ВЫГЛЯДИТ, ЧТО NISSAN СОБИРАЕТСЯ СНИЖАТЬ ПРОИЗВОДСТВО NV VAN: https://www.thetorquereport.com/nissan/nissan-nv-vans-are-likely-being-discontinued/ 
————— ————–

Nissan NV WIKIPEDIA

4.2- Модель и цена


Стиль
  • Грузовой фургон
  • Пассажирский фургон
Длина
  • Колесная база 146 дюймов (внешняя длина 20 футов)
Высота
  • Стандартная крыша (84″)
  • Высокая крыша (105″)
Двигатели
  • 4,0 л V6 (газ)
  • 5,6 л V8 (газ)
Трансмиссия
  • Задний привод

Используйте интерактивный инструмент NissanUSA.

Чермет что это такое: Что такое чермет и какие металлы относятся к черным

Что такое чермет и какие металлы относятся к черным

Часто перерабатываемым и потому распространенным и востребованным является лом черного металла. В каждом населенном пункте можно найти несколько точек, которые собирают и утилизируют черный металлолом с целью дальнейшей переработки как вторичного сырья. Вторичная переработка помогла решить проблему быстрого истощения ресурсов земли и сделать производство металла более дешевым, при этом давая возможность заработать простому человеку.

Что такое чермет и какие виды существуют

Металлоломом принято называть металл, который больше непригоден для использования человеком. Что касается черного металлолома им принято называть металлические отходы, которые в большинстве содержат в себе железо и сплавы. Классификация черных металлов происходит с учетом следующих моментов:

  • в зависимости от уровня содержания углерода;
  • в зависимости от того, присутствуют ли в составе элементы, которые улучшают внешний вид и свойство изделия;
  • исходя из качества, на которое влияет масса факторов.

Что касается видов черного металла, то их можно пересчитать на пальцах. Какие относятся к нему виды можно узнать из следующего списка:

  • чугун. Без изделий еще советского производства из чугуна крайне тяжело представить свалки и пункты приема металлолома. Именно он является практически основным, который сдают на вторичную переработку. Очень часто это предметы бытового назначения, такие как ванны, радиаторы и т.д. чугун бывает белым, серым, ковким и высокопрочным;
  • лом стали. Особо высоко пунктами приема оценивается так называемая «нержавейка». Это сталь определенного состава, которая не поддается коррозии. Она делится на хромистую (с добавлением хрома), дюралюминиевую (с примесью алюминия), молибденовую и прочие. Из того, что чаще приносят в пункты металлолома – это куски арматуры, проволоки, механизмов машин;

Вторичная переработка важна как для окружающей среды и сохранения природных ресурсов, так и для процветания металлургии в целом. В таком случае резко снижается количество отходов, а экономия энергоресурсов наоборот повышается.

Выгода для предприятий и населения

Выгоду предприятия по переработке и изготовлению из вторсырья получают просто колоссальную. В виду удешевления производства предприятие почти всегда остается в плюсе. К тому же это значительно снижает цену готовой продукции.

Что касается населения, то помимо чистой экологии и уменьшения количества свалок появляется возможность дополнительного заработка. Что очень кстати в наше тяжелое время.

Где применяют вторичные черные металлы?

Прежде всего, стоит отметить, что сфера применения переработанного лома металлов достаточно широка именно из-за того, что вторичная переработка намного дешевле, чем изготовление из руды и требует меньшего количества времени. Большинство крупных и мелких предприятий уже давно отказались от добычи руды в пользу более дешевого и менее затратного способа по переработке вторсырья.

Что касается изготовления из черного металла то из него, возможно изготовить все, что угодно. Область применения материала довольно обширна. Чермет используется в сельском хозяйстве, машиностроении, судостроении авиа и ракетостроении. Его популярность обусловлена высокой прочностью, универсальностью и дешевизной.

В заключение стоит сказать, что такой ресурс как железо важен, как для благополучия предприятий по переработке, так и для обычных людей, для которых возможно сдача металла является способом дополнительного заработка.

Сдать чермет оптом – Сдавалыч

Сдавалыч


• 2 мин. на чтение

Лом черных металлов — это изделия из железа и сплавов на его основе: стали и чугуна. Лом чермета встречаются везде: и в быту, и на промышленных производствах. Собрать большую партию легко, особенно если вы руководите заводом, демонтажной организацией, строительной компанией или другим видом крупного предприятия. А еще сдавать чермет оптом — выгодно: пункты приема предлагают более высокую цену для лома, вес которого превышает 1 тонну.

Из статьи вы узнаете, где найти черный металлолом, как и куда его сдать.

Как определить металл

Для начала разберемся, как определить черный металл. Основное его отличие от цветных — наличие железа в сплаве. Поднесите любой магнит к изделию. Если он притягивается (в разной степени) — то перед вами предмет из черного металла. Не обладает магнитными свойствами только нержавеющая сталь.

Второй способ определить черный металл — просто посмотреть на него. Изделия из чермета имеют серебристый, серый, темно-серый, темно-коричневый и черный цвета. Если они долго были в использовании, то вы увидите ржавчину и другие дефекты — так как черные металлы обладают низкой устойчивостью к коррозии.

Категории черного металла

Черный металл делится на несколько категорий. Классификация зависит от:

1) основного сплава лома (это цифры)

  • 1-16 — сталь
  • 17-24 — чугун
  • 25-28 — вне класса

2) наличия легирующих добавок, которые изменяют свойства основного сплава (это буквы)

  • А — углеродистые
  • Б — легированные (например, хром, марганец, никель)

Самые распространенные категории черного металла — это 3А, 5А, 12А, 17А, 19А, 20А, 22А. Обратите внимание на таблицу (источник: diosfera23.ru).

Где взять чермет

Чермет в больших количествах вы найдете на:

  • заводах и производствах. Это могут быть отходы, образовавшиеся в процессе работы: обрезки, кусковой лом, стружка. Также это могут быть части арматуры после демонтажа или замены деталей: прутки, элементы несущих конструкций, металлопрофили, уголки, балки… А еще поддоны, отливки, станины, радиаторы отопления.
  • мусорных полигонах. Некоторые люди отправляют старые или просто ненужные металлические изделия на свалку — вместо того чтобы отнести в пункт приема и получить за них деньги. Сотрудники полигонов сортируют мусор и отделяют металлолом.
  • автобазах и в автомастерских. Запчасти, инструменты — распространенный вид металлолома.
  • стройках и в строительных организациях. Это могут быть швеллеры, части металлоконструкций, оборудования, кровельные и профилированные листы.

Бытовой металлолом обычно скапливается на даче, в гараже, сарае. Это старая сантехника, инструменты, ведра, банки, чугунные ванны и радиаторы, стальная проволока.

Где сдать черный металл

Сдать металл оптом можно в пункты приема. Важно обратиться в надежную компанию. Некоторые пункты приема обманывают клиентов: увеличивают процент засора или уменьшают вес металлолома. От этих показателей зависит итоговая стоимость партии.

Проверенные компании вы найдете на «Сдавалыче». Мы сделали список с их адресами, контактами и актуальными ценами на разные категории чермета.

Как сдать чермет оптом

Чтобы сдать чермет оптом, вам нужно связаться с пунктом приема. Если нужна помощь в выборе — сотрудник «Сдавалыча» поможет. Он бесплатно подберет компанию с наиболее выгодными условиями и назовет предварительную сумму прибыли.

Далее вы договариваетесь о времени сделки. Сотрудники пункта приема определят категорию металлолома, процент засора, взвесят всю партию и заключат договор. Не забудьте взять с собой паспорт. В договоре будут указаны условия сдачи и приема металлолома, его характеристики, стоимость и прочите детали. Вы подпишете документ и сразу получите денежное вознаграждение. Сотрудники пункта приема могут выплатить деньги как наличным, так и безналичным способом.

Вывоз металлолома

Для вывоза крупной партии металлолома нужно много ресурсов: грузчики, спецтехника, дополнительный транспорт. Пункты приема, собранные на «Сдавалыче», готовы вывезти весь лом за вас. Заранее предупредите о том, что вам нужна услуга вывоза. Ее маленькую стоимость просто вычтут из суммы вознаграждения за металлолом, а вы избавите себя от лишних хлопот.

Чермет Значение, Произношение, Происхождение и Нумерология

Изменить Любовник, Интеллект, Уверенный


4 людям это понравилось и похожие имена на Чермет.

Произношение текста: Чермет

Пример: Александр Алекс-ан-дер

Голосовое произношение:

Нажмите и прослушайте несколько раз звуковое произношение и научитесь произносить имя Чермет.

Можешь лучше произнести? Или с другим акцентом?

Запись Произношение

Тип Мальчик/Девочка
SelectBoyGirlUnisex

Происхождение Неизвестно
Используется Глобальный

Мы продолжаем добавлять значение и другую информацию ко всем именам. Так что продолжайте посещать сайт снова, чтобы узнать значение этого имени и другую информацию.

«Поиск завершается, когда начинается обмен»

Если вы уже знаете значение слова «Чермет» на английском или любом другом языке, внесите свой вклад, который будет полезен для других пользователей, также вы можете редактировать любые данные, такие как пол, произношение и происхождение. для повышения точности.

Chermet name personality by numerology

Numerology (Expression Number) 9
Heart’s Desire number 1
Personality Number 8
Анализ талантов

Чермет по номеру выражения 9

«Ты гуманитарий. Вас привлекает дело или движение, целью которого является сделать мир лучше. Вы чрезвычайно идеалистичны, иногда до наивности в отношении людей или методов. Вы обладаете большим состраданием и стремитесь создать более гуманное общество. Вас тянет к тем, кто страдает физически или находится во власти несправедливости. Вы правы в ошибках. Ваше глубочайшее намерение состоит в том, чтобы преобразовать мир.

Внутренний анализ

Чермет по номеру сердца 1

«Ваша непреодолимая потребность – быть независимым и направлять свою жизнь согласно тому, во что вы верите. Ваша мечта — стать лидером в любой сфере, в которой вы работаете. Будь то в бизнесе, обществе или в вашей общей области знаний, вы стремитесь быть доминирующей фигурой. У вас есть мужество и уверенность, чтобы вести за собой других. Вы твердо верите, что ваше суждение выше всех остальных».

Анализ личности

Чермет по номеру личности 8

«Вы кажетесь сильным и могущественным. У вас впечатляющая личность, и вы можете влиять и даже запугивать своей силой. У вас есть естественный авторитет. Ваша компетентность и энтузиазм привлекают людей с ресурсами. Вы излучаете уверенность. Люди подчиняются вам, потому что чувствуют вашу уверенность и эффективность. Вы также излучаете своего рода контролируемую доброжелательность. ”

Чтобы получить более подробные показания нумерологии на основе даты вашего рождения, посетите наш нумерологический калькулятор.

Meaning of each letter in Chermet
C Commendable
H Honesty
E Elegant
R Refined
M Mind-
E Образованный
T Учить

Хотите новое значение для букв в Чермет?

Чермет Название Изображение

Поделитесь этой страницей с хэштегом #MeaningOfMyName и предложите своим друзьям поделиться значением своего имени.

Chermet Name Необычные стили текста

Вы можете использовать эти причудливые стильные тексты для имени своего профиля, статусов, сообщений в большинстве социальных сетей, таких как WhatsApp, Twitter, Facebook, Instagram и других.

0

0035 ɔɥǝɹɯǝʇ

ℂ𝕙𝕖𝕣𝕞𝕖𝕥
🅲🅷🅴🆁🅼🅴🆃
C ♥ E ♥ R ♥ M ♥ T ♥
҉C҉҉HHE҉҉R҉҉M —

♥乇ㄒ

Как и выше, для имени « Chermet » доступно более 30 стилей причудливого текста в нашем генераторе причудливого текста. Перейти и проверить все стили для большего удовольствия!

Мы запланировали несколько интересных обновлений для нашего веб-сайта и для имени Чермет. Чтобы быть в курсе наших обновлений, пожалуйста, следите за нами на Facebook, Twitter и Pinterest

Follow NamesLook on Facebook
Follow NamesLook on Twitter
Follow NamesLook on Pinterest

Популярные народы на Чермет Имя

В настоящее время народы не найдены! Ваше имя Чермет или Если вы знаете людей по имени Чермет, то добавьте его в список. Добавить людей по имени Чермет

Добавить людей по имени Чермет

Ваш адрес электронной почты

Имя человека

Профессия человека

Страна

Город-государство

О тебе / нем / ней


чермет расшифровывает на 90 слов.

ЧЕРМЕТ расшифровывает 90 разных слов! У нас есть все из них и значения ниже! Введите любое слово, и мы РАСШИФРУЕМ ЕГО!

Начинается с

Заканчивается на

Содержит

Реклама:

90 слов, образованных расшифровкой букв

ЧЕРМЕТ

7-буквенных слов, полученных расшифровкой букв ЧЕРМЕТ

  • товар

Слова из 6 букв, составленные путем расшифровки ЧЕРМЕТ

  • металлокерамика
  • гравер
  • парилка

Нешифрованные

3 6-буквенные слова

Слова из 5 букв, составленные из расшифровки ЧЕРМЕТ

  • радость
  • привет
  • черт
  • крем
  • возводить
  • эфир
  • мерч
  • метр
  • метр
  • рич
  • рехм
  • ремет
  • рвота
  • ретем
  • рема
  • терс
  • тема
  • там
  • терм
  • три

Расшифрованные

20 5-буквенные слова

Реклама:

Слова из 4 букв, составленные путем расшифровки ЧЕРМЕТ

  • цере
  • сертификат
  • Сете
  • химия
  • дорогая
  • Кри
  • крем
  • эче
  • эхт
  • каждый
  • травление
  • эфир
  • гем
  • здесь
  • герм
  • гете
  • мех
  • меньше
  • встретиться
  • наемник
  • простой
  • мете
  • мет
  • сеть
  • технология
  • кишат
  • рулить
  • тер
  • тема
  • срок
  • тебя
  • их
  • дерево
  • трепет

Расшифрованный

34 Слова из 4 букв

Реклама:

Слова из 3 букв, полученные путем расшифровки ЧЕРМЕТ

  • се
  • че
  • эх
  • Эме
  • до
  • эм
  • эт
  • подшивать
  • ее
  • гет
  • меня
  • мда
  • встретились
  • запись
  • ри
  • рех
  • бэр
  • рет
  • тек
  • тройник
  • в

Расшифрованные

21 Слова из 3 букв

Слова из 2 букв, составленные из расшифровки ЧЕРМЕТ

  • ч
  • эээ
  • э
  • Эм
  • э
  • эт
  • он
  • хм
  • мне
  • ре
  • тэ

Расшифрованное

11 Слова из 2 букв

Подробнее о расшифровке ЧЕРМЕТ

Выше приведены слова, полученные путем расшифровки CHERMET (CEEHMRT) .
Чтобы еще больше помочь вам, вот несколько списков, связанных с/с буквами ЧЕРМЕТ.

  • Слова из 7 букв
  • Слов, Начинающихся с C
  • Слов, Оканчивающихся на Т

Значение Chermet in Word Scramble Games

Буквы Chermet стоят 14 очков в Scrabble

буквы Chermet стоят 15 в словах с друзьями

  • C = 4. 9003
    • C = 4 балла 9003
      • C = 4 балла 1111111111111111111111111110 C = 4. . в WWF и 3 очка в Эрудит
      • H = 3 очка в WWF и 4 очка в Scrabble
      • E = 1 балл в WWF и 1 балл в Scrabble
      • R = 1 балл в WWF и 1 балл в Scrabble
      • M = 4 очка в WWF и 3 очка в Scrabble
      • E = 1 балл в WWF и 1 балл в Scrabble
      • T = 1 балл в WWF и 1 балл в Scrabble

      Что означает ЧЕРМЕТ.

      .. Если расшифровать?

      Возможные определения ЧЕРМЕТ

      Если расшифровать эти буквы, ЧЕРМЕТ, то это и составит несколько слов. Вот одно из определений слова, в котором используются все незашифрованные буквы:

      Merchet

      • В древнеанглийском и шотландском праве — штраф, уплачиваемый землевладельцу арендатором после замужества одной из дочерей арендатора.

      Списки слов, относящиеся к буквам

      C H E R M E T !

      • Полное значение Merchet
      • Является ли Merchet Scrabble Word
      • Варианты ЧЕРМЕТ
      • это ЧЕРМЕТ a Words With Friends слово
      • Анаграммы ЧЕРМЕТ
      • слова с буквами
      • Слова, начинающиеся на ЧЕРМЕТ
      • Слова, содержащие ЧЕРМЕТ
      • Слова, оканчивающиеся на ЧЕРМЕТ
      • ЧЕРМЕТ Яичница

      Варианты ЧЕРМЕТ

      По другому нашему слову скрамблер, ЧЕРМЕТ можно скремблировать разными способами.
      Различные способы перестановки слова называются «перестановками» слова.

      Определение перестановки

      способ, особенно один из нескольких возможных вариантов, в котором можно упорядочить или расставить набор или количество вещей.

      Чем это полезно? Ну, он показывает вам буквы чермет зашифрованные разными способами Таким образом, вы будете легче узнавать набор букв. Это поможет вам в следующий раз, когда ЧЕРМЕТ появится в словесной игре.

      CEEHMRT
      CMHERET
      EECMRHT
      HEEMRCT
      МЕХЕКРТ
      CEERMHT
      HRCMEET
      ЭРХМСЕТ
      HEREMCT
      HMCEERT
      HERECMT
      РЕЦЕМТ
      ЭМХКРЕТ
      CRMHEET
      МЭЭХКРТ
      HCREEMT
      ЧЕЕРМТ
      МРЭХЕТ
      MREEHCT
      ХРМЕСЕТ
      ЕСЕРМНТ
      РМЕЧЕТ
      ХЦЕРЕМТ
      HRCEMET
      EHEMRCT
      RHCEEMT
      ЧРИМТ
      ERCMHET
      МЧРИТ
      REECMHT
      ЭКМРЕТ
      ХМРЕКЕТ
      MRHEECT
      ЦЕРЭМТ
      HEERCMT
      ЭХРМЕКТ
      РЕЧМТ
      ЭХМСРЕТ
      CEMRHET
      MCEERHT
      EEHMRCT
      EMHCERT
      РЕХЦЕМТ
      БЕЗОПАСНОСТЬ
      РЕХМЕКТ
      HCRMEET
      RHCMEET
      ЭРГЕКМТ
      HCEERMT

      Мы остановились на 49, но столько способов зашифровать ЧЕРМЕТ !

      Реклама

      Кодированные слова

      • иптлеа
      • rceetnd
      • абезззз
      • ируэпмс
      • соверью
      • ebusgrs
      • ebepews
      • мблемад
      • увайст
      • фолаци
      • nfeaiml
      • лстилео
      • ппоэйлд
      • iroeug
      • олесрпе
      • изосульфбе
      • оторпрс
      • фтаалин
      • ммакрн
      • тритодо

      зашифровано с помощью скремблера слов.

Понятие эксплуатация: эксплуатация | это… Что такое эксплуатация?

Техническая эксплуатация, понятие и определение.

Главная » Эксплуатация машин в сельском хозяйстве и их характерные особенности.







Автор admin На чтение 2 мин. Просмотров 3.8k. Опубликовано



Техническая эксплуатация машин как наука определяет пути и методы наиболее эффективного управления техническим состоянием машин в целях их высокопроизводительной и надежной работы при оптимальных материальных и трудовых затратах.
Техническая эксплуатация машин как область практической деятельности — это комплекс технических, экономических, организационных и других мероприятий, обеспечивающих поддержание машин в работоспособном, исправном состоянии, предупреждение их простоев из-за технических неисправностей.
Техническая эксплуатация включает: обкатку, техническое обслуживание, заправку, хранение, технические осмотры, диагностирование машин и предупреждение или устранение неисправностей, т. е. не плановый ремонт машин. В отличие от технической производственная эксплуатация включает использование машин по назначению. Обкатка. Под обкаткой понимается период работы машины после ее изготовления или ремонта при определенной увеличивающейся нагрузке в целях хорошей приработки трущихся деталей, обеспечивающей их длительный срок службы. Техническое обслуживание — это комплекс операций по поддержанию работоспособности или исправности машины при использовании по назначению, ожидании, хранении и транспортировании (операции очистки, контроля или диагностирования, крепления, регулирования, смазывания, замены некоторых составных частей машин, например фильтрующих элементов). Заправка машин включает операции заполнения ее баков, картеров и других емкостей топливом, смазочными материалами и рабочими жидкостями (например, охлаждающей, электролитом и др.). Хранение машин — содержание в местах их размещения в соответствии с установленными правилами, выполнение которых обеспечивает сохраняемость машин до использования по назначению. Технический осмотр машин — комплекс контрольных операций, проводимых перед началом напряженных полевых работ в целях проверки готовности машин к их использованию. Диагностирование машин — процесс определения их технического состояния с определенной точностью. Ремонт машин — комплекс операций по восстановлению их исправности или работоспособности, что характеризуется восстановлением ресурса составных частей.
Таким образом, цель технической эксплуатации заключается в обеспечении машин работоспособным или исправным техническим состоянием. Обычно под техническим состоянием подразумевают совокупность изменяющихся в процессе эксплуатации свойств машин. Эти свойства характеризуют пригодность машины к использованию по назначению и определяются значениями параметров и качественными признаками, состав которых установлен технической документацией. Различают следующие виды технического состояния: исправное и неисправное, работоспособное и неработоспособное. Исправность — состояние объекта, при котором он удовлетворяет всем требованиям нормативно-технической и конструкторской документации.















Эксплуатация средств связи — Энциклопедия пожарной безопасности

  • Главная страница
  • Энциклопедия

А

Б

В

Г

Д

Е

Ж

З

И

К

Л

М

Н

О

П

Р

С

Т

У

Ф

Х

Ц

Ч

Ш

Щ

Э

Ю

Я

Эксплуатация средств связи – комплекс организационно-технических мероприятий, обеспечивающих функционирование средств связи в соответствии с требованиями эксплуатационно-технической документации. Включает в себя применение средств связи и техническую эксплуатацию. Применение средств связи предусматривает: подготовку к работе в заданном режиме; установление связи; передачу информации; контроль за состоянием связи и режимами работы аппаратуры и оборудования; оперативные переключения; ведение технической документации. Техническая эксплуатация включает: ввод средств связи в техническую эксплуатацию; техническое обслуживание, ремонт, планирование эксплуатации и учёт средств связи; хранение, контроль за техническим состоянием; статистический учёт и анализ отказов; материально-техническое обеспечение; рекламационную работу и техническое обслуживание; категорирование и списание.

Литература: Шаровар Ф.И. Устройства и системы пожарной сигнализации. М., 2001.

Поделиться:

Предыдущая статья

Эксплуатация
Эксплуатация – вся деятельность, направленная на достижение безо­пасным образом цели, для которой было построено промышленное пред­приятие, включая техническое обслуживание, инспектирование во время эксплуатации и другую связанную с этим деятельность.

Следующая статья

Экстремальная ситуация
Экстремальная ситуация –
1) кризисная обстановка, наносящая вред жизни, имуществу и природной среде в результате поражающих воздействий, возникающих вследствие природных, техногенных, социальных катастроф или в вооружённой борьбе;
2) явление, событие, нарушающее нормальное функционирование фирмы, работу персонала, создающее опасность для целостности и сохранности здания, помещений, оборудования и документации фирмы, угрожающее жизни и здоровью. ..

читать полностью

Другие разделы портала

  • История

    История

    История возникновения и развития пожарной охраны в регионе. Интересные факты, архивные фотографии и документы. Музеи и памятные места. Ветераны и династии пожарных. Виртуальные экскурсии и фотоальбомы.

    Читать
    полностью

Оксфордская исследовательская энциклопедия политики

Выделите поисковый запрос

  • Сохранять

  • Цитировать

  • Отправить этот контент по электронной почте

    Поделиться ссылкой


    Скопируйте эту ссылку или нажмите ниже, чтобы отправить ее другу по электронной почте

    Отправить этот контент по электронной почте

    или скопируйте ссылку напрямую:

    https://oxfordre. com/politics/display/10.1093/acrefore/97801637.001.0001/acrefore-97801637-e-113; Ваш текущий браузер может не поддерживать копирование с помощью этой кнопки.

    Ссылка успешно скопирована


  • Поделись этим

Войти

Навигация по статье

Войти

Имя пользователя

Пожалуйста, введите ваше имя пользователя

Пароль

Пожалуйста, введите ваш пароль

Забыли пароль?

Нет учетной записи?

Статья Содержание

Показать информацию об резюме

  • https://doi.org/10.1093/acrefore/97801637.013.113
  • Опубликовано онлайн: 26 февраля 2018 года. с относительно бедными людьми обращаются несправедливо в экономическом и социальном контексте. Хотя утверждение о том, что эксплуатация включает в себя получение несправедливого преимущества, широко распространено, нет единого мнения о том, чего требует справедливость и является ли несправедливость серьезной ошибкой в ​​​​контексте обмена. В одном семействе счетов утверждается, что эксплуатация связана с неправильным распределением ресурсов либо потому, что эксплуататорские транзакции приводят к распределениям, нарушающим основные нормы справедливости, либо потому, что процедурные недостатки в том, как осуществляются эксплуататорские транзакции, влекут за собой несправедливость их результатов.

    Второй подход к эксплуатации, основанный на доминировании, утверждает, что моральный порок, воплощенный в эксплуататорских отношениях, заключается в неуважительном использовании эксплуататорами своей власти над эксплуатируемыми. В то время как доминирование эксплуататоров над другими может привести к неравномерному распределению, защитники подхода, основанного на доминировании, утверждают, что несправедливость распределения не является ни необходимой, ни достаточной для эксплуататорских отношений.

    Оба этих подхода сталкиваются с двумя проблемами. Первый касается масштаба. Ни один из них, по-видимому, не обеспечивает необходимых и достаточных условий, достаточных для охвата всех и только случаев, обычно описываемых как эксплуатация. Второй касается нормативного статуса. Обычно предполагается, что эксплуатация недопустима с моральной точки зрения, однако ни один из этих подходов, по-видимому, не дает удовлетворительного объяснения того, почему эксплуатация, которая, тем не менее, обеспечивает значительный прирост благосостояния для обеих сторон, может быть ошибочной.

    Ключевые слова

    • Эксплуатация
    • Справедливость
    • Экономическая справедливость
    • Распространение
    • Доминирование

    Предметы

    • Политическая философия

    . Вы не получите доступ к этой статье. полное содержание.

    Подписка

    Доступ к полному содержанию требует подписки

    Эксплуатация Определение и значение | Словарь.

    com

    • Основные определения
    • Викторина
    • Связанный контент
    • Подробнее об использовании
    • Примеры

    Показывает уровень оценки в зависимости от сложности слова.

    [ek-sploi-tey-shuhn]

    / ˌɛk splɔɪˈteɪ ʃən /

    Сохранить это слово!

    См. синонимы слова «эксплуатация» на сайте Thesaurus.com

    Показывает уровень обучения в зависимости от сложности слова.


    сущ.

    использование или использование, особенно для получения прибыли: разработка вновь открытых нефтяных месторождений.

    эгоистичное использование: Он добился успеха за счет эксплуатации своих друзей.

    комбинированное, часто разнообразное использование методов связей с общественностью и рекламы для продвижения человека, фильма, продукта и т. д. АМЕРИКАНСКИЙ АНГЛИЙСКИЙ ВИКТОРИНА

    Существует огромная разница между тем, как люди говорят по-английски в США и Великобритании. Способны ли ваши языковые навыки определить разницу? Давай выясним!

    Вопрос 1 из 7

    Правда или ложь? Британский английский и американский английский различаются только сленговыми словами.

    Происхождение эксплуатации

    Из французского, начиная с 1795–1805 гг.; см. происхождение при эксплуатации 2 , -ация

    ДРУГИЕ СЛОВА ОТ ЭКСПЛУАТАЦИЯ

    эксплуатация

    эксплуатация, прилагательноеэксплуатация, ал, существительное·вер·эксплуатация·та·ция, существительное

    Слова рядом с эксплуатацией

    взорваться, взорванный вид, взорвавшийся, взорвавшаяся звезда, эксплуатация, эксплуатация, эксплуатация фильм, эксплуатация, эксплуатация, эксплуатация, исследование

    Dictionary.com Полный текст
    На основе Random House Unabridged Dictionary, © Random House, Inc. 2023

    БОЛЬШЕ О ЭКСПЛУАТАЦИИ

    Что означает

    эксплуатация ?

    Эксплуатация — это акт эгоистичного использования кого-либо или группы людей с целью получения от них выгоды или иной выгоды для себя.

    Эксплуатация — это существительная форма глагола эксплуатировать , что обычно означает извлекать выгоду таким образом. Форма прилагательного эксплуататорские, как в эксплуататорские практики.

    В качестве глагола эксплуатировать можно также использовать более нейтрально, не подразумевая эгоизма: наилучшим образом использовать что-то, особенно возможность, или для получения прибыли или другой выгоды. Но когда глагол применяется к людям, он всегда употребляется отрицательно.

    Эксплуатация также может использоваться таким образом, который означает использование чего-либо, особенно для получения прибыли, как в Поскольку у нас есть эти ресурсы, мы должны убедиться, что их эксплуатация максимизирует доход.

    Тем не менее, эксплуатация чаще всего используется в негативном ключе. Одна фраза, в которой оно имеет этот негативный смысл, — это эксплуатация фильма , малобюджетный фильм, характеризующийся крайним насилием, чрезмерной кровью, беспричинным сексом или другим содержанием, предназначенным для шока, отвращения или возбуждения.

    Связанный термин blaxploitation относится к эксплуатации чернокожих и стереотипам о них, особенно в фильмах, показывающих или предназначенных для обращения к чернокожим.

    Пример: К сожалению, широко распространена эксплуатация рабочих с целью максимизации прибыли.

    Откуда

    эксплуатация ?

    Первые записи слова эксплуатация относятся примерно к 1800 году. Его базовое слово эксплуатация записано гораздо раньше и происходит от латинского explicatus , что означает «развернутый» или «установленный». Только примерно в 1800-х годах эксплойт начал использоваться для обозначения извлечения природных ресурсов из земли, а затем для использования кого-то или чего-то в своих корыстных целях.

    Эксплуатация чаще всего используется в негативном смысле, особенно когда речь идет о получении выгоды от людей. Он часто используется в контексте эксплуатации работников предприятиями, которые недоплачивают им и перерабатывают их или используют их другими способами. Эксплуатация часто подразумевает, что это делается людьми, обладающими властью, по отношению к тем, у кого нет власти. Бедные и цветные люди часто становятся объектами такой эксплуатации.

    Знаете ли вы…?

    Какие другие формы связаны с эксплуатацией ?

    • эксплуатировать (глагол)
    • эксплуатационный (прилагательное)
    • эксплуататорски (наречие)
    • неэксплуатация (существительное)
    • чрезмерная эксплуатация (существительное)

    Какие есть синонимы для эксплуатация ?

    • злоупотребление
    • использовать

    Какие слова имеют общий корень или элемент слова с эксплуатация ?

     

    • эксплуатационный
    • явный
    • объяснить

    Какие слова часто используются при обсуждении эксплуатации ?

     

    • рабочие
    • бедный
    • прибыль
    • преимущество
    • жадность
    • неэтично

    Как

    эксплуатация используется в реальной жизни?

    Эксплуатация чаще всего используется в негативном ключе, особенно в отношении людей, которых эксплуатируют для получения прибыли.

    Самый трудолюбивый человек в мире, вероятно, живет в бедности

    Тяжелая работа почти никогда не приводит к огромному богатству. Но эксплуатация трудящихся часто имеет место. Миф о тяжелой работе должен умереть

    — The Pileus (@thepileus) 11 июня 2020 г.

    Нарушения прав человека, нищенские выплаты и адские условия труда в развивающихся странах, загрязнение окружающей среды и отходы, эксплуатация по всей цепочке поставок: ваша дешевая одежда дорого обходится другим людям #pennys

    — Джон Магуайр (@JMaguireCritic) 12 июня 2020 г.

    Итак, снова люди хотят честно чувствовать себя частью этой земли, а компании хотят иметь возможность эксплуатировать ее без оглядки. Это точно такая же эксплуатация окружающей среды, которую мы наблюдаем. Люди игнорируются на $$$

    — Oliver Yates (@_Oliver_Yates) 11 июня 2020 г.

    Правда или ложь?

    Слово эксплуатация всегда употребляется в отрицательном значении.

    Слова, связанные с эксплуатацией

    кровотечение, использование, спекуляция

    Как использовать слово «эксплуатация» в предложении

    • Родителям рекомендуется участвовать Не все исследователи убеждены в том, что отключение, связанное с пандемией, приводит к увеличению эксплуатации детей в Интернете.

      Дети, застрявшие дома во время карантина из-за коронавируса, могут напасть на онлайн-сексуальных хищников|Дэн Морс|5 февраля 2021 г.|Washington Post

    • Мы не оставили контекст, возникший в начале 18-го века в Западной Европе, городской полиции, криминализации гендерных различий и эксплуатации людей с разным полом в коммерческих целях.

      Как создатели сериала HBO «Леди и Дейл» рассказали чувствительную историю о сложном транс-первопроходце|Суйин Хейнс|3 февраля 2021 г. |Time

    • Мы не требуем от злоумышленников придумывать все новые классы ошибок, разработайте совершенно новую эксплуатацию, посмотрите на код, который никогда раньше не исследовался.

      Google заявляет, что хакерам слишком легко находить новые бреши в системе безопасности|Бобби Джонсон|3 февраля 2021 г.|MIT Technology Review

    • персональные данные предприятиями.

      «Наблюдательный совет» Facebook — это обман. Ответ на бунт в Капитолии регулирует социальные сети|Мария Ресса|28 января 2021|Time

    • В частности, Алан страстно ненавидит всех Кэмпбеллов, чей глава, известный как Рыжий Лис, действует как агент короны угнетения и эксплуатации.

      «Похищенные» Роберта Льюиса Стивенсона — это не просто приключенческая повесть, это своевременный роман о политике и инакомыслии|Майкл Дирда|20 января 2021|Washington Post

    • Эксплуатация жертв торговли людьми может наиболее остро проявляться в условиях конфликта регионов, но не ограничивается ими.

      ИГИЛ, Боко Харам и растущая роль торговли людьми в терроризме 21-го века|Луиза И. Шелли|26 декабря 2014 г.|DAILY BEAST

    • И далеко не второстепенные партнеры, шотландцы непропорционально активно участвовали в империалистической эксплуатации за границей.

      Кампания «Да» в Шотландии и миф о шотландском равенстве|Ноа Колдуэлл|18 сентября 2014 г.|DAILY BEAST

    • Она безродная и без гражданства, у нее мало прав или защиты от эксплуатации.

      Молодые девушки, спасающиеся от войны ИГИЛ|Чандра Келлисон|16 сентября 2014 г.|DAILY BEAST

    • Сирийские женщины и девушки сталкиваются с повышенной опасностью сексуальной эксплуатации в тех самых лагерях беженцев, где они искали убежища.

      Молодые девушки, спасающиеся от войны ИГИЛ|Чандра Келлисон|16 сентября 2014|DAILY BEAST

    • Они были одинаково поражены, узнав, что Эд Пискор был белым, но ни слова не было сказано о культурной эксплуатации или присвоении.

      Бам! Пау! Блин! История хип-хопа в графическом романе | Дэниел Дженис | 25 августа 2014 г.

Двигатель хендай старекс: Автомобильные объявления — Доска объявлений

Двигатели и КПП из Кореи


Автомобиль Хендэ Старекс выпускается с 1997 года . Выпускаемый в различных вариантах кузовов он стал известен под рядом названий — h2, h200, h300, iLoad, iMax, H800, h400. Довольно редкое явление, когда автомобиль способен приобрести столь огромную популярность с первых лет своего выпуска как Hyundai Starex. Покорив сердца автолюбителей он занял одно из лидирующим мест среди машин в классе минивэн (MPV).


Двигатель на Hyundai Starex


  • Дизель 2.5 D4BH

  • Дизель 2.5 145hp D4CB

  • Дизель 2.5 D4CB VGT 175h.p

  • Бензин 2.4 G4CS


Первое поколение Hyundai Starex было представлено в 1997 году. Машины этого года выпуска вызвали первую волну популярности Хендэ Старекс в первую очередь в странах где они производились. Первое поколение машин Hyundai Starex представлено в широком диапазоне конфигураций кузова включая минивэн (MPV), микроавтобус, фургон, пикап, такси и машину скорой помощи. Укомплектованный одним из пяти вариантов двигателей, от 2,5 — 3,0 литров ,машина Хендэ Старекс стала в равной степени настоящей находкой для частных лиц, самозанятого населения и организаций. Благодаря большому выбору конфигураций кузова , достаточно мощным моторам и соотношением цена/качество этот автомобиль категории В быстро нашел свое место на рынке и занял его .


Первое поколение было доступно в широком диапазоне двигателей среди которых были: 2.4L бензин Sirius I4, 2.5L дизель D I4, 2.5L дизель CRDI VGT I4 и 3.0L DOHC V6 LPG.


Автоматы АКПП на Starex


  • AW30-40LE

  • A5SR1,2


В зависимости от поколения и года выпуска автомбиля Хундэ Старекс, использовались различные агрегаты ( 4х ступенчатые и 5ти ступенчатые автоматические коробки передач ). При этом стоит учесть тот факт, что автоматами 5 speed комплектовались только а/м Хенде ГрандСтрекс ( Hyundai GrandStarex от 2007 года выпуска ) с двигателями экологического класса Euro 4 и Euro5. Таким образом наиболее известными моделями автоматических кпп для этой машины являются :


  1. Aisin AW30-43LE 4х ступ 2WD с и тросом кикдайун для диз. моторов 2.5 D4BH 103 л.с 450004A120

  2. Aisin AW30-43LE 4 скорости 2 ВД для дизельного ДВС D4BH 103h.p 450004A222

  3. Aisin AW30-43LE 4 ступени 2ВД для турбодиз. мотора D4CB 145л.с 450004A080

  4. Aisin AW30-40LE 4ех скоростная 2 WD для дизельного ДВС D4CB 145 л.с 450004A110 / 450004A111

  5. A5SR1/2 5ти ступка задний привод для двигателя D4CB Euro 4 и Euro5


МКПП механики на Старекс


  • Zetta

  • на дизель 140 л.с

  • на дизель 170 л.с


Второе поколение Hyundai Starex впервые было представлено в 2007 году. Заявив о себе еще в 1997 году Хендэ Старекс уже не нуждался в усиленной рекламной компании, чтобы заявить о всех своих положительных качествах. Люди сами тянулись за этим авто в процессе эксплуатации по новому раскрывая его. Не смотря на то,что на рынке присутствовали такие конкуренты Hyundai Starex как Toyota Alphard и Toyota Hiace, это нисколько не подрывало популярность Хендэ Старекс.


Хендэ Старекс второго поколения обладал большими габаритами, чем первое и приобрел более сильный двигатель CRDi ( Хендэ Старекс 2.5 D4CB) . Который был оснащен турбиной VGT (Variable Geometry Turbocharger) , в результате чего двигатель D4CB был способен выдавать 175 л. с. Одной из наиболее отличительных сторон Хендэ Старекс второго поколения было то ,что с 2007 года этот автомобиль помимо МКПП стал комплектоваться АКПП Хендэ Старекс (АКПП Hyundai Starex AW30-43LE) .Так же ,стараясь идти в ногу со временем специалисты Hyundai Motors улучшили и интерьер в Хендэ Старекс, куда вошли и развитая акустика и пр.

Газодизель на Hyundai Starex, двигатель D4BH

ГБО проекты » Hyundai

16 264 admin

Hyundai,ГБО проекты

Установка метанового газобаллонного оборудования на Hyundai Starex, двигатель D4BH, дизельный TCi, 4-цилиндровый, рядный, с турбонаддувом, объем 2,5 л (103 л.с.). Установлено ГБО с комбинированной подачей в дизельный двигатель метана и дизтоплива (газодизель) Tamona GD с заправочным устройством автоматического типа и баллонными вентилями с предохранительными клапанами и запорным электроклапаном, баллонная часть – система из облегченного металлопластикового баллона CNG-2 (тип 2) 51 л в багажном отделении за спинками задних сидений и цельнометаллического баллона CNG-1 (тип 1) 60 л под днищем кузова в задней части автомобиля на месте запасного колеса. Автомобиль эксплуатируется в г. Первоуральск Свердловской обл.

Hyundai Starex, двигатель D4BH, дизельный TCi, 4-цилиндровый, рядный, с турбонаддувом, объем 2,5 л (103 л.с.)

Облегченный метановый металлопластиковый CNG-2 (тип 2) 51 литр в багажнике за спинками задних сидений

Баллонный вентиль с предохранительными клапанами и запорным электроклапаном

Цельнометаллический метановый баллон CNG-1 (тип 1) 60 л под днищем кузова на месте запасного колеса

Подкапотная компоновка ГБО Tamona GD (газодизель)

Салон Hyundai Starex

Кнопка переключения и индикации режимов работы ГБО Tamona GD (газодизель) с указателем уровня топлива на центральной консоли на месте штатной заглушки

На метановой газовой заправке

Hyundai Starex, двигатель D4BH

&nbsp

Коммерческое предложение для дизелей с поддержкой от Газпрома. Компенсация стоимости газового оборудования.

+7 (343) 253-28-88
+7 (963) 275-28-88
ООО “Элитгаз”
г. Екатеринбург, ул. Шефская, 3АВ

Частным клиентам:
+7 (965) 545-91-97 Игорь
+7 (963) 275-78-88 Андрей
Корпоративным клиентам, газодизель:
+7 (343) 328-98-88
+7 (922) 188-98-88

Search for:

Цены на топливо сегодня*

пропан СУГ
20.99

метан КПГ
22.20

метан СПГ
35.00

бензин 95
49.29

дизель ДТ
58.72

* цены средние в Екатеринбурге на 07 марта 2023

Обратный звонок

Закажите обратный звонок и мы вам перезвоним

Ваше имя*

Телефон* (в формате 89091234567)

Марка и год вашей машины

Интересует
установка ГБОремонт/обслуживание ГБОрегистрация ГБОустановка предпускового подогревателяремонт/обслуживание предпускового подогревателя

Дружат с Элитгаз

Видеонаблюдение

Калькуляторы

Call Now Button

НОВЫЙ ДИЗЕЛЬНЫЙ ДВИГАТЕЛЬ D4CB В КОМПЛЕКТЕ ДЛЯ HYUNDAI GRAND STAREX / H-1 / iLOAD / 2007-12 MNR- со скидкой

Двигатель дизельный D4CB в сборе-подсистеме комплектный модуль производства Mobis.

Этот дизельный R4-цилиндровый 16-клапанный двигатель представляет собой субмодуль в сборе, полностью изготовленный компанией Mobis. Подмодуль сборки двигателя включает водяной насос, распределительную систему, масляный фильтр, насос высокого давления топлива, форсунки, турбонагнетатель, стартер, генератор, компрессор кондиционера. Готов к установке и вождению.

Название двигателя: 21101-D4CB-VGT

Рабочий объем: 2496 (2,5 литра), мощность 174 л.с. (127 кВт), насос с водяным охлаждением, распределитель цепи ГРМ
Топливо: Дизель (DT, VGT, CDRI)
Номер модели: 105J14AU00A 105J14AU00B 105J14AU00 2110142Z10
Количество цилиндров: тип головки цилиндров R4, 16vl (клапаны), DOHC (два распределительного вала)
Тип головки цилиндра R4, 16 В.л. -12 год
                       Hyundai iMax 2007-12 год
Hyundai H-200 2007-12 год
Hyundai I800 2007-12 год
Hyundai H-300 2007-12 год
Hyundai Iload 2007-12 год
Производитель: Mobis

Происхождение: Made in

доступны грузовые морские перевозки.

Срок доставки зависит от конечного порта назначения 25-35 дней.
Обратите внимание:
Обновление каталога происходит не каждый день, некоторые новые поступления не выгружаются на сайт. Если вы не нашли в предложенном ассортименте нужный контрактный двигатель, коробку передач и т.д., сделайте запрос и удобным способом, мы можем предложить варианты для вас.
Важно:
Указать максимально полные данные по машине (модель и год выпуска автомобиля, двигатель и обязательно маркировку двигателя, вид топлива (бензин (бензин, бензин), турбобензин, дизель (дизель), турбо (турбодизель) карбюраторный/распределительный/золотниковый двигатель, количество распредвалов (SOHC, DOHC), количество клапанов, особенно относящихся к вашей марке автомобиля (GDI, VVT,VTEC).
Модуль в сборе (снимок) Двигатель комплектуется субмодулем, комплектный модуль без навесного оборудования. Для установки требуется дополнительная настройка навесного оборудования: впускной и выпускной коллекторы, форсунки, ТНВД, общая топливная рампа, стартер, генератор, компрессор кондиционера, приводные ремни. Модуль в сборе (полный) Двигатель полностью оборудован, полный модуль со всем навесным оборудованием, включая впускной и выпускной коллекторы, форсунки, насос-форсунку, общую топливную рампу, стартер, генератор, компрессор кондиционера, приводные ремни. Полностью готовый двигатель для установки и вождения.

Ваше имя

Ваш отзыв

Примечание: HTML не переводится!

Рейтинг
Плохой

Хорошо

Введите код в поле ниже

Двигатель Hyundai starex — Trovit

1-25 из 343 автомобилей

X

x

Получайте последние автомобили по электронной почте

Получайте новые объявления по электронной почте hyundai starex engine

90 к нашему Официальному уведомлению и нашей Политике конфиденциальности. Вы можете отписаться в любое время.

Сортировка по рецедуру (последняя) Дата (самая старая) цена (самая низкая первая) цена (самая высокая первая)

Цена

NO MINPHP 20 000 PHP 50 000PHP 75 000 PHP 150 0001PP 250 0001PP 350 000PH 500 000,000PP 1 000 000

до 9002PP 350 0002PHP 500 000PP 1 000 000

до

29.

9 0002PH NO MAXPHP 20 000,000050PP 50 000 пл. С 75 000 пл. 150 000 ч. 150 000 пл. 350 000 PHP 500 000 пл. 1 000 000

Метод оплаты AnyFilters_Payment_Standard

Make

  • 340 9
    097
  • 340 9
    0
  • SIT0098  1
  • Toyota  1

Model

  • Starex  205
  • Grand Starex  115
  • Tucson  3
  • Getz  2
  • i10  2
  • Elantra  1
  • Fortuner  1
  • Genesis  1
  • Matrix  1
  • Santa Fe  1

Cities

  • Manila  55
  • Quezon  28
  • Makati  23
  • Cebu City  16
  • Las Piñas  13
  • Cavite  11
  • Antipolo  8
  • Батангас  7
  • Котабато  6
  • Мандауэ  6

Регионы

  • Metro Manila  146
  • Cebu  25
  • Cavite  20
  • Batangas  11
  • Rizal  10
  • Bohol  8
  • Zamboanga del Norte  7
  • Benguet  5
  • Булакан  5
  • Кагаян 5

Год

№ мин19

52000200120022007200420005200520102011201220132014201520162017201820192020202120222023

to

No max19

5200020012002200320042005200620072008200920102011201220132014201520162017201820192020202120222023

Kilometres

No min5000 Km10000 Km25000 Km50000 Km75000 Km100000 Km150000 Km200000 Km

to

No max5000 Km10000 Km25000 Km50000 Km75000 Km100000 Km150000 Km200000 Km

Fuel type

  • diesel  226
  • Электрический
  • Hybrid
  • LPG
  • petrol  39

Body Style

  • MPV  118
  • 4×4  17
  • Hatchback  8
  • Coupé  4
  • Estate  1
  • Седан  1

Трансмиссия

  • автомат  207
  • механика  96

Количество дверей

NO MIN2345

до

NO MAX2345

с фото 302

Сниженная цена 2

. 7 дней 9

  • См. фото

    Hyundai starex

    450 000 филиппинских песо

    Антиквариат, Западные Висайи

    2012

    80 000 км

    2012 Год 80, 000 км пробег 0. 0L Двигатель ПРОИЗВОСТИ по автоматической трансмиссии дизельного топлива.

  • 5 фотографий

    Hyundai Grand Starex 2011

    267 000 филиппинских песо

    Benguet, административный район Кордильеры

    2011

    54 000 км

    2 90 Hyundai0036 Grand Starex 2011 Год 54, 000 км пробег 2. 5L Двигатель Дизель Топливо Автоматическая коробка передач 4×2 Ткань салона Кондиционер Подушки безопасности Мощность…

    Посмотреть автомобиль

    2 дня назад

  • 3 картин

    Hyundai Starex 2000 Модель

    PHP 210 000

    Luna, Apayao, Cordillera Administrative Region

    Hyundai STAREX 2000 Model D4B Двигатель . Sakyan nlng Проверено на долго…

    Посмотреть машину

    3 дня назад

  • 5 картин

    2008 Hyundai Starex

    Php 300 000

    Dipolog, Zamboanga del Norte, Zamboanga Peninsula

    Hyundai CRDINELIRIPLE

    . пробег Стерео Водитель острый…

    Посмотреть машину

    4 дня назад

  • 4 Картинки

    Hyundai Grand Starex Automatic 2009

    Php 380 000

    Siquijor, Central Visayas

    2009

    45 000 км

    Hyundai Grand STAREX , 37, годовой годовой, годовой годовой, годовой 2009 год, 37, годовой 2009 год, 37, годовой 2009 год, 37, годовой годовой, гораздо 37, годовой годовой, 577 годовой 2009 года. Топливо Автоматическая коробка передач Вся история обслуживания Кондиционер…

    Посмотреть машину

    3 дня назад

  • См. фото

    Hyundai Grand Starex 2015 года в Макати, Метро Манила

    PHP 798,000

    Макати, Метро Манила

    60,000 км

    Купить 2015 Hyundai Grand Starex в Макати, Метро Манила для продажи по низким ценам здесь. Найдите наиболее подходящий подержанный автомобиль для продажи рядом с вами из…

    Просмотреть автомобиль

    3 дня назад

  • 6 Фото

    2010 Hyundai Starex

    490 000 филиппинских песо

    Кавите, Калабарзон

    2010

    47 012 км

    2010 Hyundai Starex 2010 Год Фургон Пробег 47012 км Двигатель 2. 5L Дизель Автоматический выбор Подушки безопасности Windows Электроусилитель руля…

    Посмотреть автомобиль

    7 дней назад

  • See photo

    2015 Hyundai Grand Starex 2.5 GL MT in Makati, Metro Manila

    PHP 678,000

    Makati, Metro Manila

    43,000 Km

    Buy 2015 Hyundai Grand Starex 2.5 GL MT in Makati, Metro Manila продается по низким ценам здесь. Найдите наиболее подходящий подержанный автомобиль для продажи рядом с…

    Посмотреть машину

    3 дня назад

  • 7 картин

    2012 Hyundai STAREX VGT CRDI

    PHP 215 000

    LAGAYAN, ABRA, Cordillera Administrative Region

    2012

    79 000 км

    2012 Hyundai STAREX

    2012 Hyundai STAREX

    2012 Hyundai STAREX

    2012 HYUNDAI STAREX

    2012 HOUNDAI STAREX . турбодизель CRDi Очень экономичный 9-местный автомобиль с…

    Посмотреть машину

    6 дней назад

  • 6 картин

    2006 Hyundai Starex Grand Jumbo

    PHP 265 000

    ILOCOS SUR, ILOCOS

    2006

    88 000

    HYUNDAI STAREX 2006 AIRENDERENDERENDERENDERENDERENDERENDERENDERENDERENDERENDERENDERENDERIENDERENDERIENDEREDENTER. стеклоподъемника Электрозеркала Усилитель руля…

    Посмотреть машину

    8 дней назад

  • См. фото

    Горячее предложение! 2008 Hyundai Starex VGT Автомат Дизель на продажу за 468,000

    PHP 468 000

    Макати, Метро Манила

    2008

    76 000 км

    2008 Hyundai Starex VGT6 Дизельный Позвони сейчас! 0917 710 1 — Пожалуйста, ищите Stephen Que Наличные, финансирование и трейд-ин Образец…

    Посмотреть автомобиль

    8 дней назад

  • 6 Фото

    Hyundai Starex 2008 Цена года: 298k

    PHP 298,000

    Малитбог, Букиднон, Северный Минданао

    70,000 Km

    2008 Год 70, 000 км пробег 2. 5L Двигатель Дизель Топливо Автоматическая коробка передач 4×2 Ткань салона Кондиционер Подушки безопасности Усилитель руля Электрические стеклоподъемники…

    Посмотреть автомобиль

    8 дней назад

  • 7 Фотографии

    2007 Hyundai Starex Automatic A/T для продажи

    Php 3210 000

    Котабато Сити, Магуинданао, Автономный регион в мусульманском Минданао

    2007

    8000 KM

    . My по электронной почте.0035 Hyundai Starex Автомат A T AT на продажу Состояние Б/у Цвет кузова Белый Коробка передач Автомат Двигатель

    Посмотреть автомобиль

    9 дней назад

  • См. фото

    Hyundai Starex

    PHP 535,000

    Quezon City, Metro Manila

    Продается grand starex gold 2011 оригинальная блестящая краска ice cold ac новый аккумулятор (февраль 2023, двигатель motolite

    gold) новый 90 3pms no нет перегрева. ..

    Посмотреть машину

    15 дней назад

  • 7 изображений

    Hyundai Starex 2005 GRX CRDI 4×4 Automatic Super Fresh

    290 000 филиппинских песо

    Кавайан, Билиран, Восточные Висайи

    Доступен за наличные, кредитование и обмен в варианте 2. 5 GRX CRDI Top of the Line, Milage 000 Коробка передач Автомат Двигатель Состояние 10…

    Посмотреть машину

    10 дней назад

  • См. фото

    Hyundai Starex

    PHP 180,000

    Caloocan, Metro Manila

    Небольшая проблема с электрикой, но кондиционер работает нормально

  • 3 Фотографии

    Hyundai Grand Starex Manual 2014

    PHP 210 000

    Quirino, Cagayan Valley

    2014

    90 000 км

    Hyundai Make Grand STARE 201136 года .0, 000 км пробег 2500cc Двигатель Газ Топливо Механическая коробка передач Универсал Тип кузова Серебристый Цвет 1. ..

    Посмотреть автомобиль

    17 дней назад

  • 7 Фото

    Hyundai Grand Starex 2009 VGT Gold Automatic

    PHP 300,000

    Plaridel, Bulacan, Central Luzon

    100 без происшествий. Все оригинальные…

    Посмотреть машину

    14 дней назад

  • 3 Pictures

    2003 model hyundai starex manual trans very fresh

    PHP 250,000

    Rizal, Calabarzon

    119,000 Km

    Hyundai starex 2003 m0del manual transmission local purchased not imported subic power steering, power windows, power зеркало, усилитель антенны…

    Посмотреть машину

    16 дней назад

  • 4 Картинки

    Hyundai Grand Starex 2015

    PHP 310,000

    Cebu, Central Visayas

    2015

    64,000 Km

    Hyundai Grand Starex gold vgt crdi 2015 model Tip of d line Automatic turbo diesel engine New tires updated registration Intact салон ориг. ..

    Посмотреть машину

    18 дней назад

  • 6 Фото

    Hyundai grand starex 2009

    350 000 филиппинских песо

    Сан-Мигель, Булакан, Центральный Лусон

    2009

    78000 км

    Hyundai Grand Starex 2009 Автомат Арансмиссия Двигатель 2. 5 Тип топлива Дизель Пробег 78000 Плавное переключение Все питание без ключа. Аксессуары…

    Посмотреть машину

    19 дней назад

  • См. фото

    Hyundai Starex

    PHP 200 000

    Pangasinan, Ilocos

    2007 Hyundai Starex SVX Автоматическая коробка передач На учете 2016 г. Пробег 68 тыс.0035 Двигатель масло не течет хорошо…

    Посмотреть машину

    19 дней назад

  • 3 Фото

    Hyundai Starex Manual 2006

    PHP 155,000

    Occidental Mindoro, Mimaropa

    Hyundai Starex 2006 Модель CRDI Turbo Intercooler.

Защитная аппаратура: Защитная аппаратура » Строительно-информационный портал

Защитная аппаратура » Строительно-информационный портал

27.12.2016

Аппаратурой защиты называют устройства, предназначенные для автоматического отключения электрических цепей или машин при нарушении режима работы.
Наиболее распространенными видами защиты являются: максимальная, минимальная, нулевая и тепловая.
Максимальная защита предназначается для отключения цепи питания при значительных перегрузках. Простейшим аппаратом максимальной защиты является плавкий предохранитель типа ПР (рис. 97). Предохранитель состоит из фибрового патрона, внутрь которого вставляется плавкая цинковая вставка, закрепленная концами в латунных обоймах. При чрезмерном увеличении тока вставка плавится и фаза оказывается разорванной.
Достоинствами плавких предохранителей является их простота и надежность в работе, а недостатками — отсутствие реакции на небольшие перегрузки, частое отключение одной фазы и перегорание других.

Для защиты от перегрузок короткозамкнутого асинхронного электродвигателя плавкая вставка выбирается на ток, в 2,5 раза меньший пускового. При таком условии вставка не успевает перегорать в момент пуска, когда ток превышает в 5—7 раз свое номинальное значение. Во всех прочих случаях вставки следует выбирать по номинальному значению тока.
Максимальное реле — более совершенный аппарат защиты электроустановок от перегрузок и токов короткого замыкания (рис. 98,а). Оно также подсоединяется в разрыв фаз цепи, подводящей энергию к защищаемому объекту.
При нормальном рабочем токе якорь 1 не притягивается катушкой 2 электромагнита. Только при увеличении тока сила притягивания катушки преодолевает сопротивление пружины 3, защелка 4 освобождается и под действием пружины 5 размыкаются контакты рабочих фаз.
Электромагнитное реле настраивается на номинальный ток регулировочной пружиной, связанной с якорем. Во избежание срабатывания реле при пуске коротко-замкнутого двигателя оно обычно применяется с выдержкой во времени или на этот момент соединяется накоротко.
Достоинствами максимальных реле являются: мгновенное отключение при коротком замыкании, легкость регулирования, минимальное время на включение после срабатывания.
Минимальная и нулевая защита контролирует величину напряжения в сети и при падении последнего (или исчезновении) производит отключение.

Необходимость отключения при падении напряжения в сети ниже 70% от номинального объясняется тем, что в этом случае двигатель потребляет ток значительно большей величины, а это приводит к перегреву оборудования. Отключение установки при исчезновении напряжения должно производиться во избежание несчастных случаев при самопроизвольном включении после подачи энергии.
Минимальная и нулевая защита осуществляется с помощью минимальных и нулевых реле электромагнитного типа, катушки которых включаются между двумя фазами (рис. 98, б).
Принцип действия реле заключается в том, что при нормальном напряжении ток, протекающий по катушке 2, удерживает якорь 1 в притянутом состоянии. Снижение напряжения уменьшает силу притяжения катушки. Вследствие этого якорь под действием пружины 3 отпадает, производя расцепление защелок 4. Самопроизвольное включение после появления напряжения в сети невозможно.
Тепловая защита предназначена для предохранения двигателей от небольших по величине, но длительных по времени перегрузок. Осуществляется она посредством применения тепловых реле.
Основной частью теплового реле (рис. 98, в) является биметаллическая пластинка 1, которая составлена из двух пластинок, имеющих разный коэффициент линейного расширения. При прохождении по цепи 6 тока повышенной величины пластинка нагревается и, изгибаясь вверх, освобождает рычаг 3, который под действием пружины 4 перемещается вправо, размыкая контакты 5. Для возвращения рычага 3 в исходное положение необходимо нажать кнопку 2. Тепловое реле устанавливается на двух фазах сети.
Тепловое реле не защищает от коротких замыканий в сети, так как прежде, чем нагреется пластинка, сгорает нагреватель. Поэтому последовательно с тепловым реле необходимо ставить плавкие предохранители.


Другие новости по теме:

Информационный некоммерческий ресурс fccland.ru © 2022
При цитировании информации ссылка на сайт обязательна.
Копирование материалов сайта ЗАПРЕЩЕНО!

Защитная аппаратура автомобильных электрических цепей.





Для защиты электрических цепей автомобильного электрооборудования от перегрузок и коротких замыканий в них устанавливают предохранители, автоматически прерывающие ток в аварийной ситуации.

Все автомобильные электрические цепи, кроме цепей систем пуска и зажигания, защищаются предохранителями. В системе пуска и зажигания предохранители не устанавливаются для уменьшения потерь энергии и повышения надежности работы этих систем. Не обязательной является установка предохранителей в цепь зарядки аккумуляторной батареи, хотя некоторые зарубежные фирмы применяют защиту и в этой цепи.

Как правило, на современных автомобилях применяется раздельная защита цепей внешних световых приборов правой и левой сторон.

Защита электрических цепей от коротких замыканий и перегрузок может осуществляться плавкими, термобиметаллическими предохранителями и позисторами.

***

Плавкие предохранители

Плавкие предохранители рассчитывают на продолжительный ток номинальной величины. Обычно они имеют вставку из легкоплавкого металла или луженой медной проволоки небольшого сечения. Часто используют калибровочную ленточку, которая расплавляется, если ток в цепи достигает опасных значений. При увеличении силы тока на 50% выше номинального значения плавкая вставка расплавляется в течение 1 мин.

Для удобства эксплуатации плавкие предохранители объединяют в блоки, состоящие из трех и более предохранителей.

У малогабаритных предохранителей штекерного типа (рис. 1) калиброванная ленточка помещена в пластмассовую оболочку, увеличивающую скорость срабатывания предохранителя благодаря низкой теплопроводности.

Основным показателем предохранителя является зависимость времени срабатывания от силы тока нагрузки. Предохранитель обеспечивает надежную защиту цепи, если время его срабатывания меньше времени нагрева провода о предельной температуре от тока короткого замыкания.

На современных автомобилях широкое применение получили малогабаритные плавкие предохранители, которые объединяют в один блок вместе с реле.

Блок реле и предохранителей (монтажный блок) представляет собой центральное распределительное устройство, связанное через штекерные разъемы и жгуты проводов со всеми элементами бортовой сети автомобиля. Печатный монтаж осуществляет электрическое соединение в блоке.

Блок заключен в пластмассовый корпус, на крышке которого нанесены символы функционального назначения располагающихся под ней элементов.

***

Термобиметаллические предохранители

Основу термобиметаллического предохранителя составляет тонкая пластина, состоящая из металлов с сильно различающимися коэффициентами теплового расширения.

Превышение допустимого рабочего тока, протекающего через пластину, приводит к ее нагреву и к изгибу из-за различия в коэффициентах теплового расширения металлов, входящих в ее состав. В результате изгиба пластины, разрываются расположенные на ней электрические контакты, включенные в цепь последовательно с нагрузкой и самим предохранителем.

Ток в цепи прекращается и начинается остывание контактной пластины. Через некоторое время она возвращается в исходное состояние и снова замыкает цепь нагрузки.

Если причина замыкания или перегрузки не была устранена, то в цепи снова протекает ток, значительно превышающий нормальное значение, и весь цикл начинается с начала.

Термобиметаллические предохранители автомобильных электросетей отключают цепь в тех случаях, когда нагрузка превысит номинальную на 150%. Время срабатывания предохранителя не превышает 20 с.

На автомобилях применяются термобиметаллические предохранители много- и однократного действия (рис. 2 и 3).

Предохранители многократного действия чаще всего устанавливаются в цепях освещения и стеклоочистителей.

Предохранители подключаются к цепям выводами 1, установленными в пластмассовом корпусе 4. Цепь от правого вывода 1 к левому выводу проходит через биметаллическую пластину 5, контакт 6, регулировочный винт 2 (регулирует задаваемую силу тока) и токоведущую пластину 3.

Работают предохранители многократного действия следующим образом. При силе тока меньше предельной, нагрев биметаллической пластины 5 мал, она деформируется незначительно, и контакты остаются замкнутыми.

При силе тока, равной предельному значению, биметаллическая пластина нагревается настолько, что, деформируясь, размыкает контакты. Ток по биметаллической пластине не проходит, она охлаждается и вновь замыкает контакты. Процесс размыкания и замыкания контактов будет повторяться до тех пор, пока не будет устранена причина, вызвавшая увеличение силы тока в цепи.

Работа термобиметаллических предохранителей основана на прогибе металлических пластин при прохождении по ним тока большой силы, вызывающего нагрев металла.





Термобиметаллические предохранители (рис. 4) более инерционны по сравнению с плавкими, их рекомендуется применять в цепях защиты электродвигателей. Они устанавливаются в цепях различных потребителей.

Предохранитель подключается выводами 1 к цепи. Ток протекает по пластинам 2, контактам 3, 4 и биметаллической пластине 5. Конструкция монтируется на пластмассовом корпусе 6.

При перегрузке или коротком замыкании пластина 5 нагревается и выгибается, размыкая контакты 3 и 4. После охлаждения пластина не возвращается в первоначальное положение.

Для замыкания цепи необходимо нажать на кнопку 7 и пластина примет первоначальную форму. Возврат кнопки осуществляется пружиной 8.

Сила тока размыкания регулируется винтом 10, снабженным контргайкой 9.

Эффективность действия предохранителей определяется их ампер-секундной характеристикой, т. е. зависимостью между силой тока, проходящего через предохранитель, и временем его срабатывания.

Термобиметаллиеские предохранители рассчитываются на следующие значения силы тока: 5, 10, 15 и 20 А.

В ампер-секундной характеристике величина номинального тока нагрузки Iн указывается относительно номинальной силы тока предохранителя Iпн.

Плавкая вставка не должна расплавляться в течение 30 мин при силе тока в полтора раза превышающего номинальную, и должна разрывать электрическую цепь за время не более 10 с при силе тока, в три раза превышающую номинальное значение.

Таблица 1. Номинальная сила тока для предохранителей, А





Предохранители

Площадь сечения провода, мм2

0,5

0,75

1,0

1,5

2,5

4,0

    Плавкие

8

10

10

16

20

30

    Термобиметаллические

10

15

15

20

30

40

При срабатывании предохранителя прежде всего следует выяснить причину срабатывания, и лишь потом менять предохранитель (или включать биметаллический предохранитель).

В плавких предохранителях запрещается устанавливать нестандартные вставки.

Запрещается, также, принудительно удерживать кнопку биметаллического предохранителя при проверке цепи на короткое замыкание, так как быстрый нагрев может привести к оплавлению проводки, короткому замыканию и даже пожару. Перегрев биметаллической пластины приведет к потере упругих свойств биметалла.

***

Позисторы

Предохранители на основе позисторов в своей работе используют свойства некоторых материалов (например, керамики) увеличивать электрическое сопротивление при нагреве. В случае превышения токовой нагрузки или короткого замыкания такой предохранитель резко нагревается и суммарное сопротивление цепи возрастает, что приводит к уменьшению тока до безопасного уровня.

После отключения питания позистор остывает и его сопротивление снижается до нормального уровня.

Керамические позисторы являются твердотельными приборами и позволяют избежать проблем, связанных с наличием электрических контактов, замыкаемых механическим способом. Они не подвержены разрушению в результате искрения и не создают электромагнитных помех. Однако, имея линейную зависимость сопротивления от температуры, позисторы сами по себе обладают значительным активным сопротивлением, потребляя значительную мощность от источника питания.

Кроме того, керамические позисторы достаточно хрупкие и могут быть разрушены в результате механического удара или вибрации.

Из-за этих недостатков применение позисторов в качестве элементов защиты автомобильных электрических цепей в настоящее время ограничено.

***

Устройства для подавления радиопомех





Главная страница

  • Страничка абитуриента

Дистанционное образование
  • Группа ТО-81
  • Группа М-81
  • Группа ТО-71

Специальности
  • Ветеринария
  • Механизация сельского хозяйства
  • Коммерция
  • Техническое обслуживание и ремонт автотранспорта

Учебные дисциплины
  • Инженерная графика
  • МДК. 01.01. «Устройство автомобилей»
  •    Карта раздела
  •       Общее устройство автомобиля
  •       Автомобильный двигатель
  •       Трансмиссия автомобиля
  •       Рулевое управление
  •       Тормозная система
  •       Подвеска
  •       Колеса
  •       Кузов
  •       Электрооборудование автомобиля
  •       Основы теории автомобиля
  •       Основы технической диагностики

  • Основы гидравлики и теплотехники
  • Метрология и стандартизация
  • Сельскохозяйственные машины
  • Основы агрономии
  • Перевозка опасных грузов
  • Материаловедение
  • Менеджмент
  • Техническая механика
  • Советы дипломнику

Олимпиады и тесты
  • «Инженерная графика»
  • «Техническая механика»
  • «Двигатель и его системы»
  • «Шасси автомобиля»
  • «Электрооборудование автомобиля»

Средства индивидуальной защиты.

Стандарты

  1. Вопросы безопасности и охраны здоровья
  2. Средства индивидуальной защиты

Средства индивидуальной защиты

Стандарты

Средства индивидуальной защиты рассматриваются в конкретных стандартах OSHA для промышленности, морского судоходства и строительства. OSHA требует, чтобы многие категории средств индивидуальной защиты соответствовали или были эквивалентны стандартам, разработанным Американским национальным институтом стандартов (ANSI). В этом разделе освещаются стандарты и документы OSHA, касающиеся средств индивидуальной защиты.

Стандарты OSHA
Общая промышленность (29 CFR 1910)

Общая промышленность (29 CFR 1910)

Связанная информация

1910 Подраздел G — Гигиена труда и контроль окружающей среды

1910. 94, Вентиляция.

Связанная информация

1910.95, Воздействие профессионального шума.

Связанная информация

1910 Подраздел H — Опасные материалы

1910.120, Работа с опасными отходами и аварийное реагирование.

Связанная информация

1910 г. Подчасть I — Средства индивидуальной защиты

1910.132, Общие требования.

Связанная информация

1910.133, Защита глаз и лица.

Связанная информация

1910.134, Защита органов дыхания.

Связанная информация

1910.135, Защита головы.

Связанная информация

1910.136, Защита для ног.

Связанная информация

1910.137, Электрозащитное оборудование.

Связанная информация

1910.138, Защита рук.

Связанная информация

1910.140, Системы индивидуальной защиты от падения с высоты.

Связанная информация

1910 Подраздел J — Общий контроль окружающей среды

1910.146, Закрытые помещения, требующие разрешения.

Связанная информация

1910 Подраздел Q — Сварка, резка и пайка

1910. 252, Общие требования.

Связанная информация

1910 Подраздел Z — Токсичные и опасные вещества

Связанная информация
Морской (29 CFR 1915, 1917, 1918)

Морской (29 CFR 1915, 1917, 1918)

Связанная информация

1915 г. Подчасть I — Средства индивидуальной защиты

Связанная информация

1917 г., подраздел Е

Связанная информация

1918 Подраздел J — Средства индивидуальной защиты

Связанная информация
Строительство

Информацию о конструкции см. на странице «Средства индивидуальной защиты — конструкция».

Дополнительные уведомления Федерального реестра

Примечание. Уведомления в этом списке содержат дополнительную информацию, которая не обязательно связана с конкретным стандартом OSHA, выделенным на этой странице «Темы безопасности и здоровья».

  • Оплата работодателем средств индивидуальной защиты; Окончательное правило. Окончательное правило 72:64341-64430 (15 ноября 2007 г.).
  • Средства индивидуальной защиты для работы на верфях (СИЗ). Окончательное правило 61:29957-29958 (13 июня 1996 г.).
  • Средства индивидуальной защиты для работы на верфях (СИЗ). Окончательное правило 61:26321-26360 (24 мая 1996 г.).
  • Средства индивидуальной защиты для промышленности. Окончательное правило 61:19547-19548, (02 мая 1996 г.).
  • Средства индивидуальной защиты для промышленности. Последнее правило 59:33910-33911 (1 июля 1994 г.).
  • Средства индивидуальной защиты для промышленности. Последнее правило 59:16334-16364 (6 апреля 1994 г.).
Дополнительные директивы

Примечание. Директивы в этом списке содержат дополнительную информацию, которая не обязательно связана с конкретным стандартом OSHA, выделенным на этой странице «Темы безопасности и здоровья».

  • 29 CFR, часть 1915, подраздел I, Руководство по применению средств индивидуальной защиты (СИЗ) при работе на верфях . CPL 02-01-060, (22 мая 2019 г.).
  • 29 CFR Part 1910, подраздел I, Руководство по применению средств индивидуальной защиты в промышленности общего назначения. CPL 02-01-050, (10 февраля 2011 г.).
Дополнительные письма с разъяснениями

Примечание. Буквы в этом списке содержат дополнительную информацию, которая не обязательно связана с конкретным стандартом OSHA, выделенным на этой странице «Темы безопасности и здоровья».

  • Обязанности по стирке огнезащитной (FR) одежды, выданной сотрудникам (01 июня 2015 г.).
  • Должны ли сотрудники, проверяющие обесточивание электрической системы или отключающие автоматические выключатели, использовать средства индивидуальной защиты (29 февраля 2008 г.).

Средства индивидуальной защиты – Решения по устранению опасностей

  1. Вопросы безопасности и охраны здоровья
  2. Средства индивидуальной защиты

Средства индивидуальной защиты

Опасности и решения

Следующие ссылки помогают понять потребность в средствах индивидуальной защиты (СИЗ) и предоставляют информацию о правильном выборе и использовании СИЗ.

Темы, связанные с безопасностью и здоровьем Страницы
  • Защита глаз и лица
  • Защита от падения
  • Защита органов дыхания
Публикации OSHA и информационные бюллетени по СИЗ
  • Средства индивидуальной защиты. Информационный бюллетень OSHA (публикация 3603), (2012 г.). Также доступно на португальском и испанском языках. Это один из серии информационных бюллетеней, посвященных программам, политикам или стандартам OSHA.
  • Средства индивидуальной защиты. Публикация OSHA 3151 (2004 г.). Это руководство было создано OSHA и призвано помочь работодателям соблюдать общие требования OSHA к средствам индивидуальной защиты.
  • Справочник по безопасности и охране здоровья для малого бизнеса. Публикация OSHA 2209, (2022). Обобщает преимущества эффективной программы безопасности и гигиены труда, предоставляет работодателям контрольные списки для самопроверки для выявления опасностей на рабочем месте и рассматривает основные ресурсы по безопасности и гигиене труда для малого бизнеса.
  • Техническое руководство по OSHA. Директива OSHA TED 01-00-015 [TED 1-0.15A], (20 января 1999 г.). Раздел VIII Технического руководства OSHA описывает различные типы одежды, которые подходят для использования в химических операциях, и дает рекомендации по их выбору и использованию.
OSHA eTools
  • Электроэнергия: средства индивидуальной защиты (СИЗ). (январь 2010 г.). Обсуждаются средства индивидуальной защиты, часто используемые при электромонтажных работах.
  • Защита органов дыхания. (октябрь 1998 г.). Предоставляет информацию о разработке графиков замены респираторных картриджей. Касается выбора респиратора и других требований стандарта.
Выбор СИЗ и управление программами СИЗ на рабочем месте
  • Средства индивидуальной защиты. Центры по контролю за заболеваниями (CDC), Национальный институт охраны труда и здоровья (NIOSH). Содержит ссылки на темы, связанные с СИЗ, такие как защита глаз, защита органов слуха, воздействие на кожу и защитная одежда.
  • Рекомендации для базы данных химической защитной одежды. Национальный институт безопасности и гигиены труда (NIOSH) (февраль 1998 г.). Содержит рекомендации по использованию химической защитной одежды для химических веществ, перечисленных в карманном справочнике NIOSH.
  • Программа средств индивидуальной защиты. Национальный институт охраны труда и здоровья (NIOSH), (июнь 2017 г.). Оценивает и совершенствует оборудование, которое носят рабочие, и разрабатывает меры по их защите от опасностей.
  • Национальная лаборатория средств индивидуальной защиты (NPPTL). Центры по контролю и профилактике заболеваний (CDC), Национальный институт охраны труда и здоровья (NIOSH). Сосредоточивает опыт многих научных дисциплин на продвижении федеральных исследований респираторов и других средств индивидуальной защиты для рабочих. Также содержит ссылки на темы, связанные с СИЗ.
  • Руководство по соответствию требованиям к средствам индивидуальной защиты. Университет Алабамы. Предоставляет информацию работодателям, работающим над соблюдением определенных положений подраздела I 29 CFR 1910.
  • Информационные бюллетени OSH Answers: Разработка эффективной программы СИЗ. Канадский центр охраны труда и техники безопасности (CCOHS). Дает обзор разработки программы средств индивидуальной защиты (СИЗ).
  • Средства индивидуальной защиты (СИЗ). Министерство здравоохранения и социальных служб США, Управление неотложной медицинской помощи при химических опасностях (CHEMM). Предоставляет ряд ресурсов для управления эффективной программой PPE.
Учебные материалы и учебные ресурсы по СИЗ
  • Оценка потребности в средствах индивидуальной защиты (СИЗ). ОША. Руководство, созданное Учебным институтом OSHA, предназначенное для помощи читателям в проведении оценки СИЗ, включает в себя контрольные списки для оценки.
  • Средства индивидуальной защиты. ОША. Включает презентацию PPE по средствам индивидуальной защиты, созданную Учебным институтом OSHA и предназначенную для помощи авторизованным инструкторам OSHA по работе с персоналом, обучающим технике безопасности при использовании средств индивидуальной защиты.
  • План урока семинара по СИЗ. Национальный институт наук об окружающей среде (NIEHS). Применимо для работы с опасными отходами и обучения реагированию на чрезвычайные ситуации. Упражнение для закрепления и расширения знаний работника о СИЗ.
СИЗ в сельском хозяйстве
  • Средства индивидуальной защиты (СИЗ). Национальная база данных по безопасности сельского хозяйства (NASD). Некоторые работы на ферме сопряжены с опасностями, которые необходимо выполнять в индивидуальной защитной одежде и/или в специальном защитном снаряжении, если рабочие хотят быть в безопасности. На этой странице обсуждаются различные опасности и средства индивидуальной защиты, обычно встречающиеся на фермах.
  • Защита головы, глаз и ног для сельскохозяйственных рабочих. Информационный бюллетень Penn State Extension. Обсуждаются три типа средств индивидуальной защиты: защитные головные уборы, очки и обувь.
  • Решения для средств индивидуальной защиты для сельского хозяйства. Расширение Университета Вайоминга. Обсуждается оборудование и одежда, которые могут помочь фермерам и владельцам ранчо оставаться в безопасности, преодолевая множество опасностей на фермах и ранчо.
СИЗ для спасателей
  • Ресурсы аварийной готовности и реагирования. Национальный институт охраны труда и здоровья (NIOSH). Касается респираторов, защитной одежды, аллергии на латекс и средств защиты глаз, поскольку они относятся к условиям экстренного реагирования.
  • Руководство по реагированию на чрезвычайные ситуации (ERG). Министерство транспорта США, Управление по безопасности трубопроводов и опасных материалов (PHMSA). Содержит указания для пожарных, полиции и других сотрудников аварийно-спасательных служб, которые могут первыми прибыть на место происшествия, связанного с транспортировкой опасного материала. Это руководство было разработано совместно Министерством транспорта США, Министерством транспорта Канады и Секретариатом связи и транспорта Мексики (SCT).
  • Руководство по выбору средств индивидуальной защиты для служб экстренного реагирования. Разработан Управлением стандартов правоохранительных органов Национального института стандартов и технологий (NIST) для Министерства внутренней безопасности США.

Отказала гидравлика дон 1500б: Дон 1500 Б Почему периодически отключается вся гидравлика, фильтр на гидробаке новый, после 5 минут перерыва снова работает. — ЗАВОД РУ

Дон 1500 Б Почему периодически отключается вся гидравлика, фильтр на гидробаке новый, после 5 минут перерыва снова работает. — ЗАВОД РУ

  • Автор: Олег Винокуров(админ)
  • 15 сентября 2020
  • Добавить в закладки

Всем привет, мужики подскажите Дон 1500Б периодически отключается вся гидравлика, фильтр на гидробаке новый, после 5 минут перерыва на поле все снова работает, но недолго, затем снова отключается, уже не знаю куда смотреть, спасибо! — — — Сергей

ДОН 1500б Не работает Гидравлика периодически Гидробак Фильтр Новый перерыв Работает отключается

Поделиться

Почему не работает рулевая на Кировце К- 744р2, хотя поменял и сотый и пятидесятый насосы. Гидравлика работает, а управление нет
  • Автор: DELETED
  • 13 августа 2022
  • 3 комментария

Подскажите, почему не работает рулевая на Кирове 744р2, хотя поменял и сотый и пятидесятый насосы. Гидравлика работает, а управление нет. Подскажите, благодарю заранее!!!!?

Почему Не работает Рулевая Кировец К-744 р2 поменяли Насос нш 50 НШ-100 Гидравлика Работает Управление нет

Т-40. Почему новый гидроусилитель руля на тракторе , то работает, то нет?
  • Автор: Олег Винокуров(админ)
  • 14 марта 2021
  • 4 комментария

Всем доброго дня. Подскажите, пожалуйста. Т-40.Новый гидроусилитель руля на тракторе , то работает, то нет. Бывает заглушишь, запустишь двигатель — работает. В чём может быть причина?

Почему Новый Гидроусилитель Гидроусилитель руля Не работает Работает Т-40

МТЗ 82,1 Почему перестала работать гидравлика, то насос греется, то вообще не поднимает. Насос стоит новый. Клапан на распределителе регулировал.
  • Автор: Олег Винокуров(админ)
  • 06 февраля 2021
  • 17 комментариев

Добрый день. Ребята, подскажите, кто сталкивался с такой проблемой? МТЗ 82,1 Перестала работать гидравлика, то насос греется, то вообще не поднимает. Насос стоит новый. Клапан на распределителе регулировал. Спасибо заранее за ответы.

Почему перестала Работать Гидравлика Насос Греется Не поднимает МТЗ МТЗ 82.1 Не работает Клапан Регулировка регулировать Распределитель Новый Новый насос

Почему на мтз 82 1989г на холодном гидравлика работает,а как нагреется всё падает? Насос новый, распред родной.
  • Автор: Алексей Кожевников
  • 22 июля 2020
  • 10 комментариев

Мужики всем привет подскажите мтз 82 1989г на холодном гидравлика работает ок как нагреется всё падает насос новыи распред роднои стоит может ему время пришло масло фильтр всё ок всем спасибо

Почему МТЗ 82 На холодную Гидравлика Работает На горячую Нагреется нет Насос Новый Распред Родной

Поставил распределитель рп70, на МТЗ 80.Почему при запуске двигатель, работает в нагрузку и масло греется в гидравлике?
  • Автор: Михаил Леонтьев
  • 15 ноября 2022
  • 59 комментариев

Здарова, мужчины. Поставил я себе распределительных рп70, на МТЗ 80.почему то когда запускаешь двигатель, он работает в нагрузку, двигатель, рычагом секцию включаешь работает нормально. Насос нш отключаешь ,тоже нормально работает, без нагрузки. Клапан на распреде проверил, давление убавлял, не помогло, ещё и масло греется в гидравлики, как будто одна секция включена. Че за хрень не пойму?

поставил Распределитель рп 70 МТЗ 80 Почему при запуске Двигатель Работает Нагрузка Масло Гидравлика Греется

Купил б/у распределитель р80. Установил на трактор- насос греется, заменил на клапан, насос не греется, но и гидравлика не работает. В чем причина?
  • Автор: Калаш Даштоян
  • 24 октября 2022
  • 18 комментариев

Всем привет. Купил б/у распределитель р80. Вместо клапана стоит вот это. Установил на трактор- насос греется. Снял эту запчасть, заменил на клапан, насос не греется, но и гидравлика не работает. Подскажите что это? Заранее спасибо.

купили Распределитель Р-80 Насос Греется Клапан Не греется Гидравлика Не работает В чем причина?

Вклинивается гидравлика на т-25 Что это может быть? Клапан на раздатке расточил, поставил новый ремкомплект.

  • Автор: Сергей Ортман
  • 02 августа 2022
  • 2 комментария

Всем привет. Вклинивается гидравлика на т-25 Что это может быть? Клапан на раздатке расточил, поставил новый ремкомплект, Может кто знает как исправить?

подклинивает вклинивается Т-25 Гидравлика Клапан раздатка расточил Ремкомплект Новый

Комбайн нива ск 5 двигатель а 41. Проблема с гидравликой, не работает рулевое. Что делать? Клапан двигателя промыл, сальник поменял.
  • Автор: Леха Проворов
  • 20 июля 2022
  • 5 комментариев

Всем привет) Хотели сегодня выгнать на ремонт комбайн нива ск 5 2003года выпуска двигатель а 41 Проблема с гидравликой, а точнее не работает рулевое последние. 5 сезонов сам работаю на нем. Чуть крутится руль, но тяжело и воздух с цилиндра пробовали спускать, не получилось ничего, реакции ноль. Тут вот вечером заходил к одному, он говорит поменяй говорит клапан который основной, там где двигатель. Я его промыл и один сальник поменял, но реакция такая же и скажите, пожалуйста, как правильно отрегулировать этот клапан? На сколько оборотов закручивать? Всем кто откликнется буду очень благодарен)

Комбайн Нива СК-5 Двигатель А-41 Проблема Гидравлика Не работает Рулевое Что делать Клапан Сальник Промыть поменяли

В чем проблема? мтз 82 синий дым идет и подтраивает.

Фильтра все новые

  • Автор: Сергей Титус
  • 13 июля 2022
  • 12 комментариев

Всем привет. Кто ни будь сталкивался, в чем может быть проблема? мтз 82 синий дым начал и подтраивает. Фильтра все новые

В чем проблема? МТЗ 82 Синий дым идет подтраивает Фильтр Новый

Карбюратор такой вот новый.. Почему пускач работает ровно столько, сколько в нём бензина и глохнет ?
  • Автор: Максим Гасников
  • 13 апреля 2022
  • 25 комментариев

Здравствуйте. Купил я значитс карбюратор такой вот. Поставил, накачал бензин, дергаю… Пускач работает ровно столько, сколько в нём бензина и глохнет ????. Куда смотреть? Что настраивать?

Карбюратор Новый Почему Работает столько Сколько бензин Пускач

Неисправности гидросистемы зерноуборочного комбайна ДОН-1500 и их методы устранения

Похожие презентации:

Грузоподъемные машины. (Лекция 4.1.2)

Зубчатые передачи

Гидравлический домкрат в быту

Детали машин и основы конструирования

Газораспределительный механизм

Свайные фундаменты. Классификация. (Лекция 6)

Ременные передачи

Редукторы

Техническая механика. Червячные передачи

Фрезерные станки. (Тема 6)

НЕИСПРАВНОСТИ ГИДРОСИСТЕМЫ
ЗЕРНОУБОРОЧНОГО КОМБАЙНА ДОН-1500 И ИХ
МЕТОДЫ УСТРАНЕНИЯ
Основная гидросистема
Неисправность
Метод устранения
Все гидроцилиндры не работают
Отсутствует масло в баке
Заливают масло в бак
Не включен насос гидравлической системы
НШ-32-3
Включают насос при неработающем
двигателе
Наличие холодного масла
Прокручивают двигатель с включенным
насосом в течении 10 мин
Не отрегулирован или засорился
предохранительно-переливной клапан
Промывают клапан и регулируют на
давление 12,5 МПа
Повышенный нагрев масла при работе системы
Недостаточное количество масла в баке
Заливают масло в бак
Загрязнен фильтр маслобака
Промывают или заменяют фильтроэлемент
Прогнуты или смяты маслопроводы
Устраняют вмятины или заменяют
маслопровод
Золотник распределителя находится не в
нейтральном положении
Регулируют тяги
Неисправность
Метод устранения
Вспенивание масла в баке
Из за подсоса воздуха
Подтягивают всасывающие фланцы насосов,
штуцера и хомуты маслопроводов.
Заменяют поврежденные уплотнительные
кольца фланцев, поврежденные рукава
Медленный подъем рабочих органов
Подсос воздуха в систему
То же
Повышенные утечки масла в насосе
Заменяют насос
Не полностью открыто проходное сечение в
разъемной муфте
Завертывают до отказа гайки разъемной
муфты
Пониженное давление в системе
Регулируют клапан на давление 12,5 МПа
Замедленный подъем жатки
Замедленный подъем жатки
Промывают предохранительный клапан и
устанавливают его на давление 12,5 МПа
Неисправность
Метод устранения
Несинхронная работа гидроцилиндров выноса мотовилова
Наличие воздуха в гидроцилиндрах
Прокачивают воздух путем двухтрехкратного перемещения
гидроцилиндров на полный ход
Сорвалось стопорное кольцо, крепящее
поршень в гидроцилиндре
Разбирают гидроцилиндр и монтируют
кольцо на место
Несинхронная работа гидроцилиндров
подъема мотовилова из-за наличия воздуха
в гидроцилиндрах
Прокачивают воздух двух-трехкратным
перемещением гидроцилиндров
Все потребители от распределителей с
механическим управлением работают
нормально. Не работают потребители от
электрораспределителя и
электромагнитный распределитель потока
управления
Проверяют электропроводку. При обрыве
витков катушки ее заменяют.
Неисправность
Метод устранения
Повышенный нагрев гидросистемы в режиме холостого хода
Золотник распределителя копнителя не
возвращается в нейтральное положение
Регулируют тягу
Заклинивание электромагнитного
распределителя потока управления
Заменяют распределитель потока
управления
Золотник механического распределителя не
возвращается в нейтральное положение
Регулируют тяги
Затруднен поворот управляемых колес
Не отрегулирован предохранительный
клапан системы рулевого управления
Контролируют давление в системе рулевого
управления, устанавливают клапан на
давление 12,5 МПа
Неисправен насос НШ-10Е-3
Устраняют неисправность насоса или
заменяют его
Засорение дроссельного отверстия
Засорение дроссельного отверстия
Разбирают и промывают усилитель потока
Гидропривод ходовой части
Неисправность
Метод устранения
Гидропривод не работает ни в одном, ни в другом направлениях
Низкий уровень рабочей жидкости
Заправляют бак. Контролируют внешнее
состояние агрегатов и трубопроводов.
Определяют место утечки масла и
устраняют неисправность
Повреждение тяги, связанной с
регулирующим рычагом
гидрораспределителей
Проверяют состояние и работу механизма
управления гидрораспределителем
Выход из строя передачи между двигателем
и насосом
Подтягивают ремни, при необходимости
заменяют
Внутреннее повреждение насоса или
мотора
Поочередно заменяют насос и мотор
Неисправность
Метод устранения
Гидропривод работает только в одном направлении
Выход из строя механизма управления
гидрораспределителем
Контролируют работу механизма
управления
Разрядный клапан высокого давления не
закрывается
Заменяют оба разрядных клапана высокого
давления
Неисправен сервоклапан насоса
Отъединяют тягу регулировочного рычага и
в случае его перемещения без
сопротивления заменяют сервоклапан
Невозможно определить нулевое положение
Повреждение управляющей тяги
Освобождают и регулируют управляющую
тягу
Неисправность или повреждение
сервоклапана
Заменяют сервоклапан
Неисправность
Метод устранения
Перегрев гидропривода (температура рабочей жидкости больше верхнего допустимого
предела)
Низкий уровень масла в баке
Добавляют масло в гидропривод
Засорение масляного радиатора
Очищают поверхности масляного радиатора
Засорение масляного фильтра или
всасывающего трубопровода
Вставляют новый фильтр. Всасывающий
трубопровод прочищают или заменяют
новым
Внутриагрегатные утечки жидкости (потери
скорости и мощности)
Заменяют поочередно насос и гидромотор
Шум в передаче
Наличие воздуха в передаче
Добавляют масло в бак
Недостаточное изолирование
трубопроводов от несущих элементов
конструкции
Изолируют места крепления трубопроводов
эластичными прокладками
Внутреннее повреждение насоса или
гидромотора
Заменяют насос и гидромотор
Неисправность
Метод устранения
Медленный разгон и низкая скорость машины
Наличие воздуха в гидроприводе
Доливают масло в бак
Внутренний износ или повреждение
Заменяют насос и гидромотор
Утечка масла в местах соединения рукавов высокого давления с фланцами
Повреждение уплотнительного кольца
Заменяют уплотнительное кольцо
Ослабление болтов крепления полуфланцев
Подтягивают болты

English    
Русский
Правила

Электрогидравлические гибридные системы снижают выбросы в мусороуборочных машинах

Гибридные системы прокладывают путь к электрификации с помощью небольших аккумуляторов и легкодоступных компонентов.

Электрификация направлена ​​на устранение выбросов транспортных средств, ухудшающих качество воздуха и отрицательно влияющих на здоровье населения. С технической точки зрения электрификация имеет смысл для транспортных средств малой и средней грузоподъемности, таких как автомобили и небольшая строительная техника. Тем не менее, электрификация более сложна для более крупных транспортных средств в приложениях с большой мощностью и большой дальностью полета, где критически важна максимальная полезная нагрузка.

Во многих юрисдикциях поставлены амбициозные цели по электрификации транспортных средств большой грузоподъемности, таких как мусоровозы, которые вносят значительный вклад в общий объем выбросов. Хотя стремление к электрификации благородно, сложно отремонтировать весь парк мусоровозов с двигателем без вспомогательной инфраструктуры. Также трудно расстаться с гидравликой в ​​пользу электрических альтернатив, которые увеличивают вес и требуют обслуживания.

Мусоровозы с автоматической боковой загрузкой (ASL) могут снизить выбросы с помощью электрогидравлической гибридной системы.

Мусоровозы, такие как автоматический боковой погрузчик (ASL), спроектированы на основе шасси грузового автомобиля и требуют большего электрификации, чем легковые автомобили. Для этих транспортных средств первичный источник энергии обеспечивает движение, транспортировку груза и гидравлические функции. Традиционный ASL перевозит около 15 000 фунтов мусора и использует гидравлическую систему для ежедневного сбора от 1000 до 1500 мусорных баков при уплотнении груза. Электрифицировать этот автомобиль можно, но для этого требуется большая батарея, что снижает полезную нагрузку грузовика.

Для таких применений электрическая гибридная система сочетает в себе преимущества электрических решений, таких как интеллектуальное использование энергии и более низкие выбросы, при этом извлекая выгоду из производительности и запаса хода традиционного дизельного двигателя.

Parker Hannifin Corp. предлагает гибридную систему, которую можно реализовать с помощью легкодоступных компонентов и небольшого аккумуляторного блока, не меняя архитектуру шасси. Система использует дизельный двигатель для движения и электродвигатель для гидравлических функций. Идея состоит в том, чтобы оптимизировать компоненты в зависимости от условий эксплуатации, чтобы уменьшить выбросы без ущерба для полезной нагрузки.

Пусть гидравлика сделает всю работу

Электрический гибрид Parker использует традиционное шасси ASL и не заменяет двигатель аккумулятором увеличенного размера. Он также не заменяет гидравлические функции электромеханическими альтернативами.

Гидравлические технологии обладают преимуществами, которых не хватает электромеханическому приводу в ASL и других транспортных средствах для сбора мусора. Во-первых, гидравлические цилиндры обычно легче по весу, чем электромеханические узлы. Если ASL имеет линейный привод и двигатель, рука должна поднимать дополнительный вес сборки в дополнение к нагрузке. «Даже если система более эффективна из-за отсутствия гидравлических потерь, если вы думаете о подъеме 1000 банок в день с добавленным весом, это означает много траты энергии», — сказал Джермано Францони, старший системный инженер Parker. «Удельная мощность, особенно для подвешенного веса, очень важна».

Еще одним преимуществом гидравлики является способность распределять мощность между различными функциями. Например, если ASL имеет гидравлическую систему мощностью 40 л.с. и пять постоянно работающих функций, клапан может разделить мощность от одного насоса и распределить ее между пятью исполнительными механизмами. Электромеханические узлы не могут распределять мощность, как гидравлика, и для выполнения той же работы может потребоваться до 120 л.с.

Кроме того, гидравлика привыкла к агрессивным и грязным средам, тогда как электромеханические приводы более чувствительны и менее устойчивы к таким условиям эксплуатации. «Элементом обслуживания номер один в мусоровозах являются цилиндры, потому что рабочие циклы очень интенсивны, и возникает много ударов и вибрации», — сказал Франзони. «Если вы хотите заменить цилиндр или переделать уплотнения, это относительно быстрый и недорогой элемент обслуживания. Но если вам нужно заменить электрический привод, это гораздо более сложная часть с точки зрения стоимости и обслуживания».

Традиционный ASL собирает мусорные баки с помощью гидравлического рычага, а упаковщик непрерывно работает, уплотняя груз внутри кузова автомобиля. Во время сбора насосы вращаются на малых оборотах, а двигатель грузовика работает на холостом ходу и под нагрузкой, чтобы не заглохнуть. Такое рабочее состояние неэффективно и создает шум и более высокие выбросы.

С электрической гибридной системой, предложенной Parker, двигатель не загружается на холостом ходу. Когда ASL останавливается у дома, чтобы забрать мусорный бак, электродвигатель приводит в действие гидравлику и разгружает двигатель, что повышает эффективность и снижает расход топлива, выбросы и шум.

«Когда двигатель работает на холостом ходу, это худшая точка с точки зрения эффективности и выбросов», — сказал Франзони. «Мы считаем, что гибрид — это правильное решение, когда гидравлика все еще находится на грузовике, но гидравлический насос работает не от двигателя, а от электродвигателя, который также служит генератором во время движения грузовика».

Эксплуатация и конструкция гибридной системы

Компания Parker предлагает использовать гидравлический насос с конфигурацией сквозного привода, соединенный с электродвигателем с постоянными магнитами. Этот узел устанавливается на трансмиссию грузовика с помощью традиционной коробки отбора мощности (ВОМ). Электродвигатель управляется инвертором, который получает питание от компактного аккумуляторного блока.

Электрическая гибридная система Parker может быть реализована с помощью легкодоступных компонентов. Здесь показаны двигатель GVM 210-100 PMAC, поршневой насос P1M-065, механизм отбора мощности Chelsea 890 с горячим переключением, инвертор GVI и клапан L90 LS. Изображение предоставлено Паркером.

Когда электрический гибрид ASL останавливается для сбора мусорных баков, ВОМ отключается от двигателя, и электродвигатель приводит в действие насос. Двигатель грузовика может либо работать на холостом ходу без нагрузки, либо полностью останавливаться, а насос может работать на оптимальной скорости (от 1800 до 2200 об/мин) для достижения максимальной эффективности. Когда грузовик движется между остановками, ВОМ включается, насос выполняет функцию прикатывания, а электродвигатель работает как генератор для подзарядки аккумуляторной батареи. Электронный блок управления может модулировать мгновенную величину заряда в зависимости от условий движения, чтобы поддерживать хорошее сцепление колес с дорогой.

Электродвигатель является основным элементом конструкции гибридных систем. Обычно электродвигатели наиболее эффективно работают на высоких скоростях. Но при вождении и эксплуатации ASL гидравлические компоненты могут ограничивать скорость двигателя. Поэтому очень важно выбрать электродвигатель, который конфигурируется и адаптируется к условиям работы гидравлических компонентов.

Что касается размеров, аккумулятор может быть относительно небольшим, а размер насоса можно уменьшить вдвое, поскольку его скорость больше не привязана к состоянию холостого хода двигателя. Система может быть спроектирована с использованием различных технологий насосов и клапанов в зависимости от геометрии рычага и требуемого типа управления.

На схеме высокоуровневой электрической гибридной системы Parker расположение клапанов может меняться в зависимости от грузовика и требований применения. Изображение предоставлено Паркером.

Компания Parker протестировала свою концепцию электрического гибридного дизайна, отправив ASL по маршруту через густонаселенный пригород Детройта. Команда записала скорость двигателя и электродвигателя, давление и расход гидравлического рычага, давление и расход пакера, а также заряд батареи во время испытания. Результаты показали, что аккумулятор остается хорошо заряженным даже при коротких фазах движения между пикапами.

Тест начался с полностью заряженной батареи 96 В с накопленной энергией 10,4 кВтч и весом 238 фунтов (107 кг). У ASL был один поршневой насос P1M 65 см 3 об/об с органами управления LS и электрическим ограничением крутящего момента, подающим поток к блоку клапанов измерения нагрузки L90, где секции рычага имели приоритет над секциями пакера. Электродвигатель представлял собой Parker GVM-210-100 с максимальным крутящим моментом 110 фунт-футов (150 Нм). Двигатель управлялся с помощью инвертора Parker GVI.

Когда ASL ездил от дома к дому, электрический двигатель GVM служил генератором для зарядки аккумулятора. Продолжительность фазы вождения зависела от расстояния между домами, интенсивности движения, светофоров и других факторов. Подъезжая к мусорному баку, водитель нажимал кнопку аварийного останова на джойстике, вал отбора мощности отключался, а двигатель GVM включал насос в зависимости от требуемого расхода (от 500 до 2000 об/мин). К концу теста ASL совершил более 300 сборов мусора без значительно длительных фаз вождения, продемонстрировав, что аккумулятор адекватно заряжается между частыми остановками.

Будущее электрических гибридных систем

Дизайн и испытания Parker показывают, что отделение двигателя от гидравлических функций повышает эффективность, легко интегрируется с двигателями и шасси стандартных грузовиков, а также уменьшает размер компонентов, уровень шума и выбросы. Но преимущества не ограничиваются ASL. Систему можно легко адаптировать для аналогичных приложений, таких как фронтальные погрузчики для жилых помещений (FEL), где гидравлический рычаг устанавливается на тележке, прикрепленной к вилам грузовика.

Несмотря на широкий спектр применения, электрические гибридные системы по-прежнему вытесняют современный рынок, который отдает предпочтение полностью электрическим автомобилям. Правительства призывают к нулевым выбросам в намеченные сроки и предоставляют финансирование для производства и покупки полностью электрических автопарков. Независимо от того, что имеет смысл с технической точки зрения, на гибридные системы не выделяются деньги.

Первоначальная дорожная карта поместила гибрид как мост к электрификации. В ожидании инноваций в инфраструктуре и аккумуляторных батареях, чтобы удовлетворить спрос на полностью электрические автомобили, гибридные системы предлагают решение прямо сейчас без особых сбоев. Однако внедрение электрического гибрида было отложено до тех пор, пока рынок не изменится.

«Мы видим пространство для гибридов в будущем», — сказал Франзони. «Мы просто не знаем точно, когда и как».

Parker Hannifin Corp.
parker.com

Советы по установке и техническому обслуживанию гидравлических систем, устанавливаемых на грузовые автомобили

Гидравлические системы, устанавливаемые на грузовые автомобили, имеют решающее значение для многих профессиональных операций. Как и в случае любой интегральной системы транспортного средства, эффективное техническое обслуживание гидравлических систем грузовых автомобилей требует понимания того, как система функционирует.

Базовая гидравлическая система состоит из следующих компонентов:

  • Источник питания (двигатель и трансмиссия)
  • ВОМ
  • Насос
  • Распределитель направления
  • Приводы (цилиндр или двигатель)

ВОМ выключен, передает мощность двигателя от коробки передач к насосу. Насос подает гидравлическую жидкость к гидрораспределителю. Клапан управления направляет эту жидкость к приводу, который приводит в действие оборудование.

Гидравлические системы, установленные на грузовике, должны быть правильно подобраны и интегрированы с двигателем, трансмиссией и ВОМ грузовика. Это гарантирует, что оборудование имеет необходимый гидравлический поток и давление для правильной и эффективной работы.

Наиболее распространенным навесным оборудованием является самосвал. Другие области применения включают эвакуаторы, автовышки, краны, мусоровозы, ассенизационные машины, грузовики для обслуживания шин, а также пожарные и спасательные машины. В то время как в некоторых типах навесного оборудования, например, в снегоочистителях, в качестве привода используется двигатель, чаще используется цилиндр.

Выбор и установка ВОМ 

«ВОМ — это связующее звено между источником питания и приводимым (работающим на грузовике) оборудованием, — говорит Джефф Кинг, менеджер по маркетингу Chelsea Products. «ВОМ должен заставить все работать вместе».

Chelsea Products, подразделение Parker Hannifin, является лидером на рынке ВОМ для грузовых автомобилей и мобильных профессиональных автомобилей.

При выборе МОМ укажите марку и модель трансмиссии.

«Убедитесь, что зубья шестерни на ВОМ должным образом входят в зацепление с зубьями ведущей шестерни ВОМ трансмиссии, — говорит Кинг. Например, прямозубая шестерня не будет должным образом зацепляться с косозубой шестерней. Даже две косозубые шестерни нуждаются в совместимых характеристиках.

«Кроме того, каждая трансмиссия имеет уникальные рабочие характеристики, такие как скорость», — добавляет Кинг. «Убедитесь, что МОМ имеет необходимый крутящий момент и рабочую скорость для применения».

В этой заметке вы должны определить потребности самого навесного оборудования.

«Вам необходимо знать требуемое давление в системе (psi) и расход (гал/мин)», — говорит Кинг. Когда оборудование работает медленно, возникает проблема с потоком. Когда он вообще не работает, возникает проблема с давлением.

Убедитесь, что обороты двигателя (вход насоса) и обороты гидравлического насоса (выход насоса) обеспечивают необходимый расход.

«Например, вы хотите, чтобы время цикла для самосвального кузова составляло примерно 30 секунд, хотя вы всегда должны сверяться с рекомендациями производителя», — отмечает Кинг. «После подтверждения вам необходимо указать требуемый расход (галлонов в минуту), поскольку расход влияет на скорость работы».

Потребность в расходе может быть соотнесена с мощностью и крутящим моментом. Полезно знать следующее уравнение: галлонов в минуту x фунтов на квадратный дюйм / 1714 = требуемая гидравлическая мощность в лошадиных силах. Эти данные помогут вам выбрать правильный размер ВОМ.

Также полезно понимать установку ВОМ. Первым шагом является сопряжение ВОМ с коробкой передач.

На механической коробке передач обычно необходимо установить люфт, который представляет собой расстояние между шестернями трансмиссии и шестернями ВОМ. Используйте прокладки, чтобы установить правильный зазор в диапазоне от 0,006 до 0,012 дюйма.

С автоматической коробкой передач проблем гораздо меньше. Обычно поставляется одинарная прокладка, которая устраняет догадки при настройке люфта.

Вторым важным шагом является правильное крепление ВОМ к трансмиссии.

 «Производители грузовиков не упрощают доступ ко всем болтам, — говорит Кинг. «Поэтому мы работали с Snap-on, чтобы разработать набор инструментов, облегчающих и ускоряющих процесс». (См. врезку «Рекомендуемые инструменты для установки МОМ».)

Профилактическое обслуживание МОМ 

Независимо от того, устанавливали вы МОМ или нет, рекомендуется проверить болты и крепления через пару недель после установки.

«Самое главное — это проверка на наличие утечек», — говорит Джош Реймер, специалист по рынкам самосвалов и эвакуаторов в Muncie Power Products. «Если вы видите признаки гидравлической или трансмиссионной утечки, это указывает на то, что что-то, вероятно, ослаблено». Вы просто хотите убедиться, что все затянуто должным образом.

Компания Muncie Power Products является ведущим производителем коробок отбора мощности и гидравлических компонентов для грузовых автомобилей.

После ввода в эксплуатацию цикл технического обслуживания ВОМ зависит от применения. Например, самосвал может выполнять от пяти до десяти циклов в день. Это приводит к меньшему износу ВОМ.

«В таком случае необходимо визуально осматривать ВОМ на наличие утечек каждые три месяца или около того, — говорит Кинг из Parker Hannifin. «Убедитесь, что все уплотнения не повреждены. Проверьте, не ослаблены ли крепления.

«Другая крайность — индустрия мусора», — продолжает Кинг. «Эти грузовики работают много циклов в день, день за днем. Вы должны проводить тщательный осмотр каждый месяц».

Во многих случаях гидравлический насос может быть установлен непосредственно на ВОМ. «Мы рекомендуем сделать это, потому что это обеспечивает наилучшее соединение», — говорит Кинг.

Кроме того, Parker Hannifin рекомендует монтажный кронштейн для насосов длиной более 18 дюймов или весом более 40 фунтов.

Даже при чистом прямом соединении между насосом и механизмом отбора мощности имеется шлицевое соединение. Это требует дополнительных соображений по техническому обслуживанию.

«Если вы не обеспечите надлежащую смазку в этот критический момент, вы получите так называемое истирание», — объясняет Реймер. «Металлы изнашиваются друг относительно друга. Это приводит к тому, что мелкие частицы появляются и захватываются в этой области, что усугубляет проблему и препятствует правильному зацеплению зубьев шестерни».

«Правильная смазка также помогает предотвратить распространение коррозии на эти валы из-за окисления и кручения дизельного двигателя», — говорит Кинг. «Однако многим техническим специалистам не нравится выполнять текущее техническое обслуживание после сопряжения ВОМ и насоса; они не хотят разбирать их для повторной смазки. Поэтому компания Parker Hannifin предложила несколько вариантов».

Для механической коробки передач Parker предлагает вариант со смазкой. Карданный вал имеет фитинг Zerk на крышке подшипника с закрытым концом. Для автоматической коробки передач Allison компания Parker предлагает вариант с мокрым шлицем. Жидкость под давлением из трансмиссии всасывается в полость между валом отбора мощности и насосом, обеспечивая непрерывную смазку.

В тех случаях, когда у вас нет зазора для установки насоса непосредственно на ВОМ, между ними будет карданный вал. Убедитесь, что он правильно смазан в суставах.

«Вы также должны регулярно осматривать карданный вал на наличие повреждений», — говорит Кинг. «Если он погнут, вы иногда будете ощущать вибрацию при включении ВОМ. Это проблема, которую следует решать немедленно. вал, подшипники и уплотнения».

Еще одним предупреждающим знаком является шум. Если ВОМ был установлен слишком туго, или если прокладки пропитались маслом и сжимаются, вы можете услышать визг. Это означает, что наконечники шестерен ВОМ и наконечники шестерен трансмиссии слишком плотно зацеплены. Между коробкой отбора мощности и трансмиссией необходимо добавить прокладку, чтобы обеспечить правильный зазор между 0,006 дюйма и 0,012 дюйма.

«В какой-то момент вы также можете начать слышать стук», — говорит Кинг. «Вероятно, это означает, что некоторые болты ослабляются. Спуститесь и проверьте крепления. Убедитесь, что все затянуто должным образом и ничего не откручивается».

Проверка и установка насоса 

Следующим компонентом гидравлической системы является насос. Высокопроизводительный насос требует хороших соединений, отсутствия утечек и достаточной смазки. Как и в случае с ВОМ, все начинается с установки.

Перед установкой насоса откручивайте главный предохранительный клапан до тех пор, пока не ослабнет натяжение пружины регулировочного винта. Затем, прежде чем подсоединять какие-либо линии к насосу, заполните все порты чистым маслом, чтобы обеспечить начальную смазку.

После подсоединения трубопроводов и монтажа насоса дайте ему поработать не менее двух минут на холостом ходу и на низких оборотах. В течение этого периода обкатки насос не должен выделять чрезмерное количество тепла. Если он работает правильно, вы можете увеличить скорость и давление до нормального уровня. Установите главный предохранительный клапан в правильное положение, пока насос работает на максимальной рабочей частоте вращения двигателя грузовика.

Далее проверьте подачу жидкости. Убедитесь, что на каждый галлон производительности насоса подается не менее одного галлона гидравлической жидкости. Встряхните насос, многократно запуская и останавливая двигатель, чтобы постепенно выровнять температуру насоса и масла; подача горячего масла в холодный насос может привести к заклиниванию насоса.

Дайте насосу поработать еще как минимум две минуты без нагрузки и со средней скоростью (менее 1500 об/мин). Если насос становится чрезмерно горячим, остановите тест и найдите источник проблемы. Постепенно увеличивайте давление на насосе с шагом 500 фунтов на квадратный дюйм, пока не будет достигнуто желаемое испытательное давление.

Информация о гидравлических маслах

Гидравлические системы на грузовом оборудовании часто работают при резких перепадах температуры. Таким образом, при выборе гидравлического масла необходимо учитывать рабочий цикл и температуру масла.

«При нормальных рабочих температурах вы должны поддерживать температуру гидравлической жидкости в диапазоне от 120 до 140 градусов по Фаренгейту», — говорит Крис Джонсон, подразделение шестеренных насосов Parker Hannifin. «Рабочая температура выше 176 градусов по Фаренгейту может значительно сократить срок службы».

Вязкость является ключевым фактором. Гидравлическая жидкость должна быть достаточно жидкой, чтобы легко течь, но при этом достаточно густой, чтобы герметизировать и поддерживать смазочную пленку между подшипниками и уплотняющими поверхностями. Эта пленка помогает уменьшить трение и тепло.

Помните, что при нагревании жидкость становится жиже. Таким образом, вы должны учитывать пусковую и рабочую температуру вашего оборудования.

При самых высоких температурах жидкость должна сохранять достаточную густоту, чтобы обеспечивать смазку и минимизировать внутреннюю утечку. В противном случае результатом может быть потеря смазки из-за нагрева, преждевременный износ и выход из строя шестерен, упорных пластин и подшипников.

С другой стороны, по мере охлаждения жидкости вязкость увеличивается. При самых низких температурах жидкость должна быть достаточно жидкой, чтобы легко течь. В противном случае уплотнительные и смазочные зазоры могут не заполниться, что приведет к повреждению насоса.

Как правило, масло с высокой вязкостью обеспечивает лучшую производительность. Масло с вязкостью около 100 SUS (20 сСт) идеально подходит для нормальных условий. В холодных погодных условиях вязкость масла не должна превышать 7500 SUS (1620 сСт) при минимальной температуре запуска, а температура застывания должна быть как минимум на 20 градусов по Фаренгейту ниже этой температуры. Процедуры запуска должны предусматривать постепенный прогрев, и оборудование не должно работать при полном давлении до тех пор, пока масло не достигнет достаточно жидкого состояния.

Будьте осторожны при заполнении резервуара маслом. Всегда заливайте через сито 100 меш.

Резервуар должен иметь сапун для входа и выхода воздуха. Крышка заливной горловины и сапун должны быть закрыты, чтобы предотвратить попадание влаги. Даже минимальное содержание воды может привести к повреждению гидравлических компонентов.

Течь вокруг насоса может указывать на несколько вещей.

«Во-первых, шланг и фитинги могли ослабнуть, — говорит Реймер из Muncie Power Products. «Значит, ты хочешь проверить это и подтянуть что-нибудь».

Визуальное наблюдение за утечками может происходить при проведении плановых осмотров грузовиков каждые 100 часов или около того, советует Реймер. Это также хорошее время, чтобы проверить уровень гидравлического масла в резервуаре. Если вы когда-нибудь увидите, что масло не течет из насоса, это может быть просто низкий уровень масла.

«Также может быть воздушная пробка во впускном шланге», — говорит Реймер. Если это воздушный шлюз, вы должны использовать сжатый воздух для создания давления в резервуаре при работающем насосе».

Масло и фильтры следует регулярно заменять, а систему промывать в соответствии с рекомендациями производителя. Аналогичным образом следует периодически чистить фильтры сапуна резервуара.

Обеспечение оптимальной работы цилиндра

Насос подает гидравлическую жидкость к направляющему клапану, который затем направляет ее к приводу для включения оборудования. Телескопический цилиндр часто является исполнительным механизмом. Менеджеры автопарка могут предпринять определенные шаги для обеспечения надлежащей долгосрочной работы.

Каждое утро проверять работу цилиндра. Убедитесь, что из цилиндра не протекает жидкость, он правильно выдвигается и втягивается и не соприкасается с какими-либо другими компонентами автомобиля во время нормальной работы.

Раз в неделю рекомендуется стравливать воздух из телескопического цилиндра одностороннего действия. «Это помогает обеспечить бесперебойную работу», — говорит Майк Селл, менеджер по продукции подразделения цилиндров Parker Hannifin. «Невыполнение этого требования, скорее всего, приведет к преждевременному выходу из строя цилиндра. Чтобы устранить этот риск, мы разработали наши телескопические цилиндры с функцией, которая устраняет процедуру выпуска воздуха, позволяя выпускать воздух каждый раз, когда отвал поднимается и опускается».

Поскольку гидравлическое масло в контуре смазывает практически все детали цилиндра, важно поддерживать чистоту масляного контура. В случае неисправности и при наличии оснований полагать, что в системе могут быть частицы металла, необходимо слить масло, промыть систему и тщательно очистить или заменить любые фильтрующие сетки. Затем необходимо залить новое масло для всей системы.

Другие распространенные причины отказа цилиндра включают:

  • Износ компрессионного комплекта в результате потери натяга или сжатия
  • Усадка уплотнения после установки (часто вызванная химическими веществами)
  • Мусор, застрявший под кромкой уплотнения
  • Задиры на кромке уплотнения из-за попадания острых частиц под
  • Порванная кромка уплотнения (результаты более серьезных утечек)
  • Выход из строя подшипника
  • Выход из строя спирали
  • Выброс поршневого уплотнения обратным давлением из-за ловушки давления или выхода из строя противоположного уплотнения.