Содержание
Ремонт ГАЗ 3110 (Волга) : Задняя подвеска
- Руководства по ремонту
- Руководство по ремонту ГАЗ 3110 (Волга) 1996-2004 г.в.
- Задняя подвеска
4.2.1. Особенности устройства
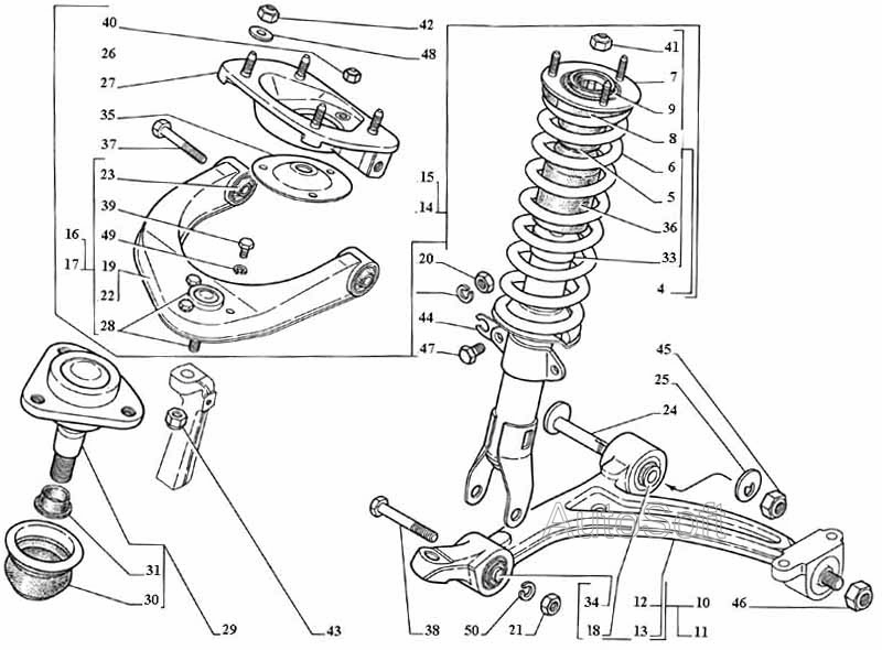
Задняя подвеска
1 – втулка; | 6 – верхняя подушка крепления амортизатора; |
Задняя подвеска автомобиля зависимая на двух продольных полуэллиптических листовых рессорах с гидравлическими телескопическими амортизаторами.
Пятилистовая рессора собрана с применением пластмассовых противоскрипных прокладок и резиновых прокладок под хомутами.
Передний конец рессоры крепится через резиновые втулки 1 к кронштейну кузова, а задний — к серьге 13. К заднему мосту рессора крепится с помощью стремянок 12 через резиновые подушки 19.
Амортизаторы 4 предназначены для гашения колебаний задней подвески. Выступающие из амортизаторов через резиновые подушки 5 и 6 закреплены на полу кузова, а нижние крепятся к пальцам подкладок рессор.
Скачать информацию со страницы
↓ Комментарии ↓
1. Эксплуатация и техническое обслуживание
1.0 Эксплуатация и техническое обслуживание
1.1 Отопление и вентиляция салона
1.2. Обкатка автомобиля
1.3 Проверка автомобиля перед выездом
1.4 Периодичность замены эксплуатационных жидкостей, смазочных материалов
1.5 Уход за лакокрасочным покрытием кузова
1.6 Периодичность смазывания узлов автомобиля
2.
Двигатель
2.0 Двигатель
2.1. Снятие и установка
2.2. Двигатель моделей 402 и 4021
2.3. Система смазки
2.4. Система охлаждения
2.5. Система выпуска отработавших газов
2.6. Система питания двигателя ЗМЗ-4062
2.7. Система питания двигателей ЗМЗ-402 и ЗМЗ-4021
3. Трансмиссия
3.0 Трансмиссия
3.1. Сцепление с диафрагменной пружиной
3.2. Сцепление с периферийным расположением пружин
3.3. Пятиступенчатая коробка передач
3.4. Четырехступенчатая коробка передач
3.5. Карданная передача
3.6. Задний мост
3.7. Полуоси
3.8. Главная передача
4. Ходовая часть
4.0 Ходовая часть
4.2. Задняя подвеска
5. Рулевое управление
5.0 Рулевое управление
5.1. Рулевое колесо
5.2. Рулевая колонка
5.3. Механизм рулевого управления
5.4. Рулевая трапеция
5.5. Шаровые шарниры рулевой трапеции
5.6. Маятниковый рычаг
5.7. Шаровой шарнир маятникового рычага
5.8. Механизм рулевого управления с гидроусилителем
5.9 Возможные неисправности рулевого управления.
6. Тормозная система
6.0 Тормозная система
6.1. Педаль тормоза
6.2. Вакуумный усилитель
6.3. Главный тормозной цилиндр
6.4. Передний тормозной механизм
6.5. Задний тормозной механизм
6.6. Регулятор давления
6.7. Стояночный тормоз
6.8 Прокачка тормозной системы
6.9 Возможные неисправности тормозной системы.
7. Электрооборудование
7.0 Электрооборудование
7.1. Аккумуляторная батарея
7.2 Блок предохранителей
7.3. Генератор
7.4. Генератор 9422.3701 или 2502.3771
7.5. Генератор 1631.3701 или 192.3771
7.6. Регулятор напряжения
7.7. Стартер
7.9. Звуковой сигнал
7.10. Система зажигания
7.11 Схема электрооборудования автомобиля ГАЗ-3110 с двигателем ЗМЗ-4062
7.12 Схема электрооборудования автомобиля ГАЗ-3110 с двигателем ЗМЗ-402
8. Кузов
8.0 Кузов
8.1. Передний буфер
8.2. Задний буфер
8.3. Брызговик облицовки радиатора
8.4. Капот
8.5. Переднее крыло
8.6. Крышка багажника
8.7. Передняя дверь
8.8. Задняя дверь
8.9 Замена ветрового и заднего стекол
8.
10. Наружное зеркало заднего вида
8.11. Панель приборов
8.12. Стеклоочиститель
8.13. Переднее сиденье
8.14 Заднее сиденье
8.15 Ремни безопасности
8.16 Задняя полка
8.17 Навесное оборудование салона
8.18. Отопитель
8.19 Возможные неисправности узлов и деталей кузова.
9. Приложения
9.0 Приложения
9.1 Масса агрегатов
9.2 Лампы, применяемые на автомобиле
9.3 Подшипники качения, применяемые на автомобиле
9.4 Манжеты, применяемые на автомобиле
9.5 Горюче-смазочные материалы и эксплуатационные жидкости
9.6 Моменты затяжки ответственных резьбовых соединений *
10. Технические характеристики автомобилей
10.0 Технические характеристики автомобилей
10.1. Двигатель
Ремонт ГАЗ Волга (31105) : Задняя подвеска
- Руководства по ремонту
- Волга 31105 2004-2009
- Задняя подвеска
Проверка технического состояния задней подвески
Возможные неисправности задней подвески, их причины и способы устранения
Замена амортизатора задней подвески
Снятие и установка рессоры
Разборка и сборка рессоры
Снятие и установка стабилизатора поперечной устойчивости задней подвески
Проверка технического состояния задней подвески
Проверяйте состояние задней подвески снизу автомобиля, установленного на подъемнике или смотровой канаве.
На резиновых деталях подвески не допускаются:– признаки старения резины,– механические повреждения. На резинометаллических шарнирах стабилизатора не допускаются признаки старения, трещины…
Возможные неисправности задней подвески, их причины и способы устранения
Замена амортизатора задней подвески
Амортизатор заменяйте при появлении течи амортизаторной жидкости или потере эффективности гашения колебаний (см. ниже «Проверка технического состояния задней подвески»). Снимайте амортизатор при нагруженной задней подвеске. Если автомобиль установлен на смотровой канаве, то установите упоры п…
Снятие и установка рессоры
Снимайте рессору для замены или ремонта при наличии у нее механических повреждений или значительной осадки. Признаки осадки: – ухудшение плавности хода, частые пробои подвески;– видимый перекос задней части автомобиля или значительная разница по высоте передней и задней частей, появившиеся в …
Разборка и сборка рессоры
Вам потребуются: ключи «на 14», «на 17», отвертка, зубило, молоток.
1. Промаркируйте ориентацию листов в рессоре.
2. Зажмите рессору в тиски.
3. Снимите стяжные хомуты, распрямив их концы ударами молотком через зубило.
4. Отверните гайку центрового болта и выньте центральный …
Снятие и установка стабилизатора поперечной устойчивости задней подвески
Стабилизатор снимайте для замены при повреждении или для замены подушек его крепления. Стабилизатор удобнее снимать при снятых задних колесах, поэтому, если автомобиль установлен на смотровой канаве, то установите упоры под передние колеса, приподнимите заднюю часть автомобиля и установите ее…
↓ Комментарии ↓
Содержание. ГАЗ-31105 «Волга»
Раздел 1. ОБЩИЕ СВЕДЕНИЯ ОБ АВТОМОБИЛЕ
Особенности конструкции
Паспортные данные автомобиля
Ключи автомобиля
Раздел 2. РЕКОМЕНДАЦИИ ПО ЭКСПЛУАТАЦИИ И ТЕХНИЧЕСКОМУ ОБСЛУЖИВАНИЮ
Правила техники безопасности и рекомендации
Проверка автомобиля перед выездом
Обкатка автомобиля
Инструменты и принадлежности
Пользование домкратом
Буксировка автомобиля
Раздел 3.
НЕИСПРАВНОСТИ В ПУТИ
Двигатель не заводится
Неисправности системы впрыска топлива
Перебои в работе двигателя
Автомобиль плохо разгоняется
Двигатель заглох во время движения
Упало давление масла
Перегрев двигателя
Аккумуляторная батарея не подзаряжается
Появились посторонние стуки
Проблемы с тормозами
Прокол колеса
Раздел 4. ДВИГАТЕЛЬ
Полезные советы
Снятие и установка брызговика двигателя
Замена масла и фильтрующего элемента масляного фильтра
Снятие, установка и регулировка натяжения ремня привода вспомогательных агрегатов
Замена опор силового агрегата
Снятие и установка двигателя
Замена уплотнений двигателя
Ремонт привода газораспределительного механизма
Снятие и разборка гидронатяжителей цепей
Сборка («зарядка») и установка гидронатяжителей цепей
Снятие, ремонт и установка распределительных валов
Снятие и установка головки блока цилиндров
Ремонт головки блока цилиндров
Снятие, ремонт и установка промежуточного вала
Снятие, ремонт и установка шатунно-поршневой группы
Снятие, ремонт и установка коленчатого вала
Дефектовка и ремонт блока цилиндров
Система смазки
Система охлаждения
Система питания
Система выпуска отработавших газов
Раздел 5.
ТРАНСМИССИЯ
Сцепление
Коробка передач
Карданная передача
Задний мост
Раздел 6. ХОДОВАЯ ЧАСТЬ
Передняя подвеска
Задняя подвеска
Раздел 7. РУЛЕВОЕ УПРАВЛЕНИЕ
Проверка технического состояния рулевого управления
Регулировка зазора в рулевом механизме
Рулевая колонка
Механизм рулевого управления без гидроусилителя
Рулевая трапеция
Механизм рулевого управления с гидроусилителем
Раздел 8. ТОРМОЗНАЯ СИСТЕМА
Проверка и регулировка тормозной системы
Прокачка гидропривода тормозной системы
Снятие и установка педали тормоза
Главный тормозной цилиндр
Вакуумный усилитель
Регулятор давления
Тормозные механизмы передних колес
Тормозные механизмы задних колес
Стояночный тормоз
Раздел 9. ЭЛЕКТРО-ОБОРУДОВАНИЕ
Аккумуляторная батарея
Предохранители и реле
Генератор
Стартер
Система управления двигателем
Освещение и световая сигнализация
Замена выключателей
Звуковой сигнал
Стеклоочиститель
Омыватель ветрового окна
Снятие и установка комбинации приборов
Раздел 10.
КУЗОВ
Полезный совет
Замена буферов
Снятие и установка облицовки радиатора
Капот
Снятие и установка переднего крыла
Передняя дверь
Задняя дверь
Крышка багажника
Снятие и установка наружного зеркала заднего вида
Снятие и установка панели приборов
Снятие и установка центральной консоли
Сиденья
Снятие и установка навесного оборудования салона
Отопитель
Замена ветрового и заднего стекол
Снятие и установка ремней безопасности
Снятие и установка задней полки
Уход за кузовом
Антикоррозионная защита кузова
Раздел 11. УХОД ЗА АВТОМОБИЛЕМ
Проверка автомобиля перед выездом
Мойка автомобиля
Раздел 12. ПОКУПКА ЗАПАСНЫХ ЧАСТЕЙ
Моторное масло
Трансмиссионные масла
Пластичные смазки
Охлаждающие жидкости
Тормозная жидкость
Раздел 13. ПОЕЗДКА НА СТО
Полезные советы
Раздел 14. ЗИМНЯЯ ЭКСПЛУАТАЦИЯ АВТОМОБИЛЯ
Как подготовить автомобиль к зиме
Рекомендации по пуску двигателя в сильный мороз
Что полезно купить к зиме
Полезные зимние советы
Приложения
Приложение 1.
Основные данные для регулировок и контроля
Приложение 2. Заправочные объемы
Приложение 3. Лампы
Приложение 4. Подшипники качения
Приложение 5. Моменты затяжки ответственных резьбовых соединений
Приложение 6. Горючесмазочные материалы, эксплуатационные жидкости, автопрепараты
Приложение 7. Перечень сертифицированных моторных масел
Приложение 8. Манжеты
Приложение 9. Трансмиссионные масла для коробки передач, заднего моста и крестовин карданного вала
Приложение 10. Зарубежные аналоги горючесмазочных материалов и эксплуотационных жидкостей
Приложение 11. Топливо
Схемы электрооборудования
Условные обозначения к электросхемам ВАЗ 31105
Табличные данные
Таблица 12.2 Отечественные и зарубежные масла, рекомендованные для автомобилей для автомобилей ГАЗ
Таблица 12.3 Трансмиссионные масла для коробки передач, заднего моста и крестовин карданного вала
Таблица 12.4 Пластичные смазки
Таблица 12.5 Охлаждающая жидкость
Таблица 12.6 Тормозная жидкость
Таблица 14.
1 Температурная поправка к показаниям ареометра при измерении плотности электролита
Таблица 14.2 Плотность электролита при 25 °С, г/см3
Таблица 14.3 Характеристики зимних масел
Таблица 14.4 Температурный диапазон применения универсальных моторных масел (по классификации SAE)
Таблица 14.5 Соответствие классов вязкости моторных масел по классификациям SAE и России
Таблица 1.1 Технические характеристики автомобиля
Таблица 4.1 Номинальные и предельно допустимые размеры и посадка сопрягаемых деталей головки блока цилиндров двигателя мод. ЗМЗ-40621
Таблица 4.2 Номинальные и предельно допустимые размеры и посадка сопрягаемых деталей промежуточного вала двигателя мод. ЗМЗ-40621
Таблица 4.3 Размерные группы поршней, шатунов и пальцев двигателей мод. 402
Таблица 4.4 Номинальные и предельно допустимые размеры и посадка сопрягаемых деталей шатунно-поршневой группы двигателя мод. 40621
Таблица 4.5 Номинальные и предельно допустимые размеры и посадка сопрягаемых деталей коленчатого вала двигателя мод.
40621
Таблица 4.6 Размерные группы цилиндров и поршней двигателя ЗМЗ-40621
Таблица 5.1 Номинальные и предельно допустимые размеры, посадка сопрягаемых деталей сцепления
Таблица 5.2 Номинальные размеры и посадки сопрягаемых деталей коробки передач
Таблица 5.3 Номинальные размеры и посадки сопрягаемых деталей карданной передачи
Таблица 5.4 Номинальные и предельно допустимые размеры, посадка сопрягаемых деталей заднего моста
Таблица 5.5 Тип и размер регулировочных колец ведущей шестерни главной передачи
Таблица 9.1 Цепи, защищаемые плавкими предохранителями
Таблица 9.2 Цвет корпуса предохранителей
Таблица 9.3 Коды неисправностей системы управления двигателем ЗМЗ-4062
Таблица 10.1 Антикоррозионные составы для обработки кузова
Таблица 11.1 Примерный комплект средств для ухода за автомобилем
Таблица 12.1 Температурный диапазон применения моторных масел (классификация по SAE)
ГАЗ-24 Волга: Почти бессмертный GM B-Body Of Russia
(впервые опубликовано 17.03.2013) В первые пять минут каждого вводного урока русского языка каждый узнает, что буква, напоминающая Б в кириллице — это буква В.
Поэтому закономерно, что серия ГАЗ-24 «Волга» была универсальным автомобилем последних двух десятилетий Советского Союза и первого десятилетия постсоветской России, заполняя роли аналогичны Chevrolet Caprice и другим автомобилям General Motors B-Body. Можно назвать это V-Body.
В условиях административно-командной экономики, производившей лишь узкий ассортимент потребительских товаров, и в которой статус коммунистической партии или служба государству давали больший доступ к этим потребительским товарам, «Волги» были для советских граждан привилегированными, хотя и не самыми высокими привилегиями. (Это фото из автобиографии звездного хоккеиста Вячеслава Фетисова подписано «Мечта советского человека — автомобиль «Волга».»)
источник изображения: flickriver нужны были сравнительно большие, для выполнения своих задач были те же волги. Были более крупные автомобили более высокого статуса для высших руководителей Коммунистической партии от ЗИЛа (первоначально называвшегося ЗИС, затем ЗИМ) и ГАЗа (Чайка), маленькие автомобили для рабочего класса, такие как Москвич и Fiat 124 на базе Lada из 1960-х годов и микроавтомобили, такие как «Запорожец» (бесплатно выдаются инвалидам войны, с ручным управлением для водителей без ног).
Но Волга была единственным выбором посреди рынка.
источник изображения: ucapusa.com
В Советском Союзе ГАЗ (Горьковский автомобильный завод, Горьковский автомобильный завод) производил Волгу и ее предшественники более полувека. Эта роль началась в 1932 году, когда ГАЗ выпустил ГАЗ-А, лицензионную копию Ford Model A, которая была первым серийным легковым автомобилем в Советском Союзе (здесь ГАЗ-А CC).
источник изображения: gaz20.spb.ru
Первым послевоенным автомобилем ГАЗ был М20 «Победа», выпускавшийся с 1946 по 1958 год. Оригинальная советская конструкция, разработанная в последние годы Великой Отечественной войны, это был четырехдверный седан в стиле фастбэк с 50-сильным 2,1-литровым четырехцилиндровым двигателем с боковым расположением клапанов и максимальной скоростью 65 миль в час. За 12 лет производства ГАЗ выпустил 235 997 автомобилей М20.
Фирменная табличка «Волга» впервые появилась в 1956 году на ГАЗ-21. 21 прошел еще более длительный производственный цикл, чем M20, с 1956 по 1970 год, в течение которых было произведено 639 478 автомобилей.
Стилизованный под американские автомобили начала 1950-х годов, с хромированными вставками, M21 имел 70-сильный четырехцилиндровый двигатель с верхним расположением клапанов, а ранние модели даже имели автоматическую коробку передач, пока проблемы с обслуживанием и надежностью не заставили ее заменить механической коробкой передач. M21 стал популярным предметом коллекционирования в России, где самым известным владельцем M21 является президент Российской Федерации Владимир Путин.
Последней волгой была 24 и ее различные производные. Это русские автомобили, наиболее знакомые американцам и другим жителям Запада из-за их выдающихся ролей в многочисленных фильмах. Сцена московской автомобильной погони в фильме «Превосходство Борна» — самая примечательная роль Волги в кино.
Другие появления были в роли машины русского генерала в погоне за танками в «Золотом глазу», в роли штабной машины Красной Армии в «Осьминожке» и в роли такси в аэропорту в «Хороший день, чтобы умереть».
Впервые выпущенный в 1968 году, ГАЗ-24 в целом был сравним с конструкцией обычных легковых автомобилей в США, Европе и Японии в середине-конце 1960-х годов. Неразъемный кузов с независимой винтовой передней подвеской и ведущим задним мостом с листовыми рессорами, приводимый в движение верхнеклапанной четверкой с четырехступенчатым напольным переключением передач, «Волга» напоминала американский компактвэн, хотя и с меньшим количеством цилиндров и меньшей мощностью. С колесной базой 110 дюймов, длиной 187 дюймов, шириной 71 дюйм и весом около 3000 фунтов седан M24 Volga был сравним по размеру, ширине и весу с Plymouth Valiant или Dodge Dart, хотя и немного короче по общей длине. В его стиле нет никаких сомнений, что на него повлиял ряд факторов, особенно от Vauxhall Victor 101, который предшествовал ему на несколько лет.
Большой 2,5-литровый четырехцилиндровый двигатель Волги, который заслуживал этого имени так же, как и любой из когда-либо произведенных четырехцилиндровых двигателей, просуществовал с неизменным блоком на протяжении нескольких поколений конструкции с 1968 по 1996 год. В 1968 году он производил 112 лошадиных сил при 4700 об/мин. и 148 футо-фунтов крутящего момента при 2400 об/мин, что достаточно для максимальной скорости 90 миль в час.
Технический проект М24 «Волга» показал умную мысль советских инженеров, но его исполнение продемонстрировало скупость советского государства и разгильдяйство рабочей силы. Предназначенная для эксплуатации на неровных улицах и дорогах Советского Союза, Волга была разработана с прочным цельным кузовом и толстыми стальными панелями кузова. Инженеры ГАЗа также снабдили его уникальным прогрессивным двухкамерным карбюратором с нисходящим потоком воздуха, похожим по концепции на серию Weber DGV, в попытке придать автомобилю сочетание экономичности и мощности.
С другой стороны, «Волга» была грубой машиной, спроектированной без особого внимания к комфорту пассажиров и часто плохо собранной рабочими завода ГАЗ. У автора было около 100 поездок на разных Волгах за эти годы, и каждая была тяжелым испытанием с неприятным ревом большой четверки, парами бензина, мотанием ветра в двери с массивными щелями в панелях и тряской ездой.
Будучи относительно большой для советского автомобиля, «Волга», естественно, была любимой машиной советских чиновников. Черный седан «Волга» был стандартным автомобилем для партийных аппаратчиков, старших офицеров и КГБ, а старшие офицеры милиции использовали белые «Волги» с синими знаками различия полиции. (На фото кадр из фильма «Осьминожка».)
В то время как многие советские граждане ехали навстречу несчастью на задних сиденьях черных «Волг», многим другим помогли в жизни поездки на «Волгах» других цветов. Волга служила стандартной машиной скорой помощи и такси Советского Союза.
Небольшое количество универсалов также было доступно для покупки частными лицами.
«Волга» добилась даже продаж за пределами советского блока. С дизельным двигателем Peugeot, заменившим грубую и часто ненадежную советскую силовую установку, Волга была большой и достаточно прочной машиной по стандартам Западной Европы. Бельгийская фирма Scaldia-Volga распространяла их в Европе и Латинской Америке.
Базовая конструкция ГАЗ-24 претерпела несколько конструктивных изменений, в ходе которых менялись кузов и трансмиссия, а шасси и блок двигателя оставались принципиально неизменными. В ГАЗ-3102 (на фото), представленном в 1982 году, были изменены дизайн передней и задней части, а также система впуска. Он продлится до 2009 года с дальнейшими изменениями с течением времени. ГАЗ-24-10, выпускавшийся вместе с ГАЗ-3102 с 1986 по 1992 год, имел тот же кузов, что и М24, но с дальнейшими модернизациями двигателя. ГАЗ-31029с 1992 по 1997 г. использовалась механика ГАЗ-24-10 и кузов ГАЗ-3102, с более аэродинамическим передком.
Последней моделью стали ГАЗ-3110 и ГАЗ-31105 (на фото), которые вместе с ГАЗ-3102 производились до 2009 года. Модернизированный с более аэродинамическим кузовом и верхнеклапанными двигателями, он по-прежнему использовал центральный корпус. конструкция и двери были представлены в 1968 году.
Сорок лет производства одного и того же автомобиля — впечатляющий пробег, но даже в середине этих четырех десятилетий срок годности конструкции Волги ГАЗ-24 истек. В свободном мире 19Конструкции легковых автомобилей 60-х годов, такие как Plymouth Valiant и Fiat 124 , к концу 1980-х годов были превзойдены и сняты с производства как минимум на десятилетие, но их советские аналоги оставались в основном неизменными. К 1980-м годам любой в Советском Союзе, у которого был доступ к западному автомобилю, отказался от «Волги» и других автомобилей советского производства.
Эта черная служебная Волга, затмеваемая красным Mercedes 190, расцвет которого пришелся на конец 1980-х годов, олицетворяет падение статуса.
(Тот, кому принадлежал «Мерседес», припаркованный не в ту сторону на удобной стоянке перед крупным отелем перед целым парком «Волг» с шофером. Должно быть, он был важен.) рынок для Mercedes, Porsche и других европейских производителей в течение 1980-х, так делал советский автопром.
Во времена холодной войны Армия США и Советская Армия никогда не стояли лицом к лицу на поле боя, так и модели GM B-Bodies и Volga занимали одинаковые сегменты рынка, но никогда не встречались на рынке. Однако они встретились в месте, где американские военнослужащие и женщины-военнослужащие провели восемь лет на войне: в Ираке. Режим Саддама закупил большое количество автомобилей Chevrolet Caprices для высокопоставленных чиновников и офицеров во время ирано-иракской войны 19-го века.80-е годы. (Каприз с его большими размерами и мощным кондиционером был популярен на Ближнем Востоке.) Отрезанный от западных рынков экономическими санкциями в 1990-х годах режим Саддама обратился к России и купил такси «Волга» в 1990-х годах.
Желтые Волги в настоящее время являются обычным явлением на улицах Багдада, и в свободном от ржавчины климате Ближнего Востока они и Caprices должны продолжать вместе бродить по улицам еще много лет.
Волга на этом фото случайно проезжала мимо, когда я фотографировал фреску сбоку здания, и случайное сопоставление не могло бы быть лучше, если бы оно было запланировано. Фреска и машина прекрасно дополняют друг друга. Оригинальная картина красного цвета смело провозглашает «Мы строим коммунизм» в классической уверенной манере 19Советский стиль 60-х: мускулистые мужчины, такие же мускулистые женщины и спутник. Дополнение начала 1990-х под ним, реклама постсоветского бизнеса, названного в честь известного русского воина-монаха 14 -го -го века, пародирует оригинал, провозглашая: «Мы строим новую Россию». Волга также является пережитком Советского Союза 1960-х годов, пережившим советское государство. Несмотря на то, что он морально устарел и вообще отброшен в сторону новых западных автомобилей, он еще долгие годы будет представлять Россию для иностранцев как такси и кинокар.
1970 Волга М-21 | Коллекционер старинных автомобилей
ПРОДАНО
ЗАПАС #
1411
запросить дополнительную информацию ЗВОНИТЕ 1-818-484-8222
Напишите нам
Что говорят клиенты
Лучший шоппинг!!!
Долго ходил по магазинам, пока не нашел свой Citroen 1973 года в магазине старинных автомобилей. Продажа прошла гладко и легко, за что я очень благодарен. Настоятельно рекомендуется!
Гарри Томас
Если бы было 10 звезд, я бы дал им 10.
Я имел дело со многими людьми, и у меня довольно много автомобилей. Работа с Vintage от начала до конца сделки была превосходной. Связь отличная. У них такой большой выбор автомобилей, и все в них так профессионально. Я даже упомянул, что у них есть микроавтобус VW, который, если они немного починят, могут получить вдвое больше $$$, но они этого не делают, и у них есть несколько драгоценных камней. Мне нравится это место, и я полностью доверяю им любую сделку.
A. Z.
Pontiac GTO 1966 года
У этого продавца огромный и впечатляющий инвентарь. Ник показал мне машину, которую я купил, и я обнаружил, что он не типичный продавец автомобилей. Он очень хорошо осведомлен, и с ним было приятно иметь дело. В тот день, когда я забрал свою машину, я увидел, где они занимаются ремонтом и обслуживанием своих автомобилей. Я видел, сколько времени и усилий они вложили в свой инвентарь. Обычно я не оставляю отзывы; но я был так доволен своим опытом, что чувствовал, что должен.
Джеймс Бейтс
Я купил у них 73 Jaguar E-Type, потрясающая машина.
С ними так легко вести дела! Я купил у них Jaguar E-Type 73 года, потрясающая машина. Спасибо, парни!
Говард Купер
Не могу не рассказать о своем опыте!
Когда я купил свой 71 MBZ 600, я думал, что плачу высокую цену, но когда я получил свою машину, я понял, что это лучшая машина в моей коллекции. Спасибо, Том, что продал мне эту машину.
Лука Романо
ЗАМЕЧАТЕЛЬНЫЕ люди.

С хорошими людьми приятно иметь дело. Продал им свой Мерседес 73 года, и сделка прошла очень гладко. Очень быстрая оплата. Я покупаю и продаю много автомобилей каждый год и обязательно буду искать Ника для покупки в будущем.
Брэд Земан
Воспроизвести видео
- Вин
- 321702
- Мили
- 29 651
- Размер двигателя
- 4цил
- Передача инфекции
- 3-ступенчатая механическая
- Трансмиссия
- ВПЕРЕД
- Описание
- Спецификации и опции
- видео
ГАЗ М21 Волга — автомобиль, который производился в Советском Союзе на ГАЗ («Горки автомобильный завод», на английском языке: «Горьковский автомобильный завод») с 1956 по 1970 год. Первый автомобиль, носивший название «Волга», был разработан в начале 1950-е годы.
Волги были построены с высоким дорожным просветом (что придает им специфический «высокий» вид, в отличие от «низко-длинно-гладкого» вида западных автомобилей аналогичной конструкции), жесткой подвеской, мощным и прощающим ошибки двигателем и защитой от ржавчины в неслыханном масштабе. в 1950-х гг.
Когда в 1959 году 6-цилиндровый ряд автомобилей ГАЗ был снят с производства, «Волга М-21» стала самым большим и роскошным автомобилем, официально продававшимся в СССР в больших количествах частным владельцам, хотя его цена была очень высока и делала его недоступным для большинство покупателей автомобилей.
Было выпущено три серии ГАЗ-21, которые легче всего отличить по решетке радиатора. Первая серия (1956–58), известная как «Звезда», представляла собой решетку из трех больших горизонтальных перекладин, в центре которой находился медальон со звездой. Автомобили второй серии (1958–1962 гг.), известные как «Акула», отличались решеткой радиатора с 16 вертикальными прорезями. Наконец, третья серия (1962–1970), известная как Baleen, отличалась решеткой радиатора с 34 тонкими вертикальными стержнями.
Третья серия выпускалась с 1962 по 1919 г.70. Модели 1962 года избавились от орнамента на капоте в виде прыгающего оленя и получили новую решетку радиатора. Обшивка потолка изменена с ткани на винил.
• ЧИСТЫЙ ЗАЯВЛЕНИЕ, ОДОМЕТР ПОКАЗЫВАЕТ 29 651 МИЛЬ, БЕЗ МИЛЬ НА ЗАГОЛОВКЕ, КАК ВСЕ СТАРЫЕ АВТОМОБИЛИ
• 4-ЦИЛ. ДВИГАТЕЛЬ С РУЧНОЙ ТРАНСМИССИЕЙ, ДВИГАТЕЛЬ ОРИГИНАЛЬНЫЙ ROVER DIESEL 2.25L, БЫЛ УСТАНОВЛЕН ЗАВОДОМ ДЛЯ ЭКСПОРТА В ЕВРОПУ, ОЧЕНЬ РЕДКАЯ НАХОДКА
• ТОРМОЗА ПОЛНОСТЬЮ ЗАМЕНЕНЫ, ВКЛЮЧАЯ СУППОРТЫ, НОВЫЕ ПОДУШКИ ДВИГАТЕЛЯ ПЕРЕДНЯЯ И ЗАДНЯЯ
• ЭЛЕКТРООБОРУДОВАНИЕ ПОЛНОСТЬЮ ЗАМЕНЕНО ВНУТРИ И СНАРУЖИ, ОЧИСТЕН ТОПЛИВНЫЙ БАК, ЗАМЕНЕН ТОПЛИВНЫЙ НАСОС
• ЗАМЕНЕН ГЛАВНЫЙ И РАБОЧИЙ ЦИЛИНДРЫ СЦЕПЛЕНИЯ
• АВТОМОБИЛЬ В ОЧЕНЬ ОРИГИНАЛЬНОМ СОСТОЯНИИ
• ПЕРЕДНЯЯ И ЗАДНЯЯ ПОДВЕСКА ЖЕСТКАЯ
• В АВТОМОБИЛЕ СОВЕРШЕННО НОВЫЕ ХРОМИРОВАННЫЕ ДИСКИ GM И БЕСКАМЕРНЫЕ ШИНЫ, В КОМПЛЕКТЕ ЗАПАСНОЕ КОЛЕСО
• ОТЛИЧНО РАБОТАЕТ И ЕЗДИТ
Двигатель
- Тип двигателя
- Дизель
- Объем двигателя
- 4цил
- Спецификация топлива
- —
Корпус
- Цвет кузова
- Черный
- Тип кузова
- седан
- Двери
- 4
- Тип краски
- —
Базовый
- Год выпуска
- 1970
- Марка
- Волга
- Модель
- М-21
- КМ
- 29 651
Интерьер
- Цвет салона
- Серый
- Дополнительный внутренний цвет
- —
- Тип седла
- —
- Материал седла
- —
- Тип переключателя
- —
- Центральная консоль
- №
youtube.com/embed/oSKVOjpn-ok?rel=0&showinfo=0″>
запросить дополнительную информацию ЗВОНИТЕ 1-818-484-8222
Напишите нам
Что говорят клиенты
Лучший шоппинг!!!
Долго ходил по магазинам, пока не нашел свой Citroen 1973 года в магазине старинных автомобилей. Продажа прошла гладко и легко, за что я очень благодарен. Настоятельно рекомендуется!
Гарри Томас
Если бы было 10 звезд, я бы дал им 10.
Я имел дело со многими людьми и у меня довольно много автомобилей. Работа с Vintage от начала до конца сделки была превосходной. Связь отличная. У них такой большой выбор автомобилей, и все в них так профессионально. Я даже упомянул, что у них есть микроавтобус VW, который, если они немного починят, могут получить вдвое больше $$$, но они этого не делают, и у них есть несколько драгоценных камней. Мне нравится это место, и я полностью доверяю им любую сделку.
A. Z.
Pontiac GTO 1966 года
У этого продавца огромный и впечатляющий инвентарь.
