Как отрегулировать привод выключения сцепления ”ВОЛГА ГАЗ 21”
Регулировка гидравлического привода существенно отличается от регулировки механического. Помимо свободного хода педали, который в механическом приводе зависит от зазора между выжимными рычагами и подшипником выключения сцепления, а также от люфтов в соединениях, в гидравлическом приводе имеется дополнительный свободный ход педали, затрачиваемый на выбор зазора между толкателем и поршнем главного цилиндра и на ход поршня от крайнего положения до момента перекрытия перепускного отверстия кромкой манжеты.
Следует иметь в виду, что у разных автомобилей «Волга» свободный ход неодинаков. Он определяется как тщательностью прокачки системы, ее герметичностью, так и различием размера деталей в пределах допуска.
Перед регулировкой проверьте уровень жидкости в главном цилиндре. Если есть подозрение, что в системе имеется воздух (подтекание в соединениях, увеличенный свободный ход педали) — прокачайте привод.
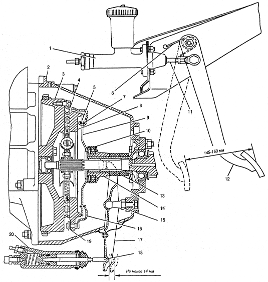
Прежде чем отрегулировать свободный ход наружного конца вилки, отсоедините оттяжную пружину, приложите линейку вдоль толкателя и, покачивая рукой вилку, замерьте свободный ход.
Если он не укладывается в пределы 3-4 мм, то ослабьте контргайку и, вращая толкатель, измените eгo длину. При этом задерживайте наконечник толкателя от провертывания вторым ключом. Затяните контргайку и снова проверьте величину свободного хода наружного конца вилки. Наденьте оттяжную пружину вилки.
Для замера свободного хода очень удобно пользоваться линейкой с жестяным ползунком. Перед регулировкой зазора между толкателем и поршнем главном цилиндре привода определите его величину. Для этого слегка нажмите на площадку педали сцепления (предварительно сняв оттяжную пружину) вниз- вперед до упора толкателя в поршень и отпустите. Если зазор ощущается, определите его величину линейкой по перемещению центра площадки педали, которое должно быть равно 3-6 мм при замере по центру площадки, что соответствует зазору 0,5-1,0 мм между толкателем и поршнем в главном цилиндре. Если величина зазора не укладывается в эти пределы или он не ощущается, проверьте движение педали и сделайте так, чтобы она легко вращалась на оси.
При заедании эксцентрика в отверстии штока зачистите кромки пластмассовых втулок и добейтесь свободного вращения штока после затяжки эксцентрикового пальца. Но может быть и так: педаль вращается легко, а перемещение площадки меньше 3 мм или больше 6 мм. Тогда ослабьте гайку эксцентрикового пальца и, вращая его, добейтесь установления нормального зазора.
Сторона головки эксцентрика с меткой «О» соответствует его низкой стороне. При вращении головки по часовой стрелке зазор уменьшается. Если вращением эксцентрика не удается увеличить ход педали, можно подрезать упорный буфер или отогнуть его кронштейн.
После описанных выше обеих регулировок проверьте свободный ход педали сцепления. Он должен быть равен 32-40 мм. Если величина его меньше, то либо неверно были выполнены регулировки, либо в главном цилиндре перекрыто отверстие.
В последнем легко убедиться, опуская медную проволоку (диаметром 0,6 мм) с затупленным концом через наливное отверстие резервуара главного цилиндра.
Перекрытие может произойти из-за набухания манжеты вследствие применения жидкости низкого качества. Отверстие может быть также загрязнено. Устранив эти причины, добейтесь правильной регулировки. Прежде чем регулировать полный ход вилки, замерьте его линейкой во время выключения сцепления. Он должен быть не менее 19 мм. Если величина eгo меньше, проверьте полный ход площадки педали. Делают это так. Нажмите на педаль до упора в коврик и приложите к нему торец линейки рядом с серединой площадки педали. Заметьте показания на линейке на уровне площадки. Не трогая торца линейки, отпустите педаль. Верхний конец линейки приложите к тому же месту на середине площадки и снова зафиксируйте показания. Разность их будет равна полному ходу педали. Удобно применять для замеров линейку с ползунком. Если ход мал, можно подрезать резиновый буфер, как указывалось выше, до получения требуемой величины 150 мм. Уменьшение высоты буфера на 1 мм увеличивает ход педали на 3,5 мм.
Вместо подрезания можно поднять руками педаль сцепления так, чтобы немного прогнулась вниз площадка, на которой закреплен буфер.
После этого необходимо вновь отрегулировать зазор между толкателем и поршнем главного цилиндра. Когда полный ход педали не менее 150 мм, а полный ход наружного конца вилки все же меньше 19 мм, то вполне вероятно, что система плохо прокачана — в ней есть воздух.
Осмотрите внимательно шланг, места его соединения, штуцеры, места выхода штоков цилиндров. Обнаружив течь, устраните ее. Если течи нет, снова тщательно прокачайте систему, пока ход не станет равным 19 мм. Перекрытие набухшей манжетой или засорение отверстия в главном цилиндре может также уменьшить ход вилки. Но бывает что и после прокачивания не получилась требуемая величина хода .
Тогда при закрытом перепускном клапане рабочего цилиндра надо сделать несколько качков шинным насосом, чтобы создать давление в главном цилиндре и снова замерить ход вилки.
ГАЗ 3110 | Регулировка педали сцепления
Руководства → ГАЗ → 3110 (Волга)
| ПОРЯДОК ВЫПОЛНЕНИЯ | ||||||||||||||
| ||||||||||||||
ПРОКАЧКА ГИДРАВЛИЧЕСКОЙ СИСТЕМЫ ПРИВОДА СЦЕПЛЕНИЯ
Любая гидравлическая система работает нормально, если из нее удален воздух.
Предупреждение
Во время удаления воздуха
добавляйте только чистую жидкость, рекомендуемую изготовителем.
Жидкость, используемая в
гидравлическом приводе, растворяет краску и пластмассу, поэтому при попадании
жидкости на лакокрасочное покрытие автомобиля промойте его большим количеством
воды.
| ПОРЯДОК ВЫПОЛНЕНИЯ | ||||||||||
| ||||||||||
ВЕДОМЫЙ И НАЖИМНОЙ ДИСКИ СЦЕПЛЕНИЯ
Сцепление
|
|
| 1 – вилка выключения сцепления; 2 – подшипник выключения сцепления; 3 – болт, 15–22 Н•м; | 4 – нажимной диск сцепления; 5 – ведомый диск сцепления. |
| ПОРЯДОК ВЫПОЛНЕНИЯ | ||||||||||
| ||||||||||
Проверка кожуха сцепления с нажимным диском
| ПОРЯДОК ВЫПОЛНЕНИЯ | |||
|
Проверка диска сцепления
| ПОРЯДОК ВЫПОЛНЕНИЯ | ||||||||
| ||||||||
Проверка подшипника выключения сцепления
Предупреждение
Подшипник выключения сцепления
герметичен, и его нельзя промывать.
| ПОРЯДОК ВЫПОЛНЕНИЯ | ||
|
Проверка вилки выключения сцепления
| ПОРЯДОК ВЫПОЛНЕНИЯ | |
|
Установка
| ПОРЯДОК ВЫПОЛНЕНИЯ | ||||||||||||||||||
| ||||||||||||||||||
Измерьте расстояние


Слейте масло из коробки передач
При необходимости, замените уплотнительное
Проверьте надежность заклепочных



