Содержание
Схема і пристрій системи живлення двигуна Д-240 трактора МТЗ-80/82.. Статті компанії «»Тандем-2000″»
Система живлення двигуна Д-240 включає в себе фільтри тонкого і грубого очищення палива, паливного бака, форсунок, паливного насоса високого тиску, паливопроводів і повітроводів.
В циліндрах двигуна створюється розрідження, внаслідок чого повітря всмоктується з атмосфери і надходить у повітряний фільтр. Там він проходить триступеневу очищення. Після цього очищене повітря подається в циліндри двигуна через впускний колектор і канали в головці блоку.
Залежно від навантаження на двигун в суворих дозах в циліндри подається дизельне паливо. Це здійснюється в певні моменти часу і під великим тиском. Через горловину паливного бака паливо заливається, проходячи через сітчастий фільтр. Потім паливо надходить по паливопроводу у фільтр грубої очищення, де відбувається очищення від великих механічних домішок. Далі грубо очищене подається в підкачуючий насос, який встановлений на тнвд і приводиться в рух кулачковим валом.
Після паливо протікає в паливний насос, в якому воно нагнітається під високим тиском до форсунок. У свою чергу форсунка впорскує паливо камер згоряння в певні проміжки часу. Продукти згоряння, що утворюються при даному процесі, виводяться в атмосферу з циліндра спочатку по випускного колектора, потім через глушник.
Фільтр повітряний трактора МТЗ призначений для очищення повітря, що надходить у двигун. Там відбувається потрійна ступінь очищення: суха відцентрова, інерційна, олійно-контактна. У результаті повітря очищається від великих частинок і частинок пилу.
До складу впускного колектора входять перехідний патрубок, колектор, воздухопроводящая труба. У першому елементі є пристрій, який служить для аварійної зупинки двигуна. Заслінкою цього механізму можна управляти дистанційно. Тим часом на впускному колекторі є электрофакельный підігрівач. Він призначений для запуску двигуна при холодній погоді.
Випускний колектор є чавунною відливанням з трьома фланцевими патрубками, які приєднуються до випускних каналів головки блоку циліндрів.
Для зниження рівня шуму призначений глушник. Він також призначений для виведення відпрацьованих газів і гасіння іскор, які він захоплює. У корпусі глушника всередині знаходиться перфорована труба, яка з’єднується з корпусом роздільними перегородками, в результаті чого утворюється три резонансні камери. Перфорованої труби є завихритель. Він являє собою поперечні перегородки з лопатями. Гази, що відробили, створюють обертальний рух, проходячи через лопаті завихрювача. А іскри, на які діють відцентрові сили, притискаються до труби і відводяться в камери, гази в свою чергу викидаються в атмосферу.
Топливоподкачивающий насос призначений для подолання гидросопротивления паливних фільтрів і здійснення рівномірної подачі палива до паливного насоса високого тиску. У корпусі насоса, який виготовлений з чавуну, є поршень, який приводиться в рух штовхачем. Штовхальник через пружини притискається до ексцентрика кулачкового вала. Стержень штовхача рухається у втулці, укрученою в корпус насоса.
Втулка і стрижень є прецизійної парою, яка виходить робочим органом підкачуючого насоса.
Паливний фільтр грубого очищення у своєму складі має корпус, заспокоювач, стакан, фільтруючий елемент і розподільник. Фільтр грубої очистки палива потребує технічного обслуговування. Воно полягає в злив відстою і промиванні його елементів. Через 120 годин роботи потрібно зливати відстій. Це необхідно здійснювати шляхом відвернення різьбовий пробки, яка розташована в нижній частині стакана. Промивати фільтр грубого очищення слід після кожних 960 годин роботи. Для цього необхідно закрити кран на паливному баку, відкрутити болти, зняти нажимний кільце і склянку. Викрутити фільтруючий елемент і зняти розподільник, промити його, а також фільтруючий елемент і внутрішню область склянки в гасі або солярці, а потім поставити їх назад.
Паливний фільтр МТЗ 82 тонкого очищення у своєму складі має кришку з вентилем, корпус, ущільнювач, фільтруючий елемент. Паливо спочатку проходить через шторки паперового фільтра, тим самим практично повністю очищаючись від механічних домішок і води.
Що стосується технічного обслуговування фільтра тонкого очищення, то і тут потрібно зливати відстій, промивати внутрішні частини, замінити фільтрувальний елемент. Паливний відстій з фільтра потрібно зливати з фільтра кожен 240 годин експлуатації. Період експлуатації фільтруючого елемента залежить від якості палива. При переході на зимовий сезон його слід міняти не рідше 1500 годин роботи.
Купити запчастини для двигуна Д-240, а також інші запчастини до МТЗ-82, 892 завжди можна в інтернет-магазині Тандем-2000.
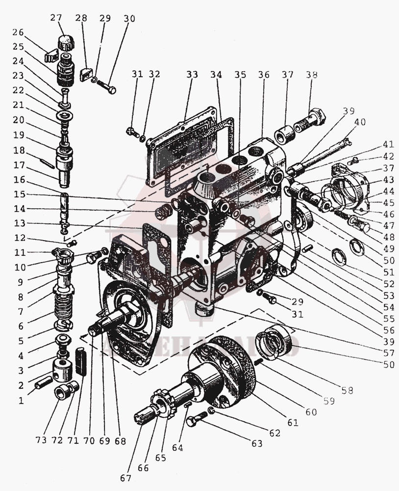
ТНВД дизеля МТЗ
_____________________________________________________________________________
_____________________________________________________________________________
_____________________________________________________________________________________
Сборка ТНВД 4УТНИ
Перед сборкой полость низкого давления насоса надо промыть дизельным
топливом под давлением 1,8…2,0 МПа для смазки деталей насоса и
регулятора следует применять профильтрованное моторное масло.
Плунжерные пары и нагнетательные клапаны должны быть тщательно промыты
профильтрованным дизельным топливом.
При сборке поворотных втулок плунжера с плунжерными парами перемещение
плунжера в пазах поворотной втулки должно быть свободным, без заеданий и
прихватов.
При установке в ТНВД Д-245, 240, 243 поворотной втулки плунжера в сборе
с зубчатым венцом головка винта зубчатого венца должна быть обращена к
середине люка.
При этом зазор в прорези венца должен быть не менее 0,5 мм при затянутом
винте зубчатого венца.
Установленная в топливный насос 4УТНИ трактора МТЗ поворотная втулка
плунжера в сборе с зубчатым венцом при затянутом винте зубчатого венца
должна свободно вращаться на втулке плунжера, заедания при этом не
допускаются.
При сборке нижних тарелок пружин толкателей с плунжерами хвостовик
плунжера своей цилиндрической поверхностью диаметром 6,2 мм должен
свободно проходить через прорезь в тарелке, опорная пята хвостовика
плунжера — утопать в выточке тарелки диаметром 11,5 +0,27 мм.
При сборке толкателей ось ролика должна свободно вращаться в отверстиях
корпуса толкателя, ролик толкателя должен свободно вращаться на втулке,
а втулка на оси ролика. Заедания в сопряжении указанных деталей не
допускаются.
Толкатели, предварительно смазанные чистым моторным маслом, должны
легко, без заеданий и прихватов перемещаться под действием собственного
веса в расточках корпуса.
При установке рейки в корпус ТНВД Д-240, 245, 243 направляющие втулки и
рейку надо смазать чистым моторным маслом. Перемещение рейки в корпусе
насоса должно быть легким и плавным, заедания не допускаются.
При установке поворотных втулок плунжера в сборе с зубчатыми венцами
прорези зубчатых венцов должны устанавливаться перпендикулярно боковым
поверхностям насоса. При этом расстояние от внутренней стороны пальца
рейки до корпуса насоса должно быть 16 ±0,5 мм.
После установки штифтов, фиксирующих втулки плунжеров, следует проверить
подвижность рейки.
Рейка должна перемещаться легко, без ощутимых
заеданий. Резкие, рывками перемещения рейки не допускаются.
После установки нагнетательных клапанов в корпус топливного насоса
высокого давления, на седла нагнетательных клапанов надо установить
прокладку конической поверхностью вверх.
Затяжку штуцеров топливного насоса 4УТНИ следует производить моментом
98…108 Нм, предварительно смазав их профильтрованным дизельным
топливом или маслом.
После установки пружин, толкателей и нижних тарелок нужно произвести
проверку на:
— отсутствие защемления хвостовика плунжера между болтом толкателя и
нижней тарелкой плунжера;
— плавность перемещения рейки;
Обеспечение надплунжерного зазора при крайнем верхнем положении
толкателя, который должен быть не менее 0,3 мм.
Перед установкой подшипники кулачкового вала должны быть смазаны
моторным маслом. Напрессовку подшипников на шейку кулачкового вала
диаметром 20 мм надо производить до упора, перекосы недопустимы.
Перед установкой в корпус ТНВД Д-243, 240, 245 кулачкового вала
необходимо проверить состояние колец и сепараторов подшипников.
Повреждение
сепараторов и выпадение роликов не допускаются.
Гайку кулачкового вала надо затянуть моментом 43 Нм и застопорить
стопорной шайбой. На отогнутых поверхностях стопорной шайбы допускаются
вмятины от обжимного приспособления, но заусенцы не допустимы.
После установки кулачкового вала в корпус топливного насоса высокого
давления 4УТНИ следует замерить осевое усилие, прикладываемое к валу со
стороны регулятора.
При перемещении кулачкового вала от 0,02 до 0,1 мм оно должно составлять
не менее 450 Н. При дальнейшем увеличении нагрузки на кулачковый вал
должно быть обеспечено дополнительное его перемещение на величину не
менее 0,5 мм.
При усилии менее 442 Н под наружное кольцо подшипника в стакане
подшипника надо установить необходимое число регулировочных прокладок.
Установка одной регулировочной прокладки увеличивает осевое усилие на
24,5.
..29 Н.
Величина осевого усилия на кулачковом валу замеряется при отсутствии
нагрузки на кулачковый вал от толкателей. Допускается замер осевого
усилия
на кулачковом валу производить при опущенных толкателях. При этом
минимальное осевое усилие, прикладываемое к валу, должно быть не менее
638
Н.
Категорически запрещается при регулировке осевого усилия ударять
молотком по гайке кулачкового вала, хвостовику кулачкового вала со
стороны
регулятора или по стакану подшипника.
При регулировке осевого усилия на кулачковом валу следует обеспечить
наличие зазора между корпусом топливоподкачивающего насоса и вторым и
третьим кулачками кулачкового вала.
Зазор надо обеспечить установкой регулировочных прокладок в стакан
подшипника или перекладыванием их из стакана подшипника в установочный
фланец.
Два верхних болта плиты крепления необходимо ставить на анаэробный
герметик.
Форсунка дизеля МТЗ
Форсунка Д-245, 240, 243 служит для впрыскивания и распыливания топлива,
подаваемого в цилиндры дизеля.
На двигателях МТЗ применяется форсунка закрытого типа с гидравлическим
управлением подъема иглы. Форсунка строго фиксируется относительно
камеры сгорания и крепится в головке цилиндров болтами.
На дизеле установлены форсунки 17.1112010-01. Маркировка форсунок
нанесена на корпусе.
Форсунки устанавливаются с распылителем модели 145.1112110 или Моторпал.
Применение других моделей распылителей не допускается.
Форсунка является уязвимым агрегатом системы питания топливом.
Нарушение уплотнения между коническими поверхностями корпуса распылителя
и иглы, потеря подвижности иглы; уменьшение давления начала
впрыскивания топлива, ухудшение качества распыливания и увеличение
пропускной способности распылителя вследствие изнашивания сопловых
отверстий являются основными дефектами форсунок.
Проверку работоспособности форсунок надо производить при проведении
технического обслуживания трактора МТЗ.
Оценку работоспособности форсунки рекомендуется проводить на
испытательных стендах при частоте полных ходов рычага ручного
испытательного
приспособления прибор для контроля распылителей форсунок и регулировки
давления впрыскивания Моторпал NS 50.
60…80 в мин.
При использовании приспособления проверку начала впрыскивания топлива
форсунками Д-240, 245, 243 можно производить, не снимая их с дизеля.
Регулирование давления начала впрыскивания топлива осуществляется
вращением регулировочного винта 5, предварительно отвернув колпак и
отпустив контргайку.
Давление, фиксируемое в момент начала впрыскивания топлива, должно быть
— 21,6…22,4 МПа;
После регулировки следует завернуть контргайку и колпак. Момент затяжки
— 80…100 Нм.
Качество распыливания топлива следует проверять на отрегулированной
форсунке. Оно считается удовлетворительным, если топливо распыливается
до
туманообразного состояния и распределяется равномерно в поперечном
сечении конуса струи из всех пяти отверстий распылителя.
Обильно вылетающие капли, сплошные струи и сгущения не допускаются.
Начало и конец впрыскивания должны быть четкими.
Не допускается подтекание топлива из распылителя после окончания
впрыскивания.
Герметичность запирающего конуса иглы распылителя надо проверять, создав
в форсунке давление, которое на 1,0…1,5 МПа меньше давления начала
впрыскивания.
Герметичность считается нарушенной, если в течение 15 с топливо стекает
каплями и образует различимый невооруженным глазом наплыв на носике
распылителя под сопловыми отверстиями.
При подтекании топлива или заедании иглы распылитель надо заменить или
отремонтировать.
В случае закоксовывания сопловых отверстий произвести разборку форсунки,
распылитель промыть и прочистить отверстия. Сопловые отверстия
рекомендуется прочищать стальной проволокой диаметром 0,3 мм.
Перед сборкой распылитель и иглу, которые представляют из себя
прецизионную пару, надо тщательно промыть в чистом бензине и смазать
профильтрованным дизельным топливом.
Для проверки плавности перемещения иглы в корпусе распылителя ее следует
выдвинуть из корпуса на одну треть длины направляющей поверхности.
При наклоне распылителя под углом 45°, игла должна плавно, без
остановки, полностью опуститься под действием собственного веса.
Разборку форсунки Д-243, 240, 245 надо производить в следующей
последовательности:
— отвернуть колпак и отпустить контргайку;
— вывернуть на 2…3 оборота регулировочный винт, ослабив тем самым
пружину;
— отвернуть гайку распылителя;
— снять распылитель.
Нарушение порядка разборки может привести к поломке штифтов,
центрирующих распылитель.
Новые распылители перед установкой в форсунку необходимо
расконсервировать путем промывки их в бензине или подогретом дизельном
топливе.
Собирать форсунку надо в порядке, обратном разборке. Момент затяжки
гайки распылителя 50…70 Нм. После сборки требуется повторить проверку
работоспособности форсунки в последовательности, указанной выше. При
сборке надо заменить уплотняющую прокладку.
При установке форсунок на дизель МТЗ болты их крепления надо затягивать
равномерно в 2 — З приема. Окончательный момент затяжки — 20..25 Нм.
Сборка и установка на насос регулятора ТНВД 4УТНИ
Все детали регулятора перед сборкой должны быть чистыми, а трущиеся
поверхности смазаны моторным маслом.
Наличие следов коррозии и грязи на
поверхности деталей и протирка их обтирочным материалом не допускается.
В начале сборки надо напрессовать упорную шайбу до упора. При вращении
кулачкового вала насоса задевание упорной шайбы о стакан подшипника не
допускается.
При сборке грузов со ступицей концы осей грузов надо развальцевать.
Выступание развальцованной части осей должно быть не более 0,5 мм. Грузы
должны свободно качаться на своих осях. Заедания и прихваты не
допускаются. На торцах оси груза допускается 1…2 разрыва металла от
развальцовки.
В регуляторе допускается установка грузов только одной группы.
Принадлежность грузов к первой или второй группе отмечена краской на их
наружных поверхностях:
белая — вторая группа;
красная — первая группа.
При сборке регулятора с упорным подшипником на ступицу грузов надо
установить упорный подшипник 8110, внутреннее кольцо которого должно
быть
напрессовано до упора в заплечики ступицы.
Подшипник нужно смазать
моторным маслом.
Во внутреннюю полость ступицы установить сухари, которые должны быть
смазаны моторным маслом, и собранный узел одеть на кулачковый вал
топливного насоса 4УТНИ таким образом, чтобы выступы упорной шайбы вошли
между сухарями.
При установке нового подшипника необходимо провести его расконсервацию с
последующей смазкой моторным маслом.
Стопорное пружинное кольцо должно плотно лежать в кольцевой канавке
кулачкового вала, при этом должен быть гарантированный зазор между
пружинным кольцом и ступицей грузов.
Перед установкой муфты регулятора с упорным подшипником внутреннее
кольцо упорного подшипника напрессовать на муфту, при этом перекосы
кольца не допускаются.
При установке муфты регулятора должно быть обеспечено вращение наружного
кольца подшипника и свободное перемещение муфты на хвостовике
кулачкового вала.
Смазывание подшипника осуществляется заливкой смазки в количестве
150…200 мл в регулятор перед установкой на стенд для регулировки
топливных
насосов.
Перед установкой корректора в регулятор следует предварительно
отрегулировать ход корректора в диапазоне 0,5…0,7 мм. Окончательно ход
корректора
регулируется на стенде для обеспечения заданной топливоподачи по
регулировочной таблице.
Установленные в корпус регулятора основной и промежуточный рычаги должны
свободно, без заеданий качаться на оси. Касание болта основного рычага
за паз промежуточного рычага не допускается.
Болт, ограничивающий ход рычагов, надо ставить на компаунд КЛТ-75Т. С
внутренней стороны регулятора на болт навернуть пружину холостого хода.
Жесткий упор также нужно ставить на компаунд. Болт должен быть ввернут
до выступания его наружного торца над поверхностью бобышки корпуса
регулятора на 12…13 мм и законтрен гайкой.
При установке в корпус регулятора манжета валика обогатителя должна быть
смазана моторным маслом. При установке рычага управления в корпус
регулятора валик рычага нужно смазать моторным маслом.
Регулировочный винт, расположенный сбоку регулятора, должен быть ввернут
в ушко до выступания его торца над поверхностью ушка, примерно, на 17
мм и законтрен (замер производить со стороны задней стенки регулятора).
В собранном регуляторе задевание пружины регулятора за промежуточный
рычаг на всей длине хода рычага управления не допускается.
Перед установкой корпуса регулятора в сборе на корпус насоса необходимо:
проверить наличие шплинтов в узлах регулятора; соединить тягу рейки с
пальцем промежуточного рычага, допускается вместо прокладки наносить на
сопрягаемые поверхности корпуса насоса и корпуса регулятора
(предварительно их обезжирив) компаунд.
При установке корпуса регулятора в сборе на корпус топливного насоса
высокого давления 4УТНИ корпус регулятора должен плотно, без перекосов
садиться на штифт корпуса насоса.
В собранном регуляторе все детали должны перемещаться без заеданий.
При максимальном отклонении промежуточного рычага вперед упирание
регулировочного винта корректора в рычаг пружины не допускается.
Обкатку ТНВД Д-245, 240, 243 надо производить в случаях замены корпуса
насоса, корпуса регулятора, плунжерной пары, толкателей, пружин
плунжера,
муфты регулятора, топливоподкачивающего насоса, кулачкового вала, а
также при обнаружении попадания топлива в корпус насоса больше
допустимой
величины.
Обкатку следует производить с форсунками, пружины которых затянуты на
давление начала впрыскивания 12…17 МПа, при частоте вращения 750 мин-1
в течение 40 мин.
Обкатка производится при переменном положении рычага управления. В
процессе обкатки нужно наблюдать за нормальной работой всех узлов и
механизмов насоса и регулятора.
После обкатки следует проверить и при необходимости подтянуть следующие
резьбовые соединения:
— болты крепления топливоподкачивающего насоса;
— болты крепления регулятора;
— болты крепления плиты и установочного фланца;
— зажимы штуцеров.
_____________________________________________________________________________
__________________________________________________________________________
Сервис и регулировки МТЗ-82
- Органы управления и приборы
- Работа с сельхозмашинами
- Техническое обслуживание дизеля Д-243
- Регулировки сцепления
- Рулевое управление
- Тормоза трактора Беларус
- Вал отбора мощности ВОМ
- Передний мост
- Ремонт переднего ведущего моста
- Гидравлическая система и задняя навеска
- Электрооборудование
- Техническое обслуживание
__________________________________________________________________________
__________________________________________________________________________
Эксплуатация и сервис МТЗ-82.
1, 80.1, 80.2, 82.2
- Органы управления и приборы
- Управление коробкой передач и ВОМ
- Управление задней навеской
- Элементы кабины
- Элементы электрооборудования
- Сцепление
- Коробка передач
- Управление КПП и ходоуменьшителем
- Реверс-редуктор
- Задний мост трактора Беларус
- Блокировка дифференциала заднего моста
- Задний вал отбора мощности
- Тормоза трактора Беларус
- Пневмосистема
- ПВМ с коническими колесными редукторами
- ПВМ с планетарно-цилиндрическими колесными редукторами
- Привод ПВМ
- Ходовая система
- Гидрообъемное рулевое управление
- Гидроусилитель рулевого управления
- Гидравлическая навесная система
- Регулировки задней навески
- Кабина Беларус
- Техническое обслуживание
- Обслуживание двигателя
- Техобслуживание трансмиссии
- Сервисное обслуживание ПВМ
- Обслуживание гидросистемы и рулевого управления
- Обслуживание переднего моста
- Обслуживание пневмосистемы и тормозов
Ремонт МТЗ-80
- Ремонт головки блока цилиндров
- Ремонт поршневой группы Д-240
- Ремонт топливной аппаратуры
- Ремонт пускового двигателя
- Ремонт рулевого управления
- Ремонт переднего моста
- Ремонт сцепления и понижающего редуктора
- Ремонт КПП
- Ремонт заднего моста
- Ремонт ВОМ
- Ремонт гидросистемы задней навески
- Ремонт электрооборудования
Обслуживание и эксплуатация МТЗ-1221
- Управление и приборы
- Коробка передач
- Сцепление
- Обслуживание двигателя Д-260
- Задний мост
- Рабочие тормоза
- Пневмооборудование
- Вал отбора мощности
- Передний ведущий мост
- Навесная гидросистема
- Электронное управление задней навеской
- Заднее навесное устройство
- Рулевое управление
Техобслуживание и эксплуатация МТЗ-320
- Органы управления и приборы
- Дизельный двигатель
- Сцепление и КПП
- Задний мост
- Тормоза
- Задний вал отбора мощности
- Передний ведущий мост
- Рулевое управление
- Навесное и сцепное устройство
- Гидросистема
- Электрооборудование
- Агрегатирование
Эксплуатация и сервис тракторов
- Блок-картер и кривошипно-шатунный механизм
- Механизм газораспределения
- Система питания дизельных двигателей
- Система регулирования тракторных двигателей
- Система охлаждения тракторных двигателей
- Система пуска дизелей
- Силовые передачи тракторов
- Трансмиссия трактора Т-150, Т-150К
- Ведущие мосты колесных и гусеничных тракторов
- Ходовая часть и управление трактора
- Ходовая и рулевое управление колесных тракторов
Системы раздачи газового и дизельного топлива
814.
893.5701
Поиск
- Просмотреть все
- Раздача топлива
- 20 гал/мин
- 12 В пост. тока
- Установка в верхней части бака
- Совместимость с High-LINK ® Топливо Shield-MINI и Level Оборудование Shield-Series-P
- Этот насосный агрегат лучше всего подходит для небольших резервуаров,
встроенные в кузов грузовые цистерны и использование цистерн на салазках.
Читать далее
- 20 гал/мин
- 120 В переменного тока
- Установка в верхней части бака
- Совместимость с High-LINK ® Топливо Shield-MINI и Level Оборудование Shield-Series-P
- Этот насосный агрегат предназначен для использования на надземных стальных резервуарах для хранения диаметром до 4000 галлонов или 64 дюймов.

Читать далее
- 20 гал/мин
- 120 В переменного тока
- Крепление насоса на баке со шкафом счетчика
- Совместимость с High-LINK ® Топливо Shield-MINI и Level Оборудование Shield-Series-P
- Этот насосный агрегат предназначен для использования с резервуарами объемом от 1000 до 20 000 галлонов и диаметром 64 дюйма и более.
Читать далее
- До 20 галлонов в минуту
- Насос 120 В или 240 В переменного тока
- Установка в верхней части бака
- Совместимость с оборудованием High-LINK ® Fuel Shield-MINI-PLUS и Level Shield-Series-P.
- Этот насосный агрегат предназначен для использования на надземных стальных резервуарах для хранения диаметром до 4000 галлонов или 64 дюймов.
Читать далее
- До 35 галлонов в минуту
- 120 В или 240 В переменного тока
- Крепление насоса на баке со шкафом счетчика
- Совместимость с оборудованием High-LINK ® Fuel Shield-MINI-PLUS и Level Shield-Series-P.

- Этот насосный агрегат предназначен для резервуаров объемом от 1 000 до 20 000 галлонов диаметром 64 дюйма и более.
Читать далее
- До 35 галлонов в минуту
- 120 В или 240 В переменного тока
- Насос, установленный на баке в шкафу счетчика
- Совместимость с High-LINK ® Топливо Shield-MINI-PLUS и Level Shield-Series-P оборудование.
- Этот насосный агрегат, работающий только на дизельном топливе, предназначен для использования в резервуарах емкостью от 1000 до 20 000 галлонов диаметром 64 дюйма и более.
Читать далее
- До 23 галлонов в минуту
- Погружной насос 240 В переменного тока с блоком управления
- Крепление насоса на баке со шкафом счетчика
- Совместимость с High-LINK ® Топливо Shield-MINI-PLUS и уровень Shield-Series-P оборудование.
- Этот насосный агрегат предназначен для перекачки больших объемов топлива в резервуары объемом от 1000 до 20 000 галлонов диаметром 64 дюйма и более.

Читать далее
- До 23 галлонов в минуту
- Погружной насос 240 В переменного тока с блоком управления
- Система на салазках с дозатором Bennett
- Совместим со всеми High-LINK ® Топливо Shield-Pedestal-PL US и Level Оборудование Shield-Series-P.
- Этот насосный агрегат предназначен для перекачки большого объема топлива в резервуары для хранения объемом от 4000 до 20 000 галлонов.
Читать далее
- До 40 галлонов в минуту
- Цифровой дозатор Bennett 240 В перем. тока с импульсным выходом и встроенным насосом
- Система на салазках
- Совместим со всеми High-LINK ® Топливо Shield-Pedestal-PLUS и Уровень Shield-Series-P оборудование.
- Этот насосный агрегат разработан для работы с большим объемом дизельного топлива с использованием резервуаров для хранения объемом от 4 000 до 20 000 галлонов.

Читать далее
- Этот комплект насосов лучше всего подходит для топливных баков объемом от 185 до 1000 галлонов и диаметром менее 48 дюймов.
- Топливный насос подает 1 галлон
на каждые 10 оборотов - Не совместим с системами High-LINK ® .
Читать далее
- Этот комплект насосов лучше всего подходит для топливных баков объемом от 185 до 1000 галлонов и диаметром менее 48 дюймов.
- Топливный насос подает до 2 галлонов за каждые 10 ходов
- Не совместим с системами High-LINK ® .
Читать далее
Highland Tank & Manufacturing Company, Inc.
Штаб-квартира
One Highland Road | Stoystown, PA 15563
Телефон: 814.893.5701
Факс: 814.893.6126
Адреса
Manheim, PA 17545 | 717.664.0600
Watervliet, NY 12189 | 518.273.0801
Гринсборо, Северная Каролина 27407 | 336.
218.0801
Friedens, PA 15541 | 814.443.6800
Кларкстон, Мичиган 48346 | 248.625.8700
Манселона, Мичиган 49659 | 248.625.8700
Топливная система 240 D20/D24 | VP Autoparts
Главная / Volvo / 240/260 / Топливная/выхлопная система / Топливный бак/топливная система / Топливная система 240 D20/D24
Навигация
- Volvo
- Двигатели Volvo
- PV/Duett
- Amazon/122
- 1800
- 140/164
- 240 /260
- Кузов
- Тормозная система
- Система охлаждения
- Электрические компоненты
- Двигатель
- Дроссельная тяга двигателя
- Передняя подвеска
- Топливная/выхлопная система
- Воздушный фильтр
- Карбюратор/измеритель объема
- Выхлопная система
- Топливный бак 240/260 -1978
- Топливо бак 240/260 1978-
- Блок подачи топлива 240/260
- Крышка заливной горловины Корпус 240/260
- Топливная система 240 B20A
- Топливная система 240 B17A/B19A/B21A/B23A
- Топливная система 240 B19K
- Топливная система 240 B230A
- Топливная система 240 B200K
- Топливная система 240 B230K
- Топливная система 240 B20F
9001 3 Топливный бак/топливная система
900 13 Топливная система 240 B19E/B21E/F -1976
- Топливная система 240 B19E/B21E /F 1977
- Топливная система 240 B19E/B21E/B23E 78-
- Топливная система 240 B21F
- Топливная система 240 B23F
- Топливная система 240 B200E/B230E
- Топливная система 240 B200F/B230F/FD/FX
- Топливная система 240 B19ET/B21ET/B21FT
- Топливная система 240/260 B27A/B28A
- Топливная система 260 B27E 1975
- Топливная система 260 B27E 1976-78 90 008
- Топливная система 240/260 B27E/B28E 1979-
- Топливная система 260 B27F -1977
- Топливная система 260 B27F 1978
- Топливная система 240/260 B27F/B28F 1979-
- Топливная система 240 D20/D24
- Топливные трубки 24 0 B230F -1987
- Топливные трубки 240 B200F/ 230Ф/ФД/ФХ
- Топливный насос 240 карбюраторный двигатель
- Топливный насос 240/260 -1976 впрыск
- Топливный насос 240/260 1977 впрыск
- Топливный насос 240/260 E/ET/FT 78- впрыск
- Топливный насос 240 F/FD/ FX 1978- впрыск
- Топливопровод 240 1975 карбюратор
- Топливопровод 240/260 1976- карбюратор
- Топливопровод 240 1975 впрыск
- Топливопровод 260 1975 впрыск
- Топливопровод 240/260 1976- впрыск
- Топливная магистраль форсунки 240 B19E/B21E/F/B23B
- Топливная форсунка 240 B200E/B230E
- Топливная форсунка 240 B19ET/B21ET/FT
- Топливная форсунка 240/260 B27E/F/B 28E/F
- Топливная форсунка 240 D20/D24
- ТНВД 240/260
- Фильтр угольный 240 B21 -1978
- Фильтр угольный 240/260 B27 -1978
- Фильтр угольный 240/260 B21/B23/B 27 1979
- Угольный фильтр 200 B21/B23/ B27/B28 1980-84
- Угольный фильтр 240/260 B200/B230/B28 85-
- Клапан управления давлением 240 турбо
- Система удаления топлива 240/260
- Система регулирования подачи топлива 200 -84
- Система регулирования подачи топлива 240 85-
- Заслонка управления 240 B21F/FT 9000 8
- Впускной/выпускной коллектор
- Отопитель/свежий воздух
- Салон
- Разное
- Трансмиссия/задняя подвеска
- Колеса
Топливопровод
Артикул №: 1257388
$ 26,56
Банджо-болт Масляный и топливный насос 5-цил.




