Содержание
Регулировка сцепления, принцип работы, установка, замена
Автомобилист Устройство двигателя Оставить комментарий
Одним основных узловых элементов трансмиссии является сцепление, например сцепление САКС, которое выполняет такие важные функции, как: переключение скоростей, снятие нагрузки с ДВС автомобиля, гашение колебаний. От того, как настроено, отрегулировано сцепление, зависит каким будет управление автомобиля, с мягкой и плавной динамикой или с рывками и подергиваниями.
Содержание статьи:
- Устройство и работа сцепления.
- Классификации таких устройств.
- Когда делать регулировку сцепления?
- Руководство по регулировке.

- Видео.
Устройство и работа сцепления
Сцепление — это сложное механическое устройство, устанавливаемое между двигателем и коробкой переключения передач, принцип действия которого основано на передачи крутящего момента от маховика коленвала ДВС первичному валу КПП. Простыми словами, сцепление — это устройство, которое подключает или отключает передачу вращения валу коробки от вала двигателя.
Сцепление состоит из:
- Маховик.
- Ведомый диск (диск сцепления).
- Торсионный демпфер.
- Коленчатый вал.
- Подшипник коленвала.
- Тангенциальная пластинчатая пружина.
- Ведущий диск (корзина сцепления).
- Подшипник выжимной.
- Вилка выжимного подшипника.
- Направляющая труба.
- Рабочий цилиндр сцепления.
- Первичный вал КПП.
- Корпус КПП.
- Болт с шаровой головкой.
- Демпферный пружины.
- Кожух.
- Фрикционные прокладки (диски), которые надеваются на ведомый диск для смягчения трения между маховиком и корзиной.

Выжимной или нажимной диск постоянно вращается вместе с маховиком. Первичный вал КПП вставляется в шлицевую муфту, которая находится на ведомом диске.
Есть сцепление однодисковое, есть многодисковое. Многодисковое устанавливается в коробках автомат.
Виды приводов сцепления
Принцип действия сцепления:
- Давление через систему привода подается на вилку.
- Вилка, в свою очередь, двигает выжимной подшипник и его муфту к выжимным пружинам нажимного диска.
- От давления подшипника выжимные пружины (лапки корзины) разъединяют ее на время нажатия педали от маховика.
- После того, как педаль сцепления была отпущена (вне зависимости скорость переключили или нет), подшипник уже не давит на пружины и корзина опять вступает в жесткой зацепление с маховиком коленчатого вала ДВС.
Классификации сцепления
Конструкции сцепления могут быть разными. Различаются по тому, как им управлять, по строению.
Классификация по способу управления:
- с механическим приводом;
- с гидравлическим приводом;
- с электрическим приводом;
- с комбинированным приводом (к примеру, гидромеханический привод).
Для того, чтобы сцепление с механическим приводом как можно дольше исправно работало, требуется всего лишь плавно нажимать и отпускать педаль сцепления.
Классификация по виду трения:
- сухое трение — это когда фрикционные накладки (диски) работают на воздухе;
- мокрое трение — это когда диски работают в масляной ванне.
Классификация по режиму включения:
- постоянно замкнутое включение;
- не постоянно замкнутое включение.
Классификация по числу ведомых дисков:
- одно дисковые;
- двухдисковые;
- многодисковые.
Классификация по типу и расположению нажимных пружин:
- несколько нажимных пружин цилиндрической формцы расположены по периметру;
- нажимная диафрагменная пружина расположена в центре.

Классификация по числу потоков передач крутящего момента:
- однопоточное;
- двух поточное.
Когда проводить регулировку сцепления
Проводить регулировку надо по графику или при появлении некоторых признаков незначительного изменения в работе сцепления.
Признаки, когда необходимо провести диагностику сцепления:
- Холостой ход педали сцепления увеличился, из-за чего отключение валов коробки происходит не полностью (вал КПП получает получать вращение от маховика коленвала ДВС).
- Появились рывки, подергивания автомобиля на старте.
- Педаль сцепления (ПС) не возвращается сразу в исходное положение.
- Появилась утечка тормозной жидкости из системы. Решается устранением утечки, долива жидкости и прокачкой сцепления.
- Появился шум при переключении скоростей коробки передач.
Чтобы понять, надо ли регулировать педаль сцепления, можно измерить расстояние линейкой. Нормальное расстояние от пола до педали около16 сантиметров.
Руководство по регулировке
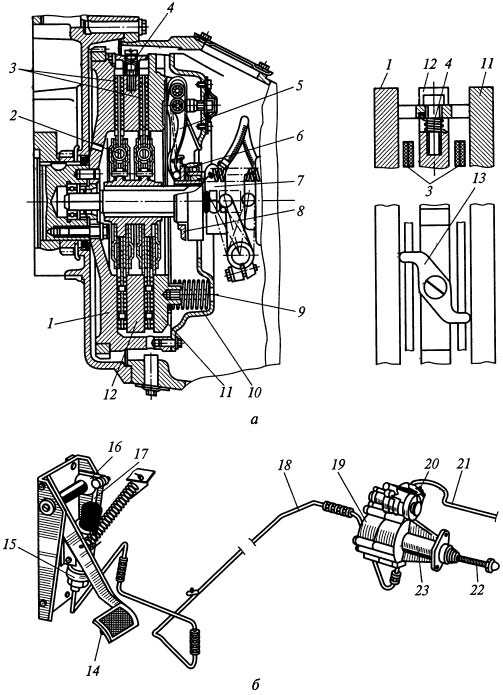
Приводом сцепления механического принципа действия служит тросик. Регулируя тросик, регулируется длина хода педали. Итак:
- Находим под капотом соответствующий трос, на его конце видим болт с контргайкой 1. Крутим регулировочную гайку 2 и выставляем расстояние свободный хода педали 13 см. Чтобы увеличивать длину холостого хода педали, гайку надо закручивать, и, соответственно, чтобы уменьшать длину холостого хода педали — откручивать.
- После настройки расстояния педали, надо три раза нажать и отпустить ПС. После чего, опять измерить расстояние от пола до педали. Если расстояние изменилось, опять регулируем, чтобы было расстояние 12-13 сантимов.
Настройка привода сцепления гидравлического способа действия
Основная проблема в гидросистемах — это образование воздушной пробки. Метод в регулировке гидропривода сцепления в том, чтобы выставить нужные зазоры между штоком и поршнем главного цилиндра.
Также выставляется нужное расстояние между фрикционным кольцом нажимного диска и выжимным подшипником.
Порядок работ:
- Снять пружину с кронштейна главного цилиндра и вилки.
- Измерить расстояние зазор между толкателем и выжимной вилкой. Нормальное расстояние — 5 мм.
- Крутить регулировочную гайку на штоке и выставляем зазор 5 мм. 5 мм — это зазор, то есть это свободный ход вилки.
Существуют приводы и другого принципа действия, но в автомобилях устанавливают или гидро, или механ приводы сцепления. На автомобилях ВАЗ 2101, 2102, 2103, 2104, 2105, 2106, 2107 — гидравлический привод сцепления. На машинах ВАЗ 2108, 2109, 21099, 2110, 2111, 2112, 2113, 2114, 2115 — механический привод.
Видео
В этом видео рассматривается конструкция, принцип действия сцепления. Видео канала «Главная дорога».
Как самому отрегулировать сцепление на ВАЗ.
Это видео для тех, кому интересна конструкция гоночных автомобилей.
Здесь показывают, какое сцепление на скоростных гоночных машинах.
Автор публикации
Понятие регулировки сцепления, инструкция процесса, подготовка и этапы
11.02.202212 049 8 1 Сцепление
Автор:Иван Баранов
Сцепление является одной из основных составляющих трансмиссии автомобиля. Благодаря ему происходит переключение скоростей, снимаются нагрузки с двигателя и гасятся колебания. От его правильной регулировки зависит качество езды на автомобиле. В статье описывается устройство узла, его функции, принцип действия, даны рекомендации, как отрегулировать сцепление.
Содержание
- 1 Строение и функции сцепления
- 2 Когда необходимо проводить регулировку сцепления?
- 3 Практическое руководство по регулировке
- 4 Видео «Регулировка сцепления на автомобиле ВАЗ»
[ Раскрыть]
[ Скрыть]
Строение и функции сцепления
Связующим звеном между двигателем и трансмиссией является сцепление.
Его назначение – отключать и подключать первичный вал коробки переключения передач от маховика коленвала. В машинах с МКПП передачи переключаются только в том случае, когда педаль сцепления (ПС) полностью выжата. В этот момент нет связи между маховиком и коробкой передач, и крутящий момент не передается.
Данный узел автомобиля состоит из следующих компонентов:
- Маховика. Этот элемент берет на себя крутящий момент и передает его через корзину коробке передач. Корзина присоединяется к маховику.
- Ведомого и нажимного диска. Эти детали тесно связаны между собой. Их соприкосновение зависит от положения ПС, расположенной в салоне автомобиля.
- Вилка выключения. С ее помощью происходит разъединение дисков.
- Первичный вал коробки передач. Этому элементу передается крутящий момент.
Конструкция узла автомобиля
Это основные детали. Кроме них в состав узла входит:
- выжимной подшипник;
- демпферные пружины, смягчающие вибрацию;
- кожух;
- фрикционные накладки, одетые на ведомый диск для смягчения трения между маховиком и корзиной.

Нажимной диск взаимосвязан с маховиком и постоянно вращается вместе с ним. Для передачи вращения в ведомом диске есть шлицевая муфта, в которую вставлен первичный вал КПП.
Переключение передач осуществляется через педаль следующим образом:
- на вилку выключения передается давление через систему привода;
- вилка пододвигает выжимной подшипник и его муфту к выжимным пружинам нажимного диска;
- под давлением подшипника лапки (выжимные пружины) корзины отсоединяют ее на время от маховика;
- после переключения скоростей педаль отпускается, подшипник перестает давить на пружины и корзина вновь контактирует с маховиком.
Узлы могут быть однодисковые и многодисковые. Многодисковые узлы обычно устанавливаются на коробки-автомат.
Схема и регулировка привода
На автомобилях могут быть установлены следующие виды приводов:
- механические;
- гидравлические;
- электрические.

Чтобы механическая трансмиссия дольше прослужила, необходимо плавно отпускать педаль при переключении передач.
Когда необходимо проводить регулировку сцепления?
Регулировка сцепления проводится периодически. С течением времени ход педали увеличивается и отключение происходит не до конца. Таким образом, при максимально отжатой ПС не происходит полное отключение валов, и они остаются в соприкосновении с двигателем, что увеличивает нагрузку на зубья и сокращает срок службы узла.
При недостаточно свободном ходе ПС не полностью включается ведомый диск. В результате при движении передается не весь крутящий момент, в этом случае автомобиль теряет мощность. Кроме того, даже при плавном отпускании ПС ведомый диск может резко включаться, при этом будут слышны шумы в трансмиссии, машина будет дергаться.
Диагностировать, что требуется регулировка, можно по следующим признакам:
- рывки или удары при начале движения;
- западает ПС;
- у ПС недостаточный свободный ход;
- происходит утечка жидкости из системы привода;
- появляется посторонний шум при переключении передач.

Определить необходимость регулирования ПС просто. Нужно замерить расстояние от пола до педали, оно должно составлять примерно 16 сантиметров.
Замеряем расстояние от пола до ПС
Практическое руководство по регулировке
Механическое сцепление регулируется с помощью его привода. Для этого в подкапотном пространстве следует найти трос, на конце которого находится болт с контргайкой. Поворачивая регулировочную гайку, нужно добиться того, чтобы свободный ход педали составил 12-13 см. Для увеличения хода ПС гайку следует закручивать, для уменьшения хода гайку нужно выкручивать. Затем следует три раза отжать ПС и замерить расстояние между педалью и полом. Регулировка сцепления проводится, пока не будет достигнуто необходимое расстояние.
Регулируем трос привода
Если процедура выполняется после замены узла, то необходимо проконтролировать, чтобы в системе гидропривода не было воздуха. Если он присутствует, его нужно удалить путем продувки системы.
Суть регулирования состоит в установлении необходимых зазоров между штоком и поршнем главного цилиндра узла. Кроме того, устанавливаются необходимые расстояния между фрикционным кольцом нажимного диска и выжимным подшипником.
Для того, чтобы отрегулировать гидравлический привод, необходимо снять пружину с кронштейна главного цилиндра и вилки. Далее следует замерить зазоры между толкателем и выжимной вилкой. Это расстояние должно быть примерно 5 мм. Путем откручивания или закручивания регулировочной гайки на штоке цилиндра нужно добиться, чтобы свободный ход вилки составил 5 мм.
Данная процедура проводится на простых системах и приведена в качестве примера. Существуют другие системы привода сцепления. Чтобы правильно отрегулировать узел, лучше обратиться к инструкции по эксплуатации автомобиля. От правильности регулировки зависит качество передвижения автомобиля.
Загрузка …
Видео «Регулировка сцепления на автомобиле ВАЗ»
В этом видео демонстрируется, как можно отрегулировать привод на вазовских моделях.
Была ли эта статья полезна?
Спасибо за Ваше мнение!
Статья была полезнаПожалуйста, поделитесь информацией с друзьями
Да (100.00%)
Нет
Регулировка сцепления:устройство, как проводить регулировку, особенности,
Сцепление является одной из важнейших частей трансмиссии автомобиля. Благодаря ему удается на некоторое время рассоединить связь коленчатого вала двигателя от первичного вала КПП для регулировки передачи крутящего момента. Педаль сцепления – основное связующее звено между водителем и трансмиссией.
Содержание
- Строение и механизм сцепления
- Особенности сцепления в АКПП и МКПП
- Причины для регулировки педали сцепления
- Как проверить свободный ход педали
- Проверка зазора и регулировка работы вилки сцепления
- Технология регулировки механического сцепления
- Как проверить и отрегулировать сцепление с гидравлическим приводом
Строение и механизм сцепления
Сегодня на большинстве ТС установлен однодисковый фрикционный тип сцепления, который имеет две основных составляющих: привод и механизм.
Первый располагается на статичных частях кузова или рамы. Чтобы кратковременно отсоединить коленчатый вал двигателя от вала КПП, необходимо выжать до упора педаль сцепления, «отключив его». В момент нажатия, шток направляет давление от поршня главного цилиндра к рабочему. Последний перемещает усилие к механизму через вилку выключения и нажимной подшипник. В момент уменьшения давления – пружины возврата привода вернут элементы на исходные места.
Чаще всего на автомобилях можно встретить несколько типов привода:
- Гидравлический. В конструкции предусмотрена трубка с высоким давлением рабочей жидкости, которая приводит в действие все механизмы.
- Механический. Усилие, с которым выжата педаль, передается тросом на выжимную вилку.
- Электрический. Электромотор запускает в действие трос, который действует аналогично механическому приводу.
- Пневматический. Чаще всего используется на грузовом транспорте, с целью уменьшить требуемое усилие для выключения педали.
В конструкции предусмотрен пневмоусилиель, который оказывает воздействие на клапаны поршней.
Конструкция сцепления в картере состоит из нескольких дисков: ведомый и нажимной. Первый находится на шлицах вала КПП, а второй на кожухе маховика. Отдельно на шаровых опорах есть отжимные рычаги, а ведомый диск соединяется с конструкцией шарнирно.
Ведомый диск статично закреплен между коленчатым валом и нажимным диском при полностью выключенном сцеплении. Сцепленная конструкция передает крутящий момент от коленчатого вала на вал КПП. Когда педаль выжимают, тяга переносится и вилка двигает муфту. Последняя с помощью рычагов отодвигает нажимной диск.
Особенности сцепления в АКПП и МКПП
Сцепление бывает одно- или двухдисковое. В зависимости от принципа работы делится на «влажное» (при наличии масла или смазывающего вещества) и «сухое». Так вот в АКПП чаще всего предусмотрено многодисковое влажное сцепление.
Ввиду отсутствия педали, усилие в АКПП передается сервоприводом, или актуатором.
Контролируется вся установка при помощи блока управления и гидравлического распределителя. В МКПП переменно работают два вида сцепления. Актуаторы отличаются принципом действия:
- Электрический (иначе – шаговый двигатель). К блоку управления постоянно приходят данные об оборотах двигателя, и при определенном показателе сервопривод получает соответствующий сигнал. Передаточный механизм отсоединяет коленчатый и первичный вал.
- Гидравлический – гидроцилиндр. В механизме привода масляный насос передает давление в распределитель, при определенных условиях на сервопривод. После смены передачи усилие насоса снижается.
Причины для регулировки педали сцепления
Важно понимать, что неправильная работа сцепления может практически не создавать проблем при движении, но, тем не менее она значительно сократит срок службы сцепного механизма и коробки передач. Со временем, диски изнашиваются, что увеличивает зазор хода подшипника и дисков.
Можно выделить две основных причины, при которых обязательно необходима регулировка педали:
- Замена троса сцепления в механическом приводе или замена рабочего цилиндра.
После подобного вмешательства в структуру работы конструкции привода регулировка является обязательной процедурой. - Изменение хода педали. Слишком большой ход может возникнуть со временем износа фрикционных накладок. Во избежание негативных последствий лучше регулярно проводить замеры рабочего хода.
В большинстве иномарок проводить регулировку не требуется, так как в них установлен саморегулирующийся механизм. Отличие конструкции зарубежного производства от отечественного, заключается в некоторых деталях храпового механизма.
Отдельной причиной для регулировки являются перебои в работе КПП. Если нужная передача не включается, или включается проблемно – сцепление недожато. В ином случае, автомобиль может не трогаться при включенном сцеплении. Тогда можно говорить о сильно натянутом тросе механического привода.
Как проверить свободный ход педали
Свободный ход сцепления – промежуток движения педали с момента нажатия до момента срабатывания.
Можно заметить, что при нажатии на сцепление, сначала не происходит должного сопротивления, и где-то на середине хода появляется усиление жесткости.
Если транспортное средство трогается сразу при касании на педаль, то лучше произвести регулировку в срочном порядке, поскольку свободный ход полностью отсутствует. В обратном случае – педаль может быть выжата в пол, а автомобиль не трогается с места.
Свободный ход обязателен для всех ручных КПП, поскольку он обозначает зазор меду вилкой, подшипником и рычагами дисков и исключает постоянный контакт подшипника с другими элементами механизма. Важно следить за размером свободного хода, поскольку если он будет излишне большим – полного нажатия не хватит, чтобы передать достаточное усилие для выжима ведущего диска.
Отдельной причиной для проверки свободного хода является шум и рывки при взаимодействии со сцеплением. Произвести замер подобного показателя можно самостоятельно линейкой.
Необходимо замерить перпендикулярное расстояние от пола до нажимной накладки.
Далее при аккуратном нажатии на педаль стоит отмерить ход до первого появления сопротивления. Результат необходимо сверить с данными в руководстве по эксплуатации автомобиля.
Общая средняя норма хода сцепления для автомобиля – 160 мм. Профилактику и регулировку рекомендовано проводить каждые 20 тысяч км пробега.
Проверка зазора и регулировка работы вилки сцепления
Чтобы проверить работу вилки сцепления, необходимо найти резьбовые втулки на конце троса сцепления и замерить разницу зазора между ними в состоянии покоя и в утопленном положении. Линейку необходимо расположить около троса и краем корпуса. После того как рычаг выжат до упора измеряется расстояние.
Вторым этапом необходимо вытянуть рычаг и повторить измерение. Показатели сравнивают относительно данных производителя и, в случае необходимости, регулируют. Для этого ослабляют контргайку (у VW – крыльчатая гайка) и выворачивают по мере необходимости, уменьшая или увеличивая зазор.
После всех действий плотно фиксируют и несколько раз выжимают педаль сцепления. Чтобы проверить эффективность проведенных действий замеры необходимо повторить и сравнить результаты.
Технология регулировки механического сцепления
Исправная работа сцепления с механическим приводом зависит от болта регулировки. Он находится под капотом рядом с окончанием троса. Ход педали будет меняться относительно поворота гайки в ту или иную сторону.
В идеале, рабочий ход составляет 12–13 см. После окончания работ над гайкой, педаль необходимо трижды выжать и заново произвести замер хода. Если результат не оправдал ожиданий, регулировку повторяют.
Как проверить и отрегулировать сцепление с гидравлическим приводом
Работа механического и гидравлического привода имеют свои конструкторские отличия. В связи с этим, чтобы отрегулировать гидравлическое сцепление необходимо проконтролировать общую длину от штока толкателя до вилки. Согласно нормам, она должна составлять около 5 мм.
Затем отсоединяют пружину от кронштейна рабочего цилиндра. На штоке находится гайка регулировки, отворачивая которую можно изменить ход вилки до необходимого результата. Общие понятия об изменении рабочего и свободного хода могут отличаться в зависимости от производителя транспортного средства. Прежде чем приступать в самостоятельной регулировке, необходимо ознакомиться с мануалом к своему ТС или просмотреть обучающие ролики:
Как видите, особых трудностей в регулировке и настройке сцепления нет. Тем не менее новичку следует внимательно следовать всем инструкциям и советам специалистов. Чтобы получить максимально эффективный результат, лучше предварительно ознакомиться с принципом работы механизма сцепления.
Регулировка привода сцепления, как отрегулировать свободный ход педали сцепления. Как отрегулировать привод сцепления. Самостоятельно регулируем привод сцепления.

При эксплуатации автомобиля в результате износа элементов может возникнуть большой свободный ход педали сцепления, причиной чего, как правило, является стирание фрикционных накладок диска либо нарушение регулировок рычагов кожуха. Самостоятельно устранить данные неисправности довольно просто. Об этом далее в статье.
Содержание
- Сцепление автомобиля, устройство
- Принцип работы сцепления
- Износ диска сцепления, причины
- Когда менять сцепление
- Регулировка сцепления, зачем нужно делать регулировку сцепления
- Свободный ход педали сцепления, какая величина свободного хода в норме для легкового автомобиля
- Свободный ход педали сцепления, как измерить свободный ход педали на своем авто, подробно
- Регулировка свободного хода, пошаговая инструкция
- Советы профи, как проверить работу сцепления
Сцепление автомобиля, устройство
Данное устройство размещено в корпусе, который установлен между КПП и силовой установкой.
В него со стороны КПП входит ведущий вал, а со стороны мотора — маховик. Кроме того, в маховик входит концевик ведущего вала для соблюдения соосности между ведущим валом КПП и коленвалом.
Основной элемент сцепления — корзина, в которой размещен ведущий диск. Данный диск подпружинен, однако имеет возможность продольно перемещаться благодаря этим пружинам, а также рычагам. В легковых автомобилях мембранная пружина соединена с рычагами.
К маховику жестко крепится корзина с помощью болтового соединения. Между ними помещен ведомый диск. Вал КПП выступает осью для данного диска, при этом, связаны они при помощи шлицов, по которым перемещается диск.
Принцип работы сцепления
Так как корзина твердо закреплена на маховике, она в полном объеме воспринимает крутящий момент мотора. Однако она не связана с коробкой, в результате чего никуда не передает этот момент. Зато с КПП связан ведомый диск, так как он посажен на ведущий вал. Для передачи момента необходимо сильно зажать ведомый диск между маховиком и ведущим диском, за что отвечают пружины, которые поджимают ведущий диск.
При необходимости в разъединении двигателя и КПП, необходимо воздействовать на пружины, которые поджимают ведущий диск. В результате этого, усилие снижается, а диск, отходя, перестает прижимать к маховику ведомый диск — передача момента больше не производится.
Другими словами, чтобы отключить от КПП мотор, необходимо подействовать на пружины ведущего диска, для чего в конструкцию вмещен выжимной подшипник. А размещен он за корзиной на ведущем валу КПП. Перемещаясь по фланцу, выжимной подшипник воздействует на пружины корзины, однако для этого ему необходимо усилие для преодоления их сопротивления. Данное усилие берется от ноги водителя, нажимающего на педаль сцепления. Его усилие передается на подшипник путем системы привода и он вступает в работу.
Износ диска сцепления, причины
В основе работы сцепления стоит сила трения между различными материалами, а в случае автомобилей — фрикционных накладок и металла. Однако там, где существует трение, существует и повышенный износ.
В особенности он увеличивается при старте авто, когда подключение КПП производится постепенно.
Все это со временем приводит к износу основных элементов сцепления, особенно дисков, происходит уменьшение их толщины, а ходы выжимного подшипника и дисков увеличиваются. В результате, сцепление переживает усиленный износ, что приводит к абсолютному износу ведомого диска и, соответственно, к необходимости в его замене.
Когда менять сцепление
Чтобы точно знать, изношено ли сцепление, включите третью или даже четвертую передачу, после чего при движении 50-60 километров в час и при выжатом сцеплении сильно надавите на педаль газа. Если мотор будет набирать обороты, а скорость авто, при этом, не будет соответствовать, значит сцепление изношено. Мотор будет выдавать чрезмерные обороты из-за слабого контакта сцепления с маховиком.
Не рекомендовано садиться за руль авто с изношенным сцеплением, поскольку будет наблюдаться увеличение расхода топлива и существенная потеря мощности.
Помимо этого, изношенное сцепление в любой момент способно сломаться окончательно, что не исключает вероятность поломки в самое неподходящее время.
Регулировка сцепления, зачем нужно делать регулировку сцепления
В результате износа дисков происходит изменение зазоров хода подшипника и дисков. Именно поэтому следует периодически производить регулировку сцепления, чтобы убрать образовавшиеся зазоры.
Свободный ход педали сцепления, какая величина свободного хода в норме для легкового автомобиля
Даже при оптимальной работе сцепления, замер свободного хода педали необходимо производить хотя бы раз в год. При рабочем сцеплении этот ход должен составлять 30-35 миллиметров, не зависимо от типа привода — гидравлического, тросового либо механического.
Изменение размера данного хода, как правило, зависит от манеры вождения автомобилиста. При агрессивной манере, когда сцепление активно применяется, износ фрикционных накладок и дисков осуществляется быстрее.
Свободный ход педали сцепления, как измерить свободный ход педали на своем авто, подробно
Проверка свободного хода осуществляется обычной линейкой. Один ее край упирают в пол, второй же подставляют к педали. Далее слегка нажмите на педаль, осуществляя выборку всех зазоров. Педаль, при этом, двигается без сопротивления. Когда зазоры выбраны, перемещению педали начнут препятствовать пружины корзины и появится сопротивление. Этот ход и нужно замерить до начала сопротивления, он должен составлять 30-35 миллиметров.
Регулировка свободного хода, пошаговая инструкция
На всех авто с различными приводами сцепления регулировка осуществляется в одном месте — точка соединения привода и вилки подшипника, для чего на штифте рабочего цилиндра, тяги или троса есть резьба с двумя специальными гайками. С помощью данного штифта привод входит в вилку и крепится гайками.
Поэтому регулировку свободного хода производят путем изменения длины входа в проушину вилки.
Достаточно ослабить контргайку и с помощью второй гайки переменить длину входа штифта посредством откручивания или закручивания гайки. После этого осуществляют еще одно измерение длины свободного хода. Если оно соответствует норме, регулировочную гайку следует зажать контргайкой. При несоответствии зазора, необходимо далее производить регулировку.
Советы профи, как проверить работу сцепления
Чтобы проверить работу сцепления, нажмите несколько раз на педаль сцепления, мотор, при этом, должен быть включен. Педаль не должна заедать. Посторонние шумы должны отсутствовать — скрип, скрежет, стук и другое.
Далее запустите мотор, поддерживая его на холостом ходу. Затем следует выжать сцепление и включить заднюю передачу. Если наблюдается хруст или любой другой резкий отчетливый звук, значит неисправен нажимной или ведомый дик сцепления. Если передача не включается вообще, значит сцепление вышло из строя и нужен срочный ремонт.
Проверка и регулировка привода сцепления автомобиля
Сцепление в автомобиле играет немаловажную роль. Оно дает возможность разъединить силовую установку от трансмиссии, хотя и предназначено оно для кратковременного действия. Это дает возможность изменить передаточное число коробки передач путем введения в зацепление тех или иных звездочек – переключение передач. Помимо этого, сцепление позволяет плавно начать движение, а также отсоединить коробку от мотора во время торможения.
За основу работы сцепления положена сила трения между разными материалами, в случае автомобилей – металла и фрикционных накладок. Но там, где есть трение – там есть и повышенный износ. Особенно износ увеличивается при трогании с места, когда подключение коробки передач производится постепенно.
Все это производит к тому, что основные элементы сцепления – диски изнашиваются, толщина их уменьшается, а ходы дисков и выжимного подшипника увеличиваются.
В итоге, сцепление подвергается усиленному износу, что может привести к полному износу ведомого диска и потребности в его замене.
Интересно, что регулировка чего-либо в самой конструкции сцепления не производится, все регулировочные работы производятся с приводом включения. Все это достигнуто благодаря использованию у легковых авто мембранной пружины. У грузовых авто, где установлены рычаги отжима ведущего диска, требуется еще и регулировка хода этих рычагов. То есть, регулировка у авто с таким сцеплением производится за два подхода – сначала регулируется положение рычагов, а затем привода.
Конструкция и принцип работы сцепления
Чтобы было более понятно, коротко опишем конструкцию сцепления. Данное устройство размещается в корпусе, установленном между силовой установкой и коробкой передач, причем со стороны двигателя в этот корпус выходит маховик, а со стороны коробки передач – ведущий вал. Концевик этого вала входит в маховик, чтобы соблюдалась соосность между коленвалом и ведущим валом коробки.
Основным элементом сцепления является корзина с размещенным в ней ведущим диском. Этот диск подпружинен, но имеет возможность перемещаться продольно за счет этих пружин, а также рычагов. У легковых авто пружина совмещена с рычагами – мембранная пружина.
Корзина при помощи болтового соединения жестко крепится к маховику. Между ней и маховиком помещен ведомый диск. Осью для этого диска выступает вал КПП, причем связан он с ним посредством шлицов, по которым диск может перемещаться.
Коротко о принципе работы. Поскольку корзина с ведущим диском жестко закреплена на маховике, то она полностью воспринимает крутящий момент двигателя. Но с коробкой корзина не связана, поэтому этот момент она никуда не передает. Зато с коробкой связан ведомый диск, поскольку посажен он на ведущий вал. Чтобы передать момент, нужно зажать, причем сильно, ведомый диск между ведущим и маховиком. За это отвечают пружины, которыми поджимается ведущий диск.
При потребности в разъединении мотора и КПП, нужно воздействовать на пружины, поджимающие ведущий диск.
Усилие снижается, диск, отходя, прекращает прижимать ведомый диск к маховику – передача момента перестает производиться.
То есть, чтобы отключить мотор от КПП, нужно воздействовать на пружины ведущего диска. Для этого в конструкцию включен выжимной подшипник. Размещается он за корзиной на фланце ведущего вала КПП. Перемещаясь по этому фланцу, он может воздействовать на пружины корзины, но для этого ему нужно усилие, чтобы преодолеть сопротивление их. Берется это усилие от ноги человека, который нажимает на педаль сцепления. Усилие его передается посредством системы привода на подшипник и тот уже вступает в работу.
Назначение свободного хода педали сцепления
Как уже сказано, со временем происходит износ дисков, в результате чего изменяются зазоры хода дисков и подшипника. Поэтому периодически должна производится регулировка сцепления, а точнее привода, чтобы убрать появившиеся зазоры. У легкового авто все это сводится к тому, что производится всего лишь регулировка свободного хода педали сцепления.
Регулировка привода сцепления
Этот ход должен присутствовать – это всего лишь зазор между вилкой выключения сцепления, выжимным подшипником и рычагами корзины, но он обязательно нужен, чтобы не было постоянного соприкосновения подшипника с рычагами, из-за чего подшипник будет работать постоянно и быстро выйдет из строя. Также этот зазор не должен быть большим, поскольку ход педали сцепления ограничен, и если будет большая выборка на свободный ход, то остального хода педали не хватит для полного выжима ведущего диска.
Даже при нормальной работе сцепления хотя бы раз в год должен производится замер свободного хода педали. При нормальном рабочем сцеплении данный ход должен составлять 30-35 мм, вне зависимости от типа привода – механического, тросового или гидравлического.
Изменение размера этого хода в основном зависит от стиля вождения водителя. При агрессивном стиле, когда сцепление используется активно, износ дисков, в частности, фрикционных накладок, производится быстрее.
В результате размер свободного хода измениться быстрее.
Основные неисправности сцепления
Видео: Неисправность сцепления на ВОЛГЕ
Если вовсе не обращать внимания на работу сцепления, то зачастую это приводит к таким проблемам:
- При полном выжиме педали автомобиль продолжает двигаться – сцепление «ведет». Это как раз происходит из-за износа дисков, при этом выборка появившегося в результате износа зазора не производится. Увеличенный свободный ход приводит к тому, что полностью разъединить мотор с КПП не удается и крутящий момент продолжает передаваться даже при полном выжиме педали. Сопровождается это усложненным переключением передач, хрустом при вхождении в зацепление шестерен КПП;
- Противоположной описанному ситуацией является пробуксовка сцепления. Причиной пробуксовки является отсутствие свободного хода и перетяжка положения вилки. В результате выжимной подшипник постоянно немного поджимает пружины ведущего диска, из-за чего он не полностью прижимает ведомый диск.
Признаками пробуксовки является более затрудненный набор скорости, специфический запах в салоне из-за постоянного перегрева накладок, повышенный шум работы из-за постоянно вращающегося выжимного подшипника. - Повышенный шум в работе может быть и из-за малого свободного хода, когда выжимной подшипник поджат к рычагам корзины, но не выжимает их. То есть, пробуксовки нет, но подшипник постоянно вращается.
Проверка и регулировка свободного хода педали сцепления
При возникновении этих признаков следует вначале проверить состояние привода, а после замерить свободный ход. Проверить нужно точки соединения педали сцепления с тросом, тягой или штифтом поршня главного цилиндра гидропривода, а затем соединение тяги, торса или штифта рабочего цилиндра с вилкой выжимного подшипника.
Видео: регулировка сцепления .самый легкий способ ваз 2110.2111.2112
Проверка свободного хода производится обычной линейкой.
Один край ее упирают в пол, а второй подставляют к педали. Затем слегка нажимают на педаль, производя выборку всех зазоров от педали к рычагам корзины. При этом педаль двигается без особого сопротивления. Когда все зазоры выбраны, движению педали будет препятствовать пружины корзины, у движения педали появится сопротивление. Именно этот ход до начала сопротивления и нужно замерить, составлять он должен 30-35 мм.
Если свободный ход больше или меньше, производится регулировка. У всех авто, с разными приводами сцепления регулировка производится в одном месте – точке соединения привода с вилкой подшипника. Для этого на штифте троса, тяги или рабочего цилиндра имеется резьба с двумя гайками. Этим штифтом привод заходит в вилку и закрепляется гайками.
Поэтому регулировка свободного хода производится изменением длины входа штифта в отверстие вилки. Достаточно послабить контргайку и второй гайкой изменить длину входа штифта путем накручивания или откручивания гайки. При большом свободном ходе гайка накручивается на штифт, а при малом – откручивается.
После производится еще один замер длины свободного хода, и если он соответствует норме, регулировочная гайка зажимается контргайкой. Если зазор не соответствует, нужно далее производить регулировку.
После регулировки нужно проверить работоспособность сцепления. Если оно продолжает неисправно работать, возможен выход из строя одного из элементов сцепления и потребуется его замена.
виды, устройство и принцип работы
Сцеплением называется механизм трансмиссии, передающий крутящий момент от двигателя к коробке передач за счет силы трения. Также оно позволяет кратковременно отсоединить двигатель от трансмиссии и вновь их плавно соединить. Существует достаточно много разновидностей муфт сцепления. Они различаются по количеству ведомых дисков (однодисковое, двухдисковое или многодисковое), по типу рабочей среды (сухое или мокрое) и по типу привода. Разные виды сцеплений имеют соответствующие преимущества и недостатки, но наибольшее распространение на современных автомобилях получило однодисковое сухое сцепление либо с механическим, либо гидравлическим приводом.
Элементы муфты сцепления
Конструкция муфты сцепления
Стандартная муфта сцепления, применяющаяся на большинстве автомобилей с механической коробкой передач, включает следующие основные элементы:
- Маховик двигателя – ведущий диск.
- Ведомый диск сцепления.
- Корзина сцепления – нажимной диск.
- Выжимной подшипник сцепления.
- Муфта выключения сцепления.
- Вилка сцепления.
- Привод сцепления.
На ведомый диск сцепления с обеих сторон установлены фрикционные накладки. Его функция – передача крутящего момента за счет силы трения. Встроенный в корпус диска пружинный демпфер крутильных колебаний смягчает соединение с маховиком и гасит вибрации и нагрузки от неравномерности работы двигателя.
Схема расположения диска сцепления, корзины и выжимного подшипника с муфтой выключения
Нажимной диск и диафрагменная пружина, воздействующие на ведомый диск сцепления, в сборе представляют собой единый узел, получивший название “корзина сцепления”.
Ведомый диск сцепления расположен между корзиной и маховиком и соединен с первичным валом коробки передач с помощью шлицев, по которым он может перемещаться.
Диафрагменная пружина корзины может быть либо нажимного, либо вытяжного принципа действия. Отличие – в направлении приложения усилия от привода сцепления: к маховику или от маховика. Особенность конструкции пружины вытяжного действия позволяет использовать корзину, толщина которой значительно меньше. Это делает узел максимально компактным.
Особенности работы на автоматических коробках
В обычных АКПП такой элемент трансмиссии, как сцепление, попросту отсутствует. Зато на роботизированных и кулачковых «автоматах» она предусмотрена. Кстати, на последнем типе трансмиссий сцепление работает только при старте. В процессе движения данный элемент не функционирует.
На большинстве автоматических коробок используется многодисковое сцепление влажного типа. Однако выжим здесь происходит не путем нажатия определенной педали (которой попросту здесь нет), а сервоприводом (другими словами, актуатором).
На данный момент принято различать несколько типов данных устройств:
- Электрический. Подобный сервопривод представляет собой шаговый двигатель. Он управляется при помощи ЭБУ (электронного блока управления).
- Гидравлический. Такой актуатор выполняется в виде гидроцилиндра. Он приводится в действие специальным гидравлическим распределителем.
На КПП типа «робот» используются два типа сцеплений. Они функционируют переменно. При выжиме первого для автоматического переключения определенной передачи второе ожидает команды для выжима следующей.
Принцип работы
Принцип работы сцепления основан на жестком соединении ведомого диска сцепления и маховика двигателя за счет возникающей силы трения от усилия, которое создает диафрагменная пружина. Сцепление имеет два режима: «включено» и «выключено». Основное время работы ведомый диск прижат к маховику. Крутящий момент от маховика передаётся ведомому диску, а от него через шлицевое соединение на первичный вал коробки передач.
Схема работы диафрагменной пружины
Для выключения муфты водитель нажимает на педаль, которая соединена с вилкой механическим или гидравлическим приводом. Вилка перемещает выжимной подшипник, который, нажимая на концы лепестков диафрагменной пружины, прекращает её давление на нажимной диск, а он, в свою очередь, освобождает ведомый. В этот момент двигатель разъединен с трансмиссией.
После включения нужной передачи в коробке передач водитель отпускает педаль сцепления, вилка перестаёт воздействовать на выжимной подшипник, а тот на пружину. Нажимной диск прижимает ведомый к маховику. Двигатель соединен с трансмиссией.
Предназначение
Какие функции выполняет сцепление автомобиля? Прежде всего, данный узел необходим для плавного трогания автомобиля с места, о чем мы сказали в начале статьи. Если мотор с коробкой соединены жестко, то после включения передачи машина резко дергается вперед, так как на коробку передается сразу вся мощность от двигателя. Неправильное использование сцепления вызывает механическое повреждение деталей, а также приводит к частой остановке двигателя при трогании с места.
Благодаря работе сцепления, а именно скольжению ведущего и ведомого дисков, крутящий момент увеличивается постепенно. Движущие усилия возрастают не сразу, а потому машина трогается очень плавно и мягко.
Также коробка сцепления необходима для легкого переключения передач во время движения транспортного средства. Когда автомобиль едет с определенной скоростью, которая стабильно растет или уменьшается, возникает необходимость в переходе на повышенную или пониженную передачу, чему способствует своевременное разъединение валов узла между трансмиссией и двигателем. В противном случае для переключения передачи требовались бы более высокие усилия, что в дальнейшем спровоцировало бы быстрый износ КПП и других его механизмов. В частности, при принудительном переводе скорости повышается нагрузка на зубья шестерен. Таким образом, сцепление также выполняет функцию уменьшения нагрузки, которая действует на поверхность деталей КПП, что облегчает переход с одной передачи на другую. При этом коробка передач (фото данного механизма представлено ниже) терпит минимальные нагрузки от двигателя.
А это значительно повышает срок службы деталей КПП, цена которых порой слишком велика.
Кроме того, работа сцепления направлена на уменьшение уровня нагрузок, действующих на КПП во время экстренного торможения автомобиля. Когда машина резко снижает скорость, момент вращения ее колес значительно уменьшается. Но поскольку трансмиссия в это время соединена с мотором, она обладает инерцией вращения и сохраняет прежнюю частоту оборотов. Это может привести к значительному повреждению ее деталей. Сама защита от перегрузок осуществляется проскальзыванием ведомых и ведущих дисков. В таком случае момент вращения стабилизируется максимально.
Виды сцепления
Сухое сцепление
Принцип действия сцепления данного типа основан на силе трения, возникающей при взаимодействии сухих поверхностей: ведущего, ведомого и нажимного дисков. Это обеспечивает жесткую связь двигателя и коробки передач. Сухое однодисковое сцепление – самый распространенный вид, использующийся на основной массе автомобилей с механической КПП.
Мокрое сцепление
Данный вид сцепления предполагает работу трущихся поверхностей в масляной ванне. По сравнению с сухой, такая схема обеспечивает более плавное соприкосновения дисков; узел эффективнее охлаждается за счет циркуляции жидкости и может передавать больший момент на трансмиссию.
Двойное сцепление мокрого типа
Мокрая схема обычно применяется на современных роботизированных КПП с двойным сцеплением. Особенность работы такого сцепления заключается в том, что на четные и нечетные передачи КПП подается крутящий момент от отдельных ведомых дисков. Привод сцепления – гидравлический, управляемый электроникой. Переключение скоростей происходит при постоянной передаче крутящего момента на трансмиссию без разрыва потока мощности. Данная конструкция является более дорогой и сложной в производстве.
Сухое двухдисковое сцепление
Элементы двухдискового сцепления
Сухое двухдисковое сцепление предполагает наличие двух ведомых дисков и промежуточной проставки между ними.
Данная схема способна передать больше крутящего момента при тех же размерах механизма сцепления. Сама по себе она проще в производстве по сравнению с мокрой. Обычно применяется на грузовиках и легковых автомобилях с особо мощными двигателями.
Сцепление двухмассового маховика
Двухмассовый маховик состоит из двух частей. Одна из них связана с двигателем, вторая – с ведомым диском. Обе составляющие маховика имеют небольшой свободный ход относительно друг друга в плоскости вращения и соединены пружинами между собой.
Схема двухмассового маховика
Особенностью сцепления двухмассового маховика является отсутствие пружинного демпфера крутильных колебаний в ведомом диске. Функция гашения колебаний заложена в конструкцию маховика. Помимо передачи крутящего момента он максимально эффективно сглаживает вибрации и нагрузки, возникающие от неравномерности работы двигателя.
Принцип работы сцепления с гидравлическим приводом
Здесь, в отличие от первого случая, усилие от педали к механизму передается посредством жидкости.
Последняя содержится в специальных трубопроводах и цилиндрах.
Устройство данного типа сцепления несколько отличается от механического.
На шлицевом конце ведущего вала трансмиссии и стального кожуха, закрепленного к маховику, устанавливается 1 ведомый диск.
Внутри кожуха есть пружина с радиальным лепестком. Она служит выжимным рычагом. Управляющая педаль при этом подвешивается на оси к кронштейну кузова. К ней также прикреплен толкатель главного цилиндра на шарнирном соединении. После того как происходит выключение узла и переключение передачи, пружина с радиальными лепестками возвращает педаль в исходное положение.
В конструкции узла присутствует как главный, так и рабочий цилиндр сцепления. По своей конструкции оба элемента очень схожи между собой. Оба состоят из корпуса, внутри которого присутствует поршень и специальный толкатель. Как только водитель нажимает педаль, задействуется главный цилиндр сцепления. Здесь при помощи толкателя поршень перемещается вперед, благодаря чему давление внутри увеличивается.
Последующее его передвижение приводит к тому, что жидкость проникает в рабочий цилиндр через нагнетательный канал. Так вот, благодаря воздействию толкателя на вилку и происходит выключение узла. В то время, когда водитель начинает отпускать педаль, рабочая жидкость поступает обратно. Это действие приводит к включению сцепления. Данный процесс можно описать так. Сначала открывается обратный клапан, который сжимает пружину. Далее идет возврат жидкости из рабочего цилиндра в главный. Как только давление в нем становится меньше усилия нажатия пружины, клапан закрывается, а в системе образуется избыточное давление жидкости. Так происходит нивелирование всех зазоров, которые находятся в определенной части системы.
Ресурс сцепления
Ресурс сцепления главным образом зависит от условий эксплуатации автомобиля, а также от стиля езды водителя. В среднем, срок службы сцепления может доходить до 100-150 тысяч километров пробега. В результате естественного износа, возникающего в момент соприкосновения дисков, фрикционные поверхности изнашиваются и требуют замены.
Основная причина – проскальзывание дисков.
Двухдисковое сцепление обладает большим ресурсом за счет увеличенного числа рабочих поверхностей. Выжимной подшипник сцепления задействуется при каждом разрыве соединения двигателя и коробки передач. Со временем в подшипнике вырабатывается и теряет свойства вся смазка, в следствие чего он перегревается и выходит из строя.
Что в итоге
Как видно, водителям транспортного средства с МКПП нужно во время езды на автомобиле постоянно выполнять выключение и включение сцепления. При этом для продления срока службы элемента нужно избегать того, чтобы сцепление подвергалось нагрузкам.
Для этого нужно трогаться с места с невысоких оборотов ДВС, отпуская сцепление плавно, не держать передачу включенной и стоять с нажатой педалью сцепления на светофорах, буксовать в грязи или снегу с наполовину включенным сцеплением и т.д.
Напоследок отметим, что освоив принцип работы и получив навыки работы с педалью сцепления, водитель сможет обеспечить плавность хода автомобиля, добиться комфортного переключения передач и увеличить ресурс сцепления.
Коробка передач «механика»: основные плюсы и минусы данного типа КПП, принцип работы механической трансмиссии автомобиля (МКПП).
Стыковка коробки передач и двигателя автомобиля. Соединение механической и автоматической трансмиссии с ДВС: на что обратить внимание, особенности и нюансы.
Устройство и принцип работы роботизированной КПП. Отличия роботизированных коробок передач от гидротрансформаторной АКПП и вариатора CVT.
Устройство и принцип работы механической коробки передач. Виды механических коробок (двухвальная, трехвальная), особенности, отличия
Автоматическая коробка передач (АКПП, АКП) «классического» типа с гидротрансформатором: устройство и принцип работы. Плюсы и минусы гидромеханической АКПП.
Коробка передач АМТ: устройство и работа роботизированной коробки передач, виды коробок-робот. Преимущества и недостатки роботизированной трансмиссии.
Особенности керамического сцепления
Ресурс сцепления и эффективность его работы на пределе нагрузок зависит и от свойств материала, обеспечивающего зацепление дисков.
Стандартный состав накладок дисков сцепления большинства автомобилей включает спрессованную смесь стеклянных и металлических волокон, смолы и каучука. Поскольку принцип работы сцепления базируется на силе трения, фрикционные накладки ведомого диска рассчитаны на работу при высоких температурах, доходящих до 300-400 градусов Цельсия.
Диск сцепления с керамическими фрикционными накладками
В мощных спортивных автомобилях нагрузки на сцепление намного превышают обычные нормы. Для некоторых трансмиссий может применяться керамическое и металлокерамическое сцепление. В состав материала таких накладок входит керамика и кевлар. Металлокерамический фрикционный материал менее подвержен износу и выдерживает нагрев до 600 градусов без потери рабочих качеств.
Производители используют различные конструкции муфты сцепления, оптимальные для определенного автомобиля, исходя из его назначения и стоимости. Сухое однодисковое сцепление остается достаточно эффективной и недорогой в изготовлении конструкцией.
Данная схема широко применяется на легковых автомобилях бюджетного и среднего классов, а также на внедорожниках и грузовиках.
Зачем лишняя педаль
Сцепление является элементом конструкции автомобиля, принимающим участие в передаче момента к колесам от двигателя и позволяющим кратковременно эту передачу разрывать, что выполняется водителем, когда он нажимает на педаль сцепления. Рассматривая вопрос о ее назначении и роли в управлении автомобилем, нельзя, хотя бы кратко, не коснуться устройства такого механизма.
Однако, прежде чем разбираться с конструкцией механизма управления, требуется сделать оговорку, что использовать его надо достаточно осторожно. Недаром при управлении автомобилем левая нога не касается педали, а должна лежать на специально предусмотренном для нее месте. Связано это с тем, что когда двигатель отключен от колес, резко снижается возможность управления, машина движется только по инерции. Особенно опасно такое движение на мокрой или скользкой дороге.
В подобных случаях то же торможение надо выполнять без нажатия на сцепление. Иначе возможен занос машины с непредсказуемыми последствиями, особенно для новичков, не готовых к такому изменению поведения автомобиля. Лучше всего руководствоваться одним общим правилом – при движении на ровной дороге в случае отсутствия необходимости переключения передач управлять автомобилем надо, используя только газ и тормоз. То же самое относится к движению с горки, в этом случае нельзя допускать езду накатом или при отключенном от колес двигателе.
Двигатель всегда должен быть готов передать, а колеса получить необходимый крутящий момент. Только тогда вы сохраняете полную возможность контролировать поведение автомобиля. Поэтому пользоваться педалью сцепления надо исключительно при необходимости, только в тех случаях, когда не обойтись без этого нельзя, как при переключении передач или начале движения. Имея в виду, что нужно делать это аккуратно и осторожно, так как в процессе переключения передач возможно возникновение резких динамических нагрузок на различные узлы машины.
Устройство и принцип работы привода сцепления
Важной частью автомобиля, оборудованного механической коробкой передач, является сцепление. Он состоит непосредственно из фрикциона (корзины) сцепления и привода. Остановимся подробнее на таком элементе, как привод сцепления, играющем важную роль в общем узле сцепления. Именно при его неисправности сцепление теряет свою функциональность. Разберем приводное устройство, его виды, а также преимущества и недостатки каждого.
Привод сцепления и его виды
Привод предназначен для дистанционного управления сцеплением непосредственно водителем из салона автомобиля. Нажатие на педаль сцепления напрямую влияет на нажимной диск.
Известны следующие типы привода:
- механический;
- гидравлический;
- электрогидравлический;
- пневмогидравлический.
Наибольшее распространение получили первые два типа. В грузовиках и автобусах используется пневмогидравлический привод.
Электрогидравлика устанавливается в машинах с роботизированной коробкой передач.
В некоторых автомобилях для облегчения управления используется пневматический или вакуумный усилительный привод.
Механический привод
Механический или тросовый привод имеет простую конструкцию и низкую стоимость. Он неприхотлив в уходе и состоит из минимального количества элементов. Механический привод устанавливается на легковые автомобили и легкие грузовики.
К элементам механического привода относятся:
- трос сцепления;
- педаль сцепления;
- Вилка выключения сцепления;
- выжимной подшипник;
- механизм регулировки.
Трос сцепления в оболочке является основным элементом привода. Трос сцепления прикреплен к вилке, а также к педали в салоне. В момент нажатия педали водителем действие передается через трос на вилку и выжимной подшипник. В результате маховик двигателя отсоединяется от трансмиссии и, соответственно, выключается сцепление.
В соединении троса и рычажного привода предусмотрен регулировочный механизм, обеспечивающий свободный ход педали сцепления.
Ход педали сцепления свободный до включения привода. Расстояние, пройденное педалью без особых усилий водителя при нажатии, является свободным ходом.
Если переключение передач сопровождается шумом, а в начале движения наблюдаются небольшие рывки автомобиля, то необходимо отрегулировать ход педали.
Люфт сцепления должен быть в пределах 35-50 мм свободного хода педали. Нормы этих показателей указаны в технической документации автомобиля. Ход педали регулируется изменением длины штока с помощью регулировочной гайки.
В грузовых автомобилях используется не тросовый, а рычажный механический привод.
К преимуществам механического привода относятся:
- простота устройства;
- низкая стоимость;
- надежность в эксплуатации.
Основным недостатком считается меньший КПД по сравнению с гидравлическим приводом.
Гидравлический привод сцепления
Гидравлический привод имеет более сложную конструкцию. К его элементам, помимо выжимного подшипника, вилки и педали, относится еще и гидравлическая магистраль, заменяющая трос сцепления.
По сути, эта магистраль аналогична гидравлической тормозной системе и состоит из следующих элементов:
- главный цилиндр сцепления;
- рабочий цилиндр сцепления;
- Бачок и трубопровод с тормозной жидкостью.
Устройство главного цилиндра сцепления напоминает устройство главного тормозного цилиндра. Главный цилиндр сцепления состоит из поршня с толкателем, расположенного один в корпусе. Он также включает в себя резервуар для жидкости и уплотнительные кольца.
Рабочий цилиндр сцепления, имеющий конструкцию аналогичную главному цилиндру, дополнительно оснащен клапаном для удаления воздуха из системы.
Механизм действия гидравлического привода такой же, как у механического, только усилие передается с помощью жидкости в трубопроводе, а не через трос.
Когда водитель нажимает на педаль, усилие передается через шток на главный цилиндр сцепления. Затем за счет несжимаемости жидкости срабатывает рабочий цилиндр сцепления и рычаг привода выжимного подшипника.
В качестве преимуществ гидропривода можно выделить следующие особенности:
- гидромуфта позволяет передавать усилие на значительное расстояние с высоким КПД;
- сопротивление перетеканию жидкости в элементы гидропривода способствует плавному включению сцепления.
Основным недостатком гидропривода является более сложный ремонт по сравнению с механическим. Утечка рабочей жидкости и попадание воздуха в систему гидропривода, пожалуй, самые распространенные поломки, которыми могут похвастаться главный и рабочий цилиндры сцепления.
Гидропривод применяется в легковых и грузовых автомобилях с опрокидывающейся кабиной.
Нюансы работы сцепления
Водители часто склонны связывать неровности и рывки движения с неисправностями сцепления.
Эта логика в большинстве случаев ошибочна.
Например, автомобиль при переключении с первой на вторую передачу резко тормозит. Виновата не сама муфта, а датчик положения педали сцепления. Он расположен за самой педалью сцепления. Неисправности датчика устраняются простым ремонтом, после чего сцепление снова будет работать ровно и без рывков.
Другая ситуация: при переключении передач машина немного дергается, а при трогании с места может заглохнуть. Что может быть причиной? Чаще всего виноват клапан задержки сцепления. Этот клапан обеспечивает определенную скорость, при которой маховик может включаться, независимо от того, как быстро выбрасывается педаль сцепления. Для начинающих водителей эта функция необходима, т.к. клапан задержки сцепления предотвращает чрезмерный износ поверхности диска сцепления.
Главная » Трансмиссия автомобиля » Устройство и принцип работы привода сцепления
Как прокачать гидравлическое сцепление —
Владение автомобилем с механической коробкой передач доставляет массу удовольствия.
Наличие педали сцепления у ваших ног и рычага переключения передач в руке дает вам такой уровень контроля над автомобилем, который водители с автоматической коробкой передач не могут оценить по достоинству. Однако, хотя автомобили с механической коробкой передач доставляют определенные удовольствия, они также сопряжены с определенными проблемами. Одной из таких проблем является недостаточная чувствительность сцепления, что может потребовать прокачки системы.
Вы, наверное, не думали, что подписываетесь на прокачку сцепления, когда покупали машину с механической коробкой передач. Однако, если вам нужно это сделать, лучше знать, как прокачать сцепление, чем обращаться к механику и нести большой счет за ремонт за то, что вы можете сделать самостоятельно на подъездной дорожке.
Что такое гидравлическая муфта?
Во-первых, важно понять, как работает гидравлическое сцепление. Гидравлические муфты были представлены в качестве альтернативы муфтам с механическим сцеплением, поскольку они требуют меньшего количества движущихся частей, которые могут выйти из строя и потребовать регулировки или замены.
Гидравлическое сцепление работает с главным цилиндром и рабочим цилиндром. Когда вы нажимаете на сцепление, толкатель нагнетает жидкость через трубку в рабочий цилиндр, приводя в действие поршень, соединенный с рабочим цилиндром, который отключает сцепление через выжимной подшипник.
Зачем прокачивать сцепление?
Прокачать сцепление означает слить из него часть жидкости, чтобы удалить лишний воздух. Зачем прокачивать сцепление? Вы не должны прокачивать свое сцепление, если у вас нет проблем с ним. Что за проблема? Иногда сцепление может сопротивляться высвобождению. Другими словами, если у вас включено сцепление и вы пытаетесь переключиться, сцепление может сопротивляться вам и пытаться оставаться на передаче. Если это происходит, вероятно, это связано с воздухом в системе сцепления.
Почему это проблема? Ваше сцепление представляет собой гидравлическое сцепление, то есть оно работает в соответствии с гидравлической системой давления жидкости, как упоминалось выше.
Жидкость позволяет системе создавать необходимое давление для работы сцепления. Именно эту жидкость главный цилиндр проталкивает через рабочий цилиндр, задействующий систему. Если в системе есть воздух, вы не получаете достаточного давления, и сцепление не может полностью включиться.
Прокачка сцепления — это процесс, при котором вы удаляете всю жидкость, которая в настоящее время находится в системе, удаляя всю жидкость и воздух и заменяя их чистой жидкостью.
Как кровоточить муфту жидкость
Необходимое оборудование и инструменты для кровоточащей сцепления
- Кто -то, чтобы помочь сцеплению сцепления
- A Дорней
- Глюдная жидкость
Шага жидкости сцепления:
- Шаг первый: Проверьте уровень жидкости в бачке для жидкости сцепления. Заполните его до линии заполнения новой жидкостью для сцепления.
- Шаг второй: Найдите винт для выпуска воздуха и поставьте под него поддон.

- Шаг третий: Попросите помощника несколько раз прокачать сцепление, затем полностью нажмите и удерживайте его.
- Шаг четвертый: Возьмите гаечный ключ и немного, примерно на пол-оборота, отверните штуцер для выпуска воздуха. Вы должны услышать и увидеть жидкость и воздух, выходящие из клапана.
- Шаг пятый: Как только кровотечение замедлится, затяните винт. Как только он полностью затянут, вы можете отпустить педаль сцепления и добавить больше жидкости для сцепления.
- Шаг шестой: Повторяйте этот процесс до тех пор, пока, когда вы не откроете винт для выпуска воздуха, не будет выходить только жидкость, и вы не услышите шипения или не обнаружите, что выходит воздух. Снова затяните винт прокачки, немного затянув его, но не перетягивая. Убедитесь, что резервуар для жидкости заполнен.
Это должно решить вашу проблему со сцеплением.
Возможно, вы захотите сначала проехать на парковке, подъездной дорожке или в другом безлюдном месте, чтобы убедиться, что проблема со сцеплением решена. Когда автомобиль припаркован, вы можете оставить под ним лист белой бумаги или картона, чтобы убедиться, что жидкость не вытекает. Если это так, это, вероятно, просто означает, что вам нужно затянуть штуцер для выпуска воздуха.
Важно отметить, что никогда не следует полностью сливать жидкость из сцепления во время этой процедуры. Вы прокачиваете сцепление, а не сливаете его. Если вы полностью опустошите бачок для жидкости сцепления, то, вероятно, при повторном наполнении в него попадет больше воздуха, и вам придется выполнять все шаги заново.
Утечки жидкости сцепления
Возможно, ваша гидравлическая система сцепления попала в воздух, потому что где-то в системе есть утечка — это наиболее распространенная проблема, о которой мы слышим от клиентов, которые звонят нам или сообщают нам на Facebook.
Если вы подозреваете, что дело обстоит именно так, вместо доливки обычной жидкости для сцепления вам следует заполнить бачок сцепления нашей усовершенствованной жидкостью для гидравлического ручного сцепления Bar’s Leaks с функцией Stop Leak. Этот продукт делает все то же самое, что и первоклассная жидкость для сцепления, но он также включает присадки, которые останавливают утечки и восстанавливают уплотнения, чтобы предотвратить потерю жидкости или попадание воздуха. Это устранит любые утечки и защитит от любых потенциальных проблем с утечками в будущем.
На самом деле, вы, вероятно, захотите использовать этот продукт каждый раз, когда вам нужно долить жидкость для сцепления. Это одна из самых эффективных жидкостей для сцепления на рынке, поэтому вы будете наслаждаться плавным переключением передач и более длительным сроком службы сцепления, а также дополнительным преимуществом, заключающимся в том, что вам не придется беспокоиться о незначительных или умеренных утечках.
Trust Bar’s Leaks
Если вы решили защитить свое сцепление с помощью жидкости для сцепления Stop Leaks, убедитесь, что вы используете продукт Bar’s Leaks.
Bar’s Leaks — это имя, пользующееся наибольшим доверием в области химических добавок для предотвращения утечек, с многолетним опытом разработки проверенных решений для химического ремонта. Если вы используете другую марку, нет гарантии качества или способности продукта устранять любые утечки в вашей гидравлической системе сцепления.
Если вы не знаете, где найти продукты Bar’s Leaks рядом с вами, у нас есть страница поиска , которая должна вам помочь. И если у вас есть какие-либо вопросы о прокачке сцепления, жидкости для сцепления Bar’s Leaks или любом продукте Bar’s Leaks для предотвращения утечек, свяжитесь с Bar’s Leaks прямо сейчас. Мы рады помочь.
Коробка отбора мощности (ВОМ) | Все, что вам нужно знать
Дорожные фрезы, земснаряды и другое оборудование требуют питания от определенного типа двигателя для выполнения своих функций. Без коробки отбора мощности было бы необходимо добавить второй двигатель, чтобы обеспечить мощность, необходимую для работы гидравлических насосов и другого оборудования, присоединенного к трансмиссии.
Добавление дополнительного двигателя просто нецелесообразно, что делает коробку отбора мощности (ВОМ) ценным элементом в обеспечении мощности второстепенных функций. Чтобы признать их ценность, требуется лучшее понимание этих систем, их различных типов и разнообразных приложений.
Коробки отбора мощности
Коробки отбора мощности позволяют мобильным дробильным установкам, дорожным фрезам и другим транспортным средствам выполнять вспомогательные функции, не требуя дополнительного двигателя для их питания. ВОМ — это устройство (механизм), обычно устанавливаемое на кожухе маховика, которое передает мощность от трансмиссии (двигателя) на вторичное оборудование. В большинстве случаев эта передача мощности применяется к вторичному валу, который приводит в движение гидравлический насос, генератор, воздушный компрессор, пневматический нагнетатель или вакуумный насос.
Выбор правильного ВОМ
Выбор ВОМ имеет решающее значение для обеспечения достаточной мощности вспомогательного оборудования без серьезного ограничения основной функции первичного двигателя.
Для выбора коробки отбора мощности требуется конкретная информация, касающаяся применения и потребности в мощности вторичного или ведомого компонента.
Вот краткий список соображений по выбору МОМ :
- Требования к крутящему моменту и мощности ведомого компонента
- Прерывистая или непрерывная работа
- Применение
- Требования к скорости ведомого компонента
- Размеры и варианты монтажной поверхности
- Распределение пространства
- Способ включения ВОМ
эти доступные спецификации делают правильный выбор МОМ простым
задача.Требования к крутящему моменту и мощности ВОМ
Требования к скорости и вращению ВОМ являются одними из наиболее важных характеристик в приведенном выше списке, при этом скорость необходима для расчета крутящего момента. Требования к крутящему моменту и мощности ведомого компонента необходимы для оптимальной работы.
В большинстве случаев эта информация содержится в руководстве по эксплуатации ведомого компонента, но при необходимости расчет этих требований относительно прост с использованием двух основных формул.

- HP = GPM x PSI ÷ 1714
HP (лошадиные силы) = GPM (расход насоса в галлонах/мин) x PSI
требуемое давление фунт/дюйм) ÷ 1714 (коэффициент пересчета в выход HHP или
гидравлическая мощность). Эта формула обеспечивает потребность в лошадиных силах для
ведомый компонент, используемый при расчете требования к крутящему моменту.- T = л.с. × 5252 ÷ об/мин
T (крутящий момент) = л.с.
лошадиных сил пересекаются) ÷ RPM (частота оборотов ведущего вала ведомого
составная часть).Имейте в виду, что эти расчеты применимы только к коробкам отбора мощности, приводящим в действие гидравлический насос. В тех случаях, когда коробка отбора мощности подает мощность на приводной компонент другого типа, потребуются спецификации производителя ведомого элемента.
Различные типы и промышленное применение муфт отбора мощности
Несмотря на то, что они выполняют одну и ту же общую функцию — передачу мощности от первичного ведущего вала к вторичному ведущему валу для ведомого компонента, — существуют различные типы МОМ, предназначенные для конкретных промышленных применений.
Именно благодаря этой диверсификации WPT Power поставляет OEM-устройства в сельском хозяйстве, энергетике, лесном хозяйстве и дорожном строительстве.Беспилотный механический ВОМ
Отличительной чертой этого типа МОМ является преднамеренное удаление вспомогательного подшипника. Преимуществами этой конструктивной особенности являются повышенная боковая грузоподъемность, сокращение запасов, увеличение времени безотказной работы и срока службы двигателя, а также более быстрая и простая установка. Промышленное применение беспилотного механического ВОМ включает:
- Измельчители
- Камнедробилки
- Ирригационные насосы
- Водоструйные машины
- Широкий спектр других тяжелых дорожно-строительных машин . Он включает в себя запечатанный на весь срок направляющий подшипник и ручную муфту с рычажным приводом. Преимуществом этого типа МОМ является простая установка, которая сводит к минимуму время простоя и требования к техническому обслуживанию.
Этот тип чаще всего применяется к:- Блоки двигателей
- Насосные домкраты
- Баржевые насосы
- Дробилки для веток
ВОМ типа 1
Это прочный и мощный механизм отбора мощности, используемый в широком спектре промышленных функций. Характерной чертой этого типа ВОМ являются шкивы между сверхмощными сферическими роликоподшипниками, предназначенными для использования их полной потенциальной нагрузки. Такое расположение подшипников снижает повреждения, вызванные нагрузкой на коленчатый вал. Среди наиболее распространенных применений ВОМ Типа 1:
- Буровые насосы
- Земснаряды
- Камнедробилки
- Мобильные рубильные машины
ВОМ типа 2
В конструкции ВОМ типа 2 используются усиленные боковые подшипники с большой грузоподъемностью сферических роликов. Привод этого ВОМ может быть как гидравлическим, так и пневматическим. Он саморегулирующийся и устраняет необходимость в вспомогательном подшипнике внутри маховика двигателя.
Особенности включают в себя меньшее техническое обслуживание, меньшую вероятность преждевременных отказов и увеличенный срок службы двигателя и подшипников, поскольку коленчатый вал не подвергается прямой нагрузке. Общие области применения ВОМ типа 2 включают:- Дорожно-строительная техника (фрезерные машины, стабилизаторы)
- Переносные камнедробилки
- Шлифовальные машины
Муфты ВОМ типа 1 и типа 2
Различие между этими двумя типами муфт ВОМ заключается в их различных функциональных конструкциях.
- ВОМ типа 1 имеют в 2-4 раза большую боковую нагрузку, чем ВОМ типа 2, поэтому они лучше всего подходят для более тяжелых промышленных применений с высокой ударной нагрузкой.
- ВОМ типа 2 обеспечивают большую грузоподъемность при меньшей занимаемой площади и лучше всего подходят для боковой загрузки легкой и средней грузоподъемности.
Беспилотный механизм отбора мощности над валом
Эта конструкция механизма отбора мощности устраняет необходимость в вспомогательном подшипнике, обеспечивая при этом повышенную боковую нагрузку или линейный потенциал.
Его конструкция отвечает самым высоким требованиям высоконагруженных дизельных двигателей. Особенности включают простую установку, сокращение времени простоя и увеличение срока службы двигателя. Этот тип ВОМ используется на встроенных устройствах с гидравлическими и воздушными фитингами. Они устанавливаются рядом с корпусом раструба, а не сзади вала, как тип 1 и тип 2.Кардан отбора мощности типа GM
Кардан отбора мощности типа GM сокращает время и затраты на техническое обслуживание за счет использования герметичных коренных подшипников и устранения необходимости в вспомогательном подшипнике. Разработанные для установки непосредственно на двигатели GM®, они работают без необходимости какой-либо конкретной адаптации ВОМ или двигателя. Примечательные особенности включают регулировку сцепления с использованием внешнего шарового пальца и точек регулировки контргайки.
Кардан отбора мощности автомобильного типа
Известные также как МОМ «плоского» типа, они обладают схожими конструктивными характеристиками, функциями и преимуществами МОМ типа GM.
Это подпружиненное сцепление, которое легче включать и выключать, чем центральные коробки отбора мощности. Типичные области применения включают ирригационные установки, измельчители кустов или другие газовые или дизельные двигатели.Распространенные эксплуатационные проблемы муфты отбора мощности и их решения
ВОМ представляют собой относительно простые механические узлы с минимальными эксплуатационными проблемами, но с ними связано несколько общих проблем, и каждая из них имеет простое решение. Вот некоторые из наиболее часто встречающихся проблем:
- Сцепление не отключается. Распространенными причинами этих проблем являются проскальзывание и перегрев, которые можно устранить, разобрав, осмотрев и при необходимости заменив.
- Сцепление не остается включенным. Неправильная регулировка является наиболее распространенной причиной, устраняемой путем регулировки крутящего момента зацепления.
- ВОМ горячий.
Только что установленный МОМ будет сильно нагреваться в течение первых 10-20 часов работы после установки. Перегреву способствует несколько факторов (220ºF, измеренных инфракрасным термометром на держателе подшипника), в том числе слишком много или слишком мало смазки, чрезмерная боковая нагрузка или новая установка. Соблюдайте надлежащие спецификации смазки и уменьшите боковую нагрузку, чтобы устранить первые две проблемы.
Получите правильный PTO для ваших нужд в WPT Power
Получение соответствующего PTO для удовлетворения ваших эксплуатационных потребностей является приоритетом в WPT Power. Производство наших ВОМ происходит на наших объектах ISO 9001:2015 , где вся наша продукция разработана в соответствии с самыми высокими стандартами качества, требуемыми нашими клиентами. Одобрения типа ABS и сертификаты ATEX минимизируют риски, время и затраты. Доступны сертификаты одобрения типа: DNV и ABS (другие по запросу)
Продажи, Служба поддержки клиентов и Инженерно-техническое обеспечение доступны без всех опций телефонного меню и перетасовки отделов.
Когда вы звоните по техническим вопросам, дизайну приложения или делаете заказ, вы разговариваете с реальным человеком. WPT обслуживает множество типов рынков во всем мире, включая:- Стальные и металльные формы
- Marine
- Сельское хозяйство
- Лесное хозяйство
- Dynamometer
- Энергия
- Road Building
- Mining/Aggrate
- Road Building
- Mining/Aggrate
- Road Building
- Mining/Aggretates
- .0012
- Переработка бумаги
Наш широкий ассортимент продукции разработан для удовлетворения большинства требований стандартного промышленного применения. Изготовленные на заказ или модифицированные МОМ доступны для производителей оригинального оборудования (OEM), которым требуется специализированная конструкция и объем.
Коробки отбора мощности играют важную роль в передаче мощности от основного двигателя к вспомогательному или ведомому компоненту без необходимости в дополнительном отдельном двигателе.
Различные типы ВОМ служат для множества применений, от небольших операций до крупных промышленных и строительных проектов. Выбор правильного МОМ для конкретного применения имеет решающее значение для правильной работы приводимого компонента.Свяжитесь с нами для получения дополнительной информации о ряде решений, предлагаемых WPT Power Corporation, для помощи в выборе правильного МОМ для вашего конкретного применения, или запросите предложение у одного из наших экспертов.
Справочник Novak по муфтам, рычажным механизмам и колоколам для переоборудования Jeep®
Добро пожаловать, гость:
Войдите или зарегистрируйтесьСправочник Novak по
Эта статья является кульминацией многолетнего опыта настройки систем сцепления для переоборудования автомобилей Jeep. Сначала мы определим задействованные компоненты, а затем представим науку о настройке правильной системы выключения сцепления.
Маховик
Маховик обеспечивает фрикционную поверхность для диска сцепления, амортизирующую массу, опорную поверхность для нажимного диска, опору для ведомой шестерни стартера, а на некоторых двигателях маховик является остаток средств.

Состояние фрикционной поверхности маховика важно для правильной работы сцепления. Поверхность должна быть гладкой, без следов пригара и поверхностных трещин. Использованные маховики можно восстановить. Это следует делать шлифованием, а не точением на токарном станке, так как снимается меньше материала. Количество материала, удаленного с поверхности, может повлиять на то, какой подшипник выключения сцепления следует использовать. Маховик всегда следует проверять на биение на двигателе, на котором он будет использоваться. Торцевое биение не должно превышать 0,005 дюйма.
Нажимная пластина
Это другая половина фрикционной поверхности привода. Он крепится на маховике. Он состоит из четырех основных частей и правильнее называть его узлом кожуха сцепления. Этими деталями являются сама нажимная пластина, пружины (или пружины, если они диафрагменного типа), крышка сцепления и рычаги выключения. Существует две основные конструкции муфт, обычно называемых пружинными.

Это Rockford™ (с диафрагменной пружиной) и Borg and Beck™ (с винтовой пружиной). Тип винтовой пружины также называется типом с тремя пальцами, имея в виду три рычага расцепления, которые требуются этому типу для сжатия винтовых пружин.
Требуется расстояние срабатывания?
Наше исследование показывает, что типичному нажимному диску сцепления GM, трехпальцевому или диафрагменному, 10-1/2″ или 11″ обычно требуется 0,550″ хода пальцев для выключения диска сцепления. нажимным пластинам требуется около 0,390 дюйма для освобождения.
Самая «мягкая» муфта диафрагменного типа. Это также требует наименьшего количества поездок для выпуска. Сцепление диафрагменного типа хорошо работает в легких автомобилях с низким передаточным числом. Это не лучшее сцепление для использования на высоких оборотах, так как диафрагменная пружина будет оставаться «плоской» или освобождаться от центробежной силы, создаваемой оборотами. Вариант типа диафрагмы некоторое время использовался GM, что в некоторой степени помогло решить эту проблему.
Это называлось типом диафрагмы Hi-Cone и было разработано таким образом, что пружина вместо того, чтобы быть плоской при отпускании, все же имела небольшой скос. Эти устройства Hi-Cone были неплохими, но все же не держались так, как винтовые пружины Borg и Beck. В устройствах вторичного рынка, таких как Centerforce®, используются центробежные грузы, чтобы противодействовать этому сплющиванию на высоких оборотах и последующему ослаблению. Следует отметить, что это обычно не беспокоит энтузиастов Jeep, поскольку высокая мощность в минуту не так интересна, как крутящий момент на низких оборотах. Следует отметить, что сама пружина является «расцепляющим рычагом» муфты диафрагменного типа. Обратите внимание, что при замене одного типа на другой вам потребуется другой выжимной подшипник. Тип с тремя пальцами требует более длинного выбрасывателя по сравнению с типом диафрагмы, в котором используется более короткий выжимной подшипник. Подробнее об этом позже…Четвертая часть узла прижимной пластины — это крышка.
Нажимная пластина, пружина (или пружины) и расцепляющие рычаги прикреплены к крышке таким образом, что, когда выжимной подшипник давит на три рычага или диафрагменную пружину, происходит рычажное действие. Это противодействует давлению пружины и поднимает нажимной диск с диска сцепления, освобождая сцепление.Как указано выше, муфта диафрагменного типа требует немного меньшего хода для выключения и требует около 0,030 общего воздушного зазора при высвобождении. Тип цилиндрической пружины требует от 0,040 до 0,050 общего воздушного зазора при отпускании. Воздушный зазор — это зазор между диском сцепления, маховиком и нажимным диском при отпущенном сцеплении. Общий воздушный зазор 0,050 будет измеряться 0,025 между каждой стороной диска.
Диск сцепления
Это «ведомая» часть сцепления. Он имеет фрикционный материал, приклепанный к каждой стороне волнистой пружины (называемой марселем). Он прикреплен к шлицевой ступице, в которую входит входная шестерня трансмиссии.

Существует два основных типа фрикционных материалов, используемых для фрикционных накладок. Это органические и металлические. Органика лучше всего подходит для повсеместного использования. Некоторые предпочитают металл для тяжелых условий эксплуатации, но требуют высокого давления пружины и плохо воздействуют на фрикционные поверхности маховика и нажимного диска. Избегайте сплошных ступичных муфт и муфт без марселя, так как они всегда будут вибрировать при использовании в автомобилях с задним дифференциалом, установленным на пружинах (в отличие от конструкции с коробкой передач).
Направляющая втулка
В большинстве случаев это пористая бронзовая предварительно смазанная втулка, а не настоящий подшипник, как его часто называют. В некоторых приложениях все еще используется настоящий подшипник, а в других — игольчатый роликоподшипник, но, безусловно, наиболее распространенным типом является бронзовый. Вы не можете использовать роликовый подшипник на трансмиссионном валу, изначально предназначенном для бронзовой втулки, из-за различного типа термической обработки валов.

Чтобы ознакомиться со списком нескольких версий направляющих втулок, предлагаемых Novak, перейдите сюда.
О направляющей втулке редко думают как о части системы сцепления, но это одна из самых важных частей системы. Он управляет концом входной шестерни трансмиссии в коленчатом валу. Если он изношен или не работает «правильно», это может вызвать серьезные проблемы со сцеплением или отказ трансмиссии. Биение отверстия направляющей втулки следует всегда проверять с помощью циферблатного индикатора, и оно должно быть в пределах 0,002. Бронзовая втулка должна быть запрессована в отверстие коленчатого вала. Он должен быть установлен тщательно. При установке он должен иметь зазор между 0,002 и 0,003 на валу коробки передач. Управляющая втулка работает только при выключенном сцеплении, но она ВСЕГДА влияет на выравнивание входной передачи.
Большинство людей понятия не имеют, какую важную роль в работе трансмиссии и сцепления играет направляющая втулка. Работа направляющей втулки состоит в том, чтобы поддерживать конец входной шестерни трансмиссии (главного привода) в коленчатом валу, и она действует как втулка только при выжатом сцеплении.
Эта направляющая втулка должна легко входить в отверстие кривошипа. Следует соблюдать осторожность при установке любой направляющей втулки, так как она мягкая и легко повреждается грубыми методами установки. Поврежденная направляющая втулка может заедать входную шестерню, вызывая заедание сцепления. Повреждение трансмиссии и преждевременный выход из строя могут быть вызваны направляющей втулкой или отверстием коленчатого вала, которые «выходят» по отношению к установочному отверстию трансмиссии в колоколе. Перед установкой направляющей втулки рекомендуется проверить отверстие кривошипа с помощью циферблатного индикатора (см. ниже). Если диаметр отверстия выходит более чем на 0,003, кривошип следует установить на токарном станке и отрегулировать отверстие ИЛИ следует изготовить специальную направляющую втулку, которая выходит на столько же, сколько отверстие кривошипа. Выступ в отверстии направляющей втулки смещен на 180 градусов от выступа отверстия кривошипа и установлена направляющая втулка.
Если все сделано правильно, это может привести к тому, что диаметр направляющей втулки будет находиться в пределах требуемого 0,003. Мы использовали этот метод, чтобы сэкономить на разборке двигателя много раз. Недостаток этого способа проявляется при замене направляющей втулки, так как придется воспроизводить специальную направляющую втулку.Выравнивание сцепления имеет решающее значение для установки. В противном случае ожидайте, что трансмиссия не выровняется с направляющей втулкой.
При установке сцепления на любом двигателе рекомендуется всегда использовать входную шестерню (соответствующего диаметра) или приспособление для выравнивания сцепления. Когда диск сцепления выровнен по направляющей втулке, при установке трансмиссии становится просто зацепить шлицы и закрепить трансмиссию болтами. Если не выполнить эту простую процедуру, трансмиссионный вал не выровняется и будет велико искушение «подтянуть его болтами», что повредит передний подшипник трансмиссии, направляющую втулку и, скорее всего, оторвет ухо.
трансмиссия или адаптер. Коробка передач должна свободно скользить, чтобы стыковаться с лицевой стороной колокола.Подшипник выключения сцепления
Как следует из названия, это подшипник, который выжимает сцепление. Его часто называют «выжимным» подшипником. Они поставляются на различных носителях стиля. В некоторых случаях носители значительно различаются в зависимости от конкретного двигателя. В линейке GM, например, все подшипники одинаковы, но есть несколько разных держателей, которые различаются примерно на 1/2 дюйма между самым коротким и самым длинным. Какой из них использовать, обычно зависит от типа используемой прижимной пластины, но замена одного длина для другой часто может быть использован установщиком с большим преимуществом. AMC, Ford & Mopar и другие гораздо менее щедры на разнообразие доступных длин. Этот вопрос длины очень важен, и он будет рассмотрен более подробно позже в этой статье.
Поскольку выжимной подшипник работает только при выключении сцепления, он обычно служит довольно долго.
Однако неправильная регулировка рычажного механизма или езда по сцеплению ногой во время движения могут привести к преждевременному износу подшипника. Обычно между торцом подшипника и тремя выжимными пальцами или диафрагменной пружиной нажимного диска при включенном сцеплении должен быть зазор 1/16″. установка рычажного механизма сцепленияВилка выключения сцепления
Это рычаг или рычаг, приводимый в действие рычажным механизмом, который перемещает выжимной подшипник. Существует несколько различных стилей выпускающего рычага. Наиболее распространенным в автомобилестроении является вилочный тип, который вращается на коромысле. Этот тип требует усилия, направленного назад, чтобы переместить выжимной подшипник вперед. Обратите внимание, что следующее является ключом к вашему пониманию системы сцепления: Соотношение рычага представляет собой разницу в длине между точкой поворота и центральной линией выжимного подшипника, деленную на длину от точки поворота до места крепления рычажного механизма.
Соотношение вилки важно и будет использоваться в разделе настройки связи далее в этой статье.GM, Ford и AMC используют расцепляющий рычаг поворотного типа как наиболее распространенный тип. Некоторые поздние GM, Pinto, Jeep и некоторые другие используют рычаг без коромысла. Этот стиль вращается со стороны пассажира по центру и имеет прямое действие. То есть для перемещения выжимного подшипника вперед требуется движение рычажного механизма вперед. Это не так удобно, как качающаяся система, поскольку обычно усложняет требования к рычажному механизму.
Что касается вилок сцепления GM, то существует два основных типа производства вилок поворотного типа. Это штампованная сталь и кованая сталь. В штампованном стальном типе используется плоская стальная стопорная пружина, которая приклепана к вилке. Эти вилки должны использоваться с шарнирами грибовидного типа. Вилы из кованой стали должны использовать шарнир с шаровой головкой. (Это отличается от типа AMC с шаром на пьедестале.
) Эти кованые вилки удерживаются на оси с помощью фиксатора из пружинной проволоки, который входит в канавку, обработанную в гнезде для шара в вилке.Шарнир высвобождающего рычага
Как следует из названия, это опора, на которой вращается высвобождающий рычаг. Есть в основном два типа. Один вращается на шпильке со сферическим концом, которая ввинчивается в колокол. Другой тип представляет собой шариковый подшипник, который находится в гнезде пьедестала, которое является частью колокола. GM, Ford и ранние AMC используют ввинчиваемый тип. Поздний AMC отдает предпочтение шаровому типу.
Для двигателей GM доступны заводские шарниры типа GM, а также регулируемые по длине шарниры вторичного рынка (показаны) с диапазоном регулировки от 1-3/8 до 1-1/2 дюйма, которые иногда можно использовать для компенсации отклонений в маховике, диск сцепления и толщина выжимного подшипника. Подробнее об этом в разделе устранения неполадок.
Шаровые и грибовидные шарниры GM доступны длиной 1-3/8 и 1-1/2 дюйма (общая длина, если [это важно] не установлена в колокол).
Очень важно использовать правильныйФиксатор переднего подшипника коробки передач
Это замечательное устройство выполняет три важные функции. Первая, как следует из названия. должен центрироваться по отношению к трансмиссии. Эту особенность иногда упускают из виду, что приводит к дорогостоящим последствиям. В-третьих, его трубчатый носик представляет собой поверхность, по которой выжимной подшипник перемещается, чтобы сжать пружины нажимного диска. Для переоборудования часто требуются специальные и модифицированные фиксаторы. для достижения совместимости
Колпак
Обеспечивает место для установки трансмиссии, а также средство выравнивания трансмиссии с двигателем. В некоторых приложениях он также имеет функцию структурного монтажа.
Функция выравнивания чрезвычайно важна. К сожалению, это наиболее часто упускаемая из виду и наименее понятая часть колокольни.
Большинство людей, которые работали с этими деталями, знают, что в блоке двигателя есть установочные штифты, которые совпадают с отверстиями в колоколе.
Чего они не понимают, так это того, что расположение этих отверстий может варьироваться, и это изменение может повлиять на срок службы сцепления и трансмиссии. О том, как проверить соосность колокола, будет рассказано в отдельном разделе далее в этой статье.Рычаг сцепления
Он состоит из всего, что находится между вашей ногой и рычагом выключения сцепления. Линкаги — это метод передачи усилия левой ноги на колокол и освобождение прижимной пластины. Связь может быть механической, тросовой или гидравлической. Обратите внимание, что проблемы имеют тенденцию проявляться, потому что обычно существует несколько вариантов выжимных рычагов и подшипников для любого конкретного семейства двигателей. Выбор неправильных частей может разорвать связь и вызвать проблемы, которые можно решить, только удалив части и начав с других частей. Рычажный механизм не может компенсировать неправильный выбор выжимного подшипника или вилки.
Тросовое соединение
Тросовые соединения могут показаться привлекательными, поскольку их легко понять и подключить.
Транспортная отрасль с большим успехом опробовала кабели в мотоциклах, с успехом в автомобилях, но они показали неустойчивый результат в грузовиках, от легких до средних.В некоторых джипах CJ и Commando 1972–1974 годов выпуска использовалась тросовая разблокировка, результаты которой были неудовлетворительными, о чем свидетельствует продолжительность их внедрения.
Муфта тросового типа, вероятно, должна быть последним выбором из трех типов рычажных механизмов.
Механическая связь
Далее следует механическая связь, которая, за некоторыми исключениями, используется в большинстве автомобилей Jeep®, выпущенных до 1987 года.
Существует несколько основных типов механической связи Jeep, но все они использовались почти в исходной конфигурации при переоборудовании двигателя. Обычно они состоят из толкателя на педали, коленчатого рычага и дополнительного толкателя, приводящего в действие вилку. В более ранних системах вместо толкателей использовались тяги, коленчатые рычаги и тросы, что эффективно меняло принцип работы систем.

Механическая связь в значительной степени является успешным методом выключения сцепления. Одним из недостатков, очевидным для многих внедорожников, является склонность некоторых из них к заклиниванию во время изгиба и дифференциации рамы и трансмиссии.
Рычажный механизм гидравлического типа
Рычажные системы с гидравлическим сцеплением стали доминировать за последние два десятилетия, и, как правило, на то есть веские причины.
Наиболее распространенное исполнение этого соединения состоит из штока толкателя педали против главного поршня/цилиндра, трубки или магистрали высокого давления и подчиненного поршня/цилиндра, толкатель которого толкает рычаг выключения сцепления.
Менее распространенным типом гидравлического расцепителя является внутренний гидравлический расцепляющий подшипник. В этой конструкции поршень и подшипник объединены в одно целое, исключая шарнир, вилку (или выжимной рычаг) и отдельный выжимной подшипник.

Внутренний гидравлический выжимной подшипник Jeep, распространенный в YJ Wrangler и XJ Cherokees в период с 1987 по 1994 год. Они имеют инновационный дизайн, но получили известность из-за отсутствия утечек. Обычно виноваты закаленные уплотнительные кольца, и это происходит как из-за неиспользования (высыхание), так и из-за чрезмерного использования (абразивный износ).
Серьезным оскорблением к серьезной травме может стать отказоустойчивая коробка передач Peugeot BA10/5 (1987–1988 гг.) с неисправным внутренним выжимным подшипником.
Теперь следует сказать несколько слов о гидравлических муфтах и заблуждениях, которые их окружают. Многие люди считают, что это взаимодействие главного и рабочего гидравлических цилиндров, благодаря которому увеличивается усилие, воздействующее на нажимной диск сцепления. На самом деле фактическое умножение силы происходит в двух разных областях системы сцепления. Во-первых, это рычаги педали сцепления.
Привод главного цилиндра находится ближе к точке опоры рычага педали, расстояние уменьшается, а усилие увеличивается благодаря этому великому принципу физики, с которым знакомы все механически мыслящие люди. Во-вторых, дополнительная сила создается за счет рычага рычага выключения сцепления. В принципе, именно такими были сцепления практически с момента появления автомобиля.Таким образом, гидравлическая система представляет собой просто метод передачи этого рычага или, лучше сказать, передачи силы через несжимаемую гидравлическую жидкость. В принципе это очень похоже на старую добрую механическую связь с помощью толкателей, коленчатых рычагов или тросов. По сути, в самом гидравлическом контуре не происходит умножения силы, что характерно для других гидравлических систем, таких как домкраты, домкраты и прессы.
Это внутренний гидравлический выжимной подшипник вторичного рынка. Недостатком является расход, более 300 долларов
Это приводит к следующему полезному принципу: почти каждый главный цилиндр сцепления соответствует по размеру соединенному с ним подчиненному цилиндру, что в значительной степени соответствует соотношению 1 к 1.
Таким образом, главный цилиндр диаметром 3/4 дюйма должен соединяться с рабочим цилиндром 3/4 дюйма. 1-дюймовый главный цилиндр должен иметь 1-дюймовый рабочий цилиндр. Главный цилиндр большего размера может привести к довольно впечатляющему выдуванию рабочего цилиндра, а главный цилиндр меньшего размера приведет к довольно разочаровывающему отсутствию хода для усилий вашей левой ноги. Бывают случаи, когда это соотношение может немного отличаться от этого, но редко превышает 15%.Как только установщик поймет это, все остальное будет собираться легче и в соответствии с принципами, изложенными для обычных механических систем сцепления.
Гидравлические системы могут быть простыми, но в основном тогда, когда имеются средства для установки главного и/или подчиненного цилиндров. Тонкие брандмауэры и колокола без надлежащих структурных условий для рабочих цилиндров являются главными препятствиями, которые препятствуют модернизации.
Показана система модернизации гидравлического рабочего цилиндра Novak для колоколов Chevy, Buick и Ford.
Это позволяет отлично использовать главные цилиндры CJ, YJ и TJ Wrangler, а также многие другие. Щелкните здесь для получения дополнительной информации…Последовательность установки рычажного механизма
Предположим, мы используем двигатель Chevrolet, муфту Rockford (мембранного типа), а задняя часть блока «голая», но коленчатый вал находится в блоке.
Установите направляющую втулку, которая будет использоваться для конкретной комбинации двигатель-трансмиссия, на коленчатый вал. Затем с помощью подходящего циферблатного индикатора проверьте отверстие направляющей втулки. Биение не должно превышать 0,002 (две тысячных) дюйма.
Временно установите колокол, который будет использоваться, на блоке, с которым он будет использоваться. (Это важно, так как результаты этого теста могут различаться в зависимости от другого блока или колокола.) Проверьте колокол на «биение» как по отверстию, так и по торцу, как описано в разделе «Устранение неисправностей».
Биение отверстия должно быть в пределах 0,007 дюйма, а биение торца — в пределах 0,004 дюйма. Если вы не делаете, не можете или не хотите проверять центровку колокола, не удивляйтесь, если у вас возникнут проблемы. Такие не появятся сразу. Может пройти несколько тысяч миль, прежде чем выйдет из строя ступица сцепления, направляющая втулка или трансмиссия.Временно прикрутите коробку передач к колоколу. Посмотрите через отверстие вилки выключения и убедитесь, что направляющая часть входит в отверстие направляющей втулки не менее чем на 3/8 дюйма. Если это не так, направляющая втулка неправильная и необходимо установить более длинную втулку или, в некоторых втулку можно установить не на полную глубину
Снимите коробку передач и картер Установите маховик на двигатель В большинстве двигателей используются болты класса 8 (высокопрочные) со специальной низкопрофильной головкой для освобождения ступицы диска Не замените эти специальные болты обычными болтами.0003
С помощью циферблатного индикатора проверьте поверхность маховика на наличие биения.
Биение не должно превышать 0,005 дюйма. Если это так, маховик должен быть обработан заново. Если биение существует после восстановления поверхности, неисправность связана либо с работой по восстановлению поверхности, либо с заусенцами, грязью или вмятинами на коленчатом вале или ступице маховика. Помните об этом. осевой люфт в подшипниках коленчатого вала, и его необходимо удерживать в одном направлении при проверке биения маховика (или торцевого биения картера)Установите диск сцепления и нажимной диск на маховик. Это важно, так как это упростит установку коробки передач и предотвратит повреждение узла.Затягивайте крепежные болты на 1/4 оборота за раз, чтобы не деформировать кожух сцепления.
Выбор рычага разблокировки
Будьте внимательны на этом шаге. Вещи становятся своего рода вовлеченными, но это очень важно. Если вы сохраняете свою механическую связь (вместо гидравлической), расцепляющий рычаг должен иметь то же соотношение, что и рычаг, который изначально был в джипе, чтобы связь работала.
Обратите внимание, мы сказали соотношение, а не длину. Предположим, что выжимной рычаг является типичным коромыслом с шарниром между выжимным подшипником и точкой крепления рычажного механизма, и вычислите соотношение следующим образом.Измерьте рычаг Jeep от точки поворота до центра подшипника выключения сцепления. Кроме того, измерьте расстояние от точки поворота до места крепления рычага. Разделите внутреннюю длину на внешнюю длину, чтобы получить отношение плеча. (Пример: стандартный рычаг Jeep от CJ5 1976 года имеет размеры 3,1 дюйма от оси вращения и 6,2 дюйма от оси вращения до места, где толкает рычажный механизм. Разделите 3,1 дюйма на 6,2 дюйма, и вы обнаружите, что этот рычаг имеет соотношение 2 к 1 Это означает, что если вы переместите конец рычага на 1 дюйм, выжимной подшипник должен будет сместиться на 1/2 дюйма в противоположном направлении.)
Теперь предположим, что нам нужна рука Chevy для работы с той же связью. Все рычаги Chevy имеют размеры 3 дюйма от оси вращения.
Нам нужно соотношение 2 к 1 (поскольку это то, для чего предназначены рычажный механизм Jeep и многие нажимные пластины GM) на рычаге Chevy, поэтому нам нужен рычаг Chevy длиной 6 дюймов. от стержня наружу. К сожалению, такого рычага Chevy не существует. Самый короткий негидравлический рычаг находится на расстоянии 6,5 дюймов от оси вращения. Некоторые из них имеют угол поворота до 9 дюймов. Короткое плечо имеет соотношение 2,17 к 1, а длинное плечо — 3 к 1. Длинное плечо должно быть укорочено на 3 дюйма, чтобы обеспечить совместимость с рычажным механизмом. А как насчет короткого плеча? люфт (в выжимном подшипнике), а также воздушный зазор в диске (полное высвобождение). Этот конкретный короткий рычаг Chevy также имеет форму конца, которая соответствует рычажному механизму Jeep, который мы использовали в качестве примера. Этот длинный рычаг Chevy длиной 6½ дюймов доступен от Novak как наш #RAGM.Все это меняется при работе над автомобилем с оригинальной навеской другого стиля.

Например, CJ раннего типа (до 1971 года с 4 цилиндрами) имели очень короткий рычаг выключения; остальные рычаги возникают дополнительно в системе связи. Однако, если этот рычаг измерить от оси вращения и разделить на длину точки разворота, то будет обнаружено, что отношение составляет 2,4 дюйма к 1. Как указывалось ранее, на заводе GM не существует расцепляющего рычага с требуемой внешней длиной, которая конец надлежащего типа. Более длинный рычаг можно укоротить, а конец изменить, чтобы принять рычажный механизм Jeep. Тем не менее, у Новака есть эти рычаги, доступные как наш #RAV6.
Из всего этого следует отметить, что рычаг расцепления, который будет использоваться с конверсией, иногда придется модифицировать, чтобы получить надлежащее соотношение, и это должно быть сделано в начале установки. Попытка использовать слишком длинный рычаг приведет к проблемам, которые нельзя исправить путем изменения рычажного механизма.
Выбор правильного выжимного подшипника
Это та часть, где большинство людей ошибаются при настройке своих систем сцепления.
Никакая фиксация, никакая перевязка, никакая компенсация и никакая регулировка не компенсируют неправильный выбор выжимного/выжимного подшипника. Длина подшипника выключения сцепления оказывает наиболее существенное влияние на работу сцепления по сравнению с любым другим фактором, и на протяжении десятилетий слишком многие проекты сцепления страдали от проблем с настройкой из-за неправильной длины подшипника.Самое первое предположение, которое нужно отбросить, звучит так: «Мой комплект сцепления шел с выжимным подшипником, поэтому он должен быть правильным». Фактически, теперь мы рекомендуем установщикам покупать подшипник сцепления отдельно от комплекта сцепления, а затем приобретать подшипник на основе смоделированных измерений.
Следующая процедура должна помочь вам определить, какие из подшипников выключения сцепления разной длины вам понадобятся для правильной работы сцепления.
Вы заметите, что в этой статье мы используем термины «вилка», «рычаг» и «рычаг» взаимозаменяемо.
Вилка выключения сцепления или рычаг выключения сцепления — это одно и то же.Установите маховик, диск сцепления, нажимной диск и картер сцепления на двигатель. Имейте в виду, что на ваших руках, на фрикционных поверхностях маховика или нажимного диска, а также на диске сцепления не должно быть масла или смазки. Если есть, сцепление будет схватывать (болтать) при включении.
Во всех приведенных ниже примерах мы используем 1/8” в качестве номера воздушного зазора. Однако, если вы хотите действительно точно настроить сцепление и уменьшить свободный ход педали, вы можете приблизиться к чему-то ближе к 1/16 дюйма, но не испытывайте удачу. Сцеплению по-прежнему требуется припуск на обкатку и износ.
Допуск на износ диска
Ожидается, что диск будет изнашиваться примерно на 0,035 дюйма за свой срок службы, а пальцы могут подниматься примерно на 0,045 дюйма на 0,010 дюйма износа. Вот почему регулировка сцепления, скажем, через 75 тысяч миль была указана производителями некоторых автомобилей и должна выполняться один или два раза за весь срок службы диска.
Это количество можно отрегулировать в толкателе выжимного рычага, хотя этот метод слишком часто используется в качестве бандажа при первоначальной настройке сцепления, чтобы компенсировать плохой выбор выжимного подшипника.С учетом вышеизложенного рекомендуется оставлять небольшой зазор позади выжимного подшипника и перед упорной площадкой. Этот зазор поддерживается регулировкой толкателя. Если вам нравится работать с тугим и отзывчивым сцеплением, этот зазор можно уменьшить, но помните, что вам, возможно, придется уделить ему некоторое внимание в будущем.
Вариант измерения I: линейка и расчеты
Этот вариант отлично подходит, если вы не хотите имитировать установку трансмиссии и у вас есть доступ к красивой длинной линейке.
Установив диск сцепления и нажимной диск, поместите край длинной линейки прямо напротив двух противоположных пальцев диафрагмы так, чтобы один край находился непосредственно за поверхностью блока. Теперь возьмите короткую шкалу и измерьте расстояние от плоской обработанной поверхности блока до линейки.
Запишите это измерение.Теперь, установив колокол на коробку передач, приложите край длинной линейки прямо к передней поверхности колокола. Возьмите короткую линейку и измерьте расстояние от плоской обработанной поверхности колокола до площадки (место, где останавливается задняя кромка выжимного подшипника) фиксатора переднего подшипника трансмиссии.
Теперь вычтите сумму расстояния между пальцами диафрагмы и блоком и желаемого воздушного зазора из измерения расстояния между колоколом и держателем подшипника. Это рекомендуемая общая длина вашего выжимного подшипника.
Соберите колокол и коробку передач в сборе с двигателем и проверьте работу.
Возьмем в качестве примера следующие числа:
1. Размер посадочной площадки подшипника до торца колокола: 5,82 дюйма
2. Размер пальцев диафрагмы до торца блока: 3,75 дюйма
3. Желаемый воздушный зазор: 0,12 дюйма
4. Допуск на износ диска / подъем пальца: 0,12 дюйма
Результат:
5,82 дюйма — 3,75 дюйма — 0,12 дюйма — 0,12 дюйма = общая длина 1,86 дюйма Требуется держатель подшипника.
Вариант измерения II: через окно
Этот вариант удобен, если у вас достаточно большое окно, чтобы вместить шкалу, и через это окно можно хорошо видеть сбоку.
С установленным диском сцепления и нажимным диском временно установите коробку передач на колокол, используя не менее двух верхних болтов, затянутых от руки, надежно и с опорой. Возьмите небольшой фонарик, телескопический магнит и стальную шкалу 6 дюймов. Наденьте шкалу на магнит и вставьте ее в окно вилки расцепления колокола. Прижмите шкалу к поверхности или выступу фиксатора переднего подшипника трансмиссии. Подайте другую сторону шкалы между пальцами диафрагмы (или рядом с пальцем Борга и Бека). Загляните в окно и прочитайте измерения.
Выберите подшипник, общая длина которого равна произведенному вами измерению, учитывая, что вы хотите вычесть припуск на воздушный зазор примерно 1/8 дюйма из воздушного зазора.
Разберите макет и соберите его.
Проверьте воздушный зазор подшипника визуально и по небольшому свободному ходу при работе вилки.На этом изображении показан небольшой вариант описанного выше метода измерения.
При установленном подшипнике, входящем в комплект сцепления, в окно колокола вставляется шкала. Поскольку это муфта с низкой шляпкой, а поставленный подшипник является самой короткой версией GM, показанный зазор значителен и составляет ~ 3/4 дюйма 9.0003
Мы сверились с таблицей ниже, выбрали более длинный подшипник и вернулись к нашему проекту.
Вариант измерения III: внешний ход вилки
Этот вариант по-прежнему требует макета колокола в сборе, но он лучше варианта II, описанного выше, когда нет достаточного окна для наблюдения за вашими измерениями, и если у вас есть короткий фиксатор подшипника для проверки.Измерьте рычаг сцепления и запишите его передаточное отношение, т. е. угол поворота к центральной линии выжимного подшипника и угол поворота к центральной линии выемки толкателя.
Если внутренняя часть вашего рычага выключения имеет размеры 2,3 дюйма, а внешняя часть — 3,6 дюйма, вам следует разделить внешнее число на внутреннее число, чтобы получить отношение рычага, например, 3,6 дюйма / 2,3 дюйма = 1,56:1.Установив и подготовив диск сцепления и нажимной диск, вставьте вилку выключения сцепления в правильном положении в колокол, так чтобы ее хвостовик проходил через окно колокола, а удерживающая пружина (если применима) на ось колокола. Временно закрепите короткий выжимной подшипник (или полностью сложенный регулируемый выжимной подшипник Novak) на вилке, а затем надежно вставьте носик держателя трансмиссионного подшипника в отверстие колокола. Установите колокол на блок двигателя.
Найдите опорную точку, к которой можно привязать шкалу. Переместите вилку расцепления вперед и назад, чтобы измерить линейный ход внешнего края вилки. А теперь посчитайте. Разделите это число на коэффициент кредитного плеча вашей вилки выпуска. Теперь вычтите припуск на воздушный зазор.
В результате вы узнаете, насколько длиннее подшипник, который вам нужен, по сравнению с тем, который вы только что протестировали.В качестве примера используем следующие числа:
1. Ход вилки: 0,6 дюйма.
2. Коэффициент кредитного плеча: 1,56
3. Допуск на воздушный зазор: 0,125 дюйма
4. Допуск на износ диска / допуск на подъем пальца: 0,125 дюйма
5. Общая длина испытательного подшипника: 2,35 дюйма
Результат:
(0,6 дюйма / 1,56) — 0,125 дюйма -0,125 дюйма + 2,35 ” = требуется подшипник общей длины 2,48 дюйма.Опция IV: ход вилки внутреннего типа
Этот метод лучше всего подходит для полностью закрытых колоколов, в которых используется внутренняя поперечина (с шарниром на противоположной стороне точки нажатия) вместо традиционного внешнего рычага разблокировки, например, в Jeep AX15 до 4,0 л.
стиль колокольни.Как правило, вам не нужно измерять передаточное отношение рычага расцепления крестообразного типа, поскольку они обычно симметричны или точки толкания и поворота расположены, по крайней мере, на одинаковом расстоянии от центральной линии.
Временно закрепите короткий выжимной подшипник (или полностью сложенный регулируемый выжимной подшипник Novak) на рычаге выключения. Когда диск сцепления и нажимной диск установлены и готовы, а трансмиссия прикручена болтами к колоколу, вставьте вилку выключения в правильном положении (если не полностью симметрично) в колокол над выступом фиксатора подшипника трансмиссии, а затем защелкните удерживающую пружину. (если применимо) на ось колокола (см. рисунок рядом). Установите колокол на блок двигателя.
Просуните палец в порт рабочего цилиндра и полностью оттяните рычаг сцепления. Вставьте весы в порт против упора рычага, не двигая рычаг.
Считайте шкалу и запишите свои измерения относительно базовой точки обработанной поверхности порта. Теперь сдвиньте шкалу вперед, пока подшипник не упрется в пальцы прижимной пластины. Запишите свое измерение.Проведите два указанных выше измерения, чтобы определить свободный ход. Разделите это измерение на делитель 2. Теперь вычтите припуск на воздушный зазор. В результате вы узнаете, насколько длиннее подшипник, который вам нужен, по сравнению с тем, который вы только что протестировали.
В качестве примера используем следующие числа:
1. Ход вилки: 1,2 дюйма. — 0,125” — 0,125” + 2,35” = требуется подшипник общей длины 2,7”.-A- Длина -B- Общая длина Номера деталей 0,625 дюйма 1,185″ N4008 -или- 614083 (30 долларов США) 0,750 дюйма 1,216″ N4068 -или- 614038 (32 доллара США) 1,235 дюйма N4109 -или- 614109 (38 долларов США) 21/32 дюйма 1,246 дюйма N3068, N4172-или-614018 (32 доллара США) 1,257 дюйма N1488 -или- CC1705C (20 долларов США) 1,410″ N1451-или-G1697C (38 долларов США) 15/16″ 1,609 дюйма 1377C (26 долларов США) 1-1/16″ 1,699″ N1466-или-G1625C (53 доллара США) 1,196″ 1,775 дюйма N1086 -или- 614037 (36 долларов США) 1,310″ 1,953 дюйма 1697C (26 долларов США) Указанные цены являются недавней проверкой цен на улице, чтобы установщик мог выбрать подшипник аналогичной длины и по более низкой цене.
Некоторые из этих подшипников больше не доступны или стоят слишком дорого.Альтернативой вышеуказанным подшипникам является полностью регулируемый узел выжимного подшипника Novak. Об этом подробнее здесь.
В этой таблице указана длина подшипника в дюймах. В большинстве магазинов автозапчастей есть только пара таких выжимных подшипников, и они могут оказаться не лучшими для замены. На этой диаграмме подшипники перечислены по критическому размеру «А»; размер от канавки до торца, как указано в этой статье.
Установите коробку передач на картер сцепления. Выжимной подшипник должен иметь возможность перемещаться от диафрагменной пружины примерно на 1/16–1/8 дюйма (это «свободный ход»). В этот момент вы должны быть в состоянии перемещать выжимной подшипник вперед и назад с помощью вилки. . Подшипник, прижатый к сцеплению, должен оставлять вилку выключения в положении на 4 или 5 градусов МЕНЬШЕ, чем прямой угол с осевой линией двигателя, и позволять отодвигать ее от сцепления на 1/16–1/8 дюйма.
Если этого условия нет, не устанавливайте узел в Джип, пока он не появится. Если нет, вам может понадобиться другой подшипник или шарнир выключения сцепления, или у вас может быть не та вилка.Как указывалось ранее в этой статье, если вы переходите с трехпальцевого типа на прижимную пластину мембранного типа, вам потребуется более короткий выжимной подшипник. Обратное, конечно, верно, если вы идете другим путем.
Подшипник должен разблокировать сцепление, иначе он будет постоянно вращаться и быстро изнашиваться, а также сцепление может проскальзывать, так как оно может быть частично разблокировано.
Неотключение сцепления почти всегда вызвано слишком коротким выжимным подшипником и, соответственно, тем, что выжимной рычаг не имеет полного механического преимущества, начиная свой ход под передним углом, который не совпадает с его самым задним углом при полном нажатии.
Это неправильный метод установки вилки выключения сцепления GM на выжимной подшипник, который приведет к неисправности и/или поломке компонента. 
Это правильный метод установки вилки выключения сцепления GM на выжимной подшипник. 1. Нанесите на эту канавку и выступы вилки тонкий слой смазки
2. Наполните это углубление смазкой.
Заключительные соображения
На этом этапе (наконец) двигатель и трансмиссия готовы к установке и подключению рычажного механизма. Установите остальные болты картера и коробки передач, если эти детали не нужно снимать снова.
Теперь двигатель, трансмиссия и раздаточная коробка должны быть установлены на джип. При установленном двигателе можно продолжить подключение рычажного механизма сцепления.
Независимо от того, толкается или тянется рычажный механизм, он должен делать это как можно более прямолинейно. Это сведет трение к минимуму. На установках, где двигатель необходимо перемещать (например, CJ до 1971 года), кронштейн сцепления, который поддерживает конец рамы коленчатого вала, должен быть перемещен.
Это должно быть место, при котором коленчатый рычаг будет расположен под прямым углом к двигателю и выровнен из стороны в сторону (параллельно земле).На CJ 1972-86 годов, где необходимо сделать кронштейн для поддержки поперечного вала сцепления Jeep, поперечный вал должен располагаться под прямым углом к двигателю как в вертикальной, так и в горизонтальной плоскостях.
Рычаги коленчатого вала любого типа должны располагаться так, чтобы обеспечить максимальное механическое преимущество. Это означает, что они не могут наклоняться более чем на 35-40 градусов по обе стороны от прямого угла к толкающему (или тянущему) стержню, к которому они присоединяются. Этот угол выравнивания устанавливается на коленчатом рычаге, а затем рабочие стержни модифицируются до любой длины, необходимой для удержания коленчатого рычага или поперечного вала в этом положении с выжимным подшипником на расстоянии не менее 1/16 дюйма от трех выжимных рычагов нажимной пластины.
Попросите помощника нажать на педаль сцепления до половицы и удерживать ее там.
Проверьте воздушный зазор между маховиком и диском сцепления щупом. Как указывалось ранее, он должен составлять 0,030 дюйма для диафрагменного сцепления и от 0,040 до 0,050 для сцепления с цилиндрической пружиной. Выравнивание колокола На любом двигателе, использующем коробку передач со стандартным переключением, с адаптером или без него, важно проверить расположение посадочного отверстия колокола по отношению к коленчатому валу. в этот момент ни один двигатель не должен быть собран без проверки.Процедура проверки довольно проста.Исправить несоосность не так просто, но это необходимо сделать, чтобы обеспечить нормальную работу трансмиссии.Требуется циферблатный индикатор, а также подходящий означает установку этого прибора на коленчатый вал двигателя.0003
Циферблатный индикатор представляет собой устройство, имеющее рычаг или контактную точку, соответствующим образом соединенную со стрелкой, которая перемещается перед циферблатом с маркировкой на его лицевой стороне.
Каждая из этих отметок обычно представляет собой 0,001 дюйма. Циферблатный индикатор предназначен для измерения в тысячных долях дюйма, которые можно прочитать непосредственно на циферблате индикатора.Чтобы проверить колокол, установите его на двигатель, к которому он будет использовать с, убедитесь, что на блоке или корпусе нет заусенцев или грязи.Все болты крепления корпуса к блоку должны быть вставлены и затянуты.Установите циферблатный индикатор на коленчатый вал двигателя, используя подходящее магнитное основание или механические зажимные средства. Точка контакта индикатора должна касаться отверстия колокола Индикатор должен быть установлен достаточно жестко, чтобы он не двигался на своем креплении во избежание ложных показаний Прокрутите рукой двигатель со снятыми свечами зажигания и наблюдайте за показаниями циферблата. Продолжайте регулировать циферблат до тех пор, пока стрелка не будет двигаться на минимальное расстояние за один оборот. закончиться. Затем вы можете определить направление смещения по движению иглы.

- Установите основание циферблатного индикатора на маховик с помощью магнитного основания или используйте болты кривошипа.
- Снимите свечи зажигания с двигателя. Попросите помощника повернуть коленчатый вал двигателя с помощью гаечного ключа.
- Считайте биение и отметьте «высокий» и «низкий».
- Если биение превышает от 0,005 дюйма до 0,007 дюйма, необходимо установить штифты со смещением соответствующего размера и установить их в направлении, позволяющем исправить смещение.
- Еще раз проверьте свою работу с помощью индикатора.
Смещенные установочные штифты. Изображение предоставлено Лейквуд.
Общее количество тысячных перекоса расточки относительно коленчатого вала считывается непосредственно на циферблате. Общее биение не должно превышать 0,007 дюйма, максимальное значение — 0,010 дюйма. Чем больше несоосность, тем раньше возникнут проблемы с трансмиссией и выход из строя. Признаком нарушения соосности является необычный износ направляющей втулки.
Мы проверили стандартные раструбы Chevy на двигателях, которые выходили более чем на 1/32 дюйма (0,032 дюйма). Сообщается, что некоторые модели Ford хуже. Любое биение свыше 0,010 дюйма должно быть исправлено до того, как двигатель и колокол будут введены в эксплуатацию, иначе вы можете рассчитывать на проблемы с направляющей втулкой, трансмиссией и сцеплением, а затем отказ трансмиссии. Самый простой способ исправить несоосность — попробовать другой колокол или другой колокол. Механическая обработка колокола является лучшим решением, но штифты со смещением проще. Прокладки между блоком и корпусом колокола также подойдут, если у вас хватит терпения, чтобы использовать этот метод. Штифты со смещением иногда можно приобрести в специализированных магазинах, магазинах запчастей и у других специализированных поставщиков.Для справки
Нажимная пластина должна перемещаться примерно на 0,100–0,120 дюйма, чтобы СНИМАТЬ ДИСК, и обеспечивать воздушный зазор от 0,030 до 0,050 между диском и маховиком.

- 9-дюймовая муфта имеет передаточное отношение рычага или диафрагмы примерно 4,5:1.
- Муфта диаметром 10,5 дюймов имеет передаточное отношение плеча или диафрагмы примерно 6 к 1.
- Муфта диаметром 11 дюймов имеет передаточное отношение плеча или диафрагмы примерно 6,6 к 1.
Выжимной подшипник должен удаляться от пальцев или пружины диафрагмы не менее чем на 1/16″
(0,0625 с округлением до 0,06) для свободного хода.Передаточное число вилки выключения определяется, как описано в разделе, посвященном вилке выключения.
Пример: сцепление 10,5″ и выжимной рычаг #RAGM GM (коэффициент 2,17). Свободный ход равен 0,78 дюйма. Умножьте 0,78 дюйма на отношение выжимной вилки (2,17 дюйма), чтобы получить 1,69 дюйма (или 1-11/16 дюйма) хода, необходимого в месте крепления рычажного механизма. связь является механической, тросовой или гидравлической, она должна иметь возможность перемещать конец этого рычага с этой нажимной пластиной на указанную выше величину, чтобы должным образом высвободить диск сцепления.
0003Для сравнения, при использовании того же выжимного рычага с 9-дюймовой муфтой требуется только перемещение примерно на 1–5/16 дюйма, в то время как для 11-дюймовой муфты требуется перемещение почти на 1–7/8 дюйма — почти на 9/16 дюйма больше. Это соотношение нажимной пластины, которое имеет значение. Именно поэтому гидравлическая ведомая система на 4-цилиндровых CJ с 1980 по 1986 год обычно не полностью отключает 11-дюймовое сцепление на конверсионном двигателе. У него нет необходимого проезда. В этом конкретном джипе пришлось бы заменить как рабочий, так и рабочий цилиндры, чтобы увеличить ход.
Однако, если ведомая система спроектирована правильно с правильными передаточными числами, полное выключение может быть достигнуто с 10,5-дюймовыми и даже 11-дюймовыми сцеплениями. См. комплект Novak #HCR3.
Симптом:
Пробуксовка сцепления. Он не отпускается полностью, и коробка передач скрежещет при переключении передачВозможный диагноз Вероятное решение Рычаг не отрегулирован или заедает Отрегулировать или отремонтировать рычажный механизм Внутренняя протечка главного цилиндра Измерьте линейный ход главного цилиндра в сравнении с линейным ходом подчиненного цилиндра.
Замените мастер, если чрезмерная расшифровкаРычаг расцепления слишком длинный для соединительной системы Определите правильное соотношение (согласно приведенным выше инструкциям) и укоротите рычаг Неправильный угол выдвижения рычага разблокировки Изменить длину релиза ближнего, поворотного или и того, и другого, если необходимо Рычаг расцепления задевает отверстие колокола, препятствуя полному ходу рычага При необходимости отшлифуйте зазор на колоколе Двигатель смещается на опорах двигателя, теряется ход рычажного механизма При необходимости отремонтируйте, восстановите или замените опоры двигателя Направляющая втулка крепится к первичному валу. Возможно повреждение при установке или из-за перекоса колокола Заменить направляющую втулку. См. процедуру выравнивания колокола в руководстве Novak .
Направляющая первичного вала «упирается» в отверстие коленчатого вала Укоротить первичный вал путем шлифовки или углубить отверстие кривошипа, просверлив Ступица диска сцепления повреждена или неправильно собрана Замените диск Прижимная пластина или крышка деформированы Замените узел прижимной пластины Чрезмерное биение на торце маховика Проверить фланец коленчатого вала на наличие заусенцев и удалить их или обработать маховик Неправильный маховик для проворачивания болтов ступицы.
Головки болтов приводные дискаИспользуйте подходящие специальные болты маховика Диск сцепления устанавливается задом наперед. Головки болтов приводные диска Разобрать и перевернуть диск Диск сцепления слишком большой. Край диска мешает узлу прижимной пластины Укажите диск меньшего размера Рычаг сцепления с выжимным подшипником, стопорная скоба подогнана на кромке подшипника (прогрессирующее ухудшение) Замените выжимной подшипник, если он поврежден, и правильно установите рычаг и зажимы Симптом:
Проскальзывание сцепленияВозможный диагноз
Вероятное решение
Рычажный механизм не отрегулирован или заедает
Отрегулируйте рычажный механизм, чтобы создать надлежащий провис в системе
Выжимной подшипник слишком длинный, удерживает сцепление в слегка выключенном положении
Использовать более короткий выжимной подшипник.
См. схему в текстеПоверхность трения на маховике, нажимном диске или диске покрыта глазурью (обычно от тепла)
Ремонт и замена узла сцепления
Муфта слишком мала и/или нагрузка пружины слишком мала
Используйте сцепление большего размера или более тяжелую пружину. Первое часто предпочтительнее. В крайних случаях может потребоваться как
Масло на диск сцепления
Устраните утечку масла (как правило, задняя часть двигателя или масляный поддон, если не коробка передач из-за уплотнения) и замените диск
Сломанные или изношенные пружины
Заменить прижимную пластину
Симптом:
Сцепление дребезжит при включенииВозможный диагноз Вероятное решение Демпферные пружины в ступице диска сцепления или пружина Марселя между накладками устала Заменить диск сцепления Поверхность трения на маховике или нажимном диске покрыта теплом Восстановите поверхность или замените при необходимости Диск сцепления выбегает на входной шестерне (проблема ступицы) Заменить диск сцепления Истощение поверхности маховика или нажимного диска Восстановите или замените при необходимости Масло на фрикционных поверхностях Устраните утечку масла (обычно из заднего главного двигателя или масляного поддона, если не из коробки передач из-за уплотнения) и замените диск.
Избегайте загрязнения деталей при повторной сборкеСвязь работает нестабильно Осмотрите рычажный механизм, обращая особое внимание на отверстия в каждом выступе. При необходимости отремонтируйте или замените соединение Люфт в опорах двигателя, обеспечивающий смещение силового агрегата относительно рычажного механизма Замена или ремонт опор двигателя Симптом:
Педаль пульсирует при нажатии на пол (только для трехпальцевой винтовой пружины)Возможный диагноз Вероятное решение Сцепление чрезмерно выжимается, и пальцы выключения задевают пружины демпфера ступицы диска Уменьшить ход рычажного механизма (см. текст выше) Симптом:
Педаль пульсирует в начале отпусканияВозможный диагноз Вероятное решение Биение маховика Проверить наличие заусенцев на монтажных фланцах сцепления и маховика При трехпальцевом типе не все пальцы могут быть одинаковой высоты Отрегулируйте прижимную пластину специалистом по ремонту или замените прижимную пластину Чрезмерный зазор между выжимным подшипником и фиксатором Замените фиксатор или несоответствующие детали, фиксатор втулки до размера выжимного подшипника, плюс посадка со скользящей посадкой Симптом:
Шум; щелканье или дребезжание на холостых оборотах при отпущенной педалиВозможный диагноз
Вероятное решение Сломанные пружины Заменить прижимную пластину Симптом:
Шум; жужжание или скрежет при отпускании сцепления (педаль нажата)Возможный диагноз Вероятное решение Неисправный подшипник выключения сцепления Заменить Симптом:
Шум; стук или «жужжание» при отпускании сцепленияВозможный диагноз Вероятное решение Слишком большая направляющая втулка для зазора входной шестерни.
Часто возникает из-за перекоса колоколаЗамените направляющую втулку. Зазор должен быть от 0,001 до 0,004 Симптом:
Педаль с трудом нажимается и удерживаетсяВозможный диагноз Вероятное решение Неправильно настроенная рычажная система При необходимости изменить (см. текст) Избыточная пружинная нагрузка нажимной пластины для рычажного механизма Уменьшите нагрузку на пружину или, если требуется муфта высокого давления, измените рычажный механизм, чтобы обеспечить минимальный ход, при котором все еще будет происходить размыкание (т.0643 Симптом:
Воздух в системе гидравлического выключения и не высвобождается полностьюВозможный диагноз Вероятное решение Попадание воздуха и/или внутренняя утечка жидкости в главный цилиндр Изменить при необходимости При наличии утечки жидкости в трубопроводе или подчиненном цилиндре, соединении негерметичного трубопровода или подчиненном гидравлическом стакане Заменить или отремонтировать при необходимости Муфта трехпальцевого типа в разрезе.
Изображение предоставлено McLeod Industries.Что такое педаль сцепления. Сцепление: устройство, принцип работы. Автомобильное сцепление
Сцепление является неотъемлемой частью любого современного автомобиля. Именно этот узел принимает на себя все колоссальные нагрузки и удары. Устройства специально тестируются на автомобилях с механической коробкой передач. Как вы уже поняли, в сегодняшней статье мы рассмотрим принцип работы сцепления, его конструкцию и назначение.
Характеристика элемента
Сцепление представляет собой силовую муфту, передающую крутящий момент между двумя основными узлами автомобиля: двигателем и коробкой передач. Он состоит из нескольких дисков. В зависимости от типа передачи усилия эти муфты могут быть гидравлическими, фрикционными или электромагнитными.
Назначение
Автоматическое сцепление предназначено для временного отключения трансмиссии от двигателя и плавного их включения.
Необходимость в нем возникает по мере начала движения. Временное отключение мотора и коробки передач необходимо также при последующем переключении передач, а также при резком торможении и остановке автомобиля.Во время движения машины система сцепления в основном включена. В это время он передает мощность от двигателя к коробке передач, а также защищает механизмы коробки передач от различных динамических нагрузок. Те, что возникают при передаче. Так, нагрузки на него возрастают при торможении двигателем, при резком включении сцепления, снижении частоты вращения коленчатого вала или при наезде автомобиля на неровности дорожного полотна (ямы, выбоины и т. п.).
Классификация по соединению ведущей и ведомой частей
Сцепление классифицируется по нескольким критериям. По связи между ведущей и ведомой частями принято различать следующие типы устройств:
- Фрикционные.
- Гидравлический.
- Электромагнитный.
По типу создания толкающих усилий
По этому признаку различают виды сцепления:
- С центральной пружиной.

- Центробежный.
- С периферийными пружинами.
- Полуцентробежный.
По количеству ведомых валов системы бывают одно-, двух- и многодисковые.
По типу привода
- Механический.
- Гидравлический.
Все вышеперечисленные типы муфт (за исключением центробежных) являются замкнутыми, то есть постоянно выключаются или включаются водителем при изменении скоростей, остановке и торможении транспортного средства.
В настоящий момент большую популярность приобрели системы фрикционного типа. Такие агрегаты используются как на легковых и грузовых автомобилях, так и на автобусах малого, среднего и большого класса.
Двухдисковое сцепление используется только на тяжелых тракторах. Их также устанавливают на большие автобусы. Мультидиски практически не используются автопроизводителями на данный момент. Ранее они применялись на большегрузных автомобилях. Также стоит отметить, что гидромуфты как отдельный узел на современных машинах не используются.
До недавнего времени они применялись в автомобильных коробках, но только в комплексе с последовательно установленным фрикционным элементом.Что касается электромагнитных муфт, то они на сегодняшний день не получили широкого распространения в мире. Это связано со сложностью их конструкции и дорогим обслуживанием.
Принцип работы муфты с механическим приводом
Следует отметить, что этот узел имеет одинаковый принцип работы, независимо от количества ведомых валов и типа создания сил нажима. Исключением является тип привода. Напомним, что он может быть механическим и гидравлическим. А теперь рассмотрим принцип работы муфты с механическим приводом.
Как работает этот узел? В рабочем состоянии, когда педаль сцепления не нажата, ведомый диск зажат между нажимным диском и маховиком. В это время передача крутящих усилий на вал осуществляется за счет силы трения. Когда водитель нажимает ногой на педаль, трос сцепления перемещается в корзине. Далее рычаг поворачивается относительно точки крепления.
После этого свободный конец вилки начинает давить на выжимной подшипник. Последний, двигаясь к маховику, должен давить на пластины, которые перемещают нажимной диск. В этот момент ведомый элемент освобождается от прижимных усилий и, таким образом, сцепление отключается.Далее водитель свободно производит переключение передач и начинает плавно отпускать педаль сцепления. После этого система снова соединяет ведомый диск с маховиком. При отпускании педали сцепление включается, валы притираются. Через некоторое время (пару секунд) агрегат полностью начинает передавать крутящий момент на двигатель.
Последний через маховик приводит в движение колеса. Следует отметить, что трос сцепления присутствует только на узлах с механическим приводом. Нюансы построения другой системы мы опишем в следующем разделе.
Принцип работы гидромуфты
Здесь, в отличие от первого случая, усилие от педали к механизму передается через жидкость. Последний содержится в специальных трубопроводах и баллонах.
Устройство этого типа сцепления несколько отличается от механического. 1 ведомый диск установлен на шлицевом конце ведущего вала коробки передач и стального кожуха, прикрепленного к маховику.Внутри корпуса находится пружина с радиальным лепестком. Он служит рычагом разблокировки. При этом педаль управления подвешена на оси к кронштейну кузова. К нему же крепится толкатель главного цилиндра. После выключения блока и переключения передачи пружина с радиальными лепестками возвращает педаль в исходное положение. Кстати, схема сцепления представлена на фото справа.
Но это еще не все. В сборе присутствуют как главный, так и рабочий цилиндр сцепления. По своей конструкции оба элемента очень похожи друг на друга. Оба состоят из корпуса, внутри которого находится поршень и специальный толкатель. Как только водитель нажимает на педаль, она активируется. Здесь с помощью толкателя поршень движется вперед, тем самым повышая давление внутри. Последующее ее движение приводит к тому, что жидкость поступает в рабочий цилиндр через нагнетательный канал.
Итак, благодаря действию толкателя на вилку происходит отключение агрегата. Как только водитель начинает отпускать педаль, рабочая жидкость течет обратно. Это действие включает сцепление. Этот процесс можно описать следующим образом. Сначала открывается обратный клапан и сжимает пружину. Далее происходит возврат жидкости из рабочего цилиндра в основной. Как только давление в нем становится меньше силы нажатия пружины, клапан закрывается, и в системе образуется жидкость. Так нивелируются все щели, которые есть в определенной части системы.В чем разница между двумя дисками?
Основным преимуществом систем с механическим приводом является простота конструкции и низкие эксплуатационные расходы. Однако, в отличие от своих собратьев, они имеют меньший КПД.
Гидравлическая муфта (фото ее представлено ниже) за счет высокой производительности обеспечивает более плавное включение и выключение агрегатов.
Однако этот тип узлов значительно сложнее по конструкции, из-за чего менее надежен в эксплуатации, более прихотлив и затратен в обслуживании.

Требование к сцеплению
Одним из основных показателей данного узла является высокая способность передачи крутящего момента. Для оценки этого фактора используется такое понятие, как «значение коэффициента безопасности сцепления».
Но, помимо основных показателей, которые относятся к каждому агрегату машины, к этой системе предъявляется ряд других требований, среди которых следует отметить:
- Плавность включения. При эксплуатации автомобиля этот параметр обеспечивается квалифицированным контролем элементов. Однако некоторые детали конструкции призваны повысить плавность включения узла сцепления даже при минимальной квалификации водителя.
- «Чистое» отключение. Этот параметр подразумевает полное отключение, при котором моментные усилия на выходном валу соответствуют нулю или близки к нему.
- Надежная передача мощности от трансмиссии к двигателю во всех режимах работы и эксплуатации. Иногда, когда запас прочности слишком низкий, сцепление начинает буксовать.
Что приводит к его повышенному нагреву и износу деталей механизма. Чем выше этот коэффициент, тем больше масса и габариты узла. Чаще всего эта величина составляет порядка 1,4-1,6 для грузовых автомобилей и автобусов и 1,6-2 для них. - Удобство управления. Это требование обобщается для всех органов управления автомобиля и задается в виде характеристики хода педали и степени усилия, необходимого для полного выключения сцепления. На данный момент в России действует ограничение в 150 и 250 Н для автомобилей с усилителями привода и без них соответственно. Сам ход педали часто не превышает 16 сантиметров.
Заключение
Итак, мы рассмотрели устройство и принцип работы сцепления. Как видите, этот узел очень важен для автомобиля. От его работоспособности зависит исправность всего транспортного средства. Поэтому не следует разрывать сцепление, резко убирая ногу с педали во время движения. Чтобы максимально сохранить детали агрегата, необходимо плавно отпускать педаль и не практиковать длительные отключения системы.
Так вы обеспечите долгую и надежную работу всех его элементов.Для того, чтобы понять, каково назначение сцепления в автомобиле, необходимо разобрать принцип его работы в общем составе механизма передачи крутящего момента. Как известно, двигатель придает автомобилю движение. Именно он является источником энергии и крутящего момента. Вращение коленчатого вала двигателя должно особым образом передаваться на колеса. Дело в том, что скорость вращения элементов двигателя составляет более тысячи оборотов в минуту, при этом колеса, во-первых, должны иметь возможность вообще не вращаться, а во-вторых, в случае вращения иметь частоту, на порядок ниже. Для этих целей служит ходовая часть автомобиля, частью которой является сцепление.
Проблема со сцеплением
Из необходимости использования устройства сцепления вытекает и его задача — при необходимости сцеплять и расцеплять двигатель автомобиля с колесами. Таким образом, он служит своеобразным ключом, замыкающим и размыкающим механическую цепь, передающую крутящий момент от двигателя к колесам.
На самом деле сцепление физически соединяет двигатель не с колесами, а с коробкой передач, которая является одним из звеньев цепи. Это сделано на случай переключения коробки на какую-то другую передачу.Как известно, коробка передач (КПП) состоит из двух осей. Одна ось соединяется с двигателем, а другая с колесами. Для изменения ступени коробки передач во время движения необходимо отсоединить коробку передач от двигателя. Эту работу выполняет сцепление, в результате чего колеса и двигатель крутятся вхолостую, и появляется возможность управлять ими по отдельности. Собственно, одним из вариантов такого управления и является процесс полного торможения. В момент нажатия на педаль тормоза для полной остановки водитель также нажимает на педаль сцепления, чтобы отсоединить двигатель от коробки передач и, как следствие, от сцепления.
Устройство сцепления
Тип устройства сцепления в первую очередь связан с необходимостью максимально плавно замыкать двигатель и колеса.
Именно поэтому резкость отпускания педали сцепления влияет на резкость трогания автомобиля с места. Сцепление состоит из двух дисков в одном общем корпусе, установленных на геометрически общей оси. Одна часть этой оси, соединенная с одним из дисков, связана с колесами, а другая с двигателем. Один из дисков имеет возможность перемещаться вдоль оси до соприкосновения со вторым диском, в результате чего возникает слипание.Сцепление автомобиля является одним из основных компонентов коробки передач. Именно он берет на себя всю тяжесть переключения передач, защищает автомобиль от перегрузок и гасит вибрации. Как работает сцепление на автомобиле, как оно работает, какие функции выполняет? Ответы на все эти вопросы далее в нашей статье.
Характеристика
Сцепление автомобиля — узел, предназначенный для кратковременного отключения двигателя от коробки передач и их плавного соединения при переключении передач.
На большинстве современных автомобилей этот элемент расположен между коробкой передач и двигателем внутреннего сгорания.

Устройство сцепления автомобиля
По своей конструкции эта деталь представляет собой целую систему, состоящую из следующих элементов:
Для чего предназначен этот узел?
Как известно, двигатель вращается постоянно, а колеса нет. А чтобы при каждой новой остановке автомобиля не приходилось глушить двигатель, на коробке следует выключать ту или иную передачу, то есть нажатием на педаль сцепления активировать «нейтралку». При последующем движении этот узел способен вновь совмещать вращающийся двигатель и неподвижный редуктор, плавно соединяя валы друг с другом. Благодаря этому автомобиль плавно трогается с места.
Сухое сцепление
Схема сцепления автомобиля почти всегда одинакова (картер сцепления, подшипник выключения сцепления, втулка, поддерживающая вилку сцепления, вилка выключения сцепления, нажимная пружина, ведомый диск, маховик, нажимной диск, крышка сцепления, коробка передач входной вал; трос; педаль сцепления; подшипник выключения сцепления; пластина, соединяющая крышку сцепления с нажимным диском; пружина демпфера; ступица ведомого диска).
Однако этот узел имеет свои особенности. Некоторые производители оснащают машины разными типами агрегатов. Один из самых популярных вариантов на данный момент – фрикционный. В этом типе сцепления процесс передачи крутящего момента осуществляется за счет сил трения. Последние воздействуют на контактные поверхности ведомой и ведущей частей. То есть передача усилий происходит непосредственно между диском ДВС и коробкой передач машины. Такой тип сцепления еще называют «сухим». Особенно часто его устанавливают на полноприводные джипы.«Мокрый» тип
Существует также так называемое мокрое сцепление. Чем он отличается от первого варианта? Он содержит масло гидротрансформатора между двумя дисками. Также на «мокром» узле нет такого жесткого сцепления между ведомым и ведомым диском.
По сравнению со своими аналогами имеет ряд преимуществ. Среди них необходимо отметить хорошую защиту автомобиля от перегрева, а также высокую надежность механизмов. Однако у «мокрого» элемента есть свои недостатки.
Главный ее недостаток – высокая стоимость, поэтому на большинстве бюджетных автомобилей эта система не используется.Назначение
Каковы функции сцепления автомобиля? В первую очередь этот агрегат необходим для плавного старта автомобиля с места, о чем мы говорили в начале статьи. Если мотор жестко связан с коробкой, то после включения передачи автомобиль дергается вперед, так как вся мощность от двигателя передается на коробку сразу. Неправильное использование сцепления приводит к механическим повреждениям деталей, а также приводит к частой остановке двигателя при трогании с места.
Благодаря работе сцепления, а именно проскальзыванию ведущего и ведомого дисков, крутящий момент постепенно увеличивается. Движущие силы возрастают не сразу, поэтому машина трогается с места очень плавно и мягко.
Также коробка сцепления необходима для легкого переключения передач во время движения автомобиля. При движении автомобиля с определенной скоростью, которая плавно увеличивается или уменьшается, возникает необходимость переключения на повышенную или пониженную передачу, чему способствует своевременное разъединение валов агрегата между трансмиссией и двигателем.
В противном случае для переключения передач потребовались бы более высокие усилия, что в дальнейшем спровоцировало бы быстрый износ коробки передач и других ее механизмов. В частности, при принудительном переключении скорости увеличивается нагрузка на зубья шестерни. Таким образом, сцепление имеет еще и функцию снижения нагрузки, действующей на поверхности компонентов коробки передач, что облегчает переход с одной передачи на другую. При этом коробка передач (фото этого механизма представлено ниже) испытывает минимальные нагрузки от двигателя. А это значительно увеличивает срок службы деталей коробки передач, цена которых порой бывает завышена.Кроме того, работа сцепления направлена на снижение уровня нагрузок, действующих на коробку передач при экстренном торможении автомобиля. Когда машина резко замедляется, крутящий момент ее колес значительно снижается. Но поскольку трансмиссия в это время соединена с двигателем, она имеет инерцию вращения и поддерживает одну и ту же скорость.
Это может привести к значительному повреждению его частей. Сама защита от перегрузок осуществляется проскальзыванием ведомого и ведущего дисков. При этом крутящий момент максимально стабилизируется.Как это работает?
Принцип работы автомобильного сцепления – трение нескольких дисков. Действие этого узла заключается в плотном сжатии рабочих поверхностей маховика и прижимной поверхности корзины. Ниже мы рассмотрим этот момент более подробно.
Когда узел находится в рабочем состоянии, диск корзины плотно прижимается к муфте выжимной пружиной и прижимает его к маховику. При этом первичный вал входит в шлицевую муфту. Далее осуществляется передача на него крутящих усилий от диска сцепления. Когда водитель нажимает на педаль, он включает выжимной подшипник. Последний давит на пружину. Таким образом, поверхность корзины отходит от диска сцепления. После этого первичный вал коробки передач перестает двигаться.
Особенности работы на автоматических коробках
В обычных АКПП такой элемент трансмиссии, как сцепление, просто отсутствует.
А вот на роботизированных и кулачковых «автоматах» она предусмотрена. Кстати, на последнем типе трансмиссии сцепление работает только на старте. В процессе движения этот элемент не функционирует.В большинстве автоматических коробок передач используется мокрое многодисковое сцепление. Однако выжимание здесь происходит не нажатием на некую педаль (которой здесь просто нет), а сервоприводом (проще говоря, актуатором). На данный момент принято различать несколько видов этих устройств:
- Электр. Такой сервопривод представляет собой шаговый двигатель. Управляется ЭБУ (электронный блок управления).
- Гидравлический. Такой привод выполнен в виде гидроцилиндра. Он приводится в действие специальным гидравлическим клапаном.
В коробке передач робота используются сцепления двух типов. Они функционируют вариативно. Когда первая выжимается для автоматического переключения определенной передачи, вторая ждет команды на выжимку следующей.
Продлеваем срок службы
Сцепление, пожалуй, один из самых прочных элементов в конструкции автомобиля.
Качественный агрегат может прослужить 200 тысяч километров и более. Однако, чтобы ваша коробка не потребовала ремонта в первые недели вождения, необходимо знать определенные правила эксплуатации.При вождении автомобиля с механической коробкой передач прежде всего научитесь правильно нажимать на педаль. Пока отпускаешь, сцепление срабатывает. В этот момент пружина нажимного диска толкает толкатель к маховику. Происходит плавное шлифование элементов. За счет этого диск немного проскальзывает относительно маховика, последний тоже начинает вращаться.
На следующем этапе необходимо дать короткое время узлу, чтобы обороты максимально выровнялись. Для этого удерживайте педаль в среднем положении примерно 2-3 секунды. После этого число оборотов маховика приблизится к скорости вращения диска. Итак, машина медленно набирает скорость.
Что делать дальше? Когда маховик с ведомым и нажимным диском начал вращаться независимо с одинаковой скоростью и без проскальзывания, происходит максимально возможная передача крутящего момента.
В этом случае нет необходимости повторно отсоединять коробку передач и двигатель (кроме экстренного торможения). Как только машина завелась, а спидометр показывает больше 10 километров в час, педаль можно смело отпускать. Затем аналогичным образом переходим на повышенную передачу до 5-й (если это позволяют ПДД).Обратите внимание, что если при трогании с места резко отпустить педаль сцепления, то машина поедет рывками, а через 3-4 секунды заглохнет. Это связано с тем, что при резком притире дисков мотор передает всю мощность на коробку, тем самым просто рвет ее. Возрастает нагрузка на шестерни, соответственно уменьшается ресурс механизмов трансмиссии. Не отпускайте резко педаль при трогании с места, так как это очень вредно для вашего автомобиля. Только когда машина набирает достаточно высокую скорость (это уже 3-5 передача), при переключении на повышенную можно сразу «кинуть» педаль.
Как не спалить этот узел?
Не думайте, что если долго жать на эту педаль, то работа сцепления автомобиля будет стабильной, и машина от этого не пострадает.
Например, на перекрестках и при остановке «на красный» нужно сразу переключаться на «нейтраль». Если все это время (около 20-40 секунд) ваша нога будет на педали сцепления, вы ее просто сожжете за 1-2 дня. Цена на него, в зависимости от модели автомобиля, колеблется от 200 до 1000 долларов и выше. Согласитесь, это довольно большая сумма.Как показывает практика, при правильном использовании сцепления можно не менять корзину и диск на 100-200 тыс. км пробега (касается импортных марок автомобилей). Главное чувствовать, когда нажимать на педаль, а когда нет. Если ваша остановка длится более 5-6 секунд, смело включайте «нейтраль». Это можно сделать раньше, например, если вы видите красный сигнал светофора на расстоянии 300 метров. В этом случае автомобиль будет двигаться по собственной инерции. Кстати, используя «накат», можно значительно снизить расход топлива автомобиля.
Таким образом, педаль сцепления нельзя резко отпускать, но и не следует удерживать ее слишком долго.
В любом случае вы рискуете ухудшить техническое состояние автомобиля.Регулировка узла
Время от времени автомобиль нуждается в регулировке сцепления. Со временем увеличивается ход педали, в результате чего механизмы полностью не отключаются. То есть при максимальном нажатии на педаль валы не отключаются, а остаются «в притирке» с двигателем. А это, как мы уже говорили ранее, значительно увеличивает уровень нагрузки на зубы. В результате изнашиваются все компоненты узла.
Как это определить?
Узнать, нуждается ли ваш автомобиль в регулировке сцепления, несложно. Для этого возьмите строительную рулетку и измерьте расстояние от пола до резиновой накладки педали. На большинстве легковых автомобилей эта величина составляет около шестнадцати сантиметров. А ход педали устанавливается с помощью специальной контргайки, которая находится на конце троса под капотом. При этом механизм следует нажать трижды до упора (в пол).
Заключение
Итак, мы подробно рассмотрели особенности системы сцепления автомобиля.
Как видите, эта деталь имеет большое значение для двигателя и трансмиссии. Поэтому не следует пренебрегать правилами его эксплуатации и зря сжигать корзину, если в этом нет особой необходимости. Берегите свой автомобиль и аккуратно пользуйтесь сцеплением!
Система управления сцеплением работает в автомобиле как часть его трансмиссии. Следует помнить, что идея временного разрыва цепи передачи энергии вращения от двигателя автомобиля к колесам была предложена Карлом Бенцем и является обязательным атрибутом механической коробки передач.
Зачем в машине сцепление? Своим появлением в автомобиле агрегат обязан врожденному отсутствию механической коробки — шестерни приводного вала не могли зацепиться под нагрузкой. Для смены пары шестерен автомобиля требовалось хитроумное устройство, которое при необходимости могло бы на доли секунды отключать крутящий момент мотора.
Это одно из полноценных органов управления машиной, с помощью которого реализуется несколько основных вопросов эксплуатации:
- коробка передач получает крутящий момент от сцепления без рывков и крутильных колебаний, нужно защитить трансмиссию от ударов;
- двигатель машины разгружен от ударных нагрузок при торможении или маневрировании;
- отпала необходимость в тяжелом и ненадежном маховике-накопителе, который был нужен для перераспределения энергии двигателя автомобиля.

Важно! Статистический анализ работы систем автомобиля показал, что наибольшую частоту срабатывания от органов управления машиной имеет сцепление, выполняющее роль замка, замыкающего и отключающего поток энергии в зависимости от нагрузки. Нужно понимать, какой высокой надежности вы добились.
Зачем выжимать сцепление? В сцепном устройстве для передачи энергии от маховика двигателя машины к первичному валу коробки передач используются два диска, обычно плотно прижатых друг к другу мощной диафрагменной пружиной, что обеспечивает надежное соединение. Это необходимо для того, чтобы избежать скольжения.
При необходимости разорвать поток вращения водитель нажимает на педаль выключения сцепления, и специальный механизм, преодолевая сопротивление пружины, разводит диски на расстояние нескольких миллиметров. Чтобы правильно использовать устройство и понять, как его втиснуть в машину, требуется некоторая практика и привыкание.
Один из дисков, называемый ведущим диском, представляет собой толстое и широкое кольцо из специального чугуна с большой боковой поверхностью.
Он жестко связан с маховиком двигателя. Второй диск тонкий, с приклепанными по периметру накладками из материала с высоким коэффициентом трения, жестко закрепленным на первичном валу коробки передач.Это частично гарантирует отсутствие проскальзывания между прессованными дисками. Если усилие и момент на валу превышают допустимое значение, диски начинают проскальзывать и подгорать, но основные узлы мотора остаются целыми.
Помимо дисков, в корзине активно работают:
- привод — гидравлический или тросовый, непосредственно передающий усилие ноги на точку выключения сцепления. Для выполнения этой задачи необходимо большое усилие, поэтому отключение производится нажатием ноги на педаль; выключить его вручную в легковом автомобиле гораздо сложнее, а в грузовом вообще невозможно;
- выжимной подшипник является промежуточным звеном и нужен для одновременного совершения входящего и вращательного движения при выключенном сцеплении;
- диафрагменная пружина состоит из нескольких упругих элементов — лепестков, размещенных по периметру обода корзины сцепления, в центре лепестки объединены с выжимным подшипником.

Почему ты выжимаешь сцепление ногой? В старых конструкциях автомобилей руки водителя были перегружены органами управления; для сцепления больше подходила система выжимания педали ногой.
На заметку! По традиции и привычке управление агрегатом в современном автомобиле осталось ножным, хотя в автомобилях для инвалидов часто используется конструкция с ручным разблокировкой.
Зачем выжимать сцепление при запуске двигателя. Конструкция предполагает, что в нормальном состоянии он постоянно включен, даже когда машина находится в состоянии покоя. При запуске двигателя, особенно зимой, коленчатый вал двигателя и первичный вал коробки передач создают большое сопротивление вращению. Для облегчения пуска двигателя машины нужно выжать педаль сцепления и отключить вал коробки передач, снизив тем самым потери.
Современные системы получили новые материалы, но работают они так же. Многочисленные попытки замены сцепления привели к появлению множества сложных и очень дорогих узлов, значительно уступающих старой схеме.
С увеличением использования электроники в контроле за работой систем машины в работе агрегата появились датчики положения педали сцепления.Зачем нужен датчик сцепления?
По сигналу датчика контроллер ЭБУ узнает о состоянии блока и выдает управляющие импульсы на снижение оборотов двигателя машины или их увеличение при отпускании педали. Таким образом, значительно снижается эффект «клевания» автомобиля при старте и начале движения.
Важно! Для нормальной работы датчика необходимо экспериментально подобрать ход педали. Это не только оптимизирует работу двигателя, но и дает определенный выигрыш в расходе топлива.
Как вы думаете, что такое сцепление в автомобиле с механической коробкой передач? Для тренировки левой ноги, особенно в пробках, или чтобы она просто не болталась? Шутка)))
Оказывается сцепление есть не только в машинах с МКПП, оно есть и в АКПП.
Теперь кратко пройдемся по понятию сцепления, и узнаем как работает сцепление, для чего оно в автомобиле, как оно работает и какие бывают типы.

Любая конструкция трансмиссии автомобиля имеет узел, разрывающий связь между двигателем и остальными механизмами, участвующими в движении автомобиля.
Принцип работы сцепления следующий — временно отключить двигатель от трансмиссии. Для их плавного соединения в начале движения и легкого переключения передач, для защиты деталей трансмиссии от чрезмерных нагрузок и для сглаживания вибраций.
Сцепление расположено между двигателем и коробкой передач.
Конструктивные особенности сцепления
По видам сцепления могут быть гидравлические, фрикционные, электромагнитные.
- в гидравлическом исполнении соединение осуществляется за счет потока жидкости;
- во фрикционных — крутящий момент передается за счет использования сил трения;
- в электромагнитном поле процесс контролируется магнитным полем.
Самый распространенный, как правило, фрикционный в автомобилях с МКПП.
На современных легковых автомобилях устанавливается однодисковое сухое сцепление, которое вместе с маховиком состоит из: нажимного и ведомого дисков, диафрагменной пружины, выжимного (нажимного) подшипника, сцепления и вилки.

Ведомый диск
Задача ведомого диска — плавное соединение двигателя с валом коробки передач. Он расположен между нажимным диском (LP) и маховиком.
Для плавного включения предусмотрены демпфирующие пружины, гасящие крутильные колебания.
С обеих сторон диска имеются фрикционные накладки из стекловолокна и латунной проволоки, запрессованные в резино-смоляную композицию.
Этот материал выдерживает температуру до плюс 400°С.На спортивных автомобилях используется керамический вариант, с карбоновыми, кевларовыми и керамическими накладками. Есть еще более прочные накладки – металлокерамические, они выдерживают температуру до 600°С.
Нажимной диск
С помощью нажимного диска ведомый прижимается к маховику, и при необходимости освобождается от давления.
Нажимная пластина соединена с корпусом тангенциальными пластинчатыми пружинами. При выключенном сцеплении они работают как возвратные.

Плавное переключение передач продлевает срок службы компонентов коробки передач.
Диафрагменная пружина давит на прижимную пластину, она создает необходимое усилие сжатия для обеспечения передачи крутящего момента.
Наружный диаметр диафрагменной пружины упирается в кромки ЛП. Его внутренний диаметр составляют упругие лепестки, на которые действует нажимной (или разжимной, без разницы) подшипник.
Диафрагменная пружина, прижимная пластина и корпус составляют один блок, который обычно называют корзиной.
Выжимной подшипник, он же выжимной, расположен на оси вращения и при работе давит на лепестки диафрагменной пружины.
Передвигается с помощью вилки, соединенной с педалью в салоне приводом сцепления.
Классификация
Устройство сцепления классифицируется по нескольким критериям.
- для связи ведущих и ведомых агрегатов, таких как: гидравлические, фрикционные и электромагнитные;
- по состоянию поверхности трения — сухая и мокрая.
В первом случае используется сухое трение дисков. Во втором процесс происходит в жидкости; - по силе давления могут быть следующие варианты: центробежные, полуцентробежные, с центральной пружиной, с периферийными пружинами;
- по количеству ведомых валов бывают одно-, двух- и многодисковые системы;
- по типу привода — с механическим или гидравлическим приводом.
Все перечисленные варианты (кроме центробежных) являются закрытыми, то есть постоянно выключаются или включаются водителем для переключения скоростей, при остановке и торможении автомобиля.
Итак, пока в общих чертах, для чего в машине сцепление.
В следующих статьях мы более подробно поговорим о самых распространенных вариантах оформления: , .
Патент США на скользящую муфту регулировочного устройства и зеркало бокового вида для автомобиля с регулировочным устройством. Патент (Патент № 10 302 144 от 28 мая 2019 г.)
ПЕРЕКРЕСТНАЯ ССЫЛКА НА РОДСТВЕННЫЕ ЗАЯВКИ
Эта заявка претендует на приоритет по заявке на европейский патент № EP 15183334.
0, поданной 1 сентября 2015 г., раскрытие которой включено в настоящее описание посредством ссылки.ПРЕДПОСЫЛКИ ИЗОБРЕТЕНИЯ
Настоящее изобретение в целом относится к устройству заднего обзора автомобиля. В частности, изобретение относится к скользящей муфте для регулировочного устройства устройства заднего вида автомобиля, состоящей из двух пластмассовых частей, из которых первая часть выполнена в виде внешнего зубчатого колеса, имеющего первое множество первых соединительных элементов, а вторая часть выполнен в виде внутреннего вала, имеющего второе множество вторых соединительных элементов, при этом две пластиковые детали вращаются друг с другом до заданного максимального крутящего момента, и при этом между первым и вторым соединительными элементами существует жесткая посадка до заданного максимального крутящего момента .
Такая скользящая муфта известна из DE 10 2005 012 652 A1 и отличается тем, что две пластиковые детали упираются друг в друга плоскими поверхностями таким образом, что они находятся в зацеплении до заданного максимального крутящего момента только за счет трения покоя.
.Скользящие муфты, кроме того, известны из патента США No. № 5,000,721 A, US 2008/188315 A1, патент США. №№ 3,618,310 A, 4,982,926 A, DE 10 2011 109375 A1, GB 2 022 199 A, GB 661 643 A, DE 10 2012 001891 A1 и патент США. № 5601,491 A.
Регулировочные устройства для складываемых автомобильных зеркал бокового обзора широко известны в уровне техники, см., например, ЕР 2 159 102 А1 или ЕР 2 230 131 А1.
Было бы желательно доработать универсальную скользящую муфту, чтобы ее было не только легко сконструировать, но и чтобы можно было легко изменить или отрегулировать заданный заранее максимальный крутящий момент.
СУЩНОСТЬ ИЗОБРЕТЕНИЯ
Изобретение относится к устройству заднего обзора автомобиля и, в частности, изобретение относится к скользящей муфте для устройства регулировки устройства заднего обзора автомобиля.
Усовершенствованная скользящая муфта для регулировочного устройства устройства заднего обзора для автомобиля достигается в соответствии с изобретением за счет использования пластмассовой детали, имеющей соединительные кромки из пластмассы, имеющей более высокую эластичность, чем пластмассовая деталь, имеющая соединительные проушины.
.Для этого предлагается предусмотреть от 4 до 50 первых и/или вторых соединительных элементов, и/или первые соединительные элементы выполнены в виде соединительных проушин, а вторые соединительные элементы — в виде соединительных кромок, или вторые соединительные элементы выполнены выполнены в виде соединительных проушин, а первые соединительные элементы выполнены в виде соединительных кромок.
Каждая соединительная кромка может быть расположена между двумя соседними соединительными выступами с геометрическим замыканием, и/или каждая соединительная кромка может быть сформирована на свободном конце изгибаемой или упругой области.
Предпочтительно, чтобы поперечное сечение каждой соединительной проушины имело форму равнобедренной трапеции высотой h и углом β менее 90° на ее свободном конце.
Дополнительно можно предусмотреть, чтобы две пластиковые детали были изготовлены в форме, предпочтительно методом литья под давлением 2K, или чтобы вал был встроен в зубчатое колесо.

Скользящие муфты согласно изобретению также отличаются тем, что максимальный крутящий момент определяется геометрией кромок муфты и/или проушин сцепки, особенно высотой h и/или углом β проушин сцепки, общим напряжением, коэффициентом удлинения и/или шероховатостью поверхности сцепных кромок и/или сцепных выступов, при этом сцепные кромки предпочтительно изготавливаются без особого напряжения и/или средней высотой неровностей поверхности Ra<0,6 мкм, особенно для соединительные наконечники.
Изобретение также предлагает устройство заднего вида, содержащее зеркало бокового обзора и/или камеру, которые соединены с автомобилем с помощью регулировочного устройства, при этом регулировочное устройство содержит скользящую муфту согласно изобретению.
Изобретение основано на неожиданном осознании того, что благодаря чистой посадке с геометрическим замыканием между соединительными элементами двух пластмассовых частей скользящей муфты согласно изобретению простые изменения, например, в геометрии соединительных элементов, уже делают возможна адаптация к конкретной предполагаемой цели, а именно путем адаптации заданного максимального крутящего момента, до которого соединительные элементы из двух пластиков вращаются друг с другом, потому что они входят в зацепление друг с другом.

Различные аспекты этого изобретения станут очевидными для специалистов в данной области техники из следующего подробного описания предпочтительного варианта осуществления, прочитанного в свете прилагаемых чертежей.
КРАТКОЕ ОПИСАНИЕ ЧЕРТЕЖЕЙ
РИС. 1 a представляет собой вид в перспективе первого варианта осуществления скользящей муфты согласно изобретению.
РИС. 1 b представляет собой другой вид в перспективе первого варианта осуществления по фиг. 1 а.
РИС. 1 c представляет собой частичный разрез первого варианта осуществления по фиг. 1 а.
РИС. 1 d представляет собой сечение соединительного элемента первого варианта осуществления по фиг. 1 а.
РИС. 2 a представляет собой вид в перспективе второго варианта осуществления скользящей муфты согласно изобретению.
РИС. 2 b представляет собой частичный разрез второго варианта осуществления по фиг.
2 а. ПОДРОБНОЕ ОПИСАНИЕ ПРЕДПОЧТИТЕЛЬНОГО ВЫПОЛНЕНИЯ
Обращаясь теперь к чертежам, на ФИГ. 1 a -1 d первый вариант скользящей муфты 10 согласно изобретению, которая может быть использована в устройстве регулировки бокового зеркала автомобиля. С этой целью скользящая муфта 10 состоит из двух пластиковых деталей в виде внешнего зубчатого колеса 20 и внутреннего вала 30 . Две пластмассовые детали предпочтительно изготавливаются методом литья под давлением 2K и таким образом, чтобы пластмасса зубчатого колеса 20 имеет более высокую эластичность, чем пластик вала 30 . Зубчатое колесо 20 состоит из шести кромок 22 , каждая из которых соединена площадкой для изгиба 21 , тогда как проушины 31 предусмотрены на валу 30 , так что каждая кромка 22 помещается между двумя соседними проушинами 22 .
31 в исходном положении, показанном на РИС. 1 и , и возникает положительное зацепление кромок 22 и выступов 31 . Частичный разрез на фиг. 1 c , кроме того, показан участок с геометрическим замыканием 40 между выступом 22 и выступом 31 a . Зубчатое колесо 20 включает в себя первую опорную поверхность 24 , которая контактирует по меньшей мере с частью второй опорной поверхности 34 вала 30 , как показано на ФИГ. 1 с . Первая и вторая опорные поверхности 24 и 34 выполнены как части зубчатого колеса 20 и вал 30 соответственно либо в процессе формования 2K, либо как часть процесса формования, при котором вал встроен в зубчатое колесо.Как показано на РИС. 1 d , проушины имеют поперечное сечение в форме равнобедренной трапеции, при этом высота h и боковые углы проушин α, β определяют максимальный крутящий момент, при котором происходит зацепление кромок 22 и проушин 31 присутствует.
Если этот максимальный крутящий момент превышен, кромки 22 наденьте на выступы 31 так, чтобы не было зацепления. Это «соскальзывание» становится возможным благодаря зоне изгиба 21 на каждой кромке 22 .Средняя высота 23 неровностей поверхности Ra поверхностей двух пластиковых деталей может составлять >0,6 мкм и поддерживаться путем полировки, чтобы по существу избежать статического трения между двумя пластиковыми деталями. Кроме того, производство зубчатого колеса 20 вместе с гибочными площадками 21 и кромки 22 позволяет избежать особого напряжения в кромках 22 , так что моментами проскальзывания можно пренебречь.
Таким образом, в соответствии с изобретением установка максимального крутящего момента, до которого две пластмассовые детали вращаются друг с другом, в основном зависит от размеров выступов 31 , а также от эластичности участков изгиба 21 .

РИС. 2 a и 2 b иллюстрируют второй вариант скользящей муфты 9.0147 100 согласно изобретению. Эта скользящая муфта 100 также состоит из двух пластиковых деталей в виде внешнего зубчатого колеса 200 и внутреннего вала 300 . В отличие от варианта осуществления на фиг. с 1 a по 1 d , во втором варианте осуществления зубчатое колесо 200 содержит проушины 201 , тогда как вал 300 образован зонами изгиба 301 и кромками 18 1447 7. губы 302 снова вставьте в зазор между двумя соседними выступами 201 так, чтобы в исходном положении, показанном на РИС. 2 и , между соединительными элементами в виде выступов 201 и кромок 302 имеется чистая посадка с геометрическим замыканием. Область положительной посадки , 400, показана на частичном разрезе на ФИГ.
2 б . Внешнее зубчатое колесо , 200, включает в себя первую опорную поверхность , 224, , которая контактирует по меньшей мере с частью второй опорной поверхности 9.0147 334 вала 300 аналогично первому варианту осуществления на фиг. 1 г. Второй вариант осуществления изобретения характеризуется теми же преимуществами, что и первый вариант, а именно простой адаптацией максимального крутящего момента, до которого две пластиковые детали вращаются друг с другом, за счет геометрии выступов 201 , который опять же может иметь форму равнобедренной трапеции в поперечном сечении.
Простая адаптируемость скользящей муфты к заданному максимальному крутящему моменту обеспечивает высокую гибкость в области применения скользящей муфты согласно изобретению.
Признаки изобретения, раскрытые в приведенном выше описании, формуле изобретения и чертежах, могут быть существенными для реализации изобретения в различных его вариантах как по отдельности, так и в любой желаемой комбинации.

