Содержание
Фронтальный колесный погрузчик ТО-30: технические характеристики, устройство, фото и видео
технические характеристики, устройство, фото и видео
В наше время через интернет можно продать или купить всё что угодно, однако далеко не всё стоит своих денег, особенно сложные механизмы. Выбирать стоит только проверенную технику, которая успела себя зарекомендовать, как надежную и эффективную. Также необходимо учитывать, возможно ли быстро и легко достать детали для ремонта, так как часто б/у техника еще и снята с производства. По всем вариантам отлично подходит фронтальный погрузчик ТО-30.
Фронтальный погрузчик ТО-30
Производит фронтальный погрузчик ТО-30 белорусский завод специальной техники «Амкодор», который разрабатывает и создает различные машины уже около 90 лет. За это время производитель успел заработать репутацию, а также получил признание и уважение от многих крупнейших компаний мира и даже целых стран. Дилерская сетка также успела значительно распространится в Россию (около 70 лицензированных точек), а также в страны СНГ (около 30 точек).
Это позволит не только быстро и легко приобрести технику либо оборудование, но и получить своевременное гарантийное или послегарантийное обслуживание, чем могут похвастаться далеко не все владельцы зарубежных машин.
Применяют технику для погрузочно-разгрузочной работы с различными материалами. Может перевозить груз на большие расстояние, а также использоваться для разнообразных строительных или планировочных работ. Фото фронтального погрузчика ТО-30
Главными достоинствами данной техники можно считать высокие эксплуатационные характеристики, превосходную надежность узлов и агрегатов, возможность быстро и легко достать детали, а также довольно низкую стоимость. Это всё способно склонить чашу весов на сторону ТО-30, даже несмотря на то, что погрузчик уже давно снят с производства.
Устройство
Гидравлический насос отбирает мощность от главного двигателя шасси, при этом управление происходит из кабины оператора. Рулевое управление и тормозная система также получают мощность от общей гидравлической системы.
Шасси выполнена из двух частей, которые имеют шарнирное соединение.
Фронтальный погрузчик использует дизельный двигатель Д-234 на 78 л.с. Это довольно распространенный 4-х цилиндровый двигатель с жидкостным охлаждением. Он устанавливается в различных тракторах, а также строительной технике. Крутящий момент доходит до 258 Нм. Коробка переключения передач в данном погрузчике используется полуавтоматическая.
Редуктор отбора мощности ТО-30.34.00.000.
Из за своего устройства он тяжело поддается капитальному ремонту, а если таковой и удастся произвести, то ресурс моточасов значительно сокращается. Учитывая, что данный агрегат отвечает за работоспособность всего погрузчика, то лучше будет заменить его сразу на новый.
Все остальные агрегаты имеют каталожный номер начинаясь с ТО30, это позволяет быстро найти нужные элементы, однако указывает невзаимозаменяемость с другими видами техники. Разве что двигатель можно найти на другой спецтехнике.
Схема погрузчика ТО-30
1 — гидроцилиндр; 2 — кабина оператора; 3 — силовая установка; 4 — редуктор отбора мощности; 5 — шарнирно-сочлененная рама; 6 — гидроцилиндры; 7 — стрела; 8 — ковш.
Кабина водителя оснащена приборами для отслеживания давления в гидравлической системе, рычагами, которые управляют непосредственно ковшом, рулевую колонку и педали для управления движения самого погрузчика. Сама же кабина обладает защитой от падающих предметов, а также предусмотрена дополнительная защита оператора при опрокидывании погрузчика.
Технические характеристики
Технические характеристики фронтального погрузчика ТО-30 представлены в таблице:
| Характеристики | Показатели |
| Паспортная грузоподъемность, т | 2,2 |
| Объем основного ковша, м3 | 1,8 |
| Усилие погрузчика вырывное, кН | 80 |
| Угол поворота полурам, град. | 40 |
| Мощность агрегата, л.с. | 78 |
| Крутящий момент, Нм | 258 |
| Ширина по ковшу, м | 2,4 |
| Длина, м | 6,4 |
| Колея, м | 1,84 |
| Минимально возможный радиус поворота, м | 5,2 |
| Предельная скорость транспортная/с загрузкой, км/час | 25/6,1 |
| Вес, кг | 7250 |
Видео обзор фронтального погрузчика ТО-30:
allspectech.
com
Устройство
Hyundai porter: технические характеристики
Фронтальный погрузчик представляет собой самоходное колесное шасси, на котором установлен дизельный двигатель, кабина оператора, а также ковш. Гидравлическая система, которая управляет ковшом и рулевым механизмом, отбирает мощность от главного двигателя шасси. Управление происходит рычагами из кабины оператора. Гидравлическая система состоит из двух насосов, однако приоритет мощности идет на рулевое управление. Благодаря собственной гидравлической системе шасси также может использовать сменное навесное оборудование и использоваться уже в качестве совершенно другой техники. Например, в качестве экскаватора, бульдозера и так далее.
Схема фронтального погрузчика ТО-18
Рама у одноковшового погрузчика амкадор ТО-18 шарнирно-сочлененная, а управляется гидравлическим приводом, который к тому же имеет аварийную систему с насосом от колес. Гидравлический привод также использует тормозная система, у которой механизмы находятся в «масле».
А вот стояночный тормоз полностью механический.
Базовая комплектация
В базовую комплектацию входит сам фронтальный погрузчик с ковшом вместимость 1,9 м3. Он полностью готов к работе и не требует дополнительных затрат.
Дополнительная комплектация
В дополнительную комплектацию могут входить большие по объему ковши, а именно на 2,3 или 3 м3.
Также для расширения возможностей погрузчика может комплектоваться погрузочным оборудованием с удлиненной стрелой и вместимостью ковшей от 1,5 до 3 м3, стогометателем, захватной лапой, бульдозерным отвалом, захватом челюстным, отвалом поворотным для снега или вилами грузовыми.
Спецтехника / Погрузчик / ТО6
| На этой странице Вы можете купить погрузчик вилочный — дизель Погрузчик ТО6, 2008 года выпуска, за 700 000 РУБ Добавлено: 27 мар 2021, 700 000 РУБ | |
| Модель: | ТО6 |
| Год выпуска: | 2008 г. |
| Цена: | 700 000 РУБ |
| Описание: | Пробег, км: 10000Тип кузова: АвтопогрузчикСостояние: отличноеМощность, л. |
| Местоположение: | Россия / Пермский край / Пермь |
Фотографии
Контактная информация
| Контактная информация: | Город: ПермьКонтактное лицо: Антон Николаевич |
| Компания: | Антон Николаевич |
| Источник: | auto. 59.ru |
| Поделиться: |
Смотрите также в продаже
www.stroyteh.ru
Фронтальный погрузчик ТО-30: технические характеристики, цена, обзор
Можно ли считать технические характеристики фронтального погрузчика ТО-30 выдающимися? Вряд ли, ведь многие современные модели подобной техники имеют гораздо более высокие параметры. Вместе с тем, старые аппараты упомянутой модели вполне способны выполнять погрузку и разгрузку различных грузов (тарных и штучных) и материалов.
Как и двадцать лет назад, они просто-таки идеально справляются с поставленными перед ними задачами в различных областях:
- строительство;
- такелажные и монтажные операции;
- земляные и планировочные работы.
Главные характеристики модели вынесены в таблицу:
| Грузоподъемность (номин.) | |
| Усилие вырывное | |
| Вместимость ковша (основного) | |
| Угол поворота полурам | |
| Высота разгрузки ковша (max) | |
| Вылет кромки ковша при h — 2 800 мм | |
| R поворота/min | 5. 05/5.2 |
| t общ. гидравлического цикла | |
| Расход горючего (удельн.) в пересчете на тонну груза | |
| Затраты времени на: разгрузку опускание | |
| Ширина (меряется по ковшу) | |
| Высота (по операторской кабине) | |
| Скорость движения: транспортная | |
| Тип трансмиссии | гидромеханическая |
Особенности модели
Главная особенность, которой характеризуется фронтальный погрузчик ТО-30, заключается в том, что техническое устройство представляет собой шасси самоходного типа. Работа ковша обеспечивается за счет привода, соединенного с гидросистемой.
Помимо эксплуатационных характеристик, которые можно считать удовлетворительными по состоянию на сегодняшний день, к достоинствам модели следует отнести высокую надежность конструкционных элементов, доступную стоимость, простоту ремонта.
Теперь немного об устройстве шасси, которое состоит из двух частей, имеющих шарнирное соединение.
Отбор мощности от главного двигателя осуществляется посредством гидравлического насоса. Кстати говоря, рассматриваемые аппараты комплектовались 78-мисильным Д-234 (дизель). Людям, ежедневно сталкивающимся со спецтехникой наверняка известен этот четырехцилиндровый силовой агрегат, охлаждаемый при помощи жидкости. Учитывая блестящие характеристики мотора, совершенно неудивителен тот факт, что им оснащались многие модели техники для выполнения строительных работ, а также тракторов. Переключение передач осуществляется при помощи полуавтоматической коробки.
Управляется машина из кабины оператора. Тормозная система, как и рулевое управление, функционирует за счет мощности, получаемой из гидросистемы.
Одним из узлов, требующих особого отношения, является редуктор отбора мощности. Его устройство таково, что капремонту он поддается очень тяжело. Впрочем, это не означает, что его нельзя выполнить. Просто если это вам удалось, то следует быть готовым к существенному сокращению количества моточасов.
Таким образом, не стоит экспериментировать с редуктором — коль скоро его основная задача заключается в обеспечении работоспособности погрузчика, то будет более правильным не ремонтировать его, а заменить новым. Благо, запасные части и комплектующие для ТО-30 достать легко. Да и стоят они недорого.
Владельцам рассматриваемой техники наверняка будет интересно знать, что единственный узел, который можно заменить без последствий — силовой агрегат. Его можно взять с любой неэксплуатируемой спецтехники. А вот с взаимозаменяемостью остальных компонентов наверняка возникнут проблемы. Так что ваш выбор — только новые комплектующие и запасные части.
В годы, когда серийное производство погрузчиков описываемого типа только начиналось, оснащенность и комфорт операторской кабины расценивался как оптимальный. Так, в частности, рабочее место надежно защищено от падающих грузов, а также на случай опрокидывания техники. Из оснащенности можно отметить педали, управляющие движением, рулевую колонку, рычаги для управления ковшом, а также приборы, помогающие осуществлять мониторинг состояния основных систем.
comments powered by HyperComments
vsepogruzchiki.ru
Устройство и применение
Уаз 390945: технические характеристики
Устройство фронтального погрузчика одноковшового включает в себя такие детали, как:
- Рама. Она состоит из двух частей и оснащена соединением шарнирного типа и гидравлической системой приводов. Управление транспортным средством осуществляется за счет излома рамы, что обеспечивает высокий уровень маневренности и проходимости агрегата.
- Двигатель и трансмиссия.
- Система отбора мощности. Импульс передается на дополнительное оборудование трактора даже во время движения.
- Кабина. Она оснащена большими стеклами, что обеспечивает широкий угол обзора водителю во время выполнения работ. Прочный каркас защищает оператора от падения груза при перевороте агрегата.
- Основной погрузочный ковш. Он изготовлен из листовой стали. При выгрузке на максимальной высоте вылет кромки будет равен 700 мм.
- Ходовая часть. Она включает в себя ведущие и направляющие колеса, а также детали, которые соединяют колеса с остовом подвесного механизма.

Сфера применения трактора:
- погрузка и выгрузка тарного и штучного груза;
- транспортировка сыпучих материалов;
- выполнение коммунальных работ.
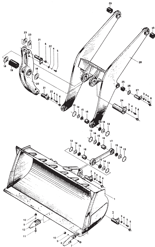
Ремспецмаш — ТО-30 погрузчик фронтальный (характеристики)
Фронтальный погрузчик ТО-30
Погрузчик предназначен для погрузки-разгрузки кусковых и сыпучих материалов, штучных и
тарных грузов, а также для выполнения земляных, планировочных и строительных работ.
Характеристики фронтального погрузчика ТО-30:
| Номинальная грузоподъемность, т | 2,2 |
| Номинальная вместимость основного ковша, м3 | 1,8 |
| Вырывное усилие, кН | 80 |
| Максимальная высота разгрузки ковша при угле разгрузки 45, мм | 2800 |
| Вылет кромки ковша при максимальной высоте разгрузки, мм | 700 |
| Угол поворота полурам, град. | 40 |
| Радиус поворота | 5,05 |
| Общее время гидравлического цикла, с | 29,9 |
| Подьем | 6. 5 |
| Разгрузка | 2.0 |
| Опускание | 5.0 |
| общее время цикла | 13.5 |
| Двигатель | дизель Д-243 |
| мощность при 2200 об./мин | 57,4 (78) кВт (л.с.) |
| Удельный расход топлива (на тонну погружаемого материала), кг/т | 00,4 |
| Габаритные размеры | |
| Ширина (по ковшу), мм | 2400 |
| Длина (ковш на опорной поверхности с зубьями), мм | 6400 |
| Высота (по кабине), мм | 3290 |
| Колея, мм | 1 840 |
| База, мм | 2450 |
| Минимальный радиус поворота, м | 5,2 |
| Наибольшая скорость движения, км/ч | |
| вперед | 35 |
| назад | 20 |
| рабочая | 0-6,1 |
| транспортная | 0-35 |
| Шины | 14,00-20 НС 16 (370*508) |
| Трансмиссия гидромеханическая | |
| Масса,кг | 7250 |
ООО»Ремспецмаш» осуществляет продажу, текущий, поузловой и капитальный ремонт фронтального погрузчика ТО-30 а также поставку запчастей к нему.
Подробнее узнать о том как купить фронтальный погрузчик ТО-30 вы можете пройдя по этой ссылке
remspecmash.ru
Мотор и коробка передач
Силовой агрегат унифицирован с трактором МТЗ-80. К слову сказать, хорошо зарекомендовавший себя мотор Д-240, в зависимости от модификации развивающий мощность в 78 – 81 л. с., получил широкое распространение и устанавливался на различную технику. Даже сейчас, когда появились более современные и мощные силовые агрегаты, он остаётся востребованным. Конечно, устанавливавшиеся на ТО-30 модификации двигателя уже не соответствуют современным экологическим стандартам, а их топливная экономичность оставляет желать лучшего. Зато надёжность и ремонтопригодность на высоте. Работая в паре с гидромеханической четырёхступенчатой КПП, мотор позволяет погрузчику двигаться вперёд со скоростью 35 км/час. Скорость движения назад несколько меньше – 20,9 км/час.
Устройство погрузчика XCMG LW300F
Главный рабочий механизм погрузчика представляет собой ковш со специальными зубьями.
При необходимости его можно поменять на любые ковши, подходящие под конкретный тип работы. Это могут быть просто ковши другого формата, а также бульдозерные отвалы, вилы или захваты. Фронтальный погрузчик LW300F исключительно легко переоснастить, что, в свою очередь, гарантирует универсальность устройства и его мультипрофильность, ведь с его помощью возможно выполнение практически любых строительно-погрузочных работ.
Фронтальный погрузчик XCMG LW300F оснащается мощным дизельным двигателем марки Yuchai YC6B125-T11, а также современной коробкой передач и гидротрансформатором. Два ведущих моста могут гарантировать высокую проходимость погрузчика и его эффективность даже в исключительно сложных условиях работы.
Компания XCMG уделяет особое внимание не только механическому оснащению фронтального погрузчика, но и внешнему виду (модель обладает стильным дизайном), и комфортабельному размещению водителя (регулируемое сидение, отличная видимость).
Специалистами компании предусмотрено и удобное техническое обслуживание погрузчика.
В частности, большая боковая дверь в капоте обеспечивает свободный доступ к двигателю, большинство используемых деталей легко поддаются замене.
Модель LW300F, цена которой соответствует качеству, является востребованной в строительной отрасли. Она представляет собой удобный помощник, который способен существенно упростить и ускорить процесс осуществления строительно-погрузочных работ.
Технические характеристики фронтального погрузчика XCMG LW300F
| Двигатель | |||||||
| Модель | Yuchai YC6B125-T11 | ||||||
| Тип | Вертикальный, рядный, 4-х тактный, прямой впрыск, водяное охлаждение | ||||||
| Мощность, кВт/л.с. | 92/125 | ||||||
| Номинальная частота вращения, об/мин | 2300 | ||||||
| Рабочие характеристики | |||||||
| Управление | Рычажное | ||||||
| Грузоподъемность, кг | 3000 | ||||||
Макс. тяговое усилие, кН | ≥90 | ||||||
| Суммарное время рабочего цикла, с | 10.3 | ||||||
| Время подъема стрелы, с | 5.65 | ||||||
| Вылет ковша, мм | 1104 | ||||||
| Характеристики движения | |||||||
| Габаритные размеры (ДхШхВ), мм | 6900 x 2350 x 3000 | ||||||
| Вес, кг | 10000 | ||||||
| Мин. радиус разворота, мм | 5925 | ||||||
| Шины | 17.5-25 | ||||||
| Колесная база, мм | 2600 | ||||||
| Скорость движения вперед, км/ч | |||||||
| • 1 передача | 10 | ||||||
| • 2 передача | 16 | ||||||
| • 3 передача | 21 | ||||||
| • 4 передача | 35 | ||||||
| Скорость движения назад, км/ч | |||||||
| • 1 передача | 14 | ||||||
| • 2 передача | 25 | ||||||
| Параметры ковша | |||||||
| Объем ковша, м³ | 1. 8 | ||||||
| Высота разгрузки, мм | 2892 | ||||||
| Макс. усилие отрыва, кН | ≥120 | ||||||
Видео обзор фронтального погрузчика XCMG LW300F
Трактор Амкодор
Предлагаем короткий обзор тракторов Амкодор от белорусского производителя. Завод “Амкодор” был основан в начале 1927 года прошлого века. За более чем 90-летнюю историю своего существования, конструкторами были разработана и создана различная автодорожная и транспортная тяжелая техника, предназначенная для проведения погрузочно-разгрузочных и землеройных работ.
На данный момент времени на мировом рынке спросом пользуются более 120 единиц техники, сошедшей с конвейера белорусского завода.
Эта техника отличается:
- надежностью;
- ремонтопригодностью;
- высокими мощностными характеристиками;
- достойными эксплуатационными качествами;
- универсальностью.
Обзор модельного ряда
Благодаря стараниям инженеров завода “Амкодор” появились следующие трактора.
Универсальный трактор
Универсальный трактор Амкодор погрузчик, укомплектованный вместительным ковшом. С его помощью производится загрузка, транспортировка и выгрузка сыпучих материалов. Трактор используется в строительстве, в карьерах. Грузоподъемность этих машин составляет 2-3 тонны.
Модельный ряд представлен такими агрегатами:
- Амкодор 320
- Амкодор 320Е
- Амкодор 332С4
- Амкодор 332С4-01
- Амкодор 342С4
- Амкодор 352С
- Амкодор 352С-02
Фронтальные погрузчики
Фронтальные погрузчики активно используются в строительстве. Этот трактор также оснащен ковшом, на который установлен особой формы активный нож, позволяющий не только подбирать и грузить грузы, но и с его помощью рыть землю.
Модельный ряд такой:
- Амкодор 332В
- Амкодор 333В
- Амкодор 352
- Амкодор 342В
- Амкодор 332В-01
- Амкодор 333В-01
- Амкодор 371
- Амкодор 371А-02
Лесопогрузочные трактора
Лесопогрузочные трактора.
Предназначены для штабелирования и погрузочно-разгрузочных работ на лесозаготовительных складах.
Модельный ряд:
- Амкодор 352Л
- Амкодор 352Л-01
- Амкодор 352Л-02
Вилочные погрузчики
Вилочные погрузчики. Трактора-трудяги, широко использующиеся на складах промышленных предприятий, в порту и других местах, где нужно транспортировать груженые поддоны. Представлен 1 моделью — тракторный погрузчик Амкодор-451А.
Экскаваторы
Экскаваторы (есть варианты на колесном и гусеничном ходу). Данные машины широко используются для погрузочно-разгрузочных, землеройных, транспортных работ на каменоломнях, карьерах и т. д.
Модельный ряд:
- Амкодор 3225
- Амкодор ЭО-3223
- Амкодор 3255
- Амкодор EW-1400
Погрузчики с функцией бортового поворота
Погрузчики с функцией бортового поворота — универсальная машина для работы в ограниченном пространстве. Трактор подбирает груз ковшом (или специальными захватами-челюстями), поднимает его, разворачивается корпусом и выгружает груз — погрузчик 211Е-0001.
Экскаваторные погрузчики
Экскаваторные погрузчики. Эти трактора оснащены сразу двумя ковшами, которые предназначены для рытья траншей глубиной до 5 м.
Модельный ряд:
- Амкодор 732
- Амкодор 702ЕА
- Амкодор 732-10
- Амкодор 702ЕВ
Благодаря представленным фото, мы можем визуально оценить предлагаемую белорусским производителем технику, а также представить те работы, для которых трактор и предназначен.
Инструкция по эксплуатации
Новые трактора Амкодор имеют рамную конструкцию, соединяющуюся при помощи шарниров. Мостовая база трактора состоит из полурам.
Уникальная система тормозов разделена на две:
- основную;
- стояночную.
Первая работает во время движения машины, вторая — на простое. Для ковша погрузчика и бульдозера производитель предлагает в ассортименте различные сменные ножи размерами: 2500х200х25 мм. и 2650х200х25 мм.
Популярные модели: нож приварной ТО-18Д.21.01.
025 для погрузчика, нож ковша ТО-18 из бористой сталь 450НВ, с 1 скосом, закаленный, приварной, нож бульдозерного отвала Амкодор 332, 332С-01, 332С-02, 332С-03 и нож ковша погрузчика фронтального ДЗ-133.
Техобслуживание
Трактора Амкодор — надежная и проверенная временем техника. Своевременно проведенные осмотр и обслуживание надолго защитят машину от поломок. Но если поломка все же произошла – ремонт машины не займет много времени, так как все расходники и запасные части доступны и присутствуют в широком ассортименте.
Основные этапы технического обслуживания включают в себя следующие процессы:
- Замена моторного масла — через каждые 250 отработанных часов, производитель советует использовать масла Лукойл, которые хорошо себя показали как при тестировании техники, так и при дальнейшей ее эксплуатации.
- Замена масла в трансмиссии производится каждые 1000 проработанных часов, при этом рекомендовано использовать масла марки ТНК Транс.
- Не забываем следить за качеством дизельного топлива и масел — только качественные рабочие жидкости обеспечат слаженную работу систем и механизмов, а также защитят трактор от поломок.

Основные неисправности и способы их устранения
Полная версия таблицы неисправностей имеется в инструкции. Уделим внимание поломкам, связанным с запуском силовой установки.
Почему не заводится силовая установка:
- Отсутствует горючее.
- Качество топлива не соответствует требованиям.
- Картер не содержит масло.
- Топливный насос вышел из строя.
- Форсунки засорились.
- Фильтры требуют замены.
- Аккумуляторная батарея разряжена.
Отзывы владельцев
Виталий, 39 лет:
«Доводилось работать на экскаваторе. Амкодор показал себя как выносливая землеройная машина, неприхотливая в обслуживании и простая в управлении. Гидравлика и база мощная. Цена нового трактора тоже доступная и, что приятно, оправданная. Никаких новомодных наворотов, все предельно ясно и работает.»
Виталий, 39 лет:
«Доводилось работать на экскаваторе. Амкодор показал себя как выносливая землеройная машина, неприхотливая в обслуживании и простая в управлении.
Гидравлика и база мощная. Цена нового трактора тоже доступная и, что приятно, оправданная. Никаких новомодных наворотов, все предельно ясно и работает.»
Андрей, 26 лет:
«Машина выносливая, в условиях стройки незаменимая. Грузоподъемность ковша солидная. А вот эргономики никакой — пыль, грязь, шум, тряска — это все тракторные погрузчики Амкодор. За 2,5 года было 2 поломки, ремонт без проблем с запчастями проблем не возникло.»
Какое из средств наиболее эффективно
Под эффективностью подразумевается возможность наиболее быстро и безопасно выполнить работу в определенных условиях. Ведь ни один из снегопогрузчиков не может быть эффективен в любых условиях.
Для погрузки куч, высота которых 4 метра и больше, подходит только колесный самоходный экскаватор.
Для уборки куч, высота которых не превышает 4 метра, можно использовать:
- экскаватор;
- тяжелый фронтальный погрузчик (например, МоАЗ-40482).
Однако большинство предприятий не могут позволить себе покупку такой техники, поэтому обходятся агрегатами на базе привычных МТЗ 82 и МТЗ 1221.
У таких погрузчиков максимальная высота снежной кучи составляет 3,45 метра.
Лаповые и шнекороторные снегопогрузчики предназначены для уборки снежных куч высотой до 130 сантиметров.
Их неоспоримое преимущество в том, что в процессе работы они требуют гораздо меньше действий от водителя. Ведь ему достаточно контролировать медленное и плавное движение вперед, остальное сделает техника.
Однако работа с погрузчиками этих типов вынуждает водителей грузовиков совершать гораздо больше действий.
Ведь им необходимо медленно и плавно двигаться вперед, а такой режим движения негативно влияет на:
- двигатель;
- коробку передач.
Еще один крайне важный показатель для оценки эффективности – возможность использования погрузчика для других работ в период с весны по осень.
Круглый год на различных работах востребованы:
- экскаваторы;
- фронтальные погрузчики.
Лаповые и шнекороторные погрузчики подходят только для уборки снега, поэтому в течение всего года менее эффективны.
Еще один важный параметр – погрузочная высота самосвала или бортового грузовика.
Чтобы загрузить снег в кузов, его сначала нужно поднять выше кузова.
Поэтому для загрузки крупнотоннажных самосвалов и полуприцепов типа «Тонар» используют только экскаваторы.
Для загрузки большинства самосвалов на базе средних грузовиков (КамАЗ, КрАЗ) хорошо подходят любые виды погрузчиков, поэтому их эффективность зависит лишь от высоты снега.
Не стоит забывать и о таких характеристиках снегопогрузчика, как:
- маневренность;
- размер.
Ведь снег необходимо вывозить не только с обочин больших дорог, но и с тротуаров. А с этим далеко не всегда могут справиться погрузчики нормального размера.
Поэтому многие коммунальные хозяйства, обслуживающие жилые районы, приобретают мини-погрузчики, которые без проблем работают даже в самых узких:
- дворах;
- проходах.
Наиболее популярные модели
Мы составили таблицу, в которую включили самые популярные модели погрузчиков, используемых для погрузки снега.
К сожалению, многие производители сообщают цену на свою продукцию только потенциальным покупателям.
| Марка | Тип | Основные технические характеристики | Произво-дитель | ||||
| Масса/для ШР базовый трактор | Объем ковша м3/ для ШР и лаповых производи-тельность м3/ч | Высота погр., м | Макс. толщина снега м | Ходовая скорость км/ч | |||
| E140W | Экскаватор | 13,2 | 0,8 | 5 | 5 | 25 | Эксмаш |
| M313D | Экскаватор | 14,8 | 0,76 | 5 | 5 | 37 | Caterpillar |
| TLB 825 | экскаватор-погрузчик | 8 | 1/0,25 | 3,3/3,5 | 3/3,5 | 24 | РМ-ТЕРЕКС |
| HMK 102S | Экскаватор-погрузчик | 9,3 | 1,1/0,17 | 2,5/4 | 2,5/4 | 40 | Hidromek |
| JCB 406 | Фронтальный погрузчик | 4,9 | 0,8 | 2,5 | 2,5 | 40 | JCB |
| ЗТМ-216 АРТ | Фронтальный погрузчик | 10 | 1,7-2,0 | 2,8 | 3 | 30 | ДОНЭКС |
| ЧЛМЗ ФРС – 200М | Шнеко-роторный погрузчик | Беларус – 92П-Ч, Беларус – 82. 1 | 300 | 3,6 | 1 | 20 | ЧЛМЗ |
| Амкодор 9211А1 (СНФ-200) | Шнеко-роторный погрузчик | Беларус – 92П-Ч, Беларус – 82.1 | 200 | 6 | 1,1 | 40 | Амкодор Центр |
| КО 206 | Лаповый погрузчик | 6 | 40 | 3,8 | 1,1 | 25 | Михневский РМЗ |
| DM09 | Лаповый погрузчик | 7,2 | 300 | 4,4 | 1,1 | 35 | Завод Дорожных машин |
| BOBCAT S510 | мини-погрузчик | 2,7 | 0,4 | 2,6 | 2,6 | 12 | БОБКЭТ — Калининград |
| ANT 1000 | мини-погрузчик | 3,6 | 0,45 | 2,7 | 2,7 | 14 | МС-ант |
Если вас заинтересовал снегопогрузчик, и вам нужны:
- цена;
- фото;
- другая информация,
которая не вошла в таблицу, то перейдите по ссылке на сайт производителя.
Также рекомендуем ознакомиться с информацией о стоимости услуг по уборке и вывозу снега.
Правильный подбор снегопогрузчика – это одно из условий безопасного содержания дорог зимой и ранней весной.
Теперь вы знаете:
- какие устройства применяют для погрузки снега;
- чем отличаются данные устройства друг от друга.
Это поможет вам правильно выбрать тип и модель погрузчика, который будет полностью соответствовать вашим условиям.
Если вам интересно, как погрузчик чистит улицы и сгрузит снег в самосвал, то смотрите данное видео:
Технические характеристики лапового снегоуборщика DM09:
| Масса эксплуатационная, т | 7,2 |
| Трансмиссия | Гидрообъемная |
| Привод транспортера | Гидравлический |
| Привод лапового питателя | Гидравлический |
| Скорость, (рабочая/транспортная), км/ч | 0…14 / 0…30 |
| Ширина захвата лапового питателя, мм | 2640 |
| Тяговое усилие, т | 5,0 |
| Высота погрузки, м | 3,0…4,4 |
| Вылет транспортера, м | 5,2 |
| Управляемые колеса | Передние |
| Колесная формула | 4х4 |
| Рулевое управление | Гидравлическое |
| Лопата | с твердосплавной рабочей кромкой |
| Рабочая тормозная система | Двухконтурная, пневмогидравлическая |
| Стояночная тормозная система | Барабанный трансмиссионный тормоз |
Угол наклона рулевой колонки, град.![]() | 25 |
| Управление ходом | Из кабины с помощью педали |
| Механизм подъема/опускания питателя и транспортера | Отдельный на питатель и транспортер с помощью гидроцилиндров |
| Возможность включения реверса гидромоторов рабочего оборудования | Имеется |
| Привод рабочих органов | Высокомоментные героторные гидромоторы без редукторов |
| Привод транспортера | Совмещенный с автоматическим натяжителем цепи транспортера в верхнем конце стрелы |
| Насосная станция | насос привода хода и привода рабочего оборудования соединен с двигателем через редуктор |
| Производительность техническая, м3/час | До 300 |
| Размер шин | 12.00-20 с односкатной ошиновкой |
| Частота колебания лап питателя, n/мин | 66 |
| Скорость цепи транспортера, м/с | 1,49 |
| Способ загрузки | через борт / через кабину |
| Давление в гидросистеме хода, МПа | 32 |
| Давление в гидросистеме рабочих органов, МПа | 16 |
| Колея передних/задних колес, мм | 1800/1750 |
| Двигатель | |
| Модель | Д245. 9E2 |
| Тип | Дизельный |
| Мощность, кВт (л.с.) | 100 (136) |
| Габаритные размеры в транспортном положении (длина-ширина-высота), мм | 11950-2720-3750 |
| Габаритные размеры в рабочем положении (длина-ширина-высота), мм | 11550-2720-5000 |
| Габаритные размеры при транспортировке (длина-ширина-высота), мм | 12150-2470-2450 |
| База шасси, мм | 2620 |
| Радиус поворота по краю лопаты, м | 8,6 |
| Емкость топливного бака, л | 250 |
| Емкость гидравлического бака, л | 160 |
| Наличие системы видеонаблюдения для контроля зоны погрузки | одна или две камеры (дополнительное оборудование) |
| Электрооборудование, В | 24 |
| Цвет | Оранжевый (RAL 2003) |
| Рулевое управление | гидравлическое двухрежимное для обеспечения двух режимов эксплуатации (рабочего и транспортного — по желанию заказчика) |
скачать описание снегопогрузчика DM09 (. pdf) |
Схема гидравлической системы вилочного погрузчика
Гидравлическая система автопогрузчика вилочного типа выполнена и в виде блока управления, состоящего из управляющих золотников распределителей (цилиндра хода, цилиндра наклона, дополнительного оборудования), включенных параллельно. При нахождении распределителей в исходном положении рабочая жидкость в системе циркулирует от точки подключения насосов (Р) до бака (Т) без напора. В канале Р дополнительно предусмотрен разделитель тока. Его задача – дозировать поток жидкости в направлении наклонных цилиндров и дополнительного гидравлического оборудования. Перед тем как прокачать гидравлику на погрузчике, внимательно ознакомьтесь со схемой системы.
Конструкция гидроусилителя рулевого управления включает:
- Опору крепления усилителя к раме – 26;
- Поршень цилиндра – 27;
- Цилиндр – 28;
- Золотник – 29;
- Корпус золотника – 30;
- Клапан аварийного типа – 31;
- Клапан редукционный – 32;
- Шаровый палец рулевой тяги (продольного типа) – 33.

Благодаря продуманной конструкции гидравлической системы дизельного, бензинового, элекропогрузчика даже при значительном подъеме поршней обеспечивается максимально точное регулирование скорости наклона. С помощью распределителя тока возникает редукция потока с минимальными потерями. Объясняется это тем, что давление насоса не намного выше показателей давления потребителя. Остатки рабочей жидкости благодаря параллельному подключению поступают в подъемный гидроцилиндр, а если он не включен, сливаются в бак. При одновременной работе распределителя и дополнительного гидравлического оборудования обеспечивается равномерное поступление рабочей жидкости на потребители. При включении одного распределителя гидравлика китайского погрузчика работает следующим образом — рабочая жидкость через циркуляционный канал направляется в подъемный цилиндр. В таком случае разделитель потока находится вне регулирующего контура циркуляции жидкости.
Гидравлическая схема механизма подъема погрузчика:
где: а) – подъем; б) – опускание; в) – нейтральное положение; г) – плавающее положение.
Преимущества снегоуборочной машины DM09:
Высокая эффективность | Эргономичное рабочее место |
|
|
Расширенные возможности | Сервис и обслуживание |
|
|
Основные комплектующие:
- Привод погрузчика снега осуществляется от силового блока, размещенного в задней части машины. В состав блока входит дизельный двигатель, муфта сцепления и насосный агрегат на привод хода и рабочего оборудования.

- Гидростатическая трансмиссия снегопогрузчика состоит из регулируемого насоса и нерегулируемого гидромотора, который через редуктор хода и карданы приводит передний и задний ведущие мосты. В редукторе хода предусмотрены два диапазона движения машины — рабочий и транспортный, а также возможность отключения переднего моста.
- Шасси снегоуборщика снабжено рабочими тормозами, встроенными во все колеса.
- Направление движения снегопогрузчика меняется гидравлическим рулем, действующим через гидроцилиндр и на рычаги поворота колес подрессоренного переднего моста.
- Гидрооборудование обеспечивает привод и управление позиционированием рабочего оборудования лапового снегоуборщика (лопаты и транспортера).
Характеристики гидравлических систем
Гидравлика фронтального и вилочного погрузчика, выпускаемого LiuGong, имеет ряд особенностей, среди которых повышенная производительность и максимально точное позиционирование навесного оборудования. К преимуществам системы можно отнести:
- Возможность отключения трансмиссии с целью повышения мощности мотора;
- Плавающий режим работы гидравлической линии;
- Модернизированный клапанный блок с повышенной чувствительностью к нагрузке.

Подключить гидравлику довольно просто, при этом она обеспечивает существенное увеличение производительности спецтехники без роста рабочего объема двигателя.
Фронтальный погрузчик SEM 636D — технические характеристики, габариты, модификации.
15.12.2020
Фронтальные колесные погрузчики SEM выпускаются в Китае с 1958 года. В 2008 году завод перешел под контроль машиностроительного концерна Caterpillar®. Лидер мирового рынка спецтехники вывел дочернее производство на новый уровень. Выпускаемые по международным стандартам Cat® машины уверенно конкурируют с аналогами других марок и по праву считаются эффективной альтернативой для областей применения, требовательных к стоимости техники.
Колесный погрузчик SEM 636D –популярная модель 3-тонного погрузчика на отечественном рынке. Основные направления работ, для которых применяется этот погрузчик:
-
Землеройные работы на небольшой глубине.
-
Перемещение сыпучих и штучных грузов. -
Расчистка площадок под строительство. -
Уборка снега, бытового и промышленного мусора. -
Оборудование трубопроводных систем. -
Перегрузочные работы в сельском хозяйстве. -
Засыпка котлованов и траншей.
Надежность, производительность, экономичность – главные характеристики модели. Подробный обзор фронтального погрузчика SEM 636D позволит объективно оценить достоинства спецтехники.
Основные технические характеристики
|
Параметр |
|
|
Габаритная длина |
|
|
Габаритная ширина |
|
|
Габаритная высота (по уровню кабины) |
|
|
Грузоподъемность |
|
|
Эксплуатационная масса |
|
|
Колесная база |
|
|
Объем ковша |
|
|
Тяговое усилие |
|
|
Усилие отрыва |
|
|
Опрокидывающая нагрузка |
|
|
Трансмиссия |
|
|
Тип трансмиссии |
|
|
Скорость движения |
|
|
Максимальная скорость вперед |
|
|
Максимальная скорость назад |
|
|
Система охлаждения |
|
|
Объем топливного бака |
|
|
Размер шин |
|
|
Тип шин |
|
|
Слойность шин |
|
|
Протектор |
|
|
Рабочее давление (передние/задние) |
|
Двигатель
Колесная техника SEM комплектуется промышленными двигателями Wheichai.
Продукция лидера китайского моторостроения разрабатывается для эксплуатации в тяжелых условиях. Модель 636D оборудуется силовым агрегатом WP6G125E22, предназначенным для оснащения дорожной, строительной и карьерной техники. Экономичный двигатель мощностью 92 кВт нетребователен к качеству дизельного топлива, климату и условиям эксплуатации.
|
Параметр |
|
|
Двигатель |
|
|
Мощность двигателя |
|
|
Тип двигателя |
|
|
Объем двигателя |
|
|
Объем системы смазки двигателя |
|
|
Диаметр цилиндра |
|
|
Ход поршня |
|
|
Крутящий момент |
|
|
Расход топлива (номинальный) |
|
Коробка передач
Производитель комплектует фронтальные погрузчики многовальной трансмиссией собственной разработки.
В коробке передач SEM TR100 предусмотрена возможность переключения под нагрузкой. Промежуточный вал способствует эффективности функционирования в тяжелом режиме. Колесная машина способна передвигаться задним ходом на двух скоростях, передним – на четырех. Оператор может легко выбрать оптимальный режим.
Ковш
Базовая версия комплектуется запатентованным фронтальным ковшом объемом 1,7 кубометра. Технология производства Performance позволяет добиться повышения производительности рабочего оборудования. Увеличению заполнения ковша на 10 % способствует оригинальная конструкция. Боковые стенки имеют закругленную конфигурацию, препятствующую высыпанию материала. За счет такого решения от SEM каждый десятый загруженный ковш получается бесплатным для владельца техники.
Гидросистема
Мощная гидравлика допускает применение тяжелого фронтального навесного оборудования. Короткий рабочий цикл увеличивает производительность колесного погрузчика.
Для управления навесным оборудованием используется джойстик. Чувствительная гидравлическая система обеспечивает плавность и точность перемещения ковша при выполнении операций. Пилотное управление оснащается дополнительным фильтром для защиты оборудования от загрязнения.
|
Управление |
|
|
Насос |
|
|
Тип насоса |
|
|
Давление в системе |
|
|
Гидравлический бак |
|
Мосты
На технические характеристики погрузчика SEM 636D влияют мосты Meritor-30 с дифференциалом открытого типа.
Надежность ходовой части – залог продолжительной эксплуатации. Передний мост жестко зафиксирован, задний смонтирован на качающейся раме. Конструкция обеспечивает превосходную маневренность. Во время движения колесная машина сохраняет отличную управляемость при любой нагрузке независимо от рельефа и типа грунта.
|
Бренд |
|
|
Передний мост |
|
|
Задний мост |
|
|
Угол качания заднего моста |
|
|
Заправочный объем (передний/задний) |
|
Тормозная система
От надежности тормозов зависит безопасность рабочего пространства.
Спецтехника SEM оборудуется комплексной системой. Стояночный тормоз – конструкция барабанного типа. Суппорты оснащаются пневмогидравлическим приводом, позволяющим своевременно замедлять движение и плавно останавливать машину на участках любой сложности. Дисковые рабочие тормоза в «сухом» исполнении облегчают обслуживание фронтального погрузчика.
Особенности модели
Надежность компонентов – секрет конкурентоспособности техники SEM. Для оснащения фронтальных погрузчиков производитель использует оборудование известных брендов. На колесные машины устанавливаются мосты Meritor, дизельные моторы Weichai, японские подшипники NSK, шестеренные гидравлические насосы Permco, дозаторы рулевого управления Eaton. Продуманная конструкция из надежных комплектующих – беспроигрышное решение.
Устройство фронтального погрузчика
Модель SEM 636D обладает эргономичным дизайном. Комфортабельная кабина является обязательным требованием для техники нового поколения.
Задняя полурама колесной базы оборудуется четырьмя опорами. Кабина монтируется на упругие прокладки. Изоляция заметно сокращает шумовой и вибрационный уровень в просторном салоне с рациональной планировкой. Круговое остекление обеспечивает оператору всесторонний обзор рабочей площадки.
Кресло с подголовником и подлокотниками регулируется по физическим параметрам. Возможно изменение высоты и наклона, уровня амортизации и положения относительно органов управления. Регулируется и рулевая колонка. Производитель предлагает вспомогательное оборудование для удобства оператора. Базовую комплектацию можно дополнить опциональными системами безопасности и поддержания оптимального микроклимата в любую погоду.
Доступные опции для SEM 636D
-
Система удаленного мониторинга Cat® Product LinkTM PL241. -
Скальные или угольные ковши для стандартной стрелы. -
Удлиненная стрела High Lift 3200 мм и Extra High Lift 3538 мм.
-
Паллетные вилы, трубные и лесные захваты разной конфигурации. -
Системы охлаждения для условий высоких температур и запыленности. -
Быстросъемное устройство для замены навесного оборудования. -
Колесные шины разных типов для передвижения по песку. -
Задний дворник и защита для тормозных дисков. -
Трехсекционный гидрораспределитель. -
Масла для холодного климата.
Безопасность спецтехники SEM
При выборе техники для выполнения коммерческих задач важно позаботиться о соблюдении экологических норм. Двигатели, которыми оборудуются погрузчики SEM, проектируются на основе совместных разработок Weichai и Deutz.
Участие производителя из Германии гарантирует соблюдение европейских требований по уровню токсичных выбросов в окружающую среду. Для изготовления дизельных двигателей используются уникальные технологии:
1.EMR2 способствует увеличению экологической безопасности без потери производительности.
2.DCR обеспечивает сочетание компактной топливной системы и высокой мощности.
3.EGR сокращает содержание токсичных компонентов в отработанных газах.
Хотя двигатели последнего поколения выпускаются заводом Weichai уже самостоятельно, без привлечения Deutz, экологические характеристики фронтального погрузчика SEM 636D остаются высокими. Перед запуском в производство китайская спецтехника проходит строгие испытания на соблюдение стандартов под контролем Caterpillar. Проверка касается не только выполнения экологических требований, но и других вопросов безопасности.
SEM 636D – фронтальный погрузчик, который успешно прошел тестирование наравне с моделями Cat.
Прочная несущая конструкция, удобный доступ в хорошо оборудованную кабину, отличное освещение и обзорность, надежная гидравлика, рациональное расположение сервисных точек гарантируют безопасность в работе и обслуживании при соблюдении базовых правил эксплуатации землеройно-погрузочной техники среднего класса.
Эксплуатация фронтальных погрузчиков SEM 636D
На современном рынке китайские модели ценятся не только за приемлемую стоимость. Качество спецтехники стабильно повышается с ростом конкуренции, а и инженеры SEM активно работают над усовершенствованием своих продуктов. Но при интенсивной эксплуатации износ любой машины неизбежен. Для сокращения расходов на ремонт и увеличения срока службы фронтального погрузчика с отличными характеристиками достаточно соблюдать несложные правила:
-
профессиональная подготовка операторов; -
изучение руководства по эксплуатации машины; -
выделение времени на разогрев и остывание мотора; -
недопустимость резких рывков при старте и торможении; -
своевременное снижение скорости перед маневрированием; -
прекращение работы на холостом ходу максимум через 10 минут; -
недопустимость пробуксовки колесной техники в процессе забора груза.
· недопустимость пробуксовки колесной техники в процессе забора груза.
Производитель устанавливает межсервисные интервалы для обслуживания функциональных узлов. Регулярная замена фильтров необходима для предотвращения загрязнения основных систем. Проверка уровня и состояния технических жидкостей поможет избежать преждевременного износа деталей из-за плохой смазки. Для замены конструктивных элементов и устранения неисправностей предпочтительней обращаться в дилерские сервисные центры.
Фронтальный погрузчик SEM 636D реализуется в России через официального дилера – компанию «Цеппелин Русланд». Сеть региональных сервисных центров предоставляет всестороннюю поддержку, обеспечивает потребителей оригинальными запчастями и организует качественное профессиональное обслуживание. Получить дополнительную информацию, уточнить цены и условия сотрудничества можно онлайн и по телефону.
Остались вопросы?
Наш специалист подробно ответит на них
Я подтверждаю, что я ознакомлен и согласен с политикой конфиденциальности
и условиями обработки моих персональных данных
Ваша заявка принята!
Виды фронтальных погрузчиков
Комплекс основных и навесных механизмов позволяет фронтальному погрузчику эффективно справляться с погрузкой и перевозкой материалов, выполнять работу бульдозера, экскаватора, скрепера и других строительных машин.
Прототип погрузчика 1917 года от инженера Юджина Кларка.
Уже привычная для многих машина создана чуть более века назад.
Еще в начале 20-го столетия американские фермеры сооружали из опорных рам, кузовов и лебедок самоходные погрузчики, которыми перемещали с земли на скирду сено или на телегу навоз. В качестве шасси для них обычно использовали трактор Fordson.
Первый агрегат, в котором механизмы приводились в действие двигателем внутреннего сгорания, создал в 1917 году инженер из США Юджин Кларк. Агрегат использовался на заводе, но серийно не выпускался.
Землеройный подъемник с ковшом емкостью 0,5 м3, который приводился в действие тем же мотором, что и шасси, установили на тракторе Fordson специалисты британской компании “Muir-Hil, Ltd” в 1927 году. Такая конструкция фронтального погрузчика сохранилась и по сей день.
Что такое фронтальный погрузчик
Сначала их называли экскаваторы-погрузчики. Но из-за существенных различий в рабочих операциях и конструкции, со временем нашли другое название.
Итак, что такое фронтальный погрузчик? Это разновидность ковшового. Но в отличие от роторных, элеваторных, ковш у него один, расположен перед шасси. Он захватывает грузы, транспортирует их, грузит на транспорт, в штабель или технологическое оборудование. Кроме того, погрузчик одноковшовый фронтальный разрабатывает грунт – подобно бульдозеру или экскаватору роет котлованы, планирует площадки, формирует насыпи, выполняет карьерные работы. Подробнее об этих операциях мы рассказали в статье «Для чего нужен фронтальный погрузчик».
Погрузчик фронтальный ковшовый может во многих случаях заменить экскаватор, бульдозер, думпер. Он пригодится на любой строительной площадке.
Принцип работы фронтального погрузчика
Итак, рассмотрим принцип работы фронтального погрузчика. Его основной рабочий орган закреплен на прочной стреле. При помощи рычажного механизма, который приводится в движение гидравликой, стрела с ковшом может опускаться или подниматься. Работая стрелой и рычажным механизмом, оператор наклоняет ковш вперед, на себя, выполняет другие операции.
В настоящее время более распространены погрузчики с Z-образным рычажным механизмом наклона рабочего органа. В этом случае опора рычага расположена между точками приложения сил. При этом обеспечивается высокое отрывное усилие и не значительная нагрузка на конструкцию.
Общее устройство управления ковшом с Z-образным рычажным механизмом показано на рисунке 1.
Рисунок 1. Общее устройство рабочих механизмов фронтального погрузчика с Z-образным рычажным механизмом. 1 – ковш; 2 – рычажный механизм; 3 – стрела; 4 – гидроцилиндр наклона ковша; 5 – гидроцилиндр подъема и опускания стрелы; 6 – опорный элемент рамы погрузчика.
Чаще всего машина выполняет работу, от которой получила название. Подъезжает к штабелю материала, набирает его. Затем наклоняет ковш на себя, отъезжает назад. Поднимает рабочий орган в транспортное положение. Отвозит к месту выгрузки. Там поднимает или опускает и выгружает содержимое в бункер, вагон, кузов автомобиля, траншею.
Большинство этих агрегатов разгружаются прямо.
Некоторые оснащены дополнительными гидроцилиндрами и могут высыпать материал и прямо, и в стороны. Комбинированные это могут делать вперед и назад – через себя.
Основные виды фронтальных погрузчиков: 1 — колесный мини-погрузчик с вертикальным подъемом стрелы, 2 – на базе колесного трактора общего назначения; 3 – на базе колесного трактора промышленного назначения; 4 – на колесном шасси с жесткой рамой; 5 – на колесном шасси с шарнирно-сочлененной рамой; 6 – колесный с разгрузкой вперед и назад; 7 – колесный с полуповоротной стрелой; 8 – на гусеничном ходу с разгрузкой вперед; 9 – на гусеничном ходу с разгрузкой через себя.
Самоходные погрузчики: производительные, надежные, легкие в управлении
Большинство фронтальных погрузчиков в Украине – на колесном шасси. Это обеспечивает высокую скорость перемещения и достаточную проходимость.
Фронтальные погрузчики Dressta используют в логистике, строительстве, на промышленных предприятиях, в карьерах.
Они оснащаются надежными двигателями Cummins. Моторы создают сильный крутящий момент и обеспечивают высокую производительность.
Колесный погрузчик Dressta 560.
Шарнирно-сочлененная рама и рулевое управление с гидроусилителями дают хорошую маневренность, управляемость, сводят к минимуму радиус поворота.
Для защиты оператора, компания устанавливает усиленные кабины со встроенным каркасом защиты при опрокидывании (ROPS) и от падающих предметов (FOPS). Они оборудованы кондиционерами и обогревателями, работают в разных климатических условиях – от арктических до тропических. Регулируемое сиденье и эргономичные органы управления снижают усталость. Большая площадь остекления дает хорошую обзорность.
Самый большой фронтальный колесный погрузчик Dressta 560 может оснащаться ковшами объемом от 5,35 до 11,5 м3. Максимальная высота разгрузки 3,78 м, дальность разгрузки – до 1,8 м. Прочные оси тяг герметизированы чтобы внутрь не попала абразивная пыль.
Машину массой 42,2 т приводит в действие 427-сильный мотор. Скорость движения вперед достигает 32,5 км/час.
Фронтальный погрузчик Hyundai HL780
Обращает на себя внимание то, как выглядит фронтальный погрузчик Hyundai. Все модели новой, 9-й серии имеют устойчивую к износу конструкцию. Все – полноприводные, просты в обслуживании. Круговое остекление двухдверной кабины дает хорошую обзорность, ступени покрыты противоскользящим материалом.
Модели погрузчиков
HL780 имеет хорошую проходимость. Дорожный просвет – 495 мм. При эксплуатационной массе 29,5 т грузоподъемность достигает 15,75 т. Ковш можно подобрать объемом от 4,3 до 6,8 м3. Максимальная высота разгрузки 3,30 м. Глубина резания грунта 95 мм. Полный рабочий цикл подъема-опускания составляет 11,6 сек. Усилие отрыва ковша – 24,82 т. HL780 оснащен 348-сильным мотором. Может двигаться вперед со скоростью 36,5 и назад – 25 км/час. Есть обогреватель салона и кондиционер, регулируемая рулевая колонка, магнитола и др.
Hyunday погрузчик фронтальный модели HL760-9S принадлежит к малому классу. Удобная система крепления позволяет быстро сменить рабочий орган. Современный двигатель Cummins обеспечивает минимальный расход топлива, при повышенной мощности. Место оператора защищено каркасом безопасности на случай опрокидывания. При массе 17,6 т, объем ковша составляет 3,2 м3. Погрузчик уверенно преодолевает уклон до 20°.
Фронтальные погрузчики Shantui серии SL размещены на колесном шасси. Их грузоподъемность 3-5 т, объем ковша от 1,7 до 3 м3. Эксплуатационная масса от 10,8 до 17 т. Для привода используются двигатели Shangchai, Wuxi мощностью 125-220 л.с. Рама шарнирно-сочлененная. Передний мост фиксированный, задний – качающийся. Полноприводная схема с мостами Arvin Meritor и межколесным дифференциалом позволяет работать на пересеченной местности. Гидромеханическая трансмиссия ZF обеспечивает бесступенчатое переключение передач под нагрузкой.
Герметичные кабины обладают хорошей обзорностью. Сиденье имеет механизм поглощения вибрации. Управлять погрузчиком можно при помощи джойстика. Весь модельный ряд выпускается по старой технологии Komatsu.
На рынке Украины есть также фронтальные погрузчики фирм из Китая – Everun, SEM, LiuGong, Lonking, Foton, LongGong, SDLG, XCMG, Японии – Hitachi, США — Caterpillar, Komatsu, Британии – JCB, европейские Liebherr, Atlas, Volvo CE, Case, Южной Кореи — Doosan и другие.
Основные преимущества, которыми обладает этот вид строительных машин – самоходные погрузчики фронтальные — высокая грузоподъемность и мобильность. Это делает их эффективными при выполнении большого перечня работ.
что это такое, особенности машины, разновидности
Погрузчики – один из видов универсальной техники. Они относятся к грузоподъёмному типу машин, а также к землеройной технике, поскольку могу перемещать верхний слой грунта, и землеройные работы на мягких грунтах. В сегменте строительной техники они занимают второе место по популярности после экскаваторов.
И отставание сокращается.
Что такое фронтальный погрузчик: определение
Понятие фронтальный погрузчик и его восприятие – это разные вещи. Название появилось из английского языка. Оно образовано от front – перед и loader – погрузчик. Строго говоря, любой вид погрузчиков с расположенным впереди рабочим органом является фронтальным, включая телескопические, вилочные, мини погрузчики.
Однако, понятие фронтальный погрузчик ассоциируется с четырёхколёсной техникой с широким, во всю ширину машины, ковшом. Он также может называться автопогрузчик фронтальный или колёсный погрузчик. Хотя некоторые машины имеют гусеничное шасси, а часть монтируется на базе колёсного трактора, подавляющее большинство сделаны на собственном шасси.
Благодаря своей конструкции и большому выбору навесного оборудования, фронтальный погрузчик широко применяется в разных сферах деятельности от сельского хозяйства до горнодобывающей промышленности.
История создания фронтальных погрузчиков
Фронтальные ковшовые погрузчики сравнительно молоды по сравнению с кранами, экскаваторами, бульдозерами, скреперами, грейдерами.
Но, несмотря на молодость, по величине рынка строительно-дорожных машин сегодня они занимают второе место после экскаваторов.
Первые фронтальные погрузчики придумали фермеры для облегчения сбора сена и навоза. Старый погрузчик представлял собой трактор с ковшом, который поднимался и опускался при помощи лебедок.
Революция в производстве этих машин, состоялась в середине ХХ века с появлением гидравлики. Она вызвала огромные изменения в строительно-дорожном машиностроении. Гидроцилиндр упростил возвратно-поступательные движения рабочих органов, сделал возможным повороты с помощью шарнирно-сочлененной рамы. Это уже стала знакомая нам полноприводная машина-погрузчик с массивным ковшом, манёвренная и эффективная.
Общее устройство и технические характеристики
Основное отличие к погрузчиков от других строительных и дорожных машин – отношение грузоподъёмности и объема ковша к массе самой техники. Это достигнуто за счёт оптимально расположенного центра тяжести и развесовки машины.
Поэтому, когда речь идёт о фронтальном погрузчике, понимается классическая машина с:
- четырьмя крупными колесами одинакового диаметра;
- задним расположением двигателя;
- высоко расположенной кабиной с хорошей обзорностью;
- шарнирно-сочлененной рамой, за исключением некоторых компактных и мини погрузчиков с бортовым поворотом;
- расположенным спереди крупным ковшом, который иногда заменяют или прямо на него навешивают вилы, крюки и т. д.
Фронтальные погрузчики создаются на специальных колесных шасси и имеют единую конструктивную схему. Шарнирно-сочленённая рама имеет угол складывания полурам в диапазоне 35-40°. Расположенный позади двигатель выступает в качестве противовеса.
Силовой агрегат у большинства колёсных погрузчиков – дизельных. Хотя всё больше компаний модернизируют их, устанавливая гибридные, газовые и электрические двигатели. Особенно это касается компактных машин.
Типично использование гидромеханической трансмиссии с 3-х или 4-хдиапазонной планетарной коробкой передач, ведущего моста с системой блокировки дифференциала, планетарного колесного редуктора, жесткой подвески переднего грузового моста и балансирной подвески заднего моста.
Иногда, вместо гидромеханической применяется гидростатическая бесступенчатая трансмиссия.
Грузоподъемная стрела имеет Z-образную или параллелограммную конструкцию. Первая более эффективна при работе с ковшом фронтального погрузчика, поскольку имеет большее отрывное усилие. Вторая – предпочтительней при частой смене рабочего оборудования.
Не менее важна эргономика рабочего места оператора. Кабина фронтального погрузчика предусматривает круговой обзор и оснащена регулируемым сиденьем, системами обогрева, вентиляции, шумопоглощения. Автоматизированная система переключения передач и управления рассчитана на различные режимы эксплуатации, выбираемые оператором в зависимости от условий работы.
Объём ковша фронтального погрузчика варьируется от класса машин. У мини погрузчиков он может быть 0,5 куб.м, тогда как у карьерных колёсных машин доходит до 17 кубов.
Классификация и применение фронтальных погрузчиков
Грузоподъемность, объем ковша, мощность двигателя и производительность – это главные характеристиками фронтального погрузчика.
А значит и классификация машин происходит по этим критериям.
По грузоподъёмности
В первую очередь они подразделяются по грузоподъемности и габаритам. Выделяют:
- тяжёлые карьерные погрузчики грузоподъёмностью свыше 10 т;
- средний класс – от 5 до 10 т;
- компактные – от 2 до 5 т;
- мини погрузчики – грузоподъёмностью до 2 тонн.
По типу шасси
Выделяют три типа шасси, на которых собираются фронтальные погрузчики. Самым популярным является колёсное шасси с шарнирно-сочленённой рамой. Такое решение повышает манёвренность и проходимость, поскольку колёса едут след в след.
Технику производят и на жёсткой раме на пневмоколёсах. Автомобильные погрузчики тоже способны самостоятельно перемещаться с одного участка на другой, но обладают меньшей манёвренностью из-за большего радиуса разворота.
Шины на колесных моделях любого типа могут быть пневматические и цельнолитые. Первые обладают хорошими амортизационными свойствами.
Вторые используются там, где можно попасть на острые материалы, которые могут повредить покрышку.
Поскольку и цельнолитые резиновые колёса подвержены повреждениям существует третий тип фронтальных погрузчиков – на гусеничном ходу. Они обладают хорошей проходимостью на нестабильных грунтах, более эффективны на участках с неровным острым покрытием – в общем там, где велика вероятность прокола колеса. У них ниже расположен центр тяжести, за счёт чего выше грузоподъёмность. Однако основным недостатком данной конструкции является ограничение по скорости движения и перемещению по дорогам общего пользования.
Прочая классификация
Большинство фронтальных погрузчиков универсальные. Они могут использовать как передний ковш, так и различное сменное навесное оборудование – вилы, грузоподъёмный крюк, держатели для колёс, челюстные захваты.
Но существуют и специальные машины. Например, низкие подземные погрузо-доставочные машины (ПДМ) тоже относятся к категории фронтальных погрузчиков, но в силу своих конструктивных особенностей используются только в шахтах.
Использование карьерных погрузчиков на других работах затруднительно в силу их больших габаритных размеров. Также фронтальный вилочный погрузчик используется исключительно на складских работах.
Где применяются фронтальные погрузчики
За исключением специальных моделей, основной функцией фронтальных погрузчиков являются погрузочно-разгрузочные и земляные работы, а также планировка площадок. Также погрузчики используются на ремонтных дорожный и такелажных работ, уборке мусора, перемещении щебня, гравия, песка и других материалов.
В дополнение, погрузчик может работать в бульдозерном режиме, транспортировать сыпучие и кусковые грузы в ковше, а также буксировать прицепы или другое оборудование на небольшие расстояния.
Производители ковшовых погрузчиков
Фронтальные погрузчики выпускают многие компании. Все ведущие поставщики строительной техники имеют в своей продуктовой линейке данную технику. От компактных до больших карьерных погрузчиков предлагают Caterpillar, Volvo, Komatsu, Hitachi, Hyundai, John Deere, Case, Liebherr.
Однако ведущий поставщик — Китай. На него приходится более 40% всех продаваемых в мире фронтальных погрузчиков. Из крупных производителей Поднебесной можно выделить SDLG, XCMG, LiuGong, Lovol-Foton.
Производство фронтальных погрузчиков в России и СНГ практически отсутствует. Самую широкую продуктовую линейку представляет белорусский Амкадор. Она насчитывает шесть моделей грузоподъёмностью от 3 до 7 тонн.
Почти в два раза меньше – четыре модели грузоподъёмностью от 4,6 до 7 тонн – заявлено у Челябинского тракторного завода. Однако продажи погрузчиков не велики.
В линейки фронтальных погрузчиков ЧЕТРА, Объединённой машиностроительной группы (UMG СДМ) и завода Дорожных машин по одному фронтальному погрузчику. Это, конечно, если не считать мини погрузчики с бортовым поворотом. Но они, всё же, относятся к другому типу машин.
Автор: Андрей Соломин
Поделиться
SDLG LG933L: технические характеристики фронтального погрузчика
SDLG LG933L — это проверенный временем производительный фронтальный погрузчик от SDLG, обладающий грузоподъёмностью 3 тонны.
SDLG LG933L — это проверенный временем производительный фронтальный погрузчик от SDLG, обладающий грузоподъёмностью 3 тонны.
Модель отличается надёжностью, универсальностью и производительностью, а также экономичностью и малым радиусом поворота.
Чаще всего погрузчик используют в работе с песком, гравием, углём, отходами. Большое предложение навесного оборудования позволяет выбрать ковш нужного объёма для того материала, с которым вы планируете работать.
Компания SDLG
Завод в городе Линьи, принадлежащий Shandong Lingong Construction Machinery Co., Ltd, начал свою работу в 1972 году. Сегодня SDLG является лидером по импорту дорожно-строительной техники в РФ и выпускает катки, экскаваторы, грейдеры, экскаваторы-погрузчики и фронтальные колесные погрузчики. В конце 2006 года контрольный пакет акций компании (70%) перешел в управление Volvo CE, и она начала работать в тесном технологическом партнёрстве с Volvo.
Устройство 933L
Рама
Фронтальные погрузчики SDLG имеют усиленную шарнирно-сочленённую раму, имеющую срок службы на 20% дольше, чем у конкурентов. Минимальный радиус поворота по наружней части заднего колеса составляет всего 5120 мм (угол поворота 360). Эта особенность может давать экономию 15% рабочего времени техники по сравнению с конкурентами.
Двигатель
Фронтальный погрузчик SDLG LG933L — это проверенная временем «рабочая лошадка», в конструкции которой используются только простые и надёжные агрегаты. Именно поэтому здесь установлен шестицилиндровый дизельный двигатель Weichai WP6G125E23 Tier II с турбонаддувом и тремя фильтрами очистки топлива:
- Объём 6,75 л;
- Мощность 92 кВт при 2300 оборотах в минуту;
- Крутящий момент 500 Нм.
Мотор отличается не только достаточной мощностью и надёжностью, но и экономичностью.
КПП и трансмиссия
В погрузчике SDLG L933L использована вальная гидромеханическая КПП с переключением под нагрузкой BS428Q.
Число передач — 4 вперёд и 2 назад. Ниже представлены передаточные числа КПП:
|
|
|
|
|
|
| |
|
|
| |
|
|
| |
|
|
|
|
|
|
|
Также коробка передач имеет пониженный ряд.
Насос КПП имеет наименование CBGjA2032, давление в нём — 1,1-1,5 МПа. Главный редуктор — одноступенчатый спирально-конический, бортовой редуктор — одноступенчатый планетарный. Бортовые редукторы переднего моста с четырьмя, а заднего — с тремя сателлитами. Мосты произведены компанией SDLG.
Погрузчик оснащён пневмогидравлическим рабочим тормозом с давлением в тормозной системе 0.784 МПа, а также дисковым стояночным тормозом с механическим управлением.
Колёса
На погрузчик установлены покрышки со слойностью 20PR, что обеспечивает хорошую защиту боковин. Ширина профиля 17,5, посадочный диаметр — 25 дюймов.
Гидравлическая система
В погрузчике установлен гидрораспределитель DFSY-25-16 (двухсекционный). Рабочее давление гидросистемы — 16 МПа.
Благодаря мощной гидравлике рабочий цикл погрузчика составляет всего 9 секунд.
Управление рабочим оборудованием осуществляется с помощью джойстиков, что существенно увеличивает скорость работы по сравнению с управлением рычагами.
Система оснащена двумя помогающими датчиками. Датчик автоматического выравнивания ковша контролирует, чтобы навесное оборудование располагалось параллельно земле. Автоматический подъём стрелы с датчиком ограничения подъёма облегчает работу оператору и прекращает подъём стрелы, когда она достигла заданного положения.
Существует возможность установки дополнительной гидролинии, трёхсекционного гидрораспределителя и двухпозиционного джойстика управления — для более сложного, чем ковш, навесного оборудования.
Рулевая система
Полностью гидравлическая система рулевого управления с рулевым механизмом BZZ6-630A в погрузчке SDLG LG933L имеет регулировку в зависимости от нагрузки. РВД с дополнительными кольцами отличается высокой надёжностью конструкции, исключающей течь жидкости.
Кабина
Погрузчик оснащён кабиной с удобным и эргономичным рабочим местом. Модель оснащается удобным сиденьем оператора со множеством регулировок и двумя подлокотниками, а также легкочитаемой приборной панелью с ЖК-дисплеем.
Также в кабине есть кондиционер и вентилятор.
Уровень шума снижен за счёт вибропоглощающих опор кабины, двигателя и КПП, а также за счёт шумоизолированного капота.
Особого внимания заслуживает обзорность. Она обеспечивается панорамными стёклами и освещением. Кроме двух фар на капоте погрузчик оснащён ещё двумя в верхней части кабины. На крышу можно установить проблесковый маячок.
Технические характеристики SDLG LG933L
|
|
|
|
|
|
|
|
|
|
|
|
|
|
|
|
|
|
Преимущества погрузчика
Помимо описанных преимуществ погрузчик обладает ещё несколькими техническими решениями, выгодно отличающими его от конкурентов:
- Стопорный стержень между передней и задней полурамами — обеспечивает неподвижность машины при транспортировке и ремонте.

- Подъёмные петли на раме — облегчают ремонт и увеличивают безопасность персонала.
- Детали, нуждающиеся в консистентной смазке, оборудованы тавотницами (портами смазки), выведенными в легкодоступные места.
- Капот имеет большой угол открытия, а фильтры выведены в удобные для обслуживания места.
Конкуренты
В числе китайских конкурентов SDLG LG933L — трёхтонные погрузчики XCMG LW300K, Lonking 833B, Liugong 30E.
К европейским и американским конкурентам SDLG можно отнести Catepillar 920K и JCB 422ZX. Некоторые покупатели предпочитают западную технику, но как правило, даже они признают, что в соотношении «цена-качество» выигрывает SDLG.
Навесное оборудование для фронтальных погрузчиков
-
Главная страница
-
Сервис и запчасти
-
Всё необходимое для машин SEM
- Рабочее оборудование
- Навесное оборудование
-
Навесное оборудование для фронтальных погрузчиков
- Правильно подобранное навесное оборудование сводит к минимуму затраты, повышает производительность и прибыль от вашего фронтального погрузчика SEM.

- Выбор навесного оборудования зависит от типа и объема перегружаемого материала.
- Навесное оборудование должно соответствовать классу и грузоподъемности фронтального погрузчика SEM.
-
Конструктивные особенности -
Файлы для скачивания
Ковши общего назначения
Преимущества
Ковши общего назначения фронтальных погрузчиков SEM имеют удлиненную нижнюю створку, что позволяет глубже проникать в материал. Широкий угол зева ковша дает легкость заполнения, а боковые стенки закругленной формы эффективно удерживают материал. Такая геометрия дает возможность заполнить ковш погрузчика SEM на 110% от фактической емкости, что увеличивает производительность работы.
Для изготовления ковшей общего назначения SEM используется металл повышенной плотности, что делает их более износостойкими и прочными.
Для крепления режущей кромки к основанию ковша SEM используются болты. Износостойкую кромку нетрудно заменить зубьями: режущая кромка и зубья взаимозаменяемы.
В зависимости от требуемой высоты разгрузки, погрузчики SEM могут оснащаться стандартной стрелой, высокой стрелой (High Lift) и стрелой максимальной высоты (Super High Lift), а также соответствующими ковшами.
Рекомендуемое применение
- Ковши общего назначения погрузчиков SEM применяются для перевозки сыпучих материалов на малые расстояния, для их погрузки и разгрузки, для складирования и выемки в процессе грузоперевозок, в том числе в портах. Эти ковши также применяются для выполнения различных работ на строительных площадках.
Угольные ковши
Преимущества
- Угольные ковши для фронтальных погрузчиков SEM оборудованы прочными плоскими кромками. Эти ковши разработаны специально для работы с материалами имеющими малую плотность и абразивностью (уголь, зерно, древесная щепа).
Для стрел разной высоты выпускаются соответствующие модели ковшей SEM. Все они значительно больше по объёму, чем ковши общего назначения. Это повышает производительность работы на 50% и более.
Крепление
- SEM предлагает два типа крепления угольных ковшей: пальцевое и крепление на быстросъёмное устройство.
Рекомендуемое применение
- Угольные ковши SEM применяются для погрузки угля и других лёгких материалов: на угольных месторождениях и складах, в портах, на электростанциях, на целлюлозно-бумажных фабриках, в сельском хозяйстве и подобных работах.
Скальные ковши
Преимущества
Стандартные скальные ковши SEM имеют прямую режущую кромку с закреплёнными на ней зубьями. Для более легкого проникновения в материал, скальные ковши SEM модифицируются c V-образной режущей кромкой. Такая форма кромки снижает сопротивление и позволяет быстрее и плотнее заполнить ковш погрузчика SEM.

Конструкция каждого скального ковша SEM рассчитана методом конечных элементов и протестирована в реальной работе. Эти ковши оснащаются износостойкими и ударостойкими зубьями и режущими кромками, поэтому они очень прочны и долговечны.
Крепление
- SEM предлагает два типа крепления скальных ковшей: пальцевое и крепление на быстросъёмное устройство.
Рекомендуемое применение
- Скальные ковши SEM применяются для выемки, транспортировки и погрузки скальной породы, раздробленной взрывами в процессе добычи полезных ископаемых.
Ковши с боковой разгрузкой
Преимущества
- Ковши с боковой выгрузкой используются там, где необходимо выгружать материал не только спереди, но и сбоку от погрузчика. Для наклона вбок на фронтальных погрузчиках SEM используется дополнительный гидроцилиндр. Благодаря прочности и износостойкости режущей кромки и наклонной боковой пластины, ковши SEM этого типа хорошо подходят для погрузки и разгрузки камней и других материалов большой плотности.

Рекомендуемое применение
- Ковши погрузчиков SEM с боковой разгрузкой применяются для работ в сильно ограниченном пространстве: в туннелях, на автомагистралях и так далее.
Захваты для брёвен
Погрузчик с тремя гидролиниями и захватом для брёвен — незаменимая машина для лесозаготовок. Погрузчики SEM в такой конфигурации широко применяются для погрузки и складирования круглого леса в местах вырубки, на железных дорогах и в портах. Выбор оптимального захвата для брёвен определяется их размером и весом.
Тип захвата: верхние зубья соединены
- Благодаря малому сечению захвата, брёвна легко удерживаются и не скользят. Такие модели удобны для работы с брёвнами малого диаметра длиной 3–6 м.
Тип захвата: увеличенный объём
- У этих моделей большое сечение захвата и малая ширина, а верхние и нижние зубья могут смыкаться в круг. Это позволяет работать с большими объёмами брёвен малого диаметра длиной 4–6 м.

Тип захвата: зубья встык
- Концами зубьев такого бревнозахвата можно точно взять одно бревно из штабеля. Кроме того, благодаря большой ширине и большому сечению захвата, можно работать с толстыми пачками брёвен длиной 4–9 м.
Тип захвата: зубья перекрещиваются
- Благодаря малому сечению захвата, брёвна легко удерживаются и не скользят. Такие модели хорошо подходят для работы с брёвнами большого диаметра длиной 3–9 м.
Сенные захваты
Преимущества
- В этих захватах зубья верхнего ряда соединяются встык с зубьями нижнего ряда. Такая конструкция позволяет погружать и разгружать не только сено, но и многие другие материалы, например картонные и древесные отходы, используемые на целлюлозно-бумажных предприятиях, на биогазовых электростанциях и так далее. Сенные захваты SEM разработаны с помощью метода конечных элементов и протестированы в реальной работе, что обеспечивает их прочность и надёжность.

Крепление
- SEM предлагает два типа крепления сенных захватов: пальцевое и крепление на быстросъёмное устройство.
Рекомендованное применение
- Сенные захваты применяются для работ с тюками сена в сельском хозяйстве, а также для погрузки и разгрузки веток деревьев и других подобных материалов.
Захват для труб
Преимущества
- Зубья этого захвата перекрещиваются таким образом, чтобы хорошо удерживать трубы разных диаметров, а также другие изделия подобной формы, изготовленные из металла, пластика и других материалов.
Крепление
- SEM предлагает два типа крепления захватов для труб: пальцевое и крепление на быстросъёмное устройство.
Рекомендованное применение
- Захваты для труб используются при прокладке трубопроводов (например, на нефтяных месторождениях), а также на предприятиях, производящих и транспортирующих длинномерную продукцию (например, в портах).

Вилы
Преимущества
- Вилы состоят из рамы и двух закреплённых на ней плоских лап, расстояние между которыми регулируется. Лапы изготовлены из кованой стали, их концы имеют клиновидную форму, которая упрощает загрузку. Все вилы SEM разработаны с помощью метода конечных элементов и протестированы в реальной работе. Это обеспечивает их высочайшую прочность и долговечность.
Крепление
- SEM предлагает два типа крепления: пальцевое и крепление на быстросъёмное устройство.
Рекомендованное применение
- Паллетные вилы необходимы для погрузочно-разгрузочных работ на заводах, на складах, в портах. Вилы для мрамора рассчитаны на работу с тяжёлыми каменными блоками, они применяются в карьерах и на обрабатывающих предприятиях.
Быстросъемное устройство
Преимущества
- Быстросъёмная муфта — это универсальный соединительный узел между стрелой погрузчика и любым навесным оборудованием, имеющим совместимое крепление.
Для установки некоторых типов навесного оборудования погрузчик должен быть оснащён третьей гидролинией.
Рекомендуемое применение
- Погрузчик с быстросъёмной муфтой легко переводить с одних видов работ на другие, быстро меняя рабочее оборудование по мере необходимости.
-
SEM-wheel-loaders-worktools-2022
pdf
13.77MB
Этот веб-сайт использует файлы cookie и сохраняет их на вашем компьютере. Это помогает нам улучшать веб-сайт, делать его надёжнее и функциональнее, анализировать посещаемость. Вы можете узнать больше о файлах cookie, перейдя по ссылке. Нажимая кнопку «Я принимаю все файлы cookie», вы соглашаетесь на использование нами файлов cookie. Если вы нажмете кнопку «Отмена», этот веб-сайт может быть недоступен для вас.
Как сбросить настройки стиральной машины Whirlpool
Если у вас возникла проблема со стиральной машиной (она может отображать код ошибки), сброс настроек стиральной машины часто решает проблему и устраняет код ошибки. Однако, если у стиральной машины есть дефектная деталь или засор, вам все равно нужно будет решить проблему, чтобы у вас не было дальнейших проблем со стиральной машиной.
Хотя большинство стиральных машин Whirlpool можно сбросить, отключив питание, некоторые модели могут иметь другие инструкции. Вы можете найти конкретные инструкции по сбросу для вашей модели либо в руководстве, либо на техническом листе стиральной машины, который обычно находится под панелью управления.
Следуйте приведенным ниже методам, чтобы узнать, как перезагрузить стиральную машину Whirlpool.
This guide applies to most Whirlpool models, including the following:
2LA5700XMW0
2LA5700XMW1
2LSR5233BN0
2LSR5233BQ1
2LSR5233BW0
2LSR5233BZ1
3CA2000XMW0
GHW9100LW1
GHW9100LW2
GHW9150PW0
GHW9150PW4
GHW9200LW0
LSQ8243HQ0
LSR7233EQ0
LSR8233EQ0
LXR9245EQ1
WFW72HEDW0
WFW9150WW00
WTW4800XQ2
WTW4800XQ4
WTW5000DW1
Method 1: Unplug the Washing Machine
The most common way to reset a Whirlpool washing machine is to disconnect питание стиральной машины.
Сброс работает, позволяя электрическому заряду рассеяться от стиральной машины, что позволяет ей перезагрузиться. Если сброс не удался, попробуйте еще раз, но удвойте время, необходимое для ожидания. В целях безопасности и во избежание повреждения стиральной машины перед отключением от сети убедитесь, что стиральная машина выключена на панели управления.
Выполните следующие действия, чтобы перезагрузить стиральную машину Whirlpool:
- Выключите стиральную машину с помощью панели управления.
- Отключите стиральную машину от сети.
- Подождите три минуты.
- Снова подключите стиральную машину и подождите тридцать секунд, прежде чем включать ее.
В большинстве случаев эта процедура приводит к перезагрузке стиральной машины.
Способ 2: сброс автоматического выключателя
Если вы не можете отключить стиральную машину от сети, питание также можно отключить, сбросив автоматический выключатель в электрическом щитке вашего дома.
Выполните следующие действия, чтобы перезагрузить стиральную машину Whirlpool:
- Выключите стиральную машину с помощью панели управления.
- Получите доступ к автомату защиты стиральной машины на электрощите вашего дома.
- Поднимите автоматический выключатель, чтобы отключить питание стиральной машины.
- Подождите три минуты.
- Сбросьте автоматический выключатель, чтобы восстановить питание стиральной машины.
- Подождите тридцать секунд, прежде чем включать стиральную машину с панели управления.
Способ 3: Нажмите комбинацию кнопок
Для сброса настроек некоторых моделей Whirlpool требуется нажать или удерживать комбинацию кнопок. Найти руководство к стиральной машине — лучший способ узнать, какие кнопки нужно нажать, чтобы сбросить настройки. Если вы не можете найти руководство, нажатие комбинации кнопок «Пауза/Отмена» и «Питание» может подойти для вашей модели Whirlpool.
Выполните следующие действия, чтобы перезагрузить стиральную машину Whirlpool:
- Дважды нажмите кнопку Пауза/Отмена.

- Один раз нажмите кнопку питания.
Если сброс сработал, вы можете услышать звуковой сигнал или увидеть мигание панели дисплея.
Способ 3. Поверните диск
Если на панели управления стиральной машины есть диск, вы можете перезагрузить машину, следуя приведенным ниже инструкциям.
- Выключите стиральную машину с помощью панели управления.
- Поверните циферблат в нормальное положение.
- Поверните циферблат против часовой стрелки на один щелчок.
- Поверните диск по часовой стрелке на три щелчка.
- Поверните диск против часовой стрелки на один щелчок.
- Поверните диск по часовой стрелке на один щелчок.
- Нажмите кнопку Пуск. Вы должны увидеть светящуюся панель управления.
- Убедитесь, что кнопки полоскания, стирки и остановки горят. При повороте диска или нажатии этих кнопок они должны загореться.
- Выключите стиралку на панели управления.
- Отключите стиральную машину от сети на двадцать секунд.

- Включите стиральную машину. Если процесс сработал, ваша стиральная машина будет сброшена.
Способ 4. Откройте и закройте крышку
Если у вас стиральная машина Whirlpool с вертикальной загрузкой, вам может потребоваться открыть и закрыть крышку, чтобы перезагрузить стиральную машину.
Выполните следующие действия, чтобы перезагрузить стиральную машину Whirlpool с вертикальной загрузкой:
- Отключите стиральную машину от сети.
- Подождите одну минуту, прежде чем снова включить стиральную машину в сеть.
- Откройте и закройте крышку шесть раз в течение двенадцати секунд.
В зависимости от стиральной машины вы, скорее всего, услышите звуковой сигнал или загорится индикатор на панели управления, если сброс сработал.
Способ 5. Нажмите кнопки питания и программирования
Если вышеуказанные методы сброса не помогли вам, вы можете сбросить настройки своей модели, нажав следующие кнопки: питание, программа и уровень воды.
После нажатия этих кнопок крышку стиральной машины нужно открыть и закрыть.
Чтобы сбросить настройки стиральной машины Whirlpool, выполните следующие действия:
- Убедитесь, что питание стиральной машины включено на стене, но держите кнопку питания на панели управления выключенной.
- Удерживая нажатой кнопку «Программа», одновременно дважды нажмите кнопку «Уровень воды». Если все сделано правильно, индикаторы на панели управления должны загореться.
- Поочередно нажмите все кнопки на панели управления, кроме кнопки питания.
- Откройте крышку стиральной машины; вы должны услышать звуковой сигнал.
- При закрытии крышки стиральной машины должен начаться цикл сброса.
Если ни один из вышеперечисленных способов не сбросил настройки стиральной машины Whirlpool, возможно, проблема связана с платой управления. В этом случае, возможно, пришло время обратиться к обученному специалисту для устранения неполадок стиральной машины и устранения проблемы.
Совместное использование
Стиральная машина с фронтальной загрузкой — 10 кг — УФ-дезинфицирующая стирка
- Высота
- 850мм
- Ширина
- 595мм
- Глубина
- 660мм
Вместимость
| Атрибуты мощности | Значение |
|---|---|
| Общая вместимость | 10 кг |
Расход
| Атрибуты потребления | Значение |
|---|---|
| Водонепроницаемость (WELS) | 4,5 звезды |
Особенности
| Характеристики Атрибуты | Значение |
|---|---|
| + Одежда | |
| Регулируемая высота ножек | |
| Регулятор скорости отжима | |
| Регулируемый регулятор температуры | |
| Антибактериальная обработка (АБТ) в прокладке | |
| Автоматический дверной замок | |
| Освещение барабана | |
| Двойной спрей | |
| Эко-режим | |
| Избранный режим | |
| Замок с ключом | |
| Светодиодный дисплей | |
| Интеллектуальное дозирование | |
| Обработка пятен | |
| Барабан из нержавеющей стали | |
| Кнопка «Старт/Пауза» | |
| Паровое обновление | |
| Время идти | |
| УФ-защита | |
| Wi-Fi | |
| Сертифицировано Woolmark |
Производительность
| Атрибуты производительности | Значение |
|---|---|
| Регулируемое время замачивания | 5 (Холодный, 30, 40, 60, 90) |
| Инвертор движения | |
| Максимальная скорость отжима | 1400 об/мин |
| Функция ускоренной стирки | |
| Скорость отжима | 6 (без вращения, 400, 800, 1200, 1400) |
| Температура стирки | 5 (Холодный, 30, 40, 60, 90) |
Размеры изделия
| Размеры продукта Атрибуты | Значение |
|---|---|
| Глубина | 660мм |
| Высота | 850мм |
| Ширина | 595мм |
Гарантия
| Атрибуты гарантии | Значение |
|---|---|
| Детали и работа | 2 года |
Циклы стирки
| Атрибуты циклов стирки | Значение |
|---|---|
| Аллергия | |
| Постельные принадлежности | |
| Громоздкий | |
| Хлопок | |
| Деликатес | |
| Скачано | |
| Прочный | |
| Экспресс 15 | |
| Количество циклов стирки | 14+ |
| Обновление | |
| Рубашки | |
| Спин | |
| Синтетика | |
| Полотенца | |
| Шерсть |
Как сбросить настройки стиральной машины Whirlpool (7 простых способов)
Вы не потратили сотни на стиральную машину Whirlpool только для того, чтобы она вышла из строя.
Если кажется, что ваша стиральная машина работает неправильно, быстрый способ решить проблему — выполнить сброс. Это приведет к перезагрузке машины и может устранить любые небольшие сбои, с которыми сталкивается устройство.
Мы познакомим вас с семью различными способами сброса настроек стиральной машины Whirlpool. Выберите один и попробуйте!
Как сбросить настройки стиральной машины Whirlpool
Если ваша стиральная машина работает неправильно, вы можете сбросить ее, нажав комбинацию кнопок. Машины Whirlpool не имеют отдельной кнопки сброса, но это ничуть не хуже. Дважды нажмите кнопку паузы/отмены. Нажмите кнопку питания один раз. Прислушайтесь к звуковому сигналу или миганию панели дисплея. Это означает, что машина была сброшена.
Содержание
- Есть ли кнопка сброса на стиральной машине Whirlpool?
- Как перезагрузить стиральную машину Whirlpool
- Устранение неполадок в стиральной машине Whirlpool
- Верните машину Whirlpool в рабочее состояние
Есть ли на стиральной машине Whirlpool кнопка сброса?
Возможно, вы ищете кнопку сброса, но обратите внимание, что на стиральных машинах Whirlpool нет кнопки сброса.
Тем не менее, вы все равно можете перезагрузить стиральную машину.
Лучший способ сделать это для вашей конкретной модели — прочитать руководство пользователя. Но мы покажем вам другие способы сброса настроек прибора, которые подходят для большинства моделей Whirlpool.
Совет производителя
Проверьте технический лист стиральной машины, обычно расположенный под панелью управления. Это может объяснить конкретные инструкции по сбросу настроек для вашей конкретной модели.
Как сбросить настройки стиральной машины Whirlpool
Мы познакомим вас с семью способами сброса настроек стиральной машины Whirlpool. Вы можете выбрать любой из них для выполнения сброса.
Если на вашем компьютере появилось сообщение об ошибке, эти методы могут сбросить этот код.
После того, как вы попробуете один из этих методов, вы должны проверить, сработало ли это, чтобы перезагрузить машину. Вот как это сделать:
- Нажмите кнопку запуска. Если горят все индикаторы цикла, переходите к следующему шагу.
Если они не загораются, ваша машина не перезагрузилась должным образом, и вам нужно попробовать другой метод. - Еще раз нажмите кнопку пуска/остановки.
- Вращайте диск до тех пор, пока на панели управления не загорятся кнопки «полоскание», «стирка» и «стоп».
- Выключите машину и отключите ее от сети на 10 секунд.
- Запустите тестовую нагрузку без одежды, чтобы убедиться, что все работает нормально.
Теперь давайте рассмотрим способы сброса настроек стиральной машины Whirlpool. Они подходят для машин с фронтальной и верхней загрузкой.
1. Отключите стиральную машину от сети
Первый способ может быть самым простым, поэтому вы можете сначала попробовать его.
Это работает, позволяя рассеивать электрический заряд. Вы знаете, когда кто-то говорит, вы пробовали выключить и снова включить? Это работает и для стиральных машин!
- Выключите стиральную машину на панели управления.
- Отключите прибор от сети.

- Подождите 3 минуты.
- Снова подключите стиральную машину.
- Подождите 30 секунд перед повторным включением.
Предупреждение
Не отключайте машину от сети, предварительно не выключив ее вручную. Это может быть небезопасно для вас, но также может повредить стиральную машину.
2. Сброс автоматического выключателя
Вы можете попробовать перезагрузить машину, отключив питание на панели автоматического выключателя вашего дома.
- Выключите стиральную машину вручную.
- Найдите автоматический выключатель стиральной машины на электрощите вашего дома.
- Поднимите автоматический выключатель. Это отключит питание стиральной машины.
- Подождите 3 минуты.
- Сбросьте автоматический выключатель, чтобы восстановить питание устройства.

- Подождите 30 секунд.
- Включите машину с панели управления.
Если вы знаете электрика, вы можете попросить его помочь вам с этим!
3. Нажмите кнопки
Для этого метода вам нужно будет нажать комбинацию кнопок, чтобы перезагрузить стиральную машину. Это максимально близко к тому, чтобы машины Whirlpool имели кнопку сброса.
Прежде чем приступить к работе, ознакомьтесь с руководством пользователя, чтобы узнать, какая комбинация подходит для вашего устройства. Если вы не можете найти какие-либо конкретные инструкции, эта комбинация чаще всего работает.
- Дважды нажмите кнопку паузы/отмены.
- Один раз нажмите кнопку питания.
- Прислушайтесь к звуковому сигналу, иначе панель дисплея может мигать.
Услышав звуковой сигнал или мигание, подождите несколько минут, прежде чем повторить цикл. Кроме того, вы можете выполнить наши шаги, чтобы убедиться, что машина была сброшена.
4.
С циферблатом
Циферблат стиральной машины также может работать для сброса прибора.
- Выключите стиральную машину вручную через панель управления.
- Поверните циферблат в положение нормального цикла.
- Поверните диск против часовой стрелки, пока он не щелкнет один раз.
- Поверните диск по часовой стрелке на три деления.
- Поверните диск против часовой стрелки на один щелчок.
- Поверните диск по часовой стрелке еще на один щелчок.
- Нажмите кнопку запуска и подождите, пока не загорится панель управления.
- Убедитесь, что загорелись кнопки «полоскание», «стирка» и «стоп». Если нет, поверните диск или нажмите кнопки, чтобы они загорелись.
- Выключите прибор вручную с панели управления.
- Отключите стиральную машину от сети на 20 секунд.

- Подключите его снова и включите.
Это немного более длительный процесс, и у вас могут быть пробы и ошибки. Но это может вернуть вас к дням, когда вы комбинировали шкафчик в старшей школе! Кроме того, это удобный способ перезагрузить стиральную машину Whirlpool.
5. Откройте и закройте крышку
Это удобный метод для стиральных машин Whirlpool с вертикальной загрузкой.
- Выключите машину вручную с панели управления.
- Отключите машину от сети.
- Подождите 1 минуту, прежде чем снова включить устройство.
- Откройте и закройте крышку шесть раз в течение 12 секунд.
- Дождитесь звукового сигнала или подсветки панели управления, чтобы убедиться, что она сброшена.
Если вы используете коммерческую или коммунальную стиральную машину, это легко попробовать. Но мы рекомендуем обратиться в прачечную, если вы заметили, что машина работает неправильно.
6. Нажмите Power и Program
Еще одна попытка перезагрузить машину: нажать кнопки «питание», «программа» и «уровень воды».
Затем вам нужно открыть и закрыть крышку. Вот полные инструкции:
- Выключите машину вручную через панель управления.
- Удерживая кнопку «программа», дважды нажмите кнопку «уровень воды». Панель управления должна загореться.
- Нажмите по очереди все кнопки на панели управления, кроме кнопки «питание».
- Откройте крышку. Он должен подавать звуковой сигнал.
- Закройте крышку, и вы должны были перезагрузить машину.
7. Сброс сенсорного экрана Cabrio
Возможно, неисправны только сенсорный экран и датчики. Вы можете сбросить это следующим образом:
- Коснитесь любой клавиши на панели управления, что удалит код ошибки. Кроме того, вы можете нажать кнопку паузы/отмены.
- Выберите любой новый цикл и нажмите «Старт».
- Если код ошибки возвращается, выключите экран Cabrio и отсоедините устройство от сети.
- Подождите несколько минут.
- Попробуйте еще раз. Если это не сработает, обратитесь за помощью в Whirlpool.

Устранение неполадок стиральной машины Whirlpool
Теперь вы знаете, как сбросить настройки стиральной машины Whirlpool для устранения основных ошибок и проблем. Но если у вас есть более конкретная проблема — как найти решение?
Мы рассмотрим три типа проблем, с которыми вы можете столкнуться, и предложим надежный способ решения проблемы.
Почему моя стиральная машина Whirlpool не включается?
Если ваша стиральная машина не включается, сначала убедитесь, что машина подключена к сети и включена на стене. Вы также должны проверить, включен ли прибор с помощью главного выключателя. Если нет, снова включите прибор.
Во-вторых, проверьте, не оборван ли электрический шнур. Если это так, вам нужно будет заменить его.
Если вы проверили вышеуказанные проблемы, вы можете решить эту проблему, используя один из наших методов перезапуска.
Если ничего из этого не работает, свяжитесь с Whirlpool.
Почему моя стиральная машина Whirlpool останавливается в середине цикла?
Вы ждете сигнала окончания цикла, но не слышите его?
Если ваша стиральная машина останавливается в середине цикла, это может быть вызвано несколькими причинами.
- Таймер стиральной машины: Возможно, таймер стиральной машины неисправен. В случае сбоя он не сообщит плате управления о переключении циклов. Это приводит к тому, что один и тот же цикл выполняется независимо от того, какой цикл вы выберете. Для проверки необходимо использовать мультиметр, поэтому рекомендуем обратиться к электрику.
- Плата управления: Если плата управления неисправна, ваша стиральная машина не поймет, какие настройки вы выбрали. Проверьте панель управления на наличие видимых признаков износа. Если вы ничего не видите, попросите электрика проверить его с помощью мультиметра.
- Двигатель дверного замка и переключатель в сборе: Машина может остановиться в середине цикла, если дверной замок сломан или неисправен. Вам нужно будет купить новую защелку, если текущая сломана. Если у вас погрузчик с верхней загрузкой, проверьте переключатель крышки. Опять же, если он сломан, вам нужно будет его заменить.

- Впускной клапан для воды: Если впускной клапан для воды выходит из строя, машина не наполняется достаточным количеством воды, что приводит к остановке машины в середине цикла. Вам нужно будет проверить клапан с помощью мультиметра. Если он не имеет непрерывности, вам необходимо заменить клапан.
- Забитый шланг: Скорее всего, у вас засорился шланг. Это активирует реле давления и отключает машину. Вам нужно будет отсоединить шланг и устранить засоры.
- Насос и двигатель: Наконец, насос и двигатель могут быть неисправны. Когда эти детали выходят из строя, машина не может эффективно откачивать воду. В этом случае вам следует обратиться к производителю за поддержкой.
Например, в руководстве пользователя Whirlpool Duet производитель рекомендует проверить правильность подачи воды и электричества. Они также рекомендуют проверить защелку на двери, а также сбросить сработавшие автоматические выключатели.
В случае сомнений обратитесь к производителю.
Почему моя стиральная машина Whirlpool не стирает должным образом?
Основное назначение стиральной машины — стирать одежду. Но если ваша одежда не выглядит чистой, тому может быть несколько причин. Вот некоторые из них, а также эффективные решения:
- Неправильная температура: Мы рекомендуем использовать для стирки одежды самую теплую воду. Холодная вода экологична и хороша для удаления пятен, но более теплая вода лучше подходит для очистки одежды.
- Шланги подсоединены неправильно: Убедитесь, что шланги подачи воды подсоединены правильно. Если у вас горячая вода подключена к холодной и наоборот, вы получите неправильную температуру воды в вашем цикле.
- Вы живете в районе с жесткой водой: Убедитесь, что вы используете высокоэффективное моющее средство, если вы живете в районе с жесткой водой. Лучше смягчить воду. Кроме того, моющее средство может уменьшить перенос красителя.

- Ваша стиральная машина грязная: Знаете ли вы, что стиральную машину нужно мыть каждый месяц? Правильно — он не просто автоматически очищается одеждой и моющим средством. Вам нужно будет выполнить отдельный цикл, используя горячую стирку и одну чашку дистиллированного белого уксуса для очистки барабана.
Если у вас есть машина Whirlpool с датчиком автозагрузки, имейте в виду, что ожидается, что одежда не будет полностью погружена в воду. Не добавляйте больше воды. Пусть цикл сделает свое дело и оценит чистоту после цикла.
Верните свою машину Whirlpool в работу
Whirlpool — одна из ведущих марок стиральных машин, поэтому ваша машина прослужит вам долго. Если вы заметили какие-либо сообщения об ошибках и кажется, что ничто другое не решает проблему, пришло время выполнить сброс. Эти методы особенно удобны после отключения электроэнергии.
Теперь, когда мы рассказали вам, как перезагрузить стиральную машину Whirlpool семью различными способами, вы можете попробовать их.
Эти простые методы перезагрузят ваш компьютер и, возможно, решат проблемы, с которыми вы столкнулись. Если нет, свяжитесь с производителем.
Отзыв: была ли эта статья полезной?
Спасибо за отзыв!
Спасибо за отзыв!
Что тебе понравилось?
Что пошло не так?
Каковы преимущества стиральной машины с фронтальной загрузкой?
`;
В такой стране, как США, где популярны стиральные машины с вертикальной загрузкой, большинство людей сталкиваются со стиральными машинами с фронтальной загрузкой только в местной коммерческой прачечной. Во многих других странах этот стиль гораздо чаще встречается в частных домах. Есть ряд преимуществ, присущих этому типу стиральных машин.
Основное различие между стиральными машинами с вертикальной и фронтальной загрузкой заключается в том, как белье помещается внутрь.
Машина с верхней загрузкой имеет откидную крышку сверху, что позволяет помещать одежду в горизонтально ориентированную водонепроницаемую ванну. В центре этой ванны находится устройство, называемое мешалкой. Работа агитатора состоит в том, чтобы крутить одежду в мыльной воде. У фронтального погрузчика нет центральной мешалки, но для перемешивания одежды используются гравитационные и боковые лопасти. Когда передняя дверца закрывается, она остается запертой механически до завершения цикла стирки.
Одним из преимуществ стиральной машины с фронтальной загрузкой является повышенная вместимость.
Поскольку центральной мешалки нет, горизонтально ориентированный барабан может вмещать как минимум на 20–30 % больше одежды за одну загрузку. Для большой семьи это может означать использование только трех загрузок по сравнению с пятью в погрузчике с верхней загрузкой. Меньшая нагрузка часто приводит к экономии на счетах за коммунальные услуги и использовании воды.
Стиральная машина с фронтальной загрузкой также бережнее относится к белью и в целом работает тише. Вместо централизованной мешалки, буквально хватающей одежду и взбивающей ее, лезвия мягко подхватывают одежду и позволяют ей упасть в мыльную воду.
Почва по-прежнему удаляется перемешивающим действием, но большую часть работы выполняет сила тяжести. Мягкое перемешивание может значительно продлить срок службы одежды. По мере старения стиральных машин с вертикальной загрузкой они, как правило, становятся более шумными и с большей вероятностью становятся неуравновешенными. Стиральная машина с фронтальной загрузкой редко выходит из равновесия из-за веса тяжелых вещей.
Еще одним преимуществом фронтального погрузчика является меньшее потребление воды и моющих средств. Стиральная машина с вертикальной загрузкой должна использовать достаточно воды, чтобы покрыть верхнюю часть одежды.
С другой стороны, машина с фронтальной загрузкой использует столько воды, чтобы покрыть максимум примерно нижнюю треть бака. Одежда проходит через воду, а не вода через одежду. Моющие средства, разработанные для этого типа машин, имеют формулу с более низким пенообразованием и предназначены для выделения различных чистящих средств при разных температурах воды. На самом деле, машина часто содержит собственный нагревательный элемент, чтобы поддерживать идеальную температуру воды для стирки.
Многие потребители также считают, что стиральная машина с фронтальной загрузкой удаляет больше воды во время последнего цикла отжима.
Это часто приводит к сокращению времени сушки, что означает экономию электроэнергии. Кроме того, он может работать в сочетании со штабелируемой сушилкой для экономии места в прачечной. Стандартная стиральная машина с вертикальной загрузкой не может быть установлена вместе со стандартной электрической сушилкой. Попытки производителей создать комбинацию верхней загрузки часто ограничивают диапазон движения крышки стиральной машины. С фронтальным погрузчиком такой конструктивной проблемы не существует.
Постоянный участник HomeQuestionsAnswered, Майкл любит проводить исследования, чтобы удовлетворить свои
широкомасштабное любопытство к различным тайным темам.
Прежде чем стать профессиональным писателем, Майкл работал
Репетитор английского языка, поэт, диджей и диджей.
Постоянный участник HomeQuestionsAnswered, Майкл любит проводить исследования, чтобы удовлетворить свои
широкомасштабное любопытство к различным тайным темам. Прежде чем стать профессиональным писателем, Майкл работал
Репетитор английского языка, поэт, диджей и диджей.
Опасность стиральной машины Whirlpool, выпущенная в качестве отзывов
от Kevin Peachey
Personal Finance Reporter
Опубликовано
000Z»> 17 декабря 2019 г.
9000 2.0003
Чтобы воспроизвести это видео, вам необходимо включить JavaScript в вашем браузере.
Заголовок в СМИ,
Босс Whirlpool приносит извинения за отзыв машин на Рождество
Полмиллиона стиральных машин в британских домах должны быть отозваны, в результате чего производитель Whirlpool погрузится в свежую сагу об опасных приборах.
Машины под торговыми марками Hotpoint или Indesit продавались более пяти лет, но их система дверных замков может перегреваться, создавая опасность возгорания.
Владельцы сталкиваются с перспективой обходиться без горячей стирки в течение нескольких месяцев, пока продукты не будут отремонтированы или заменены.
Компания Whirlpool уже оправилась от проблем с пожароопасными сушилками.
Компания подверглась резкой критике за свою первоначальную реакцию, когда более пяти миллионов сушильных машин, проданных за 11 лет, оказались пожароопасными.
Он начал полный отзыв по этому вопросу только через четыре года после вмешательства регулирующего органа. На этот раз дело дошло до отзыва.
Что за новая проблема?
Около 20% проданных с 2014 года стиральных машин Hotpoint и Indesit подвержены неисправности. Задействовано до 519 000 стиральных машин, проданных в Великобритании.
Воспроизведение этого видео невозможно
Для воспроизведения этого видео необходимо включить JavaScript в вашем браузере.
Заголовок в СМИ,
Дым шел из моей стиральной машины
Считается, что семьдесят девять пожаров были вызваны неисправностью, которая развивается с течением времени, согласно Whirlpool, которой принадлежат бренды.
«Когда нагревательный элемент в стиральной машине активирован, в очень редких случаях компонент системы дверного замка может перегреться, что, в зависимости от характеристик продукта, может создать риск возгорания», — сказали в Whirlpool.
Дополнительный ток, протекающий через машину при включенном нагревательном элементе, может привести к перегреву системы блокировки дверцы.
Компания заявила, что проблема была обнаружена ее группой безопасности, но она привела к пожарам, хотя ни один из них не был достаточно значительным, чтобы причинить более чем незначительный ущерб или привести к серьезным травмам.
Инженер Колин О’Нил, управляющий CJM Washer Services, сказал, что он не удивлен отзыву, потому что он видел неисправности, связанные с дверным замком «уже довольно давно».
Подпись к изображению,
Водопроводчик Колин О’Нил видел «отказы» дверных замков в некоторых стиральных машинах Whirlpool «уже довольно давно»
Он сказал: «Когда мы выходим, мы снимаем дверной замок и довольно часто обнаруживаем либо вышел из строя, либо довольно часто мы обнаруживаем признаки подгорания жгута проводов дверного замка.0003
«Иногда я даже видел следы ожогов внутри корпуса стиральной машины, так что похоже, что там был небольшой мини-пожар, но покупатель ничего об этом не знал.
»
Стив Смитсон из Ромфорда, Эссекс, был вынужден вызвать инженера, когда заметил запах гари и дым, исходящий из стиральной машины Hotpoint.
Он сказал: «Я сразу вскочил и выключил вилку, взял белье — оно действительно пахло — и проверил код. Там был код неисправного дверного замка.»
Что делать, если мне кажется, что он у меня есть?
Whirlpool настроил онлайн-проверку моделей, хотя, похоже, это само по себе дало сбой. Владельцам стиральных машин Hotpoint и Indesit, купленных с октября 2014 года, необходимо будет ввести модель и серийный номер своей машины, которые находятся внутри дверцы или на задней панели, чтобы узнать, не является ли она одной из пострадавших.
«Мы приносим извинения нашим клиентам за технические проблемы, с которыми они могут столкнуться при работе с нашим веб-сайтом. Проблема возникла из-за стороннего системного провайдера. Мы понимаем, что это не связано с трафиком на веб-сайте», — сказали в Whirlpool.
«Системный провайдер работает над устранением проблемы как можно быстрее, и в ближайшее время веб-сайт должен быть восстановлен.»
Существует также бесплатная линия помощи, открытая каждый день по номеру 0800 316 1442, но изначально она также сообщала звонящим, что она «недоступна».
Если владельцы в конечном итоге получат доступ к этим каналам и обнаружат, что их машина повреждена, для устранения любого риска устройство следует отключить от сети и не использовать до тех пор, пока оно не будет отремонтировано у них дома квалифицированным инженером, сообщила Whirlpool. В качестве альтернативы пострадавшим также будет предложена замена на безопасную модель.
Теперь владельцы могут проверить и зарегистрировать ремонт или замену. Уязвимые клиенты будут иметь приоритет, но для других это может быть организовано в порядке живой очереди.
Когда затронутые машины будут отремонтированы или заменены?
Процесс начнется не раньше начала января, самое раннее, и компания не будет привлекаться, когда дело каждого будет рассмотрено.
В результате владельцы могут месяцами, а не только в Рождество, обходиться без стиральной машины. Компания отказывается предлагать возмещение за затронутые машины, чтобы люди могли сразу купить другое устройство, оставляя его открытым для дальнейшей критики.
Источник изображения, Reuters
Вместо этого Whirlpool предложила владельцам по-прежнему использовать машину, но со значительно меньшим риском, используя только цикл стирки в холодной воде при температуре 20°C или ниже. Это означает, что нагревательный элемент не будет активирован, что позволит избежать выявленной проблемы.
Джефф Ноэль, вице-президент Whirlpool, сказал: «Мы знаем, что это вызовет некоторую озабоченность. Мы особенно понимаем, что стиральная машина так важна для семейной жизни, а в сезон рождественских праздников это будет еще более важным делом и , за это мы приносим свои извинения».
Он добавил, что к началу января в компании создается отдел обслуживания клиентов, нанимаются инженеры и расширяются возможности по доставке и сбору.
В настоящее время отзыв затрагивает только дома в Великобритании и Ирландии. Продукция произведена в Турции и Польше.
Связано ли это с отзывом сушильных машин Hotpoint и Indesit?
Компания Whirlpool была втянута в четырехлетний скандал из-за безопасности сушильных машин. Опасная бытовая техника под брендами Hotpoint, Indesit, Creda, Swan и Proline продавалась в Великобритании в течение 11 лет, начиная с 2004 г.
Источник изображения, LFB
Подпись к изображению,
Ущерб, причиненный сушилкой квартире в Шепердс Буш, Лондон
Их обвинили в серии пожаров после того, как скопление пуха упало на нагревательный элемент машины. Первоначально Whirlpool предлагала модифицировать затронутые сушилки, но только недавно превратила это предложение в полный отзыв с частичным возвратом средств или заменой сушилки.
Пожар в Grenfell Tower начался «внутри или вокруг» холодильника с морозильной камерой Hotpoint в квартире 16 на четвертом этаже, как стало известно общественному расследованию трагедии.
Ни одна из этих трех проблем не связана друг с другом, и Whirlpool заявила, что отзывает до 519 000 стиральных машин, поскольку безопасность является приоритетом.
Компания Whirlpool сообщила регулирующему органу, Управлению по безопасности продукции и стандартам (OPSS), о проблеме и планах отзыва продукции.
Лучшая стиральная машина на 2022 год
Есть кульминация того, будет ли что-то, обычно дорогое, также стирать за вас, якобы чтобы окупить затраты. С настоящей стиральной машиной этот ответ в основном да. И хорошая новость заключается в том, что вам на самом деле не нужно раскошеливаться на отличную стиральную машину, чтобы найти ту, которая будет соответствовать вашему стилю жизни и бюджету, и, вы знаете, стирать. Хотя даже самая лучшая стиральная машина может быть не в состоянии загрузить себя и передать одежду в сушилку, с множеством интеллектуальных устройств и всевозможными функциями и циклами на выбор, мы можем приблизиться к стиральной машине, которая на самом деле все это делает.
(Теперь, если бы мы могли также найти сушилку, которая складывается, мы действительно были бы в деле.)
При выборе новой стиральной машины учитывайте, что большинство моделей имеют ширину от 24 до 29 дюймов с различной глубиной, которая обычно составляет от 24 до 34 дюймов, поэтому ваш первый шаг — сузить список до того, что соответствует доступному пространству. Помимо этого, такие аспекты, как фронтальная или верхняя загрузка, вместимость, доступные циклы или их комбинация, являются наиболее важными характеристиками, которые следует учитывать при покупке новой стиральной машины.
Подробнее: Возможно, в вашей стиральной машине появилась плесень. Вот как избавиться от него
В среднем стиральные машины стоят от 600 до 900 долларов. Но есть единицы по обе стороны от этого среднего, если вы ищете либо очень простую модель для выполнения работы, либо навороченную стиральную машину со всеми доступными функциями. (Помните, что стиральных машин с самозагрузкой пока не существует.
) Я оценил несколько моделей по разным ценам, размерам и функциям, чтобы предложить вам лучшие стиральные машины на 2022 год.
Ищете дополнительные рекомендации по бытовой технике? Это лучшие холодильники, посудомоечные машины и кондиционеры на 2022 год.
Лучшие стиральные машины 2022 года
LG
LG WM3400CW
Лучшая стиральная машина с фронтальной загрузкой
Эта модель LG с фронтальной загрузкой дает вам максимально возможное пространство для стиральной машины с фронтальной загрузкой: 4,5 кубических фута, что считается очень большой вместимостью. для моделей с фронтальной загрузкой. Он имеет многие из тех же функций, что и другие модели LG — высокую эффективность, пониженный уровень шума, автоматический датчик загрузки — и дополнительно предлагает настройку быстрой стирки, которая имеет множество отзывов пользователей и позволяет стирать белье примерно за 15 минут.
Эта прочная модель сконструирована таким образом, что сушилка может быть установлена поверх нее для экономии места. Он также играет короткую мелодию, чтобы вы закончили цикл.
- Рейтинг Best Buy : 4,5 из 5 на основании 1321 отзыва
- Рейтинг Lowe’s : 4,4 из 5 на основании 2020 отзывов
Амана
Амана NTW4516FW
Лучшая стиральная машина до 500 долларов
Если цена является основным фактором при выборе стиральной машины, эта модель Amana с вертикальной загрузкой американского производства имеет более чем пятизначное число положительных отзывов на сайтах крупных розничных продавцов. Звонков и свистков меньше, а емкость составляет всего 3,5 кубических фута, но вы по-прежнему получаете надежный, простой прибор, который предлагает несколько основных циклов, а также функцию автоматического определения уровня воды, которая контролирует использование и объем воды и регулирует на протяжении всего цикла.
соответственно. Несмотря на более низкую стоимость, пользователи часто положительно отзывались о чистоте одежды и о том, что она даже работала тише, чем ожидалось.
Этот билд кажется солидным, хотя выглядит довольно просто. Одна вещь, которую я заметил, это то, что в этой модели нет слота для смягчителя ткани, поэтому вам придется просто вставить его или купить отдельный дозатор.
- Best Buy rating : 4.4 out of 5 based on 5,465 reviews
- Lowe’s rating : 4.7 out of 5 based on 9,651 reviews
$572 at AJ Madison
$515 at ABT
Дженерал Электрик
GE GFW850SPNRS
Лучшие функции стиральной машины
Дело не всегда в функциях, которые вы чаще всего используете, а в наличии функций, которые вам иногда могут понадобиться. Если доступные функции определяют ваш сравнительный опыт покупки стиральных машин, GE предлагает первоклассную модель с фронтальной загрузкой, обеспечивающую постоянное удовлетворение клиентов, и практически все доступные дополнения.
Хотя он дороже, чем модели, перечисленные выше, он все же немного дешевле, чем другие модели, которые предлагают столько же функций, сколько и он.
Эта стиральная машина занимает 5 кубических футов, поддерживает интеллектуальные технологии и поддерживает 12 стандартных циклов, включая цикл быстрой стирки и функцию дезинфекции таких вещей, как полотенца и спортивная одежда, на которые обычно может попасть плесень из-за влаги. . Также доступна опция подачи пара, чтобы помочь выпарить глубокие пятна, автоматический дозатор моющего средства отмеряет для вас в зависимости от размера загрузки, а функция вентиляции позволяет стиральной машине высохнуть между циклами даже с закрытой дверцей. В море других машин белого, черного и из нержавеющей стали эта стиральная машина GE также, освежающе, темно-синего цвета.
Из-за большого количества функций эта модель оснащена более сложной панелью управления — комбинацией цифровых и ручных циферблатов — но я нашел ее интуитивно понятной и простой в настройке.
Он имеет элегантный современный вид и доступен в белом или сапфирово-синем цвете.
- Best Buy Rating : 4,6 из 5 на основе 499 отзывов
- Lowe’s Rating : 4,6 из 5 на основе 4519 обзоров
$ 1 092 в AJ Madison
$ 1098 AT OTOT
$ 1,092.0590
LG
LG WKEX200HBA
Лучшее сочетание стиральной и сушильной машин, которое можно штабелировать
Хотя многие люди покупают одинаковые комплекты стиральной и сушильной машин, это почти никогда не является обязательным требованием. Однако, если доступное пространство для стирки узкое и требует штабелируемой стиральной / сушильной машины (потому что зачем прибегать к воздушной сушке, если вам это не нужно?), эта стиральная / сушильная башня LG имеет чрезвычайно положительные отзывы, предлагает 4,5 кубических фута пространства.
в стиральной машине и 7,4 кубических фута в сушилке, и для ее размещения требуется всего 27 дюймов ширины. Среди его 10 циклов стирки есть Allergiene, в котором пар используется для удаления избытка шерсти и шерсти домашних животных.
Эта модель настолько же элегантна, как и стиральная машина с сушкой, с полностью цифровым дисплеем и панелью управления. Он доступен в черном стальном и белом цветах.
- Best Buy rating : 4.7 out of 5 based on 852 reviews
- Home Depot rating : 4.7 out of 5 based on 2,240 reviews
$2,969 at AJ Madison
$2,098 at Lowes
Дженерал Электрик
ГЭ ГНВ128ССММВ
Лучшая стиральная машина для небольших помещений
Эта 24-дюймовая модель от GE со средней шириной полноразмерных стиральных машин составляет около 27 дюймов и представляет собой надежное решение для небольших помещений (или небольших дверных рам).
Предлагая 2,8 кубических фута пространства, этот миниатюрный блок по-прежнему предлагает восемь циклов стирки, включая быструю стирку. Пользователи часто отмечали в обзорах, что он лучший из доступных для условий кондоминиума, и что в барабане по-прежнему было достаточно места для даже больших загрузок. белья. Складывающаяся крышка также снижает потребность в вертикальном пространстве на нижней стороне или позволяет устанавливать совместимую сушилку штабелированием.
Ящики для моющих средств и смягчителя ткани расположены сзади, а специальное отверстие для отбеливателя расположено отдельно в передней части края. Поскольку это устройство с верхней загрузкой, вы не сможете установить сушилку сверху, что следует учитывать, если в вашей прачечной ограничено пространство.
- Рейтинг Home Depot : 4,4 из 5 на основании 164 отзывов
- Рейтинг Lowe’s : 4,3 из 5 на основании 85 отзывов0003
Как мы оцениваем стиральные машины
Я изучил стиральные машины из этого списка, проанализировав характеристики и отзывы пользователей на сайтах крупных розничных продавцов бытовой техники, таких как Best Buy, Home Depot и Lowe’s.
Я также рассматривал их самые продаваемые модели и модели с самым высоким рейтингом, а также доступные функции по сравнению с ценой как меру общей ценности каждой машины. Я сосредоточился в первую очередь на тех моделях, которые имели рейтинг не менее 4,5 звезд и не менее 500 отзывов или, по крайней мере, самый высокий рейтинг среди наибольшего количества оценок для функции или размера, которые я оценивал.Большинство современных стиральных машин имеют сертификат Energy Star от EPA.
водоворот
Учитывались только стиральные машины, прошедшие сертификацию Energy Star от EPA, чтобы не беспокоиться об использовании энергии и эффективности использования воды. Я внимательно изучил комментарии и оценки пользователей, чтобы убедиться в отсутствии повторяющихся проблем, проблем или жалоб в отношении конкретной марки или модели. Я искал доказательства способности различных моделей удалять сильные пятна, а также тех, у кого были особенно положительные отзывы о деликатных циклах, которые действительно деликатно обрабатывали деликатные ткани.

Хотя мы не проводили тщательного практического тестирования для этого списка лучших стиральных машин, я смог изучить несколько моделей в различных демонстрационных залах бытовой техники, чтобы почувствовать каждую единицу и интуитивность ее панели управления, циферблаты и ручки.
Руководство по покупке стиральной машины
Размер стиральной машины
Место, доступное для размещения стиральной машины, является первым соображением при ее покупке. Большинство стиральных машин от 24 до 29.дюйма в ширину, с переменной глубиной, которая обычно составляет от 24 до 34 дюймов. Вместимость и размер обычно идут рука об руку: типичные модели предлагают вам около 4,5 кубических футов пространства для вашего текстиля. Модели со сверхбольшой емкостью, как правило, имеют объем более 5 кубических футов, и если вы работаете с более узким пространством в своем доме, рассчитывайте найти стиральную машину, в которой всего около 3 кубических футов или меньше. Возможно, вам придется отправить свои большие одеяла и зимние пальто, но вы все равно сможете с комфортом стирать среднее количество белья.

При оценке стиральных машин я искал интуитивно понятное управление и настройки.
Тайлер Лизенби/CNET
Типы стиральных машин
Стиральные машины обычно бывают моделей с вертикальной или фронтальной загрузкой. Модели с верхней загрузкой, как правило, имеют большую вместимость и используют мешалку — центральную колонну, которая перемещает вашу одежду — для очистки белья. Модели с фронтальной загрузкой могут иметь немного меньшую вместимость и обычно работают с крыльчаткой, которая помогает вращать вашу одежду вокруг раковины, так что одежда трется друг о друга для удаления пятен. Одна модель Whirlpool имеет съемную мешалку для универсальности и потенциальной дополнительной емкости. Модели с верхней загрузкой могут быть немного проще сзади, так как им требуется меньше наклоняться для загрузки и выгрузки, но они не так доступны, как штабелируемые варианты с сушилкой, если у вас нет места для размещения стиральной машины и сушилки сбоку.
рядом. Большинство стиральных машин бывают белого, черного или из нержавеющей стали, причем белый цвет обычно является наименее дорогим вариантом.Стиральная машина Samsung WW9800T использует искусственный интеллект и большие данные для выбора правильного цикла для каждой загрузки.
Samsung
Циклы стиральных машин
Даже базовые модели стиральных машин, как правило, имеют как минимум нормальные, деликатные и тяжелые циклы, которые автоматически регулируют параметры нагрева, уровня воды и продолжительности цикла. Некоторые машины могут иметь предварительно установленные циклы для цветных загрузок по сравнению с белыми загрузками, а также есть надежный постоянный пресс, который обычно является настройкой цикла для синтетических материалов с минимальной морщинистостью. Более дорогие и цифровые модели, как правило, имеют большее разнообразие настроек цикла, в том числе те, которые предназначены для постельного белья или полотенец, те, которые используют пар для борьбы с аллергенами, такими как перхоть домашних животных и пыль, или цикл дезинфекции, который может помочь справиться с плесенью.
Обычно вы будете регулярно использовать одну и ту же пару настроек, поэтому имейте это в виду, когда решаете, сколько денег вы хотите потратить на стиральную машину.Часто задаваемые вопросы о стиральных машинах
Как долго должна работать стиральная машина?
Стиральные машины, как и многие другие бытовые приборы, рассчитаны на срок службы около 10 лет. Если у вас небольшое домашнее хозяйство или вы используете стиральную машину минимально, это может продлить срок ее службы еще на несколько лет. Уход за ней и чистка также помогут продлить срок службы стиральной машины. Прочтите советы CNET о том, как и как часто чистить стиральную машину.
В чем разница между стиральной машиной с фронтальной и вертикальной загрузкой?
Основное различие между стиральными машинами с фронтальной и вертикальной загрузкой заключается в вместительности, при этом стиральные машины с вертикальной загрузкой обычно имеют больше места для загрузки белья.
Кроме того, вы можете подумать, кто пользуется стиральной машиной. Верхние загрузчики, как правило, удобнее для задней части и требуют меньшего изгиба, чем модели с фронтальной загрузкой, но детям труднее получить к ним доступ. (Возможно, стоит подумать о том, нужна ли вам стиральная машина для развлечения детей или домашних животных, и в этом случае: фронтальная загрузка.) Кроме того, вам, возможно, придется подумать, нужно ли вам ставить сушилку поверх стиральной машины. Есть варианты штабелирования как со стиральными машинами с вертикальной, так и с фронтальной загрузкой, но у вас больше возможностей с моделью с фронтальной загрузкой.Что означает высокая эффективность в стиральной машине?
Высокая эффективность отличается от сертификации Energy Star, но обе они должны дать вам уверенность в том, что ваша стиральная машина потребляет энергию и воду. Режим High Efficiency специально регулирует расход воды: модели, которые обычно требуют меньше моющего средства и расходуют меньше воды, чем более старые модели, не отмеченные как High Efficiency.

59.ru
05/5.2
5
тяговое усилие, кН
8
1
9E2
pdf)




Для стрел разной высоты выпускаются соответствующие модели ковшей SEM. Все они значительно больше по объёму, чем ковши общего назначения. Это повышает производительность работы на 50% и более.




Для установки некоторых типов навесного оборудования погрузчик должен быть оснащён третьей гидролинией.

Если они не загораются, ваша машина не перезагрузилась должным образом, и вам нужно попробовать другой метод.





Я также рассматривал их самые продаваемые модели и модели с самым высоким рейтингом, а также доступные функции по сравнению с ценой как меру общей ценности каждой машины. Я сосредоточился в первую очередь на тех моделях, которые имели рейтинг не менее 4,5 звезд и не менее 500 отзывов или, по крайней мере, самый высокий рейтинг среди наибольшего количества оценок для функции или размера, которые я оценивал.

рядом. Большинство стиральных машин бывают белого, черного или из нержавеющей стали, причем белый цвет обычно является наименее дорогим вариантом.
Обычно вы будете регулярно использовать одну и ту же пару настроек, поэтому имейте это в виду, когда решаете, сколько денег вы хотите потратить на стиральную машину.
Кроме того, вы можете подумать, кто пользуется стиральной машиной. Верхние загрузчики, как правило, удобнее для задней части и требуют меньшего изгиба, чем модели с фронтальной загрузкой, но детям труднее получить к ним доступ. (Возможно, стоит подумать о том, нужна ли вам стиральная машина для развлечения детей или домашних животных, и в этом случае: фронтальная загрузка.) Кроме того, вам, возможно, придется подумать, нужно ли вам ставить сушилку поверх стиральной машины. Есть варианты штабелирования как со стиральными машинами с вертикальной, так и с фронтальной загрузкой, но у вас больше возможностей с моделью с фронтальной загрузкой.
