Содержание
Техническое обслуживание и ремонт двигателя. Ремонт шатунно-поршневой группы.
Ремонт
шатунно-поршневой группы
План
урока
Профессия «Тракторист-машинист
сельскохозяйственного производства». Мастер п/о Балгабаев
Ж.Б.
Тема
программы: Техническое обслуживание и ремонт двигателя
Тема
урока: Ремонт шатунно-поршневой группы
Цели
занятия:
Образовательная: знать
устройство кривошипно-шатунного механизма, дефекты и способы их устранения.
Воспитательная:
1. Сформировать условия для активного применения знаний,
полученных на теоретических занятиях и учебной производственной практике
2. Воспитать у студентов чувство ответственности за выполненную
работ
3. Воспитать у студентов чувство требовательности к себе, т.к. от
этого зависит качество выполненных работ.
Развивающая:
1. Сформировать умение распознавать поломки и дефекты
шатунно-поршневой группы.
2. Самостоятельно анализировать задание, правильность
организации труда
Материальное и дидактическое обеспечение занятия:
— наборы слесарного инструмента;
— измерительный инструмент.
— шатунно-поршневая группа;
— плакаты;
— инструкционные карты.
Межпредметные и внутренние связи:
Слесарное дело; Устройство и техническое обслуживание автомобиля;
Охрана труда.
Литература использованная при подготовке занятия:
Шестопалов С.К. Устройство, техническое обслуживание и ремонт
легковых автомобилей; «Академия», 2006.-544с.
Покровский Б.С. Слесарное дело «Академия», 2003.-320с.
Карагодин В.И. Ремонт автомобилей и двигателей «Академия», 2005-
496с.
Волгин В.В. Ремонтируем двигатели автомобилей ВАЗ «Русь Автокнига»
2001- 111с
Литература, рекомендуемая учащимся:
Шестопалов С.К. Устройство, техническое обслуживание и ремонт
легковых автомобилей; «Академия», 2006.-544с.
Покровский Б.С. Слесарное дело «Академия», 2003.-320с.
Карагодин В.И. Ремонт автомобилей и двигателей «Академия», 2005-
496с.
Волгин В.В. Ремонтируем двигатели автомобилей ВАЗ «Русь Автокнига»
2001- 111с
Ход
урока
I. Организационная
часть 5мин.
1.1 Контроль
посещаемости и готовность к уроку.
1.2 Объяснение
хода и последовательности проведения занятия.
1.3 Распределение
по рабочим местам.
II. Вводный
инструктаж 10 мин.
2.1. Сообщить
тему программы и тему урока, назвать его учебное значение.
2.2. Провести
повторение материала, пройденного на прошлых занятиях (Ремонт
распределительного вала и корпуса подшипников, ремонт блока цилиндров).
III. Объяснение
нового материала.
1) Рассказать
о значении данной работы для освоения профессии.
2) Показать
шатунно-поршневую группу.
3) Разобрать
Инструкционные карты по ремонту шатунно-поршневой группы. Обратить особое
внимание на прилагаемые таблицы, где указаны параметры контроля массы поршня,
контрольные размеры сборки шатун-палец-поршень и классы шатунов по массе
верхней и нижней головок.
4) Разбираем
технологическую последовательность ремонта и сборки шатунно-поршневой группы.
5) Рассмотреть
применяемые инструменты, приспособления.
6) Показать
приемы сборки шатунно-поршневой группы; предупредить о возможных ошибках при
выполнении работы. Рассказать и показать способы измерений при выполнении
задания.
7) Рассказать
о передовых способах ремонта и сборки шатунно-поршневой группы, о инструментах
и вспомогательном оборудовании.
8) Разобрать
вопросы по организации рабочего места.
9) Провести
инструктаж по правилам техники безопасности, обратить внимание на опасные
приемы работы, требующие особой собранности при работе.
10)
Повторить с учащимися рабочие приемы при выполнении задания, убедится в
понимании.
11)
Сообщить учащимся критерии оценок.
IV Самостоятельная
работа учащихся 300мин.
Текущий
инструктаж – Целевые обходы рабочих мест.
Первый
обход: проверить содержание рабочих мест, их организацию.
Второй
обход: обратить внимание на правильность выполнения приемов сборки
шатунно-поршневой группы.
Третий
обход: проверить соблюдения технологической последовательности сборки
шатунно-поршневой группы. Обратить внимание на соответствие замеров массы
поршня и размеры шатуна, поршневого пальца.
Четвертый
обход: проверить правильность ведения самоконтроля; соблюдение технических
условий.
Пятый
обход: провести приемку и оценку выполненных работ.
V. Заключительный
инструктаж 15мин.
5.1.
Подвести итоги занятия.
5.2
Указать на допущенные ошибки и разобрать причины, их вызывающие.
5.3.
Сообщить и прокомментировать оценку учащимся за выполненную работу.
5.4.
Задание на дом: повторить устройство кривошипно-шатунного механизма и ремонт
блока цилиндров.
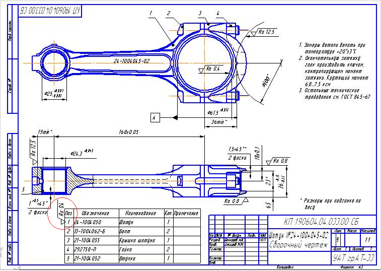
Конспект урока производственного обучения
«Ремонт шатунно-поршневой группы»
Шатунно-поршневая
группа относится к кривошипно-шатунному механизму, который служит для
преобразования возвратно поступательного движения поршней во вращательное
движение коленчатого вала и передачи крутящего момента на трансмиссию. К
шатунно-поршневой группе относится поршень, поршневой палец, поршневые кольца,
шатун. Для проведения ремонта нужно провести дефектовку деталей
шатунно-поршневой группы.
Дефектовка
.
Снять
поршневые кольца. Выпрессовать палец, с помощью пресса.
Удалить нагар с днищ
поршней и из канавок для колец. Из масляных каналов шатунов и поршней удалить
все отложения. Трещины на поршнях, пальцах, шатунах и крышках требует замены
этих деталей. Если детали изношены мало и не повреждены, они могут быть
использованы снова. Поэтому при разборке их следует пометить, чтобы в
дальнейшем их не перепутать.
Поршень изготовлен
из алюминиевого сплава и для улучшения прирабатываемости покрыт слоем олова.
Его юбка в поперечном сечении овальная, а по высоте коническая, поэтому
измеряют диаметр поршня в плоскости, перпендикулярной поршневому пальцу и на
определенном расстоянии от днища поршня. Отверстие под поршневой палец смещено
от оси симметрии в правую сторону двигателя, вот почему для правильной
установки поршня в цилиндр около отверстия под поршневой палец имеется метка
«П» она должна быть обращена в сторону передней части двигателя. По наружному
диаметру поршни разбиты на пять классов А,В,С,Д,Е, различающиеся размерами на
0,01мм, а по диаметру отверстия по поршневой палец на три категории через
0,004мм. На днище поршня клеймятся класс поршня (буква) под поршневой палец
(цифра). При сборке двигателя поршни следует устанавливать так, чтобы стрелка
была направлена к передней части двигателя в сторону привода распределительного
вала.
Маркировка поршней и
шатунов: 1- направление установки «вперед»; 2- ремонтный размер; 3- класс; 4-
категория отверстия под поршневой палец; 5-номер цилиндра.
Шатунно-поршневые
группы одного двигателя не должны заметно отличатся по массе, чтобы при работе
дисбаланс не приводил к вибрации и поломке двигателя. Когда допускается
подгонка поршней, поршни одного двигателя не должны отличатся по массе более,
чем на 2,5г.
Контролируемые размеры
при подгонке веса.
Поршневой
палец всех двигателей, кроме 2110, 2111, 21213,2130 запрессован в
верхнюю головку шатуна и свободно вращается в бобышках поршня. У двигателей
2110, 2111, 21213, 2130 поршневой палец плавающего типа, т.е. свободно
вращается и в бобышках поршня, и во втулке шатуна. По наружному диаметру пальцы
подразделяются на три класса через 0,004мм. Класс
маркируется краской на торце пальца: синяя метка – первый, зеленая –
второй, а красная – третий класс. Перед сборкой шатунно-поршневой группы
подбирают палец к поршню и шатуну. Правильное сопряжение пальца с поршнем
достигается, если поршневой палец входит в отверстие бобышки при нажатии
большого пальца руки (1) и не выпадает, если поршень держать с поршневым
пальцем в вертикальном положении (2).
Выпадающий из бобышки
палец следует заменить пальцем следующей по размеру категории. Если был палец
третьей категории, то приходится заменять и поршень и палец.
Шатун обрабатывается
вместе с крышкой нижней головки, поэтому в отдельности они невзаимозаменяемы.
Чтобы при сборке не перепутать крышки и шатуны, на них клеймят номер цилиндра,
в который они устанавливаются – при сборке цифры на шатуне и крышке должны быть
одинаковы и находиться при сборке с одной стороны шатуна и с одной стороны
двигателя. По массе верхней и нижней головок шатуны подразделяются на классы,
маркируемые либо буквой, либо краской на крышке шатуна. при сборке с одной
стороны шатуна и с одной стороны двигателя. По массе верхней и нижней головок
шатуны подразделяются на классы, маркируемые либо буквой, либо краской на крышке
шатуна. На двигатель должны устанавливаться шатуны одного класса по массе.
Подгонять массу шатунов можно удалением металла с бобышек верхней и нижней
головок.
Сборка
поршня с шатуном.
Так как палец
вставляется в верхнюю головку шатуна с натягом, необходимо нагреть шатун до
240ºС для расширения его головки. Запрессовывать нужно скорее, так как после
охлаждения шатуна нельзя изменить положение пальца. Поршень с шатуном должен
соединяться так, чтобы метка «П» на поршне находилась со стороны выхода
отверстия для масла на нижней головке шатуна. С 1990 года шатуны изготавливают
без отверстия для прохода масла на нижней головке шатуна, поэтому ликвидированы
и отверстия в шатунных вкладышах. Такие шатуны можно соединять с поршнем в
любом положении.
Установка
поршневых колец. Поршневые кольца
изготовлены из чугуна. Наружная поверхность верхнего компрессионного
кольца хромирована и имеет бочкообразную форму «1». Нижнее компрессионное
кольцо – скребкового типа, с выточкой по наружной поверхности «2»,
фосфатированное. Маслосъемное кольцо имеет прорези для снимаемого с
цилиндра масла и внутреннюю витую пружину – расширитель
«3».
На кольцах ремонтных
размеров ставится цифровая маркировка «40» или «80», что соответствует
увеличению наружного диаметра на 0,4 или 0,8 мм. Зазор по высоте между
канавками и кольцами проверяют, вставляя кольцо в соответствующую канавку «1»
.предельно допустимые зазоры при износе – 0,15 мм. Зазор в замке поршневых
колец проверяют набором щупов, вставляя кольца в калибр, имеющий диаметр
отверстия, равный номинальному диаметру кольца с допуском ± 0,003 мм или в
цилиндр. Зазор должен быть в пределах 0,25 – 0,45 мм для всех колец. Если зазор
недостаточный, запилить стыковые поверхности, а если повышенный – заменить
кольца.
Смазать моторным маслом
канаки на поршне и установить кольца на поршень. Нижнее компрессионное кольцо
устанавливать выточкой вниз или меткой «Верх» (или то же самое по-английски –
«ТОР») – вверх к днищу поршня. Стык пружинного расширителя маслосъёмного кольца
должен располагаться на стороне, противоположной замку кольца.
Маслосъёмное кольцо устанавливают фаской наружной поверхности вверх.
После
установки сместить поршневые кольца так, чтобы замок верхнего компрессионного
кольца располагался под углом 30 — 45º к оси поршневого пальца, замок нижнего
компрессионного кольца – под углом около 120º к замку верхнего компрессионного
кольца, а замок маслосъёмного кольца – под углом 30 — 45º к
оси поршневого пальца между замками компрессионных колец. Кольца
можно надеть на поршень руками, держа большие пальцы – в разрезе кольца,
средние – с противоположной стороны. Верхнее компрессионное и маслосъёмное
кольца редко ломаются, в второе компрессионное кольцо довольно жёсткое и ломается
при разводе концов кольца более, чем на 2 мм. Чтобы сломать это кольцо, для его
установки пользуются полосками из жести.
А – расположение замков
колец;
В- жестяные полоски для
установки
колец;
С — жестяная
оправка для сжатия колец на поршне перед установкой в цилиндр.
Ремонт шатунно-поршневой группы дизелей | Технология ремонта тепловозов
Страница 24 из 75
Во время профилактического осмотра (по условиям эксплуатации) и малого периодического ремонта у дизелей типа Д100 очищают от нагара выпускные и продувочные окна и обязательно осматривают состояние цилиндровых гильз, колец и поршней с пробоксовкой коленчатого вала, у 2Д100 через один М2, а у 10Д100 при каждом М2. У всех двигателей осматривают шатунные подшипники (без разборки). Большой периодический и подъемочный ремонты предусматривают выемку поршней с шатунами для осмотра, проверки и ремонта.
Рис. 73. Нижний поршень дизеля 10Д100 в сборе (места образования нагара и трещин выделены жирными линиями):
1 — поршень; 2 — компрессионное кольцо; 3 — шатун; 4 — гайка шпильки; 5, 6 — маслосрезывающие кольца; 7 — поршневой палец; 8— втулка; 9— вставка; 10 — ползушка; 11— пружина; 12 — прокладки
На заводе поршни с кольцами и вкладыши шатуна заменяют на новые.
Во время эксплуатации у поршней изнашивается направляющая часть (юбка) и ручьи, а у колец, кроме износа, возможен излом, пригорание и потеря упругости.
Износ колец происходит преимущественно у замков. Для поршней дизеля типа Д100 характерным является износ полуды, задир (10Д100), прогар днища, а также появление трещин у ручьев поршней и их вставок. У шатунов наблюдается увеличение зазора между пальцем и втулкой верхней головки шатуна, деформация головок, износ резьбового соединения шатунных болтов.
Форма износа пальцев и втулок верхней головки шатуна зависит от конструкции поршня. У дизеля 2Д100 при закрепленном пальце износ последнего односторонний, а у дизелей 10Д100, Д50, имеющих «плавающие» пальцы, износ их происходит равномерно. Втулки верхней головки шатуна изнашиваются односторонне.
Для вкладышей характерен износ, выкрашивание баббитовой заливки, а также потеря натяга. У поршней возможны трещины и отложение нагара на поверхности, охлаждаемой маслом (рис. 73). Зазоры даны для Мб, а в рамках— для М4 и М5.
Способы оценки состояния деталей шатунно-поршневой группы дизеля в эксплуатации (без разборки).
Для определения состояния деталей без разборки используют спектральный анализ картерного масла, данные о расходе масла, а также данные измерения давления сжатия в полости цилиндра.
Спектральный анализ картерного масла дает возможность определить интенсивность износа деталей, изготовленных из одного какого- либо металла (свинец, бронза, чугун, сталь) Определение интенсивного износа какой- либо определенной детали ( при спектральном анализе) может быть произведено путем дополнительных данных, базирующихся на статистике измерений износа. Второй способ определения состояния шатунно-поршневой группы по расходу масла базируется на данных о доливе масла в картер вследствие угара во время эксплуатации. Сокращение расхода масла достигается заменой компрессионных и маслосрезывающих колец. Это сокращение становится меньше при изношенных гильзах.
В связи с износом колец изменяется давление сжатия. Зависимость показателя плотности цилиндраот зазоров 5 в замках всех компрессионных колец дизеля 2Д100 представлена на рис. 74. Если в каждом кольце при выпуске из ремонта будет установлен зазор 1, 2 мм, то показатель плотности будет 30,5, а при предельном зазоре 4 мм этот показатель будет 30,14, т.
е. уменьшится на 1,17%. Уменьшение показателя вызывает понижение экономичности дизеля — увеличение расхода топлива, а увеличение зазора, вызванного износом колец, увеличивает расход масла. Имея данные испытания какого-либо типа дизеля при различном состоянии цилиндро-поршневой группы и соответственно расход топлива и масла для данного дизеля того же типа, можно прогнозировать состояние этого дизеля.
Рис. 74. Зависимость показателя плотности цилиндра от зазоров в замках компрессионных колец дизеля 2Д100: рс — давление сжатия при номинальном режиме; рх— давление воздуха в наддувочном коллекторе; S — суммарный зазор в замке у компрессионных колец
Рис. 75. Схема выемки и постановки на место нижнего поршня дизеля типа Д100:
1— рым; 2 — трос; 3 — защитный хомут; 4 — трещотка; 5 — хомуты для колец; 6 — полозья
Рис. 76. Схема выемки и постановки на место верхних поршней дизеля типа Д100:
а — выемка 2-5-10 поршней: б — выемка первого поршня: в — постановка поршня; 1 — гайковерт; 2 — выжимной винт; 3 — упорная балка; 4 — диск;
5 — крюк; 6 — трос; 7 — упорная балка для первого цилиндра
Выемка и монтаж поршней дизеля типа Д100.

Для выемки нижних поршней применяют лебедки различной конструкции. Так, например, существует способ выемки поршня при помощи двух лебедок трещоточного типа (рис. 75). В отверстия под шатунные болты вставляют рымы 1, к которым крепят трос 2, натягиваемый трещоткой 4. Для предохранения от повреждений на шейку надевают брезентовый хомут 3. Вращая привод, поднимают шатун с поршнем вверх до выведения его из соприкосновения с шатунной шейкой, затем поворачивают коленчатый вал примерно в положение, указанное на рис. 75, и поршень с шатуном опускают на полозья 6, а затем вынимают их через боковой люк картера. Поршень вставляют в обратном порядке, используя два хомута 5 для сжатия поршневых колец.
Верхние поршни вынимают вверх при снятом верхнем коленчатом вале. Если вал не снимается, то верхний поршень вынимают после удаления нижнего поршня вниз при помощи приспособления (рис. 76). В этом случае после разборки нижней головки шатуна и поршня вставку поршня вместе с шатуном вынимают кверху, а стакан поршня без маслосрезывающих колец выжимают (вследствие нагара) вниз при помощи винта 2, гайковерта 1 типа И-51, поддерживая извлекаемый стакан поршня тросом 6.
Чтобы нагар во время очистки окон не попал в картер, на цилиндровые гильзы надевают защитные крышки. При постановке верхнего поршня обратно используют то же приспособление.
- Назад
- Вперёд
Трещины в шатунах · Технипедия · Motorservice
Настройки
Вернуться к поиску
Информация об использовании
Важная информация по обращению
Растрескивание не имеет недостатков, но имеет одно большое преимущество: оно обеспечивает точную посадку хвостовика шатуна и крышки подшипника. Но на что следует обратить внимание при установке?
Поверхность излома на треснувших шатунах
Шатуны образуют связь между коленчатым валом и поршнями и передают газ и силы инерции на коленчатый вал.
Для установки шатуна на коленчатый вал необходимо разделить большую проушину шатуна.
Одной из форм создания этого разделения является «растрескивание»: шатуны с трещинами изначально изготавливаются как цельный компонент. Затем большая проушина шатуна целенаправленно ломается надвое. Две части
снова свинчиваются во время монтажа. Поверхности излома с трещинами обеспечивают превосходную точность посадки между хвостовиком шатуна и крышкой подшипника.
Во избежание путаницы хвостовики шатунов и крышки подшипников, которые принадлежат друг другу, маркируются одинаковым номером пары.
Парные номера
Обратите внимание:
- Стержни шатунов и крышки подшипников нельзя заменять по отдельности или взаимозаменять.
- Вместе можно использовать только хвостовики шатунов и крышки подшипников с одинаковым номером пары.
- Стержни шатунов и крышки подшипников нельзя класть на поверхности излома.
- Поверхности излома не должны обрабатываться, повреждаться или загрязняться.

- Перед монтажом поверхности излома необходимо очистить подходящим средством (например, очистителем тормозов) и продуть. Не протирайте поверхность излома, так как волокна и пух могут испачкать поверхность излома.
- Во избежание загрязнения поверхности излома шатуны с трещинами разрешается транспортировать только с крышками подшипников и болтами шатунов, затянутыми вручную.
- Капитальный ремонт отверстия в корпусе невозможен, т.е. зашлифовка поверхности излома и обработка отверстия на треснутых шатунах невозможна.
Ключевые слова
:
шатун, шатун
,
крышка подшипника
Группа товаров
:
Поршни и компоненты
Группы продуктов на ms-motorservice.
com
Только для технического персонала. Все содержимое, включая изображения и диаграммы, может быть изменено. Для назначения и замены обратитесь к текущим каталогам или системам, основанным на TecAlliance.
Использование файлов cookie и защита данных
Motorservice Group использует файлы cookie, сохраненные на вашем устройстве, для оптимизации и постоянного улучшения своих веб-сайтов, а также для статистических целей.
Дополнительную информацию об использовании нами файлов cookie можно найти здесь, а также информацию о нашей публикации и уведомление о защите данных.
Нажав «ОК», вы подтверждаете, что приняли к сведению информацию о файлах cookie, заявлении о защите данных и деталях публикации. Вы также можете в любое время изменить настройки файлов cookie для этого веб-сайта.
Настройки конфиденциальности
Мы придаем большое значение прозрачной информации, касающейся всех аспектов защиты данных.
Наш веб-сайт содержит подробную информацию о настройках, которые вы можете выбрать, и о том, какое влияние оказывают эти настройки. Вы можете изменить выбранные настройки в любое время. Независимо от того, какой выбор вы выберете, мы не будем делать никаких выводов о вас как о личности (за исключением случаев, когда вы явно указали свои данные). Для получения информации об удалении файлов cookie обратитесь к функции справки в вашем браузере. Вы можете узнать больше в заявлении о защите данных.
Измените настройки конфиденциальности, нажав на соответствующие кнопки
- Необходимый
- Удобство
- Статистика
Необходимый
Файлы cookie, необходимые для системы, обеспечивают правильную работу веб-сайта. Без этих файлов cookie могут возникнуть сбои или сообщения об ошибках.
Этот веб-сайт будет:
- Сохранить файлы cookie, необходимые системе
- Сохранить настройки, которые вы делаете на этом веб-сайте
Этот сайт никогда не будет делать следующее без вашего согласия:
- Сохраните ваши настройки, такие как выбор языка или баннер cookie, чтобы вам не пришлось повторять их в будущем.
- Анонимно оценивайте посещения и делайте выводы, которые помогут нам оптимизировать наш веб-сайт.
- Сделать выводы о вас как о личности (за исключением случаев, когда вы явно указали свои данные, например, в контактных формах)
Удобство
Эти файлы cookie упрощают использование веб-сайта и сохраняют настройки, например, чтобы вам не приходилось повторять их каждый раз, когда вы посещаете сайт.
Этот веб-сайт будет:
- Сохранение файлов cookie, необходимых системе
- Сохранение ваших настроек, таких как выбор языка или баннер файлов cookie, чтобы вам не пришлось повторять их в будущем.
Этот сайт никогда не будет делать следующее без вашего согласия:
- Оценивайте посещения анонимно и делайте выводы, которые помогут нам оптимизировать наш веб-сайт.
- Сделать выводы о вас как о личности (за исключением случаев, когда вы явно указали свои данные, например, в контактных формах)
Конечно, мы всегда будем соблюдать настройку «не отслеживать» (DNT) в вашем браузере.
В этом случае файлы cookie для отслеживания не устанавливаются и функции отслеживания не загружаются.
Seçici Odak Motor Bloğu Onarım Stand Piston Ve Marjbiyel Otomotiv Teknolojisi Ile Arka Plan Üzerinde Kırmızı Araba Bulanık Bir Araba Tamir Dükkanı Iç Stok Fotoğraflar & Araba — Motorlu Taşıt’nin Daha Fazla Resimleri 9 0001 Герсель
- Горзель
- Фотограф
- Иллюстрация
- Vektörler
- Видео
Выборочный фокус. Блок двигателя на ремонтном стенде с поршнем и шатуном автомобильной техники. Размытый красный автомобиль на заднем плане. Интерьер автомастерской
Açıklama
Seçici odak.
Моторный блок onarım стенд Piston ve marjbiyel otomotiv teknolojisi ile. Арка план üzerinde kırmızı араба bulanık. Бир араба тамир dükkanı iç.
Bu görseli ücretsiz alın
Yeni müşteriler bu görseli, herhangi bir ödeme yapmadan ve herhangi bir yükümlülük altına girmeden, deneme aboneliğiyle indirebilir. Daha fazla bilgi
Стандартный lisansımızı icherir.
Genişletilmiş lisans ekleyin.
Банковский кредит: Малковсток
Цвет: 5760 x 3840 пикселей (48,77 x 32,51 см) — 300 dpi — RGB
Сток Фото ID:
5224
Параметры:
Категория:Сток Фотограф|Араба — Motorlu Taşıt
Anahtar Kelimeler
- Araba — Motorlu Taşıt Fotograflar,
- Araba tamir dükkanı Fotograflar,
- Araç Kısmı Fotografla r,
- Ателье Фотографар,
- Баким Мюхендизи Фотографар,
- Бензин Фотографар,
- Демир Фотограф,
- Экипман Фотограф,
- Эль Алетлери Фотограф,
- Электрик Мотору Фотограф,
- Фотографик Санати Фото ğraflar,
- Гарадж Фотограф,
- Гюмюш Фотограф,
- Гюмюш Ренги Фотограф,
- Хизмет Фотограф,
- Камьон Фотограф,
- Кирли Фотограф,
- Кранк Фотограф,
Тюмюню гор
Сыкча сорулан сорулар
- Безвозмездные lisan ne anlama gelir?
- Лицензия без лицензионных отчислений, telif hakkı olan görselleri ve video clipleri, söz konusu içeriği her kullandığınızda ödeme yapmanıza gerek olmadan, kişisel ve reklam amaçlı projelerde kullanmak üze re bir kez ödeme yapmanıza olanak verir.
Bu herkesin avantaj elde ettiği bir durumdur ve bu yüzden iStock’ta yer alan her türlü içerik sadece безвозмездное olarak kullanılabilir — tüm Araba — Motorlu Taşıt görseller ve videolar dahil. - iStock’ta hangi tür роялти-фри içerikler mevcut?
- Безвозмездное lisanslar, stok görselleri reklam amaçlı olarak kullanmak isteyenler için en iyi seçenektir; bu nedenle iStock’ta yer alan tüm içerikler — fotograf, ilüstrasyon veya video klibi — бесплатная фотография без лицензионных отчислений.
- Безвозмездное использование видеоклипов, которые вы можете использовать?
- Sosyal medya reklamlarından billboard’lara, Power Point sunumlarından uzun metraj filmlere kadar (Araba — Motorlu Taşıt görsel ve videoları dahil) tüm stok görsellerimizi projelerinize uygun olacak şekilde değiştirmekte, yeniden boyutlandırmakta ve özelleştirmekte özgürsünüz. Sadece haber amaçlı kullanım için” olan, (sadece haber amaçlı projelerde kullanılabilen ve değiştirilemeyen) fotoğraflar hariç, olasılıklar sınırsızdır.


Bu herkesin avantaj elde ettiği bir durumdur ve bu yüzden iStock’ta yer alan her türlü içerik sadece безвозмездное olarak kullanılabilir — tüm Araba — Motorlu Taşıt görseller ve videolar dahil.
