Содержание
Технологическая схема: виды, принципы составления
Процесс производства невозможно представить без регламентации технических действий и этапов. Для этого разрабатывается специальный документ – технологическая схема. Схема представляет собой графическую или текстовую интерпретацию необходимого набора операций, соблюдение которых приводит к получению готового продукта. При ее составлении учитывается количество производственных линий, набор используемого оборудования, этапы ручного и механизированного труда. Учет всех факторов и строгая регламентация производственных процессов, позволяет добиться высокой эффективности и качества производства.
Виды технологических схем
Учитывая огромное разнообразие производственных предприятий, производимой продукции, особенности различных технологий, существуют различные виды технологических схем. Общая классификация выглядит примерно следующим образом:
- Промышленная технологическая схема.
Наиболее распространенный тип, который широко распространен при производстве габаритных товаров, больших объемов или крупногабаритной продукции.
Они рассчитаны на длительное использование при производстве однотипной продукции долгое время. Она может быть разработана таким образом, чтобы ее можно было применять при производстве разнообразных однотипных товаров. Такие типы называют совмещенными. При их разработке учитывается возможность быстрой перенастройки оборудования для производства другого товара, практически без остановок технологического процесса.Разработка подобных схем обоснована экономическими факторами, беспрерывная работа производственной линии и работников позволяет избежать лишних растрат и повысить эффективность. Чаще всего совмещенные применяются на фармацевтических предприятиях, где на одном и том же оборудовании производятся лекарственных препараты, пищевые добавки, витамины и другие средства. Главное преимущество в том, что можно значительно снизить уровень первоначальных капиталовложений и производственных расходов в процессе эксплуатации оборудования. - Опытно-промышленные.
Данный тип является предвестником промышленных схем.
Они разрабатываются в тех случаях, когда необходимо наладить производство принципиально нового типа продукции. Она может быть немного упрощенной и дополняться в процессе работы производственной линии. На ее основе технологи собирают информацию для составления основных промышленных технологических схем. - Стендовые установки.
Их еще называют модульными, они представляют собой небольшие монтажные фермы, на которых смонтированы различные типы аппаратуры. Подобная конструкция значительно упрощает производственные эксперименты, так как можно легко и быстро сделать переоборудование установки. Они применяются на небольших производствах, с незначительным объемом и габаритами производимой продукции. - Лабораторные установки.
Являются аналогом стендовых и позволяют разработать схему производства абсолютно новой продукции в лабораторных условиях, под надзором инженеров и разработчиков. Они применяются в тех случаях, когда процесс перехода от лабораторных испытаний к непосредственному производству без потери эффективности и качества.
Лабораторные условия позволяют провести широкий спектр экспериментов, изучить все преимущества и недостатки технологических схем, а также точно определить пути усовершенствования.
Существует классификация технологических схем, исходя из типа производственной организации:
- Схемы периодического действия.
Промышленное производство на их основе предусматривает периодические паузы и остановки производственного процесса. Чаще всего они бывают совмещенными, когда требуется переналадка линии, или же связаны с производством небольших объемов товара, когда нет необходимости соблюдения беспрерывного процесса. Процесс производства обычно выполняется в одну или две смены. - Схемы непрерывного действия.
Технологический процесс, регламентируемый ими, предусматривает определенную очередность операций, которые позволяют производить товар без необходимости прерывания.
Практически каждый завод, производящий продукцию большими объемами, работает в непрерывном режиме. Некоторое промышленное оборудование не может эксплуатироваться с перерывами. Например, если в производстве участвуют жидкие вещества, застывающие во время перерывов, после чего оборудования нужно чистить. В подобных случаях очень важно, чтобы технологическая схема учитывала форс-мажорные ситуации и регламентировала способы их решения без остановки оборудования. - Схемы комбинированного типа.
Смешанные схемы предусматривают технологический процесс, сочетающий беспрерывные и прерывающиеся этапы. Подобные модели достаточно распространены, так как они более универсальны. На их основе можно производить продукцию различных типов, а также на производствах, которые зависит от уровня заказах и сезонности. Когда в определенное время необходимо беспрерывное производство, а в остальное ограничение объемов.
Выбор технологической схемы важнейший этап подготовки к запуску производства или выпуску нового товара.
От качества подготовки и расчетов при разработке схемы, напрямую зависит эффективность будущего производственного процесса.
В зависимости от объема учетной информации, схемы делятся на два типа:
- полная;
- принципиальная.
Полная включает графическое изображение производственного процесса, описание процессов, оборудования и приборов, автоматических процессов, устройств безопасности и защиты, энергетического питания, поставки и хранения сырья, а также готовой продукции. Она идеально подходит для изучения полного технологического процесса и наладки производственного процесса. Но она не подходит для первичного ознакомления, так как содержит огромный объем информации, быстро изучить который невозможно.
С принципиальной разновидностью работать намного легче, она отлично подходит для первичного ознакомления и содержит следующую информацию:
- Очередность производственных операций — четко регламентирует последовательность выполняемых действий (примером может быть покраска, сушка, нагревание, охлаждение, химические процессы и другие).

- Необходимое оборудование для производства (приборы, конвейеры, нагревательные чаны, холодильное оборудование, миксера, компрессоры, насосы, фильтрационное оборудование, подъемники и другие).
- Нормы технологического режима производственных участков (электрическое напряжение, давление, температура и другие).
- Способы эксплуатации сырья, заготовок и других дополнительных компонентов, получение готовой продукции, вторичное использование отходов и побочной продукции.
Принципиальную схему стоит предоставлять инженеру по безопасности, чтобы он разработал план эвакуации, расстановки выходов и средств индивидуальной защиты.
Принципиальная схема технологического процесса должна основываться на следующих принципах:
- несколько однотипных производственных линий можно описать на примере одной;
- также однотипные операции не нужно расписывать отдельно;
- резервное оборудование не нужно добавлять;
- процессы утилизации и переработки отходов можно описать кратко;
- не нужно добавлять описание контрольно-измерительного оборудования;
- устройства защиты объекта не описываются, так как разрабатываются на основе технологической схемы.

Общая технологическая схема производства позволяет иметь представления о будущем предприятии, системе пожарной и трудовой безопасности, определить недостатки и пути оптимизации.
Принципы составления
Технологическая схема должна составляться в строгой последовательности и соответствии с основными принципами. Она должна включать методы и способы производства, правила выполнения технологических процессов, условия работы, четкий порядок и последовательность этапов. Если производство сложное и объемное, для каждого отдельного этапа может быть разработан индивидуальный проект.
Чаще всего весь процесс представляет собой сложную структуру в виде чертежа. Он состоит из блоков, символизирующих операции, и векторов, соединяющих их.
Вектора в данном случае указывают на движение продукта. Главная задача проектирования в том, что вектора должны быть направлены в одну сторону, если существует поступательно-возвратное перемещение продукта между блоков, это усложняет восприятие информации. Все должно быть четко понятно и структурировано, читая схему, инженер должен понимать все процессы, от начала поступления сырья, до хранения готового продукта.
Часто блочные схемы дополняются буквенными и цифровыми данными, указывающие на тип оборудования. Операции могут выражаться в виде треугольников, кругов, прямоугольников и других геометрических фигур. Это значительно упрощает процесс чтения, и делает ее меньше и лаконичнее.
Типовая принципиальна технологическая схема обычно содержит перечень следующих этапов:
- Этап приема основного сырья, заготовок, готовых элементов и дополнительных компонентов, расположение в складских помещениях с описанием процесса погрузочных работ.
- Первичная обработка сырья или заготовок.

- Основной этап производства, предусматривающий изготовление ключевых деталей, компонентов или узлов готового продукта.
- Этап монтажа и комплектации товара, предусматривающий соединение полученных ранее компонентов и узлов.
- Упаковка готового товара.
- Отгрузка товара на склад для хранения или поставка покупателям.
Конечно же, разработка принципиальной аппаратурно-технологической схемы может значительно отличаться в зависимости от типа производимой продукции. В некоторых случаях она может занимать несколько листов, а в некоторых – более сотни страниц.
К счастью, в наше время составлять схемы вручную не нужно, существует определенный набор компьютерных программ, позволяющих упростить и ускорить процесс выполнения проекта. К таким программам можно отнести CADE, Concept Draw Pro и Diagram Designer. Они имеют определенные шаблоны, основываясь на которых можно создавать собственный проект. Имеющийся функционал упрощает процесс создания схем, диаграмм и графиков, вводя исходные данные.
Независимо от типа и способа разработки, технологическая схема должна быть на каждом предприятии, так в случае ее отсутствия, не получиться наладить эффективный производственный процесс.
Очень важно постоянно усовершенствовать первичный проект, исходя из полученной информации в процессе производства.
Если проект разрабатывается для нового предприятия, ее стоит расширить, включив несколько дополнительных разделов, регламентирующих следующие операции:
- Подготовка помещения.
Если планируется строительство нового помещения, следует рассчитать минимально возможною площадь производственного отдела и складов. Если планируется эксплуатация готового помещения, лини производства должны располагаться компактно, в соответствии с конструктивными особенностями здания, а также не мешать свободному перемещению грузов и работников. Должна учитываться пожарная безопасность. - Подготовка оборудования.
Оборудование подбирается в зависимости от объемов, характеристик помещения и объема капитальных вложений.
Предпочтение отдается компактным моделям, позволяющим выполнять такой же объем работ, как и более габаритные аналоги. При этом все элементы линии должны полноценно совмещаться и работать в комплекте. При возможности проектируется установка автоматизированных систем. - Подготовка персонала.
Персонал предприятия должен иметь необходимую квалификацию, при необходимости пройти дополнительное обучение или инструктаж по эксплуатации оборудования. Важно, чтобы работники соблюдали правила безопасности и трудовой дисциплины, а также полностью понимали и разбирались в технологической схеме изготовления своего продукта. Важно наладить вертикаль управления, информация должна быстро передаваться от исполнителей к руководству, а в обратном направлении – приказы и постановления.
Если технологическая схема разработана с соблюдением необходимых требований, производственное помещение ей отвечает, а сотрудники четко понимают свои обязанности, эффективность изготовления товара будет на высоком уровне.
Технологическая схема механизмов и установок
Процесс производства невозможно представить без регламентации технических действий и этапов. Для этого разрабатывается специальный документ- технологическая схема.
Технологическая схема — это графический технологический документ, который отдельно или совместно с другими технологическими документами описывает технологический процесс или составную часть процесса.
Технологическая схема производства отображает взаимосвязь между отдельными операциями технологического процесса, оборудованием и прочими устройствами, участвующими в производственных процессах.
На технологической схеме предприятия изображают весь технологический цикл производства — от исходного сырья до готовой продукции.
Схема представляет собой графическую или текстовую интерпретацию необходимого набора операций, соблюдение которых приводит к получению готового продукта. При ее составлении учитывается количество производственных линий, набор используемого оборудования, этапы ручного и механизированного труда.
Учет всех факторов и строгая регламентация производственных процессов, позволяет добиться высокой эффективности и качества производства.
Взаимное расположение оборудования и его размеры на технологической схеме должны быть по возможности близки к реальности, то есть отображаться так, как они расположены на предприятии.
На технологической схеме должны быть показаны все технологические связи, отображена система управления технологического процесса (места установки отдельных датчиков, показывающие, записывающие и управляющие приборы, места установки исполнительных механизмов, места отбора проб для лабораторного анализа и т.п.). Если при составлении схем расстановка приборов, датчиков сильно усложняют схему, то их можно не отображать, а отобразить в технологической схеме самое главное понимание именно технологии.
Для технологической схемы должна быть выполнена спецификация, на схеме должны быть необходимые обозначения, оборудование должно быть пронумеровано и описано в спецификации и легко читаема, сделана как можно более простой, понимал любой работник.
Технологическая схема — это один из видов документов в составе проектной документации. Этот документ должен иметь соответствующее обозначение. Обозначение присваивают согласно Единой Системе Конструкторской Документации (ЕСКД), по ГОСТ 2.102-2013 или ГОСТ 2.701-2008.
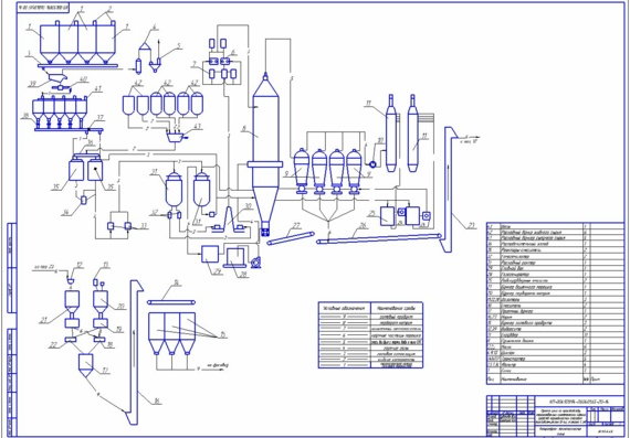
Рисунок 1. Вид технологической схемы
Учитывая огромное разнообразие производственных предприятий, производимой продукции, особенности различных технологий, существуют различные виды технологических схем. Общая классификация выглядит примерно следующим образом:
- Промышленная технологическая схема — наиболее распространенный тип, который широко распространен при производстве габаритных товаров, больших объемов или крупногабаритной продукции. Они рассчитаны на длительное использование при производстве однотипной продукции долгое время. Главное преимущество в том, что можно значительно снизить уровень первоначальных капиталовложений и производственных расходов в процессе эксплуатации оборудования рисунок 1.

- Опытно-промышленные технологические схемы — данный тип является предвестником промышленных схем. Они разрабатываются в тех случаях, когда необходимо наладить производство принципиально нового типа продукции. Она может быть немного упрощенной и дополняться в процессе работы производственной линии. На ее основе технологи собирают информацию для составления основных промышленных технологических схем.
- Стендовые установки или их еще называют модульными, они представляют собой небольшие монтажные фермы, на которых смонтированы различные типы аппаратуры. Подобная конструкция значительно упрощает производственные эксперименты, так как можно легко и быстро сделать переоборудование установки. Они применяются на небольших производствах, с незначительным объемом и габаритами производимой продукции.
- Лабораторные установки-являются аналогом стендовых и позволяют разработать схему производства абсолютно новой продукции в лабораторных условиях, под надзором инженеров и разработчиков.

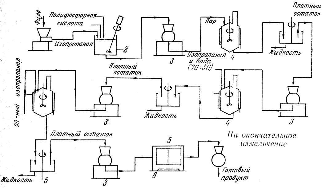
Рисунок 2. Пневматическая технологическая схема: 1 — воздушный фильтр, 2 — цилиндр, 3 — цилиндрическая, 4 — направляющий клапан, 5 -смазывающее устройство, 6 — манометр, 7-отсечной клапан, 8 — отсечной клапан, 9 – сбросной клапан, 10 -манометр, 11 – воздухосборник.
Они применяются в тех случаях, когда процесс перехода от лабораторных испытаний к непосредственному производству без потери эффективности и качества рисунок 2.
Существует классификация технологических схем, исходя из типа производственной организации:
- Схемы периодического действия — промышленное производство на их основе предусматривает периодические паузы, остановки производственного процесса и нет необходимости соблюдения беспрерывного процесса. Процесс производства обычно выполняется в одну или две смены.
- Схемы непрерывного действия — технологический процесс, регламентируемый, предусматривает определенную очередность операций, которые позволяют производить продукцию без прерывания.
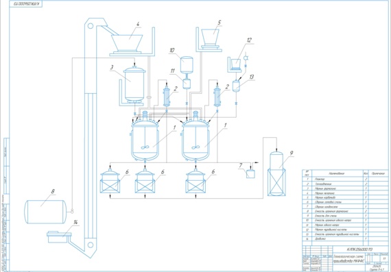
Практически все предприятия, производящий продукцию большими объемами, работает в непрерывном режиме. - Схемы комбинированного типа — смешанные схемы предусматривают технологический процесс, сочетающий беспрерывные и прерывающиеся этапы. Подобные модели достаточно распространены, так как они более универсальны рисунок 3. На их основе можно производить продукцию различных типов, а также на производствах, которые зависит от уровня заказах и сезонности. Когда в определенное время необходимо беспрерывное производство, а в остальное ограничение объемов.
Рисунок 3. Схема цепи аппаратов насосной, оборотного водоснабжения с контрольными точками
Выбор технологической схемы важнейший этап подготовки к запуску производства или выпуску нового товара. От качества подготовки и расчетов при разработке схемы, напрямую зависит эффективность будущего производственного процесса.
В зависимости от объема учетной информации, схемы делятся на два типа:
- полная;
- принципиальная.

Полная включает графическое изображение производственного процесса, описание процессов, оборудования и приборов, автоматических процессов, устройств безопасности и защиты, энергетического питания, поставки и хранения сырья, а также готовой продукции.
Рисунок 4. Аппаратурная схема завода
Она идеально подходит для изучения полного технологического процесса и наладки производственного процесса рисунок 4. Но она не подходит для первичного ознакомления, так как содержит огромный объем информации, быстро изучить который невозможно.
С принципиальной разновидностью работать намного легче, она отлично подходит для первичного ознакомления и содержит следующую информацию:
- Очередность производственных операций — четко регламентирует последовательность выполняемых действий рисунок 5 (примером может быть покраска, сушка, нагревание, охлаждение, химические процессы и другие).
- Необходимое оборудование для производства таблица 1 (бункера, конвейеры, шахтная печь, конвертера, барабансепаратор, деаэраторы, вагон-весы, питатели и другие).

Таблица 1. Спецификация цепи аппаратов плавильного цеха
| № п\п | Наименование | № п\п | Наименование |
| 1 | Бункера агломерата, айза-щлака | 17 | Питатель |
| 2 | Бункера агломерата, айза-щлака | 18 | 64-метровый транспортер |
| 3 | Вагон – весы | 19 | 103-метровый транспортер |
| 4 | Бункера оборотов и кокса | 20 | Бункер сырового угля |
| 5 | Шахтная печь | 21 | Промежуточный бункер |
| 6 | Тара под свинец | 22 | Среднеходовая мельница |
| 7 | Электроотстойники | 23 | Бункер холодных присадок |
| 8 | Монорельсовая тележка | 24 | Бункер крупнокускового угля |
| 9 | Мостовые краны | 25 | 9-метровый транспортер |
| 10 | Кантовальные машины | 26 | Барабан – сепаратор |
| 11 | Конвертер | 27 | Деаэратор (бак накопитель) |
| 12 | Шлаковозгоночная печь | 28 | Газоход вентгазов |
| 13 | Котел утилизатор | 29 | Барабан – сепаратор ШВП |
| 14 | Скреперная тележка | 30 | Барабан – сепаратор КУ |
| 15 | Отсеки | 31 | Приемные бункера |
| 16 | Бункера в складе угля |
- Нормы технологического режима производственных участков (электрическое напряжение, давление, температура и другие).

- Способы эксплуатации сырья, заготовок и других дополнительных компонентов, получение готовой продукции, вторичное использование отходов и побочной продукции.
Рисунок 5. Технологическая схема цепи аппаратов плавильного цеха
Принципиальная схема технологического процесса должна основываться на следующих принципах:
- несколько однотипных производственных линий можно описать на примере одной;
- также однотипные операции не нужно расписывать отдельно;
- резервное оборудование не нужно добавлять;
- не нужно добавлять описание контрольно-измерительного оборудования;
- устройства защиты объекта не описываются, так как разрабатываются на основе технологической схемы.
Для примера ниже приведены два рисунка 6 и 7 с технологическими схемами маслозавода.
Рисунок 6. Технологическая схема линии масла
Первая схема более-менее соответствует ГОСТам. Однако технологам она понятна и никаких улучшений они не требуют.
Вторая схема уже не по ГОСТу, но уже упрощённая технологическая схема (хотя кто-то скажет, что больше похоже на структурную) завода по производству растительного масла. На этой схеме даже далёкому от темы человеку будет в общих чертах понятно, в какой последовательности выполняются технологические процессы и как между собой связаны отдельные участки производства (линии).
Рисунок 7. Технологическая схема завода по производству масла
Общая технологическая схема производства позволяет иметь представления о будущем предприятии, системе пожарной и трудовой безопасности, определить недостатки и пути оптимизации.
Если технологическая схема разработана с соблюдением необходимых требований, производственное помещение ей отвечает, а сотрудники четко понимают свои обязанности, эффективность изготовления товара будет на высоком уровне.
Просмотров:
252
Типовые технологические схемы
Примечание:
ВР – стадии вспомогательных работ;
ТП
– стадии основного технологического
процесса;
УМО
– стадии упаковывания, маркирования и
отгрузки готового продукта.
Технологическая
схема производства настойки красавки
УМО
5.3. Упаковка в коробки
ВР.
1. Подготовка
производства
ВР.
2. Подготовка сырья
ТП.
3. Получение настойки
УМО
5. Фасовка, упаковка,
маркировка
настойки
ВР.
4. Рекуперация спирта
На
склад
Потери
неучтенные
Технологическая
схема производства настойки красавки
Типовая
технологическая схема производства
жидкого экстракта
Типовая
технологическая схема производства
густого
экстракта
Технологическая
схема производства жидкости Бурова
Технологическая
схема производства спирта камфорного
2%
Технологическая
схема приготовления ароматной воды
плодов кориандра
Потери
Технологическая
схема производства сиропа сахарного
Типовая
технологическая схема производства
таблеток методом прямого прессования
ВР | Мойка | |||
ВР | Подготовка | |||
ВР | Сушка | |||
ВР | Сушка | |||
ВР | Взвешивание | |||
ВР | Подготовка | |||
ВР | Измельчение | |||
ВР | Просеивание | Потери | ||
ТП | Прессование | ТП | Получение | |
ТП | Обеспыливание | Потери | ||
УМО | Фасовка | |||
УМО | Фасовка | |||
УМО | Упаковка | |||
Готовая | ||||
На | ||||
ВР | Отвешивание | |||
ВР | Измельчение, | ВР | Подготовка | |
Влага | ||||
ВР | Сушка | |||
ВР | Приготовление | Потери | ||
ТП | Смешивание | |||
ТП | Увлажнение | |||
ТП | Получение | |||
ТП | Гранулирование | |||
Потери | ||||
ТП | Сушка | |||
ТП | Сухое | |||
ТП | Опудривание | |||
ТП | Прессование | ТП | Получение | |
ТП | Обеспыливание | Потери | ||
УМО | Фасовка | Таблетки | ||
УМО | Упаковка | УМО | Фасовка | |
Потери | ||||
УМО | Маркировка | |||
Готовая | ||||
На | ||||
4.
1 Технологическая схема производства. Технология переработки мяса и мясных продуктов
Технология переработки мяса и мясных продуктов
учебное пособие
Технологическая схема производства — это последовательный перечень всех операций и процессов обработки сырья, начиная с момента его приема и кончая выпуском готовой продукции, с указанием применяемых режимов обработки (длительности операции или процесса, температуры, степени измельчения и т.д.).
Прежде чем приступить к детальной проработке технологии, следует проанализировать направление переработки сырья и целесообразность полноты переработки некоторых видов сырья или полуфабрикатов и тем самым уточнить весь ассортимент продукции, выпускаемой предприятием.
Технологические схемы отдельных производств также являются основой технологических расчетов. Составлять технологическую схему производства следует с уточнения отдельных операций и режимов для наиболее эффективного использования оборудования, расходования сырья, вспомогательных материалов, выпуска готовой продукции.
Кроме того, следует учитывать более рациональное использование рабочей силы, транспортных средств, расходование воды, газа и электроэнергии.
Более целесообразным является векторное оформление технологической схемы.
Пользуясь общими схемами переработки сырья, составляют материальный расчет сырья и готовой продукции по отдельным звеньям переработки. При этом уточняют массу сырья, полуфабрикатов, отходов и вспомогательных материалов по этим звеньям.
Расчеты позволяют доказать рациональность и соответствие технологической схемы объема производства, целесообразность видов транспортировки продукции и отходов. Продуктовые расчеты ведут с учетом физико-химических и биохимических основ технологических процессов.
Материальный расчет — представляет собой баланс между массой поступающего в переработку сырья и массой выпускаемой продукции. Исходными данными для составления материального баланса являются мощность предприятия и ассортимент вырабатываемой продукции. Материальный баланс составляют по каждому производству в отдельности на основе технологических инструкций.
В инструкциях регламентированы требования к сырью и материалам, указаны рецептуры, нормы расхода сырья и вспомогательных материалов, нормы выхода готовой продукции.
Делись добром 😉
Контроль производства и качества полукопченой колбасы
1.1 Технологическая схема производства продукции
Технологическая схема выбиралась в соответствии со следующими принципами:
? наиболее полное рациональное использование сырья с целью максимального выхода готовой продукции;
? высокое качество вырабатываемой продукции;
? непрерывность…
Отличительные особенности ливерной колбасы III сорта ОСТ 49-190
2. Технологическая схема производства ливерных колбас
…
Приготовление быстрозамороженных плодов и овощей
2. Технологическая схема производства замороженной вишни.
…
Производство яблочного компота
4. Технологическая схема производства готовой продукции
Операции технологического цикла:
Инспекция и сортирование. Для удаления дефектных экземпляров (гнилых, битых, мятых, плесневелых) и посторонних примесей сырье инспектируют.
Затем его сортируют, чтобы разделить по степени зрелости, цвету…
Технология изготовления колбасных изделий
1.2 Технологическая схема производства полукопченых колбас
Основным сырьем для изготовления полукопченых колбас являются свинина и говядина, полученные от взрослых животных. Содержание свинины в большинстве полукопченых колбас составляет 40-100%…
Технология переработки мяса и мясных продуктов
4.1 Технологическая схема производства
Технологическая схема производства — это последовательный перечень всех операций и процессов обработки сырья, начиная с момента его приема и кончая выпуском готовой продукции…
Технология производства пастилы «Клюквенная»
1.1 Технологическая схема производства
Технология производства пастилы включает следующие операции:
— подготовка сырья;
— приготовление агаро-сахаро-паточного сиропа;
— приготовление пастильной массы;
— разливка пастильной массы;
— структурообразование пастильной массы и подсушка.
..
Технология производства пирожного «Солнышко»
5. Технологическая схема производства
Организации хлебопекарни предполагает производство хлебобулочных изделий, а так же производство кондитерских изделий.
Технологии производства хлебобулочных изделий не стоят на месте и непрерывно развивают новые направления…
Технология производства полукопченых колбас
3. Технологическая схема производства
1.Подготовка сырья
2.Обвалка и жиловка
3.Посол мяса
4.Приготовление фарша
5.Шприцевание
6.Осадка батонов
7.Термическая обработка
8.Контроль качества готовой продукции
9.Упаковка ,маркировка
10.Хранение
11…
Технология производства ряженки и бифилайфа
1.3 Технологическая схема производства продуктов
а) ряженка
б)…
Технология производства сахарного печенья
Раздел 2. ТЕХНОЛОГИЧЕСКАЯ СХЕМА ПРОИЗВОДСТВА
Промышленность выпускает разные по форме, вкусу и структурно-механическим свойствам мучные кондитерские изделия…
Технология производства хлеба «Деревенский» и слойки «Презент»
Технологическая схема производства хлебобулочных изделий
Размещено на http://www.
allbest…
Товароведение и оценка качества соленых рыбных товаров
2.1Технология производства товара, технологическая схема
В зависимости от температуры, степени насыщенности поваренной солью в системе «рыба — соль — раствор соли» и способу образования системы различают посолы :теплый, охлажденный и холодный; насыщенный и ненасыщенный; сухой…
Товароведная характеристика и оценка качества полукопченых колбас
1.6 Технологическая схема производства колбасных изделий
Процесс производства каждого вида колбасных изделий имеет свои особенности. Однако операции подготовки сырья для колбасного производства являются общими для большинства колбасных изделий.
Разделка…
Физико-химические основы производства конфет «Трюфель»
2.1 Технологическая схема производства
Технологическая схема производства конфет «Трюфель» включает следующие операции:
— подготовка сырья к производству;
— приготовление шоколадной массы;
— приготовление конфетной массы;
— темперирование конфетной массы;
— сбивание конфетной.
..
Схема производства
Схема технологического процесса мочевиномеламиноформальдегидных смол не отличается от схем производства меламиновых смол.[ …]
Схема технологического процесса производства мочевиноформальдегидных пропиточных смол аналогична схеме производства меламиновых смол.[ …]
Схема производства свинцовых кронов приведена на рис. 76. Процесс производства свинцовых кронов по этой схеме начинается с изготовления исходных растворов.[ …]
Схема производства никеля на уральских заводах сводится к подготовке и агломерации окисленных руд, восстановительно-сульфиди-рующей плавке, их на никелевый штейн в шахтной печи, продувке штейна в конвертере на файнштейн, состоящий в основном из N¡382, его окислительному обжигу до закиси никеля и ее восстановительной плавке на металл.[ …]
Схема производства белвитамила с двухступенчатым уплотнением. На рис. 6 приведена технологическая схема производства белвитамила с двухступенчатым уплотнением ила на сепараторах и сушкой в распылительной сушилке.
Эта схема в производственных условиях была испытана на Запорожском, а затем на Николаевском гидролизных заводах. Здесь избыточный активный ил с исходной влажностью 99,5—99% из вторичного отстойника 1 перекачивается через насосную станцию 2 в емкость 3, откуда насосом 4 передается для уплотнения на первую ступень сепарации 5. Сгущенный ил до влажности в среднем 97,5% по взвешенным веществам поступает в емкость 6 и насосом 7 перекачивается на вторую ступень сепарации 8, где сгущается в среднем до влажности 96% по взвешенным веществам.[ …]
Настоящая технологическая схема производства белвитамила (рис. 9) в производственных условиях не испытывалась. Но такая схема вполне может быть применена при условии удовлетворительного центрифугирования ила и работы сушилки с кипящим слоем, если последняя не будет оказывать вредного влияния на качество кормового продукта. Отдельные узлы этой схемы могут быть заменены в зависимости от тех или иных местных условий.[ …]
Схема производства смеси кормовых дрожжей с активным илом, осуществленная на Николаевском гидролизно-дрожжевом заводе.
В 1975 г. впервые в СССР на Николаевском межколхозном гидролизно-дрожжевом заводе пущен в эксплуатацию цех товарного активного ила. Этот цех создан для производства полноценного кормового продукта из избыточного активного ила сточных вод завода. Расположен он на территории очистной станции, осуществляющей биологическую очистку сточных вод гидролизного завода в дрожжерастительных аппаратах и аэротенках. Проект цеха выполнен ГПИ Южгипробиосинтез под руководством М. Е. Дзюбенко по исходным данным, составленным ВНИИгидролиза.[ …]
Схема производства феррона показана на рис. 11.[ …]
| Схема производства пасты «Феррон». |
| Схема производства керамзитового гравия |
| Ш-34. Схема производства вторичной полиэтиленовой пленки |
В процессе производства СЖК на многих стадиях используется вода. Технологическая схема производства СЖК с указанием источников образования сточных вод представлена на рис.
4.11. Парафин и продукт, возвращаемый со стадии разделения (неомыляемые I), смешиваются с катализатором в смесителе 1 и далее насосом подаются в колонну окисления 2, в которую также поступает воздух. При охлаждении отработанного воздуха в холодильнике 3 часть летучих продуктов конденсируется и отделяется от воздуха в сепараторе 4. Воздух же доочищается в промывном скруббере 5 водой и выбрасывается в атмосферу.[ …]
Принципиальные схемы производства работ по промывке трубопроводов разработаны специализированными организациями бывшего Миннефтегазстроя, получили достаточно хорошую апробацию, и их реализация не составляет технических трудностей. Вместе с тем проблемой является обеспечение охраны окружающей среды от загрязнения при сливе из трубопровода отработанной (использованной) воды.[ …]
Технологическая схема производства сульфатной целлюлозы мало отличается от схемы производства сульфитной целлюлозы. Добавочными здесь являются операции, связанные с регенерацией щелочи из отработанного варочного или черного щелока.
[ …]
Технологическая схема производства томатного сока представлена на рис. 25.[ …]
Основным сырьем при производстве цемента служат глины и известняки, а также в небольшом количестве гипс. Компонентами сырья могут быть также низкокачественные бокситы и железистые материалы. Технологическая схема производства цемента состоит из следующих основных переделов: приготовление шихты, обжиг в мощных вращающихся печах и размол полученного клинкера.[ …]
| Технологическая схема производства олигомеров (I вариант) |
| Технологическая схема производства олигомеров (I вариант) |
| Технологическая схема производства смеси кормовых дрожжей с активным илом после аэротенков, с двухступенчатым уплотнением ила в термогравитационных уплотнителях и сепараторах |
| Технологическая схема производства витамина В]2 из активного ила |
Ш-23. Принципиальная схема производства аглопорита. |
Количество образующихся загрязнений, приходящихся на 1 т перерабатываемого асс1, довольно велико (39—¡105 кг), но его можно снизить до 60 кг, а затем до 12—20 кг (JT. И. Брызгалов, 1970).[ …]
Упрощенная технологическая схема производства бумаги представлена на рис. 2. Одной из важнейших технологических операций производства бумаги является размол, перед которым сухие (товарные) волокнистые полуфабрикаты предварительно распускаются водой в гидроразбивателях, далее они смешиваются между собой в определенном соотношении в регуляторах композиции. Затем бумажная масса в зависимости от требований к качеству бумаги может идти на изготовление бумаги или дополнительно вводят в ее композицию проклеивающие вещества, наполнители, красители и другие добавки. Для осаждения на волокнах добавляемых в бумажную массу компонентов применяют сернокислый алюминий, полиакриламид (ПАА) или другие вещества.[ …]
| Общая технологическая схема производства бумаги |
Одним из базовых продуктов при производстве аммофоса в г.
Череповце является аммиак. Поэтому для утилизации КФВК на этом заводе была разработана технологическая схема производства КФА, который может использоваться для получения антисептического препарата для древесины. Учитывая то, что КФА обладает рядом недостатков (очень активен в коррозионном отношении, экологически опасен за счет выделения фтористого водорода, теряет свои свойства при длительном или неправильном хранении, не обладает достаточной биологической активностью и т. д.), необходимо было устранить его негативные свойства. Это было достигнуто за счет использования его в сочетании с другими ингредиентами, улучшающими его экологические, коррозионные и другие эксплуатационные свойства [1 ].[ …]
| Энерготехнологическая схема производства стирола; |
Технология получения дрожжей из барды спиртового производства. Технологическая схема производства дрожжей из спиртовой барды состоит из следующих операций: подготовка барды, процесс выращивания дрожжей, выделение, промывка, сгущение, сушка и упаковка (схема 2).
[ …]
На рис. Особенностью этих отходов является сосредоточение основного количества КС1 в их крупных (+5 мм классах и равномерное распределение других примесей по всем классам крупности. Переработка отходов в соответствии с рис. Такая технология обеспечивает производство кормовой поваренной соли, соответствующей существующим стандартам.[ …]
Наиболее распространенным является траншейный способ производства щебня, при котором шлак сливается в траншеи около доменных печей. Технологическая схема производства щебня из доменного шлака показана на рис. 2.7.[ …]
Одним из основных направлений технического прогресса в производстве аммиака, как и во всей химической промышленности, является укрупнение мощностей технологического оборудования, т. е. повышение производительности агрегатов. Эффективность применения высокопроизводительного оборудования проявляется, как правило, в виде экономии капитальных, эксплуатационных и трудовых затрат. Так, 1955—1965 гг. характеризуются внедрением агрегатов синтеза аммиака мощностью 25—30 тыс.
т/год с каталитической паро-кисло-родной конверсией природного газа без давления. В истекшем пятилетии (1965—1970 гг.) значительное место в азотной промышленности занимала укороченная схема производства аммиака при мощности агрегатов синтеза 50 тыс. т/год и общей мощности цехов по 100 тыс. т/год. Эта схема принципиально не отличается от введенных в эксплуатацию в предыдущем десятилетии, однако ее внедрение позволило быстрее наращивать мощности по аммиаку. Одновременно с этими агрегатами в производство аммиака внедрялись более крупные установки по 109 тыс. т/год ЫН3 при общей мощности цехов по 218 тыс. т/год. Они работают по схеме с каталитической паро-кислородной конверсией природного газа под давлением 20 кгс/см2. Применение повышенного давления дает возможность уменьшить размеры реакционной и теплообменной аппаратуры и повысить производительность агрегатов без увеличения их габаритов.[ …]
| Распределение отходов при различных технологических схемах производства борной кислоты |
В настоящее время природный газ является наиболее дешевым сырьем для производства метанола.
Ориентация на природный газ предполагает совершенствование технологии конверсии природного газа, выбор наименее капитало- и энергоемких схем. Все действующие и находящиеся в процессе разработки технологические схемы производства метанола сгруппированы в несколько принципиальных схем в соответствии с принятыми технологическими решениями по стадиям получения и подготовки синтез-газа, а также стадии синтеза аммиака. Причем реализация любой из схем производства метанола может быть целесообразной в зависимости от метода подготовки и перспективы дальнейшего совершенствования способов переработки природного газа.[ …]
В современных условиях наиболее эффективным является создание технологических схем производства присадок с минимальным количеством отходов и возможно более полной их переработкой, т.е. переход на полную комплексную переработку сырья в продукцию, используемую в народном хозяйстве [1].[ …]
Концентрат квасного сусла является полуфабрикатом для получения хлебного кваса.
Схемы производства концентрата квасного сусла отличаются составом затираемой смеси и режимом затирания.[ …]
Исходной информацией для расчета баланса воды и волокна являются: принципиальная схема производства с указанием всех массопотоков и технологический режим. Принципиальная схема отличается от технологической тем, что только иллюстрирует взаимосвязь отдельных узлов схемы и направление массопотоков. Узлы схемы изображаются прямоугольниками, в которые вписываются названия узлов или технологические операции. Такие схемы удобны, чтобы рассматривать основные технологические вопросы на начальной стадии проектирования и для расчета баланса воды и волокна.[ …]
Места локального размещения отходов являются конечным эвеном развернутой технологической схемы производства товарного продукта. Эта схема обычно не предусматривает организации специальной службы по сбору и транспортированию отходов. Они попадают в места их размещения по инженерным коммуникациям предприятия. Исключение составляют достаточно редкие схемы подземного захоронения отходов предприятий, требующие организации специальных служб захоронения отходов.
[ …]
Описаны Теория сушки, сушильные установки и технология сушки картофеля, овощей, плодов и материалов пищеконцентратного производства. Приведены строение, структура и химико-технологические свойства пищевых растительных материалов; термодинамические свойства влажного воздуха и влажных материалов, кинетика и динамика процесса сушки, материальный и тепловой балансы сушильных установок, их устройство и принцип работы. Описаны конкретные технологические схемы производства сушеных картофеля, овощей, плодов, пищевых концентратов.[ …]
Сухие муссы — это смесь сахара-песка, манной крупы, термически обработанной, экстракта плодового или ягодного и лимонной кислоты. Технологическая схема производства пищевых концентратов киселей представлена на рис. 40.[ …]
Более сложным в техническом отношении способом переработки металлургических шлаков является изготовление на их основе шлаковой ваты. По сравнению с ее производством из горных пород при этом обеспечивается значительное снижение трудоемкости и себестоимости получения минеральной ваты с одновременным повышением производительносги труда.
На рис. 2.4 представлена одна из схем производства минераловатных изделий из жидких шлаковых расплавов.[ …]
Существующие заводы сухого льда обычно в качестве сырья для продукции употребляют антрацит, который при сгорании выделяет углекислоту. Технологическая схема производства сухого льда приведена в книге автора1. На очистных станциях себестоимость сухого льда из углекислоты, полученной от газа метана, будет в 1,7—2 раза дешевле продукции, производимой углекислотными заводами, работающими на антраците.[ …]
Большинство органических полупродуктов и конечная продукция, применяемая или производимая в отраслях химической промышленности, изготавливается из ограниченного числа продуктов нефтехимии. На рис. 1.5 представлена схема производства основных химических продуктов из нефти и природного газа. Как следует из этого рисунка, основными продуктами переработки нефтяного сырья являются углеводороды, часть из которых неизбежно попадает в окружающую среду.[ …]
Преимуществом применения осадительных центрифуг на действующих предприятиях с отсутствием свободных площадей является возможность их размещения непосредственно в производственных помещениях и включения в технологическую схему производства для локальной очистки стоков.
Установлено, что осадительные центрифуги можно применять для осветления сточных вод, содержащих хром, керамзитовую и угольную пыль, глину, каолин, сланец, пемзу, шерсть, растительные остатки и активный ил.[ …]
Выбор того или другого пути зависит от обозримости всей совокупности исходной информации в рамках комплексной математической модели, соотношением между вычислительной сложностью алгоритма и возможностями используемой вычислительной техники, а также от необходимости технологических прерываний расчетов. Примером комплексной трудно обозримой задачи является алгоритм для решения задачи планировки орошаемых земель. Здесь поиск проектных отметок поверхности земли достаточно тесно связан с последующим выбором схемы производства планировочных работ. Однако реализация комплексной модели столкнулась с серьезными трудностями в вычислительном аспекте. Поэтому были реализованы две частные подзадачи и работающие последовательно программы [Коробочкин и др., 1972].[ …]
ОСТ 64-02-003-2002 Стандарт отрасли Продукция медицинской промышленности.
Технологические регламенты производства.
Remember Me
Забыли пароль?
Забыли логин?
|
Loading ГлавнаяDocumentsПроизводство ЛС ОСТ 64-02-003-2002 Стандарт отрасли Продукция медицинской промышленности. Технологические регламенты производства. — Приложение В Пример изображения технологической схемы производства (таблетирование)
|
More Info
Схема поощрения, связанная с производством (PLI) для крупномасштабного производства электроники
- Вы здесь
- Домашняя страница
- Подразделения
- Проектирование и производство электронных систем
- Меморандум офиса для второго раунда схемы PLI для крупномасштабного производства электроники 275,74 КБ
- Дополнительные рекомендации по второму раунду схемы PLI для крупномасштабного производства электроники1,98 МБ
- Уведомление о расширении схемы PLI для крупномасштабного производства электроники 2,03 МБ
- Бюллетень уведомления (хинди и английский)1,91 МБ
- Схема PLI (испанский) 190,94 КБ
- Схема PLI (французский) 168,52 КБ
- Схема PLI (немецкий) 174,42 КБ
- Схема PLI (иврит) 123,69 КБ
- Схема PLI (японский) 319,32 КБ
- Схема PLI (корейский) 361,72 КБ
- Схема PLI (мандаринский диалект) 352,19 КБ
- Схема PLI (традиционный китайский) 443,99 КБ
- Приложение: Поправки к Руководству по схеме PLI для крупномасштабного производства электроники967.
73 KB - Подписанная копия Руководства PLI13,55 МБ
- Презентация рекомендаций PLI 520,79 КБ
- https://meity.gov.in/pli
- Список заявителей_Схема PLI для крупномасштабного производства электроники 17,03 КБ
- Часто задаваемые вопросы о схеме PLI178,54 КБ
- Буклет_PLI Схема крупномасштабного производства электроники_English_20.09.20219.4 МБ
- Буклет_PLI Схема крупномасштабного производства электроники_Hindi_20.09.202111.75 MB
- Производство электроники в Индии и схемы MeitY
- pli[at]ifciltd[dot]com
- пиюш[точка]гупта05[ат]ник[точка]ин
- саурабх [точка] гаур [ат] мейти [точка] гов [точка] в
- All topics »
- A
- B
- C
- D
- E
- F
- G
- H
- I
- J
- K
- L
- M
- N
- O
- P
- Q
- R
- S
- T
- U
- V
- W
- x
- Y
- Z
- Ресурсы »
- Бюллетени
- Факты в картинках
- Мультимедиа
- Публикации
- Вопросы и Ответы
- Инструменты и наборы инструментов
- Популярный »
- Загрязнение воздуха
- Коронавирусная болезнь (COVID-19)
- Гепатит
- оспа обезьян
- Все страны »
- A
- B
- C
- D
- E
- F
- G
- j
- K
- L
- M
- N
- O
- P
- Q
- R
- S
- T
- U
- V
- W
- x
- Y
- V
- W
- x
- V
- W.
- x
- v
- x
- V
- W
- V
- W
- В
- Z
- Регионы »
- Африка
- Америка
- Юго-Восточная Азия
- Европа
- Восточное Средиземноморье
- Западная часть Тихого океана
- ВОЗ в странах »
- Статистика
- Стратегии сотрудничества
- Украина ЧП
- все новости »
- Выпуски новостей
- Заявления
- Кампании
- Комментарии
- События
- Тематические истории
- Выступления
- Прожекторы
- Информационные бюллетени
- Библиотека фотографий
- Список рассылки СМИ
- Заголовки »
- Сконцентрируйся »
- Афганистан кризис
- COVID-19 пандемия
- Кризис в Северной Эфиопии
- Сирийский кризис
- Украина ЧП
- Вспышка оспы обезьян
- Кризис Большого Африканского Рога
- Последний »
- Новости о вспышках болезней
- Советы путешественникам
- Отчеты о ситуации
- Еженедельный эпидемиологический отчет
- ВОЗ в чрезвычайных ситуациях »
- Наблюдение
- Исследовательская работа
- Финансирование
- Партнеры
- Операции
- Независимый контрольно-консультативный комитет
- Данные ВОЗ »
- Глобальные оценки здоровья
- ЦУР в области здравоохранения
- База данных о смертности
- Сборы данных
- Панели инструментов »
- Информационная панель COVID-19
- Приборная панель «Три миллиарда»
- Монитор неравенства в отношении здоровья
- Особенности »
- Глобальная обсерватория здравоохранения
- СЧЕТ
- Инсайты и визуализации
- Инструменты сбора данных
- Отчеты »
- Мировая статистика здравоохранения 2022 г.

- избыточная смертность от COVID
- DDI В ФОКУСЕ: 2022 г.
- Мировая статистика здравоохранения 2022 г.
- О ком »
- Люди
- Команды
- Структура
- Партнерство и сотрудничество
- Сотрудничающие центры
- Сети, комитеты и консультативные группы
- Трансформация
- Наша работа »
- Общая программа работы
- Академия ВОЗ
- мероприятия
- Инициативы
- Финансирование »
- Инвестиционный кейс
- Фонд ВОЗ
- Подотчетность »
- Аудит
- Бюджет
- Финансовые отчеты
- Портал программного бюджета
- Отчет о результатах
- Управление »
- Всемирная ассамблея здравоохранения
- Исполнительный совет
- Выборы Генерального директора
- Веб-сайт руководящих органов
- Банк технологий ООН для наименее развитых стран
- База данных публикаций ВОЗ по COVID-19
- Процедура составления списка использования в чрезвычайных ситуациях ВОЗ
- Глобальная обсерватория ВОЗ по исследованиям и разработкам в области здравоохранения : Меры в отношении прав интеллектуальной собственности, связанных с торговлей
- WIPO COVID-19 Policy Tracker
- COVID-19 Law Lab
- COVID-19 Research Project Tracker by UKCDR & GloPID-R
- Глобальная инициатива по обмену всеми данными о гриппе (GISAID)
- Глоссарий условий Глобального соглашения в области здравоохранения
- Портал знаний: инвестиции в исследования и разработки вакцин против COVID-19
- MedsPaL: База данных по патентам и лицензиям на лекарства
- Глобальный научный форум ОЭСР по финансированию исследований4 900
- Open COVID Pledge
- Policy Cures COVID-19 R&D Tracker
- RESIN: интерактивная панель финансирования НИОКР COVID-19
- Руководящие принципы FAIR для управления и рационального использования научных данных
- поддержка инноваций в технологиях производства, хранения и распределения водорода для снижения стоимости водорода, произведенного в Шотландии
- , чтобы позволить шотландским компаниям, которые в настоящее время не работают в водородном секторе, перейти или диверсифицировать свою деятельность, чтобы помочь закрепить цепочку поставок водорода в Шотландии
- для поощрения сотрудничества между частным сектором и академическими кругами
- для привлечения дополнительных инвестиций в шотландскую водородную инновационную деятельность
- для поддержки шотландских компаний в партнерстве на международном уровне для продвижения инноваций и создания и экспорта шотландских возможностей / опыта
- для поддержки разработки и использования шотландских испытательных и демонстрационных объектов мирового класса
- Поток 1 предоставит финансирование для технико-экономических обоснований или технической демонстрации решений по производству, распределению или хранению водорода на уровнях технологической готовности (TRL) с 3 по 7
- Stream 2 обеспечит поддержку разработки испытательных и демонстрационных объектов и оборудования в Шотландии
- оптимизация технологий производства
- высокотемпературные процессы
- использование морской воды или воды плохого качества
- эффективность опреснения
- новые материалы
- новые решения для повышения эффективности и оптимизации производства водорода в сети и в качестве балансирующего механизма для возобновляемых источников энергии
- для оптимизации улавливания и использования отработанного тепла, технологии отделения водорода, улучшенного контроля, обнаружения утечек, систем безопасности
- доступ к записи вебинара
- просмотреть презентации с мероприятия
- прочитать пресс-релиз с дополнительной информацией
Поощрение самостоятельности в сфере оборонных технологий
Создан для поощрения самостоятельности в сфере оборонных технологий в рамках инициативы «Сделано в Индии».
Инициатива Министерства обороны
Программа МО (Министерства обороны), выполняемая DRDO, отвечающая требованиям Tri-Services, Defense Production и DRDO.
Поддержка ММСП и стартапов
Поощрение участия государственных/частных предприятий, особенно ММСП и стартапов, с целью создания экосистемы для расширения возможностей передовых технологий для оборонных приложений
При финансировании в размере 10 крор
Финансирование должно быть покрыто за счет предоставления грантов в помощь отрасли. Стоимость проекта до 10 крор индийских рупий будет рассматриваться для финансирования, но не более 90% от общей стоимости проекта.
Продолжительность/сроки: 2 года
Ограничено разработкой технологий или прототипов продуктов, которые потенциально могут использоваться для Услуг, с типичным периодом разработки – два года.

- 01 Отрасль должна быть публичной компанией с ограниченной ответственностью, частной компанией с ограниченной ответственностью, партнерской фирмой, товариществом с ограниченной ответственностью, компанией с одним лицом, индивидуальным предпринимателем, зарегистрированным в соответствии с применимыми законами Индии
- 02 Отрасль должна быть ММСП или стартапом, зарегистрированным в Индии
- 03 Промышленность должна принадлежать и контролироваться резидентом-гражданином Индии
- 04 Организация с более чем 49% иностранных инвестиций не будет иметь права.
- Совместное владение ПИС вместе с DRDO
- Возможность продажи основным субподрядчикам
- Лицензирование продукта/технологии для получения коммерческой выгоды
- Возможности экспорта
- Прямой канал продаж на частном рынке для разработки технологий двойного назначения и побочных продуктов
- Фонд развития технологий
- Каждый заинтересованный эксперт в области промышленности/технологий/научных кругов должен сначала зарегистрироваться на портале TDF.

- Получив ссылку для подтверждения, они должны подтвердить себя, заполнить свой профиль и отправить его на утверждение.
- После того, как профили будут одобрены из административной панели TDF, соответствующая отрасль может просмотреть проекты, на которые она желает подать заявку.
- Подробное пошаговое руководство по процессу подачи заявок на проекты также представлено в Документации.
- а) Значительная модернизация/улучшения/дальнейшие разработки в существующих продуктах/процессах/приложениях и т.
д. - b) Повышение уровня технологической готовности с TRL3 и выше до реализации продуктов в соответствии с требованиями Tri-Services
- c) Разработка футуристических технологий/инновационных продуктов, которые могут быть полезны для оборонных приложений
- d) Импортозамещение компонентов, технологии которых не существуют в индийской промышленности.
- Вся или значительная часть производственной линии, о которой идет речь, должна соответствовать критериям «умного производства».
- Финансирование будет предоставлено в соотношении 1 (правительство) : 2 (компания).
- Максимальная финансовая поддержка: одна треть от общей утвержденной стоимости проекта или 15 миллионов долларов США на проект, в зависимости от того, что меньше.
- Объем финансирования: расходы, непосредственно связанные с созданием новой производственной линии в Гонконге.

- Продолжительность проекта: обычно в течение 24 месяцев.
- Руководство по подаче заявки на Схему финансирования реиндустриализации
- Перечень документов, необходимых для подачи заявок
Связанная схема стимулирования (PLI) для крупномасштабного производства электроники
Отечественный сектор производства электронного оборудования сталкивается с отсутствием равных условий для конкурирующих стран.
Инвалидность сектора составляет от 8,5% до 11% из-за отсутствия надлежащей инфраструктуры, внутренней цепочки поставок и логистики; высокая стоимость финансов; недостаточное наличие качественной электроэнергии; ограниченные возможности проектирования и сосредоточенность отрасли на исследованиях и разработках; и недостатки в развитии навыков.
Видение Национальной политики в области электроники 2019 (NPE 2019) состоит в том, чтобы позиционировать Индию как глобальный центр проектирования и производства электронных систем (ESDM) путем поощрения и расширения возможностей страны для разработки основных компонентов и создания благоприятных условий для отрасли, чтобы конкурировать на глобальном уровне.
Схема поощрения, связанная с производством (PLI) для крупномасштабного производства электроники производство мобильных телефонов и определенных электронных компонентов, включая блоки сборки, тестирования, маркировки и упаковки (ATMP). Схема значительно улучшит ландшафт производства электроники и выведет Индию на мировой уровень в секторе электроники.
Схема должна распространять поощрение в размере от 4% до 6% на дополнительные продажи (по сравнению с базовым годом) товаров, произведенных в Индии и охватываемых целевыми сегментами, правомочным компаниям в течение пяти (5) лет после базового год, как определено.
Схема открыта для подачи заявок на первоначальный период в 4 месяца, который может быть продлен. Поддержка в рамках Схемы предоставляется в течение пяти (5) лет после базового года
. Схема будет реализовываться через Узловое агентство, которое будет действовать как Агентство по управлению проектом (PMA) и нести ответственность за предоставление секретарских, управленческая поддержка и поддержка реализации, а также выполнение других обязанностей, время от времени возлагаемых MeitY.
Второй раунд Схемы поощрения, связанной с производством (PLI) для крупномасштабного производства электроники
После успеха первого раунда Схемы поощрения, связанного с производством, в привлечении инвестиций в производство мобильных телефонов и электронных компонентов, предложение по приему заявок в соответствии с Второй раунд схемы PLI был одобрен компетентным органом.
Целевой сегмент для целей этого раунда должен быть Специфицированные электронные компоненты .
В рамках второго раунда льготы в размере от 5% до 3% должны быть расширены на дополнительные продажи (по сравнению с базовым годом, т.е. 2019-2020 гг.) товаров, произведенных в Индии и охваченных в целевом сегменте, правомочным компаниям на период четырех (4) лет.
Первоначально Окно приложений должно быть открыто до 31.03.2021 и может быть расширено и/или повторно открыто в зависимости от ответа отрасли. Льготы по схеме второго раунда PLI применяются с 01.04.2021 .
| Скачать | |
|---|---|
| Уведомление о схеме | |
| Схема на иностранных языках | |
| Указания | |
| Презентация | |
| Ссылка на портал | |
| Имя заявителя | |
| Часто задаваемые вопросы (FAQ) | |
| Буклет PLI | |
| Видео | |
| Контактный адрес электронной почты |
3.
Модернизация технологий и сертификация качества
3.1. Финансовая поддержка ММСП в Схеме сертификации ZED
| Связанная схема | Финансовая поддержка ММСП в Схеме сертификации ZED |
| Описание | Практика нулевого брака и отсутствие дефектов обеспечить постоянное совершенствование и поддержку инициативы «Сделай в Индии». Схема сертификации ZED представляет собой широкомасштабную кампанию по повышению осведомленности ММСП о производстве ZED и мотивации их к оценке своего предприятия для ZED и их поддержке. После оценки ZED ММСП могут существенно сократить потери, повысить производительность, расширить свой рынок в качестве IOP, стать поставщиками для КПСС, иметь больше прав интеллектуальной собственности, разрабатывать новые продукты и процессы и т. д. Схема предусматривает продвижение Zero Defect and Zero Effect (ZED) производство среди ММСП и оценка ZED для их сертификации, чтобы: Разработка экосистемы для производства без дефектов в ММСП. Содействие адаптации инструментов/систем обеспечения качества и энергоэффективного производства. Дать возможность ММСП производить качественную продукцию. Поощрять ММСП постоянно повышать стандарты качества продуктов и процессов. Стимулирование производства с внедрением производственных процессов без дефектов и без воздействия на окружающую среду. Поддержите кампанию «Сделай в Индии». Подготовка специалистов в области производства и сертификации ZED. |
| Характер помощи | Оценка и оценка/переоценка/анализ пробелов/удержание рук Субсидия, предоставляемая правительством Индии для микро-, малых и средних предприятий, составит 80%, 60% и 50% соответственно . Должна быть предусмотрена дополнительная субсидия в размере 5% для ММСП, принадлежащих SC/ST/женщинам, и ММСП, расположенных в NER и J&K, для оценки и рейтинга/повторного рейтинга/анализа пробелов/ручного удержания: a) Оценка/рейтинг кредитных рейтинговых агентств/других агентств сроком на 4 года (Министерство ММСП будет субсидировать* 80% микро, 60% малых, 50% средних предприятий Плата за сертификацию: в среднем 70% комиссии ) (Плата за оценку 10 000 рупий/- и 80 000 рупий/- за предприятие соответственно за оценку рабочего стола и полную оценку рейтинга ZED). b) Дополнительный рейтинг защиты, т. е. Defense ZED, от кредитных рейтинговых агентств/других агентств, действительный в течение 4 лет (Министерство ММСП субсидирует* 80% микро, 60% малых, 50% средних сборов за сертификацию предприятий: в среднем 70% вознаграждения) (Оценочный сбор 40 000 рупий/- за предприятие.) c) Анализ пробелов, поддержка, консультирование для улучшения рейтинга ММСП консультантами через QCI/NPC, полевые формирования O/o DC-MSME, а именно. ММСП-ДИ, ММСП-ТС, включая их автономные органы, BEE и т. д. (Министерство ММСП субсидирует* 80% микро-, 60% малых, 50% средних предприятий Консультационные услуги: в среднем 70% вознаграждения) взимает 1,9 лакха рупий за предприятие, тогда как в случае ММСП, принадлежащих предпринимателям SC/ST, будет предоставлена дополнительная поддержка в размере 10 000 рупий/-.) d) Переоценка/переоценка кредитными рейтинговыми агентствами и другими агентствами (Министерство ММСП субсидирует* 80% микро-, 60% малых, 50% средних сборов за сертификацию предприятий: в среднем 70% сборов) ( Плата за оценку 40000 рупий / — за предприятие. |
| Кто может подать заявку? | Подать заявку могут все производственные микро-, малые и средние предприятия (ММСП), имеющие меморандум Udyog Adhar. |
| Как подать заявку? | Схема сертификации ZED состоит из 4 шагов: Шаг 1: Зарегистрируйтесь бесплатно на онлайн-портале ZED (www.zed.org.in), используя следующую ссылку: http://assessment.zed.org. in/Assessment/Assessment_BeforeLogin.aspx, используя действительный (индийский) номер мобильного телефона и адрес электронной почты. Шаг 2: Самостоятельная онлайн-оценка параметров ZED с последующей оценкой на рабочем столе. Этап 3: Оценка сайта, если она выбрана на основе оценки рабочего стола. Шаг 4: Консультации: ММСП, получившие рейтинг, будут иметь возможность воспользоваться услугами авторизованного консультанта ZED для анализа пробелов и поддержки. |
| С кем связаться: | Регистрация и онлайн-самооценка: г-н Акаш Агравал Оценка места и консультации: г-н Самир Парашар Адрес: IMA Building, 3-й этаж, I P Estate, Ring Road, New Delhi — 110002, Индия Электронная почта: zed[at]qcin[dot]org Номер телефона: 011-23708371 Руководство по схеме ZED доступно на сайте www. dcmsme.gov.in/schemes/nmcp_scm.htm |
| Загрузить Руководство по схеме, Уведомление об оперативных рекомендациях по схеме Zero Defect Zero Effect .reg | |
| Связанная схема | Схема продвижения инноваций, сельской промышленности и предпринимательства (ASPIRE) |
| Описание | |
| Описание | Создание новых рабочих мест и сокращение их1: безработица (ii) Продвижение культуры предпринимательства в Индии (iii) Ускорение экономического развития на низовом уровне на районном уровне (iv) Содействие инновационным бизнес-решениям для неудовлетворенных социальных потребностей и (v) Продвижение инноваций для дальнейшего повышения конкурентоспособности сектора ММСП. |
| Характер помощи | NSIC/KVIC или Coir Board или любое правительство Индии или государственное учреждение для создания 80 бизнес-инкубаторов средств к существованию на период с 2014 по 2016 год. Цели: Продвижение инноваций, предпринимательства и агропромышленности организация M / O ММСП и единовременный грант в размере 100% стоимости оборудования и оборудования, кроме земли и инфраструктуры, или сумма до 100 лакхов, в зависимости от того, что меньше, должно быть предоставлено. В случае инкубационных центров должен быть создан в режиме PPP с NSIC, KVIC или Coir Board или любым другим учреждением / агентством правительства Индии / правительства штата, единовременный грант в размере 50% стоимости машин и оборудования, кроме земли и инфраструктуры, или 50,00 рупий. тысяч, в зависимости от того, что меньше, должно быть предоставлено.Помощь в покрытии расходов на обучение инкубаторов будет покрываться за счет схемы ATI Министерства, насколько это возможно для обоих центров. Общий бюджетный план составляет 62,50 крор рупий на 2014-2016 годы. |
| Кто может подать заявку? | Схема направлена на реализацию Программы инкубации и коммерциализации бизнес-идей через технические / исследовательские институты, в том числе в области агропромышленности. Они будут назначены партнерами по знаниям и будут развивать новые/существующие технологии для их коммерциализации.Схема также предоставляет средства для инкубатора/инкубации и создает необходимую синергию между этой схемой и бизнес-инкубаторами по средствам к существованию/технологическими бизнес-инкубаторами и схемами инкубации ММСП / NSIC / KVIC / Совета Coir / других министерств / ведомств, а также частных инкубаторов. |
| Как подать заявку? | Заявку можно отправить в Руководящий комитет схемы Aspire Министерства ММСП. Руководящий комитет Схемы будет отвечать за общую политику, координацию и управленческую поддержку. Совет будет возглавляться секретарем Министерства ММСП. |
| С кем связаться | Заместитель секретаря (ARI), M/o MSME Тел.: 011-23062745, Эл. |
| Связанная схема | Субсидия Credit Linked Capital для модернизации технологий (CLCSS) |
| Описание | CLCSS предоставляет 15% субсидию на модернизацию технологии от MSE до 15% для дополнительных инвестиций. Модернизация технологии обычно означает внедрение самой современной или близкой к самой современной технологии. В различной мозаике технологий, охватывающей более 7500 продуктов в индийском мелкосерийном секторе,Список технологий доступен на сайте http://www.dcmsme.gov.in Подразделения, желающие заменить существующее оборудование/технологию таким же оборудованием/технологией, не будут претендовать на субсидию по этой схеме. Точно так же установки, модернизируемые с использованием бывшей в употреблении техники, не будут подпадать под действие этой схемы. |
| Характер помощи | Пересмотренная схема направлена на содействие модернизации технологий путем предоставления 15% первоначальных капитальных субсидий ММП, включая крошечные, хади, деревенские и кокосовые промышленные предприятия, на институциональное финансирование, используемое ими для индукции скважин установленные и улучшенные технологии в определенных подсекторах/продуктах, утвержденных в соответствии со схемой.![]() |
| Кто может подать заявку? | Любой блок MSE |
| Как подать заявку? | Кандидаты, отвечающие критериям приемлемости, могут обратиться в 12 узловых банков/агентств. Это SIDBI, NABARD, SBI, BoB, PNB, BOI, SBBJ, TIIC, Andhra Bank, Corporation Bank, Canara Bank и Indian Bank. Веб-ссылка: www.dcmsme.gov.in/schemes/credit_link_scheme.htm |
| С кем связаться | Директор (CLCSS), O/O DC, MSME PH: 011-23061197, Электронный Маркетинговая поддержка/помощь ММСП (штрих-код) |
| Описание | В рамках этой схемы Министерство проводит семинары и возмещает регистрационные сборы за штрих-кодирование, чтобы побудить ММП использовать штрих-коды. |
| Характер помощи | Возмещение регистрационного сбора (единовременно и в течение 3 лет) за штриховое кодирование. Финансовая помощь для возмещения 75% единовременного регистрационного сбора (в соответствии с MSE-MDA) и 75% ежегодного регулярного сбора в течение первых трех лет (в соответствии с NMCP), уплачиваемого MSE в пользу GS1 India за использование штрихового кодирования. |
| Кто может подать заявку? | Схема применяется только к MSE, зарегистрированным в GS1 India для использования штрих-кода. |
| Как подать заявку? | После получения регистрации на использование штрих-кода для продуктов (http://www.gs1india.org) Форму заявки вместе с форматами подтверждающих документов можно получить у директора MSME-DI или загрузить с http:/ /www.dcmsme.gov.in/ Заполните предписанную форму заявки на возмещение расходов по штрих-коду; Подать заполненную анкету с необходимыми документами в офис ММСП-ДИ. Заполненные формы вместе с необходимыми документами необходимо предоставить в офис ММСП-ДИ. Веб-ссылка http://www.dcmsme.gov.in/schemes/assist_bar_code.htm |
| С кем связаться | ADC,O/o DC, MSME Тел.: 011-23062396 : Эл. at]nic[dot]in |
| Руководство по схеме загрузки | |
| Родственная схема | Бережливое производство Конкурентоспособность для ММСП |
| Описание | Целью схемы является повышение производственной конкурентоспособности ММСП за счет применения различных методов бережливого производства (LM). |
| Характер помощи | Финансовая помощь предоставляется для внедрения методов бережливого производства, в первую очередь расходы на консультанта по бережливому производству (80% Правительством Индии и 20% бенефициарами). Консультанты по бережливому производству (LMC) будут выставлять счета за услуги, предоставляемые компании Special Purpose Vehicle (SPV). SPV, в свою очередь, выплатит LMC первый взнос в размере 20% и получит возмещение от NMIU. После этого Министерство ММСП переведет средства в НМИУ. Платежи SPV LMC будут поэтапными в виде 5 траншей, каждый из которых составляет 20% от фиксированной суммы. |
| Кто может подать заявку? | Схема открыта для всех производственных MSE. Единицы должны сформировать MC, в идеале 10 единиц в каждой, минимум 6, подписав между собой Меморандум о взаимопонимании и МоВ для участия в схеме. |
| Как подать заявку? | Группа малых и средних предприятий может подать заявку на участие в схеме. Либо признанный SPV может подать заявку самостоятельно, либо мини-кластер может быть сформирован группой из 10 или более таких единиц. SPV может подать заявку в Национальное подразделение по мониторингу и реализации (Национальный совет по производительности для Схемы) в заданном формате. www.dcmsme. |
| К кому обращаться | JDC (LEAN), O/o DC, MSME Тел.: 011-23062394 bisariya[dot: ]sanjay[at]nic[dot]in |
| Руководство по схеме загрузки | |
| Связанная схема | Клиника дизайна для экспертизы дизайна для ММСП |
| Описание | Схема предназначена для повышения конкурентоспособности ММСП за счет внедрения дизайна и его изучения. |
| Характер помощи | Финансовая поддержка в размере (1) 60 000 фунтов стерлингов за семинар и 75% при условии максимальной суммы 3,75 лакха фунтов стерлингов за семинар, (2) Содействовать ММСП в разработке новых стратегий дизайна и/или связанных с дизайном продуктов и услуги посредством проектных вмешательств и консультаций.![]() (Вклад правительства Индии: 75% для микро, 60% для МСП для проекта в диапазоне от 15 до 40 лакхов) |
| Кто может подать заявку? | Экспертные агентства (промышленные ассоциации, технические институты или другие соответствующие органы) для проведения семинаров и практикумов, ММСП или группы ММСП, академические институты/проектные компании/консультанты по дизайну и т. д., подающие заявки в качестве созаявителей вместе с назначенным ММСП. |
| Как подать заявку? | Экспертные агентства могут напрямую обращаться в центры дизайнерских клиник с намерением провести мастер-классы и семинары. ММСП могут подать заявку в одиночку или вместе с дизайнерской компанией или консультантом по дизайну/академическим институтом на дизайн-проекты, подав предложение в Design Clinic Center или через Интернет, подав онлайн-заявку. Заявители могут отсканировать заявку онлайн на сайте http://www. Подать заявку онлайн по адресу: www.dcmsme.gov.in/schemes/DesignClinic.htm |
| С кем связаться | JDC (Design Clinic), O/o DC, MSME Тел.: 011-23062394 Электронная почта: 011-23062394 bisariya[dot]sanjay[at]nic[dot]in |
| Руководство по схеме загрузки | |
| Связанная схема | Поддержка технологии и повышения качества для ММСП |
| Описание | Схема поддерживает использование энергоэффективных технологий (ЭЭТ) в производственных подразделениях, чтобы снизить себестоимость продукции и внедрить механизм экологически чистой разработки. |
| Характер помощи | Наращивание потенциала кластеров ММСП в области энергоэффективности/чистого развития и связанных с ними технологий. Финансовая поддержка до 75% программ по повышению осведомленности, но не более 75 000 рупий на программу;Внедрение энергоэффективных технологий в подразделениях ММСП 75% фактических затрат на энергоаудит на уровне кластера и подготовку модели DPR; Создание центров агрегации углеродных кредитов. 50% фактических расходов, но не более 1,5 лакха рупий на DPR для подготовки последующих подробных отчетов по проекту для отдельных ММСП по проектам EET; Поощрение ММСП к получению сертификатов/лицензий на продукцию от национальных/международных органов. 75% от фактических расходов, но не более 15 рупий; 25% стоимости проекта в качестве субсидии правительства Индии, оставшаяся сумма будет финансироваться за счет кредита от SIDBI/банков/финансовых учреждений. ММСП обязаны вносить минимальный взнос в соответствии с требованиями финансирующего агентства; 75% субсидия на лицензирование продукции в соответствии с национальными/международными стандартами; Потолок 1,5 лакха рупий для получения лицензии / маркировки продукта в соответствии с национальными стандартами и 2 лакха рупий для международных стандартов. |
| Кто может подать заявку? | Экспертные организации, такие как PCRA, BEE, TERI, IITs, NITs и т. д. State Govt. агентства, такие как MITCON, GEDA и т. д. Кластерные/отраслевые ассоциации ММСП НПО и технические институты. |
| Как подать заявку? | Получить сертификацию продукции от национальных органов по стандартизации (таких как BIS и BEE) или международные сертификаты продукции (CE, UL, ANSI и т. д.) Заявитель подает заявку в указанном формате (приведенном в приложении-IV к руководящим принципам схемы) вместе с необходимыми документами для возмещения сборов, направив его соответствующему ММСП-ДИ. www.dcmsme.gov.in/schemes/TEQUPDetail.htm |
| К кому обращаться | JDC (TEQUP), O/o DC, MSME Тел: 011-23062394 Электронная почта: bisjat[sariyat]saniyat] [at]nic[dot]in |
| Руководство по схеме загрузки | |
| Связанная схема | Предпринимательское и управленческое развитие МСП через инкубаторы |
| Описание | Целью схемы является предоставление финансирования на ранней стадии для развития инновационных бизнес-идей (новые местные технологии, процессы, продукты, процедуры и т. д.), которые могут быть коммерциализированы в течение года. Схема предоставляет финансовую помощь для создания бизнес-инкубаторов. |
| Характер помощи | Финансовая поддержка создания «Бизнес-инкубаторов (БИ)»: Стоимость может варьироваться от 4 до 8 лакхов за каждый инкубатор/идею, при условии, что общий потолок составляет 62,5 лакха за каждый БИ . a) Модернизация инфраструктуры 2,50 лакха рупий b) Ориентация/обучение 1,28 лакха c) Административные расходы 0,22 лакха Общая помощь на BI 66,50 лакха рупий | Любое физическое лицо или ММСП с инновационными идеями, готовыми к коммерциализации, могут обратиться в принимающее учреждение (например, ИИТ, НИЦ, технические колледжи, научно-исследовательские институты и т. д.) для получения финансовой поддержки. См. список принимающих учреждений по следующему веб-адресу: http://www. Любое техническое учреждение (как указано в EoI), которое хочет стать принимающим учреждением, может обратиться в офис Уполномоченного по развитию ММСП или в их ближайший MSME-DI для финансовой поддержки. |
| Как подать заявку? | Заявка может быть подана техническим учреждением, желающим стать принимающим учреждением, после публикации запроса на предложение (RFP)/выражения заинтересованности (EoI). Любое физическое лицо или ММСП могут подать заявку непосредственно в ближайшую принимающую организацию. Список принимающих учреждений приведен на веб-сайте: http://www.dcmsme.gov.in/schemes/Institut ions_Detail.pdf Веб-сайт: www.dcmsme.gov.in/schemes/supportforemdti.html |
| С кем связаться | JDC, O/o DC, MSME Тел.: 011-23062394 Эл.0068 |
| Связанная схема | Повышение конкурентоспособности производственного сектора посредством QMS&QTT (КТТ).![]() |
| Характер помощи | Финансовая поддержка внедрения соответствующих курсовых модулей в технических вузах через экспертные организации. Финансовая поддержка в размере до 79 000 рупий на программу для проведения информационно-просветительской кампании QMS/QTT для ММП через экспертные организации. Финансовая поддержка в размере до 2,5 лакха рупий за единицу для внедрения СМК и QTT в отдельных ММСП через экспертные организации. Финансовая поддержка для проведения исследования C-watch для продукта, которому угрожают иностранные товары. |
| Кто может подать заявку? | Экспертные организации, такие как Совет по качеству Индии (QCI), Национальный совет по найму персонала и обучению, Консультативная корпорация по развитию, Национальный совет по производительности, Стандартизация, тестирование и сертификация качества (STQC, Общество при Министерстве информационных технологий), IIQM (Индийский Институт управления качеством), отраслевые ассоциации, которые проявляют активный интерес к QMS/QTT, технические институты, инженерные колледжи, инструментальные мастерские и аналогичные органы, а также MSE могут подавать заявки на помощь в рамках этой схемы.![]() |
| Как подать заявку? | MSE или кластеры могут обращаться в офис DC-MSME. Офис округа Колумбия завершит формирование кластеров ММСП для проведения Программы повышения осведомленности о стандартах управления качеством и инструментах технологий качества (QMS/QTT). Веб-ссылка: www.dcmsme.gov.in/schemes/QmsQtt.htm |
| С кем связаться | JDC (QMS/QTT), O/o DC, MSME Тел.: 011-23062394 Электронная почта: bisariya[dot ]sanjay[at]nic[dot]в |
| Руководства по схеме загрузки | |
| Схема связанной схемы | Означения по зданию. Права, принимать меры для защиты своих идей и бизнес-стратегий. Эффективное использование инструментов ПИС ММСП также поможет им в обновлении технологий и повышении их конкурентоспособности.![]() |
| Характер помощи | Проведение информационно-просветительских программ по ПИС (заявителями в данном случае являются организации ММСП и экспертные агентства) Помощь Правительства Индии в размере 1 млн рупий на программу повышения осведомленности Проведение пилотных исследований для выбранных кластеров/групп отраслей (заявители в данном случае это организации ММСП, компетентные агентства и экспертные агентства). Помощь правительства Индии в размере 2,5 лакха рупий за пилотное исследование. Финансовая поддержка проведения интерактивных семинаров/практикумов (Заявителями в данном случае являются организации ММСП и экспертные агентства) Финансовая поддержка для проведения специализированного обучения по ПИС (Заявители – Экспертные агентства) Финансовая поддержка в виде гранта на регистрацию патента/ГУ (заявителями в данном случае являются подразделения ММСП и организации ММСП) Финансовая поддержка для создания ИС Facilitation |
| Кто может подать заявку? | Зарегистрированные подразделения ММСП, ассоциации, консультационные фирмы, экспертные агентства и т. д. |
| Как применить? | Формы заявок для каждого из компонентов вместе с инструкциями по схемам доступны по адресу: www.dcmsme.gov.in/schemes/IPRDetail.html |
| К кому обращаться | JDC (IPR), O/o DC, MSME Тел.: 011-23062394 Эл.0799 H0004 9 99. 4 4 4 ВОЗ / Роджер Бош © В мае 2020 г. C-TAP предоставляет единую глобальную платформу для разработчиков терапевтических средств, средств диагностики, вакцин и других продуктов для здоровья от COVID-19, чтобы они могли делиться своей интеллектуальной собственностью, знаниями и данными с производителями с гарантированным качеством посредством прозрачной и добровольной инициативы, ориентированной на общественное здравоохранение. , неисключительные и прозрачные лицензии. Он также обеспечивает поддержку передачи технологий Поддержка и техническая помощь со стороны ВОЗ и других партнеров C-TAP позволяет гораздо большему количеству производителей по всему миру производить жизненно важные вакцины против COVID-19 и другие продукты, соответствующие международным стандартам качества, безопасности и эффективности, позволяя при этом странам с недостаточным уровнем обслуживания получать выгоду от повышение доступности и доступности товаров для здоровья COVID-19. Технологии, предлагаемые C-TAP Технологии/продукты-кандидаты COVID 19 включены в пул передачи технологий C-TAP после технической оценки соответствующей информации и данных, предоставленных C-TAP. Технологии-кандидаты из всех потоков C-TAP (IVD, вакцины, медицинские устройства и лекарства) подразделяются на 5 категорий C-TAP на основе предоставленных доказательств потенциала продукта/технологии для удовлетворения заявлений о клинических характеристиках/предполагаемом использовании/маркировке, в зависимости от обстоятельств, т. Качество доказательств в значительной степени зависит от стадии разработки и производства технологии-кандидата/готового терапевтического продукта, т. е. находится ли технология-кандидат на стадии проверки концепции или на стадии производства прототипа с некоторыми доступными данными о производительности/клиническими данными, или на стадии полностью разработанного и изготовленного продукта либо с использованием в чрезвычайных ситуациях, либо с полным одобрением регулирующих органов от национального/международного регулирующего органа или ВОЗ.
Лицензия CSIC на C-TAP Лицензии NIH США на C-TAP Присоединяйтесь к C-TAP C-TAP был запущен ВОЗ в партнерстве с правительством Коста-Рики в рамках глобального призыва к солидарности Действие одобрено почти 40 государствами-членами. Партнерами по реализации C-TAP ВОЗ являются Патентный пул лекарственных средств, Open COVID Pledge, Банк технологий ООН и Unitaid. Присоединяйтесь Одобрение Призыва к действию солидарности Призыв к действию солидарности Как работает C-TAPПоделитесь своей интеллектуальной собственностью, знаниями или данными Технические рекомендации группы 9016 7 7 Видео16 июня 2022 г. Доступ к медицинским технологиям для борьбы с COVID-19: прогресс C-TAP ВОЗ28 мая 2021 г. Брифинг для СМИ о доступе к технологическому пулу COVID-19 (C-TAP), годовщина27 октября 2020 г. Открытая наука стремится сделать науку более доступной – совместное обращение ЮНЕСКО, ВОЗ, ЦЕРН и УВКПЧ30 июня 2020 г. Пул доступа к технологиям COVID-19Публикации Медицинские технологии – лекарства, вакцины и медицинские устройства – необходимы для здоровья населения. Настоящая публикация представляет собой удобную для чтения сводную версию документов, имеющих отношение к глобальной стратегии и плану действий по… Прочие ресурсы
Фонд новых энергетических технологий — Схема инноваций в области водорода: форма и руководствоЦели Схема инноваций в области водорода представляет собой поток капитального финансирования Фонда новых энергетических технологий в размере 10 миллионов фунтов стерлингов, который будет реализован в течение 4 лет с 2022/23 по 2025 год. EETF HIS предназначена для поддержки разработки и демонстрации технологий и продуктов из возобновляемого водорода, необходимых для поддержки стремления правительства Шотландии установить установленную мощность производства водорода 5 ГВт к 2030 году9.0017 Целями схемы являются: Схема EETF Hydrogen Innovation Scheme разделена на два потока. Поток 1 – осуществимость и демонстрацияПоток 1 поддерживает разработку новых решений для производства, хранения и распределения водорода (TRL 3-7). Он предоставит финансирование для проектов по проведению технико-экономических обоснований или по разработке, созданию и испытанию водородного решения. Проекты должны быть направлены на разработку новых продуктов/решений, улучшение версий или качества существующих продуктов/решений, а также на открытие или разработку новых или более эффективных производственных процессов. Они должны быть в состоянии продемонстрировать, что основной целью является «приобретение новых знаний» в соответствии с определением в руководстве Министерства финансов Великобритании. Чтобы иметь право на финансирование, проекты должны относиться к одной из трех тем, указанных ниже: 1. Производство возобновляемого водородаПроекты, поддерживающие недорогое, эффективное и долговечное производство возобновляемого водорода. Например: 2. Хранение и распределение водорода Проекты, поддерживающие эффективное, недорогое кратко-, средне- и долгосрочное хранение и распределение водорода как в Шотландии, так и на экспорт, например новые решения для хранения и распределения водорода, инновации компонентов для снижения затрат на распределение, оптимизация вариантов транспортировки водорода для экспорта. 3. ИнтеграцияПроекты, поддерживающие эффективную интеграцию водорода в нашу энергетическую систему. Например: Проекты, разрабатывающие инновационные решения для конечных приложений, не имеют права на этот первый запрос на финансирование. Поток 2 – испытательные и демонстрационные установки и оборудованиеStream 2 поддерживает рост инновационной экосистемы водорода в Шотландии. Он обеспечит капитальное финансирование для поддержки развития испытательных и демонстрационных центров в Шотландии, которые станут центрами будущих водородных инноваций. Это финансирование может покрыть покупку оборудования или строительство объектов. Проекты должны быть в состоянии продемонстрировать свои планы по покрытию затрат на доставку и персонал без поддержки правительства Шотландии, т.е. за счет средств, выделенных партнерами проекта. Капитальный взнос, требуемый от правительства Шотландии, должен учитывать параметры контроля субсидий (ранее государственная помощь) в зависимости от типа проекта и типа партнера по проекту. Предлагаемая ставка контроля субсидий, предложенная участниками торгов, будет затем обсуждаться и согласовываться с правительством Шотландии. Претенденты на поток 2 должны продемонстрировать более широкие преимущества своего предложения промышленному и академическому сообществу Шотландии. Дополнительные ресурсы5 июля 2022 г. состоялся вебинар, посвященный HIS. Дополнительную информацию см. ниже. Схема | Фонд развития технологий (TDF)Схема Создание экосистемы для обеспечения самостоятельности путем создания местных современных систем для оборонного применения. Право на участиеПочему вы должны подать заявку? Схема направлена на то, чтобы дать мощный толчок сектору оборонного производства, поощряя промышленность к инновациям в оборонных технологиях, чтобы поставить Индию на траекторию самообеспечения. Помимо предоставления субсидий на развитие местных технологий, Схема также предоставляет отрасли различные льготы. В партнерстве DRDO сотрудничает с Invest India, чтобы помочь во внедрении схемы TDF и еще больше облегчить участие ММСП и стартапов. Invest India — это Национальное агентство по продвижению и содействию инвестициям Индии, созданное в 2009 году как некоммерческое предприятие при Департаменте содействия развитию промышленности и внутренней торговли Министерства торговли и промышленности правительства Индии. Как подать заявку?Процесс подачи заявки на схему TDF полностью оцифрован. Брошюра схемы документации Часто задаваемые вопросыКак определяется ММСП для целей программы TDF?ММСП определяется в соответствии с Законом о ММСП от 2006 г. для целей Схемы фонда развития технологий. Эта схема относится к какому-либо сектору?Да (оборона и аэрокосмическая промышленность) Может ли организация одновременно подать заявку на участие в нескольких проектах TDF?Да Каков характер предложений, подлежащих поддержке в рамках схемы TDF?Имеют ли ММСП/стартапы право участвовать в конкурсе TDF, если они создают совместное предприятие 50-50 с некоммерческой или иностранной фирмой?Нет (Отрасль с более чем 49% иностранных инвестиций не имеет права) Могу ли я нанять консультанта для подачи заявки от моего имени?Да. Нужно ли мне платить какой-либо сервисный сбор в DRDO/DTDF для подачи заявки на участие в программе?№ Как некоммерческие исследовательские институты могут получить право на участие в программе TDF? Некоммерческое исследовательское учреждение может подавать заявку только в сотрудничестве / ассоциации с индийской промышленностью. Просмотреть все Схема финансирования реиндустриализации (RFS) — Фонд инноваций и технологийЦельЗапущенная в июле 2020 года, RFS направлена на субсидирование производителей для создания новых интеллектуальных производственных линий в Гонконге. Право на участиеКомпании, зарегистрированные в Гонконге в соответствии с Постановлением о компаниях (глава 622), имеют право подать заявку. Основные характеристикиЗаявкаRFS приглашает подать заявку на финансирование круглый год . Заявитель должен зарегистрировать свою организацию и соответствующий персонал в Административной системе финансирования Комиссии по инновациям и технологиям (ITCFAS) до подачи заявки в электронном виде. Пожалуйста, прочтите следующие документы перед подачей заявки: ПОДАТЬ ЗАЯВКУ СЕЙЧАС ОценкаКомиссия по инновациям и технологиям (ITC) проведет первоначальную оценку заявки и представит рекомендации по финансированию на рассмотрение Комитета по проверке RFS (Комитета). Заявки, поддержанные Комитетом, будут представлены Уполномоченному по инновациям и технологиям для утверждения финансирования. Часто задаваемые вопросыРазвернуть всеСвернуть все Все отрасли промышленности могут подать заявку? Все компании, зарегистрированные в Гонконге в соответствии с Постановлением о компаниях (глава 622), имеют право подать заявку на финансирование в рамках RFS для создания новых интеллектуальных производственных линий в Гонконге. Каков объем финансирования? Финансирование в рамках RFS покрывает расходы, непосредственно связанные с созданием новой интеллектуальной производственной линии в Гонконге, включая расходы на закупку, установку и ввод в эксплуатацию машин/оборудования/аппаратов, оплату услуг технических консультантов по проектирование и наладка соответствующей производственной линии, соответствующие испытания и обучение персонала, плата за регистрацию патента (максимальная плата за регистрацию патента, разрешенная для проекта, составляет 250 000 долларов США), плата за внешний аудит, не превышающая 20 000 долларов США за аудит (будет финансироваться максимум два аудита). за проект), а также плата за юридические услуги, связанные с судебными издержками на финансируемой производственной линии (не более 20 000 долларов США). Какие элементы должна иметь производственная линия, чтобы считаться «умной производственной линией»? Производственная линия или значительная часть производственной линии должны соответствовать критериям «умного производства», т. е. интегрированному и разумному использованию «умных» технологий, таких как Интернет вещей, данные в реальном времени, применение анализа данных и передовых человеко-машинные интерфейсы, искусственный интеллект/машинное обучение/глубокое обучение, автоматизация и робототехника, датчики и приводы и т. д. в производственном процессе. Может ли компания подать заявку на финансовую поддержку в рамках RFS для модернизации существующей производственной линии? Целью RFS является субсидирование производителей для создания новых интеллектуальных производственных линий в Гонконге. Компания может рассмотреть другую программу финансирования в рамках Фонда инноваций и технологий — Программу технологических ваучеров для модернизации существующей производственной линии. ПрочееПри условии судебного преследования, как указано ниже, право собственности и доля в машинах/оборудовании/аппарате и других активах производственной линии, приобретенных на средства в рамках RFS, переходят к заявителю. Для обеспечения того, чтобы финансируемые проекты могли приносить существенную экономическую выгоду Гонконгу в течение разумного периода времени, за исключением случаев, когда с предварительного письменного разрешения правительства производственная линия, финансируемая в рамках RFS, не может быть передана другим сторонам или в любое место за пределами Гонконга. в течение пяти лет после завершения проекта, если соответствующая сумма финансирования RFS составляет 5 миллионов долларов США или выше, или в течение трех лет после завершения проекта, если соответствующая сумма финансирования RFS составляет менее 5 миллионов долларов США. В соглашении о финансировании, которое заявитель должен подписать с Правительством, будет указано вышеуказанное ограничение, а также то, что Правительство имеет право возместить выделенное финансирование полностью или частично в случае несоблюдения. ![]() |
Они рассчитаны на длительное использование при производстве однотипной продукции долгое время. Она может быть разработана таким образом, чтобы ее можно было применять при производстве разнообразных однотипных товаров. Такие типы называют совмещенными. При их разработке учитывается возможность быстрой перенастройки оборудования для производства другого товара, практически без остановок технологического процесса.Разработка подобных схем обоснована экономическими факторами, беспрерывная работа производственной линии и работников позволяет избежать лишних растрат и повысить эффективность. Чаще всего совмещенные применяются на фармацевтических предприятиях, где на одном и том же оборудовании производятся лекарственных препараты, пищевые добавки, витамины и другие средства. Главное преимущество в том, что можно значительно снизить уровень первоначальных капиталовложений и производственных расходов в процессе эксплуатации оборудования.
1
1
1
1
5
1
Принципиальная схема производства аглопорита.
Технологические регламенты производства.
Безопасная эксплуатация производства.
Перечень основной нормативной документации для разработки разделов промышленной и экологической безопасности технологического регламента на производство продукции медицинской промышленности

).
dcmsme.gov.in/schemes/nmcp_scm.htm
Цели: Продвижение инноваций, предпринимательства и агропромышленности организация M / O ММСП и единовременный грант в размере 100% стоимости оборудования и оборудования, кроме земли и инфраструктуры, или сумма до 100 лакхов, в зависимости от того, что меньше, должно быть предоставлено. В случае инкубационных центров должен быть создан в режиме PPP с NSIC, KVIC или Coir Board или любым другим учреждением / агентством правительства Индии / правительства штата, единовременный грант в размере 50% стоимости машин и оборудования, кроме земли и инфраструктуры, или 50,00 рупий. тысяч, в зависимости от того, что меньше, должно быть предоставлено.
Они будут назначены партнерами по знаниям и будут развивать новые/существующие технологии для их коммерциализации.
Модернизация технологии обычно означает внедрение самой современной или близкой к самой современной технологии. В различной мозаике технологий, охватывающей более 7500 продуктов в индийском мелкосерийном секторе,
Финансовая помощь для возмещения 75% единовременного регистрационного сбора (в соответствии с MSE-MDA) и 75% ежегодного регулярного сбора в течение первых трех лет (в соответствии с NMCP), уплачиваемого MSE в пользу GS1 India за использование штрихового кодирования.
SPV, в свою очередь, выплатит LMC первый взнос в размере 20% и получит возмещение от NMIU. После этого Министерство ММСП переведет средства в НМИУ. Платежи SPV LMC будут поэтапными в виде 5 траншей, каждый из которых составляет 20% от фиксированной суммы.
gov.in/schemes/lean-manufact.htm
designclinicsmsme.org/ или загрузить форму с сайта http://www.dcmsme.gov.in/schemes.
Финансовая поддержка до 75% программ по повышению осведомленности, но не более 75 000 рупий на программу;
д.), которые могут быть коммерциализированы в течение года. Схема предоставляет финансовую помощь для создания бизнес-инкубаторов.
dcmsme.gov.in/schemes/Institutions_Detail.pdf


д.
ВОЗ, правительство Коста-Рики и другие партнеры запустили Пул доступа к технологиям для борьбы с COVID-19 (C-TAP), чтобы облегчить более быстрый равноправный и доступный доступ к продуктам медицинского назначения для борьбы с COVID-19 для людей во всех странах. C-TAP, который в настоящее время
Благодаря добровольному лицензированию и объединению патентов владельцы патентов могут выходить на новые рынки и расширять производство, используя незадействованные мощности производителей по всему миру, получая при этом соответствующие лицензионные платежи.
е. свидетельство уже выполненного или потенциального соответствия соответствующим применимым нормативным требованиям.
Разработчики медицинских технологий COVID-19
Доступ к основным лекарственным средствам и нехватка…
26.
Поток 1 и поток 2:
Здесь вы можете найти сводное руководство по составлению бюджета для капитальных проектов. Доступна поддержка для интерпретации руководства по определению технико-экономического обоснования или пробного проекта, пожалуйста, напишите по адресу: 

