Π‘ΠΎΠ΄Π΅ΡΠΆΠ°Π½ΠΈΠ΅
ΠΡΠΈΠ±ΠΎΡΡ ΠΎΡΠ²Π΅ΡΠ΅Π½ΠΈΡ, Π·Π²ΡΠΊΠΎΠ²ΠΎΠΉ ΠΈ ΡΠ²Π΅ΡΠΎΠ²ΠΎΠΉ ΡΠΈΠ³Π½Π°Π»ΠΈΠ·Π°ΡΠΈΠΈ
ΠΠ°ΠΊΠ°Π·Π°ΡΡ ΠΏΡΠΎΠ²Π΅ΡΠΊΡ Π°Π²ΡΠΎΠΌΠΎΠ±ΠΈΠ»ΡΠΠ°ΠΊΠ°Π·Π°ΡΡ ΠΏΠΎΠ΄Π±ΠΎΡ Π°Π²ΡΠΎΠΌΠΎΠ±ΠΈΠ»Ρ
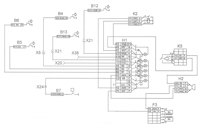
Π‘ΠΈΡΡΠ΅ΠΌΠ° ΠΎΡΠ²Π΅ΡΠ΅Π½ΠΈΡ ΠΏΡΠ΅Π΄Π½Π°Π·Π½Π°ΡΠ΅Π½Π° Π΄Π»Ρ ΠΎΠ±Π΅ΡΠΏΠ΅ΡΠ΅Π½ΠΈΡ Π±Π΅Π·ΠΎΠΏΠ°ΡΠ½ΠΎΠ³ΠΎ Π΄Π²ΠΈΠΆΠ΅Π½ΠΈΡ Π°Π²ΡΠΎΠΌΠΎΠ±ΠΈΠ»Ρ Π² ΡΠ΅ΠΌΠ½ΠΎΠ΅ Π²ΡΠ΅ΠΌΡ ΡΡΡΠΎΠΊ. Π ΡΠΈΡΡΠ΅ΠΌΡ ΠΎΡΠ²Π΅ΡΠ΅Π½ΠΈΡ Π²Ρ ΠΎΠ΄ΡΡ ΡΠ°ΡΡ, Π·Π°Π΄Π½ΠΈΠ΅ ΡΠΎΠ½Π°ΡΠΈ, ΡΠΎΠ½Π°ΡΠΈ ΠΎΡΠ²Π΅ΡΠ΅Π½ΠΈΡ Π·Π°Π΄Π½Π΅Π³ΠΎ Π½ΠΎΠΌΠ΅ΡΠ½ΠΎΠ³ΠΎ Π·Π½Π°ΠΊΠ°, ΡΠΎΠ½Π°ΡΠΈ ΠΎΡΠ²Π΅ΡΠ΅Π½ΠΈΡ ΡΠ°Π»ΠΎΠ½Π° ΠΈ Π±Π°Π³Π°ΠΆΠ½ΠΎΠ³ΠΎ ΠΎΡΠ΄Π΅Π»Π΅Π½ΠΈΡ, Π° ΡΠ°ΠΊΠΆΠ΅ Π»Π°ΠΌΠΏΡ ΠΎΡΠ²Π΅ΡΠ΅Π½ΠΈΡ ΠΌΠΎΡΠΎΡΠ½ΠΎΠ³ΠΎ ΠΎΡΡΠ΅ΠΊΠ° ΠΈ Π²Π΅ΡΠ΅Π²ΠΎΠ³ΠΎ ΡΡΠΈΠΊΠ°.
Π‘ΠΈΡΡΠ΅ΠΌΠ° ΡΠ²Π΅ΡΠΎΠ²ΠΎΠΉ ΡΠΈΠ³Π½Π°Π»ΠΈΠ·Π°ΡΠΈΠΈ ΠΏΡΠ΅Π΄Π½Π°Π·Π½Π°ΡΠ΅Π½Π° Π΄Π»Ρ ΠΏΡΠ΅Π΄ΡΠΏΡΠ΅ΠΆΠ΄Π΅Π½ΠΈΡ Π΄ΡΡΠ³ΠΈΡ ΡΡΠ°ΡΡΠ½ΠΈΠΊΠΎΠ² Π΄Π²ΠΈΠΆΠ΅Π½ΠΈΡ ΠΎΠ± ΠΈΠ·ΠΌΠ΅Π½Π΅Π½ΠΈΠΈ Π½Π°ΠΏΡΠ°Π²Π»Π΅Π½ΠΈΡ Π΄Π²ΠΈΠΆΠ΅Π½ΠΈΡ, ΠΎ ΡΠΎΡΠΌΠΎΠΆΠ΅Π½ΠΈΠΈ, Π° ΡΠ°ΠΊΠΆΠ΅ ΠΎΠ± Π°Π²Π°ΡΠΈΠΉΠ½ΠΎΠΉ ΠΎΡΡΠ°Π½ΠΎΠ²ΠΊΠ΅. Π ΡΠΈΡΡΠ΅ΠΌΡ ΡΠ²Π΅ΡΠΎΠ²ΠΎΠΉ ΡΠΈΠ³Π½Π°Π»ΠΈΠ·Π°ΡΠΈΠΈ Π²Ρ ΠΎΠ΄ΡΡ ΠΏΠ΅ΡΠ΅Π΄Π½ΠΈΠ΅ ΡΠΈΠ³Π½Π°Π»ΡΠ½ΡΠ΅ ΡΠΎΠ½Π°ΡΠΈ, Π·Π°Π΄Π½ΠΈΠ΅ ΡΠΈΠ³Π½Π°Π»ΡΠ½ΡΠ΅ ΡΠΎΠ½Π°ΡΠΈ, Π±ΠΎΠΊΠΎΠ²ΡΠ΅ ΠΏΠΎΠ²ΡΠΎΡΠΈΡΠ΅Π»ΠΈ ΡΠΈΠ³Π½Π°Π»ΠΎΠ² ΠΏΠΎΠ²ΠΎΡΠΎΡΠ°, ΠΊΠΎΠ½ΡΡΠΎΠ»ΡΠ½ΡΠ΅ Π»Π°ΠΌΠΏΡ Π² ΠΊΠΎΠΌΠ±ΠΈΠ½Π°ΡΠΈΠΈ ΠΏΡΠΈΠ±ΠΎΡΠΎΠ², ΡΠ»Π΅ΠΊΡΡΠΎΠ½Π½ΠΎΠ΅ ΡΠ΅Π»Π΅-ΠΏΡΠ΅ΡΡΠ²Π°ΡΠ΅Π»Ρ, Π° ΡΠ°ΠΊΠΆΠ΅ Π²ΡΠΊΠ»ΡΡΠ°ΡΠ΅Π»ΠΈ. ΠΡΡΠ°ΠΆΠ°ΡΠ΅Π»ΠΈ ΡΡΠΎΠΏ-ΡΠΈΠ³Π½Π°Π»ΠΎΠ² ΠΈΠΌΠ΅ΡΡ ΠΊΡΠ°ΡΠ½ΡΠΉ ΡΠ²Π΅Ρ, ΡΠΈΠ³Π½Π°Π»ΠΎΠ² ΡΠΎΠ½Π°ΡΠ΅ΠΉ ΠΏΠΎΠ²ΠΎΡΠΎΡΠ° β ΠΎΡΠ°Π½ΠΆΠ΅Π²ΡΠΉ ΡΠ²Π΅Ρ.
ΠΡΠ°Π²ΡΠ΅ ΠΈ Π»Π΅Π²ΡΠ΅ ΡΠΊΠ°Π·Π°ΡΠ΅Π»ΠΈ ΠΏΠΎΠ²ΠΎΡΠΎΡΠΎΠ² Π²ΠΊΠ»ΡΡΠ°ΡΡΡΡ ΡΡΡΠ°Π³ΠΎΠΌ, ΠΊΠΎΡΠΎΡΡΠΉ ΡΠ°ΡΠΏΠΎΠ»ΠΎΠΆΠ΅Π½ ΠΏΠΎΠ΄ ΡΡΠ»Π΅Π²ΡΠΌ ΠΊΠΎΠ»Π΅ΡΠΎΠΌ.
ΠΡΠΈ ΡΡΠΎΠΌ Π»Π΅Π²ΡΠ΅ ΠΈ ΠΏΡΠ°Π²ΡΠ΅ ΡΠΈΠ³Π½Π°Π»ΡΠ½ΡΠ΅ ΠΈ ΠΊΠΎΠ½ΡΡΠΎΠ»ΡΠ½ΡΠ΅ Π»Π°ΠΌΠΏΡ Π³ΠΎΡΡΡ ΠΌΠΈΠ³Π°ΡΡΠΈΠΌ ΡΠ²Π΅ΡΠΎΠΌ. Π§Π°ΡΡΠΎΡΠ° ΠΌΠΈΠ³Π°Π½ΠΈΡ Π΄ΠΎΡΡΠΈΠ³Π°Π΅Ρ 60-120 ΡΠ°Π· Π² ΠΌΠΈΠ½ΡΡΡ, ΠΌΠΈΠ³Π°Π½ΠΈΠ΅ ΠΏΡΠΎΠΈΡΡ
ΠΎΠ΄ΠΈΡ Π·Π° ΡΡΠ΅Ρ ΡΠΏΠ΅ΡΠΈΠ°Π»ΡΠ½ΠΎΠ³ΠΎ ΡΠ»Π΅ΠΊΡΡΠΎΠ½Π½ΠΎΠ³ΠΎ ΡΠ΅Π»Π΅-ΠΏΡΠ΅ΡΡΠ²Π°ΡΠ΅Π»Ρ, ΠΊΠΎΡΠΎΡΠΎΠ΅ Π²ΡΡΡΠΎΠ΅Π½ΠΎ Π² ΡΠ»Π΅ΠΊΡΡΠΈΡΠ΅ΡΠΊΡΡ ΡΠ΅ΠΏΡ. ΠΠΎΡΠ»Π΅ Π²ΡΡ
ΠΎΠ΄Π° Π°Π²ΡΠΎΠΌΠΎΠ±ΠΈΠ»Ρ ΠΈΠ· ΠΏΠΎΠ²ΠΎΡΠΎΡΠ° ΡΡΡΠ°Π³ Π²ΡΠΊΠ»ΡΡΠ΅Π½ΠΈΡ ΡΠΈΠ³Π½Π°Π»ΠΎΠ² ΠΏΠΎΠ²ΠΎΡΠΎΡΠ° Π°Π²ΡΠΎΠΌΠ°ΡΠΈΡΠ΅ΡΠΊΠΈ Π²ΠΎΠ·Π²ΡΠ°ΡΠ°Π΅ΡΡΡ Π² ΡΠ²ΠΎΠ΅ ΠΈΡΡ
ΠΎΠ΄Π½ΠΎΠ΅ ΠΏΠΎΠ»ΠΎΠΆΠ΅Π½ΠΈΠ΅. ΠΡΠ»ΠΈ ΠΊΠΎΠ½ΡΡΠΎΠ»ΡΠ½Π°Ρ Π»Π°ΠΌΠΏΠ° Π² ΠΊΠΎΠΌΠ±ΠΈΠ½Π°ΡΠΈΠΈ ΠΏΡΠΈΠ±ΠΎΡΠΎΠ² ΠΌΠΈΠ³Π°Π΅Ρ Ρ ΡΠ΄Π²ΠΎΠ΅Π½Π½ΠΎΠΉ ΡΠ°ΡΡΠΎΡΠΎΠΉ, ΡΠΎ ΡΡΠΎ ΠΎΠ·Π½Π°ΡΠ°Π΅Ρ, ΡΡΠΎ ΠΎΠ΄Π½Π° ΠΈΠ· ΡΠΈΠ³Π½Π°Π»ΡΠ½ΡΡ
Π»Π°ΠΌΠΏ Π½Π΅ Π³ΠΎΡΠΈΡ ΠΈΠ»ΠΈ ΡΠ΅Π»Π΅-ΠΏΡΠ΅ΡΡΠ²Π°ΡΠ΅Π»Ρ Π½Π°Ρ
ΠΎΠ΄ΠΈΡΡΡ Π² Π½Π΅ΠΈΡΠΏΡΠ°Π²Π½ΠΎΠΌ ΡΠΎΡΡΠΎΡΠ½ΠΈΠΈ.
ΠΡΠΈ Π²ΡΠ½ΡΠΆΠ΄Π΅Π½Π½ΠΎΠΉ ΠΎΡΡΠ°Π½ΠΎΠ²ΠΊΠ΅ ΠΈΠ·-Π·Π° Π½Π΅ΠΈΡΠΏΡΠ°Π²Π½ΠΎΡΡΠΈ Π°Π²ΡΠΎΠΌΠΎΠ±ΠΈΠ»Ρ Π²ΠΊΠ»ΡΡΠ°Π΅ΡΡΡ Π°Π²Π°ΡΠΈΠΉΠ½Π°Ρ ΡΠΈΠ³Π½Π°Π»ΠΈΠ·Π°ΡΠΈΡ Π½Π°ΠΆΠ°ΡΠΈΠ΅ΠΌ ΡΠΎΠΎΡΠ²Π΅ΡΡΡΠ²ΡΡΡΠ΅ΠΉ ΠΊΠ½ΠΎΠΏΠΊΠΈ. ΠΡΠΈ Π²ΠΊΠ»ΡΡΠ΅Π½ΠΈΠΈ Π°Π²Π°ΡΠΈΠΉΠ½ΠΎΠΉ ΡΠΈΠ³Π½Π°Π»ΠΈΠ·Π°ΡΠΈΠΈ Π½Π°ΡΠΈΠ½Π°ΡΡ Π³ΠΎΡΠ΅ΡΡ Ρ ΡΠ΄Π²ΠΎΠ΅Π½Π½ΠΎΠΉ ΠΈΠ½ΡΠ΅Π½ΡΠΈΠ²Π½ΠΎΡΡΡΡ Π²ΡΠ΅ ΡΠΈΠ³Π½Π°Π»ΡΠ½ΡΠ΅ Π»Π°ΠΌΠΏΡ ΡΠΊΠ°Π·Π°ΡΠ΅Π»Ρ ΠΏΠΎΠ²ΠΎΡΠΎΡΠΎΠ² ΠΈ ΡΠΈΠ³Π½Π°Π»ΡΠ½Π°Ρ Π»Π°ΠΌΠΏΠ° Π² ΠΊΠΎΠΌΠ±ΠΈΠ½Π°ΡΠΈΠΈ ΠΏΡΠΈΠ±ΠΎΡΠΎΠ². Π¦Π΅ΠΏΡ Π°Π²Π°ΡΠΈΠΉΠ½ΠΎΠΉ ΡΠΈΠ³Π½Π°Π»ΠΈΠ·Π°ΡΠΈΠΈ ΠΏΡΠΎΡ
ΠΎΠ΄ΠΈΡ, ΠΌΠΈΠ½ΡΡ Π²ΡΠΊΠ»ΡΡΠ°ΡΠ΅Π»Ρ Π·Π°ΠΆΠΈΠ³Π°Π½ΠΈΡ, ΠΏΠΎΡΡΠΎΠΌΡ ΡΠΈΠ³Π½Π°Π»ΠΈΠ·Π°ΡΠΈΡ ΡΠ°Π±ΠΎΡΠ°Π΅Ρ ΠΏΡΠΈ Π»ΡΠ±ΠΎΠΌ ΠΏΠΎΠ»ΠΎΠΆΠ΅Π½ΠΈΠΈ ΠΊΠ»ΡΡΠ° Π·Π°ΠΆΠΈΠ³Π°Π½ΠΈΡ.
Π€Π°ΡΡ Π°Π²ΡΠΎΠΌΠΎΠ±ΠΈΠ»Ρ ΡΠΎΡΡΠΎΡΡ ΠΈΠ· Π»Π°ΠΌΠΏΡ ΠΎΡΠ½ΠΎΠ²Π½ΠΎΠ³ΠΎ ΠΈ Π³Π°Π±Π°ΡΠΈΡΠ½ΠΎΠ³ΠΎ ΡΠ²Π΅ΡΠ°, ΡΠ±Π»ΠΎΠΊΠΈΡΠΎΠ²Π°Π½Π½ΡΡ
Ρ ΡΠΎΠ½Π°ΡΡΠΌΠΈ ΡΠΊΠ°Π·Π°ΡΠ΅Π»Ρ ΠΏΠΎΠ²ΠΎΡΠΎΡΠ°. Π‘ΠΏΠ΅ΡΠ΅Π΄ΠΈ ΡΠ°ΡΡ Π½Π°Ρ
ΠΎΠ΄ΠΈΡΡΡ ΡΠ°ΡΡΠ΅ΠΈΠ²Π°ΡΠ΅Π»Ρ ΠΈΠ· Π±Π΅ΡΡΠ²Π΅ΡΠ½ΠΎΠ³ΠΎ ΡΡΠ΅ΠΊΠ»Π°. Π‘ Π²Π½ΡΡΡΠ΅Π½Π½Π΅ΠΉ ΡΡΠΎΡΠΎΠ½Ρ ΡΠ°ΡΡΠ΅ΠΈΠ²Π°ΡΠ΅Π»Ρ ΡΠ°ΡΠΏΠΎΠ»ΠΎΠΆΠ΅Π½Π° ΡΠ»ΠΎΠΆΠ½Π°Ρ ΡΠΈΡΡΠ΅ΠΌΠ° Π»ΠΈΠ½Π· ΠΈ ΠΏΡΠΈΠ·ΠΌ. Π Π·Π°Π΄Π½Π΅ΠΉ ΡΠ°ΡΡΠΈ ΡΠ°Ρ ΡΡΡΠ°Π½ΠΎΠ²Π»Π΅Π½ ΡΠ΅ΡΠ»Π΅ΠΊΡΠΎΡ, ΠΈΠ·Π³ΠΎΡΠΎΠ²Π»Π΅Π½Π½ΡΠΉ ΠΈΠ· ΡΡΠ°Π»ΠΈ. Π Π΅ΡΠ»Π΅ΠΊΡΠΎΡ ΠΏΠΎΠΊΡΡΡ ΡΠ΅ΡΠΌΠΎΡΡΠΎΠΉΠΊΠΈΠΌ Π»Π°ΠΊΠΎΠΌ ΠΈ ΡΠΎΠ½ΠΊΠΈΠΌ ΡΠ»ΠΎΠ΅ΠΌ Π°Π»ΡΠΌΠΈΠ½ΠΈΡ Π΄Π»Ρ ΡΠΎΠ·Π΄Π°Π½ΠΈΡ Π·Π΅ΡΠΊΠ°Π»ΡΠ½ΠΎΠΉ ΠΏΠΎΠ²Π΅ΡΡ
Π½ΠΎΡΡΠΈ. Π ΡΠ΅ΡΠ»Π΅ΠΊΡΠΎΡΠ΅ ΠΏΠ΅ΡΠ΅Π΄ Π»Π°ΠΌΠΏΠΎΠΉ ΡΡΡΠ°Π½ΠΎΠ²Π»Π΅Π½ ΡΠΊΡΠ°Π½, ΠΊΠΎΡΠΎΡΡΠΉ ΠΎΠ±Π΅ΡΠΏΠ΅ΡΠΈΠ²Π°Π΅Ρ Π±ΠΎΠ»Π΅Π΅ ΡΠ΅ΡΠΊΡΡ Π³ΡΠ°Π½ΠΈΡΡ ΠΏΡΡΠΊΠ° Π±Π»ΠΈΠΆΠ½Π΅Π³ΠΎ ΡΠ²Π΅ΡΠ°. Π Π»Π°ΠΌΠΏΠ΅ ΡΠ°ΡΡ Π½Π°Ρ
ΠΎΠ΄ΡΡΡΡ Π΄Π²Π΅ Π½ΠΈΡΠΈ Π½Π°ΠΊΠ°Π»ΠΈΠ²Π°Π½ΠΈΡ. ΠΠ΄Π½Π° Π½ΠΈΡΡ (60 ΠΡ) Π΄Π»Ρ Π΄Π°Π»ΡΠ½Π΅Π³ΠΎ ΡΠ²Π΅ΡΠ°, Π΄ΡΡΠ³Π°Ρ (55 ΠΡ) β Π΄Π»Ρ Π±Π»ΠΈΠΆΠ½Π΅Π³ΠΎ ΡΠ²Π΅ΡΠ°. ΠΠΈΡΡ Π΄Π°Π»ΡΠ½Π΅Π³ΠΎ ΡΠ²Π΅ΡΠ° ΡΠ°ΡΠΏΠΎΠ»ΠΎΠΆΠ΅Π½Π° Π² ΡΠΎΠΊΡΡΠ΅ ΡΠ΅ΡΠ»Π΅ΠΊΡΠΎΡΠ° ΠΈ Π΄Π°Π΅Ρ ΡΠ·ΠΊΠΈΠΉ ΠΏΡΡΠΎΠΊ ΡΠ²Π΅ΡΠ° ΠΏΠ°ΡΠ°Π»Π»Π΅Π»ΡΠ½ΠΎ Π΄ΠΎΡΠΎΠ³Π΅ Π½Π° Π±ΠΎΠ»ΡΡΠΎΠ΅ ΡΠ°ΡΡΡΠΎΡΠ½ΠΈΠ΅. ΠΠΈΡΡ Π±Π»ΠΈΠΆΠ½Π΅Π³ΠΎ ΡΠ²Π΅ΡΠ° Π²ΡΠ²Π΅Π΄Π΅Π½Π° Π²ΠΏΠ΅ΡΠ΅Π΄ ΠΈΠ· ΡΠΎΠΊΡΡΠ° ΠΈ Π·Π°ΠΊΡΡΡΠ° ΠΌΠ΅ΡΠ°Π»Π»ΠΈΡΠ΅ΡΠΊΠΈΠΌ ΡΠΊΡΠ°Π½ΠΎΠΌ, ΠΊΠΎΡΠΎΡΡΠΉ ΠΏΡΠ΅ΠΏΡΡΡΡΠ²ΡΠ΅Ρ ΡΠ°ΡΠΏΡΠΎΡΡΡΠ°Π½Π΅Π½ΠΈΡ Π±Π»ΠΈΠΆΠ½Π΅Π³ΠΎ ΡΠ²Π΅ΡΠ° Π½Π°Π²Π΅ΡΡ
. ΠΠ°ΠΏΡΠ°Π²Π»Π΅Π½ΠΈΠ΅ ΠΏΡΡΠΊΠ° ΡΠ²Π΅ΡΠ°, ΠΈΡΠΏΡΡΠΊΠ°Π΅ΠΌΠΎΠ³ΠΎ ΡΠ°ΡΠ°ΠΌΠΈ, ΠΌΠΎΠΆΠ½ΠΎ ΡΠ΅Π³ΡΠ»ΠΈΡΠΎΠ²Π°ΡΡ Π² Π²Π΅ΡΡΠΈΠΊΠ°Π»ΡΠ½ΠΎΠΉ ΠΈ Π³ΠΎΡΠΈΠ·ΠΎΠ½ΡΠ°Π»ΡΠ½ΠΎΠΉ ΠΏΠ»ΠΎΡΠΊΠΎΡΡΠΈ ΠΏΡΠΈ ΠΏΠΎΠΌΠΎΡΠΈ ΡΠΏΠ΅ΡΠΈΠ°Π»ΡΠ½ΡΡ
ΡΠ΅Π³ΡΠ»ΠΈΡΠΎΠ²ΠΎΡΠ½ΡΡ
Π²ΠΈΠ½ΡΠΎΠ².
ΠΠ»Ρ ΡΠ΅Π³ΡΠ»ΠΈΡΠΎΠ²ΠΊΠΈ ΠΏΡΡΠΊΠ° ΡΠ²Π΅ΡΠ° ΡΠ°Ρ Π² Π·Π°Π²ΠΈΡΠΈΠΌΠΎΡΡΠΈ ΠΎΡ Π½Π°Π³ΡΡΠ·ΠΊΠΈ ΠΏΡΠ΅Π΄Π½Π°Π·Π½Π°ΡΠ΅Π½ ΡΠΏΠ΅ΡΠΈΠ°Π»ΡΠ½ΡΠΉ Π³ΠΈΠ΄ΡΠΎΠΊΠΎΡΡΠ΅ΠΊΡΠΎΡ, ΠΊΠΎΡΠΎΡΡΠΉ ΡΡΡΠ°Π½ΠΎΠ²Π»Π΅Π½ Π² ΠΊΠ°Π±ΠΈΠ½Π΅ Π²ΠΎΠ΄ΠΈΡΠ΅Π»Ρ.
ΠΠΈΠ΄ΡΠΎΠΊΠΎΡΡΠ΅ΠΊΡΠΎΡ Π²ΠΊΠ»ΡΡΠ°Π΅Ρ Π² ΡΠ΅Π±Ρ ΡΠ°Π±ΠΎΡΠΈΠΉ ΡΠΈΠ»ΠΈΠ½Π΄Ρ, ΠΈΡΠΏΠΎΠ»Π½ΠΈΡΠ΅Π»ΡΠ½ΡΠ΅ ΡΠΈΠ»ΠΈΠ½Π΄ΡΡ ΠΈ ΡΠΎΠ΅Π΄ΠΈΠ½ΠΈΡΠ΅Π»ΡΠ½ΡΠ΅ ΡΡΡΠ±ΠΊΠΈ. Π Π°Π±ΠΎΡΠΈΠΉ ΡΠΈΠ»ΠΈΠ½Π΄Ρ ΡΡΡΠ°Π½ΠΎΠ²Π»Π΅Π½ Π½Π° ΠΏΡΠΈΠ±ΠΎΡΠ½ΠΎΠΉ ΠΏΠ°Π½Π΅Π»ΠΈ, ΠΈΡΠΏΠΎΠ»Π½ΠΈΡΠ΅Π»ΡΠ½ΡΠ΅ ΡΠΈΠ»ΠΈΠ½Π΄ΡΡ Π·Π°ΠΊΡΠ΅ΠΏΠ»Π΅Π½Ρ Π½Π° ΡΠ°ΡΠ°Ρ . ΠΡΠ΅ ΡΠΈΠ»ΠΈΠ½Π΄ΡΡ ΠΈ ΡΠΎΠ΅Π΄ΠΈΠ½ΠΈΡΠ΅Π»ΡΠ½ΡΠ΅ ΡΡΡΠ±ΠΊΠΈ Π³ΠΈΠ΄ΡΠΎΠΊΠΎΡΡΠ΅ΠΊΡΠΎΡΠ° Π·Π°ΠΏΠΎΠ»Π½Π΅Π½Ρ Π½ΠΈΠ·ΠΊΠΎΠ·Π°ΠΌΠ΅ΡΠ·Π°ΡΡΠ΅ΠΉ ΠΆΠΈΠ΄ΠΊΠΎΡΡΡΡ. ΠΠ΅Ρ Π°Π½ΠΈΠ·ΠΌ Π³ΠΈΠ΄ΡΠΎΠΊΠΎΡΡΠ΅ΠΊΡΠΎΡΠ° Π½Π΅ ΡΠ°Π·Π±ΠΎΡΠ½ΡΠΉ ΠΈ Π² ΡΠ»ΡΡΠ°Π΅ ΠΏΠΎΠ»ΠΎΠΌΠΊΠΈ ΠΏΠΎΠ»Π½ΠΎΡΡΡΡ Π·Π°ΠΌΠ΅Π½ΡΠ΅ΡΡΡ Π½Π° Π½ΠΎΠ²ΡΠΉ.
ΠΠ°Π΄Π½ΠΈΠΉ ΡΠΎΠ½Π°ΡΡ ΡΠΎΡΡΠΎΠΈΡ ΠΈΠ· ΠΎΡΠ½ΠΎΠ²Π°Π½ΠΈΡ, Π½Π° ΠΊΠΎΡΠΎΡΠΎΠΌ Π·Π°ΠΊΡΠ΅ΠΏΠ»Π΅Π½Π° Π»Π°ΠΌΠΏΠ°, ΡΠ°ΡΡΠ΅ΠΈΠ²Π°ΡΠ΅Π»Ρ, Π° ΡΠ°ΠΊΠΆΠ΅ Π·Π°ΡΠΈΡΠ½ΠΎΠ³ΠΎ ΠΊΠΎΠΆΡΡ
Π°. Π€ΠΎΠ½Π°ΡΡ ΠΊΡΠ΅ΠΏΠΈΡΡΡ ΠΊ ΠΊΡΠ·ΠΎΠ²Ρ Π°Π²ΡΠΎΠΌΠΎΠ±ΠΈΠ»Ρ ΠΏΡΠΈ ΠΏΠΎΠΌΠΎΡΠΈ Π³Π°Π΅ΠΊ. ΠΠ½ ΠΈΠΌΠ΅Π΅Ρ ΡΠ΅ΠΊΡΠΈΠΈ Ρ Π»Π°ΠΌΠΏΠ°ΠΌΠΈ Π³Π°Π±Π°ΡΠΈΡΠ½ΠΎΠ³ΠΎ ΡΠ²Π΅ΡΠ°, ΡΠ²Π΅ΡΠ° Π·Π°Π΄Π½Π΅Π³ΠΎ Ρ
ΠΎΠ΄Π°, ΡΠΈΠ³Π½Π°Π»ΠΎΠ² ΡΠΎΡΠΌΠΎΠΆΠ΅Π½ΠΈΡ ΠΈ ΠΏΠΎΠ²ΠΎΡΠΎΡΠ°, Π° ΡΠ°ΠΊΠΆΠ΅ ΡΠ΅ΠΊΡΠΈΠΈ Π΄Π»Ρ ΠΏΡΠΎΡΠΈΠ²ΠΎΡΡΠΌΠ°Π½Π½ΠΎΠ³ΠΎ ΡΠΎΠ½Π°ΡΡ. ΠΡΠ½ΠΎΠ²Π°Π½ΠΈΠ΅ ΠΏΡΠ΅Π΄ΡΡΠ°Π²Π»ΡΠ΅Ρ ΡΠΎΠ±ΠΎΠΉ ΠΏΠ»Π°ΡΡΠΎΡΠΌΡ Π΄Π»Ρ Π»Π°ΠΌΠΏ ΠΈ Π²ΡΠ²ΠΎΠ΄Π½ΠΎΠΉ ΠΊΠ»Π΅ΠΌΠΌΡ, ΠΊΠΎΡΠΎΡΠ°Ρ ΠΏΡΠ΅Π΄Π½Π°Π·Π½Π°ΡΠ΅Π½Π° Π΄Π»Ρ ΠΏΠΎΠ΄ΠΊΠ»ΡΡΠ΅Π½ΠΈΡ ΠΊΠΎΠ»ΠΎΠ΄ΠΊΠΈ Ρ ΠΏΡΡΠΊΠΎΠΌ ΠΏΡΠΎΠ²ΠΎΠ΄ΠΎΠ².
Π Π°ΡΡΠ΅ΠΈΠ²Π°ΡΠ΅Π»Ρ Π·Π°Π΄Π½Π΅Π³ΠΎ ΡΠΎΠ½Π°ΡΡ ΠΈΠΌΠ΅Π΅Ρ Π²ΡΡΡΠΎΠ΅Π½Π½ΡΠΉ ΠΎΡΡΠ°ΠΆΠ°ΡΠ΅Π»Ρ. ΠΡΠ°Π²ΡΠΉ ΡΠΎΠ½Π°ΡΡ ΠΏΡΠ΅Π΄ΡΡΠ°Π²Π»ΡΠ΅Ρ ΡΠΎΠ±ΠΎΠΉ Π·Π΅ΡΠΊΠ°Π»ΡΠ½ΠΎΠ΅ ΠΎΡΡΠ°ΠΆΠ΅Π½ΠΈΠ΅ Π»Π΅Π²ΠΎΠ³ΠΎ.
ΠΠ²ΡΠΊΠΎΠ²ΡΠ΅ ΡΠΈΠ³Π½Π°Π»Ρ ΠΌΠΎΠ³ΡΡ Π±ΡΡΡ Π±Π΅Π·ΡΡΠΏΠΎΡΠ½ΠΎΠ³ΠΎ ΠΈΠ»ΠΈ ΡΡΠΏΠΎΡΠ½ΠΎΠ³ΠΎ ΡΠΈΠΏΠ°. Π ΡΠΏΠΎΡΠ½ΡΠ΅ Π·Π²ΡΠΊΠΎΠ²ΡΠ΅ ΡΠΈΠ³Π½Π°Π»Ρ ΠΏΡΠ΅Π΄ΡΡΠ°Π²Π»ΡΡΡ ΡΠΎΠ±ΠΎΠΉ ΠΊΠΎΡΠΏΡΡ, Π² ΠΊΠΎΡΠΎΡΠΎΠΌ Π½Π°Ρ
ΠΎΠ΄ΠΈΡΡΡ ΡΠ»Π΅ΠΊΡΡΠΎΠΌΠ°Π³Π½ΠΈΡ Π² Π²ΠΈΠ΄Π΅ ΡΠ΅ΡΠ΄Π΅ΡΠ½ΠΈΠΊΠ° Ρ ΠΎΠ±ΠΌΠΎΡΠΊΠΎΠΉ. ΠΠ½ΡΡΡΠΈ ΡΠ»Π΅ΠΊΡΡΠΎΠΌΠ°Π³Π½ΠΈΡΠ° ΡΠ°ΡΠΏΠΎΠ»ΠΎΠΆΠ΅Π½ ΡΠΊΠΎΡΡ Ρ Π³ΡΡΠ·ΠΎΠΌ ΠΈ ΡΠ΅ΠΊΡΡΠΎΠ»ΠΈΡΠΎΠ²ΠΎΠΉ ΡΠ°ΠΉΠ±ΠΎΠΉ. Π―ΠΊΠΎΡΡ ΠΆΠ΅ΡΡΠΊΠΎ ΠΊΡΠ΅ΠΏΠΈΡΡΡ ΠΊ ΠΌΠ΅ΠΌΠ±ΡΠ°Π½Π΅. ΠΡΠΎΠΌΠ΅ ΡΡΠΎΠ³ΠΎ Π² ΠΊΠΎΡΠΏΡΡΠ΅ Π·Π²ΡΠΊΠΎΠ²ΠΎΠ³ΠΎ ΡΠΈΠ³Π½Π°Π»Π° ΡΠ°ΡΠΏΠΎΠ»ΠΎΠΆΠ΅Π½ ΠΌΠΎΡΡΠΈΠΊ Ρ ΠΏΠΎΠ΄Π²ΠΈΠΆΠ½ΡΠΌΠΈ ΠΈ Π½Π΅ΠΏΠΎΠ΄Π²ΠΈΠΆΠ½ΡΠΌΠΈ ΠΊΠΎΠ½ΡΠ°ΠΊΡΠ°ΠΌΠΈ. ΠΠ»Ρ ΡΡΠΈΠ»Π΅Π½ΠΈΡ Π·Π²ΡΠΊΠ° ΠΈΠΌΠ΅Π΅ΡΡΡ ΡΠΎΡΡΠ°Π²Π½ΠΎΠΉ ΡΡΠΏΡΡ, ΠΊΠΎΡΠΎΡΡΠΉ ΡΠΎΡΡΠΎΠΈΡ ΠΈΠ· ΠΊΡΡΡΠΊΠΈ ΠΈ ΠΊΠΎΡΠΏΡΡΠ°. Π’Π°ΠΊ ΠΊΠ°ΠΊ ΡΡΠΏΠΎΡΠ½ΡΠ΅ Π·Π²ΡΠΊΠΎΠ²ΡΠ΅ ΡΠΈΠ³Π½Π°Π»Ρ ΠΏΠΎΡΡΠ΅Π±Π»ΡΡΡ ΡΠΎΠΊ Π²ΡΡΠ΅ Π΄ΠΎΠΏΡΡΡΠΈΠΌΠΎΠ³ΠΎ Π΄Π»Ρ ΠΌΠ΅Ρ
Π°Π½ΠΈΡΠ΅ΡΠΊΠΈΡ
ΠΊΠ½ΠΎΠΏΠΎΡΠ½ΡΡ
Π²ΡΠΊΠ»ΡΡΠ°ΡΠ΅Π»Π΅ΠΉ, Π² ΡΠ΅ΠΏΠΈ Π·Π²ΡΠΊΠΎΠ²ΡΡ
ΡΠΈΠ³Π½Π°Π»ΠΎΠ² ΡΡΡΠ°Π½Π°Π²Π»ΠΈΠ²Π°Π΅ΡΡΡ Π²ΡΠΏΠΎΠΌΠΎΠ³Π°ΡΠ΅Π»ΡΠ½ΠΎΠ΅ ΡΠ΅Π»Π΅. ΠΡΠΈ Π²ΠΊΠ»ΡΡΠ΅Π½ΠΈΠΈ ΡΠΈΠ³Π½Π°Π»Π° ΡΠΎΠΊ ΠΏΠΎΡΡΡΠΏΠ°Π΅Ρ ΡΠ½Π°ΡΠ°Π»Π° Π² ΠΎΠ±ΠΌΠΎΡΠΊΡ Π²ΡΠΏΠΎΠΌΠΎΠ³Π°ΡΠ΅Π»ΡΠ½ΠΎΠ³ΠΎ ΡΠ΅Π»Π΅, Π·Π°ΡΠ΅ΠΌ ΠΏΠΎΡΡΡΠΏΠ°Π΅Ρ Π² ΠΎΠ±ΠΌΠΎΡΠΊΡ ΡΠ»Π΅ΠΊΡΡΠΎΠΌΠ°Π³Π½ΠΈΡΠ° ΠΈ ΡΠ΅ΡΠ΅Π· ΠΌΠ°ΡΡΡ Β«Π·Π°ΠΌΡΠΊΠ°Π΅ΡΒ» ΡΠ΅ΠΏΡ. ΠΡΠΈ ΡΡΠΎΠΌ ΠΏΠΎΠ΄ Π΄Π΅ΠΉΡΡΠ²ΠΈΠ΅ΠΌ ΡΠ»Π΅ΠΊΡΡΠΎΠΌΠ°Π³Π½ΠΈΡΠ° ΡΠΊΠΎΡΡ ΠΏΠ΅ΡΠ΅ΠΌΠ΅ΡΠ°Π΅ΡΡΡ Π²Π²Π΅ΡΡ
, Π²ΡΠ³ΠΈΠ±Π°Π΅Ρ ΠΌΠ΅ΠΌΠ±ΡΠ°Π½Ρ ΠΈ ΠΎΠ΄Π½ΠΎΠ²ΡΠ΅ΠΌΠ΅Π½Π½ΠΎ Ρ ΡΡΠΈΠΌ ΡΠ°Π·ΠΌΡΠΊΠ°Π΅Ρ ΠΊΠΎΠ½ΡΠ°ΠΊΡΡ.
ΠΠΎΡΠ»Π΅ ΡΡΠΎΠ³ΠΎ ΡΠ΅ΡΠ΄Π΅ΡΠ½ΠΈΠΊ ΡΠ°Π·ΠΌΠ°Π³Π½ΠΈΡΠΈΠ²Π°Π΅ΡΡΡ ΠΈ ΠΏΠΎΠ΄ Π΄Π΅ΠΉΡΡΠ²ΠΈΠ΅ΠΌ ΡΠΏΡΡΠ³ΠΎΠΉ Π΄ΠΈΠ°ΡΡΠ°Π³ΠΌΡ Π²ΠΎΠ·Π²ΡΠ°ΡΠ°Π΅ΡΡΡ Π² ΡΠ²ΠΎΠ΅ ΠΈΡΡ
ΠΎΠ΄Π½ΠΎΠ΅ ΠΏΠΎΠ»ΠΎΠΆΠ΅Π½ΠΈΠ΅, Π·Π°ΠΌΡΠΊΠ°Π΅Ρ ΠΊΠΎΠ½ΡΠ°ΠΊΡΡ, ΠΈ Π²Π΅ΡΡ ΠΏΡΠΎΡΠ΅ΡΡ ΠΏΠΎΠ²ΡΠΎΡΡΠ΅ΡΡΡ Π²Π½ΠΎΠ²Ρ. Π ΡΠ΅Π·ΡΠ»ΡΡΠ°ΡΠ΅ ΡΡΠΎΠ³ΠΎ ΡΠΊΠΎΡΡ Ρ ΠΌΠ΅ΠΌΠ±ΡΠ°Π½ΠΎΠΉ ΡΠΎΠ²Π΅ΡΡΠ°Π΅Ρ ΠΊΠΎΠ»Π΅Π±Π°Π½ΠΈΡ Ρ ΡΠ°ΡΡΠΎΡΠΎΠΉ 200 ΠΈ 400 ΠΡ, ΡΠ°ΠΊΠΎΠ΅ ΠΊΠΎΠ»Π΅Π±Π°Π½ΠΈΠ΅ ΠΈ ΡΠΎΠ·Π΄Π°Π΅Ρ Π·Π²ΡΠΊ. Π‘ΠΈΠ»Ρ ΠΈ ΡΠ΅ΠΌΠ±Ρ Π·Π²ΡΠΊΠ° ΠΌΠΎΠΆΠ½ΠΎ ΡΠ΅Π³ΡΠ»ΠΈΡΠΎΠ²Π°ΡΡ ΠΏΡΠΈ ΠΏΠΎΠΌΠΎΡΠΈ ΡΠ΅Π³ΡΠ»ΠΈΡΠΎΠ²ΠΎΡΠ½ΠΎΠ³ΠΎ Π²ΠΈΠ½ΡΠ°, ΠΊΠΎΡΠΎΡΡΠΉ ΠΏΠ΅ΡΠ΅ΠΌΠ΅ΡΠ°Π΅Ρ ΠΊΡΠ°ΠΉ ΠΌΠΎΡΡΠΈΠΊΠ° Ρ ΠΊΠΎΠ½ΡΠ°ΠΊΡΠ°ΠΌΠΈ, ΡΠ΅ΠΌ ΡΠ°ΠΌΡΠΌ ΠΈΠ·ΠΌΠ΅Π½ΡΡ ΠΌΠΎΠΌΠ΅Π½Ρ ΡΠ°Π·ΠΌΡΠΊΠ°Π½ΠΈΡ ΠΊΠΎΠ½ΡΠ°ΠΊΡΠΎΠ².
ΠΠ°ΠΊΠ°Π·Π°ΡΡ ΠΏΡΠΎΠ²Π΅ΡΠΊΡ Π°Π²ΡΠΎΠΌΠΎΠ±ΠΈΠ»ΡΠΠ°ΠΊΠ°Π·Π°ΡΡ ΠΏΠΎΠ΄Π±ΠΎΡ Π°Π²ΡΠΎΠΌΠΎΠ±ΠΈΠ»Ρ
ΠΠ²ΡΠΊΠΎΠ²Π°Ρ ΠΈ ΡΠ²Π΅ΡΠΎΠ²Π°Ρ ΡΠΈΠ³Π½Π°Π»ΠΈΠ·Π°ΡΠΈΡ Π°Π²ΡΠΎΠΌΠΎΠ±ΠΈΠ»Ρ
ΠΠ΅ Π½Π°Π΄ΠΎ Π·Π°Π±ΡΠ²Π°ΡΡ, ΡΡΠΎ Π°Π²ΡΠΎΠΌΠΎΠ±ΠΈΠ»Ρ Π½Π΅ ΡΠΎΠ»ΡΠΊΠΎ ΠΏΡΠ΅Π΄ΠΎΡΡΠ°Π²Π»ΡΠ΅Ρ ΠΊΠΎΠΌΡΠΎΡΡ ΠΈ ΡΠ΄ΠΎΠ±ΡΡΠ²ΠΎ ΠΏΡΠΈ ΠΏΠ΅ΡΠ΅Π΄Π²ΠΈΠΆΠ΅Π½ΠΈΠΈ, Π½ΠΎ Π΅ΡΠ΅ ΡΠ²Π»ΡΠ΅ΡΡΡ ΡΡΠ΅Π΄ΡΡΠ²ΠΎΠΌ ΠΏΠΎΠ²ΡΡΠ΅Π½Π½ΠΎΠΉ ΠΎΠΏΠ°ΡΠ½ΠΎΡΡΠΈ. ΠΠ»Ρ Π΅Π΅ ΡΠ½ΠΈΠΆΠ΅Π½ΠΈΡ ΡΠ°Π·ΡΠ°Π±ΠΎΡΡΠΈΠΊΠ°ΠΌΠΈ ΠΏΡΠΈΠ½ΠΈΠΌΠ°ΡΡΡΡ ΡΠ°Π·Π½ΡΠ΅ ΠΌΠ΅ΡΡ, Π²Π²ΠΎΠ΄ΡΡΡΡ Π² ΠΊΠΎΠ½ΡΡΡΡΠΊΡΠΈΡ ΡΠ°Π·Π½ΠΎΠΎΠ±ΡΠ°Π·Π½ΡΠ΅ ΠΏΡΠΈΠ±ΠΎΡΡ, ΠΈΠ½Π΄ΠΈΠΊΠ°ΡΠΎΡΡ, Π΄Π°ΡΡΠΈΠΊΠΈ, Π² ΡΠΎΠΌ ΡΠΈΡΠ»Π΅ Π°Π²Π°ΡΠΈΠΉΠ½Π°Ρ ΡΠ²Π΅ΡΠΎΠ²Π°Ρ ΡΠΈΠ³Π½Π°Π»ΠΈΠ·Π°ΡΠΈΡ. ΠΡΠ΅ ΡΡΠΎ ΡΠ»ΡΠΆΠΈΡ ΠΎΠ΄Π½ΠΎΠΉ Π·Π°Π΄Π°ΡΠ΅ β ΠΎΠ±Π΅ΡΠΏΠ΅ΡΠ΅Π½ΠΈΡ Π±Π΅Π·ΠΎΠΏΠ°ΡΠ½ΠΎΡΡΠΈ Π΄Π²ΠΈΠΆΠ΅Π½ΠΈΡ.
Π‘ΠΎΠ΄Π΅ΡΠΆΠ°Π½ΠΈΠ΅
- Π ΡΠ²Π΅ΡΠ΅, Π΅Π³ΠΎ ΠΌΠ΅ΡΡΠ΅ ΠΈ Π·Π½Π°ΡΠ΅Π½ΠΈΠΈ ΠΏΡΠΈ Π΄Π²ΠΈΠΆΠ΅Π½ΠΈΠΈ
- ΠΡΠΈΠ±ΠΎΡΡ ΠΎΡΠ²Π΅ΡΠ΅Π½ΠΈΡ ΠΊΠ°ΠΊ ΡΡΠ΅Π΄ΡΡΠ²ΠΎ Π±Π΅Π·ΠΎΠΏΠ°ΡΠ½ΠΎΡΡΠΈ Π΄Π²ΠΈΠΆΠ΅Π½ΠΈΡ
- ΠΠ²ΡΠΊ ΠΈ Π±Π΅Π·ΠΎΠΏΠ°ΡΠ½ΠΎΡΡΡ Π΄Π²ΠΈΠΆΠ΅Π½ΠΈΡ
Π ΡΠ²Π΅ΡΠ΅, Π΅Π³ΠΎ ΠΌΠ΅ΡΡΠ΅ ΠΈ Π·Π½Π°ΡΠ΅Π½ΠΈΠΈ ΠΏΡΠΈ Π΄Π²ΠΈΠΆΠ΅Π½ΠΈΠΈ
Π‘ΠΈΠ³Π½Π°Π»ΠΈΠ·Π°ΡΠΈΡ, ΠΊΠΎΡΠΎΡΠ°Ρ ΠΎΠΏΡΠ΅Π΄Π΅Π»ΡΠ΅ΡΡΡ ΠΊΠ°ΠΊ ΡΠ²Π΅ΡΠΎΠ²Π°Ρ, ΡΠ»ΡΠΆΠΈΡ Π΄Π»Ρ ΠΏΡΠ΅Π΄ΡΠΏΡΠ΅ΠΆΠ΄Π΅Π½ΠΈΡ Π²ΠΎΠ΄ΠΈΡΠ΅Π»Π΅ΠΉ Π΄ΡΡΠ³ΠΈΡ
ΠΌΠ°ΡΠΈΠ½ ΠΎ ΡΠΎΠ²Π΅ΡΡΠ΅Π½ΠΈΠΈ ΠΌΠ°Π½Π΅Π²ΡΠ° (ΠΏΠΎΠ²ΠΎΡΠΎΡ, ΡΠ°Π·Π²ΠΎΡΠΎΡ), ΡΠΎΡΠΌΠΎΠΆΠ΅Π½ΠΈΠΈ ΠΈΠ»ΠΈ Π½Π΅ΡΡΠ°ΡΠ½ΠΎΠΉ ΡΠΈΡΡΠ°ΡΠΈΠΈ.
Π ΡΠ²Π΅ΡΠΎΠ²ΠΎΠΉ ΡΠΈΠ³Π½Π°Π»ΠΈΠ·Π°ΡΠΈΠΈ Π°Π²ΡΠΎΠΌΠΎΠ±ΠΈΠ»Ρ Π² ΠΏΠ΅ΡΠ²ΡΡ ΠΎΡΠ΅ΡΠ΅Π΄Ρ ΠΎΡΠ½ΠΎΡΡΡΡΡ ΡΠ°ΠΊΠΈΠ΅ ΠΏΡΠΈΠ±ΠΎΡΡ:
- ΡΠΊΠ°Π·Π°ΡΠ΅Π»ΠΈ ΠΏΠΎΠ²ΠΎΡΠΎΡΠΎΠ²;
- Π°Π²Π°ΡΠΈΠΉΠ½Π°Ρ ΡΠ²Π΅ΡΠΎΠ²Π°Ρ ΡΠΈΠ³Π½Π°Π»ΠΈΠ·Π°ΡΠΈΡ;
- ΡΠΎΠ½Π°ΡΠΈ Π·Π°Π΄Π½Π΅Π³ΠΎ Ρ ΠΎΠ΄Π°;
- ΡΡΠΎΠΏ-ΡΠΈΠ³Π½Π°Π»Ρ.
Π‘ Π½Π΅ΠΊΠΎΡΠΎΡΠΎΠΉ Π΄ΠΎΠ»Π΅ΠΉ Π½Π°ΡΡΠΆΠΊΠΈ ΠΊ ΡΡΡΡΠΎΠΉΡΡΠ²Π°ΠΌ, ΠΎΠΊΠ°Π·ΡΠ²Π°ΡΡΠΈΠΌ Π²Π»ΠΈΡΠ½ΠΈΠ΅ Π½Π° Π±Π΅Π·ΠΎΠΏΠ°ΡΠ½ΠΎΡΡΡ, ΠΎΡΠ½ΠΎΠ²Π°Π½Π½ΡΠΌ Π½Π° ΡΠ²Π΅ΡΠΎΠ²ΠΎΠΉ ΠΈΠ½Π΄ΠΈΠΊΠ°ΡΠΈΠΈ, ΠΌΠΎΠΆΠ½ΠΎ ΠΎΡΠ½Π΅ΡΡΠΈ ΡΠΊΠ°Π·Π°ΡΠ΅Π»ΠΈ Π½Π° ΠΏΠ°Π½Π΅Π»ΠΈ ΠΈ Π·Π°Π΄Π½ΠΈΠ΅ ΠΏΡΠΎΡΠΈΠ²ΠΎΡΡΠΌΠ°Π½Π½ΡΠ΅ ΠΎΠ³Π½ΠΈ (ΠΠΠ). ΠΠ½Π΄ΠΈΠΊΠ°ΡΠΎΡΡ, Ρ ΠΎΡΡ ΠΈ Π½Π΅ ΠΈΠ½ΡΠΎΡΠΌΠΈΡΡΡΡ Π΄ΡΡΠ³ΠΈΡ ΡΡΠ°ΡΡΠ½ΠΈΠΊΠΎΠ² Π΄Π²ΠΈΠΆΠ΅Π½ΠΈΡ ΠΎ ΠΌΠ°Π½Π΅Π²ΡΠ°Ρ ΡΡΠ°Π½ΡΠΏΠΎΡΡΠ½ΠΎΠ³ΠΎ ΡΡΠ΅Π΄ΡΡΠ²Π°, Π½ΠΎ ΠΎΠΊΠ°Π·ΡΠ²Π°ΡΡ ΡΡΡΠ΅ΡΡΠ²Π΅Π½Π½ΠΎΠ΅ Π²Π»ΠΈΡΠ½ΠΈΠ΅ Π½Π° Π±Π΅Π·ΠΎΠΏΠ°ΡΠ½ΠΎΡΡΡ, ΠΏΡΠ΅Π΄ΡΠΏΡΠ΅ΠΆΠ΄Π°Ρ Π²ΠΎΠ΄ΠΈΡΠ΅Π»Ρ ΠΎ ΡΠ΅ΠΊΡΡΠ΅ΠΌ ΡΠΎΡΡΠΎΡΠ½ΠΈΠΈ ΠΌΠ°ΡΠΈΠ½Ρ. Π’Π°ΠΊ ΠΆΠ΅, ΠΊΠ°ΠΊ ΠΠΠ, ΠΊΠΎΡΠΎΡΡΠ΅, Π½Π΅ ΡΠ²Π»ΡΡΡΡ ΠΎΡΠ΄Π΅Π»ΡΠ½ΡΠΌ ΡΠ°ΠΌΠΎΡΡΠΎΡΡΠ΅Π»ΡΠ½ΡΠΌ ΡΡΡΡΠΎΠΉΡΡΠ²ΠΎΠΌ, Π²ΡΠΏΠΎΠ»Π½ΡΡΡ Π² ΡΠ»ΠΎΠΆΠ½ΡΡ ΡΡΠ»ΠΎΠ²ΠΈΡΡ ΡΡΠ½ΠΊΡΠΈΠΈ ΡΠ²Π΅ΡΠΎΠ²ΠΎΠΉ ΠΈΠ½Π΄ΠΈΠΊΠ°ΡΠΈΠΈ ΠΌΠ΅ΡΡΠΎΠΏΠΎΠ»ΠΎΠΆΠ΅Π½ΠΈΡ Π°Π²ΡΠΎΠΌΠ°ΡΠΈΠ½Ρ, ΠΏΠΎΠ²ΡΡΠ°Ρ ΠΎΠ±ΡΡΡ Π±Π΅Π·ΠΎΠΏΠ°ΡΠ½ΠΎΡΡΡ Π΄Π²ΠΈΠΆΠ΅Π½ΠΈΡ.
ΠΠ΅ ΠΊΠ°ΡΠ°ΡΡΡ Π²ΠΎΠΏΡΠΎΡΠΎΠ² ΡΠ°Π±ΠΎΡΡ ΠΊΠΎΠ½ΠΊΡΠ΅ΡΠ½ΡΡ
ΡΠ²Π΅ΡΠΎΠ²ΡΡ
ΡΡΡΡΠΎΠΉΡΡΠ², ΡΡΠΎΠΈΡ ΠΎΡΠΌΠ΅ΡΠΈΡΡ, ΡΡΠΎ ΠΊΠ°ΠΊ ΡΡΠ΅Π΄ΡΡΠ²Π° ΡΠΈΠ³Π½Π°Π»ΠΈΠ·Π°ΡΠΈΠΈ ΠΌΠΎΠ³ΡΡ Π±ΡΡΡ ΡΠ°ΠΊΠΆΠ΅ ΠΈΡΠΏΠΎΠ»ΡΠ·ΠΎΠ²Π°Π½Ρ Π΄ΡΡΠ³ΠΈΠ΅ ΠΏΡΠΈΠ±ΠΎΡΡ, Π½Π°ΠΏΡΠΈΠΌΠ΅Ρ ΠΎΡΠ²Π΅ΡΠ΅Π½ΠΈΡ.
ΠΡΠΈΠ±ΠΎΡΡ ΠΎΡΠ²Π΅ΡΠ΅Π½ΠΈΡ ΠΊΠ°ΠΊ ΡΡΠ΅Π΄ΡΡΠ²ΠΎ Π±Π΅Π·ΠΎΠΏΠ°ΡΠ½ΠΎΡΡΠΈ Π΄Π²ΠΈΠΆΠ΅Π½ΠΈΡ
ΠΡΠΈΠ±ΠΎΡΡ ΠΎΡΠ²Π΅ΡΠ΅Π½ΠΈΡ ΡΠ»ΡΠΆΠ°Ρ Π΄Π»Ρ ΠΎΠ±Π΅ΡΠΏΠ΅ΡΠ΅Π½ΠΈΡ Π²ΠΎΠ·ΠΌΠΎΠΆΠ½ΠΎΡΡΠΈ ΠΏΠ΅ΡΠ΅Π΄Π²ΠΈΠΆΠ΅Π½ΠΈΡ ΡΡΠ°Π½ΡΠΏΠΎΡΡΠ½ΠΎΠ³ΠΎ ΡΡΠ΅Π΄ΡΡΠ²Π° Π² ΡΡΠ»ΠΎΠ²ΠΈΡΡ ΠΏΠ»ΠΎΡ ΠΎΠΉ Π²ΠΈΠ΄ΠΈΠΌΠΎΡΡΠΈ. ΠΠ΄Π½Π°ΠΊΠΎ ΠΎΠ½ΠΈ ΠΏΠΎΠΌΠΎΠ³Π°ΡΡ Π²ΡΠΏΠΎΠ»Π½ΡΡΡ ΠΈ Π΄ΡΡΠ³ΡΡ Π·Π°Π΄Π°ΡΡ β ΡΠΊΠ°Π·Π°Π½ΠΈΠ΅ ΠΎ ΠΌΠ΅ΡΡΠΎΠΏΠΎΠ»ΠΎΠΆΠ΅Π½ΠΈΠΈ ΠΌΠ°ΡΠΈΠ½Ρ Π½Π° Π΄ΠΎΡΠΎΠ³Π΅, Π° ΡΠ°ΠΊΠΆΠ΅ ΠΈΠ½ΡΠΎΡΠΌΠΈΡΠΎΠ²Π°Π½ΠΈΠ΅ Π²ΠΎΠ΄ΠΈΡΠ΅Π»Ρ Π²ΡΡΡΠ΅ΡΠ½ΠΎΠΉ ΠΌΠ°ΡΠΈΠ½Ρ ΠΎ Π΄ΠΎΡΠΎΠΆΠ½ΠΎΠΉ ΡΠΈΡΡΠ°ΡΠΈΠΈ Π²ΠΏΠ΅ΡΠ΅Π΄ΠΈ. Π’Π°ΠΊ, Π΄Π²ΠΈΠΆΠ΅Π½ΠΈΠ΅ Ρ Π²ΠΊΠ»ΡΡΠ΅Π½Π½ΡΠΌΠΈ ΠΏΡΠΈΠ±ΠΎΡΠ°ΠΌΠΈ ΠΎΡΠ²Π΅ΡΠ΅Π½ΠΈΡ Π² Π΄Π½Π΅Π²Π½ΠΎΠ΅ Π²ΡΠ΅ΠΌΡ ΠΏΠΎΠ·Π²ΠΎΠ»ΡΠ΅Ρ ΡΠ²ΠΎΠ΅Π²ΡΠ΅ΠΌΠ΅Π½Π½ΠΎ Π·Π°ΠΌΠ΅ΡΠΈΡΡ Π²ΡΡΡΠ΅ΡΠ½ΡΠΉ Π°Π²ΡΠΎΠΌΠΎΠ±ΠΈΠ»Ρ ΠΈ ΠΎΠΏΡΠ΅Π΄Π΅Π»ΠΈΡΡ Π΄ΠΎ Π½Π΅Π³ΠΎ Π΄ΠΈΡΡΠ°Π½ΡΠΈΡ.
Π ΡΠΎ ΠΆΠ΅ Π²ΡΠ΅ΠΌΡ ΠΈΡΠΏΠΎΠ»ΡΠ·ΡΠ΅ΡΡΡ Π΄ΡΡΠ³Π°Ρ ΡΠΈΡΡΠ΅ΠΌΠ°, ΠΎΡΠ½ΠΎΠ²Π°Π½Π½Π°Ρ Π½Π° ΡΠ²Π΅ΡΠΎΠ²ΠΎΠΉ ΠΏΠΎΠ΄Π°ΡΠ΅ ΡΠΈΠ³Π½Π°Π»ΠΎΠ², Π±Π»Π°Π³ΠΎΠ΄Π°ΡΡ ΠΊΠΎΡΠΎΡΠΎΠΉ Π²ΠΎΠ΄ΠΈΡΠ΅Π»ΠΈ Π²ΡΡΡΠ΅ΡΠ½ΠΎΠ³ΠΎ ΡΡΠ°Π½ΡΠΏΠΎΡΡΠ° ΠΈΠ½ΡΠΎΡΠΌΠΈΡΡΡΡ Π΄ΡΡΠ³ΠΈΡ ΡΡΠ°ΡΡΠ½ΠΈΠΊΠΎΠ² Π΄Π²ΠΈΠΆΠ΅Π½ΠΈΡ ΠΎ Π΄ΠΎΡΠΎΠΆΠ½ΠΎΠΉ ΠΎΠ±ΡΡΠ°Π½ΠΎΠ²ΠΊΠ΅ Π²ΠΏΠ΅ΡΠ΅Π΄ΠΈ. ΠΠ»Ρ ΡΡΠΎΠ³ΠΎ ΠΈΡΠΏΠΎΠ»ΡΠ·ΡΡΡΡΡ ΠΏΡΠΈΠ±ΠΎΡΡ ΠΎΡΠ²Π΅ΡΠ΅Π½ΠΈΡ. ΠΡΠΎΡΡΠΎ Π΄Π»Ρ ΠΏΠΎΠ΄ΡΠ²Π΅ΡΠΆΠ΄Π΅Π½ΠΈΡ ΡΡΠΎΠ³ΠΎ ΡΠ°ΠΊΡΠ° ΠΌΠΎΠΆΠ½ΠΎ ΠΏΡΠΈΠ²Π΅ΡΡΠΈ, ΠΊΠ°ΠΊ ΠΏΡΠΈΠΌΠ΅Ρ, ΠΏΠΎΠ΄Π°ΡΡ ΡΠ°ΠΊΠΈΡ ΡΠΈΠ³Π½Π°Π»ΠΎΠ²:
- ΠΏΠΎΠ΄Π°ΡΠ° Π½Π° ΠΏΠ΅ΡΠ΅ΠΊΡΠ΅ΡΡΠΊΠ΅ ΠΈΠ»ΠΈ Π² ΠΏΡΠΎΠ±ΠΊΠ΅ ΠΊΠΎΡΠΎΡΠΊΠΎΠΉ Π²ΡΠΏΡΡΠΊΠΈ Π΄Π°Π»ΡΠ½ΠΈΠΌ ΡΠ²Π΅ΡΠΎΠΌ β ΠΏΡΠΎΠ΅Π·ΠΆΠ°ΠΉ;
- Π΄Π²ΠΎΠΉΠ½Π°Ρ Π²ΡΠΏΡΡΠΊΠ° Π΄Π°Π»ΡΠ½ΠΈΠΌ ΡΠ²Π΅ΡΠΎΠΌ Π²ΡΡΡΠ΅ΡΠ½ΠΎΠΉ ΠΌΠ°ΡΠΈΠ½Π΅ β Π²ΠΏΠ΅ΡΠ΅Π΄ΠΈ ΠΎΠΏΠ°ΡΠ½ΡΠΉ ΡΡΠ°ΡΡΠΎΠΊ (Π·Π°ΡΠΎΡ, ΠΏΠΎΠ²ΡΠ΅ΠΆΠ΄Π΅Π½ΠΈΠ΅ Π΄ΠΎΡΠΎΠΆΠ½ΠΎΠ³ΠΎ ΠΏΠΎΠ»ΠΎΡΠ½Π°, Π°Π²Π°ΡΠΈΡ ΠΈ Ρ.
Π΄.) ΠΈΠ»ΠΈ ΠΠΠ‘; - ΡΠ΅ΡΠΈΡ Π²ΡΠΏΡΡΠ΅ΠΊ Π΄Π°Π»ΡΠ½ΠΈΠΌ ΡΠ²Π΅ΡΠΎΠΌ Π°Π²ΡΠΎΠΌΠΎΠ±ΠΈΠ»Ρ, Π΄Π²ΠΈΠΆΡΡΠ΅ΠΌΡΡΡ Ρ Π½ΠΈΠ·ΠΊΠΎΠΉ ΡΠΊΠΎΡΠΎΡΡΡΡ Π² ΠΏΠΎΠΏΡΡΠ½ΠΎΠΌ Π½Π°ΠΏΡΠ°Π²Π»Π΅Π½ΠΈΠΈ β ΡΡΡΡΠΏΠΈ Π΄ΠΎΡΠΎΠ³Ρ;
- ΠΊΡΠ°ΡΠΊΠΎΠ²ΡΠ΅ΠΌΠ΅Π½Π½ΡΠ΅, Π½Π΅ Π±ΠΎΠ»ΡΡΠ΅ ΠΎΠ΄Π½ΠΎΠ³ΠΎ-Π΄Π²ΡΡ ΠΌΠΈΠ³Π°Π½ΠΈΠΉ Π°Π²Π°ΡΠΈΠΉΠΊΠΎΠΉ ΠΏΠΎΡΠ»Π΅ ΠΎΠ±Π³ΠΎΠ½Π° β Π·Π½Π°ΠΊ Π±Π»Π°Π³ΠΎΠ΄Π°ΡΠ½ΠΎΡΡΠΈ, ΡΠΏΠ°ΡΠΈΠ±ΠΎ Π²ΠΎΠ΄ΠΈΡΠ΅Π»Ρ ΠΎΠ±Π³ΠΎΠ½ΡΠ΅ΠΌΠΎΠ³ΠΎ Π°Π²ΡΠΎΠΌΠΎΠ±ΠΈΠ»Ρ, Π½Π°ΠΏΡΠΈΠΌΠ΅Ρ, Π·Π° ΡΠΎ, ΡΡΠΎ ΡΡΡΡΠΏΠΈΠ» Π΄ΠΎΡΠΎΠ³Ρ.
ΠΠΎΠ½Π΅ΡΠ½ΠΎ, ΠΏΡΠΈΠ²Π΅Π΄Π΅Π½Π½ΡΠΌΠΈ ΠΏΡΠΈΠΌΠ΅ΡΠ°ΠΌΠΈ Π΄Π°Π»Π΅ΠΊΠΎ Π½Π΅ ΠΈΡΡΠ΅ΡΠΏΡΠ²Π°Π΅ΡΡΡ ΡΠΈΡΡΠ΅ΠΌΠ°, ΡΠΎΠ³Π»Π°ΡΠ½ΠΎ ΠΊΠΎΡΠΎΡΠΎΠΉ Ρ ΠΏΠΎΠΌΠΎΡΡΡ ΠΏΡΠΈΠ±ΠΎΡΠΎΠ² ΠΎΡΠ²Π΅ΡΠ΅Π½ΠΈΡ ΠΎΡΡΡΠ΅ΡΡΠ²Π»ΡΠ΅ΡΡΡ ΡΠ²Π΅ΡΠΎΠ²Π°Ρ ΠΏΠΎΠ΄Π°ΡΠ° ΡΠΈΠ³Π½Π°Π»ΠΎΠ², ΠΏΡΠ΅Π΄ΠΎΡΡΠ°Π²Π»ΡΡ Π²ΠΎΠ΄ΠΈΡΠ΅Π»Ρ Π΄ΠΎΠΏΠΎΠ»Π½ΠΈΡΠ΅Π»ΡΠ½ΡΡ ΠΈΠ½ΡΠΎΡΠΌΠ°ΡΠΈΡ ΠΎ ΡΠΈΡΡΠ°ΡΠΈΠΈ Π½Π° Π΄ΠΎΡΠΎΠ³Π΅ ΠΈ ΠΏΠΎΠ·Π²ΠΎΠ»ΡΡ Π΅ΠΌΡ ΠΏΡΠ΅Π΄ΠΏΡΠΈΠ½ΡΡΡ Π½Π΅ΠΎΠ±Ρ ΠΎΠ΄ΠΈΠΌΡΠ΅ Π΄Π΅ΠΉΡΡΠ²ΠΈΡ. Π₯ΠΎΡΡ Π΄Π»Ρ ΡΡΠΎΠ³ΠΎ ΠΈΡΠΏΠΎΠ»ΡΠ·ΡΡΡΡΡ ΠΏΡΠΈΠ±ΠΎΡΡ ΠΎΡΠ²Π΅ΡΠ΅Π½ΠΈΡ, ΠΎΡ ΡΡΠΎΠ³ΠΎ ΠΎΠ½Π° Π½Π΅ ΡΡΠ°Π½ΠΎΠ²ΠΈΡΡΡ ΠΌΠ΅Π½Π΅Π΅ ΡΡΡΠ΅ΠΊΡΠΈΠ²Π½ΠΎΠΉ.
ΠΠ²ΡΠΊ ΠΈ Π±Π΅Π·ΠΎΠΏΠ°ΡΠ½ΠΎΡΡΡ Π΄Π²ΠΈΠΆΠ΅Π½ΠΈΡ
ΠΠ²ΡΠΊΠΎΠ²Π°Ρ ΡΠΈΠ³Π½Π°Π»ΠΈΠ·Π°ΡΠΈΡ Π² ΠΏΠ΅ΡΠ²ΡΡ ΠΎΡΠ΅ΡΠ΅Π΄Ρ ΠΏΡΠΈΠΌΠ΅Π½ΡΠ΅ΡΡΡ Π΄Π»Ρ ΠΎΠΏΠΎΠ²Π΅ΡΠ΅Π½ΠΈΡ Π²ΠΎΠ΄ΠΈΡΠ΅Π»Π΅ΠΉ ΠΈ ΠΏΠ΅ΡΠ΅Ρ
ΠΎΠ΄ΠΎΠ² ΠΎ ΠΏΡΠΈΠ±Π»ΠΈΠΆΠ΅Π½ΠΈΠΈ ΡΡΠ°Π½ΡΠΏΠΎΡΡΠ°. Π’Π°ΠΊΠΎΠΉ ΡΠΈΠ³Π½Π°Π» ΠΏΠΎΠ΄Π°Π΅ΡΡΡ ΠΏΡΠΈ ΡΠ°Π±ΠΎΡΠ΅ ΡΠ°Π·Π»ΠΈΡΠ½ΡΡ
ΡΡΡΡΠΎΠΉΡΡΠ², ΡΠΎΠΎΠ±ΡΠ°Ρ ΠΎΠ± ΠΈΡ
ΡΠΎΡΡΠΎΡΠ½ΠΈΠΈ. ΠΠ°ΠΏΡΠΈΠΌΠ΅Ρ, ΠΏΡΠΈ Π²ΠΊΠ»ΡΡΠ΅Π½ΠΈΠΈ ΡΠΊΠ°Π·Π°ΡΠ΅Π»Ρ ΠΏΠΎΠ²ΠΎΡΠΎΡΠΎΠ² ΠΏΠΎΡΠ²Π»ΡΠ΅ΡΡΡ Π·Π²ΡΠΊΠΎΠ²ΠΎΠΉ ΡΠΈΠ³Π½Π°Π». Π ΠΊΠ°ΡΠ΅ΡΡΠ²Π΅ ΠΎΠ±ΡΠ·Π°ΡΠ΅Π»ΡΠ½ΠΎΠ³ΠΎ ΡΠ»Π΅ΠΌΠ΅Π½ΡΠ° Π·Π²ΡΠΊΠΎΠ²Π°Ρ ΡΠΈΠ³Π½Π°Π»ΠΈΠ·Π°ΡΠΈΡ Π²Ρ
ΠΎΠ΄ΠΈΡ Π² ΡΠΎΡΡΠ°Π² Π»ΡΠ±ΠΎΠΉ ΠΏΡΠΎΡΠΈΠ²ΠΎΡΠ³ΠΎΠ½Π½ΡΡ
ΡΠΈΡΡΠ΅ΠΌ.
ΠΠ°ΠΊ ΠΏΡΠ°Π²ΠΈΠ»ΠΎ, ΠΏΡΠΈΠΌΠ΅Π½ΡΠ΅ΠΌΡΠ΅ ΡΠΈΠ³Π½Π°Π»Ρ ΡΠ°Π·Π΄Π΅Π»ΡΡΡ:
- ΠΏΠΎ ΡΡΡΡΠΎΠΉΡΡΠ²Ρ β Π±Π΅Π·ΡΡΠΏΠΎΡΠ½ΡΠ΅ ΠΈ ΡΡΠΏΠΎΡΠ½ΡΠ΅;
- ΠΏΠΎ Ρ Π°ΡΠ°ΠΊΡΠ΅ΡΡ Π·Π²ΡΡΠ°Π½ΠΈΡ β ΡΠΎΠ½Π°Π»ΡΠ½ΡΠ΅ ΠΈ ΡΡΠΌΠΎΠ²ΡΠ΅;
- ΠΏΠΎ ΠΏΡΠΈΠ½ΡΠΈΠΏΡ Π΄Π΅ΠΉΡΡΠ²ΠΈΡ β ΡΠ»Π΅ΠΊΡΡΠΈΡΠ΅ΡΠΊΠΈΠ΅ ΠΈ ΡΠ»Π΅ΠΊΡΡΠΎΠΏΠ½Π΅Π²ΠΌΠ°ΡΠΈΡΠ΅ΡΠΊΠΈΠ΅.
ΠΠ΅ΡΠΌΠΎΡΡΡ Π½Π° ΡΠ°Π·Π»ΠΈΡΠΈΡ Π² ΡΡΡΡΠΎΠΉΡΡΠ²Π΅, ΡΠΎΠ½Π°Π»ΡΠ½ΡΠ΅ ΠΈ ΡΡΠΌΠΎΠ²ΡΠ΅ ΡΠΈΠ³Π½Π°Π»Ρ Π½Π΅Π·Π½Π°ΡΠΈΡΠ΅Π»ΡΠ½ΠΎ ΡΠ°Π·Π½ΡΡΡΡ ΠΌΠ΅ΠΆΠ΄Ρ ΡΠΎΠ±ΠΎΠΉ, Π° Π½Π°ΠΈΠ±ΠΎΠ»Π΅Π΅ ΡΠ°ΡΠΏΡΠΎΡΡΡΠ°Π½Π΅Π½Π½ΡΠΌΠΈ ΡΠ²Π»ΡΡΡΡΡ ΡΠ»Π΅ΠΊΡΡΠΈΡΠ΅ΡΠΊΠΈΠ΅ Π±Π΅Π·ΡΡΠΏΠΎΡΠ½ΡΠ΅ ΠΈ ΡΡΠΏΠΎΡΠ½ΡΠ΅ ΡΠΈΠ³Π½Π°Π»Ρ. ΠΠ±ΡΡΠ½ΠΎ Π·Π²ΡΠΊΠΎΠ²Π°Ρ ΡΠΈΠ³Π½Π°Π»ΠΈΠ·Π°ΡΠΈΡ Π²ΠΊΠ»ΡΡΠ°Π΅Ρ Π² ΡΠ²ΠΎΠΉ ΡΠΎΡΡΠ°Π² Π½Π΅ΡΠΊΠΎΠ»ΡΠΊΠΎ ΠΎΡΠ΄Π΅Π»ΡΠ½ΡΡ ΡΠΈΠ³Π½Π°Π»ΠΎΠ² ΡΠ°Π·Π½ΠΎΠ³ΠΎ ΡΠΎΠ½Π° β Π½ΠΈΠ·ΠΊΠΎΠ³ΠΎ ΠΈ Π²ΡΡΠΎΠΊΠΎΠ³ΠΎ.
Π‘Π²Π΅ΡΠΎΠ²Π°Ρ ΠΈ Π·Π²ΡΠΊΠΎΠ²Π°Ρ ΡΠΈΠ³Π½Π°Π»ΠΈΠ·Π°ΡΠΈΡ ΡΠ²Π»ΡΠ΅ΡΡΡ ΠΎΠ±ΡΠ·Π°ΡΠ΅Π»ΡΠ½ΠΎΠΉ ΠΈ Π½Π΅ΠΎΡΡΠ΅ΠΌΠ»Π΅ΠΌΠΎΠΉ ΡΠΎΡΡΠ°Π²Π½ΠΎΠΉ ΡΠ°ΡΡΡΡ ΡΠΎΠ²ΡΠ΅ΠΌΠ΅Π½Π½ΠΎΠ³ΠΎ ΡΡΠ°Π½ΡΠΏΠΎΡΡΠ½ΠΎΠ³ΠΎ ΡΡΠ΅Π΄ΡΡΠ²Π° ΠΈ ΡΠ»ΡΠΆΠΈΡ Π΄Π»Ρ ΠΎΠ±Π΅ΡΠΏΠ΅ΡΠ΅Π½ΠΈΡ Π±Π΅Π·ΠΎΠΏΠ°ΡΠ½ΡΡ ΡΡΠ»ΠΎΠ²ΠΈΠΉ ΠΏΡΠΈ Π΄Π²ΠΈΠΆΠ΅Π½ΠΈΠΈ Π°Π²ΡΠΎΠΌΠΎΠ±ΠΈΠ»Ρ ΠΈ ΠΏΡΠ΅Π΄ΠΎΡΠ²ΡΠ°ΡΠ΅Π½ΠΈΡ Π΄ΠΎΡΠΎΠΆΠ½ΡΡ ΠΏΡΠΎΠΈΡΡΠ΅ΡΡΠ²ΠΈΠΉ.
Π‘ΠΈΡΡΠ΅ΠΌΠ° ΠΎΡΠ²Π΅ΡΠ΅Π½ΠΈΡ ΠΈ ΡΠ²Π΅ΡΠΎΠ²ΠΎΠΉ ΡΠΈΠ³Π½Π°Π»ΠΈΠ·Π°ΡΠΈΠΈ Π°Π²ΡΠΎΠΌΠΎΠ±ΠΈΠ»Ρ
Π‘ΠΈΡΡΠ΅ΠΌΠ° ΠΎΡΠ²Π΅ΡΠ΅Π½ΠΈΡ ΠΈ ΡΠ²Π΅ΡΠΎΠ²ΠΎΠΉ ΡΠΈΠ³Π½Π°Π»ΠΈΠ·Π°ΡΠΈΠΈΒ Π°Π²ΡΠΎΠΌΠΎΠ±ΠΈΠ»Ρ
Π‘ΠΈΡΡΠ΅ΠΌΠ° ΠΎΡΠ²Π΅ΡΠ΅Π½ΠΈΡ ΠΎΠ±Π΅ΡΠΏΠ΅ΡΠΈΠ²Π°Π΅Ρ ΡΠ°Π±ΠΎΡΡ Π°Π²ΡΠΎΠΌΠΎΠ±ΠΈΠ»Ρ Π² Π½ΠΎΡΠ½ΠΎΠ΅ Π²ΡΠ΅ΠΌΡ.
Π ΡΠΈΡΡΠ΅ΠΌΡ ΠΎΡΠ²Π΅ΡΠ΅Π½ΠΈΡ Π²Ρ
ΠΎΠ΄ΡΡ: ΠΏΠ΅ΡΠ΅Π΄Π½ΠΈΠ΅ ΡΠ°ΡΡ, ΠΏΠΎΠ΄ΡΠ°ΡΠ½ΠΈΠΊΠΈ, Π·Π°Π΄Π½ΠΈΠ΅ ΡΠΎΠ½Π°ΡΠΈ, Π»Π°ΠΌΠΏΡ ΠΎΡΠ²Π΅ΡΠ΅Π½ΠΈΡ ΡΠΈΡΠΊΠ° ΠΏΡΠΈΠ±ΠΎΡΠΎΠ², ΠΏΠ»Π°ΡΠΎΠ½Ρ Π²Π½ΡΡΡΠ΅Π½Π½Π΅Π³ΠΎ ΠΎΡΠ²Π΅ΡΠ΅Π½ΠΈΡ ΠΊΠ°Π±ΠΈΠ½Ρ ΠΏΠ»ΠΈ ΠΊΡΠ·ΠΎΠ²Π°, Π³Π»Π°Π²Π½ΡΠΉ ΠΈ Π½ΠΎΠΆΠ½ΠΎΠΉ ΠΏΠ΅ΡΠ΅ΠΊΠ»ΡΡΠ°ΡΠ΅Π»ΠΈ, ΠΏΠ΅ΡΠ΅ΠΊΠ»ΡΡΠ°ΡΠ΅Π»ΠΈ Π»Π°ΠΌΠΏ ΡΠΈΡΠΊΠ° ΠΈ ΠΊΠ°Π±ΠΈΠ½Ρ, ΠΏΡΠ΅Π΄ΠΎΡ
ΡΠ°Π½ΠΈΡΠ΅Π»ΠΈ ΠΈ ΠΏΡΠΎΠ²ΠΎΠ΄Π°. Π£ Π½Π΅ΠΊΠΎΡΠΎΡΡΡ
Π°Π²ΡΠΎΠΌΠΎΠ±ΠΈΠ»Π΅ΠΉ, ΠΊΡΠΎΠΌΠ΅ ΠΏΠ΅ΡΠ΅Π΄Π½ΠΈΡ
ΡΠ°Ρ, Π²ΠΏΠ΅ΡΠ΅Π΄ΠΈ ΡΡΡΠ°Π½ΠΎΠ²Π»Π΅Π½Π° ΡΠ°ΡΠ°-ΠΏΡΠΎΠΆΠ΅ΠΊΡΠΎΡ, ΠΏΠΎΠ·Π²ΠΎΠ»ΡΡΡΠ°Ρ Π½Π°ΠΏΡΠ°Π²Π»ΡΡΡ ΠΏΡΡΠΎΠΊ ΡΠ²Π΅ΡΠ° Π² Π½Π΅ΠΎΠ±Ρ
ΠΎΠ΄ΠΈΠΌΠΎΠΌ Π½Π°ΠΏΡΠ°Π²Π»Π΅Π½ΠΈΠΈ. Π’Π°ΠΊ ΠΆΠ΅ ΡΡΡΠ°Π½Π°Π²Π»ΠΈΠ²Π°ΡΡ ΡΠΏΠ΅ΡΠΈΠ°Π»ΡΠ½ΡΠ΅ ΠΏΡΠΎΡΠΈΠ²ΠΎΡΡΠΌΠ°Π½Π½ΡΠ΅ ΡΠ°ΡΡ.
Π‘Π²Π΅ΡΠΎΠ²Π°Ρ ΡΠΈΠ³Π½Π°Π»ΠΈΠ·Π°ΡΠΈΡ ΠΎΠ±Π΅ΡΠΏΠ΅ΡΠΈΠ²Π°Π΅Ρ Π±Π΅Π·ΠΎΠΏΠ°ΡΠ½ΠΎΡΡΡ Π΄Π²ΠΈΠΆΠ΅Π½ΠΈΡ Π°Π²ΡΠΎΠΌΠΎΠ±ΠΈΠ»Ρ ΠΏ ΠΈΠΌΠ΅Π΅Ρ ΡΡΠΎΠΏ-ΡΠΈΠ³Π½Π°Π», ΡΠΊΠ°Π·Π°ΡΠ΅Π»Ρ ΠΏΠΎΠ²ΠΎΡΠΎΡΠΎΠ² ΠΈ ΡΠΈΠ³Π½Π°Π»ΡΠ½ΡΠΉ ΡΠ²Π΅Ρ Π·Π°Π΄Π½Π΅Π³ΠΎ Ρ ΠΎΠ΄Π°. ΠΡΠ΅ ΡΠ°ΡΡΠΈ ΡΠΈΡΡΠ΅ΠΌΡ ΠΎΡΠ²Π΅ΡΠ΅Π½ΠΈΡ ΠΈ ΡΠ²Π΅ΡΠΎΠ²ΠΎΠΉ ΡΠΈΠ³Π½Π°Π»ΠΈΠ·Π°ΡΠΈΠΈ ΠΏΠΈΡΠ°ΡΡΡΡ ΠΎΡ Π°ΠΊΠΊΡΠΌΡΠ»ΡΡΠΎΡΠ½ΠΎΠΉ Π±Π°ΡΠ°ΡΠ΅ΠΈ ΠΈΠ»ΠΈ Π³Π΅Π½Π΅ΡΠ°ΡΠΎΡΠ° ΠΈ ΡΠΎΠ΅Π΄ΠΈΠ½Π΅Π½Ρ ΠΏΡΠΎΠ²ΠΎΠ΄Π°ΠΌΠΈ.
β
Π Π΅ΠΊΠ»Π°ΠΌΠ½ΡΠ΅ ΠΏΡΠ΅Π΄Π»ΠΎΠΆΠ΅Π½ΠΈΡ Π½Π° ΠΎΡΠ½ΠΎΠ²Π΅ Π²Π°ΡΠΈΡ ΠΈΠ½ΡΠ΅ΡΠ΅ΡΠΎΠ²:
ΠΠΎΠΏΠΎΠ»Π½ΠΈΡΠ΅Π»ΡΠ½ΡΠ΅ ΠΌΠ°ΡΠ΅ΡΠΈΠ°Π»Ρ ΠΏΠΎ ΡΠ΅ΠΌΠ΅:
ΠΠΎΠ½ΡΡΠΎΠ»ΡΠ½ΠΎ-ΠΈΠ·ΠΌΠ΅ΡΠΈΡΠ΅Π»ΡΠ½ΡΠ΅ ΠΏΡΠΈΠ±ΠΎΡΡ ΠΎΠ±Π΅ΡΠΏΠ΅ΡΠΈΠ²Π°ΡΡ ΠΊΠΎΠ½ΡΡΠΎΠ»Ρ ΡΠ°Π·Π»ΠΈΡΠ½ΡΡ
ΠΏΠ°ΡΠ°ΠΌΠ΅ΡΡΠΎΠ² Π°Π³ΡΠ΅Π³Π°ΡΠΎΠ² ΠΈ ΡΠΈΡΡΠ΅ΠΌ Π°Π²ΡΠΎΠΌΠΎΠ±ΠΈΠ»Ρ. ΠΠ° Π°Π²ΡΠΎΠΌΠΎΠ±ΠΈΠ»Π΅ ΠΊΠΎΠ½ΡΡΠΎΠ»ΠΈΡΡΠ΅ΡΡΡ Π΄ΠΎΡΡΠ°ΡΠΎΡΠ½ΠΎ Π±ΠΎΠ»ΡΡΠΎΠ΅ ΡΠΈΡΠ»ΠΎ ΠΏΠ°ΡΠ°ΠΌΠ΅ΡΡΠΎΠ²: ΡΠ΅ΠΌΠΏΠ΅ΡΠ°ΡΡΡΠ° ΠΈ Π΄Π°Π²Π»Π΅Π½ΠΈΠ΅ Π² ΡΠ°Π·Π»ΠΈΡΠ½ΡΡ
ΡΠΈΡΡΠ΅ΠΌΠ°Ρ
, ΡΡΠΎΠ²Π΅Π½Ρ (Π·Π°ΠΏΠ°Ρ) ΠΆΠΈΠ΄ΠΊΠΎΡΡΠ΅ΠΉ, ΡΠΊΠΎΡΠΎΡΡΡ Π΄Π²ΠΈΠΆΠ΅Π½ΠΈΡ Π°Π²ΡΠΎΠΌΠΎΠ±ΠΈΠ»Ρ ΠΈ ΠΏΡΠΎΠΉΠ΄Π΅Π½Π½ΡΠΉ ΠΏΡΡΡ, ΡΠ°ΡΡΠΎΡΠ° Π²ΡΠ°ΡΠ΅Π½ΠΈΡ ΠΊΠΎΠ»Π΅Π½ΡΠ°ΡΠΎΠ³ΠΎ Π²Π°Π»Π° Π΄Π²ΠΈΠ³Π°ΡΠ΅Π»Ρ, Π·Π°ΡΡΠ΄Π½ΡΠΉ ΡΠ΅ΠΆΠΈΠΌ Π½Π° Π°Π²ΡΠΎΠΌΠΎΠ±ΠΈΠ»Π΅.
Π ΡΠ΅Π»ΠΎΠΌ ΠΏΡΠΈΠ±ΠΎΡΡ ΠΌΠΎΠΆΠ½ΠΎ ΡΠ°Π·Π΄Π΅Π»ΠΈΡΡ Π½Π° Π΄Π²Π΅ Π³ΡΡΠΏΠΏΡ: ΠΎΠ΄Π½ΠΈ ΠΏΡΠΈΠ±ΠΎΡΡ ΠΏΠΎΠ·Π²ΠΎΠ»ΡΡΡ ΠΎΡΠ΅Π½ΠΈΡΡ ΡΠ΅Ρ
Π½ΠΈΡΠ΅ΡΠΊΠΎΠ΅ ΡΠΎΡΡΠΎΡΠ½ΠΈΠ΅ ΡΠ·Π»ΠΎΠ² Π°Π²ΡΠΎΠΌΠΎΠ±ΠΈΠ»Ρ, Π΄ΡΡΠ³ΠΈΠ΅ ΠΏΠΎΠΌΠΎΠ³Π°ΡΡ Π²ΠΎΠ΄ΠΈΡΠ΅Π»Ρ ΠΏΡΠ°Π²ΠΈΠ»ΡΠ½ΠΎ Π²ΡΠ±ΡΠ°ΡΡ ΡΠ΅ΠΆΠΈΠΌΡ ΡΠ°Π±ΠΎΡΡ Π°Π²ΡΠΎΠΌΠΎΠ±ΠΈΠ»Ρ ΠΈ Π΅Π³ΠΎ ΠΎΡΠ½ΠΎΠ²Π½ΡΡ
ΡΠ·Π»ΠΎΠ².
Π‘ΠΈΡΡΠ΅ΠΌΠ° ΠΎΡΠ²Π΅ΡΠ΅Π½ΠΈΡ ΠΈ ΡΠ²Π΅ΡΠΎΠ²ΠΎΠΉ ΡΠΈΠ³Π½Π°Π»ΠΈΠ·Π°ΡΠΈΠΈ ΠΎΠ±Π΅ΡΠΏΠ΅ΡΠΈΠ²Π°Π΅Ρ Π±Π΅Π·ΠΎΠΏΠ°ΡΠ½ΠΎΡΡΡ Π΄Π²ΠΈΠΆΠ΅Π½ΠΈΡ. Π Π½Π΅Π΅ Π²Ρ ΠΎΠ΄ΡΡ ΠΎΡΠ²Π΅ΡΠΈΡΠ΅Π»ΡΠ½ΡΠ΅ ΠΈ ΡΠ²Π΅ΡΠΎΠ²ΡΠ΅ ΡΠΈΠ³Π½Π°Π»ΡΠ½ΡΠ΅ ΠΏΡΠΈΠ±ΠΎΡΡ, ΠΎΠ±ΡΠ°Π·ΡΡΡΠΈΠ΅ Π΄Π²Π΅ Π²Π·Π°ΠΈΠΌΠΎΡΠ²ΡΠ·Π°Π½Π½ΡΠ΅ ΠΌΠ΅ΠΆΠ΄Ρ ΡΠΎΠ±ΠΎΠΉ ΠΏΠΎΠ΄ΡΠΈΡΡΠ΅ΠΌΡ, ΠΈ ΡΠ°Π·Π»ΠΈΡΠ½Π°Ρ ΠΊΠΎΠΌΠΌΡΡΠ°ΡΠΈΠΎΠ½Π½Π°Ρ Π°ΠΏΠΏΠ°ΡΠ°ΡΡΡΠ°. Π ΠΎΡΠ²Π΅ΡΠΈΡΠ΅Π»ΡΠ½ΡΠΌ ΠΏΡΠΈΠ±ΠΎΡΠ°ΠΌ ΠΎΡΠ½ΠΎΡΡΡΡΡ ΡΠ°ΡΡ Π³ΠΎΠ»ΠΎΠ²Π½ΠΎΠ³ΠΎ ΡΠ²Π΅ΡΠ°, ΠΏΡΠΎΡΠΈΠ²ΠΎΡΡΠΌΠ°Π½Π½ΡΠ΅ ΡΠ°ΡΡ ΠΈ ΡΠ°ΡΡ Π·Π°Π΄Π½Π΅Π³ΠΎ Ρ ΠΎΠ΄Π°. Π‘Π²Π΅ΡΠΎΡΠΈΠ³Π½Π°Π»ΡΠ½ΡΠ΅ ΠΏΡΠΈΠ±ΠΎΡΡ ΡΠΎΠ΄Π΅ΡΠΆΠ°Ρ Π³Π°Π±Π°ΡΠΈΡΠ½ΡΠ΅ ΠΈ ΡΡΠΎΡΠ½ΠΎΡΠ½ΡΠ΅ ΠΎΠ³Π½ΠΈ, ΡΠΊΠ°Π·Π°ΡΠ΅Π»ΠΈ ΠΏΠΎΠ²ΠΎΡΠΎΡΠ°, ΡΠΈΠ³Π½Π°Π»Ρ ΡΠΎΡΠΌΠΎΠΆΠ΅Π½ΠΈΡ, ΡΠ²Π΅ΡΠΎΠ²ΠΎΠ·Π²ΡΠ°ΡΠ°ΡΠ΅Π»ΠΈ.
β
ΠΠΎΠ»ΡΡΡΡ ΡΠ°ΡΡΡ ΠΈΠ½ΡΠΎΡΠΌΠ°ΡΠΈΠΈ ΠΎ Π΄ΠΎΡΠΎΠΆΠ½ΠΎΠΉ ΡΠΈΡΡΠ°ΡΠΈΠΈ Π²ΠΎΠ΄ΠΈΡΠ΅Π»Ρ ΠΏΠΎΠ»ΡΡΠ°Π΅Ρ ΠΏΠΎ Π·ΡΠΈΡΠ΅Π»ΡΠ½ΠΎΠΌΡ ΠΊΠ°Π½Π°Π»Ρ. ΠΠΎΡΠΎΠΆΠ½Π°Ρ ΡΠΈΡΡΠ°ΡΠΈΡ ΠΎΠΏΡΠ΅Π΄Π΅Π»ΡΠ΅ΡΡΡ ΠΎΡΠΎΠ±Π΅Π½Π½ΠΎΡΡΡΠΌΠΈ ΡΠ°ΠΌΠΎΠΉ Π΄ΠΎΡΠΎΠ³ΠΈ, Π΄ΠΎΡΠΎΠΆΠ½ΡΠΌΠΈ Π·Π½Π°ΠΊΠ°ΠΌΠΈ, ΠΎΠ±ΡΠ΅ΠΊΡΠ°ΠΌΠΈ Π²Π΄ΠΎΠ»Ρ Π΄ΠΎΡΠΎΠ³ΠΈ. ΠΡΠΎΠΌΠ΅ ΡΠΎΠ³ΠΎ, Π΄ΠΎΡΠΎΠΆΠ½ΡΡ ΡΠΈΡΡΠ°ΡΠΈΡ ΡΠΎΠ·Π΄Π°ΡΡ Π΄ΡΡΠ³ΠΈΠ΅ ΡΡΠ°ΡΡΠ½ΠΈΠΊΠΈ Π΄ΠΎΡΠΎΠΆΠ½ΠΎΠ³ΠΎ Π΄Π²ΠΈΠΆΠ΅Π½ΠΈΡ. ΠΡΡ
ΠΎΠ΄Ρ ΠΈΠ· ΡΡΠΎΠ³ΠΎ ΠΊΠ°ΠΆΠ΄ΡΠΉ Π°Π²ΡΠΎΠΌΠΎΠ±ΠΈΠ»Ρ ΠΊΠΎΠ½ΡΡΡΡΠΈΡΡΠ΅ΡΡΡ Ρ ΡΡΠ΅ΡΠΎΠΌ Π²ΠΎΠ·ΠΌΠΎΠΆΠ½ΠΎΡΡΠΈ ΠΏΠΎΠ»ΡΡΠ΅Π½ΠΈΡ Π²ΠΎΠ΄ΠΈΡΠ΅Π»Π΅ΠΌ Π½Π°ΠΈΠ±ΠΎΠ»Π΅Π΅ ΠΏΠΎΠ»Π½ΠΎΠΉ Π·ΡΠΈΡΠ΅Π»ΡΠ½ΠΎΠΉ ΠΈΠ½ΡΠΎΡΠΌΠ°ΡΠΈΠΈ.
Π ΡΠΈΡΠ»Π΅ ΠΌΠ½ΠΎΠ³ΠΈΡ
ΡΡΠ΅Π΄ΡΡΠ², ΠΎΠ±Π΅ΡΠΏΠ΅ΡΠΈΠ²Π°ΡΡΠΈΡ
ΡΠ΅ΡΠ΅Π½ΠΈΠ΅ Π΄Π°Π½Π½ΠΎΠΉ Π·Π°Π΄Π°ΡΠΈ, Π²Π½Π΅ΡΠ½ΠΈΠ΅ ΡΠ²Π΅ΡΠΎΠ²ΡΠ΅ ΠΏΡΠΈΠ±ΠΎΡΡ (ΡΠ°ΡΡ ΠΈ ΡΠΎΠ½Π°ΡΠΈ) Π·Π°Π½ΠΈΠΌΠ°ΡΡ ΠΎΡΠΎΠ±ΠΎΠ΅ ΠΌΠ΅ΡΡΠΎ.
Π’Π°ΠΊ ΠΊΠ°ΠΊ Π°Π²ΡΠΎΠΌΠΎΠ±ΠΈΠ»ΡΠ½ΡΠΉ ΡΡΠ°Π½ΡΠΏΠΎΡΡ ΠΎΠ±Π΅ΡΠΏΠ΅ΡΠΈΠ²Π°Π΅Ρ ΠΏΠ΅ΡΠ΅Π²ΠΎΠ·ΠΊΠΈ ΠΊΡΡΠ³Π»ΠΎΡΡΡΠΎΡΠ½ΠΎ, Π΅Π³ΠΎ Π΄Π²ΠΈΠΆΠ΅Π½ΠΈΠ΅ Π½ΠΎΡΡΡ ΠΈ Π² ΡΡΠΌΠ°Π½ Π½Π΅Π²ΠΎΠ·ΠΌΠΎΠΆΠ½ΠΎ Π±Π΅Π· ΡΡΡΠ΅ΠΊΡΠΈΠ²Π½ΠΎΠ³ΠΎ Π°Π²ΡΠΎΠ½ΠΎΠΌΠ½ΠΎΠ³ΠΎ ΠΎΡΠ²Π΅ΡΠ΅Π½ΠΈΡ Π΄ΠΎΡΠΎΠ³ΠΈ ΠΈ Π±Π»ΠΈΠ·Π»Π΅ΠΆΠ°ΡΠΈΡ ΠΎΡ Π½Π΅Π΅ ΠΎΠ±ΡΠ΅ΠΊΡΠΎΠ². ΠΡΠ²Π΅ΡΠΈΡΠ΅Π»ΡΠ½ΡΠ΅ ΠΏΡΠΈΠ±ΠΎΡΡ (ΡΠ°ΡΡ) ΠΎΠ±Π΅ΡΠΏΠ΅ΡΠΈΠ²Π°ΡΡ Π²ΠΎΠ΄ΠΈΡΠ΅Π»Ρ Π²ΠΎΠ·ΠΌΠΎΠΆΠ½ΠΎΡΡΡ ΠΏΠΎΠ»ΡΡΠ΅Π½ΠΈΡ ΠΈΠ½ΡΠΎΡΠΌΠ°ΡΠΈΠΈ ΠΎ Π΄ΠΎΡΠΎΠ³Π΅ ΠΈ ΠΎΠ±ΡΠ΅ΠΊΡΠ°Ρ Π½Π° Π΄ΠΎΡΠΎΠ³Π΅. Π€Π°ΡΡ ΡΠΎΡΡΠ°Π²Π»ΡΡΡ Π³ΠΎΠ»ΠΎΠ²Π½ΠΎΠ΅ ΠΎΡΠ²Π΅ΡΠ΅Π½ΠΈΠ΅ Π°Π²ΡΠΎΠΌΠΎΠ±ΠΈΠ»Π΅ΠΉ ΠΈ ΡΠ²Π»ΡΡΡΡΡ ΠΌΠΎΡΠ½ΡΠΌΠΈ ΡΠ²Π΅ΡΠΎΠ²ΡΠΌΠΈ ΠΏΡΠΈΠ±ΠΎΡΠ°ΠΌΠΈ.
ΠΠΎΠ΄ΠΈΡΠ΅Π»Ρ, ΡΠΏΡΠ°Π²Π»ΡΡ ΡΡΠ°Π½ΡΠΏΠΎΡΡΠ½ΡΠΌ ΡΡΠ΅Π΄ΡΡΠ²ΠΎΠΌ, ΠΏΡΠΈ Π΄Π²ΠΈΠΆΠ΅Π½ΠΈΠΈ ΠΏΠΎ Π΄ΠΎΡΠΎΠ³Π΅ ΠΌΠΎΠΆΠ΅Ρ ΡΠΎΠ²Π΅ΡΡΠ°ΡΡ ΡΠ°Π·Π»ΠΈΡΠ½ΡΠ΅ ΠΌΠ°Π½Π΅Π²ΡΡ, ΡΠ²ΡΠ·Π°Π½Π½ΡΠ΅ Ρ ΠΈΠ·ΠΌΠ΅Π½Π΅Π½ΠΈΠ΅ΠΌ ΡΠΊΠΎΡΠΎΡΡΠΈ ΠΈ Π½Π°ΠΏΡΠ°Π²Π»Π΅Π½ΠΈΡ Π΄Π²ΠΈΠΆΠ΅Π½ΠΈΡ. Π§ΡΠΎΠ±Ρ Π²ΡΠ΅ ΡΡΠ°ΡΡΠ½ΠΈΠΊΠΈ Π΄Π²ΠΈΠΆΠ΅Π½ΠΈΡ ΡΠ²ΠΎΠ΅Π²ΡΠ΅ΠΌΠ΅Π½Π½ΠΎ ΠΏΠΎΠ»ΡΡΠ°Π»ΠΈ ΡΠ°ΠΌΡΡ ΡΠ°Π·Π»ΠΈΡΠ½ΡΡ ΠΈΠ½ΡΠΎΡΠΌΠ°ΡΠΈΡ Π΄ΡΡΠ³ ΠΎ Π΄ΡΡΠ³Π΅, Π°Π²ΡΠΎΠΌΠΎΠ±ΠΈΠ»ΠΈ ΠΎΡΠ½Π°ΡΠ°ΡΡΡΡ ΠΊΠΎΠΌΠΏΠ»Π΅ΠΊΡΠ°ΠΌΠΈ ΠΏΡΠΈΠ±ΠΎΡΠΎΠ² ΡΠ²Π΅ΡΠΎΠ²ΠΎΠΉ ΡΠΈΠ³Π½Π°Π»ΠΈΠ·Π°ΡΠΈΠΈ, ΠΊΠΎΠ»ΠΈΡΠ΅ΡΡΠ²ΠΎ ΠΈ ΡΠ°ΡΠΏΠΎΠ»ΠΎΠΆΠ΅Π½ΠΈΠ΅ ΠΊΠΎΡΠΎΡΡΡ
ΡΡΡΠΎΠ³ΠΎ ΡΠ΅Π³Π»Π°ΠΌΠ΅Π½ΡΠΈΡΠΎΠ²Π°Π½ΠΎ. Π‘Π²Π΅ΡΠΎΡΠΈΠ³Π½Π°Π»ΡΠ½ΡΠ΅ ΠΏΡΠΈΠ±ΠΎΡΡ (ΡΠΎΠ½Π°ΡΡ) ΠΎΠ±Π΅ΡΠΏΠ΅ΡΠΈΠ²Π°ΡΡ Π²ΠΎΠ΄ΠΈΡΠ΅Π»Ρ Π²ΠΎΠ·ΠΌΠΎΠΆΠ½ΠΎΡΡΡ ΠΈΠ½ΡΠΎΡΠΌΠΈΡΠΎΠ²Π°ΡΡ ΠΎΡΡΠ°Π»ΡΠ½ΡΡ
ΡΡΠ°ΡΡΠ½ΠΈΠΊΠΎΠ² Π΄Π²ΠΈΠΆΠ΅Π½ΠΈΡ ΠΎ ΠΏΡΠΈΡΡΡΡΡΠ²ΠΈΠΈ Π°Π²ΡΠΎΠΌΠΎΠ±ΠΈΠ»Ρ Π½Π° Π΄ΠΎΡΠΎΠ³Π΅, Π΅Π³ΠΎ Π³Π°Π±Π°ΡΠΈΡΠ°Ρ
ΠΈ ΠΎΡΠΈΠ΅Π½ΡΠ°ΡΠΈΠΈ ΠΎΡΠ½ΠΎΡΠΈΡΠ΅Π»ΡΠ½ΠΎ Π΄ΠΎΡΠΎΠ³ΠΈ (Π³Π°Π±Π°ΡΠΈΡΠ½ΡΠ΅ ΠΈ ΡΡΠΎΡΠ½ΠΎΡΠ½ΡΠ΅ ΠΎΠ³Π½ΠΈ, Π·Π½Π°ΠΊ Π°Π²ΡΠΎΠΏΠΎΠ΅Π·Π΄Π°, ΡΠ²Π΅ΡΠΎΠ²ΠΎΠ·Π²ΡΠ°ΡΠ°ΡΠ΅Π»ΠΈ), ΠΎΠ± ΠΈΠ·ΠΌΠ΅Π½Π΅Π½ΠΈΠΈ Π½Π°ΠΏΡΠ°Π²Π»Π΅Π½ΠΈΡ Π΄Π²ΠΈΠΆΠ΅Π½ΠΈΡ (ΡΠΊΠ°Π·Π°ΡΠ΅Π»ΠΈ ΠΏΠΎΠ²ΠΎΡΠΎΡΠ°) ΠΈ ΡΠ΅Π·ΠΊΠΎΠΌ ΡΠΌΠ΅Π½ΡΡΠ΅Π½ΠΈΠΈ ΡΠΊΠΎΡΠΎΡΡΠΈ Π΄Π²ΠΈΠΆΠ΅Π½ΠΈΡ (ΡΠΈΠ³Π½Π°Π»Ρ ΡΠΎΡΠΌΠΎΠΆΠ΅Π½ΠΈΡ).
Π€ΠΎΠ½Π°ΡΡ ΠΎΡΠ²Π΅ΡΠ΅Π½ΠΈΡ Π½ΠΎΠΌΠ΅ΡΠ½ΠΎΠ³ΠΎ Π·Π½Π°ΠΊΠ° ΠΎΠ±Π΅ΡΠΏΠ΅ΡΠΈΠ²Π°Π΅Ρ Π½Π΅ΠΎΠ±Ρ
ΠΎΠ΄ΠΈΠΌΡΡ Π°Π΄ΡΠ΅ΡΠ½ΡΡ ΠΈΠ½ΡΠΎΡΠΌΠ°ΡΠΈΡ ΠΎΠ± Π°Π²ΡΠΎΠΌΠΎΠ±ΠΈΠ»Π΅.
ΠΠ½ΡΠΎΡΠΌΠ°ΡΠΈΡ, ΠΏΠ΅ΡΠ΅Π΄Π°Π²Π°Π΅ΠΌΠ°Ρ ΡΠ°Π·Π»ΠΈΡΠ½ΡΠΌΠΈ ΠΏΡΠΈΠ±ΠΎΡΠ°ΠΌΠΈ ΡΠΈΠ³Π½Π°Π»ΠΈΠ·Π°ΡΠΈΠΈ, Π΄ΠΎΠ»ΠΆΠ½Π° Π±ΡΡΡ Π»Π΅Π³ΠΊΠΎ ΡΠ°Π·Π»ΠΈΡΠΈΠΌΠΎΠΉ ΠΈ ΠΎΠ΄Π½ΠΎΠ·Π½Π°ΡΠ½ΠΎ Π²ΠΎΡΠΏΡΠΈΠ½ΠΈΠΌΠ°Π΅ΠΌΠΎΠΉ. ΠΠΎΡΡΠΎΠΌΡ ΡΠ°Π·Π»ΠΈΡΠ½ΡΠ΅ ΠΏΡΠΈΠ±ΠΎΡΡ ΠΎΡΠ»ΠΈΡΠ°ΡΡΡΡ Π΄ΡΡΠ³ ΠΎΡ Π΄ΡΡΠ³Π° ΠΈΠ½ΡΠ΅Π½ΡΠΈΠ²Π½ΠΎΡΡΡΡ ΠΈΠ·Π»ΡΡΠ°Π΅ΠΌΠΎΠ³ΠΎ ΡΠΈΠ³Π½Π°Π»Π°, Π΅Π³ΠΎ ΡΠ²Π΅ΡΠΎΠΌ (Π±Π΅Π»ΡΠΉ, ΠΆΠ΅Π»ΡΡΠΉ, ΠΎΡΠ°Π½ΠΆΠ΅Π²ΡΠΉ, ΠΊΡΠ°ΡΠ½ΡΠΉ) ΠΈ ΠΏΠΎΡΡΠΎΡΠ½Π½ΡΠΌ ΠΈΠ»ΠΈ ΠΏΡΠΎΠ±Π»Π΅ΡΠΊΠΎΠ²ΡΠΌ ΡΠ΅ΠΆΠΈΠΌΠΎΠΌ ΡΠ°Π±ΠΎΡΡ.
ΠΡΠ΅ ΠΎΠ΄Π½Π° Π²Π°ΠΆΠ½Π°Ρ ΠΎΡΠΎΠ±Π΅Π½Π½ΠΎΡΡΡ Π°Π²ΡΠΎΠΌΠΎΠ±ΠΈΠ»ΡΠ½ΡΡ ΡΠ²Π΅ΡΠΎΠ²ΡΡ ΠΏΡΠΈΠ±ΠΎΡΠΎΠ² Π²ΡΡΠ΅ΠΊΠ°Π΅Ρ ΠΈΠ· Π½Π΅ΠΎΠ±Ρ ΠΎΠ΄ΠΈΠΌΠΎΡΡΠΈ ΡΠΎΠ·Π΄Π°Π½ΠΈΡ ΠΈΠΌΠΈ ΠΏΡΡΠΊΠ° ΡΠ²Π΅ΡΠ° ΠΎΠΏΡΠ΅Π΄Π΅Π»Π΅Π½Π½ΠΎΠΉ ΡΡΡΡΠΊΡΡΡΡ. ΠΡΡΠ³ΠΈΠΌΠΈ ΡΠ»ΠΎΠ²Π°ΠΌΠΈ, Π² Π·Π°Π²ΠΈΡΠΈΠΌΠΎΡΡΠΈ ΠΎΡ ΠΊΠΎΠ½ΠΊΡΠ΅ΡΠ½ΠΎΠ³ΠΎ ΡΠ²Π΅ΡΠΎΠ²ΠΎΠ³ΠΎ ΠΏΡΠΈΠ±ΠΎΡΠ° ΠΈΠ½ΡΠ΅Π½ΡΠΈΠ²Π½ΠΎΡΡΡ Π΅Π³ΠΎ ΠΈΠ·Π»ΡΡΠ΅Π½ΠΈΡ Π½Π΅ΠΎΠ΄ΠΈΠ½Π°ΠΊΠΎΠ²Π° Π² ΡΠ°Π·Π½ΡΡ Π½Π°ΠΏΡΠ°Π²Π»Π΅Π½ΠΈΡΡ . ΠΠ· Π·Π°Π΄Π°Ρ, Π²ΡΠΏΠΎΠ»Π½ΡΠ΅ΠΌΡΡ ΡΠ²Π΅ΡΠΎΠ²ΡΠΌ ΠΏΡΠΈΠ±ΠΎΡΠΎΠΌ, Π²ΡΡΠ΅ΠΊΠ°ΡΡ ΠΈ ΠΎΡΠΎΠ±Π΅Π½Π½ΠΎΡΡΠΈ ΠΈΡ ΠΊΠΎΠ½ΡΡΡΡΠΈΡΠΎΠ²Π°Π½ΠΈΡ.
Ρ ΠΎΠ΄Π½ΠΈΡ ΠΏΡΠΈΠ±ΠΎΡΠΎΠ² Π½Π΅ΠΎΠ±Ρ ΠΎΠ΄ΠΈΠΌΠΎ ΡΠΊΠΎΠ½ΡΠ΅Π½ΡΡΠΈΡΠΎΠ²Π°ΡΡ ΡΠ²Π΅Ρ ΠΈΡΡΠΎΡΠ½ΠΈΠΊΠ°, Π° Π·Π°ΡΠ΅ΠΌ ΠΏΠ΅ΡΠ΅ΡΠ°ΡΠΏΡΠ΅Π΄Π΅Π»ΡΡΡ Π΅Π³ΠΎ Π² Π½ΡΠΆΠ½ΡΡ Π½Π°ΠΏΡΠ°Π²Π»Π΅Π½ΠΈΡΡ . Π£ Π΄ΡΡΠ³ΠΈΡ ΡΠ²Π΅Ρ ΠΈΡΡΠΎΡΠ½ΠΈΠΊΠ° ΡΠΎΠ»ΡΠΊΠΎ ΠΏΠ΅ΡΠ΅ΡΠ°ΡΠΏΡΠ΅Π΄Π΅Π»ΡΡΡ ΠΈ ΠΌΠ΅Π½ΡΡΡ Π΅Π³ΠΎ ΡΠ²Π΅Ρ.
Π Π°Π±ΠΎΡΠ°ΡΡ Π²ΡΠ΅ ΡΠ²Π΅ΡΠΎΠ²ΡΠ΅ ΠΏΡΠΈΠ±ΠΎΡΡ ΠΏΠΎ ΠΎΠ΄Π½ΠΎΠΌΡ ΠΏΡΠΈΠ½ΡΠΈΠΏΡ β ΠΎΠ½ΠΈ ΡΠ²Π»ΡΡΡΡΡ ΠΏΡΠ΅ΠΎΠ±ΡΠ°Π·ΠΎΠ²Π°ΡΠ΅Π»ΡΠΌΠΈ ΡΠ»Π΅ΠΊΡΡΠΈΡΠ΅ΡΠΊΠΎΠΉ ΡΠ½Π΅ΡΠ³ΠΈΠΈ ΠΈΡΡΠΎΡΠ½ΠΈΠΊΠ° ΠΏΠΈΡΠ°Π½ΠΈΡ Π² Π»ΡΡΠΈΡΡΡΡ ΡΠ½Π΅ΡΠ³ΠΈΡ.
ΠΡΠΎΠΈΡΡ
ΠΎΠ΄ΠΈΡ ΡΡΠΎ ΠΏΡΠ΅ΠΎΠ±ΡΠ°Π·ΠΎΠ²Π°Π½ΠΈΠ΅ Π² Π»Π°ΠΌΠΏΠ°Ρ
Π½Π°ΠΊΠ°Π»ΠΈΠ²Π°Π½ΠΈΡ.
ΠΠ°ΠΏΠΎΠΌΠ½ΠΈΠΌ, ΡΡΠΎ Π»ΡΡΠΈΡΡΠΎΠΉ Π½Π°Π·ΡΠ²Π°Π΅ΡΡΡ ΡΠ½Π΅ΡΠ³ΠΈΡ, ΠΏΠ΅ΡΠ΅Π΄Π°Π²Π°Π΅ΠΌΠ°Ρ ΠΈΠ·Π»ΡΡΠ΅Π½ΠΈΠ΅ΠΌ. ΠΠ·ΠΌΠ΅ΡΡΠ΅ΡΡΡ ΡΠ½Π΅ΡΠ³ΠΈΡ Π² ΡΠ°ΠΌΡΡ ΡΠ°Π·Π»ΠΈΡΠ½ΡΡ Π΅Π΄ΠΈΠ½ΠΈΡΠ°Ρ (ΡΡΠ³Π°Ρ , Π΄ΠΆΠΎΡΠ»ΡΡ ΠΈ Ρ. Π΄.). Π ΡΠ²Π΅ΡΠΎΡΠ΅Ρ Π½ΠΈΠΊΠ΅ ΠΏΠΎΠ»ΡΠ·ΡΡΡΡΡ Π΄ΡΡΠ³ΠΎΠΉ ΡΠΈΠ·ΠΈΡΠ΅ΡΠΊΠΎΠΉ Π²Π΅Π»ΠΈΡΠΈΠ½ΠΎΠΉ β Π»ΡΡΠΈΡΡΡΠΌ ΠΏΠΎΡΠΎΠΊΠΎΠΌ, ΠΊΠΎΡΠΎΡΡΠΉ Ρ Π°ΡΠ°ΠΊΡΠ΅ΡΠΈΠ·ΡΠ΅Ρ ΡΠ½Π΅ΡΠ³ΠΈΡ ΠΈΠ·Π»ΡΡΠ΅Π½ΠΈΡ Π² Π΅Π΄ΠΈΠ½ΠΈΡΡ Π²ΡΠ΅ΠΌΠ΅Π½ΠΈ. ΠΡΡΠΈΡΡΡΠΉ ΠΏΠΎΡΠΎΠΊ ΠΏΠΎ Π°Π½Π°Π»ΠΎΠ³ΠΈΠΈ Ρ Π΄ΡΡΠ³ΠΈΠΌΠΈ Π΅Π΄ΠΈΠ½ΠΈΡΠ°ΠΌΠΈ ΠΌΠΎΡΠ½ΠΎΡΡΠΈ ΠΎΠ·Π½Π°ΡΠ°Π΅Ρ ΠΌΠΎΡΠ½ΠΎΡΡΡ Π»ΡΡΠΈΡΡΠΎΠΉ ΡΠ½Π΅ΡΠ³ΠΈΠΈ. ΠΠ΄ΠΈΠ½ΠΈΡΠ΅ΠΉ ΠΈΠ·ΠΌΠ΅ΡΠ΅Π½ΠΈΡ Π»ΡΡΠΈΡΡΠΎΠ³ΠΎ ΠΏΠΎΡΠΎΠΊΠ° ΠΈΡΡ ΠΎΠ΄Ρ ΠΈΠ· ΠΎΠΏΡΠ΅Π΄Π΅Π»Π΅Π½ΠΈΡ ΡΠ»ΡΠΆΠΈΡ Π²Π°ΡΡ, ΠΏΠΎΡΡΠΎΠΌΡ Π΅Π³ΠΎ ΠΏΡΠΈΠΌΠ΅Π½ΡΡΡ Π΄Π»Ρ Ρ Π°ΡΠ°ΠΊΡΠ΅ΡΠΈΡΡΠΈΠΊΠΈ Π»Π°ΠΌΠΏ Π½Π°ΠΊΠ°Π»ΠΈΠ²Π°Π½ΠΈΡ. Π’Π°ΠΊ ΠΊΠ°ΠΊ ΡΠΏΠ΅ΠΊΡΡ ΠΈΠ·Π»ΡΡΠ΅Π½ΠΈΡ Π»Π°ΠΌΠΏ Π½Π°ΠΊΠ°Π»ΠΈΠ²Π°Π½ΠΈΡ Π½Π΅ΠΎΠ΄ΠΈΠ½Π°ΠΊΠΎΠ² (ΠΎΠ½ Π·Π°Π²ΠΈΡΠΈΡ ΠΎΡ ΡΠ΅ΠΌΠΏΠ΅ΡΠ°ΡΡΡΡ Π½ΠΈΡΠΈ), Π»ΡΡΠΈΡΡΡΠΉ ΠΏΠΎΡΠΎΠΊ ΠΎΠ΄Π½ΠΎΠΉ ΠΈ ΡΠΎΠΉ ΠΆΠ΅ ΠΌΠΎΡΠ½ΠΎΡΡΠΈ Π½Π΅ΠΎΠ΄ΠΈΠ½Π°ΠΊΠΎΠ²ΠΎ Π²ΠΎΡΠΏΡΠΈΠ½ΠΈΠΌΠ°Π΅ΡΡΡ ΡΠ΅Π»ΠΎΠ²Π΅ΡΠ΅ΡΠΊΠΈΠΌ Π³Π»Π°Π·ΠΎΠΌ. ΠΠΎΡΡΠΎΠΌΡ ΠΎΠ΄Π½ΠΎΠΉ ΠΈΠ· ΠΎΡΠ½ΠΎΠ²Π½ΡΡ Π΅Π΄ΠΈΠ½ΠΈΡ Π² ΡΠ²Π΅ΡΠΎΡΠ΅Ρ Π½ΠΈΠΊΠ΅ ΡΠ²Π»ΡΠ΅ΡΡΡ ΡΠ²Π΅ΡΠΎΠ²ΠΎΠΉ ΠΏΠΎΡΠΎΠΊ.
Π‘Π²Π΅ΡΠΎΠ²ΠΎΠΉ ΠΏΠΎΡΠΎΠΊ F ΠΎΠΏΡΠ΅Π΄Π΅Π»ΡΠ΅ΡΡΡ ΠΊΠ°ΠΊ ΠΌΠΎΡΠ½ΠΎΡΡΡ Π»ΡΡΠΈΡΡΠΎΠΉ ΡΠ½Π΅ΡΠ³ΠΈΠΈ, ΠΎΡΠ΅Π½ΠΈΠ²Π°Π΅ΠΌΠ°Ρ ΠΏΠΎ ΡΠ²Π΅ΡΠΎΠ²ΠΎΠΌΡ ΠΎΡΡΡΠ΅Π½ΠΈΡ, ΠΊΠΎΡΠΎΡΠΎΠ΅ ΠΎΠ½Π° ΠΏΡΠΎΠΈΠ·Π²ΠΎΠ΄ΠΈΡ Π½Π° ΡΠ΅Π»ΠΎΠ²Π΅ΡΠ΅ΡΠΊΠΈΠΉ Π³Π»Π°Π·. ΠΠ΄ΠΈΠ½ΠΈΡΠ΅ΠΉ ΠΈΠ·ΠΌΠ΅ΡΠ΅Π½ΠΈΡ ΡΠ²Π΅ΡΠΎΠ²ΠΎΠ³ΠΎ ΠΏΠΎΡΠΎΠΊΠ° ΡΠ²Π»ΡΠ΅ΡΡΡ Π»ΡΠΌΠ΅Π½.
ΠΠ»Ρ Π²ΠΎΡΠΏΡΠΎΠΈΠ·Π²Π΅Π΄Π΅Π½ΠΈΡ Π΅Π΄ΠΈΠ½ΠΈΡΡ ΡΠ²Π΅ΡΠΎΠ²ΠΎΠ³ΠΎ ΠΏΠΎΡΠΎΠΊΠ° ΡΠ»ΡΠΆΠΈΡ ΠΠΎΡΡΠ΄Π°ΡΡΡΠ²Π΅Π½Π½ΡΠΉ ΡΠ²Π΅ΡΠΎΠ²ΠΎΠΉ ΡΡΠ°Π»ΠΎΠ½.
ΠΠ²ΡΠΎΠΌΠΎΠ±ΠΈΠ»ΡΠ½ΡΠ΅ ΡΠ²Π΅ΡΠΎΠ²ΡΠ΅ ΠΏΡΠΈΠ±ΠΎΡΡ, ΠΊΠ°ΠΊ ΠΏΡΠ°Π²ΠΈΠ»ΠΎ, ΡΠΎΡΡΠΎΡΡ ΠΈΠ· ΡΠ»Π΅Π΄ΡΡΡΠΈΡ ΠΎΡΠ½ΠΎΠ²Π½ΡΡ ΡΠ·Π»ΠΎΠ²: ΠΎΠΏΡΠΈΡΠ΅ΡΠΊΠΎΠ³ΠΎ ΡΠ»Π΅ΠΌΠ΅Π½ΡΠ°, ΠΊΠΎΡΠΏΡΡΠ° ΠΈ ΡΠ»Π΅ΠΌΠ΅Π½ΡΠΎΠ², ΠΏΠΎΠ΄Π²ΠΎΠ΄ΡΡΠΈΡ ΡΠ»Π΅ΠΊΡΡΠΈΡΠ΅ΡΠΊΡΡ ΡΠ½Π΅ΡΠ³ΠΈΡ. ΠΡΠ½ΠΎΠ²Π½ΡΠΌ ΡΠ·Π»ΠΎΠΌ ΡΠ²Π΅ΡΠΎΠ²ΠΎΠ³ΠΎ ΠΏΡΠΈΠ±ΠΎΡΠ° ΡΠ²Π»ΡΠ΅ΡΡΡ ΠΎΠΏΡΠΈΡΠ΅ΡΠΊΠΈΠΉ ΡΠ»Π΅ΠΌΠ΅Π½Ρ, ΠΎΠ±ΡΡΠ½ΠΎ ΡΠΎΡΡΠΎΡΡΠΈΠΉ ΠΈΠ· Π»Π°ΠΌΠΏΡ Π½Π°ΠΊΠ°Π»ΠΈΠ²Π°Π½ΠΈΡ, ΠΎΡΡΠ°ΠΆΠ°ΡΠ΅Π»Ρ ΠΈ ΡΠ°ΡΡΠ΅ΠΈΠ²Π°ΡΠ΅Π»Ρ. ΠΠΌΠ΅Π½Π½ΠΎ ΠΎΠΏΡΠΈΡΠ΅ΡΠΊΠΈΠΉ ΡΠ»Π΅ΠΌΠ΅Π½Ρ ΠΎΠ±Π΅ΡΠΏΠ΅ΡΠΈΠ²Π°Π΅Ρ ΠΏΡΠ΅ΠΎΠ±ΡΠ°Π·ΠΎΠ²Π°Π½ΠΈΠ΅ ΡΠ»Π΅ΠΊΡΡΠΈΡΠ΅ΡΠΊΠΎΠΉ ΡΠ½Π΅ΡΠ³ΠΈΠΈ Π² Π»ΡΡΠΈΡΡΡΡ, ΠΊΠΎΠ½ΡΠ΅Π½ΡΡΠΈΡΡΠ΅Ρ ΠΈ ΠΏΠ΅ΡΠ΅ΡΠ°ΡΠΏΡΠ΅Π΄Π΅Π»ΡΠ΅Ρ ΡΠ²Π΅ΡΠΎΠ²ΠΎΠΉ ΠΏΠΎΡΠΎΠΊ Π² Π½ΡΠΆΠ½ΡΡ Π½Π°ΠΏΡΠ°Π²Π»Π΅Π½ΠΈΡΡ . ΠΡΠΎΠΈΡΡ ΠΎΠ΄ΠΈΡ ΡΡΠΎ ΡΠ»Π΅Π΄ΡΡΡΠΈΠΌ ΠΎΠ±ΡΠ°Π·ΠΎΠΌ. Π‘Π²Π΅ΡΠΎΠ²ΠΎΠΉ ΠΏΠΎΡΠΎΠΊ Π»Π°ΠΌΠΏΡ, ΠΏΠΎΠΏΠ°Π΄Π°Ρ Π½Π° ΠΏΠΎΠ²Π΅ΡΡ Π½ΠΎΡΡΡ ΠΎΡΡΠ°ΠΆΠ°ΡΠ΅Π»Ρ, ΠΊΠΎΠ½ΡΠ΅Π½ΡΡΠΈΡΡΠ΅ΡΡΡ ΠΈΠΌ ΠΈ Π½Π°ΠΏΡΠ°Π²Π»ΡΠ΅ΡΡΡ Π½Π° ΡΠ°ΡΡΠ΅ΠΈΠ²Π°ΡΠ΅Π»Ρ. Π Π°Ρ-ΡΠ΅ΠΈΠ²Π°ΡΠ΅Π»Ρ ΠΏΠ΅ΡΠ΅ΡΠ°ΡΠΏΡΠ΅Π΄Π΅Π»ΡΠ΅Ρ Π»ΡΡΠΈΡΡΡΡ ΡΠ½Π΅ΡΠ³ΠΈΡ ΠΈ ΡΠΎΡΠΌΠΈΡΡΠ΅Ρ ΡΠ²Π΅ΡΠΎΠ²ΠΎΠΉ ΠΏΠΎΡΠΎΠΊ, ΡΡΠΈΠ»Π΅Π½Π½ΡΠΉ ΠΈΠ»ΠΈ ΠΎΡΠ»Π°Π±Π»Π΅Π½Π½ΡΠΉ Π² ΠΎΠΏΡΠ΅Π΄Π΅Π»Π΅Π½Π½ΡΡ Π½Π°ΠΏΡΠ°Π²Π»Π΅Π½ΠΈΡΡ , ΠΊΠΎΡΠΎΡΡΠ΅ Π·Π°Π²ΠΈΡΡΡ ΠΎΡ ΡΡΠ½ΠΊΡΠΈΠΉ ΠΊΠΎΠ½ΠΊΡΠ΅ΡΠ½ΠΎΠ³ΠΎ ΠΏΡΠΈΠ±ΠΎΡΠ°.
ΠΠ°ΠΌΠΏΡ, ΠΏΡΠΈΠΌΠ΅Π½ΡΠ΅ΠΌΡΠ΅ Π² ΡΠ²Π΅ΡΠΎΠ²ΡΡ
ΠΏΡΠΈΠ±ΠΎΡΠ°Ρ
, ΡΡΡΠΎΠ³ΠΎ ΡΠ΅Π³Π»Π°ΠΌΠ΅Π½ΡΠΈΡΠΎΠ²Π°Π½Ρ ΠΊΠ°ΠΊ ΠΏΠΎ ΡΠ²ΠΎΠΈΠΌ ΡΠ½Π΅ΡΠ³Π΅ΡΠΈΡΠ΅ΡΠΊΠΈΠΌ Ρ
Π°ΡΠ°ΠΊΡΠ΅ΡΠΈΡΡΠΈΠΊΠ°ΠΌ (ΠΌΠΎΡΠ½ΠΎΡΡΠΈ, ΡΠ²Π΅ΡΠΎΠ²ΠΎΠΌΡ ΠΏΠΎΡΠΎΠΊΡ), ΡΠ°ΠΊ ΠΈ ΠΏΠΎ ΠΊΠΎΠ½ΡΡΡΡΠΊΡΠΈΠ²Π½ΡΠΌ ΠΏΠ°ΡΠ°ΠΌΠ΅ΡΡΠ°ΠΌ (ΡΠΈΠΏ ΡΠΎΠΊΠΎΠ»Ρ, ΡΠ°Π·ΠΌΠ΅ΡΡ ΠΈ ΡΠ°ΡΠΏΠΎΠ»ΠΎΠΆΠ΅Π½ΠΈΠ΅ Π½ΠΈΡΠ΅ΠΉ).
Π’Π°ΠΊΠΎΠ΅ ΡΡΡΠΎΠ³ΠΎΠ΅ ΠΎΡΠ½ΠΎΡΠ΅Π½ΠΈΠ΅ ΠΊ Π»Π°ΠΌΠΏΠ°ΠΌ ΠΎΠ±Π΅ΡΠΏΠ΅ΡΠΈΠ²Π°Π΅Ρ ΡΡΡΠ°Π½ΠΎΠ²ΠΊΡ Π² Π΄Π°Π½Π½ΡΠΉ ΡΠ²Π΅ΡΠΎΠ²ΠΎΠΉ ΠΏΡΠΈΠ±ΠΎΡ ΡΠΎΠ»ΡΠΊΠΎ ΡΠ°ΠΊΠΎΠΉ Π»Π°ΠΌΠΏΡ, ΠΊΠΎΡΠΎΡΠ°Ρ ΠΏΡΠ΅Π΄ΡΡΠΌΠΎΡΡΠ΅Π½Π° ΠΊΠΎΠ½ΡΡΡΡΠΊΡΠΈΠ΅ΠΉ.
ΠΠ»Ρ ΠΊΠΎΠ½ΡΠ΅Π½ΡΡΠ°ΡΠΈΠΈ ΡΠ²Π΅ΡΠΎΠ²ΠΎΠ³ΠΎ ΠΏΠΎΡΠΎΠΊΠ° Π»Π°ΠΌΠΏΡ ΡΡΠ°Π΄ΠΈΡΠΈΠΎΠ½Π½ΡΠΌ ΡΠ²Π»ΡΠ΅ΡΡΡ ΠΏΠ°ΡΠ°Π±ΠΎΠ»ΠΈΡΠ΅ΡΠΊΠΈΠΉ ΠΎΡΡΠ°ΠΆΠ°ΡΠ΅Π»Ρ, Π³Π΅ΠΎΠΌΠ΅ΡΡΠΈΡ ΠΊΠΎΡΠΎΡΠΎΠ³ΠΎ ΠΏΡΠ΅Π΄ΡΡΠ°Π²Π»ΡΠ΅Ρ ΡΠΎΠ±ΠΎΠΉ ΡΠ΅Π»ΠΎ, ΠΎΠ±ΡΠ°Π·ΠΎΠ²Π°Π½Π½ΠΎΠ΅ Π²ΡΠ°ΡΠ΅Π½ΠΈΠ΅ΠΌ ΠΏΠ°ΡΠ°Π±ΠΎΠ»Ρ Π²ΠΎΠΊΡΡΠ³ ΠΎΡΠΈ ΡΠΈΠΌΠΌΠ΅ΡΡΠΈΠΈ, ΠΊΠΎΡΠΎΡΡΡ Π½Π°Π·ΡΠ²Π°ΡΡ ΠΎΠΏΡΠΈΡΠ΅ΡΠΊΠΎΠΉ ΠΎΡΡΡ. ΠΡΠ»ΠΈ Π² ΡΠΎΠΊΡΡΠ΅ ΠΈΠ΄Π΅Π°Π»ΡΠ½ΠΎΠ³ΠΎ ΠΎΡΡΠ°ΠΆΠ°ΡΠ΅Π»Ρ ΠΏΠΎΠΌΠ΅ΡΡΠΈΡΡ ΡΠΎΡΠ΅ΡΠ½ΡΠΉ ΠΈΡΡΠΎΡΠ½ΠΈΠΊ ΡΠ²Π΅ΡΠ°, ΡΠΎ Π»ΡΡΠΈ, ΠΏΠΎΠΏΠ°Π΄Π°ΡΡΠΈΠ΅ Π½Π° Π΅Π³ΠΎ ΠΏΠΎΠ²Π΅ΡΡ
Π½ΠΎΡΡΡ, ΠΎΡΡΠ°ΠΆΠ°ΡΡΡ ΠΎΡ Π½Π΅Π΅, ΠΎΠ±ΡΠ°Π·ΡΡΡ ΡΠ·ΠΊΠΈΠΉ ΠΏΡΡΠΎΠΊ, Π½Π°ΠΏΡΠ°Π²Π»Π΅Π½Π½ΡΠΉ ΠΏΠ°ΡΠ°Π»Π»Π΅Π»ΡΠ½ΠΎ ΠΎΠΏΡΠΈΡΠ΅ΡΠΊΠΎΠΉ ΠΎΡΠΈ. ΠΡΡΠ°ΠΆΠ°ΡΠ΅Π»Ρ ΠΊΠΎΠ½ΡΠ΅Π½ΡΡΠΈΡΡΠ΅Ρ ΡΠΎΠ»ΡΠΊΠΎ ΡΡ ΡΠ°ΡΡΡ ΡΠ²Π΅ΡΠΎΠ²ΠΎΠ³ΠΎ ΠΏΠΎΡΠΎΠΊΠ° ΠΈΡΡΠΎΡΠ½ΠΈΠΊΠ°, ΠΊΠΎΡΠΎΡΠ°Ρ Π½Π°Ρ
ΠΎΠ΄ΠΈΡΡΡ Π² ΠΏΡΠ΅Π΄Π΅Π»Π°Ρ
ΡΠ΅Π»Π΅ΡΠ½ΠΎΠ³ΠΎ ΡΠ³Π»Π°. Π§Π°ΡΡΡ ΡΠ²Π΅ΡΠΎΠ²ΠΎΠ³ΠΎ ΠΏΠΎΡΠΎΠΊΠ° ΠΈΡΡΠΎΡΠ½ΠΈΠΊΠ°, ΠΊΠΎΡΠΎΡΠ°Ρ Π½Π΅ ΠΏΠΎΠΏΠ°Π»Π° Π½Π° ΠΎΡΡΠ°ΠΆΠ°ΡΠ΅Π»Ρ, ΠΎΠ±ΡΠ°Π·ΡΠ΅Ρ ΡΠ°ΠΊ Π½Π°Π·ΡΠ²Π°Π΅ΠΌΡΠ΅ ΠΏΡΡΠΌΡΠ΅ Π»ΡΡΠΈ. ΠΠ½ΠΈ ΠΈΠ΄ΡΡ ΡΠΈΠ»ΡΠ½ΠΎ ΡΠ°ΡΡ
ΠΎΠ΄ΡΡΠΈΠΌΡΡ ΠΏΡΡΠΊΠΎΠΌ, Π±ΠΎΠ»ΡΡΠ°Ρ ΡΠ°ΡΡΡ ΠΊΠΎΡΠΎΡΠΎΠ³ΠΎ Π±Π΅ΡΠΏΠΎΠ»Π΅Π·Π½Π° Ρ ΡΠΎΡΠΊΠΈ Π·ΡΠ΅Π½ΠΈΡ ΡΠΎΠ·Π΄Π°Π½ΠΈΡ Π½Π΅ΠΎΠ±Ρ
ΠΎΠ΄ΠΈΠΌΠΎΠΉ ΠΎΡΠ²Π΅ΡΠ΅Π½Π½ΠΎΡΡΠΈ. Π ΡΡΠ΄Π΅ ΡΠ»ΡΡΠ°Π΅Π² ΠΎΠ½ΠΈ ΠΎΠΊΠ°Π·ΡΠ²Π°ΡΡ Π²ΡΠ΅Π΄Π½ΠΎΠ΅ Π²Π»ΠΈΡΠ½ΠΈΠ΅, ΡΠ°ΠΊ ΠΊΠ°ΠΊ Π½Π°ΠΏΡΠ°Π²Π»Π΅Π½Ρ Π² Π½Π΅ΠΆΠ΅Π»Π°ΡΠ΅Π»ΡΠ½ΠΎΠΌ Π½Π°ΠΏΡΠ°Π²Π»Π΅Π½ΠΈΠΈ. ΠΠΎΡΡΠΎΠΌΡ Ρ Π½Π΅ΠΊΠΎΡΠΎΡΡΡ
ΡΠ²Π΅ΡΠΎΠ²ΡΡ
ΠΏΡΠΈΠ±ΠΎΡΠΎΠ² ΠΏΡΡΠΌΡΠ΅ Π»ΡΡΠΈ ΡΠΊΡΠ°Π½ΠΈΡΡΡΡ.
Π ΠΈΡ. 1. Π Π°ΡΠΏΡΠ΅Π΄Π΅Π»Π΅Π½ΠΈΠ΅ ΡΠ²Π΅ΡΠΎΠ²ΠΎΠ³ΠΎ ΠΏΠΎΡΠΎΠΊΠ°:
Π° β ΠΈΠ΄Π΅Π°Π»ΡΠ½ΡΠΌ ΠΎΡΡΠ°ΠΆΠ°ΡΠ΅Π»Π΅ΠΌ ΠΈ ΡΠΎΡΠ΅ΡΠ½ΡΠΌ ΠΈΡΡΠΎΡΠ½ΠΈΠΊΠΎΠΌ ΡΠ²Π΅ΡΠ°; Π±βΡΠ΅Π°Π»ΡΠ½ΡΠΌ ΠΎΡΡΠ°ΠΆΠ°ΡΠ΅Π»Π΅ΠΌ ΠΈ ΡΠ°ΡΠΏΡΠ΅Π΄Π΅Π»Π΅Π½Π½ΡΠΌ ΠΈΡΡΠΎΡΠ½ΠΈΠΊΠΎΠΌ ΡΠ²Π΅ΡΠ°
Π Π΅Π°Π»ΡΠ½ΡΠΉ ΠΎΡΡΠ°ΠΆΠ°ΡΠ΅Π»Ρ ΠΈΠΌΠ΅Π΅Ρ Π½Π΅Π·Π½Π°ΡΠΈΡΠ΅Π»ΡΠ½ΡΠ΅ ΠΎΡΠΊΠ»ΠΎΠ½Π΅Π½ΠΈΡ ΠΎΡ ΡΠΎΡΠΌΡ ΠΈΠ΄Π΅Π°Π»ΡΠ½ΠΎΠ³ΠΎ ΠΏΠ°ΡΠ°Π±ΠΎΠ»ΠΎΠΈΠ΄Π°, Π° Π½ΠΈΡΡ Π½Π°ΠΊΠ°Π»Π° ΠΈΠΌΠ΅Π΅Ρ Ρ ΠΎΡΡ ΠΈ Π½Π΅Π±ΠΎΠ»ΡΡΠΈΠ΅, Π½ΠΎ ΠΊΠΎΠ½Π΅ΡΠ½ΡΠ΅ ΡΠ°Π·ΠΌΠ΅ΡΡ. ΠΠΎΡΡΠΎΠΌΡ Π½Π° ΠΏΡΠ°ΠΊΡΠΈΠΊΠ΅ ΠΎΡΡΠ°ΠΆΠ΅Π½Π½ΡΠΉ ΡΠ²Π΅Ρ ΠΈΠΌΠ΅Π΅Ρ ΡΠΎΡΠΌΡ ΡΠ»Π°Π±ΠΎ ΡΠ°ΡΡ ΠΎΠ΄ΡΡΠ΅Π³ΠΎΡΡ ΠΏΡΡΠΊΠ° Ρ ΡΠ΅Π»Π΅ΡΠ½ΡΠΌ ΡΠ³Π»ΠΎΠΌ ΡΠ³. Π’Π°ΠΊ ΠΊΠ°ΠΊ ΡΠ²Π΅ΡΠΎΠ²ΠΎΠΉ ΠΏΠΎΡΠΎΠΊ Π»Π°ΠΌΠΏΡ ΡΠ°ΡΠΏΡΠ΅Π΄Π΅Π»ΡΠ΅ΡΡΡ Π² ΡΠ΅Π»Π΅ΡΠ½ΠΎΠΌ ΡΠ³Π»Π΅, Π·Π½Π°ΡΠΈΡΠ΅Π»ΡΠ½ΠΎ Π±ΠΎΠ»ΡΡΠ΅ΠΌ ΡΠ΅Π»Π΅ΡΠ½ΠΎΠ³ΠΎ ΡΠ³Π»Π° ΡΠΎΠ³, Π² ΠΊΠΎΡΠΎΡΠΎΠΌ ΠΎΠ½ ΡΠ°ΡΠΏΡΠ΅Π΄Π΅Π»ΡΠ΅ΡΡΡ ΠΏΠΎΡΠ»Π΅ ΠΎΡΡΠ°ΠΆΠ΅Π½ΠΈΡ, ΡΠΎ ΡΠΈΠ»Π° ΠΎΡΡΠ°ΠΆΠ΅Π½Π½ΠΎΠ³ΠΎ ΡΠ²Π΅ΡΠ° Π²ΠΎ ΠΌΠ½ΠΎΠ³ΠΎ ΡΠ°Π· Π±ΠΎΠ»ΡΡΠ΅ ΡΠΈΠ»Ρ ΡΠ²Π΅ΡΠ° Π½ΠΈΡΠΈ Π½Π°ΠΊΠ°Π»Π° Π»Π°ΠΌΠΏΡ.
ΠΡΡΠ°ΠΆΠ΅Π½Π½ΡΠΉ ΡΠ²Π΅ΡΠΎΠ²ΠΎΠΉ ΠΏΠΎΡΠΎΠΊ ΠΎΠΊΠΎΠ½ΡΠ°ΡΠ΅Π»ΡΠ½ΠΎ ΡΠΎΡΠΌΠΈΡΡΠ΅Ρ ΡΠ°ΡΡΠ΅ΠΈΠ²Π°ΡΠ΅Π»Ρ. ΠΠ·Π³ΠΎΡΠΎΠ²Π»ΡΡΡΡΡ ΡΠ°ΡΡΠ΅ΠΈΠ²Π°ΡΠ΅Π»ΠΈ ΠΈΠ· ΠΎΠΏΡΠΈΡΠ΅ΡΠΊΠΈ ΠΏΡΠΎΠ·ΡΠ°ΡΠ½ΠΎΠ³ΠΎ ΠΌΠ°ΡΠ΅ΡΠΈΠ°Π»Π°. Π€ΠΎΡΠΌΠΈΡΠΎΠ²Π°Π½ΠΈΠ΅ ΡΠ²Π΅ΡΠΎΠ²ΠΎΠ³ΠΎ ΠΏΠΎΡΠΎΠΊΠ° ΠΎΡΡΡΠ΅ΡΡΠ²Π»ΡΠ΅ΡΡΡ Π²ΡΠΏΠΎΠ»Π½Π΅Π½Π½ΡΠΌΠΈ Π½Π° Π΅Π³ΠΎ Π²Π½ΡΡΡΠ΅Π½Π½Π΅ΠΉ ΠΏΠΎΠ²Π΅ΡΡ
Π½ΠΎΡΡΠΈ ΠΏΡΠ΅Π»ΠΎΠΌΠ»ΡΡΡΠΈΠΌΠΈ ΡΠ»Π΅ΠΌΠ΅Π½ΡΠ°ΠΌΠΈ. ΠΡΠ΅Π»ΠΎΠΌΠ»ΡΡΡΠΈΠΌΠΈ ΡΠ»Π΅ΠΌΠ΅Π½ΡΠ°ΠΌΠΈ ΠΌΠΎΠ³ΡΡ Π±ΡΡΡ: ΡΠΈΠ»ΠΈΠ½Π΄ΡΠΈΡΠ΅ΡΠΊΠΈΠ΅ Π»ΠΈΠ½Π·Ρ, ΠΊΠΎΡΠΎΡΡΠ΅ ΠΎΠ±Π΅ΡΠΏΠ΅ΡΠΈΠ²Π°ΡΡ ΡΠ°ΡΡΠ΅ΡΠ½ΠΈΠ΅ ΠΏΡΡΠΊΠ° Π² ΠΎΠ΄Π½ΠΎΠΉ ΠΏΠ»ΠΎΡΠΊΠΎΡΡΠΈ ΠΈ Π΅Π³ΠΎ ΠΏΠΎΠ²ΠΎΡΠΎΡ Π² Π΄ΡΡΠ³ΠΎΠΉ; ΡΡΠ΅ΡΠΈΡΠ΅ΡΠΊΠΈΠ΅ Π»ΠΈΠ½Π·Ρ, ΡΠ°ΡΡΠ΅ΠΈΠ²Π°ΡΡΠΈΠ΅ ΠΏΡΡΠΎΠΊ Π² ΠΎΠ±ΠΎΠΈΡ
ΠΏΠ»ΠΎΡΠΊΠΎΡΡΡΡ
; ΡΠ»Π»ΠΈΠΏΡΠΎΠΈΠ΄Π½ΡΠ΅ Π»ΠΈΠ½Π·Ρ, ΠΏΠΎΠ·Π²ΠΎΠ»ΡΡΡΠΈΠ΅ ΠΏΠΎΠ»ΡΡΠΈΡΡ ΡΠ°Π·Π»ΠΈΡΠ½ΡΠ΅ ΡΠ³Π»Ρ ΡΠ°ΡΡΠ΅ΡΠ½ΠΈΡ Π²ΠΎ Π²Π·Π°ΠΈΠΌΠΎΠΏΠ΅ΡΠΏΠ΅Π½Π΄ΠΈΠΊΡΠ»ΡΡΠ½ΡΡ
ΠΏΠ»ΠΎΡΠΊΠΎΡΡΡΡ
; ΠΏΡΠΈΠ·ΠΌΡ, ΠΊΠΎΡΠΎΡΡΠΌΠΈ Π΄ΠΎΠ±ΠΈΠ²Π°ΡΡΡΡ ΠΈΠ·ΠΌΠ΅Π½Π΅Π½ΠΈΡ Π½Π°ΠΏΡΠ°Π²Π»Π΅Π½ΠΈΡ ΡΠ°ΡΡΠΈ ΡΠ²Π΅ΡΠΎΠ²ΠΎΠ³ΠΎ ΠΏΠΎΡΠΎΠΊΠ°; Π»ΠΈΠ½Π·ΠΎΠΏΡΠΈΠ·ΠΌΡ, ΡΠ°ΡΡΠ΅ΠΈΠ²Π°ΡΡΠΈΠ΅ ΡΠ²Π΅ΡΠΎΠ²ΠΎΠΉ ΠΏΡΡΠΎΠΊ ΠΏΡΠΈ ΠΈΠ·ΠΌΠ΅Π½Π΅Π½ΠΈΠΈ ΠΎΡΠΈΠ΅Π½ΡΠ°ΡΠΈΠΈ ΡΠ°ΡΡΠΈ ΠΏΡΡΠΊΠ°.
Π Π°ΡΡΠ΅ΠΈΠ²Π°ΡΠ΅Π»Ρ Π²ΡΠΏΠΎΠ»Π½ΡΠ΅Ρ ΠΈ Π΄ΡΡΠ³ΡΡ Π²Π°ΠΆΠ½ΡΡ ΡΡΠ½ΠΊΡΠΈΡ. ΠΠ½ Π·Π°ΡΠΈΡΠ°Π΅Ρ ΡΠ°Π±ΠΎΡΡΡ ΠΏΠΎΠ²Π΅ΡΡ Π½ΠΎΡΡΡ ΠΎΡΡΠ°ΠΆΠ°ΡΠ΅Π»Ρ ΠΎΡ ΡΠ°Π·Π»ΠΈΡΠ½ΡΡ Π²Π½Π΅ΡΠ½ΠΈΡ Π²ΠΎΠ·Π΄Π΅ΠΉΡΡΠ²ΠΈΠΉ, ΠΊΠΎΡΠΎΡΡΠ΅ ΠΌΠΎΠ³ΡΡ ΡΡ ΡΠ΄ΡΠΈΡΡ Π΅Π³ΠΎ ΡΡΠ½ΠΊΡΠΈΠΎΠ½Π°Π»ΡΠ½ΡΠ΅ Ρ Π°ΡΠ°ΠΊΡΠ΅ΡΠΈΡΡΠΈΠΊΠΈ.
Π ΡΡΠ΄Π΅ ΡΠ»ΡΡΠ°Π΅Π² Π½Π΅ΠΎΠ±Ρ ΠΎΠ΄ΠΈΠΌΠ°Ρ Ρ Π°ΡΠ°ΠΊΡΠ΅ΡΠΈΡΡΠΈΠΊΠ° ΡΠ²Π΅ΡΠΎΠ²ΠΎΠ³ΠΎ ΠΏΡΠΈΠ±ΠΎΡΠ° Π΄ΠΎΡΡΠΈΠ³Π°Π΅ΡΡΡ Π±Π΅Π· ΠΏΡΠΈΠΌΠ΅Π½Π΅Π½ΠΈΡ ΠΎΡΡΠ°ΠΆΠ°ΡΠ΅Π»Ρ ΠΈΠ»ΠΈ ΡΠ°ΡΡΠ΅ΠΈΠ²Π°ΡΠ΅Π»Ρ. Π’Π°ΠΊ, Π³Π°Π±Π°ΡΠΈΡΠ½ΡΠ΅ ΠΎΠ³Π½ΠΈ ΠΈ Π±ΠΎΠΊΠΎΠ²ΡΠ΅ ΠΏΠΎΠ²ΡΠΎΡΠΈΡΠ΅Π»ΠΈ ΡΠΊΠ°Π·Π°ΡΠ΅Π»Π΅ΠΉ ΠΏΠΎΠ²ΠΎΡΠΎΡΠ° ΠΏΡΠΎΠ΅ΠΊΡΠΈΡΡΡΡΡΡ Π±Π΅Π· ΠΎΡΡΠ°ΠΆΠ°ΡΠ΅Π»Π΅ΠΉ. Π’ΡΠ΅Π±ΡΠ΅ΠΌΠΎΠ΅ ΡΠ²Π΅ΡΠΎΡΠ°ΡΠΏΡΠ΅Π΄Π΅Π»Π΅Π½ΠΈΠ΅ Π² ΡΡΠΈΡ ΠΏΡΠΈΠ±ΠΎΡΠ°Ρ ΠΎΠ±Π΅ΡΠΏΠ΅ΡΠΈΠ²Π°Π΅ΡΡΡ ΠΎΠ΄Π½ΠΈΠΌ ΡΠ°ΡΡΠ΅ΠΈΠ²Π°ΡΠ΅Π»Π΅ΠΌ. ΠΡΡΠ°ΠΆΠ°ΡΠ΅Π»ΡΠΌΠΈ ΡΠ»ΠΎΠΆΠ½ΠΎΠΉ ΡΠΎΡΠΌΡ, ΠΊΠΎΡΠΎΡΡΡ ΠΌΠΎΠΆΠ½ΠΎ ΠΏΠΎΠ»ΡΡΠΈΡΡ ΠΏΡΠΈ ΠΈΠ·Π³ΠΎΡΠΎΠ²Π»Π΅Π½ΠΈΠΈ ΠΈΡ ΠΈΠ· ΡΠ΅ΡΠΌΠΎΡΡΠΎΠΉΠΊΠΎΠΉ ΠΏΠ»Π°ΡΡΠΌΠ°ΡΡΡ, ΠΎΠ±Π΅ΡΠΏΠ΅ΡΠΈΠ²Π°Π΅ΡΡΡ ΠΈ ΠΊΠΎΠ½ΡΠ΅Π½ΡΡΠ°ΡΠΈΡ ΡΠ²Π΅ΡΠΎΠ²ΠΎΠ³ΠΎ ΠΏΠΎΡΠΎΠΊΠ° ΠΈ Π΅Π³ΠΎ ΡΠ°ΡΠΏΡΠ΅Π΄Π΅Π»Π΅Π½ΠΈΠ΅ ΠΏΠΎ Π½Π°ΠΏΡΠ°Π²Π»Π΅Π½ΠΈΡΠΌ. Π Π°ΡΡΠ΅ΠΈΠ²Π°ΡΠ΅Π»ΠΈ Π² ΡΠ°ΠΊΠΈΡ ΠΊΠΎΠ½ΡΡΡΡΠΊΡΠΈΡΡ Π½Π΅ Π½ΡΠΆΠ½Ρ ΠΈ ΡΡΠ΅Π±ΡΠ΅ΡΡΡ Π»ΠΈΡΡ ΡΡΡΠ°Π½ΠΎΠ²ΠΊΠ° Π·Π°ΡΠΈΡΠ½ΠΎΠ³ΠΎ ΡΡΠ΅ΠΊΠ»Π°. Π’Π°ΠΊΠΈΠ΅ ΡΠΈΡΡΠΎ ΠΎΡΡΠ°ΠΆΠ°ΡΠ΅Π»ΡΠ½ΡΠ΅ ΡΡ Π΅ΠΌΡ ΠΏΡΠΈΠ±ΠΎΡΠΎΠ² ΠΌΠΎΠ³ΡΡ ΠΏΡΠΈΠΌΠ΅Π½ΡΡΡΡΡ ΠΏΡΠΈ ΠΈΠ·Π³ΠΎΡΠΎΠ²Π»Π΅Π½ΠΈΠΈ ΡΠ°Ρ.
β
Π‘ΠΈΡΡΠ΅ΠΌΠ° ΠΎΡΠ²Π΅ΡΠ΅Π½ΠΈΡ ΠΈ ΡΠ²Π΅ΡΠΎΠ²ΠΎΠΉ ΡΠΈΠ³Π½Π°Π»ΠΈΠ·Π°ΡΠΈΠΈ ΠΏΡΠ΅Π΄Π½Π°Π·Π½Π°ΡΠ΅Π½Π° Π΄Π»Ρ ΠΎΡΠ²Π΅ΡΠ΅Π½ΠΈΡ Π΄ΠΎΡΠΎΠ³ΠΈ ΠΈ ΠΏΠ΅ΡΠ΅Π΄Π°ΡΠΈ ΠΈΠ½ΡΠΎΡΠΌΠ°ΡΠΈΠΈ ΠΎ ΡΠ²ΠΎΠ΅ΠΌ Π°Π²ΡΠΎΠΌΠΎΠ±ΠΈΠ»Π΅ (Π΅Π³ΠΎ ΠΏΡΠΈΡΡΡΡΡΠ²ΠΈΠΈ, Π³Π°Π±Π°ΡΠΈΡΠ°Ρ
) ΠΈ ΠΏΡΠ΅Π΄ΠΏΠΎΠ»Π°Π³Π°Π΅ΠΌΠΎΠΌ ΠΌΠ°Π½Π΅Π²ΡΠ΅, Π° ΡΠ°ΠΊΠΆΠ΅ Π΄Π»Ρ ΠΎΡΠ²Π΅ΡΠ΅Π½ΠΈΡ ΡΠ°Π»ΠΎΠ½Π° ΠΊΡΠ·ΠΎΠ²Π°, ΠΊΠ°Π±ΠΈΠ½Ρ, ΠΏΡΠΈΠ±ΠΎΡΠΎΠ² ΡΠΈΡΠΊΠ°, Π±Π°Π³Π°ΠΆΠ½ΠΈΠΊΠ°, Π½ΠΎΠΌΠ΅ΡΠ½ΠΎΠ³ΠΎ Π·Π½Π°ΠΊΠ° ΠΈ Π΄Ρ.
ΠΠΎΠ»ΠΈΡΠ΅ΡΡΠ²ΠΎ, ΡΠ°ΡΠΏΠΎΠ»ΠΎΠΆΠ΅Π½ΠΈΠ΅, ΡΠ²Π΅Ρ ΠΈ Π²ΠΈΠ΄ΠΈΠΌΠΎΡΡΡ Π²Π½Π΅ΡΠ½ΠΈΡ ΠΏΡΠΈΠ±ΠΎΡΠΎΠ² ΠΎΡΠ²Π΅ΡΠ΅Π½ΠΈΡ ΠΈ ΡΠ²Π΅ΡΠΎΠ²ΠΎΠΉ ΡΠΈΠ³Π½Π°Π»ΠΈΠ·Π°ΡΠΈΠΈ Π°Π²ΡΠΎΠΌΠΎΠ±ΠΈΠ»Ρ ΡΠ΅Π³Π»Π°ΠΌΠ΅Π½ΡΠΈΡΡΠ΅ΡΡΡ ΠΠΠ‘Π’ 8769β75, ΠΊΠΎΡΠΎΡΡΠΉ ΡΠΎΡΡΠ°Π²Π»Π΅Π½ Π² ΡΡΡΠΎΠ³ΠΎΠΌ ΡΠΎΠΎΡΠ²Π΅ΡΡΡΠ²ΠΈΠΈ Ρ ΠΌΠ΅ΠΆΠ΄ΡΠ½Π°ΡΠΎΠ΄Π½ΡΠΌΠΈ Π½ΠΎΡΠΌΠ°ΠΌΠΈ β ΠΡΠ°Π²ΠΈΠ»Π°ΠΌΠΈ β 1β7 ΠΠΠ ΠΠΠ (ΠΠ²ΡΠΎΠΏΠ΅ΠΉΡΠΊΠ°Ρ ΠΠΊΠΎΠ½ΠΎΠΌΠΈΡΠ΅ΡΠΊΠ°Ρ ΠΠΎΠΌΠΈΡΡΠΈΡ ΠΠΠ).
Π£ΡΡΡΠΎΠΉΡΡΠ²Π° Π·Π²ΡΠΊΠΎΠ²ΠΎΠΉ ΡΠΈΠ³Π½Π°Π»ΠΈΠ·Π°ΡΠΈΠΈ ΠΈ ΡΠΈΠ³Π½Π°Π»ΠΈΠ·Π°ΡΠΈΠΈ
230 ΡΠΎΠ²Π°ΡΠΎΠ²
ΠΠ²ΡΠΊΠΎΠ²ΡΠ΅ ΡΠΈΠ³Π½Π°Π»ΠΈΠ·Π°ΡΠΎΡΡ ΠΈΠ·Π΄Π°ΡΡ Π³ΡΠΎΠΌΠΊΠΈΠΉ Π·Π²ΡΠΊ, ΡΡΠΎΠ±Ρ ΠΏΡΠ΅Π΄ΡΠΏΡΠ΅Π΄ΠΈΡΡ ΡΠ°Π±ΠΎΡΠΈΡ ΠΈ Π΄ΡΡΠ³ΠΈΡ Π½Π°Ρ ΠΎΠ΄ΡΡΠΈΡ ΡΡ ΠΏΠΎΠ±Π»ΠΈΠ·ΠΎΡΡΠΈ Π»ΡΠ΄Π΅ΠΉ ΠΎΠ± ΡΠ³ΡΠΎΠ·Π΅ Π±Π΅Π·ΠΎΠΏΠ°ΡΠ½ΠΎΡΡΠΈ, ΡΠΈΠ³Π½Π°Π»ΠΈΠ·ΠΈΡΠΎΠ²Π°ΡΡ ΠΎ ΡΠ°ΠΊΠΈΡ ΡΠΎΠ±ΡΡΠΈΡΡ , ΠΊΠ°ΠΊ ΡΠΌΠ΅Π½Π° ΡΠΌΠ΅Π½Ρ, ΠΎΠΏΠΎΠ²Π΅ΡΠ΅Π½ΠΈΠ΅ ΠΏΠ΅ΡΡΠΎΠ½Π°Π»Π° ΠΈΠ»ΠΈ ΡΠΈΡΠΎΠΊΠΎΠ²Π΅ΡΠ°ΡΠ΅Π»ΡΠ½ΡΠ΅ ΠΎΠΏΠΎΠ²Π΅ΡΠ΅Π½ΠΈΡ. ΠΠ½ΠΈ ΠΈΡΠΏΠΎΠ»ΡΠ·ΡΡΡΡΡ Ρ ΡΠΎΠ²ΠΌΠ΅ΡΡΠΈΠΌΡΠΌΠΈ ΡΠΈΡΡΠ΅ΠΌΠ°ΠΌΠΈ Π±Π΅Π·ΠΎΠΏΠ°ΡΠ½ΠΎΡΡΠΈ, ΡΠΈΡΡΠ΅ΠΌΠ°ΠΌΠΈ Π²Π½ΡΡΡΠ΅Π½Π½Π΅ΠΉ ΡΠ²ΡΠ·ΠΈ ΠΈΠ»ΠΈ ΡΠΈΡΡΠ΅ΠΌΠ°ΠΌΠΈ ΠΏΠΎΠΆΠ°ΡΠ½ΠΎΠΉ ΡΠΈΠ³Π½Π°Π»ΠΈΠ·Π°ΡΠΈΠΈ Π½Π° ΠΏΡΠΎΠΌΡΡΠ»Π΅Π½Π½ΡΡ ΠΎΠ±ΡΠ΅ΠΊΡΠ°Ρ .
ΠΠ²ΡΠΊΠΎΠ²ΡΠ΅ ΡΠΈΠ³Π½Π°Π»Ρ ΠΈΠ·Π΄Π°ΡΡ Π³ΡΠΎΠΌΠΊΠΈΠΉ Π·Π²ΡΠΊ, ΡΡΠΎΠ±Ρ ΠΏΡΠ΅Π΄ΡΠΏΡΠ΅Π΄ΠΈΡΡ ΡΠ°Π±ΠΎΡΠΈΡ
ΠΈ Π΄ΡΡΠ³ΠΈΡ
Π½Π°Ρ
ΠΎΠ΄ΡΡΠΈΡ
ΡΡ ΠΏΠΎΠ±Π»ΠΈΠ·ΠΎΡΡΠΈ Π»ΡΠ΄Π΅ΠΉ ΠΎΠ± ΡΠ³ΡΠΎΠ·Π΅ Π±Π΅Π·ΠΎΠΏΠ°ΡΠ½ΠΎΡΡΠΈ, ΡΠΈΠ³Π½Π°Π»ΠΈΠ·ΠΈΡΠΎΠ²Π°ΡΡ ΠΎ ΡΠ°ΠΊΠΈΡ
ΡΠΎΠ±ΡΡΠΈΡΡ
, ΠΊΠ°ΠΊ ΡΠΌΠ΅Π½Π° ΡΠΌΠ΅Π½Ρ, ΠΏΠ΅ΠΉΠ΄ΠΆΠΈΠ½Π³ ΠΏΠ΅ΡΡΠΎΠ½Π°Π»Π° ΠΈΠ»ΠΈ ΡΠΈΡΠΎΠΊΠΎΠ²Π΅ΡΠ°ΡΠ΅Π»ΡΠ½ΡΠ΅ ΠΎΠΏΠΎΠ²Π΅ΡΠ΅Π½ΠΈΡ. ΠΠ½ΠΈ ΠΈΡΠΏΠΎΠ»ΡΠ·ΡΡΡΡΡ Ρ ΡΠΎΠ²ΠΌΠ΅ΡΡΠΈΠΌΡΠΌΠΈ ΡΠΈΡΡΠ΅ΠΌΠ°ΠΌΠΈ Π±Π΅Π·ΠΎΠΏΠ°ΡΠ½ΠΎΡΡΠΈ, ΡΠΈΡΡΠ΅ΠΌΠ°ΠΌΠΈ Π²Π½ΡΡΡΠ΅Π½Π½Π΅ΠΉ ΡΠ²ΡΠ·ΠΈ ΠΈΠ»ΠΈ ΡΠΈΡΡΠ΅ΠΌΠ°ΠΌΠΈ ΠΏΠΎΠΆΠ°ΡΠ½ΠΎΠΉ ΡΠΈΠ³Π½Π°Π»ΠΈΠ·Π°ΡΠΈΠΈ Π½Π° ΠΏΡΠΎΠΌΡΡΠ»Π΅Π½Π½ΡΡ
ΠΎΠ±ΡΠ΅ΠΊΡΠ°Ρ
.
ΠΠ΄Π²Π°ΡΠ΄Ρ Π‘ΠΈΠ³Π½Π°Π» ΠΠΎΡΠ½ Π‘ΡΡΠΎΠ±
Π€Π΅Π΄Π΅ΡΠ°Π»ΡΠ½ΡΠΉ ΡΠΈΠ³Π½Π°Π»ΡΠ½ΡΠΉ ΡΠΎΠ³, ΡΠΈΠ³Π½Π°Π»ΡΠ½ΠΎΠ΅ ΡΡΡΡΠΎΠΉΡΡΠ²ΠΎ
ΠΠ΄Π²Π°ΡΠ΄Ρ. ΠΠΈΠ±ΡΠ°ΡΠΈΠΎΠ½Π½ΡΠΉ Π³ΡΠ΄ΠΎΠΊ
FEDERAL SIGNAL Π‘ΠΈΡΠ΅Π½Π°, ΡΠ΅Π·ΠΎΠ½ΠΈΡΡΡΡΠΈΠΉ ΡΡΠΏΠΎΡ
FEDERAL SIGNAL Π‘ΠΈΡΠ΅Π½Π°, Π΄ΠΈΠ½Π°ΠΌΠΈΠΊ
ΡΠ΅Π΄Π΅ΡΠ°Π»ΡΠ½ΡΠΉ ΡΠΈΠ³Π½Π°Π»ΡΠ½ΡΠΉ ΡΠΈΡΠ΅Π½Π°, ΡΠΎΠ³Π° ΡΡΡΠΎΠ±Π°
Π€Π΅Π΄Π΅ΡΠ°Π»ΡΠ½ΡΠΉ ΡΠΈΠ³Π½Π°Π»ΡΠ½ΡΠΉ ΠΊΠΎΠ»ΠΎΠΊΠΎΠ», ΡΠΈΠ³Π½Π°Π»ΡΠ½ΠΎΠ΅ ΡΡΡΡΠΎΠΉΡΡΠ²ΠΎ
ΠΠ΄Π²Π°ΡΠ΄Ρ.
Π‘ΠΈΡΠ΅Π½Π° FEDERAL SIGNAL, ΡΠ½ΠΈΠ²Π΅ΡΡΠ°Π»ΡΠ½ΡΠΉ ΡΠΎΠ½Π°Π»ΡΠ½ΡΠΉ ΠΌΠΎΠ΄ΡΠ»Ρ
ΠΠ·ΡΡΠ²ΠΎΠ·Π°ΡΠΈΡΠ΅Π½Π½ΡΠΉ Π²ΠΈΠ±ΡΠΎΠ³ΡΠ΄ΠΎΠΊ FEDERAL SIGNAL
ΠΡΠΌΠΌΠ΅Ρ WERMA, ΠΌΠ½ΠΎΠ³ΠΎΡΠΎΠ½Π°Π»ΡΠ½ΡΠΉ ΠΎΠΏΠΎΠ²Π΅ΡΠ°ΡΠ΅Π»Ρ
FEDERAL SIGNAL Siren, Low Profile Mini Sounder
WERMA Buzzer
EDWARDS SIGNALING Buzzer
WHEELOCK Horn, Strobe
FEDERAL SIGNAL Siren, Electronic Sounder
GE Buzzer
WHEELOCK ΠΠΎΠ΄ΠΎΠ½Π΅ΠΏΡΠΎΠ½ΠΈΡΠ°Π΅ΠΌΡΠΉ ΠΌΠ½ΠΎΠ³ΠΎΡΠΎΠ½Π°Π»ΡΠ½ΡΠΉ ΡΡΠΏΠΎΡ
WHEELOCK Bell
EATON Horn with Strobe Visual
Technology Technology Technology International Siren, Calmi Mini Controller
Π€Π΅Π΄Π΅ΡΠ°Π»ΡΠ½ΡΠΉ ΡΠΈΠ³Π½Π°Π» ΠΠ»Π΅ΠΊΡΡΠΎΠ½Π½ΡΠΉ ΡΠΎΠ³
ΠΠ΄Π²Π°ΡΠ΄Ρ.
ΠΠ΄Π²Π°ΡΠ΄ΡΡΠΊΠΈΠΉ ΡΠΈΠ³Π½Π°Π»ΡΠ½ΡΠΉ Π²ΠΈΠ±ΡΠ°ΡΠΈΠΈ. Π Π΅Π³ΡΠ»ΠΈΡΡΠ΅ΠΌΡΠΉ ΡΠΎΠ³Π€Π΅Π΄Π΅ΡΠ°Π»ΡΠ½ΡΠΉ ΡΠΈΠ³Π½Π°Π»ΡΠ½ΡΠΉ ΠΊΠΎΠ»ΠΎΠΊΠΎΠ», Π²ΠΈΠ±ΡΠ°ΡΠΈΠΎΠ½Π½ΡΠΉ ΠΌΠ΅Ρ Π°Π½ΠΈΠ·ΠΌ
Π€Π΅Π΄Π΅ΡΠ°Π»ΡΠ½ΡΠΉ ΡΠΈΠ³Π½Π°Π», ΠΎΠΏΠ°ΡΠ½ΠΎΠ΅ ΠΌΠ΅ΡΡΠΎΠΏΠΎΠ»ΠΎΠΆΠ΅Π½ΠΈΠ΅ Electronic Horn 9003
Π€Π΅Π΄Π΅ΡΠ°Π»ΡΠ½ΡΠΉ ΡΠΈΠ³Π½Π°Π».
Π‘ΠΈΡΠ΅Π½Π° SCHNEIDER ELECTRIC
ΠΠ½ΠΎΠ³ΠΎΡΠΎΠ½Π°Π»ΡΠ½ΡΠΉ Π·Π²ΡΠΊΠΎΠ²ΠΎΠΉ ΡΠΈΠ³Π½Π°Π» WHEELOCK
SPECO TECHNOLOGIES ΠΡΠ΅ΠΏΠΎΠ³ΠΎΠ΄Π½Π°Ρ ΡΠΈΡΠ΅Π½Π° ΡΠΈΠ³Π½Π°Π»ΠΈΠ·Π°ΡΠΈΠΈ
Π€Π΅Π΄Π΅ΡΠ°Π»ΡΠ½ΡΠΉ ΡΠΈΠ³Π½Π°Π» ΠΠ»Π΅ΠΊΡΡΠΎΠ½Π½ΡΠΉ ΡΠΈΡΠ΅Π½Π°
ΠΠ»Π΅ΠΊΡΡΠΎΠ½Π½Π°Ρ ΡΡΠ΅Π²ΠΎΠ³Π° Schneider Electric Electrick
Edwards Signaling Horn, ΡΠ΄Π°Π»Π΅Π½Π½ΠΎΠ΅ ΡΡΠΈΠ»ΠΈΡΠ΅Π»Ρ Π΄ΠΈΠ½Π°ΠΌΠΈΠΊΠ°
Eaton Fire Alarm, CHIME
EATON Fire Adala Taldge Alatra, ΠΠ°ΡΠ΅Ρ
1111111111111111111111111111111111111111111111111111111111111110
111111111110 Eaton Fire Alaric Alarice, ΠΠ°ΡΠ΅Ρ
- 99
.
ΠΠΎΠΆΠ°ΡΠ½Π°Ρ ΡΠΈΠ³Π½Π°Π»ΠΈΠ·Π°ΡΠΈΡ, Π·Π²ΡΠΊΠΎΠ²ΠΎΠΉ ΡΠΈΠ³Π½Π°Π» WHEELOCK Horn
EATON ΠΠΎΠΆΠ°ΡΠ½Π°Ρ ΡΠΈΠ³Π½Π°Π»ΠΈΠ·Π°ΡΠΈΡ, Π·Π²ΡΠΊΠΎΠ²Π°Ρ ΡΠΈΠ³Π½Π°Π»ΠΈΠ·Π°ΡΠΈΡ
FEDERAL SIGNAL Sound Projector
WHEELOCK Fire Alarm, Speaker
EDWARDS SIGNALING Horn, Tone Generator
SCHNEIDER ELECTRIC Buzzer
EATON Horn, No Visual
FEDERAL SIGNAL Siren, Speaker Strobe
FEDERAL SIGNAL Π‘ΠΈΡΠ΅Π½Π°, Π΄ΠΈΠ½Π°ΠΌΠΈΠΊ Ρ ΡΡΠΈΠ»ΠΈΡΠ΅Π»Π΅ΠΌ
ΠΠ°Π³ΡΡΠ·ΠΊΠ° . .. | |||||||||||||||
| ΠΠ°Π³ΡΡΠ·ΠΊΠ° … | |||||||||||||||
| ΠΠ°Π³ΡΡΠ·ΠΊΠ° … | |||||||||||||||
| . | |||||||||||||||
| ΠΠ°Π³ΡΡΠ·ΠΊΠ° … | |||||||||||||||
| ΠΠ°Π³ΡΡΠ·ΠΊΠ° … | |||||||||||||||
| ΠΠ°Π³ΡΡΠ·ΠΊΠ° … | |||||||||||||||
| ΠΠ°Π³ΡΡΠ·ΠΊΠ° | |||||||||||||||
| . | |||||||||||||||
| ΠΠ°Π³ΡΡΠ·ΠΊΠ°… | |||||||||||||||
| ΠΠ°Π³ΡΡΠ·ΠΊΠ° … | |||||||||||||||
| ΠΠ°Π³ΡΡΠ·ΠΊΠ° … | |||||||||||||||
| ΠΠ°Π³ΡΡΠ·ΠΊΠ° … | |||||||||||||||
| ΠΠ°Π³ΡΡΠ·ΠΊΠ° | |||||||||||||||
| . | |||||||||||||||
| ΠΠ°Π³ΡΡΠ·ΠΊΠ° … | |||||||||||||||
| ΠΠ°Π³ΡΡΠ·ΠΊΠ° … | |||||||||||||||
| ΠΠ°Π³ΡΡΠ·ΠΊΠ° … | |||||||||||||||
| ΠΠ°Π³ΡΡΠ·ΠΊΠ° … | |||||||||||||||
| ΠΠ°Π³ΡΡΠ·ΠΊΠ° … | |||||||||||||||
| Π½Π°Π³ΡΡΠ·ΠΊΠ° … | |||||||||||||||
| 17 … | |||||||||||||||
| . ΠΠ°Π³ΡΡΠ·ΠΊΠ°… | |||||||||||||||
ΠΠ°Π³ΡΡΠ·ΠΊΠ° . .. | |||||||||||||||
| ΠΠ°Π³ΡΡΠ·ΠΊΠ° … | |||||||||||||||
| ΠΠ°Π³ΡΡΠ·ΠΊΠ° … | |||||||||||||||
| ΠΠ°Π³ΡΡΠ·ΠΊΠ° … | |||||||||||||||
| 717 … | |||||||||||||||
| . | ΠΠ°Π³ΡΡΠ·ΠΊΠ° … |
| Loading… | ||||||
| Loading… |
Loading. .. | ||||||
| ΠΠ΄Π΅Ρ Π·Π°Π³ΡΡΠ·ΠΊΠ°… | ||||||
| ΠΠ΄Π΅Ρ Π·Π°Π³ΡΡΠ·ΠΊΠ°… |
| Loading… |
| Loading… | |||||||||||||
| Loading … | |||||||||||||
| ΠΠ°Π³ΡΡΠ·ΠΊΠ°… | |||||||||||||
| ΠΠ°Π³ΡΡΠ·ΠΊΠ°… | |||||||||||||
ΠΠ°Π³ΡΡΠ·ΠΊΠ°.. . | |||||||||||||
| ΠΠ°Π³ΡΡΠ·ΠΊΠ°… | |||||||||||||
| ΠΠ°Π³ΡΡΠ·ΠΊΠ° … | |||||||||||||
| ΠΠ°Π³ΡΡΠ·ΠΊΠ° … | |||||||||||||
| … | |||||||||||||
| ΠΠ°Π³ΡΡΠ·ΠΊΠ° | |||||||||||||
| 64. | ΠΠ°Π³ΡΡΠ·ΠΊΠ° … | ||||||||||||
| ΠΠ°Π³ΡΡΠ·ΠΊΠ° … | |||||||||||||
| ΠΠ°Π³ΡΡΠ·ΠΊΠ° … | |||||||||||||
| ΠΠ°Π³ΡΡΠ·ΠΊΠ° … |
| Loading… | ||||||
| Loading… | ||||||
| Loading… | ||||||
| Loading… | ||||||
| Loading… | ||||||
| Loading … |
Loading. .. | ||||||
| Loading… |
| Loading… | ||||||
| Loading… | ||||||
| Loading… | ||||||
| ΠΠ°Π³ΡΡΠ·ΠΊΠ° … |
| Loading… |
| Loading… |
| ΠΠ°Π³ΡΡΠ·ΠΊΠ°… | ||||||
| Loading… | ||||||
| Loading… | ||||||
Loading. .. | ||||||
| Loading… | ||||||
| Loading… |
| Loading… | ||||||
| Loading… | ||||||
| Loading… | ||||||
| Loading… | ||||||
| Loading… |
Loading. .. | ||||||
| Loading.. | ||||||
| ΠΠ΄Π΅Ρ Π·Π°Π³ΡΡΠ·ΠΊΠ°… |
| Loading… |
| Loading… | ||||||
| Loading… |
Loading. .. | ||||||
| Loading… | ||||||
| Loading… | ||||||
| Loading… | ||||||
| Loading… |
| ΠΠ°Π³ΡΡΠ·ΠΊΠ° … | ||||||
| ΠΠ°Π³ΡΡΠ·ΠΊΠ° … | ||||||
| ΠΠ°Π³ΡΡΠ·ΠΊΠ° … | ||||||
| ΠΠ°Π³ΡΡΠ·ΠΊΠ° | ||||||
| . | ||||||
| ΠΠ°Π³ΡΡΠ·ΠΊΠ° … | ||||||
| ΠΠ°Π³ΡΡΠ·ΠΊΠ° … | ||||||
| ΠΠ°Π³ΡΡΠ·ΠΊΠ° … | ||||||
| ΠΠ°Π³ΡΡΠ·ΠΊΠ° … | ||||||
464 . .. | ||||||
| 464 … | ||||||
| 44. ΠΠ°Π³ΡΡΠ·ΠΊΠ°… | ||||||
| Loading… |
| Loading… | ||||||
| Loading… |
| ΠΠ°Π³ΡΡΠ·ΠΊΠ° … | |||||||||||||
| 64 40364649646464964646464649646464964646464.0219 | |||||||||||||
ΠΠ°Π³ΡΡΠ·ΠΊΠ° . .. | |||||||||||||
| ΠΠ°Π³ΡΡΠ·ΠΊΠ° … | |||||||||||||
| … | |||||||||||||
| ΠΠ°Π³ΡΡΠ·ΠΊΠ° | |||||||||||||
| 64. | ΠΠ°Π³ΡΡΠ·ΠΊΠ° … | ||||||||||||
| ΠΠ°Π³ΡΡΠ·ΠΊΠ° … | |||||||||||||
| ΠΠ°Π³ΡΡΠ·ΠΊΠ° … | |||||||||||||
| ΠΠ°Π³ΡΡΠ·ΠΊΠ° … |
| Loading… | |||||||
| Loading… | |||||||
| Loading… |
ΠΠ°Π³ΡΡΠ·ΠΊΠ° . .. |
| Loading… | |||||||
| Loading… |
| Loading… | ||||||
| ΠΠ°Π³ΡΡΠ·ΠΊΠ°… | ||||||
| ΠΠ°Π³ΡΡΠ·ΠΊΠ°… | ||||||
| ΠΠ°Π³ΡΡΠ·ΠΊΠ°… |
Loading. .. | |||||||
| Loading… | |||||||
| Loading… | |||||||
| Loading… | |||||||
| Loading… | |||||||
| ΠΠ°Π³ΡΡΠ·ΠΊΠ° … | |||||||
| ΠΠ°Π³ΡΡΠ·ΠΊΠ° … | |||||||
| ΠΠ°Π³ΡΡΠ·ΠΊΠ° … | |||||||
| ΠΠ°Π³ΡΡΠ·ΠΊΠ° … | |||||||
| ΠΠ°Π³ΡΡΠ·ΠΊΠ° … | |||||||
| Π½Π°Π³ΡΡΠ·ΠΊΠ° … | |||||||
| 17 … | |||||||
| . ΠΠ°Π³ΡΡΠ·ΠΊΠ°… | |||||||
| ΠΠ°Π³ΡΡΠ·ΠΊΠ° … | |||||||
| ΠΠ°Π³ΡΡΠ·ΠΊΠ° … | |||||||
| ΠΠ°Π³ΡΡΠ·ΠΊΠ° … |
| Loading… | ||||||
| Loading… |
| ΠΠ°Π³ΡΡΠ·ΠΊΠ° … |
| Loading… |
| Loading … |
Loading. .. | |||||||
| Loading… | |||||||
| ΠΠ΄Π΅Ρ Π·Π°Π³ΡΡΠ·ΠΊΠ°… | |||||||
| ΠΠ΄Π΅Ρ Π·Π°Π³ΡΡΠ·ΠΊΠ°… | |||||||
| ΠΠ΄Π΅Ρ Π·Π°Π³ΡΡΠ·ΠΊΠ°… |
| Loading… | ||||||
| Loading… |
ΠΠ°Π³ΡΡΠ·ΠΊΠ°. .. |
| ΠΠ°Π³ΡΡΠ·ΠΊΠ° … | |||||||||||||||||||||||||||||||||||||||||||||||||||||||||||||||||||||||||||||||||||||||||||||||||||||||||||||||||||||||||||||||||||||||||||||||||||||||||||||||||||||||||||||||||||||||||||||||||||||||||||||||||||||||||||||||||||||||||||||||||||||||||||||||||||||||||||||||||||||||||||||||||||||||||||||||||||||||||||||||||||||||||||||||||||||||||||||||||||||||||||||||||||||||||||||||||||||||||||||||||||||||||||||||||||||||||||||||||||||||||||
| ΠΠ°Π³ΡΡΠ·ΠΊΠ° … | |||||||||||||||||||||||||||||||||||||||||||||||||||||||||||||||||||||||||||||||||||||||||||||||||||||||||||||||||||||||||||||||||||||||||||||||||||||||||||||||||||||||||||||||||||||||||||||||||||||||||||||||||||||||||||||||||||||||||||||||||||||||||||||||||||||||||||||||||||||||||||||||||||||||||||||||||||||||||||||||||||||||||||||||||||||||||||||||||||||||||||||||||||||||||||||||||||||||||||||||||||||||||||||||||||||||||||||||||||||||||||
| ΠΠ°Π³ΡΡΠ·ΠΊΠ° … | |||||||||||||||||||||||||||||||||||||||||||||||||||||||||||||||||||||||||||||||||||||||||||||||||||||||||||||||||||||||||||||||||||||||||||||||||||||||||||||||||||||||||||||||||||||||||||||||||||||||||||||||||||||||||||||||||||||||||||||||||||||||||||||||||||||||||||||||||||||||||||||||||||||||||||||||||||||||||||||||||||||||||||||||||||||||||||||||||||||||||||||||||||||||||||||||||||||||||||||||||||||||||||||||||||||||||||||||||||||||||||
| Loading… | |||||||||||||||||||||||||||||||||||||||||||||||||||||||||||||||||||||||||||||||||||||||||||||||||||||||||||||||||||||||||||||||||||||||||||||||||||||||||||||||||||||||||||||||||||||||||||||||||||||||||||||||||||||||||||||||||||||||||||||||||||||||||||||||||||||||||||||||||||||||||||||||||||||||||||||||||||||||||||||||||||||||||||||||||||||||||||||||||||||||||||||||||||||||||||||||||||||||||||||||||||||||||||||||||||||||||||||||||||||||||||
| Loading… | |||||||||||||||||||||||||||||||||||||||||||||||||||||||||||||||||||||||||||||||||||||||||||||||||||||||||||||||||||||||||||||||||||||||||||||||||||||||||||||||||||||||||||||||||||||||||||||||||||||||||||||||||||||||||||||||||||||||||||||||||||||||||||||||||||||||||||||||||||||||||||||||||||||||||||||||||||||||||||||||||||||||||||||||||||||||||||||||||||||||||||||||||||||||||||||||||||||||||||||||||||||||||||||||||||||||||||||||||||||||||||
| Loading… | |||||||||||||||||||||||||||||||||||||||||||||||||||||||||||||||||||||||||||||||||||||||||||||||||||||||||||||||||||||||||||||||||||||||||||||||||||||||||||||||||||||||||||||||||||||||||||||||||||||||||||||||||||||||||||||||||||||||||||||||||||||||||||||||||||||||||||||||||||||||||||||||||||||||||||||||||||||||||||||||||||||||||||||||||||||||||||||||||||||||||||||||||||||||||||||||||||||||||||||||||||||||||||||||||||||||||||||||||||||||||||
| Loading… | |||||||||||||||||||||||||||||||||||||||||||||||||||||||||||||||||||||||||||||||||||||||||||||||||||||||||||||||||||||||||||||||||||||||||||||||||||||||||||||||||||||||||||||||||||||||||||||||||||||||||||||||||||||||||||||||||||||||||||||||||||||||||||||||||||||||||||||||||||||||||||||||||||||||||||||||||||||||||||||||||||||||||||||||||||||||||||||||||||||||||||||||||||||||||||||||||||||||||||||||||||||||||||||||||||||||||||||||||||||||||||
| Loading… | |||||||||||||||||||||||||||||||||||||||||||||||||||||||||||||||||||||||||||||||||||||||||||||||||||||||||||||||||||||||||||||||||||||||||||||||||||||||||||||||||||||||||||||||||||||||||||||||||||||||||||||||||||||||||||||||||||||||||||||||||||||||||||||||||||||||||||||||||||||||||||||||||||||||||||||||||||||||||||||||||||||||||||||||||||||||||||||||||||||||||||||||||||||||||||||||||||||||||||||||||||||||||||||||||||||||||||||||||||||||||||
ΠΠ°Π³ΡΡΠ·ΠΊΠ° . .. | |||||||||||||||||||||||||||||||||||||||||||||||||||||||||||||||||||||||||||||||||||||||||||||||||||||||||||||||||||||||||||||||||||||||||||||||||||||||||||||||||||||||||||||||||||||||||||||||||||||||||||||||||||||||||||||||||||||||||||||||||||||||||||||||||||||||||||||||||||||||||||||||||||||||||||||||||||||||||||||||||||||||||||||||||||||||||||||||||||||||||||||||||||||||||||||||||||||||||||||||||||||||||||||||||||||||||||||||||||||||||||
| ΠΠ°Π³ΡΡΠ·ΠΊΠ° … | |||||||||||||||||||||||||||||||||||||||||||||||||||||||||||||||||||||||||||||||||||||||||||||||||||||||||||||||||||||||||||||||||||||||||||||||||||||||||||||||||||||||||||||||||||||||||||||||||||||||||||||||||||||||||||||||||||||||||||||||||||||||||||||||||||||||||||||||||||||||||||||||||||||||||||||||||||||||||||||||||||||||||||||||||||||||||||||||||||||||||||||||||||||||||||||||||||||||||||||||||||||||||||||||||||||||||||||||||||||||||||
| ΠΠ°Π³ΡΡΠ·ΠΊΠ° … | |||||||||||||||||||||||||||||||||||||||||||||||||||||||||||||||||||||||||||||||||||||||||||||||||||||||||||||||||||||||||||||||||||||||||||||||||||||||||||||||||||||||||||||||||||||||||||||||||||||||||||||||||||||||||||||||||||||||||||||||||||||||||||||||||||||||||||||||||||||||||||||||||||||||||||||||||||||||||||||||||||||||||||||||||||||||||||||||||||||||||||||||||||||||||||||||||||||||||||||||||||||||||||||||||||||||||||||||||||||||||||
| ΠΠ°Π³ΡΡΠ·ΠΊΠ° … | |||||||||||||||||||||||||||||||||||||||||||||||||||||||||||||||||||||||||||||||||||||||||||||||||||||||||||||||||||||||||||||||||||||||||||||||||||||||||||||||||||||||||||||||||||||||||||||||||||||||||||||||||||||||||||||||||||||||||||||||||||||||||||||||||||||||||||||||||||||||||||||||||||||||||||||||||||||||||||||||||||||||||||||||||||||||||||||||||||||||||||||||||||||||||||||||||||||||||||||||||||||||||||||||||||||||||||||||||||||||||||
| 464 … | |||||||||||||||||||||||||||||||||||||||||||||||||||||||||||||||||||||||||||||||||||||||||||||||||||||||||||||||||||||||||||||||||||||||||||||||||||||||||||||||||||||||||||||||||||||||||||||||||||||||||||||||||||||||||||||||||||||||||||||||||||||||||||||||||||||||||||||||||||||||||||||||||||||||||||||||||||||||||||||||||||||||||||||||||||||||||||||||||||||||||||||||||||||||||||||||||||||||||||||||||||||||||||||||||||||||||||||||||||||||||||
| 464 … | |||||||||||||||||||||||||||||||||||||||||||||||||||||||||||||||||||||||||||||||||||||||||||||||||||||||||||||||||||||||||||||||||||||||||||||||||||||||||||||||||||||||||||||||||||||||||||||||||||||||||||||||||||||||||||||||||||||||||||||||||||||||||||||||||||||||||||||||||||||||||||||||||||||||||||||||||||||||||||||||||||||||||||||||||||||||||||||||||||||||||||||||||||||||||||||||||||||||||||||||||||||||||||||||||||||||||||||||||||||||||||
44.
999999999999 Π³Π³. ΠΠΈΡΠ°ΠΉ ΠΡΠΎΠΈΠ·Π²ΠΎΠ΄ΠΈΡΠ΅Π»Ρ ΠΎΠ³Π½Π΅ΡΡΡΠΈΡΠ΅Π»Π΅ΠΉ CO2, ΠΡΠΎΡΠΈΠ²ΠΎΠΏΠΎΠΆΠ°ΡΠ½ΠΎΠ΅ ΠΎΠ΄Π΅ΡΠ»ΠΎ, ΠΠΎΡΡΠ°Π²ΡΠΈΠΊ Π°ΠΊΡΠ΅ΡΡΡΠ°ΡΠΎΠ² Π΄Π»Ρ ΠΎΠ³Π½Π΅ΡΡΡΠΈΡΠ΅Π»Π΅ΠΉΠΠΎΡΡΡΠΈΠ΅ ΠΏΡΠΎΠ΄ΡΠΊΡΡΠΠΈΠ΄Π΅ΠΎ Π‘Π²ΡΠΆΠΈΡΠ΅ΡΡ ΡΠ΅ΠΉΡΠ°Ρ Π‘Π²ΡΠΆΠΈΡΠ΅ΡΡ ΡΠ΅ΠΉΡΠ°Ρ ΠΠΈΠ΄Π΅ΠΎ Π‘Π²ΡΠΆΠΈΡΠ΅ΡΡ ΡΠ΅ΠΉΡΠ°Ρ Π‘Π²ΡΠΆΠΈΡΠ΅ΡΡ ΡΠ΅ΠΉΡΠ°Ρ Π‘Π²ΡΠΆΠΈΡΠ΅ΡΡ ΡΠ΅ΠΉΡΠ°Ρ Π‘Π²ΡΠΆΠΈΡΠ΅ΡΡ ΡΠ΅ΠΉΡΠ°Ρ ΠΠΈΠ΄Π΅ΠΎ Π‘Π²ΡΠΆΠΈΡΠ΅ΡΡ ΡΠ΅ΠΉΡΠ°Ρ Π‘Π²ΡΠΆΠΈΡΠ΅ΡΡ ΡΠ΅ΠΉΡΠ°Ρ ΠΠΈΠ΄Π΅ΠΎ Π‘Π²ΡΠΆΠΈΡΠ΅ΡΡ ΡΠ΅ΠΉΡΠ°Ρ ΠΠΈΠ΄Π΅ΠΎ Π‘Π²ΡΠΆΠΈΡΠ΅ΡΡ ΡΠ΅ΠΉΡΠ°Ρ Π‘Π²ΡΠΆΠΈΡΠ΅ΡΡ ΡΠ΅ΠΉΡΠ°Ρ Π‘Π²ΡΠΆΠΈΡΠ΅ΡΡ ΡΠ΅ΠΉΡΠ°Ρ Π‘Π²ΡΠΆΠΈΡΠ΅ΡΡ ΡΠ΅ΠΉΡΠ°Ρ ΠΠΈΠ΄Π΅ΠΎ Π‘Π²ΡΠΆΠΈΡΠ΅ΡΡ ΡΠ΅ΠΉΡΠ°Ρ Π‘Π²ΡΠΆΠΈΡΠ΅ΡΡ ΡΠ΅ΠΉΡΠ°Ρ Π‘Π²ΡΠΆΠΈΡΠ΅ΡΡ ΡΠ΅ΠΉΡΠ°Ρ Π‘Π²ΡΠΆΠΈΡΠ΅ΡΡ ΡΠ΅ΠΉΡΠ°Ρ Π‘Π²ΡΠΆΠΈΡΠ΅ΡΡ ΡΠ΅ΠΉΡΠ°Ρ Π‘Π²ΡΠΆΠΈΡΠ΅ΡΡ ΡΠ΅ΠΉΡΠ°Ρ Π‘Π²ΡΠΆΠΈΡΠ΅ΡΡ ΡΠ΅ΠΉΡΠ°Ρ Π‘Π²ΡΠΆΠΈΡΠ΅ΡΡ ΡΠ΅ΠΉΡΠ°Ρ Π‘Π²ΡΠΆΠΈΡΠ΅ΡΡ ΡΠ΅ΠΉΡΠ°Ρ Π‘Π²ΡΠΆΠΈΡΠ΅ΡΡ ΡΠ΅ΠΉΡΠ°Ρ Π‘Π²ΡΠΆΠΈΡΠ΅ΡΡ ΡΠ΅ΠΉΡΠ°Ρ Π‘Π²ΡΠΆΠΈΡΠ΅ΡΡ ΡΠ΅ΠΉΡΠ°Ρ ΠΡΠΎΡΠΈΠ»Ρ ΠΊΠΎΠΌΠΏΠ°Π½ΠΈΠΈ {{ util. {{ }) }} {{ Π΅ΡΠ»ΠΈ (ΠΈΠ·ΠΎΠ±ΡΠ°ΠΆΠ΅Π½ΠΈΠ΅Urls.length > 1){ }} {{ } }}
ΠΠ½ΡΠΎΡΠΌΠ°ΡΠΈΡ ΠΎΡΠΌΠ΅ΡΠ΅Π½Π° Π‘ΠΠ‘ Wofu Fire ΠΡΠ½ΠΎΠ²Π°Π½Π½Π°Ρ Π² 2002 Π³ΠΎΠ΄Ρ, ΠΡΠΎΠΈΠ·Π²ΠΎΠ΄ΡΡΠ²ΠΎ ΠΠ°ΡΡΠΈΡΡΠ΅ΡΡΡ ΠΠ³Π½Π΅ΡΡΡΠΈΡΠ΅Π»ΠΈ, ΠΏΠΎΠΆΠ°ΡΠ½Π°Ρ ΡΠΈΡΡΠ΅ΠΌΠ° ΠΏΠΎΠΆΠ°ΡΠΎΡΡΡΠ΅Π½ΠΈΡ ΠΠΏΡΠΎΠ²Π°Ρ ΠΏΡΠΎΠ΄Π°ΠΆΠ° ΠΏΡΠΎΡΠΈΠ²ΠΎΠΏΠΎΠΆΠ°ΡΠ½ΠΎΠ³ΠΎ ΠΎΠ±ΠΎΡΡΠ΄ΠΎΠ²Π°Π½ΠΈΡ, ΠΏΡΠΎΠ΄ΡΠΊΡΠΈΡ ΠΏΠΎΠΆΠ°ΡΠ½ΠΎΠΉ ΡΠΈΠ³Π½Π°Π»ΠΈΠ·Π°ΡΠΈΠΈ, ΠΏΠΎΠΆΠ°ΡΠ½Π°Ρ ΡΠΈΠ³Π½Π°Π»ΠΈΠ·Π°ΡΠΈΡ ΠΡΡ ΠΎΠ΄Π½ΠΎΠ΅ ΠΎΡΠ²Π΅ΡΠ΅Π½ΠΈΠ΅, ΠΈΠ½Π΄ΠΈΠ²ΠΈΠ΄ΡΠ°Π»ΡΠ½Π°Ρ ΠΏΡΠΎΡΠΈΠ²ΠΎΠΏΠΎΠΆΠ°ΡΠ½Π°Ρ Π·Π°ΡΠΈΡΠ°, ΠΠΏΡΠΎΠ²Π°Ρ ΠΏΡΠΎΠ΄Π°ΠΆΠ° ΠΏΡΠΎΡΠΈΠ²ΠΎΠΏΠΎΠΆΠ°ΡΠ½ΠΎΠ³ΠΎ ΠΎΠ±ΠΎΡΡΠ΄ΠΎΠ²Π°Π½ΠΈΡ Π΄Π»Ρ ΠΎΠ±Π΅ΡΠΏΠ΅ΡΠ΅Π½ΠΈΡ Π±Π΅Π·ΠΎΠΏΠ°ΡΠ½ΠΎΡΡΠΈ Π΄ΠΎΡΠΎΠΆΠ½ΠΎΠ³ΠΎ Π΄Π²ΠΈΠΆΠ΅Π½ΠΈΡ, Π΄ΠΎΡΠΎΠΆΠ½ΠΎΠ³ΠΎ ΠΊΠΎΠ½ΡΡΠ° , Π΄ΠΎΡΠΎΠΆΠ½ΡΠΉ ΠΆΠΈΠ»Π΅Ρ, Π΄ΠΎΡΠΎΠΆΠ½ΠΎΠ΅ Π·Π΅ΡΠΊΠ°Π»ΠΎ, Π΄ΠΎΡΠΎΠΆΠ½ΡΠΉ ΠΎΡΡΠ°ΠΆΠ°ΡΠ΅Π»Ρ ΠΈ Π±Π°ΡΡΠ΅Ρ Wofu ΠΏΠΎΡΡΠ°Π²Π»ΡΠ΅Ρ ΠΎΠ΄Π½Ρ ΠΎΡΡΠ°Π½ΠΎΠ²ΠΊΡ ΠΏΠΎΠΆΠ°ΡΠΎΡΡΡΠ΅Π½ΠΈΡ ΠΈ Π·Π°ΡΠΈΡΡ Π΄ΠΎΡΠΎΠ³ Π² ΠΠΈΡΠ°Π΅ Π‘ Π΄Π²ΡΠΌΡ Π·Π°Π²ΠΎΠ΄Π°ΠΌΠΈ, ΡΠ°ΡΠΏΠΎΠ»ΠΎΠΆΠ΅Π½Π½ΡΠΌΠΈ Π² Π΄Π΅ΡΠ΅Π²Π½Π΅ Π£ΡΠ°Π½, Π³ΠΎΡΠΎΠ΄Π΅ Π¨Π°Π½ΡΡΠΉ Π§ΠΆΡΡΠ·ΡΠ½ ΠΈ ΠΏΡΠΎΠΌΡΡΠ»Π΅Π½Π½ΠΎΠΉ Π·ΠΎΠ½Π΅ ΠΠ°ΠΉΡ Π§Π΅ΠΌΡΠ½, ΠΡΠΎΡΠΌΠΎΡΡΠ΅ΡΡ Π²ΡΠ΅ ΠΠ»ΠΈΠ΅Π½Ρ5 ΡΡ. ΠΌΠ΅ΠΆΠ΄ΡΠ½Π°ΡΠΎΠ΄Π½Π°Ρ Π²ΡΡΡΠ°Π²ΠΊΠ° Π§Π°ΡΡΡ Π²ΡΡΡΠ°Π²ΠΊΠΈ ΠΊΠ»ΠΈΠ΅Π½Ρ 3 ΠΊΠ»ΠΈΠ΅Π½Ρ ΠΈΠ· ΡΡΠ°ΡΡΠΉ ΠΊΠ»ΠΈΠ΅Π½Ρ ΠΡΠΏΡΠ°Π²ΠΈΡΡ ΡΠΎΠΎΠ±ΡΠ΅Π½ΠΈΠ΅ ΡΡΠΎΠΌΡ ΠΏΠΎΡΡΠ°Π²ΡΠΈΠΊΡ* ΠΡΠΊΡΠ΄Π°: * ΠΠΎΠΌΡ: Π³-ΠΆΠ° ΠΠΈΡΠ΅Π»Ρ Π‘ΡΡ * Π‘ΠΎΠΎΠ±ΡΠ΅Π½ΠΈΠ΅: ΠΠ²Π΅Π΄ΠΈΡΠ΅ ΠΎΡ 20 Π΄ΠΎ 4000 ΡΠΈΠΌΠ²ΠΎΠ»ΠΎΠ². ΠΡΠΎ Π½Π΅ ΡΠΎ, ΡΡΠΎ Π²Ρ ΠΈΡΠ΅ΡΠ΅? ξ ΠΠΏΡΠ±Π»ΠΈΠΊΠΎΠ²Π°ΡΡ Π·Π°ΠΏΡΠΎΡ Π½Π° ΠΏΠΎΡΡΠ°Π²ΠΊΡ ΡΠ΅ΠΉΡΠ°Ρ Π ΡΠΊΠΎΠ²ΠΎΠ΄ΡΡΠ²ΠΎ Π΄Π»Ρ Π½Π°ΡΠΈΠ½Π°ΡΡΠΈΡ ΠΏΠΎ Π΄Π°ΡΡΠΈΠΊΠ°ΠΌ Π΄Π²ΠΈΠΆΠ΅Π½ΠΈΡ Π ΡΠΊΠΎΠ²ΠΎΠ΄ΡΡΠ²ΠΎ Π΄Π»Ρ Π½Π°ΡΠΈΠ½Π°ΡΡΠΈΡ
ΠΏΠΎ Π΄Π°ΡΡΠΈΠΊΠ°ΠΌ Π΄Π²ΠΈΠΆΠ΅Π½ΠΈΡ | Π‘Π΅ΠΉΡΠΠ°ΠΉΡ ΠΡΠΈ: ΠΠ²ΡΠΎΡ ΠΠ΅ΠΉΡΠΈ Π’ΡΠΎΡΡ ΠΡΡΠ»Π΅Π΄ΠΎΠ²Π°ΡΠ΅Π»Ρ ΠΈ ΠΏΠΈΡΠ°ΡΠ΅Π»Ρ 23 Π°Π²Π³ΡΡΡΠ° 2022 Π³. ΠΠ°ΡΡΠΈΠΊ Π΄Π²ΠΈΠΆΠ΅Π½ΠΈΡ (ΠΈΠ»ΠΈ Π΄Π΅ΡΠ΅ΠΊΡΠΎΡ Π΄Π²ΠΈΠΆΠ΅Π½ΠΈΡ) ΡΠ²Π»ΡΠ΅ΡΡΡ ΡΡΠ΅ΡΠΆΠ½Π΅ΠΌ Π²Π°ΡΠ΅ΠΉ ΡΠΈΡΡΠ΅ΠΌΡ Π±Π΅Π·ΠΎΠΏΠ°ΡΠ½ΠΎΡΡΠΈ, ΠΏΠΎΡΠΎΠΌΡ ΡΡΠΎ ΠΎΠ½ ΠΎΠ±Π½Π°ΡΡΠΆΠΈΠ²Π°Π΅Ρ, ΠΊΠΎΠ³Π΄Π° ΠΊΡΠΎ-ΡΠΎ Π½Π°Ρ ΠΎΠ΄ΠΈΡΡΡ Π² Π²Π°ΡΠ΅ΠΌ Π΄ΠΎΠΌΠ΅, ΠΊΠΎΠ³Π΄Π° ΡΡΠΎΠ³ΠΎ Π½Π΅ Π΄ΠΎΠ»ΠΆΠ½ΠΎ Π±ΡΡΡ. ΠΠ°ΡΡΠΈΠΊ Π΄Π²ΠΈΠΆΠ΅Π½ΠΈΡ ΠΈΡΠΏΠΎΠ»ΡΠ·ΡΠ΅Ρ ΠΎΠ΄Π½Ρ ΠΈΠ»ΠΈ Π½Π΅ΡΠΊΠΎΠ»ΡΠΊΠΎ ΡΠ΅Ρ Π½ΠΎΠ»ΠΎΠ³ΠΈΠΉ Π΄Π»Ρ ΠΎΠ±Π½Π°ΡΡΠΆΠ΅Π½ΠΈΡ Π΄Π²ΠΈΠΆΠ΅Π½ΠΈΡ Π² ΠΎΠ±Π»Π°ΡΡΠΈ. ΠΠΎΠ³Π΄Π° Π΄Π°ΡΡΠΈΠΊ ΠΎΠ±Π½Π°ΡΡΠΆΠΈΠ²Π°Π΅Ρ Π΄Π²ΠΈΠΆΠ΅Π½ΠΈΠ΅, ΠΎΠ½ ΠΎΡΠΏΡΠ°Π²Π»ΡΠ΅Ρ ΡΠΈΠ³Π½Π°Π» Π½Π° ΠΏΠ°Π½Π΅Π»Ρ ΡΠΏΡΠ°Π²Π»Π΅Π½ΠΈΡ Π²Π°ΡΠ΅ΠΉ ΡΠΈΡΡΠ΅ΠΌΡ Π±Π΅Π·ΠΎΠΏΠ°ΡΠ½ΠΎΡΡΠΈ, ΠΊΠΎΡΠΎΡΠ°Ρ ΠΏΠΎΠ΄ΠΊΠ»ΡΡΠ°Π΅ΡΡΡ ΠΊ Π²Π°ΡΠ΅ΠΌΡ ΡΠ΅Π½ΡΡΡ ΠΌΠΎΠ½ΠΈΡΠΎΡΠΈΠ½Π³Π°. ΠΡΠΎ ΠΏΡΠ΅Π΄ΡΠΏΡΠ΅ΠΆΠ΄Π°Π΅Ρ Π²Π°Ρ ΠΈ ΡΠ΅Π½ΡΡ ΠΌΠΎΠ½ΠΈΡΠΎΡΠΈΠ½Π³Π° ΠΎ ΠΏΠΎΡΠ΅Π½ΡΠΈΠ°Π»ΡΠ½ΠΎΠΉ ΡΠ³ΡΠΎΠ·Π΅ Π² Π²Π°ΡΠ΅ΠΌ Π΄ΠΎΠΌΠ΅. ΠΡΠ²Π΅ΡΡ Π½Π° Π²Π°ΡΠΈ Π²ΠΎΠΏΡΠΎΡΡ ΠΎ Π΄Π°ΡΡΠΈΠΊΠ°Ρ Π΄Π²ΠΈΠΆΠ΅Π½ΠΈΡ
Π ΠΎΠ»Ρ Π΄Π°ΡΡΠΈΠΊΠΎΠ² Π΄Π²ΠΈΠΆΠ΅Π½ΠΈΡ Π² Π΄ΠΎΠΌΠ°ΡΠ½Π΅ΠΉ Π±Π΅Π·ΠΎΠΏΠ°ΡΠ½ΠΎΡΡΠΈ ΠΡΠ½ΠΎΠ²Π½ΠΎΠΉ ΡΠ΅Π»ΡΡ ΠΎΠ±Π½Π°ΡΡΠΆΠ΅Π½ΠΈΡ Π΄Π²ΠΈΠΆΠ΅Π½ΠΈΡ ΡΠ²Π»ΡΠ΅ΡΡΡ ΠΎΠ±Π½Π°ΡΡΠΆΠ΅Π½ΠΈΠ΅ Π·Π»ΠΎΡΠΌΡΡΠ»Π΅Π½Π½ΠΈΠΊΠ° ΠΈ ΠΎΡΠΏΡΠ°Π²ΠΊΠ° ΠΏΡΠ΅Π΄ΡΠΏΡΠ΅ΠΆΠ΄Π΅Π½ΠΈΡ Π½Π° Π²Π°ΡΡ ΠΏΠ°Π½Π΅Π»Ρ ΡΠΏΡΠ°Π²Π»Π΅Π½ΠΈΡ, ΠΊΠΎΡΠΎΡΠ°Ρ ΠΎΠΏΠΎΠ²Π΅ΡΠ°Π΅Ρ Π²Π°Ρ ΡΠ΅Π½ΡΡ ΠΌΠΎΠ½ΠΈΡΠΎΡΠΈΠ½Π³Π°. ΠΠ°ΡΡΠΈΠΊΠΈ ΡΠ°Π±ΠΎΡΠ°ΡΡ, ΠΊΠΎΠ³Π΄Π° Π²Π°Ρ Π½Π΅Ρ Π΄ΠΎΠΌΠ° ΠΈΠ»ΠΈ ΠΊΠΎΠ³Π΄Π° Π²Ρ ΡΠΎΠΎΠ±ΡΠ°Π΅ΡΠ΅ ΡΠΈΡΡΠ΅ΠΌΠ΅, ΡΡΠΎ Π²Π°Ρ Π½Π΅Ρ Π΄ΠΎΠΌΠ°. ΠΡ Π΄Π°ΠΆΠ΅ ΠΌΠΎΠΆΠ΅ΡΠ΅ Π·Π°ΠΏΡΠΎΠ³ΡΠ°ΠΌΠΌΠΈΡΠΎΠ²Π°ΡΡ Π½Π΅ΠΊΠΎΡΠΎΡΡΠ΅ ΡΠΈΡΡΠ΅ΠΌΡ Π±Π΅Π·ΠΎΠΏΠ°ΡΠ½ΠΎΡΡΠΈ Π½Π° Π·Π°ΠΏΠΈΡΡ ΡΠΎΠ±ΡΡΠΈΠΉ Ρ ΠΏΠΎΠΌΠΎΡΡΡ ΠΊΠ°ΠΌΠ΅ΡΡ Π²ΠΈΠ΄Π΅ΠΎΠ½Π°Π±Π»ΡΠ΄Π΅Π½ΠΈΡ ΠΏΡΠΈ Π½Π°Π»ΠΈΡΠΈΠΈ Π΄Π²ΠΈΠΆΠ΅Π½ΠΈΡ. β ΠΠ°ΡΡΠΈΠΊΠΈ Π΄Π²ΠΈΠΆΠ΅Π½ΠΈΡ Π‘ΡΠΎΡΡ Π½Π° ΡΡΡΠ°ΠΆΠ΅, Π³ΠΎΡΠΎΠ²ΡΠ΅ ΡΠ΅Π°Π³ΠΈΡΠΎΠ²Π°ΡΡ Π½Π° ΡΠ°Π·Π»ΠΈΡΠ½ΡΠ΅ ΡΠΈΡΡΠ°ΡΠΈΠΈ , ΡΠ°ΠΊΠΈΠ΅ ΠΊΠ°ΠΊ Π΄Π²ΠΈΠΆΠ΅Π½ΠΈΠ΅ Π² Π²Π°ΡΠ΅ΠΉ Π³ΠΎΡΡΠΈΠ½ΠΎΠΉ, ΠΎΡΠΊΡΡΡΠΈΠ΅ ΠΈΠ»ΠΈ Π·Π°ΠΊΡΡΡΠΈΠ΅ ΠΎΠΊΠΎΠ½ ΠΈΠ»ΠΈ Π΄Π²Π΅ΡΠ΅ΠΉ ΠΈΠ»ΠΈ ΡΠ°Π·Π±ΠΈΡΠΈΠ΅ ΠΎΠΊΠ½Π°. ΠΠΎΡ Π½Π΅ΠΊΠΎΡΠΎΡΡΠ΅ ΡΠ°ΡΠΏΡΠΎΡΡΡΠ°Π½Π΅Π½Π½ΡΠ΅ ΡΠΏΠΎΡΠΎΠ±Ρ ΠΈΡΠΏΠΎΠ»ΡΠ·ΠΎΠ²Π°Π½ΠΈΡ Π΄Π°ΡΡΠΈΠΊΠΎΠ² Π΄Π²ΠΈΠΆΠ΅Π½ΠΈΡ:
Π’ΠΈΠΏΡ Π΄Π°ΡΡΠΈΠΊΠΎΠ² Π΄Π²ΠΈΠΆΠ΅Π½ΠΈΡΠΠ°ΡΡΠΈΠ²Π½ΡΠΉ ΠΈΠ½ΡΡΠ°ΠΊΡΠ°ΡΠ½ΡΠΉ Π΄Π°ΡΡΠΈΠΊ (PIR)ΠΠ°ΡΡΠΆΠ½ΡΠΉ ΠΏΠ°ΡΡΠΈΠ²Π½ΡΠΉ ΠΈΠ½ΡΡΠ°ΠΊΡΠ°ΡΠ½ΡΠΉ Π΄Π°ΡΡΠΈΠΊ ΠΠ°ΡΡΠΈΠ²Π½ΡΠΉ ΠΈΠ½ΡΡΠ°ΠΊΡΠ°ΡΠ½ΡΠΉ Π΄Π°ΡΡΠΈΠΊ ΠΎΠ±Π½Π°ΡΡΠΆΠΈΠ²Π°Π΅Ρ ΡΠ΅ΠΏΠ»ΠΎ ΡΠ΅Π»Π° (ΠΈΠ½ΡΡΠ°ΠΊΡΠ°ΡΠ½ΡΡ ΡΠ½Π΅ΡΠ³ΠΈΡ), ΠΎΡΡΠ»Π΅ΠΆΠΈΠ²Π°Ρ ΠΈΠ·ΠΌΠ΅Π½Π΅Π½ΠΈΡ ΡΠ΅ΠΌΠΏΠ΅ΡΠ°ΡΡΡΡ. ΠΠΎΠ³Π΄Π° Π΄Π°ΡΡΠΈΠΊ Π΄Π²ΠΈΠΆΠ΅Π½ΠΈΡ PIR ΠΏΡΠΎΠ³ΡΠ΅Π΅ΡΡΡ, ΠΎΠ½ ΠΌΠΎΠΆΠ΅Ρ ΠΎΠ±Π½Π°ΡΡΠΆΠΈΠ²Π°ΡΡ ΡΠ΅ΠΏΠ»ΠΎ ΠΈ Π΄Π²ΠΈΠΆΠ΅Π½ΠΈΠ΅ Π½Π° ΠΏΡΠΈΠ»Π΅Π³Π°ΡΡΠΈΡ ΡΠ΅ΡΡΠΈΡΠΎΡΠΈΡΡ , ΡΠΎΠ·Π΄Π°Π²Π°Ρ Π·Π°ΡΠΈΡΠ½ΡΡ Β«ΡΠ΅ΡΠΊΡΒ». ΠΡΠ»ΠΈ Π΄Π²ΠΈΠΆΡΡΠΈΠΉΡΡ ΠΎΠ±ΡΠ΅ΠΊΡ Π±Π»ΠΎΠΊΠΈΡΡΠ΅Ρ ΡΠ»ΠΈΡΠΊΠΎΠΌ ΠΌΠ½ΠΎΠ³ΠΎ Π·ΠΎΠ½ ΡΠ΅ΡΠΊΠΈ ΠΈ ΡΡΠΎΠ²Π½ΠΈ ΡΠ½Π΅ΡΠ³ΠΈΠΈ ΠΈΠ½ΡΡΠ°ΠΊΡΠ°ΡΠ½ΠΎΠ³ΠΎ ΠΈΠ·Π»ΡΡΠ΅Π½ΠΈΡ Π±ΡΡΡΡΠΎ ΠΌΠ΅Π½ΡΡΡΡΡ, ΠΈΠ½ΡΡΠ°ΠΊΡΠ°ΡΠ½ΡΠΉ Π΄Π°ΡΡΠΈΠΊ Π²ΡΠ·ΡΠ²Π°Π΅Ρ ΡΡΠ΅Π²ΠΎΠ³Ρ. ΠΠΈΠΊΡΠΎΠ²ΠΎΠ»Π½Ρ (ΠΠΡ)ΠΠ°ΡΡΠΈΠΊ ΡΡΠΎΠ³ΠΎ ΡΠΈΠΏΠ° ΠΏΠΎΡΡΠ»Π°Π΅Ρ ΠΌΠΈΠΊΡΠΎΠ²ΠΎΠ»Π½ΠΎΠ²ΡΠ΅ ΠΈΠΌΠΏΡΠ»ΡΡΡ ΠΈ ΠΈΠ·ΠΌΠ΅ΡΡΠ΅Ρ ΠΎΡΡΠ°ΠΆΠ΅Π½ΠΈΡ ΠΎΡ Π΄Π²ΠΈΠΆΡΡΠΈΡ ΡΡ ΠΎΠ±ΡΠ΅ΠΊΡΠΎΠ² . 1 ΠΠ½ΠΈ ΠΎΡ Π²Π°ΡΡΠ²Π°ΡΡ Π±ΠΎΠ»ΡΡΡΡ ΠΏΠ»ΠΎΡΠ°Π΄Ρ, ΡΠ΅ΠΌ ΠΈΠ½ΡΡΠ°ΠΊΡΠ°ΡΠ½ΡΠ΅ Π΄Π°ΡΡΠΈΠΊΠΈ, Π½ΠΎ Π±ΠΎΠ»Π΅Π΅ Π΄ΠΎΡΠΎΠ³ΠΈ ΠΈ ΡΡΠ·Π²ΠΈΠΌΡ Π΄Π»Ρ ΡΠ»Π΅ΠΊΡΡΠΈΡΠ΅ΡΠΊΠΈΡ ΠΏΠΎΠΌΠ΅Ρ . ΠΠ°ΡΡΠΈΠΊΠΈ Π΄Π²ΠΈΠΆΠ΅Π½ΠΈΡ Ρ Π΄Π²ΠΎΠΉΠ½ΠΎΠΉ ΡΠ΅Ρ Π½ΠΎΠ»ΠΎΠ³ΠΈΠ΅ΠΉ ΠΠ΅ΠΊΠΎΡΠΎΡΡΠ΅ Π΄Π°ΡΡΠΈΠΊΠΈ Π΄Π²ΠΈΠΆΠ΅Π½ΠΈΡ ΠΌΠΎΠ³ΡΡ ΠΊΠΎΠΌΠ±ΠΈΠ½ΠΈΡΠΎΠ²Π°ΡΡ Π½Π΅ΡΠΊΠΎΠ»ΡΠΊΠΎ ΠΌΠ΅ΡΠΎΠ΄ΠΎΠ² ΠΎΠ±Π½Π°ΡΡΠΆΠ΅Π½ΠΈΡ Π² ΠΏΠΎΠΏΡΡΠΊΠ΅ ΡΠ½ΠΈΠ·ΠΈΡΡ ΠΊΠΎΠ»ΠΈΡΠ΅ΡΡΠ²ΠΎ Π»ΠΎΠΆΠ½ΡΡ
ΡΡΠ΅Π²ΠΎΠ³ . ΠΠ°ΠΆΠ΄ΡΠΉ ΡΠΈΠΏ Π΄Π°ΡΡΠΈΠΊΠ° ΡΠ°Π±ΠΎΡΠ°Π΅Ρ Π² ΡΠ°Π·Π½ΡΡ ΠΎΠ±Π»Π°ΡΡΡΡ ΡΠΏΠ΅ΠΊΡΡΠ° (ΠΎΡ ΠΏΠ°ΡΡΠΈΠ²Π½ΠΎΠ³ΠΎ Π΄ΠΎ Π°ΠΊΡΠΈΠ²Π½ΠΎΠ³ΠΎ). ΠΠ°ΡΡΠΈΠΊΠΈ Π΄Π²ΠΈΠΆΠ΅Π½ΠΈΡ Ρ Π΄Π²ΠΎΠΉΠ½ΠΎΠΉ ΡΠ΅Ρ Π½ΠΎΠ»ΠΎΠ³ΠΈΠ΅ΠΉ Π½Π΅ ΡΠ°ΠΊ ΡΠ°ΡΡΠΎ Π²ΡΠ·ΡΠ²Π°ΡΡ Π»ΠΎΠΆΠ½ΡΡ ΡΡΠ΅Π²ΠΎΠ³Ρ, ΠΊΠ°ΠΊ Π΄Π°ΡΡΠΈΠΊΠΈ Π΄ΡΡΠ³ΠΈΡ ΡΠΈΠΏΠΎΠ², ΠΏΠΎΡΠΎΠΌΡ ΡΡΠΎ ΠΎΠ±Π° Π΄Π°ΡΡΠΈΠΊΠ° Π΄ΠΎΠ»ΠΆΠ½Ρ ΡΡΠ°Π±ΠΎΡΠ°ΡΡ, ΡΡΠΎΠ±Ρ ΠΏΠΎΠ΄Π°ΡΡ ΡΠΈΠ³Π½Π°Π» ΡΡΠ΅Π²ΠΎΠ³ΠΈ . ΠΠ΄Π½Π°ΠΊΠΎ ΡΡΠΎ Π½Π΅ ΠΎΠ·Π½Π°ΡΠ°Π΅Ρ, ΡΡΠΎ ΠΎΠ½ΠΈ Π½ΠΈΠΊΠΎΠ³Π΄Π° Π½Π΅ Π²ΡΠ·ΡΠ²Π°ΡΡ Π»ΠΎΠΆΠ½ΡΡ ΡΡΠ°Π±Π°ΡΡΠ²Π°Π½ΠΈΠΉ. ΠΠ΅Π½Π΅Π΅ ΡΠ°ΡΠΏΡΠΎΡΡΡΠ°Π½Π΅Π½Π½ΡΠ΅ ΡΠΈΠΏΡ Π΄Π΅ΡΠ΅ΠΊΡΠΎΡΠΎΠ² Π΄Π²ΠΈΠΆΠ΅Π½ΠΈΡ
Π‘ΠΏΠ΅ΡΠΈΠ°Π»ΠΈΠ·ΠΈΡΠΎΠ²Π°Π½Π½ΡΠ΅ Π΄Π°ΡΡΠΈΠΊΠΈ Π΄Π²ΠΈΠΆΠ΅Π½ΠΈΡΠΠΎΠ½ΡΠ°ΠΊΡΠ½ΡΠ΅ Π΄Π°ΡΡΠΈΠΊΠΈ (Π΄Π²Π΅ΡΠ½ΡΠ΅/ΠΎΠΊΠΎΠ½Π½ΡΠ΅)ΠΠΎΡΡΡΠΏΠ½ΡΠΉ ΠΊΠΎΠΌΠΏΠ»Π΅ΠΊΡ Π΄ΠΎΠΌΠ°ΡΠ½Π΅ΠΉ Π±Π΅Π·ΠΎΠΏΠ°ΡΠ½ΠΎΡΡΠΈ Wyze Home Monitoring 4.1 ΠΠ°ΡΠΈΠ½Π°Ρ Ρ 99,98 $ Π ΠΊΠΎΠΌΠΏΠ»Π΅ΠΊΡ Π²Ρ ΠΎΠ΄ΡΡ 2 ΠΊΠΎΠ½ΡΠ°ΠΊΡΠ½ΡΡ Π΄Π°ΡΡΠΈΠΊΠ° ΠΈ 1 Π΄Π°ΡΡΠΈΠΊ Π΄Π²ΠΈΠΆΠ΅Π½ΠΈΡ ΠΠΎΡΠΌΠΎΡΡΠ΅ΡΡ Π½Π° Amazon ΠΡΠΎΡΠΈΡΠ°ΡΡ ΠΎΠ±Π·ΠΎΡ ΠΡΠ°ΠΉΡ-Π»ΠΈΡΡ Π½Π° Amazon.com Π½Π° Π΄Π°ΡΡ ΠΏΡΠ±Π»ΠΈΠΊΠ°ΡΠΈΠΈ. ΠΡΠΎΡΠΈΡΠ°ΠΉΡΠ΅ ΠΏΠΎΠ»Π½ΡΠΉ ΠΎΡΠΊΠ°Π· ΠΎΡ ΠΎΡΠ²Π΅ΡΡΡΠ²Π΅Π½Π½ΠΎΡΡΠΈ. ΠΠΎΠ½ΡΠ°ΠΊΡΠ½ΡΠ΅ Π΄Π°ΡΡΠΈΠΊΠΈ ΠΈΡΠΏΠΎΠ»ΡΠ·ΡΡΡ ΠΌΠ°Π³Π½ΠΈΡ Π΄Π»Ρ ΠΎΠΏΡΠ΅Π΄Π΅Π»Π΅Π½ΠΈΡ Π΄Π²ΠΈΠΆΠ΅Π½ΠΈΡ Π΄Π²Π΅ΡΠΈ ΠΈΠ»ΠΈ ΠΎΠΊΠ½Π°. ΠΠΎΠ³Π΄Π° Π΄Π°ΡΡΠΈΠΊ ΠΈ ΡΠΎΠΎΡΠ²Π΅ΡΡΡΠ²ΡΡΡΠΈΠΉ ΠΌΠ°Π³Π½ΠΈΡ ΡΠ°Π·Π΄Π²ΠΈΠ³Π°ΡΡΡΡ ΠΏΡΠΈ ΠΎΡΠΊΡΡΠ²Π°Π½ΠΈΠΈ Π΄Π²Π΅ΡΠΈ ΠΈΠ»ΠΈ ΠΎΠΊΠ½Π° , Π΄Π°ΡΡΠΈΠΊ Π²ΡΠ·ΡΠ²Π°Π΅Ρ ΡΡΠ΅Π²ΠΎΠ³Ρ, ΠΊΠΎΠ³Π΄Π° ΠΎΡ
ΡΠ°Π½Π½Π°Ρ ΡΠΈΡΡΠ΅ΠΌΠ° ΠΏΠΎΡΡΠ°Π²Π»Π΅Π½Π° ββΠ½Π° ΠΎΡ
ΡΠ°Π½Ρ. ΠΠ°ΡΡΠΈΠΊΠΈ Π΄Π²ΠΈΠΆΠ΅Π½ΠΈΡ Π΄Π»Ρ Π·Π°ΡΠΈΡΡ ΠΎΡ Π΄ΠΎΠΌΠ°ΡΠ½ΠΈΡ ΠΆΠΈΠ²ΠΎΡΠ½ΡΡΠ‘ΠΈΡΡΠ΅ΠΌΠ° Π±Π΅Π·ΠΎΠΏΠ°ΡΠ½ΠΎΡΡΠΈ Π΄Π»Ρ Π΄ΠΎΠΌΠ°ΡΠ½ΠΈΡ ΠΆΠΈΠ²ΠΎΡΠ½ΡΡ Vivint 4,5 ΠΠ°ΡΠΈΠ½Π°Ρ Ρ 29,99 $ 0 /ΠΌΠ΅Ρ. 855-813-7566 ΠΠΎΠ»ΡΡΠΈΠ½ΡΡΠ²ΠΎ ΠΏΠ°ΡΡΠΈΠ²Π½ΡΡ ΠΈΠ½ΡΡΠ°ΠΊΡΠ°ΡΠ½ΡΡ Π΄Π°ΡΡΠΈΠΊΠΎΠ² ΠΌΠΎΠ³ΡΡ ΠΈΠ³Π½ΠΎΡΠΈΡΠΎΠ²Π°ΡΡ ΠΆΠΈΠ²ΠΎΡΠ½ΡΡ Π΄ΠΎ ΠΎΠΏΡΠ΅Π΄Π΅Π»Π΅Π½Π½ΠΎΠ³ΠΎ Π²Π΅ΡΠ°. ΠΠ°ΡΡΠΈΠΊ Π΄Π²ΠΈΠΆΠ΅Π½ΠΈΡ Ρ Π΄Π²ΠΎΠΉΠ½ΠΎΠΉ ΡΠ΅Ρ Π½ΠΎΠ»ΠΎΠ³ΠΈΠ΅ΠΉ Π±ΠΎΠ»Π΅Π΅ ΡΡΡΠΎΠΉΡΠΈΠ² ΠΊ Π»ΠΎΠΆΠ½ΡΠΌ ΡΡΠ°Π±Π°ΡΡΠ²Π°Π½ΠΈΡΠΌ Π΄ΠΎΠΌΠ°ΡΠ½ΠΈΡ ΠΆΠΈΠ²ΠΎΡΠ½ΡΡ , ΠΏΠΎΡΠΊΠΎΠ»ΡΠΊΡ ΡΡΠ΅Π±ΡΠ΅Ρ, ΡΡΠΎΠ±Ρ Π΄Π²Π° Π΄Π°ΡΡΠΈΠΊΠ° ΡΡΠ°Π±Π°ΡΡΠ²Π°Π»ΠΈ ΠΎΠΏΡΠ΅Π΄Π΅Π»Π΅Π½Π½ΡΠΌ ΠΎΠ±ΡΠ°Π·ΠΎΠΌ. Π Π΅Π³ΡΠ»ΠΈΡΡΠ΅ΠΌΠ°Ρ ΡΡΠ²ΡΡΠ²ΠΈΡΠ΅Π»ΡΠ½ΠΎΡΡΡ ΠΠ΅ΠΊΠΎΡΠΎΡΡΠ΅ Π΄Π°ΡΡΠΈΠΊΠΈ Π΄Π²ΠΈΠΆΠ΅Π½ΠΈΡ, Π½Π΅Π²ΠΎΡΠΏΡΠΈΠΈΠΌΡΠΈΠ²ΡΠ΅ ΠΊ ΠΆΠΈΠ²ΠΎΡΠ½ΡΠΌ, ΠΈΠΌΠ΅ΡΡ ΡΠ΅Π³ΡΠ»ΠΈΡΡΠ΅ΠΌΡΠΉ ΡΡΠΎΠ²Π΅Π½Ρ ΡΡΠ²ΡΡΠ²ΠΈΡΠ΅Π»ΡΠ½ΠΎΡΡΠΈ Π΄Π»Ρ Π΄ΠΎΠΌΠΎΠ² Ρ ΡΠ½Π΅ΡΠ³ΠΈΡΠ½ΡΠΌΠΈ Π΄ΠΎΠΌΠ°ΡΠ½ΠΈΠΌΠΈ ΠΆΠΈΠ²ΠΎΡΠ½ΡΠΌΠΈ. ΠΠΈΠ΄Π΅ΠΎΠ΄Π°ΡΡΠΈΠΊΠΈ Π΄Π²ΠΈΠΆΠ΅Π½ΠΈΡΠΠΈΠ΄Π΅ΠΎΠΊΠ°ΠΌΠ΅ΡΠ° Ρ Π΄Π°ΡΡΠΈΠΊΠΎΠΌ Π΄Π²ΠΈΠΆΠ΅Π½ΠΈΡ Arlo Pro 4 4,55 199,99 $ ΠΠΎΡΠΌΠΎΡΡΠ΅ΡΡ Π½Π° Amazon Π¦Π΅Π½Π° Π½Π° ΡΠ°ΠΉΡΠ΅ Amazon.com ΠΡΠΎΡΠΈΡΠ°ΠΉΡΠ΅ ΠΏΠΎΠ»Π½ΡΠΉ ΠΎΡΠΊΠ°Π· ΠΎΡ ΠΎΡΠ²Π΅ΡΡΡΠ²Π΅Π½Π½ΠΎΡΡΠΈ. ΠΠ½ΠΎΠ³ΠΈΠ΅ ΠΊΠ°ΠΌΠ΅ΡΡ Π²ΠΈΠ΄Π΅ΠΎΠ½Π°Π±Π»ΡΠ΄Π΅Π½ΠΈΡ ΠΈΡΠΏΠΎΠ»ΡΠ·ΡΡΡ ΡΠ°ΡΡΠΈΡΠ΅Π½Π½ΡΡ ΠΎΠ±ΡΠ°Π±ΠΎΡΠΊΡ ΡΠΈΠ³Π½Π°Π»Π° 2 , ΡΡΠΎΠ±Ρ Π½Π°ΡΠ°ΡΡ Π·Π°ΠΏΠΈΡΡ ΠΏΡΠΈ ΠΎΠ±Π½Π°ΡΡΠΆΠ΅Π½ΠΈΠΈ Π΄Π²ΠΈΠΆΠ΅Π½ΠΈΡ. ΠΠ°ΠΌΠ΅ΡΡ, ΡΠΏΡΠ°Π²Π»ΡΠ΅ΠΌΡΠ΅ Π΄Π°ΡΡΠΈΠΊΠ°ΠΌΠΈ Π΄Π²ΠΈΠΆΠ΅Π½ΠΈΡ, ΠΌΠΎΠ³ΡΡ ΡΠΊΠΎΠ½ΠΎΠΌΠΈΡΡ ΠΌΠ΅ΡΡΠΎ Π² ΠΏΠ°ΠΌΡΡΠΈ , Π½Π΅ Π·Π°ΠΏΠΈΡΡΠ²Π°Ρ ΡΠΎΡΠ½ΠΈ ΡΠ°ΡΠΎΠ² Π±Π΅ΡΠΏΠΎΠ»Π΅Π·Π½ΡΡ ΠΊΠ°Π΄ΡΠΎΠ² β ΠΎΠ½ΠΈ ΡΠΈΠΊΡΠΈΡΡΡΡ ΡΠΎΠ»ΡΠΊΠΎ Π²Π°ΠΆΠ½ΡΠ΅ Π²Π΅ΡΠΈ. Π Π΅ΠΊΠΎΠΌΠ΅Π½Π΄Π°ΡΠΈΠΈ ΠΏΠΎ ΠΌΠΎΠ½ΡΠ°ΠΆΡ Π΄Π°ΡΡΠΈΠΊΠΎΠ²ΠΠΎΡΠΏΡΠΎΠΈΠ·Π²Π΅ΡΡΠΈ Π²ΠΈΠ΄Π΅ΠΎ ΠΠΎΠ΄ΠΏΠΈΡΠΈΡΠ΅ΡΡ Π½Π° Π½Π°ΡΒ ΠΊΠ°Π½Π°Π»Β YouTubeΒ ΠΈ ΠΏΠΎΠ»ΡΡΠΈΡΠ΅ Π΄ΠΎΠΏΠΎΠ»Π½ΠΈΡΠ΅Π»ΡΠ½ΡΠ΅ ΠΏΠΎΠ»Π΅Π·Π½ΡΠ΅ ΡΠΎΠ²Π΅ΡΡ ΠΏΠΎ Π±Π΅Π·ΠΎΠΏΠ°ΡΠ½ΠΎΡΡΠΈ Π΄ΠΎΠΌΠ°. ΠΠ΅ΡΠΏΡΠΎΠ²ΠΎΠ΄Π½ΠΎΠΉ Π΄Π°ΡΡΠΈΠΊ Π΄Π²ΠΈΠΆΠ΅Π½ΠΈΡ Π‘Π΅Π³ΠΎΠ΄Π½Ρ Π±ΠΎΠ»ΡΡΠΈΠ½ΡΡΠ²ΠΎ Π΄Π°ΡΡΠΈΠΊΠΎΠ² Π΄Π²ΠΈΠΆΠ΅Π½ΠΈΡ ΡΠ²Π»ΡΡΡΡΡ Π±Π΅ΡΠΏΡΠΎΠ²ΠΎΠ΄Π½ΡΠΌΠΈ. ΠΠ΅ΡΠΏΡΠΎΠ²ΠΎΠ΄Π½ΡΠ΅ Π΄Π°ΡΡΠΈΠΊΠΈ ΠΎΡΠ΅Π½Ρ ΠΏΡΠΎΡΡΡ Π² Π½Π°ΡΡΡΠΎΠΉΠΊΠ΅. ΠΠ½ΠΈ Π½Π΅ ΡΡΠ΅Π±ΡΡΡ ΡΠ²Π΅ΡΠ»Π΅Π½ΠΈΡ ΠΈ Π²Π·Π°ΠΈΠΌΠΎΠ΄Π΅ΠΉΡΡΠ²ΡΡΡ Ρ Π΄ΡΡΠ³ΠΈΠΌΠΈ ΠΊΠΎΠΌΠΏΠΎΠ½Π΅Π½ΡΠ°ΠΌΠΈ ΡΠΈΡΡΠ΅ΠΌΡ Π±Π΅Π·ΠΎΠΏΠ°ΡΠ½ΠΎΡΡΠΈ ΠΏΠΎ Π±Π΅ΡΠΏΡΠΎΠ²ΠΎΠ΄Π½ΠΎΠΉ ΡΠ²ΡΠ·ΠΈ. ΠΡΠΎΠΆΠ΅ΠΊΡΠΎΡ Ρ Π΄Π°ΡΡΠΈΠΊΠΎΠΌ Π΄Π²ΠΈΠΆΠ΅Π½ΠΈΡ Π‘Π²Π΅ΡΠΎΠ΄ΠΈΠΎΠ΄Π½ΡΠ΅ ΠΏΡΠΎΠΆΠ΅ΠΊΡΠΎΡΡ LEONLITE Ρ Π΄Π°ΡΡΠΈΠΊΠΎΠΌ Π΄Π²ΠΈΠΆΠ΅Π½ΠΈΡ $39,99 ΠΠΎΡΠΌΠΎΡΡΠ΅ΡΡ Π½Π° Amazon ΠΡΠΎΡΠΈΡΠ°ΡΡ ΠΎΡΠ·ΡΠ² Π¦Π΅Π½Π° Π½Π° Amazon.com Π½Π° Π΄Π°ΡΡ ΠΏΡΠ±Π»ΠΈΠΊΠ°ΡΠΈΠΈ. ΠΡΠΎΡΠΈΡΠ°ΠΉΡΠ΅ ΠΏΠΎΠ»Π½ΡΠΉ ΠΎΡΠΊΠ°Π· ΠΎΡ ΠΎΡΠ²Π΅ΡΡΡΠ²Π΅Π½Π½ΠΎΡΡΠΈ. ΠΠΎΡΠΊΠΎΠ»ΡΠΊΡ Π±Π΅ΡΠΏΡΠΎΠ²ΠΎΠ΄Π½ΡΠ΅ Π΄Π°ΡΡΠΈΠΊΠΈ Π΄Π²ΠΈΠΆΠ΅Π½ΠΈΡ ΡΡΠ°Π½ΠΎΠ²ΡΡΡΡ ΡΡΠ°Π½Π΄Π°ΡΡΠΎΠΌ, Π΄Π»Ρ Π΄ΠΎΠΌΠ°ΡΠ½ΠΈΡ ΠΌΠ°ΡΡΠ΅ΡΠΎΠ² ΡΡΠ°Π½ΠΎΠ²ΠΈΡΡΡ ΠΏΡΠΎΡΠ΅, ΡΠ΅ΠΌ ΠΊΠΎΠ³Π΄Π°-Π»ΠΈΠ±ΠΎ, ΠΊΠΎΠ³Π΄Π° Π΄Π΅Π»ΠΎ Π΄ΠΎΡ ΠΎΠ΄ΠΈΡ Π΄ΠΎ ΡΡΡΠ°Π½ΠΎΠ²ΠΊΠΈ. ΠΡΠ»ΠΈ Π²Ρ ΡΠΌΠ΅Π΅ΡΠ΅ ΠΏΠΎΠ»ΡΠ·ΠΎΠ²Π°ΡΡΡΡ ΠΎΡΠ²Π΅ΡΡΠΊΠΎΠΉ, ΡΠΎ ΡΠΌΠΎΠΆΠ΅ΡΠ΅ ΡΡΡΠ°Π½ΠΎΠ²ΠΈΡΡ Π΄Π°ΡΡΠΈΠΊ Π΄Π²ΠΈΠΆΠ΅Π½ΠΈΡ. ΠΡΠ°Π²ΠΈΠ»ΡΠ½Π°Ρ ΡΡΡΠ°Π½ΠΎΠ²ΠΊΠ° ΠΎΠ±Π΅ΡΠΏΠ΅ΡΠΈΠ²Π°Π΅Ρ ΠΎΠΏΡΠΈΠΌΠ°Π»ΡΠ½ΠΎΠ΅ ΠΏΠΎΠΊΡΡΡΠΈΠ΅ Π΄Π»Ρ ΠΎΠ±Π½Π°ΡΡΠΆΠ΅Π½ΠΈΡ Π΄Π²ΠΈΠΆΠ΅Π½ΠΈΡ ΠΈ ΠΏΠΎΠΌΠΎΠ³Π°Π΅Ρ ΠΈΠ·Π±Π΅ΠΆΠ°ΡΡ Π»ΠΎΠΆΠ½ΡΡ ΡΡΠ°Π±Π°ΡΡΠ²Π°Π½ΠΈΠΉ. ΠΡΠ»ΠΈ Π²Ρ Π²ΡΠ±ΠΈΡΠ°Π΅ΡΠ΅ ΡΠΈΡΡΠ΅ΠΌΡ Π±Π΅Π·ΠΎΠΏΠ°ΡΠ½ΠΎΡΡΠΈ, ΡΡΠ΅Π±ΡΡΡΡΡ ΠΏΡΠΎΡΠ΅ΡΡΠΈΠΎΠ½Π°Π»ΡΠ½ΠΎΠΉ ΡΡΡΠ°Π½ΠΎΠ²ΠΊΠΈ, ΡΡΡΠ°Π½ΠΎΠ²ΡΠΈΠΊ Π·Π½Π°Π΅Ρ, ΠΊΠ°ΠΊ Π½Π°ΡΡΡΠΎΠΈΡΡ Π²Π°ΡΠΈ Π΄Π°ΡΡΠΈΠΊΠΈ. Π’Π΅ΠΌ Π½Π΅ ΠΌΠ΅Π½Π΅Π΅, Π²Ρ Π½Π΅ΡΠ΅ΡΠ΅ ΠΎΡΠ²Π΅ΡΡΡΠ²Π΅Π½Π½ΠΎΡΡΡ Π·Π° Π½Π°ΡΡΡΠΎΠΉΠΊΡ ΡΠ²ΠΎΠΈΡ Π΄Π°ΡΡΠΈΠΊΠΎΠ², Π΅ΡΠ»ΠΈ Π²Ρ ΠΈΡΠΏΠΎΠ»ΡΠ·ΡΠ΅ΡΠ΅ Π΄ΠΎΠΌΠ°ΡΠ½ΡΡ ΡΠΈΡΡΠ΅ΠΌΡ Π±Π΅Π·ΠΎΠΏΠ°ΡΠ½ΠΎΡΡΠΈ ΡΠ²ΠΎΠΈΠΌΠΈ ΡΡΠΊΠ°ΠΌΠΈ. ΠΠ΅ΡΠ΅Π΄ ΡΡΡΠ°Π½ΠΎΠ²ΠΊΠΎΠΉ Π΄Π°ΡΡΠΈΠΊΠΎΠ² Π΄Π²ΠΈΠΆΠ΅Π½ΠΈΡ ΠΎΠ±ΡΠ·Π°ΡΠ΅Π»ΡΠ½ΠΎ ΠΏΡΠΎΡΡΠΈΡΠ΅ ΠΈΠ½ΡΡΡΡΠΊΡΠΈΠΈ ΠΏΠΎ ΡΡΡΠ°Π½ΠΎΠ²ΠΊΠ΅ , ΡΠ°ΠΊ ΠΊΠ°ΠΊ ΠΎΠ½ΠΈ, ΡΠΊΠΎΡΠ΅Π΅ Π²ΡΠ΅Π³ΠΎ, ΡΠΎΠ΄Π΅ΡΠΆΠ°Ρ ΡΠ΅ΠΊΠΎΠΌΠ΅Π½Π΄Π°ΡΠΈΠΈ ΠΏΠΎ ΡΠ°Π·ΠΌΠ΅ΡΠ΅Π½ΠΈΡ . ΠΠ΅ΠΊΠΎΡΠΎΡΡΠ΅ ΡΠΈΡΡΠ΅ΠΌΡ Β«ΡΠ΄Π΅Π»Π°ΠΉ ΡΠ°ΠΌΒ» ΡΠ°ΠΊΠΆΠ΅ ΠΏΡΠ΅Π΄ΠΎΡΡΠ°Π²Π»ΡΡΡ ΡΠ»Π΅ΠΊΡΡΠΎΠ½Π½ΡΠ΅ ΠΏΠΎΠ΄ΡΠΊΠ°Π·ΠΊΠΈ, Π²ΠΈΠ΄Π΅ΠΎΡΡΠΎΠΊΠΈ ΠΈΠ»ΠΈ ΠΏΡΠ΅Π΄Π»Π°Π³Π°ΡΡ ΠΏΠΎΠ·Π²ΠΎΠ½ΠΈΡΡ ΠΏΡΠ΅Π΄ΡΡΠ°Π²ΠΈΡΠ΅Π»Ρ, ΠΊΠΎΡΠΎΡΡΠΉ ΠΏΡΠΎΠ²Π΅Π΄Π΅Ρ Π²Π°Ρ ΡΠ΅ΡΠ΅Π· ΠΏΡΠΎΡΠ΅ΡΡ Π½Π°ΡΡΡΠΎΠΉΠΊΠΈ. ΠΠΌΠ΅ΠΉΡΠ΅ Π² Π²ΠΈΠ΄Ρ, ΡΡΠΎ Π΄Π°ΡΡΠΈΠΊΠΈ Π΄Π²ΠΈΠΆΠ΅Π½ΠΈΡ Π½Π΅ Π·Π°ΡΠΈΡΠ΅Π½Ρ ΠΎΡ ΠΎΡΠΈΠ±ΠΎΠΊ, ΠΈ Π±ΡΠ²Π°ΡΡ ΡΠ»ΡΡΠ°ΠΈ, ΠΊΠΎΠ³Π΄Π° ΠΌΠΎΠ³ΡΡ Π±ΡΡΡ Π»ΠΎΠΆΠ½ΡΠ΅ ΡΡΠ°Π±Π°ΡΡΠ²Π°Π½ΠΈΡ. Π‘ΠΎΠ²Π΅ΡΡ ΠΏΠΎ ΡΠ°Π·ΠΌΠ΅ΡΠ΅Π½ΠΈΡΠΡΡΡΠ΅Π΅, ΡΡΠΎ Π²Ρ ΠΌΠΎΠΆΠ΅ΡΠ΅ ΡΠ΄Π΅Π»Π°ΡΡ Π΄Π»Ρ ΠΏΠΎΠ²ΡΡΠ΅Π½ΠΈΡ ΡΡΡΠ΅ΠΊΡΠΈΠ²Π½ΠΎΡΡΠΈ ΡΠ²ΠΎΠΈΡ Π΄Π°ΡΡΠΈΠΊΠΎΠ² ΠΈ ΠΏΡΠ΅Π΄ΠΎΡΠ²ΡΠ°ΡΠ΅Π½ΠΈΡ Π»ΠΎΠΆΠ½ΡΡ ΡΡΠ°Π±Π°ΡΡΠ²Π°Π½ΠΈΠΉ, β ΡΡΠΎ ΠΏΡΠΎΡΠΈΡΠ°ΡΡ ΠΏΡΠΈΠ»Π°Π³Π°Π΅ΠΌΡΠ΅ ΠΊ Π½ΠΈΠΌ ΠΈΠ½ΡΡΡΡΠΊΡΠΈΠΈ, Π²ΠΎΡ Π½Π΅ΡΠΊΠΎΠ»ΡΠΊΠΎ ΡΠΎΠ²Π΅ΡΠΎΠ² ΠΏΠΎ ΡΠ°Π·ΠΌΠ΅ΡΠ΅Π½ΠΈΡ, ΠΊΠΎΡΠΎΡΡΠ΅ ΠΏΠΎΠΌΠΎΠ³ΡΡ ΠΈΡΠΏΠΎΠ»ΡΠ·ΠΎΠ²Π°ΡΡ ΡΠΈΠ»ΡΠ½ΡΠ΅ ΡΡΠΎΡΠΎΠ½Ρ Π΄Π°ΡΡΠΈΠΊΠ°: 1. ΠΠ΅ΡΠΆΠΈΡΠ΅ PIR-Π΄Π°ΡΡΠΈΠΊΠΈ Π½Π° ΡΠ°ΡΡΡΠΎΡΠ½ΠΈΠΈ 10β15 ΡΡΡΠΎΠ² ΠΎΡ ΠΈΡΡΠΎΡΠ½ΠΈΠΊΠΎΠ² ΡΠ΅ΠΏΠ»Π° , ΡΠ°ΠΊΠΈΡ ΠΊΠ°ΠΊΒ ΡΠ°Π΄ΠΈΠ°ΡΠΎΡΡ, Π²Π΅Π½ΡΠΈΠ»ΡΡΠΈΠΎΠ½Π½ΡΠ΅ ΠΎΡΠ²Π΅ΡΡΡΠΈΡ ΠΈ ΡΠΎΠ»Π½Π΅ΡΠ½ΡΠ΅ ΠΎΠΊΠ½Π°. 3 ΠΠ°ΡΡΠΈΠΊΠΈ Π΄Π²ΠΈΠΆΠ΅Π½ΠΈΡ ΠΌΠΎΠ³ΡΡ ΡΡΠ°Π±Π°ΡΡΠ²Π°ΡΡ ΠΏΡΠΈ ΠΎΠ±Π½Π°ΡΡΠΆΠ΅Π½ΠΈΠΈ ΡΠ΅Π·ΠΊΠΎΠ³ΠΎ ΠΈΠ·ΠΌΠ΅Π½Π΅Π½ΠΈΡ ΡΠ΅ΠΌΠΏΠ΅ΡΠ°ΡΡΡΡ, Π΄Π°ΠΆΠ΅ Π΅ΡΠ»ΠΈ ΠΎΠ±Π»Π°ΠΊΠΎ Π±ΡΡΡΡΠΎ ΠΏΡΠΎΡ ΠΎΠ΄ΠΈΡ Π½Π°Π΄ ΠΏΡΡΠΌΡΠΌ ΡΠΎΠ»Π½Π΅ΡΠ½ΡΠΌ ΡΠ²Π΅ΡΠΎΠΌ Π² Π²Π°ΡΠ΅ΠΉ Π³ΠΎΡΡΠΈΠ½ΠΎΠΉ. 2. Π Π°Π·ΠΌΠ΅ΡΡΠΈΡΠ΅ Π΄Π°ΡΡΠΈΠΊΠΈ Π΄Π²ΠΈΠΆΠ΅Π½ΠΈΡ Π² Β«ΡΠ·ΠΊΠΈΡ
ΠΌΠ΅ΡΡΠ°Ρ
Β» β ΠΌΠ΅ΡΡΠ°Ρ
, ΡΠ΅ΡΠ΅Π· ΠΊΠΎΡΠΎΡΡΠ΅ Π΄ΠΎΠ»ΠΆΠ½Ρ ΠΏΡΠΎΠΉΡΠΈ Π»ΡΠ΄ΠΈ, Π½Π°ΠΏΡΠΈΠΌΠ΅Ρ, Π½Π° Π»Π΅ΡΡΠ½ΠΈΡΠ½ΠΎΠΉ ΠΊΠ»Π΅ΡΠΊΠ΅ ΠΈΠ»ΠΈ Π² Π³Π»Π°Π²Π½ΠΎΠΌ ΠΊΠΎΡΠΈΠ΄ΠΎΡΠ΅. ΠΠ±ΡΠ΅Π·Π΄ΠΎΠ² Π½Π΅Ρ ΠΠ»ΠΎΡΠΌΡΡΠ»Π΅Π½Π½ΠΈΠΊΠΈ ΠΎΠ±ΡΡΠ½ΠΎ ΠΈΠ΄ΡΡ ΠΏΡΡΠΌΠΎ Π² Π³Π»Π°Π²Π½ΡΡ ΡΠΏΠ°Π»ΡΠ½Ρ, ΠΏΠΎΡΡΠΎΠΌΡ ΡΡΡΠ°Π½ΠΎΠ²ΠΈΡΠ΅ Π΄Π°ΡΡΠΈΠΊ ΡΡΠ΄ΠΎΠΌ Ρ ΡΡΠΎΠΉ ΠΊΠΎΠΌΠ½Π°ΡΠΎΠΉ ΠΈΠ»ΠΈ Π΄ΡΡΠ³ΠΈΠΌΠΈ ΠΊΠΎΠΌΠ½Π°ΡΠ°ΠΌΠΈ Ρ ΡΠ΅Π½Π½ΠΎΡΡΡΠΌΠΈ, ΡΠ°ΠΊΠΈΠΌΠΈ ΠΊΠ°ΠΊ ΠΊΠ°Π±ΠΈΠ½Π΅Ρ. 3. ΠΡΠ΅Π½ΠΈΡΠ΅, Π³Π΄Π΅ Π½Π°ΠΈΠ±ΠΎΠ»Π΅Π΅ Π²Π΅ΡΠΎΡΡΠ½ΠΎ ΠΏΡΠΎΠ½ΠΈΠΊΠ½ΠΎΠ²Π΅Π½ΠΈΠ΅ Π·Π»ΠΎΡΠΌΡΡΠ»Π΅Π½Π½ΠΈΠΊΠΎΠ² Β ΠΈ ΠΊΠ°ΠΊΠΎΠΉ ΠΏΡΡΡ ΠΎΠ½ΠΈ Π²ΡΠ±Π΅ΡΡΡ. ΠΠΎΠ»ΡΡΠΈΠ½ΡΡΠ²ΠΎ Π³ΡΠ°Π±ΠΈΡΠ΅Π»Π΅ΠΉ ΠΏΡΠΎΠ½ΠΈΠΊΠ°ΡΡ Π² Π΄ΠΎΠΌ ΡΠ΅ΡΠ΅Π· ΠΏΠ΅ΡΠ΅Π΄Π½ΡΡ ΠΈΠ»ΠΈ Π·Π°Π΄Π½ΡΡ Π΄Π²Π΅ΡΡ, Π΄Π²Π΅ΡΡ ΠΏΠ°ΡΠΈΠΎ ΠΈΠ»ΠΈ Π΄Π²Π΅ΡΡ Π³Π°ΡΠ°ΠΆΠ°, ΠΏΠΎΡΡΠΎΠΌΡ ΡΠ΅ΠΊΠΎΠΌΠ΅Π½Π΄ΡΠ΅ΡΡΡ ΡΠ°Π·ΠΌΠ΅ΡΠ°ΡΡ Π΄Π°ΡΡΠΈΠΊΠΈ ΡΡΠ΄ΠΎΠΌ Ρ ΡΡΠΈΠΌΠΈ ΠΎΠ±Π»Π°ΡΡΡΠΌΠΈ. 4. ΠΠ°ΠΉΠ΄ΠΈΡΠ΅ ΡΡΠ΅Π½Ρ, ΠΏΠΎ ΠΊΠΎΡΠΎΡΡΠΌ ΠΌΠΎΠ³ Π±Ρ ΠΏΡΠΎΠΉΡΠΈ Π·Π»ΠΎΡΠΌΡΡΠ»Π΅Π½Π½ΠΈΠΊ , Π½Π°ΠΏΡΠΈΠΌΠ΅Ρ ΠΊΠΎΡΠΈΠ΄ΠΎΡ ΠΈΠ»ΠΈ ΡΠ·ΠΊΠΈΠΉ ΠΏΡΠΎΡ ΠΎΠ΄, Π²Π΅Π΄ΡΡΠΈΠΉ Π² ΠΊΠΎΠΌΠ½Π°ΡΡ. ΠΠ°ΡΡΠΈΠΊΠΈ Π΄Π²ΠΈΠΆΠ΅Π½ΠΈΡ ΡΠ°Π±ΠΎΡΠ°ΡΡ Π»ΡΡΡΠ΅ Π²ΡΠ΅Π³ΠΎ, ΠΊΠΎΠ³Π΄Π° Π·Π»ΠΎΡΠΌΡΡΠ»Π΅Π½Π½ΠΈΠΊ ΠΈΠ΄Π΅Ρ ΠΏΠ°ΡΠ°Π»Π»Π΅Π»ΡΠ½ΠΎ Π΄Π°ΡΡΠΈΠΊΡ, Π° Π½Π΅ ΠΏΠΎ Π½Π°ΠΏΡΠ°Π²Π»Π΅Π½ΠΈΡ ΠΊ Π½Π΅ΠΌΡ. ΠΠ°ΠΏΡΠΈΠΌΠ΅Ρ, Π² ΠΊΠΎΡΠΈΠ΄ΠΎΡΠ΅ Π²Ρ ΠΎΠ±ΡΡΠ½ΠΎ ΠΈΠ΄Π΅ΡΠ΅ ΠΏΠ°ΡΠ°Π»Π»Π΅Π»ΡΠ½ΠΎ ΡΡΠ΅Π½Π°ΠΌ, Π° Π½Π΅ ΠΏΡΡΠΌΠΎ ΠΊ Π½ΠΈΠΌ. ΠΠ°ΠΊ ΡΡΡΠ°Π½ΠΎΠ²ΠΈΡΡ Π΄Π°ΡΡΠΈΠΊ Π΄Π²ΠΈΠΆΠ΅Π½ΠΈΡ ΠΠΎΡΠΊΠΎΠ»ΡΠΊΡ Π±Π΅ΡΠΏΡΠΎΠ²ΠΎΠ΄Π½ΡΠ΅ Π΄Π°ΡΡΠΈΠΊΠΈ Π΄Π²ΠΈΠΆΠ΅Π½ΠΈΡ ΡΡΠ°Π½ΠΎΠ²ΡΡΡΡ ΡΡΠ°Π½Π΄Π°ΡΡΠΎΠΌ, Π΄Π»Ρ Π΄ΠΎΠΌΠ°ΡΠ½ΠΈΡ
ΠΌΠ°ΡΡΠ΅ΡΠΎΠ² ΡΡΠ°Π½ΠΎΠ²ΠΈΡΡΡ ΠΏΡΠΎΡΠ΅, ΡΠ΅ΠΌ ΠΊΠΎΠ³Π΄Π°-Π»ΠΈΠ±ΠΎ, ΠΊΠΎΠ³Π΄Π° Π΄Π΅Π»ΠΎ Π΄ΠΎΡ
ΠΎΠ΄ΠΈΡ Π΄ΠΎ ΡΡΡΠ°Π½ΠΎΠ²ΠΊΠΈ. ΠΠ½ΡΡΡΠ΅Π½Π½ΡΡ ΠΊΠ°ΠΌΠ΅ΡΠ° Ρ Π΄Π°ΡΡΠΈΠΊΠΎΠΌ Π΄Π²ΠΈΠΆΠ΅Π½ΠΈΡ 1. Π Π°ΡΠΏΠ°ΠΊΡΠΉΡΠ΅ Π΄Π°ΡΡΠΈΠΊ Π΄Π²ΠΈΠΆΠ΅Π½ΠΈΡΠΠΎΠΌΠΏΠ»Π΅ΠΊΡ Π΄Π°ΡΡΠΈΠΊΠ° Π΄Π²ΠΈΠΆΠ΅Π½ΠΈΡ Π΄ΠΎΠ»ΠΆΠ΅Π½ ΠΏΠΎΡΡΠ°Π²Π»ΡΡΡΡΡ Ρ Π½Π΅ΠΊΠΎΡΠΎΡΡΠΌΠΈ ΠΈΠ½ΡΡΡΡΠΊΡΠΈΡΠΌΠΈ ΠΈ ΠΌΠΎΠ½ΡΠ°ΠΆΠ½ΡΠΌ ΠΎΠ±ΠΎΡΡΠ΄ΠΎΠ²Π°Π½ΠΈΠ΅ΠΌ. ΠΡΠ»ΠΈ Π² Π²Π°ΡΠ΅ΠΌ ΡΡΡΡΠΎΠΉΡΡΠ²Π΅ Π΅ΡΡΡ ΠΎΡΠ΄Π΅Π»ΡΠ½ΡΠ΅ Π±Π°ΡΠ°ΡΠ΅ΠΈ, ΡΠ°ΠΌΠΎΠ΅ Π²ΡΠ΅ΠΌΡ ΠΏΠΎΠΌΠ΅ΡΡΠΈΡΡ ΠΈΡ Π² Π΄Π°ΡΡΠΈΠΊ Π΄Π²ΠΈΠΆΠ΅Π½ΠΈΡ. 2. ΠΠΏΡΠ΅Π΄Π΅Π»ΠΈΡΠ΅ΡΡ Ρ ΠΌΠ΅ΡΡΠΎΠΌΠΡΠ΅ΠΆΠ΄Π΅ ΡΠ΅ΠΌ ΡΡΡΠ°Π½Π°Π²Π»ΠΈΠ²Π°ΡΡ Π΄Π°ΡΡΠΈΠΊ Π΄Π²ΠΈΠΆΠ΅Π½ΠΈΡ, Π²Π°ΠΌ ΡΠ»Π΅Π΄ΡΠ΅Ρ ΠΏΠΎΠ΄ΡΠΌΠ°ΡΡ ΠΎ Π½Π°ΠΈΠ±ΠΎΠ»Π΅Π΅ ΡΡΡΠ΅ΠΊΡΠΈΠ²Π½ΠΎΠΌ ΡΠ°Π·ΠΌΠ΅ΡΠ΅Π½ΠΈΠΈ Π΄Π°ΡΡΠΈΠΊΠ°:
3. Π£ΡΡΠ°Π½ΠΎΠ²ΠΈΡΠ΅ Π΄Π°ΡΡΠΈΠΊΠΠ°ΡΡΠΈΠ²Π½ΡΠ΅ ΠΈΠ½ΡΡΠ°ΠΊΡΠ°ΡΠ½ΡΠ΅ Π΄Π°ΡΡΠΈΠΊΠΈ ΠΈΠΌΠ΅ΡΡ ΠΌΠ°Π»ΡΠΉ Π²Π΅Ρ, ΠΏΠΎΡΡΠΎΠΌΡ Π²Π°ΠΌ Π½Π΅ ΠΏΡΠΈΠ΄Π΅ΡΡΡ Π±Π΅ΡΠΏΠΎΠΊΠΎΠΈΡΡΡΡ ΠΎΠ± Π°Π½ΠΊΠ΅ΡΠ°Ρ ΠΈΠ»ΠΈ ΡΠΏΠΈΠ»ΡΠΊΠ°Ρ Π΄Π»Ρ Π³ΠΈΠΏΡΠΎΠΊΠ°ΡΡΠΎΠ½Π°. ΠΠ±ΡΡΠ½Π°Ρ ΠΎΡΠ²Π΅ΡΡΠΊΠ° Π΄ΠΎΠ»ΠΆΠ½Π° ΠΏΠΎΠΌΠΎΡΡ, Π½ΠΎ ΡΠ»Π΅ΠΊΡΡΠΈΡΠ΅ΡΠΊΠ°Ρ ΠΎΡΠ²Π΅ΡΡΠΊΠ° ΠΈΠ»ΠΈ Π΄ΡΠ΅Π»Ρ ΠΌΠΎΠ³ΡΡ ΡΡΠΊΠΎΡΠΈΡΡ ΠΏΡΠΎΡΠ΅ΡΡ. ΠΠΎΠ»ΡΡΠΈΠ½ΡΡΠ²ΠΎ Π΄Π΅ΡΠ΅ΠΊΡΠΎΡΠΎΠ² Π΄Π²ΠΈΠΆΠ΅Π½ΠΈΡ ΠΈΠΌΠ΅ΡΡ ΠΌΠΎΠ½ΡΠ°ΠΆΠ½ΡΠΉ ΠΊΡΠΎΠ½ΡΡΠ΅ΠΉΠ½, ΠΊΠΎΡΠΎΡΡΠΉ Π²ΡΠ΄Π²ΠΈΠ³Π°Π΅ΡΡΡ ΠΈΠ· ΠΎΡΠ½ΠΎΠ²Π½ΠΎΠ³ΠΎ ΠΊΠΎΡΠΏΡΡΠ° ΡΡΡΡΠΎΠΉΡΡΠ²Π°, ΡΠ°ΠΊ ΡΡΠΎ Π²Ρ ΠΌΠΎΠΆΠ΅ΡΠ΅ ΡΠ½Π°ΡΠ°Π»Π° ΠΏΡΠΈΠ²ΠΈΠ½ΡΠΈΡΡ Π΅Π³ΠΎ ΠΊ ΡΡΠ΅Π½Π΅, Π° Π·Π°ΡΠ΅ΠΌ Π·Π°ΡΠ΅Π»ΠΊΠ½ΡΡΡ Π΄Π°ΡΡΠΈΠΊ Π΄Π²ΠΈΠΆΠ΅Π½ΠΈΡ ΠΎΠ±ΡΠ°ΡΠ½ΠΎ. ΠΡΠΎ ΡΠ°ΠΊΠΆΠ΅ ΠΎΠ±Π»Π΅Π³ΡΠ°Π΅Ρ ΡΠ½ΡΡΠΈΠ΅ Π΄Π΅ΡΠ΅ΠΊΡΠΎΡΠ° Π΄Π²ΠΈΠΆΠ΅Π½ΠΈΡ ΡΠΎ ΡΡΠ΅Π½Ρ Π²ΠΎ Π²ΡΠ΅ΠΌΡ ΡΠ΅Ρ Π½ΠΈΡΠ΅ΡΠΊΠΎΠ΅ ΠΎΠ±ΡΠ»ΡΠΆΠΈΠ²Π°Π½ΠΈΠ΅. ΠΡΡΠ³ΠΈΠ΅ ΠΈΠ½ΡΡΠ°ΠΊΡΠ°ΡΠ½ΡΠ΅ Π΄Π°ΡΡΠΈΠΊΠΈ ΠΌΠΎΠ³ΡΡ ΠΏΠΎΡΡΠ΅Π±ΠΎΠ²Π°ΡΡ ΠΏΠΎΠ»Π½ΠΎΠΉ ΡΠ°Π·Π±ΠΎΡΠΊΠΈ Π΄Π»Ρ ΠΌΠΎΠ½ΡΠ°ΠΆΠ°. 4. ΠΠΎΠ΄ΠΊΠ»ΡΡΠΈΡΠ΅ Π΄Π°ΡΡΠΈΠΊ ΠΊ ΡΠΈΡΡΠ΅ΠΌΠ΅ Π‘Π»Π΅Π΄ΡΠΉΡΠ΅ ΠΈΠ½ΡΡΡΡΠΊΡΠΈΡΠΌ ΠΏΡΠΎΠΈΠ·Π²ΠΎΠ΄ΠΈΡΠ΅Π»Ρ, ΡΡΠΎΠ±Ρ ΠΏΠΎΠ΄ΠΊΠ»ΡΡΠΈΡΡ Π΄Π°ΡΡΠΈΠΊ Π΄Π²ΠΈΠΆΠ΅Π½ΠΈΡ ΠΊ ΡΠΈΡΡΠ΅ΠΌΠ΅. ΠΠ°ΡΡΠΈΠΊ Π΄Π²ΠΈΠΆΠ΅Π½ΠΈΡ Z-Wave Aeotec TriSensor $44,99 ΠΠΎΡΠΌΠΎΡΡΠ΅ΡΡ Π½Π° Amazon Π¦Π΅Π½Π° Π½Π° Amazon.com Π½Π° Π΄Π°ΡΡ ΠΏΡΠ±Π»ΠΈΠΊΠ°ΡΠΈΠΈ. ΠΡΠΎΡΠΈΡΠ°ΠΉΡΠ΅ ΠΏΠΎΠ»Π½ΡΠΉ ΠΎΡΠΊΠ°Π· ΠΎΡ ΠΎΡΠ²Π΅ΡΡΡΠ²Π΅Π½Π½ΠΎΡΡΠΈ. ΠΡΠ»ΠΈ Ρ Π²Π°Ρ Π΅ΡΡΡ ΠΈΠ½ΡΠ΅Π»Π»Π΅ΠΊΡΡΠ°Π»ΡΠ½ΡΠ΅ Π΄Π°ΡΡΠΈΠΊΠΈ Π΄Π²ΠΈΠΆΠ΅Π½ΠΈΡ, ΡΠ°ΠΊΠΈΠ΅ ΠΊΠ°ΠΊ Z-Wave Ρ ΠΏΠΈΡΠ°Π½ΠΈΠ΅ΠΌΒ Aeotec TriSensor (ΠΎΠΊΠΎΠ»ΠΎ 45 Π΄ΠΎΠ»Π»Π°ΡΠΎΠ² Π‘Π¨Π), Π²Ρ ΠΌΠΎΠΆΠ΅ΡΠ΅ ΠΏΠΎΠ΄ΠΊΠ»ΡΡΠΈΡΡ Π΅Π³ΠΎ ΠΊ ΠΈΡΡΠΎΡΠ½ΠΈΠΊΠ°ΠΌ ΡΠ²Π΅ΡΠ° ΠΈ Π΄ΡΡΠ³ΠΈΠΌ ΠΈΠ½ΡΠ΅Π»Π»Π΅ΠΊΡΡΠ°Π»ΡΠ½ΡΠΌ ΡΡΡΡΠΎΠΉΡΡΠ²Π°ΠΌ ΡΠ΅ΡΠ΅Π· ΠΈΠ½ΡΠ΅Π»Π»Π΅ΠΊΡΡΠ°Π»ΡΠ½ΡΠΉ ΠΊΠΎΠ½ΡΠ΅Π½ΡΡΠ°ΡΠΎΡ, ΡΠ°ΠΊΠΎΠΉ ΠΊΠ°ΠΊ SmartThings, ΡΡΠΎΠ±Ρ ΡΠ²Π΅Ρ Π²ΠΊΠ»ΡΡΠ°Π»ΡΡ ΠΏΡΠΈ Π΄Π²ΠΈΠΆΠ΅Π½ΠΈΠΈ. ΠΡ Π΄Π°ΠΆΠ΅ ΠΌΠΎΠΆΠ΅ΡΠ΅ ΠΈΡΠΏΠΎΠ»ΡΠ·ΠΎΠ²Π°ΡΡ ΠΏΡΠΈΠ»ΠΎΠΆΠ΅Π½ΠΈΠ΅ ΡΠΌΠ°ΡΡ-ΠΊΠΎΠ½ΡΠ΅Π½ΡΡΠ°ΡΠΎΡΠ°, ΡΡΠΎΠ±Ρ Π·Π°ΠΏΠ»Π°Π½ΠΈΡΠΎΠ²Π°ΡΡ ΠΎΠΏΠΎΠ²Π΅ΡΠ΅Π½ΠΈΡ ΠΎ Π΄Π²ΠΈΠΆΠ΅Π½ΠΈΠΈ Π½Π° ΡΠ²ΠΎΠΈ ΠΌΠΎΠ±ΠΈΠ»ΡΠ½ΡΠ΅ ΡΡΡΡΠΎΠΉΡΡΠ²Π°, ΠΊΠΎΠ³Π΄Π° Π΄Π²ΠΈΠΆΠ΅Π½ΠΈΠ΅ ΠΏΡΠΎΠΈΡΡ ΠΎΠ΄ΠΈΡ Π² ΠΎΠΏΡΠ΅Π΄Π΅Π»Π΅Π½Π½ΠΎΠ΅ Π²ΡΠ΅ΠΌΡ Π΄Π½Ρ ΠΈΠ»ΠΈ Π½ΠΎΡΠΈ. 5. ΠΠ°ΡΡΡΠΎΠΉΡΠ΅ ΠΏΠ°ΡΠ°ΠΌΠ΅ΡΡΡ ΠΎΠ±Π½Π°ΡΡΠΆΠ΅Π½ΠΈΡ Π΄Π²ΠΈΠΆΠ΅Π½ΠΈΡΠΠΎΠ»ΡΡΠΈΠ½ΡΡΠ²ΠΎ Π΄Π΅ΡΠ΅ΠΊΡΠΎΡΠΎΠ² Π΄Π²ΠΈΠΆΠ΅Π½ΠΈΡ ΠΈΠΌΠ΅ΡΡ ΡΡΠΈ ΠΎΡΠ½ΠΎΠ²Π½ΡΡ Π½Π°ΡΡΡΠΎΠΉΠΊΠΈ ΠΏΡΠΈ ΠΏΠΎΡΡΠ°Π½ΠΎΠ²ΠΊΠ΅ ΡΠΈΡΡΠ΅ΠΌΡ Π½Π° ΠΎΡ ΡΠ°Π½Ρ:
6. ΠΠ±ΡΠ»ΡΠΆΠΈΠ²Π°Π½ΠΈΠ΅ Π΄Π΅ΡΠ΅ΠΊΡΠΎΡΠ° Π΄Π²ΠΈΠΆΠ΅Π½ΠΈΡΠ‘ΠΎ Π²ΡΠ΅ΠΌΠ΅Π½Π΅ΠΌ ΠΏΡΠ»Ρ ΠΈ ΠΌΡΡΠΎΡ ΠΌΠΎΠ³ΡΡ ΡΠΎΠ±ΠΈΡΠ°ΡΡΡΡ Π½Π° ΡΠΊΡΠ°Π½Π΅ Π΄Π°ΡΡΠΈΠΊΠ° Π΄Π²ΠΈΠΆΠ΅Π½ΠΈΡ ΠΈ ΠΌΠ΅ΡΠ°ΡΡ ΠΈΠ½ΡΡΠ°ΠΊΡΠ°ΡΠ½ΠΎΠΌΡ ΠΈΠ·Π»ΡΡΠ΅Π½ΠΈΡ, Π΄Π΅Π»Π°Ρ Π΅Π³ΠΎ ΠΌΠ΅Π½Π΅Π΅ ΡΡΡΠ΅ΠΊΡΠΈΠ²Π½ΡΠΌ ΠΏΡΠΈ ΠΎΠ±Π½Π°ΡΡΠΆΠ΅Π½ΠΈΠΈ Π΄Π²ΠΈΠΆΠ΅Π½ΠΈΡ. ΠΡΠΎΡΠΈΡΠ°ΠΉΡΠ΅ Π΅Π³ΠΎ Π½Π΅ ΡΠ΅ΠΆΠ΅ ΠΎΠ΄Π½ΠΎΠ³ΠΎ ΡΠ°Π·Π° Π² ΠΏΠ°ΡΡ ΠΌΠ΅ΡΡΡΠ΅Π² ΡΡΡ ΠΎΠΉ ΠΈΠ»ΠΈ ΡΠ»Π΅Π³ΠΊΠ° Π²Π»Π°ΠΆΠ½ΠΎΠΉ ΡΠ°Π»ΡΠ΅ΡΠΊΠΎΠΉ ΠΈΠ· ΠΌΠΈΠΊΡΠΎΡΠΈΠ±ΡΡ. ΠΡΠ»ΠΈ Π²Ρ ΡΠ΅ΡΠΈΠ»ΠΈ ΠΏΠΎΠΊΡΠ°ΡΠΈΡΡ ΡΡΠ΅Π½Ρ ΡΡΠ΄ΠΎΠΌ Ρ Π΄Π°ΡΡΠΈΠΊΠΎΠΌ Π΄Π²ΠΈΠΆΠ΅Π½ΠΈΡ, ΠΎΠ±ΡΠ·Π°ΡΠ΅Π»ΡΠ½ΠΎ ΡΠ½Π°ΡΠ°Π»Π° ΡΠ½ΠΈΠΌΠΈΡΠ΅ Π΄Π°ΡΡΠΈΠΊ. ΠΡΠ»ΠΈ Π½Π° ΠΏΠ°ΡΡΠΈΠ²Π½ΡΠΉ ΠΈΠ½ΡΡΠ°ΠΊΡΠ°ΡΠ½ΡΠΉ Π΄Π°ΡΡΠΈΠΊ Π΄Π²ΠΈΠΆΠ΅Π½ΠΈΡ ΠΏΠΎΠΏΠ°Π»Π° ΠΊΡΠ°ΡΠΊΠ°, Π΅Π³ΠΎ Π½Π΅ΠΎΠ±Ρ ΠΎΠ΄ΠΈΠΌΠΎ Π·Π°ΠΌΠ΅Π½ΠΈΡΡ. ΠΠΎΠΏΠΎΠ»Π½ΠΈΡΠ΅Π»ΡΠ½ΡΠ΅ ΡΠΎΠ²Π΅ΡΡ ΠΏΠΎ ΡΡΡΠ°Π½ΠΎΠ²ΠΊΠ΅ Π΄Π°ΡΡΠΈΠΊΠΎΠ² Π΄Π²ΠΈΠΆΠ΅Π½ΠΈΡΠΠ°ΡΡΠΈΠΊ Π΄Π²ΠΈΠΆΠ΅Π½ΠΈΡ, Π½Π΅Π²ΠΎΡΠΏΡΠΈΠΈΠΌΡΠΈΠ²ΡΠΉ ΠΊ Π΄ΠΎΠΌΠ°ΡΠ½ΠΈΠΌ ΠΆΠΈΠ²ΠΎΡΠ½ΡΠΌ ΠΠ΅ΡΠ΅ΠΊΡΠΎΡ Π΄Π²ΠΈΠΆΠ΅Π½ΠΈΡ Bosch TriTech 38,56 $ ΠΠΎΡΠΌΠΎΡΡΠ΅ΡΡ Π½Π° Amazon Π¦Π΅Π½Π° Π½Π° Amazon. Π£ΡΠΈΡΡΠ²Π°ΠΉΡΠ΅ ΡΠ°Π·ΠΌΠ΅Ρ Π²Π°ΡΠΈΡ ΠΏΠΈΡΠΎΠΌΡΠ΅Π²ΠΠ°ΡΡΠΈΠΊΠΈ Π΄Π²ΠΈΠΆΠ΅Π½ΠΈΡ Ρ ΠΈΠΌΠΌΡΠ½ΠΈΡΠ΅ΡΠΎΠΌ ΠΊ ΠΆΠΈΠ²ΠΎΡΠ½ΡΠΌ Π½Π΅Π²ΠΎΡΠΏΡΠΈΠΈΠΌΡΠΈΠ²Ρ ΠΊ Π΄ΠΎΠΌΠ°ΡΠ½ΠΈΠΌ ΠΆΠΈΠ²ΠΎΡΠ½ΡΠΌ ΡΠΎΠ»ΡΠΊΠΎ ΠΏΡΠΈ ΠΏΡΠ°Π²ΠΈΠ»ΡΠ½ΠΎΠΌ ΠΈΡ ΠΈΡΠΏΠΎΠ»ΡΠ·ΠΎΠ²Π°Π½ΠΈΠΈ, ΠΈ Π΄Π°ΠΆΠ΅ Π² ΡΡΠΎΠΌ ΡΠ»ΡΡΠ°Π΅ ΠΎΠ½ΠΈ ΠΌΠΎΠ³ΡΡ ΡΠΎΠ·Π΄Π°Π²Π°ΡΡ Π»ΠΎΠΆΠ½ΡΠ΅ ΡΡΠ°Π±Π°ΡΡΠ²Π°Π½ΠΈΡ ΠΏΡΠΈ ΠΎΠΏΡΠ΅Π΄Π΅Π»Π΅Π½Π½ΡΡ ΡΡΠ»ΠΎΠ²ΠΈΡΡ . ΠΠ½ΠΎΠ³ΠΈΠ΅ Π΄Π°ΡΡΠΈΠΊΠΈ ΠΈΠΌΠΌΡΠ½ΠΈΡΠ΅ΡΠ° ΠΊ Π΄ΠΎΠΌΠ°ΡΠ½ΠΈΠΌ ΠΆΠΈΠ²ΠΎΡΠ½ΡΠΌ ΠΈΡΠΏΠΎΠ»ΡΠ·ΡΡΡ ΡΠ΅ΠΉΡΠΈΠ½Π³ΠΈ, ΡΠ²ΡΠ·Π°Π½Π½ΡΠ΅ Ρ Π²Π΅ΡΠΎΠΌ ΠΆΠΈΠ²ΠΎΡΠ½ΠΎΠ³ΠΎ, Π½ΠΎ Π΄Π°ΠΆΠ΅ ΠΌΠ°Π»Π΅Π½ΡΠΊΠΈΠ΅ Π΄ΠΎΠΌΠ°ΡΠ½ΠΈΠ΅ ΠΆΠΈΠ²ΠΎΡΠ½ΡΠ΅ ΠΌΠΎΠ³ΡΡ Π°ΠΊΡΠΈΠ²ΠΈΡΠΎΠ²Π°ΡΡ ΠΈΡ Ρ Π΄ΠΎΡΡΠ°ΡΠΎΡΠ½ΠΎΠΉ Π²Π΅ΡΡΠΈΠΊΠ°Π»ΡΠ½ΠΎΡΡΡΡ. ΠΡΠ»ΠΈ Π²Π°ΡΠ΅ΠΌΡ ΠΏΠΈΡΠΎΠΌΡΡ Π½ΡΠ°Π²ΠΈΡΡΡ ΠΏΡΠ°ΠΊΡΠΈΠΊΠΎΠ²Π°ΡΡ ΠΏΡΡΠΆΠΊΠΈ Π² Π²ΡΡΠΎΡΡ, ΡΡΠΎ ΠΌΠΎΠΆΠ΅Ρ ΡΠΏΡΠΎΠ²ΠΎΡΠΈΡΠΎΠ²Π°ΡΡ Π»ΠΎΠΆΠ½ΡΡ ΡΡΠ΅Π²ΠΎΠ³Ρ. ΠΡΠΎ ΠΎΡΠΎΠ±Π΅Π½Π½ΠΎ Π²Π°ΠΆΠ½ΠΎ, Π΅ΡΠ»ΠΈ Ρ Π²Π°Ρ Π΅ΡΡΡ Π°ΠΊΡΠΈΠ²Π½ΡΠ΅ Π΄Π°ΡΡΠΈΠΊΠΈ Π²ΠΎΠ·Π»Π΅ Π»Π΅ΡΡΠ½ΠΈΡΠ½ΠΎΠΉ ΠΊΠ»Π΅ΡΠΊΠΈ. Π Π½ΠΈΠΆΠ½Π΅ΠΉ ΡΠ°ΡΡΠΈ Π»Π΅ΡΡΠ½ΠΈΡΡ Π΄Π°ΡΡΠΈΠΊ Π²ΠΎΡΠΏΡΠΈΠ½ΠΈΠΌΠ°Π΅Ρ Π²Π°ΡΠ΅Π³ΠΎ ΠΏΠΈΡΠΎΠΌΡΠ° ΠΊΠ°ΠΊ ΠΌΡΡΡ, Π½ΠΎ ΠΊ ΡΠΎΠΌΡ Π²ΡΠ΅ΠΌΠ΅Π½ΠΈ, ΠΊΠΎΠ³Π΄Π° Π²Π°Ρ ΠΏΠΈΡΠΎΠΌΠ΅Ρ Π΄ΠΎΡΡΠΈΠ³Π°Π΅Ρ Π²Π΅ΡΡΠΈΠ½Ρ, Π΄Π°ΡΡΠΈΠΊ ΠΌΠΎΠΆΠ΅Ρ ΡΠ²ΠΈΠ΄Π΅ΡΡ ΡΠ»ΠΎΠ½Π°. ΠΡΡΡΡΠΏΡ ΡΠΌΠ΅Π½ΡΡΠ°ΡΡ Π΄Π°Π»ΡΠ½ΠΎΡΡΡ Π΄Π΅ΠΉΡΡΠ²ΠΈΡ ΠΡΠΈ ΡΡΡΠ°Π½ΠΎΠ²ΠΊΠ΅ ΡΠ²Π΅ΡΠΎΠ΄ΠΈΠΎΠ΄Π½ΡΡ
ΡΠΎΠ½Π°ΡΠ΅ΠΉ ΠΈΠ»ΠΈ ΠΊΠ°ΠΌΠ΅Ρ ΡΠ½Π°ΡΡΠΆΠΈ ΠΈΠΌΠ΅ΠΉΡΠ΅ Π² Π²ΠΈΠ΄Ρ, ΡΡΠΎ ΠΈΡ
ΡΡΡΠ°Π½ΠΎΠ²ΠΊΠ° ΠΏΠΎΠ΄ Π½Π°Π²Π΅ΡΠΎΠΌ (Π½Π°ΠΏΡΠΈΠΌΠ΅Ρ, Π½Π°Π²Π΅ΡΠΎΠΌ Π΄Π»Ρ ΠΌΠ°ΡΠΈΠ½Ρ) ΠΌΠΎΠΆΠ΅Ρ ΡΠΌΠ΅Π½ΡΡΠΈΡΡ ΠΈΡ
Π΄Π°Π»ΡΠ½ΠΎΡΡΡ Π΄Π΅ΠΉΡΡΠ²ΠΈΡ. Π’ΠΎΡΠ½ΠΎ ΡΠ°ΠΊ ΠΆΠ΅, ΠΊΠ°ΠΊ Π²Π°ΡΠ΅ ΠΏΠΎΠ»Π΅ Π·ΡΠ΅Π½ΠΈΡ ΡΠΌΠ΅Π½ΡΡΠ°Π΅ΡΡΡ, ΠΊΠΎΠ³Π΄Π° Π²Ρ Π½ΠΎΡΠΈΡΠ΅ ΡΠ»ΡΠΏΡ Ρ ΠΏΠΎΠ»ΡΠΌΠΈ ΠΈΠ»ΠΈ ΠΊΠΎΠ·ΡΡΡΠΊΠΎΠΌ, Π²ΡΡΡΡΠΏ ΠΌΠΎΠΆΠ΅Ρ Π±Π»ΠΎΠΊΠΈΡΠΎΠ²Π°ΡΡ 180-Π³ΡΠ°Π΄ΡΡΠ½ΡΠΉ ΡΠ³ΠΎΠ» ΡΡΠ°Π±Π°ΡΡΠ²Π°Π½ΠΈΡ Π΄Π΅ΡΠ΅ΠΊΡΠΎΡΠ° Π΄Π²ΠΈΠΆΠ΅Π½ΠΈΡ, ΠΏΡΠ΅Π²ΡΠ°ΡΠ°Ρ Π΅Π³ΠΎ Π² 9Π£Π³ΠΎΠ» ΠΎΠ±Π·ΠΎΡΠ° 0 Π³ΡΠ°Π΄ΡΡΠΎΠ². ΠΠ΅ Π±Π»ΠΎΠΊΠΈΡΡΠΉΡΠ΅ ΠΈΠ½ΡΡΠ°ΠΊΡΠ°ΡΠ½ΠΎΠ΅ ΠΈΠ·Π»ΡΡΠ΅Π½ΠΈΠ΅ΠΠ°ΡΡΠΈΠΊΠΈ Π΄Π²ΠΈΠΆΠ΅Π½ΠΈΡ ΠΏΠΎΠ΄ΠΎΠ±Π½Ρ ΡΠΎΠ½Π°ΡΠΈΠΊΠ°ΠΌ, ΠΈΡΠΏΡΡΠΊΠ°ΡΡΠΈΠΌ Π»ΡΡ ΡΠ²Π΅ΡΠ°, Π½ΠΎ Ρ ΠΎΠ±Π½Π°ΡΡΠΆΠ΅Π½ΠΈΠ΅ΠΌ Π΄Π²ΠΈΠΆΠ΅Π½ΠΈΡ ΠΈΠ½ΡΡΠ°ΠΊΡΠ°ΡΠ½ΡΠΌΠΈ ΡΠ½Π΅ΡΠ³Π΅ΡΠΈΡΠ΅ΡΠΊΠΈΠΌΠΈ Π²ΠΎΠ»Π½Π°ΠΌΠΈ Π²ΠΌΠ΅ΡΡΠΎ ΡΠ²Π΅ΡΠΎΠ²ΡΡ Π²ΠΎΠ»Π½. Π’ΠΎΡΠ½ΠΎ ΡΠ°ΠΊ ΠΆΠ΅, ΠΊΠ°ΠΊ ΡΠ²Π΅Ρ ΡΡΡΠ΅ Π±Π»ΠΈΠΆΠ΅ ΠΊ Π»Π°ΠΌΠΏΠΎΡΠΊΠ΅, ΠΈΠ½ΡΡΠ°ΠΊΡΠ°ΡΠ½ΠΎΠ΅ ΠΈΠ·Π»ΡΡΠ΅Π½ΠΈΠ΅ ΠΏΠ»ΠΎΡΠ½Π΅Π΅ Π±Π»ΠΈΠΆΠ΅ ΠΊ ΡΡΡΡΠΎΠΉΡΡΠ²Ρ ΠΈ ΡΠ°ΡΠΏΡΠΎΡΡΡΠ°Π½ΡΠ΅ΡΡΡ Π΄Π°Π»ΡΡΠ΅. ΠΠΎΠ»Π½Ρ Π΄Π΅ΡΠ΅ΠΊΡΠΎΡΠ° Π΄Π²ΠΈΠΆΠ΅Π½ΠΈΡ Π½Π΅ ΠΌΠΎΠ³ΡΡ ΠΏΡΠΎΠ½ΠΈΠΊΠ°ΡΡ ΡΠΊΠ²ΠΎΠ·Ρ ΡΡΠ΅Π½Ρ ΠΈΠ»ΠΈ Π΄ΡΡΠ³ΠΈΠ΅ ΡΠ²Π΅ΡΠ΄ΡΠ΅ ΠΏΡΠ΅Π΄ΠΌΠ΅ΡΡ, ΡΠ°ΠΊΠΈΠ΅ ΠΊΠ°ΠΊ ΠΌΠ΅Π±Π΅Π»Ρ. ΠΠΎΠ³Π΄Π° Π²Ρ Π½Π°ΡΡΡΠ°ΠΈΠ²Π°Π΅ΡΠ΅ Π΄Π°ΡΡΠΈΠΊ Π΄Π²ΠΈΠΆΠ΅Π½ΠΈΡ, ΠΏΡΠ΅Π΄ΡΡΠ°Π²ΡΡΠ΅, ΡΡΠΎ ΡΡΠΎ ΡΠ²Π΅Ρ Π½Π° ΡΡΠ΅Π½Π΅. ΠΡΠ΅, ΡΡΠΎ ΡΠΎΠ·Π΄Π°Π΅Ρ ΡΠ΅Π½Ρ ΠΎΡ ΠΏΠΎΠ»ΠΎΠΆΠ΅Π½ΠΈΡ ΠΈΡΡΠΎΡΠ½ΠΈΠΊΠ° ΡΠ²Π΅ΡΠ° Β ΡΠ°ΠΊΠΆΠ΅ ΠΌΠΎΠΆΠ΅Ρ Π±Π»ΠΎΠΊΠΈΡΠΎΠ²Π°ΡΡ ΡΠΏΠΎΡΠΎΠ±Π½ΠΎΡΡΡ Π΄Π°ΡΡΠΈΠΊΠ° Π΄Π²ΠΈΠΆΠ΅Π½ΠΈΡ ΠΏΠΎΠΊΡΡΠ²Π°ΡΡ Π·Π°ΡΠ΅Π½Π΅Π½Π½ΡΡ ΠΎΠ±Π»Π°ΡΡΡ. Π‘Π²Π΅ΡΠΎΠ²ΡΠ΅ Π²ΡΠΊΠ»ΡΡΠ°ΡΠ΅Π»ΠΈ Ρ Π΄Π°ΡΡΠΈΠΊΠΎΠΌ Π΄Π²ΠΈΠΆΠ΅Π½ΠΈΡ Π½Π΅ Π²ΡΠ΅ ΠΎΠ΄ΠΈΠ½Π°ΠΊΠΎΠ²Ρ ΠΡΠ±ΠΈΡΠ°Ρ Π²ΡΠΊΠ»ΡΡΠ°ΡΠ΅Π»ΠΈ Ρ Π΄Π°ΡΡΠΈΠΊΠΎΠΌ Π΄Π²ΠΈΠΆΠ΅Π½ΠΈΡ Π΄Π»Ρ ΠΈΡΠΏΠΎΠ»ΡΠ·ΠΎΠ²Π°Π½ΠΈΡ Π² ΠΏΠΎΠΌΠ΅ΡΠ΅Π½ΠΈΠΈ, ΠΏΠΎΠΌΠ½ΠΈΡΠ΅, ΡΡΠΎ Π½Π΅ Π²ΡΠ΅ Π²ΡΠΊΠ»ΡΡΠ°ΡΠ΅Π»ΠΈ Ρ Π΄Π°ΡΡΠΈΠΊΠΎΠΌ Π΄Π²ΠΈΠΆΠ΅Π½ΠΈΡ ΡΠ°Π±ΠΎΡΠ°ΡΡ ΠΎΠ΄ΠΈΠ½Π°ΠΊΠΎΠ²ΠΎ.
Π’Π°ΠΊΠΈΠ΅ Π±ΡΠ΅Π½Π΄Ρ, ΠΊΠ°ΠΊ Lutron, ΠΏΡΠ΅Π΄Π»Π°Π³Π°ΡΡ Π²ΡΠΊΠ»ΡΡΠ°ΡΠ΅Π»ΠΈ ΡΠ²Π΅ΡΠ° Ρ Π΄Π°ΡΡΠΈΠΊΠ°ΠΌΠΈ Π΄Π²ΠΈΠΆΠ΅Π½ΠΈΡ, ΠΊΠΎΡΠΎΡΡΠ΅ Π΄ΠΎΡΡΡΠΏΠ½Ρ Π²ΠΎ Π²ΡΠ΅Ρ ΡΡΠ΅Ρ Π²Π°ΡΠΈΠ°Π½ΡΠ°Ρ , ΠΏΠΎΡΡΠΎΠΌΡ Π²Ρ ΠΌΠΎΠΆΠ΅ΡΠ΅ Π²ΡΠ±ΡΠ°ΡΡ ΡΠΎΡ, ΠΊΠΎΡΠΎΡΡΠΉ ΠΏΠΎΠ΄Ρ ΠΎΠ΄ΠΈΡ ΠΈΠΌΠ΅Π½Π½ΠΎ Π²Π°ΠΌ. ΠΡΡΠ³ΠΎΠ΅ ΠΏΡΠΈΠΌΠ΅Π½Π΅Π½ΠΈΠ΅ Π΄Π°ΡΡΠΈΠΊΠΎΠ² Π΄Π²ΠΈΠΆΠ΅Π½ΠΈΡΠΠ°ΡΡΠΈΠΊΠΈ Π΄Π²ΠΈΠΆΠ΅Π½ΠΈΡ ΠΈΡΠΏΠΎΠ»ΡΠ·ΡΡΡΡΡ Π½Π΅ ΡΠΎΠ»ΡΠΊΠΎ Π΄Π»Ρ Π΄ΠΎΠΌΠ°ΡΠ½Π΅ΠΉ Π±Π΅Π·ΠΎΠΏΠ°ΡΠ½ΠΎΡΡΠΈ. ΠΠ½ΠΎΠ³ΠΈΠ΅ ΠΏΡΠΎΠΌΡΡΠ»Π΅Π½Π½ΡΠ΅ ΠΎΠ±Π»Π°ΡΡΠΈ ΠΈΡΠΏΠΎΠ»ΡΠ·ΡΡΡ ΠΈΡ Π½Π° ΡΠ±ΠΎΡΠΎΡΠ½ΡΡ Π»ΠΈΠ½ΠΈΡΡ , ΡΡΠΎΠ±Ρ ΠΎΡΡΠ»Π΅ΠΆΠΈΠ²Π°ΡΡ ΠΊΠΎΠ»ΠΈΡΠ΅ΡΡΠ²ΠΎ ΠΏΡΠΎΠ΄ΡΠΊΡΠΈΠΈ ΠΈ ΠΎΡΠΊΠ»ΡΡΠ°ΡΡ ΠΎΠΏΠ°ΡΠ½ΠΎΠ΅ ΠΎΠ±ΠΎΡΡΠ΄ΠΎΠ²Π°Π½ΠΈΠ΅, Π΅ΡΠ»ΠΈ ΡΠ΅Π»ΠΎΠ²Π΅ΠΊ ΠΏΠΎΠ΄Ρ ΠΎΠ΄ΠΈΡ ΡΠ»ΠΈΡΠΊΠΎΠΌ Π±Π»ΠΈΠ·ΠΊΠΎ. ΠΠΎΡ Π½Π΅ΡΠΊΠΎΠ»ΡΠΊΠΎ Π΄ΡΡΠ³ΠΈΡ ΠΏΡΠΈΠΌΠ΅Π½Π΅Π½ΠΈΠΉ Π΄Π°ΡΡΠΈΠΊΠΎΠ² Π΄Π²ΠΈΠΆΠ΅Π½ΠΈΡ
Π Π΄ΠΎΠΏΠΎΠ»Π½Π΅Π½ΠΈΠ΅ ΠΊ Π½Π΅ΠΊΠΎΡΠΎΡΡΠΌ ΠΈΠ·ΡΡΠ½ΡΠΌ ΠΊΠΎΠΌΠΌΠ΅ΡΡΠ΅ΡΠΊΠΈΠΌ ΠΏΡΠΈΠ»ΠΎΠΆΠ΅Π½ΠΈΡΠΌ Π΄Π°ΡΡΠΈΠΊΠΈ Π΄Π²ΠΈΠΆΠ΅Π½ΠΈΡ ΠΎΠ±ΡΡΠ½ΠΎ ΠΈΡΠΏΠΎΠ»ΡΠ·ΡΡΡΡΡ Π² Π΄ΠΎΠΌΠ°ΡΠ½ΠΈΡ
ΡΠΈΡΡΠ΅ΠΌΠ°Ρ
Π±Π΅Π·ΠΎΠΏΠ°ΡΠ½ΠΎΡΡΠΈ, ΡΡΠΎΠ±Ρ ΠΏΡΠ΅Π΄ΡΠΏΡΠ΅Π΄ΠΈΡΡ Π²Π°Ρ (ΠΈΠ»ΠΈ Π²Π°ΡΠΈ ΠΏΡΠΎΡΠ΅ΡΡΠΈΠΎΠ½Π°Π»ΡΠ½ΡΠ΅ ΠΌΠΎΠ½ΠΈΡΠΎΡΡ) ΠΎ ΡΡΠ΅ΠΌ-ΡΠΎ ΠΏΡΠΈΡΡΡΡΡΠ²ΠΈΠΈ.
ΠΠ΅Ρ ΠΏΡΠ΅Π΄Π΅Π»Π° Π²ΠΎΠ·ΠΌΠΎΠΆΠ½ΠΎΡΡΡΠΌ! ΠΡΠΎΡΡΠΎ ΡΠ±Π΅Π΄ΠΈΡΠ΅ΡΡ, ΡΡΠΎ Π²Ρ ΠΏΡΠΈΠ΄Π΅ΡΠΆΠΈΠ²Π°Π΅ΡΠ΅ΡΡ Π΄Π°ΡΡΠΈΠΊΠΎΠ² Π΄Π²ΠΈΠΆΠ΅Π½ΠΈΡ Ρ ΡΠ°ΠΌΠΎΠΊΠΎΠ½ΡΡΠΎΠ»Π΅ΠΌ, Π΅ΡΠ»ΠΈ Π²Ρ Π½Π΅ ΠΈΡΠΏΠΎΠ»ΡΠ·ΡΠ΅ΡΠ΅ ΠΈΡ Π΄Π»Ρ ΠΎΠ±Π½Π°ΡΡΠΆΠ΅Π½ΠΈΡ Π²Π·Π»ΠΎΠΌΠ° ΠΈΠ»ΠΈ Π΄ΡΡΠ³ΠΎΠ³ΠΎ ΠΎΠΏΠ°ΡΠ½ΠΎΠ³ΠΎ ΡΡΠ΅Π½Π°ΡΠΈΡ. ΠΠ°Π²ΠΈΡΠΈΡ ΠΎΡ ΡΠΎΠ³ΠΎ, ΡΠ΅Π³ΠΎ Π²Ρ Ρ
ΠΎΡΠΈΡΠ΅ Π΄ΠΎΠ±ΠΈΡΡΡΡ, ΠΈ ΠΎΡ ΡΠ³Π»Π° ΠΎΠ±Π·ΠΎΡΠ° Π΄Π΅ΡΠ΅ΠΊΡΠΎΡΠ° Π΄Π²ΠΈΠΆΠ΅Π½ΠΈΡ. ΠΠ°ΠΈΠ±ΠΎΠ»Π΅Π΅ ΡΠ°ΡΠΏΡΠΎΡΡΡΠ°Π½Π΅Π½Π½ΡΠ΅ ΡΠΈΠΏΡ Π΄Π°ΡΡΠΈΠΊΠΎΠ² Π΄Π²ΠΈΠΆΠ΅Π½ΠΈΡ:
Β Final wordΠΠ°ΡΡΠΈΠΊΠΈ Π΄Π²ΠΈΠΆΠ΅Π½ΠΈΡ β ΡΡΠΎ Π½Π΅ ΠΏΡΠΎΡΡΠΎ Π΄ΠΎΠΏΠΎΠ»Π½ΠΈΡΠ΅Π»ΡΠ½Π°Ρ ΡΡΠ½ΠΊΡΠΈΡ ΡΠΈΡΡΠ΅ΠΌΡ Π±Π΅Π·ΠΎΠΏΠ°ΡΠ½ΠΎΡΡΠΈ, ΠΎΠ½ΠΈ Π½Π΅ΠΎΠ±Ρ ΠΎΠ΄ΠΈΠΌΡ. ΠΠ΅Π· Π΄Π°ΡΡΠΈΠΊΠΎΠ² Π½Π΅ Π±ΡΠ»ΠΎ Π±Ρ ΡΠΏΠΎΡΠΎΠ±Π° ΠΎΠ±Π½Π°ΡΡΠΆΠΈΡΡ Π·Π»ΠΎΡΠΌΡΡΠ»Π΅Π½Π½ΠΈΠΊΠΎΠ². ΠΠ°Π΄Π΅ΡΡΡ, Π½Π°Ρ Π³ΠΈΠ΄ ΡΠ°ΡΡΠΊΠ°Π·Π°Π» Π²Π°ΠΌ ΠΎ ΡΠΎΠ»ΠΈ Π΄Π°ΡΡΠΈΠΊΠ° Π΄Π²ΠΈΠΆΠ΅Π½ΠΈΡ Π² ΠΎΠ±Π΅ΡΠΏΠ΅ΡΠ΅Π½ΠΈΠΈ Π±Π΅Π·ΠΎΠΏΠ°ΡΠ½ΠΎΡΡΠΈ Π²Π°ΡΠ΅Π³ΠΎ Π΄ΠΎΠΌΠ°, ΠΎ ΡΠ°Π·Π»ΠΈΡΠ½ΡΡ
ΡΠ΅Ρ
Π½ΠΎΠ»ΠΎΠ³ΠΈΡΡ
, ΠΈΡΠΏΠΎΠ»ΡΠ·ΡΠ΅ΠΌΡΡ
Π΄Π»Ρ ΠΎΠ±Π½Π°ΡΡΠΆΠ΅Π½ΠΈΡ Π΄Π²ΠΈΠΆΠ΅Π½ΠΈΡ, ΠΈ ΠΎ ΡΠΎΠΌ, ΠΊΠ°ΠΊ ΠΏΡΠ°Π²ΠΈΠ»ΡΠ½ΠΎ ΡΡΡΠ°Π½ΠΎΠ²ΠΈΡΡ Π΄Π°ΡΡΠΈΠΊΠΈ, ΡΡΠΎΠ±Ρ ΠΎΠ½ΠΈ ΠΌΠΎΠ³Π»ΠΈ Π²ΡΠΏΠΎΠ»Π½ΡΡΡ ΡΠ²ΠΎΡ ΡΠ°Π±ΠΎΡΡ. Π§ΡΠΎΠ±Ρ ΠΏΠΎΠ»ΡΡΠΈΡΡ ΠΏΠΎΠΌΠΎΡΡ Π² ΠΈΠ·ΡΡΠ΅Π½ΠΈΠΈ Π²Π°ΡΠΈΠ°Π½ΡΠΎΠ² Π΄ΠΎΠΌΠ°ΡΠ½Π΅ΠΉ Π±Π΅Π·ΠΎΠΏΠ°ΡΠ½ΠΎΡΡΠΈ, ΠΎΠ·Π½Π°ΠΊΠΎΠΌΡΡΠ΅ΡΡ Ρ Π½Π°ΡΠ΅ΠΉ ΡΡΠ°ΡΡΠ΅ΠΉ ΠΎ Π»ΡΡΡΠΈΡ
ΡΠΈΡΡΠ΅ΠΌΠ°Ρ
Π΄ΠΎΠΌΠ°ΡΠ½Π΅ΠΉ Π±Π΅Π·ΠΎΠΏΠ°ΡΠ½ΠΎΡΡΠΈ. Π‘ΡΠ°ΡΡΠΈ ΠΏΠΎ ΡΠ΅ΠΌΠ΅ SafeWise
ΠΡΡΠΎΡΠ½ΠΈΠΊΠΈ
ΠΠ°ΡΠ²Π»Π΅Π½ΠΈΠ΅ ΠΎΠ± ΠΎΡΠΊΠ°Π·Π΅ ΠΎΡ ΠΎΡΠ²Π΅ΡΡΡΠ²Π΅Π½Π½ΠΎΡΡΠΈΠ¦Π΅Π½Ρ ΠΈ Π½Π°Π»ΠΈΡΠΈΠ΅ ΠΏΡΠΎΠ΄ΡΠΊΡΠΎΠ² ΡΠΊΠ°Π·Π°Π½Ρ Π½Π° ΡΠΊΠ°Π·Π°Π½Π½ΡΡ Π΄Π°ΡΡ/Π²ΡΠ΅ΠΌΡ ΠΈ ΠΌΠΎΠ³ΡΡ Π±ΡΡΡ ΠΈΠ·ΠΌΠ΅Π½Π΅Π½Ρ. ΠΡΠ±Π°Ρ ΠΈΠ½ΡΠΎΡΠΌΠ°ΡΠΈΡ ΠΎ ΡΠ΅Π½Π΅ ΠΈ Π΄ΠΎΡΡΡΠΏΠ½ΠΎΡΡΠΈ, ΠΎΡΠΎΠ±ΡΠ°ΠΆΠ°Π΅ΠΌΠ°Ρ Π½Π° Amazon Π²ΠΎ Π²ΡΠ΅ΠΌΡ ΠΏΠΎΠΊΡΠΏΠΊΠΈ, Π±ΡΠ΄Π΅Ρ ΠΏΡΠΈΠΌΠ΅Π½ΡΡΡΡΡ ΠΊ ΠΏΠΎΠΊΡΠΏΠΊΠ΅ ΡΡΠΎΠ³ΠΎ ΠΏΡΠΎΠ΄ΡΠΊΡΠ°. Safewise.com ΠΈΡΠΏΠΎΠ»ΡΠ·ΡΠ΅Ρ ΠΏΠ»Π°ΡΠ½ΡΠ΅ ΡΡΡΠ»ΠΊΠΈ Amazon. ΠΠ΅ΠΊΠΎΡΠΎΡΡΠΉ ΠΊΠΎΠ½ΡΠ΅Π½Ρ, ΠΊΠΎΡΠΎΡΡΠΉ ΠΏΠΎΡΠ²Π»ΡΠ΅ΡΡΡ Π½Π° ΡΡΠΎΠΌ ΡΠ°ΠΉΡΠ΅, ΠΏΠΎΠ»ΡΡΠ΅Π½ ΠΎΡ Amazon. Compare the best home security systems
ΠΠ°Π½Π½ΡΠ΅ Π½Π° Π΄Π°ΡΡ ΠΏΡΠ±Π»ΠΈΠΊΠ°ΡΠΈΠΈ ΠΡΠ΅Π΄Π»ΠΎΠΆΠ΅Π½ΠΈΡ ΠΈ Π΄ΠΎΡΡΡΠΏΠ½ΠΎΡΡΡ ΠΌΠΎΠ³ΡΡ ΡΠ°Π·Π»ΠΈΡΠ°ΡΡΡΡ Π² Π·Π°Π²ΠΈΡΠΈΠΌΠΎΡΡΠΈ ΠΎΡ ΠΌΠ΅ΡΡΠΎΠΏΠΎΠ»ΠΎΠΆΠ΅Π½ΠΈΡ ΠΈ ΠΌΠΎΠ³ΡΡ Π±ΡΡΡ ΠΈΠ·ΠΌΠ΅Π½Π΅Π½Ρ. ![]() | |||||||||||||||||||||||||||||||||||||||||||||||||||||||||||||||||||||||||||||||||||||||||||||||||||||||||||||||||||||||||||||||||||||||||||||||||||||||||||||||||||||||||||||||||||||||||||||||||||||||||||||||||||||||||||||||||||||||||||||||||||||||||||||||||||||||||||||||||||||||||||||||||||||||||||||||||||||||||||||||||||||||||||||||||||||||||||||||||||||||||||||||||||||||||||||||||||||||||||||||||||||||||||||||||||||||||||||||||||||||||||
..
..
..
.
..
0218
..
..
..
..
..
..
..

..
..
..
..
..
..
..
Π’ΠΎΠ²Π°Ρ Π±ΡΠ΄Π΅Ρ Π·Π°ΡΠ΅Π·Π΅ΡΠ²ΠΈΡΠΎΠ²Π°Π½ Π΄Π»Ρ Π²Π°Ρ ΠΏΡΠΈ ΠΎΡΠΎΡΠΌΠ»Π΅Π½ΠΈΠΈ Π·Π°ΠΊΠ°Π·Π°.
each(imageUrls, ΡΡΠ½ΠΊΡΠΈΡ(imageUrl){}}
..
..
..

ΠΡΠΎ Π½Π°ΠΈΠ±ΠΎΠ»Π΅Π΅ ΡΠΈΡΠΎΠΊΠΎ ΠΈΡΠΏΠΎΠ»ΡΠ·ΡΠ΅ΠΌΡΠΉ Π΄Π°ΡΡΠΈΠΊ Π΄Π²ΠΈΠΆΠ΅Π½ΠΈΡ Π² ΡΠΈΡΡΠ΅ΠΌΠ°Ρ
Π΄ΠΎΠΌΠ°ΡΠ½Π΅ΠΉ Π±Π΅Π·ΠΎΠΏΠ°ΡΠ½ΠΎΡΡΠΈ. ΠΠΎΠ³Π΄Π° Π²Ρ ΡΡΠ°Π²ΠΈΡΠ΅ ΡΠΈΡΡΠ΅ΠΌΡ Π½Π° ΠΎΡ
ΡΠ°Π½Ρ, ΡΡΠΎ Π°ΠΊΡΠΈΠ²ΠΈΡΡΠ΅Ρ Π΄Π°ΡΡΠΈΠΊΠΈ Π΄Π²ΠΈΠΆΠ΅Π½ΠΈΡ, ΡΡΠΎΠ±Ρ ΡΠΎΠΎΠ±ΡΠ°ΡΡ ΠΎ Π²ΠΎΠ·ΠΌΠΎΠΆΠ½ΡΡ
ΡΠ³ΡΠΎΠ·Π°Ρ
.
ΠΠ°ΠΏΡΠΈΠΌΠ΅Ρ, Π΄Π°ΡΡΠΈΠΊ Ρ Π΄Π²ΠΎΠΉΠ½ΠΎΠΉ ΡΠ΅Ρ
Π½ΠΎΠ»ΠΎΠ³ΠΈΠ΅ΠΉ Π½Π΅ΡΠ΅Π΄ΠΊΠΎ ΡΠΎΡΠ΅ΡΠ°Π΅Ρ Π² ΡΠ΅Π±Π΅ ΠΏΠ°ΡΡΠΈΠ²Π½ΡΠΉ ΠΈΠ½ΡΡΠ°ΠΊΡΠ°ΡΠ½ΡΠΉ (PIR) Π΄Π°ΡΡΠΈΠΊ Ρ ΠΌΠΈΠΊΡΠΎΠ²ΠΎΠ»Π½ΠΎΠ²ΡΠΌ Π΄Π°ΡΡΠΈΠΊΠΎΠΌ.
Π₯ΠΎΡΡ ΠΈΡ
ΠΌΠΎΠΆΠ½ΠΎ ΠΊΡΠΏΠΈΡΡ, ΠΈΡ
ΡΠ°ΠΊΠΆΠ΅ Π»Π΅Π³ΠΊΠΎ ΠΏΡΠΈΠ³ΠΎΡΠΎΠ²ΠΈΡΡ Π΄ΠΎΠΌΠ°. Π ΡΠ°ΠΌΠΎΠ΄Π΅Π»ΡΠ½ΠΎΠΌ Π΄Π°ΡΡΠΈΠΊΠ΅ Π²ΠΈΠ±ΡΠ°ΡΠΈΠΈ ΠΈΡΠΏΠΎΠ»ΡΠ·ΡΠ΅ΡΡΡ Π½Π΅Π±ΠΎΠ»ΡΡΠΎΠΉ Π³ΡΡΠ· Π½Π° ΡΡΡΠ°Π³Π΅, ΠΊΠΎΡΠΎΡΡΠΉ ΠΏΡΠΈ Π²ΠΈΠ±ΡΠ°ΡΠΈΠΈ Π°ΠΊΡΠΈΠ²ΠΈΡΡΠ΅Ρ Π°Π²Π°ΡΠΈΠΉΠ½ΡΠΉ Π²ΡΠΊΠ»ΡΡΠ°ΡΠ΅Π»Ρ. Π‘Π°ΠΌΠΎΠ΄Π΅Π»ΡΠ½ΡΠ΅ Π΄Π°ΡΡΠΈΠΊΠΈ Π΄Π²ΠΈΠΆΠ΅Π½ΠΈΡ ΠΌΠΎΠ³ΡΡ ΡΠ°Π±ΠΎΡΠ°ΡΡ, Π½ΠΎ ΠΎΠ½ΠΈ ΡΠ°ΠΊΠΆΠ΅ ΠΌΠΎΠ³ΡΡ Π±ΡΡΡ Π½Π΅Π½Π°Π΄Π΅ΠΆΠ½ΡΠΌΠΈ.


ΠΠΎΠΆΠ½ΡΠ΅ ΡΡΠ°Π±Π°ΡΡΠ²Π°Π½ΠΈΡ ΠΎΠ±ΡΡΠ½ΠΎ Π²ΡΠ·Π²Π°Π½Ρ ΡΠ±ΠΎΡΠΌΠΈ Π² ΡΠ»Π΅ΠΊΡΡΠΎΡΠ½Π°Π±ΠΆΠ΅Π½ΠΈΠΈ, ΠΎΡΠΈΠ±ΠΊΠΎΠΉ ΠΏΠΎΠ»ΡΠ·ΠΎΠ²Π°ΡΠ΅Π»Ρ, ΠΏΠ»ΠΎΡ
ΠΎΠΉ ΡΠ°Π·ΡΠ°Π±ΠΎΡΠΊΠΎΠΉ ΠΏΡΠΈΠ»ΠΎΠΆΠ΅Π½ΠΈΠΉ, ΡΠΊΠ°ΡΠΊΠ°ΠΌΠΈ Π½Π°ΠΏΡΡΠΆΠ΅Π½ΠΈΡ, ΠΌΠΎΠ»Π½ΠΈΠ΅ΠΉ ΠΈ Π½Π΅ΠΈΡΠΏΡΠ°Π²Π½ΡΠΌ ΠΎΠ±ΠΎΡΡΠ΄ΠΎΠ²Π°Π½ΠΈΠ΅ΠΌ. ΠΠΈΠ²ΠΎΡΠ½ΡΠ΅, Π½Π°ΡΠ΅ΠΊΠΎΠΌΡΠ΅ ΠΈ Π»ΠΈΡΡΠ²Π° ΡΠ°ΠΊΠΆΠ΅ ΠΌΠΎΠ³ΡΡ Π²ΡΠ·ΡΠ²Π°ΡΡ ΠΈΡ
ΠΏΡΠΈ ΠΎΠΏΡΠ΅Π΄Π΅Π»Π΅Π½Π½ΡΡ
ΠΎΠ±ΡΡΠΎΡΡΠ΅Π»ΡΡΡΠ²Π°Ρ
.
Π’Π°ΠΊΠΈΠΌ ΠΎΠ±ΡΠ°Π·ΠΎΠΌ, Π·Π»ΠΎΡΠΌΡΡΠ»Π΅Π½Π½ΠΈΠΊ ΠΎΡΠΊΠ»ΡΡΠΈΡ Π΄Π°ΡΡΠΈΠΊ Π½Π΅Π·Π°Π²ΠΈΡΠΈΠΌΠΎ ΠΎΡ ΠΏΡΠ½ΠΊΡΠ° Π½Π°Π·Π½Π°ΡΠ΅Π½ΠΈΡ.
ΠΡΠ»ΠΈ Π²Ρ ΡΠΌΠ΅Π΅ΡΠ΅ ΠΏΠΎΠ»ΡΠ·ΠΎΠ²Π°ΡΡΡΡ ΠΎΡΠ²Π΅ΡΡΠΊΠΎΠΉ, ΡΠΎ ΡΠΌΠΎΠΆΠ΅ΡΠ΅ ΡΡΡΠ°Π½ΠΎΠ²ΠΈΡΡ Π΄Π°ΡΡΠΈΠΊ Π΄Π²ΠΈΠΆΠ΅Π½ΠΈΡ. ΠΡΠ°Π²ΠΈΠ»ΡΠ½Π°Ρ ΡΡΡΠ°Π½ΠΎΠ²ΠΊΠ° ΠΎΠ±Π΅ΡΠΏΠ΅ΡΠΈΠ²Π°Π΅Ρ ΠΎΠΏΡΠΈΠΌΠ°Π»ΡΠ½ΠΎΠ΅ ΠΏΠΎΠΊΡΡΡΠΈΠ΅ Π΄Π»Ρ ΠΎΠ±Π½Π°ΡΡΠΆΠ΅Π½ΠΈΡ Π΄Π²ΠΈΠΆΠ΅Π½ΠΈΡ ΠΈ ΠΏΠΎΠΌΠΎΠ³Π°Π΅Ρ ΠΈΠ·Π±Π΅ΠΆΠ°ΡΡ Π»ΠΎΠΆΠ½ΡΡ
ΡΡΠ°Π±Π°ΡΡΠ²Π°Π½ΠΈΠΉ.
ΠΠΎΠ»ΡΡΠΈΠ½ΡΡΠ²ΠΎ ΡΠ°ΠΌΠΎΠ΄Π΅Π»ΡΠ½ΡΡ
ΡΠΈΡΡΠ΅ΠΌ ΠΏΡΠΎΠ²Π΅Π΄ΡΡ Π²Π°Ρ ΡΠ΅ΡΠ΅Π· ΡΡΠΎΡ ΠΏΡΠΎΡΠ΅ΡΡ, ΡΠ°ΡΡΠΎ ΠΈΡΠΏΠΎΠ»ΡΠ·ΡΡ ΠΎΡΠ½ΠΎΠ²Π½ΡΡ ΠΊΠ»Π°Π²ΠΈΠ°ΡΡΡΡ ΠΈΠ»ΠΈ ΠΌΠΎΠ±ΠΈΠ»ΡΠ½ΠΎΠ΅ ΠΏΡΠΈΠ»ΠΎΠΆΠ΅Π½ΠΈΠ΅ Π΄Π»Ρ Π½Π°ΡΡΡΠΎΠΉΠΊΠΈ ΠΈ Π½Π°ΡΡΡΠΎΠΉΠΊΠΈ Π΄Π΅ΡΠ΅ΠΊΡΠΎΡΠΎΠ² Π΄Π²ΠΈΠΆΠ΅Π½ΠΈΡ.
com Π½Π° Π΄Π°ΡΡ ΠΏΡΠ±Π»ΠΈΠΊΠ°ΡΠΈΠΈ. ΠΡΠΎΡΠΈΡΠ°ΠΉΡΠ΅ ΠΏΠΎΠ»Π½ΡΠΉ ΠΎΡΠΊΠ°Π· ΠΎΡ ΠΎΡΠ²Π΅ΡΡΡΠ²Π΅Π½Π½ΠΎΡΡΠΈ.


ΠΡΠΎΡΡΠΈΡΠ΅ Π½Π°ΡΠ΅ ΡΡΠΊΠΎΠ²ΠΎΠ΄ΡΡΠ²ΠΎ ΠΏΠΎ ΡΠ°Π·ΠΌΠ΅ΡΠ΅Π½ΠΈΡ Π΄Π°ΡΡΠΈΠΊΠ° Π΄Π²ΠΈΠΆΠ΅Π½ΠΈΡ Π΄Π»Ρ ΠΏΠΎΠ»ΡΡΠ΅Π½ΠΈΡ Π΄ΠΎΠΏΠΎΠ»Π½ΠΈΡΠ΅Π»ΡΠ½ΠΎΠΉ ΠΈΠ½ΡΠΎΡΠΌΠ°ΡΠΈΠΈ.
ΠΡΠΎΡ ΠΊΠΎΠ½ΡΠ΅Π½Ρ ΠΏΡΠ΅Π΄ΠΎΡΡΠ°Π²Π»ΡΠ΅ΡΡΡ Β«ΠΊΠ°ΠΊ Π΅ΡΡΡΒ» ΠΈ ΠΌΠΎΠΆΠ΅Ρ Π±ΡΡΡ ΠΈΠ·ΠΌΠ΅Π½Π΅Π½ ΠΈΠ»ΠΈ ΡΠ΄Π°Π»Π΅Π½ Π² Π»ΡΠ±ΠΎΠ΅ Π²ΡΠ΅ΠΌΡ.

