Содержание
Система охлаждения четырехтактного дизеля ЯМЗ-236 автомобиля МАЗ-500
Строительные машины и оборудование, справочник
Категория:
Устройство и работа двигателя
Публикация:
Система охлаждения четырехтактного дизеля ЯМЗ-236 автомобиля МАЗ-500
Читать далее:
Проверка уровня воды в радиаторе и ее доливка
Система охлаждения четырехтактного дизеля ЯМЗ-236 автомобиля МАЗ-500
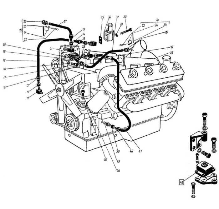
Двигатель ЯМЗ-236 автомобиля МАЗ-500 имеет водяную, принудительную, закрытую систему охлаждения.
Радиатор с трехрядной сердцевиной трубчато-ленточного типа, закреплен на раме в двух точках на резиновых подушках и дополнительно крепится растяжками к балкам рамы. Горловина радиатора закрыта пробкой с паровоздушным клапаном. Перед радиатором установлены жалюзи с горизонтальными створками, имеющие ручное управление из кабины. Снаружи радиатор закрыт облицовочной решеткой.
Патрубок нюк-него бачка радиатора соединяется гибким шлангом с подводящим патрубком водяного насоса, расположенного с правой стороны в передней части двигателя. Чугунный корпус насоса с помощью фланца отводящего патрубка болтами крепится к крышке распределительных шестерен и соединяется с отлитым в ней водяным каналом. Корпус закрыт крышкой.
Вал насоса с крыльчаткой установлен в корпусе на шарикоподшипниках, уплотненных сальниками. Вал уплотняется самоподжимным уплотняющим устройством с графитизированной текстолитовой шайбой, установленной в пазах крыльчатки насоса. Шайба упирается во втулку корпуса. На наружном конце вала закреплен шкив, соединяемый трапециевидным ремнем со шкивом коленчатого вала. Масло к подшипникам подается через пресс-масленку, ввернутую в прилив корпуса насоса. Натяжение ремня регулируется перемещением обода шкива насоса с помощью регулировочных прокладок.
Рекламные предложения на основе ваших интересов:
Дополнительные материалы по теме:
Рис.
1. Система охлаждения дизеля ЯМЗ-286 автомобиля МАЗ-500
Вода, нагнетаемая водяным насосом по каналу, отлитому в крышке распределительных шестерен, и каналам, отлитым в блоке вдоль цилиндров, проходит в водяные рубашки обеих секций блока и по вертикальным каналам одновременно проходит в водяные рубашки головок, интенсивно охлаждая в них патрубки и седла выпускных клапанов.
К рубашке каждой головки присоединяется водоотводящая труба, к которой прикреплен корпус с установленным в нем двухклапанным термостатом жидкостного (сильфонного) типа. Перепускные камеры обоих корпусов термостатов соединяются горизонтальной и вертикальной трубками с гибкими шлангами со всасывающей полостью корпуса водяного насоса. Патрубки корпусов термостатов связаны гибкими шлангами с верхним бачком радиатора. К водоотводящей трубе правой секции блока могут быть присоединены трубопроводы отопителя кабины автомобиля. К нижнему водяному каналу крепятся трубопроводы от пускового подогревателя двигателя.
На кронштейне, прикрепленном к крышке распределительных шестерен в передней части, установлен на двух шарикоподшипниках вал; подшипники защищены сальником. На внутреннем конце вала закреплена шестерня, входящая в зацепление с шестерней распределительного вала. На переднем конце вала установлен шкив привода воздушного компрессора и генератора, а также закреплен при помощи ступицы с резиновой упругой муфтой шестилопастный вентилятор, расположенный в кожухе радиатора.
Для слива воды имеется кран, расположенный на нижнем патрубке водяного насоса.
Контроль за работой системы охлаждения осуществляется по указателю температуры воды, установленному на щитке приборов в кабине. Датчик указателя ввернут в верхний водоотводящий патрубок.
К системе охлаждения дизеля с помощью подводящей и отводящей трубок присоединена система охлаждения воздушного компрессора. На водоотводящей трубе правой секции блока установлен кран, используемый для выпуска воздуха из системы при заправке ее водой.
Система охлаждения двигателя ЯМЗ-238 автомобилей КрАЗ имеет аналогичное устройство.
Рекламные предложения:
Читать далее: Проверка уровня воды в радиаторе и ее доливка
Категория: —
Устройство и работа двигателя
Главная → Справочник → Статьи → Форум
Система охлаждения двигателя ЯМЗ | Грузовики и спецтехника
Двигатель ЯМЗ-650
Система охлаждения предназначена для отвода тепла от деталей, соприкасающихся во время работы двигателя с горячими газами. Температурный режим работы двигателя существенно влияет как на эффективные показатели двигателя, так и на износостойкость деталей цилиндро-поршневой группы.
Двигатели ЯМЗ-236 и ЯМЗ-238 имеют жидкостное охлаждение с замкнутой схемой циркуляции жидкости. Система рассчитана на работу в пределах температур охлаждающей жидкости 75-98° С. Циркуляция охлаждающей жидкости в системе осуществляется насосом центробежного типа.
Отвод тепла от охлаждающей жидкости производится в специальном теплообменнике — радиаторе.
В подавляющем большинстве случаев для отбора тепла применяется поток воздуха, просасываемого через радиатор вентилятором.
Для более интенсивного прогрева двигателя после пуска, а также для поддерживания более стабильной температуры охлаждающей жидкости на двигателях установлены термостатические устройства.
Охлажденная в радиаторе жидкость из нижнего бачка радиатора поступает во всасывающий патрубок центробежного насоса и подается им через литой канал крышки шестерен распределения в продольные каналы блока, расположенные на обоих рядах цилиндров с наружной стороны. Через выполненные в литье на внутренней стенке канала отверстия, расположенные против каждого цилиндра, жидкость поступает в рубашку блока. Такое распределение жидкости обеспечивает более равномерное охлаждение всех цилиндров.
Омывая наружные поверхности гильз цилиндров, охлаждающая жидкость через отверстия в верхней привалочной плоскости блока поступает в полость головки цилиндров.
Для охлаждения наиболее нагретых частей головки (выпускного канала и стакана форсунки) охлаждающая жидкость подается непосредственно из распределительного канала блока направленным потоком.
Нагретая жидкость отводится из двигателя через верхние трубы, установленные на головках со стороны развала. На передних концах труб установлены термостаты, имеющие два клапана. Во время прогрева двигателя при температуре охлаждающей жидкости до 70* С центральный клапан термостата плотно закрывает отверстие, сообщающее рубашку двигателя с радиатором. Охлаждающая жидкость циркулирует через перепускную трубу, соединяющую полость коробки термостата со всасывающим патрубком насоса. В этом случае жидкость быстро нагревается. Когда ее температура будет выше 70° С, центробежный клапан начнет открываться, и часть жидкости пройдет через радиатор. При дальнейшем повышении температуры охлаждающей жидкости увеличивается открытие центрального клапана, и при температуре около 85 градусов клапан полностью открывается.
В то же время кольцевой клапан полностью закрывает отверстия в корпусе термостата, через которые жидкость поступала в перепускную трубу. С этого момента вся жидкость циркулирует через радиатор.
Центробежный насос системы охлаждения установлен на правой боковой стенке крышки шестерен распределения и крепится к ней четырьмя шпильками с гайками. Стык между крышкой и корпусом насоса уплотняется паронитовой прокладкой.
Насос приводится в действие клиновым ремнем от шкива коленчатого вала. Для регулировки натяжения ремня ведомый шкив, насаженный на передний конец валика насоса, выполнен разъемным. Задняя боковина шкива выполнена как одно целое со ступицей, передняя 24 — штампованная из листовой стали. Обе боковины скрепляются тремя шпильками через регулировочные прокладки. Количество прокладок равно, толщина каждой прокладки 1 мм. При регулировке натяжения ремня часть прокладок переставляется на наружную сторону передней боковины шкива. Выбрасывать прокладки нельзя, так как они вновь используются при установке нового ремня.
Чугунный литой корпус насоса в задней части выполнен по спирали для направления потока воды, сходящего с лопастей крыльчатки насоса.
В расточки передней части на шарикоподшипниках и устанавливается валик насоса. От осевого перемещения валик фиксируется корпусом сальника, который крепится к переднему торцу корпуса винтами. Для уплотнения полости подшипников в корпусе насоса также установлен войлочный сальник.
Полости подшипников заполняются консистентной смазкой через специальную пресс-масленку шприцем до появления свежей смазки из контрольного отверстия.
К корпусу насоса через прокладку крепится всасывающий патрубок, соединяемый трубопроводом с нижним бачком радиатора. Сверху в корпус ввернут ниппель, к которому дюритовым шлангом подсоединяется перепускная трубка. На заднем конце валика насоса установлена литая чугунная крыльчатка, в которой смонтирован торцовый сальник, состоящий из резиновой манжеты с латунными обойками, пружины и уплотнительного кольца из графитированного текстолита.
Крестообразные выступы кольца входят в пазы крыльчатки, и, таким образом, при вращении крыльчатки кольцо вращается вместе с ней. Сальник в крыльчатке удерживается стопорным кольцом.
Крыльчатка крепится на валу колпачковой гайкой со специальной стопорной шайбой. Для уменьшения износа торца корпуса, соприкасающегося с уплотнительным кольцом, в корпус между его торцом и кольцом запрессована стальная втулка с буртом. Рабочий торец втулки полируется. Для отвода проникающей через торцовый сальник охлаждающей жидкости в корпусе насоса имеется дренажное отверстие, через которое просачившаяся жидкость свободно вытекает наружу. Выделение отдельных капель жидкости из дренажного отверстия при работе двигателя не является признаком ненормальной работы насоса.
Задний фланец корпуса закрывается штампованной крышкой с паронитовой прокладкой, закрепленной шестью шпильками стайками.
В случае нарушения торцового уплотнения водяного насоса и появления течи воды из дренажного отверстия корпуса насоса необходимо, сняв заднюю крышку водяного насоса, расконтрить и отвернуть болт крыльчатки и снять крыльчатку с сальником.
Изношенные или разрушившиеся детали сальника заменить новыми и установить крыльчатку на место.
Как двигатель охлаждается? Ключевые компоненты системы охлаждения двигателя
Херндон, Вирджиния – Все понимают, что перегрев автомобиля – это плохо. Мало того, что это неудобно, так еще и перегрев может привести к серьезному повреждению двигателя. Это также может быть опасно. Перегрев может оставить вас в затруднительном положении на автостраде. Пар под давлением в системе охлаждения может сильно обжечь вас. Известны случаи возгорания двигателей. Перегрев это плохо. Но знаете ли вы, что двигатель, который работает слишком прохладно может представлять проблемы самостоятельно?
Предполагается, что двигатель вашего автомобиля, грузовика или внедорожника сильно нагревается. По сути, у него нет выбора. Процесс сгорания, наряду с трением, создаваемым всеми движущимися частями, производит много тепла в двигателе даже в прохладные дни. Таким образом, блок двигателя нагревается.
И это хорошо. Если бы этого не было, двигатель не смог бы работать на пиковых уровнях производительности. Произойдет преждевременный износ компонентов двигателя. Выбросы выхлопных газов, загрязнение вырастут.
Двигатель большинства транспортных средств рассчитан на работу при температуре от 195 до 220 градусов по Фаренгейту для оптимальной работы. Система охлаждения регулирует температуру двигателя, чтобы убедиться, что она остается в соответствующем диапазоне. Но как работает система охлаждения? И как владельцу транспортного средства убедиться, что оно продолжает работать?
Как работает система охлаждения двигателя?
Чтобы двигатель оставался прохладным, охлаждающая жидкость для двигателя (также известная как антифриз за его способность противостоять замерзанию) циркулирует по каналам внутри блока цилиндров, где он поглощает тепло путем теплопроводности. Затем нагретая охлаждающая жидкость покидает двигатель и уносит с собой тепло, позволяя двигателю остыть.
Чтобы этот процесс охлаждения происходил, несколько компонентов должны функционировать должным образом. Радиатор, шланги охлаждающей жидкости, водяной насос, термостат, расширительный бачок и сердцевина отопителя являются составными частями системы охлаждения двигателя.
Когда охлаждающая жидкость отводит тепло от двигателя, она проходит через верхний шланг охлаждающей жидкости (или «шланг радиатора») на пути к радиатор . Радиатор представляет собой ряд узких трубок, по которым проходит нагретая охлаждающая жидкость. Эти трубы вплетены в матрицу из тончайших алюминиевых лент (или «ребер»), которые поглощают тепло через трубы от теплоносителя. Воздух, проходящий через радиатор, отводит тепло за счет конвекции. Охлаждающий вентилятор помогает прогонять больший объем воздуха через радиатор. Температура охлаждающей жидкости падает, и охлаждающая жидкость возвращается в двигатель по нижнему шлангу.
Водяной насос — это компонент, который нагнетает охлаждающую жидкость в систему.
Если водяной насос не работает должным образом, охлаждающая жидкость не будет течь, и двигатель перегреется. Водяной насос приводится либо поликлиновым приводным ремнем, либо ремнем привода ГРМ.
Если охлаждающая жидкость циркулирует постоянно, двигатель не сможет достичь достаточно высокой температуры для правильной работы. Поэтому поток охлаждающей жидкости должен контролироваться. Термостат представляет собой клапан, на который возложена задача регулирования потока охлаждающей жидкости. Он остается закрытым до тех пор, пока двигатель не достигнет максимальной рабочей температуры. Затем термостат открывается, обеспечивая циркуляцию до тех пор, пока температура двигателя не упадет до минимальной рабочей температуры. Неисправный термостат является частой причиной проблем с перегревом.
Пара других компонентов также играет роль в системе охлаждения. Расширительный бачок охлаждающей жидкости , иногда называемый переливным бачком , предотвращает потерю охлаждающей жидкости автомобилем, когда ее температура поднимается выше точки кипения.
Сердечник нагревателя не является непосредственной частью системы охлаждения, но прикреплен к ней. Часть нагретой охлаждающей жидкости отводится к сердечнику отопителя (что-то вроде небольшого радиатора), расположенному под приборной панелью. Вентилятор продувает сердцевину отопителя и передает тепло в салон, чтобы согреть пассажиров в прохладные дни.
Как предотвратить перегрев?
Компонент системы охлаждения, с которым вы, скорее всего, соприкоснетесь, — это охлаждающая жидкость или сам антифриз. Обычно изготавливаемая из этиленгликоля, смешанного с водой, охлаждающая жидкость выпускается в концентрированной форме (необходимо смешивать с водой в пропорции 50/50) или готовой к использованию. Система должна оставаться заполненной охлаждающей жидкостью. Вы можете легко контролировать уровень охлаждающей жидкости, глядя на расширительный бачок. Обычно на боковой стороне бутылки есть индикатор высокого и низкого уровня. Если уровень низкий, вы можете долить охлаждающую жидкость либо в расширительный бачок, либо непосредственно в радиатор (точное место добавления охлаждающей жидкости зависит от марки и модели автомобиля — рекомендации см.
в руководстве по эксплуатации). И следите за утечкой охлаждающей жидкости на землю.
Не все охлаждающие жидкости одинаковы. Очень важно ознакомиться с рекомендациями производителя транспортного средства, чтобы убедиться, что вы используете правильную охлаждающую жидкость. Также следует соблюдать осторожность каждый раз, когда снимается крышка радиатора. Крышку радиатора нельзя никогда снимать, когда двигатель горячий на ощупь. Перед снятием крышки убедитесь, что двигателю дали остыть, а верхний шланг радиатора не находится под давлением. В противном случае могут возникнуть серьезные ожоги от ошпаривания.
Но лучший способ убедиться в том, что ваша система охлаждения находится в надлежащем рабочем состоянии, — это проверить ее профессиональным техническим специалистом в рамках регулярного планового технического обслуживания или в любое время, когда требуется обслуживание связанного компонента. (Например, если необходимо заменить ремень ГРМ, следует также заменить водяной насос).
Позвольте квалифицированным специалистам Hogan & Sons Tire and Auto провести тщательную оценку системы охлаждения, когда вы в следующий раз отправите свой автомобиль на техническое обслуживание.
Эта статья предназначена только в качестве общего руководства, и вы полагаетесь на ее материалы на свой страх и риск. Используя это общее руководство, вы соглашаетесь защищать, возмещать ущерб и ограждать компанию Hogan & Sons Tire and Auto и ее аффилированных лиц от любых претензий, возмещения убытков, издержек и расходов, включая гонорары адвокатов, возникающих в связи с вашим использования этого руководящего документа. Насколько это разрешено применимым законодательством, компания Hogan & Sons Tire and Auto не делает никаких заявлений или гарантий, явных или подразумеваемых, в отношении информации, содержимого или материалов, содержащихся в этом документе. Это резервирование прав должно быть настолько широким и всеобъемлющим, насколько это разрешено законами вашего государства проживания.
