Содержание
Вом мтз 82 схема
ВОМ на тракторе МТЗ-80 и 82, как и на любом другом тракторе – это вал, который передает вращательный момент с двигателя на различное навесное оборудование. Располагается он сзади трактора.
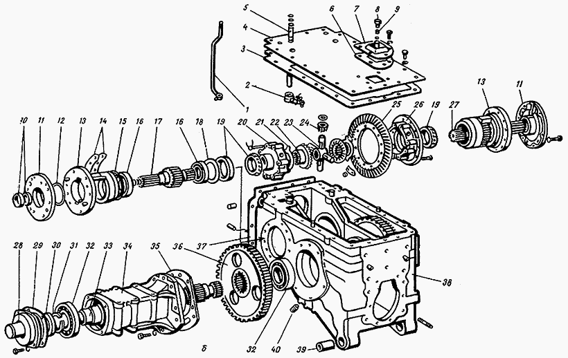
Схема заднего ВОМ МТЗ-80(82)
На этой схеме отображены:
1 – Плита, 2 – Крышка ВОМ, 3 – Прокладка, 4 – Оси, 5 – Вал заднего ВОМ, 6 – Подшипники, 7 – Тормозные ленты с накладками, 8 – Подшипник, 9 – Втулка, 10 – Барабан, 11 – Солнечная шестерня, 12 – Водило, 13 – Сателлит, 14 – Ось сателлита, 15 – Подшипник, 16 – Шестерня коромысла, 17 – Стакан, 18 – Подшипник, 19 – Стопорные кольца, 20 – Вал, 21 – Муфта, 22 – Кожух ВОМ.
Привод ВОМ МТЗ-82 может быть как зависимым (частота вращения зависит от скорости движения трактора), так и независимым (частота вращения зависит от частоты работы самого двигателя).
При зависимом приводе ВОМ соединяется с ведущей шестернёй 2-й ступени редуктора коробки передач трактора. В таком случае частота вращения ВОМ будет равна 3,5 оборота на каждый метр пути.
Включать такой привод можно только на стоящем тракторе.
При независимом приводе ВОМ соединяется с маховиком двигателя, при этом скорость вращения уже не зависит от скорости движения трактора. Независимый привод имеет две скорости вращения: 540 и 1000 об/мин. Включать привод можно при заглушенном двигателе или при минимальных оборотах.
Переключение типа привода осуществляется из кабины. При повороте переключателя по часовой стрелке включается независимый привод, против часоврй – зависимый. В нейтральном положении вал отбора мощности выключен.
Обслуживание ВОМ
Техническое обслуживание ВОМ трактора МТЗ-80(82) это регулярная смазка трансмиссионным маслом, периодическая регулировка (о ней ниже), внешний осмотр резьбовых соединений, крышки и хвостовика на наличие подтеков масла.
Во время эксплуатации трактора и самого вала всегда обращайте внимание на положение рычага управления, он не должен упираться в полик кабины.
При увеличении хода или усилия на рычаге произведите регулировку ВОМ.
Регулировка ВОМ
При регулировке вала отбора мощности на МТЗ-80(82) нужно соблюдать следующую последовательность:
- Установите ось эксцентрика в ее изначальное положение, таким образом, чтобы нанесенная на ней риска была справа в вертикальном положении.
- Зафиксируйте такое её положение при помощи стопорных пластин.
- Отсоедините тяги.
- Открутите болты на стакане.
- Высвободите пружину.
- Снимите крышку люка с заднего ведущего моста для получения доступа к головке натяжного винта.
- Переведите рычаг в нейтраль и зафиксируйте положение болтом.
- Снимите стопорную пластину.
- Закрутите упорный болт в стакан.
- Переведите рычаг в положение «Включено».
- Установите тягу.
- Отрегулируйте люфт рычага.
После того как регулировка будет завершена необходимо вернуть все детали на свои места в обратной последовательности и затянуть болты контргайками.
В случае если вал начинает буксовать или он работает нестабильно, или для его включения требуется повышенное усилие или при других аналогичных проблемах необходимо отрегулировать еще и ленточный тормозной механизм:
- Поставьте рукоятку в синхронный режим и зафиксируйте в таком положении.
- Выкрутите гайку и снимите пластину со шлицов.
- Рожковым ключом поверните осевой механизм по часовой стрелке до нужного момента.
- Верните пластину на место и заверните все гайки.
- Снимите фиксирующий болт с рукоятки.
Необходимый для привода навески в движение механизм
Валы отбора мощности (ВОМ) трактора «МТЗ-82» – это устройства, предназначенные для передачи энергии вращения от двигателя на рабочие органы агрегатируемых с трактором передвижных или стационарных машин; навесного оборудования, активных прицепов и прочих механизмов. Как большинство современных тракторов, «МТЗ-82» оснащён валом отбора мощности заднего расположения и задним трёхточечным навесным устройством.
Поскольку гораздо реже встречается техника, работа которой требует постоянного наблюдения механизатора и, соответственно, ВОМа переднего расположения.
Сразу стоит отметить: вал отбора мощности «МТЗ-82» аналогичен тому, который устанавливается и на «МТЗ-80». Существует два вида нагрузок при работе вала отбора мощности:
- ВОМ приводит в действие какие-либо механические узлы навесного или прицепного устройства либо напрямую, либо через передающие устройства (редукторы, карданы, клиноременные передачи). Это наиболее распространённый тип использования ВОМ, при котором вал испытывает полноценную нагрузку.
- ВОМ приводит в действие гидравлическую систему навесного или прицепного устройства. Этот тип использования ВОМ применяется лишь для небольшого круга специальных механизмов и устройств, оснащённых собственной гидравлической системой. Тогда ВОМ воздействует только на гидравлический насос.
Независимый и синхронный приводы ВОМ «МТЗ-82»
Итак, конструкция ВОМ трактора «МТЗ-82» – такая же, как и у «МТЗ-80».
Задний вал отбора мощности трактора «МТЗ-82» – комбинированного типа. Это значит, что ВОМ может быть снабжён как независимым, так и зависимым, то есть синхронным, приводом. При независимом приводе частота вращения вала определяется частотой вращения дизельного двигателя, а при зависимом (синхронном) приводе – скоростью движения трактора.
Приводом независимым ВОМ связывается непосредственно с маховиком мотора. Это обеспечивает независимую от скорости движения трактора частоту вращения вала отбора мощности. Не повлияет на чистоту вращения ВОМ и включенное либо выключенное сцепление. Привод независимый – двухскоростной. Он имеет две частоты вращения (540 или 1000 оборотов в минуту), при частоте вращения силового агрегата – 2100 оборотов в минуту.
Приводом синхронным ВОМ связывается непосредственно с ведущей шестернёй 2-й ступени редуктора коробки передач «МТЗ-82». Поэтому частота вращения вала отбора мощности привязана к скорости движения трактора и составляет 3,5 оборота на каждый метр пути, который проехал трактор.
Не синхронный тип следует запускать только при неработающем двигателе, либо при самой минимально частоте вращения коленчатого вала. Синхронный — только на тракторе, который остановлен.
Скорость вращения вала отбора мощности стандартизирована в определённых значениях (540, 1000 оборотов в минуту) специально для корректной работы с навесным и прицепным оборудованием. Так как иначе работа на дополнительном устройстве с неподходящей для него скоростью может привести либо к недостаточной его производительности, либо к его поломке.
Когда включён независимый привод, вращение от внутреннего вала привода, который находится внутри вторичного вала коробки передач, через муфту переключения передаётся на вал коронной шестерни планетарного редуктора ВОМ.
Когда задействуется синхронный привод муфта перемещается вперёд, разъединяясь с внутренним валом независимого привода и соединяясь со шлицами ступицы ведущей шестерни 2-й ступени редуктора коробки передач.
Устройство вала отбора мощности «МТЗ-82»
В корпусе заднего моста трактора «МТЗ-82» размещается двухступенчатый планетарный редуктор вала отбора мощности.
Состоит он из ведущей коронной шестерни, трёх сателлитов и солнечной шестерни. Она посажена на ступицу водила на бронзовой втулке.
Сателлиты закрепляются на осях, которые запрессованы в расточки водила. Шлицевая ступица водила жёстким образом связывается со шлицами вала. А на конце ВОМ также ещё выполнены шлицы для привода агрегатируемого с трактором оборудования и машин.
Вал отбора мощности трактора «МТЗ-82» может быть выполнен в составном виде: когда в его задний край вставляются сменные хвостовики с 8-ю шлицами либо 21-м шлицем. Для машин и устройств, которые используют частоту вращения 540 об/мин, применяется хвостовик первого типа, а для тех машин, где частота вращения составляет 1000 об/мин – хвостовик второго типа.
Различие в типоразмерах шлицев на машинах и агрегатах выполнена специально, для того, чтобы предотвратить возможную путаницу при выборе скоростного режима
Хвостовик зафиксирован на валу специальным стопорным кольцом. Энергия вращения передаётся к хвостовику через четыре ролика.
Различные типоразмеры шлиц на машинах выполняют с целью предотвращения путаницы в выборе скоростного режима и поломки агрегатируемых машин из-за неправильного включения скорости ВОМ.
Вал устанавливается на двух шариковых подшипниках, первый из которых расположен в расточке вала коронной шестерни, 2-й — в крышке, прикреплённой к задней стенке корпуса заднего моста. Все детали, которые установлены на валу, стянуты кернящейся гайкой.
Управление ВОМ «МТЗ-82»
Планетарный редуктор вала отбора мощности на «МТЗ-82» управляем 2-мя ленточными тормозами. Первый тормозной барабан приварен к водилу, 2-й барабан связан посредством шлицевой муфты с солнечной шестернёй.
Для включения вала отбора мощности «МТЗ-82» рычаг управления в кабине следует перевести в крайнее заднее положение. При этом тормоз на барабане солнечной шестерни при этом затянут, а на водиле — отпущен.
От коронной шестерни вращение передаётся через сателлиты на водило, и далее от него — непосредственно к валу.
Частота вращения уменьшается в это время соответственно передаточному числу планетарного редуктора — в 1,47 раза.
Когда нужно выключить редуктор ВОМ, то рычаг управления переводится в крайнее переднее положение. Тормоз на барабане солнечной шестерни отпускается, а тормоз водила — затягивается. В таком положении водило не двигается, а коронная шестерня обкатывается вхолостую по сателлитам. Сателлиты в то же время вращают, также вхолостую, солнечную шестерню относительно ступицы водила.
Частота вращения вала отбора мощности переключается посредством муфты, установленной на шлице вала. Механизмом, который это производит, является шестигранник, расположенный в нижней крышке цельного корпуса сцепления.
Техническое обслуживание ВОМ «МТЗ-82»
Техобслуживание вала отбора мощности трактора «МТЗ-82» заключается, прежде всего, в регулярном осмотре резьбовых соединений и их проверке, а также в периодической регулировке механизма управления. Смазываются механизмы ВОМ, которые размещены в корпусе заднего моста, маслом, заправляемым в трансмиссию.
Включать независимый привод следует при минимальной частоте вращения дизельного двигателя. Синхронный привод включается при работающем моторе после включения передачи, при плавном включении механизма сцепления.
В процессе эксплуатации необходимо периодически внимательно присматривать за изменениями в положении рычага управления ВОМ, не допуская, чтоб он упирался в полик кабины трактора (поскольку это приведёт к буксованию тормозных лент).
Если ход рычага управления увеличился, или усилие на рычаге, во время его перевода из положения «включено» в положение «выключено» заметно возросло, это свидетельствует о том, что необходимо произвести регулировку.
Регулировка вала отбора мощности «МТЗ-82» производится по следующему плану:
- Установка оси эксцентрика в её первоначальное положение. Риска, которая специально на неё нанесена, должна находиться с правой стороны и располагаться в вертикальном положении.
- Фиксация установленного положения с помощью стопорных пластин.

- Отсоединение тяги. Откручивание болтов на стакане и высвобождение пружины.
- Снятие крышечки с люка заднего моста, чтобы добраться до головки натяжного винта. Переведение рычага в нейтральное положение и его фиксация болтом.
- Снятие стопорной пластины, затягивание винта до упора. Заворачивание упорного болта в наружный стакан. Перевод рычага в положение «вкл.». Установка тяги. Установление необходимого люфта рычага.
После завершения регулировки — возврат всех деталей на свои места, усиление тяг и крепёжных болтов контрагайками.
Распространённые неисправности, возникающие при эксплуатации ВОМ
- Достаточно распространённая проблема при эксплуатации ВОМ «МТЗ-82» – это заедание рычага управления вала, либо трудное, с значительным усилием, управление поводком муфты. Это происходит вследствие неисправности механизма усиления (стакан пружины), или износа кулачковой муфты.
- Посторонние шумы, которые идут по нарастающей, вместе с увеличением передаваемого крутящего момента, а также следы смазки на задней крышке говорят о значительном износе шлицов вала, деталей планетарного редуктора, а возможно — потере эластичности или разрушении манжет.

- Если вал отбора мощности работает непривычно шумно и рывками, то, скорее всего, в негодность пришли шлицевые соединения. Либо сработались (сточились) зубья у центральной шестерни. В этом случае вал выпрессовывается и оценивается состояние шестерни. Потребуется отсоединить задний мост и кулачковую муфту. Если визуальный осмотр показывает значительные зазоры, либо шестерня перемещается совершенно свободно, то ВОМу требуется серьёзный ремонт. После замены вал монтируется на место, и обязательно производится его регулировка.
- Когда трактор «МТЗ-82» не выдаёт требуемой максимальной мощности при работе с навесным оборудованием, то причина этого кроется в ленточных тормозах. Им требуется соответствующая регулировка, либо полная замена. В случаях, когда регулировка не помогает избавиться от такой проблемы, есть необходимость в демонтаже ВОМа с трактора и контроле толщины лент тормозов. Когда толщина уменьшилась до 2,5 миллиметров и ниже, эти изношенные ленты заменяются на новые.

- Хвостовик ВОМа перемещается слишком свободно. Этот признак означает, что натяжение фиксирующей гайки ослабло. Вал отбора мощности требуется снять с трактора «МТЗ-82». Фиксирующую гайку нужно затянуть до упора. И, если есть такая возможность, восстановить резьбу, или «нарезать новую».
- Визуальный осмотр выявляет значительные масляные подтёки на крышке вала отбра мощности. Это обычный признак износа манжеты или прокладки. В подобных случаях ВОМ трактора «МТЗ-82» нужно демонтировать и произвести замену прокладки между крышкой ВОМа и между задним мостом. Если протечка происходит со стороны хвостовика, то надо снимать кольцо стопора, выпрессовывать вал и заменять манжеты.
Во всех случаях, когда для исправления неисправностей вал отбора мощности требуется отделить от трактора, для этого вначале необходимо отвернуть болты креплений задней крышки, а затем ВОМ выпрессовать в сборе с болтами технологическими. После этого нужно убрать тормозные ленты и проконтролировать их толщину.
Как уже указывалось, тормозная лента требует замены на новую, если её фактическая толщина составляет менее двух с половиной миллиметров. Обычно о значительном износе тормозных лент свидетельствует продолжение вращения хвостовика вала при выключении ВОМа, а также и неравномерное его вращение.
В любых случаях, когда производились демонтаж или разборка редуктора ходоуменьшителя, требуется осуществить проверку либо регулировку ВОМа. Для этого под ведущие колёса трактора «МТЗ-82» устанавливается домкрат. После чего вал отбора мощности проворачивается, с поочерёдными включениями различных передач. При выполнении подобной операции вал отбора мощности трактора «МТЗ-82» необходимо перевести в синхронный режим. Во время прокручивания зубчатые колёса шестерней должны вращаться свободно.
Универсально-пропашные тракторы МТЗ 80, МТЗ 82 используют для выполнения широкого спектра механизированных работ, включая агрегатирование с различными активными, навесными, прицепными специализированными механизмами.
Для передачи мощностей от трактора к используемому оборудованию, техника вышеуказанной марки, оснащена валами обора мощности.Привод осуществляется от шлицевых наконечников, соединяющихся соответствующими муфтами с агргатируемыми машинами.
Устройство заднего ВОМ МТЗ 80.
Механизм ВОМ входит состав трансмиссии трактора, вращение которого осуществляется от маховика двигателя или от КПП машины.
Планетарный редуктор ВОМ.
В конструкцию ВОМ входит планетарный механизм включения, функция которого заключается во включении и передачи вращения на соединительный шлицевой вал. Редуктор находится в задней части картера заднего моста трактора. В заказных конструкциях планетарного редуктора вал 23 делают универсальным, составным со сменными хвостовиками с 8-ю для скорости вращения 540 об./мин. или 21-м шлицом со скоростью 1 тыс. об./мин. вращения ВОМ.
Редуктор управляется двумя фрикционными лентами 12 и 10 (на рис.). Одна тормозная лента стоит на барабане водила, другая на барабане связанным с солнечной шестернёй через шлицевую муфту.
Рычаг включения находится по правую сторону водителя и имеет два положения: рычаг вперёд — «ВОМ выключен», рычаг назад — «ВОМ выключен». Движение от рычага передаётся тягами к пружинному усилителю, связанному через рычаг с осью управления фрикционными лентами. В процессе работы нужно обращать внимание, чтобы не было упора рычага включения в пол кабины. Это позволит избежать буксования механизма.
Режимы работы заднего ВОМ и переключение скорости вращения
Кулачковая муфта 20 выполняет функцию переключения режимов работы ВОМ (синхронный — независимый) и передачи вращения на редуктор включения.
Независимый режим
В независимом режиме муфта получает вращение от вала, проходящего через пустотелый промежуточный вал КПП, который передаёт вращение маховика двигателя через двухскоростной редуктор, размещённый в картере промежутки. Включение независимого режима осуществляют на малых холостых оборотах или при заглушённом двигателе рычагом управления кулачковой муфты.
При переключении на заглушённом двигателе для совпадения шлицов муфты, проворачивают шлицевой приводной вал заднего ВОМ от руки.
Синхронный режим
В синхронном режиме муфта работает с ведущей шестернёй второй ступени КПП трактора при работающей трансмиссии. Частота вращения зависит от скорости движения и составляет 3,5 оборота вала на метр пути. Режим включают при работающем дизеле, после включения передачи и плавном соединении сцепления.
Рычаг переключения режимов работы ВОМа находится у основания сидения водителя. При повороте рычага в крайнее левое положение включается — «синхронный», в правую — «независимый» режим работы. Среднее положение — «нейтральное». Выбранная позиция рычага удерживается фиксатором.
Изменение скорости независимого режима ВОМ осуществляется при заглушённом двигателе, через поводок, установленный в нижней части корпуса промежутки трактора связанный тягой со скользящим блоком шестерней. Поворот поводка по часовой стрелке включает скорость 540 об.
/мин. в обратную сторону — 1 тыс. об./мин. Положение поводка фиксируется пружинно-шариковым замком, установленным на вилке переключения.
Боковой ВОМ
Боковой ВОМ, устанавливается для привода механизмов, навешиваемых на переднюю навеску или с боку трактора.Отдельный корпус редуктора независимого «Бокового ВОМ» крепится к люку с левой стороны картера коробки передач МТЗ 80(82). Привод осуществляется от ведомой шестерни первой передачи и заднего хода. Приводной вал имеет стандартный восьми шлицевой наконечник и закрывается защитной крышкой.
Рычаг включения «Бокового ВОМ» находится над полом по левую сторону места водителя. Включение осуществляется перемещением рычага 1 вверх, при этом тяга 2 поворачивает рычаг и валик с поводком, передвигая шестерню на шлицах вала 7, вводя шестерню 4 в зацепление.
«Боковой ВОМ» включается при выключенном сцеплении.
Переключением понижающего редуктора получают две скорости вращения вала 535 и 735 об/мин в независимом режиме.
Синхронный привод «Бокового ВОМ» используют на тракторах хлопковой модификации МТЗ 80Х. Привод осуществляется редуктора от ведущей шестерни конечной передачи заднего моста. Если на тракторе установлен стояночный тормоз, боковой синхронный вал устанавливают только слева. Монтаж отдельного редуктора осуществляют к кожухам тормозов заднего моста. Включение производится с помощью шлицевой муфты. Рычаг управления выведен в кабину. Приводные синхронные валы установлены перпендикулярно оси движения трактора.
Неисправности ВОМ
1 Невозможность переключение режимов — причина износ кулачковой муфты. В этом случае отсоединяют коробку передач от механизма заднего моста и заменяют изношенные детали.
2 Если вал продолжает вращение после выключения или нарушается стабильность частоты вращения ВОМ во включённом положении, в таких случаях производят регулировку или замену тормозных лент.
3 Затруднительное включение или невозможность включения свидетельствует о поломке пружинного усилителя включения. Устраняют заменой пружины.
Обращаем внимание, что с целью исключения травматизма, демонтаж и установка пружинного усилителя делается в строгой последовательности:
- Переводят рычаг включения в положение, при котором совпадут отверстия на рычаге и корпусе заднего моста.
- В отверстия заворачивается болт для фиксации рычага.
- Откручивается контрольная гайка 4 на регулировочном болте 5 стакана 2 усилителя, и болт заворачивается на всю длину резьбы, максимально сжимая пружину 1.
- Закручивается фиксирующий пружину стопорный болт в корпусе стакана.
- Зафиксировав пружину, выворачивают регулировочный болт и снимают усилитель. Используя пресс, разбирают стакан и заменяют неисправные детали.
- Сборку и установку узла осуществляют в обратном порядке.

4 Появление гула и шума при работе ВОМ свидетельствует об износе подшипников и деталей планетарного редуктора. Для устранения поломки демонтируют редуктор из корпуса заднего моста и производят полную разборку узла с последующей дефектацией и заменой деталей.
Регулировка.
Регулировка фрикционных лент редуктора ВОМ и рычага включения осуществляется в следующем порядке:
- Ось переключения фиксируют совмещением отверстий на рычаге и корпусе заднего моста 7 трактора болтом 5 м10х60 мм.
- Отсоединяют пружинный усилитель от рычага (соблюдая вышеперечисленный порядок демонтажа), предварительно сжав пружину болтом и зафиксировав её в сжатом состоянии стопорным болтом 1, ввёрнутым в отверстие стакана корпуса 2 усилителя.
- Регулировочные винты 8 лент заворачиваются до упора без излишнего усилия, затем отпускаются на полтора оборота.
При этом хвостовик ВОМа должен свободно вращаться от усилия руки. Если вращения затруднительно винты отворачивают ещё на «пол-оборота». - Положение винтов фиксируется пластиной в крышке, закрывающей регулировочный люк.
- Соединяя рычаг с вилкой, регулируют положение от нижней плоскости пола кабины до вилки рычага управления. Во включённом положении расстояние должно быть — 45-50 мм. Шарнирные вилки на резьбе рычага фиксируются контрольными гайками.
Вывод заднего ВОМ на переднюю навеску трактора.
Для привода оборудования МТЗ 82, навешиваемого на переднюю навеску, используют дополнительный комплект деталей и узлов для вывода вращательного момента от заднего ВОМ.
В состав комплекта входит:
- Дополнительный редуктор, который крепится к корпусу заднего ВОМ и преобразует вращение от приводного хвостовика в сторону передней навески под картером заднего моста.
- Система кронштейнов и крепежей для переоборудования задней навески, обеспечивающих место для монтажа дополнительного редуктора.

- Система промежуточных опор и крепежей для установки карданного вала.
- Карданный вал, передающий вращение от фланцевой муфты доп. редуктора на переднюю навеску.
Детали комплекта крепятся в штатные отверстия на корпусе картера трансмиссии и рамы трактора МТЗ 82 (80).
Практические советы по использованию.
Конструктивные особенности приводных валов используемых машин часто имеют характер открытых, активно-вращающихся частей. Для исключения травматизма и аварийных поломок при работе с приводными машинами следует быть внимательным и учитывать следующие аспекты и правила:
- Агрегатируемая машина с трактором должна быть в исправном техническом состоянии.
- Использовать машину нужно строго по назначению в соответствующих требованиям условиях. Во время подготовки к работе ВОМ нужно убедиться в соответствии шлицов хвостовика вала и соединительной муфты привода используемой машины (8 шлицов или 21). При несоответствии нужно заменить хвостовик вала.

- Проверить наличие и надёжность крепления защитных кожухов, вращающихся частей приводной машины, регулировку предохранительных муфт и исправность карданных сочленений привода.
- Монтаж привода производят непосредственно на месте использования агрегата.Фиксация соединения делается специальным стопорным болтом при совпадении выточки на шлицах вала и отверстия соединительной муфты карданного привода агрегатируемой машины.
- Маршрут и радиус поворота должен соответствовать конструктивным особенностям агрегата.
- Во избежание перегрузок конструкций агрегата, выбор скорости движения, глубины обработки, ширины захвата, режима работы агрегата должен соответствовать нормам и требованиям.
- Отсоединение делают после полной остановки вала в нейтральном положении рычага переключения режимов привода и выключенном ВОМ.
При оптимальном балансе оборотов двигателя и нагрузки достигается значительное снижение расхода топлива на единицу объёма проделанной работы агрегатом.
Если агротехнические и технологические условия выполнения работ не ограничивают скорость движения агрегата, передачу подбирают, руководствуясь оптимальной нагрузкой без признаков перегрузки трактора и механизмов используемой приводной машины. Работая с энергоёмкими машинами при недостаточной мощности двигателя, в ситуации неполной загрузки производительности агрегата на скоростях выше 7 км/час — применяют понижающий редуктор КПП.
Схема вала отбора мощности
Все колесные тракторы оборудованы валами отбора мощности (ВОМ). Умело используя их, можно одним и тем же колесным трактором механизировать различные работы не только в полеводстве, но и на сенокошении, силосовании, погрузочных и других сельскохозяйственных работах. Такое использование трактора резко повышает производительность труда и дает большую экономию в средствах.
Валы отбора мощности могут быть:
- зависимыми и независимыми;
- синхронными и несинхронными.
Зависимые и независмые ВОМ
Зависимым называется вал, который приводится во вращение вместе с муфтой сцепления и останавливается при выключении ее.
Схема такого вала дана на рисунке 137, а. Соединительная муфта, изображенная на рисунке справа, используется только для отключения ВОМ при выключенной муфте сцепления. Зависимый ВОМ ограничивает применение трактора с приводными машинами по следующим причинам:
- в момент остановки трактора для переключения передач вращение ВОМ прекращается;
- в период разгона трактора ВОМ работает на неполных оборотах;
- для остановки ВОМ (например, при повороте агрегата) нужно останавливать трактор.
Независимым называется BОM, получающий вращение от коленчатого вала двигателя, помимо муфты сцепления, поэтому он частично или полностью лишен этих недостатков. Схема независимого ВОМ дана на рисунке 137,6. Имея такой ВОМ, можно включить па стоянке трактора рабочие органы, например косилки, дать им нормальные обороты и только после этого въезжать на загонку для кошения трав. При работе с таким ВОМ двигатель загружается равномерно, во время работы агрегат не имеет лишних остановок, управление агрегатом, облегчается.
Схема ВОМ
Рис. 137. Схемы зависимого и независимого приводов вала отбора мощности (ВОМ):
а—зависимый привод; б—полностью независимый привод; в—полунезависимый привод; 1—шестерня независимого привода; 2—шестерня зависимого привода; 3—шестерня вала отбора мощности
Возможна конструкция ВОМ, который может быть с зависимым или независимым приводом. Схема такого ВОМ показана на рисунке 137, в. Если шестерню 3 ввести в зацепление с шестерней 1, ВОМ будет независимым, а если с шестерней 2 — зависимым.
Синхронные и несинхронные ВОМ
Синхронными называют валы, скорость вращения которых изменяется пропорционально скорости вращения ведущих колес трактора. Такие валы используют для привода высевающих аппаратов навесной сеялки и других машин, работа которых должна быть согласована со скоростью передвижения агрегата.
У несинхронных валов скорость вращения не зависит от скорости ведущих колес трактора.
Такие валы предназначены для привода насосов гидросистемы трактора, рабочих органов опыливателей и опрыскивателей, сеноуборочных и других машин, работающих нормально только при определенном неизменном скоростном режиме. Скорость и направление вращения несинхронных валов и размеры их шлицевого конца у всех тракторов стандартизированы.
Универсально-пропашные тракторы МТЗ 80, МТЗ 82 используют для выполнения широкого спектра механизированных работ, включая агрегатирование с различными активными, навесными, прицепными специализированными механизмами. Для передачи мощностей от трактора к используемому оборудованию, техника вышеуказанной марки, оснащена валами обора мощности.Привод осуществляется от шлицевых наконечников, соединяющихся соответствующими муфтами с агргатируемыми машинами.
Устройство заднего ВОМ МТЗ 80.
Механизм ВОМ входит состав трансмиссии трактора, вращение которого осуществляется от маховика двигателя или от КПП машины.
Планетарный редуктор ВОМ.

В конструкцию ВОМ входит планетарный механизм включения, функция которого заключается во включении и передачи вращения на соединительный шлицевой вал. Редуктор находится в задней части картера заднего моста трактора. В заказных конструкциях планетарного редуктора вал 23 делают универсальным, составным со сменными хвостовиками с 8-ю для скорости вращения 540 об./мин. или 21-м шлицом со скоростью 1 тыс. об./мин. вращения ВОМ.
Редуктор управляется двумя фрикционными лентами 12 и 10 (на рис.). Одна тормозная лента стоит на барабане водила, другая на барабане связанным с солнечной шестернёй через шлицевую муфту. Рычаг включения находится по правую сторону водителя и имеет два положения: рычаг вперёд — «ВОМ выключен», рычаг назад — «ВОМ выключен». Движение от рычага передаётся тягами к пружинному усилителю, связанному через рычаг с осью управления фрикционными лентами. В процессе работы нужно обращать внимание, чтобы не было упора рычага включения в пол кабины.
Это позволит избежать буксования механизма.
Режимы работы заднего ВОМ и переключение скорости вращения
Кулачковая муфта 20 выполняет функцию переключения режимов работы ВОМ (синхронный — независимый) и передачи вращения на редуктор включения.
Независимый режим
В независимом режиме муфта получает вращение от вала, проходящего через пустотелый промежуточный вал КПП, который передаёт вращение маховика двигателя через двухскоростной редуктор, размещённый в картере промежутки. Включение независимого режима осуществляют на малых холостых оборотах или при заглушённом двигателе рычагом управления кулачковой муфты. При переключении на заглушённом двигателе для совпадения шлицов муфты, проворачивают шлицевой приводной вал заднего ВОМ от руки.
Синхронный режим
В синхронном режиме муфта работает с ведущей шестернёй второй ступени КПП трактора при работающей трансмиссии. Частота вращения зависит от скорости движения и составляет 3,5 оборота вала на метр пути.
Режим включают при работающем дизеле, после включения передачи и плавном соединении сцепления.
Рычаг переключения режимов работы ВОМа находится у основания сидения водителя. При повороте рычага в крайнее левое положение включается — «синхронный», в правую — «независимый» режим работы. Среднее положение — «нейтральное». Выбранная позиция рычага удерживается фиксатором.
Изменение скорости независимого режима ВОМ осуществляется при заглушённом двигателе, через поводок, установленный в нижней части корпуса промежутки трактора связанный тягой со скользящим блоком шестерней. Поворот поводка по часовой стрелке включает скорость 540 об./мин. в обратную сторону — 1 тыс. об./мин. Положение поводка фиксируется пружинно-шариковым замком, установленным на вилке переключения.
Боковой ВОМ
Боковой ВОМ, устанавливается для привода механизмов, навешиваемых на переднюю навеску или с боку трактора.
Отдельный корпус редуктора независимого «Бокового ВОМ» крепится к люку с левой стороны картера коробки передач МТЗ 80(82). Привод осуществляется от ведомой шестерни первой передачи и заднего хода. Приводной вал имеет стандартный восьми шлицевой наконечник и закрывается защитной крышкой.
Рычаг включения «Бокового ВОМ» находится над полом по левую сторону места водителя. Включение осуществляется перемещением рычага 1 вверх, при этом тяга 2 поворачивает рычаг и валик с поводком, передвигая шестерню на шлицах вала 7, вводя шестерню 4 в зацепление. «Боковой ВОМ» включается при выключенном сцеплении.
Переключением понижающего редуктора получают две скорости вращения вала 535 и 735 об/мин в независимом режиме.
Синхронный привод «Бокового ВОМ» используют на тракторах хлопковой модификации МТЗ 80Х. Привод осуществляется редуктора от ведущей шестерни конечной передачи заднего моста. Если на тракторе установлен стояночный тормоз, боковой синхронный вал устанавливают только слева.
Монтаж отдельного редуктора осуществляют к кожухам тормозов заднего моста. Включение производится с помощью шлицевой муфты. Рычаг управления выведен в кабину. Приводные синхронные валы установлены перпендикулярно оси движения трактора.
Неисправности ВОМ
1 Невозможность переключение режимов — причина износ кулачковой муфты. В этом случае отсоединяют коробку передач от механизма заднего моста и заменяют изношенные детали.
2 Если вал продолжает вращение после выключения или нарушается стабильность частоты вращения ВОМ во включённом положении, в таких случаях производят регулировку или замену тормозных лент.
3 Затруднительное включение или невозможность включения свидетельствует о поломке пружинного усилителя включения. Устраняют заменой пружины.
Обращаем внимание, что с целью исключения травматизма, демонтаж и установка пружинного усилителя делается в строгой последовательности:
- Переводят рычаг включения в положение, при котором совпадут отверстия на рычаге и корпусе заднего моста.

- В отверстия заворачивается болт для фиксации рычага.
- Откручивается контрольная гайка 4 на регулировочном болте 5 стакана 2 усилителя, и болт заворачивается на всю длину резьбы, максимально сжимая пружину 1.
- Закручивается фиксирующий пружину стопорный болт в корпусе стакана.
- Зафиксировав пружину, выворачивают регулировочный болт и снимают усилитель. Используя пресс, разбирают стакан и заменяют неисправные детали.
- Сборку и установку узла осуществляют в обратном порядке.
4 Появление гула и шума при работе ВОМ свидетельствует об износе подшипников и деталей планетарного редуктора. Для устранения поломки демонтируют редуктор из корпуса заднего моста и производят полную разборку узла с последующей дефектацией и заменой деталей.
Регулировка.
Регулировка фрикционных лент редуктора ВОМ и рычага включения осуществляется в следующем порядке:
- Ось переключения фиксируют совмещением отверстий на рычаге и корпусе заднего моста 7 трактора болтом 5 м10х60 мм.

- Отсоединяют пружинный усилитель от рычага (соблюдая вышеперечисленный порядок демонтажа), предварительно сжав пружину болтом и зафиксировав её в сжатом состоянии стопорным болтом 1, ввёрнутым в отверстие стакана корпуса 2 усилителя.
- Регулировочные винты 8 лент заворачиваются до упора без излишнего усилия, затем отпускаются на полтора оборота. При этом хвостовик ВОМа должен свободно вращаться от усилия руки. Если вращения затруднительно винты отворачивают ещё на «пол-оборота».
- Положение винтов фиксируется пластиной в крышке, закрывающей регулировочный люк.
- Соединяя рычаг с вилкой, регулируют положение от нижней плоскости пола кабины до вилки рычага управления. Во включённом положении расстояние должно быть — 45-50 мм. Шарнирные вилки на резьбе рычага фиксируются контрольными гайками.
Вывод заднего ВОМ на переднюю навеску трактора.
Для привода оборудования МТЗ 82, навешиваемого на переднюю навеску, используют дополнительный комплект деталей и узлов для вывода вращательного момента от заднего ВОМ.
В состав комплекта входит:
- Дополнительный редуктор, который крепится к корпусу заднего ВОМ и преобразует вращение от приводного хвостовика в сторону передней навески под картером заднего моста.
- Система кронштейнов и крепежей для переоборудования задней навески, обеспечивающих место для монтажа дополнительного редуктора.
- Система промежуточных опор и крепежей для установки карданного вала.
- Карданный вал, передающий вращение от фланцевой муфты доп. редуктора на переднюю навеску.
Детали комплекта крепятся в штатные отверстия на корпусе картера трансмиссии и рамы трактора МТЗ 82 (80).
Практические советы по использованию.
Конструктивные особенности приводных валов используемых машин часто имеют характер открытых, активно-вращающихся частей.
Для исключения травматизма и аварийных поломок при работе с приводными машинами следует быть внимательным и учитывать следующие аспекты и правила:
- Агрегатируемая машина с трактором должна быть в исправном техническом состоянии.
- Использовать машину нужно строго по назначению в соответствующих требованиям условиях. Во время подготовки к работе ВОМ нужно убедиться в соответствии шлицов хвостовика вала и соединительной муфты привода используемой машины (8 шлицов или 21). При несоответствии нужно заменить хвостовик вала.
- Проверить наличие и надёжность крепления защитных кожухов, вращающихся частей приводной машины, регулировку предохранительных муфт и исправность карданных сочленений привода.
- Монтаж привода производят непосредственно на месте использования агрегата.Фиксация соединения делается специальным стопорным болтом при совпадении выточки на шлицах вала и отверстия соединительной муфты карданного привода агрегатируемой машины.
- Маршрут и радиус поворота должен соответствовать конструктивным особенностям агрегата.

- Во избежание перегрузок конструкций агрегата, выбор скорости движения, глубины обработки, ширины захвата, режима работы агрегата должен соответствовать нормам и требованиям.
- Отсоединение делают после полной остановки вала в нейтральном положении рычага переключения режимов привода и выключенном ВОМ.
При оптимальном балансе оборотов двигателя и нагрузки достигается значительное снижение расхода топлива на единицу объёма проделанной работы агрегатом.Если агротехнические и технологические условия выполнения работ не ограничивают скорость движения агрегата, передачу подбирают, руководствуясь оптимальной нагрузкой без признаков перегрузки трактора и механизмов используемой приводной машины. Работая с энергоёмкими машинами при недостаточной мощности двигателя, в ситуации неполной загрузки производительности агрегата на скоростях выше 7 км/час — применяют понижающий редуктор КПП.
В сегодняшней статье мы детально рассмотрим такой механизм как вал отбора мощности трактора Беларус МТЗ-82 и МТЗ-80, его схему и принцип работы, а также приведем полную инструкцию по его разборке и базовому ремонту.
Почему сразу двух моделей, наверное, спросите Вы? – потому что их конструкция абсолютно идентична.
ВОМ трактора МТЗ-82 и МТЗ-80
Главное назначение данного механизма – привод активных машин, которые агрегируют с трактором. По месту расположения выделяют задний и боковой ВОМ. В моделях МТЗ 80 и МТЗ 82 используют комбинированный вал отбора мощности, поэтому он может иметь как зависимый (или синхронный), так и независимый привод.
Если привод не синхронный, то он связывается с самим маховиком двигателя, это обеспечит необходимую частоту вращения самого вала независимо от того с какой скоростью будет двигаться трактор, и будет ли включено или нет сцепление. Также сам привод может иметь следующие частоты вращения (540 и 1000 об/мин) при скорости вращения коленвала 2100 об/мин.
Что касается зависимого привода, то он связан с ведущим зубчатым колесом 2-й ступени механического редуктора КПП, поэтому в данном случае частота будет зависеть и составит 3,5 оборотов на метр пути.
Схема ВОМ МТЗ 80 и 82
Ниже приведем схему привода заднего вала отбора мощности для тракторов моделей МТЗ 80 и 82, и дадим её пояснение.
К главным механизмам заднего ВОМ относится: 2-х ступенчатый редуктор, переключатель типа привода, механический редуктор, переключатель зависимого или независимого типа.
Частота вращения независимого вала отбора мощности переключается с помощью муфты (5), которая установлена на шлице вала (6). И механизм который за это отвечает – шестигранник, он расположен в нижней крышке цельного корпуса сцепления.
Привод задается путем переключения кулачковой муфты вала (11) с помощью рычага (18), он расположен на полу кабины.
Рычаг (18) имеет 3-ри положения: поворот по часовой – зависимый тип, против – независимый, среднее положение – нейтрально. Помните не синхронный тип нужно включать только при неработающем двигателе или самой минимально частоте вращения коленвала, а синхронный только при остановленном тракторе.
Планетарный редуктор ВОМа МТЗ 82 и 80
Данный механизм является одной из важных составляющей, поэтому на его конструкции остановимся подробнее.
данный механизм предназначен для управления валом отбора мощности и имеет передаточное число 1,47. Его составляющие: ведущая коронка (17), сателлиты (18), солнечное зубчатое колесо (19). Сателлиты устанавливают на оси (16), которые запрессованы в расточку водилы.
По особому заказу, завод может изготовить вал (15) составным, т.е. в его задний конец можно вставить специальные хвостовики (25) с 8-ю (для 540 об/мин) или 21-о (для 1000 об/ми) шлицами, для различных орудий.
Сам же планетарный редуктор управляет двумя тормозами ленточного типа.
Как видите схема довольно проста к восприятию.
Боковой вал отбора модности моделей 80 и 82
Ниже приведем схему бокового вала отбора мощности для данных моделей тракторов.
В данной случае все еще проще, через подвижное зубчатое колесо (2), осуществляется привод, сама же шестерня перемещается по шлицам с помощью поводка (6).
Включение бокового вала осуществляться только пи выключенном сцеплении при помощи тяги 3.
Ремонт ВОМ для моделей МТЗ-82 и МТЗ-80
Одной из главный проблем – заедание рычага управления вала или трудное управление поводка муфты переключение режима. Скорее всего – это неисправность механизма усиления (стакан пружины) и износ кулачковой муфты. Для точного определения поломки необходимо снять и разобрать его.
В момент разборки нужно соблюдать осторожность и выполнять строго в определенной последовательности. Сначала необходимо перевести рычаг управления вала отбора мощности в положение, когда смещаются технологические отверстия в рычаге валика переключения (5) и заднего моста. Затем контргайку (3) нужно отпустить и завернуть регулировочный болт (2) до отказа в рычаг переключения валика, а стопорный болт (4) в стакан.
Убедившись в хорошей фиксации снимаем стакан в сборе. Затем зажимаем его под прессом и выворачиваем болт (4). Все неисправные механизмы меняем.
Если неисправна кулачковая муфта, то тогда необходимо отсоединить КПП от заднего моста и заменить детали.
Регулировку натяжения лент и рычага делаем по схеме ниже.
Если появилась течь масла из-под хвостовика, то для замены необходимо отвернуть манжет, снять тормозную ленту, спрессовать водило и снять стопорное кольцо. Наиболее важные моменты разборки приведены на рисунке ниже.
| содержание .. 21 22 28 .. Демонтаж и ремонт вала отбора мощности трактора МТЗ-82 Заедание рычага управления валом отбора мощности и затрудненное управление поводком муфты переключения на независимый или синхронный привод свидетельствуют о неисправности механизма усиления (стакана пружины) и износе кулачковой муфты переключения. Для определения причины неисправности механизма усиления снимают и разбирают стакан пружины (рис. 2.8.20). Рис. 2.8.20. Снятие стакана пружины механизма усиления в сборе: 1 — установочный болт; 2 — регулировочный болт; 3 — контргайка; 4— стопорный болт; 5— рычаг валика переключения При разборке стакана с установленной в нем сжатой пружиной соблюдают осторожность и операции выполняют в определенной последовательности. Сначала переводят рычаг управления ВОМ в положение, при котором совмещаются технологические отверстия в рычаге 5 валика переключения и заднем мосту, и заворачивают в них установочный болт 1. При неисправности кулачковой муфты переключения отсоединяют коробку передач от заднего моста и заменяют изношенные детали. Продолжение вращения хвостовика вала при выключении ВОМ или неравномерное его вращение свидетельствуют о нарушении регулировки тормозных лент и их износе. Регулировку натяжения тормозных лент и рычага управления ВОМ проводят следующим образом. Снимают крышку люка (рис. 2.8.21) и заворачивают до отказа регулировочные болты (рис. 2.8.22). Заворачивают установочный болт 5 (рис. 2.8.23) в рычаг 6 и корпус моста 7 и снимают механизм сервоусиления в сборе. Если не удается устранить неисправность, ВОМ снимают с трактора. Для этого отворачивают болты крепления задней крышки и выпрессовывают ВОМ в сборе технологическими болтами (рис. 2.8.24). Затем снимают тормозные ленты (рис. 2.8.25) и измеряют их толщину. Ленты заменяют новыми при толщине менее 2.5 мм. Рис. 2.8.21. Снятие крышки люка регулировки натяжения тормозных лент ВОМ: 1 — люк; 2 — болт
Появление шума, усиливающегося с увеличением передаваемого крутящего момента, и следы смазки на задней крышке свидетельствуют об износе шлицев вала, деталей планетарного редуктора, потере эластичности или разрушении манжет. В этом случае ВОМ снимают с трактора. Для проверки технического состояния его заднюю крышку зажимают в тисках. Прокручивая хвостовик, осматривают зубья шестерен и рукой проверяют перемещение хвостовика вала в подшипниках. Обнаружив сколы на зубьях, большие перемещения в сопряжениях отдельных деталей или заедание вала, ВОМ разбирают, дефектные детали заменяют (рис. 2.8.26). Рис. 2.8.26. Взаимное расположение деталей заднего BOM: 1 — плита; 2 — крышка ВОМ; 3 — прокладка; 4 — оси; 5 — вал заднего ВОМ; 6, 8, 15, 18 — подшипники; 7 — тормозные ленты с накладками; 9 — втулка; 10 — барабан; 11 — солнечная шестерня; 12 — водило; 13 — сателлит; 14 — ось сателлита; 16 — шестерня коромысла; 17 — стакан; 19 — стопорные кольца; 20 — вал; 21 — муфта; 22 — кожух ВОМ Водило планетарного редуктора заменяют (рис. Замене подлежат: оси сателлитов (рис. 2.8.29) при износе поверхностей под игольчатые подшипники до размера менее 19,92 мм; барабан включения (рис. 2.8.30, 2.8.31) при износе поверхности под тормозную ленту до размера менее 159,0 мм и износе посадочного места под наружную обойму подшипника 209 до размера более 85,12 мм; вал планетарного редуктора при износе посадочных мест до размера менее 39,96 мм под подшипник 208, менее 49,97 мм под подшипник 310, менее 44,96 мм под подшипник 209. При подтекании масла из-под манжет у снятого ВОМ осматривают прокладки между задним мостом и крышкой. Поврежденные прокладки заменяют. При подтекании масла из-под хвостовика вала для замены манжет отворачивают гайку хвостовика, снимают тормозные ленты, спрессовывают водило в сборе с подшипником и барабан включения в сборе, снимают стопорное кольцо, выпрессовывают вал из крышки и т.
содержание .. 21 22 28 .. |
Обслуживание и ремонт ВОМ МТЗ-80(82) — Информация
Вал отбора мощности приводит в действие навесное оборудование. У МТЗ-80 есть 2 привода: двухскоростной независимый (540 и 1000 об/мин) и синхронный:
- При независимом приводе, ВОМ будет работать и во время движения и при стоянке.
- Синхронный привод зависит от скорости трактора, поэтому при остановке работать не будет
Система управления ВОМ применяется для переключения режима передачи:
Независимый ⇄ Синхронный
Самой частой проблемой является поломка деталей для управления валом отбора мощности.
Запчасти для ВОМ можно купить на https://tractorsouz.com.ua/ выгодно и с доставкой.
Схема заднего ВОМ МТЗ-80(82)
На этой схеме отображены:
1 — Плита, 2 — Крышка ВОМ, 3 — Прокладка, 4 — Оси, 5 — Вал заднего ВОМ, 6 — Подшипники, 7 — Тормозные ленты с накладками, 8 — Подшипник, 9 — Втулка, 10 — Барабан, 11 — Солнечная шестерня, 12 — Водило, 13 — Сателлит, 14 — Ось сателлита, 15 — Подшипник, 16 — Шестерня коромысла, 17 — Стакан, 18 — Подшипник, 19 — Стопорные кольца, 20 — Вал, 21 — Муфта, 22 — Кожух ВОМ.
Скачать схему можно .
Привод ВОМ МТЗ-82 может быть как зависимым (частота вращения зависит от скорости движения трактора), так и независимым (частота вращения зависит от частоты работы самого двигателя).
При зависимом приводе ВОМ соединяется с ведущей шестернёй 2-й ступени редуктора коробки передач трактора. В таком случае частота вращения ВОМ будет равна 3,5 оборота на каждый метр пути. Включать такой привод можно только на стоящем тракторе.
При независимом приводе ВОМ соединяется с маховиком двигателя, при этом скорость вращения уже не зависит от скорости движения трактора.
Независимый привод имеет две скорости вращения: 540 и 1000 об/мин. Включать привод можно при заглушенном двигателе или при минимальных оборотах.
Переключение типа привода осуществляется из кабины. При повороте переключателя по часовой стрелке включается независимый привод, против часоврй — зависимый. В нейтральном положении вал отбора мощности выключен.
Устройство вала отбора мощности «МТЗ-82»
В корпусе заднего моста трактора «МТЗ-82» размещается двухступенчатый планетарный редуктор вала отбора мощности. Состоит он из ведущей коронной шестерни, трёх сателлитов и солнечной шестерни. Она посажена на ступицу водила на бронзовой втулке.
Сателлиты закрепляются на осях, которые запрессованы в расточки водила. Шлицевая ступица водила жёстким образом связывается со шлицами вала. А на конце ВОМ также ещё выполнены шлицы для привода агрегатируемого с трактором оборудования и машин. Вал отбора мощности трактора «МТЗ-82» может быть выполнен в составном виде: когда в его задний край вставляются сменные хвостовики с 8-ю шлицами либо 21-м шлицем.
Для машин и устройств, которые используют частоту вращения 540 об/мин, применяется хвостовик первого типа, а для тех машин, где частота вращения составляет 1000 об/мин – хвостовик второго типа.
Различие в типоразмерах шлицев на машинах и агрегатах выполнена специально, для того, чтобы предотвратить возможную путаницу при выборе скоростного режима
Хвостовик зафиксирован на валу специальным стопорным кольцом. Энергия вращения передаётся к хвостовику через четыре ролика.
Различные типоразмеры шлиц на машинах выполняют с целью предотвращения путаницы в выборе скоростного режима и поломки агрегатируемых машин из-за неправильного включения скорости ВОМ.
Вал устанавливается на двух шариковых подшипниках, первый из которых расположен в расточке вала коронной шестерни, 2-й — в крышке, прикреплённой к задней стенке корпуса заднего моста. Все детали, которые установлены на валу, стянуты кернящейся гайкой.
Регулировка ВОМ
При регулировке вала отбора мощности на МТЗ-80(82) нужно соблюдать следующую последовательность:
- Установите ось эксцентрика в ее изначальное положение, таким образом, чтобы нанесенная на ней риска была справа в вертикальном положении.

- Зафиксируйте такое её положение при помощи стопорных пластин.
- Отсоедините тяги.
- Открутите болты на стакане.
- Высвободите пружину.
- Снимите крышку люка с заднего ведущего моста для получения доступа к головке натяжного винта.
- Переведите рычаг в нейтраль и зафиксируйте положение болтом.
- Снимите стопорную пластину.
- Закрутите упорный болт в стакан.
- Переведите рычаг в положение «Включено».
- Установите тягу.
- Отрегулируйте люфт рычага.
После того как регулировка будет завершена необходимо вернуть все детали на свои места в обратной последовательности и затянуть болты контргайками.
В случае если вал начинает буксовать или он работает нестабильно, или для его включения требуется повышенное усилие или при других аналогичных проблемах необходимо отрегулировать еще и ленточный тормозной механизм:
- Поставьте рукоятку в синхронный режим и зафиксируйте в таком положении.
- Выкрутите гайку и снимите пластину со шлицов.

- Рожковым ключом поверните осевой механизм по часовой стрелке до нужного момента.
- Верните пластину на место и заверните все гайки.
- Снимите фиксирующий болт с рукоятки.
Что такое ВОМ?
Аббревиатура ВОМ расшифровывается как вал отбора мощности, который устанавливается на трактор МТЗ-80 или аналогичный ему МТЗ-82, для обеспечения привода навесных систем и агрегатов.
Хвостовик ВОМ
По способу установки, ВОМ может быть бокового или заднего типа. Самыми оптимальными являются валы отбора мощности с задним расположением. Именно они устанавливаются на большинство колёсных машин и на трактор МТЗ-80 в частности. По принципу действия ВОМ трактора МТЗ-82 может быть трёх видов:
- Синхронный. По-другому, такой вал называется зависимым. Обороты агрегата напрямую зависят от режима движения техники. Привод на вал отбора мощности идёт напрямую от редуктора КПП. Средняя частота вращения составляет 3,5 оборота/1 метр пути.
- Независимый.
Такой механизм соединён непосредственно с двигателем МТЗ-82. Частота его вращения зависит от маховика двигателя, которым оснащён трактор. Кроме того, играет роль включённое или выключенное сцепление. Для МТЗ-80 частота вращения вала составляет 540 или 1000 об/мин. - Комбинированный. Такой ВОМ, может работать в двух перечисленных выше режимах.
Типичные проблемы и поломки ВОМ у трактора МТЗ-80(82)
- Затрудненное или требующее значительного усилия включение ВОМ. Неисправность в стакане пружины или сильный износ кулачковой муфты.
- Значительный износ шлицов вала или планетарного редуктора. Масло на крышке говорит о том, что манжеты пора менять.
- Износ шлицевых соединений или сточились зубцы центральной шестерни. Для ремонта вала его выпресовывают и смотрят в каком состоянии шестерня. При этом отсоединяется задний мост и кулачковая муфта.
При наличии больших зазоров и свободного хода шестерни, ВОМу потребуется серьезный ремонт, после которого вновь проводится его регулировка.- Износ ленточных тормозов, требуется их замена при толщине менее 2,5 мм.
- Слабое натяжение фиксирующей гайки. ВОМ нужно снять с трактора, фиксирующую гайку затянуть, в случае срыва резьбы нарезать новую.
- Нужно менять манжеты и прокладки. Вал снимается с трактора МТЗ-82 и меняется прокладка между крышкой и задним мостом. Если есть следы масла со стороны хвостовика то снимается стопорное кольцо, выпресовывается вал и меняются манжеты.
Помощник слесаря
Заедание рычага управления валом отбора мощности (ВОМ) свидетельствует о неработоспособности механизма усиления (стакана пружины). Затрудненное переключение поводка переключения ВОМ с независимого на синхронный привод свидетельствует об износе или смятии кулачков муфты переключения.
Для выявления причин неисправностей осматривают механизм управления ВОМ и, обнаружив поврежденную резьбу или деформацию болтов и тяг, заменяют дефектные детали.
Особо внимательно проверяют механизм усиления, включая и выключая вал отбора мощности и наблюдая за его работо
й. Если имеются глубокие вмятины на стакане пружины,заклинивание стакана, трещины в проушине или рычаге валика управления, стакан снимают в сборе (рис. 1).
При этом соблюдают осторожность и придерживаются строгой последовательности:
1)переводят рычаг управления ВОМ в положение, при котором совмещаются технологические отверстия в рычаге 5 валика переключения и в заднем мосту, и заворачивают в них установочный болт 1;
2) свинчивают контргайку 3 по направлению к головке регулировочного болта 2 и после этого заворачивают болт до отказа в рычаг 5 валика переключения;
3) заворачивают до упора стопорный болт 4 в стакан пружины и, придерживая его рукой,осторожно выкручивают регулировочный болт.
При его выкручивании освобожденная крышка стакана не должна перемещаться относительно его корпуса. Убедившись в надежности фиксации стакана с корпусом, снимают стакан в сборе. При необходимости разборки зажимают его в струбцине или под прессом и выворачивают стопорный болт 4. Обнаруженные дефектные детали заменяют. Для сборки также используют струбцину или пресс. При неисправности кулачковой муфты снимают кабину и отсоединяют коробку передач от заднего моста. Затем выполняют операции, показанные на рисунке 2, и заменяют изношенные детали.
Шумы и стуки в корпусе заднего моста, вращение вала привода ВОМ рывками свидетельствуют об износе шлицев или зубьев вала коронной шестерни, а также об износе подшипника № 210.Чтобы оценить состояние коронной шестерни и определить потребность ее в ремонте, ВОМ снимают с трактора (рис.3 – 6).
Выпрессовку ВОМ проводят с помощью технологических болтов 1 (рис.6). Затем перемещают коронную шестерню в осевом и радиальном направлениях, проверяя наличие зазоров.
Если име ются поломки или значительные перемещения, вал заменяют. Для этого отсоединяют задний мост от коробки передач, снимают кулачковую муфту (рис. 2), выворачивают установочный болт 1 (рис.7) и выпрессовывают вал 2.
Чтобы спрессовать подшипник № 210 с вала и снять коронную шестерню, выполняют операции, показанные на рисунках 8, 9.
Перед запрессовкой вала с коронной шестерней в сборе в корпус заднего моста совмещают отверстие для болта и проточку в стакане подшипника. Ощутимое рукой осевое перемещение хвостовика ВОМ свидетельствует о нарушении фиксации и ослаблении затяжки гайки 4 вала ВОМ.
Чтобы это устранить, ВОМ снимают с трактора. В случае повреждения резьбы гайку свинчивают с вала (рис. 11) и, при возможности, восстанавливают резьбу механической обработкой.
Если резьба не восстанавливается без снятия вала, механизм разбирают. Для этого выполняют операции, показанные на рисунках 12, 13, снимают стопорное кольцо и выпрессовывают вал из крышки.
Следы масла на крышке ВОМ указывают на потерю эластичности или разрушение манжет вала.
Чтобы устранить эту неисправность, ВОМ снимают и осматривают прокладку между задним мостом и крышкой, при прорывах прокладку заменяют. Если масло подтекает из-под хвостовика, выполняют операции, показанные на рисунках 11–13, снимают стопорное кольцо, выпрессовывают вал из крышки и заменяют манжеты.
Заметное снижение мощности, передаваемой от трактора к сельскохозяйственной машине, продолжение вращения хвостовика при выключении ВОМ свидетельствуют о нарушении регулировки тормозных лент или о чрезмерном их износе.
При возникновении таких признаков в первую очередь регулируют тормозные ленты.
Если регулировкой устранить неисправность не удалось, ВОМ снимают с трактора. Затем снимают тормозные ленты (рис. 11) и штангенциркулем измеряют их толщину. При толщине лент менее 2,5 мм их заменяют новыми.
Значительный шум, увеличивающийся с повышением нагрузки, вращение вала ВОМ с остановками и рывками свидетельствуют о значительном износе подшипников, шлицев, сателлитов или их осей.
Техническое состояние этих деталей определяют после снятия ВОМ. Для осмотра крышку ВОМ зажимают в тисках и, прокручивая хвостовик, осматривают зубья, рукой проверяют перемещение хвостовика в подшипниках. Обнаружив сколы на зубьях, большие перемещения в сопряжениях отдельных деталей или заедание вала, вал отбора мощности разбирают (рис.11–16) и заменяют непригодные детали.
При полной или частичной разборке понижающего редуктора, коробки передач, заднего моста, замены отдельных шестерен, подшипников проводят обкатку трансмиссии, для чего поддомкрачивают ведущее колесо и специальной рукояткой проворачивают хвостовик вала отбора мощности, включая поочередно все передачи. Вал ВОМа при этом должен быть включен на синхронный привод. Все шестерни должны вращаться свободно, без заедания.
СБОРКА И УСТАНОВКА
Соберите тормозную ленту, для чего установите палец винта в прорезь рычага, сделав насечки у кромок прорези. При этом палец винта должен свободно проворачиваться в прорези рычага вокруг своей оси, не выпадая из пазов.
Установите рычаг на ленту, закрепите штифтом и раскерните в трех точках с двух сторон.
Соберите заднюю крышку, устанавливая детали в последовательности, обратной разборке. При этом штифты осей должны быть запрессованы в крышку заподлицо с поверхностью бобышки, зазоры между торцами деталей, устанавливаемых на оси, должны быть равномерными, рычаг ленты тормоза должен свободно, без заеданий проворачиваться на оси под действием тормозной ленты. Подшипник 310 должен быть надежно застопорен кольцом.
Соберите водило (рис. 17), для чего смажьте солидолом внутренние поверхности сателлитов, установите в каждый распорную втулку 3, ролики 4, установите собранные сателлиты в водило, вставив в них оси 5, и закрепите их штифтами 6 заподлицо с торцом водила. Сателлиты устанавливайте закругленной стороной зубьев в сторону штифтов. Вращение их на осях должно быть свободным, без заеданий.
Запрессуйте вал заднего ВОМ в
подшипник задней крышки до упора в бурт и вставьте две уплотнительные манжеты.
Напрессуйте на вал заднего ВОМ солнечную шестерню в сборе с подшипниками и барабаном, установите распорную втулку водила в сборе, напрессуйте подшипник, закрепите детали гайкой, раскернив ее в двух местах. Вал заднего ВОМ должен вращаться в подшипниках свободно, без заеданий; солнечная шестерня при остановленном водиле должна вращаться легко, без заеданий; при остановленной солнечной шестерне водило с валом ВОМ должно вращаться легко, без заеданий. Установите и закрепите основание в сборе.
Установите прокладку и собранную заднюю крышку на шпильки, введя подшипник вала ВОМ в выточку вала коронной шестерни, зубья сателлитов в зацепление с зубьями коронной шестерни, а ось тормозной ленты и ось рычагов в отверстия корпуса заднего моста. Закрепите крышку, установите кожух в сборе на шпильки и закрепите его.
Зафиксируйте рычаг валика управления ВОМ в нейтральном положении технологическим болтом, ввернутым в отверстия рычага и корпуса.
Прикрепите левый и правый раскосы к передним тягам.
Пропустите регулировочные винты через отверстия валика управления и вверните их в пальцы рычагов тормозов до отказа, затем отпустите каждый винт на 2½ —3 оборота. При затрудненном вращении ВОМ отверните винты еще на ½ оборота. Выверните технологический болт.
Газета «Автодвор» за январь 2012
офф. сайт https://avtodvor.com.ua
ПЕРЕКЛЮЧЕНИЕ ОБОРОТОВ ВОМ МТЗ-80 — nashikolesa.ru
Вал отбора мощности ВОМ.
Смотрите также: ремонт переднего моста МТЗ-82 видео
Первый этап
Читайте также: ремонт кпп МТЗ
Разборка и ремонт вала отбора мощности трактора МТЗ-80, МТЗ-50, ЮМЗ-6
Заворачивают установочный болт 5 рис. Такие валы позволяют при работающем двигателе приводить в действие рабочие органы независимо от того, движется трактор или стоит на месте.
Для обратной сборки также применяют струбцину либо другое опрессовочное приспособление. Рассмотрим настройку натяжения тормозных лент и рычага управления ВОМ.
Убедившись в надежности фиксации стакана с корпусом, снимают стакан в сборе. Ленты заменяют новыми при толщине менее 2. Устраняют неполадку следующим образом: Совмещают гнезда валика переключения и заднего моста при помощи контрольного рычага.
Если это невозможно сделать, осуществляют разборку всей конструкции с проведением трудоемкого ремонта. Особенно это касается наличия свободных рабочих участков и агрегирующих с ними рычагов. Надежно фиксируют болт в рычаге путем контргайки. Усилие сжатия пружины со стаканом — не менее кгс.
Контргайка ослабляется, а упорный винт вкручивается в рычаг переключающего валика до предела. При этой неисправности демонтируется кабина, от заднего моста отсоединяется узел передач. При наличии неисправностей в виде увеличенных зазоров или разбалтывания детали отправляют на ремонт.
Привод управления задним валом отбора мощности: I — внутренний стакан; 2 — пружина; 3 — наружный стакан; 4 — упорный болт; 5 и 8 — рычаги; 6 — валик управления; 7 — регулировочный винт; 9 — вертикальная тяга; 10 — двуплечий рычаг; 11 — горизонтальная тяга.
Схема ВОМ МТЗ 80 и 82
Допускается удерживание рычага понижающего редуктора в нейтральном среднем нефиксированном положении для облегчения запуска двигателя при низких температурах. Из рычага убираются фиксаторы. Включение лебедки производится рукояткой, при этом перемещается муфта и включается барабан лебедки.
Включать независимый привод нужно при минимальной частоте вращения дизеля. Для нормализации ситуации эксцентрик поворачивают против часовой стрелки до исходной позиции. Специальным ключом поворачивают эксцентрик 15 по часовой стрелке до подходящего зазора между тормозной лентой и рабочим барабаном проверить положение можно вручную, если хвостовик не проворачивается — значит, выбрана нужная позиция.
Заворачивать болт 11 нужно до тех пор, пока стопорный болт 6, удерживающий сжатую пружину 8, начнет легко выворачиваться. Заворачивают установочный болт 5 рис.
Рекомендуем: МТЗ-82 задний мост схема
Общее устройство ВОМ и его место в трансмиссии
Вначале откручивают гайку хвостовика, снимают тормозные ленты. Зажимают его под прессом или в струбцине и выворачивают стопорный болт 4.
Имеется нечеткая фиксация рычага 1 в крайних позициях либо при включении и выключении. По заказу потребителя вал 15 выполняется составным: в задний конец вала можно вставить сменные хвостовики 25 с восемью или двадцатью одним шлицем.
Убедившись в надежности фиксации стакана с корпусом, снимают стакан в сборе.
Ступица солнечной шестерни жестко неподвижно соединена с тормозным барабаном включения, свободно вращающимся на валу. Ведомая шестерня выполнена заодно с валом, на шлицах которого укреплен шкив.
См. также: компрессор трактора
При этом тормозной барабан 23, водило 3 и шлицевой хвостовик остановлены. Затем отпускают контргайку 3, заворачивают регулировочный болт 2 до отказа в рычаг 5 валика переключения и стопорный болт 4 в стакан пружины, после чего придерживают стакан рукой и осторожно выворачивают регулировочный болт 2. Заворачивают установочный болт 5 рис. Снимают крышку люка на заднем мосту, получив доступ к винтам
Затем отпускают контргайку 3, заворачивают регулировочный болт 2 до отказа в рычаг 5 валика переключения и стопорный болт 4 в стакан пружины, после чего придерживают стакан рукой и осторожно выворачивают регулировочный болт 2. Винт выворачивают до момента свободного передвижения стакана пружинного механизма по отношению к его крышке. Приводная лебедка предназначена для самовытаскивания и вытаскивания других транспортных средств.
Дальнейшая регулировка ВОМ МТЗ-80
Допускается удерживание рычага реверс-редуктора в нейтральном среднем нефиксированном положении для облегчения запуска двигателя при низких температурах.
Вал отбора мощности включен, когда тормозная лента 21 затянута, а тормозная лента 22 отпущена. По заказу потребителя вал 15 выполняется составным: в задний конец вала можно вставить сменные хвостовики 25 с восемью или двадцатью одним шлицем.
Вал отбора мощности МТЗ 80 (ВОМ МТЗ-80) в Техническом центре ОРЕХ в г. Балашиха Московской области opex.ru
Меню
- Новости
- Статьи
- Видеоматериалы
- Фотоматериалы
- Публикация в СМИ
- 3D-тур
Будь в курсе
Новости, обзоры и акции
13.
11.2019
Вал отбора мощности мтз помогает агрегировать машину с дополнительными навесными, активными, прицепными механизмами. Располагаться ВОМ может сбоку или сзади, а привод модель МТЗ-80 может иметь комбинированный — синхронный (зависимый) и независимый. Касаемо зависимого привода, частота вращения коленвала будет зависеть от скорости трактора и составит 3.5 оборота на 1 метр пути. Независимый привод действует противоположно зависимому: привод связывается напрямую с маховиком двигателя. Частота вращения привода при скорости вращения вала 2100 оборотов в минуту, может быть 540 и 1000 оборотов в минуту.
Вом мтз-80: схема, вал отбора мощности, регулировка, как включить, обороты, отрегулировать, неисправности, как снять
При работе вала отбора мощности существует 2 типа нагрузок:
- Первый тип – это полная нагрузка вала. Происходит это, когда в действие приводит вал узлы прицепного или навесного устройств посредством подключения их напрямую либо с помощью передающих устройств (к примеру, клиноременная передача, кардан, редуктор).

- Второй тип же применяется очень редко, так как у дополнительных механизмов и устройств должна быть собственная гидравлическая система. Это необходимо для того, чтобы вал мощности воздействовал на гидравлический насос.
Кулачковая муфта заднего ВОМ выполняет роль переключателя между тремя режимами привода: независимом, синхронном и зависимом.
При независимом приводе от вала муфта получает вращение, которое проходит через промежуточный и пустотелый вал коробки передач. А он, в свою очередь, передаёт через редуктор с двумя скоростями, который находится в промежутке картера, вращение маховика. Когда переключение на данный режим происходит при заглушённом двигателе, необходимо совпадение шлицов у муфты. Добиться этого можно в ручном режиме, провернув у заднего ВОМ шлицевой вал привода.
При включении синхронного режима муфта, при работающей трансмиссии, синхронно работает со второй ступенью коробки передач, точнее, с её ведущей шестернёй.
Данный режим можно включить, включив передачу, плавно соединив сцепление. Чтобы изменить скорость режима, необходимо заглушить двигатель и повернуть поводок, который находится внизу у корпуса трактора, связанный с блоком шестернёй тягой. Поворот по часовой стрелке – это включение 545 оборотов в минуту, а против – 1 000 оборотов в минуту. На вилке переключения располагается пружинно-шариковый замок, который и фиксирует поводок.
Описанный двухскоростной привод – на 545 и 1000 оборотов – расположен в корпусе сцепления. Ведущий вал установлен на двух подшипниках, и соединяется со ступицей диска сцепления посредством шлицы и зацеплён с двумя шестернями постоянно. Располагается ведомая шестерня на двух бронзовых втулках на ведомом валу. Момент вращения передаётся через зубчатую муфту, которая установлена на ведомого вала шлицах.
Чтобы вывести вращательный момент от заднего ВОМ на навеску впереди, необходимы дополнительные узлы и детали. Так понадобятся:
- Дополнительный редуктор.
Он крепится к корпусу трактора сзади. Необходим для преобразования вращения в сторону навески спереди от привода хвостовика под заднего моста картера. - Крепежи и кронштейны, чтобы переоборудовать заднюю навеску, чтобы освободилось место для монтажа допредуктора.
- Промежуточные опоры и крепежи, чтобы установить карданный вал.
- И, конечно, сам карданный вал. Посредством его на переднюю навеску будет передаваться от фланцевой муфты вращение.
Все указанные детали крепятся на корпусе рамы, трансмиссии, картера в штатные отверстия.
Возможные неисправности ВОМ МТЗ-80, способы обнаружения и устранения
Возможные неисправности вом мтз 80 и способы их исправления – ниже:
- Если для включения необходимо приложить большие усилия, значит, рукоятку вала заклинило. Необходимо осмотреть муфту кулачкового типа либо стакан пружины на предмет износа деталей или их повреждений.
- Если во время увеличения крутящегося момента посторонний шум также нарастает, значит, износились шлицы вала мощности и элементы планетарного типа у редукторного механизма.
Необходимо осмотреть, нет ли на манжетах повреждений. - Нестабильная работа вала или работа рывками связана с тем, что источились зубья у шестерни, за счёт чего она перемещается крайне свободно по основанию. Либо износ шлицевого соединения механизма. Для исправления ситуации следует от кулачковой муфты отсоединить задний мост, осмотреть ширину зазоров. Если таковые имеются, рекомендуется замена вала.
- Когда двигатель работает не на полную мощность, требуется заменить либо отрегулировать ленточные тормоза. Аналогичный случай, когда при выключении вал продолжает вращаться, либо полный момент на задний вал не передаётся. Это говорит о нарушении в регулировке управления. Для исправления также необходимо отрегулировать тормоза.
- Свободное перемещение хвостовой части вала говорит об ослабленных гайках. Вполне вероятно, что потребуется замена резьбы в том числе.
- Когда на крышке вала появляются следы смазки, это говорит об износившихся прокладках механизма или манжетах.
Достаточно будет снять ВОМ и заменить детали. - Если из-под хвостовика буквально льётся масло, нужно отвернуть манжет, далее снять ленту тормоза и стопорное кольцо, спрессовав водило.
Регулировка механизма управления задним ВОМ
Регулировать управление задним ВОМ необходимо следующими последовательными шагами:
- Отпустив контргайку, заверните упорный болт до стопорения крышки и пружины двух стаканов.
- Стопорный болт заверните до отказа.
- Из рычага выверните полностью упорный болт и контргайку, а пружину с деталями нужно опустить вниз.
- Тягу от рычага управления отсоедините.
- Завернув установочный болт, необходимо синхронно зафиксировать положение рычага, совместив на корпусе заднего моста отверстие с резьбой на корпусе.
- Далее нужно снять крышку заднего моста.
- Завёртывайте поочерёдно регулировочные винты до отказа, а после отверните их на 3 оборота каждый.

- Установочный болт выверните.
- Вверх в сборе поверните пружину, затем завернув в рычаг упорный болт, направив конусом его в углубление, расположенное на торце крышки, до возможности лёгкого вращения болта монтажного.
- Причём монтажный болт должен обеспечивать перемещение по отношению к крышке пружины стакана свободно.
- Упорный болт фиксируйте в рычаге, а монтажный – в крышке стакана, и после этого затягивайте контргайку.
- Наворачивая либо сворачивая на тягу вилку, укоротите либо удлините первую таким образом, чтобы расстояние между вилкой тяги и положение «ВКЛ.» рычага управления варьировалось в пределах 45 – 50 мм.
- Останется установить на место все детали, которые были сняты, после соединения рычага и тяги.
Вом трактора мтз: конструкция и регулировка
Боковой вал необходим для механизмов, которые навешивают слева сбоку (если установлен на тракторе стояночный тормоз) либо впереди на устройство.
Отдельный корпус бокового ВОМ расположен слева от картера КП, и он прикреплён к люку. Включить данный режим можно с помощью рычага, расположенного слева от водителя над полом. Как только происходит перемещение вверх рычага, шестерня вводится в зацепление посредством передвижения её на шпицах вала, которые, в свою очередь, приводятся в движение тягой, поворачивающей валик с поводком и сам рычаг.
Регулировать ВОМ необходимо для восстановления и поддержания его работоспособности. Если этого не делать, спецтехника для трактора просто потеряет свою работоспособность, в результате чего придётся проводить дорогостоящий ремонт. Ситуации для регулировки:
- возникновение шумов задним мостом;
- хвостовик вала очень свободно перемещается;
- появление масляных подтёков на крышке вала;
- возникновение металлического стука либо скрежета, когда выдаётся максимальная нагрузка;
- работая с навесным оборудованием, трактор не выдаёт заявленный максимум.

Регулировку необходимо производить в строгом соответствии с алгоритмом:
- Транспортное средство необходимо установить на смотровую спецплатформу.
- Ось эксцентрика стоит установить в исходное положение.
- Правая вертикальная позиция – вот положение плоского среза у вала.
- Следующий шаг – это отсоединение тяги, для чего необходимо вывернуть болты, которыми зафиксирован сателлит и закреплены пружины.
- Процесс выворачивания крепежа, пожалуй, самый ответственный: пока пружина не распрямится, наружный стакан обязан находиться в непосредственном контакте с болтами.
- Получить доступ к регулятору можно, сняв с заднего моста люк.
- Чтобы зафиксировать вал управления, необходимо установить болт в отверстие, которое располагается на рычаге в корпусе моста сзади.
- Как только доступ к валику управления будет получен, останется снять пластину стопора и зафиксировать до упора элемент крепежа.

- Когда все 7 пунктов манипуляции будут выполнены, нужно вывернуть болт, который поддерживает рычаг. После ввернуть упорный болт так, чтобы около 26-30 мм – именно в этих пределах должна варьироваться его свободная длина. Рычаг валика управления выставляем в положение «включено», ставим тягу, настраиваем, используя рычага регулировку, качание рычага управления на оптимальную зону.
Процедура регулировки на этом закончена, однако не стоит забывать о ранее снятых пластинах с крышки вала, которые обязательно нужно установить на место.
Несмотря на то, что регулировка ВОМ должна проводиться регулярно, бывают случаи, когда необходимо дополнительно отрегулировать ленточные тормоза. Особенно это требуется, если ВОМ начинает буксовать, во время переключения в прорезь рукоятка упирается, ВОМ работает нестабильно, либо зафиксировать рычаг управления не получается. Чтобы устранить возникшие проблемы, нужно:
- Рычаг установить в нейтральную позицию.

- Рычаг с помощью стопора зафиксировать.
- Произвести демонтаж пластины.
- Ось эксцентрика отрегулировать.
Провернув хвостовик посредством рук, можно проверить качество регулировки. Если это невозможно, значит всё прошло успешно. Останется убрать фиксаторы и пластину установить на своё место. А если ось сместилась у тормозного механизма в левую часть корпуса трактора, значит, силовой агрегат израсходовал корректирующий запас. Для исправления этого эксцентрик нужно будет повернуть против часовой стрелки, вернув тем самым его в первоначальную позицию. И заново провести регулировку вала.
Боковой ВОМ
Боковой ВОМ состоит из подвижного зубчатого колеса, посредством которого осуществляется привод. А посредством поводка по шлицам перемещается шестерня. При помощи тяги 3 и обязательно при выключенном сцеплении происходит включение бокового вала.
Задний ВОМ
Схематически задний вал отбора мощности МТЗ включает в себя:
- сцепного механизма опорный диск;
- шестеренчатые детали ведомого и ведущего типов;
- независимый вал двухскоростной;
- полунезависимый ВОМ боковой;
- сцепления зубчатую муфту;
- ВОМ ведомого типа;
- вал вторичного и промежуточного типов;
- стопорный болт;
- водило с тормозным барабаном;
- шестеренчатые приводные детали;
- тормозной механизм.

Главный механизм трактора – это устройство переключения между двумя приводами и заднего типа редуктор с двумя ступенями. Муфта, расположенная на шлице машины, осуществляет частоту вращения. А шестигранный элемент, который находится на крышке корпуса сцепления, отвечает за управление ВОМ.
Привод начинает работать при переключении кулачкового механизма: при переводе рычага вперёд, вся система приходит в действие. Когда рукоятка переводится в положение «Выключено», система свою работу прекращает. Вообще рычаг можно установить в один из трёх положений: поворот его против часовой стрелки включает независимый тип привода, поворот по часовой – зависимый тип: оба типа нужно включать, когда двигатель не работает, либо когда у коленвала самая минимальная частота вращения. Средняя позиция устанавливает синхронный тип (предварительно необходимо остановить трактор).
Состав ВОМ
Основной компонент вала отбора мощности – редуктор с двумя скоростями, переключатель между независимым и планетарным и синхронным редукторами.
Именно планетарный редуктор является важнейшим механизмом, отвечающий за один из типов привода и изменяющий крутящийся момент.
Планетарный редуктор
Планетарный редуктор является составляющей ВОМ, и состоит из ведущей коронки, солнечного зубчатого колеса и сателлитов, которые устанавливают на запрессованные в расточку водилы оси. Может встречаться составной вал: сзади могут находиться специальные хвостовики, оборудованные 8 или 21 штукой шлицами, предназначенные для определённого орудия. Планетарный редуктор управляет ленточного типа двумя тормозами.
Эксплуатация
Так как конструкция ВОМ предполагает открытые активно-вращающиеся части, необходимо не забывать о правилах. Именно:
- исправное техническое состояние как трактора, так и дополнительного навесного устройства – это обязательное условие;
- когда происходит подготовка машины к работе, необходимо, чтобы соединительная муфта привода соответствовала шлицам хвостовика вала.
Если несоответствие присутствует, потребуется заменить хвостовик; - обязательно требуют проверки на надёжность: защитные кожухи, предохранительные муфты, карданные сочленения привода, все вращающиеся части;
- монтаж привода необходимо проводить в непосредственном месте работы трактора, фиксируя соединения стопорным спецболтом;
- обязательно стоит соблюдать требования и нормы соответствия агрегата и трактора по скорости движения, ширины захвата, глубины обработки, режиму работы;
- отсоединять навесной агрегат необходимо только после того, как остановится вал при положении рычага в нейтральном положении и при выключенном ВОМ;
- расход топлива можно снизить, сбалансировав нагрузку и обороты двигателя. Так, к примеру, при скорости выше 7 км/, неполной загрузки и недостаточной мощности, необходимо применить понижающий редуктор.
Неисправности и регулировки ВОМ
Если возникают сложности в управлении и на плавном ходе появляются резкие скачки, нужно обязательно проверить целостность всех деталей вала мощностей.
В противном случае необходим будет серьёзный ремонт.
Если неполадка произошла в кулачковой муфте, необходимо только произвести замену детали, предварительно демонтировав кабину и отсоединив от заднего моста узел передачи.
Внешние регулировки
Подготовительная внешняя регулировка проста, однако этот список действий имеет ограничение, после превышения которого порядок действий придётся изменить.
Итак, первая регулировка:
- Зафиксируйте рычаг стержнем 8 мм, установив его в нейтральное положение.
- Снимите ограждение и плиту с вала.
- Снимите с торца оси стопорную пластину, открутив крепёжный болт. А ось необходимо проворачивать по часовой стрелке, пока зазор между тормозной лентой и барабаном не совпадут. Для выполнения данных действий будет необходим ключ на 13.
- Вставим пластину обратно, используя стопорный болт.
- Удаляем из рычага стержень.
Когда лимит запаса регулировки будет превышен, осью не получится совместить зазор.
Поэтому понадобится ось вращать против часовой стрелки, пока зазоры не совпадут. Далее останется производить действия в соответствии со списком.
Когда будут выполнены все внешние подготовительные работы, рукоять будет примерно до 30 мм от пазов у пульта управления стоять на положении «Вкл./Выкл.». Кроме того, при переходе положения с нейтрального появится характерный щелчок.
Демонтаж ВОМ
Когда тормозные ленты изнашиваются настолько, что регулировка не даёт нужного результата, требуется демонтаж ВОМ. Для этого:
- Снимаем козырёк и колпачок у хвостовика вала.
- Снимаем крышку, следом выкручиваем болты регулировки лент тормоза.
- Применяя технологические спецболты, из корпуса заднего моста следует вытащить вал.
- Если толщина ленты не превышает 2.5 мм, то она обязательно должна быть заменена.
Аналогично потребуется демонтаж вала, когда при увеличении крутящегося момента, шум также нарастает, а на корпус может начать выбрасываться масло.
Регулировка ВОМ МТЗ-80 своими руками
Регулирование вала мощности можно производить не только посредством обращения в специализированный центр, но и своими руками. Достаточно лишь знать строение ВОМ.
Особенности
Каких-либо специфических навыков для проведения регулировки своими руками нет. Достаточно прочитать соответствующий раздел статьи.
Как видно из статьи, строение вала отбора мощности не имеет сложных и непонятных названий. Всё крайне просто и провести регулировку своими руками не составит труда.
Другие статьи
Смотреть
ещё
Как модернизировать и сделать тюнинг на автомобиль ГАЗ-53?
16.12.2019 14:45:00
Двигатель ЯМЗ 236
13.12.2019 20:03:00
Двигатель ЯМЗ
11.12.2019 09:03:00
Как прокачать сцепление в МАЗе
15.
11.2019 18:00:00
Фильтр насоса КАМАЗ
15.11.2019 17:33:00
Датчик масла КАМАЗ для защиты двигателя от утечек масла и резкого снижения его давления
15.11.2019 16:28:00
Вал карданный межосевой
15.11.2019 16:00:00
Датчик положения коленвала
15.11.2019 15:13:00
Вентилятор охлаждения КАМАЗ
15.11.2019 13:58:00
Коробка передач МТЗ (МТЗ-80)
13.11.2019 19:22:00
Рулевое управление МАЗ 5440
10.10.2019
Регулировка ГУР КАМАЗа
08.10.2019
Предохранитель на Газели
08.10.2019
Схема КАМАЗа 43118
27.09.2019
Регулировка клапанов ГАЗ 53
27.09.2019
Схема переключения передач МТЗ 82
26.
09.2019
Как самостоятельно отрегулировать клапана у двигателя ЯМЗ 236
24.09.2019
Размеры кузова «ГАЗель»
24.09.2019
Какой насос выбрать на Камаз
29.08.2019
Регулятор давления газа
25.08.2019
Смотреть
ещё
Возврат к списку
Насосы отбора мощности (ВОМ) трактора СП-Теплообмен
Насос с приводом от ВОМ трактора МТЗ-П 20/300
Мощность трактора с включенным центробежным насосом имеет 2″ ввода и 2 «Выводы и
используется в автоцистернах в задней части тракторов для дозаправки и слива воды. Упаковано, как показано на
фигура. Трактор может быть присоединен к стержневой подвеске переносной эстакады и использоваться для
сельскохозяйственное орошение. Передаточные числа коробки передач были оптимально введены и обеспечены
экономия на расходе топлива.
Скорость вращения ВОМ трактора должна быть 300-350 об/мин. В то же время,
тахометр двигателя трактора должен показывать 600-700 об/мин. (Это может варьироваться в зависимости от
Марка трактора). Любое превышение скорости может повредить трансмиссию.
Насос с приводом от ВОМ трактора МТЗ-П 30/300
Силовой агрегат трактора с активированным центробежным насосом имеет 3 входа и 2,5 выхода и
используется в автоцистернах в задней части тракторов для дозаправки и слива воды. Упаковано, как показано на
фигура. Трактор может быть присоединен к стержневой подвеске переносной эстакады и использоваться для
сельскохозяйственное орошение. Передаточные числа коробки передач были оптимально введены и обеспечены
экономия на расходе топлива. Скорость вращения ВОМ трактора должна быть 300-350 об/мин. В то же время,
тахометр двигателя трактора должен показывать 600-700 об/мин. (Это может варьироваться в зависимости от
Марка трактора). Любое превышение скорости может повредить трансмиссию.
Насосные баки (бочки) от ВОМ трактора МТЗ-П 40Т/600
Мощность трактора с активированным центробежным насосом имеет 2 «входа и 2» выхода и
используется в автоцистернах в задней части тракторов для дозаправки и слива воды. Может использоваться для
сельскохозяйственное орошение. Упаковано как показано на картинке. Отличие этого насоса от АСб ТКМ-Р 20 в том, что
что шестерни используются еще больше. Таким образом, поскольку взлетная мощность может работать на скорости 540
до 600 об/мин, после чего его можно использовать в качестве пожарного насоса. Специальный
значения давления у такого насоса высокие, что эффективно работает при лесных пожарах, а при возгорании
на заводе. Благодаря высокой скорости работы, при желании можно добиться бесшумной работы путем шлифовки.
интервалы профиля редуктора. Специальная смазка предотвращает перегрев при высоких температурах
Насос с приводом от ВОМ трактора МТЗ-П 50/350
Силовой агрегат трактора с активированным центробежным насосом имеет 3 входа и 2,5 выхода и
используется в автоцистернах в задней части тракторов для заправки и слива воды и для сельскохозяйственных
орошение.
Упакован как показано на картинке. Отличие этого насоса от АСб ТКМ-Р 20 в том, что они используются
шестерни еще крупнее. При желании бесшумную работу можно обеспечить зашлифовав промежутки профиля коробки
механизм.
Насос с приводом от ВОМ трактора МТЗ-П 40/600
Силовой агрегат трактора с активированным центробежным насосом имеет 3 входа и 2,5 выхода и
используется в автоцистернах в задней части тракторов для заправки и слива воды и для сельскохозяйственных
орошение. Упакован как показано на картинке. Отличие этого насоса от АСб ТКМ-Р 20 в том, что они используются
шестерни еще крупнее. При желании бесшумную работу можно обеспечить зашлифовав промежутки профиля коробки
механизм.
Насос поливной от ВОМ трактора МТЗ-П 90/450
Мощность трактора с активированным центробежным насосом имеет 3 «входа и 3» выхода. Трактор можно подключить к
переносные стеллажи для подвесных стержней и используются для сельскохозяйственного орошения.
Упаковано как
показано на рисунке. Это удобный и экономичный насос для сельскохозяйственного орошения, дождевания и капельного полива.
системы на землях среднего размера. В результате исследований и разработок был оптимизирован выбор передач, что
допускает эксплуатацию на всех марках тракторов марки.
Насос с приводом от вала трактора МТЗ-П 90-2/450
Силовой агрегат трактора с активированным центробежным насосом имеет 3 «входа и 3» выхода и
имеет насос с 2 ступенями. Трактор можно подсоединить к стержневой подвеске переносной эстакады и использовать для
сельскохозяйственное орошение. Упаковано как показано на картинке. Используется для перекачивания воды до более
большие высоты и большие расстояния при поливе и капельном орошении. В результате исследования R&D выбор
Зубчатое колесо оптимизировано, что позволяет работать на всех марках тракторов марки.
Насос жидких удобрений (ВОМ) трактора МТЗ-П 90-3/450
Силовой агрегат трактора с активированным центробежным насосом имеет 3 «входа и 3» выхода и
имеет насос с 2 ступенями.
Трактор можно подсоединить к стержневой подвеске переносной эстакады и использовать для
сельскохозяйственное орошение. Упаковано как показано на картинке. Используется для перекачивания воды до более
большие высоты и большие расстояния при поливе и капельном орошении. В результате исследования R&D выбор
Зубчатое колесо оптимизировано, что позволяет работать на всех марках тракторов марки.
Насос с приводом от ВОМ трактора МТЗ-П 100/500
Силовой агрегат трактора с активированным центробежным насосом имеет 4 «входа и 4» выхода и
имеет насос с 2 ступенями. Трактор можно подсоединить к стержневой подвеске переносной эстакады и использовать для
сельскохозяйственное орошение. Упаковано как показано на картинке. Используется для перекачивания воды до более
большие высоты и большие расстояния при поливе и капельном орошении. В результате исследования R&D выбор
Зубчатое колесо оптимизировано, что позволяет работать на всех марках тракторов марки.
Насос с приводом от ВОМ ВОМ трактора МТЗ-П 125/450
Силовой агрегат трактора с активированным центробежным насосом имеет 5″ вход и 5″ выход и
имеет насос с 2 ступенями. Трактор можно подсоединить к стержневой подвеске переносной эстакады и использовать для
сельскохозяйственное орошение. Упаковано как показано на картинке. Используется для перекачивания воды до более
большие высоты и большие расстояния при поливе и капельном орошении. В результате исследования R&D выбор
Зубчатое колесо оптимизировано, что позволяет работать на всех марках тракторов марки.
Насос с приводом от ВОМ трактора МТЗ-П 150/420
Мощность трактора с активированным центробежным насосом имеет 6″ входов и 6″ выходов и
имеет насос с 2 ступенями. Трактор можно подсоединить к стержневой подвеске переносной эстакады и использовать для
сельскохозяйственное орошение. Упаковано как показано на картинке. Используется для перекачивания воды до более
большие высоты и большие расстояния при поливе и капельном орошении.
В результате исследования R&D выбор
Зубчатое колесо оптимизировано, что позволяет работать на всех марках тракторов марки.
Насос дождевальный с приводом от ВОМ трактора МТЗ-П 100-90С
Агрегат насосный с приводом от ВОМ трактора, забирающий воду из
источник и обеспечивает давление для питания системы трубопроводов. Насос должен обеспечивать подачу воды с достаточным
давление так, чтобы вода подавалась со скоростью и объемом, соответствующими скорости проникновения воды в
почвы. Дождевание подходит для большинства зерновых, овощей, плодово-ягодных, древесных культур и т. д. Однако
большие дождеватели не рекомендуются для орошения деликатных культур, таких как салат, потому что большие капли воды,
разбрызгиватели могут повредить урожай.
что и как изменяют параметры двигателя механизаторы
Тюнинг МТЗ дает возможность улучшить техническую сторону трактора, так как переделанное оборудование (например, двигатель) поможет водителю лучше и быстрее выполнять свою работу, а внешняя модернизация позволит улучшить эстетические качества машины.
Даже самую мощную и качественную технику некоторые умельцы хотят переделать под себя, улучшив тем самым какие-то ее функции или внешний вид. Это касается не только обычных транспортных средств, но и специальной техники, такой как трактор.
Как делается тюнинг МТЗ
В первую очередь, когда речь идет о переделке МТЗ-892, или тюнинге МТЗ-3022, многие владельцы такой техники задумываются о нововведениях в интерьере трактора. Удобная кабина водителя – залог качественной работы. Кому-то для работы нужна музыка, и хозяин решает установить магнитолу, кому-то нравится определенный тип сидений, кого-то привлекает тонировка стекол, чтобы не томиться от палящего солнца. Печь также переоборудуется. На МТЗ-1221 тюнинг можно проводить в тех же аспектах.
Тракторы также установить навигатор, улучшить подсветку приборной панели и салона или, при его отсутствии, провести с нуля. Важно понимать, что для трактора Беларус тюнинг требует внимательного отношения к ряду моментов:
- Тонировка стекол – важный аспект тюнинга.
В этом случае лучше потратиться на услуги специалистов, чем решать проблему подручными средствами, повесив шторы на окна: ткань сильно пылится и выглядит непрезентабельно. - Установка магнитолы требует особого подхода. Необходимо рассчитать место установки так, чтобы водителю было удобно дотягиваться и переключать пути. Сабвуфер размещен за сиденьем, а динамики размещены таким образом, чтобы звук в салоне был ровным и мягким.
- При выборе конкретного места нужно понимать, где вы будете работать на МТЗ. Рекомендуется установить высокие, небольшие стулья. Купить сиденье можно в специализированных автосалонах, иногда стоит сделать выбор в пользу интернет-магазинов, большой и серьезный рынок даст вам наилучшую свободу выбора.
- Роль освещения в тракторах традиционно выполняют светодиодные фонари, позволяющие экономить электроэнергию и обеспечивающие достаточное количество света в кабине. При выборе ламп обращайте внимание на сверхъяркие светодиоды — они обеспечат лучшее освещение водительского места.
Однако такие светильники не подходят для размещения на приборной панели. - Печка в салоне часто тоже требует переоборудования. Возможно, он слишком мало согревает в холодное время года или недостаточно обдувает вас воздухом в жару. В любом случае, печка в салоне – это самая важная деталь, о которой нельзя забывать, так как она играет большую роль для водителя.
Внешний тюнинг МТЗ
Тюнинг тракторов Беларус снаружи подразумевает изменение цветовой гаммы кузова. Традиционно производители поставляют на рынок тракторы, окрашенные в однотонные скучные цвета. Автовладельцу есть где разгуляться: он может в полной мере реализовать свои самые смелые фантазии при покраске кузова. Тюнинг кабины МТЗ преобразит агрегат.
В зависимости от желания владельца техники трактор можно полностью покрасить в другой цвет, можно использовать аэрографию. Однако нужно понимать, что перед покраской кузов необходимо тщательно подготовить. Рисунок, например, можно наносить только на выровненную поверхность, иначе он исказится.
Навешивание ряда декоративных элементов также считается тюнингом МТЗ-80. Например, многие устанавливают молдинги, решетки, делают специальные накладки на пороги. Иногда даже можно встретить колеса с колпаками, сделанными мастерами своими руками.
Если вы решили провести тюнинг тракторов МТЗ ЮМЗ Т-40, важно отдавать себе отчет, сколько на это будет потрачено средств и сил. Для реализации всех идей вам потребуются детали хорошего качества и инструменты, которые справятся со всеми необходимыми работами. Не стоит на этом экономить.
Самая сложная часть работы, при проведении тюнинга на МТЗ-50 снаружи, как и при работе с любой другой моделью, это модернизация кузова и его узлов. Сделать это можно самостоятельно, купив необходимые детали в специализированных магазинах и доработав их, настроив под свои нужды. Иногда лучше воспользоваться услугами специалистов, которые выполнят самую сложную работу на заказ. Удачный внешний тюнинг МТЗ Т-40 обеспечит богатая фантазия владельца трактора.
Модернизация иногда не роскошь, а необходимость, если кузов автомобиля прогнил или получил сильные механические повреждения.
Вы можете воспользоваться моментом и сделать трактор таким, каким вы всегда хотели его видеть. Следует уделить внимание сварочным швам: они должны быть выполнены очень аккуратно и правильно обработаны, чтобы в дальнейшем не возникла коррозия.
Не бойтесь использовать навесные декоративные элементы – главное не переборщить с количеством и не прогадать с качеством этих составляющих.
Тюнинг двигателя и технические параметры
Каждый трактор имеет свои особенности и на двигатель нужно смотреть с разных сторон. Тюнинг МТЗ-40 будет кардинально отличаться от тюнинга МТЗ-3022 или МТЗ-892. Обычно переделки затрагивают внутренности силовой установки, то есть происходит пересмотр ее основных свойств. Дизельный двигатель МТЗ-50 может получить метановую добавку. Это позволяет снизить потребление дизельного топлива и заменить его природным газом на 80%.
Как вариант, для тюнинга МТЗ-1221, в отношении двигателя, рассматривается проведение технических осмотров и ремонтов, при необходимости и при наступлении срока планового осмотра. Некоторые трактористы решили, что их устроит полная смена силовой установки, и остановили свой выбор на более мощных двигателях. На практике можно проследить тенденцию, что установка на МТЗ силового агрегата, взятого от другой спецтехники, является наиболее правильным решением в том случае, когда хочется улучшить технические показатели, и можно обойтись небольшой переделкой.
Но такие обновления могут быть дорогими — новый мотор должен быть должным образом зарегистрирован и одобрен для работы. Иногда сумма бывает настолько заоблачной, что на нее проще приобрести новый, более мощный и современный трактор.
При переоборудовании трактора МТЗ-82 на МТЗ часто устанавливают специальное устройство, позволяющее значительно увеличить мощность силовой установки. Эту функцию выполняет турбина на МТЗ.
Иногда стоит прибегнуть к хитрости и взять элементы других тракторов (например, кабину МТЗ-80) и тюнинговать МТЗ-82 или любой другой белорусский трактор.
Среди основных технических параметров, которые улучшаются, выделяют проходимость трактора. Существует несколько способов улучшения разных моделей, в том числе выполнение операции тюнинг МТЗ-892:
- Установка средних колес, за счет чего трактор начинает двигаться не на 4 колесах, а на 8. Это дает возможность увеличивают площадь взаимодействия колес с почвой, и трактор становится более устойчивым.
- Установка полугусеницы. Используется с той же целью, что и предыдущий метод. Подразумевает установку резинометаллических гусениц, работающих одновременно с натяжными устройствами. Трактор начинает меньше давить на почву и может работать на заболоченных участках.
Иногда переделка МТЗ-80 подразумевает замену моста, который взят от ГАЗ-66. Но процедуру очень сложно провести самостоятельно, рекомендуется обратиться за помощью к специалистам в области ремонта сельхозтехники, чтобы ревизия была сделана профессионально.
Тюнинг рулевого управления
Иногда специалисты рекомендуют провести такие работы, как переделка рулевого управления МТЗ-82, иначе говоря, привести в порядок рулевую колонку сельхозмашины. Иногда переделки рулевой колонки трактора МТЗ-82 заканчиваются ее регулировкой, чтобы руль находился в удобном положении.
Однако для ряда мастеров на этом не заканчивается, переделка рулевого управления делает работу на тракторе более удобной. Переделка рулевой колонки МТЗ потребует некоторых навыков и довольно значительного количества времени, но результат превзойдет все ожидания. Примерно столько же времени занимает и печь, а именно процесс ее переоборудования.
То же касается доработки турбокомпрессора и модернизации МТЗ-80 в части оснащения его специальными насадками для дозатора.
Трактор МТЗ 50 — колесный трактор общего назначения, разработанный в начале шестидесятых годов.
В 1961 году трактор прошел полевые испытания (тест-драйв) и был поставлен на конвейер серийного производства.
Беларус 50 на МТЗ (Минский тракторный завод) выпускался с 1962 по 1985 год.
Долгий срок производства сельхозтехники был обеспечен заложенными в конструкцию техническими характеристиками трактора МТЗ 50.
За это время было выпущено более 1 млн 250 тыс. экземпляров модели МТЗ 50 (52 модификация с полным приводом).
Удачная конструкция, которой обладает трактор МТЗ 50, и качественный двигатель позволили создать на его базе большое количество модификаций для различных сельскохозяйственных работ. Среди них выделяются:
- МТЗ 60, 62 — экспортные версии трактора;
- МТЗ 50К — для работы на крутых склонах;
- Т50В, Т54В — гусеничные модели для работы на виноградниках;
- МТЗ 50Х — модификация с большим дорожным просветом для работы на хлопковых полях, выпускается с одним передним колесом;
- МТЗ 50Р — имел полугусеничную ходовую часть и использовался при возделывании рисовых полей.
Минский завод выпускает модели по схожим характеристикам и назначению.
За время производства неоднократно менялся внешний вид или кабина настраивалась на современный лад, но индексация трактора не менялась:
- в самом начале 60-х, имел полукруглую решетку радиатора и бескаркасное основание с брезентовой крышей;
- в конце 60-х установлена прямоугольная решетка радиатора;
- в середине 70-х изменена конструкция и внешний вид капота;
- В конце 70-х трактор получил увеличенную рамную кабину и стеклопластиковую крышу.
Характеристики агрегата
Двигатель
На Беларус 50 устанавливался четырехцилиндровый четырехтактный дизельный силовой агрегат модели Д-50.
Имеет объем 4,75 литра и поршневую раздельную камеру сгорания. Данная техническая конструкция мотора развивала мощность 55 л. с., при этом масса составляет 0,410 т, а расход топлива не превышает 8,0 л/ч. Д-50 имел высокий технический ресурс. До капитального ремонта характеристика определялась на 5000 часов.
Шасси
Трактор МТЗ использует трансмиссию механического типа.
Оснащен коробкой передач со следующей схемой переключения передач: девять вперед и две назад.
Шестерня использовалась для переключения на пониженную передачу. Картер заднего моста оснащался блокируемым дифференциалом.
Запирание осуществлялось из кабины машиниста с помощью специальной педали. На экземплярах позднего выпуска предусмотрена техническая установка крипера.
Сцепление имеет сухую конструкцию в однодисковом постоянно замкнутом исполнении. Эта конструкция требовала частой регулировки сцепления.
Вал отбора мощности (ВОМ) имеет синхронный и независимый привод. На передних колесах трактора применен полужесткий тип подвески, подвеска задних колес выполнена в жестком варианте.
Электрооборудование
Устройство гидросистемы трактора выполнено в раздельно-модульном исполнении, с применением шестеренчатого насоса НШ-32 (на более поздних экземплярах устанавливался НШ-50, имеющий более высокую производительность,), который приводится в движение приводом от двигателя Д-50.
В состав системы также входят гидроцилиндр управления навесным оборудованием и трехсекционный гидрораспределитель с золотниковым приводом.
Общие технические условия
Универсальный колесный трактор имеет следующие технические характеристики, обеспечивающие выполнение сельскохозяйственных и других сопутствующих работ:
- Тяговый класс — 1,4
- Масса — 3,60 тн.
- Длина — 3,85 м.
- Высота — 2,78 м.
- Ширина — 1,97 м.
- База — 2,37м.
- Дорожный просвет 0,47 м.
- Максимальная скорость 33 км/ч.
- Объем гидросистемы 21,0 л.
- Объем топливного бака 130 литров.
- Колея (переменная) — от 1,2 до 2,1 м.
- Радиус разворота — 2,5 м.
Достоинства и недостатки МТЗ 50
По многочисленным отзывам владельцев трактор Беларус 50:
- надежный экономичный двигатель;
- многофункциональность и универсальность, позволяющие эксплуатировать трактор круглый год;
- простая и надежная конструкция;
- ремонтопригодность;
- высокая проходимость;
- хорошие технические и эксплуатационные характеристики;
- оптимальная скорость ВОМ;
- совместная работа с дополнительным оборудованием.

К недостаткам относятся:
- жесткая подвеска;
- возможно прогорание поршневой группы двигателя при использовании некачественного топлива;
- отсутствие мощности при работе на тяжелых грунтах;
- затруднение запуска пускового двигателя зимой;
- низкий уровень комфорта для оператора в кабине;
- необходимость частой регулировки рычагов в корзине сцепления и регулировки клапанов двигателя;
- низкая производительность трактора на больших площадях (от 70 га).
Несмотря на присущие трактору недостатки, он пользовался большой и заслуженной популярностью в сельскохозяйственных хозяйствах страны за свою универсальность, надежность, простоту обслуживания и ремонта в сельских условиях. Преемником МТЗ 50 считается широкоуниверсальный колесный
Колесные тракторы марки «Беларус» до сих пор используются в нашей стране, несмотря на то, что их производство давно прекращено. Это обстоятельство говорит о высоком потенциале, заложенном в конструкции, ее надежности и ремонтопригодности.
Колесный трактор МТЗ-50 относится к категории универсальных сельскохозяйственных машин тонны. Они предназначены для выполнения широкого круга работ:
- Перевозка грузов на прицепах и полуприцепах.
- Все виды полевых работ: вспашка, культивация, посев, междурядная обработка и многое другое.
- Привод стационарных и прицепных машин и агрегатов.
- Дорожно-строительные работы.
Вышеперечисленные и другие технологические операции трактор выполняет с использованием широкой номенклатуры навесного, полунавесного и прицепного оборудования. Для этого машина оборудована прицепной системой, тягово-сцепным устройством и валом отбора мощности для привода агрегатов.
Минский тракторный завод был создан постановлением правительства СССР № 1142 в 1946 году и через два года выпустил первую продукцию. Разработка модели МТЗ-50 «Беларус» началась в 1956 году параллельно с проектированием дизеля. Техническая и технологическая документация была подготовлена в кратчайшие сроки и согласована с отраслевым НИИ.
Опытный цех завода начал предсерийное производство нового пропашного трактора в 1958, после чего поступил на государственные испытания. По результатам последней и с учетом замечаний комиссии машина была доработана и на ее базе создана полноприводная версия МТЗ-52.
Трактор МТЗ-52. Полноприводная версия
В соответствии с постановлением Совета Министров от 14.11.1959 начало производства модели магистрального тягача планировалось на 1961 год, а модернизированного — на следующий. К концу пятилетки предприятию предписывалось довести общий годовой выпуск автомобилей обеих марок до 75 тысяч единиц.
В 1960 году велись опытно-конструкторские работы по установке полугусеничного привода на МТЗ-50. Тракторы этой модификации поставлялись сельскохозяйственным предприятиям и другим организациям по отдельным заказам. Применение резинометаллических гусениц значительно повысило тяговые характеристики и экономические показатели машины.
В 1963 году специально для хлопкосеющих хозяйств была завершена модернизация МТЗ-50 «Беларусь».
Принципиальным отличием от серийной модели является трехколесная схема, подходящая для работы по четырехрядной системе. На Минском заводе этот трактор выпускался 8 лет до 1977, после чего его производство было развернуто в Ташкенте на вновь созданном заводе.
В 1964 году с конвейера МТЗ сошла первая серийная версия в полноприводном исполнении. Эта машина быстро стала популярной среди механизаторов и ценилась за высокую проходимость. На базе описанной модели были созданы три гусеничных трактора Т-54В для работы на виноградниках. Модификация выпускалась с колеей 950 мм и 850 мм. Трактор выпускался до 1985 и всего было выпущено 1 256 800 экземпляров.
Технические характеристики трактора МТЗ-50
Колесный пропашной трактор МТЗ-50 выполнен по классической схеме, основой которой является полурамная конструкция. Несущий каркас состоит из двух швеллеров, соединенных спереди литым стержнем. Кроме полурамы, каркас трактора составляют картеры сцепления, коробки передач и заднего моста.
В передней части МТЗ-50 «Беларус» продольно установлен дизельный двигатель, закрытый капотом типа «крокодил», откидывающимся вперед. Механизмы силовой передачи и задний мост расположены непосредственно за дизелем, а также одноместная кабина для оператора.
Двигатель
Трактор оснащен четырехцилиндровым дизельным двигателем производства МТЗ марки Д-50 двух модификаций: с электростартером и Д-50Л с бензиновым стартером. Основные технические характеристики двигателя:
- Номинальная мощность — 55 л. с., максимальный – 60 литров. с..
- Частота вращения коленчатого вала 1700 об/мин.
- Максимальный крутящий момент более 36 кгс.
- Рабочий объем двигателя 4,75 литра.
- Удельный расход топлива не более 195 г/т. л. с. ч
- ТНВД четырехплунжерный типа УТН-5 с всережимным центробежным регулятором.
- Давление впрыска — 130 кгс/кгс/см 2 .
- Масса двигателя без технических жидкостей: Д-50 — 410 кг, Д-50 Л — 470 кг.

- Рабочее давление масла 2,0 — 3,5 кгс/см2.
Силовой агрегат оснащен комбинированным двухступенчатым воздухоочистителем. Система охлаждения жидкостная с принудительной циркуляцией воды или антифриза, радиатор расположен непосредственно перед двигателем. Вентилятор постоянно приводится в движение от коленчатого вала через ременную передачу.
Комбинированная система смазки: часть деталей подается маслом под давлением от шестеренчатого насоса, остальные разбрызгиваются. Очистка масла осуществляется в две ступени с использованием механического и центробежного фильтра.
В состав системы питания входят топливный бак, фильтр грубой очистки, топливоподкачивающий насос, топливный насос высокого давления, фильтр тонкой очистки, вихревые камеры и форсунки.
Двигатель оборудован счетчиком моточасов, клапаном слива охлаждающей жидкости, вентилятором принудительного обдува радиатора, термостатом, водяной помпой и генератором. Навесное оборудование обеспечивает работу силового агрегата и других систем трактора.
Итак, генератор приводится ремнем от шкива, установленного на коленчатом валу. Устройство предназначено для питания потребителей постоянным током.
Трансмиссия
Крутящий момент от двигателя к ведущим колесам передается через цепь, состоящую из следующих механизмов:
- сцепление;
- ;
- ;
- задний мост.
муфта
коробка передач
Муфты и соединительная установлены в одном корпусе, который соединяется с силовым агрегатом. Задний мост и коробка передач имеют отдельные корпуса, в нижней части которых расположены корпуса для трансмиссионного масла.
Трактор МТЗ-50 оснащен механической коробкой передач, которая имеет 9 передач (в том числе одну прямую) для движения вперед и одну для движения назад. В задней части коробки передач установлен редуктор, который удваивает режимы движения трактора. Оба механизма управляются одним рычагом, при этом коробка передач сначала включается на повышенный или пониженный диапазон.
Коробка передач трактора МТЗ-50 состоит из следующих частей:
- корпус с картером;
- первичный и вторичный вал;
- передняя и задняя каретка;
- промежуточный и внутренний вал;
- ведущая и ведомая шестерни;
- Механизм переключения передач.

Крутящий момент от двигателя через муфты поступает на первичный вал коробки передач, затем через пары шестерен с разными передаточными числами преобразуется и передается на вторичный вал. Соединение пар шестерен, находящихся в постоянном зацеплении, происходит за счет движения кареток по шлицам первичного вала. Дублирование режимов работы трактора обеспечивается за счет использования коробки передач.
Шасси
Кинематическая схема трактора МТЗ-50 традиционна для данного типа машин и включает следующие элементы:
- Бортовая передача с парой конических шестерен постоянного зацепления. Для снижения шума используются шестерни со спиральными зубьями (41 и 12 соответственно), передаточное число 3,42.
- Конический дифференциал закрытого типа установлен в картере заднего моста и имеет 4 сателлита. Устройство оснащено замковым механизмом с двумя кулачковыми муфтами, который срабатывает при нажатии на педаль. Деактивация происходит автоматически при снятии ноги с органа управления.

- Бортовые передачи установлены в корпусах на концах полуосей и состоят из двух пар цилиндрических шестерен (по одной на каждую сторону). Передаточное число 5,308, зубья прямые, число 69 и 13 соответственно.
Ведущие задние колеса установлены на ступицах, вращение которых обеспечивается за счет использования роликовых подшипников. В версии трактора МТЗ-50 привод только на задние колеса, в полноприводной модификации предусмотрена раздаточная коробка. Мощность передается на переднюю ось через карданный вал.
Оператор управляет трактором, воздействуя на руль, педали и рычаги. Начало движения, маневрирование и торможение сельхозмашины осуществляется следующими системами:
- Тормоза. Дисковая, сухого типа, смонтирована на шестернях главной передачи. Привод гидравлический, управление работой осуществляется нажатием на педаль.
- Рулевое управление. Система состоит из рулевого колеса, червячной передачи (червячная передача с передаточным числом 17,5), гидроусилителя, продольных и поперечных тяг и рычагов.

Для снижения управляющих усилий на руле механизм оснащен раздельно-агрегатным гидроусилителем. В системе предусмотрен шестеренный насос марки НШ-10Э, производительностью не менее 14 л/мин. Привод представляет собой цилиндр двустороннего действия с ходом поршня 19,5 мм от среднего положения. Управление работой гидроусилителя осуществляется с помощью однозолотникового распределителя, который установлен на оси червячного редуктора.
Габаритные весовые индикаторы
Модель МТЗ-50 «Беларус» относится к тракторам средней мощности, что позволяет использовать ее в помещениях фермерских хозяйств для выполнения различных работ. Основные геометрические и весовые параметры сельскохозяйственной машины:
- Максимальная длина (по концам продольных тяг навесного устройства — сзади и противовесов — спереди) — 3815 мм.
- Ширина (по концам полуосей задних колес) — 1970 мм.
- Высота крыши кабины — 2485 мм.
- База трактора (расстояние между центрами передней и задней осей) — 2370 мм.

- Колея передних и задних колес варьируется от 1200 до 1800 мм.
- Минимальный дорожный просвет 465 мм.
- Радиус поворота трактора наименьший при выполнении маневра с торможением внутренних колес — 2,5 м.
- Конструктивная масса модели (в стандартной комплектации без дополнительного оборудования и навесного оборудования на колесах и других точках подвески) — 2790 кг.
- Масса без рабочих жидкостей с кабиной и каркасом безопасности — 3040 кг.
Геометрические размеры трактора в сочетании с оптимальной массой обеспечивают отличные тяговые характеристики, маневренность и проходимость. Сельскохозяйственная машина способна поворачивать с малым радиусом траектории. Эта функция очень дорогая при выполнении работ на ограниченных по площади участках в условиях бездорожья.
Трактор МТЗ-50 «Беларус» управляется с рабочего места оператора. Он расположен в закрытой одноместной кабине с большой площадью остекления, что обеспечивает трактористу хороший обзор во всех направлениях.
Оператор сидит на подрессоренном сиденье, перед которым установлены следующие органы управления:
- Педали: сцепление, управление подачей топлива, блокировка дифференциала, правый и левый тормоза.
- Рычаги: переключение передач, торможение прицепа, управление задним ВОМ, увеличение массы гидромуфты, гидрораспределитель.
- Маховик регулировки резервного давления.
- Рулевое колесо с переключателем звукового сигнала и ручкой переключения указателей поворота.
- Панель приборов, на которой установлены амперметр, указатель давления масла, указатель температуры и контрольная лампа.
- Тяга привода защелки горного тормоза.
- Выключатель аккумулятора.
- Ручка переключения заднего вала отбора мощности.
Ветровое стекло кабины трактора оснащено стеклоочистителем, который приводится в действие вручную с помощью рычага. Для обеспечения нормального микроклимата предусмотрен вентилятор, управляемый отдельным выключателем.
Освещение рабочего места осуществляется с помощью плафона, установленного на потолке. В целом кабина была достаточно комфортной для своего времени и обеспечивала оператору нормальные условия работы.
Трактор модели МТЗ-50 использовался для выполнения широкого спектра полевых работ с использованием различных агрегатов. В перечень навесного оборудования входят следующие позиции:
- Плуги трехкорпусные для вспашки разных типов почв нескольких типов.
- Навесная косилка-измельчитель.
- Прицепная косилка-плющилка.
- Сеялки различных типов, в том числе с функцией внесения минеральных удобрений.
- Сеялки-культиваторы.
- Комбинированные чизельно-почвообрабатывающие агрегаты.
- Культиваторы сплошной обработки почвы.
- Борона установлена.
- Агрегаты для внесения жидких удобрений и пестицидов.
- Полуприцепы транспортные и специального назначения.
- Самосвальные прицепы и полуприцепы.

- Разбрасыватели минеральных удобрений навесные и прицепные.
- Косилки дисковые и сегментно-пальцевые.
- Роторные грабли-ворошилки.
- Пресс-подборщики тюковые и рулонные.
Навесное оборудование монтируется на трактор с помощью специальной системы навески. Агрегаты, требующие механического привода, соединены с валом отбора мощности. Тягово-сцепные устройства присоединяются к сельхозмашине с помощью универсального крюка, расположенного на поперечном звене системы подвески.
Модификации трактора МТЗ-50
Минский тракторный завод постоянно совершенствовал свою продукцию и выпускал МТЗ-50 в нескольких модификациях. Модернизация машины проводилась по двум направлениям: улучшение характеристик и повышение проходимости. Всего помимо базовой версии было выпущено три модификации трактора:
- МТЗ-50Л с дизелем Д-50Л с электростартером.
- МТЗ-52 … Оснащался силовым агрегатом Д-50 с полным приводом, для чего на место передней балки устанавливались мост и раздаточная коробка.
Передача мощности осуществляется через карданный привод с промежуточным подшипником. Включение переднего моста возможно в автоматическом режиме или принудительно. - МТЗ-52Л является полноприводной версией и отличается от предыдущей модели наличием электростартера в системе запуска двигателя.
Трактор МТЗ-50Х1. Хлопководческая модификация
Все модификации максимально унифицированы по основной номенклатуре деталей, узлов и агрегатов. Такой подход позволяет снизить отпускную цену на конечную продукцию завода и упростить снабжение сельхозпредприятий запасными частями и комплектующими. Полноприводная версия машины имеет лучшие тяговые характеристики и используется в труднопроходимой местности.
Опыт эксплуатации МТЗ-50. Достоинства и недостатки
Тракторы этой модели разрабатывались исходя из технических требований текущего момента, и для своего времени имели отличные характеристики. МТЗ-50 «Беларус» имеет ряд преимуществ перед машинами других моделей, в частности:
- Минимальные затраты на содержание и эксплуатацию трактора.

- Высокая надежность узлов и агрегатов машины.
- Достаточная производительность, позволяющая выполнять значительные объемы работ при относительно небольших затратах.
- Трактор предназначен для эксплуатации в условиях отсутствия дорог с твердым покрытием.
- Климатическое исполнение машины позволяет эксплуатировать ее зимой и летом при экстремальных температурах.
- Трактор может агрегатироваться с широким набором навесного оборудования для сельскохозяйственных и других работ.
Машина отличается неприхотливостью, простотой в эксплуатации и отличной ремонтопригодностью. Восстановление неисправного трактора возможно в полевых условиях с использованием стандартного набора инструментов. В то же время модель МТЗ-50 имеет ряд особенностей, которые следует учитывать при использовании ее по назначению:
- Недостаточная мощность двигателя для обработки тяжелых почв.
- Высокая чувствительность пускового двигателя к качеству бензина.

- Тракторист должен быть внимательным при выборе режима работы двигателя и передачи.
Учитывая значительный опыт эксплуатации сельскохозяйственных машин данной модели, перечисленные недостатки можно считать незначительными. Машинисты отмечают неприхотливость, высокую надежность и продуманность конструкции. Машина хорошо зарекомендовала себя в средней полосе и поставлялась после соответствующей доработки в страны с жарким или холодным климатом.
Заключение
Трактор МТЗ-50 Беларус пользуется заслуженной популярностью в нашей стране и за рубежом, в первую очередь благодаря своей неприхотливости. Для его эксплуатации и обслуживания не требуется высококвалифицированный персонал. О высокой надежности модели свидетельствует тот факт, что, несмотря на прекращение ее производства более 20 лет назад, до сих пор в эксплуатации находится достаточное количество машин.
Какими бы хорошими не считались машины, сошедшие с конвейера Минского тракторного завода, но все же отечественное есть отечественное.
Ну, мы еще не научились делать хорошую технику! Но хочется иметь в своем ангаре что-то действительно надежное, мощное и с такими необходимыми сегодня опциями, как бортовой компьютер с неглючной операционной системой, возможностью отслеживать машину при работе в полевых условиях, хорошей звуковой системой , климат-контроль и многое другое! Но все эти достижения технической мысли недоступны простому смертному! Если посмотреть на цены на заслуживающую внимания зарубежную технику, то сразу становится понятно, что такое удовольствие не по карману. Но спешу вас убедить — не отказывайтесь от своих желаний, стремитесь осуществить свои мечты, даже если это кажется невозможным.
Если нет денег на покупку John Deere или New Holland
Для креативных владельцев, которые просто не могут смириться с тем, что на их поле работает трактор МТЗ, а не Lamborghini или John Deere, предлагаю начать тюнинг своей машины. Только сразу предупреждаю, что те, кто не готов вкладывать душу в свою технику, не обладает богатой фантазией и не умеет работать ключом и отверткой, с этой задачей не справится.
Смиритесь, эта идея не для вас, и нет смысла читать эту статью. Для всех остальных пишу следующее.
Итак, первое, что нужно сделать сразу, это определиться с видом тюнинга трактора. Для тех, кто не в теме, сообщаю, что тюнинг бывает двух видов: внешний и внутренний тюнинг. Как несложно догадаться из названия, под тюнингом экстерьера понимается внешняя модификация техники, такая как изменение цвета кузова, наклеивание наклеек, установка нового стильного бампера и многое другое. Внутренний тюнинг – более сложная работа, и не каждому под силу. Он предусматривает внесение изменений в конструкцию механизмов: доработку двигателя, замену коробки передач и тому подобное.
Вы решили? Тогда давайте перейдем к следующему шагу.
Расчет средств, которые будут потрачены на апгрейды, тоже важная часть, которую нельзя обойти стороной. Для реализации задуманного вам понадобятся хорошие детали, и качественные инструменты, на них нельзя экономить.
Далее переходим непосредственно к казни.
Исправляем ошибки конструкторов тракторов МТЗ
Наверное, самая сложная часть работы, которую мы можем отнести к внешнему тюнингу, это переделка кузовных деталей. Осуществляется как в домашних условиях, когда приобретаются готовые детали от других тракторов, грузовиков, автомобилей и немного дорабатываются, так и в заводских условиях, когда деталь изготавливается на заказ. Следует отметить, что такой тюнинг является одним из самых дорогих, и он требует определенных навыков работы. Кроме того, в этом случае требуется хорошая фантазия. Что же касается результата такого усовершенствования, то он может быть самым разнообразным: можно превратить автомобиль в посмешище для окружающих, а можно превратить в предмет зависти.
Посмотреть примеры такого тюнинга *:
* — фото даны для того, чтобы показать возможные варианты тюнинга, трактор МТЗ показан не на каждом фото.
Сегодня не многие владельцы спецтехники берутся за такие работы, однако, если кузов автомобиля прогнил или имеет серьезные механические повреждения, то нужно просто воспользоваться этой возможностью и внести изменения.
Работая, не бойтесь быть оригинальными. Единственное, на что стоит обратить особое внимание, это аккуратность сварных швов (если таковые предусмотрены новой конструкцией) и их последующая обработка во избежание коррозии.
Смело используйте молдинги, нижние трубы, накладки на решетку радиатора (если только на решетку стоит обратить внимание), накладки на пороги. В разумных количествах такой тюнинг придаст законченный вид вашему обновленному трактору. Колпаки на колеса тоже оригинальный шаг, единственная проблема с ними в том, что их сложно найти в магазине, поэтому сразу рассчитывайте на то, что их сделают на заказ.
А теперь делаем трактор «ярким»
У большинства владельцев трактора МТЗ тюнинг заканчивается добавлением новых фар и стоп-сигналов. Отмечу, что думают в правильном направлении, вещь нужная, но ограничиваться этим не стоит. Хорошие иностранные тягачи уже идут с завода с ксеноновыми лампами, но владельцам МТЗ похвастаться в этом плане нечем. Но все поправимо.
Во-первых, вам нужно выбрать подходящую лампу. От владельцев уже известного белорусского трактора удалось узнать, что подходят ксеноновые лампы d2s (те самые, которые можно установить на Volkswagen Passat). Интересным решением также может стать использование «ангельских глазок».
Очень стильно будет смотреться верхняя дуга с противотуманками. Это будет недешево, но придаст трактору внушительный вид, а дополнительное освещение не будет лишним в непогоду или ночью.
Хочу отметить, что с улучшением освещения на спецтехнике важно не переборщить. Светильников не должно быть много, их мощность должна быть небольшой – нужно учитывать возможности генератора.
Улучшение кабины машиниста
Нельзя обойти вниманием излюбленную тему современных трактористов — комфорт в кабине. В этом случае нужно помнить об удобном сиденье, магнитоле, сабвуфере, навигаторе, дополнительном освещении… Все эти необходимые вещи отсутствуют в старых моделях тракторов МТЗ.
Найти подходящее сиденье можно в автосалонах, а еще лучше воспользоваться услугами интернет-магазинов, сегодня они предоставляют более широкий выбор.
При покупке такого удобства обратите особое внимание на его размер; сиденье трактора должно быть удобным, но маленьким.
Что касается размещения магнитолы и акустической системы, то здесь все не так просто. По совету специалистов, сабвуфер лучше расположить за сиденьем водителя, магнитолу — в том месте, куда легко дотянется рука, сидя на водительском месте. Динамики должны быть размещены таким образом, чтобы обеспечить равномерное звучание в кабине трактора.
О дополнительном освещении многого не скажешь. Подавляющее большинство трактористов уже сделали выбор в пользу светодиодного освещения. С таким решением не поспоришь – оно экономично и эффективно. Единственный нюанс, лучше брать так называемые «суперяркие» светодиоды, их свечения будет достаточно для нормального освещения салона. Ну и на торпедо такие лучше не крепить.
Насчет этого, не побоюсь этого слова, деревенского тюнинга, как вешать шторы — бросай сразу. Зачем тебе этот пылесборник! Окна лучше затонировать – и стильно, и удобно.
Делаем трактор МТЗ «заметным»
Необходимость работать только с фирменными цветами, а также негласное требование к дизайнерам на заводах «творить» только в классическом стиле породили стойкое убеждение, что трактор должны быть окрашены в один цвет. На кузове новой машины, кроме еле заметной маркировки от производителя, оказывается, больше ничего быть не должно. Эта скупость мысли побуждает к немедленным действиям.
Отбросим все правила и дадим волю воображению. На фотографиях ниже вы можете увидеть, как с этой задачей справились другие владельцы тракторов:
Как видите, все в наших руках. На корпус нанесены рисунки (как на фото) специальным инструментом — аэрографом. Краска тоже используется не обычная, а специально разработанная (для покраски кузовов). Вы можете найти его в автосалонах или на автомобильных рынках. С аэрографом тоже все просто, обычно он есть на СТО, либо его можно приобрести отдельно в магазинах торгующих всем необходимым для СТО.
Есть только проблема с художником-аэрографом, который сможет нанести нужный рисунок на тело. Вам придется искать его.
Как бы то ни было, но такой вид тюнинга сразу сделает ваш трактор МТЗ заметным, на него обратят внимание не только работники сельского хозяйства, но и обычные люди, увидевшие его на улице. Недостатком художественного совершенства является лишь очень высокая цена.
Здесь спешу обратить ваше внимание, что если вы уже решились на аэрографию, то позаботьтесь о предварительной подготовке оборудования к покраске. Поверхность для нанесения рисунка должна быть идеальной, иначе добиться желаемого эффекта будет невозможно, а деньги потрачены впустую.
Еще один, более дешевый и простой вид тюнинга трактора МТЗ, и сразу замечу что нежелательно, это поклейка наклеек, навешивание ненужных светодиодов, флажков, а также неподходящее крепление брызговиков и многое другое («колхозный тюнинг» — говорят в народе). На рынках и в автосалонах большой выбор таких украшений, и многие любители быстро привлекают к себе внимание окружающих, активно ими пользуются.
Но следует учитывать, что некачественные наклейки быстро отклеиваются, и создать с их помощью какую-то общую картинку на кузове крайне сложно. Зачастую наклейки только портят внешний вид машины, говорят о владельце трактора как о жадном и безвкусном человеке. Фонари, флажки и прочие мелочи делают транспорт похожим на новогоднюю елку. Судите сами:
То есть сразу отказываемся от идеи быстрого тюнинга.
В статье сказано много, но я вряд ли смогу перечислить все возможные варианты усовершенствования трактора МТЗ. Скажу только, что следите за новинками в интернет-магазинах по продаже тюнинговых запчастей. Там часто появляются интересные предложения. А также доверьтесь своему воображению — именно оно является основным инструментом, необходимым для работы над совершенствованием техники.
|
Каким бы хорошим ни считалось оборудование, сошедшее с конвейера Минского тракторного завода, оно имеет свои определенные недостатки и, конечно же, всегда найдутся «кулибины», которые захотят улучшить его характеристики с помощью каких-то последние штрихи.
Поэтому, если вы не можете смириться с недостатками любимого трактора МТЗ, если у вас богатая фантазия, а руки растут не из того места, то внутренний тюнинг техники – отличное решение, позволяющее улучшить его проходимость, тяговые характеристики, снизить расход топлива и т.д. НС. Те, кто не очень хорошо работает ключом и отверткой, могут заняться внешним тюнингом.
Как нетрудно догадаться из названия, внутренний тюнинг – это серьезная работа, предполагающая изменение конструкции механизмов трактора. В свою очередь внешний тюнинг обычно заключается в изменении цвета кузова, наклеивании различных стильных обвесов, поклейке наклеек и т.д.
Рассмотрим некоторые варианты как внутренних, так и внешних улучшений. И начнем, пожалуй, с повышения экономичности трактора. Ведь в наше время мало кто отказывается сэкономить лишнюю копейку, например, на том же топливе.
Идея совмещения дизеля и газа далеко не нова. Уже несколько лет в нашей стране работают компании, которые за определенную плату дополняют дизельные двигатели газобаллонными установками.
Однако эти компании работают в основном с автомобильными двигателями (самосвалы, тракторы и различный грузовой транспорт). Тем не менее трактор также можно переоборудовать, заменив со временем до 80% дизельного топлива на природный газ.
Алгоритм реализации газового оборудования (ГБО) следующий:
- Сначала устанавливаем систему подачи газа в двигатель, устанавливаем все необходимые датчики, устанавливаем редуктор впрыска и электромагнитные газовые форсунки.
- Затем устанавливаем подходящую систему ограничения подачи дизельного топлива. Все зависит от типа мотора. Например, на двигатели с механическим топливным насосом устанавливается электронный привод, а на двигатели с топливными системами, управляемыми электроникой, устанавливается специальный блок управления, ограничивающий подачу дизельного топлива.
Преимущества газодизельной модификации очевидны:
- Экономия дизельного топлива.
- Увеличение времени использования трактора без дозаправки почти в два раза.

- Безопасен в использовании.
- Увеличен межремонтный период двигателя.
Трактор полугусеничный и 8-колесный
Эффективным средством повышения проходимости тракторов семейства МТЗ является установка на них так называемой «полугусеницы», состоящей из двух резино- металлические гусеницы и два комплекта натяжных устройств. Гусеница, в свою очередь, охватывает ведущие колеса, а также устанавливаемые дополнительные направляющие колеса.
Установка полугусеницы следующая:
- Балансир в сборе с направляющим колесом.
- Ведущие и направляющие колеса трактора устанавливаются на гусеницу.
- Подножка трактора снята.
- Натяжители установлены.
- Пружинные демпферы расположены.
- Направляющие колеса полугусеницы устанавливаются на ширину колеи, которая должна быть равна колее колес трактора.
- Гусеницы натягиваются по земле так, чтобы расположение бобышек на них совпадало с направлением рисунка протектора шин ведущих колес трактора.

- На колеса установлены гусеницы.
- Проверяется давление в шинах колес трактора (оно должно быть 0,137 МПа для задних колес и 0,216 МПа для направляющих колес) и регулируется натяжение гусениц.
Еще одним вариантом повышения проходимости трактора и снижения его давления на грунт является переоборудование техники на восьмиколесную основу. Эту ревизию лучше делать в специализированном центре.
Улучшение кабины машиниста
Нельзя обойти стороной излюбленную тему трактористов — комфорт в кабине. Такие необходимые вещи, как удобное сиденье, дополнительное освещение, магнитола, навигатор и т.д. отсутствуют на старых моделях МТЗ, но их можно легко найти в свободной продаже. Можем лишь посоветовать использовать в подсветке сверхъяркие светодиоды, свечения которых будет достаточно для нормального освещения салона. Также откажитесь от такого пылесборника, как «шторы». Вместо этого окна лучше затонировать пленкой – и стильно, и удобно.
Установка моста ГАЗ-66 на МТЗ
Еще одним вариантом тюнинга, направленным на улучшение проходимости МТЗ, а также его тяговых характеристик, является установка моста ГАЗ-66.
Данный вид переделки крайне сложен, поэтому настоятельно советуем внимательно изучить данный вопрос в интернете, и при работе напрямую обратить внимание на следующие моменты:
- Для передачи оборотов необходимо будет сделать промежуточный редуктор.
- К оси следует приварить втулку для крепления к трактору.
- Привод можно поставить от какого-нибудь 150-сильного МТЗ (если, например, поставить газовый мост на 82-й «Беларус»).
- Если коробка передач главной пары ГАЗ-66 выходит больше ширины тягача, то ее лучше укоротить. Так и будет стоять по центру, как мост МТЗ.
Способы увеличения мощности тракторов МТЗ
Как очевидно, но одним из основных способов если не увеличения, то хотя бы сохранения мощности любого трактора является своевременное проведение его технического обслуживания и ремонта — не забывайте об этом.
В свою очередь доступные каждому способы увеличения мощности тракторов включают установку турбины на мотор или полную замену родного двигателя на более мощный.
В общем, как показала практика, установка на МТЗ одних из лучших узлов и агрегатов от других тракторов – отличное решение, когда вы хотите улучшить те или иные показатели своей техники. Но не забывайте, что иногда цена переделки вместе с разрешением и регистрацией в соответствующих органах (а также в случае «улаживания» ситуации, если поймают) будет такой, что за эти деньги проще будет приобрести новый, лучший трактор.
В любом случае решать вам. Мы постарались осветить лишь некоторые из возможных вариантов усовершенствования тракторов МТЗ.
Изготовление навесного оборудования
Регулировка ВОМ МТЗ-80 осуществляется не только в специализированных мастерских, но и своими руками. Это значительно удешевляет процесс, особенно при наличии соответствующих навыков и понимания особенностей технического оснащения узла. Рассмотрим особенности этой процедуры.
Первый этап
Регулировка БЕЛАРУСЬ-80 осуществляется в следующей последовательности (здесь указанные цифры соответствуют цифрам, указанным на чертеже).
Этапы работы:
- Эксцентриковая ось устанавливается в исходное положение так, чтобы плоская «В» располагалась в вертикальном положении с правой стороны. Его необходимо зафиксировать стопором 17 и болтом 16.
- Далее отсоединяем тягу 4.
- Болт 9 откручиваем, тем самым освобождая пружину 6. В целях безопасности при откручивании болта 9, следите за тем, чтобы чашка 7 постоянно соприкасалась с седлом до полного разжатия пружины.
- Снять крышку люка на заднем мосту, получив доступ к винтам 13.
- Зафиксировать рычаг 11 в нейтральном положении болтом М10*60 или стержнем 10, диаметром 8 мм. Он вставляется в гнездо на рычаге и соответствующее отверстие на задней части корпуса.
Дальнейшая регулировка ВОМ МТЗ-80
- Демонтируется стопорная пластина 26, вкручиваются винты 21 с усилием 10 кгс, после чего каждый элемент откручивается на пару оборотов.
- Стержень болта 10 снимается, освобождая рычаг 11 в исходное положение для коррекции.

- Болт 9 необходимо затянуть, направив его носик в утопленную часть стакана 7 на размер «А» 26 мм.
- Переместите рычаг 11 в положение «Вкл.».
- Рычаг 4 устанавливается регулировкой аналогом 15 до совпадения зоны поворота рычага 1 в средней части паза пульта управления.
- По окончании работ пробка 26, крышка люка устанавливаются на место, тяги 4 и 15 стягиваются между собой болтом 9.
На схеме показаны остальные позиции:
Особенности
Дополнительно при регулировке ВОМ МТЗ-80 своими руками может потребоваться регулировка ленточных тормозов. Если:
- Наблюдается проскальзывание ВОМ.
- Рычаг управления 1 при переключении упирается в переднюю или заднюю часть прорези панели управления.
- Усилие на элементе 1 превышает 15 кгс.
- Нечеткая фиксация рычага 1 в крайних положениях или при включении и выключении.
Регулировка ленточных тормозов
Данная операция регулировочной части ВОМ МТЗ-80 выполняется методом внешней регулировки, а именно:
- Установите рычаг 11 в нейтральное положение, зафиксируйте его в этом положении, вставив тягу 10 в предусмотренные отверстия.

- Откручивается болт 16, демонтируется пластина 17 со шлицевого хвостовика на оси 15.
- Специальным ключом поверните эксцентрик 15 по часовой стрелке до подходящего зазора между и рабочим барабаном (можно проверить положение вручную , если хвостовик не проворачивается, значит выбрано нужное положение).
- Пластина и болт установлены на место.
- Защелки сняты с рычага.
- Регулировку ремней ВОМ МТЗ-80 можно считать завершенной.
На что обратить внимание?
После нескольких внешних юстировок ось 15 может занять крайнее левое положение. Это указывает на то, что запас внешней корректировки исчерпан. Для нормализации ситуации эксцентрик поворачивают против часовой стрелки в исходное положение. Затем производится регулировка ВОМ МТЗ-80 способом, указанным выше.
При правильном выполнении всех манипуляций рычаг 1 находится в положении «Вкл.». и «Выкл» не должны доходить до края слота консоли менее чем на 30 миллиметров, при этом переход в нейтраль должен быть четким.
На некоторых модификациях тракторов регулировка ВОМ МТЗ-80 осуществляется без внешнего механизма регулировки, в связи с его отсутствием. В этом случае рассматриваемая операция выполняется так же, как указано выше, только после ремонта или сборки на заводе. На моделях с маленькой кабиной индекс «В» составляет 50-60 миллиметров.
Эффективность и отсутствие проскальзывания зависит исключительно от пружинного устройства. Особенно это касается наличия свободных рабочих зон и агрегатирующихся с ними рычагов. Проскальзывание ВОМ указывает на то, что пружины или рычаги испытывают дополнительное сопротивление при движении без достаточной смазки в механизмах.
Регулировка ВОМ своими руками МТЗ-80
В процессе работы необходимо внимательно следить за изменением положения рычага вала отбора мощности, не допуская упирания элемента в пол кабины, иначе проскальзывает может происходить в аварийном режиме. Дополнительными симптомами необходимости регулировки считаются увеличенный ход рычага управления и повышение давления при активации положения «Вкл.
». и выключается, и наоборот.
Регулировка ВОМ МТЗ-80 производится в следующей последовательности:
- Совмещаются отверстия на резьбовом отверстии корпуса и аналоге на рычаге, после чего его необходимо зафиксировать тягой.
- Крышка снимается, регулировочные винты затягиваются до отказа (усилие — 8-10 Н/м), после чего ослабляются на 2-3 оборота.
- Легкость вращения обслуживаемого узла контролируется вращением шлицевого хвостовика вручную.
- Шток соединен с рычагом цилиндрическим пальцем, хорошо зашплинтован.
- Установите чашку в сборе с пружиной в углубление бака, пока не будет наблюдаться легкое вращение стопорного болта. Сила сжатия пружины со стаканом — не менее 200 кгс.
- Узел фиксируется в сжатом состоянии с помощью болта, который вкручивается в гайку, приваренную к крышке.
- Винт выворачивают до свободного перемещения стакана пружинного механизма по отношению к его крышке.
- Надежно зафиксируйте болт в рычаге с помощью контргайки.

- Тяги отрегулированы таким образом, чтобы расстояние от рычага до нижней кромки кабины во включенном состоянии составляло 50 миллиметров.
Ремонт
Для регулировки ВОМ в любом случае ставится на ремонт при наличии трещин и вмятин на проушине, стекле или ролике. Устраните неисправность следующим образом:
- Совместите гнезда вала переключения передач и заднего моста с помощью рычага управления. После совпадения отверстий их фиксируют установочным болтом.
- Ослабляется стопорная гайка и до упора вкручивается стопорный винт в рычаг ролика переключения.
- Стопорный болт вкручивается в стакан, после чего аккуратно вынимается регулировочный аналог.
- После этого стекло с пружинами демонтируется, затем его разбирают и меняют негодные детали.
Другие неисправности
- Проблемы с кулачковой муфтой. При этой неисправности демонтируется кабина, отсоединяется редуктор от заднего моста. Затем элемент заменяют, так как его ремонт не имеет никакого смысла.

- Когда отключается ВОМ МТЗ-80? Скрежет — регулировка в этом случае проводится с одновременной заменой изношенных зубьев центральной шестерни, или Для этого сначала снимают вал отбора мощности путем выпрессовки, после чего оценивают состояние элемента. При наличии неисправностей в виде увеличенных зазоров или расшатывания детали отправляются в ремонт.
- Что делать, если хвостовик ВОМ свободно перемещается? Это свидетельствует о ослаблении фиксирующей гайки. Необходимо полностью демонтировать узел, затем восстановить резьбу и затянуть гайку до упора. Если это невозможно сделать, вся конструкция демонтируется с трудоемким ремонтом.
Трактор МТЗ 80-82 способен облегчить работу любого фермера только при использовании навесного оборудования. Для наиболее качественной обработки почвы используется плуг, который легко можно сделать своими руками. Для наиболее правильного изготовления плуга необходимо пользоваться чертежами.
Чертежи создаются высококвалифицированными специалистами.
Именно поэтому необходимо использовать качественные эскизы. Самостоятельно чертеж лучше не делать, так как конструкция плуга может оказаться неправильной, что негативно скажется на качестве вспашки.
Чтобы сделать плуги, нужно сначала взять лист плотного картона и отобразить на нем рисунок. По нему вырезается шаблон. Далее необходимо перенести рисунок на лист металла. Для изготовления плуга можно использовать нержавеющую сталь или более плотный металл, толщиной 2-3 мм. Для этого можно использовать пружину от «Москвича» или диск от циркулярки. Самое главное, чтобы рисунок был правильным.
Изготовление навесного оборудования
Однокорпусный плуг является самой простой моделью навесного оборудования, поэтому даже неопытный мастер легко может изготовить его своими руками. Эта насадка состоит из отвала и лемеха. Для изготовления этих элементов лучше всего будет использовать листовую сталь, толщина которой составляет от 3 до 5 миллиметров.
На чертеже плуга изображены: 1 — лемех, 2 — полевой щит, 3 — стойка, 4 — ползунок с пятой, 5 — опора отвала, 6 — отвал.
- Первоначально осуществляется изготовление съемного лемеха. Для этой цели лучше всего использовать пильный диск, который устанавливается на циркулярную пилу. Это связано с тем, что он изготовлен из высокопрочной стали.
- Для заточки режущей части ее отбивают на наковальне точно так же, как и обычную косу.
- На следующем этапе осуществляется изготовление плужного отвала для трактора МТЗ 80-82. Этот процесс отличается простотой, что позволяет легко выполнить его своими руками. Для этого используется труба из надежного металла. Его диаметр должен быть 50 миллиметров. Толщина стенки трубы должна быть не менее 5 мм. Для изготовления отвала используется готовый шаблон, по которому можно изготовить заготовку из трубы.
- Изготовление всех остальных элементов плуга своими руками осуществляется из подручных заготовок.
Фото №1
Фото №2 Самоходная рама
Фото №3 Захват кузова 40 см
Фото №4 Защита от камней
Фото №5 Высота от земли до низа рамы 67см
Фото № 6 Срезной болт, для стержня 12 мм
Фото № 7 Высота подвеса 57см
Фото № 8 Колесо с какой-то свеклой
Фото № 9 Расстояние между кузовами 110см
Фото № 10 МТЗ 80 идет легко до шестого
Фото №11
Фото №12 Результат нашего плуга
Особенности сборки конструкции
Для того, чтобы максимально качественно собрать плуг, необходимо использовать клинья, для которых характерно наличие угла 25 градусов.
Далее нужно использовать вспомогательный лист металла, толщина которого от 2 до 3 миллиметров. На нем установлен лемех. Его необходимо максимально надежно зафиксировать на вспомогательном листе. Это можно сделать с помощью сварки.
Боковой щит крепится к лемеху в вертикальном положении. Для этого используется ручная дуговая сварка. При этом боковой щит стойки должен заходить за лемех примерно на 6-8 миллиметров. Его расположение должно быть примерно на 10 миллиметров выше лезвия. Далее нужно сделать прочную поверхность, сварив лемех и отвал. При этом между лезвием лемеха и лезвием выдерживается угол 6-8 градусов.
Самодельный плуг для трактора МТЗ 82 сделать достаточно просто. Для этого нужно просто уметь пользоваться сваркой. Лучше всего производить навесное оборудование к трактору 82 с помощью подсобного рабочего. Это связано с тем, что одному будет достаточно сложно удерживать детали будущего плуга и сваривать их.
Особенности регулировки плуга
Перед регулировкой необходимо установить на трактор проушины 82.
Это оборудование крепится к мотоблоку многих тракторов. Его фиксация осуществляется с помощью штифта. Регулировочные гайки не требуют зажима. Это связано с тем, что в процессе работы можно настроить плуг на нужную глубину борозды.
Регулировку плуга можно легко выполнить вручную. Первоначально опорное колесо плуга устанавливается на подставку. При выполнении работ осенью необходимо придерживаться высоты стойки в 20-25 сантиметров, а если весной — в 15-20 сантиметров. От какой высоты стойки напрямую зависит, насколько плуг будет внедряться в землю.
Далее необходимо отрегулировать угол наклона насадки. Для этой цели чаще всего используется регулировочная тяга. Пятка оборудования располагается параллельно поверхности почвы. Именно в таком положении необходимо зафиксировать плуг. Далее нужно снять плуг со стоек.
Далее руль регулируется так, чтобы он был на уровне талии. На последнем этапе необходимо провести контрольную борозду. Это позволит вам оценить привязанность.
При необходимости производится корректировка.
Сделать самодельный плуг своими руками довольно просто. Для этого необходимо оценить мощность трактора 82 и выполнить все работы в соответствии с чертежами.
Основные правила изготовления навесного оборудования
Глубина вспашки навесного оборудования на тракторе 82 регулируется перемещением большого колеса. Именно поэтому он должен быть установлен в центре плуга. Это можно легко сделать своими руками с помощью зажимных хомутов.
Самодельный плуг отличается небольшими оборотами, что благотворно сказывается на увеличении ширины вспашки. Чтобы данное навесное оборудование на трактор МТЗ 82 не сломалось в результате поворотов, необходимо использовать только качественные материалы производства.
Насадки для изготовления навесного оборудования:
- Для того, чтобы плуг на МТЗ 82 мог самостоятельно держать борозду, к нему приспособлен двухколесный блок. Ширина борозды должна быть 4-5 сантиметров, а диаметр 32 сантиметра.
Диаметр полевого колеса должен быть 20 сантиметров. Ось для плужных колес на тракторе 82 изготовлена из трубы, размер которой 19дюймы. - Чтобы правильно сделать плуг для МТЗ 80-82, необходимо примерить отвал к лемеху. Требует максимально плотной стыковки с полотном.
- Правильное изготовление навесного оборудования для трактора МТЗ 80-82 требует использования специальных болтов для крепления лемеха к металлическому листу.
- Для изготовления отвала используется стальная труба, диаметр которой 55-60 сантиметров, а толщина стенки 0,4-0,5 сантиметра.
- Независимо от способа изготовления агрегата необходимо, чтобы его лемех был съемным. Это позволит качественно заточить его перед вспашкой земли.
- Самый сложный способ изготовления навесного оборудования своими руками — нагреть заготовку в кузне. Именно поэтому лучше всего использовать металл, поддающийся холодной ковке.
Сделать навесное оборудование самостоятельно довольно просто.
Для этого нужно всего лишь использовать качественный металл и иметь сварку. Все работы выполняются по строго установленной технологии.
Тюнинг МТЗ дает возможность улучшить техническую сторону трактора, так как переделанное оборудование (например, двигатель) поможет водителю лучше и быстрее выполнять свою работу, а внешняя модернизация позволит улучшить эстетический вид качества машины. Некоторые умельцы хотят переделать под себя даже самую мощную и качественную технику, улучшив тем самым какие-то ее функции или внешний вид. Это касается не только обычных автомобилей, но и такой спецтехники, как трактор.
Как делают тюнинг МТЗ
В первую очередь, когда речь идет о переделке МТЗ-892, или тюнинге МТЗ-3022, многие владельцы такой техники задумываются о нововведениях в интерьере трактора. Удобная кабина водителя – залог качественной работы. Кому-то для работы нужна музыка, и хозяин решает установить магнитолу, кому-то нравится определенный тип сидений, кого-то привлекает тонировка стекол, чтобы не томиться от палящего солнца.
Духовка тоже отреставрирована. На МТЗ-1221 тюнинг можно проводить в тех же аспектах.
Так же устанавливают на тягачи навигатор, улучшают подсветку приборной панели и салона или, при его отсутствии, проводят с нуля. Важно понимать, что тюнинг трактора Беларус требует внимательного отношения к ряду моментов:
- Тонировка стекол – важный аспект тюнинга. В этом случае лучше потратиться на услуги специалистов, чем решать проблему подручными средствами, повесив шторы на окна: ткань собирает много пыли и выглядит непрезентабельно.
- Установка радио требует особого подхода. Необходимо рассчитать место установки так, чтобы водителю было удобно дотягиваться и переключать дорожки. Сабвуфер размещен за сиденьем, а динамики размещены таким образом, чтобы в салоне был ровный и мягкий звук.
- При выборе конкретного места нужно понимать, где вы будете работать на МТЗ. Рекомендуется устанавливать стульчики для кормления небольших размеров. Купить сиденье можно в специализированных автомагазинах, иногда стоит сделать выбор в пользу интернет-магазинов, большой и серьезный рынок даст вам наилучшую свободу выбора.

- Роль освещения в тракторах традиционно выполняют светодиодные фонари, позволяющие экономить электроэнергию и обеспечивающие достаточное количество света в кабине. При выборе ламп обращайте внимание на сверхъяркие светодиоды — они обеспечат лучшее освещение водительского места. Однако такие лампы не подходят для размещения на приборной панели.
- Печка в салоне часто тоже требует переоборудования. Возможно, он недостаточно греет в холодное время года или недостаточно обдувает вас воздухом в жару. В любом случае печка в салоне – это самая важная деталь, о которой нельзя забывать, так как она играет большую роль для водителя.
Внешний тюнинг МТЗ
Тюнинг тракторов Беларус снаружи подразумевает изменение цветовой гаммы кузова. Традиционно производители выводят на рынок тракторы, окрашенные в однотонные скучные цвета. Хозяину автомобиля есть где разгуляться: он может в полной мере реализовать свои самые смелые фантазии при покраске кузова. Тюнинг кабины МТЗ преобразит агрегат.
В зависимости от желания владельца техники трактор может быть окрашен в другой цвет полностью, может быть использована аэрография. Однако необходимо понимать, что перед покраской кузов необходимо тщательно подготовить. Рисунок, например, можно наносить только на выровненную поверхность, иначе он исказится.
В качестве тюнинга на МТЗ-80 также рассматривают навешивание ряда декоративных элементов. Например, многие устанавливают молдинги, решетки, делают специальные накладки на пороги. Иногда даже можно встретить колеса с колпаками, сделанными мастерами своими руками.
Если вы решили провести тюнинг тракторов МТЗ ЮМЗ Т-40, важно отдавать себе отчет, сколько на это будет потрачено средств и сил. Для реализации всех идей вам потребуются детали хорошего качества и инструменты, которые проведут все необходимые работы. Не стоит на этом экономить.
Самая сложная часть работы, при проведении тюнинга на МТЗ-50 снаружи, как и при работе с любой другой моделью, это модернизация кузова и его узлов.
Сделать это можно самостоятельно, купив необходимые детали в специализированных магазинах и доработав их, подгоняя под свои нужды. Иногда лучше воспользоваться услугами специалистов, которые выполнят самую сложную работу на заказ. Удачный внешний тюнинг МТЗ Т-40 обеспечит богатое воображение владельца трактора.
Модернизация иногда не роскошь, а необходимость, если кузов автомобиля прогнил или получил сильные механические повреждения.
Вы можете воспользоваться моментом и сделать трактор таким, каким вы всегда хотели его видеть. Следует уделить внимание сварочным швам: они должны быть выполнены очень аккуратно и должным образом обработаны, чтобы в дальнейшем не возникла коррозия.
Не бойтесь использовать подвесные декоративные элементы – главное не переборщить с количеством и не прогадать с качеством этих составляющих.
Тюнинг двигателя и технические параметры
Каждый трактор имеет свои особенности, и на двигатель нужно смотреть с разных сторон.
Тюнинг МТЗ-40 будет кардинально отличаться от тюнинга МТЗ-3022 или МТЗ-892. Обычно переделки затрагивают внутренности силовой установки, то есть происходит пересмотр ее основных свойств. Дизельный двигатель МТЗ-50 может получить добавку метана. Это позволяет снизить потребление дизельного топлива и заменить его природным газом на 80%.
Как вариант, для тюнинга МТЗ-1221, в отношении двигателя, рассматривается проведение технических осмотров и ремонтов при необходимости и при наступлении сроков плановых осмотров. Некоторые трактористы решили, что им подойдет полная смена силовой установки, и сделали выбор в пользу более мощных двигателей. На практике можно проследить тенденцию, что установка на МТЗ силового агрегата, взятого от другой спецтехники, является наиболее правильным решением в том случае, когда хочется улучшить технические показатели, и можно обойтись небольшой переделкой.
Но такой апгрейд может обойтись дорого — новый мотор нужно будет правильно зарегистрировать и получить разрешение на работу.
Иногда сумма бывает настолько заоблачной, что на нее проще купить новый, более мощный и современный трактор.
При переделке в МТЗ трактора МТЗ-82 часто устанавливается специальное устройство, позволяющее значительно увеличить мощность силовой установки. Эту функцию выполняет турбина на МТЗ. Иногда стоит прибегнуть к хитрости и взять элементы других тракторов (например, кабину МТЗ-80) и тюнинговать МТЗ-82 или любой другой белорусский трактор.
Среди основных технических параметров, которые улучшаются, выделяют проходимость трактора. Существует несколько способов улучшения разных моделей, в том числе операция тюнинг МТЗ-892:
- Установка средних колес, за счет чего трактор начинает двигаться не на 4-х колесах, а на 8-ми. Это дает возможность увеличить площади взаимодействия колес с почвой, и трактор становится более устойчивым.
- Установка полугусеницы. Используется с той же целью, что и предыдущий метод. Подразумевает установку резинометаллических гусениц, работающих одновременно с натяжителями.
Трактор начинает меньше давить на почву и может работать на заболоченных участках.
Иногда переделка МТЗ-80 предполагает замену моста, который взят от ГАЗ-66. Но процедуру очень сложно выполнить самостоятельно, рекомендуется обратиться за помощью к специалистам в области ремонта сельхозтехники, чтобы ревизия была проведена профессионально.
Тюнинг рулевого управления
Иногда специалисты рекомендуют выполнить такие работы, как переделка рулевого управления МТЗ-82, иначе говоря, привести в порядок рулевую колонку сельхозмашины. Иногда переделки рулевой колонки трактора МТЗ-82 заканчиваются ее регулировкой, чтобы руль находился в удобном положении.
Однако для ряда мастеров на этом не заканчивается, переделка рулевого управления делает работу на тракторе более удобной. Переделка рулевой колонки МТЗ потребует некоторых навыков и достаточно значительного количества времени, но результат превзойдет все ожидания. Примерно столько же времени занимает и печь, а именно процесс ее переоборудования.

Фиксируя стакан рукой, плавно выкручивают регулировочный болт 2.
Последняя осуществляет своё перемещение за счёт вилки включения, расположенной на штоке. У штока предусмотрены два фиксированных стандартных положения. Если это левое положение, тогда коробка отбора находится в активном, то есть рабочем состоянии. Правое положение означает, что КОМ выключена.



В этом случае дополнительно применяется насос. Он позволяет подавать смазочный материал к узлу.
При этом рассматриваемая операция производится аналогичным способом, указанным выше, только после ремонта или сборки на заводе. На моделях с малогабаритной кабиной индекс «Б» составляет 50-60 миллиметров.

Затем отпускают контргайку 3, заворачивают регулировочный болт 2 до отказа в рычаг 5 валика переключения и стопорный болт 4 в стакан пружины, после чего придерживают стакан рукой и осторожно выворачивают регулировочный болт 2. Убедившись в надежности фиксации стакана с корпусом, снимают стакан в сборе. Зажимают его под прессом или в струбцине и выворачивают стопорный болт 4. Неисправные детали заменяют. Для сборки также используют пресс или струбцину.
Отсоединяют тягу от рычага управления ВОМ, выворачивают болты 8 до свободного проворачивания хвостовика ВОМ усилием руки, подсоединяют тягу к рычагу управления, при необходимости вращением вилки изменяют ее длину и устанавливают механизм сервоусиления.
2.8.24. Спрессовка BOM в сборе: 1 — крышка; 2 — болт; 3 — технологический болт
2.8.27, 2.8.28) при износе отверстий под оси сателлитов до размера более 20,2 мм, износе поверхностей под тормозную ленту до размера менее 158,0 мм.
д. Наиболее важные моменты разборки, сборки и регулировки заднего моста и ВОМ показаны на рис. 2.8.32—2.8.44.
2.8.35. Спрессовка стакана с подшипником коронной шестерни с вала: 1 — коронная шестерня; 2 — выколотка
2.8.42. Проверка осевого зазора в конических подшипниках дифференциала: 1 — ведомая шестерня главной передачи; 2 — индикатор

Энергия вращения передаётся к хвостовику через четыре ролика.