Содержание
Автопрактикум. Часть 3. Ходовая часть и механизмы управления большегрузных а
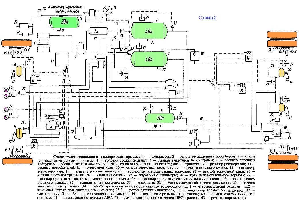
Схемы пневмопривода тормозов МАЗ
Принципиальная схема пневмопривода тормозов трехосных автомобилей показана на рис. 1, двухосных — на рис. 2
Принципиальная схема пневмопривода тормозов автомобилей МАЗ-631705, 631708, 642505, 642508 с трансмиссионным стояночным тормозом показана на рис. 3, автомобиля МАЗ-53 1605 с трансмиссионным стояночным тормозом — на рис. 4.
Схема пневмопривода тормозов трехосных автомобилей
Схема двухосных автомобилей
Схема пневмопривода тормозов автомобилей МАЗ-631705, 631708, 642505, 642508
Схема автомобиля МАЗ-53 1605 с трансмиссионным стояночным тормозом
autoruk.ru
Возможные неисправности тормозной системы МАЗ и способы их устранения
Причина неисправности
| Способ устранения | |||
| Компрессор | |||
| Снижение подачи компрессора, стуки, увеличение количества масла в конденсате, сливаемом из воздушных ресиверов | |||
| Износ зеркала цилиндров, колец, вкладышей | Расточить цилиндры, изношенные детали заменить | ||
| Регулятор давления с предохранительным клапаном в сборе | |||
| В системе не поддерживается давление воздуха 0,65-0,80 МПа (6,5-8,0 кгс/см2) | |||
| Нарушилась регулировка регулятора давления | Отрегулировать при помощи регулировочного | ||
| Утечка воздуха из атмосферного отверстия кожуха пружины регулятора | |||
Недостаточно зажата диафрагма.![]() | Произвести дозатяжку кожуха пружины. | ||
| Повреждена диафрагма | Заменить или перевернуть диафрагму | ||
| Утечка воздуха из штуцера при неработающем двигателе и давлении воздуха в системе менее 0,6 МПа (6 кгс/см2) | |||
| Износ и загрязнение диафрагмы | Очистить и повернуть обратной стороной или заменить диафрагму. | ||
| Износ и загрязнение перепускного и обратного клапанов | Заменить клапаны | ||
| Медленное наполнение ресиверов сжатым воздухом | |||
| Загрязнился фильтр | Очистить фильтр | ||
| Регулятор давления не работает, работает предохранительный клапан при давлении воздуха более 0,9 МПа (9 кгс/см2) | |||
| Не работает диафрагма (зажата, примерзла и т д.) | Отпустить регулировочный болт и проверить (очистить) диафрагму | ||
| Заклинивание разгрузочного поршня | Очистить разгрузочный поршень | ||
| Негерметичность неподвижных сопряжений с корпусом | |||
| Ослабла затяжка уплотнительных прокладок | Подтянуть или заменить прокладку | ||
| Водоотделитель | |||
| Утечка воздуха из сливного отверстия | |||
| Негерметичность клапана слива конденсата (повреждение, загрязнение, обмерзание) | Очистить или заменить клапан | ||
| Не срабатывает клапан слива конденсата при срабатывании регулятора давления (не ощущается рукой сброс воздуха) | |||
Повреждена мембрана.![]() | Заменить мембрану | ||
| Повреждено уплотнительное кольцо золотника (в мембранном диске) | Заменить кольцо | ||
| Через водоотделитель в систему не поступает воздух | |||
| Замерз конденсат в ребристом охладителе и входном клапане | Снять водоотделитель, разогреть и продуть сжатым воздухом | ||
| Негерметичность неподвижных сопряжений с корпусом | |||
| Ослабла затяжка уплотнительных элементов | Подтянуть уплотнительные элементы | ||
| Тормозной кран | |||
| Неполное растормаживание тормозных камер (наличие избыточного давления воздуха) | |||
| Вывернут винт регулировки холостого хода рычага крана | Регулировкой обеспечить свободный рычага крана не менее 5 мм; завернуть винт. | ||
| Нарушилась затяжка гайки уравновешивающего резинового элемента | Затянуть гайку | ||
| Утечка воздуха через сапун | |||
| Негерметичность клапанов и колец из-за повреждения (износа) и загрязнения их | Очистить или заменить уплотнительный элемент | ||
| Утечка воздуха через сапун при нажатии на рычаг | |||
| Негерметичность подвижных уплотнений большого поршня, малого поршня нижней секции, уплотнений корпусов клапанов, а также негерметичность клапанов (особенно при интенсивных утечках) из-за повреждения | Очистить сопряжения или заменить уплотнительный элемент | ||
| Утечка воздуха через корпус рычага | |||
| Негерметичность уплотнения верхнего поршня | Очистить сопряжение или заменить уплотнение | ||
| Утечка воздуха по неподвижным соединениям | |||
| Ослабла затяжка соединения | Подтянуть или заменить соответствую! кольцо | ||
| Одинарный защитный клапан | |||
| Утечка воздуха в атмосферное отверстие крышки | |||
Разрушена диафрагма. Недостаточно зажата диафрагма | Заменить диафрагму. Подтянуть болты крышки | ||
| Двойной защитный клапан | |||
| Утечка воздуха через атмосферное отверстие крышки | |||
| Негерметичность подвижного уплотнения малого поршня | Очистить или заменить кольцо. | ||
| Ослабла затяжка крышки | Подтянуть крышку или заменить кольца | ||
| При выпуске воздуха из одного ресивера (через клапан слива конденсата) происходит падениедавления воздуха в другом ресивере | |||
| Негерметичность обратного клапана (повреждение, загрязнение) Износ кольца поршня | Очистить или заменить клапан. Заменить кольцо | ||
| Клапан управления тормозами полуприцепа с однопроводным приводом | |||
| Утечка воздуха из-под колпака в атмосферу. При торможении воздух продолжает выходитьиз-под крышки в атмосферу | |||
| Негерметичность выпускного (верхнего) клапана | Очистить или заменить клапан | ||
| Разрушена диафрагма Негерметичность впускного (нижнего) клапана | Заменить диафрагму. Очистить или заменить клапан | ||
| Давление воздуха в ресиверах полуприцепа имеет отклонения от нормы 0,47-0,52 МПа (4,7-5,2 кгс/см2) | |||
| Нарушена регулировка клапана управления | Отрегулировать при помощи регулировочного винта | ||
| Давление воздуха в пневматической системе полуприцепа (по клапану контрольного вывода) соответствует давлению в системе тягача | |||
| Негерметичность нижнего клапана | Очистить или заменить уплотнительный элемент | ||
| Негерметичность по верхнему уплотнительному кольцу корпуса клапана | Очистить или заменить уплотнительный элемент | ||
| Утечка воздуха через атмосферное отверстие нижней крышки | |||
| Негерметичность по нижнему уплотнительному кольцу корпуса клапана | Очистить или заменить уплотнительный элемент | ||
| Тормозной кран обратного действия с ручным управлением | |||
| Утечка воздуха из атмосферного отверстия в одном из фиксированных положений рукоятки | |||
| Негерметичность клапана или подвижного уплотнения корпуса клапана или поршня (износ, разрушение, загрязнение) | Очистить или заменить уплотнительный элемент | ||
| Утечка воздуха изпод крышки крана | |||
| Негерметичность подвижных уплотнений штока или направляющей (износ, разрушение, загрязнение) | Очистить или заменить уплотнительные кольца | ||
| Приводная рукоятка не фиксируется в крайних положениях | |||
| Разрушена пружина рукоятки | Заменить пружину | ||
| При небольшом повороте рукоятки происходит полный выпуск воздуха | |||
| Заклинил поршень | Очистить поршень | ||
| Клапан управления тормозами прицела с двухпроводным приводом | |||
| Утечка воздуха через сапун | |||
| Негерметичность по уплотнениям среднего поршня | Очистить или заменить уплотнительный элемент | ||
| Негерметичность клапана | Очистить или заменить уплотнительный элемент | ||
| Утечка воздуха через сапун при торможении краном обратного действия с ручным управлением | |||
| Негерметичность нижних уплотнений верхнего поршня | Очистить или заменить уплотнительный элемент | ||
| Негерметичность клапана | Очистить или заменить уплотнительный элемент | ||
| Утечка воздуха через сапун при торможении тормозным краном (педалью) | |||
| Негерметичность по верхним уплотнительным кольцам верхнего поршня | Очистить или заменить уплотнительный элемент | ||
| Негерметичность уплотнительного кольца регулировочного кольца | Очистить или заменить уплотнительный элемент | ||
| Негерметичность уплотнительного кольца нижнего кольца | Очистить или заменить уплотнительный элемент | ||
| Самопроизвольное торможение полуприцепа, сопровождающееся утечкой воздуха через сапун тормозного крана | |||
| Разрушена диафрагма | Заменить диафрагму | ||
| Утечка воздуха через сапун тормозного крана | |||
| Ослабло крепление диафрагмы | Подтянуть диафрагму | ||
| Утечка воздуха по неподвижным уплотнениям корпуса | |||
| Недостаточно затянуты уплотнения | Подтянуть уплотнения | ||
maz-auto.
info
4.10.3
МАЗ-256. Пневматический тормозной привод
Принципиальная схема пневмосистемы автобуса приведена на рисунке 4.10.4.
Сжатый воздух из компрессора 1 через влагомаслоотделитель 2 с устройством автоматического сброса конденсата поступает к осушителю воздуха 3. Осушитель предназначен для осушки воздуха методом адсорбции воды из него. Адсорбция происходит в патроне с адсорбентом, содержащим силикоалюминий (цеолит). Накопленная в адсорбенте вода удаляется во время срабатывания регулятора давления путем продувки в обратном направлении сжатым воздухом из регенерационного ресивера 8. Осушитель воздуха оборудован регулятором давления и предохранительным клапаном. Далее воздух поступает в четырехконтурный защитный клапан 4 и через него — в ресивер привода тормозов передней оси 5, ресивер привода тормозов ведущего моста 6, ресивер привода стояночного тормоза 7 и ресивер потребителей 9.
В пневматический привод входят следующие пневмоконтуры:
— контур привода тормозных механизмов передней оси;
— контур привода тормозных механизмов заднего моста;
— контур привод стояночного тормоза;
— контур потребителей (остановочного тормоза, вспомогательного тормоза, привода дверей).
Ресиверы каждого контура снабжены клапанами контрольного вывода 18, которые собраны в отдельный блок. В этом же блоке находятся клапаны контрольного вывода, установленные в контурах привода тормозных механизмов, пневмоэлектри-ческие датчики 24, связанные с манометрами 25 и 26 на щитке приборов, пневмоэ-лектрические датчики 22 наполнения ресиверов и пневмоэлектрические датчики 23 сигналов торможения. Датчики 22 связаны с соответствующими сигнальными лампами на щитке приборов.
Тормозной привод рабочих тормозов оснащен антиблокировочной системой (ABS). Задний контур тормозного привода по требованию заказчика может быть дополнительно оборудован противобуксовочной системой (ASR). Колесные узлы передней оси и заднего моста имеют магнитоэлектрические (индуктивные) датчики динамического состояния колес 33. В пневматических магистралях тормозного привода перед тормозными камерами установлены электропневматические модуляторы тормозного давления 27. Датчики 33 и соленоиды модуляторов давления 27 электрически связаны с электронным блоком управления 28.
На щитке приборов в кабине водителя имеются две информационные лампы желтого цвета 29 и 30 контроля и информации о работе ABS и ASR.
4.10.4
МАЗ-256. Работа пневматического привода рабочих тормозов
При нажатии на тормозную педаль сжатый воздух из ресивера 6 через верхнюю секцию крана рабочих тормозов 10 и через двухмагистральный защитный клапан 13 подается в управляющую магистраль ускорительного клапана 12. Ускорительный клапан открывается и пропускает сжатый воздух напрямую из ресивера 6 через модуляторы давления 27 в тормозные камеры 15 заднего моста. Одновременно воздух поступает в управляющую магистраль ускорительного клапана 26 стояночного тормоза, который перепускает сжатый воздух из ресивера 7 в полости энергоаккумуляторов тормозных камер 15, исключая возможное двойное воздействие на колесные тормозные механизмы от рабочей и стояночной тормозных систем.
Из ресивера 5 через нижнюю секцию тормозного крана 10 и модуляторы 27 сжатый воздух поступает в тормозные камеры 16, которые приводят в действие тормозные механизмы передней оси.
Рисунок 4.10.4 — Принципиальная схема пневмосистемы тормозов: 1 — компрессор; 2 — влашмаслоотделитель; 3 — осушитель воздуха; 4 — четырехкошурный защитный клапан; 5 — ресивер тормозов передней оси; 6 — ресивер тормозов ведущего моста; 7 — ресивер стояночного тормоза; 8 — регенерационный ресивер; 9 — ресивер потребителей 10 — кран рабочих тормозов; 11 — кран стояночного тормоза; 12 — ускорительный клапан рабочих тормозов; 13 — двухмагистральный защитный клапан; 14 — глушитель шума пневмоаппаратуры; 15 — тормозная камера с пружинным энергоаккумулятором; 16 — передняя тормозная камера; 17 — обратный клапан; 18 — контрольный клапан; 19 — элекгропневмоклапан остановочного тормоза; 20 — клапан ограничения давления; 21 — элекгропневмоклапан вспомогательного тормоза; 22 — датчик аварийного давления воздуха; 23 — выключатель сигнала торможения; 24 — датчик давления воздуха ММ 370; 25 — манометр электрический; 26 — ускорительный клапан стояночного тормоза; 27 — модулятор давления АБС; 28 — электронный блок АБС; 29,30- контрольные лампы АБС и ПБС; 31 — перепускной клапан без обратного потока; 32 — клапан ПБС; 3 3 — датчик динамического состояния колеса; 34 — ротор АБС; 35 — пневмоцилиндр моторного тормоза
содержание .
. 21 22 27 ..
Принцип работы тормозной системы в МАЗ
Тягачи модели МАЗ пользуются большой популярностью у автолюбителей благодаря своей надежности и приемлемой стоимости. Это автотранспортное средство изготавливается на специализированном заводе города Минск с 1988 года.
Автомобиль отличается большой кабиной и легкостью управления. В салоне есть два удобных мягких кресла. В случае необходимости кабину можно откинуть в заднее положение благодаря наличию гидроцилиндра, который включается ручным путем. Автотехника отличается повышенной надежностью, выносливостью особенно во время перевозки крупногабаритных грузов на дальние расстояния.
Тормозная система МАЗ выступает в качестве основной составляющей транспортного средства. В случае выявления в ней определенных неисправностей водитель теряет уверенность в собственной безопасности. В подобном случае не следует пренебрегать ремонтом и как можно быстрее обратиться за помощью к специалисту.
В автомобилях марки МАЗ присутствует одновременно четыре системы, которые достаточно тесно между собой переплетены.
Среди них следует отметить:
- Рабочую.
- Запасную систему (включается в работу после поломки первой).
- Стояночную систему (в случае с ее поломкой транспортное средство не будет стоять на одном месте и возникнут проблемы с парковкой).
- Вспомогательную (глушит мотор).
Виды системы
Кроме этого, необходимо также упомянуть и о наличии тормозной системы для полуприцепа, которая оснащается специальными пневматическими приводами, предназначенными для работы прочих систем, работающих на сжатом воздухе.
Их преимуществом является то, что она останавливает все имеющиеся колеса МАЗ. Наличие пневматического привода с раздельным торможением дает возможность остановить пару передних и задних колес.
Основная функция запасных тормозов и стояночных заключается во влиянии на механизмы мостов, срабатывающие в результате воздействия напружинных энергоаккумуляторов и камер, которые включаются водителем транспортного средства при помощи специального крана, расположенного в кабине.
Стояночная система остановки считается дополнительной, и ее используют в крайнем случае к примеру, когда не срабатывают или отказывают по ряду причин рабочие тормоза. Во время ее задействования необходимо рукоятку крана расположить таким образом, чтобы она находилась в крайнем положении.
Воздух, сжимающий пружины, поступает в атмосферу, и начинают работать другие механизмы, которые и включают ручник. В то время, когда включается запасная система торможения, рукоятка управляющего крана должна находиться посредине, дополнительные усилия по ее перемещению предпринимать не нужно. Важно знать, что в случае с увеличением оборотности рукоятки сила торможения возрастает благодаря уменьшению воздуха, влияющего на пружины.
Вспомогательное торможение
Подобный вид системы работает благодаря задействованию газов, попадающих в автомобильную систему. Ее основная функция состоит в том, чтобы останавливать и удерживать МАЗ на крутых дорогах.
Она совмещается со стояночной для большего удобства и дополнительной надежности.
Вспомогательный тормоз – это специальный замедлитель для моторопневматического типа. Полуприцепный привод притормаживания сооружен из элементов двух- и одного проводов. В зимнее время можно столкнуться с тем, что происходит заморозка конденсата, особенно это относиться к крупногабаритным транспортным средства, таким как МАЗ, но и здесь разработчики все продумали и обезопасили автомобиль, внедрив предохранитель, который устраняет подобную проблему.
В транспортном средстве также присутствует установка, позволяющая уменьшать движение на трассе. Она состоит из специального цилиндра и клапанной системы. Ко всему этому присоединяется противобуксовочная связь. Для включения необходимо воспользоваться специальной кнопкой.
Противобуксовочная и система ограничения скорости помогают в подаче сжатого воздуха, который поступает благодаря пропорциональному клапану. Важно учитывать, что во время одновременного торможения МАЗ также останавливается и полуприцеп, ведь эти системы взаимосвязаны.
Механизмы тормозов
Все модели МАЗ имеют барабанные механизмы, в диаметре составляющие 42 сантиметра, ширина которых равна шестнадцать сантиметров. Кроме этого, система имеет еще и двухконтурный пневмопривод. Камеры тормозов, которые находятся в задней части тягача, имеют энергоаккумуляторы пружинного вида.
Ручник
Тормозной кран – специальный привод, который необходим для того, чтобы подавать воздух в камеры и воздействовать на педаль остановки. К примеру, МАЗ-500А имеет комбинирований кран, который работает одновременно с прицепом и помогает в его торможении. Такой кран оснащён двумя цилиндрами. Первый необходим для того, чтобы управлять тормозами для прицепа, второй помогает в торможении самого грузового автомобиля.
Системы привода остановки на прицеп имеет определенные особенности, которые заключаются в том, в момент увеличения давления до граничной отметки в 0,48-0,53 МПа происходит растормаживание колес, во время его уменьшения, наоборот, затормаживание.
Тормозной кран оснащен цилиндрами, в которых находятся проштампованные поршни, окруженные манжетами из резины, расположенные на шпоках. Сзади кранового корпуса находятся резиновые клапаны, которые выполняют двойную работу.
Автовладелец должен знать, что для того, чтобы прицеп не наехал на транспортное средство или не занесло задний мост прицепа, и в результате МАЗ не сложился пополам, важно следить за правильным торможением колес прицепа, а потом уже автомобиля. В подобном случае рекомендуется для изменения величины опережения акцентировать внимание на прицепные тормоза и при помощи режимного кольца произвести регулирование натяжения.
Во время работы режимного кольца посредством болта через регулировочную втулку можно получить осевое перемещение. Подобные действия изменяют пружинное натяжение и втулка послабляется.
Во время выбора режимного кольца и пружин необходимо установить взаимосвязь и привести в норму давление в камерах тормозов транспортного средства. Постоянные значения в полостях с течением времени меняются, секции в кране перемещаются во время изменения педали тормоза, то есть после его перестановки с одного положения в другое, но, несмотря на все это, соотношение остается в неизменном виде.
Во время остановки транспортного средства происходит передача усилия от стояночного рычага в район верхнего цилиндрического поршня, прицеп притормаживает точно таким же образом, как и в момент педального нажатия. Автовладельцы должны помнить о том, что полуприцепы и прицепы могут быть оснащены воздушным ресивером, с помощью которого происходит поступление сжатого воздуха в автомобильные магистрали. Не менее важная деталь: прицеп имеет установленный воздухораспределитель, а кран, отвечающий за торможение, имеет тесную взаимосвязь с воздухораспределителем на нем.
Обслуживание тормозной системы
Каждый владелец МАЗ должен знать некоторые основные правила внесезонного обслуживания своего транспортного средства, чтобы предотвратить замерзание отдельных его частей и механизмов, речь пойдет о пневматическом приводе.
- Нужно хорошо продувать водоотделитель, чтобы в нем не замерзала жидкость.
- Тщательно чистить отстойник водоотделителя и противозамерзателя, в который необходимо залить немного спирта.

- Не забыть поставить ручку противозамерзателя вверх.
Привод тормозов грузового транспортного средства не подвергается постоянному обслуживанию или регулированию, но при появлении малейшей неисправности его необходимо срочно заменять, дефекты устранить и сделать это не самостоятельно, а под контролем специалиста. В противном случае при неправильной установке или ошибке на дороге может возникнуть аварийная ситуация, последствия которой будут плачевными. Важно в профилактических целях отправляться в автосалон для того, чтобы провести проверку диагностику всей сложной системы МАЗ.
autodont.ru
Трудности с ремонтом новых грузовых автомобилей
Поэтому многие водители предпочитают работать на поддержанных старых грузовиках, где и технологических новинок меньше, и эксплуатация грузового транспорта происходит без сбоев. Но прогресс не остановить, и старые грузовики медленно выходят из строя и ремонту не подлежат. Остается только покупать новые большегрузные автомобили для коммерческой деятельности, а они могут часто выходить из строя по причине неподготовленности зарубежных моделей к российским низким температурам и бездорожью.
Так что делать?
Как делать бизнес на перевозке грузов, но при этом не тратить время и деньги на адаптацию западных грузовиков к отечественным суровым условиям?
Естественно, что лучше приобретать отечественные грузовики для работы по России. КАМАЗы и МАЗы лучшая альтернатива западным капризным грузовикам. Но отечественные компании также идут в ногу со временем и внедряют все более сложные системы в грузовики для комфортного вождения и для облегчения перемещения грузов на дальние расстояния. Наиболее часто в грузовиках выходит из строя пневмосистема, которая может выйти из строя в любом рейсе без намеков даже на поломку до того.
Если уж случилась трагедия, и требуется совершить ремонт пневмосистемы грузовиков на выезде
, то лучше обращаться к знающим специалистам. Дело в том, что пневмосистема любого современного грузовика крайне сложно устроена, ведь целиком и полностью зависит от автоэлектрики грузового автомобиля. Автоэлектрика является самой сложной и масштабной системой в автомобиле, и потому, если проблема в ней, и пневмосистема не работает из-за проблем в электрике грузовика, то тут найти на дороге поломку будет крайне сложно, и грузовик скорее всего придется буксировать в автосервис.
Система управления пневмоподвеской МАЗ
Страница 1 из 2
При оборудовании автомобилей пневмоподвеской устанавливается система электронного управления ею типа ECAS (фирмы Wabco)
Система содержит микропроцессорный блок 18 (рисунок), расположенный под панелью приборов, пульт 19 дистанционного управления подвеской, установленный с левой стороны сидения водителя, блок электропневмоклапанов 17 и индуктивный датчик 16 положения подвески, установленный в задней части правого лонжерона рамы.
Контрольные лампы 8 и 9 (рисунок 2) с символами управления подвеской установлены на основном щитке приборов, переключатель 10 второго транспортного положения — на дополнительном щитке приборов с правой стороны от водителя.
Система имеет также диагностические линии, подключенные к диагностическому разъему 11.
Предохранители FU6, FU7 системы управления подвеской установлены в блоке предохранителей (рисунок 3), который расположен на коммутационной плате электронных блоков АБС.
Расположение кнопок на пульте дистанционного управления показано на рис. 2
Схема электрическая соединений элементов системы приведена на рис. 3.
autoruk.ru
Тормозная система МАЗ
Автомобили
оборудованы рабочей, стояночной, запасной
и вспомогательной тормозными системами,
а также тормозными приборами для
подключения тормозной системы полуприцепа
с одно- и двухпроводным пневматическими
приводами и выводами для питания других
потребителей сжатым воздухом. Рабочая
тормозная система воздействует на
тормозные механизмы всех колес автомобиля.
Привод механизмов пневматический с
раздельным торможением передних и
задних колес. Стояночная и запасная
тормозные системы воздействуют на
тормозные механизмы среднего (для
автомобиля МАЗ-64227) и заднего мостов,
которые приводятся в действие с помощью
тормозных камер с пружинными
энергоаккумуляторами. Управление
осуществляется с помощью крана в кабине
водителя. Стояночная тормозная система
выполняет также функции запасной
тормозной системы, которая предназначена
для торможения автомобиля в случае
полного или частичного отказа рабочей
тормозной системы.
При включении
стояночной тормозной системы рукоятка
крана управления устанавливается
(поворотом) в крайнее фиксированное
положение. Сжатый воздух, сжимающий
силовые пружины энергоаккумуляторов,
выходит в атмосферу, и пружины приводят
в действие тормозные механизмы. При
включении запасной тормозной системы
рукоятка крана управления стояночным
тормозом удерживается в любом промежуточном
нефиксированном положении. С увеличением
угла поворота рукоятки интенсивность
торможения увеличивается за счет
снижения давления воздуха, сжимающего
пружины энергоаккумуляторов.
Вспомогательная тормозная система
воздействует на трансмиссию автомобиля
путем создания противодавления в системе
выпуска газов с помощью дроссельной
заслонки с пневматическим приводом и
предназначена для притормаживания
автомобиля на затяжных спусках горных
дорог. При повороте заслонки одновременно
отключается подача топлива. При торможении
автомобиля-тягача рабочей или стояночной
(запасной) системами происходит
одновременное торможение полуприцепа.
Торможение полуприцепа МАЗ-9398 и МАЗ-9389
происходит также и при включении
вспомогательной тормозной системы
автомобиля МАЗ-64227.
Тормозные
механизмы. Барабанного типа (см. рис. 57
и 72), с двумя внутренними колодками.
Тормозные накладки размером 420Х160Х X17
крепятся к колодкам латунными заклепками.
Тормозной барабан 29 (см. рис. 57) крепится
к ступице 17 колеса болтами 30. На конце
вала разжимного кулака 24 установлен
регулировочный рычаг червячного типа
(рис. 92), соединенный со штоком тормозной
камеры. Для предотвращения попадания
смазки в тормозные механизмы в кронштейнах
разжимных кулаков передних и задних
тормозов установлены резиновые
уплотнительные кольца. Тормозные камеры
диафрагменные, предназначены для
приведения в действие тормозных
механизмов передних колес автомобиля
при включении рабочей тормозной системы.
Тормозные камеры с пружинными
энергоаккумуляторами (рис. 93) предназначены
для приведения в действие тормозных
механизмов колес заднего и среднего
(для автомобиля МАЗ-64227) мостов при
включении рабочей, стояночной и запасной
тормозной систем.
При включении рабочей
тормозной системы тормозные механизмы
приводятся в действие штоками 10
диафрагменных тормозных камер, устройство
и принцип работы которых практически
не отличаются от передних тормозных
камер. При включении стояночной тормозной
системы сжатый воздух выпускается из
полости под поршнем 6. Поршень под
действием силовой пружины 7 движется
вниз и перемещает толкатель 4, который
через подпятник 9 воздействует на
диафрагму 3 и шток 10 тормозной камеры,
в результате чего происходит торможение
автомобиля.
1 и
заслонки 2, закрепленной на оси 3. На оси
заслонки закреплен также поворотный
рычаг 4, соединенный со штоком пневмоцилиндра
привода. Рычаг 4 и связанная с ним заслонка
2 имеют два фиксированных положения.
При выключении вспомогательного тормоза
заслонка устанавливается вдоль потока
отработавших газов, а при включении
тормоза перпендикулярно потоку газов,
создавая противодавление на выпуске.
Одновременно отключается подача топлива
с помощью пневмоцилиндра, связанного
со скобой останова двигателя.
Пневмоцилиндр
(рис. 95) предназначен для управления
заслонкой механизма вспомогательной
тормозной системы. При включении
вспомогательной тормозной системы
сжатый воздух поступает в надпоршневое
пространство и, преодолевая сопротивление
возвратных пружин, перемещает поршень
и шток 8, который связан с рычагом
управления заслонкой механизма. В
исходное положение поршень возвращается
под действием возвратной пружины.
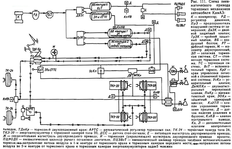
Пневматический тормозной привод.
Принципиальные схемы пневматического
тормозного привода автомобилей МАЗ-64227
и МАЗ-54322 показаны на рис. 96 и 97.
Питающая
часть пневмопривода тормозов состоит
из компрессора 1 (см. рис. 96), влаго-отделителя
2, регулятора давления 3, конденсационного
ресивера 4, двойного защитного клапана
5 и соединяющих их трубопроводов и
арматуры. При работе двигателя сжатый
воздух из компрессора поступает через
влагоотделитель 2, регулятор давления
3 в конденсационный ресивер 4 и далее
через двойной защитный клапан 5 в ресиверы
8 и 9.
Одновременно из компрессора сжатый
воздух через одинарный защитный клапан
7 поступает в ресивер 10, к которому
подключены дополнительные потребители:
привод механизма вспомогательного
тормоза, усилитель сцепления и др. При
достижении давления в системе 8
кгс/см2 срабатывает
регулятор давления и дальнейшее
поступление воздуха в систему прекращается
происходит разгрузка компрессора в
атмосферу. Одновременно с регулятором
давления срабатывает влагоотделитель,
выбрасывая в атмосферу скопившийся в
нем конденсат. В пневматический тормозной
привод входят следующие независимые
пневмоконтуры: тормозных механизмов
колес переднего моста; тормозных
механизмов колес заднего и среднего
мостов; механизма стояночного (запасного)
тормоза; тормозных механизмов полуприцепа;
механизма вспомогательного тормоза и
других потребителей сжатого воздуха.
На всех воздушных ресиверах устанавливаются
краны слива конденсата 30. Кроме того, в
пневмосистему включены пневмоэлектрические
датчики 27, связанные с соответствующими
сигнальными лампами на щитке приборов,
которые включаются при уменьшении
давления в том или ином контуре ниже
5,6 кгс/см2,
а также датчики 29, связанные с манометрами,
установленными на щитке приборов.
Пневмопривод рабочих тормозов работает
следующим образом. При нажатии на
тормозную
педаль
срабатывает тормозной кран 18. Сжатый
воздух из ресивера 8 через нижнюю секцию
крана поступает в тормозные камеры 22,
которые приводят в действие тормозные
механизмы колес передней оси. Из верхней
секции тормозного крана через регулятор
тормозных сил 20 воздух подается в
управляющую магистраль ускорительного
клапана 19, в результате чего последний
пропускает сжатый воздух из ресиверов
9 в тормозные камеры колес заднего и
среднего мостов. Одновременно через
двухмагистральный клапан 23 воздух
поступает в управляющую магистраль
ускорительного клапана 19а, который
перепускает сжатый воздух из ресивера
в полости эиергоаккумуляторов 21, исключая
возможное двойное воздействие на
колесные тормозные механизмы (от рабочей
и стояночной систем). Тормозной кран,
регулятор тормозных сил и ускорительный
клапан имеют следящее устройство, т. е.
в тормозные камеры поступает сжатый
воздух, давление которого зависит от
величины перемещения тормозной педали.
Кроме того, регулятор тормозных сил
учитывает нагрузку на заднюю подвеску
и в зависимости от нее пропускает
определенное давление в управляющую
полость ускорительного клапана 19. При
полной нагрузке на заднюю подвеску в
тормозные камеры поступает полное
давление, определяемое тормозным краном
18. При растормаживании воздух из передних
тормозных камер, регулятора тормозных
сил и управляющей полости ускорительного
клапана 19 выходит в атмосферу через
тормозной кран, а из задних тормозных
камер через ускорительный клапан 19а.
Во
время торможения сжатый воздух из
магистралей привода передних и задних
тормозных механизмов поступает к клапану
15 управления тормозами полуприцепа с
двухпроводным приводом, в результате
чего клапан срабатывает и воздух из
ресиверов 8 и 9 через одинарные защитные
клапаны 7 и обратный клапан 14 поступает
в магистрали полуприцепа. При сцепке
тягача с полуприцепом с однопроводным
тормозным приводом сжатый воздух через
клапан 16 управления тормозами полуприцепа
с однопроводным приводом и соединительную
головку поступает к воздухораспределителю
полуприцепа и в его воздушный ресивер.
При торможении воздух выпускается из
соединительной магистрали через клапан
16 и происходит затормаживание полуприцепа.
При сцепке тягача с полуприцепом с
двухпроводным тормозным приводом
используются соединительные головки
25 магистрали питания и управления.
Пневмопривод стояночного и запасного
тормоза работает следующим образом.
Сжатый воздух из ресиверов 8 и 9 через
одинарные защитные клапаны 7 и обратный
клапан 14 поступает к крану 17 управления
стояночным тормозом, от которого через
двухмагистральиый клапан 23 поступает
в управляющую магистраль ускорительного
клапана 19а, в результате чего последний
пропускает сжатый воздух из ресиверов
8 и 9 в цилиндры энергоаккумуляторов
тормозных камер 21. При торможении
стояночным тормозом (рукоятка крана 17
установлена в заднее фиксированное
положение) воздух из управляющей
магистрали ускорительного клапана 19а
выходит в атмосферу. При этом воздух из
цилиндров энергоаккумуляторов тормозных
камер 21 через атмосферный вывод
ускорительного клапана выходит в
атмосферу.
Пружины, разжимаясь, приводят
в действие тормозные механизмы заднего
моста. Одновременно кран 17 включает
клапан 15 управления тормозами полуприцепа
с двухпроводным приводом, обеспечивая
при этом торможение полуприцепа. В
случае аварийного падения давления в
контуре привода стояночного тормоза
пружинные эиергоаккумуляторы срабатывают
и автомобиль затормаживается. В этом
случае для растормаживания автомобиля
необходимо вывернуть болты 8 (см. рис.
93) на всех тормозных камерах 21 (см. рис.
96). Кран управления стояночным тормозом
имеет следящее устройство, которое
позволяет
притормаживать
автомобиль (запасной тормозной системой)
с интенсивностью, зависящей от положения
рукоятки крана. Пневмопривод вспомогательной
тормозной системы работает следующим
образом. При нажатии на кран 11 управления
вспомогательным тормозом сжатый воздух
поступает в пневмоцилиндр 13 управления
вспомогательным тормозом. Шток цилиндра,
связанный с рычагом заслонки
вспомогательного тормоза, поворачивает
заслонку и она перекрывает приемную
трубу глушителя.
Одновременно сжатый
воздух поступает и в цилиндр 12, шток
которого перемешает скобу останова
двигателя, прекращая тем самым подачу
топлива. Рассмотрим агрегаты и аппараты
пневматического тормозного привода.
Компрессор (рис. 98). Поршневой,
двухцилиндровый, приводится в действие
ремнем от шкива вентилятора. Забор
воздуха компрессором во время его работы
осуществляется через воздушный фильтр
двигателя. Литой чугунный поршень имеет
три кольца два компрессионных и одно
маслосъемное. Подшипник шатуна имеет
биметаллические вкладыши, головка
шатуна под поршневой палец бронзовую
втулку. В гнездах головки компрессора
расположены закрытые нагнетательные
клапаны пластинчатого типа, которые
разобщают цилиндры и нагнетательный
канал головки, соединяющий нагнетательные
каналы обоих цилиндров. Блок цилиндров
и головка охлаждаются жидкостью из
системы охлаждения двигателя. Система
смазки компрессора смешанная. Из масляной
магистрали двигателя масло по подводящей
трубке поступает к задней крышке
компрессора и через отверстия
уплотнительного устройства к каналам
в коленчатом валу.
По этим каналам масло
поступает к подшипникам
шатунов
и далее к поршневым пальцам. Остальные
трущиеся поверхности смазываются
разбрызгиванием. Из компрессора масло
сливается через крышку, на которой он
крепится, в картер двигателя. Регулятор
давления. Предназначен для поддержания
в пневматической тормозной системе
давления сжатого воздуха в пределах
6,5 8,0 кгс/см2 путем периодической разгрузки
компрессора в атмосферу. Предохранительный
клапан, встроенный в регулятор давления,
обеспечивает перепуск воздуха в атмосферу
при достижении в системе давления 9 +
0,5 кгс/см2. Регулятор давления с
предохранительным клапаном состоит из
корпуса 22 (рис. 99), в котором расположены
поршень 8, регулировочный болт 13,
предохранительный клапан 17. Сжатый
воздух из компрессора поступает в
полость А, открывает обратный клапан
21 и попадает в вывод, связанный с
воздушными баллонами. При повышении
давления воздуха в выводе / до 8 кгс/см2
сжатый воздух, преодолевая сопротивление
пружины 12 регулировочного устройства,
отжимает диафрагму 11 от седла и поступает
через каналы в корпусе регулятора в
надпоршневую полость Б разгрузочного
устройства.
Сжатый воздух, действуя на
поршень 8 со стержнем, перемещает его
вниз и открывает клапан 5. При этом воздух
через канал 7 и штуцер 1 попадает в
атмосферу. При падении давления в полости
А клапан 21 не дает возможности поступления
воздуха из вывода 1 в атмосферу. При
падении давления в полости Б и выводе
1 до величины 6,5 кгс/см2 диафрагма
11 под давлением пружины 12 садится на
седло, прекращая поступление воздуха
в полость Б. Воздух, находящийся в полости
Б, через дроссельное отверстие в поршне
8 сообщается с атмосферой. Поршень 8 под
действием возвратной пружины возвращается
в первоначальное положение. При этом
клапан 5 садится на седло, после чего
прекращается поступление сжатого
воздуха в атмосферу. Компрессор начинает
нагнетать сжатый воздух в пневмосистему.
Клапан 17 предохраняет пневматическую
систему от чрезмерного повышения
давления в случае неисправности
разгрузочного устройства регулятора
давления. Он состоит из корпуса 19, колпака
15, регулировочного винта 16, резинового
клапана 18 и пружины 14.
Воздух из вывода
1 подводится к клапану через наклонные
отверстия. При достижении давления в
выводе 1 выше 8,9 + 0,5 кгс/см2 открывается
клапан 18 и выпускает избыток воздуха в
атмосферу через радиальное отверстие
в корпусе клапана.
водоотделителя.
Внутри корпуса поток воздуха проходит
через три направляющих диска 3, изменяющих
направление потока воздуха и придающих
ему круговое вращение. Далее поток
воздуха подходит к фильтру 4 и, изменив
направление, поступает через центральный
верхний отводной канал в пневмосистему.
Диафрагма 5 вместе с направляющим
стаканом 6 под давлением сжатого воздуха
находится в нижнем положении. Клапан 7
и сливное отверстие 8 закрыты; при этом
между диафрагмой 5 и стаканом 6 имеется
зазор, и осаждающийся конденсат стекает
в стакан-отстойник по стержню клапана.
При
включении регулятора давления начинает
снижаться давление сжатого воздуха
внутри водоотделителя. Направляющий
стакан 6 вместе с диафрагмой под действием
усилия пружины клапана 7 перемещается
вверх.
Диафрагма прижимается к тарелке
и разобщает полость под стаканом 6 от
внутренней полости водоотделителя. При
дальнейшем падении давления во внутренней
полости стакан 6 перемещается вверх,
клапан 7 отходит от своего седла и
открывает сливное отверстие 8. Скопившийся
в отстойнике конденсат выбрасывается
наружу. В корпусе водоотделителя встроен
клапан 10, который при нормальной работе
радиатора постоянно прижат к своему
седлу под действием пружины. В случае
замерзания радиатора давление сжатого
воздуха на клапан сверху снижается, а
давление воздуха, поступающего от
компрессора под клапан, повышается;
клапан открывается, и сжатый воздух,
минуя радиатор, поступает в пневмосистему.
Двойной защитный клапан (рис. 101).
Предназначен для отключения поврежденного
контура с целью сохранения давления в
другом контуре. В исходном положении
(положении перед началом работы) большой
поршень 2 под действием пружин 10 занимает
нейтральное положение, клапаны 3 пружинами
4 прижаты к седлам, малые поршни 5 под
действием пружин 11 прижаты к торцам
крышек.
В рабочем положении при подаче
воздуха от компрессора к выводу 1 сжатый
воздух воздействует на клапаны 3, отжимает
их от седел и поступает через выводы 11
и 111 в воздушные баллоны отдельных
контуров тормозного привода. При
повреждении одного из контуров (например,
левого) давление в этом контуре падает,
большой поршень 2 под действием разности
давлений перемещается в сторону
поврежденного контура, своим седлом
упирается в клапан, разобщая при этом
вывод 1 с выводом 11. Пружина 10 поршня со
стороны поврежденного контура сжимается,
клапан второго контура остается открытым,
и воздух от компрессора продолжает
поступать в неповрежденный контур.
Двойной
защитный клапан при неисправном одном
контуре поддерживает давление сжатого
воздуха в другом исправном контуре в
пределах 5,25,5 кгс/см2.
При давлении выше 5,5 кгс/см2 пружина
11 под действием клапана сжимается,
клапан отрывается от седла и часть
воздуха уходит в поврежденный контур.
После устранения не герметичности
поврежденный контур заполняется сжатым
воздухом, давление в контурах выравнивается,
большой поршень 2 под действием сжатой
пружины 4 занимает нейтральное положение,
и сжатый воздух вновь продолжает
поступать от вывода I через выводы II и
III в воздушные баллоны контуров.
Двухсекционный
тормозной кран (рис. 102). Предназначен
для управления исполнительными
механизмами рабочих тормозов автомобиля
и привода клапанов управления тормозами
полуприцепа при наличии раздельного
привода к тормозам передней и задней
осей. Кран имеет две независимые секции,
расположенные последовательно, питающиеся
от раздельных контуров и управляющие:
нижняя тормозами передней оси, верхняя
тормозами задней оси и тормозами
полуприцепа. Клапаны крана плоские,
одинарные, резиновые. Выводы I к II верхней
и нижней секций соединены с воздушными
баллонами заднего и переднего контуров
соответственно, а выводы III и IV с тормозными
камерами задней и передней осей. В
исходном положении (педаль тормоза
отпущена) тормозной кран через клапан
21 сообщает с атмосферой тормозные
камеры. При этом поршень 30 верхней секции
под действием пружины 12 занимает крайнее
верхнее положение, выпускное окно
клапана открыто и вывод III сообщен с
атмосферой. Верхний клапан 29 под действием
пружины 13 прижат к седлу
верхнего
корпуса, VI вывод II разобщен с выводом
III .
Большой 28 и малый 15 поршни под
действием пружины 26 находятся в крайнем
верхнем положении, выпускное окно
нижнего клапана 17 открыто, вывод IV
сообщен с атмосферой. Нижний клапан 17
пружиной 24 прижат к седлу нижнего корпуса
и вывод I разобщен с выводом IV. При нажатии
на педаль тормоза рычаг I поворачивается
на своей оси 4, роликом 5 давит на толкатель
6, который через тарелку 9 смещает демпфер
31 и перемещает поршень 30 вниз. Поршень,
перемещаясь вниз, сжимает пружину 12,
закрывает выпускное окно, разобщая
вывод III с атмосферой, и отрывает клапан
29 от седла. Сжатый воздух, подводимый к
выводу /, через открытый клапан поступает
к выводу /// и далее к тормозным камерам
задней оси до тех пор, пока сила нажатия
на рычаг не уравновесится давлением
воздуха на поршень 30 (следящее действие).
Одновременно сжатый воздух через
отверстие в выводе /// подается в
надпоршневое пространство большого
поршня 28. Поршень 28, имеющий большую
поверхность, перемещается вниз при
небольшом давлении в надпоршневом
пространстве и перемещает малый поршень
15, сжимая при этом пружину 26.
Малый
поршень 15 закрывает выпускное окно,
разобщая выводы IV с атмосферой, и отрывает
клапан 17 от седла. Сжатый воздух,
подводимый к выводу // через открытый
клапан, поступает к выводу IV и далее к
тормозным камерам передней оси. Сжатый
воздух, находящийся в пространстве под
поршнями 15 и 28, уравновешивает силу,
действующую на поршень 28 сверху таким
образом, что в полости IV устанавливается
давление, соответствующее усилию нажатия
на рычаг (следящее действие). Размеры
поршней и пружина 26 подобраны так, что
давление в выводах /// и IV в зависимости
от усилия на рычаге практически одинаково;
при промежуточных положениях рычага
нижняя секция управляется пневматически.
При крайнем положении рычага или в
случае повреждения контура верхней
секции поршень 30. перемещаясь вниз,
шпилькой // воздействует на шток 18 малого
поршня 15, перемещая его. Малый поршень,
в свою очередь, закрывает выпускное
окно и открывает клапан 17. При снятии
усилия с рычага верхний поршень под
действием пружины 12 перемещается вверх,
клапан 29 прижимается к седлу, а поршень,
продолжая перемещаться, открывает
выпускное окно и сообщает вывод /// с
атмосферой.
Давление в на дпоршневом
пространстве большого поршня 28 падает,
поршни 28 и 15 вследствие разности давлений
и воздействия пружины 26 перемещаются
вверх, клапан 17 прижимается к седлу,
выпускное окно открывается, и вывод IV
сообщается с атмосферой. При механическом
воздействии на малый поршень 15
оттормаживание нижней секции происходит
при снятии усилия со штока 18. Клапан
управления тормозами прицепа однопроводным
приводом (рис. 103). Предназначен для
управления однопроводной системой
пневматического привода тормозов
полуприцепа.
В
исходном положении (педаль тормоза
отпущена) сжатый воздух подводится от
воздушного баллона к выводу //, вывод /
соединен с атмосферой через тормозной
кран. При этом под действием силовой
пружины 2 диафрагма 6 с толкателем 10
находится в нижнем положении. Седлом
толкателя выпускное окно закрыто, вывод
/// разобщен с атмосферой. Стержень
клапана перемещен в нижнее положение
и оторван от седла клапана //, впускное
окно открыто, вывод // соединен с выводом
///.
Сжатый воздух от вывода // через
открытое впускное окно клапана проходит
к выводу /// и далее в соединительную
магистраль управления тормозами
полуприцепа однопроводного привода.
Одновременно сжатый воздух поступает
в полости Б и В. Давление в них одинаковое,
однако вследствие того, что площадь
поршня 9, на которую воздействует давление
сжатого воздуха в полости В, больше, чем
полости Б, поршень перемещается вверх
до упора п крышку 19. При достижении
давления в магистрали полуприцепа
5,05,2 кгс/см- седло клапана //
под
действием этого давления, перемещается
вниз, сжимая пружину 12. закрывает впускное
окно и прекращает подачу сжатого воздуха
в тормозную магистраль. При снижении
давления в тормозной магистрали ниже
заданных пределов 55,2 кгс/см2 седло
клапана под действием пружины 12
перемещается вверх и вновь открывает
впускное окно.
При
торможении автомобиля сжатый воздух
от тормозного крана подается к тормозным
камерам и к выводу / крана управления
тормозами полуприцепа с однопроводным
приводом.
Сжатый воздух от вывода / через
отверстие в корпусе, заполняя полость
Л, действует на диафрагму 6, имеющую
большую площадь, и перемещает толкатель
10 вверх, преодолевая сопротивление
пружины 2. При перемещении толкателя
вверх стержень клапана 17 под действием
пружины 18 прижимается к седлу толкателя
10 до тех пор, пока не упрется в седло
клапана // и не закроет впускное окно,
разобщив при этом вывод // с выводом ///.
При дальнейшем перемещении толкателя
его седло отрывается от стержня клапана
//, открывает выпускное окно, сообщая
при этом вывод /// с атмосферой. Сжатый
воздух через полый толкатель и отверстие
в верхней крышке выходит в атмосферу.
Следящее действие осуществляется
поршнем 9. При снижении давления в полости
В вследствие повышения давления в
полости А (давление в полости Б остается
прежним) поршень начинает воспринимать
усилие от давления в полости А. Под
действием разности давлений поршень
начинает перемещаться вниз, перемещая
при этом толкатель, седло которого
закрывает выпускное окно.
Дальнейшее
повышение давления в выводе / приводит
к полному выпуску воздуха из тормозной
магистрали полуприцепа и тем самым к
полному его торможению. При этом толкатель
10 находится в крайнем верхнем положении,
выпускное окно открыто, впускное закрыто.
Поршень 9 упорным кольцом толкателя
прижат к крышке 19. При оттормаживании
автомобиля вывод / сообщается с атмосферой
через отверстие тормозного крана.
Давление в полости А падает. Толкатель
10 с силовой пружиной 2 под действием
усилия, передаваемого поршнем от давления
в полости В, перемещается вниз. Седло
толкателя упирается в стержень клапана
17 и закрывает выпускное окно, разобщая
вывод /// с атмосферой. При дальнейшем
перемещении толкателя пружина 18
сжимается, клапан 17 отрывается от седла
клапана //, сообщая вывод // с выводом
///. Сжатый воздух поступает в тормозную
магистраль полуприцепа. Клапан переводится
в исходное положение. Кран вспомогательной
тормозной системы. Предназначен для
управления цилиндром вспомогательной
тормозной системы.
При нажатии на кнопку
/ (рис. 104) толкатель 18 перемещается внутри
втулки 17 и садится своим торцом на клапан
7, разобщая вывод / от атмосферного вывода
///. При дальнейшем движении толкателя
клапан отжимается от седла корпуса,
открывая тем самым проход сжатому
воздуху от вывода // к выводу / и далее в
магистраль исполнительных механизмов.
При отпускании кнопки толкатель под
действием пружины 14 возвращается в
верхнее положение. Клапан 7 закрывает
отверстие в тарелке 4, прекращая
поступление сжатого воздуха в вывод /,
а отверстие в толкателе 18 открывается,
сообщая вывод / с атмосферным выводом
///. Сжатый воздух, находящийся в магистрали
исполнительных механизмов, через
отверстия А в толкателе и вывод /// выходит
в атмосферу. Ускорительный клапан. В
пневмоприводе тормозов в рабочей и
запасной (стояночной) тормозных системах
установлены два ускорительных клапана
19 и 19а (см. рис. 96, 97), которые предназначены
для уменьшения времени срабатывания
привода тормоза за счет сокращения
длины магистрали впуска сжатого воздуха
из воздушного баллона в исполнительные
механизмы (тормозные камеры и
энергоаккумуляторы) и выпуска его из
них непосредственно через ускорительные
клапаны.
Вывод IV ускорительного клапана
(рис. 105) соединен с регулятором тормозных
сил (в рабочей системе) или с тормозным
краном запасной (стояночной) системы,
т. е. с управляющей магистралью. Давление
в выводе IV устанавливается в соответствии
с положением приводного рычага тормозного
крана рабочей системы и рычага регулятора
тормозных сил, которое зависит от осевой
нагрузки на мост, а в запасной (стояночной)
тормозной системе с положением рукоятки
тормозного крана с ручным управлением.
Вывод /// соединен с расположенным вблизи
воздушным баллоном. Вывод / соединен с
тормозными камерами задних колес (в
рабочей системе) или с пружинными
энергоаккумуляторами (в запасной
системе). При торможении рабочей тормозной
системой сжатый воздух из управляющей
магистрали поступает к выводу IV (полость
А) и под его действием поршень 14 движется
вниз, закрывая выпускной клапан 12 и
открывая клапан 4. Сжатый воздух из
воздушного баллона через вывод /// и
открытый клапан 4 поступает в вывод / и
далее к тормозным камерам.
Тормозная система автомобилей МАЗ
Тормозная система автомобилей МАЗ
На автомобиле МАЗ-500 тормозная система с пневматическим приводом включает компрессор, предохранительный клапан, регулятор давления, воздушные баллоны, тормозной кран, тормозные камеры, колодочные тормоза передних и задних колес, манометры, кран и соединительную головку тормозного привода прицепа, кран 9 отбора воздуха и воздухопроводы.
Рис. 1. Схема тормозной системы с пневматическим приводом автомобиля МАЗ-500
Компрессор и предохранительный клапан имеют устройство и принцип действия в основном такие же, как устройство и принцип действия компрессора и предохранительного клапана автомобиля ЗИЛ-130.
Рекламные предложения на основе ваших интересов:
Дополнительные материалы по теме:
Регулятор давления диафрагменного типа поддеряшвает совместно с разгрузочным устройством компрессора необходимое давление в системе пневматического привода тормозов.
Между корпусом регулятора давления и прикрепленной к нему крышкой зажата гибкая диафрагма. К диафрагме присоединен с помощью гайки и шайб поршень, входящий в центральное сверление корпуса. В поршне имеются центральный и боковой каналы. Конец хвостовика поршня входит в нижнюю полость В корпуса и упирается в клапан, нагруженный пружиной, установленной под пробкой. Пробка имеет отверстие, сообщающее нижнюю полость В корпуса с атмосферой.
Полость Б в корпусе под поршнем сообщается через наклонный канал с каналом разгрузочного устройства компрессора, на котором закреплен регулятор давления.
Полость А под диафрагмой сообщается через отверстие с помощью штуцера и трубки с воздушным баллоном.
В крышке над диафрагмой установлены две пружины, опирающиеся на диафрагму через опорную шайбу. Пружины закреплены в крышке регулировочной пробкой, шплинтуемой в установленном положении. Полость
крышки сообщается с атмосферой через боковое отверстие.
При нормальном давлении воздуха в системе диафрагма под действием пружины опущена вниз.
Хвостовик поршня, надавливая на клапан, держит его в открытом положении, закрывая центральный канал поршня. При этом канал разгрузочного устройства компрессора через наклонный канал полости Б я В сообщен с атмосферой. Разгрузочное устройство выключено, и компрессор обеспечивает нагнетание воздуха в баллоны.
При повышении давления в системе до 7,0—7,5 кГ/см2 диафрагма выгибается вверх, преодолевая сопротивление пружин. При этом поршень поднимается вверх настолько, что клапан закрывается, изолируя полость Б от атмосферы и соединяя ее через центральный канал с полостью. Вследствие этого по наклонному каналу в разгрузочное устройство поступает сжатый воздух, приводя его в действие и выключая компрессор из работы. При падении давления в системе до 6,5—6,8 кГ/см2 диафрагма с поршнем вновь опускается вниз, соединяя через наклонный канал канал регулятора давления с атмосферой, выключая разгрузочное устройство и включая в работу компрессор.
Воздушные баллоны представляют собой стальные цилиндрические резервуары емкостью по 23 л каждый, укрепленные на лонжеронах рамы с обеих сторон автомобиля.
Для выпуска конденсата каждый баллон имеет спускной кран.
Тормозные камеры колесных тормозов имеют штампованные корпус с крышкой, гибкую диафрагму со штоком и отжимной пружиной. Крышка с корпусом и зажатой между ними диафрагмой скрепляются хомутом со стяжным болтом. К штуцеру в центре крышки присоединена трубка воздушной магистрали от тормозного крана. Тормозные камеры крепятся болтами на кронштейнах, прикрепленных к заднему мосту и к передней оси.
Колесные тормоза имеют двухреберные, штампованные, сварные колодки, к которым приклепано по две накладки из асбестовой массы. Колодки установлены в чугунном барабане, имеющем снаружи охлаждающие ребра и прикрепленном к ступице колеса.
Рис. 2. Регулятор давления тормозной системы автомобиля МАЗ-500
Одним концом колодки установлены шарнирно на пальце, а другим концом, снабженным роликом, прижаты к разжимному кулаку, имеющему рабочую поверхность, выполненную по спирали. Вал кулака установлен на втулках в трубчатом кронштейне, изготовленном как одно целое с кронштейном крепления тормозной камеры.
Рис. 3. Тормозная камера п колесные тормоза тормозной системы автомобиля МАЗ-500
В задних тормозах палец подвески колодок и трубчатый кронштейн вала кулака установлены в литом кронштейне, прикрепленном болтами к фланцу полуосевого рукава. В передних тормозах штампованный кронштейн прикреплен к тормозному щиту, который крепится к фланцу поворотного кулака.
Колодки стянуты пружинами и от боковых смещений фиксируются направляющими скобами, прикрепленными к тормозному щиту. На шлицах вала кулака закреплен рычаг, снабженный червячным регулирующим механизмом с фиксатором. Конец рычага соединен пальцем с вилкой штока тормозной камеры.
При поступлении сжатого воздуха в тормозную камеру диафрагма со штоком перемещаются, воздействуя на рычаг тормозного кулака, который прижимает тормозные колодки к барабану.
Регулировка колодочных тормозов производится в случае значительного увеличения хода штока тормозной камеры, который не должен превышать 40 мм, и осуществляется поворотом головок червяков регулирующего механизма рычагов.
Тормозной кран комбинированного типа обеспечивает управление тормозами автомобиля и прицепа.
Обе секции крана поршневого типа смонтированы в общем корпусе, изготовленном из алюминиевого сплава. Верхний кран служит для управления тормозной системой прицепа, а нижний — тормозной системой автомобиля.
В цилиндре тормозного крана автомобиля установлен поршень с уплотняющей резиновой манжетой, имеющей распорное пружинное кольцо. Поршень закреплен гайкой на полом штоке с конусной отжимной пружиной. Под штоком поршня в специальной камере корпуса расположен клапан, представляющий собой резиновую шайбу, укрепленную на металлической оправе. Пружина клапана установлена под пробкой, завернутой в корпус. Пружина прижимает клапан к штоку и кольцевому гнезду корпуса.
Цилиндр закрыт крышкой, прикрепленной к корпусу кранов. В крышке установлена тяга, соединенная ушком с нижним концом приводного рычага. На тяге установлена пружина, упирающаяся одним концом в гайку, навернутую на тягу, а другим — в штампованную втулку, установленную в выточке крышки.
Втулка удерживается в определенном положении концом винта, ввернутого в регулировочное режимное кольцо, установленное на выступе крышки, и направляющим штифтом.
Предельное перемещение тяги ограничивается стопорным кольцом. Снаружи на тяге и крышке закреплен защитный резиновый чехол.
Внутренняя полость нижнего цилиндра сообщается через канал и трубку с магистралью тормозов, а наружная полость через фильтр и канал сообщается с атмосферой. Полость, располагающаяся под клапаном, сообщается с воздушными баллонами через канал.
Тормозной кран прицепа, расположенный в верхней части корпуса, имеет «также поршень с уплотняющей манжетой и полым штоком и клапан с пружиной.
В крышке корпуса установлена трубка с гайкой и с упорной пластиной, нагруженная уравновешивающей пружиной, которая упирается в упорную гайку. Под действием пружины трубка с опорной пластиной упирается в шток поршня, перемещая его вправо. Перемещение трубки ограничивается винтом, завернутым в крышку.
В трубке установлена тяга с пружиной. Наружный конец тяги проходит через отверстие приводного рычага.
Внутренняя полость цилиндра тормозного крана прицепа через канал сообщается с соединительной магистралью прицепа, а наружная полость через отверстие в корпусе — с атмосферой. Полость, расположенная под клапаном, сообщена через канал и трубку с воздушными баллонами автомобиля. Ручной привод тормозного крана прицепа осуществляется при помощи рычага и кулачка.
Когда тормозная педаль не нажата, приводной рычаг не действует на тяги кранов. В этом положении рычага тяга нижнего крана под действием пружины передвигается влево до упора кольца в крышку, а поршень при помощи пружины отжимается влево до упора штока в тягу. При этом конец полого штока отходит от резиновой шайбы клапана, и клапан под действием пружины прижимается к гнезду корпуса. Доступ сжатого воздуха в магистраль тормозов и к тормозным камерам автомобиля закрывается, и магистраль сообщается с атмосферой через полый шток; при этом тормоза автомобиля отпущены.
Рис. 4. Схема работы тормозной системы автомобиля МАЗ-500
При отторможеииом положении рычага трубка верхнего крана под действием уравновешивающей пружины отжимается вправо. При этом упорная пластина трубки упирается в шток, перемещая его вместе с поршнем вправо. Конец штока прилегает к резиновой шайбе клапана, удерживая его в открытом полоясении. Вследствие этого сжатый воздух из баллонов автомобиля через открытый клапан и канал поступает в соединительную магистраль тормозной системы прицепа и в ней поддерживается необходимое давление (в пределах 4,8—5,3 кГ/см2). Это давление зависит от затяжки уравновешивающей пружины и поддерживается автоматически.
В том случае, когда давление в магистрали будет превышать необходимую величину, поршень крана под действием избыточного давления переместится влево, сжимая уравновешивающую пружину. Шток поршня при этом отойдет от клапана, и клапан прижмется к седлу корпуса, вследствие чего соединительная магистраль прицепа отъединится от баллонов автомобиля.
Под действием давления в соединительной магистрали поршень воздухораспределительного клапана прицепа опустится вниз, пропуская воздух в баллон 45 прицепа. При опущенном поршне клапан устанавливается в такое положение, при котором тормозные камеры тормозов прицепа разобщены с баллоном и сообщены с атмосферой, поэтому торможения прицепа не происходит.
При нажатии на тормозную педаль приводной рычаг кранов поворачивается до упора в шайбу верхней тяги и, перемещая эту тягу вперед, сяшмает пружину 6 тяги и уравновешивающую пружину. Нижним концом рычаг при этом перемещает тягу нижнего крана назад, сжимая пружину тяги.
Тяга нижнего крана передвигает поршень со штоком вправо. Шток упирается концом в резиновую шайбу клапана и перемещает клапан вправо. При этом внутренняя полость цилиндра и магистраль тормозов автомобиля сначала Отсоединяются от атмосферы, а затем соединяются с баллонами, в результате чего сжатый воздух поступает в тормозные камеры тормозов автомобиля, и тормоза начинают действовать.
Для каждого положения тормозной педали рычаг устанавливается в такое положение, что давление пружины верхней тяги и давление пружины нижней тяги уравновешиваются. При этом давление в магистрали тормозов автомобиля устанавливается таким, при котором сила торможения пропорциональна усилию, приложенному к педали.
В том случае, когда для данного положения педали давление воздуха в магистрали начинает возрастать, поршень крана под действием избыточного давления воздуха переместится влево, поворачивая рычаг вокруг верхнего шарнира и сжимая пружину 6 верхней тяги. При этом шток поршня отойдет влево, и клапан прижмется к седлу корпуса, вследствие чего доступ сжатого воздуха в магистраль тормозов прекратится.
При повороте рычага тяга верхнего крана переместится влево вместе с трубкой, сжимая уравновешивающую пружину. При этом поршень со штоком также переместится влево, а конец штока отойдет от резиновой шайбы клапана, и клапан прижмется пружиной к седлу корпуса. Тогда внутренняя полость цилиндра и соединительная магистраль тормозной системы прицепа будут сообщены с атмосферой, а доступ сжатого воздуха к ним прекращается.
При падении давления в соединительной магистрали прицепа поршень воздухораспределительного клапана прицепа под действием пружины и давления воздуха из балона переместится вверх, и клапан установится в такое положение, при котором тормозные камеры тормозов прицепа будут разобщены с атмосферой и соединены с баллоном, вследствие чего в тормозные камеры поступит сжатый воздух, и прицеп затормозится. Одновременность торможения автомобиля-тягача и прицепа регулируют изменением положения режимного кольца крана.
Режимное кольцо можно устанавливать в три положения, определяемые метками Р, II и П, соответствующими раннему, нормальному и позднему торможению прицепа. При езде с ненагруженными прицепами режимное кольцо должно быть установлено в положение П. В этом случае торможение прицепа имеет наименьшее опережение по отношению к тягачу.
При работе с тяжелыми гружеными прицепами и большом весе автопоезда кольцо необходимо устанавливать в положение Р. При этом опережение торможения прицепа по отношению к тягачу будет наибольшим, чем устраняется возможность набегания прицепов на тягач при торможении.
При средней нагрузке прицепов в нормальных условиях работы режимное кольцо устанавливают в положение Н.
Необходимо периодически проверять величину оттормаживающего давления в магистрали прицепа. Давление должно быть равно 4,8—5,3 кГ1см2 при давлении воздуха в баллонах автомобиля 6,0—7,0 кГ /см2. Величину оттормаживающего давления регулируют величиной затяжки уравновешивающей пружины 8 крана прицепа путем вращения гайки тяги при вывернутом стопорном винте 3 трубки тяги. При этом необходимо проверять ход и положение педали тормоза.
В отторможенном положении расстояние от площадки педали до ее оси по горизонтали должно быть равно 100—110 мм, холостой ход педали 14—16 мм и полный ход 170 мм. Регулировку педали производят двумя регулировочными болтами кронштейна педали и тягой от педали к крану.
Ручной центральный тормоз барабанно-колодочного типа расположен на заднем мосту автомобиля и управляется рукояткой, находящейся под щитком в кабине.
Тормозной чугунный барабан (рис.
440) закреплен на фланце заднего шарнира карданной передачи. В барабане установлены две штампованные сварные колодки с приклепанными накладками. Одним концом колодки установлены на пальце, закрепленном в кронштейне тормозного щита, который прикреплен к картеру главной передачи заднего моста. Другим концом, снабженным роликом, колодки прижаты с помощью двух Стяжных йружин к разжимному кулаку, вал которого установлен в кронштейне тормозного щита. От боковых смещений колодки фиксируются скобками, закрепленными на щите.
Рычаг 10 вала кулака с помощью тросов, тяги и промежуточного рычага соединен с вытяжной рукояткой, которая установлена в кронштейне под щитком кабины и снабжена стопорной защелкой. Тяга через коромысло и тягу соединена с рычагом крана пневматического привода тормозов прицепа. При торможении автомобиля ручным тормозом также включаются тормоза прицепа.
Регулировка ручного тормоза осуществляется регулировочными наконечниками соединений тяг и перестановкой рычага на валу разжимного кулака.
На автомобиле МАЗ-200 тормозная система с колесными тормозами и пневматическим приводом от ножной педали имеет в основном устройство и принцип действия, аналогичное устройству и принципу действия тормозной системы автомобиля МАЗ-500. Имеются некоторые отличия в конструкции тормозных камер и колесных тормозов.
В тормозных камерах крышка крепится к корпусу вместе с диафрагмой болтами. В камере установлено две пружины.
Колесные тормоза с колодкам, расположенными внутри тормозного барабана, установлены на бронзовых втулках на пальцах, закрепленных в кронштейне. Между концами колодок входит тормозной кулак, имеющий рабочую поверхность, выполненную по спирали. Колодки стянуты пружинами. Вал тормозного кулака установлен на бронзовых втулках в кронштейне крепления тормозной камеры и в кронштейне тормозного щита. Рычаг вала соединен с вилкой штока тормозной камеры и имеет червячный регулирующий механизм.
Рис. 5. Ручной центральный тормоз автомобиля МАЗ-500
Ручной тормоз — трансмиссионный, барабанно-ленточного типа.
На конце вторичного вала коробки передач закреплен тормозной барабан, охватываемый стальной лентой с приклепанной к ней накладкой.
К средней части ленты приклепано ушко, которым лента установлена на выступе кронштейна, закрепленного на картере коробки передач, В ушко ввернут регулировочный винт и поставлена пружина, оттягивающая среднюю часть ленты от тормозного барабана в отторможенном ее состоянии, К концам ленты приклепаны кронштейны, соединяемые тягой. Тяга установлена в выступе опорного кронштейна тормоза. С обеих сторон выступа на тяге поставлены разжимные пружины, обеспечивающие отвод ленты от барабана в расторможенном состоянии. Предельное перемещение нижнего конца ленты при этом ограничивается регулировочным болтом, также установленным в опорном кронштейне.
Рис. 6. Тормозная камера и колесный тормоз автомобиля МАЗ-200
Рис. 7. Ручной трансмиссионный тормоз автомобиля МАЗ-200
На нижнем конце тяги имеется пружина, закрепленная гайкой с контргайкой.
Ушко тяги при помощи пальца соединено с нажимным кулаком. Концы пальца установлены в двух планках, соединенных шарнирно на пальце с опорным кронштейном. Рычаг нажимного кулака с помощью промежуточных тяг и валиков с рычагами соединен с ручным рычагом, расположенным в кабине.
При отпущенном ручном рычаге лента отводится от поверхности барабана пружинами. При перемещении ручного рычага нажимной кулак поворачивается и, нажимая на кронштейн верхнего конца ленты и поднимая через тягу нижний конец ленты, стягивает ее на тормозном барабане, затормаживая его.
Регулировка зазора между лентой и барабаном в отторможенном состоянии производится в средней части винтом, у нижнего конца — болтом и у верхнего конца — подвертыванием гайки тяги.
При торможении автомобиля на стоянке ручным тормозом торможение прицепа обеспечивается с помощью пневматического привода от тормозного крана.
Тормозная система МАЗ 5340M4, 5550M4, 6312М4 (Mercedes, Евро-6).
Тормозная система МАЗ 5340M4, 5550M4, 6312М4 (Mercedes, Евро-6).
Обзор.
Автомобиль оборудован рабочей, стояночной, запасной и вспомогательной тормозными системами, а также приборами для подключения тормозной системы полуприцепа с двухпроводным пневматическим приводом и выводами для питания других потребителей сжатым воздухом.
Рабочая тормозная система является основной и предназначена для замедления и остановки транспортного средства во время движения. В приводе тормозных механизмов установлены электропневматические модуляторы давления антиблокировочной системы (АБС) тормозов. Совместно с системой АБС устанавливается противобуксовочная система (ПБС).
Стояночная тормозная система предназначена для предотвращения самопроизвольного движения автомобиля во время стоянки на неограниченное время.
Запасная тормозная система предназначена для торможения автомобиля в случае полного или частичного отказа рабочей тормозной системы. Ее функции выполняет исправный рабочий контур или стояночная тормозная система.
При отсутствии сжатого воздуха в рабочей тормозной системе энергоаккумуляторы стояночной системы не срабатывают, пока не будет включен стояночный тормоз с помощью рычага управления в кабине водителя.
Вспомогательная тормозная система предназначена для притормаживания автомобиля на затяжных спусках горных дорог.
Запрещается!
Движение автомобиля при давлении воздуха в контурах пневматического привода тормозов ниже 0,55 МПа, т.е. индикаторы аварийного давления воздуха в этих контурах должны погаснуть, см. далее.
Номинальное давление в контурах системы 0,65 -0,85 Мпа.
- Схемы тормозных систем МАЗ 5340M4, 5550M4, 6312М4 (Mercedes, Евро-6).
- Противобуксовочная система ведущих колес (ПБС) МАЗ 5340M4, 5550M4, 6312М4 (Mercedes, Евро-6).
- Схема АБС МАЗ 5340M4, 5550M4, 6312М4 (Mercedes, Евро-6).
- Символы выключателей и контрольных индикаторов МАЗ 5340M4, 5550M4, 6312М4 (Mercedes, Евро-6).
- Схемы МАЗ 5340M4, 5550M4, 6312М4 (Mercedes, Евро-6).

Индикация тормозной системы.
1 – Главный (аварийный) сигнализатор.
2 – Контрольный индикатор неисправности тормозной системы.
3 – Указатель давления в заднем контуре пневмопривода тормозов
4 – Указатель давления в переднем контуре пневмопривода тормозов.
5 – Контрольный индикатор аварийного давления воздуха в заднем контуре.
6 – Контрольный индикатор аварийного давления воздуха в переднем контуре.
Указатели 3 и 4 показывают давление сжатого воздуха в переднем и заднем контурах в данный момент времени:
- Стрелка в зоне красных делений – давление в системе (ресиверах) ниже, загораются контрольные индикаторы 1, 2, 5 и/или 6.
- Стрелка в зоне белых делений – давление в системе нормальное.
Внимание!
Трогаться с места разрешается только, если лампы 1, 2 погасли.
Рабочая тормозная система.
Рабочая тормозная система воздействует на тормозные механизмы всех колес автомобиля, управление которой осуществляется нажатием на педаль 1. Чем сильнее нажатие, тем интенсивнее торможение.
Привод механизмов пневматический с раздельным торможением передних и задних колес.
При торможении автомобиля-тягача рабочей системой происходит одновременное торможение полуприцепа (прицепа).
Для предупреждения преждевременного выхода из строя регулятора давления с адсорбером следует тщательно следить за герметичностью пневматических систем автомобиля.
Стояночная и запасная тормозные системы.
Стояночная тормозная система совмещена с запасной и воздействует на тормозные механизмы заднего моста с помощью пружинных энергоаккумуляторов. При выпуске воздуха из энергоаккумулятора тормозные механизмы затормаживаются усилиями пружин.
Управление системами осуществляется рычагом 1 в кабине водителя.
При торможении автомобиля-тягача стояночной (запасной) системой происходит одновременное торможение полуприцепа (прицепа).
Внимание!
После остановки всегда следует установить автомобиль на стояночный тормоз! При необходимости следует дополнительно предохранить автомобиль от скатывания противооткатными упорами.
Постановка автомобиля на стояночный тормоз.
- Рычаг управления 1 перевести вниз до его фиксации (положение III). Загорается индикатор 3.
Контроль фиксации рычага.
- Перевести рычаг вверх не вытягивая фиксатора рычага 2. Рычаг должен остаться на месте.
Внимание!
Контроль фиксации рычага в положении III обязателен.
Растормаживание стояночного тормоза.
- Потянуть за фиксатор 2 к рукоятке рычага и перевести рычаг вверх из положения III в положение II, далее рычаг вернется в положение I автоматически.
Индикатор 3 выключается.
Контрольная проверка удержания автопоезда на уклоне.
- Установить рукоятку 1 в положение III, как описано выше
- В этом положении утопить рукоятку по направлению стрелки и перевести ее в положение IV.
- После этого автопоезд не должен трогаться на уклоне.
- Если происходит движение автопоезда, то следует установить дополнительные упоры под колеса автомобиля и полуприцепа и провести проверку, как описано выше. Если данные действия не привели к положительному результату, следует искать другое место стоянки.
Стояночный тормоз в режиме запасной тормозной системы.
Данный режим применяется в случае полного или частичного отказа рабочей тормозной системы.
- Рычаг управления 1 нажать и удерживать в любом промежуточном нефиксированном положении от I до II.
С увеличением угла поворота рычага интенсивность торможения увеличивается. Индикатор 3 светится весь период торможения. - При отпускании рычага, он автоматически возвращается в положение I. Индикатор 3 выключается.
Вспомогательная тормозная система.
Вспомогательная тормозная система (тормоз-замедлитель или моторный тормоз) включает в себя заслонку моторного тормоза, установленную на выходе из турбонагнетателя
Внимание!
Включайте моторный тормоз на скользкой или обледенелой дороге из-за возможности заноса или скольжения.
Включение.
- Нажать и удерживать левой ногой выключатель 1. Замедление автомобиля обеспечивается в течение всего периода удержания выключателя.
Подача топлива в двигатель при включённом моторном тормозе не производится. С целью предотвращения непроизвольной остановки двигателя, при частоте вращения ниже 1100 об/мин, моторный тормоз отключается автоматически.
Использование при торможении моторного тормоза, в зависимости от погодных условий и загрузки автомобиля, предотвращает быстрый износ колесных тормозных накладок.
Противооткатные упоры.
Извлечение / фиксирование для металлических упоров.
- Поднять фиксатор 2 вверх до выхода из зацепления и отпустить его, повернув на 180 °.
- Извлечь противооткатный упор 1 из скобы 3.
- Фиксирование упора произвести в обратном порядке.
Использование.
- Упоры установить под колеса 4 с накатной стороны автомобиля.
Внимание!
При использовании пластмассового упора следует контролировать состояние элемента противоскольжения (пластины) и его крепления. При износе зацепов пластины до 2 мм (мах) пластину следует заменить.
Аварийное растормаживание тормозного цилиндра с пружинным энергоаккумулятором.
Для обеспечения буксирования неисправного автомобиля без подачи воздуха в его тормозную систему следует вывернуть упорные болты 1 толкателей из цилиндров энергоаккумуляторов (см.мост автомобиля).
Антиблокировочная система тормозов (АБС – ABS).
Обзор.
ABS тормозов предупреждает блокирование колес автомобиля при торможении, обеспечивая тем самым управляемость и курсовую устойчивость автомобиля до его полной остановки. Для обеспечения минимального тормозного пути следует независимо от состояния дороги полностью выжать педаль тормоза.
В зависимости от комплектации автомобиля система ABS может иметь дополнительные функции:
- ASR – контроль тягового усилия.
- EBL – электронный регулятор тормозных сил, предназначен для автоматического регулирования тормозных усилий в зависимости от перераспределения нагрузки между мостами и интенсивности торможения автомобиля.
- ESC – функция обеспечения устойчивости автомобиля, состоящая из двух подфункций:
- Контроль траектории движения – функция, обеспечивающая, с учетом физических возможностей по сцеплению с дорогой, сохранение выбранной водителем траектории движения автомобиля при недостаточной или избыточной поворачиваемости по средствам селективного затормаживания колес.
В случае автопоезда функция помогает сохранять траекторию движения прицепа в зависимости от траектории движения тягача; - Противоопрокидывание автомобиля – функция, минимизирующая возможность опрокидывания автомобиля и обеспечивающая устойчивость одиночного транспортного средства или автопоезда, с учетом предельных физических возможностей по сцеплению с дорогой. При возникновении угрозы опрокидывания система автоматически произведет торможение автомобиля (автопоезда) до безопасной скорости движения.
В виду того, что дополнительные функции ASR, EBL, ESC реализованы на базе системы ABS, неисправности ABS ограничивают или прерывают работу всех функций.
Особенности эксплуатации автомобиля с АБС.
- АБС тормозов не действует при скоростях ниже 7-10 км/ч.
- Включение межосевых и межколесных дифференциалов накладывает ограничения на работоспособность АБС.
- При срабатывании АБС тормозов:
- Модуляторы стравливают воздух.

- Тормоз-замедлитель или моторный тормоз автоматически отключается.
- АБС тормозов не компенсирует, уменьшением тормозного пути, ошибки в управлении автомобилем (например, слишком малая дистанция до впереди идущего автомобиля, скорость, несоответствующая условиям движения, или чрезмерная скорость при движении по кривой).
- АБС имеет встроенную систему контроля и диагностики, постоянно (при включении питания и в процессе движения) контролирующую исправность элементов системы и электрических цепей, и поэтому не требует специального обслуживания.
Диагностика системы ABS проводится по CAN-шине, через разъем диагностический OBD2 (слева внизу от водителя).
Для предотвращения негативных последствий коррозии в модуляторах ABS рекомендуется периодически продувать их во время статического теста системы. Для этого следует выжать педаль тормоза и включить замок зажигания в положение «приборы». Система произведет кратковременный сброс воздуха через модуляторы.
Органы управления и контроля АБС.
1 – Индикатор сигнализирующий о неисправности АБС тягача.
2 – Индикатор сигнализирующие о неисправности АБС прицепа/полуприцепа.
3 – Индикатор неисправности соединения с АБС прицепа.
4 – Переключатель режимов работы АБС.
5 – Индикатор сигнализирующие о неисправности ESP.
6 – Индикатор срабатывания замедлителя.
Внимание!
Включение индикаторов 1, 2, 3 сигнализирует о неисправности или отключении АБС, что приводит к изменению поведения автомобиля при торможении. Поэтому следует соблюдать осторожность в управлении автомобилем, т.к. при торможении колеса могут быть заблокированы, а эффективность торможения снижена.
Контроль работоспособности АБС тягача после включения зажигания.
Внимание!
Если после включения зажигания, в положение “ПРИБОРЫ”, индикатор 1 не светится, то он не исправен.
- Перед включением зажигания, внешним осмотром убедиться в надежности подключения устройств коммутации (кабелей, разъемов), сигнализации, датчиков и электроклапанов.
- После включения зажигания в положение “ПРИБОРЫ”, включается индикатор 1.
- Если АБС исправна, индикатор 1 отключается через 2 – 3 с. Если нет – светится постоянно.
- Запустить двигатель и довести давление в контурах до нормы, 690 – 820 кПа. Нажать педаль тормоза. При этом должны срабатывать тормозные механизмы (см. “Схема принципиальная тормозного привода”), утечки воздуха в системе должны отсутствовать.
- Начать движение.
- После устранения ошибок в системе АБС, ее переконфигурации или при первоначальной установке АБС, индикатор 1 перестает светиться только при скорости движения автомобиля выше 7-10 км/ч.
При возникновении временной неисправности в системе – пониженное напряжение, сбой в цепи питания и т.д., признаки которых затем исчезают, электронный блок записывает данную ошибку в память и при повторном включении питания (замка зажигания в положение “ПРИБОРЫ”), переводит данную ошибку в разряд «пассивных», выключая в начале движения индикатор 1
При возникновении постоянной, активной, неисправности в системе – электрических цепях одного из элементов (датчиков, модуляторов и т.
д.), или контуров управления, электронный блок отключает питание соответствующих модуляторов и тормозная система (или нерегулируемый контур АБС тормозной системы) работает как обычно (от тормозного крана), а ошибка (вид и место неисправности) автоматически записывается в энергонезависимую память блока
Если при повторном включении питания и скорости движения выше 7-10 км/ч индикатор не гаснет, то следует проверить установку датчиков в колесных узлах, провести контрольную проверку системы с анализом возможных неисправностей или обратиться на сервисную станцию для устранения неисправности.
Режимы АБС.
- Основной режим – переключатель 4 не нажат. Применяется для асфальтобетонных покрытий.
- Внедорожный режим – переключатель 4 нажат, АБС допускает частичную блокировку колес. Используется при торможении в горной местности (при спуске с горы), на дороге покрытой гравием или рыхлым снегом.
Проверка режимов работы АБС тягача, эффективности торможения.
Проверка эффективности торможения производиться перед выездом после длительной стоянки автомобиля, замены тормозных накладок или ремонта тормозной системы:
Основной режим.
- Привести автомобиль в движение, см выше.
- Переключатель 4 не нажат.
- Автомобиль разогнать до скорости 35 – 45 км/ч и произвести резкое торможение на покрытии с высоким (асфальт) и низким коэффициентом сцепления (мокрый асфальтобетон, снег, лед).
- Колеса блокироваться не должны (допускается кратковременная блокировка при скорости ниже 15 км/ч).
- Замедление автомобиля должно происходить с предписанной эффективностью (на сухом асфальте 5 м/с2).
- В режиме циклического сброса сжатого воздуха из тормозных камер должен быть слышен характерный звук работы модуляторов (см. “Схемы тормозных систем”).
- После торможения получить информацию об эффективности торможения.
- При повторном включении в положение «приборы», индикатор 1 должен работать в штатном режиме.

Внедорожный режим.
- Проверка аналогична проверке основного режима, но с нажатым переключателем 4. При этом индикатор 1 горит постоянно, а система АБС работает с кратковременной блокировкой колес.
Внимание!
Внедорожный режим включается на время проверки или при движении по дорожному покрытию отличному от асфальтобетона. В иных случаях данный режим должен быть выключен.
Контроль работоспособности АБС прицепа/полуприцепа после включения зажигания в положение “ПРИБОРЫ” (при оснащении).
Внимание!
Если после включения зажигания в положение “ПРИБОРЫ” индикаторы 2 и/или 3 не светятся, то они не исправны.
- После включения зажигания загорается индикатор 2.
- Если АБС прицепа/полуприцепа исправна, то индикатор 2 отключается при движении со скоростью более 7 км/ч.
- Если индикатор 2 светится постоянно, то АБС прицепа/полуприцепа неисправна и для ее проверки следует обратиться на СТО МАЗ.

Контроль подключения АБС прицепа / полуприцепа.
- Если АБС прицепа/полуприцепа подключена к автомобилю, то после включения зажигания в положение “ПРИБОРЫ” индикатор 3 отключается примерно через 4 сек.
- Если АБС прицепа/полуприцепа не подключена к автомобилю, то индикатор 3 светится постоянно. Следует проверить соединение АБС с тягачом прицепа/полуприцепа.
- Если буксируемый прицеп/полуприцеп не оснащен АБС, то индикатор светится постоянно.
Внимание!
Прицеп/полуприцеп, без АБС, тормозит обычным способом. Поэтому колеса прицепа/полуприцепа могут быть заблокированы во время торможения.
Функция обеспечения устойчивости автомобиля (ESC).
- После включения зажигания в положение “ПРИБОРЫ”, включается индикатор 5.
- Если ESC исправна, индикатор 5 отключается после превышения скорости в 7 км/ч.
Если нет – светится постоянно. - В случае срабатывания ESP индикатор 5 мигает в течение всего времени работы функции.
- Для торможения ESC может использовать моторный тормоз или ретардер. В данном случае будет загораться индикатор 6 тормоза замедлителя.
Внимание!
На автомобилях с ESC в пневмосистеме тормозов могут использоваться трассы пневмотрубок в виде петли, наличие которых обусловлено требованиями функции обеспечения устойчивости. При плановом обслуживании и ремонте не допускается изменение длин, сечений и трасс укладки пневмотрубок тормозов. Регулирование тормозных механизмов должно осуществляться строго на СТО «МАЗ». Не соблюдение данных требований приводит к ухудшению устойчивости и управляемости автомобиля.
Поделиться ссылкой:
Принцип работы тормозной системы в МАЗ
Тормозная система МАЗ выступает в качестве основной составляющей транспортного средства. В случае выявления в ней определенных неисправностей водитель теряет уверенность в собственной безопасности.
В подобном случае не следует пренебрегать ремонтом и как можно быстрее обратиться за помощью к специалисту.
Тягачи модели МАЗ пользуются большой популярностью у автолюбителей благодаря своей надежности и приемлемой стоимости. Это автотранспортное средство изготавливается на специализированном заводе города Минск с 1988 года.
Автомобиль отличается большой кабиной и легкостью управления. В салоне есть два удобных мягких кресла. В случае необходимости кабину можно откинуть в заднее положение благодаря наличию гидроцилиндра, который включается ручным путем. Автотехника отличается повышенной надежностью, выносливостью особенно во время перевозки крупногабаритных грузов на дальние расстояния.
Тормозная система МАЗ выступает в качестве основной составляющей транспортного средства. В случае выявления в ней определенных неисправностей водитель теряет уверенность в собственной безопасности. В подобном случае не следует пренебрегать ремонтом и как можно быстрее обратиться за помощью к специалисту.
В автомобилях марки МАЗ присутствует одновременно четыре системы, которые достаточно тесно между собой переплетены. Среди них следует отметить:
- Рабочую.
- Запасную систему (включается в работу после поломки первой).
- Стояночную систему (в случае с ее поломкой транспортное средство не будет стоять на одном месте и возникнут проблемы с парковкой).
- Вспомогательную (глушит мотор).
Содержание
- Виды системы
- Вспомогательное торможение
- Механизмы тормозов
- Ручник
- Обслуживание тормозной системы
Виды системы
Кроме этого, необходимо также упомянуть и о наличии тормозной системы для полуприцепа, которая оснащается специальными пневматическими приводами, предназначенными для работы прочих систем, работающих на сжатом воздухе.
Их преимуществом является то, что она останавливает все имеющиеся колеса МАЗ. Наличие пневматического привода с раздельным торможением дает возможность остановить пару передних и задних колес.
Основная функция запасных тормозов и стояночных заключается во влиянии на механизмы мостов, срабатывающие в результате воздействия напружинных энергоаккумуляторов и камер, которые включаются водителем транспортного средства при помощи специального крана, расположенного в кабине.
Стояночная система остановки считается дополнительной, и ее используют в крайнем случае к примеру, когда не срабатывают или отказывают по ряду причин рабочие тормоза. Во время ее задействования необходимо рукоятку крана расположить таким образом, чтобы она находилась в крайнем положении.
Воздух, сжимающий пружины, поступает в атмосферу, и начинают работать другие механизмы, которые и включают ручник. В то время, когда включается запасная система торможения, рукоятка управляющего крана должна находиться посредине, дополнительные усилия по ее перемещению предпринимать не нужно. Важно знать, что в случае с увеличением оборотности рукоятки сила торможения возрастает благодаря уменьшению воздуха, влияющего на пружины.
Вспомогательное торможение
Подобный вид системы работает благодаря задействованию газов, попадающих в автомобильную систему. Ее основная функция состоит в том, чтобы останавливать и удерживать МАЗ на крутых дорогах.
Она совмещается со стояночной для большего удобства и дополнительной надежности. Вспомогательный тормоз – это специальный замедлитель для моторопневматического типа. Полуприцепный привод притормаживания сооружен из элементов двух- и одного проводов. В зимнее время можно столкнуться с тем, что происходит заморозка конденсата, особенно это относиться к крупногабаритным транспортным средства, таким как МАЗ, но и здесь разработчики все продумали и обезопасили автомобиль, внедрив предохранитель, который устраняет подобную проблему.
В транспортном средстве также присутствует установка, позволяющая уменьшать движение на трассе. Она состоит из специального цилиндра и клапанной системы. Ко всему этому присоединяется противобуксовочная связь. Для включения необходимо воспользоваться специальной кнопкой.
Противобуксовочная и система ограничения скорости помогают в подаче сжатого воздуха, который поступает благодаря пропорциональному клапану. Важно учитывать, что во время одновременного торможения МАЗ также останавливается и полуприцеп, ведь эти системы взаимосвязаны.
Механизмы тормозов
Все модели МАЗ имеют барабанные механизмы, в диаметре составляющие 42 сантиметра, ширина которых равна шестнадцать сантиметров. Кроме этого, система имеет еще и двухконтурный пневмопривод. Камеры тормозов, которые находятся в задней части тягача, имеют энергоаккумуляторы пружинного вида.
Ручник
Тормозной кран – специальный привод, который необходим для того, чтобы подавать воздух в камеры и воздействовать на педаль остановки. К примеру, МАЗ-500А имеет комбинирований кран, который работает одновременно с прицепом и помогает в его торможении. Такой кран оснащён двумя цилиндрами. Первый необходим для того, чтобы управлять тормозами для прицепа, второй помогает в торможении самого грузового автомобиля.
Системы привода остановки на прицеп имеет определенные особенности, которые заключаются в том, в момент увеличения давления до граничной отметки в 0,48-0,53 МПа происходит растормаживание колес, во время его уменьшения, наоборот, затормаживание.
Тормозной кран оснащен цилиндрами, в которых находятся проштампованные поршни, окруженные манжетами из резины, расположенные на шпоках. Сзади кранового корпуса находятся резиновые клапаны, которые выполняют двойную работу.
Автовладелец должен знать, что для того, чтобы прицеп не наехал на транспортное средство или не занесло задний мост прицепа, и в результате МАЗ не сложился пополам, важно следить за правильным торможением колес прицепа, а потом уже автомобиля. В подобном случае рекомендуется для изменения величины опережения акцентировать внимание на прицепные тормоза и при помощи режимного кольца произвести регулирование натяжения.
Во время работы режимного кольца посредством болта через регулировочную втулку можно получить осевое перемещение.
Подобные действия изменяют пружинное натяжение и втулка послабляется.
Во время выбора режимного кольца и пружин необходимо установить взаимосвязь и привести в норму давление в камерах тормозов транспортного средства. Постоянные значения в полостях с течением времени меняются, секции в кране перемещаются во время изменения педали тормоза, то есть после его перестановки с одного положения в другое, но, несмотря на все это, соотношение остается в неизменном виде.
Во время остановки транспортного средства происходит передача усилия от стояночного рычага в район верхнего цилиндрического поршня, прицеп притормаживает точно таким же образом, как и в момент педального нажатия. Автовладельцы должны помнить о том, что полуприцепы и прицепы могут быть оснащены воздушным ресивером, с помощью которого происходит поступление сжатого воздуха в автомобильные магистрали. Не менее важная деталь: прицеп имеет установленный воздухораспределитель, а кран, отвечающий за торможение, имеет тесную взаимосвязь с воздухораспределителем на нем.
Обслуживание тормозной системы
Каждый владелец МАЗ должен знать некоторые основные правила внесезонного обслуживания своего транспортного средства, чтобы предотвратить замерзание отдельных его частей и механизмов, речь пойдет о пневматическом приводе.
- Нужно хорошо продувать водоотделитель, чтобы в нем не замерзала жидкость.
- Тщательно чистить отстойник водоотделителя и противозамерзателя, в который необходимо залить немного спирта.
- Не забыть поставить ручку противозамерзателя вверх.
Привод тормозов грузового транспортного средства не подвергается постоянному обслуживанию или регулированию, но при появлении малейшей неисправности его необходимо срочно заменять, дефекты устранить и сделать это не самостоятельно, а под контролем специалиста. В противном случае при неправильной установке или ошибке на дороге может возникнуть аварийная ситуация, последствия которой будут плачевными. Важно в профилактических целях отправляться в автосалон для того, чтобы провести проверку диагностику всей сложной системы МАЗ.
Особенности тормозной системы МАЗа
Автомобили оборудованы рабочей, стояночной, запасной и вспомогательной тормозными системами, а также приборами для подключения тормозной системы полуприцепа с двухпроводным пневматическим приводом и выводами для питания других потребителей сжатым воздухом
Рабочая тормозная система воздействует на тормозные механизмы всех колес автомобиля.
Привод механизмов пневматический с раздельным торможением передних и задних колес.
В приводе тормозных механизмов могут быть установлены электропневматические модуляторы давления антиблокировочной системы (АБС) тормозов.
Стояночная и запасная тормозные системы воздействуют на тормозные механизмы среднего и заднего мостов,
которые приводятся в действие с помощью тормозных камер с пружинными энергоаккумуляторами (рис. 1, 2). Управление осуществляется с помощью крана в кабине водителя.
Стояночная тормозная система выполняет также функции запасной.
Она предназначена для торможения автомобиля в случае полного или частичного отказа рабочей тормозной системы.
При включении стояночной тормозной системы рукоятка крана управления устанавливается (поворотом) в крайнее фиксированное положение.
Сжатый воздух, сжимающий силовые пружины энергоаккумуляторов, выходит в атмосферу, и пружина приводит в действие тормозные механизмы.
При включении запасной тормозной системы рукоятка крана управления стояночным тормозом удерживается в любом промежуточном нефиксированном положении.
С увеличением угла поворота рукоятки интенсивность торможения увеличивается за счет снижения давления воздуха, сжимающего пружины энергоаккумуляторов.
Стояночная тормозная система автомобилей МАЗ-631705, 631708, 642505, 642508, 533605 может быть выполнена в двух вариантах:
1) Стояночная тормозная система воздействует на тормозные механизмы среднего и заднего мостов, которые приводятся в действие с помощью тормозных камер с пружинными энергоаккумуляторами.
Управление осуществляется с помощью крана в кабине водителя.
Эта же система выполняет функции запасной. Она предназначена для торможения автомобиля в случае полного или частичного отказа рабочей тормозной системы.
При включении запасной тормозной системы рукоятка крана управления стояночным тормозом удерживается водителем в любом промежуточном нефиксированном положении.
С увеличением угла поворота рукоятки интенсивность торможения увеличивается.
2) Стояночная система состоит из двух независимых систем: основной, действующей через трансмиссию на колеса среднего и заднего мостов автомобиля, и дополнительной, действующей на колеса заднего мост и управляющей тормозами прицепа.
Основная стояночная тормозная система включает в себя барабанный тормоз (рис. 3), установленный на выходном валу раздаточной коробки в приводе среднего и заднего мостов, и механический, многоходовой с ручным управлением тормозной привод (рис. 4).
Дополнительная стояночная тормозная систем включает в себя рабочие тормоза заднего моста автомобиля, контур привода тормозов прицепа и тормозов заднего моста автомобиля и кран с ручным управлением.
Кран имеет следящее действие по углу поворота рукоятки, что позволяет регулировать интенсивность торможения при использовании данной тормозной системы в качестве запасной.
Дополнительная стояночная тормозная система используется для кратковременного торможения автопоезда совместно с основной тормозной системой на дорогах с уклоном более 12 %.
Вспомогательная тормозная система воздействует на трансмиссию автомобиля путем создания противодавления в системе выпуска газов с помощью дроссельной заслонки с пневматическим приводом.
Она предназначена для притормаживания автомобиля на затяжных спусках горных дорог. При повороте заслонки одновременно отключается подача топлива.
При торможении автомобиля-тягача рабочей или стояночной (запасной) системами происходит одновременное торможение полуприцепа.
Воздушные баллоны пневмосистемы не заполняются или заполняются медленно (регулятор давления не срабатывает):
- Пневмосистема имеет значительную утечку сжатого воздуха.
Повреждены шланги и трубопроводы. недостаточная затяжка мест соединений, трубопроводов, шлангов, соединений и переходной арматуры — Замените шланги и трубопроводы. Подтяните места соединений. Неисправные детали соединений и уплотнений замените - Недостаточная затяжка корпусных деталей аппаратов. Корпусные детали аппаратов негерметичны из-за некачественного литья — Подтяните крепление корпусных деталей. Замените аппарат
- Неисправен аппарат. Утечка происходит через атмосферный вывод аппарата — Замените аппарат
- Негерметичен воздушный баллон — Замените баллон
- Замерз или засорен осушительный патрон осушителя воздуха — Проверьте выход воздуха из вывода 21. При неисправности отогрейте патрон горячей водой
- Постоянный выпуск воздуха через выпускное окно осушителя сжатого воздуха (в зимнее время) — См. описание осушителя
Воздушные баллоны пневмосистемы не заполняются (регулятор давления срабатывает):
- Неправильно отрегулирован регулятор давления — Отрегулируйте регулятор давления регулировочным винтом, при необходимости замените регулятор давления
- Наличие изломов и смятии трубопроводов — Замените трубопровод
- Наличие транспортной заглушки или инородных тел в трубопроводе — Удалите заглушку и посторонние предметы, продуйте трубопровод сжатым воздухом
- Неправильно отрегулирован 4-х контурный защитный клапан — Проверьте и при необходимости отрегулируйте или замените
Давление в баллонах контуров большое или маленькое при работающем регуляторе давления:
- Неисправен манометр — Замените
- Не отрегулирован регулятор давления — Отрегулируйте регулятор регулировочным винтом.
Если не регулируется замените регулятор - Неправильно отрегулирован 4-х контурный клапан — Отрегулируйте или замените
Неэффективное торможение или отсутствие торможения автомобиля рабочим тормозом при полностью нажатой тормозной педали:
- Неисправен тормозной кран — Замените тормозной кран
- Загрязнение полости под резиновым чехлом рычага привода двухсекционного тормозного крана — Очистите от грязи полости под резиновым чехлом. При необходимости замените чехол
- Наличие значительной утечки сжатого воздуха в магистралях I и II контуров после тормозного крана — Замените шланги и трубопроводы. Подтяните места соединений.
- Не отрегулирован привод тормозного крана — Отрегулируйте привод
- Неправильная установка привода регулятора тормозных сил — Отрегулируйте установку регулятора тормозных сил или замените регулятор тормозных сил
- Ход штоков тормозных камер превышает установленную величину — Отрегулируйте ход штоков, Замените регулировочный рычаг (с автоматической регулировкой)
- Износ тормозных колодок — Проверьте толщину тормозных накладок и при необходимости замените колодки
При установке рукоятки крана стояночного тормоза в отторможенное положение начинается утечка воздуха из тормозного крана или ускорительного клапана:
- Разрыв диафрагмы колец в клапане управления тормозами прицепа — Воздух не должен попадать в вывод 42 клапана прицепа.
Замените изношенные детали и клапан управления тормозами прицепа - Нарушено уплотнение между полостью энергоаккумулятора и рабочей камерой — Определите поврежденную камеру и замените
Неэффективное торможение или отсутствие торможения автомобиля стояночным или запасным тормозами:
- Неисправен ускорительный клапан, кран стояночного тормоза — Замените тормозной аппарат
- Засорены трубопроводы или шланги контура питания крана с ручным управлением — Очистите трубопроводы и продуйте их сжатым воздухом. При необходимости замените на исправные
- Неисправны пружинные энергоаккумуляторы — Замените тормозные камеры с пружинными энергоаккумуляторами
- Ходы штоков тормозных камер превышают установленную величину — Отрегулируйте ход штоков
При установке рукоятки крана стояночного тормоза в отторможенное положение автомобиль не растормаживается:
- Утечка воздуха из трубопроводов контура питания крана с ручным управлением из атмосферного вывода ускорительного клапана — Устраните место утечки способами, указанными в п.
1 - Вышел из строя упорный подшипник пружинного энергоаккумулятора — Замените тормозную камеру с пружинным энергоаккумуляторов
- Неисправен кран стояночного тормоза — Определите, поступает ли воздух в вывод 4 ускорительного клапана стояночной системы. Замените кран
- Неисправен ускорительный клапан — Замените клапан
- Утечка воздуха из пружинного энергоаккумулятора — Замените тормозную камеру с пружинным энергоаккумулятором
При движении автомобиля происходит подтормаживание задней тележки без приведения в действие тормозной педали и крана стояночного тормоза:
- Неисправен тормозной кран. Неправильно отрегулирован привод тормозного крана — См. регулировку привода тормозного крана
- Нарушено уплотнение между полостью пружинного энергоаккумулятора и рабочей камерой — Замените тормозную камеру с пружинным энергоаккумулятором
- Недостаточное давление в контуре стояночного тормоза — Проверьте давление в контуре.
Проверьте 4-контурный клапан
Неэффективное торможение прицепа (полуприцепа) или отсутствие торможения при нажатой тормозной педали или включенном запасном тормозе:
- Утечка сжатого воздуха — Устраните способами, указанными в п. 1
- Неисправны аппараты привода клапана управления тормозами прицепа по двухпроводному приводу, соединительные головки — Замените неисправные детали
- Неисправны тормозные аппараты прицепа или тормозные механизмы прицепа — Проверьте наличие и уровень давления в соединительных головках тягача. Проверьте состояние тормозной аппаратуры прицепа
Отсутствует торможение автопоезда при включении вспомогательного тормоза:
- Неисправен кран пневматический включения вспомогательного тормоза. — Замените кран
- Неисправен пневмоцилиндр привода заслонки вспомогательного тормоза. Неисправен цилиндр выключения подачи топлива механизма заслонок. Утечка сжатого воздуха
- Засорены трубопроводы — Замените неисправные цилиндры.
При необходимости снимите узлы вспомогательного тормоза, очистите от нагара, промойте и просушите - Устраните утечку способами, указанными в пункте 1. Трубопроводы снимите и продуйте сжатым воздухом
- При нажатии на тормозную педаль или при включении стояночного тормоза фонари стоп-сигнала не загораются
- Неисправен датчик включения стоп-сигнала или аппараты пневмопривода — Замените датчик или аппараты
Наличие значительного количества масла в пневмосистеме:
- Износ поршневых колец цилиндров — Замените компрессор
Компоненты прицепа — Неделя безопасности прицепов
Расшифровка VIN | Тормоза | Информация о шинах прицепа | Джек Стендс | Цепи безопасности | Крылья | Электрическая система прицепа | Свет | Электропроводка | Вилки
Идентификационный номер транспортного средства (VIN) — это уникальный номер, присваиваемый каждому прицепу производителем, который не только идентифицирует сам прицеп, но и определяет определенные характеристики, такие как год выпуска модели или место производства.
VIN можно найти в сертификате происхождения производителя (MCO) или на этикетке VIN на самом прицепе. Табличка VIN должна быть размещена на передней половине прицепа с левой стороны (со стороны дороги) и быть хорошо видна.
Идентификационный номер автомобиля (VIN):
VIN прицепа содержит полезную идентификационную информацию об устройстве и его производителе. Конфигурация номера VIN регулируется федеральным законодательством и должна соответствовать следующим требованиям;
Схемы расшифровки VIN и поиск мировых идентификаторов производителей
Чтобы легче понять содержание вашего конкретного VIN, вы можете использовать схему расшифровки VIN производителя. Эти схемы зарегистрированы, утверждены и размещены на веб-сайте NHTSA по адресу https://vpic.nhtsa.dot.gov/mid/. Выполните следующие действия, чтобы просмотреть схему расшифровки VIN прицепов:
В разделе Организация -> Имя: введите название производителя прицепа
Установите следующие флажки: Часть 565, Часть 566 и Мировой идентификатор производителя (WMI).

Щелкните синее поле поиска в левом нижнем углу экрана.
Отсортируйте результаты по букве и дате, дважды щелкнув столбец. Это поместит самый последний документ вверху.
Выберите гиперссылку в столбце Название организации, чтобы просмотреть самую последнюю схему расшифровки VIN.
Если вы не знаете производителя или не добились успеха в описанном выше процессе, вы можете попробовать изменить условия поиска, например, используя только одно слово имени производителя, а не всю фразу, или выполнив поиск по их родному штату. Вы также можете выполнить поиск по всемирному идентификатору производителя (WMI). Для этого выполните следующие действия:
В разделе World Manufacturer Identifier (WMI) -> WMI: введите WMI с этикетки с VIN. Это будут первые три символа VIN-номера.
Установите следующие флажки: Part 565, Part 566 и World Manufacturer Identifier (WMI).
Отсортируйте результаты по букве и дате, дважды щелкнув столбец.
Это поместит самый последний документ вверху.Выберите гиперссылку в столбце Название организации, чтобы просмотреть самую последнюю схему расшифровки VIN.
Если на вашем прицепе отсутствует этикетка с номером VIN
Если этикетка с номером VIN отсутствует, ваш MCO/MSO должен указать эту информацию. Без документации вы сможете найти скрытый VIN где-нибудь на трейлере. Самый простой способ сделать это — связаться с производителем, чтобы узнать, есть ли скрытый VIN, и если да, то где он находится. Если вы не знаете производителя, вы можете найти его самостоятельно, хотя это может оказаться трудным, поскольку они обычно расположены в труднодоступных местах, таких как нижняя сторона рамы.
Если производитель не применяет скрытый VIN, вы не можете найти его и не можете получить его у производителя или не можете определить, кто является производителем, вам необходимо обратиться в Департамент транспортных средств вашего штата или в соответствующий отдел.
для получения указаний о том, как вы можете действовать. В каждом штате действуют свои правила, регулирующие порядок подачи заявлений об утерянных, украденных или неопознанных прицепах.
Требуются ли тормоза для вашего прицепа или нет, это вопрос как федерального законодательства, так и законодательства штата. Короче говоря, федеральный закон требует наличия тормозов на всех осях прицепа, когда его масса превышает 3000 фунтов. GVWR и используется в коммерческих целях. Закон штата диктует требования к тормозам, выходящие за рамки того, что указано в федеральном законе, включая некоммерческое использование.
Федеральный закон о тормозах:
Федеральный закон требует, чтобы тормоза были установлены на оси прицепов, используемых в коммерческих целях (с заметными исключениями, указанными ниже). Однако понимание того, что такое коммерческое использование, может сбивать с толку.
Согласно 49 C.F.R. § 390.5, коммерческий автомобиль означает, в отношении прицепов, «любой … буксируемый автомобиль, используемый на шоссе в межштатной торговле для перевозки … собственности, когда транспортное средство —
Имеет номинальную полную массу транспортного средства или максимальную массу автопоезда , или полная масса транспортного средства, или полная масса автопоезда 4 536 кг (10 001 фунт) или более, в зависимости от того, что больше; или
Используется для перевозки материалов, признанных министром транспорта опасными в соответствии с 49 U.
S.C. 5103 и перевозится в количестве, требующем размещения табличек в соответствии с правилами, установленными Секретарем в соответствии с 49 CFR, подзаголовок B, глава I, подраздел C».
Особое значение для прицепов в определении имеет требование, чтобы полная масса автомобиля или полная масса автомобиля составляла 10 001 фунт. или больше. Это означает, что для того, чтобы подпадать под определение коммерческого автомобиля, подпадающего под действие правил FMCSA, либо прицеп сам по себе, либо комбинированная полная полная масса прицепа и тягача должна составлять 10 001 фунт. или больше.
Примеры коммерческих целей:
FMCSA не дает четкого определения «коммерческого» или коммерческого использования; тем не менее, примерами трейлеров, которые могут быть рассмотрены для коммерческого использования, являются те, которые используются для компенсации или получения прибыли, включая, помимо прочего, такие виды использования, как перевозка грузов, управление ландшафтным и строительным бизнесом, а также пополнение парка трейлеров в городе и округе.
Еще одно распространенное, но часто упускаемое из виду потенциально коммерческое использование — это перевозка выставочных лошадей или домашнего скота, когда на карту поставлены призовые деньги, форма компенсации.
Любой коммерческий прицеп, соответствующий приведенному выше определению, должен соответствовать 49 C.F.R. § 393.42, требующий наличия тормозов на всех колесах, как указано ниже.
Язык и исключения:
49 C.F.R. В § 393.42 говорится:
A. «Каждый коммерческий автомобиль должен быть оборудован тормозами, действующими на все колеса. Это требование также применяется к некоторым автомобилям, буксируемым в режиме «уход-буксировка», а именно:
Любой автомобиль, буксируемый с помощью тягово-сцепного устройства, когда другой автомобиль полностью установлен на буксируемое транспортное средство; и
Любая конфигурация седла с полным креплением.
B. «Исключение.
Грузовые автомобили или седельные тягачи, имеющие три или более осей и изготовленные до 25 июля 1980 г., не обязаны иметь тормоза на передних колесах. Однако эти транспортные средства должны соответствовать требованиям § 393.52.
Автотранспортные средства, буксируемые в режиме выезд-буксировка (включая последний грузовик тройного седельного состава (см. § 39)3.71(a)(3)) не требуется наличие рабочих тормозов при условии, что состав транспортных средств соответствует требованиям § 393.52.
Любой полуприцеп или прицеп с дышлом (с грузом или без груза) полной массой 1 361 кг (3 000 фунтов) или менее, на которые распространяется действие настоящей части, не должен быть оборудован тормозами, если нагрузка на ось буксируемого транспортного средства не более 40 процентов от суммы осевых нагрузок тягача.
Любой полный прицеп или четырехколесный прицеп (с грузом или без груза) полной массой 1 361 кг (3 000 фунтов) или менее, подпадающий под действие настоящей части, не должен быть оборудован тормозами, если сумма осевые нагрузки буксирующего транспортного средства не превышают 40 процентов суммы осевых нагрузок буксирующего транспортного средства.

Тормоза не требуются на управляемой оси трехосной тележки, управляемой штурманом.
Грузовые тележки, специализированные прицепы и тележки, используемые для перевозки промышленных печей, реакторов и аналогичных автотранспортных средств, не должны быть оборудованы тормозами, при условии, что скорость, с которой будет эксплуатироваться состав транспортных средств, не превышает 32 км / час (20 миль в час) и тормоза на автопоезде способны остановить автопоезд в пределах 12,2 м (40 футов) от скорости, с которой движется транспортное средство, или 32 км/ч (20 миль в час), в зависимости от того, что меньше. ”
Если 49 C.F.R. § 393.42 требует наличия тормозов на коммерческих прицепах, затем 49 CFR. § 393.40 также требует, чтобы тормоза были «адекватными для остановки и удержания транспортного средства или комбинации транспортных средств», а транспортное средство «соответствовало применимым требованиям к сервисной, стояночной и аварийной тормозной системе, предусмотренным в [§ 393.
40]».
Законы штата о тормозах:
Законы штата о тормозах сильно различаются в зависимости от штата. Чтобы найти актуальный список законов по штатам, посетите https://drivinglaws.aaa.com/tag/trailer-brakes/. Важно отметить, что если вы покупаете прицеп в другом штате, в котором он будет зарегистрирован и/или в основном будет использоваться, вы должны убедиться, что прицеп соответствует соответствующим законам штата, в котором он будет зарегистрирован или в основном будет использоваться. .
Типы тормозов:
Тормоза прицепа могут быть гидравлическими (импульсными), электрическими или обоими. Все тормозные системы прицепа должны включать тормозную систему отрыва прицепа, которая активируется при отсоединении тормозов. Как ваши тормоза требуют регулярного обслуживания, так и ваша система отрыва требует регулярного обслуживания.
Электрические тормоза:
Электрические тормозные системы требуют использования контроллера электрического тормоза в кабине тягача.
Короче говоря, когда педаль тормоза буксирующего транспортного средства задействована, электрический контроллер тормозов включает тормоза прицепа.
Важно отметить, что контроллеры электрических тормозов обеспечивают функцию модуляции, которая изменяет ток на электрические тормоза пропорционально замедлению тягача. Это важно, потому что торможение тягача и прицепа должно быть синхронизировано, чтобы обеспечить правильное распределение. Синхронизация осуществляется путем регулировки «усиления» на контроллере тягача. Прицепив тягач к прицепу, сделайте несколько резких остановок на сухом асфальте. Если тормоза прицепа скользят или слишком чувствительны, уменьшите коэффициент усиления на контроллере тормозов. Если они не скользят, немного увеличьте настройку усиления, пока они не достигнут желаемой точки торможения. Эту регулировку необходимо будет выполнять при каждой различной загрузке прицепа. Более тяжелый прицеп потребует большего усиления, чем более легкий. Более легкий прицеп с тормозами, синхронизированными с полностью загруженным прицепом, вероятно, легко заблокируется при минимальном замедлении.
Электрические тормоза очень эффективны, надежны и могут управляться оператором изнутри тягача. Недостатком является то, что на тягаче должен быть установлен «тормозной контроллер». Если тягач не оснащен блоком управления, автомобиль не может приводить в действие тормоза и не должен использоваться для буксировки прицепа с электрическими тормозами.
Гидравлические тормоза:
Гидравлические или импульсные тормоза работают за счет использования на прицепе специальной муфты, которая сжимает поршень в гидравлическом цилиндре, когда тягач замедляется и прицеп движется вперед. Когда это происходит, тормозная жидкость подается к тормозному узлу на каждом колесе. Поскольку гидравлические тормоза полностью автономны, любой тягач может использовать прицеп с гидравлическим тормозным узлом.
Важно отметить, что некоторые штаты и Федеральное управление по безопасности автомобильных перевозчиков наложили ограничения на использование импульсных тормозов для коммерческого транспорта.
Эти ограничения касаются полной массы прицепа по сравнению с полной массой тягача.
Тормоза с электрогидравлическим приводом:
Тормоза с электрогидравлическим приводом представляют собой гибридную систему, которая срабатывает, когда задействованы тормоза тягача и прицеп движется вперед. Ключевое отличие заключается в том, что привод в этой комбинации является электрическим, что обеспечивает минимальное время задержки или полное его отсутствие благодаря мгновенному срабатыванию. Эта система чаще всего используется на прицепах, таких как большие прицепы для лошадей и прицепы для лодок. Важно отметить, что систему нельзя погружать в воду (хотя они сконструированы так, чтобы выдерживать дождь), поэтому пользователи должны быть осторожны при использовании их для буксировки лодок.
Аккумуляторы электрической аварийной тормозной системы
Согласно части 393.43 (d) Федеральных правил безопасности автомобильных перевозчиков: Требования к аварийному торможению для прицепов гласят: отрыв от тягача.
Тормоза должны оставаться в нажатом положении не менее 15 минут». Последнее утверждение можно найти в законодательстве большинства штатов о трейлерах. Таким образом, независимо от применения (т. е. коммерческого или личного использования) аккумуляторная батарея должна обеспечивать работу электрических тормозов в течение 15 минут.
Шины необходимы для правильной работы прицепа. Шины с недостаточной грузоподъемностью, недостаточно накачанные или перегруженные, могут привести к потере устойчивости автомобиля и/или потере управления. Дополнительными причинами снижения устойчивости прицепа являются перегрузка шин прицепа и/или недостаточное давление воздуха. Перед буксировкой прицепа убедитесь, что шины правильно накачаны до максимального давления в боковинах, а общий вес (прицепа и груза) соответствует возможностям шин прицепа.
Шины, используемые на прицепах, также подвергаются дополнительным неблагоприятным условиям, поскольку многие прицепы простаивают в течение длительного периода времени.
На самом деле для шины лучше катиться по дороге, чем бездействовать. Во время использования шина выделяет смазочные материалы, которые продлевают срок службы шины. Использование шин прицепа часто также помогает предотвратить образование плоских участков.
Кроме того, когда прицепы находятся в эксплуатации, они часто используются с максимальной нагрузкой. Эти условия требуют тщательного осмотра шин, проверки накачки и технического обслуживания. На каждом прицепе будет четко указан соответствующий размер шин, размер колес и давление в шинах на табличке с номером VIN/сертификата, которая прикреплена к левой передней части кузова или дышла прицепа. Ваши шины для прицепа должны быть одного типа, размера и конструкции. Аналогичная табличка находится на стойке двери водителя тягача. Наиболее важными факторами в уходе за шинами являются поддержание надлежащего давления в шинах, предотвращение чрезмерной нагрузки, предотвращение опасностей на дороге, вождение с соответствующей скоростью и регулярный осмотр.
Также очень важно регулярно проверять момент затяжки зажимных гаек. Это особенно актуально, когда вы впервые берете новый прицеп или после замены шин. Правильная затяжка имеет жизненно важное значение для правильной работы колеса. Обратитесь к руководству по эксплуатации, чтобы узнать требуемые характеристики крутящего момента, или обратитесь к производителю.
Накачка шин
Основной причиной выхода из строя шин является неправильное накачивание. Не реже одного раза в неделю проверяйте давление в холодных шинах, чтобы убедиться в правильности накачки. «Холодный» означает, что шины имеют ту же температуру, что и окружающий воздух, например, когда автомобиль был припаркован на ночь. Производители колес и шин рекомендуют отрегулировать давление воздуха в соответствии с рекомендованным производителем прицепа давлением накачивания в холодном состоянии в фунтах на квадратный дюйм (PSI), указанным на этикетке федеральной сертификации транспортного средства или табличке с информацией о шинах, когда прицеп загружен до номинальной полной массы транспортного средства (GVWR).
. Обратитесь к руководству пользователя или обратитесь к своему дилеру или производителю автомобиля, если у вас есть какие-либо вопросы относительно правильной практики накачивания.
Если давление в шинах ниже рекомендованного уровня, грузоподъемность шины может значительно снизиться. Если давление в шинах превышает рекомендованный уровень, это может повлиять на ходовые качества тягача/прицепа.
Шины могут со временем терять воздух. На самом деле шины могут терять от 1 до 3 фунтов на квадратный дюйм в месяц. Это связано с тем, что молекулы воздуха под давлением прокладывают свой путь изнутри шины через резину наружу. Падение давления в шине может привести к ее перегрузке, что приведет к чрезмерному нагреву. Если шина прицепа недостаточно накачана, даже в течение короткого периода времени, шина может получить внутреннее повреждение.
Буксировка на высокой скорости в жарких условиях значительно изнашивает шины прицепа. По мере накопления тепла во время вождения внутренняя структура шины начинает разрушаться, что снижает ее прочность.
Рекомендуется ездить на умеренных скоростях.
Статистические данные показывают, что средний срок службы шины прицепа составляет около пяти лет при нормальных условиях эксплуатации и технического обслуживания. Через три года следует рассмотреть вопрос о замене шин прицепа новыми, даже если шины имеют достаточную глубину протектора. Некоторые эксперты утверждают, что через пять лет шины для прицепов считаются изношенными и должны быть заменены, даже если они использовались минимально или вообще не использовались. Это настолько общее утверждение, что оно может применяться не во всех случаях. Лучше всего, чтобы ваши шины были проверены поставщиком шин, чтобы определить, нуждаются ли ваши шины в замене.
Если вы храните прицеп в течение длительного времени, убедитесь, что шины полностью накачаны до максимального номинального давления, и храните их в прохладном, сухом месте, например в гараже. Используйте покрышки для защиты шин прицепа от палящего солнца.
Скоростной индекс шин ST
Шины для специальных прицепов имеют максимальный индекс скорости, как и шины для легковых и грузовых автомобилей.
Понимание всех надписей на боковине шины на первый взгляд может показаться несколько ошеломляющим. Это помогает узнать, какие символы вы ищете, чтобы получить нужную информацию о шинах. Например, если код шины 225/45R17 75L, то 75 будет означать индекс нагрузки, а L будет означать индекс скорости шины.
Контроль устойчивости тягача-полуприцепа на основе совместного моделирования TruckSim-Simulink
Управление устойчивостью тягача-полуприцепа на основе совместного моделирования TruckSim-Simulink
Abstract : Создана нелинейная имитационная модель тягача с полуприцепом на основе TruckSim, используемого для проверки предложенной схемы управления. Динамика рыскания всего транспортного средства стабилизируется за счет дифференциального торможения колес тягача и прицепа. Система управления, разработанная в Matlab/Simulink, представляет собой двухуровневую структуру с верхним контроллером момента рыскания, выдающим дополнительный момент рыскания, и нижним распределителем управления, реализующим дополнительный момент рыскания за счет соответствующей координации действий колес трактора и тормозов.
трейлер. Построена модель совместного моделирования Trucksim-Simulink, на основе которой предложенная схема управления проверяется маневром смены одной полосы движения на скользкой дороге. Результаты моделирования показывают, что разработка и оценка стратегий контроля устойчивости транспортного средства с помощью метода совместного моделирования TruckSim-Simulink эффективны. Предложенная схема управления позволяет значительно повысить устойчивость автомобиля к рысканию и крену.
Ключевые слова:
автомобильная техника
динамика автомобиля
тягач-полуприцеп
активная безопасность автомобиля
совместное моделирование
TruckSim
1. Введение
Тягачи с полуприцепами стали очень популярными в приложениях «перевозка секций», «ро-ро-транспортировка» и «перевозка сбрасываемых грузов» из-за их больших объемов и экономической эффективности. Наряду с повышением скорости движения и эффективности транспортировки резко возрастает количество аварий, вызванных транспортными средствами тягач-полуприцеп, поскольку комбинация тягач-полуприцеп обычно имеет нестабильность, которая приводит к складыванию, поперечному раскачиванию или колебаниям прицепа при смене полосы движения, объезде препятствий.
, повороты на высоких скоростях и движение по дорогам с низким сцеплением [1-3] . Отечественные и зарубежные ученые провели обширные исследования управляемости и устойчивости тягача с полуприцепом посредством теоретического анализа, модельного моделирования или полевых испытаний. Предыдущие исследования в основном были сосредоточены на характеристиках, влияющих на устойчивость транспортного средства, таких как конструкция транспортного средства, условия загрузки, стиль управления водителем и т. д. [2-5] . В связи с быстрым развитием технологий электронного управления шасси транспортных средств системы контроля устойчивости шасси стали предметом изучения в академических и деловых кругах [4, 6-9] . В настоящее время в развитых странах, таких как США, Европа и Япония, на большегрузных автомобилях с шарнирно-сочлененной рамой широко используются системы контроля устойчивости шасси. Однако в Китае этот показатель очень низок и до сих пор сложно разрабатывать высококачественные системы управления шасси.
В данном документе основное внимание уделяется проблеме контроля устойчивости рыскания и косвенного контроля устойчивости тягача с полуприцепом на основе активного дифференциального торможения. Нелинейная модель тягача с полуприцепом была построена в TruckSim и представлена в следующем разделе. Затем подробно описывается и оценивается предложенная стратегия контроля устойчивости по рысканию, разработанная в Simulink, на основе совместного моделирования TruckSim-Simulink.
2 Модель автомобиля TruckSim
Поскольку точность имитационной модели влияет на оценку предлагаемой стратегии управления, в данной работе была построена нелинейная модель тягача-полуприцепа на основе среды TruckSim, которая представляет собой коммерческий программный пакет с высокой точностью моделирования, разработанный для транспортного средства моделирование динамики от Mechanical Simulation Corporation (MSC). TruckSim широко используется производителями коммерческого транспорта по всему миру.
Шестиосный тягач с полуприцепом, смоделированный в TruckSim, показан на рисунке 1 и включает в себя внешний вид тягача, форму, систему рулевого управления, тормозную систему, трансмиссию, систему подвески и подмодели тягового устройства, а также модели прицепа. внешний вид и форма, подмодели тормозной системы и системы подвески.
Рис. 1 Полная имитационная модель автомобиля |
2.1 Система подвески
В системах подвески тягачей с полуприцепами в основном используются листовые рессоры, и расчет усилия достаточно сложен. Поскольку сухое трение между листами потребляет энергию при движении подвески, усилие листовой пружины при одном и том же прогибе различно для процесса увеличения и уменьшения нагрузки, как показано на рис. 2. Обратите внимание, что площадь, ограниченная двумя кривыми на цифра 2 – потребляемая энергия.
Рис. 2 Кривые свойств листовой рессоры |
Несмотря на то, что фактическое поведение нагрузки и разгрузки листовой рессоры является нелинейным, как показано на рис. 2, предполагается приближенное линейное свойство, которое используется здесь для описания силового свойства системы подвески. С учетом этого значения жесткости листовых рессор переднего моста трактора, заднего сдвоенного моста и трехосного прицепа установлены равными 250 Н/мм, 700 Н/мм и 2 500 Н/мм соответственно. Соответствующая разность сил листовой рессоры между нагрузкой и разгрузкой для этих трех осей составляет 4 000 Н, 10 000 Н и 10 000 Н соответственно. Амортизатор, который играет важную роль в улучшении ходовых качеств этих трех осей, имеет значения коэффициента демпфирования 15 (Н/м)/с, 30 (Н/м)/с и 30 (Н/м)/с. с соответственно.
2.
2 Система рулевого управления
Система рулевого управления (схематическая диаграмма показана на рис. 3) при моделировании разделена на две части. Предполагается, что первая часть, которая находится от штурвала рулевого управления до коробки передач рулевого управления, имеет приблизительно линейную зависимость с угловым передаточным отношением n w . Вторая часть – от рулевого механизма к переднему рулевому колесу и передаточному числу, которое определяется геометрией трапециевидного рычага и механизма поперечной рулевой тяги и различается для левого и правого колес, как показано на рис. 4. определение передаточного отношения от рулевого механизма к левому и правому колесу, представленному как n g 1 и n g 2 соответственно, угловое передаточное отношение всей системы рулевого управления рассчитывается как:
Рис. |
Рис. 4 Характеристики кинематики рулевого управления |
| $ n={{n}_{w}}\centerdot {{n}_{gi}}. $ | (1) |
Следует отметить, что n gi приблизительно равно 1 при малом угле поворота. В системе рулевого управления положение шкворня обычно сильно влияет на самовыравнивание колес и поведение автомобиля в управлении. Взаимосвязь позиционирования шкворня показана на рисунке 5 с параметрами позиционирования бокового наклона шкворня, угла кастера, бокового смещения и продольного смещения (значения показаны в таблице 1).
Рис. |
Таб. 1 Параметры позиционирования шкворня шины
| Параметры | Значение |
| Угол бокового наклона (°) | 7,2 |
| Угол наклона (°) | 5,2 |
| Боковое смещение (мм) | 100 |
| Продольное смещение (мм) | 0 |
2.3 Модель шины
Будучи ключевой частью модели автомобиля, модель шин важна для точности моделирования. В этой статье используется модель шины, предлагаемая программой TruckSim, и сравнение свойств этой модели шины с известной моделью MF (Magic Formula) представлено на рисунке 6. Как видно из рисунка, эта модель шины может точно представляют собой нелинейную силовую характеристику шины.
Рис. 6 Сравнение моделей шин с нагрузкой 7 358 Н |
Силы, действующие на шину в условиях продольного прохождения поворотов, рассчитываются с помощью теории комбинированного скольжения (CST), предложенной Pacejka и Sharp [10] . Продольное и боковое скольжение объединяются, чтобы получить общее теоретическое (комбинированное) скольжение: 9{*}=\frac{{{\sigma}_{y}}}{{{\sigma}_{y\max}}}, \\
\end{выравнивание}
$
где, σ x max и σ y max — значения пиковой продольной и поперечной сил шины, соответственно. Эквивалентные продольные и поперечные проскальзывания рассчитываются из нормализованного общего теоретического проскальзывания как:
| $ \ kappa ‘= \ frac {\ sigma _ {\ text {total}} ^ {*} {{\ sigma} _ {x \ max}} sign \ left ( {{\ sigma} _ {x}} \ right) }{1+\sigma _{\text{total}}^{*}{{\sigma}_{x\max}}sign\left({{\sigma}_{x}} \right)}, $ 9{*}{{\sigma}_{y\max}}sign\left({{\sigma}_{y}} \right) \right]. ![]() $ | (5) |
Обратите внимание, что нормированные значения скольжения изменены, чтобы включить коэффициент трения в соответствии с методом подобия. По методу подобия усилие на шину можно выразить как
| $ \left\{ \begin{матрица} {{F}_{x0}}={{F}_{x}}\left( {{F}_{z}}, \frac{{{\mu }_{0}}}{\mu} \ каппа ‘ \ справа), \\ {{F}_{y0}}={{F}_{y}}\left( {{F}_{z}}, \frac{{{\mu }_{0}}}{\mu} \альфа ‘\справа), \\ \end{матрица} \right. $ 9{*}\frac{\mu }{{{\mu}_{0}}}\frac{{{\sigma}_{y}}}{{{\sigma}_{\text{total}}} }. \\ \end{матрица} \right. $ | (9) |
3 Конструкция системы управления
3.1 Эталонная модель
Эталонная модель, отражающая намерения водителя, используется для получения желаемой реакции на рыскание. Система управления выдает команду управления, сравнивая эталонную и фактическую реакцию на рыскание в режиме реального времени. Эталонная модель получена из упрощенной линейной модели тягача с полуприцепом с четырьмя степенями свободы (4DOF), показанной на рисунке 7 9.
0231 [4, 9] .
Рис. 7 Модель линейного одноколейного тягача с прицепом 4DOF |
Чтобы сформулировать линейную эталонную модель с четырьмя степенями свободы, предполагается, что жесткость шины на поворотах постоянна. Сцепка тягача и прицепа по продольной оси не учитывается. Продольные скорости трактора и прицепа также предполагаются одинаковыми, т. е. равными 9{2}}{{\delta}_{\text{f}}},$
where:
c 1 =- l 1 l 2 C y 1 C y 2 , C 2 =- L 1 2 L 2 C Y 1 C Y 1 C Y 1 C Y 1 C Y 1 Y 1 Y 1 Y0003
c 3 =( b 2 l p m 2 + a 1 a 2 m 1 + a 1 b 2 m 1 + a 1 b 2 m 2 ) C y 1 ,
с 4 =( b 2 l p m 2 — b 1 b 2 m 1 — b 1 b 2 m 2 — a 2 b 1 m 1 ) C y 2 .
где C y 1 и C y 2 — линейная жесткость на поворотах передней и задней оси трактора соответственно; a 1 , a 2 , b 1 , b 2 , l 1 , l 2 , and l p are физические габаритные параметры транспортного средства транспортного средства, определенные на фиг.7; м 1 и м 2 — массы трактора и прицепа соответственно. скорость рыскания трактора и прицепа равна друг другу в стационарной операции поворота, представленной как γ 2 * = γ 1 * .
3.2 Схема управления
Система управления представляет собой двухуровневую структуру с верхним контроллером момента рыскания, выдающим дополнительный момент рыскания для улучшения поперечной устойчивости, и нижним распределителем управления тормозным усилием, реализующим дополнительный момент рыскания за счет соответствующей координации действия колесных тормозов трактора и трейлер [9-11] .
Конструкция верхнего контроллера момента рыскания основана на методе следования за моделью, который является популярным методом при проектировании систем управления динамикой транспортных средств [12] . Вся схема управления показана на рисунке 8.
Рис. 8 Полная схема управления |
Контроллер верхнего момента рыскания реализуется с помощью ПИД-регулятора с ошибкой отклика между фактическим и эталонным откликами тягача и прицепа в качестве входных данных. Таким образом, корректирующий момент рыскания, приложенный к трактору и прицепу, может быть получен как:
| $ \Delta {{M}_{1}}={{K}_{\text{p}1}}\Delta {{\gamma}_{1}}\left( t \right), $ | (11) |
| $ \Delta {{M}_{2}}={{K}_{\text{p2}}}\Delta {{\gamma}_{2}}\left( t \right), $ | (12) |
где, K p1 и K p2 — усиление контроллера с K p1 =2,0×10 6 , K p2 =2,0×10 6 .
Целевое тормозное колесо и тормозной момент определяются контроллером распределения тормозного усилия, который является распределителем тормозного усилия. Многоосные колеса распределяют тормозное усилие спереди назад с постоянным соотношением 3:2 для сдвоенной оси трактора и 5:3:2 для трехосного прицепа. Например, на рисунке 1(b) отношение тормозного момента между шинами 3 и 5 составляет T b3 : 9.0281 T b5 = 3:2, а между шинами 7, 9 и 11 T b7 : T b9 : T b32 = 9:03:82 . Правила принятия решения о целевом тормозном колесе показаны в таблице 2 [9] .
Таб. 2 Правила принятия решения о целевом торможении колеса
| Трактор | Полуприцеп | ||||||
| Номер трактора Скорость рыскания | Фактическая скорость трактора Скорость рыскания | Трактор рыскания Сравнение скоростей | Тракторная мишень Тормозное колесо | Номер прицепа Скорость рыскания | Фактическая скорость прицепа Скорость рыскания | Скорость рыскания прицепа сравнение | Прицеп-мишень Тормозное колесо |
| γ 1 * >0 | γ 1 >0 | γ 1 * < γ 1 | 2 | γ 2 * >0 | γ 2 >0 | γ 2 * < γ 2 | 8, 10, 12 |
| γ 1 * >0 | γ 1 >0 | γ 1 * >γ 1 | 3, 5 | γ 2 * >0 | γ 2 >0 | γ 2 * >γ 2 | 7, 9, 11 |
| γ 1 * >0 | γ 1 >0 | γ 1 * =γ 1 | — | γ 2 * >0 | γ 2 >0 | γ 2 * =γ 2 | — |
| γ 1 * < 0 | γ 1 < 0 | γ 1 * < γ 1 | 4, 6 | γ 2 * < 0 | γ 2 < 0 | γ 2 * < γ 2 | 8, 10, 12 |
| γ 1 * < 0 | γ 1 < 0 | γ 1 * >γ 1 | 1 | γ 2 * < 0 | γ 2 < 0 | γ 2 * >γ 2 | 7, 9, 11 |
| γ 1 * < 0 | γ 1 < 0 | γ 1 * =γ 1 | — | γ 2 * < 0 | γ 2 < 0 | γ 2 * =γ 2 | — |
| γ 1 * >0 | γ 1 < 0 | γ 1 * >γ 1 | 1 | γ 2 * >0 | γ 2 < 0 | γ 2 * >γ 2 | 7, 9, 11 |
| γ 1 * < 0 | γ 1 >0 | γ 1 * < γ 1 | 2 | γ 2 * < 0 | γ 2 >0 | γ 2 * < γ 2 | 8, 10, 12 |
| γ 1 * =0 | γ 1 < 0 | γ 1 * >γ 1 | 1 | γ 2 * = 0 | γ 2 < 0 | γ 2 * >γ 2 | 7, 9, 11 |
| γ 1 * =0 | γ 1 >0 | γ 1 * < γ 1 | 2 | γ 2 * = 0 | γ 2 >0 | γ 2 * < γ 2 | 8, 10, 12 |
| γ 1 * >0 | γ 1 =0 | γ 1 * >γ 1 | 3, 5 | γ 2 * >0 | γ 2 =0 | γ 2 * >γ 2 | 7, 9, 11 |
| γ 1 * < 0 | γ 1 =0 | γ 1 * < γ 1 | 4, 6 | γ 2 * < 0 | γ 2 =0 | γ 2 * < γ 2 | 8, 10, 12 |
| γ 1 * =0 | γ 1 =0 | γ 1 * =γ 1 | — | γ 2 * = 0 | γ 2 =0 | γ 2 * =γ 2 | — |
| Примечание: «-» означает отсутствие действия по управлению | |||||||
4 симуляционных исследования
4.
1 Совместное моделирование TruckSim и Simulink
Предложенная схема управления была оценена с помощью совместного моделирования TruckSim-Simulink, которое было выполнено с помощью интерфейса, предоставленного TruckSim. Этот интерфейс предоставляет каналы импорта и вывода для определения ввода и вывода для совместного моделирования с деталями настройки, показанными на рисунке 9.
Рис. 9 Каналы импорта и вывода совместного моделирования |
Выходные каналы используются для определения выходных переменных, выводимых из TruckSim в Simulink. Таким образом, логика управления Simulink может понимать реакцию транспортного средства на основе этих выходных переменных и определять закон управления для поддержания устойчивости транспортного средства. В данной работе в качестве переменных обратной связи, которые должны быть заданы в выходных каналах, выбраны продольная скорость транспортного средства и скорость рыскания тягача и прицепа.
Каналы импорта используются для определения входных переменных для TruckSim из Simulink. Как правило, эти переменные включают входные данные водителя и входные данные привода системы управления, такие как рулевое управление, торможение и дроссельная заслонка. Здесь в этом канале задаются угол поворота рулевого колеса водителя и активный тормозной момент.
Обычно используемые численные методы в TruckSim включают AM (Адамс-Моултон), RK (Рунге-Кутта) и AB (Адмас-Башфорт), включая AM второго порядка, AM третьего порядка, AM четвертого порядка, второго порядка РК и АВ второго порядка. Поскольку для первых четырех численных методов моделирование необходимо рассчитывать дважды на каждом шаге, шаг расчета составляет половину установленного шага. В то время как для метода АВ-2 шаг расчета как раз равен установленному шагу. Если Simulink задает переменный размер шага, TruckSim будет автоматически соответствовать этому шагу. В противном случае, если Simulink настроен на фиксированный шаг, размер шага должен быть целым кратным в TruckSim.
Модель совместного моделирования TruckSim-Simulink на основе Simulink показана на рисунке 10.
Рис. 10 Модель соединительной конструкции совместного моделирования TruckSim-Simulink |
4.2 Результаты и обсуждение
Параметры модели транспортного средства при моделировании приведены в таблице 3. Для оценки предложенной схемы управления было принято моделирование разомкнутого контура маневра с одной сменой полосы движения, которое осуществляется однотактным синусоидальным сигналом рулевого колеса с амплитуда 125° и цикл 6 с, показанные на рис. 11. Испытание проводилось на скользкой прямой дороге с коэффициентом сцепления 0,4 и начальной скоростью автомобиля 80 км/ч.
Таб. 3 Параметры моделирования автомобиля
| Параметры | Номенклатура | Значение |
| Высота трактора см (мм) | ч г 1 | 1 019 |
| Расстояние от трактора CM до передней оси (мм) | а 1 | 1 384 |
| Подрессоренная масса трактора (кг) | м 1 | 6 308 |
| Инерция крена трактора (кг·м 2 ) | I хх 1 | 6 879 |
| Инерция трактора по рысканию (кг·м 2 ) | I zz 1 | 19 660 |
| Передняя колесная база трактора (мм) | т ш 1 | 2 030 |
| Расстояние от трактора CM до центра оси тандема (мм) | б 1 | 5 635 |
| База заднего колеса трактора (мм) | т ш 2 | 1 863 |
| Высота точки сцепки (мм) | ч р | 1 100 |
| Передаточное отношение рулевого управления | Н Ш | 25 |
| Высота прицепа см (мм) | ч г 2 | 1 150 |
| Расстояние от прицепа CM до точки сцепки (мм) | а 2 | 5 500 |
| Подрессоренная масса прицепа (кг) | м 2 | 5 927 |
| Инерция крена прицепа (кг·м 2 ) | I хх 2 | 9 959 |
| Инерция рыскания прицепа (кг·м 2 ) | I zz 2 | 179 990 |
| Колесная база прицепа (мм) | т ш 3 | 1 815 |
| Расстояние от прицепа CM до трехосного центра (мм) | б 2 | 11 500 |
| Масса груза (кг) | м л | 18 340 |
| Расстояние от груза CM до точки сцепки (мм) | а л | 5 000 |
| Радиус колеса (мм) | р с | 520 |
Рис. |
Реакция тягача и прицепа на скорость рыскания и угол бокового скольжения соответственно показаны на рис. 12 и 13. Реакция угла сцепки на угол показана на рис. Складывание начинается при прохождении тягачом-полуприцепом поворота на скользкой дороге на большой скорости без системы курсовой устойчивости. Напротив, с помощью системы контроля устойчивости автомобиль может устойчиво выполнить маневр смены полосы движения. Другими словами, предложенная схема управления позволяет эффективно повысить устойчивость тягача с полуприцепом на поворотах.
Рис. 12 Реакция тягача и полуприцепа на скорость рыскания |
Рис. |
Рис. 14 Реакция угла сочленения сцепки |
Из реакции угла крена тягача и прицепа, показанной на рис. 15, легко обнаружить, что угол крена системы без какой-либо системы управления намного больше, чем угол крена в случае с управляемым двигателем. Таким образом, мы можем сделать вывод, что тягач с полуприцепом должен быть склонен к опрокидыванию, если динамика рыскания не стабилизирована. На самом деле, хотя целью является управление динамикой рыскания за счет прямой стабилизации, устойчивость к крену также улучшается косвенно за счет уменьшения поперечного ускорения транспортного средства. Эффективность предложенной схемы управления намного легче наблюдать из анимации моделирования, показанной на рис.
16. Фактический генерируемый тормозной момент, управляемый распределителем тормозного усилия для поддержания устойчивого движения транспортных средств на поворотах, показан на рисунках 17 и 18 для трактора и тягача. прицеп соответственно.
Рис. 15 Реакция тягача и полуприцепа на угол крена |
Рис. 16 Сравнение анимации моделирования |
Рис. 17 Тормозной момент трактора |
Рис. |
5. Выводы
Принимая во внимание преимущество TruckSim в точности моделирования и симуляции динамики транспортных средств, а также удобство и простоту проектирования системы управления с использованием Matlab/Simulink, в данной статье в основном обсуждается вопрос проектирования системы контроля устойчивости тягача-полуприцепа на основе TruckSim- Совместное моделирование Simulink. Типовая модель шестиосного тягача с полуприцепом была построена в TruckSim, а схема контроля устойчивости на основе правил была предложена и разработана в Simulink. Представлен и подробно рассмотрен процесс совместного моделирования TruckSim-Simulink. Результаты моделирования показывают, что совместное моделирование TruckSim-Simulink является эффективным способом проектирования и оценки систем контроля устойчивости коммерческих автомобилей. Предлагаемая стратегия контроля устойчивости может значительно улучшить устойчивость тягача с полуприцепом к рысканию и крену.
Функции возможностей | 2022 GMC Canyon
Вы просматриваете сайт GMC.com (США). Закройте это окно, чтобы остаться здесь, или выберите другую страну, чтобы увидеть транспортные средства и услуги, характерные для вашего местоположения.
КанадаДругое
Продолжать
ЭКСТЕРЬЕР
ИНТЕРЬЕР
ВОЗМОЖНОСТЬ
ТЕХНОЛОГИЯ И БЕЗОПАСНОСТЬ
ЭКСТЕРЬЕР
ИНТЕРЬЕР
ВОЗМОЖНОСТЬ
ТЕХНОЛОГИЯ И БЕЗОПАСНОСТЬ
ВОЗМОЖНОСТЬ
Никогда не знаешь, какие действия ждут впереди, поэтому Canyon AT4 2022 года спроектирован и оборудован для того, чтобы справляться с грядущими приключениями.
АГРЕССИВНЫЕ ШИНЫ GOODYEAR DURATRAC 31″
Стандартные для AT4, эти прочные и эффективные шины созданы для того, чтобы доставить вас прямо туда, где происходит действие.
ПАКЕТ ПОДВЕСКИ ДЛЯ ВНЕДОРОЖНИКОВ
УСОВЕРШЕНСТВОВАННАЯ СИСТЕМА КОНТРОЛЯ НА СПУСКЕ НА СПУСКЕ
Усовершенствованная система контроля на спуске с холма помогает обеспечить плавный контролируемый спуск на пересеченной местности с помощью антиблокировочной системы торможения
ЩИТ РАЗДАТОЧНОЙ КОРОБКИ
Щиток раздаточной коробки Canyon AT4 защищает днище двухскоростной раздаточной коробки AutoTrac ® от камней и мусора.
Стандартно для AT4, эти прочные и надежные шины созданы для того, чтобы доставить вас прямо туда, где происходит действие.
Пакет подвески для бездорожья расширяет возможности и характеристики Canyon AT4, когда дорога заканчивается и приключения уводят вас в бездорожье.
Усовершенствованная система управления спуском с холма
помогает обеспечить плавный контролируемый спуск на пересеченной местности с помощью антиблокировочной системы торможения.
Щиток раздаточной коробки Canyon AT4 защищает днище двухскоростной раздаточной коробки AutoTrac ® от камней и мусора.
Небольшие грузовики Canyon 2022 года способны выполнять работу с большим размахом.
Доступный встроенный контроллер тормозов прицепа и доступный дизельный выхлопной тормоз
Встроенный контроллер тормозов прицепа обеспечивает улучшенное управление тормозами вашего прицепа, а дизельная выхлопная тормозная система может помочь уменьшить количество торможения, необходимого при буксировке или движении вниз по склону. (Доступно на Elevation, AT4 и Denali)
В наличии Автоматическая блокировка заднего дифференциала
Когда движение становится неровным, задний дифференциал с автоматической блокировкой обеспечивает улучшенное сцепление с рыхлым гравием или скользкой поверхностью, блокируя оба задних колеса, чтобы передать мощность там, где она вам нужна.
Тормозные диски Duralife
Для жесткой езды нужны надежные тормоза, а тормозные диски Duralife от Canyon 2022 модельного года обеспечивают мощное торможение благодаря коррозионностойким роторам, когда это необходимо больше всего.
Некоторые показанные функции могут быть доступны с ограничениями, с опозданием или вообще не доступны. Обратитесь к дилеру для получения информации о наличии функций.
StabiliTrak ® Электронный контроль устойчивости
Эта стандартная система обнаруживает разницу между управляемым путем и направлением, в котором фактически движется автомобиль. Затем он использует тормоза и, при необходимости, регулирует крутящий момент двигателя, чтобы помочь вам удержать автомобиль на ходу.
Прочный, готовый и мощно оснащенный, небольшой пикап Canyon 2022 года предлагает оптимальное сочетание мощности, эффективности и возможности буксировки.
2.5L I4 Gas (Limited Availability)
Available 3.6L V6 Gas
Available 2.8L Duramax ® Turbo-Diesel
HORSEPOWER
200 hp
308 hp
181 hp
крутящий момент
191 LB-F-FT
275 LB-F-FT
369 LB-F-FT
MAX Trailering
3500 LBS 1
7,700-lbs 2
7,700 lbs 3
EPA-ESTIMATED FUEL ECONOMY (MPG)
19 city/25 hwy (2WD)
19 city/24 hwy (4WD)
18 город/25 шоссе (2WD)
17 город/24 шоссе (4WD)
20 город/30 шоссе (2WD)
19 город/28 шоссе (4WD)
I4 Газовый двигатель. Прежде чем купить автомобиль или использовать его для буксировки, внимательно ознакомьтесь с разделом «Руководство по эксплуатации», посвященным буксировке. Вес пассажиров, груза и опций или аксессуаров может уменьшить количество буксируемого груза.
2. Грузоподъемность Canyon составляет 7700 фунтов, поэтому требуется модель Elevation 2WD Extended Cab, доступный газовый двигатель объемом 3,6 л и комплект для прицепа. Прежде чем купить автомобиль или использовать его для буксировки, внимательно ознакомьтесь с разделом «Руководство по эксплуатации», посвященным буксировке. Вес пассажиров, груза и опций или аксессуаров может уменьшить количество буксируемого груза.
3. Для Canyon с грузоподъемностью 7700 фунтов требуется модель Elevation 2WD Crew Cab, доступный 2,8-литровый турбодизельный двигатель Duramax I4 и комплект для прицепа. Прежде чем купить автомобиль или использовать его для буксировки, внимательно ознакомьтесь с разделом «Руководство по эксплуатации», посвященным буксировке. Вес пассажиров, груза и опций или аксессуаров может уменьшить количество буксируемого груза.
Эффективный, отзывчивый и мощный — ознакомьтесь с возможностями двигателей Canyon Duramax ® 2,8 л с турбодизельным двигателем.
Ограниченная доступность
2022 КАНЬОН
МОЩНОСТЬ 919 ЛОШАДЕЙ67
181 л.с.
КРУТЯЩИЙ МОМЕНТ
369 фунтов-футов.
МАКС. БУКСИРОВКА (ФУНТЫ)
7700 фунтов †
МАКС. ПОЛЕЗНАЯ НАГРУЗКА (ФУНТЫ)
1470 фунтов †
АВТОМАТИЧЕСКАЯ ТРАНСМИССИЯ
6-СКОРОСТЬ
ПЕРЕДАТЧИК МОСТА
3.42
миль на галлон
20 город/30 шоссе (2WD) †
ДОСТУПНАЯ МАКСИМАЛЬНАЯ РАССТОЯНИЕ ПО Шоссе
ДО 630 МИЛЬ (2WD) †
Создан для долговечности
Дизельный двигатель с самого начала был частью портфельного плана Canyon.
Таким образом, вы не можете идти на компромиссы с дизельным двигателем Canyon, потому что шасси, подвеска и другие элементы его архитектуры были спроектированы с учетом двигателя Duramax 2,8 л. Этот двигатель предлагает исключительную производительность, обеспечиваемую уверенным чувством контроля, продвигая легендарное наследие бренда Duramax в отношении долговечности и надежности.
Эффективный и изысканный
Полноприводные модели Canyon, оснащенные 2,8-литровым турбодизельным двигателем Duramax, по оценкам Агентства по охране окружающей среды США (EPA), расходуют по шоссе впечатляющие 30 миль на галлон. Canyon также оснащен центробежным маятниковым поглотителем вибрации (CPVA) в гидротрансформаторе, который предназначен для контроля вибрации и шума.
DENALI
ВЫСОТА
ВЫСОТА СТАНДАРТ
3.6L DI DOHC V6 VVT
Standard
Standard
Available
Available
2.
8L Duramax ® Turbo-Diesel I4
Available
Available
Available
2.5 L DOHC I4 VVT (ограниченная доступность)
2WD (ограниченная доступность)
2WD (ограниченная доступность)
31″ Goodyear ® Wrangler Duratrac ® Tires
Standard
Hill Descent Control
Standard
Transfer Shield Case
Standard
2-Speed AutoTrac ® Transfer Case
Standard 4WD
Standard
Standard 4WD
Стандарт 4WD
Задний дифференциал с автоматической блокировкой
Стандарт
Стандарт
В наличии
Доступно
Пакет подвесной подвески внедорожни
Стандарт
ПАКЕТ ТРИЗАНИЙ
Стандарт
Доступен
Доступно
Доступно
ИНТЕРЬЕР
ТЕХНОЛОГИЯ И БЕЗОПАСНОСТЬ
ПОСМОТРЕТЬ ИНВЕНТАРЬ
ПОСМОТРЕТЬ ИНВЕНТАРЬ
Сколько можно буксировать без тормозов прицепа? (Пояснение)
Задумывались ли вы, сколько вы можете буксировать без тормозов прицепа? Не смотрите больше.
Мы вас прикрыли.
Хотя легкие прицепы часто можно эксплуатировать без какой-либо независимой тормозной системы, по мере того, как вы начинаете садиться в более крупные прицепы, в частности передвижные дома, вполне вероятно, что вам потребуется какая-либо независимая тормозная система. .
Итак, сколько можно буксировать без тормозов прицепа? Количество, которое вы можете буксировать без тормозов прицепа, фактически зависит от штата. Однако в среднем вы можете ожидать от 1500 фунтов в Калифорнии до 5000 фунтов на Аляске.
Многие другие факторы будут определять количество, которое вы можете буксировать без тормозов прицепа. Ниже приведены наиболее распространенные:
- Тяговый вес
- Вес вашего автомобиля
- Age of Trailer
- Speed Arthicle путешествует по телефону
- , предметы, которые вытаскивают
- Тип
- Количество колес
Table oftents
6.
?
Тормоза прицепа обеспечивают полный контроль над буксируемым прицепом. Это означает, что вам придется меньше беспокоиться о том, что он будет раскачиваться из стороны в сторону, что, конечно же, может представлять опасность для других участников дорожного движения.
Тормоза прицепа работают синхронно со стандартными тормозами автомобиля. Это означает, что если ваш автомобиль тормозит, прицеп будет тормозить точно в то же время.
Это означает, что вам не нужно беспокоиться о том, что прицеп врежется в заднюю часть автомобиля, если ваш автомобиль внезапно остановится. Очевидно, что это последнее, что вам нужно, если вы буксируете тяжелый груз.
Тормоза прицепа также могут помочь, если вашему прицепу удается вырваться из транспортного средства. Очевидно, что это по-прежнему вызовет массу проблем, но тормоза прицепа должны помочь свести ущерб к минимуму.
Читайте также: Какова средняя стоимость установки контроллера тормозов прицепа – (Факты и цифры)
Сколько можно буксировать без тормозов прицепа?
Теоретически вы можете буксировать автомобиль с максимальным весом без независимых тормозов прицепа.
Это было бы не самое разумное решение в мире. Это не законно и не безопасно, но возможно.
Сумма, которую вы можете буксировать, зависит от штата к штату (мы вскоре приведем несколько примеров). Это означает, что вам нужно будет изучить законодательство вашего штата, чтобы узнать, что именно от вас ожидается.
Помните, что если вы путешествуете из штата в штат, вам придется учитывать правила штата, в который вы въезжаете. Таким образом, хотя правила одного штата могут быть более мягкими, если вы едете в штат с более строгими правилами, то тормоза вашего прицепа должны будут соответствовать этим более строгим правилам.
По нашему мнению, у вас всегда должны быть тормоза прицепа. Их не так дорого установить, и, честно говоря, весь опыт вождения будет намного безопаснее.
Если у вас всегда установлены тормоза прицепа, то вам не придется беспокоиться о правилах и в различных состояниях.
В следующих нескольких разделах мы хотим рассмотреть несколько факторов, которые будут определять, нужны ли вам тормоза для прицепа или нет.
Помните, что правила будут различаться в зависимости от штата, в котором вы находитесь. Не во всех штатах учитываются все эти факторы. Некоторые на самом деле просто имеют ограничение по весу для вождения без тормозов.
Читайте также: Могу ли я буксировать прицеп с электрическими тормозами без контроллера тормозов?
Тяговое усилие
Практически во всех случаях тяговое усилие будет решающим фактором при выборе тормозов. Правила между различными штатами могут сильно различаться и здесь.
👉 Возьмем, к примеру, Аляску. Вы можете тянуть до 5000 фунтов без установки независимой тормозной системы для вашего прицепа.
👉 Если вы ехали через Аризону, то это может быть всего 3000 фунтов. В Калифорнии, в некоторых случаях, вам придется иметь по крайней мере пару тормозов на колесах, если транспортное средство весит более 1500 фунтов.
Именно эта проблема с весом означает, что мы действительно рекомендуем всегда иметь независимую тормозную систему.
Это даст вам немного свободы действий, если вы захотите загрузить трейлер различным оборудованием.
Буксировочная масса – грузоподъемность – 10 популярных моделей автомобилей
В таблице ниже вы можете найти буксирную массу или максимальную буксирную способность 10 популярных моделей автомобилей:
| Модель и тип автомобиля | Средний буксировочный вес / грузоподъемность Макс. (lbs) |
|---|---|
| Toyota Camry | 1,000 lbs |
| Chevy Cruze | 1,000 lbs |
| Honda CR-V | 1,500 lbs |
| Toyota Rav4 | 3,5000 lbs |
| Седан | от 1000 до 4000 фунтов |
| Toyota Prius | до 1000 фунтов |
| Toyota Corolla | under 1,500 lbs |
| Subaru Outback | Up to 3,700 lbs |
| Buick | up to 1,500 lbs |
| Kia Sorento | 3,500 lbs |
| Small ( Квартал-тон) Грузовики | 6 500 |
| Полуцветные грузовики | 8 500 |
Трехбл. 0247 | 7,200 |
Таблица грузоподъемности
Вес вашего автомобиля
Вес автомобиля не влияет на необходимость наличия тормозов как таковых. Вместо этого он будет коррелировать с максимальным весом, который вам разрешено тянуть без тормозов.
👉 Например, во Флориде и Аризоне, вам понадобится тормозная система, если вес прицепа составляет более 40% от полной массы автомобиля.
Это означает, что все загружено в автомобиль. Это включает людей.
👉 Опять же, это причина, по которой почти всегда рекомендуется, чтобы у вас была независимая тормозная система в вашем автомобиле.
Количество людей в вашем транспортном средстве может варьироваться в широких пределах, равно как и количество снаряжения, которое вы берете с собой в поездку.
Возраст прицепа
Насколько мы можем судить, существует только одно государство, которое определяет возраст прицепа при решении вопроса о том, нужна ли вам независимая тормозная система или нет.
👉 В Калифорнии независимая тормозная система нужна только в том случае, если ваш трейлер был построен после 1945 года .
Если ваш прицеп был построен до этого, то не требуется иметь независимую тормозную систему.
Однако, давайте будем честными, это тип вещей, которые на самом деле не применимы к подавляющему большинству людей. Почти все мы будем возить прицепы, которые были построены после 1945 года.
Транспортное средство движется со скоростью
Калифорния также является одним из немногих штатов, в котором установлена минимальная скорость, с которой вы можете двигаться, прежде чем вам понадобится независимая тормозная система.
Это 20 миль в час. Если вы никогда не едете со скоростью более 20 миль в час, вам никогда не понадобится устанавливать эту независимую тормозную систему.
Конечно, на пользователей автофургонов это не сильно повлияет.
Вместо этого это будет больше прерогативой тех, кто работает в торговых поместьях или на фермах, где они никогда не собираются ездить на общественные земли.
Перевозимые предметы
В таких штатах, как Миссури, на самом деле не существует максимального веса буксировки, прежде чем вам понадобится независимая тормозная система.
Вес упоминается только тогда, когда речь идет об опасных материалах.
Если вы перевозите более 3000 фунтов опасных материалов в штате, вам нужна независимая тормозная система. Опасные материалы весят меньше?
Вам ничего не нужно. Неопасные материалы? Вам ничего не нужно.
Тип сцепки
Здесь мы снова хотим привлечь внимание к штату Миссури. Как мы только что сказали, нет необходимости иметь независимую тормозную систему, если только вы не перевозите опасные материалы.
Однако это не совсем так. Миссури также требует, чтобы у вас была независимая тормозная система, если у вас есть сцепное устройство 5-го колеса.
Количество колес
Миссисипи — единственный штат, в котором есть требование. В этом состоянии любой прицеп с более чем двумя колесами должен иметь независимую тормозную систему.
Если прицеп находится под двумя колесами, но весит более 2000 фунтов, то он также должен иметь независимую тормозную систему.
Лучший контроллер тормозов прицепа
Мне очень нравится тормозной контроллер Curt TriFlex. Это не очень дорого, но отзывы потрясающие. Просто перейдите по ссылке на Amazon, где вы можете увидеть текущие цены.
👉 Покупка: Если вы заинтересованы в этом контроллере тормозов Curt TriFlex, просто перейдите по ссылке на Amazon, где вы можете увидеть текущие цены.
Требования к тормозам прицепа по штату
В таблице ниже вы можете найти требования и правила тормоза прицепа по штату:
| СТАТИТЕЛЬНЫЕ | Требования к прицепам |
|---|---|
| 0 | 6|
4174174174174174174174174174174174174174174. ABLEABARAKEABARABE. 3 000 фунтов, если вес прицепа превышает 40 % от веса буксирующего транспортного средства. | |
| ARIZONA | При полной массе 3000 фунтов требуются независимые тормозные системы. или больше. |
| КАЛИФОРНИЯ | Все прицепы и полуприцепы, произведенные после 1940 г., полной массой 6000 фунтов. или более и эксплуатируемые со скоростью 20 миль в час и более, должны быть оборудованы тормозами; прицепы и полуприцепы, построенные после 1966 года и имеющие полную массу 3000 фунтов. и более должны иметь тормоза как минимум на 2-х колесах; каждый прицеп или полуприцеп, построенный после 1982 года и оснащенный пневматическими тормозами, должен быть оборудован тормозами всех колес. Каждый туристический или кемпинговый прицеп полной массой 1500 фунтов. или более должны быть оборудованы тормозами как минимум на 2 колесах. |
| ДЕЛАВЭР | Каждое транспортное средство при движении по шоссе должно быть оборудовано тормозами, достаточными для управления движением, а также для остановки и удержания такого транспортного средства и любого прикрепленного к нему прицепа, включая 2 отдельных средства включения тормозов. Тормоза необходимы для любого транспортного средства и груза полной массой более 4000 фунтов. |
| ФЛОРИДА | Каждое такое транспортное средство и состав транспортных средств должны быть оборудованы рабочими тормозами, достаточными для управления движением, остановки и удержания такого транспортного средства при любых условиях загрузки и на любом уклоне, связанном с его эксплуатацией. Каждое транспортное средство должно быть оборудовано тормозами, действующими на все колеса, за исключением прицепов, полуприцепов или прицепов с дышлом, полная масса которых не превышает 3000 фунтов, при условии, что общий вес, приходящийся на колеса прицепа или прицепов, не должен превышать 40 процентов. полной массы тягача при сцепке с прицепом или прицепами; и комбинация транспортных средств, состоящая из тягача и его общей буксируемой нагрузки, способна соответствовать требованиям закона. г. Прицепы Pole полной массой более 3000 фунтов. изготовленные до 1 января 1972 г., не обязательно оснащаться тормозами. Каждое транспортное средство-тягач, используемое для буксировки другого транспортного средства, оснащенного тормозами с пневматическим приводом, за исключением операций по проезжей части или буксировки, должно быть оборудовано двумя средствами аварийного включения тормозов прицепа. |
| ILLINOIS | Каждый прицеп или полуприцеп полной массой более 3000 фунтов. должны быть оборудованы тормозами при движении по шоссе. Такие тормоза должны быть сконструированы и подключены таким образом, чтобы в случае случайного отрыва буксируемого транспортного средства массой более 5000 фунтов тормоза включались автоматически. |
| МИННЕСОТА | Прицеп или полуприцеп полной массой 3000 фунтов. или более, либо полной массой, превышающей массу пустого тягача, должны быть оборудованы тормозами, способными надлежащим образом контролировать движение, а также останавливать и удерживать прицеп или полуприцеп. Прицеп или полуприцеп полной массой 6000 фунтов. или более, должны быть оборудованы тормозами, конструкция которых позволяет удерживать прицеп или полуприцеп в случае его отрыва от тягача |
| НОВАЯ МЕКСИКА | Прицепы должны быть оснащены тормозами, если их полная масса составляет 3000 фунтов. или больше. В любом составе тягачей должны быть предусмотрены средства включения тормозов самого заднего прицепа любого прицепа, оборудованного тормозами, приблизительно синхронно с тормозами тягача. |
| НЬЮ-ЙОРК | Каждый прицеп и полуприцеп массой более 1000 фунтов. без груза, а также каждый прицеп и полуприцеп, изготовленные 1 января 19 г. или после этой даты.71, имеющий зарегистрированный максимальный общий вес или фактический общий вес более 3000 фунтов. должны быть оборудованы соответствующими тормозами в хорошем рабочем состоянии. |
| TEXAS | Прицеп или прицеп с опорой должен иметь тормоза, если его полная масса превышает 4500 фунтов. Прицеп с полной массой от 4500 фунтов. и 15000 фунтов. не требуется наличие тормозов, если он буксируется со скоростью не более 30 миль в час. |
| VIRGINIA | Прицепы должны быть оборудованы тормозами, если полная масса превышает 3000 фунтов. г. Прицепы должны быть оборудованы как минимум одним красным стоп-сигналом в задней части транспортного средства. |
| WISCONSIN | Любой прицеп, полуприцеп или другое буксируемое транспортное средство полной массой 3000 фунтов. или более должны быть оборудованы тормозами, достаточными для остановки транспортного средства. |
| ВАЙОМИНГ | Каждая группа транспортных средств должна быть оборудована рабочей тормозной системой, которая остановит комбинацию транспортных средств в пределах 40 футов от начальной скорости 20 миль в час на ровной, сухой, гладкой, твердой поверхности. Каждый состав транспортных средств должен иметь стояночную тормозную систему, достаточную для удержания состава транспортных средств на любом уклоне, на котором он эксплуатируется, при любых условиях загрузки на поверхности, свободной от снега, льда или сыпучих материалов. |
Требования к тормозам прицепа и правила штата
Могу ли я использовать электрические тормоза без контроллера электрического тормоза?
Можно ли использовать электрические тормоза без контроллера электрического тормоза? >> Посмотрите видео ниже:
Заключение
Несмотря на то, что всегда разумно иметь независимую тормозную систему, вам все же следует ознакомиться с правилами для любых штатов, в которых вы планируете ездить.
Таким образом, вы будет точно знать, что от вас ожидается. Помните, что если вам необходимо иметь независимую тормозную систему, но у вас ее нет, вы получите штраф.
Ссылки
https://drivinglaws.aaa.com
https://www.etrailer.com
Recent Posts
ссылка на Сертифицированы ли Zales Diamonds? (Обзор, качество и многое другое)
Сертифицированы ли алмазы Zales? (Обзор, качество и многое другое)
Бриллианты и другие драгоценные камни бывают самых разных качеств. Не всегда легко узнать, каково качество вашего драгоценного камня. Вот где пригодятся сертификаты.
Алмазы Zales…
Продолжить чтение
ссылка на Сертифицированы ли бриллианты Neil Lane Diamonds? (Все, что тебе нужно знать)
Сертифицированы ли бриллианты Neil Lane Diamonds? (Все, что вам нужно знать)
Нил Лейн — знаменитый ювелирный дизайнер свадебных колец, обручальных колец и других удивительных украшений.
Одной из отличительных черт ювелирных украшений Neil Lane является использование бриллиантов во всем, что они делают…
Продолжить чтение
Что такое буксировочная способность и как она измеряется?
: Знание тяговой способности транспортного средства имеет решающее значение при выборе модели, которая лучше всего подойдет для ваших потребностей в перевозке, а также при определении того, что вы сможете буксировать с помощью вашего текущего транспортного средства. Всегда соблюдайте указанную грузоподъемность, так как превышение лимита может быть опасным.
Типы буксировочной способности
Как заявила компания Curt Manufacturing, грузоподъемность крыла — это максимальный вес, который ваш автомобиль сможет буксировать во время буксировки. Вот некоторые дополнительные термины, связанные с грузоподъемностью, которые вам следует знать:
- Тормозная буксировочная способность: Когда вы видите указанную тормозную мощность, это относится к максимальному весу, который транспортное средство сможет буксировать, когда буксируемый прицеп оснащен собственной тормозной системой.
В этом случае тормозная система прицепа будет подключена к вашему автомобилю через кабель. - Тяговая способность без тормозов: Когда используется термин буксировка без тормозов, он описывает способность вашего автомобиля буксировать прицеп, у которого нет собственной независимой тормозной системы. Эта грузоподъемность обычно меньше тормозной тяговой способности.
Что нужно знать о буксировке другого автомобиля
Есть несколько моментов, о которых вам следует знать, когда вы планируете буксировать другой автомобиль.
- Вам понадобится фаркоп, фаркоп и точка восстановления.
- Буксировочное устройство крепится к шасси буксируемого автомобиля при перемещении другого автомобиля.
- При буксировке крупного транспортного средства или сельскохозяйственного оборудования следует использовать буксирный штифт и захват, чтобы обеспечить необходимую слабину.
Типы прицепов, используемых для буксировки
Существует два основных типа прицепов, которые будут использоваться для буксировки.
Вы будете либо буксировать, используя открытый прицеп, либо закрытый прицеп. Открытый или бортовой прицеп относится к прицепу, который не имеет боковых сторон, и является идеальным выбором для объектов, которые могут иметь нетрадиционную форму.
Вы также можете использовать закрытый прицеп, который будет закрыт со всех сторон и покрыт крышей. Этот тип прицепа часто используется для любого типа груза, который нуждается в защите, например, домашний скот или мебель.
Как определить максимальную тяговую мощность вашего автомобиля?
Согласно AutoList, определить максимальную тяговую мощность вашего автомобиля несложно. Вам просто нужно знать рейтинг веса производителя транспортного средства и сравнить его с весом вашего прицепа. Обычно вы можете найти информацию о буксировочной способности производителя в руководстве по эксплуатации, дверном косяке со стороны водителя или на веб-сайте компании.
Что такое GVWR и чем он отличается от буксировочной способности?
GVWR, или рейтинг полной массы транспортного средства, определяется Синей книгой Келли как максимальный загруженный вес вашего автомобиля, который был определен производителем как безопасный.
Он будет охватывать вес пассажиров, груза и вес самого транспортного средства. В отличие от тяговой способности, этот вес будет равен весу автомобиля до того, как будет прикреплен прицеп.
Что такое GCWR?
Общий общий вес или GCWR — это общий вес, с которым транспортное средство может безопасно справиться, включая вес транспортного средства, пассажиров, груза и любого прикрепленного прицепа. Этот вес определяется производителем.
Что такое ГАВР?
Полная нагрузка на ось или GAWR — это максимальный вес, который могут выдержать передняя и задняя оси автомобиля. Это будет включать два рейтинга: рейтинг FR для передних осей и рейтинг RR для задних мостов.
Что такое GTW?
GTW — это сокращение от полной массы прицепа, которое учитывает общий вес прицепа и перевозимого в нем груза.
Другие термины, относящиеся к буксировочной способности
Чтобы убедиться, что вы буксируете только тот вес, который безопасен для вождения, есть несколько других терминов, с которыми вам следует ознакомиться.
- TW: Вес на дышло или TW — это направленная вниз сила, которая может воздействовать на заднюю часть буксируемого груза или транспортного средства. Это важно знать, так как это может помочь вам лучше контролировать свой автомобиль.
- Снаряженная масса: Снаряженная масса автомобиля позволяет узнать, сколько он весит, когда в нем нет пассажиров, груза или прицепа. Он будет учитывать вес бензина и вес других жидкостей, необходимых для работы автомобиля.
- Сухой вес: Термин «сухой вес» очень похож на снаряженную массу, поскольку он включает вес вашего автомобиля без пассажиров и груза. Отличие заключается в том, что он также снимает вес жидкостей, которые будут находиться в автомобиле, чтобы он работал должным образом.
Что такое грузоподъемность и чем она отличается от грузоподъемности?
Как упоминалось в Firestone Complete Auto Care, когда производитель указывает грузоподъемность, он имеет в виду общий вес, который может перевозить грузовик, включая пассажиров и груз, при условии, что он поместится в кабине или кузове.
грузовика. В отличие от тяговой способности, он не дает информации о том, какой вес можно тянуть или буксировать за грузовиком.
Каким образом можно увеличить мощность буксировки?
Существуют безопасные способы увеличить тяговое усилие вашего автомобиля, если вы планируете перевозить слишком большой тяжелый груз, чем позволяет данная модель. Чтобы увеличить грузоподъемность, вам необходимо приобрести аксессуары, которые позволят вашему автомобилю безопасно работать с более высоким тяговым весом, например, более качественное сцепное устройство и шаровое крепление. При этом всегда помните, что повышенная скорость должна основываться на буксировочном приспособлении с наименьшим номиналом.
Почему вы всегда должны следить за тяговым усилием вашего автомобиля?
Согласно Carry-Ontrailer.com, если вы игнорируете тяговое усилие вашего автомобиля, вы можете быстро повредить двигатель, шины, трансмиссию или раму, что часто приводит к серьезным повреждениям.
Несоблюдение требований к буксировке также может привести к проблемам с безопасностью на дороге.
Источники:
https://www.curtmfg.com/towing-capacity
https://www.kbb.com/what-is/towing-capacity/
https://www.autolist.com/guides/towing-capacity-charts-suvs-trucks
https://blog.firestonecompleteautocare.com/driving/truck-payload-vs-towing-capacity-what-to -know/
Этот контент импортирован из OpenWeb. Вы можете найти тот же контент в другом формате или найти дополнительную информацию на их веб-сайте.
[PDF] Предложение новой схемы обслуживания пневматической тормозной системы на автопоезде
- Идентификатор корпуса: 113583291
@inproceedings{Ruman2015ProposalON,
title={Предложение новой схемы обслуживания пневматической тормозной системы на автопоезде},
автор={Ф.
Руман и Юрай Грен{\vc}{\'i}k},
год = {2015}
} - F. Ruman, J. Grenčík
- Опубликовано в 2015 г.
- Business
В статье предлагается новая схема обслуживания пневматической тормозной системы автопоезда. Описана конструкция полуприцепа и действующая схема обслуживания прицепов с акцентом на базовую конструкцию пневматической тормозной системы. Представлен анализ износа и повреждений компонентов пневматической тормозной системы, используемых на автопоезде, основанный на реальном практическом опыте и построении FMECA-анализа системы с использованием программной поддержки. На основании анализа…
Диагностика. представлены компоненты пневматической тормозной системы, используемые на автопоезде, на основе реального практического опыта и создания FMEA-анализа системы с использованием программного обеспечения.
Система технического обслуживания полуприцепа и приоритет риска №
- Д. Барта, Й. Галликова, Дж. Кабан
Бизнес
- 2019
Анализ износа и повреждений отдельных компонентов пневматической тормозной системы и создание анализа FMECA для автопоезда разработаны новые методы выявления отказов компонентов пневматических систем, профилактические мероприятия и создание новой системы планово-предупредительного обслуживания пневматических тормозов.
Модельные расчеты апостериорных показателей надежности для предложения системы технического обслуживания
- Ю. Галликова, В. Стухли, Р. Попроцкий, П. Волна
Бизнес
- 2018
Разработка содержания и масштабов технического обслуживания машин и оборудования методами априорной и апостериорной надежности на снижение стоимости жизненного цикла машины,…
Оценка зависимости эффективности тормозов от технического состояния автомобильных шин как фактор управления безопасностью дорожного движения А. Гола
Бизнес
Энергетика
Социальные издержки, как один из факторов, определяющих устойчивость социально-экономического развития, сильно зависят от количества пострадавших и смертности в дорожно-транспортных происшествиях. Состояние…
Об эковождении, генезисе, проблемах и преимуществах, возможностях применения
Моделирование расчета передачи акустической энергии через структуру пористых сред при применении кузова пассажирского вагона
- П.
Зволенский, Ľ. KaShiar, P. Volna, D. Barta Engineering
- 2017
Показ 1-10 из 18 ссылок
Sort Byrelevancemost под влиянием сценарии
. Andrzej Loska
Информатика
Представлены результаты исследования использования моделирования процессов эксплуатации в практических приложениях (промышленных), акцентируя внимание на трудности использования моделей процессов эксплуатации применительно к организации технического обслуживания в промышленное предприятие из-за их «плоского» характера.
Математическое моделирование клапана управления тормозами прицепа для моделирования пневматической тормозной системы сельскохозяйственных тракторов, оснащенных тормозами с гидравлическим приводом В данной статье представлена математическая модель клапана управления тормозами прицепа с гидравлическим приводом. Результаты статистического теста Колмогорова-Смирнова подтвердили…
Установление оптимальной периодичности проверок физических активов на основе принципов риска
- Дж.
Собрал, Л. Феррейра Бизнес
- 2015
Представлены концепция риска, анализ риска и методология RBI, а также подход к определению оптимальной частоты проверок физических активов на основе потенциального риска и в основном на количественную оценку вероятности отказа показано.
Техническое обслуживание, ориентированное на надежность
- Дж. Мубрей
Инженерное дело
- 1991
Техническое обслуживание, ориентированное на надежность, — это процесс, используемый для систематического и научного определения того, что необходимо сделать, чтобы физические активы продолжали работать так, как хотят их пользователи. } różnego typu danych
- Diego Galar, Anna Gustafson, Bernardo Tormos, Luis Berges
Business, Economics
- 2012
За последнее десятилетие системная интеграция позволяет оптимизировать бизнес-процессы организаций.

Недостаточно зажата диафрагма
Очистить или заменить клапан

Индикатор 3 выключается.
С увеличением угла поворота рычага интенсивность торможения увеличивается. Индикатор 3 светится весь период торможения.
В случае автопоезда функция помогает сохранять траекторию движения прицепа в зависимости от траектории движения тягача;


Если нет – светится постоянно.
Повреждены шланги и трубопроводы. недостаточная затяжка мест соединений, трубопроводов, шлангов, соединений и переходной арматуры — Замените шланги и трубопроводы. Подтяните места соединений. Неисправные детали соединений и уплотнений замените
Если не регулируется замените регулятор
Замените изношенные детали и клапан управления тормозами прицепа
1
Проверьте 4-контурный клапан
При необходимости снимите узлы вспомогательного тормоза, очистите от нагара, промойте и просушите
Это поместит самый последний документ вверху.
S.C. 5103 и перевозится в количестве, требующем размещения табличек в соответствии с правилами, установленными Секретарем в соответствии с 49 CFR, подзаголовок B, глава I, подраздел C».
3 Принципиальная схема системы рулевого управления
5 Схематическая диаграмма расположения шкворня
11 Ввод угла поворота рулевого колеса
13 Реакция тягача и полуприцепа на угол бокового скольжения
18 Тормозной момент прицепа
0247
ABLEABARAKEABARABE. 3 000 фунтов, если вес прицепа превышает 40 % от веса буксирующего транспортного средства.
изготовленные до 1 января 1972 г., не обязательно оснащаться тормозами.
Прицеп с полной массой от 4500 фунтов. и 15000 фунтов. не требуется наличие тормозов, если он буксируется со скоростью не более 30 миль в час.
В этом случае тормозная система прицепа будет подключена к вашему автомобилю через кабель.