Содержание
Система питания дизельного двигателя
Цель
работы: изучить и ознакомиться с устройством
системы питания дизельного двигателя,
принципом работы и регулировки форсунки
и ТНВД.
Приборы
и принадлежности: стенд, учебные плакаты.
ОБЩАЯ СХЕМА СИСТЕМЫ
ПИТАНИЯ
Система питания дизеля служит
для подачи в цилиндры двигателя
воздуха и топлива и отвода
отработавших газов. Топливо подается
под большим давлением, в определенные
моменты (характеризуемые углом
опережения по. дачи топлива) и в
определенном количестве в зависимости
от нагрузки двигателя. Система питания
дизеля состоит из систем подачи воздуха,
подачи топлива и выпуска отработавших
газов.
В систему питания
дизеля ЯМЗ-236 (рис. 1, а) входят топливный
бак 9, фильтры грубой 8 и тонкой 1 очистки
топлива, топливоподкачивающий насос
11, топливопроводы, форсунки 6, топливный
насос 5 высокого давления с всережимным
регулятором, воздухоочиститель 4 и другие
приборы и детали.
Рассмотрим путь топлива
в системе питания. Из бака 9 через
фильтр 8 грубой очистки по топливопроводу
10 топливо поступает к топливоподкачивающему
насосу 11, от которого подается по топливопроводу
12 к фильтру 1 тонкой очистки, а по топливопроводу
2 к насосу 5 высокого давления. Насос по
топливопроводам 3 высокого давления подает
топливо в форсунки 6 в соответствии с
порядком работы цилиндров двигателя
(1—4—2—5—3—6). Независимо от частоты вращения
коленчатого вала двигателя в каналах
насоса поддерживается постоянное давление
топлива 130—150 кН/м2 (1,3-— 1,5 кгс/см2)
вследствие работы перепускного клапана
13 и жиклера фильтра тонкой очистки. Топливо,
не использованное в насосе высокого давления,
но топливопроводу 14 сливается в бак. Топливопроводы
7 служат для отвода в бак топлива, просочившегося
между распылителем форсунки и иглой.
Топливо, постоянно циркулирующее в системе
питания, охлаждает головку насоса, отводит
в бак топливо и воздух, попавший в систему.
Особенностью системы
питания дизеля автомобиля КамАЗ-5320
является наличие в ней двух топливоподкачивающих
насосов 23 и 34 . Насос 23, установленный
на кронштейне коробки передач, имеет
только ручной привод, а насос 34, укрепленный
на корпусе насоса 17 высокого давления,
имеет два привода: ручной и механический.
При работе двигателя топливо
из бака 27 по топливопроводу 29 поступает
в фильтр 31 грубой очистки, затем подходит
к тройнику 25 и по топливопроводу S3 к топливоподкачивающему
насосу 34. Насос 34 нагнетает топливо по
топливопроводу 18 к фильтру 22 тонкой очистки,
а из него по топливопроводу 24 к впускной
полости насоса 17 высокого давления. От
насоса 17 по топливопроводам 16 топливо
подается в форсунки 15 в соответствии
с порядком работы цилиндров двигателя
(1—5—4—2—6—3—7—8).
Топливо, не использованное
в насосе высокого давления, и воздух,
попавший в систему питания, отводятся
через перепускной клапан насоса
и сливной клапан фильтра тонкой
очистки по топливопроводам 19 и 30
в топливный бак.
Топливопроводы 32 и 28
с тройником 26 служат для отвода в бак
топлива, просочившегося между распылителем
и иглой.
При работе дизеля ЯАЗ-М206 топливоподкачивающий
насос 14 засасывает топливо из бака
2 через трубку 1, топливопровод 4, фильтр
7 грубой очистки и топливопровод 16, а затем
нагнетает топливо по топливопроводу
15 через фильтр 8 тонкой очистки и топливопровод
9 к насосам-форсункам 12 в соответствии
с порядком работы цилиндров двигателя
(1 — 5—3—6—2—4). Избыток топлива, непрерывно
идущего через
насосы-форсунки, охлаждает
их и по топливопроводам 11 и 13 отводится
в топливный бак. В конце отводящего топливопровода
11 установлен штуцер 10 с дроссельным отверстием,
создающим сопротивление, что способствует
поддержанию необходимого давления в
системе питания.
Рис. 1. Схемы систем питания
четырехтактных дизелей:
а — дизеля ЯМЗ-236; б — дизеля
автомобиля КамАЗ-5320; 1 и 22 — фильтры тонкой
очистки топлива; 2, 3, 7, 10, 12, 14, 16, 18, 19, 20,
24, 28, 29, 30, 32 и 33 — топливопроводы; 4 — воздухоочиститель;
5 к 17 — насосы высокого давления; 6 и 15
— форсунки; 8 и 31 — фильтры грубой очистки
топлива; 9 и 27 — топливные баки; 11, 23 и 34
— топливоподкачивающие насосы; 13 — перепускной
клапан; 21 — кран отбора топлива к подогревателю;
25 и 26 – тройники.
Топливный насос
высокого давления.
Топливный насос высокого
давления (ТНВД) дизельного двигателя
является одним из наиболее сложных
узлов системы топливоподачи
дизелей.
Топливные насосы предназначены
для подачи в цилиндры дизеля под
определенным давлением и в определенный
момент точно отмеренных порций топлива,
соответствующих данной нагрузке. По
способу впрыска различают
насосы непосредственного действия
и с аккумуляторным впрыском. В
топливном насосе непосредственного
действия осуществляется механический
привод плунжера, а процессы нагнетания
и впрыска протекают
В каждый цилиндр секция топливного
насоса подает необходимую порцию топлива.
Требуемое давление распыливания создается
движением плунжера насоса.
У топливного насоса с аккумуляторным
впрыском привод рабочего плунжера осуществляется
за счет сил давления сжатых газов
в цилиндре двигателя или с
помощью специальных пружин.
На мощных
тихоходных дизелях применяют
топливные насосы с гидравлическими
аккумуляторами.
В системах с гидравлическими
аккумуляторами процессы нагнетания и
впрыска протекают раздельно. Предварительно
топливо под высоким давлением
нагнетается насосом в
из которого поступает к форсункам.
Эта система обеспечивает качественное
распыливание и смесеобразование в
широком диапазоне нагрузок дизеля,
но из-за сложности конструкций такой
насос широкого распространения
не получил. Современные дизели используют
технологию с управлением
клапанами форсунок от микропроцессорного
устройства (такое сочетание называется
«common rail»).
Топливные насосы
высокого давления могут быть рядными, V-образными
(многосекционными) и распределительными.
В рядных ТНВД насосные секции располагаются
друг за другом, и каждая подает топливо
в определенный цилиндр двигателя. В распределительных
ТНВД, которые бывают одноплунжерными
и двухплунжерными, одна насосная секция
подает топливо в несколько цилиндров
двигателя.
Устройство распределительного
ТНВД:
- редукционный клапан;
- всережимный регулятор;
- дренажный штуцер;
- корпус насосной секции высокого давления в сборе с плунжерной парой и нагнетательными клапанами;
- топливоподкачивающий насос;
- лючок регулятора опережения впрыска;
- корпус ТНВД;
- электромагнитный клапан выключения подачи топлива;
- кулачково-роликовое устройство привода плунжера.
Подачу топлива из бака
в ТНВД обеспечивает топливоподкачивающий
насос (5), а редукционный клапан (1) поддерживает
стабильное давление на входе в насосную
секцию ТНВД, которая расположена
в корпусе (4).
Плунжерная пара насосной секции представляет
собой золотниковое устройство, регулирующее
количество впрыскиваемого топлива и
распределяющее его по цилиндрам дизеля
в соответствии с порядком их работы. Всережимный
регулятор (2) обеспечивает устойчивую
работу дизеля в любом режиме, задаваемом
водителем с помощью педали акселератора,
и ограничивает максимальные обороты
коленчатого вала, а регулятор опережения
впрыска топлива (6) изменяет момент подачи
топлива в цилиндры в зависимости от частоты
вращения коленвала.
Топливоподкачивающий
насос подает в ТНВД топливо в гораздо
большем объёме, чем требуется для работы
дизеля. Излишки возвращаются в бак через
дренажный штуцер (3). Что касается электромагнитного
клапана (8), то он предназначен для остановки
дизеля. При повороте ключа в замке зажигания
в положение «выключено» электромагнитный
клапан перекрывает подачу топлива к плунжерной
паре, а значит, и в цилиндры дизеля, это
и требуется, чтобы заглушить силовой
агрегат.
В зависимости от давления
и продолжительности впрыска, а
также от величины цикловой подачи
топлива существуют следующие модели
рядных ТНВД:
— М (4…6 цилиндров, давление
впрыска до 550 бар)
— А (2…12 цилиндров, давление
впрыска до 950 бар)
— P3000 (4…12 цилиндров, давление
впрыска до 950 бар)
— P7100 (4…12 цилиндров, давление
впрыска до 1200 бар)
— P8000 (6…12 цилиндров, давление
впрыска до 1300 бар)
— P8500 (4…12 цилиндров, давление
впрыска до 1300 бар)
— R (4…12 цилиндров, давление
впрыска до 1150 бар)
— P10 (6…12 цилиндров, давление
впрыска до 1200 бар)
— ZW (M) (4…12 цилиндров, давление
впрыска до 950 бар)
— P9 (6…12 цилиндров, давление
впрыска до 1200 бар)
— CW (6…10 цилиндров, давление
впрыска до 1000 бар)
— h2000 (5…8 цилиндров, давление
впрыска до 1350 бар)
Основные части
ТНВД:
- Корпус.

- Крышки.
- Всережимный регулятор
- Муфта опережения впрыска.
- Подкачивающий насос.
- Кулачковый вал.
- Толкатели.
- Плунжеры с поводками или зубчатыми втулками,
- Гильзы плунжеров.
- Возвратные пружины плунжеров.
- Нагнетательные клапаны.
- Штуцеры.
- Рейка.
Принцип действия
ТНВД: Вращение кулачковый вал получает
через муфту опережения впрыска и зубчатую
передачу от коленчатого вала. При вращении
кулачкового вала кулачок набегает на
толкатель и смещает его, а он в свою очередь,
сжимая пружину, поднимает плунжер. При
поднятии плунжера он вначале закрывает
впускной канал, а затем начинает вытеснять
топливо, находящееся над ним. Топливо
вытесняется через нагнетательный клапан,
открывшийся за счёт давления, и поступает
к форсунке. В момент движения плунжера
вверх винтовой канал, находящийся на
нём, совпадает со сливным каналом в гильзе.
Остатки топлива, находящиеся над плунжером,
начинают уходить на слив через осевой,
радиальный и винтовой каналы в плунжере
и сливной в гильзе.
При опускании плунжера
за счёт пружины открывается впускной
канал, и объём над плунжером заполняется
топливом от подкачивающего насоса. Изменение
количества подаваемого топлива к форсунке
осуществляется поворотом плунжеров от
рейки через всережимный регулятор. При
повороте плунжера, если винтовой канал
совпадёт со сливным раньше, то впрыснуто
топлива будет меньше. При обратном повороте
каналы совпадут позже, и впрыснуто топлива
будет больше. На некоторых ТНВД (например,
ТНВД трактора Т – 130) часть секций отключается
на холостых оборотах, соответственно,
отключается и часть цилиндров двигателя.
Дополнительные
агрегаты ТНВД
Муфта опережения
впрыска – служит для изменения угла
опережения впрыска в зависимости от оборотов.
По принципу действия является механизмом,
использующим центробежную силу. Устройство:
- Ведущая полумуфта.
- Ведомая полумуфта.
- Грузы.
- Стяжные пружины грузов.
- Опорные пальцы грузов
Принцип действия: При минимальных оборотах
грузы за счёт пружин стянуты к центру
и положение между муфтами является исходным,
при этом угол опережения впрыска находится
в пределах отрегулированного параметра.
При увеличении оборотов центробежная
сила в грузах возрастает и разводит их,
преодолевая сопротивление пружин. При
этом муфты поворачиваются относительно
друг друга и угол опережения впрыска
увеличивается.
Всережимный регулятор – служит для изменения количества
подачи топлива в зависимости от режимов
работы двигателя: запуск двигателя, увеличение/уменьшение
оборотов, увеличение/уменьшение нагрузки,
остановка двигателя.
Устройство:
1. Корпус.
2. Крышки.
3. Державка.
4. Грузы.
5. Муфта.
6. Рычаги.
7. Скоба-кулисы.
8. Регулировочные винты.
9. Оттяжные пружины.
Принцип действия: Запуск двигателя – перед
запуском рейка за счёт пружины находится
в положении максимальной подачи топлива,
поэтому при запуске в двигатель подаётся
максимальное количество топлива. Это
способствует быстрому запуску. Как только
двигатель начнёт развивать обороты, и
центробежная сила в грузах начнёт расти,
они, преодолевая сопротивление пружин,
начнут расходиться в стороны и внутренними
своими рычагами давить на муфту, которая
будет воздействовать на рычаг, а рычаг
будет тянуть рейку в сторону уменьшения
подачи топлива.
Обороты установятся в
соответствии с натягом пружин. Увеличение
оборотов – при нажатии на педаль «газа»
натягивается пружина, которая действует
на рычаг рейки и муфту. Муфта и рейка смещается,
при этом преодолевается центробежная
сила в грузах. Рейка смещается в сторону
увеличения подачи топлива, и обороты
растут. Увеличение нагрузки – при увеличении
нагрузки и неизменном положении педали
«газа» обороты снижаются, центробежная
сила в грузах тоже. Грузы складываются
и дают возможность сместиться муфте,
рычагу и рейке в сторону увеличения подачи
топлива. При снижении нагрузки обороты
начинают увеличиваться, центробежная
сила в грузах тоже, грузы начинают расходится
и внутренними рычагами смещать муфту,
рычаг и рейку в сторону уменьшения подачи
топлива. Обороты при этом прекращают
расти. Остановка двигателя – при остановке
двигателя
поворачивается скоба, кулиса
скобы воздействует на рычаг, а рычаг
– на рейку. Рейка перемещается настолько
в сторону уменьшения подачи, что
подача прекращается, и двигатель
останавливается.
Saab 95 | Система питания дизельного двигателя V6
Руководства → Saab → 95 (Сааб 95)
Система питания дизельного двигателя V6
Общая информация
При работе дизельного двигателя в его цилиндры всасывается чистый воздух, который сжимается до высокого давления. При этом температура воздуха поднимается выше температуры воспламенения дизельного топлива. Топливо впрыскивается в цилиндр с некоторым опережением и самовоспламеняется. Таким образом, свечи зажигания для воспламенения топлива в дизельном двигателе не используются.
На холодном двигателе температура сжатого воздуха может не достичь необходимого для воспламенения значения. В этом случае необходим дополнительный предварительный прогрев. Для этой цели в каждом цилиндре установлена свеча накаливания, нагревающая камеру сгорания. Длительность нагрева зависит от окружающей температуры и регулируется блоком управления двигателя и реле предварительного прогрева.
Схема систем питания и выпуска ОГ представлена на иллюстрации.
Схема систем питания и выпуска ОГ
|
| |
Отдельно компоненты системы подачи топлива обозначены на иллюстрации.
Схема подачи топлива
|
| |
Компоненты впускного воздушного тракта указаны на иллюстрации.
Компоненты впускного воздушного тракта
|
| |
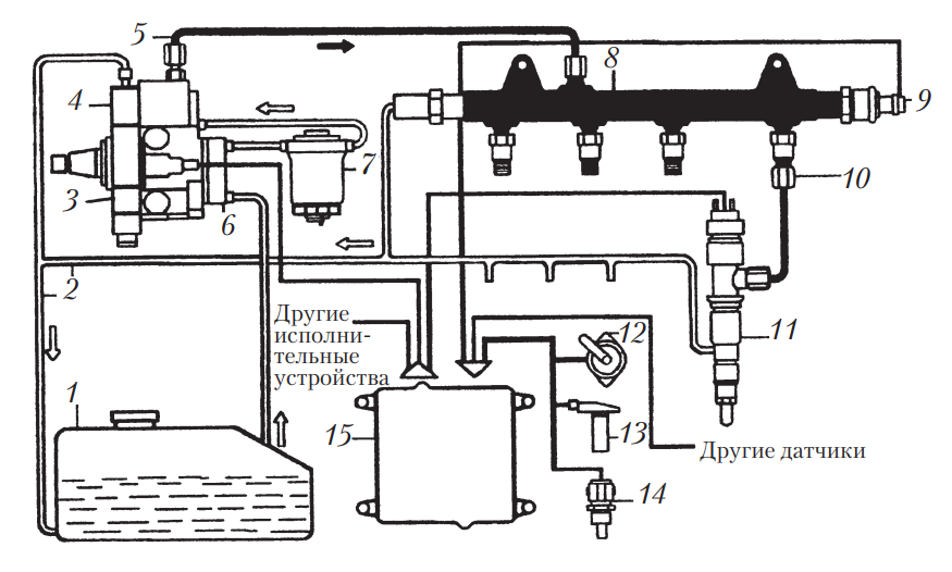
Топливо сжимается до необходимого для впрыска давления в топливном насосе высокого давления (ТНВД), куда оно подаётся топливным насосом из топливного бака через топливный фильтр.
Давление впрыска регулируется блоком управления двигателем.
Для подвода топлива от ТНВД к форсункам отдельных цилиндров применяется топливная распределительная магистраль.
Дизельные двигатели управляются электронной системой, похожей на систему управления бензиновыми двигателями. Отличия перечислены ниже.
В системе управления дизельными двигателями трос управления дроссельной заслонкой не используется, вместо него установлен
датчик положения педали газа, расположенный на опоре педали газа. Кроме того, используется
Д/В педали тормоза (Д/В стоп-сигналов), который обеспечивает снижение подачи топлива при холостых оборотах, если вышел из строя датчик положения педали газа.
Датчик положения распределительного вала (CMP) вместе с датчиком CKP передаёт блоку управления информацию о ВМТ поршня первого цилиндра. Он служит для синхронизации момента зажигания и последовательности зажигания.
Принципиальная схема дизельной электростанции
Здесь я объясню вам различные типы электростанций или электростанций. Во-первых, дайте нам знать, какова функция электростанции. Электростанция или электростанция использует различные источники, такие как энергия Хайделя, тепловая энергия, дизельное топливо, ядерная энергия, для производства электроэнергии в больших объемах. Здесь мы собираемся обсудить как энергия дизельного топлива используется для выработки электроэнергии . Таким образом, для этого используется дизельная электростанция или дизельная электростанция .
Электростанция, в которой дизельный двигатель используется в качестве первичного двигателя для выработки электроэнергии, известна как дизельная электростанция . В дизельной электростанции дизельный двигатель используется в качестве первичного двигателя.
Дизельное топливо сгорает внутри двигателя, а продукты этого сгорания действуют как «рабочая жидкость» для производства механической энергии. Дизельный двигатель приводит в действие генератор переменного тока, который преобразует механическую энергию в электрическую. Поскольку стоимость генерации значительна из-за высокой цены на дизельное топливо, такие электростанции используются только для производства небольшой мощности.
Хотя паровые электростанции и гидроэлектростанции неизменно используются для выработки больших объемов электроэнергии по более низкой цене, тем не менее, дизельных электростанций находят применение в местах, где спрос на электроэнергию меньше, а достаточное количество угля и воды недоступно и транспортные средства неадекватны. Эти установки также используются в качестве резервных установок для бесперебойного снабжения важных точек, таких как больницы, радиостанции, кинотеатры и телефонные станции.
Обязательно прочтите:
- Гидроэлектростанция
Принципиальная схема дизельной электростанции:
Схематическая схема дизельной электростанции или дизельной электростанции состоит из следующих уровней:
(i) Система подачи топлива: она состоит из резервуара для хранения, сетчатых фильтров, насоса для перекачки топлива и всех дневной топливный бак.
Мазут доставляется на завод по железной дороге или автомобильным транспортом. Это масло хранится в резервуаре для хранения. Из резервуара для хранения масло перекачивается в меньший дневной резервуар с ежедневными или короткими интервалами. мазут проходит через сетчатые фильтры для удаления взвешенных примесей. Чистое масло впрыскивается в двигатель насосом высокого давления.
(ii) Система впуска воздуха: Эта система подает в двигатель воздух, необходимый для сгорания топлива. Она состоит из труб для подачи свежего воздуха в коллектор двигателя. Предусмотрены фильтры для удаления частиц пыли из воздуха, которые могут действовать как абразив в цилиндре двигателя.
(iii) Выхлопная система: Эта система выводит выхлопные газы двигателя за пределы здания и выбрасывает их в атмосферу. Для снижения уровня шума в систему обычно встраивается глушитель.
(iv) Система охлаждения: Теплота, выделяемая при сгорании топлива в цилиндре двигателя, частично преобразуется в работу.
Остальная часть теплоты проходит через стенки цилиндра, поршень, кольца и т. д. и может вызвать повреждение системы. Для поддержания температуры деталей двигателя в безопасных рабочих пределах предусмотрено охлаждение. Система охлаждения состоит из источника воды, насоса и градирен. Насос обеспечивает циркуляцию воды через цилиндр и рубашку головки. Вода отводит тепло от двигателя и сама становится горячей. Горячая вода охлаждается градирнями и рециркулируется для охлаждения.
| Схема дизельной электростанции |
(v) Система смазки: Эта система сводит к минимуму износ трущихся поверхностей двигателя. Она состоит из маслобака, насоса, фильтра и маслоохладителя. Смазочное масло всасывается из маслобака насосом и проходит через фильтры для удаления примесей. Чистое смазочное масло подается к точкам, требующим смазки.
Масляные радиаторы, встроенные в систему, поддерживают низкую температуру масла.
(vi) Система пуска двигателя: это механизм первоначального вращения двигателя при запуске до тех пор, пока не начнется воспламенение и установка не будет работать за счет собственной мощности. Небольшие агрегаты запускаются вручную с помощью ручек, но для более крупных агрегатов для запуска используется сжатый воздух. В последнем случае воздух под высоким давлением подается в несколько цилиндров, заставляя их действовать как поршневые пневматические двигатели для вращения двигателя. вала. Топливо поступает в остальные цилиндры, которые заставляют двигатель запускаться своим ходом.
Необходимо прочитать:
- Паровая электростанция
Преимущества дизельной электростанции:
Ниже перечислены преимущества дизельной электростанции :
(i) Конструкция и компоновка установки довольно просты.
(ii) Занимает меньше места, так как количество и размер вспомогательных устройств невелики.
(iii) Может быть расположен в любом месте.
(iv) Его можно быстро запустить, и он может подобрать нагрузку за короткое время.
(v) Потери в режиме ожидания отсутствуют.
(vi) Для охлаждения требуется меньше воды.
(vii) Общая стоимость намного меньше, чем у паровой электростанции той же мощности.
(viii) Тепловой КПД установки выше, чем у паровой электростанции.
(ix) Требуется меньше обслуживающего персонала.
Недостатки дизельной электростанции:
Ниже перечислены недостатки дизельной электростанции :
(i) Завод имеет высокие эксплуатационные расходы, поскольку используемое топливо (например, дизельное топливо) является дорогостоящим.
(ii) Установка не работает удовлетворительно в условиях перегрузки в течение длительного времени.
(iii) Станция может вырабатывать только малую мощность.
(iv) Стоимость смазки обычно высока.
(v) Плата за обслуживание обычно высока.
Дизельная электростанция – Схема, типы и применение
Дизельная электростанция – Схема, типы и применение:
Введение: Дизельные электростанции (первичный двигатель — дизельный двигатель) устанавливаются там, где нет достаточного количества угля и воды. Эти станции производят мощность в диапазоне от 2 до 50 МВт. Дизельные электростанции более эффективны, чем любые другие тепловые двигатели сопоставимого размера. Он дешевый по стоимости. Его можно быстро запустить и ввести в эксплуатацию. Электростанция с дизельным двигателем обеспечит наиболее экономичное средство производства электроэнергии в малых масштабах, особенно там, где нет удобного места для микро-ГЭС, нет дешевого топлива и коэффициенты нагрузки значительно велики.
Применение:
- Подходит для малых и средних мощностей от 2 до 50 МВт.
- Применяется в производствах с мощностью оборудования до 500 кВт.
- Используется в качестве резервных установок для гидро- и паровых электростанций.

- Используется в качестве мобильной системы выработки электроэнергии, такой как автомобиль, корабль, самолет, железная дорога и автомобильный транспорт.
- Используется в качестве станций пиковой нагрузки в сочетании с тепловыми или гидроэлектростанциями для удовлетворения потребностей в электроэнергии в часы пик.
Выбор площадки:
- Выбор площадки для дизельной электростанции должен быть ближе к центру нагрузки; это должно снизить стоимость передачи энергии, а также уменьшить потери мощности.
- Площадка для дизельной электростанции должна быть ближе к источнику подачи топлива, чтобы снизить транспортные расходы.
- Площадка для дизельной электростанции должна находиться вдали от города, чтобы дым и выхлопные газы, выделяемые станцией, не оказывали влияния на жизнь человека.
- На выбранном участке должно быть достаточное количество воды.
- Выбор места для завода должен быть таким, чтобы на нем были автомобильные и железнодорожные пути сообщения.

Преимущества:
- Дизельная электростанция может располагаться в любом месте.
- Количество воды, необходимое для охлаждения этих установок, меньше.
- проста по конструкции, а дизельное топливо удобно в обращении.
- Меньше места для хранения топлива.
- Можно быстро запустить.
- Срок службы больше, чем у паровой электростанции.
- Тепловой КПД выше, чем у паровой электростанции.
- Не требует обслуживающего персонала.
Силовая установка
Недостатки:
- Дизельное топливо стоит дорого.
- Стоимость смазки очень высока.
- Плата за обслуживание обычно высока.
- Ограниченная мощность около 50 МВт мощности.
- Не подходит для условий перегрузки.
- В дизельной силовой установке серьезной проблемой является шум.
Типы дизельных электростанций:
Дизельные электростанции в основном классифицируются как стационарные дизельные электростанции и мобильные дизельные электростанции.
Стационарные установки используют двухтактные (или) четырехтактные дизельные двигатели, соединенные с синхронными генераторами. Эти агрегаты считаются средними по своей мощности, если мощность не превышает 750 кВт. Крупные дизельные установки имеют номинальную мощность 2200 кВт и более. Эти установки в основном используются в районах, удаленных от линий электропередач и там, где строительство паровой (или) гидроэлектростанции нецелесообразно.
Мобильные дизельные электростанции могут использоваться как основной вспомогательный или резервный источник энергии. Они широко используются в сельском хозяйстве, на транспорте, в лесном хозяйстве и в экспедициях, связанных с геологоразведкой.
Дизельные электростанции классифицируются в зависимости от их применения следующим образом:
1. Пиковые электростанции
Когда существует высокий спрос на электроэнергию, дизельные электростанции используются в сочетании с тепловыми или гидроэлектростанциями в качестве заводы с пиковой нагрузкой.
Пиковые нагрузки могут возникать в вечернее время после окончания рабочего дня, когда активно используются бытовые приборы, или в летние месяцы, когда нагрузка на кондиционирование воздуха высока. Дизельная электростанция особенно предпочтительна в качестве станции пиковой нагрузки, поскольку ее можно быстро запустить и она не имеет потерь в режиме ожидания, как в случае тепловых станций, где котлы всегда должны поддерживаться в горячем состоянии.
2. Мобильные установки
Мобильные дизельные установки могут использоваться для временных или аварийных целей, например, для обеспечения электроэнергией крупных строительных сооружений для дополнения систем электроснабжения, которым временно не хватает мощности. Их монтируют на салазки или прицепы и транспортируют на требуемую площадку.
3. Резервные агрегаты
Дизельные установки могут использоваться в качестве резервных агрегатов для обеспечения частичной нагрузки при необходимости.
Например, дизельная установка может использоваться с гидроустановкой в качестве резервной установки, если доступной воды недостаточно из-за уменьшения количества осадков. Здесь дизельная установка обеспечивает питание параллельно с гидроэлектростанцией. Дизельный агрегат используется временно, пока не будет достаточно воды, чтобы выдержать полную нагрузку.
4. Аварийная установка
Установки обычно простаивают, но используются в аварийных целях, когда отключение питания может привести к финансовым потерям или опасности, например, в ключевых промышленных процессах, освещении туннелей и операционных больниц. В аварийных условиях эти установки также используются для телекоммуникаций и водоснабжения.
5. Детская станция
Когда временная электростанция требуется для снабжения электроэнергией небольшого города до тех пор, пока не будет доступна основная сеть, она называется «9».0011 Детская станция ». Детскую станцию можно переместить в другую область, которая нуждается в энергии в небольшом масштабе.
Для этой цели подойдет дизельная силовая установка.
6. Пусковые станции
Небольшие дизельные агрегаты могут использоваться для пуска больших паровых установок. Эти агрегаты первоначально запускают вспомогательные устройства, после чего они отключаются.
7. Центральные станции
В местах, где необходимая мощность невелика (от 5 до 10 МВт), дизельные агрегаты могут использоваться в качестве центральных станций, например, в коммерческих целях и коммунальных службах, например, в кинотеатрах, больницах и муниципалитетах. . Пределы мощности завода обычно определяются стоимостью завода и местными условиями, касающимися наличия топлива и воды, требований к пространству и отсутствия сети.
Схема дизельной электростанции:
Основными компонентами дизельной электростанции являются:
(i) Дизельный двигатель
Это двигатель с воспламенением от сжатия.
Как правило, это двухтактные или четырехтактные двигатели. Воздух поступает в цилиндр двигателя и сжимается. В конце такта сжатия впрыскивается топливо (дизель). Сгоревшие газы расширяются и совершают работу над поршнем. Двигатель напрямую соединен с генератором. Затем эти газы из баллона выбрасываются в атмосферу.
(ii) Система запуска двигателя
Эта система содержит воздушный компрессор и ресивер для пускового воздуха. Эта система запускает дизельный двигатель дизельной электростанции «в холодном состоянии».
(iii) Топливная система
Топливо доставляется к воротам станции автотранспортом, железнодорожной баржей (или) и цистернами и хранится в резервуаре для хранения топлива. Трубопроводное оборудование с необходимыми нагревателями, байпасами, дренажными линиями, предохранительными клапанами, сетчатыми фильтрами и фильтрами, расходомером и указателем температуры расположено таким образом, чтобы сделать основной поток работоспособным и практичным.
В баке должен быть люк для внутреннего доступа, например, для ремонта, очистки и т. д. После очистки топливо подается в систему (двигатель). Дневной бак (топливо из накопительного бака перекачивается в суточный бак) обеспечивает двигатель топливом для повседневного использования. Дневной бак расположен высоко, так что топливо поступает в двигатель естественным образом под действием силы тяжести.
(iv) Система впуска воздуха
Система впуска воздуха подает воздух в камеру сгорания дизельного двигателя для сжигания топлива. Воздушный фильтр используется для удаления пыли из поступающего воздуха. Воздушные фильтры могут быть сухого типа, изготавливаются из шерсти или ткани. В мокром фильтре для удаления частиц пыли используется масляная ванна. Здесь воздух проходит над масляной ванной или через нее, так что частицы пыли покрываются маслом. При сооружении подходящей системы впуска воздуха необходимо соблюдать следующие меры предосторожности.
- Воздухозаборник не должен располагаться внутри машинного отделения.

- Воздушные фильтры не должны располагаться в недоступном месте.
- Целью системы впуска воздуха является очистка и глушение поступающего воздуха и подача его для наддува.
(v) Выхлопная система
Выхлопная система используется для выброса выхлопных газов двигателя в атмосферу. Выхлопная труба должна быть короткой длины с минимальным количеством изгибов. Он должен выдерживать вибрации двигателя. Для снижения высокоуровневых шумов скорости необходимо установить глушители. При необходимости необходимо предусмотреть отвод тепла от выхлопных газов для нагрева топлива или технологического нагрева.
(vi) Система охлаждения двигателя
Температура горения топлива в двигателе находится в диапазоне от 1500°C до 2000°C. Если двигатель работает без надлежащего охлаждения, может возникнуть вероятность деформации деталей двигателя и возгорания смазочного масла из-за перегрева. С другой стороны, если температура слишком низкая, смазочное масло не будет распределяться должным образом, что приведет к износу таких деталей двигателя, как поршень и цилиндр.
Таким образом, помимо поглощения и отвода тепла от двигателя, система охлаждения также должна поддерживать достаточную рабочую температуру для бесперебойной и эффективной работы двигателя.
Для снижения температуры вода циркулирует через водяные рубашки, расположенные вокруг камеры сгорания.
Горячая вода, выходящая из рубашки, проходит через теплообменник. В теплообменнике сырая вода отводит тепло от воды рубашки охлаждения и охлаждается в градирне.
Системы охлаждения двигателя подразделяются на три типа.
- Система воздушного охлаждения
- Система водяного охлаждения
- Система охлаждения масла
(a) Система воздушного охлаждения
Обычно используется в небольших двигателях. В этой системе ребра или расширенные поверхности предусмотрены на цилиндрических стенках и цилиндрической головке. Тепло, выделяемое при сгорании в цилиндре двигателя, передается на ребра, и когда воздух проходит над ребрами, тепло рассеивается в воздухе.
(b) Система водяного охлаждения
При этом обеспечивается охлаждение вокруг стенок и головки цилиндров. Это два типа системы водяного охлаждения.
- Термосифонная система
- Насос системы циркуляции
- Термосифонная система
В этой системе циркуляция воды происходит за счет разницы температур воды. Так что в этой системе насос не требуется.
- Циркуляционный насос
В этой системе циркуляция воды осуществляется с помощью насоса.
(vii) Система смазки
Смазка необходима для предотвращения износа деталей двигателя, вызванного силами трения из-за трения поверхностей деталей во время работы двигателя. Эффективность системы смазки определяет срок службы двигателя и общую эффективность установки. Доступны смазочные материалы жидкого, твердого и полутвердого типов, из которых наиболее часто используются жидкие масляные смазки.
Все движущиеся части системы смазываются поршнем и цилиндром, требующим специальной смазки, так как они работают в условиях высокого давления и температуры.
Обычно используется система смазки с принудительной подачей, состоящая из насоса, маслоочистителей, масляных радиаторов, резервуаров для хранения, отстойников и предохранительных устройств. Смазочное масло должно быть очищено перед циркуляцией в системе, что может быть выполнено различными методами, такими как отстаивание, центрифугирование, фильтрация и химическая регенерация. В этих методах центрифугирование обеспечивает превосходную очистку и поэтому широко используется. На рис.2.13 показана схема системы смазки, используемой в дизельных электростанциях.
(viii) Система запуска
Дизельные двигатели обычно запускаются с помощью какой-либо механической системы, поскольку их трудно запустить вручную из-за требуемой высокой степени сжатия. Так, для запуска дизельного двигателя применяются различные способы с использованием сжатого воздуха, электродвигателей и вспомогательных бензиновых двигателей, из этих способов обычно используется система сжатого воздуха.
- Система сжатого воздуха
В многоцилиндровом двигателе сжатый воздух под давлением около 20 бар подается в несколько цилиндров, что приводит к вращению узла коленчатого вала двигателя. Постепенно двигатель набирает обороты и запускается двигатель за счет подачи топлива. Эта система используется на больших дизельных электростанциях.
- Электростартер
В этой системе электродвигатель используется для вращения вала двигателя с помощью зубчатой передачи. Начнется подача топлива в двигатель, и электродвигатель автоматически отключится. Электростартерная система проста и эффективна. Для небольших дизельных двигателей для питания электродвигателя используется аккумуляторная батарея.
- Запуск вспомогательным двигателем
В этой системе бензиновый двигатель сначала запускается вручную. Этот двигатель соединен с дизельным двигателем посредством муфты и коробки передач, и таким образом, постепенно включая сцепление, дизельный двигатель запускается.
