Содержание
Проверка исправности регулятора напряжения 13.3702-01 и 50.3702
Генераторы и регуляторы напряжения
Auto
На автомобили ГАЗель ГАЗ-3302 и ГАЗ-2705 с двигателями ЗМЗ-4025 и ЗМЗ-4026 устанавливают генераторы 16.3701 или 191.3701. Они не оснащены встроенным регулятором напряжения. Эти генераторы работают совместно с выносным транзисторным регулятором напряжения 13.3702-01 и 50.3702. Которые имеют электронную защиту от короткого замыкания в цепи обмотки возбуждения генератора.
Проверка исправности регулятора напряжения 13.3702-01 и 50.3702 на Газель с двигателями ЗМЗ-4025 и ЗМЗ-4026 и генераторами 16.3701 или 191.3701.
Регулятор напряжения 13.3702-01 и 50.3702 установлен в подкапотном пространстве автомобиля. Он прикреплен к брызговику моторного отсека двумя гайками. Регулятор обеспечивает напряжение зарядки аккумуляторной батареи 13,4-14,7 В при частоте вращения генератора 2800-12 000 об/мин. Это соответствует:
— Частоте вращения коленчатого вала двигателя 1400-6000 об/мин.
— Нагрузке 5-40 А.
— Температуре от минус 20 до плюс 80 градусов.
На клеммах «Ш» и «-» регулятора напряжения 13.3702-01 и 50.3702 падение напряжения должно быть не более 1,6 В. При токе 4 А в цепи обмотки возбуждения генератора и температуре плюс 20 градусов.
Перед проверкой исправности регулятора напряжения 13.3702-01 и 50.3702 убедитесь, что:
— Натяжение ремня генератора соответствует норме.
— Регулятор напряжения имеет хороший контакт с «массой»
— При необходимости отрегулируйте натяжение ремня. Подтяните гайки крепления регулятора к кузову.
Не следует подключать дополнительные потребители электроэнергии к цепи питания обмотки возбуждения генератора. В этом случае напряжение генератора 16.3701 или 191.3701 сильно возрастает.
Перед проверкой регулятора напряжения 13.3702-01 и 50.3702 проверьте:
— Состояние соединяющих проводов.
— Надежность соединений между генератором, регулятором напряжения и аккумуляторной батареей.
Следует учесть, что отсутствие зарядного тока может быть вызвано срабатыванием схемы защиты регулятора при коротком замыкании в цепи обмотки возбуждения генератора. При устранении короткого замыкания работа регулятора напряжения 13.3702-01 или 50.3702 восстанавливается.
Проверка исправности регулятора напряжения 13.3702-01 и 50.3702 непосредственно на автомобиле.
Регулятор напряжения 13.3702-01 и 50.3702 можно проверить на стенде мод. 532М. Или непосредственно на автомобиле. Для проверки на автомобиле нужен вольтметр постоянного тока с пределом измерения до 20-30 В и ценой деления 0,1-0,2 В. Пустите двигатель. Поддерживая частоту вращения коленчатого вала двигателя 1700-2000 об/мин, включите ближний свет фар.
При этом сила тока зарядки по амперметру должна быть не более 10 А. Если амперметр показывает силу зарядного тока выше 10 А, выключите ближний свет фар и габаритные огни. Измерьте напряжение на клемме «+» аккумуляторной батареи. Оно должно быть 13,9-14,6 В при температуре регулятора плюс 20 градусов.
Если напряжение отличается от указанных значений значит, регулятор напряжения 13.3702 или 50.3702 неисправен и его нужно заменить.
Газель и СобольСправочник
Статьи о классических внедорожниках УАЗ, ГАЗ, автомобили повышенной проходимости, SUV, кроссоверы, вездеходы, эксплуатация, ремонт, запчасти
Генератор автомобиля ЗИЛ | Схема подключения генератора ЗИЛ 130
Меню
- Новости
- Статьи
- Видеоматериалы
- Фотоматериалы
- Публикация в СМИ
- 3D-тур
Будь в курсе
Новости, обзоры и акции
28.
01.2021
Приводимый в действие с помощью ременной передачи, генератор автомобиля ЗИЛ-130 снабжает электроэнергией все установленное на грузовике электрооборудование. Эффективность работы этого узла зависит не только от исправности отдельных деталей, но и от правильности подключения к бортовой сети. Ошибки, допущенные при подсоединении электропроводки, становятся причиной возникновения серьезных неисправностей.
Варианты исполнения генератора автомобиля ЗИЛ-130
Машины ранних годов выпуска комплектовались генераторами Г-130 постоянного тока. Но подобные устройства имеют ряд серьезных недостатков:
- Низкий КПД, вынуждающий увеличивать размеры агрегатов для достижения необходимой мощности.
- Необходимость в регулярном обслуживании.
- Низкий эксплуатационный ресурс.
В настоящее время такое оборудование не используется и представляет интерес разве что для автомобильных реставраторов. Поэтому схема подключения генератора устаревшего образца в данной статье не рассматривается.
В начале шестидесятых годов XX века промышленность освоила производство диодных мостов, преобразовывающих переменный ток в постоянный (пульсирующий). Именно тогда машины стали оснащать более легкими и компактными генераторными установками переменного тока. Для автомобиля ЗИЛ-130 был спроектирован генератор Г-250-Б1, подключаемый через отдельно устанавливаемый регулятор напряжения. Конструктивно простой и надежный, позже он был заменен на более современные модификации.
Возможные проблемы и способы их решения
Многие считают интернет неисчерпаемым источником достоверной информации. Однако, это не так. Желающим узнать, как подключается генератор автомобиля ЗИЛ-130, поисковики выдают электрические схемы старого образца с устройствами постоянного тока. Возникает путаница. Постараемся избавить автовладельцев от ненужных проблем.
С момента появления устройств, вырабатывающих переменный ток, принципиальная схема подключения генератора ЗИЛ-130 не претерпевала изменений.
Но проблема в том, что детали электрооборудования старого образца редко встречаются в продаже. Поэтому целесообразно заменить их на доступные комплектующие.
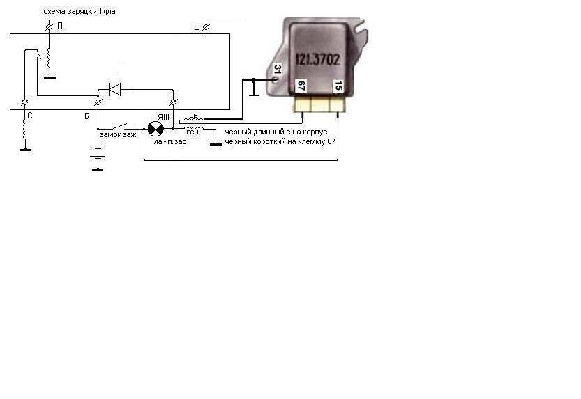
Некоторые специалисты предлагают использовать для этих целей хорошо зарекомендовавшие себя в эксплуатации реле-регуляторы под маркировкой 121 3702, устанавливаемые на автомобили ВАЗ. Однако этот вариант имеет свои недостатки, основным из которых является необходимость внесения изменений в электрическую схему популярной модели грузовика.
Этого удается избежать, произведя подключение генератора ЗИЛ-130, оснащенного двухконтактным щеточным узлом, через аналогичное устройство, которым комплектуются некоторые модели ГАЗ. Оно имеет маркировку 13. 3702-01. В этом случае затраты на переоборудование минимальны, поскольку стоит деталь недорого, а электросхема остается без изменений. Выполнив ряд простых действий, вы повысите надежность и ремонтопригодность техники.
Последовательность действий
Подготовьтесь к работе.
Чтобы выполнить подключение генератора автомобиля ЗИЛ-130 через реле-регулятор 13. 3702-01, вам потребуются:
- Пять одноконтактных разъемов (мам). Желательно изолированных.
- Три куска эластичного провода. Желательно, чтобы они различались цветом изоляции.
- Рулон изоленты.
- Клещи для обжима наконечников проводов или, как вариант, пассатижи.
Если все это есть в наличии, подсоединяем генератор автомобиля ЗИЛ-130, действуя в следующей последовательности:
- Отмеряем куски проводов требуемой длины, оставив запас сантиметров 10 – 15. Проводка не должна быть натянута.
- К разъему, устанавливаемому на плюсовую клемму щеточного узла, подсоединяем два провода, один из которых, с помощью «мамы» подсоединяем к реле-регулятору, а другой – к плюсовой клемме замка зажигания.
- Последний кусок провода, закрепив на нем разъемы, используем для соединения второго контакта щеткодержателя с клеммой «Ш» (верхней) на реле-регуляторе.

Если вы не имеете необходимого опыта, целесообразно потренироваться, предварительно сняв детали с автомобиля. Но окончательное подключение генератора ЗИЛ-130 к бортовой сети нужно производить, установив комплектующие на штатные места. При этом рекомендуется защитить провода от механических повреждений:
- Используя в качестве кабельканалов гофрированные трубки подходящего диаметра, изготовленные из термостойкого пластика.
- Закрепив их на кузове и кронштейнах крепления генератора с помощью специальных зажимов или кабельных стяжек.
Это не потребует от вас значительных усилий.
Для наглядности схема подключения генератора ЗИЛ-130 к реле-регулятору 13. 3702-01 показана на рисунке №1.
Рис. 1
Когда производится подключение генератора Г-250 с одноконтактным выводом, провод, идущий от клеммы «Ш», замыкается на массу. Одноконтактные и двухконтактные щеточные узлы взаимозаменяемы.
Зачем это нужно
Большинство проблем, возникающих при обслуживании электрооборудования автомобилей разных моделей и годов выпуска, связано с недостатком информации и отсутствием достоверных электрических схем.
Приступая к ремонту, обязательно получите в свое распоряжение необходимую техническую документацию и убедитесь в том, что она соответствует вашей модели и комплектации транспортного средства. Этим вы застрахуете себя от ошибок при подключении генератора ЗИЛ-130.
Большинство проблем, возникающих при обслуживании электрооборудования автомобилей разных моделей и годов выпуска, связано с недостатком информации и отсутствием достоверных электрических схем. Приступая к ремонту, обязательно получите в свое распоряжение необходимую техническую документацию и убедитесь в том, что она соответствует вашей модели и комплектации транспортного средства. Этим вы застрахуете себя от ошибок при подключении генератора ЗИЛ-130.
- Отсутствие сигнала контрольной лампы на панели приборов при включении зажигания.
- Кипение электролита в аккумуляторной батарее, сопровождающегося появлением характерного запаха сероводорода. Это верный признак чрезмерного увеличения зарядного тока.

- Быстрый разряд аккумулятора. Когда электрооборудование функционирует неправильно, он просто не восстанавливает свой потенциал.
- Миганию или тусклому свечению ламп в приборах наружного и внутреннего освещения.
Если поломка случится в дороге, то знание того, как подключается генератор автомобиля ЗИЛ-130, позволит вам произвести ремонт самостоятельно, избежав многих ненужных проблем.
Не ленитесь учить матчасть. Потратьте немного времени на то, чтобы понять, как функционирует электрооборудование вашего грузовика, Умея устранять мелкие поломки, не прибегая к помощи сотрудников ремонтных мастерских, вы сэкономите немало сил и средств. А чтобы не наделать ошибок, имейте при себе схему подключения генератора ЗИЛ-130.
Другие статьи
Смотреть
ещё
Шкворень для ЗИЛ-130. Размеры и особенности
20.02.2021 14:04:00
Назначение электрооборудования трактора
18.
02.2021 21:44:00
Самодельная кабина на трактор Т-40
17.02.2021 12:45:00
Двигатель на ЗИЛ-131 на дизеле
31.01.2021 21:08:00
Сборка сцепления трактора МТЗ-80
31.01.2021 20:27:00
Масло Тотал. Как определить подделку
29.01.2021 05:34:00
Устройство двигателя ЗИЛ-130
29.01.2021 05:01:00
Порядок затяжки ГБЦ ЗИЛ-130
29.01.2021 04:38:00
Неисправности ГУР ЗИЛ-130
29.01.2021 04:16:00
Устройство рулевого управления трактора МТЗ-80
29.01.2021 03:34:00
Как отрегулировать клапана на тракторе Т-25
28.01.2021
JCB двигатель погрузчика-экскаватора
27.01.2021
Аккумулятор автомобильный
30.
12.2020
Зарядное устройство для автомобильного аккумулятора
30.12.2020
Двигатель ММЗ 245. Технические характеристики
30.12.2020
Лебедка ЗИЛ-131. Технические характеристики
30.12.2020
Устройство компрессора ЗИЛ 130
16.12.2020
Номер рамы ЗИЛ 130
16.12.2020
Порядок зажигания ЗИЛ-131
16.12.2020
Давление в шинах ЗИЛ 130, ЗИЛ 131
15.12.2020
Смотреть
ещё
Возврат к списку
наименований предметов; или «Почему на схемах реле называются «К»? Почему автоматические выключатели называются «Q»?
Опубликовано:
,
Обновлено:
Категория: Машиностроение
Краткий ответ
Префиксы «K» и «Q» взяты из стандартов на «обозначение элемента».
Страны, использующие европейские стандарты, начали с использования IEC 60750, Обозначение изделия в электротехнике . Страны, использующие американские стандарты, используют IEEE Std 315-19.75 / ANSI Y32.2, Графические символы для электрических и электронных схем .
Реле называются «K» , потому что IEC 60750 и IEEE 315 говорят так .
Это редкий случай совпадения европейских стандартов с американскими!
Я не нашел причин, по которым использовалась именно буква «К». Я догадался, что буква «К» была присвоена говорящим по-немецки, который произносил «катушка реле» как «койл», а «контактор» как «контактор». К сожалению, «катушка реле» переводится как «реле», а «контактор» переводится как «замок». Ни одно из этих слов не начинается с буквы «К», что разрушает мою теорию.
Точно так же автоматические выключатели называются Q , потому что в стандарте IEC 60750 так указано .
IEEE 315 не согласен с использованием «Q» — стандарт IEEE называет автоматические выключатели «CB», что, возможно, является более логичным выбором.
Более длинный ответ
Существуют стандартизированные «буквенные коды для обозначения вида отправления».
В Австралии мы используем буквенные коды на основе AS 3702, «Обозначение изделий в электротехнике». AS 3702 по сути является IEC 60750 с некоторой дополнительной информацией в приложениях.
AS 3702-1989: ТАБЛИЦА 1: БУКВЕННЫЕ КОДЫ ОБОЗНАЧЕНИЯ ТИПА ИЗДЕЛИЯ
| Буквенный код | Вид изделия |
|---|---|
| Узлы, узлы | |
| B | Преобразователи |
| C | Конденсаторы |
| D | Двоичные элементы, устройства задержки, запоминающие устройства |
| E | |
| F | Защитные устройства |
| G | Генераторы, источники питания |
| H | Сигнализаторы | J | — |
| K | Реле, контакторы |
| L | Дроссели, дроссели |
| M | Двигатели |
| N | Аналоговые элементы |
| P | Измерительное оборудование, испытательное оборудование |
| Q | Коммутационные устройства силовых цепей |
| R | Резисторы |
| S | Переключение устройства цепей управления, переключатели селекторные |
| Т | Трансформаторы, регуляторы напряжения (силовые) |
| U | Модуляторы, преобразователи |
| V | Лампы, полупроводники |
| W | Пути передачи, волноводы, антенны |
| X | Клеммы, вилки, розетки |
| Y | Механические устройства с электрическим приводом |
| Z |
Большинство буквенных кодов довольно интуитивно.
- C для конденсаторов.
- M для двигателей.
- R для резисторов.
- L предназначен для катушек индуктивности, которые всегда использовались электронщиками.
Другие буквенные коды менее интуитивны.
- B для датчиков.
- K для реле и контакторов.
- В для ламп и полупроводников. (Считайте «V» для «вакуумной лампы».)
- Q для «коммутационных устройств для силовых цепей», т. е. автоматических выключателей.
Есть также несколько странных взаимодействий между перекрывающимися группами. Например, лампы обычно обозначаются буквой «Е» для разных предметов. Однако светодиоды являются и лампой, и полупроводником, поэтому AS 3702 Таблица 2, Алфавитный список элементов и их буквенные коды , светодиоды помещаются под буквенным кодом «V» для полупроводников.
Похоже, что более поздние стандарты, IEC 61346, а затем IEC 81346, пытались сделать буквенные коды более общими. Между категориями все еще есть нечеткое совпадение.
Например, IEC 81346 использует букву «E» для всего, что «обеспечивает лучистую или тепловую энергию», включая лампы, или «P» для устройств, которые «представляют информацию», таких как индикаторные лампы , или светодиоды.
Другой аспект стандарта IEC 81346 заключается в том, что он пытается охватить как механических/жидкостных, так и электрических элементов. Это обобщение означает, что некоторые кодовые буквы, относящиеся только к электричеству, изменили значение или были полностью удалены. Например, катушки индуктивности теперь сгруппированы в букву «R» с резисторами, а «L» больше ни для чего не используется.
Исторические заметки
Первоначальным стандартом МЭК был МЭК 60113:1959, который был заменен МЭК 60750:1983. КАК 3702:1989 происходит от IEC 60750.
IEC 60750 был заменен серией IEC 61346 (1996 г.), которая, в свою очередь, была заменена серией IEC 81346 (2009 г.). IEC 81346 содержит около 300 страниц — намного больше, чем AS 3702, в котором всего 24 страницы! Если вас интересуют только «буквенные коды для типа изделия», сразу переходите к IEC 81346-2:2009, таблица 1, , классы объектов в соответствии с их назначением или задачей .
Литература
- А.С. 3702-1989 — «Обозначение изделий в электротехнике». Эквивалент IEC 60750 Ed 1.0 (1983).
- AS 1103.2-1982 — «Схемы, диаграммы и таблицы для электротехники, часть 2: обозначение элемента» (Заменено AS 3702-1989.)
- IEC 750-1983 — AS 3702 эквивалентен, но содержит дополнительную информацию.
- IEC 113 (заменено IEC 750, т.е. IEC 60750.)
- IEEE Std 315-1975 / Стандарт ANSI Y32.2. Приложение F: «Список перекрестных ссылок буквенных обозначений классов» сравнивает IEC 113-2:1971 со стандартом IEEE/ANSI.
Примечание IEEE Std 315 является стандартом как для графических символов, так и для буквенных обозначений классов. - AS 1102 и IEC 60617 для «Графических символов для электротехники».
2N3702 Распиновка транзистора, техническое описание, эквивалент, схема и характеристики
9 сентября 2021 — 0 комментариев
2N3702 представляет собой PNP-транзистор с VCE -25 В и током коллектора 500 мА.
Его можно использовать в качестве переключающего транзистора с малым сигналом и в любом другом приложении со слабым сигналом. Он также имеет низкое базовое напряжение -5В.
2N3702 Конфигурация выводов
Номер контакта | Название контакта | Описание |
1 | Излучатель | Электронов, вылетевших из эмиттера в первый PN-переход |
2 | Коллектор | Электроны, испускаемые эмиттером, собираются коллектором |
3 | База | Управляет смещением транзистора |
Характеристики и характеристики
- Биполярный PNP-транзистор
- Коэффициент усиления по постоянному току (hFE) находится в пределах от 60 до 300 максимум
- Непрерывный ток коллектора (IC) составляет 300 мА
- Базовое напряжение эмиттера (VBE) равно -5 В
- Доступен в пакете TO-92
- Максимальное напряжение коллектор-база |Vcb|: -40 В
- Рассеиваемая мощность коллектора: 0,625 Вт
- Частота перехода: 1 МГц
- Макс.
рабочая температура перехода (Tj): 175 °C - Диапазон температур перехода при эксплуатации и хранении от -55 до +150 °C
- Емкость коллектора 100 пФ
Примечание. Полные технические характеристики можно найти в техническом описании транзистора 2N3702 , приведенном в конце этой страницы.
2N3702 Эквивалентный транзистор
2N3703, BC108, BC558,2N3072,S8550, 2SA1943
Общее описание транзистора 2N3702
Транзистор 2N3072 представляет собой PNP-транзистор, поэтому для его включения нам необходимо подать нулевое напряжение на базу транзистора. Этот транзистор поставляется во многих различных версиях, если вы используете этот транзистор в качестве усилителя, убедитесь, что вы проверили коэффициент усиления транзистора из таблицы данных, которую можно найти ниже, поскольку в разных версиях значение коэффициента усиления отличается, что может полностью испортить ваши расчеты.
. Максимальный ток коллектора этого транзистора составляет -500 мА с пиковым током -600 мА, этот транзистор имеет напряжение эмиттер-база -5В. Этот транзистор имеет напряжение коллектор-эмиттер -25В и напряжение базы коллектора -40В. Этот транзистор может работать при 150*C.
Когда этот транзистор находится в смещенном состоянии, он может пропускать максимальный ток 500 мА через переход CE (коллектор-эмиттер). ток более 500 мА может повредить устройство в этом состоянии. Как вы уже, наверное, знаете, транзистор — это устройство с управлением током , поэтому, когда ток базы удаляется, транзистор полностью закрывается, на этом этапе транзистор работает в своем режиме .0019 Зона отсечки , а напряжение базового эмиттера может составлять около 660 мВ.
2N3072 Транзистор имеет коэффициент усиления от 60 до 300, это значение определяет усиливающую способность транзистора. Пиковый ток, который может проходить через этот транзистор, составляет 600 мА, что в сочетании с коэффициентом усиления делает этот транзистор идеальным выбором для предусилителя или аудиоусилителя.
Как пользоваться транзистором 2N3702
Транзисторы являются устройствами, управляемыми током, поэтому для их включения/выключения требуется небольшой ток. Для транзистора 2N3072 этот ток меньше 2 мА, 2N3072 представляет собой PNP-транзистор, что означает, что он будет включен, когда база соединена с землей, и будет выключен, когда на базу транзистора подается положительное напряжение. .
Смоделированная схема выше показывает, как ведет себя этот транзистор, когда база транзистора подтянута к VCC к источнику питания с помощью подтягивающего резистора. Как видите, транзистор выключен и двигатель не вращается.
Когда мы включаем транзистор, соединив базу с землей (в нашем случае мы использовали пробник 0 В в proteus), транзистор останется открытым, пока напряжение на базе транзистора не превысит база выключает напряжение (для этого транзистора оно находится где-то между 0,7–0,9В).


рабочая температура перехода (Tj): 175 °C