Содержание
Привод сцепления
26.03.2014
#Привод сцепления
# Сцепление
Привод сцепления
Управление сцеплением в автомобилях с механической коробкой передач производится с помощью педали, но педаль — это лишь один из элементов привода сцепления, а все самое главное скрыто от глаз водителя. О том, что такое привод сцепления, каких он бывает видов, как устроен и как работает, читайте в этой статье.
Назначение и классификация приводов сцепления
Привод сцепления — специальная система, предназначенная для управления сцеплением в автомобилях с механической коробкой передач. С помощью привода усилие от педали передается на вилку выключения сцепления, а через нее — на пружину, что позволяет простым положением педали управлять положением дисков сцепления.
Передать усилие от педали на вилку можно разными способами, и именно на этом строится классификация приводов сцепления. Сегодня выделяют два основных типа привода:
— Механический;
— Гидравлический.
Также существуют комбинированные приводы (электрогидравлический, электромеханический, то есть — с использованием электромоторов), электромагнитный и другие типы приводов, но они не нашли широкого применения в современных автомобилях. Поэтому расскажем только об основных типах привода сцепления.
Схема механического привода выключения сцепления и механизма сцепления:
- коленчатый вал
- маховик
- ведомый диск
- нажимной диск
- кожух сцепления
- нажимные пружины
- отжимные рычаги
- подшипник выключения сцепления
- вилка выключения сцепления
- металлический трос
- рычаг привода
- педаль сцепления
- шестерня первичного вала
- картер коробки передач
- первичный вал коробки передач
Устройство и принцип работы механического привода сцепления
Главная особенность механического привода сцепления в том, что в нем усилие от педали к вилке передается с помощью металлического троса.
В состав механического привода входят следующие основные компоненты:
— Педаль сцепления;
— Рычажный привод;
— Трос в гибкой оболочке;
— Вилка выключения сцепления;
— Устройство регулирования свободного хода педали.
Принцип действия механического привода тоже прост: при нажатии на педаль с помощью рычажной передачи трос натягивается и тянет за собой вилку выключения сцепления, которая через муфту и подшипник сжимает пружину — сцепление выключается. Возврат педали производится пружиной. Регулировка свободного хода педали, а также компенсация износа фрикционных накладок на дисках производится с помощью регулировочной гайки, расположенной на конце троса.
Механический привод широко применяется на мотоциклах и легковых автомобилях (где сцепление имеет небольшую массу и требует небольших усилий для управления), он очень прост в производстве и регулировании, надежен и имеет очень низкую стоимость. Однако недостаток механического привода в его трущихся деталях — стальной тросик со временем изнашивается, он может заклинить или оборваться, свободный ход педали увеличивается и т.
д. Но, несмотря на это, механический привод сцепления вряд ли в будущем уступит место более совершенным механизмам.
Устройство и принцип работы гидравлического привода сцепления
В гидравлическом приводе сцепления используется принцип передачи усилия с помощью несжимаемой жидкости. Устройство привода не отличается сложностью:
— Педаль сцепления;
— Главный цилиндр;
— Рабочий цилиндр;
— Магистраль гидропривода;
— Бачок с рабочей жидкостью.
Работа гидравлического привода, как и работа любого другого гидропривода, очень проста: при нажатии на педаль происходит сжатие жидкости в главном цилиндре, жидкость под давлением через магистраль поступает в рабочий цилиндр и толкает поршень, который, в свою очередь, с помощью штока толкает вилку выключения сцепления. Возврат вилки и поршней в первоначальное положение происходит за счет пружин при отпускании педали.
Часто в гидравлических приводах сцепления используется та же жидкость, что и в тормозной системе — обе системы питаются жидкостью из одного бачка.
Гидравлический привод имеет более сложную конструкцию и более высокую стоимость, однако он надежен, не подвержен износу и позволяет управлять сцеплением минимальными усилиями. В грузовых автомобилях гидравлический привод часто дополняется пневматическими или гидравлическими усилителями.
Устройство и принцип работы электронного привода сцепления
В последнее время многие компании предлагают совершенно новые конструкции приводов сцепления, которые находят применение в перспективных автомобилях, в том числе гибридных и электрических. Отдельного внимания заслуживает привод «Electronic Clutch System» от компании Bosch.
Electronic Clutch System (дословно — «Электронная система сцепления») — система, которая позволяет на автомобилях с механической коробкой передач реализовать некоторые функции автоматических коробок. В частности, при движении на первой передаче по городским пробкам управление автомобилем производится только педалями газа и тормоза (сцепление выключается при отпускании акселератора), педаль сцепления становится нужной только при переключении на вторую и более высокие передачи.
Электронный привод сцепления объединяет электронный блок педали сцепления, ряд датчиков (датчик положения рычага переключения скоростей, положения педали газа и другие), электронный блок управления и электрогидравлический привод вилки выключения сцепления. Также электронное сцепление связано с электронной системой управления двигателем, благодаря чему при переключении скоростей происходит автоматическое изменение оборотов двигателя.
Электронное сцепление дает возможность реализовать несколько полезных функций, которые снижают утомляемость водителя и уменьшают расход топлива. Как заявляет производитель, экономия топлива может достичь 10% и более, что при современных ценах на бензин даст ощутимый эффект.
На сегодняшний день система Electronic Clutch System находится на стадии тестирования, поэтому применяется ограниченно, но в будущем она может получить самое широкое распространение.
Другие статьи
#Стойка стабилизатора Nissan
Стойка стабилизатора Nissan: основа поперечной устойчивости «японцев»
22.
06.2022 | Статьи о запасных частях
Ходовая часть многих японских автомобилей Nissan оснащается стабилизатором поперечной устойчивости раздельного типа, соединенным с деталями подвески двумя отдельными стойками (тягами). Все о стойках стабилизатора Nissan, их типах и конструкции, а также о подборе и ремонте — читайте в данной статье.
#Ремень приводной клиновой
Ремень приводной клиновой: надежный привод агрегатов и оборудования
15.06.2022 | Статьи о запасных частях
Для привода агрегатов двигателя и в трансмиссиях различного оборудования широко применяются передачи на основе резиновых клиновых ремней. Все о приводных клиновых ремнях, их существующих типах, особенностях конструкции и характеристиках, а также о правильном выборе и замене ремней — читайте в статье.
Барабан тормозной ГАЗ: управляемость и безопасность горьковских автомобилей
08.06.2022 | Статьи о запасных частях
Тормозные системы большинства ранних и актуальных моделей автомобилей ГАЗ оснащаются колесными механизмами барабанного типа.
Все о тормозных барабанах ГАЗ, их существующих типах, конструктивных особенностях и характеристиках, а также о выборе, замене и обслуживании данных деталей — читайте в статье.
#Палец поршневой
Палец поршневой: прочная связь поршня и шатуна
02.02.2022 | Статьи о запасных частях
В любом поршневом двигателе внутреннего сгорания присутствует деталь, соединяющая поршень с верхней головкой шатуна — поршневой палец. Все о поршневых пальцах, их конструктивных особенностях и способах установки, а также о верном подборе и замене пальцев различных типов подробно рассказано в статье.
Вернуться к списку статей
Устройство и назначение привода выключения сцепления, прокачка гидропривода
Привод сцепления на автомобиле предназначен для краткосрочного отсоединения коленчатого вала двигателя от коробки передач, а также для их совмещения, которые необходимы для переключения передач, а также, для того, чтобы автомобиль мог тронуться с места и начать движение.
На сегодняшний день в автомобилях применяются следующие виды приводов сцепления:
- привод сцепления механический;
- гидравлический привод сцепления;
- электрогидравлический привод.
Последний из вышеназванных приводов сцепления в отличие от первых двух применяется в автомобилях крайне редко и используется в роботизированных коробках передач. Поэтому более конкретно на нем останавливаться не будем, и давайте рассмотрим первые два.
Содержание
- 0.1 Привод сцепления механический
- 0.2 Гидравлический привод сцепления
- 1 Назначение привода
- 2 Устройство привода выключения сцепления
- 3 Привод сцепления и его виды
- 4 Прокачка сцепления
- 4.1 замена жидкости сцепления
- 4.2 штуцер прокачки сцепления
- 5 Работа главного цилиндра сцепления
- 6 Нюансы эксплуатации сцепления
- 7 Устройство гидравлического привода
Привод сцепления механический
Данный привод, как правило, применяется в небольших легковых автомобилях.
Отличается он от других приводов сцепления своей невысокой стоимостью и простотой конструкции, которая состоит из:
- педали сцепления;
- троса привода сцепления;
- рычажной передаче;
- механизма отвечающего за регулирования свободного хода педали сцепления.
Схема механического привода сцепления: 1 — контргайка; 2 — регулировочная гайка; 3 — нижний наконечник троса; 4 — защитный чехол троса; 5 — кронштейн крепления троса; 6 — нижний наконечник оболочки троса; 7 — оболочка троса; 8 — поводок троса; 9 — уплотнитель; 10 — верхний наконечник оболочки троса; 11 — верхний наконечник троса; 12 — кронштейн педали сцепления; 13 — пружина педали сцепления; 14 — педаль сцепления; 15 — упорная пластина.
В его конструкции основным элементом является трос, который соединяет между собой «вилку» выключения и педаль сцепления. При нажатии водителем на педаль сцепления через трос, который в свою очередь заключен в специальную оболочку, передается соответствующее усилие на рычажную передачу.
В свою очередь рычажная передача обеспечивает выключения сцепления путем перемещения вилки сцепления.
Привод сцепления механический также оснащен механизмом, отвечающим за регулировку свободного хода педали сцепления. Данный механизм включает в себя на конце троса регулировочную гайку. Необходимость данного механизма в первую очередь обусловлена постепенным, вследствие износа, изменением положения педали сцепления.
Гидравлический привод сцепления
Данный привод по своей конструкции напоминает гидравлический привод тормозной системы автомобиля. В нем также в качестве «рабочей» жидкости используется тормозная жидкость, а сам привод состоит из:
- педали сцепления;
- главного и рабочего цилиндров;
- бачка с «рабочей» жидкостью;
- соединительных трубопроводов.
Схема гидравлического привода сцепления: 1 — маховик; 2 — ведомый диск сцепления; 3 — корзина сцепления; 4 — подшипник выключения сцепления с муфтой; 5 — бачок гидропривода сцепления; 6 — шланг; 7 — главный цилиндр гидропривода выключения сцепления; 8 — сервопружина педали сцепления; 9 — возвратная пружина педали сцепления; 10 — ограничительный винт хода педали сцепления; 11 — педаль сцепления; 12 — трубопровод гидропривода выключения сцепления; 13 — шаровая опора вилки; 14 — вилка выключения сцепления; 15 — оттяжная пружина вилки выключения сцепления; 16 — шланг; 17 — рабочий цилиндр гидропривода выключения сцепления; 18 — штуцер прокачки сцепления.
Главный и рабочий цилиндры выполнены в качестве поршня с толкателем, которые в свою очередь размещены в корпусе. При нажатии водителем на педаль сцепления поршень главного цилиндра начинает двигаться с помощью толкателя вследствие чего «рабочая» жидкость отсекается от бачка. Далее «рабочая» жидкость поступает в рабочий цилиндр по соединенному трубопроводу.
Именно под воздействием «рабочей» жидкости и происходит движение толкателя с поршнем. Толкатель в свою очередь оказывает воздействие на «вилку» сцепления и тем самым обеспечивает выключения сцепления.
Для того чтобы удалить из привода воздух, на рабочем и главном цилиндрах установлены специальные штуцеры.
Работа сцепления с гидравлическим приводом — видео:
Также на некоторых автомобилях применяется вакуумный либо пневматический усилитель привода. Его установка облегчает управление автомобилем.
Назначение привода
Здесь все просто. Устройство предназначено для включения и выключения сцепления посредством отжима диафрагменной пружины.
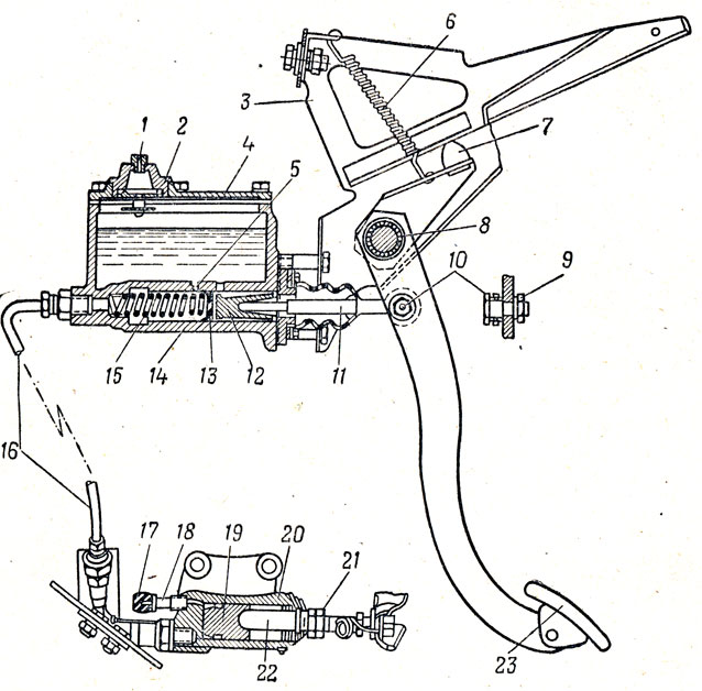
Устройство привода выключения сцепления
Штампованная педаль сцепления 21 установлена на сварном кронштейне 12, укрепленном на кузове болтами 11 и шпильками 8 с гайками 7. Педаль сцепления качается на оси 16, которая неподвижно закреплена в кронштейне 12. Педаль фиксируется от проворачивания лыской, входящей в фигурное отверстие в одной из щек кронштейна педали.
Аксиальное перемещение оси ограничено шплинтом 13 и уступом лыски. В ступицу педали вставлены две вращающиеся на оси полиамидные втулки 17, имеющие буртики на одном из торцов.
Втулки имеют высокую износостойкость и не требуют смазки в процессе эксплуатации. На площадку педали надета резиновая накладка 31. Педаль удерживается в исходном (крайнем заднем) положении усилием оттяжной пружины 15. При этом нерегулируемый толкатель 14, шарнирно соединенный с педалью пальцем 19, упирается в ограничительную шайбу 5, зафиксированную в осевом направлении стопорным кольцом.
В исходном положении педали поршень 12 главного цилиндра сцепления под действием пружины 8 упирается торцом в шайбу 14.
Между толкателем 14 и поршнем 4 предусмотрен постоянный зазор а = 0,2 — 1,0 мм, который обеспечивается в указанных пределах выбранными размерами этих деталей и ограничительной шайбы 5.
Указанный зазор обеспечивает поршню главного цилиндра возможность занять исходное положение (при включенном сцеплении), гарантирующее сообщение полости а цилиндра с наполнительным бачком 3 через компенсационное отверстие б.
В приводах сцепления и управления ножными тормозами оси педалей, полиамидные втулки, толкатели, накладки педалей и крепежные детали взаимозаменяемы. Главный цилиндр сцепления предназначен для создания давления в системе гидравлического привода сцепления. Цилиндр имеет чугунный корпус 9 внутреннего диаметра 22 мм с фигурным фланцем; во фланец ввернуты две шпильки 18, с помощью которых цилиндр и кронштейн 12 педали крепятся к щиту передней части кузова. Между фланцем корпуса цилиндра и щитом передней части кузова при сборке устанавливают до четырех (по потребности) регулировочных прокладок 6, изготовленных из листовой стали толщиной 0,5 мм каждая.
Эти прокладки помогают установить исходное положение педали сцепления, которое должно обеспечивать полный ее ход L до упора в резиновый коврик пола, равный 150—155 мм.
Рис. Привод выключения сцепления: 1 — кронштейн крепления соединительной трубки; 2 — соединительная трубка; 3 — главный цилиндр сцепления в сборе; 4 — поршень главного цилиндра сцепления; 5 — ограничительная шайба; 6 — регулировочная прокладка; 7 и 28 — гайки; 8 — шпилька крепления главного цилиндра; 9 — питательный бачок главного цилиндра сцепления; 10 — гайкодержатель; 11 — болт крепления кронштейна педали сцеплении; 12 — кронштейн педали сцепления: 13 — шплинт оси педали сцепления; 14 — толкатель поршня главного цилиндра сцепления; 15 — оттяжная пружина педали сцепления; 16 — ось педалей сцепления и тормоза; 17 — втулка оси педалей сцепления и тормоза; 18 и 33 — шайбы; 19 и 23 — пальцы; 20 и 32 — шплинты; 21 — педаль сцеплении; 22 — вилка выключения сцепления; 24 — наконечник толкателя; 26 — оттяжная пружина вилки выключения сцепления; 26 — контргайка; 27 — толкатель вилки; 29 — рабочий цилиндр привода включения сцепления; 30 — шпилька крепления рабочего цилиндра; 31 — накладка педали; 34 — защитный колпак; 35 — стопорное кольцо; 36 — поршень рабочего цилиндра; 37 — уплотнительная манжета; 38 — распорный грибок; 39 — пружина; 40 — клапан выпуска воздуха; 41 — защитный колпачок клапана; 42 — скоба крепления трубки; 43 — прокладка
На верху корпуса главного цилиндра расположен бачок 3, изготовленный из полупрозрачной пластмассы.
В бачке содержится определенный запас тормозной жидкости, необходимый для нормальной работы гидравлического привода сцепления. Бачок закрыт пластмассовой резьбовой крышкой 1, в которой имеется отверстие для сообщения внутренней полости бачка с атмосферой, и укреплена отражательная пластина, предупреждающая выплескивание тормозной жидкости через указанное отверстие. На торец питательного бачка опирается фланец сетчатого фильтра 2, выполняющего одновременно функции успокоителя находящейся в бачке тормозной жидкости.
Питательный бачок 3 крепится к корпусу 9 главного цилиндра резьбовым штуцером 4, имеющим на торце шлиц под отвертку. Уплотнительная прокладка 5 после затяжки штуцера гарантирует герметичность соединения бачка с корпусом цилиндра. Через отверстие в штуцере 4 тормозная жидкость из бачка 3 самотеком поступает в корпус 9 главного цилиндра.
На находящийся внутри цилиндра поршень 12 надета резиновая уплотнительная манжета 13, препятствующая вытеканию жидкости из цилиндра.
Поршень отлит из цинкового сплава. В головке поршня сделано шесть сквозных отверстий г, прикрытых тонким стальным кольцом-клапаном 11 и внутренней рабочей резиновой манжетой 10. На наружной поверхности манжеты имеются одна кольцевая и шесть продольных канавок. Пружина 8 прижимает манжету к поршню 12, а поршень — к упорной шайбе 14. Другим своим концом пружина упирается в резьбовой штуцер 7, закрывающий внутреннюю полость корпуса цилиндра.
Резиновый защитный колпак 16 предохраняет внутреннюю полость цилиндра от попадания пыли. Колпак плотно надет на проточку в корпусе цилиндра и стержень толкателя 17.
Рабочий цилиндр 29 сцепления укреплен с помощью двух шпилек 30 и гаек 28 с левой стороны картера сцепления. Внутренний диаметр рабочего цилиндра равен 22 мм.
Главный и рабочий цилиндры соединены между собой гнутой медной (6×1 мм) или двухслойной стальной трубкой 2 с омедненной внутренней и наружной поверхностями (6×0,7 мм). Спираль, расположенная в средней части трубки, компенсирует изменение расстояния между концами трубки, неизбежное при изменении положения силового агрегата, подвешенного на резиновых подушках, относительно кузова.
Кроме закрепления по концам, трубка имеет две промежуточные точки крепления: на левом брызговике кузова с помощью кронштейна 1 и на картере двигателя с помощью скобы 42. Между крепежной деталью и трубкой проложены резиновые прокладки 43. Концы трубки имеют двойную коническую развальцовку, форма и размеры которой показаны на рисунке. До развальцовки концов на трубку надевают соединительные гайки, которыми она присоединяется затем к главному и рабочему цилиндрам.
Рис. Главный цилиндр привода сцепления: 1 — крышка бачка; 2 — сетчатый фильтр; 3 — бачок; 4 — штуцер бачка; 5 — прокладка штуцера бачка; 6 — прокладка штуцера главного цилиндра; 7 — штуцер главного цилиндра; 8 — пружина; 9 — корпус главного цилиндра; 10 — уплотнительная манжета главного цилиндра; 11 — клапан поршня; 12 — поршень; 13 — уплотнительная манжета поршня; 14 — упорная шайба; 15 — стопорное кольцо; 16 — защитный колпак; 17 — толкатель поршня; 18 — шпилька крепления главного цилиндра
Корпус 3 рабочего цилиндра представляет собой отливку из серого чугуна, имеющую с одной стороны открытую цилиндрическую полость, в которую вставлены литой алюминиевый поршень 7 с уплотнительной резиновой манжетой б, распорным грибком 5 и пружиной 4.
Пружина постоянно прижимает сферическую поверхность грибка к уплотнительной кромке манжеты и через нее кромку к зеркалу цилиндра, что значительно улучшает уплотнение рабочего цилиндра, особенно при отсутствии давления в системе (сцепление включено).
Рис. Развальцовка концов соединительной трубки (размеры сечения трубок: стальной — 6 X 0,7; медной 6 X 1,0)
Рис. Рабочий цилиндр привода сцепления: 1 — защитный колпачок клапана; 2 — клапан выпуска воздуха; 3 — корпус цилиндра; 4 — пружина; 5 — распорный грибок; 6 — уплотнительная манжета; 7 — поршень; 6 — защитный чехол; 7 — стопорное кольцо
Ввернутый в корпус 3 цилиндра конический клапан 2 служит для удаления воздуха из системы гидропривода. Резиновый колпачок 1 надет на головку клапана и предохраняет внутренний канал клапана от засорения.
В сферическое углубление поршня 36 вставлен толкатель 27, который регулируется по длине. Толкатель регулируют ввертыванием или вывертыванием его из вильчатого наконечника 24.
Положение наконечника фиксирует контргайка 26. Пружина 25 вилки 22 выключения сцепления постоянно прижимает толкатель к сферической поверхности поршня и, при отсутствии давления в системе гидропривода сцепления, перемещает поршень в крайнее переднее положение. Поскольку поршень 36 в цилиндре 29 может перемещаться в направлении, соответствующем выключению сцепления (на рисунке вправо), только под действием давления рабочей жидкости, исключается образование разрежения, а следовательно, и проникновение в цилиндр через неплотности поршня воздуха. Поэтому нет необходимости поддерживать в соединительной трубке 2 и перед поршнем 36 избыточное давление, которое обычно обеспечивается установкой в главном цилиндре двойного клапана, как это делается в гидроприводе тормозов (см. ниже). Все детали главного цилиндра сцепления, за исключением корпуса 9 и штуцера 7 взаимозаменяемы с соответствующими деталями главного цилиндра тормоза. Так как в главном цилиндре сцепления отсутствует двойной клапан, корпус и штуцер этого цилиндра отличаются от корпуса и штуцера главного цилиндра тормоза.
Чтобы было легче отличить главные цилиндры сцепления и тормоза, их крепежные фланцы повернуты относительно друг друга на 60°. Защитный резиновый чехол 8 предохраняет внутреннюю полость рабочего цилиндра от грязи.
Привод сцепления и его виды
Устройство сцепления
Привод предназначен для дистанционного управления сцеплением непосредственно водителем из салона. Нажатие на педаль сцепления напрямую воздействует на нажимной диск.
Известны следующие виды привода:
- механический;
- гидравлический;
- электрогидравлический;
- пневмогидравлический.
Наибольшее распространение получили первые два вида. На грузовиках и автобусах используется пневмогидравлический привод. Электрогидравлический устанавливают в машинах с роботизированной коробкой передач.
Прокачка сцепления
Если вкратце ознакомится с алгоритмом прокачки сцепления, то он происходит следующим образом:
- Подготовка системы к работе.
- Подключение к штуцеру резинового шланга.

- Нажатие на сцепление и слив жидкости до полного выхода воздуха.
Для прокачки гидропривода сцепления вам будут необходимы такие инструменты:
- Инструмент для фиксации педали сцепления.
- Канистра для слива тормозной жидкости.
- Резиновый шланг, который мы будем подключать к сливному штуцеру.
- Новая тормозная жидкость.
- Стандартный набор инструментов.
Перед прокачкой сцепления следует его отрегулировать, так как невозможно эффективно прокачать систему сцепления, если толкатель поршня не перемещается свободно. В этой ситуации воздух не выйдет.
замена жидкости сцепления
Для начала в бачок цилиндра следует долить жидкости. Ее уровень не должен быть ниже двух сантиметров от наивысшего края. При этом нужно постараться, что бы в систему не попал мусор, разные посторонние примеси и так далее.
Снимаем с перепускного клапана резиновый колпачок в верхнем отделе корпуса, после чего надеваем шланг. Через него из системы будет проходить тормозная жидкость.
В емкость наливается около двести миллилитров тормозной жидкости.
штуцер прокачки сцепления
Открываем пропускной клапан и нажимаем несколько раз на педаль сцепления.
Следите за пузырьками воздуха, именно сейчас и происходит очистка всей системы. Кроме того, следите, что бы уровень тормозной жидкости не опустился ниже трех сантиметров от края. После того, как педаль максимально опустится, необходимо до конца закрутить перепускной клапан. Процесс производится несколько раз.
Теперь снимаем со штуцера резиновый шланг и надеваем предохранительный колпачок. Далее доливаем в бачок жидкость.
Работа главного цилиндра сцепления
Главный цилиндр сцепления работает следующим образом. При нажатии на педаль 21 толкатель 14 перемещает поршень 4, сжимая пружину 8.
Как только манжета 10 перекроет перепускное отверстие б, внутри цилиндра в полости а создается давление, и жидкость через отверстие в штуцере 7 и по соединительной трубке 2 проходит в рабочий цилиндр 29, вызывая перемещение поршня 36, толкателя 27 и связанной с ним через наконечник 24 и палец 23 вилки 22 выключения сцепления.
Сцепление выключается. При том растягивается оттяжная пружина 25 вилки и сжимаются нажимные пружины 14.
При отпускании педали сцепления последняя возвращается в исходное положение пружиной 75, а поршень 12 главного цилиндра под действием возвратной пружины 8 перемещается вслед за толкателем 17 до упора в шайбу 14. При этом давление в системе падает, и нажимной диск сцепления, переменяясь под действием нажимных пружин, вновь прижимает ведомый диск к маховику. Сцепление включается. Перемещение нажимного диска до его упора в ведомый диск вызывает перемещение связанной с ним через отжимные рычажки пяты и упертого в нее подпятника.
Далее подпятник и связанная с ним вилка выключения сцепления перемещаются под действием оттяжной пружины 25, которая постоянно прижимает шток толкателя 27 к поршню 36 и передвигает последний в крайнее переднее положение. При этом поршень вытесняет жидкость из внутренней полости рабочего цилиндра 29. Жидкость по трубке 2 возвращается в полость а главного цилиндра.
При резком отпускании педали сцепления жидкость, возвращающаяся из рабочего цилиндра в главный, не успевает заполнить пространство, освобождаемое поршнем 12, и в полости а создается разрежение.
Под действием этого разрежения жидкость из полости д (куда она поступает через отверстие в) перетекает в полость а через отверстия г в головке поршня, отодвигая клапан 11 и края манжеты 10. Канавки на поверхности манжеты 10 облегчают проход жидкости из полости д в полость а. В дальнейшем избыточная жидкость но мере поступления ее из трубопровода вытесняется из полости а через компенсационное отверстие б в бачок 3. Перетекание жидкости из соединительной трубки в главный цилиндр сцепления прекращается, как только поршень рабочего цилиндра под действием нажимных пружин и оттяжной пружины вилки выключения сцепления возвратится в крайнее переднее положение.
Нюансы эксплуатации сцепления
Зачастую водители склонны связывать неравномерность и рывки при движении автомобиля с неисправностями сцепления.
Эта логика в большинстве случаев ошибочна.
Например, автомобиль при переключении передач с первой на вторую, резко сбрасывает обороты. Здесь виновато не само сцепление, а датчик положения педали сцепления. Находится он за самой педалью сцепления. Неисправности датчика устраняются путем несложного ремонта, после которого сцепление будет вновь работать плавно и без рывков.
Другая ситуация: при переключении передач автомобиль немного дергается, а при трогании с места может заглохнуть. В чем может быть причина? Чаще всего в этом виноват клапан задержки сцепления. Этот клапан обеспечивает определенную скорость, при которой может схватываться маховик, независимо от того, насколько быстро была «брошена» педаль сцепления. Для начинающих водителей эта функция необходима, т.к. клапан задержки сцепления предотвращает чрезмерный износ поверхности диска сцепления.
Устройство гидравлического привода
При таком конструктивном решении усилие передаётся уже другим способом. Схема гидравлического привода не предполагает наличие троса, реализация механизма с данным типом управления немного сложнее и трос заменяет гидравлическая магистраль.
Усилие передаётся посредством несжимаемой жидкости, проходящей по магистрали и поскольку гидропривод аналогичен тому, что применяется в тормозной системе, для работы используют ту же жидкость. Устройство сцепления с управлением с помощью гидравлического привода включает следующие элементы:
- Педаль.
- Главный цилиндр, состоящий из поршня с толкателем, резервуара для жидкости и уплотнительных манжет.
- Рабочий цилиндр имеет похожую конструкцию.
- Магистраль, соединяющая цилиндры.
- Бачок с жидкостью.
- Дополнительно цилиндры оснащаются клапанами для отвода воздуха из системы.
Принцип работы достаточно простой и схож с механическим вариантом управления, отличие только в методе передачи усилия. Когда автомобилист жмёт на ножной рычаг в салоне автомашины, поршень главного цилиндра приводится в движение, жидкость сжимается и под давлением перемещается по трубопроводу в рабочий цилиндр, толкая поршень, что задействует вилку выключения сцепления.
Гидравлический привод может быть также оборудован демпфирующим устройством с целью гашения колебаний от взаимодействия выжимного подшипника с деталями выключения сцепления. Пневматические или гидравлические усилители часто используются для грузового транспорта.
Поскольку механизм с гидравлическим приводом является более совершенным и сложным устройством, передающим усилие на дальнее расстояние с высоким КПД, стоимость его выше, при этом он отличается плавностью включения сцепления, что обусловлено сопротивлением перемещению жидкости в элементах конструкции. Среди преимуществ гидропривода также устойчивость к износу деталей, но и ремонт сложнее, чем в случае с механическим устройством.
Механический и гидравлический приводы наделены своими особенностями функционирования, плюсами и минусами применения, при этом устройства этих типов обеспечивают комфорт управления транспортным средством. В легковых машинах жёсткость диафрагменной пружины нажимного диска небольшая, так что водителю не нужно прилагать больших усилий, но на грузовиках узел габаритнее, и чтобы привести в действие корзину, от водителя потребуется большее усилие, поэтому в конструкцию вводят усилители.
По окончанию процедуры, педаль сцепления должна работать нормально, с поршнями также не должно быть проблем. Это крайне важно, так как в некоторых случаях может произойти разбухание разнообразных резиновых элементов, что очень опасно, потому что приводит к отказу всей системы.
✅ Как работает гидравлическое сцепление
Какие бывают виды приводов сцепления и их принцип работы
Привод сцепления на автомобиле предназначен для краткосрочного отсоединения коленчатого вала двигателя от коробки передач, а также для их совмещения, которые необходимы для переключения передач, а также, для того, чтобы автомобиль мог тронуться с места и начать движение.
На сегодняшний день в автомобилях применяются следующие виды приводов сцепления:
- привод сцепления механический;
- гидравлический привод сцепления;
- электрогидравлический привод.
Последний из вышеназванных приводов сцепления в отличие от первых двух применяется в автомобилях крайне редко и используется в роботизированных коробках передач.
Поэтому более конкретно на нем останавливаться не будем, и давайте рассмотрим первые два.
Привод сцепления механический
Данный привод, как правило, применяется в небольших легковых автомобилях. Отличается он от других приводов сцепления своей невысокой стоимостью и простотой конструкции, которая состоит из:
- педали сцепления;
- троса привода сцепления;
- рычажной передаче;
- механизма отвечающего за регулирования свободного хода педали сцепления.
Основные неисправности
Основным неисправностями приводов сцепления является выход из строя одного из элементов системы вследствие износа.
В механическом приводе сцепления чаще всего выходит из строя трос, который связывает педаль сцепления и вилку переключения. Вследствие износа трос может порваться, перекрутиться или растянуться, что приводит к ухудшению работы сцепления.
Основными причинами возникновения проблем с работой гидравлического привода сцепления может быть следующее:
- Не герметичность систем трубопроводов.

- Отсутствие или малое количество рабочей жидкости в системе.
- Выход из строя одного из цилиндров из-за износа манжет, перекоса штока или повреждения наружного корпуса.
В случае с электрогидравлической системой к выше приведенным неисправностям гидравлической системы можно добавить проблемы с электрикой, механизмом, который приводит в действие цилиндры, системой управления работы привода.
Привод сцепления должен всегда находиться в исправном состоянии, поэтому необходимо своевременно обращаться на специализированные сервисные центры, где опытные мастера смогут провести качественную диагностику и ремонт отдельных элементов привода.
Также на эту тему вы можете почитать:
Как выбрать зарядное устройство для автомобильного аккумулятора
Ремонт карбюратора Солекс 21083 (видео-инструкция)
Панель приборов ВАЗ 2114 (обозначения, описание и схема)
Почему современные моторы ломаются чаще старых атмосферников
Ускорительный насос карбюратора ВАЗ 2109 (Солекс) для разгона
Поделитесь в социальных сетях
Alex S 17 октября, 2013
Опубликовано в: Полезные советы и устройство авто
Метки: Как устроен автомобиль
Привод сцепления и его виды
Привод предназначен для дистанционного управления сцеплением непосредственно водителем из салона.
Нажатие на педаль сцепления напрямую воздействует на нажимной диск.
Известны следующие виды привода:
- механический;
- гидравлический;
- электрогидравлический;
- пневмогидравлический.
Наибольшее распространение получили первые два вида. На грузовиках и автобусах используется пневмогидравлический привод. Электрогидравлический устанавливают в машинах с роботизированной коробкой передач.
В некоторых автомобилях для облегчения управления применяется пневматический или вакуумный усилитель привода.
Механический привод
Механический или тросовый привод отличается простой конструкцией и невысокой ценой. Он неприхотлив в обслуживании и состоит из минимального количества элементов. Механический привод устанавливается в легковых и малотоннажных грузовых автомобилях.
Механический привод сцепления
К элементам механического привода относятся:
- трос сцепления;
- педаль сцепления;
- вилка выключения сцепления;
- выжимной подшипник;
- механизм регулировки.

Трос сцепления, заключенный в оболочку, является основным элементом привода. Трос сцепления крепится к вилке, а также к педали, находящейся в салоне автомобиля. В момент выжимания педали водителем действие через трос передается на вилку и выжимной подшипник. В результате происходит разъединение маховика двигателя с трансмиссией и, соответственно, выключение сцепления.
В соединении троса и рычажного привода предусмотрен регулировочный механизм, обеспечивающий свободный ход педали сцепления.
Ход педали сцепления представляет собой свободное перемещение до момента срабатывания привода. Расстояние, пройденное педалью без особого усилия водителя при нажатии, и есть свободный ход.
Если переключение передач сопровождается шумом, а в начале движения наблюдаются небольшие рывки автомобиля, то необходима регулировка хода педали.
Зазор в сцеплении должен находиться в пределах 35-50 мм свободного хода педали. Нормативы этих показателей указаны в технической документации автомобиля.
Регулировка хода педали осуществляется путем изменения длины тяги с помощью регулировочной гайки.
В грузовых автомобилях используется не тросовый, а рычажный механический привод.
К плюсам механического привода относятся:
- простота устройства;
- невысокая стоимость;
- надежность в эксплуатации.
Главным минусом считается более низкий КПД по сравнению с гидроприводом.
Гидравлический привод сцепления
Гидропривод имеет более сложную конструкцию. К его элементам, помимо выжимного подшипника, вилки и педали, относится также гидравлическая магистраль, которая заменяет трос сцепления.
Схема гидравлического сцепления
По сути эта магистраль аналогична гидроприводу тормозной системы и состоит из следующих элементов:
- главный цилиндр сцепления;
- рабочий цилиндр сцепления;
- бачок и трубопровод с тормозной жидкостью.
Устройство главного цилиндра сцепления напоминает устройство главного тормозного цилиндра.
Главный цилиндр сцепления состоит из поршня с толкателем, расположенных одном в корпусе. Также к его элементам относятся резервуар для жидкости и уплотнительные манжеты.
Рабочий цилиндр сцепления, имеющий схожую с главным цилиндром конструкцию, дополнительно оснащен клапаном для удаления воздуха из системы.
Механизм действия гидропривода такой же, как и у механического, только усилие передается с помощью находящейся в трубопроводе жидкости, а не через трос.
Во время нажатия водителем на педаль усилие через шток передается на главный цилиндр сцепления. Затем за счет несжимаемого свойства жидкости в действие приводятся рабочий цилиндр сцепления и рычаг привода выжимного подшипника.
В качестве плюсов гидропривода можно выделить следующие его особенности:
- гидравлическое сцепление позволяет передавать усилие на значительное расстояние с высоким КПД;
- сопротивление перетеканию жидкости в элементах гидропривода способствует плавному включению сцепления.

Главный минус гидропривода – более сложный ремонт по сравнению с механическим. Течь рабочей жидкости и попадание в систему гидропривода воздуха — вот, пожалуй, наиболее распространенные поломки, которыми могут «похвастаться» главный и рабочий цилиндры сцепления.
Устройство гидравлического привода
При таком конструктивном решении усилие передаётся уже другим способом. Схема гидравлического привода не предполагает наличие троса, реализация механизма с данным типом управления немного сложнее и трос заменяет гидравлическая магистраль. Усилие передаётся посредством несжимаемой жидкости, проходящей по магистрали и поскольку гидропривод аналогичен тому, что применяется в тормозной системе, для работы используют ту же жидкость. Устройство сцепления с управлением с помощью гидравлического привода включает следующие элементы:
- Педаль.
- Главный цилиндр, состоящий из поршня с толкателем, резервуара для жидкости и уплотнительных манжет.
- Рабочий цилиндр имеет похожую конструкцию.

- Магистраль, соединяющая цилиндры.
- Бачок с жидкостью.
- Дополнительно цилиндры оснащаются клапанами для отвода воздуха из системы.
Принцип работы достаточно простой и схож с механическим вариантом управления, отличие только в методе передачи усилия. Когда автомобилист жмёт на ножной рычаг в салоне автомашины, поршень главного цилиндра приводится в движение, жидкость сжимается и под давлением перемещается по трубопроводу в рабочий цилиндр, толкая поршень, что задействует вилку выключения сцепления.
Гидравлический привод может быть также оборудован демпфирующим устройством с целью гашения колебаний от взаимодействия выжимного подшипника с деталями выключения сцепления. Пневматические или гидравлические усилители часто используются для грузового транспорта.
Поскольку механизм с гидравлическим приводом является более совершенным и сложным устройством, передающим усилие на дальнее расстояние с высоким КПД, стоимость его выше, при этом он отличается плавностью включения сцепления, что обусловлено сопротивлением перемещению жидкости в элементах конструкции.
Среди преимуществ гидропривода также устойчивость к износу деталей, но и ремонт сложнее, чем в случае с механическим устройством.
Механический и гидравлический приводы наделены своими особенностями функционирования, плюсами и минусами применения, при этом устройства этих типов обеспечивают комфорт управления транспортным средством. В легковых машинах жёсткость диафрагменной пружины нажимного диска небольшая, так что водителю не нужно прилагать больших усилий, но на грузовиках узел габаритнее, и чтобы привести в действие корзину, от водителя потребуется большее усилие, поэтому в конструкцию вводят усилители.
По окончанию процедуры, педаль сцепления должна работать нормально, с поршнями также не должно быть проблем. Это крайне важно, так как в некоторых случаях может произойти разбухание разнообразных резиновых элементов, что очень опасно, потому что приводит к отказу всей системы.
Нюансы эксплуатации сцепления
Зачастую водители склонны связывать неравномерность и рывки при движении автомобиля с неисправностями сцепления.
Эта логика в большинстве случаев ошибочна.
Например, автомобиль при переключении передач с первой на вторую, резко сбрасывает обороты. Здесь виновато не само сцепление, а датчик положения педали сцепления. Находится он за самой педалью сцепления. Неисправности датчика устраняются путем несложного ремонта, после которого сцепление будет вновь работать плавно и без рывков.
Другая ситуация: при переключении передач автомобиль немного дергается, а при трогании с места может заглохнуть. В чем может быть причина? Чаще всего в этом виноват клапан задержки сцепления. Этот клапан обеспечивает определенную скорость, при которой может схватываться маховик, независимо от того, насколько быстро была «брошена» педаль сцепления. Для начинающих водителей эта функция необходима, т.к. клапан задержки сцепления предотвращает чрезмерный износ поверхности диска сцепления.
Привод выключения сцепления гидравлический
На автомобиле применяется гидравлический привод выключения сцепления с педалью подвесной конструкции (ось качания педали расположена выше ее площадки).
Такой тип привода получает все большее распространение на современных легковых автомобилях. Его преимущества по сравнению с механическим приводом сводятся в основном к следующему:
- Сцепление включается более плавно, что уменьшает динамические нагрузки в трансмиссии, особенно при трогании автомобиля с места, и повышает комфортабельность езды.
- Значительно улучшается герметизация пассажирского помещения кузова от проникновения в него пыли, грязи и влаги, поскольку (при педали тормоза также «подвесной» конструкции) в наклонном полу кузова отсутствуют люки для прохода рычагов педалей сцепления и тормоза.
- Не забрасываются грязью и хорошо защищены от пыли главные цилиндры гидроприводов выключения сцепления и ножного тормоза, расположенные достаточно высоко па идете кузова, и элементы механической части приводов, что облегчает техническое обслуживание этих узлов и повышает их долговечность.
- Нет точек смазки в приводе сцепления, что упрощает обслуживание автомобиля.

- Появляются значительные компоновочные возможности, так как «подвесные» педали сцепления и тормоза вместе с их главными цилиндрами можно разместить на щите передка кузова в соответствии с особенностями компоновки автомобиля.
Устройство привода выключения сцепления
Штампованная педаль сцепления 21 установлена на сварном кронштейне 12, укрепленном на кузове болтами 11 и шпильками 8 с гайками 7. Педаль сцепления качается на оси 16, которая неподвижно закреплена в кронштейне 12. Педаль фиксируется от проворачивания лыской, входящей в фигурное отверстие в одной из щек кронштейна педали.
Аксиальное перемещение оси ограничено шплинтом 13 и уступом лыски. В ступицу педали вставлены две вращающиеся на оси полиамидные втулки 17, имеющие буртики на одном из торцов.
Втулки имеют высокую износостойкость и не требуют смазки в процессе эксплуатации. На площадку педали надета резиновая накладка 31. Педаль удерживается в исходном (крайнем заднем) положении усилием оттяжной пружины 15.
При этом нерегулируемый толкатель 14, шарнирно соединенный с педалью пальцем 19, упирается в ограничительную шайбу 5, зафиксированную в осевом направлении стопорным кольцом.
В исходном положении педали поршень 12 главного цилиндра сцепления под действием пружины 8 упирается торцом в шайбу 14. Между толкателем 14 и поршнем 4 предусмотрен постоянный зазор а = 0,2 — 1,0 мм, который обеспечивается в указанных пределах выбранными размерами этих деталей и ограничительной шайбы 5.
Указанный зазор обеспечивает поршню главного цилиндра возможность занять исходное положение (при включенном сцеплении), гарантирующее сообщение полости а цилиндра с наполнительным бачком 3 через компенсационное отверстие б.
В приводах сцепления и управления ножными тормозами оси педалей, полиамидные втулки, толкатели, накладки педалей и крепежные детали взаимозаменяемы. Главный цилиндр сцепления предназначен для создания давления в системе гидравлического привода сцепления. Цилиндр имеет чугунный корпус 9 внутреннего диаметра 22 мм с фигурным фланцем; во фланец ввернуты две шпильки 18, с помощью которых цилиндр и кронштейн 12 педали крепятся к щиту передней части кузова.
Между фланцем корпуса цилиндра и щитом передней части кузова при сборке устанавливают до четырех (по потребности) регулировочных прокладок 6, изготовленных из листовой стали толщиной 0,5 мм каждая. Эти прокладки помогают установить исходное положение педали сцепления, которое должно обеспечивать полный ее ход L до упора в резиновый коврик пола, равный 150—155 мм.
Рис. Привод выключения сцепления: 1 — кронштейн крепления соединительной трубки; 2 — соединительная трубка; 3 — главный цилиндр сцепления в сборе; 4 — поршень главного цилиндра сцепления; 5 — ограничительная шайба; 6 — регулировочная прокладка; 7 и 28 — гайки; 8 — шпилька крепления главного цилиндра; 9 — питательный бачок главного цилиндра сцепления; 10 — гайкодержатель; 11 — болт крепления кронштейна педали сцеплении; 12 — кронштейн педали сцепления: 13 — шплинт оси педали сцепления; 14 — толкатель поршня главного цилиндра сцепления; 15 — оттяжная пружина педали сцепления; 16 — ось педалей сцепления и тормоза; 17 — втулка оси педалей сцепления и тормоза; 18 и 33 — шайбы; 19 и 23 — пальцы; 20 и 32 — шплинты; 21 — педаль сцеплении; 22 — вилка выключения сцепления; 24 — наконечник толкателя; 26 — оттяжная пружина вилки выключения сцепления; 26 — контргайка; 27 — толкатель вилки; 29 — рабочий цилиндр привода включения сцепления; 30 — шпилька крепления рабочего цилиндра; 31 — накладка педали; 34 — защитный колпак; 35 — стопорное кольцо; 36 — поршень рабочего цилиндра; 37 — уплотнительная манжета; 38 — распорный грибок; 39 — пружина; 40 — клапан выпуска воздуха; 41 — защитный колпачок клапана; 42 — скоба крепления трубки; 43 — прокладка
На верху корпуса главного цилиндра расположен бачок 3, изготовленный из полупрозрачной пластмассы.
В бачке содержится определенный запас тормозной жидкости, необходимый для нормальной работы гидравлического привода сцепления. Бачок закрыт пластмассовой резьбовой крышкой 1, в которой имеется отверстие для сообщения внутренней полости бачка с атмосферой, и укреплена отражательная пластина, предупреждающая выплескивание тормозной жидкости через указанное отверстие. На торец питательного бачка опирается фланец сетчатого фильтра 2, выполняющего одновременно функции успокоителя находящейся в бачке тормозной жидкости.
Питательный бачок 3 крепится к корпусу 9 главного цилиндра резьбовым штуцером 4, имеющим на торце шлиц под отвертку. Уплотнительная прокладка 5 после затяжки штуцера гарантирует герметичность соединения бачка с корпусом цилиндра. Через отверстие в штуцере 4 тормозная жидкость из бачка 3 самотеком поступает в корпус 9 главного цилиндра.
На находящийся внутри цилиндра поршень 12 надета резиновая уплотнительная манжета 13, препятствующая вытеканию жидкости из цилиндра.
Поршень отлит из цинкового сплава. В головке поршня сделано шесть сквозных отверстий г, прикрытых тонким стальным кольцом-клапаном 11 и внутренней рабочей резиновой манжетой 10. На наружной поверхности манжеты имеются одна кольцевая и шесть продольных канавок. Пружина 8 прижимает манжету к поршню 12, а поршень — к упорной шайбе 14. Другим своим концом пружина упирается в резьбовой штуцер 7, закрывающий внутреннюю полость корпуса цилиндра.
Работа главного цилиндра сцепления
Главный цилиндр сцепления работает следующим образом. При нажатии на педаль 21 толкатель 14 перемещает поршень 4, сжимая пружину 8.
Как только манжета 10 перекроет перепускное отверстие б, внутри цилиндра в полости а создается давление, и жидкость через отверстие в штуцере 7 и по соединительной трубке 2 проходит в рабочий цилиндр 29, вызывая перемещение поршня 36, толкателя 27 и связанной с ним через наконечник 24 и палец 23 вилки 22 выключения сцепления. Сцепление выключается. При том растягивается оттяжная пружина 25 вилки и сжимаются нажимные пружины 14.
Рекомендуем: Как определить, какой расход масла в двигателе считается нормальным?
При отпускании педали сцепления последняя возвращается в исходное положение пружиной 75, а поршень 12 главного цилиндра под действием возвратной пружины 8 перемещается вслед за толкателем 17 до упора в шайбу 14. При этом давление в системе падает, и нажимной диск сцепления, переменяясь под действием нажимных пружин, вновь прижимает ведомый диск к маховику. Сцепление включается. Перемещение нажимного диска до его упора в ведомый диск вызывает перемещение связанной с ним через отжимные рычажки пяты и упертого в нее подпятника.
Далее подпятник и связанная с ним вилка выключения сцепления перемещаются под действием оттяжной пружины 25, которая постоянно прижимает шток толкателя 27 к поршню 36 и передвигает последний в крайнее переднее положение. При этом поршень вытесняет жидкость из внутренней полости рабочего цилиндра 29. Жидкость по трубке 2 возвращается в полость а главного цилиндра.
При резком отпускании педали сцепления жидкость, возвращающаяся из рабочего цилиндра в главный, не успевает заполнить пространство, освобождаемое поршнем 12, и в полости а создается разрежение.
Под действием этого разрежения жидкость из полости д (куда она поступает через отверстие в) перетекает в полость а через отверстия г в головке поршня, отодвигая клапан 11 и края манжеты 10. Канавки на поверхности манжеты 10 облегчают проход жидкости из полости д в полость а. В дальнейшем избыточная жидкость но мере поступления ее из трубопровода вытесняется из полости а через компенсационное отверстие б в бачок 3. Перетекание жидкости из соединительной трубки в главный цилиндр сцепления прекращается, как только поршень рабочего цилиндра под действием нажимных пружин и оттяжной пружины вилки выключения сцепления возвратится в крайнее переднее положение.
Какой привод сцепления лучше
Одним из важнейших механизмов автомобиля является сцепление. Данная система реализована для краткосрочного разъединения коленчатого вала мотора от коробки и их мягкого соединения при переводе ручки селектора передач на механике, передачи крутящего момента и гашения нагрузок и крутильных колебаний трансмиссии.
В моделях, оборудованных механической трансмиссией, чтобы двинуться с места, следует выжать педаль сцепления, включить передачу и, плавно отпускать педаль, избегая резких движений. Кроме знакомого всем элемента управления – педали, посредством которой водитель напрямую взаимодействует с механизмом, в конструкции имеются не менее важные компоненты. Ножной рычаг является лишь видимой частью привода сцепления, позволяющий непосредственно контактировать с механизмом путём нажатия, остальные же элементы скрыты, их слаженная работа и обеспечивает функционирование узла.
Управление сцеплением в автомобилях с МКПП обусловлено приводом. С его помощью и передаётся усилие от педали на вилку выключения сцепления и далее на пружину, благодаря чему становится возможным управлять позицией дисков из салона.
Разновидности привода сцепления
Зависимо от реализации передачи усилия различают несколько видов приводов, используемых соответственно типу сцепления, компоновке авто и принятым при конструировании техническим решениям по обеспечению управления.
На сегодняшний день основными типами привода являются:
- Механический.
- Гидравлический.
Есть ещё электрический привод, имеющий в составе электромотор, и комбинированные варианты, но они не получили массового распространения в современном автомобилестроении, потому далее речь пойдёт именно об основных разновидностях.
При условии отсутствия усилителя, усилие на ножной рычаг не должно быть более 150 Н для легкового транспорта и 250 Н для грузовиков, полный ход педали находиться в границах 120-190 мм, при этом общее передаточное число привода имеет значение 25-50. Если же управление сцеплением требует усилий больше допустимого, для упрощения задачи в конструкции используют пневматические и вакуумные усилители.
Легковой автомобиль чаще всего оснащается механизмом с гидравлическим типом привода, нередко с серво пружиной, или механическим тросовым приводом. Для малотоннажных грузовиков или транспорта средней грузоподъёмности также применяют механический и гидравлический типы приводов, а для крупнотоннажного транспорта (автомобили-тягачи, часто используемые для формирования автопоездов) устанавливается комбинированный – механический с пневмоусилителем или гидравлический с пневмоусилителем.
Устройство механического привода
Сцепление на автотранспорте, где применена механика, не является сложным узлом. В качестве системы управления на легковушках и мотоциклах, где не требуется больших усилий, нередко применяется механический тросовый привод. Он отличается нехитрой конструкцией, надёжностью, лёгкостью обслуживания и низкой ценой, при этом в результате старения со временем фрикционных накладок изменяется положение педали (для решения этой проблемы конструкция предусматривает функцию ручной или автоматической регулировки). Механический тросовый привод сцепления имеет меньший КПД, если сравнивать с гидравлическим типом. Это обусловлено потерями энергии в результате трения составляющих компонентов.
Основные детали механического привода:
- Педаль.
- Трос в оболочке.
- Рычажная передача.
- Вилка выключения сцепления.
- Механизм контроля свободного хода.
Трос, заключённый в гибкий кожух, объединяет вилку выключения и педаль.
Так, при нажиме на педаль через него передаётся усилие на рычажную передачу, она в то же время выключает сцепление передвижением вилки, воздействующей на муфту.
В соединении троса и вилки конструкция предусматривает также механизм, используемый для регулировки свободного хода педали путём изменения длины тяги. Гайка находится на конце троса. Вопрос регулировки хода педали возникает при смене её позиции, что сопровождается такими симптомами, как шум и рывки в начале движения автомобиля. Зазор в сцеплении должен быть в пределах 3-4 мм. (35-50 мм. свободного хода), эти показатели указываются автопроизводителем в мануале авто. Зазор меньше нормы или его отсутствие ведёт к неполному включению сцепления и в результате пробуксовке, больший зазор – к увеличению хода педали и неполному выключению сцепления.
В грузовиках реализован рычажный привод, передающий усилие на дальнем расстоянии. Так, при нажиме на педаль, закреплённую на валу, поворачивается рычаг, соединённый с другим концом вала.
Рычаг задействует прикреплённую к нему на оси тягу, связанную с вилкой и поворачивающую её, а вместе с тем и прижатую к вилке пружиной муфту.
Устройство гидравлического привода
При таком конструктивном решении усилие передаётся уже другим способом. Схема гидравлического привода не предполагает наличие троса, реализация механизма с данным типом управления немного сложнее и трос заменяет гидравлическая магистраль. Усилие передаётся посредством несжимаемой жидкости, проходящей по магистрали и поскольку гидропривод аналогичен тому, что применяется в тормозной системе, для работы используют ту же жидкость. Устройство сцепления с управлением с помощью гидравлического привода включает следующие элементы:
- Педаль.
- Главный цилиндр, состоящий из поршня с толкателем, резервуара для жидкости и уплотнительных манжет.
- Рабочий цилиндр имеет похожую конструкцию.
- Магистраль, соединяющая цилиндры.
- Бачок с жидкостью.
- Дополнительно цилиндры оснащаются клапанами для отвода воздуха из системы.

Принцип работы достаточно простой и схож с механическим вариантом управления, отличие только в методе передачи усилия. Когда автомобилист жмёт на ножной рычаг в салоне автомашины, поршень главного цилиндра приводится в движение, жидкость сжимается и под давлением перемещается по трубопроводу в рабочий цилиндр, толкая поршень, что задействует вилку выключения сцепления.
Гидравлический привод может быть также оборудован демпфирующим устройством с целью гашения колебаний от взаимодействия выжимного подшипника с деталями выключения сцепления. Пневматические или гидравлические усилители часто используются для грузового транспорта.
Поскольку механизм с гидравлическим приводом является более совершенным и сложным устройством, передающим усилие на дальнее расстояние с высоким КПД, стоимость его выше, при этом он отличается плавностью включения сцепления, что обусловлено сопротивлением перемещению жидкости в элементах конструкции. Среди преимуществ гидропривода также устойчивость к износу деталей, но и ремонт сложнее, чем в случае с механическим устройством.
Заключение
Механический и гидравлический приводы наделены своими особенностями функционирования, плюсами и минусами применения, при этом устройства этих типов обеспечивают комфорт управления транспортным средством. В легковых машинах жёсткость диафрагменной пружины нажимного диска небольшая, так что водителю не нужно прилагать больших усилий, но на грузовиках узел габаритнее, и чтобы привести в действие корзину, от водителя потребуется большее усилие, поэтому в конструкцию вводят усилители.
Приводы сцеплений: назначение, устройство механического и гидравлического привода сцепления. Усилители привода сцепления: назначение, устройство.
Привод
сцепления предназначен
для обеспечения работы сцепления.
На
современных автомобилях применяются
приводы сцепления следующих видов:
механический
привод;гидравлический
привод;электромагнитный
привод.
Наибольшее применение
в автомобиле нашли механический и
гидравлический приводы сцепления.
Электромагнитный привод используется
для автоматизации управления сцеплением.
Привод
сцепления предназначен
для обеспечения работы сцепления. На
современных автомобилях применяются
приводы сцепления следующих видов:
механический
привод;гидравлический
привод;электромагнитный
привод.
Наибольшее применение
в автомобиле нашли механический и
гидравлический приводы сцепления.
Электромагнитный привод используется
для автоматизации управления сцеплением.
Механический
привод используется
в качестве привода сцепления небольших
легковых автомобилей.
Данный вид привода
отличает простота конструкции и невысокая
стоимость.
Механический
привод сцепления имеет следующее устройство:
Схема
механического привода сцепления
Основным
конструктивным элементом механического
привода сцепления является трос.
При нажатии на педаль сцепления усилие
через трос передается на рычажную
передачу, которая в свою очередь
перемещает вилку сцепления и обеспечивает
выключение сцепления.
В
системе предусмотрен механизм
регулирования свободного хода педали
сцепления.
Необходимость регулировки обусловлена
постепенным изменением положения педали
сцепления вследствие износа фрикционных
накладок.
В гидравлическом
приводе сцепления используется
свойство несжимаемости жидкости. В
качестве рабочей жидкости применяется
тормозная жидкость.
Гидравлический
привод сцепления состоит из педали,
главного цилиндра с питательным бачком,
рабочего цилиндра, соединительного
шланга с трубкой и вилки включения
сцепления.
Конструктивно
главный и тормозной цилиндры состоят
из поршня с толкателем, размещенных в
корпусе. При нажатии на педаль сцепления
толкатель перемещает поршень главного
цилиндра, происходит отсечка рабочей
жидкости от бачка. При дальнейшем
движении поршня рабочая жидкость по
трубопроводу поступает в рабочий
цилиндр. Под воздействием жидкости
происходит движение поршня с толкателем.
Толкатель воздействует на вилку сцепления
и обеспечивает выключение сцепления.
Для
удаления воздуха из системы гидропривода
сцепления (прокачки системы) на главном
и рабочем цилиндрах установлены
специальные клапаны (штуцеры).
Усилитель
привода сцепления –
часть привода сцепления, служащая для
создания дополнительного усилия с целью
облегчения управления сцеплением. На
легких автомобилях применяется
механический усилитель, использующий
энергию, запасенную предварительно
растянутой пружиной. На тяжелых
автомобилях применяются пневматические
усилители привода сцепления, использующие
энергию, вырабатываемую двигателем
Для облегчения управления сцеплением
в приводах часто применяют механические
усилители в виде сервопружин, пневматические
и вакуумные.
Так, сервопружины уменьшают
максимальное усилие выключения сцепления
на 20…40%.
Пневматический
усилитель гидропривода
сцепления объединяет в себе рабочий
цилиндр выключения сцепления с поршнем
и следящее устройство с поршнем,
диафрагмой и клапанами управления
(впускным и выпускным).
Работает пневматический
усилитель следующим
образом. При
нажатии на педаль сцепления
рабочая жидкость воздействует на поршни
и, которые перемещаются. Поршень
прогибает диафрагму с седлом клапанов
управления. При этом выпускной
клапан закрывается и
открывается впускной клапан. Сжатый
воздух через впускной клапан поступает
в пневматический цилиндр усилителя и
действует на поршень, который перемещается,
оказывая дополнительное воздействие
на шток выключения сцепления. При
отпускании педали сцепления
давление жидкости на поршни и прекращается,
они возвращаются в исходное положение
под действием пружин.
При этом закрывается
впускной клапан и открывается
выпускной клапан,
через который сжатый воздух из
пневмоусилителя выходит в окружающую
среду, а поршень перемещается в исходное
положение.
Устройство сцепления автомобиля — из чего состоит и как работает
Трансмиссия служит для передачи крутящего момента от двигателя на ведущие колеса и изменения величины крутящего момента. Расскажем про устройство сцепления автомобиля — что такое, из чего состоит и как работает.
Для чего нужно
Сцепление машины нужно для передачи крутящего момента от маховика коленвала двигателя к первичному валу коробки передач. Оно позволяет водителю кратковременно прерывать передачу крутящего момента, отделяя двигатель от трансмиссии, а затем плавно их соединять. Состоит из привода и механизма.
Привод выключения
Когда в машине надо передать усилие от водителя к некому механизму (тормоза, коробка передач), то существует привод механизмов.
Представьте ситуацию, необходимо постоянно что-то закрывать и открывать. Для передачи усилия на расстоянии по «открыванию» и «закрыванию» двери, придется применить палку или дистанционное управление. Пусть будет палка, привязанная веревками одним концом к вашей руке, а другим к ручке двери. Тогда палка с веревками является «приводом», который передаст усилие на расстоянии.
В автомобиле каждый механизм имеет свой привод, посредством которого приводится в действие. Он может состоять из большого количества отдельных узлов и деталей, бывает механическим, гидравлическим.
Схема гидравлического привода выключения сцепления. 1 — коленчатый вал; 2 — маховик; 3 — ведомый диск; 4 — нажимной диск; 5 — кожух; 6 — нажимные пружины; 7 — отжимные рычаги; 8 — нажимной подшипник; 9 — вилка выключения; 10 — рабочий цилиндр; 11 — трубопровод; 12 — главный цилиндр; 13 — педаль; 14 — картер; 15 — шестерня первичного вала; 16 — картер коробки передач; 17 — первичный вал коробки передач.
Привод выключения (гидравлического типа) состоит из:
- педали;
- главного и рабочего цилиндра;
- вилки выключения;
- нажимного подшипника;
- трубопроводов.
При нажатии на педаль сцепления, усилие ноги водителя через шток и поршень, передается жидкости, которая передает давление от поршня главного цилиндра на поршень рабочего. Далее шток рабочего цилиндра перемещает вилку выключения и нажимной подшипник, передающий усилие на механизм сцепления. Когда водитель отпустит педаль, то под воздействием возвратных пружин все детали привода займут исходные позиции.
В гидравлическом приводе применяется тормозная жидкость. Перед заменой в бачке, стоит прочитать, что написано на этикетке. А разрешается ли её смешивать с жидкостью, которая залита в гидроприводе? Как правило, да, но существуют жидкости, которые не подлежат смешиванию.
На переднеприводных авто используется механический привод, где рычаг сцепления связана с вилкой выключения с помощью металлического троса.
Механизм сцепления
Представляет устройство, в котором происходит передача крутящего момента за счет работы сил трения. Он позволяет кратковременно разъединять двигатель и коробку передач, а затем плавно их соединять. Его элементы заключены в картер, который крепится к мотору. Он состоит из:
- картера и кожуха,
- ведущего диска (которым является маховик двигателя),
- нажимного диска с пружинами,
- ведомого диска с износостойкими накладками.
Ведомый диск постоянно прижат к маховику нажимным диском под воздействием сильных пружин. За счет огромных сил трения между маховиком, ведомым и нажимным дисками, все это вместе вращается при работе двигателя. Но только, когда водитель не трогает педаль сцепления, независимо едет или стоит на месте автомобиль.
Для начала движения машины, необходимо прижать ведомый диск, связанный с ведущими колесами к вращающемуся маховику, т.
е. — включить сцепление. Это сложная задача, т.к. угловая скорость вращения маховика составляет 20 — 25 оборотов в секунду, а скорость вращения ведущих колес – ноль.
Сцепление включено
Как это сделать? Надо всегда правильно отпускать педаль сцепления — в три этапа.
На первом этапе — приотпускаем педаль, т.е. даем возможность пружинам нажимного диска подвести ведомый диск к маховику до их легкого соприкосновения. За счет сил трения диск, проскальзывая некоторое время относительно маховика, тоже начнет вращаться, а автомобиль потихоньку ползти.
Второй этап – удерживаем ведомый диск от какого-либо перемещения. Т.е. на две — три секунды удерживаем педаль сцепления в средней позиции, чтобы скорость вращения маховика и диска уравнялись. Машина увеличивает скорость движения.
Тритий этап — маховик вместе с нажимным и ведомым дисками вращаются вместе без проскальзывания и с одинаковой скоростью, передавая крутящий момент к коробке передач и далее на ведущие колеса машины.
Это соответствует состоянию – включено, автомобиль едет. Теперь остается полностью отпустить педаль и убрать с нее ногу.
Если при начале движения педаль сцепления резко бросить, то автомобиль «прыгнет» вперед, а двигатель заглохнет.
Для выключения сцепления водитель нажимает на педаль. При этом нажимной диск отходит от маховика и освобождает ведомый диск, прерывая передачу крутящего момента от двигателя к коробке передач. Нажимать на педаль следует достаточно быстрым, но не резким, спокойным движением до конца хода педали.
Сцепление выключено
Действия водителя авто по выключению — включению сцепления в течение поездки повторяются много раз. Освоив работу с педалью в три этапа, позже это войдет в привычку, которая обеспечит плавность хода автомобиля.
Гидравлические муфты: основы, детали, работа, применение
Гидравлические муфты объясняются вместе с определением, деталями, рабочим процессом, преимуществами, недостатками и т. д.
Давайте познакомимся с гидравлическими муфтами!
Что такое гидравлические муфты?
Давайте попробуем понять, что такое центробежная муфта, а также основы, определение и т.
д.
Основы гидравлической муфты
Начнем с основ гидравлической муфты. Одним из важных аспектов любого транспортного средства является система трансмиссии.
- В этой системе трансмиссии сцепление является одной из основных частей узла.
- Сцепление отвечает за включение или выключение двигателя.
- Действует как посредник для передачи мощности двигателя.
В автомобилях используется множество типов сцеплений. Одним из них являются гидравлические муфты. Гидравлические муфты — это те, которые работают на гидравлической силе.
Давайте накопаем еще немного информации об этих типах сцепления и его деталях.
Функция гидравлического сцепления
Гидравлическое сцепление выбрано в качестве альтернативы механическим сцеплениям, используемым в обычных автомобилях. Есть несколько причин для использования гидравлического сцепления.
- Это добавляет автомобилям современный вид.
- В случае механических сцеплений имеется стальной трос, который соединяет педаль сцепления непосредственно с узлом сцепления.
Однако в случае гидравлических муфт вместо стальной проволоки используется жидкость. - Сцепление зависит от цилиндров резервуара для управления давлением в соответствии с нажатой водителем педалью.
- Гидравлическое сцепление относится к категории многодискового сцепления.
- Мы знаем функцию сцепления, которое оно включает, отсоединяет диск сцепления от двигателя. Сила гидравлической жидкости используется для выключения и включения сцепления.
Таким образом, чтобы заставить это работать, существуют различные компоненты, которые включают в себя работу гидравлических муфт.
Части гидравлических сцеплений
Давайте изучать все части гидравлической сцепления, следующим образом,
- Педаль сцепления
- Сцепление Diaphragm
- Тарелка
- Поверхность фрикма
- Тарелка
- . Рабочий цилиндр и толкатель
- Маховик
- Мембранные пружины
- Шлицевые втулки
Давайте обсудим все эти детали один за другим!
Детали или компоненты гидравлического сцепления
Педаль сцепления
Вы можете назвать ее исполнительной частью гидравлического сцепления или любого другого сцепления.
- Для выключения сцепления необходимо нажать на сцепление, и сцепление сработает.
- Когда водитель нажимает педаль сцепления, диск сцепления начинает вращаться и начинается дальнейшая работа.
Мембранная муфта
В гидравлических муфтах используется диафрагменная муфта. Хотя диафрагменная муфта является независимым типом муфты.
Диск сцепления
Тонкая металлическая пластина используется для изготовления диска сцепления. С обеих сторон дисков сцепления имеются фрикционные накладки.
- Диск сцепления является одной из важных частей гидравлического сцепления.
- Диск сцепления расположен между нажимным диском и маховиком.
Поскольку фрикционная накладка предусмотрена на обеих сторонах дисков сцепления, одна из сторон соединяется или соприкасается с маховиком, а другая накладка с нажимным диском, вызывающим трение.
Поверхность трения
Поверхность трения образуется, когда фрикционная накладка диска сцепления соприкасается с нажимным диском и маховиком.
В момент, когда диск сцепления начинает вращаться, из-за контактного трения будет создаваться сила трения.
Нажимной диск
Нажимной диск крепится или размещается с одной стороны диска сцепления. С помощью болтов и пружин крепится прижимная пластина.
- Как мы уже знаем, нажимной диск соприкасается с фрикционной поверхностью диска сцепления.
- В основном, нажимной диск зависит от веса, после приложения веса поверхность диска сцепления будет создавать трение.
Главный цилиндр
Главный цилиндр, как следует из названия, означает главный цилиндр, в котором хранится жидкость, то есть жидкость сцепления. В основном это поршневой цилиндр.
При нажатии на лопасть в главном цилиндре создается гидравлическое давление, которое передается на подчиненный цилиндр.
Рабочий цилиндр и толкатель
Это еще один цилиндр, используемый в гидравлическом сцеплении, где отдельный шток соединен с вилкой сцепления через шток, называемый толкателем.
Под действием гидравлической силы или мощности главного цилиндра вилка сцепления перемещается, что помогает освободить упорный подшипник.
Помогает дополнительно освободить нажимной диск и отключить гидравлическую муфту.
Маховик
Другой частью, контактирующей с фрикционной поверхностью диска сцепления, является маховик.
Присоединяется к валу коробки передач после контакта с фрикционной поверхностью, создает трение.
XPH — ваш дом для запасных частей BMW, Audi, Ford Mustang, VW, Porsche и Nissan GTR.
Мембранные пружины
Прикрепляются к прижимным пластинам. Пружины будут работать с помощью прижимной пластины, получая большой вес.
- При получении большой вес и дается прижимная пластина.
- Из-за действия упорной пружины он соприкасается с поверхностью трения и создает сильное трение.
Шлицевые втулки
Шлицевые втулки помогают включать и выключать систему сцепления, например гидравлическую систему сцепления.
- Устанавливаются между фрикционной накладкой диска сцепления и нажимным диском.
- Когда нажимные пластины оказывают давление, втулки перемещаются вперед и включают сцепление.
- Когда нажимной диск сбрасывает давление, шлицевые втулки возвращаются назад и отключают сцепление.
Теперь, чтобы понять, как работает гидравлическое сцепление, необходимо знать основную идею гидравлической системы.
Попробуем разобраться в основах гидравлических систем.
Весна пришла! Сэкономьте на нашем бестселлере WAGNER TUNING BMW F CHASSIS N55 CATTED DOWNPIPE
Основы гидравлической системы
Гидравлическая система работает по закону Паскаля. Он также известен как принцип Паскаля или принцип передачи давления жидкости.
- В этой гидравлической системе есть несколько компонентов.
- Жидкость, используемая в гидравлической системе, также известна как тормозная жидкость или минеральная жидкость.

- Имеет резервуар для хранения жидкости.
- Главный цилиндр сцепления соединен непосредственно с педалью сцепления, поэтому он может действовать соответствующим образом.
- Толкающая сила, создаваемая пользователем, толкает поршень, и жидкость сжимается внутри главного цилиндра.
- Есть напорные трубы, которые будут использоваться для передачи давления.
- Он будет передавать высокое давление от главного цилиндра к подчиненному.
Теперь другая часть гидравлической системы, известная как толкатель, будет воздействовать на вилку сцепления, которая освободит нажимной диск и разомкнет сцепление.
Теперь мы знаем о компонентах и их краткие описания. Итак, каков принцип работы гидравлических муфт?
Хотя у вас может быть краткий прогноз после того, как вы узнаете функции компонентов гидравлических систем.
Хотите научиться основам клатча? Щелкните Что такое сцепление
Как работает гидравлическое сцепление?
Мы уже знаем, что сцепление либо включает, либо отключает мощность двигателя для других компонентов.
Итак, рабочие делятся на две категории.
Гидравлическое включение сцепления
- Весь процесс начинается, когда водитель выжимает сцепление. Это запустит процесс вовлечения.
- После нажатия педали сцепления начнется процесс диафрагменного сцепления.
- Поскольку педаль сцепления прикреплена к диску сцепления, сцепление начнет вращаться.
- Теперь фрикционные поверхности будут соприкасаться с маховиком, а также с прижимными дисками.
- Нажимная пластина будет передавать давление на пружину, и пружина вступит в контакт со шлицевыми втулками.
- Наконец, втулки будут зацеплять сцепление.
Гидравлическое отключение сцепления
- Когда водитель отпускает педаль, начинается процесс отключения.
- Шлицевые втулки, которые были сдвинуты вперед для зацепления, будут двигаться назад для расцепления.
- Это приведет к потере контакта между нажимным диском и диском сцепления.
- Теперь маховик также выйдет из контакта с диском сцепления.

- Вращение диска сцепления замедлится и остановится.
- Следовательно, теперь сцепление выключено.
Теперь мы знаем все компоненты, их работу и принцип работы гидравлических муфт.
Рассмотрим некоторые преимущества и недостатки гидравлических муфт.
Станьте экспертом «Зеленого пояса шести сигм», освоив такие концепции, как диаграмма «Рыбья кость»/Исикава, анализ первопричин, взаимосвязь и статистический анализ данных, работая над отраслевыми вариантами использования и проектами.
Преимущества гидравлических муфт
Гидравлические муфты обладают многими преимуществами, а именно:
- Трение в гидравлических муфтах гораздо меньше, чем в механических муфтах. Следовательно, они предпочтительнее механических сцеплений, если требуется низкое трение.
- Гидромуфты самосмазывающиеся. У них есть масло для гидравлических подшипников, так что это самосмазывающееся сцепление.
- Низкие эксплуатационные расходы для гидравлических муфт.
Меньшее трение, которое будет вредным для деталей, а также самосмазывание, поэтому не требуется никакого обслуживания смазки. - Высота педали регулируется автоматически в случае гидравлических муфт.
- Трос в механических муфтах может быть поврежден. Но в случае гидравлических муфт тросы отсутствуют, поэтому гидравлическая муфта не имеет повреждений из-за тросов.
- Гидравлические системы сцепления более безопасны, поскольку ими легко управлять.
- Надежность гидравлических муфт больше по сравнению с механическими муфтами.
- Качество гидравлических муфт лучше, чем у механических муфт.
- Варианты гидравлических муфт больше, поэтому их можно установить в любом месте.
Недостатки гидравлических муфт
Помимо преимуществ, у гидравлических муфт есть и несколько недостатков. Это,
- Площадь, необходимая для гидравлических муфт, велика. Поскольку количество труб и системы гидравлических муфт велико, следовательно, требуется большая площадь.

- По количеству деталей и другим соображениям гидравлические муфты дороже, чем механические муфты.
- Тормозная жидкость или минеральная жидкость также являются дорогостоящими, это является основным недостатком гидравлической системы сцепления.
- Еще одной серьезной проблемой является утечка. Гидравлическая муфта пропускает большое количество масла, поэтому утечка больше в случае гидравлических муфт.
- Трубопроводы гидравлических муфт изготовлены из металлического пластика. Труба может сломаться или сломаться. Периодическая проверка необходима, чтобы избежать серьезных повреждений.
- Стандартная жидкость должна поддерживаться в гидравлических системах. Если используется неподходящая жидкость, уплотнения могут быть повреждены.
- Периодическая проверка гидравлической жидкости обязательна.
Применение гидравлических муфт
Применение гидравлических муфт,
- Гидравлические муфты широко используются в автомобилях.

- Благодаря своему качеству и производительности он используется многими известными производителями.
- Гидравлическое сцепление больше используется в грузовых автомобилях и автомобилестроении.
- Такие преимущества, как самосмазывание, вариации в зависимости от области применения, широко используются во многих областях.
Сравнение механического и гидравлического сцепления
Давайте посмотрим на основное сравнение механического и гидравлического сцепления,
- Гидравлические сцепления считаются современным сцеплением. В то время как механические сцепления старые.
- Простое обращение со сцеплением, плавная работа делает целесообразным переход на гидравлические сцепления. В то время как переход на механические сцепления может занять немного времени, чтобы привыкнуть к сцеплению.
- Винтажные ощущения тросового типа и больше снимков механических сцеплений делают их выбором для определенного круга пользователей.
Давайте рассмотрим плюсы и минусы обоих сцеплений, чтобы вы лучше поняли.
Присоединяйтесь к тысячам компаний, которые процветают благодаря интеллектуальной технологии электронного обучения LearnWorlds, отмеченной наградами поддержке и вдохновляющему контенту.
Механические муфты Плюсы и минусы
Плюсы
- Винтажный вид и опыт.
- Это простая система по сравнению с гидравлическими системами.
- Стоимость намного меньше по сравнению с гидравлическими муфтами.
- Приятная езда.
- Простота ремонта и обслуживания благодаря простым системам.
Минусы
- Требуется регулировка педали.
- Смазка требуется отдельно, так как механические муфты не являются самосмазывающимися.
- Гидравлические муфты современные
- Стальной трос, используемый в механических муфтах, подвержен обрыву.
Плюсы и минусы гидравлического сцепления
Плюсы
- Более легкое нажатие на педаль.
- Более плавная работа по сравнению с механическими системами сцепления.

- Регулировка педали не требуется, так как она будет регулироваться сама.
- Самосмазывание устраняет потребность в смазке гидравлических муфт, поскольку они являются самосмазывающимися.
Минусы
- Гидравлические муфты требуют прокачки.
- Ремонт может быть дорогостоящим, так как система является более сложной по сравнению с механическими сцеплениями.
- Утечка масла является одной из основных проблем гидравлических сцеплений.
- Лучше по качеству, чем механические муфты.
Спецификация гидравлического сцепления
Подробная информация о следующих параметрах должна быть частью спецификации этого типа сцепления,
- Номинальный крутящий момент
- Мощность:
- Скорость вращения:
- Максимальное давление сцепления:
- Вспомогательная пружина:
- Особенности и опции:
- Конфигурация вала:
- Привод / нагрузка соединения:
- Диаметр отверстия:
- Диаметр:
- Длина:
- Вес:
- .
следующим образом:- Metro Hydraulic Jack Co.
- SunSource Addison
- Francic Klein
- Ohio Power Tool Columbus,
- Progressive Power and Control Indianapolis
- Vortex Engineering Works
- ZEMARC Corporation
- Ellco India, etc.
High Rated Automotive Engineering Course
Automotive 101: A Beginners Guide To Automotive Repair
Automotive Engineering: Automobile Fundamentals and Advanced
Automotive Engineering; Гибридные электромобили
Сделай сам — диагностика электрооборудования автомобиля — начинающий
Сделай сам — диагностика электрооборудования автомобиля — средний уровень
Автомобильная техника; Common Rail Direct Injection (CRDI)
Основы двигателей внутреннего сгорания — двигатели внутреннего сгорания
Гибридные и электрические транспортные средства для начинающих ПОЛНЫЙ курс 2021
Автомобильная безопасность.
к автомобильной технике – PerformanceAutomotive 102: Аккумулятор, система зарядки и система запуска
Заключение
Итак, теперь вы можете иметь представление об обеих муфтах, их плюсах и минусах. Гидравлические муфты в основном используются в тяжелонагруженных автомобилях.
Они намного безопаснее и обеспечивают более плавную работу. Эти преимущества полезны для большегрузных автомобилей.
Если вы заинтересованы в программах сертификации
Начните карьеру своей мечты сегодня со скидкой 60% на регистрацию в IAP Career College.
Наши видео
См. Youtube
Наши приложения
Проверьте наши «Mechstudies — The Learning App ‘» в IOS и Android
. Проверьте наши самые просмотр.
Интенсивные и экстенсивные свойства
Что такое давление
Теорема Бернулли
Расходомер Вентури
Основы насосов
Шаровой клапан
Сифон
Справочные статьи
Система привода сцепления – x-engineer.
orgВ автомобиле с двигателем внутреннего сгорания (ДВС) двигатель соединен с остальной частью трансмиссии через соединительное устройство, которым может быть сцепление или преобразователь крутящего момента. Одной из функций сцепления (гидротрансформатора) является временное прерывание потока мощности между двигателем и трансмиссией (например, для переключения передач).
Для автомобиля с механической коробкой передач 9Система привода сцепления 0511 (механизм) представляет собой интерфейс между водителем и сцеплением, который позволяет водителю управлять включением (включением) и отключением (отключением) сцепления.
Чтобы понять, как работает сцепление, прочтите статью Как работает сцепление .
Система привода сцепления может быть механической , гидравлической или электрической (проводной) . Механические приводные системы могут быть с металлическими стержнями и стержнями или с металлическим тросом.

По сравнению с механической системой срабатывания сцепления, гидравлическая система срабатывания гораздо более гибкая и надежная. Гидравлические приводные системы сцепления обеспечивают оптимальное и постоянное усилие на педали, изготовлены из гораздо более легких материалов (снижение веса до 70% по сравнению со стандартной командой системы сцепления) и намного компактнее.
На приведенной ниже схеме показаны основные компоненты гидравлической системы привода сцепления .
Изображение: Компоненты сцепления с исполнительным механизмом
- dual mass flywheel
- clutch cover
- mechanical releaser
- pedal vibration damping device
- clutch master cylinder (CMC)
- plastic clutch pedal
- clutch slave cylinder (CSC)
- clutch (friction) disc
В зависимости от типа срабатывания диафрагменной пружины муфты классифицируются на:
- муфты нажимного типа
- муфты тянущего типа
Изображение: Нажимное и тянущее сцепление
Предоставлено: ZF Sachs- корпус сцепления (крышка)
- нажимной диск
- заклепка
- выжимной подшипник
- диафрагменная пружина (внешний диафрагменный рычаг)
- 16 9 рычаг)
- Приводной ремень
В нажимном сцеплении при нажатии на педаль сцепления подшипник выключения сцепления давит на диафрагменную пружину, а нажимной диск освобождает фрикционный диск сцепления.

В тяговом сцеплении при нажатии на педаль сцепления подшипник выключения сцепления тянет диафрагменную пружину, а нажимной диск освобождает фрикционный диск сцепления.
Системы нажимного сцепления с гидравлическим приводом широко используются в пассажирских транспортных средствах.
Системы привода сцепления должны соответствовать нескольким конструктивным требованиям:
- они должны обеспечивать полное отключение сцепления
- они должны обеспечивать плавное включение и отключение сцепления
- усилие на педали сцепления должно быть около 100…150 Н, что означает, что для выключения сцепления требуется среднее или низкое усилие на педали
- ход педали сцепления должен быть около 120…150 мм, что означает, что водитель должен иметь возможность нажать педаль сцепления до упора
- она должна иметь автоматические механизмы компенсации износа сцепления, т.е. усилие на педали должно иметь одинаковую характеристику даже при уменьшении ширины фрикционного диска
- должен быть компактной системой, иметь легкую конструкцию, которую можно быстро и легко собрать
- большинство компонентов должно быть изготовлено из материалов, пригодных для повторного использования (не влияет на ощущения водителя)
Крутящий момент сцепления регулируется силой нажатия на педаль сцепления.
Поскольку она косвенно контролирует крутящий момент на колесе, очень важно, чтобы гидравлическая система привода сцепления работала бесперебойно, была надежной и гарантировала длительный срок службы.Как работает система привода гидравлического сцепления
Принцип работы системы привода гидравлического сцепления основан на законе Паскаля (также известном как принцип Паскаля или принцип передачи давления жидкости).
Изображение: Система привода гидравлического сцепления (прицепного типа) – схема
Предоставлено: Eaton- главный цилиндр
- резервуар
- поршень
- линия высокого давления (трубка)
- рабочий цилиндр
- толкатель
Педаль сцепления соединена непосредственно с поршнем (3) главного цилиндра (1). Когда водитель нажимает педаль сцепления, поршень перемещается внутри главного цилиндра и сжимает гидравлическую жидкость, создавая давление. Давление передается по трубопроводу высокого давления (4) на рабочий цилиндр (5).
Толкатель (6) соединен с поршнем рабочего цилиндра. Из-за увеличения давления в рабочем цилиндре толкатель выталкивается наружу, воздействуя на вилку сцепления, которая освобождает нажимной диск и размыкает сцепление.Гидравлическая жидкость, используемая для приведения в действие, обычно представляет собой тормозную жидкость или минеральное масло.
При срабатывании ход педали сцепления R преобразуется (механико-гидравлический-механический) в ход выжимного подшипника r .
Изображение: гидравлическая система привода сцепления — компоненты
Предоставлено: Eaton- главный цилиндр
- резервуар
- переходник
- шланг и фитинг
- рабочий цилиндр (или сервопривод пневматический/гидравлический)
- (дополнительно) воздушный регулятор
- корпус и вилка в сборе
- сцепление
Главный цилиндр сцепления (CMC) соединен непосредственно с педалью сцепления через поршень и толкающий шток.
Толкающая сила привода воздействует на поршень, который сжимает гидравлическую жидкость внутри главного цилиндра. Механическое усилие на педали сцепления преобразуется в гидравлическое давление и поток, передаваемый по шлангу (трубкам) в рабочий цилиндр и обратно преобразуется в механическое усилие на вилке сцепления.Изображение: Главный цилиндр сцепления
Предоставлено: FTE Automotive датчики хода , которые передают информацию о положении педали сцепления (поршня) обратно в электронный блок управления (ЭБУ).Технические данные главного цилиндра сцепления
Credit: FTE automotive
Operating pressure [bar] < 50 Vacuum resistance [mbar] < 2 Temperature range [°C] -40 … 130 Пиковая температура [° C] 150 Диапазон диаметров [мм] 15,87… 38,1 .
0707 Рабочая средаТормозная жидкость или минеральное масло Давление, создаваемое в главном цилиндре, передается по трубопроводам (шлангам) на рабочий цилиндр сцепления (CSC).
Изображение: Рабочий цилиндр сцепления
Предоставлено: FTE AutomotiveОдним из требований к трубе/шлангу является фильтрация внешних вибраций для обеспечения комфортной работы педали сцепления. По этой причине трубы сцепления оснащены демпфирующими компонентами, такими как 9модуляторы частоты 0511 или виброгасители.
Изображение: Сборка сцепления с клатчами.
Рабочее давление [бар] < 50 Сопротивление вакууму [мбар] < 2 . диаметр трубы [мм] 3,2 или 6 Рабочая среда Тормозная жидкость или минеральное масло Технические данные пластиковая труба
:
0003
Оперативное давление [Бар] <50 Вакуумный сопротивление [MBAR] <2 .
°C]160 Outer diameter [mm] 8 Wall thickness [mm] 2.15 Operating medium Brake fluid or mineral oil Рабочий цилиндр сцепления получает гидравлическую энергию (давление и поток) от главного цилиндра и преобразует ее обратно в механическую силу. Давление внутри рабочего цилиндра выталкивает поршень, который воздействует на вилку сцепления, выключая сцепление.
Когда водитель отпускает педаль сцепления, давление внутри главного цилиндра и рабочего цилиндра уменьшается и позволяет диафрагменной пружине толкать назад (в случае сцепления нажимного типа) через вилку сцепления поршень/толкатель в рабочий цилиндр.
Система включения сцепления статична относительно кузова автомобиля. Нажимной диск сцепления и диафрагменная пружина вращаются вместе с коленчатым валом двигателя внутреннего сгорания. Устройство выключения сцепления должно обеспечивать связь между статическим элементом (поршень/толкатель рабочего цилиндра) и подвижным элементом (диафрагменная пружина).
Это требование может быть выполнено либо путем использования выжимного подшипника вместе с вилкой сцепления, либо с помощью концентрического рабочего цилиндра .Изображение: Концентрический рабочий цилиндр сцепления
Предоставлено: FTE AutomotiveКонцентрические рабочие цилиндры содержат также подшипник выключения сцепления. В этом узле нет необходимости в вилке сцепления, рабочий цилиндр установлен концентрично с диафрагменной пружиной сцепления.
Технические характеристики рабочего цилиндра сцепления
Кредит: FTE Automotive
Рабочее давление [бар] < 50 Сопротивление вакууму [мбар]0708 < 2 Temperature range [°C] -40 … 120 Peak temperature [°C] 150 Diameter range [mm] 15.87 … 38.1 Рабочая среда Тормозная жидкость или минеральное масло Технические данные концентрического рабочего цилиндра
Кредит: FTE Automotive
Рабочее давление [бар]0708 < 50 Vacuum resistance [mbar] < 2 Temperature range [°C] -40 … 180 Peak temperature [°C] 200 Максимум.
нагрузка выключения [Н]< 7000 Рабочая среда тормозная жидкость или минеральное масло Системы электронного управления сцеплением
Наличие у водителя некоторых возможностей самостоятельного управления сцеплением улучшение топливной экономичности автомобиля и снижение выбросов выхлопных газов. Эти улучшения могут быть достигнуты, когда транспортное средство переходит в состояние движения по инерции.
Транспортное средство Движение по инерции (также называемое Плавание ) означает, что двигатель отделен от остальной части трансмиссии, и транспортное средство движется за счет своей кинетической энергии (инерции). Транспортное средство может выполнять два типа функций движения накатом:
- Движение на холостом ходу : когда двигатель отключен от трансмиссии, но поддерживается холостой ход
- Движение накатом : когда двигатель отключен от трансмиссии и остановлен
Сценарий Off Coasting дает наибольшее улучшение экономии топлива, но может повлиять на управляемость автомобиля с точки зрения времени, необходимого для разгона автомобиля после события Coasting.

Движение по инерции можно легко получить на автомобилях с автоматизированной механической коробкой передач (AMT), коробкой передач с двойным сцеплением (DCT) или автоматической коробкой передач (AT) благодаря электронному управлению сцеплениями.
На автомобилях с механической коробкой передач (МКПП) для включения движения по инерции необходимо управлять сцеплением независимо от намерений водителя.
Компания Schaeffler разработала ряд интеллектуальных систем включения сцепления для автомобилей с механической коробкой передач, которые автоматически отключают сцепление и позволяют автомобилю двигаться накатом.
Изображение: Электронное сцепление (E-Clutch)
Авторы и права: SchaefflerВ концепции Электронное сцепление отсутствует механическое или гидравлическое соединение между педалью сцепления и системой выключения сцепления. Чтобы сохранить такое же поведение по отношению к водителю (получить противодействующую силу при нажатии на педаль сцепления), Регулятор усилия на педали встроен в педаль сцепления.

Со стороны сцепления рабочий цилиндр заменен электронным гидроприводом , который создает необходимое давление для управления положением сцепления.
Система педали сцепления также содержит датчик хода , который передает положение педали сцепления на привод сцепления. На основе этой информации привод сцепления регулирует гидравлическое давление и, таким образом, открытие/закрытие сцепления.
Системы электронного сцепления также могут адаптировать состояние сцепления к условиям вождения с очень высокими динамическими требованиями, такими как быстрое переключение передач или экстренное торможение. Электронные системы сцепления также могут включать в себя другие опции, такие как функция предотвращения опрокидывания или функции помощи водителю для снятия стресса в дорожных ситуациях с частыми остановками.
Не забудьте поставить лайк, поделиться и подписаться!
Гидравлическое и механическое сцепление: в чем разница?
На протяжении многих лет автомобили с механической коробкой передач имели два основных типа движения сцепления: механическое и гидравлическое.
Во многих старых автомобилях используется механическая или тросовая система, тогда как почти во всех современных автомобилях используется гидравлическое сцепление.Довольно часто классические автомобили оснащают комплектом для переоборудования с гидравлическим сцеплением для их модернизации. Это менее привлекательно для тех, кто хочет сохранить свой автомобиль как можно более оригинальным.
В этом руководстве мы рассмотрим различия между механическими и гидравлическими сцеплениями, чтобы понять, подходит ли вам переключение. Не существует неотъемлемого «лучшего» стиля, который можно было бы выбрать. Оба выполняют одну и ту же работу, просто используя разные методы. Однако у каждого есть атрибуты, которые могут быть предпочтительнее для определенных водителей.
Что такое механическое сцепление?
Механические муфты (или муфты с тросовым приводом) используют трос для перемещения диска сцепления. Они предшествовали гидравлическим системам сцепления и широко использовались на автомобилях вплоть до 1990-х годов.
Сегодня очень редко можно увидеть автомобиль с механическим сцеплением, хотя они часто используются на мотоциклах.Как работает механическое сцепление?
Механическое сцепление — довольно простая система. Стальной трос соединяет педаль сцепления непосредственно с узлом сцепления. Нажатие (или приведение в действие) педали перемещает трос. Это перемещает вилку сцепления, которая приводит в действие выжимной подшипник сцепления. Это затем отключает диск сцепления.
Из-за отсутствия гидроусилителя вес педали механического сцепления часто кажется тяжелее. Даже те, кто вырос за рулем современных автомобилей с механической коробкой передач, могут обнаружить, что к автомобилям с механическим сцеплением нужно привыкнуть. Прямое подключение механического сцепления означает, что водитель, как правило, чувствует больше вовлеченности при переключении передач.
Что такое гидравлическая муфта?
Гидравлическое сцепление использует гидравлическую жидкость вместо троса для перемещения диска сцепления.
Он опирается на резервуарные цилиндры для контроля давления в зависимости от того, как нажата педаль сцепления. Большинство автомобилей, сделанных из ’90s и далее имеют гидравлические муфты.Как работает гидравлическое сцепление?
Гидравлическая муфта использует жидкость для приведения в действие гидравлического поршня. Эта заполненная жидкостью трубка выглядит как гидравлика, которую вы видите на стойке капота или двери-ширме.
Затем поршень включает или выключает сцепление через ряд соединений. Гидравлическую жидкость часто называют «жидкостью сцепления». Однако на самом деле это то же самое, что и тормозная жидкость. Он хранится в главном цилиндре сцепления.
Главный цилиндр сцепления преобразует нажатие педали сцепления в гидравлическое давление. Затем эта мощность передается на рабочий цилиндр сцепления. Шток выходит из рабочего цилиндра, приводя в действие вилку сцепления. Затем вилка сцепления перемещает подшипник выключения сцепления. Это, в свою очередь, освобождает нажимной диск сцепления, отключая сцепление.

Сравнение гидравлического и механического сцепления
Прежде чем рассматривать процесс преобразования, давайте посмотрим, чем отличаются гидравлические и механические сцепления. Преимущества современной гидравлической системы делают этот переключатель оправданным для некоторых водителей. Более легкий и плавный ход педали сцепления является основным преимуществом перехода на гидравлическое сцепление. Круиз может быть более приятным, когда вам не нужно работать жестким, более грубым сцеплением.
Тем не менее, некоторые пуристы предпочитают сохранять оригинальные вещи в старой конфигурации с тросовым приводом. Если вам нравится винтажное ощущение и старомодное сцепление с ручным сцеплением, лучше оставить его как есть.
Плюсы и минусы механического сцепления
Плюсы Минусы Педаль в стиле старой школы Требуется регулировка и смазка Простая система Тяжелая педаль сцепления Кабель может растягиваться/разламываться Механические муфты обладают рядом преимуществ по сравнению с гидравлическими муфтами.
Во-первых, некоторые водители предпочитают сцепление с тросовым приводом. Говорят, что водить машину приятнее. Во-вторых, общая простота системы. Это может быть проще в обслуживании и ремонте по мере необходимости.Механические сцепления имеют некоторые недостатки. Они требуют регулировки и смазки с течением времени. В то время как у любого типа сцепления могут быть проблемы, тросы механического сцепления могут натянуться и порваться. Тем, у кого нет опыта, ремонт может быть затруднен.
Плюсы и минусы гидравлического сцепления
Плюсы Минусы Легче нажимать на педаль Требуется прокачка Плавное зацепление Ремонт может быть дорогостоящим Регулировка не требуется Гидравлические муфты предпочитают водители, которым нужна современная комплектация.
Самое главное, они обеспечивают более легкое и плавное ощущение педали сцепления. В отличие от механических сцеплений, они не требуют регулировки (пока есть жидкость для сцепления). Гидравлические муфты саморегулируются автоматически.Недостатком гидравлических муфт является вероятность утечек. В то время как мелкий ремонт, как правило, проще с гидравлическим сцеплением, утечка может быть серьезной и дорогостоящей проблемой. Главный цилиндр сцепления и рабочий цилиндр также могут быть неприятными в работе.
Еще одним небольшим недостатком является то, что вам придется время от времени прокачивать гидравлическое сцепление. Обычно раз в несколько лет. К счастью, это более простой процесс, чем прокачка тормозов, и при необходимости с ним может справиться один человек.
Переход на гидравлическое сцепление
Комплекты для переоборудования гидравлического сцепления относительно доступны по цене, обычно около 500 долларов. Однако процесс установки обычно от умеренного до сложного.
Это работа для более опытных гаечных ключей.Обзор процесса переоборудования комплекта гидравлического сцепления
Переоборудование вашего автомобиля на комплект гидравлического сцепления зависит от вашего автомобиля, его трансмиссии и выбранного вами комплекта. Тем не менее, основной процесс очень похож на разные автомобили.
- Удалите все существующие компоненты рычажного механизма из вашей механической установки.
- Просверлите брандмауэр, чтобы установить и подключить главный цилиндр.
- Установите рабочий цилиндр и соедините его с главным цилиндром.
- Установите резервуар.
- После того, как все подсоединено, выполните прокачку, чтобы убедиться, что гидравлическая жидкость работает правильно.
- Проверка педали сцепления.
Когда вы проверяете сцепление, оно должно быть нормальным и плавным во всем диапазоне движения. Он не должен нигде застрять или не вернуться в исходное положение.
Если вы не испытываете никаких проблем, он должен быть готов к тест-драйву.Какой тип сцепления вам подходит?
Нет ничего плохого в том, чтобы оставить оригинальное механическое сцепление в винтажном автомобиле или грузовике. Но если вы работаете над большим проектом по перестройке или ремонту, комплект гидравлического сцепления может оказаться полезным дополнением. Более плавное и легкое срабатывание педали сцепления может сделать вождение намного более приятным. Для автомобилей, которые не будут восстановлены в соответствии с периодом, этот мод стоит рассмотреть. Если о вашем автомобиле будут судить по его оригинальности, вам лучше остановиться на механическом сцеплении.
Об авторе
CJ — владелец Focus ST и любитель автомобильной промышленности. Он использует свой личный опыт и страсть к отрасли, чтобы создавать интересные и полезные темы для коллег-энтузиастов. Читать полную биографию →
Источники: Когда факт встречается с трением: основы работы сцепления, Эдмундс | Получение сока сцепления: базовая настройка гидравлического сцепления, трансмиссии Bowler | Как прокачать гидравлическое сцепление, NAPA
Эта статья была исследована, написана, отредактирована и проверена в соответствии с шагами, описанными в нашем процессе редактирования.
Узнайте больше о редакционных стандартах и правилах CJ. Информация о гидравлическом сцеплении Volvo 240.
Позвольте мне немного вернуться, прежде чем я перейду к
мое гидравлическое сцепление.
Это
«более тяжелое» 8,5-дюймовое сцепление, которое я поставил на свой 245 еще в 2004 году, когда я
сначала установил коробку передач Т5 в свой старый
245 Turbo со строкером 2,6 л. Этот клатч был сделан на заказ из Clutchnet.
в
SoCal. Это не удалось, потому что у него было большое
пробуксовка на шоссейных передачах при форсаже. Итак, Clutchnet сделал обычай
гораздо жестче.
Это новое, более высокое давление
пластина была собрана с использованием двух стандартных пружин
наборы сложены вместе.
Очень простая идея.
Результат
было сцепление с 3000 фунтов зажима
сила. Он был настолько успешным, что позже Clutchnet
начал предлагать его публике. Фрикционный диск, который я использовал, был
ничего особенного. Простой органический тип.
Я упоминаю все это потому, что это
помочь вам понять, почему это тяжелое сцепление, и у него было
склонность к растяжению и, в конечном итоге, к щелчку сцепления
кабели.
И задолго до того, как лопнет кабель,
это часто требовало корректировок из-за всего этого растяжения. Нет
хорошая вещь.
я знаю кое-кого
который даже потрудился модифицировать свой
240 педаль сцепления, чтобы принять ДВА сцепления
кабели.
Итак, несколько лет назад, когда я установил
Транс Т5 в моем 242, я ездил с таким же
схватить.
Я знаю, что есть сцепление лучше
установки, доступные в настоящее время. Много других охлаждающих вещей
стала доступной с годами из-за
рост популярности этих автомобилей. Больной
когда-нибудь попробуйте что-нибудь получше.
На данный момент это то, что у меня есть.
После
несколько оборванных кабелей, я знал, что мне нужно обновить
к гидравлическому.
Вот несколько схем ТРОСА СЦЕПЛЕНИЯ из книги «Новые характеристики автомобиля» 1981 года.
Вот схема ГИДРАВЛИЧЕСКОГО СЦЕПЛЕНИЯ.
Это
переход с троса на гидравлику был завершен в 2011 году.ВВЕДЕНИЕ ГЛАВНОГО ГИДРАВЛИЧЕСКОГО ЦИЛИНДРА 260
Это сцепление Volvo 260
главный цилиндр, который я использовал, Volvo PN 1205729,
производства Фаг. Послепродажное обслуживание может быть доступно как Centric PN.
136.39000.
Используется в руководстве
транс 264 в Северной Америке и во всех ручных
транс 240 моделей в Великобритании и Австралии, потому что они
были с правым рулем. Это было все еще
доступны новые, когда я начал покупать эти части
в 2011 году. Он все еще может быть доступен. Вы также можете найти их
используется, и я думаю, что комплекты для восстановления все еще
доступны, если вы делаете.
Внутренний диаметр отверстия/поршня составляет 19 мм (0,75 дюйма).
Отверстие для шланга 12 x 1,0 мм с перевернутым раструбом (двойной раструб). Он использует шланг, как это фото.
Тогда я
нужен шланг сцепления, чтобы соединить MC с рабочим цилиндром.
Назад
в 2011 году я смог найти ИСПОЛЬЗУЕМЫЙ шланг (например,
этот показан ниже). У него была жесткая линия
начиная с главного цилиндра и переходя на гибкий шланг
дальше.
Я тоже выбрал такого же раба
цилиндр виден на этом первом фото. Первоначально он был сделан для модели 740, но идеально подходит для модели 240.
Обратите внимание на другой вид мастера сцепления.
цилиндр. В 740-х использовался главный цилиндр сцепления без собственного резервуара. Вместо этого в этот цилиндр поступает жидкость из бачка тормозного MC, как видно на втором фото.
Длина этого мастера сцепления 740
цилиндр намного длиннее, чем у 240. Я думал, что будет трудно поместиться в 240 (пока я позже не увидел вторую фотографию выше того, кто это сделал).Имейте в виду, что корпус этого главного цилиндра сцепления 740 длиннее, чем
260 FAG MC, так что он будет довольно плотно входить в 240. Жесткая линия должна
нужно заставить быстро поворачиваться, чтобы он не касался опорной стойки.
Этот 740 Clutch MC известен как PN 8601785 (также 1273680, 1330248, 1330249).
поршень / отверстие составляет 19 мм (0,75 дюйма) для главного цилиндра (то же самое для ведомого
цилиндр).
Если вы решите приобрести нестандартный шланг
изготовленный в вашем местном магазине гидравлических шлангов, первоначальная длина
этот изображенный выше шланг составляет около 38 дюймов, но
все, что выше примерно 30 дюймов, отлично подойдет для 240.Внутренний диаметр отверстия/поршня главного цилиндра сцепления 740 и рабочего цилиндра составляет 19 мм.
(0,75 дюйма).Здание
собственный шланг сцепления.
Оригинальный шланг гидравлического сцепления Volvo 264 непрост
найти.
На этом изображении ниже изображено банджо.
адаптер, который можно найти в Интернете. Это размер резьбы 12
x 1,0 мм, и он подойдет к главному цилиндру. Он использует конец AN-3 для
шланг.
Поиск
для «Стального банджо-фитинга M12x1,0 на 3AN».
Опционально можно выбрать шланг AN -4,
но для этой информации я буду использовать -3 AN.
Использование фитинга банджо на MC может помочь с плотной посадкой.
главный цилиндр, который имеет очень ограниченное пространство для
шланг.
Используя показанные здесь адаптеры, вы можете найти
готовый шланг или сделать его самостоятельно. Правильная длина может быть от 30 до 36 дюймов. Если вы покупаете
частей, чтобы собрать его самостоятельно, выберите тип шланга,
для высокого давления, например: https://www.pegasusautoracing.com/productselection.asp?Product=3260 или https://www.summitracing.com/parts/aer-fcc0303
Эти Нержавеющие
Шланги тормоза и сцепления из ПТФЭ со стальной оплеткой
может выдерживать 3000 фунтов на квадратный дюйм.
Вот несколько концов шлангов в -3 AN
размер: https://www.pegasusautoracing.com/productdetails.asp?RecID=4154.
Pegasus PN 3261-3-00 прямой конец шланга 3AN.
ЭТО РУКОВОДСТВО ПОМОЖЕТ, ЕСЛИ ВАМ ХОТИТСЯ РАЗВАЛКА НА ГЛАВНОМ ЦИЛИНДРЕ
Если вы предпочитаете жесткую линию, например
это ниже, вам нужно развальцевать трубу. Итак, вам понадобится инструмент для развальцовки
или кто-то, кто может развальцевать тормозную магистраль. Эта жесткая труба такая же, как
тормозная магистраль, но обычно эта магистраль сцепления больше
чем типичная тормозная магистраль 3/16 дюйма (4,75 мм), у вас есть одна ваша 240,
хотя вы МОЖЕТЕ использовать 3/16
дюйм, если хотите.
Труба большего размера может быть 6 мм тормозной магистралью.
Тип факела должен быть Inverted Flare (двойной факел), потому что это то, что нужно этому MC.
Фитинг на этой фотографии ниже имеет размер 12 x 1,0 мм для Inverted Flare (двойной раструб).Если вы используете тормозную магистраль диаметром 3/16 дюйма, вы можете использовать этот фитинг с развальцовкой на главном цилиндре (необходим 1): https://www.belmetric.com/double-flare12x1df475.html.
Если вы используете тормозную магистраль большего диаметра 6 мм, вы можете использовать эту (необходима 1): https://www.belmetric.com/double-flare12x10df600.html.Затем на другом конце жесткой линии, которая будет переходить в гибкую линию, вы можете использовать аналогичный фитинг, за исключением того, что, по моему мнению, этот конец должен быть расширен в виде пузырькового расширения.
Это означает, что используется этот фитинг (при использовании линии 3/16 дюйма) (требуется 1): https://www.belmetric.com/bubble-flare12x10bf475.html.
Или этот (при использовании лески 6 мм) (требуется 1): https://www.belmetric.com/bubble-flare12x10bf600.html.Затем этот фитинг можно соединить с адаптером, который адаптирует фитинг с раструбом 12 x 1,0 мм к концу шланга AN-3.
Этот подойдет (требуется 1): https://www.summitracing.com/parts/cst-sbh8069.Таким образом, гибкий шланг будет представлять собой шланг высокого давления AN-3, подобный этому (3 фута): https://www.summitracing.com/parts/aer-fcc0303
с такими концами шланга на каждом конце ( Необходимо 2): https://www.summitracing.com/parts/aer-fbm1100.Вот полезное видео, показывающее, как собрать такой шланг.
https://www.youtube.com/watch?v=5tdsgZ-KfWIВот некоторые
адаптеры, которые подходят для рабочего цилиндра 740 с резьбой M12x1,0.
Со стороны шланга будет использоваться AN-3 или AN-4.
нить. Вы можете искать «Стальной адаптер M12x1.0 на 3AN» или « Стальной переходник M12x1.0 на 4AN».
Вы должны использовать латунную уплотнительную шайбу на стороне M12 (сторона, идущая к рабочему цилиндру).
Или как лучший вариант, который я использовал, металлизированный
уплотнительная шайба, показанная ниже.
Металлический
уплотнительная шайба внизу. У него есть резина
в него вставлено уплотнительное кольцо. Обычно используется
когда раструб не используется, например, на M12
конец этого адаптера выше.
Макмастер Карр
есть эти шайбы: https://www.mcmaster.com/#standard-washers/=1blhle3,
нажмите «Уплотнительные шайбы», затем «Метрические
Уплотнительные шайбы на металлической основе».
Ваш местный
в магазине гидравлических шлангов они тоже могут быть. Они
также можно найти в Pegasus Racing под названием Stat-O-Seal Sealing.
Шайбы: https://www.pegasusautoracing.com/productselection.asp?Product=3245
Нестандартный шланг сцепления, который я собрал в 2017 году в магазине гидравлики, можно увидеть чуть ниже или НАЖМИТЕ ЗДЕСЬ. Шланг и рабочий цилиндр модели 740 идеально подходят для
подходит для типичного корпуса раструба M46.
круглое крепление на корпусе раструба M46 (или M47)
предназначен для удержания либо конца кабеля, либо этого
рабочий цилиндр. Этот ведомый Volvo 740 PN
8601783 (старый PN 6843913).
Это
по-прежнему доступны из ряда источников.
Знайте там
— это некоторые очень ранние корпуса колоколов Volvo, которые имеют
другой конфигурации и использовать другой
рабочий цилиндр. Этот тип можно увидеть в
приведенная ниже ранняя диаграмма. Вы сами с
этот тип раба, так как у меня нет полезной информации об этом.Этот рабочий цилиндр 740 имеет порт с резьбой 12 x 1,0 мм. Он обработан на дне для расширения пузыря, поэтому, если вы предпочитаете, вы можете использовать конец шланга Bubble 12 x 1,0 мм или переходник. Лицевая сторона порта также обработана плоско, поэтому вы можете дополнительно использовать фитинг 12 x 1,0 мм, который принимает уплотнительную шайбу (латунную, алюминиевую или металлическую уплотнительную шайбу).
На втором фото ниже показано, как выглядит оригинальный конец шланга рабочего цилиндра 740. резьба is12 x 1,0 мм Bubble Flare. Для сравнения он изображен рядом с тормозной магистралью 240.И тебе это понадобится
внешняя оснастка
кольцо (также известное как внешнее стопорное кольцо, удерживающее
кольцо) для фиксации рабочего цилиндра в
устанавливать. Это
Volvo PN3 (номер детали для 740
часть). Внутренний диаметр 30 мм (1
3/16 дюйма или 1,187 дюйма).
ВНИМАНИЕ! Будьте осторожны
эта маленькая ПЛАСТИКОВАЯ КРЫШКА на рабе
толкатель цилиндра.
Если ваше сцепление
вилка имеет ДЫРОЧКУ, как эта
изображено ниже, где пластиковый конец на толкателе толкает, вы
может потерпеть неудачу, как я.
Один
минуту у вас есть хорошее рабочее сцепление. Следующий
минуту ваша педаль уходит в пол! Из-за этого.
Белая пластиковая заглушка
сдвинулся, и толкатель прошел насквозь
отверстие в вилке.
Затем я просверлил это отверстие и установил
болт с большой головкой под шестигранник. Теперь конец этого стержня лежит в центре
эта гнездовая головка.
Вот полезное
схема, показывающая компоненты гидравлического сцепления. Часть
описания приведены ниже.1
Схватить. (381207) 1232912
2
Ведомая пластина. (1377560)
1377561
2
Ведомая пластина. М50, М51
(381296) 1377562
5
Шестигранный винт. 986985
7
Гайка BW55 REPL 1 ШТ.
1272393-8,
1шт 948645-7, 1205727
7а
Шайба крышки. 1272393
7б
Фланцевая стопорная гайка.
985868
8
Шестигранный винт. Ш 55 955293
9
Педаль сцепления R.H.D.
1205721
9
Схватить
педаль L.H.D. 1205719
10
Втулка.
675555
11
Вал. 1206770
12
Возвращаться
весна.
1205725
12а
Рукав. 1229285
13
Шестигранный винт. (955333) 970963
14
Фланцевая стопорная гайка M10x13,4
(971083)
(985869)(971098) 987891
15
Накладка на педаль. (666176)
1272021
16
Молдинг для защиты кромок LG 20 мм
(672172) 699856
17
Мастер
цилиндр.
1205729
18
Фланцевый винт.
982793
19
Шестигранная гайка. 985877
20
Болт. (947609)
97725321
E-стопорное кольцо ИЗМЕНИТЬ 2.
951669
21
Шплинт ИЗМЕНИТЬ 1.4
22
Труба левая 1205730
23
Трубка правая LG 1500
мм. 946814
24
Крепежный винт R.H.D. 987593
25
Монтажная гайка R.H.D. 946815
26
Зажим R.H.D. 951188
27
Винт с внутренним шестигранником R.H.D. СТ4,
8х16 (969475)
(955140) 986115
28
Скобка.
1228785
29
Линия сцепления.
1206840
30
Прокладка
СН-38889,11994
31
Зубчатая шайба. 940143
32
Шестиугольник
орех.
946830
32а
Зажим. 952629
32б
Фланцевый винт. 985739
32б
Шайба. 986498
33
Цилиндр управления М50. M51 REPL
1 шт.
1272370-6, 1206239
33
Контроль
цилиндр
М45,
М46. 1272370
34
Шестигранный винт. 940142
35
Выпускать
вилка.
381274
36
Совместный мяч. СТД, ТРАНС
М45, М46, М50, М51.
381280
36
Совместный мяч. ОПЕРАЦИОННЫЕ СИСТЕМЫ. 381686
37
Выпускать
несущий.
381213
38
Ботинок. 381288Преобразование
от троса к гидравлическому сцеплению требует, чтобы вы
иметь совместимый корпус колокола.
На этих ДВУХ фотографиях ниже показан более поздний тип M46 или
Корпус колокола М47.
Одна часть, которая выдает его как более поздний тип,
отверстие в верхней части корпуса колокола
(вверху слева на первом рисунке) для положения кривошипа
датчик, который пришел на 1989 и более поздние автомобили.
Это не очень важно для этого
Информация. Просто немного мелочи.
Вы
не обязательно потребуется корпус колокола, который имеет
отверстие для датчика положения коленчатого вала, если только вы не
используя систему управления двигателем, которая этого требует,
например ЛГ 2.
4.
важный
дело в том, что в корпусе колокола есть второй шарнирный шар
монтажное отверстие для гидромуфты ВИЛКА.
Некоторые ранние раструбы M46 не
есть второе монтажное отверстие.Сравнение: тросовая и гидравлическая вилки сцепления.
Вилка верхнего сцепления типичного тросового типа.
Нижний — типичный гидравлический тип из
740. Любая типичная вилка сцепления 740 идеально подходит для
этот проект.
Номера деталей
должно работать: 3549983, 1220763.
нашел б/у 260
гидравлическую педаль сцепления и вставил ее в мою
существующая механическая коробка передач с педалью.
Педаль гидравлического сцепления примерно на 50 мм длиннее троса.
педаль, потому что она крепится в другом наборе отверстий в
коробка педалей. Отверстия гидравлической педали
находятся выше. Отверстия обычно уже находятся в педальном блоке.
Вот где
отверстия предназначены для крепления гидравлической педали.
Есть некоторые темы Turbobricks, в которых
люди сделали свои собственные гидравлические педали или
модифицировал педаль тросового типа для работы. Такая работа была выше моих сил.
навыки и умения.Вот тред о том, что было сделано на заказ: https://forums.turbobricks.com/showthread.php?t=326370&page=6
По состоянию на май 2018 г.
СТС
Обработка предлагает
недавно изготовленное алюминиевое гидравлическое сцепление
педали:
https://www.stsmachininginc.com/products/240-hydro-clutch-ped
тросовые и гидравлические муфты | Колеса Мудрости
Всем привет!
Итак, вас попросили заменить сцепление в сборе. Или, возможно, у вас возникли проблемы с управлением сцеплением, которое до недавнего времени работало абсолютно нормально. В любом случае, читайте дальше, чтобы узнать все о сцеплении и о том, как контролировать затраты на замену сцепления.

Что такое сцепление?
Сцепление (точнее, сцепление в сборе) представляет собой набор компонентов, которые работают вместе с одной простой целью — отсоединить двигатель от трансмиссии (и, следовательно, от колес), когда вы нажимаете педаль сцепления до упора, и постепенно снова соедините двигатель с коробкой передач, когда вы отпустите ее. Вот простая схема сборки сцепления. Чтобы понять, как ориентирована эта диаграмма, давайте скажем вам, что маховик находится со стороны двигателя и прикреплен к коленчатому валу, а диск сцепления находится со стороны коробки передач и соединен с коробкой передач.
Помните, что при нормальной работе двигатель всегда вращается. Другими словами, мы хотим отключить, снова подключить или постепенно снова подключить вращающийся двигатель к трансмиссии, в зависимости от наших потребностей вождения. Говоря о «сцеплении», мы обычно имеем в виду «сцепление в сборе». «Сборка» состоит более чем из одной части — это набор частей, которые работают вместе для достижения определенной функции.

Зачем автомобилям сцепление?
Представьте, что двигатель всегда соединен с трансмиссией через набор шестерен. Что бы произошло, когда вы запустили двигатель? Поскольку «вращение» двигателя также означало бы вращение колес, поскольку они всегда соединены , стартер должен был бы тянуть автомобиль вперед каждый раз, когда вы заводите двигатель! Это наверняка повредило бы стартер после нескольких таких запусков. Кроме того, когда вы хотели бы переключить передачу, скажем, с первой на вторую или с первой на заднюю, без сцепления, отделяющего двигатель от трансмиссии, вы бы слышали скрежещущий звук каждый раз, когда пытаетесь переключить трансмиссию с одной передачи на другую. шестерню к другому! Это очень быстро повредило бы шестерни! Обратите внимание, почему автомобили нуждаются в 9Коробка передач 0478 с более чем одной передачей — это отдельная тема, и мы сохраним ее для отдельной статьи.
Итак, теперь мы знаем, почему необходимо отсоединять двигатель от трансмиссии, чтобы иметь возможность управлять автомобилем.
Механизм, выполняющий эту простую, но важную задачу, называется сцеплением. Давайте теперь перейдем к тому, чтобы понять, где находится узел сцепления в вашем автомобиле.Где находится сцепление в сборе?
Узел сцепления зажат между двигателем и коробкой передач (или коробкой передач), как показано ниже:
Визуальный осмотр узла сцепления требует вскрытия самого узла и классифицируется как работа, требующая «основного труда» на большинстве станций технического обслуживания. Вы не сможете увидеть узел сцепления, заглянув в моторный отсек или просто подняв автомобиль на гидравлическом подъемнике. Один из способов сэкономить деньги – выяснить, нужна ли вам замена сцепления без вскрытия узла сцепления . Мы еще вернемся к этому в статье. Перед этим вы захотите узнать, используется ли в вашем автомобиле «тросовое сцепление» или «гидравлическое сцепление». Сцепления с гидравлическим приводом используют гидравлическую помощь от двигателя и, таким образом, уменьшают усилие, необходимое для нажатия на педаль сцепления.

В чем разница между «тросовой муфтой» и «гидравлической муфтой»?
Трос сцепления втягивается и вытягивается тросом от педали сцепления к рычагу, который его приводит в действие. Гидравлическое сцепление имеет цилиндр рядом с педалью сцепления (так же, как у тормозов есть цилиндр рядом с педалью тормоза), который проталкивает жидкость в другой цилиндр, который, в свою очередь, толкает рычаг для включения и выключения сцепления. Цилиндр рядом с педалью сцепления называется главным цилиндром, а тот, что рядом со сцеплением 9Рычаг 0478 называется рабочим цилиндром. Вот как выглядят главный и ведомый цилиндры:
Главный и ведомый цилиндры вместе с гидравлическими трубопроводами являются дополнительными компонентами гидравлического сцепления, помимо компонентов, уже присутствующих в тросовом сцеплении. Разумеется, сам трос в гидромуфте не используется. Итак, какие компоненты присутствуют в обычном (или тросовом) сцеплении? Давайте перейдем к этому сейчас.

Какие основные части узла сцепления?
Сцепление в сборе состоит из следующих компонентов. Если вам трудно понять описание компонентов, мы рекомендуем вам перейти к следующему разделу (Как работает сцепление в сборе?) и сначала посмотреть видео, а затем вернуться к этому разделу:
- Нажимная пластина: Это нажимной механизм, который прижимает диск к маховику, чтобы автомобиль двигался. Нажатие на педаль снимает давление с диска сцепления, чтобы отсоединить двигатель от трансмиссии для переключения или остановки.
- Диск сцепления: Диск сцепления представляет собой плоскую пластину с фрикционными материалами с обеих сторон. При включении нажимного диска (педаль отпущена) диск сцепления прижимается к маховику. Когда нажимной диск отсоединен (педаль нажата), диск сцепления разжимается. Диск соединен с первичным валом трансмиссии, заставляя первичный вал вращаться при включенном сцеплении (педаль отпущена), что приводит к движению автомобиля.
Диск сцепления соединен с центральной ступицей через пружины для поглощения вибраций при отпускании педали сцепления и постепенном контакте. - Маховик: Маховик представляет собой инерционное устройство, которое крепится болтами к коленчатому валу двигателя. Он выполняет несколько функций, включая перенос зубчатого венца, который стартер использует для проворачивания двигателя, накопление энергии для движения автомобиля из состояния покоя и обеспечение фрикционной поверхности для крепления диска сцепления. В некоторых автомобилях используется двухмассовый маховик (посмотрите это видео, чтобы понять, что такое двухмассовый маховик) , который по сути представляет собой два маховика, соединенных друг с другом с помощью пружин для поглощения вибраций еще до того, как они достигнут диска сцепления.
- Выжимной подшипник: Выжимной подшипник представляет собой исполнительное устройство, которое зацепляет и расцепляет прижимную пластину.
Когда педаль сцепления нажата, выжимной подшипник оказывает давление на пальцы нажимного диска, чтобы отключить трансмиссию. Когда педаль сцепления отпущена, выжимной подшипник втягивается и позволяет нажимному диску оказывать давление, чтобы прижать диск к маховику. Посмотрите видео в следующем разделе, чтобы лучше рассмотреть и понять это движение. - Вилка выключения: Вилка выключения удерживает выжимной подшипник и поворачивается на шаровом стержне при нажатии или отпускании педали. При нажатии на педаль вилка поворачивается к нажимному диску и прижимает выжимной подшипник к пальцам сцепления, вдавливая их, чтобы выключить сцепление.
- Направляющая втулка или подшипник: Направляющая втулка или подшипник, которые часто не считаются частью системы сцепления, играют решающую роль в бесперебойной работе узла сцепления. Направляющая втулка или подшипник устанавливается на конце коленчатого вала. Когда коробка передач установлена, конец входного вала входит в направляющую втулку, которая поддерживает вход в задней части коленчатого вала.

Как работает узел сцепления?
Как что-то работает лучше всего объясняется с помощью видео, а не текста. Следующее видео настоятельно рекомендуется, если вы хотите понять, как работает сцепление в разумных деталях:
Когда требуется замена узла сцепления?
Так как же определить, нуждается ли сцепление в замене? Если вы заметили один или несколько из следующих симптомов, скорее всего, один или несколько компонентов сцепления изношены.
- Пробуксовка сцепления: Пробуксовка сцепления очевидна, когда вы наблюдаете неожиданное увеличение частоты вращения двигателя без какого-либо сопутствующего ускорения, когда ваш автомобиль находится на передаче, педаль сцепления полностью отпущена и вы нажимаете на педаль акселератора.
Это также будет очевидно, когда вы попытаетесь ускориться вверх по крутому склону. Хотя износ сцепления происходит постепенно (в зависимости от вашего стиля вождения и условий — движение с частыми остановками изнашивает сцепление быстрее, чем движение по шоссе), если вы наблюдаете проскальзывание сцепления, значит, его действительно пора заменить. - Жесткое сцепление: Жесткое сцепление может быть вызвано изношенным нажимным диском, наличием воздуха в гидравлической линии (в случае сцеплений с гидравлическим приводом) или тросом сцепления, который нуждается в смазке. Если это вызвано нажимным диском, необходимо заменить узел сцепления.
- Сильный запах при трогании с места: Сильный запах из моторного отсека при трогании с места обычно означает износ сцепления.
- Изменение точки зацепления: Более высокая точка зацепления на педали сцепления, чем раньше, означает, что сцепление необходимо заменить. Когда вы отпускаете педаль сцепления, если раньше автомобиль начинал движение с небольшим отпусканием, теперь он начнет движение только после того, как вы отпустите сцепление намного сильнее.
Иногда это может быть вызвано растянутым тросом (в сцеплениях с тросовым приводом) или неисправностью главного или рабочего цилиндра (в сцеплениях с гидравлическим приводом). - Вибрация сцепления: Вибрация сцепления наиболее заметна при трогании с места. Это проявляется в сильной вибрации, когда вы отпускаете сцепление, чтобы заставить автомобиль двигаться из состояния покоя. Если вы заметили дрожание сцепления, это указывает на то, что узел сцепления, включая маховик, может нуждаться в замене.
Требуется ли замена сразу всего узла сцепления?
При появлении любого из симптомов, о которых мы говорили в предыдущем разделе (Когда требуется замена узла сцепления?), необходимо заменить весь узел сцепления, за исключением маховика. Маховик необходимо проверить на предмет износа и заменить, если он изношен.
Но все же, зачем менять сразу все компоненты? Это связано с тем, что узел сцепления представляет собой сложный механизм, в котором все его различные компоненты функционируют с точностью до миллиметра, и замена только одной детали обычно приводит к повторяющимся проблемам, которые в конечном итоге приводят к замене всего узла.

Однако при определенных условиях можно избежать замены всего узла. Вы должны исключить это, обратившись в сервисный центр, прежде чем приступить к замене сцепления в сборе:
- Изношенные выжимные подшипники: Если вы слышите низкий рокочущий звук, исходящий от коробки передач, который исчезает при нажатии на сцепление педали, то возможно проблема с выжимным подшипником. В таких случаях замены только выжимного подшипника должно быть достаточно, чтобы решить вашу проблему.
- Скрежещущий звук или невозможность включить передачу: Если сцепление не отпускается должным образом, оно будет продолжать вращать первичный вал. Это может вызвать скрежет или может полностью помешать вашему автомобилю включить передачу. Некоторые распространенные причины, по которым сцепление может заедать:
- Порванный или растянутый трос сцепления: Трос нуждается в правильном натяжении, чтобы эффективно толкать и тянуть. В таких условиях замены троса сцепления должно быть достаточно.

- Негерметичные или дефектные главные или ведомые цилиндры: Если ваш автомобиль оснащен гидравлическим сцеплением, это возможно. Утечки препятствуют созданию в цилиндрах необходимого давления. Если это подтвердится, замена неисправного цилиндра должна решить проблему.
- Воздух в гидравлической линии: Воздух влияет на гидравлику, занимая место, необходимое жидкости для создания давления. Прокачка гидравлической линии обычно устраняет проблему.
- Неправильная регулировка рычажного механизма: Когда ваша нога нажимает на педаль, рычажный механизм передает неправильную величину усилия. Осмотр рычажного механизма сцепления может определить, является ли это основной причиной.
- Порванный или растянутый трос сцепления: Трос нуждается в правильном натяжении, чтобы эффективно толкать и тянуть. В таких условиях замены троса сцепления должно быть достаточно.
- Педаль сцепления прилипает к полу: Педали сцепления могут оставаться на полу, если вышел из строя подшипник выключения сцепления, рабочий цилиндр, главный цилиндр сцепления или рычажный механизм сцепления.
Проверка этих компонентов может определить, являются ли один или несколько из них основной причиной проблемы.
Часто оказывается, что в дополнение к основным причинам, перечисленным в этом разделе, осмотр узла сцепления показывает, что основные компоненты сцепления также изношены и нуждаются в замене. Только логический подход к устранению неполадок может привести к точным первопричинам.
Сколько времени нужно, чтобы установить новое сцепление?
Полная замена сцепления в сборе обычно занимает от одного до двух рабочих дней.
Сколько километров пробега сцепления?
Предсказывать, как долго прослужит сцепление, все равно, что решать сложное уравнение с множеством переменных. Любая из этих переменных может существенно повлиять на решение уравнения. Сцепления могут служить до 100 000 км или изнашиваться всего за 30 000 км. Километры, которые вы можете извлечь из сцепления, зависят исключительно от условий вождения и манеры вождения.

Приготовление вашего сцепления: базовая настройка гидравлического сцепления
Давление со стороны может быть жестким, куда бы вы ни повернулись, кто-то говорит вам, как вы должны построить свой проект. Вам нужно ехать с этим двигателем, эти шины отстой, хром отсутствует, вместо полировки, черт возьми, просто покрасьте все это в черный цвет. То же самое и с конверсией трансмиссии, некоторые из вас сделали новую 5- или 6-ступенчатую конверсию, а некоторые из вас думают об этом. Тогда возникает вопрос, что мне выбрать: механическое сцепление или гидравлическое сцепление? Большинство преобразований по той или иной причине заканчиваются гидравлическим преобразованием, но если вы не уверены или хотите получить дополнительную информацию… читайте дальше!
Гидравлическое сцепление используется уже довольно давно и стало стандартным оборудованием для легковых и грузовых автомобилей с механической коробкой передач с 1980-х годов по настоящее время. В самом упрощенном виде гидравлическая система работает аналогично вашей тормозной системе, только в гораздо меньших масштабах.
Педаль сцепления толкает шток, соединенный с поршнем внутри главного цилиндра. Этот поршень проталкивает жидкость по трубопроводу вниз к рабочему цилиндру или гидравлическому выжимному подшипнику, который затем прикладывает усилие к нажимному диску, чтобы отключить сцепление. Когда вы отпускаете педаль сцепления, жидкость теряет давление, и сила пружины нажимного диска перемещает подшипник назад, позволяя диску снова войти в зацепление. Достаточно просто, но во всем этом есть некоторая физика, которая может сделать гидравлическое сцепление мечтой или кошмаром в зависимости от настройки.Иногда оба называются «ведомыми цилиндрами», но слева вы видите гидравлический выжимной подшипник, а справа внешний рабочий цилиндр.
Если у вас есть опыт вождения более старых автомобилей или грузовиков с механической коробкой передач, которые были оснащены механической связью, скорее всего, вы водили машину с педалью сцепления, нажимать которую комфортно будет только специалисту по кузовному ремонту.
Там происходит несколько вещей. 1. В какой-то момент было установлено «высокопроизводительное» сцепление. Один из способов заставить сцепление удерживать больше мощности — это придать нажимному диску большую жесткость пружины, что позволит ему сильнее прижиматься к диску, чтобы он не проскальзывал. Это, в свою очередь, усложняет нажатие на педаль, и это полностью переносится на педаль. 2. Механическая связь не настроена должным образом, и вы не получаете достаточного рычага против пружин прижимной пластины, чтобы получить приятный легкий толчок. 3. Вам нужно перестать пропускать день ног в тренажерном зале.Гидравлические системы сцепления также могут страдать от тех же проблем с педалью, что и механические сцепления, но только потому, что размер отверстия главного цилиндра и передаточное отношение педали не оптимизированы для вашей ситуации. Гидравлическое давление можно использовать для перемещения большего количества груза с меньшими усилиями при правильной настройке.
Вот почему так важно всегда обращаться за советом при сборке гидравлической системы сцепления. Большинство комплектов для конкретных автомобилей, представленных сегодня на рынке, оптимизированы для автомобиля, для которого они созданы, и вы, как правило, получаете отличное ощущение педали и более чистую установку. Конечно, следует иметь в виду одну переменную: ощущение педали субъективно, особенно для тех из вас, кто продолжает пропускать день ног в тренажерном зале. То, что хорошо для одного человека, может показаться слишком жестким или слишком мягким для другого человека, и если вы окажетесь в такой ситуации, вы обычно можете переключиться на другой диаметр главного цилиндра, чтобы решить проблему.Главные цилиндры бывают всех размеров и стилей, что позволяет использовать их в самых разных областях.
Основное правило заключается в том, что чем меньше диаметр отверстия, тем легче ощущается педаль, при условии, что передаточное отношение педали остается неизменным.
Большинство производителей главных цилиндров рекомендуют передаточное число педалей около 6:1 для лучшего ощущения. Вы не всегда можете достичь оптимального соотношения педалей из-за ограничений вашей настройки, и может потребоваться отрегулировать размер отверстия главного цилиндра, чтобы компенсировать разницу. Это также область, в которой вы должны быть осторожны, поскольку вы уменьшаете размер отверстия, вы также должны увеличить ход поршня, чтобы получить эквивалентное количество движения жидкости. Каждый гидравлический подшипник или рабочий цилиндр требуют определенного количества движения жидкости для достижения полного хода. Убедитесь, что движение жидкости в главном цилиндре соответствует требованиям подшипника или рабочего цилиндра, который вы хотите использовать.После того, как вы выбрали детали, которые собираетесь использовать, не менее важно будет правильно их установить. Если вы создаете систему на заказ с нуля, очень важно убедиться, что когда педаль сцепления толкает поршень главного цилиндра, она делает это по прямой линии.
Мы видели, как многие главные цилиндры разрушались из-за боковой нагрузки. У большинства главных цилиндров здесь есть небольшое пространство для маневра, но не тяните фут, когда вам дан только дюйм. Мы также рекомендуем использовать высококачественные фитинги и линии для соединения. Не экономьте на этом, ведь лучшее можно купить всего на несколько долларов дороже. Одной из лучших частей комплекта гидравлического сцепления является отсутствие множества движущихся частей, которые мешают вашим коллекторам и выхлопной системе. Однако это не дает вам свободы действий для привязки гидравлической линии к коллекторной трубе. Держите все гидравлические линии как можно дальше от источников тепла и истирания, чтобы обеспечить бесперебойную работу. То же самое и внутри корпуса колокола. Для некоторых подшипников потребуется гибкий шланг, подсоединенный к основанию подшипника внутри корпуса колокола. Обязательно закрепите все свои линии, чтобы они не могли перемещаться. Мы видели больше отказов линии из-за контакта с прижимной пластиной, чем любой другой отказ.
