Содержание
Устройство и детали экскаватора ЭО-2621, ЭО-2626 на базе МТЗ
_______________________________________________________________________________________________
Экскаватор ЭО-2621, ЭО-2626 на базе трактора
МТЗ предназначен для
механизации земляных работ в грунтах I–IV категорий и выполнения
погрузочных работ.
Экскаватор ЭО-2621 оснащен одновременно ковшом обратной лопаты и
бульдозерным отвалом, экскаватор ЭО-2626 — ковшом обратной лопаты и
сменным ковшом погрузчика или бульдозерным отвалом.
В зависимости от монтажа обратная лопата может работать как прямая.
Экскаватор ЭО-2621, ЭО-2626 может работать в умеренном климате при
температурах от -40 до +400С.
Работать экскаватором в мерзлых грунтах и грунтах выше IV категории
можно только после предварительного рыхления грунта.
Конструкция экскаватора экскаватора ЭО-2621, ЭО-2626 предусматривает
возможность работы со сменными видами рабочего оборудования.
Экскаватором на базе трактора МТЗ можно выполнять следующие работы:
— ковшом обратной лопаты – рыть траншеи, котлованы в отвал или с
погрузкой в транспорт;
— ковшом прямой лопаты – разрабатывать мелкие забои, возводить
насыпи, производить погрузку;
— бульдозерным отвалом – выполнять легкие планировочные и зачистные
работы;
— грузоподъемным устройством – выполнять монтажные и
погрузочно-разгрузочные работы;
— погрузочным устройством – выполнять погрузочные работы сыпучих
материалов.
Основные компоненты экскаватора ЭО-2621, ЭО-2626 на базе трактора МТЗ
Экскаватор ЭО-2621, ЭО-2626 состоит из следующих основных частей:
— базового трактора МТЗ-82;
— рамы с поворотной колонкой;
— навесного экскаваторного оборудования;
— бульдозерного отвала (ЭО-2621) или сменного погрузчика и
бульдозерного отвала (ЭО‑2626).
С экскаватором поставляется комплект ЗИП.
Устройство и работа экскаватора ЭО-2621, ЭО-2626 на базе
трактора МТЗ
К остову трактора МТЗ-80,82 крепится обвязочная рама. В обвязочной
раме установлена колонка поворотная с рычажным механизмом поворота.
Для обеспечения устойчивости экскаватора ЭО-2621, ЭО-2626 в работе к
раме прикреплены опорные башмаки. Экскавационное рабочее
оборудование
навешивается на поворотной колонке и состоит из стрелы, рукояти и
ковша обратной лопаты.
В передней части трактора МТЗ-80,82 располагается бульдозерный отвал
(на ЭО-2621) или сменный погрузчик и бульдозерный отвал (на
ЭО-2626).
Рабочее движение осуществляется с помощью гидравлического привода,
элементами которого являются: насос, гидроцилиндры, навесное
оборудование, гидроаппаратура, обеспечивающая плавность и
безопасность работ экскаватора, маслобак, масляный фильтр и
соединительные
трубопроводы.
Освещение и сигнализация при работе в ночное время и при
передвижении в городских условиях обеспечиваются от
электрооборудования трактора.
Отопление кабины в зимнее время осуществляется отопителем трактора.
Узлы экскаватора ЭО-2621, ЭО-2626 на базе трактора
МТЗ
Рама экскаватора
Рама ЭО-2621, ЭО-2626 предназначена для разгрузки остова трактора и
навески рабочего оборудования.
Рама ЭО-2621, ЭО-2626 крепится шпильками к рукавам задних полуосей
трактора и болтами к лонжеронам трактора. К раме крепится поворотная
колонка, на которой устанавливается рабочее оборудование.
Колонка поворотная ЭО-2621, ЭО-2626
Колонка поворотная экскаватора ЭО-2621, ЭО-2626 представляет собой
металлоконструкцию, вращающуюся на оси относительно рамы
экскаватора.
Рис1. Поворотная колонка экскаватора ЭО-2621, ЭО-2626 на базе
трактора МТЗ
1 — гидроцилиндр, 2 — рама, 3 – цапфа; 4 – ось; 5 – палец; 6 –
колонка
Колонка поворачивается двумя гидроцилиндрами, закрепленными в
каретке с помощью цапф. В транспортном положении колонка фиксируется
стопорным пальцем. При работе экскаватора стопорный палец убирается.
Рабочее оборудование ЭО-2621, ЭО-2626 на базе трактора МТЗ
Рабочее оборудование экскаватора ЭО-2621, ЭО-2626 состоит из стрелы,
рукояти универсального ковша.
Шарнирные соединения рабочего оборудования выполнены в виде
подшипников скольжения. Для смазки шарниры снабжены пресс-масленками
по ГОСТ
19853-74.
Гидросистема экскаватора ЭО-2621, 2626
Гидросистема экскаватора ЭО-2621, ЭО-2626 на базе трактора МТЗ-82
состоит из шестеренных насосов типа НШ-32 НШ-100-3,
гидрораспределителя
РГС-16 (Р100) и Р-80, гидросистемы трактора, фильтра, типа ФЛ.
000,
гидроцилиндров рабочих органов, бака и бака трактора.
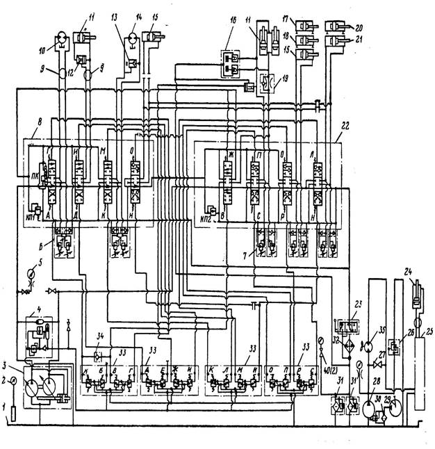
Рис.2. Схема гидравлики экскаватора ЭО-2621, 2626
Основной насос гидросистемы НШ-100, Гидрораспределители управления
задней навеской типа РГС-16 (Р100), Гидрораспределитель управления
передней навеской типа МР80-3/1-222 (распределитель базового
трактора МТЗ-80,82), Гидроцилиндры ЭО-2621, ЭО-2626, Гидроцилиндр
отвала (Ц1),
Гидроцилиндр опорных лап (Ц2), Гидроцилиндр поворота колоны (Ц3),
Гидроцилиндр стрелы (Ц4), Гидроцилиндр рукояти (Ц5), Гидроцилиндр
ковша (Ц6)
Рабочая жидкость поступает из бака насосу НШ 100, а из бака трактора
к насосу НШ 32. Насосом НШ 32 жидкость подается к распределителю
Р80,
который входит в комплект трактора или доукомплектовывается.
Насосом НШ-100-3 жидкость подается к распределителю РГС16.6И19М,
Сливная линия распределителя РГС16 соединяется со сливным фильтром.
Для управления погрузчиком или отвалом ЭО-2621, ЭО-2626 используется
распределитель трактора Р80.
Жидкость от распределителя подается в
поршневую или штоковую полости гидроцилиндра Ц1 и Ц2.
Распределитель Р80 выполнен по схеме, обеспечивающей плавающее
состояние рабочих органов. Данное состояние соответствует четвертому
положению рукоятки управления.
В связи с этим при работе необходимо учитывать, что при переключении
рукоятки управления до упора вперед, золотники распределителя Р80
устанавливаются в положение, при котором полости гидроцилиндра будут
соединены между собой и со сливом.
Данный режим обеспечивает незначительное (за счет давления в сливной
линии) прижатие отвала к поверхности, на которой находится трактор.
Для установки выносных опор экскаватора ЭО-2621, ЭО-2626
используются 1-я и 2-я секция распределителя РГС16.6И19М.
Подъем выносных опор в транспортное положение и вывешивание
экскаватора ЭО-2621, ЭО-2626 осуществляется 1 и 2 секцией
гидрораспеделителя
РГС16.6И19М.
Для установки опоры рукоятка 1 и 2 распределителя устанавливается в
положение вниз до упора.
Распределитель имеет схему, в которой
отсутствует
плавающее положение, т.е. имеются только три позиции золотника.
Для длительного удержания экскаватора ЭО-2621, ЭО-2626 в
транспортном и вывешенном состоянии, служат гидрозамки
гидрораспределителя.
6-я секция распределителя РГС16.6И19М2 управляет гидроцилиндрами
поворота экскаватора.
Плавность поворота достигается за счёт регулирования подачи рабочей
жидкости и работы переливного клапана обеспечивающий защиту от
гидроударов, перегрузок, повышения давления и возникновения
разряжения в полостях гидроцилиндров. Управление осуществляется
рукояткой.
Схема поворотной колонки ЭО-2621, ЭО-2626 и размещения
гидроцилиндров на ней показана на рис.1. Колонка поворотная
представляет собой
металлоконструкцию, вращающуюся на осях 4 относительно рамы 2
экскаватора.
Колонка поворачивается двумя гидроцилиндрами 1, закрепленными в
каретке с помощью цапф 3. В транспортном положении колонка
фиксируется
пальцем 5, в отверстии С.
При работе экскаватора палец убирается.
Гидрокинематическая схема поворота колонки
Гидроцилиндры ЭО-2621, ЭО-2626 вращаются относительно оси.
При включении золотника секции распределителя подача рабочей
жидкости по трубопроводам поступает в полость цилиндра 1 и штоковую
полость
нижнего цилиндра, а штоковая полость цилиндра 1 и полость нижнего
цилиндра соединяются со сливом (см. рис. 1).
Возникающее при этом усилие, действующее на поршни гидроцилиндров,
вращает поворотную колонку с рабочим оборудованием относительно оси.
Для остановки поворота оборудования экскаватора ЭО-2621, ЭО-2626
золотник гидрораспределителя устанавливается в нейтральное
положение,
полости гидроцилиндров запираются, а перемещение их штоков
некоторое время происходит за счет движущегося по инерции рабочего
оборудования.
Изменение направления поворота осуществляется переключением
золотника гидрораспределителя в другое рабочее положение, при
котором полости
цилиндров нагнетания соединяются в обратном направлении.
Остановка оборудования при его повороте в крайнее положение
обеспечивается встроенными в гидроцилиндр тормозными устройствами.
Основное
управление стрелой осуществляется секцией 4 распределителя РГС-16.
При перемещениях золотника распределителя рабочая жидкость от насоса
НШ 100 поступает в поршневую или штоковую полости гидроцилиндра Ц3.
Обеспечение плавного опускания стрелы и всего механизма
осуществляется плавностью открывания золотника распределителя и
работой переливного
клапана секции распределителя. Управление рукоятью осуществляется
3-ей секцией распределителя.
При переключении золотника распределителя рабочая жидкость от насоса
НШ 100 поступает в соответствующие полости гидроцилиндров Ц4 и Ц5,
управляющих рукоятью экскаватора ЭО-2621, ЭО-2626. Управление ковшом
осуществляется 5-ой секцией распределителя.
При перемещениях золотника распределителя жидкость от насоса
поступает в соответствующие полости гидроцилиндра Ц1 ковша.
Для защиты от перегрузки гидроцилиндра экскаватора ЭО-2621, ЭО-2626
при запертом соответствующем золотнике распределителя служат
переливные и предохранительные клапаны.
Конструкция бака рабочей жидкости представляет собой емкость,
разделённую успокоительными перегородками. На баке установлен щуп
для
определения уровня рабочей жидкости, заливная горловина для заливки
рабочей жидкости.
Слив рабочей жидкости из системы происходит через фильтр,
соединенный с баком. Замена фильтроэлемента рекомендуется через
каждые 200 часов
работы.
Настройка клапанов гидропривода экскаватора ЭО-2621, ЭО-2626 на базе
трактора МТЗ
Для замера настройки клапанов к гидросистеме экскаватора ЭО-2621,
ЭО-2626 подключается приспособление для контроля давления.
Приспособление состоит из манометра, переходника, демпфера,
подсоединительной трубки. Для подключения приспособления на
трубопроводах,
гидросистемы установлены штуцер, закрытый пробкой.
Проверка технического состояния элементов гидропривода ЭО-2621,
ЭО-2626
Проверка технического состояния включает проверку комплектности,
окраски, состояния трубопроводов и металлоконструкций, рабочей
жидкости и
фильтров, отсутствия внутренних и наружных утечек рабочей жидкости,
работы механизмов, исправности электрооборудования.
Наружные утечки рабочей жидкости не допускаются (допускается вынос
масляной пленки штоками гидроцилиндров без каплеобразования).
Отсутствие внутренних утечек в гидрораспределителях проверяйте на
стендах.
В эксплуатационных условиях величина утечек может быть
ориентировочно установлена по величине перемещения штоков
гидроцилиндров под
действием силы тяжести.
Допустимая величина перемещения штоков в течение часа:
— для гидроцилиндров стрелы и рукояти ЭО-2621, ЭО-2626 — 75 мм;
— для гидроцилиндров ковша обратной лопаты, отвала и гидроцилиндра
опорных башмаков ЭО-2621, ЭО-2626 — 100 мм.
Величину перемещения проверяйте при максимальных вылетах рабочих
органов, без груза в ковше.
Трубопроводы ЭО-2621, ЭО-2626
Посредством стальных труб, соединительной арматуры, рукавов высокого
давления и коллекторов подводится рабочая жидкость.
Трубопроводы ЭО-2621, ЭО-2626 соединяются с помощью штуцеров.
Герметичность обеспечивается:
— кольцами круглого сечения из маслостойкой резины;
— сферическим соединением с внутренним конусом.
Рукава низкого давления на всасывающей линии закреплены хомутами.
Для крепления трубопроводов применяются также хомуты скобы.
Техническое обслуживание ЭО-2621, ЭО-2626
Техническое обслуживание экскаватора ЭО-2621, ЭО-2626 включает:
— ежесменное техническое обслуживание (ЕО), выполняемое в течение
рабочей смены;
— техническое обслуживание № 1 (ТО-1), выполняемое через каждые 125
моточасов работы двигателя;
— техническое обслуживание № 2 (ТО-2), выполняемое через каждые 500
моточасов работы двигателя;
— техническое обслуживание № 3 (ТО-3), выполняемое через каждые 1000
моточасов работы двигателя.
Провести разборку экскаватора ЭО-2621, ЭО-2626 в степени,
необходимой для осмотра, дефектовки и ремонта составных частей.
Составить дефектную ведомость, которая является основанием для
замены или ремонта изношенных составных частей и деталей.
Составные части подлежат замене или восстановлению, если имеются
следующие неисправности:
Стрела, рукоять, рама, колонка поворотная, ковш ЭО-2621, ЭО-2626 —
Трещины продольные и поперечные трещины сварных швов, изгибы,
изломы,
обрывы проушин. Зазоры в посадочных местах более 1 мм. Трещины,
выходящие на посадочные места.
Зубья ковша ЭО-2621, ЭО-2626 — Износ режущей кромки зубьев по длине
на 100 мм.
Гидроцилиндры ЭО-2621, ЭО-2626 — Трещины проушин, изгиб или разрыв
штоков, утечки рабочей жидкости из гидроцилиндра более допустимых.
Гидрораспределители ЭО-2621, ЭО-2626 — Внутренние перетечки рабочей
жидкости при нейтральном положении золотников более 100 см3 в
минуту.
Привод насоса ЭО-2621, ЭО-2626 — Трещины корпуса, износ зубьев
шестерни по нормали до 37мм.
Отремонтированные составные части испытать на стендах, промыть и
отрегулировать.
После установки отремонтированных и испытанных составных частей на
экскаватор ЭО-2621, ЭО-2626, промыть гидросистему и провести
испытания
экскаватора на холостом ходу и под нагрузкой.
_______________________________________________________________________________________________
_______________________________________________________________________________________________
_______________________________________________________________________________________________
- Ходоуменьшитель МТЗ-82 и его работа
- Муфта сцепления МТЗ-82
- Неисправности оборудования гидравлической системы МТЗ-82
- Неисправности сцепления и КПП МТЗ-82
- Неисправности заднего моста МТЗ-82
- Регулировки ведущего моста МТЗ-82
- Компоненты рулевого механизма и ГУР МТЗ-82
- Неисправности систем управления и ходовой части МТЗ-82
- Неисправности рулевого механизма МТЗ-82
- Неисправности трансмиссии МТЗ-82
- Ремонт ведущего моста МТЗ-82
- Рулевое управление МТЗ-82 и его механизмы
- Раздатка трактора МТЗ-82
- Задний ВОМ МТЗ-82
_______________________________________________________________________________________________
_______________________________________________________________________________________________
- Детали рулевого управления ГОРУ трактора МТЗ-1221
- Рабочие функции ходоуменьшителя трактора МТЗ-1221
- Коробка переключения передач КПП МТЗ-1221
- Комплектующие детали переднего ведущего моста МТЗ-1221
- Привод переднего ведущего моста МТЗ-1221 и его работа
- Детали и регулировки сцепления трактора МТЗ-1221
- Рабочие системы дизельного двигателя минитрактора МТЗ-320
- Компоненты гидросистемы трактора МТЗ-320
- Детали и механизмы мостов трактора МТЗ-320
- Детали сцепления и коробка передач минитрактора МТЗ-320
- Система рулевого управления трактора МТЗ-320 Беларус
- Конструкция и регулировка сцепления тракторов ЮМЗ-6
- Устройство коробки передач трактора ЮМЗ
- Ремонт и регулировка переднего и заднего моста трактора ЮМЗ
- Регулировки и обслуживание рулевого управления трактора ЮМЗ
- Техническое обслуживание двигателя трактора ЮМЗ
- Дизель Д-144 тракторов Т-40
- Детали сцепления трактора Т-40
- Устройство коробки передач трактора Т-40
- Конструкция переднего ведущего моста Т-40
- Конструкция ВОМ трактора Т-40
- Элементы гидросистемы трактора Т-40
- Базовые элементы дизельного двигателя Д-21
- Устройство сцепления трактора Т-25
- Компоненты коробки переключения передач трактора Т-25
- Конструкция переднего моста трактора Т-25
- Система рулевого управления трактора Т-25
- Детали и регулировки сцепления Т-150К
- Ремонт коробки передач колесного трактора Т-150
- Техобслуживание раздаточной коробки трактора Т-150К
- Конструкция мостов трактора Т-150
- Колесный редуктор и регулировки ведущего моста Т-150
Общее описание экскаватора ЭО 2621
Одноковшовый неполноповоротный универсальный экскаватор ЭО-2621 смонтирован на шасси колесного трактора ЮМЗ-6Л.
Поворотной частью и рабочим оборудованием управляют с помощью гидроцилиндров. В качестве рабочего оборудования на нем применяют:
- прямую или обратную лопату
- кран
- грейфер и вилы.
Прямой лопатой:
- разрабатывают грунт в мелких забоях
- зачищают дно и стенки котлована
- грузят сыпучие и кусковые материалы.
Обратной лопатой:
- копают траншеи для укладки кабеля, хранения корнеклубнеплодов
- роют небольшие котлованы.
Краном:
- грузят штучные материалы
- укладывают трубопроводы
- корчуют мелкие пни
- ставят столбы
- сажают деревья средних размеров
- выполняют монтажные работы при ремонте машин.
Ковшом грузят материалы с малой плотностью, вилами — мусор, стальную стружку и другие грузы массой до 400 кг
Экскаватор ЭО 2621
К трактору прикреплены обвязочная рама и рама бульдозерного оборудования.
На раме установлена поворотная колонка, к которой прикреплена стрела.
Поднимают и опускают стрелу с помощью гидроцилиндра. Рукоять с ковшом поворачивается с помощью гидроцилиндров. Ковш поворачивается относительно нижнего шарнира рукояти гидроцилиндра.
Поворот рабочего оборудования возможен на 160°.
Экскаватор оборудован отвалом бульдозера, который служит также противовесом.
Для повышения устойчивости во время копания экскаватор снабжен выносными опорами с гидравлическим приводом. Управляют экскаватором из кабины с помощью гидрораспределителей.
Для установки обратной лопаты ковш устанавливают зубьями наружу и с помощью дополнительных тяг закрепляют на нижней вилке рукояти. Штоки гидроцилиндров крепят к нижнему кронштейну рукояти. Днище ковша шарнирно соединено с его корпусом и с помощью гидроцилиндра может открываться для разгрузки.
Корпус поворотной колонки с рабочим оборудованием поворачивают с помощью цепи, огибающей звездочку.
Концы цепи соединены со штоками двух гидроцилиндров одностороннего действия.
При включении одного из них шток через цепь поворачивает в соответствующую сторону корпус поворотной колонки.
1 — отвал бульдозера; 2 — гидроцилиндр отвала бульдозера; 3 — рама бульдозера; 4 — топливный бак; 5 — трактор; 6 — бак гидросистемы; 7 — насосная группа; 8 — кабина; 9 — рама; 10 — сиденье; 11 — распределители; 12 — механизм поворота; 13 — гидроцилиндр рукояти; 14 — рукоять; 15 — гидроцилиндр ковша; 16 — ковш; 17 — гидроцилиндр стрелы; 18 — стрела. 19 — соединительные трубопроводы; 20 — поворотная колонка; 21 — гидроцилиндры; 22 — выносная опора.
Гидравлика
На экскаваторе ЭО-2621А применены две самостоятельные гидросистемы с общим баком для рабочей жидкости.
Первая приводит в движение рабочее оборудование от трех шестеренных насосов типа НШ32−3, жидкость подается через:
- распределитель в гидроцилиндры ковша
- рукояти и стрелы.

Вторая система от насоса через распределитель подает жидкость:
- в гидроцилиндр стрелы
- в гидроцилиндры поворотного механизма
- через тракторный распределитель — в гидроцилиндры выносных опор и гидроцилиндр бульдозера.
Все насосы приводятся во вращение от коленчатого вала дизеля трактора через редукторы.
Для ограничения давления в запертой поршневой полости гидроцилиндра при копании установлен разгрузочный клапан, перепускающий жидкость в штоковую полость гидроцилиндра, а избыток жидкости — в бак.
Потери жидкости в штоковых полостях гидроцилиндров компенсируются через обратный клапан. При нейтральном положении золотников рабочая жидкость от насосов проходит через фильтр, установленный в баке.
Все трубопроводы имеют предохранительные клапаны, предотвращающие перегрузку механизмов экскаватора. Перепускной клапан, находящийся между трубопроводами, по которым жидкость поступает в гидроцилиндры, служит для плавного торможения механизма поворота в середине хода.
Плавное затормаживание в конце поворота достигается применением демпферных устройств, смонтированных в крышках гидроцилиндров.
Управляемые обратные клапаны обеспечивают свободную подачу жидкости в поршневые полости гидроцилиндров выносных опор и запирают слив жидкости, когда внешние нагрузки передаются от опор на штоки, чем также достигается устойчивость экскаватора при работе.
При подъеме опор жидкость подается в штоковые полости гидроцилиндров. Одновременно иглы клапанов открывают свободный слив жидкости из поршневых полостей.
а — кинематическая; б — гидравлическая; 1, 20 и 22 — насосы; 2 и 21 — редукторы; 3 — бак; 4 — разгрузочный клапан; 5, 6 и 8 — распределители; 7 — перепускной клапан; 9 — обратные управляемые клапаны; 10 — иглы; 11 — гидроцилиндр бульдозера; 12 и 13 —
гидроцилиндры выносных опор; 14 и 16 — гидроцилиндры механизма поворота; 15 — обратный клапан; 17 — гидроцилиндр ковша; 18 — гидроцилиндры рукояти; 19 — гидроцилиндр стрелы.
Главные технические характеристики
Ходовая часть на базе трактора ЮМЗ-6Л
| Вместимость ковша, м*: | |
| обратной лопаты | 0,25 |
| прямой лопаты | 0,25 |
| Глубина копания обратной лопатой | 3 м |
| Наибольшая высота выгрузки обратной лопаты | 3.3м |
| Дизель | Д-50П |
| Мощность дизеля, кВт | 40 |
| Скорость передвижения | 1.9 — 17.3 км/ч |
| Максимальная производительность работы обратной лопатой | 60 м3/ч |
| Рабочая масса | 5,7 т |
Видео работы экскаватора
Гидравлическая схема экскаватора ЭО-2621В | Скачать чертежи, чертежи, блоки Autocad, 3D модели
Русский
Автокад
Гидравлический
Образовательный
Узнайте, как скачать этот материал
Telegram бот для поиска материалов
Покупка чертежей
Подпишитесь на получение информации о новых материалах:
t.
me/alldrawings
vk.com/alldrawings
Описание
Рисование в Автокаде
Содержание проекта
файл_35.zip [ 59КБ ] |
gs010. [ 202 КБ ] |
Дополнительная информация
Чертежи
gs010.
dwg
Аналогичные материалы
Гидравлическая схема ЭО-2621В
Гидравлическая схема экскаватора и гидроцилиндра
Расчет гидропривода одноковшового гидравлического экскаватора
Гидравлическая схема траншейного экскаватора
Гидравлическая схема одноковшового экскаватора
Гидравлическая схема экскаватора
Гидравлическая схема универсального экскаватора
Гидравлическая схема экскаваторно-дренажной прокладки
Бесплатная загрузка на сегодня
Обновление через: 11 часов 6 минут
Расчет воздухообмена
Модель сборно-разборной рамы резервуаров циркуляционной системы
Перила силоса Yanacocha
Концепция предохранительного клапана
Другие материалы
Магазин одежды
Дом на стеллажах в лаосе
Бензин
План 6-подъездной девятиэтажки 87-й серии с аркой и подъездными путями
Обоснование конструкций дорожно-строительной машины и применение ремонтных процессов, выполняемых машиной ММ-1 | Материалы конференции AIP
Пропустить пункт назначения навигации
Исследовательская статья|
23 июня 2023 г.
Камолиддин Рустамов
Информация об авторе и статье
а) Автор для переписки: [email protected]
Материалы конференции AIP 2789, 040064 (2023)
https://doi.org/10.1063/5.0145530
Взгляды
- Содержание артикула
- Рисунки и таблицы
- Видео
- Аудио
- Дополнительные данные
- Экспертная оценка
Делиться
- Твиттер
- Фейсбук
- Реддит
Инструменты
Перепечатки и разрешения
Иконка Цитировать
Цитировать
Поиск по сайту
Цитата
Камолиддин Рустамов; Обоснование конструкций дорожно-строительной машины и применение ремонтных процессов, выполняемых машиной ММ-1.
Материалы конференции AIP 23 июня 2023 г.; 2789(1): 040064. https://doi.org/10.1063/5.0145530
Скачать файл цитаты:
- Ris (Zotero)
- Менеджер ссылок
- EasyBib
- Подставки для книг
- Менделей
- Бумаги
- КонецПримечание
- РефВоркс
- Бибтекс
панель инструментов поиска
Расширенный поиск
|Поиск по цитированию
Использование достижений науки, техники и передового опыта для решения задачи повышения эффективности машин и их рабочих органов с целью значительного улучшения производства машины и ее технологического качества — с использованием традиционных методов воздействия на почву и новых ресурсных -сохраняющие эффекты — это улучшение [1]. Первый путь решения включает в себя ряд проблем и реконструкцию крупнотоннажных экскаваторов мощностью 400 — 1500 кВт для работы на дисперсном, уплотненном грунте и, как следствие, решение проблемы создания малогабаритных землеройных машин.

dwg