Содержание
Схема синхронного генератора
Основной особенностью синхронных генераторов является равенство частот вращения ротора и магнитного поля статора. Эти показатели зависят от частоты тока в сети и количества пар полюсов. Все синхронные устройства обладают основным качеством электрических машин. Они могут быть обратимыми, то есть использоваться в качестве не только генератора, но и электродвигателя. Основная схема синхронного генератора используется для получения электрической энергии. В качестве первичных двигателей применяются различные виды турбин или двигателей внутреннего сгорания.
Принцип работы синхронного генератора
При перемещении проводников в магнитном поле, когда оно неподвижно или перемещении самого магнитного поля относительно проводников, находящихся в неподвижном состоянии, возникает электродвижущая сила.
Применительно к генератору, индуктирование происходит на неподвижном статоре, а создание электродвижущей силы происходит на роторе, в период его вращения.
В другом варианте, якорь и полюса меняются местами и размещаются, соответственно, на статоре и на роторе.
При вырабатывании электроэнергии по первому варианту, ее передача производится на специальный приемник с помощью скользящих контактов. В их состав входят щетки и контактные кольца. При использовании скользящего контакта, теряется большое количество энергии, поэтому, такой вариант используется только при незначительном напряжении и мощности. Чаще всего используются синхронные генераторы, где полюсы размещаются на роторе, а сам якорь непосредственно на статоре.
Устройство синхронного генератора
Данное устройство состоит из двух основных частей самого синхронного генератора (1) и возбудителя (2).
Роторы в таких машинах выполняются с выступающими полюсами, или с такими полюсами, которые практически не выступают и явно не выражены. При относительно небольшой частоте вращения, для роторов используется первый, явно выраженный вариант, где полюса равномерно располагаются вокруг ротора.
В состав полюса входит сердечник, полюсный наконечник и, размещенная на сердечнике, катушка обмотки возбуждения. Таким образом, схема синхронного генератора с выступающими полюсами, используется, преимущественно, в гидравлических турбинах с малым количеством оборотов. Такое устройство ротора не является достаточно прочным для высокоскоростных механизмов, где применяются роторы без явно выраженных полюсов.
При выработке электроэнергии, высокая скорость обеспечивается паровыми турбинами или двигателями внутреннего сгорания.
Принцип действия синхронного двигателя
Система запуска асинхронного двигателя: устройство и принцип работы, схема,
Как проверить электродвигатель мультиметром: проверка ротора и статора на межвитковое замыкание, прозвонка асинхронного и трехфазного двигателя
Подключение электродвигателя: схемы, проверка, видео
Реверсивная схема подключения электродвигателя
Как сделать схему для управления двигателем
Синхронные генераторы
Устройство и принцип действия Синхронные машины используют прежде всего в качестве генераторов.
Их устанавливают на электрических станциях для преобразования механической энергии в элек трическую.
Синхронный генератор состоит из неподвижного статора 2 (рис. 196, а), на котором размещаются три обмотки (Л X, В У. С Т), и вращающегося ротора 1 с полюсами, на которых находится обмотка возбуждения ОВ. Постоянный гок, поступающий в обмотк\ возбуждения, намагничивает ротор, а первичный двигатель вращает его с частотой п. При этом обмотки статора пересекаются магнитным полем и в них индуцируются переменные э. д. с., сдвинутые по фазе на угол 120 Источником постоянного тока возбуждения /„ является возбудитель небольшой генератор постоянного тока, мощность которого составляет 2 -3% мощности грехфазного генератора. Якорь генератора постоянного тока соединен с валом синхронного генератора и приводится во вращение общим первичным двигателем.
При работе первичного двигателя (рис. 196, б) вращается вал ротора 1 и якорь 2. Ток возбуждения /в проходит от положительного полюса возбудителя через щетку Щ1 и кольцо 3, обмотку возбуждения синхронного генератора 6, кольцо 4, щетку Щ2 к отрицательному полюсу возбудителя.
В некоторых синхронных генераторах для создания магнитного потока используется самовозбуждение. В таких генераторах цепь возбуждения подключают к обмоткам статора 7 через специальный выпрямитель. При вращении ротора 5 в обмотках статора 7 возникает небольшой переменный ток за счет остаточной индукции. Этот ток выпрямляется и, поступая в обмотку возбуждения, усиливает магнитный поток ротора, а следовательно, и э. д. с. генератора. Ротор можно вращать паровой или водяной турбиной или двигателем внутреннего сгорания. В соответствии с этим синхронный генератор называется турбогенератором, гидрогенератором или дизель-генератором.
Частота 1 вырабатываемого тока прямо пропорциональна частоте вращения первичного двигателя п и числу пар полюсов ротора: 1 = = /7П/60. Поэтому тихоходные генераторы, работающие совместно с водяными турбинами, имеют большое число явно выраженных полюсов. Генераторы с неявно выраженными полюсами работают совместно с паровыми турбинами и являются быстроходными.
В каждой обмотке статора наводится э. д. с.
Е ==4,44/шФК,
где ш) — число витков обмотки;
Ф — магнитный поток ротора;
К — постоянный коэффициент обмотки.
Э. д. с. и напряжение генератора регулируют реостатом в цепи обмотки возбуждения генератора постоянного тока. Если увеличить ток возбуждения этого генератора, то увеличатся его напряжение и ток возбуждения /в синхронного генератора, в результате чего возрастет магнитный поток Ф ротора и индуцируемая э. д. с. Е. К. п. д. синхронных генераторов большой мощности достигает 96-97%.
Синхронные генераторы применяют для резервного питания устройств железнодорожной автоматики и телемеханики. Они входят
Рис. 197. Трехфазный синхронный генератор (дизель-генератор) :
1 — корпус статора; 2 — сердечник статора; ,? — пазы сердечника статора; 4 — трехфазная обмотка статора; 5 — полюс ротора; 6′ — катушка обмотки возбуждения; 7 — генератор постоянного тока в комплект дизель-генераторных агрегатов (ДГА) (рис.
197), которые используют при неисправности питающих трансформаторных подстанций. При соединении обмоток статора звездой линейное напряжение таких генераторов 380 В, мощность- 12, 24 или 48 кВ • А.
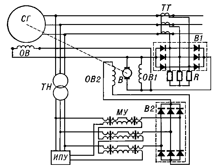
Дизель-генераторы снабжены аппаратурой системы самовозбуждения и автоматического регулирования напряжения (рис. 198). Последовательно с нагрузкой включены первичные обмотки трансформатора 77, а параллельно нагрузке-первичные обмотки трансформатора Т2. Вторичные обмотки этих трансформаторов соединены параллельно и питают выпрямитель В, к которому подключена обмотка возбуждения ОВ синхронного генератора. Вторичный ток /; последовательного трансформатора зависит от тока нагрузки I, вторичный ток 1и параллельного трансформатора — от напряжения нагрузки и. Ток на входе выпрямителя равен геометрической сумме токов и 1и, т. е. I —= /; +
7Ток возбуждения /в зависит не только от тока 1 и напряжения и нагрузки, но и от угла сдвига ф между ними.
Поэтому такую схему называют схемой фазового компаундирования.
Коэффициенты трансформации трансформаторов 77,
Т2 и индуктивности Ь включенных катушек выбирают так, чтобы при любом токе /
Рис. 198. Схема синхронного генератора с автоматической регулировкой напряжения
и угле ф сохранялось постоянным напряжение генератора U. С возрастанием активной или активно-индуктивной нагрузки увеличиваются токи Іі, 1 /в и э. д. с. Е. В результате автоматически компенсируется действие возрастающего падения напряжения на обмотках статора. Самовозбуждение синхронных генераторов происходит так же, как и в генераторах постоянного тока, за счет остаточного магнетизма. Однако вследствие повышенного сопротивления выпрямителя при малых напряжениях з. д. с. от остаточного магнетизма недостаточна для самовозбуждения. Поэтому принимают ряд мер, улучшающих процесс самовозбуждения. Для этого параллельно выпрямителю В со стороны переменного тока включают резонансный контур, состоящий из конденсаторов.
Емкость конденсаторов С выбирают такой, чтобы во время пуска, когда частота вращения ротора п < п„, наступил резонанс напряжений, при котором напряжение на конденсаторах и на входе выпрямителя повысилось. Благодаря этому снижается сопротивление выпрямителя, происходит самовозбуждение. При установившейся частоте вращения ротора п — пв условие резонанса нарушается и конденсаторы практически не влияют на работу схемы.
Характеристики. К основным характеристикам синхронного генератора относятся регулировочные, внешние и характеристики холостого хода. Характеристики снимают с помощью схемы, представленной на рис. 199.
Характеристика холостого хода (рис. 200, а) показывает зависимость э. д. с. Е обмотки статора от тока возбуждения /в при постоянной частоте вращения п и выключенной нагрузке, т. е. Е = /(1 ) при п —— const; 1 — const; 1 — 0. 1
Ток возбуждения синхронного генератора регулируется реостатом R (см. рис. 199), который включен последовательно с обмоткой возбуждения ОВ.
Для измерения тока, напряжения и частоты на выходе генератора включены амперметры (РА1 — РАЗ), вольтметр PV и частотомер Нг. Характеристика холостого хода синхронного генератора подобна кривой намагничивания сердечника ротора.
Внешние характеристики (рис. 200, 6) отображают зависимость напряжения генератора U от тока нагрузки 1 при неизменных токе возбуждения, частоте вращения и коэффициенте мощности, т. е. U — 1 (/) при /п — const; п — const и cos ф — const.
Рис. 199. Схема синхронного генератора
Рис. 200. Характеристики синхронного генератора
Если увеличивать нагрузку с преобладанием индуктивности на генераторе, то его напряжение резко снижается (кривая /). Это объясняется увеличением падения напряжения на обмотках статора и реакцией статора. Реакцией статора называется взаимодействие вращающегося магнитного потока статора с магнитным потоком ротора, которые вращаются с одинаковой скоростью (синхронно). С увеличением нагрузки возрастает магнитный поток обмоток статора, направленный противоположно магнитному потоку ротора.
В результате размагничивания ротора снижается э. д. с. и напряжение генератора. Если к генератору подключить только активную нагрузку, то магнитный поток статора будет сдвинут относительно ротора на угол 90°. Размагничивающее действие реакции статора несколько снижается и напряжение генератора изменяется по кривой 2. При нагрузке с преобладанием емкости магнитный поток статора направлен в одну сторону с магнитным потоком ротора. Поэтому напряжение генератора изменяется по кривой 3.
Регулировочные характеристики (рис. 200, в) при активно-индуктивной нагрузке 1, активной нагрузке 2, активно-емкостной нагрузке 3 показывают зависимость тока возбуждения генератора /н от тока нагрузки 1 при постоянном напряжении, частоте вращения и коэффициенте мощности, т. е. /в — 1 (/) при U — const; п const; cos <p ——= const. Регулировочные характеристики показывают, как следует изменять ток возбуждения генератора /в при увеличении тока нагрузки 1 для того, чтобы напряжение генератора U было постоянным.
⇐Асинхронные электродвигатели | Электропитающие устройства и линейные сооружения автоматики, телемеханики и связи железнодорожного транспорта | Первичные химические источники тока⇒
Эквивалентная схема синхронной машины
| Электротехническая Академия
Хотите создать сайт? Найдите бесплатные темы и плагины WordPress.
В разделе Синхронная машина мы видели, что в воздушном зазоре синхронной машины есть два вращающихся магнитных поля, независимо от того, работает ли она как двигатель или как генератор. Каждый раз, когда магнитное поле проходит мимо проводника, оно индуцирует напряжение в проводнике. Таким образом, вращающееся поле ротора будет индуцировать напряжение в обмотках якоря. Это называется генерируемое напряжение в генераторе или противо-ЭДС в двигателе (CEMF). Точно так же вращающееся поле из-за токов в обмотках якоря также будет индуцировать напряжения в обмотках статора.
Мы рассмотрим каждый из этих случаев.
Генерируемое напряжение или C-ЭДС
Мы знаем, что напряжение, генерируемое в катушке, является функцией магнитного поля, длины катушки и количества витков в ней, а также скорости, с которой катушка движется через магнитный поток.
На рисунках 1(a), (b) и (c) показаны части статора и ротора синхронной машины. Ротор круглый и содержит обмотки, образующие северный и южный полюса, как показано на рисунке.
Поток ротора выходит из ротора на Северном полюсе и возвращается на Южном полюсе. Если ротор вращается по часовой стрелке, то относительное движение катушек статора через поток ротора составляет против часовой стрелки , как показано на рисунке 1(а).
Использование Правило правой руки для генераторов, мы можем определить направление напряжения, индуцируемого в обмотках статора. В этом случае катушки у северного полюса индуцируют напряжение, направленное внутрь страницы, а катушки у южного полюса индуцируют напряжение с полярностью, направленной наружу страницы.
Направление индуцированных напряжений показано точками и крестиками над обмотками статора.
РИСУНОК 1: Иллюстрация потока ротора и потока реакции якоря в синхронном генераторе.
- Токи якоря совпадают по фазе с генерируемым напряжением.
- Токи якоря отстают от генерируемого напряжения на 90°.
- Токи якоря опережают генерируемое напряжение на 90°.
Величина генерируемого напряжения в генераторе или CEMF в двигателе определяется как
\[\begin{matrix} {{E}_{a}}={{K}_{a}}{ {\phi}_{p}}{{n}_{s}} & {} & \left( 1 \right) \\\end{matrix}\]
Где K a — константа обмотки якоря, ϕ p — поток на полюс ротора, а n s — синхронная скорость ротора.
При работе переменного тока с постоянной частотой синхронная скорость постоянна, поэтому единственной переменной, которая может изменить генерируемое напряжение, или С-ЭДС, является поток на полюс.
Таким образом, возбуждение синхронной машины используется для управления внутренне генерируемым напряжением.
Одной частью эквивалентной схемы синхронной машины является источник напряжения, который управляется возбуждением поля. Остальная часть эквивалентной схемы определяется токами статора.
Реакция якоря
Поскольку напряжения и токи в статоре переменные, между ними может быть фазовый угол, зависящий от коэффициента мощности, при котором работает синхронная машина. Таким образом, направление токов в обмотке может быть в фазе с генерируемым напряжением, как показано на рисунке 1(а), или токи могут отставать или опережать генерируемое напряжение, как показано в частях (b) и (c). ) рисунка 1.
МДС тока статора создает вторую волну вращающегося магнитного потока в воздушном зазоре, которая индуцирует напряжение в обмотках статора. Это напряжение называется Напряжение реакции якоря. Напряжение реакции якоря отстает от генерируемого напряжения в диапазоне от нуля до 180°.
В Рис. 1(a) ток якоря находится в фазе с генерируемым напряжением, а поток из-за токов статора отстает от поля ротора на 90 электрических градусов. Таким образом, наведенное в обмотках якоря напряжение отстает от генерируемого напряжения на 90°.
Напряжение на клеммах синхронной машины будет суммой генерируемого напряжения и напряжения реакции якоря, как показано на рисунке 2 (а).
В , часть (b) на рис. 1, токи якоря отстают от генерируемого напряжения на 90°. В этом случае поток из-за реакции якоря прямо противоположен потоку поля, вызывая отклонение напряжения реакции якоря на 180° по фазе от генерируемого напряжения.
Наконец, в части (c) на рисунке 1 токи якоря опережают генерируемое напряжение на 90°. Поток реакции якоря имеет то же направление, что и поток поля, а составляющая напряжения реакции якоря находится в фазе с генерируемым напряжением.
На рисунках 2 (b) и (c) показаны векторные диаграммы, соответствующие этим двум последним случаям ( часть (b) и (c) рисунка 1 ).
РИСУНОК 2: Векторная диаграмма для синхронного генератора.
- Ток якоря совпадает по фазе с генерируемым напряжением.
- Ток якоря отстает от генерируемого напряжения на 90°.
- Ток якоря опережает генерируемое напряжение на 90°.
Пренебрегая насыщением в стали синхронной машины, можно сказать, что напряжение реакции якоря пропорционально току якоря:
\[\begin{matrix} {{E}_{ar}}={{K}_{a}}{{I}_{a}}{{n}_{s}} & {} & \left( 2 \right) \\\end{matrix}\]
При рассмотрении того, какой элемент поместить в эквивалентную схему для учета реакции якоря, мы отмечаем, что реакция якоря обеспечивает напряжение, подобное индуктивному сопротивлению . Также отметим, что ток якоря протекает через сопротивление обмотки якоря, а значит будет резистивное падение напряжения . Наконец, в якоре возникнет поток рассеяния , который не связывает ротор, но вызывает напряжение в обмотке якоря.
Таким образом, эквивалентная схема для каждой фазы (фаза-нейтраль) синхронной машины будет такой, как показано на рисунке 3 (a). Ясно, что реактивное сопротивление рассеяния и реактивное сопротивление якоря можно комбинировать. Кроме того, сопротивление обмотки обычно намного меньше реактивного сопротивления, поэтому им часто пренебрегают.
На рис. 3(b) показана упрощенная эквивалентная схема синхронной машины, в которой комбинированное реактивное сопротивление обозначено как X с и называется синхронным реактивным сопротивлением .
Хотя мы обсуждали работу генератора, эквивалентная схема одинакова как для синхронного двигателя , так и для работы генератора , за исключением направления тока якоря.
РИСУНОК 3: Эквивалентная схема пофазной синхронной машины.
- Включая реактивное сопротивление якоря.
- Упрощенный, без учета реактивного сопротивления якоря.

Определение синхронного Реактивного сопротивления
Чтобы модель была полезной, должен быть какой-то метод для определения параметров модели, в частности, синхронного реактивного сопротивления.
К счастью, мы можем получить приблизительное значение синхронного реактивного сопротивления, используя два простых теста — тест на обрыв цепи и тест на короткое замыкание.
Испытание на разомкнутую цепь
Глядя на эквивалентную схему на рис. 3(b), в условиях разомкнутой цепи напряжение на клеммах машины будет равно генерируемому напряжению. Генерируемое напряжение задается уравнением 1.
Поскольку сталь синхронной машины в конечном итоге насыщается, генерируемое напряжение будет отражать влияние магнитного насыщения, если представить его как функцию тока возбуждения.
Пунктирная линия на рисунке 4 показывает график напряжения холостого хода небольшой синхронной машины.
При низких значениях тока возбуждения напряжение холостого хода практически линейно связано с током возбуждения. Однако при токе возбуждения около 0,45 ампер сталь начинает магнитно насыщаться, и скорость увеличения напряжения начинает снижаться по мере того, как ток возбуждения увеличивается до 1,0 ампер.
Линейная часть характеристики напряжения холостого хода и ее продолжение, показанное жирной сплошной линией , называется линией воздушного зазора . При работе на линии с воздушным зазором синхронное реактивное сопротивление довольно постоянно.
«Управляя генератором с постоянной скоростью без нагрузки и изменяя ток возбуждения, можно получить характеристику холостого хода».
РИСУНОК 4: Характеристические кривые синхронного генератора.
Испытание на короткое замыкание
На рис. 4 показана эквивалентная схема синхронного генератора с коротким замыканием на клеммах.
При этом условии все генерируемое напряжение будет падать на синхронное реактивное сопротивление:
\[\begin{matrix} {{E}_{a}}=j{{I}_{sc}}{{X} _{s}} & {} & \left( 3 \right) \\\end{matrix}\]
Где I sc — ток короткого замыкания.
Замкнув клеммы машины и запустив ее на номинальной скорости с некоторым возбуждением, можно определить ток короткого замыкания как функцию тока возбуждения. Сплошная линия , отмеченная треугольниками , на рис. 4 показывает ток короткого замыкания.
В действительности обычно невозможно получить ток короткого замыкания напрямую с номинальным током возбуждения, поскольку ток якоря был бы слишком большим. Таким образом, непосредственно измеряется только нижняя часть характеристики, а результирующая линия расширяется до номинального тока возбуждения.
В случае, показанном на рис. 4, ток возбуждения увеличился только до 0,25 ампер, когда к клеммам синхронной машины было применено короткое замыкание.
Остаток кривой был линейно экстраполирован.
РИСУНОК 4: Эквивалентная схема синхронной машины с замыканием на клеммах.
Уравнение 3 можно решить для синхронного реактивного сопротивления:
\[\begin{matrix} {{X}_{s}}=\frac{{{E}_{a}}}{{{I}_ {sc}}} & {} & \left( 4 \right) \\\end{matrix}\]
«Важно обеспечить, чтобы генерируемое напряжение и ток короткого замыкания, используемые в уравнении 4, были измерены при одном и том же значении тока возбуждения».
Поскольку генерируемое напряжение является нелинейной функцией тока возбуждения, расчетное значение синхронного реактивного сопротивления будет зависеть от тока возбуждения. Сплошная кривая, отмеченная сплошными квадратами, на рис. 4 показывает изменение рассчитанного синхронного реактивного сопротивления.
Вы нашли apk для андроида? Вы можете найти новые бесплатные игры и приложения для Android.
ECE 342 — Лаборатория 6: Синхронный генератор, характеристики и синхронизация
Лаборатории бакалавриата ECE
ECE 342 Преобразование энергии
Процедура:
- Настройте цепи в соответствии с принципиальной и сборочной схемами на рисунке 6.
1. - Включить систему тестирования сервомашин и установить режим «Управление скоростью». Управляйте
система испытаний машины в качестве приводного двигателя для синхронного генератора в положительном
направление вращения. - Включите систему проверки машины, нажав кнопку RUN, и установите синхронную
скорость 1800 об/мин. - Установите ток возбудителя, как показано в таблице 6.1
- Измерьте соответствующее напряжение генератора «V2» для токов возбуждения.
- Введите измеренные значения «V2» и крутящего момента, создаваемого приводным двигателем, в Таблицу 6.1.
- Установите ток возбудителя на 3,0 А.
- Следуйте значениям скорости из Таблицы 6.1 и измерьте соответствующее напряжение генератора «V2» и крутящий момент, создаваемый приводным двигателем для каждого значения.
- Запишите значения в Таблицу 6.1.
- Нажмите кнопку STOP на системе тестирования сервомашин.
Искл. /А | 0,5 | 1 | 1,5 | 2 | 2,5 | 3 | 3,5 | 4 | |
| «В2″/В | |||||||||
| М/Н·м | |||||||||
| н/об/мин | 500 | 750 | 1000 | 1250 | 1500 | 1800 | |||
| Искл. =3 А | «В2″/В | ||||||||
| 1,5 Н·м | М/Н·м | ||||||||
Таблица 6. 1: Синхронный генератор | |||||||||
Принципиальная схема Схема сборки
Рисунок 6.1: Синхронный
Генератор
- Соберите цепи в соответствии с принципиальной и сборочной схемами на рис. 6.2.
- Включить систему тестирования сервомашин и установить режим «Управление скоростью». Управляйте
система машинных испытаний в качестве приводного двигателя для синхронного генератора при положительном вращении
направление. - Включите систему проверки машины, нажав кнопку RUN, и установите синхронную
скорость 1800 об/мин. - Установите ток возбудителя на 3,0 А.
- Начните с наибольшего значения для нагрузочного резистора и каждого соответствующего измерения значения и
запишите переменные Таблицы 6.2 (Фазовые значения). - Нажмите кнопку STOP на системе тестирования сервомашин.
- Измените схему, как показано на рис. 6.3.
- Повторить шаги с 12 по 14,
- Для каждого значения нагрузки конденсатора измерьте и запишите переменные таблицы 6.
3. - Нажмите кнопку STOP на системе тестирования сервомашин.
- Измените схему, как показано на рис. 6.4.
- Повторить шаги с 12 по 14,
- Для каждого значения емкостной нагрузки измерьте и запишите переменные таблицы 6.4.
- Нажмите кнопку STOP на системе тестирования сервомашин.
Принципиальная схема Схема сборки
Рисунок 6.2: Характеристики нагрузки резистора
| Искл. =3 А | |||
| Ра/Ом | В/А | В/В | Пароль |
| 1000 | |||
| 500 | |||
| 300 | |||
| 200 | |||
| 100 | |||
| 50 | |||
| 30 | |||
| 20 | |||
| 10 | |||
| 5 | |||
Таблица 6. 2: Измерения нагрузки резистора | |||
Рисунок 6.3: Характеристики нагрузки конденсатора
| Искл. =3 А | |||
| Кл/мкФ | В/А | В/В | Q/Var |
| 2 | |||
| 4 | |||
| 6 | |||
| 8 | |||
| 10 | |||
| 12 | |||
| 14 | |||
| 16 | |||
Таблица 6. 3: Измерения нагрузки конденсатора | |||
Рисунок 6.4: Характеристики нагрузки индуктора
| Искл. =3 А | |||
| Д/В | В/А | В/В | Q/Var |
| 3,20 | |||
| 1,60 | |||
| 1,07 | |||
| 0,80 | |||
| 0,64 | |||
| 0,53 | |||
| 0,46 | |||
| 0,40 | |||
Таблица 6. 4: Измерения нагрузки дросселя | |||
Процедура
Все методы синхронизации требуют предельной осторожности и внимания!
Генератор ни в коем случае нельзя включать асинхронно в сеть!
Темный метод
- Установите цепи в соответствии с принципиальной и сборочной схемами на рисунке 9.
- Включите систему тестирования сервомашины и установите «Синхронизация и управление скоростью».
режим. Используйте систему испытания машины в качестве приводного двигателя для синхронного генератора в
направление вращения по часовой стрелке. - Включите систему проверки машины, нажав RUN, и с помощью ручки управления установите
синхронная скорость 1800 об/мин (или близка к 1800 об/мин). - Включите блок возбудителя CO3212-5Q7 и отрегулируйте его ток для двигателя V, близкого к 120 В.
- Включение питания электрических машин СО3212-5У7 и защиты двигателя
переключатель CO3212-1J7.
- Если лампы загораются попеременно, то одна фазная обмотка генератора должна быть
обменялись с др. Вы должны выключить блок возбудителя, остановить сервотормоз, выключить
выключите защитный автомат двигателя СО3212-5У7 и выполните замену фазных обмоток.
Повторите шаги со 2 по 5 еще раз. - Измените скорость вращения с помощью ручки управления, чтобы загорелись все лампы накаливания
одновременно с низкой скоростью. - В нужный момент, т.е. когда все лампы накаливания погасли, активировать S1
переключатель, последовательно подключающий генератор к сети. - На этом синхронизация завершена. Осмотрите генератор и счетчики на наличие каких-либо отклонений.
- Затем снова отключите генератор от сети, открыв выключатель питания S1.
- Выключите блок возбудителя и остановите сервотормоз. Кроме того, отключите питание для
электрические машины СО3212-5У7 и автомат защиты двигателя СО3212-1J7.
Яркий метод
- Измените подключение цепи в соответствии с принципиальной схемой на рис.
10. - Повторите шаги 2-7 из процедуры «Темный метод».
- В нужный момент, т.е. когда все лампы накаливания загорятся ярче всего,
активируйте переключатель S1, таким образом подключив генератор к сети. - На этом синхронизация завершена. Наблюдайте за генератором и счетчиками на предмет
нарушение. - Затем снова отключите генератор от сети, открыв выключатель питания S1.
- Выключите блок возбудителя и остановите сервотормоз. Кроме того, отключите питание для
электрические машины СО3212-5У7 и автомат защиты двигателя СО3212-1J7.
Трехламповый метод
- Измените подключение цепи в соответствии с принципиальной схемой рисунка 11.
- Повторите шаги 2-7 из процедуры «Темный метод».
- В нужный момент, т.е. когда лампа слева не горит, а две другие лампы горят
самый яркий, активируйте переключатель S1, последовательно подключив генератор к линии
сетка.
- На этом синхронизация завершена. Осмотрите генератор и счетчики на наличие каких-либо отклонений.
- Затем снова отключите генератор от сети, открыв выключатель питания S1.
- Выключите блок возбудителя и остановите сервотормоз. Кроме того, отключите питание для
электрические машины СО3212-5У7 и автомат защиты двигателя СО3212-1J7.
Двойной частотомер, двойной вольтметр и синхроноскоп
- Измените подключение цепи в соответствии с принципиальной схемой на рисунке 12.
- Включите систему тестирования сервомашины и установите «Синхронизация и управление скоростью».
режим. Включите систему проверки машины в направлении вращения по часовой стрелке. Включите
блок питания электрических машин СО3212-5У7 и выключатель защиты СО3212-1J7. - Включите систему проверки машины, нажав RUN, и используйте ручку управления, чтобы
установите синхронную скорость 1800 об/мин (или близкую к 1800 об/мин).
- Включите блок возбудителя CO3212-5Q7 и регулируйте его ток до тех пор, пока не появится двойной вольтметр.
показывают одинаковые измеренные значения для обеих цепей (сети и генератора). - Если лампы загораются попеременно, то одна фазная обмотка генератора должна быть
обменялись с др. Вы должны выключить блок возбудителя, остановить сервотормоз и сделать
изменение фазных обмоток. Повторите шаги со 2 по 4 еще раз. - Измените скорость вращения с помощью ручки управления, чтобы загорелся синхроноскоп
одновременно с низкой скоростью. - В нужный момент, т.е. когда синхроноскоп останавливается на указанной отметке
выше, активируйте переключатель S1, последовательно подключив генератор к сети. - На этом синхронизация завершена. Наблюдайте за генератором и счетчиками на предмет
нарушение. - При активации переключателя S1 блока синхронизации CO3212-6V2 сервотормоз отключается.
установить режим «Контроль крутящего момента».
Увеличьте крутящий момент с помощью ручки управления в
соответствии со значением, приведенным в таблице 13. - Кроме того, постепенно изменяйте ток возбуждения, как указано в таблице 13 ниже.
- Измерьте выходную электрическую мощность генератора P, реактивную мощность Q и мощность
коэффициент cos φ. - Внесите измеренные значения в таблицу 13 с учетом их знака (P gen = 3 * P фаза ;
Q gen = 3 * Q Фаза ). - Теперь установите блок возбудителя на постоянный ток возбуждения 3,5 А (см. Таблицу 14 ниже).
- Пошаговое изменение крутящего момента с помощью ручки управления в соответствии со значениями, указанными в
Таблица 14. - При этом измерьте выходную электрическую мощность генератора P фазы (P ph ) и P возбуждения (P ex ) и занесите значения в Таблицу 14, включая их знак.
- На основе скорости вращения и крутящего момента вычислить механическую мощность
потребляемый Pмех, где M соответствует крутящему моменту, а ωN соответствует номинальному
угловая частота.
- Pmech = M · ω N
- ωN = 2 · π · ηсин / 60
- На основе полученных переменных вычислить КПД η синхронного генератора.
- Учитывайте также мощность P возбуждения , потребляемую для возбуждения ротора.
- Наконец, после успешного завершения измерений отключите генератор от сети.
сеть размыкает выключатель питания S1. - Выключите блок возбудителя и остановите сервотормоз. Кроме того, отключите питание для
электрические машины СО3212-5У7 и автомат защиты двигателя СО3212-1J7.
Принципиальная схема Схема сборки
Рисунок 6.5(9): Синхронизация темного метода
Рисунок 6.6(10): Синхронизация яркого контура
Рисунок 6.7(11): Синхронизация трехламповой цепи
Рисунок 6.8(12): Схема двойного частотомера, двойного вольтметра, измерителя нулевого напряжения и синхроноскопа
| М = -0,8 Н·м | |||
Искл. /A | Пароль | Q/Var | Кос φ |
| 1 | |||
| 1,5 | |||
| 2 | |||
| 2,5 | |||
| 3 | |||
| 3,5 | |||
| Таблица 6.5: Производство емкостной и индуктивной реактивной мощности | |||
| Искл. = 3,5 А | 3*P _ген = | P кроме + P _gen_tot = | М * ωN = | (P _elec / P _мех ) * 100 = | |||
| М/Н·м | P _gen /W | P _gen_tot /W | P отл. /W | P _электрический /W | P _мех /W | η/% | |
| -0,4 | В/А | ||||||
| -0,6 | |||||||
| -0,8 | |||||||
| -1 | |||||||
| -1,2 | |||||||
| Таблица 6.6: Мощность генератора при переменной мощности привода | |||||||
Вопросы для обсуждения
- График характеристик синхронного генератора (Таблица 6.
1) V2 = f(I ex ) и V2 = f(n) разделены.
При каком токе возбуждения синхронный генератор достигает номинального напряжения? Как
реагирует ли крутящий момент приводного двигателя и почему он реагирует таким образом? - Постройте нагрузочную характеристику резистора синхронного генератора (таблица 6.2) V = f(I) и P = f(I) в
тот же график. Объясните результаты. - Постройте характеристики нагрузки конденсатора синхронного генератора (таблица 6.3) V = f(I) и Q = f(I) на том же графике. Объясните результаты.
- Постройте характеристики нагрузки индуктора синхронного генератора (таблица 6.4) V = f(I) и Q = f(I) на одном графике. Объясните результаты.
- Объясните способы синхронизации ярких, темных и трех ламп.
- На что следует обратить внимание при использовании яркой цепи?
- Когда следует поменять местами два внешних проводника синхронного генератора?
- Что произойдет, если генератор асинхронно подключить к сети?
- cos φ = f (I вместо ), P = f (I вместо ) и Q = f (I вместо ) на том же графике.



1.
/А
1: Синхронный генератор
3.
2: Измерения нагрузки резистора
3: Измерения нагрузки конденсатора
4: Измерения нагрузки дросселя 
10.

Увеличьте крутящий момент с помощью ручки управления в
/A
/W
1) V2 = f(I ex ) и V2 = f(n) разделены.
