Содержание
Циркуляция охлаждающей жидкости в двигателе
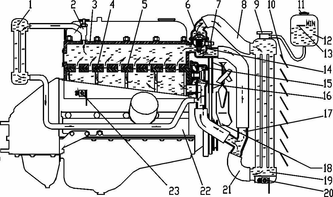
Система охлаждения двигателя внутреннего сгорания предназначена для отвода излишнего тепла от деталей и узлов агрегата.
На заре автомобилестроения появились и долго конкурировали две системы охлаждения: жидкостная и воздушная. Однако последняя сейчас практически не применяется (исключение составляют малые двигатели – например, в мототранспорте)
Рассмотрим подробнее систему жидкостного охлаждения: ее конструкцию, схему циркуляции рабочей жидкости, правила обслуживания.
Система охлаждения современного двигателя включает в себя:
- Расширительный бачок
- Рубашку головки и блока цилиндров
- Насос охлаждающей жидкости (ОЖ)
- Термостат
- Соединительные шланги
- Радиатор с вентилятором
- Теплообменик оотопителя
В некоторых силовых агрегатах охлаждающая жидкость используется еще и для обогрева дроссельного узла.
В моторах с системой наддува антифриз подается в жидкостно-воздушные интеркулеры или в сам турбокомпрессор для снижения его температуры.
Принцип работы системы охлаждения довольно прост. После запуска холодного двигателя жидкость с помощью насоса начинает циркулировать по малому кругу. Она проходит по рубашке охлаждения блока и головки цилиндров, а затем возвращается в насос через байпасные (обходные) патрубки.
Параллельно (на подавляющем большинстве современных автомобилей) ОЖ циркулирует по большому кругу через теплообменник отопителя. Как только температура достигает рабочих значений (около +80-90 ˚С), открывается термостат. Его основной клапан направляет поток жидкости в радиатор, где она охлаждается встречным потоком воздуха.
Если такого обдува недостаточно, включается вентилятор системы охлаждения, в большинстве случаев имеющий электропривод. При этом движение антифриза продолжается постоянно.
Схемы современных систем охлаждения очень похожи.
Имеются только два принципиальных различия:
- Расположение термостата: перед радиатором или на выходе из него
- Вид расширительного бачка: под давлением (циркуляционный) или без (резервный)
Расскажем о компонентах системы охлаждения подробнее.
Рубашка головки и блока цилиндров представляет собой герметичные каналы, отлитые в алюминиевом или чугунном изделии. Стык блока и головки уплотнен прокладкой.
Насос охлаждающей жидкости лопастной, центробежного типа. Он приводится во вращение ремнем ГРМ или ремнем привода вспомогательных агрегатов.
Термостат представляет собой автоматический клапан, открывающийся при достижении определенной температуры и сбрасывающий часть ОЖ в радиатор. В последнее время управление этим устройством стало электронным. Жидкость начали подогревать специальным ТЭНом для более раннего открытия термостата в случае необходимости.
Радиатор представляет собой теплообменник, содержащий два бачка – входной и выходной.
Они соединены множеством алюминиевых трубок, по которым проходит антифриз.
Для увеличения поверхности теплообмена к трубкам присоединены тонкие пластины. С целью улучшения отвода тепла воздух протягивается через радиатор принудительно с помощью электровентилятора.
Радиатор отопителя нагревает воздух, поступающий в салон автомобиля. Краны отопителя сейчас не устанавливают, поэтому радиатор нагрет всегда, когда двигатель включен.
Летом горячий воздух не поступает в салон благодаря заслонкам.
Расширительный бачок – это хранилище охлаждающей жидкости. В зависимости от типа системы охлаждения (см. выше) он может быть циркуляционным или тупиковым. Соответственно, бачок находится под давлением или без него.
Пробка, которая обеспечивает герметичность системы, может быть установлена прямо на радиаторе или на расширительном бачке. Вне зависимости от места расположения эта деталь обеспечивает повышенное давление в системе охлаждения (до 1,1-1,3 бара).
Это увеличивает температуру кипения жидкости, улучшает теплопередачу, предотвращает кавитацию насоса.
Главный компонент системы охлаждения – это сама рабочая жидкость.
С точки зрения теплотехники на ее роль идеально подошла бы вода, однако она вызывает коррозию и замерзает зимой. Именно поэтому в систему заливают специальные хладагенты – антифризы. Они обладают низкой температурой замерзания (до -65 °C), а также содержат присадки, снижающими коррозию, пенообразование и т.д.
Как уже было сказано, основная задача системы охлаждения – отводить избыток тепла от двигателя, не давая ему перегреваться. Плохая циркуляция антифриза может привести к серьезным проблемам с силовым агрегатом.
Кроме теплоотвода, у охлаждающей жидкости есть и другие функции:
- Нагревание воздуха, необходимое для нормальной работы системы отопления, кондиционирования и вентиляции
- Охлаждение моторного масла, помогающее обеспечить равномерное и стабильное смазывание деталей двигателя
- Охлаждение газов в механизме рециркуляции в целях снижения температуры горения топливной смеси
- Охлаждение жидкости в коробке передач
По инструкции антифриз рекомендуется менять не реже чем каждые 5-10 лет.
Если вам приходилось доливать в систему воду, особенно сомнительного качества, или смешивать разные ОЖ, то при очередной замене жидкости систему лучше промыть.
Промыть систему охлаждения можно двумя способами. Первый – разомкнуть систему в нескольких местах и запустить в нее струю воды из шланга.
Второй – после слива старого антифриза залить в расширительный бачок дистиллированную воду. Двигатель после этого запускают и прогревают до рабочей температуры. После остывания грязную воду сливают, продувают систему воздухом и заливают свежую жидкость.
Процедуру промывку системы охлаждения проводят, когда двигатель перегревается летом или перестает греть печка зимой. В первом случае причина в загрязненных снаружи и внутри трубках радиатора. Во втором – отложения в трубках радиатора отопителя.
Для того чтобы полностью слить охлаждающую жидкость из системы, желательно приподнять заднюю часть автомобиля домкратом.
Большинство автомобильных двигателей в нижней части имеют краник или специальную пробку, через которую производится слив ОЖ.
Антифриз удаляют не только из блока цилиндров, но и из радиатора и расширительного бачка.
Перед тем, как приступить к сливу хладагента, ослабьте пробку расширительного бачка – это позволит жидкости стекать быстрее.
Выверните сливную крышку, подставьте под отверстие широкую емкость и дождитесь, пока весь антифриз вытечет из рубашки охлаждения.
Открутите сливной вентиль или нижнюю пробку радиатора, таким же образом слейте старую охлаждающую жидкость из него.
Напор сливаемого антифриза можно регулировать, откручивая или закручивая пробку расширительного бачка. После окончания процедуры не забудьте установить все сливные пробки обратно.
Теперь можно приступать к заливке свежей ОЖ. Если вы используете концентрат, то разведите его дистиллированной водой в пропорции 1:1. При таком соотношении он способен выдержать до -40 °C. Все пропорции обычно указаны непосредственно на упаковке с охлаждающей жидкостью.
Во избежание завоздушивания системы охлаждения поставьте автомобиль в горизонтальное положение.
Отсоедините самый верхний патрубок, подающий антифриз в двигатель (обычно он находится в районе впускного коллектора). Новую охлаждающую жидкость заливайте в горловину расширительного бачка до тех пор, пока она не начнет вытекать из отсоединенного патрубка. Вставьте патрубок на место и зажмите его в месте соединения хомутом.
Не стоит заполнять бачок под завязку. Оптимальным будет уровень между отметками MIN и MAX.
После заливки плотно закройте пробку бачка, заведите машину и прогрейте ее до срабатывания вентилятора. Подождите, пока двигатель остынет, и проверьте уровень охлаждающей жидкости. При необходимости долейте антифриз до нормы.
Схема циркуляции охлаждающей жидкости: 2 круга движения
Всем привет, дорогие мои читатели! То, что современный автомобиль оснащен несколькими ключевыми системами, сегодня знает даже школьник старших классов.
Какая — то отвечает за питание, другая за смазку, третья за охлаждение от перегрева. Предлагаю остановиться подробнее на том, какая предусмотрена схема циркуляции охлаждающей жидкости – от этого будет зависеть понимание важности охлаждения в целом.
Оглавление
- Что происходит на холодном моторе
- Применение ”большого” круга
- Эффективность данной схемы
Что происходит на холодном моторе
Пока двигатель внутреннего сгорания функционирует, он выделяет значительные объемы тепла. Вследствие этого множество самых разных деталей подвергается действию высоких температур. Для отвода излишнего тепла была предусмотрена схема движения антифриза по разным кругам: так называемым ”большому” и ”малому”. Каждый из них является замкнутым, но отличается списком оборудования и деталей, которые в нем участвуют.
Подробнее о том, как устроена система охлаждения, мы говорим в отдельном материале. Итак, запускаем мотор, и сразу же начинает циркулировать антифриз.
Обеспечивается это работой водяного насоса – помпы, который, в свою очередь, функционирует благодаря приводному ремню. Вначале движок у нас еще холодный, поэтому жидкость циркулирует между ним и водяной помпой. Это называется малым кругом, и происходит так до тех пор, пока мотор не прогреется до определенного температурного уровня.
После этого термостат автоматически закрывает малый круг, но открывает движение по большому кругу. Помпа снова закачивает антифриз в силовой агрегат. Как только его температура повысится до уровня рабочей, он через патрубки достигнет радиатора. С его помощью излишки тепла выводятся в окружающую среду, и двигатель снова работает в приемлемом температурном режиме.
Применение ”большого” круга
Охлажденный антифриз снова поступает в мотор благодаря закачиванию водяным насосом. Однако может возникнуть ситуация, при которой этого недостаточно для нормального охлаждения. На помощь придут вентиляторы, а их включение обеспечит специальный датчик.
Он так и называется ”датчик включения вентиляторов” и расположен под радиатором. Когда происходит замыкание его контактов, эти приборы включаются, обеспечивая дополнительное принудительное охлаждение.
Спустя время, температура антифриза падает, и вентиляторы отключаются. Условно приемлемой для большинства ДВС считается показатель в районе 90 градусов, хотя некоторые термостаты рассчитаны на поддержание 87 градусов. Эффективная работа всей системы охлаждения в целом достигается применением вышеописанной схемы. Когда движок не разогрет, отвод тепла не требуется. Но при дальнейшей работе понадобится включение в охлаждающий процесс дополнительного оборудования.
Эффективность данной схемы
Производители не зря установили определенный температурный режим. Именно при нем тепловые зазоры являются оптимальными. Все это проявляет себя в поведении двигателя. Его мощность повышается, одновременно возрастает динамика и приемистость. В то же время, потребление топлива приходит в норму.
Задача системы охлаждения состоит не только в понижении температуры, но и в наиболее быстром прогреве – а это необходимо для того, чтобы он вышел на свой уровень производительности. Наиболее актуальна данная ситуация в холодную погоду. Вот почему существует разделение на большой круг и малый.
Уважаемые подписчики! Плохая циркуляция охлаждающей жидкости обязательно даст о себе знать, в некоторых случаях может помочь промывка системы. Это могут быть различные подтекания и влажные пятна, падение уровня антифриза в бачке, перегрев движка с потерей его динамики и т.п. Рекомендую чаще осматривать свое авто не только снаружи, но и под днищем кузова и в подкапотном пространстве. Мы еще вернемся к теме охлаждения, пока!
С уважением, автор блога Андрей Кульпанов
Просмотры:6002
0Нравится
Поделиться
Схема потока охлаждающей жидкости | SVTPerformance.
com
JavaScript отключен. Для лучшего опыта, пожалуйста, включите JavaScript в вашем браузере, прежде чем продолжить.
-
Автор темы
Турбо98 -
Дата начала
Турбо98
ФР500ТТ
Кто-нибудь может выложить схему потока охлаждающей жидкости? Я пытаюсь полностью понять, как охлаждающая жидкость течет через 10 шлангов в моей машине, лол.
Спасибо.
harvboi05
Активный член
хаха. за результаты.
антирис
Элемент
Если у вас такая же идея, как и у 96-98, то, насколько я понимаю, это довольно просто.
Верхний шланг, идущий к радиатору, не используется, термостат открывается. Другой шланг, выходящий из кроссовера, идет к корпусу термостата и идет в обход термоса к нижнему шлангу, выходящему из блока, чтобы завершить цикл. Как только машина прогрета до рабочей температуры (термо открыт) поток идет через верхний патрубок к радиатору, наружу. опустить шланг к корпусу термо и обратно в блок. Опять же, чтобы завершить цикл.
Турбо98
ФР500ТТ
Ну, это я понимаю. Также есть два шланга отопителя — один идет под впускным коллектором к водяному насосу, а другой — к задней части головок. Также есть шланг, идущий от расширительного бачка к корпусу t-stat, и я предполагаю, что по большей части он просто застаивается и предназначен только для расширения. Мне тоже не совсем понятен шланг, идущий от расширительного бачка к радиатору.
Я понимаю цикл, когда двигатель холодный, так как охлаждающая жидкость будет просто обходить радиатор.
В каком направлении течет охлаждающая жидкость через радиатор отопителя и всегда ли она течет? Кроме того, когда термостат открывается, что препятствует течению охлаждающей жидкости из трубки СС через перепускной шланг, минуя радиатор?
ModularSpeed
Suspension Guru
Поршень на термостате блокирует байпас.
Когда стат открывается, IIRC….байпас из переходной трубы блокируется….позволяя только охлаждающей жидкости из радиатора поступать в двигатель.
Мне нравится моя установка. Я избавился от всего этого скопления на нижнем шланге… и запустил t-stat в верхнем шланге. Мне удалось заблокировать сторону байпаса на переходной трубе.
антирис
Элемент
Значит охлаждающая жидкость постоянно течет через радиатор, как я понимаю? Я отправил тебе текстовое сообщение на прошлой неделе или около того, но так и не получил от тебя ответа.
Просто интересно, какой широкополосный вы в конечном итоге использовали.
CJK440
Активный член
Да, выходит из затылка и возвращается под впуск.
Шланг выдувает воздух из радара.
Имейте в виду, что пуск в нижнем шланге означает, что он регулирует температуру воды, поступающей в двигатель, в отличие от пуска в верхнем шланге, который регулирует температуру, поступающую в радиатор.
Отправлено с моего Vortex с помощью Tapatalk
ModularSpeed
Suspension Guru
Правильно. Я просверлил небольшие отверстия в стате… чтобы он не «полностью» протекал, а немного предотвращал повышение давления.
Другая интересная вещь, я думаю, что мне не нужно срыгивать систему…. Я просто заполнил ее и пошел дальше!
Мне гораздо больше нравится этот новый стиль, на который я перешел.
Кажется, что температура в кроссовере остается гораздо более стабильной и никогда не превышает 185.
Когда я запускал стандартную систему охлаждения, я видел 210+ температур в кроссовере на динамометрическом стенде.
Напиши мне еще раз, я не вижу твоего сообщения в своем телефоне broseph.
Последнее редактирование:
OCSnk
СейчасIESnk
ZeroDCX
Активный член
Спасибо, сэр! Я уверен, что это пригодится в ближайшем будущем.
Делиться:
Фейсбук
Твиттер
Реддит
Пинтерест
Тамблер
WhatsApp
Электронное письмо
Делиться
Соединять
Верх
A0 3116 схема потока охлаждающей жидкости?
Райан31783
Новый участник
Кто-нибудь имеет схему потока охлаждающей жидкости или знает, где ее найти? ТИА
Гайфанг
Модератор
Что такое АО 3116?
тренергео
Известный член
Гуйфан сказал:
Что такое АО 3116?
Нажмите, чтобы развернуть.
..
CAT 3116 найден в A0 (до A1) FMTV
Ронмар
Известный член
Я посмотрю, если смогу найти, я не думаю, что в руководстве есть очень простой, я думаю, что я собрал его из нескольких рисунков и просто посмотрел на систему. Хотя это достаточно легко описать.
Теплая охлаждающая жидкость выходит из головки в блок термостата. В этом двигателе используется перепускной термостат, поэтому в холодном состоянии охлаждающая жидкость выходит из нижней части блока термостата и проходит через переднюю часть двигателя, а затем вниз перед воздушным компрессором к масляному радиатору трансмиссии (на civi 3116 она будет возвращаться обратно в водяной насос). Он проходит через охладитель трансмиссии и возвращается на вход водяного насоса. От блока термостата идут 2 дополнительные трубки, одна к отопителю салона, другая к расширительному бачку охлаждающей жидкости.
Оба этих устройства имеют обратные линии к входу водяного насоса. Водяной насос подает охлаждающую жидкость прямо в переднюю часть блока цилиндров и через внутренний масляный радиатор, затем она течет обратно через блок вверх в головку, где собирает тепло и выходит обратно в блок термостата.
Когда двигатель достаточно прогреется, чтобы открыть термостат, он отводит байпасный поток от охладителя трансмиссии и направляет всю охлаждающую жидкость через большую трубу в верхнюю часть радиатора. Хладагент проходит вниз через радиатор, где охлаждается и выходит снизу. Оттуда он возвращается в охладитель трансмиссионного масла и на вход водяного насоса.
Имеется одна дополнительная линия от верха радиатора к расширительному бачку охлаждающей жидкости для продувки воздуха в бачок/самую высокую точку…
Обводная линия, ведущая к охладителю коробки передач, вот почему эти твари такие хладнокровные. В обычном коте теплая перепускная охлаждающая жидкость рециркулирует обратно в верхнюю часть водяного насоса и обратно через двигатель.
Они продолжают рециркулировать охлаждающую жидкость до тех пор, пока она не станет достаточно теплой, чтобы открыть термостат, и они прогреваются намного легче. По сути, вы отнимаете все тепло двигателя, чтобы прогреть трансмиссию, пока не сможете выработать достаточно тепла, чтобы компенсировать все эти потери…
Последнее редактирование:
Ронмар
Известный член
Я пропустил петлю… От блока термостата идет 3-я линия, которая идет к головке воздушного компрессора и обратно к входу водяного насоса…
Я также не встречал ни одной схемы системы охлаждения. Если вы посмотрите на детали системы охлаждения в руководстве 24P и прочитаете главу 6 в руководстве -20, вы сможете получить довольно хорошее представление о том, как это работает.
вот так я научился
Последнее редактирование:
УиллВагнер
Человек, о котором вас предупреждали в детстве
Система направляет охлаждающую жидкость к нижнему патрубку радиатора/радиатору трансмиссии в закрытом состоянии, чтобы охлаждающая жидкость + обтекала радиатор трансмиссии, чтобы трансмиссия не перегревалась. В теплом климате не так много, но в более прохладном климате можно большую часть времени держать стат закрытым и, в свою очередь, перегревать коробку передач. Это не уникально для FMTV, это характерно для большинства дизельных двигателей. Где-то в системе в контуре блока есть отводной диск, который измеряет и направляет охлаждающую жидкость в нижний патрубок радиатора при закрытом стате.
Ронмар
Известный член
Этот диск является частью термостата и связан с основным диском термостата.
..