Содержание
Состав и устройство АГЗС. Типы АГЗС.
Состав и устройство АГЗС регламентируется сводом правил «Станции автомобильные заправочные требования пожарной безопасности» СП 156.13130.2014.
Конструктивно системы АГЗС состоят из сосудов для хранения сжиженного газа, насосного блока с трубопроводами обвязки, газораздаточных колонок, систем противоаварийной безопасности и управления.
По устройству системы АГЗС можно разделить на следующие типы:
- АГЗС располагаемые в городской черте или вне её;
- системы с наземными или подземными резервуарами;
- с двустенными или одностенными резервуарами;
- по количеству насосных агрегатов на выдачу и слив из газовоза.
В зависимости от типа формируется стоимость газовой заправки.
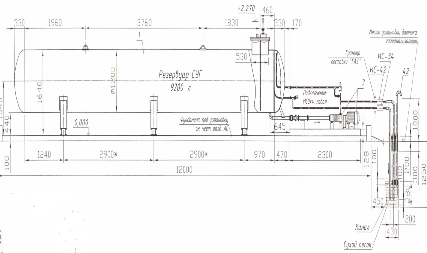
Резервуары СУГ
Резервуары СУГ применяемые при строительстве АГЗС выполняют одностенными или двустенными. В зависимости от требований архитектуры бывают наземного и подземного исполнений.
Применение двустенных емкостей требуется для существенного снижения расстояний от заправочной станции до объектов к ней не относящихся. Согласно правил к ним относятся следующие объекты:
- производственные и складские помещения,
- места массового скопления людей,
- лесные насаждения,
- автомобильные дороги,
- стоянки автомобилей,
- гаражные кооперативы,
- железные дороги,
- очистные и канализационные сооружения и насосные станции,
- здания и сооружения классов функциональной пожарной опасности Ф1 — Ф4
- наружные установки категорий АН, БН, ГН,
- здания и сооружения с наличием радиоактивных и вредных веществ I и II классов опасности по ГОСТ 12.1.007,
- линии электропередачи,
- электроподстанции (в том числе трансформаторные подстанции),
- склады (вне зданий) лесных материалов, торфа, волокнистых горючих веществ, сена, соломы, а также участки открытого залегания торфа.
В составе многотопливных автозаправочных комплексов (МТАЗС), там, где на одном объекте располагаются два или более видов топлива, применяются только двустенные емкости для СУГ.
Это регламентировано требованиями пожарной безопасности» СП 156.13130.2014.
Насосный блок
В насосном блоке АГЗС кроме насоса, предназначенного для выдачи СУГ на газораздаточную колонку, устанавливается насос для перекачивания газа из газовоза в парк хранения. Для этих целей ООО «РОДИС» применяет насосный агрегат Corken Z-2000.
Однако сливной насос можно не устанавливать, если он установлен на газовозе. Тогда слив осуществляется в подземные резервуары самотеком. Конструкция насосного блока изготавливаемого нашей компанией РОДИС позволяет осуществлять слив газа из газовоза при помощи насоса выдачи. Правда время слива в этом случае увеличивается ориентировочно в 2-3 раза.
Газораздаточные колонки
Газораздаточные колонки бывают двух типов. Работающие с возвратом паровой фазы в технологическую систему или работающие только по жидкой фазе. Колонки с возвратом паровой фазы в качестве измерительного устройства имеют в своем составе поршневой измеритель уровня.
За счет этого они имеют более высокий класс точности.
Хотите узнать больше про устройство АГЗС?
ЗАКАЖИТЕ БЕСПЛАТНЫЙ ЗВОНОК!
Указывайте номер мобильного телефона.
Системы безопасности
В состав устройств противоаварийной безопасности входят следующие элементы:
- электронный уровнемер,
- электромагнитные клапаны,
- датчики контроля межстенного пространства сосудов,
- газоанализаторы,
- датчики пламени,
- свето — звуковые оповещатели
- заземления автоцистерн.
Устройство электронного уровнемера позволяет ограничивать наполнение резервуаров до уровня 85% от геометрического объема. Это является одним из требований пункта 8.35 свода правил СП 156.13130.2014. Этим требованиям отвечают электронные уровнемеры СЕНСОР ПМП-201 и Струна+.
В состав АГЗС должны входить устройства, позволяющие прекратить операции по заполнению емкостей сжиженным газом, закрытие запорной арматуры на трубопроводах, соединяющих парк хранения с автоцистерной газовозом.
Для этого используются электромагнитные клапаны, которые по сигналу от щита автоматики перекрывают трубопроводы и прекращают наполнение резервуаров.
Контроль межстенного пространства сосудов выполняют с помощью датчиков давления или электроконтактных манометров. Второй вариант предпочтительнее, так как позволяет визуально наблюдать величину давления и передавать сигнал в систему автоматики.
Электроконтактные манометры имеют верхнюю и нижнюю уставки. Это позволяет снимать с них сигналы как по превышению, так и понижению давления в системе.
Газоанализаторы измеряют и выводят в щит автоматики сигнал о превышении предельно допустимой концентрации паров газа на АГЗС.
Устройства заземления автоцистерн на АГЗС необходимы для контроля качества заземления газовоза. Так как при плохом заземлении возможно возникновение статического электричества во время движения пропан – бутана по сливным рукавам автоцистерны. Применение устройства заземления автоцистерн в составе газозаправочной станции обязательно и регламентируется правилами СП 156.
13130. В наших технологических системах АГЗС мы используем высококачественную продукцию компании НПП СЕНСОР.
Щит автоматизации
Щит управления в составе АГЗС это устройство, собирающее информацию со всех датчиков и приборов, установленных на станции и управляющее ее работой в автоматическом режиме. Щит осуществляет обработку информации поступающей от систем противоаварийной защиты. Он осуществляет:
- индикацию уровня СУГ в емкостях,
- управление исполнительными механизмами,
- индикацию срабатывания защиты,
- световую сигнализацию режимов работы,
- звуковую сигнализацию в аварийных ситуациях.
В нашей линейке оборудования есть АГЗС модульного типа, которые отличаются от традиционной АГЗС тем, что все оборудование модуля выполнено на одной металличекой раме. Но и для неё, все принципы построения системы АГЗС выполняются.
Вход
Имя пользователя или Email *
Пароль *
Запомнить меня
Забыли свой пароль?
Блочная АЗС, блочные автозаправочные станции — БАЗС
Блочная АЗС (БАЗС) – это автозаправочная станция, технологическая система которой предназначена для заправки транспортных средств только жидким моторным топливом и характеризуется подземным расположением резервуаров и размещением топливораздаточной колонки над блоком хранения топлива, выполненным как единое заводское изделие.
Преимущества
- Для размещения АЗС блочного типа требуется небольшой участок, т.к. резервуар размещается под землей, а над ним располагается топливораздаточное оборудование.
- Установка БАЗС по цене в несколько раз дешевле, чем строительство традиционной или стационарной заправочной станции (Традиционная автозаправочная станция – это АЗС, технологическая система которой предназначена для заправки транспортных средств только жидким моторным топливом и характеризуется подземным расположением резервуаров и их разнесением с ТРК)
- Минимальный срок монтажа и ввода в эксплуатацию в сравнении со стационарной заправочной станцией.
- При выборе автоматической автозаправочной станции у Вас будет возможность полностью отказаться от оператора, тем самым сократить затраты на персонал.
АЗС блочного типа бывают как с оператором, так и без него. Если требуется полностью автоматическая АЗС, то мы готовы оснастить блочную АЗС терминалом самообслуживания.
Наш терминал самообслуживания может принимать денежные средства, банковские карты, карты собственной сети.
Если Вы хотите разместить автозаправочную станцию для торговли, то можете как альтернативу рассмотреть размещение контейнерной АЗС (КАЗС).
Заказать Блочную автозаправочную станцию (БАЗС)
Отправить заявку
Устройство
- Подземный резервуар с технологическим оборудованием для приема, хранения и выдачи топлива. Резервуар изготавливается в двустенном исполнении объемом от 50 м3 и от 1 до 4 видов топлива;
- Островок с топливораздаточной колонкой и технологическими отсеками;
- Навес с освещением и системами пожаротушения;
- Датчики уровня топлива;
- Датчики плотности и температуры топлива, а так же уровня воды в резервуаре;
- Информационная стела или электронное табло, где отображается цена на бензин и дизтопливо;
- Магазин и здание операторской (по желанию).

Схема блочной АЗС
Способы отпуска топлива
- С помощью оператора, через пульт дистанционного управления. На пульте в ручную задается вид топлива и необходимая доза. При этом все данные выводятся на персональный компьютер в операторской.
- Без оператора, автоматическая БАЗС с самообслуживанием. Отпуск происходит с помощью терминала. Терминал может принимать денежные средства, банковские карты и карты собственной сети.
Производство
Компания «Топливные Модульные Системы» производит и устанавливает АЗС блочного типа под ключ. Для Вас можем изготовить любую модификацию БАЗС в соответствии со всеми нормами пожарной безопасности.
Всех клиентов мы приглашаем на наше производство, где Вы сможете убедиться в качестве изготавливаемых блочных АЗС и других форматов мини АЗС (КАЗС, модульные заправочные станции, топливозаправочные пункты для предприятий и модули АГЗС).
Также есть возможность купить блочную АЗС в лизинг.
Размер первого взноса и сумму ежемесячного платежа рассчитает наш менеджер. Обращайтесь!
возврат к списку
Заказать
Блочную автозаправочную станцию (БАЗС)
Следите за этой схемой газовых насосов, иначе вы можете в конечном итоге платить за чужой бензин
Жизнь была довольно тяжелой для всех нас в течение последних двух лет, и большинство людей просто хотят передышки от невзгод текущих проблем. Среди проблем, с которыми столкнулся мир, есть довольно хорошие люди, которые все еще делают все возможное.
Кроме того, есть несколько гнилых душ, которые сознательно и преднамеренно изо всех сил стараются обмануть других и заставить их чувствовать себя несчастными.
Источник:
Pixabay
Машины необходимы, несмотря на то, что содержание их в рабочем состоянии стоит больших денег.
Цены на бензин снова выросли, и заправка этого бака отнимает огромную часть чьих-то сбережений.
Маленькая машина с маленькими двигателями, большие грузовики с массивными двигателями и все, что между ними, нуждается в том, чтобы работать.
Довольно просто. Подъезжайте к станции, выбирайте насос и получайте бензин.
Источник:
Ютуб
Но несколько негодяев придумали, как лишить трудолюбивых людей топлива. Меняя форсунки, они получают много бензина за счет с трудом заработанных денег ничего не подозревающего незнакомца.
Источник:
Ютуб
Заправочная станция ARCO в округе Сакраменто поймала подозреваемых благодаря камерам наблюдения.
Два водителя подъезжают к заправке на Уотт-авеню и Блэкфут-уэй, меняют местами форсунки, затем один уезжает, а другой ждет, пока какая-нибудь несчастная жертва заплатит за бензин.
Источник:
Ютуб
Начальник станции
Бобби Джол поделился видео и дал короткое интервью для распространения информации.
«Это было очень быстро, всего за секунду, — сказал Джол.
— Но теперь вы видите, что шланг проходит через насос, а не сбоку».
Джол рассказал, что когда случайные люди останавливались, чтобы начать заправку, подозреваемый также включал свой счетчик, рассчитывая на то, что жертвы не заметят, что они платят за его бензин.
Источник:
Ютуб
Сумасшедшие времена, в которые мы живем.
Если вы можете позволить себе машину, то вы должны быть в состоянии тратить на текущие расходы. Но, конечно, всегда будут мошенники и мошенники, поэтому обратите внимание на сообщение Джола.
Источник:
Ютуб
Полиция теперь напоминает клиентам, что нужно уделить время и убедиться, что шланг их насадки подсоединен к нужному насосу. Никто никогда не проверяет, поэтому мы не можем винить жертв.
Источник:
Ютуб
По словам Джола, еще один способ сделать это — запустить и остановить насос и проверить счетчик. Если ваш глюкометр остановится, значит, вы готовы к работе, так что продолжайте качать.
С тех пор станция вернула деньги клиентам, пострадавшим от мошенничества.
«Я знаю, что люди переживают трудные времена, но они есть у всех. Так что не обманывай своего соседа, — сказал Джол.
Просто и мудро. Работайте усердно и будьте честны, в основном.
Источник:
Ютуб
Есть много других способов стать жертвой мошенничества на заправочных станциях, так что будьте внимательны и изучайте их. В некоторых странах есть заправщики, которые качают бензин для клиентов, так что не будьте слишком доверчивы.
Это были тяжелые два года, но держись. Не о чем беспокоиться, когда живешь честной жизнью.
Посмотрите видео ниже, чтобы быть в курсе этой новой аферы!
Пожалуйста, ПОДЕЛИТЕСЬ этим со своими друзьями и семьей.
Ютуб
Ежедневный Адвент
Чтобы узнать больше, ознакомьтесь с нашими редакционными стандартами.
[email protected]
Эдуардо Гаскелл является сотрудником SBLY Media.
6 Крупнейшие мошенники на АЗС.html
Быстрые и хитрые уловки, которые используют мошенники на АЗС: Internet Scambusters #665
Когда вы останавливаетесь, чтобы заправиться на АЗС, вы можете оказаться во власти любого из количество мошенничеств.
Некоторые из них авантюристичны и происходят за считанные секунды, а другие тщательно спланированы и изобретательны, как мы объясняем в выпуске этой недели.
У нас также есть предупреждение о поддельном электронном письме о возмещении, целью которого является загрузка вируса на ваш компьютер.
Итак, поехали…
Большинство из нас — постоянные посетители заправочных станций, и мы въезжаем и выезжаем, не задумываясь об опыте.
Но дело в том, что каждый раз, когда вы совершаете пит-стоп для дозаправки, вы потенциально подвергаетесь риску мошенничества с заправочной станцией.
И, как и в большинстве мошеннических тем, постоянно появляются новые уловки.
Вам нужно быть начеку, и первый шаг — это знать, на что обращать внимание. Итак, на этой неделе мы предлагаем вам список из 6 самых распространенных мошеннических схем на заправочных станциях.
Скимминг
Начнем, наверное, с самого распространенного трюка — скимминговых устройств, подключенных к считывателям платежных карт.
Они накладываются на слот для карт машин, и их часто очень трудно обнаружить.
Они крадут всю информацию о держателях карт, включая с помощью скрытых камер их PIN-коды.
Действие: Некоторые заправочные станции наклеивают наклейки или пломбы на край устройства чтения карт, чтобы вы могли проверить, не были ли они подделаны.
В противном случае проверьте слот для карты, чтобы убедиться, что он соответствует остальной части считывающего устройства.
Скиммеры часто прикрепляются неплотно, поэтому легкое потягивание за горловину слота может сместить его.
Прикрывайте клавиатуру другой рукой при вводе PIN-кода, чтобы камера не могла его прочесть.
Если вы чувствуете себя неловко, заплатите наличными или зайдите в офис заправочной станции и заранее заплатите своей картой.
Переключение насосов
Если вы не будете бдительны, то можете в конечном итоге заплатить за заправку чужой машины, если станете жертвой переключения насосов.
В этой относительно новой афере мошенники переключают шланги с одной стороны насоса на другую, а затем ждут прибытия жертвы.
Жертва кладет насадку в свою машину, нажимает на курок и наблюдает, как вращаются циферблаты счетчика помпы.
Кажется, все в порядке. Но вот что произошло на самом деле:
Когда жертва нажала на курок, из его шланга не вытекало топливо, потому что он присоединен к другой стороне насоса, где не было выбора топлива. Машина ждет выбора.
Тем временем шланг, который на самом деле принадлежит его насосу, находится с другой стороны, доставляя его бензин в бак мошенника. Мошенник уезжает до того, как его афера раскрывается.
Действие: Быстрая проверка зрения — все, что вам нужно, чтобы избежать этого трюка.
Обращайте внимание на растянутые шланги и убедитесь, что вы можете визуально отследить весь путь от вашего автомобиля до вашей стороны насоса.
Мошенники в бедственном положении
Когда вы стоите без дела, пока ваш бензобак заправляется, это делает вас сидячей мишенью для попрошаек, которые околачиваются возле заправок и сервисных площадок и рассказывают душераздирающие истории для всех, кто готов их слушать.
Обычно они говорят, что им нужны деньги на бензин, чтобы навестить безнадежно больного родственника, но, поскольку на большинстве заправок есть магазин, они могут сказать, что им нужна еда.
Более изощренные мошенники могут указать на машину с детьми в кузове, которые, как вам скажут, отчаянно хотят есть, а жертва может сказать, что забыла бумажник дома.
Действие: Может быть трудно сказать «нет», но обычно это лучший ответ. Если вы действительно чувствуете, что должны помочь, предложите купить бензин или еду, а не давать деньги.
Похитители кошельков
Пока ваше внимание сосредоточено на заправке, или, может быть, вы даже платите за бензин внутри, что происходит с теми ценностями, такими как ваша сумочка, которые вы оставили на пассажирском сиденье?
Вору требуется всего несколько секунд, чтобы открыть дверь или дотянуться до окна и унести их прочь.
Действие: Не оставляйте вещи напоказ в машине. Закрывайте окна, если в машине никого нет, и запирайте ее, если вам нужно зайти внутрь, чтобы заплатить.
Газовые аферисты
Нечестные работники заправочных станций и даже некоторые владельцы прибегают к всевозможным уловкам, чтобы завысить или недоставить топливо.
К ним относятся насосы, которые были «подправлены» для получения коротких и фальшивых показаний — иногда даже с суммированием центов, когда насадка даже не была вставлена в резервуар.
В других случаях, когда заправочные станции предлагают скидку при оплате наличными, операторы заправок могут нажать кнопку «кредит», чтобы жертвы, платящие наличными, неосознанно платили по кредитной карте.
Следователи, которые следили за этим типом насосов с двойной ценой на заправочной станции в Лонг-Айленде, видели, как эта афера неоднократно проворачивалась, но ни один автомобилист не заметил уловки.
Путешественники в Мексике также сообщают о командах мойщиков ветрового стекла, которые собираются вокруг автомобиля, чтобы владелец не мог видеть показания насоса, когда он останавливается меньше, чем они заплатили (в Мексике автомобилисты обычно платят фиксированную сумму заранее, прежде чем они начать качать).
Действие: Внимательно следите за насосом во время заправки и требуйте квитанцию (которую следует тщательно проверить).
Если кажется, что счетчик топлива и оплаты работает, когда форсунка не работает, сообщите об этом работнику заправочной станции и, при необходимости, в отдел мер и весов вашего штата.
В некоторых случаях — и вы можете увидеть примеры этого на YouTube — автомобилисты фактически снимали на телефон видео, на которых счетчики увеличивают расходы, когда автомобиль не заправляется топливом, — ценные доказательства, если вы подадите жалобу.
Короткие смены
Эта афера более распространена за пределами США, особенно там, где обслуживающий персонал заправляет вам бензин.
Это быстро переключающиеся артисты, которые заявят, что вы дали им купюру меньшего номинала, чем на самом деле, и покажут вам ее в доказательство своего утверждения, прикарманив ваши настоящие деньги.
Действие: Перед оплатой наличными поднимите купюру(-и) и вслух назовите ее номинал перед тем, как отдать ее.
Предупреждение недели
Электронное письмо, в котором утверждается, что возмещение, на которое вы предположительно имеете право, каким-то образом было заблокировано или не выполнено, доставит неприятный сюрприз, если вы нажмете на вложение, в котором предположительно содержится подробная информация о проблеме.
Сообщение озаглавлено примерно так: «Ошибка возврата», за которым следует номер «перевод ACH». ACH — это организация, которая контролирует переводы средств между банками.
Далее в сообщении содержится просьба к получателям «просмотреть представленный здесь документ, чтобы получить дополнительные сведения об этой передаче».

— Но теперь вы видите, что шланг проходит через насос, а не сбоку».