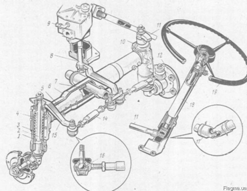
Рулевое управление трактор МТЗ Рулевое управление МТЗ состоит из трех основных
Разумеется, если бы поворот полностью зависел лишь от
ГУР устанавливается на стальном брусе и соединяется с
Запчасти на рулевое управление МТЗ Иногда,рулевое управление МТЗ-80 начинает работать
Чтобы надежно осмотреть рулевое управление МТЗ-82,
Устройство нужно прикрепить к рулю и задать необходимые
Рулевое управление МТЗ состоит из трех основных компонентов – привода, рулевого колеса, гидравлического усилителя руля (ГУР). Назначение рулевого колеса известно всем – это манипулятор, при помощи которого водитель управляет поворотами передней пары колес. Подробнее.. Рычаг 72-2308075-01 рулевой левый с ГОРу трактора МТЗ-82 Рулевое управление трактора МТЗ-80, 82 служит для изменения и сохранения выбранного направления движения.
Рычаг 72-2308074 рулевой правый с ГОРУ трактора МТЗ-82 Рулевое управление трактора МТЗ-80, 82 служит для изменения и сохранения выбранного направления движения. Основным способом изменения направления движения является поворот в горизонтальной плоскости передних направляющих колес относительно задних.
Установка насос дозатора с ГУРа на ГОРУ трактора МТЗ-80 Одно из преимуществ гидрообъемного управления – возможность установки соединяемого с рулевой колонкой и силовым цилиндром гибкими трубопроводами насоса-дозатора в различных частях машины.
Рулевая тяга 1220-3003010 под гидроцилиндр с ГОРУ трактора МТЗ-82 Рулевое управление трактора МТЗ-80, 82 служит для изменения и сохранения выбранного направления движения. Основным способом изменения направления движения является поворот в горизонтальной плоскости передних направляющих колес относительно задних.
Кронштейн 102-2301023-01 гидроцилиндра ЦС-50 трактора МТЗ-82 Рулевое управление трактора МТЗ-80, 82 служит для изменения и сохранения выбранного направления движения. Основным способом изменения направления движения является поворот в горизонтальной плоскости передних направляющих колес относительно задних.
Гидробак для установки насос дозатора трактора МТЗ-80/82 Гидробак применяется при переоборудовании рулевого управления трактора МТЗ с гидроусилителя руля на гидрообъёмное рулевое управления. На гидробаке установлен кронштейн с валиком, для крепления насоса-дозатора, также предусмотрен щуп, измерения уровня масла.
Гидроцилиндр рулевой Ц50-3405215 под ГОРу трактора МТЗ-80/82 Рулевое управление трактора МТЗ-80, 82 служит для изменения и сохранения выбранного направления движения. Основным способом изменения направления движения является поворот в горизонтальной плоскости передних направляющих колес относительно задних.
Кронштейн 85-3401120 рулевой колонки с ГОРУ трактора МТЗ-80/82 Рулевое управление трактора МТЗ-80, 82 служит для изменения и сохранения выбранного направления движения.
Рычаг 70-3001040-01 рулевой левый с ГОРУ трактора МТЗ-80 Рулевое управление трактора МТЗ-80, 82 служит для изменения и сохранения выбранного направления движения. Основным способом изменения направления движения является поворот в горизонтальной плоскости передних направляющих колес относительно задних.
Рычаг 70-3001040 рулевой правый с ГОРУ трактора МТЗ-80 Рулевое управление трактора МТЗ-80, 82 служит для изменения и сохранения выбранного направления движения. Основным способом изменения направления движения является поворот в горизонтальной плоскости передних направляющих колес относительно задних.
Кронштейн Ф80-3001011 гидроцилиндра ЦС-50 трактора МТЗ-80 Рулевое управление трактора МТЗ-80, 82 служит для изменения и сохранения выбранного направления движения. Основным способом изменения направления движения является поворот в горизонтальной плоскости передних направляющих колес относительно задних.
Комплект для установки насос дозатора на ГУР трактора МТЗ-80/82 Одно из преимуществ гидрообъемного управления – возможность установки соединяемого с рулевой колонкой и силовым цилиндром гибкими трубопроводами насоса-дозатора в различных частях машины. Чаще всего насосно-дозаторное устройство устанавливают на корпус гидроусилителя или на крышку клапанов головки цилиндров, используя для фиксации насоса их элементы крепления.
Вал 80-3401052Б привода рулевого трактора МТЗ-80 Рулевое управление трактора МТЗ-80, 82 служит для изменения и сохранения выбранного направления движения. Основным способом изменения направления движения является поворот в горизонтальной плоскости передних направляющих колес относительно задних.
Насос дозатор DOC50AD (ТМ «Салео» Белоруссия) трактора МТЗ-320 Насос дозатор рулевого управления DOC50AD используется для равномерной подачи рабочей жидкости в систему гидропривода рулевого управления сельскохозяйственных машин и белорусских тракторов МТЗ.
Вал рулевой 70-3401074-Б трактора МТЗ-80/82 Рулевое управление трактора МТЗ-80, 82 служит для изменения и сохранения выбранного направления движения.
Вал 50-3405047 ГУР трактора МТЗ-80/82 Рулевое управление трактора МТЗ-80, 82 служит для изменения и сохранения выбранного направления движения. Основным способом изменения направления движения является поворот в горизонтальной плоскости передних направляющих колес относительно задних.
Вал 80-3401072 управления рулевого трактора МТЗ-80/82 Рулевое управление трактора МТЗ-80, 82 служит для изменения и сохранения выбранного направления движения. Основным способом изменения направления движения является поворот в горизонтальной плоскости передних направляющих колес относительно задних.
Вал рулевой 70-3401055 промежуточный трактора МТЗ-80/82 Рулевое управление трактора МТЗ-80, 82 служит для изменения и сохранения выбранного направления движения. Основным способом изменения направления движения является поворот в горизонтальной плоскости передних направляющих колес относительно задних.
Втулка 80-3401070 рулевого управления трактора МТЗ-80/82 Рулевое управление трактора МТЗ-80, 82 служит для изменения и сохранения выбранного направления движения. Основным способом изменения направления движения является поворот в горизонтальной плоскости передних направляющих колес относительно задних.
Втулка 50-3405026 регулировочная трактора МТЗ-80/82 Рулевое управление трактора МТЗ-80, 82 служит для изменения и сохранения выбранного направления движения.
Втулка 50-3405029 верхняя трактора МТЗ-80/82 Рулевое управление трактора МТЗ-80, 82 служит для изменения и сохранения выбранного направления движения. Основным способом изменения направления движения является поворот в горизонтальной плоскости передних направляющих колес относительно задних.
Втулка 50-3405032 нижняя трактора МТЗ-80/82 Рулевое управление трактора МТЗ-80, 82 служит для изменения и сохранения выбранного направления движения. Основным способом изменения направления движения является поворот в горизонтальной плоскости передних направляющих колес относительно задних.
Вилка 85-3401156-Б привода рулевого управления трактора МТЗ-80/82 Рулевое управление трактора МТЗ-80, 82 служит для изменения и сохранения выбранного направления движения. Основным способом изменения направления движения является поворот в горизонтальной плоскости передних направляющих колес относительно задних.
Кардан 50-3401060 рулевого управления трактора МТЗ-80/82 Рулевое управление трактора МТЗ-80, 82 служит для изменения и сохранения выбранного направления движения. Основным способом изменения направления движения является поворот в горизонтальной плоскости передних направляющих колес относительно задних.
Кардан 85-3401150 рулевой трактора МТЗ-80/82 Рулевое управление трактора МТЗ-80, 82 служит для изменения и сохранения выбранного направления движения.
Колесо рулевое 80-3402015 трактора МТЗ-80/82 Рулевое управление трактора МТЗ-80, 82 служит для изменения и сохранения выбранного направления движения. Основным способом изменения направления движения является поворот в горизонтальной плоскости передних направляющих колес относительно задних.
Крестовина кардана в сборе 50-3401062 трактора МТЗ-80/82 Рулевое управление трактора МТЗ-80, 82 служит для изменения и сохранения выбранного направления движения. Основным способом изменения направления движения является поворот в горизонтальной плоскости передних направляющих колес относительно задних.
Маслопровод 50-3407080 гидроусилителя руля трактора МТЗ-80/82 Рулевое управление трактора МТЗ-80, 82 служит для изменения и сохранения выбранного направления движения. Основным способом изменения направления движения является поворот в горизонтальной плоскости передних направляющих колес относительно задних.
Маслопровод 70-3404140-Б трактора МТЗ-80/82 Рулевое управление трактора МТЗ-80, 82 служит для изменения и сохранения выбранного направления движения. Основным способом изменения направления движения является поворот в горизонтальной плоскости передних направляющих колес относительно задних.
| ГидрооборудованиеЗапчасти к козловым кранамКомандоконтроллеры QT, RT, XKBA, XKDF, YJЗапчасти для гусеничных крановГидротолкатели типа ТЭ или ТЭГОпорно-поворотное устройствоЗапасные части для автопогидродъемниковЗапчасти для кранов-манипуляторовЗапчасти к автокранамЗапчасти для железнодорожных крановЗапчасти к тракторамЗапчасти к погрузчикамРезинотехнические изделия (РТИ) для спецтехникиЗапчасти для бурильно крановых машинЗапчасти для башенных кранов КБ-100…572БПромышленная фурнитураКоробки отбора мощностиЗапчасти АмкадорГидромоторы и ГидронасосыwтестАвтогрейдер ДЗ-98 |
Рулевые управления МТЗ 80 в Астрахани: 380-товаров: бесплатная доставка, скидка-33% [перейти]
Партнерская программаПомощь
Астрахань
Каталог
Каталог Товаров
Одежда и обувь
Одежда и обувь
Стройматериалы
Стройматериалы
Текстиль и кожа
Текстиль и кожа
Здоровье и красота
Здоровье и красота
Детские товары
Детские товары
Электротехника
Электротехника
Продукты и напитки
Продукты и напитки
Дом и сад
Дом и сад
Мебель и интерьер
Мебель и интерьер
Торговля и склад
Торговля и склад
Сельское хозяйство
Сельское хозяйство
Все категории
ВходИзбранное
Ремкомплект пальцев рулевых ЦС-50 МТЗ—80 (2 пальца, 2 корончатых гайки) | Ф80-3405111-Г
В МАГАЗИН
-33%
1 263
1888
Рычаг поворотный (рулевой) ЗВМ МТЗ—80 правый | 70-3001040
В МАГАЗИН
Рычаг поворотный (рулевой) ЗВМ МТЗ—80 правый | 70-3001040
В МАГАЗИН
Вал рулевого управления (кардана) МТЗ | 80-3401072
В МАГАЗИН
-14%
2 139
2476
Рычаг поворотный (рулевой) ЗВМ МТЗ—80 левый двойной | 70-3001040-01
В МАГАЗИН
Рычаг поворотный (рулевой) ЗВМ МТЗ—80 левый двойной | 70-3001040-01
В МАГАЗИН
Вал карданный рулевой 80-3401072 МТЗ ВЗТЗЧ
ПОДРОБНЕЕ
Кронштейны крепления (2 шт.
) 2-х стороннего рулевого гидроцилиндра МТЗ—80
ПОДРОБНЕЕ
Пальцы рулевые МТЗ—80 под ГОРУ (2 шт.)
ПОДРОБНЕЕ
Тяга рулевая МТЗ-1221/82/80 под гидроцилиндр 1220-3003010
ПОДРОБНЕЕ
Втулка 80-3401106 рулевой стойки МТЗ
ПОДРОБНЕЕ
10 740
50-3405215А Гидроцилиндр рулевой МТЗ (Ц50-25-200),(без пальцев), Беларусь Тип: гидроцилиндр
ПОДРОБНЕЕ
Запчасти МТЗ AMZ Колесо рулевое МТЗ-82,-1221, голое (А) 80-3402015 Производитель: Минский
ПОДРОБНЕЕ
Сошка рулевая МТЗ—80 (толстая) Тип: тяга рулевая, Производитель: BELARUS, Модель автомобиля: МТЗ 80
ПОДРОБНЕЕ
Мтз 80Рулевые управления МТЗ
Ремкомплект МТЗ—80,82 крепления насоса-дозатора к ГУР РК, 70-3400020-05, руслан-комплект
ПОДРОБНЕЕ
70-3400020-05, Ремкомплект МТЗ—80,82 крепления насоса-дозатора к ГУР РК Производитель:
ПОДРОБНЕЕ
Комплект переоборудования МТЗ под стартер без замены маховика РФ — Slovak арт.
Плита под стартер МТЗ—80, МТЗ-82 с шестерней бендикса
ПОДРОБНЕЕ
717 Ремкомплект наконечника рулевой тяги МТЗ—80 (с пальцем) Тип: наконечник рулевой тяги, Модель
ПОДРОБНЕЕ
Гидроцилиндр Ц50-3405215-А МТЗ—80/82 Тип: гидроцилиндр, Марка спецтехники: МТЗ
ПОДРОБНЕЕ
Ремкомплект наконечника рулевой тяги МТЗ—80/82, ЮМЗ, Т-40 с пальцем Тип: наконечник рулевой тяги,
ПОДРОБНЕЕ
Наконечн.рул.тяги А35.32.000-А-01 лев.(шарнир) МТЗ—80,82,Т-40 Тип: наконечник рулевой тяги, Модель
ПОДРОБНЕЕ
Комплект: насос-дозатор Д160-14.20-02 и валик переходной МТЗ, ЮМЗ, МТЗ—80, МТЗ-82, ЛТЗ, ВТЗ, Т-16, Т-25, Т-40 и т.д. со штуцерами, шайбами и прокладкой в комплекте — HYDRAULIC арт. Д100(160)-14.20-02 с валиком
ПОДРОБНЕЕ
Ремкомплект МТЗ—80/82 наконечника рулевой тяги ЮМЗ, Т-40 с пальцем А717 — арт.
А717 Тип: наконечник
ПОДРОБНЕЕ
Ремкомплект МТЗ—80 ГУР (полный) (№707) РК Модель автомобиля: МТЗ 80
ПОДРОБНЕЕ
Ф80-3405111 Палец МТЗ—80 рулевого гидроцилиндра Ц50, взтзч Производитель: CF, Модель автомобиля:
ПОДРОБНЕЕ
Маслопровод Мтз—80,82 Гидроусилителя Рулевого Управления Руп Мтз 70-3407130 merchantCountBpg2: 0,
ПОДРОБНЕЕ
Шайба МТЗ управления рулевого РУП МТЗ Ф80-3407114 МТЗ Производитель: Минский Тракторный Завод
ПОДРОБНЕЕ
Гидроцилиндр профмаш Гидроцилиндр МТЗ—80,532,620,900,1221 рулевой 50х25х200 (без пальцев) под гору профмаш
ПОДРОБНЕЕ
80-3003010-02 Тяга рулевая МТЗ-82 в сборе под ГУР L-595мм между осями шарниров L-525мм М24 — Минский тракторный завод арт. 80-3003010-02
ПОДРОБНЕЕ
17 000
Рулевая МТЗ привод 80-3401010 МТЗ—80/82 бзтдиа Производитель: BELARUS, Назначение: рулевая, Модель
ПОДРОБНЕЕ
Насос-дозатор Д100-14.
20-02 МТЗ-82 80 Т-25 Т-16 Т-40 и тд. со штуцерами и шайбами в комплекте — HYDRAULIC арт. Д100-14.20-02
ПОДРОБНЕЕ
Насос водяной (помпа) МТЗ , МТЗ—80, МТЗ-82 (Д-242, 243,244, 245.5) (шкив 1 ручей) — SPILE арт. 240-1307010-А1
ПОДРОБНЕЕ
Палец шаровой МТЗ-1221, МТЗ—80,82 с гору AMZ 1220-3003021 — AMZ арт. 1220-3003021 Тип автотехники:
ПОДРОБНЕЕ
Гидроцилиндр рулевой Ц50-3405215-01 с пальцами в комплекте МТЗ 80/82 Ц50 ЦС50 ГЦ50 ГОРу — HYDRAULIC арт. Ц50-3405215-01
ПОДРОБНЕЕ
Амортизатор привода рулевого управления Трактор МТЗ 80-3401104 — арт. 80-3401104. Производитель:
ПОДРОБНЕЕ
Колесо рулевое МТЗ—80, 82, 082, 1221 озаа Производитель: Осиповичский завод автомобильных
ПОДРОБНЕЕ
Карданчик рулевой МТЗ—80/82 — арт. 50-3401060кард Тип: кардан рулевой, Производитель: Без бренда,
ПОДРОБНЕЕ
Запчасти МТЗ (А) Сошка рулевая МТЗ—80 тонкая с двумя выемками (А) 52-3405042 Производитель: Минский
ПОДРОБНЕЕ
Наконечник рулевой тяги комплект левый/правый МТЗ 80,82 бренд «Master Part» А35.
32.000А/А35.32.000А-01
ПОДРОБНЕЕ
Амортизатор МТЗ привода управления рулевого 80-3401104 merchantCountBpg2: 0, cashback: 1,
ПОДРОБНЕЕ
46 530
Механизм рулевой МТЗ—80,82 ГУР бзтдиа № Производитель: BELARUS, Модель автомобиля: МТЗ 80
ПОДРОБНЕЕ
Рукав высокого давления рулевого гидроцилиндра Ц50 (L=590 мм), МТЗ—80.1,-82.1 Тип: рукав высокого
ПОДРОБНЕЕ
Комплект уплотнительных колец рулевого управления МТЗ—80,-82 (кольца) Ру-К МТЗ-РК 1958 — AMZ арт. 1958
ПОДРОБНЕЕ
Втулка вала рулевого управления (с ГУР) МТЗ—80, 80-3401070 Модель автомобиля: МТЗ 80
ПОДРОБНЕЕ
Запчасти МТЗ AMZ Вал карданный рулевого управления МТЗ-82 (А) 80-3401072 Тип: кардан рулевой,
ПОДРОБНЕЕ
Втулка рулевого вала МТЗ AMZ 80-3401106 — AMZ арт.
80-3401106 Тип: втулка, Производитель: Москва,
ПОДРОБНЕЕ
17 387
85-3401010 Привод МТЗ-1221 механизма рулевого под гору бзтдиа — Минский тракторный завод арт. 85-3401010
ПОДРОБНЕЕ
Ремкомплект МТЗ—80,82,532,620,900,1221 пальцев гидроцилиндра рулевого (комплект 2шт.) Профмаш Ц50-3405215*РК
ПОДРОБНЕЕ
2 страница из 13
Рулевые управления МТЗ 80
Джексон Усилитель руля | Индивидуальный усилитель руля для тракторов и оборудования
Юбилей Дэйва Сэмюэлса
Дорогой Роланд! Хотел, чтобы вы знали, насколько хорошо работает усилитель руля, так как вы прислали мне комплект. С вашей помощью установка прошла легко (так больше никто не делает (помогает)!!) — и уже год езжу на ней абсолютно без проблем. Я могу управлять пальцем, работает как шарм. Просто […]
861 Powermaster Ли Пича
1310 Стэна Шатни
Безусловно, улучшение рулевого управления. Спасибо, Стэн
NAA
Джерри Хронингера показывает, насколько легко управлять автомобилем одним пальцем после установки гидроусилителя руля Jackson.
750 John Deere Терри Оуэна
Роланд, вот фотографии моего 750 John Deere с гидроусилителем руля Jackson. Комплект установлен. Это прекрасно работает! Пожалуйста, не стесняйтесь поделиться своим удовлетворением.
Ray Levesque’s 8N
Мистер Джексон, еще раз спасибо за дополнительные скобки. (Отличное обслуживание) Очень горжусь тем, что ваш блок управления JPS на моем 1952 8н. В течение долгого времени я спрашиваю многих людей в этом районе, возможен ли усилитель рулевого управления на моем тракторе 8N. Все возможности добавят много оборудования, которое уберет […]
Гейл Браун 8N
Роланд, мне очень нравится усилитель руля на моем 8N! Я думаю, вы можете сказать, что любой может установить его, даже 80-летний мужчина. Gayle Brown
Dave Gresen’s 8N
Привет, Роланд, извини, что не ответила тебе раньше, но я хотела хорошенько потренировать трактор, прежде чем оценивать его. Я был немного обеспокоен тем, что загрузчик может потерять некоторые возможности.
Он по-прежнему обладает достаточной грузоподъемностью. В любом случае, раньше было слишком много. Рулевое управление действительно легкое, даже […]
John Deere 750 Utility Луанны Мазуранич
Брюс Мазуранич приобрел комплект гидроусилителя руля JPS для трактора John Deere Utility 750 своей жены. Я был так счастлив получить это сообщение от Брюса с изображением его жены на тракторе John Deere! Роланд, Усилитель руля успешно установлен на трактор жены. Фотография счастливой жены […]
8N Боба Мезенбринка
Усилитель рулевого управления Jackson для моего Ford 8N того стоил. У него возникли некоторые проблемы с рулевым управлением, которые пришлось решать, и после нескольких лет наблюдения за этим обновлением эти проблемы послужили для меня стимулом (извините?) сделать это. Вождение 8N с погрузчиком всегда было связано с рулевым управлением. Хорошие шины в […]
John Deere 850 Говарда Сандерса
Роланд, Прилагаю фотографию моего John Deere 850.
С декой и весом двигателя на передние колеса было очень трудно поворачивать. Теперь это можно сделать одним пальцем. Это отличный продукт, даже мой дилер JD был впечатлен. С уважением, Ховард Сандерс, Ангола, IN
Norm Kolb’s Ford 861
Роланд. Вчера я закончил установку комплекта гидроусилителя руля на свой Ford 861, и он работает отлично. Я потратил на это довольно много времени, в основном потому, что работаю медленно и трачу много времени на поиск неуместных инструментов, исправление ошибок и т. д. Я также потратил некоторое время на планирование […]
Погрузчик для опыления урожая Энди Детеринга
В прошлом году Энди Детердинг из компании Andy Deterding Ag Aviation (http://andydeterdingagaviation.com) связался со мной по поводу использования одного из моих гидростатических блоков рулевого управления JPS для управления установленным на грузовике погрузочным патрубком, чтобы он мог безопасно заполните его самолеты для опыливания урожая сухим удобрением.
Это будет пятый узел загрузки удобрений Энди, который он построил… первый с использованием гидростатического рулевого управления JPS […]
8N Дэйва Дуодейо
Я просто хочу, чтобы вы знали, что я использовал ваше рулевое управление с усилителем более 8 лет на мой 48 8n работает безупречно. Первоначально мне пришлось усилить рулевые тяги и монтажные кронштейны, но это было ожидаемо для того, для чего я использовал погрузчик. Еще раз спасибо […]
NAA Джейкоба Ванатора
Мистер Джексон, я только что закончил установку гидроусилителя руля и просто хотел выразить свою благодарность. Система работала именно так, как вы сказали, и мне очень нравится усилитель руля. Спасибо за ваше время. С уважением, Джейкоб Ванатор
Мюррей Бойкофф Джон Дир 950
Я отправил вам несколько фотографий восстановленного нами трактора. Еще раз отличный продукт. Спасибо вам и всему вашему персоналу. Мюррей Бойкофф
Ford 1300 Джоэла Ланца
Усилитель руля, который вы сделали для моего трактора, работает очень хорошо.
Это может просто спасти мое плечо от операции.
Ford Билла Маккроски
Это то, что Билл Маккроски сказал об усилителе рулевого управления Jackson, который он установил на свой недавно восстановленный Ford Tractor. Как видите, он снова сделал свой трактор новым, и усилитель руля стал долгожданным обновлением. Билл прислал мне эту фотографию своего трактора Ford, помогающего установить платформу пикапа для […]
860 Ford
Недавно я установил гидроусилитель руля на трактор Ford 860. Этот конкретный трактор поставлялся с заводским гидроусилителем руля. Однако рулевое управление перестало работать, и владелец снял рулевые цилиндры и попытался управлять им вручную… что было практически невозможно. Итак, я переоборудовал рулевые цилиндры JPS, чтобы приспособить их к оригинальной тормозной тяге […]
KSN Channel 3 недавно показал историю о Роланде и его бизнесе по производству гидроусилителей руля, который намного больше, чем просто бизнес.
Нажмите здесь, чтобы посмотреть видео.
JPS Представлено в новостях канала 3 KSN
01 апреля 2021
На канале 3 KSN недавно был опубликован сюжет о Роланде и его бизнесе по производству гидроусилителей руля, который намного больше, чем просто бизнес. Нажмите здесь, чтобы посмотреть видео.
Читать полностью
Опубликовано в Новости, Видео
Юбилей Дэйва Сэмюэлса
28 марта 2021
Дорогой Роланд, Хотел узнать, насколько хорошо работает усилитель руля, так как вы прислали мне комплект . С вашей помощью установка прошла легко (так больше никто не делает (помогает)!!) — и уже год езжу на ней абсолютно без проблем. Я могу управлять пальцем, работает как шарм. Просто […]
Прочитать статью полностью
Опубликовано в Избранные, Довольные клиенты
Сообщение от Роланда Джексона…
Основная цель Jackson Power Steering — предоставить уникальные модификации рулевого управления с усилителем для классических тракторов. Наша цель – заслужить ваше доверие и уважение, работая с вами честно и прямо.
Мы знаем, что у вас есть выбор, с кем вести дела, и мы надеемся, что вы будете выбирать нас снова и снова, чтобы помочь вам с модернизацией и восстановлением вашего трактора.
Для заказа позвоните по телефону 620-357-6546 или напишите нам по адресу [email protected]
-Roland Jackson
Другие поставщики
- Продукты Genesee
- Просто 8N
- Ред Рок Производитель
- Ферма и машина Windy Ridge
Публикации
- Журнал Farm and Ranch
- Журнал о фермах
- Журнал новостей N
Аккредитация BBB
Любители тракторов
- Общество коллекционеров Ford-Fordson
- Веб-сайт Джона Смита
- Веб-сайт 8N Марвина Баумана
- N Клуб трактористов
- Веб-сайт Тайлера 9N Ford
- Вчерашние тракторы
Опора рулевого колеса Mtz 80 Lt Производитель ➯ б/у автозапчасти онлайн
Предложение, которое вы ищете, уже ПРОДАНО.
Проверьте текущие предложения:
Код продукта:
S22779703188
Безопасный онлайн-платеж
14 д. гарантия возврата
Забрать БЕСПЛАТНО
Быстрая доставка по всему миру
Количество:
Осталось 1000 шт.
Вес продукта с ударом:
26 кг
Номер детали производителя:
1.00.70.010
Производитель запчастей:
Agricola
Другие запчасти продавца в категории
Рулевой механизм
ДОСТАВКА
Доставка осуществляется в города:
Бирмингем, Лидс, Шеффилд, Манчестер, Брэдфорд, Ливерпуль, Бристоль, Ньюкасл, Сандерленд, Вулверхэмптон, Тирана, Вена, Брюссель, Сараево, София, Загреб, Прага, Копенгаген,
Хельсинки, Париж, Берлин, Афины, Будапешт, Рейкьявик, Дублин, Рим, Вадуц, Люксембург, Валлетта, Кишинев, Монако, Подгорица, Амстердам, Скопье, Осло, Варшава, Лиссабон, Бухарест, Сан-Марино,
Белград, Братислава, Любляна, Мадрид, Стокгольм, Берн и другие.
Деталь ПОДДЕРЖКА РУЛЯ МТЗ 80 ЛТ ПРОИЗВОДИТЕЛЬ находится на складе поставщика и продается через интернет
Обращаем ваше внимание, что в связи с максимальной загрузкой посылочных служб возможны задержки доставки.
Стоимость доставки товара Вы можете узнать, нажав кнопку КУПИТЬ на странице корзины и указав точный адрес и страну доставки.
Товар доставляется по всей Литве в течение 5-15 рабочих дней (после доставки на склад в Вильнюсе).
Доставка осуществляется курьерскими службами DPD, VENIPAK и DHL.
Для получения дополнительной информации о доставке см. страницу доставки.
Мы отправляем товары по всему миру (если вашей страны нет в списке, пожалуйста, уточняйте стоимость доставки напрямую). Пожалуйста, свяжитесь с нами перед заказом, чтобы получить подтверждение того, что мы можем отправить товар на ваш адрес. За острова или труднодоступные районы может взиматься дополнительная плата. Пожалуйста, свяжитесь с нами перед покупкой, если вы находитесь в труднодоступном месте.
Заказ будет обработан в течение 1-2 рабочих дней после подтверждения оплаты. Заказ будет доставлен примерно через 2-7 дней. на склад в Вильнюсе или Польше, где вы можете забрать его БЕСПЛАТНО. Если вы не получили товар в течение 10 дней, пожалуйста, свяжитесь с нами.
Стандартное время доставки в города Литвы 1-2 рабочих дня. Стандартный срок доставки в страны Евросоюза составляет 3-10 рабочих дней. Стандартный срок доставки в другие страны составляет 7-20 рабочих дней. Сроки доставки могут быть больше из-за задержек в таможенных процедурах или почтовой службе вашей страны.
ГАРАНТИЯ
На бывшие в употреблении детали распространяется 14-дневная гарантия возврата, если изделие повреждено или доставлено не так, как было заказано. Необходимо проконсультироваться с нашими консультантами, чтобы проверить, подходит ли деталь. Гарантийный срок на восстановленные детали может составлять до 4 лет в зависимости от их поставщика, а на новые детали — до 6 лет.
Гарантийный срок исчисляется с даты получения детали. Согласно правилам ЕС, поставщик должен отремонтировать, заменить приобретенный вами товар, снизить его цену или вернуть деньги, если товар неисправен, выглядит не так, как указано в описании, или не работает так, как рекламируется. Следует отметить, что в некоторых странах ЕС продавец должен быть уведомлен о дефекте не позднее, чем через два месяца после его обнаружения. В противном случае вы можете потерять гарантию. Свяжитесь с консультантами Srotas24.co.uk по телефону +370 654 28028 или с помощью «Помощь онлайн», которые свяжутся с поставщиком и уточнят продолжительность и условия гарантийного срока на выбранную деталь.
Если возврат произошел по нашей вине (если товар не работает, отличается от описанного), покупатель получит полный возврат средств. Во всех остальных случаях взимается дополнительная плата в размере 20%, и покупатель оплачивает расходы по доставке и возврату. Электронные детали (форсунки, помпы, компьютер) или аналогичные детали требуют выписки из нормального специализированного сервиса для доказательства неисправности товара.
Быстро и легко выбирайте и заказывайте запчасти через Srotas24.co.uk
1.
ИСПОЛЬЗУЙТЕ КАТАЛОГ ЗАПЧАСТЕЙ и выберите ПОДХОДЯЩУЮ ЗАПЧАСТЬ
2.
ПРОВЕРЬТЕ И ЗАПОЛНИТЕ ФОРМУ ПОКУПАТЕЛЯ И ДОСТАВКИ
3.
ВЫБЕРИТЕ ПОДХОДЯЩИЙ СПОСОБ ОПЛАТЫ
ОПЛАЧЕННЫЙ ЗАКАЗ БУДЕТ ПОДТВЕРЖДЕН И ДОСТАВЛЕН В ТЕЧЕНИЕ 1-2D *
* ПОДРОБНЕЕ О ДОСТАВКЕ ТОВАРА доставка товара.
Купить ОПОРА РУЛЕВАЯ МТЗ 80 ЛТ ПРОИЗВОДИТЕЛЬ
Srotas24.ru — один из крупнейших интернет-магазинов новых и б/у автозапчастей, таких как ОПОРА РУЛЬНАЯ МТЗ 80 ЛТ ПРОИЗВОДИТЕЛЬ, от самых популярных производителей автомобилей и др. A бывшая в употреблении деталь может иметь следы использования, но ее работоспособность сохраняется должным образом. Состояние видно на фото.
Интересует цена ОПОРЫ РУЛЕВОЙ МТЗ 80 ЛТ ПРОИЗВОДИТЕЛЯ?
ОПОРА РУЛЕВАЯ МТЗ 80 ЛТ ПРОИЗВОДИТЕЛЯ вы можете заказать недорого в нашем интернет-магазине запчастей.
Стоимость и описание автозапчасти приведены выше (без учета стоимости доставки на дом).
Перед заказом ОПОРЫ РУЛЯ МТЗ 80 ЛТ ПРОИЗВОДИТЕЛЯ убедитесь, что данная запчасть подходит Вам и совместима с Вашей моделью автомобиля. Для этого сравните характеристики и оригинальные номера вашей детали и той, которую вы хотите приобрести. Также посмотрите на все предоставленные фотографии и сравните свои с той деталью, которую покупаете. Вы должны понимать, что на фото изображен именно тот товар, который вы получаете, никакие другие запчасти к нему поставляться не будут. Покупатель несет ответственность за соблюдение.
ОПОРА РУЛЬ МТЗ 80 ЛТ ПРОИЗВОДИТЕЛЬ отгружается практически в любую точку мира. Заказ будет доставлен на склад в Вильнюсе через 3-7 рабочих дней после оплаты. Наш менеджер свяжется с вами по прибытии (по телефону или смс). Оттуда вы можете забрать его самостоятельно. Доставка в другие города Литвы занимает в среднем 1-2 рабочих дня.
Для получения дополнительной информации о продукте, пожалуйста, свяжитесь с нашими менеджерами по телефону +370 654 28028 или напишите в онлайн-чат/электронную почту: sales@srotas24.
Он состоит из нагнетательного насоса, датчика
Связь между рулем и колесами обеспечивается посредством привода.
Чаще всего насосно-дозаторное устройство устанавливают на корпус гидроусилителя или на крышку клапанов головки цилиндров, используя для фиксации насоса их элементы крепления.
Основным способом изменения направления движения является поворот в горизонтальной плоскости передних направляющих колес относительно задних.

Основным способом изменения направления движения является поворот в горизонтальной плоскости передних направляющих колес относительно задних.
Основным способом изменения направления движения является поворот в горизонтальной плоскости передних направляющих колес относительно задних.
Основным способом изменения направления движения является поворот в горизонтальной плоскости передних направляющих колес относительно задних.
