Содержание
Реле-регулятор напряжения РР-380 для ВАЗ 2101, 2102, 2103, 2106, 2121 (торги завершены #61626411)
| |||
Все фото на одной странице
| ||||||||||||||
| |||
ретро жигули 2106 СССР копейка классика ссср оригинал автозапчасти Классика нива реле ВАЗ 2101 Реле-регулятор напряжения РР-380 Еще…
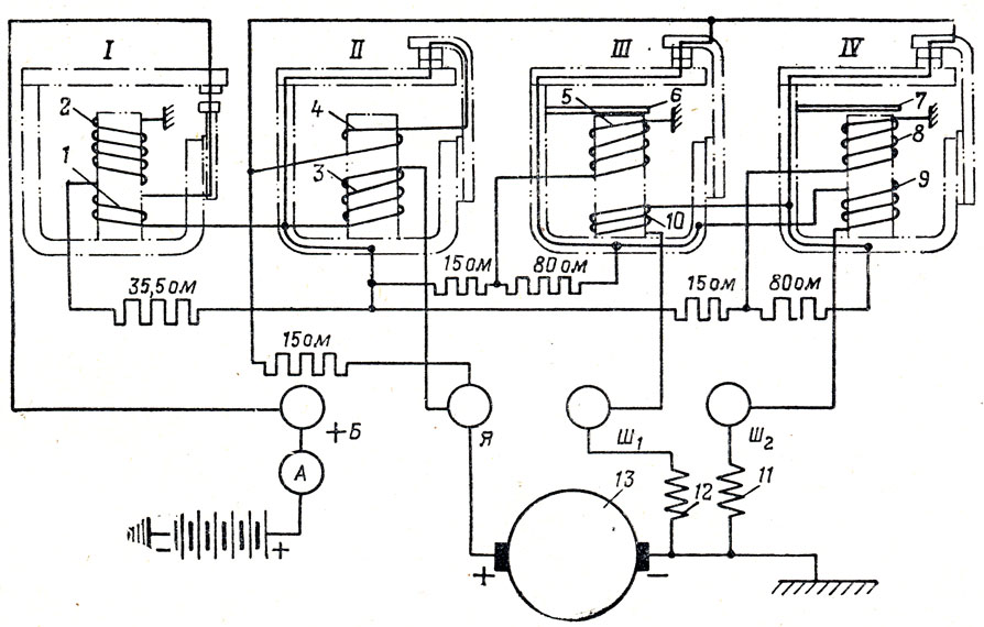
ВАЗ 2101 | Регулятор напряжения РР–380
ВАЗ 2101 | Регулятор напряжения РР–380 | Жигули
|
1. Технические данные 2. Эксплуатация и обслуживание 3. Двигатель 4. Топливная система 5. Система зажигания 6. Система запуска и зарядки 6.0 Система запуска и зарядки 6.1. Аккумуляторная батарея 6.2. Генератор 6.2.1 Генератор 6.2.2 Техническая характеристика 6.2.3. Контрольные проверки генератора 6.2.4. Ремонт генератора 6.2.5. Регулятор напряжения РР–380 6.2.6 Возможные неисправности генератора, их причины и методы устранения 6.3. Стартер 7. Трансмиссия 8. Ходовая часть 9. Рулевое управление 10. Тормозная система 11. Электрооборудование 12. Кузов 13. Особенности ремонта 14. Приложения Часто задаваемые вопросы Ссылки на другие сайты
|
|
Используются технологии uCoz
Кооперативная/релейная связь – проф.
Тарм Ратнараджа
Совместная/релейная связь
Связь
COOPERATIVE вызвала огромный исследовательский интерес к пониманию производительности различных многоканальных ретрансляционных каналов (MWRC). MWRC можно рассматривать как расширение двустороннего ретрансляционного канала (TWRC), где два пользователя обмениваются информацией через ретранслятор. В сценарии с многосторонней ретрансляцией несколько пользователей пытаются обмениваться информацией друг с другом с помощью ретрансляторов, где прямые связи между исходными узлами существуют или не учитываются либо из-за крупномасштабной потери пути, либо из-за эффектов затенения. Подобно двусторонней ретрансляции, самопомехи можно устранить, исследуя априорную информацию в исходных узлах.
Исследования
Участвующие участники: К. Сингх
Мы изучаем сценарий многосторонней ретрансляции с M пользователями, которые хотят обмениваться своей информацией друг с другом с помощью N ретрансляторов (N M) среди них.
Между любыми двумя пользователями нет прямых каналов передачи. В частности, все пользователи передают свои сигналы на все ретрансляторы в первом временном интервале, а ретрансляторы M − 1 выбираются позже для трансляции своих смешанных сигналов в течение следующих M – 1 временных интервалов всем пользователям. По сравнению с передачей с помощью одного ретранслятора, сценарий многосторонней ретрансляции значительно сокращает время передачи с 2 М до М временных интервалов.
Публикации
- К. Сингх, А. Гупта, Т. Ратнараджа и М-Л Ку, «Общий подход к распределению зеленых ресурсов в многопользовательских коммуникационных сетях с ретрансляцией», IEEE Trans on Wireless Связь , Том. 17, выпуск 2, стр. 848-862, февраль 2018 г.
- К. Сингх, А. Гупта и Т. Ратнараджа , «Совместная поднесущая на основе коммунальных услуг и распределение мощности для зеленой связи в многопользовательском режиме два -Way Регенеративные релейные сети», IEEE Trans.
по связи , Vol. 65, выпуск 9, стр. 3705-3722, сентябрь 2017 г. - К. Сингх, А. Гупта и Т. Ратнараджа, «Распределение ресурсов на основе QoS и балансировка EE для многопользовательских двусторонних ретрансляционных сетей с усилением и переадресацией» ,» IEEE Trans по беспроводной связи, Vol. 16, выпуск 5, стр. 3189-3204, март 2017 г.
- К. Сингх, А. Гупта и Т. Ратнараджа «Энергоэффективное распределение ресурсов для многопользовательских ретрансляционных сетей», IEEE Trans on Wireless Communications, Vol. 16, выпуск 2, стр. 1218-1235, февраль 2017 г.
- К. Сингх, А. Гупта и Т. Ратнараджа «Энергоэффективное распределение ресурсов на основе QoS в многопользовательских ретрансляционных сетях с усилением и пересылкой», IEEE Trans. по обработке сигналов и информации в сетях, Vol. 3, выпуск 4, стр. 771–786, декабрь 2017 г.
- Дж. Сюэ, Т. Ратнараджа, М. Селлатурай и З. Динг, «Анализ производительности многосторонней ретрансляции в каналах с замираниями Райса», IEEE Trans on Коммуникации, Том.
63, № 11, стр. 4050-4062, ноябрь 2015 г. - Ю. Чжан, Дж. Сюэ и Т. Ратнараджа, «Анализ экспонент ошибки двухскачкового затухания \eta-\mu и \kappa-\mu Канал с ретрансляцией с усилением и переадресацией», IET Communications, Vol. 9, Исс. 11, с. , Том. 30, № 8, стр. 1415-1427, сентябрь 2012 г.
- Ф. AL-Qahtani, C. Zhong, K. A. Qaraqe, H. Alnuweiri и T. Ratnarajah, «Анализ производительности двухскачковой ретрансляции AF с фиксированным коэффициентом усиления Системы по каналам с замираниями Накагами-м при наличии помех», Журнал EURASIP по беспроводной связи и сетям, стр. 1–10, 2011 г.
- C. Zhong, M Matthaiou, GK Karagiannidis и T. Ratnarajah, «Общие эргодические границы пропускной способности для ретрансляционных систем AF с фиксированным усилением и двумя скачками», IEEE Trans on Vehicular Technology, Vol. 60, № 8, стр. 3814-3824, октябрь 2011 г.
- К. Чжун, Т. Ратнараджа и К. К. Вонг, «Анализ сбоев в системах с двумя сегментами декодирования и пересылки с ограничением помех в Накагами-м».
Fading Channels», IEEE Trans on Vehicular Technology, Vol. 60, № 6, стр. 2875-2879, июль 2011 г. - Ю. Гонг, З. Дин, Т. Ратнараджа и К. Ф. Н. Коуэн, «Оценка и выравнивание турбоканала для кооперативной системы на основе суперпозиции», IEE Proc. по коммуникациям, Vol. 3, выпуск 11, стр. 1790-1799, ноябрь 2010 г.
- З. Дин, Т. Ратнараджа и К. Коуэн, «Спектрально эффективный протокол кооперативного разнесения для беспроводной передачи по восходящему каналу», IEE Proc. по обработке сигналов, Vol. 3, выпуск 5, стр. 368-380, 2009 г.
- З. Дин, Т. Ратнараджа и К. К. Леунг, «Об исследовании протокола передачи AF с кодированием по сети для беспроводных каналов множественного доступа», IEEE Trans. по беспроводной связи, Vol. 7, часть 2, выпуск 11, стр. 4568-4574, ноябрь 2008 г.
- Z. Ding, Y. Gong, T. Ratnarajah and C.F.N. Коуэн, «О характеристиках оппортунистических кооперативных беспроводных сетей», IEEE Trans. по коммуникациям, Vol. 56, № 8, стр. 1236-1240, август 2008 г.

- З. Дин, Т. Ратнараджа, К. Коуэн, «О компромиссе между разнесением и мультиплексированием для беспроводных кооперативных систем множественного доступа», IEEE Trans. по обработке сигналов, Vol. 55, № 9, стр. 4627-4638, сентябрь 2007
PP16 Шунт — Реле байпаса
Очистить все
Сравнивать
ИНФОРМАЦИЯ О ПРОДУКТЕ
Спецификации
Тип документа Название документа Описание Обновлено Посмотреть Скачать
Эл.
адресСПЕЦИФИКАЦИЯ PP16_SHUNT_EFP.pdf Байпасное реле 11.06.2021
Вид Скачать
Эл.
адресСПЕЦИФИКАЦИЯ PP16_SHUNT_EFP_BAA.pdf PP16 SHUNT BAA Спецификация 10.01.2022
Вид Скачать
Эл.
адресСоздать спецификацию отправки
Фотометрия и Revit (BIM)
Листы спектральных данных
Руководство Спецификации
BIM-модели (Revit)
Технические документы (например, инструкции, MSDS, CAD)
Тип документа Название документа Описание Обновлено Посмотреть Скачать
Эл.
адрес2D-модель pp16sh.dwg PP16 Шунт EFP 04.04.2019
Вид Скачать
Эл.
адресИнструкции по установке ИС-ПП16-ШУНТ-ЭФП.pdf Инструкции по установке 09.11.2018
Вид Скачать
Эл.
адресПоиск скидки на коммунальные услуги
Запасные части
Конфиденциальные документы
Маркетинговые материалы (например, брошюры, рекламные листовки, часто задаваемые вопросы и т.
д.)Тип документа Название документа Описание Обновлено Посмотреть Скачать
Эл. адрес
Продам Лист Рекламный проспект SensorSwitch BAA SensorSwitch™ Рекламная листовка о продукции America(n) (BAA) 17.
02.2022Вид Скачать
Эл. адрес
Нужна помощь по продукту? (например, как купить, техническая поддержка, гарантия)
Как купить
Освещение и средства управления Acuity Brands в основном продаются через сеть агентов и дистрибьюторов в Северной Америке,
, а также в более чем 100 выставочных залах или международных точках, а также в нескольких интернет-магазинах.
00 р.
Эта модель реле регулятора не отличалась изысканностью исполнения, но в процессе эксплуатации показала свою надежность и неплохо справлялась с возложенными на нее обязанностями. Двухступенчатый вибрационный регулятор напряжения РР 380
……………………….0,45+0,1
Топливная система
..