Содержание
Работа регулятора напряжения / ВАЗ 2101 / устройство ВАЗ
- 1. Термокомгюнмруюший резистор;
- 2. Дополнительные резисторы:
- 3. Дроссель:
- 4. Стойка с нижним контактом регулятора напряжения,
- 5. Стойка г. верхним контактом регулятора
напряжения: - 6. Пилотка регулятора напряжения;
- 7. Якорь регулятора напряжения;
- 8. Крышка регулятора напряжения;
- 9. Ярмо регулятора напряжения:
- 10. Основание регулятора напряжения;
- 11. Аккумуляторная батарея;
- 12. Выпрямитель генератора;
- 13. Генератор;
- 14. Обмотка статора генератора:
- 15. Обмотка ротора генератора;
- 16.
Регулятор напряжения: - 17. Выключатель зажигания;
- 18. Блок предохранителей;
- 19. Контрольная лампа заряда аккумуляторной батареи:
- 20. Реле контрольной лампы заряда аккумуляторной батареи;
- 21. I.Регулятор напряжения РР-380;
- 22. II.Работа при малой частоте вращения ротора
генератора; - 23. III.Работа при средней и высокой частоте вращения
ротора генератора.
Регулятор напряжения Техническая характеристика Регулируемое напряжение при
50 С, В на второй ступени 140.3 на первой ступени ниже, чем на второй на 0, 7 В
Термокомпенсирующий резистор 19 Ом. 6 Вт Дополнительный резистор 5, 5 Ом. 25 Вт
Для регулирования напряжения в бортовой сети автомобиля применяется вибрационный
двухступенчатый регулятор напряжения типа РР-380. Он установлен в отсеке
двигателя на верхней части брызговика левого колеса.
Напряжение, вырабатываемое
генератором в основном зависит от частоты вращения ротора генератора. Поскольку
генератор приводится от двигателя, работающего на различных скоростных режимах,
то частота вращения ротора, а следовательно, и напряжение генератора тоже могут
изменяться в значительных пределах. Если не принять защитных мер, то при высокой
частоте вращения *<тора генератора напряжение в бортовой сети автомобиля
может быть значительно выше номинального, что приведет к повреждению всех
потребителей электроэнергии. Поэтому, чтобы обеспечить нормальную работу
электрооборудования и необходимый режим зарядки аккумуляторной батареи,
применяют регулятор напряжения. Он поддерживает напряжение, вырабатываемое
генератором, на постоянном уровне (1314 В) в широком диапазоне частот вращения
ротора генератора. В запасные части поступает еще бесконтактный электронный
регулятор напряжения типа 121.3702. Он может устанавливаться вместо регулятора
РР-380 без каких-либо переделок в схеме электрооборудования автомобиля.
Регулятор 121.3702 поддерживает напряжение на уровне 13, 4 -14, 6 В в широком
диапазоне частот вращения ротора генератора и при температурах от -40 до +80 С.
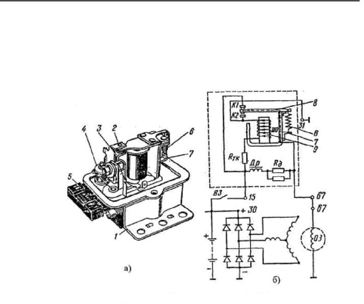
Регулятор напряжения представляет собой электромагнитное реле. Как у каждого
реле такого типа, у него есть магнитная система, состоящая из цилиндрического
сердечника и U-образного ярма 9, катушка с обмоткой 6 на пластмассовом каркасе,
якорь 7 с подвижным контактом и две стойки 4 и 5 с неподвижными контактами.
Стойки прикреплены к ярму винтом с гайкой и изолированы от него и между собой
пластмассовыми прокладками. Пазы в стойках позволяют передвигать их верх и вниз
при регулировке регулятора. Верхний и нижний контакты якоря в сочетании с
контактами стоек образуют две пары контактов верхнюю и нижнюю. Пружиной якорь
прижат к контакту верхней стойки, т.е. верхняя пара контактов является нормально
замкнутой. Подгибая нижний кронштейн пружины, можно изменять ее натяжение и этим
регулировать величину напряжения, при котором будет размыкаться верхняя пара
контактов.
Размыканием и замыканием верхней пары контактов обеспечивается первая
ступень регулирования, а замыканием и размыканием нижней пары контактов — вторая
ступень регулирования. Ярмо с сердечником установлены на стальном штампованном
основании 10 на пластмассовой прокладка. Под основанием на изоляционной
прокладке находятся термокомпенсирующий 1 и два включенных параллельно
дополнительных резистора 2 с общим сопротивлением 5.5 Ом. Резисторы намотаны
нихромовой проволокой на шнуре из стекловолокна, пропитанном кремнийорганическим
лаком. Нижняя изоляционная прокладка является одновременно корпусом штепсельного
разъема, в котором находятся штекеры ’15» и «87». Дроссель 3 служит для
уменьшения искрения между верхней парой контактов при работе регулятора. Он
представляет собой катушку из медного проводам намотанного на пластмассовом
каркасе. В катушку вставлен стальной сердечник, который одновременно является
проводником тока от штекера «15» к стоике 5. Для бесперебойной работы регулятора
необходимо, чтобы его внутренняя полость была надежно изолирована от окружающей
среды.
попадание под крышку влаги и различных веществ приводит к загрязнение
пригоранию контактов и нарушению нормальной работы регулятора. Поэтому сверху
регулятор плотно закрыт стальной крышкой 8 с прокладкой из полиуретана. а
применяемые в нем материалы проверены на отсутствие газовыделения. Реле
контрольной лампы заряда аккумуляторной батареи Техническая характеристика
Напряжение размыкания контактов’, В .—.—-.5.310, 4 Напряжение замыкания
контактов’, В Сопротивление обмотки при 20 С. Ом g&* При*25+5 С. Реле 20
типа РС-702 предназначено для включения контрольной пампы в комбинации приборов.
когда напряжение генератора недостаточно для заряда аккумуляторной батареи. Реле
установлено в моторном отсеке на верхней части брызговика правого колеса. Реле
состоит из ярма, стального сердечника с обмоткой, якоря и стойки с неподвижным
контактом. Ярмо с сердечником и стойка установлены на гетянаксовом основании.
Якорь крепится к полке ярма с помощью пружинной стальной пластины, которой
контакт якоря прижимается к контакту стойки, и поэтому контакты репе являются
нормально замкнутыми.
Работа системы генератора В работе системы генератора
можно выделить три режима: работа при малой средней и высокой частоте вращения
ротора генератора. 1 режим. Это режим пуска двигателя, когда он еще не работает
или прокручивается стартером с малой частотой вращения коленчатого вала. В этом
случае генератор или еще не развивает напряжение или оно меньше напряжения
аккумуляторной батареи, и все потребители питаются от аккумуляторной батареи. На
этом режиме после включения зажигания в цепи обмотки возбуждения генератора
протекает ток, замыкающийся по пути: «плюс» аккумуляторной батареи — зажим «Зб»
генератора — контакты «30/1» и ‘IS’ выключателя зажигания 17 — предохранитель
«10′ — штекер ’15’, сердечник дросселя 3. замкнутые верхние контакты, якорь,
ярмо. штекер регулятора — штекер «67′ генератора — обмотка возбуждения
генератора — ‘масса» — «минус» аккумуляторной батареи. Протекающий по обмотке
возбуждения ток создает магнитный поток, который при вращении ротора генератора
пересекает витки обмотки статора генератора и создает в них электродвижущую
силу.
Одновременно через обмотку 6 регулятора напряжения протекает ток,
замыкающийся по пути: от «плюса» аккумуляторном батареи до штекера «15»
регуляторы напряжения, как описано выше, а затем термокомпенсирующий резистор 1
обмотка регулятора — «масса’ — «минус» аккумуляторной батареи. 1Этот ток создает
магнитное притяжение якоря регулятора к сердечнику, но еще не настолько сильное,
чтобы притянуть якорь к сердечнику и разомкнуть верхнюю пару контактов
регулятора напряжения. После включении зажигания загорается контрольная лампа 19
заряда аккумуляторной батареи. Ток, питающий ее, замыкается по пути: «плюс»
аккумуляторной батареи — контакты «30/1» и «15» выключателя зажигания
предохранитель «9» — штекер «87». нормально замкнутые контакты, ярмо, штекер
«30/51» реле 20 — контрольная лампа 19 — «масса» — «минус* аккумуляторной
батареи. Лампа f9 горит, сигнализируя о том. что все потребители питаются от
аккумуляторной батареи. И режим. После пуска двигателя выпрямленное напряжение
генератора превышает напряжение аккумуляторной батареи.
Обмотка возбуждения
генератора и обмотка регулятора напряжения питаются от генератора. При этом ток
идет не от клеммы «плюс» аккумуляторной батареи, а от зажима «30» генератора и
замыкается через «массу» на выпрямитель генератора. Аккумуляторная батарея
заряжается. Под действием выпрямленного фазного напряжения через обмотку реле 20
протекает ток замыкающийся по пути: зажим «30′ генератора — контакты «30/1″ и
’15» выключателя зажигания — предохранитель »9″ — штоке* ’86», обмотка, штекер
«85» реле — штекер вывода нулевой точки обмотки статора генератора (штекер без
маркировки) выпрямитель генератора. Когда выпрямленное фазное напряжение
достигает 5.3- 5, 7 В, якорь реле притягивается к сердечнику, контакты реле
размыкаются и лампа гаснет, сигнализируя о том, что выпрямленное напряжение
генератора стало больше напряжения аккумуляторной батареи и что генератор начал
заряжать батарею и питать потребителей. При возрастании частоты вращения ротора
генератора напряжение увеличивается и, когда оно достигнет 13, 2-14.
3 В,
вступает в действие первая ступень регулирования на первой паре контактов
регулятора напряжения. Сила тока через обмотку регулятора возрастает настолько,
что магнитное усилие преодолевает натяжение пружины и якорь 7 притягивается к
сердечнику. При этом верхняя пара контактов размыкается, в цепь обмотки
возбуждения включаются дополнительные резисторы 2. и ток через обмотку
возбуждения замыкается по пути: зажим «30» генератора — контакты «ЗОЛ» и «15»
выключателя зажигания предохранитель «10» штекер «15′ регулятора. дроссель 3,
дополнительные резисторы 2, штекер «67» регулятора — обмотка возбуждения
генератора. Включение дополнительных резисторов в цепь обмотки возбуждения
уменьшает силу тока в ней, а это приводит к снижению электродвижущей силы в
обмотке статора генератора и напряжение генератора падает. Соответственно
уменьшается сила тока через обмотку регулятора и Магнитное притяжение якоря к
сердечнику. Пружина оттягивает якорь в исходное положение, верхние контакты
регулятора замыкаются, напряжение генератора повышается, и описанный цикл
повторяется.
Ь момент размыкания верхней пары контактов в связи с уменьшением
силы тока через обмотку возбуждения в ней индуктируется ЭДС самоиндукции.
которая стремится поддержать уменьшающийся ток и вызывает искрение между
размыкающимися контактами Но при размыкании контактов в цепь обмотки возбуждения
включается дроссель 3. Нарастающий ток в обмотке дросселя создает вокруг
сердечника нарастающий магнитный поток. Он пересекает витки дросселя и
индуктирует в них ЭДС самоиндукции, направленную навстречу ЭДС самоиндукции
обмотки возбуждения. Число витков дросселя подобрано так, что обе ЭДС примерно
равны, взаимно компенсируют друг друга, и поэтому искрообразование между
контактами значительно уменьшается. Замыкание и размыкание верхней пары
контактов происходит с частотой 25 -250 раз в секунду, и напряжение генератора
на выходе выпрямителя с такой же частотой то повышается, то понижается.
Благодаря высокой частоте размыкания и замыкания контактов, колебания напряжения
незаметно, и можно считать его практически постоянным, поддерживаемым на уровне
13 -14 В.
С дальнейшим увеличением частоты вращения ротора генератора время
разомкнутого состояния контактов увеличивается, а время замкнутого состояния
уменьшается. Благодаря этому среднее напряжение на выходе выпрямителя генератора
повышается незначительно. III режим. Мри высокой частоте вращения ротора
генератора первая ступень регулирования (на верхней паре контактов) уже не
обеспечивает поддержания напряжения на уровне 14 В, так как дополнительные
резисторы имеют сравнительно малую величину сопротивления (5, 5 Ом). Напряжение
генератора повышается до 13, 9-14, 5 В, и якорь притягивается к сердечнику до
замыкания нижней пары контактов. При этом оба конца обмотки возбуждения
оказываются замкнутыми на «массу» следующим образом: «масса*, обмотка
возбуждения — штекер «67» генератора — штекер «67», ярмо, якорь, замкнутая
нижняя пара контактов, «масса» регулятора. Ток в обмотке возбуждения резко
падает до нуля, и напряжение генератора также резко уменьшается. Это приводит к
уменьшению силы тока в обмотке регулятора и снижению магнитного притяжения якоря
к сердечнику.
Пружина оттягивает якорь от сердечника, нижние контакты
размыкаются, и описанный процесс повторяется снова с частотой 8*100 раз в
секунду. Температурная компенсация. При работе двигателя температура регулятора
повышается как от нагрева его обмотки и резисторов, так и от увеличения
температуры в моторном отсеке. Следовательно, возрастает сопротивление медного
провода обмотки регулятора. уменьшается протекающий по ней ток и требуется
большее напряжение, чтобы разомкнуть верхние контакты и замкнуть нижние. Чтобы
регулируемое напряжение не изменялось при колебаниях температуры окружающей
среды и регулятора, в нем предусмотрено два вида температурной компенсации.
Первый — это включение последовательно с обмоткой 6 термокомпенсационного
резистора . выполненного из нихрома с малым температурным коэффициентом
сопротивления Таким образом, сопротивление в цепи обмотки регулятора
складывается из сопротивления обмотки (8, 7 Ом) и термокомпенсирующего резистора
(19 Ом) и составляет в сумме 27, * Ом.
При нагревании регулятора от 20 до 80 С
сопротивление обмотки возрастает с 8, 7 до 10, 8 Ом, т.е. на 26 /о, а резистора
увеличивается с 19 до 19.3 Ом, т.е. на 1, 8 /о. Суммарное же сопротивление в
цепи обмотки увеличивается с 27, 7 до 30, 1 Ом, т.е. только на 8.7 /о. В таком
же процентном отношении будет возрастать и регулируемое напряжение,
(следовательно, включение термокомпенсирующего резистора позволяет уменьшить
изменение сопротивления в цепи обмотки регулятора с 26 /о (без резистора 1) до
8.7 /о (с резистором 1), но полностью не устраняет повышения напряжения. Поэтому
в регуляторе предусмотрен еще и второй вид температурной компенсации — якорь
прикреплен к ярму с помощью биметаллической пластинки, состоящей из двух
сваренных между собой пластин из разных сплавов. Один сплав обладает низким
температурным коэффициентом линейного расширения и образует пассивную сторону
биметаллической пластинки. Активную часть пластинки образует сплав с большим
коэффициентом линейного расширения.
Пассивной стороной биметаллическая пластинка
обращена вниз, к сердечнику регулятора. При нагревании пластинка стремится
изогнуться в сторону сердечника и создает сипу, противодействующую пружине,
оттягивающей якорь от сердечника. Чем больше температура, тем больше
противодействие пружине. тем при меньшей силе тока в обмотке регулятора якорь
может притянуться к сердечнику. Этим устраняется повышение напряжения из-за
увеличения сопротивления обмотки, и величина регулируемого напряжения
сохраняется постоянной независимо от температуры регулятора. Работа регулятора
напряжения 121 3702 состоит в отключении обмотки выше 13.4- 14, 6 В. и включении
ее, если напряжение падает ниже этого предела. Это обеспечивается за счет
запирания и отпирания мощного транзистора в схеме регулятора. Отключение и
включение обмотки происходит с высокой частотой, и поэтому колебаний напряжения
генератора практически незаметно.
| gif»> | |||||||||||||||||||||||||||||||||||||
| О САЙТЕ | | НОВОСТИ САЙТА | ПРОЕКТЫ |ССЫЛКИ | |||||||||||||||||||||||||||||||||||||
ОСНОВНЫЕ
| gif» bgcolor=»#FFFFFF»> |
| |||||||||||||||||||||||||||||||||||
L-380, Fireline Leadership, 2021 | СНКГ
Просмотр навигации
Описание
Это рекомендация по обучению развитию лидерских качеств для руководителей подразделений. Обучение должно быть разработано таким образом, чтобы не менее 50 % времени обучения приходилось на упражнения и симуляции.
Некоторые одобренные пакеты курсов могут быть трудными по своей природе. Для успешного проведения обучения на основе упражнений/симуляций необходимо низкое соотношение студентов и инструкторов. Для класса из 20-25 студентов рекомендуется специальный штат из не менее трех инструкторов.
L-380 предназначен для лидеров, чьи решения имеют немедленные последствия в динамичной среде с высоким риском. Цель состоит в том, чтобы предоставить руководителям небольших подразделений инструменты для создания и поддержания эффективных и сплоченных бригад/команд. Помимо набора инструментов и методов, этот учебный опыт должен быть разработан таким образом, чтобы оказывать эмоциональное и долгосрочное воздействие. Основные руководящие принципы для достижения этого воздействия включают: улучшение понимания учащимися человеческого измерения при руководстве другими в динамичной рабочей среде; использование эмпирических методов обучения, которые вовлекут студентов в работу таким образом, чтобы они могли работать в реалистичных и стрессовых ситуациях; и побуждение студентов к изучению своей роли, сильных и слабых сторон как лидера.
ЭТО НЕ ПАКЕТ КУРСОВ, ДОСТУПНЫЙ В СИСТЕМЕ УПРАВЛЕНИЯ ПРОДУКЦИЕЙ NWCG.
Руководящий комитет NWCG несет ответственность за надзор и обслуживание критериев L-380 и процесса оценки. Однако процесс доставки, используемый для выполнения этой рекомендации по обучению, должен быть определен принимающей организацией. Конкретную информацию о курсе можно найти в справочных материалах для того, чтобы стать поставщиком L-курсов NWCG .
Выбранный материал курса должен затрагивать следующие темы:
- Применение стилей лидерства
- Общение видения и намерения
- Тимбилдинг
- Обнаружение операционной ошибки
- Управление стрессом
Цели
- Цель этой рекомендации по обучению состоит в том, чтобы предоставить руководителям подразделений инструменты для создания и поддержания эффективных и сплоченных бригад/команд.
Целевая группа
Персонал, желающий получить квалификацию начальника единого ресурса.
Необходимая квалификация и обучение
- Аварийный персонал с надзорными обязанностями.
- Успешное завершение L-180, Человеческий фактор в пожарной службе дикой природы.
- Удовлетворительное завершение предкурсовой работы.
Сессионные предложения
Сеансы этого курса могут быть доступны на Учебном портале NWCG Wildland Fire (WFLP) . Для регистрации требуется учетная запись. Войдите в систему как гость, чтобы искать предложения сеансов этого курса и просматривать другой общедоступный контент. Чтобы найти конкретный курс, используйте меню НАЙТИ ОБУЧЕНИЕ в верхней части страницы, затем выберите ПРЕДСТОЯЩИЕ КУРСЫ. Чтобы просмотреть расписание тренировок по географическому региону, выберите конкретную информацию о географическом регионе в раскрывающемся меню в верхней части страницы. Свяжитесь с местным специалистом по обучению для получения дополнительной информации о местных курсах.
Доставка
L-380 доступен для обучения в классе под руководством инструктора.
Компоненты курса и количество часов для прохождения
| Компонент курса | Время курса |
|---|---|
| Предкурсовая работа | 8 |
| Предотборная оценка | н/д |
| Онлайн обучение | н/д |
| Обучение под руководством инструктора | 32 |
| Всего часов | 40 |
Уровень курса
Регион, штат или область
Минимальная квалификация инструктора
Инструкции о том, как стать провайдером курса, включая критерии разработки курса, минимальную квалификацию инструктора и процесс сертификации, см. в разделе 9.0115 Справочные материалы для того, чтобы стать поставщиком L-курсов NWCG .
Все ведущие инструкторы должны быть сертифицированы Лидерским комитетом NWCG. Объединенный персонал должен иметь опыт работы и опыт в области руководства, ориентированного на принципы, операций в чрезвычайных ситуациях, человеческого фактора и принятия решений.
Все инструкторы должны уметь выполнять полевые симуляции, ролевые игры и упражнения в классе.
Список контактов руководителя учебной программы.
См. Стандарты NWCG для проведения курсов , PMS 901-1, Стандарты для инструкторов для получения дополнительной информации.
Дата сертификации:
2021-08
- Сертификация
Предыдущие даты сертификации:
- 2005-01
- 2004-05
Печать страницы обзора обучения
Функциональная область:
Операции
Основной комитет:
Лидерский комитет
Распорядитель:
Лидерский комитет
Последнее изменение/просмотр страницы:
2022-12-16
Для использования этой формы у вас должен быть включен JavaScript.
NWCG ценит ваш конструктивный вклад и благодарит вас за то, что вы нашли время, чтобы оставить отзыв.
Хотя контактная информация не является обязательной, мы надеемся, что вы предоставите нам возможность связаться с вами, если нам потребуются разъяснения по вашему комментарию.
Если вы хотите, чтобы с вами связались по поводу вашего отзыва, вы должны предоставить контактную информацию.
Хотите получить ответ?
Если вы хотите получить ответ, вы должны предоставить контактную информацию (имя и адрес электронной почты) ниже.
Контактная информация и адрес электронной почты (необязательно) *
Вам нужно добавить вложение?
Из-за недавнего взлома мы временно приостанавливаем загрузку документов. Если вам необходимо прикрепить дополнительную информацию, отправьте файл по электронной почте на адрес [email protected].
Оставьте это поле пустым
CAPTCHA
Этот вопрос предназначен для проверки того, являетесь ли вы человеком, и для предотвращения автоматической отправки спама.
Проверка герметичности и проверка давлением: основные принципы проверки герметичности
Что такое утечка?
Утечка – это нежелательное протекание газа или жидкости через стенку сосуда через несовершенство, такое как отверстие, трещина или плохое уплотнение.
Утечки требуют разницы давлений для создания потока; они всегда текут от более высокого давления к более низкому давлению.
Обычно утечка рассматривается как переход от положительного давления (внутри объекта) к атмосферному давлению (снаружи объекта). Это не всегда так, поскольку утечка может происходить из атмосферы внутрь эвакуируемого объекта, но это помогает думать об этом таким образом, поскольку единицы измерения и терминология основаны на этой модели.
Какие устройства используются при тестировании на герметичность?
Для утечек воздуха в атмосферу единицы измерения выражаются в мм 3 или см 3 (куб. см) в секунду или минуту. Так 16,6 мм 3 /сек = 1 см 3 /мин. Пузырь под водой составляет около 30-50 мм 3 , поэтому 1 пузырек в секунду составляет около 30 мм 3 /сек или 2 см 3 /мин. Стандартной единицей утечки, учитывающей давление воздуха, является мбарл/сек (миллибар-литр в секунду).
Утечка в атмосферу 1 мбарл/сек эквивалентна объемной утечке 1000 мм 3 /сек.
Испытание на утечку – какой метод следует использовать?
Ключевые вопросы в начале любого требования к тесту на утечку:
- Какого размера компонент и каков его внутренний объем?
- Каков предел утечки?
- Имеются ли в нем скрытые внутренние объемы, которые могут повлиять на измерения утечек?
- Детали чистые и сухие?
- Есть ли доступ внутрь или это герметичный блок?
- Он жесткий или гибкий?
- Детали имеют температуру окружающей среды?
- Какова обработка поверхности любых уплотняющих поверхностей?
Приведенный ниже рисунок может помочь определить метод испытаний на основе допустимого предела скорости утечки (показан в мл/сек):
Индикаторный газ | Расход | |||||||||
Водяной подводный резервуар / бак для погружения / Испытание на герметичность | ||||||||||
Высоковакуумный гелий | Воздушный распад | |||||||||
| 10 -9 | 10 -8 | 10 -7 | 10 -6 | 10 -5 | 10 -4 | 10 -3 | 10 -2 | 10 -1 | 1 | 5 |
Проверка герметичности – общие системы
Давление/вакуум
Испытываемый образец и эталонный объем одновременно подвергаются давлению (или вакуумированию) до заданного давления.
Затем воздух в системе стабилизируется при закрытых клапанах подачи, а датчик перепада давления автоматически обнуляется. После стабилизации изменение давления в испытуемом образце сравнивается с изменением давления в эталонном объеме с помощью преобразователя. Разница в объеме измеряется, и если обнаружена утечка, разница будет увеличиваться. Предел тревоги может быть установлен для решения о прохождении/непрохождении.
Последовательность полностью автоматическая, точность и чувствительность системы определяются методом установки заданного давления вместе с качеством и типом регулирующих клапанов и датчика дифференциального давления.
Helium Systems
Вакуумный насос одновременно откачивает испытательную камеру и образец до заданного вакуума. На этом заданном уровне камера и образец изолируются, а камера вакуумируется до очень низкого давления. Таким образом, между испытуемым образцом и камерой создается положительное изменение давления.
Затем в образец для испытаний вводят газообразный гелий, часто в концентрации 10%.
Масс-спектрометр анализирует образец из камеры, в то время как вакуум продолжает создаваться. Масс-спектрометр измеряет утечку гелия и принимает решение о прохождении/непрохождении. Давление испытательного образца часто сравнивают с давлением в камере перед дозированием гелия, чтобы избежать насыщения масс-спектрометра в случае большой утечки.
Для получения дополнительной информации см. наше руководство по тестированию на утечку гелия
Закрыть
Сделать запрос
Заполните форму ниже, указав детали запроса, и мы свяжемся с вами, как только
возможный.
Ваше имя (обязательно)
Ваш адрес электронной почты (обязательно)
Ваш телефон
Ваше сообщение
Этот сайт защищен reCAPTCHA, и к нему применяются Политика конфиденциальности и Условия использования Google.
Этот веб-сайт использует файлы cookie для улучшения вашего опыта. Мы предполагаем, что вы согласны с этим, но вы можете отказаться, если хотите.
Регулятор напряжения:
Характерной
е

При этом



