Содержание
Как отрегулировать тормоза на тракторе
Тормозная система сельхозтехники работает не только на полную остановку машины, но и участвует в выполнении маневров при поворотах. Регулировка тормозов трактора входит в обязательные ТО этого вида техники. Схема работы зависит от модели машины.
Содержание
- МТЗ 82
- Т 25
- Т 40
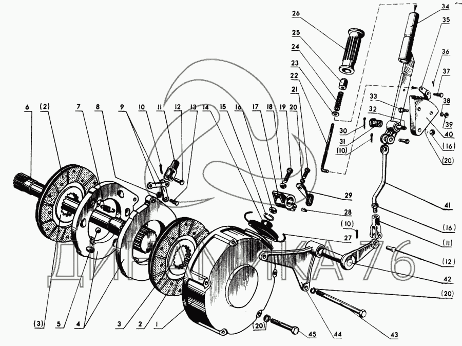
МТЗ 82
Трактор белорусского производства оснащается сухими дисковыми тормозами с установкой на валах ведущих шестерен конечных передач и защитой кожухами. Пара рабочих органов размещается в цилиндрических корпусах с обеих сторон картера трансмиссии. При активации привода тормозной механизм работает на остановку ведущих валов.
Регулировка тормозов трактора МТЗ 82 считается обязательной при ежедневном осмотре техники. Проверку проводят на сухом твердом покрытии. Машину разгоняют до 25 км/ч и резко останавливают ее, при этом длина тормозного пути не должна превышать 9 м. Разница между следами с правой и левой стороны не может быть более 1 м.
Расхождение параметров требует регулировки.
Равномерное торможение обеспечивает регулировка хода приводных педалей. Для модели МТЗ 82 этот параметр составляет 70-90 мм. Если он меньше, то возможен быстрый износ накладок и перегрев тормозов. О неисправности говорит также заклинивание педали. Оптимального параметра удается достичь изменением длины регулировочного винта 2. Технически процесс происходит так:
- Отвинчивают контргайку болтов и поворачивают болты в регулировочные вилки так, чтобы ход педалей достиг нормы.
- Затягивают контргайки и вторично проверяют ход педалей.
Если длины резьбы винта не хватает, то это свидетельствует о критичном износе тормозных дисков или контактных поверхностей.
Если тормоза работают асинхронно после подкручивания винта, то выполняют разборку системы и меняют в ней часть, вышедшую из строя. Для разбора придерживаются схемы.
1 – диск, 2 – крепежный валик, 3 – тормозная педаль, 4 – рычаг тормоза, 5 – кожух, 6 – нажимные диски.
Трактор МТЗ 82 в дополнении к рабочей тормозной системе оборудован ручным стояночным тормозом, который обеспечивает полную остановку машины при уклоне 18%. Чтобы гарантировать ему правильную работу, при осмотре машины и диагностике неполадок проводят следующие действия:
- переводят рычаг вперед и ослабляют тормоз;
- откручивают контргайку регулировочного винта 1 и 7;
- совмещают рычаг 4 с вилкой 6 и В1 с В2;
- вставляют паз пальца 5;
- начинают закручивать винт 1, пока усилие тормоза при измерении 400Н будет на уровне 3 и 4 фиксатора;
- затягивают гайку до упора.
Чтобы избежать выхода из строя тормозной системы трактора МТЗ 82, кроме ежедневного осмотра и подкручивания винтов необходимо соблюдать правила эксплуатации этого блока машины:
- избегать постоянного зажима педали, который приводит к износу системы;
- не использовать прием резкого торможения, который считается причиной стирания тормозных ограничителей;
- ежедневно осматривать систему с целью диагностики ее физических повреждений.

Т 25
Тормозная система модели Т 25 представляет собой две ленты плавающего типа, которые работают независимо друг от друга. Они устанавливаются между корпусами трансмиссии и конечных передач в промежуточных рукавах.
Основными элементами системы считаются стальная лента и чугунный шкив. Лента дополнена фрикционной накладкой, которая обеспечивает повышенное трение между этими фрагментами. Постепенно накладка и поверхность шкива изнашиваются, что приводит к увеличению зазора между ними, изменению параметров свободного хода педали и снижению эффективности торможения.
В обычном состоянии зазор между ленточной накладкой и шкивом равен 1-1,5 мм при ходе педали 30-50 мм. Если замеры отличаются от нормы, то это говорит о том, что трактору Т 25 требуется регулировка тормозов. При этом, как и в модели МТЗ 82, смотрят на положение зажимного и установочного винтов. Последовательность действий:
- контргайку и нажимные винты ослабляют на пару оборотов;
- заворачивают их до упора и проверяют замеры, разница между которыми не должна быть более 1 мм;
- ослабляют контргайку и винты на 2 оборота;
- фиксируют винты и болты;
- заворачивают шарнир до момента соприкосновения с конусной поверхностью рычага и затягивают гайку.

Регулировку тормозов трактора Т25 проводят каждые 1000 моточасов или после выявления нарушения свободного хода педали.
Т 40
Колесный трактор Липецкого завода версии Т 40 оборудован сухими тормозами ленточного типа. На них ставятся два затягивающихся конца с раздельным управлением и планкой для общей блокировки.
Обслуживание системы торможения модели Т 40 предполагает проверку герметичности уплотнений, промывку накладок и своевременную регулировку тормоза. Первым сигналом неполадок в системе и износа накладок становится изменение свободного хода педали. При этом необходимо отрегулировать положение ленты:
- открутить болты и снять крышку люка;
- отвернуть контргайку 3;
- завернуть гайку и проверить ход педали, который должен быть в пределах 50-80 мм;
- по достижении нужного параметра гайку зафиксировать контргайкой 3.
Если регулировка проведена правильно, то наружный рычаг левого тормоза будет отклоняться на 8° назад по вертикали, а правого – на 10° в том же направлении.
При проведении работ педали необходимо перевести в крайнее заднее положение.
По стандартной схеме ТО тормозной системы проводят через каждые 240 моточасов. Чтобы обеспечить равномерный зазор, меняют положение ленты:
- отпускают контргайку 16 винта 15;
- винт заворачивают до упора, а затем поворачивают еще на ¾ и закрепляют контргайкой.
Ремонт трактору Т 40 требуется в случае замасливания накладок. Для начала их промывают. Для этого снимают крышку люка и заливают внутрь 1,5-2 л керосина. Затем крышку закрывают и проводят обкатку, двигаясь на машине назад и вперед. После остановки техники отработанный керосин сливают, отвернув перед этим регулировочный винт. После промывки положение ленты меняют по схеме, приведенной выше. Повторное замасливание устраняют заменой уплотнительного кольца или манжеты.
Последние новости туризма на сегодня 2022
Отдых и Туризм — Новости туризма 2022
Февраль 12, 2022
8 комментариев
С чем у любого туриста ассоциируется Хорватия? В первую очередь — отличная экология, чистейшее лазурного цвета Адриатическое море и невероятно живописные берега.
..
Февраль 1, 2022
Февраль 1, 2022
Февраль 1, 2022
Февраль 2, 2022
Правильное питание
Ноябрь 19, 2022
5 комментариев
Хотя общая идея заключается в том, что замороженные фрукты не несут никакой пользы для здоровья, многочисленные доказательства противоречат…
Ноябрь 19, 2022
17 комментариев
Ноябрь 19, 2022
10 комментариев
Ноябрь 19, 2022
20 комментариев
Общество
Ноябрь 19, 2022
7 комментариев
Найти идеальный подарок на Новый год для близких и друзей — непростая задача.
Если нет уверенности в правильности своего решения, то может…
Ноябрь 19, 2022
20 комментариев
Ноябрь 19, 2022
4 комментария
Ноябрь 19, 2022
5 комментариев
Cпорт отдых туризм
Ноябрь 20, 2022
16 комментариев
Занять всю семью непросто.
И что ж, нужно время, чтобы постоянно придумывать новые…
Бизнес
Ноябрь 20, 2022
2 комментария
Во французском языке существительное menu имеет два совершенно разных…
Спорт
Ноябрь 21, 2022
8 комментариев
Если вы все-таки решились на покупку первого сноуборда, при выборе однозначно не стоит…
Тормоза Беларус МТЗ
Тормоза Беларус МТЗ
0
Ваша корзина на данный момент пуста.
Последние 3 товара из вашей корзины
Стоимость доставки
0,00 EUR
+ Наложенный платеж
0,00 EUR
Итого
0,00 EUR
Сортировать по: A -> ZСортировать по: Z -> AСортировать по: Цена от низкой до высокойСортировать по: Цена от высокой к низкой
В наличии
0,19 евро
/ шт.
( 0,15 евро + НДС )
В наличии
3,95 евро
/ шт.
( 3,11 евро + НДС )
В наличии
4,34 евро
/ шт.
( 3,42 евро + НДС )
В наличии
0,84 евро
/ шт.
( 0,66 евро + НДС )
В наличии
0,64 евро
/ шт.
( 0,50 евро + НДС )
В наличии
13,99 евро
/ шт.
( 11,01 евро + НДС )
В наличии
6,19 евро
/ шт.
( 4,87 евро + НДС )
В наличии
11,24 евро
/ шт.
( 8,85 евро + НДС )
Нет в наличии, но есть
12,70 евро
/ шт.
( 10,00 евро + НДС )
В наличии
3,54 евро
/ шт.
( 2,78 евро + НДС )
В наличии
2,25 евро
/ шт.
( 1,77 евро + НДС )
В наличии
3,18 евро
/ шт.
( 2,51 евро + НДС )
В наличии
6,40 евро
/ шт.
( 5,04 евро + НДС )
В наличии
6,27 евро
/ шт.
( 4,94 евро + НДС )
В наличии
25,21 евро
/ шт.
( 19,85 евро + НДС )
В наличии
8,65 евро
/ шт.
( 6,81 евро + НДС )
В наличии
7,99 евро
/ шт.
( 6,29 евро + НДС )
В наличии
34,69 евро
/ шт.
( 27,32 евро + НДС )
Нет в наличии, но есть
6,40 евро
/ шт.
( 5,04 евро + НДС )
В наличии
20,09 евро
/ шт.
( 15,82 евро + НДС )
В наличии
93,75 евро
/ шт.
( 73,82 евро + НДС )
В наличии
54,26 евро
/ шт.
( 42,72 евро + НДС )
В наличии
7,38 евро
/ шт.
( 5,81 евро + НДС )
В наличии
12,97 евро
/ шт.
( 10,22 евро + НДС )
Нет в наличии, но есть
128,58 евро
/ шт.
( 101,24 евро + НДС )
В наличии
14,79 евро
/ шт.
( 11,65 евро + НДС )
В наличии
25,69 евро
/ шт.
( 20,23 евро + НДС )
В наличии
54,63 евро
/ шт.
( 43,01 евро + НДС )
В наличии
2,15 евро
/ шт.
( 1,70 евро + НДС )
В наличии
2,95 евро
/ шт.
( 2,33 евро + НДС )
В наличии
32,76 евро
/ шт.
( 25,80 евро + НДС )
В наличии
6,91 евро
/ шт.
( 5,44 евро + НДС )
В наличии
5,98 евро
/ шт.
( 4,71 евро + НДС )
В наличии
3,89евро
/ шт.
( 3,06 евро + НДС )
В наличии
22,09 евро
/ шт.
( 17,39евро + НДС)
В наличии
5,76 евро
/ шт.
( 4,53 евро + НДС )
В наличии
8,65 евро
/ шт.
( 6,81 евро + НДС )
В наличии
1,40 евро
/ шт.
( 1,10 евро + НДС )
В наличии
31,03 евро
/ шт.
( 24,43 евро + НДС )
В наличии
3,22 евро
/ шт.
( 2,53 евро + НДС )
В наличии
2,83 евро
/ шт.
( 2,23 евро + НДС )
В наличии
1,80 евро
/ шт.
( 1,42 евро + НДС )
В наличии
0,96 евро
/ шт.
( 0,76 евро + НДС )
В наличии
34,08 евро
/ шт.
( 26,84 евро + НДС )
В наличии
32,99 евро
/ шт.
( 25,97 евро + НДС )
Нет в наличии, но есть
2,25 евро
/ шт.
( 1,77 евро + НДС )
В наличии
2,97 евро
/ шт.
( 2,34 евро + НДС )
В наличии
0,93 евро
/ шт.
( 0,73 евро + НДС )
Распродано
6,40 евро
/ шт.
( 5,04 евро + НДС )
В наличии
8,65 евро
/ шт.
( 6,81 евро + НДС )
В наличии
6,72 евро
/ шт.
( 5,29 евро + НДС )
Нет в наличии, но есть
2,70 евро
/ шт.
( 2,13 евро + НДС )
В наличии
9,61 евро
/ шт.
( 7,57 евро + НДС )
В наличии
99,25 евро
/ шт.
( 78,15 евро + НДС )
В наличии
56,38 евро
/ шт.
( 44,40 евро + НДС )
В наличии
39,02 евро
/ шт.
( 30,73 евро + НДС )
В наличии
17,97 евро
/ шт.
( 14,15 евро + НДС )
В наличии
34,69 евро
/ шт.
( 27,32 евро + НДС )
В наличии
38,29 евро
/ шт.
( 30,15 евро + НДС )
В наличии
4,77 евро
/ шт.
( 3,76 евро + НДС )
Нет в наличии, но есть
3,91 евро
/ шт.
( 3,08 евро + НДС )
В наличии
0,83 евро
/ шт.
( 0,65 евро + НДС )
В наличии
26,00 евро
/ шт.
( 20,47 евро + НДС )
В наличии
48,47 евро
/ шт.
( 38,16 евро + НДС )
В наличии
7,81 евро
/ шт.
( 6,15 евро + НДС )
В наличии
12,19 евро
/ шт.
( 9,59 евро + НДС )
В наличии
3,50 евро
/ шт.
( 2,76 евро + НДС )
В наличии
4,98 евро
/ шт.
( 3,92 евро + НДС )
В наличии
0,93 евро
/ шт.
( 0,73 евро + НДС )
Нет в наличии, но есть
32,99 евро
/ шт.
( 25,97 евро + НДС )
В наличии
21,19 евро
/ шт.
( 16,68 евро + НДС )
В наличии
4,47 евро
/ шт.
( 3,52 евро + НДС )
В наличии
1,02 евро
/ шт.
( 0,81 евро + НДС )
73 товар
ПОДПИСАТЬСЯ здесь!
Узнайте о наших акциях и новинках.
Я хотел бы получать лучшие предложения от ООО «Келет-Агро» в рассылках. Я подтверждаю, что я старше 16 лет.
Вы успешно подписались на рассылку новостей!
Изменение успешно!
Экспортеры тормозных систем в Украине, Данные экспортеров тормозных систем Украины
Экспортеры тормозных систем Украины, Данные экспортеров тормозных систем Украины
- Данные США
- Данные об импорте США
- Импортеры США
- США Подписка
- Глобальные торговые данные
- Код ТН ВЭД
- Коды ТН ВЭД
- Поиск кода ТН ВЭД
- Цены
- Подписаться
- Авторизоваться
Бесплатный поиск Список импортеров и покупателей в Украине
- Импортер
- Экспортер
- Торговые данные
Аргентина
Чили
Колумбия
Коста-Рика
Эквадор
Казахстан
Перу
Украина
Уругвай
Венесуэла
- Панама
Парагвай
Эфиопия
Мексика
Шри-Ланка
Пакистан
Вьетнам
- Индонезия
Общество с ограниченной ответственностью УКРФАРМИНХ
Украина
1.
Деталь тормозов барабанных к с/г техники: 151.38.013Д Тормоз-01 Т-150 — 1ам, 151.38.013Д Тормоз Т-150 — 1ам, 151.46.011-1 Лента Т-150 АВТОЗАПЧАСТИ — 42шт, 150.37. 018- 1А Лента Т-150 тормозная — 40шт, 25.38.020 Лента Т-16 тормозная — 20шт, 500-3519050А КаПосмотреть отгрузку
Общество с ограниченной ответственностью TRANS EURO Railay
Украина
1. Детали пневматических тормозных локомотивов: Блок Композитный 2ТР-ситчато с безасбестовой 11.1-проволочной рамой для грузового вагона, предназначенного для тормозных колесных пар подвижного состава — 3222 шт.
Изготавливается по ТУПосмотреть отгрузку
ИННА Димов Г.
Украина
1. Кран пневматический тормозной МТЗ А29.71.000 (25 шт.), Метчик тормозной /UA / МТЗ А29.61.000-Б (10 шт.), Метчик тормозной /А29.3514010/ МТЗ 80-3514010 (40 шт.) .) Регулятор давления в тормозах прицепа А29.51.000 МТЗ-Б (25 шт.), для непромышленной комплектации
Посмотреть отгрузку
КОММУНАЛЬНОЕ ОБЩЕСТВО ЧЕРКАССКИЙ АВТОБУС
Украина
1.
Тормозная система — комплект колодок дисковых тормозов заднего моста, каталожный номер 8982447940 — 32 шт.- Тормозной задний тормозной диск, каталожный номер 8981919560 — 16 шт.- комплект колодок дисковых тормозов передний мост, каталожный, ноПосмотреть отгрузку
ЧАСТНОЕ ПРИСОЕДИНИТЕЛЬНОЕ ОБЩЕСТВО НОВОКРАМАТОРСКИЙ МАШИНОСТРОИТЕЛЬНЫЙ ЗАВОД
Украина
1- Детали шахтно-подъемной машины: Тяги для передачи тормозного усилия, марка материала сталь 45, сборные узлы; Рулевое управление для тормозной балки, марка стали 3; обработанная
Посмотреть отгрузку
ВОЕННАЯ ЧАСТЬ A4150
Украина
1.
Невоенные грузы, перевозимые в рамках совместных международных учений по обеспечению личного состава ВС Канады: Регулятор тормозов CORRETTOREDIFRENATA NSN: 2530-15-109-8733-1 шт Колесный цилиндр в гидротормозах ЦИЛИНДРПосмотреть отгрузку
Общество с ограниченной ответственностью «ЭЛИТ-УКРАИНА»
Украина
1.Прилады для автоматической регулировки на а/м-11 шт.Арт.: ДТ 5.20146 /датчик износа тормозных колодок/ — 3 шт.;Арт.: ДТ 5.20146 /датчик износа тормозных колодок/ — 2 шт.;Арт.: JL 53429/. датчик износа тормозных колодок / — 1 шт.
;Арт.: QBWS0226Посмотреть отгрузку
СОВМЕСТНОЕ УКРАИНСКО-ПОЛЬСКОЕ ПРЕДПРИЯТИЕ С ОГРАНИЧЕННОЙ ОТВЕТСТВЕННОСТЬЮ Modern-Expo
Украина
1.Колеса тележки, тележки магазинные, самостоятельные-9999-153-85 Колеса поворотные 50мм резьбовые и тормозные 239050 38 шт/шт Торговая марка Нет данных Нет данных Производитель Страна CN
Посмотреть отгрузку
СОВМЕСТНОЕ УКРАИНСКО-ПОЛЬСКОЕ ПРЕДПРИЯТИЕ В ФОРМЕ ОГРАНИЧЕННОЙ ОТВЕТСТВЕННОСТИ МОДЕРН-ЭКСПО
Украина
1.
Крипильные изделия и фурнитура для мебели (пластиковая фурнитура для мебельного магазина): 2101-978-40 Лента барьерная черная, L=2м лента, лента цветная — лента без тормозного механизма 14 шт.Посмотреть отгрузку
Предприятия с иностранными инвестициями Toyota УКРАИНА
Украина
1.Арматура монтажная арматура к новым автомобилям из недрагоценных металлов., арт.47769-33020 — вставные суппорты, 2 шт. арт.47769-35010 — вставные суппорты 1am, арт.
-06017 — заклепка, 2 шт., арт.
-06017 — Final
Посмотреть отгрузку
Предприятия с иностранными инвестициями Toyota УКРАИНА
Украина
1.
Пружинные узлы сжатия мототехники, новые, арт.-12061 — пружина-1ч.арт.47748-35010 — пружинные тормозные суппорта, 2 шт.Происхождение — Страна Япония — торговая марка JP — Toyota Марка — Toyota Двиг
Посмотреть отгрузку
ОБЩЕСТВО С ОГРАНИЧЕННОЙ ОТВЕТСТВЕННОСТЬЮ ТОРГОВО-ПРОМЫШЛЕННАЯ КОМПАНИЯ «ОМЕГА-АВТО-НЕДВИЖИМОСТЬ»
Украина
1.Краны, арматура для автомобилей общего назначения: 16.3537110 Кран аварийный растормж.-2шт (выр.: Автокомпонент Плюс, торговая марка: Автокомпонент Плюс (АА)), 100-3537010 Кран тормозной.
jpg-2шт (выр.:. Полтавский автоагрегатный завод, трейдПосмотреть отгрузку
ОБЩЕСТВО С ОГРАНИЧЕННОЙ ОТВЕТСТВЕННОСТЬЮ ТОРГОВО-ПРОМЫШЛЕННАЯ КОМПАНИЯ «ОМЕГА-АВТО-НЕДВИЖИМОСТЬ»
Украина
1. Рессоры для автомобилей общего назначения. Из черных металлов спиральные, изготовленные в горячем состоянии: 51-3501035 Пружина тормозной колодки. ГАЗ 3307-09,53, ПАЗ пер. / Задн.(d18мм) -24шт (Производитель: ООО АВТО-СОЮЗ 88, торговая марка-DC), Страна
Посмотреть отгрузку
Торгово-промышленная компания с ограниченной ответственностью ОМЕГА-АВТОПОСТАВКА
Украина
1.
Частыны и устройства к автомобилям общего назначения. Детали тормозные, не для дисковых тормозов, грузоподъемностью 75тн не менее не для промсборки автомобилей: 36-3502045 Блок СБ-4 шт.(торхивелПосмотреть отгрузку
ТОРГОВЫЙ ДОМ с ОГРАНИЧЕННОЙ ОТВЕТСТВЕННОСТЬЮ ОАО «Харьковский тракторный завод»
Украина
1.Частыны не для дисковых тормозов сельскохозяйственных тракторов, комплектующие: 150.37.195-2 тормоза барабанные -3шт, 125.46.101-1А ТОРМОЗНОЙ БАРАБАН ЦЕНТРАЛЬНЫЙ-5шт, 151.46.102-2 КРОНШТЕЙН ЦЕНТРАЛЬНЫЙ ТОРМОЗНОЙ-10шт.
Предназначено тракторного типа в СТПосмотреть отгрузку
Общество с ограниченной ответственностью «АЛЬЯНС АГРО-2006»
Украина
1.Частыны дисковые тормоза для ремонта тракторов и с/г техники: Тормозная лента 151.46.011-1 -40 шт Страна Украина товарный знак КПСС Furious Furious КПСС ООО Производитель
Посмотреть отгрузку
ОБЩЕСТВО С ОГРАНИЧЕННОЙ ОТВЕТСТВЕННОСТЬЮ «РУСЛАН-СЕТ»
Украина
1.
Запасные части тормозных элементов к т тракторов Беларусь, сталь.1200 шт. Диск тормозной 50-3502040-А (клееный) = 600 шт. Диск тормозной 85-3502040 = 600 шт. Изготавливается по ТУ ? 29.3-34421440 -009:2008 Продукция упакована в картонные коробкиПосмотреть отгрузку
ОБЩЕСТВО С ОГРАНИЧЕННОЙ ОТВЕТСТВЕННОСТЬЮ БЕЛОЦЕРКОВСКИЙ ЗАВОД Племя
Украина
Тормоз составной 1.Колодки их с железными вставками для железнодорожного транспорта в одном агрегате: 2ТР-155 — 180шт.Производитель ООО БЦЗ Племя, Украина.Страна UA.Торговая марка Tribo.

Посмотреть отгрузку
ОБЩЕСТВО С ОГРАНИЧЕННОЙ ОТВЕТСТВЕННОСТЬЮ БЕЛОЦЕРКОВСКИЙ ЗАВОД Племя
Украина
1.Колодки композитные Тормозная ситча с проволочной рамой для грузовых вагонов в сборе: 2ТР-11 — 4296шт.Производитель ООО БТСЗ Племя, Украина.Страна-UA.ТМ Трибо.
Посмотреть отгрузку
ОБЩЕСТВО С ОГРАНИЧЕННОЙ ОТВЕТСТВЕННОСТЬЮ БЕЛОЦЕРКОВСКИЙ ЗАВОД Племя
Украина
1.
Накладки тормозные на барабанные тормоза и/немонтажные из асбеста: 018.01.3341-013-01 — 384шт.Б200-3502105А — 2880шт.Б200-3502105А (сверление) — 576шт.Б260-350110 5 — 160шт.а375-3501105 ( бурение) — 500шт.500-3501105 — 104шт.5256-3501105-10 — 240шт.5336-3Посмотреть отгрузку
Свяжитесь с нами
- +91-9990837766
- [email protected]
Свяжитесь с нами для импортеров тормозных систем, чтобы расширить свой бизнес по всему миру
Нажмите здесь
Seair гордится тем, что у нее есть лояльная клиентская база крупных брендов.
Мы успешно обслуживаем многих уважаемых клиентов в сфере информационных услуг по импорту и экспорту данных.


Деталь тормозов барабанных к с/г техники: 151.38.013Д Тормоз-01 Т-150 — 1ам, 151.38.013Д Тормоз Т-150 — 1ам, 151.46.011-1 Лента Т-150 АВТОЗАПЧАСТИ — 42шт, 150.37. 018- 1А Лента Т-150 тормозная — 40шт, 25.38.020 Лента Т-16 тормозная — 20шт, 500-3519050А Ка
Изготавливается по ТУ
Тормозная система — комплект колодок дисковых тормозов заднего моста, каталожный номер 8982447940 — 32 шт.- Тормозной задний тормозной диск, каталожный номер 8981919560 — 16 шт.- комплект колодок дисковых тормозов передний мост, каталожный, но
;Арт.: QBWS0226
Крипильные изделия и фурнитура для мебели (пластиковая фурнитура для мебельного магазина): 2101-978-40 Лента барьерная черная, L=2м лента, лента цветная — лента без тормозного механизма 14 шт.
Пружинные узлы сжатия мототехники, новые, арт.
jpg-2шт (выр.:. Полтавский автоагрегатный завод, трейд
Частыны и устройства к автомобилям общего назначения. Детали тормозные, не для дисковых тормозов, грузоподъемностью 75тн не менее не для промсборки автомобилей: 36-3502045 Блок СБ-4 шт.(торхивел
Предназначено тракторного типа в СТ
Запасные части тормозных элементов к т тракторов Беларусь, сталь.1200 шт. Диск тормозной 50-3502040-А (клееный) = 600 шт. Диск тормозной 85-3502040 = 600 шт. Изготавливается по ТУ ? 29.3-34421440 -009:2008 Продукция упакована в картонные коробки
Накладки тормозные на барабанные тормоза и/немонтажные из асбеста: 018.01.3341-013-01 — 384шт.Б200-3502105А — 2880шт.Б200-3502105А (сверление) — 576шт.Б260-350110 5 — 160шт.а375-3501105 ( бурение) — 500шт.500-3501105 — 104шт.5256-3501105-10 — 240шт.5336-3