Содержание
ᐉ Регулировка рулевого механизма
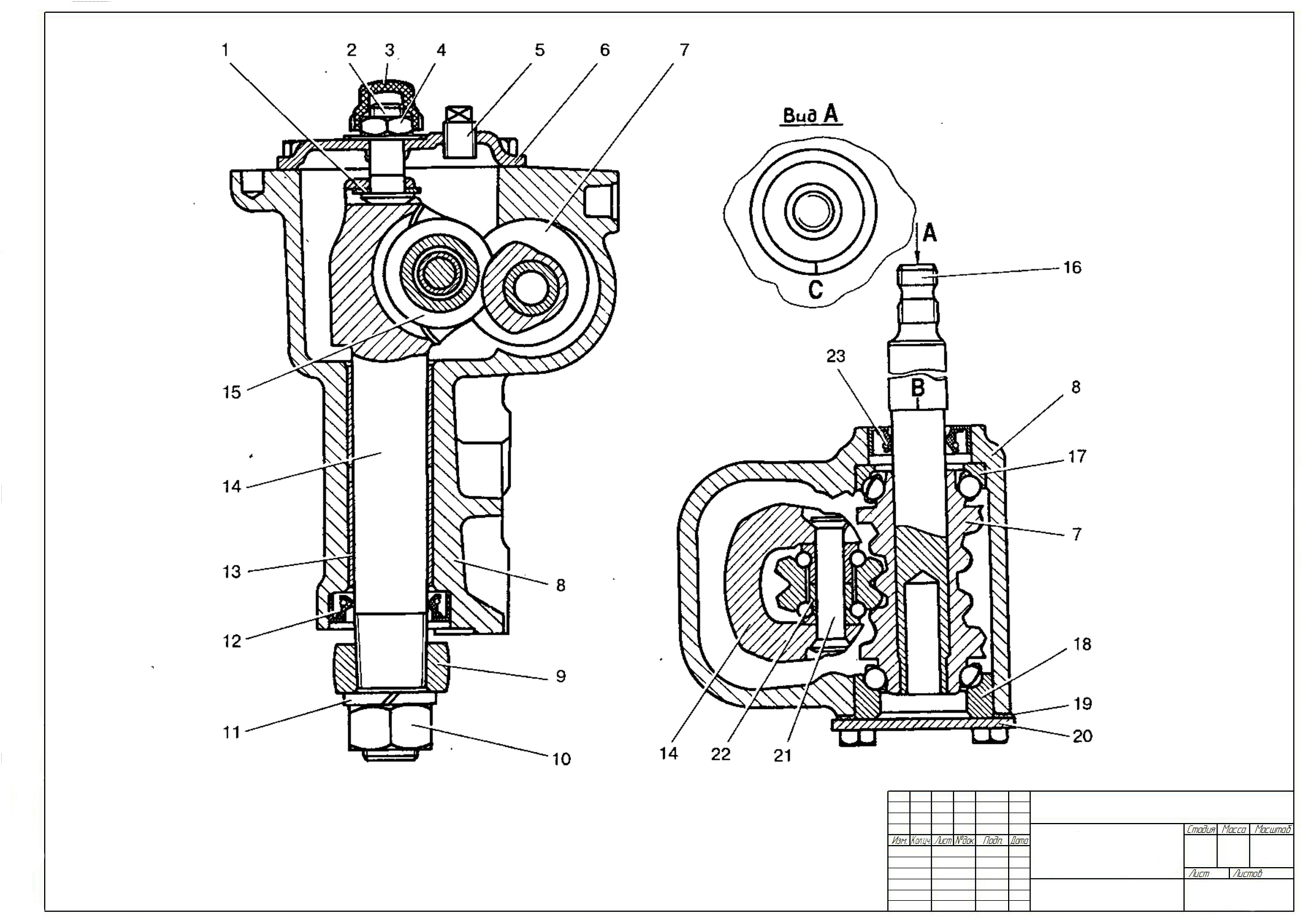
В процессе эксплуатации изнашиваются рабочие поверхности червяка, ролика, подшипников, а также вала сошки, бронзовых втулок, головки регулировочного винта, шайбы и Т-образный паз вала сошки. Вследствие этого в рулевом механизме появляются зазоры, которые могут быть причинами стуков во время движения, вибрации передних колес, потери устойчивости автомобиля и других вредных явлений. Показателем появления зазора служит увеличенный свободный ход рулевого колеса. Повышенный зазор возникает в первую очередь в зацеплении червяка и ролика, а затем увеличивается осевое перемещение червяка (вместе с валом рулевого механизма). Указанные зазоры по мере их возникновения должны устраняться регулировкой рулевого механизма.
Кроме износа перечисленных деталей, причинами увеличенного свободного хода рулевого колеса могут быть ослабление крепления сошки на валу рулевого механизма или крепления картера рулевого механизма к раме, а также увеличенные зазоры в шарнирах рулевых тяг и передней подвески.
Поэтому перед регулировкой рулевого механизма следует проверить состояние рулевых тяг передней подвески, устранить зазоры в шарнирах и подтянуть ослабевшие крепления.
Рулевой механизм не нуждается в регулировке в том случае, если свободный ход рулевого колеса при движении по прямой не превышает 25 мм (около 8°) при измерении его на ободе.
Больший свободный ход, остающийся после подтяжки ослабевших соединений и устранения зазоров в шарнирах, свидетельствует о необходимости регулировки рулевого механизма.
Осевое перемещение червяка и боковой зазор в зацеплении можно регулировать без снятия рулевого механизма с автомобиля.
- Проверить, нет ли осевого перемещения червяка. Для этого нужно, приложив палец к ступице рулевого колеса и к корпусу переключателя указателей поворота, несколько раз повернуть рулевое колесо на небольшой угол вправо и влево. При наличии осевого перемещения червяка палец будет ощущать осевое перемещение ступицы рулевого колеса относительно корпуса переключателя.

- Для устранения осевого перемещения червяка необходимо повернуть червяк вправо или влево примерно на один-полтора оборота и затем повернуть его на некоторый угол в обратном направлении так, чтобы гребни ролика не касались нитки нарезки и в зацеплении червяка и ролика был достаточно большой боковой зазор. После этого необходимо отвернуть на две-три нитки стопорную гайку 1 и подтянуть регулировочную гайку 2 так, чтобы червяк легко вращался и не имел осевого перемещения. Затем, придерживая регулировочную гайку ключом от проворачивания, необходимо затянуть стопорную гайку и убедиться, нет ли осевого перемещения червяка и легко ли он вращается.
- Если после регулировки осевого перемещения червяка возникнет течь масла по резьбе регулировочной гайки, то под стопорную гайку необходимо подложить картонную или алюминиевую прокладку толщиной 0,1—1 мм. Затем нужно проверить величину бокового зазора в зацеплении. Для этого необходимо установить колеса в положении езды по прямой и отъединить левый шаровой палец средней рулевой тяги от сошки.

- Во избежание повреждения резьбы на пальце необходимо предварительно ударить несколько раз молотком по боковой поверхности головки сошки или сдвинуть палец с места специальным съемником. После этого, сохраняя положение сошки, соответствующее движению по прямой, и покачивая сошку за головку, определяют величину бокового зазора в зацеплении. В пределах поворота червяка на угол около 60° от среднего положения (3°32′ поворота сошки) вправо и влево зазора в зацеплении не должно быть.
- Если беззазорного зацепления нет или беззазорное зацепление ощущается на участках больше 60° поворота рулевого колеса от среднего положения, необходимо отрегулировать боковой зазор в зацеплении червяка и ролика. Для этого, отвернув на 1—2 оборота гайку 27 регулировочного винта 30 вала сошки и вставив в прорезь винта отвертку, установить беззазорное зацепление в пределах поворота червяка на угол 60° от среднего положения вправо и влево. Затем, придерживая отверткой регулировочный винт от проворачивания, затянуть контргайку и проверить произведенную регулировку.

- Убедившись в правильности сделанной регулировки, необходимо провернуть рулевое колесо из одного крайнего положения в другое и убедиться в том, что во всем диапазоне поворота рулевого механизма нет заеданий или тугого вращения.
- При регулировке осевого перемещения червяка и бокового зазора в зацеплении ни в коем случае нельзя делать излишнюю затяжку, так как она приведет при чрезмерно затянутых подшипниках червяка к их преждевременному износу, а излишняя затяжка зацепления (червяка и ролика) может привести к износу ролика и червяка или даже разрушению их рабочих поверхностей. Кроме того, при излишне тугом вращении рулевого механизма передние колеса не будут стремиться под действием веса передней части автомобиля возвратиться в положение, соответствующее движению по прямой при выходе автомобиля из поворота, что значительно ухудшит устойчивость автомобиля.
- По окончании регулировки необходимо соединить шаровой палец рулевых тяг с сошкой и проверить правильность регулировки рулевого механизма при движении автомобиля.

- Регулировку можно считать законченной, если свободный ход рулевого колеса при неподвижных передних колесах, установленных при движении по прямой (при отсутствии зазоров в шарнирах рулевых тяг и передней подвески и надежном закреплении рулевого механизма на раме), будет не более 10—15 мм при измерении по ободу рулевого колеса. Перед снятием рулевого механизма с автомобиля необходимо учитывать; что он вынимается только через подкапотное пространство вниз, при снятых рулевом колесе 58, рычаге 52 механизма управления коробкой перемены передач и рукоятке 79 переключателя указателей поворота.
Рулевой механизм после разборки и регулировки устанавливается в обратном порядке и в той же комплектности. Следует учесть, что при соединении сошки с рулевым механизмом ее нужно устанавливать по меткам, имеющимся на торце большой головки сошки и торце резьбового конца вала сошки. Сошка должна быть надета так, чтобы риска на торце ее большой головки совпадала с меткой (керном) на торце резьбового конца вала сошки.
Несовпадение рисок приведет при крайнем положении руля к упору ролика в картер рулевого механизма, что очень опасно, так как повлечет за собой недостаточный разворот передних колес в одну из сторон и, возможно, поломку рулевого механизма.
При имеющихся 36 шлицах ошибка хотя бы на один шлиц при установке сошки даст уменьшение возможного поворота сошки в одну из сторон на 10°.
Продольная ось правильно установленной сошки в среднем положении должна быть параллельна оси рулевой колонки и расположена впереди по ходу автомобиля, а сошка должна свободно поворачиваться от среднего положения вправо и влево на угол 45° в каждую сторону (немного более двух оборотов рулевого колеса). Размеры сошки маятникового рычага и рычагов рулевой трапеции, а также их взаимное расположение подобраны так, что для поворота колес вправо и влево сошка должна повернуться на угол около 37°.
Таким образом, при полностью повернутых передних колесах в рулевом механизме остается запас хода.
Рулевой механизм следует устанавливать на автомобиль так, чтобы при полностью затянутых болтах 15 крепления картера к лонжерону и рулевой колонке с надетой на нее прокладкой 50, прижатой к опоре 45 колонки, отверстия в кронштейне 49 крепления рулевой колонки совпадали с отверстиями фланцевых гаек, приваренных к подвижной планке 47, помещенной внутри опоры.
Возможны случаи, когда вследствие деформации кузова при аварии или длительной езды но неблагоустроенным дорогам при передвижении планки не удается добиться совпадения отверстий и требуется приложение усилия для установки на место рулевой колонки. В этом случае необходимо подпилить внутренние торцы одной или двух приваренных к лонжерону втулок 13 и 14, к которым крепится картер рулевого механизма, и проверить правильность положения колонки.
При деформациях кузова и подмоторной рамы автомобиля возможны также случаи, когда при предварительно поднятой вверх рулевой колонке и затянутых болтах крепления картера рулевого механизма колонка не будет касаться опоры 45. Для устранения этого необходимо распилить в нужную сторону два отверстия в картере рулевого механизма или положить прокладки требуемой толщины между опорой и рулевой колонкой и поставить удлиненные болты.
Неправильная установка рулевого механизма на автомобиль, при которой вал и рулевая колонка могут изогнуться, вызовет повышенные усилия на рулевом колесе и в механизме управления коробкой перемены передач, а также расшатывание крепления колонки к картеру.
Кроме того, это явится причиной повышенного износа верхнего подшипника вала руля. При большом же смещении изгиб вала руля может вызвать поломку вала рулевого механизма около червяка.
При снятии рулевого колеса с вала необходимо предварительно сделать метки на ступице и валу, позволяющие установить рулевое колесо при сборке в среднее положение.
Ставить рулевое колесо на вал по среднему положению, определенному по его оборотам вправо и влево, не следует, так как в этом случае спицы рулевого колеса при движении по прямой не будут располагаться горизонтально.
Для того чтобы снять рулевое колесо с автомобиля, необходимо вначале вынуть крышку 61 включателя сигнала 59. Это необходимо сделать с помощью тонкой отвертки или, еще лучше, лезвием ножа, вставляя их в горизонтальный зазор между крышкой и включателем около одного из концов крышки со стороны большего сектора рулевого колеса, и последующего подъема конца крышки. При этом одна из пружин 60, удерживающих крышку, будет утоплена внутрь включателя, и крышка легко снимется.
Затем, отвернув два винта 65, снять включатель сигнала и основание 66 включателя сигнала, для чего отвернуть три винта 70 и вынуть пружины 73 из углублений ступицы рулевого колеса. После этого, отвернув гайку на валу руля, снять рулевое колесо с помощью специального съемника.
При отсутствии съемника рулевое колесо можно снимать, ударяя молотком, обязательно только через медную или алюминиевую прокладку, по торцу вала руля, навернув во избежание повреждения резьбы предварительно заподлицо с торцом вала гайку 69.
Рулевое колесо устанавливают в обратном порядке. Однако крышки включателя сигнала во избежание деформации или поломки пружин необходимо устанавливать в следующем порядке. Необходимо надеть выемку на торце крышки на одну из пружин 60, расположив при этом крышку так, чтобы ее нижний торец был прижат к включателю сигнала, а второй конец не входил бы в паз включателя. Утопить пальцем руки вторую пружину в прорезь включателя и, прижимая другой рукой крышку к плоскости включателя и не отпуская пружины, плавно вдвинуть крышку на место.
После этого, нажимая на крышку, несколько сдвинуть ее в сторону меньшего сектора рулевого колеса и вставить зуб на торце крышки в паз включателя сигнала со стороны большего сектора рулевого колеса.
Установка крышки на место в другой последовательности или другим способом, например сверху, приведет к деформации или даже поломкам пластинчатых пружин, в связи с чем необходимо строго придерживаться указанного выше порядка установки крышки во включатель сигнала.
Сошка рулевого механизма соединяется с валом сошки при помощи мелких конических шлицев с малым углом конуса на валу и затягивается гайкой с пружинной шайбой. Поэтому для снятия сошки необходимо применять специальный съемник. Нельзя снимать сошку ударами молотка, так как это вызовет появление вмятин на ролике вала сошки, что в дальнейшем приведет к преждевременному износу рабочей пары рулевого механизма.
Регулировка рулевого колеса по высоте и по вылету – особенности регулировки
Вы купили новый автомобиль или взяли машину напрокат? Не имеет значения, сколько времени вы планируете провести за рулем, авто нужно настроить под себя.
Комфортное расположение не только сиденья, но и рулевого колеса, обеспечит безопасную езду. Лучше всего проводить регулировку в автосервисе, там не допустят ошибок и заодно диагностируют другие системы. Если же обратиться к специалистам нет возможности, отрегулировать руль можно и самостоятельно.
Основные виды конструкции регулировки
Различают 2 вида регулировки руля автомобиля: по углу наклона и расстоянию от водителя. Последняя имеет большое значение для людей и высокого, и низкого роста, ведь именно фиксированная высота рулевого колеса часто доставляет наиболее существенный дискомфорт. В большинстве авто настройка осуществляется механически, но на современных дорогих машинах встречается и электропривод. Среди разновидностей и типов регулировки стоит выделить:
- Конструкция Лобделла. В основе системы лежит храповой механизм, на котором фиксируется руль. С его помощью можно изменить позицию рулевого колеса, не меняя положения колонки. Предусмотрено всего 7 вариантов регулировки, и изменить угол наклона в такой системе невозможно.

- Телескопический руль. Дает возможно перемещать колесо в трехдюймовом диапазоне (до 7,6 см). Точность настройки здесь выше, чем в предыдущей системе.
- Регулируемая рулевая колонка. Предусматривает комплексную регулировку руля, в том числе угол наклона. В современных моделях авто на такие системы устанавливаются электромоторы и механические замки, которые «запоминают» индивидуальные параметры водителя.
- Электроника. Полностью автоматизированная система, в которой настройки по высоте, удаленности руля и его наклону вводятся через бортовой компьютер.
Особенности настройки
Чтобы правильно настроить рулевое колесо, прежде всего нужно убедиться в отсутствии неисправностей. Колеса авто нужно расположить прямо, при этом руль должен находиться в исходном положении. Если его «ведет» в одну из сторон, вероятны:
- люфт в системе рулевого управления;
- разный износ шин;
- дисбаланс колес транспортного средства;
- изменение угла схождения;
- повреждения механического типа.

В первую очередь нужно устранить неисправности (лучше всего в автосервисе), а затем проверить, правильно ли установлен руль. Об этом будет свидетельствовать одинаковое число оборотов вправо и влево до упора из «нулевого» положения.
Особенности настройки рулевой колонки
Перед настройкой руля нужно провести корректную регулировку водительского сиденья. Положение считается правильным, если человек касается спиной сиденья, его руки полностью выпрямлены, а руль немного заслоняет дорогу. При этом педали газа и тормоза должны быть в свободном, беспрепятственном доступе. Только в такой позиции можно полноценно держать под контролем ситуацию на дороге.
Если в машине есть подушки безопасности, недопустимо высокое положение руля. Иначе в случае дорожно-транспортного происшествия система раскроет подушки в области головы, а не груди, и может нанести серьезные травмы. Также нельзя проводить настройку руля во время движения. И, прежде чем проводить манипуляции с рулевой колонкой, стоит детально ознакомиться с конструкцией авто и учесть особенности взаимодействия системы безопасности с другими.
Настройка руля — одна из ключевых задач, которая должна быть решена при первой же посадке в автомобиль. Если она выполнена верно, езда будет не только комфортной, но и безопасной. При отсутствии должного опыта рациональнее обратиться за помощью в автосервис.
Возможно вам будет интересно:
- Покупка видеорегистратора
Видеорегистратор — незаменимая вещь для любого автомобилиста. Этот гаджет поможет разобраться в случае ДТП, вычислить преступников при нанесении вреда автомобилю и в других ситуациях. Перед покупкой нужно ознакомиться с нюансами подбора авторегистратора.
- Торможение двигателем
Тормозить двигателем — значит замедлять автомобиль без использования педали тормоза. Метод имеет свои плюсы и минусы, но в некоторых случаях он единственный возможный. Например, с его помощью можно избежать заноса в гололед или сохранить должный уровень безопасности при спуске в горной местности, где штатные тормоза – не лучший выход. Он также окажется рациональным выходом из ситуации, когда возникает проблема с тормозной системой.
Некоторые же применяют способ торможения двигателем для экономии бензина и сохранности тормозных колодок. Зачем, когда и как нужно применять данный метод, рассмотрим в этой статье. - Как парковаться задним ходом
Начинающий водитель не будет чувствовать себя уверенно за рулем, пока не научится парковаться задним ходом. Многие называют этот маневр одним из самых сложных. На деле же совершить заезд передом ненамного проще, особенно если учесть, что выезжать со стоянки все равно придется сдавая назад. Различают параллельную и перпендикулярную парковки, в зависимости от положения автомобиля по отношению к проезжей части. Каждый из способов имеет свои нюансы и требует строгого соблюдения правил.
- Правила парковки для начинающих
Успешное окончание автошколы и получение водительских прав не является гарантией того, что новичок за рулем умеет правильно парковаться, то есть выполнять действие, требуемое часто – каждый день. Отсутствие должного опыта, неуверенность и масса других причин приводят к серьезным проблемам на дороге.
Совершить заезд между фишками на автодроме — одно, а ровно заехать и остановиться между тесно стоящими автомобилями — совсем другое. А если потребуется выполнить процедуру задним ходом, то новичок, только получивший права, может занервничать и начать совершать ошибки, даже если будет отлично знать теорию. Поэтому важно отрабатывать этот маневр как можно дольше, и не пренебрегать нормами правильной парковки.
Для проверки червячной и роликовой регулировки рулевого управления —
Для регулировки зазора между роликом и червяком —
Примечание: В Super Beetle есть два отверстия для доступа — одно в запасном колесе и одно на плече с левой стороны (справа, если смотреть на автомобиль) прямо перед стойкой. Именно через это отверстие доступа вы получаете доступ к регулятору. (Я не уверен в расположении отверстия доступа в стандарте — я уточню у Роба и пересмотрю эту процедуру.) Примечание: Это немного сложно сделать в Super, так как гайка утоплена под металлическим листом. Удерживая винт на месте с помощью большой отвертки, я закручиваю гайку как можно туже с помощью гаечного ключа на 17 мм, удерживая его вертикально, а затем дотягиваю до конца с помощью 17-мм головки. Примечание: Если свободный ход слишком велик только с одной стороны, повторите регулировку, повернув рулевое колесо на 90- Другие корректировки —
Примечание: Из-за расположения поперечины корпуса невозможно отрегулировать осевой люфт червячного шпинделя при установленном редукторе. * * * * * |
Рулевое колесо :: Сиденья, рулевое колесо и зеркала :: Mercedes-Benz M-Класс Руководство по эксплуатации :: Mercedes-Benz M-Класс
Mercedes-Benz M-Класс / Mercedes-Benz M-Класс Руководство по эксплуатации / Сиденья, рулевое колесо и зеркала / Рулевое колесо
Важные указания по технике безопасности
ПРЕДУПРЕЖДЕНИЕ
Не регулируйте рулевое колесо во время движения.
Регулировка рулевого колеса во время движения или
вождение без регулировки руля
заблокированная функция может привести к потере драйвера
управление транспортным средством.
Электрическая регулировка рулевого колеса
функция может работать в любое время.
Поэтому не оставляйте детей без присмотра
в автомобиле или с доступом к разблокированному
транспортное средство. Неконтролируемый доступ ребенка к
автомобиль может привести к аварии и/или
серьезная травма.
Регулировка рулевого колеса
вручную
1 Рычаг разблокировки
2 Чтобы отрегулировать высоту рулевого колеса
3 Для регулировки положения рулевого колеса (регулировка в продольном направлении)
— Полностью опустите рычаг разблокировки 1.
Рулевая колонка разблокирована.
— Отрегулируйте руль до нужного
позиция.
— Полностью поднимите рычаг разблокировки 1.
Рулевая колонка заблокирована.
— Проверьте, не заблокирована ли рулевая колонка.
При этом постарайтесь нажать на рулевое
колесо вверх или вниз или попытаться переместить его в
направление вперед-назад.
Регулировка рулевого колеса
электрически
1 Для регулировки высоты рулевого колеса
2 Чтобы отрегулировать положение рулевого колеса
(регулировка вперед-назад)
Другие темы:
— Функция ПРОСТОГО ВХОДА/ВЫХОДА
— Сохранение настроек
Обогрев рулевого колеса
Включение/выключение
— Убедитесь, что SmartKey находится в положении
2 в замке зажигания.
— Для включения/выключения: поверните рычаг в
направление стрелки 1 или 2.
Контрольная лампа 3 загорается или гаснет.
Автомобили без KEYLESS-GO: когда вы
вынуть ключ из замка зажигания,
обогрев руля отключен.
Автомобили с KEYLESS-GO: при переключении
выключите зажигание и откройте дверь водителя,
обогрев руля отключен.
Проблемы с рулем
обогрев
Обогрев рулевого колеса отключился
преждевременно или не может быть включен.
напряжение бортовой сети автомобиля слишком низкое
потому что слишком много потребителей электроэнергии
включен.
— Выключите потребителей электроэнергии, которые вы
не нужно, например, заднее стекло
антиобледенитель или внутреннее освещение.
Система EASY-ENTRY/EXIT
Важные указания по технике безопасности
в и из вашего автомобиля легче.
Вы можете активировать и деактивировать функцию EASYENTRY/EXIT в бортовом меню.
компьютер.
ПРЕДУПРЕЖДЕНИЕ
Вы должны убедиться, что никто не может стать
зажат или травмирован движущимся рулевым управлением
колесо, когда включена функция простого входа/выхода.
активирован.
Чтобы остановить движение рулевого колеса, выполните одно из
следующее:
— Переместите рычаг регулировки рулевого колеса.
— Нажмите одну из кнопок положения памяти.
— Нажмите кнопку памяти М.
Не оставляйте детей без присмотра в
транспортное средство или с доступом к незапертому транспортному средству.
Дети могут открыть дверь водителя и
непреднамеренно активировать легкий вход/выход
функция, которая может привести к аварии
и/или серьезные телесные повреждения.
ПРЕДУПРЕЖДЕНИЕ
Дайте системе завершить настройку
процедура перед постановкой автомобиля на
движение. Все регулировки рулевого колеса должны
быть завершены до постановки автомобиля на
движение. Трогание с рулевого колеса
все еще регулировка может привести к тому, что водитель потеряет
управление транспортным средством.
Положение рулевого колеса при
Активна функция EASY-ENTRY/EXIT
Рулевое колесо поднимается вверх, когда
ты:
— вынуть SmartKey из замка зажигания
— открыть дверь водителя и KEYLESS-GO
в позиции 1
— откройте дверь водителя, и SmartKey
в положении 0 или 1 в замке зажигания
Рулевое колесо двигается только
вверх, если
он еще не достиг верхнего предела
останавливаться.
Положение рулевого колеса для
вождение
Рулевое колесо перемещается в последнее выбранное положение, когда:
— дверь водителя закрыта.
— вставляете SmartKey в замок зажигания.
или
— вы один раз нажимаете кнопку Start/Stop на автомобилях с KEYLESS-GO.
Когда вы закрываете дверь водителя с
зажигание включено, руль
также автоматически перемещается в предыдущую
установить положение.
Последнее положение рулевого колеса
сохраняются при выключении зажигания или
когда вы сохраняете настройки в памяти
функция.
Функция EASY-EXIT, реагирующая на сбой
Если функция EASY-EXIT, реагирующая на сбой,
сработала при аварии, рулевая колонка
будет двигаться вверх, когда дверь водителя
открыт. Это происходит независимо от
положение SmartKey в замке зажигания.
Облегчает выход из автомобиля и
спасти оккупантов.
Функция EASY-EXIT, реагирующая на сбои,
работает только в том случае, если EASY-EXIT/ENTRY
функция активирована в бортовом компьютере.
См. также:
Охлаждающая жидкость
Важные указания по технике безопасности
ПРЕДУПРЕЖДЕНИЕ
Антифриз легко воспламеняется.






Некоторые же применяют способ торможения двигателем для экономии бензина и сохранности тормозных колодок. Зачем, когда и как нужно применять данный метод, рассмотрим в этой статье.
Совершить заезд между фишками на автодроме — одно, а ровно заехать и остановиться между тесно стоящими автомобилями — совсем другое. А если потребуется выполнить процедуру задним ходом, то новичок, только получивший права, может занервничать и начать совершать ошибки, даже если будет отлично знать теорию. Поэтому важно отрабатывать этот маневр как можно дольше, и не пренебрегать нормами правильной парковки.
В стандартной версии Bug свободный ход не должен превышать 15 мм (около 9/16 дюйма) на ободе рулевого колеса. В Super Beetle свободный ход не должен превышать 13–16 мм (от 1/2 до 5/8 дюйма).

Если требуется много, ищите утечку; если есть утечка, ваш рулевой механизм может нуждаться в капитальном ремонте.
Регулировку необходимо проводить при снятом редукторе рулевого управления. 