Содержание
Механизм рулевой МАЗ | новости СпецМаш
Велосипед, скутер-мотоцикл, а часто и другие виды транспортных средств имеют простейший вариант обустройства рулевого управления. Даже если там присутствуют несколько составляющих, то соединение руля с колесом все равно является прямым и в некоторой степени жестким. Другое дело автомобиль, а тем более большегруз, где усилие на баранку доходит до колес через целый ряд «посредников». Иные из них могут иметь разное устройство-конфигурацию, а то и отсутствуют в принципе, но на машинах Минского Автозавода рулевой механизм (обычно реечный), преобразующий вращение оси колонки в поступательное движение тяг, элемент обязательный…
ЗАЧЕМ НУЖНО РЕГУЛИРОВАТЬ И КАК ЭТО ДЕЛАТЬ
Если некоторые элементы автомобиля практически никогда не требуют особого ухода, например, глушитель МАЗ достаточно установить, и о нем можно благополучно забывать. А вот узлы более серьезные, требуют не только постоянной заботы, но и весьма часто нуждаются в дополнительной регулировке.
К таким узлам можно причислить рулевой механизм, и вот почему. Задача всей системы – обеспечивать адекватную реакцию (поворот в нужную сторону и на должный градус) колес при поворотах «баранки». Как уже сказано, занимается этим наш герой, и если в расположении его составляющих будут отклонения от нормы, то не приходится надеяться и на точность окончательного результата.
А недостаток в скорости реакций, или ее чрезмерность, нехватка или избыток вектора смещения, это прямая угроза безопасности движению и вообще возможности его самое!
Так как в зависимости от модели некоторые нюансы процесса могут отличаться, в качестве примера разберем его принципы относительно легендарного МАЗ-500А. Весь процесс включает два этапа, на первом потребуется отрегулировать подшипники винта, на втором – зацепление гайки-рейки и зубчатого сектора…
Для начала потребуется снять РМ и сошку, затем отворачиваются болты, крепящие крышку сектора, и можно будет доставать все компоненты.
После этого снимается стопорная пластина и, используя регулировочную гайку, выставляется натяг (небольшой) в подшипниках. Адекватным считается то положение, при котором необходимый для проворачивания винта момент составляет от 12 до 25 кгс.
Перед чем заниматься зацеплением «сектор-гайка», нужно проверить механизм рулевой МАЗ на отсутствие в вале сектора осевого люфта регулировочного винта. Максимально допустимая величина такого люфта всего 0.1 мм и если эта величина больше, то придется сначала устранить «болтанку». Для этого снимаем боковую крышку, вытягиваем сектор и удаляем сварку на запорной гайке.
После гайка вворачивается до того положения, при котором осевой люфт будет составлять 0.06 мм, и снова стопорится точечной сваркой (диаметр 4 мм, достаточно одного фиксажа) к сектору. Затем можно начинать регулировать зацепление. Крышка помещается на место, и регулировочный винт доворачивается по часовой до полного отсутствия зазора зацепления, при этом, момент «затяга» в среднем положении должен составлять 13-35 кгс, а его свободный ход при неподвижной сошке должен быть большим 6о.
После того, как все операции проведены и показатели соответствуют стандарту, механизм ставится на место, присоединяется к рулевой колодке и к гидроусилителю, чтобы можно было бы проверить правильность работы. Если все манипуляции были проведены верно, то на пустом грузовике усилие на рулевом колесе должно составлять не больше 20 кгс при работающем двигателе. Также следует проконтролировать свободный ход для «баранки» — он не должен быть большим 10-15 градусов.
КОГДА НАСТРОЙКИ БЕСПОЛЕЗНЫ
Бывают ситуации, когда вышеописанный процесс пустая трата времени. Наш объект вмешательства, это сложное устройство, состоящее из деталей, которым при работе пригодится испытывать определенные нагрузки, а также истирающее воздействие. Конечно, они не сравнимы с теми, что выпадают на долю карданных валов, например, или поршневую дизель-мотора (да и вообще ДВС). Но все же их достаточно, для постепенного износа комплектующих даже при очень хорошей смазке. К тому же, вибрация и удары от дороги тоже вносят свою лепту в нарушение геометрии.
Существуют специальные таблицы для определения допустимости степени износа тех или иных запчастей. И когда этот «лимит» исчерпан, то единственным разумным поступком будет не попытка отрегулировать нерегулироемое, а заменить изношенные компоненты или узел в сборе. И уже тогда выполнять предписанные «процедуры». Естественно, новые детали обязаны быть не хуже штанных, и наш торговый дом «СпецМаш» готов вам подобную продукцию предоставить. Причем с гарантией качества (все товары проверены МАДИ и НАМИ, сертифицированы в РосТест), и по приемлемым ценам – мы сами их делаем, так что можно забыть о любых посреднических «накрутках».
|
Консультация по техническим вопросам , приобретению запчастей 8-916-161-01-97 Сергей Николаевич
|
Для заказа нужных автокомплектующих в нашем интернет-магазине, вы можете воспользоваться специальной веб-формой на сайте, либо связаться с нами через электронную почту или по телефону.
Работаем с безналичным расчетом и наличкой, по предварительной договоренности предоставляются отсрочки. При постоянных покупках и оптовых заказах гарантированы скидки и другие приятные бонусы. Покупку можем выдать у нас на складе либо организовать ее пересылку в нужный регион РФ. Обратите внимание, что примерно в сто населенных пунктов (и всегда до офисов перевозчиков) доставка бесплатная!
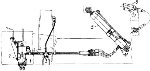
1 64229-3401005-02 Рулевой механизм в сборе
2 5336-3401030 Винт с гайкой
3 5336-3401038 Винт
4 5336-3401162 Фиксатор торсиона
5 263706Е Подшипник
5 263706Е Подшипник
6 5336-3401148 Торсион
7 008-012-25-2-3 Кольцо уплотнительное
8 7,938-40 Шарик
9 5336-3401056 Направляющая
9 5336-3401056 Направляющая
10 500-3401057 Прижим
11 252134 Шайба 6Т
12 220101 Винт М6-6gх8
13 5336-3401015 Картер
14 5336-3401185 Прокладка
15 5336-3401186 Прокладка
16 5336-3401187 Прокладка
17 5336-3401188 Прокладка
18 082-090-46-2-3 Болт М14-6gх30
19 5336-3401061 Крышка
20 252137 Шайба 12 ОТ
21 6422-3401065-02 Сектор
22 5336-3401156 Кольцо
22 5336-3401156 Кольцо
23 6-ИК8-45х55х16 Подшипник
23 6-ИК8-45х55х16 Подшипник
24 6422-3401084-10 Вкладыш
24 6422-3401084-10 Вкладыш
25 098-102-25-2-3 Кольцо уплотнительное
25 098-102-25-2-3 Кольцо уплотнительное
26 5336-3401080 Крышка
27 1.
2-45х65-3 Манжета
28 5336-3401108-01 Кольцо защитное
29 400424 Кольцо стопорное А65
29 400424 Кольцо стопорное А65
30 5336-3401159 Фиксатор
30 5336-3401159 Фиксатор
31 311702 Гайка
32 258072 Шплинт 5х60
33 64221-3401066 Уплотнитель
34 6422-3401122 Втулка
35 200-3509097 Пружина
36 6422-3401120 Муфта
37 6422-3401124 Золотник
38 6422-3401086-10 Крышка в сборе
39 6422-3401087-10 Крышка
40 042-045-19-2-3 Кольцо
41 6422-3401154 Шайба
42 252156 Шайба 10Л
43 201497 Болт М10-6gх25
44 371700 Болт М12х1,25-6gх30
45 262541 Пробка кг 1/8″
Ссылка на эту страницу: http://kspecmash.
ru/catalog.php?typeauto=2&mark=11&model=95&group=122
Гидроусилитель руля ГУР МАЗ 5551
МАЗ 5551 – грузовой автомобиль, белорусского производства, который выпускает Минский автомобильный завод МАЗ, специализирующийся на выпуске большегрузной автомобильной, а также автобусной, троллейбусной и прицепной техники.
Основа конструкции автомобиля МАЗ 5551 состоит из элементов, разработанных еще в 1958 году, но своей актуальности благодаря высоким техническим характеристикам она не потеряла.
Автомобиль МАЗ-5551 производится на базе МАЗ-5337, но в конструкции транспортного средства было много заметных улучшений. В отличии от МАЗ-5337, МАЗ 5551 оснащается V-образным дизельным агрегатом модели ЯМЗ-236М2 (производитель – Ярославский моторный завод). Достаточно мощный двигатель обеспечивает бесперебойный ход транспорта без надрывов и проблем.
Среди основных преимуществ МАЗ 5551 являются его компактные габариты, что позволяет использовать машину на строительных площадках в пределах города, а также транспортировку сыпучих материалов.
Гидравлическая система автомобиля МАЗ-5551 представляет собой насос, и телескопический гидроцилиндр, который производит опрокидывание кузова, и гидроусилитель руля, который обеспечивает автомобилю хорошую маневренность, а также уменьшает водителю затраты прикладываемых усилий. Управление происходит дистанционно из кабины оператора транспортного средства.
Гидравлический усилитель руля (ГУР) МАЗ – важная составляющая часть рулевого механизма, предназначение которой – облегчение поворота вала руля машины, и уменьшение затрачиваемых усилий оператора транспортного средства, обеспечивая ему безопасность при разрыве шин переднего колеса.
Гидроусилитель МАЗ 5551, смягчает удары, которые поступают на рулевое колесо в условиях неровных дорог. Гидравлический усилитель рассчитан на то, что даже если он выйдет из строя, вся система управления рулевым механизмом будет продолжать работать.
Механизм гидравлического усилителя МАЗ 5551 упрощает процесс управления машиной: после монтажа узла заметно уменьшается уровень усилий, прилагаемых для поворота руля.
Наше предприятие специализируется на продаже и ремонте гидравлики. У нас вы можете отремонтировать свой гидроусилитель рулевого управления ГУР МАЗ 5551, а так же гидроусилители рулевого управления автомобиля МАЗ-457043-330, МАЗ-457043-332, МАЗ-4571Р2-420-000, МАЗ-4571Р2-425-000, МАЗ-4571Р2-430-000, МАЗ-4571Р2-430-000, МАЗ-4571Р2-435-000, МАЗ-4570W1-425-000, МАЗ-4570W1-425-020, МАЗ-4570W1-435-000, МАЗ-4581W2-420-020, МАЗ-4581Р2-420-020, МАЗ-5551А2-320, МАЗ-5551А2-323, МАЗ-5551А2-325, МАЗ-5551А2-4327, МАЗ-5551W3-425-000, МАЗ-5516W4-420-000, МАЗ-54321, МАЗ-63031, МАЗ631019-420-031, МАЗ-6516А8, МАЗ-5551А2, МАЗ-6501А5, МАЗМАЗ-5440А5, МАЗ-54323, МАЗ-447137-455, МАЗ-64221, МАЗ-64224, МАЗ-64229, МАЗ-53371, МАЗ-500А, МАЗ-503А, МАЗ-504А.
Ремонт гидроусилителя (ГУРа) МАЗ-5551 рулевого управления колесных транспортных средств, производится на нашем предприятии с 2007 года. Во время ремонтных работ используются металлорежущие станки, специальные приспособления, также стенды для проверки гидроусилителя на усилия в рулевом колесе, люфт в градусах в нулевом положении данного ГУРа.
При получении гидроусилителя производится внешний осмотр, очистка, мойка, обезжиривание и разборка. Такие детали, как: распределитель ГУРа, клапана управления, подлежат проверке с последующим определением: либо на капитальный ремонт, либо на установку новых узлов. Силовой цилиндр, рейки, сектора, шлицевые валы, червячные валы тщательно проверяются на осевое и продольное биение, целостность зубьев червячной и реечной передачи. Так же проверяются все резьбовые соединения, из корпусов выпресовуются все втулки, изношенные втулки заменяются новыми. При необходимости, корпуса растачиваются на координатно-расточном станке, для установки втулок увеличенного (ремонтного) размера. После чего гидроусилитель собирают, устанавливают на стенд с целью проверки герметичности и проверки данного агрегата в целом. Испытание на стенде имитирует эксплуатацию на различных транспортных средствах в условиях асфальтовых, грунтовых дорог, и полевых работ. После чего гидрораспределитель окрашивают, пломбируют, ставят дату испытания и передают заказчику
На видео проходит испытание на стенде гидроусилителя рулевого управления ГУР МАЗ 5551.
C8051F817-GS | Кремниевые Лаборатории | Микроконтроллеры
Микроконтроллер 8051, 8 бит, 25 МГц, SOIC-16, C8051F817-GS
Номер заказа:
53S6555
Производитель:
Silicon Laboratories
Артикул производителя
C8051F817-GS
Серия производителя:
C8051F81X
EAN:
409987
92
Что такое ЭКАД?
Общая стоимость
(3,39 €
* / шт.)
0,00 €
В настоящее время нет на складе, мы закажем для вас
Количество
Цена за единицу*
1 шт.
3,39 €
20 шт.
2,82 €
96 шт.
2,43 €
192 шт.
2,25 €
384 шт.
2,11 €
*вкл. НДС плюс
стоимость доставки
Добавить в корзину
Показать 30 вариантов
Описание
Продукт Silicon Laboratories at Bürklin Elektronik
Микроконтроллер, C8051F817-GS, Silicon Laboratories
C8051F817-GS — это высокоинтегрированный 8-разрядный микроконтроллер (MCU) со смешанными сигналами, оснащенный мощным ядром 8051. Этот продукт представляет собой действительно автономное решение системы на кристалле, что делает его идеальным для таких приложений, как портативное медицинское оборудование, весы, испытательное оборудование и волоконно-оптические системы.
Особенности
- Три 16-разрядных счетчика/таймера общего назначения
- Встроенный датчик температуры
- Программируемый гистерезис и время отклика
- Режим часов реального времени с использованием таймера и кристалла
Технические характеристики
| Количество входов/выходов | 13 | |
| Количество контактов | 16 | |
| Версия | Вспышка | |
| Корпус | СОИК-16 | |
| Размер ядра | 8 бит | |
макс. рабочая температура | 85 °С | |
| мин. рабочая температура | -40 °С | |
| Сборка | СМД | |
| Ядро процессора | 8051 | |
| Объем ОЗУ данных | 512 байт | |
| Напряжение | 1,8–3,6 В | |
| Объем памяти | 8 КБ | |
| Тактовая частота | 25 МГц |
Показать похожие продукты (0)
Логистика
| Страна происхождения | ТВ |
| Номер таможенного тарифа | 85423190 |
| МСЛ | MSL 1 |
| Оригинальная упаковка | Стержень из 48 штук |
Соответствие
| Соответствие RoHS | Да |
| Дата директив RoHS | 31. 03.15 |
| SVHC бесплатно | Да |
Скачать
Технический паспорт — EN
Технический паспорт
Декларация о соответствии — EN
Декларация о соответствии
Декларация о соответствии — DE
Декларация о соответствии
Аксессуар
*вкл. НДС плюс
стоимость доставки
Вариации
Производитель
Пожалуйста, выберитеSilicon Laboratories
Series
Пожалуйста, выберитеC8051F81X
Опции
Показать только новые продукты
Показать только те товары, которые есть в наличии (0)
Ядро процессора
Версия
Количество входов/выходов
мин.
рабочая температура
Количество контактов
Объем памяти
Корпус
Тактовая частота
Блок
ГцкГцМГцГГц
Сборка
Напряжение
макс. рабочая температура
Размер сердцевины
1 шт. в 30 вариантах
*вкл. НДС плюс
стоимость доставки
На наших страницах категорий и страницах продуктов вы найдете следующие зеленые символы:
Доступны:
- Схематические обозначения
- Контур печатной платы
- 3D-модели
Доступны:
- Схематические символы
- Контуры печатной платы
В настоящее время нет доступных моделей
- Символы принципиальных схем и размеры печатной платы можно запросить, нажав на значок соответствующего продукта.

Страница 177 — 2 BHK Недвижимость в Гургаоне
Share Feedback
Hide
Shortlist
2 BHK Apartment in Sector-65 Gurgaon | ||
| M3M Skycity | ||
1 Metro Station 1 Магазины | ||
| ₹ 1,48 Cr ₹ 11 736/кв.фут. | 1 261 кв. фут. (117 кв.м.) Суперзастроенная площадь | 2 кв. 3 Baths |
East Facing Gated Society Corner Property Overlooking Park/Garden | ||
M3m skycity is one of the most popular destination на покупку квартир/квартир в секторе 65 гургаон. more | ||
UNDER CONSTRUCTION RESALE | ||
Share Feedback
Hide
Shortlist
2 BHK Apartment in Sector-65 Гургаон | ||
| M3M Skycity | ||
1 Станция метро 1 Магазины | ||
| 1 261 кв. фут. (117 кв. | 2 BHK 2 ванны | |
Восточная лиц. Garden | ||
Ищете двухкомнатную недвижимость для продажи в Гургаоне? Купите эту 2-х комнатную квартиру в m3m skycity, которая находится в секторе 65 гургаона. Окна этого дома выходят на восток. Квартира занимает супер застроенную площадь 1261 кв. Футов. Он состоит из 2 спален, 2 ванных комнат и более 3 балконов. Недвижимость расположена на 10 этаже 47-этажного дома. Эта жилая квартира в настоящее время… more | ||
UNDER CONSTRUCTION RESALE | ||
2 BHK Apartment in Sector 62 Gurgaon | ||
| Emaar Digihomes | ||
1 Metro Station 3 Магазины | ||
Emaar digi homes is very good property | ||
2 BHK Apartment in Sector 62 Gurgaon | ||
| Emaar Digihomes | ||
1 Metro Station 3 Shoppings | ||
Недвижимость Emaar — сказочное качество строительства | ||
2 BHK Apartment in Sector-62 Gurgaon | ||
| Emaar Digihomes | ||
1 Metro Station 3 Shoppings | ||
Эта 2-комнатная квартира расположена в emaar digihomes, в котором находятся одни из самых просторных квартир в секторе 62 Гургаона. more | ||
2 BHK Apartment in Sector-33 Sohna | ||
| Godrej Nature Plus | ||
1 Shopping 1 Connectivity | ||
Godraje nature plus — роскошная недвижимость | ||
2 BHK Apartment in Sector-85 Gurgaon | ||
| SS The Leaf | ||
1 Shopping 4 Connectivities | ||
Предлагается к продаже 2-х комнатная квартира в 85 секторе Гургаон. more | ||
2 BHK Apartment in Sector-85 Gurgaon | ||
| SS The Leaf | ||
1 Shopping 4 Connectivities | ||
Прекрасная 2-комнатная квартира в секторе 85 Гургаон. Свойство является частью ss листа. Это недвижимость в перспективном районе. Это хорошо спроектированное новое свойство. Он расположен на 4-м этаже. more | ||
2 BHK Apartment in Sector-33 Sohna | ||
| Godrej Nature Plus | ||
1 Shopping 1 Connectivity | ||
Эта прекрасная 2-х комнатная квартира в секторе 33 Сохна доступна для продажи в одном из самых популярных проектов Гургаона, Godrej Nature Plus. Квартира выходит на восточную сторону. Площадь квартиры составляет более 1310 кв. Футов. Супер застроенная площадь и имеет 2 спальни, 4 ванные комнаты и более 3 балконов. Квартира находится на 4 этаже 22 этажного дома. more | ||
2 BHK Apartment in Sector-33 Sohna | ||
| Godrej Nature Plus | ||
1 Shopping 1 Connectivity | ||
Взгляните на эту 2-х комнатную квартиру на продажу в Godrej Nature Plus, популярном жилом проекте, в котором находятся востребованные квартиры в секторе 33 Сохна, Гургаон. Окна квартиры выходят на восточное направление. Включая 2 спальни, 3 ванные комнаты и 3 балкона, эта квартира занимает супер застроенную площадь 1310 кв. Футов. Эта квартира расположена на 4-м этаже 22-этажного жилого дома. Квартира… more | ||
2 BHK Apartment in Sector-33 Sohna | ||
| Godrej Nature Plus | ||
1 Shopping 1 Connectivity | ||
Взгляните на эту 2-х комнатную квартиру на продажу в Godrej Nature Plus, популярном жилом проекте, в котором находятся востребованные квартиры в секторе 33 Сохна, Гургаон. more | ||
2 BHK Apartment in Sector-62 Gurgaon | ||
| Emaar Digihomes | ||
1 Metro Station 3 Shoppings | ||
Эта полу-меблированная 2-х комнатная квартира в стадии строительства для продажи, она является частью домов emaar digi. Застроенная площадь 1508 кв.футов. more | ||
2 BHK Apartment in Sector-22 Gurgaon | ||
| Ambience Creacions | ||
1 Shopping 3 Connectivities | ||
Создание атмосферы в секторе 22, Гургаон. 2 кв. 1380 кв. футов. more | ||
2 BHK Apartment in Sector-85 Gurgaon | ||
| SS The Leaf | ||
1 Shopping 4 Connectivities | ||
Прекрасная 2-комнатная квартира в секторе 85 Гургаон. more | ||
2 BHK Apartment in Sector-85 Gurgaon | ||
| SS The Leaf | ||
1 Shopping 4 Connectivities | ||
Сдается 2-х комнатная квартира в перспективном районе Сектор-85, Гургаон. Квартира просторная, расположена на 5 этаже. Каждая деталь квартиры тщательно продумана. more | ||
2 BHK Apartment in Sector-85 Gurgaon | ||
| SS The Leaf | ||
1 Shopping 4 Connectivities | ||
Лист в секторе 85, Гургаон — это готовое к заселению жилищное общество. 2 комн ср 1640 ср. Сектор 85 — одно из лучших мест для покупки дома в Гургаоне. Он имеет многообещающую социальную и физическую инфраструктуру и развивающийся район. Оцените несколько преимуществ проживания в этом районе: скоростная автомагистраль Дварка, 3,8 км Центральная периферийная дорога, 3,9 км. more | ||
2 BHK Apartment in Sector-85 Gurgaon | ||
| SS The Leaf | ||
1 Покупки 4 Connectivities | ||
| 98 | ||
| 98 | ||
| . | ||
2 BHK Apartment in Sector-33 Gurgaon | ||
| Unitech The Residences | ||
1 Metro Station 1 Shopping | ||
Это полу-меблированная 2-комнатная квартира для продажи в секторе 33 Гургаон, Гургаон. more | ||
2 BHK Apartment in Sector-103 Gurgaon | ||
| Signature Global Grand IVA | ||
2 Connectivities 5 Educations | ||
Красивая 2-комнатная квартира в секторе 103 Гургаон, Гургаон. Имущество является частью . Это недвижимость в перспективном районе. Это хорошо спроектированное новое свойство. Он расположен на 14 этаже. Право собственности относится к типу безусловного права собственности и имеет суперзастроенную площадь 900 кв. more | ||
2 BHK Apartment in Sector 85 Gurgaon | ||
| SS The Leaf | ||
1 Покупки 4 Возможности подключения | ||
9 | ||
Ss Лист в секторе 85, Гургаон — это готовое к заселению жилищное общество. 2 кв. 1640 sq.Ft. Предлагаемые апартаменты представляют собой идеальное сочетание комфорта и стиля, специально разработанные с учетом ваших требований и удобств. В этом проекте есть 2-х, 3-х, 4-х и 5-ти комнатные квартиры. Дополнительные детали : Ежедневные покупки можно сделать в помещении общества… подробнее | ||
2 BHK Apartment in Sector 85 Gurgaon | ||
| SS The Leaf | ||
1 Shopping 4 Connectivities | ||
Лист в секторе 85, Гургаон — это готовое к заселению жилищное общество. more | ||
2 BHK Apartment in Sector-85 Gurgaon | ||
| SS The Leaf | ||
1 Shopping 4 Соединения | ||
О недвижимости Адрес: Сектор-85, Сектор-85 Гургаон, Гургаон, Харьяна Сектор 2-бхаранак Это хорошо спроектированное новое свойство. Он расположен на 5-м этаже. Собственность является собственностью типа безусловного права собственности и имеет застроенную площадь 1640 кв. more | ||
2 BHK Apartment in Sector-85 Gurgaon | ||
| Orris Carnation Residency | ||
1 Shopping 2 Educations | ||
Резиденция Orris carnation является одним из самых популярных мест для покупки квартир / квартир в секторе 85 Гургаон, Гургаон. Вы тоже можете стать частью этого общества, купив здесь 2-х комнатную квартиру. Эта квартира с 2 ванными комнатами и 2 балконами расположена на супер застроенной площади 1115 кв. Футов. Всего в жилом доме 12 этажей, а квартира для продажи находится на 6-м этаже… more | ||
2 BHK Apartment in Sector-62 Gurgaon | ||
| Emaar Digihomes | ||
1 Metro Station 3 Shoppings | ||
Emaar digihomes является одним из самых популярных мест в Гургаоне для жилых квартир, и эта 2-х комнатная квартира в секторе 62 Гургаон является вашей возможностью стать частью этого сообщества. ![]() | ||
рабочая температура
03.15
Вы тоже можете стать частью этого общества, купив здесь 2-х комнатную квартиру. Это дом с видом на восток. План этажа дополнительно включает 2 спальни, 3 ванные комнаты и 3 балкона. В целом, квартира расположена на супер застроенной площади 1261 кв. Футов. Квартира имеет в общей сложности 47 этажей и…
м.). Суперканированная зона
Это свойство выходит на северное направление. Площадь квартиры составляет более 1508 кв. Футов. Супер застроенная площадь и поставляется с 2 спальнями, 2 ванными комнатами и 2 балконами. Квартира расположена на 17 этаже 32-этажного жилого дома. Квартира в настоящее время находится в стадии строительства и…
Он имеет 2 ванные комнаты. Меблировка включает 4ac.It имеет 2 балкона. Эта квартира имеет супер застроенную площадь 1671 кв. Футов. Квартира находится на 5 этаже из 26 этажей. Также есть комната для прислуги. Вы получаете 1 крытую парковку. Эта квартира со стратегическим расположением и рядом удобств для покупателей / жителей стоит 1,10 крор рупий. (все включено…
Недвижимость является собственностью типа безусловного права собственности и имеет застроенную площадь 1771 кв. Футов. Цена собственности оценивается в 1,15 крор рупий. С 3 балконами и 2 ванными комнатами, квартира полу-…
Поскольку недвижимость в настоящее время находится в стадии строительства, вы можете…
Окна квартиры выходят на восточное направление. Построенная на супер застроенной площади 1310 кв. Футов, квартира состоит из 2 спален, 2 ванных комнат и более 3 балконов. Квартира имеет в общей сложности 22 этажа, и это свойство находится на 4-м этаже. Еще…
Это хорошо спроектированное новое свойство. Он расположен на 5-м этаже. Собственность является собственностью типа безусловного права собственности и имеет застроенную площадь 1640 кв. Футов. Стоимость объекта оценивается в руб. 1,13 крор рупий. С 3 балконами и 2 ванными комнатами, квартира частично меблирована. 1 крытая парковка. Дополнительная информация : Ежедневные покупки могут быть…
Стоимость квартиры 1,14 миллиона рублей. Это собственность в собственность, с застроенной площадью 1740 кв. Футов. В стоимость недвижимости включено все. Он имеет 2 ванные комнаты. Квартира состоит из 3 балконов. 1 крытая…
km Nakhrola stadium sector 81a, 5.3 km Nh 08, 8.1 k…
Он имеет 2 ванные комнаты. В квартире есть 2 балкона, которые хорошо проветриваются. Он построен на общей площади 1100 sq.Ft. С застроенной площадью 1050 кв.футов. И площадь ковра 1000 кв.м. Он находится на 5 этаже из 14 этажей. Ожидаемая цена этой собственности составляет 85 рупий лак () Он предлагает 1 крытую парковку и открытую…
футов Стоимость объекта оценивается в руб. Rs39 lacwith 1 balcony(s) and 2 bathroom(s), the apartment is unfurnish…
2 комн., 1772 кв. *ss Листовой сектор-85 состоит из 13 башен по 26 этажей в каждой и предлагает 560 квартир. *распространяется на площадь 11.09акров, ss the leaf — одно из просторных жилищных обществ в районе Гургаона. Со всеми доступными основными удобствами ss the leaf вписывается в ваш бюджет и ваш образ жизни. *sector-85 has goo…
Футов. Стоимость объекта оценивается в руб. 1 13 00 004 крор рупий. С 3 балконами и 2 ванными комнатами, квартира полу-м…
