Содержание
Система запуска двигателя – назначение, устройство, принцип действия
Главная »
Электрооборудование » Система запуска двигателя
Система запуска двигателя, как следует из названия, предназначена для запуска двигателя автомобиля. Система обеспечивает вращение двигателя со скоростью, при которой происходит его запуск.
На современных автомобилях наибольшее распространение получила стартерная система запуска.
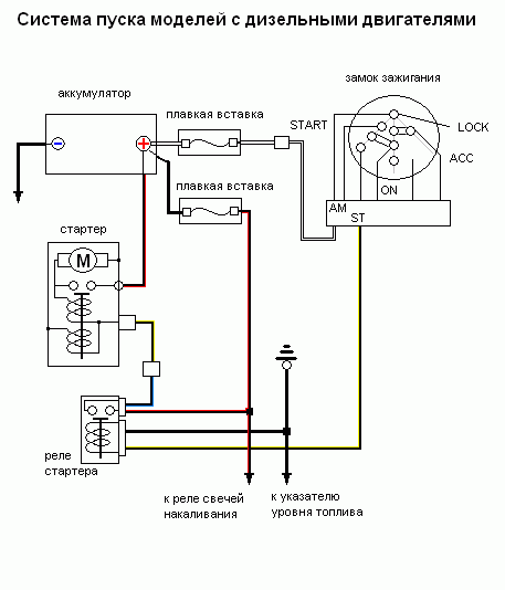
Система запуска двигателя входит в состав электрооборудования автомобиля. Питание системы осуществляется постоянным током от аккумуляторной батареи.
Система запуска включает стартер с тяговым реле и механизмом привода, замок зажигания и комплект соединительных проводов.
Стартер создает необходимый крутящий момент для вращения коленчатого вала двигателя. Он представляет собой электродвигатель постоянного тока. Конструктивно стартер состоит из статора (корпуса), ротора (якоря), щеток со щеткодержателем, тягового реле и механизма привода.
Тяговое реле обеспечивает питание обмоток стартера и работу механизма привода. Для выполнения своих функций тяговое реле имеет обмотку, якорь и контактную пластину. Внешнее подключение к тяговому реле осуществляется через контактные болты.
Механизм привода предназначен для механической передачи крутящего момента от стартера на коленчатый вал двигателя. Конструктивными элементами механизма являются: рычаг привода (вилка) с поводковой муфтой и демпферной пружиной, муфта свободного хода (обгонная муфта), ведущая шестерня. Передача крутящего момента осуществляется путем зацепления ведущей шестерни с зубчатым венцом маховика коленчатого вала.
Замок зажигания при включении обеспечивает подачу постоянного тока от аккумуляторной батареи к тяговому реле стартера.
Система запуска, устанавливаемая на бензиновые и дизельные двигатели, имеет аналогичную конструкцию. Для облегчения запуска дизельных двигателей в холодное время система запуска может оборудоваться свечами накаливания, которые подогревают воздух во впускном коллекторе.
С этой же целью на автомобилях применяются системы предпускового подогрева.
Дальнейшим развитием системы запуска двигателя являются: автоматическийо запуск двигателя, интеллектуальный доступ в машину и запуск двигателя без ключа, система Стоп-Старт.
Работа системы запуска осуществляется следующим образом. При повороте ключа в замке зажигания ток от аккумуляторной батареи поступает на контакты тягового реле. При протекании тока по обмоткам тягового реле происходит втягивание якоря.
Якорь тягового реле перемещает рычаг механизма привода и обеспечивает зацепление ведущей шестерни с зубчатым венцом маховика.
При движении якорь также замыкает контакты реле, при котором происходит питание током обмоток статора и якоря. Стартер начинает вращаться и раскручивает коленчатый вал двигателя.
Как только происходит запуск двигателя, обороты коленчатого вала резко возрастают. Для предотвращения поломки стартера срабатывает обгонная муфта, которая отсоединяет стартер от двигателя.
При этом стартер может продолжать вращаться.
При повороте ключа в замке зажигания стартер останавливается. Возвратная пружина тягового реле перемещает якорь, который в свою очередь возвращает механизм привода в исходное положение.
Реферат на тему:Система зажиганияПлан:
ВведениеСистема зажигания — это совокупность всех приборов и устройств, обеспечивающих появление искры в момент, соответствующий порядку и режиму работы двигателя. 1. ИсторияНо по-настоящему на бензиновых моторах прижилась искровая система зажигания, то есть система, отличительным признаком которой является воспламенение смеси электрическим разрядом, пробивающей воздушный промежуток свечи зажигания. Было создано большое количество систем зажигания. 1.1. Система зажигания на основе магнетоОдной из первых появилась система зажигания на основе магнето. Идея такой системы — генерация импульса зажигания при прохождении рядом с неподвижной катушкой магнитного поля постоянного магнита, связанного с вращающейся деталью двигателя. Достоинством такой конструкции является простота, отсутствие каких-либо батарей. Такая система всегда готова к работе. Применяют её в данное время более всего на силовой продукции — например, на бензопилах, газонокосилках, маленьких бензогенераторах и тому подобной технике. Недостатками является дороговизна изготовления (катушка с большим количеством витков весьма тонкого провода, высокие требования к изоляции, качественные мощные магниты), конструктивные сложности с регулированием момента зажигания (необходимо перемещать довольно массивную катушку). Для повышения надёжности нередко применяют конструкции с выносными трансформаторами. 1.2. Система зажигания с внешним питаниемВторым, наиболее распространённым типом систем зажигания на автомобильных моторах, являются системы с «батарейным», то есть с внешним питанием. В этом случае питание системы осуществляется от внешнего источника электроэнергии. Неотъемлемой частью системы зажигания является катушка зажигания, представляющая собой импульсный трансформатор. 1.2.1. Системы с накоплением энергии в индуктивностиСистемы с накоплением энергии в индуктивности занимают доминирующее положение в технике. 1.2.2. Системы с накоплением энергии в ёмкостиСистемы с накоплением энергии в ёмкости (они же «конденсаторные» или «тиристорные», CDI) появились в середине 70-х годов в связи с появлением доступной элементной базы и возросшим интересом к роторно-поршневым двигателям. 1.2.3. ДругоеСуществуют также конструкции, объединяющие оба принципа, и имеющие их достоинства, но, как правило, это любительские или экспериментальные конструкции, отличающиеся высокой сложностью изготовления. 1.3. Момент зажиганияВажнейшим параметром, определяющим работу системы зажигания, является так называемый момент зажигания, — то есть время, в которое система поджигает искровым разрядом сжатую рабочую смесь. Определяется момент зажигания как положение коленвала двигателя в момент подачи импульса на свечу опережением относительно верхней мёртвой точки в градусах (типично от 1 градуса до 30). Это связано с тем, что для сгорания рабочей смеси в цилиндре требуется некоторое время (скорость распространения фронта пламени около 20-30 м/с). Если поджигать смесь в положении поршня в верхней мёртвой точке (ВМТ), смесь будет сгорать уже на такте расширения и частично на выпуске и не обеспечит эффективного давления на поршень (попросту говоря, догоняя поршень, вылетит в выхлопную трубу). Поэтому (оптимальный) момент зажигания подбирают таким образом (опережают относительно ВМТ), чтобы максимальное давление сгоревших газов приходилось на ВМТ. Оптимальный момент (опережения) зажигания зависит от скорости движения поршня (оборотов двигателя), степени обогащения/обеднения смеси и немного от фракционного состава топлива (влияет на скорость горения смеси). Следует отметить, что на нагрузочных режимах в бензиновых двигателях при оптимальных (по скорости горения смеси) углах зажигания часто возникает детонация (взрывное горение смеси), поэтому, для её избежания, реальный угол опережения зажигания делают чуть меньше, до порога возникновения детонации (подводом начального угла опережения вручную, или электроникой блока управления — автоматически, в движении). Как «позднее зажигание», так и «раннее зажигание» (относительно оптимального) приводит к падению мощности двигателя и снижению экономичности из-за снижения КПД, а также избыточному нагреву и нагрузкам на детали двигателя. «Раннее зажигание», кроме того, приводит к сильной детонации, особенно при резком нажатии на педаль газа. Регулировка опережения зажигания на автомобилях обычно заключается в выставлении наиболее раннего момента зажигания, еще не приводящего к детонации при разгоне. 2. Узлы системы зажигания
В старых двигателях использовался механический кулачок и контактная группа (прерыватель), разрывающая цепь при определенном положении вала. Это упрощало низковольтную электрическую часть системы до двух проводов — от источника питания до катушки, и от катушки до прерывателя. Недостатком этой системы была крайне низкая надёжность контактов прерывателя (возможно, самое ненадёжное место в двигателе как целом), их уязвимость для нагара и влаги. Потому с развитием электроники от прерывателя отказались, заменив его бесконтактными датчиками — индуктивными, оптическими, либо наиболее распространенными датчиками Холла, основанными на эффекте изменения проводимости полупроводника в магнитном поле. Неоспоримое преимущество данных схем — отсутствие необходимости в периодическом обслуживании, — за исключением замены свечей зажигания. В таком случае, для выдачи резкого фронта/спада напряжения на катушку необходима электронная схема, делающая это на основании сигнала с датчика. В советских/российских двигателях малого литража (лодочные, мотоциклетные) электронное зажигание применялось с 70х годов; в автомобилях — начиная с ВАЗ-2108 (1984). В современных автомобилях на его смену пришли датчик положения коленвала и датчик фаз. Точный момент искрообразования вычисляется вычисляется электронным блоком управления в зависимости от показаний многих иных датчиков (датчик детонации, датчик положения дроссельной заслонки и т.п.) и в зависимости от режима движения и работы двигателя.
Устройство, изменяющее положение шторки бесконтактного датчика или кулачка контактного (а значит, и момент зажигания) в зависимости от оборотов двигателя. Состоит из грузиков (обычно — двух), которые, с увеличение оборотов двигателя, расходятся, преодолевая сопротивление пружинок, поворачивая при этом часть вала со шторкой или кулачком вперёд (увеличивая опережение зажигания при увеличении оборотов).
Устройство, изменяющее положение датчика относительно начального (а, значит, и момент зажигания) в зависимости от разрежения во впускном коллекторе, то есть от степени открытия дроссельных заслонок и оборотов двигателя. Обычно включает в себя шланг от узла прерывателя/датчика до карбюратора или впускного коллектора. На прерывателе разрежение воздействует на мембрану, которая, преодолевая сопротивление пружины, сдвигает датчик (контакты прерывателя) навстречу движению кулачка (шторок), то есть, увеличивая опережение зажигания при большом разрежении во впускном коллекторе (в этом случае смесь горит дольше, это режимы малых нагрузок при высоких оборотах двигателя). Центробежный и вакуумный регуляторы позволяют добиться оптимального момента зажигания во всех режимах работы двигателя. В современных двигателях они уже не используются, — поскольку задача определения оптимального момента искрообразования переложена на микропроцессор (в электронном блоке управления, или контроллере), учитывающий в вычислениях также положение дросселей, обороты двигателя, сигналы датчика детонации и т.
Трансформатор, преобразующий резкий фронт/спад напряжения от прерывателя/коммутатора в высоковольтный импульс. В малогабаритных двигателях (лодочные, мотоциклетные) традиционно использовалось по одной катушке на каждый цилиндр, соединённой со свечой высоковольтным проводом. В автомобильных же двигателях традиционно использовалась одна катушка и распределитель; однако в большинстве современных двигателей используется несколько катушек зажигания, либо объединённых в едином корпусе с электронными коммутаторами (т.н. «модуль зажигания»), при этом каждая катушка обеспечивает искру в конкретных цилиндрах, либо в группах цилиндров, что позволяет отказаться от распределителя зажигания, либо отдельные катушки устанавливающиеся непосредственно на каждую свечу; при этом, катушки выполнены в виде надеваемых на свечи колпачков, конструктивно объединяющих собственно высоковольтный трансформатор и силовой ключ управления, что позволяет отказаться также и от высоковольтных проводов.
Высоковольтный переключатель, вращающийся вместе с распределительным валом двигателя, подключает одну катушку зажигания к нужной в данный момент свече. Вполне надёжен, но требует периодической чистки; также, трещины крышки часто приводят к неработоспособности двигателя, — особенно во влажную погоду. Бегунок имеет тенденцию к подгоранию. В современных двигателях распределитель не используется, уступив место модулям зажигания, использующим отдельные катушки для отдельных групп свечей, или катушкам установленным непосредственно на свечи.
От катушки к свече, или же от катушки к центру распределителя, и от свечи к окружности распределителя. Многожильный провод в слое толстой изоляции, способной выдержать разность потенциалов до 40 киловольт. Характеризуются распределённым активным сопротивлением (порядка нескольких килоом на метр), либо так называемым «нулевым сопротивлением» (порядка нескольких ом на метр). В некоторых современных автомобилях катушки зажигания устанавливаются непосредственно на свечи, и высоковольтные провода не используются.
Ввинчиваемая в цилиндр деталь, содержащая в себе искровой промежуток внутри цилиндра и контакт для подключения провода (катушки) вне него. Непосредственно поджигает смесь в цилиндре.
Генератор с вращающимся постоянным магнитом, статорная катушка которого совмещена с катушкой зажигания, а сам генератор — с узлом прерывателя. Позволяет исполнение всей системы зажигания в виде блока «магнето+высоковольтный провод+свеча» без любых других проводов и узлов, в том числе — без аккумуляторной батареи. Используется в бензопилах, газонокосилках и мопедах, где не применяется замок зажигания с секретным ключом. В некоторых случаях (лодочный мотор «Вихрь») используется магнето с 2 (двумя) выносны́ми катушками зажигания. 3. Неисправности системы зажиганияГрубо все неисправности систем зажигания можно разделить на три категории:
Большинство узлов системы зажигания неремонтопригодны и в случае отказа заменяются на исправные. Наиболее часто выходящие из строя узлы:
|
Система космического запуска: Последняя ракета НАСА
Наука|Последняя ракета НАСА
https://www.
nytimes.com/2021/03/17/science/nasa-space-launch-system.html
Обновление, 18 марта: Это эссе было изменено, чтобы отразить, что система космического запуска завершила свое второе огневое испытание.
Одиннадцать лет создания самой мощной ракеты, построенной НАСА со времен программы «Аполлон», наконец-то встала на ноги. Основная секция системы космического запуска, обрамленная промышленной испытательной платформой, представляет собой блестящую колонну абрикосового цвета, отлитую в рельефе извилистыми трубами и стальной решеткой. Ракета выше, чем Статуя Свободы, пьедестал и все такое, и является краеугольным камнем астронавтических амбиций НАСА. Ракета-носитель занимает центральное место в программе агентства Artemis по возвращению людей на поверхность Луны, а затем по высадке их на Марс.
В четверг НАСА во второй раз отправилось доказывать, что Система космического запуска готова к полету, ведя непрерывный «горячий огонь» своих двигателей более восьми минут.
Похоже, что тест прошел хорошо после более раннего теста в январе, который прервался примерно через 67 секунд из-за ошибок и проблем с оборудованием.
Следующей остановкой ракеты станет Космический центр Кеннеди во Флориде, а уже в ноябре стартовая площадка. Ожидается, что он поднимет капсулу под названием Орион по пути вокруг Луны и обратно. Его первая пилотируемая миссия запланирована на 2023 год. Этот полет станет первым с 19 лет, когда астронавты будут выведены за пределы низкой околоземной орбиты.72. Действительно, он отправит астронавтов в космос дальше, чем любой человек.
И все же это далеко не смелое заявление о будущем пилотируемых космических полетов, ракета Space Launch System олицетворяет нечто иное: прошлое и конец. Это последний класс ракет, который НАСА когда-либо построит.
Однако его запуск кое-что значит. Хотя НАСА давно хотело вернуть астронавтов в дальний космос, оно не могло. Агентству не хватало транспортного средства, разработанного, испытанного и признанного безопасным для подъема людей на расстояние более пары сотен миль от земли.
Если испытания на этой неделе пройдут успешно и ракета позже полетит, Соединенные Штаты смогут сказать, что это так.
Но не все гладко. Система космического запуска родилась не на чертежных столах инженеров, а на столах сенаторов. В 2010 году Конгресс узаконил существование ракеты-носителя для запуска тяжелых предметов в дальний космос. Какие вещи? подлежит уточнению. А где именно? Никто не мог сказать наверняка.
Изображение
Огневое испытание одной из ракет системы космического запуска 16 января, которое было прервано через 67,2 секунды сборочное здание. Кредит … Исаак Уотсон / НАСА
Члены Конгресса не имели в виду какой-либо конкретный проект, но они потребовали, чтобы НАСА рылось в ящиках со старыми деталями космического челнока, когда это возможно, чтобы построить эту штуку, и потребовали, чтобы она была запущена к 2016 году. вместе исследовательские программы, которые будут его использовать. Во-первых, это была ракета-астероид. Потом марсианская ракета. Теперь это лунная ракета Artemis.
В любом случае, система космического запуска превысила бюджет на миллиарды долларов и на пять лет позже обязательной даты запуска.
Неудачи и замедление темпов развития системы космического запуска резко контрастируют с тем, что произошло в ракетостроении за последнее десятилетие.
Если вы заходили в Интернет в течение последних пяти лет, вы, вероятно, видели впечатляющие запуски ракет, созданных SpaceX. Частная аэрокосмическая компания Илона Маска запустила в космос сотни спутников и даже спортивный автомобиль Tesla. Затем его ракетные ускорители возвращаются на Землю и изящно садятся в вертикальном положении для повторного использования. В воскресенье один совершил кругосветное путешествие в девятый раз.
Эта частная космическая программа была разработана НАСА и ускорилась после прекращения полетов космических челноков в 2011 году. В прошлом году SpaceX начала доставлять астронавтов агентства на Международную космическую станцию. Теперь компания нацелилась на высадку людей на Луну и Марс.
Но ракеты SpaceX не готовы доставлять астронавтов за пределы низкой околоземной орбиты, и немногие другие компании проявили интерес к этому рынку действительно дальних путешествий.
Художественный концепт системы космического запуска на стартовой площадке. Предоставлено… Приземление ракеты-носителя New Shepard от MSFC/NASA Blue Origin после испытаний в Ван Хорне, штат Техас, в 2017 году. Предоставлено… Blue OriginДва прототипа космических кораблей SpaceX ожидают испытательных полетов в Бока-Чика, штат Техас, в прошлом месяце. Фото… Джин Блевинс/Reuters 500-секундное испытание двигателей, предназначенных для системы космического запуска недалеко от залива Сент-Луис, штат Миссисипи, в 2015 году. Фото… НАСА
Система космического запуска — не первая попытка НАСА после «Аполлона» построить ракету для дальнего космоса для отряда астронавтов. 20 июля 1989 года, через 20 лет после посадки на Луну Аполлона-11, президент Джордж Буш-старший. Буш поручил человечеству стать многопланетным видом.
Позже он предложил график: к 2019 году, к 50-летию этого «гигантского скачка», астронавты будут приветствовать звезды и полосы с Марса.
Очевидно, этого не произошло.
В 2004 году Джордж Буш-младший взял на себя обязательство, аналогичное обязательству своего отца. Большая часть инженерных разработок, которые вошли в систему космического запуска и капсулу Orion, можно проследить до ныне отмененной программы Constellation. В 2010 году Барак Обама сделал собственное заявление, попросив НАСА использовать ракету для полета на Марс. С тех пор оборудование было поглощено Artemis, программой НАСА, запущенной администрацией Трампа, чтобы высадить следующего мужчину и первую женщину на Луну, прежде чем отправиться на красную планету.
Несмотря на высокие амбиции многих президентов, люди по-прежнему застряли на орбите. Долететь до Луны не так просто, как пройти немного дальше. Космическая станция работает на высоте около 250 миль над поверхностью Земли. Луна находится на расстоянии около 250 000 миль.
Соответственно, после 32 лет фальстартов и неудачных программ успешный запуск системы космического запуска, наконец, вновь откроет старые границы пилотируемых космических полетов. У НАСА снова будет оборудование для транспортировки человечества в другие миры.
Никакая другая американская ракета не может отправить астронавтов на Луну за один запуск. Falcon Heavy, большая ракета, построенная SpaceX и совершившая три полета, не сертифицирована для запуска людей. Вместо этого SpaceX сосредоточила свои амбиции в области дальнего космоса с экипажем на Starship, гладком, амбициозном космическом корабле, который находится в стадии разработки и, возможно, через несколько лет до полета людей. Прямо сейчас, если НАСА хочет вернуть астронавтов на Луну, Space Launch System — единственная игра в городе, даже если она стоит 2 миллиарда долларов за запуск и не может быть использована повторно.
SpaceX и Blue Origin, еще одна частная ракетная компания, основанная Джеффом Безосом из Amazon, решают очень сложные проблемы: как построить универсальные ракеты и транспортные средства для экипажа, которые приземляются так мягко, чтобы их можно было использовать повторно даже с астронавтами на борту.
На восходе солнца в июне в Космическом центре Кеннеди во Флориде мобильная пусковая установка, которая доставит ракету системы космического запуска на площадку, возможно, уже в ноябре. Кредит… Бен Смегельски/НАСА не похоже на чье-то видение будущего. Это часть того, что делает систему космического запуска полезным переходным продуктом. У него нет необычных инженерных препятствий, с которыми можно было бы прыгнуть. Есть все основания полагать, что как только эти ракеты продемонстрируют свои летные качества, они будут работать хорошо и надежно. Пока Starship или какая-то другая ракета не начнет безопасно и регулярно летать, НАСА может продолжать свои межпланетные полеты, зная, что тем временем у него есть работающая гигантская ракета.
В этом есть большая ценность. Большая ракета не будет нужна вечно. Это может понадобиться только для того, чтобы доставить первую женщину на лунную поверхность. Сектор коммерческих запусков может быть готов к этому.
Крайне маловероятно, что НАСА когда-либо снова будет полагаться на ракеты, которые оно построило самостоятельно.
Система космического запуска — это конец линии. Если единственная цель, которой он служит, — дать нации время и уверенность в том, чтобы отправить в космос частное многоразовое судно, это будет успех.
Независимо от того, завершится ли программа «Система космического запуска» в следующем году или в следующем десятилетии, в отличие от конца космического корабля «Шаттл» или «Сатурн-5», это будет не конец главы, а конец книги. НАСА выйдет из ракетного бизнеса. Когда следующее поколение отправится в Космический центр Кеннеди и увидит на выставке гигантскую старую ракету-носитель Space Launch System, экскурсовод скажет: «Таких больше не делают», и это будет правдой — буквально.
Дэвид В. Браун — журналист, пишущий о космических полетах. Он автор «Миссия», — исследование давней заявки НАСА на создание космического корабля для исследования спутника Юпитера Европы.
Версия этой статьи напечатана в разделе D, стр. 3 нью-йоркского издания под заголовком: «Последняя ракета НАСА готова к полету».
Заказать репринты | Сегодняшняя газета | Подписаться
📌 Пример бесплатного эссе о многоразовых ракетах
Большинство современных ракет можно использовать только один раз. Частично они разрушаются при входе в атмосферу; частично они остаются летать на низкой околоземной орбите, создавая основную массу космического мусора. Наличие нескольких ступеней позволяет значительно увеличить отношение массы полезной нагрузки к начальной массе ракеты. Многоступенчатые ракеты также требуют наличия зон исключения падения промежуточных ступеней.
С самого начала ракетостроения было важно создать многоразовые космические корабли, что удешевило бы космические полеты. В идеале ракета должна вернуться на Землю, а после дозаправки улететь обратно в космос. Из-за необходимости использования весьма сложных технологий (прежде всего в области двигательной установки и теплозащиты) полностью многоразовых ракет до сих пор не существует. Однако эта технология неизменно вызывает интерес многих исследователей.
В настоящее время постоянно открываются проекты по созданию многоразовых ракет-носителей.
Исследовательские статьи по многоразовым ракетам
Предыдущие попытки
За период с 1990-х годов по сегодняшний день было выполнено множество различных проектов по разработке многоразовых ракет-носителей, таких как РОТОН, разработки Rotary Rocket Company, Kistler K -1, который находится в коммерческой разработке Rocketplane Kistler и VentureStar, который был предложен для замены Space Shuttle.
Многоразовая стартовая система (РЛС) «Спейс Шаттл» (программа начата в 1981) можно было использовать повторно лишь частично. Однако Space Shuttle не смог обеспечить удешевление доставки грузов на орбиту. Кроме того, пилотируемый РЛС отличался сложным и трудоемким этапом предстартовой подготовки (из-за повышенных требований к безопасности и защищенности экипажа).
Программа Space Shuttle была закрыта в 2011 году из-за ее неэкономичности, а также из-за аварий с шаттлами Challenger и Columbia (Howell, 2013).
Многоразовые ракеты экономический эффект
В ноябре 2015 года компания Blue Origin успешно посадила суборбитальную ракету New Shepard («Blue Origin», 2015). 22 декабря 2015 г. компания SpaceX приземлила первую ступень ракеты Falcon 9 после ее отправки в космос (Weaver, 2015). До этого времени все ракеты, выходившие в космос, либо разбивались, либо не использовались после взлета. Невозможность повторного использования ракет делает космические полеты такими дорогими: для каждого запуска требуется новый космический корабль. Многие частные компании пытались разработать многоразовую ракету, которая удешевила бы космические перевозки, и Blue Origin и SpaceX преуспели в этом. Поэтому идея с многоразовыми ракетами уже не кажется фантастической, как могло показаться раньше. Возможность повторного использования ракет будет способствовать значительному снижению стоимости космических запусков. Теоретически нам нужно будет только перезарядить ракеты, чтобы использовать их снова.
Обсуждение
Стоимость ремонта была одной из основных причин закрытия полета по программе шаттлов в 2011 году.
Спейс шаттл рассматривался как перспективный вариант многоразового космического корабля. Стоимость программы была очень высока. Следует отметить, что запуск шаттла осуществлялся с помощью ракеты-носителя (по сути, гигантского топливного бака) с двумя реактивными двигателями на твердом топливе. После космического полета шаттл, как самолет, снова садится на землю.
Изначально конструкция шаттла разрабатывалась с учетом экономии на космических полетах. Все это, кроме внешней ракеты-носителя, можно было использовать повторно.
Двигатели необходимо менять после нескольких запусков шаттла. Более того, каждый раз требовалось проводить бесчисленные проверки и ремонты между миссиями. Кроме того, ракетные ускорители на твердом топливе требуют своевременного обновления, а внешние топливные баки необходимо каждый раз менять. Все это увеличило стоимость запусков космических челноков. Каждый рейс стоит от 450 млн до 1,5 млрд долларов.
Компании, работающие над многоразовыми ракетами
За последние несколько лет две частные компании успешно осуществили посадку первой ступени ракеты-носителя.
Синий Происхождение. Ракеты частной компании Blue Origin уже находятся в разработке.
С ноября 2015 года компания уже четыре раза запускала и приземляла ракету New Shepard (Grush, 2016).
12 сентября 2016 года Джеффри Безос, предприниматель и основатель частной космической компании Blue Origin, официально объявил о разработке новой многоразовой ракеты-носителя New Glenn. В настоящее время в разработке уже находятся две модели ракеты. Это двухступенчатая и трехступенчатая версии пусковой установки New Glenn. Высота первой ракеты 82 метра, а второй 95 метров. Эти ракеты будут использоваться для запуска пилотируемых и автоматических космических аппаратов на околоземную орбиту.
Обе ракеты намного выше знаменитой Falcon Heavy компании SpaceX. Трехступенчатый New Glenn по размерам близок к самой большой в мире ракете-носителю Saturn V (НАСА).
Ракеты New Blue Origin были названы в честь Джона Гленна, первого американца, вышедшего на орбиту Земли. Джеффри Бозос считает, что разработка таких ракет важна, поскольку в будущем в космосе будет работать почти миллион человек.
Для этого необходимы ракеты для доставки экипажей и оборудования на орбиту.
SpaceX. Space Exploration Technologies Corporation (SpaceX) — американская компания, производитель космической техники. Основатель PayPal и Tesla Motors Илон Маск основал ее в 2002 году, чтобы снизить стоимость полетов в космос, открыв путь для колонизации Марса (Rosen, 2016).
Компания уже разработала ракеты-носители Falcon 1 и Falcon 9 и космический корабль Dragon, который предназначен для снабжения Международной космической станции (МКС). С самого начала предполагалось, что «Соколы» будут многоразовыми. Пассажирская версия Dragon V2, которая должна доставить астронавтов на МКС, находится на завершающей стадии разработки. С 2015 года SpaceX также участвует в проекте Vactrain Hyperloop.
22 декабря 2015 года компания SpaceX успешно запустила и вернула на Землю новую версию Falcon 9, посадив ее в вертикальном положении на мысе Канаверал.
По словам представителей SpaceX, за счет экономии на масштабе и повторного использования возвращенных ступеней в будущем компания снизит цену на взлет до 5-7 миллионов долларов.
Маск также пообещал, что компания сможет снизить цену полезной нагрузки, доставляемой на орбиту, до 1100 долларов за килограмм.
Заключение
С самого начала ракетостроения человечество было заинтересовано в создании многоразовых ракет, которые могли бы снизить экономическую стоимость космических полетов. Все предыдущие проекты предполагали лишь частично многоразовые ракеты. Сегодня все наиболее успешные проекты по созданию многоразовых ракет принадлежат частным компаниям Blue Origin и SpaceX. В последние годы успешно запускали и приземляли многоступенчатые ракеты-носители. Возможность повторного использования ракет будет способствовать значительному снижению стоимости космических запусков.
Ссылки
Blue Origin совершает историческую посадку ракеты. (2015). В синем происхождении. Получено с https://www.blueorigin.com/news/news/blue-origin-makes-historic-rocket-landing
Grush, L. (2016). Blue Origin благополучно запускает и приземляет ракету New Shepard в четвертый раз.
Эта система является частью общей системы электрооборудования. Первые двигатели (например, двигатель Даймлера) в качестве системы зажигания имели калильную головку (синоним — калильную трубку). То есть, воспламенение рабочей смеси осуществлялось в конце такта сжатия от сильно нагретой камеры, сообщающейся с камерой сгорания. Перед запуском калильную головку надо было разогреть, далее её температура поддерживалась сгоранием топлива. В настоящее время таким воспламенением обладают часть микродвигателей внутреннего сгорания, используемые в различных моделях (авиа-, авто-, судомодели и тому подобное). Калильное зажигание в данном случае выигрывает своей простотой и непревзойдённой компактностью.
Все основные типы таких систем можно встретить и в настоящее время.
В этом случае первично генерируется низковольтный импульс, когда магнит проходит рядом с катушкой. Данная катушка изготавливается из небольшого количества витков более толстого провода, поэтому она проще, дешевле и компактнее. Далее низковольтный импульс поступает на катушку зажигания, с которой и снимается высоковольтный импульс, идущий уже на свечи зажигания. В такие и подобные им системы зажигания в настоящее время вводят различные электронные компоненты с целью улучшения характеристик и смягчения недостатков, но неизменной остаётся идея генерации импульса с помощью постоянного магнита.
Основная функция катушки зажигания — генерация высоковольтного импульса на свече. Долгие десятилетия катушка на двигателе была одна, а для обслуживания нескольких цилиндров применялся высоковольтный распределитель. В последнее время типичным становится катушка на пару цилиндров или на каждый цилиндр (что позволяет разместить катушку непосредственно на свече как колпачок и отказаться от высоковольтных проводов). Также существуют системы зажигания автомобильных двигателей с двумя свечами, и, соответственно, двумя катушками на каждый цилиндр. Две свечи на цилиндр применяются, исходя из соображений сокращения длины пробега фронта горения в цилиндре, что позволяет немного сдвинуть момент зажигания в раннюю сторону, и получить немного большую отдачу от двигателя. Также повышается надёжность системы. В свою очередь, системы зажигания можно разделить на системы с накоплением энергии в индуктивности, и системы зажигания с накоплением энергии в ёмкости.
Основная идея — при пропускании тока от внешнего источника через первичную обмотку катушки зажигания катушка запасает энергию в своём магнитном поле, при прекращении этого тока ЭДС самоиндукции генерирует в обмотках катушки мощный импульс, который снимается со вторичной (высоковольтной) обмотки, и подаётся на свечу. Напряжение импульса достигает 20-40 тысяч вольт без нагрузки. Реально, на работающем двигателе напряжение высоковольтной части определяется условиями пробоя искрового промежутка свечи зажигания в конкретном рабочем режиме, и колеблется от 3 до 30 тысяч вольт в типичных случаях. Прерывание тока в обмотке долгие годы осуществлялось обычными механическими контактами, сейчас стандартом стало управление электронными устройствами, где ключевым элементом является мощный полупроводниковый прибор: биполярный или полевой транзистор.
Конструктивно они практически аналогичны описанным выше системам с накоплением энергии в индуктивности, но отличаются тем, что вместо пропускания постоянного тока через первичную обмотку катушки к ней подключается конденсатор, заряженный до высокого напряжения (типично от 100 до 400 вольт). То есть обязательными элементами таких систем являются преобразователь напряжения того или иного типа, чья задача — зарядить накопительный конденсатор, и высоковольтный ключ, подключающий данный конденсатор к катушке. В качестве ключа, как правило, используются тиристоры. Недостатком данных систем является конструктивная сложность, и недостаточная длительность импульса в большинстве конструкций, достоинством — крутой фронт высоковольтного импульса, делающий систему менее чувствительной к забрызгиванию свечей зажигания, характерному для роторно-поршневых двигателей.
Для автоматического приведения момента зажигания к оптимальному применяются центробежный и вакуумный регуляторы, или электронный блок управления.
Отсюда происходит название такого варианта: «электронное зажигание». Электронная схема обычно исполнена в виде единого; зачастую — неремонтопригодного узла, известного в просторечии как «коммутатор».
п.
Нередко —в случае большеобъемных двигателей или двигателей, работающих на обеднённых смесях,— используют двух- или многоточечный по́джиг для уменьшения фазы горения смеси или для повышения надёжности (авиадвигатели). В этом случае устанавливается либо два комплекта катушек зажигания и распределителей, либо используется схема с индивидуальными катушками (например, двигатели Honda серии LxxA). Также, в двигателях с четным числом цилиндров часто применяется схема с катушкой зажиганиия, содержащей выводы от обоих концов высоковольтной обмотки и соответственно питающей две свечи зажигания, находящихся в цилиндрах, циклы в которых сдвинуты друг относительно друга так, чтобы ненужная в данный момент искра попадала на такт выпуска или продувки. Преимущество: позволяет упростить схему зажигания; причём, в случае двухцилиндровых двигателей — кардинально.
Обычно исполняется в одном корпусе и на одном валу с прерывателем/датчиком положения вала. Состоит из подвижного контакта (бегунка) и вымя-образной крышки, в которой смонтированы неподвижные контакты.
В последнее время стала применяться изоляция из силикона, как более надёжная и долговечная.

