Содержание
первый экспресс-тест UAZ Patriot с АКП
Между тем, автомат для Patriot по происхождению всё-таки «американец»- Punch Powerglide 6L50, девичья фамилия которого — General Motors. А вот по производству…
И вот ведь какое это было время: конец 50-х — начало 60-х! Золотой век автопрома, в том числе и отечественного, в том числе и в приложении к Ульяновскому автозаводу. Кто сейчас вспомнит, что завод в сотрудничестве с НАМИ испытывал сразу два варианта гидропневматической подвески, прикидывал установку V-образных моторов и даже — гидромеханических автоматов. Никаких шуток здесь нет: сохранился и научно-технический отчёт по заездам на гидропневматическом УАЗ-452Г, и сообщения инженеров по проектированию новых агрегатов. Сегодня, когда на Patriot уже почти не ставят нашу раздаточную коробку, предпочитая индийскую или корейскую, воспоминания о былых надеждах навевают грусть-тоску.
О новой модификации UAZ Patriot нам рассказывает Юрий Фёдорович Алексаков, заместитель генерального директора УАЗа по развитию.
Но начинаем мы разговор всё-таки с китайской механики для «буханки».
Сергей Арбузов: Как же так получилось, что Ульяновский завод отказался от собственной коробки для самого узнаваемого автомобиля марки?
Юрий Алексаков: А чем здесь гордиться? Для любой коробки или раздатки критически важна механическая обработка зуба, а в России культура обработки зубьев практически утеряна. Осталось на ГАЗе и КАМАЗе.
С.А.: Так и сотрудничайте с ними.
Ю.А.: К сожалению, у них обрабатывающие центры настолько загружены, что они с трудом принимают наши заказы на главные пары.
С.А.: Не потеряете ли вы этот подряд, ведь главные пары мостов на УАЗах — до сих пор конические, а у вас впереди маячит вроде бы ещё не до конца похороненный проект 3170 с несущим кузовом, для которого конические пары — уже нонсенс, надо переходить на гипоидные. Видимо, УАЗ остался единственным автомобилем в мире с коническими шестернями главными передач.
Ю.А.: В ближайшем будущем мы этих поставщиков не потеряем, хотя у нас была перспективная раздатка с уже гипоидной парой.
Всё упирается в себестоимость и в освоение нового узла, да и лучше вкладывать ресурсы в освоение редуктора для независимой подвески, чем интегрировать гипоидную пару в нынешние мосты. Что касается 3170, то все решения там — современные.
С.А.: А что с элементами трансмиссии для 3170, ведь их уже спроектировали в компании «Ладуга»?
Ю.А.:Что касается раздаточной коробки для 3170, то в настоящее время мы рассматриваем различные способы её освоения.
С.А.: И всё-таки, что должно случиться, чтобы был полностью восстановлен интерес завода к «Проекту 3170», ведь надежды на то, что УАЗ сможет заработать большие деньги и пустить их на развитие внедорожника с несущим кузовом, лежат именно в плоскости повышения потребительского интереса к «автоматическому» UAZ Patriot?
Ю.А.: Почему, не только! У нас до запуска «несущего кузова» будет ещё несколько интересных проектов.
Интересно, что одним из этих проектов совершенно точно не станет версия Патриота без понижающей ступени в раздаточной коробке: на это увязан и вопрос работы с поставщиком раздатки.
Не светит автомат и классическому ульяновскому автомобилю вагонной компоновки. А вот ручная 6-ступенчатая коробка на нынешних моделях УАЗ как раз и станет одним из этих проектов.
Понятно, что агрегат опять-таки не будет российским, как и автомат, но вот будет ли он локализованным в России? Ведь развитие модельного ряда УАЗа — не что иное как обязательство Sollers по специнвестконтракту, заключенному с Минпромторгом РФ и правительством Ульяновской области… По логике вещей, этот СПИК предполагает максимально возможную локализацию, однако автоматическую коробку Патриота Punch Powerglide 6L50 на первых порах совершенно точно не будут локализовывать даже по сборке, хотя как минимум у нас наладят выпуск селектора и блока управления. К слову, селектор — это плод труда российских дизайнеров. Сейчас он приходит из Китая, и это единственное, что связывает эту коробку с Поднебесной. Вскоре эта связь может быть разорвана, поскольку наряду с блоком управления селектор могут локализовать в России.
Процесс активной стадии проектирования «автоматического» Патриота занял около полутора лет, прошедших ровно с того момента, как «в финал» вышли два агрегата — 6-ступенчатые гидромеханические автоматы от ZF и Punch. К тому времени уже отсеялись китайские производители, которые рассматривались на начальной стадии проекта. «Всё-таки мы пока не очень верим в китайский продукт», — говорит Юрий. Что касается количества ступеней, коробка по первому ТЗ была 6-ступенчатой, поскольку её планировали в том числе и к установке на модель 3170.
Сколько стоит такой автомат, пусть и привозимый с завода Punch в Страсбурге? Около 1 100–1 200 евро. Однако не стоит надеяться, что «автоматический» Patriot станет дороже на сто тысяч — этим дело не обойдётся. Здесь нужно не забывать и «мелочёвку»: приводную пластину, которая крепит гидротрансформатор к фланцу коленчатого вала, поставляет Schaeffler Group, системы охлаждения коробки будут приходить из Кореи.
Дело в том, что помимо стоимости самого агрегата и попутных работ, которые нужно «отбить» (калибровка самой коробки, калибровка системы курсовой устойчивости, инвестиции в литьё), машина в принципе здорово изменилась.
К слову, калибровали коробку иностранцы, но не от Punch, а из GM. Они приезжали из США и настраивали коробку как по езде по бездорожью, так и на горных дорогах. Заезды проходили близ Сочи.
Во-первых, заново проектировали «передний пол» — точнее, по случаю исчезновения рычага КП в исходном своём понимании, когда на одном конце привода — рука водителя, а на другом — перемещаемая каретка синхронизатора, просто убрали прорезь, в которой нужды теперь не осталось. Как результат — уменьшился и уровень шума в салоне, который всё-такипо-прежнему остался на высоком уровне, и вибрации. Интересно, что, по субъективным ощущениям, это наиболее это заметно во втором ряду, а не в первом.
Во-вторых, изменились длины карданных валов: задний кардан стал короче, передний — длиннее. Кроме того, на снижение шумов и вибраций работают новые опоры силового агрегата: у передних изменилась эластичная часть, заднюю подушку спроектировали заново.
Ощущаются улучшения в том числе и на холостом ходу — перед тем как сесть за руль «автоматического» Patriot, я около часа колесил по Ульяновску и окрестностям на ручной модификации.
Правда, и холостые на Patriot — относительно высокие, чуть ли не доходящие до тысячи. Вместе с тем, инженеры «развязали» двигатель и раму, прежде соединённые через систему выхлопа — сейчас крепления организованы через резинометаллические «бублики».
Модернизировали систему вентиляции и отопления, что позволило и увеличить температуру в салоне на 5–8 градусов, и улучшить прогрев салона, и практически полностью исключить запотевание лобового стекла. Интересно, что все эти изменения будут доступны пока только на автоматической версии: о внедрении их на «ручные» исполнения речи пока не идёт — дорого.
Что касается раздаточной коробки, коих на Патриоты нынче ставятся три, то именно индийский узел Divgi Warner (TZ-94-000-003-A) будут устанавливать на Patriot с АКП. Интересно, что это вовсе не связано с меньшим передаточным числом понижающей ступени — 2,48 против 2,542 у Hyundai Dymos (31638–1800020): речь о том, что индусы сделали УАЗу более привлекательное предложение. Что до отечественной раздаточной коробки УАЗ-31631–1800020-10, то её фактически сдали в архив, оставив только на версии «Классик Fleet».
По иронии судьбы, именно она — наименее «проходимая», её понижайка — 1,94. Что касается главных пар мостов, то они везде одинаковые.
Перед тем как перейти к скоротечной тестовой части, отметим, что мы поинтересовались и вопросом профилактической смены масла в 6L50. Увы. Юрий Алексаков сообщил нам, что если владелец УАЗ Патриот c АКП приедет к официальному дилеру с пробегом 100 000 километров и попросит заменить жидкость, то получит от ворот поворот, если, конечно, не будет показаний к ремонту.
В Ульяновск коробка поступает из Страсбурга с уже залитым маслом Dexron VI, причём «на весь срок службы» — то есть, на действие гарантии (три года или 100 тысяч километров — что наступит раньше). Менять разрешается только масляный фильтр, причём интервал его замены пока не определён — этим сейчас занимается ульяновский дилер УАЗа — «Взлёт».
Во время короткого теста автоматической версии — каждому досталось меньше чем по 20 минут — оценить расход топлива не представилось возможным, хотя понятно, что в городе потяжелевшая на 50 кг машина ест больше, а на трассе на счёт повышающей верхней ступени (0,674 против 0,88 у ручной 5-ступенчатой коробки Dymos) — меньше.
По официальным данным, при движении с постоянной скоростью в 90 км/ч, автомат даёт выигрыш в два литра на сотню и позволяет выйти из десяти литров.
Что касается динамики, то при движении в режиме D и при полностью нажатом дросселе коробка повышает ступень уже в красной зоне — при 5 200 оборотах, а при ручном режиме вверх она не переключается вовсе, зависая на ещё более высоких оборотах — 5 750. Сделано это в том числе и для удобства передвижения в горной местности, когда автомобиль идёт под горку. Вместе с тем, отметим, что приборы, а точнее, шкалу тахометра, сколь бы хороша и читаема они ни была на современном Патриоте, неплохо бы тоже «откалибровать», чтобы не сбивать с толку водителя. При езде в D «автоматический» Patriot оказывается более нерасторопным, чем ручной, особенно это чувствуется при обгонах. Электроника, конечно, подкидывает обороты и понижает ступень (в том числе и в формате с шестой на третью), однако это происходит не сразу после действия педалью газа, а лишь после некоторой паузы.
С другой стороны, автомат, в принципе, уверенно держит средние обороты при ручном управлении — а что ещё нужно на бездорожье и в горах? Управление тягой при этом чуть обостряется, но в основном за счёт поддержания больших оборотов, чем в D. Не сказать, чтобы возможности по ручному замедлению оказались чересчур широки: с третьей на вторую можно переключиться на 60 км/ч, со второй на первую — только при 30 км/ч.
Между тем, в городе водителю вовсе не стоит пытаться проявить излишнюю резвость: обгон будет сопровождаться завыванием мотора и чрезмерным расходом горючего. Но автомат вне всякого сомнения подойдёт тем, кто устал от чрезвычайно тугой и невнятной настройки педали сцепления на «ручных» Патриотах: если механизм переключения на корейских коробках работает достойно, то сцепление, увы, так и не наладили. Единственным очевидным недостатком представляется отсутствие индикации включенной передачи при режиме D, в то время как при ручном выборе номер ступеней отображается рядом с буквой М на дисплее бортового компьютера.
Осталось добавить, что первые машины появятся у дилеров в октябре, а в год УАЗ планирует продавать не менее чем по 8 тысяч автоматических Патриотов — такова точка безубыточности. Интересно, что представители некоторых дилеров УАЗа считают, что АКП особенно не добавит популярности Патриоту: время для этого ушло и клиент переметнулся к другим брендам. Может быть, будет несущественная прибавка продаж в двух столицах, а на деле просто будет продаваться меньше ручных версий. Между тем, на наш взгляд, в условиях снижения потребительских запросов, вызванных сокращением расходов, Patriot с АКП вполне может увеличить сбыл модели как минимум процентов на 10, что для завода сейчас важно как никогда. Дело в том, что в первом полугодии спрос на Patriot здорово упал: с января по июнь 2019 года дилерам отгружено 4764 машины, в то время как за тот же период прошлого года — 6505. Но тревожно не столько само падение, сколько увеличение доли «Буханок», в основном составляющих коммерческую линейку: в отличие от «Патриотов», она удерживает спрос на уровне прошлого года.
А хотелось бы, всё же, чтобы не хлебом единым жил потребитель…
РАЗДАТОЧНАЯ КОРОБКА УАЗ КОСОЗУБАЯ, ПРИМЕНЯЕМОСТЬ, МЕХАНИЗМ ПЕРЕКЛЮЧЕНИЯ, ОСОБЕННОСТИ.
Раздаточная коробка прикреплена четырьмя болтами к задней стенке картера коробки передач и уплотнена герметиком. Центрирование раздаточной коробки относительно коробки передач осуществляется по наружной обойме двухрядного подшипника вторичного вала коробки передач. На задней части картера коробки установлен механизм стояночного тормоза. Косозубая раздаточная коробка состоит из чугунного картера с крышкой в котором на подшипниках установлены ведущий и промежуточный валы, валы привода переднего и заднего мостов с шестернями. Ведущим валом для раздаточной коробки служит шлицевый конец вторичного вала коробки передач, он установлен в ведущую шестерню раздаточной коробки. Соосно с ведущим валом на двух подшипниках установлен вал привода заднего моста. Между подшипниками установлена червячная шестерня привода спидометра. Промежуточный вал выполнен вместе с промежуточной шестерней понижающей передачи.
Вал привода переднего моста изготовлен вместе с шестерней и установлен в нижней части картера раздаточной коробки.
Общая схема работы косозубой раздаточной коробки Уаз.
Принципиальная схема работы косозубой раздатки осталась прежней, но изменился алгоритм и способ подключения переднего моста. Крутящий момент от коробки передач подводится к ведущему валу раздаточной коробки. Ведомый вал постоянно соединен через карданную передачу с главной передачей заднего моста. При включении привода переднего моста валы соединяются между собой не шестерней включения переднего моста расположенной на промежуточном валу, как в прямозубой раздаточной коробке, а зубчатой муфтой, которая для включения переднего моста соединяет между собой вал и шестерню привода.
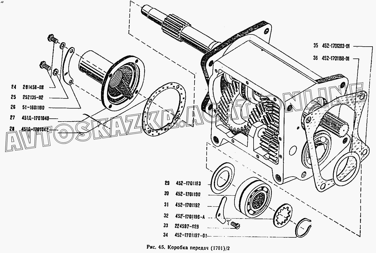
Устройство КПП УАЗ 469
Коробка передач УАЗ 469 имеет следующее устройство:
Схема КПП УАЗ 469
Схема КПП УАЗ 469 старого образца показана на верхнем рисунке. Здесь наглядно показаны все основные запчасти КПП УАЗ 469 и комплектующие изделия коробки.
Такие изделия, как пыльник, сальник, резиновые уплотнения являются расходными материалами и меняются по мере износа. Для автомобиля УАЗ 469 схема типовая.
Особенность работы косозубой раздаточной коробки Уаз.
Косозубая раздаточная коробка обладает еще одной особенностью, которая состоит в том, что промежуточная шестерня установленная на промежуточном валу и шестерня привода переднего моста вращаются в ней постоянно. Вне зависимости от того, включен или отключен передний мост, включены или отключены хабы — колесные муфты подключения переднего моста. Поэтому в повседневной эксплуатации, в определенные моменты времени и особенно в условиях жаркой погоды, это создает хорошо различимый в салоне автомобиля дополнительный шум от раздаточной коробки, даже не смотря на то, что обе этих шестерни косозубые. Механизм переключения передач косозубой раздаточной коробки Уаз. Механизм переключения на автомобилях семейства Уаз-3162, Уаз Патриот и Уаз Хантер однорычажный. Один рычаг поочередно включает передний мост, затем нейтральную и понижающую передачу.
Механизм состоит из двух штоков и двух вилок, расположенных в крышке картера раздаточной коробки. Вилки скользят по неподвижным штокам и снабжены шариковыми фиксаторами. В автомобилях с четырех и пятиступенчатой коробкой передач сам рычаг управления переключением раздатки и его рукоять отличаются.
На грузопассажирских автомобилях вагонной компоновки семейства Уаз-3741 косозубая раздаточная коробка по прежнему комплектуется двухрычажным механизмом переключения — один рычаг для включения переднего моста, второй — для включения нейтральной и пониженной передачи.
В однорычажной схеме рычаг управления установлен непосредственно на раздатке, а в двухрычажной — соединяются с ней при помощи механизма дистанционного управления. На двухрычажном механизме присутствует встроенная блокировка которая не позволяет включить пониженную передачу до тех пор, пока не включен передний мост, и не дает выключить передний мост, пока включена пониженная передача.
Механизм управления раздаточной коробкой автомобилей семейства УАЗ 31741- рычаг включения переднего моста; 2- рычаг включения прямой и понижающей передачи; 3- регулировочные вилки; 4- контргайки; 5- передние тяги; 6- втулки; 7- стопорный винт; 8- шпонки; 9- кронштейн; 10,11 — промежуточный рачаг; 12- гайка; 13- шарнирный подшипник; 14- корпус подшипника; 15- валы переключения; 16- задние тяги.
Ремонт и облуживание КПП УАЗ 469
Ремонт КПП УАЗ 469 осуществляется в специализированных сервисных центрах, автомобильных мастерских. В практической эксплуатации часто возникают моменты, когда неожиданно ломается коробка передач УАЗ 469. Устройство редуктора несложное и позволяет, чтобы каждый автовладелец мог осуществить ремонт коробки передач УАЗ 469 своими руками.
Любой ремонт коробки УАЗ 469 начинается со снятия агрегата с автомобиля, разборки, выявления неисправности, замены изношенных деталей и последующей сборки. Отремонтировать ее можно при наличии необходимого инструмента в собственном гараже. Чтобы осуществить ремонт КПП УАЗ 469 своими руками, должны быть навыки обращения с техникой.
Обслуживание редуктора состоит в периодической проверке уровня масла и его доливку. Важно также проверять все резьбовые соединения и подтягивать крепеж. Если выявлена течь трансмиссионного масла, следует выявить причину, устранить ее. Заменить поврежденные прокладки, манжеты.
Возможные неисправности, причины, методы устранения
Поломка: Шум в КПП
Причина:
Ослабление крепежа со стороны картера сцепления либо РК
Устранение:
Подтянуть крепежные элементы
Причина:
Грязное масло с включением твердых частиц
Устранение:
Заменить
Причина:
Низкий уровень масла либо оно не соответствует Инструкции производителя
Устранение:
Долить либо заменить
Причина:
Износ, разрушение деталей КПП
Устранение:
Разобрать, отремонтировать
Поломка: Передачи включаются с видимым усилием
Причина:
Ведет сцепление. Из-за этого синхронизатор блокирует включение передачи
Устранение:
Отрегулировать сцепление, при необходимости заменить накладки фередо
Причина:
Шарик выскакивает из гнезда либо изношены элементы синхронизатора
Устранение:
Устранить причину неисправности
Причина:
Клинит шестерня 1-й передачи на вторичном валу.
Заусеницы, задиры посадочной поверхности. Из-за периодических ударов зубья и торцы шлицев шестерни второй передачи деформированы
Устранение:
Разобрать, устранить неисправность, заменить изношенные шестерни и валы
Поломка: Передачи самопроизвольно выключаются во время движения машины
Причина:
Ослабление посадки шестерен на валах. Центрирующие поверхности не удерживают деталей вследствие износа
Устранение:
Принять меры к уплотнению посадки, Заменить изношенные элементы
Причина:
Износ внутренней поверхности втулок шестерен
Устранение:
Заменить либо реставрировать
Причина:
Деформация вилок перевода шестерен, перекос деталей
Устранение:
Привести в соответствие
Причина:
На шестернях износились зубья
Устранение:
Заменить шестерни
Причина:
Вследствие чрезмерного износа деталей появился осевой люфт шестерен и валов
Устранение:
Произвести замену
Поломка: Масло вытекает из КПП
Причина:
Уровень заливки масла завышенный
Устранение:
Привести уровень масла в норму
Причина:
Попадание воды либо масло некачественное.
Оно вспенивается и бурлит в картере КПП
Устранение:
Заменить некачественное масло
Причина:
Ослабление затяжки деталей с прокладками: боковая крышка, опора рычага переключения, разъем соединения с РК, передняя крышка первичного вала, крышка промежуточного вала. Повреждение прокладок
Устранение:
Подтянуть крепление. Заменить прокладки
Применяемость косозубых раздаточных коробок на автомобилях Уаз капотной компоновки.
Для автомобилей с главной передачей 4.111 в мостах.
— 3162-1800021 : привод спидометра 624 оборота/километр, совместно с коробкой передач АДС, город Ульяновск, диаметр первичного вала 29 мм, или с коробкой передач АМЗ, город Арзамас — 31627-1800020 : привод спидометра 624 оборота/километр, механизм переключения из двух рычагов, совместно с коробкой передач АДС, город Ульяновск, диаметр первичного вала 35 мм — 3163-1800021 : привод спидометра 624 оборота/километр, совместно с коробкой передач Dymos, Корея — 3162-1800021-10 : привод спидометра 1000 оборотов/километр, совместно с коробкой передач АМЗ, город Арзамас — 3163-1800021-10 : привод спидометра 1000 оборотов/километр, изменен картер, совместно с коробкой передач Dymos, Корея — 31631-1800021 : привод спидометра 1000 оборотов/километр, изменен картер и в конструкцию добавлен датчик включения переднего моста, совместно с коробкой передач Dymos, Корея
Для автомобилей с главной передачей 4.
625 в мостах.
— 3162-1800020 : привод спидометра 624 оборота/километр, совместно с коробкой передач АДС, город Ульяновск, диаметр первичного вала 29 мм, или с коробкой передач АМЗ, город Арзамас — 31627-1800020-10 : привод спидометра 624 оборота/километр, механизм переключения из двух рычагов, совместно с коробкой передач АДС, город Ульяновск, диаметр первичного вала 35 мм — 3163-1800020 : привод спидометра 624 оборота/километр, совместно с коробкой передач Dymos, Корея — 3162-1800020-10 : привод спидометра 1000 оборотов/километр, совместно с коробкой передач АМЗ, город Арзамас — 3163-1800020-10 : привод спидометра 1000 оборотов/километр, изменен картер, совместно с коробкой передач Dymos, Корея — 31631-1800020 : привод спидометра 1000 оборотов/километр, изменен картер и в конструкцию добавлен датчик включения переднего моста, совместно с коробкой передач Dymos, Корея
Для автомобилей с главной передачей 5.38 в мостах.
— 3162-1800022 : привод спидометра 624 оборота/километр, совместно с коробкой передач АДС, город Ульяновск, диаметр первичного вала 29 мм, или с коробкой передач АМЗ, город Арзамас — 31627-1800022 : привод спидометра 624 оборота/километр, механизм переключения из двух рычагов, совместно с коробкой передач АДС, город Ульяновск, диаметр первичного вала 35 мм — 3163-1800022 : привод спидометра 624 оборота/километр, совместно с коробкой передач Dymos, Корея.
Процесс снятия КПП
Ремонт КПП на УАЗ 452 вполне возможно осуществить своими руками. Для этого требуется:
Алгоритм демонтажа.
Автомобиль должен стоять на ровном месте. Необходимо слить масло из двух коробок путем откручивания пробок для слива. Далее снимаются передние сидения, половинки люка, вилка выключения сцепления, поперечная рама, рычаги переключения передач с коробок.
Подлежат съему вал спидометра, опоры подвески в ходовой части, рычаги тормозной системы. В результате открывается выход к картеру сцепления. На нем зафиксирована гайками крепления коробка, которые необходимо открутить, далее аккуратно выдвигается коробка передач УАЗ вместе с раздаточной КПП до выхода шлицевого вала из маховика. Для изъятия коробки водителю понадобится помощник.
Сборка КПП УАЗ требует к себе должного внимания. При самостоятельной сборке у водителя могут возникнуть сложности с установкой первичного вала в систему сцепления. При данном процессе необходимо активно шевелить коробку, чтобы вал попал в шлицы.
Как только произошла разборка на отдельные составляющие детали, коробку необходимо промыть в керосине, просушить. Все комплектующие запчасти проверяются на целостность. В первую очередь это касается картера, валов. Если на валах резьба повреждена, их нужно заменить. Машину представляется опасным эксплуатировать, если на шестеренках будут иметься сколы.
Таким образом, своевременно произведенный ремонт КПП УАЗ «буханка» способствует продлению ресурса коробки.
Источник
Самоотключение понижающей передачи в косозубой раздаточной коробке под нагрузкой.
Так как принципиально схема подключения понижающей передачи не поменялась, то этот конструктивный недостаток перешел к косозубой раздатке по наследству от прямозубой, более подробно о нем в этом материале. И только в 2008 году, почти через три года после начала выпуска Уаз Патриот, автозавод несколько модернизировал сам механизм переключения передач раздаточной коробки. Плюс добавил в его конструкцию пластину с пружиной которые гасили колебания рычага переключения и подтягивали его к корпусу коробки.
После этих доработок ситуация с самопроизвольным отключением пониженной передачи несколько улучшилась, но сама проблема полностью не исчезла. Инфрмация: auto.kombat На нашем сайте доступны для заказа косозубые раздаточные коробки с стандартным и увеличенным числом понижающей передачи: Раздаточная коробка (РК) косозубая УАЗ PATRIOT Раздаточная коробка (РК) косозубая УАЗ 469, HUNTER Раздаточная коробка (РК) косозубая УАЗ-452
Установка РК УАЗ, с увеличенным числом понижающей передачи позволяет
- уверенно преодолевать маршруты, требующие повышенной проходимости, на малых оборотах;
- исключает момент пробуксовки при езде по бездорожью, сохраняя ресурс сцепления.
Качество деталей РК
- каждая РК УАЗ собирается с применением новых заводских деталей ОАО «УАЗ»
- качественная сборка и установка деталей РК , исключает «вылетание» пониженной передачи;
- каждая пара проходит обкатку по шуму и пятну контакта на шумо-контрольном станке, поэтому комплект понижающих шестерней абсолютно бесшумен;
- раздаточные коробки сделаны на основе заводских РК с применением комплектов понижающих шестерен РК УАЗ «Автогур73», изготовленых из конструкционной легированной стали, 18ХГТ.



