Содержание
Передняя ось универсально-пропашного трактора | ЖЕЛЕЗНЫЙ-КОНЬ.РФ
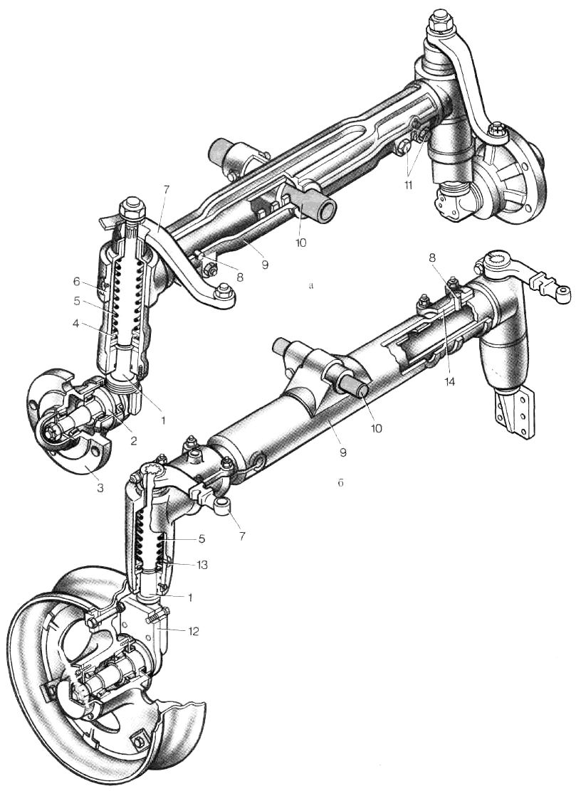
Передняя ось универсально-пропашного трактора состоит из качающейся трубчатой балки телескопического типа (для регулирования колеи), которая соединена с передней балкой полурамы посредством оси качания (1) [рис. 1]. С каждого конца в трубу (2) вставлен выдвижной кулак (7), в котором расположены оси поворотных цапф (12) и (13).
Рис. 1. Передняя ось тракторов МТЗ-80 и МТЗ-100.
1) – Ось качания;
2) – Трубчатая балка;
3) – Палец;
4) – Болт;
5) – Поворотный рычаг;
6) – Втулка;
7) – Выдвижной кулак;
8) – Пружина;
9) – Упорный подшипник;
10) – Втулка;
11) – Тарельчатые пружины;
12) – Левая поворотная цапфа;
13) – Правая поворотная цапфа;
14) – Контровочная проволока;
15) – Регулировочная пробка;
16) – Шаровой палец;
17) – Контргайка;
18) – Труба левой тяги.
Нагрузка на колёса от веса трактора передаётся через упорные подшипники (9) и амортизирующие пружины (8), которые обеспечивают независимую подвеску остова трактора.
На тракторах повышенной проходимости (МТЗ-82) передний мост – ведущий. Независимая подвеска ведущих колёс обеспечивается посредством амортизирующей пружины (23) [рис. 2, в)], за счёт подвижного (шлицевого соединения) ведущей шестерни (25) с вертикальным валом.
Рис. 1. Схемы передних ведущих мостов колёсных тракторов.
а) – Схема переднего ведущего моста трактора МТЗ-82:
1) – Коническая шестерня колёсного редуктора;
2) – Коническая шестерня колёсного редуктора;
З) – Полуось;
4) – Вал редуктора;
5) – Пружина;
6) – Коническая шестерня колёсного редуктора;
7) – Коническая шестерня колёсного редуктора;
8) – Ведущее управляемое колесо;
9) – Дифференциал;
10) – Главная передача;
11) – Карданная передача;
12) – Раздаточная коробка;
б) – Схема переднего ведущего моста трактора Т-40М:
1) – Ведущая шестерня конечной передачи;
2) – Ведомая шестерня конечной передачи;
3) – Пружинная подвеска;
4) – Карданная передача равных угловых скоростей;
5) – Полуось;
в) – Конструктивная схема переднего ведущего моста трактора МТЗ-82:
1) – Стакан подшипников;
2) – Крышка редуктора;
3) – Ведомая шестерня;
4) – Стакан уплотнения;
5) – Стопорное кольцо;
6) – Регулировочная прокладка;
7) – Стопорное кольцо подшипника;
8) – Вертикальный вал;
9) – Крышка;
10) – Подшипник;
11) – Распорное кольцо;
12) – Червяк;
13) – Рукав;
14) – Корпус верхней конической пары;
15) – Полуось;
16) – Стопорное кольцо;
17) – Обойма сальника;
18) – Уплотнительное кольцо;
19) – Гильза шкворня;
20) – Трубка шкворня;
21) – Штифт;
22) – Шайба;
23) – Пружина подвески;
24) – Корпус редуктора;
25) – Ведущая шестерня;
26) – Крышка подшипника;
27) – Опорная шайба;
28) – Подшипник;
29) – Болт;
30) – Регулировочные кольца;
31) – Подшипник;
32) – Фланец диска;
33) – Корпус сальника;
34) – Регулировочная прокладка.
Передние мосты некоторых универсально-пропашных тракторов малого тягового класса имеют жёсткую подвеску. В роли эластичного элемента здесь выступают пневматические шины.
17*
Передняя ось и рулевые тяги колесного трактора МТЗ-80/82
_______________________________________________________________________________________________
Детали передней оси (переднего моста) и рулевых тяг МТЗ-80, МТЗ-82
80-3000030 Передняя ось в сборе
80-3000010 Передняя ось с полурамой
А35.32.010-03 Труба (для тракторов МТЗ-82)
50-3003010-А4 Тяга в сборе
52-3003010-А Тяга в сборе (для тракторов МТЗ-82)
1 80-3001065 Цапфа поворотная правая
2 Проволока 2,0х270 ГОСТ 3282-74
3 А35.32.006 Пробка
4 А35.32.003 Вкладыш
5 А35.32.002-А Палец шаровой
6 А35.32.004 Вкладыш
7 А35.32.001 Корпус шарнира правый
8 А35.32.012 Контргайка
9 А35.32.010-07 Труба
10 А35.32.
012-01 Контргайка
11 А35.32.001-01 Корпус шарнира левый
12 А35.32.005-Б Чехол
13 Болт М8х1,5-6gх100.88.35.019 ГОСТ 7796-70
14 Ось 6-20h21х120 ГОСТ 9650-71
15 50-3000011 Ось качания
16 50-3001010-А Передняя ось
17 Шплинт 4х36.016 ГОСТ 397-79
18 Палец 16х80.016 ОСТ 37.001.163-75
19 Шайба 18ОТ ОСТ 37.001.115-75
20 Гайка М18х1,5-6Н.019 ГОСТ 45915-70
21 Гайка корончатая М18х1,5-6Н.6.019 ГОСТ 5915-73
22 Шайба 27Л ОСТ 37.001.115-75
23 50-3001087 Гайка
24 80-3001032 Шайба
25 80-3001031 Шайба
26 70-3001102-А Втулка
27 50-3001040-А Рычаг поворотный
28 80-3001070 Кулак выдвижной
29 Масленка 1-3Ц6хр ГОСТ 19853-74
30 70-3001101-А Втулка
31 Кольцо 070-80-5-2-2 ГОСТ 18829-73, ГОСТ 9833-73
32 80-3001065 Цапфа поворотная левая
80-3000030, 80-3000010, А35.32.010-03, 50-3003010-А4, 52-3003010-А,
80-3001065, А35.32.006, А35.32.003, А35.32.002-А, А35.32.004,
А35.32.
001, А35.32.012, А35.32.010-07, А35.32.012-01, А35.32.001-01,
А35.32.005-Б, 50-3000011, 50-3001010-А, 50-3001087, 80-3001032,
80-3001031, 70-3001102-А, 50-3001040-А, 80-3001070, 70-3001101-А,
80-3001065
Передний мост (ось) трактора МТЗ-80, МТЗ-82
состоит из литой стальной балки, телескопически соединенной с
выдвижными трубами, поворотных цапф направляющих колес и рулевой
трапеции.
Балка моста трактора МТЗ-80, МТЗ-82 соединена с остовом трактора
шарнирно, она входит в проем между проушинами бруса полурамы и
соединена с ним при помощи оси качания.
Шарнирное соединение позволяет балке моста качаться относительно
остова в вертикальной плоскости (угол качания 10°), что дает
возможность приспосабливаться передним колесам трактора к
неровностям пути и смягчать их воздействие на остов. От
проворачивания и осевых перемещений оси качания стопорятся штифтом.
Выдвижные кулаки представляют собой полые трубы с приваренными
кронштейнами.
Трубы вставлены в расточки балки моста и затянуты
(каждая труба) двумя болтами клеммового зажима.
Каждая труба имеет по шесть сквозных отверстий на расстоянии 50 мм
друг от друга, куда входят штифт, фиксирующий размер колеи передних
колес.
Размер колеи передних колес трактора МТЗ-80, МТЗ-82 регулируют
изменением взаимного расположения отверстий выдвижной трубы и балки
моста путем перемещения трубы относительно балки.
Поворотная цапфа состоит из вала (шкворня) и полуоси колеса. Вал
запрессован в горячую в отверстие полуоси и приварен к ней снизу.
Поворачивается вал на двух втулках — верхней и нижней, размешенных в
кронштейне выдвижного кулака. Верхняя втулка запрессована в
кронштейн, а нижняя установлена в его отверстие по плотной посадке и
крепится к кронштейну двумя болтами.
Рулевая трапеция трактора МТЗ-80, МТЗ-82 обеспечивает поворот левого
и правого управляемых колес на разные углы, при которых передние и
задние колеса поворачиваются относительно общего центра поворота,
расположенного на продолжении оси задних колес.
Благодаря этому
качение колес происходит по концентрическим окружностям без бокового
скольжения.
Рулевую трапецию трактора МТЗ-80, МТЗ-82 образуют две поперечные
рулевые тяги, соединенные между собой сошкой, два поворотных рычага
и балка переднего моста.
При движении трактора по прямой сошка расположена в среднем
положении (вдоль продольной оси трактора). Крайние положения сошки
при поворотах ограничены ходом поршня гидроусилителя рулевого
управления. Предельный угол поворота внутреннего колеса составляет
40°, при этом наружное колесо поворачивается на 30°.
Каждая рулевая тяга трактора МТЗ-80, МТЗ-82 состоит из
соединительной трубы и двух наконечников, один из которых с левой
резьбой, другой -с правой.
Наконечники рулевых тяг трактора МТЗ-80, МТЗ-82 ввернуты в резьбовые
отверстия трубы и закреплены контргайками. Внутри наконечника
размещен сферический шарнир, состоящий из шарового пальца и двух
вкладышей (резинового и капронового).
На заводе шарнир заполняют специальной долговременной смазкой, не
требующей пополнения в эксплуатации.
От попадания влаги, пыли и грязи шарнир защищен резиновым чехлом и
резиновой регулировочной пробкой, поджимающей вкладыши шарнира.
Конусные концы шаровых пальцев с резьбой вставляют в отверстия
поворотных рычагов и сошки, затягиваются прорезными гайками и
шплинтуются.
_______________________________________________________________________________________________
_______________________________________________________________________________________________
_______________________________________________________________________________________________
- Ходоуменьшитель МТЗ-82 и его работа
- Муфта сцепления МТЗ-82
- Неисправности оборудования гидравлической системы МТЗ-82
- Неисправности сцепления и КПП МТЗ-82
- Неисправности заднего моста МТЗ-82
- Регулировки ведущего моста МТЗ-82
- Компоненты рулевого механизма и ГУР МТЗ-82
- Неисправности систем управления и ходовой части МТЗ-82
- Неисправности рулевого механизма МТЗ-82
- Неисправности трансмиссии МТЗ-82
- Ремонт ведущего моста МТЗ-82
- Рулевое управление МТЗ-82 и его механизмы
- Раздатка трактора МТЗ-82
- Задний ВОМ МТЗ-82
_______________________________________________________________________________________________
_______________________________________________________________________________________________
- Детали рулевого управления ГОРУ трактора МТЗ-1221
- Рабочие функции ходоуменьшителя трактора МТЗ-1221
- Коробка переключения передач КПП МТЗ-1221
- Комплектующие детали переднего ведущего моста МТЗ-1221
- Привод переднего ведущего моста МТЗ-1221 и его работа
- Детали и регулировки сцепления трактора МТЗ-1221
- Рабочие системы дизельного двигателя минитрактора МТЗ-320
- Компоненты гидросистемы трактора МТЗ-320
- Детали и механизмы мостов трактора МТЗ-320
- Детали сцепления и коробка передач минитрактора МТЗ-320
- Система рулевого управления трактора МТЗ-320 Беларус
- Конструкция и регулировка сцепления тракторов ЮМЗ-6
- Устройство коробки передач трактора ЮМЗ
- Ремонт и регулировка переднего и заднего моста трактора ЮМЗ
- Регулировки и обслуживание рулевого управления трактора ЮМЗ
- Техническое обслуживание двигателя трактора ЮМЗ
- Дизель Д-144 тракторов Т-40
- Детали сцепления трактора Т-40
- Устройство коробки передач трактора Т-40
- Конструкция переднего ведущего моста Т-40
- Конструкция ВОМ трактора Т-40
- Элементы гидросистемы трактора Т-40
- Базовые элементы дизельного двигателя Д-21
- Устройство сцепления трактора Т-25
- Компоненты коробки переключения передач трактора Т-25
- Конструкция переднего моста трактора Т-25
- Система рулевого управления трактора Т-25
- Детали и регулировки сцепления Т-150К
- Ремонт коробки передач колесного трактора Т-150
- Техобслуживание раздаточной коробки трактора Т-150К
- Конструкция мостов трактора Т-150
- Колесный редуктор и регулировки ведущего моста Т-150
2023 Toyota Tacoma Off-Road Build, Часть 2
4×4 Garage, представленный RealTruck, завершает механические усовершенствования этой совершенно новой Tacoma.

Команда вернулась к работе, обновив Toyota Tacoma TRD Off-Road 2023 года некоторыми избранными деталями, которые обеспечивают отличное соотношение цены и качества для бездорожья. В последнем эпизоде 4×4 Garage , представленном RealTruck, Кристиан, Джонни и остальная часть банды на внедорожнике Вуда в Сан-Маркосе, Калифорния, хорошо потрудились над первым совершенно новым автомобилем выпускника Ultimate Adventure Заеда Исмаэля, установив рулонную крышку багажника RetraxPro XR с порошковым покрытием из алюминиевых ламелей для кровати, систему Elevate Rack, на которую он можно установить любое количество игрушек и оборудования для активного отдыха, а также полную бортовую воздушную систему Viair Dual 400 High Performance VMS, которая аккуратно помещается под капотом этой совершенно новой Tacoma благодаря новой элегантной VMS Viair или Viair Mounted System. На этот раз, когда в магазине было доставлено еще несколько продуктов от RealTruck, пришло время закончить наши модификации, прежде чем отправить Заеда и Джеффа Исмаила домой в Грасс-Вэлли, Калифорния, чтобы упаковать их снаряжение в кабину экипажа Taco для его первого пробного запуска в живописных калифорнийских Сьеррах.
Кристиан выберет живописный маршрут на OnX Offroad, и после того, как мы поделимся с группой, мы все соберемся в этом месте для столь необходимого отдыха на свежем воздухе — но сначала, вот как мы завершили этот проект.
Добавление Eaton ELocker для On-Demand Traction
Блокируемый дифференциал, вероятно, является самым важным компонентом, который вы можете добавить в свой автомобиль с точки зрения внедорожных характеристик. Наличие настоящего блокируемого дифференциала дает абсолютную разницу в возможностях днем и ночью. Больше не нужно ограничиваться безнадежным вращением шин в поисках сцепления. Это не только добавит удовольствия и уменьшит стресс, но и позволит вам двигаться по трассе более элегантно, плавно и уверенно. Одним из наших самых любимых устройств для облегчения тяги является электрический Eaton ELocker. Требуя только 12-вольтового подключения, ELocker одним щелчком переключателя позволяет вам перейти от полностью открытого дифференциала к полностью заблокированному тяговому усилию, при котором обе шины тянут одинаково.
Пакет TRD Off-Road нашего грузовика на самом деле включает в себя заводской электронный замок в задней части, поэтому мы оставляем эту ось в покое, но если бы нам понадобился замок, Eaton сделал ELocker для обоих больших 8.9.дюймовая задняя ось в нашем TRD Off-Road, а также базовая 8,0-дюймовая ось Tacoma. Впереди мы убрали дифференциал IFS из автомобиля, чтобы Джонни Вуд и Джефф Исмаил могли заняться его модернизацией на скамейке запасных. Поскольку у нашего грузовика 3,91 передачи, мы выбрали Eaton PN 14221-1 ELocker, который включает в себя дифференциал ELocker и полный водонепроницаемый жгут проводов, который проходит от разъема блокировки на дифференциале до внутреннего переключателя.
Комплект для выравнивания Superlift для больших шин
Кристиан и Джонни уже разобрали переднюю подвеску, чтобы снять передние карданные валы, чтобы снять дифференциал для установки ELocker. Это было идеальное время, чтобы при переустановке центральной секции IFS добавить новый комплект выравнивания Superlift, который увеличивает передний дорожный просвет примерно на 1,5 дюйма и помогает освободить место для шин немного большего размера.
Комплект для выравнивания Superlift работает с заводскими амортизаторами и катушками.
Палатка на крыше Rugged Ridge
Установив систему Elevate Rack, мы воспользовались возможностью, чтобы добавить некоторые удобства в виде палатки Rugged Ridge Roof Top. Есть гораздо более причудливые (и непомерно дорогие) варианты палаток на крыше, но мы ценим доступность и простоту конструкции Rugged Ridge, которая имеет прочную алюминиевую основу, устойчивую к изгибу, удобный 3-дюймовый матрас из пеноматериала, выдвижную лестницу для входа / выхода и прочную оболочку из 600 поли, чтобы вы чувствовали себя уютно и сухо. Палатка Rugged Ridge может вместить до 660 фунтов и с комфортом разместить двух взрослых. Палатка достаточно легкая, чтобы ее могли установить или снять два человека, а прилагаемый чехол из ПВХ защищает палатку независимо от того, хранится ли она отдельно от автомобиля или едет по шоссе со скоростью 75 миль в час во время проливного дождя.
Колеса Raceline и шины Toyo Open Country R/T
Мы полностью признаем, что, когда пришло время выбирать размер шин, мы как бы бросили кости. Хорошо известно, что автомобили Tacoma и 4Runner обычно требуют небольшой обрезки крыльев и/или крепления кузова, чтобы аккуратно установить 33-дюймовую шину. Изначально мы планировали сохранить заводской размер шин 265/70R16, потому что владелец автомобиля Заед по понятным причинам был категорически против каких-либо сокращений на своем новом автомобиле. Тем не менее, после нашей стервозной Raceline 9Появились колеса Defender 35M, и мы не могли не подумать, как бы они ни крутились на этом грузовике с шинами LT285/75R16 Toyo Open Country R/T, обмотанными вокруг них. Увидев переднюю стойку с установленным новым комплектом для выравнивания Superlift и проведя некоторые элементарные измерения, мы решили, что все будет в порядке, учитывая 4-дюймовый ход колеса 16×8 дюймов, который, если все не слишком сильно уляжется, позволит шинам иметь достаточный зазор при повороте на неровностях.
Что ж, на момент написания этой статьи прошло несколько недель и несколько сотен миль, а шины действительно находятся в опасности контакта с компонентами. Мы думали над тем, чтобы уменьшить или добавить дополнительную подъемную силу, но на самом деле самое простое решение для этого автомобиля на данном этапе его эволюции — уменьшить размер шин до более коротких и узких 265/75R16. Мы поговорим об этом в Эпизоде 3. Однако, если у вас есть место, мы искренне рекомендуем эти шины Toyo Open Country R/T, так как они отлично цепляются за грязь, плавно и бесшумно катятся по дороге и имеют ожидаемый срок службы протектора в 45 000 миль!
Trending Pages
Mazda CX-50 2024 года становится лучше, но стоит дороже
Является ли этот странный «однотактный» 4-цилиндровый 8-поршневой двигатель следующей большой вещью?
СМОТРЕТЬ: Преемник Lamborghini Huracán 2025 года демонстрируется в шпионском видео 038 Mazda CX-90 PHEV 2024 г. Первый тест: большая мощность с компромиссами
MotorTrend Рекомендуемые истории
Смотрите все эпизоды сборки Bronco из видеосерии 4×4 Garage!
Кристиан Хейзел | 00Z»> 13 августа 2022 г.
Превращение TJ Wrangler в LJ Wrangler для следующей постройки гаража 4×4!
Кристиан Хейзел |
Трансформация Chevy Silverado за один день: в гараже 4×4 добавлены лифт, шины и выхлопная система
Кристиан Хейзел |
Превращение совершенно новой Toyota Tacoma 2023 года в исследовательский автомобиль
Кристиан Хейзел |
Грузовики Toyota 2023 года: что нового для Tacoma и Tundra
Duncan Brady|
Toyota Tacoma 2023 года: все, что мы знаем о флагманском среднеразмерном пикапе Toyota
Джейсон Гондерман | 00Z»> 6 октября 2021 г.
Trending Pages
2024 Mazda CX-50 становится лучше, но стоит дороже
8-поршневой двигатель: следующая большая вещь?
СМОТРЕТЬ: Преемник Lamborghini Huracán 2025 года демонстрируется в шпионском видео 38 Mazda CX-90 PHEV 2024 г. Первый тест: великая мощь и компромиссы 0011
Передний мост OEM Moose Racing Yamaha YXZ1000RСменные оси Moose OEM представляют собой готовый к установке комплект для замены полуоси CV, который превосходит производительность и прочность OEM. Мосты Moose Racing OE производятся на сертифицированном по ISO9001 / TS16949 производственном предприятии и имеют термообработанные соединения, подшипники и сепараторы. Центральный вал изготовлен из термообработанной твердой хромомолибденовой стали. Полуоси поставлялись с собранными соединениями и предварительно смазанными для быстрой и легкой установки.
Особенности:
- Сменные полуоси в стиле оригинальных комплектующих, характеристики которых превышают заводские
- Прецизионно обработанные и термообработанные центральный вал, сепараторы, кольца и шарикоподшипники
- До 20% прочнее, чем оригинальное оборудование
- Центральный вал из цельной хромистой стали
- Производственное предприятие, сертифицированное по ISO9001 и TS16949
- Прецизионные катаные штифты и шлицы
- Хомуты из нержавеющей стали
- Предварительно собран с высокотемпературной молибденовой смазкой для тяжелых условий эксплуатации
- Включает удерживающие зажимы из высокопрочной пружинной стали (при необходимости)
- Продано каждый
Примечание.
Изображения приведены только для справки, продукт может отличаться в зависимости от марки и модели автомобиля.Тип изделия RevZilla Артикул № Магазин Артикул МФР. Товар № Наличие Тип изделия Передний левый/правый РевЗилла Артикул № 10151767 Магазин Артикул МФР. Продукт № ЯМ-7034 ДоступностьОсталось всего 2: Доставка в течение 2-4 рабочих дней Этот продукт предназначен для конкретных автомобилей.
Выберите автомобиль для установки.
Выберите свой автомобиль
Ямаха
- YXZ1000R
2016, 2017, 2018, 2019, 2020
- YXZ1000R ЭПС
2016-2021
- YXZ1000R ЭПС SE
2016, 2017, 2018
- YXZ1000R ЭПС СС
2017, 2018, 2019, 2020, 2021
- YXZ1000R EPS СС SE
2017, 2018
- YXZ1000R СС SE
2019, 2020, 2021
- YXZ1000R СС XTR
2021
Арктический кот
- Альтерра 400
2016-2017 гг.

- Альтерра 450
2016
- Альтерра 500
2017-2018 гг.
- Квадроцикл 350 КР
2011-2012 гг.
- квадроцикл 366
2010-2011 гг.
- Квадроцикл 400 Авто 4×4
2003-2004 гг.
- Квадроцикл 400 Авто 4×4 FIS
2003-2004 гг.
- Квадроцикл 400 Авто 4×4 ТБХ
2004 г.
- Квадроцикл 400 Ручной 4×4
2002-2004 гг.
- ATV 400 Ручной 4×4 FIS
2002-2004 гг.
- Квадроцикл 450 CR
2013
- квадроцикл 700
2014
- Квадроцикл 700 Авто 4×4 Дизель
2007-2008 гг.
- Квадроцикл 700 Авто 4×4 EFI
2007-2008 гг.
- Квадроцикл 700 Дизель
2011-2014 гг.

- Квадроцикл 700 h2 Auto 4×4 EFI Mud Pro
2009-2010 гг.
- Квадроцикл 700 х2 ЭФИ
2011
- АТВ 700 ООО
2013-2014 гг.
- Квадроцикл 700 XT
2013-2014 гг.
- Проулер 1000 XTZ
2009-2014 гг.
- Prowler 550 4×4 Бортовой
2009 г.
- Проулер 550 XT
2010-2014 гг.
- Prowler 650 h2 Авто 4×4
2007-2008 гг.
- Проулер 700 HDX XT
2015
- Проулер 700 XTX
2009-2014 гг.
- Prowler XT 650 h2 Авто 4×4
2006-2008 гг.
- ТВХ 700
2014
- ТРВ 700 ООО
2013-2014 гг.
- ТРВ 700 ХТ
2013-2014 гг.

- Дикая кошка 1000
2013
- Уайлдкэт 1000 ООО
2013-2014 гг.
- дикая кошка 4
2013-2014 гг.
- Дикая кошка 4X
2014
- Уайлдкэт 4X ООО
2014-2015 гг.
- Тропа дикой кошки
2014-2019 гг.
- Уайлдкэт Трейл ООО EPS
2015-2019
- Wildcat Trail SE EPS
2016-2017 гг.
- Тропа дикой кошки XT
2014-2015 гг.
- Дикая кошка X EPS
2013-2015 гг.
- Уайлдкэт Х ООО на акцию
2015
Кан-Ам
- Защитник HD10 XMR
2020-2023 гг.
- Defender HD10 XMR с полудверями
2023
- Защитник MAX HD10 XMR
2019-2023 гг.

- Defender MAX HD10 XMR с полудверями
2023
Хонда
- Форман 500 4×4 ES TRX500FE
2012-2013 гг.
- Форман 500 4×4 ES с EPS TRX500FE2
2014
- Форман 500 4×4 TRX500FM
2011
- Бригадир 500 4×4 TRX500FM1
2014
- Форман 500 4×4 с EPS TRX500FM2
2014
- Бригадир Rubicon 500 4×4 с EPS TRX500FPA
2012-2014 гг.
- Бригадир Рубикон 500 TRX500FA
2012-2014 гг.
- ФорТракс 300 TRX300
2000 г.
- Ранчер 420 AT DCT TRX420FA1
2014
- Rancher 420 AT DCT с EPS TRX420FA2
2014
- Ранчер 420 AT TRX420FA
2012-2014 гг.

- Rancher 420 AT с EPS TRX420FPA
2011-2014 гг.
- Ранчер 420 ES TRX420FE1
2014
- Rancher 420 ES с EPS TRX420FPE
2012-2013 гг.
- Ранчер 420 TRX420FM1
2014
- Rancher 420 с EPS TRX420FM2
2014
- Ринкон 650 TRX650FA
2005 г.
- Ринкон 680 TRX680FA
2006-2020 гг.
Кавасаки
- 400 Мул 610 4×4
2005-2009 гг.
- 620 Мул 3010 4×4
2001-2008 гг.
- 620 Мул 3010 Транс 4×4
2005-2008 гг.
- 620 Мул 4010 4×4 SE
2016-2018 гг.
- 620 Мул 4010 Транс 4×4 SE
2016-2018 гг.
- 950 Мул 2510 Дизель
2000-2002 гг.

- 950 Мул 3010 Дизель 4×4
2008 г.
- 950 Мул 3010 Транс Дизель 4×4
2008 г.
- 950 Мул 4010 Дизель 4×4
2009-2013 гг.
- 950 Мул 4010 Транс Дизель 4×4
2009-2013 гг.
- Мул SX 4X4
2017-2020
- Мул SX 4X4 SE
2018-2020
- Мул SX 4X4 XC
2019-2020
Полярис
- АТП 330
2004 г.
- АТП 500
2004 г.
- Общие 1000 EPS
2016-2020
- Общий 1000 EPS DLX
2016-2020
- Общий 1000 EPS Премиум
2018-2020
- General 1000 EPS с Ride Command
2017-2019
- Общие 4 1000 EPS
2017-2019
- Общие 4 1000 EPS DLX
2020
- General 4 1000 EPS с Ride Command
2018-2019
- Магнум 325 4×4
2000-2002 гг.

- Магнум 330 4×4
2003-2004 гг.
- Магнум 500 4×4
2002 г.
- Рейнджер 1000
2020
- Экипаж Рейнджер 1000
2020
- Экипаж Ranger 1000 EPS
2020
- Рейнджер 1000 EPS
2020
- Рейнджер 400 среднего размера
2010-2014 гг.
- Рейнджер 500 6×6
2005 г.
- Ranger 500 Carb среднего размера 4×4
2007 г.
- Ranger 500 EFI среднего размера 4×4
2009 г.
- Ranger 500 EFI среднего размера 4×4
2005 г.
- Ranger 500 EFI среднего размера 4×4
2006-2007 гг.
- Ranger 500 EFI среднего размера 4×4
2008 г.

- Ranger 500 EFI среднего размера LE
2013
- Экипаж среднего размера Ranger 500
2011-2012 гг.
- Ranger 500 Mid Size Crew LE
2012-2013 гг.
- Рейнджер 570 Полноразмерный
2016
- Ranger 570 Mid Size Crew EPS LE
2014
- Ranger 570 среднего размера EPS
2015
- Ranger 570 Mid Size EPS LE
2014
- Рейнджер 700 EFI 6×6
2007 г.
- Рейнджер 700 EFI 6×6
2008-2009 гг.
- Экипаж Ranger 700 EFI
2009 г.
- Ranger 700 EFI Экипаж LE
2009 г.
- Рейнджер 800 6×6
2010-2016 гг.
- Экипаж Рейнджер 800
2010-2014 гг.

- Экипаж Ranger 800 EPS
2010-2013 гг.
- Ranger 800 среднего размера
2013-2014 гг.
- Ranger 800 Mid Size EPS LE
2014
- Экипаж Рейнджера 900
2014-2016 гг.
- Экипаж Ranger 900 EPS
2014-2015 гг.
- Ranger 900 Экипаж EPS LE
2014
- Рейнджер Дизель
2015-2016 гг.
- Рейнджер Дизель Экипаж
2015-2018 гг.
- Рейнджер Дизель DLX
2015-2016 гг.
- Экипаж Ranger XP 1000 EPS
2017-2019
- Ranger XP 1000 Экипаж EPS Премиум
2020
- Ranger XP 1000 Crew EPS Texas Edition
2020
- Ranger XP 1000 Экипаж Northstar Edition
2019
- Рейнджер XP 1000 EPS
2017-2018 гг.

- Ranger XP 1000 EPS Северная звезда
2019
- Ranger XP 1000 EPS Премиум
2019-2020
- Ranger XP 1000 EPS Техасское издание
2020
- Рейнджер XP 570 Экипаж 6
2016
- Ranger XP 570 Полноразмерный EPS
2016
- Ranger XP 700 EFI 4×4 LE
2009 г.
- Рейнджер ХР 800
2010-2012 гг.
- Рейнджер XP 800 EPS
2010-2012 гг.
- Рейнджер ХР 900
2013-2019 гг.
- Экипаж Ranger XP 900
2017-2019
- Экипаж Ranger XP 900 EPS
2017-2019
- Рейнджер XP 900 EPS
2013-2019 гг.
- Ranger XP 900 EPS LE
2014
- Рейнджер XP 900 LE
2013
- 4 800 руб.
EFI2011-2013 гг.
- 4 800 рублей EFI EPS
2011-2014 гг.
- RZR 4 800 EFI Робби Гордон издание
2010-2011 гг.
- 4 900 рублей на акцию
2016
- 570 руб.
2012-2019 гг.
- 570 рупий на акцию
2017-2019
- РЗР 800 ЭФИ
2008-2014 гг.
- РЗР 800 ЭФИ ЭПС
2011-2014 гг.
- RZR 800 EFI XC Edition
2014
- 900 руб.
2015-2019
- 900 рупий на акцию
2014
- RZR 900 EPS XC Edition
2015-2017 гг.
- РЗР Про ХР 4 Премиум
2020-2023 гг.
- RZR Pro XP 4 Premium с Ride Command
2020
- RZR Pro XP 4 Спорт
2021-2023 гг.

- RZR Pro XP 4 Sport Rockford Fosgate LE с Ride Command
2021
- RZR Pro XP 4 Ultimate
2020-2023 гг.
- RZR Pro XP 4 Ultimate Rockford Fosgate LE с Ride Command
2021
- RZR Pro XP Премиум
2020-2023 гг.
- RZR Pro XP Premium с Ride Command
2020
- RZR Pro XP Спорт
2020-2023 гг.
- RZR Pro XP Sport Rockford Fosgate LE с Ride Command
2021
- RZR Pro XP Максимальная
2020-2023 гг.
- RZR Pro XP Ultimate Rockford Fosgate LE с Ride Command
2021
- РЗР С 1000 ЭПС
2016
- РЗР С 570 ЭПС
2017
- РЗР С 800 ЭФИ
2009-2014 гг.
- RZR S 800 EFI EPS
2014
- РЗР Трейл 570 Премиум
2020
- RZR Trail 900 FOX Edition
2020
- РЗР ХР 1000 ЭПС
2014-2016 гг.

- RZR XP 1000 EPS High Lifter Edition
2015
- RZR XP 1000 EPS High Lifter Edition
2016
- RZR XP 4 1000 EPS
2014-2016 гг.
- RZR XP 4 1000 EPS
2017
- РЗР ХР 4 900
2012-2013 гг.
- РЗР ХР 4 900 ЭПС
2013
- RZR XP 4 900 Jagged X Edition EPS
2013
- RZR XP 4 Turbo EPS
2016-2017 гг.
- РЗР ХР 900
2011-2013 гг.
- РЗР ХР 900 ЭПС
2012-2013 гг.
- RZR XP 900 EPS Walker Evans Edition
2013
- RZR XP Turbo EPS
2016-2017 гг.
- Скремблер 400 2х4
2000 г.
- Скремблер 400 4×4
2000-2002 гг.

- Скремблер 500 4×4
2000-2009 гг.
- Скремблер 850
2015
- Скремблер XP 1000
2014-2015 гг.
- Скремблер XP 850
2013-2014 гг.
- Скремблер XP 850 EPS
2013
- Спортсмен 335
2000 г.
- Спортсмен 400
2004 г.
- Спортсмен 400
2005 г.
- Спортсмен 400 ХО
2011-2012 гг.
- Спортсмен 400 ХО
2013-2014 гг.
- Спортсмен 450
2007 г.
- Спортсмен 450 ХО
2016-2017 гг.
- Спортсмен 450 HO EPS
2016-2017 гг.
- Sportsman 450 HO Утилита Edition
2017
- Спортсмен 500 ЭФИ
2007-2009 гг.

- Спортсмен 500 ХО
2004 г.
- Спортсмен 500 ХО
2005 г.
- Спортсмен 500 ХО
2008-2012 гг.
- Спортсмен 550
2013
- Спортсмен 550 ЭПС
2013-2014 гг.
- Спортсмен 570
2015-2017 гг.
- Спортсмен 570 6×6 EPS Биг Босс
2017
- Спортсмен 570 EPS
2014-2017 гг.
- Sportsman 570 EPS, служебная версия
2017
- Спортсмен 570 СП
2015-2017 гг.
- Спортсмен 600
2003-2004 гг.
- Спортсмен 6×6 500cc
2000-2008 гг.
- Спортсмен 700
2003-2004 гг.
- Спортсмен 700
2002 г.

- Спортсмен 700
2005 г.
- Спортсмен 700 ЭФИ
2005 г.
- Спортсмен 700 ЭФИ
2007 г.
- Спортсмен 800 6×6 Биг Босс
2010-2012 гг.
- Спортсмен 800 ЭФИ
2007-2012 гг.
- Спортсмен 800 ЭФИ
2013-2014 гг.
- Спортсмен 800 EFI DLX
2007 г.
- Спортсмен 850 СП
2015
- Спортсмен Touring 500 EFI
2008-2009 гг.
- Спортсмен Touring 500 HO
2011-2012 гг.
- Спортсмен Touring 500 HO
2013
- Спортсмен Touring 550 EPS
2010-2014 гг.
- Спортсмен Туринг 570
2014-2017 гг.
- Спортсмен Touring 570 EPS
2015-2017 гг.

- Спортсмен Touring 570 SP
2015-2017 гг.
- Спортсмен Touring 800 EFI
2008-2009 гг.
- Спортсмен Touring 850 EPS
2010-2014 гг.
- Спортсмен Touring 850 SP
2015
- Спортсмен Touring XP 1000
2015
- Спортсмен X2 500 EFI
2006-2009 гг.
- Спортсмен X2 500 EFI DLX
2007 г.
- Спортсмен Х2 550
2010-2013 гг.
- Спортсмен X2 550 EPS
2014
- Спортсмен X2 570 EPS
2015-2017 гг.
- Спортсмен X2 700 EFI
2008 г.
- Спортсмен X2 800 EFI
2007-2009 гг.
- Спортсмен X2 800 EFI DLX
2007 г.
- Спортсмен X2 850
2011
- Спортсмен XP 1000
2015
- Спортсмен XP 550 EFI
2009 г.

- Sportsman XP 550 EFI с EPS
2009 г.
- Спортсмен XP 850 EFI
2010-2013 гг.
- Sportsman XP 850 EFI с EPS
2010-2012 гг.
- Sportsman XP 850 HO с EPS
2013
- Экспедишн 325
2000-2002 гг.
- Экспедишн 425
2000-2002 гг.
- Эксплорер 250 4×4
2000 г.
- Эксплорер 300 4×4
2000-2001 гг.
- Эксплорер 400
2001 г.
Сузуки
- LT-A450X KingQuad
2007-2010 гг.
- LT-A500X KingQuad
2011-2018 гг.
- LT-A500X KingQuad AXi
2017-2018 гг.
- LT-A500XP KingQuad
2011-2018 гг.

- LT-A500XP KingQuad AXi
2015-2018 гг.
- LT-A700X KingQuad
2006-2007 гг.
- LT-A750X KingQuad
2008-2018 гг.
- LT-A750XP KingQuad
2011-2018 гг.
Ямаха
- Большой Медведь 400
2000-2001 гг.
- Гризли 400
2007 г.
- Гризли 400 Охотник
2007-2008 гг.
- Гризли 550
2009-2014 гг.
- Гризли 550 EPS
2009-2014 гг.
- Гризли 550 EPS Охотник
2009-2013 гг.
- Гризли 550 EPS SE
2009 г.
- Гризли 550 Охота
2009-2014 гг.
- Гризли 600
2000 г.
- Гризли 700
2007-2013 гг.

- Гризли 700 уток без ограничений
2007-2008 гг.
- Гризли 700 EPS
2008-2013 гг.
- Утки Grizzly 700 EPS без ограничений
2009 г.
- Гризли 700 EPS Охотник
2008-2013 гг.
- Гризли 700 EPS SE
2009-2011 гг.
- Гризли 700 Охотник
2007-2013 гг.
- Grizzly 700 Outdoorsman Edition
2007 г.
- Гризли 700 SE
2007-2008 гг.
- Кадьяк 400
2003-2005 гг.
- Кадьяк 400 Хантер
2004-2005 гг.
- Кадьяк 700
2016
- Кадьяк 700 ЭПС
2016
- Кадьяк 700 ЭПС Хантер
2016
- Кадьяк 700 EPS SE
2016
- Кадьяк 700 Хантер
2016
- Носорог 700
2008-2013 гг.

- Rhino 700 уток без ограничений
2008-2009 гг.
- Носорог 700 Охотник
2008-2013 гг.
- Носорог 700 SE
2008-2009 гг.
- Носорог 700 Спорт
2008-2013 гг.
- Тимбервольф 250
2000 г.
- Викинг
2014-2021 гг.
- Викинг ЭПС
2014-2023 гг.
- Викинг ЭПС Охотник
2014-2021 гг.
- Ранчо Викинг ЭПС
2018-2023 гг.
- Викинг EPS SE
2014-2019 гг.
- Охотник на викингов
2014-2015 гг.
- Викинг VI
2015-2016 гг.
- Викинг VI ЭПС
2015-2023 гг.
- Викинг VI ЭПС Охотник
2015-2021
- Ранчо Viking VI EPS
2016-2023 гг.

- Викинг VI EPS SE
2017
- Викинг VI Охотник
2015-2016 гг.
- Росомаха
2016-2018 гг.
- Росомаха 350
2000 г.
- Росомаха 450
2006-2010 гг.
- Росомаха 450 SE
2008 г.
- Росомаха EPS
2017
- Росомаха EPS Охотник
2017
- Охотник на Росомаху
2016
- Росомаха R-Spec
2016
- Росомаха R-Spec EPS
2016-2018 гг.
- Росомаха R-Spec EPS SE
2016-2017 гг.
- Росомаха R-Spec Охотник
2016-2018 гг.
- Росомаха X2
2019
- Росомаха X2 EPS
2020-2023 гг.

Изображения приведены только для справки, продукт может отличаться в зависимости от марки и модели автомобиля.









EFI











