Содержание
Обкатка двигателя на стенде после капитального ремонта: холодная проверка
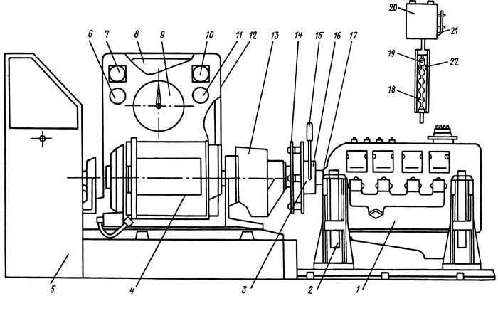
Собранные после капремонта двигатели внутреннего сгорания подвергаются обязательной обкатке на специальном стенде. Обкатка двигателя на стенде позволяет получить следующее:
- Все новые детали двигателя получают начальную приработку;
- В процессе обкатки выявляются дефекты, допущенные в процессе ремонта, производятся окончательные регулировки;
- Комплексные измерения качественных показателей двигателя необходимы для оценки при приёмо-сдаточных работах.
Мастер выполняющий обкатку полностью контролирует все рабочие показатели двигателя. Это исключает повреждения деталей вследствие резких перепадов температурного режима, обеспечивает быстрый ввод двигателя в эксплуатацию.
Существуют следующие виды обкатки двигателя:
- Холодная обкатка – выполняется на стенде, двигатель вращается от электромотора;
- Горячая обкатка без нагрузки – может выполняться как на стенде, так и на технике.
Двигатель работает на холостом ходу; - Горячая обкатка с переменной нагрузкой – также может выполняться как на стенде, так и на технике. В качестве нагрузки на стенде выступает подключаемый электродвигатель.
Методика обкатки двигателя на стенде.
Обкатка двигателя на стенде это прежде всего холодная обкатка, которая является обязательной после любого капитального ремонта. При этом двигатель закрепляется на специальном стенде, а его коленчатый вал подключается к внешнему электромотору, задающему частоту вращения. Также в двигателе обеспечивается циркуляция масла и охлаждающей жидкости.
Таким образом двигатель не запущен, но все его детали вращаются с определённой частотой, которую задаёт компьютерная программа. Различные датчики позволяют отслеживать температуру узлов двигателя и регулировать процесс обкатки. Кроме того, в процессе обкатки определяется наличие посторонних шумов в двигателе, и целостность соединений.
После успешной холодной обкатки переходят к рабочим испытаниям двигателя – горячей обкатке.
При этом в двигатель подаётся топливо, и он работает в нескольких режимах с разным количеством оборотов на холостом ходу.
И последний этап обкатки – это горячая обкатка с нагрузкой. При этом электромотор подключается к коленчатому валу двигателя и работает как генератор электричества, одновременно создавая нагрузку. Для каждой марки двигателя существуют свои нагрузочные режимы, пройдя которые двигатель готов к сдаче в эксплуатацию. В противном случае мотор отправляется на повторную регулировку, ремонт и испытания с обкаткой.
В результате обкатки двигателя и проведения контрольных испытаний мощность и расход топлива должны соответствовать стандартным показателям. Кроме того, двигатель должен обеспечивать ровный холостой ход, отсутствие перебоев на высоких оборотах и стандартную рабочую температуру.
Подводя итог можно утверждать, что правильная обкатка двигателя это обязательный, этап капитального ремонта, который позволяет грамотно ввести двигатель в эксплуатацию и значительно продлить его ресурс.
зачем она нужна и как происходит
Новый двигатель или прошедший капитальный ремонт нельзя сразу использовать на полную катушку. Необходима холодная обкатка двигателя, чтобы детали притерлись друг к другу. Как она происходит, сколько занимает времени, и какое расстояние должен пройти автомобиль, прежде чем его можно будет разгонять на максимальных оборотах?
Для чего нужна обкатка
Обкатка рекомендована для любых механизмов, в которых присутствуют движущиеся, испытывающие взаимное трение детали. Это помогает им постепенно, без лишнего напряжения занять идеальное положение, принять правильную форму.
Все автомобили проходят самую первую обкатку двигателя на заводе. Дилеры многих современных моделей заявляют, что владельцам авто не надо заниматься обкалыванием и дополнительной проверкой. Процедура выполнена специалистами, и покупатель получает машину полностью готовую к любым условиям вождения.
Однако если вы загляните в инструкции к некоторым престижным немецким авто, то сможете найти в них рекомендации по соблюдению режима езды первые 1,5–2 тысячи км.
А ведь это и есть не что иное, как обкатка.
Самый первый этап притирки на заводе называют «ввод в эксплуатацию» ( engine break-in). А последний этап называют именно обкаткой — engine run-in.
Обкатки требует не только мотор нового автомобиля, недавно сошедшего с конвейера. После любого вмешательства в устройство двигателя, его необходимо вначале обкатать.
Объяснить такое требование просто. Все детали имеют микроскопические неровности. В процессе трения при высокой температуре эти неровности стираются, мельчайшие частички металла попадают в масло, отрицательно влияют на работу мотора. Со стенкой цилиндров контактируют компрессионные и масляные кольца. На них оказывается высокая нагрузка, и после обкатки они притираются к поверхности, принимают более обтекаемую форму.
Проводя обкатку в щадящем режиме, вы даете возможность деталям прийти в норму, снижая нагрузку на автомобильный двигатель. После процедуры обкатанный мотор прослужит максимально долго, как было заложено инженерами, и автовладелец сможет использовать весь его потенциал.
Обкатка на стенде
Холодную обкатку на стенде проводят в условиях профессиональной автомастерской после капитального ремонта двигателя. Она означает, что части двигателя совершают движения, в то время как он сам не запускается. Процедура пригодна для бензинового и дизельного агрегата.
- Двигатель помещают на специальный обкаточный стенд.
- Коленвал подключают к внешнему электромотору.
- Заливают масло и охлаждающую жидкость.
- Запускают электромотор, чтобы коленвал крутился.
Скорость вращение электромотора можно менять, что позволяет начинать обкатку с малых оборотов. Процесс контролируется компьютерной программой. К основным узлам подключают датчики, которые передают данные на компьютер. В соответствии с показателями обороты электромотора уменьшают или увеличивают.
Контроль помогает поддерживать оптимальную температуру двигателя, не дает ему перегреваться. Поэтому обкатка получила название «холодная».
Буксировка
Обкатку нового автомобиля, а также автомобиля после ремонта, можно выполнить при помощи буксировки.
Сцепка с буксировщиком должна быть жесткой и проводиться на третьей передаче. Из обкатываемой машины выкручивают свечи и выключают передачи. Буксировка длится на протяжении часа. За это время усилия передаются через колеса другим частям автомобиля, что приводит к их постепенной притирке.
Опытные водители говорят, что после капитального ремонта двигатель должен сжечь бак топлива на холостом ходу. Буксировку нельзя назвать идеальным вариантом обкатки, потому что сложно контролировать, насколько нагрелся мотор.
Горячая обкатка
Вместо холодной иногда применяют горячую обкатку. Автомобиль стоит с включенным двигателем, который непрерывно работает. Горячую обкатку применяют также на стенде, когда мотор снимают, подключают к стенду и 3 минуты дают поработать вхолостую. После этого он должен остыть. Так повторяют 3–4 раза, после чего включают на 40 минут.
Поверхность обкатываемого двигателя не должна нагреваться более чем на 80 °C.Остывание двигателя — главное требование процедуры.
В результате перегрева части могут деформироваться, что вместо обкатки деталей приведет к выходу из строя всей системы.
Осторожная езда
Чтобы не утруждать себя буксировкой и не тратить деньги на обкатку нового двигателя на стенде, можно выбрать самый распространенный вариант. Он заключается в осторожной езде, в процессе которой детали притираются естественным образом. Существуют несколько правил такой обкатки.
- Первые 50 км автомобиль проезжает со скоростью 40–50 км/час равномерно без рывков на 3-й передаче.
- Следующие 200 км можно ездить со скоростью 60 км/час на 4-й передаче.
- После этого каждые 100 км скорость повышается на 10 км/час, пока не достигнет значения 90 км/час.
- Следующие 500 км можно переходить на 5-ю передачу (только не в гору) и двигаться со скоростью 100–120 км/час,
- Процедура длится, пока машина не проедет 1000–2000 км.
- Не допускается пробуксовка колес, провоз тяжелого багажа, переключение передач должно быть своевременной.

Поскольку в городе соблюдать все условия проблематично, обкатку проводят на загородной трассе. Выезжают, например, рано утром, когда в городе еще нет пробок. Избегают резких разгонов и торможения, езды на высоких оборотах. Допустимое число оборотов указывается в инструкции к любой марке автомобиля. Первые 500 км считаются самыми ответственными. При подъеме на гору понижают передачу и снижают скорость, чтобы не напрягать двигатель.
| Передача | Рекомендуемая скорость при обкатке первые 500 км, обороты около 2000 об/мин | Рекомендуемая скорость при обкатке 500–1000 км, обороты до 3000 об/мин | Рекомендуемая скорость при обкатке 1000–1500 км, обороты до 3500 об/мин | Рекомендуемая скорость при обкатке 1500–2000 км, обороты до 4200 об/мин |
| 1 | 20 | 25 | 30 | 35 |
| 2 | 40 | 45 | 55 | 60 |
| 3 | 60 | 70 | 75 | 90 |
| 4 | 80–90 | 95 | 110 | 125 |
| 5 | — | 110–120 | 130–140 | 155–160 |
Обязательно обкатывают автомобиль, в котором проводился любой ремонт двигателя.
2000 км считается минимальным пробегом для притирки деталей. Зачастую обкатку продолжают до 5–10 тысяч км пробега при постепенном повышении скорости.
Существует мнение, что новый мотор можно обкатывать на одинаковых оборотах. Однако от такой практики стоит отказаться. В этом случае происходит узконаправленная притирка деталей. Когда вы смените режим, детали начнут притираться по-другому. Произойдет их дополнительный износ, что не лучшим образом отразиться на сроке службы двигателя.
В процессе обкатки в масло попадают металлические микрочастицы, которые забивают фильтр. Поэтому после 1–2 тысяч км пробега его надо менять.
Если дилер залил свое масло перед продажей, то обкатывают авто вначале на нем, а затем производят замену. Заливают качественную марку, рекомендованную производителем.
Существует небольшая разница в обкатке автомобилей с автоматической и механической коробкой передач. Автоматическую КПП надо разогревать перед стартом, нельзя трогать режим «кикдаун» (kickdown) и нельзя допускать, чтобы в движении не заработала нейтральная передача.
В остальном отличий нет.
Почему именно двигатель
Почему обкатки требует именно двигатель? Детали ходовой части и рулевого управления не требуют притирки, потому что начинают изнашиваться при первых километрах езды. Составляющие части трансмиссии подгоняются друг к другу еще при тестовых пробежках автомобиля, а переключать передачи рекомендуется плавно независимо от пробега.
Тормозные колодки притираются быстро. Единственное, рекомендуется щадяще тормозить при первых километрах пробега.
Остается сердце автомобиля — его мотор, в котором движутся поршни, детали коленчатого вала и шатуна. Движение происходит под давлением и на высоких скоростях. Внутренние стенки цилиндров, компрессионные кольца, подшипники и другие детали постоянно испытывают трение, нагреваются.
Значительный нагрев может быть не только при высоких оборотах. Такое случается, когда автомобиль едет в гору на 5-й или 4-й передаче с относительно низкой скоростью с сильной подачей газа.
![]()
С каждым годом качество деталей автомобилей становится лучше. Это относится к престижным маркам и к недорогим моделям. Ситуация объясняется тем, что улучшаются технологии, точность машиностроения. Применение компьютерного проектирования, лазерной обработки, современных материалов делает конечный продукт более совершенным, более требовательным к качеству топлива и масла. Однако это не отменяет обкатку.
Предосторожность никогда не помешает, как считают опытные водители. Покупая новую машину, о которой давно мечтал, отдавая за нее значительную сумму денег, стараешься относиться к ней бережно. Для того и нужна обкатка, чтобы продлить срок службы, не допустить преждевременной поломки самой важной части авто — двигателя.
Как бегать зимой — 10 советов по бегу в холод — Treeline Review
Советы по бегу зимой, увлажнение и что надеть для бега зимой
Опубликовано 1 ноября 2022 г.
Изучите важные советы по бегу в холодную погоду, чтобы оставаться в безопасности, развлекаясь. Фото предоставлено Стасией Стоквелл.
Перейти к
- 10 советов для бега в мороз
- Что надеть при беге в мороз
- Преимущества бега в мороз
- Где бегать зимой
- Часто задаваемые вопросы
- Экспертиза автора
Бег в теплую погоду и светит солнце — занятие, которое предпочитают многие люди; бег через ветреные, темные зимние месяцы — это другой зверь. Это не означает, что бег не может быть таким же приятным и полезным, как бег в более длинные и теплые дни года — с правильным снаряжением, навыками и подготовкой.
Если вы предпочитаете избегать беговой дорожки, как многие из нас, бегунов на открытом воздухе, есть способы безопасно бегать на улице круглый год. С несколькими изменениями в вашем распорядке дня и подходящей экипировкой вы будете настроены на то, чтобы преодолевать мили прямо во время зимнего солнцестояния и позже.
Я занимаюсь бегом по пересеченной местности, живу в горной местности Колорадо и бегаю круглый год. Эти советы по бегу в холодную погоду и список снаряжения помогут вам поддерживать температуру тела и мотивацию.
Мы создаем поддерживаемые читателями, объективные, независимо выбранные обзоры передач. Эта история может содержать партнерские ссылки, которые помогают финансировать наш сайт. Когда вы нажимаете на ссылки для покупки снаряжения, мы можем получать комиссию — без лишних затрат для вас. Спасибо за поддержку нашей работы и миссии наружного освещения для каждого тела! Подробнее .
Бег зимой может быть таким же полезным, как и летом. Фото предоставлено Стасией Стоквелл.
10 советов по бегу в холодную погоду
1. Оставайтесь в тепле и знайте свой порог холода
Обязательно одевайтесь для холодных погодных условий и следите за температурой и холодным ветром, чтобы избежать обморожения и переохлаждения.
Каждый бегун отличается тем, насколько сильно холод он может выдержать.
Облегчите свой путь к бегу в холодную погоду: начните в более теплые дни и постепенно увеличивайте время, которое вы проводите там, чтобы приспособиться и отрегулировать то, как вы надеваете одежду. Признайте свои пределы; знать, когда вам слишком холодно, чтобы поддерживать температуру тела, чтобы продолжать бегать на улице. Вместо этого выберите в эти дни тренажерный зал. Когда вы бежите, поймите, когда нужно повернуться. Будьте готовы остановиться, если погода изменится или на вашем теле появятся признаки обморожения или переохлаждения.
2. Перед поездкой проверьте прогноз погоды
Солнечные дни с температурой ниже 30 градусов идеально подходят для обкатки; и наоборот, дни, когда температура достигает однозначных цифр или опускается до отрицательных значений из-за сильного похолодания, могут быть признаком того, что нужно оставаться дома в течение дня.
Ветер, особенно зимой, нельзя недооценивать.
Мало того, что холодный ветер сам по себе влияет на число, он также может вызвать охлаждение испарением, когда вы потеете — это хорошо в жаркие летние месяцы, но зимой это может довольно быстро привести к переохлаждению.
Снег и зимние условия не должны мешать вам выбраться. Но если по прогнозу ожидается снежная буря или видимость значительно ухудшится, подождите, пока погода установится, прежде чем выходить на улицу. Особенно, если вы дорожный бегун, следите за снегоочистителями и всегда носите светоотражающую одежду, чтобы вас было легко заметить.
Для бегунов обратите внимание на свой маршрут и убедитесь, что он не проходит по лавинной местности. Безопаснее оставаться ниже линии деревьев и вдали от склонов с крутизной более 30 градусов. Проверьте местные лавинные условия, прежде чем отправиться на зимний забег в горы. Вы можете проверить это на таких сайтах, как Colorado Avalanche Information Center и Utah Avalanche Center. В некоторые годы (особенно в Колорадо), например, в 2019 г.
и 2021 года маршруты зимнего бега, которые были популярны в предыдущие годы, оказались опасными.
Трубка для питья, налобный фонарь и навигационные инструменты, такие как часы с GPS, могут быть необходимы для обеспечения безопасности во время бега по пересеченной местности зимой. Фото предоставлено Стасией Стоквелл.
3. Знайте свой маршрут и имейте при себе карту (или картографическое приложение), чтобы вернуться домой
Как и в любой поездке на открытом воздухе, во время зимних забегов расскажите другим, куда вы идете и когда собираетесь вернуться. Получите картографическое приложение для своего телефона и предварительно загрузите карты на свои GPS-часы перед пробежкой. Наш путеводитель по лучшим часам с GPS рекомендует часы с полноцветными картами и длительным временем автономной работы, особенно для бега в холодную погоду, когда срок службы батареи может сократиться.
Бегунам по пересеченной местности настоятельно рекомендуется носить с собой аварийный маяк, такой как Garmin inReach Mini 2, в дополнение к телефону. Зима — хорошее время, чтобы придерживаться обычного маршрута. Помните, что дни короче, а налобный фонарь — ваш друг (подробнее см. ниже). Последствия потери во время бега зимой гораздо серьезнее, чем летом. См. наш путеводитель по лучшим персональным маякам-локаторам, чтобы получить рекомендации по небольшим и легким устройствам безопасности.
4. При необходимости используйте приспособления для сцепления на льду.
Зимний бег для многих также означает лед и снег на дороге или тропе. Убедитесь, что ваши кроссовки хорошо сцепляются со льдом, грязью или другими мокрыми скользкими камнями, корнями или тротуарами, которые часто встречаются зимой.
Чтобы не поскользнуться во время пробежки, исследуйте свои обычные места для бега на предмет троп и дорожек, которые тают быстрее всего. Тем не менее, избегайте троп, которые подвергаются ежедневному циклу таяния и повторного замораживания, так как они могут быть скользкими.
В частности, ранние предрассветные и утренние переходы по сторонам, обращенным с юго-востока на юго-запад, могут быть скользкими, потому что эти дороги / тропы, вероятно, растают в течение дня и снова замерзнут ночью. Смотрите нашу лучшую зимнюю тягу руководство для предложений. В более умеренных районах зима означает холодный дождь. Ищите маршруты, которые позволят вам избежать грязи.
Хотя это требует немного большей подготовки и внимания к погоде, если вы спланируете и подготовитесь к зимним условиям, вы сможете выходить на улицу, чтобы бегать круглый год.
5. Найдите мотивацию для зимнего бега
Возможно, самая сложная часть зимнего бега — это найти мотивацию зашнуровать обувь, даже когда летит снег, ртуть глубоко ныряет, а ощущение холода от ветра душераздирающе. . Хотя это, безусловно, проблемы, считайте их возможностью бегать в спокойном темпе, слушать мирную тишину зимы и получать те же полезные преимущества от бега, что и в остальное время года.
Бег зимой также означает, что с наступлением лета вам не придется проходить фазу повторного входа в беговую колею. Вы уже там и готовы к большему.
Ответственность — отличный мотиватор. Некоторые бегуны предпочитают километры в одиночку, но для других поиск напарника может помочь вам выйти за дверь в эти холодные и темные зимние дни. Если вы найдете еще одного друга-бегуна, с которым можно пообщаться, это поможет вам достичь целей зимнего бега, даже если вы предпочитаете бегать в одиночку. Зимний трейлраннинг — прекрасное время, чтобы найти напарника по бегу для безопасности и духа товарищества.
Зимний бег — хорошее время для разминки. Фото предоставлено Стасией Стоквелл.
6. Разминка перед бегом
Качественная разминка необходима независимо от того, в какое время года вы бегаете, но особенно в холодные зимние месяцы. Прежде чем выйти на улицу, проведите несколько минут внутри, чтобы разогнать кровь и нагреть тело.
Разминка подготовит ваши мышцы к предстоящим милям и облегчит выход из дома.
Помните, однако, что ваша разминка должна быть достаточной, чтобы разогнать кровь, но не настолько, чтобы вы потели. Пот и холодная погода не являются хорошей комбинацией, так как холодный воздух, впитывающий влагу от вашего тела (испарительное охлаждение), может привести к быстрому переохлаждению. Поэтому лучше не потеть перед пробежкой.
Найдите время, чтобы сделать несколько прыжков, немного легкой йоги или любого другого мягкого занятия, чтобы активировать свое тело за несколько минут до пробежки. Разминка — это также прекрасное время, чтобы в последнюю минуту принять предварительную гидратацию. Выпейте чашку теплой воды или увлажняющего горячего напитка (например, травяного чая или даже теплого спортивного напитка), пока вы разогреваетесь, и вы почувствуете себя лучше. хорошо и готов выйти и работать в более холодных температурах.
7. Научитесь многослойности
В отличие от минимального набора одежды для бега, необходимого в теплое время года, поиск оптимальной системы зимней многослойности требует немного больше размышлений.
Использование вашей системы слоев сделает зимний бег намного более комфортным и поможет вам дольше оставаться на холоде. Поиск подходящих слоев для правильных условий поможет вам справиться с потом, сохраняя при этом тепло.
Хотя в какой-то момент вы обязательно вспотеете, сведение потоотделения к минимуму поможет вам согреться. Когда зимний ветер прорвет пропитанные потом слои одежды, вы поймете, как быстро он может проморозить вас до костей. Поиск правильных слоев и управление темпом помогут избежать этого, но знайте, что иногда требуется немного проб и ошибок, чтобы найти, какие слои лучше всего подходят для вас. Скорее всего, вам придется немало надевать и снимать внешний и средний слои, чтобы чувствовать себя комфортно и сухо.
В идеале вы должны надевать слои туловища, которые можно легко снять или добавить во время пробежки. Начните с хорошей влагоотводящей рубашки базового слоя, которая поможет изолировать вас, не вызывая чрезмерного потоотделения. Нам нравятся слои из мериносовой шерсти для бега в холодную погоду, но есть много хороших вариантов на выбор (и вы можете ознакомиться с нашими фаворитами в нашей статье «Лучшие базовые слои »).
В зависимости от того, насколько холодно сейчас или насколько жарко вы склонны бегать, вы можете добавить поверх него слегка изолирующий средний слой, например легкий флис. Многие бегуны предпочитают жилет с легким утеплением в качестве среднего слоя, так как жилет не препятствует размаху рук, но согревает внутреннюю температуру. Если дует сильный ветер или прогнозируются осадки, легкая ветрозащитная оболочка будет иметь большое значение, чтобы вы были поджаренными и счастливыми.
Ваши любимые шорты для бега станут для вас старым другом, которого вы больше никогда не увидите, а легкие утепляющие тайтсы или брюки для бега станут вашим новым лучшим другом. Ищите пару с комбинацией ткани с легким начесом для утепления, материала, который хорошо впитывает пот, и плотного плетения, защищающего от холода от ветра.
Хорошие носки обладают большой силой для зимнего бега. Вместо носков с низким голенищем, которые многие бегуны предпочитают для теплой погоды, выберите более длинные термоноски, чтобы защитить лодыжки от холода.
Носки из мериносовой шерсти обладают отличными влагоотводящими свойствами и согревают даже во влажном состоянии.
Пара водонепроницаемых кроссовок или кроссовок GORE-TEX также станет отличным дополнением к вашему комплекту для зимнего бега. Гидроизоляционная мембрана не только сохраняет ноги сухими, но и сохраняет их в тепле.
Статьи по теме:
Оставайтесь готовыми к приключениям: тренируйтесь дома (тренажерный зал не требуется!)
Как выбраться наружу с вашей собакой зимой
Лучшие мужские шорты для бега и Лучшие женские шорты для трейлраннинга
Лучшие беговые кепки 900 05
8. Не допускайте обезвоживания во время зимних пробежек
В отличие от жаркого лета бега, когда вы не можете не пить ледяную воду, увлажнение для зимних пробежек может быть сложнее.
Гораздо менее привлекательно пить ледяную воду, когда температура окружающей среды намного ниже точки замерзания, но ваше тело также теряет больше влаги через дыхание зимой из-за повышенного испарения в холодном и сухом воздухе.
Точно так же ваш пот будет испаряться быстрее, и вы можете не осознавать, сколько воды вы на самом деле теряете. Эти условия делают еще более важным осознанное употребление жидкости во время холодных зимних пробежек.
Беговые жилеты — отличный способ носить воду на длинных дистанциях, и многие из них могут носить с собой мочевой пузырь, бутылки или и то, и другое. Для зимнего бега мы рекомендуем баллон, когда температура выше нуля, но лучше использовать бутылки, когда температура ниже нуля, потому что вероятность того, что они замерзнут, гораздо меньше. По нашему опыту тестирования, это сработало для нас лучше, чем попытка изолировать шланг на мочевом пузыре.
Предварительная гидратация — отличный способ подготовить тело к зимним пробежкам, и это всегда хорошая идея в любое время года.
Выпейте чашку теплой воды или теплого увлажняющего напитка, такого как травяной чай или спортивный напиток, перед сном и перед тем, как отправиться на пробежку, чтобы убедиться, что вы не обезвожены, прежде чем зашнуровать кроссовки.
Связанный: Лучший электролитный порошок
9. Двигайтесь медленно и уверенно
Летом многие бегуны сосредотачивают свою энергию на увеличении скорости и дистанции и усердно тренируются перед гонками и большими беговыми целями.
Используйте бег зимой как время для поддержания беговой базы. Независимо от того, занимаетесь ли вы бегом по пересеченной местности или по дороге, снег и лед могут замедлить вас на обычных маршрутах — и это нормально. Медленный и устойчивый темп зимних пробежек может помочь вам преодолеть изменяющиеся условия зимней местности и дать вашему телу возможность восстановиться после более интенсивных и быстрых километров, которые часто сопровождают летний бег.
10.
Оставайтесь в безопасности в темноте/в условиях низкой освещенности
В большинстве мест зима идет рука об руку с короткими днями, а это означает, что вы с большей вероятностью выйдете на улицу до восхода солнца или после его захода. Носите с собой налобный фонарь в это время и будьте уверены в своем маршруте, особенно если вы бежите по тропе. И помните о важности светоотражающей экипировки, особенно если вы дорожный бегун. И наоборот, если вы бегаете солнечным зимним днем, подумайте о том, чтобы надеть солнцезащитные очки для бега , так как снег отражает ультрафиолетовые лучи . Ознакомьтесь с нашим списком зимней беговой экипировки (ниже), чтобы узнать о некоторых из наших любимых вещей в это время года.
Небольшой рюкзак для бега или жилет поможет вам с комфортом переносить снаряжение, необходимое для безопасности в бэккантри. Фото предоставлено Стасией Стоквелл.
Что надеть для бега в холода
Ваш список снаряжения для бега летом или в теплое время года неизбежно будет отличаться от того, что вам нужно для пробежек в разгар зимы. Вот наш список необходимых предметов снаряжения для зимнего бега.
Лучшие зимние тайтсы для бега обеспечивают легкий доступ к телефону. Аккумуляторы телефона могут разряжаться из-за низких температур, поэтому хранение его близко к телу может помочь сохранить его работоспособность. Фото предоставлено Стасией Стоквелл.
Утепленные тайтсы или штаны для бега
В это время года ваши любимые шорты не подойдут. Найдите пару штанов или колготок, специально предназначенных для зимнего бега. Подгонка будет рассчитана на диапазон движений при беге, и может быть легкая флисовая подкладка или другая форма легкой изоляции. Смотрите наш путеводитель по Лучшие мужские тайтсы для бега и Лучшие женские зимние тайтсы для бега за наши рекомендации.
Рубашка нижнего слоя для холодной погоды
Хороший базовый слой для зимнего бега должен сохранять тепло, но не слишком жарко. Управление потоотделением имеет важное значение при зимней аэробной активности. Шерстяная смесь или гибридный базовый слой из мериносовой шерсти и синтетических волокон — отличный вариант. См. наше руководство Best Base Layers для наших рекомендаций.
Многослойность необходима для регулирования температуры зимой. Фото предоставлено Стасией Стоквелл.
Легкая всепогодная куртка
Найдите легкую, ветрозащитную, водонепроницаемую или водонепроницаемую куртку, которую легко положить в рюкзак для бега. Возможно, он вам не понадобится на всю пробежку, но всегда полезно брать его с собой на зимние пробежки. Посмотрите наши лучших женских беговых куртки или Лучшие легкие непромокаемые куртки руководство для наших рекомендаций.
Легкая шапка или повязка на голову
Даже если вы бегаете в холодную зимнюю погоду, вы, скорее всего, вспотеете. Толстая шапка часто является излишеством для зимних пробежек, но вам все равно нужно что-то, чтобы защитить ваши уши от ветра и холода, так как уши имеют более тонкую кожу и легче подвержены обморожению, чем другие части тела. Для этого идеально подойдет тонкая шапочка или повязка на голову.
Гетры или гетры для шеи
Легкие гетры для шеи (также называемые гетры для шеи) — это небольшая и прочная экипировка для зимних пробежек. Это помогает защитить шею и лицо от ветра. Это также может помочь защититься от обморожения. Мы предпочитаем мериносовую шерсть за лучшую терморегуляцию.
Шерстяные носки
Тонкие синтетические носки могут подойти летом, но для зимы вам понадобятся более теплые носки. Найдите удобные носки из смесовой шерсти для пробежек в холодную погоду. Зимой мы рекомендуем беговые носки из шерсти мериноса.
Смотрите наши Лучшие носки для бега для наших рекомендуемых вариантов бега в холодную погоду.
Водонепроницаемая обувь для бега
Водонепроницаемая обувь для бега не только поможет вашим ногам оставаться сухими, но и сохранит их в тепле. Многие победители в нашем руководстве Best Trail Running Shoes доступны в версиях Gore-Tex или водонепроницаемых версиях для зимнего бега.
Легкие перчатки для бега
Другим важным элементом зимнего снаряжения для бега являются легкие перчатки для бега. Получите пару с совместимыми с сенсорным экраном кончиками пальцев, чтобы вы могли легко переключать музыку, проверять приложение GPS или звонить, если это необходимо. См. наш путеводитель по лучшим зимним перчаткам, чтобы узнать о легких перчатках, которые мы рекомендуем.
Беговые рюкзаки или беговые жилеты имеют минималистский профиль, не нарушающий ваш стиль бега.
Фото предоставлено Стасией Стоквелл.
Беговой рюкзак
Хороший жилет или рюкзак для бега — отличная экипировка для длительных пробежек в любое время года, но зимой, когда вы, скорее всего, будете нести больше слоев одежды, это будет более полезно. Хороший рюкзак должен хорошо подходить по размеру, сводить к минимуму подпрыгивание и вмещать воду, топливо и один или два слоя. Смотрите наши Лучший гидратационный жилет для бега за наши рекомендации, которые основаны на бутылках, а не на шлангах. По нашему опыту, гидравлические шланги могут замерзнуть даже с изоляцией.
Зимой дни короче. Если вам нравится бегать до или после работы, вы можете бегать в темноте. Возьмите с собой хороший налобный фонарь и запасные аккумуляторы. Фото предоставлено Стасией Стоквелл.
Налобный фонарь
Не все налобные фонари созданы одинаковыми, и если вы бегаете зимой, вам нужен минималистичный и удобный, но достаточно яркий для темного утра и вечера.
Мы рекомендуем яркий налобный фонарь с подсветкой, особенно если вы бегаете по дорогам. Смотрите наших победителей в нашем Лучшие (и самые яркие) налобные фонари для получения дополнительных рекомендаций.
Светоотражающая экипировка
Не забывайте, что во время пробежек вас должно быть видно, особенно зимой. Зимняя погода может ухудшить видимость, даже если не темно. Наличие светоотражающей экипировки — будь то детали на брюках и куртке или полноценный светоотражающий жилет — очень важно.
Солнцезащитные очки
Это кажется нелогичным, но если вы бегаете солнечным зимним днем, наденьте солнцезащитные очки , так как снег отражает до 80% УФ-лучей.
При наличии необходимых навыков и снаряжения вы сможете наслаждаться красотой природы круглый год. Фото предоставлено Стасией Стоквелл.
Преимущества бега на холоде
Бег на холоде и на открытом воздухе в зимние месяцы дает множество преимуществ.
Упражнения улучшают наше настроение, в первую очередь за счет эндорфинов, выделяемых во время активности. Но делать это упражнение на улице еще лучше, так как свежий воздух и солнечный свет (даже если это холодный день и на земле лежит снег) могут творить чудеса, помогая бороться с такими вещами, как сезонное депрессивное расстройство (САР), которое часто сохраняется в более темные и холодные месяцы. года.
Кроме того, бег на морозе зачастую легче для организма, чем бег в жаркие летние дни. Более прохладные температуры создают меньшую нагрузку на тело, чем напрягаться под жарким августовским солнцем.
Но, пожалуй, одно из самых простых преимуществ бега зимой заключается в том, что вам легче поддерживать темп бега круглый год. Вместо того, чтобы уходить на зиму и тяжело просыпаться во время первой весенней пробежки, постоянство бега на протяжении всех сезонов создает и поддерживает более сильную базу для бегунов.
Подобно бегу по шоссе и бегу по пересеченной местности летом, для зимнего бега по дороге и бегу по пересеченной местности требуется различное снаряжение и навыки.
Фото предоставлено Стасией Стоквелл.
Где бегать зимой: бег по шоссе или бег по пересеченной местности
Где бегать зимой, зависит от вашего местоположения и личных предпочтений. Живете ли вы рядом или предпочитаете тротуары или лесистые горные тропы, вы будете пожинать плоды шнуровки в течение всего сезона.
Помните, что шоссейным бегунам подойдет иная экипировка, чем бегунам по пересеченной местности. Независимо от того, где вы находитесь, многослойность имеет важное значение. Но шоссейные бегуны должны уделять больше внимания светоотражающей экипировке, чем трейлраннерам, а трейлраннерам может потребоваться более сильное сцепление с дорогой, и они могут получить больше пользы от использования пары беговых гетр, чем шоссейные бегуны.
Трейлраннеры также должны быть более осведомлены о лавинах и последствиях потери во время зимнего бега.0004 экстренный вызов .
Часто задаваемые вопросы
Какая температура слишком низкая для работы?
Не обязательно существует установленный порог температуры, который работает для всех бегунов по всем направлениям.
Найдите время, чтобы адаптироваться к бегу на холоде и узнайте, что вам удобно. Если так холодно, что вам не нравится находиться на улице или вы испытываете признаки обморожения (предвестника обморожения) или переохлаждения, это признак того, что пора возвращаться внутрь.
Полезен ли бег на холодном воздухе для легких?
Бег на холоде не обязательно лучше для ваших легких, чем бег при других погодных условиях или температуре. В любых условиях аэробная активность полезна для укрепления легких и сердечно-сосудистой системы.
Почему после бега болят легкие?
Вы можете заметить усиление кашля и ощущения в легких при беге на улице в холодную погоду или во время физических упражнений в холодную погоду. Это связано с тем, что ваши легкие реагируют на холодный и сухой воздух. По своей сути это не плохо, но будьте осторожны и обратите внимание на то, как себя чувствует ваше тело, особенно если у вас респираторное заболевание, такое как астма.
Почему так тяжело бегать по морозу?
К бегу на морозе нужно привыкнуть, и может потребоваться больше внутренней мотивации, чтобы выйти на улицу, когда идет снег или морозы. Но по мере того, как вы привыкнете к этому умственно и физически, вы будете пожинать плоды зимних прогулок на свежем воздухе.
Бег зимой сжигает больше калорий?
Зимний бег иногда может сжечь больше калорий, чем бег летом, в основном потому, что он требует немного больше энергии, чтобы ваше тело согрелось. Но это не всегда так и зависит от ряда других личных факторов, таких как темп, метаболизм и многое другое.
Стасия Стоквелл — авантюристка на 4 сезона. Фото предоставлено Стасией Стоквелл.
Экспертиза автора: почему нам стоит доверять
Истинная горная жительница, Стася гораздо лучше чувствует себя на высоком альпийском хребте, чем на оживленной городской улице.
Она работала гидом на юго-востоке Аляски и писала для таких изданий, как Backpacker, REI Co-op Journal, The Dyrt и других.
Стася — лыжница, горный байкер и бегун по пересеченной местности, стремящийся снизить барьеры для занятий спортом на открытом воздухе. Своими работами она надеется вдохновить людей любить и уважать мир дикой природы.
Стасия Стоквелл более десяти лет занимается бегом. Она нашла свою любовь к спорту в колледже, когда бегала в основном по дороге. Переехав несколько лет назад в Брекенридж, ей не потребовалось много времени, чтобы понять, что ей больше всего нравятся тропы.
Она участвовала в нескольких полумарафонских шоссейных гонках и альпийском марафоне в горах Сан-Хуан. Теперь она преодолевает горные мили круглый год, даже в холодные снежные зимы округа Саммит.
Вы можете увидеть все истории Стаси на Treeline или на ее сайте .
Дин Кракель
Как совершать походы старше 60 лет
Дин Кракель
НОВИНКА: Видеозапись прямого эфира с участниками дискуссии! Пять путешественников в возрасте 60+ делятся советами по снаряжению, тренировкам, питанию, травмам, восстановлению и мотивации, чтобы вдохновить вас на долгий поход
Дин Кракель
Брэндон Лэмпли
С чего начать Промывка и разведка золота
Брэндон Лэмпли
Советы по поиску золота для начинающих, включая начало промывки, где найти золото, защитную одежду, оборудование, необходимое для начала, и стратегии поиска золотого песка. Отправляйтесь к ближайшему ручью или купите мешок земли и раскопайте!
Брэндон Лэмпли
Лиз Томас
Как стирать пуховый спальный мешок
Лиз Томас
Удалите запахи и почувствуйте себя теплее с помощью пошаговых инструкций «Сделай сам» по чистке спального мешка из пуха, пухового одеяла для походов или синтетического спального мешка для кемпинга.
Лиз Томас
Бег, обучение навыкам активного отдыха, как Стасия Стоквелл зима, бег, бег, бег по пересеченной местности, зимнее снаряжение, зимний бег, зимний бег
Как одеться для зимнего бега
Зимний бег — это вызов: нельзя просто выйти из дома, когда на улице 25 градусов и ветер, и начать бегать. Температура в 30 и ниже имеет тенденцию запирать ваше тело и превращать ваши конечности в сосульки, вызывая скованность суставов и напряжение мышц, поэтому бег в холодную погоду требует специальной подготовки. Таким образом, вы можете хорошо выступать, предотвращать травмы и получать от этого удовольствие.
Похожие истории
- Внутри подземного спортзала Лос-Анджелеса Сцена
- Я построил свой собственный тренажерный зал в своей квартире с одной спальней
Во-первых, небольшая заметка: в определенный момент становится слишком холодно, чтобы бегать. Например, когда ноль градусов с холодным ветром, как это часто бывает в Денвере, где я живу. Я не рекомендую этого по законным причинам для здоровья, таким как переохлаждение, обморожение открытых участков и повышенный риск сердечного приступа (если вы в группе риска). Это того не стоит.
Но если не слишком уж мучительно холодно и хочется бегать по асфальту под открытым небом — это уж точно лучше, чем сидеть внутри и ничего не делать, — тогда все, что нужно, — это хорошая подготовка. Читайте советы, чтобы не замерзнуть, когда на улице мороз.
1. Тщательно разогрейтесь внутри.
Если вы обычно торопитесь быстро разогреться за пять минут перед выходом на улицу, сделайте это 15 минут.
Потратьте дополнительное время, чтобы по-настоящему расслабить мышцы и суставы, и поднимут температуру вашего тела до легкого пота. Таким образом, когда вы ступите на холод, вам будет не так плохо, и ваши мышцы не будут такими напряженными.
Если вам нужно согреться на улице, наденьте дополнительный легко снимающийся слой, например, легкую толстовку с капюшоном, которую вы сможете позже завязать вокруг талии.
2. Держите голову и руки в тепле.
Хотя было доказано, что большая часть тепла теряется через голову, это чертовски хорошая идея держать голову и уши в тепле на холоде. Носите толстую шапку или наушники, которые вы также можете легко засунуть в карманы, если вам станет жарко. Также наденьте перчатки. Я понятия не имею, как люди могут бегать без перчаток, когда на улице ниже нуля. Даже с перчатками , ваши пальцы со временем становятся жесткими и онемевшими.
Ниже вы найдете несколько моделей спортивного стиля, чтобы ваши повседневные шерстяные перчатки и кашемировая шапка всегда были в порядке:
Лучшие товары: шапки и перчатки
Спортивная кепка Uniqlo с защитой от ультрафиолета
20 долларов США в Uniqlo
New Balance Heat Grid Fleece Headband
20 долларов США в New Balance
L.L. Bean Outdoor Research W Ушная повязка INDSTOPPER
$25 в L.L.Bean
The North Face Standard Issue Beanie
26 долларов в The North Face
Перчатки Smartwool Merino 150
30 долларов в smartwool.com
Перчатки Lululemon Cross Chill Run
38 долларов в Lululemon
Трансформируемые перчатки Under Armour ColdGear Reactor Run
Скидка 50%
40 долларов США на Amazon
Перчатки Brooks Carbonite
50 долларов США на Amazon
3. Наденьте базовый слой.
Базовый слой идеально подходит для бега в холодную погоду, потому что он согревает вас так же, как толстое пальто, при этом значительно менее громоздкий и, кроме того, отводит влагу.
Наденьте базовый слой сверху и снизу, а оттуда добавляйте дополнительные слои в зависимости от температуры. Вот несколько хороших вариантов:
Лучший выбор: базовые слои
Uniqlo Heattech Long Johns
15 долларов в Uniqlo
L.L. Bean Heat Keepers Everyday Underwear
45 долларов в L.L.Bean
adidas Own футболка Run Running
49 долларов на Amazon
Mack Weldon Performance Колготки
48 долларов США в Mack Weldon
Patagonia Capilene Cool Lightweight Long-Sleeve
55 долларов США в Backcountry
Топ Smartwool Merino 150 Base Layer Top
85 долларов США в REI
Беговая футболка Nike Dry Element с молнией 1/2
86 долларов США на Amazon
Тайтсы Lululemon Surge Cold Terrain
118 долларов США на Lululemon
4. Носите обувь со сцеплением.
В идеале бегите по дорожке, свободной от снега и льда. Однако, если вы бегаете по снегу, наденьте обувь с отличным сцеплением и защитой и наденьте ее с теплыми удобными носками, которые сохранят ваши ноги сухими.
Кроме того, оставайтесь сосредоточенными — на пути, скорее всего, будут скользкие участки. Обувные бренды выпускают кроссовки, специально предназначенные для зимнего бега, например: 9.0007
Лучший выбор: готовые к зиме кроссовки
Обувь Adidas Supernova WINTER.RDY
94 доллара США в ADIDAS
Кроссовки Brooks Divide Trail Running
100 долларов США в Zappos
Salomon S Обувь ense Ride 3 GTX
Скидка 29% на
85 долларов в Salomon
Ботинки HOKA Speedgoat 4
145 долларов в Hoka
Вы должны одеться тепло, но вы не должны одеваться так, будто вы поднимаетесь на Эверест. Когда вы бежите, температура вашего тела повышается — носите слишком много, и вам станет безумно жарко.
Вместо этого немного разденьтесь: если на улице 25, оденься как 45. (Подстройка на 20 градусов — хорошее эмпирическое правило.) Как только вы начнете бегать, вы нагреетесь, чтобы компенсировать это.
Разве что холодно и ветрено. В таком случае соберитесь как следует или скажите «К черту все» и оставайтесь дома с чашкой чая.
6. Оставайтесь аэробными.
Ваше сердце бьется быстрее, когда холодно, что делает любую пробежку на свежем воздухе более интенсивной. Так что, если вы не готовитесь к конкретному событию, холодная погода — не лучшее время для того, чтобы направить своего внутреннего Усэйна Болта.
Предотвратите дополнительную нагрузку на тело, оставаясь в своей аэробной зоне (рассчитайте здесь свою целевую частоту сердечных сокращений; она меняется в зависимости от вашего возраста). Это будет ощущаться медленнее, чем то, к чему вы привыкли, но вы все равно получите те же преимущества. Используйте его, чтобы улучшить свою физическую форму, сохранить беговые мышцы и просто насладиться прогулкой на свежем воздухе с партнером по бегу или в одиночестве.
7. Избегайте обезвоживания.

Вы можете не сильно потеть, когда на улице 10 градусов, но увлажнение по-прежнему важно. Пейте жидкости до, во время и после пробежки.
Все истории, которые помогут вам пережить зиму
8. Засеките время.
Держите пробежку от 30 до 60 минут. Опытные бегуны могут сделать немного больше, но через 90 минут вы рискуете поставить под угрозу свою иммунную систему. (Не говоря уже о том, что проводить столько времени на холоде просто отстой.)
9. Быстро финишировать.
Температура вашего тела быстро снизится после того, как вы закончите пробежку, поэтому подготовьтесь заранее. Минимизируйте расстояние от конца пробежки до теплого места. Если вы можете закончить пробежку у входной двери, отлично; если вам нужно ехать домой, приготовьте толстую куртку и горячий напиток в машине.
10. Продолжайте в том же духе.
Поскольку вы заинтересованы в беге в холодную погоду — к черту снег, мокрый снег и морозы — тогда вы определенно преданы своему делу.
Двигатель работает на холостом ходу;
