Содержание
Ремонт ГУР МАЗ в Ростове-на-Дону рядом со мной на карте, цены — Ремонт гидроусилителя руля МАЗ: 5 автосервисов с адресами, отзывами и рейтингом
5 мест
- ремонт ГУР МАЗ — 5 автосервисов Ростова-на-Дону в нашей базе
- удобный подбор компаний по параметрам и расположению
- ремонт ГУР МАЗ с отзывами пользователей, рейтингом и большими фото
Метро, район
Рейтинг
Есть акции
Онлайн-запись
Рядом со мной
Круглосуточно
Открыто сейчас
Будет открыто ещё 2 часа
С отзывами
С фото
Рейтинг 4+
Сортировка
По умолчаниюПо цене ➚По цене ➘Сначала лучшиеПо расстоянию
0Другие фильтры
- 662688618384″ data-lat=»47.280388896773″ data-id=»54bdd4b94dfc9ac4168b4597″ data-object_id=»54bdd4b94dfc9ac4168b4597.93ff» data-ev_label=»premium»>
- 61472″ data-lat=»47.242393″ data-id=»556e0af540c088427e8d88f3″ data-object_id=»556e0af540c088427e8d88f3.fb95″ data-ev_label=»standard»>
3D-тур
58
Больше нет мест, соответствующих условиям фильтров
- Ремонт ГУР МАЗ в Ростове-на-Дону — у каких автосервисов самый высокий рейтинг?
Пользователи Zoon.ru наиболее положительно оценили ЭталонАвто, Крафт-турбо, УАЗ 61 регион.
- Ремонт ГУР МАЗ в Ростове-на-Дону — в каких автосервисах круглосуточный режим работы?
в Ростове-на-Дону есть одно круглосуточное заведение: АртБад Авто.

- В каких автосервисах есть уникальные условия для пользователей Zoon.ru?
Скидки и акции для клиентов с портала Zoon.ru доступны в ЭталонАвто.
|
Поиск по артикулу
Складская техника Производители запчастей Продажа техники |
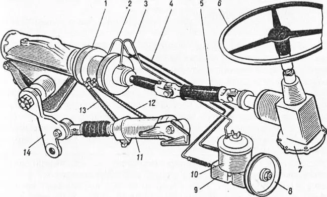
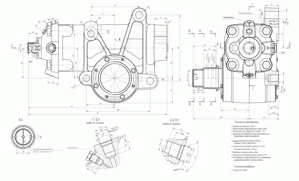
Главная / Запчасти МАЗРулевое управление МАЗ — именно тот узел автомобиля, что отвечает за совершение маневров и устойчивость при движении на трассе.
|
| ||||||||||||||||||||||||||||||||||||||||||||||||||||||||||||||||||||||||||||||||||||||||||||||||||||||||||||||||||||||||||||||||||||||||||||||||||||||||||||||||||||||||||||||||||||||||||||||||||||||||||||||||||||||||||||||||||||||||||||||||||||||||||||||||||||||||||||||||||||||||||||||||||||||||||||||||||||||||||||||||||||||||||||||||||||||||
Упражнения с сопротивлением при остеоартрозе коленного сустава
1.
Garstang SVST. Остеоартроз: эпидемиология, факторы риска и патофизиология. Am J Phys Med Rehabil. 2006;85(11):S2–11. [PubMed] [Google Scholar]
2. Джинкс С., Джордан К., Крофт П. Остеоартрит как проблема общественного здравоохранения: влияние развития боли в колене на физическую функцию взрослых, живущих в сообществе: (KNEST 3) Ревматология (Оксфорд). ) 2007;46(5):877–881. [PubMed] [Google Scholar]
3. Белая книга Американской медицинской ассоциации о здоровье пожилых людей. Доклад Совета по науке. Arch Intern Med. 1990;150(12):2459–2472. [PubMed] [Google Scholar]
4. Распространенность и влияние артрита в зависимости от расы и этнической принадлежности — США, 1989–1991 гг. MMWR Morb Mortal Wkly Rep. 1996; 45 (18): 373–378. [PubMed] [Google Scholar]
5. Lange AK, Vanwanseele B, Fiatarone Singh MA. Силовые тренировки для лечения остеоартрита коленного сустава: систематический обзор. Ревмирующий артрит. 2008;59(10):1488–1494. [PubMed] [Google Scholar]
6.
Liu CJ, Latham NK. Прогрессивная силовая тренировка с отягощениями для улучшения физических функций у пожилых людей. Кокрановская система базы данных, ред. 2009 г.;(3):CD002759. [Бесплатная статья PMC] [PubMed] [Google Scholar]
7. Андриакки Т.П., Мундерманн А., Смит Р.Л., Александр Э.Дж., Дирби С.О., Ку С. Структура патомеханики остеоартрита коленного сустава in vivo. Энн Биомед Инж. 2004;32(3):447–457. [PubMed] [Google Scholar]
8. Andriacchi TP, Koo S, Scanlan SF. Механика походки влияет на морфологию здорового хряща и остеоартроз коленного сустава. J Bone Joint Surg Am. 2009; 91 (Приложение 1): 95–101. [Бесплатная статья PMC] [PubMed] [Google Scholar]
9. Gur H, Cakin N, Akova B, Okay E, Kucukoglu S. Концентрические и комбинированные концентрически-эксцентрические изокинетические тренировки: влияние на функциональные возможности и симптомы у пациентов с остеоартрозом коленного сустава. Arch Phys Med Rehabil. 2002;83(3):308–316. [PubMed] [Google Scholar]
10.
Penninx BW, Messier SP, Rejeski WJ, et al. Физические упражнения и профилактика инвалидности в повседневной деятельности у пожилых людей с остеоартрозом. Arch Intern Med. 2001;161(19):2309–2316. [PubMed] [Google Scholar]
11. Винсент К.Р., Брейт Р.В. Упражнения с отягощениями и обмен костей у пожилых мужчин и женщин. Медицинские спортивные упражнения. 2002;34(1):17–23. [PubMed] [Google Scholar]
12. Vincent KR, Braith RW, Feldman RA, et al. Упражнения с сопротивлением и физическая работоспособность у взрослых в возрасте от 60 до 83 лет. J Am Geriatr Soc. 2002;50(6):1100–1107. [PubMed] [Google Scholar]
13. Винсент К.Р., Винсент Х.К., Брейт Р.В., Леннон С.Л., Ловенталь Д.Т. Упражнения с отягощениями ослабляют перекисное окисление липидов у пожилых людей. Eur J Appl Physiol. 2002;87(4–5):416–423. [PubMed] [Академия Google]
14. Борг ГАВ. Психофизические основы воспринимаемой нагрузки. Медицинские спортивные упражнения. 1982; 14: 377–381. [PubMed] [Google Scholar]
15.
Hoeger WK, Hopkins DR, Barette SL, Hale DF. Взаимосвязь между повторениями и выбранным процентом максимума одного повторения: сравнение между нетренированными и тренированными мужчинами и женщинами. J Appl Sport Sci Res. 1990;4(2):47–54. [Google Scholar]
16. Ettinger WHJ, Burns R, Messier SP, et al. Рандомизированное исследование, сравнивающее аэробные упражнения и упражнения с отягощениями с программой санитарного просвещения у пожилых людей с остеоартритом коленного сустава. Испытание фитнес-артрита и пожилых людей (FAST) JAMA. 1997;277(1):25–31. [PubMed] [Google Scholar]
17. Farr JN, Going SB, McKnight PE, Kasle S, Cussler EC, Cornett M. Прогрессивная тренировка с отягощениями повышает общий уровень физической активности у пациентов с ранним остеоартритом коленного сустава: рандомизированное контролируемое исследование. . физ. тер. 2010;90(3):356–366. [Бесплатная статья PMC] [PubMed] [Google Scholar]
18. Foley A, Halbert J, Hewitt T, Crotty M. Улучшает ли гидротерапия силу и физическую функцию у пациентов с остеоартритом — рандомизированное контролируемое исследование, сравнивающее занятия в тренажерном зале и программа укрепления на основе гидротерапии.
Энн Реум Дисорд. 2003;62(12):1162–1167. [Бесплатная статья PMC] [PubMed] [Google Scholar]
19. Foroughi N, Smith RM, Lange AK, Baker MK, Fiatarone Singh MA, BV Прогрессивная тренировка с отягощениями и динамическое выравнивание при остеоартрите: простое слепое рандомизированное контролируемое исследование. Clin Biomech (Бристоль, Эйвон)’ 2011;26(2):167–174. [PubMed] [Google Scholar]
20. Jan MH, Lin JJ, Liau JJ, Lin YF, Lin DH. Исследование клинических эффектов тренировок с высоким и низким сопротивлением у пациентов с остеоартритом коленного сустава: рандомизированное контролируемое исследование. физ. тер. 2011; 88: 427–436. [PubMed] [Академия Google]
21. Микески А.Е., Маццука С.А., Брандт К.Д., Перкинс С.М., Дамуш Т., Лейн К.А. Влияние силовых тренировок на заболеваемость и прогрессирование остеоартрита коленного сустава. Арт Реум. 2006;55(5):690–699. [PubMed] [Google Scholar]
22. Penninx BW, Rejeski WJ, Pandya J, et al. Физические упражнения и симптомы депрессии: сравнение влияния аэробных упражнений и упражнений с отягощениями на эмоциональную и физическую функцию у пожилых людей с высокой и низкой депрессивной симптоматикой.
J Gerontol B Psychol Sci Soc Sci. 2002; 57 (2): стр. 124–132. [PubMed] [Академия Google]
23. Rejeski WJ, Ettinger WH, Jr, Martin K, Morgan T. Лечение инвалидности при остеоартрите коленного сустава с помощью лечебной физкультуры: центральная роль самоэффективности и боли. Арт Уход Рез. 1998;11(2):94–101. [PubMed] [Google Scholar]
24. Микески А.Е., Маццука С.А., Брандт К.Д., Перкинс С.М., Дамуш Т., Лейн К.А. Влияние силовых тренировок на заболеваемость и прогрессирование остеоартрита коленного сустава. Ревмирующий артрит. 2006;55(5):690–699. [PubMed] [Google Scholar]
25. Jan MH, Lin JJ, Liau JJ, Lin YF, Lin DH. Исследование клинических эффектов тренировок с высоким и низким сопротивлением у пациентов с остеоартритом коленного сустава: рандомизированное контролируемое исследование. физ. тер. 2008;88(4):427–436. [PubMed] [Академия Google]
26. Foley A, Halbert J, Hewitt T, Crotty M. Улучшает ли гидротерапия силу и физическую функцию у пациентов с остеоартритом — рандомизированное контролируемое исследование, сравнивающее программу укрепления на основе тренажерного зала и гидротерапии.
Энн Реум Дис. 2003;62(12):1162–1167. [Бесплатная статья PMC] [PubMed] [Google Scholar]
27. Sharkey NA. Роль физических упражнений в профилактике и лечении остеопороза и остеоартрита. Нурс Клин Норт Ам. 2000; 35: 209–221. [PubMed] [Академия Google]
28. Seynnes O, Fiatarone Singh MA, Hue O, Pras P, Legros P, Bernard PL. Физиологические и функциональные реакции на низко-умеренные и высокоинтенсивные тренировки с прогрессивным сопротивлением у ослабленных пожилых людей. J Gerontol A Biol Sci Med Sci. 2004;59(5):503–509. [PubMed] [Google Scholar]
29. Foroughi N, Smith RM, Lange AK, Baker MK, Fiatarone Singh MA, Vanwanseele B. Укрепление мышц нижних конечностей не меняет моментов во фронтальной плоскости у женщин с остеоартритом коленного сустава: рандомизированное контролируемое исследование. . Clin Biomech (Бристоль, Эйвон) 2011;26(2):167–174. [PubMed] [Академия Google]
30. Ангст Ф., Эшлиманн А., Мишель Б.А., Штуки Г. Минимальные клинически значимые реабилитационные эффекты у пациентов с остеоартрозом нижних конечностей.
J Ревматол. 2002;29(1):131–138. [PubMed] [Google Scholar]
31. Iwamoto J, Takeda T, Sato Y. Влияние упражнений по укреплению мышц на мышечную силу у пациентов с остеоартритом коленного сустава. Колено. 2007;14(3):224–230. [PubMed] [Google Scholar]
32. Ивамото Дж., Такеда Т., Сато Ю. Влияние упражнений по укреплению мышц на мышечную силу у пациентов с остеоартритом коленного сустава. Коленка. 2007; 14: 224–230. [PubMed] [Академия Google]
33. Маккуэйд К.Дж., де Оливейра А.С. Влияние прогрессивной силовой тренировки с отягощениями на биомеханику колена во время подъема на одной ноге у людей с легким остеоартритом коленного сустава. Clin Biomech (Бристоль, Эйвон) 2011;26(7):741–748. [Бесплатная статья PMC] [PubMed] [Google Scholar]
34. Swank AM, Kachelman JB, Bibeau W, et al. Преабилитация перед тотальным эндопротезированием коленного сустава увеличивает силу и функцию у пожилых людей с тяжелым остеоартритом. J Прочность Конд Рез. 2011;25(2):318–325. [PubMed] [Академия Google]
35.
Mizner RL, Petterson SC, Stevens JE, Axe MJ, Snyder-Mackler L. Предоперационная сила четырехглавой мышцы предсказывает функциональную способность через год после тотального эндопротезирования коленного сустава. J Ревматол. 2005;32(8):1533–1539. [PubMed] [Google Scholar]
36. McAuley E, Elavsky S, Jerome GJ, Konopack JF, Marquez DX. Благополучие пожилых людей, связанное с физической активностью: социальные когнитивные влияния. Психологическое старение. 2005;20(2):295–302. [PubMed] [Google Scholar]
37. Cassilhas RC, Antunes HK, Tufik S, de Mello MT. Настроение, тревога и сывороточный IGF-1 у пожилых мужчин после 24 недель упражнений с высоким сопротивлением. Навыки восприятия. 2010;110(1):265–276. [PubMed] [Академия Google]
38. Сингх Н.А., Клементс К.М., Фиатароне М.А. Рандомизированное контролируемое исследование прогрессивных тренировок с отягощениями у пожилых людей, страдающих депрессией. J Gerontol A Biol Sci Med Sci. 1997;52(1):M27–35. [PubMed] [Google Scholar]
39.
Диониджи Р. Тренировки с отягощениями и убеждения пожилых людей о психологических преимуществах: важность самоэффективности и социального взаимодействия. J Sport Exerc Psychol. 2007;29(6):723–746. [PubMed] [Google Scholar]
40. Малый М.Р. Связь биомеханики с подвижностью и инвалидностью у людей с остеоартритом коленного сустава. Упражнения Научные Спортивные Упражнения. 2009 г.;37(1):36–42. [PubMed] [Google Scholar]
41. Бейкер К.Р., Нельсон М.Е., Фелсон Д.Т., Лейн Дж.Е., Сарно Р., Рубенофф Р. Эффективность домашних прогрессивных силовых тренировок у пожилых людей с остеоартритом коленного сустава: рандомизированное контролируемое исследование. J Ревматол. 2001;28(7):1655–1665. [PubMed] [Google Scholar]
42. Томас К.С., Мьюир К.Р., Доэрти М., Джонс А.С., О’Рейли С.К., Бэсси Э.Дж. Домашняя программа упражнений при боли в колене и остеоартрите коленного сустава: рандомизированное контролируемое исследование. БМЖ. 2002;325(7367):752. [Бесплатная статья PMC] [PubMed] [Google Scholar]
43.
Topp R, Woolley S, Hornyak J, 3rd, Khuder S, Kahaleh B. Влияние тренировок с динамическим и изометрическим сопротивлением на боль и функционирование у взрослых с остеоартритом колена. Arch Phys Med Rehabil. 2002;83(9):1187–1195. [PubMed] [Google Scholar]
44. O’Reilly SC, Muir KR, Doherty M. Эффективность домашних упражнений при боли и инвалидности при остеоартрите коленного сустава: рандомизированное контролируемое исследование. Энн Реум Дис. 1999;58(1):15–19. [Бесплатная статья PMC] [PubMed] [Google Scholar]
45. Foroughi N, Smith RM, Lange AK, Baker MK, Fiatarone Singh MA, Vanwanseele B. Укрепление мышц нижних конечностей не меняет моментов во фронтальной плоскости у женщин с остеоартритом коленного сустава: рандомизированное контролируемое исследование. Клиническая биомеханика (Бристоль, Эйвон) 2011;26(2):167–174. [PubMed] [Google Scholar]
T Maz Cr 400 MG Tablet CR — применение, побочные эффекты, заменители, состав и многое другое
Производитель: Tripada Biotec Pvt Ltd
Состав лекарства: карбамазепин
Рецепт против безрецептурных препаратов: Требуется рецепт врача
T Maz Cr 400 MG Tablet CR лечит невралгию тройничного нерва, а также диабетическую невропатию.
Кроме того, препарат также эффективно лечит биполярное расстройство. T Maz Cr 400 MG Tablet CR действует как противосудорожное средство и уменьшает возникновение аномальных нервных импульсов в головном мозге, которые могут привести к серьезным реакциям, таким как судороги и острая боль.
Действие лекарства довольно медленное и приводит к некоторым побочным эффектам; Ваше состояние может улучшиться через пару недель или больше. Лекарство следует принимать по назначению, строго придерживаясь указаний врача.
Перед началом приема препарата обязательно сообщите своему врачу подробную информацию о любых существующих проблемах со здоровьем и аллергии. Прежде чем принимать это лекарство, сообщите врачу, если вы страдаете:
- Проблемы с сердцем
- Проблемы с щитовидной железой
- Порфирия
- Волчанка
- Психические заболевания
- Проблемы с почками
9 0107 Беременные или собирающиеся забеременеть
Если вы принимаете препарат во время беременности, обязательно четко следуйте инструкциям врача по дозировке и потреблению.
Не прекращайте прием препарата и не увеличивайте дозировку без консультации врача, так как это может вызвать серьезные осложнения для ребенка.
Симптомы передозировки включают головокружение, атаксию, сонливость, тошноту, рвоту, тремор, возбуждение, нистагм, задержку мочи, аритмии, кому, судороги, подергивания, угнетение дыхания, нервно-мышечные расстройства.
Обеспечить общую поддерживающую терапию. Активированный уголь эффективно связывает определенные химические вещества, особенно карбамазепин; другое лечение носит поддерживающий/симптоматический характер. Лечение заключается в вызывании рвоты или промывании желудка.
Также необходимо контролировать ЭКГ для выявления сердечной дисфункции. Мониторинг артериального давления, температуры тела, зрачковых рефлексов, функции мочевого пузыря в течение нескольких дней после приема внутрь.
Принимайте строго по назначению (не увеличивайте дозу или частоту и не прекращайте прием без консультации с лечащим врачом).
Поддерживайте адекватную гидратацию (2–3 л жидкости в день, если не указано ограничение потребления жидкости).
Лекарство может лечить следующие проблемы:
Проблемы со здоровьем у разных людей разные
Воспользуйтесь помощью лучших врачей
Пациент может страдать от следующих побочных эффектов:
Тромбоцитопения
Отек
Головокружение
Атаксия
Головная боль
Затуманенное зрение
Сколько длится эффект?
Эффект этого лекарства длится в среднем от 2 до 3 дней
Что такое начало действия?
Пиковый эффект этого лекарства можно наблюдать через 4,5 часа для таблеток с немедленным высвобождением.

Есть ли какие-либо предупреждения о беременности?
Пересекает плаценту. Сообщалось о дисморфических чертах лица, дефектах черепа, пороках сердца, расщелине позвоночника, ЗВУР и множестве других пороков развития. Эпилепсия сама по себе, ряд лекарств, генетические факторы или их комбинация, вероятно, влияют на тератогенность противосудорожной терапии. Соотношение пользы и риска обычно свидетельствует в пользу продолжения применения во время беременности, 90–108.
Это вызывает привыкание?
Склонности к формированию привычки не зарегистрировано.
Существуют ли какие-либо предупреждения о грудном вскармливании?
Это лекарство проникает в грудное молоко. Американская академия педиатрии считает совместимым с грудным вскармливанием.
Безопасно ли с алкоголем?
Установлено, что он небезопасен при приеме с алкоголем.
Безопасно ли управлять автомобилем, принимая это лекарство?
Это может вызвать побочные эффекты, которые могут повлиять на бдительность пациента.
Следовательно, влияют на способности больного. Если пациент принимает это лекарство, следует избегать вождения.Влияет ли это на функцию почек?
Доступны ограниченные данные. Коррекция дозы может не потребоваться. Пожалуйста, проконсультируйтесь с врачом, прежде чем принимать это лекарство.
Влияет ли это на функцию печени?
Следует соблюдать осторожность у пациентов с заболеваниями печени. Может потребоваться коррекция дозы. Пожалуйста, проконсультируйтесь с врачом, прежде чем принимать это лекарство.
Индия
Япония
Этот препарат относится к классу противосудорожных средств. Он работает, уменьшая возбуждение клеток головного мозга путем ингибирования натриевых каналов, таким образом подавляя повторяющееся возбуждение клеток мозга.
Каковы взаимодействия T Maz Cr 400 MG Tablet CR?
Всякий раз, когда вы принимаете более одного лекарства или смешиваете его с определенными продуктами или напитками, вы подвергаетесь риску взаимодействия с лекарственными средствами.
Взаимодействие с алкоголем
Алкоголь
Употребление алкоголя с этим лекарством не рекомендуется, так как это увеличивает риск побочных эффектов, таких как головокружение, трудности с концентрацией внимания. Не выполняйте действия, требующие умственной активности, такие как вождение автомобиля или работа с механизмами.
Взаимодействие с лекарством
- T Maz Cr 400 MG Tablet CR может индуцировать метаболизм бензодиазепинов, циталопрама, клозапина, кортикостероидов, циклоспорина, доксициклина, этосуксимида, фелбамата, фелодипина, галоперидола, мебендазола, метадона, пероральных контрацептивов, фенитоина, такролимуса, офиллин, гормоны щитовидной железы, трициклические антидепрессанты, вальпроевая кислота, варфарин; отслеживать измененный ответ; может потребоваться коррекция дозы.
- Циметидин, кларитромицин, даназол, дилтиазем, эритромицин, фелбамат, флуоксетин, флувоксамин, изониазид, ламотриджин, метронидазол, пропоксифен, верапамил, флуконазол, итраконазол и кетоконазол могут ингибировать печеночный метаболизм T Maz Cr 400 MG Tablet CR с последующим повышением уровня карбамазепина в сыворотке крови.
концентрации и токсичность. - CBZ может усиливать гепатотоксический потенциал ацетаминофена.
- Нейротоксичность может возникнуть у пациентов, получающих литий и карбамазепин одновременно.
- T Maz Cr 400 MG Tablet CR несовместим с раствором хлорпромазина и жидким тиоридазином. Schedule T Maz Cr 400 MG Tablet CR с интервалом не менее 1-2 часов от других жидких лекарственных средств.
Взаимодействие с болезнью
Депрессия
Это лекарство следует с осторожностью назначать пациентам с депрессией и суицидальными мыслями. Необходим частый мониторинг симптомов депрессии. Корректировку дозы следует проводить в зависимости от исходов у пациента.
Заболевание печени
Этот препарат следует использовать с осторожностью у пациентов с легкими и умеренными заболеваниями печени. Необходим частый контроль показателей функции печени. Подходящие корректировки дозы или альтернативное лекарство следует рассматривать в зависимости от клинического состояния.

Часто задаваемые вопросы о T Maz Cr 400 MG Tablet CR
Вопрос: Что такое T Maz Cr 400 MG Tablet CR?
Ответ:
Это лекарство действует как противосудорожное средство и уменьшает возникновение аномальных нервных импульсов в головном мозге.
Вопрос: Каковы виды использования T Maz Cr 400 MG Tablet CR?
Ответ:
Это лекарство является противоэпилептическим препаратом, который полезен при лечении припадков. Он также используется для лечения невралгии тройничного нерва (интенсивная боль лицевого нерва).
Вопрос: Как долго мне нужно использовать T Maz Cr 400 MG Tablet CR?
Ответ:
Это лекарство следует принимать до тех пор, пока вы не заметите улучшение своего здоровья.
Вопрос: Как часто мне нужно использовать T Maz Cr 400 MG Tablet CR?
Ответ:
Это лекарство следует принимать в дозировке, назначенной врачом.
Вопрос: Должен ли я использовать T Maz Cr 400 MG Tablet CR на пустом желудке, перед едой или после еды?
Ответ:
Это лекарство следует принимать после еды или по назначению врача.
Вопрос: Каковы инструкции по хранению и утилизации T Maz Cr 400 MG Tablet CR?
Ответ:
Этот препарат следует хранить в сухом прохладном месте и в оригинальной упаковке. Убедитесь, что это лекарство остается недоступным для детей и домашних животных.
Вопрос: Является ли T Maz Cr 400 MG Tablet CR анальгетиком?
Ответ:
T Maz Cr 400 MG Tablet CR не является анальгетиком, поэтому его нельзя использовать при регулярной боли.
Вопрос: Каковы долгосрочные эффекты T Maz Cr 400 MG Tablet CR?
Ответ:
Долгосрочные побочные эффекты этого препарата варьируются от одного человека к другому. Некоторые люди могут переносить препарат годами, у других развиваются побочные эффекты при длительном приеме.
Вопрос: Как прекратить прием T Maz Cr 400 MG Tablet CR?
Ответ:
Вы не должны прекращать прием этого лекарства без консультации с врачом. Если вы хотите остановить его, рекомендуется постепенно снижать дозировку.
Вопрос: Как быстро начинает действовать T Maz Cr 400 MG Tablet CR?
Ответ:
Это занимает около 14 дней, чтобы увидеть улучшение в этом состоянии.
Обратитесь к врачу, если вы не видите улучшения даже после завершения полного курса лечения.
Вопрос: Чего следует избегать при приеме T Maz Cr 400 MG Tablet CR?
Ответ:
T Maz Cr 400 MG Tablet CR может вызывать у пациентов сонливость и головокружение. Следовательно, рекомендуется не садиться за руль после употребления этого лекарства. Следует также избегать потребления алкоголя.
Вопрос: Может ли использование T Maz Cr 400 MG Tablet CR привести к увеличению веса? Если да, то как им можно управлять?
Ответ:
Это лекарство может увеличить вес у некоторых людей. На самом деле, это один из самых распространенных побочных эффектов. Вы должны внести изменения в свой образ жизни, такие как регулярные физические упражнения и здоровое питание, чтобы контролировать свой вес.
Вопрос: Может ли использование T Maz Cr 400 MG Tablet CR повлиять на мою сексуальную жизнь?
Ответ:
Это лекарство очень редко влияет на вашу сексуальную жизнь. Поговорите со своим врачом, если у вас появятся эти симптомы после употребления этого лекарства.
Вопрос: Я принимаю T Maz Cr 400 MG Tablet CR для лечения невралгии тройничного нерва. Как долго мне нужно его принимать?
Ответ:
Вы должны принимать его в течение нескольких недель, пока боль не уменьшится. Если вы хотите прекратить прием, сначала проконсультируйтесь с врачом.
Вопрос: Как уменьшить побочные эффекты T Maz Cr 400 MG Tablet CR?
Ответ:
Если побочные эффекты сохраняются в течение более длительного времени, обратитесь к врачу, чтобы изменить дозы, чтобы уменьшить побочные эффекты.
Каталожные номера
Dexamethasone-Drug Information Portal [Интернет].druginfo.nlm.nih.gov 2022 [По состоянию на 27 мая 2022 г.]. Доступно по адресу:
.
https://druginfo.nlm.nih.gov/drugportal/name/дексаметазонDexamethasone-DrugBank Online [Internet].go.drugbank.com 2022 [Цитировано 27 мая 2022 г.]. Доступно с:
https://go.drugbank.com/drugs/DB01234
Капли дексаметазона, раствор-DailyMed [Интернет].
dailymed.nlm.nih.gov 2022 [По состоянию на 27 мая 2022 г.]. Доступно по адресу:.
https://dailymed.nlm.nih.gov/dailymed/search.cfm?labeltype=all&query=Дексаметазон
Отказ от ответственности: представленная здесь информация основана на наших знаниях и опыте, и мы приложили все усилия, чтобы сделать ее максимально точной и актуальной, но мы хотели бы попросить, чтобы она не рассматривалась как замена профессиональной консультации, диагностики или лечения.
Lybrate является средством предоставления нашей аудитории общей информации о лекарствах и не гарантирует ее точность или полноту. Даже если нет упоминания о предупреждении для какого-либо лекарства или комбинации, это никогда не означает, что мы утверждаем, что лекарство или комбинация безопасны для употребления без какой-либо надлежащей консультации с экспертом.
Lybrate не несет ответственности ни за какие лекарства или методы лечения. Если у вас есть какие-либо сомнения относительно вашего лекарства, мы настоятельно рекомендуем вам немедленно обратиться к врачу.
Популярные вопросы и ответы
Привет, сэр, мне 24 года! из-за давления на учебу я никогда не могу уснуть до 2 часов ночи (иногда до утра), а потом, сэр, мне становится так тяжело учиться в дневное время * кроме занятий! сэр, пожалуйста, помогите мне чем-нибудь, чтобы я мог учиться очень долго с максимальной концентрацией! С уважением.
Доктор Неха Малхотра
MSC Human Development, гипнотерапия, специальный педагог, MS-консультирование и физиотерапия, прикладная психология с отличием
Психолог, Фаридабад
Не подвергайте себя такому сильному давлению, это может навредить вам морально и физически. Сделайте свою рутину такой же обычной, как вы справляетесь с ней. Учиться максимальное количество часов, но не энергетически нехорошо, поэтому соблюдайте время отдыха между занятиями.
В свободное время вы можете заняться любимым делом…
1
человек нашел это полезным
Что такое биполярное аффективное расстройство? И с какой целью принимают кутипин и карбамазепин в таблетках.
Д-р К. В. Ананд
BASM, MD, MS (Консультирование и психотерапия), MSc — психология, сертификат по клинической психологии детей и молодежи, сертификат по первой психологической помощи, сертификат по позитивной психологии, позитивной психиатрии и психическому здоровью
Психолог, Палаккад
Уважаемый пользователь lybrate, добро пожаловать в lybrate. Биполярное аффективное расстройство (БРА) — это психологическое заболевание, характеризующееся резкими перепадами настроения. Эти перепады настроения принимают форму депрессии или мании и могут длиться несколько месяцев.
Данный медик…
2
люди нашли это полезным
Посмотреть все вопросы и ответы
Популярные советы для здоровья
9 способов контролировать биполярное расстройство настроения
Г-жа Джухи Парашар
Магистр клинической психологии
Психолог, Гургаон
Биполярное расстройство — это серьезное психическое заболевание, при котором эпизоды мании — аномально приподнятого настроения, часто сопровождаемого чувством эйфории, — чередуются с приступами депрессии. Люди с биполярным расстройством обычно нуждаются в…
1
человек нашел это полезным
Биполярное расстройство — что это значит
Биполярное расстройство также известно как маниакальная депрессия.
Обычно это вызывает у человека плохое и приподнятое настроение, а также изменение энергии и сна. Люди с биполярным расстройством склонны к периодическим изменениям; иногда они слишком счастливы, а другие т…
3866
люди нашли это полезным
Лечение посттравматического стрессового расстройства (ПТСР)
Посттравматическое стрессовое расстройство или посттравматическое стрессовое расстройство — это состояние психического здоровья, которое обычно вызывается несчастным случаем, пережитым или свидетелем которого стал пострадавший пациент в прошлом. Симптомами этого состояния являются воспоминания, ночные кошмары и пр…
6141
люди нашли это полезным
Эпилепсия — вещи, о которых вы должны позаботиться!
Доктор Намит Гупта
MBBS, MD — Медицина, DM — Неврология
Невролог, Гургаон
Хроническое заболевание, которое вызывает повторяющиеся и неспровоцированные припадки, называется эпилепсией.
Припадок — это импульсивный и неожиданный всплеск активности головного мозга. К причинам возникновения эпилепсии относят черепно-мозговую травму, высокую температуру, гипотонию…
3440
люди нашли это полезным
Лечение депрессии!
Доктор Радхика А (Md)
MD — Акупунктура, Диплом по акупунктуре, Расширенный диплом по акупунктуре
Иглотерапевт, Дели
Лечение депрессии Гомеопатическое лечение депрессии Акупунктура Лечение депрессии Психотерапия Лечение депрессии Обычное/аллопатическое лечение депрессии Хирургическое лечение депрессии Диетическое и травяное лечение …
1
человек нашел это полезным
Просмотреть все советы по здоровью
Детали содержания
Написано
Доктор Хина Фирдоус
Кандидат наук (фармакология) Преследование, M.
Будучи технически сложной конструкцией, оно требует к себе особо внимания — ведь, в случае неисправности, безопасность езды, особенно на скорости, уменьшается в геометрической прогрессии.
крышка)
(верхняя часть)