Содержание
Что обязательно нужно знать о коробке передач трактора Т-150?
-
- Все новости
- МЕЛИТОПОЛЬ И РЕГИОН
- УКРАИНА И МИР
- ШОУ-БИЗНЕС
- ДОМ И СЕМЬЯ
- НАУКА И ТЕХНОЛОГИИ
- ТВ программа
- Справка
- Пресс-релизы
местные вести
Трактор Т-150 по сей день, начиная с 1974 года, находит широкое применение как в сельском хозяйстве, так и других отраслях, где требуются многофункциональные, качественные механизмы. Такая машина имеет исключительную прочность и надежность, проверенную годами. И одним из важных компонентов Т-150, благодаря которым эти качества поддерживаются на высоком уровне, является коробка передач.
В чем преимущества коробки передач Т-150?
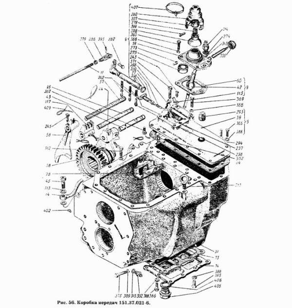
Модель коробки передач представляет собой механизм, приспособленный специально для работы крупногабаритного трактора. Конструкция представляет собой: наличие гидравлического управления для комфортного переключения передач в момент движения; наличие двух тормозных валов; 8 рабочих, 4 замедленных и 4 задних передачи.
Итак, мы имеем следующие положительные характеристики КПП Т-150:
- Повышенный уровень продуктивного выполнения функций из-за отсутствия разрывов мощностей работы двигателя в период изменения положения рычага.
- Экономный расход топлива и, как следствие, более дешевая эксплуатация.
- Возможность движения трактора на низких скоростях благодаря специальному ходоуменьшителю. Это дает ряд преимуществ при ремонтных работах.
- Простое управление.
- Возможность самостоятельного ремонта владельцем.
Одним из важных преимуществ коробки передач является доступная цена готового механизма и отдельных его деталей.
Цену можно узнать на сайте https://www.forsaj.com.ua/traktora-semejstva-t-150-z-ch/t-150-kpp-z-ch .
Какие поломки КПП встречаются наиболее часто?
Несмотря на высокую прочность и надежность, как и любым другим механизмам, со временем коробкам передач свойственно изнашивание и потеря важных качеств. Это приводит к следующим поломкам:
- Необходимость в сильном воздействии для переключения скорости во время движения. Для устранения: необходимо промыть золотник и распределитель.
- При неправильной регулировке длины тяги может возникнуть такая проблема, как отсутствие возвращения педали сцепления в исходное положение после нажатия.
- Потеря оборотов двигателя при переключении передачи. Для устранения возможно необходима замена прокладки, колец или крышки.
- Наблюдение резких рывков в момент переключения передачи. Возможная причина — залегание клапанов или проблемы с гидроаккумулятором.
- Наблюдение понижения давлений на разных передачах при залегании пропускного клапана.
Решение: промывка деталей. - Недостоверные данные манометра.
Если же ни один из вариантов не помог решить возникшую проблему, безопаснее будет решение о покупке нового КПП для Т-150.
Коробка передач Т 150 в категории «Грузовики, автобусы, спецтехника»
Ремонт коробки передач КПП Т-150, Т-156,Т-158 ,К-700,К-701
Доставка по Украине
35 350 грн
«Техно-Импекс»
Подшипник 21313 cx Poland подшипник в коробку передач хтз т 150
Доставка из г. Харьков
1 519 грн
Купить
Альпик-Центр
Каталог шестерен коробок передач тракторов Т-150, Т-150К
На складе в г. Полтава
Доставка по Украине
20 грн
Купить
ТОВ «Сільгосптехніка»
Шестерня 151.37.061-3 z-26/42/42 коробки перемены передач трактора Т-150 ХТЗ
Доставка по Украине
810 грн
Купить
«АгроЗапДетали» — интернет-магазин
Коробка передач КПП Т-150К гидромеханическая 151.
37.001-8Р
Доставка из г. Харьков
160 000 грн
Купить
ЧП «Постолов Юрий Владимирович»
Опора коробки передач Т-150, 150.00.104-1А
Доставка по Украине
950 грн
Купить
ООО «Фирма Альтарис»
Каталог шестерни коробок передач тракторов Т-150К/Г
Доставка по Украине
40 грн
Купить
ООО «Фирма Альтарис»
Крышка коробки передач Т-150, 125.37.329, ХТЗ
Доставка по Украине
650 грн
Купить
ООО «Фирма Альтарис»
Коробка передач Т-150 СМД-60, 151.37.005-07, ремонтная
Доставка по Украине
120 000 грн
Купить
ООО «Фирма Альтарис»
Стакан коробки передач Т-150 (ходоуменьшителя), кат. № 151.37.126
Доставка по Украине
560 грн
Купить
Лубенец запчасть
Барабан гидромуфты 150.37.140-1 коробки передач трактора Т-150,Т-151
Доставка из г. Харьков
4 500 грн
Купить
ЧП «Постолов Юрий Владимирович»
Вал первичный 150.37.104 коробки передач трактора Т150
Доставка из г.
Харьков
3 100 грн
Купить
ЧП «Постолов Юрий Владимирович»
Вал вторичный 150.37.037-2 коробки передач трактора Т150
Доставка из г. Харьков
5 800 грн
Купить
ЧП «Постолов Юрий Владимирович»
Диск металлокерамический 150.37.074 коробки передач трактора Т-150,Т-151,Т-156
Доставка из г. Харьков
240 грн
Купить
ЧП «Постолов Юрий Владимирович»
1336 Ремкомплект КЗП (коробки сменных передач) Т-150 (гус)
Доставка по Украине
500 грн
Купить
Лубенец запчасть
Смотрите также
1337 Ремкомплект КЗП (коробки сменных передач) Т-150К / Т-151К
Доставка по Украине
400 грн
Купить
Лубенец запчасть
1357 Ремкомплект КЗП (коробки сменных передач) (полный) Т-150 гус
Доставка по Украине
600 грн
Купить
Лубенец запчасть
Стакан коробки передач Т 150 150.37.142-3
Доставка по Украине
90 грн
Купить
ЧП Агрозапчасти
Стакан коробки передач Т 150 150.
37.194-1
Доставка из г. Измаил
150 грн
Купить
ЧП Агрозапчасти
Муфта фланца 151.37.400 коробки передач Т-150
Доставка по Украине
500 грн
Купить
Пан Долгов
Кольцо 2С110.13941 для коробки передач Т-150К
Доставка по Украине
58 грн
Купить
t150.shop
Кольцо С140.13943 для коробки передач Т-150К
Доставка по Украине
58 грн
Купить
t150.shop
Кольцо 2С40.1394 для коробки передач Т-150К
Доставка по Украине
14 грн
Купить
t150.shop
Кольцо 2С120.13941 для коробки передач Т-150К
Доставка по Украине
58 грн
Купить
t150.shop
Подшипник 1000915 для коробки передач Т-150
Доставка по Украине
174 грн
Купить
t150.shop
Опора коробки передач150.00.104-1А Т-150
Доставка по Украине
1 750 грн
Купить
АГРОЛОСК
Диск 150.37.602 гидромуфты коробки передач трактора Т-150,Т-151,Т-156
Доставка из г.
Харьков
105 грн
Купить
ЧП «Постолов Юрий Владимирович»
Коробка передач в сборе на мототрактор Булат, Форте, Зубр, ДМТЗ, Лидер і т.п. КПП, ось 49мм с БЛОКИРОВКОЙ
Доставка по Украине
30 800 грн
Купить
ТРАКТОРЕЦ Тернополь
Подшипник 6313 (313) Harp (Т-150,МАЗ,К-701)
На складе
Доставка по Украине
690 грн
Купить
Пром Агро КР
МАСШТАБ 1:43 Старт Модели Т — 150К Трактор
ТРАКТОРЫ Т 150 ПРЕДНАЗНАЧЕНЫ ДЛЯ ЭФФЕКТИВНОЙ РАБОТЫ В КОЛХОЗАХ
Основанный еще в период зарождения СССР, еще в 1930 году, Харьковский тракторный завод сейчас живая легенда советского, а теперь и украинского машиностроения. Завод не только не потерял своей конкурентоспособности, он прошел полную модернизацию, обновил все выпускаемые модели и сегодня занимает достойное место в европейском тракторостроении.
ИСТОРИЯ СОЗДАНИЯ ПОПУЛЯРНОЙ МОДЕЛИ
Однако вернемся в прошлое, к 25 ноября 1983 года — дню, когда ХТЗ выпустил гусеничную модификацию своего самого известного и востребованного трактора.
Речь, конечно же, о колесном тракторе Т 150 К и его «гусеничном» воплощении. Разница всего в одну букву подарила стране одну из самых производительных и эффективных гусеничных сельскохозяйственных единиц того времени.
Конструктивно новый трактор, выпущенный аж на 10 лет позже своего колесного аналога, отличался лишь ходовой частью, подвеской и нюансами переключения передач. Отчасти его появление стало следствием возросшей потребности аграриев в надежном вездеходе, который обладал бы лучшими эксплуатационными показателями, оказывал бы меньше вредного воздействия на плодородные почвы, не уплотнял бы их и не буксовал. Поскольку Т 150К был в свое время чрезвычайно популярен, то естественно было предположить, что он станет основой для творческих поисков инженеров ХТЗ.
Советским агропромышленникам понравился гусеничный трактор Т 150. В 1991 году более 57 машиностроительных предприятий Советского Союза как гражданского, так и оборонного секторов производили для него комплектующие и оборудование.
За сорокалетнюю историю, как только этот трактор не модернизировали: был и Т 150Э — гусеничный трактор с поднятой ведущей звездочкой и максимально уменьшенной площадью гусеницы, и опытный 2-звенный трактор, и опытная модель на резинометаллических гусеницах. Но что особенно удивительно, в отличие от своих собратьев Т 130, Т 170, только Т 150 продолжает свою жизнь и пользуется завидной популярностью в 21 веке. Сегодня это полностью обновленный гусеничный Т 150-05-09.-25, выпуск которого на европейский рынок был начат весной 2012 года.
ОСНОВНЫЕ ТЕХНИЧЕСКИЕ ХАРАКТЕРИСТИКИ ТРАКТОРА
Насколько изменились технические характеристики трактора за 40 лет? Модель 1983 года оснащалась дизельным 4-тактным 6-цилиндровым турбированным двигателем СМД-60. Сейчас коротким ходом поршня и непосредственным впрыском топлива никого не удивишь, но в 1983г. – все было иначе. Конструкция СМД-60 настолько разительно отличалась от всех существовавших до этого двигателей, что выпуск трактора на базе такого двигателя стал настоящим триумфом.
Цилиндры двигателя имели V-образное расположение, что значительно уменьшило габариты двигателя.
Двигатель запущен от одноцилиндрового бензинового двигателя, оснащенного блоком предпускового подогрева. Сегодня такая система зажигания уже не актуальна, а в то время была обычным явлением. Абсолютно на всех тракторах 2-6 тяговых классов, выпускавшихся в СССР во второй половине 20 века, стояли пусковые двигатели. Мощность двигателя была вполне ощутимой – 150 лошадиных сил при частоте вращения коленчатого вала до 2000 об/мин.
Сегодня Т 150 оснащается более мощным (до 180 л.с. при 2100 об/мин) ярославским дизельным двигателем ЯМЗ-236Д-3 объемом 11,15 л. В лучших традициях своего прародителя V-образная конструкция двигателя осталась неизменной и перекочевала в новую модель. Система запуска одноступенчатая, от электростартера.
Первая серия тракторов оснащалась механической трансмиссией с гидравлическим управлением. Переключение передач осуществлялось при помощи фрикционного сухого однодискового сцепления.
В качестве напорного устройства выступал гидроцилиндр. Во время движения, когда оператору нужно было переключить передачу, он выжимал муфту, которая включала муфту следующей передачи и только потом выключала муфту текущей передачи. Таким образом, в течение нескольких секунд обе передачи включались одновременно, что делало переключение плавным и плавным. Роль главной передачи выполняли планетарные редукторы.
В зависимости от того, нужно ли было просто транспортировать трактор, использовать его как трактор или перевести в рабочий режим, трактор Т 150 оснащался коробкой передач с тремя передними и одним задним диапазонами. Двухпоточная коробка передач открыла оператору возможность выполнять самые разнообразные маневры, так как передачи для левой и правой гусениц можно было выбирать независимо. Однако помимо таких технических преимуществ, как большая надежность привода, снижение общей нагрузки, увеличение дорожного просвета до 30 см, двухрядная коробка передач делала трактор еще более маневренным.
Именно в этой модели трактора реализован двойной способ поворота: кинематический поворот при включении разных передач с каждой стороны и бортовой — при выключении сцепления с отстающей стороны. Раньше (с 1964 года, когда он был изобретен, и до 1983 года, когда трактор был выпущен) метод двойного поворота применялся исключительно на танках. Что характерно, в современном варианте трансмиссия трактора Т 150 претерпела лишь незначительную модернизацию, не изменившись конструктивно и сохранив двухрядный редуктор.
Габариты трактора (ДШВ, м.) также остались без изменений: 5х1,88х2,68. Эксплуатационная масса трактора Т 150 составляла 7,95 т в старой версии и 8,15 т в новой. Размер гусеничной базы 1,8 м, а колеи по внешнему краю путей 1,435 м.
КОНСТРУКТИВНЫЕ ОСОБЕННОСТИ
Основу шасси составляет «ломающаяся» рама. Свое название эта конструкция получила благодаря тому, что ее секции могут поворачиваться навстречу друг другу в двух плоскостях (на 18 градусов по вертикали и на 30 градусов по горизонтали) за счет соединительного шарнирного механизма.
Подвеска шасси рессорная спереди и сбалансированная сзади. Гидравлические амортизаторы, расположенные на передних подшипниковых узлах балансиров, снижают толчки, толчки и вибрации при движении по неровной поверхности. Ходовая часть управляется рулевым колесом.
В современном тракторе Т 150 преодолен один из основных недостатков старой модели — укороченная базовая величина, что приводило к галопированию и «рысканию» трактора. Увеличение базы в продольной плоскости позволило уменьшить давление гусениц на грунт и сделать движение трактора более плавным и без рывков.
Тракторное навесное оборудование было и остается достаточно эффективным, а потому с 1983г. практически не менялось. Для крепления оборудования на тракторе предусмотрено заднее 2-точечное и 3-точечное устройство и 2 кронштейна (прицепной и обвязной). Трактор может комплектоваться сельскохозяйственными агрегатами и машинами, например, плугом, культиватором, рыхлителем, дождевателем, прицепными широкозахватными агрегатами и др.
Грузоподъемность заднего навесного оборудования 3500 кг.
Пожалуй, самое большое изменение произошло в кабине. В 1983 году до этого производители мало заботились о комфорте работы, так как в те времена это считалось ненужной роскошью. Теперь кабина трактора представляет собой закрытую металлическую среднерасположенную конструкцию, шумо-, гидро- и теплоизолированную, оснащенную системами обогрева, обдува лобового стекла, очистителями, зеркалом заднего вида. Расположение органов управления трактором и рабочих органов максимально оптимизировано для комфортной работы оператора. Кресла (2 шт.) регулируются под рост водителя, имеют рессорную подвеску. Можно с уверенностью сказать, что новая модель максимально старается соответствовать европейским аналогам по качеству сборки и комфорту.
Цена трактора Т 150 старой модели варьируется от 250 000 руб. до 950 000 рублей, тогда как новый Т 150-05-09-25 будет стоить 1 800 000 рублей. — 1 900 000 руб.
Модель:
Модель изготовлена компанией Start Scale Models в масштабе 1:43.
В этой модели ничего не открывается.
| ||||||||||||||||||||||||||||||||||||||||||||||||||||||||||||||||||||||||||||||||||||||||||||||||||||||||||
Решение: промывка деталей.
02-180,
3R24) tires, km/hr 

