Π‘ΠΎΠ΄Π΅ΡΠΆΠ°Π½ΠΈΠ΅
ΠΠΠ ZF 8S 1350 β ΡΠΎΡΠΎ, Ρ Π°ΡΠ°ΠΊΡΠ΅ΡΠΈΡΡΠΈΠΊΠΈ, ΡΡ Π΅ΠΌΠ°, ΠΎΠΏΠΈΡΠ°Π½ΠΈΠ΅
| ΠΡΡΡΡΡΠΈΠΉ ΠΌΠΎΠΌΠ΅Π½Ρ Π½Π° Π²Ρ ΠΎΠ΄Π΅ ΠΠ°ΠΊΡ ΠΠΌ1) | 1600 |
| ΠΠ΅ΡΠ΅Π΄Π°ΡΠΎΡΠ½ΡΠ΅ ΡΠΈΡΠ»Π° | |
| ΠΠ΅ΡΠ΅Π΄Π°ΡΠΈ Π΄Π»Ρ Π΄Π²ΠΈΠΆΠ΅Π½ΠΈΡ Π²ΠΏΠ΅ΡΠ΅Π΄ | 8,28Β βΒ 0,71 |
| ΠΠ΅ΡΠ΅Π΄Π°ΡΠΈ Π΄Π»Ρ Π΄Π²ΠΈΠΆΠ΅Π½ΠΈΡ Π½Π°Π·Π°Π΄ | 6,70 |
| Π‘ΠΏΠΈΠ΄ΠΎΠΌΠ΅ΡΡ ΡΠ»Π΅ΠΊΡΡΠΎΠ½Π½ΡΠΉ | Z = 6 |
| ΠΠΎΠ½ΡΠ°ΠΆ2) | Π Π»Π΅ΠΆΠ°ΡΠ΅ΠΌ ΠΏΠΎΠ»ΠΎΠΆΠ΅Π½ΠΈΠΈ ΡΠ»Π΅Π²Π° ΡΠΎ Π²ΡΡΡΠΎΠ΅Π½Π½ΡΠΌ ΠΊΠ°ΡΡΠ΅ΡΠΎΠΌ ΡΡΠ΅ΠΏΠ»Π΅Π½ΠΈΡ |
| ΠΠ΅ΡΠ΅ΠΊΠ»ΡΡΠ΅Π½ΠΈΠ΅ | |
| Π£Π·Π΅Π» Ρ 4 ΠΏΠ΅ΡΠ΅Π΄Π°ΡΠ°ΠΌΠΈ | ΠΠ΅ΡΠ΅Π΄Π°ΡΠΈ Π΄Π»Ρ Π΄Π²ΠΈΠΆΠ΅Π½ΠΈΡ Π²ΠΏΠ΅ΡΠ΅Π΄ ΡΠΈΠ½Ρ ΡΠΎΠ½ΠΈΠ·ΠΈΡΠΎΠ²Π°Π½Ρ ΠΏΠ΅ΡΠ΅ΠΊΠ»ΡΡΠ΅Π½ΠΈΠ΅ ΠΊΡΠ»Π°ΡΠΊΠΎΠ²ΡΠΌΠΈ ΠΌΡΡΡΠ°ΠΌΠΈ |
| ΠΠ΅ΠΌΡΠ»ΡΡΠΈΠΏΠ»ΠΈΠΊΠ°ΡΠΎΡ | Π‘ΠΈΠ½Ρ ΡΠΎΠ½ΠΈΠ·ΠΈΡΠΎΠ²Π°Π½ |
| Π£ΠΏΡΠ°Π²Π»Π΅Π½ΠΈΠ΅ ΠΏΠ΅ΡΠ΅ΠΊΠ»ΡΡΠ΅Π½ΠΈΠ΅ΠΌ | |
| Π£Π·Π΅Π» Ρ 4 ΠΏΠ΅ΡΠ΅Π΄Π°ΡΠ°ΠΌΠΈ | Π§Π΅ΡΠ΅Π· Π³ΠΎΡΠΈΠ·ΠΎΠ½ΡΠ°Π»ΡΠ½ΠΎΠ΅ ΠΏΠ΅ΡΠ΅ΠΊΠ»ΡΡΠ΅Π½ΠΈΠ΅ Π²ΡΠ°ΡΠ°ΡΡΠ΅Π³ΠΎΡΡ Π²Π°Π»Π°3) ΡΠΎ ΡΡ
Π΅ΠΌΠΎΠΉ ΠΏΠ΅ΡΠ΅ΠΊΠ»ΡΡ. Π’ΠΈΠΏΠ° Β«Π΄Π²ΠΎΠΉΠ½Π°Ρ ΠΒ» |
| ΠΠ΅ΠΌΡΠ»ΡΡΠΈΠΏΠ»ΠΈΠΊΠ°ΡΠΎΡ | ΠΠ΅ΡΠ΅ΠΊΠ»ΡΡΠ΅Π½ΠΈΠ΅ ΠΎΡΡΡΠ΅ΡΡΠ²Π»ΡΠ΅ΡΡΡ ΡΠ°ΠΌΠΎΡΡΠΎΡΡΠ΅Π»ΡΠ½ΠΎ ΠΏΡΠΈ ΡΠΎΠΎΡΠ²Π΅ΡΡΡΠ²ΡΡΡΠ΅ΠΌ Π²ΡΠ±ΠΎΡΠ΅ |
| ΠΠ°ΡΡΠ° (Π±Π΅Π· Π΄ΠΎΠΏΠΎΠ»Π½. ΠΎΠ±ΠΎΡΡΠ΄ΠΎΠ²Π°Π½ΠΈΡ) ΠΏΡΠΈΠ±Π»., ΠΊΠ³ | 310 |
| ΠΠΎΠ»ΠΈΡΠ΅ΡΡΠ²ΠΎ ΠΌΠ°ΡΠ»Π° | |
| ΠΠ»Ρ ΡΡΠ°Π½Π΄Π°ΡΡΠ½ΠΎΠ³ΠΎ ΠΌΠΎΠ½ΡΠ°ΠΆΠ°5) ΠΏΡΠΈΠ±Π»., Π» | 14 |
| ΠΡΠΈ ΡΠΌΠ΅Π½Π΅ ΠΌΠ°ΡΠ»Π° ΠΏΡΠΈΠ±Π»., Π» | 12 |
| Π‘ΠΎΡΡ ΠΌΠ°ΡΠ»Π° | Π‘ΠΎΠ³Π»Π°ΡΠ½ΠΎ Π΄Π΅ΠΉΡΡΠ²ΡΡΡΠ΅ΠΉ ΡΠΏΠ΅ΡΠΈΡΠΈΠΊΠ°ΡΠΈΠΈ ΡΠΌΠ°Π·ΠΎΡΠ½ΡΡ ΠΌΠ°ΡΠ΅ΡΠΈΠ°Π»ΠΎΠ² ZF TE-ML 02 |
Β
ΠΡΠΈΠΌΠ΅ΡΠ°Π½ΠΈΡ
- ΠΡΠΈΠ΅Π½ΡΠΈΡΠΎΠ²ΠΎΡΠ½ΠΎΠ΅ Π·Π½Π°ΡΠ΅Π½ΠΈΠ΅ ( Π·Π°Π²ΠΈΡΠΈΡ ΠΎΡ Π²ΠΈΠ΄Π° ΠΏΠ°ΡΠ°ΠΌΠ΅ΡΡΠΎΠ² ΡΡΠ°Π½ΡΠΏΠΎΡΡΠ½ΠΎΠ³ΠΎ ΡΡΠ΅Π΄ΡΡΠ²Π°, Π° ΡΠ°ΠΊΠΆΠ΅ ΠΎΡ ΡΡΠ»ΠΎΠ²ΠΈΠΉ ΡΠΊΡΠΏΠ»ΡΠ°ΡΠ°ΡΠΈΠΈ).
- ΠΠ΄Π΅ΡΡ ΡΠ»Π΅Π΄ΡΠ΅Ρ ΡΠ°ΠΊΠΆΠ΅ ΡΡΠΈΡΡΠ²Π°ΡΡ Π΄ΠΈΡΠ΅ΠΊΡΠΈΠ²Ρ ZF Π΄Π»Ρ ΠΌΠΎΠ½ΡΠ°ΠΆΠ° ΡΡΡΠΏΠ΅Π½ΡΠ°ΡΡΡ ΠΊΠΎΡΠΎΠ±ΠΎΠΊ ΠΏΠ΅ΡΠ΅Π΄Π°Ρ (1203 756 010).
- ΠΠΎΠ΄ΠΊΠ»ΡΡΠ΅Π½ΠΈΠ΅ ΠΏΠ΅ΡΠ΅ΠΊΠ»ΡΡΠ΅Π½ΠΈΡ Π²ΡΠ°ΡΠ°ΡΡΠ΅Π³ΠΎΡΡ Π²Π°Π»Π° ΠΌΠΎΠΆΠ΅Ρ Ρ ΠΎΡΠΎΡΠΎ ΡΠΎΠ³Π»Π°ΡΠΎΠ²ΡΠ²Π°ΡΡΡΡ Ρ ΡΡΠ»ΠΎΠ²ΠΈΡΠΌΠΈ ΠΌΠΎΠ½ΡΠ°ΠΆΠ° Π² ΡΡΠ°Π½ΡΠΏΠΎΡΡΠ½ΠΎΠΌ ΡΡΠ΅Π΄ΡΡΠ²Π΅.
- ΠΠ΅ΠΎΠ±Ρ
ΠΎΠ΄ΠΈΠΌΠΎΠ΅ Π΄Π°Π²Π»Π΅Π½ΠΈΠ΅ Π²ΠΎΠ·Π΄ΡΡ
Π° = 6,2 Π΄ΠΎ ΠΌΠ°ΠΊΡ.
10 Π±Π°Ρ, ΠΏΡΠΈ Π±ΠΎΠ»Π΅Π΅ Π²ΡΡΠΎΠΊΠΈΡ
Π΄Π°Π²Π»Π΅Π½ΠΈΡΡ
ΡΠ»Π΅Π΄ΡΠ΅Ρ ΠΏΡΠ΅Π΄ΡΡΠΌΠΎΡΡΠ΅ΡΡ ΡΠ΅Π΄ΡΠΊΡΠΈΠΎΠ½Π½ΡΠΉ ΠΊΠ»Π°ΠΏΠ°Π½ (ZF β 0501 204 036). - ΠΠ°ΠΊΠ»ΠΎΠ½ ΠΊΠΎΡΠΎΠ±ΠΊΠΈ ΠΏΠ΅ΡΠ΅Π΄Π°Ρ 0 Π΄ΠΎ 3
Β
Π’ΠΠ₯ΠΠΠ§ΠΠ‘ΠΠΠ ΠΠΠ‘ΠΠ£ΠΠΠΠΠΠΠ
ΠΠ°ΠΌΠ΅Π½Π° ΠΌΠ°ΡΠ»Π°
ΠΠ»Ρ ΠΎΠ±Π΅ΡΠΏΠ΅ΡΠ΅Π½ΠΈΡ Π½Π°Π΄Π΅ΠΆΠ½ΠΎΡΡΠΈ ΡΠ°Π±ΠΎΡΡ ΠΊΠΎΡΠΎΠ±ΠΊΠΈ ΠΏΠ΅ΡΠ΅Π΄Π°Ρ ΡΠ»Π΅Π΄ΡΠ΅Ρ ΡΠΎΠ±Π»ΡΠ΄Π°ΡΡ ΠΈΠ½ΡΠ΅ΡΠ²Π°Π»Ρ ΡΠΌΠ΅Π½Ρ ΠΌΠ°ΡΠ»Π°, ΡΠΊΠ°Π·Π°Π½Π½ΡΠ΅ Π² ΡΠΏΠ΅ΡΠΈΡΠΈΠΊΠ°ΡΠΈΠΈ!
ΠΡΠ΅Π΄ΠΎΡΠ²ΡΠ°ΡΠ°ΠΉΡΠ΅ ΠΏΠΎΠΏΠ°Π΄Π°Π½ΠΈΠ΅ ΠΌΠ°ΡΠ»Π° Π² Π·Π΅ΠΌΠ»Ρ, Π³ΡΡΠ½ΡΠΎΠ²ΡΠ΅ Π²ΠΎΠ΄Ρ ΠΈΠ»ΠΈ ΠΊΠ°Π½Π°Π»ΠΈΠ·Π°ΡΠΈΡ. Π‘ΠΎΠ±ΠΈΡΠ°ΠΉΡΠ΅ Π²ΡΡΠ΅ΠΊΠ°ΡΡΠ΅Π΅ ΠΌΠ°ΡΠ»ΠΎ Π² Π½Π°Π΄Π»Π΅ΠΆΠ°ΡΡΡ Π΅ΠΌΠΊΠΎΡΡΡ ΠΈ ΡΡΠΈΠ»ΠΈΠ·ΠΈΡΡΠΉΡΠ΅ Π² ΡΠΎΠΎΡΠ²Π΅ΡΡΡΠ²ΠΈΠΈ Ρ ΠΏΡΠ΅Π΄ΠΏΠΈΡΠ°Π½ΠΈΡΠΌΠΈ ΠΏΠΎ ΠΎΡ ΡΠ°Π½Π΅ ΠΎΠΊΡΡΠΆΠ°ΡΡΠ΅ΠΉ ΡΡΠ΅Π΄Ρ.
ΠΡΠΈΠ½ΡΠΈΠΏΠΈΠ°Π»ΡΠ½ΠΎ: ΠΏΡΠΎΠ²ΠΎΠ΄ΠΈΡΠ΅ ΡΠΌΠ΅Π½Ρ ΠΌΠ°ΡΠ»Π° ΠΏΠΎΡΠ»Π΅ Π΄Π»ΠΈΡΠ΅Π»ΡΠ½ΠΎΠΉ ΠΏΠΎΠ΅Π·Π΄ΠΊΠΈ, ΠΏΠΎΠΊΠ° ΡΡΠ°Π½ΡΠΌΠΈΡΡΠΈΠΎΠ½Π½ΠΎΠ΅ ΠΌΠ°ΡΠ»ΠΎ Π΅ΡΠ΅ ΠΈΠΌΠ΅Π΅Ρ ΡΠ°Π±ΠΎΡΡΡ ΡΠ΅ΠΌΠΏΠ΅ΡΠ°ΡΡΡΡ ΠΈ ΠΊΠΎΠ½ΡΠΈΡΡΠ΅Π½ΡΠΈΡ.
ΠΡΠΈΠΊΠ°ΡΠ°Π½ΠΈΠ΅ ΠΊ ΠΊΠΎΡΠΎΠ±ΠΊΠ΅ ΠΏΠ΅ΡΠ΅Π΄Π°Ρ ΠΈΠ»ΠΈ ΠΊ ΡΡΠ°Π½ΡΠΌΠΈΡΡΠΈΠΎΠ½Π½ΠΎΠΌΡ ΠΌΠ°ΡΠ»Ρ ΠΌΠΎΠΆΠ΅Ρ ΠΏΡΠΈΠ²Π΅ΡΡΠΈ ΠΊ ΠΎΠΆΠΎΠ³Π°ΠΌ!
ΠΡΠ²ΠΈΠ½ΡΠΈΡΠ΅ ΡΠ΅Π·ΡΠ±ΠΎΠ²ΡΠ΅ ΠΏΡΠΎΠ±ΠΊΠΈ ΠΌΠ°ΡΠ»ΠΎΡΠ»ΠΈΠ²Π½ΡΡ ΠΎΡΠ²Π΅ΡΡΡΠΈΠΉ Π½Π° ΠΊΠΎΡΠΎΠ±ΠΊΠ΅ ΠΏΠ΅ΡΠ΅Π΄Π°Ρ ΠΈ ΡΠ»Π΅ΠΉΡΠ΅ ΠΎΡΡΠ°Π±ΠΎΡΠ°Π½Π½ΠΎΠ΅ ΠΌΠ°ΡΠ»ΠΎ Π² ΠΏΠΎΠ΄Ρ ΠΎΠ΄ΡΡΡΡ Π΅ΠΌΠΊΠΎΡΡΡ.
ΠΡΠΈΡΡΠΈΡΠ΅ ΡΠ΅Π·ΡΠ±ΠΎΠ²ΡΠ΅ ΠΏΡΠΎΠ±ΠΊΠΈ ΠΌΠ°ΡΠ»ΠΎΡΠ»ΠΈΠ²Π½ΡΡ
ΠΎΡΠ²Π΅ΡΡΡΠΈΠΉ, Π·Π°ΠΌΠ΅Π½ΠΈΡΠ΅ ΡΠΏΠ»ΠΎΡΠ½ΠΈΡΠ΅Π»ΡΠ½ΠΎΠ΅ ΠΊΠΎΠ»ΡΡΠΎ ΠΈ Π·Π°ΡΡΠ½ΠΈΡΠ΅ Ρ ΡΠΊΠ°Π·Π°Π½Π½ΡΠΌ ΠΊΡΡΡΡΡΠΈΠΌ ΠΌΠΎΠΌΠ΅Π½ΡΠΎΠΌ.
ΠΡΠΈΡΡΠΈΡΠ΅ ΡΠ΅Π·ΡΠ±ΠΎΠ²ΡΡ ΠΏΡΠΎΠ±ΠΊΡ. ΠΡΠΈΡΡΠΈΡΠ΅ ΡΠ΅Π·ΡΠ±ΠΎΠ²ΡΡ ΠΏΡΠΎΠ±ΠΊΡ ΠΌΠ°ΡΠ»ΠΎΡΠ»ΠΈΠ²Π½ΠΎΠ³ΠΎ ΠΎΡΠ²Π΅ΡΡΡΠΈΡ Ρ ΠΌΠ°Π³Π½ΠΈΡΠ½ΡΠΌ ΡΠΈΠ»ΡΡΡΠΎΠΌ, Π·Π°ΠΌΠ΅Π½ΠΈΡΠ΅ ΡΠΏΠ»ΠΎΡΠ½ΠΈΡΠ΅Π»ΡΠ½ΠΎΠ΅ ΠΊΠΎΠ»ΡΡΠΎ ΠΈ Π·Π°ΡΡΠ½ΠΈΡΠ΅ Ρ ΡΠΊΠ°Π·Π°Π½Π½ΡΠΌ ΠΊΡΡΡΡΡΠΈΠΌ ΠΌΠΎΠΌΠ΅Π½ΡΠΎΠΌ.
ΠΠ°ΠΏΠΎΠ»Π½ΠΈΡΠ΅ ΠΌΠ°ΡΠ»ΠΎ ΡΠ΅ΡΠ΅Π· ΠΎΡΠ²Π΅ΡΡΡΠΈΠ΅ Π΄Π»Ρ Π·Π°ΠΏΠΎΠ»Π½Π΅Π½ΠΈΡ.
Π£ΡΠΎΠ²Π΅Π½Ρ Π·Π°ΠΏΠΎΠ»Π½Π΅Π½ΠΈΡ ΠΌΠ°ΡΠ»Π° ΡΠ²Π»ΡΠ΅ΡΡΡ ΠΏΡΠ°Π²ΠΈΠ»ΡΠ½ΡΠΌ, Π΅ΡΠ»ΠΈ ΠΎΠ½ Π΄ΠΎΡΡΠΈΠ³Π°Π΅Ρ Π½ΠΈΠΆΠ½Π΅ΠΉ ΠΊΡΠΎΠΌΠΊΠΈ ΠΎΡΠ²Π΅ΡΡΡΠΈΡ Π΄Π»Ρ Π·Π°ΠΏΠΎΠ»Π½Π΅Π½ΠΈΡ ΠΈΠ»ΠΈ Π΅ΡΠ»ΠΈ ΠΌΠ°ΡΠ»ΠΎ ΡΠΆΠ΅ Π²ΡΡΠ΅ΠΊΠ°Π΅Ρ ΠΈΠ· ΠΎΡΠ²Π΅ΡΡΡΠΈΡ Π΄Π»Ρ Π·Π°ΠΏΠΎΠ»Π½Π΅Π½ΠΈΡ.
Β
ΠΡΠΎΠ²Π΅ΡΠΊΠ° ΡΡΠ΅ΠΏΠ»Π΅Π½ΠΈΡ
ΠΠ»Ρ Π³Π°ΡΠ°Π½ΡΠΈΠΈ ΠΎΠΏΡΠ΅Π΄Π΅Π»Π΅Π½Π½ΠΎΠ³ΠΎ ΡΡΠΎΠΊΠ° ΡΠ»ΡΠΆΠ±Ρ ΠΈ ΡΠ°Π±ΠΎΡΠΎΡΠΏΠΎΡΠΎΠ±Π½ΠΎΡΡΠΈ ΡΠΈΠ½Ρ ΡΠΎΠ½ΠΈΠ·Π°ΡΠΎΡΠΎΠ² Π½Π΅ΠΏΡΠ΅ΠΌΠ΅Π½Π½ΡΠΌ ΡΡΠ»ΠΎΠ²ΠΈΠ΅ΠΌ ΡΠ²Π»ΡΠ΅ΡΡΡ Π±Π΅Π·ΡΠΏΡΠ΅ΡΠ½ΠΎΠ΅ ΡΠ°Π·ΡΠ΅Π΄ΠΈΠ½Π΅Π½ΠΈΠ΅ ΡΡΠ΅ΠΏΠ»Π΅Π½ΠΈΡ. Π’ΠΎΠΆΠ΅ ΡΠ°ΠΌΠΎΠ΅ ΠΊΠ°ΡΠ°Π΅ΡΡΡ Π²ΠΊΠ»ΡΡΠ΅Π½ΠΈΡ Π·Π°Π²ΠΈΡΠΈΠΌΡΡ ΠΎΡ ΡΡΠ΅ΠΏΠ»Π΅Π½ΠΈΡ ΠΌΠ΅Ρ Π°Π½ΠΈΠ·ΠΌΠΎΠ² ΠΎΡΠ±ΠΎΡΠ° ΠΌΠΎΡΠ½ΠΎΡΡΠΈ.
ΠΠ΅Π·ΡΠΏΡΠ΅ΡΠ½ΠΎΠ΅ ΡΠ°Π·ΡΠ΅Π΄ΠΈΠ½Π΅Π½ΠΈΠ΅ ΡΡΠ΅ΠΏΠ»Π΅Π½ΠΈΡ ΠΌΠΎΠΆΠ΅Ρ Π±ΡΡΡ ΠΏΡΠΎΠ²Π΅ΡΠ΅Π½ΠΎ ΡΠ»Π΅Π΄ΡΡΡΠΈΠΌ ΠΎΠ±ΡΠ°Π·ΠΎΠΌ:
ΠΡΡΡΠΈΡΡ Π΄Π²ΠΈΠ³Π°ΡΠ΅Π»Ρ Π½Π° Ρ ΠΎΠ»ΠΎΡΡΠΎΠΉ Ρ ΠΎΠ΄ ΠΈ Π½Π°ΠΆΠ°ΡΡ Π½Π° ΡΡΠ΅ΠΏΠ»Π΅Π½ΠΈΠ΅.
ΠΠ΅ ΠΏΠΎΠ·ΠΆΠ΅, ΡΠ΅ΠΌ ΡΠ΅ΡΠ΅Π· 20 ΡΠ΅ΠΊΡΠ½Π΄ (Π² Π·Π°Π²ΠΈΡΠΈΠΌΠΎΡΡΠΈ ΠΎΡ ΠΌΠ°ΡΡΡ ΠΌΠ°Ρ ΠΎΠ²ΠΈΠΊΠ° ΠΈ ΡΠ΅ΠΌΠΏΠ΅ΡΠ°ΡΡΡΡ) ΠΌΠ΅Π΄Π»Π΅Π½Π½ΠΎ Π²ΠΊΠ»ΡΡΠΈΡΡ Π·Π°Π΄Π½ΠΈΠΉ Ρ ΠΎΠ΄.
ΠΡΠ»ΠΈ ΠΏΡΠΈ ΡΡΠΎΠΌ ΡΠ°Π·Π΄Π°Π΅ΡΡΡ Β«ΡΠΊΡΠ΅ΠΆΠ΅ΡΒ» Π·ΡΠ±ΡΠ°ΡΠΎΠ³ΠΎ Π·Π°ΡΠ΅ΠΏΠ»Π΅Π½ΠΈΡ ΠΌΠ΅Ρ
Π°Π½ΠΈΠ·ΠΌΠ° ΠΏΠ΅ΡΠ΅ΠΊΠ»ΡΡΠ΅Π½ΠΈΡ ΠΏΠ΅ΡΠ΅Π΄Π°Ρ (ΡΠΊΡΠ΅ΠΆΠ΅Ρ ΠΊΡΠ»Π°ΡΠΊΠΎΠ² ΠΌΡΡΡΡ Π²ΠΊΠ»ΡΡΠ΅Π½ΠΈΡ), ΡΠΎ Π½Π΅ΠΎΠ±Ρ
ΠΎΠ΄ΠΈΠΌΠΎ ΠΎΡΡΡΡΡΠΈΡΠΎΠ²Π°ΡΡ ΠΈΠ»ΠΈ ΠΏΡΠΎΠ²Π΅ΡΠΈΡΡ ΡΡΠ΅ΠΏΠ»Π΅Π½ΠΈΠ΅.
Β
Π£Π΄Π°Π»Π΅Π½ΠΈΠ΅ Π²ΠΎΠ·Π΄ΡΡ Π°
Π’ΡΠ°Π½ΡΠΌΠΈΡΡΠΈΠΎΠ½Π½ΠΎΠ΅ ΠΌΠ°ΡΠ»ΠΎ Π½Π°Π³ΡΠ΅Π²Π°Π΅ΡΡΡ ΠΏΡΠΈ Π΄Π²ΠΈΠΆΠ΅Π½ΠΈΠΈ ΡΡΠ°Π½ΡΠΏΠΎΡΡΠ½ΠΎΠ³ΠΎ ΡΡΠ΅Π΄ΡΡΠ²Π°. ΠΡΠ»Π΅Π΄ΡΡΠ²ΠΈΠ΅ ΡΡΠΎΠ³ΠΎ ΠΎΠ±ΡΠ°Π·ΠΎΠ²ΡΠ²Π°Π΅ΡΡΡ ΠΈΠ·Π±ΡΡΠΎΡΠ½ΠΎΠ΅ Π΄Π°Π²Π»Π΅Π½ΠΈΠ΅, ΠΊΠΎΡΠΎΡΠΎΠ΅ Π½Π΅ΠΎΠ±Ρ ΠΎΠ΄ΠΈΠΌΠΎ ΠΏΠΎΡΡΠΎΡΠ½Π½ΠΎ ΡΡΡΠ°Π²Π»ΠΈΠ²Π°ΡΡ ΡΠ΅ΡΠ΅Π· Π²ΠΎΠ·Π΄ΡΡΠ½ΡΠΉ ΠΊΠ»Π°ΠΏΠ°Π½.
ΠΠ° ΠΊΠΎΡΠΎΠ±ΠΊΠ°Ρ ΠΏΠ΅ΡΠ΅Π΄Π°Ρ Ρ ΠΏΠ΅ΡΠ΅ΠΊΠ»ΡΡΠ΅Π½ΠΈΠ΅ΠΌ Π²ΡΠ°ΡΠ°ΡΡΠ΅Π³ΠΎΡΡ Π²Π°Π»Π° Π²ΠΎΠ·Π΄ΡΡΠ½ΡΠΉ ΠΊΠ»Π°ΠΏΠ°Π½ ΡΠ°ΡΠΏΠΎΠ»ΠΎΠΆΠ΅Π½ Π½Π° ΠΊΡΠΎΠ½ΡΡΠ΅ΠΉΠ½Π΅ ΠΏΠ΅ΡΠ΅ΠΊΠ»ΡΡΠ΅Π½ΠΈΡ.
ΠΠ° ΠΊΠΎΡΠΎΠ±ΠΊΠ°Ρ ΠΏΠ΅ΡΠ΅Π΄Π°Ρ Ρ ΡΠ΅Π½ΡΡΠ°Π»ΡΠ½ΡΠΌ ΠΏΠ΅ΡΠ΅ΠΊΠ»ΡΡΠ΅Π½ΠΈΠ΅ΠΌ ΡΡΡΠΏΠ΅Π½Π΅ΠΉ ΠΏΠ΅ΡΠ΅Π΄Π°Ρ ΡΡΡΠ°Π³ΠΎΠΌ ΡΠ΄Π°Π»Π΅Π½ΠΈΠ΅ Π²ΠΎΠ·Π΄ΡΡ Π° ΠΏΡΠΎΠΈΡΡ ΠΎΠ΄ΠΈΡ ΡΠ΅ΡΠ΅Π· ΡΠΈΠ»ΡΡΠΎΠ½.
Π‘Π»Π΅Π΄ΠΈΡΠ΅ Π·Π° ΡΠ΅ΠΌ, ΡΡΠΎΠ±Ρ ΠΎΠ±Π΅ΡΠΏΠ΅ΡΠΈΠ²Π°Π»Π°ΡΡ ΡΠ°Π±ΠΎΡΠΎΡΠΏΠΎΡΠΎΠ±Π½ΠΎΡΡΡ ΠΊΠ»Π°ΠΏΠ°Π½Π°. ΠΠΎΠ·Π΄ΡΡΠ½ΡΠΉ ΠΊΠ»Π°ΠΏΠ°Π½ Π΄ΠΎΠ»ΠΆΠ΅Π½ Π±ΡΡΡ ΡΠΈΡΡΡΠΌ ΠΈ Π½Π΅ Π·Π°ΠΊΡΡΡΡΠΌ ΠΏΠ»Π°ΡΡΠΌΠ°ΡΡΠΎΠ²ΡΠΌ ΠΊΠΎΠ»ΠΏΠ°ΡΠΊΠΎΠΌ.
Β
Π’Π΅Ρ ΠΎΠ±ΡΠ»ΡΠΆΠΈΠ²Π°Π½ΠΈΠ΅ ΠΏΠ½Π΅Π²ΠΌΠ°ΡΠΈΡΠ΅ΡΠΊΠΎΠΉ ΡΠΈΡΡΠ΅ΠΌΡ
ΠΡΠ»ΠΈ ΠΊΠΎΡΠΎΠ±ΠΊΠ° ΠΏΠ΅ΡΠ΅Π΄Π°Ρ ΠΎΡΠ½Π°ΡΠ΅Π½Π° ΠΌΠ΅Ρ
Π°Π½ΠΈΠ·ΠΌΠΎΠΌ ΠΎΡΠ±ΠΎΡΠ° ΠΌΠΎΡΠ½ΠΎΡΡΠΈ, ΡΠΎ ΡΠ΅Ρ
ΠΎΠ±ΡΠ»ΡΠΆΠΈΠ²Π°Π½ΠΈΠ΅ ΠΏΠ½Π΅Π²ΠΌΠ°ΡΠΈΡΠ΅ΡΠΊΠΎΠΉ ΡΠΈΡΡΠ΅ΠΌΡ ΡΠ²Π»ΡΠ΅ΡΡΡ Π²Π°ΠΆΠ½ΡΠΌ ΡΡΠ»ΠΎΠ²ΠΈΠ΅ΠΌ Π΄Π»Ρ Π±Π΅Π·ΡΠΏΡΠ΅ΡΠ½ΠΎΠ³ΠΎ Π²ΠΊΠ»ΡΡΠ΅Π½ΠΈΡ ΠΌΠ΅Ρ
Π°Π½ΠΈΠ·ΠΌΠ° ΠΎΡΠ±ΠΎΡΠ° ΠΌΠΎΡΠ½ΠΎΡΡΠΈ. Π ΠΊΠ°ΠΆΠ΄ΠΎΠΉ ΠΏΠ½Π΅Π²ΠΌΠ°ΡΠΈΡΠ΅ΡΠΊΠΎΠΉ ΡΠΈΡΡΠ΅ΠΌΠ΅ ΠΎΠ±ΡΠ°Π·ΡΠ΅ΡΡΡ ΠΊΠΎΠ½Π΄Π΅Π½ΡΠ°Ρ. ΠΠ»Ρ ΡΠΎΠ³ΠΎ, ΡΡΠΎΠ±Ρ ΠΊΠΎΠ½Π΄Π΅Π½ΡΠ°Ρ, ΡΠΆΠ°Π²ΡΠΈΠ½Π° ΠΈ ΠΏΡΠΎΡΠΈΠ΅ Π·Π°Π³ΡΡΠ·Π½Π΅Π½ΠΈΡ ΠΈΠ· ΡΠ΅ΡΠΈΠ²Π΅ΡΠ° Π΄Π»Ρ ΡΠΆΠ°ΡΠΎΠ³ΠΎ Π²ΠΎΠ·Π΄ΡΡ
Π° ΠΈ ΠΏΠΎΠΏΠ°Π΄Π°Π»ΠΈ Π² ΠΊΠ»Π°ΠΏΠ°Π½ ΠΏΠ΅ΡΠ΅ΠΊΠ»ΡΡΠ΅Π½ΠΈΡ ΠΈΠ»ΠΈ Π² ΠΏΠ½Π΅Π²ΠΌΠΎΡΠΈΠ»ΠΈΠ½Π΄Ρ Π½Π΅ΠΎΠ±Ρ
ΠΎΠ΄ΠΈΠΌΠΎ ΡΠ΅Π³ΡΠ»ΡΡΠ½ΠΎΠ΅ ΡΠ΅Ρ
ΠΎΠ±ΡΠ»ΡΠΆΠΈΠ²Π°Π½ΠΈΠ΅ ΠΏΠ½Π΅Π²ΠΌΠ°ΡΠΈΡΠ΅ΡΠΊΠΎΠΉ ΡΠΈΡΡΠ΅ΠΌΡ.
ΠΠ· ΡΠ΅ΡΠΈΠ²Π΅ΡΠΎΠ² Π΄Π»Ρ ΡΠΆΠ°ΡΠΎΠ³ΠΎ Π²ΠΎΠ·Π΄ΡΡ
Π° Π΄ΠΎΠ»ΠΆΠ΅Π½ ΠΎΠ΄ΠΈΠ½ ΡΠ°Π· Π² Π½Π΅Π΄Π΅Π»Ρ, Π° Π·ΠΈΠΌΠΎΠΉ ΠΊΠ°ΠΆΠ΄ΡΠΉ Π΄Π΅Π½Ρ, ΡΠ»ΠΈΠ²Π°ΡΡΡΡ ΠΊΠΎΠ½Π΄Π΅Π½ΡΠ°Ρ.
ΠΠΌΠ΅ΡΡΠ΅ Ρ ΡΠ΅ΡΠΈΠ²Π΅ΡΠ°ΠΌΠΈ Π΄Π»Ρ ΡΠΆΠ°ΡΠΎΠ³ΠΎ Π²ΠΎΠ·Π΄ΡΡ Π° Π½Π΅ΠΎΠ±Ρ ΠΎΠ΄ΠΈΠΌ ΠΎΡΠ²ΠΎΠ΄ ΠΊΠΎΠ½Π΄Π΅Π½ΡΠ°ΡΠ° ΠΈΠ· ΠΏΠ½Π΅Π²ΠΌΠΎΠΎΡΠΈΡΡΠΈΡΠ΅Π»Ρ Ρ Π²ΠΎΠ΄ΠΎΠΎΡΠ΄Π΅Π»ΠΈΡΠ΅Π»Π΅ΠΌ, Π΅ΡΠ»ΠΈ ΠΎΠ½ Π½Π΅ ΡΠ°Π±ΠΎΡΠ°Π΅Ρ Π°Π²ΡΠΎΠΌΠ°ΡΠΈΡΠ΅ΡΠΊΠΈ.
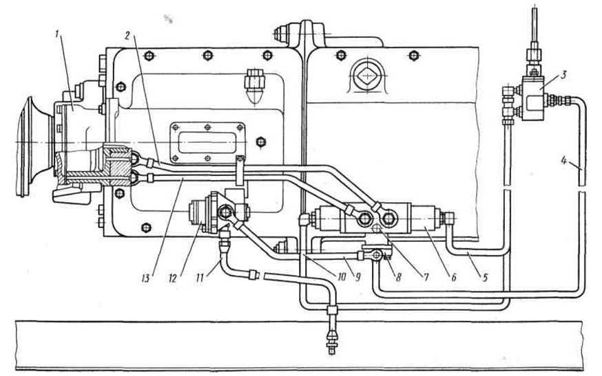
ΠΠΏΠΏ ΠΌΠ°Π· 238 Ρ Π΄Π΅ΠΌΡΠ»ΡΡΠΈΠΏΠ»ΠΈΠΊΠ°ΡΠΎΡΠΎΠΌ ΡΡ Π΅ΠΌΠ° ΠΏΠ΅ΡΠ΅ΠΊΠ»ΡΡΠ΅Π½ΠΈΡ
Π£ΡΡΡΠΎΠΉΡΡΠ²ΠΎ ΠΈ ΡΡ Π΅ΠΌΠ° ΠΏΠ΅ΡΠ΅ΠΊΠ»ΡΡΠ΅Π½ΠΈΡ
Π£ΡΡΡΠΎΠΉΡΡΠ²ΠΎ ΠΈ ΡΡ Π΅ΠΌΠ° ΠΏΠ΅ΡΠ΅ΠΊΠ»ΡΡΠ΅Π½ΠΈΡ ΠΏΠ΅ΡΠ΅Π΄Π°Ρ ΠΠΠΠ° Π·Π°Π²ΠΈΡΠΈΡ ΠΎΡ ΠΌΠΎΠ΄Π΅Π»ΠΈ ΠΊΠΎΡΠΎΠ±ΠΊΠΈ ΠΏΠ΅ΡΠ΅Π΄Π°Ρ. ΠΡΠ΄Π΅Π»ΡΡΡ 5-ΡΠΈ ΡΡΡΠΏΠ΅Π½ΡΠ°ΡΡΡ, 8-ΠΌΠΈ ΡΡΡΠΏΠ΅Π½ΡΠ°ΡΡΡ ΠΈ 9-ΡΠΈ ΡΡΡΠΏΠ΅Π½ΡΠ°ΡΡΡ ΠΊΠΎΡΠΎΠ±ΠΊΡ.
5 ΡΡΡΠΏΠ΅Π½ΡΠ°ΡΠ°Ρ
ΠΠΎΠ½ΡΡΡΡΠΊΡΠΈΡ ΠΊΠΎΡΠΎΠ±ΠΊΠΈ ΠΏΠ΅ΡΠ΅Π΄Π°Ρ Ρ ΠΏΡΡΡΡ ΡΡΡΠΏΠ΅Π½ΡΠΌΠΈ Π² ΠΠΠΠ΅ Π²ΠΊΠ»ΡΡΠ°Π΅Ρ Π² ΡΠ΅Π±Ρ ΡΠ°ΠΊΠΈΠ΅ ΡΠ»Π΅ΠΌΠ΅Π½ΡΡ, ΠΊΠ°ΠΊ:
- ΠΏΠ΅ΡΠ²ΠΈΡΠ½ΡΠΉ, Π²ΡΠΎΡΠΈΡΠ½ΡΠΉ ΠΈ ΠΏΡΠΎΠΌΠ΅ΠΆΡΡΠΎΡΠ½ΡΠΉ Π²Π°Π»;
- Π²ΡΠ°ΡΠ°ΡΡΠΈΠΉΡΡ ΠΏΠΎΠ΄ΡΠΈΠΏΠ½ΠΈΠΊ;
- ΡΠ΅ΡΡΠ΅ΡΠ½ΠΈ;
- ΠΊΠ°ΡΡΠ΅Ρ, ΠΏΠ΅ΡΠ΅ΠΊΠ»ΡΡΠ°ΡΠ΅Π»Ρ ΠΈ Π·Π°Π΄Π½ΡΡ ΠΊΡΡΡΠΊΠ°;
- ΠΊΡΠ΅ΠΏΠ΅ΠΆΠ½ΡΠ΅ ΡΠ»Π΅ΠΌΠ΅Π½ΡΡ;
- Π΅ΠΌΠΊΠΎΡΡΡ Π΄Π»Ρ ΠΌΠ°ΡΠ»ΡΠ½ΠΎΠΉ ΠΆΠΈΠ΄ΠΊΠΎΡΡΠΈ.
Π§ΠΈΡΠ°ΡΡ ΡΠ°ΠΊΠΆΠ΅: ΠΠ°ΡΠΎΡ Π²ΡΡΠΎΠΊΠΎΠ³ΠΎ Π΄Π°Π²Π»Π΅Π½ΠΈΡ ΡΠ²ΠΎΠΈΠΌΠΈ ΡΡΠΊΠ°ΠΌΠΈ
ΠΠ΅Ρ
Π°Π½ΠΈΠ·ΠΌ, ΠΊΠΎΡΠΎΡΡΠΉ ΠΏΠ΅ΡΠ΅ΠΊΠ»ΡΡΠ°Π΅Ρ ΠΏΠ΅ΡΠ΅Π΄Π°ΡΠΈ, Π½Π°Ρ
ΠΎΠ΄ΠΈΡΡΡ Π² ΡΠ°Π»ΠΎΠ½Π΅ ΡΡΠ°Π½ΡΠΏΠΎΡΡΠ½ΠΎΠ³ΠΎ ΡΡΠ΅Π΄ΡΡΠ²Π°.
ΠΠΎΠ³Π΄Π° ΡΡΡΠ°Π³ ΠΏΠ΅ΡΠ΅ΠΊΠ»ΡΡΠ°ΡΠ΅Π»ΡΠ½ΠΎΠ³ΠΎ ΡΡΡΡΠΎΠΉΡΡΠ²Π° ΠΌΠ΅Π½ΡΠ΅Ρ ΡΠ²ΠΎΠ΅ ΠΏΠΎΠ»ΠΎΠΆΠ΅Π½ΠΈΠ΅, ΠΏΡΠΎΠΈΡΡ
ΠΎΠ΄ΠΈΡ ΡΡΠ΅ΠΏΠ»Π΅Π½ΠΈΠ΅ ΡΠ°ΡΠ½ΠΈΡΠ½ΠΎΠ³ΠΎ ΡΠΎΠ΅Π΄ΠΈΠ½Π΅Π½ΠΈΡ Ρ Π²ΡΠ΅ΠΌΠΊΠΎΠΉ, ΠΊΠΎΡΠΎΡΠ°Ρ ΡΠ°ΡΠΏΠΎΠ»ΠΎΠΆΠ΅Π½Π° Π½Π° ΠΎΠ΄Π½ΠΎΠΉ ΠΈΠ· ΠΎΡΠ΅ΠΉ. Π ΡΡΠΎΡ ΠΌΠΎΠΌΠ΅Π½Ρ ΠΊΠΎΠ½Π΅Ρ ΡΠ°ΡΠ½ΠΈΡΠ° Π½Π°Ρ
ΠΎΠ΄ΠΈΡΡΡ Π² ΠΆΠ΅ΡΡΠΊΠΎΠΌ Π·Π°ΡΠ΅ΠΏΠ»Π΅Π½ΠΈΠΈ Ρ Π²ΠΈΠ»ΠΎΡΠ½ΡΠΌ ΡΡΡΡΠΎΠΉΡΡΠ²ΠΎΠΌ. ΠΠΈΠ»ΠΊΠΈ Π²Ρ
ΠΎΠ΄ΡΡ Π² ΠΎΡΠ²Π΅ΡΡΡΠΈΠ΅ Π½Π° Π²Π΅Π΄ΡΡΠ΅ΠΉ ΡΠ΅ΡΡΠ΅ΡΠ½Π΅ ΠΏΠ΅ΡΠ΅Π΄Π½Π΅Π³ΠΎ Ρ
ΠΎΠ΄Π° (ΠΏΠ΅ΡΠ΅Π΄Π°ΡΠΈ β1, 2, 3, 4) ΠΈΠ»ΠΈ Π² ΠΏΠΎΠ»ΠΎΠΆΠ΅Π½ΠΈΠΈ ΠΏΡΡΠΎΠΉ ΠΏΠ΅ΡΠ΅Π΄Π°ΡΠΈ (Π·Π°Π΄Π½ΠΈΠΉ Ρ
ΠΎΠ΄). ΠΠ°ΡΠΈΠ½Π°Π΅ΡΡΡ Π·Π°ΠΌΡΠΊΠ°Π½ΠΈΠ΅ Π² ΡΠ΅ΠΏΠΈ Π²ΡΠ°ΡΠ°ΡΡΠ΅Π³ΠΎ ΠΌΠΎΠΌΠ΅Π½ΡΠ°, ΠΈΠ·-Π·Π° ΡΠ΅Π³ΠΎ Π²ΡΠΎΡΠΈΡΠ½Π°Ρ ΠΎΡΡ Π½Π°ΡΠΈΠ½Π°Π΅Ρ ΡΠ²ΠΎΠ΅ Π΄Π²ΠΈΠΆΠ΅Π½ΠΈΠ΅.
8 ΡΡΡΠΏΠ΅Π½ΡΠ°ΡΠ°Ρ
Π£ΡΡΡΠΎΠΉΡΡΠ²ΠΎ Π²ΠΎΡΡΠΌΠΈΡΡΡΠΏΠ΅Π½ΡΠ°ΡΠ°ΡΠΎΠΉ ΠΊΠΎΡΠΎΠ±ΠΊΠΈ (ΠΠΠ-202) Π²ΠΊΠ»ΡΡΠ°Π΅Ρ Π² ΡΠ΅Π±Ρ:
- ΠΊΠ°ΡΡΠ΅Ρ;
- ΠΏΠΎΠ΄Π²ΠΈΠΆΠ½ΡΠ΅ ΡΠ΅ΡΡΠ΅ΡΠ½ΠΈ;
- Π²Π°Π» ΠΏΡΠΎΠΌΠ΅ΠΆΡΡΠΎΡΠ½ΠΎΠ³ΠΎ ΡΠΈΠΏΠ°;
- ΡΠ΅ΡΡΠ΅ΡΠ½ΠΈ ΠΏΠΎΡΡΠΎΡΠ½Π½ΠΎΠ³ΠΎ Π·Π°ΡΠ΅ΠΏΠ»Π΅Π½ΠΈΡ;
- Π²Π΅Π΄ΡΡΠΈΠΉ Π²Π°Π»;
- ΡΠ»ΠΈΡΡ;
- Π²Π΅Π½Π΅Ρ Π·ΡΠ±ΡΠ°ΡΠΎΠ³ΠΎ ΡΠΈΠΏΠ°;
- ΠΊΡΡΡΠΊΡ;
- Π²Π΅Π΄ΠΎΠΌΡΠΉ Π²Π°Π»;
- Π±Π»ΠΎΠΊ ΡΠ΅ΡΡΠ΅ΡΠ΅Π½ Π·Π°Π΄Π½Π΅Π³ΠΎ Ρ ΠΎΠ΄Π°;
- ΠΎΡΠ΅Π²ΠΎΠΉ ΠΌΠ΅Ρ Π°Π½ΠΈΠ·ΠΌ ΡΠ΅Π²Π΅ΡΡΠ°.
ΠΠΎΡΠ»Π΅ ΡΠΎΠ³ΠΎ ΠΊΠ°ΠΊ ΡΡΠ°Π½ΡΠΏΠΎΡΡ Π΄Π²ΠΈΠ½Π΅ΡΡΡ Ρ ΠΌΠ΅ΡΡΠ°, Π½Π°Π±Π΅ΡΠ΅Ρ Π½Π΅ΠΎΠ±Ρ
ΠΎΠ΄ΠΈΠΌΡΡ ΡΠΊΠΎΡΠΎΡΡΡ, ΠΌΠΎΠΆΠ½ΠΎ ΠΏΠ΅ΡΠ΅ΠΊΠ»ΡΡΠ°ΡΡ ΠΏΠ΅ΡΠ΅Π΄Π°ΡΠΈ Π² ΡΠ»Π΅Π΄ΡΡΡΠ΅ΠΌ ΠΏΠΎΡΡΠ΄ΠΊΠ΅: 4H-4B-5H.
ΠΠ»Ρ ΡΠΎΠ³ΠΎ ΡΡΠΎΠ±Ρ Π°ΠΊΡΠΈΠ²ΠΈΡΠΎΠ²Π°ΡΡ Π²ΡΠΎΡΡΡ ΡΠΊΠΎΡΠΎΡΡΡ, Π½ΡΠΆΠ½ΠΎ Π΄ΠΎΠΆΠ΄Π°ΡΡΡΡ ΠΌΠΎΠΌΠ΅Π½ΡΠ°, ΠΊΠΎΠ³Π΄Π° ΡΠ°ΡΡΠΎΡΠ° Π²ΡΠ°ΡΠ΅Π½ΠΈΡ ΠΊΠΎΠ»Π΅Π½ΡΠ°ΡΠΎΠ³ΠΎ Π²Π°Π»Π° ΡΠ²Π΅Π»ΠΈΡΠΈΡΡΡ Π΄ΠΎ 2000 ΠΎΠ±ΠΎΡΠΎΡΠΎΠ² Π² ΠΌΠΈΠ½ΡΡΡ. ΠΡΠΎΡ ΠΏΠΎΠΊΠ°Π·Π°ΡΠ΅Π»Ρ ΠΌΠΎΠΆΠ½ΠΎ ΠΎΡΡΠ»Π΅ΠΆΠΈΠ²Π°ΡΡ ΠΏΡΠΈ ΠΏΠΎΠΌΠΎΡΠΈ ΡΠ°Ρ
ΠΎΠΌΠ΅ΡΡΠ°.
ΠΠ΅ ΡΠ΅ΠΊΠΎΠΌΠ΅Π½Π΄ΡΠ΅ΡΡΡ Π½Π°ΡΠΈΠ½Π°ΡΡ ΠΏΠ΅ΡΠ΅ΠΊΠ»ΡΡΠ΅Π½ΠΈΠ΅ ΠΏΠ΅ΡΠ΅Π΄Π°Ρ ΠΏΡΠΈ ΠΌΠ΅Π½ΡΡΠ΅ΠΌ ΠΊΠΎΠ»ΠΈΡΠ΅ΡΡΠ²Π΅ ΠΎΠ±ΠΎΡΠΎΡΠΎΠ² ΠΊΠΎΠ»Π΅Π½Π²Π°Π»Π°, Π² ΠΏΡΠΎΡΠΈΠ²Π½ΠΎΠΌ ΡΠ»ΡΡΠ°Π΅ ΠΌΠ΅Ρ Π°Π½ΠΈΠ·ΠΌ Π²ΡΠΉΠ΄Π΅Ρ ΠΈΠ· ΡΡΡΠΎΡ.
ΠΠ»Ρ ΡΠΎΠ³ΠΎ ΡΡΠΎΠ±Ρ Π²ΠΊΠ»ΡΡΠΈΡΡ Π·Π°Π΄Π½ΠΈΠΉ Ρ ΠΎΠ΄, ΡΠ»Π΅Π΄ΡΠ΅Ρ ΡΡΡΠ°Π½ΠΎΠ²ΠΈΡΡ ΡΡΡΠ°Π³ ΠΏΠ΅ΡΠ΅ΠΊΠ»ΡΡΠ°ΡΠ΅Π»Ρ Π² Π½ΠΈΠΆΠ½Π΅Π΅ ΠΏΠΎΠ»ΠΎΠΆΠ΅Π½ΠΈΠ΅.
9 ΡΡΡΠΏΠ΅Π½ΡΠ°ΡΠ°Ρ
Π ΠΊΠΎΠ½ΡΡΡΡΠΊΡΠΈΡ 9-ΡΠΈ ΡΡΡΠΏΠ΅Π½ΡΠ°ΡΠΎΠΉ ΠΊΠΎΡΠΎΠ±ΠΊΠΈ 238 Ρ Π΄Π΅ΠΌΡΠ»ΡΡΠΈΠΏΠ»ΠΈΠΊΠ°ΡΠΎΡΠΎΠΌ Π²Ρ ΠΎΠ΄ΡΡ ΡΠ»Π΅Π΄ΡΡΡΠΈΠ΅ Π΄Π΅ΡΠ°Π»ΠΈ ΠΈ ΠΌΠ΅Ρ Π°Π½ΠΈΠ·ΠΌΡ:
- ΠΊΠ°ΡΡΠ΅Ρ ΡΡΠ΅ΠΏΠ½ΠΎΠ³ΠΎ ΡΡΡΡΠΎΠΉΡΡΠ²Π°;
- ΠΏΡΠΎΠΊΠ»Π°Π΄ΠΊΠ°;
- Π²ΠΈΠ»ΠΊΠ° ΠΏΠ΅ΡΠ΅ΠΊΠ»ΡΡΠ΅Π½ΠΈΡ ΡΠΊΠΎΡΠΎΡΡΠ΅ΠΉ;
- ΠΏΡΠ°Π²ΡΠΉ Π²Π°Π»;
- ΡΠ°ΠΉΠ±Π° ΡΠ΅ΡΡΠ΅ΡΠ½ΠΈ ΡΠ΅Π²Π΅ΡΡΠ°;
- Π»Π΅Π½ΠΈΠ²Π°Ρ ΡΠ΅ΡΡΠ΅ΡΠ½Ρ Π·Π°Π΄Π½Π΅Π³ΠΎ Ρ ΠΎΠ΄Π°;
- ΡΠΎΠ»ΠΈΠΊΠΎΠ²ΡΠΉ ΠΏΠΎΠ΄ΡΠΈΠΏΠ½ΠΈΠΊ Π²Π°Π»Π° ΠΏΡΠΎΠΌΠ΅ΠΆΡΡΠΎΡΠ½ΠΎΠ³ΠΎ ΡΠΈΠΏΠ°;
- ΠΊΡΠ΅ΠΏΠ΅ΠΆΠ½ΡΠ΅ Π±ΠΎΠ»ΡΡ ΠΈ Π³Π°ΠΉΠΊΠΈ;
- ΠΏΡΡΠΆΠΈΠ½Π½Π°Ρ ΡΠ°ΠΉΠ±Π°;
- ΡΠΏΠ»ΠΎΡΠ½ΠΈΡΠ΅Π»ΡΠ½ΠΎΠ΅ ΠΊΠΎΠ»ΡΡΠΎ;
- ΡΡΠΎΠΏΠΎΡΠ½ΠΎΠ΅ ΠΊΠΎΠ»ΡΡΠΎ;
- ΠΈΠ³ΠΎΠ»ΡΡΠ°ΡΡΠΉ ΠΏΠΎΠ΄ΡΠΈΠΏΠ½ΠΈΠΊ;
- Π²ΡΡΠ»ΠΊΠ° Π²ΠΈΠ»ΠΊΠΈ ΠΌΠ΅Ρ
Π°Π½ΠΈΠ·ΠΌΠ° ΡΡΠ΅ΠΏΠ»Π΅Π½ΠΈΡ.

ΠΠ΅ΡΠ΅Π΄ Π½Π°ΡΠ°Π»ΠΎΠΌ Π΄Π²ΠΈΠΆΠ΅Π½ΠΈΡ Π½Π΅ΠΎΠ±Ρ ΠΎΠ΄ΠΈΠΌΠΎ ΠΎΡΠΊΠ»ΡΡΠΈΡΡ ΡΡΠ΅ΠΏΠ»Π΅Π½ΠΈΠ΅. ΠΠ΅ΡΠ΅Π΄ ΡΠ΅ΠΌ ΠΊΠ°ΠΊ ΡΡΠΎΠ³Π°ΡΡΡΡ Ρ ΠΌΠ΅ΡΡΠ°, Π½Π΅ΠΎΠ±Ρ ΠΎΠ΄ΠΈΠΌΠΎ ΠΏΡΠΎΠ²Π΅ΡΠΈΡΡ ΡΠ°ΡΠΏΠΎΠ»ΠΎΠΆΠ΅Π½ΠΈΠ΅ ΡΡΡΠ°Π³Π°, ΠΎΠ½ Π΄ΠΎΠ»ΠΆΠ΅Π½ Π±ΡΡΡ ΠΎΠΏΡΡΠ΅Π½. ΠΠ΅ΡΠ΅ΠΊΠ»ΡΡΠ΅Π½ΠΈΠ΅ ΡΠΊΠΎΡΠΎΡΡΠ½ΡΡ ΡΠ΅ΠΆΠΈΠΌΠΎΠ² ΠΎΡΡΡΠ΅ΡΡΠ²Π»ΡΠ΅ΡΡΡ Π² Π½Π΅ΡΠΊΠΎΠ»ΡΠΊΠΎ ΡΡΠ°ΠΏΠΎΠ². ΠΠ° ΠΏΠ΅ΡΠ²ΠΎΠΌ ΡΡΠ°ΠΏΠ΅ ΡΠ΅ΠΊΠΎΠΌΠ΅Π½Π΄ΡΠ΅ΡΡΡ ΠΈΡΠΏΠΎΠ»ΡΠ·ΠΎΠ²Π°ΡΡ ΡΠ»Π΅Π΄ΡΡΡΡΡ ΡΡ Π΅ΠΌΡ ΠΏΠ΅ΡΠ΅ΠΊΠ»ΡΡΠ΅Π½ΠΈΡ: 1B-2B-3B. ΠΠΎ Π²ΡΠ΅ΠΌΡ Π΄Π°Π»ΡΠ½Π΅ΠΉΡΠ΅Π³ΠΎ Π΄Π²ΠΈΠΆΠ΅Π½ΠΈΡ ΠΌΠΎΠΆΠ½ΠΎ ΠΏΠ΅ΡΠ΅ΠΉΡΠΈ Π½Π° ΡΡ Π΅ΠΌΡ: 4H-5B-5H.
ΠΡΠΎΠ±Π΅Π½Π½ΠΎΡΡΠΈ ΠΠΠ Π―ΠΠ
Π ΡΠΎΡΡΠ°Π² Π―ΠΠ-2381 (8-ΠΠΠΠ) Π²Ρ ΠΎΠ΄ΠΈΡ 4-ΡΡΡΠΏΠ΅Π½ΡΠ°ΡΠ°Ρ ΠΠ ΠΈ 2Ρ -Π΄ΠΈΠ°ΠΏΠ°Π·ΠΎΠ½Π½ΡΠΉ Π΄Π΅ΠΌΡΠ»ΡΡΠΈΠΏΠ»ΠΈΠΊΠ°ΡΠΎΡ (ΠΊΠΎΡΠΎΡΠΊΠΈΠΉ Π΄Π΅Π»ΠΈΡΠ΅Π»Ρ), ΠΊΠΎΡΠΎΡΡΠΉ ΠΏΡΠ΅Π΄Π½Π°Π·Π½Π°ΡΠ΅Π½ Π΄Π»Ρ ΠΏΠΎΠ²ΡΡΠ΅Π½ΠΈΡ ΠΌΠΎΠΌΠ΅Π½ΡΠ° ΡΠΈΠ»Ρ. ΠΠΎΠ΄Π΅Π»Ρ Π―ΠΠ-238ΠΠ ΡΠΎΠΎΡΠ²Π΅ΡΡΡΠ²ΡΠ΅Ρ Π½Π΅ΠΎΠ±Ρ ΠΎΠ΄ΠΈΠΌΡΠΌ ΡΠΊΠΎΠ»ΠΎΠ³ΠΈΡΠ΅ΡΠΊΠΈΠΌ Π½ΠΎΡΠΌΠ°ΡΠΈΠ²Π°ΠΌ. ΠΠ°Π»ΠΈΡΠΈΠ΅ Π΄ΠΎΠΏΠΎΠ»Π½ΠΈΡΠ΅Π»ΡΠ½ΠΎΠΉ ΠΊΠΎΡΠΎΠ±ΠΊΠΈ Ρ Π°ΡΠ°ΠΊΡΠ΅ΡΠ½ΠΎ Π΄Π»Ρ Π³ΡΡΠ·ΠΎΠ²ΡΡ Π°Π²ΡΠΎΠΌΠΎΠ±ΠΈΠ»Π΅ΠΉ. Π‘Ρ Π΅ΠΌΠ° Π΄Π°Π½Π½ΠΎΠΉ ΠΊΠΎΡΠΎΠ±ΠΊΠΈ ΠΎΡΠΎΠ±ΡΠ°ΠΆΠ°Π΅Ρ Π½Π°Π»ΠΈΡΠΈΠ΅ Π·Π΄Π΅ΡΡ ΡΠ»Π°Π½ΡΠ° ΠΊΡΠ΅ΠΏΠ»Π΅Π½ΠΈΡ ΠΊΠ°ΡΠ΄Π°Π½Π½ΠΎΠ³ΠΎ Π²Π°Π»Π°. Π‘Π»Π΅Π΄ΡΠ΅Ρ ΠΎΡΠΌΠ΅ΡΠΈΡΡ, ΡΡΠΎ ΠΊΠΎΡΠΎΠ±ΠΊΠΈ ΠΏΠ΅ΡΠ΅Π΄Π°Ρ Π―ΠΠ ΠΌΠΎΠ³ΡΡ Π±ΡΡΡ ΡΠ°ΡΡΡΠΈΡΠ°Π½Ρ Π½Π΅ ΡΠΎΠ»ΡΠΊΠΎ Π½Π° 8 ΠΏΠ΅ΡΠ΅Π΄Π°Ρ, Π½ΠΎ ΠΈ Π½Π° 5, 6, 9, 14.
Π£ΡΡΡΠΎΠΉΡΡΠ²ΠΎ Π―ΠΠ
Π£ΡΡΡΠΎΠΉΡΡΠ²ΠΎ Π―ΠΠΠΠ΅ΡΡΠΈΡ Π―ΠΠ-238Π ΡΠ½ΡΡΠ° Ρ ΠΏΡΠΎΠΈΠ·Π²ΠΎΠ΄ΡΡΠ²Π°. ΠΡΠ»ΠΈΡΠ½ΠΎΠΉ Π°Π»ΡΡΠ΅ΡΠ½Π°ΡΠΈΠ²ΠΎΠΉ Π΅ΠΉ ΡΠ²Π»ΡΡΡΡΡ ΠΌΠΎΠ΄Π΅Π»ΠΈ 238ΠΠ4 (5)(7).
ΠΠ΄Π΅ΡΡ ΠΏΡΠΈΡΡΡΡΡΠ²ΡΡΡ ΡΠΈΠ½Ρ ΡΠΎΠ½ΠΈΠ·Π°ΡΠΎΡΡ Π½Π° Π²ΡΠ΅Ρ ΠΏΠ΅ΡΠ΅Π΄Π°ΡΠ°Ρ ΠΏΠ΅ΡΠ΅Π΄Π½Π΅Π³ΠΎ Ρ ΠΎΠ΄Π°. Π‘ΠΈΠ½Ρ ΡΠΎΠ½ΠΈΠ·Π°ΡΠΎΡΡ ΠΎΠ±Π΅ΡΠΏΠ΅ΡΠΈΠ²Π°ΡΡ Π½Π΅ ΡΠΎΠ»ΡΠΊΠΎ ΠΏΠ»Π°Π²Π½ΠΎΡΡΡ Ρ ΠΎΠ΄Π°, Π½ΠΎ ΠΈ Π±Π΅ΡΡΡΠΌΠ½ΠΎΡΡΡ Π²ΠΊΠ»ΡΡΠ΅Π½ΠΈΡ ΠΏΠ΅ΡΠ΅Π΄Π°Ρ.
Π‘ΠΎΡΡΠ°Π²Π»ΡΡΡΠ΅ΠΉ ΡΠ°ΡΡΡΡ Π½Π° ΠΠΠ Π―ΠΠ 238Π± ΡΠ²Π»ΡΠ΅ΡΡΡ Π²ΠΎΠ·Π΄ΡΡ ΠΎΡΠ°ΡΠΏΡΠ΅Π΄Π΅Π»ΠΈΡΠ΅Π»Ρ. ΠΠ°Π½Π½ΠΎΠ΅ ΡΡΡΡΠΎΠΉΡΡΠ²ΠΎ ΠΎΠ±Π΅ΡΠΏΠ΅ΡΠΈΠ²Π°Π΅Ρ Π½Π΅ΠΏΠΎΡΡΠ΅Π΄ΡΡΠ²Π΅Π½Π½ΠΎΠ΅ ΠΏΠ΅ΡΠ΅ΠΊΠ»ΡΡΠ΅Π½ΠΈΠ΅ Π²ΠΎΠ·Π΄ΡΡΠ½ΡΡ ΠΏΠΎΡΠΎΠΊΠΎΠ². ΠΠ΅Ρ Π°Π½ΠΈΠ·ΠΌ Π½Π°Π΄Π΅ΠΆΠ½ΠΎ Π·Π°ΡΠΈΠΊΡΠΈΡΠΎΠ²Π°Π½ Π² Π²Π΅ΡΡ Π½Π΅ΠΉ ΠΊΡΡΡΠΊΠ΅ ΠΊΠ°ΡΡΠ΅ΡΠ°.
ΠΠΎΠ·Π΄ΡΡ ΠΎΡΠ°ΡΠΏΡΠ΅Π΄Π΅Π»ΠΈΡΠ΅Π»Ρ Π―ΠΠ 238
ΠΡΡΠΈΠΊΡΠ» ΠΊΠ°ΡΡΠ΅ΡΠ° ΠΠΠ Π½Π° Π―ΠΠ 238 β 1701015. ΠΠ°Π½Π½ΡΠΉ ΡΠ»Π΅ΠΌΠ΅Π½Ρ ΠΈΠΌΠ΅Π΅Ρ ΠΏΡΠΎΡΠ½ΡΡ ΠΎΡΠ½ΠΎΠ²Ρ, Π²Ρ ΠΎΠ΄ΠΈΡ Π² ΡΠΎΡΡΠ°Π² ΡΠΈΡΡΠ΅ΠΌΡ ΡΡΠ°Π½ΡΠΌΠΈΡΡΠΈΠΈ. ΠΡΠ½ΠΎΠ²Π½Π°Ρ Π΅Π³ΠΎ ΡΡΠ½ΠΊΡΠΈΡ β ΡΡΠΎ ΠΎΠ±Π΅ΡΠΏΠ΅ΡΠ΅Π½ΠΈΠ΅ Π·Π°ΡΠΈΡΡ Π΄Π΅ΡΠ°Π»Π΅ΠΉ ΠΠΠ ΠΎΡ Π²ΠΎΠ·Π΄Π΅ΠΉΡΡΠ²ΠΈΡ Π³ΡΡΠ·ΠΈ, Π²ΠΎΠ΄Ρ, ΠΏΡΠ»ΠΈ. ΠΠ° ΠΏΡΠΎΠ΄ΠΎΠ»ΠΆΠΈΡΠ΅Π»ΡΠ½ΡΠΉ ΡΠ°Π±ΠΎΡΠΈΠΉ ΡΡΠΎΠΊ ΡΠ°ΡΡΡΠΈΡΠ°Π½Ρ Π²Π°Π»Ρ, Π²ΡΡΠ»ΠΊΠΈ, Π±Π»ΠΎΠΊΠΈ ΡΠ΅ΡΡΠ΅ΡΠ΅Π½, ΠΌΡΡΡΡ, Π³Π°ΠΉΠΊΠΈ.
ΠΠ°ΠΌΠ΅Π½Π° ΠΌΠ°ΡΠ»Π°
ΠΠ»Ρ ΡΠΎΠ³ΠΎ ΡΡΠΎΠ±Ρ Π·Π°ΠΌΠ΅Π½ΠΈΡΡ ΠΌΠ°ΡΠ»ΠΎ Π² ΠΠΠ ΠΠΠΠ°, Π½Π΅ΠΎΠ±Ρ ΠΎΠ΄ΠΈΠΌΠΎ:
- ΠΡΠΎΠ΅Ρ Π°ΡΡ ΠΎΠΊΠΎΠ»ΠΎ 5-10 ΠΊΠΌ Π½Π° ΡΡΠ°Π½ΡΠΏΠΎΡΡΠ΅, ΡΡΠΎΠ±Ρ ΠΏΡΠΎΠ³ΡΠ΅ΡΡ ΡΡΠ°ΡΠΎΠ΅ ΠΌΠ°ΡΠ»ΠΎ Π² ΠΊΠΎΡΠΎΠ±ΠΊΠ΅. ΠΡΠΈ ΠΏΠΎΠ²ΡΡΠ΅Π½Π½ΠΎΠΉ ΡΠ΅ΠΌΠΏΠ΅ΡΠ°ΡΡΡΠ΅ ΠΎΠ½ΠΎ ΡΡΠ°Π½ΠΎΠ²ΠΈΡΡΡ ΠΆΠΈΠ΄ΠΊΠΈΠΌ ΠΈ Π΅Π³ΠΎ Π»Π΅Π³ΠΊΠΎ ΡΠ»ΠΈΡΡ.
- Π§Π΅ΡΠ΅Π· 10-15 ΠΌΠΈΠ½ΡΡ ΠΏΠΎΡΠ»Π΅ ΠΎΡΡΠ°Π½ΠΎΠ²ΠΊΠΈ ΠΌΠΎΡΠΎΡΠ° ΡΡΡΠ°Π½ΠΎΠ²ΠΈΡΡ ΡΡΠ°Π½ΡΠΏΠΎΡΡΠ½ΠΎΠ΅ ΡΡΠ΅Π΄ΡΡΠ²ΠΎ Π½Π° ΠΏΠΎΠ΄ΡΠ΅ΠΌΠ½ΠΈΠΊ ΠΈΠ»ΠΈ ΡΠΌΠΎΡΡΠΎΠ²ΡΡ ΡΠΌΡ.

- Π‘Π½ΡΡΡ Π·Π°ΡΠΈΡΠ½ΡΡ ΠΊΡΡΡΠΊΡ ΠΊΠ°ΡΡΠ΅ΡΠ°.
- ΠΡΠΊΡΡΡΠΈΡΡ ΠΏΡΠΎΠ±ΠΊΡ ΠΈ ΠΏΡΠΎΠ²Π΅ΡΠΈΡΡ ΠΎΠ±ΡΠ΅ΠΌ ΠΌΠ°ΡΠ»ΡΠ½ΠΎΠΉ ΠΆΠΈΠ΄ΠΊΠΎΡΡΠΈ Π² ΠΠΠΠ.
- ΠΡΠΎΠ²Π΅ΡΠΈΡΡ ΠΏΡΠΎΠΊΠ»Π°Π΄ΠΊΡ Π½Π° ΠΈΠ·Π½ΠΎΡ, ΠΏΡΠΈ Π½Π΅ΠΎΠ±Ρ ΠΎΠ΄ΠΈΠΌΠΎΡΡΠΈ Π·Π°ΠΌΠ΅Π½ΠΈΡΡ Π΅Π΅ Π½Π° Π½ΠΎΠ²ΡΡ.
- ΠΠ°ΠΌΠ΅Π½ΠΈΡΡ ΠΈΠ·Π½ΠΎΡΠΈΠ²ΡΠΈΠ΅ΡΡ ΡΠΈΠ»ΡΡΡΡΡΡΠΈΠ΅ ΡΠ»Π΅ΠΌΠ΅Π½ΡΡ.
- ΠΡΠΊΡΡΡΡ ΡΠ»ΠΈΠ²Π½ΠΎΠ΅ ΠΎΡΠ²Π΅ΡΡΡΠΈΠ΅ ΠΈ ΡΠ»ΠΈΡΡ ΠΌΠ°ΡΠ»ΠΎ Π² ΠΏΠΎΠ΄Π³ΠΎΡΠΎΠ²Π»Π΅Π½Π½ΡΡ Π΅ΠΌΠΊΠΎΡΡΡ.
- ΠΠ°Π»ΠΈΡΡ Π½ΠΎΠ²ΡΡ ΠΌΠ°ΡΠ»ΡΠ½ΡΡ ΠΆΠΈΠ΄ΠΊΠΎΡΡΡ.
- ΠΠ°ΠΊΡΡΡΠΈΡΡ ΠΊΡΡΡΠΊΡ ΡΠ»ΠΈΠ²Π½ΠΎΠ³ΠΎ ΠΎΡΠ²Π΅ΡΡΡΠΈΡ.
- Π£ΡΡΠ°Π½ΠΎΠ²ΠΈΡΡ Π½Π° ΠΌΠ΅ΡΡΠΎ Π·Π°ΡΠΈΡΠ½ΡΠΉ ΠΊΠΎΠΆΡΡ ΡΡΠ΅ΠΏΠ»Π΅Π½ΠΈΡ.
- ΠΠ°Π²Π΅ΡΡΠΈ Π΄Π²ΠΈΠ³Π°ΡΠ΅Π»Ρ, ΠΏΡΠΎΠ²Π΅ΡΠΈΡΡ ΡΡΠΎΠ²Π΅Π½Ρ ΠΌΠ°ΡΠ»Π° ΠΏΡΠΈ ΡΠ°Π·Π»ΠΈΡΠ½ΡΡ ΡΠΊΠΎΡΠΎΡΡΠ½ΡΡ ΡΠ΅ΠΆΠΈΠΌΠ°Ρ .
ΠΠ°ΠΌΠ΅Π½Π° ΠΌΠ°ΡΠ»Π° Π½Π΅ΠΎΠ±Ρ ΠΎΠ΄ΠΈΠΌΠ°, ΠΊΠΎΠ³Π΄Π° ΠΏΡΠΎΠ²ΠΎΠ΄ΠΈΡΡΡ Π’Π ΠΈΠ»ΠΈ ΠΏΠ»ΠΎΡ ΠΎ Π²ΠΊΠ»ΡΡΠ°ΡΡΡΡ ΠΏΠ΅ΡΠ΅Π΄Π°ΡΠΈ.
Π£Ρ ΠΎΠ΄ Π·Π° ΡΡΠ°Π½ΡΠΌΠΈΡΡΠΈΠ΅ΠΉ
ΠΠΎΠ΄ΠΈΡΠ΅Π»Ρ ΡΡΠ°Π½ΡΠΏΠΎΡΡΠ½ΠΎΠ³ΠΎ ΡΡΠ΅Π΄ΡΡΠ²Π°, Π³Π΄Π΅ ΠΏΡΠΈΡΡΡΡΡΠ²ΡΠ΅Ρ ΡΠ°ΠΊΠ°Ρ ΠΊΠΎΡΠΎΠ±ΠΊΠ° ΠΏΠ΅ΡΠ΅Π΄Π°Ρ, ΠΊΠ°ΠΊ Π―ΠΠ 238 Π΄ΠΎΠ»ΠΆΠ΅Π½ ΡΠ²ΠΎΠ΅Π²ΡΠ΅ΠΌΠ΅Π½Π½ΠΎ ΠΏΠΎΡΠ΅ΡΠ°ΡΡ Π’Π, Π³Π΄Π΅ ΡΠ°Π±ΠΎΡΠ½ΠΈΠΊΠΈ ΡΠ΅ΡΠ²ΠΈΡΠ° Ρ ΠΏΠΎΠΌΠΎΡΡΡ ΠΊΠΎΠΌΠΏΡΡΡΠ΅ΡΠ½ΠΎΠ³ΠΎ ΠΎΠ±ΠΎΡΡΠ΄ΠΎΠ²Π°Π½ΠΈΡ ΠΌΠΎΠ³ΡΡ ΠΏΠΎΠ»Π½ΠΎΡΡΡΡ ΠΏΡΠΎΠ²Π΅ΡΠΈΡΡ Π°Π²ΡΠΎΠΌΠΎΠ±ΠΈΠ»ΡΠ½ΡΡ ΡΠΈΡΡΠ΅ΠΌΡ. Π‘Π°ΠΌΠΎΡΡΠΎΡΡΠ΅Π»ΡΠ½ΡΠΉ ΡΡ
ΠΎΠ΄ Π·Π° ΠΠΠ ΠΌΠΎΠΆΠ΅Ρ Π·Π°ΠΊΠ»ΡΡΠ°ΡΡΡΡ Π² ΡΠΎΠΌ, ΡΡΠΎ Ρ
ΠΎΠ·ΡΠΈΠ½ Π°Π²ΡΠΎΠΌΠΎΠ±ΠΈΠ»Ρ ΠΌΠΎΠΆΠ΅Ρ ΠΎΡΡΡΠ΅ΡΡΠ²ΠΈΡΡ Π·Π°ΠΌΠ΅Π½Ρ ΠΌΠ°ΡΠ»Π°, ΠΏΡΠΎΠΌΡΡΡ ΠΊΠ°ΡΡΠ΅Ρ.
ΠΠ»Ρ ΠΏΡΠΎΠΌΡΠ²ΠΊΠΈ ΠΊΠ°ΡΡΠ΅ΡΠ° ΡΠ΅Π»Π΅ΡΠΎΠΎΠ±ΡΠ°Π·Π½ΠΎ ΠΈΡΠΏΠΎΠ»ΡΠ·ΠΎΠ²Π°ΡΡ ΡΠΏΠ΅ΡΠΈΠ°Π»ΡΠ½ΡΠ΅ ΠΆΠΈΠ΄ΠΊΠΈΠ΅ ΠΈΠ½Π΄ΡΡΡΡΠΈΠ°Π»ΡΠ½ΡΠ΅ ΠΌΠ°ΡΠ»Π°, ΠΊΠΎΡΠΎΡΡΠ΅ ΡΠΎΠΎΡΠ²Π΅ΡΡΡΠ²ΡΡΡ ΠΠΠ‘Π’Ρ.
ΠΠ΅ΡΠΈΠΎΠ΄ΠΈΡΠ½ΠΎΡΡΡ ΡΠΎΠ³ΠΎ, ΠΊΠΎΠ³Π΄Π° ΡΠ»Π΅Π΄ΡΠ΅Ρ ΠΌΠ΅Π½ΡΡΡ ΠΌΠ°ΡΠ»ΠΎ, Π½Π°ΠΏΡΡΠΌΡΡ Π·Π°Π²ΠΈΡΠΈΡ ΠΎΡ ΡΠΎΠ³ΠΎ, ΠΊΠ°ΠΊΠΎΠ³ΠΎ ΡΡΠΈΠ»Ρ Π΅Π·Π΄Ρ ΠΏΡΠΈΠ΄Π΅ΡΠΆΠΈΠ²Π°Π΅ΡΡΡ Π°Π²ΡΠΎΠ²Π»Π°Π΄Π΅Π»Π΅Ρ.
Π Π·Π°ΠΌΠ΅Π½Π΅ ΠΎΡΠ΄Π΅Π»ΡΠ½ΡΡ ΠΊΠΎΠΌΠΏΠ»Π΅ΠΊΡΡΡΡΠΈΡ Π΄Π΅ΡΠ°Π»Π΅ΠΉ Π½Π° ΠΊΠΎΡΠΎΠ±ΠΊΠ΅ ΠΏΠ΅ΡΠ΅Π΄Π°Ρ Π―ΠΠ 236, 238, 2381, 239 ΠΌΠΎΠΆΠ΅Ρ Π³ΠΎΠ²ΠΎΡΠΈΡΡ ΡΠΎ, ΡΡΠΎ ΠΌΠ°ΡΠ»ΠΎ, Π·Π°Π»ΠΈΡΠΎΠ΅ Π² ΠΊΠ°ΡΡΠ΅Ρ, ΠΏΠ΅ΡΠ΅Π³ΡΠ΅Π²Π°Π΅ΡΡΡ, ΠΏΠΎΡΠ²ΠΈΠ»ΠΈΡΡ Ρ Π°ΡΠ°ΠΊΡΠ΅ΡΠ½ΡΠ΅ ΡΡΠΌΡ ΡΠΎ ΡΡΠΎΡΠΎΠ½Ρ ΠΠΠ. Π Π΅ΠΌΠΎΠ½Ρ ΠΌΠΎΠΆΠ΅Ρ Π·Π°ΠΊΠ»ΡΡΠ°ΡΡΡΡ Π² ΡΡΡΠ°Π½ΠΎΠ²ΠΊΠ΅ Π½ΠΎΠ²ΡΡ Π²Π°Π»ΠΎΠ², ΠΏΠΎΠ΄ΡΠΈΠΏΠ½ΠΈΠΊΠΎΠ², ΠΌΠ°Π½ΠΆΠ΅Ρ ΠΈ ΠΈΠ½ΡΡ ΡΠ°ΡΡ ΠΎΠ΄Π½ΠΈΠΊΠΎΠ², ΠΊΠΎΡΠΎΡΡΠ΅ ΠΎΡΠ½ΠΎΡΡΡΡΡ ΠΊ ΠΊΠΎΡΠΎΠ±ΠΊΠ΅ ΠΏΠ΅ΡΠ΅Π΄Π°Ρ.
ΠΠ°ΠΊ ΡΠ½ΡΡΡ ΠΈ ΠΏΠΎΡΡΠ°Π²ΠΈΡΡ ΠΊΠΎΡΠΎΠ±ΠΊΡ
Π Π°Π·Π±ΠΎΡΠΊΠ° ΠΊΠΎΡΠΎΠ±ΠΊΠΈ ΠΏΠ΅ΡΠ΅Π΄Π°Ρ ΠΠΠ:
- Π£ΡΡΠ°Π½ΠΎΠ²ΠΈΡΡ Π³ΡΡΠ·ΠΎΠ²ΠΈΠΊ Π½Π° ΡΠΏΠ΅ΡΠΈΠ°Π»ΡΠ½ΡΡ ΠΏΠ»Π°ΡΡΠΎΡΠΌΡ.
- ΠΠ΅ΠΌΠΎΠ½ΡΠΈΡΠΎΠ²Π°ΡΡ Π°ΠΊΠΊΡΠΌΡΠ»ΡΡΠΎΡΡ.
- Π£Π±ΡΠ°ΡΡ ΡΠΈΠ»ΡΡΡΡΡΡΠΈΠ΅ ΡΠ»Π΅ΠΌΠ΅Π½ΡΡ Π²ΠΎΠ·Π΄ΡΡΠ½ΠΎΠ³ΠΎ ΡΠΈΠΏΠ°.

- ΠΡΡΠΎΠ΅Π΄ΠΈΠ½ΠΈΡΡ Π±ΡΡΠ·Π³ΠΎΠ²ΠΈΠΊΠΈ, ΠΊΠΎΡΠΎΡΡΠ΅ ΡΠ°ΡΠΏΠΎΠ»ΠΎΠΆΠ΅Π½Ρ Π² ΠΌΠΎΡΠΎΡΠ½ΠΎΠΌ ΠΎΡΡΠ΅ΠΊΠ΅.
- Π£Π±ΡΠ°ΡΡ ΠΏΠΎΠΏΠ΅ΡΠ΅ΡΠΈΠ½Ρ ΠΏΠ΅ΡΠ΅Π΄Π½Π΅Π³ΠΎ ΠΏΠΎΠ΄Π²Π΅ΡΠ½ΠΎΠ³ΠΎ ΠΌΠ΅Ρ Π°Π½ΠΈΠ·ΠΌΠ°.
- Π‘Π»ΠΈΡΡ ΠΌΠ°ΡΠ»ΠΎ ΠΈΠ· ΠΠΠ.
- ΠΡΡΠΎΠ΅Π΄ΠΈΠ½ΠΈΡΡ Π΄Π°ΡΡΠΈΠΊΠΈ ΡΠΊΠΎΡΠΎΡΡΠΈ, Π²ΡΠΊΠ»ΡΡΠ°ΡΠ΅Π»Ρ ΡΠ΅Π²Π΅ΡΡΠ°.
- ΠΠ΅ΠΌΠΎΠ½ΡΠΈΡΠΎΠ²Π°ΡΡ Π΄Π΅ΡΠΆΠ°ΡΠ΅Π»Ρ ΠΆΠ³ΡΡΠ° ΡΠΈΠ»ΠΎΠ²ΠΎΠ³ΠΎ Π°Π³ΡΠ΅Π³Π°ΡΠ°.
- ΠΡΠ»Π°Π±ΠΈΡΡ ΠΊΡΠ΅ΠΏΠ΅ΠΆΠ½ΡΠ΅ Π±ΠΎΠ»ΡΡ.
- Π£Π±ΡΠ°ΡΡ Ρ ΠΊΠΎΡΠΏΡΡΠ° ΠΊΠ°ΡΡΠ΅ΡΠ° ΡΡΠ΅ΠΏΠ½ΠΎΠ³ΠΎ ΡΡΡΡΠΎΠΉΡΡΠ²Π° ΡΠ»Π΅ΠΊΡΡΠΈΡΠ΅ΡΠΊΠΈΠΉ ΡΡΠ°ΡΡΠ΅Ρ, Π½Π΅ ΠΎΡΡΠΎΠ΅Π΄ΠΈΠ½ΡΡ Π΅Π³ΠΎ ΠΎΡ ΠΏΡΠΎΠ²ΠΎΠ΄Π°.
- ΠΡΠΊΡΡΡΠΈΡΡ ΠΎΡ ΠΊΡΠΎΠ½ΡΡΠ΅ΠΉΠ½Π° ΠΠΠ ΠΏΠ΅ΡΠ΅Π΄Π½ΠΈΠΉ ΠΈ Π·Π°Π΄Π½ΠΈΠΉ ΠΎΠΏΠΎΡΠ½ΡΠΉ ΠΌΠ΅Ρ Π°Π½ΠΈΠ·ΠΌ.
- ΠΡΡΠΎΠ΅Π΄ΠΈΠ½ΠΈΡΡ Π»Π΅Π²ΡΡ ΠΎΠΏΠΎΡΡ ΠΈ Π²ΡΠ²Π΅ΡΡΠΈ ΠΏΠ΅ΡΠ²ΠΈΡΠ½ΡΠΉ Π²Π°Π» ΠΈΠ· Π·Π°ΡΠ΅ΠΏΠ»Π΅Π½ΠΈΡ.
- Π‘Π½ΡΡΡ ΠΊΠΎΡΠΎΠ±ΠΊΡ ΠΏΠ΅ΡΠ΅Π΄Π°Ρ.
ΠΠ»Ρ ΡΠΎΠ³ΠΎ ΡΡΠΎΠ±Ρ ΠΏΠΎΡΡΠ°Π²ΠΈΡΡ ΠΊΠ°ΠΌΠ°Π·ΠΎΠ²ΡΠΊΡΡ ΠΊΠΎΡΠΎΠ±ΠΊΡ Π½Π° ΠΌΠ΅ΡΡΠΎ, Π½Π΅ΠΎΠ±Ρ ΠΎΠ΄ΠΈΠΌΠΎ ΠΏΠΎΠ²ΡΠΎΡΠΈΡΡ Π²ΡΠ΅ Π΄Π΅ΠΉΡΡΠ²ΠΈΡ Π² ΠΎΠ±ΡΠ°ΡΠ½ΠΎΠΌ ΠΏΠΎΡΡΠ΄ΠΊΠ΅.
Π‘Ρ Π΅ΠΌΠ° Π΄Π΅Π»ΠΈΡΠ΅Π»Ρ ΠΠΠ, ΠΎΠΏΠΈΡΠ°Π½ΠΈΠ΅, ΡΡΡΡΠΎΠΉΡΡΠ²ΠΎ
Π ΡΠ°ΠΊΠΈΠΌ ΡΡΡΡΠΎΠΉΡΡΠ²Π°ΠΌ ΡΠΌΠ΅Π»ΠΎ ΠΌΠΎΠΆΠ½ΠΎ ΠΎΡΠ½Π΅ΡΡΠΈ Π΄Π΅Π»ΠΈΡΠ΅Π»Ρ ΠΠΠ, ΠΈΠ»ΠΈ ΠΊΠ°ΠΊ Π΅Π³ΠΎ Π½Π°Π·ΡΠ²Π°ΡΡ Π½Π° ΡΠ΅Ρ Π½ΠΈΡΠ΅ΡΠΊΠΎΠΌ ΡΠ·ΡΠΊΠ΅ β Π΄Π΅ΠΌΡΠ»ΡΡΠΈΠΏΠ»ΠΈΠΊΠ°ΡΠΎΡ. ΠΡΡΠ°ΡΠΈ, ΡΠ°ΡΡΠΎ ΠΌΠΎΠΆΠ½ΠΎ ΡΡΠ»ΡΡΠ°ΡΡ Π΅ΡΠ΅ ΡΠ°ΠΊΠΈΠ΅ Π½Π°Π·Π²Π°Π½ΠΈΡ, ΠΊΠ°ΠΊ Π΄ΠΎΠΏΠΎΠ»Π½ΠΈΡΠ΅Π»ΡΠ½Π°Ρ ΠΊΠΎΡΠΎΠ±ΠΊΠ° ΠΏΠ΅ΡΠ΅Π΄Π°Ρ ΠΈΠ»ΠΈ Β«ΡΠ°Π·Π΄Π°ΡΠΊΠ°Β» Ρ ΠΏΠΎΠ½ΠΈΠΆΠ°ΡΡΠ΅ΠΉ.
Π€Π°ΠΊΡΠΈΡΠ΅ΡΠΊΠΈ, ΡΡΠΎ ΡΡΡΡΠΎΠΉΡΡΠ²ΠΎ, ΠΊΠΎΡΠΎΡΠΎΠ΅ ΠΏΠΎΠ·Π²ΠΎΠ»ΡΠ΅Ρ ΠΏΠΎΠ»ΡΡΠΈΡΡ ΠΈΠ½ΠΎΠΉ ΠΊΡΡΡΡΡΠΈΠΉ ΠΌΠΎΠΌΠ΅Π½Ρ, ΡΠ΅ΠΌ ΠΏΡΠ΅Π΄ΡΡΠΌΠ°ΡΡΠΈΠ²Π°Π΅Ρ ΠΊΠΎΡΠΎΠ±ΠΊΠ° ΠΠΠ .
ΠΡΠΏΠΎΠ»ΡΠ·ΡΡΡ Π΄Π΅ΠΌΡΠ»ΡΡΠΈΠΏΠ»ΠΈΠΊΠ°ΡΠΎΡΡ ΠΏΠΎ Π±ΠΎΠ»ΡΡΠ΅ΠΉ ΡΠ°ΡΡΠΈ Π½Π° ΡΡΠ³Π°ΡΠ°Ρ
, ΡΠ°Π±ΠΎΡΠ°ΡΡΠΈΡ
Π² ΡΡΠΆΠ΅Π»ΡΡ
ΡΡΠ»ΠΎΠ²ΠΈΡΡ
, Π³Π΄Π΅ ΡΡΠ°Π½Π΄Π°ΡΡΠ½ΡΡ
ΠΏΠ΅ΡΠ΅Π΄Π°ΡΠΎΡΠ½ΡΡ
ΡΠΈΡΠ΅Π» ΠΏΡΠΎΡΡΠΎ Π½Π΅Π΄ΠΎΡΡΠ°ΡΠΎΡΠ½ΠΎ Π΄Π»Ρ Π½ΠΎΡΠΌΠ°Π»ΡΠ½ΠΎΠ³ΠΎ ΡΡΠ½ΠΊΡΠΈΠΎΠ½ΠΈΡΠΎΠ²Π°Π½ΠΈΡ ΡΠ΅Ρ
Π½ΠΈΠΊΠΈ. ΠΡΠ³Π»ΡΠ΄ΠΈΡ ΡΡΠΎ ΠΏΡΠΈΠΌΠ΅ΡΠ½ΠΎ ΡΠ»Π΅Π΄ΡΡΡΠΈΠΌ ΠΎΠ±ΡΠ°Π·ΠΎΠΌ:
ΠΡΠΈ Π΄Π²ΠΈΠΆΠ΅Π½ΠΈΠΈ Π½Π° ΠΏΠΎΠ΄Ρ ΠΎΠ΄ΡΡΠ΅ΠΉ ΡΠΊΠΎΡΠΎΡΡΠΈ ΠΏΠΎ ΠΏΠ»ΠΎΡ ΠΎΠΉ Π΄ΠΎΡΠΎΠ³Π΅ Π΄Π²ΠΈΠ³Π°ΡΠ΅Π»Ρ Π½Π° ΠΏΡΡΠΎΠΉ ΠΏΠ΅ΡΠ΅Π΄Π°ΡΠ΅ ΡΠ°Π±ΠΎΡΠ°Π΅Ρ ΡΠ΅ΡΠ΅ΡΡΡΡ Π½Π°ΡΡΠΆΠ½ΠΎ, Π½ΠΎ Π΅ΡΠ»ΠΈ ΠΏΠ΅ΡΠ΅ΠΊΠ»ΡΡΠΈΡΡ Π½Π° ΡΠ΅ΡΠ²Π΅ΡΡΡΡ, ΡΠΎ ΡΠ΅ΠΌ ΡΠ°ΠΌΡΠΌ Β«ΠΏΠ΅ΡΠ΅ΠΊΡΡΡΠΈΠ²Π°Π΅ΡΡΒ» Π΄Π²ΠΈΠ³Π°ΡΠ΅Π»Ρ, ΡΠ°ΠΊ ΠΊΠ°ΠΊ ΠΎΠ±ΠΎΡΠΎΡΡ ΠΏΠΎΠ»ΡΡΠ°ΡΡΡΡ ΡΠ»ΠΈΡΠΊΠΎΠΌ Π±ΠΎΠ»ΡΡΠΈΠΌΠΈ. ΠΠΎ ΠΏΡΠΈ Π²ΠΊΠ»ΡΡΠ΅Π½ΠΈΠΈ ΠΌΡΠ»ΡΡΠΈΠΏΠ»ΠΈΠΊΠ°ΡΠΎΡΠ° Π½Π° ΠΏΠΎΠ½ΠΈΠΆΠ΅Π½Π½ΡΡ ΠΏΠ΅ΡΠ΅Π΄Π°ΡΡ ΠΏΠ΅ΡΠ΅Π΄Π°ΡΠΎΡΠ½ΠΎΠ΅ ΡΠΈΡΠ»ΠΎ Π² ΡΡΠ°Π½ΡΠΌΠΈΡΡΠΈΠΈ ΠΏΠΎΠ»ΡΡΠΈΡΡΡ ΡΡΡΠ΅Π΄Π½Π΅Π½Π½ΡΠΌ ΠΌΠ΅ΠΆΠ΄Ρ ΡΠΎΡΠ΅Π΄Π½ΠΈΠΌΠΈ (Π² Π΄Π°Π½Π½ΠΎΠΌ ΡΠ»ΡΡΠ°Π΅ 4 ΠΈ 5) ΠΏΠ΅ΡΠ΅Π΄Π°ΡΠ°ΠΌΠΈ. Π’ΠΎ Π΅ΡΡΡ, Π΅ΡΠ»ΠΈ ΠΈΡΠΏΠΎΠ»ΡΠ·ΡΠ΅ΡΡΡ Π΄Π΅Π»ΠΈΡΠ΅Π»Ρ ΠΠΠ, ΡΡ Π΅ΠΌΠ° ΠΏΠ΅ΡΠ΅ΠΊΠ»ΡΡΠ΅Π½ΠΈΡ Π΄Π»Ρ ΠΏΡΡΠΌΡΡ ΠΏΠ΅ΡΠ΅Π΄Π°Ρ ΠΎΡΡΠ°Π΅ΡΡΡ ΠΏΡΠ΅ΠΆΠ½Π΅ΠΉ, Π½ΠΎ ΠΊΠΎΠ»ΠΈΡΠ΅ΡΡΠ²ΠΎ Π΄ΠΎΡΡΡΠΏΠ½ΡΡ ΠΏΠ΅ΡΠ΅Π΄Π°Ρ ΡΠ²Π΅Π»ΠΈΡΠΈΠ²Π°Π΅ΡΡΡ Π²Π΄Π²ΠΎΠ΅.
ΠΠΎΠ΄ΠΎΠ±Π½ΡΠ΅ ΠΏΠ΅ΡΠ΅ΠΊΠ»ΡΡΠ΅Π½ΠΈΡ ΠΎΡΠ΅Π½Ρ ΠΏΡΠΈΠ³ΠΎΠ΄ΡΡΡΡ ΡΠ°ΠΊΠΆΠ΅ ΡΠ΅ΠΌ, ΡΡΠΈ Π°Π²ΡΠΎΠΌΠΎΠ±ΠΈΠ»ΠΈ Ρ
ΠΎΡΡ ΠΈ ΠΈΡΠΏΠΎΠ»ΡΠ·ΡΡΡΡΡ Π² Π½ΠΎΡΠΌΠ°Π»ΡΠ½ΡΡ
ΡΡΠ»ΠΎΠ²ΠΈΡΡ
ΡΠ°Π±ΠΎΡΡ, Π½ΠΎ ΠΏΠΎΠ΄Π²Π΅ΡΠΆΠ΅Π½Ρ ΡΠ°ΡΡΡΠΌ ΠΈΠ·ΠΌΠ΅Π½Π΅Π½ΠΈΡΠΌ Π½Π°Π³ΡΡΠ·ΠΎΠΊ. Π’ΠΎ Π΅ΡΡΡ, Π³ΡΡΠ·ΠΎΠ²ΠΈΠΊ Π² ΠΎΠ΄Π½Ρ ΡΡΠΎΡΠΎΠ½Ρ ΠΈΠ΄Π΅Ρ ΠΏΠΎΡΠΎΠΆΠ½ΡΠΊΠΎΠΌ, Π² Π΄ΡΡΠ³ΡΡ Π±ΡΠΊΡΠΈΡΡΠ΅Ρ ΡΡΠΆΠ΅Π»ΠΎ Π³ΡΡΠΆΠ΅Π½ΡΠΉ ΠΏΡΠΈΡΠ΅ΠΏ.
Π ΠΏΠ΅ΡΠ²ΠΎΠΌ ΡΠ»ΡΡΠ°Π΅ ΠΈΡΠΏΠΎΠ»ΡΠ·ΡΡΡΡΡ ΡΡΡΠΎΠ³ΠΎ ΠΏΡΡΠΌΡΠ΅ ΠΏΠ΅ΡΠ΅Π΄Π°ΡΠΈ, Π° ΠΏΡΠΈ Π±ΡΠΊΡΠΈΡΠΎΠ²ΠΊΠ΅ ΠΈΡΠΏΠΎΠ»ΡΠ·ΡΠ΅ΡΡΡ Π΄Π΅Π»ΠΈΡΠ΅Π»Ρ.
ΠΠΎΠ½ΡΡΠ»ΡΡΠ°ΡΠΈΡ ΠΏΠΎ ΡΠ΅Ρ Π½ΠΈΡΠ΅ΡΠΊΠΈΠΌ Π²ΠΎΠΏΡΠΎΡΠ°ΠΌ , ΠΏΡΠΈΠΎΠ±ΡΠ΅ΡΠ΅Π½ΠΈΡ Π·Π°ΠΏΡΠ°ΡΡΠ΅ΠΉ 8-916-161-01-97 Π‘Π΅ΡΠ³Π΅ΠΉ ΠΠΈΠΊΠΎΠ»Π°Π΅Π²ΠΈΡ
ΠΡΠΈΠ½ΡΠΈΠΏ Π±ΡΡΡΡΠΎΠ³ΠΎ ΡΠ°Π·Π³ΠΎΠ½Π° Π°Π²ΡΠΎΠΌΠΎΠ±ΠΈΠ»Ρ Ρ ΡΡΡΠ°Π½ΠΎΠ²Π»Π΅Π½Π½ΡΠΌ Π΄Π΅Π»ΠΈΡΠ΅Π»Π΅ΠΌ Π½Π° Ρ ΠΎΡΠΎΡΠ΅ΠΉ Π΄ΠΎΡΠΎΠ³Π΅ ΠΈ Π² ΡΡΠΆΠ΅Π»ΡΡ ΡΡΠ»ΠΎΠ²ΠΈΡΡ ΡΠΎΠΆΠ΅ ΠΎΡΠ»ΠΈΡΠ°Π΅ΡΡΡ. Π Π΅ΠΊΠΎΠΌΠ΅Π½Π΄ΡΠ΅ΠΌΡΠΌΠΈ Π²Π°ΡΠΈΠ°Π½ΡΠ°ΠΌΠΈ ΡΠ²Π»ΡΡΡΡΡ 1Π-2Π-3Π-4Π-4Π-5Π-5Π Π΄Π»Ρ Ρ ΠΎΡΠΎΡΠ΅Π³ΠΎ ΠΏΠΎΠΊΡΡΡΠΈΡ ΠΈ 1Π-2Π-3Π-4Π-4Π-5Π-5Π Π΄Π»Ρ Π±Π΅Π·Π΄ΠΎΡΠΎΠΆΡΡ.
Π£ ΠΏΠΎΠ»Π½ΠΎΠΏΡΠΈΠ²ΠΎΠ΄Π½ΡΡ Π°Π²ΡΠΎΠΌΠΎΠ±ΠΈΠ»Π΅ΠΉ Ρ ΠΎΡΠΊΠ»ΡΡΠ°Π΅ΠΌΡΠΌ ΠΏΠ΅ΡΠ΅Π΄Π½ΠΈΠΌ ΠΌΠΎΡΡΠΎΠΌ, Π΅ΡΠ»ΠΈ Π½Π° Π½ΠΈΡ ΡΡΠΎΠΈΡ Π΄Π΅Π»ΠΈΡΠ΅Π»Ρ ΠΠΠ, ΡΡ Π΅ΠΌΠ° ΠΏΠ΅ΡΠ΅ΠΊΠ»ΡΡΠ΅Π½ΠΈΡ ΠΈΠΌΠ΅Π΅Ρ ΡΠ²ΠΎΠΈ ΠΎΡΠΎΠ±Π΅Π½Π½ΠΎΡΡΠΈ. ΠΡΠ»ΠΈ ΠΏΠ΅ΡΠ΅Π΄Π½ΠΈΠΉ ΠΌΠΎΡΡ ΠΎΡΠΊΠ»ΡΡΠ΅Π½, ΡΠΎ Π²ΠΊΠ»ΡΡΠΈΡΡ ΠΏΠΎΠ½ΠΈΠΆΠ΅Π½Π½ΡΡ ΠΏΠ΅ΡΠ΅Π΄Π°ΡΡ Π½Π΅ ΠΏΠΎΠ»ΡΡΠΈΡΡΡ, ΡΠ°ΠΊ ΠΊΠ°ΠΊ ΡΡΠ° ΡΡΠ½ΠΊΡΠΈΡ ΠΏΡΠΎΡΡΠΎ Π±Π»ΠΎΠΊΠΈΡΡΠ΅ΡΡΡ.
Π’Π°ΠΊΠ°Ρ ΡΠΊΡΠΏΠ»ΡΠ°ΡΠ°ΡΠΈΡ ΠΏΠΎΠ·Π²ΠΎΠ»ΡΠ΅Ρ Π½Π΅ Π΄ΠΎΠΏΡΡΠΊΠ°ΡΡ ΡΡΠ΅Π·ΠΌΠ΅ΡΠ½ΡΡ
Π½Π°Π³ΡΡΠ·ΠΎΠΊ Π½Π° Π΄Π²ΠΈΠ³Π°ΡΠ΅Π»Ρ ΠΈ ΡΠ΅ΠΌ ΡΠ°ΠΌΡΠΌ ΠΏΡΠΎΠ΄Π»Π΅Π²Π°Π΅Ρ Π΅Π³ΠΎ ΡΠ΅ΡΡΡΡ. ΠΠ° Π½Π°ΡΠ΅ΠΌ ΡΠ°ΠΉΡ ΠΡ ΠΌΠΎΠΆΠ΅Ρ ΠΎΠ·Π½Π°ΠΊΠΎΠΌΠΈΡΡΡΡ Ρ ΠΏΡΠΈΠ½ΡΠΈΠΏΠΈΠ°Π»ΡΠ½ΠΎΠΉ ΡΡ
Π΅ΠΌΠΎΠΉ Π΄Π΅Π»ΠΈΡΠ΅Π»Ρ Π―ΠΠ, ΠΠΠ, ΡΡΡΠ°Π½Π°Π²Π»ΠΈΠ²Π°Π΅ΠΌΠΎΠ³ΠΎ Π½Π° Π°Π²ΡΠΎΠΌΠΎΠ±ΠΈΠ»ΡΡ
ΠΠΈΠ½ΡΠΊΠΎΠ³ΠΎ ΠΏΡΠΎΠΈΠ·Π²ΠΎΠ΄ΡΡΠ²Π° Π² Π½ΠΎΠ²ΡΡ
ΠΌΠΎΠ΄ΠΈΡΠΈΠΊΠ°ΡΠΈΡΡ
. Π£Π΄ΠΎΠ±Π½ΡΠΉ Π°Π²ΡΠΎ ΠΊΠ°ΡΠ°Π»ΠΎΠ³ ΠΏΠΎΠΌΠΎΠΆΠ΅Ρ Π²Π°ΠΌ Π²ΡΠ±ΡΠ°ΡΡ Π½Π΅ΠΎΠ±Ρ
ΠΎΠ΄ΠΈΠΌΡΠ΅ Π΄Π»Ρ ΡΠ΅ΠΌΠΎΠ½ΡΠ° Π·Π°ΠΏΡΠ°ΡΡΠΈ .
Π£ΡΡΡΠΎΠΉΡΡΠ²ΠΎ Π΄Π΅Π»ΠΈΡΠ΅Π»Ρ Π΄Π»Ρ ΠΠΠ
1 236-1005055 ΠΠ°ΠΉΠΊΠ° ΠΊΠΎΠ»ΡΡΠ΅Π²Π°Ρ 2 236-1701067-Π ΠΠΎΠ»ΡΡΠΎ Π-40 ΡΠΏΠΎΡΠ½ΠΎΠ΅ 3 200-1701192 ΠΠΎΠ»ΡΡΠΎ ΡΡΠΎΠΏΠΎΡΠ½ΠΎΠ΅ 4 236-1701243 Π¨Π°ΠΉΠ±Π° 5 238-1701285 Π ΠΎΠ»ΠΈΠΊ 6 238-1721027 ΠΠΎΠ»ΡΡΠΎ ΡΠΏΠΎΡΠ½ΠΎΠ΅ 7 238-1721033 Π¨Π°ΠΉΠ±Π° ΡΠΏΠΎΡΠ½Π°Ρ ΠΏΡΠΎΠΌΠ΅ΠΆΡΡΠΎΡΠ½ΠΎΠ³ΠΎ Π²Π°Π»Π° 8 238-1721048 ΠΠ°Π» ΠΏΡΠΎΠΌΠ΅ΠΆΡΡΠΎΡΠ½ΡΠΉ ΠΏΠΎΠ½ΠΈΠΆΠ°ΡΡΠ΅ΠΉ ΠΏΠ΅ΡΠ΅Π΄Π°ΡΠΈ 9 238-1721050 Π¨Π΅ΡΡΠ΅ΡΠ½Ρ Π²Π΅Π΄ΠΎΠΌΠ°Ρ ΠΏΡΠΎΠΌΠ΅ΠΆΡΡΠΎΡΠ½ΠΎΠ³ΠΎ Π²Π°Π»Π° 10 238-1721056 ΠΠΈΡΠΊ Π²Π΅Π΄ΡΡΠΈΠΉ Π±ΠΎΠ»ΡΡΠΎΠΉ 11 238-1721057 ΠΠΈΡΠΊ ΡΠΈΠ½Ρ
ΡΠΎΠ½ΠΈΠ·Π°ΡΠΎΡΠ° Π²Π΅Π΄ΡΡΠΈΠΉ ΠΌΠ°Π»ΡΠΉ 12 238-1721061 ΠΠΎΠ»ΡΡΠΎ ΡΠΏΠΎΡΠ½ΠΎΠ΅ 13 238Π-1721065 ΠΠΎΠ»Ρ ΡΡΠΎΠΏΠΎΡΠ½ΡΠΉ 14 238-1721066 ΠΠΈΡΠΊ Π²Π΅Π΄ΠΎΠΌΡΠΉ Π±ΠΎΠ»ΡΡΠΎΠΉ 15 238-1721067 ΠΠΈΡΠΊ ΡΠΈΠ½Ρ
ΡΠΎΠ½ΠΈΠ·Π°ΡΠΎΡΠ° Π²Π΅Π΄ΠΎΠΌΡΠΉ ΠΌΠ°Π»ΡΠΉ 16 238-1721068 ΠΠΎΠ»ΡΡΠΎ ΡΠΏΠΎΡΠ½ΠΎΠ΅ 17 238-1721069 ΠΠΈΡΠΊ ΡΠΏΠΎΡΠ½ΡΠΉ Π±ΠΎΠ»ΡΡΠΎΠΉ 18 238-1721070 ΠΡΡΠΆΠΈΠ½Π° ΠΎΡΠΆΠΈΠΌΠ½Π°Ρ 18 238-1721070 ΠΡΡΠΆΠΈΠ½Π° ΠΎΡΠΆΠΈΠΌΠ½Π°Ρ 19 238-1721071 Π‘ΡΡ
Π°ΡΡ ΠΏΡΡΠΆΠΈΠ½Ρ 20 238-1721072 ΠΠΈΡΠΊ ΡΠΏΠΎΡΠ½ΡΠΉ ΠΌΠ°Π»ΡΠΉ 21 238-1721076 Π‘ΡΠ°ΠΊΠ°Π½ 22 238-1721078 ΠΠΈΡΠΊ ΡΠΈΠ½Ρ
ΡΠΎΠ½ΠΈΠ·Π°ΡΠΎΡΠ° Π΄Π΅ΠΌΠΏΡΠ΅ΡΠ½ΡΠΉ 23 238-1721080 ΠΠΎΠ»ΡΡΠΎ ΡΠ°ΡΠΏΠΎΡΠ½ΠΎΠ΅ 24 238-1721105 ΠΠ°Π» Π²ΡΠΎΡΠΈΡΠ½ΡΠΉ 25 238-1721118-Π Π¨Π΅ΡΡΠ΅ΡΠ½Ρ 26 238-1721125-Π ΠΠΈΡΠΊ Π½Π°ΠΆΠΈΠΌΠ½ΠΎΠΉ Π±ΠΎΠ»ΡΡΠΎΠΉ 27 238-1721126-Π ΠΠΈΡΠΊ ΡΠΈΠ½Ρ
ΡΠΎΠ½ΠΈΠ·Π°ΡΠΎΡΠ° Π½Π°ΠΆΠΈΠΌΠ½ΠΎΠΉ ΠΌΠ°Π»ΡΠΉ 28 238-1721131 ΠΡΡΠ»ΠΊΠ° ΠΏΡΠΎΡΡΠ°Π²ΠΎΡΠ½Π°Ρ ΡΠΎΠ»ΠΈΠΊΠΎΠ² 29 238-1721132 ΠΠΎΠ»ΡΡΠΎ ΡΠΏΠΎΡΠ½ΠΎΠ΅ 30 238-1721136-Π ΠΠ±ΠΎΠΉΠΌΠ° Π΄ΠΈΡΠΊΠΎΠ² ΡΠΈΠ½Ρ
ΡΠΎΠ½ΠΈΠ·Π°ΡΠΎΡΠ° ΠΌΠ°Π»Π°Ρ 31 238-1721150 ΠΠ°ΡΠ΅ΡΠΊΠ° 32 238-1721240-Π Π€Π»Π°Π½Π΅Ρ 33 238Π-1721242-Π β 34 3611 Π ΠΎΠ»ΠΈΠΊΠΎΠΏΠΎΠ΄ΡΠΈΠΏΠ½ΠΈΠΊ 35 50313 ΠΠΎΠ΄ΡΠΈΠΏΠ½ΠΈΠΊ ΡΠ°ΡΠΈΠΊΠΎΠ²ΡΠΉ ΡΠ°Π΄ΠΈΠ°Π»ΡΠ½ΡΠΉ ΠΎΠ΄Π½ΠΎΡΡΠ΄Π½ΡΠΉ ΡΠΎ ΡΡΠΎΠΏΠΎΡΠ½ΠΎΠΉ ΠΊΠ°Π½Π°Π²ΠΊΠΎΠΉ 36 102313 Π ΠΎΠ»ΠΈΠΊΠΎΠΏΠΎΠ΄ΡΠΈΠΏΠ½ΠΈΠΊ Π·Π°Π΄Π½ΠΈΠΉ 37 102212Π1 Π ΠΎΠ»ΠΈΠΊΠΎΠΏΠΎΠ΄ΡΠΈΠΏΠ½ΠΈΠΊ ΠΏΠ΅ΡΠ΅Π΄Π½ΠΈΠΉ 38 70-592708Π1 ΠΠΎΠ΄ΡΠΈΠΏΠ½ΠΈΠΊ ΡΠΎΠ»ΠΈΠΊΠΎΠ²ΡΠΉ Π²ΡΠΎΡΠΈΡΠ½ΠΎΠ³ΠΎ Π²Π°Π»Π° ΠΏΠ΅ΡΠ΅Π΄Π½ΠΈΠΉ 39 258072-Π29 Π¨ΠΏΠ»ΠΈΠ½Ρ 40 310067-Π2 ΠΠΎΠ»Ρ 41 311701-Π29 ΠΠ°ΠΉΠΊΠ° 42 312503-Π2 Π¨Π°ΠΉΠ±Π° Π‘ΡΡΠ»ΠΊΠ° Π½Π° ΡΡΡ ΡΡΡΠ°Π½ΠΈΡΡ: https://www.
kspecmash.ru/catalog.php?typeauto=6&mark=14&model=84&group=49
ΠΠΠ 239 Π―ΠΠ Ρ Π΄Π΅ΠΌΡΠ»ΡΡΠΈΠΏΠ»ΠΈΠΊΠ°ΡΠΎΡΠΎΠΌ (ΡΠΎΡΠΎ, ΡΡ Π΅ΠΌΠ°)
ΠΠΠ 239 Π―ΠΠ β ΡΠ½ΠΈΠ²Π΅ΡΡΠ°Π»ΡΠ½Π°Ρ. ΠΠ½Π° ΡΠ²Π»ΡΠ΅ΡΡΡ ΠΎΡΠ½ΠΎΠ²ΠΎΠΉ ΠΏΡΠΈ ΡΠΎΠ·Π΄Π°Π½ΠΈΠΈ Π½ΠΎΠ²ΡΡ ΡΠ°Π·Π½ΠΎΠ²ΠΈΠ΄Π½ΠΎΡΡΠ΅ΠΉ ΠΊΠΎΡΠΎΠ±ΠΎΠΊ ΠΏΠ΅ΡΠ΅ΠΊΠ»ΡΡΠ΅Π½ΠΈΡ Π΄Π»Ρ Π²ΡΠ΅Ρ Π²ΠΈΠ΄ΠΎΠ² Π³ΡΡΠ·ΠΎΠ²ΠΎΠ³ΠΎ Π°Π²ΡΠΎΡΡΠ°Π½ΡΠΏΠΎΡΡΠ°.
ΠΠ±ΡΠΈΠ΅ ΠΏΠ°ΡΠ°ΠΌΠ΅ΡΡΡ ΠΠΠ 239
Π ΡΠΎΡΡΠ°Π² ΠΠΠ Π²Ρ ΠΎΠ΄ΡΡ Π΄Π΅ΠΌΡΠ»ΡΡΠΈΠΏΠ»ΠΈΠΊΠ°ΡΠΎΡ (Π΄Π²ΡΡ Π΄ΠΈΠ°ΠΏΠ°Π·ΠΎΠ½Π½ΡΠΉ) Ρ ΡΠΈΠ½Ρ ΡΠΎΠ½ΠΈΠ·Π°ΡΠΎΡΠ°ΠΌΠΈ (Π½Π΅Ρ ΠΈΡ ΡΠΎΠ»ΡΠΊΠΎ Π½Π° ΠΏΠ΅ΡΠ²ΠΎΠΉ ΠΏΠ΅ΡΠ΅Π΄Π°ΡΠ΅ ΠΈ Π·Π°Π΄Π½Π΅ΠΌ Ρ ΠΎΠ΄Ρ), ΠΌΠ΅Ρ Π°Π½ΠΈΡΠ΅ΡΠΊΠΈΠΉ ΠΏΡΠΈΠ²ΠΎΠ΄ ΡΠΏΠΈΠ΄ΠΎΠΌΠ΅ΡΡΠ°, ΡΠ»Π΅ΠΊΡΡΠΎΠΌΠ°Π³Π½ΠΈΡΠ½Π°Ρ ΡΠΈΡΡΠ΅ΠΌΠ° Π±Π»ΠΎΠΊΠΈΡΠΎΠ²ΠΊΠΈ. Π’Π°ΠΊΠΆΠ΅ Π²ΠΎΠ·ΠΌΠΎΠΆΠ½Π° Π΅Π΅ Π΄ΠΎΠΊΠΎΠΌΠΏΠ»Π΅ΠΊΡΠ°ΡΠΈΡ ΡΠΈΡΡΠ΅ΠΌΠΎΠΉ ΡΠ΅ΠΏΠ»ΠΎΠΎΠ±ΠΌΠ΅Π½Π°, ΠΊΠΎΡΠΎΡΠ°Ρ Π±ΡΠ΄Π΅Ρ ΡΠ»Π΅Π΄ΠΈΡΡ Π·Π° ΡΠ΅ΠΌΠΏΠ΅ΡΠ°ΡΡΡΠΎΠΉ ΠΆΠΈΠ΄ΠΊΠΎΡΡΠ΅ΠΉ, ΠΎΡ Π»Π°ΠΆΠ΄Π°Ρ Π΅Π΅ Π² ΠΆΠ°ΡΡ ΠΈΠ»ΠΈ ΠΏΠΎΠ΄ΠΎΠ³ΡΠ΅Π²Π°Ρ Π½Π° Ρ ΠΎΠ»ΠΎΠ΄Π΅.
Π‘Ρ Π΅ΠΌΠ° ΠΠΠ 239 Π―ΠΠ
ΠΠΎ-ΠΊΠΎΠΌΠΏΠ»Π΅ΠΊΡΠ°ΡΠΈΡ ΠΠΠ 239 Π΄Π΅ΠΌΡΠ»ΡΡΠΈΠΏΠ»ΠΈΠΊΠ°ΡΠΎΡΠΎΠΌ Π±ΡΠ΄Π΅Ρ ΠΈΠΌΠ΅ΡΡ Π΄Π²Π΅ ΡΠΊΠΎΡΠΎΡΡΠΈ: ΡΡΠ°Π½Π΄Π°ΡΡΠ½ΡΡ ΠΈ ΠΏΠΎΠ²ΡΡΠ΅Π½Π½ΡΡ.
Π‘Ρ Π΅ΠΌΠ° ΠΠΠ 239 Ρ Π΄Π΅ΠΌΡΠ»ΡΡΠΈΠΏΠ»ΠΈΠΊΠ°ΡΠΎΡΠΎΠΌ ΠΏΠΎΡΡΠΈ Π½Π΅ ΠΌΠ΅Π½ΡΠ΅ΡΡΡ, Π²ΠΎΠ·ΠΌΠΎΠΆΠ½Π° Π»ΠΈΡΡ Π±ΠΎΠ»Π΅Π΅ ΡΠΎΡΠ½Π°Ρ ΡΠ΅Π³ΡΠ»ΠΈΡΠΎΠ²ΠΊΠ° ΡΠΊΠΎΡΠΎΡΡΠΈ.
ΠΠΠ Ρ Π΄Π΅ΠΌΡΠ»ΡΡΠΈΠΏΠ»ΠΈΠΊΠ°ΡΠΎΡΠΎΠΌ
Π ΡΠ΅Π»ΠΎΠΌ, ΡΡ
Π΅ΠΌΠ° ΡΠ°Π±ΠΎΡΡ ΠΠΠ Π±ΡΠ΄Π΅Ρ Π·Π°Π²ΠΈΡΠ΅ΡΡ ΠΎΡ ΠΌΠ°ΡΠΊΠΈ Π°Π²ΡΠΎ.![]()
Π£ΡΡΡΠ°Π½Π΅Π½ΠΈΠ΅ Π½Π΅ΠΏΠΎΠ»Π°Π΄ΠΎΠΊ ΠΠΠ 239
ΠΡΠ΅ΠΌΡ ΡΠ°Π±ΠΎΡΡ ΠΠΠ 239 ΠΎΠΏΡΠ΅Π΄Π΅Π»ΡΠ΅ΡΡΡ ΡΠ΅ΠΌ, Π½Π°ΡΠΊΠΎΠ»ΡΠΊΠΎ ΡΠΎΡΠ½ΠΎ Π²ΡΠΏΠΎΠ»Π½ΡΡΡΡΡ Π²ΡΠ΅ ΡΡΠ»ΠΎΠ²ΠΈΡ ΡΡΠΊΠΎΠ²ΠΎΠ΄ΡΡΠ²Π° ΠΏΠΎ Π΅Π΅ ΠΈΡΠΏΠΎΠ»ΡΠ·ΠΎΠ²Π°Π½ΠΈΡ. Π ΡΠ»ΡΡΠ°Π΅ ΠΏΠΎΠ»ΠΎΠΌΠΊΠΈ ΠΈΠ»ΠΈ Π½Π΅ΠΈΡΠΏΡΠ°Π²Π½ΠΎΡΡΠΈ Π°ΠΊΡΡΠ°Π»ΡΠ½ΠΎ Π²ΠΎΡΠΏΠΎΠ»ΡΠ·ΠΎΠ²Π°ΡΡΡΡ ΡΡΠ»ΡΠ³Π°ΠΌΠΈ Π‘Π’Π ΠΈΠ»ΠΈ ΠΆΠ΅ ΠΏΠΎΡΡΠ°ΡΠ°ΡΡΡΡ ΡΡΡΡΠ°Π½ΠΈΡΡ Π²ΠΎΠ·Π½ΠΈΠΊΡΡΡ ΠΏΡΠΎΠ±Π»Π΅ΠΌΡ ΡΠ°ΠΌΠΎΡΡΠΎΡΡΠ΅Π»ΡΠ½ΠΎ. ΠΠ½ΡΡΡΡΠΊΡΠΈΡ ΠΏΠΎ ΡΠΊΡΠΏΠ»ΡΠ°ΡΠ°ΡΠΈΠΈ ΠΈ ΠΎΠ±ΡΠ»ΡΠΆΠΈΠ²Π°Π½ΠΈΡ Π΅ΡΡΡ Π½Π° Π½Π°ΡΠ΅ΠΌ ΡΠ°ΠΉΡΠ΅ Π² ΡΠΎΠΎΡΠ²Π΅ΡΡΡΠ²ΡΡΡΠ΅ΠΌ ΡΠ°Π·Π΄Π΅Π»Π΅.
ΠΠ°Π·Π½Π°ΡΠ΅Π½ΠΈΠ΅ ΠΠΠ 239
ΠΡΠ΅Π΄Π½Π°Π·Π½Π°ΡΠ΅Π½Π° ΠΊΠΎΡΠΎΠ±ΠΊΠ° ΠΏΠ΅ΡΠ΅Π΄Π°Ρ Π―ΠΠ 239 Π΄Π»Ρ Π΄Π²ΠΈΠ³Π°ΡΠ΅Π»Π΅ΠΉ Π―ΠΠ-7511 Π°Π²ΡΠΎΠΌΠΎΠ±ΠΈΠ»Π΅ΠΉ ΠΌΠ°ΡΠΊΠΈ ΠΠΠΠ’, ΠΡΠΠ, ΠΠΠ, Β«Π£ΡΠ°Π»Β».
ΠΠΠΠ’ ΠΡΠΠ ΠΠΠ Β«Π£ΡΠ°Π»Β»
prokpp.ru
ΠΡΠΎΠ±Π»Π΅ΠΌΡ Ρ ΡΠΎΠ»Π΅Π½ΠΎΠΈΠ΄ΠΎΠΌ Π±Π»ΠΎΠΊΠΈΡΠΎΠ²ΠΊΠΈ ΠΏΠ΅ΡΠ΅ΠΊΠ»ΡΡΠ΅Π½ΠΈΡ ΠΏΠ΅ΡΠ΅Π΄Π°Ρ Π½Π° 8 ΡΠΊΠΎΡΠΎΡΡΡΡ
ΠΠ΅ΡΠ²ΠΎΠ½Π°ΡΠ°Π»ΡΠ½ΠΎ Π½Π°ΠΏΠΈΡΠ°Π» Mattblack59bus
P176C-11 ΠΡΠΈΠ±ΠΊΠ° ΡΠΏΡΠ°Π²Π»Π΅Π½ΠΈΡ Π±Π»ΠΎΠΊΠΈΡΠΎΠ²ΠΊΠΎΠΉ ΡΠ΅Π»Π΅ΠΊΡΠΎΡΠ° Π΄ΠΈΠ°ΠΏΠ°Π·ΠΎΠ½Π° ΡΡΠ°Π½ΡΠΌΠΈΡΡΠΈΠΈ ΠΠ±ΡΠ°Ρ ΡΠ»Π΅ΠΊΡΡΠΈΡΠ΅ΡΠΊΠ°Ρ Π½Π΅ΠΈΡΠΏΡΠ°Π²Π½ΠΎΡΡΡ Π¦Π΅ΠΏΡ ΠΊΠΎΡΠΎΡΠΊΠΎΠ΅ Π·Π°ΠΌΡΠΊΠ°Π½ΠΈΠ΅ Π½Π° ΠΌΠ°ΡΡΡ
Π€ΠΎΠ½
Π‘ΠΎΠ»Π΅Π½ΠΎΠΈΠ΄ Π±Π»ΠΎΠΊΠΈΡΠΎΠ²ΠΊΠΈ ΠΏΠ΅ΡΠ΅ΠΊΠ»ΡΡΠ΅Π½ΠΈΡ ΠΏΠ΅ΡΠ΅Π΄Π°Ρ ΠΏΡΠ΅Π΄ΠΎΡ
ΡΠ°Π½ΠΈΡΠ΅Π»ΡΠ½ΡΠΉ Π·Π°ΠΌΠΎΠΊ Π΄Π»Ρ ΠΏΡΠ΅Π΄ΠΎΡΠ²ΡΠ°ΡΠ΅Π½ΠΈΡ ΠΊΠΎΡΠΎΠ±ΠΊΠ° ΠΏΠ΅ΡΠ΅Π΄Π°Ρ ΠΎΡ Π²ΡΠ±ΠΎΡΠ° ΡΠ΅ΠΆΠΈΠΌΠ° Π΄Π²ΠΈΠΆΠ΅Π½ΠΈΡ Π±Π΅Π· Π½Π°ΠΆΠ°ΡΠΈΡ Π½Π° ΠΏΠ΅Π΄Π°Π»Ρ ΡΠΎΡΠΌΠΎΠ·Π°.
ΠΠ½ Π±ΡΠ΄Π΅Ρ Π±Π»ΠΎΠΊΠΈΡΠΎΠ²Π°ΡΡΡΡ ΡΠΎΠ»ΡΠΊΠΎ Π² ΡΠ΅ΠΆΠΈΠΌΠ΅ Β«ΠΠ°ΡΠΊΠΎΠ²ΠΊΠ°Β» ΠΈ Β«ΠΠ΅ΠΉΡΡΠ°Π»ΡΒ» ΠΈ Π½ΠΈΠΊΠΎΠ³Π΄Π° Π½Π΅ Π΄ΠΎΠ»ΠΆΠ΅Π½ Π±Π»ΠΎΠΊΠΈΡΠΎΠ²Π°ΡΡΡΡ Π² ΡΠ΅ΠΆΠΈΠΌΠ΅ Β«ΠΡΠ°ΠΉΠ²Β» ΠΈΠ»ΠΈ Β«ΠΠ°Π΄Π½ΠΈΠΉ Ρ
ΠΎΠ΄Β».
Π ΡΠ»ΡΡΠ°Π΅ ΠΎΡΡΡΡΡΡΠ²ΠΈΡ ΠΏΠΈΡΠ°Π½ΠΈΡ (Π½Π°ΠΏΡΠΈΠΌΠ΅Ρ, ΡΠ°Π·ΡΡΠΆΠ΅Π½Π½Π°Ρ Π±Π°ΡΠ°ΡΠ΅Ρ) 6-ΡΡΡΠΏΠ΅Π½ΡΠ°ΡΠ°Ρ ΠΊΠΎΡΠΎΠ±ΠΊΠ° ΠΏΠ΅ΡΠ΅Π΄Π°Ρ Π² Discovery 3 ΠΈ 4 (ΠΊΠ°ΠΊ ΠΈ Π² Π±ΠΎΠ»ΡΡΠΈΠ½ΡΡΠ²Π΅ Π°Π²ΡΠΎΠΌΠΎΠ±ΠΈΠ»Π΅ΠΉ) ΠΈΠΌΠ΅Π΅Ρ ΡΠ°Π·Π±Π»ΠΎΠΊΠΈΡΠΎΠ²ΠΊΡ Π±Π»ΠΎΠΊΠΈΡΠΎΠ²ΠΊΠΈ ΠΏΠ΅ΡΠ΅ΠΊΠ»ΡΡΠ΅Π½ΠΈΡ ΠΏΠ΅ΡΠ΅Π΄Π°Ρ, ΡΡΠΎΠ±Ρ ΡΠ°Π·Π±Π»ΠΎΠΊΠΈΡΠΎΠ²Π°ΡΡ ΡΠΎΠ»Π΅Π½ΠΎΠΈΠ΄ Π±Π»ΠΎΠΊΠΈΡΠΎΠ²ΠΊΠΈ ΠΏΠ΅ΡΠ΅ΠΊΠ»ΡΡΠ΅Π½ΠΈΡ ΠΏΠ΅ΡΠ΅Π΄Π°Ρ, ΠΊΠΎΡΠΎΡΡΠΉ ΠΏΠΎΠ·Π²ΠΎΠ»ΡΠ΅Ρ ΠΏΠ΅ΡΠ΅ΠΌΠ΅ΡΠ°ΡΡ ΡΡΡΠ°Π³ ΠΏΠ΅ΡΠ΅ΠΊΠ»ΡΡΠ΅Π½ΠΈΡ ΠΏΠ΅ΡΠ΅Π΄Π°Ρ. Π² Π½Π΅ΠΉΡΡΠ°Π»ΡΠ½ΠΎΠ΅ ΠΏΠΎΠ»ΠΎΠΆΠ΅Π½ΠΈΠ΅, ΠΏΠΎΡΠΊΠΎΠ»ΡΠΊΡ ΡΡΠΎΡ ΡΡΡΠ°Π³ ΡΠΎΠ΅Π΄ΠΈΠ½Π΅Π½ Ρ ΠΊΠΎΡΠΎΠ±ΠΊΠΎΠΉ ΠΏΠ΅ΡΠ΅Π΄Π°Ρ ΡΠΈΠ·ΠΈΡΠ΅ΡΠΊΠΈ-ΠΌΠ΅Ρ
Π°Π½ΠΈΡΠ΅ΡΠΊΠΈΠΌ ΠΊΠ°Π±Π΅Π»Π΅ΠΌ, ΠΎΠ½ Π²ΡΠ±Π΅ΡΠ΅Ρ Π½Π΅ΠΉΡΡΠ°Π»ΡΠ½ΠΎΠ΅ ΠΏΠΎΠ»ΠΎΠΆΠ΅Π½ΠΈΠ΅ Π±Π΅Π· ΠΏΠΈΡΠ°Π½ΠΈΡ.
Π ΡΠΎΠΆΠ°Π»Π΅Π½ΠΈΡ, Π² 8-ΡΡΡΠΏΠ΅Π½ΡΠ°ΡΠΎΠΉ ββΡΡΠ°Π½ΡΠΌΠΈΡΡΠΈΠΈ Π½Π΅Ρ ΡΠΈΠ·ΠΈΡΠ΅ΡΠΊΠΎΠ³ΠΎ ΠΊΠ°Π±Π΅Π»Ρ, ΡΠΎΠ΅Π΄ΠΈΠ½ΡΡΡΠ΅Π³ΠΎ Π΄ΠΈΡΠΊ ΠΏΠ΅ΡΠ΅ΠΊΠ»ΡΡΠ΅Π½ΠΈΡ ΠΏΠ΅ΡΠ΅Π΄Π°Ρ Ρ ΡΡΠ°Π½ΡΠΌΠΈΡΡΠΈΠ΅ΠΉ, Π΅Π΄ΠΈΠ½ΡΡΠ²Π΅Π½Π½ΠΎΠ΅ ΡΠΎΠ΅Π΄ΠΈΠ½Π΅Π½ΠΈΠ΅ β ΡΡΠΎ ΡΠ»Π΅ΠΊΡΡΠΎΠ½Π½ΡΠ΅ Π΄Π°Π½Π½ΡΠ΅ ΡΠ΅ΡΠ΅Π· ΡΠ΅ΡΡ CAN BUS Π°Π²ΡΠΎΠΌΠΎΠ±ΠΈΠ»Ρ (Ρ ΠΏΠΎΠ΄ΠΊΠ»ΡΡΠ΅Π½ΠΈΠ΅ΠΌ ΠΊ ΡΡΠ°Π½ΡΠΌΠΈΡΡΠΈΠΈ ΠΏΠΎ Π»ΠΎΠΊΠ°Π»ΡΠ½ΠΎΠΉ ΡΠ΅ΡΠΈ Π² ΠΊΠ°ΡΠ΅ΡΡΠ²Π΅ ΡΠ΅Π·Π΅ΡΠ²Π°). Π ΡΠ»ΡΡΠ°Π΅ ΠΎΡΡΡΡΡΡΠ²ΠΈΡ ΠΏΠΈΡΠ°Π½ΠΈΡ ΠΏΠΎΠ²ΠΎΡΠΎΡ ΡΠΈΡΠ΅ΡΠ±Π»Π°ΡΠ° (Π΅ΡΠ»ΠΈ Π±Ρ Π²Ρ ΠΌΠΎΠ³Π»ΠΈ) Π½ΠΈΡΠ΅Π³ΠΎ Π½Π΅ Π΄Π°Π»ΠΎ Π±Ρ.
ΠΡΠΎΠ±Π»Π΅ΠΌΠ°
ΠΠ»Ρ ΡΠ΅ΡΠ΅Π½ΠΈΡ ΡΡΠΎΠΉ ΠΏΡΠΎΠ±Π»Π΅ΠΌΡ ΠΊΠΎΠΌΠΏΠ°Π½ΠΈΡ Land Rover Π΄ΠΎΠ±Π°Π²ΠΈΠ»Π° ΠΌΠ΅Ρ
Π°Π½ΠΈΡΠ΅ΡΠΊΠΈΠΉ ΡΡΠΎΡ, ΠΊΠΎΡΠΎΡΡΠΉ ΠΏΠΎΠ·Π²ΠΎΠ»ΡΠ΅Ρ Π²Π°ΠΌ ΠΏΠ΅ΡΠ΅ΠΊΠ»ΡΡΠ°ΡΡΡΡ Π² Π½Π΅ΠΉΡΡΠ°Π»ΡΠ½ΠΎΠ΅ ΠΏΠΎΠ»ΠΎΠΆΠ΅Π½ΠΈΠ΅, Π½Π΅ ΠΏΠΎΠ²ΠΎΡΠ°ΡΠΈΠ²Π°Ρ ΠΏΠ΅ΡΠ΅ΠΊΠ»ΡΡΠ°ΡΠ΅Π»Ρ.
ΠΌΠΎΡΠ½ΠΎΡΡΡ, ΠΈΡΠΏΡΠ°Π²Π½ΡΠΉ Π°ΠΊΠΊΡΠΌΡΠ»ΡΡΠΎΡ, ΠΏΡΠΈΠΏΠ°ΡΠΊΠΎΠ²Π°Π½ Π½Π° ΠΏΠ»ΡΠΆΠ΅, Π΄Π²ΠΈΠ³Π°ΡΠ΅Π»Ρ ΡΠ°Π±ΠΎΡΠ°Π΅Ρ, ΠΏΡΠΈΠ±Π»ΠΈΠΆΠ°Π΅ΡΡΡ ΠΏΡΠΈΠ»ΠΈΠ², ΠΈ ΡΠΈΡΠ΅ΡΠ±Π»Π°Ρ Π·Π°Π±Π»ΠΎΠΊΠΈΡΠΎΠ²Π°Π½ Π² ΠΏΠΎΠ»ΠΎΠΆΠ΅Π½ΠΈΠΈ ΠΏΠ°ΡΠΊΠΎΠ²ΠΊΠΈ (ΠΈΠ»ΠΈ Π·Π°Π±Π»ΠΎΠΊΠΈΡΠΎΠ²Π°Π½ Π² Π΄Π²ΠΈΠΆΠ΅Π½ΠΈΠΈ Ρ Π²ΡΠΊΠ»ΡΡΠ΅Π½Π½ΡΠΌ Π΄Π²ΠΈΠ³Π°ΡΠ΅Π»Π΅ΠΌ) ΠΈΠ·-Π·Π° Π½Π΅ΠΈΡΠΏΡΠ°Π²Π½ΠΎΠ³ΠΎ ΡΠΎΠ»Π΅Π½ΠΎΠΈΠ΄Π° Π±Π»ΠΎΠΊΠΈΡΠΎΠ²ΠΊΠΈ ΠΏΠ΅ΡΠ΅ΠΊΠ»ΡΡΠ΅Π½ΠΈΡ ΠΏΠ΅ΡΠ΅Π΄Π°Ρ. ΠΡΡΡ ΡΠ΅Π°Π»ΡΠ½Π°Ρ ΠΏΡΠΎΠ±Π»Π΅ΠΌΠ°, Π²Ρ Π½Π΅ ΠΌΠΎΠΆΠ΅ΡΠ΅ Π²ΡΠ±ΡΠ°ΡΡ Π΄ΡΠ°ΠΉΠ², ΡΠ°ΠΊ ΠΊΠ°ΠΊ Π½Π΅Ρ Π±Π»ΠΎΠΊΠΈΡΠΎΠ²ΠΊΠΈ ΠΏΠ΅ΡΠ΅ΠΊΠ»ΡΡΠ΅Π½ΠΈΡ ΠΏΠ΅ΡΠ΅Π΄Π°Ρ (ΠΈ Π²Ρ Π½Π΅ ΠΌΠΎΠΆΠ΅ΡΠ΅ Π·Π°Π²Π΅ΡΡΠΈ ΠΌΠ°ΡΠΈΠ½Ρ, Π΅ΡΠ»ΠΈ Π΄ΠΈΡΠΊ Π½Π°Ρ
ΠΎΠ΄ΠΈΡΡΡ Π² ΡΠ΅ΠΆΠΈΠΌΠ΅ Π΄ΡΠ°ΠΉΠ²Π°, Π΄Π°ΠΆΠ΅ Π΅ΡΠ»ΠΈ Π²Ρ ΠΏΠΎΡΡΠ½Π΅ΡΠ΅ ΡΡΡΠ°Π³ Π½Π΅ΠΉΡΡΠ°Π»ΠΈ).
Π Π΅ΡΠ΅Π½ΠΈΠ΅ Π΄Π»Ρ Π±ΡΡΡΡΠΎΠ³ΠΎ ΠΈΠ·Π±Π°Π²Π»Π΅Π½ΠΈΡ ΠΎΡ ΠΏΠ»ΡΠΆΠ°
(ΠΈΠ½ΡΡΡΡΠΌΠ΅Π½ΡΡ Π΄Π»Ρ Ρ
ΡΠ°Π½Π΅Π½ΠΈΡ Π² ΠΌΠ°ΡΠΈΠ½Π΅; ΠΎΡΠ²Π΅ΡΡΠΊΠ° T20 Torx, Philips Drive)
Π§ΡΠΎ Π½Π°ΠΌ Π½ΡΠΆΠ½ΠΎ ΡΠ΄Π΅Π»Π°ΡΡ, ΡΠ°ΠΊ ΡΡΠΎ ΠΏΠΎΠ»ΡΡΠΈΡΡ Π΄ΠΎΡΡΡΠΏ ΠΊ ΠΏΠ΅ΡΠ΅ΠΊΠ»ΡΡΠ°ΡΠ΅Π»Ρ ΡΠΏΡΠ°Π²Π»Π΅Π½ΠΈΡ ΠΊΠΎΡΠΎΠ±ΠΊΠΎΠΉ ΠΏΠ΅ΡΠ΅Π΄Π°Ρ (TCS), ΠΏΠΎΠ²ΠΎΡΠΎΡΠ½ΠΎΠΉ ΡΡΡΠΊΠ΅.
Π‘Π½Π°ΡΠ°Π»Π° Π½Π°ΠΌ Π½ΡΠΆΠ½ΠΎ ΡΠ½ΡΡΡ ΠΏΠΎΠ΄ΡΡΠ°ΠΊΠ°Π½Π½ΠΈΠΊ ΠΈ Π»ΠΎΡΠΎΠΊ ΠΏΠΎΠ΄ Π½ΠΈΠΌ Ρ ΠΏΠΎΠΌΠΎΡΡΡ ΠΎΡΠ²Π΅ΡΡΠΊΠΈ Philips (ΠΈΠ»ΠΈ Π½Π΅Π±ΠΎΠ»ΡΡΠΎΠ³ΠΎ ΠΏΠ»ΠΎΡΠΊΠΎΠ³ΠΎ Π»Π΅Π·Π²ΠΈΡ, Π΅ΡΠ»ΠΈ ΡΡΠΎ Π²ΡΠ΅, ΡΡΠΎ Ρ Π²Π°Ρ Π΅ΡΡΡ).
ΠΡΠΊΡΠΎΠΉΡΠ΅ ΠΊΡΡΡΠΊΡ ΡΠ΅Π½ΡΡΠ°Π»ΡΠ½ΠΎΠΉ ΠΊΠΎΠ½ΡΠΎΠ»ΠΈ ΠΈ Π½Π°ΡΠ½ΠΈΡΠ΅ ΡΡΠ½ΡΡΡ Π²Π²Π΅ΡΡ
Π±ΠΎΠΊΠΎΠ²ΡΠ΅ ΡΡΠΎΡΠΎΠ½Ρ ΡΠ΅Π½ΡΡΠ°Π»ΡΠ½ΠΎΠΉ ΠΊΠΎΠ½ΡΠΎΠ»ΠΈ, Π³Π΄Π΅ Π½Π°Ρ
ΠΎΠ΄ΠΈΡΡΡ ΠΏΠΎΠ΄ΡΡΠ°ΠΊΠ°Π½Π½ΠΈΠΊ, Π²ΡΡ ΡΠ΅Π½ΡΡΠ°Π»ΡΠ½Π°Ρ ΡΠ°ΡΡΡ, ΠΎΠΊΡΡΠΆΠ°ΡΡΠ°Ρ TCS, Π΄ΠΎΠ»ΠΆΠ½Π° ΠΏΠΎΠ΄Π½ΡΡΡΡΡ ΠΈ ΠΎΡΠ²ΠΎΠ±ΠΎΠ΄ΠΈΡΡΡΡ.
ΠΠ½ Π±ΡΠ΄Π΅Ρ ΡΠΊΠΎΠ»ΡΠ·ΠΈΡΡ Π½Π°Π·Π°Π΄ ΠΎΡ ΠΏΡΠΈΠ±ΠΎΡΠ½ΠΎΠΉ ΠΏΠ°Π½Π΅Π»ΠΈ.
ΠΡΠΈΠ»ΠΎΠΆΠ΅Π½ΠΈΠ΅ 155702
Π’Π΅ΠΏΠ΅ΡΡ ΡΠ΅Π½ΡΡ ΡΠ°Π·Π±ΠΎΠ»ΡΠ°Π»ΡΡ, ΠΏΠ΅ΡΠ΅ΠΊΠ°ΡΡΠ²Π°Π΅ΠΌ Π²Π΅ΡΡ ΡΠ·Π΅Π» Π½Π° ΠΏΠ°ΡΡΠ°ΠΆΠΈΡΡΠΊΠΎΠ΅ ΡΠΈΠ΄Π΅Π½ΡΠ΅, ΡΡΠ°ΡΠ°ΡΡΡ Π½Π΅ Π½Π°ΡΡΠ³ΠΈΠ²Π°ΡΡ ΠΆΠ³ΡΡ ΠΏΡΠΎΠ²ΠΎΠ΄ΠΎΠ², Π½Π΅ ΡΠ΅ΠΊΠΎΠΌΠ΅Π½Π΄ΡΡ ΠΎΡΡΠΎΠ΅Π΄ΠΈΠ½ΡΡΡ ΠΎΡΠ½ΠΎΠ²Π½ΠΎΠΉ ΠΆΠ³ΡΡ, ΡΠ°ΠΊ ΠΊΠ°ΠΊ Π²Ρ ΠΏΠΎΠ»ΡΡΠΈΡΠ΅ Π±ΠΎΠ»ΡΡΠΎΠ΅ ΠΊΠΎΠ»ΠΈΡΠ΅ΡΡΠ²ΠΎ Π½Π΅ΠΈΡΠΏΡΠ°Π²Π½ΠΎΡΡΠ΅ΠΉ ΠΈ ΠΏΡΠΈΠ±ΠΎΡΠ½ΡΡ ΠΏΠ°Π½Π΅Π»Ρ Π³Π°ΡΠ½Π΅Ρ (Ρ Π²Π°Ρ ΡΠΆΠ΅ Π΄ΠΎΡΡΠ°ΡΠΎΡΠ½ΠΎ ΠΊΠΎΠ΄ΠΎΠ² Π½Π΅ΠΈΡΠΏΡΠ°Π²Π½ΠΎΡΡΠ΅ΠΉ, Ρ ΠΊΠΎΡΠΎΡΡΠΌΠΈ Π½ΡΠΆΠ½ΠΎ ΡΠ°Π·ΠΎΠ±ΡΠ°ΡΡΡΡ).
Π‘ ΠΏΠΎΠΌΠΎΡΡΡ ΠΎΡΠ²Π΅ΡΡΠΊΠΈ Torx T20 ΠΎΡΠΊΡΡΡΠΈΡΠ΅ 4 Π²ΠΈΠ½ΡΠ°, ΡΠ΄Π΅ΡΠΆΠΈΠ²Π°ΡΡΠΈΠ΅ ΠΏΠ»Π°ΡΡΠΈΠΊΠΎΠ²ΡΡ Π½Π°ΠΊΠ»Π°Π΄ΠΊΡ, ΠΎΠΊΡΡΠΆΠ°ΡΡΡΡ TCS, Π° ΡΠ°ΠΊΠΆΠ΅ 4 Π²ΠΈΠ½ΡΠ°, ΡΠ΄Π΅ΡΠΆΠΈΠ²Π°ΡΡΠΈΠ΅ ΠΏΠ°Π½Π΅Π»Ρ Π²ΡΠ±ΠΎΡΠ° ΡΠ΅ΠΆΠΈΠΌΠ°/Π²ΡΡΠΎΠΊΠΎΠ³ΠΎ/Π½ΠΈΠ·ΠΊΠΎΠ³ΠΎ Π΄ΠΈΠ°ΠΏΠ°Π·ΠΎΠ½ΠΎΠ².
ΠΠ²Π° Π²ΠΈΠ½ΡΠ° ΡΠΏΡΡΡΠ°Π½Ρ Π·Π° ΡΠ΅ΡΡΠΌ ΠΈ Π·Π΅Π»Π΅Π½ΡΠΌ ΡΠ°Π·ΡΠ΅ΠΌΠ°ΠΌΠΈ, Π΅ΡΠ»ΠΈ Π²Ρ Π½Π΅ ΠΌΠΎΠΆΠ΅ΡΠ΅ ΠΏΠΎΠ»ΡΡΠΈΡΡ Π΄ΠΎΡΡΡΠΏ ΠΊ ΡΡΠΈΠΌ Π²ΠΈΠ½ΡΠ°ΠΌ, ΠΏΡΠΎΡΡΠΎ Π²ΡΠ½ΡΡΠ΅ ΡΠ°Π·ΡΠ΅ΠΌ ΠΈΠ· Π΄Π΅ΡΠΆΠ°ΡΠ΅Π»Ρ, ΠΠ Π½Π΅ ΠΎΡΡΠΎΠ΅Π΄ΠΈΠ½ΡΠΉΡΠ΅ ΡΠ°ΠΌΠΎ ΡΠΎΠ΅Π΄ΠΈΠ½Π΅Π½ΠΈΠ΅.
ΠΠ°ΠΆΠ½ΠΎΠ΅ ΠΏΡΠΈΠΌΠ΅ΡΠ°Π½ΠΈΠ΅;
ΠΠ°ΡΡΠ½Π½ΡΠΉ Π²ΠΈΠ½Ρ Π² ΠΎΡΠ½ΠΎΠ²Π°Π½ΠΈΠΈ TSC Π±ΡΠ΄Π΅Ρ ΠΏΠΎΠ΄Π½ΠΈΠΌΠ°ΡΡ ΠΈ ΠΎΠΏΡΡΠΊΠ°ΡΡ ΠΏΠΎΠ²ΠΎΡΠΎΡΠ½ΡΠΉ Π΄ΠΈΡΠΊ, Π΅Π³ΠΎ Π±ΡΠ΄Π΅Ρ ΠΎΡΠ΅Π½Ρ Π»Π΅Π³ΠΊΠΎ ΠΏΠΎΠ²ΠΎΡΠ°ΡΠΈΠ²Π°ΡΡ, Π΄ΠΈΡΠΊ ΠΌΠΎΠΆΠ½ΠΎ ΠΈΡΠΏΠΎΠ»ΡΠ·ΠΎΠ²Π°ΡΡ (ΠΏΠΎΠ²ΠΎΡΠ°ΡΠΈΠ²Π°ΡΡ) Π² ΠΏΠΎΠ»Π½ΠΎΡΡΡΡ ΠΎΠΏΡΡΠ΅Π½Π½ΠΎΠΌ ΠΈ ΠΏΠΎΠ»Π½ΠΎΡΡΡΡ ΠΏΠΎΠ΄Π½ΡΡΠΎΠΌ ΠΏΠΎΠ»ΠΎΠΆΠ΅Π½ΠΈΠΈ, ΠΎΠ΄Π½Π°ΠΊΠΎ Π½Π΅ ΠΏΠΎΠ²ΠΎΡΠ°ΡΠΈΠ²Π°ΠΉΡΠ΅ Π΅Π³ΠΎ Π²ΠΈΠ½Ρ, Π΅ΡΠ»ΠΈ ΡΠΈΡΠ΅ΡΠ±Π»Π°Ρ Π½Π΅ Π½Π°Ρ
ΠΎΠ΄ΠΈΡΡΡ Π² ΠΏΠΎΠ»ΠΎΠΆΠ΅Π½ΠΈΠΈ Β«ΠΠ°ΡΠΊΠΎΠ²ΠΊΠ°Β», ΡΠΈΡΠ΅ΡΠ±Π»Π°Ρ ΠΏΠΎΠΏΡΡΠ°Π΅ΡΡΡ ΠΏΠΎΠ²Π΅ΡΠ½ΡΡΡΡΡ Π² ΠΏΠΎΠ»ΠΎΠΆΠ΅Π½ΠΈΠ΅ Β«ΠΠ°ΡΠΊΠΎΠ²ΠΊΠ°Β» ΠΏΡΠΈ ΠΎΠΏΡΡΠΊΠ°Π½ΠΈΠΈ, Π΅ΡΠ»ΠΈ Π²Π°Ρ ΡΠΎΠ»Π΅Π½ΠΎΠΈΠ΄ Π±Π»ΠΎΠΊΠΈΡΠΎΠ²ΠΊΠΈ ΠΏΠ΅ΡΠ΅ΠΊΠ»ΡΡΠ΅Π½ΠΈΡ ΠΏΠ΅ΡΠ΅Π΄Π°Ρ Π½Π°Ρ
ΠΎΠ΄ΠΈΡΡΡ Π² Π·Π°Π±Π»ΠΎΠΊΠΈΡΠΎΠ²Π°Π½Π½ΠΎΠΌ ΠΏΠΎΠ»ΠΎΠΆΠ΅Π½ΠΈΠΈ (Π±Π΅Π· ΠΏΠΈΡΠ°Π½ΠΈΡ), Π° ΡΠΈΡΠ΅ΡΠ±Π»Π°Ρ Π½Π°Ρ
ΠΎΠ΄ΠΈΡΡΡ Π² Π»ΡΠ±ΠΎΠΌ ΠΏΠΎΠ»ΠΎΠΆΠ΅Π½ΠΈΠΈ, ΠΊΡΠΎΠΌΠ΅ Β«ΠΠ°ΡΠΊΠΎΠ²ΠΊΠΈΒ», Π²Ρ ΡΡΠΎ-ΡΠΎ ΡΠ»ΠΎΠΌΠ°Π΅ΡΠ΅.
ΠΠΎΠΏΠΎΠ»Π½Π΅Π½ΠΈΠ΅ 155703
ΠΠΎΡΠ»Π΅ ΠΎΡΠΊΡΡΡΠΈΠ²Π°Π½ΠΈΡ 8 Π²ΠΈΠ½ΡΠΎΠ² ΠΎΡΠΊΠ°ΡΠΈΡΠ΅ Π²ΡΡ ΡΠ±ΠΎΡΠΊΡ ΠΎΠ±ΡΠ°ΡΠ½ΠΎ Π² Π½ΠΎΡΠΌΠ°Π»ΡΠ½ΠΎΠ΅ ΠΏΠΎΠ»ΠΎΠΆΠ΅Π½ΠΈΠ΅. (Π£Π±Π΅Π΄ΠΈΡΠ΅ΡΡ, ΡΡΠΎ Π²ΡΠ΅ ΡΠ»Π΅ΠΊΡΡΠΈΡΠ΅ΡΠΊΠΈΠ΅ ΡΠΎΠ΅Π΄ΠΈΠ½Π΅Π½ΠΈΡ Π½Π° ΠΌΠ΅ΡΡΠ΅)
ΠΠΊΠΊΡΡΠ°ΡΠ½ΠΎ ΡΠ½ΠΈΠΌΠΈΡΠ΅ ΠΏΠ»Π°ΡΡΠΈΠΊΠΎΠ²ΡΡ ΠΎΠΊΠ°Π½ΡΠΎΠ²ΠΊΡ Ρ TCS, Π²Ρ ΠΌΠΎΠΆΠ΅ΡΠ΅ ΠΎΡΡΠΎΡΠΎΠΆΠ½ΠΎ ΠΏΡΠΈΠΏΠΎΠ΄Π½ΡΡΡ Π΅Π΅ ΡΠΎ ΡΡΠΎΡΠΎΠ½Ρ ΠΏΠΎΠ΄ΡΡΠ°ΠΊΠ°Π½Π½ΠΈΠΊΠ°, ΡΠ°ΡΡΡ Π΅Π΅ Π±ΡΠ΄Π΅Ρ Π½Π°Ρ
ΠΎΠ΄ΠΈΡΡΡΡ ΠΏΠΎΠ΄ ΠΏΠ°Π½Π΅Π»ΡΡ Π²ΡΠ±ΠΎΡΠ° ΡΠ΅ΠΆΠΈΠΌΠ°/Π²ΡΡΠΎΠΊΠΎΠ³ΠΎ/Π½ΠΈΠ·ΠΊΠΎΠ³ΠΎ Π΄ΠΈΠ°ΠΏΠ°Π·ΠΎΠ½Π°. .
ΠΡΠΈΡΠΏΠΎΡΠΎΠ±Π»Π΅Π½ΠΈΠ΅ 155704
Π‘ ΠΏΠΎΠΌΠΎΡΡΡ ΠΎΡΠ²Π΅ΡΡΠΊΠΈ Torx T20 ΠΎΡΠΊΡΡΡΠΈΡΠ΅ 4 Π²ΠΈΠ½ΡΠ°, ΡΠ΄Π΅ΡΠΆΠΈΠ²Π°ΡΡΠΈΡ
TCS Π² ΠΊΠΎΠ½ΡΠΎΠ»ΠΈ, ΡΠ΅ΠΏΠ΅ΡΡ Π²Ρ ΠΌΠΎΠΆΠ΅ΡΠ΅ ΡΠ½ΡΡΡ TCS Ρ ΠΊΠΎΠ½ΡΠΎΠ»ΠΈ ΠΈ ΠΏΠΎΠ»ΠΎΠΆΠΈΡΡ Π΅Π΅ Π½Π° Π±ΠΎΠΊ.
Π£Π΄Π°Π»ΠΈΡΠ΅ 3 ΠΈΠ· 4 Π²ΠΈΠ½ΡΠΎΠ² Π½Π° Π²Π½Π΅ΡΠ½Π΅ΠΌ ΠΊΡΠ°Π΅ ΠΎΡΠ½ΠΎΠ²Π°Π½ΠΈΡ TCS, Π½Π΅ ΠΎΡΠΊΡΡΡΠΈΠ²Π°ΠΉΡΠ΅ Π²ΠΈΠ½ΡΡ Π² ΡΠ΅Π½ΡΡΠ΅ ΡΡΡΡΠΎΠΉΡΡΠ²Π°, ΠΎΠ½ΠΈ ΡΠ΄Π΅ΡΠΆΠΈΠ²Π°ΡΡ Π΄Π²ΠΈΠ³Π°ΡΠ΅Π»Ρ ΠΈ ΡΠΎΠ»Π΅Π½ΠΎΠΈΠ΄ Π½Π° ΠΌΠ΅ΡΡΠ΅.
ΠΡΠΈΠ»ΠΎΠΆΠ΅Π½ΠΈΠ΅ 155708
ΠΡ Π΄ΠΎΠ»ΠΆΠ½Ρ ΡΠ΄Π΅Π»Π°ΡΡ ΡΠ»Π΅Π΄ΡΡΡΠ΅Π΅ Ρ ΡΠΈΡΠ΅ΡΠ±Π»Π°ΡΠΎΠΌ Π² ΠΏΠΎΠ΄Π½ΡΡΠΎΠΌ ΠΏΠΎΠ»ΠΎΠΆΠ΅Π½ΠΈΠΈ, Π΅ΡΠ»ΠΈ Π²Ρ Π½Π°Ρ
ΠΎΠ΄ΠΈΡΠ΅ΡΡ Π² ΡΠ΅ΠΆΠΈΠΌΠ΅ Π΄Π²ΠΈΠΆΠ΅Π½ΠΈΡ, ΡΠΈΡΠ΅ΡΠ±Π»Π°Ρ Π±ΡΠ΄Π΅Ρ ΠΏΠΎΠ΄Π½ΡΡ, Π΅ΡΠ»ΠΈ Π²Ρ Π½Π°Ρ
ΠΎΠ΄ΠΈΡΠ΅ΡΡ Π² ΡΠ΅ΠΆΠΈΠΌΠ΅ ΠΏΠ°ΡΠΊΠΎΠ²ΠΊΠΈ, ΠΏΠΎΠ΄Π½ΠΈΠΌΠΈΡΠ΅ ΡΠΈΡΠ΅ΡΠ±Π»Π°Ρ, ΠΏΠΎΠ²Π΅ΡΠ½ΡΠ² Π»Π°ΡΡΠ½Π½ΡΠΉ Π²ΠΈΠ½Ρ, ΠΈ Π±ΡΠ΄ΡΡΠ΅ ΠΎΡΡΠΎΡΠΎΠΆΠ½Ρ.
ΠΠΎΡΠ»Π΅Π΄Π½ΠΈΠΉ Π²ΠΈΠ½Ρ, ΠΊΠΎΡΠΎΡΡΠΉ ΠΌΡ Π±ΡΠ΄Π΅ΠΌ ΠΈΡΠΏΠΎΠ»ΡΠ·ΠΎΠ²Π°ΡΡ, ΡΡΠΎΠ±Ρ ΡΠΊΡΠ΅ΠΏΠΈΡΡ Π²ΡΠ΅ Π²ΠΌΠ΅ΡΡΠ΅, ΠΎΡΠΊΡΡΡΠΈΡΠ΅ ΡΡΠΎΡ Π²ΠΈΠ½Ρ, ΡΡΠΎΠ±Ρ Π±Π»ΠΎΠΊ ΡΠ΄Π΅ΡΠΆΠΈΠ²Π°Π»ΡΡ Π²ΠΌΠ΅ΡΡΠ΅, Π½ΠΎ Π±ΡΠ» Π΄ΠΎΡΡΠ°ΡΠΎΡΠ½ΠΎ ΠΎΡΠΊΡΡΡ, ΡΡΠΎΠ±Ρ Π²Ρ ΠΌΠΎΠ³Π»ΠΈ Π²ΡΡΠ°Π²ΠΈΡΡ ΠΎΡΠ²Π΅ΡΡΠΊΡ Π² Π±Π»ΠΎΠΊ ΠΈ ΡΠ½ΡΡΡ Π±Π»ΠΎΠΊΠΈΡΠΎΠ²ΠΊΡ ΠΏΠ΅ΡΠ΅ΠΊΠ»ΡΡΠ΅Π½ΠΈΡ ΠΏΠ΅ΡΠ΅Π΄Π°Ρ.
ΠΠ°ΠΆΠ½ΠΎΠ΅ ΠΏΡΠΈΠΌΠ΅ΡΠ°Π½ΠΈΠ΅;
ΠΠ°ΠΌΠΎΠΊ ΠΏΠ΅ΡΠ΅ΠΊΠ»ΡΡΠ΅Π½ΠΈΡ ΠΏΠ΅ΡΠ΅Π΄Π°Ρ ΠΏΠ»Π°ΡΡΠΈΠΊΠΎΠ²ΡΠΉ, Π±ΡΠ΄ΡΡΠ΅ ΠΎΡΡΠΎΡΠΎΠΆΠ½Ρ. ΠΠ»Π°ΡΠ° Π½Π΅ Ρ
ΠΎΡΠ΅Ρ ΠΊΠΎΡΠΎΡΠΊΠΎΠ³ΠΎ Π·Π°ΠΌΡΠΊΠ°Π½ΠΈΡ, Π±ΡΠ΄ΡΡΠ΅ ΠΎΡΡΠΎΡΠΎΠΆΠ½Ρ. Π― ΠΈΡΠΏΠΎΠ»ΡΠ·ΠΎΠ²Π°Π» ΠΎΡΠ²Π΅ΡΡΠΊΡ, Π½ΠΎ Π²Ρ ΠΌΠΎΠΆΠ΅ΡΠ΅ ΠΈΡΠΏΠΎΠ»ΡΠ·ΠΎΠ²Π°ΡΡ ΡΡΠΎ-ΡΠΎ Π½Π΅ΠΏΡΠΎΠ²ΠΎΠ΄ΡΡΠ΅Π΅.
ΠΡ Π½Π΅ Ρ
ΠΎΡΠΈΠΌ ΠΎΡΠΊΡΡΠ²Π°ΡΡ ΡΡΡΡΠΎΠΉΡΡΠ²ΠΎ ΡΠ»ΠΈΡΠΊΠΎΠΌ Π΄Π°Π»Π΅ΠΊΠΎ, ΠΏΠΎΡΠΎΠΌΡ ΡΡΠΎ ΡΡ
Π΅ΠΌΠ° Π²ΡΠ±ΠΎΡΠ° ΠΏΠ΅ΡΠ΅Π΄Π°ΡΠΈ ΠΈΡΠΏΠΎΠ»ΡΠ·ΡΠ΅Ρ ΠΌΠ°Π³Π½ΠΈΡΡ ΠΈ Π΄Π°ΡΡΠΈΠΊΠΈ ΠΌΠ°Π³Π½ΠΈΡΠΎΠΌΠ΅ΡΡΠ°, ΠΎΡΠΊΡΡΡΠΈΠ΅ ΡΡΡΡΠΎΠΉΡΡΠ²Π° ΡΠ°Π·Π΄Π΅Π»ΡΠ΅Ρ ΠΈΡ
, ΠΎΡΠΊΡΡΡΠΈΠ΅ ΡΠ»ΠΈΡΠΊΠΎΠΌ Π΄Π°Π»Π΅ΠΊΠΎ, ΠΈ ΡΠΈΠΏ Π½Π΅ ΡΠ²ΠΈΠ΄ΠΈΡ ΠΈΠ·ΠΌΠ΅Π½Π΅Π½ΠΈΠ΅ ΠΏΠ΅ΡΠ΅Π΄Π°ΡΠΈ, ΠΊΠΎΠ³Π΄Π° ΠΌΡ ΠΏΠΎΠ²ΠΎΡΠ°ΡΠΈΠ²Π°Π΅ΠΌ ΡΠΈΡΠ΅ΡΠ±Π»Π°Ρ, ΠΈΠ»ΠΈ ΠΌΠΎΠΆΠ΅Ρ ΡΠ²ΠΈΠ΄Π΅ΡΡ Π½Π΅Π²Π΅ΡΠ½ΡΠΉ Π²ΡΠ±ΠΎΡ.
ΠΡΠΈΠ»ΠΎΠΆΠ΅Π½ΠΈΠ΅ 155706
ΠΠΎΠ»Π½ΠΎΡΡΡΡ ΠΎΡΠΊΡΡΡΡΠΉ Π²ΠΈΠ΄ TCS (ΡΠ½ΡΡΠΎ Π²ΠΎ Π²ΡΠ΅ΠΌΡ ΡΠ΅ΠΌΠΎΠ½ΡΠ°, ΠΏΠΎΠΊΠ° Π½Π΅ Π½ΡΠΆΠ½ΠΎ ΠΎΡΠΊΡΡΠ²Π°ΡΡ Π±Π»ΠΎΠΊ ΡΠ°ΠΊ Π΄Π°Π»Π΅ΠΊΠΎ)
ΠΡΠΈΠ»ΠΎΠΆΠ΅Π½ΠΈΠ΅ 155707
Π§ΡΠΎ Π½Π°ΠΌ Π½ΡΠΆΠ½ΠΎ ΡΠ΄Π΅Π»Π°ΡΡ, ΡΡΠΎ Π°ΠΊΠΊΡΡΠ°ΡΠ½ΠΎ ΡΠ½ΡΡΡ Π±Π»ΠΎΠΊΠΈΡΠΎΠ²ΠΊΡ ΠΏΠ΅ΡΠ΅ΠΊΠ»ΡΡΠ΅Π½ΠΈΡ Ρ ΠΏΠΎΠΌΠΎΡΡΡ ΠΎΡΠ²Π΅ΡΡΠΊΠΈ (ΠΈΠ»ΠΈ Π½Π΅ΠΏΡΠΎΠ²ΠΎΠ΄ΡΡΠ΅Π³ΠΎ ΠΈΠ½ΡΡΡΡΠΌΠ΅Π½ΡΠ°) ΠΎΠ΄Π½ΠΎΠΉ ΡΡΠΊΠΎΠΉ ΠΈ ΠΏΠΎΠ²Π΅ΡΠ½ΠΈΡΠ΅ Π΄ΠΈΡΠΊ Π΄ΡΡΠ³ΠΎΠΉ ΡΡΠΊΠΎΠΉ (ΠΏΡΠΈ ΠΏΠ΅ΡΠ΅ΠΊΠ»ΡΡΠ΅Π½ΠΈΠΈ Π½Π° Π΄Π²ΠΈΠΆΠ΅Π½ΠΈΠ΅ Π²ΠΏΠ΅ΡΠ΅Π΄ ΠΈΠ»ΠΈ Π½Π°Π·Π°Π΄ Π²Π°ΠΌ Π²ΡΠ΅ ΡΠ°Π²Π½ΠΎ ΠΏΠΎΠ½Π°Π΄ΠΎΠ±ΠΈΡΡΡ Π½ΠΎΠ³Π° Π½Π° ΠΏΠ΅Π΄Π°Π»ΠΈ ΡΠΎΡΠΌΠΎΠ·Π° (ΠΈ ΡΠ°Π±ΠΎΡΠΈΠΉ Π²ΡΠΊΠ»ΡΡΠ°ΡΠ΅Π»Ρ ΡΡΠΎΠΏ-ΡΠΈΠ³Π½Π°Π»ΠΎΠ²))
ΠΠΎΡΠ»Π΅ ΡΠΎΠ³ΠΎ, ΠΊΠ°ΠΊ Π²Ρ Π²ΡΠ±ΡΠ°Π»ΠΈ ΠΏΠ΅ΡΠ΅Π΄Π°ΡΡ, Π½Π°ΠΌ Π½ΡΠΆΠ½ΠΎ Π·Π°ΡΡΠ½ΡΡΡ Π΅Π΄ΠΈΠ½ΡΡΠ²Π΅Π½Π½ΡΠΉ Π²ΠΈΠ½Ρ, ΡΠΊΡΠ΅ΠΏΠ»ΡΡΡΠΈΠΉ ΡΡΡΡΠΎΠΉΡΡΠ²ΠΎ, ΠΈ Π΅ΡΠ»ΠΈ Ρ ΠΏΡΠΎΠ΅Π΄Ρ ΠΊΠ°ΠΊΠΎΠ΅-ΡΠΎ ΡΠ°ΡΡΡΠΎΡΠ½ΠΈΠ΅, Ρ Π±Ρ Π²Π΅ΡΠ½ΡΠ» TCS Π½Π° Π΅Π³ΠΎ ΠΏΡΠ°Π²ΠΈΠ»ΡΠ½ΠΎΠ΅ ΠΌΠ΅ΡΡΠΎ.
Π ΠΊΠ°ΡΠ΅ΡΡΠ²Π΅ Π°Π»ΡΡΠ΅ΡΠ½Π°ΡΠΈΠ²Ρ ΠΌΠΎΠΆΠ½ΠΎ ΠΈΡΠΏΠΎΠ»ΡΠ·ΠΎΠ²Π°ΡΡ ΡΠ»Π°ΡΡΠΈΡΠ½ΡΡ Π»Π΅Π½ΡΡ (ΡΠ΅Π·ΠΈΠ½ΠΊΡ Π΄Π»Ρ Π²ΠΎΠ»ΠΎΡ, Π²Π΅ΡΠ΅Π²ΠΊΡ, ΡΡΡΠΆΠΊΡ Π½Π° ΠΌΠΎΠ»Π½ΠΈΠΈ ΠΈ Ρ.Β Π΄.) ΠΈ ΡΠ΄Π΅ΡΠΆΠΈΠ²Π°ΡΡ Π·Π°ΠΌΠΎΠΊ ΠΏΠ΅ΡΠ΅ΠΊΠ»ΡΡΠ΅Π½ΠΈΡ ΠΏΠ΅ΡΠ΅Π΄Π°Ρ ΠΎΡΠΊΡΡΡΡΠΌ. ΠΡΠ»ΠΈ Π²Ρ ΡΠ΄Π΅Π»Π°Π΅ΡΠ΅ ΡΡΠΎ, Π²Ρ ΠΏΠΎΠ»ΡΡΠΈΡΠ΅ Π²ΡΠΎΡΠΎΠΉ ΠΊΠΎΠ΄ Π½Π΅ΠΈΡΠΏΡΠ°Π²Π½ΠΎΡΡΠΈ, ΡΠΊΠ°Π·ΡΠ²Π°ΡΡΠΈΠΉ Π½Π° ΠΌΠ΅Ρ
Π°Π½ΠΈΡΠ΅ΡΠΊΡΡ Π½Π΅ΠΈΡΠΏΡΠ°Π²Π½ΠΎΡΡΡ Π±Π»ΠΎΠΊΠΈΡΠΎΠ²ΠΊΠΈ ΠΏΠ΅ΡΠ΅ΠΊΠ»ΡΡΠ΅Π½ΠΈΡ ΠΏΠ΅ΡΠ΅Π΄Π°Ρ, ΠΈ Π²Ρ ΠΌΠΎΠΆΠ΅ΡΠ΅ Π²ΡΠ±ΡΠ°ΡΡ ΡΠ΅ΠΆΠΈΠΌ Π΄Π²ΠΈΠΆΠ΅Π½ΠΈΡ ΡΠΎΠ»ΡΠΊΠΎ ΠΏΡΠΈ Π½Π°ΠΆΠ°ΡΠΎΠΉ ΠΏΠ΅Π΄Π°Π»ΠΈ ΡΠΎΡΠΌΠΎΠ·Π° (ΡΠ°Π±ΠΎΡΠΈΠΉ ΠΏΠ΅ΡΠ΅ΠΊΠ»ΡΡΠ°ΡΠ΅Π»Ρ ΡΠΎΡΠΌΠΎΠ·Π°), ΠΏΠΎΠ²ΠΎΡΠ°ΡΠΈΠ²Π°Ρ Π΄ΠΈΡΠΊ Π΄Π»Ρ Π΄Π²ΠΈΠΆΠ΅Π½ΠΈΡ Π±Π΅Π· ΡΠ΅Π·ΡΠ»ΡΡΠ°ΡΠΎΠ² ΠΏΠ΅Π΄Π°Π»ΠΈ ΡΠΎΡΠΌΠΎΠ·Π°. Π² ΠΌΠΈΠ³Π°ΡΡΠ΅ΠΌ D ΠΈΠ»ΠΈ R Π½Π° ΠΏΡΠΈΠ±ΠΎΡΠ½ΠΎΠΉ ΠΏΠ°Π½Π΅Π»ΠΈ ΠΈ Π±Π΅Π· ΠΏΡΠΈΠ²ΠΎΠ΄Π°.
ΠΠ±Ρ
ΠΎΠ΄Π½ΠΎΠ΅ ΡΠ΅ΡΠ΅Π½ΠΈΠ΅
ΠΡΠΎ ΠΈΡΠΏΡΠ°Π²Π»Π΅Π½ΠΈΠ΅ ΠΏΠΎΠ»Π΅Π·Π½ΠΎ Π΄Π»Ρ ΠΏΠΎΠΈΡΠΊΠ° Π½Π΅ΠΏΠΎΡΡΠΎΡΠ½Π½ΠΎΠΉ Π½Π΅ΠΈΡΠΏΡΠ°Π²Π½ΠΎΡΡΠΈ ΠΈ Π΄Π»Ρ Π΄ΡΡΠ΅Π²Π½ΠΎΠ³ΠΎ ΡΠΏΠΎΠΊΠΎΠΉΡΡΠ²ΠΈΡ, ΠΎΠ½ΠΎ Π²ΠΊΠ»ΡΡΠ°Π΅Ρ Π² ΡΠ΅Π±Ρ ΡΠΎΠ·Π΄Π°Π½ΠΈΠ΅ ΡΡΡΠ°Π³Π° Π±Π»ΠΎΠΊΠΈΡΠΎΠ²ΠΊΠΈ ΠΏΠ΅ΡΠ΅ΠΊΠ»ΡΡΠ΅Π½ΠΈΡ ΠΏΠ΅ΡΠ΅Π΄Π°Ρ ΠΏΠΎΠ΄ ΠΏΠΎΠ΄ΡΡΠ°ΠΊΠ°Π½Π½ΠΈΠΊΠΎΠΌ, ΠΊΠΎΡΠΎΡΡΠΉ Π±ΡΡΡΡΠΎ ΡΠ°Π·Π±Π»ΠΎΠΊΠΈΡΡΠ΅Ρ Π±Π»ΠΎΠΊΠΈΡΠΎΠ²ΠΊΡ ΠΏΠ΅ΡΠ΅ΠΊΠ»ΡΡΠ΅Π½ΠΈΡ ΠΏΠ΅ΡΠ΅Π΄Π°Ρ Π² ΡΠ»ΡΡΠ°Π΅ ΠΎΡΠΊΠ°Π·Π° ΡΠΎΠ»Π΅Π½ΠΎΠΈΠ΄Π°, ΠΎΠ΄Π½Π°ΠΊΠΎ Ρ Π½Π΅ ΡΠ΅ΠΊΠΎΠΌΠ΅Π½Π΄ΡΠ΅ΡΡΡ ΠΈΡΠΏΠΎΠ»ΡΠ·ΠΎΠ²Π°ΡΡ ΡΡΠΎΡ ΠΌΠ΅ΡΠΎΠ΄ Π΄Π»Ρ Π΄Π»ΠΈΡΠ΅Π»ΡΠ½ΠΎΠ³ΠΎ ΠΈΡΠΏΠΎΠ»ΡΠ·ΠΎΠ²Π°Π½ΠΈΡ (ΠΊΡΠΎ Π·Π°Ρ
ΠΎΡΠ΅Ρ ΠΏΠΎΠ΄Π½ΠΈΠΌΠ°ΡΡ ΠΏΠΎΠ΄ΡΡΠ°ΠΊΠ°Π½Π½ΠΈΠΊ ΠΏΡΠΈ ΠΊΠ°ΠΆΠ΄ΠΎΠΌ ΠΏΠ΅ΡΠ΅ΠΊΠ»ΡΡΠ΅Π½ΠΈΠΈ ΠΏΠ΅ΡΠ΅Π΄Π°Ρ?). Π ΠΏΠΎΠΌΠ½ΠΈΡΠ΅, ΡΡΠΎ Π΅ΡΠ»ΠΈ Ρ Π²Π°Ρ Π½Π΅Ρ ΡΠΈΠ»Ρ, ΠΈΡΠΏΠΎΠ»ΡΠ·ΠΎΠ²Π°Π½ΠΈΠ΅ ΡΡΠΎΠ³ΠΎ Π½Π΅ ΠΏΠΎΠ·Π²ΠΎΠ»ΠΈΡ Π²Π°ΠΌ Π²ΡΠ±ΡΠ°ΡΡ Π½Π΅ΠΉΡΡΠ°Π»Ρ, Π²Π°ΠΌ Π²ΡΠ΅ ΡΠ°Π²Π½ΠΎ Π½ΡΠΆΠ½ΠΎ Π±ΡΠ΄Π΅Ρ ΠΈΡΠΏΠΎΠ»ΡΠ·ΠΎΠ²Π°ΡΡ Π΄Π»Ρ ΡΡΠΎΠ³ΠΎ ΠΊΡΠ°ΡΠ½ΡΠΉ ΡΡΡΠ°Π³.
ΠΡΠΏΠΎΠ»Π½ΠΈΡΠ΅ ΠΎΠΏΠΈΡΠ°Π½Π½ΡΡ Π²ΡΡΠ΅ ΠΏΡΠΎΡΠ΅Π΄ΡΡΡ, ΡΡΠΎΠ±Ρ ΡΠ΄Π°Π»ΠΈΡΡ TCS, ΠΊΠ°ΠΊ ΡΠΎΠ»ΡΠΊΠΎ TCS ΠΎΡΠ²ΠΎΠ±ΠΎΠ΄ΠΈΡΡΡ, ΠΎΡΡΠΎΠ΅Π΄ΠΈΠ½ΠΈΡΠ΅ ΠΊΠ°Π±Π΅Π»Ρ TCS, Π²Π°ΠΌ Π½ΡΠΆΠ½ΠΎ Π±ΡΠ΄Π΅Ρ ΠΏΠΎΠ΄Π½ΡΡΡ ΠΊΡΠ°ΡΠ½ΡΠΉ ΡΡΠΎΠΏΠΎΡΠ½ΡΠΉ ΡΡΡΠ°Π³ / ΡΠ·ΡΡΠΎΠΊ, ΡΡΠΎΠ±Ρ ΡΠ½ΡΡΡ ΡΠ°Π·ΡΠ΅ΠΌ, ΠΎΠΏΡΡΡ ΠΆΠ΅, Π½ΠΈΡΠ΅Π³ΠΎ Π½Π΅ Π½ΡΠΆΠ½ΠΎ Π½Π°ΠΆΠΈΠΌΠ°ΡΡ, ΠΏΠΎΡΡΠΎΠΌΡ Π½ΠΈΡΠ΅Π³ΠΎ Π½Π΅ ΡΠ»ΠΎΠΌΠ°ΠΉΡΠ΅.
ΠΠ΅ΡΠ΅Π½Π΅ΡΠΈΡΠ΅ TCS Π½Π° ΡΠΈΡΡΡΠΉ Π²Π΅ΡΡΡΠ°ΠΊ ΠΈΠ»ΠΈ ΠΊΡΡ
ΠΎΠ½Π½ΡΠΉ ΡΡΠΎΠ», TCS ΡΠΎΠ΄Π΅ΡΠΆΠΈΡ ΡΠ΅ΠΏΠΈ, ΡΡΠ²ΡΡΠ²ΠΈΡΠ΅Π»ΡΠ½ΡΠ΅ ΠΊ ΡΡΠ°ΡΠΈΡΠ΅ΡΠΊΠΎΠΌΡ ΡΠ»Π΅ΠΊΡΡΠΈΡΠ΅ΡΡΠ²Ρ, ΠΏΠΎΡΡΠΎΠΌΡ ΠΏΠΎΠ·Π°Π±ΠΎΡΡΡΠ΅ΡΡ ΠΎ ΡΠΎΠΌ, ΡΡΠΎΠ±Ρ Π½Π΅ Π½Π°ΠΊΠ°ΠΏΠ»ΠΈΠ²Π°Π»ΡΡ ΡΡΠ°ΡΠΈΡΠ΅ΡΠΊΠΈΠΉ Π·Π°ΡΡΠ΄ (ΠΏΠΎΠ³ΡΠ³Π»ΠΈΡΠ΅, Π΅ΡΠ»ΠΈ Π½ΡΠΆΠ½ΠΎ).
Π§ΡΠΎΠ±Ρ ΠΏΠΎΠ»Π½ΠΎΡΡΡΡ ΠΎΡΠΊΡΡΡΡ Π±Π»ΠΎΠΊ, Π½Π°ΠΌ Π½ΡΠΆΠ½ΠΎ ΡΠ½ΡΡΡ ΡΠ΅ΡΠ½ΡΡ ΠΏΠ»Π°ΡΡΠΈΠΊΠΎΠ²ΡΡ ΡΠ΅Π½ΡΡΠ°Π»ΡΠ½ΡΡ Π·Π°Π³Π»ΡΡΠΊΡ Ρ ΠΌΠ΅ΡΠ°Π»Π»ΠΈΡΠ΅ΡΠΊΠΎΠ³ΠΎ ΡΠΈΡΠ΅ΡΠ±Π»Π°ΡΠ°, ΠΊΡΡΡΠΊΠ° Π΄Π΅ΡΠΆΠΈΡΡΡ Π½Π° Π΄Π²ΡΡΡΠΎΡΠΎΠ½Π½Π΅ΠΌ ΡΠΊΠΎΡΡΠ΅, Π΄Π»Ρ ΡΡΠΎΠ³ΠΎ ΠΌΡ Π²ΡΡΠ°Π²Π»ΡΠ΅ΠΌ ΠΌΠ°Π»Π΅Π½ΡΠΊΡΡ ΠΏΠ»ΠΎΡΠΊΡΡ ΠΎΡΠ²Π΅ΡΡΠΊΡ ΠΌΠ΅ΠΆΠ΄Ρ ΠΊΡΠ°Π΅ΠΌ ΠΏΠ»Π°ΡΡΠΈΠΊΠ° ΠΈ ΡΠΈΡΠ΅ΡΠ±Π»Π°ΡΠΎΠΌ. ΠΌΠ΅ΡΠ°Π»Π»ΠΈΡΠ΅ΡΠΊΠΈΠΉ ΡΠΈΡΠ΅ΡΠ±Π»Π°Ρ ΠΈ ΡΡΡΠ°Π³ ΠΌΠ΅Π΄Π»Π΅Π½Π½ΠΎ Π²Π²Π΅ΡΡ
, Ρ ΡΠ°ΠΊΠΆΠ΅ ΠΈΡΠΏΠΎΠ»ΡΠ·ΠΎΠ²Π°Π» Π½ΠΎΠΆ Π΄Π»Ρ ΠΊΠΎΡΠΎΠ±ΠΎΠΊ ΠΈ Π²ΡΡΠ°Π²ΠΈΠ» Π»Π΅Π·Π²ΠΈΠ΅ Π² Π½Π΅Π±ΠΎΠ»ΡΡΠΎΠΉ Π·Π°Π·ΠΎΡ, ΠΊΠ°ΠΊ ΡΠΎΠ»ΡΠΊΠΎ ΠΎΠ½ Π½Π°ΡΠ°Π» ΠΏΠΎΠ΄Π½ΠΈΠΌΠ°ΡΡΡΡ (Π±ΡΠ΄ΡΡΠ΅ ΠΎΡΡΠΎΡΠΎΠΆΠ½Ρ, Π΅ΡΠ»ΠΈ Π²Ρ ΡΡΠΎ ΡΠ΄Π΅Π»Π°Π΅ΡΠ΅), ΠΌΠ½Π΅ ΡΠ΄Π°Π»ΠΎΡΡ ΡΠ½ΡΡΡ ΡΡΠΎ Π±Π΅Π· ΠΊΠ°ΠΊΠΈΡ
-Π»ΠΈΠ±ΠΎ ΠΏΡΠΎΠ±Π»Π΅ΠΌ, Π½ΠΎ Π½Π΅ Π²ΠΎΠ»Π½ΡΠΉΡΠ΅ΡΡ, Π΅ΡΠ»ΠΈ Π²Ρ ΠΏΠΎΠ²ΡΠ΅Π΄ΠΈΡΠ΅ ΠΊΠΎΠ»ΠΏΠ°ΡΠΎΠΊ Π² ΠΊΠ°ΡΠ΅ΡΡΠ²Π΅ Π·Π°ΠΌΠ΅Π½Ρ Π½Π° Π²ΡΠΎΡΠΈΡΠ½ΠΎΠΌ ΡΡΠ½ΠΊΠ΅ Π΄ΠΎΡΡΡΠΏΠ΅Π½ Π² ΡΠ°Π·Π»ΠΈΡΠ½ΡΡ
ΡΠ²Π΅ΡΠ°Ρ
.
ΠΠΎΡΠ»Π΅ ΡΠΎΠ³ΠΎ, ΠΊΠ°ΠΊ ΠΏΠ»Π°ΡΡΠΈΠΊΠΎΠ²Π°Ρ ΠΊΡΡΡΠΊΠ° ΡΠ½ΡΡΠ°, ΠΌΡ ΠΌΠΎΠΆΠ΅ΠΌ ΡΠ½ΡΡΡ ΠΌΠ΅ΡΠ°Π»Π»ΠΈΡΠ΅ΡΠΊΠΈΠΉ Π΄ΠΈΡΠΊ Ρ ΠΏΠΎΠΌΠΎΡΡΡ ΠΎΡΠ²Π΅ΡΡΠΊΠΈ Torx T20.
ΠΠ΅ΡΠ΅Π²Π΅ΡΠ½ΠΈΡΠ΅ ΡΡΡΡΠΎΠΉΡΡΠ²ΠΎ ΠΈ ΡΠ΄Π°Π»ΠΈΡΠ΅ 6 Π²ΠΈΠ½ΡΠΎΠ² Torx T20, 2 Π΄Π΅ΡΠΆΠ°Ρ ΠΏΠ»Π°ΡΡΠΈΠΊΠΎΠ²ΡΡ ΠΊΡΡΡΠΊΡ Π²ΠΎΠΊΡΡΠ³ ΡΠ°Π·ΡΠ΅ΠΌΠ°, ΠΎΡΡΠ°Π»ΡΠ½ΡΠ΅ 4 ΡΠΊΡΠ΅ΠΏΠ»ΡΡΡ ΡΡΡΡΠΎΠΉΡΡΠ²ΠΎ Π²ΠΎΠΊΡΡΠ³ Π²Π½Π΅ΡΠ½Π΅Π³ΠΎ ΠΊΡΠ°Ρ (Π½Π΅ ΡΠ΄Π°Π»ΡΠΉΡΠ΅ 3 Π²ΠΈΠ½ΡΠ° Π² ΡΠ΅Π½ΡΡΠ΅ ΠΌΠ΅ΡΠ°Π»Π»ΠΈΡΠ΅ΡΠΊΠΎΠΉ ΡΠ΅ΠΊΡΠΈΠΈ, ΠΎΠ½ΠΈ ΡΠ΄Π΅ΡΠΆΠΈΠ²Π°ΡΡ Π΄Π²ΠΈΠ³Π°ΡΠ΅Π»Ρ ΠΈ ΡΠΎΠ»Π΅Π½ΠΎΠΈΠ΄ Π½Π° ΠΌΠ΅ΡΡΠ΅)
Π‘Π½Π°ΡΠ°Π»Π° ΡΠ½ΠΈΠΌΠΈΡΠ΅ ΠΏΠ»Π°ΡΡΠΈΠΊΠΎΠ²ΡΡ ΠΊΡΡΡΠΊΡ Π²ΠΎΠΊΡΡΠ³ ΡΠ°Π·ΡΠ΅ΠΌΠ° (ΡΠ»Π΅Π΄Ρ Π·Π° ΡΠ΅ΠΌ, ΡΡΠΎΠ±Ρ Π½Π΅ ΠΏΠΎΠ³Π½ΡΡΡ ΠΊΠΎΠ½ΡΠ°ΠΊΡΡ ΡΠ°Π·ΡΠ΅ΠΌΠ°), ΠΏΠΎΠ΄ ΡΡΠΎΠΉ ΠΊΡΡΡΠΊΠΎΠΉ Π½Π°Ρ
ΠΎΠ΄ΡΡΡΡ Π΄Π²Π° ΠΊΠ°Π±Π΅Π»Ρ: ΠΎΠ΄ΠΈΠ½ Π΄Π»Ρ ΡΠΎΠ»Π΅Π½ΠΎΠΈΠ΄Π°, Π° Π΄ΡΡΠ³ΠΎΠΉ Π΄Π»Ρ ΠΏΡΠΈΠ²ΠΎΠ΄Π½ΠΎΠ³ΠΎ Π΄Π²ΠΈΠ³Π°ΡΠ΅Π»Ρ (Π΄Π»Ρ ΠΏΠΎΠ΄ΡΠ΅ΠΌΠ° ΠΈ ΠΎΠΏΡΡΠΊΠ°Π½ΠΈΡ Π΄ΠΈΡΠΊ), ΠΎΡΡΠΎΠ΅Π΄ΠΈΠ½ΠΈΡΠ΅ ΠΎΠ±Π° ΠΊΠ°Π±Π΅Π»Ρ.
Π’Π΅ΠΏΠ΅ΡΡ Π²Ρ ΡΠΌΠΎΠΆΠ΅ΡΠ΅ ΡΠ°Π·Π΄Π΅Π»ΠΈΡΡ TCS Π½Π° Π΄Π²Π΅ ΠΏΠΎΠ»ΠΎΠ²ΠΈΠ½Ρ.
ΠΠ°ΠΊ Π½Π° ΠΊΠ°ΡΡΠΈΠ½ΠΊΠ΅ Π²ΡΡΠ΅
ΠΠ°Π»Π΅Π΅ Π½ΡΠΆΠ½ΠΎ ΠΏΡΠΎΡΠ²Π΅ΡΠ»ΠΈΡΡ ΠΎΡΠ²Π΅ΡΡΡΠΈΠ΅ Π² ΠΊΠΎΡΠΏΡΡΠ΅ ΠΈ ΡΠ΅ΡΠ΅Π· ΠΊΠΎΠ½Π΅Ρ ΠΏΠ»Π°ΡΡΠΈΠΊΠΎΠ²ΠΎΠ³ΠΎ Π·Π°ΠΏΠΎΡΠ½ΠΎΠ³ΠΎ ΠΌΠ΅Ρ
Π°Π½ΠΈΠ·ΠΌΠ°, Ρ Π½Π΅ Π±ΡΠ΄Ρ Π΄Π°Π²Π°ΡΡ ΡΠ°Π·ΠΌΠ΅ΡΡ, Π½ΠΎ Π²Π°ΠΌ Π½ΡΠΆΠ½ΠΎ, ΡΡΠΎΠ±Ρ ΠΎΡΠ²Π΅ΡΡΡΠΈΡ ΡΠΎΠ²ΠΏΠ°Π΄Π°Π»ΠΈ ΠΈ Π±ΡΠ»ΠΈ ΠΏΡΠΈΠΌΠ΅ΡΠ½ΠΎ 3 ΠΌΠΌ, Π²ΠΎΠ·ΡΠΌΠΈΡΠ΅ Π²ΡΠ΅ΠΌΡ (ΠΎΠ΄ΠΈΠ½ ΡΠ°Π· ΠΎΡΠΌΠ΅ΡΡ ΠΈ Π΄Π²Π°ΠΆΠ΄Ρ ΠΏΡΠΎΡΠ²Π΅ΡΠ»ΠΈ ΠΈΠ»ΠΈ ΡΡΠΎ-ΡΠΎ Π² ΡΡΠΎΠΌ ΡΠΎΠ΄Π΅).
ΠΡΠΈΡΠΏΠΎΡΠΎΠ±Π»Π΅Π½ΠΈΠ΅ 155709
ΠΠΎΠ·ΡΠΌΠΈΡΠ΅ Π΄Π»ΠΈΠ½Π½ΡΡ ΡΠΎΠ½ΠΊΡΡ ΡΡΡΠΆΠΊΡ, ΠΎΠ±Π΅ΡΠ½ΠΈΡΠ΅ Π΅Π΅ Π²ΠΎΠΊΡΡΠ³ ΠΊΠΎΠ»ΡΡΠ° Π΄Π»Ρ ΠΊΠ»ΡΡΠ΅ΠΉ ΠΈ Π·Π°ΡΡΠ΅Π³Π½ΠΈΡΠ΅ ΠΌΠΎΠ»Π½ΠΈΡ (ΡΡΠΎ Π±ΡΠ΄Π΅Ρ ΠΏΠ΅ΡΠ»Ρ Π΄Π»Ρ ΠΊΠΎΠ»ΡΡΠ°), Π·Π°ΡΠ΅ΠΌ ΠΏΡΠΎΠ΄Π΅Π½ΡΡΠ΅ Π΄ΡΡΠ³ΠΎΠΉ ΠΊΠΎΠ½Π΅Ρ ΡΠ΅ΡΠ΅Π· ΠΎΡΠ²Π΅ΡΡΡΠΈΠ΅ ΠΈ ΠΏΡΠΈΡΠΎΠ΅Π΄ΠΈΠ½ΠΈΡΠ΅ ΠΊ Π½Π΅ΠΌΡ Π²ΡΠΎΡΡΡ ΡΡΡΠΆΠΊΡ, ΠΎΡΡΠ΅ΠΆΡΡΠ΅ Π»ΠΈΡΠ½ΡΡ ΡΡΡΠΆΠΊΡ ΠΈ ΠΎΡΡΠ°ΡΠΎΠΊ Π²ΡΠΎΡΠΎΠΉ ΡΡΡΠΆΠΊΠΈ.
ΠΠ°ΡΡΠ΅ΠΆΠΊΠ°-ΠΌΠΎΠ»Π½ΠΈΡ Π΄ΠΎΡΡΠ°ΡΠΎΡΠ½ΠΎ Π³ΠΈΠ±ΠΊΠ°Ρ, ΡΡΠΎΠ±Ρ ΠΏΠ΅ΡΠ»ΡΡΡ ΠΈ ΠΎΠΊΠ°Π·ΡΠ²Π°ΡΡ Π΄Π°Π²Π»Π΅Π½ΠΈΠ΅ Π½Π° ΠΌΠ΅Ρ
Π°Π½ΠΈΠ·ΠΌ, ΠΊΠΎΠ³Π΄Π° Π΅Π΅ Π²ΡΡΡΠ³ΠΈΠ²Π°ΡΡ ΡΠΎ ΡΡΠΎΡΠΎΠ½Ρ Π΄Π΅ΡΠΆΠ°ΡΠ΅Π»Ρ ΡΠ°ΡΠΊΠΈ TCS. ΠΡΠΎ ΡΠΎ, ΡΡΠΎ Ρ ΠΈΡΠΏΠΎΠ»ΡΠ·ΠΎΠ²Π°Π», Π½ΠΎ Π²Ρ ΠΌΠΎΠΆΠ΅ΡΠ΅ ΠΈΡΠΏΠΎΠ»ΡΠ·ΠΎΠ²Π°ΡΡ Π²Π΅ΡΠ΅Π²ΠΊΡ ΠΈΠ»ΠΈ ΡΡΠΎ-ΡΠΎ ΠΏΠΎΠ΄ΠΎΠ±Π½ΠΎΠ΅ ΠΏΠΎΠ΄ ΡΡΠΊΠΎΠΉ, ΠΏΡΠΎΡΡΠΎ ΡΠ±Π΅Π΄ΠΈΡΠ΅ΡΡ, ΡΡΠΎ ΠΌΠ΅Ρ
Π°Π½ΠΈΠ·ΠΌ ΠΌΠΎΠΆΠ΅Ρ ΡΠ²ΠΎΠ±ΠΎΠ΄Π½ΠΎ Π΄Π²ΠΈΠ³Π°ΡΡΡΡ, ΠΊΠΎΠ³Π΄Π° Π½Π΅ ΠΏΡΠΈΠΌΠ΅Π½ΡΠ΅ΡΡΡ Π΄Π°Π²Π»Π΅Π½ΠΈΠ΅.
ΠΡΠΈΡΠΏΠΎΡΠΎΠ±Π»Π΅Π½ΠΈΠ΅ 155710ΠΡΠΈΡΠΏΠΎΡΠΎΠ±Π»Π΅Π½ΠΈΠ΅ 155711
ΠΠ°ΡΠ΅ΠΌ ΡΠΎΠ±Π΅ΡΠΈΡΠ΅ Π²ΡΠ΅ ΠΎΠ±ΡΠ°ΡΠ½ΠΎ ΠΈ ΡΡΡΠ°Π½ΠΎΠ²ΠΈΡΠ΅ TCS ΠΎΠ±ΡΠ°ΡΠ½ΠΎ Π² Π°Π²ΡΠΎΠΌΠΎΠ±ΠΈΠ»Ρ, ΠΏΡΠΎΠ΄Π΅Π½ΡΡΠ΅ ΡΡΡΠΆΠΊΡ ΠΈ ΠΊΠΎΠ»ΡΡΠΎ Π²ΠΎΠΊΡΡΠ³ TCS ΠΈ Π² ΠΎΠ±Π»Π°ΡΡΡ ΠΏΠΎΠ΄ΡΡΠ°ΠΊΠ°Π½Π½ΠΈΠΊΠ°. Π― ΠΈΡΠΏΠΎΠ»ΡΠ·ΠΎΠ²Π°Π» ΡΠ²ΠΎΠ±ΠΎΠ΄Π½ΡΠ΅ ΡΡΡΠΆΠΊΠΈ, ΡΡΠΎΠ±Ρ ΡΠ΄Π΅ΡΠΆΠΈΠ²Π°ΡΡ ΠΊΠΎΠ»ΡΡΠΎ Π½Π° ΠΌΠ΅ΡΡΠ΅.
ΠΠΎΠ·ΠΌΠΎΠΆΠ½ΠΎ, Ρ Π²Π°Ρ Π΅ΡΡΡ Π½Π΅ΡΠΊΠΎΠ»ΡΠΊΠΎ Π΄ΠΎΠΏΠΎΠ»Π½ΠΈΡΠ΅Π»ΡΠ½ΡΡ
ΠΊΠΎΠ΄ΠΎΠ² Π½Π΅ΠΈΡΠΏΡΠ°Π²Π½ΠΎΡΡΠ΅ΠΉ ΠΏΡΠΈ ΡΠ΄Π°Π»Π΅Π½ΠΈΠΈ TCS, ΠΏΡΠΎΡΡΠΎ ΡΠ΄Π°Π»ΠΈΡΠ΅ ΠΈΡ
, Π΅ΡΠ»ΠΈ Ρ Π²Π°Ρ Π΅ΡΡΡ Π΄ΠΈΠ°Π³Π½ΠΎΡΡΠΈΡΠ΅ΡΠΊΠΈΠΉ ΠΈΠ½ΡΡΡΡΠΌΠ΅Π½Ρ.
ΠΡΠΏΡΠ°Π²Π»Π΅Π½ΠΈΠ΅ ΠΈ Π΄Π°Π»ΡΠ½Π΅ΠΉΡΠ΅Π΅ ΡΠ΅ΡΡΠΈΡΠΎΠ²Π°Π½ΠΈΠ΅
ΠΠΎΡ Π½Π΅ΠΈΡΠΏΡΠ°Π²Π½ΠΎΡΡΡ ΠΈΡΡΠ΅Π·Π»Π°, Ρ ΠΎΠΆΠΈΠ΄Π°Π», ΡΡΠΎ ΠΎΠ½Π° Π²Π΅ΡΠ½Π΅ΡΡΡ Π² ΠΊΠ°ΠΊΠΎΠΉ-ΡΠΎ ΠΌΠΎΠΌΠ΅Π½Ρ, Π½ΠΎ Ρ ΠΏΡΠΎΠ΄ΠΎΠ»ΠΆΠ°Π» Π΅Ρ
Π°ΡΡ, ΡΠ²Π΅ΡΠ΅Π½Π½ΡΠΉ, ΡΡΠΎ ΠΌΠΎΠΉ Π½Π΅Π΄Π°Π²Π½ΠΎ ΡΡΡΠ°Π½ΠΎΠ²Π»Π΅Π½Π½ΡΠΉ ΡΠΈΠΊΡΠ°ΡΠΎΡ ΠΏΠ΅ΡΠ΅ΠΊΠ»ΡΡΠ΅Π½ΠΈΡ ΠΏΠ΅ΡΠ΅Π΄Π°Ρ Π±ΡΠ΄Π΅Ρ ΠΏΠΎΠ΄Π΄Π΅ΡΠΆΠΈΠ²Π°ΡΡ ΠΌΠ΅Π½Ρ, Π΅ΡΠ»ΠΈ ΡΡΠΎ ΠΏΡΠΎΠΈΠ·ΠΎΠΉΠ΄Π΅Ρ.
Π ΡΠ΅ΡΠ΅Π· Π½Π΅ΡΠΊΠΎΠ»ΡΠΊΠΎ Π΄Π½Π΅ΠΉ Π½Π΅ΠΈΡΠΏΡΠ°Π²Π½ΠΎΡΡΡ Π²Π΅ΡΠ½ΡΠ»Π°ΡΡ.
ΠΡΠΈΠ»ΠΎΠΆΠ΅Π½ΠΈΠ΅ 155712
Π‘Π½ΠΎΠ²Π° ΡΠ½ΠΈΠΌΠΈΡΠ΅ TCS ΠΈ ΠΎΡΠΊΡΠΎΠΉΡΠ΅ Π΅Π³ΠΎ,
ΠΠΎΠΏΠΎΠ»Π½ΠΈΡΠ΅Π»ΡΠ½ΡΠΉ ΡΠ°Π³, Π΅ΡΠ»ΠΈ Π²Ρ Ρ
ΠΎΡΠΈΡΠ΅ ΡΠ½ΡΡΡ ΡΠΎΠ»Π΅Π½ΠΎΠΈΠ΄, ΠΌΠΎΠΆΠ½ΠΎ ΠΏΡΠΎΠ²Π΅ΡΠΈΡΡ, Π½Π΅ ΡΠ½ΠΈΠΌΠ°Ρ Π΅Π³ΠΎ; Π½Π°ΠΌ Π½ΡΠΆΠ½ΠΎ Π±ΡΠ΄Π΅Ρ ΡΠ΄Π°Π»ΠΈΡΡ Π»ΠΈΠΏΠΊΡΡ ΡΠ΅ΡΠ½ΡΡ Π½Π°ΠΊΠ»Π΅ΠΉΠΊΡ ΠΈΠ· ΡΠ΅ΡΠ΅Π±ΡΡΠ½ΠΎΠΉ ΡΠΎΠ»ΡΠ³ΠΈ, ΠΊΠΎΡΠΎΡΠ°Ρ ΠΏΡΠΈΠΊΡΠ΅ΠΏΠ»Π΅Π½Π° ΠΊ ΠΏΠ΅ΡΠ΅Π΄Π½Π΅ΠΉ ΡΠ°ΡΡΠΈ TCS (Π°Π»ΡΡΠ΅ΡΠ½Π°ΡΠΈΠ²Π½ΠΎ ΠΏΡΠΎΡΠ΅ΠΆΡΡΠ΅ ΡΠ΅ΡΠ΅Π΄ΠΈΠ½Ρ ΡΠΎΠ»ΡΠ³ΠΈ, Π³Π΄Π΅ ΠΏΠ»Π°ΡΡΠΈΠΊ Π²ΡΡΡΠ΅ΡΠ°Π΅ΡΡΡ Ρ ΠΌΠ΅ΡΠ°Π»Π»ΠΎΠΌ). ΠΠ°ΡΠ΅ΠΌ Π²Ρ ΠΌΠΎΠΆΠ΅ΡΠ΅ ΡΠ°Π·Π΄Π΅Π»ΠΈΡΡ Π½ΠΈΠΆΠ½ΡΡ ΡΠ°ΡΡΡ TCS Π½Π° Π΄Π²Π΅ ΡΠ°ΡΡΠΈ (ΡΠ΅ΠΏΠ΅ΡΡ Ρ Π½Π°Ρ Π΅ΡΡΡ ΡΡΠΈ ΡΠ°ΡΡΠΈ: Π²Π΅ΡΡ
Π½ΡΡ β ΠΏΠ΅ΡΠ°ΡΠ½Π°Ρ ΠΏΠ»Π°ΡΠ°, ΡΠ΅Π½ΡΡ β ΠΌΠ°Π³Π½ΠΈΡΡ ΠΈ Π±Π»ΠΎΠΊΠΈΡΠΎΠ²ΠΊΠ° ΠΏΠ΅ΡΠ΅ΠΊΠ»ΡΡΠ΅Π½ΠΈΡ ΠΏΠ΅ΡΠ΅Π΄Π°Ρ, Π° ΡΠ°ΠΊΠΆΠ΅ Π½ΠΈΠΆΠ½ΡΡ ΠΌΠ΅ΡΠ°Π»Π»ΠΈΡΠ΅ΡΠΊΠ°Ρ ΡΠ°ΡΡΡ Ρ ΠΌΠΎΡΠΎΡΠΎΠΌ ΠΏΠΎΠ΄ΡΠ΅ΠΌΠ°/ΠΎΠΏΡΡΠΊΠ°Π½ΠΈΡ ΠΈ ΡΠΎΠ»Π΅Π½ΠΎΠΈΠ΄ΠΎΠΌ Π±Π»ΠΎΠΊΠΈΡΠΎΠ²ΠΊΠΈ ΠΏΠ΅ΡΠ΅ΠΊΠ»ΡΡΠ΅Π½ΠΈΡ ΠΏΠ΅ΡΠ΅Π΄Π°Ρ).0011 ΠΡΠΈΠΌΠ΅ΡΠ°Π½ΠΈΠ΅; ΠΡΡΠΎΡΠΎΠΆΠ½ΠΎ, Π½Π΅ Π²ΡΡΡΠ³ΠΈΠ²Π°ΠΉΡΠ΅ Π³Π»Π°Π²Π½ΡΠΉ Π²Π°Π», ΡΠ°ΠΊ ΠΊΠ°ΠΊ ΡΠ°ΡΡΠΈ ΠΌΠΎΠ³ΡΡ Π²ΡΠ»Π΅ΡΠ΅ΡΡ, Π° ΠΎΠ½ΠΈ Π½ΡΠΆΠ½Ρ Π½Π°ΠΌ Π΄Π»Ρ ΡΠ°Π±ΠΎΡΡ. ΠΈΡΠΏΠΎΠ»ΡΠ·ΡΡ 9-Π²ΠΎΠ»ΡΡΠΎΠ²ΡΡ Π±Π°ΡΠ°ΡΠ΅Ρ, Π±ΡΠ»ΠΎ ΡΡΠ½ΠΎ, ΡΡΠΎ ΠΌΠΎΠΉ ΡΠΎΠ»Π΅Π½ΠΎΠΈΠ΄ ΡΠ°Π±ΠΎΡΠ°Π΅Ρ.
ΠΡΠΈΠ»ΠΎΠΆΠ΅Π½ΠΈΠ΅ 155714
ΠΡΠΈΠ»ΠΎΠΆΠ΅Π½ΠΈΠ΅ 155715
ΠΡΡΡΠ΄Π° Ρ ΠΎΡΠΌΠΎΡΡΠ΅Π» ΠΏΠ΅ΡΠ°ΡΠ½ΡΡ ΠΏΠ»Π°ΡΡ ΠΏΠΎΠ΄ ΠΌΠΈΠΊΡΠΎΡΠΊΠΎΠΏΠΎΠΌ Π² ΠΏΠΎΠΈΡΠΊΠ°Ρ
ΠΏΠΎΠ²ΡΠ΅ΠΆΠ΄Π΅Π½ΠΈΠΉ ΠΈΠ»ΠΈ ΡΡΠ΅ΡΠΈΠ½ Π² ΠΏΠ°ΠΉΠΊΠ΅, Π½ΠΈΡΠ΅Π³ΠΎ Π½Π΅ Π½Π°ΡΠ΅Π», Π²ΡΠ΅ Π²ΡΠ³Π»ΡΠ΄Π΅Π»ΠΎ Ρ
ΠΎΡΠΎΡΠΎ, Π·Π° ΠΈΡΠΊΠ»ΡΡΠ΅Π½ΠΈΠ΅ΠΌ Π»Π΅Π³ΠΊΠΎΠ³ΠΎ ΡΠ»Π΅Π΄Π° ΠΎΠΆΠΎΠ³Π° Π½Π° ΡΠ΅Π·ΠΈΡΡΠΎΡΠ΅ 1 ΠΠΌ.
Π― ΡΠ΅ΡΠΈΠ» ΠΏΠ΅ΡΠ΅ΠΏΠ°ΡΡΡ Π½Π΅ΡΠΊΠΎΠ»ΡΠΊΠΎ ΠΊΠΎΠΌΠΏΠΎΠ½Π΅Π½ΡΠΎΠ² ΡΡΠ΄ΠΎΠΌ Ρ ΡΠ°Π·ΡΠ΅ΠΌΠΎΠΌ ΡΠΎΠ»Π΅Π½ΠΎΠΈΠ΄Π°, Π²Π°ΠΌ ΠΏΠΎΠ½Π°Π΄ΠΎΠ±ΠΈΡΡΡ Ρ
ΠΎΡΠΎΡΠ΅Π΅ ΠΊΠ°ΡΠ΅ΡΡΠ²ΠΎ, ΠΌΠ°Π»Π΅Π½ΡΠΊΠΎΠ΅ ΠΆΠ°Π»ΠΎ, Π²ΡΡΠΎΠΊΠΎΡΠ΅ΠΌΠΏΠ΅ΡΠ°ΡΡΡΠ½ΡΠΉ ΠΏΠ°ΡΠ»ΡΠ½ΠΈΠΊ (ΠΌΠΎΠΉ Π±ΡΠ» Π½Π°ΡΡΡΠΎΠ΅Π½ Π½Π° 420C+), Π±ΠΎΠ»ΡΡΠΈΠ½ΡΡΠ²ΠΎ ΠΏΡΠΈΠΏΠΎΠ΅Π², ΠΈΡΠΏΠΎΠ»ΡΠ·ΡΠ΅ΠΌΡΡ
Π² ΡΠΎΠ²ΡΠ΅ΠΌΠ΅Π½Π½ΡΡ
ΡΡ
Π΅ΠΌΠ°Ρ
, ΡΠΎΠ΄Π΅ΡΠΆΠ°Ρ ΠΌΠ°Π»ΠΎ ΠΈΠ»ΠΈ ΡΠΎΠ²ΡΠ΅ΠΌ Π½Π΅ ΡΠΎΠ΄Π΅ΡΠΆΠ°Ρ ΡΠ²ΠΈΠ½ΡΠ°, ΡΡΠΎ Π΄Π΅Π»Π°Π΅Ρ ΠΈΡ
ΡΡΡΠ΄Π½Π΅Π΅ ΡΠ°Π±ΠΎΡΠ°ΡΡ.
ΠΡΠΈΠ»ΠΎΠΆΠ΅Π½ΠΈΠ΅ 155716
ΠΠ΅ΡΠ°ΡΠ½Π°Ρ ΠΏΠ»Π°ΡΠ°
ΠΡΠΈΠ»ΠΎΠΆΠ΅Π½ΠΈΠ΅ 155717
Π‘Π³ΠΎΡΠ΅Π²ΡΠΈΠΉ ΡΠ΅Π·ΠΈΡΡΠΎΡ Ρ ΠΌΠ°ΡΠΊΠΈΡΠΎΠ²ΠΊΠΎΠΉ 1R00 ΠΈ ΠΈΠ½ΡΠ΅ΡΠ΅ΡΡΡΡΠ΅ΠΉ ΠΎΠ±Π»Π°ΡΡΡΡ.
ΠΠΎΡΠ»Π΅ ΠΏΠΎΠ²ΡΠΎΡΠ½ΠΎΠΉ ΠΏΠ°ΠΉΠΊΠΈ ΠΌΠΎΠΉ TCS ΡΠ°Π±ΠΎΡΠ°Π» Π½Π΅ΠΏΡΠ΅ΡΡΠ²Π½ΠΎ, ΠΈ Ρ ΠΌΠ΅Π½Ρ Π²ΡΠ΅ Π΅ΡΠ΅ Π΅ΡΡΡ ΡΠ°Π·Π±Π»ΠΎΠΊΠΈΡΠΎΠ²ΠΊΠ°, Π΅ΡΠ»ΠΈ ΡΡΠΎ Π½Π΅ΠΎΠ±Ρ ΠΎΠ΄ΠΈΠΌΠΎ.
ΠΡΠΊΠ°Π· ΠΎΡ ΠΎΡΠ²Π΅ΡΡΡΠ²Π΅Π½Π½ΠΎΡΡΠΈ
ΠΡΠΎ ΡΠΎ, ΡΡΠΎ Ρ ΡΠ΄Π΅Π»Π°Π» Π΄Π»Ρ ΡΠ²ΠΎΠ΅ΠΉ ΠΏΡΠΎΠ±Π»Π΅ΠΌΡ, ΠΈ ΡΡΠΎ ΡΡΠ°Π±ΠΎΡΠ°Π»ΠΎ Π΄Π»Ρ ΠΌΠ΅Π½Ρ, ΡΡΠΎ Π½Π΅ ΡΠ΅ΡΠΈΡ Π΄ΡΡΠ³ΠΈΠ΅ ΠΏΡΠΎΠ±Π»Π΅ΠΌΡ ΠΈ Π½Π΅ ΠΈΡΠΏΡΠ°Π²ΠΈΡ ΡΠ»ΠΎΠΌΠ°Π½Π½ΡΡ ΡΡΠ°Π½ΡΠΌΠΈΡΡΠΈΡ, Π²Ρ Π°Π½Π½ΡΠ»ΠΈΡΡΠ΅ΡΠ΅ Π»ΡΠ±ΡΡ Π³Π°ΡΠ°Π½ΡΠΈΡ Π½Π° ΡΡΠΎ ΡΡΡΡΠΎΠΉΡΡΠ²ΠΎ, Π²ΡΠΏΠΎΠ»Π½ΠΈΠ² ΡΡΠΎΡ ΡΠ΅ΠΌΠΎΠ½Ρ, ΠΊΠ°ΠΊ Π²ΡΠ΅Π³Π΄Π° Π²Ρ ΠΡΠΏΠΎΠ»Π½ΡΠΉΡΠ΅ ΡΡΠΎΡ ΡΠ΅ΠΌΠΎΠ½Ρ Π½Π° ΡΠ²ΠΎΠΉ ΡΡΡΠ°Ρ
ΠΈ ΡΠΈΡΠΊ.
Darkside Developments β ΠΏΠ΅ΡΠ΅Π½Π°Π·Π½Π°ΡΠ΅Π½ΠΈΠ΅ DSG
DSG β Π½Π°ΠΆΠΌΠΈΡΠ΅ Π·Π΄Π΅ΡΡ
Auto β Π½Π°ΠΆΠΌΠΈΡΠ΅ Π·Π΄Π΅ΡΡ
ΠΠΎΠ»Π΅Π΅ Π²ΡΡΠΎΠΊΠΈΠΉ ΠΏΡΠ΅Π΄Π΅Π» ΠΊΡΡΡΡΡΠ΅Π³ΠΎ ΠΌΠΎΠΌΠ΅Π½ΡΠ°
ΠΠΎΠ»ΡΡΠΈΠ½ΡΡΠ²ΠΎ Π°Π²ΡΠΎΠΌΠ°ΡΠΈΡΠ΅ΡΠΊΠΈΡ
ΠΊΠΎΡΠΎΠ±ΠΎΠΊ ΠΏΠ΅ΡΠ΅Π΄Π°Ρ ΠΈΠΌΠ΅ΡΡ ΡΡΡΠ°Π½ΠΎΠ²Π»Π΅Π½Π½ΡΠΉ ΠΏΡΠ΅Π΄Π΅Π» ΠΊΡΡΡΡΡΠ΅Π³ΠΎ ΠΌΠΎΠΌΠ΅Π½ΡΠ° Π² ΠΏΡΠΎΠ³ΡΠ°ΠΌΠΌΠ½ΠΎΠΌ ΠΎΠ±Π΅ΡΠΏΠ΅ΡΠ΅Π½ΠΈΠΈ, ΡΡΠΎ ΠΎΠ·Π½Π°ΡΠ°Π΅Ρ, ΡΡΠΎ ΡΡΠ½ΠΈΠ½Π³ΠΎΠ²Π°Π½Π½ΡΠ΅ Π°Π²ΡΠΎΠΌΠΎΠ±ΠΈΠ»ΠΈ Π±ΡΠ΄ΡΡ ΠΎΠ³ΡΠ°Π½ΠΈΡΠ΅Π½Ρ ΡΡΠΈΠΌ Π·Π½Π°ΡΠ΅Π½ΠΈΠ΅ΠΌ, Π΄Π°ΠΆΠ΅ Π΅ΡΠ»ΠΈ Π΄Π²ΠΈΠ³Π°ΡΠ΅Π»Ρ Ρ
ΠΎΡΠ΅Ρ ΠΏΡΠΎΠΈΠ·Π²ΠΎΠ΄ΠΈΡΡ Π±ΠΎΠ»ΡΡΠ΅.
ΠΠ΅Π· ΠΏΡΠΎΠ³ΡΠ°ΠΌΠΌΠ½ΠΎΠ³ΠΎ ΠΎΠ±Π΅ΡΠΏΠ΅ΡΠ΅Π½ΠΈΡ Gearbox Π΅Π΄ΠΈΠ½ΡΡΠ²Π΅Π½Π½ΡΠΉ ΡΠΏΠΎΡΠΎΠ± ΠΎΠ±ΠΎΠΉΡΠΈ ΡΡΠΎ β Β«ΠΎΠ±ΠΌΠ°Π½ΡΡΡΒ» Π±Π»ΠΎΠΊ ΡΠΏΡΠ°Π²Π»Π΅Π½ΠΈΡ ΠΊΠΎΡΠΎΠ±ΠΊΠΎΠΉ ΠΏΠ΅ΡΠ΅Π΄Π°Ρ, ΡΡΠΎΠ±Ρ ΠΎΠ½ ΠΏΠΎΠ²Π΅ΡΠΈΠ», ΡΡΠΎ ΠΊΡΡΡΡΡΠΈΠΉ ΠΌΠΎΠΌΠ΅Π½Ρ ΠΌΠ΅Π½ΡΡΠ΅. ΠΡΠΎ Π½ΠΎΡΠΌΠ°Π»ΡΠ½ΠΎ ΡΠ°Π±ΠΎΡΠ°Π΅Ρ Π½Π° ΠΎΡΠ½ΠΎΡΠΈΡΠ΅Π»ΡΠ½ΠΎ ΡΡΠ°Π½Π΄Π°ΡΡΠ½ΡΡ
Π°Π²ΡΠΎΠΌΠΎΠ±ΠΈΠ»ΡΡ
, Π½ΠΎ ΠΌΠΎΠΆΠ΅Ρ Π²ΡΠ·Π²Π°ΡΡ ΠΏΡΠΎΠ±Π»Π΅ΠΌΡ Ρ Π±ΠΎΠ»Π΅Π΅ ΠΌΠΎΡΠ½ΡΠΌΠΈ ΡΠ±ΠΎΡΠΊΠ°ΠΌΠΈ, Π³Π΄Π΅ Π²Π°ΠΌ Π½ΡΠΆΠ΅Π½ ΠΊΠ°ΠΊ ΠΌΠΎΠΆΠ½ΠΎ Π±ΠΎΠ»ΡΡΠΈΠΉ ΠΊΠΎΠ½ΡΡΠΎΠ»Ρ. ΠΡ ΠΌΠΎΠΆΠ΅ΠΌ ΡΠ²Π΅Π»ΠΈΡΠΈΡΡ ΡΡΠΎΡ ΠΏΡΠ΅Π΄Π΅Π» ΠΊΡΡΡΡΡΠ΅Π³ΠΎ ΠΌΠΎΠΌΠ΅Π½ΡΠ° Π΄ΠΎ Π±ΠΎΠ»Π΅Π΅ ΡΠ΅Π°Π»ΠΈΡΡΠΈΡΠ½ΡΡ
ΡΡΠΎΠ²Π½Π΅ΠΉ ΠΈΠ»ΠΈ, Π² Π½Π΅ΠΊΠΎΡΠΎΡΡΡ
ΡΠ»ΡΡΠ°ΡΡ
, ΠΏΠΎΠ»Π½ΠΎΡΡΡΡ ΡΠ΄Π°Π»ΠΈΡΡ Π΅Π³ΠΎ.
ΠΡΠΈΠ½ΡΠ΄ΠΈΡΠ΅Π»ΡΠ½ΠΎΠ΅ ΠΏΠ΅ΡΠ΅ΠΊΠ»ΡΡΠ΅Π½ΠΈΠ΅ Π½Π° ΠΏΠΎΠ²ΡΡΠ΅Π½Π½ΡΡ ΠΏΠ΅ΡΠ΅Π΄Π°ΡΡ
ΠΠ°ΠΆΠ΅ Π² ΡΡΡΠ½ΠΎΠΌ ΡΠ΅ΠΆΠΈΠΌΠ΅ Π±ΠΎΠ»ΡΡΠΈΠ½ΡΡΠ²ΠΎ ΠΊΠΎΡΠΎΠ±ΠΎΠΊ ΠΏΠ΅ΡΠ΅Π΄Π°Ρ Π°Π²ΡΠΎΠΌΠ°ΡΠΈΡΠ΅ΡΠΊΠΈ ΠΏΠ΅ΡΠ΅ΠΊΠ»ΡΡΠ°ΡΡΡΡ Π½Π° Π±ΠΎΠ»Π΅Π΅ Π²ΡΡΠΎΠΊΡΡ ΠΏΠ΅ΡΠ΅Π΄Π°ΡΡ ΠΏΡΠΈ Π·Π°Π΄Π°Π½Π½ΠΎΠΌ ΡΠΈΡΠ»Π΅ ΠΎΠ±ΠΎΡΠΎΡΠΎΠ². ΠΡΠΎ Π½Π΅ Π²ΡΠ΅Π³Π΄Π° ΠΏΠΎΠ΄Ρ ΠΎΠ΄ΠΈΡ Π΄Π»Ρ ΠΊΠ°ΠΆΠ΄ΠΎΠ³ΠΎ ΡΡΠΈΠ»Ρ Π²ΠΎΠΆΠ΄Π΅Π½ΠΈΡ ΠΈ ΠΌΠΎΠΆΠ΅Ρ Π±ΡΡΡ Π΄ΠΎΠ²ΠΎΠ»ΡΠ½ΠΎ ΡΠ°Π·Π΄ΡΠ°ΠΆΠ°ΡΡΠΈΠΌ. ΠΡ ΠΌΠΎΠΆΠ΅ΠΌ ΡΡΡΠ°Π½ΠΎΠ²ΠΈΡΡ ΡΡΠΎ Π½Π° Π±ΠΎΠ»Π΅Π΅ Π²ΡΡΠΎΠΊΡΡ ΡΠΊΠΎΡΠΎΡΡΡ Π²ΡΠ°ΡΠ΅Π½ΠΈΡ ΠΈΠ»ΠΈ ΠΏΠΎΠ»Π½ΠΎΡΡΡΡ ΠΎΡΠΊΠ»ΡΡΠΈΡΡ Π΅Π³ΠΎ. ΠΠ΄Π΅Π°Π»ΡΠ½ΠΎ ΠΏΠΎΠ΄Ρ ΠΎΠ΄ΠΈΡ Π΄Π»Ρ ΡΡΠ΅ΠΊΠ° ΠΈΠ»ΠΈ Π±ΡΡΡΡΠΎΠΉ Π΅Π·Π΄Ρ.
Launch Control
Π§ΡΠΎΠ±Ρ Π΄ΠΎΠ±ΠΈΡΡΡΡ ΠΈΠ΄Π΅Π°Π»ΡΠ½ΠΎΠ³ΠΎ ΡΡΠ°ΡΡΠ°, ΠΌΡ ΠΌΠΎΠΆΠ΅ΠΌ ΠΏΠ΅ΡΠ΅ΠΏΡΠΎΠ³ΡΠ°ΠΌΠΌΠΈΡΠΎΠ²Π°ΡΡ ΡΠΈΡΡΠ΅ΠΌΡ, ΡΡΠΎΠ±Ρ ΠΎΠ½Π° ΡΠ΄Π΅ΡΠΆΠΈΠ²Π°Π»Π°ΡΡ Π½Π° ΠΎΠΏΡΠ΅Π΄Π΅Π»Π΅Π½Π½ΠΎΠΌ ΠΏΡΠ΅Π΄Π΅Π»Π΅ ΠΎΠ±ΠΎΡΠΎΡΠΎΠ² Π² Π½Π΅ΠΏΠΎΠ΄Π²ΠΈΠΆΠ½ΠΎΠΌ ΡΠΎΡΡΠΎΡΠ½ΠΈΠΈ.
ΠΡΠΈ ΡΡΡΠ°Π½ΠΎΠ²ΠΊΠ΅ ΠΏΡΠ°Π²ΠΈΠ»ΡΠ½ΠΎΠ³ΠΎ ΠΏΡΠ΅Π΄Π΅Π»Π° ΠΎΠ±ΠΎΡΠΎΡΠΎΠ² Π°Π²ΡΠΎΠΌΠΎΠ±ΠΈΠ»Ρ Π±ΡΠ΄Π΅Ρ ΠΈΠΌΠ΅ΡΡ ΠΈΠ΄Π΅Π°Π»ΡΠ½ΡΠΉ Π±Π°Π»Π°Π½Ρ ΠΌΠΎΡΠ½ΠΎΡΡΠΈ ΠΈ ΡΡΠ΅ΠΏΠ»Π΅Π½ΠΈΡ Π΄Π»Ρ Π±ΡΡΡΡΠΎΠ³ΠΎ ΡΡΠ°ΡΡΠ° Ρ ΠΌΠΈΠ½ΠΈΠΌΠ°Π»ΡΠ½ΡΠΌ ΠΏΡΠΎΠ±ΡΠΊΡΠΎΠ²ΡΠ²Π°Π½ΠΈΠ΅ΠΌ ΠΊΠΎΠ»Π΅Ρ.
ΠΠΎΡΠΎΠ±ΠΊΠ° ΠΏΠ΅ΡΠ΅Π΄Π°Ρ Ρ ΠΏΡΡΠΌΡΠΌ ΠΏΠ΅ΡΠ΅ΠΊΠ»ΡΡΠ΅Π½ΠΈΠ΅ΠΌ (Π½Π΅ΠΌ. Direkt-Schalt-Getriebe), ΠΎΠ±ΡΡΠ½ΠΎ ΡΠΎΠΊΡΠ°ΡΠ΅Π½Π½ΠΎ DSG, ΠΏΡΠ΅Π΄ΡΡΠ°Π²Π»ΡΠ΅Ρ ΡΠΎΠ±ΠΎΠΉ ΠΌΠ½ΠΎΠ³ΠΎΠ²Π°Π»ΡΠ½ΡΡ ΠΌΠ΅Ρ Π°Π½ΠΈΡΠ΅ΡΠΊΡΡ ΠΊΠΎΡΠΎΠ±ΠΊΡ ΠΏΠ΅ΡΠ΅Π΄Π°Ρ Ρ Π΄Π²ΠΎΠΉΠ½ΡΠΌ ΡΡΠ΅ΠΏΠ»Π΅Π½ΠΈΠ΅ΠΌ Ρ ΡΠ»Π΅ΠΊΡΡΠΎΠ½Π½ΡΠΌ ΡΠΏΡΠ°Π²Π»Π΅Π½ΠΈΠ΅ΠΌ Π² ΠΊΠΎΠ½ΡΡΡΡΠΊΡΠΈΠΈ ΡΡΠ°Π½ΡΠΌΠΈΡΡΠΈΠΈ, Π±Π΅Π· ΠΎΠ±ΡΡΠ½ΠΎΠΉ ΠΏΠ΅Π΄Π°Π»ΠΈ ΡΡΠ΅ΠΏΠ»Π΅Π½ΠΈΡ ΠΈ Ρ ΠΏΠΎΠ»Π½ΠΎΡΡΡΡ Π°Π²ΡΠΎΠΌΠ°ΡΠΈΡΠ΅ΡΠΊΠΎΠΉ ΠΈΠ»ΠΈ ΠΏΠΎΠ»ΡΡΡΡΠ½ΠΎΠ΅ ΡΠΏΡΠ°Π²Π»Π΅Π½ΠΈΠ΅. ΠΠ΅ΡΠ²ΡΠ΅ Π½Π°ΡΡΠΎΡΡΠΈΠ΅ ΡΡΠ°Π½ΡΠΌΠΈΡΡΠΈΠΈ Ρ Π΄Π²ΠΎΠΉΠ½ΡΠΌ ΡΡΠ΅ΠΏΠ»Π΅Π½ΠΈΠ΅ΠΌ Π±ΡΠ»ΠΈ ΡΠΎΠ·Π΄Π°Π½Ρ ΠΊΠΎΠΌΠΏΠ°Π½ΠΈΠ΅ΠΉ Porsche Π΄Π»Ρ Π³ΠΎΠ½ΠΎΡΠ½ΡΡ Π°Π²ΡΠΎΠΌΠΎΠ±ΠΈΠ»Π΅ΠΉ ΠΌΠΎΠ΄Π΅Π»ΠΈ 962 Π² 1980-Ρ Π³ΠΎΠ΄Π°Ρ .
ΠΡΠΎΡΠ΅ Π³ΠΎΠ²ΠΎΡΡ, DSG β ΡΡΠΎ Π΄Π²Π΅ ΠΎΡΠ΄Π΅Π»ΡΠ½ΡΠ΅ ΠΌΠ΅Ρ
Π°Π½ΠΈΡΠ΅ΡΠΊΠΈΠ΅ ΠΊΠΎΡΠΎΠ±ΠΊΠΈ ΠΏΠ΅ΡΠ΅Π΄Π°Ρ (ΠΈ ΡΡΠ΅ΠΏΠ»Π΅Π½ΠΈΡ), Π·Π°ΠΊΠ»ΡΡΠ΅Π½Π½ΡΠ΅ Π² ΠΎΠ΄ΠΈΠ½ ΠΊΠΎΡΠΏΡΡ ΠΈ ΡΠ°Π±ΠΎΡΠ°ΡΡΠΈΠ΅ ΠΊΠ°ΠΊ Π΅Π΄ΠΈΠ½ΠΎΠ΅ ΡΠ΅Π»ΠΎΠ΅. ΠΠ½ Π±ΡΠ» ΡΠ°Π·ΡΠ°Π±ΠΎΡΠ°Π½ BorgWarner ΠΈ Π»ΠΈΡΠ΅Π½Π·ΠΈΡΠΎΠ²Π°Π½ ΠΊΠΎΠ½ΡΠ΅ΡΠ½ΠΎΠΌ Volkswagen. ΠΡΠΏΠΎΠ»ΡΠ·ΡΡ Π΄Π²Π° Π½Π΅Π·Π°Π²ΠΈΡΠΈΠΌΡΡ
ΡΡΠ΅ΠΏΠ»Π΅Π½ΠΈΡ, ΠΊΠΎΡΠΎΠ±ΠΊΠ° ΠΏΠ΅ΡΠ΅Π΄Π°Ρ DSG ΠΌΠΎΠΆΠ΅Ρ ΡΠΎΠΊΡΠ°ΡΠΈΡΡ Π²ΡΠ΅ΠΌΡ ΠΏΠ΅ΡΠ΅ΠΊΠ»ΡΡΠ΅Π½ΠΈΡ ΠΏΠ΅ΡΠ΅Π΄Π°Ρ ΠΈ ΠΎΡΠΊΠ°Π·Π°ΡΡΡΡ ΠΎΡ Π³ΠΈΠ΄ΡΠΎΡΡΠ°Π½ΡΡΠΎΡΠΌΠ°ΡΠΎΡΠ° ΠΎΠ±ΡΡΠ½ΠΎΠΉ Π°Π²ΡΠΎΠΌΠ°ΡΠΈΡΠ΅ΡΠΊΠΎΠΉ ΠΊΠΎΡΠΎΠ±ΠΊΠΈ ΠΏΠ΅ΡΠ΅Π΄Π°Ρ.
Π‘ΡΡΠ΅ΡΡΠ²ΡΠ΅Ρ Π½Π΅ΡΠΊΠΎΠ»ΡΠΊΠΎ Π²Π°ΡΠΈΠ°Π½ΡΠΎΠ² ΠΊΠΎΡΠΎΠ±ΠΎΠΊ ΠΏΠ΅ΡΠ΅Π΄Π°Ρ DSG Π΄Π»Ρ Π°Π²ΡΠΎΠΌΠΎΠ±ΠΈΠ»Π΅ΠΉ VAG. ΠΠ΅ΠΊΠΎΡΠΎΡΡΠ΅ ΠΊΠΎΡΠΎΠ±ΠΊΠΈ ΠΏΠ΅ΡΠ΅Π΄Π°Ρ DSG ΡΡΠ΅Π±ΡΡΡ Π±ΠΎΠ»ΡΡΠ΅ Π½Π°ΡΡΡΠΎΠΉΠΊΠΈ, ΡΠ΅ΠΌ Π΄ΡΡΠ³ΠΈΠ΅, ΠΏΠΎΡΡΠΎΠΌΡ, ΡΡΠΎΠ±Ρ ΠΏΠΎΠΌΠΎΡΡ ΠΎΠΏΡΠ΅Π΄Π΅Π»ΠΈΡΡ, ΠΊΠ°ΠΊΠ°Ρ Ρ Π²Π°Ρ ΠΊΠΎΡΠΎΠ±ΠΊΠ° ΠΏΠ΅ΡΠ΅Π΄Π°Ρ, ΠΌΡ ΠΏΠ΅ΡΠ΅ΡΠΈΡΠ»ΠΈΠ»ΠΈ Π½ΠΈΠΆΠ΅ ΡΠΈΠΏΡ Π²ΠΌΠ΅ΡΡΠ΅ Ρ ΠΊΡΠ°ΡΠΊΠΈΠΌ ΠΎΠΏΠΈΡΠ°Π½ΠΈΠ΅ΠΌ. ΠΠ° Π±ΠΎΠ»ΡΡΠΈΠ½ΡΡΠ²Π΅ ΠΌΠΎΠ΄Π΅Π»Π΅ΠΉ Audi ΠΊΠΎΡΠΎΠ±ΠΊΠ° ΠΏΠ΅ΡΠ΅Π΄Π°Ρ DSG ΡΠΏΠΎΠΌΠΈΠ½Π°Π΅ΡΡΡ ΠΊΠ°ΠΊ ΠΊΠΎΡΠΎΠ±ΠΊΠ° ΠΏΠ΅ΡΠ΅Π΄Π°Ρ S-Tronic. ΠΡΠΎ ΠΌΠΎΠΆΠ΅Ρ ΡΠ±ΠΈΠ²Π°ΡΡ Ρ ΡΠΎΠ»ΠΊΡ, ΠΏΠΎΡΠΊΠΎΠ»ΡΠΊΡ ΠΎΠ±ΡΡΠ½ΡΠ΅ Π°Π²ΡΠΎΠΌΠΎΠ±ΠΈΠ»ΠΈ Ρ Π³ΠΈΠ΄ΡΠΎΡΡΠ°Π½ΡΡΠΎΡΠΌΠ°ΡΠΎΡΠΎΠΌ ΡΠ°ΠΊΠΆΠ΅ ΠΈΠ½ΠΎΠ³Π΄Π° Π½Π°Π·ΡΠ²Π°ΡΡ S-Tronic.
6-ΡΡΡΠΏΠ΅Π½ΡΠ°ΡΠ°Ρ
DQ250 — 02E / 0D9
Π£ΡΡΠ°Π½Π°Π²Π»ΠΈΠ²Π°Π΅ΡΡΡ Π½Π° Π±ΠΎΠ»ΡΡΠΈΠ½ΡΡΠ²ΠΎ 6-ΡΡΡΠΏΠ΅Π½ΡΠ°ΡΡΡ
ΠΌΠΎΠ΄Π΅Π»Π΅ΠΉ DSG Ρ 2003 Π³. ΠΏΠΎ Π½Π°ΡΡΠΎΡΡΠ΅Π΅ Π²ΡΠ΅ΠΌΡ. ΠΠ° ΠΌΠΎΠΌΠ΅Π½Ρ Π·Π°ΠΏΡΡΠΊΠ° Π² 2003 Π³ΠΎΠ΄Ρ ΠΎΠ½Π° ΡΡΠ°Π»Π° ΠΏΠ΅ΡΠ²ΠΎΠΉ Π² ΠΌΠΈΡΠ΅ ΠΊΠΎΡΠΎΠ±ΠΊΠΎΠΉ ΠΏΠ΅ΡΠ΅Π΄Π°Ρ Ρ Π΄Π²ΠΎΠΉΠ½ΡΠΌ ΡΡΠ΅ΠΏΠ»Π΅Π½ΠΈΠ΅ΠΌ Π² ΡΠ΅ΡΠΈΠΉΠ½ΠΎΠΌ Π°Π²ΡΠΎΠΌΠΎΠ±ΠΈΠ»Π΅, Π² Volkswagen Golf Mk4 R32 Π΄Π»Ρ Π½Π΅ΠΌΠ΅ΡΠΊΠΎΠ³ΠΎ ΡΡΠ½ΠΊΠ°, Π° Π²ΡΠΊΠΎΡΠ΅ ΠΏΠΎΡΠ»Π΅ ΡΡΠΎΠ³ΠΎ Π²ΠΎ Π²ΡΠ΅ΠΌ ΠΌΠΈΡΠ΅ Π² ΠΎΡΠΈΠ³ΠΈΠ½Π°Π»ΡΠ½ΠΎΠΉ Audi TT 3.2 ΠΈ 2004+ New. ΠΡΠΊ Π’ΠΠ. Π ΡΠ΅ΡΠ΅Π½ΠΈΠ΅ ΠΏΠ΅ΡΠ²ΡΡ
Π½Π΅ΡΠΊΠΎΠ»ΡΠΊΠΈΡ
Π»Π΅Ρ ΠΏΡΠΎΠΈΠ·Π²ΠΎΠ΄ΡΡΠ²Π° ΡΡΠ° ΠΎΡΠΈΠ³ΠΈΠ½Π°Π»ΡΠ½Π°Ρ ΡΡΠ°Π½ΡΠΌΠΈΡΡΠΈΡ DSG Π±ΡΠ»Π° Π΄ΠΎΡΡΡΠΏΠ½Π° ΡΠΎΠ»ΡΠΊΠΎ Π² ΠΏΠΎΠΏΠ΅ΡΠ΅ΡΠ½ΠΎ ΠΎΡΠΈΠ΅Π½ΡΠΈΡΠΎΠ²Π°Π½Π½ΡΡ
ΠΏΠ΅ΡΠ΅Π΄Π½Π΅ΠΌΠΎΡΠΎΡΠ½ΡΡ
, ΠΏΠ΅ΡΠ΅Π΄Π½Π΅ΠΏΡΠΈΠ²ΠΎΠ΄Π½ΡΡ
ΠΈ ΠΏΠΎΠ»Π½ΠΎΠΏΡΠΈΠ²ΠΎΠ΄Π½ΡΡ
ΠΊΠΎΠΌΠΏΠΎΠ½ΠΎΠ²ΠΊΠ°Ρ
Π½Π° Π±Π°Π·Π΅ Haldex.
ΠΠ»Ρ Π±ΠΎΠ»ΡΡΠΈΠ½ΡΡΠ²Π° ΡΠ΅Π΄ΡΠΊΡΠΎΡΠΎΠ² 02E Π² ΠΏΡΠΎΠ³ΡΠ°ΠΌΠΌΠ½ΠΎΠΌ ΠΎΠ±Π΅ΡΠΏΠ΅ΡΠ΅Π½ΠΈΠΈ ΡΡΡΠ°Π½ΠΎΠ²Π»Π΅Π½ ΠΏΡΠ΅Π΄Π΅Π»ΡΠ½ΡΠΉ ΠΊΡΡΡΡΡΠΈΠΉ ΠΌΠΎΠΌΠ΅Π½Ρ 360 Π½ΠΌ (265 ΡΡΡ/ΡΡΠ½Ρ).
ΠΠ΅ΡΠ²Π°Ρ ΠΊΠΎΡΠΎΠ±ΠΊΠ° ΠΏΠ΅ΡΠ΅Π΄Π°Ρ DSG, ΠΊΠΎΡΠΎΡΠ°Ρ Π±ΡΠ»Π° Π·Π°ΠΏΡΡΠ΅Π½Π° Π² ΠΏΡΠΎΠΈΠ·Π²ΠΎΠ΄ΡΡΠ²ΠΎ Π΄Π»Ρ ΠΎΡΠ½ΠΎΠ²Π½ΡΡ
ΠΌΠ°ΡΠΎΠΊ Volkswagen Group, ΠΈΠΌΠ΅Π΅Ρ ΡΠ΅ΡΡΡ ΡΠΊΠΎΡΠΎΡΡΠ΅ΠΉ ΠΏΠ΅ΡΠ΅Π΄Π½Π΅Π³ΠΎ Ρ
ΠΎΠ΄Π° (ΠΈ ΠΎΠ΄Π½Ρ Π·Π°Π΄Π½ΡΡ) ΠΈ ΠΈΡΠΏΠΎΠ»ΡΠ·ΡΠ΅Ρ ΠΌΠ½ΠΎΠ³ΠΎΠ΄ΠΈΡΠΊΠΎΠ²ΡΠ΅ ΠΌΡΡΡΡ ΠΌΠΎΠΊΡΠΎΠ³ΠΎ/ΠΏΠΎΠ³ΡΡΠΆΠ΅Π½Π½ΠΎΠ³ΠΎ ΡΠΈΠΏΠ°. ΠΠΎΠ»Π½ΠΎΠΏΡΠΈΠ²ΠΎΠ΄Π½Π°Ρ Π²Π΅ΡΡΠΈΡ Π²Π΅ΡΠΈΡ 93 ΠΊΠ³.
DQ400 — 0DD
ΠΡΠ½ΠΎΠ²Π°Π½ Π½Π° Π²ΡΡΠ΅ΡΠΏΠΎΠΌΡΠ½ΡΡΠΎΠΌ DQ250, Π½ΠΎ Π² ΠΎΡΠ½ΠΎΠ²Π½ΠΎΠΌ ΠΈΡΠΏΠΎΠ»ΡΠ·ΡΠ΅ΡΡΡ Π² Golf 7 GTE (Π³ΠΈΠ±ΡΠΈΠ΄) ΠΈ Audi A3 E-tron (Π³ΠΈΠ±ΡΠΈΠ΄).
ΠΡΠ° 6-ΡΡΡΠΏΠ΅Π½ΡΠ°ΡΠ°Ρ ΠΊΠΎΡΠΎΠ±ΠΊΠ° ΠΏΠ΅ΡΠ΅Π΄Π°Ρ ΠΈΠΌΠ΅Π΅Ρ ΠΌΠΎΠ΄ΠΈΡΠΈΡΠΈΡΠΎΠ²Π°Π½Π½ΡΠΉ ΠΊΠ°ΡΡΠ΅Ρ ΡΡΠ΅ΠΏΠ»Π΅Π½ΠΈΡ, ΡΡΠΎΠ±Ρ ΠΎΡΠ²ΠΎΠ±ΠΎΠ΄ΠΈΡΡ ΠΌΠ΅ΡΡΠΎ Π΄Π»Ρ Π³ΠΈΠ±ΡΠΈΠ΄Π½ΠΎΠ³ΠΎ ΡΠ»Π΅ΠΊΡΡΠΎΠ΄Π²ΠΈΠ³Π°ΡΠ΅Π»Ρ. ΠΠΎΡΠΎΠ±ΠΊΠ° ΠΏΠ΅ΡΠ΅Π΄Π°Ρ ΡΡΡΠ°Π½Π°Π²Π»ΠΈΠ²Π°Π΅ΡΡΡ Π½Π° Π΄Π²ΠΈΠ³Π°ΡΠ΅Π»ΠΈ 1.4 TSI.
7-ΡΡΡΠΏΠ΅Π½ΡΠ°ΡΠ°Ρ
DQ200 — 0AM / 0CW
Π Π½Π°ΡΠ°Π»Π΅ 2008 Π³ΠΎΠ΄Π° ΡΡΠ°Π»Π° Π΄ΠΎΡΡΡΠΏΠ½Π° Π΅ΡΠ΅ ΠΎΠ΄Π½Π° ΡΠ΅ΠΌΠΈΡΡΡΠΏΠ΅Π½ΡΠ°ΡΠ°Ρ ΠΊΠΎΡΠΎΠ±ΠΊΠ° ΠΏΠ΅ΡΠ΅Π΄Π°Ρ DSG ΠΌΠ°ΡΡΠΎΠΉ 70 ΠΊΠ³, ΠΏΠ΅ΡΠ²Π°Ρ Π² ΠΌΠΈΡΠ΅. ΠΠ½ ΠΎΡΠ»ΠΈΡΠ°Π΅ΡΡΡ ΠΎΡ ΡΠ΅ΡΡΠΈΡΡΡΠΏΠ΅Π½ΡΠ°ΡΠΎΠΉ ββDSG ΡΠ΅ΠΌ, ΡΡΠΎ Π² Π½Π΅ΠΌ ΠΈΡΠΏΠΎΠ»ΡΠ·ΡΡΡΡΡ Π΄Π²Π° ΠΎΠ΄Π½ΠΎΠ΄ΠΈΡΠΊΠΎΠ²ΡΡ
ΡΡΡ
ΠΈΡ
ΡΡΠ΅ΠΏΠ»Π΅Π½ΠΈΡ (ΡΠ°ΠΊΠΎΠ³ΠΎ ΠΆΠ΅ Π΄ΠΈΠ°ΠΌΠ΅ΡΡΠ°), ΡΠ°Π·ΡΠ°Π±ΠΎΡΠ°Π½Π½ΡΠ΅ LuK Clutch Systems.
ΠΡΠ° ΡΠ΅ΠΌΠΈΡΡΡΠΏΠ΅Π½ΡΠ°ΡΠ°Ρ ΠΊΠΎΡΠΎΠ±ΠΊΠ° ΠΏΠ΅ΡΠ΅Π΄Π°Ρ DSG ΠΈΡΠΏΠΎΠ»ΡΠ·ΡΠ΅ΡΡΡ Π² Π½Π΅Π±ΠΎΠ»ΡΡΠΈΡ
ΠΏΠ΅ΡΠ΅Π΄Π½Π΅ΠΏΡΠΈΠ²ΠΎΠ΄Π½ΡΡ
Π°Π²ΡΠΎΠΌΠΎΠ±ΠΈΠ»ΡΡ
Ρ Π΄Π²ΠΈΠ³Π°ΡΠ΅Π»ΡΠΌΠΈ ΠΌΠ΅Π½ΡΡΠ΅Π³ΠΎ ΡΠ°Π±ΠΎΡΠ΅Π³ΠΎ ΠΎΠ±ΡΠ΅ΠΌΠ° ΠΈ Π±ΠΎΠ»Π΅Π΅ Π½ΠΈΠ·ΠΊΠΈΠΌ Π²ΡΡ
ΠΎΠ΄Π½ΡΠΌ ΠΊΡΡΡΡΡΠΈΠΌ ΠΌΠΎΠΌΠ΅Π½ΡΠΎΠΌ, ΡΠ°ΠΊΠΈΡ
ΠΊΠ°ΠΊ ΠΏΠΎΡΠ»Π΅Π΄Π½ΠΈΠΉ Volkswagen Golf, Volkswagen Polo Mk5 ΠΈ Π½ΠΎΠ²ΡΠΉ SEAT Ibiza. ΠΠ½ ΡΠ°ΠΊΠΆΠ΅ ΡΡΡΠ°Π½Π°Π²Π»ΠΈΠ²Π°Π΅ΡΡΡ Π½Π° ΠΌΠΎΠ΄Π΅Π»ΠΈ Caddy 1.6 TDI. ΠΠ½ ΡΠΎΡΠ΅ΡΠ°Π΅ΡΡΡ Ρ Π΄Π²ΠΈΠ³Π°ΡΠ΅Π»ΡΠΌΠΈ ΠΊΡΡΡΡΡΠΈΠΌ ΠΌΠΎΠΌΠ΅Π½ΡΠΎΠΌ Π΄ΠΎ 250 ΠΠΌ (180 ΡΡΠ½ΡΠΎΠ²/ΡΡΡ). ΠΠ½ ΠΈΠΌΠ΅Π΅Ρ Π·Π½Π°ΡΠΈΡΠ΅Π»ΡΠ½ΠΎ ΠΌΠ΅Π½ΡΡΠΈΠΉ ΠΎΠ±ΡΠ΅ΠΌ ΠΌΠ°ΡΠ»Π°, ΡΠ΅ΠΌ ΡΠ΅ΡΡΠΈΡΡΡΠΏΠ΅Π½ΡΠ°ΡΡΠΉ DQ250, DQ200 ΠΈΡΠΏΠΎΠ»ΡΠ·ΡΠ΅Ρ Π²ΡΠ΅Π³ΠΎ 1,7 Π»ΠΈΡΡΠ° ΡΡΠ°Π½ΡΠΌΠΈΡΡΠΈΠΎΠ½Π½ΠΎΠΉ ΠΆΠΈΠ΄ΠΊΠΎΡΡΠΈ.
Π ΡΠΎΠΆΠ°Π»Π΅Π½ΠΈΡ, ΠΌΡ Π½Π΅ ΠΌΠΎΠΆΠ΅ΠΌ Π½Π°ΡΡΡΠΎΠΈΡΡ ΠΈΡ
Π΄Π»Ρ Π±ΠΎΠ»ΡΡΠ΅Π³ΠΎ ΡΠ΄Π΅ΡΠΆΠ°Π½ΠΈΡ ΠΊΡΡΡΡΡΠ΅Π³ΠΎ ΠΌΠΎΠΌΠ΅Π½ΡΠ° ΠΈΠ·-Π·Π° ΠΊΠΎΠ½ΡΡΡΡΠΊΡΠΈΠΈ Β«ΡΡΡ
ΠΎΠ³ΠΎ ΡΡΠ΅ΠΏΠ»Π΅Π½ΠΈΡΒ».
DQ380 — 0DE
ΠΡΠΏΠΎΠ»ΡΠ·ΡΠ΅ΡΡΡ Π² Golf 7 GTI ΠΈ Audi S3. ΠΡΠΎΠΈΠ·Π²ΠΎΠ΄ΡΡΠ²ΠΎ ΡΡΠ°ΡΡΠΎΠ²Π°Π»ΠΎ Π² 2015 Π³ΠΎΠ΄Ρ, ΡΠΈΡΠΎΠΊΠΎ ΡΠ°ΡΠΏΡΠΎΡΡΡΠ°Π½Π΅Π½ΠΎ Π² ΠΠΈΡΠ°Π΅. ΠΡΠ° ΡΡΠ°Π½ΡΠΌΠΈΡΡΠΈΡ ΠΏΡΠ΅Π΄ΡΡΠ°Π²Π»ΡΠ΅Ρ ΡΠΎΠ±ΠΎΠΉ ΡΠΌΠ΅Π½ΡΡΠ΅Π½Π½ΡΡ Π²Π΅ΡΡΠΈΡ DQ500, ΠΊΠΎΡΠΎΡΡΡ ΠΌΠΎΠΆΠ½ΠΎ Π½Π°ΠΉΡΠΈ Π² Π΄Π²ΠΈΠ³Π°ΡΠ΅Π»ΡΡ Audi RS3 ΠΈ Audi Q3 2.0TFSI/TDI. ΠΠ΄Π΅ΡΡ ΠΈΡΠΏΠΎΠ»ΡΠ·ΡΠ΅ΡΡΡ ΡΠΈΡΡΠ΅ΠΌΠ° ΠΌΠΎΠΊΡΠΎΠ³ΠΎ ΡΡΠ΅ΠΏΠ»Π΅Π½ΠΈΡ.
DQ381 — 0GC
Π 2017 Π³ΠΎΠ΄Ρ ΡΡΠΎΠ²Π΅ΡΡΠ΅Π½ΡΡΠ²ΠΎΠ²Π°Π½ΠΈΠ΅ DQ380 Π±ΡΠ»ΠΎ ΠΏΡΠΎΠΈΠ·Π²Π΅Π΄Π΅Π½ΠΎ ΠΊΠ°ΠΊ DQ381 ΠΈ ΠΈΡΠΏΠΎΠ»ΡΠ·ΡΠ΅ΡΡΡ Π²ΠΎ ΠΌΠ½ΠΎΠ³ΠΈΡ
Π½ΠΎΠ²ΡΡ
Π°Π²ΡΠΎΠΌΠΎΠ±ΠΈΠ»ΡΡ
Ρ ΠΏΠ»Π°ΡΡΠΎΡΠΌΠΎΠΉ MQB, ΡΠ°ΠΊΠΈΡ
ΠΊΠ°ΠΊ Arteon.
DQ381 ΠΈΠΌΠ΅Π΅Ρ ΠΏΠΎΠ»Π½ΠΎΠΏΡΠΈΠ²ΠΎΠ΄Π½ΡΠΉ Π²Π°ΡΠΈΠ°Π½Ρ ΠΊΠ°ΠΊ DQ381-7A, ΠΏΠ΅ΡΠ΅Π΄Π½Π΅ΠΏΡΠΈΠ²ΠΎΠ΄Π½ΡΠΉ Π²Π°ΡΠΈΠ°Π½Ρ Π½Π°Π·ΡΠ²Π°Π΅ΡΡΡ DQ381-7F.
ΠΡΠ° ΠΊΠΎΡΠΎΠ±ΠΊΠ° ΠΏΠ΅ΡΠ΅Π΄Π°Ρ ΠΏΡΠ΅Π΄ΡΡΠ°Π²Π»ΡΠ΅Ρ ΡΠΎΠ±ΠΎΠΉ ΡΠΌΠ΅Π½ΡΡΠ΅Π½Π½ΡΡ Π²Π΅ΡΡΠΈΡ ΠΊΠΎΡΠΎΠ±ΠΊΠΈ ΠΏΠ΅ΡΠ΅Π΄Π°Ρ DQ500, ΠΊΠΎΡΠΎΡΡΡ ΠΌΠΎΠΆΠ½ΠΎ Π½Π°ΠΉΡΠΈ Π½Π° Audi RS3/TT-RS.
Π‘ ΠΌΠΎΠ΄ΠΈΡΠΈΡΠΈΡΠΎΠ²Π°Π½Π½ΡΠΌ ΠΏΡΠΎΠ³ΡΠ°ΠΌΠΌΠ½ΡΠΌ ΠΎΠ±Π΅ΡΠΏΠ΅ΡΠ΅Π½ΠΈΠ΅ΠΌ DQ380 ΠΌΠΎΠΆΠ΅Ρ ΡΠ°Π·Π²ΠΈΠ²Π°ΡΡ ΠΌΠΎΡΠ½ΠΎΡΡΡ Π΄ΠΎ 600 Π».Ρ./700 ΠΠΌ.
DQ400E — 0DD
ΠΡΠΏΠΎΠ»ΡΠ·ΡΠ΅ΡΡΡ Π² ΠΏΠΎΠ΄ΠΊΠ»ΡΡΠ°Π΅ΠΌΡΡ Π³ΠΈΠ±ΡΠΈΠ΄Π°Ρ Golf GTE ΠΈ Passat GTE. ΠΠ»Π΅ΠΊΡΡΠΎΠ΄Π²ΠΈΠ³Π°ΡΠ΅Π»Ρ Π²Ρ ΠΎΠ΄ΠΈΡ Π² ΠΊΠΎΠΌΠΏΠ»Π΅ΠΊΡ DSG. ΠΡΠ΅Π³ΠΎ Π½Π° ΡΡΠΎΠΉ DSG 3 ΡΡΠ΅ΠΏΠ»Π΅Π½ΠΈΡ.
DQ500 — 0BH / 0BT
ΠΡΠΎ Π±ΠΎΠ»Π΅Π΅ ΡΡΠΆΠ΅Π»Π°Ρ 7-ΡΡΡΠΏΠ΅Π½ΡΠ°ΡΠ°Ρ ΠΊΠΎΡΠΎΠ±ΠΊΠ° ΠΏΠ΅ΡΠ΅Π΄Π°Ρ DSG Ρ ΠΏΠΎΠΏΠ΅ΡΠ΅ΡΠ½ΡΠΌ ΡΠ°ΡΠΏΠΎΠ»ΠΎΠΆΠ΅Π½ΠΈΠ΅ΠΌ, ΡΠ°ΡΡΡΠΈΡΠ°Π½Π½Π°Ρ Π½Π° Π·Π°Π²ΠΎΠ΄Π΅-ΠΈΠ·Π³ΠΎΡΠΎΠ²ΠΈΡΠ΅Π»Π΅ Ρ ΠΊΡΡΡΡΡΠΈΠΌ ΠΌΠΎΠΌΠ΅Π½ΡΠΎΠΌ Π΄ΠΎ 600 ΠΠΌ (440 ΡΡΠ½ΡΠΎΠ²/ΡΡΡ). ΠΠ³ΠΎ ΠΌΠΎΠΆΠ½ΠΎ Π½Π°ΠΉΡΠΈ Π² VW Transporter, Tiguan, Audi RS3, TT-RS ΠΈ Q3, Π° ΡΠ°ΠΊΠΆΠ΅ Π² Passat 2.0 BiTDI. ΠΠΎΡΠΎΠ±ΠΊΠ° ΠΏΠ΅ΡΠ΅Π΄Π°Ρ DQ500 β ΡΠ°ΠΌΠ°Ρ ΠΌΠΎΡΠ½Π°Ρ ΠΏΠΎΠΏΠ΅ΡΠ΅ΡΠ½Π°Ρ ΠΊΠΎΡΠΎΠ±ΠΊΠ° ΠΏΠ΅ΡΠ΅Π΄Π°Ρ DSG Π² Π³ΡΡΠΏΠΏΠ΅ VAG. ΠΠΎΡΡΠΎΠΌΡ ΡΡΠΎΡ ΠΈΡΠΏΠΎΠ»ΡΠ·ΡΠ΅ΡΡΡ Π½Π° Π±ΠΎΠ»Π΅Π΅ ΡΡΠΆΠ΅Π»ΡΡ ΡΡΠ°Π½ΡΠΏΠΎΡΡΠ½ΡΡ ΡΡΠ΅Π΄ΡΡΠ²Π°Ρ ΠΈ ΠΌΠΎΠ΄Π΅Π»ΡΡ Ρ Π²ΡΡΠΎΠΊΠΎΠΉ Π²ΡΡ ΠΎΠ΄Π½ΠΎΠΉ ΠΌΠΎΡΠ½ΠΎΡΡΡΡ / ΠΊΡΡΡΡΡΠΈΠΌ ΠΌΠΎΠΌΠ΅Π½ΡΠΎΠΌ.
DQ500 ΠΌΠΎΠΆΠ΅Ρ ΡΠ°Π·Π²ΠΈΠ²Π°ΡΡ ΠΌΠΎΡΠ½ΠΎΡΡΡ Π΄ΠΎ 800 Π».
Ρ./1000 ΠΠΌ Ρ ΠΏΡΠΎΠ³ΡΠ°ΠΌΠΌΠ½ΡΠΌ ΠΎΠ±Π΅ΡΠΏΠ΅ΡΠ΅Π½ΠΈΠ΅ΠΌ DSG ΠΈ ΠΌΠΎΠ΄Π΅ΡΠ½ΠΈΠ·ΠΈΡΠΎΠ²Π°Π½Π½ΡΠΌΠΈ ΠΏΠ°ΠΊΠ΅ΡΠ°ΠΌΠΈ ΡΡΠ΅ΠΏΠ»Π΅Π½ΠΈΡ.
DQ511
ΠΠΎΠ²Π°Ρ 10-ΡΡΡΠΏΠ΅Π½ΡΠ°ΡΠ°Ρ ΠΊΠΎΡΠΎΠ±ΠΊΠ° ΠΏΠ΅ΡΠ΅Π΄Π°Ρ DSG ΠΏΠΎΠ΄ ΠΊΠΎΠ΄ΠΎΠ²ΡΠΌ Π½Π°Π·Π²Π°Π½ΠΈΠ΅ΠΌ DQ511 ΠΌΠ΅Ρ
Π°Π½ΠΈΡΠ΅ΡΠΊΠΈ Π°Π½Π°Π»ΠΎΠ³ΠΈΡΠ½Π° DQ500. ΠΠΎΠΌΠΈΠΌΠΎ ΡΠ½ΠΈΠΆΠ΅Π½ΠΈΡ ΡΠ°ΡΡ
ΠΎΠ΄Π° ΡΠΎΠΏΠ»ΠΈΠ²Π°, Π΄ΠΎΠΏΠΎΠ»Π½ΠΈΡΠ΅Π»ΡΠ½ΡΠ΅ ΠΏΠ΅ΡΠ΅Π΄Π°ΡΠΈ Π΄Π°ΡΡ Π΅ΡΠ΅ ΠΎΠ΄Π½ΠΎ Π²Π°ΠΆΠ½ΠΎΠ΅ ΠΏΡΠ΅ΠΈΠΌΡΡΠ΅ΡΡΠ²ΠΎ. ΠΠΎΡΠΎΠ±ΠΊΠ° ΠΏΠ΅ΡΠ΅Π΄Π°Ρ ΠΊΠ°ΠΆΠ΅ΡΡΡ Π±ΠΎΠ»Π΅Π΅ ΠΎΡΠΊΡΡΡΠΎΠΉ, ΠΏΠΎΡΠΊΠΎΠ»ΡΠΊΡ ΡΠ°Π·Π½ΠΈΡΠ° ΠΌΠ΅ΠΆΠ΄Ρ ΡΠ°ΠΌΡΠΌ Π²ΡΡΠΎΠΊΠΈΠΌ ΠΈ ΡΠ°ΠΌΡΠΌ Π½ΠΈΠ·ΠΊΠΈΠΌ ΠΏΠ΅ΡΠ΅Π΄Π°ΡΠΎΡΠ½ΡΠΌ ΡΠΈΡΠ»ΠΎΠΌ Π²Π΅Π»ΠΈΠΊΠ°. ΠΠΎΡΠΊΠΎΠ»ΡΠΊΡ ΠΎΠ½ΠΈ ΠΈΠΌΠ΅ΡΡ Π±ΠΎΠ»Π΅Π΅ Π±Π»ΠΈΠ·ΠΊΠΎΠ΅ ΠΏΠ΅ΡΠ΅Π΄Π°ΡΠΎΡΠ½ΠΎΠ΅ ΠΎΡΠ½ΠΎΡΠ΅Π½ΠΈΠ΅, ΠΏΡΠΈ ΠΏΠ΅ΡΠ΅ΠΊΠ»ΡΡΠ΅Π½ΠΈΠΈ ΠΏΠ΅ΡΠ΅Π΄Π°Ρ ΠΌΠ΅Π½ΡΡΠ΅ ΡΡΠ²ΠΊΠΎΠ², Π½Π° ΡΡΠΎ Π½Π΅ΠΊΠΎΡΠΎΡΡΠ΅ Π²Π»Π°Π΄Π΅Π»ΡΡΡ ΠΆΠ°Π»ΠΎΠ²Π°Π»ΠΈΡΡ Π² ΠΏΡΠΎΡΠ»ΠΎΠΌ.
Π’Π°ΠΊ ΠΆΠ΅, ΠΊΠ°ΠΊ ΠΈ Π² DQ500, Π΄Π²Π° ΠΌΠ½ΠΎΠ³ΠΎΠ΄ΠΈΡΠΊΠΎΠ²ΡΡ
ΡΡΠ΅ΠΏΠ»Π΅Π½ΠΈΡ ΠΎΠΌΡΠ²Π°ΡΡΡΡ ΠΌΠ°ΡΠ»ΠΎΠΌ, Ρ
ΠΎΡΡ ΡΠΌΠ°Π·ΠΊΠ° Π΄ΠΎΡΡΠΈΠ³Π°Π΅Ρ Π±ΠΎΠ»Π΅Π΅ Π½ΠΈΠ·ΠΊΠΎΠ³ΠΎ ΡΡΠΎΠ²Π½Ρ ΠΈ ΠΈΠΌΠ΅Π΅Ρ ΠΏΠΎΠ½ΠΈΠΆΠ΅Π½Π½ΡΡ Π²ΡΠ·ΠΊΠΎΡΡΡ, ΡΡΠΎ ΠΏΠΎΠ²ΡΡΠ°Π΅Ρ ΡΡΡΠ΅ΠΊΡΠΈΠ²Π½ΠΎΡΡΡ.
ΠΡΠ»ΠΎ ΠΏΠΎΠ΄ΡΠ²Π΅ΡΠΆΠ΄Π΅Π½ΠΎ, ΡΡΠΎ VW ΠΎΡΠΊΠ°Π·Π°Π»ΡΡ ΠΎΡ ΠΏΡΠΎΠ΅ΠΊΡΠ° DQ511 Π² Π½Π°ΡΠ°Π»Π΅ 2019 Π³ΠΎΠ΄Π°, Π·Π°ΡΠ²ΠΈΠ², ΡΡΠΎ ΠΈΡ
Π²Π½ΠΈΠΌΠ°Π½ΠΈΠ΅ ΡΠΎΡΡΠ΅Π΄ΠΎΡΠΎΡΠ΅Π½ΠΎ Π½Π° ΡΠ»Π΅ΠΊΡΡΠΎΠΌΠΎΠ±ΠΈΠ»ΡΡ
, ΠΊΠΎΡΠΎΡΡΠ΅ ΠΎΠ±ΡΡΠ½ΠΎ Π½Π΅ ΡΡΠ΅Π±ΡΡΡ ΠΊΠΎΡΠΎΠ±ΠΎΠΊ ΠΏΠ΅ΡΠ΅Π΄Π°Ρ ΠΈΠ»ΠΈ ΡΡΠ΅Π±ΡΡΡ Π³ΠΎΡΠ°Π·Π΄ΠΎ Π±ΠΎΠ»Π΅Π΅ ΠΏΡΠΎΡΡΡΡ
ΠΊΠΎΡΠΎΠ±ΠΎΠΊ ΠΏΠ΅ΡΠ΅Π΄Π°Ρ ΠΈΠ·-Π·Π° ΠΈΡ
ΠΌΠ³Π½ΠΎΠ²Π΅Π½Π½ΠΎΠ³ΠΎ ΠΊΡΡΡΡΡΠ΅Π³ΠΎ ΠΌΠΎΠΌΠ΅Π½ΡΠ°.
DL382 — 0CL / 0CJ / 0DP / 0CK / 0DN ΠΈ DL382+ 0HL ΠΈ DL382E 0DK
7-ΡΡΡΠΏΠ΅Π½ΡΠ°ΡΠ°Ρ ΠΊΠΎΡΠΎΠ±ΠΊΠ° ΠΏΠ΅ΡΠ΅Π΄Π°Ρ DSG Ρ ΠΌΠΎΠΊΡΡΠΌ ΡΡΠ΅ΠΏΠ»Π΅Π½ΠΈΠ΅ΠΌ. ΠΡΠΏΠΎΠ»ΡΠ·ΡΠ΅ΡΡΡ Π² Audi A4/A5/A6/Q5 ΠΈ Volkswagen Phideon (ΠΌΠΎΠ΄Π΅Π»Ρ Π΄Π»Ρ ΠΊΠΈΡΠ°ΠΉΡΠΊΠΎΠ³ΠΎ ΡΡΠ½ΠΊΠ°). ΠΡΠΎΠΈΠ·Π²ΠΎΠ΄ΡΡΠ²ΠΎ Π½Π°ΡΠ°Π»ΠΎΡΡ Π² 2015 Π³ΠΎΠ΄Ρ Ρ ΠΌΠΎΡΠ½ΠΎΡΡΡΡ 400 ΠΠΌ, ΠΊΠ°ΠΊ Π² ΠΏΠ΅ΡΠ΅Π΄Π½Π΅ΠΏΡΠΈΠ²ΠΎΠ΄Π½ΠΎΠΌ Π²Π°ΡΠΈΠ°Π½ΡΠ΅ DL382-7F, ΡΠ°ΠΊ ΠΈ Π² ΠΏΠΎΠ»Π½ΠΎΠΏΡΠΈΠ²ΠΎΠ΄Π½ΠΎΠΌ Π²Π°ΡΠΈΠ°Π½ΡΠ΅ DL382-7Q. ΠΠΎΠ»Π½ΠΎΠΏΡΠΈΠ²ΠΎΠ΄Π½Π°Ρ Π²Π΅ΡΡΠΈΡ Quattro Ultra DL382-7A Π±ΡΠ»Π° ΠΏΡΠ΅Π΄ΡΡΠ°Π²Π»Π΅Π½Π° ββββΠ² Q5 (ΡΠΈΠΏ FY). ΠΠ°ΡΠΈΠ½Π°Ρ Ρ Audi A6/A7 (ΡΠΈΠΏ 4K), Π±ΡΠ» ΠΏΡΠ΅Π΄ΡΡΠ°Π²Π»Π΅Π½ Π²Π°ΡΠΈΠ°Π½Ρ Ρ Π²ΡΡΠΎΠΊΠΈΠΌ ΠΊΡΡΡΡΡΠΈΠΌ ΠΌΠΎΠΌΠ΅Π½ΡΠΎΠΌ (Π΄ΠΎ 500 ΠΠΌ), Π½Π°Π·Π²Π°Π½Π½ΡΠΉ DL382+.
0CK ΠΈ 0DN β ΠΊΠΎΠ΄ΠΎΠ²ΡΠ΅ ΠΈΠΌΠ΅Π½Π° Π΄Π»Ρ DL382-7F, 0CL β Π΄Π»Ρ DL382-7Q, 0CJ ΠΈ 0DP β Π΄Π»Ρ DL382-7A ΠΈ 0HL β Π΄Π»Ρ DL382+-7A. Π‘ΡΡΠ΅ΡΡΠ²ΡΠ΅Ρ ΡΠ°ΠΊΠΆΠ΅ DL382E Ρ ΠΊΠΎΠ΄ΠΎΠ²ΡΠΌ Π½Π°Π·Π²Π°Π½ΠΈΠ΅ΠΌ 0DK, Ρ ΠΊΠΎΡΠΎΡΠΎΠ³ΠΎ Π΅ΡΡΡ ΡΡΠ³ΠΎΠ²ΡΠΉ Π΄Π²ΠΈΠ³Π°ΡΠ΅Π»Ρ Π΄Π»Ρ ΡΠΈΡΡΠ΅ΠΌΡ ΡΠ»Π΅ΠΊΡΡΠΈΡΠ΅ΡΠΊΠΎΠ³ΠΎ ΠΏΡΠΈΠ²ΠΎΠ΄Π° / Π³ΠΈΠ±ΡΠΈΠ΄Π½ΠΎΠ³ΠΎ ΠΏΡΠΈΠ²ΠΎΠ΄Π°.
ΠΡΠ΅ ΡΡΠΈ ΠΊΠΎΡΠΎΠ±ΠΊΠΈ ΠΏΠ΅ΡΠ΅Π΄Π°Ρ ΠΈΡΠΏΠΎΠ»ΡΠ·ΡΡΡ ΠΎΠ΄Π½Ρ ΠΈ ΡΡ ΠΆΠ΅ Π΄Π²ΠΎΠΉΠ½ΡΡ ΡΠΈΡΡΠ΅ΠΌΡ ΠΌΠ°ΡΠ»Π° ΠΈ ΡΠΈΠ»ΡΡΡΠΎΠ², ΠΎΡΠ΄Π΅Π»ΡΡΡΡΡ ΠΌΠ°ΡΠ»ΡΠ½ΡΠΉ ΠΊΠΎΠ½ΡΡΡ ΡΡΠ΅ΠΏΠ»Π΅Π½ΠΈΡ/ΠΌΠ΅Ρ
Π°ΡΡΠΎΠ½ΠΈΠΊΠ° ΠΎΡ ΠΊΠΎΠ½ΡΡΡΠ° ΡΠ΅ΡΡΠ΅ΡΠ½ΠΈ ΠΈ Π΄ΠΈΡΡΠ΅ΡΠ΅Π½ΡΠΈΠ°Π»Π°.
DL501 — 0B5
Π ΠΊΠΎΠ½ΡΠ΅ 2008 Π³ΠΎΠ΄Π° Π² ΡΠ΅ΡΠΈΠΉΠ½ΠΎΠ΅ ΠΏΡΠΎΠΈΠ·Π²ΠΎΠ΄ΡΡΠ²ΠΎ ΠΏΠΎΡΠ»Π° ΡΠΎΠ²Π΅ΡΡΠ΅Π½Π½ΠΎ Π½ΠΎΠ²Π°Ρ ΡΠ΅ΠΌΠΈΡΡΡΠΏΠ΅Π½ΡΠ°ΡΠ°Ρ ΠΏΡΠΎΠ΄ΠΎΠ»ΡΠ½Π°Ρ Π²Π΅ΡΡΠΈΡ ΠΊΠΎΡΠΎΠ±ΠΊΠΈ ΠΏΠ΅ΡΠ΅Π΄Π°Ρ DSG S-Tronic.
ΠΠ΅ΡΠ²ΠΎΠ½Π°ΡΠ°Π»ΡΠ½ΠΎ Ρ Π½Π°ΡΠ°Π»Π° 2009 Π³., ΠΎΠ½ ΠΈΡΠΏΠΎΠ»ΡΠ·ΡΠ΅ΡΡΡ ΡΠΎΠ»ΡΠΊΠΎ Π² Π½Π΅ΠΊΠΎΡΠΎΡΡΡ
Π°Π²ΡΠΎΠΌΠΎΠ±ΠΈΠ»ΡΡ
Audi ΠΈ ΡΠΎΠ»ΡΠΊΠΎ Ρ ΠΏΡΠΎΠ΄ΠΎΠ»ΡΠ½ΠΎ ΡΠ°ΡΠΏΠΎΠ»ΠΎΠΆΠ΅Π½Π½ΡΠΌΠΈ Π΄Π²ΠΈΠ³Π°ΡΠ΅Π»ΡΠΌΠΈ. ΠΠ°ΠΊ ΠΈ ΠΎΡΠΈΠ³ΠΈΠ½Π°Π»ΡΠ½Π°Ρ ΡΠ΅ΡΡΠΈΡΡΡΠΏΠ΅Π½ΡΠ°ΡΠ°Ρ ΠΊΠΎΡΠΎΠ±ΠΊΠ° ΠΏΠ΅ΡΠ΅Π΄Π°Ρ DSG, ΠΎΠ½Π° ΠΎΡΠ½Π°ΡΠ΅Π½Π° ΠΊΠΎΠ½ΡΠ΅Π½ΡΡΠΈΡΠ΅ΡΠΊΠΈΠΌ Π΄Π²ΠΎΠΉΠ½ΡΠΌ ΠΌΠΎΠΊΡΡΠΌ ΠΌΠ½ΠΎΠ³ΠΎΠ΄ΠΈΡΠΊΠΎΠ²ΡΠΌ ΡΡΠ΅ΠΏΠ»Π΅Π½ΠΈΠ΅ΠΌ. ΠΠ΄Π½Π°ΠΊΠΎ Π² ΡΡΠΎΠΌ ΠΊΠΎΠ½ΠΊΡΠ΅ΡΠ½ΠΎΠΌ Π²Π°ΡΠΈΠ°Π½ΡΠ΅ ΠΈΡΠΏΠΎΠ»ΡΠ·ΡΠ΅ΡΡΡ Π·Π°ΠΌΠ΅ΡΠ½ΠΎ Π±ΠΎΠ»ΡΡΠ΅ Π΄ΠΈΡΠΊΠΎΠ² — Π±ΠΎΠ»ΡΡΠ΅Π΅ Π²Π½Π΅ΡΠ½Π΅Π΅ ΡΡΠ΅ΠΏΠ»Π΅Π½ΠΈΠ΅ (Π΄Π»Ρ Π½Π΅ΡΠ΅ΡΠ½ΡΡ
ΠΏΠ΅ΡΠ΅Π΄Π°Ρ) ΠΈΡΠΏΠΎΠ»ΡΠ·ΡΠ΅Ρ 10 Π΄ΠΈΡΠΊΠΎΠ², ΡΠΎΠ³Π΄Π° ΠΊΠ°ΠΊ ΠΌΠ΅Π½ΡΡΠ΅Π΅ Π²Π½ΡΡΡΠ΅Π½Π½Π΅Π΅ ΡΡΠ΅ΠΏΠ»Π΅Π½ΠΈΠ΅ (Π²Π΅Π΄ΡΡΠ΅Π΅ ΡΠ΅ΡΠ½ΠΎΠ΅ ΡΠΈΡΠ»ΠΎ ΠΏΠ΅ΡΠ΅Π΄Π°Ρ ΠΈ Π·Π°Π΄Π½ΠΈΠΉ Ρ
ΠΎΠ΄) ΠΈΡΠΏΠΎΠ»ΡΠ·ΡΠ΅Ρ 12 Π΄ΠΈΡΠΊΠΎΠ².
ΠΡΠ΅ ΠΎΠ΄Π½ΠΎ Π·Π°ΠΌΠ΅ΡΠ½ΠΎΠ΅ ΠΈΠ·ΠΌΠ΅Π½Π΅Π½ΠΈΠ΅ ΠΏΠΎ ΡΡΠ°Π²Π½Π΅Π½ΠΈΡ Ρ ΠΎΡΠΈΠ³ΠΈΠ½Π°Π»ΡΠ½ΡΠΌΠΈ ΠΏΠΎΠΏΠ΅ΡΠ΅ΡΠ½ΡΠΌΠΈ ΠΊΠΎΡΠΎΠ±ΠΊΠ°ΠΌΠΈ ΠΏΠ΅ΡΠ΅Π΄Π°Ρ DSG β ΡΡΠΎ ΡΠΈΡΡΠ΅ΠΌΠ° ΡΠΌΠ°Π·ΠΊΠΈ. Audi ΡΠ΅ΠΏΠ΅ΡΡ ΠΈΡΠΏΠΎΠ»ΡΠ·ΡΠ΅Ρ Π΄Π²Π° ΠΏΠΎΠ»Π½ΠΎΡΡΡΡ ΠΎΡΠ΄Π΅Π»ΡΠ½ΡΡ
ΠΌΠ°ΡΠ»ΡΠ½ΡΡ
ΠΊΠΎΠ½ΡΡΡΠ°. ΠΠ΄ΠΈΠ½ ΠΌΠ°ΡΠ»ΡΠ½ΡΠΉ ΠΊΠΎΠ½ΡΡΡ ΠΎΠ±ΡΠ΅ΠΌΠΎΠΌ 7,5 Π»ΠΈΡΡΠΎΠ² ΡΠΌΠ°Π·ΡΠ²Π°Π΅Ρ Π³ΠΈΠ΄ΡΠ°Π²Π»ΠΈΡΠ΅ΡΠΊΠΈΠ΅ ΠΌΡΡΡΡ ΠΈ ΠΌΠ΅Ρ
Π°ΡΡΠΎΠ½ΠΈΠΊ ΠΏΠΎΠ»Π½ΠΎΡΡΡΡ ΡΠΈΠ½ΡΠ΅ΡΠΈΡΠ΅ΡΠΊΠΎΠΉ ΡΠΏΠ΅ΡΠΈΠ°Π»ΡΠ½ΠΎΠΉ ΠΆΠΈΠ΄ΠΊΠΎΡΡΡΡ Π΄Π»Ρ Π°Π²ΡΠΎΠΌΠ°ΡΠΈΡΠ΅ΡΠΊΠΈΡ
ΡΡΠ°Π½ΡΠΌΠΈΡΡΠΈΠΉ (ATF), Π° Π΄ΡΡΠ³ΠΎΠΉ ΠΌΠ°ΡΠ»ΡΠ½ΡΠΉ ΠΊΠΎΠ½ΡΡΡ ΡΠΌΠ°Π·ΡΠ²Π°Π΅Ρ Π·ΡΠ±ΡΠ°ΡΡΠ΅ ΠΏΠ΅ΡΠ΅Π΄Π°ΡΠΈ, ΠΏΠ΅ΡΠ΅Π΄Π½ΠΈΠΉ ΠΈ ΠΌΠ΅ΠΆΠΎΡΠ΅Π²ΠΎΠΉ Π΄ΠΈΡΡΠ΅ΡΠ΅Π½ΡΠΈΠ°Π»Ρ 4,3 Π»ΠΈΡΡΠ°ΠΌΠΈ ΠΎΠ±ΡΡΠ½ΠΎΠ³ΠΎ ΠΌΠ°ΡΠ»Π° Π΄Π»Ρ Π³ΠΈΠΏΠΎΠΈΠ΄Π½ΡΡ
ΠΏΠ΅ΡΠ΅Π΄Π°Ρ.
ΠΡΠ° Π΄Π²ΡΡ
ΠΊΠΎΠ½ΡΡΡΠ½Π°Ρ ΡΠΌΠ°Π·ΠΊΠ° Π½Π°ΠΏΡΠ°Π²Π»Π΅Π½Π° ββΠ½Π° ΠΏΠΎΠ²ΡΡΠ΅Π½ΠΈΠ΅ ΠΎΠ±ΡΠ΅ΠΉ Π½Π°Π΄Π΅ΠΆΠ½ΠΎΡΡΠΈ Π·Π° ΡΡΠ΅Ρ ΡΡΡΡΠ°Π½Π΅Π½ΠΈΡ ΠΏΠ΅ΡΠ΅ΠΊΡΠ΅ΡΡΠ½ΠΎΠ³ΠΎ Π·Π°Π³ΡΡΠ·Π½Π΅Π½ΠΈΡ ΠΌΡΡΠΎΡΠΎΠΌ ΠΈ ΡΠ°ΡΡΠΈΡΠ°ΠΌΠΈ ΠΈΠ·Π½ΠΎΡΠ°.
ΠΠ±ΡΠ°Ρ ΠΌΠ°ΡΡΠ°, Π²ΠΊΠ»ΡΡΠ°Ρ Π²ΡΠ΅ ΡΠΌΠ°Π·ΠΎΡΠ½ΡΠ΅ ΠΌΠ°ΡΠ΅ΡΠΈΠ°Π»Ρ ΠΈ Π΄Π²ΡΡ
ΠΌΠ°ΡΡΠΎΠ²ΡΠΉ ΠΌΠ°Ρ
ΠΎΠ²ΠΈΠΊ, ΡΠΎΡΡΠ°Π²Π»ΡΠ΅Ρ 141,5 ΠΊΠ³.
ΠΠ°Π²ΠΎΠ΄ΡΠΊΠΎΠΉ ΠΏΡΠ΅Π΄Π΅Π» Π΄ΠΎΠΏΡΡΡΠΈΠΌΠΎΠ³ΠΎ ΠΊΡΡΡΡΡΠ΅Π³ΠΎ ΠΌΠΎΠΌΠ΅Π½ΡΠ° ΡΠΎΡΡΠ°Π²Π»ΡΠ΅Ρ Π΄ΠΎ 600 ΠΠΌ (440 ΡΡΠ½ΡΠΎΠ² / ΡΡΡ), Π° Π²ΡΡ
ΠΎΠ΄Π½Π°Ρ ΠΌΠΎΡΠ½ΠΎΡΡΡ Π΄Π²ΠΈΠ³Π°ΡΠ΅Π»Ρ — Π΄ΠΎ 330 ΠΊΠΡ (450 Π».Ρ., 440 Π».Ρ.), Π½ΠΎ Π΄ΠΎ 1000 ΠΠΌ ΠΏΡΠΎΡΠ»ΠΈ ΡΠ΅ΡΠ΅Π· Π½ΠΈΡ
Π±Π΅Π· ΠΏΡΠΎΠ±Π»Π΅ΠΌ.
DL800 — 0BZ
Π£ΡΡΠ°Π½Π°Π²Π»ΠΈΠ²Π°Π΅ΡΡΡ Π½Π° Audi R8 Π²ΡΠΎΡΠΎΠ³ΠΎ ΠΏΠΎΠΊΠΎΠ»Π΅Π½ΠΈΡ (Ρ 2015 Π³. ΠΏΠΎ Π½Π°ΡΡΠΎΡΡΠ΅Π΅ Π²ΡΠ΅ΠΌΡ) ΠΈ Lamborghini Huracan. Π Π½Π΅ΠΌ ΠΈΡΠΏΠΎΠ»ΡΠ·ΡΠ΅ΡΡΡ ΠΌΠΎΠΊΡΠΎΠ΅ ΡΡΠ΅ΠΏΠ»Π΅Π½ΠΈΠ΅ Ρ Π΄ΠΈΡΠΊΠ°ΠΌΠΈ ΠΎΠ΄ΠΈΠ½Π°ΠΊΠΎΠ²ΠΎΠ³ΠΎ ΡΠ°Π·ΠΌΠ΅ΡΠ° Π΄Π»Ρ ΠΊΠ°ΠΆΠ΄ΠΎΠΉ ΠΏΠ΅ΡΠ΅Π΄Π°ΡΠΈ, Π² ΠΎΡΠ»ΠΈΡΠΈΠ΅ ΠΎΡ Π΄ΡΡΠ³ΠΈΡ ΠΊΠΎΡΠΎΠ±ΠΎΠΊ Ρ Π΄ΠΈΡΠΊΠ°ΠΌΠΈ ΡΠ°Π·Π½ΠΎΠ³ΠΎ ΡΠ°Π·ΠΌΠ΅ΡΠ° Π΄Π»Ρ Π½Π΅ΡΠ΅ΡΠ½ΡΡ ΠΈ ΡΠ΅ΡΠ½ΡΡ ΠΏΠ΅ΡΠ΅Π΄Π°Ρ. ΠΡΠΎ ΠΎΠ·Π½Π°ΡΠ°Π΅Ρ, ΡΡΠΎ ΡΠ΄Π΅ΡΠΆΠ°Π½ΠΈΠ΅ ΠΊΡΡΡΡΡΠ΅Π³ΠΎ ΠΌΠΎΠΌΠ΅Π½ΡΠ° ΠΎΠ΄ΠΈΠ½Π°ΠΊΠΎΠ²ΠΎ Π΄Π»Ρ ΠΊΠ°ΠΆΠ΄ΠΎΠΉ ΠΏΠ΅ΡΠ΅Π΄Π°ΡΠΈ.
ΠΠ°Π²ΠΎΠ΄ΡΠΊΠΈΠ΅ ΠΎΠ³ΡΠ°Π½ΠΈΡΠ΅Π½ΠΈΡ
ΠΡΠ΅ ΠΏΡΠΈΠ²Π΅Π΄Π΅Π½Π½ΡΠ΅ Π²ΡΡΠ΅ ΠΏΡΠ΅Π΄Π΅Π»Ρ ΠΊΡΡΡΡΡΠ΅Π³ΠΎ ΠΌΠΎΠΌΠ΅Π½ΡΠ° ΡΠ²Π»ΡΡΡΡΡ ΡΠΈΡΡΠ°ΠΌΠΈ, ΠΏΡΠ΅Π΄ΠΎΡΡΠ°Π²Π»Π΅Π½Π½ΡΠΌΠΈ ΠΏΡΠΎΠΈΠ·Π²ΠΎΠ΄ΠΈΡΠ΅Π»Π΅ΠΌ. ΠΠΎ ΠΌΠ½ΠΎΠ³ΠΈΡ
ΡΠ»ΡΡΠ°ΡΡ
ΡΡΠΈ ΠΏΡΠ΅Π΄Π΅Π»Ρ ΠΌΠΎΠ³ΡΡ Π±ΡΡΡ ΠΏΡΠ΅Π²ΡΡΠ΅Π½Ρ Π²ΠΎ Π²ΡΠ΅ΠΌΡ Π½Π°ΡΡΡΠΎΠΉΠΊΠΈ ECU/TCU.
ΠΠΈΠΆΠ΅ Π²ΡΠ±Π΅ΡΠΈΡΠ΅ ΡΠ²ΠΎΡ ΠΊΠΎΡΠΎΠ±ΠΊΡ ΠΏΠ΅ΡΠ΅Π΄Π°Ρ ΠΏΠΎ ΡΠ΅Π½Π°ΠΌ:
βΌ 7 ΡΠΊΠΎΡΠΎΡΡΠ΅ΠΉ — DQ200 — 0AM / 0CW βΌ
- ΠΡΠΊΠ»ΡΡΠΈΡΡ ΠΈΠ»ΠΈ ΡΠ²Π΅Π»ΠΈΡΠΈΡΡ ΠΎΠ³ΡΠ°Π½ΠΈΡΠ΅Π½ΠΈΠ΅ ΠΎΠ±ΠΎΡΠΎΡΠΎΠ² Π΄Π»Ρ ΠΏΡΠΈΠ½ΡΠ΄ΠΈΡΠ΅Π»ΡΠ½ΠΎΠ³ΠΎ ΠΏΠ΅ΡΠ΅ΠΊΠ»ΡΡΠ΅Π½ΠΈΡ Π½Π° ΠΏΠΎΠ²ΡΡΠ΅Π½Π½ΡΡ ΠΏΠ΅ΡΠ΅Π΄Π°ΡΡ Π² ΡΡΡΠ½ΠΎΠΌ ΡΠ΅ΠΆΠΈΠΌΠ΅
- ΠΡΠΊΠ»ΡΡΠ΅Π½ΠΈΠ΅ Π°Π²ΡΠΎΠΌΠ°ΡΠΈΡΠ΅ΡΠΊΠΎΠ³ΠΎ ΠΏΠΎΠ½ΠΈΠΆΠ΅Π½ΠΈΡ ΠΏΠ΅ΡΠ΅Π΄Π°ΡΠΈ Π² ΡΡΡΠ½ΠΎΠΌ ΡΠ΅ΠΆΠΈΠΌΠ΅
Π ΡΠΎΠΆΠ°Π»Π΅Π½ΠΈΡ, ΠΌΡ Π½Π΅ ΠΌΠΎΠΆΠ΅ΠΌ Π½Π°ΡΡΡΠΎΠΈΡΡ ΠΈΡ Π΄Π»Ρ Π±ΠΎΠ»ΡΡΠ΅Π³ΠΎ ΡΠ΄Π΅ΡΠΆΠ°Π½ΠΈΡ ΠΊΡΡΡΡΡΠ΅Π³ΠΎ ΠΌΠΎΠΌΠ΅Π½ΡΠ° ΠΈΠ·-Π·Π° ΠΊΠΎΠ½ΡΡΡΡΠΊΡΠΈΠΈ Β«ΡΡΡ ΠΎΠ³ΠΎ ΡΡΠ΅ΠΏΠ»Π΅Π½ΠΈΡΒ».
βΌ 6 Π‘ΠΊΠΎΡΠΎΡΡΡ β DQ250 β 02E / 0D9 βΌ
- Π£Π²Π΅Π»ΠΈΡΠΈΡΡ ΠΏΡΠ΅Π΄Π΅Π» ΠΊΡΡΡΡΡΠ΅Π³ΠΎ ΠΌΠΎΠΌΠ΅Π½ΡΠ° Ρ 360 ΠΠΌ (265 ΡΡΡ/ΡΡΠ½Ρ) Π΄ΠΎ 500 ΠΠΌ (368 ΡΡΡ/ΡΡΠ½Ρ)
- ΠΡΠΊΠ»ΡΡΠ΅Π½ΠΈΠ΅ Π°Π²ΡΠΎΠΌΠ°ΡΠΈΡΠ΅ΡΠΊΠΎΠ³ΠΎ ΠΏΠ΅ΡΠ΅ΠΊΠ»ΡΡΠ΅Π½ΠΈΡ Π½Π° ΠΏΠΎΠ²ΡΡΠ΅Π½Π½ΡΡ ΠΏΠ΅ΡΠ΅Π΄Π°ΡΡ Π² ΡΡΡΠ½ΠΎΠΌ ΡΠ΅ΠΆΠΈΠΌΠ΅
- ΠΡΠ°ΠΏ 1 ΠΏΠ»ΡΡ ΡΠ»Π΅Π΄ΡΡΡΠ΅Π΅:
- ΠΡΠΊΠ»ΡΡΠ΅Π½ΠΈΠ΅ Π°Π²ΡΠΎΠΌΠ°ΡΠΈΡΠ΅ΡΠΊΠΎΠ³ΠΎ ΠΏΠΎΠ½ΠΈΠΆΠ΅Π½ΠΈΡ ΠΏΠ΅ΡΠ΅Π΄Π°ΡΠΈ Π² ΡΡΡΠ½ΠΎΠΌ ΡΠ΅ΠΆΠΈΠΌΠ΅
- ΠΠΏΡΠΈΠΌΠΈΠ·ΠΈΡΠΎΠ²Π°Π½Π½ΠΎΠ΅ ΡΠΏΡΠ°Π²Π»Π΅Π½ΠΈΠ΅ Π·Π°ΠΏΡΡΠΊΠΎΠΌ
- ΠΡΠ°ΠΏΡ 1 ΠΈ 2 ΠΏΠ»ΡΡ ΡΠ»Π΅Π΄ΡΡΡΠ΅Π΅:
- Π£Π²Π΅Π»ΠΈΡΠΈΡΡ ΠΎΠ³ΡΠ°Π½ΠΈΡΠΈΡΠ΅Π»Ρ ΠΊΡΡΡΡΡΠ΅Π³ΠΎ ΠΌΠΎΠΌΠ΅Π½ΡΠ° Π΄ΠΎ 650 ΠΠΌ
- Π£Π²Π΅Π»ΠΈΡΠΈΡΡ Π΄Π°Π²Π»Π΅Π½ΠΈΠ΅ ΡΡΠ΅ΠΏΠ»Π΅Π½ΠΈΡ
- ΠΠΎΠ»Π΅Π΅ Π±ΡΡΡΡΠΎΠ΅ ΠΏΠ΅ΡΠ΅ΠΊΠ»ΡΡΠ΅Π½ΠΈΠ΅
- ΠΠ°Π΄Π΅ΡΠΆΠΊΠ° ΡΡΡΠ°Π³Π° ΠΏΠ΅ΡΠ΅ΠΊΠ»ΡΡΠ΅Π½ΠΈΡ ΠΏΠ΅ΡΠ΅Π΄Π°Ρ ΡΠ΄Π°Π»Π΅Π½Π°
- ΠΠΏΡΠΈΠΌΠΈΠ·ΠΈΡΠΎΠ²Π°Π½Π½ΡΠ΅ ΡΠΎΡΠΊΠΈ ΠΏΠ΅ΡΠ΅ΠΊΠ»ΡΡΠ΅Π½ΠΈΡ Π² D&S
- Π£Π²Π΅Π»ΠΈΡΠΈΡΡ ΠΎΠ³ΡΠ°Π½ΠΈΡΠΈΡΠ΅Π»Ρ ΠΊΡΡΡΡΡΠ΅Π³ΠΎ ΠΌΠΎΠΌΠ΅Π½ΡΠ° Π΄ΠΎ 800 ΠΠΌ
- ΠΠ°ΡΡΠΎΠΌΠ½Π°Ρ Π½Π°ΡΡΡΠΎΠΉΠΊΠ° DSG ΠΏΠΎΠ΄ Π²Π°ΡΠΈ ΡΡΠ΅Π±ΠΎΠ²Π°Π½ΠΈΡ.
ΠΠ΄Π΅Π°Π»ΡΠ½ΠΎ ΠΏΠΎΠ΄Ρ
ΠΎΠ΄ΠΈΡ Π΄Π»Ρ ΡΡΠ΅ΠΊΠΎΠ²ΡΡ
ΠΈ ΡΠΈΠ»ΡΠ½ΠΎ ΠΌΠΎΠ΄ΠΈΡΠΈΡΠΈΡΠΎΠ²Π°Π½Π½ΡΡ
Π΄ΠΎΡΠΎΠΆΠ½ΡΡ
Π°Π²ΡΠΎΠΌΠΎΠ±ΠΈΠ»Π΅ΠΉ ΠΈ Ρ. Π΄. - *(Π’ΡΠ΅Π±ΡΠ΅ΡΡΡ Π°Π²ΡΠΎΠΌΠΎΠ±ΠΈΠ»Ρ Π½Π° 1-2 Π΄Π½Ρ)
βΌ 7 ΡΠΊΠΎΡΠΎΡΡΠ΅ΠΉ — DL382 — 0CL / 0CJ / 0DP / 0CK / 0DN ΠΈ DL382+ 0HL ΠΈ DL382E 0DK βΌ
- ΠΡΠΏΡΠ°Π²Π»Π΅Π½ΠΈΠ΅ Π·Π°ΠΏΠ°Π·Π΄ΡΠ²Π°Π½ΠΈΡ 1-ΠΉ ΠΈ 2-ΠΉ ΠΏΠ΅ΡΠ΅Π΄Π°Ρ
- Π£Π²Π΅Π»ΠΈΡΠ΅Π½ΠΈΠ΅ ΠΎΠ³ΡΠ°Π½ΠΈΡΠΈΡΠ΅Π»Ρ ΠΊΡΡΡΡΡΠ΅Π³ΠΎ ΠΌΠΎΠΌΠ΅Π½ΡΠ°
- ΠΡΠΊΠ»ΡΡΠ΅Π½ΠΈΠ΅ Π°Π²ΡΠΎΠΌΠ°ΡΠΈΡΠ΅ΡΠΊΠΎΠ³ΠΎ ΠΏΠ΅ΡΠ΅ΠΊΠ»ΡΡΠ΅Π½ΠΈΡ Π½Π° ΠΏΠΎΠ²ΡΡΠ΅Π½Π½ΡΡ ΠΏΠ΅ΡΠ΅Π΄Π°ΡΡ Π² ΡΡΡΠ½ΠΎΠΌ ΡΠ΅ΠΆΠΈΠΌΠ΅
- ΠΡΠ°ΠΏ 1 ΠΏΠ»ΡΡ ΡΠ»Π΅Π΄ΡΡΡΠ΅Π΅:
- ΠΠΏΡΠΈΠΌΠΈΠ·ΠΈΡΠΎΠ²Π°Π½Π½ΠΎΠ΅ ΡΠΏΡΠ°Π²Π»Π΅Π½ΠΈΠ΅ Π·Π°ΠΏΡΡΠΊΠΎΠΌ
- ΠΡΠ°ΠΏΡ 1 ΠΈ 2 ΠΏΠ»ΡΡ ΡΠ»Π΅Π΄ΡΡΡΠ΅Π΅:
- ΠΠ°Π»ΡΠ½Π΅ΠΉΡΠ΅Π΅ ΡΠ²Π΅Π»ΠΈΡΠ΅Π½ΠΈΠ΅ ΠΎΠ³ΡΠ°Π½ΠΈΡΠΈΡΠ΅Π»Ρ ΠΊΡΡΡΡΡΠ΅Π³ΠΎ ΠΌΠΎΠΌΠ΅Π½ΡΠ°
- ΠΠΎΠ²ΡΡΠ΅Π½Π½ΠΎΠ΅ Π΄Π°Π²Π»Π΅Π½ΠΈΠ΅ ΡΡΠ΅ΠΏΠ»Π΅Π½ΠΈΡ
- ΠΠΎΠ»Π΅Π΅ Π±ΡΡΡΡΠΎΠ΅ ΠΏΠ΅ΡΠ΅ΠΊΠ»ΡΡΠ΅Π½ΠΈΠ΅
- ΠΠ°Π΄Π΅ΡΠΆΠΊΠ° ΡΡΡΠ°Π³Π° ΠΏΠ΅ΡΠ΅ΠΊΠ»ΡΡΠ΅Π½ΠΈΡ ΠΏΠ΅ΡΠ΅Π΄Π°Ρ ΡΠ΄Π°Π»Π΅Π½Π°
- ΠΠΏΡΠΈΠΌΠΈΠ·ΠΈΡΠΎΠ²Π°Π½Π½ΡΠ΅ ΡΠΎΡΠΊΠΈ ΠΏΠ΅ΡΠ΅ΠΊΠ»ΡΡΠ΅Π½ΠΈΡ Π² D&S
βΌ 7 Π‘ΠΊΠΎΡΠΎΡΡΡ — DL501 — 0B5 ΠΈ DQ380 — 0DE ΠΈ DQ381 — 0GC ΠΈ DQ500 — 0BH / 0BT βΌ
- ΠΠΈΠ·ΠΊΠ°Ρ ΡΠΊΠΎΡΠΎΡΡΡ 1-ΠΉ / 2-ΠΉ ΠΏΠ΅ΡΠ΅Π΄Π°ΡΠΈ ΠΡΠΏΡΠ°Π²Π»Π΅Π½ΠΈΠ΅ ΠΎΡΡΡΠ°Π²Π°Π½ΠΈΡ
- Π£Π²Π΅Π»ΠΈΡΠΈΡΡ ΠΎΠ³ΡΠ°Π½ΠΈΡΠΈΡΠ΅Π»Ρ ΠΊΡΡΡΡΡΠ΅Π³ΠΎ ΠΌΠΎΠΌΠ΅Π½ΡΠ° Π΄ΠΎ 650 ΠΠΌ
- ΠΡΠΊΠ»ΡΡΠ΅Π½ΠΈΠ΅ Π°Π²ΡΠΎΠΌΠ°ΡΠΈΡΠ΅ΡΠΊΠΎΠ³ΠΎ ΠΏΠ΅ΡΠ΅ΠΊΠ»ΡΡΠ΅Π½ΠΈΡ Π½Π° ΠΏΠΎΠ²ΡΡΠ΅Π½Π½ΡΡ ΠΏΠ΅ΡΠ΅Π΄Π°ΡΡ Π² ΡΡΡΠ½ΠΎΠΌ ΡΠ΅ΠΆΠΈΠΌΠ΅
- ΠΡΠ°ΠΏ 1 ΠΏΠ»ΡΡ ΡΠ»Π΅Π΄ΡΡΡΠ΅Π΅:
- ΠΠΏΡΠΈΠΌΠΈΠ·ΠΈΡΠΎΠ²Π°Π½Π½ΠΎΠ΅ ΡΠΏΡΠ°Π²Π»Π΅Π½ΠΈΠ΅ Π·Π°ΠΏΡΡΠΊΠΎΠΌ
- ΠΡΠ°ΠΏΡ 1 ΠΈ 2 ΠΏΠ»ΡΡ ΡΠ»Π΅Π΄ΡΡΡΠ΅Π΅:
- Π£Π²Π΅Π»ΠΈΡΠΈΡΡ ΠΎΠ³ΡΠ°Π½ΠΈΡΠΈΡΠ΅Π»Ρ ΠΊΡΡΡΡΡΠ΅Π³ΠΎ ΠΌΠΎΠΌΠ΅Π½ΡΠ° Π΄ΠΎ 800 ΠΠΌ
- ΠΠΎΠ²ΡΡΠ΅Π½Π½ΠΎΠ΅ Π΄Π°Π²Π»Π΅Π½ΠΈΠ΅ ΡΡΠ΅ΠΏΠ»Π΅Π½ΠΈΡ
- ΠΠΎΠ»Π΅Π΅ Π±ΡΡΡΡΠΎΠ΅ ΠΏΠ΅ΡΠ΅ΠΊΠ»ΡΡΠ΅Π½ΠΈΠ΅
- ΠΠ°Π΄Π΅ΡΠΆΠΊΠ° ΡΡΡΠ°Π³Π° ΠΏΠ΅ΡΠ΅ΠΊΠ»ΡΡΠ΅Π½ΠΈΡ ΠΏΠ΅ΡΠ΅Π΄Π°Ρ ΡΠ΄Π°Π»Π΅Π½Π°
- ΠΠΏΡΠΈΠΌΠΈΠ·ΠΈΡΠΎΠ²Π°Π½Π½ΡΠ΅ ΡΠΎΡΠΊΠΈ ΠΏΠ΅ΡΠ΅ΠΊΠ»ΡΡΠ΅Π½ΠΈΡ Π² D&S
- Π£Π²Π΅Π»ΠΈΡΠΈΡΡ ΠΎΠ³ΡΠ°Π½ΠΈΡΠΈΡΠ΅Π»Ρ ΠΊΡΡΡΡΡΠ΅Π³ΠΎ ΠΌΠΎΠΌΠ΅Π½ΡΠ° Π΄ΠΎ 1000 ΠΠΌ
- ΠΠ°ΡΡΠΎΠΌΠ½Π°Ρ Π½Π°ΡΡΡΠΎΠΉΠΊΠ° DSG ΠΏΠΎΠ΄ Π²Π°ΡΠΈ ΡΡΠ΅Π±ΠΎΠ²Π°Π½ΠΈΡ.
ΠΠ΄Π΅Π°Π»ΡΠ½ΠΎ ΠΏΠΎΠ΄Ρ
ΠΎΠ΄ΠΈΡ Π΄Π»Ρ ΡΡΠ΅ΠΊΠΎΠ²ΡΡ
ΠΈ ΡΠΈΠ»ΡΠ½ΠΎ ΠΌΠΎΠ΄ΠΈΡΠΈΡΠΈΡΠΎΠ²Π°Π½Π½ΡΡ
Π΄ΠΎΡΠΎΠΆΠ½ΡΡ
Π°Π²ΡΠΎΠΌΠΎΠ±ΠΈΠ»Π΅ΠΉ ΠΈ Ρ. Π΄. - *(Π’ΡΠ΅Π±ΡΠ΅ΡΡΡ Π°Π²ΡΠΎΠΌΠΎΠ±ΠΈΠ»Ρ Π½Π° 1-2 Π΄Π½Ρ)
ΠΠ»Ρ ΠΊΠΎΡΠΎΠ±ΠΎΠΊ ΠΏΠ΅ΡΠ΅Π΄Π°Ρ DQ400 ΡΠ²ΡΠΆΠΈΡΠ΅ΡΡ Ρ Π½Π°ΠΌΠΈ, ΡΡΠΎΠ±Ρ ΡΠ·Π½Π°ΡΡ ΠΎ Π½Π°Π»ΠΈΡΠΈΠΈ ΠΈ ΡΠ΅Π½Π°Ρ . Π Π°ΡΡΠΎΡΡΠΈΠΌΠ΅Π½ΡΠ΅ VAG ΠΈΡΠΏΠΎΠ»ΡΠ·ΡΠ΅ΡΡΡ ΠΌΠ½ΠΎΠ³ΠΎ ΡΠ°Π·Π»ΠΈΡΠ½ΡΡ ΡΠΈΠΏΠΎΠ². ΠΡ ΡΠΎΡΡΠ΅Π΄ΠΎΡΠΎΡΠΈΠΌΡΡ Π½Π° ZF 6HP ΠΈ 8HP, ΡΠ°ΠΊ ΠΊΠ°ΠΊ ΠΎΠ½ΠΈ ΠΈΠΌΠ΅ΡΡ Π±Π»ΠΎΠΊΠΈ ΠΌΠ΅Ρ Π°ΡΡΠΎΠ½ΠΈΠΊΠΈ, ΠΊΠΎΡΠΎΡΡΠ΅ ΠΌΠΎΠΆΠ½ΠΎ Π½Π°ΡΡΡΠΎΠΈΡΡ Π΄Π»Ρ ΠΈΠ·ΠΌΠ΅Π½Π΅Π½ΠΈΡ ΡΠ°Π·Π»ΠΈΡΠ½ΡΡ ΡΠ΅ΠΆΠΈΠΌΠΎΠ² ΡΠ°Π±ΠΎΡΡ ΠΊΠΎΡΠΎΠ±ΠΊΠΈ ΠΏΠ΅ΡΠ΅Π΄Π°Ρ.
6-ΡΡΡΠΏΠ΅Π½ΡΠ°ΡΠ°Ρ
ZF 6HP — 09L / 0AT / 0B6 / 0BQ / 09E
ΠΡΠΈ ΠΊΠΎΡΠΎΠ±ΠΊΠΈ ΠΏΠ΅ΡΠ΅Π΄Π°Ρ ΠΎΡΠ½ΠΎΡΡΡΡΡ ΠΊ ΠΊΠ°ΡΠ΅Π³ΠΎΡΠΈΠΈ ΠΎΠ±ΡΡΠ½ΡΡ ΠΌΠ½ΠΎΠ³ΠΎΡΡΡΠΏΠ΅Π½ΡΠ°ΡΡΡ Π°Π²ΡΠΎΠΌΠ°ΡΠΈΡΠ΅ΡΠΊΠΈΡ ΠΊΠΎΡΠΎΠ±ΠΎΠΊ ΠΏΠ΅ΡΠ΅Π΄Π°Ρ Ρ Π³ΠΈΠ΄ΡΠΎΡΡΠ°Π½ΡΡΠΎΡΠΌΠ°ΡΠΎΡΠΎΠΌ. ΠΠ½ΠΈ ΠΎΡΠ½ΠΎΠ²Π°Π½Ρ Π½Π° ΡΠΎΠΉ ΠΆΠ΅ ΠΊΠΎΠ½ΡΡΡΡΠΊΡΠΈΠΈ ΠΈ ΡΡΠ½ΠΊΡΠΈΠΎΠ½Π°Π»ΡΠ½ΡΡ Ρ Π°ΡΠ°ΠΊΡΠ΅ΡΠΈΡΡΠΈΠΊΠ°Ρ ΠΈ ΠΏΡΠΎΠΈΡΡ ΠΎΠ΄ΡΡ ΠΎΡ Π»ΠΈΠ½Π΅ΠΉΠΊΠΈ ΠΊΠΎΡΠΎΠ±ΠΎΠΊ ΠΏΠ΅ΡΠ΅Π΄Π°Ρ ΠΏΠΎΡΡΠ°Π²ΡΠΈΠΊΠ° ΡΠΈΡΡΠ΅ΠΌ ZF Getriebe GmbH.
ΠΠ½ΠΈ ΠΈΠΌΠ΅ΡΡ ΡΠ»Π΅Π΄ΡΡΡΠΈΠ΅ ΠΎΠ±ΡΠΈΠ΅ ΡΠ΅ΡΡΡ:
ΠΠΈΠ΄ΡΠΎΡΡΠ°Π½ΡΡΠΎΡΠΌΠ°ΡΠΎΡ Ρ ΠΌΡΡΡΠΎΠΉ Π±Π»ΠΎΠΊΠΈΡΠΎΠ²ΠΊΠΈ
ΠΠΎΠ½ΡΠ΅ΠΏΡΠΈΡ ΠΏΠ»Π°Π½Π΅ΡΠ°ΡΠ½ΠΎΠΉ ΠΏΠ΅ΡΠ΅Π΄Π°ΡΠΈ ΠΠ΅ΠΏΠ΅Π»Π΅ΡΡΠ΅ (Π΄Π»Ρ 6 ΠΏΠ΅ΡΠ΅Π΄Π°Ρ ΠΏΠ΅ΡΠ΅Π΄Π½Π΅Π³ΠΎ Ρ
ΠΎΠ΄Π° ΠΈ 1 ΠΏΠ΅ΡΠ΅Π΄Π°ΡΠΈ Π·Π°Π΄Π½Π΅Π³ΠΎ Ρ
ΠΎΠ΄Π° Ρ ΠΈΡΠΏΠΎΠ»ΡΠ·ΠΎΠ²Π°Π½ΠΈΠ΅ΠΌ ΡΠΎΠ»ΡΠΊΠΎ 5 ΠΏΠ΅ΡΠ΅ΠΊΠ»ΡΡΠ°ΡΡΠΈΡ
ΡΡΡΡΠΎΠΉΡΡΠ²)
ΠΠ»Π΅ΠΊΡΡΠΎΠ³ΠΈΠ΄ΡΠ°Π²Π»ΠΈΡΠ΅ΡΠΊΠΎΠ΅ ΡΠΏΡΠ°Π²Π»Π΅Π½ΠΈΠ΅ ΠΏΠΎΡΡΠ΅Π΄ΡΡΠ²ΠΎΠΌ ΠΌΠ΅Ρ
Π°ΡΡΠΎΠ½ΠΈΠΊΠ°, Π²ΡΡΡΠΎΠ΅Π½Π½ΠΎΠ³ΠΎ Π² ΠΊΠΎΡΠΎΠ±ΠΊΡ ΠΏΠ΅ΡΠ΅Π΄Π°Ρ
Π Π°Π·Π±ΡΠΎΡ ΠΏΠ΅ΡΠ΅Π΄Π°ΡΠΎΡΠ½ΠΎΠ³ΠΎ ΡΠΈΡΠ»Π° ΠΈ ΡΡΡΠΏΠ΅Π½ΠΈ ΠΏΠ΅ΡΠ΅Π΄Π°ΡΠΎΡΠ½ΠΎΠ³ΠΎ ΡΠΈΡΠ»Π°
Dynamic Shift Program (DSP) β ΡΡΠ½ΠΊΡΠΈΡ ΡΠΈΠΏΡΡΠΎΠ½ΠΈΠΊ ΠΈ ΡΠΏΠΎΡΡΠΈΠ²Π½Π°Ρ ΠΏΡΠΎΠ³ΡΠ°ΠΌΠΌΠ°
6HP-19A / AL420-6Q / 09L
ΠΡΠΎΠ΄ΠΎΠ»ΡΠ½ΠΎ ΡΡΡΠ°Π½ΠΎΠ²Π»Π΅Π½Π½Π°Ρ ΠΊΠΎΡΠΎΠ±ΠΊΠ° ΠΏΠ΅ΡΠ΅Π΄Π°Ρ ΠΈ ΠΏΠΎΠ»Π½ΡΠΉ ΠΏΡΠΈΠ²ΠΎΠ΄, Π²ΡΡΡΠΎΠ΅Π½Π½ΡΠΉ ΠΌΠ΅ΠΆΠΎΡΠ΅Π²ΠΎΠΉ Π΄ΠΈΡΡΠ΅ΡΠ΅Π½ΡΠΈΠ°Π» ΠΈ ΠΏΡΠΈΠ²ΠΎΠ΄ Π½Π° ΠΏΠ΅ΡΠ΅Π΄Π½ΡΡ ΠΎΡΡ.
Π‘Π°ΠΌΠΎΠ±Π»ΠΎΠΊΠΈΡΡΡΡΠΈΠΉΡΡ ΠΌΠ΅ΠΆΠΎΡΠ΅Π²ΠΎΠΉ Π΄ΠΈΡΡΠ΅ΡΠ΅Π½ΡΠΈΠ°Π» Ρ Π΄ΠΈΠ½Π°ΠΌΠΈΡΠ΅ΡΠΊΠΈΠΌ ΡΠ°ΡΠΏΡΠ΅Π΄Π΅Π»Π΅Π½ΠΈΠ΅ΠΌ ΠΊΡΡΡΡΡΠ΅Π³ΠΎ ΠΌΠΎΠΌΠ΅Π½ΡΠ° (Π±Π°Π·ΠΎΠ²ΠΎΠ΅ ΡΠΎΠΎΡΠ½ΠΎΡΠ΅Π½ΠΈΠ΅ 50/50 ΠΈΠ»ΠΈ 40/60 Π² Π·Π°Π²ΠΈΡΠΈΠΌΠΎΡΡΠΈ ΠΎΡ Π²Π΅ΡΡΠΈΠΈ).
ΠΠΎΠΌΠΈΠ½Π°Π»ΡΠ½ΡΠΉ ΡΠ΄Π΅ΡΠΆΠΈΠ²Π°ΡΡΠΈΠΉ ΠΌΠΎΠΌΠ΅Π½Ρ 500 ΠΠΌ
ΠΠΎΡΠΎΠ±ΠΊΠ° ΠΏΠ΅ΡΠ΅Π΄Π°Ρ 09L Π²ΠΏΠ΅ΡΠ²ΡΠ΅ Π±ΡΠ»Π° ΡΡΡΠ°Π½ΠΎΠ²Π»Π΅Π½Π° ββΠ½Π° Audi A6 (4F C6) ΠΈ ΡΡΡΠ°Π½Π°Π²Π»ΠΈΠ²Π°Π΅ΡΡΡ Π½Π° Audi A4 (B6, B7), Audi A6 (C6) ΠΈ Audi A8 (D3).
6HP-19X / AL420-6A / 0AT
ΠΡΠΎΠ΄ΠΎΠ»ΡΠ½ΠΎ ΡΡΡΠ°Π½ΠΎΠ²Π»Π΅Π½Π½Π°Ρ ΠΊΠΎΡΠΎΠ±ΠΊΠ° ΠΏΠ΅ΡΠ΅Π΄Π°Ρ ΠΈ ΡΠ°Π·Π΄Π°ΡΠΎΡΠ½Π°Ρ ΠΊΠΎΡΠΎΠ±ΠΊΠ°
Π£Π΄Π΅ΡΠΆΠΈΠ²Π°ΡΡΠΈΠΉ Π½ΠΎΠΌΠΈΠ½Π°Π»ΡΠ½ΡΠΉ ΠΊΡΡΡΡΡΠΈΠΉ ΠΌΠΎΠΌΠ΅Π½Ρ 360 ΠΠΌ
ΠΠΎΡΠΎΠ±ΠΊΠ° ΠΏΠ΅ΡΠ΅Π΄Π°Ρ 0AT ΠΈΡΠΏΠΎΠ»ΡΠ·ΡΠ΅ΡΡΡ ΠΈΡΠΊΠ»ΡΡΠΈΡΠ΅Π»ΡΠ½ΠΎ Π½Π° Audi Q7 (4L) Ρ Π΄Π²ΠΈΠ³Π°ΡΠ΅Π»Π΅ΠΌ 3.6 FSI.
6HP-26 A61 / AL600-6Q / 09E
ΠΡΠΎΠ΄ΠΎΠ»ΡΠ½ΠΎ ΡΡΡΠ°Π½ΠΎΠ²Π»Π΅Π½Π½Π°Ρ ΠΊΠΎΡΠΎΠ±ΠΊΠ° ΠΏΠ΅ΡΠ΅Π΄Π°Ρ ΠΈ ΠΏΠΎΠ»Π½ΡΠΉ ΠΏΡΠΈΠ²ΠΎΠ΄, Π²ΡΡΡΠΎΠ΅Π½Π½ΡΠΉ ΠΌΠ΅ΠΆΠΎΡΠ΅Π²ΠΎΠΉ Π΄ΠΈΡΡΠ΅ΡΠ΅Π½ΡΠΈΠ°Π» ΠΈ ΠΏΡΠΈΠ²ΠΎΠ΄ Π½Π° ΠΏΠ΅ΡΠ΅Π΄Π½ΡΡ ΠΎΡΡ ΡΠΎ ΡΡΠΎΡΠΎΠ½Ρ Π²Ρ ΠΎΠ΄Π° Π³ΠΈΠ΄ΡΠΎΡΡΠ°Π½ΡΡΠΎΡΠΌΠ°ΡΠΎΡΠ°.
Π‘Π°ΠΌΠΎΠ±Π»ΠΎΠΊΠΈΡΡΡΡΠΈΠΉΡΡ ΠΌΠ΅ΠΆΠΎΡΠ΅Π²ΠΎΠΉ Π΄ΠΈΡΡΠ΅ΡΠ΅Π½ΡΠΈΠ°Π» Ρ Π΄ΠΈΠ½Π°ΠΌΠΈΡΠ΅ΡΠΊΠΈΠΌ ΡΠ°ΡΠΏΡΠ΅Π΄Π΅Π»Π΅Π½ΠΈΠ΅ΠΌ ΠΊΡΡΡΡΡΠ΅Π³ΠΎ ΠΌΠΎΠΌΠ΅Π½ΡΠ° (Π±Π°Π·ΠΎΠ²ΠΎΠ΅ ΡΠΎΠΎΡΠ½ΠΎΡΠ΅Π½ΠΈΠ΅ 50/50 ΠΈΠ»ΠΈ 40/60 Π² Π·Π°Π²ΠΈΡΠΈΠΌΠΎΡΡΠΈ ΠΎΡ Π²Π΅ΡΡΠΈΠΈ).
Π£Π΄Π΅ΡΠΆΠΈΠ²Π°Π΅ΠΌΡΠΉ Π½ΠΎΠΌΠΈΠ½Π°Π»ΡΠ½ΡΠΉ ΠΊΡΡΡΡΡΠΈΠΉ ΠΌΠΎΠΌΠ΅Π½Ρ 700 ΠΠΌ
ΠΠ΅ΡΠ²ΠΎΠ½Π°ΡΠ°Π»ΡΠ½ΠΎ ΠΊΠΎΡΠΎΠ±ΠΊΠ° ΠΏΠ΅ΡΠ΅Π΄Π°Ρ 09E Π±ΡΠ»Π° ΡΠ°Π·ΡΠ°Π±ΠΎΡΠ°Π½Π° ΠΈΡΠΊΠ»ΡΡΠΈΡΠ΅Π»ΡΠ½ΠΎ Π΄Π»Ρ ΠΈΡΠΏΠΎΠ»ΡΠ·ΠΎΠ²Π°Π½ΠΈΡ Π½Π° Audi A8 (4E D3).
ΠΠ΅ΡΠ΅ΡΠ°Π±ΠΎΡΠ°Π½Π½Π°Ρ Π²Π΅ΡΡΠΈΡ ΠΊΠΎΡΠΎΠ±ΠΊΠΈ ΠΏΠ΅ΡΠ΅Π΄Π°Ρ ΠΏΠΎΠ·ΠΆΠ΅ ΠΈΡΠΏΠΎΠ»ΡΠ·ΠΎΠ²Π°Π»Π°ΡΡ ΡΠ°ΠΊΠΆΠ΅ Π½Π° Audi S6 ΠΈ Audi RS6 (C6).
6HP-28AF / AL651-6Q / 0B6
ΠΡΠΎΠ΄ΠΎΠ»ΡΠ½ΠΎ ΡΡΡΠ°Π½ΠΎΠ²Π»Π΅Π½Π½Π°Ρ ΠΊΠΎΡΠΎΠ±ΠΊΠ° ΠΏΠ΅ΡΠ΅Π΄Π°Ρ ΠΈ ΠΏΠΎΠ»Π½ΡΠΉ ΠΏΡΠΈΠ²ΠΎΠ΄, Π²ΡΡΡΠΎΠ΅Π½Π½ΡΠΉ ΠΌΠ΅ΠΆΠΎΡΠ΅Π²ΠΎΠΉ Π΄ΠΈΡΡΠ΅ΡΠ΅Π½ΡΠΈΠ°Π» ΠΈ ΠΏΠ΅ΡΠ΅Π΄Π½ΠΈΠΉ.
ΠΠ΅Π΄ΡΡΠΈΠΉ ΠΌΠΎΡΡ Π½Π°Ρ
ΠΎΠ΄ΠΈΡΡΡ ΠΏΠ΅ΡΠ΅Π΄ Π³ΠΈΠ΄ΡΠΎΡΡΠ°Π½ΡΡΠΎΡΠΌΠ°ΡΠΎΡΠΎΠΌ 9.0005
Π‘Π°ΠΌΠΎΠ±Π»ΠΎΠΊΠΈΡΡΡΡΠΈΠΉΡΡ ΠΌΠ΅ΠΆΠΎΡΠ΅Π²ΠΎΠΉ Π΄ΠΈΡΡΠ΅ΡΠ΅Π½ΡΠΈΠ°Π» Ρ Π°ΡΠΈΠΌΠΌΠ΅ΡΡΠΈΡΠ½ΠΎ-Π΄ΠΈΠ½Π°ΠΌΠΈΡΠ΅ΡΠΊΠΈΠΌ ΡΠ°ΡΠΏΡΠ΅Π΄Π΅Π»Π΅Π½ΠΈΠ΅ΠΌ ΠΊΡΡΡΡΡΠ΅Π³ΠΎ ΠΌΠΎΠΌΠ΅Π½ΡΠ° ΠΌΠ΅ΠΆΠ΄Ρ ΠΏΠ΅ΡΠ΅Π΄Π½ΠΈΠΌΠΈ ΠΈ Π·Π°Π΄Π½ΠΈΠΌΠΈ ΠΊΠΎΠ»Π΅ΡΠ°ΠΌΠΈ 40/60
Π£Π΄Π΅ΡΠΆΠ°Π½ΠΈΠ΅ Π½ΠΎΠΌΠΈΠ½Π°Π»ΡΠ½ΠΎΠ³ΠΎ ΠΊΡΡΡΡΡΠ΅Π³ΠΎ ΠΌΠΎΠΌΠ΅Π½ΡΠ° 700 ΠΠΌ
ΠΠΎΡΠΎΠ±ΠΊΠ° ΠΏΠ΅ΡΠ΅Π΄Π°Ρ 0B6 ΠΈΡΠΏΠΎΠ»ΡΠ·ΡΠ΅ΡΡΡ Π½Π° Audi A4 (8K), A5 (8T) ΡΠ΅ΡΠΈΠΈ B8. ΠΈ Π°ΠΌΠ΅ΡΠΈΠΊΠ°Π½ΡΠΊΠΈΠΉ Audi Q5.
6HP-32X / AL950-6A / 0BQ
ΠΡΠΎΠ΄ΠΎΠ»ΡΠ½ΠΎ ΡΡΡΠ°Π½ΠΎΠ²Π»Π΅Π½Π½Π°Ρ ΠΊΠΎΡΠΎΠ±ΠΊΠ° ΠΏΠ΅ΡΠ΅Π΄Π°Ρ ΠΈ ΡΠ°Π·Π΄Π°ΡΠΎΡΠ½Π°Ρ ΠΊΠΎΡΠΎΠ±ΠΊΠ°
Π£Π΄Π΅ΡΠΆΠ°Π½ΠΈΠ΅ Π½ΠΎΠΌΠΈΠ½Π°Π»ΡΠ½ΠΎΠ³ΠΎ ΠΊΡΡΡΡΡΠ΅Π³ΠΎ ΠΌΠΎΠΌΠ΅Π½ΡΠ° 1000 ΠΠΌ
ΠΠΎΡΠΎΠ±ΠΊΠ° ΠΏΠ΅ΡΠ΅Π΄Π°Ρ 0BQ ΠΈΡΠΏΠΎΠ»ΡΠ·ΡΠ΅ΡΡΡ ΠΈΡΠΊΠ»ΡΡΠΈΡΠ΅Π»ΡΠ½ΠΎ Π½Π° Audi Q7 (4L).
ΠΠΠ‘ΠΠ Π’Π -60Π‘Π/ΠΠ750-6Π/09D
ΠΡΠΎΠ΄ΠΎΠ»ΡΠ½ΠΎ ΡΡΡΠ°Π½ΠΎΠ²Π»Π΅Π½Π½Π°Ρ ΠΊΠΎΡΠΎΠ±ΠΊΠ° ΠΏΠ΅ΡΠ΅Π΄Π°Ρ ΠΈ ΡΠ°Π·Π΄Π°ΡΠΎΡΠ½Π°Ρ ΠΊΠΎΡΠΎΠ±ΠΊΠ°
Π Π½Π΅ΠΉ ΠΈΡΠΏΠΎΠ»ΡΠ·ΡΠ΅ΡΡΡ ΠΏΡΠΎΠ³ΡΠ°ΠΌΠΌΠ° ΠΏΠ΅ΡΠ΅ΠΊΠ»ΡΡΠ΅Π½ΠΈΡ Ρ Π½Π΅ΡΠ΅ΡΠΊΠΎΠΉ Π»ΠΎΠ³ΠΈΠΊΠΎΠΉ, ΠΊΠΎΡΠΎΡΠ°Ρ Π·Π°Π²ΠΈΡΠΈΡ ΠΎΡ Π²ΠΎΠ΄ΠΈΡΠ΅Π»Ρ ΠΈ ΡΠΈΡΡΠ°ΡΠΈΠΈ Π²ΠΎΠΆΠ΄Π΅Π½ΠΈΡ, Π° ΡΠ°ΠΊΠΆΠ΅ ΠΏΡΠΎΠ³ΡΠ°ΠΌΠΌΡ ΠΏΠ΅ΡΠ΅ΠΊΠ»ΡΡΠ΅Π½ΠΈΡ, ΠΊΠΎΡΠΎΡΡΠ΅ Π·Π°Π²ΠΈΡΡΡ ΠΎΡ ΡΠΎΠΏΡΠΎΡΠΈΠ²Π»Π΅Π½ΠΈΡ Π΄Π²ΠΈΠΆΠ΅Π½ΠΈΡ
Π£Π΄Π΅ΡΠΆΠ°Π½ΠΈΠ΅ Π½ΠΎΠΌΠΈΠ½Π°Π»ΡΠ½ΠΎΠ³ΠΎ ΠΊΡΡΡΡΡΠ΅Π³ΠΎ ΠΌΠΎΠΌΠ΅Π½ΡΠ° ΠΎΡ 750 ΠΠΌ Π΄ΠΎ 1000 ΠΠΌ
ΠΠΎΡΠΎΠ±ΠΊΠ° ΠΏΠ΅ΡΠ΅Π΄Π°Ρ 09D Π²ΠΏΠ΅ΡΠ²ΡΠ΅ Π±ΡΠ»Π° ΠΈΡΠΏΠΎΠ»ΡΠ·ΠΎΠ²Π°Π½Π° Π² Touareg V6 ΠΈ V10 TDI
ΠΡΠΎΠ³ΡΠ°ΠΌΠΌΠ½ΠΎΠ΅ ΠΎΠ±Π΅ΡΠΏΠ΅ΡΠ΅Π½ΠΈΠ΅ Π΄Π»Ρ ΡΡΠΎΠΉ ΠΊΠΎΡΠΎΠ±ΠΊΠΈ ΠΏΠ΅ΡΠ΅Π΄Π°Ρ Π½Π΅ ΠΏΡΠ΅Π΄Π»Π°Π³Π°Π΅ΡΡΡ
AISIN TF-60 — 09G / 09K / 09M
ΠΠΎΡΠΎΠ±ΠΊΠ° ΠΏΠ΅ΡΠ΅Π΄Π°Ρ Ρ ΠΏΠΎΠΏΠ΅ΡΠ΅ΡΠ½ΡΠΌ ΡΠ°ΡΠΏΠΎΠ»ΠΎΠΆΠ΅Π½ΠΈΠ΅ΠΌ
ΠΠΎΡΠΎΠ±ΠΊΠ° ΠΏΠ΅ΡΠ΅Π΄Π°Ρ 09G ΡΡΡΠ°Π½Π°Π²Π»ΠΈΠ²Π°Π΅ΡΡΡ Π½Π° Π°Π²ΡΠΎΠΌΠΎΠ±ΠΈΠ»ΠΈ Golf Mk4 ΠΈ New Beetle Ρ ΡΠ΄Π΅ΡΠΆΠ°Π½ΠΈΠ΅ΠΌ Π½ΠΎΠΌΠΈΠ½Π°Π»ΡΠ½ΠΎΠ³ΠΎ ΠΊΡΡΡΡΡΠ΅Π³ΠΎ ΠΌΠΎΠΌΠ΅Π½ΡΠ° 250 ΠΠΌ
ΠΠΎΡΠΎΠ±ΠΊΠ° ΠΏΠ΅ΡΠ΅Π΄Π°Ρ 09K ΡΡΡΠ°Π½Π°Π²Π»ΠΈΠ²Π°Π΅ΡΡΡ Π½Π° Π°Π²ΡΠΎΠΌΠΎΠ±ΠΈΠ»ΠΈ Transporter T5 1,9 ΠΈ 2,5 TDI Ρ Π½ΠΎΠΌΠΈΠ½Π°Π»ΡΠ½ΡΠΌ ΡΠ΄Π΅ΡΠΆΠ°Π½ΠΈΠ΅ΠΌ ΠΊΡΡΡΡΡΠ΅Π³ΠΎ ΠΌΠΎΠΌΠ΅Π½ΡΠ° 400 ΠΠΌ
6-ΡΡΡΠΏΠ΅Π½ΡΠ°ΡΠ°Ρ ΠΊΠΎΡΠΎΠ±ΠΊΠ° ΠΏΠ΅ΡΠ΅Π΄Π°Ρ Ρ ΡΠ»Π΅ΠΊΡΡΠΎΠ³ΠΈΠ΄ΡΠ°Π²Π»ΠΈΡΠ΅ΡΠΊΠΈΠΌ ΡΠΏΡΠ°Π²Π»Π΅Π½ΠΈΠ΅ΠΌ ΠΏΠ»Π°Π½Π΅ΡΠ°ΡΠ½Π°Ρ ΠΊΠΎΡΠΎΠ±ΠΊΠ° ΠΏΠ΅ΡΠ΅Π΄Π°Ρ (ΡΡΡΠΏΠ΅Π½ΡΠ°ΡΠ°Ρ Π°Π²ΡΠΎΠΌΠ°ΡΠΈΡΠ΅ΡΠΊΠ°Ρ ΠΊΠΎΡΠΎΠ±ΠΊΠ° ΠΏΠ΅ΡΠ΅Π΄Π°Ρ) Ρ Π³ΠΈΠ΄ΡΠΎΠ΄ΠΈΠ½Π°ΠΌΠΈΡΠ΅ΡΠΊΠΈΠΌ ΠΏΡΠ΅ΠΎΠ±ΡΠ°Π·ΠΎΠ²Π°ΡΠ΅Π»Π΅ΠΌ ΠΊΡΡΡΡΡΠ΅Π³ΠΎ ΠΌΠΎΠΌΠ΅Π½ΡΠ° ΠΈ Π±Π»ΠΎΠΊΠΈΡΡΠ΅ΠΌΡΠΌ Π³ΠΈΠ΄ΡΠΎΡΡΠ°Π½ΡΡΠΎΡΠΌΠ°ΡΠΎΡΠΎΠΌ Ρ ΡΠ΅Π³ΡΠ»ΠΈΡΡΠ΅ΠΌΡΠΌ ΠΏΡΠΎΡΠΊΠ°Π»ΡΠ·ΡΠ²Π°Π½ΠΈΠ΅ΠΌ Π΄Π»Ρ ΠΏΠ΅ΡΠ΅Π΄Π½Π΅ΠΏΡΠΈΠ²ΠΎΠ΄Π½ΠΎΠΉ ΠΈ ΠΏΠΎΠΏΠ΅ΡΠ΅ΡΠ½ΠΎΠΉ ΡΡΡΠ°Π½ΠΎΠ²ΠΊΠΈ
ΠΠΈΠ΄ΡΠ°Π²Π»ΠΈΡΠ΅ΡΠΊΠΈΠΉ Π±Π»ΠΎΠΊ ΡΠΏΡΠ°Π²Π»Π΅Π½ΠΈΡ Π² ΠΌΠ°ΡΠ»ΡΠ½ΠΎΠΌ ΠΊΠ°ΡΡΠ΅ΡΠ΅ Ρ Π²ΡΠ½ΠΎΡΠ½ΡΠΌ ΡΠ»Π΅ΠΊΡΡΠΎΠ½Π½ΡΠΌ Π±Π»ΠΎΠΊΠΎΠΌ ΡΠΏΡΠ°Π²Π»Π΅Π½ΠΈΡ
ΠΡΠΎΠ³ΡΠ°ΠΌΠΌΠ° Π΄ΠΈΠ½Π°ΠΌΠΈΡΠ΅ΡΠΊΠΎΠ³ΠΎ ΠΏΠ΅ΡΠ΅ΠΊΠ»ΡΡΠ΅Π½ΠΈΡ DSP Ρ ΠΎΡΠ΄Π΅Π»ΡΠ½ΠΎΠΉ ΡΠΏΠΎΡΡΠΈΠ²Π½ΠΎΠΉ ΠΏΡΠΎΠ³ΡΠ°ΠΌΠΌΠΎΠΉ Π² Β«ΠΠΎΠ»ΠΎΠΆΠ΅Π½ΠΈΠΈ SΒ» ΠΈ ΠΏΡΠΎΠ³ΡΠ°ΠΌΠΌΠΎΠΉ Tiptronic Π΄Π»Ρ ΡΡΡΠ½ΠΎΠ³ΠΎ ΠΏΠ΅ΡΠ΅ΠΊΠ»ΡΡΠ΅Π½ΠΈΡ ΠΏΠ΅ΡΠ΅Π΄Π°Ρ (ΠΎΠΏΡΠΈΠΎΠ½Π°Π»ΡΠ½ΠΎ Ρ ΡΡΠ»Π΅Π²ΡΠΌ ΠΊΠΎΠ»Π΅ΡΠΎΠΌ Tiptronic)
Π Π·Π°Π²ΠΈΡΠΈΠΌΠΎΡΡΠΈ ΠΎΡ Π΄Π²ΠΈΠ³Π°ΡΠ΅Π»Ρ ΠΎΠ±ΡΠ΅Π΅ ΠΏΠ΅ΡΠ΅Π΄Π°ΡΠΎΡΠ½ΠΎΠ΅ ΡΠΈΡΠ»ΠΎ ΠΊΠΎΠ½ΡΠΈΠ³ΡΡΠΈΡΡΠ΅ΡΡΡ ΠΊΠ°ΠΊ ΠΊΠΎΡΠΎΠ±ΠΊΠ° ΠΏΠ΅ΡΠ΅Π΄Π°Ρ 5+E ΠΈΠ»ΠΈ ΠΊΠ°ΠΊ
6-ΡΡΡΠΏΠ΅Π½ΡΠ°ΡΠ°Ρ ΠΊΠΎΡΠΎΠ±ΠΊΠ° ΠΏΠ΅ΡΠ΅Π΄Π°Ρ.
ΠΠ°ΠΊΡΠΈΠΌΠ°Π»ΡΠ½Π°Ρ ΡΠΊΠΎΡΠΎΡΡΡ Π΄ΠΎΡΡΠΈΠ³Π°Π΅ΡΡΡ Π½Π° ΠΏΡΡΠΎΠΉ ΠΏΠ΅ΡΠ΅Π΄Π°ΡΠ΅ Ρ ΠΊΠΎΡΠΎΠ±ΠΊΠΎΠΉ ΠΏΠ΅ΡΠ΅Π΄Π°Ρ 5+E. 6-Ρ ΠΏΠ΅ΡΠ΅Π΄Π°ΡΠ° ΠΈΡΠΏΠΎΠ»ΡΠ·ΡΠ΅ΡΡΡ Π΄Π»Ρ ΡΠ½ΠΈΠΆΠ΅Π½ΠΈΡ ΠΌΠΎΡΠ½ΠΎΡΡΠΈ Π΄Π²ΠΈΠ³Π°ΡΠ΅Π»Ρ.
ΡΠΊΠΎΡΠΎΡΡΡ, ΡΠ»ΡΡΡΠΈΡΡ ΠΊΠΎΠΌΡΠΎΡΡ Π²ΠΎΠΆΠ΄Π΅Π½ΠΈΡ ΠΈ ΡΠ½ΠΈΠ·ΠΈΡΡ ΡΠ°ΡΡ
ΠΎΠ΄ ΡΠΎΠΏΠ»ΠΈΠ²Π°.
ΠΠ°ΠΊΡΠΈΠΌΠ°Π»ΡΠ½Π°Ρ ΡΠΊΠΎΡΠΎΡΡΡ Π΄ΠΎΡΡΠΈΠ³Π°Π΅ΡΡΡ Π½Π° ΡΠ΅ΡΡΠΎΠΉ ΠΏΠ΅ΡΠ΅Π΄Π°ΡΠ΅ ΠΏΡΠΈ 6-ΡΡΡΠΏΠ΅Π½ΡΠ°ΡΠΎΠΉ ββΠΊΠΎΠ½ΡΠΈΠ³ΡΡΠ°ΡΠΈΠΈ ΠΊΠΎΡΠΎΠ±ΠΊΠΈ ΠΏΠ΅ΡΠ΅Π΄Π°Ρ. Π¨Π΅ΡΡΠ°Ρ ΠΏΠ΅ΡΠ΅Π΄Π°ΡΠ° ΠΈΡΠΏΠΎΠ»ΡΠ·ΡΠ΅ΡΡΡ Π΄Π»Ρ Π±ΠΎΠ»Π΅Π΅ ΠΊΠΎΡΠΎΡΠΊΠΎΠ³ΠΎ ΠΏΠ΅ΡΠ΅Π΄Π°ΡΠΎΡΠ½ΠΎΠ³ΠΎ ΡΠΈΡΠ»Π° ΠΈ ΠΏΠΎΠ²ΡΡΠ°Π΅Ρ Π΄ΠΈΠ½Π°ΠΌΠΈΠΊΡ Π΄Π²ΠΈΠΆΠ΅Π½ΠΈΡ.
6-ΡΡΡΠΏΠ΅Π½ΡΠ°ΡΠ°Ρ Π°Π²ΡΠΎΠΌΠ°ΡΠΈΡΠ΅ΡΠΊΠ°Ρ ΠΊΠΎΡΠΎΠ±ΠΊΠ° ΠΏΠ΅ΡΠ΅Π΄Π°Ρ, ΠΈΡΠΏΠΎΠ»ΡΠ·ΡΠ΅ΠΌΠ°Ρ Π² Volkswagen Touareg, ΠΈΠΌΠ΅ΡΡΠ°Ρ ΠΊΠΎΠ΄ 09D, ΠΏΡΠΎΠΈΠ·Π²ΠΎΠ΄ΠΈΡΡΡ ΡΠ΅ΠΌ ΠΆΠ΅ ΠΏΡΠΎΠΈΠ·Π²ΠΎΠ΄ΠΈΡΠ΅Π»Π΅ΠΌ. Π ΠΎΠ±Π΅ΠΈΡ
Π°Π²ΡΠΎΠΌΠ°ΡΠΈΡΠ΅ΡΠΊΠΈΡ
ΠΊΠΎΡΠΎΠ±ΠΊΠ°Ρ
ΠΏΠ΅ΡΠ΅Π΄Π°Ρ AISIN ΠΈΡΠΏΠΎΠ»ΡΠ·ΡΠ΅ΡΡΡ ΠΊΠΎΠ½ΡΠ΅ΠΏΡΠΈΡ Π½Π°Π±ΠΎΡΠ° ΠΏΠ΅ΡΠ΅Π΄Π°Ρ ΠΠ΅ΠΏΠ΅Π»Π΅ΡΡΠ΅.
ΠΡΠ΅ΠΈΠΌΡΡΠ΅ΡΡΠ²ΠΎΠΌ ΡΡΠΎΠΉ ΠΊΠΎΠ½ΡΠ΅ΠΏΡΠΈΠΈ Π½Π°Π±ΠΎΡΠ° ΡΠ΅ΡΡΠ΅ΡΠ΅Π½ ΠΠ΅ΠΏΠ΅Π»Π΅ΡΡΠ΅ ΡΠ²Π»ΡΠ΅ΡΡΡ Π΅Π΅ ΠΏΡΠΎΡΡΠ°Ρ, ΠΊΠΎΠΌΠΏΠ°ΠΊΡΠ½Π°Ρ ΠΈ Π»Π΅Π³ΠΊΠ°Ρ ΠΊΠΎΠ½ΡΡΡΡΠΊΡΠΈΡ. ΠΡΠΎΡΡΠ°Ρ ΠΏΠ»Π°Π½Π΅ΡΠ°ΡΠ½Π°Ρ ΠΏΠ΅ΡΠ΅Π΄Π°ΡΠ° Π±ΡΠ»Π° ΠΎΠ±ΡΠ΅Π΄ΠΈΠ½Π΅Π½Π° Ρ ΡΠ΅ΡΡΠ΅ΡΠ½Π΅ΠΉ Ravigneaux. ΠΡΠΎ ΡΠΎΠ·Π΄Π°Π΅Ρ Π³Π°ΡΠΌΠΎΠ½ΠΈΡΠ½ΠΎΠ΅ 6-ΡΡΡΠΏΠ΅Π½ΡΠ°ΡΠΎΠ΅ ΡΠΎΠΎΡΠ½ΠΎΡΠ΅Π½ΠΈΠ΅ Π²ΡΠ΅Π³ΠΎ Ρ ΠΏΡΡΡΡ ΠΊΠΎΠΌΠΏΠΎΠ½Π΅Π½ΡΠ°ΠΌΠΈ ΠΏΠ΅ΡΠ΅ΠΊΠ»ΡΡΠ΅Π½ΠΈΡ.
ΠΡΠΎΠ³ΡΠ°ΠΌΠΌΠ½ΠΎΠ΅ ΠΎΠ±Π΅ΡΠΏΠ΅ΡΠ΅Π½ΠΈΠ΅ Π΄Π»Ρ ΡΡΠΈΡ ΡΠ΅Π΄ΡΠΊΡΠΎΡΠΎΠ² Π½Π΅ ΠΏΡΠ΅Π΄Π»Π°Π³Π°Π΅ΡΡΡ
8-ΡΡΡΠΏΠ΅Π½ΡΠ°ΡΠ°Ρ
ZF 8HP — 0BK / 0BL / 0D5 / 0D6 / 0DR
ZF 8HP, ΠΏΡΠΎΠΈΠ·Π²ΠΎΠ΄ΠΈΠΌΠ°Ρ ZF Getriebe GmbH, ΡΠΈΡΠΎΠΊΠΎ ΠΈΠ·Π²Π΅ΡΡΠ½Π° ΠΊΠ°ΠΊ Π»ΡΡΡΠ°Ρ Π°Π²ΡΠΎΠΌΠ°ΡΠΈΡΠ΅ΡΠΊΠ°Ρ ΠΊΠΎΡΠΎΠ±ΠΊΠ° ΠΏΠ΅ΡΠ΅Π΄Π°Ρ ΠΈΠ· ΠΊΠΎΠ³Π΄Π°-Π»ΠΈΠ±ΠΎ Π²ΡΠΏΡΡΠ΅Π½Π½ΡΡ
ΠΈ Π²ΡΡΡΠ΅ΡΠ°ΡΡΠ°ΡΡΡ Π² ΡΠ°Π·Π»ΠΈΡΠ½ΡΡ
Π²Π°ΡΠΈΠ°Π½ΡΠ°Ρ
Π² ΡΠ°ΠΊΠΈΡ
ΡΡΠ°Π½ΡΠΏΠΎΡΡΠ½ΡΡ
ΡΡΠ΅Π΄ΡΡΠ²Π°Ρ
, ΠΊΠ°ΠΊ Bentley Continental GT, Dodge Challenger SRT Hellcat, Aston Martin Vanquish ΠΈ Π΄Π°ΠΆΠ΅ Lamborghini Urus.
ΠΠ½ Π΄Π΅Π±ΡΡΠΈΡΠΎΠ²Π°Π» Π² ΡΠ΅Π΄Π°Π½Π΅ BMW 7 ΡΠ΅ΡΠΈΠΈ (F01) 760Li, ΠΎΡΠ½Π°ΡΠ΅Π½Π½ΠΎΠΌ Π΄Π²ΠΈΠ³Π°ΡΠ΅Π»Π΅ΠΌ V12. Π ΠΌΠΎΠ΄Π΅Π»ΡΡ
VAG ΠΎΠ½ ΠΈΡΠΏΠΎΠ»ΡΠ·ΡΠ΅ΡΡΡ Π² Π°Π²ΡΠΎΠΌΠΎΠ±ΠΈΠ»ΡΡ
V6 ΠΈ V8 TDI.
ΠΠ°ΠΈΠ±ΠΎΠ»Π΅Π΅ ΡΠ°ΡΠΏΡΠΎΡΡΡΠ°Π½Π΅Π½Π½ΡΠ΅ ΡΠΈΠΏΡ, ΡΡΡΠ°Π½Π°Π²Π»ΠΈΠ²Π°Π΅ΠΌΡΠ΅ Π½Π° Π°Π²ΡΠΎΠΌΠΎΠ±ΠΈΠ»ΠΈ VAG, ΠΏΠ΅ΡΠ΅ΡΠΈΡΠ»Π΅Π½Ρ Π½ΠΈΠΆΠ΅. Π₯Π°ΡΠ°ΠΊΡΠ΅ΡΠΈΡΡΠΈΠΊΠΈ ΡΡΠ°Π½ΡΠΌΠΈΡΡΠΈΠΈ:
- ΠΠΈΡΡΠ΅ΡΠ΅Π½ΡΠΈΠ°Π» ΠΏΠ΅ΡΠ΅Π΄ Π³ΠΈΠ΄ΡΠΎΡΡΠ°Π½ΡΡΠΎΡΠΌΠ°ΡΠΎΡΠΎΠΌ
- ΠΠΎΡΠ΅ΠΌΡ ΠΏΠ΅ΡΠ΅Π΄Π°Ρ ΠΏΠ΅ΡΠ΅Π΄Π½Π΅Π³ΠΎ Ρ ΠΎΠ΄Π° ΠΈ Π·Π°Π΄Π½Π΅Π³ΠΎ Ρ ΠΎΠ΄Π° ΡΠ΅Π°Π»ΠΈΠ·ΠΎΠ²Π°Π½Ρ Ρ ΠΏΠΎΠΌΠΎΡΡΡ ΡΠ΅ΡΡΡΠ΅Ρ ΠΏΠ»Π°Π½Π΅ΡΠ°ΡΠ½ΡΡ ΡΡΠ΄ΠΎΠ² ΠΈ ΠΏΡΡΠΈ ΠΏΠ΅ΡΠ΅ΠΊΠ»ΡΡΠ°ΡΡΠΈΡ ΡΠ»Π΅ΠΌΠ΅Π½ΡΠΎΠ²
- ΠΠΈΠ½ΠΈΠΌΠ°Π»ΡΠ½ΡΠ΅ ΠΏΠΎΡΠ΅ΡΠΈ Π½Π° Π»ΠΎΠ±ΠΎΠ²ΠΎΠ΅ ΡΠΎΠΏΡΠΎΡΠΈΠ²Π»Π΅Π½ΠΈΠ΅ Π±Π»Π°Π³ΠΎΠ΄Π°ΡΡ Π·Π°ΠΊΡΡΡΠΈΡ ΡΡΠ΅Ρ ΠΏΠ΅ΡΠ΅ΠΊΠ»ΡΡΠ°ΡΡΠΈΡ ΡΠ»Π΅ΠΌΠ΅Π½ΡΠΎΠ² Π½Π° ΠΊΠ°ΠΆΠ΄ΠΎΠΉ ΠΏΠ΅ΡΠ΅Π΄Π°ΡΠ΅
- Π‘ΠΈΡΡΠ΅ΠΌΠ° Mechatronik Β«shift-by-wireΒ» Ρ ΡΠ»Π΅ΠΊΡΡΠΎΠ³ΠΈΠ΄ΡΠ°Π²Π»ΠΈΡΠ΅ΡΠΊΠΎΠΉ Π±Π»ΠΎΠΊΠΈΡΠΎΠ²ΠΊΠΎΠΉ
- ΠΠΎΡΠ΅ΠΌΡ ΠΏΠ΅ΡΠ΅Π΄Π°Ρ Ρ ΠΏΠ΅ΡΠ΅Π΄Π°ΡΠΎΡΠ½ΡΠΌ ΡΠΈΡΠ»ΠΎΠΌ 7,0:1, ΡΡΠΎ ΠΎΠ±Π΅ΡΠΏΠ΅ΡΠΈΠ²Π°Π΅Ρ ΠΊΠΎΡΠΎΡΠΊΠΈΠ΅ ΠΏΠ΅ΡΠ΅ΠΊΠ»ΡΡΠ΅Π½ΠΈΡ ΠΏΠ΅ΡΠ΅Π΄Π°Ρ, ΠΌΠΎΡΠ½ΠΎΠ΅ ΡΡΠΊΠΎΡΠ΅Π½ΠΈΠ΅ ΠΈ Π²ΡΡΠΎΠΊΡΡ ΡΠΊΠΎΡΠΎΡΡΡ ΠΏΡΠΈ Π½ΠΈΠ·ΠΊΠΈΡ ΠΎΠ±ΠΎΡΠΎΡΠ°Ρ Π΄Π²ΠΈΠ³Π°ΡΠ΅Π»Ρ
- ΠΠΎΠ΄Π°ΡΠ° ATF ΡΠ΅ΡΠ΅Π· ΠΏΠ»Π°ΡΡΠΈΠ½ΡΠ°ΡΡΠΉ Π½Π°ΡΠΎΡ Ρ ΡΠ΅ΠΏΠ½ΡΠΌ ΠΏΡΠΈΠ²ΠΎΠ΄ΠΎΠΌ
- Π‘ΠΌΠ°Π·ΠΊΠ° ΡΠ°Π·Π΄Π°ΡΠΎΡΠ½ΠΎΠΉ ΠΊΠΎΡΠΎΠ±ΠΊΠΈ ΡΠΎΠ±ΡΡΠ²Π΅Π½Π½ΡΠΌ ΠΌΠ°ΡΠ»ΡΠ½ΡΠΌ Π½Π°ΡΠΎΡΠΎΠΌ
- ΠΠ΅ΡΠ΅ΠΊΠ»ΡΡΠ΅Π½ΠΈΠ΅ Π² Π½Π΅ΠΉΡΡΠ°Π»ΡΠ½ΠΎΠ΅ ΠΏΠΎΠ»ΠΎΠΆΠ΅Π½ΠΈΠ΅, ΠΊΠΎΠ³Π΄Π° Π°Π²ΡΠΎΠΌΠΎΠ±ΠΈΠ»Ρ Π½Π΅ΠΏΠΎΠ΄Π²ΠΈΠΆΠ΅Π½ ΠΈ Π΄Π²ΠΈΠ³Π°ΡΠ΅Π»Ρ ΡΠ°Π±ΠΎΡΠ°Π΅Ρ Π½Π° Ρ ΠΎΠ»ΠΎΡΡΠΎΠΌ Ρ ΠΎΠ΄Ρ (ΡΠΏΡΠ°Π²Π»Π΅Π½ΠΈΠ΅ Π½Π΅ΠΉΡΡΠ°Π»ΡΠ½ΡΠΌ Ρ ΠΎΠ»ΠΎΡΡΡΠΌ Ρ ΠΎΠ΄ΠΎΠΌ [NIC])
ΠΠ°ΠΊΡΠΈΠΌΠ°Π»ΡΠ½ΡΠΉ ΠΊΡΡΡΡΡΠΈΠΉ ΠΌΠΎΠΌΠ΅Π½Ρ 700 ΠΠΌ ΠΎΡ ZF.
ΠΡΠ° ΠΊΠΎΡΠΎΠ±ΠΊΠ° ΠΏΠ΅ΡΠ΅Π΄Π°Ρ ΠΈΠΌΠ΅Π΅Ρ Π²ΡΡΡΠΎΠ΅Π½Π½ΠΎΠ΅ Π² ΠΏΡΠΎΠ³ΡΠ°ΠΌΠΌΠ½ΠΎΠ΅ ΠΎΠ±Π΅ΡΠΏΠ΅ΡΠ΅Π½ΠΈΠ΅ ΠΎΠ³ΡΠ°Π½ΠΈΡΠ΅Π½ΠΈΠ΅ ΠΊΡΡΡΡΡΠ΅Π³ΠΎ ΠΌΠΎΠΌΠ΅Π½ΡΠ° 600-700 ΠΠΌ. ΠΡΠΎ ΠΎΠ³ΡΠ°Π½ΠΈΡΠ΅Π½ΠΈΠ΅ ΠΌΠΎΠΆΠ½ΠΎ ΡΠ½ΡΡΡ Ρ ΠΏΠΎΠΌΠΎΡΡΡ ΠΏΡΠΎΠ³ΡΠ°ΠΌΠΌΠ½ΠΎΠ³ΠΎ ΠΎΠ±Π΅ΡΠΏΠ΅ΡΠ΅Π½ΠΈΡ Π΄Π»Ρ ΠΏΠ΅ΡΠ΅Π΄Π°ΡΠΈ.
ZF 8HP-90A / AL951-8Q / 0BL
ΠΡΠ»ΠΈ ΡΠΌΠΎΡΡΠ΅ΡΡ ΡΠ½Π°ΡΡΠΆΠΈ, ΠΌΠ΅ΠΆΠ΄Ρ ΠΊΠΎΡΠΎΠ±ΠΊΠ°ΠΌΠΈ ΠΏΠ΅ΡΠ΅Π΄Π°Ρ 0BK ΠΈ 0BL ΠΏΡΠ°ΠΊΡΠΈΡΠ΅ΡΠΊΠΈ Π½Π΅Ρ ΡΠ°Π·Π»ΠΈΡΠΈΠΉ. ΠΠΎΡΠΊΠΎΠ»ΡΠΊΡ ΠΊΠΎΡΠΎΠ±ΠΊΠ° ΠΏΠ΅ΡΠ΅Π΄Π°Ρ 0BL ΡΠ°ΡΡΡΠΈΡΠ°Π½Π° Π½Π° ΠΌΠ°ΠΊΡΠΈΠΌΠ°Π»ΡΠ½ΡΠΉ ΠΊΡΡΡΡΡΠΈΠΉ ΠΌΠΎΠΌΠ΅Π½Ρ 1000 ΠΠΌ, Π±ΠΎΠ»ΡΡΠΈΠ½ΡΡΠ²ΠΎ ΠΊΠΎΠΌΠΏΠΎΠ½Π΅Π½ΡΠΎΠ² ΠΊΠΎΡΠΎΠ±ΠΊΠΈ ΠΏΠ΅ΡΠ΅Π΄Π°Ρ 0BL ΡΠΎΠΎΡΠ²Π΅ΡΡΡΠ²Π΅Π½Π½ΠΎ Π±ΠΎΠ»ΡΡΠ΅ ΠΏΠΎ ΡΠ°Π·ΠΌΠ΅ΡΡ.
ΠΡΠΎ ΡΠ°ΠΊΠΆΠ΅ ΠΎΡΠ½ΠΎΡΠΈΡΡΡ ΠΊ Π²Π½Π΅ΡΠ½ΠΈΠΌ ΡΠ°Π·ΠΌΠ΅ΡΠ°ΠΌ ΠΊΠΎΡΠΎΠ±ΠΊΠΈ ΠΏΠ΅ΡΠ΅Π΄Π°Ρ
ZF 8HP65A / AL-52-8Q / 0D5
ΠΠΎΡΠΎΠ±ΠΊΠ° ΠΏΠ΅ΡΠ΅Π΄Π°Ρ 0D5 ΠΎΡΠ½ΠΎΠ²Π°Π½Π° Π½Π° ΠΊΠΎΡΠΎΠ±ΠΊΠ΅ ΠΏΠ΅ΡΠ΅Π΄Π°Ρ 0BK, Π²ΠΏΠ΅ΡΠ²ΡΠ΅ ΠΈΡΠΏΠΎΠ»ΡΠ·ΠΎΠ²Π°Π½Π½ΠΎΠΉ Π² Audi A8 2011 Π³ΠΎΠ΄Π°.
ΠΠΌΠ΅Π΅Ρ Π²Π½ΡΡΡΠ΅Π½Π½Π΅Π΅ ΠΎΠ±ΠΎΠ·Π½Π°ΡΠ΅Π½ΠΈΠ΅ AL-52-8Q. ΠΠ±ΠΎΠ·Π½Π°ΡΠ΅Π½ΠΈΠ΅ ZF β 8HP65A. ΠΠ½ ΡΠ°ΡΡΡΠΈΡΠ°Π½ Π½Π° Π²Ρ ΠΎΠ΄Π½ΠΎΠΉ ΠΊΡΡΡΡΡΠΈΠΉ ΠΌΠΎΠΌΠ΅Π½Ρ Π΄ΠΎ 516 ΡΡΠ½Ρ-ΡΡΡΠΎΠ² (700 ΠΠΌ).
ΠΠΎΡΠΎΠ±ΠΊΠ° ΠΏΠ΅ΡΠ΅Π΄Π°Ρ 0D5 ΠΎΡΠ½ΠΎΠ²Π°Π½Π° Π½Π° ΠΊΠΎΡΠΎΠ±ΠΊΠ΅ ΠΏΠ΅ΡΠ΅Π΄Π°Ρ 0BK, Π²ΠΏΠ΅ΡΠ²ΡΠ΅ ΠΈΡΠΏΠΎΠ»ΡΠ·ΠΎΠ²Π°Π½Π½ΠΎΠΉ Π² Audi A8 2011 Π³ΠΎΠ΄Π°. ΠΠΌΠ΅Π΅Ρ Π²Π½ΡΡΡΠ΅Π½Π½Π΅Π΅ ΠΎΠ±ΠΎΠ·Π½Π°ΡΠ΅Π½ΠΈΠ΅ AL-52-8Q. ΠΡΠΎΠΈΠ·Π²ΠΎΠ΄ΠΈΡΠ΅Π»Ρ ZF Getriebe GmbH ΠΈΡΠΏΠΎΠ»ΡΠ·ΡΠ΅Ρ ΠΎΠ±ΠΎΠ·Π½Π°ΡΠ΅Π½ΠΈΠ΅ 8HP65A.
ΠΠ½Π° ΡΠ°ΡΡΡΠΈΡΠ°Π½Π° Π½Π° Π²Ρ
ΠΎΠ΄Π½ΠΎΠΉ ΠΊΡΡΡΡΡΠΈΠΉ ΠΌΠΎΠΌΠ΅Π½Ρ Π΄ΠΎ 700 ΠΠΌ.
ΠΠ»ΡΡΠ΅Π²ΡΠ΅ Π½ΠΎΠ²ΡΠ΅ ΠΎΡΠΎΠ±Π΅Π½Π½ΠΎΡΡΠΈ ΡΡΠ°Π½ΡΠΌΠΈΡΡΠΈΠΈ 0D5 ΠΏΠΎ ΡΡΠ°Π²Π½Π΅Π½ΠΈΡ Ρ 0BK:
- ΠΡΠ΅ΠΎΠ±ΡΠ°Π·ΠΎΠ²Π°ΡΠ΅Π»Ρ Ρ Π΄Π²ΡΠΌΡ Π°ΠΌΠΎΡΡΠΈΠ·Π°ΡΠΎΡΠ°ΠΌΠΈ ΠΈ Π²ΡΡΡΠΎΠ΅Π½Π½ΡΠΌ Π°ΠΌΠΎΡΡΠΈΠ·Π°ΡΠΎΡΠΎΠΌ ΠΌΠ°ΡΡΠ½ΠΈΠΊΠΎΠ²ΠΎΠ³ΠΎ ΡΠΈΠΏΠ°.
- Π£ΡΠΈΠ»Π΅Π½Π½ΡΠΉ ΡΠ΅Π΄ΡΠΊΡΠΎΡ Ρ ΠΈΠ·ΠΌΠ΅Π½Π΅Π½Π½ΡΠΌΠΈ ΡΠ»Π΅ΠΌΠ΅Π½ΡΠ°ΠΌΠΈ ΠΏΠ΅ΡΠ΅ΠΊΠ»ΡΡΠ΅Π½ΠΈΡ, ΠΊΠΎΠ»ΠΈΡΠ΅ΡΡΠ²ΠΎ ΡΠΎΡΠΌΠΎΠ·Π½ΡΡ Π΄ΠΈΡΠΊΠΎΠ² ΠΈ Π΄ΠΈΡΠΊΠΎΠ² ΡΡΠ΅ΠΏΠ»Π΅Π½ΠΈΡ Π·Π°Π²ΠΈΡΠΈΡ ΠΎΡ Π²Π΅ΡΡΠΈΠΈ Π΄Π²ΠΈΠ³Π°ΡΠ΅Π»Ρ, ΡΠΎΡΠΌΠΎΠ· B ΡΠ΅ΠΏΠ΅ΡΡ ΠΏΡΠΈΠ²ΠΎΠ΄ΠΈΡΡΡ Π² Π΄Π΅ΠΉΡΡΠ²ΠΈΠ΅ ΡΠΈΠΌΠΏΠ»Π΅ΠΊΡΠ½ΡΠΌ ΡΠΈΠ»ΠΈΠ½Π΄ΡΠΎΠΌ, ΠΊΠΎΠ»ΠΈΡΠ΅ΡΡΠ²ΠΎ Π΄ΠΈΡΠΊΠΎΠ² ΡΠΎΡΠΌΠΎΠ·ΠΎΠ² A ΠΈ B Π½Π°ΡΡΡΠΎΠ΅Π½ΠΎ Π½Π° Π°ΠΊΡΠΈΠ²Π½ΠΎΠ΅ ΡΠ°Π·Π΄Π΅Π»Π΅Π½ΠΈΠ΅ Π΄ΠΈΡΠΊΠΎΠ² Ρ ΠΏΠΎΠΌΠΎΡΡΡ Π³ΠΎΡΡΠΈΡΠΎΠ²Π°Π½Π½ΠΎΠ³ΠΎ ΠΏΡΡΠΆΠΈΠ½Ρ.
- ΠΠ΅Ρ Π°ΡΡΠΎΠ½ΠΈΠΊ Ρ ΠΌΠΎΠ΄ΠΈΡΠΈΡΠΈΡΠΎΠ²Π°Π½Π½ΡΠΌΠΈ Π³ΠΈΠ΄ΡΠ°Π²Π»ΠΈΡΠ΅ΡΠΊΠΈΠΌΠΈ ΠΈΠ½ΡΠ΅ΡΡΠ΅ΠΉΡΠ°ΠΌΠΈ ΠΈ Π°Π²ΡΠΎΠΌΠΎΠ±ΠΈΠ»ΡΠ½ΡΠΌ ΡΠ°Π·ΡΠ΅ΠΌΠΎΠΌ, ΠΎΠ±ΡΠ°ΡΠ΅Π½Π½ΡΠΌ ΠΏΠΎ Ρ ΠΎΠ΄Ρ Π΄Π²ΠΈΠΆΠ΅Π½ΠΈΡ.
- ΠΠ»Π°ΡΡΠΈΠΊΠΎΠ²ΡΠΉ ΠΏΠΎΠ΄Π΄ΠΎΠ½ ATF ΡΠΎ Π²ΡΡΡΠΎΠ΅Π½Π½ΡΠΌ Π²ΡΠ°ΡΡΠ²Π°ΡΡΠΈΠΌ ΡΠΈΠ»ΡΡΡΠΎΠΌ ATF ΠΈ ΡΠ»ΠΈΠ²Π½ΠΎΠΉ ΠΏΡΠΎΠ±ΠΊΠΎΠΉ ATF Ρ Π±Π°ΠΉΠΎΠ½Π΅ΡΠ½ΡΠΌ Π·Π°ΡΠ²ΠΎΡΠΎΠΌ Π²ΠΌΠ΅ΡΡΠΎ ΡΠ΅Π·ΡΠ±Ρ.
- ΠΠΎΠΌΠ±ΠΈΠ½ΠΈΡΠΎΠ²Π°Π½Π½Π°Ρ Π²Π΅Π½ΡΠΈΠ»ΡΡΠΈΡ ΡΡΠ΅Ρ ΠΌΠ°ΡΠ»ΡΠ½ΡΡ ΡΠΈΡΡΠ΅ΠΌ, ATF, ΡΠ°Π·Π΄Π°ΡΠΎΡΠ½ΠΎΠΉ ΠΊΠΎΡΠΎΠ±ΠΊΠΈ ΠΈ ΠΏΠ΅ΡΠ΅Π΄Π½Π΅ΠΉ Π³Π»Π°Π²Π½ΠΎΠΉ ΠΏΠ΅ΡΠ΅Π΄Π°ΡΠΈ.
- ΠΠΏΠ΅ΡΠ²ΡΠ΅ Π² ΡΡΠ°Π΄ΠΈΡΠΈΠΎΠ½Π½ΠΎΠΉ Π°Π²ΡΠΎΠΌΠ°ΡΠΈΡΠ΅ΡΠΊΠΎΠΉ ΠΊΠΎΡΠΎΠ±ΠΊΠ΅ ΠΏΠ΅ΡΠ΅Π΄Π°Ρ Ρ ΠΏΡΠ΅ΠΎΠ±ΡΠ°Π·ΠΎΠ²Π°ΡΠ΅Π»Π΅ΠΌ ΠΎΠΏΠ΅ΡΠ°ΡΠΈΠΎΠ½Π½ΠΎΠ΅ ΠΏΡΠΎΠ³ΡΠ°ΠΌΠΌΠ½ΠΎΠ΅ ΠΎΠ±Π΅ΡΠΏΠ΅ΡΠ΅Π½ΠΈΠ΅ ΠΏΠΎΠ΄Π΄Π΅ΡΠΆΠΈΠ²Π°Π΅Ρ ΡΠ΅ΠΆΠΈΠΌ Π΄Π²ΠΈΠΆΠ΅Π½ΠΈΡ Π½Π°ΠΊΠ°ΡΠΎΠΌ.

- Π€ΡΠ½ΠΊΡΠΈΡ ΡΠΏΡΠ°Π²Π»Π΅Π½ΠΈΡ Π½Π΅ΠΉΡΡΠ°Π»ΡΡ Π±ΡΠ»Π° ΠΏΠ΅ΡΠ΅Π½Π°ΡΡΡΠΎΠ΅Π½Π°.
ΠΡΠΎΠΌΠ΅ ΡΠΎΠ³ΠΎ, ΠΊΠ°ΠΊ ΠΈ Π² ΡΠ»ΡΡΠ°Π΅ Ρ ΠΊΠΎΡΠΎΠ±ΠΊΠΎΠΉ ΠΏΠ΅ΡΠ΅Π΄Π°Ρ 0BK, ΠΏΡΠΎΠ³ΡΠ°ΠΌΠΌΠ½ΠΎΠ΅ ΠΎΠ±Π΅ΡΠΏΠ΅ΡΠ΅Π½ΠΈΠ΅ ΠΊΠΎΡΠΎΠ±ΠΊΠΈ ΠΏΠ΅ΡΠ΅Π΄Π°Ρ 0D5 ΠΈΡΠΏΠΎΠ»ΡΠ·ΡΠ΅Ρ Π΄Π°Π½Π½ΡΠ΅ Π½Π°Π²ΠΈΠ³Π°ΡΠΈΠΎΠ½Π½ΠΎΠΉ ΡΠΈΡΡΠ΅ΠΌΡ ΠΈ ΠΏΠΎΠ΄Π΄Π΅ΡΠΆΠΈΠ²Π°Π΅Ρ ΡΠΈΡΡΠ΅ΠΌΡ ΡΡΠ°ΡΡ-ΡΡΠΎΠΏ.
Π‘ ΠΏΠΎΠΌΠΎΡΡΡ Audi drive select ΠΌΠΎΠΆΠ½ΠΎ Π²ΡΠ±ΡΠ°ΡΡ ΡΠ°Π·Π»ΠΈΡΠ½ΡΠ΅ ΡΠ΅ΠΆΠΈΠΌΡ Π΄Π²ΠΈΠΆΠ΅Π½ΠΈΡ. TCM ΡΠ²Π»ΡΠ΅ΡΡΡ ΡΡΠ°ΡΡΠ½ΠΈΠΊΠΎΠΌ ΡΠΈΡΡΠ΅ΠΌΡ ΠΈΠΌΠΌΠΎΠ±ΠΈΠ»Π°ΠΉΠ·Π΅ΡΠ°. ΠΡ Π»Π°ΠΆΠ΄Π΅Π½ΠΈΠ΅ ΡΠΈΡΡΠ΅ΠΌΡ ATF ΡΠ΅Π³ΡΠ»ΠΈΡΡΠ΅ΡΡΡ ΡΠΈΡΡΠ΅ΠΌΠΎΠΉ ΡΠ΅ΡΠΌΠΎΡΠ΅Π³ΡΠ»ΠΈΡΠΎΠ²Π°Π½ΠΈΡ Π΄Π²ΠΈΠ³Π°ΡΠ΅Π»Ρ.
ZF 8HP-65A / AL552-8Q / 0D6
8-ΡΡΡΠΏΠ΅Π½ΡΠ°ΡΠ°Ρ Π°Π²ΡΠΎΠΌΠ°ΡΠΈΡΠ΅ΡΠΊΠ°Ρ ΠΊΠΎΡΠΎΠ±ΠΊΠ° ΠΏΠ΅ΡΠ΅Π΄Π°Ρ 0D6 ΡΠ²Π»ΡΠ΅ΡΡΡ Π΄Π°Π»ΡΠ½Π΅ΠΉΡΠΈΠΌ ΡΠ°Π·Π²ΠΈΡΠΈΠ΅ΠΌ 8-ΡΡΡΠΏΠ΅Π½ΡΠ°ΡΠΎΠΉ ββΠ°Π²ΡΠΎΠΌΠ°ΡΠΈΡΠ΅ΡΠΊΠΎΠΉ ΠΊΠΎΡΠΎΠ±ΠΊΠΈ ΠΏΠ΅ΡΠ΅Π΄Π°Ρ 0BL, Π²ΠΏΠ΅ΡΠ²ΡΠ΅ ΠΈΡΠΏΠΎΠ»ΡΠ·ΠΎΠ²Π°Π½Π½ΠΎΠΉ Π½Π° Audi A8 (4H)
ΠΠ»ΡΡΠ΅Π²ΡΠΌΠΈ ΠΎΡΠΎΠ±Π΅Π½Π½ΠΎΡΡΡΠΌΠΈ ΠΊΠΎΡΠΎΠ±ΠΊΠΈ ΠΏΠ΅ΡΠ΅Π΄Π°Ρ 0D6 ΠΏΠΎ ΡΡΠ°Π²Π½Π΅Π½ΠΈΡ Ρ ΠΊΠΎΡΠΎΠ±ΠΊΠΎΠΉ ΠΏΠ΅ΡΠ΅Π΄Π°Ρ 0BL ΡΠ²Π»ΡΡΡΡΡ:
- ΠΠΈΠ΄ΡΠΎΡΡΠ°Π½ΡΡΠΎΡΠΌΠ°ΡΠΎΡ ΡΠΎ Π²ΡΡΡΠΎΠ΅Π½Π½ΡΠΌ Π΄Π²ΡΡ ΠΌΠ°ΡΡΠΎΠ²ΡΠΌ ΠΌΠ°Ρ ΠΎΠ²ΠΈΠΊΠΎΠΌ Ρ ΡΠ΅Π½ΡΡΠΎΠ±Π΅ΠΆΠ½ΡΠΌ ΠΌΠ°ΡΡΠ½ΠΈΠΊΠΎΠ²ΡΠΌ Π°ΠΌΠΎΡΡΠΈΠ·Π°ΡΠΎΡΠΎΠΌ.
- Π£ΡΠΈΠ»Π΅Π½Π½ΡΠΉ ΠΊΠΎΠΌΠΏΠ»Π΅ΠΊΡ ΡΠ΅ΡΡΠ΅ΡΠ΅Π½ Ρ ΠΈΠ·ΠΌΠ΅Π½Π΅Π½Π½ΡΠΌΠΈ ΡΠ»Π΅ΠΌΠ΅Π½ΡΠ°ΠΌΠΈ ΠΏΠ΅ΡΠ΅ΠΊΠ»ΡΡΠ΅Π½ΠΈΡ. Π’ΠΎΡΠΌΠΎΠ· B ΡΠ΅ΠΏΠ΅ΡΡ ΠΏΡΠΈΠ²ΠΎΠ΄ΠΈΡΡΡ Π² Π΄Π΅ΠΉΡΡΠ²ΠΈΠ΅ ΡΠΈΠΌΠΏΠ»Π΅ΠΊΡΠ½ΡΠΌ ΡΠΈΠ»ΠΈΠ½Π΄ΡΠΎΠΌ, Π° ΡΠ·Π΅Π» Π΄ΠΈΡΠΊΠΎΠ² ΡΡΠ΅ΠΏΠ»Π΅Π½ΠΈΡ ΡΠΎΡΠΌΠΎΠ·ΠΎΠ² A ΠΈ B Π½Π° Audi SQ7 ΡΠΊΠΎΠ½ΡΠΈΠ³ΡΡΠΈΡΠΎΠ²Π°Π½ Π΄Π»Ρ Π°ΠΊΡΠΈΠ²Π½ΠΎΠ³ΠΎ ΡΠ°Π·Π΄Π΅Π»Π΅Π½ΠΈΡ Π΄ΠΈΡΠΊΠΎΠ² Ρ ΠΏΠΎΠΌΠΎΡΡΡ Π³ΠΎΡΡΠΈΡΠΎΠ²Π°Π½Π½ΡΡ
ΠΏΡΡΠΆΠΈΠ½.
Π Π°Π·Π΄Π΅Π»Π΅Π½ΠΈΠ΅ Π΄ΠΈΡΠΊΠΎΠ² ΡΡΠ΅ΠΏΠ»Π΅Π½ΠΈΡ ΠΏΠΎΠΌΠΎΠ³Π°Π΅Ρ ΡΠΊΠΎΠ½ΠΎΠΌΠΈΡΡ ΡΠΎΠΏΠ»ΠΈΠ²ΠΎ ΠΈ ΡΠ½ΠΈΠΆΠ°Π΅Ρ Π²ΡΠ±ΡΠΎΡΡ CO2. - ΠΠ΅Ρ Π°ΡΡΠΎΠ½ΠΈΠΊ Ρ ΠΌΠΎΠ΄ΠΈΡΠΈΡΠΈΡΠΎΠ²Π°Π½Π½ΡΠΌΠΈ Π³ΠΈΠ΄ΡΠ°Π²Π»ΠΈΡΠ΅ΡΠΊΠΈΠΌΠΈ ΠΈΠ½ΡΠ΅ΡΡΠ΅ΠΉΡΠ°ΠΌΠΈ ΠΈ Π°Π²ΡΠΎΠΌΠΎΠ±ΠΈΠ»ΡΠ½ΡΠΌ ΡΠ°Π·ΡΠ΅ΠΌΠΎΠΌ, ΠΎΠ±ΡΠ°ΡΠ΅Π½Π½ΡΠΌ ΠΏΠΎ Ρ ΠΎΠ΄Ρ Π΄Π²ΠΈΠΆΠ΅Π½ΠΈΡ.
- ΠΠ»Π°ΡΡΠΈΠΊΠΎΠ²ΡΠΉ ΠΏΠΎΠ΄Π΄ΠΎΠ½ ATF ΡΠΎ Π²ΡΡΡΠΎΠ΅Π½Π½ΡΠΌ Π²ΡΠ°ΡΡΠ²Π°ΡΡΠΈΠΌ ΡΠΈΠ»ΡΡΡΠΎΠΌ ATF ΠΈ ΡΠ»ΠΈΠ²Π½ΡΠΌ Π²ΠΈΠ½ΡΠΎΠΌ ATF Ρ Π±Π°ΠΉΠΎΠ½Π΅ΡΠ½ΡΠΌ Π·Π°ΡΠ²ΠΎΡΠΎΠΌ Π²ΠΌΠ΅ΡΡΠΎ ΡΠ΅Π·ΡΠ±Ρ.
- ΠΠΎΠΌΠ±ΠΈΠ½ΠΈΡΠΎΠ²Π°Π½Π½Π°Ρ Π²Π΅Π½ΡΠΈΠ»ΡΡΠΈΡ Π΄Π²ΡΡ ΠΌΠ°ΡΠ»ΡΠ½ΡΡ ΡΠΈΡΡΠ΅ΠΌ, ATF ΠΈ MTF Π΄Π»Ρ ΡΠ°Π·Π΄Π°ΡΠΎΡΠ½ΠΎΠΉ ΠΊΠΎΡΠΎΠ±ΠΊΠΈ ΠΈ ΠΏΡΠΈΠ²ΠΎΠ΄Π° ΠΏΠ΅ΡΠ΅Π΄Π½Π΅Π³ΠΎ ΠΌΠΎΡΡΠ°.
- ΠΡΠΎΠ³ΡΠ°ΠΌΠΌΠ½ΠΎΠ΅ ΠΎΠ±Π΅ΡΠΏΠ΅ΡΠ΅Π½ΠΈΠ΅ ΠΊΠΎΡΠΎΠ±ΠΊΠΈ ΠΏΠ΅ΡΠ΅Π΄Π°Ρ ΡΠ»ΡΡΡΠ°Π΅Ρ ΡΠ΅ΠΆΠΈΠΌ Π΄Π²ΠΈΠΆΠ΅Π½ΠΈΡ Π½Π°ΠΊΠ°ΡΠΎΠΌ.
- ΠΡΠΎΠΌΠ΅ ΡΠΎΠ³ΠΎ, ΠΊΠ°ΠΊ ΠΈ Π² ΡΠ»ΡΡΠ°Π΅ Ρ ΠΊΠΎΡΠΎΠ±ΠΊΠΎΠΉ ΠΏΠ΅ΡΠ΅Π΄Π°Ρ 0D6, ΠΏΡΠΎΠ³ΡΠ°ΠΌΠΌΠ½ΠΎΠ΅ ΠΎΠ±Π΅ΡΠΏΠ΅ΡΠ΅Π½ΠΈΠ΅ ΠΊΠΎΡΠΎΠ±ΠΊΠΈ ΠΏΠ΅ΡΠ΅Π΄Π°Ρ 0BL ΠΈΡΠΏΠΎΠ»ΡΠ·ΡΠ΅Ρ Π΄Π°Π½Π½ΡΠ΅ Π½Π°Π²ΠΈΠ³Π°ΡΠΈΠΎΠ½Π½ΠΎΠΉ ΡΠΈΡΡΠ΅ΠΌΡ ΠΈ ΠΏΠΎΠΌΠΎΠ³Π°Π΅Ρ ΡΠΈΡΡΠ΅ΠΌΠ΅ ΡΡΠ°ΡΡ-ΡΡΠΎΠΏ Ρ ΠΏΠΎΠΌΠΎΡΡΡ ΡΠΈΡΡΠ΅ΠΌΡ Ρ ΡΠ°Π½Π΅Π½ΠΈΡ Π³ΠΈΠ΄ΡΠ°Π²Π»ΠΈΡΠ΅ΡΠΊΠΈΡ ΠΈΠΌΠΏΡΠ»ΡΡΠΎΠ², ΡΠΎΠΊΡΠ°ΡΠ΅Π½Π½ΠΎ HIS.
- ΠΠ°ΡΡΡΠΎΠΉΠΊΠ° ΠΊΠΎΡΠΎΠ±ΠΊΠΈ ΠΏΠ΅ΡΠ΅Π΄Π°Ρ, Π½Π°ΡΡΡΠΎΠ΅Π½Π½Π°Ρ Ρ ΠΏΠΎΠΌΠΎΡΡΡ Audi drive select, ΡΠ΅ΠΏΠ΅ΡΡ ΠΏΡΠ΅Π΄Π»Π°Π³Π°Π΅Ρ Π΄ΠΎΠΏΠΎΠ»Π½ΠΈΡΠ΅Π»ΡΠ½ΡΠ΅ ΡΠ΅ΠΆΠΈΠΌΡ.
Π Π°ΡΡΡΠΈΡΠ°Π½ Π½Π° Π²Ρ ΠΎΠ΄Π½ΠΎΠΉ ΠΊΡΡΡΡΡΠΈΠΉ ΠΌΠΎΠΌΠ΅Π½Ρ Π΄ΠΎ 1000 ΠΠΌ.
ΠΠΎΡΠΎΠ±ΠΊΠ° ΠΏΠ΅ΡΠ΅Π΄Π°Ρ 0D6 ΡΡΡΠ°Π½Π°Π²Π»ΠΈΠ²Π°Π΅ΡΡΡ Π½Π° SQ7 V8 TDI.
ZF 8HP-70 / AL550-8A / 0DR
ΠΠΎΡΠΎΠ±ΠΊΠ° ΠΏΠ΅ΡΠ΅Π΄Π°Ρ 8HP70, ΠΈΠΌΠ΅Π½ΡΠ΅ΠΌΠ°Ρ Π²Π½ΡΡΡΠΈ VW ΠΊΠ°ΠΊ AL550-8A Ρ ΠΊΠΎΠ΄ΠΎΠΌ ΡΠΈΠΏΠ° 0DR, ΠΏΡΠ΅Π΄ΡΡΠ°Π²Π»ΡΠ΅Ρ ΡΠΎΠ±ΠΎΠΉ 8-ΡΡΡΠΏΠ΅Π½ΡΠ°ΡΡΡ ΠΏΠ»Π°Π½Π΅ΡΠ°ΡΠ½ΡΡ ΠΊΠΎΡΠΎΠ±ΠΊΡ ΠΏΠ΅ΡΠ΅Π΄Π°Ρ Ρ ΡΠ»Π΅ΠΊΡΡΠΎΠ³ΠΈΠ΄ΡΠ°Π²Π»ΠΈΡΠ΅ΡΠΊΠΈΠΌ ΡΠΏΡΠ°Π²Π»Π΅Π½ΠΈΠ΅ΠΌ, Π³ΠΈΠ΄ΡΠΎΠ΄ΠΈΠ½Π°ΠΌΠΈΡΠ΅ΡΠΊΠΈΠΌ ΠΏΡΠ΅ΠΎΠ±ΡΠ°Π·ΠΎΠ²Π°ΡΠ΅Π»Π΅ΠΌ ΠΊΡΡΡΡΡΠ΅Π³ΠΎ ΠΌΠΎΠΌΠ΅Π½ΡΠ° ΠΈ Π±Π»ΠΎΠΊΠΈΡΠΎΠ²ΠΊΠΎΠΉ ΠΏΡΠ΅ΠΎΠ±ΡΠ°Π·ΠΎΠ²Π°ΡΠ΅Π»Ρ ΠΊΡΡΡΡΡΠ΅Π³ΠΎ ΠΌΠΎΠΌΠ΅Π½ΡΠ°. ΡΡΠ΅ΠΏΠ»Π΅Π½ΠΈΠ΅ Π²Π²Π΅ΡΡ Ρ ΠΊΠΎΠ½ΡΡΠΎΠ»ΠΈΡΡΠ΅ΠΌΡΠΌ ΠΏΡΠΎΡΠΊΠ°Π»ΡΠ·ΡΠ²Π°Π½ΠΈΠ΅ΠΌ. ΠΠ½ ΠΎΡΠ½Π°ΡΠ΅Π½ Π³ΠΈΠ΄ΡΠΎΡΡΠ°Π½ΡΡΠΎΡΠΌΠ°ΡΠΎΡΠΎΠΌ Ρ Π΄Π²ΡΠΌΡ Π°ΠΌΠΎΡΡΠΈΠ·Π°ΡΠΎΡΠ°ΠΌΠΈ, ΠΈΡΠΏΠΎΠ»ΡΠ·ΡΠ΅Ρ 1-Ρ ΠΏΠ΅ΡΠ΅Π΄Π°ΡΡ Π² ΠΊΠ°ΡΠ΅ΡΡΠ²Π΅ ΠΏΠΎΠ½ΠΈΠΆΠ°ΡΡΠ΅ΠΉ ΠΏΠ΅ΡΠ΅Π΄Π°ΡΠΈ Π΄Π»Ρ Π΄Π²ΠΈΠΆΠ΅Π½ΠΈΡ ΠΏΠΎ Π±Π΅Π·Π΄ΠΎΡΠΎΠΆΡΡ ΠΈ Π±ΡΠΊΡΠΈΡΠΎΠ²ΠΊΠΈ ΠΏΡΠΈΡΠ΅ΠΏΠΎΠ² (Π΄ΠΎΠΏΠΎΠ»Π½ΠΈΡΠ΅Π»ΡΠ½ΡΠΉ ΡΠ΅Π΄ΡΠΊΡΠΎΡ Π½Π΅ ΡΡΠ΅Π±ΡΠ΅ΡΡΡ).
Π£ΠΏΡΠ°Π²Π»Π΅Π½ΠΈΠ΅ ΠΎΡΡΡΠ΅ΡΡΠ²Π»ΡΠ΅ΡΡΡ ΡΠ΅ΡΠ΅Π· Π±Π»ΠΎΠΊ ΠΌΠ΅Ρ Π°ΡΡΠΎΠ½ΠΈΠΊΠΈ, Π°Π½Π°Π»ΠΎΠ³ΠΈΡΠ½ΡΠΉ ΠΊΠΎΡΠΎΠ±ΠΊΠ°ΠΌ ΠΏΠ΅ΡΠ΅Π΄Π°Ρ DSG (ΠΎΠ±ΡΠ΅Π΄ΠΈΠ½Π΅Π½ΠΈΠ΅ Π³ΠΈΠ΄ΡΠ°Π²Π»ΠΈΡΠ΅ΡΠΊΠΎΠ³ΠΎ Π±Π»ΠΎΠΊΠ° ΡΠΏΡΠ°Π²Π»Π΅Π½ΠΈΡ ΠΈ ΡΠ»Π΅ΠΊΡΡΠΎΠ½Π½ΠΎΠ³ΠΎ ΠΊΠΎΠ½ΡΡΠΎΠ»Π»Π΅ΡΠ° Π² ΠΎΠ΄Π½ΠΎΠΌ Π±Π»ΠΎΠΊΠ΅) Ρ ΡΠ΅ΠΆΠΈΠΌΠ°ΠΌΠΈ Β«ΠΠ²ΡΠΎΠΌΠ°ΡΠΈΡΠ΅ΡΠΊΠΈΠΉΒ», Β«Π‘ΠΏΠΎΡΡΒ» ΠΈ Β«Π’ΠΈΠΏΡΡΠΎΠ½ΠΈΠΊΒ».
ΠΠΎΠΌΠΈΠ½Π°Π»ΡΠ½ΡΠΉ ΡΠ΄Π΅ΡΠΆΠΈΠ²Π°ΡΡΠΈΠΉ ΠΊΡΡΡΡΡΠΈΠΉ ΠΌΠΎΠΌΠ΅Π½Ρ 550 ΠΠΌ, Π½ΠΎ Π±ΡΠ»ΠΎ Π΄ΠΎΠΊΠ°Π·Π°Π½ΠΎ, ΡΡΠΎ ΠΎΠ½ ΡΠΏΠΎΡΠΎΠ±Π΅Π½ Π±Π΅Π· ΠΏΡΠΎΠ±Π»Π΅ΠΌ Π²ΡΠ΄Π΅ΡΠΆΠΈΠ²Π°ΡΡ Π½Π°ΠΌΠ½ΠΎΠ³ΠΎ Π±ΠΎΠ»ΡΡΠ΅ ΡΡΠΎΠ³ΠΎ Π·Π½Π°ΡΠ΅Π½ΠΈΡ.
ΠΠΎΡΠΎΠ±ΠΊΠ° ΠΏΠ΅ΡΠ΅Π΄Π°Ρ 0DR ΡΡΡΠ°Π½Π°Π²Π»ΠΈΠ²Π°Π΅ΡΡΡ Π½Π° ΠΌΠΎΠ΄Π΅Π»ΠΈ Amarok Ρ Π΄Π²ΠΈΠ³Π°ΡΠ΅Π»Π΅ΠΌ V6.
Π’ΠΈΠΏΠ° Β«Π΄Π²ΠΎΠΉΠ½Π°Ρ ΠΒ»
