Содержание
Контроллер для асинхронного двигателя
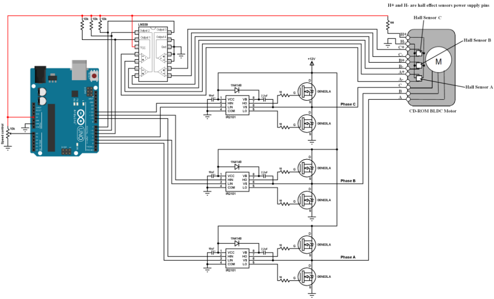
Трёхфазные двигатели постоянного тока довольно часто применяются в быту и промышленности. Для их управления требуется техническое средство, преобразующее сигналы малой мощности в токи, способные управлять моторами. Для этой цели существуют схемы различной степени сложности. Все они отличаются друг от друга либо мощностью, либо элементной базой, на основе которой они изготовлены. Рассмотрим для начала простейшие схемы. Начинающему электрику приходится задаться вопросом подключения мотора к микроконтроллеру.
Поиск данных по Вашему запросу:
Контроллер для асинхронного двигателя
Схемы, справочники, даташиты:
Прайс-листы, цены:
Обсуждения, статьи, мануалы:
Дождитесь окончания поиска во всех базах.
По завершению появится ссылка для доступа к найденным материалам.
Содержание:
- Частотный преобразователь для асинхронного двигателя — регулятор частоты электродвигателя
- Способ самоторможения трехфазного асинхронного двигателя
- Контроллер электрического двигателя
- Инвертер асинхронного двигателя на базе 3-Phase AC Motor Controller (MC3PHAC)
- Электромобили своими руками
- Контроллер электрического двигателя
- контроллер для асинхронного двигателя
ПОСМОТРИТЕ ВИДЕО ПО ТЕМЕ: Электробайк.
Контроллер двигателя своими руками. Олег Макаренко. Митап 04.03.17
Частотный преобразователь для асинхронного двигателя — регулятор частоты электродвигателя
Преобразователь предназначался для питания миниатюрного трехфазного двигателя ДИД. Я начинал изучение схемотехники драйвера бесколлекторного двигателя по апноте Atmel. Драйвер Асинхронного Двигателя Итак коль уж асинхронный двигатель так распространён и трехфазная система напряжения. Дальше —проще, понадобится драйвер трехфазного моста IRIR При замыканиях в обмотках двигателя вращающимся магнитным полем в короткозамкнутом контуре будет наводиться. Драйвер асинхронного двигателя — форум Трехфазный асинхронный двигатель Схема драйвера асинхронного двигателя.
Инверторы для асинхронных двигателей или как регулировать скорость патрона в настольном токарном станке. Вполне нормальный драйвер, собрал на макете.
Выбор асинхронного двигателя Вт и драйвера к нему. Плед с логотипом. Драйвер Асинхронного Двигателя. Использование микроконтроллеров для создания систем импульсного управления силовыми выпрямительными мостами на основе тиристоров позволяет уменьшить размеры устройств управления, сделать их компактными и надежными.
Темa питания трехфазного электродвигателя от однофазной сети не нова, но по-прежнему остается актуальной. Сегодня мы предлагаем вниманию читателей еще одно техническое решение проблемы. Для упрощения задающего генератора — основы трехфазного инвертора, обеспечивающего питание такого двигателя, — автор статьи предлагает использовать микроконтроллер.
Хотя сегодня для управления трехфазным электроприводом имеются специализированные микросхемы с большими функциональными возможностями, простой инвертор для питания асинхронного трехфазного двигателя от однофазной сети может быть построен на базе обычного микроконтроллера. Предлагаемый инвертор состоит из микроконтроллера, узла защиты от превышения допустимого тока нагрузки и мощных коммутаторов напряжения IGBT.
В электроприводах технологических установок получили широкое применение асинхронные трёхфазные двигатели. Если необходимо изменять частоту вращения ротора такого двигателя, его следует питать трёхфазным током с регулируемыми частотой и эффективным значением напряжения.
В статье рассказывается о преобразователе, формирующем регулируемое по частоте и амплитуде трёхфазное напряжение из однофазного, поступающего от сети В. Устройство предназначено для электродуговой сварки штучными электродами. В мостовых инверторах падающая характеристика обеспечивается достаточно сложной электроникой. С точки зрения простоты управления наиболее привлекателен именно резонансный мост. В нем падающая характеристика источника сварочного тока обеспечивается параметрическими свойствами резонансной цепочки в первичной цепи инвертора.
Особенностью инвертора является не только использование полного резонансного моста, но и управление им с помощью мк PIC16F Поэтому достаточно остро стоит задача экономии электроэнергии и уменьшения стоимости электродвигателей.
Трехфазные асинхронные двигатели считаются достаточно универсальными и наиболее дешевыми. RSS Feed. Author Write something about yourself. No need to be fancy, just an overview. Powered by Create your own unique website with customizable templates. Get Started.
Способ самоторможения трехфазного асинхронного двигателя
Золотые поставщики — это компании, прошедшие предварительную проверку качества. Проверки на месте были проведены Alibaba. Электрическое оборудование и принадлежности. Сортировать по : Лучшее соответствие.
Драйвер Асинхронного Двигателя Итак коль уж асинхронный двигатель так распространён и трехфазная система напряжения. Дальше –проще.
Контроллер электрического двигателя
Пользователь интересуется товаром NR07 — Электронный конструктор «Источники питания» — серия Азбука электронщика арт. Пользователь интересуется товаром NR04 — Электронный конструктор «Классика схемотехники» — серия Азбука электронщика. Пользователь интересуется товаром MP — Универсальные часы реального времени RTC c управлением нагрузками по 4 каналам.
Приглашаем Вас в фирменные магазины в Москве Подробнее. Приглашаем Вас в фирменные магазины в Санкт-Петербурге Подробнее. Набор снят с производства. Используйте функциональную замену NM Набор позволяет собрать регулятор мощности и температуры практически не создающий помех.
Инвертер асинхронного двигателя на базе 3-Phase AC Motor Controller (MC3PHAC)
М, Бамдаса и Я, М. Бамдаса, заяв, свид,2 О выдаче патента опубликовано 31 декабря няется на 15 лет от 31 дека года. Деиствие патенбря года. Электрическое торможение асинхронных двигателей путем переключения двух проводов из трех, питающих двигатель, имеет тот недостаток, что если не включить двигатель в момент остановки, то он начнет вращаться в обратном прежнему направлении. Подобный способ требует большой внимательности со стороны обслуживающего персонала, что делает его мало применимым.
Как вы уже знаете из прошлых постов, у нас в компании есть DIY-движение. В свободное от работы время коллеги занимаются фрезеровкой печатных плат в домашних условиях , делают тепловизор на FLIR Lepton , а также решают семейные разногласия с помощью 4 контроллеров и 2 умных часов.
Электромобили своими руками
Проект, о котором я говорил, прошел первое испытание. Контроллер умеет сам подстраиваться под конкретный мотор. По мере поступления информации, буду публиковать в этой теме. Вчера разговаривал с разработчиком по поводу лайт версии — самого дешевого варианта начального уровня. А именно — это будет типа ополовиненного варианта на 65В А.
Контроллер электрического двигателя
Я ТАК Правила форума. Правила Расширенный поиск. Показано с 1 по 29 из Опции темы Версия для печати Отправить по электронной почте… Подписаться на эту тему…. Ну я с такими точно не встречалсья но скажу что это простой частотный преобразователь.
В моём городе где я живу нет ни одного двигателя постоянного тока, Нужен контроллер асинхронного двигателя, а не BLDC, имхо.
контроллер для асинхронного двигателя
Контроллер для асинхронного двигателя
Несмотря на высокую эффективность современных электромеханических преобразователей, в процессе их работы все же возникают потери магнитной, электрической и механической энергии, сопровождающиеся выделением тепла, усилением шума и вибрации.
Об этом мы и поговорим в данной статье. Согласно общепринятой классификации электрические машины бывают синхронными — с одинаковой частотой вращения ротора и магнитного поля, и асинхронными — в которых магнитное поле вращается с более высокой скоростью, чем ротор. Они применяются во всех отраслях промышленности, сельского хозяйства и сферы ЖКХ.
Преобразователь предназначался для питания миниатюрного трехфазного двигателя ДИД. Я начинал изучение схемотехники драйвера бесколлекторного двигателя по апноте Atmel. Драйвер Асинхронного Двигателя Итак коль уж асинхронный двигатель так распространён и трехфазная система напряжения. Дальше —проще, понадобится драйвер трехфазного моста IRIR При замыканиях в обмотках двигателя вращающимся магнитным полем в короткозамкнутом контуре будет наводиться.
Схема электрическая принципиальная включения специализированного контроллера MC3PHAC предлагается производителем контроллера и представлена на рис. Контроллер имеет последовательный интерфейс, и на скорости бод возможен обмен с персональным компьютером либо управляющим контроллером.
Электромобили своими руками Электромобили. Пока все говорят о них — мы их делаем. Додано: 19 лютого , Доброго времени суток единомышленники. Нашел на просторах интернета схему 3х фазного инвертера, от одного из лидеров в разработке силовых приборов International Rectifier IR. Просмотрев форум, схему не нашел.
Контроллеры применяются в системах непосредственного управления НСУ и также в системах косвенного управления электрическими машинами: реостатно-контакторных системах управления РКСУ и тиристорно-импульсных системах управления ТИСУ. В более поздних типах систему управления тяговым электроприводом термин контроллер уже не применяется. Так в транзисторно-импульсных схемах управления двигателями постоянного тока орган, обеспечивающий управление режимом работы двигателя называется регулятором, а в системах асинхронного привода — частотным преобразователем.
Проекты — НПФ ВЕКТОР
Электромеханическая трансмиссия карьерного самосвала БелАЗ
В 2018-м году НПФ «ВЕКТОР» принимала участие в разработке и пусконаладке системы управления для новой электромеханической трансмиссии 90-тонного самосвала БелАЗ.
НПФ «ВЕКТОР» в данном проекте производила разработку контроллеров, алгоритмов управления, ПО контроллеров, диагностического ПО компьютера, а также сопровождение испытаний и пусконаладку оборудования на объекте заказчика. Особенно стоит отметить, что для управления 9-ти фазным тяговым вентильно-индукторным двигателем используется отечественный микроконтроллер К1921ВК01Т.
ПОДРОБНЕЕ
Электрический автобус
Компания НПФ «ВЕКТОР» разработала систему управления для опытного образца электрического автобуса: контроллер тягового электродвигателя (управляет вентильно-индукторным электродвигателем) и контроллер верхнего уровня с программным обеспечением для стыковки с органами управления автобусом (педали), с литиевой батарей и зарядной станцией (связь с BMS по CAN), а также были реализованы энергосберегающие режимы движения и торможения автобуса.
ПОДРОБНЕЕ
Проект открытого ПО для НИИЭТ К1921ВК01Т
ООО «НПФ ВЕКТОР» по договору с АО «НИИЭТ» выполнила разработку демонстрационного открытого программного обеспечения MotorControlDemo для нового отечественого motor-control микроконтроллера К1921ВК01Т.
MotorControlDemo – реализует различные структуры управления электродвигателями (векторное, скалярное управление и т.п.) , а также содержит математические модели электродвигателей, которые могут быть опционально подключены вместо реального объекта управления на время отладки. Проект доступен в открытых исходных кодах с подробным русскоязычным описанием в репозитории.
Подробнее
Система управления для вентильно-индукторных электроприводов с независимым возбуждением ВИП 315-1200 кВт
ВИП 315-1200 кВт — серия комплектных электроприводов. Новый привод является лучшей заменой высоковольтным приводам, при этом привод обеспечивает уникальную живучесть, так как двигатель может продолжительно работать даже при отказе одной из своих секций. Двигатели применяются для приводов вентиляторов и насосов. В настоящее время работает более десяти приводов на РТС г.Москвы.
Подробнее
Система управления для Преобразователя Собственных Нужд ПСН-24 и ПСН-765
В рамках данной работы была разработана микропроцессорная система управления блока ПСН-24.
Преобразователь собственных нужд ПСН-24 предназначен для питания низковольтных электрических цепей вагона метрополитена, питания асинхронного электродвигателя пневмокомпрессора, заряда аккумуляторной батареи и управления освещением салона вагона. Преобразователь предназначается для применения на вагонах, работающих в тоннелях на действующих линиях метрополитена и на открытых участках пути, электрифицированных напряжением 750 В постоянного тока.
ПОДРОБНЕЕ
Система управления для двухфазного вентильно–индукторного электропривода насосов горячего водоснабжения
Работа направлена на создание нового типа отечественного регулируемого комплектного энерго- и ресурсо-сберегающего электропривода для нужд жилищно-коммунального хозяйства (ЖКХ) г.Москвы на базе оригинальных конструкций двухфазных вентильно-индукторных двигателей с самовозбуждением ВИД СВ.
Заказчик: ОАО «МОЭК», г.Москва
Подробнее
Система управления асинхронным двигателем с функцией автоподхвата под преобразователь частоты ОАО «Ижевский радиозавод»
По заказу ОАО «Ижевский радиозавод» фирма ООО «НПФ ВЕКТОР» осуществила разработку современной системы управления и контроллера МК19.
1 для преобразователя частоты заказчика, а также программного обеспечения для управления асинхронным двигателем.
Подробнее
Система управления гибридной электрической трансмиссии с колесной формулой 8х8 (мотор полуось)
Фирма ООО «НПФ Вектор» разработала систему управления электротрансмиссией прототипа машины с колесной формулой 8х8. Системой управления обеспечивается согласованное векторное датчиковое управление восемью тяговыми вентильно-индукторными электродвигателями с НВ, генератором, DC/DC преобразователем молекулярного накопителя, а также организована связь с системой верхнего уровня.
Подробнее
Контрольно-проверочная аппаратура для специализированных трехфазных синхронных двигателей
В рамках работы был изготовлен контроллер проверочной аппаратуры (КПА) трехфазных синхронных двигателей с электромагнитной редукцией (СДЭР).
Подробнее
Система управления источника питания «ИПТ-2х4500» для электро-дуговой печи постоянного тока ДПС-2
В рамках проекта была реализована система управления источником питания «ИПТ-2х4500» для дуговой печи постоянного тока емкостью 2 тонны.
Мощность источника питания 1.8МВт, ток дуги до 9кА, напряжение дуги до 500В.
Заказчик: ООО «ВКМ-Сталь» г. Саранск.
Подробнее
Автоматизация и диспетчеризация системы освещения здания г.Орел
В рамках работы по диспетчеризации и автоматизации освещения здания в г. Орел, был использован комплект оборудования «Умный дом». Система мониторинга и управления осветительным оборудованием отображает информацию о состоянии коммутационного оборудования в графическом виде, имеется возможность управления осветительной нагрузкой, кроме того отображается состояние и время последнего изменения.
Подробнее
Автоматизация и диспетчеризация установки модификации простых полиэфиров
Автоматическая система управления (АСУ) разрабатывалась для модернизации установки модификации простых полиэфиров фирмы ООО «ТИРИТ». В задачах работы ставилась автоматизация и диспетчеризация работы имеющегося оборудования. Комплект АСУ состоял из щита АСУ , а также программной оболочки с использованием интернет технологий.
Подробнее
Удаленный мониторинг состояния силовых щитов
С рамках этого проекта была реализована система удаленного мониторинга щитовой (силовых устройств ввода электроэнергии в предприятие). Устройство состоит из микроконтроллера, собирающего информацию, и компьютера, отображающего её. Система позволяет вести журнал изменений состояния системы, отслеживать необходимые временные точки, получать требуемую статистическую информацию.
ПОДРОБНЕЕ
Комплект электрооборудования для инфракрасных печей оплавления печатных плат
Для собственных нужд ООО «НПФ Вектор» создало оборудование для пайки smd компонентов в ифракрасной печи. Оборудование позволяет выбрать профиль нагрева и стабилизирует температуру в целевой точке с точностью до 3 градусов. С помощью данного оборудования изготавливаются предсерийные и макетные образцы контроллеров.
ПОДРОБНЕЕ
Испытательный стенд и тестовое ПО для макета К1921ВК01Т: 32-разрядного микроконтроллера на базе ядра ARM Cortex-M4F специализированного под задачи управления электроприводом
В рамках работы ООО «НПП «Цифровые решения» по разработке совместно с ООО «НИИЭТ» СБИС 32-разрядного микроконтроллера на базе ядра ARM Cortex-M4F наша компания выполнила работу по тестированию разрабатываемой специализированной периферии.
С помощью испытательного комплекта была произведена оценка работоспособности специализированной периферии для управления двигателями, а также были выявлены ошибки и недочеты.
Подробнее
Научно-исследовательская работа для ООО «НПП»Цикл плюс» по созданию системы управления для высоковольтного 3-х уровнего инвертора
В рамках работы проводилась разработка алгоритмов для цифровой системы управления трехуровневым инвертором напряжения для новой серии преобразователей частоты ООО «НПП «ЦИКЛ ПЛЮС».
Подробнее
Лабораторные стенды, методики и программное обеспечение для преобразователей частоты лаборатории электропривода Кафедры Автоматизированного Электропривода (АЭП) ФГБОУВО НИУ «МЭИ»
В рамках работы специалистами ООО «НПФ ВЕКТОР» было реализовано уникальное ПО, которое позволило реализовать задуманные методические разработки кафедры АЭП, что привело к возможности рассматривать современные электрические преобразователи не в качестве «черного ящика», приобретенного у стороннего производителя, а как открытый объект исследования, в мельчайших деталях доступный студентам для изучения.
Подробнее
Система управления вентильно-индукторного электропривода большой мощности для обогатительных фабрик АК «Алроса»
В рамках данной работы была разработана модульная система управления вентильно-индукторными электродвигателями (ВИД) мощностью 630, 1250 и 1600 кВт для приводов мельниц на обогатительных фабриках АК «АЛРОСА».
Подробнее
Переносная система диагностирования изоляции электрических автотранспортных средств с возможностью локализации места пробоя
Переносная система контроля изоляции (СКИ) предназначена для оперативной проверки качества изоляции кабельной проводки и обнаружения места утечки. Работа СКИ основана на оценке тока утечки, протекающего через проверяемый провод в различных по его длине точках.
Подробнее
Система управления силовым преобразователем для стабилизации напряжения генератора переменной скорости вращения
Преобразователь для стабилизации напряжения и частоты генератора переменной частоты вращения, приводимого от авиационного двигателя.
Разрабатывается с целью модернизации наиболее распространенной системы электроснабжения воздушных судов переменного тока постоянной частоты 400 Гц.
ПОДРОБНЕЕ
Блок регулирования напряжения для автономной системы электроснабжения пассажирских вагонов поездов дальнего следования
Блок регулирования напряжения (БРН) предназначен для стабилизации напряжения и повышения качества электроснабжения вагонов в поездах дальнего следования, улучшения условий работы аккумуляторных батарей и продления их срока службы.
ПОДРОБНЕЕ
Станции группового управления для систем горячего/холодного водоснабжения
Станция группового управления (СГУ) предназначена для согласованного управления одним преобразователем частоты (ПЧ) и несколькими насосами на базе асинхронных электродвигателей в системах регулирования давления горячей/холодной воды. Разработана серия таких станций на число насосов от 2 до 6.
Подробнее
Трехфазные драйверы нового поколения
20 марта 2008
Направления разработок 5-го поколения интегральных драйверов IR для электропривода
Поскольку современные разработки массового электропривода для промышленных приложений и бытовой техники ориентированы в основном на применение трехфазных асинхронных электродвигателей и бесконтактных двигателей постоянного тока, компания International Rectifier уделяет большое внимание совершенствованию соответствующей элементной базы, в том числе высоковольтных микросхем драйверов МОП-затворов.
ИС трехфазных драйверов являются наиболее перспективным техническим решением для управления инверторами приводов мощностью до нескольких киловатт. Они позволяют интегрировать на одном кристалле необходимый набор функций управления и защиты силовой электроники, создавать наиболее простую, компактную и стабильную схему управления, не требуют сложных схем питания, обладают высоким быстродействием. Рост требований к силовой электронике массового привода, прежде всего по цене, компактности, КПД, надежности, отражается и на требованиях к драйверам. Технология драйверов 5-го поколения была разработана компанией IR специально для того, чтобы иметь возможность удовлетворять эти растущие требования на длительную перспективу. Эта технология позволяет повысить уровень интеграции функциональных возможностей при сохранении площади кристалла и цены.
В новых разработках драйверов IR для электропривода мощностью до нескольких киловатт можно выделить два основных направления.
Первое преследует цель создания максимально компактных ИС с минимальной ценой при ограниченном росте функциональных возможностей.
Эти ИС предназначены для замены ИС предыдущего поколения при модернизации электроники привода, с целью снижения цены и упрощения схемотехники.
Второе направлено на разработку ИС для привода нового поколения с существенно более высокой эффективностью, широким набором функциональных возможностей при сохранении уровней цены и сложности схемотехники.
В рамках этих направлений IR уже приступила к серийному производству нескольких новых семейств драйверов.
Трехфазные драйверы для модернизации серийной продукции
Первым из новых семейств этого направления является серия IRS2336Dx, которая должна заменить популярную серию IR2136x предыдущего поколения.
Общая характеристика серии
В семейство входят 600-вольтовые драйверы IRS2336D и IRS23364D. Диапазон выходных напряжений первого равен 10…20 В (предназначен для управления силовыми МОП-транзисторами), второго 12…20 В (предназначен для управления IGBT).
Драйверы выпускаются в 28-выводных корпусах DIP, SOIC и 44-выводном PLCC в бессвинцовом исполнении. Температурный диапазон эксплуатации микросхем от -40 до 125°С, хранения — от -55 до 150°С. Изделия этой серии относятся к классу ИС для индустриальных приложений по стандарту JEDEC JESD 47-E. Микросхемы в корпусах для поверхностного монтажа отвечают требованиям устойчивости к воздействию влажности уровня MSL-3 по JEDEC J-STD-020C. Схема включения этих микросхем представлена на рис. 1.
Рис. 1. Схема включения ИС серии IRS2336xD
Она во многом схожа со схемой для драйверов серии IR2136x, отсутствует лишь цепь бутстрепного ультрабыстрого диода.
Для упрощения перехода со старых ИС серии IR2136x на новые сохранено расположение и назначение выводов. ИС имеет 6 входов управления ключами инвертора (HIN-верхними, LIN-нижними), совместимых с КМОП- и ТТЛ-логикой любого уровня (включая 3,3 В), что позволяет реализовать управление драйвером напрямую от микроконтроллера.
Выходы управления ключами инвертора (HO-верхние, LO-нижние) синфазны со входами HIN, LIN у драйвера IRS23364D и находятся в противофазе у IRS2336D.
Типовой уровень выходных токов драйверов новой серии (выводы HO, LO микросхемы) составляет 180 мА и 330 мА (втекающий/вытекающий ток затвора). Графики из справочных листов драйверов серии IRS2336xD (рис. 2) помогут подобрать частоту переключения драйверов при известных величине заряда затвора ключей инвертора и напряжении шины постоянного тока.
Рис. 2. Зависимость максимальной частоты переключения драйвера от заряда затвора транзистора и напряжения шины постоянного тока
Вход En (Enable) предназначен для дистанционного управления драйвером. Разрешение на работу драйвера дается при высоком логическом уровне на входе, запрещение при низком (уровень 0,8 В). Входной фильтр ИС на этом входе устраняет возможность срабатывания от ложных импульсов длительностью до 200 нс.
Интегрированный бутстрепный контур
В новых драйверах роль бутстрепного диода выполняют BootFET — бутстрепные МОП-транзисторы, интегрированные в кристалл ИС, что во многих случаях исключает необходимость применения внешних бутстрепных ультрабыстрых диодов и резисторов. Три бутстрепных транзистора подсоединены ко входу питания Vcc и к выходам Vв1, Vв2, Vв3 источников питания с плавающим уровнем, как показано на рис. 3.
Рис. 3. Подключение BootFET в ИС IRS2336xD
Интегральные BootFET включены только при высоком уровне выходов LO управления нижними ключами инвертора (рис. 4).
Рис. 4. График состояния BootFET
Напряжение Vвs на конденсаторе между выходами B и S циклически повышается в зависимости от времени нахождения выхода LO на низком уровне, емкости конденсатора, напряжения исток-сток (коллектор-эмиттер) и падения напряжения на антипараллельном диоде инвертора.
Временные диаграммы бустрепных транзисторов примерно повторяют состояние выходов LO. BootFET находятся в проводящем состоянии при высоком уровне выхода LO и когда Vвs не превышает напряжение питания микросхемы Vcc (равное 15 В) более чем на 10%.
Интегральные бутстрепные транзисторы способны заменить внешние бутстрепные диоды в большинстве практических приложений. Ограничения в их применении могут быть связаны или со специфической схемотехникой (например, при реализации схем 6-шаговой модуляции) или с более низким, чем у ультрабыстрых диодов, быстродействием (в типовых бутстреных цепях обычно применяют диоды со временем обратного восстановления 100 нс). В этих случаях задача может быть решена дополнением схемы включения обычной бутстрепной цепью с ультрабыстрым диодом.
Повышенная устойчивость к помехам
С целью обеспечения высокой помехоустойчивости в драйверах новой серии сохранено разделение сигнальной и силовой земли, как это ранее было сделано в серии IR2136x.
Выход сигнальной земли Vss используется в схемах защиты от перегрузки по току и формирования управления на входах HIN, LIN. Выход силовой земли COM совместно с выходами LO применяется при формировании управления нижними ключами инвертора. Помимо этого в новых драйверах применяются усовершенствованные входные фильтры. Отличие в логике работы такого фильтра иллюстрирует рис. 5.
Рис. 5. Логика работы обычного и усовершенствованного входных фильтров
Входной фильтр с обычной логикой работы бланкирует появление высокого уровня на выходе на время фильтрации tFIL,IN, и длительность выходного импульса по отношению ко входному уменьшается на время фильтрации (пунктирная линия на рис. 5). В усовершенствованном фильтре выходной сигнал также появляется с задержкой tFIL,IN, но длительность выходного импульса совпадает с длительностью входного (сплошная линия). Это позволяет эффективно устранять срабатывание схемы как от положительных, так и от отрицательных импульсных помех длительностью менее tFIL,IN.
При более длинных входных импульсах длительность входных и выходных импульсов совпадает с достаточно высокой точностью (рис. 6).
Рис. 6. Длительность импульса на выходе усовершенствованного входного фильтра
В драйверах серии IRS2336xD усовершенствованные входные фильтры установлены на входах HIN, LIN управления инвертором (время фильтрации 350 нс) и на входе EN (200 нс).
Обеспечение надежного управления ключами инвертора
Временные задержки между сигналами управления на входе и выходными сигналами меняются в диапазоне 400…750 нс, а времена нарастания и спада на выходе — в диапазонах 110…190 нс и 35…75 нс соответственно. В трехфазных драйверах предусмотрено несколько ступеней функциональной защиты для предотвращения одновременного включения транзисторов инвертора и возникновения сквозных токов.
Специальная логическая схема устанавливает низкий уровень на выходах управления затворами верхнего и нижнего ключей при одновременном появлении высокого логического уровня на входах управления, тем самым блокируя работу драйвера.
В динамическом режиме работы драйвера разброс времен задержки между входным и выходным сигналами и фронтов выходных сигналов каналов драйвера может привести к перекрытию выходных сигналов и нежелательному срабатыванию ключей инвертора. Для предотвращения этого в схеме драйвера предусмотрен логический узел, который обеспечивает одинаковое время срабатывания верхнего и нижнего каналов драйвера, управляющих стойкой инвертора. Максимальная разница времен срабатывания составляет 50 нс (параметр МТ справочного листа). Помимо этого устраняется разница во временах срабатывания как между нижними, так и между верхними ключами.
Для предотвращения сквозных токов инвертора в драйверах предусмотрен узел формирования фиксированной паузы на переключение. Номинальная длительность паузы 300 нс (диапазон 190…420 нс). Схема формирования пауз обеспечивает для каналов управления верхним и нижним ключом разброс длительности пауз не более 60 нс. Это же относится и к разбросу длительности пауз между схемами управления всеми тремя стойками инвертора.
Высокая устойчивость к отрицательному смещению на выходе
Напряжение на выходах трехфазного инвертора (средние точки стоек) при идеальных условиях работы меняется от нуля (шина нулевого потенциала) до напряжения шины постоянного тока. На средней точке стойки Vs может за короткое время возникнуть значительное отрицательное смещение, которое будет передано на выход драйвера. Причиной этого может быть наличие индуктивной нагрузки, паразитные индуктивности в стойках инвертора, коммутация больших токов в течение коротких промежутков времени. Такая ситуация может происходить как в рабочем режиме, так и в режиме короткого замыкания, выключения при перегрузке по току и т.д. Драйверы новой серии способны успешно противостоять таким воздействиям. График на рис. 7 иллюстрирует возможность работы драйверов серии IRS2336xD при ударных отрицательных смещениях напряжения до минус 60 В.
Рис. 7. Устойчивость к отрицательному смещению на выходе (средней точке стойки) в зависимости от времени
С учетом этого драйверы новой серии являются гораздо более надежными силовыми ИС для управления инверторами приводов в реальных условиях эксплуатации.
Функции защиты
В новых ИС сохранены функции защиты, реализованные ранее в ИС серии IR2136x.
Вывод FAULT предназначен для передачи информации об аварийной ситуации за время работы таймера, программируемого внешней цепью RRCIN, CRCIN. Номинал резистора может быть выбран в диапазоне от 0,5 до 2 Мом, керамический конденсатор может иметь емкость до 1 нФ. Работа драйвера блокируется в двух случаях — при низком напряжении питания (уровень 8,9…8,2 В) и при наличии высокого уровня на входе ITRIP.
Рисунок 8 иллюстрирует вторую из этих ситуаций. При высоком уровне сигнала на выводе ITRIP напряжение на выводах VRCIN и VFAULT снижается до уровня на выводе Vss (сигнальная земля).
Рис. 8. Временные диаграммы работы таймера и выхода FAULT
Когда уровень сигнала на выводе ITRIP становится низким, запускается таймер, который спустя время tFLTCLR (определяется постоянной времени RС-цепи) производит сброс входа FAULT, уровень сигнала на котором снова становится высоким.
Вход ITRIP может быть использован для обнаружения перегрузки по току в шине нулевого потенциала инвертора. В этом случае выходы ИС переводятся на низкий уровень и выдается сигнал аварийной ситуации по выходу FAULT. Номиналы делителя R0, R1, R2 (рис. 9) определяются исходя из порогового уровня 0,46 В на входе ITRIP и уровня тока срабатывания защиты.
Рис. 9. Схема обнаружения перегрузки по току
Аналогичным образом может быть обеспечена защита от перегрева. Параметры термистора Rt и резисторов R3, R4 должны быть выбраны таким образом, чтобы пороговое напряжение 0,46 В было достигнуто при максимально допустимой температуре. Рисунок 9 показывает, как обеспечить одновременную реализацию этих возможностей с помощью развязывающих диодов.
(Продолжение следует)
Литература
1. Data sheet IR2136x
2. Data sheet IRS2336xD.
Получение технической информации, заказ образцов, поставка —
e-mail: power.
[email protected]
Силовой миниблок для сильноточных POL-конверторов
Компания International Rectifier анонсировала iP1206 — новое техническое решение для реализации понижающих синхронных конверторов, применяемых при питании телекоммуникационного и сетевого оборудования. Микросхема является новейшим дополнением в семействе iPOWIRTM силовых миниблоков, содержащих все пассивные компоненты и полупроводниковые приборы для реализации силовой части синхронных преобразователей. На базе iP1206 можно реализовать однофазный конвертор с выходным током до 30 А и двухфазный конвертор с двумя независимыми выходами на токи по 15 А. Обе опции основаны на противофазной работе каналов с целью снижения пульсаций входного напряжения и тока. Для достижения высокой объемной плотности в iP1206 применены полноценный ШИМ-контроллер и оптимизированный силовой каскад на современных полупроводниковых приборах.
Поскольку новая микросхема содержит все важные с точки зрения качества преобразования полупроводниковые и пассивные компоненты, то для создания высококачественного преобразователя требуется дополнительно всего несколько пассивных мощных компонентов. При этом существенно снижаются требования к квалификации разработчика и печатной плате. Особенностями iP1206PBF являются постоянная частота ШИМ 600 кГц в каналах, ограничение тока без потерь, защита от перенапряжения и перегрева, режим старта со смещением, трэкинг выходного напряжения.
Диапазон входных напряжений составляет 7,5…14,5 В, выходных 0,8…5,5 В. Микросхема выпускается в корпусе LGA. Для упрощения освоения применения iP1206 компания предлагает демонстрационный преобразователь IRDCiP1206-B 2х15А и онлайн-моделирование работы преобразователя iP1206 Spice circuit simulation.
•••
Контроллеры асинхронных двигателей переменного тока
Асинхронные двигатели переменного тока являются промышленными рабочими лошадками благодаря своей простой и недорогой конструкции.
Они обычно используются в тяге для электромобилей. Асинхронные двигатели переменного тока все чаще используются в робототехнике и автоматизации благодаря усовершенствованному электронному управлению. Roboteq предлагает растущую линейку одноканальных и двухканальных частотно-регулируемых приводов для асинхронных двигателей переменного тока с током от 60 до 500 А на канал. Просто сопоставьте номинальные значения напряжения и тока, используя приведенные ниже таблицы продуктов или средство поиска продуктов.
Семейная SIM-карта
Маломощный/компактный
Семейство FIM
Средняя мощность
Семейство HIM
Высокая мощность / Воздушное охлаждение
Семейство GIM
Очень высокая мощность
Перейти к выбору продуктов
Купить продукты
Асинхронные двигатели переменного тока являются одними из самых простых в интерфейсе. Это связано с тем, что для работы в самом базовом режиме им требуется только 3-проводное соединение.
Более эффективное управление может быть достигнуто с помощью передовых алгоритмов, таких как поле-ориентированное управление (FOC).
Контроллеры Roboteq можно использовать практически с любым асинхронным двигателем переменного тока в указанном диапазоне мощности и напряжения.
Feedback | Description | Advantages/ Disadvantages | |
|---|---|---|---|
Scalar / VpH | Simple, open-loop mode where Voltage and Frequency change together с фиксированным передаточным числом | Pro: самый простой, всегда работает с любым двигателем Con: неэффективная с переменной нагрузкой | |
Контролируемый скольжение | Encoder | Режим замкнутой петли, который регулирует напряжение частота, чтобы сохранить скольжение в пределах оптимальной дальности 9999999969966996699696969696969696696696696696696696696696696969696969696669. . Эффективный, простой в настройке Минусы: не оптимально. Только управление скоростью | |
FOC — Управление крутящим моментом | Энкодер | Эффективный режим крутящего момента с замкнутым контуром, который использует Ориентированный на поле управление | Pro: Наиболее эффективные Con: комплексная настройка |
FOC — Управление скоростью | Encoder | Эффективная режима Lo | Плюсы: Самый эффективный Минусы: Комплексная настройка |
Доступны четыре режима привода, от простейшего скалярного до самого сложного режима полевого управления. Работа с вашим мотором будет простой и удобной. Экспертные инструменты и поддержка позволят вам точно настроить и получить максимальную отдачу от вашего двигателя.
Как работают асинхронные двигатели
Добавьте датчик магнитной направляющей Roboteq, и вы получите полностью функциональную машину с автоматическим управлением по линии, состоящую всего из двух компонентов.
Сделайте его еще лучше с нашей системой управления батареями для литиевых батарей, добавьте модуль расширения ввода-вывода для роботов (RIOX) с IMU для дополнительной стабильности. Используйте подходящие мотор/колеса в сборе от наших проверенных партнеров по двигателям. Загрузите программное обеспечение для магнитной навигации и получите бесплатную экспертную поддержку от Roboteq, чтобы все это работало вместе для вас!
Как построить AGV с магнитным управлением
Узнать о BMS Roboteq
Узнать о Roboteq IO eXtender и IMU
Нашими контроллерами можно управлять практически из любого места. От простых кнопок до джойстиков, радио, ПЛК или компьютеров, Roboteq может взаимодействовать с ним. Имеется большое количество импульсных/аналоговых/цифровых входов для концевых выключателей, потенциометров, энкодеров, кнопок или датчиков. Цифровые выходы обеспечивают торможение, освещение или соленоиды. Нужно больше ИО? Используйте наш RIOX IO eXtender через CANbus и не знайте ограничений!
Вот некоторые из ключевых слов, которые понимают все наши контроллеры благодаря встроенному языку программирования MicroBasic.
Думайте об этом как о встроенном ПЛК прямо в контроллер без дополнительной оплаты. Эта эксклюзивная функция Roboteq позволит вам настроить контроллер в соответствии с вашими самыми необычными требованиями.
Узнайте о сценариях MicroBasic
Все наши контроллеры имеют интерфейс CANbus 1 Мбит. Используя простую пару проводов, вы можете заставить два или более контроллера работать вместе, подключиться к джойстикам, ПЛК, системам управления батареями или любому другому интеллектуальному датчику. А благодаря четырем различным доступным протоколам CAN вы можете быть уверены, что они смогут понять друг друга.
Узнайте о ячеистой сети RoboCAN
Нет необходимости в специальных инструментах программирования. Загрузите нашу бесплатную утилиту Roborun+ для ПК и начните изучать возможности!
Контроллеры бесщеточных двигателей работают за счет создания вращающегося магнитного поля внутри катушек двигателя. Затем следуют магниты ротора, вызывая вращение.
В дополнение к обычному грубому 6-ступенчатому трапецеидальному вращению контроллеры Roboteq способны к более точному и тихому 512-ступенчатому синусоидальному вращению. Благодаря усовершенствованному полево-ориентированному управлению (FOC) двигатель всегда работает с оптимальной эффективностью.
Что такое поле-ориентированное управление?
Высокая мощность при низком напряжении означает большой ток. Большой ток означает тепло. А чрезмерная жара означает беду! Полевые МОП-транзисторы со сверхвысокой эффективностью, сильноточные клеммы и проводка, а также инновационные методы охлаждения — это лишь некоторые из технологий, которые использует Roboteq, чтобы сделать наши контроллеры одними из самых крутых для своего размера.
Подробнее о токах и нагреве
Наши контроллеры являются одними из самых сложных на рынке, но также и самыми простыми в использовании благодаря подробной документации, программным инструментам и примерам применения.
Однако, если вы столкнетесь с трудностями, вы можете быть уверены, что получите быстрые и точные ответы от нашей превосходной службы поддержки. В конце концов, мы можем добиться успеха только в том случае, если вы добьетесь успеха!
Наша помощь в применении
Двухканальные контроллеры асинхронных двигателей переменного тока средней мощности. Усовершенствованная 32-разрядная технология, несколько вариантов подключения и поддержка сценариев. До 2 х 60А. Кондуктивная охлаждающая пластина с крышкой из АБС-пластика. Предназначен для AGV и небольших электромобилей.
Просмотреть продукты семейства SIM
Компактные маломощные двухканальные контроллеры асинхронных двигателей переменного тока. Усовершенствованная 32-разрядная технология, несколько вариантов подключения и поддержка сценариев. До 2 х 30А. Кондуктивная охлаждающая пластина с крышкой из АБС-пластика. Предназначен для AGV и небольших электромобилей.
Просмотреть продукты семейства FIM
Двухканальные контроллеры асинхронных двигателей переменного тока средней мощности.
Усовершенствованная 32-разрядная технология, несколько вариантов подключения и поддержка сценариев. До 1 х 150 А или 2 х 75 А. Построен в экструдированном алюминиевом корпусе. Ориентирован на мобильных роботов и небольшие электромобили.
Посмотреть продукты семейства HIM
Очень мощные одноканальные многофункциональные контроллеры асинхронных двигателей переменного тока. Усовершенствованная 32-разрядная технология, несколько вариантов подключения и поддержка сценариев. До 300А. Несколько вариантов напряжения до 96В. Охлаждающая пластина с толстой проводимостью с крышкой из АБС-пластика. Предназначен для электромобилей, бронетранспортеров, автомобилей для гольфа, погрузочно-разгрузочного оборудования, электрических лодок, транспортных средств с автоматическим управлением, сельскохозяйственных роботов и других приложений с высокой мощностью.
Посмотреть продукты семейства GIM
Управление асинхронным двигателем переменного тока (ACIM)
Асинхронный двигатель переменного тока (ACIM) — это рабочая лошадка в мире двигателей.
Это наиболее распространенный тип двигателя, используемый во всем, от потребительских товаров до тяжелой промышленности. Его простая конструкция без щеток делает его очень надежным и позволяет производить его по низкой цене. Однако он менее эффективен, чем другие двигатели, такие как синхронный двигатель с постоянными магнитами (PMSM), что частично связано с выделением тепла в обмотках ротора. Техника управления напряжением/частотой (V/f) без обратной связи традиционно используется для управления ACIM и может быть реализована на простом 8-битном PIC 9.0214® и AVR ® микроконтроллеры (MCU). Этот метод привода не очень эффективен, поэтому для приложений, которым требуется более высокая эффективность, может применяться передовое решение управления, такое как Field-Oriented Control (FOC). Для реализации этого расширенного управления требуются высокопроизводительные контроллеры цифровых сигналов (DSC) dsPIC33 или 32-разрядные микроконтроллеры PIC32MK или SAM.
Применение
- Воздуходувки
- Бытовая техника
- Насосы
- Компрессоры кондиционеров и холодильников
- Автоматизация/промышленное применение
- Электроинструмент
Читать далее
Как работает ACIM
ACIM, иногда называемый двигателем с короткозамкнутым ротором, является одним из самых популярных двигателей, используемых в быту и промышленности.
Асинхронные машины представляют собой самую большую группу всех промышленных электрических машин, преобразующих примерно 70-80% всей электрической энергии в механическую форму. Они имеют очень прочную конструкцию ротора, что делает их подходящими для высокоскоростных приложений. При правильном проектировании они имеют хорошие характеристики по перегрузке и ослаблению поля.
ACIM состоит из простого ротора в виде клетки и статора с тремя обмотками. Изменяющееся поле, создаваемое линейным током переменного тока в статоре, индуцирует ток в роторе, который взаимодействует с полем и заставляет ротор вращаться. Ротор не имеет подвижных контактов, что исключает искрение.
Внедрение управления ACIM
Как это работает
AICM состоит из простого ротора в виде клетки и статора с тремя обмотками. Меняющееся поле, создаваемое Линейный переменный ток в статоре индуцирует ток в роторе, который взаимодействует с полем и заставляет ротор вращаться.
В этом дизайне кисти не нужны. Базовая скорость двигателя переменного тока определяется количеством полюсов, встроенных в обмотки статора, и частотой входного напряжения переменного тока. Регулирование скорости двигателя переменного тока может осуществляться путем увеличения или уменьшения входной частоты.
Нагрузка на двигатель вызывает проскальзывание двигателя пропорционально нагрузке. Проскальзывание происходит, когда ротор вращается с меньшей скоростью, чем вращающееся поле, создаваемое статором. Это скольжение отвечает за возбуждение ротора. ACIM доступен в однофазной и трехфазной версиях. Трехфазный ACIM обычно является лучшим выбором для приложений с переменной скоростью.
Функции микроконтроллера для управления ACIM
Вопросы управления ACIM:
- Плавное управление на малых скоростях
- Эффективное управление на высоких скоростях
- Управление переменной скоростью и крутящим моментом с использованием комплексного векторного управления
- Устранение датчика положения ротора с помощью стратегий бездатчикового векторного управления
- Необходимо знать положение ротора (скорость) для управления скольжением и вектором
- Безсенсорное управление не работает на низких оборотах двигателя
Читать далее
ПЛИС для многоосевого управления двигателем
Создавайте безопасное и надежное многоосевое детерминированное управление двигателем на единой системе на кристалле (SoC) FPGA.
ПЛИС обеспечивают множество преимуществ для приложений управления двигателями, в том числе:
- Компактное решение для экономии места на плате и уменьшения размера продукта
- Скорость двигателя превышает 100 000 об/мин для бездатчикового FOC
- Низкая задержка 1 мкс для контура ВОК от измерения АЦП до генерации ШИМ позволяет переключать частоты до 500 кГц.
- Гибкость проектирования благодаря модульному пакету IP
- Расширенные функции безопасности, такие как проскальзывание ротора, обнаружение перегрузки и защита от перегрузки по току
- Интеграция системных функций SoC снижает общую стоимость владения (TCO)
Читать далее
Узнайте больше о FPGAS для управления двигателем
Скачать ресурсы для FPGAS
Аппаратные и программные решения для управления двигателем
Рекомендуемые программные инструменты
Результатов не найдено
Алгоритм приложения управления двигателем и прикладное программное обеспечение ), ветряная мельница, компенсация звена постоянного тока, ослабление поля и многие другие алгоритмы управления.

Библиотека управления двигателем
Библиотека управления двигателем содержит функциональные блоки FOC, оптимизированные для семейства DSC dsPIC33. Функции библиотеки предназначены для использования в рамках любой прикладной среды, предоставляя эффективное и гибкое решение для реализации приложения управления двигателем.
MPLAB® X Integrated Development Environment (IDE)
MPLAB X Integrated Development Environment (IDE) — это расширяемая программа с широкими возможностями настройки, которая включает в себя мощные инструменты, помогающие обнаруживать, настраивать, разрабатывать, отлаживать и аттестовать встроенные конструкции для Микроконтроллеры и контроллеры цифровых сигналов Microchip.
Конфигуратор кода MPLAB (MCC)
Конфигуратор кода MPLAB (MCC) — это бесплатная графическая среда программирования, которая создает бесшовный, простой для понимания код C, который можно вставить в ваш проект.
Рекомендуемые аппаратные инструменты
Ничего не найдено
Читать далее
Продукты
- DSC dsPIC33
- Все микроконтроллеры управления двигателем
- 32-разрядные микроконтроллеры
- Драйверы трехфазных двигателей
- Драйверы шаговых/щеточных двигателей постоянного тока
Загрузка
Просмотреть все параметры
Пожалуйста, посетите полную параметрическую диаграмму.
Если вы все еще не можете найти
диаграмму, которую вы ищете, пожалуйста, заполните нашу
Форма обратной связи на сайте
чтобы уведомить нас об этой проблеме.
Загрузка
Просмотреть все параметры
Пожалуйста, посетите полную параметрическую диаграмму. Если вы все еще не можете найти
диаграмму, которую вы ищете, пожалуйста, заполните нашу
Форма обратной связи на сайте
чтобы уведомить нас об этой проблеме.
Загрузка
Просмотреть все параметры
Пожалуйста, посетите полную параметрическую диаграмму. Если вы все еще не можете найти
диаграмму, которую вы ищете, пожалуйста, заполните нашу
Форма обратной связи на сайте
чтобы уведомить нас об этой проблеме.
Загрузка
Просмотреть все параметры
Пожалуйста, посетите полную параметрическую диаграмму.
Если вы все еще не можете найти
диаграмму, которую вы ищете, пожалуйста, заполните нашу
Форма обратной связи на сайте
чтобы уведомить нас об этой проблеме.
Загрузка
Просмотреть все параметры
Пожалуйста, посетите полную параметрическую диаграмму. Если вы все еще не можете найти
диаграмму, которую вы ищете, пожалуйста, заполните нашу
Форма обратной связи на сайте
чтобы уведомить нас об этой проблеме.
Документация
- Указания по применению
- Брошюры
- Примеры кода
- Программное обеспечение
- Руководства пользователя
- Белые книги
| Заголовок | Скачать |
|---|---|
| AN1292 — ВОК с двойным шунтированием и ФАПЧ | Скачать |
| AN984 — Введение в управление асинхронным двигателем переменного тока | Скачать |
| AN1305 — бездатчиковое управление 3-фазным бесколлекторным двигателем с PIC16FXXX | Скачать |
| AN1162 — Бездатчиковое полеориентированное управление (FOC) асинхронным двигателем переменного тока (ACIM) | Скачать |
| AN1206 — Бездатчиковое полеориентированное управление (FOC) асинхронным двигателем переменного тока (ACIM) с использованием ослабления поля | Скачать |
| AN2584 — встроенная коррекция коэффициента мощности (PFC) и бездатчиковая | Скачать |
| AN3049 — Бездатчиковое управление положением щеточного двигателя постоянного тока с использованием метода подсчета пульсаций | Скачать |
| AN955 — VF-управление 3-фазным асинхронным двигателем | Скачать |
| AN900 — Управление трехфазными асинхронными двигателями переменного тока с помощью PIC18F4431 | Скачать |
| AN905 — Основы коллекторного двигателя постоянного тока | Скачать |
| AN967 — Двунаправленное управление VF одно- и трехфазными асинхронными двигателями с использованием PIC16F72 | Скачать |
| AN887 — Основы асинхронного двигателя переменного тока | Скачать |
| AN889 — VF-управление 3-фазными асинхронными двигателями с использованием микроконтроллеров PIC16F7X7 | Скачать |
| AN2520 — Бездатчиковое полеориентированное управление (FOC) для синхронного двигателя с постоянными магнитами (PMSM) с использованием оценщика PLL и ослабления потока на основе уравнения (FW) Примечание по применению | Скачать |
| AN2757 — Сенсорное (на основе энкодера) полеориентированное управление трехфазным синхронным двигателем с постоянными магнитами (PMSM) | Скачать |
| AN2590 — Бездатчиковый ВОК для СДПМ, использующий наблюдатель Люенбергера уменьшенного порядка — Бездатчиковый ВОК для СДПМ, использующий наблюдатель Люенбергера уменьшенного порядка Примечание по применению | Скачать |
| Заголовок | Скачать |
|---|---|
| Брошюра по управлению двигателем и приводу | Скачать |
| Заголовок | Скачать |
|---|---|
| CE002 Настройка 10-разрядных аналого-цифровых преобразователей dsPIC DSC для скорости преобразования 1 Мбит/с | Скачать |
| CE019 — Пропорционально-интегрально-дифференциальные (ПИД) регуляторы и управление с обратной связью | Скачать |
| Бездатчиковый анализатор FOC PLL MCLV | Скачать |
| PFC Безсенсорный анализатор FOC PLL MCHV | Скачать |
| CE155 — Пример мониторинга данных в реальном времени (RTDM) | Скачать |
| Заголовок | Скачать |
|---|---|
| Библиотека управления двигателем dsPIC33 для FOC | Скачать |
| Заголовок | Скачать |
|---|---|
| Руководство пользователя макетной платы dsPICDEM MCLV-2 (DM330021-2) | Скачать |
| Руководство пользователя макетной платы dsPICDEM MCSM | Скачать |
| Начальный комплект управления двигателем с руководством пользователя mTouch | Скачать |
| dsPICDEM MCHV-2 Руководство пользователя макетной платы | Скачать |
| Заголовок | Скачать |
|---|---|
| WP100 — Как превратить асинхронный двигатель переменного тока в двигатель постоянного тока (вопрос перспективы) | Скачать |
Lorem ipsum dolor sit amet, consectetur adipiscing elit.
Vestibulum vehicula velit sit amet turpis rutrum vehicula. Donec eu varius velit, nec ultricies arcu. Fusce vitae pulvinar lorem. Etiam sodales et ipsum volutpat suscipit. Aliquam non mauris ut lectus volutpat feugiat id eget massa. Aliquam vel eleifend metus. Nam ultricies, risus sed tempor suscipit, dolor ligula sodales erat, et porta magna sem fermentum felis. Orci varius natoque penatibus et magnis dis parturient montes, nascetur ridiculus mus. Donec commodo magna и sellerisque sollicitudin. Morbi elit tortor, blandit vel imperdiet in, ullamcorper eu tortor. Etiam dapibus eleifend elementum. Vestibulum finibus efficitur mauris, vitae convallis ex molestie non. Etiam luctus и mauris accumsan finibus.
Использование LX7720 и SAMRH71 для управления двигателями в космосе
В этом видеоролике демонстрируется использование интегральной схемы управления двигателем LX7720 Rad Hard с MPU SAMRH71 Rad Hard Arm для спутникового управления двигателем и приложений определения положения.
Основные характеристики каждого компонента приведены вместе с описанием оценочной системы с использованием дочерней платы LX7720-DB с оценочным комплектом SAMRH71F20-EK.
Начало работы с MotorBench® Development Suite v2.25
Начало работы с MotorBench® Development Suite v2.25
MotorBench® Development Suite — это инструмент разработки программного обеспечения для приложений управления двигателем на основе Field Oriented Control (FOC). В этом руководстве показано, как перейти от установки к созданию кода за считанные минуты.
Эталонный проект компрессора холодильника dsPIC®
Эталонный проект компрессора холодильника dsPIC®
В этом видеоролике вы познакомитесь с эталонным проектом компрессора холодильника Microchip, который поможет вам быстро создать прототип и разработать экономичную и инновационную конструкцию с использованием цифровой контроллер сигналов dsPIC33.
Демо-версия пакета разработчика motorBench®
Демонстрация пакета разработчика motorBench®
В этом видеоролике показано, как пакет разработчика motorBench и DSC dsPIC33 упрощают вращение двигателя BLDC или PMSM.
Демонстрация средств разработки управления двигателем dsPIC
Демонстрация средств разработки управления двигателем dsPIC
DSC Microchip dsPIC33 позволяют разрабатывать высокопроизводительные, точные системы управления двигателем, которые более энергоэффективны, тише в работе, имеют большую радиус действия и увеличенный срок службы. Узнайте, как их можно использовать для управления бесщеточными двигателями постоянного тока, синхронными двигателями с постоянными магнитами, асинхронными двигателями переменного тока и шаговыми двигателями.
Масштабируемые ЦПС dsPIC33C для критичных ко времени приложений
Масштабируемые ЦПС dsPIC33C для критичных ко времени приложений
производительность встроенных приложений.
Оптимизированная конструкция кондиционера с двухъядерными ЦПС dsPIC33CH
Оптимизированная конструкция кондиционера с двухъядерными ЦПС dsPIC33CH
В этом видео представлена эталонная конструкция двухъядерного кондиционера на базе dsPIC33CH DSC.
Представляем семейство двухъядерных цифровых сигнальных контроллеров (DSC) dsPIC33CH
Представляем семейство двухъядерных цифровых сигнальных контроллеров (DSC) dsPIC33CH
-ядро и периферия семейства DSC dsPIC33CH. Узнайте, как воспользоваться преимуществами новых функций семейства ЦПС dsPIC33CH при разработке следующей встраиваемой системы реального времени.
Упрощение двухъядерных ЦПС dsPIC33CH с помощью MPLAB® Code Configurator (MCC)
Двухъядерных ЦПС dsPIC33CH упрощение с помощью MPLAB® Code Configurator (MCC)
Это видео демонстрирует базовую настройку MPLAB Конфигуратор кода для двухъядерных ЦПС dsPIC.
Демонстрация управления маломощным высоковольтным двигателем
Демонстрация управления маломощным высоковольтным двигателем
В этом видеоролике вы познакомитесь с демонстрационной платой управления маломощным высоковольтным двигателем и ее экосистемой.
Демонстрационный двухъядерный dsPIC33CH
Демонстрационный двухъядерный dsPIC33CH
Вы когда-нибудь мечтали о микроконтроллере с дополнительным ядром для обработки сложных приложений? Посмотрите, как наше новое двухъядерное семейство dsPIC33CH управляет двумя ядрами независимо друг от друга, что делает их идеальными для вашей высокопроизводительной встраиваемой системы управления.
Последовательность событий с использованием периферийного генератора триггеров (PTG)
Последовательность событий с использованием периферийного генератора триггеров (PTG)
В этом видеоролике вы познакомитесь с одним из наших новых периферийных устройств, периферийным генератором триггеров или обычно называемым PTG, доступным на 16-битных контроллерах цифровых сигналов dsPIC33. Видео дает представление о возможностях периферийного устройства PTG, которое может помочь вам в решении задач последовательности асинхронных задач и триггеров событий.
Экономичное управление двигателем BLDC с PIC32MM
Экономичное управление двигателем BLDC с PIC32MM
Узнайте, как внедрить экономичное решение для управления двигателем BLDC с помощью недорогих 32-разрядных микроконтроллеров PIC32MM.
MIC4605 Демонстрация потолочного вентилятора BLDC
MIC4605 Демонстрация потолочного вентилятора BLDC
В этом видеоролике демонстрируется высокоэффективный вентилятор BLDCControl (потолочный вентилятор Regulator LDOControl) и ИС беспроводной связи.
MCP8024 Демонстрация оценочной платы TQFP BLDC
MCP8024 Демонстрация оценочной платы TQFP BLDC
В этом видеоролике демонстрируется оценочная плата MCP8024 BLDC Motor Driver.
Часто задаваемые вопросы о драйверах двигателей от Microchip
Часто задаваемые вопросы о решениях для драйверов двигателей от Microchip
В этом видеоролике представлены ответы на популярные вопросы о высокоинтегрированных драйверах двигателей от Microchip.
Управление двигателем высокого напряжения
Управление двигателем высокого напряжения
Демонстрационная плата управления двигателем высокого напряжения Microchip демонстрирует возможности цифрового контроллера сигналов dsPIC для управления двигателем.
Решения для управления двигателем Microchip dsPIC® DSC
Решения для управления двигателем Microchip dsPIC® DSC
Передовые решения Microchip для управления двигателем в действии на DESIGN West 2012! Цифровой контроллер сигналов dsPIC® управляет двигателем постоянного тока, асинхронным двигателем переменного тока и шаговым двигателем, используя высокопроизводительные методы управления двигателем.
MCP8024 3-фазный драйвер затвора двигателя BLDC с блоком питания. Введение
3-фазный драйвер затвора двигателя BLDC MCP8024 с модулем питания. Введение
модуль питания и предоставляет подробные характеристики.
Демонстрационный комплект для управления низковольтным двигателем с конференции Microchip MASTERs 2014
Демонстрационный комплект для управления низковольтным двигателем с конференции Microchip MASTERs
Вот краткая демонстрация того, как низковольтный блок управления двигателем Microchip управляет двумя двигателями 10–24 В одновременно.
Управление асинхронным двигателем переменного тока (ACIM)
KAC-N Контроллер асинхронного двигателя переменного тока высокой мощности (40–72 В) (220–500 A) – Kelly Controls
| Модель Рабочее напряжение | 0 Напряжение батареи | 30-секундный ток | Непрерывный ток | |
|---|---|---|---|---|
| KAC6018N | 40-60 В | 80 В | 220 А | 80 А |
| KAC6030N | 40–60 В | 80 В | 270 А | 90 А |
| KAC7218N | 40-72 В | 86 В | 220 А | 80 А |
| KAC7230N | 40-72В | 86В | 270А | 90А |
| KAC7245N | 40-72 В | 86 В | 350А | 100А |
| KAC7250N | 40-72 В | 86 В | 380 А | 140 А |
| KAC7275N | 40-72 В | 86 В | 500 А | 200 А |
| Контроллер асинхронного двигателя переменного тока высокой мощности Kelly KAC-N | ||||
Общие функции
(1) Расширенное обнаружение неисправностей и защита.
Звуковой сигнал указывает на источники неисправности. Клиенты также могут прочитать код ошибки или сообщение в программном обеспечении для ПК или в приложении для Android.
(2) Контроль напряжения аккумулятора. Он остановит движение, если напряжение батареи слишком высокое, и постепенно уменьшит мощность привода двигателя по мере падения напряжения батареи, пока не отключится полностью при заданной настройке «Низкое напряжение батареи».
(3) Встроенная токовая петля и защита от перегрузки по току.
(4) Настраиваемый диапазон температурной защиты двигателя.
(5) Уменьшение тока при низкой и высокой температуре для защиты батареи и контроллера. Ток начинает снижаться в 9Температура корпуса 0 ℃, отключение при 100 ℃.
(6) Контроллер отслеживает напряжение зарядки аккумулятора во время рекуперативного торможения, постепенно снижая ток по мере роста напряжения аккумулятора, а затем полностью отключая рекуперацию, когда напряжение становится слишком высоким.
(7) Максимальную скорость назад и вперед можно настроить в диапазоне от 20% до 100% соответственно и по отдельности.
(8) Преобразователь с 4-контактным разъемом на RS232 и кабель USB на RS232 позволяет настраивать, программировать и обновлять программное обеспечение с помощью планшета, который должен быть основан на ОС Android. Люди могут выполнять ту же операцию и настройку в программном обеспечении для ПК, используя вместо этого стандартный кабель USB-RS232. (Рекомендуется использовать кабель USB-RS232 напрямую от Kelly)
(9) Предоставление выхода +5 В и +12 В для питания различных типов датчиков, в том числе дроссельного или педального типа.
(10) 3 переключающих входа, которые активируются подключением к +12В. По умолчанию используется переключатель прямого хода, переключатель тормоза и переключатель заднего хода.
(11) 2 аналоговых входа 0–5 В, которые по умолчанию используются для входа газа и температуры двигателя.
(12) Настраиваемое обнаружение и защита двигателя от перегрева с рекомендуемым термистором KTY84-130/150.
(13) Вход двухканального энкодера A/B для управления скоростью.
(14) Источником питания контроллера является стандартный диапазон напряжения батареи.
Особенности
1) Интеллектуальная обработка с помощью мощного микропроцессора.
2) Синхронное выпрямление, ультранизкое падение и быстрые SVPWM и FOC для достижения очень высокой эффективности.
3) Электронный реверс.
4) Контроль напряжения на 3-х фазах двигателя, шине и источнике питания.
5) Контроль напряжения на источнике напряжения 12В и 5В.
6) Измерение тока на всех 3 фазах двигателя.
7) Токовый контур управления.
8) Аппаратная защита от перегрузки по току.
9) Аппаратная защита от перенапряжения.
10) Настраиваемый предел тока двигателя и тока батареи.
11) Низкая ЭМС.
12) Защита батареи: снижение тока, предупреждение и отключение при конфигурируемом высоком и низком напряжении батареи.
13) Удобные сильноточные клеммы и водонепроницаемые разъемы для слабого сигнала.
14) Тепловая защита: снижение тока, предупреждение и отключение при высокой температуре.
15) Скорость замедления в соответствии со скоростью торможения при активном переключателе тормоза.
16) Скорость замедления в соответствии со скоростью торможения при движении задним ходом. Настраиваемая функция реверсивного ускорения.
17) Поддержка трех режимов торможения: торможение при отпускании дроссельной заслонки, торможение переключателем тормоза или реверсивное торможение, нейтральное торможение. Настраиваемое время торможения и время отпускания тормоза в программе конфигурации. Можно запрограммировать объем регенерации в пользовательской программе для различных режимов регенерации.
18) Настраиваемая защита высокой педали: контроллер не будет работать, если при включении будет обнаружен высокий уровень газа.
19) Умножение тока: меньший ток от батареи, больший ток на двигатель.
20) Простая установка: работает 3-проводной потенциометр.

