Содержание
Принцип работы коммутатора автомобильной системы зажигания
Какую роль играет коммутатор в системе зажигания автомобиля? Что делать если он вышел из стоя? Ответы на эти вопрос в этой статье.
Коммутаторы в системе зажигания автомобилей используются уже очень давно. Первые из них, буквально, состояли из двух проводов и батареи напряжения. Сегодня, это высокотехнологический узел одной из главных систем автомобильного устройства. Переоценить значение его работы крайне сложно, ведь благодаря эволюции именно этого устройства, удалось достигнуть максимальных показателей сжигания воздухо-горючих смесей.
Другими словами, применение современного коммутатора системы зажигания, позволяет использовать на автомобилях бензин низкооктановых марок, и увеличивает отдачу двигателя на невысоких оборотах.
Коммутатор системы зажигания
Содержание
- Что такое коммутатор системы зажигания
- Ремонт и замена коммутатора
- Какие коммутаторы и где покупать
Что такое коммутатор системы зажигания
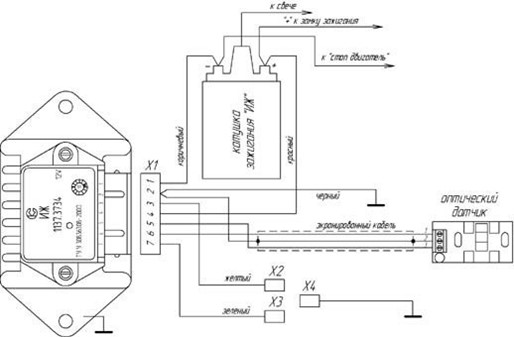
Если говорить просто, то под коммутатором системы зажигания, подразумевается несложная электрическая схема, которая стоит на пути электрического заряда между катушкой зажигания и свечой, которая воспламеняет смесь воздуха и бензина в котлах.
В чем смысл, назначение и принцип работы этого устройства системы зажигания? Отвечая на этот вопрос, стоит понимать, что существует два типа прерывающих устройств:
- Коммутаторы механического прерывания. Такими электрическими узлами оснащались практически все машины Советского союза, вплоть, до 1988 года. На то время это были практичные, но крайне ненадежные контактные выключатели. Принцип их работы основывался на законах самоиндукции, и приводился в действие механическим прерывателем. Последний, размыкал первичную цепь низкого напряжения, вследствие чего во вторичных цепях трансформатора возникал электромагнитный импульс, который преобразовывался в электрическую искру, и передавался на свечу зажигания. Для того чтобы обезопасить контакты коммутатора системы зажигания в цепь включался конденсатор.
- Коммутаторы бесконтактного действия, или как их еще называют, транзисторные. Принципиально их схема работы аналогична предшественникам, отличается сам механизм исполнения работы.
Так, в отличие от контактных выключателей, бесконтактники осуществляют прерывание тока в электрических цепях за счет входного транзистора, который служит шлюзом для потока электроэнергии. На самых последних моделях автомобилей устанавливаются коммутаторы, которые полностью контролируются электроникой.
При этом последние, явно выигрывают у первых, и с большим преимуществом.
Коммутатор и катушка зажигания
Так, например, при использовании транзисторного коммутатора для бесконтактной системы зажигания:
- уменьшается ток, который проходит по контактам прерывателя, вследствие чего они перестают обгорать и залипать;
- далее, увеличивается длительность подачи искры, что автоматически гарантирует лучшее воспламенение, и более эффективное выгорание горючих смесей;
- в случае если по каким-то причинам вышел из строя транзистор, всегда можно перекинуть провода в стандартное положение, и автомобиль продолжит работать.
Ремонт и замена коммутатора
Рано или поздно, как и любой механизм, коммутаторы системы зажигания тоже выходят из строя.
И здесь совершенно неважно, какой именно прерыватель был установлен на автомобиле — ремонту эти узлы, как правило, не подлежат. Конечно, если у вас есть определенные навыки в электронике и радиотехнике, то перепаять вышедшую из строя деталь коммутатора будет совсем несложно.
Но, как показывает практика, гораздо меньше мороки, купить новый прерыватель, и установить его. Дело в том, что перепаянные выключатели крайне ненадежны, и могут подвести в самое неподходящее время.
Поэтому простой совет:
- Ремонт коммутатора системы зажигания — это не вариант, покупайте новый!
Ниже несколько советов, где и какие коммутаторы лучше покупать. За основу возьмем ситуацию, когда нужен бесконтактный выключатель.
Какие коммутаторы и где покупать
Естественно, если у вас иномарка, то приобретение нужных вам запчастей лучше производить в соответствующих дилерских центрах, или магазинах, которые официально представляют компанию производителя вашего автомобиля.
Ну а если, вы счастливый обладатель, прекрасного наследия Советского автопрома, поиски требуемых вам деталей можно смело начинать на авто и радиорынках. Правда, нужно быть осмотрительным.
Основываясь на многолетнем опыте, и на практических тестах, которые лично проводились над многими марками бесконтактных выключателей, можно выделить два коммутатора системы зажигания, которые отлично зарекомендовали себя.
- Коммутатор аварийный К562.3734 (или К563.3734 ТУ11 КЖЩГ 023-94).
- «Калашников и К° Плазменное зажигание» ТУ 4573-001045363119-97.
Почему именно они? Во-первых, оба выключателя производятся на отечественных заводах. Они рассчитаны для работы именно в наших условиях, все остальные аналоги, будь-то китайские или корейские, не выдерживают тех нагрузок, к которым привычны автомобили советского производства. Во-вторых, как уже говорилось выше, опытным путем было установлено, что только эти коммутаторы достаточно стабильно выдают приемлемые результаты токового разрыва.
Первый, за счет своей оригинальной схемы, по которой он был собран, формирует импульсные разряды, которые позволяют достигать амплитуды тока до 12-13А, при этом потребляемая величина токового заряда составляет всего 2А, и зависит от частоты вращения вала. Еще одним существенным преимуществом этого коммутационного устройства является умеренный температурный режим, в котором он работает. Хотя есть и очевидные недостатки, размеры самого коммутатора могли бы быть несколько меньше.
Второй, это, вообще, инновационное ноу-хау. Коммутатор «Калашников и К° Плазменное зажигание» соединяет в себе два устройства: основной рабочий блок, и запасной. Как и предыдущий выключатель, этот показал достаточно высокие показатели и в продолжительности искрового момента, и в силе импульса разрывного тока.
Но его главное достоинство заключается не в основном блоке, а в резервном, который рассчитан на работу в тех условиях, когда из строя выйдет не только основной блок коммутатора, но и датчик Хола.
В последнем обстоятельстве пришлось убедиться самостоятельно.
«Калашников и К° Плазменное зажигание» для работы был установлен на девятку в стандартной комплектации, и когда из строя вышел основной блок коммутатора системы зажигания, пришлось переключиться на резервный. Единственный минус — делать это приходится вручную. При включении блок моментально отреагировал приветствующим писком испод капота. Конечно, давать газу на нем не получится, не позволяет принцип устройства системы коммутатора, но поддерживая минимальные обороты, можно добраться до гаража или станции техобслуживания.
Коммутатор бесконтактного зажигания в категории «Авто — мото»
Коммутатор бесконтактной системы зажигания ВАЗ 2108 (ВТН) 0529.3734
Доставка из г. Ровно
307.93 грн
371 грн
Купить
Коммутатор бесконтактной системы зажигания ВАЗ 2108-2115 (ВТН) 0529.
3734
Доставка из г. Киев
351 грн
390 грн
Купить
Коммутатор бесконтактного (электронного) зажигания ВАЗ, ЗАЗ, ГАЗ ВТН
Доставка из г. Харьков
274 грн
Купить
Харьков
Коммутатор ТК-131 бесконтактное зажигание 131.3734-12 В
Доставка по Украине
259 грн
Купить
Коммутатор бесконтактное зажигание 13. 3734 / 12В
Доставка по Украине
252 грн
Купить
Коммутатор бесконтактного зажигания (БСЗ) Юпитер «Совек» Украина
Доставка по Украине
1 098 грн
Купить
Коммутатор бесконтактной системы зажигания ВАЗ 2109, 2105, 2115, Таврия пр-во ВТН \ Винница \
Доставка по Украине
285 грн
Купить
Система зажигания Газель, Волга бесконтактная (трамблер, катушка, коммутатор, провода)
Доставка по Украине
2 450 грн
Купить
Бесконтактное электронное зажигание (БСЗ) Москвич 412, 2140 (комплект: трамблер, катушка, коммутатор)
Доставка по Украине
2 067 грн
Купить
Бесконтактное электронное зажигание (БСЗ) Москвич 412, 2140 (комплект: трамблер, катушка, коммутатор)
Доставка по Украине
2 067 грн
Купить
Коммутатор 90.
3734 Газель, Волга, Рута, ГАЗ 53, 3307, УАЗ, РАФ бесконтактная система зажигания (пр-во СОВЕК)
Доставка по Украине
438 грн
Купить
Система зажигания Газель, Волга бесконтактная (трамблер, катушка, коммутатор,провода) с распределителем МЗАТЭ
Доставка по Украине
2 650 грн
Купить
Система зажигания Газель, Волга бесконтактная (трамблер, катушка, коммутатор, провода) (г. Москва, МЗАТЭ 2)
Доставка по Украине
4 450 грн
Купить
Бесконтактное электронное зажигание (БСЗ) Москвич 412, 2140 (комплект: трамблер, катушка, коммутатор)
Доставка по Украине
2 100 грн
Купить
Коммутатор бесконтактный ГАЗ, Волга, 2410, 3110 3102 (ВТН). 90.3734
На складе
Доставка по Украине
395.80 грн
494.75 грн
Купить
Смотрите также
Коммутатор бесконтактный ГАЗ, УАЗ, ПАЗ (Дорожная карта). 13.3734
На складе
Доставка по Украине
436.
45 грн
545.56 грн
Купить
Коммутатор бесконтактный ЗИЛ 131, УРАЛ (Дорожная карта). ТК200М
На складе
Доставка по Украине
1 856.04 — 1 916.03 грн
от 2 продавцов
1 916.03 грн
2 254.15 грн
Купить
Коммутатор бесконтактный ВАЗ 2108, 2109, 2113, 2114, 2115 (ВТН). 0729.3734
На складе
Доставка по Украине
416.18 грн
520.22 грн
Купить
Коммутатор бесконтактный ГАЗ, ЗИЛ (Дорожная карта). 131.3734
На складе
Доставка по Украине
436.45 грн
545.56 грн
Купить
Реле коммутатор, система зажигания 31 Audi Volkswagen Skoda 191955532A
На складе
Доставка по Украине
170 грн
Купить
Трамблер Газель Соболь Волга ГАЗ 2410 3302 31029 3110 31105 2205 2217 2705 РАФ 2203 УАЗ бесконтактный бу
На складе
Доставка по Украине
400 грн
Купить
«Авторазборка 888» Винница (ВАЗ, ГАЗель, Волга, Таврия, Славута, Daewoo(Lanos, Sens))
Коммутатор, система зажигания (модуль) FIAT PANDA/TIPO LANCIA Y10 138030 HUCO
Заканчивается
Доставка по Украине
400 грн
Купить
Коммутатор Уаз Газ Зил Волга 13.
3734
Доставка по Украине
220 грн
Купить
Транзисторный коммутатор 131.3734
Доставка из г. Харьков
240 грн
Купить
Харьков
Коммутатор бесконтактный Газ , Зил , 131.3734-11 (производитель ВТН, Винница)
Доставка из г. Полтава
360 грн
Купить
Полтава
Коммутатор зажигания ГАЗ-53, ЗИЛ-130, 43410, ЛиАЗ, ПАЗ, КАВЗ (12.3774 7 контактов, б/котн. зажигание)
Доставка из г. Харьков
300.96 — 425 грн
от 10 продавцов
348 грн
Купить
Харьков
Коммутационный блок Таврия, Славута (7конт) 1103.3734 ВТН
Доставка из г. Днепр
282 грн
Купить
Коммутатор ВАЗ 2108 бесконтакт. 178.3734
Доставка по Украине
333 — 350 грн
от 5 продавцов
333 грн
Купить
Коммутатор ТК-102 ГАЗ 53А, ЗИЛ 130, ЛАЗ, ЛиАЗ, ПАЗ (пр-во Совэк) М 0430383 ПД 3755
Доставка по Украине
по 243 грн
от 5 продавцов
243 грн
Купить
Большое хобби
| |||||||||||||||||||||||||||||||||||||||||||||||||||||||||||||||||||||||||||||||||||||||||||||||||||||||||||||||||||||||||||||||||||||||||
Так, в отличие от контактных выключателей, бесконтактники осуществляют прерывание тока в электрических цепях за счет входного транзистора, который служит шлюзом для потока электроэнергии. На самых последних моделях автомобилей устанавливаются коммутаторы, которые полностью контролируются электроникой.
В последнем обстоятельстве пришлось убедиться самостоятельно.
00
(.p. .PDF). Opto от Jeti — это однополюсный электронный переключатель, управляемый вашим передатчиком. Преимущество электронного переключателя заключается в том, что он предлагает фактически неограниченный цикл включения/выключения, в отличие от механических переключателей.
Давайте приручим некоторых Бронкосов.
