Π‘ΠΎΠ΄Π΅ΡΠΆΠ°Π½ΠΈΠ΅
ΠΠ· ΠΊΠ°ΠΊΠΎΠ³ΠΎ ΠΌΠ°ΡΠ΅ΡΠΈΠ°Π»Π° ΠΈΠ·Π³ΠΎΡΠΎΠ²Π»Π΅Π½ ΠΊΠ»Π°ΠΏΠ°Π½
Π’Π°ΡΠ΅Π»ΡΡΠ°ΡΡΠΉ ΠΊΠ»Π°ΠΏΠ°Π½ β Π΄Π΅ΡΠ°Π»Ρ Π±ΠΎΠ»ΡΡΠΈΠ½ΡΡΠ²Π° ΠΏΠΎΡΡΠ½Π΅Π²ΡΡ Π΄Π²ΠΈΠ³Π°ΡΠ΅Π»Π΅ΠΉ Π²Π½ΡΡΡΠ΅Π½Π½Π΅Π³ΠΎ ΡΠ³ΠΎΡΠ°Π½ΠΈΡ (ΠΠΠ‘), ΡΠ²Π»ΡΠ΅ΡΡΡ ΡΠ°ΡΡΡΡ Π³Π°Π·ΠΎΡΠ°ΡΠΏΡΠ΅Π΄Π΅Π»ΠΈΡΠ΅Π»ΡΠ½ΠΎΠ³ΠΎ ΠΌΠ΅Ρ Π°Π½ΠΈΠ·ΠΌΠ°, Π½Π΅ΠΏΠΎΡΡΠ΅Π΄ΡΡΠ²Π΅Π½Π½ΠΎ ΡΠΏΡΠ°Π²Π»ΡΡΡΠ΅ΠΉ ΠΏΠΎΡΠΎΠΊΠ°ΠΌΠΈ ΡΠ°Π±ΠΎΡΠ΅Π³ΠΎ ΡΠ΅Π»Π°, ΠΏΠΎΡΡΡΠΏΠ°ΡΡΠ΅Π³ΠΎ ΠΈ Π²ΡΡ ΠΎΠ΄ΡΡΠ΅Π³ΠΎ ΠΈΠ· ΡΠΈΠ»ΠΈΠ½Π΄ΡΠ°. ΠΡΠΏΠΎΠ»ΡΠ·ΡΡΡΡΡ ΡΠ°ΠΊΠΆΠ΅ Π² ΠΊΡΡΠΏΠ½ΡΡ ΠΊΠΎΠΌΠΏΡΠ΅ΡΡΠΎΡΠ°Ρ , ΠΏΠ°ΡΠΎΠ²ΡΡ ΠΌΠ°ΡΠΈΠ½Π°Ρ .
Π‘ΠΎΠ΄Π΅ΡΠΆΠ°Π½ΠΈΠ΅
Π£ΡΡΡΠΎΠΉΡΡΠ²ΠΎ ΡΠ°ΡΠ΅Π»ΡΡΠ°ΡΠΎΠ³ΠΎ ΠΊΠ»Π°ΠΏΠ°Π½Π° [ ΠΏΡΠ°Π²ΠΈΡΡ | ΠΏΡΠ°Π²ΠΈΡΡ ΠΊΠΎΠ΄ ]
Π’Π°ΡΠ΅Π»ΡΡΠ°ΡΡΠΉ ΠΊΠ»Π°ΠΏΠ°Π½ ΡΠΎΡΡΠΎΠΈΡ ΠΈΠ· ΡΠΎΠ±ΡΡΠ²Π΅Π½Π½ΠΎ ΠΊΡΡΠ³Π»ΠΎΠΉ ΡΠ°ΡΠ΅Π»ΠΊΠΈ ΠΈ ΡΡΠ΅ΡΠΆΠ½Ρ ΠΌΠ΅Π½ΡΡΠ΅Π³ΠΎ Π΄ΠΈΠ°ΠΌΠ΅ΡΡΠ°. ΠΠ· ΡΠΎΠΎΠ±ΡΠ°ΠΆΠ΅Π½ΠΈΠΉ ΠΏΡΠΎΡΠ½ΠΎΡΡΠΈ ΠΈ Π°ΡΡΠΎΠ΄ΠΈΠ½Π°ΠΌΠΈΠΊΠΈ ΠΏΠ΅ΡΠ΅Ρ
ΠΎΠ΄ ΠΌΠ΅ΠΆΠ΄Ρ ΡΠ°ΡΠ΅Π»ΠΊΠΎΠΉ ΠΈ ΡΡΠ΅ΡΠΆΠ½Π΅ΠΌ Π²ΡΠΏΠΎΠ»Π½ΡΠ΅ΡΡΡ Π±ΠΎΠ»ΡΡΠΈΠΌ ΡΠ°Π΄ΠΈΡΡΠΎΠΌ (ΡΠΈΡ.1). ΠΠ΅ΠΊΠΎΡΠΎΡΠΎΠ΅ Π²ΡΠ΅ΠΌΡ Π±ΡΠ»ΠΈ ΠΏΠΎΠΏΡΠ»ΡΡΠ½Ρ ΡΠ°ΡΠ΅Π»ΠΊΠΈ Π·ΠΎΠ½ΡΠΈΡΠ½ΠΎΠΉ (ΡΡΠ»ΡΠΏΠ°Π½ΠΎΠΎΠ±ΡΠ°Π·Π½ΠΎΠΉ) ΡΠΎΡΠΌΡ, ΡΠΌΠ΅Π½ΡΡΠ°Π²ΡΠΈΠ΅ Π²Π΅Ρ Π²ΠΏΡΡΠΊΠ½ΠΎΠ³ΠΎ ΠΊΠ»Π°ΠΏΠ°Π½Π° Π΄ΠΎ Π²Π΅ΡΠ° Π²ΡΠΏΡΡΠΊΠ½ΠΎΠ³ΠΎ (Π΄ΠΈΠ°ΠΌΠ΅ΡΡ Π²ΠΏΡΡΠΊΠ½ΡΡ
ΠΊΠ»Π°ΠΏΠ°Π½ΠΎΠ² Π²ΡΠ±ΠΈΡΠ°ΡΡ Π±ΠΎΠ»ΡΡΠ΅, ΡΠ°ΠΊ ΠΊΠ°ΠΊ ΡΠΎΠΏΡΠΎΡΠΈΠ²Π»Π΅Π½ΠΈΠ΅ Π²ΠΏΡΡΠΊΠ½ΠΎΠ³ΠΎ ΡΡΠ°ΠΊΡΠ° ΡΠΈΠ»ΡΠ½Π΅Π΅ ΡΠ½ΠΈΠΆΠ°Π΅Ρ ΠΌΠΎΡΠ½ΠΎΡΡΡ Π΄Π²ΠΈΠ³Π°ΡΠ΅Π»Ρ, ΡΠ΅ΠΌ ΡΠΎΠΏΡΠΎΡΠΈΠ²Π»Π΅Π½ΠΈΠ΅ Π²ΡΠΏΡΡΠΊΠ°) ΠΏΡΠΈ ΠΎΠ΄Π½ΠΎΠ²ΡΠ΅ΠΌΠ΅Π½Π½ΠΎΠΌ ΡΠ½ΠΈΠΆΠ΅Π½ΠΈΠΈ Π³ΠΈΠ΄ΡΠ°Π²Π»ΠΈΡΠ΅ΡΠΊΠΎΠ³ΠΎ ΡΠΎΠΏΡΠΎΡΠΈΠ²Π»Π΅Π½ΠΈΡ. ΠΠ΄Π½Π°ΠΊΠΎ ΠΏΡΠΈ ΡΡΠΎΠΌ ΡΠ°ΡΡΡΡ ΠΏΠ»ΠΎΡΠ°Π΄Ρ ΠΊΠ°ΠΌΠ΅ΡΡ ΡΠ³ΠΎΡΠ°Π½ΠΈΡ, ΡΡΠΎ ΡΠ²Π΅Π»ΠΈΡΠΈΠ²Π°Π΅Ρ Π²ΡΠ±ΡΠΎΡΡ ΡΠ³Π»Π΅Π²ΠΎΠ΄ΠΎΡΠΎΠ΄ΠΎΠ².
ΠΠ»Π°ΠΏΠ°Π½ ΡΠΎΠ²Π΅ΡΡΠ°Π΅Ρ ΠΏΠ΅ΡΠ΅ΠΌΠ΅ΡΠ΅Π½ΠΈΡ ΠΏΠΎ ΠΎΡΠΈ ΡΡΠ΅ΡΠΆΠ½Ρ, ΠΏΡΠΈ ΡΡΠΎΠΌ ΡΠ°ΡΠ΅Π»ΠΊΠ° ΠΎΡΠΊΡΡΠ²Π°Π΅Ρ ΠΏΡΡΡ Π³Π°Π·Π°ΠΌ, Π° ΠΏΡΠΈ ΠΏΠΎΡΠ°Π΄ΠΊΠ΅ Π½Π° ΡΠ΅Π΄Π»ΠΎ β ΠΏΠ»ΠΎΡΠ½ΠΎ Π·Π°ΠΏΠΈΡΠ°Π΅Ρ Π΅Π³ΠΎ. ΠΠ΅ΠΊΠΎΡΠΎΡΡΠΉ Π·Π°Π·ΠΎΡ ΠΌΠ΅ΠΆΠ΄Ρ ΡΡΠ΅ΡΠΆΠ½Π΅ΠΌ ΠΈ Π²ΡΡΠ»ΠΊΠΎΠΉ ΠΊΠ»Π°ΠΏΠ°Π½Π° Π½Π΅ΠΎΠ±Ρ ΠΎΠ΄ΠΈΠΌ, ΡΡΠΎΠ±Ρ ΠΈΠ·Π±Π΅ΠΆΠ°ΡΡ Π·Π°Π΅Π΄Π°Π½ΠΈΡ ΠΏΡΠΈ Π½Π°Π³ΡΠ΅Π²Π΅ ΠΊΠ»Π°ΠΏΠ°Π½Π°, ΠΈ ΡΡΠΎΠ±Ρ ΡΠ°ΡΠ΅Π»ΠΊΠ° ΠΌΠΎΠ³Π»Π° ΡΠ°ΠΌΠΎΡΡΡΠ°Π½ΠΎΠ²ΠΈΡΡΡΡ Π½Π° ΡΠ΅Π΄Π»ΠΎ. ΠΠ»Ρ ΠΏΠΎΠ΄Π΄Π΅ΡΠΆΠ°Π½ΠΈΡ ΡΠ°ΠΌΠΎΡΡΡΠ°Π½ΠΎΠ²ΠΊΠΈ, Π° ΡΠ»Π΅Π΄ΠΎΠ²Π°ΡΠ΅Π»ΡΠ½ΠΎ, ΠΏΠ»ΠΎΡΠ½ΠΎΡΡΠΈ Π·Π°ΠΏΠΈΡΠ°Π½ΠΈΡ, ΡΠ°ΡΠ΅Π»ΠΊΠ° ΠΈΠΌΠ΅Π΅Ρ ΡΠ°ΡΠΊΡ ΠΏΠΎΠ΄ ΡΠ³Π»ΠΎΠΌ 45 ΠΈΠ»ΠΈ 30 Π³ΡΠ°Π΄ΡΡΠΎΠ² ΠΊ Π΅Ρ ΠΏΠ»ΠΎΡΠΊΠΎΡΡΠΈ.
Π§ΠΈΡΠ°ΠΉΡΠ΅ ΡΠ°ΠΊΠΆΠ΅:Β ΠΠΈΡΠΊΠΈ ΡΠΎΡΠΌΠΎΠ·Π½ΡΠ΅ ΡΡΠ² ΠΎΡΠ·ΡΠ²Ρ
ΠΠ»Π°ΠΏΠ°Π½Ρ ΠΌΠΎΠ³ΡΡ ΡΠ°Π·ΠΌΠ΅ΡΠ°ΡΡΡΡ ΠΏΠΎ Π½ΠΈΠΆΠ½Π΅ΠΊΠ»Π°ΠΏΠ°Π½Π½ΠΎΠΉ ΠΈΠ»ΠΈ Π²Π΅ΡΡ Π½Π΅ΠΊΠ»Π°ΠΏΠ°Π½Π½ΠΎΠΉ ΡΡ Π΅ΠΌΠ΅, ΡΠ°ΡΠΏΠΎΠ»Π°Π³Π°ΡΡΡΡ ΠΏΠΎΠ΄ ΡΠ³Π»ΠΎΠΌ Π΄ΡΡΠ³ ΠΊ Π΄ΡΡΠ³Ρ ΠΈΠ»ΠΈ ΠΏΠ°ΡΠ°Π»Π»Π΅Π»ΡΠ½ΠΎ. Π¦Π΅Π»ΡΡ ΡΠ°Π±ΠΎΡΡ ΠΊΠΎΠ½ΡΡΡΡΠΊΡΠΎΡΠ° ΠΏΡΠΈ ΠΈΡ ΡΠ°Π·ΠΌΠ΅ΡΠ΅Π½ΠΈΠΈ ΡΠ²Π»ΡΠ΅ΡΡΡ Π½Π°Π΄ΡΠΆΠ½ΡΠΉ Π³Π°Π·ΠΎΠΎΠ±ΠΌΠ΅Π½ Ρ Π½Π΅Π±ΠΎΠ»ΡΡΠΈΠΌ Π°ΡΡΠΎΠ΄ΠΈΠ½Π°ΠΌΠΈΡΠ΅ΡΠΊΠΈΠΌ ΡΠΎΠΏΡΠΎΡΠΈΠ²Π»Π΅Π½ΠΈΠ΅ΠΌ, Π½Π΅ΠΎΠ±Ρ ΠΎΠ΄ΠΈΠΌΠΎΠ΅ ΡΠ°Π·ΠΌΠ΅ΡΠ΅Π½ΠΈΠ΅ ΠΊΠΎΠ»Π»Π΅ΠΊΡΠΎΡΠΎΠ² Π² ΠΏΠΎΠ΄ΠΊΠ°ΠΏΠΎΡΠ½ΠΎΠΌ ΠΏΡΠΎΡΡΡΠ°Π½ΡΡΠ²Π΅, ΠΊΠΎΠΌΠΏΠ°ΠΊΡΠ½ΠΎΡΡΡ ΠΊΠ°ΠΌΠ΅ΡΡ ΡΠ³ΠΎΡΠ°Π½ΠΈΡ, ΡΠΎΠ±Π»ΡΠ΄Π΅Π½ΠΈΠ΅ Π½ΠΎΡΠΌ Π²ΡΡ Π»ΠΎΠΏΠ° ΠΈ Π΄Ρ.
ΠΡΠΈΠΌΠ΅Π½ΡΠ΅ΠΌΡΠ΅ ΠΌΠ°ΡΠ΅ΡΠΈΠ°Π»Ρ ΠΈ ΡΠ΅Ρ Π½ΠΎΠ»ΠΎΠ³ΠΈΠΈ [ ΠΏΡΠ°Π²ΠΈΡΡ | ΠΏΡΠ°Π²ΠΈΡΡ ΠΊΠΎΠ΄ ]
ΠΠΏΡΡΠΊΠ½ΡΠ΅ ΠΊΠ»Π°ΠΏΠ°Π½Π° Π΄Π²ΠΈΠ³Π°ΡΠ΅Π»Π΅ΠΉ ΠΎΠ±ΡΡΠ½ΠΎ ΠΈΠ·Π³ΠΎΡΠΎΠ²Π»ΡΡΡ Π²ΡΡΠ°Π΄ΠΊΠΎΠΉ ΠΈΠ· ΡΠΈΠ»ΡΡ
ΡΠΎΠΌΠΎΠ²ΠΎΠΉ ΡΡΠ°Π»ΠΈ ΡΠΈΠΏΠ° 40Π₯9Π‘2, 40Π₯10Π‘2Π.
ΠΡΠΈ ΡΡΠ°Π»ΠΈ ΠΎΠ±Π»Π°Π΄Π°ΡΡ Π΄ΠΎΠ²ΠΎΠ»ΡΠ½ΠΎ Π²ΡΡΠΎΠΊΠΎΠΉ ΠΆΠ°ΡΠΎΡΡΠΎΠΉΠΊΠΎΡΡΡΡ, ΠΈ ΠΏΠΎΡΠΊΠΎΠ»ΡΠΊΡ ΡΠ΅ΠΌΠΏΠ΅ΡΠ°ΡΡΡΠ° ΠΎΡΡ
ΠΎΠ΄ΡΡΠΈΡ
Π³Π°Π·ΠΎΠ² Ρ Π΄ΠΈΠ·Π΅Π»Π΅ΠΉ ΠΌΠ΅Π½ΡΡΠ΅ (ΠΏΠΎ ΠΏΡΠΈΡΠΈΠ½Π΅ Π²ΡΡΠΎΠΊΠΎΠΉ ΡΡΠ΅ΠΏΠ΅Π½ΠΈ ΡΠΆΠ°ΡΠΈΡ), ΡΠ΅ΠΌ Ρ ΠΈΡΠΊΡΠΎΠ²ΡΡ
ΠΌΠΎΡΠΎΡΠΎΠ², ΠΈΡΠΏΠΎΠ»ΡΠ·ΡΡΡΡΡ ΠΈ Π΄Π»Ρ ΠΈΠ·Π³ΠΎΡΠΎΠ²Π»Π΅Π½ΠΈΡ Π²ΡΠΏΡΡΠΊΠ½ΡΡ
ΠΊΠ»Π°ΠΏΠ°Π½ΠΎΠ² Π΄ΠΈΠ·Π΅Π»Π΅ΠΉ.
ΠΡΠΏΡΡΠΊΠ½ΡΠ΅ ΠΊΠ»Π°ΠΏΠ°Π½Π° ΡΡΠ°ΡΡΡ ΠΈΡΠΊΡΠΎΠ²ΡΡ ΠΌΠΎΡΠΎΡΠΎΠ² ΡΠ°ΠΊΠΆΠ΅ Π΄Π΅Π»Π°Π»ΠΈ ΡΠΈΠ»ΡΡ ΡΠΎΠΌΠΎΠ²ΡΠΌΠΈ, Π½Π΅Π΄ΠΎΡΡΠ°ΡΠΎΡΠ½ΡΡ ΠΆΠ°ΡΠΎΡΡΠΎΠΉΠΊΠΎΡΡΡ ΠΊΠΎΠΌΠΏΠ΅Π½ΡΠΈΡΠΎΠ²Π°Π»ΠΈ ΡΠ΄ΠΎΠ±ΡΡΠ²ΠΎΠΌ ΠΏΡΠΈΡΠΈΡΠΊΠΈ (ΠΠΠ-51), Π½Π°ΠΏΠ°ΠΉΠΊΠΎΠΉ ΠΊΡΠΎΠΌΠΊΠΈ ΡΠ°ΡΠ΅Π»ΠΎΠΊ ΡΡΠ΅Π»Π»ΠΈΡΠΎΠΌ; Π½Π°ΠΏΠΎΠ»Π½Π΅Π½ΠΈΠ΅ ΠΊΠ»Π°ΠΏΠ°Π½ΠΎΠ² Π½Π°ΡΡΠΈΠ΅ΠΌ Π΄Π»Ρ ΡΠ΅ΠΏΠ»ΠΎΠΎΡΠ΄Π°ΡΠΈ ΠΎΡ ΡΠ°ΡΠ΅Π»ΠΊΠΈ ΠΏΡΠΈΠΌΠ΅Π½ΡΠ»ΠΎΡΡ ΡΠ°Π½Π΅Π΅ (ΠΠΠ-66/ΠΠΠ-53, ΠΠΠ-130), ΠΈ ΠΏΡΠΈΠΌΠ΅Π½ΡΠ΅ΡΡΡ ΡΠ΅ΠΉΡΠ°Ρ [3] [4] [5] [6] .
ΠΠΎΠ·Π΄Π½Π΅Π΅ ΠΏΠ΅ΡΠ΅ΡΠ»ΠΈ Π½Π° ΡΠ²Π°ΡΠ½ΡΠ΅ ΠΊΠ»Π°ΠΏΠ°Π½Ρ: ΡΡΠ΅ΡΠΆΠ΅Π½Ρ ΠΈΠ· ΡΡΠ°Π»Π΅ΠΉ ΡΠΈΠΏΠ° 40Π₯Π, 38Π₯Π‘, ΡΠ°ΡΠ΅Π»ΠΊΠ° ΠΈΠ· ΡΡΠ°Π»Π΅ΠΉ ΡΠΈΠΏΠ° 40Π₯14Π14Π2Π, 45Π₯22Π4Π3. ΠΠ° Π΄ΠΈΠ·Π΅Π»ΡΡ ΡΠ°ΠΊΠΈΠ΅ ΡΡΠ°Π»ΠΈ Π½Π΅ ΠΏΡΠΈΠΌΠ΅Π½ΡΡΡ: Π΄ΠΈΠ·Π΅Π»ΡΠ½ΠΎΠ΅ ΡΠΎΠΏΠ»ΠΈΠ²ΠΎ ΡΠΎΠ΄Π΅ΡΠΆΠΈΡ ΡΠ΅ΡΡ, Π° ΡΠ΅ΡΠ½ΠΈΡΡΡΠ΅ Π³Π°Π·Ρ Π±ΡΡΡΡΠΎ ΡΠ°Π·ΡΡΡΠ°ΡΡ Π½ΠΈΠΊΠ΅Π»ΡΡΠΎΠ΄Π΅ΡΠΆΠ°ΡΠΈΠ΅ ΡΡΠ°Π»ΠΈ. ΠΡΠΈΠΌΠ΅Π½ΡΠ΅ΡΡΡ ΠΈ Π½Π°ΠΏΠ°ΠΉΠΊΠ° ΠΊΡΠΎΠΌΠΎΠΊ ΡΠ²ΡΡΠ΄ΡΠΌΠΈ ΠΌΠ°ΡΠ΅ΡΠΈΠ°Π»Π°ΠΌΠΈ: ΡΡΠ΅Π»Π»ΠΈΡΠΎΠΌ, Π½ΠΈΡ ΡΠΎΠΌΠΎΠΌ [7] .
ΠΠ΅ΠΈΡΠΏΡΠ°Π²Π½ΠΎΡΡΠΈ ΠΊΠ»Π°ΠΏΠ°Π½ΠΎΠ² [ ΠΏΡΠ°Π²ΠΈΡΡ | ΠΏΡΠ°Π²ΠΈΡΡ ΠΊΠΎΠ΄ ]
ΠΡΠ½ΠΎΠ²Π½ΡΠΌΠΈ Π½Π΅ΠΈΡΠΏΡΠ°Π²Π½ΠΎΡΡΡΠΌΠΈ ΡΠ°ΡΠ΅Π»ΡΡΠ°ΡΡΡ ΠΊΠ»Π°ΠΏΠ°Π½ΠΎΠ² ΡΠ²Π»ΡΡΡΡΡ [8] :
- Π½Π΅ΠΏΠ»ΠΎΡΠ½ΠΎΡΡΡ;
- ΠΏΡΠΎΠ³ΠΎΡΠ°Π½ΠΈΠ΅ ΡΠ°ΡΠ΅Π»ΠΊΠΈ;
- ΠΈΠ·Π½ΠΎΡ ΡΡΠ΅ΡΠΆΠ½Ρ, Π·Π°Π·ΠΎΡ ΠΏΠΎ Π½Π°ΠΏΡΠ°Π²Π»ΡΡΡΠ΅ΠΉ ΠΊΠ»Π°ΠΏΠ°Π½Π°;
- ΠΈΠ·Π³ΠΈΠ± ΠΊΠ»Π°ΠΏΠ°Π½ΠΎΠ² ΠΏΠΎΡΠ»Π΅ ΡΠΎΡΠ΄Π°ΡΠ΅Π½ΠΈΡ Ρ ΠΏΠΎΡΡΠ½Π΅ΠΌ.

ΠΠ΅ΠΏΠ»ΠΎΡΠ½ΠΎΡΡΡ ΠΊΠ»Π°ΠΏΠ°Π½ΠΎΠ² ΠΌΠΎΠΆΠ΅Ρ Π±ΡΡΡ Ρ ΠΌΠΎΠΌΠ΅Π½ΡΠ° ΠΈΠ·Π³ΠΎΡΠΎΠ²Π»Π΅Π½ΠΈΡ, ΡΠ°Π·Π²ΠΈΡΡΡΡ Π² ΡΠ΅ΡΠ΅Π½ΠΈΠ΅ ΡΠ°Π±ΠΎΡΡ, Π»ΠΈΠ±ΠΎ Π±ΡΡΡ ΡΠ»Π΅Π΄ΡΡΠ²ΠΈΠ΅ΠΌ Π½Π΅ΠΊΠ°ΡΠ΅ΡΡΠ²Π΅Π½Π½ΠΎΠ³ΠΎ ΡΠ΅ΠΌΠΎΠ½ΡΠ° ΠΈΠ»ΠΈ Π½Π΅Π²Π΅ΡΠ½ΠΎΠΉ ΡΠ΅Π³ΡΠ»ΠΈΡΠΎΠ²ΠΊΠΈ ΠΊΠ»Π°ΠΏΠ°Π½ΠΎΠ². ΠΠΏΡΡΠΊΠ½ΠΎΠΉ ΠΊΠ»Π°ΠΏΠ°Π½ ΠΌΠΎΠΆΠ΅Ρ Π΄Π»ΠΈΡΠ΅Π»ΡΠ½ΠΎΠ΅ Π²ΡΠ΅ΠΌΡ ΠΏΡΠΎΠΏΡΡΠΊΠ°ΡΡ Π³Π°Π· Π±Π΅Π· ΠΏΡΠΎΠ³ΠΎΡΠ°Π½ΠΈΡ, Π½ΠΎ ΠΈΡΠΊΡΠΎΠ²ΠΎΠΉ Π΄Π²ΠΈΠ³Π°ΡΠ΅Π»Ρ ΠΏΡΠΈ ΡΡΠΎΠΌ ΠΎΠ±ΡΡΠ½ΠΎ ΠΏΠΎΡΡΡΡ ΠΈΠ²Π°Π΅Ρ: Π²ΠΎ Π²ΠΏΡΡΠΊΠ½ΠΎΠΉ ΡΡΠ°ΠΊΡ Π·Π°Π±ΡΠ°ΡΡΠ²Π°Π΅Ρ ΠΎΡΡΠ°Π±ΠΎΡΠ°Π²ΡΠΈΠ΅ Π³Π°Π·Ρ, ΠΈ Π²ΠΎΡΠΏΠ»Π°ΠΌΠ΅Π½Π΅Π½ΠΈΠ΅ ΡΠ°ΠΊΠΎΠΉ ΡΠ°Π·Π±Π°Π²Π»Π΅Π½Π½ΠΎΠΉ ΡΠΌΠ΅ΡΠΈ ΡΡΠ°Π½ΠΎΠ²ΠΈΡΡΡ Π½Π΅Π½Π°Π΄ΡΠΆΠ½ΡΠΌ. ΠΠΈΠ·Π΅Π»Ρ, ΡΠΎΠΎΡΠ²Π΅ΡΡΡΠ²Π΅Π½Π½ΠΎ, Π΄ΡΠΌΠΈΡ [9] . ΠΡΡ ΠΎΠ΄Π½ΠΎΠΉ ΠΏΡΠΈΡΠΈΠ½ΠΎΠΉ ΠΌΠΎΠΆΠ΅Ρ Π±ΡΡΡ Π·Π°Π³ΠΈΠ± ΠΊΠ»Π°ΠΏΠ°Π½ΠΎΠ² [10] , Π΄Π²ΠΈΠ³Π°ΡΠ΅Π»Ρ ΠΏΡΠΈ ΡΡΠΎΠΌ ΡΡΡΡΡΡΡΡ ΠΎΡΠ΅Π½Ρ ΡΠΈΠ»ΡΠ½ΠΎ, Π° Π·Π°Π²ΠΎΠ΄ΠΈΡΡΡ ΠΏΠ»ΠΎΡ ΠΎ.
Π ΡΠ»ΡΡΠ°Π΅ ΡΠΌΠ΅ΡΠ΅Π½Π½ΠΎΠΉ Π½Π΅ΠΏΠ»ΠΎΡΠ½ΠΎΡΡΠΈ ΠΊΠ»Π°ΠΏΠ°Π½ΠΎΠ², ΠΎΠ½ΠΈ Π΅ΡΡ ΠΌΠΎΠ³ΡΡ Π±ΡΡΡ ΠΏΡΠΈΡΡΡΡΡ, Π½ΠΎ ΡΠ°ΡΠ΅ Π²ΡΠ΅Π³ΠΎ ΠΈΡ
ΠΌΠ΅Π½ΡΡΡ ΠΊΠΎΠΌΠΏΠ»Π΅ΠΊΡΠΎΠΌ. ΠΡΠΈΡΠΈΠ½Π° Π² ΡΠΎΠΌ, ΡΡΠΎ ΠΊ ΡΡΠΎΠΌΡ Π²ΡΠ΅ΠΌΠ΅Π½ΠΈ ΠΎΠ±ΡΡΠ½ΠΎ ΠΏΡΠΎΠΈΡΡ
ΠΎΠ΄ΠΈΡ ΠΈΠ·Π½ΠΎΡ ΡΡΠ΅ΡΠΆΠ½Ρ ΠΊΠ»Π°ΠΏΠ°Π½Π° Ρ ΡΠ²Π΅Π»ΠΈΡΠ΅Π½ΠΈΠ΅ΠΌ ΡΠ°ΡΡ
ΠΎΠ΄Π° ΠΌΠ°ΡΠ»Π°, Π° ΠΏΡΠΈ Π΄ΠΎΠ»Π³ΠΎΠΉ ΠΏΡΠΈΡΠΈΡΠΊΠ΅ ΡΡΠ°ΡΠΎΠ³ΠΎ ΠΊΠ»Π°ΠΏΠ°Π½Π° Π²ΡΡΡΡΠΏΠ°Π½ΠΈΠ΅ Π΅Π³ΠΎ ΡΠΎΡΡΠ° Π½Π°Π΄ ΠΏΠ»ΠΎΡΠΊΠΎΡΡΡΡ Π³ΠΎΠ»ΠΎΠ²ΠΊΠΈ ΡΠ²Π΅Π»ΠΈΡΠΈΠ²Π°Π΅ΡΡΡ β Π³ΠΈΠ΄ΡΠΎΠΊΠΎΠΌΠΏΠ΅Π½ΡΠ°ΡΠΎΡ ΠΌΠΎΠΆΠ΅Ρ Π²ΡΠΉΡΠΈ ΠΈΠ· ΡΠ°Π±ΠΎΡΠ΅ΠΉ Π·ΠΎΠ½Ρ. ΠΡΠ»ΠΈ Π²ΡΡΡΡΠΏΠ°Π½ΠΈΠ΅ ΠΏΡΠ΅Π²ΡΡΠ°Π΅Ρ Π΄ΠΎΠΏΡΡΡΠΈΠΌΠΎΠ΅ ΡΠΆΠ΅ Ρ Π½ΠΎΠ²ΡΠΌ ΠΊΠ»Π°ΠΏΠ°Π½ΠΎΠΌ, ΡΠΎ ΠΏΠΎ ΠΈΠ½ΡΡΡΡΠΊΡΠΈΠΈ Π½ΡΠΆΠ½ΠΎ ΠΌΠ΅Π½ΡΡΡ Π³ΠΎΠ»ΠΎΠ²ΠΊΡ Π±Π»ΠΎΠΊΠ°, Π½Π° ΠΏΡΠ°ΠΊΡΠΈΠΊΠ΅ β ΡΠΎΡΠ΅Ρ ΠΊΠ»Π°ΠΏΠ°Π½Π° ΡΠ»ΠΈΡΡΡΡ Π΄Π»Ρ ΡΠΌΠ΅Π½ΡΡΠ΅Π½ΠΈΡ Π²ΡΡΠΎΡΡ.![]()
ΠΡΠΎΠ³ΠΎΡΠ°Π½ΠΈΠ΅ ΡΠ°ΡΠ΅Π»ΠΊΠΈ Π²ΡΠΏΡΡΠΊΠ½ΠΎΠ³ΠΎ ΠΊΠ»Π°ΠΏΠ°Π½Π° Π²ΡΠ΅Π³Π΄Π° ΡΠ²Π»ΡΠ΅ΡΡΡ ΡΠ»Π΅Π΄ΡΡΠ²ΠΈΠ΅ΠΌ ΡΠΈΠ»ΡΠ½ΠΎΠ³ΠΎ ΠΏΠ΅ΡΠ΅Π³ΡΠ΅Π²Π° ΠΏΡΠΈ ΠΎΡΡΡΡΡΡΠ²ΠΈΠΈ ΠΊΠ»Π°ΠΏΠ°Π½Π½ΠΎΠ³ΠΎ Π·Π°Π·ΠΎΡΠ° ΠΈ Π±ΠΎΠ»ΡΡΠΎΠΌ ΠΏΡΠΎΡΡΠ²Π΅ Π³Π°Π·ΠΎΠ². Π’Π°ΡΠ΅Π»ΠΊΠ° Π²ΠΏΡΡΠΊΠ½ΠΎΠ³ΠΎ ΠΊΠ»Π°ΠΏΠ°Π½Π° ΠΏΡΠΎΠ³ΠΎΡΠ΅ΡΡ Π½Π΅ ΠΌΠΎΠΆΠ΅Ρ, ΡΠ°ΠΊ ΠΊΠ°ΠΊ Π·Π°Π΄ΠΎΠ»Π³ΠΎ Π΄ΠΎ ΡΡΠΎΠ³ΠΎ ΠΏΡΠΈ ΠΏΡΠΎΡΡΠ²Π΅ Π³Π°Π·ΠΎΠ² Π½Π° Π²ΠΏΡΡΠΊ ΡΠΈΠ»ΠΈΠ½Π΄Ρ ΡΠ°Π±ΠΎΡΠ°ΡΡ ΠΏΠ΅ΡΠ΅ΡΡΠ°Π½Π΅Ρ, ΠΈ ΡΠ΅ΠΌΠΏΠ΅ΡΠ°ΡΡΡΠ° Π³Π°Π·ΠΎΠ² ΡΠ½ΠΈΠ·ΠΈΡΡΡ. ΠΠ΄Π½Π°ΠΊΠΎ Ρ Π΄ΠΈΠ·Π΅Π»Π΅ΠΉ ΠΏΡΠΈ ΡΡΠΎΠΌ ΠΌΠΎΠ³ΡΡ Π²ΠΎΠ·Π½ΠΈΠΊΠ°ΡΡ Π΄ΡΡΠ³ΠΈΠ΅ ΠΏΡΠΎΠ±Π»Π΅ΠΌΡ.
ΠΠ·Π½ΠΎΡ ΡΡΠ΅ΡΠΆΠ½Ρ ΠΈ/ΠΈΠ»ΠΈ Π²ΡΡΠ»ΠΊΠΈ ΠΊΠ»Π°ΠΏΠ°Π½Π° ΠΏΡΠΈΠ²ΠΎΠ΄ΠΈΡ ΠΊ Π½Π°ΡΡΡΠ΅Π½ΠΈΡ ΡΠ°Π±ΠΎΡΡ ΡΠ°Π»ΡΠ½ΠΈΠΊΠΎΠ² ΠΊΠ»Π°ΠΏΠ°Π½ΠΎΠ², Π° Π·Π½Π°ΡΠΈΡ β Π²ΡΡΠΎΠΊΠΎΠΌΡ ΡΠ°ΡΡ ΠΎΠ΄Ρ ΠΌΠ°ΡΠ»Π°. ΠΠΎΡΡΠΎΠΌΡ ΠΏΡΠΈ ΡΠ΅ΠΌΠΎΠ½ΡΠ΅ Π³ΠΎΠ»ΠΎΠ²ΠΊΠΈ Π±Π»ΠΎΠΊΠ° ΡΠΈΠ»ΠΈΠ½Π΄ΡΠΎΠ² ΠΌΠΎΠΆΠ΅Ρ Π²ΠΎΠ·Π½ΠΈΠΊΠ°ΡΡ Π½Π΅ΠΎΠ±Ρ ΠΎΠ΄ΠΈΠΌΠΎΡΡΡ Π² Π·Π°ΠΌΠ΅Π½Π΅ ΠΊΠ»Π°ΠΏΠ°Π½ΠΎΠ² ΠΈ/ΠΈΠ»ΠΈ Π½Π°ΠΏΡΠ°Π²Π»ΡΡΡΠΈΡ . ΠΠΎΡΠ»Π΅ ΡΠΌΠ΅Π½Ρ Π½Π°ΠΏΡΠ°Π²Π»ΡΡΡΠΈΡ ΡΡΠ΅Π±ΡΠ΅ΡΡΡ ΠΎΠ±ΡΡΠ½ΠΎ ΠΎΠ±ΡΠ°Π±ΠΎΡΠ°ΡΡ ΡΠ΅Π΄Π»ΠΎ ΡΠ°ΡΠΎΡΠΊΠ°ΠΌΠΈ Π½Π° ΠΎΠΏΡΠ°Π²ΠΊΠ΅, Π±Π°Π·ΠΈΡΡΡΡΠ΅ΠΉΡΡ ΠΏΠΎ Π½ΠΎΠ²ΠΎΠΉ Π½Π°ΠΏΡΠ°Π²Π»ΡΡΡΠ΅ΠΉ, ΠΏΠΎΡΠ»Π΅ ΡΠ΅Π³ΠΎ ΠΏΡΠΈΡΠ΅ΡΠ΅ΡΡ ΠΊΠ»Π°ΠΏΠ°Π½. ΠΠ±ΡΡΠ½ΠΎ ΡΠ°Π·ΠΎΠΌ ΠΌΠ΅Π½ΡΡΡ Π²ΡΠ΅ Π½Π°ΠΏΡΠ°Π²Π»ΡΡΡΠΈΠ΅, Π»ΠΈΠ±ΠΎ ΡΠΎΠ»ΡΠΊΠΎ Π²ΠΏΡΡΠΊΠ½ΡΠ΅ (Π·Π°Π·ΠΎΡ Π²ΠΎ Π²ΡΡΠ»ΠΊΠ°Ρ Π²ΠΏΡΡΠΊΠ½ΡΡ ΠΊΠ»Π°ΠΏΠ°Π½ΠΎΠ² ΡΠ΅ΡΠ°ΡΡΠΈΠΉ Π΄Π»Ρ ΡΠ°ΡΡ ΠΎΠ΄Π° ΠΌΠ°ΡΠ»Π°, Π²Π²ΠΈΠ΄Ρ ΠΌΠ΅Π½ΡΡΠ΅Π³ΠΎ Π΄Π°Π²Π»Π΅Π½ΠΈΡ Π²ΠΎ Π²ΠΏΡΡΠΊΠ½ΠΎΠΉ ΡΡΡΠ±Π΅).
ΠΠΠ’ΠΠ ΠΠΠΠ«,ΠΠ ΠΠΠΠΠ―ΠΠΠ«Π ΠΠΠ― ΠΠΠ’ΠΠΠΠ ΠΠΠ₯ΠΠΠΠΠΠ ΠΠΠΠΠ ΠΠ‘ΠΠ ΠΠΠΠΠΠΠΠ―
Π Π°ΡΠΏΡΠ΅Π΄Π΅Π»ΠΈΡΠ΅Π»ΡΠ½ΡΠ΅ Π²Π°Π»Ρ ΠΈΠ·Π³ΠΎΡΠΎΠ²Π»ΡΡΡ ΠΈΠ· Π»Π΅Π³ΠΈΡΠΎΠ²Π°Π½Π½ΡΡ
ΡΡΠ°Π»Π΅ΠΉ 15Π₯, 15ΠΠ ΠΈ 12Π₯ΠΠΠ, ΠΈΠ»ΠΈ ΠΈΠ· ΡΠ³Π»Π΅ΡΠΎΠ΄ΠΈΡΡΡΡ
ΡΡΠ°Π»Π΅ΠΉ 40 ΠΈ 45, ΠΈΠ»ΠΈ ΠΈΠ· ΡΡΠ³ΡΠ½Π°.
ΠΡΠ»Π°ΡΠΊΠΈ ΠΈ ΡΠ΅ΠΉΠΊΠΈ ΡΡΠ°Π»ΡΠ½ΡΡ
ΡΠ°ΡΠΏΡΠ΅Π΄Π΅Π»ΠΈΡΠ΅Π»ΡΠ½Π½ΡΡ
Π²Π°Π»ΠΎΠ² ΠΏΠΎΠ΄Π²Π΅ΡΠ³Π°ΡΡΡΡ ΡΠ΅ΠΌΠ΅Π½ΡΠ°ΡΠΈΠΈ Ρ ΠΏΠΎΡΠ»Π΅Π΄ΡΡΡΠ΅ΠΉ Π·Π°ΠΊΠ°Π»ΠΊΠΎΠΉ ΠΈΠ»ΠΈ ΠΏΠΎΠ²Π΅ΡΡ
Π½ΠΎΡΡΠ½ΠΎΠΉ Π·Π°ΠΊΠ°Π»ΠΊΠ΅, Π° ΡΡΠ³ΡΠ½Π½ΡΡ
β ΠΎΡΠ±Π΅Π»ΠΈΠ²Π°Π½ΠΈΡ.
ΠΠ»Ρ ΡΠ°ΡΠΏΡΠ΅Π΄Π΅Π»ΠΈΡΠ΅Π»ΡΠ½ΡΡ ΡΠ΅ΡΡΠ΅ΡΠ΅Π½ ΠΏΡΠΈΠΌΠ΅Π½ΡΡΡ ΡΡΠ°Π»Ρ 20 ΠΈ 45 ΠΈΠ»ΠΈ ΡΠ΅ΡΡΠΉ ΡΡΠ³ΡΠ½. ΠΠ»Ρ ΡΠΌΠ΅Π½ΡΡΠ΅Π½ΠΈΡ ΡΡΠΌΠ° ΠΏΡΠΈ ΡΠ°Π±ΠΎΡΠ΅ Π·ΡΠ±ΡΡ ΡΠ΅ΡΡΠ΅ΡΠ½ΠΈ Π΄Π΅Π»Π°ΡΡ ΠΊΠΎΡΡΠΌΠΈ, Π° ΡΠ΅ΡΡΠ΅ΡΠ½Ρ ΠΈΠ·Π³ΠΎΡΠΎΠ²Π»ΡΡΡ ΠΈΠ· ΡΠ΅ΠΊΡΡΠΎΠ»ΠΈΡΠ° (ΠΏΡΠΈ ΡΡΠ°Π»ΡΠ½ΠΎΠΉ ΡΡΡΠΏΠΈΡΠ΅).
Π’ΠΎΠ»ΠΊΠ°ΡΠ΅Π»ΠΈ ΠΈΠ·Π³ΠΎΡΠΎΠ²Π»ΡΡΡ ΠΈΠ· Π»Π΅Π³ΠΈΡΠΎΠ²Π°Π½Π½ΡΡ ΡΡΠ°Π»Π΅ΠΉ 15Π₯, 20Π₯ 12Π₯ΠΠΠ ΠΈ 18Π₯ΠΠΠ, ΠΈΠ· ΡΡΠ°Π»ΠΈ 45 Ρ ΠΏΠΎΡΠ»Π΅Π΄ΡΡΡΠ΅ΠΉ ΠΏΠΎΠ²Π΅ΡΡ Π½ΠΎΡΡΠ½ΠΎΠΉ Π·Π°ΠΊΠ°Π»ΠΊΠΎΠΉ. Π Π½Π΅ΠΊΠΎΡΠΎΡΡΡ Π΄Π²ΠΈΠ³Π°ΡΠ΅Π»ΡΡ ΡΠΎΠ»ΠΊΠ°ΡΠ΅Π»ΠΈ Π΄Π΅Π»Π°ΡΡ ΠΈΠ· ΠΎΡΠ±Π΅Π»ΠΈΠ²Π°ΡΡΠΈΡ ΡΡ ΡΡΠ³ΡΠ½ΠΎΠ². Π’Π²Π΅ΡΠ΄ΠΎΡΡΡ ΡΠ°Π±ΠΎΡΠΈΡ ΡΠΎΡΡΠΎΠ² ΡΠΎΠ»ΠΊΠ°ΡΠ΅Π»Ρ Π½Π΅ Π΄ΠΎΠ»ΠΆΠ½Π° Π±ΡΡΡ Π½ΠΈΠΆΠ΅ HRC 54β56.
ΠΡΠΏΡΡΠΊΠ½ΡΠ΅ ΠΊΠ»Π°ΠΏΠ°Π½Ρ Π² ΠΊΠ°ΡΠ±ΡΡΠ°ΡΠΎΡΠ½ΡΡ
Π΄Π²ΠΈΠ³Π°ΡΠ΅Π»ΡΡ
ΠΈΠ·Π³ΠΎΡΠΎΠ²Π»ΡΡΡ ΠΈΠ· ΡΡΠ°Π»Π΅ΠΉ ΠΠ‘Π₯8, Π₯9Π‘2, Π₯10Π‘Π, Π₯12Π7Π‘, ΠΠ107 ΠΈ ΠΠ―2. Π‘ ΡΠ΅Π»ΡΡ ΡΠΊΠΎΠ½ΠΎΠΌΠΈΠΈ ΠΆΠ°ΡΠΎΠΏΡΠΎΡΠ½ΡΠ΅ ΠΌΠ°ΡΠ΅ΡΠΈΠ°Π»Ρ Π² ΡΡΠ΄Π΅ Π΄Π²ΠΈΠ³Π°ΡΠ΅Π»Π΅ΠΉ ΠΏΡΠΈΠΌΠ΅Π½ΡΡΡ ΡΠΎΠ»ΡΠΊΠΎ Π΄Π»Ρ Π³ΠΎΠ»ΠΎΠ²ΠΎΠΊ ΠΊΠ»Π°ΠΏΠ°Π½ΠΎΠ², Π° ΡΡΠ΅ΡΠΆΠ½ΠΈ Π΄Π΅Π»Π°ΡΡ ΠΈΠ· ΡΡΠ°Π»Π΅ΠΉ 40Π₯ ΠΈΠ»ΠΈ 40Π₯Π, Π·Π°ΡΠ΅ΠΌ ΡΡΠΈ Π΄Π΅ΡΠ°Π»ΠΈ ΡΠ²Π°ΡΠΈΠ²Π°ΡΡ. ΠΠ»Ρ ΠΏΠΎΠ²ΡΡΠ΅Π½ΠΈΡ ΠΊΠΎΡΡΠΎΠ·ΠΈΠΎΠ½Π½ΠΎΠΉ ΡΡΠΎΠΉΠΊΠΎΡΡΠΈ Π²ΡΠΏΡΡΠΊΠ½ΡΡ
ΠΊΠ»Π°ΠΏΠ°Π½ΠΎΠ² ΠΈ ΡΠΌΠ΅Π½ΡΡΠ΅Π½ΠΈΡ ΠΈΠ·Π½ΠΎΡΠ° ΡΠ°Π±ΠΎΡΠ΅ΠΉ ΠΏΠΎΠ²Π΅ΡΡ
Π½ΠΎΡΡΠΈ Π½Π° Π½Π΅Π΅ ΠΈ Π½Π° Π³ΠΎΠ»ΠΎΠ²ΠΊΡ ΠΊΠ»Π°ΠΏΠ°Π½Π° ΡΠΎ ΡΡΠΎΡΠΎΠ½Ρ ΡΠΈΠ»ΠΈΠ½Π΄ΡΠ° Π½Π°ΠΏΠ»Π°Π²Π»ΡΡΡ ΡΠ»ΠΎΠΉ ΡΠ²Π΅ΡΠ΄ΠΎΠ³ΠΎ ΡΠΏΠ»Π°Π²Π° ΠΠΠ (Π½Π° ΠΊΠΎΠ±Π°Π»ΡΡΠΎΠ²ΠΎΠΉ ΠΎΡΠ½ΠΎΠ²Π΅), ΡΠΎΡΠΌΠ°ΠΉΡΠ° (Π½Π° ΠΆΠ΅Π»Π΅Π·Π½ΠΎΠΉ ΠΎΡΠ½ΠΎΠ²Π΅) ΠΈΠ»ΠΈ ΡΡΠ΅Π»Π»ΠΈΡΠ° (60% NiΠΈ 15% Π‘Π³) ΡΠΎΠ»ΡΠΈΠ½ΠΎΠΉ 1,5β2,5 ΠΌΠΌ.
ΠΠ»Ρ Π²ΠΏΡΡΠΊΠ½ΡΡ ΠΊΠ»Π°ΠΏΠ°Π½ΠΎΠ² ΠΏΡΠΈΠΌΠ΅Π½ΡΡΡ Ρ ΡΠΎΠΌΠΈΡΡΡΡ ΠΈ Ρ ΡΠΎΠΌΠΎΠ½ΠΈ-ΠΊΠ΅Π»Π΅Π²ΡΡ ΡΡΠ°Π»Ρ 40Π₯, 40Π₯Π, 50Π₯Π, 37Π‘ ΠΈ 40Π₯ΠΠΠ.
Π‘Π΅Π΄Π»Π° ΠΊΠ»Π°ΠΏΠ°Π½ΠΎΠ² ΠΈΠ·Π³ΠΎΡΠΎΠ²Π»ΡΡΡ ΠΈΠ· ΡΠ΅ΡΡΡ ΠΏΠ΅ΡΠ»ΠΈΡΠΎΠ²ΡΡ ΡΡΠ³ΡΠ½ΠΎΠ² Π‘Π§ 24β48, ΡΡΠ°Π»ΠΈ 45. Π Π½Π΅ΠΊΠΎΡΠΎΡΡΡ ΡΠ»ΡΡΠ°ΡΡ ΡΠ΅Π΄Π»Π° ΠΊΠ»Π°ΠΏΠ°Π½ΠΎΠ² ΠΎΡΠ»ΠΈΠ²Π°ΡΡ ΠΈΠ· ΠΎΡΠ±Π΅Π»ΠΈΠ²Π°ΡΡΠΈΡ ΡΡ ΡΡΠ³ΡΠ½ΠΎΠ², ΠΏΡΠΈ ΡΡΠΎΠΌ ΡΠ΅Π΄Π»Π° Ρ ΠΎΡΠΎΡΠΎ ΠΏΡΠΎΡΠΈΠ²ΠΎΡΡΠΎΡΡ ΡΠ΄Π°ΡΠ½ΠΎΠΉ Π½Π°Π³ΡΡΠ·ΠΊΠ΅ ΠΈ Ρ ΠΈΠΌΠΈΡΠ΅ΡΠΊΠΎΠΌΡ Π²ΠΎΠ·Π΄Π΅ΠΉΡΡΠ²ΠΈΡ Π³Π°Π·ΠΎΠ². ΠΡΠΎΠΌΠ΅ ΡΠΎΠ³ΠΎ, ΠΎΠ±ΡΠ°Π±ΠΎΡΠΊΠ° ΡΠΎΡΠ½ΠΎ ΠΎΡΠ»ΠΈΠ²Π°Π΅ΠΌΡΡ ΠΊΠΎΠ»Π΅Ρ Π΄Π»Ρ ΡΠ΅Π΄Π΅Π» ΡΠ²ΠΎΠ΄ΠΈΡΡΡ ΡΠΎΠ»ΡΠΊΠΎ ΠΊ ΡΠ»ΠΈΡΠΎΠ²Π°Π½ΠΈΡ, Π±Π΅Π· ΠΎΠ±ΡΠ°ΡΠΈΠ²Π°Π½ΠΈΡ ΠΈ ΠΏΡΠΈΡΠΈΡΠΊΠΈ.
ΠΠ°ΠΏΡΠ°Π²Π»ΡΡΡΠΈΠ΅ Π²ΡΡΠ»ΠΊΠΈ ΠΈΠ·Π³ΠΎΡΠΎΠ²Π»ΡΡΡ ΠΈΠ· ΡΡΠ³ΡΠ½Π° ΠΈΠ»ΠΈ ΠΈΠ· Π°Π»ΡΠΌΠΈΠ½ΠΈΠ΅Π²ΠΎΠΉ Π±ΡΠΎΠ½Π·Ρ.
ΠΠ»Ρ ΠΏΡΡΠΆΠΈΠ½ ΠΏΡΠΈΠΌΠ΅Π½ΡΡΡ ΡΠΏΠ΅ΡΠΈΠ°Π»ΡΠ½ΡΡ ΠΏΡΡΠΆΠΈΠ½Π½ΡΡ ΠΏΡΠΎΠ²ΠΎΠ»ΠΎΠΊΡ Π΄ΠΈΠ°ΠΌΠ΅ΡΡΠΎΠΌ 3β5 ΠΌΠΌ ΠΈΠ· ΡΡΠ°Π»Π΅ΠΉ Π‘ΠΠ, 65Π, 50Π₯Π€Π₯ ΠΈ Π1.
ΠΠ΅ΡΠ°Π»ΠΈ ΠΊΡΠ΅ΠΏΠ»Π΅Π½ΠΈΡ ΡΠ°ΡΠ΅Π»ΠΊΠΈ, ΠΏΡΡΠΆΠΈΠ½Ρ ΠΈ ΡΡΠ΅ΡΠΆΠ½Ρ ΠΊΠ»Π°ΠΏΠ°Π½Π° (ΡΡΡ Π°ΡΠΈ, ΡΠ΅ΠΊΠΈ) ΠΈΠ·Π³ΠΎΡΠΎΠ²Π»ΡΡΡ ΠΈΠ· ΡΡΠ°Π»Π΅ΠΉ 40, 45, 12ΠΠΠ ΠΈ ΡΡΠ³ΡΠ½Π° Π‘Π-4Π€ ΠΈ Π΄Ρ.
ΠΠΎΡΠΎΠΌΡΡΠ»Π° ΡΡΠ°ΠΌΠΏΡΡΡ ΠΈΠ· ΡΠ³Π»Π΅ΡΠΎΠ΄ΠΈΡΡΡΡ
ΡΡΠ°Π»Π΅ΠΉ 20 ΠΈ 30. ΠΡΠΈΠΌΠ΅Π½ΡΡΡ ΡΠ°ΠΊΠΆΠ΅ Π»Π΅Π³ΠΈΡΠΎΠ²Π°Π½Π½ΡΠ΅ ΡΡΠ°Π»ΠΈ 20Π₯ΠΠΠ, 12Π₯ΠΠ, ΠΠ274 ΠΈ Π΄Ρ. Π£Π΄Π°ΡΠ½ΠΎΠΉ ΡΠ°ΡΡΠΈ ΠΊΠΎΡΠΎΠΌΡΡΠ»Π° Ρ ΠΏΠΎΠΌΠΎΡΡΡ ΡΠ΅ΡΠΌΠΈΡΠ΅ΡΠΊΠΎΠΉ ΠΎΠ±ΡΠ°Π±ΠΎΡΠΊΠΈ ΠΏΡΠΈΠ΄Π°Π΅ΡΡΡ Π²ΡΡΠΎΠΊΠ°Ρ ΡΠ²Π΅ΡΠ΄ΠΎΡΡΡ.
Π ΠΊΠ»Π°ΠΏΠ°Π½Π°ΠΌ ΠΌΠ΅Ρ Π°Π½ΠΈΠ·ΠΌΠ° Π³Π°Π·ΠΎΡΠ°ΡΠΏΡΠ΅Π΄Π΅Π»Π΅Π½ΠΈΡ Π΄Π²ΠΈΠ³Π°ΡΠ΅Π»Ρ Π²Π½ΡΡΡΠ΅Π½Π½Π΅Π³ΠΎ ΡΠ³ΠΎΡΠ°Π½ΠΈΡ ΠΏΡΠ΅Π΄ΡΡΠ²Π»ΡΡΡΡΡ ΠΏΠΎΠ²ΡΡΠ΅Π½Π½ΡΠ΅ ΡΡΠ΅Π±ΠΎΠ²Π°Π½ΠΈΡ, ΠΏΠΎΡΡΠΎΠΌΡ Π΄Π»Ρ ΠΈΡ ΠΈΠ·Π³ΠΎΡΠΎΠ²Π»Π΅Π½ΠΈΡ ΠΏΡΠΈΠΌΠ΅Π½ΡΠ΅ΡΡΡ ΠΊΠΎΠΌΠ±ΠΈΠ½ΠΈΡΠΎΠ²Π°Π½ΠΈΠ΅ ΡΠ°Π·Π»ΠΈΡΠ½ΡΡ ΠΌΠ°ΡΠ΅ΡΠΈΠ°Π»ΠΎΠ², Π° ΡΠ°ΠΊΠΆΠ΅ ΠΈΡΠΏΠΎΠ»ΡΠ·ΠΎΠ²Π°Π½ΠΈΠ΅ ΡΠΏΠ΅ΡΠΈΠ°Π»ΡΠ½ΡΡ Π½Π°ΠΏΠ»Π°Π²ΠΎΠΊ ΠΈ ΠΏΠΎΠΊΡΡΡΠΈΠΉ. ΠΡΠΎΠ±ΠΎΠ΅ Π²Π½ΠΈΠΌΠ°Π½ΠΈΠ΅ ΡΠ΄Π΅Π»ΡΡΡ ΡΠ°Π·ΡΠ°Π±ΠΎΡΠΊΠ΅ ΠΊΠ»Π°ΠΏΠ°Π½Π½ΡΡ ΡΡΠ°Π»Π΅ΠΉ ΠΈ ΡΠΏΠ»Π°Π²ΠΎΠ², ΠΊΠΎΡΠΎΡΡΠ΅ ΡΡΠ½ΠΊΡΠΈΠΎΠ½ΠΈΡΡΡΡ ΠΏΡΠΈ ΡΠ΅ΠΌΠΏΠ΅ΡΠ°ΡΡΡΠ΅ Π±ΠΎΠ»Π΅Π΅ 580 Π³ΡΠ°Π΄ΡΡΠΎΠ² Π¦Π΅Π»ΡΡΠΈΡ. Π ΠΏΡΠΈΠΌΠ΅ΡΡ, Π²ΠΏΡΡΠΊΠ½ΡΠ΅ ΠΊΠ»Π°ΠΏΠ°Π½Ρ Π΄ΠΈΠ·Π΅Π»ΡΠ½ΠΎΠ³ΠΎ Π΄Π²ΠΈΠ³Π°ΡΠ΅Π»Ρ ΠΠ°ΠΌΠΠ ΠΈΠ·Π³ΠΎΡΠ°Π²Π»ΠΈΠ²Π°ΡΡΡΡ ΠΈΠ· ΡΡΠ°Π»ΠΈ 40Π₯10Π‘Π2 ΠΌΠ°ΡΡΠ΅Π½ΠΈΡΡΠΎΠ³ΠΎ ΠΊΠ»Π°ΡΡΠ°. Π Π°Π±ΠΎΡΠ°ΡΡΠΈΠ΅ ΠΏΡΠΈ Π±ΠΎΠ»Π΅Π΅ Π²ΡΡΠΎΠΊΠΎΠΉ ΡΠ΅ΠΌΠΏΠ΅ΡΠ°ΡΡΡΠ΅ Π²ΡΠΏΡΡΠΊΠ½ΡΠ΅ ΠΊΠ»Π°ΠΏΠ°Π½Ρ ΠΈΠ·Π³ΠΎΡΠ°Π²Π»ΠΈΠ²Π°ΡΡΡΡ ΠΈΠ· ΡΡΠ°Π»ΠΈ ΠΠ-303Π (5Π₯20Π4Π19Π) Π°ΡΡΡΠ΅Π½ΠΈΡΠ½ΠΎΠ³ΠΎ ΠΊΠ»Π°ΡΡΠ°. Π Π°Π±ΠΎΡΠ°Ρ ΡΠ°ΡΠΊΠ° Π΄Π°Π½Π½ΡΡ ΠΊΠ»Π°ΠΏΠ°Π½ΠΎΠ² Π²ΡΠΏΠΎΠ»Π½ΡΠ΅ΡΡΡ ΠΏΡΡΡΠΌ Π½Π°ΠΏΠ»Π°Π²ΠΊΠΈ ΡΠΏΠ»Π°Π²ΠΎΠΌ ΠΠΠ ΡΠΈΠΏΠ° Β«Π‘ΡΠ΅Π»ΠΈΡΒ», ΠΊΠΎΡΠΎΡΡΠΉ ΡΠΎΠ΄Π΅ΡΠΆΠΈΡ Π΄ΠΎ 60% ΠΊΠΎΠ±Π°Π»ΡΡΠ°.
Π‘ ΡΠ΅Π»ΡΡ Π·Π°ΠΌΠ΅Π½Ρ Π΄Π΅ΡΠΈΡΠΈΡΠ½ΡΡ
Π΄ΠΎΠ±Π°Π²ΠΎΠΊ Π²Π½Π΅Π΄ΡΠ΅Π½Ρ ΡΠΏΠ»Π°Π²Ρ Π½Π° Π½ΠΈΠΊΠ΅Π»Π΅Π²ΠΎΠΉ ΠΎΡΠ½ΠΎΠ²Π΅, ΠΊΠΎΡΠΎΡΡΠ΅ Π½Π΅ ΡΠΎΠ΄Π΅ΡΠΆΠ°Ρ ΠΊΠΎΠ±Π°Π»ΡΡΠ° (ΠΠ-649, ΠΠ-616, ΠΠ-615). Π Π½Π΅Π΄ΠΎΡΡΠ°ΡΠΊΠ°ΠΌ Π΄Π°Π½Π½ΡΡ
ΡΠΏΠ»Π°Π²ΠΎΠ² ΠΌΠΎΠΆΠ½ΠΎ ΠΎΡΠ½Π΅ΡΡΠΈ ΡΠ½ΠΈΠΆΠ΅Π½ΠΈΠ΅ ΡΠ²ΡΡΠ΄ΠΎΡΡΠΈ ΠΏΡΠΈ ΡΠ΅ΠΌΠΏΠ΅ΡΠ°ΡΡΡΠ΅ 1300 Π³ΡΠ°Π΄ΡΡΠΎΠ² Π¦Π΅Π»ΡΡΠΈΡ, Π² ΡΡΠ°Π²Π½Π΅Π½ΠΈΠ΅ ΡΠΎ ΡΠΏΠ»Π°Π²ΠΎΠΌ ΠΠΠ.
ΠΠΏΡΡΠΊΠ½ΡΠ΅ ΠΊΠ»Π°ΠΏΠ°Π½Ρ Π΄ΠΈΠ·Π΅Π»ΡΠ½ΡΡ Π΄Π²ΠΈΠ³Π°ΡΠ΅Π»Π΅ΠΉ (Π‘ΠΠ-60, Π-240, Π-65Π, Π-144, Π-41) ΠΈΠ·Π³ΠΎΡΠ°Π²Π»ΠΈΠ²Π°ΡΡΡΡ ΠΈΠ· ΡΡΠ°Π»ΠΈ 40Π₯10Π‘Π’Π, Π° Π²ΡΠΏΡΡΠΊΠ½ΡΠ΅ ΠΊΠ»Π°ΠΏΠ°Π½Ρ Π΄Π²ΠΈΠ³Π°ΡΠ΅Π»Π΅ΠΉ (Π-144, Π‘ΠΠ-60, Π-41) β ΠΈΠ· ΡΡΠ°Π»ΠΈ ΠΠ-616, Π° Π΄Π²ΠΈΠ³Π°ΡΠ΅Π»Π΅ΠΉ (Π‘ΠΠ-14, Π-240, Π-65Π) β ΠΈΠ· ΡΡΠ°Π»ΠΈ 40Π₯10Π‘Π2.
ΠΡΠΎΠ±ΡΠ΅ ΡΡΠ΅Π±ΠΎΠ²Π°Π½ΠΈΡ ΠΏΡΠ΅Π΄ΡΡΠ²Π»ΡΡΡ ΠΊ ΠΌΠ°ΡΠ΅ΡΠΈΠ°Π»Ρ ΠΈΠ·Π³ΠΎΡΠΎΠ²Π»Π΅Π½ΠΈΡ Π²ΡΠΏΡΡΠΊΠ½ΡΡ ΠΊΠ»Π°ΠΏΠ°Π½ΠΎΠ² ΠΊΠ°ΡΠ±ΡΡΠ°ΡΠΎΡΠ½ΠΎΠ³ΠΎ Π΄Π²ΠΈΠ³Π°ΡΠ΅Π»Ρ, ΡΠΎΡΠΌΠΈΡΠΎΠ²Π°Π½Π½ΠΎΠ³ΠΎ ΠΏΠΎ ΡΠΊΠΎΡΠΎΡΡΠ½ΠΎΠΌΡ ΡΠ΅ΠΆΠΈΠΌΡ, ΠΊΠΎΡΠΎΡΡΠΉ ΠΏΠΎΠ΄Π²Π΅ΡΠΆΠ΅Π½ ΠΌΠ°ΠΊΡΠΈΠΌΠ°Π»ΡΠ½ΡΠΌ ΡΠ΅ΡΠΌΠΈΡΠ΅ΡΠΊΠΈΠΌ ΠΈ ΠΌΠ΅Ρ Π°Π½ΠΈΡΠ΅ΡΠΊΠΈΠΌ Π½Π°Π³ΡΡΠ·ΠΊΠ°ΠΌ. ΠΠ»Ρ ΠΊΠ»Π°ΠΏΠ°Π½ΠΎΠ² Π΄Π°Π½Π½ΡΡ Π΄Π²ΠΈΠ³Π°ΡΠ΅Π»Π΅ΠΉ ΠΏΡΠΈΠΌΠ΅Π½ΡΠ΅ΡΡΡ ΠΆΠ°ΡΠΎΠΏΡΠΎΡΠ½Π°Ρ ΡΡΠ°Π»Ρ ΠΠ970, ΠΊΠΎΡΠΎΡΠ°Ρ Π½Π΅ ΠΎΡΠ»ΠΈΡΠ°Π΅ΡΡΡ ΠΎΡ ΡΡΠ°Π»ΠΈ ΠΠ303.
β>
ΠΠΏΡΡΠΊΠ½ΠΎΠΉ ΠΈ Π²ΡΠΏΡΡΠΊΠ½ΠΎΠΉ ΠΊΠ»Π°ΠΏΠ°Π½: ΠΎΠΏΠΈΡΠ°Π½ΠΈΠ΅, Ρ Π°ΡΠ°ΠΊΡΠ΅ΡΠΈΡΡΠΈΠΊΠ°
ΠΠ»Π°Π²Π½ΠΎΠ΅ ΠΎΡΠ»ΠΈΡΠΈΠ΅ Π²ΠΏΡΡΠΊΠ½ΠΎΠ³ΠΎ ΠΊΠ»Π°ΠΏΠ°Π½Π° ΠΎΡ Π²ΡΠΏΡΡΠΊΠ½ΠΎΠ³ΠΎ β Π΄ΠΈΠ°ΠΌΠ΅ΡΡ ΡΠ°ΡΠ΅Π»ΠΊΠΈ: Ρ Π²ΠΏΡΡΠΊΠ½ΠΎΠ³ΠΎ ΠΎΠ½Π° Π±ΠΎΠ»ΡΡΠ΅. ΠΠΎΡΠ΅ΠΌΡ? ΠΠΎΡΠΎΠΌΡ ΡΡΠΎ Π²ΡΠ°ΡΡΠ²Π°Π½ΠΈΠ΅ Π²ΠΎΠ·Π΄ΡΡ Π° ΠΈΠ· Π°ΡΠΌΠΎΡΡΠ΅ΡΡ Π² ΡΠΈΠ»ΠΈΠ½Π΄Ρ ΠΏΠΎΠ΄ Π΄Π΅ΠΉΡΡΠ²ΠΈΠ΅ΠΌ ΡΠ°Π·ΡΠ΅ΠΆΠ΅Π½ΠΈΡ ΠΏΡΠΎΠΈΡΡ ΠΎΠ΄ΠΈΡ Ρ ΠΌΠ΅Π½ΡΡΠ΅ΠΉ ΡΠΊΠΎΡΠΎΡΡΡΡ, ΡΠ΅ΠΌ Π²ΡΡΠ°Π»ΠΊΠΈΠ²Π°Π½ΠΈΠ΅ Π΅Π³ΠΎ ΠΈΠ· ΡΠΈΠ»ΠΈΠ½Π΄ΡΠ° ΠΏΠΎΡΡΠ½Π΅ΠΌ.
ΠΡΠ΅ ΠΏΡΠΎΡΡΠΎ: ΠΊΠΎΠ»ΠΈΡΠ΅ΡΡΠ²ΠΎ Π²ΠΎΠ·Π΄ΡΡ
Π° (ΠΈΠ»ΠΈ ΡΠΎΠΏΠ»ΠΈΠ²ΠΎΠ²ΠΎΠ·Π΄ΡΡΠ½ΠΎΠΉ ΡΠΌΠ΅ΡΠΈ) β ΠΎΠ΄ΠΈΠ½Π°ΠΊΠΎΠ²ΠΎΠ΅, Π° ΡΠΊΠΎΡΠΎΡΡΡ β ΡΠ°Π·Π½Π°Ρ.
Π‘ΠΎΠΎΡΠ²Π΅ΡΡΡΠ²Π΅Π½Π½ΠΎ, ΡΠ°ΠΌ, Π³Π΄Π΅ ΡΠΊΠΎΡΠΎΡΡΡ Π½ΠΈΠΆΠ΅, ΠΎΡΠ²Π΅ΡΡΡΠΈΠ΅ ΡΠΈΡΠ΅, Π° Π·Π°ΠΊΡΡΠ²Π°ΡΡΠ°Ρ Π΅Π³ΠΎ ΡΠ°ΡΠ΅Π»ΠΊΠ° β Π±ΠΎΠ»ΡΡΠ΅ Π² Π΄ΠΈΠ°ΠΌΠ΅ΡΡΠ΅.
ΠΡΠ΅ ΡΡΠΎ ΡΠΏΡΠ°Π²Π΅Π΄Π»ΠΈΠ²ΠΎ Π΄Π»Ρ ΡΠ΅Ρ ΠΊΠ»Π°ΠΏΠ°Π½Π½ΡΡ ΠΌΠ΅Ρ Π°Π½ΠΈΠ·ΠΌΠΎΠ², Π³Π΄Π΅ Π²ΠΏΡΡΠΊΠ½ΡΡ ΠΈ Π²ΡΠΏΡΡΠΊΠ½ΡΡ ΠΊΠ»Π°ΠΏΠ°Π½ΠΎΠ² β ΡΠ°Π²Π½ΠΎΠ΅ ΠΊΠΎΠ»ΠΈΡΠ΅ΡΡΠ²ΠΎ β ΠΏΠΎ ΠΎΠ΄Π½ΠΎΠΌΡ ΠΈΠ»ΠΈ ΠΏΠΎ Π΄Π²Π°. ΠΠΏΡΠΎΡΠ΅ΠΌ, Π΅ΡΡΡ ΠΌΠΎΡΠΎΡΡ Ρ Π½Π΅ΡΠ΅ΡΠ½ΡΠΌ ΠΊΠΎΠ»ΠΈΡΠ΅ΡΡΠ²ΠΎΠΌ ΠΊΠ»Π°ΠΏΠ°Π½ΠΎΠ²: Π΄Π²Π° Π²ΠΏΡΡΠΊΠ½ΡΡ + ΠΎΠ΄ΠΈΠ½ Π²ΡΠΏΡΡΠΊΠ½ΠΎΠΉ ΠΈΠ»ΠΈ ΡΡΠΈ Π²ΠΏΡΡΠΊΠ½ΡΡ + Π΄Π²Π° Π²ΡΠΏΡΡΠΊΠ½ΡΡ . Π’ΡΡ Π²ΡΠ΅ Π½Π°ΠΎΠ±ΠΎΡΠΎΡ: Π΄ΠΈΠ°ΠΌΠ΅ΡΡ ΡΠ°ΡΠ΅Π»ΠΎΠΊ Π²ΡΠΏΡΡΠΊΠ½ΡΡ ΠΊΠ»Π°ΠΏΠ°Π½ΠΎΠ² Π±ΡΠ΄Π΅Ρ Π±ΠΎΠ»ΡΡΠ΅, ΡΠ΅ΠΌ Ρ Π²ΠΏΡΡΠΊΠ½ΡΡ , ΠΈΠ±ΠΎ ΠΏΡΠΎΠΈΠ·Π²ΠΎΠ΄ΠΈΡΠ΅Π»Ρ ΠΊΠΎΠΌΠΏΠ΅Π½ΡΠΈΡΠΎΠ²Π°Π» Π½ΠΈΠ·ΠΊΡΡ ΡΠΊΠΎΡΠΎΡΡΡ Π²ΡΠ°ΡΡΠ²Π°Π½ΠΈΡ Π΄ΠΎΠ±Π°Π²Π»Π΅Π½ΠΈΠ΅ΠΌ ΠΎΠ΄Π½ΠΎΠ³ΠΎ Β«Π»ΠΈΡΠ½Π΅Π³ΠΎΒ» ΠΎΡΠ²Π΅ΡΡΡΠΈΡ, Π° Π½Π΅ ΡΠ²Π΅Π»ΠΈΡΠ΅Π½ΠΈΠ΅ΠΌ Π΄ΠΈΠ°ΠΌΠ΅ΡΡΠ°. ΠΠΎΠ΄ΡΠΎΠ±Π½Π΅Π΅ ΠΎ ΡΠΎΠΎΡΠ½ΠΎΡΠ΅Π½ΠΈΠΈ ΠΊΠ»Π°ΠΏΠ°Π½ΠΎΠ² ΠΈ ΡΠΈΠ»ΠΈΠ½Π΄ΡΠΎΠ² ΠΌΠΎΠΆΠ½ΠΎ ΠΏΡΠΎΡΠΈΡΠ°ΡΡ Π² ΡΠΎΠΎΡΠ²Π΅ΡΡΡΠ²ΡΡΡΠ΅ΠΉ ΡΡΠ°ΡΡΠ΅.
ΠΡΠΎΡΠΎΠ΅ Π²Π°ΠΆΠ½ΠΎΠ΅ ΠΎΡΠ»ΠΈΡΠΈΠ΅ Π² ΠΊΠΎΠ½ΡΡΡΡΠΊΡΠΈΠΈ ΠΊΠ»Π°ΠΏΠ°Π½ΠΎΠ² β ΠΈΡ ΡΠ°Π±ΠΎΡΠ°Ρ ΡΠ΅ΠΌΠΏΠ΅ΡΠ°ΡΡΡΠ°. ΠΠΏΡΡΠΊΠ½ΡΠ΅ ΠΊΠ»Π°ΠΏΠ°Π½Ρ ΡΠ°Π±ΠΎΡΠ°ΡΡ ΠΏΡΠΈ 350-500 Π³ΡΠ°Π΄ΡΡΠ°Ρ , Π° Π²ΠΎΡ Π²ΡΠΏΡΡΠΊΠ½ΡΠΌ ΡΡΠΆΠ΅Π»Π΅Π΅ β ΡΠ°ΡΠΊΠ°Π»Π΅Π½Π½ΡΠ΅ ΠΎΡΡΠ°Π±ΠΎΡΠ°Π²ΡΠΈΠ΅ Π³Π°Π·Ρ Π½Π°Π³ΡΠ΅Π²Π°ΡΡ ΠΈΡ Π΄ΠΎ 700-900 Π³ΡΠ°Π΄ΡΡΠΎΠ². ΠΠΎΡΡΠΎΠΌΡ, ΡΠΎΠΎΡΠ²Π΅ΡΡΡΠ²Π΅Π½Π½ΠΎ, Π²ΡΠΏΡΡΠΊΠ½ΡΠ΅ ΠΊΠ»Π°ΠΏΠ°Π½Ρ ΡΠ°ΡΡΠΎ Π΄Π΅Π»Π°ΡΡ Π±ΠΎΠ»Π΅Π΅ ΠΆΠ°ΡΠΎΠΏΡΠΎΡΠ½ΡΠΌΠΈ.
Π§ΠΈΡΠ°ΠΉΡΠ΅ ΡΠ°ΠΊΠΆΠ΅:Β Π Π΅ΡΡΡΡ Π΄Π²ΠΈΠ³Π°ΡΠ΅Π»Ρ ΠΎΠΏΠ΅Π»Ρ Π·Π°ΡΠΈΡΠ° 1.
4, 1.6, 1.7, 1.8, 2.0, 2.2
ΠΠΎΠ»ΠΎΠ²ΠΊΠΈ (ΠΈΠ»ΠΈ ΡΠ°ΡΠ΅Π»ΠΊΠΈ) Π²ΠΏΡΡΠΊΠ½ΠΎΠ³ΠΎ ΠΈ Π²ΡΠΏΡΡΠΊΠ½ΠΎΠ³ΠΎ ΠΊΠ»Π°ΠΏΠ°Π½ΠΎΠ² ΠΌΠΎΠ³ΡΡ Π±ΡΡΡ ΠΊΠ°ΠΊ ΠΎΠ΄ΠΈΠ½Π°ΠΊΠΎΠ²ΠΎΠ³ΠΎ Π΄ΠΈΠ°ΠΌΠ΅ΡΡΠ°, ΡΠ°ΠΊ ΠΈ ΡΠ°Π·Π½ΠΎΠ³ΠΎ. (Π½Π° Π°Π²ΡΠΎΠΌΠΎΠ±ΠΈΠ»ΡΡ ΡΡΡΠ°ΡΠ΅Π²ΡΠΈΡ ΠΌΠ°ΡΠΎΠΊ Ρ ΠΌΠ°Π»ΡΠΌ ΠΏΠ΅ΡΠ΅ΠΊΡΡΡΠΈΠ΅ΠΌ ΠΊΠ»Π°ΠΏΠ°Π½ΠΎΠ²) -ΠΌΠΎΡ ΠΏΡΠΈΠΌ. ΠΠ±ΡΡΠ½ΠΎ Π³ΠΎΠ»ΠΎΠ²ΠΊΡ Π²ΠΏΡΡΠΊΠ½ΠΎΠ³ΠΎ ΠΊΠ»Π°ΠΏΠ°Π½Π° Π΄Π΅Π»Π°ΡΡ Π±ΠΎΠ»ΡΡΠ΅Π³ΠΎ Π΄ΠΈΠ°ΠΌΠ΅ΡΡΠ° Π΄Π»Ρ ΡΠ»ΡΡΡΠ΅Π½ΠΈΡ Π½Π°ΠΏΠΎΠ»Π½Π΅Π½ΠΈΡ ΡΠΈΠ»ΠΈΠ½Π΄ΡΠ°. ΠΠ°ΠΏΡΠΈΠΌΠ΅Ρ, ΡΠ°Π·ΠΌΠ΅ΡΡ ΠΊΠ»Π°ΠΏΠ°Π½ΠΎΠ² Π΄Π²ΠΈΠ³Π°ΡΠ΅Π»Ρ Π°Π²ΡΠΎΠΌΠΎΠ±ΠΈΠ»Ρ ΠΠΠ-53Π: Π΄ΠΈΠ°ΠΌΠ΅ΡΡ Π³ΠΎΠ»ΠΎΠ²ΠΊΠΈ Π²ΠΏΡΡΠΊΠ½ΠΎΠ³ΠΎ ΠΊΠ»Π°ΠΏΠ°Π½Π° 47 ΠΌΠΌ, Π° Π²ΡΠΏΡΡΠΊΠ½ΠΎΠ³ΠΎ 36 ΠΌΠΌ. Π Π΄ΠΈΠ·Π΅Π»Π΅ ΠΠ°ΠΌΠΠ-740 Π΄ΠΈΠ°ΠΌΠ΅ΡΡ ΡΠ°ΡΠ΅Π»ΠΊΠΈ Π²ΠΏΡΡΠΊΠ½ΠΎΠ³ΠΎ ΠΊΠ»Π°ΠΏΠ°Π½Π° 51 ΠΌΠΌ, Π° Π²ΡΠΏΡΡΠΊΠ½ΠΎΠ³ΠΎ 46 ΠΌΠΌ. ΠΠΏΡΡΠΊΠ½ΠΎΠΉ Π±ΠΎΠ»ΡΡΠΎΠΉ Π²ΡΠΏΡΡΠΊΠ½ΠΎΠΉ ΠΌΠ°Π»Π΅Π½ΡΠΊΠΈΠΉ.
ΠΡΠΏΡΡΠΊΠ½ΠΎΠΉ ΠΊΠ»Π°ΠΏΠ°Π½ Π΄Π²ΠΈΠ³Π°ΡΠ΅Π»Ρ
ΠΡΠΏΡΡΠΊΠ½ΠΎΠΉ ΠΊΠ»Π°ΠΏΠ°Π½ β ΡΠ»Π΅ΠΌΠ΅Π½Ρ ΠΠ Π, ΠΏΡΠΈ ΠΎΡΠΊΡΡΡΠΈΠΈ ΠΊΠΎΡΠΎΡΠΎΠ³ΠΎ ΠΏΡΠΎΠΈΡΡ
ΠΎΠ΄ΠΈΡ ΡΠ΄Π°Π»Π΅Π½ΠΈΠ΅ (Π²ΡΠΏΡΡΠΊ) ΠΎΡΡΠ°Π±ΠΎΡΠ°Π²ΡΠΈΡ
Π³Π°Π·ΠΎΠ² ΠΈΠ· ΠΊΠ°ΠΌΠ΅ΡΡ ΡΠ³ΠΎΡΠ°Π½ΠΈΡ Π΄Π²ΠΈΠ³Π°ΡΠ΅Π»Ρ. ΠΡΠΏΡΡΠΊ Π³Π°Π·ΠΎΠ² ΠΏΡΠΎΠΈΡΡ
ΠΎΠ΄ΠΈΡ ΡΠΎΠ³Π΄Π°, ΠΊΠΎΠ³Π΄Π° ΠΏΠΎΡΡΠ΅Π½Ρ Π² ΡΠΈΠ»ΠΈΠ½Π΄ΡΠ΅ Π΄Π²ΠΈΠ³Π°ΡΠ΅Π»Ρ Π½Π°ΠΏΡΠ°Π²Π»ΡΠ΅ΡΡΡ ΠΎΡ Π½ΠΈΠΆΠ½Π΅ΠΉ ΠΌΠ΅ΡΡΠ²ΠΎΠΉ ΡΠΎΡΠΊΠΈ (ΠΠΠ’) ΠΊ Π²Π΅ΡΡ
Π½Π΅ΠΉ ΠΌΠ΅ΡΡΠ²ΠΎΠΉ ΡΠΎΡΠΊΠ΅ (ΠΠΠ’). Π ΠΏΡΠΎΡΠ΅ΡΡΠ΅ ΡΠ°Π±ΠΎΡΡ Π΄Π²ΠΈΠ³Π°ΡΠ΅Π»Ρ Π²ΡΠΏΡΡΠΊΠ½ΡΠ΅ ΠΊΠ»Π°ΠΏΠ°Π½Ρ ΠΏΠΎΠ΄Π²Π΅ΡΠ³Π°ΡΡΡΡ Π·Π½Π°ΡΠΈΡΠ΅Π»ΡΠ½ΡΠΌ ΡΠ΅ΡΠΌΠΈΡΠ΅ΡΠΊΠΈΠΌ Π½Π°Π³ΡΡΠ·ΠΊΠ°ΠΌ, ΡΠ°ΠΊ ΠΊΠ°ΠΊ ΠΏΠΎΡΡΠΎΡΠ½Π½ΠΎ ΠΊΠΎΠ½ΡΠ°ΠΊΡΠΈΡΡΡΡ Ρ ΡΠ°ΡΠΊΠ°Π»Π΅Π½Π½ΡΠΌΠΈ ΠΎΡΡΠ°Π±ΠΎΡΠ°Π²ΡΠΈΠΌΠΈ Π³Π°Π·Π°ΠΌΠΈ.
ΠΠΎΠ»ΠΎΠ²ΠΊΠ° ΠΊΠ»Π°ΠΏΠ°Π½Π° ΠΏΡΠΈ ΡΠ°Π±ΠΎΡΠ΅ ΠΠΠ‘ ΠΌΠΎΠΆΠ΅Ρ ΡΠ°Π·ΠΎΠ³ΡΠ΅Π²Π°ΡΡΡΡ Π² ΠΏΡΠ΅Π΄Π΅Π»Π°Ρ
600-800 Π³ΡΠ°Π΄ΡΡΠΎΠ².
ΠΠΎΡΠ»Π΅ ΠΎΠΊΠΎΠ½ΡΠ°Π½ΠΈΡ ΡΠ°ΠΊΡΠ° Π²ΠΏΡΡΠΊΠ° ΠΈ ΡΠΆΠ°ΡΠΈΡ Π³Π»Π°Π²Π½ΡΠΌ ΡΡΠ΅Π±ΠΎΠ²Π°Π½ΠΈΠ΅ΠΌ Π² ΠΌΠΎΠΌΠ΅Π½Ρ Π²ΠΎΠ·Π³ΠΎΡΠ°Π½ΠΈΡ ΡΠΎΠΏΠ»ΠΈΠ²Π° Π² ΠΊΠ°ΠΌΠ΅ΡΠ΅ ΡΠ³ΠΎΡΠ°Π½ΠΈΡ ΡΠ²Π»ΡΠ΅ΡΡΡ ΠΌΠ°ΠΊΡΠΈΠΌΠ°Π»ΡΠ½Π°Ρ Π³Π΅ΡΠΌΠ΅ΡΠΈΡΠ½ΠΎΡΡΡ. ΠΠΏΡΡΠΊΠ½ΠΎΠΉ ΠΈ Π²ΡΠΏΡΡΠΊΠ½ΠΎΠΉ ΠΊΠ»Π°ΠΏΠ°Π½Ρ Π·Π°ΠΊΡΡΡΡ. ΠΠΎΠ³Π΄Π° ΠΏΠΎΡΡΠ΅Π½Ρ ΠΏΡΠΈΠ½ΡΠ» Π½Π° ΡΠ΅Π±Ρ ΡΠ½Π΅ΡΠ³ΠΈΡ ΡΠ°ΡΡΠΈΡΡΡΡΠΈΡ ΡΡ Π³Π°Π·ΠΎΠ² ΠΏΠΎΡΠ»Π΅ Π²ΠΎΠ·Π³ΠΎΡΠ°Π½ΠΈΡ ΡΠΎΠΏΠ»ΠΈΠ²Π½ΠΎ-Π²ΠΎΠ·Π΄ΡΡΠ½ΠΎΠΉ ΡΠΌΠ΅ΡΠΈ, ΠΈΠ· ΠΊΠ°ΠΌΠ΅ΡΡ ΡΠ³ΠΎΡΠ°Π½ΠΈΡ Π½Π΅ΠΎΠ±Ρ ΠΎΠ΄ΠΈΠΌΠΎ ΡΠ΄Π°Π»ΠΈΡΡ ΡΡΠΈ ΠΎΡΡΠ°Π±ΠΎΡΠ°Π²ΡΠΈΠ΅ Π³Π°Π·Ρ. ΠΠ΅ΡΠΌΠ΅ΡΠΈΠ·Π°ΡΠΈΡ ΠΊΠ°ΠΌΠ΅ΡΡ Π½Π° Π΄Π°Π½Π½ΠΎΠΌ ΡΡΠ°ΠΏΠ΅ ΡΠΆΠ΅ Π½Π΅ Π½ΡΠΆΠ½Π°. ΠΠ° ΡΠ΄Π°Π»Π΅Π½ΠΈΠ΅ Π²ΡΡ Π»ΠΎΠΏΠ½ΡΡ Π³Π°Π·ΠΎΠ² Π² ΠΊΠΎΠ½ΡΡΡΡΠΊΡΠΈΠΈ Π³Π°Π·ΠΎΡΠ°ΡΠΏΡΠ΅Π΄Π΅Π»ΠΈΡΠ΅Π»ΡΠ½ΠΎΠ³ΠΎ ΠΌΠ΅Ρ Π°Π½ΠΈΠ·ΠΌΠ° ΠΎΡΠ²Π΅ΡΠ°Π΅Ρ Π²ΡΠΏΡΡΠΊΠ½ΠΎΠΉ ΡΠ°ΡΠ΅Π»ΡΡΠ°ΡΡΠΉ ΠΊΠ»Π°ΠΏΠ°Π½, ΠΊΠΎΡΠΎΡΡΠΉ ΡΠ°Π·ΠΌΠ΅ΡΠ΅Π½ Π² Π³ΠΎΠ»ΠΎΠ²ΠΊΠ΅ Π±Π»ΠΎΠΊΠ° ΡΠΈΠ»ΠΈΠ½Π΄ΡΠΎΠ² (ΠΠΠ¦).
ΠΠ° ΡΠ°ΠΊΡΠ΅ Π²ΠΏΡΡΠΊΠ° ΡΠΎΠ·Π΄Π°Π΅ΡΡΡ ΡΠ°Π·ΡΡΠΆΠ΅Π½ΠΈΠ΅, Π° Π½Π° ΡΠ°ΠΊΡΠ΅ Π²ΡΠΏΡΡΠΊΠ° Π² ΡΠ°Π±ΠΎΡΠ΅ΠΉ ΠΊΠ°ΠΌΠ΅ΡΠ΅ ΡΠ³ΠΎΡΠ°Π½ΠΈΡ Π΄Π²ΠΈΠ³Π°ΡΠ΅Π»Ρ ΠΎΠ±ΡΠ°Π·ΡΠ΅ΡΡΡ ΠΏΠΎΠ²ΡΡΠ΅Π½Π½ΠΎΠ΅ Π΄Π°Π²Π»Π΅Π½ΠΈΠ΅. ΠΠΎΡΠ»Π΅ ΡΠ³ΠΎΡΠ°Π½ΠΈΡ ΡΠΌΠ΅ΡΠΈ ΡΠΎΠΏΠ»ΠΈΠ²Π° ΠΈ Π²ΠΎΠ·Π΄ΡΡ
Π° ΠΎΡΡΠ°Π±ΠΎΡΠ°Π²ΡΠΈΠ΅ Π³Π°Π·Ρ ΠΏΠΎΠΊΠΈΠ΄Π°ΡΡ ΠΊΠ°ΠΌΠ΅ΡΡ ΡΠ³ΠΎΡΠ°Π½ΠΈΡ ΡΠ΅ΡΠ΅Π· ΠΎΡΠΊΡΡΠ²Π°ΡΡΠΈΠΉΡΡ Π² Π½ΡΠΆΠ½ΡΠΉ ΠΌΠΎΠΌΠ΅Π½Ρ Π²ΡΠΏΡΡΠΊΠ½ΠΎΠΉ ΠΊΠ»Π°ΠΏΠ°Π½. Π‘ΠΈΠ»Π° Π΄Π°Π²Π»Π΅Π½ΠΈΡ ΠΏΠΎΠ·Π²ΠΎΠ»ΡΠ΅Ρ Π³Π°Π·Π°ΠΌ Ρ Π»Π΅Π³ΠΊΠΎΡΡΡΡ Π²ΡΠΉΡΠΈ ΠΈΠ· ΡΠ°Π±ΠΎΡΠ΅ΠΉ ΠΊΠ°ΠΌΠ΅ΡΡ. ΠΡΠΈΠΌ ΠΎΠ±ΡΡΡΠ½ΡΠ΅ΡΡΡ ΠΌΠ΅Π½ΡΡΠΈΠΉ ΡΠ°Π·ΠΌΠ΅Ρ ΡΠ°ΡΠ΅Π»ΠΊΠΈ Π²ΡΠΏΡΡΠΊΠ½ΠΎΠ³ΠΎ ΠΊΠ»Π°ΠΏΠ°Π½Π° ΡΡΠ°Π²Π½ΠΈΡΠ΅Π»ΡΠ½ΠΎ Ρ ΡΠ°ΡΠ΅Π»ΠΊΠΎΠΉ Π²ΠΏΡΡΠΊΠ½ΠΎΠ³ΠΎ ΠΊΠ»Π°ΠΏΠ°Π½Π°.
ΠΠ° ΡΠ°ΠΊΡΠ΅ Π²ΠΏΡΡΠΊΠ° ΡΠ°Π·ΡΠ΅ΠΆΠ΅Π½ΠΈΠ΅ ΠΏΠΎ ΡΠ²ΠΎΠ΅ΠΉ ΡΠΈΠ»Π΅ ΠΌΠ΅Π½ΡΡΠ΅ Π΄Π°Π²Π»Π΅Π½ΠΈΡ Π½Π° Π²ΡΠΏΡΡΠΊΠ΅. ΠΡΡ
Π»ΠΎΠΏΠ½ΡΠ΅ Π³Π°Π·Ρ ΠΏΡΠ°ΠΊΡΠΈΡΠ΅ΡΠΊΠΈ Π²ΡΡΠ°Π»ΠΊΠΈΠ²Π°ΡΡΡΡ Π½Π°ΡΡΠΆΡ ΡΠ΅ΡΠ΅Π· ΠΎΡΠΊΡΡΡΡΠΉ Π²ΡΠΏΡΡΠΊΠ½ΠΎΠΉ ΠΊΠ»Π°ΠΏΠ°Π½.
ΠΡΡΠ΅ΠΊΡΠΈΠ²Π½Π°Ρ Π³Π΅ΡΠΌΠ΅ΡΠΈΠ·Π°ΡΠΈΡ ΠΊΠ°ΠΌΠ΅ΡΡ ΡΠ³ΠΎΡΠ°Π½ΠΈΡ ΡΡΠ°Π»Π° Π²ΠΎΠ·ΠΌΠΎΠΆΠ½Π° Π±Π»Π°Π³ΠΎΠ΄Π°ΡΡ ΠΈΡΠΏΠΎΠ»ΡΠ·ΠΎΠ²Π°Π½ΠΈΡ ΡΠ°ΡΠ΅Π»ΡΡΠ°ΡΡΡ ΠΊΠ»Π°ΠΏΠ°Π½ΠΎΠ² Π² ΠΊΠΎΠ½ΡΡΡΡΠΊΡΠΈΠΈ ΠΠ Π ΡΠΎΠ²ΡΠ΅ΠΌΠ΅Π½Π½ΡΡ ΠΠΠ‘. Π£ΡΡΡΠΎΠΉΡΡΠ²ΠΎ ΠΊΠ»Π°ΠΏΠ°Π½Π° ΠΏΡΠΎΡΡΠΎΠ΅, ΡΠ»Π΅ΠΌΠ΅Π½Ρ ΠΈΠΌΠ΅Π΅Ρ ΡΠ°ΡΠ΅Π»ΠΊΡ ΠΈ ΡΡΠ΅ΡΠΆΠ΅Π½Ρ. Π€Π°ΡΠΊΠ° ΠΏΠ»Π°Π²Π½ΠΎ ΠΏΠ΅ΡΠ΅Ρ ΠΎΠ΄ΠΈΡ Π² ΡΡΠ΅ΡΠΆΠ΅Π½Ρ, ΡΡΠΎ Π΄Π΅Π»Π°Π΅Ρ ΠΊΠ»Π°ΠΏΠ°Π½ Π΄ΠΎΡΡΠ°ΡΠΎΡΠ½ΠΎ ΠΏΡΠΎΡΠ½ΡΠΌ. ΠΠΎΠ½ΠΈΡΠ΅ΡΠΊΠ°Ρ ΡΠΎΡΠΌΠ° ΠΏΠ΅ΡΠ΅Ρ ΠΎΠ΄Π° Π·Π°ΠΌΠ΅ΡΠ½ΠΎ ΡΠ½ΠΈΠΆΠ°Π΅Ρ ΡΠΎΠΏΡΠΎΡΠΈΠ²Π»Π΅Π½ΠΈΠ΅ Π²ΡΡ Π»ΠΎΠΏΠ½ΡΡ Π³Π°Π·ΠΎΠ² ΠΏΡΠΈ Π²ΡΡ ΠΎΠ΄Π΅ ΠΈΠ· ΠΊΠ°ΠΌΠ΅ΡΡ, Π° ΡΠ°ΠΊΠΆΠ΅ Π΄ΠΎΠΏΠΎΠ»Π½ΠΈΡΠ΅Π»ΡΠ½ΠΎ ΡΠ»ΡΡΡΠ°Π΅Ρ Π³Π΅ΡΠΌΠ΅ΡΠΈΠ·Π°ΡΠΈΡ.
ΠΡΠΊΡΡΡΠΈΠ΅ Π²ΡΠΏΡΡΠΊΠ½ΠΎΠ³ΠΎ ΠΊΠ»Π°ΠΏΠ°Π½Π° ΠΏΡΠΎΠΈΡΡ
ΠΎΠ΄ΠΈΡ Π±Π»Π°Π³ΠΎΠ΄Π°ΡΡ ΠΏΠΎΠ»ΡΡΠ΅Π½Π½ΠΎΠΌΡ ΡΡΠΈΠ»ΠΈΡ ΠΎΡ ΠΊΡΠ»Π°ΡΠΊΠ° ΡΠ°ΡΠΏΡΠ΅Π΄Π΅Π»ΠΈΡΠ΅Π»ΡΠ½ΠΎΠ³ΠΎ Π²Π°Π»Π°. Π‘ΡΠ΅ΡΠΆΠ΅Π½Ρ (ΡΡΠΎΠΊ) ΠΊΠ»Π°ΠΏΠ°Π½Π° Π½Π°Ρ
ΠΎΠ΄ΠΈΡΡΡ Π² Π½Π°ΠΏΡΠ°Π²Π»ΡΡΡΠ΅ΠΉ Π²ΡΡΠ»ΠΊΠ΅ ΠΊΠ»Π°ΠΏΠ°Π½Π°, ΠΊΠΎΡΠΎΡΠ°Ρ Π·Π°ΠΏΡΠ΅ΡΡΠΎΠ²Π°Π½Π° Π² ΠΠΠ¦. ΠΡΠ»Π°ΡΠΎΠΊ ΡΠ°ΡΠΏΡΠ΅Π΄Π²Π°Π»Π° Π½Π°ΠΆΠΈΠΌΠ°Π΅Ρ ΠΏΡΡΠΌΠΎ Π½Π° ΡΡΠΎΠΊ ΠΊΠ»Π°ΠΏΠ°Π½Π° ΠΈΠ»ΠΈ Π½Π° ΡΠΎΠΊΠ΅ΡΠ°, ΠΎΡ ΠΊΠΎΡΠΎΡΠΎΠ³ΠΎ ΡΡΠΈΠ»ΠΈΠ΅ ΠΏΠ΅ΡΠ΅Π΄Π°Π΅ΡΡΡ Π½Π° ΡΡΠ΅ΡΠΆΠ΅Π½Ρ. Π ΠΠΠ¦ ΡΠ°ΠΊΠΆΠ΅ ΡΠ°Π·ΠΌΠ΅ΡΠ΅Π½ΠΎ ΡΠ΅Π΄Π»ΠΎ ΠΊΠ»Π°ΠΏΠ°Π½Π°. Π‘Π΅Π΄Π»ΠΎ ΠΊΠ»Π°ΠΏΠ°Π½Π° ΠΏΡΠ΅Π΄ΡΡΠ°Π²Π»ΡΠ΅Ρ ΡΠΎΠ±ΠΎΠΉ ΡΠ³Π»ΡΠ±Π»Π΅Π½ΠΈΠ΅, ΠΊΠΎΡΠΎΡΠΎΠ΅ ΠΏΠΎ ΡΠ²ΠΎΠ΅ΠΉ ΡΠΎΡΠΌΠ΅ ΡΠΎΠΎΡΠ²Π΅ΡΡΡΠ²ΡΠ΅Ρ Π²Π΅ΡΡ
Π½Π΅ΠΉ ΡΠ°ΡΡΠΈ ΡΠ°ΡΠ΅Π»ΠΊΠΈ ΠΊΠ»Π°ΠΏΠ°Π½Π°.
Π’Π°ΡΠ΅Π»ΠΊΠ° ΠΊΠ»Π°ΠΏΠ°Π½Π° ΠΈ ΡΠ΅Π΄Π»ΠΎ ΠΊΠ»Π°ΠΏΠ°Π½Π° Ρ ΡΠΈΠ»ΠΈΠ³ΡΠ°Π½Π½ΠΎΠΉ ΡΠΎΡΠ½ΠΎΡΡΡΡ ΠΏΡΠΈΠΆΠΈΠΌΠ°ΡΡΡΡ Π΄ΡΡΠ³ ΠΊ Π΄ΡΡΠ³Ρ. ΠΠ°Π½Π½ΠΎΠ΅ ΡΠ΅ΡΠ΅Π½ΠΈΠ΅ ΠΏΠΎΠ·Π²ΠΎΠ»ΡΠ΅Ρ ΠΎΠ±Π΅ΡΠΏΠ΅ΡΠΈΡΡ ΠΌΠ°ΠΊΡΠΈΠΌΠ°Π»ΡΠ½ΡΡ Π³Π΅ΡΠΌΠ΅ΡΠΈΡΠ½ΠΎΡΡΡ Π² ΡΠΎΡ ΠΌΠΎΠΌΠ΅Π½Ρ, ΠΊΠΎΠ³Π΄Π° Π·Π°ΠΊΡΡΡΡ Π²ΠΏΡΡΠΊΠ½ΠΎΠΉ ΠΈ Π²ΡΠΏΡΡΠΊΠ½ΠΎΠΉ ΠΊΠ»Π°ΠΏΠ°Π½Ρ. ΠΠ»Π°Π²Π½ΠΎΠΉ Π·Π°Π΄Π°ΡΠ΅ΠΉ ΡΡΠ°Π½ΠΎΠ²ΠΈΡΡΡ ΠΈΡΠΊΠ»ΡΡΠΈΡΡ ΠΏΡΠΎΡΡΠ² Π³Π°Π·ΠΎΠ² ΠΈΠ· ΠΊΠ°ΠΌΠ΅ΡΡ ΡΠ³ΠΎΡΠ°Π½ΠΈΡ.
ΠΠ° Π²Π΅ΡΡ Π½Π΅ΠΉ ΡΠ°ΡΡΠΈ ΡΡΠ΅ΡΠΆΠ½Ρ ΠΊΠ»Π°ΠΏΠ°Π½Π° Π²ΡΠΏΠΎΠ»Π½Π΅Π½Π° ΡΠΏΠ΅ΡΠΈΠ°Π»ΡΠ½Π°Ρ Π²ΡΡΠΎΡΠΊΠ°. Π£ΠΊΠ°Π·Π°Π½Π½Π°Ρ Π²ΡΡΠΎΡΠΊΠ° ΡΠ²Π»ΡΠ΅ΡΡΡ ΠΌΠ΅ΡΡΠΎΠΌ ΡΡΡΠ°Π½ΠΎΠ²ΠΊΠΈ Β«ΡΡΡ Π°ΡΡΒ». ΠΠ°Π½Π½ΡΠΉ Β«ΡΡΡ Π°ΡΡΒ» ΠΏΡΠ΅Π΄ΡΡΠ°Π²Π»ΡΠ΅Ρ ΡΠΎΠ±ΠΎΠΉ ΠΊΠΎΠ½ΠΈΡΠ΅ΡΠΊΠΎΠ΅ ΠΊΠΎΠ»ΡΡΠΎ, ΠΊΠΎΡΠΎΡΠΎΠ΅ ΡΠ°Π·ΡΠ΅Π·Π°Π½ΠΎ Π½Π° Π΄Π²Π΅ ΡΠ°Π²Π½ΡΡ ΡΠ°ΡΡΠΈ. Π Π΅ΡΠ΅Π½ΠΈΠ΅ Π½Π΅ΠΎΠ±Ρ ΠΎΠ΄ΠΈΠΌΠΎ Π΄Π»Ρ ΠΊΡΠ΅ΠΏΠ»Π΅Π½ΠΈΡ ΡΠ°ΡΠ΅Π»ΠΊΠΈ ΠΏΡΡΠΆΠΈΠ½Ρ ΠΊΠ»Π°ΠΏΠ°Π½Π°. ΠΡΠ»ΠΈ ΠΎΡΠΊΡΡΡΠΈΠ΅ ΠΊΠ»Π°ΠΏΠ°Π½Π° ΠΎΡΡΡΠ΅ΡΡΠ²Π»ΡΠ΅ΡΡΡ Π·Π° ΡΡΠ΅Ρ Β«ΡΠΎΠ»ΡΠΊΠ°Β» ΠΎΡ ΠΊΡΠ»Π°ΡΠΊΠ° ΡΠ°ΡΠΏΡΠ΅Π΄Π²Π°Π»Π°, ΡΠΎ Π·Π°ΠΊΡΡΡΠΈΠ΅ ΠΊΠ»Π°ΠΏΠ°Π½Π° ΡΠ΅Π°Π»ΠΈΠ·ΠΎΠ²Π°Π½ΠΎ ΠΏΠΎΡΡΠ΅Π΄ΡΡΠ²ΠΎΠΌ ΡΡΠΈΠ»ΠΈΡ ΠΏΡΡΠΆΠΈΠ½Ρ ΠΊΠ»Π°ΠΏΠ°Π½Π°. Π£ΠΊΠ°Π·Π°Π½Π½Π°Ρ ΠΏΡΡΠΆΠΈΠ½Π° Π·Π°ΠΊΡΡΠ²Π°Π΅Ρ ΠΊΠ»Π°ΠΏΠ°Π½, ΠΏΠ»ΠΎΡΠ½ΠΎ ΠΏΡΠΈΠΆΠΈΠΌΠ°Ρ ΡΠ°ΡΠ΅Π»ΠΊΡ ΠΊ ΡΠ΅Π΄Π»Ρ. ΠΠΎΠΏΠΎΠ»Π½ΠΈΡΠ΅Π»ΡΠ½ΠΎ ΠΈΠΌΠ΅Π΅ΡΡΡ ΠΌΠ΅Ρ Π°Π½ΠΈΠ·ΠΌ, ΠΊΠΎΡΠΎΡΡΠΉ ΠΎΡΡΡΠ΅ΡΡΠ²Π»ΡΠ΅Ρ ΠΏΡΠΎΠ²ΠΎΡΠ°ΡΠΈΠ²Π°Π½ΠΈΠ΅ ΠΊΠ»Π°ΠΏΠ°Π½Π°. ΠΡΠΎ Π½Π΅ΠΎΠ±Ρ ΠΎΠ΄ΠΈΠΌΠΎ Π΄Π»Ρ ΡΠ°Π²Π½ΠΎΠΌΠ΅ΡΠ½ΠΎΠ³ΠΎ ΠΈΠ·Π½ΠΎΡΠ° ΠΊΠ»Π°ΠΏΠ°Π½Π° ΠΈ ΠΎΡΠΈΡΡΠΊΠΈ ΠΊΠ»Π°ΠΏΠ°Π½Π° ΠΎΡ Π½Π°Π³Π°ΡΠ°.
ΠΡΠΏΡΡΠΊΠ½ΠΎΠΉ ΠΊΠ»Π°ΠΏΠ°Π½ ΡΠ°Π±ΠΎΡΠ°Π΅Ρ Π² ΠΊΡΠ°ΠΉΠ½Π΅ ΡΠ»ΠΎΠΆΠ½ΡΡ
ΡΡΠ»ΠΎΠ²ΠΈΡΡ
. ΠΡΡΠ°Π±ΠΎΡΠ°Π²ΡΠΈΠ΅ Π³Π°Π·Ρ Π²ΡΠ·ΡΠ²Π°ΡΡ ΡΠΈΠ»ΡΠ½ΡΡ ΠΊΠΎΡΡΠΎΠ·ΠΈΡ Π²ΡΠΏΡΡΠΊΠ½ΡΡ
ΠΊΠ»Π°ΠΏΠ°Π½ΠΎΠ².
ΠΡΠ»ΠΈ ΡΠΎΠΏΠ»ΠΈΠ²ΠΎ ΡΠ³ΠΎΡΠ°Π΅Ρ Π² ΠΊΠ°ΠΌΠ΅ΡΠ΅ Π½Π΅ ΠΏΠΎΠ»Π½ΠΎΡΡΡΡ, ΡΠΎΠ³Π΄Π° ΡΡΠΎ ΠΌΠΎΠΆΠ΅Ρ ΠΏΡΠΈΠ²Π΅ΡΡΠΈ ΠΊ ΠΏΡΠΎΠ³Π°ΡΡ ΠΊΠ»Π°ΠΏΠ°Π½Π°. Π Π΅Π³ΡΠ»ΠΈΡΠΎΠ²ΠΊΠ° ΠΊΠ»Π°ΠΏΠ°Π½Π½ΠΎΠ³ΠΎ ΠΌΠ΅Ρ
Π°Π½ΠΈΠ·ΠΌΠ° ΡΠ²Π»ΡΠ΅ΡΡΡ Π²Π°ΠΆΠ½ΠΎΠΉ ΠΏΡΠΎΡΠ΅Π΄ΡΡΠΎΠΉ Π² ΠΏΡΠΎΡΠ΅ΡΡΠ΅ ΡΠΊΡΠΏΠ»ΡΠ°ΡΠ°ΡΠΈΠΈ ΠΠΠ‘. Π Π°Π½Π½Π΅Π΅ Π·Π°ΠΊΡΡΡΠΈΠ΅ Π²ΡΠΏΡΡΠΊΠ½ΠΎΠ³ΠΎ ΠΊΠ»Π°ΠΏΠ°Π½Π° ΠΌΠΎΠΆΠ΅Ρ ΠΏΡΠΈΠ²Π΅ΡΡΠΈ ΠΊ Π±ΡΡΡΡΠΎΠΌΡ Π΅Π³ΠΎ ΠΏΡΠΎΠ³Π°ΡΡ.
Π ΠΏΡΠΎΡΠ΅ΡΡΠ΅ ΡΠΊΡΠΏΠ»ΡΠ°ΡΠ°ΡΠΈΠΈ Π»ΡΠ±ΠΎΠ³ΠΎ ΠΠΠ‘ ΡΠ°ΡΠ΅Π»ΠΊΠ° ΠΊΠ»Π°ΠΏΠ°Π½Π° ΠΈ ΡΠ΅Π΄Π»ΠΎ ΠΏΠΎΠΊΡΡΠ²Π°ΡΡΡΡ Π½Π°Π³Π°ΡΠΎΠΌ. ΠΠ·Π±Π΅ΠΆΠ°ΡΡ Π½Π°Π³Π°ΡΠ° Π½Π° ΠΊΠ»Π°ΠΏΠ°Π½Π°Ρ ΠΏΡΠ°ΠΊΡΠΈΡΠ΅ΡΠΊΠΈ Π½Π΅ ΠΏΡΠ΅Π΄ΡΡΠ°Π²Π»ΡΠ΅ΡΡΡ Π²ΠΎΠ·ΠΌΠΎΠΆΠ½ΡΠΌ. ΠΠ°Π»ΠΈΡΠΈΠ΅ Π½Π°Π³Π°ΡΠ° Π²ΡΠ·ΡΠ²Π°Π΅Ρ ΠΏΠΎΡΡΠΎΡΠ½Π½ΡΠΉ ΠΏΠ΅ΡΠ΅Π³ΡΠ΅Π² Π²ΡΠΏΡΡΠΊΠ½ΠΎΠ³ΠΎ ΠΊΠ»Π°ΠΏΠ°Π½Π°. Π Π°Π½ΠΎ ΠΈΠ»ΠΈ ΠΏΠΎΠ·Π΄Π½ΠΎ ΠΎΠΏΠΎΡΠ½Π°Ρ ΠΏΠΎΠ²Π΅ΡΡ Π½ΠΎΡΡΡ ΠΊΠ»Π°ΠΏΠ°Π½Π° Π½Π°ΡΠΈΠ½Π°Π΅Ρ Π²ΡΠ³ΠΎΡΠ°ΡΡ, ΡΡΠΎ ΠΏΡΠΈΠ²ΠΎΠ΄ΠΈΡ ΠΊ ΠΏΠΎΡΠ΅ΡΠ΅ Π³Π΅ΡΠΌΠ΅ΡΠΈΡΠ½ΠΎΡΡΠΈ Π² ΠΊΠ°ΠΌΠ΅ΡΠ΅ ΡΠ³ΠΎΡΠ°Π½ΠΈΡ. Π Π΅Π·ΡΠ»ΡΡΠ°ΡΠΎΠΌ ΡΡΠ°Π½ΠΎΠ²ΠΈΡΡΡ ΠΏΡΠΎΠ³ΡΠ΅ΡΡΠΈΡΡΡΡΠ°Ρ ΠΏΠΎΡΠ΅ΡΡ ΠΌΠΎΡΠ½ΠΎΡΡΠΈ ΠΠΠ‘, Π·Π°ΡΡΡΠ΄Π½Π΅Π½Π½ΡΠΉ ΠΏΡΡΠΊ ΠΈ Ρ.Π΄.
ΠΠΎΡΠ²ΠΈΠ²ΡΠΈΠ΅ΡΡ ΠΎΡ ΠΏΠ΅ΡΠ΅Π³ΡΠ΅Π²Π° ΠΌΠΈΠΊΡΠΎΡΡΠ΅ΡΠΈΠ½Ρ Π½Π° ΡΠ°ΡΠ΅Π»ΠΊΠ΅ ΠΊΠ»Π°ΠΏΠ°Π½Π° ΠΏΠΎΡΡΠ΅ΠΏΠ΅Π½Π½ΠΎ ΡΠ²Π΅Π»ΠΈΡΠΈΠ²Π°ΡΡΡΡ, ΡΠ°ΠΊ ΠΊΠ°ΠΊ ΡΠ°ΡΠΊΠ°Π»Π΅Π½Π½ΡΠ΅ Π³Π°Π·Ρ ΠΏΠΎΠ΄ Π΄Π°Π²Π»Π΅Π½ΠΈΠ΅ΠΌ Π½Π°ΡΠΈΠ½Π°ΡΡ ΠΏΡΠΎΡΡΠ²Π°ΡΡΡΡ Π½Π°ΡΡΠΆΡ ΠΈΠ· ΠΊΠ°ΠΌΠ΅ΡΡ ΡΠ³ΠΎΡΠ°Π½ΠΈΡ. ΠΠΎΠ»ΠΎΠ²ΠΊΠ° ΠΊΠ»Π°ΠΏΠ°Π½Π° Π² ΡΠ°ΠΊΠΈΡ
ΡΡΠ»ΠΎΠ²ΠΈΡΡ
Π΄Π΅ΡΠΎΡΠΌΠΈΡΡΠ΅ΡΡΡ ΠΈ Π΄Π°Π»Π΅Π΅ ΡΠ°Π·ΡΡΡΠ°Π΅ΡΡΡ. ΠΡΡ
ΠΎΠ΄ ΠΊΠ»Π°ΠΏΠ°Π½Π° ΠΈΠ· ΡΡΡΠΎΡ ΡΠ°ΠΊΡΠΈΡΠ΅ΡΠΊΠΈ ΠΎΠ·Π½Π°ΡΠ°Π΅Ρ ΠΏΠΎΠ»Π½ΡΡ ΠΏΠΎΡΠ΅ΡΡ ΡΠΈΠ»ΠΈΠ½Π΄ΡΠΎΠΌ Π΄Π²ΠΈΠ³Π°ΡΠ΅Π»Ρ ΡΠ²ΠΎΠ΅ΠΉ ΡΡΠ½ΠΊΡΠΈΠΎΠ½Π°Π»ΡΠ½ΠΎΡΡΠΈ.
ΠΠΎΡΠ»Π΅ Π·Π°ΠΌΠ΅Π½Ρ ΠΎΠ±ΡΠ·Π°ΡΠ΅Π»ΡΠ½ΠΎ ΡΡΠ΅Π±ΡΠ΅ΡΡΡ ΠΏΡΠΈΡΠΈΡΠΊΠ° ΠΊΠ»Π°ΠΏΠ°Π½Π° ΠΊ ΡΠ΅Π΄Π»Ρ Π΄Π»Ρ ΠΌΠ°ΠΊΡΠΈΠΌΠ°Π»ΡΠ½ΠΎ ΡΠΎΡΠ½ΠΎΠ³ΠΎ ΠΏΡΠΈΠ»Π΅Π³Π°Π½ΠΈΡ. ΠΠ³Π½ΠΎΡΠΈΡΠΎΠ²Π°Π½ΠΈΠ΅ ΠΏΡΠΎΡΠ΅Π΄ΡΡΡ ΠΈΠ»ΠΈ Π½Π΅ΠΊΠ°ΡΠ΅ΡΡΠ²Π΅Π½Π½ΠΎΠ΅ Π²ΡΠΏΠΎΠ»Π½Π΅Π½ΠΈΠ΅ ΠΏΡΠΈΡΠΈΡΠΊΠΈ ΠΊΠ»Π°ΠΏΠ°Π½ΠΎΠ² ΠΏΡΠΈΠ²Π΅Π΄Π΅Ρ ΠΊ Π±ΡΡΡΡΠΎΠΌΡ Π²ΡΡ
ΠΎΠ΄Ρ Π½ΠΎΠ²ΠΎΠ³ΠΎ ΠΊΠ»Π°ΠΏΠ°Π½Π° ΠΈΠ· ΡΡΡΠΎΡ.
ΠΠΏΠΎΠ»Π½Π΅ ΠΎΡΠ΅Π²ΠΈΠ΄Π½ΠΎ, ΡΡΠΎ ΠΏΠ΅ΡΠ΅Π³ΡΠ΅Π² ΡΠ²Π»ΡΠ΅ΡΡΡ ΡΠ΅ΡΡΠ΅Π·Π½ΠΎΠΉ ΠΏΡΠΎΠ±Π»Π΅ΠΌΠΎΠΉ Π²ΡΠΏΡΡΠΊΠ½ΡΡ ΠΊΠ»Π°ΠΏΠ°Π½ΠΎΠ². ΠΠ»Ρ ΠΈΠ·Π³ΠΎΡΠΎΠ²Π»Π΅Π½ΠΈΡ Π²ΡΠΏΡΡΠΊΠ½ΠΎΠ³ΠΎ ΠΊΠ»Π°ΠΏΠ°Π½Π° ΠΈΡΠΏΠΎΠ»ΡΠ·ΡΠ΅ΡΡΡ ΠΎΡΠΎΠ±Π°Ρ Ρ ΡΠΎΠΌΠΎΠ½ΠΈΠΊΠ΅Π»ΡΠΌΠΎΠ»ΠΈΠ±Π΄Π΅Π½ΠΎΠ²Π°Ρ ΡΡΠ°Π»Ρ. ΠΡΠ½ΠΎΠ²ΠΎΠΉ ΡΠ²Π»ΡΠ΅ΡΡΡ Π½ΠΈΠΊΠ΅Π»Ρ, ΠΊΠΎΡΠΎΡΡΠΉ ΠΏΠΎΠ²ΡΡΠ°Π΅Ρ ΡΡΡΠΎΠΉΡΠΈΠ²ΠΎΡΡΡ Π²ΡΠΏΡΡΠΊΠ½ΠΎΠ³ΠΎ ΠΊΠ»Π°ΠΏΠ°Π½Π° ΠΊ ΠΌΠ΅Ρ Π°Π½ΠΈΡΠ΅ΡΠΊΠΎΠΌΡ ΡΠ°Π·ΡΡΡΠ΅Π½ΠΈΡ. Π‘ΡΠ°Π»Ρ Π΄Π»Ρ ΠΈΠ·Π³ΠΎΡΠΎΠ²Π»Π΅Π½ΠΈΡ ΠΊΠ»Π°ΠΏΠ°Π½ΠΎΠ² ΠΎΡΠ»ΠΈΡΠ°Π΅ΡΡΡ Π²ΡΡΠΎΠΊΠΎΠΉ ΠΆΠ°ΡΠΎΠΏΡΠΎΡΠ½ΠΎΡΡΡΡ.
Π‘Π»Π΅Π΄ΡΡΡΠΈΠΌ ΡΠ°Π³ΠΎΠΌ ΠΏΠΎ ΡΠ½ΠΈΠΆΠ΅Π½ΠΈΡ ΡΠ΅ΡΠΌΠΎΠ½Π°Π³ΡΡΠΆΠ΅Π½Π½ΠΎΡΡΠΈ Π²ΡΠΏΡΡΠΊΠ½ΠΎΠ³ΠΎ ΠΊΠ»Π°ΠΏΠ°Π½Π° ΡΡΠ°Π½ΠΎΠ²ΠΈΡΡΡ Π΅Π³ΠΎ ΠΊΠΎΠ½ΡΡΡΡΠΊΡΠΈΡ, ΠΊΠΎΡΠΎΡΠ°Ρ ΠΎΡΠ»ΠΈΡΠ°Π΅ΡΡΡ ΠΎΡ ΡΡΡΡΠΎΠΉΡΡΠ²Π° Π²ΠΏΡΡΠΊΠ½ΡΡ ΠΊΠ»Π°ΠΏΠ°Π½ΠΎΠ².
Π‘ΡΠ΅ΡΠΆΠ΅Π½Ρ Π²ΡΠΏΡΡΠΊΠ½ΠΎΠ³ΠΎ ΠΊΠ»Π°ΠΏΠ°Π½Π° ΠΏΠΎΠ»ΡΠΉ, ΠΏΠΎΠ»ΠΎΡΡΡ Π·Π°ΠΏΠΎΠ»Π½Π΅Π½Π° ΠΌΠ΅ΡΠ°Π»Π»ΠΈΡΠ΅ΡΠΊΠΈΠΌ Π½Π°ΡΡΠΈΠ΅ΠΌ. ΠΠ°ΡΡΠΈΠΉ ΡΠ°ΡΠΏΠ»Π°Π²Π»ΡΠ΅ΡΡΡ ΠΈ ΠΏΠ΅ΡΠ΅ΡΠ΅ΠΊΠ°Π΅Ρ Π²Π½ΡΡΡΠΈ ΡΡΠ΅ΡΠΆΠ½Ρ ΠΊΠ»Π°ΠΏΠ°Π½Π°, ΡΡΠΎ ΠΏΠΎΠ·Π²ΠΎΠ»ΡΠ΅Ρ ΡΠ»ΡΡΡΠΈΡΡ ΡΠ΅ΠΏΠ»ΠΎΠΎΠ±ΠΌΠ΅Π½ ΠΈ ΡΠ°Π²Π½ΠΎΠΌΠ΅ΡΠ½ΠΎ ΡΠ°ΡΠΏΡΠ΅Π΄Π΅Π»ΠΈΡΡ Π½Π°Π³ΡΠ΅Π².
ΠΡΠΏΡΡΠΊΠ½ΠΎΠΉ ΠΊΠ»Π°ΠΏΠ°Π½ ΡΠ°ΠΊΠΆΠ΅ ΠΌΠΎΠΆΠ΅Ρ ΠΈΠΌΠ΅ΡΡ Π΄ΠΎΠΏΠΎΠ»Π½ΠΈΡΠ΅Π»ΡΠ½ΡΡ Π·Π°ΡΠΈΡΡ, ΠΊΠΎΡΠΎΡΠ°Ρ ΡΠΏΠΎΡΠΎΠ±Π½Π° Π·Π½Π°ΡΠΈΡΠ΅Π»ΡΠ½ΠΎ ΠΏΡΠΎΠ΄Π»ΠΈΡΡ ΡΡΠΎΠΊ ΡΠ»ΡΠΆΠ±Ρ ΡΠ»Π΅ΠΌΠ΅Π½ΡΠ°.
ΠΠ΄ΠΈΠ½ΡΡΠ²Π΅Π½Π½ΡΠΌ Π½Π΅Π΄ΠΎΡΡΠ°ΡΠΊΠΎΠΌ ΠΌΠΎΠΆΠ½ΠΎ ΡΡΠΈΡΠ°ΡΡ ΠΊΠΎΠ½Π΅ΡΠ½ΠΎΠ΅ ΡΠ΄ΠΎΡΠΎΠΆΠ°Π½ΠΈΠ΅ ΠΏΡΠΎΠΈΠ·Π²ΠΎΠ΄ΡΡΠ²Π° Π΄Π΅ΡΠ°Π»ΠΈ.
Π‘ΡΠ΅Π΄ΠΈ Π½Π°ΠΈΠ±ΠΎΠ»Π΅Π΅ ΡΠ°ΡΠΏΡΠΎΡΡΡΠ°Π½Π΅Π½Π½ΡΡ ΡΠΏΠΎΡΠΎΠ±ΠΎΠ² Π·Π°ΡΠΈΡΡ ΠΎΡΠΌΠ΅ΡΠ΅Π½Ρ:
- Π»Π°Π·Π΅ΡΠ½ΠΎΠ΅ Π»Π΅Π³ΠΈΡΠΎΠ²Π°Π½ΠΈΠ΅;
- ΠΌΠ΅ΡΠΎΠ΄ ΠΏΠ»Π°Π·ΠΌΠ΅Π½Π½ΠΎ-ΠΏΠΎΡΠΎΡΠΊΠΎΠ²ΠΎΠΉ Π½Π°ΠΏΠ»Π°Π²ΠΊΠΈ;
- Π½Π°ΠΏΠ»Π°Π²ΠΊΠ° ΡΠΎΠΊΠ°ΠΌΠΈ Π²ΡΡΠΎΠΊΠΎΠΉ ΡΠ°ΡΡΠΎΡΡ;
ΠΠ»Π°Π·ΠΌΠ΅Π½Π½ΠΎ-ΠΏΠΎΡΠΎΡΠΊΠΎΠ²Π°Ρ Π½Π°ΠΏΠ»Π°Π²ΠΊΠ° ΡΡΠΈΡΠ°Π΅ΡΡΡ ΠΎΠ΄Π½ΠΈΠΌ ΠΈΠ· Π½Π°ΠΈΠ±ΠΎΠ»Π΅Π΅ ΡΠΊΠΎΠ½ΠΎΠΌΠΈΡΠ΅ΡΠΊΠΈ ΠΈ ΠΏΡΠ°ΠΊΡΠΈΡΠ΅ΡΠΊΠΈ ΠΎΠΏΡΠ°Π²Π΄Π°Π½Π½ΡΡ ΡΠ΅ΡΠ΅Π½ΠΈΠΉ. ΠΠ»Ρ ΡΠ°ΠΊΠΎΠΉ Π½Π°ΠΏΠ»Π°Π²ΠΊΠΈ ΠΈΡΠΏΠΎΠ»ΡΠ·ΡΡΡ ΡΠ°Π·Π»ΠΈΡΠ½ΡΠ΅ ΠΌΠ΅ΡΠ°Π»Π»ΠΈΡΠ΅ΡΠΊΠΈΠ΅ ΠΏΠΎΡΠΎΡΠΊΠΈ, Π² ΠΎΡΠ½ΠΎΠ²Π΅ ΠΊΠΎΡΠΎΡΡΡ Π»Π΅ΠΆΠΈΡ ΠΊΠΎΠ±Π°Π»ΡΡ ΠΈΠ»ΠΈ Π½ΠΈΠΊΠ΅Π»Ρ. Π’Π΅Ρ Π½ΠΎΠ»ΠΎΠ³ΠΈΠΈ Π½Π°Π½Π΅ΡΠ΅Π½ΠΈΡ ΠΏΠΎΠΊΡΡΡΠΈΡ ΡΠ°Π·Π½ΡΠ΅, Π½ΠΎ Π³Π»Π°Π²Π½ΠΎΠΉ Π·Π°Π΄Π°ΡΠ΅ΠΉ ΠΊΠ°ΠΆΠ΄ΠΎΠ³ΠΎ ΠΈΠ· ΡΠΊΠ°Π·Π°Π½Π½ΡΡ ΡΠΏΠΎΡΠΎΠ±ΠΎΠ² ΡΡΠ°Π½ΠΎΠ²ΠΈΡΡΡ Π½Π°ΠΏΠ»Π°Π²Π»Π΅Π½ΠΈΠ΅ ΡΠΎΠ½ΠΊΠΎΠ³ΠΎ ΡΠ»ΠΎΡ Π·Π°ΡΠΈΡΡ Π½Π° ΠΏΠΎΠ²Π΅ΡΡ Π½ΠΎΡΡΡ ΠΊΠ»Π°ΠΏΠ°Π½Π° Π΄Π»Ρ ΠΏΠΎΠ²ΡΡΠ΅Π½ΠΈΡ ΠΈΠ·Π½ΠΎΡΠΎΡΡΠΎΠΉΠΊΠΎΡΡΠΈ, ΡΡΡΠΎΠΉΡΠΈΠ²ΠΎΡΡΠΈ ΠΊ ΠΏΠΎΡΠ²Π»Π΅Π½ΠΈΡ ΠΊΠΎΡΡΠΎΠ·ΠΈΠΎΠ½Π½ΡΡ ΠΏΡΠΎΡΠ΅ΡΡΠΎΠ² ΠΈ ΠΌΠ΅Ρ Π°Π½ΠΈΡΠ΅ΡΠΊΠΎΠΌΡ ΡΠ°Π·ΡΡΡΠ΅Π½ΠΈΡ.
ΠΠ°ΠΊ ΠΎΡΠ»ΠΈΡΠΈΡΡ Π²ΠΏΡΡΠΊΠ½ΠΎΠΉ ΠΈ Π²ΡΠΏΡΡΠΊΠ½ΠΎΠΉ ΠΊΠ°Π½Π°Π»Ρ ΠΏΠΎ ΡΠ°Π·ΠΌΠ΅ΡΠ°ΠΌ, ΠΏΠΎΡΠ΅ΠΌΡ ΠΎΠ½ΠΈ ΡΠ°Π·Π»ΠΈΡΠ°ΡΡΡΡ?
Π§ΡΠΎ Π±ΡΠΎΡΠ°Π΅ΡΡΡ Π² Π³Π»Π°Π·Π° β ΡΡΠΎ Π½Π΅ΡΠΎΡΠ½Π°Ρ ΡΡΡΠΊΠΎΠ²ΠΊΠ° ΠΎΡΠ²Π΅ΡΡΡΠΈΠΉ ΠΊΠ°Π½Π°Π»ΠΎΠ² ΠΊΠΎΠ»Π»Π΅ΠΊΡΠΎΡΠΎΠ² ΠΈ ΠΠΠ¦. ΠΡΠ±ΡΠ΅ Β«ΡΡΡΠΏΠ΅Π½ΡΠΊΠΈΒ» Π² ΠΊΠ°Π½Π°Π»Π΅ ΡΠΎΠΆΠ΄Π°ΡΡ ΠΏΠ°ΡΠ°Π·ΠΈΡΠ½ΡΠ΅ Π·Π°Π²ΠΈΡ
ΡΠ΅Π½ΠΈΡ, Π·Π°ΠΌΠ΅ΡΠ½ΠΎ ΡΠΎΡΠΌΠΎΠ·ΡΡΠΈΠ΅ ΠΏΠΎΡΠΎΠΊ, ΠΏΠΎΡΡΠΎΠΌΡ ΠΎΡ Π½ΠΈΡ
Π½Π΅ΠΎΠ±Ρ
ΠΎΠ΄ΠΈΠΌΠΎ ΠΈΠ·Π±Π°Π²ΠΈΡΡΡΡ.
Π£Π±ΠΈΡΠ°Π΅ΠΌ Π½Π΅ΡΡΡΠΊΠΎΠ²ΠΊΠΈ, ΠΎΠ΄Π½ΠΎΠ²ΡΠ΅ΠΌΠ΅Π½Π½ΠΎ Π΄ΠΎΡΠ°Π±ΠΎΡΠ°Π² ΠΏΡΠΎΠΊΠ»Π°Π΄ΠΊΠΈ ΠΏΠΎΠ΄ ΠΊΠΎΠ»Π»Π΅ΠΊΡΠΎΡΠ° (Π΄Π°Π±Ρ ΠΏΡΠ΅ΡΠ»ΠΎΠ²ΡΡΡΡ
ΡΡΡΠΏΠ΅Π½Π΅ΠΊ Π½Π΅ ΡΠΎΠ·Π΄Π°Π²Π°Π»ΠΈ ΠΈ ΠΎΠ½ΠΈ). ΠΠ°ΡΡΠΎΡΡΠ΅Π»ΡΠ½ΠΎ ΡΠ΅ΠΊΠΎΠΌΠ΅Π½Π΄ΡΡ ΠΏΠ΅ΡΠ΅Π΄ ΡΠ΄Π°Π»Π΅Π½ΠΈΠ΅ΠΌ Π½Π΅ΡΡΡΠΊΠΎΠ²ΠΎΠΊ ΠΊΠ°Π½Π°Π»ΠΎΠ² ΡΠ΄Π΅Π»Π°ΡΡ ΡΠ»Π΅Π΄ΡΡΠ΅Π΅ β ΠΏΠΎΡΠ°Π΄ΠΈΡΡ ΠΊΠΎΠ»Π»Π΅ΠΊΡΠΎΡΠ° Π½Π° ΡΡΠΈΡΡΡ. ΠΡΠΈΡΠΈΠ½ΠΎΠΉ ΡΠΎΠΌΡ ΡΠ»ΡΠΆΠΈΡ ΠΊΡΠ΅ΠΏΡΠΆ ΠΊΠΎΠ»Π»Π΅ΠΊΡΠΎΡΠΎΠ² Π½Π° ΠΎΡΠ΅ΡΠ΅ΡΡΠ²Π΅Π½Π½ΡΡ
Π°Π²ΡΠΎΠΌΠΎΠ±ΠΈΠ»ΡΡ
, Π΄ΠΎΠΏΡΡΠΊΠ°ΡΡΠΈΠΉ Π½Π΅ΠΊΠΎΡΠΎΡΠΎΠ΅ ΡΠΌΠ΅ΡΠ΅Π½ΠΈΠ΅ ΠΏΠ»ΠΎΡΠΊΠΎΡΡΠ΅ΠΉ ΠΊΠΎΠ»Π»Π΅ΠΊΡΠΎΡΠΎΠ² ΠΈ ΠΠΠ¦ Π΄ΡΡΠ³ ΠΎΡΠ½ΠΎΡΠΈΡΠ΅Π»ΡΠ½ΠΎ Π΄ΡΡΠ³Π°. Π§Π΅ΠΌ ΡΡΠΎ Π³ΡΠΎΠ·ΠΈΡ, ΠΏΡΠ΅Π΄Π΅Π»ΡΠ½ΠΎ ΡΡΠ½ΠΎ β Π½Π΅ΠΌΠ½ΠΎΠ³ΠΎ ΡΠΌΠ΅ΡΡΠΈΠ² ΠΊΠΎΠ»Π»Π΅ΠΊΡΠΎΡΠ° ΠΏΡΠΈ ΠΊΡΠ΅ΠΏΠ΅ΠΆΠ΅ ΠΏΠΎΡΠ»Π΅ ΡΠ΄Π°Π»Π΅Π½ΠΈΡ Π½Π΅ΡΡΡΠΊΠΎΠ²ΠΎΠΊ, ΠΌΡ ΡΠ°ΠΌΠΎΡΡΠΎΡΡΠ΅Π»ΡΠ½ΠΎ ΡΠ±ΠΈΠ²Π°Π΅ΠΌ ΠΏΠ»ΠΎΠ΄Ρ ΡΠ²ΠΎΠ΅ΠΉ ΠΆΠ΅ ΡΠ°Π±ΠΎΡΡ. Π¨ΡΠΈΡΡΠΎΠ² Π΄ΠΎΡΡΠ°ΡΠΎΡΠ½ΠΎ ΠΏΠΎ Π΄Π²Π° Π½Π° ΠΊΠΎΠ»Π»Π΅ΠΊΡΠΎΡ β ΠΏΠΎ ΠΊΡΠ°ΡΠΌ. ΠΡΠ΅ΠΌ ΠΌΠ΅ΡΡΠΎ Π½Π° ΠΠΠ¦ ΠΈ ΠΊΠΎΠ»Π»Π΅ΠΊΡΠΎΡΠ΅, Π³Π΄Π΅ ΠΌΠΎΠΆΠ½ΠΎ Π±Π΅Π·ΠΎΠΏΠ°ΡΠ½ΠΎ Π²ΡΠ²Π΅ΡΠ»ΠΈΡΡΡΡ. Π ΠΠΠ¦ ΠΏΡΠΎΡΠ½ΠΎ ΡΠ°ΠΆΠ°Π΅ΠΌ ΠΌΠ΅ΡΠ°Π»Π»ΠΈΡΠ΅ΡΠΊΠΈΠΉ ΡΡΠΈΡΡ, Π½Π° ΠΊΠΎΡΠΎΡΡΠΉ Π»Π΅Π³ΠΊΠΎ, Π½ΠΎ Π±Π΅Π· ΠΎΡΠΎΠ±ΡΡ
Π»ΡΡΡΠΎΠ² Π΄ΠΎΠ»ΠΆΠ΅Π½ Π½Π°Π΄Π΅Π²Π°ΡΡΡΡ ΠΊΠΎΠ»Π»Π΅ΠΊΡΠΎΡ β Π²ΡΠ°Π»Ρ, ΡΠΎΡΠ½ΠΎΠ΅ ΠΏΠΎΠ·ΠΈΡΠΈΠΎΠ½ΠΈΡΠΎΠ²Π°Π½ΠΈΠ΅ ΠΊΠΎΠ»Π»Π΅ΠΊΡΠΎΡΠΎΠ² ΠΎΡΠ½ΠΎΡΠΈΡΠ΅Π»ΡΠ½ΠΎ ΠΠΠ¦ Π½Π°ΠΌ Π³Π°ΡΠ°Π½ΡΠΈΡΠΎΠ²Π°Π½ΠΎ. ΠΠ΅ Π·Π°Π±ΡΠ΄ΡΡΠ΅ ΡΠΎΠ»ΡΠΊΠΎ ΡΠ΄Π΅Π»Π°ΡΡ Π½Π΅ΡΠΊΠΎΠ»ΡΠΊΠΎ Π΄ΠΎΠΏΠΎΠ»Π½ΠΈΡΠ΅Π»ΡΠ½ΡΡ
ΠΎΡΠ²Π΅ΡΡΡΠΈΠΉ Π² ΠΏΡΠΎΠΊΠ»Π°Π΄ΠΊΠ΅. ΠΡΠΌΠ΅ΡΡ ΡΠ°ΠΊ ΠΆΠ΅, ΡΡΠΎ Π΅ΡΠ»ΠΈ Π΄ΠΈΠ°ΠΌΠ΅ΡΡ ΠΊΠ°Π½Π°Π»Π° Π²ΠΏΡΡΠΊΠ½ΠΎΠ³ΠΎ ΠΊΠΎΠ»Π»Π΅ΠΊΡΠΎΡΠ° ΠΌΠ΅Π½ΡΡΠ΅ Π΄ΠΈΠ°ΠΌΠ΅ΡΡΠ° ΠΊΠ°Π½Π°Π»Π° ΠΠΠ¦ Π½Π° 1-1,5 ΠΌΠΌ ΠΏΡΠΈ Π½ΠΎΡΠΌΠ°Π»ΡΠ½ΠΎΠΉ ΡΠΎΠΎΡΠ½ΠΎΡΡΠΈ ΠΊΠ°Π½Π°Π»ΠΎΠ², ΡΠΎ ΡΡΠΎ Π½Π΅ ΡΠΎΠ·Π΄Π°ΡΡ ΠΈΠ·ΠΌΠ΅ΡΠΈΠΌΠΎΠ³ΠΎ ΡΠΎΠΏΡΠΎΡΠΈΠ²Π»Π΅Π½ΠΈΡ ΠΏΡΠΎΡ
ΠΎΠΆΠ΄Π΅Π½ΠΈΡ ΠΏΠΎΡΠΎΠΊΠ°, ΠΏΠΎΡΡΠΎΠΌΡ ΡΠΈΠ»ΠΈΠ³ΡΠ°Π½Π½ΠΎΠΉ ΠΏΠΎΠ΄Π²ΠΎΠ΄ΠΊΠΎΠΉ Π΄ΠΈΠ°ΠΌΠ΅ΡΡΠΎΠ² ΠΊΠ°Π½Π°Π»ΠΎΠ² Π² ΡΡΠΎΠΌ ΡΠ»ΡΡΠ°Π΅ ΠΌΠΎΠΆΠ½ΠΎ ΠΏΡΠΈΠ½Π΅Π±ΡΠ΅ΡΡ.
ΠΠ° Π²ΡΠΏΡΡΠΊΠ΅ Π°Π½Π°Π»ΠΎΠ³ΠΈΡΠ½ΠΎ, ΡΠΎΠ»ΡΠΊΠΎ Π½Π°ΠΎΠ±ΠΎΡΠΎΡ β Π²ΡΠΏΡΡΠΊΠ½ΠΎΠΉ ΠΊΠ°Π½Π°Π» Π² ΠΠΠ¦ ΠΌΠΎΠΆΠ΅Ρ Π±ΡΡΡ Π½Π΅ΡΠΊΠΎΠ»ΡΠΊΠΎ ΠΌΠ΅Π½ΡΡΠ΅ ΠΊΠ°Π½Π°Π»Π° Π² Π²ΡΠΏΡΡΠΊΠ½ΠΎΠΌ ΠΊΠΎΠ»Π»Π΅ΠΊΡΠΎΡΠ΅. ΠΠΎΠ»Π΅Π΅ ΡΠΎΠ³ΠΎ, Ρ.ΠΊ. Π½Π°Π·ΡΠ²Π°Π΅ΠΌΡΠ΅ Β«ΠΎΠ±ΡΠ°ΡΠ½ΡΠ΅ ΡΡΡΠΏΠ΅Π½ΡΠΊΠΈΒ» Π½Π° Π²ΡΠΏΡΡΠΊΠ΅ ΠΈΡΠΏΠΎΠ»ΡΠ·ΡΡΡ Π΄Π»Ρ Π±ΠΎΡΡΠ±Ρ Ρ Π½Π΅ΠΊΠΎΡΠΎΡΡΠΌΠΈ Π½Π΅Π³Π°ΡΠΈΠ²Π½ΡΠΌΠΈ ΡΠ²Π»Π΅Π½ΠΈΡΠΌΠΈ Π½Π°ΡΡΡΠΎΠ΅Π½Π½ΠΎΠΉ Π²ΡΠΏΡΡΠΊΠ½ΠΎΠΉ ΡΠΈΡΡΠ΅ΠΌΡ, Π½ΠΎ ΡΠ΅ΠΉΡΠ°Ρ ΡΠ°Π·Π³ΠΎΠ²ΠΎΡ Π½Π΅ ΠΎΠ± ΡΡΠΎΠΌ.
ΠΠ΅ΡΠ΅ΡΠΈΡΠ»ΠΈΡΠ΅ ΠΏΡΠ΅ΠΈΠΌΡΡΠ΅ΡΡΠ²Π° ΠΈ Π½Π΅Π΄ΠΎΡΡΠ°ΡΠΊΠΈ Π½ΠΈΠΆΠ½Π΅Π³ΠΎ ΡΠ°ΡΠΏΠΎΠ»ΠΎΠΆΠ΅Π½ΠΈΡ ΠΊΠ»Π°ΠΏΠ°Π½ΠΎΠ²
ΠΠΈΠΆΠ½Π΅Π΅ ΡΠ°ΡΠΏΠΎΠ»ΠΎΠΆΠ΅Π½ΠΈΠ΅ ΠΊΠ»Π°ΠΏΠ°Π½ΠΎΠ² ΠΏΡΠΈΠΌΠ΅Π½ΡΠ»ΠΎΡΡ ΡΠΎΠ»ΡΠΊΠΎ Π² ΠΊΠ°ΡΠ±ΡΡΠ°ΡΠΎΡΠ½ΡΡ ΠΈ Π³Π°Π·ΠΎΠ²ΡΡ Π΄Π²ΠΈΠ³Π°ΡΠ΅Π»ΡΡ . ΠΡΠΈ ΡΡΠΎΠΌ Π²ΡΡΠΎΡΠ° Π³ΠΎΠ»ΠΎΠ²ΠΊΠΈ ΡΠΈΠ»ΠΈΠ½Π΄ΡΠΎΠ² ΠΈ Π²ΡΠ΅Π³ΠΎ Π΄Π²ΠΈΠ³Π°ΡΠ΅Π»Ρ ΡΠΌΠ΅Π½ΡΡΠ°Π΅ΡΡΡ, Π° ΠΏΡΠΈΠ²ΠΎΠ΄ ΡΠ°ΡΠΏΡΠ΅Π΄Π΅Π»ΠΈΡΠ΅Π»ΡΠ½ΠΎΠ³ΠΎ Π²Π°Π»Π° ΠΈ ΠΊΠ»Π°ΠΏΠ°Π½ΠΎΠ² ΡΠΏΡΠΎΡΠ°Π΅ΡΡΡ, Π½ΠΎ ΠΎΠ³ΡΠ°Π½ΠΈΡΠΈΠ²Π°Π΅ΡΡΡ Π²ΠΎΠ·ΠΌΠΎΠΆΠ½ΠΎΡΡΡ ΠΏΠΎΠ²ΡΡΠ΅Π½ΠΈΡ ΡΡΠ΅ΠΏΠ΅Π½ΠΈ ΡΠΆΠ°ΡΠΈΡ (Π΄ΠΎ 7,5) ΠΈ ΡΡ ΡΠ΄ΡΠ°ΡΡΡΡ ΡΠ΅Ρ Π½ΠΈΠΊΠΎ-ΡΠΊΠΎΠ½ΠΎΠΌΠΈΡΠ΅ΡΠΊΠΈΠ΅ ΠΏΠΎΠΊΠ°Π·Π°ΡΠ΅Π»ΠΈ Π΄Π²ΠΈΠ³Π°ΡΠ΅Π»Ρ.
ΠΠΈΠΆΠ½ΠΈΠ΅ ΠΊΠ»Π°ΠΏΠ°Π½Ρ ΡΠ°Π·ΠΌΠ΅ΡΠ°ΡΡ Ρ ΠΎΠ΄Π½ΠΎΠΉ ΡΡΠΎΡΠΎΠ½Ρ Π±Π»ΠΎΠΊΠ° ΡΠΈΠ»ΠΈΠ½Π΄ΡΠΎΠ² Π² ΠΎΠ΄ΠΈΠ½ ΡΡΠ΄ ΠΈ ΠΎΠ±ΡΡΠ½ΠΎ ΡΠ΅ΡΠ΅Π΄ΡΡΡ ΡΠ°ΠΊ ΠΆΠ΅, ΠΊΠ°ΠΊ ΠΈ Π²Π΅ΡΡ Π½ΠΈΠ΅ ΠΊΠ»Π°ΠΏΠ°Π½Ρ ΠΏΡΠΈ ΡΠ°ΡΠΏΠΎΠ»ΠΎΠΆΠ΅Π½ΠΈΠΈ ΠΈΡ Π² ΠΎΠ΄ΠΈΠ½ ΡΡΠ΄.
ΠΠΎΡΠ΅ΠΌΡ Π½Π΅Π²ΠΎΠ·ΠΌΠΎΠΆΠ½ΠΎ ΠΏΡΠΈΠΌΠ΅Π½Π΅Π½ΠΈΠ΅ Π½ΠΈΠΆΠ½Π΅Π³ΠΎ ΡΠ°ΡΠΏΠΎΠ»ΠΎΠΆΠ΅Π½ΠΈΡ ΠΊΠ»Π°ΠΏΠ°Π½ΠΎΠ² Π² Π΄ΠΈΠ·Π΅Π»ΡΡ ?
Π Π΄ΠΈΠ·Π΅Π»ΡΡ
Π²ΠΎΠ·ΠΌΠΎΠΆΠ½ΠΎ ΡΠΎΠ»ΡΠΊΠΎ Π²Π΅ΡΡ
Π½Π΅Π΅ ΡΠ°ΡΠΏΠΎΠ»ΠΎΠΆΠ΅Π½ΠΈΠ΅ ΠΊΠ»Π°ΠΏΠ°Π½ΠΎΠ², ΡΠ°ΠΊ ΠΊΠ°ΠΊ ΠΎΡΠ½ΠΎΡΠΈΡΠ΅Π»ΡΠ½ΠΎ ΠΌΠ°Π»ΡΠΉ ΠΎΠ±ΡΠ΅ΠΌ ΠΊΠ°ΠΌΠ΅ΡΡ ΡΠ³ΠΎΡΠ°Π½ΠΈΡ, ΠΏΠΎΠ»ΡΡΠ°ΡΡΠΈΠΉΡΡ ΠΏΡΠΈ Π²ΡΡΠΎΠΊΠΈΡ
Π·Π½Π°ΡΠ΅Π½ΠΈΡΡ
ΡΡΠ΅ΠΏΠ΅Π½ΠΈ ΡΠΆΠ°ΡΠΈΡ, Π½Π΅ ΠΏΠΎΠ·Π²ΠΎΠ»ΡΠ΅Ρ ΡΠ°Π·ΠΌΠ΅ΡΡΠΈΡΡ ΠΊΠ»Π°ΠΏΠ°Π½Ρ ΡΠ±ΠΎΠΊΡ ΡΠΈΠ»ΠΈΠ½Π΄ΡΠ°.
Π Π±Π΅Π½Π·ΠΈΠ½ΠΎΠ²ΡΡ
Π΄Π²ΠΈΠ³Π°ΡΠ΅Π»ΡΡ
Π²ΠΎΠ·ΠΌΠΎΠΆΠ½ΠΎ ΠΊΠ°ΠΊ Π²Π΅ΡΡ
Π½Π΅Π΅, ΡΠ°ΠΊ ΠΈ Π½ΠΈΠΆΠ½Π΅Π΅ ΡΠ°ΡΠΏΠΎΠ»ΠΎΠΆΠ΅Π½ΠΈΠ΅ ΠΊΠ»Π°ΠΏΠ°Π½ΠΎΠ².
ΠΠ°ΠΊΠ°Ρ ΠΎΡΠ½ΠΎΠ²Π½Π°Ρ ΠΏΡΠΈΡΠΈΠ½Π° ΠΎΠ±ΡΡΠ»ΠΎΠ²Π»ΠΈΠ²Π°Π΅Ρ Π²Π΅ΡΡ Π½Π΅Π΅ ΡΠ°ΡΠΏΠΎΠ»ΠΎΠΆΠ΅Π½ΠΈΠ΅ ΡΠ°ΡΠΏΡΠ΅Π΄ΠΈΠ»ΠΈΡΠ΅Π»ΡΠ½ΠΎΠ³ΠΎ Π²Π°Π»Π°?
Π ΡΠΎΠ²ΡΠ΅ΠΌΠ΅Π½Π½ΡΡ Π²ΡΡΠΎΠΊΠΎΠΎΠ±ΠΎΡΠΎΡΠ½ΡΡ Π΄Π²ΠΈΠ³Π°ΡΠ΅Π»ΡΡ Π»Π΅Π³ΠΊΠΎΠ²ΡΡ Π°Π²ΡΠΎΠΌΠΎΠ±ΠΈΠ»Π΅ΠΉ ΠΠΠ Β«ΡΠ°ΡΠΏΡΠ΅Π΄Π΅Π»ΠΈΡΠ΅Π»ΡΠ½ΡΠΉ Π²Π°Π» ΡΡΡΠ°Π½ΠΎΠ²Π»Π΅Π½ Π½Π° Π³ΠΎΠ»ΠΎΠ²ΠΊΠ΅ Π±Π»ΠΎΠΊΠ° ΡΠΈΠ»ΠΈΠ½Π΄ΡΠΎΠ², ΡΡΠΎ ΡΠΏΡΠΎΡΠ°Π΅Ρ ΠΊΠΈΠ½Π΅ΠΌΠ°ΡΠΈΡΠ΅ΡΠΊΡΡ ΡΠ²ΡΠ·Ρ ΠΌΠ΅ΠΆΠ΄Ρ ΠΊΡΠ»Π°ΡΠΊΠ°ΠΌΠΈ ΠΈ ΠΊΠ»Π°ΠΏΠ°Π½Π°ΠΌΠΈ. Π’Π°ΠΊΠΎΠ΅ ΡΠ°ΡΠΏΠΎΠ»ΠΎΠΆΠ΅Π½ΠΈΠ΅ ΡΠ°ΡΠΏΡΠ΅Π΄Π΅Π»ΠΈΡΠ΅Π»ΡΠ½ΠΎΠ³ΠΎ Π²Π°Π»Π° Π½Π°Π·ΡΠ²Π°Π΅ΡΡΡ Π²Π΅ΡΡ Π½ΠΈΠΌ, ΠΎΠ½ΠΎ ΠΏΠΎΠ·Π²ΠΎΠ»ΡΠ΅Ρ ΡΠΏΡΠΎΡΡΠΈΡΡ Π±Π»ΠΎΠΊ ΡΠΈΠ»ΠΈΠ½Π΄ΡΠΎΠ² ΠΈ ΡΠΌΠ΅Π½ΡΡΠΈΡΡ ΡΡΠΌ ΠΏΡΠΈ ΡΠ°Π±ΠΎΡΠ΅ ΠΌΠ΅Ρ Π°Π½ΠΈΠ·ΠΌΠ° Π³Π°Π·ΠΎΡΠ°ΡΠΏΡΠ΅Π΄Π΅Π»Π΅Π½ΠΈΡ. ΠΡΠΈ Π²Π΅ΡΡ Π½Π΅ΠΌ ΡΠ°ΡΠΏΠΎΠ»ΠΎΠΆΠ΅Π½ΠΈΠΈ ΡΠ°ΡΠΏΡΠ΅Π΄Π΅Π»ΠΈΡΠ΅Π»ΡΠ½ΡΠΉ Π²Π°Π» ΠΏΡΠΈΠ²ΠΎΠ΄ΠΈΡΡΡ ΡΠ΅ΠΏΡΡ ΠΈΠ»ΠΈ Π·ΡΠ±ΡΠ°ΡΡΠΌ ΡΠ΅ΠΌΠ½Π΅ΠΌ.
ΠΠ°ΠΊ ΡΠ΅Π³ΡΠ»ΠΈΡΡΠ΅ΡΡΡ ΡΠ΅ΠΏΠ»ΠΎΠ²ΠΎΠΉ Π·Π°Π·ΠΎΡ ΠΏΡΠΈ Π½Π΅ΠΏΠΎΡΡΠ΅Π΄ΡΡΠ²Π΅Π½Π½ΠΎΠΌ ΠΏΡΠΈΠ²ΠΎΠ΄Π΅ ΠΊΠ»Π°ΠΏΠ°Π½ΠΎΠ² ΠΎΡ ΡΠ°ΡΠΏΡΠ΅Π΄Π΅Π»ΠΈΡΠ΅Π»ΡΠ½ΠΎΠ³ΠΎ Π²Π°Π»Π°?
Π’Π΅ΠΏΠ»ΠΎΠ²ΡΠ΅ Π·Π°Π·ΠΎΡΡ ΠΌΠ΅ΠΆΠ΄Ρ ΠΊΡΠ»Π°ΡΠΊΠ°ΠΌΠΈ ΠΈ ΡΡΡΠ°Π³Π°ΠΌΠΈ Π²ΠΏΡΡΠΊΠ½ΡΡ ΠΈ Π²ΡΠΏΡΡΠΊΠ½ΡΡ ΠΊΠ»Π°ΠΏΠ°Π½ΠΎΠ² Π΄ΠΎΠ»ΠΆΠ½Ρ Π±ΡΡΡ ΡΠ°Π²Π½Ρ:
β 0,15 ΠΌΠΌ β Π½Π° Ρ ΠΎΠ»ΠΎΠ΄Π½ΠΎΠΌ Π΄Π²ΠΈΠ³Π°ΡΠ΅Π»Π΅;
β 0,20 ΠΌΠΌ β Π½Π° ΠΏΡΠΎΠ³ΡΠ΅ΡΠΎΠΌ Π΄Π²ΠΈΠ³Π°ΡΠ΅Π»Π΅.
ΠΠΠ Π―ΠΠΠ ΠΠ«ΠΠΠΠΠΠΠΠ―
β Π‘Π½ΡΡΡ ΠΊΡΡΡΠΊΡ Π³ΠΎΠ»ΠΎΠ²ΠΊΠΈ Π±Π»ΠΎΠΊΠ° ΡΠΈΠ»ΠΈΠ½Π΄ΡΠΎΠ² Ρ ΠΏΡΠΎΠΊΠ»Π°Π΄ΠΊΠΎΠΉ.
β ΠΡΠ°ΡΠ°Ρ ΠΊΠΎΠ»Π΅Π½ΡΠ°ΡΡΠΉ Π²Π°Π» (ΡΠΏΠ΅ΡΠΈΠ°Π»ΡΠ½ΡΠΌ ΠΊΠ»ΡΡΠΎΠΌ) ΠΏΠΎ ΡΠ°ΡΠΎΠ²ΠΎΠΉ ΡΡΡΠ΅Π»ΠΊΠ΅, ΡΠΎΠ²ΠΌΠ΅ΡΡΠΈΡΡ ΡΡΡΠ°Π½ΠΎΠ²ΠΎΡΠ½ΡΡ ΠΌΠ΅ΡΠΊΡ (1) Π½Π° Π·Π²Π΅Π·Π΄ΠΎΡΠΊΠ΅ ΡΠ°ΡΠΏΡΠ΅Π΄Π΅Π»ΠΈΡΠ΅Π»ΡΠ½ΠΎΠ³ΠΎ Π²Π°Π»Π° Ρ ΡΡΡΠ°Π½ΠΎΠ²ΠΎΡΠ½ΡΠΌ ΠΏΡΠΈΠ»ΠΈΠ²ΠΎΠΌ (2) Π½Π° ΠΊΠΎΡΠΏΡΡΠ΅ ΠΏΠΎΠ΄ΡΠΈΠΏΠ½ΠΈΠΊΠΎΠ² ΡΠ°ΡΠΏΡΠ΅Π΄Π΅Π»ΠΈΡΠ΅Π»ΡΠ½ΠΎΠ³ΠΎ Π²Π°Π»Π°.
ΠΡΠΈ ΡΡΠΎΠΌ ΠΏΠΎΡΡΠ΅Π½Ρ ΡΠ΅ΡΠ²Π΅ΡΡΠΎΠ³ΠΎ ΡΠΈΠ»ΠΈΠ½Π΄ΡΠ° Π½Π°Ρ
ΠΎΠ΄ΠΈΡΡΡ Π² ΠΠΠ’ Π² ΠΊΠΎΠ½ΡΠ΅ ΡΠ°ΠΊΡΠ° ΡΠΆΠ°ΡΠΈΡ ΠΈ ΠΎΠ±Π° ΠΊΠ»Π°ΠΏΠ°Π½Π° Π·Π°ΠΊΡΡΡΡ.
β ΠΡΡΠ΅Π³ΡΠ»ΠΈΡΠΎΠ²Π°ΡΡ Π·Π°Π·ΠΎΡΡ ΠΌΠ΅ΠΆΠ΄Ρ ΡΡΡΠ°Π³Π°ΠΌΠΈ ΠΈ ΠΊΡΠ»Π°ΡΠΊΠ°ΠΌΠΈ ΡΠ°ΡΠΏΡΠ΅Π΄Π΅Π»ΠΈΡΠ΅Π»ΡΠ½ΠΎΠ³ΠΎ Π²Π°Π»Π° Ρ Π²ΡΠΏΡΡΠΊΠ½ΠΎΠ³ΠΎ ΠΊΠ»Π°ΠΏΠ°Π½Π° ΡΠ΅ΡΠ²Π΅ΡΡΠΎΠ³ΠΎ ΡΠΈΠ»ΠΈΠ½Π΄ΡΠ° (Π²ΠΎΡΡΠΌΠΎΠΉ ΠΊΡΠ»Π°ΡΠΎΠΊ) ΠΈ Π²ΠΏΡΡΠΊΠ½ΠΎΠ³ΠΎ ΠΊΠ»Π°ΠΏΠ°Π½Π° ΡΡΠ΅ΡΡΠ΅Π³ΠΎ ΡΠΈΠ»ΠΈΠ½Π΄ΡΠ° (ΡΠ΅ΡΡΠΎΠΉ ΠΊΡΠ»Π°ΡΠΎΠΊ).
β ΠΠ»Ρ ΡΡΠΎΠ³ΠΎ Π½Π΅ΠΎΠ±Ρ ΠΎΠ΄ΠΈΠΌΠΎ ΠΎΡΠ»Π°Π±ΠΈΡΡ ΠΊΠΎΠ½ΡΡΠ³Π°ΠΉΠΊΡ (3) ΡΠ΅Π³ΡΠ»ΠΈΡΠΎΠ²ΠΎΡΠ½ΠΎΠ³ΠΎ Π±ΠΎΠ»ΡΠ° ΠΈ, Π²ΡΠ°ΡΠ°Ρ ΡΠ΅Π³ΡΠ»ΠΈΡΠΎΠ²ΠΎΡΠ½ΡΠΉ Π±ΠΎΠ»Ρ (2), ΠΏΡΠΎΠ²Π΅ΡΠΈΡΡ ΡΡΠ΅Π±ΡΠ΅ΠΌΡΠΉ Π·Π°Π·ΠΎΡ ΠΏΠ»ΠΎΡΠΊΠΈΠΌ ΡΡΠΏΠΎΠΌ (1), Π²ΡΡΠ°Π²Π»Π΅Π½Π½ΡΠΌ ΠΌΠ΅ΠΆΠ΄Ρ ΠΊΡΠ»Π°ΡΠΊΠΎΠΌ ΠΈ ΡΡΡΠ°Π³ΠΎΠΌ.
β Π£Π΄Π΅ΡΠΆΠΈΠ²Π°Ρ Π² ΡΡΠΎΠΌ ΠΏΠΎΠ»ΠΎΠΆΠ΅Π½ΠΈΠΈ ΠΊΠ»ΡΡΠΎΠΌ ΡΠ΅Π³ΡΠ»ΠΈΡΠΎΠ²ΠΎΡΠ½ΡΠΉ Π±ΠΎΠ»Ρ, Π·Π°ΡΡΠ½ΡΡΡ ΠΊΠΎΠ½ΡΡΠ³Π°ΠΉΠΊΡ ΠΈ Π²Π½ΠΎΠ²Ρ ΠΏΡΠΎΠ²Π΅ΡΠΈΡΡ Π·Π°Π·ΠΎΡ. Π©ΡΠΏ Π΄ΠΎΠ»ΠΆΠ΅Π½ ΠΏΠ΅ΡΠ΅ΠΌΠ΅ΡΠ°ΡΡΡΡ Π² Π·Π°Π·ΠΎΡΠ΅ Ρ Π»Π΅Π³ΠΊΠΈΠΌ Π·Π°ΡΠ΅ΠΌΠ»Π΅Π½ΠΈΠ΅ΠΌ.
β ΠΡΠΎΠ²ΠΎΡΠ°ΡΠΈΠ²Π°Ρ ΠΊΠΎΠ»Π΅Π½ΡΠ°ΡΡΠΉ Π²Π°Π» Π½Π° 1/2 ΠΎΠ±ΠΎΡΠΎΡΠ°, ΠΎΡΡΠ΅Π³ΡΠ»ΠΈΡΠΎΠ²Π°ΡΡ Π·Π°Π·ΠΎΡΡ Π² ΠΎΠΏΡΠ΅Π΄Π΅Π»Π΅Π½Π½ΠΎΠΉ ΠΏΠΎΡΠ»Π΅Π΄ΠΎΠ²Π°ΡΠ΅Π»ΡΠ½ΠΎΡΡΠΈ.
β Π£ΡΡΠ°Π½ΠΎΠ²ΠΈΡΡ ΠΊΡΡΡΠΊΡ Π½Π° ΠΌΠ΅ΡΡΠΎ.
ΠΠ΅ΡΠ΅ΡΠΈΡΠ»ΠΈΡΠ΅ ΠΏΡΠ΅ΠΈΠΌΡΡΠ΅ΡΡΠ²Π° Π½Π°ΠΊΠ»ΠΎΠ½Π½ΠΎΠ³ΠΎ ΡΠ°ΡΠΏΠΎΠ»ΠΎΠΆΠ΅Π½ΠΈΡ ΠΊΠ»Π°ΠΏΠ°Π½ΠΎΠ² ΠΏΠΎ ΠΎΡΠ½ΠΎΡΠ΅Π½ΠΈΡ ΠΊ ΠΎΡΠΈ ΡΠΈΠ»ΠΈΠ½Π΄ΡΠ°
Π ΡΠ»ΡΡΠ°Π΅ Π²Π΅ΡΡ
Π½Π΅Π³ΠΎ ΡΠ°ΡΠΏΠΎΠ»ΠΎΠΆΠ΅Π½ΠΈΡ ΠΊΠ»Π°ΠΏΠ°Π½ΠΎΠ² ΠΊΠΎΡΡΡΠΈΡΠΈΠ΅Π½Ρ Π½Π°ΠΏΠΎΠ»Π½Π΅Π½ΠΈΡ ΠΌΠΎΠΆΠ΅Ρ Π±ΡΡΡ Π½Π° 5β7% Π±ΠΎΠ»ΡΡΠ΅, ΡΠ΅ΠΌ ΠΏΡΠΈ Π½ΠΈΠΆΠ½Π΅ΠΌ ΡΠ°ΡΠΏΠΎΠ»ΠΎΠΆΠ΅Π½ΠΈΠΈ ΠΊΠ»Π°ΠΏΠ°Π½ΠΎΠ².
ΠΡΠΎ Π΄ΠΎΡΡΠΈΠ³Π°Π΅ΡΡΡ Ρ ΠΏΠΎΠΌΠΎΡΡΡ ΡΠ²Π΅Π»ΠΈΡΠ΅Π½ΠΈΡ ΡΠΈΡΠ»Π° ΠΊΠ»Π°ΠΏΠ°Π½ΠΎΠ² ΠΈΠ»ΠΈ ΡΠ°ΡΠΏΠΎΠ»ΠΎΠΆΠ΅Π½ΠΈΡ ΠΈΡ
ΠΏΠΎΠ΄ ΡΠ³Π»ΠΎΠΌ ΠΊ ΠΎΡΠΈ ΡΠΈΠ»ΠΈΠ½Π΄ΡΠ°.
ΠΠΎΡΠ΅ΠΌΡ Π² Π΄Π²ΠΈΠ³Π°ΡΠ΅Π»ΡΡ Ρ ΡΠ΅ΠΌΠ΅Π½Π½ΡΠΌ ΠΏΡΠΈΠ²ΠΎΠ΄ΠΎΠΌ ΡΠ°ΡΠΏΡΠ΅Π΄Π΅Π»ΠΈΡΠ΅Π»ΡΠ½ΠΎΠ³ΠΎ Π²Π°Π»Π° Π² ΠΏΠΎΡΡΠ½ΡΡ ΠΏΡΠ΅Π΄ΡΡΠΌΠ°ΡΡΠΈΠ²Π°ΡΡΡΡ ΡΠΏΠ΅ΡΠΈΠ°Π»ΡΠ½ΡΠ΅ ΡΠ³Π»ΡΠ±Π»Π΅Π½ΠΈΡ?
ΠΠΎΠ»Π΅Π½ΡΠ°ΡΡΠΉ Π²Π°Π», ΠΊΠΎΡΠΎΡΡΠΉ ΠΏΡΠΈΠ²ΠΎΠ΄ΠΈΡ Π² Π΄Π²ΠΈΠΆΠ΅Π½ΠΈΠ΅ ΠΏΠΎΡΡΠ½ΠΈ ΠΊΠΎΠΌΠΏΡΠ΅ΡΡΠΎΡΠ°, ΡΠΎΠ΅Π΄ΠΈΠ½Π΅Π½ Ρ ΡΠΊΠΎΡΠ΅ΠΌ ΡΠ»Π΅ΠΊΡΡΠΎΠ΄Π²ΠΈΠ³Π°ΡΠ΅Π»Ρ Π½Π΅ Π½Π°ΠΏΡΡΠΌΡΡ, Π° ΠΏΠΎΡΡΠ΅Π΄ΡΡΠ²ΠΎΠΌ ΠΊΠ»ΠΈΠ½ΠΎΡΠ΅ΠΌΠ΅Π½Π½ΠΎΠΉ ΠΏΠ΅ΡΠ΅Π΄Π°ΡΠΈ (ΡΠ΅ΠΌΠ΅Π½Π½ΡΠ΅ ΠΈΠ»ΠΈ ΡΠ°ΠΏΠΈΠ΄Π½ΡΠ΅ ΠΊΠΎΠΌΠΏΡΠ΅ΡΡΠΎΡΡ). Π ΠΏΡΠ΅Π΄ΡΡΠ°Π²Π»Π΅Π½Π½ΡΡ
ΠΏΠΎΡΡΠ½Π΅Π²ΡΡ
ΠΊΠΎΠΌΠΏΡΠ΅ΡΡΠΎΡΠ°Ρ
ΡΠ»Π΅ΠΊΡΡΠΎΠ΄Π²ΠΈΠ³Π°ΡΠ΅Π»Ρ ΡΠ΅ΡΠ΅Π· ΡΠ΅ΠΌΠ΅Π½Π½ΡΡ ΠΏΠ΅ΡΠ΅Π΄Π°ΡΡ ΠΏΡΠΈΠ²ΠΎΠ΄ΠΈΡ Π² Π΄Π΅ΠΉΡΡΠ²ΠΈΠ΅ ΠΏΠΎΡΡΠ΅Π½Ρ, ΡΠΏΠΎΡΠΎΠ±Π½ΡΠΉ ΡΠΎΠ²Π΅ΡΡΠ°ΡΡ ΠΎΠ±ΡΠ°ΡΠ½ΠΎ-ΠΏΠΎΡΡΡΠΏΠ°ΡΠ΅Π»ΡΠ½ΡΠ΅ Π΄Π²ΠΈΠΆΠ΅Π½ΠΈΡ Π²Π½ΡΡΡΠΈ ΡΠΈΠ»ΠΈΠ½Π΄ΡΠ°. ΠΡΠΎΡ ΠΏΠΎΡΡΠ΅Π½Ρ ΡΠ΅ΡΠ΅Π· Π²ΠΏΡΡΠΊΠ½ΠΎΠΉ ΠΊΠ»Π°ΠΏΠ°Π½ Π·Π°ΡΠ°ΡΡΠ²Π°Π΅Ρ Π² ΡΠΈΠ»ΠΈΠ½Π΄Ρ Π²ΠΎΠ·Π΄ΡΡ
ΠΈ ΡΠΆΠΈΠΌΠ°Π΅Ρ Π΅Π³ΠΎ Π΄ΠΎ ΡΠ°ΠΊΠΎΠ³ΠΎ Π΄Π°Π²Π»Π΅Π½ΠΈΡ, ΠΊΠΎΡΠΎΡΠΎΠ΅ ΡΠΏΠΎΡΠΎΠ±Π½ΠΎ ΠΏΠ΅ΡΠ΅Π΄Π°Π²ΠΈΡΡ ΠΈ ΠΎΡΠΊΡΡΡΡ Π²ΡΠΏΡΡΠΊΠ½ΠΎΠΉ ΠΊΠ»Π°ΠΏΠ°Π½. Π Π·Π°Π²ΠΈΡΠΈΠΌΠΎΡΡΠΈ ΠΎΡ ΡΠΏΡΡΠ³ΠΎΡΡΠΈ ΠΏΡΡΠΆΠΈΠ½Ρ Π²ΡΠΏΡΡΠΊΠ½ΠΎΠ³ΠΎ ΠΊΠ»Π°ΠΏΠ°Π½Π° Π²ΠΎΠ·Π΄ΡΡ
Ρ ΡΠ΅ΠΌ ΠΈΠ»ΠΈ ΠΈΠ½ΡΠΌ Π΄Π°Π²Π»Π΅Π½ΠΈΠ΅ΠΌ ΠΈΠ· ΡΠΈΠ»ΠΈΠ½Π΄ΡΠ° Π½Π°Π³Π½Π΅ΡΠ°Π΅ΡΡΡ Π² ΡΠΏΠ΅ΡΠΈΠ°Π»ΡΠ½ΡΡ Π΅ΠΌΠΊΠΎΡΡΡ (ΡΠ΅ΡΠΈΠ²Π΅Ρ), ΠΊ ΠΊΠΎΡΠΎΡΠΎΠΉ ΡΠ΅ΡΠ΅Π· ΡΠΈΡΡΠ΅ΠΌΡ Π²Π΅Π½ΡΠΈΠ»Π΅ΠΉ ΠΈ ΠΌΠ°Π½ΠΎΠΌΠ΅ΡΡΠΎΠ² ΠΏΡΠΈ ΠΏΠΎΠΌΠΎΡΠΈ Π³ΠΈΠ±ΠΊΠΎΠΉ ΡΡΡΠ±ΠΊΠΈ (ΡΠ»Π°Π½Π³Π°) ΠΈ ΠΏΠΎΠ΄ΠΊΠ»ΡΡΠ°Π΅ΡΡΡ ΠΏΠΎΡΡΠ΅Π±ΠΈΡΠ΅Π»Ρ ΡΠΆΠ°ΡΠΎΠ³ΠΎ Π²ΠΎΠ·Π΄ΡΡ
Π°.
Π Π΄Π²ΡΡ
ΡΡΡΠΏΠ΅Π½ΡΠ°ΡΡΡ
ΠΊΠΎΠΌΠΏΡΠ΅ΡΡΠΎΡΠ°Ρ
Π²ΡΠΎΡΠ°Ρ ΡΡΡΠΏΠ΅Π½Ρ ΡΠΆΠ°ΡΠΈΡ Π²ΠΎΠ·Π΄ΡΡ
Π° ΠΏΡΠΎΠΈΡΡ
ΠΎΠ΄ΠΈΡ ΡΠ°ΠΊ ΠΆΠ΅ ΠΊΠ°ΠΊ ΠΏΠ΅ΡΠ²Π°Ρ ΠΈ Π½Π° Π²ΡΡ
ΠΎΠ΄Π΅ Π΄Π°Π²Π»Π΅Π½ΠΈΠ΅ Π²ΠΎΠ·Π΄ΡΡ
Π° Π΄ΠΎΡΡΠΈΠ³Π°Π΅Ρ 1.25ΠΠΠ°.
ΠΠΎΠΌΠΏΡΠ΅ΡΡΠΎΡ ΠΎΡΠ½Π°ΡΠ΅Π½ Π°Π²ΡΠΎΠΌΠ°ΡΠΈΡΠ΅ΡΠΊΠΈΠΌ ΠΊΠ»Π°ΠΏΠ°Π½ΠΎΠΌ Π΄Π°Π²Π»Π΅Π½ΠΈΡ. ΠΠΎΠ³Π΄Π° Π΄Π°Π²Π»Π΅Π½ΠΈΠ΅ Π² ΡΠ΅ΡΠΈΠ²Π΅ΡΠ΅ Π΄ΠΎΡΡΠΈΠ³Π°Π΅Ρ ΡΡΠΎΠ²Π½Ρ Π²ΡΡΠ΅ ΡΡΡΠ°Π½ΠΎΠ²Π»Π΅Π½Π½ΠΎΠ³ΠΎ, ΠΊΠ»Π°ΠΏΠ°Π½ Π΄Π°Π²Π»Π΅Π½ΠΈΡ ΠΎΡΠΊΠ»ΡΡΠ°Π΅Ρ Π°Π²ΡΠΎΠΌΠ°ΡΠΈΡΠ΅ΡΠΊΠΈ ΠΊΠΎΠΌΠΏΡΠ΅ΡΡΠΎΡ. ΠΡΠ»ΠΈ Π΄Π°Π²Π»Π΅Π½ΠΈΠ΅ ΡΠΏΠ°Π»ΠΎ Π΄ΠΎ 0.2-0.3 ΠΠΠ°, ΠΊΠ»Π°ΠΏΠ°Π½ Π΄Π°Π²Π»Π΅Π½ΠΈΡ Π²ΠΊΠ»ΡΡΠ°Π΅Ρ ΠΊΠΎΠΌΠΏΡΠ΅ΡΡΠΎΡ. ΠΡΠΎ ΠΏΠΎΠ·Π²ΠΎΠ»ΡΠ΅Ρ ΡΠΎΡ ΡΠ°Π½ΡΡΡ Π² ΡΠ΅ΡΠΈΠ²Π΅ΡΠ΅ Π΄Π°Π²Π»Π΅Π½ΠΈΠ΅, Π² ΡΠΎΠΎΡΠ²Π΅ΡΡΡΠ²ΠΈΠΈ Ρ ΡΡΡΠ°Π½ΠΎΠ²Π»Π΅Π½Π½ΡΠΌΠΈΠΏΠ°ΡΠ°ΠΌΠ΅ΡΡΠ°ΠΌΠΈ.
Π‘ ΠΊΠ°ΠΊΠΎΠΉ ΡΠΊΠΎΡΠΎΡΡΡΡ Π²ΡΠ°ΡΠ°Π΅ΡΡΡ ΡΠ°ΡΠΏΡΠ΅Π΄Π΅Π»ΠΈΡΠ΅Π»ΡΠ½ΡΠΉ Π²Π°Π» Π΄Π²ΡΡ ΠΈ βΡΠ΅ΡΡΡΠ΅Ρ ΡΠ°ΠΊΡΠ½ΠΎΠ³ΠΎ Π΄Π²ΠΈΠ³Π°ΡΠ΅Π»Ρ ΠΏΠΎ ΠΎΡΠ½ΠΎΡΠ΅Π½ΠΈΡ ΠΊ ΠΊΠΎΠ»Π΅Π½ΡΠ°ΡΠΎΠΌΡ Π²Π°Π»Ρ?
Π’ΠΠΠ ΡΠΎΡΠ½ΠΎ ΡΠ°ΠΊ ΠΆΠ΅ ΠΊΠ°ΠΊ ΠΈ ΠΊΠΎΠ»Π΅Π½ΡΠ°ΡΡΠΉ Π²Π°Π», Π΄Π»Ρ ΡΠΈΠ½Ρ ΡΠΎΠ½Π½ΠΎΡΡΠΈ ΠΈ ΡΠΎΡ ΡΠ°Π½Π΅Π½ΠΈΡ ΡΠ°Π·Ρ Π²ΠΏΡΡΡΠΊΠ° , Π½Ρ Π° ΡΠ°ΡΠΏΡΠ΅Π΄Π΅Π»ΠΈΡΠ΅Π»ΡΠ½ΡΠΉ Π²Π°Π» Π² 2 ΡΠ°Π·Π° ΠΌΠ΅Π΄Π»Π΅Π½Π½Π΅Π΅.
Π‘ ΠΊΠ°ΠΊΠΎΠΉ ΡΠ΅Π»ΡΡ ΠΏΡΠΈΠΌΠ΅Π½ΡΠ΅ΡΡΡ Π½Π΅ΡΠ°Π²Π½ΠΎΠΌΠ΅ΡΠ½ΠΎΠ΅ ΡΠ΅ΡΠ΅Π΄ΠΎΠ²Π°Π½ΠΈΠ΅ Π²ΠΏΡΡΠΊΠ½ΡΡ ΠΈ Π²ΡΠΏΡΡΠΊΠ½ΡΡ ΠΊΠ°Π½Π°Π»ΠΎΠ² Π² Π³ΠΎΠ»ΠΎΠ²ΠΊΠ΅ ΡΠΈΠ»ΠΈΠ½Π΄ΡΠΎΠ²?
ΠΠ»Ρ ΠΏΠΎΠ»ΡΡΠ΅Π½ΠΈΡ Π½Π°ΠΈΠ±ΠΎΠ»ΡΡΠ΅ΠΉ ΠΌΠΎΡΠ½ΠΎΡΡΠΈ Π½Π΅ΠΎΠ±Ρ
ΠΎΠ΄ΠΈΠΌΠΎ ΠΊΠ°ΠΊ ΠΌΠΎΠΆΠ½ΠΎ Π»ΡΡΡΠ΅ Π·Π°ΠΏΠΎΠ»Π½ΡΡΡ ΡΠΈΠ»ΠΈΠ½Π΄ΡΡ Π³ΠΎΡΡΡΠ΅ΠΉ ΡΠΌΠ΅ΡΡΡ ΠΈ ΠΎΡΠΈΡΠ°ΡΡ ΠΈΡ
ΠΎΡ ΠΏΡΠΎΠ΄ΡΠΊΡΠΎΠ² ΡΠ³ΠΎΡΠ°Π½ΠΈΡ. Π‘ ΡΡΠΎΠΉ ΡΠ΅Π»ΡΡ Π²ΠΏΡΡΠΊΠ½ΠΎΠΉ ΠΊΠ»Π°ΠΏΠ°Π½ ΠΎΡΠΊΡΡΠ²Π°Π΅ΡΡΡ Π΄ΠΎ ΠΏΡΠΈΡ
ΠΎΠ΄Π° ΠΏΠΎΡΡΠ½Ρ Π² Π².
ΠΌ. Ρ. Π² ΠΊΠΎΠ½ΡΠ΅ ΡΠ°ΠΊΡΠ° Π²ΡΠΏΡΡΠΊΠ°, Ρ. Π΅. Ρ ΠΎΠΏΠ΅ΡΠ΅ΠΆΠ΅Π½ΠΈΠ΅ΠΌ Π² ΠΏΡΠ΅Π΄Π΅Π»Π°Ρ
10 β¦ 31Β° ΠΏΠΎΠ²ΠΎΡΠΎΡΠ° ΠΊΠΎΠ»Π΅Π½ΡΠ°ΡΠΎΠ³ΠΎ Π²Π°Π»Π°, Π° Π·Π°ΠΊΡΡΠ²Π°Π΅ΡΡΡ ΠΏΠΎΡΠ»Π΅ ΠΏΠΎΡΡΠ½Ρ Π² Π½. ΠΌ. Ρ. Π² Π½Π°ΡΠ°Π»Π΅ ΡΠ°ΠΊΡΠ° ΡΠΆΠ°ΡΠΈΡ, Ρ. Π΅. Ρ Π·Π°ΠΏΠ°Π·Π΄ΡΠ²Π°Π½ΠΈΠ΅ΠΌ Π² 46 β¦ 83Β°.
ΠΡΠΎΠ΄ΠΎΠ»ΠΆΠΈΡΠ΅Π»ΡΠ½ΠΎΡΡΡ ΠΎΡΠΊΡΡΡΠΈΡ Π²ΠΏΡΡΠΊΠ½ΠΎΠ³ΠΎ ΠΊΠ»Π°ΠΏΠ°Π½Π° ΡΠΎΡΡΠ°Π²Π»ΡΠ΅Ρ 236 β¦ 294Β° ΠΏΠΎΠ²ΠΎΡΠΎΡΠ° ΠΊΠΎΠ»Π΅Π½ΡΠ°ΡΠΎΠ³ΠΎ Π²Π°Π»Π°, ΡΡΠΎ Π·Π½Π°ΡΠΈΡΠ΅Π»ΡΠ½ΠΎ ΡΠ²Π΅Π»ΠΈΡΠΈΠ²Π°Π΅Ρ ΠΊΠΎΠ»ΠΈΡΠ΅ΡΡΠ²ΠΎ ΠΏΠΎΡΡΡΠΏΠ°Π΅ΠΌΠΎΠΉ Π² ΡΠΈΠ»ΠΈΠ½Π΄ΡΡ Π³ΠΎΡΡΡΠ΅ΠΉ ΡΠΌΠ΅ΡΠΈ ΠΈΠ»ΠΈ Π²ΠΎΠ·Π΄ΡΡ Π°. ΠΠΎΡΡΡΠΏΠ»Π΅Π½ΠΈΠ΅ ΡΠΌΠ΅ΡΠΈ ΠΈΠ»ΠΈ Π²ΠΎΠ·Π΄ΡΡ Π° Π΄ΠΎ ΠΏΡΠΈΡ ΠΎΠ΄Π° ΠΏΠΎΡΡΠ½Ρ Π² Π². ΠΌ. Ρ. Π² ΠΊΠΎΠ½ΡΠ΅ ΡΠ°ΠΊΡΠ° Π²ΡΠΏΡΡΠΊΠ° ΠΈ ΠΏΠΎΡΠ»Π΅ Π½. ΠΌ. Ρ. Π½Π°ΡΠ°Π»Π° ΡΠ°ΠΊΡΠ° ΡΠΆΠ°ΡΠΈΡ ΠΏΡΠΎΠΈΡΡ ΠΎΠ΄ΠΈΡ Π·Π° ΡΡΠ΅Ρ ΠΈΠ½Π΅ΡΡΠΈΠΎΠ½Π½ΠΎΠ³ΠΎ Π½Π°ΠΏΠΎΡΠ° Π²ΠΎ Π²ΠΏΡΡΠΊΠ½ΠΎΠΌ ΡΡΡΠ±ΠΎΠΏΡΠΎΠ²ΠΎΠ΄Π΅ ΠΈΠ·-Π·Π° ΡΠ°ΡΡΠΎ ΠΏΠΎΠ²ΡΠΎΡΡΡΡΠΈΡ ΡΡ ΡΠ°ΠΊΡΠΎΠ² Π² ΡΠΈΠ»ΠΈΠ½Π΄ΡΠ°Ρ .
ΠΡΠΏΡΡΠΊΠ½ΠΎΠΉ ΠΊΠ»Π°ΠΏΠ°Π½ ΠΎΡΠΊΡΡΠ²Π°Π΅ΡΡΡ Π·Π° 50 β¦ 67Β° Π΄ΠΎ ΠΏΡΠΈΡ
ΠΎΠ΄Π° ΠΏΠΎΡΡΠ½Ρ Π² Π½. ΠΌ. Ρ. Π² ΠΊΠΎΠ½ΡΠ΅ ΡΠ°ΠΊΡΠ° Π³ΠΎΡΠ΅Π½ΠΈΠ΅ β ΡΠ°ΡΡΠΈΡΠ΅Π½ΠΈΠ΅ ΠΈ Π·Π°ΠΊΡΡΠ²Π°Π΅ΡΡΡ ΠΏΠΎΡΠ»Π΅ ΠΏΡΠΈΡ
ΠΎΠ΄Π° ΠΏΠΎΡΡΠ½Ρ Π² Π². ΠΌ. Ρ. ΡΠ°ΠΊΡΠ° Π²ΡΠΏΡΡΠΊΠ° Π½Π° 10 β¦ 47Β°. ΠΡΠΎΠ΄ΠΎΠ»ΠΆΠΈΡΠ΅Π»ΡΠ½ΠΎΡΡΡ ΠΎΡΠΊΡΡΡΠΈΡ Π²ΡΠΏΡΡΠΊΠ½ΠΎΠ³ΠΎ ΠΊΠ»Π°ΠΏΠ°Π½Π° ΡΠΎΡΡΠ°Π²Π»ΡΠ΅Ρ 240 β¦ 294Β° ΠΏΠΎΠ²ΠΎΡΠΎΡΠ° ΠΊΠΎΠ»Π΅Π½ΡΠ°ΡΠΎΠ³ΠΎ Π²Π°Π»Π°. ΠΡΠΏΡΡΠΊΠ½ΠΎΠΉ ΠΊΠ»Π°ΠΏΠ°Π½ ΠΎΡΠΊΡΡΠ²Π°Π΅ΡΡΡ ΡΠ°Π½ΡΡΠ΅, ΡΠ°ΠΊ ΠΊΠ°ΠΊ Π΄Π°Π²Π»Π΅Π½ΠΈΠ΅ Π² ΠΊΠΎΠ½ΡΠ΅ ΡΠ°ΠΊΡΠ° ΡΠ°ΡΡΠΈΡΠ΅Π½ΠΈΡ Π½Π΅Π²Π΅Π»ΠΈΠΊΠΎ ΠΈ ΠΎΠ½ΠΎ ΠΈΡΠΏΠΎΠ»ΡΠ·ΡΠ΅ΡΡΡ Π΄Π»Ρ ΠΎΡΠΈΡΡΠΊΠΈ ΡΠΈΠ»ΠΈΠ½Π΄ΡΠΎΠ² ΠΎΡ ΠΏΡΠΎΠ΄ΡΠΊΡΠΎΠ² ΡΠ³ΠΎΡΠ°Π½ΠΈΡ.
ΠΠΎΡΠ»Π΅ ΠΏΡΠΎΡ ΠΎΠΆΠ΄Π΅Π½ΠΈΡ ΠΏΠΎΡΡΠ½Π΅ΠΌ Π². ΠΌ. Ρ. ΠΎΡΡΠ°Π±ΠΎΡΠ°Π²ΡΠΈΠ΅ Π³Π°Π·Ρ Π±ΡΠ΄ΡΡ ΠΏΡΠΎΠ΄ΠΎΠ»ΠΆΠ°ΡΡ Π²ΡΡ ΠΎΠ΄ΠΈΡΡ ΠΏΠΎ ΠΈΠ½Π΅ΡΡΠΈΠΈ.
ΠΠΏΡΡΠΊΠ½ΠΎΠΉ ΠΊΠ»Π°ΠΏΠ°Π½ Π΄Π²ΠΈΠ³Π°ΡΠ΅Π»Ρ
ΠΠΏΡΡΠΊΠ½ΠΎΠΉ ΠΊΠ»Π°ΠΏΠ°Π½ β ΡΠ»Π΅ΠΌΠ΅Π½Ρ ΠΌΠ΅Ρ Π°Π½ΠΈΠ·ΠΌΠ° Π³Π°Π·ΠΎΡΠ°ΡΠΏΡΠ΅Π΄Π΅Π»Π΅Π½ΠΈΡ ΠΠΠ‘, ΠΊΠΎΡΠΎΡΡΠΉ ΠΎΡΠ²Π΅ΡΠ°Π΅Ρ Π·Π° ΠΏΡΠΎΠΏΡΡΠΊ Π² ΡΠ°Π±ΠΎΡΡΡ ΠΊΠ°ΠΌΠ΅ΡΡ ΡΠ³ΠΎΡΠ°Π½ΠΈΡ ΡΠΎΠΏΠ»ΠΈΠ²Π½ΠΎ-Π²ΠΎΠ·Π΄ΡΡΠ½ΠΎΠΉ ΡΠΌΠ΅ΡΠΈ ΠΈΠ»ΠΈ ΡΠΎΠ»ΡΠΊΠΎ Π²ΠΎΠ·Π΄ΡΡ Π° (Π΄Π»Ρ Π΄ΠΈΠ·Π΅Π»ΡΠ½ΡΡ ΠΠΠ‘ ΠΈΠ»ΠΈ ΠΌΠΎΡΠΎΡΠΎΠ² Ρ Π½Π΅ΠΏΠΎΡΡΠ΅Π΄ΡΡΠ²Π΅Π½Π½ΡΠΌ Π²ΠΏΡΡΡΠΊΠΎΠΌ). ΠΠΏΡΡΠΊΠ½ΠΎΠΉ ΠΊΠ»Π°ΠΏΠ°Π½ ΠΠ Π ΠΎΡΡΡΠ΅ΡΡΠ²Π»ΡΠ΅Ρ ΠΎΡΠΊΡΡΡΠΈΠ΅ Π΄ΠΎΡΡΡΠΏΠ° Π² ΡΠΈΠ»ΠΈΠ½Π΄Ρ Π΄Π²ΠΈΠ³Π°ΡΠ΅Π»Ρ, Π° Π·Π°ΡΠ΅ΠΌ ΠΏΠ΅ΡΠ΅ΠΊΡΡΠ²Π°Π΅Ρ Π΄ΠΎΡΡΡΠΏ ΠΏΠ΅ΡΠ΅Π΄ ΡΠ΅ΠΌ ΠΌΠΎΠΌΠ΅Π½ΡΠΎΠΌ, ΠΊΠΎΠ³Π΄Π° Π½Π°ΡΠ½Π΅ΡΡΡ ΡΠ°ΠΊΡ ΡΠΆΠ°ΡΠΈΡ.
ΠΠΏΡΡΠΊΠ½ΡΠ΅ ΠΊΠ»Π°ΠΏΠ°Π½Ρ ΠΈΠ·Π³ΠΎΡΠ°Π²Π»ΠΈΠ²Π°ΡΡ ΠΈΠ· ΠΎΡΠΎΠ±ΠΎΠΉ ΡΡΠ°Π»ΠΈ. Π ΡΠ°ΠΊΠΎΠΉ ΡΡΠ°Π»ΠΈ Π΄Π»Ρ ΠΈΠ·Π³ΠΎΡΠΎΠ²Π»Π΅Π½ΠΈΡ ΠΊΠ»Π°ΠΏΠ°Π½ΠΎΠ² Π΄Π²ΠΈΠ³Π°ΡΠ΅Π»Ρ Π²Π½ΡΡΡΠ΅Π½Π½Π΅Π³ΠΎ ΡΠ³ΠΎΡΠ°Π½ΠΈΡ Π²ΡΠ΄Π²ΠΈΠ³Π°ΡΡΡΡ ΠΎΡΠ΄Π΅Π»ΡΠ½ΡΠ΅ ΡΡΠ΅Π±ΠΎΠ²Π°Π½ΠΈΡ:
- Π²ΡΡΠΎΠΊΠ°Ρ ΡΠ²Π΅ΡΠ΄ΠΎΡΡΡ ΠΏΠΎΠ²Π΅ΡΡ Π½ΠΎΡΡΠΈ;
- Π΄ΠΎΡΡΠ°ΡΠΎΡΠ½Π°Ρ ΡΠ΅ΠΏΠ»ΠΎΠΏΡΠΎΠ²ΠΎΠ΄Π½ΠΎΡΡΡ ΠΌΠ°ΡΠ΅ΡΠΈΠ°Π»Π°;
- ΡΠ·ΠΊΠΈΠΉ ΠΊΠΎΡΡΡΠΈΡΠΈΠ΅Π½Ρ ΡΠ΅ΡΠΌΠΈΡΠ΅ΡΠΊΠΎΠ³ΠΎ ΡΠ°ΡΡΠΈΡΠ΅Π½ΠΈΡ;
- ΠΏΡΠΎΡΠΈΠ²ΠΎΡΡΠΎΡΠ½ΠΈΠ΅ ΡΠ°Π·ΡΠ΅Π΄Π°ΡΡΠ΅ΠΌΡ Π²Π»ΠΈΡΠ½ΠΈΡ ΠΏΡΠΎΠ΄ΡΠΊΡΠΎΠ² ΡΠ³ΠΎΡΠ°Π½ΠΈΡ;
- Π²ΠΎΠ·ΠΌΠΎΠΆΠ½ΠΎΡΡΡ ΠΏΡΠΎΡΠΈΠ²ΠΎΡΡΠΎΡΡΡ ΡΠ΅Π³ΡΠ»ΡΡΠ½ΡΠΌ Π΄ΠΈΠ½Π°ΠΌΠΈΡΠ΅ΡΠΊΠΈΠΌ Π½Π°Π³ΡΡΠ·ΠΊΠ°ΠΌ ΠΏΡΠΈ Π²ΡΡΠΎΠΊΠΎΠΌ Π½Π°Π³ΡΠ΅Π²Π΅;
ΠΠΎΠΏΠΎΠ»Π½ΠΈΡΠ΅Π»ΡΠ½ΡΠ΅ ΡΡΠ΅Π±ΠΎΠ²Π°Π½ΠΈΡ ΠΊ ΡΡΠ°Π»ΠΈ Π΄Π»Ρ ΠΊΠ»Π°ΠΏΠ°Π½ΠΎΠ² ΠΏΡΠ΅Π΄ΠΏΠΎΠ»Π°Π³Π°ΡΡ ΠΎΡΡΡΡΡΡΠ²ΠΈΠ΅ ΡΡΡΠ΅ΠΊΡΠ° Π·Π°ΠΊΠ°Π»ΠΈΠ²Π°Π½ΠΈΡ Π² ΠΌΠΎΠΌΠ΅Π½Ρ ΠΎΡ
Π»Π°ΠΆΠ΄Π΅Π½ΠΈΡ ΠΊΠ»Π°ΠΏΠ°Π½Π° ΠΏΠΎΡΠ»Π΅ ΡΠ°Π±ΠΎΡΡ Π² ΡΡΠ»ΠΎΠ²ΠΈΡΡ
Π²ΡΡΠΎΠΊΠΈΡ
ΡΠ΅ΠΌΠΏΠ΅ΡΠ°ΡΡΡ.
ΠΡΠΎ ΠΎΠ·Π½Π°ΡΠ°Π΅Ρ, ΡΡΠΎ ΠΏΡΠΈ ΠΎΡΡΡΠ²Π°Π½ΠΈΠΈ ΡΡΠ°Π»Ρ Π½Π΅ Π΄ΠΎΠ»ΠΆΠ½Π° ΡΡΠ°Π½ΠΎΠ²ΠΈΡΡΡ Ρ
ΡΡΠΏΠΊΠΎΠΉ. ΠΠ°Π½Π½ΡΠΌ ΡΡΠ΅Π±ΠΎΠ²Π°Π½ΠΈΡΠΌ Π½Π° 100% Π½Π΅ ΡΠΎΠΎΡΠ²Π΅ΡΡΡΠ²ΡΠ΅Ρ Π½ΠΈ ΠΎΠ΄Π½Π° ΠΈΠ· ΡΠ°Π·ΡΠ°Π±ΠΎΡΠ°Π½Π½ΡΡ
ΡΠ΅Π³ΠΎΠ΄Π½Ρ ΠΌΠ°ΡΠΎΠΊ ΡΡΠ°Π»ΠΈ.
ΠΠ»Π°ΠΏΠ°Π½Ρ ΠΠΠ‘ ΠΈΠ·Π³ΠΎΡΠ°Π²Π»ΠΈΠ²Π°ΡΡ ΠΈΠ· Π²ΡΡΠΎΠΊΠΎΠ»Π΅Π³ΠΈΡΠΎΠ²Π°Π½Π½ΡΡ ΡΠΈΠ»ΡΡ ΡΠΎΠΌΠΎΠ², ΡΡΠΎ ΠΏΠΎΠ·Π²ΠΎΠ»ΡΠ΅Ρ ΡΠΊΠ°Π·Π°Π½Π½ΠΎΠΉ Π΄Π΅ΡΠ°Π»ΠΈ ΡΠ°Π±ΠΎΡΠ°ΡΡ Π² ΡΡΠ»ΠΎΠ²ΠΈΡΡ Π²ΡΡΠΎΡΠ°ΠΉΡΠ΅Π³ΠΎ Π½Π°Π³ΡΠ΅Π²Π°. Π’Π°ΠΊΠΎΠΉ ΠΏΠΎΠ΄Ρ ΠΎΠ΄ ΠΎΠ±Π΅ΡΠΏΠ΅ΡΠΈΠ» Π½ΡΠΆΠ½ΡΡ ΠΏΡΠΎΡΠ½ΠΎΡΡΡ ΠΊΠ»Π°ΠΏΠ°Π½Π°, Π° ΡΠ°ΠΊΠΆΠ΅ Π²ΠΎΠ·ΠΌΠΎΠΆΠ½ΠΎΡΡΡ ΡΠ»Π΅ΠΌΠ΅Π½ΡΠ° ΠΏΡΠΎΡΠΈΠ²ΠΎΡΡΠΎΡΡΡ ΠΊΠΎΡΡΠΎΠ·ΠΈΠΎΠ½Π½ΡΠΌ ΠΏΡΠΎΡΠ΅ΡΡΠ°ΠΌ, ΠΊΠΎΡΠΎΡΡΠ΅ Π°ΠΊΡΠΈΠ²Π½ΠΎ ΠΏΡΠΎΠ³ΡΠ΅ΡΡΠΈΡΡΡΡ Π² ΡΡΠ΅Π΄Π΅ Π΅Π³ΠΎ ΡΠ°Π±ΠΎΡΡ ΠΏΡΠΈ Π²ΡΡΠΎΠΊΠΈΡ ΡΠ΅ΠΌΠΏΠ΅ΡΠ°ΡΡΡΠ°Ρ ΠΎΠΊΠΎΠ»ΠΎ 600 β 800 Β°C.
ΠΠ»Π°ΠΏΠ°Π½Ρ ΡΠ°Π·ΠΌΠ΅ΡΠ°ΡΡ ΠΏΠΎΠ΄ ΠΎΠΏΡΠ΅Π΄Π΅Π»Π΅Π½Π½ΡΠΌ ΡΠ³Π»ΠΎΠΌ (30-45 Π³ΡΠ°Π΄ΡΡΠΎΠ²) ΠΏΠΎ ΠΎΡΠ½ΠΎΡΠ΅Π½ΠΈΡ ΠΊ Π²Π΅ΡΡΠΈΠΊΠ°Π»ΡΠ½ΠΎΠΉ ΠΎΡΠΈ. ΠΡΠ»ΠΈΡΠΈΠ΅ΠΌ Π²ΠΏΡΡΠΊΠ½ΠΎΠ³ΠΎ ΠΊΠ»Π°ΠΏΠ°Π½Π° ΠΎΡ Π²ΡΠΏΡΡΠΊΠ½ΠΎΠ³ΠΎ ΡΠ²Π»ΡΠ΅ΡΡΡ ΡΠΎ, ΡΡΠΎ Π΅Π³ΠΎ ΡΠ°ΡΠ΅Π»ΠΊΠ° ΠΈΠΌΠ΅Π΅Ρ Π±ΠΎΠ»ΡΡΠΈΠΉ Π΄ΠΈΠ°ΠΌΠ΅ΡΡ ΡΡΠ°Π²Π½ΠΈΡΠ΅Π»ΡΠ½ΠΎ Ρ ΡΠ°ΡΠ΅Π»ΠΊΠΎΠΉ Π²ΡΠΏΡΡΠΊΠ½ΠΎΠ³ΠΎ ΠΊΠ»Π°ΠΏΠ°Π½Π°. Π’Π°ΠΊΠΎΠ΅ ΡΠ°Π·Π»ΠΈΡΠΈΠ΅ Π²ΡΠ·Π²Π°Π½ΠΎ ΡΠ΅ΠΌ, ΡΡΠΎ ΠΌΠΎΠΌΠ΅Π½Ρ ΠΎΡΠΊΡΡΡΠΈΡ Π²ΠΏΡΡΠΊΠ½ΠΎΠ³ΠΎ ΠΊΠ»Π°ΠΏΠ°Π½Π° ΠΏΡΠΎΠΈΡΡ ΠΎΠ΄ΠΈΡ ΠΈΠΌΠ΅Π½Π½ΠΎ ΡΠΎΠ³Π΄Π°, ΠΊΠΎΠ΄Π° Π² ΠΊΠ°ΠΌΠ΅ΡΠ΅ ΡΠ³ΠΎΡΠ°Π½ΠΈΡ ΠΏΠΎΡΠ²Π»ΡΠ΅ΡΡΡ ΡΠ°Π·ΡΠ΅ΠΆΠ΅Π½ΠΈΠ΅. Π ΠΌΠΎΠΌΠ΅Π½Ρ Π²ΡΠΏΡΡΠΊΠ° Π² ΡΠΈΠ»ΠΈΠ½Π΄ΡΠ΅ ΠΈΠΌΠ΅Π΅Ρ ΠΌΠ΅ΡΡΠΎ ΠΏΠΎΠ²ΡΡΠ΅Π½ΠΈΠ΅ Π΄Π°Π²Π»Π΅Π½ΠΈΡ.
Π Π°Π·ΡΠ΅ΠΆΠ΅Π½ΠΈΠ΅ Π² ΡΠΈΠ»ΠΈΠ½Π΄ΡΠ΅ Π½Π° Π²ΠΏΡΡΠΊΠ΅ ΡΡΡΡΠΏΠ°Π΅Ρ Π΄Π°Π²Π»Π΅Π½ΠΈΡ ΠΏΠΎ ΡΠΈΠ»Π΅ Π½Π° ΡΠ°ΠΊΡΠ΅ Π²ΡΠΏΡΡΠΊΠ°.
ΠΠ»Ρ ΠΌΠ°ΠΊΡΠΈΠΌΠ°Π»ΡΠ½ΠΎ ΠΊΠ°ΡΠ΅ΡΡΠ²Π΅Π½Π½ΠΎΠ³ΠΎ ΠΈ ΠΏΠΎΠ»Π½ΠΎΠ³ΠΎ Π½Π°ΠΏΠΎΠ»Π½Π΅Π½ΠΈΡ ΡΠ°Π±ΠΎΡΠ΅ΠΉ ΡΠΎΠΏΠ»ΠΈΠ²Π½ΠΎ-Π²ΠΎΠ·Π΄ΡΡΠ½ΠΎΠΉ ΡΠΌΠ΅ΡΡΡ Π½Π° Π²ΠΏΡΡΠΊΠ΅ Π½Π΅ΠΎΠ±Ρ
ΠΎΠ΄ΠΈΠΌΡ ΠΊΠ»Π°ΠΏΠ°Π½Π° Ρ Π±ΠΎΠ»ΡΡΠ΅ΠΉ ΠΏΡΠΎΠΏΡΡΠΊΠ½ΠΎΠΉ ΡΠΏΠΎΡΠΎΠ±Π½ΠΎΡΡΡΡ. Π’Π°ΠΊΠ°Ρ ΠΏΡΠΎΠΏΡΡΠΊΠ½Π°Ρ ΡΠΏΠΎΡΠΎΠ±Π½ΠΎΡΡΡ ΡΠ΅Π°Π»ΠΈΠ·ΠΎΠ²Π°Π½Π° ΠΏΠΎΡΡΠ΅Π΄ΡΡΠ²ΠΎΠΌ ΡΠ²Π΅Π»ΠΈΡΠ΅Π½ΠΈΡ Π΄ΠΈΠ°ΠΌΠ΅ΡΡΠ° ΡΠ°ΡΠ΅Π»ΠΊΠΈ Π²ΠΏΡΡΠΊΠ½ΠΎΠ³ΠΎ ΠΊΠ»Π°ΠΏΠ°Π½Π° ΠΈΠ»ΠΈ ΠΊΠΎΠ»ΠΈΡΠ΅ΡΡΠ²Π° Π²ΠΏΡΡΠΊΠ½ΡΡ
ΠΊΠ»Π°ΠΏΠ°Π½ΠΎΠ².
Π’Π°ΡΠ΅Π»ΠΊΠ° Π²ΠΏΡΡΠΊΠ½ΠΎΠ³ΠΎ ΠΊΠ»Π°ΠΏΠ°Π½Π° ΡΠΎ ΡΡΠΎΡΠΎΠ½Ρ ΡΠ°Π±ΠΎΡΠ΅ΠΉ ΠΊΠ°ΠΌΠ΅ΡΡ ΡΠ³ΠΎΡΠ°Π½ΠΈΡ ΠΏΠ»ΠΎΡΠΊΠ°Ρ, Π° ΡΠΎ ΡΡΠΎΡΠΎΠ½Ρ ΡΠ°ΡΠΏΡΠ΅Π΄Π΅Π»ΠΈΡΠ΅Π»ΡΠ½ΠΎΠ³ΠΎ Π²Π°Π»Π° ΠΏΠΎΠ»ΡΡΠ°Π΅Ρ ΡΠΎΡΠΌΡ ΠΊΠΎΠ½ΡΡΠ°. ΠΠ°Π½Π½ΡΠΉ ΠΊΠΎΠ½ΡΡ Π΅ΡΠ΅ Π½Π°Π·ΡΠ²Π°Π΅ΡΡΡ ΡΠ°ΡΠΊΠΎΠΉ. Π ΠΌΠΎΠΌΠ΅Π½Ρ Π·Π°ΠΊΡΡΡΠΈΡ Π²ΠΏΡΡΠΊΠ½ΠΎΠ³ΠΎ ΠΊΠ»Π°ΠΏΠ°Π½Π° ΡΠ°ΡΠΊΠ° ΠΏΡΠΈΠ»Π΅Π³Π°Π΅Ρ ΠΊ ΡΠ΅Π΄Π»Ρ ΠΊΠ»Π°ΠΏΠ°Π½Π°, ΠΊΠΎΡΠΎΡΠΎΠ΅ ΡΠ°ΠΊΠΆΠ΅ ΠΏΡΠ΅Π΄ΡΡΠ°Π²Π»ΡΠ΅Ρ ΡΠΎΠ±ΠΎΠΉ ΠΊΠΎΠ½ΠΈΡΠ΅ΡΠΊΠΎΠ΅ ΠΎΡΠ²Π΅ΡΡΡΠΈΠ΅ Π² ΠΠΠ¦.
Π’ΠΎΡΠ½ΠΎΡΡΡ ΠΏΠΎΡΠ°Π΄ΠΊΠΈ Π²ΠΏΡΡΠΊΠ½ΠΎΠ³ΠΎ ΠΊΠ»Π°ΠΏΠ°Π½Π° ΠΎΠ±Π΅ΡΠΏΠ΅ΡΠ΅Π½Π° Π±Π»Π°Π³ΠΎΠ΄Π°ΡΡ ΠΈΡΠΏΠΎΠ»ΡΠ·ΠΎΠ²Π°Π½ΠΈΡ Π½Π°ΠΏΡΠ°Π²Π»ΡΡΡΠ΅ΠΉ Π²ΡΡΠ»ΠΊΠΈ. Π ΡΠΊΠ°Π·Π°Π½Π½ΡΡ Π²ΡΡΠ»ΠΊΡ Π²ΡΡΠ°Π²Π»ΡΠ΅ΡΡΡ ΡΡΠ΅ΡΠΆΠ΅Π½Ρ ΠΊΠ»Π°ΠΏΠ°Π½Π°, Π° ΡΠ°ΠΌΠ° Π²ΡΡΠ»ΠΊΠ° Π½Π°Π·ΡΠ²Π°Π΅ΡΡΡ Π½Π°ΠΏΡΠ°Π²Π»ΡΡΡΠ΅ΠΉ ΠΊΠ»Π°ΠΏΠ°Π½Π°. ΠΠ°ΠΏΡΠ°Π²Π»ΡΡΡΠΈΠ΅ ΠΊΠ»Π°ΠΏΠ°Π½ΠΎΠ² Π·Π°ΠΏΡΠ΅ΡΡΠΎΠ²Π°Π½Ρ Π² ΠΊΠΎΡΠΏΡΡ ΠΠΠ¦, Π° ΡΠ°ΠΊΠΆΠ΅ Π΄ΠΎΠΏΠΎΠ»Π½ΠΈΡΠ΅Π»ΡΠ½ΠΎ Π·Π°ΡΠΈΠΊΡΠΈΡΠΎΠ²Π°Π½Ρ ΠΏΠΎΡΡΠ΅Π΄ΡΡΠ²ΠΎΠΌ ΡΡΠΎΠΏΠΎΡΠ½ΠΎΠ³ΠΎ ΠΊΠΎΠ»ΡΡΠ°.
Π‘ΠΎΠ²ΡΠ΅ΠΌΠ΅Π½Π½ΡΠ΅ ΡΠΈΠ»ΠΎΠ²ΡΠ΅ Π°Π³ΡΠ΅Π³Π°ΡΡ ΠΈΠΌΠ΅ΡΡ ΡΠ΅Π½Π΄Π΅Π½ΡΠΈΡ ΠΊ ΡΠ²Π΅Π»ΠΈΡΠ΅Π½ΠΈΡ ΠΊΠΎΠ»ΠΈΡΠ΅ΡΡΠ²Π° Π²ΠΏΡΡΠΊΠ½ΡΡ
ΠΊΠ»Π°ΠΏΠ°Π½ΠΎΠ² Π½Π° ΡΠΈΠ»ΠΈΠ½Π΄Ρ Π΄Π»Ρ ΡΠ»ΡΡΡΠ΅Π½ΠΈΡ ΠΏΡΠΎΠΏΡΡΠΊΠ½ΠΎΠΉ ΡΠΏΠΎΡΠΎΠ±Π½ΠΎΡΡΠΈ, ΠΏΠΎΠ²ΡΡΠ΅Π½ΠΈΡ ΡΡΡΠ΅ΠΊΡΠΈΠ²Π½ΠΎΡΡΠΈ Π½Π°ΠΏΠΎΠ»Π½Π΅Π½ΠΈΡ ΡΠΈΠ»ΠΈΠ½Π΄ΡΠ° ΡΠ°Π±ΠΎΡΠ΅ΠΉ ΡΠΎΠΏΠ»ΠΈΠ²Π½ΠΎ-Π²ΠΎΠ·Π΄ΡΡΠ½ΠΎΠΉ ΡΠΌΠ΅ΡΡΡ ΠΈ ΡΠ»ΡΡΡΠ΅Π½ΠΈΡ ΠΌΠΎΡΠ½ΠΎΡΡΠ½ΡΡ
ΠΈ Π΄ΡΡΠ³ΠΈΡ
Ρ
Π°ΡΠ°ΠΊΡΠ΅ΡΠΈΡΡΠΈΠΊ ΠΠΠ‘.
ΠΠ»Π°ΠΏΠ°Π½ ΠΏΠΎΠ»ΡΡΠ°Π΅Ρ Π²Π½ΡΡΡΠ΅Π½Π½ΡΡ ΠΈ Π½Π°ΡΡΠΆΠ½ΡΡ ΠΏΡΡΠΆΠΈΠ½Ρ. ΠΠ°Π½Π½ΡΠ΅ ΡΠΈΠ»ΠΈΠ½Π΄ΡΠΈΡΠ΅ΡΠΊΠΈΠ΅ ΠΏΡΡΠΆΠΈΠ½Ρ Π·Π°ΠΊΡΠ΅ΠΏΠ»ΡΡΡ Π½Π° ΡΡΠ΅ΡΠΆΠ½Π΅ ΠΊΠ»Π°ΠΏΠ°Π½Π°. ΠΡΠΊΡΡΡΠΈΠ΅ Π²ΠΏΡΡΠΊΠ½ΠΎΠ³ΠΎ ΠΊΠ»Π°ΠΏΠ°Π½Π° Π½Π° ΡΠ°ΠΊΡΠ΅ Π²ΠΏΡΡΠΊΠ° ΡΡΠ°Π½ΠΎΠ²ΠΈΡΡΡ Π²ΠΎΠ·ΠΌΠΎΠΆΠ½ΡΠΌ Π±Π»Π°Π³ΠΎΠ΄Π°ΡΡ ΡΠΎΠΌΡ, ΡΡΠΎ ΡΡΠΈΠ»ΠΈΠ΅ ΠΎΡ ΠΊΡΠ»Π°ΡΠΊΠ° ΡΠ°ΡΠΏΡΠ΅Π΄Π΅Π»ΠΈΡΠ΅Π»ΡΠ½ΠΎΠ³ΠΎ Π²Π°Π»Π° ΠΏΠ΅ΡΠ΅Π΄Π°Π΅ΡΡΡ Π½Π° ΡΠΎΠΊΠ΅ΡΠ° (ΡΠΎΠ»ΠΊΠ°ΡΠ΅Π»Ρ). ΠΠΎΠ½ΡΡΡΡΠΊΡΠΈΡ ΡΠΎΠ²ΡΠ΅ΠΌΠ΅Π½Π½ΡΡ ΠΠΠ‘ ΠΏΠΎΠ΄ΡΠ°Π·ΡΠΌΠ΅Π²Π°Π΅Ρ ΠΏΡΡΠΌΠΎΠ΅ Π²ΠΎΠ·Π΄Π΅ΠΉΡΡΠ²ΠΈΠ΅ ΠΊΡΠ»Π°ΡΠΊΠ° ΡΠ°ΡΠΏΡΠ΅Π΄Π²Π°Π»Π° Π½Π° ΠΊΠ»Π°ΠΏΠ°Π½. ΠΡΡΠΆΠΈΠ½Ρ ΠΊΠ»Π°ΠΏΠ°Π½Π° ΠΏΠ»ΠΎΡΠ½ΠΎ Π·Π°ΠΊΡΡΠ²Π°ΡΡ (ΠΏΡΠΈΠΆΠΈΠΌΠ°ΡΡ) ΠΊΠ»Π°ΠΏΠ°Π½ ΠΎΠ±ΡΠ°ΡΠ½ΠΎ ΠΏΠΎΡΠ»Π΅ ΡΠΎΠ³ΠΎ, ΠΊΠ°ΠΊ ΡΠΎΠΊΠ΅Ρ ΡΠ±Π΅Π³Π°Π΅Ρ Ρ ΡΠΎΠ»ΠΊΠ°ΡΠ΅Π»Ρ ΠΈΠ»ΠΈ ΡΡΠ΅ΡΠΆΠ΅Π½Ρ ΠΊΠ»Π°ΠΏΠ°Π½Π° ΠΏΡΠ΅ΠΊΡΠ°ΡΠ°Π΅Ρ ΠΊΠΎΠ½ΡΠ°ΠΊΡΠΈΡΠΎΠ²Π°ΡΡ Ρ ΠΊΡΠ»Π°ΡΠΊΠΎΠΌ ΡΠ°ΡΠΏΡΠ΅Π΄Π²Π°Π»Π°.
ΠΠ΅ΠΆΠ΄Ρ ΡΠ°ΡΠΏΡΠ΅Π΄Π΅Π»ΠΈΡΠ΅Π»ΡΠ½ΡΠΌ Π²Π°Π»ΠΎΠΌ (Π΅Π³ΠΎ ΠΊΡΠ»Π°ΡΠΊΠΎΠΌ) ΠΈ ΡΡΠ΅ΡΠΆΠ½Π΅ΠΌ ΠΊΠ»Π°ΠΏΠ°Π½Π° (Π΅Π³ΠΎ ΡΠΎΡΡΠ΅Π²ΠΎΠΉ ΡΠ°ΡΡΡΡ) ΠΈΠΌΠ΅Π΅ΡΡΡ ΠΊΠΎΠ½ΡΡΡΡΠΊΡΠΈΠ²Π½ΡΠΉ Π·Π°Π·ΠΎΡ. Π’Π°ΠΊΠΎΠΉ Π·Π°Π·ΠΎΡ (ΠΌΠΎΠΆΠ΅Ρ Π½Π°Ρ ΠΎΠ΄ΠΈΡΡΡΡ Π½Π° ΠΎΡΠΌΠ΅ΡΠΊΠ΅ 0,3-0,05 ΠΌΠΌ) ΡΠΎΠ·Π΄Π°Π½ Π΄Π»Ρ ΠΊΠΎΠΌΠΏΠ΅Π½ΡΠ°ΡΠΈΠΈ ΡΠ΅ΠΏΠ»ΠΎΠ²ΠΎΠ³ΠΎ ΡΠ°ΡΡΠΈΡΠ΅Π½ΠΈΡ Π²ΠΏΡΡΠΊΠ½ΠΎΠ³ΠΎ ΠΊΠ»Π°ΠΏΠ°Π½Π°.
ΠΡΠΊΡΡΡΠΈΠ΅ ΠΈ Π·Π°ΠΊΡΡΡΠΈΠ΅ Π²ΠΏΡΡΠΊΠ½ΡΡ
ΠΊΠ»Π°ΠΏΠ°Π½ΠΎΠ² Π² ΡΠ΅ΡΠΊΠΎ ΠΎΠΏΡΠ΅Π΄Π΅Π»Π΅Π½Π½ΡΠΉ ΠΌΠΎΠΌΠ΅Π½Ρ ΡΡΠ°Π½ΠΎΠ²ΠΈΡΡΡ Π²ΠΎΠ·ΠΌΠΎΠΆΠ½ΡΠΌ Π±Π»Π°Π³ΠΎΠ΄Π°ΡΡ ΡΠ³Π»ΠΎΠ²ΠΎΠΌΡ ΠΏΠΎΠ»ΠΎΠΆΠ΅Π½ΠΈΡ ΡΠ°ΡΠΏΡΠ΅Π΄Π²Π°Π»Π°, ΠΊΠΎΡΠΎΡΠΎΠ΅ Π² ΡΠΎΡΠ½ΠΎΡΡΠΈ ΡΠΎΠ²ΠΏΠ°Π΄Π°Π΅Ρ Ρ Π°Π½Π°Π»ΠΎΠ³ΠΈΡΠ½ΡΠΌ ΠΏΠΎΠ»ΠΎΠΆΠ΅Π½ΠΈΠ΅ΠΌ ΠΊΠΎΠ»Π΅Π½ΡΠ°ΡΠΎΠ³ΠΎ Π²Π°Π»Π° ΠΠΠ‘. ΠΠΎΠ»ΡΡΠ°Π΅ΡΡΡ, ΠΏΠΎΠ»ΠΎΠΆΠ΅Π½ΠΈΠ΅ ΡΠ°ΡΠΏΡΠ΅Π΄Π²Π°Π»Π° Π² ΠΌΠΎΠΌΠ΅Π½Ρ ΠΎΡΠΊΡΡΡΠΈΡ Π²ΠΏΡΡΠΊΠ½ΡΡ
ΠΊΠ»Π°ΠΏΠ°Π½ΠΎΠ² ΡΡΡΠΎΠ³ΠΎ ΡΠΎΠΎΡΠ²Π΅ΡΡΡΠ²ΡΠ΅Ρ ΠΏΠΎΠ»ΠΎΠΆΠ΅Π½ΠΈΡ ΠΊΠΎΠ»Π΅Π½Π²Π°Π»Π°.
ΠΠΎΠ½ΡΡΡΡΠΊΡΠΈΠΈ Π΄Π²ΠΈΠ³Π°ΡΠ΅Π»Π΅ΠΉ ΠΌΠΎΠ³ΡΡ ΠΎΡΠ»ΠΈΡΠ°ΡΡΡΡ, ΠΊΠΎΠ»ΠΈΡΠ΅ΡΡΠ²ΠΎ ΡΠ°ΡΠΏΡΠ΅Π΄Π²Π°Π»ΠΎΠ² ΠΌΠΎΠΆΠ΅Ρ Π±ΡΡΡ ΡΠ°Π·Π½ΡΠΌ.
ΠΠΏΡΡΠΊΠ½ΠΎΠΉ ΠΊΠ»Π°ΠΏΠ°Π½ Π½Π°ΡΠΈΠ½Π°Π΅Ρ ΠΏΡΠΈΠΎΡΠΊΡΡΠ²Π°ΡΡΡΡ Π½Π΅ΠΌΠ½ΠΎΠ³ΠΎ ΡΠ°Π½ΡΡΠ΅ ΡΠΎΠ³ΠΎ ΠΌΠΎΠΌΠ΅Π½ΡΠ°, ΠΊΠΎΠ³Π΄Π° ΠΏΠΎΡΡΠ΅Π½Ρ ΠΎΠΊΠ°ΠΆΠ΅ΡΡΡ Π² ΠΠΠ’ (Π²ΡΡΡΠ°Ρ ΠΌΠ΅ΡΡΠ²Π°Ρ ΡΠΎΡΠΊΠ°). ΠΡΠΎ ΠΎΠ·Π½Π°ΡΠ°Π΅Ρ, ΡΡΠΎ Π² ΡΠ°ΠΌΠΎΠΌ Π½Π°ΡΠ°Π»Π΅ ΡΠ°ΠΊΡΠ° Π²ΠΏΡΡΠΊΠ° (ΠΊΠΎΠ³Π΄Π° ΠΏΠΎΡΡΠ΅Π½Ρ Π½Π°ΡΠΈΠ½Π°Π΅Ρ ΠΎΠΏΡΡΠΊΠ°ΡΡΡΡ Π²Π½ΠΈΠ·), Π²ΠΏΡΡΠΊΠ½ΠΎΠΉ ΠΊΠ»Π°ΠΏΠ°Π½ ΡΠΆΠ΅ Π½Π΅ΠΌΠ½ΠΎΠ³ΠΎ ΠΎΡΠΊΡΡΡ. Π’Π°ΠΊΠΎΠ΅ ΡΠ΅ΡΠ΅Π½ΠΈΠ΅ Π½Π°Π·ΡΠ²Π°Π΅ΡΡΡ ΠΎΠΏΠ΅ΡΠ΅ΠΆΠ΅Π½ΠΈΠ΅ΠΌ ΠΎΡΠΊΡΡΡΠΈΡ ΠΊΠ»Π°ΠΏΠ°Π½Π°. Π Π°Π·Π»ΠΈΡΠ½ΡΠ΅ ΠΌΠΎΠ΄Π΅Π»ΠΈ ΡΠΈΠ»ΠΎΠ²ΡΡ Π°Π³ΡΠ΅Π³Π°ΡΠΎΠ² ΠΈΠΌΠ΅ΡΡ ΡΠ°Π·Π½ΠΎΠ΅ ΠΎΠΏΠ΅ΡΠ΅ΠΆΠ΅Π½ΠΈΠ΅, Π° ΡΠ°ΠΌΠΊΠΈ ΠΊΠΎΠ»Π΅Π±Π°Π½ΠΈΠΉ Π½Π°Ρ ΠΎΠ΄ΡΡΡΡ Π² ΠΏΡΠ΅Π΄Π΅Π»Π°Ρ ΠΎΡ 5-ΠΈ Π΄ΠΎ 30-ΠΈ Π³ΡΠ°Π΄ΡΡΠΎΠ².
ΠΠ°ΠΊΡΡΡΠΈΠ΅ Π²ΠΏΡΡΠΊΠ½ΠΎΠ³ΠΎ ΠΊΠ»Π°ΠΏΠ°Π½Π° ΠΎΡΡΡΠ΅ΡΡΠ²Π»ΡΠ΅ΡΡΡ Ρ Π½Π΅Π±ΠΎΠ»ΡΡΠΎΠΉ Π·Π°Π΄Π΅ΡΠΆΠΊΠΎΠΉ. ΠΠ»Π°ΠΏΠ°Π½ Π·Π°ΠΊΡΡΠ²Π°Π΅ΡΡΡ Π² ΡΠΎΡ ΠΌΠΎΠΌΠ΅Π½Ρ, ΠΊΠΎΠ³Π΄Π° ΠΏΠΎΡΡΠ΅Π½Ρ Π² ΡΠΈΠ»ΠΈΠ½Π΄ΡΠ΅ ΠΎΠΊΠ°Π·ΡΠ²Π°Π΅ΡΡΡ Π² Π½ΠΈΠΆΠ½Π΅ΠΉ ΠΌΠ΅ΡΡΠ²ΠΎΠΉ ΡΠΎΡΠΊΠ΅ ΠΈ Π΄Π°Π»Π΅Π΅ Π½Π°ΡΠΈΠ½Π°Π΅ΡΡΡ Π΄Π²ΠΈΠΆΠ΅Π½ΠΈΠ΅ Π²Π²Π΅ΡΡ . Π¦ΠΈΠ»ΠΈΠ½Π΄Ρ ΠΏΡΠΎΠ΄ΠΎΠ»ΠΆΠ°Π΅Ρ Π½Π°ΠΏΠΎΠ»Π½ΡΡΡΡΡ ΠΈ ΠΏΠΎΡΠ»Π΅ Π½Π°ΡΠ°Π»Π° Π΄Π²ΠΈΠΆΠ΅Π½ΠΈΡ ΠΏΠΎΡΡΠ½Ρ Π²Π²Π΅ΡΡ . Π’Π°ΠΊΠΎΠ΅ ΡΠ²Π»Π΅Π½ΠΈΠ΅ ΠΏΡΠΎΠΈΡΡ ΠΎΠ΄ΠΈΡ Π² ΡΠ΅Π·ΡΠ»ΡΡΠ°ΡΠ΅ ΠΈΠ½Π΅ΡΡΠΈΠΎΠ½Π½ΠΎΠ³ΠΎ Π΄Π²ΠΈΠΆΠ΅Π½ΠΈΡ Π²ΠΎ Π²ΠΏΡΡΠΊΠ½ΠΎΠΌ ΠΊΠΎΠ»Π»Π΅ΠΊΡΠΎΡΠ΅.
ΠΡΠ½ΠΎΠ²Π½ΡΠΌΠΈ Π½Π΅ΠΈΡΠΏΡΠ°Π²Π½ΠΎΡΡΡΠΌΠΈ, ΠΊΠΎΡΠΎΡΡΠ΅ Π½Π°ΠΏΡΡΠΌΡΡ ΡΠ²ΡΠ·Π°Π½Ρ Ρ ΠΊΠ»Π°ΠΏΠ°Π½Π°ΠΌΠΈ ΠΠΠ‘, ΡΠ²Π»ΡΡΡΡΡ: Π·Π°Π³ΠΈΠ±Π°Π½ΠΈΠ΅ ΠΊΠ»Π°ΠΏΠ°Π½ΠΎΠ², Π·Π°ΡΠ°ΡΡΠ°Π½ΠΈΠ΅ ΠΊΠ»Π°ΠΏΠ°Π½ΠΎΠ² Π½Π°Π³Π°ΡΠΎΠΌ ΠΈ ΠΏΡΠΎΠ³Π°Ρ ΠΊΠ»Π°ΠΏΠ°Π½Π°.
ΠΠ°Π³ΠΈΠ±Π°Π½ΠΈΠ΅ ΠΊΠ»Π°ΠΏΠ°Π½ΠΎΠ² ΡΠ°ΡΠ΅ Π²ΡΠ΅Π³ΠΎ ΠΏΡΠΎΠΈΡΡ
ΠΎΠ΄ΠΈΡ ΠΏΠΎ ΠΏΡΠΈΡΠΈΠ½Π΅ ΠΎΠ±ΡΡΠ²Π° ΡΠ΅ΠΌΠ½Ρ ΠΠ Π. ΠΠ΅ ΠΌΠ΅Π½Π΅Π΅ ΡΠ°ΡΡΠΎ Π³Π½Π΅Ρ ΠΊΠ»Π°ΠΏΠ°Π½Π° ΠΈ ΠΏΡΠΈ Π½Π΅ΠΏΡΠ°Π²ΠΈΠ»ΡΠ½ΠΎ Π²ΡΡΡΠ°Π²Π»Π΅Π½Π½ΡΡ
ΠΌΠ΅ΡΠΊΠ°Ρ
Π² ΠΏΡΠΎΡΠ΅ΡΡΠ΅ Π·Π°ΠΌΠ΅Π½Ρ ΠΏΡΠΈΠ²ΠΎΠ΄Π½ΠΎΠ³ΠΎ ΡΠ΅ΠΌΠ½Ρ ΠΠ Π. ΠΠ΅Π½ΡΡΡ ΡΠ΅ΠΌΠ΅Π½Ρ ΠΠ Π ΠΈ Π²ΡΡΡΠ°Π²Π»ΡΡΡ ΠΌΠ΅ΡΠΊΠΈ Π½Π° ΡΠΊΠΈΠ²Π°Ρ
ΡΠ°ΡΠΏΡΠ΅Π΄Π²Π°Π»Π° ΠΈ ΠΊΠΎΠ»Π΅Π½Π²Π°Π»Π° Π½ΡΠΆΠ½ΠΎ Ρ ΠΏΠΎΠ²ΡΡΠ΅Π½Π½ΡΠΌ Π²Π½ΠΈΠΌΠ°Π½ΠΈΠ΅ΠΌ.
ΠΠ΅ΠΈΡΠΏΡΠ°Π²Π½ΠΎΡΡΡΡ ΠΊΠ»Π°ΠΏΠ°Π½Π½ΠΎΠ³ΠΎ ΠΌΠ΅Ρ Π°Π½ΠΈΠ·ΠΌΠ° ΡΡΠ°Π½ΠΎΠ²ΠΈΡΡΡ ΠΎΠ±ΡΠ°Π·ΠΎΠ²Π°Π½ΠΈΠ΅ Π½Π°Π³Π°ΡΠ° Π½Π° Π²ΠΏΡΡΠΊΠ½ΡΡ ΠΈ Π²ΡΠΏΡΡΠΊΠ½ΡΡ ΠΊΠ»Π°ΠΏΠ°Π½Π°Ρ , ΡΡΠΎ ΠΏΡΠΎΡΠ²Π»ΡΠ΅ΡΡΡ Π² ΠΏΠΎΠ²ΡΡΠ΅Π½Π½ΠΎΠΌ ΡΡΠΌΠ΅ Π² ΠΏΡΠΎΡΠ΅ΡΡΠ΅ ΡΠ°Π±ΠΎΡΡ ΠΈ ΠΏΠ°Π΄Π΅Π½ΠΈΠΈ ΠΌΠΎΡΠ½ΠΎΡΡΠΈ ΠΠΠ‘. Π₯Π°ΡΠ°ΠΊΡΠ΅ΡΠ½ΠΎ ΠΏΠΎΡΠ²Π»Π΅Π½ΠΈΠ΅ ΠΌΠ΅ΡΠ°Π»Π»ΠΈΡΠ΅ΡΠΊΠΎΠ³ΠΎ ΡΡΡΠΊΠ° Π² ΠΎΠ±Π»Π°ΡΡΠΈ ΠΊΠ»Π°ΠΏΠ°Π½Π½ΠΎΠΉ ΠΊΡΡΡΠΊΠΈ Π½Π° ΠΠΠ¦, Π° ΡΠ°ΠΊΠΆΠ΅ ΠΏΡΠΎΠ±Π»Π΅ΠΌΡ Ρ ΠΊΠ»Π°ΠΏΠ°Π½Π°ΠΌΠΈ Π²ΡΡΠ²Π»ΡΡΡ ΠΏΠΎ Ρ Π»ΠΎΠΏΠΊΠ°ΠΌ Π²ΠΎ Π²ΠΏΡΡΠΊΠ½ΠΎΠΌ ΠΈ Π²ΡΠΏΡΡΠΊΠ½ΠΎΠΌ ΠΊΠΎΠ»Π»Π΅ΠΊΡΠΎΡΠ΅.
ΠΠ°Π³Π°Ρ Π½Π° ΠΊΠ»Π°ΠΏΠ°Π½Π°Ρ ΠΈ ΡΠ΅Π΄Π»Π°Ρ Π½Π΅ ΠΏΠΎΠ·Π²ΠΎΠ»ΡΠ΅Ρ ΡΠ»Π΅ΠΌΠ΅Π½ΡΠ°ΠΌ ΠΏΠ»ΠΎΡΠ½ΠΎ ΠΏΡΠΈΠ»Π΅Π³Π°ΡΡ Π΄ΡΡΠ³ ΠΊ Π΄ΡΡΠ³Ρ, ΡΡΠΎ Π²Π΅Π΄Π΅Ρ ΠΊ ΠΏΠΎΡΠ΅ΡΠ΅ Π½Π΅ΠΎΠ±Ρ ΠΎΠ΄ΠΈΠΌΠΎΠ³ΠΎ ΠΏΠΎΠΊΠ°Π·Π°ΡΠ΅Π»Ρ ΠΊΠΎΠΌΠΏΡΠ΅ΡΡΠΈΠΈ Π² Π΄Π²ΠΈΠ³Π°ΡΠ΅Π»Π΅. Π‘Π½ΠΈΠΆΠ΅Π½ΠΈΠ΅ ΠΊΠΎΠΌΠΏΡΠ΅ΡΡΠΈΠΈ ΠΎΠ·Π½Π°ΡΠ°Π΅Ρ ΠΏΠΎΡΠ΅ΡΡ ΠΌΠΎΡΠ½ΠΎΡΡΠΈ ΠΠΠ‘. Π‘ΠΈΠ»ΡΠ½ΡΠΉ Π½Π°Π³Π°Ρ ΡΠ°ΠΊΠΆΠ΅ ΠΏΡΠΈΠ²ΠΎΠ΄ΠΈΡ ΠΊ ΠΏΠ΅ΡΠ΅Π³ΡΠ΅Π²Ρ ΠΈ ΠΏΡΠΎΠ³Π°ΡΡ ΠΊΠ»Π°ΠΏΠ°Π½Π°.
ΠΠ΅ΠΈΡΠΏΡΠ°Π²Π½ΠΎΡΡΡ ΠΏΡΡΠΆΠΈΠ½ ΠΊΠ»Π°ΠΏΠ°Π½Π° ΠΌΠΎΠΆΠ΅Ρ ΠΏΡΠΈΠ²Π΅ΡΡΠΈ ΠΊ Π΄Π΅ΡΠΎΡΠΌΠ°ΡΠΈΠΈ ΠΠΠ¦ ΠΈ Π·Π°Π΅Π΄Π°Π½ΠΈΡ ΡΡΠ΅ΡΠΆΠ½Ρ Π² Π½Π°ΠΏΡΠ°Π²Π»ΡΡΡΠ΅ΠΉ ΠΊΠ»Π°ΠΏΠ°Π½Π°. ΠΠ΅ΠΏΡΠ°Π²ΠΈΠ»ΡΠ½ΡΠΉ ΡΠ΅ΠΏΠ»ΠΎΠ²ΠΎΠΉ Π·Π°Π·ΠΎΡ ΠΌΠ΅ΠΆΠ΄Ρ ΡΡΡΠ°Π³ΠΎΠΌ ΠΈ ΡΡΠ΅ΡΠΆΠ½Π΅ΠΌ ΠΏΡΠΈΠ²ΠΎΠ΄ΠΈΡ ΠΊ ΡΠΈΠ»ΡΠ½ΠΎΠΌΡ ΡΡΡΠΊΡ ΠΊΠ»Π°ΠΏΠ°Π½ΠΎΠ².
Π ΡΠ°ΠΊΠΎΠΌ ΡΠ»ΡΡΠ°Π΅ Π½Π΅ΠΎΠ±Ρ
ΠΎΠ΄ΠΈΠΌΠΎ Π½Π΅ΠΌΠ΅Π΄Π»Π΅Π½Π½ΠΎ Π·Π°Π½ΠΈΠΌΠ°ΡΡΡΡ Π²ΡΡΡΠ°Π²Π»Π΅Π½ΠΈΠ΅ΠΌ ΡΡΠ΅Π±ΡΠ΅ΠΌΠΎΠ³ΠΎ ΠΏΡΠΎΠΈΠ·Π²ΠΎΠ΄ΠΈΡΠ΅Π»Π΅ΠΌ ΡΠ΅ΠΏΠ»ΠΎΠ²ΠΎΠ³ΠΎ Π·Π°Π·ΠΎΡΠ°. ΠΠ²ΡΠΎΠ»ΡΠ±ΠΈΡΠ΅Π»ΠΈ Π½Π°Π·ΡΠ²Π°ΡΡ ΡΡΡ ΠΏΡΠΎΡΠ΅Π΄ΡΡΡ ΡΠ΅Π³ΡΠ»ΠΈΡΠΎΠ²ΠΊΠΎΠΉ ΠΊΠ»Π°ΠΏΠ°Π½ΠΎΠ². Π Π΅Π³ΡΠ»ΠΈΡΠΎΠ²Π°ΡΡ ΠΊΠ»Π°ΠΏΠ°Π½Π° Π½ΡΠΆΠ½ΠΎ Ρ ΠΎΠΏΡΠ΅Π΄Π΅Π»Π΅Π½Π½ΠΎΠΉ ΠΏΠ΅ΡΠΈΠΎΠ΄ΠΈΡΠ½ΠΎΡΡΡΡ Π² ΠΏΡΠΎΡΠ΅ΡΡΠ΅ ΡΠΊΡΠΏΠ»ΡΠ°ΡΠ°ΡΠΈΠΈ ΠΌΠΎΡΠΎΡΠ°, Π° ΡΠ°ΠΊΠΆΠ΅ Π΅ΡΠ»ΠΈ ΡΠΊΠ°Π·Π°Π½Π½Π°Ρ Π²ΠΎΠ·ΠΌΠΎΠΆΠ½ΠΎΡΡΡ ΠΎΡΡΠ΅Π³ΡΠ»ΠΈΡΠΎΠ²Π°ΡΡ ΠΊΠ»Π°ΠΏΠ°Π½Π° Π΄Π²ΠΈΠ³Π°ΡΠ΅Π»Ρ ΠΈΠ·Π½Π°ΡΠ°Π»ΡΠ½ΠΎ ΠΏΡΠ΅Π΄ΡΡΠΌΠΎΡΡΠ΅Π½Π° ΠΊΠΎΠ½ΡΡΡΡΠΊΡΠΈΠ²Π½ΠΎ.
ΠΠΊΡΠΏΡΠ΅ΡΡ-Π΄ΠΎΡΡΠ°Π²ΠΊΠ° Π²ΠΎ Π²ΡΠ΅ Π³ΠΎΡΠΎΠ΄Π° Π ΠΎΡΡΠΈΠΈ!
- Π¦Π΅Π½Π°:
Π¦Π΅Π½Ρ ΡΡΠΎΡΠ½ΡΠΉΡΠ΅
Π’Π΅Ρ Π½ΠΈΠΊΠ°, ΠΊΠΎΡΠΎΡΠ°Ρ ΠΈΡΠΏΠΎΠ»ΡΠ·ΡΠ΅ΡΡΡ Π² ΠΊΠΎΠΌΠΌΠ΅ΡΡΠ΅ΡΠΊΠΈΡ ΠΈ ΠΏΡΠΎΠΌΡΡΠ»Π΅Π½Π½ΡΡ ΡΠ΅Π»ΡΡ , Π΄ΠΎΠ»ΠΆΠ½Π° ΠΎΡΠ²Π΅ΡΠ°ΡΡ ΠΏΠΎΠ²ΡΡΠ΅Π½Π½ΡΠΌ ΡΡΠ΅Π±ΠΎΠ²Π°Π½ΠΈΡΠΌ ΠΊ ΠΊΠ°ΡΠ΅ΡΡΠ²Ρ ΠΈ ΡΡΠ½ΠΊΡΠΈΠΎΠ½Π°Π»ΡΠ½ΠΎΡΡΠΈ. Π’Π°ΠΊΠΈΠ΅ Π°Π³ΡΠ΅Π³Π°ΡΡ ΠΎΡΠ»ΠΈΡΠ°ΡΡΡΡ ΡΡΡΠΎΠΉΡΠΈΠ²ΠΎΡΡΡΡ ΠΊ ΠΈΠ½ΡΠ΅Π½ΡΠΈΠ²Π½ΡΠΌ Π½Π°Π³ΡΡΠ·ΠΊΠ°ΠΌ ΠΈ Π½Π΅ΠΏΡΠ΅ΡΡΠ²Π½ΠΎΠΉ ΡΠ°Π±ΠΎΡΠ΅ Π² ΡΠ»ΠΎΠΆΠ½ΡΡ ΡΡΠ»ΠΎΠ²ΠΈΡΡ . ΠΠΎΠ΄ΠΎΠ±Π½ΡΠ΅ Ρ Π°ΡΠ°ΠΊΡΠ΅ΡΠΈΡΡΠΈΠΊΠΈ ΡΠΊΡΠΏΠ»ΡΠ°ΡΠ°ΡΠΈΠΈ, ΠΊΠΎΠ½Π΅ΡΠ½ΠΎ, ΠΎΡΡΠΈΡΠ°ΡΠ΅Π»ΡΠ½ΠΎ ΡΠΊΠ°Π·ΡΠ²Π°ΡΡΡΡ Π½Π° ΡΡΠ΅ΠΏΠ΅Π½ΠΈ ΠΈΠ·Π½ΠΎΡΠ° ΠΊΠΎΠΌΠΏΠ»Π΅ΠΊΡΡΡΡΠΈΡ , ΠΈ ΠΊΡΠ°ΠΉΠ½Π΅ Π²Π°ΠΆΠ½ΠΎ ΡΠ²ΠΎΠ΅Π²ΡΠ΅ΠΌΠ΅Π½Π½ΠΎ ΠΏΡΠΎΠ²ΠΎΠ΄ΠΈΡΡ Π΄ΠΈΠ°Π³Π½ΠΎΡΡΠΈΠΊΡ ΠΈ ΡΠ΅ΠΌΠΎΠ½Ρ ΡΠΈΡΡΠ΅ΠΌ ΠΈ ΡΠ·Π»ΠΎΠ² ΠΌΠ°ΡΠΈΠ½, Π±ΡΠ΄Ρ ΡΠΎ Π³ΡΡΠ·ΠΎΠ²ΠΈΠΊ, Π΅Π΄ΠΈΠ½ΠΈΡΠ° ΡΠΏΠ΅ΡΡΠ΅Ρ Π½ΠΈΠΊΠΈ, Π°Π²ΡΠΎΠ±ΡΡ ΠΈΠ»ΠΈ Π΄ΡΡΠ³ΠΎΠ΅ ΠΎΠ±ΠΎΡΡΠ΄ΠΎΠ²Π°Π½ΠΈΠ΅.
ΠΠ»ΡΡΠ΅Π²ΠΎΠΉ Π°ΡΠΏΠ΅ΠΊΡ ΡΠ΅Π·ΡΠ»ΡΡΠ°ΡΠΈΠ²Π½ΠΎΠ³ΠΎ ΡΠ΅ΠΌΠΎΠ½ΡΠ° β ΠΎΠΏΡΡΠ½ΡΠ΅ ΠΌΠ°ΡΡΠ΅ΡΠ° ΠΈ ΠΊΠ°ΡΠ΅ΡΡΠ²Π΅Π½Π½ΡΠ΅ Π·Π°ΠΏΡΠ°ΡΡΠΈ.
ΠΡΠ»ΠΈ ΠΡ Ρ
ΠΎΡΠΈΡΠ΅ ΠΎΠ±Π΅ΡΠΏΠ΅ΡΠΈΡΡ ΡΠ²ΠΎΠ΅ΠΉ ΡΠ΅Ρ
Π½ΠΈΠΊΠ΅ Π΄ΠΎΠ»Π³ΠΎΠ²Π΅ΡΠ½ΡΡ ΠΈ Π±Π΅Π·ΠΎΡΠΊΠ°Π·Π½ΡΡ ΡΠ°Π±ΠΎΡΡ, ΠΎΠ±ΡΠ°ΡΠ°ΠΉΡΠ΅ΡΡ Π² . ΠΠ°ΡΠ° ΠΊΠΎΠΌΠ°Π½Π΄Π° ΠΏΠΎΠΌΠΎΠΆΠ΅Ρ Π½Π΅ ΡΠΎΠ»ΡΠΊΠΎ Π½Π°ΠΉΡΠΈ ΠΈ Π·Π°ΠΊΠ°Π·Π°ΡΡ Π»ΡΠ±ΡΠ΅ Π·Π°ΠΏΡΠ°ΡΡΠΈ Π΄Π»Ρ Π΄Π²ΠΈΠ³Π°ΡΠ΅Π»Ρ ΠΠ°ΠΌΠΌΠΈΠ½Π· ΠΈΠ»ΠΈ ΠΈΠ½ΡΠ΅ ΠΊΠΎΠΌΠΏΠ»Π΅ΠΊΡΡΡΡΠΈΠ΅ Π΄Π»Ρ ΠΎΠ±ΠΎΡΡΠ΄ΠΎΠ²Π°Π½ΠΈΡ, Π½ΠΎ ΠΈ ΠΎΠΏΠ΅ΡΠ°ΡΠΈΠ²Π½ΠΎ ΡΡΡΡΠ°Π½ΠΈΡ ΠΏΠΎΠ²ΡΠ΅ΠΆΠ΄Π΅Π½ΠΈΡ ΠΈ Π½Π΅ΠΈΡΠΏΡΠ°Π²Π½ΠΎΡΡΠΈ ΠΌΠΎΡΠΎΡΠ°.
ΠΡΠΎΡΠ΅ΡΡΠΈΠΎΠ½Π°Π»ΠΈΠ·ΠΌ ΠΈ Π±ΠΎΠ³Π°ΡΡΠΉ ΠΎΠΏΡΡ ΡΠ°Π±ΠΎΡΡ,
ΠΡΠΏΠΎΠ»ΡΠ·ΠΎΠ²Π°Π½ΠΈΠ΅ ΠΈ ΠΏΡΠΎΠ΄Π°ΠΆΠ° ΠΎΡΠΈΠ³ΠΈΠ½Π°Π»ΡΠ½ΡΡ Π·Π°ΠΏΡΠ°ΡΡΠ΅ΠΉ Ρ Π³Π°ΡΠ°Π½ΡΠΈΠ΅ΠΉ Π΄ΠΎ 12 ΠΌΠ΅ΡΡΡΠ΅Π²,
ΠΠ½Π΄ΠΈΠ²ΠΈΠ΄ΡΠ°Π»ΡΠ½ΡΠΉ ΠΏΠΎΠ΄Ρ ΠΎΠ΄ ΠΊ ΠΊΠ°ΠΆΠ΄ΠΎΠΌΡ Π·Π°ΠΊΠ°Π·ΡΠΈΠΊΡ,
ΠΡΠ³ΠΎΠ΄Π½ΡΠ΅ ΡΠ΅Π½Ρ ΠΈ ΡΠΏΠ΅ΡΠΈΠ°Π»ΡΠ½ΡΠ΅ ΡΡΠ»ΠΎΠ²ΠΈΡ ΡΠΎΡΡΡΠ΄Π½ΠΈΡΠ΅ΡΡΠ²Π° Π΄Π»Ρ ΠΎΠΏΡΠΎΠ²ΠΈΠΊΠΎΠ².
Π‘Π²ΡΠΆΠΈΡΠ΅ΡΡ Ρ Π½Π°ΡΠΈΠΌ ΠΌΠ΅Π½Π΅Π΄ΠΆΠ΅ΡΠΎΠΌ ΠΏΠΎ ΡΠΊΠ°Π·Π°Π½Π½ΡΠΌ Π½Π° ΡΠ°ΠΉΡΠ΅ ΡΠ΅Π»Π΅ΡΠΎΠ½Π°ΠΌ (Π·Π²ΠΎΠ½ΠΎΠΊ Π±Π΅ΡΠΏΠ»Π°ΡΠ½ΡΠΉ ΠΏΠΎ Π²ΡΠ΅ΠΉ Π ΠΎΡΡΠΈΠΈ) ΠΈΠ»ΠΈ Π½Π°ΠΏΠΈΡΠΈΡΠ΅ Π½Π°ΠΌ Π½Π° ΡΠ°ΠΉΡΠ΅. ΠΡ ΠΏΡΠΈΠ½ΠΈΠΌΠ°Π΅ΠΌ Π·Π°ΠΊΠ°Π·Ρ ΠΎΡ ΠΊΠ»ΠΈΠ΅Π½ΡΠΎΠ² ΠΈΠ· Π»ΡΠ±ΡΡ ΡΠ΅Π³ΠΈΠΎΠ½ΠΎΠ² Π ΠΎΡΡΠΈΠΈ ΠΈ ΠΎΠ±Π΅ΡΠΏΠ΅ΡΠΈΠ²Π°Π΅ΠΌ ΠΎΠΏΠ΅ΡΠ°ΡΠΈΠ²Π½ΡΡ Π΄ΠΎΡΡΠ°Π²ΠΊΡ Ρ ΠΏΠΎΠΌΠΎΡΡΡ ΠΏΡΠΎΠ²Π΅ΡΠ΅Π½Π½ΡΡ ΡΡΠ°Π½ΡΠΏΠΎΡΡΠ½ΡΡ ΠΊΠΎΠΌΠΏΠ°Π½ΠΈΠΉ. ΠΡΠΎΠ·ΡΠ°ΡΠ½ΠΎΡΡΡ Π½Π°ΡΠ΅ΠΉ ΡΠ°Π±ΠΎΡΡ ΠΈ ΠΎΡΠΌΠ΅Π½Π½ΠΎΠ΅ ΠΊΠ°ΡΠ΅ΡΡΠ²ΠΎ ΠΏΡΠΎΠ΄ΡΠΊΡΠΈΠΈ ΠΏΡΠΈΡΡΠ½ΠΎ ΡΠ΄ΠΈΠ²ΡΡ ΠΠ°Ρ β ΠΎΠ±ΡΠ°ΡΠ°ΠΉΡΠ΅ΡΡ ΠΈ ΠΏΠΎΠ·Π°Π±ΠΎΡΡΡΠ΅ΡΡ ΠΎ ΡΠ°Π±ΠΎΡΠ΅ ΠΠ°ΡΠ΅Π³ΠΎ ΡΠ΅Ρ Π½ΠΎΠΏΠ°ΡΠΊΠ°!
ΠΠΏΡΡΠΊΠ½ΠΎΠΉ ΠΊΠ»Π°ΠΏΠ°Π½
ΠΠΏΡΡΠΊΠ½ΠΎΠΉ ΠΊΠ»Π°ΠΏΠ°Π½ Π³Π°Π·ΠΎΡΠ°ΡΠΏΡΠ΅Π΄Π΅Π»ΠΈΡΠ΅Π»ΡΠ½ΠΎΠ³ΠΎ ΠΌΠ΅Ρ
Π°Π½ΠΈΠ·ΠΌΠ° ΠΎΡΠΊΡΡΠ²Π°Π΅Ρ Π΄ΠΎΡΡΡΠΏ Π² ΡΠΈΠ»ΠΈΠ½Π΄Ρ ΡΠΎΠΏΠ»ΠΈΠ²ΠΎ-Π²ΠΎΠ·Π΄ΡΡΠ½ΠΎΠΉ ΡΠΌΠ΅ΡΠΈ ΠΈ ΠΏΡΠ΅ΠΊΡΠ°ΡΠ°Π΅Ρ Π΄ΠΎΡΡΡΠΏ ΠΏΠ΅ΡΠ΅Π΄ Π½Π°ΡΠ°Π»ΠΎΠΌ ΡΠ°ΠΊΡΠ° ΡΠΆΠ°ΡΠΈΡ.
Π ΡΠ»ΡΡΠ°Π΅ Ρ Π΄ΠΈΠ·Π΅Π»ΡΠ½ΡΠΌ Π΄Π²ΠΈΠ³Π°ΡΠ΅Π»Π΅ΠΌ ΠΊΠ»Π°ΠΏΠ°Π½ ΠΏΡΠΎΠΏΡΡΠΊΠ°Π΅Ρ Π² ΠΊΠ°ΠΌΠ΅ΡΡ ΡΠ³ΠΎΡΠ°Π½ΠΈΡ ΡΠΎΠ»ΡΠΊΠΎ Π²ΠΎΠ·Π΄ΡΡ
.
ΠΡΠΈ ΠΎΠ±ΡΡΠ²Π΅ ΡΠ΅ΠΌΠ½Ρ ΠΠ Π Π²ΠΏΡΡΠΊΠ½ΡΠ΅ ΠΊΠ»Π°ΠΏΠ°Π½Π° Β«Π·Π°Π²ΠΈΡΠ°ΡΡΒ», ΡΠ°ΠΊ ΠΊΠ°ΠΊ ΡΠ°ΡΠΏΡΠ΅Π΄Π²Π°Π» ΠΏΠ΅ΡΠ΅ΡΡΠ°Π΅Ρ Π²ΡΠ°ΡΠ°ΡΡΡΡ. Π’Π°ΡΠ΅Π»ΠΊΠΈ ΠΊΠ»Π°ΠΏΠ°Π½ΠΎΠ², ΠΎΠΊΠ°Π·Π°Π²ΡΠΈΡ ΡΡ ΠΎΡΠΊΡΡΡΡΠΌΠΈ, ΡΠ΄Π°ΡΡΡΡΡΡ ΠΎ ΠΏΠΎΠ²Π΅ΡΡ Π½ΠΎΡΡΡ ΡΠΈΠ»ΠΈΠ½Π΄ΡΠ°
ΠΠ»Π°ΠΏΠ°Π½Π° ΡΠ°ΡΠΏΠΎΠ»Π°Π³Π°ΡΡΡΡ ΠΏΠΎΠ΄ ΡΠ³Π»ΠΎΠΌ ΠΎΡ 30 Π΄ΠΎ 45 Π³ΡΠ°Π΄ΡΡΠΎΠ² ΠΎΡΠ½ΠΎΡΠΈΡΠ΅Π»ΡΠ½ΠΎ Π²Π΅ΡΡΠΈΠΊΠ°Π»ΡΠ½ΠΎΠΉ ΠΎΡΠΈ. Π’Π°ΡΠ΅Π»ΠΊΠ° Π²ΠΏΡΡΠΊΠ½ΠΎΠ³ΠΎ ΠΊΠ»Π°ΠΏΠ°Π½Π° Π±ΠΎΠ»ΡΡΠ΅, ΡΠ΅ΠΌ Ρ Π²ΡΠΏΡΡΠΊΠ½ΠΎΠ³ΠΎ. Π Π°Π·Π½ΠΈΡΠ° ΠΎΠ±ΡΡΠ»ΠΎΠ²Π»Π΅Π½Π° ΡΠ΅ΠΌ, ΡΡΠΎ Π² ΠΌΠΎΠΌΠ΅Π½Ρ ΠΎΡΠΊΡΡΡΠΈΡ Π²ΠΏΡΡΠΊΠ½ΠΎΠ³ΠΎ ΠΊΠ»Π°ΠΏΠ°Π½Π° Π² ΠΊΠ°ΠΌΠ΅ΡΠ΅ ΡΠ³ΠΎΡΠ°Π½ΠΈΡ ΠΎΠ±ΡΠ°Π·ΡΠ΅ΡΡΡ ΡΠ°Π·ΡΠ΅ΠΆΠ΅Π½ΠΈΠ΅, Π° Π² ΠΌΠΎΠΌΠ΅Π½Ρ Π²ΡΠΏΡΡΠΊΠ° β ΠΏΠΎΠ²ΡΡΠ΅Π½Π½ΠΎΠ΅ Π΄Π°Π²Π»Π΅Π½ΠΈΠ΅. Π‘ΠΈΠ»Π° ΡΠ°Π·ΡΠ΅ΠΆΠ΅Π½ΠΈΡ Π½ΠΈΠΆΠ΅ ΡΠΈΠ»Ρ Π΄Π°Π²Π»Π΅Π½ΠΈΡ, ΠΏΠΎΡΡΠΎΠΌΡ Π΄Π»Ρ Π²ΠΏΡΡΠΊΠ° ΡΡΠ΅Π±ΡΡΡΡΡ ΠΊΠ»Π°ΠΏΠ°Π½Π° Ρ Π±ΠΎΠ»ΡΡΠ΅ΠΉ ΠΏΠΎΠ²Π΅ΡΡ Π½ΠΎΡΡΡΡ Π³ΠΎΠ»ΠΎΠ²ΠΊΠΈ, ΡΡΠΎΠ±Ρ ΠΎΠ±Π΅ΡΠΏΠ΅ΡΠΈΡΡ ΠΏΡΠΎΠΏΡΡΠΊΠ°Π½ΠΈΠ΅ Π½Π΅ΠΎΠ±Ρ ΠΎΠ΄ΠΈΠΌΠΎΠ³ΠΎ ΠΎΠ±ΡΠ΅ΠΌΠ° ΡΠΎΠΏΠ»ΠΈΠ²ΠΎ-Π²ΠΎΠ·Π΄ΡΡΠ½ΠΎΠΉ ΡΠΌΠ΅ΡΠΈ.
ΠΠΎΡΠ΅ΠΌΡ ΠΎΠ±ΡΠ·Π°ΡΠ΅Π»ΡΠ½ΠΎ Π½ΡΠΆΠ½ΠΎ ΡΠ΅Π³ΡΠ»ΠΈΡΠΎΠ²Π°ΡΡ?
ΠΡΡΡ Π²ΡΠ΅Π³ΠΎ Π΄Π²Π΅ ΠΏΡΠΈΡΠΈΠ½Ρ. ΠΡΠΎ ΠΈΡ Β«Π·Π°ΠΆΠ°ΡΠΈΠ΅Β», ΠΊΠΎΠ³Π΄Π° ΡΠ΅ΠΏΠ»ΠΎΠ²ΠΎΠΉ Π·Π°Π·ΠΎΡ ΠΏΡΠΎΠΏΠ°Π΄Π°Π΅Ρ ΠΌΠ΅ΠΆΠ΄Ρ ΠΊΡΠ»Π°ΡΠΊΠΎΠΌ ΡΠ°ΡΠΏΡΠ΅Π΄Π²Π°Π»Π° ΠΈ ΡΠΎΠ»ΠΊΠ°ΡΠ΅Π»Π΅ΠΌ. Π Π½Π°ΠΎΠ±ΠΎΡΠΎΡ ΡΠ²Π΅Π»ΠΈΡΠ΅Π½ΠΈΠ΅ Π·Π°Π·ΠΎΡΠ°. Π ΡΠΎΡ ΠΈ Π΄ΡΡΠ³ΠΎΠΉ ΡΠ»ΡΡΠ°ΠΉ Π½Π΅ Π½Π΅ΡΡΡ Π½ΠΈΡΠ΅Π³ΠΎ Ρ ΠΎΡΠΎΡΠ΅Π³ΠΎ. Π― ΠΏΠΎΡΡΠ°ΡΠ°ΡΡΡ Π±ΠΎΠ»Π΅Π΅ ΠΏΠΎΠ΄ΡΠΎΠ±Π½ΠΎ ΡΠ°ΡΡΠΊΠ°Π·Π°ΡΡ Π²ΡΠ΅ Π½Π° ΠΏΠ°Π»ΡΡΠ°Ρ
ΠΠΎΡΠ΅ΠΌΡ Π·Π°ΠΆΠΈΠΌΠ°Π΅Ρ ΠΊΠ»Π°ΠΏΠ°Π½Π°?
ΠΡΠΆΠ½ΠΎ ΠΎ ΠΎΡΠ΅Π½Ρ ΡΠ°ΡΡΠΎ ΠΏΡΠΎΠΈΡΡ
ΠΎΠ΄ΠΈΡ Ρ ΡΠ΅Ρ
, ΠΊΡΠΎ Π΅Π·Π΄ΠΈΡ Π½Π° Π³Π°Π·Ρ (Π³Π°Π·ΠΎΠΌΠΎΡΠΎΡΠ½ΠΎΠΌ ΡΠΎΠΏΠ»ΠΈΠ²Π΅).
Π‘Π°ΠΌΠ°Ρ ΡΠΈΡΠΎΠΊΠ°Ρ ΡΠ°ΡΡΡ ΠΊΠ»Π°ΠΏΠ°Π½Π° Π½Π°Π·ΡΠ²Π°Π΅ΡΡΡ ΡΠ°ΡΠ΅Π»ΠΊΠ° (Ρ Π½Π΅Π΅ Π΅ΡΡΡ ΡΠ°ΡΠΊΠ° ΠΏΠΎ ΠΊΡΠ°ΡΠΌ), ΠΈΠΌΠ΅Π½Π½ΠΎ ΠΎΠ½Π° Π½Π°Ρ
ΠΎΠ΄ΠΈΡΡΡ Π² ΠΊΠ°ΠΌΠ΅ΡΠ΅ ΡΠ³ΠΎΡΠ°Π½ΠΈΡ ΠΎΠ΄Π½ΠΎΠΉ ΡΡΠΎΡΠΎΠ½ΠΎΠΉ, Π΄ΡΡΠ³ΠΎΠΉ ΠΎΠ½Π° ΠΏΡΠΈΠΆΠΈΠΌΠ°Π΅ΡΡΡ ΠΊ Β«ΡΠ΅Π΄Π»ΡΒ» Π² Π³ΠΎΠ»ΠΎΠ²ΠΊΠ΅ Π±Π»ΠΎΠΊΠ° (ΡΡΠΎ ΡΠ°ΡΡΡ ΠΊΡΠ΄Π° Π·Π°Ρ
ΠΎΠ΄ΠΈΡ ΠΊΠ»Π°ΠΏΠ°Π½, ΡΠ°ΠΊΠΈΠΌ ΠΎΠ±ΡΠ°Π·ΠΎΠΌ, Π³Π΅ΡΠΌΠ΅ΡΠΈΠ·ΠΈΡΡΡ ΠΊΠ°ΠΌΠ΅ΡΡ ΡΠ³ΠΎΡΠ°Π½ΠΈΡ).
ΠΡ Π±ΠΎΠ»ΡΡΠΈΡ ΠΏΡΠΎΠ±Π΅Π³ΠΎΠ² Π½Π°ΡΠΈΠ½Π°ΡΡ ΠΈΠ·Π½Π°ΡΠΈΠ²Π°ΡΡΡΡ Β«ΡΠ΅Π΄Π»ΠΎΒ», Π° ΡΠ°ΠΊΠΆΠ΅ ΡΠ°ΡΠΊΠ° Π½Π° Β«ΡΠ°ΡΠ΅Π»ΠΊΠ΅Β». Π’Π°ΠΊΠΈΠΌ ΠΎΠ±ΡΠ°Π·ΠΎΠΌ Β«ΡΡΠΎΠΊΒ» Π΄Π²ΠΈΠ³Π°Π΅ΡΡΡ Π½Π°Π²Π΅ΡΡ , ΠΏΡΠΈΠΆΠΈΠΌΠ°Ρ Β«ΡΠΎΠ»ΠΊΠ°ΡΠ΅Π»ΡΒ» ΠΊ Β«ΠΊΡΠ»Π°ΡΠΊΡΒ» ΠΏΡΠ°ΠΊΡΠΈΡΠ΅ΡΠΊΠΈ Π²ΠΏΠ»ΠΎΡΠ½ΡΡ. ΠΠΌΠ΅Π½Π½ΠΎ ΠΏΠΎΡΡΠΎΠΌΡ ΠΌΠΎΠΆΠ΅Ρ ΠΏΡΠΎΠΈΡΡ ΠΎΠ΄ΠΈΡΡ Β«Π·Π°ΠΆΠΈΠΌΒ».
ΠΠ’Π ΠΠ§ΠΠΠ¬ ΠΠΠΠ₯Π! ΠΠΎΡΠ΅ΠΌΡ? ΠΠ° Π²ΡΠ΅ ΠΏΡΠΎΡΡΠΎ β ΡΠ΅ΠΏΠ»ΠΎΠ²ΠΎΠ΅ ΡΠ°ΡΡΠΈΡΠ΅Π½ΠΈΠ΅ Π½ΠΈΠΊΡΠΎ Π½ΠΈ ΠΊΡΠ΄Π° Π½Π΅ Π΄Π΅Π»ΠΎΡΡ. ΠΠ½Π°ΡΠΈΡ, Π² Β«Π·Π°ΠΆΠ°ΡΠΎΠΌΒ» ΡΠ»ΡΡΠ°Π΅, ΠΊΠΎΠ³Π΄Π° ΡΡΠΎΠΊ Π±ΡΠ΄Π΅Ρ ΡΠ°Π·ΠΎΠ³ΡΠ΅Π²Π°ΡΡΡΡ (ΠΏΡΠΎΠΈΡΡ ΠΎΠ΄ΠΈΡ ΡΠ΄Π»ΠΈΠ½Π΅Π½ΠΈΠ΅), ΡΠΎ ΡΠ°ΡΠ΅Π»ΠΊΠ° Π±ΡΠ΄Π΅Ρ ΡΡΡΡ Π²ΡΡ ΠΎΠ΄ΠΈΡΡ ΠΈΠ· ΡΠ΅Π΄Π»Π°:
- ΠΠ°Π΄Π°Π΅Ρ ΠΊΠΎΠΌΠΏΡΠ΅ΡΡΠΈΡ, ΡΠΎΠΎΡΠ²Π΅ΡΡΡΠ²Π΅Π½Π½ΠΎ ΠΏΠ°Π΄Π°Π΅Ρ ΠΌΠΎΡΠ½ΠΎΡΡΡ
- ΠΠ°ΡΡΡΠ°Π΅ΡΡΡ ΠΊΠΎΠ½ΡΠ°ΠΊΡ Ρ Π³ΠΎΠ»ΠΎΠ²ΠΊΠΎΠΉ Π±Π»ΠΎΠΊΠ° (Ρ ΡΠ΅Π΄Π»ΠΎΠΌ) β Π½Π΅Ρ Π½ΠΎΡΠΌΠ°Π»ΡΠ½ΠΎΠ³ΠΎ ΠΎΡΠ²ΠΎΠ΄Π° ΡΠ΅ΠΏΠ»Π° ΠΎΡ ΠΊΠ»Π°ΠΏΠ°Π½Π° β Π³ΠΎΠ»ΠΎΠ²ΠΊΠ΅
- ΠΡΠΈ Π²ΠΎΡΠΏΠ»Π°ΠΌΠ΅Π½Π΅Π½ΠΈΠΈ, ΡΠ°ΡΡΡ Π³ΠΎΡΡΡΠ΅ΠΉ ΡΠΌΠ΅ΡΠΈ ΠΌΠΎΠΆΠ΅Ρ ΠΏΡΠΎΡ ΠΎΠ΄ΠΈΡΡ ΠΌΠΈΠΌΠΎ ΠΊΠ»Π°ΠΏΠ°Π½Π° ΡΡΠ°Π·Ρ Π² Π²ΡΠΏΡΡΠΊΠ½ΠΎΠΉ ΠΊΠΎΠ»Π»Π΅ΠΊΡΠΎΡ, ΠΎΠΏΠ»Π°Π²Π»ΡΡ Π»ΠΈΠ±ΠΎ ΡΠ°Π·ΡΡΡΠ°Ρ Β«ΡΠ°ΡΠ΅Π»ΠΊΡΒ» ΠΈ Π΅Π΅ ΡΠ°ΡΠΊΡ
ΠΡ ΠΈ Π²ΡΠΎΡΠΎΡΡΠ΅ΠΏΠ΅Π½Π½Π°Ρ ΠΏΡΠΈΡΠΈΠ½Π°, ΡΡΠ° ΡΠΌΠ΅ΡΡ ΠΌΠΎΠΆΠ΅Ρ Π½Π΅Π³Π°ΡΠΈΠ²Π½ΠΎ Π²ΠΎΠ·Π΄Π΅ΠΉΡΡΠ²ΠΎΠ²Π°ΡΡ Π½Π° ΠΊΠ°ΡΠ°Π»ΠΈΠ·Π°ΡΠΎΡ.
ΠΡΠΆΠ½ΠΎ ΠΏΠΎΠΌΠ½ΠΈΡΡ ΡΡΠΎ Β«Π²ΠΏΡΡΠΊΠ½ΡΠ΅ ΡΠ»Π΅ΠΌΠ΅Π½ΡΡΒ» ΠΎΡ Π»Π°ΠΆΠ΄Π°ΡΡΡΡ Π²Π½ΠΎΠ²Ρ ΠΏΠΎΡΡΡΠΏΠ°ΡΡΠ΅ΠΉ ΡΠΎΠΏΠ»ΠΈΠ²Π½ΠΎΠΉ ΡΠΌΠ΅ΡΡΡ!
Π Π²ΠΎΡ ΠΎΡΠ²ΠΎΠ΄ ΡΠ΅ΠΏΠ»Π° Β«Π²ΡΠΏΡΡΠΊΠ½ΡΡ Β» Π·Π°Π²ΠΈΡΠΈΡ ΠΎΡ ΡΠΎΠ³ΠΎ, ΠΊΠ°ΠΊ ΠΎΠ½ ΠΏΠ»ΠΎΡΠ½ΠΎ ΠΏΡΠΈΠΆΠΈΠΌΠ°Π΅ΡΡΡ ΠΊ Β«ΡΠ΅Π΄Π»ΡΒ»!
Π£Π²Π΅Π»ΠΈΡΠ΅Π½ΠΈΠ΅ Π·Π°Π·ΠΎΡΠ°
ΠΡΠ²Π°Π΅Ρ ΠΈ Π΄ΡΡΠ³Π°Ρ ΡΠΈΡΡΠ°ΡΠΈΡ. ΠΠ½Π° Ρ Π°ΡΠ°ΠΊΡΠ΅ΡΠ½Π° Π΄Π»Ρ ΠΌΠΎΡΠΎΡΠΎΠ², ΡΠ°Π±ΠΎΡΠ°ΡΡΠΈΡ Π½Π° Π±Π΅Π½Π·ΠΈΠ½Π΅. ΠΠ°ΠΎΠ±ΠΎΡΠΎΡ ΡΠ²Π΅Π»ΠΈΡΠ΅Π½ΠΈΠ΅ Β«ΡΠ΅ΠΏΠ»ΠΎΠ²ΠΎΠ³ΠΎ Π·Π°Π·ΠΎΡΠ°Β». ΠΠΎΡΠ΅ΠΌΡ ΡΠ°ΠΊΠΎΠ΅ ΠΏΡΠΎΠΈΡΡ ΠΎΠ΄ΠΈΡ ΠΈ ΠΏΠΎΡΠ΅ΠΌΡ ΡΡΠΎ ΠΏΠ»ΠΎΡ ΠΎ?
Π‘ΠΎ Π²ΡΠ΅ΠΌΠ΅Π½Π΅ΠΌ ΠΏΠ»ΠΎΡΠΊΠΎΡΡΡ ΡΠΎΠ»ΠΊΠ°ΡΠ΅Π»Ρ, ΠΊΠ°ΠΊ ΠΈ ΠΏΠΎΠ²Π΅ΡΡ Π½ΠΎΡΡΡ ΠΊΡΠ»Π°ΡΠΊΠΎΠ² ΡΠ°ΠΏΡΠ΅Π΄Π΅Π»ΠΈΡΠ΅Π»ΡΠ½ΠΎΠ³ΠΎ Π²Π°Π»Π° ΠΈΠ·Π½Π°ΡΠΈΠ²Π°ΡΡΡΡ β ΡΡΠΎ ΠΏΡΠΈΠ²ΠΎΠ΄ΠΈΡ ΠΊ ΡΠ²Π΅Π»ΠΈΡΠ΅Π½ΠΈΡ Π·Π°Π·ΠΎΡΠ°. ΠΡΠ»ΠΈ Π΅Π³ΠΎ Π²ΠΎΠ²ΡΠ΅ΠΌΡ Π½Π΅ ΠΎΡΡΠ΅Π³ΡΠ»ΠΈΡΠΎΠ²Π°ΡΡ, ΡΠΎ ΠΎΠ½ Π΅ΡΠ΅ Π±ΠΎΠ»Π΅Π΅ ΡΠ²Π΅Π»ΠΈΡΠΈΠ²Π°Π΅ΡΡΡ ΠΎΡ ΡΠ΄Π°ΡΠ½ΡΡ Π½Π°Π³ΡΡΠ·ΠΎΠΊ. ΠΠΎΡΠΎΡ Π½Π°ΡΠΈΠ½Π°Π΅Ρ ΡΠ°Π±ΠΎΡΠ°ΡΡ ΡΡΠΌΠ½ΠΎ, Π΄Π°ΠΆΠ΅ Π½Π° Β«Π³ΠΎΡΡΡΡΡΒ».
Π£ΠΌΠ΅Π½ΡΡΠ°Π΅ΡΡΡ ΠΌΠΎΡΠ½ΠΎΡΡΡ Π΄Π²ΠΈΠ³Π°ΡΠ΅Π»Ρ ΠΈΠ·-Π·Π° Π½Π°ΡΡΡΠ΅Π½ΠΈΠΉ ΡΠ°Π· Π³Π°Π·ΠΎΡΠ°ΡΠΏΡΠ΅Π΄Π΅Π»Π΅Π½ΠΈΡ. ΠΡΠ»ΠΈ ΡΠΊΠ°Π·Π°ΡΡ Β«ΠΏΡΠΎΡΡΡΠΌ ΡΠ·ΡΠΊΠΎΠΌΒ» Π²ΠΏΡΡΠΊΠ½ΡΠ΅ ΠΊΠ»Π°ΠΏΠ°Π½Π° ΠΎΡΠΊΡΡΠ²Π°ΡΡΡΡ ΡΡΡΡ ΠΏΠΎΠ·ΠΆΠ΅, ΡΡΠΎ Π½Π΅ ΠΏΠΎΠ·Π²ΠΎΠ»ΡΠ΅Ρ Π½ΠΎΡΠΌΠ°Π»ΡΠ½ΠΎ Π½Π°ΠΏΠΎΠ»Π½ΠΈΡΡ ΠΊΠ°ΠΌΠ΅ΡΡ ΡΠ³ΠΎΡΠ°Π½ΠΈΡ, Β«Π²ΡΠΏΡΡΠΊΠ½ΡΠ΅Β» ΡΠ°ΠΊΠΆΠ΅ ΠΎΡΠΊΡΡΠ²Π°ΡΡΡΡ ΠΏΠΎΠ·ΠΆΠ΅, ΡΡΠΎ Π½Π΅ Π΄Π°Π΅Ρ Π½ΠΎΡΠΌΠ°Π»ΡΠ½ΠΎ ΠΎΡΠΎΠΉΡΠΈ ΠΎΡΡΠ°Π±ΠΎΡΠ°Π½Π½ΡΠΌ Π³Π°Π·Π°ΠΌ.
Π‘Π΅ΠΉΡΠ°Ρ Π²ΠΈΠ΄Π΅ΠΎ Π²Π΅ΡΡΠΈΡ ΡΡΠ°ΡΡΠΈ, ΡΠΌΠΎΡΡΠΈΠΌ.
Π Π½Π° ΡΡΠΎΠΌ Ρ Π·Π°ΠΊΠ°Π½ΡΠΈΠ²Π°Ρ, Π΄ΡΠΌΠ°Ρ, ΠΌΠΎΠΈ ΠΌΠ°ΡΠ΅ΡΠΈΠ°Π»Ρ Π±ΡΠ»ΠΈ Π²Π°ΠΌ ΠΏΠΎΠ»Π΅Π·Π½Ρ.
ΠΠ‘ΠΠ ΠΠΠΠ ΠΠΠ¨ ΠΠΠ’ΠΠΠΠΠΠΠΠ
75,00
ΠΠΎΡ ΠΎΠΆΠΈΠ΅ Π½ΠΎΠ²ΠΎΡΡΠΈ
8 ΠΈΠ»ΠΈ 16 ΠΊΠ»Π°ΠΏΠ°Π½ΠΎΠ², ΡΡΠΎ Π»ΡΡΡΠ΅? Π Π² ΡΠ΅ΠΌ ΡΠΎΠ±ΡΡΠ²Π΅Π½Π½ΠΎ ΡΠ°Π·Π½ΠΈΡΠ°. ΠΠΎΠ΄ΡΠΎΠ±.
Π’ΡΡΠ±ΠΈΡΠΎΠ²Π°Π½Π½ΡΠΉ ΠΈΠ»ΠΈ Π°ΡΠΌΠΎΡΡΠ΅ΡΠ½ΡΠΉ Π΄Π²ΠΈΠ³Π°ΡΠ΅Π»Ρ. Π§ΡΠΎ Π»ΡΡΡΠ΅ ΠΈ Π½Π°Π΄Π΅ΠΆΠ½Π΅Π΅, Ρ.
ΠΡΡΡΡΡΠΈΠΉ ΠΌΠΎΠΌΠ΅Π½Ρ ΠΈ ΠΌΠΎΡΠ½ΠΎΡΡΡ Π΄Π²ΠΈΠ³Π°ΡΠ΅Π»Ρ. Π§ΡΠΎ Π²Π°ΠΆΠ½Π΅Π΅? ΠΠ°ΡΡ ΡΠ»ΠΎΠ² ΠΏΡΠΎ .
Π£ΡΡΡΠΎΠΉΡΡΠ²ΠΎ Π²ΠΏΡΡΠΊΠ½ΠΎΠ³ΠΎ ΠΊΠ»Π°ΠΏΠ°Π½Π°
Π‘ΠΎΡΡΠΎΠΈΡ ΠΊΠ»Π°ΠΏΠ°Π½ ΠΈΠ· ΡΠ°ΡΠ΅Π»ΠΊΠΈ ΠΈ ΡΡΠ΅ΡΠΆΠ½Ρ. ΠΠ»ΠΎΡΠΊΠ°Ρ ΡΠΎ ΡΡΠΎΡΠΎΠ½Ρ ΠΊΠ°ΠΌΠ΅ΡΡ ΡΠ³ΠΎΡΠ°Π½ΠΈΡ ΡΠ°ΡΠ΅Π»ΠΊΠ° Π²ΠΏΡΡΠΊΠ½ΠΎΠ³ΠΎ ΠΊΠ»Π°ΠΏΠ°Π½Π° ΠΈΠΌΠ΅Π΅Ρ ΠΊΠΎΠ½ΡΡΠ½ΡΡ ΡΠΎΡΠΌΡ ΡΠΎ ΡΡΠΎΡΠΎΠ½Ρ ΡΠ°ΡΠΏΡΠ΅Π΄Π²Π°Π»Π° (ΡΠ°ΡΠΊΡ). ΠΡΠΈ ΠΏΠΎΠ»Π½ΠΎΠΌ Π·Π°ΠΊΡΡΡΠΈΠΈ ΠΎΠ½Π° ΠΏΠ»ΠΎΡΠ½ΠΎ ΠΏΡΠΈΠ»Π΅Π³Π°Π΅Ρ ΠΊ Β«ΡΠ΅Π΄Π»ΡΒ» (ΠΊΠΎΠ½ΠΈΡΠ΅ΡΠΊΠΎΠΌΡ ΠΎΡΠ²Π΅ΡΡΡΠΈΡ) Π² Π³ΠΎΠ»ΠΎΠ²ΠΊΠ΅ Π±Π»ΠΎΠΊΠ° ΡΠΈΠ»ΠΈΠ½Π΄ΡΠΎΠ². Π’ΠΎΡΠ½ΡΡ ΠΏΠΎΡΠ°Π΄ΠΊΡ Π²ΠΏΡΡΠΊΠ½ΠΎΠ³ΠΎ ΠΊΠ»Π°ΠΏΠ°Π½Π° ΠΎΠ±Π΅ΡΠΏΠ΅ΡΠΈΠ²Π°Π΅Ρ Π½Π°ΠΏΡΠ°Π²Π»ΡΡΡΠ°Ρ Π²ΡΡΠ»ΠΊΠ°, Π² ΠΊΠΎΡΠΎΡΠΎΠΉ ΠΏΠ΅ΡΠ΅ΠΌΠ΅ΡΠ°Π΅ΡΡΡ ΡΡΠ΅ΡΠΆΠ΅Π½Ρ ΠΊΠ»Π°ΠΏΠ°Π½Π°. ΠΠ½Π° Π·Π°ΠΏΡΠ΅ΡΡΠΎΠ²Π°Π½Π° Π² ΠΊΠΎΡΠΏΡΡ Π³ΠΎΠ»ΠΎΠ²ΠΊΠΈ Π±Π»ΠΎΠΊΠ° ΡΠΈΠ»ΠΈΠ½Π΄ΡΠΎΠ² ΠΈ Π·Π°ΡΠΈΠΊΡΠΈΡΠΎΠ²Π°Π½Π° ΡΡΠΎΠΏΠΎΡΠ½ΡΠΌ ΠΊΠΎΠ»ΡΡΠΎΠΌ.
Π‘ΠΎΠ²ΡΠ΅ΠΌΠ΅Π½Π½Π°Ρ ΡΠ΅Π½Π΄Π΅Π½ΡΠΈΡ Π² ΠΊΠΎΠ½ΡΡΡΡΠΈΡΠΎΠ²Π°Π½ΠΈΠΈ ΠΠ Π β ΡΠ²Π΅Π»ΠΈΡΠ΅Π½ΠΈΠ΅ ΠΊΠΎΠ»ΠΈΡΠ΅ΡΡΠ²Π° Π²ΠΏΡΡΠΊΠ½ΡΡ ΠΊΠ»Π°ΠΏΠ°Π½ΠΎΠ² Π½Π° ΠΎΠ΄ΠΈΠ½ ΡΠΈΠ»ΠΈΠ½Π΄Ρ. ΠΡΠΎ ΠΏΠΎΠ·Π²ΠΎΠ»ΡΠ΅Ρ ΡΠ²Π΅Π»ΠΈΡΠΈΡΡ ΠΏΡΠΎΠΏΡΡΠΊΠ½ΡΡ ΡΠΏΠΎΡΠΎΠ±Π½ΠΎΡΡΡ ΡΠΈΠ»ΠΈΠ½Π΄ΡΠ° ΠΈ ΠΏΠΎΠ²ΡΡΠΈΡΡ ΠΌΠΎΡΠ½ΠΎΡΡΡ Π΄Π²ΠΈΠ³Π°ΡΠ΅Π»Ρ
ΠΠΏΡΡΠΊΠ½ΠΎΠΉ ΠΊΠ»Π°ΠΏΠ°Π½ ΠΈΠΌΠ΅Π΅Ρ Π²Π½ΡΡΡΠ΅Π½Π½ΡΡ ΠΈ Π½Π°ΡΡΠΆΠ½ΡΡ ΡΠΈΠ»ΠΈΠ½Π΄ΡΠΈΡΠ΅ΡΠΊΠΈΠ΅ ΠΏΡΡΠΆΠΈΠ½Ρ, ΠΊΠΎΡΠΎΡΡΠ΅ ΠΊΡΠ΅ΠΏΡΡΡΡ Π½Π° ΡΡΠ΅ΡΠΆΠ½Π΅ ΠΊΠ»Π°ΠΏΠ°Π½Π°.
Π Π΄Π΅ΠΉΡΡΠ²ΠΈΠ΅ Π²ΠΏΡΡΠΊΠ½ΠΎΠΉ ΠΊΠ»Π°ΠΏΠ°Π½ ΠΏΡΠΈΠ²ΠΎΠ΄ΠΈΡΡΡ ΡΡΡΠ°Π³ΠΎΠΌ (ΡΠΎΠΊΠ΅ΡΠΎΠΌ) ΠΎΡ ΠΊΡΠ»Π°ΡΠΊΠ° ΡΠ°ΡΠΏΡΠ΅Π΄Π΅Π»ΠΈΡΠ΅Π»ΡΠ½ΠΎΠ³ΠΎ Π²Π°Π»Π°, ΠΈΠ»ΠΈ, Π² Π±ΠΎΠ»ΡΡΠΈΠ½ΡΡΠ²Π΅ ΡΠΎΠ²ΡΠ΅ΠΌΠ΅Π½Π½ΡΡ Π΄Π²ΠΈΠ³Π°ΡΠ΅Π»Π΅ΠΉ Π½Π΅ΠΏΠΎΡΡΠ΅Π΄ΡΡΠ²Π΅Π½Π½ΠΎ Π΄Π°Π²Π»Π΅Π½ΠΈΠ΅ΠΌ ΠΊΡΠ»Π°ΡΠΊΠ°. ΠΡΡΠΆΠΈΠ½Π° ΠΎΠ±Π΅ΡΠΏΠ΅ΡΠΈΠ²Π°Π΅Ρ ΠΏΠΎΡΡΠΎΡΠ½Π½ΡΠΉ ΠΊΠΎΠ½ΡΠ°ΠΊΡ ΡΡΠ΅ΡΠΆΠ½Ρ Π²ΠΏΡΡΠΊΠ½ΠΎΠ³ΠΎ ΠΊΠ»Π°ΠΏΠ°Π½Π° Ρ ΠΊΠΎΠ½ΡΠΎΠΌ ΡΠΎΠΊΠ΅ΡΠ° ΠΈΠ»ΠΈ Ρ ΠΊΡΠ»Π°ΡΠΊΠΎΠΌ.
ΠΠ΅ΠΆΠ΄Ρ ΠΊΡΠ»Π°ΡΠΊΠΎΠΌ ΡΠ°ΡΠΏΡΠ΅Π΄Π΅Π»ΠΈΡΠ΅Π»ΡΠ½ΠΎΠ³ΠΎ Π²Π°Π»Π° ΠΈ ΡΠΎΡΡΠΎΠΌ ΡΡΠ΅ΡΠΆΠ½Ρ ΠΊΠ»Π°ΠΏΠ°Π½Π° ΠΊΠΎΠ½ΡΡΡΡΠΊΡΠΈΠ²Π½ΠΎ Π·Π°ΠΊΠ»Π°Π΄ΡΠ²Π°Π΅ΡΡΡ Π·Π°Π·ΠΎΡ. ΠΡΠΎ Π΄Π°Π΅Ρ Π²ΠΎΠ·ΠΌΠΎΠΆΠ½ΠΎΡΡΡ ΠΊΠΎΠΌΠΏΠ΅Π½ΡΠΈΡΠΎΠ²Π°ΡΡ ΡΠ΅ΠΏΠ»ΠΎΠ²ΠΎΠ΅ ΡΠ°ΡΡΠΈΡΠ΅Π½ΠΈΠ΅ Π²ΠΏΡΡΠΊΠ½ΠΎΠ³ΠΎ ΠΊΠ»Π°ΠΏΠ°Π½Π°. ΠΠ΅Π»ΠΈΡΠΈΠ½Π° ΡΠ°ΠΊΠΎΠ³ΠΎ Π·Π°Π·ΠΎΡΠ° ΡΠΎΡΡΠ°Π²Π»ΡΠ΅Ρ 0,3-0,05 ΠΌΠΌ.
ΠΠ Π£ΠΠΠ ΠΠΠΠΠΠΠΠ«Π Π‘Π’Π£ΠΠ Π ΠΠ Π
Π§ΡΠΎ Π΄Π΅Π»Π°ΡΡ, Π΅ΡΠ»ΠΈ ΡΡΡΡΠ°Ρ ΠΊΠ»Π°ΠΏΠ°Π½Π° Π΄Π°ΠΆΠ΅ ΠΏΠΎΡΠ»Π΅ ΠΏΡΠ°Π²ΠΈΠ»ΡΠ½ΠΎ Π²ΡΠΏΠΎΠ»Π½Π΅Π½Π½ΠΎΠΉ ΡΠ΅Π³ΡΠ»ΠΈΡΠΎΠ²ΠΊΠΈ? Π ΡΠ°ΠΊΠΎΠΌ ΡΠ»ΡΡΠ°Π΅ Π½Π΅ΠΎΠ±Ρ ΠΎΠ΄ΠΈΠΌΠΎ ΠΏΡΠΎΠ²Π΅ΡΠΈΡΡ ΡΠΎΡΡΠΎΡΠ½ΠΈΠ΅ ΡΠΎΠ»ΠΊΠ°ΡΠ΅Π»Π΅ΠΉ, ΡΠ°ΡΠΏΡΠ΅Π΄Π΅Π»ΠΈΡΠ΅Π»ΡΠ½ΠΎΠ³ΠΎ Π²Π°Π»Π°. ΠΠ»Ρ ΡΡΠΎΠ³ΠΎ ΡΠ½ΠΈΠΌΠ°Π΅ΡΡΡ ΡΠ°ΡΠΏΡΠ΅Π΄Π²Π°Π» ΠΈ ΠΏΡΠΎΠ²Π΅ΡΡΠ΅ΡΡΡ:
- Π¦Π΅Π»ΠΎΡΡΠ½ΠΎΡΡΡ ΠΊΡΠ»Π°ΡΠΊΠΎΠ² ΡΠ°ΡΠΏΡΠ΅Π΄Π²Π°Π»Π° ΠΈ ΡΠΎΡΡΠΎΡΠ½ΠΈΠ΅ Π΅Π³ΠΎ ΠΎΠΏΠΎΡ;
- ΠΠ°Π·ΠΎΡ ΠΌΠ΅ΠΆΠ΄Ρ ΡΠΎΠ»ΠΊΠ°ΡΠ΅Π»Π΅ΠΌ ΠΈ ΠΏΠΎΡΠ°Π΄ΠΎΡΠ½ΡΠΌ Π³Π½Π΅Π·Π΄ΠΎΠΌ Π² ΠΠΠ¦;
- Π‘ΠΎΡΡΠΎΡΠ½ΠΈΠ΅ ΠΏΠΎΡΡΠ΅Π»ΠΈ ΡΠ°ΡΠΏΡΠ΅Π΄Π²Π°Π»Π° Π² Π³ΠΎΠ»ΠΎΠ²ΠΊΠ΅ Π±Π»ΠΎΠΊΠ°. ΠΠ½ΠΎΠ³ΠΈΡ
Π²Π»Π°Π΄Π΅Π»ΡΡΠ΅Π² ΠΠΠ Π·Π°Π±ΠΎΡΠΈΡ ΡΡΡΠΊ ΠΊΠ»Π°ΠΏΠ°Π½ΠΎΠ² Π½Π° Ρ
ΠΎΠ»ΠΎΠ΄Π½ΠΎΠΌ Π΄Π²ΠΈΠ³Π°ΡΠ΅Π»Π΅. ΠΠΎ ΠΊΠ»Π°ΠΏΠ°Π½Π° ΡΡΡΡΠ°Ρ ΠΎΠ΄ΠΈΠ½Π°ΠΊΠΎΠ²ΠΎ ΠΊΠ°ΠΊ Π½Π° Β«Ρ
ΠΎΠ»ΠΎΠ΄Π½ΡΡΒ», ΡΠ°ΠΊ ΠΈ Π½Π° Β«Π³ΠΎΡΡΡΡΡΒ».
Π ΠΠ Π ΠΠΠ ΠΎΠ²ΡΠΊΠΈΡ
Π΄Π²ΠΈΠ³Π°ΡΠ΅Π»Π΅ΠΉ Π½Π΅Ρ ΡΡΠ°Π½Π³, ΠΊΠ°ΠΊ Π² Π½Π΅ΠΊΠΎΡΠΎΡΡΡ
ΠΌΠΎΡΠΎΡΠ°Ρ
ΠΠΠ ΠΈ Π£ΠΠ, ΠΏΠΎΡΡΠΎΠΌΡ Ρ Π½Π°Π³ΡΠ΅Π²ΠΎΠΌ Π·Π°Π·ΠΎΡ Π½Π° 2114 ΠΏΡΠ°ΠΊΡΠΈΡΠ΅ΡΠΊΠΈ Π½Π΅ ΠΌΠ΅Π½ΡΠ΅ΡΡΡ.Π‘ΠΊΠΎΡΠ΅Π΅ Π²ΡΠ΅Π³ΠΎ, ΡΡΡΠΊ Π½Π° Ρ ΠΎΠ»ΠΎΠ΄Π½ΡΡ ΠΏΡΠΎΠΈΡΡ ΠΎΠ΄ΠΈΡ Π½Π΅ ΠΈΠ·-Π·Π° ΠΊΠ»Π°ΠΏΠ°Π½ΠΎΠ², Π° ΠΈΠ·-Π·Π° ΡΠ²Π΅Π»ΠΈΡΠ΅Π½Π½ΠΎΠ³ΠΎ Π·Π°Π·ΠΎΡΠ° ΠΌΠ΅ΠΆΠ΄Ρ ΠΏΠΎΡΡΠ½ΡΠΌΠΈ ΠΈ ΡΡΠ΅Π½ΠΊΠ°ΠΌΠΈ ΡΠΈΠ»ΠΈΠ½Π΄ΡΠΎΠ² Π² ΠΏΠΎΡΡΠ½Π΅Π²ΠΎΠΉ Π³ΡΡΠΏΠΏΠ΅.
ΠΠ»ΡΠΌΠΈΠ½ΠΈΠ΅Π²ΡΠ΅ ΠΏΠΎΡΡΠ½ΠΈ ΠΏΠΎ ΠΌΠ΅ΡΠ΅ ΠΏΡΠΎΠ³ΡΠ΅Π²Π° ΡΠ°ΡΡΠΈΡΡΡΡΡΡ ΠΈ Π·Π°Π·ΠΎΡ ΡΠΌΠ΅Π½ΡΡΠ°Π΅ΡΡΡ. Π‘ΠΎΠΎΡΠ²Π΅ΡΡΡΠ²Π΅Π½Π½ΠΎ, ΠΏΡΠΎΠΏΠ°Π΄Π°Π΅Ρ ΠΈ ΡΡΡΠΊ.
ΠΡΠΈΠ½ΡΠΈΠΏ ΡΠ°Π±ΠΎΡΡ Π²ΠΏΡΡΠΊΠ½ΠΎΠ³ΠΎ ΠΊΠ»Π°ΠΏΠ°Π½Π°
Π‘Π²ΠΎΠ΅Π²ΡΠ΅ΠΌΠ΅Π½Π½ΠΎΠ΅ ΠΎΡΠΊΡΡΡΠΈΠ΅ ΠΈ Π·Π°ΠΊΡΡΡΠΈΠ΅ Π²ΠΏΡΡΠΊΠ½ΠΎΠ³ΠΎ ΠΊΠ»Π°ΠΏΠ°Π½Π° ΠΎΠ±Π΅ΡΠΏΠ΅ΡΠΈΠ²Π°Π΅Ρ ΡΠ³Π»ΠΎΠ²ΠΎΠ΅ ΠΏΠΎΠ»ΠΎΠΆΠ΅Π½ΠΈΠ΅ ΡΠ°ΡΠΏΡΠ΅Π΄Π΅Π»ΠΈΡΠ΅Π»ΡΠ½ΠΎΠ³ΠΎ Π²Π°Π»Π°, ΡΠΎΡΠ½ΠΎ ΡΠΈΠ½Ρ ΡΠΎΠ½ΠΈΠ·ΠΈΡΠΎΠ²Π°Π½Π½ΠΎΠ³ΠΎ Ρ ΡΠ°ΠΊΠΈΠΌ ΠΆΠ΅ ΡΠ³Π»ΠΎΠ²ΡΠΌ ΠΏΠΎΠ»ΠΎΠΆΠ΅Π½ΠΈΠ΅ΠΌ ΠΊΠΎΠ»Π΅Π½ΡΠ°ΡΠΎΠ³ΠΎ Π²Π°Π»Π°. Π’ΠΎ Π΅ΡΡΡ, ΡΠ³Π»ΠΎΠ²ΠΎΠ΅ ΠΏΠΎΠ»ΠΎΠΆΠ΅Π½ΠΈΠ΅ ΠΎΠ΄Π½ΠΎΠ³ΠΎ ΡΡΡΠΎΠ³ΠΎ ΡΠΎΠΎΡΠ²Π΅ΡΡΡΠ²ΡΠ΅Ρ ΠΎΠΏΡΠ΅Π΄Π΅Π»Π΅Π½Π½ΠΎΠΌΡ ΡΠ³Π»ΠΎΠ²ΠΎΠΌΡ ΠΏΠΎΠ»ΠΎΠΆΠ΅Π½ΠΈΡ Π΄ΡΡΠ³ΠΎΠ³ΠΎ.
Π Π·Π°Π²ΠΈΡΠΈΠΌΠΎΡΡΠΈ ΠΎΡ ΠΌΠΎΠ΄Π΅Π»ΠΈ Π΄Π²ΠΈΠ³Π°ΡΠ΅Π»Ρ, Π²ΠΏΡΡΠΊΠ½ΡΡ ΠΊΠ»Π°ΠΏΠ°Π½ΠΎΠ² ΠΌΠΎΠΆΠ΅Ρ Π±ΡΡΡ ΠΈ Π½Π΅ΡΠΊΠΎΠ»ΡΠΊΠΎ Π½Π° ΠΎΠ΄ΠΈΠ½ ΡΠΈΠ»ΠΈΠ½Π΄Ρ.
ΠΠ»Ρ ΡΠ°Π΄ΠΈΠΊΠ°Π»ΡΠ½ΠΎΠ³ΠΎ ΠΈΠ·ΠΌΠ΅Π½Π΅Π½ΠΈΡ ΠΎΠΏΠ΅ΡΠ΅ΠΆΠ΅Π½ΠΈΡ ΠΎΡΠΊΡΡΡΠΈΡ ΠΊΠ»Π°ΠΏΠ°Π½ΠΎΠ² Π½Π΅ΠΎΠ±Ρ ΠΎΠ΄ΠΈΠΌΠΎ ΠΏΡΠΈΠΎΠ±ΡΠ΅ΡΡΠΈ ΠΊΠΎΠΌΠΏΠ»Π΅ΠΊΡ ΡΠΏΠΎΡΡΠΈΠ²Π½ΡΡ ΡΠ°ΡΠΏΡΠ΅Π΄Π²Π°Π»ΠΎΠ²
ΠΡΠ΅ΠΆΠ΄Π΅, ΡΠ΅ΠΌ ΠΏΠΎΡΡΠ΅Π½Ρ Π΄ΠΎΡΡΠΈΠ³Π½Π΅Ρ Π²ΡΡΡΠ΅ΠΉ ΠΌΠ΅ΡΡΠ²ΠΎΠΉ ΡΠΎΡΠΊΠΈ, Π½Π°ΡΠΈΠ½Π°Π΅Ρ ΠΎΡΠΊΡΡΠ²Π°ΡΡΡΡ Π²ΠΏΡΡΠΊΠ½ΠΎΠΉ ΠΊΠ»Π°ΠΏΠ°Π½ β ΡΠΎ Π΅ΡΡΡ, ΠΏΡΠΈ ΡΠ°ΠΊΡΠ΅ Π²ΠΏΡΡΠΊΠ°, ΠΊ Π½Π°ΡΠ°Π»Ρ Π΄Π²ΠΈΠΆΠ΅Π½ΠΈΡ ΠΏΠΎΡΡΠ½Ρ Π²Π½ΠΈΠ·, ΠΊΠ»Π°ΠΏΠ°Π½ ΡΠΆΠ΅ ΠΏΡΠΈΠΎΡΠΊΡΡΡ.
ΠΠ»Ρ ΡΠ°Π·Π½ΡΡ
ΠΌΠΎΠ΄Π΅Π»Π΅ΠΉ Π΄Π²ΠΈΠ³Π°ΡΠ΅Π»Π΅ΠΉ ΡΡΡΠ΅ΡΡΠ²ΡΠ΅Ρ ΡΠ²ΠΎΠ΅ ΠΎΠΏΠ΅ΡΠ΅ΠΆΠ΅Π½ΠΈΠ΅ ΠΎΡΠΊΡΡΡΠΈΡ ΠΊΠ»Π°ΠΏΠ°Π½Π°. ΠΡΠ΅Π΄Π΅Π»Ρ ΠΊΠΎΠ»Π΅Π±Π°Π½ΠΈΠΉ ΡΠΎΡΡΠ°Π²Π»ΡΡΡ 5-30 Π³ΡΠ°Π΄ΡΡΠΎΠ².
Π Π²ΠΎΡ Π·Π°ΠΊΡΡΡΠΈΠ΅ Π²ΠΏΡΡΠΊΠ½ΠΎΠ³ΠΎ ΠΊΠ»Π°ΠΏΠ°Π½Π° ΠΏΡΠΎΠΈΡΡ ΠΎΠ΄ΠΈΡ Ρ Π½Π΅ΠΊΠΎΡΠΎΡΠΎΠΉ Π·Π°Π΄Π΅ΡΠΆΠΊΠΎΠΉ, ΠΏΠΎΡΠ»Π΅ ΡΠΎΠ³ΠΎ ΠΊΠ°ΠΊ ΠΏΠΎΡΡΠ΅Π½Ρ Π΄ΠΎΡΡΠΈΠ³Π°Π΅Ρ Π½ΠΈΠΆΠ½Π΅ΠΉ ΠΌΠ΅ΡΡΠ²ΠΎΠΉ ΡΠΎΡΠΊΠΈ ΠΈ Π½Π°ΡΠΈΠ½Π°Π΅Ρ Π΄Π²ΠΈΠΆΠ΅Π½ΠΈΠ΅ Π²Π²Π΅ΡΡ . ΠΠ°ΠΏΠΎΠ»Π½Π΅Π½ΠΈΠ΅ ΡΠΈΠ»ΠΈΠ½Π΄ΡΠ° ΠΏΡΠΎΠ΄ΠΎΠ»ΠΆΠ°Π΅ΡΡΡ Π΄Π°ΠΆΠ΅ ΠΏΠΎΡΠ»Π΅ Π½Π°ΡΠ°Π»Π° Π΄Π²ΠΈΠΆΠ΅Π½ΠΈΡ. ΠΡΠΎ ΠΏΡΠΎΠΈΡΡ ΠΎΠ΄ΠΈΡ Π²ΡΠ»Π΅Π΄ΡΡΠ²ΠΈΠ΅ ΠΈΠ½Π΅ΡΡΠΈΠΈ Π²ΠΎ Π²ΠΏΡΡΠΊΠ½ΠΎΠΌ ΠΊΠΎΠ»Π»Π΅ΠΊΡΠΎΡΠ΅.
ΠΠ΅ΡΡ Π½Π΅Π΅ ΠΏΠΎΠ»ΠΎΠΆΠ΅Π½ΠΈΠ΅ Π²Π°Π»Π°
ΠΠ°ΠΊ ΡΠ΅Π³ΡΠ»ΠΈΡΠΎΠ²Π°ΡΡ Π·Π°Π·ΠΎΡΡ ΠΊΠ»Π°ΠΏΠ°Π½ΠΎΠ² Π²Π°Π·-2114 8 ΠΊΠ»Π°ΠΏΠ°Π½ΠΎΠ²
Π Π·Π°Π²ΠΈΡΠΈΠΌΠΎΡΡΠΈ ΠΎΡ ΠΊΠΎΠ½ΡΡΡΡΠΊΡΠΈΠΈ ΡΠΈΠ»ΠΎΠ²ΠΎΠ³ΠΎ Π°Π³ΡΠ΅Π³Π°ΡΠ°, Π²Π°Π» ΠΌΠΎΠΆΠ΅Ρ Π±ΡΡΡ ΡΠ°ΡΠΏΠΎΠ»ΠΎΠΆΠ΅Π½, Π»ΠΈΠ±ΠΎ Π²Π²Π΅ΡΡ Ρ Π½Π°Π΄ Π±Π»ΠΎΠΊΠΎΠΌ, Π»ΠΈΠ±ΠΎ Π²Π½ΡΡΡΠΈ Π½Π΅Π³ΠΎ. Π Π°ΡΡΠΌΠΎΡΡΠΈΠΌ ΡΠ½Π°ΡΠ°Π»Π° ΠΏΠ΅ΡΠ²ΡΠΉ ΡΠ»ΡΡΠ°ΠΉ.
ΠΠ»Π°Π³ΠΎΠ΄Π°ΡΡ Π²Π΅ΡΡ Π½Π΅ΠΌΡ ΠΏΠΎΠ»ΠΎΠΆΠ΅Π½ΠΈΡ Π²Π°Π»Π° Π΄ΡΡΠ³ΠΈΠ΅ Π΄Π΅ΡΠ°Π»ΠΈ Π²Π·Π°ΠΈΠΌΠΎΡΠ²ΡΠ·Π°Π½Ρ Ρ ΡΠΈΠ»ΠΈΠ½Π΄ΡΠ°ΠΌΠΈ ΠΈΠ»ΠΈ ΡΠΎΠ»ΠΊΠ°ΡΠ΅Π»ΡΠΌΠΈ.
Π ΠΎΠΏΠΈΡΠ°Π½Π½ΠΎΠΉ ΡΠΈΡΡΠ΅ΠΌΠ΅, ΡΠ°ΡΠΏΡΠ΅Π΄Π²Π°Π», Π½Π°Ρ ΠΎΠ΄ΡΡΠΈΠΉΡΡ Π² Π΄Π²ΠΈΠ³Π°ΡΠ΅Π»Π΅ Π½Π°Π²Π΅ΡΡ Ρ, ΡΠ°Π±ΠΎΡΠ°Π΅Ρ Π±Π»Π°Π³ΠΎΠ΄Π°ΡΡ ΠΏΡΠΈΠ²ΠΎΠ΄Ρ, ΠΈΠΌΠ΅ΡΡΠ΅ΠΌΡ Π·ΡΠ±ΡΠ°ΡΡΠ΅ Π·Π°ΡΠ΅ΠΏΡ. Π’Π°ΠΊΠΆΠ΅ Π²ΠΈΠ΄Π½ΠΎ, ΡΡΠΎ ΠΊΡΠ»Π°ΡΠΊΠΈ ΠΈ ΡΡΡΡΠΎΠΉΡΡΠ²ΠΎ ΡΠΎΠ»ΠΊΠ°ΡΠ΅Π»Π΅ΠΉ, Π½Π°Ρ ΠΎΠ΄ΡΡΠΈΡ ΡΡ ΠΏΡΡΠΌΠΎ Π½Π°Π΄ Π΄Π²ΡΠΌΡ Π·Π°ΡΠ²ΠΎΡΠ°ΠΌΠΈ, ΡΠ²ΡΠ·Π°Π½Ρ ΠΌΠ΅ΠΆΠ΄Ρ ΡΠΎΠ±ΠΎΠΉ.
ΠΠ°Π²Π»Π΅Π½ΠΈΠ΅ ΡΠΎΠ»ΠΊΠ°ΡΠ΅Π»Ρ, ΠΎΠΊΠ°Π·ΡΠ²Π°Π΅ΠΌΠΎΠ΅ Π½Π° ΠΊΡΠ»Π°ΡΠΎΠΊ, ΠΏΠΎΠ±ΡΠΆΠ΄Π°Π΅Ρ Π΄Π΅ΡΠ°Π»Ρ, Π½Π° ΠΊΠΎΡΠΎΡΠΎΠΉ Π΄Π΅ΡΠΆΠΈΡΡΡ ΠΊΠ»Π°ΠΏΠ°Π½, ΠΎΡΠ»Π°Π±ΠΈΡΡ ΠΏΡΡΠΆΠΈΠ½ΠΊΡ.
ΠΠ°Π»Π΅Π΅, ΠΊΠΎΠ³Π΄Π° Π²Π°Π» Π²ΡΠ°ΡΠ°Π΅ΡΡΡ, ΠΏΡΡΠΆΠΈΠ½Π° Π΄Π΅Π»Π°Π΅Ρ Ρ
ΠΎΠ΄ ΠΈ ΡΡΠ°Π½ΠΎΠ²ΠΈΡΡΡ Π½Π° ΡΠ²ΠΎΠ΅ ΠΌΠ΅ΡΡΠΎ, ΡΠΎΠ³Π΄Π° ΠΏΡΠΎΠΈΡΡ
ΠΎΠ΄ΠΈΡ Π·Π°ΠΊΡΡΡΠΈΠ΅ ΠΊΠ»Π°ΠΏΠ°Π½Π°.
Π₯Π°ΡΠ°ΠΊΡΠ΅ΡΠ½ΡΠ΅ ΠΏΠΎΠ»ΠΎΠΌΠΊΠΈ Π²ΠΏΡΡΠΊΠ½ΡΡ ΠΊΠ»Π°ΠΏΠ°Π½ΠΎΠ²
ΠΠ΅Π·ΡΡΠ»ΠΎΠ²Π½ΠΎ, ΡΠ°ΠΌΠΎΠΉ ΡΠ°ΡΠΏΡΠΎΡΡΡΠ°Π½Π΅Π½Π½ΠΎΠΉ ΠΏΠΎΠ»ΠΎΠΌΠΊΠΎΠΉ ΠΊΠ»Π°ΠΏΠ°Π½ΠΎΠ² Π½Π΅ΠΎΠ±Ρ ΠΎΠ΄ΠΈΠΌΠΎ ΠΏΡΠΈΠ·Π½Π°ΡΡ ΠΈΡ Π·Π°Π³ΠΈΠ±Π°Π½ΠΈΠ΅ Π² ΡΠ΅Π·ΡΠ»ΡΡΠ°ΡΠ΅ ΠΎΠ±ΡΡΠ²Π° ΡΠ΅ΠΌΠ½Ρ ΠΠ Π. Π’ΠΎ ΠΆΠ΅ ΡΠ°ΠΌΠΎΠ΅ ΠΌΠΎΠΆΠ΅Ρ ΠΏΡΠΎΠΈΠ·ΠΎΠΉΡΠΈ ΠΈ Π±Π΅Π· ΠΎΠ±ΡΡΠ²Π°, Π΅ΡΠ»ΠΈ Π·Π°ΠΌΠ΅Π½ΠΎΠΉ ΡΠ΅ΠΌΠ½Ρ Π·Π°Π½ΠΈΠΌΠ°Π»ΡΡ Π½Π΅ΠΏΡΠΎΡΠ΅ΡΡΠΈΠΎΠ½Π°Π», ΠΎΡΠΈΠ±ΠΎΡΠ½ΠΎ Π²ΡΡΡΠ°Π²ΠΈΠ²ΡΠΈΠΉ ΠΌΠ΅ΡΠΊΠΈ Π½Π° ΡΠΊΠΈΠ²Π°Ρ ΠΊΠΎΠ»Π΅Π½Π²Π°Π»Π° ΠΈ ΡΠ°ΡΠΏΡΠ΅Π΄Π²Π°Π»Π° (ΠΈΠ»ΠΈ ΡΠ°ΡΠΏΡΠ΅Π΄Π²Π°Π»ΠΎΠ²). ΠΡΠΎΠ±Π΅Π½Π½ΠΎ ΠΎΠΏΠ°ΡΠ½Ρ ΠΎΠ±ΡΡΠ²Ρ Π΄Π»Ρ ΡΠΎΠ²ΡΠ΅ΠΌΠ΅Π½Π½ΡΡ ΡΠ»ΠΎΠΆΠ½ΡΡ Π΄Π²ΠΈΠ³Π°ΡΠ΅Π»Π΅ΠΉ, ΠΎΡΠ½Π°ΡΠ΅Π½Π½ΡΡ ΠΌΠ΅Ρ Π°Π½ΠΈΠ·ΠΌΠΎΠΌ ΠΈΠ·ΠΌΠ΅Π½ΡΠ΅ΠΌΡΡ ΡΠ°Π· Π³Π°Π·ΠΎΡΠ°ΡΠΏΡΠ΅Π΄Π΅Π»Π΅Π½ΠΈΡ ΠΈ ΠΏΡΠΎΡΠΈΠΌΠΈ Π²ΡΡΠΎΠΊΠΎΡΠ΅Ρ Π½ΠΎΠ»ΠΎΠ³ΠΈΡΠ½ΡΠΌΠΈ ΡΠΈΡΡΠ΅ΠΌΠ°ΠΌΠΈ.
ΠΡΠ΅ ΠΎΠ΄Π½Π° ΡΠ°ΡΠΏΡΠΎΡΡΡΠ°Π½Π΅Π½Π½Π°Ρ Π½Π΅ΠΈΡΠΏΡΠ°Π²Π½ΠΎΡΡΡ ΠΊΠ»Π°ΠΏΠ°Π½Π½ΠΎΠ³ΠΎ ΠΌΠ΅Ρ Π°Π½ΠΈΠ·ΠΌΠ° Π·Π°ΡΠ°ΡΡΠ°Π½ΠΈΠ΅ Π²ΠΏΡΡΠΊΠ½ΡΡ ΠΈ Π²ΡΠΏΡΡΠΊΠ½ΡΡ ΠΊΠ»Π°ΠΏΠ°Π½ΠΎΠ² Π½Π°Π³Π°ΡΠΎΠΌ. ΠΠ°ΠΊ ΠΏΡΠ°Π²ΠΈΠ»ΠΎ, ΠΎΠΏΡΠ΅Π΄Π΅Π»ΠΈΡΡ ΠΏΡΠΎΠ±Π»Π΅ΠΌΡ ΠΌΠΎΠΆΠ½ΠΎ Π½Π° Π΄ΠΎΡΡΠ°ΡΠΎΡΠ½ΠΎ ΡΠ°Π½Π½Π΅ΠΉ ΡΡΠ°Π΄ΠΈΠΈ ΠΏΠΎ ΡΠ½ΠΈΠΆΠ΅Π½ΠΈΡ ΠΌΠΎΡΠ½ΠΎΡΡΠΈ ΠΈ Ρ Π»ΠΎΠΏΠΊΠ°ΠΌ Π²ΠΎ Π²ΠΏΡΡΠΊΠ½ΠΎΠΌ ΠΈ Π²ΡΠΏΡΡΠΊΠ½ΠΎΠΌ ΡΡΡΠ±ΠΎΠΏΡΠΎΠ²ΠΎΠ΄Π°Ρ , ΠΌΠ΅ΡΠ°Π»Π»ΠΈΡΠ΅ΡΠΊΠΎΠΌΡ ΡΡΡΠΊΡ Π² Π³ΠΎΠ»ΠΎΠ²ΠΊΠ΅ Π±Π»ΠΎΠΊΠ° ΡΠΈΠ»ΠΈΠ½Π΄ΡΠΎΠ² ΠΈ ΠΏΠ°Π΄Π΅Π½ΠΈΡ ΠΌΠΎΡΠ½ΠΎΡΡΠΈ Π΄Π²ΠΈΠ³Π°ΡΠ΅Π»Ρ.
ΠΡΠ»ΠΎΠΆΠ΅Π½ΠΈΠ΅ Π½Π°Π³Π°ΡΠ° Π½Π° ΡΠ΅Π΄Π»Π°Ρ
ΠΈ ΠΊΠ»Π°ΠΏΠ°Π½Π°Ρ
ΠΏΡΠ΅ΠΏΡΡΡΡΠ²ΡΠ΅Ρ ΠΈΡ
ΠΏΠ»ΠΎΡΠ½ΠΎΠΌΡ ΠΏΡΠΈΠ»Π΅Π³Π°Π½ΠΈΡ ΠΈ ΡΠΌΠ΅Π½ΡΡΠ°Π΅Ρ ΠΊΠΎΠΌΠΏΡΠ΅ΡΡΠΈΡ.
ΠΡΠ»Π΅Π΄ΡΡΠ²ΠΈΠ΅ ΡΡΠΎΠ³ΠΎ ΡΠΌΠ΅Π½ΡΡΠ°Π΅ΡΡΡ ΠΈ ΠΌΠΎΡΠ½ΠΎΡΡΡ Π΄Π²ΠΈΠ³Π°ΡΠ΅Π»Ρ. ΠΠΎΠ»ΠΎΠΌΠΊΠΈ ΠΏΡΡΠΆΠΈΠ½ ΠΌΠΎΠ³ΡΡ Π²ΡΠ·Π²Π°ΡΡ Π½Π΅ΠΏΠ»ΠΎΡΠ½ΠΎΠ΅ ΠΏΡΠΈΠ»Π΅Π³Π°Π½ΠΈΠ΅ ΠΊΠ»Π°ΠΏΠ°Π½Π° ΠΊ ΡΠ΅Π΄Π»Ρ ΠΈ ΠΏΡΠΈΠ²ΠΎΠ΄ΠΈΡΡ ΠΊ Π΄Π΅ΡΠΎΡΠΌΠ°ΡΠΈΠΈ Π³ΠΎΠ»ΠΎΠ²ΠΊΠΈ Π±Π»ΠΎΠΊΠ° ΡΠΈΠ»ΠΈΠ½Π΄ΡΠΎΠ², ΠΎΠ±ΡΠ°Π·ΠΎΠ²Π°Π½ΠΈΡ ΡΠ°ΠΊΠΎΠ²ΠΈΠ½ ΠΈΠ»ΠΈ Π·Π°Π΅Π΄Π°Π½ΠΈΡ ΡΡΠ΅ΡΠΆΠ½Ρ. ΠΠΎΠ»ΡΡΠΎΠΉ ΡΠ΅ΠΏΠ»ΠΎΠ²ΠΎΠΉ Π·Π°Π·ΠΎΡ ΠΌΠ΅ΠΆΠ΄Ρ ΡΡΡΠ°Π³ΠΎΠΌ ΠΈ ΡΡΠ΅ΡΠΆΠ½Π΅ΠΌ ΠΊΠ»Π°ΠΏΠ°Π½Π° ΡΠ°ΠΊΠΆΠ΅ Π²Π΅Π΄Π΅Ρ ΠΊ ΠΏΠΎΡΠ²Π»Π΅Π½ΠΈΡ ΡΠ΅Π·ΠΊΠΎΠ³ΠΎ ΠΌΠ΅ΡΠ°Π»Π»ΠΈΡΠ΅ΡΠΊΠΎΠ³ΠΎ ΡΡΡΠΊΠ° ΠΈ ΠΏΠ°Π΄Π΅Π½ΠΈΡ ΠΌΠΎΡΠ½ΠΎΡΡΠΈ Π΄Π²ΠΈΠ³Π°ΡΠ΅Π»Ρ.
ΠΡΠΎΠΏΡΡΠΊΠ½Π°Ρ ΡΠΏΠΎΡΠΎΠ±Π½ΠΎΡΡΡ ΠΈ ΡΠ΅Ρ Π½ΠΈΡΠ΅ΡΠΊΠΈΠ΅ ΠΏΠΎΡΠ΅ΡΠΈ
Π‘ΠΎΠ±ΡΡΠ²Π΅Π½Π½ΠΎ Π·Π°Π΄Π°ΡΠ° ΠΠ Π, ΠΈ Π² ΡΠ°ΡΡΠ½ΠΎΡΡΠΈ ΠΊΠ»Π°ΠΏΠ°Π½ΠΎΠ² ΠΎΠ΄Π½Π° β ΠΌΠ°ΠΊΡΠΈΠΌΠ°Π»ΡΠ½ΠΎ Π±ΡΡΡΡΠΎ ΠΏΠΎΠ΄Π²ΠΎΠ΄ΠΈΡΡ Π²ΠΎΠ·Π΄ΡΡΠ½ΠΎ ΡΠΎΠΏΠ»ΠΈΠ²Π½ΡΡ ΡΠΌΠ΅ΡΡ ΠΈ ΡΠ°ΠΊΠΆΠ΅ ΠΌΠ°ΠΊΡΠΈΠΌΠ°Π»ΡΠ½ΠΎ Π±ΡΡΡΡΠΎ Π΅Π΅ ΠΎΡΠ²ΠΎΠ΄ΠΈΡΡ ΠΈΠ· Π±Π»ΠΎΠΊΠ° ΡΠΈΠ»ΠΈΠ½Π΄ΡΠΎΠ². Π― Π΄ΡΠΌΠ°Ρ ΡΡΠΎ ΠΏΠΎΠ½ΡΡΠ½ΠΎ, ΠΈ Π½ΠΈΠΊΠ°ΠΊΠΈΡ ΡΠ»ΠΎΠΆΠ½ΠΎΡΡΠ΅ΠΉ Π½Π΅ Π²ΡΠ·ΡΠ²Π°Π΅Ρ.
Π’Π°ΠΊ Π΄ΡΠΌΠ°Π»ΠΈ ΠΈ ΠΌΠ½ΠΎΠ³ΠΈΠ΅ ΠΈΠ½ΠΆΠ΅Π½Π΅ΡΡ, Π½Π° ΠΏΠ΅ΡΠ²ΡΡ ΠΌΠΎΡΠΎΡΠ°Ρ ΠΊΠ»Π°ΠΏΠ°Π½Π° Π±ΡΠ»ΠΈ Π΄ΠΎΡΡΠ°ΡΠΎΡΠ½ΠΎ Π±ΠΎΠ»ΡΡΠΈΠΌΠΈ, ΠΎΠ½ΠΈ Π·Π°ΠΊΡΡΠ²Π°Π»ΠΈ Π±ΠΎΠ»ΡΡΠΈΠ΅ ΠΏΡΠΎΡ ΠΎΠ΄Ρ Π² Π³ΠΎΠ»ΠΎΠ²ΠΊΠΈ Π±Π»ΠΎΠΊΠ° ΡΠΈΠ»ΠΈΠ½Π΄ΡΠΎΠ² (ΠΊΠΎΡΠΎΡΡΠ΅ ΡΠ»ΠΈ Π½Π° Π²ΠΏΡΡΠΊΠ½ΠΎΠΉ ΠΈ Π²ΡΠΏΡΡΠΊΠ½ΠΎΠΉ ΠΊΠΎΠ»Π»Π΅ΠΊΡΠΎΡΠ°). ΠΡΠΆΠ½ΠΎ ΠΎΡΠΌΠ΅ΡΠΈΡΡ, ΡΡΠΎ ΡΠ΅ΡΡΡΠ΅Ρ ΡΠ°ΠΊΡΠ½ΡΠ΅ ΠΌΠΎΡΠΎΡΡ Π±ΡΠ»ΠΈ ΠΈΠΌΠ΅Π½Π½ΠΎ Ρ 8 ΠΊΠ»Π°ΠΏΠ°Π½Π°ΠΌΠΈ, ΡΡΠΎ ΡΠ²Π»ΡΠ΅ΡΡΡ ΠΊΠ°ΠΊ Π±Ρ ΠΊΠ»Π°ΡΡΠΈΡΠ΅ΡΠΊΠΎΠΉ ΡΡ Π΅ΠΌΠΎΠΉ.
ΠΠΎ Π±ΠΎΠ»ΡΡΠΎΠΉ ΠΊΠ»Π°ΠΏΠ°Π½ ΠΈΠΌΠ΅Π΅Ρ Π±ΠΎΠ»ΡΡΡΡ ΠΈΠ½Π΅ΡΡΠΈΡ ΠΈ ΠΏΡΠΈ Π²ΡΡΠΎΠΊΠΈΡ
ΠΎΠ±ΠΎΡΠΎΡΠ°Ρ
ΡΠ²Π΅Π»ΠΈΡΠΈΠ²Π°Π»ΠΈΡΡ ΠΌΠ΅Ρ
Π°Π½ΠΈΡΠ΅ΡΠΊΠΈΠ΅ ΠΏΠΎΡΠ΅ΡΠΈ.
ΠΠ΅Π΄Ρ ΠΊΡΠ»Π°ΡΠΊΡ ΡΠ°ΡΠΏΡΠ΅Π΄Π΅Π»ΠΈΡΠ΅Π»ΡΠ½ΠΎΠ³ΠΎ Π²Π°Π»Π°, Π½ΡΠΆΠ½ΠΎ Π±ΡΠ»ΠΎ ΡΠΎΠ»ΠΊΠ°ΡΡ ΡΡΠΎΡ ΡΡΠΆΠ΅Π»ΡΠΉ ΠΌΠ΅Ρ
Π°Π½ΠΈΠ·ΠΌ.
ΠΠ°ΡΠ΅ΠΌ ΠΈΡ Π½Π°ΡΠ°Π»ΠΈ ΡΠΌΠ΅Π½ΡΡΠ°ΡΡ. ΠΠ°, ΠΏΠΎΡΠ΅ΡΠΈ ΡΠ½ΠΈΠ·ΠΈΠ»ΠΈΡΡ, Π½ΠΎ ΠΈ ΠΏΡΠΎΠΏΡΡΠΊΠ½Π°Ρ ΡΠΏΠΎΡΠΎΠ±Π½ΠΎΡΡΡ ΡΠ°ΠΊΠΆΠ΅ ΡΠΌΠ΅Π½ΡΡΠΈΠ»Π°ΡΡ.
ΠΠ°ΠΊ Π²ΡΠΉΡΠΈ ΠΈΠ· ΠΏΠΎΠ»ΠΎΠΆΠ΅Π½ΠΈΡ?
ΠΠ°ΡΠ°Π»ΠΈ ΡΠ²Π΅Π»ΠΈΡΠΈΠ²Π°ΡΡ ΠΊΠΎΠ»ΠΈΡΠ΅ΡΡΠ²ΠΎ, ΡΠΎ Π΅ΡΡΡ Π΄Π΅Π»Π°ΡΡ ΠΈΡ ΠΌΠΈΠ½ΠΈΠ°ΡΡΡΠ½ΡΠΌΠΈ, Π½ΠΎ Π±ΠΎΠ»ΡΡΠ΅. Π’Π°ΠΊ ΠΏΠΎΡΠ²ΠΈΠ»ΠΈΡΡ Π²Π°ΡΠΈΠ°Π½ΡΡ Ρ 12 β 16 β 20 ΠΈ Π΄Π°ΠΆΠ΅ Ρ 24 ΠΊΠ»Π°ΠΏΠ°Π½Π°ΠΌΠΈ. ΠΠ ΠΎΠΏΡΡΡ ΠΆΠ΅ Π²ΡΠΆΠΈΠ»ΠΈ ΡΠΎΠ»ΡΠΊΠΎ Π΄Π²Π°, ΠΎΡΠ½ΠΎΠ²Π½ΡΡ ΡΠΈΠΏΠ° β ΡΡΠΎ 8 ΠΈ 16, ΡΠΎ Π΅ΡΡΡ 2 ΠΈ 4 ΠΊΠ»Π°ΠΏΠ°Π½Π° Π½Π° ΡΠΈΠ»ΠΈΠ½Π΄Ρ (Π΅ΡΠ»ΠΈ Π±ΡΠ°ΡΡ 4 ΡΠΈΠ»ΠΈΠ½Π΄ΡΠΎΠ²ΡΠΉ ΠΌΠΎΡΠΎΡ).
ΠΠ°ΡΠ΅ΡΠΈΠ°Π»Ρ Π΄Π»Ρ ΠΏΡΠΎΠΈΠ·Π²ΠΎΠ΄ΡΡΠ²Π° ΠΊΠ»Π°ΠΏΠ°Π½ΠΎΠ²
ΠΠ»Ρ ΠΈΠ·Π³ΠΎΡΠΎΠ²Π»Π΅Π½ΠΈΡ Π²ΠΏΡΡΠΊΠ½ΡΡ ΠΊΠ»Π°ΠΏΠ°Π½ΠΎΠ² ΠΈΡΠΏΠΎΠ»ΡΠ·ΡΠ΅ΡΡΡ Ρ ΡΠΎΠΌΠΈΡΡΠ°Ρ ΡΡΠ°Π»Ρ, ΠΎΠ±Π»Π°Π΄Π°ΡΡΠ°Ρ ΡΡΠΎΠΉΠΊΠΎΡΡΡΡ ΠΏΡΠΎΡΠΈΠ² ΠΊΠΎΡΡΠΎΠ·ΠΈΠΈ Π² Π³Π°Π·ΠΎΠ²ΡΡ ΡΡΠ΅Π΄Π°Ρ ΠΏΡΠΈ ΡΠ΅ΠΌΠΏΠ΅ΡΠ°ΡΡΡΠ°Ρ ΡΠ²ΡΡΠ΅ 550 Β°C. ΠΡΠΎΡ Π²ΠΈΠ΄ ΡΡΠ°Π»ΠΈ Π΄ΠΎΡΡΠ°ΡΠΎΡΠ½ΠΎ Ρ ΡΡΠΏΠΎΠΊ.
ΠΠΏΡΡΠΊΠ½ΡΠ΅ ΠΈ Π²ΡΠΏΡΡΠΊΠ½ΡΠ΅ ΠΊΠ»Π°ΠΏΠ°Π½Ρ Π°Π²ΡΠΎΠΌΠΎΠ±ΠΈΠ»ΡΠ½ΡΡ Π΄Π²ΠΈΠ³Π°ΡΠ΅Π»Π΅ΠΉ ΠΈΠΌΠ΅ΡΡ ΡΠ°ΡΠ΅Π»ΡΡΠ°ΡΡΡ ΡΠΎΡΠΌΡ. ΠΠ»Π°ΠΏΠ°Π½ ΠΎΡΠΊΡΡΠ²Π°Π΅ΡΡΡ ΠΏΠΎΠ΄ Π΄Π΅ΠΉΡΡΠ²ΠΈΠ΅ΠΌ ΠΊΠ»Π°ΠΏΠ°Π½Π½ΠΎΠ³ΠΎ ΠΌΠ΅Ρ Π°Π½ΠΈΠ·ΠΌΠ°, ΡΠΏΡΠ°Π²Π»ΡΠ΅ΠΌΠΎΠ³ΠΎ ΡΠΊΡΡΠ΅Π½ΡΡΠΈΠΊΠΎΠ²ΡΠΌ ΠΊΡΠ»Π°ΡΠΊΠΎΠΌ. Π Π°Π±ΠΎΡΠ° ΠΊΡΠ»Π°ΡΠΊΠ° ΡΠΈΠ½Ρ ΡΠΎΠ½ΠΈΠ·ΠΈΡΠΎΠ²Π°Π½Π° Ρ ΠΏΠΎΠ»ΠΎΠΆΠ΅Π½ΠΈΠ΅ΠΌ ΠΏΠΎΡΡΠ½Ρ ΠΈ ΠΏΠ΅ΡΠΈΠΎΠ΄ΠΎΠΌ Π²ΡΠ°ΡΠ΅Π½ΠΈΡ ΠΊΠΎΠ»Π΅Π½ΡΠ°ΡΠΎΠ³ΠΎ Π²Π°Π»Π°.
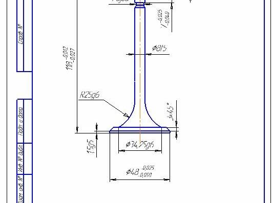
Π ΡΠ²ΡΠ·ΠΈ Ρ ΡΡΠΈΠΌ ΠΎΠ½ΠΈ ΠΈΠ·Π³ΠΎΡΠ°Π²Π»ΠΈΠ²Π°ΡΡΡΡ ΠΈΠ· Π±ΠΎΠ»Π΅Π΅ ΡΡΠΎΠΉΠΊΠΈΡ ΠΌΠ°ΡΠ΅ΡΠΈΠ°Π»ΠΎΠ², ΡΠ΅ΠΌ Π²ΠΏΡΡΠΊΠ½ΡΠ΅ ΠΊΠ»Π°ΠΏΠ°Π½Ρ, ΠΈ ΡΠΎΠΎΡΠ²Π΅ΡΡΡΠ²Π΅Π½Π½ΠΎ ΡΡΠΎΡΡ Π΄ΠΎΡΠΎΠΆΠ΅.
ΠΠ°ΠΏΡΠ°Π²Π»ΡΡΡΠ°Ρ Π²ΡΡΠ»ΠΊΠ° ΠΊΠ»Π°ΠΏΠ°Π½Π° ΡΠ°ΡΠΏΠΎΠ»ΠΎΠΆΠ΅Π½Π° ΡΠΎΠΎΡΠ½ΠΎ Ρ ΡΠ΅Π΄Π»ΠΎΠΌ ΠΊΠ»Π°ΠΏΠ°Π½Π°, ΡΠ°ΠΊ ΡΡΠΎΠ±Ρ ΠΌΠ΅ΠΆΠ΄Ρ ΡΠ°Π±ΠΎΡΠ΅ΠΉ ΡΠ°ΡΠΊΠΎΠΉ ΠΊΠ»Π°ΠΏΠ°Π½Π° ΠΈ ΡΠ΅Π΄Π»ΠΎΠΌ ΠΎΠ±Π΅ΡΠΏΠ΅ΡΠΈΠ²Π°Π»ΡΡ Π³Π΅ΡΠΌΠ΅ΡΠΈΡΠ½ΡΠΉ Π³Π°Π·ΠΎΠ½Π΅ΠΏΡΠΎΠ½ΠΈΡΠ°Π΅ΠΌΡΠΉ ΠΊΠΎΠ½ΡΠ°ΠΊΡ. Π Π°Π±ΠΎΡΠ°Ρ ΡΠ°ΡΠΊΠ° ΠΊΠ»Π°ΠΏΠ°Π½Π° ΠΈ ΡΠ΅Π΄Π»ΠΎ ΡΠΊΠΎΡΠ΅Π½Ρ ΠΏΠΎΠ΄ ΡΠ³Π»ΠΎΠΌ 30Β° ΠΈΠ»ΠΈ 45Β°. ΠΡΠΎ Π½ΠΎΠΌΠΈΠ½Π°Π»ΡΠ½ΡΠ΅ Π·Π½Π°ΡΠ΅Π½ΠΈΡ ΡΠ³Π»Π° ΡΠ°ΡΠΊΠΈ. Π€Π°ΠΊΡΠΈΡΠ΅ΡΠΊΠΈΠ΅ Π·Π½Π°ΡΠ΅Π½ΠΈΡ ΠΌΠΎΠ³ΡΡ Π½Π° ΠΎΠ΄ΠΈΠ½-Π΄Π²Π° Π³ΡΠ°Π΄ΡΡΠ° ΠΎΡΠ»ΠΈΡΠ°ΡΡΡΡ ΠΎΡ Π½ΠΎΠΌΠΈΠ½Π°Π»ΡΠ½ΡΡ . ΠΠ»Π°ΠΏΠ°Π½Ρ ΠΈ ΡΠ΅Π΄Π»Π° ΠΊΠ»Π°ΠΏΠ°Π½ΠΎΠ², ΠΈΡΠΏΠΎΠ»ΡΠ·ΡΠ΅ΠΌΡΠ΅ Π² Π±ΠΎΠ»ΡΡΠΈΠ½ΡΡΠ²Π΅ Π΄Π²ΠΈΠ³Π°ΡΠ΅Π»Π΅ΠΉ, ΠΈΠΌΠ΅ΡΡ Π½ΠΎΠΌΠΈΠ½Π°Π»ΡΠ½ΡΠΉ ΡΠ³ΠΎΠ» ΡΠ°ΡΠΊΠΈ, ΡΠ°Π²Π½ΡΠΉ 45Β°. ΠΠ»Π°ΠΏΠ°Π½ ΠΏΡΠΈΠΆΠΈΠΌΠ°Π΅ΡΡΡ ΠΊ ΡΠ΅Π΄Π»Ρ ΠΏΠΎΠ΄ Π΄Π΅ΠΉΡΡΠ²ΠΈΠ΅ΠΌ ΠΏΡΡΠΆΠΈΠ½Ρ. ΠΡΡΠΆΠΈΠ½Π° ΡΠ΄Π΅ΡΠΆΠΈΠ²Π°Π΅ΡΡΡ Π½Π° ΡΡΠ΅ΡΠΆΠ½Π΅ ΠΊΠ»Π°ΠΏΠ°Π½Π° (Π½Π΅ΠΊΠΎΡΠΎΡΡΠ΅ Π°Π²ΡΠΎΠΌΠ΅Ρ Π°Π½ΠΈΠΊΠΈ Π½Π°Π·ΡΠ²Π°ΡΡ Π΅Π³ΠΎ ΡΡΠΎΠΊΠΎΠΌ ΠΊΠ»Π°ΠΏΠ°Π½Π°) ΠΎΠΏΠΎΡΠ½ΠΎΠΉ ΡΠ°ΡΠ΅Π»ΠΊΠΎΠΉ ΠΏΡΡΠΆΠΈΠ½Ρ, ΠΊΠΎΡΠΎΡΠ°Ρ, Π² ΡΠ²ΠΎΡ ΠΎΡΠ΅ΡΠ΅Π΄Ρ, ΠΊΠΎΠ½ΡΡΠΈΡΡΡ Π½Π° ΡΡΠ΅ΡΠΆΠ½Π΅ ΠΊΠ»Π°ΠΏΠ°Π½Π° Π·Π°ΠΌΠΊΠΎΠΌ (ΡΡΡ Π°ΡΠΈΠΊΠ°ΠΌΠΈ). ΠΠ»Ρ Π΄Π΅ΠΌΠΎΠ½ΡΠ°ΠΆΠ° ΠΊΠ»Π°ΠΏΠ°Π½Π° Π½Π΅ΠΎΠ±Ρ ΠΎΠ΄ΠΈΠΌΠΎ ΡΠΆΠ°ΡΡ ΠΏΡΡΠΆΠΈΠ½Ρ ΠΈ ΡΠ½ΡΡΡ ΡΡΡ Π°ΡΠΈΠΊΠΈ. ΠΠΎΡΠ»Π΅ ΡΡΠΎΠ³ΠΎ ΠΌΠΎΠΆΠ½ΠΎ ΡΠ½ΡΡΡ ΠΏΡΡΠΆΠΈΠ½Ρ, ΠΌΠ°Π½ΠΆΠ΅ΡΡ, ΠΈ Π²ΡΠ½ΡΡΡ ΠΊΠ»Π°ΠΏΠ°Π½ ΠΈΠ· Π³ΠΎΠ»ΠΎΠ²ΠΊΠΈ.
ΠΡΠ΅ΡΡΠΎΡΠΎΠ½Π½ΠΈΠ΅ ΠΈΡΠΏΡΡΠ°Π½ΠΈΡ ΠΏΠΎΠΊΠ°Π·Π°Π»ΠΈ, ΡΡΠΎ ΠΌΠ΅ΠΆΠ΄Ρ ΡΠ°Π·Π»ΠΈΡΠ½ΡΠΌΠΈ Π³Π΅ΠΎΠΌΠ΅ΡΡΠΈΡΠ΅ΡΠΊΠΈΠΌΠΈ ΠΏΠ°ΡΠ°ΠΌΠ΅ΡΡΠ°ΠΌΠΈ ΠΊΠ»Π°ΠΏΠ°Π½ΠΎΠ² ΡΡΡΠ΅ΡΡΠ²ΡΡΡ ΠΎΠΏΡΠΈΠΌΠ°Π»ΡΠ½ΡΠ΅ ΡΠΎΠΎΡΠ½ΠΎΡΠ΅Π½ΠΈΡ. Π Π΄Π²ΠΈΠ³Π°ΡΠ΅Π»ΡΡ
Ρ ΡΠΈΠ»ΠΈΠ½Π΄ΡΠ°ΠΌΠΈ Π²Π½ΡΡΡΠ΅Π½Π½ΠΈΠΌ Π΄ΠΈΠ°ΠΌΠ΅ΡΡΠΎΠΌ ΠΎΡ 3 Π΄ΠΎ 8 Π΄ΡΠΉΠΌΠΎΠ² (ΠΎΡ 80 Π΄ΠΎ 200 ΠΌΠΌ) Π΄Π»Ρ Π²ΠΏΡΡΠΊΠ½ΠΎΠ³ΠΎ ΠΊΠ»Π°ΠΏΠ°Π½Π° ΠΎΠΏΡΠΈΠΌΠ°Π»ΡΠ½ΡΠΌ Π±ΡΠ΄Π΅Ρ Π΄ΠΈΠ°ΠΌΠ΅ΡΡ Π³ΠΎΠ»ΠΎΠ²ΠΊΠΈ, ΡΠΎΡΡΠ°Π²Π»ΡΡΡΠΈΠΉ ΠΏΡΠΈΠ±Π»ΠΈΠ·ΠΈΡΠ΅Π»ΡΠ½ΠΎ 45% Π²Π½ΡΡΡΠ΅Π½Π½Π΅Π³ΠΎ Π΄ΠΈΠ°ΠΌΠ΅ΡΡΠ° ΡΠΈΠ»ΠΈΠ½Π΄ΡΠ°.
ΠΠΏΡΠΈΠΌΠ°Π»ΡΠ½ΡΠΉ Π΄ΠΈΠ°ΠΌΠ΅ΡΡ Π³ΠΎΠ»ΠΎΠ²ΠΊΠΈ Π²ΡΠΏΡΡΠΊΠ½ΠΎΠ³ΠΎ ΠΊΠ»Π°ΠΏΠ°Π½Π° ΡΠΎΡΡΠ°Π²Π»ΡΠ΅Ρ ΠΏΡΠΈΠΌΠ΅ΡΠ½ΠΎ 38% Π²Π½ΡΡΡΠ΅Π½Π½Π΅Π³ΠΎ Π΄ΠΈΠ°ΠΌΠ΅ΡΡΠ° ΡΠΈΠ»ΠΈΠ½Π΄ΡΠ°. ΠΠΏΡΡΠΊΠ½ΠΎΠΉ ΠΊΠ»Π°ΠΏΠ°Π½ Π΄ΠΎΠ»ΠΆΠ΅Π½ Π±ΡΡΡ Π±ΠΎΠ»ΡΡΠ΅ ΠΏΠΎ ΡΠ°Π·ΠΌΠ΅ΡΡ, ΡΠ΅ΠΌ Π²ΡΠΏΡΡΠΊΠ½ΠΎΠΉ, ΡΡΠΎΠ±Ρ ΠΏΡΠΎΠΏΡΡΠΊΠ°ΡΡ ΡΡ ΠΆΠ΅ ΠΌΠ°ΡΡΡ Π³Π°Π·Π°. ΠΠΎΠ»ΡΡΠΈΠΉ ΠΏΠΎ ΡΠ°Π·ΠΌΠ΅ΡΡ Π²ΠΏΡΡΠΊΠ½ΠΎΠΉ ΠΊΠ»Π°ΠΏΠ°Π½ ΡΠΏΡΠ°Π²Π»ΡΠ΅Ρ Π½ΠΈΠ·ΠΊΠΎΡΠΊΠΎΡΠΎΡΡΠ½ΡΠΌ ΠΏΠΎΡΠΎΠΊΠΎΠΌ ΡΠ°Π·ΡΠ΅ΠΆΠ΅Π½Π½ΠΎΠ³ΠΎ Π³Π°Π·Π°. Π ΡΠΎ ΠΆΠ΅ Π²ΡΠ΅ΠΌΡ Π²ΡΠΏΡΡΠΊΠ½ΠΎΠΉ ΠΊΠ»Π°ΠΏΠ°Π½ ΡΠΏΡΠ°Π²Π»ΡΠ΅Ρ Π²ΡΡΠΎΠΊΠΎΡΠΊΠΎΡΠΎΡΡΠ½ΡΠΌ ΠΏΠΎΡΠΎΠΊΠΎΠΌ ΡΠΆΠ°ΡΠΎΠ³ΠΎ Π³Π°Π·Π°. Π‘ ΡΠ°ΠΊΠΈΠΌ ΠΏΠΎΡΠΎΠΊΠΎΠΌ Π² ΡΠΎΡΡΠΎΡΠ½ΠΈΠΈ ΡΠΏΡΠ°Π²ΠΈΡΡΡΡ ΠΊΠ»Π°ΠΏΠ°Π½ ΠΌΠ΅Π½ΡΡΠ΅Π³ΠΎ ΡΠ°Π·ΠΌΠ΅ΡΠ°. ΠΡΠ»Π΅Π΄ΡΡΠ²ΠΈΠ΅ ΡΡΠΎΠ³ΠΎ Π΄ΠΈΠ°ΠΌΠ΅ΡΡ Π³ΠΎΠ»ΠΎΠ²ΠΊΠΈ Π²ΡΠΏΡΡΠΊΠ½ΠΎΠ³ΠΎ ΠΊΠ»Π°ΠΏΠ°Π½Π° ΡΠΎΡΡΠ°Π²Π»ΡΠ΅Ρ ΠΏΡΠΈΠΌΠ΅ΡΠ½ΠΎ 85% Π΄ΠΈΠ°ΠΌΠ΅ΡΡΠ° Π³ΠΎΠ»ΠΎΠ²ΠΊΠΈ Π²ΠΏΡΡΠΊΠ½ΠΎΠ³ΠΎ ΠΊΠ»Π°ΠΏΠ°Π½Π°. ΠΠ»Ρ Π½ΠΎΡΠΌΠ°Π»ΡΠ½ΠΎΠ³ΠΎ ΡΡΠ½ΠΊΡΠΈΠΎΠ½ΠΈΡΠΎΠ²Π°Π½ΠΈΡ Π΄ΠΈΠ°ΠΌΠ΅ΡΡ Π³ΠΎΠ»ΠΎΠ²ΠΊΠΈ ΠΊΠ»Π°ΠΏΠ°Π½Π° Π΄ΠΎΠ»ΠΆΠ΅Π½ ΡΠΎΡΡΠ°Π²Π»ΡΡΡ ΠΏΡΠΈΠ±Π»ΠΈΠ·ΠΈΡΠ΅Π»ΡΠ½ΠΎ 115% Π΄ΠΈΠ°ΠΌΠ΅ΡΡΠ° ΠΊΠ»Π°ΠΏΠ°Π½Π½ΠΎΠ³ΠΎ ΠΎΠΊΠ½Π°. ΠΠ»Π°ΠΏΠ°Π½ Π΄ΠΎΠ»ΠΆΠ΅Π½ Π±ΡΡΡ Π΄ΠΎΡΡΠ°ΡΠΎΡΠ½ΠΎ Π±ΠΎΠ»ΡΡΠΈΠΌ, ΡΡΠΎΠ±Ρ ΠΏΠ΅ΡΠ΅ΠΊΡΡΠ²Π°ΡΡ ΠΎΠΊΠ½ΠΎ. ΠΡΡΠΎΡΠ° ΠΏΠΎΠ΄ΡΠ΅ΠΌΠ° ΠΊΠ»Π°ΠΏΠ°Π½Π° Π½Π°Π΄ ΡΠ΅Π΄Π»ΠΎΠΌ ΡΠΎΡΡΠ°Π²Π»ΡΠ΅Ρ ΠΏΡΠΈΠΌΠ΅ΡΠ½ΠΎ 25% Π΄ΠΈΠ°ΠΌΠ΅ΡΡΠ° Π³ΠΎΠ»ΠΎΠ²ΠΊΠΈ.
ΠΠΎΠ½ΡΡΡΡΠΊΡΠΈΠΈ ΠΊΠ»Π°ΠΏΠ°Π½ΠΎΠ² Π°Π²ΡΠΎΠΌΠΎΠ±ΠΈΠ»Ρ
ΠΠΎΠ»ΠΎΠ²ΠΊΠΈ ΠΊΠ»Π°ΠΏΠ°Π½ΠΎΠ² Π°Π²ΡΠΎ (Π°Π²ΡΠΎΠΌΠ΅Ρ
Π°Π½ΠΈΠΊΠΈ ΡΠ°ΡΡΠΎ Π½Π°Π·ΡΠ²Π°ΡΡ ΠΈΡ
ΡΠ°ΡΠ΅Π»ΠΊΠ°ΠΌΠΈ) ΠΌΠΎΠ³ΡΡ ΠΈΠΌΠ΅ΡΡ ΡΠ°Π·Π»ΠΈΡΠ½ΡΡ ΠΊΠΎΠ½ΡΡΡΡΠΊΡΠΈΡ, ΠΎΠ½ΠΈ ΠΌΠΎΠ³ΡΡ Π±ΡΡΡ ΠΊΠ°ΠΊ ΠΆΠ΅ΡΡΠΊΠΈΠΌΠΈ, ΡΠ°ΠΊ ΠΈ ΡΠ»Π°ΡΡΠΈΡΠ½ΡΠΌΠΈ. ΠΠ΅ΡΡΠΊΠ°Ρ Π³ΠΎΠ»ΠΎΠ²ΠΊΠ° ΠΎΠ±Π»Π°Π΄Π°Π΅Ρ Π²ΡΡΠΎΠΊΠΎΠΉ ΠΏΡΠΎΡΠ½ΠΎΡΡΡΡ, ΡΠΎΡ
ΡΠ°Π½ΡΠ΅Ρ ΡΠΎΡΠΌΡ ΠΈ ΠΎΠ±Π»Π°Π΄Π°Π΅Ρ Π²ΡΡΠΎΠΊΠΎΠΉ ΡΠ΅ΠΏΠ»ΠΎΠΏΡΠΎΠ²ΠΎΠ΄Π½ΠΎΡΡΡΡ.
ΠΠ½Π° ΡΠ°ΠΊΠΆΠ΅ ΠΎΡΠ»ΠΈΡΠ°Π΅ΡΡΡ Π±ΠΎΠ»Π΅Π΅ Π²ΡΡΠΎΠΊΠΎΠΉ ΠΈΠ·Π½ΠΎΡΠΎΡΡΡΠΎΠΉΡΠΈΠ²ΠΎΡΡΡΡ. ΠΠ»Π°ΡΡΠΈΡΠ½Π°Ρ Π³ΠΎΠ»ΠΎΠ²ΠΊΠ°, Π² ΡΠ²ΠΎΡ ΠΎΡΠ΅ΡΠ΅Π΄Ρ, ΡΠΏΠΎΡΠΎΠ±Π½Π° ΠΏΡΠΈΡΠΏΠΎΡΠ°Π±Π»ΠΈΠ²Π°ΡΡΡΡ ΠΊ ΡΠΎΡΠΌΠ΅ ΡΠ΅Π΄Π»Π°. ΠΠΎΡΡΠΎΠΌΡ ΡΠ»Π°ΡΡΠΈΡΠ½ΡΠΉ ΠΊΠ»Π°ΠΏΠ°Π½ Π½Π°Π΄Π΅ΠΆΠ½ΠΎ Π·Π°ΠΏΠ΅ΡΠ°ΡΡΠ²Π°Π΅Ρ ΠΎΠΊΠ½ΠΎ, Π½ΠΎ ΠΏΠ΅ΡΠ΅Π³ΡΠ΅Π²Π°Π΅ΡΡΡ, Π° ΠΈΠ·Π³ΠΈΠ±Ρ ΠΏΡΠΈ ΠΏΠΎΡΠ°Π΄ΠΊΠ΅ Π² ΡΠ΅Π΄Π»ΠΎ, ΠΊΠΎΠ³Π΄Π° ΠΊΠ»Π°ΠΏΠ°Π½ Π°Π΄Π°ΠΏΡΠΈΡΡΠ΅ΡΡΡ ΠΊ Π΅Π³ΠΎ ΡΠΎΡΠΌΠ΅, ΠΌΠΎΠ³ΡΡ ΠΏΡΠΈΠ²Π΅ΡΡΠΈ ΠΊ Π΅Π³ΠΎ ΡΠ°Π·ΡΡΡΠ΅Π½ΠΈΡ. Π ΠΊΠΎΠ½ΡΡΡΡΠΊΡΠΈΠΈ ΠΊΠ»Π°ΠΏΠ°Π½ΠΎΠ² ΡΠΈΡΠΎΠΊΠΎ ΠΈΡΠΏΠΎΠ»ΡΠ·ΡΠ΅ΡΡΡ Π³ΠΎΠ»ΠΎΠ²ΠΊΠ°, Π½Π°Π΄ Π»ΠΈΡΠ΅Π²ΠΎΠΉ ΠΏΠΎΠ²Π΅ΡΡ
Π½ΠΎΡΡΡΡ ΠΊΠΎΡΠΎΡΠΎΠΉ Π²ΡΡΡΡΠΏΠ°Π΅Ρ Π½Π΅Π±ΠΎΠ»ΡΡΠ°Ρ ΡΠ»ΡΠΏΠΊΠ°. Π’Π°ΠΊΠΎΠΉ ΠΊΠ»Π°ΠΏΠ°Π½ ΠΎΠ±Π»Π°Π΄Π°Π΅Ρ Π΄ΠΎΡΡΠ°ΡΠΎΡΠ½ΠΎ Π½Π΅Π±ΠΎΠ»ΡΡΠΈΠΌ Π²Π΅ΡΠΎΠΌ, Π²ΡΡΠΎΠΊΠΎΠΉ ΠΏΡΠΎΡΠ½ΠΎΡΡΡΡ ΠΈ ΡΠ΅ΠΏΠ»ΠΎΠΏΠ΅ΡΠ΅Π΄Π°ΡΠ΅ΠΉ, ΠΈ ΡΡΡΡ Π±ΠΎΠ»Π΅Π΅ Π²ΡΡΠΎΠΊΠΎΠΉ ΡΠ΅Π½ΠΎΠΉ. ΠΠ»Π°ΡΡΠΈΡΠ½ΡΠ΅ Π³ΠΎΠ»ΠΎΠ²ΠΊΠΈ ΡΠ°ΡΠ΅ Π²ΡΡΡΠ΅ΡΠ°ΡΡΡΡ Ρ Π²ΠΏΡΡΠΊΠ½ΡΡ
ΠΊΠ»Π°ΠΏΠ°Π½ΠΎΠ², Π° ΠΆΠ΅ΡΡΠΊΠΈΠ΅ β Ρ Π²ΡΠΏΡΡΠΊΠ½ΡΡ
.
ΠΠΎΠΏΠ°Π΄Π°Π½ΠΈΠ΅ Ρ
ΠΎΠ»ΠΎΠ΄Π½ΠΎΠ³ΠΎ Π²ΠΎΠ·Π΄ΡΡ
Π° Π½Π° Π³ΠΎΡΡΡΠΈΠ΅ Π²ΡΠΏΡΡΠΊΠ½ΡΠ΅ ΠΊΠ»Π°ΠΏΠ°Π½Ρ ΡΡΠ°Π·Ρ ΠΏΠΎΡΠ»Π΅ ΠΎΡΡΠ°Π½ΠΎΠ²ΠΊΠΈ Π΄Π²ΠΈΠ³Π°ΡΠ΅Π»Ρ ΠΌΠΎΠΆΠ΅Ρ ΠΏΡΠΈΠ²Π΅ΡΡΠΈ ΠΊ ΡΠ΅ΡΡΠ΅Π·Π½ΡΠΌ ΠΏΠΎΠ²ΡΠ΅ΠΆΠ΄Π΅Π½ΠΈΡΠΌ ΠΊΠ»Π°ΠΏΠ°Π½ΠΎΠ². Π Π΄Π²ΠΈΠ³Π°ΡΠ΅Π»ΡΡ
, ΠΎΡΠ½Π°ΡΠ΅Π½Π½ΡΡ
Π²ΡΠΏΡΡΠΊΠ½ΡΠΌΠΈ ΠΊΠΎΠ»Π»Π΅ΠΊΡΠΎΡΠ½ΡΠΌΠΈ Π³ΠΎΠ»ΠΎΠ²ΠΊΠ°ΠΌΠΈ ΠΈ/ΠΈΠ»ΠΈ ΠΏΡΡΠΌΠΎΡΠΎΡΠ½ΡΠΌΠΈ Π³Π»ΡΡΠΈΡΠ΅Π»ΡΠΌΠΈ, Ρ
ΠΎΠ»ΠΎΠ΄Π½ΠΎΠΌΡ Π²ΠΎΠ·Π΄ΡΡ
Ρ ΠΎΡΠΊΡΡΡ ΠΏΡΡΠΌΠΎΠΉ Π΄ΠΎΡΡΡΠΏ ΠΊ Π²ΡΠΏΡΡΠΊΠ½ΡΠΌ ΠΊΠ»Π°ΠΏΠ°Π½Π°ΠΌ. Π Π΅Π·ΠΊΠΎΠ΅ ΠΎΡ
Π»Π°ΠΆΠ΄Π΅Π½ΠΈΠ΅ ΠΌΠΎΠΆΠ΅Ρ Π²ΡΠ·Π²Π°ΡΡ ΠΊΠΎΡΠΎΠ±Π»Π΅Π½ΠΈΠ΅ ΠΈ/ΠΈΠ»ΠΈ ΠΎΠ±ΡΠ°Π·ΠΎΠ²Π°Π½ΠΈΠ΅ ΡΡΠ΅ΡΠΈΠ½ Π² ΠΊΠ»Π°ΠΏΠ°Π½Π΅. Π Ρ
ΠΎΠ»ΠΎΠ΄Π½ΡΡ Π²Π΅ΡΡΠ΅Π½ΡΡ ΠΏΠΎΠ³ΠΎΠ΄Ρ, ΠΊΠΎΠ³Π΄Π° Π²Π΅ΡΠ΅Ρ Π²Π΄ΡΠ²Π°Π΅Ρ Ρ
ΠΎΠ»ΠΎΠ΄Π½ΡΠΉ Π½Π°ΡΡΠΆΠ½ΡΠΉ Π²ΠΎΠ·Π΄ΡΡ
ΠΏΡΡΠΌΠΎ Π² ΡΠΈΡΡΠ΅ΠΌΡ Π²ΡΠΏΡΡΠΊΠ° ΠΎΡΡΠ°Π±ΠΎΡΠ°Π²ΡΠΈΡ
Π³Π°Π·ΠΎΠ², ΡΠ°ΠΊΠΈΠ΅ ΡΡΠ»ΠΎΠ²ΠΈΡ β Π½Π΅ ΡΠ΅Π΄ΠΊΠΎΡΡΡ.
ΠΡΠΎΡΠΈΠ²ΠΎΡΠΎΡΠ½ΡΠ΅ Π³Π»ΡΡΠΈΡΠ΅Π»ΠΈ Ρ Π΄Π»ΠΈΠ½Π½ΡΠΌΠΈ Π²ΡΡ
Π»ΠΎΠΏΠ½ΡΠΌΠΈ ΡΡΡΠ±Π°ΠΌΠΈ ΠΈ ΠΊΠ°ΡΠ°Π»ΠΈΡΠΈΡΠ΅ΡΠΊΠΈΠΌ Π½Π΅ΠΉΡΡΠ°Π»ΠΈΠ·Π°ΡΠΎΡΠΎΠΌ ΠΎΡΡΠ°Π±ΠΎΡΠ°Π²ΡΠΈΡ
Π³Π°Π·ΠΎΠ² ΡΠ½ΠΈΠΆΠ°ΡΡ ΠΎΠΏΠ°ΡΠ½ΠΎΡΡΡ Π²ΠΎΠ·Π½ΠΈΠΊΠ½ΠΎΠ²Π΅Π½ΠΈΡ ΡΠ°ΠΊΠΎΠΉ ΡΠΈΡΡΠ°ΡΠΈΠΈ.
ΠΠ°ΡΠ΅ΡΠΈΠ°Π»Ρ ΠΈΠ· ΠΊΠΎΡΠΎΡΡΡ ΠΈΠ·Π³ΠΎΡΠ°Π²Π»ΠΈΠ²Π°ΡΡΡΡ ΠΊΠ»Π°ΠΏΠ°Π½Ρ
Π‘ΠΏΠ»Π°Π²Ρ, ΠΌΠ°ΡΠ΅ΡΠΈΠ°Π»Ρ ΠΈΠ· ΠΊΠΎΡΠΎΡΡΡ
ΠΈΠ·Π³ΠΎΡΠ°Π²Π»ΠΈΠ²Π°ΡΡΡΡ Π²ΡΠΏΡΡΠΊΠ½ΡΠ΅ ΠΊΠ»Π°ΠΏΠ°Π½Ρ Π°Π²ΡΠΎΠΌΠΎΠ±ΠΈΠ»Ρ, ΡΠΎΡΡΠΎΡΡ Π³Π»Π°Π²Π½ΡΠΌ ΠΎΠ±ΡΠ°Π·ΠΎΠΌ ΠΈΠ· Ρ
ΡΠΎΠΌΠ°, ΠΎΠ±Π΅ΡΠΏΠ΅ΡΠΈΠ²Π°ΡΡΠ΅Π³ΠΎ Π²ΡΡΠΎΠΊΡΡ ΠΆΠ°ΡΠΎΡΡΠΎΠΉΠΊΠΎΡΡΡ, Ρ Π½Π΅Π±ΠΎΠ»ΡΡΠΈΠΌΠΈ Π΄ΠΎΠ±Π°Π²ΠΊΠ°ΠΌΠΈ Π½ΠΈΠΊΠ΅Π»Ρ, ΠΌΠ°ΡΠ³Π°Π½ΡΠ° ΠΈ Π°Π·ΠΎΡΠ½ΡΡ
ΡΠΎΠ΅Π΄ΠΈΠ½Π΅Π½ΠΈΠΉ. ΠΡΠ»ΠΈ ΡΡΠ΅Π±ΡΠ΅ΡΡΡ ΠΏΡΠΈΠ΄Π°ΡΡ ΠΊΠ»Π°ΠΏΠ°Π½Ρ ΠΎΡΠΎΠ±ΡΠ΅ Ρ
Π°ΡΠ°ΠΊΡΠ΅ΡΠΈΡΡΠΈΠΊΠΈ, ΡΠΎ ΠΎΠ½ ΠΏΠΎΠ΄Π²Π΅ΡΠ³Π°Π΅ΡΡΡ ΡΠ΅ΡΠΌΠΎΠΎΠ±ΡΠ°Π±ΠΎΡΠΊΠ΅. ΠΡΠ»ΠΈ ΠΊΠΎΠ½ΡΡΡΡΠΊΡΠΈΡ ΠΊΠ»Π°ΠΏΠ°Π½Π° ΠΈΠ· ΠΎΠ΄Π½ΠΎΡΠΎΠ΄Π½ΠΎΠ³ΠΎ ΠΌΠ°ΡΠ΅ΡΠΈΠ°Π»Π° Π½Π΅ ΠΌΠΎΠΆΠ΅Ρ ΠΎΠ±Π΅ΡΠΏΠ΅ΡΠΈΡΡ Π½Π΅ΠΎΠ±Ρ
ΠΎΠ΄ΠΈΠΌΡΡ ΠΏΡΠΎΡΠ½ΠΎΡΡΡ ΠΈ ΠΆΠ°ΡΠΎΡΡΠΎΠΉΠΊΠΎΡΡΡ, ΡΠΎ Π΅Π³ΠΎ ΠΈΠ·Π³ΠΎΡΠ°Π²Π»ΠΈΠ²Π°ΡΡ ΡΠ²Π°ΡΠ½ΡΠΌ β ΠΈΠ· Π΄Π²ΡΡ
ΡΠ°Π·Π»ΠΈΡΠ½ΡΡ
ΠΌΠ°ΡΠ΅ΡΠΈΠ°Π»ΠΎΠ². ΠΠΎΡΠ»Π΅ ΠΎΠ±ΡΠ°Π±ΠΎΡΠΊΠΈ ΠΌΠ΅ΡΡΠΎ ΡΠΎΠ΅Π΄ΠΈΠ½Π΅Π½ΠΈΡ ΡΠ°ΡΡΠ΅ΠΉ ΠΊΠ»Π°ΠΏΠ°Π½Π° Π½Π΅Π²ΠΎΠ·ΠΌΠΎΠΆΠ½ΠΎ ΡΠ°Π·Π»ΠΈΡΠΈΡΡ. ΠΠΎΠ»ΠΎΠ²ΠΊΠΈ ΠΊΠ»Π°ΠΏΠ°Π½ΠΎΠ² ΠΈΠ·Π³ΠΎΡΠ°Π²Π»ΠΈΠ²Π°ΡΡΡΡ ΠΈΠ· ΡΠΏΠ΅ΡΠΈΠ°Π»ΡΠ½ΡΡ
ΡΠΏΠ»Π°Π²ΠΎΠ², ΠΎΠ±Π»Π°Π΄Π°ΡΡΠΈΡ
ΠΆΠ°ΡΠΎΡΡΠΎΠΉΠΊΠΎΡΡΡΡ, ΠΏΡΠΎΡΠ½ΠΎΡΡΡΡ, ΠΊΠΎΡΡΠΎΠ·ΠΈΠΎΠ½Π½ΠΎΠΉ ΡΡΠΎΠΉΠΊΠΎΡΡΡΡ, ΡΡΠΎΠΉΠΊΠΎΡΡΡΡ ΠΊ Π²ΠΎΠ·Π΄Π΅ΠΉΡΡΠ²ΠΈΡ ΠΎΠΊΠΈΡΠΈ ΡΠ²ΠΈΠ½ΡΠ° ΠΈ Π²ΡΡΠΎΠΊΠΎΠΉ ΡΠ²Π΅ΡΠ΄ΠΎΡΡΡΡ. ΠΠΎΠ»ΠΎΠ²ΠΊΠΈ ΠΏΡΠΈΠ²Π°ΡΠΈΠ²Π°ΡΡΡΡ ΠΊ ΡΡΠ΅ΡΠΆΠ½ΡΠΌ, ΠΈΠ·Π³ΠΎΡΠΎΠ²Π»Π΅Π½Π½ΡΠΌ ΠΈΠ· ΠΌΠ°ΡΠ΅ΡΠΈΠ°Π»ΠΎΠ², ΠΎΠ±Π»Π°Π΄Π°ΡΡΠΈΡ
Π²ΡΡΠΎΠΊΠΎΠΉ ΠΈΠ·Π½ΠΎΡΠΎΡΡΠΎΠΉΠΊΠΎΡΡΡΡ.
Π ΠΊΠ»Π°ΠΏΠ°Π½Π°Ρ
, ΠΏΡΠ΅Π΄Π½Π°Π·Π½Π°ΡΠ΅Π½Π½ΡΡ
Π΄Π»Ρ ΡΠ°Π±ΠΎΡΡ Π² ΠΎΡΠΎΠ±ΠΎ ΡΡΠΆΠ΅Π»ΡΡ
ΡΡΠ»ΠΎΠ²ΠΈΡΡ
, Π½Π° ΡΠ°Π±ΠΎΡΡΡ ΡΠ°ΡΠΊΡ Π³ΠΎΠ»ΠΎΠ²ΠΊΠΈ ΠΈ Π²Π΅ΡΡ
ΡΡΠΊΡ ΡΡΠ΅ΡΠΆΠ½Ρ Π²ΠΏΡΡΠΊΠ½ΠΎΠ³ΠΎ ΠΊΠ»Π°ΠΏΠ°Π½Π° Π°Π²ΡΠΎΠΌΠΎΠ±ΠΈΠ»Ρ Π½Π°ΠΏΡΠ°Π²Π»ΡΡΡΡΡ ΡΠ²Π΅ΡΠ΄ΠΎΡΠΏΠ»Π°Π²Π½ΡΠ΅ ΠΌΠ°ΡΠ΅ΡΠΈΠ°Π»Ρ ΡΠΈΠΏΠ° ΡΡΠ΅Π»Π»ΠΈΡΠ°. Π‘ΡΠ΅Π»Π»ΠΈΡ ΠΏΡΠ΅Π΄ΡΡΠ°Π²Π»ΡΠ΅Ρ ΡΠΎΠ±ΠΎΠΉ ΡΠΏΠ»Π°Π² Π½ΠΈΠΊΠ΅Π»Ρ, Ρ
ΡΠΎΠΌΠ° ΠΈ Π²ΠΎΠ»ΡΡΡΠ°ΠΌΠ° ΠΈ ΡΠ²Π»ΡΠ΅ΡΡΡ Π½Π΅ΠΌΠ°Π³Π½ΠΈΡΠ½ΡΠΌ ΠΌΠ°ΡΠ΅ΡΠΈΠ°Π»ΠΎΠΌ. Π ΡΠ΅Ρ
ΡΠ»ΡΡΠ°ΡΡ
, ΠΊΠΎΠ³Π΄Π° Π½Π΅ΠΎΠ±Ρ
ΠΎΠ΄ΠΈΠΌΠΎ ΠΏΠΎΠ²ΡΡΠΈΡΡ ΠΊΠΎΡΡΠΎΠ·ΠΈΠΎΠ½Π½ΡΡ ΡΡΠΎΠΉΠΊΠΎΡΡΡ, ΠΊΠ»Π°ΠΏΠ°Π½ Π°Π»ΠΈΡΠΈΡΡΠ΅ΡΡΡ. ΠΠ»ΠΈΡΠΈΡΠΎΠ²Π°Π½ΠΈΠ΅ ΡΠ°Π±ΠΎΡΠ΅ΠΉ ΡΠ°ΡΠΊΠΈ ΡΠ½ΠΈΠΆΠ°Π΅Ρ Π΅Π΅ ΠΈΠ·Π½ΠΎΡ ΠΏΡΠΈ ΠΈΡΠΏΠΎΠ»ΡΠ·ΠΎΠ²Π°Π½ΠΈΠΈ Π½Π΅ΡΡΠΈΠ»ΠΈΡΠΎΠ²Π°Π½Π½ΠΎΠ³ΠΎ Π±Π΅Π½Π·ΠΈΠ½Π°. ΠΠ° ΠΏΠΎΠ²Π΅ΡΡ
Π½ΠΎΡΡΠΈ ΠΊΠ»Π°ΠΏΠ°Π½Π° ΡΠΎΡΠΌΠΈΡΡΠ΅ΡΡΡ ΠΏΠ»Π΅Π½ΠΊΠ° ΠΎΠΊΠΈΡΠΈ Π°Π»ΡΠΌΠΈΠ½ΠΈΡ, ΠΏΡΠ΅Π΄ΠΎΡΠ²ΡΠ°ΡΠ°ΡΡΠ°Ρ ΠΏΡΠΈΠ²Π°ΡΠΈΠ²Π°Π½ΠΈΠ΅ ΡΡΠ°Π»ΡΠ½ΠΎΠΉ ΡΠ°ΡΠΊΠΈ ΠΊΠ»Π°ΠΏΠ°Π½Π° ΠΊ ΡΡΠ³ΡΠ½Π½ΠΎΠΌΡ ΡΠ΅Π΄Π»Ρ.
Π‘ΠΏΠΎΡΠΎΠ±Ρ Π·Π°ΡΠΈΡΡ ΠΎΡ ΠΏΠ΅ΡΠ΅Π³ΡΠ΅Π²Π°
Π§ΡΠΎΠ±Ρ ΠΏΡΠΎΡΠΈΠ²ΠΎΡΡΠΎΡΡΡ ΡΡΠΎΠ·ΠΈΠΈ ΠΎΡ ΠΏΠ΅ΡΠ΅Π³ΡΠ΅Π²Π° Π²ΡΠΏΡΡΠΊΠ½ΡΠ΅ ΠΊΠ»Π°ΠΏΠ°Π½Ρ ΠΈΠ·Π³ΠΎΡΠ°Π²Π»ΠΈΠ²Π°ΡΡΡΡ ΠΈΠ· ΠΆΠ°ΡΠΎΡΡΠΎΠΉΠΊΠΎΠΉ ΡΡΠ°Π»ΠΈ (Ρ ΡΠΎΠΌΠ½ΠΈΠΊΠ΅Π»ΡΠ²ΠΎΠ»ΡΡΡΠ°ΠΌΠΌΠΎΠ»ΠΈΠ±Π΄Π΅Π½ΠΎΠ²Π°Ρ ΡΡΠ°Π»Ρ).
ΠΡΠΈ Π·Π°ΠΌΠ΅Π½Π΅ ΡΠ°Π·ΡΡΡΠ΅Π½Π½ΠΎΠ³ΠΎ ΠΊΠ»Π°ΠΏΠ°Π½Π° ΠΏΡΠΈΡΠΈΡΠΊΠ° ΠΊ ΡΠ΅Π΄Π»Ρ β Π°Π±ΡΠΎΠ»ΡΡΠ½ΠΎ ΠΎΠ±ΡΠ·Π°ΡΠ΅Π»ΡΠ½Π°. ΠΡΠ»ΠΈ ΠΊΠ»Π°ΠΏΠ°Π½ Π½Π΅ ΠΏΡΠΈΡΠ΅ΡΠ΅ΡΡ, Π΅Π³ΠΎ ΠΏΡΠΈΠ΄Π΅ΡΡΡ ΠΌΠ΅Π½ΡΡΡ ΡΠ½ΠΎΠ²Π°, ΠΈ ΠΎΡΠ΅Π½Ρ ΡΠΊΠΎΡΠΎ
ΠΡΠ½ΠΎΠ²Π° ΡΠΏΠ»Π°Π²Π°, ΠΈΠ· ΠΊΠΎΡΠΎΡΠΎΠ³ΠΎ ΠΏΡΠΎΠΈΠ·Π²ΠΎΠ΄ΡΡΡΡ Π²ΡΠΏΡΡΠΊΠ½ΡΠ΅ ΠΊΠ»Π°ΠΏΠ°Π½Π° β Π½ΠΈΠΊΠ΅Π»Ρ. ΠΡΠΎΡ ΠΌΠ΅ΡΠ°Π»Π» ΠΏΠΎΠ²ΡΡΠ°Π΅Ρ ΡΠΎΠΏΡΠΎΡΠΈΠ²Π»ΡΠ΅ΠΌΠΎΡΡΡ ΠΊΠ»Π°ΠΏΠ°Π½Π° ΠΊ ΠΌΠ΅Ρ
Π°Π½ΠΈΡΠ΅ΡΠΊΠΎΠΌΡ ΠΈΠ·Π½ΠΎΡΡ.
ΠΠΎΡΠΊΠΎΠ»ΡΠΊΡ Π²ΡΠΏΡΡΠΊΠ½ΠΎΠΉ ΠΊΠ»Π°ΠΏΠ°Π½ ΠΏΠΎΠ΄Π²Π΅ΡΠ³Π°Π΅ΡΡΡ Π±ΠΎΠ»ΡΡΠ΅ΠΉ ΡΠ΅ΡΠΌΠΈΡΠ΅ΡΠΊΠΎΠΉ Π½Π°Π³ΡΡΠ·ΠΊΠ΅, ΡΠ΅ΠΌ Π²ΠΏΡΡΠΊΠ½ΠΎΠΉ, ΠΎΠ½ ΠΈΠΌΠ΅Π΅Ρ Π΄ΡΡΠ³ΡΡ ΡΡΡΡΠΊΡΡΡΡ. Π‘ΡΠ΅ΡΠΆΠ΅Π½Ρ Π²ΡΠΏΡΡΠΊΠ½ΠΎΠ³ΠΎ ΠΊΠ»Π°ΠΏΠ°Π½Π° Π΄Π΅Π»Π°Π΅ΡΡΡ ΠΏΠΎΠ»ΡΠΌ. ΠΠ½ΡΡΡΠ΅Π½Π½ΡΡ ΠΏΠΎΠ»ΠΎΡΡΡ Π·Π°ΠΏΠΎΠ»Π½ΡΠ΅ΡΡΡ ΠΌΠ΅ΡΠ°Π»Π»ΠΈΡΠ΅ΡΠΊΠΈΠΌ Π½Π°ΡΡΠΈΠ΅ΠΌ. ΠΡΠΎ Π½Π΅ΠΎΠ±Ρ
ΠΎΠ΄ΠΈΠΌΠΎ Π΄Π»Ρ ΡΠ»ΡΡΡΠ΅Π½ΠΈΡ ΡΠ΅ΠΏΠ»ΠΎΠΎΠ±ΠΌΠ΅Π½Π°.
Π‘ΠΎΠ²ΡΠ΅ΠΌΠ΅Π½Π½ΡΠ΅ ΡΠ΅Ρ Π½ΠΎΠ»ΠΎΠ³ΠΈΠΈ Π΄Π°ΡΡ Π²ΠΎΠ·ΠΌΠΎΠΆΠ½ΠΎΡΡΡ Π΄ΠΎΠΏΠΎΠ»Π½ΠΈΡΠ΅Π»ΡΠ½ΠΎ Π·Π°ΡΠΈΡΠΈΡΡ Π²ΡΠΏΡΡΠΊΠ½ΡΠ΅ ΠΊΠ»Π°ΠΏΠ°Π½Ρ ΠΎΡ Π°Π³ΡΠ΅ΡΡΠΈΠ²Π½ΠΎΠ³ΠΎ Π²ΠΎΠ·Π΄Π΅ΠΉΡΡΠ²ΠΈΡ.
Π‘Π°ΠΌΡΠΉ ΡΠ½ΠΈΠ²Π΅ΡΡΠ°Π»ΡΠ½ΡΠΉ ΡΠΏΠΎΡΠΎΠ± β ΠΏΠ»Π°Π·ΠΌΠ΅Π½Π½ΠΎ-ΠΏΠΎΡΠΎΡΠΊΠΎΠ²Π°Ρ Π½Π°ΠΏΠ»Π°Π²ΠΊΠ°. ΠΡΠΎΠΌΠ΅ ΡΡΠΎΠ³ΠΎ, ΡΡΡΠ΅ΡΡΠ²ΡΡΡ ΠΌΠ΅ΡΠΎΠ΄Ρ Π»Π°Π·Π΅ΡΠ½ΠΎΠ³ΠΎ Π»Π΅Π³ΠΈΡΠΎΠ²Π°Π½ΠΈΡ ΠΈ Π½Π°ΠΏΠ»Π°Π²ΠΊΠΈ ΡΠΎΠΊΠ°ΠΌΠΈ Π²ΡΡΠΎΠΊΠΎΠΉ ΡΠ°ΡΡΠΎΡΡ. ΠΡΠΈ ΠΌΠ΅ΡΠΎΠ΄Ρ Π·Π°ΡΠΈΡΡ ΡΠ²Π΅Π»ΠΈΡΠΈΠ²Π°ΡΡ ΡΡΠΎΠΈΠΌΠΎΡΡΡ Π΄Π΅ΡΠ°Π»ΠΈ, Π½ΠΎ ΡΡΡΠ΅ΡΡΠ²Π΅Π½Π½ΠΎ ΠΏΡΠΎΠ΄Π»Π΅Π²Π°ΡΡ ΡΡΠΎΠΊ Π΅Π΅ ΡΠ»ΡΠΆΠ±Ρ.
ΠΡΡΠΎΡΠ½ΠΈΠΊ
ΠΠ»Π°ΠΏΠ°Π½Ρ Ρ ΠΏΠΎΠ»ΡΠΌ ΡΡΠ΅ΡΠΆΠ½Π΅ΠΌ ΠΈ Π΄Π΅ΡΠΎΡΠΌΠ°ΡΠΈΠ΅ΠΉ ΡΠ΅Π΄Π»Π°
Π Π½Π΅ΠΊΠΎΡΠΎΡΡΡ
ΡΠΈΠΏΠ°Ρ
ΠΎΡΠΎΠ±ΠΎ ΠΌΠΎΡΠ½ΡΡ
Π΄Π²ΠΈΠ³Π°ΡΠ΅Π»Π΅ΠΉ ΠΈΡΠΏΠΎΠ»ΡΠ·ΡΡΡΡΡ Π²ΡΠΏΡΡΠΊΠ½ΡΠ΅ ΠΊΠ»Π°ΠΏΠ°Π½Ρ Ρ ΠΏΠΎΠ»ΡΠΌ ΡΡΠ΅ΡΠΆΠ½Π΅ΠΌ, Π·Π°ΠΏΠΎΠ»Π½Π΅Π½Π½ΡΠΌ ΠΌΠ΅ΡΠ°Π»Π»ΠΈΡΠ΅ΡΠΊΠΈΠΌ Π½Π°ΡΡΠΈΠ΅ΠΌ. ΠΠ°ΡΡΠΈΠΉ ΠΏΡΠΈ Π½Π°Π³ΡΠ΅Π²Π΅ ΠΊΠ»Π°ΠΏΠ°Π½Π° Π΄ΠΎ ΡΠ°Π±ΠΎΡΠ΅ΠΉ ΡΠ΅ΠΌΠΏΠ΅ΡΠ°ΡΡΡΡ ΡΠ°ΡΠΏΠ»Π°Π²Π»ΡΠ΅ΡΡΡ, ΠΏΡΠ΅Π²ΡΠ°ΡΠ°ΡΡΡ Π² ΠΆΠΈΠ΄ΠΊΠΎΡΡΡ. ΠΡΠΎΡ ΡΠ°ΡΠΏΠ»Π°Π² ΠΏΠ»Π΅ΡΠ΅ΡΡΡ Π² ΠΊΠ°Π½Π°Π»Π΅ ΡΡΠ΅ΡΠΆΠ½Ρ ΠΈ ΠΎΡΠ²ΠΎΠ΄ΠΈΡ ΡΠ΅ΠΏΠ»ΠΎ ΠΎΡ Π³ΠΎΠ»ΠΎΠ²ΠΊΠΈ ΠΊΠ»Π°ΠΏΠ°Π½Π° Π² ΡΡΠ΅ΡΠΆΠ΅Π½Ρ. ΠΠ°Π»Π΅Π΅ ΡΠ΅ΠΏΠ»ΠΎ ΠΏΠ΅ΡΠ΅Π΄Π°Π΅ΡΡΡ ΡΠ΅ΡΠ΅Π· Π½Π°ΠΏΡΠ°Π²Π»ΡΡΡΡΡ Π²ΡΡΠ»ΠΊΡ ΠΊΠ»Π°ΠΏΠ°Π½Π° ΠΈ ΠΏΠΎΠ³Π»ΠΎΡΠ°Π΅ΡΡΡ ΡΠΈΡΡΠ΅ΠΌΠΎΠΉ ΠΎΡ
Π»Π°ΠΆΠ΄Π΅Π½ΠΈΡ.
ΠΠΎΠ½ΠΎΠ»ΠΈΡΠ½Π°Ρ ΠΊΠΎΠ½ΡΡΡΡΠΊΡΠΈΡ Π²ΠΏΡΡΠΊΠ½ΠΎΠ³ΠΎ ΠΈ Π²ΡΠΏΡΡΠΊΠ½ΠΎΠ³ΠΎ ΠΊΠ»Π°ΠΏΠ°Π½Π° ΠΏΡΠΈ ΠΏΡΠ°Π²ΠΈΠ»ΡΠ½ΠΎΠΌ Π²ΡΠ±ΠΎΡΠ΅ ΠΌΠ°ΡΠ΅ΡΠΈΠ°Π»ΠΎΠ² ΠΎΠ±Π΅ΡΠΏΠ΅ΡΠΈΠ²Π°Π΅Ρ, ΠΊΠ°ΠΊ ΠΏΡΠ°Π²ΠΈΠ»ΠΎ, Ρ
ΠΎΡΠΎΡΠΈΠ΅ ΡΠΊΡΠΏΠ»ΡΠ°ΡΠ°ΡΠΈΠΎΠ½Π½ΡΠ΅ Ρ
Π°ΡΠ°ΠΊΡΠ΅ΡΠΈΡΡΠΈΠΊΠΈ Π°Π²ΡΠΎΠΌΠΎΠ±ΠΈΠ»ΡΠ½ΡΡ
Π΄Π²ΠΈΠ³Π°ΡΠ΅Π»Π΅ΠΉ.
ΠΠ»Π°ΠΏΠ°Π½ ΠΏΡΠΈΠΆΠΈΠΌΠ°Π΅ΡΡΡ ΠΊ ΡΠ΅Π΄Π»Ρ ΡΠ°Π±ΠΎΡΠ΅ΠΉ ΡΠ°ΡΠΊΠΎΠΉ, Π³Π΅ΡΠΌΠ΅ΡΠΈΡΠ½ΠΎ Π·Π°ΠΊΡΡΠ²Π°Ρ ΠΊΠ°ΠΌΠ΅ΡΡ ΡΠ³ΠΎΡΠ°Π½ΠΈΡ. Π‘Π΅Π΄Π»ΠΎ ΠΎΠ±ΡΡΠ½ΠΎ ΡΠΎΡΠΌΠΈΡΡΠ΅ΡΡΡ ΠΊΠ°ΠΊ ΡΠ»Π΅ΠΌΠ΅Π½Ρ ΠΊΠΎΠ½ΡΡΡΡΠΊΡΠΈΠΈ Π² ΠΎΡΠ»ΠΈΠ²ΠΊΠ΅ ΡΡΠ³ΡΠ½Π½ΠΎΠΉ Π³ΠΎΠ»ΠΎΠ²ΠΊΠΈ Π±Π»ΠΎΠΊΠ° ΡΠΈΠ»ΠΈΠ½Π΄ΡΠΎΠ² β ΡΠ°ΠΊΠΎΠ΅ ΡΠ΅Π΄Π»ΠΎ Π½Π°Π·ΡΠ²Π°Π΅ΡΡΡ Π²ΡΡΡΠΎΠ΅Π½Π½ΡΠΌ ΡΠ΅Π΄Π»ΠΎΠΌ. Π‘Π΅Π΄Π»Π° ΠΎΠ±ΡΡΠ½ΠΎ ΠΏΠΎΠ΄Π²Π΅ΡΠ³Π°ΡΡΡΡ ΠΈΠ½Π΄ΡΠΊΡΠΈΠΎΠ½Π½ΠΎΠΉ Π·Π°ΠΊΠ°Π»ΠΊΠ΅, ΡΡΠΎΠ±Ρ ΠΌΠΎΠΆΠ½ΠΎ Π±ΡΠ»ΠΎ ΠΈΡΠΏΠΎΠ»ΡΠ·ΠΎΠ²Π°ΡΡ Π½Π΅ΡΡΠΈΠ»ΠΈΡΠΎΠ²Π°Π½Π½ΡΠΉ Π±Π΅Π½Π·ΠΈΠ½. ΠΡΠΎ ΠΎΠ±Π΅ΡΠΏΠ΅ΡΠΈΠ²Π°Π΅Ρ Π·Π°ΠΌΠ΅Π΄Π»Π΅Π½ΠΈΠ΅ ΠΈΠ·Π½ΠΎΡΠ° ΡΠ΅Π΄Π΅Π» Π² ΠΏΡΠΎΡΠ΅ΡΡΠ΅ ΡΠΊΡΠΏΠ»ΡΠ°ΡΠ°ΡΠΈΠΈ Π΄Π²ΠΈΠ³Π°ΡΠ΅Π»Ρ. Π ΠΏΡΠΎΡΠ΅ΡΡΠ΅ ΠΈΠ·Π½ΠΎΡΠ° ΡΠ΅Π΄Π»Π° ΠΊΠ»Π°ΠΏΠ°Π½ Π²ΡΠ΅ Π³Π»ΡΠ±ΠΆΠ΅ ΡΠ°Π΄ΠΈΡΡΡ Π² Π½Π΅Π³ΠΎ β ΡΡΠ°ΠΏΠ»ΠΈΠ²Π°Π΅ΡΡΡ. Π ΡΠ΅Ρ
ΡΠ»ΡΡΠ°ΡΡ
, ΠΊΠΎΠ³Π΄Π° ΠΊΠΎΡΡΠΎΠ·ΠΈΠΎΠ½Π½Π°Ρ ΡΡΠΎΠΉΠΊΠΎΡΡΡ ΠΈ ΠΈΠ·Π½ΠΎΡΠΎΡΡΠΎΠΉΠΊΠΎΡΡΡ Π΄ΠΎΠ»ΠΆΠ½Ρ Π±ΡΡΡ ΠΎΡΠΎΠ±Π΅Π½Π½ΠΎ Π²ΡΡΠΎΠΊΠΈΠΌΠΈ, Π²ΡΠ΅Π³Π΄Π° ΠΈΡΠΏΠΎΠ»ΡΠ·ΡΡΡΡΡ Π²ΡΡΠ°Π²Π½ΡΠ΅ ΡΠ΅Π΄Π»Π°. Π Π°Π»ΡΠΌΠΈΠ½ΠΈΠ΅Π²ΡΡ
Π³ΠΎΠ»ΠΎΠ²ΠΊΠ°Ρ
ΡΠ΅Π΄Π»Π° ΠΈ Π½Π°ΠΏΡΠ°Π²Π»ΡΡΡΠΈΠ΅ Π²ΡΡΠ»ΠΊΠΈ ΠΊΠ»Π°ΠΏΠ°Π½ΠΎΠ² β ΡΠΎΠ»ΡΠΊΠΎ Π²ΡΡΠ°Π²Π½ΡΠ΅. ΠΠ΅ΠΎΠ±Ρ
ΠΎΠ΄ΠΈΠΌΠΎ ΠΎΡΠΌΠ΅ΡΠΈΡΡ, ΡΡΠΎ Π² Π°Π»ΡΠΌΠΈΠ½ΠΈΠ΅Π²ΡΡ
Π³ΠΎΠ»ΠΎΠ²ΠΊΠ°Ρ
ΡΠ°Π±ΠΎΡΠ°Ρ ΡΠ΅ΠΌΠΏΠ΅ΡΠ°ΡΡΡΠ° ΡΠ΅Π΄Π΅Π» Π²ΡΠΏΡΡΠΊΠ½ΡΡ
ΠΊΠ»Π°ΠΏΠ°Π½ΠΎΠ² Π½Π° 180Β°Π€ (100Β°Π‘) Π½ΠΈΠΆΠ΅, ΡΠ΅ΠΌ Π² ΡΡΠ³ΡΠ½Π½ΡΡ
. ΠΡΡΠ°Π²Π½ΡΠ΅ ΡΠ΅Π΄Π»Π° ΠΈΡΠΏΠΎΠ»ΡΠ·ΡΡΡΡΡ Π² ΠΊΠ°ΡΠ΅ΡΡΠ²Π΅ ΡΠΏΠ°ΡΠΈΡΠ΅Π»ΡΠ½ΠΎΠΉ ΠΌΠ΅ΡΡ ΠΏΡΠΈ Π²ΠΎΡΡΡΠ°Π½ΠΎΠ²Π»Π΅Π½ΠΈΠΈ ΡΠΈΠ»ΡΠ½ΠΎ ΠΏΠΎΠ²ΡΠ΅ΠΆΠ΄Π΅Π½Π½ΡΡ
Π²ΡΡΡΠΎΠ΅Π½Π½ΡΡ
ΡΠ΅Π΄Π΅Π» ΠΊΠ»Π°ΠΏΠ°Π½ΠΎΠ².
ΠΠ΅ΡΠΎΡΠΌΠ°ΡΠΈΡ ΡΠ΅Π΄Π»Π° ΡΠ²Π»ΡΠ΅ΡΡΡ ΠΎΡΠ½ΠΎΠ²Π½ΠΎΠΉ ΠΏΡΠΈΡΠΈΠ½ΠΎΠΉ ΠΏΡΠ΅ΠΆΠ΄Π΅Π²ΡΠ΅ΠΌΠ΅Π½Π½ΠΎΠ³ΠΎ Π²ΡΡ ΠΎΠ΄Π° ΠΈΠ· ΡΡΡΠΎΡ ΠΊΠ»Π°ΠΏΠ°Π½ΠΎΠ². ΠΠ΅ΡΠΎΡΠΌΠ°ΡΠΈΡ ΡΠ΅Π΄Π»Π° ΠΊΠ»Π°ΠΏΠ°Π½Π° ΠΌΠΎΠΆΠ΅Ρ Π±ΡΡΡ ΠΎΠ±ΡΠ°ΡΠΈΠΌΠΎΠΉ β ΠΊΠ°ΠΊ ΡΠ΅Π·ΡΠ»ΡΡΠ°Ρ Π²ΠΎΠ·Π΄Π΅ΠΉΡΡΠ²ΠΈΡ Π²ΡΡΠΎΠΊΠΎΠΉ ΡΠ΅ΠΌΠΏΠ΅ΡΠ°ΡΡΡΡ ΠΈ Π΄Π°Π²Π»Π΅Π½ΠΈΡ, ΠΈΠ»ΠΈ Π½Π΅ΠΎΠ±ΡΠ°ΡΠΈΠΌΠΎΠΉ β ΠΊΠ°ΠΊ ΡΠ΅Π·ΡΠ»ΡΡΠ°Ρ Π΄Π΅ΠΉΡΡΠ²ΠΈΡ Π²Π½ΡΡΡΠ΅Π½Π½ΠΈΡ ΠΌΠ΅Ρ Π°Π½ΠΈΡΠ΅ΡΠΊΠΈΡ Π½Π°ΠΏΡΡΠΆΠ΅Π½ΠΈΠΉ. ΠΠ΅Ρ Π°Π½ΠΈΡΠ΅ΡΠΊΠΎΠ΅ Π½Π°ΠΏΡΡΠΆΠ΅Π½ΠΈΠ΅ β ΡΡΠΎ ΡΠΈΠ»Π°, Π΄Π΅ΠΉΡΡΠ²ΡΡΡΠ°Ρ Π½Π° ΡΠ΅Π»ΠΎ, ΠΊΠΎΡΠΎΡΠ°Ρ ΡΡΡΠ΅ΠΌΠΈΡΡΡ ΠΈΠ·ΠΌΠ΅Π½ΠΈΡΡ Π΅Π³ΠΎ ΡΠΎΡΠΌΡ.
ΠΠ°ΠΊ ΡΠ°Π±ΠΎΡΠ°Π΅Ρ ΠΊΠ»Π°ΠΏΠ°Π½Π½ΡΠΉ ΠΌΠ΅Ρ Π°Π½ΠΈΠ·ΠΌ
ΠΠ»Π°ΠΏΠ°Π½Ρ ΠΏΠΎΡΡΠΎΡΠ½Π½ΠΎ ΠΏΠΎΠ΄Π²Π΅ΡΠ³Π°ΡΡΡΡ Π²ΠΎΠ·Π΄Π΅ΠΉΡΡΠ²ΠΈΡ Π²ΡΡΠΎΠΊΠΈΡ ΡΠ΅ΠΌΠΏΠ΅ΡΠ°ΡΡΡ ΠΈ Π΄Π°Π²Π»Π΅Π½ΠΈΠΉ. ΠΡΠΎ ΡΡΠ΅Π±ΡΠ΅Ρ ΠΎΡΠΎΠ±ΠΎΠ³ΠΎ Π²Π½ΠΈΠΌΠ°Π½ΠΈΡ ΠΊ ΠΊΠΎΠ½ΡΡΡΡΠΊΡΠΈΠΈ ΠΈ ΠΌΠ°ΡΠ΅ΡΠΈΠ°Π»Π°ΠΌ ΡΡΠΈΡ Π΄Π΅ΡΠ°Π»Π΅ΠΉ. ΠΡΠΎΠ±Π΅Π½Π½ΠΎ ΡΡΠΎ ΠΊΠ°ΡΠ°Π΅ΡΡΡ Π²ΡΠΏΡΡΠΊΠ½ΠΎΠΉ Π³ΡΡΠΏΠΏΡ, ΡΠ°ΠΊ ΠΊΠ°ΠΊ ΡΠ΅ΡΠ΅Π· Π½Π΅Π΅ Π²ΡΡ ΠΎΠ΄ΡΡ Π³ΠΎΡΡΡΠΈΠ΅ Π³Π°Π·Ρ. Π’Π°ΡΠ΅Π»ΠΊΠ° Π²ΡΠΏΡΡΠΊΠ½ΠΎΠ³ΠΎ ΠΊΠ»Π°ΠΏΠ°Π½Π° Π½Π° Π±Π΅Π½Π·ΠΈΠ½ΠΎΠ²ΡΡ Π΄Π²ΠΈΠ³Π°ΡΠ΅Π»ΡΡ ΠΌΠΎΠΆΠ΅Ρ Π½Π°Π³ΡΠ΅Π²Π°ΡΡΡΡ Π΄ΠΎ 800ΛC β 900ΛC, Π° Π½Π° Π΄ΠΈΠ·Π΅Π»ΡΠ½ΡΡ 500ΛC β 700C. ΠΠ°Π³ΡΡΠ·ΠΊΠ° Π½Π° ΡΠ°ΡΠ΅Π»ΠΊΡ Π²ΠΏΡΡΠΊΠ½ΠΎΠ³ΠΎ ΠΊΠ»Π°ΠΏΠ°Π½Π° Π² Π½Π΅ΡΠΊΠΎΠ»ΡΠΊΠΎ ΡΠ°Π· ΠΌΠ΅Π½ΡΡΠ΅, Π½ΠΎ Π΄ΠΎΡΡΠΈΠ³Π°Π΅Ρ 300ΛΠ‘, ΡΡΠΎ ΡΠΎΠΆΠ΅ Π½Π΅ΠΌΠ°Π»ΠΎ.
ΠΠΎΡΡΠΎΠΌΡ ΠΏΡΠΈ ΠΈΡ
ΠΏΡΠΎΠΈΠ·Π²ΠΎΠ΄ΡΡΠ²Π΅ ΠΈΡΠΏΠΎΠ»ΡΠ·ΡΡΡΡΡ ΠΆΠ°ΡΠΎΠΏΡΠΎΡΠ½ΡΠ΅ ΠΌΠ΅ΡΠ°Π»Π»ΠΈΡΠ΅ΡΠΊΠΈΠ΅ ΡΠΏΠ»Π°Π²Ρ Ρ Π»Π΅Π³ΠΈΡΡΡΡΠΈΠΌΠΈ Π΄ΠΎΠ±Π°Π²ΠΊΠ°ΠΌΠΈ. ΠΡΠΎΠΌΠ΅ ΡΠΎΠ³ΠΎ, Π²ΡΠΏΡΡΠΊΠ½ΡΠ΅ ΠΊΠ»Π°ΠΏΠ°Π½Ρ ΠΎΠ±ΡΡΠ½ΠΎ ΠΈΠΌΠ΅ΡΡ ΠΏΠΎΠ»ΡΠΉ ΡΡΠ΅ΡΠΆΠ΅Π½Ρ Ρ Π½Π°ΡΡΠΈΠ΅Π²ΡΠΌ Π½Π°ΠΏΠΎΠ»Π½ΠΈΡΠ΅Π»Π΅ΠΌ.
ΠΡΠΎ Π½Π΅ΠΎΠ±Ρ
ΠΎΠ΄ΠΈΠΌΠΎ Π΄Π»Ρ Π»ΡΡΡΠ΅ΠΉ ΡΠ΅ΡΠΌΠΎΡΠ΅Π³ΡΠ»ΡΡΠΈΠΈ ΠΈ ΠΎΡ
Π»Π°ΠΆΠ΄Π΅Π½ΠΈΡ ΡΠ°ΡΠ΅Π»ΠΊΠΈ. ΠΠ°ΡΡΠΈΠΉ Π²Π½ΡΡΡΠΈ ΡΡΠ΅ΡΠΆΠ½Ρ ΠΏΠ»Π°Π²ΠΈΡΡΡ, ΡΠ΅ΡΠ΅Ρ ΠΈ Π·Π°Π±ΠΈΡΠ°Π΅Ρ ΡΠ°ΡΡΡ ΡΠ΅ΠΏΠ»Π° ΠΎΡ ΠΏΠ»Π°ΡΡΠΈΠ½Ρ ΠΈ ΠΏΠ΅ΡΠ΅Π΄Π°Π΅Ρ Π΅Π³ΠΎ ΡΡΠ΅ΡΠΆΠ½Ρ. Π’Π°ΠΊΠΈΠΌ ΠΎΠ±ΡΠ°Π·ΠΎΠΌ ΠΌΠΎΠΆΠ½ΠΎ ΠΈΠ·Π±Π΅ΠΆΠ°ΡΡ ΠΏΠ΅ΡΠ΅Π³ΡΠ΅Π²Π° Π΄Π΅ΡΠ°Π»ΠΈ.
ΠΠΎ Π²ΡΠ΅ΠΌΡ ΡΠ°Π±ΠΎΡΡ Π½Π° ΡΠ΅Π΄Π»Π΅ ΠΌΠΎΠΆΠ΅Ρ ΠΎΠ±ΡΠ°Π·ΠΎΠ²ΡΠ²Π°ΡΡΡΡ Π½Π°Π³Π°Ρ. Π§ΡΠΎΠ±Ρ ΡΡΠΎΠ³ΠΎ Π½Π΅ ΠΏΡΠΎΠΈΠ·ΠΎΡΠ»ΠΎ, ΠΈΡΠΏΠΎΠ»ΡΠ·ΡΡΡΡΡ ΠΊΠΎΠ½ΡΡΡΡΠΊΡΠΈΠΈ Π΄Π»Ρ ΠΏΠΎΠ²ΠΎΡΠΎΡΠ° ΠΊΠ»Π°ΠΏΠ°Π½Π°. Π‘Π΅Π΄Π»ΠΎ ΠΏΡΠ΅Π΄ΡΡΠ°Π²Π»ΡΠ΅Ρ ΡΠΎΠ±ΠΎΠΉ ΠΊΠΎΠ»ΡΡΠΎ ΠΈΠ· Π²ΡΡΠΎΠΊΠΎΠΏΡΠΎΡΠ½ΠΎΠ³ΠΎ ΡΡΠ°Π»ΡΠ½ΠΎΠ³ΠΎ ΡΠΏΠ»Π°Π²Π°, ΠΊΠΎΡΠΎΡΠΎΠ΅ Π·Π°ΠΏΡΠ΅ΡΡΠΎΠ²ΡΠ²Π°Π΅ΡΡΡ Π½Π΅ΠΏΠΎΡΡΠ΅Π΄ΡΡΠ²Π΅Π½Π½ΠΎ Π² Π³ΠΎΠ»ΠΎΠ²ΠΊΡ Π±Π»ΠΎΠΊΠ° ΡΠΈΠ»ΠΈΠ½Π΄ΡΠΎΠ² Π΄Π»Ρ Π±ΠΎΠ»Π΅Π΅ ΠΏΠ»ΠΎΡΠ½ΠΎΠ³ΠΎ ΠΊΠΎΠ½ΡΠ°ΠΊΡΠ°.
ΠΡΠΎΠΌΠ΅ ΡΠΎΠ³ΠΎ, Π΄Π»Ρ ΠΏΡΠ°Π²ΠΈΠ»ΡΠ½ΠΎΠΉ ΡΠ°Π±ΠΎΡΡ ΠΌΠ΅Ρ Π°Π½ΠΈΠ·ΠΌΠ° Π½Π΅ΠΎΠ±Ρ ΠΎΠ΄ΠΈΠΌΠΎ ΡΠΎΠ±Π»ΡΠ΄Π°ΡΡ ΡΠ΅Π³Π»Π°ΠΌΠ΅Π½ΡΠΈΡΠΎΠ²Π°Π½Π½ΡΠΉ ΡΠ΅ΠΏΠ»ΠΎΠ²ΠΎΠΉ Π·Π°Π·ΠΎΡ. ΠΡΡΠΎΠΊΠΈΠ΅ ΡΠ΅ΠΌΠΏΠ΅ΡΠ°ΡΡΡΡ Π²ΡΠ·ΡΠ²Π°ΡΡ ΡΠ°ΡΡΠΈΡΠ΅Π½ΠΈΠ΅ Π΄Π΅ΡΠ°Π»Π΅ΠΉ, ΡΡΠΎ ΠΌΠΎΠΆΠ΅Ρ ΠΏΡΠΈΠ²Π΅ΡΡΠΈ ΠΊ Π½Π΅ΠΏΡΠ°Π²ΠΈΠ»ΡΠ½ΠΎΠΉ ΡΠ°Π±ΠΎΡΠ΅ ΠΊΠ»Π°ΠΏΠ°Π½Π°. Π Π΅Π³ΡΠ»ΠΈΡΠΎΠ²ΠΊΠ° Π·Π°Π·ΠΎΡΠ° ΠΌΠ΅ΠΆΠ΄Ρ ΠΊΡΠ»Π°ΡΠΊΠ°ΠΌΠΈ ΡΠ°ΡΠΏΡΠ΅Π΄Π²Π°Π»Π° ΠΈ ΡΠΎΠ»ΠΊΠ°ΡΠ΅Π»ΡΠΌΠΈ ΠΎΡΡΡΠ΅ΡΡΠ²Π»ΡΠ΅ΡΡΡ ΠΏΠΎΠ΄Π±ΠΎΡΠΎΠΌ ΡΠΏΠ΅ΡΠΈΠ°Π»ΡΠ½ΡΡ ΠΌΠ΅ΡΠ°Π»Π»ΠΈΡΠ΅ΡΠΊΠΈΡ ΡΠ°ΠΉΠ± ΠΎΠΏΡΠ΅Π΄Π΅Π»Π΅Π½Π½ΠΎΠΉ ΡΠΎΠ»ΡΠΈΠ½Ρ ΠΈΠ»ΠΈ ΡΠ°ΠΌΠΈΡ ΡΠΎΠ»ΠΊΠ°ΡΠ΅Π»Π΅ΠΉ (ΡΡΠ°ΠΊΠ°Π½ΠΎΠ²). ΠΡΠ»ΠΈ Π² Π΄Π²ΠΈΠ³Π°ΡΠ΅Π»Π΅ ΠΈΡΠΏΠΎΠ»ΡΠ·ΡΡΡΡΡ Π³ΠΈΠ΄ΡΠΎΠΊΠΎΠΌΠΏΠ΅Π½ΡΠ°ΡΠΎΡΡ, ΡΠΎΠ³Π΄Π° Π·Π°Π·ΠΎΡ ΡΠ΅Π³ΡΠ»ΠΈΡΡΠ΅ΡΡΡ Π°Π²ΡΠΎΠΌΠ°ΡΠΈΡΠ΅ΡΠΊΠΈ.
ΠΡΠ΅Π½Ρ Π±ΠΎΠ»ΡΡΠΎΠΉ ΡΠ΅ΠΏΠ»ΠΎΠ²ΠΎΠΉ Π·Π°Π·ΠΎΡ ΠΏΡΠ΅ΠΏΡΡΡΡΠ²ΡΠ΅Ρ ΠΏΠΎΠ»Π½ΠΎΠΌΡ ΠΎΡΠΊΡΡΡΠΈΡ ΠΊΠ»Π°ΠΏΠ°Π½Π°, ΠΈ ΠΏΠΎΡΡΠΎΠΌΡ ΡΠΈΠ»ΠΈΠ½Π΄ΡΡ Π±ΡΠ΄ΡΡ ΠΌΠ΅Π½Π΅Π΅ ΡΡΡΠ΅ΠΊΡΠΈΠ²Π½ΠΎ Π·Π°ΠΏΠΎΠ»Π½ΡΡΡΡΡ ΡΠ²Π΅ΠΆΠ΅ΠΉ ΡΠΌΠ΅ΡΡΡ.
ΠΠ΅Π±ΠΎΠ»ΡΡΠΎΠΉ Π·Π°Π·ΠΎΡ (ΠΈΠ»ΠΈ Π΅Π³ΠΎ ΠΎΡΡΡΡΡΡΠ²ΠΈΠ΅) Π½Π΅ ΠΏΠΎΠ·Π²ΠΎΠ»ΠΈΡ ΠΊΠ»Π°ΠΏΠ°Π½Π°ΠΌ Π·Π°ΠΊΡΡΡΡΡΡ Π΄ΠΎ ΠΊΠΎΠ½ΡΠ°, ΡΡΠΎ ΠΏΡΠΈΠ²Π΅Π΄Π΅Ρ ΠΊ ΠΏΡΠΎΠ³Π°ΡΡ ΠΊΠ»Π°ΠΏΠ°Π½Π° ΠΈ ΡΠ½ΠΈΠΆΠ΅Π½ΠΈΡ ΠΊΠΎΠΌΠΏΡΠ΅ΡΡΠΈΠΈ Π΄Π²ΠΈΠ³Π°ΡΠ΅Π»Ρ.
ΠΡΠΈΡΠΈΠ½Ρ ΠΏΠΎΠ»ΠΎΠΌΠΊΠΈ ΠΊΠ»Π°ΠΏΠ°Π½ΠΎΠ²
ΠΠ°ΠΌΡΠΏΠ°ΡΡΡ
ΠΠ°ΠΏΡΠ°ΡΡΠΈ Cummins, Perkins, Caterpillar
Π‘Π°Π½ΠΊΡ-ΠΠ΅ΡΠ΅ΡΠ±ΡΡΠ³
+7 (812) 915-56-41 8-800-100-82-41
0
ΠΠ»Π°Π²Π½Π°Ρ
ΠΠ°Π·Π° ΠΠ½Π°Π½ΠΈΠΉ
ΠΡΠΈΡΠΈΠ½Ρ ΠΏΠΎΠ»ΠΎΠΌΠΊΠΈ ΠΊΠ»Π°ΠΏΠ°Π½ΠΎΠ²
ΠΡΠΈΡΠΈΠ½Ρ ΠΏΠΎΠ»ΠΎΠΌΠΊΠΈ ΠΊΠ»Π°ΠΏΠ°Π½ΠΎΠ²
ΠΠ»Π°Π²Π½ΡΠ΅ ΠΏΡΠΈΡΠΈΠ½Ρ Π½Π΅ΠΈΡΠΏΡΠ°Π²Π½ΠΎΡΡΠΈ ΠΊΠ»Π°ΠΏΠ°Π½Π°: ΠΎΡΠΈΠ±ΠΊΠ° ΠΏΡΠΈ ΠΏΡΠΎΠΈΠ·Π²ΠΎΠ΄ΡΡΠ²Π΅ Π΄Π΅ΡΠ°Π»ΠΈ, Π½Π΅ΠΏΡΠ°Π²ΠΈΠ»ΡΠ½ΠΎΠ΅ ΡΠΊΡΠΏΠ»ΡΠ°ΡΠ°ΡΠΈΡ Π΄Π΅ΡΠ°Π»ΠΈ ΠΈΠ»ΠΈ ΠΏΠΎΠ΄Π΄Π΅Π»ΠΊΠ°.
ΠΠΎΠ΄ ΠΎΡΠΈΠ±ΠΊΠΎΠΉ Π½Π° ΠΏΡΠΎΠΈΠ·Π²ΠΎΠ΄ΡΡΠ²Π΅ ΠΏΠΎΠ΄ΡΠ°Π·ΡΠΌΠ΅Π²Π°Π΅ΡΡΡ, ΡΡΠΎ ΠΏΡΠΎΠΈΠ·Π²ΠΎΠ΄ΠΈΡΠ΅Π»ΠΈ ΠΌΠΎΠ³ΡΡ ΠΈΡΠΏΠΎΠ»ΡΠ·ΠΎΠ²Π°ΡΡ Π½Π΅ΠΊΠ°ΡΠ΅ΡΡΠ²Π΅Π½Π½ΡΠ΅ ΠΌΠ°ΡΠ΅ΡΠΈΠ°Π»Ρ, ΠΌΠΎΠΆΠ΅Ρ Π±ΡΡΡ Π½Π°ΡΡΡΠ΅Π½ ΠΏΡΠΎΡΠ΅ΡΡ ΡΠ΅ΡΠΌΠΎΠΎΠ±ΡΠ°Π±ΠΎΡΠΊΠΈ, Π½Π΅ΠΊΠ°ΡΠ΅ΡΡΠ²Π΅Π½Π½ΠΎ ΡΠ²Π°ΡΠ½ΡΠ΅ ΡΠ²Ρ, ΡΠΊΡΠ΄Π½ΠΎΠ΅ ΠΏΠΎΠΊΡΡΡΠΈΠ΅ ΠΈΠ»ΠΈ ΠΎΠ±Π»ΠΈΡΠΎΠ²ΠΊΠ°, Π½Π΅ΠΏΡΠ°Π²ΠΈΠ»ΡΠ½ΡΠ΅ ΡΠΏΠ΅ΡΠΈΡΠΈΠΊΠ°ΡΠΈΠΈ ΠΈ Ρ. Π΄. ΠΠΎΡΡΠΎΠΌΡ Π½Π΅ΠΎΠ±Ρ ΠΎΠ΄ΠΈΠΌΠΎ ΠΏΠΎΠ΄Ρ ΠΎΠ΄ΠΈΡΡ Ρ Π²Π½ΠΈΠΌΠ°ΡΠ΅Π»ΡΠ½ΠΎΡΡΡΡ ΠΏΡΠΈ Π²ΡΠ±ΠΎΡΠ΅ ΠΏΠΎΡΡΠ°Π²ΡΠΈΠΊΠ° Π΄Π΅ΡΠ°Π»Π΅ΠΉ.
ΠΠ΅ΠΏΡΠ°Π²ΠΈΠ»ΡΠ½Π°Ρ ΡΠ΅Π³ΡΠ»ΠΈΡΠΎΠ²ΠΊΠ°, ΠΏΡΠ»Ρ, ΠΏΠ΅ΡΠ΅Π³ΡΠ΅Π² ΠΌΠΎΠ³ΡΡ ΡΠ°ΠΊΠΆΠ΅ ΠΏΡΠΈΠ²Π΅ΡΡΠΈ ΠΊ ΠΏΠΎΠ»ΠΎΠΌΠΊΠ΅ ΠΊΠ»Π°ΠΏΠ°Π½Π°. Π§ΡΠΎΠ±Ρ ΠΏΡΠ΅Π΄ΠΎΡΠ²ΡΠ°ΡΠΈΡΡ ΠΏΠΎΠ»ΠΎΠΌΠΊΡ Π½Π΅ΠΎΠ±Ρ ΠΎΠ΄ΠΈΠΌΠΎ ΠΏΡΠΎΠ²Π΅ΡΠΈΡΡ Π²ΡΠ΅ ΡΠ»Π΅ΠΌΠ΅Π½ΡΡ, ΠΊΠΎΡΠΎΡΡΠ΅ ΠΎΡΠ½ΠΎΡΡΡΡΡ ΠΊ ΠΊΠ»Π°ΠΏΠ°Π½Ρ, ΡΡΠΎΠ±Ρ Π²ΡΡΡΠ½ΠΈΡΡ ΡΠ²ΡΠ·Π°Π½Π° Π»ΠΈ ΠΏΡΠΎΠ±Π»Π΅ΠΌΠ° ΡΠΎΠ»ΡΠΊΠΎ Ρ ΠΎΠ΄Π½ΠΈΠΌ ΡΠΈΠ»ΠΈΠ½Π΄ΡΠΎΠΌ ΠΈΠ»ΠΈ ΡΠΆΠ΅ Π΅ΡΡΡ Π½Π°ΡΠ°Π»ΡΠ½ΡΠ΅ ΡΡΠ°Π΄ΠΈΠΈ ΠΎΡΠΊΠ°Π·Π° Π²ΡΠ΅Π³ΠΎ Π΄Π²ΠΈΠ³Π°ΡΠ΅Π»Ρ.
Π Π°Π±ΠΎΡΠ° Π΄Π²ΠΈΠ³Π°ΡΠ΅Π»Ρ
Π ΡΠ΅ΡΡΡΠ΅Ρ
ΡΠ°ΠΊΡΠ½ΡΡ
Π΄Π²ΠΈΠ³Π°ΡΠ΅Π»ΡΡ
Π²Π½ΡΡΡΠ΅Π½Π½Π΅Π³ΠΎ ΡΠ³ΠΎΡΠ°Π½ΠΈΡ ΠΈΡΠΏΠΎΠ»ΡΠ·ΡΡΡΡΡ Π΄Π²Π° ΠΎΡΠ½ΠΎΠ²Π½ΡΡ
ΡΠΈΠΏΠ° ΠΊΠ»Π°ΠΏΠ°Π½ΠΎΠ² — Π²ΠΏΡΡΠΊΠ½ΠΎΠΉ ΠΈ Π²ΡΠΏΡΡΠΊΠ½ΠΎΠΉ. ΠΠΏΡΡΠΊΠ½ΡΠ΅ ΠΊΠ»Π°ΠΏΠ°Π½Ρ ΠΎΡΠΊΡΡΠ²Π°ΡΡΡΡ, ΡΡΠΎΠ±Ρ ΠΏΠΎΠ·Π²ΠΎΠ»ΠΈΡΡ ΠΏΡΠΎΠΉΡΠΈ ΠΏΠΎΡΠΎΠΊΡ Π²ΠΎΠ·Π΄ΡΡΠ½ΠΎ-ΡΠΎΠΏΠ»ΠΈΠ²Π½ΠΎΠΉ ΡΠΌΠ΅ΡΠΈ Π² ΡΠΈΠ»ΠΈΠ½Π΄ΡΡ Π΄Π²ΠΈΠ³Π°ΡΠ΅Π»Ρ ΠΏΠ΅ΡΠ΅Π΄ ΡΠΆΠ°ΡΠΈΠ΅ΠΌ ΠΈ Π²ΠΎΡΠΏΠ»Π°ΠΌΠ΅Π½Π΅Π½ΠΈΠ΅ΠΌ, Π² ΡΠΎ Π²ΡΠ΅ΠΌΡ ΠΊΠ°ΠΊ Π²ΡΠΏΡΡΠΊΠ½ΡΠ΅ ΠΊΠ»Π°ΠΏΠ°Π½Ρ ΠΎΡΠΊΡΡΠ²Π°ΡΡΡΡ, ΡΡΠΎΠ±Ρ ΠΎΠ±Π΅ΡΠΏΠ΅ΡΠΈΡΡ ΡΠ΄Π°Π»Π΅Π½ΠΈΠ΅ Π²ΡΡ
Π»ΠΎΠΏΠ½ΡΡ
Π³Π°Π·ΠΎΠ² ΠΈΠ· ΠΏΡΠΎΡΠ΅ΡΡΠ° Π³ΠΎΡΠ΅Π½ΠΈΡ ΠΏΠΎΡΠ»Π΅ Π²ΠΎΡΠΏΠ»Π°ΠΌΠ΅Π½Π΅Π½ΠΈΡ.
ΠΠΎ Π²ΡΠ΅ΠΌΡ ΡΠ°Π±ΠΎΡΡ ΡΠΈΠΊΠ»Π° ΠΏΠΎΡΡΠ΅Π½ΡΒ Π²ΠΏΡΡΠΊΠ½ΠΎΠ³ΠΎ ΡΠΈΠ»ΠΈΠ½Π΄ΡΠ° ΠΎΠΏΡΡΠΊΠ°Π΅ΡΡΡ Π²Π½ΠΈΠ· ΠΏΡΠΈ ΠΎΡΠΊΡΡΡΠΈΠΈ Π²ΠΏΡΡΠΊΠ½ΠΎΠ³ΠΎ ΠΊΠ»Π°ΠΏΠ°Π½Π°. ΠΠ²ΠΈΠΆΠ΅Π½ΠΈΠ΅ ΠΏΠΎΡΡΠ½Ρ ΡΠΎΠ·Π΄Π°Π΅Ρ ΠΎΡΡΠΈΡΠ°ΡΠ΅Π»ΡΠ½ΠΎΠ΅ Π΄Π°Π²Π»Π΅Π½ΠΈΠ΅, ΠΊΠΎΡΠΎΡΠΎΠ΅ ΠΏΠΎΠΌΠΎΠ³Π°Π΅Ρ Π²ΡΡΠ³ΠΈΠ²Π°ΡΡ ΡΠΎΠΏΠ»ΠΈΠ²Π½ΠΎ-Π²ΠΎΠ·Π΄ΡΡΠ½ΡΡ ΡΠΌΠ΅ΡΡ Π² ΡΠΈΠ»ΠΈΠ½Π΄Ρ. Π‘ΡΠ°Π·Ρ ΠΏΠΎΡΠ»Π΅ ΡΠΎΠ³ΠΎ, ΠΊΠ°ΠΊ ΠΏΠΎΡΡΠ΅Π½Ρ Π΄ΠΎΡΡΠΈΠ³Π°Π΅Ρ ΡΠ°ΠΌΠΎΠ³ΠΎ Π½ΠΈΠΆΠ½Π΅Π³ΠΎ ΠΏΠΎΠ»ΠΎΠΆΠ΅Π½ΠΈΡ Π² ΡΠΈΠ»ΠΈΠ½Π΄ΡΠ΅, Π²ΠΏΡΡΠΊΠ½ΠΎΠΉ ΠΊΠ»Π°ΠΏΠ°Π½ Π·Π°ΠΊΡΡΠ²Π°Π΅ΡΡΡ. Π ΡΠΈΠΊΠ»Π΅ ΡΠΆΠ°ΡΠΈΡ Π²ΠΏΡΡΠΊΠ½ΠΎΠΉ ΠΊΠ»Π°ΠΏΠ°Π½ Π·Π°ΠΊΡΡΠ²Π°Π΅ΡΡΡ, ΡΡΠΎΠ±Ρ ΠΈΠ·ΠΎΠ»ΠΈΡΠΎΠ²Π°ΡΡ ΡΠΈΠ»ΠΈΠ½Π΄Ρ, ΠΊΠΎΠ³Π΄Π° ΠΏΠΎΡΡΠ΅Π½Ρ ΠΏΠΎΠ΄Π½ΠΈΠΌΠ°Π΅ΡΡΡ Π² ΡΠΈΠ»ΠΈΠ½Π΄ΡΠ΅ Π² Π½Π°ΠΈΠ²ΡΡΡΠ΅Π΅ ΠΏΠΎΠ»ΠΎΠΆΠ΅Π½ΠΈΠ΅, ΡΡΠΎ ΡΠΆΠΈΠΌΠ°Π΅Ρ ΡΠΎΠΏΠ»ΠΈΠ²Π½ΠΎ-Π²ΠΎΠ·Π΄ΡΡΠ½ΡΡ ΡΠΌΠ΅ΡΡ Π΄ΠΎ Π½Π΅Π±ΠΎΠ»ΡΡΠΎΠ³ΠΎ ΠΎΠ±ΡΠ΅ΠΌΠ°. ΠΡΠΎ Π΄Π΅ΠΉΡΡΠ²ΠΈΠ΅ ΠΏΠΎΠΌΠΎΠ³Π°Π΅Ρ ΠΎΠ±Π΅ΡΠΏΠ΅ΡΠΈΡΡ Π±ΠΎΠ»Π΅Π΅ Π²ΡΡΠΎΠΊΠΎΠ΅ Π΄Π°Π²Π»Π΅Π½ΠΈΡ Π½Π° ΠΏΠΎΡΡΠ΅Π½Ρ ΠΏΡΠΈ Π²ΠΎΡΠΏΠ»Π°ΠΌΠ΅Π½Π΅Π½ΠΈΠΈ ΡΠΎΠΏΠ»ΠΈΠ²Π°, Π° ΡΠ°ΠΊΠΆΠ΅ Π΄Π»Ρ ΠΏΡΠ΅Π΄Π²Π°ΡΠΈΡΠ΅Π»ΡΠ½ΠΎΠ³ΠΎ Π½Π°Π³ΡΠ΅Π²Π° ΡΠΌΠ΅ΡΠΈ, ΡΡΠΎΠ±Ρ ΡΠΏΠΎΡΠΎΠ±ΡΡΠ²ΠΎΠ²Π°ΡΡ ΡΡΡΠ΅ΠΊΡΠΈΠ²Π½ΠΎΠΌΡ ΡΠ³ΠΎΡΠ°Π½ΠΈΡ ΡΠΎΠΏΠ»ΠΈΠ²Π°.Β
Π ΡΠ½Π΅ΡΠ³Π΅ΡΠΈΡΠ΅ΡΠΊΠΎΠΌ ΡΠΈΠΊΠ»Π΅ Π²ΠΎΠ·Π΄ΡΡΠ½ΠΎ-ΡΠΎΠΏΠ»ΠΈΠ²Π½Π°Ρ ΡΠΌΠ΅ΡΡ Π²ΠΎΡΠΏΠ»Π°ΠΌΠ΅Π½ΡΠ΅ΡΡΡ, ΡΡΠΎ ΡΠΎΠ·Π΄Π°Π΅Ρ Π²Π·ΡΡΠ², ΠΊΠΎΡΠΎΡΡΠΉ Π·Π°ΡΡΠ°Π²Π»ΡΠ΅Ρ ΠΏΠΎΡΡΠ΅Π½Ρ Π²Π΅ΡΠ½ΡΡΡΡΡ Π² ΡΠ°ΠΌΠΎΠ΅ Π½ΠΈΠΆΠ½Π΅Π΅ ΠΏΠΎΠ»ΠΎΠΆΠ΅Π½ΠΈΠ΅ ΠΈ ΠΏΠ΅ΡΠ΅Π½ΠΎΡΠΈΡ Ρ
ΠΈΠΌΠΈΡΠ΅ΡΠΊΡΡ ΡΠ½Π΅ΡΠ³ΠΈΡ, Π²ΡΡΠ²ΠΎΠ±ΠΎΠΆΠ΄Π°Π΅ΠΌΡΡ ΠΏΡΠΈ ΡΠ³ΠΎΡΠ°Π½ΠΈΠΈ ΡΠΎΠΏΠ»ΠΈΠ²Π½ΠΎ-Π²ΠΎΠ·Π΄ΡΡΠ½ΠΎΠΉ ΡΠΌΠ΅ΡΠΈ, Π²ΠΎ Π²ΡΠ°ΡΠ°ΡΠ΅Π»ΡΠ½ΠΎΠ΅ Π΄Π²ΠΈΠΆΠ΅Π½ΠΈΠ΅ ΠΊΠΎΠ»Π΅Π½ΡΠ°ΡΠΎΠ³ΠΎ Π²Π°Π»Π°. Π Π²ΡΠΏΡΡΠΊΠ½ΠΎΠΌ ΡΠΈΠΊΠ»Π΅ ΠΏΠΎΡΡΠ΅Π½Ρ ΡΠ½ΠΎΠ²Π° ΠΏΠΎΠ΄Π½ΠΈΠΌΠ°Π΅ΡΡΡ Π²Π²Π΅ΡΡ
ΠΊ ΡΠΈΠ»ΠΈΠ½Π΄ΡΡ, Π² ΡΠΎ Π²ΡΠ΅ΠΌΡ ΠΊΠ°ΠΊ Π²ΠΏΡΡΠΊΠ½ΠΎΠΉ ΠΊΠ»Π°ΠΏΠ°Π½ ΠΎΡΡΠ°Π΅ΡΡΡ Π·Π°ΠΊΡΡΡΡΠΌ, Π²ΡΠΏΡΡΠΊΠ½ΠΎΠΉ ΠΊΠ»Π°ΠΏΠ°Π½ ΡΠ΅ΠΏΠ΅ΡΡ ΠΎΡΠΊΡΡΡ.
ΠΠ°Π²Π»Π΅Π½ΠΈΠ΅, ΡΠΎΠ·Π΄Π°Π²Π°Π΅ΠΌΠΎΠ΅ ΠΏΠΎΡΡΠ½Π΅ΠΌ, ΠΏΠΎΠΌΠΎΠ³Π°Π΅Ρ Π²ΡΡΠ΅ΡΠ½ΡΡΡ Π²ΡΡ
Π»ΠΎΠΏΠ½ΡΠ΅ Π³Π°Π·Ρ ΠΈΠ· ΡΠΈΠ»ΠΈΠ½Π΄ΡΠ° ΡΠ΅ΡΠ΅Π· Π²ΡΠΏΡΡΠΊΠ½ΠΎΠΉ ΠΊΠ»Π°ΠΏΠ°Π½ Π² Π²ΡΠΏΡΡΠΊΠ½ΠΎΠΉ ΠΊΠΎΠ»Π»Π΅ΠΊΡΠΎΡ. Π Π²ΡΠΏΡΡΠΊΠ½ΠΎΠΌΡ ΠΊΠΎΠ»Π»Π΅ΠΊΡΠΎΡΡ ΠΏΠΎΠ΄ΡΠΎΠ΅Π΄ΠΈΠ½Π΅Π½Π° Π²ΡΡ
Π»ΠΎΠΏΠ½Π°Ρ ΡΠΈΡΡΠ΅ΠΌΠ°, Π½Π°Π±ΠΎΡ ΡΡΡΠ±, ΠΊΠΎΡΠΎΡΡΠΉ Π²ΠΊΠ»ΡΡΠ°Π΅Ρ Π³Π»ΡΡΠΈΡΠ΅Π»Ρ Π΄Π»Ρ ΡΠ½ΠΈΠΆΠ΅Π½ΠΈΡ Π°ΠΊΡΡΡΠΈΡΠ΅ΡΠΊΠΎΠ³ΠΎ ΡΡΠΌΠ° ΠΈ ΡΠΈΡΡΠ΅ΠΌΡ ΠΊΠ°ΡΠ°Π»ΠΈΡΠΈΡΠ΅ΡΠΊΠΎΠ³ΠΎ Π½Π΅ΠΉΡΡΠ°Π»ΠΈΠ·Π°ΡΠΎΡΠ° Π΄Π»Ρ ΡΠΏΡΠ°Π²Π»Π΅Π½ΠΈΡ Π²ΡΠ±ΡΠΎΡΠ°ΠΌΠΈ Π² ΡΠ΅Π·ΡΠ»ΡΡΠ°ΡΠ΅ ΡΠ³ΠΎΡΠ°Π½ΠΈΡ Π΄Π²ΠΈΠ³Π°ΡΠ΅Π»Ρ. ΠΠ°ΠΊ ΡΠΎΠ»ΡΠΊΠΎ ΠΏΠΎΡΡΠ΅Π½Ρ Π΄ΠΎΡΡΠΈΠ³Π°Π΅Ρ Π²Π΅ΡΡ
Π° ΡΠΈΠ»ΠΈΠ½Π΄ΡΠ° Π² ΡΠΈΠΊΠ»Π΅ Π²ΡΠΏΡΡΠΊΠ°, Π²ΡΠΏΡΡΠΊΠ½ΠΎΠΉ ΠΊΠ»Π°ΠΏΠ°Π½ Π½Π°ΡΠΈΠ½Π°Π΅Ρ Π·Π°ΠΊΡΡΠ²Π°ΡΡΡΡ, Π° Π²ΠΏΡΡΠΊΠ½ΠΎΠΉ ΠΊΠ»Π°ΠΏΠ°Π½ Π½Π°ΡΠΈΠ½Π°Π΅Ρ ΠΎΡΠΊΡΡΠ²Π°ΡΡΡΡ, Π½Π°ΡΠΈΠ½Π°Ρ ΠΏΡΠΎΡΠ΅ΡΡ ΡΠ½ΠΎΠ²Π°. ΠΠ±ΡΠ°ΡΠΈΡΠ΅ Π²Π½ΠΈΠΌΠ°Π½ΠΈΠ΅, ΡΡΠΎ Π΄Π°Π²Π»Π΅Π½ΠΈΠ΅ Π² ΡΠΈΠ»ΠΈΠ½Π΄ΡΠ΅ Π½Π° Π²ΠΏΡΡΠΊΠ΅ ΠΏΠΎΠΌΠΎΠ³Π°Π΅Ρ Π΄Π΅ΡΠΆΠ°ΡΡ Π²ΠΏΡΡΠΊΠ½ΠΎΠΉ ΠΊΠ»Π°ΠΏΠ°Π½ ΠΎΡΠΊΡΡΡΡΠΌ, Π° Π²ΡΡΠΎΠΊΠΎΠ΅ Π΄Π°Π²Π»Π΅Π½ΠΈΠ΅ Π² ΡΠΈΠΊΠ»Π΅ ΡΠΆΠ°ΡΠΈΡ ΠΏΠΎΠΌΠΎΠ³Π°Π΅Ρ ΡΠ΄Π΅ΡΠΆΠΈΠ²Π°ΡΡ ΠΎΠ±Π° ΠΊΠ»Π°ΠΏΠ°Π½Π° Π·Π°ΠΊΡΡΡΡΠΌΠΈ.
Π Π΄Π²ΠΈΠ³Π°ΡΠ΅Π»ΡΡ
Ρ Π½Π΅ΡΠΊΠΎΠ»ΡΠΊΠΈΠΌΠΈ ΡΠΈΠ»ΠΈΠ½Π΄ΡΠ°ΠΌΠΈ ΠΎΠ΄Π½ΠΈ ΠΈ ΡΠ΅ ΠΆΠ΅ ΡΠ΅ΡΡΡΠ΅ ΡΠΈΠΊΠ»Π° ΠΏΠΎΠ²ΡΠΎΡΡΡΡΡΡ Π² ΠΊΠ°ΠΆΠ΄ΠΎΠΌ ΠΈΠ· ΡΠΈΠ»ΠΈΠ½Π΄ΡΠΎΠ², Π½ΠΎ Π²ΡΠΏΠΎΠ»Π½ΡΡΡΡΡ ΠΏΠΎΡΠ»Π΅Π΄ΠΎΠ²Π°ΡΠ΅Π»ΡΠ½ΠΎ, ΡΠ°ΠΊ ΡΡΠΎ Π΄Π²ΠΈΠ³Π°ΡΠ΅Π»Ρ Π΄Π΅ΠΌΠΎΠ½ΡΡΡΠΈΡΡΠ΅Ρ ΠΏΠ»Π°Π²Π½ΡΡ ΠΌΠΎΡΠ½ΠΎΡΡΡ ΠΈ ΡΠ²ΠΎΠ΄ΠΈΡ ΠΊ ΠΌΠΈΠ½ΠΈΠΌΡΠΌΡ ΡΡΠΌ ΠΈ Π²ΠΈΠ±ΡΠ°ΡΠΈΡ. ΠΠΎΡΠ»Π΅Π΄ΠΎΠ²Π°ΡΠ΅Π»ΡΠ½ΠΎΡΡΡ Π΄Π²ΠΈΠΆΠ΅Π½ΠΈΡ ΠΏΠΎΡΡΠ½Ρ, ΠΊΠ»Π°ΠΏΠ°Π½Π° ΠΈ Π·Π°ΠΆΠΈΠ³Π°Π½ΠΈΡ Π΄ΠΎΡΡΠΈΠ³Π°Π΅ΡΡΡ Π·Π° ΡΡΠ΅Ρ ΡΠΎΡΠ½ΠΎΠΉ ΠΌΠ΅Ρ
Π°Π½ΠΈΡΠ΅ΡΠΊΠΎΠΉ ΠΊΠΎΠ½ΡΡΡΡΠΊΡΠΈΠΈ ΠΈ ΡΠ»Π΅ΠΊΡΡΠΈΡΠ΅ΡΠΊΠΎΠ³ΠΎ Ρ
ΡΠΎΠ½ΠΈΡΠΎΠ²Π°Π½ΠΈΡ ΡΠΈΠ³Π½Π°Π»ΠΎΠ² Π·Π°ΠΆΠΈΠ³Π°Π½ΠΈΡ ΠΊ ΡΠ²Π΅ΡΠ°ΠΌ Π·Π°ΠΆΠΈΠ³Π°Π½ΠΈΡ, ΠΊΠΎΡΠΎΡΡΠ΅ Π²ΠΎΡΠΏΠ»Π°ΠΌΠ΅Π½ΡΡΡ ΡΠΎΠΏΠ»ΠΈΠ²Π½ΠΎ-Π²ΠΎΠ·Π΄ΡΡΠ½ΡΡ ΡΠΌΠ΅ΡΡ.
- ΠΡΠΊΡΡΡΠΈΠ΅ Π²ΠΏΡΡΠΊΠ½ΠΎΠ³ΠΎ ΠΊΠ»Π°ΠΏΠ°Π½Π° ΠΈ ΠΏΠΎΠ΄Π°ΡΠ° Π²ΠΎΠ·Π΄ΡΡ Π° Π² ΡΠΈΠ»ΠΈΠ½Π΄Ρ.
- ΠΠΏΡΡΠΊΠ½ΠΎΠΉ ΠΈ Π²ΡΠΏΡΡΠΊΠ½ΠΎΠΉ ΠΊΠ»Π°ΠΏΠ°Π½Ρ Π·Π°ΠΊΡΡΡΡ, ΡΠ΅ΠΌ ΡΠ°ΠΌΡΠΌ Π³Π΅ΡΠΌΠ΅ΡΠΈΠ·ΠΈΡΡΡΡ ΡΠΈΠ»ΠΈΠ½Π΄Ρ. Π‘ΠΈΠ»Π° ΠΏΠΎΡΡΠ½Ρ, Π½Π°ΠΏΡΠ°Π²Π»Π΅Π½Π½Π°Ρ Π²Π²Π΅ΡΡ , Π²ΡΠ·ΡΠ²Π°Π΅Ρ Π²ΠΎΡΠΏΠ»Π°ΠΌΠ΅Π½Π΅Π½ΠΈΠ΅ ΡΠΎΠΏΠ»ΠΈΠ²ΠΎΠ²ΠΎΠ·Π΄ΡΡΠ½ΠΎΠΉ ΡΠΌΠ΅ΡΠΈ.
- Π‘ΠΈΠ»Π° ΡΠ³ΠΎΡΠ°Π½ΠΈΡ ΠΏΠ΅ΡΠ΅ΠΌΠ΅ΡΠ°Π΅Ρ ΠΏΠΎΡΡΠ΅Π½Ρ Π²Π½ΠΈΠ·, Π² ΡΠ΅Π·ΡΠ»ΡΡΠ°ΡΠ΅ ΡΠ΅Π³ΠΎ ΠΊΠΎΠ»Π΅Π½ΡΠ°ΡΡΠΉ Π²Π°Π» ΠΏΡΠΈΠ²ΠΎΠ΄ΠΈΡΡΡ Π² Π΄Π²ΠΈΠΆΠ΅Π½ΠΈΠ΅.
- ΠΠΎΡΠ»Π΅ ΠΏΠ΅ΡΠ΅ΠΌΠ΅ΡΠ΅Π½ΠΈΡ ΠΏΠΎΡΡΠ½Ρ Π²Π²Π΅ΡΡ , Π²ΡΠΏΡΡΠΊΠ½ΠΎΠΉ ΠΊΠ»Π°ΠΏΠ°Π½ ΠΎΡΠΊΡΡΠ²Π°Π΅ΡΡΡ, Π²ΡΡΠ΅ΡΠ½ΡΡ ΠΎΡΡΠ°Π±ΠΎΡΠ°Π½Π½ΡΠΉ Π³Π°Π· ΠΈΠ»ΠΈ ΠΏΠ°Ρ ΡΠ΅ΡΠ΅Π· Π²ΡΡ Π»ΠΎΠΏΠ½ΡΠ΅ ΠΎΡΠ²Π΅ΡΡΡΠΈΡ.
ΠΠΎΠ»ΠΎΠΌΠΊΠ° Π² ΠΊΠ»Π°ΠΏΠ°Π½Π½ΠΎΠΌ ΠΌΠ΅Ρ Π°Π½ΠΈΠ·ΠΌΠ΅ ΠΌΠΎΠΆΠ΅Ρ ΠΏΠΎΠ²Π»ΠΈΡΡΡ Π½Π° Π²ΡΡ ΠΎΠ΄ ΠΈΠ· ΡΡΡΠΎΡ ΠΊΠ»Π°ΠΏΠ°Π½Π°. ΠΠ°Π·ΠΎΡΠ°ΡΠΏΡΠ΅Π΄Π΅Π»ΠΈΡΠ΅Π»ΡΠ½ΡΠΉ ΠΌΠ΅Ρ Π°Π½ΠΈΠ·ΠΌ β ΠΌΠ΅Ρ Π°Π½ΠΈΠ·ΠΌ, ΠΎΠ±Π΅ΡΠΏΠ΅ΡΠΈΠ²Π°ΡΡΠΈΠΉ Π²ΠΏΡΡΠΊ ΠΈ Π²ΡΠΏΡΡΠΊ ΡΠ°Π±ΠΎΡΠ΅Π³ΠΎ ΡΠ΅Π»Π° Π² Π΄Π²ΠΈΠ³Π°ΡΠ΅Π»ΡΡ Π²Π½ΡΡΡΠ΅Π½Π½Π΅Π³ΠΎ ΡΠ³ΠΎΡΠ°Π½ΠΈΡ. ΠΠΎΠΆΠ΅Ρ ΠΈΠΌΠ΅ΡΡ ΠΊΠ°ΠΊ ΡΠΈΠΊΡΠΈΡΠΎΠ²Π°Π½Π½ΡΠ΅ ΡΠ°Π·Ρ Π³Π°Π·ΠΎΡΠ°ΡΠΏΡΠ΅Π΄Π΅Π»Π΅Π½ΠΈΡ, ΡΠ°ΠΊ ΠΈ ΡΠ΅Π³ΡΠ»ΠΈΡΡΠ΅ΠΌΡΠ΅ Π² Π·Π°Π²ΠΈΡΠΈΠΌΠΎΡΡΠΈ ΠΎΡ ΡΠ°ΡΡΠΎΡΡ Π²ΡΠ°ΡΠ΅Π½ΠΈΡ ΠΊΠΎΠ»Π΅Π½Π²Π°Π»Π° ΠΈ Π΄ΡΡΠ³ΠΈΡ ΡΠ°ΠΊΡΠΎΡΠΎΠ².
ΠΠΎΠ»ΡΡΠΈΠ½ΡΡΠ²ΠΎ ΠΊΠ»Π°ΠΏΠ°Π½ΠΎΠ² Π΄Π²ΠΈΠ³Π°ΡΠ΅Π»Ρ ΡΠΊΠΎΠ½ΡΡΡΡΠΈΡΠΎΠ²Π°Π½Ρ ΠΊΠ°ΠΊ ΠΊΠ»Π°ΠΏΠ°Π½Ρ ΡΠ°ΡΠ΅Π»ΡΡΠ°ΡΠΎΠ³ΠΎ ΡΠΈΠΏΠ° ΠΈΠ·-Π·Π° ΠΈΡ
ΡΠΎΠ»ΠΊΠ°ΡΡΠ΅Π³ΠΎ Π΄Π²ΠΈΠΆΠ΅Π½ΠΈΡ Π²Π²Π΅ΡΡ
ΠΈ Π²Π½ΠΈΠ· ΠΈ ΠΈΠΌΠ΅ΡΡ Π³ΠΎΠ»ΠΎΠ²ΠΊΡ ΠΊΠ»Π°ΠΏΠ°Π½Π° ΠΊΠΎΠ½ΠΈΡΠ΅ΡΠΊΠΎΠ³ΠΎ ΠΏΡΠΎΡΠΈΠ»Ρ, ΠΊΠΎΡΠΎΡΠ°Ρ ΠΏΡΠΈΠ»Π΅Π³Π°Π΅Ρ ΠΊ ΠΌΠ΅Ρ
Π°Π½ΠΈΡΠ΅ΡΠΊΠΈ ΠΎΠ±ΡΠ°Π±ΠΎΡΠ°Π½Π½ΠΎΠΌΡ ΡΠ΅Π΄Π»Ρ ΠΊΠ»Π°ΠΏΠ°Π½Π°, ΡΡΠΎΠ±Ρ ΠΏΠ΅ΡΠ΅ΠΊΡΡΡΡ ΠΏΡΠΎΡ
ΠΎΠ΄ ΠΆΠΈΠ΄ΠΊΠΎΡΡΠ΅ΠΉ ΠΈΠ»ΠΈ Π³Π°Π·ΠΎΠ².
ΠΡ
ΡΠ°ΠΊΠΆΠ΅ Π½Π°Π·ΡΠ²Π°ΡΡ Π³ΡΠΈΠ±ΠΎΠ²ΠΈΠ΄Π½ΡΠΌΠΈ ΠΊΠ»Π°ΠΏΠ°Π½Π°ΠΌΠΈ ΠΈΠ·-Π·Π° Ρ
Π°ΡΠ°ΠΊΡΠ΅ΡΠ½ΠΎΠΉ ΡΠΎΡΠΌΡ Π³ΠΎΠ»ΠΎΠ²ΠΊΠΈ ΠΊΠ»Π°ΠΏΠ°Π½Π°.Β
ΠΠΎΠ»ΠΎΠ²ΠΊΠ° ΠΊΠ»Π°ΠΏΠ°Π½Π°
ΠΠΎΠ»ΠΎΠ²ΠΊΠ° ΡΠΎΠ΄Π΅ΡΠΆΠΈΡ Π³Π°Π»ΡΠ΅Π»Ρ, Π²Π΅Π΄ΡΡΠΈΠΉ ΠΊ ΠΏΠΎΠ²Π΅ΡΡ Π½ΠΎΡΡΠΈ ΡΠ΅Π΄Π»Π°, ΠΊΠΎΡΠΎΡΠ°Ρ ΠΎΠ±ΡΠ°Π±Π°ΡΡΠ²Π°Π΅ΡΡΡ ΠΏΠΎΠ΄ ΠΎΠΏΡΠ΅Π΄Π΅Π»Π΅Π½Π½ΡΠΌ ΡΠ³Π»ΠΎΠΌ, ΡΡΠΎΠ±Ρ ΡΠΎΠΎΡΠ²Π΅ΡΡΡΠ²ΠΎΠ²Π°ΡΡ ΠΌΠ΅Ρ Π°Π½ΠΈΡΠ΅ΡΠΊΠΎΠΉ ΠΎΠ±ΡΠ°Π±ΠΎΡΠΊΠ΅ ΡΠ΅Π΄Π»Π° ΠΊΠ»Π°ΠΏΠ°Π½Π°, Ρ ΠΊΠΎΡΠΎΡΡΠΌ ΠΎΠ½Π° Π±ΡΠ΄Π΅Ρ ΡΠΎΠΎΡΠ²Π΅ΡΡΡΠ²ΠΎΠ²Π°ΡΡ. ΠΠΎΡΠ°Π΄ΠΊΠ° ΠΏΠΎΠ²Π΅ΡΡ Π½ΠΎΡΡΠΈ ΠΊΠ»Π°ΠΏΠ°Π½Π° Π½Π° ΡΠ΅Π΄Π»ΠΎ ΠΊΠ»Π°ΠΏΠ°Π½Π° β ΡΡΠΎ ΡΠΎ, ΡΡΠΎ ΠΎΠ±Π΅ΡΠΏΠ΅ΡΠΈΠ²Π°Π΅Ρ ΡΠΏΠ»ΠΎΡΠ½Π΅Π½ΠΈΠ΅ ΠΊΠ»Π°ΠΏΠ°Π½Π° ΠΏΡΠΎΡΠΈΠ² Π΄Π°Π²Π»Π΅Π½ΠΈΡ ΡΠ³ΠΎΡΠ°Π½ΠΈΡ.
Π‘ΡΠ΅ΡΠΆΠ΅Π½Ρ ΠΊΠ»Π°ΠΏΠ°Π½Π°
Π‘ΡΠ΅ΡΠΆΠ΅Π½Ρ ΠΊΠ»Π°ΠΏΠ°Π½Π° ΡΠΎΠ΅Π΄ΠΈΠ½ΡΠ΅Ρ ΠΊΠ»Π°ΠΏΠ°Π½ Ρ ΠΌΠ΅Ρ Π°Π½ΠΈΡΠ΅ΡΠΊΠΈΠΌΠΈ ΡΠ»Π΅ΠΌΠ΅Π½ΡΠ°ΠΌΠΈ Π² Π΄Π²ΠΈΠ³Π°ΡΠ΅Π»Π΅, ΠΊΠΎΡΠΎΡΡΠ΅ ΠΏΡΠΈΠ²ΠΎΠ΄ΡΡ Π² Π΄Π΅ΠΉΡΡΠ²ΠΈΠ΅ ΠΊΠ»Π°ΠΏΠ°Π½, ΡΠΎΠ·Π΄Π°Π²Π°Ρ ΡΠΈΠ»Ρ Π΄Π»Ρ ΠΏΠ΅ΡΠ΅ΠΌΠ΅ΡΠ΅Π½ΠΈΡ ΡΡΠΎΠΊΠ° ΠΏΡΠΎΡΠΈΠ² Π΄Π°Π²Π»Π΅Π½ΠΈΡ ΠΏΠΎΡΠ°Π΄ΠΊΠΈ, ΡΠΎΠ·Π΄Π°Π²Π°Π΅ΠΌΠΎΠ³ΠΎ ΠΏΡΡΠΆΠΈΠ½ΠΎΠΉ ΠΊΠ»Π°ΠΏΠ°Π½Π°. Π‘ΡΠΎΠΏΠΎΡΠ½Π°Ρ ΠΊΠ°Π½Π°Π²ΠΊΠ° ΠΈΡΠΏΠΎΠ»ΡΠ·ΡΠ΅ΡΡΡ Π΄Π»Ρ ΡΠ΄Π΅ΡΠΆΠ°Π½ΠΈΡ ΠΏΡΡΠΆΠΈΠ½Ρ Π² Π½ΡΠΆΠ½ΠΎΠΌ ΠΏΠΎΠ»ΠΎΠΆΠ΅Π½ΠΈΠΈ, Π° ΠΊΠΎΠ½ΡΠΈΠΊ ΡΡΠΎΠΊΠ° ΠΊΠ»Π°ΠΏΠ°Π½Π° ΠΌΠ½ΠΎΠ³ΠΎΠΊΡΠ°ΡΠ½ΠΎ ΠΊΠΎΠ½ΡΠ°ΠΊΡΠΈΡΡΠ΅Ρ Ρ ΠΊΠΎΡΠΎΠΌΡΡΠ»ΠΎΠΌ, ΡΠΎΠ»ΠΊΠ°ΡΠ΅Π»Π΅ΠΌ ΠΈΠ»ΠΈ ΡΠΎΠ»ΠΊΠ°ΡΠ΅Π»Π΅ΠΌ, ΠΏΡΠΈΠ²ΠΎΠ΄ΡΡΠΈΠΌ Π² Π΄Π΅ΠΉΡΡΠ²ΠΈΠ΅ ΠΊΠ»Π°ΠΏΠ°Π½.
ΠΡΡΠ°Π²Π½ΠΈΠ²Π°Π½ΠΈΠ΅ ΠΈ ΡΠΈΠ½Ρ ΡΠΎΠ½ΠΈΠ·Π°ΡΠΈΡ
ΠΡΠΈ Π½ΠΎΡΠΌΠ°Π»ΡΠ½ΠΎΠΉ ΡΠ°Π±ΠΎΡΠ΅ ΠΊΠΎΠ»Π΅Π½ΡΠ°ΡΡΠΉ Π²Π°Π» Π΄Π²ΠΈΠ³Π°ΡΠ΅Π»Ρ, ΠΊ ΠΊΠΎΡΠΎΡΠΎΠΌΡ ΠΏΡΠΈΠΊΡΠ΅ΠΏΠ»Π΅Π½Ρ ΠΏΠΎΡΡΠ½ΠΈ, ΡΠ²ΡΠ·Π°Π½ Ρ ΡΠ°ΡΠΏΡΠ΅Π΄Π΅Π»ΠΈΡΠ΅Π»ΡΠ½ΡΠΌ Π²Π°Π»ΠΎΠΌ ΠΊΠ°ΠΊ ΡΠ°ΡΡΡ ΠΌΠ΅Ρ
Π°Π½ΠΈΠ·ΠΌΠ° ΠΊΠ»Π°ΠΏΠ°Π½Π° Π΄Π»Ρ Π΄Π²ΠΈΠ³Π°ΡΠ΅Π»Ρ.
ΠΠ²ΠΈΠΆΠ΅Π½ΠΈΠ΅ ΠΊΠΎΠ»Π΅Π½ΡΠ°ΡΠΎΠ³ΠΎ Π²Π°Π»Π° ΠΏΠ΅ΡΠ΅Π΄Π°Π΅Ρ Π΄Π²ΠΈΠΆΠ΅Π½ΠΈΠ΅ ΡΠ°ΡΠΏΡΠ΅Π΄Π΅Π»ΠΈΡΠ΅Π»ΡΠ½ΠΎΠΌΡ Π²Π°Π»Ρ ΡΠ΅ΡΠ΅Π· ΡΠ΅ΠΏΡ ΠΠ Π, ΡΠ΅ΠΌΠ΅Π½Ρ ΠΠ Π ΠΈΠ»ΠΈ Π΄ΡΡΠ³ΠΎΠΉ Π·ΡΠ±ΡΠ°ΡΡΠΉ ΠΌΠ΅Ρ
Π°Π½ΠΈΠ·ΠΌ. Π‘ΠΈΠ½Ρ
ΡΠΎΠ½ΠΈΠ·Π°ΡΠΈΡ ΠΈ Π²ΡΡΠ°Π²Π½ΠΈΠ²Π°Π½ΠΈΠ΅ ΠΌΠ΅ΠΆΠ΄Ρ ΠΏΠΎΠ»ΠΎΠΆΠ΅Π½ΠΈΠ΅ΠΌ ΠΊΠΎΠ»Π΅Π½ΡΠ°ΡΠΎΠ³ΠΎ Π²Π°Π»Π° (ΠΊΠΎΡΠΎΡΠΎΠ΅ ΠΎΠΏΡΠ΅Π΄Π΅Π»ΡΠ΅Ρ ΠΏΠΎΠ»ΠΎΠΆΠ΅Π½ΠΈΠ΅ ΠΏΠΎΡΡΠ½Ρ Π² ΡΠΈΠ»ΠΈΠ½Π΄ΡΠ΅) ΠΈ ΠΏΠΎΠ»ΠΎΠΆΠ΅Π½ΠΈΠ΅ΠΌ ΡΠ°ΡΠΏΡΠ΅Π΄Π΅Π»ΠΈΡΠ΅Π»ΡΠ½ΠΎΠ³ΠΎ Π²Π°Π»Π° (ΠΊΠΎΡΠΎΡΠΎΠ΅ ΠΎΠΏΡΠ΅Π΄Π΅Π»ΡΠ΅Ρ ΠΏΠΎΠ»ΠΎΠΆΠ΅Π½ΠΈΠ΅ ΠΊΠ»Π°ΠΏΠ°Π½ΠΎΠ² Π΄Π»Ρ ΡΠΈΠ»ΠΈΠ½Π΄ΡΠ°) ΠΈΠΌΠ΅ΡΡ ΡΠ΅ΡΠ°ΡΡΠ΅Π΅ Π·Π½Π°ΡΠ΅Π½ΠΈΠ΅ Π½Π΅ ΡΠΎΠ»ΡΠΊΠΎ Π΄Π»Ρ ΠΌΠ°ΠΊΡΠΈΠΌΠ°Π»ΡΠ½ΠΎΠΉ ΠΏΡΠΎΠΈΠ·Π²ΠΎΠ΄ΠΈΡΠ΅Π»ΡΠ½ΠΎΡΡΠΈ Π΄Π²ΠΈΠ³Π°ΡΠ΅Π»Ρ, Π½ΠΎ ΠΈ Π΄Π»Ρ ΠΏΡΠ΅Π΄ΠΎΡΠ²ΡΠ°ΡΠ΅Π½ΠΈΡ ΡΡΠΎΠ»ΠΊΠ½ΠΎΠ²Π΅Π½ΠΈΡ ΠΏΠΎΡΡΠ½Π΅ΠΉ ΠΈ ΠΊΠ»Π°ΠΏΠ°Π½ΠΎΠ² Π² Π΄Π²ΠΈΠ³Π°ΡΠ΅Π»ΡΡ
Ρ Π²ΡΡΠΎΠΊΠΎΠΉ ΡΡΠ΅ΠΏΠ΅Π½ΡΡ ΡΠΆΠ°ΡΠΈΡ.
ΠΠ°ΠΊΠΎΠ½Π΅ΡΠ½ΠΈΠΊ ΠΊΠ»Π°ΠΏΠ°Π½Π°
ΠΡΠΈΡΠΈΠ½Π° ΠΏΠΎΠ»ΠΎΠΌΠΊΠΈ Π½Π°ΠΊΠΎΠ½Π΅ΡΠ½ΠΈΠΊΠ° ΠΊΠ»Π°ΠΏΠ°Π½Π° β ΡΡΠΎ ΡΠΈΠ»ΡΠ½ΡΠΉ ΡΠ΄Π°Ρ ΠΈΠ»ΠΈ Π±ΠΎΠΊΠΎΠ²Π°Ρ Π½Π°Π³ΡΡΠ·ΠΊΠ°. ΠΠΎΠ»ΡΡΠΈΠ½ΡΡΠ²ΠΎ ΠΊΠΎΠ½ΡΡΡΡΠΊΡΠΈΠΉ ΠΊΠ»Π°ΠΏΠ°Π½Π½ΠΎΠ³ΠΎ ΠΌΠ΅Ρ Π°Π½ΠΈΠ·ΠΌΠ° ΠΏΡΠ΅Π΄Π½Π°Π·Π½Π°ΡΠ΅Π½Ρ Π΄Π»Ρ Π²ΡΠ°ΡΠ΅Π½ΠΈΡ. ΠΡΠ°ΡΠ΅Π½ΠΈΠ΅ ΠΏΠΎΠΌΠΎΠ³Π°Π΅Ρ ΡΠ°Π²Π½ΠΎΠΌΠ΅ΡΠ½ΠΎ ΡΠ°ΡΠΏΡΠ΅Π΄Π΅Π»ΡΡΡ ΡΠ΅ΠΌΠΏΠ΅ΡΠ°ΡΡΡΡ ΠΈ ΠΈΠ·Π±Π΅ΠΆΠ°ΡΡ ΠΏΠ΅ΡΠ΅Π³ΡΠ΅Π² Π΄Π΅ΡΠ°Π»ΠΈ.Β
Π§Π΅ΠΌ ΠΏΡΠΈΠΌΠ΅ΡΠ°ΡΠ΅Π»Π΅Π½ ΠΊΠ°ΡΠ°Π»ΠΎΠ³ ΠΌΠ°Π³Π°Π·ΠΈΠ½Π°?
ΠΡΠ΅ Π΄Π»Ρ ΡΠ΅ΠΌΠΎΠ½ΡΠ° Π΄Π²ΠΈΠ³Π°ΡΠ΅Π»Ρ
Π Π½Π°Π»ΠΈΡΠΈΠΈ ΠΊΠΎΠΌΠΏΠ»Π΅ΠΊΡΡΡΡΠΈΠ΅ Π΄Π»Ρ Π²ΡΠ΅Ρ
ΠΌΠΎΡΠΎΡΠΎΠ² Cummins, Caterpillar, Perkins.
ΠΡΠ΅Π΄ΡΡΠ°Π²Π»Π΅Π½Ρ ΠΎΡΠΈΠ³ΠΈΠ½Π°Π»ΡΠ½ΡΠ΅ ΠΈ Π°Π½Π°Π»ΠΎΠ³ΠΎΠ²ΡΠ΅ Π·Π°ΠΏΡΠ°ΡΡΠΈ. ΠΠΎΠ΄ΠΎΠ±ΡΠ°ΡΡ Π½Π΅ΠΎΠ±Ρ
ΠΎΠ΄ΠΈΠΌΡΡ Π΄Π΅ΡΠ°Π»Ρ Π½Π΅ ΡΠΎΡΡΠ°Π²ΠΈΡ ΡΡΡΠ΄Π°.
ΠΠ³ΡΠΎΠΌΠ½ΠΎΠ΅ ΠΊΠΎΠ»ΠΈΡΠ΅ΡΡΠ²ΠΎ ΡΠΈΠ»ΡΡΡΠΎΠ²
ΠΡΠ΅Π΄Π»Π°Π³Π°ΡΡΡΡ Π²ΠΎΠ·Π΄ΡΡΠ½ΡΠ΅, ΡΠΎΠΏΠ»ΠΈΠ²Π½ΡΠ΅ ΠΈ ΠΌΠ°ΡΠ»ΡΠ½ΡΠ΅ ΡΠΈΠ»ΡΡΡΡ Π±ΡΠ΅Π½Π΄ΠΎΠ² Cummins, Fleetguard, Donaldson, Baldwin, Sakura. ΠΠ·Π΄Π΅Π»ΠΈΡ ΠΎΠ±Π»Π°Π΄Π°ΡΡ ΠΏΡΠ΅ΠΊΡΠ°ΡΠ½ΠΎΠΉ Π°Π΄ΡΠΎΡΠ±ΡΠΈΠ΅ΠΉ.
ΠΠ°ΡΠ΅ΡΡΠ²Π΅Π½Π½ΡΠ΅ ΠΌΠ°ΡΠ»Π°
Π ΠΏΡΠΎΠ΄Π°ΠΆΠ΅ ΠΎΡΠΈΠ³ΠΈΠ½Π°Π»ΡΠ½ΡΠ΅ ΠΌΠΎΡΠΎΡΠ½ΡΠ΅ ΠΌΠ°ΡΠ»Π° ΠΊΠΎΠΌΠΏΠ°Π½ΠΈΠΈ Valvoline, Π΄ΠΎΡΠ΅ΡΠ½Π΅Π³ΠΎ ΠΏΠΎΠ΄ΡΠ°Π·Π΄Π΅Π»Π΅Π½ΠΈΡ Cummins Inc.
ΠΠΏΡΡΠΊΠ½ΡΠ΅ ΠΈ Π²ΡΠΏΡΡΠΊΠ½ΡΠ΅ ΠΊΠ»Π°ΠΏΠ°Π½Ρ | ΠΡΠΏΠΈΡΡ Π²ΠΏΡΡΠΊΠ½ΡΠ΅ ΠΊΠ»Π°ΠΏΠ°Π½Ρ ΠΈ Π³ΠΎΠ½ΠΎΡΠ½ΡΠ΅ ΠΊΠ»Π°ΠΏΠ°Π½Ρ ΠΎΠ½Π»Π°ΠΉΠ½
ΠΠ»Π°ΠΏΠ°Π½Ρ Dart Performance
ΠΠ»Π°ΠΏΠ°Π½Ρ Dart Performance
16,25β29,07 $
16,25β29,07 $
$16,25 — $29,07
ΠΠΏΡΡΠΊΠ½ΡΠ΅ ΠΈ Π²ΡΠΏΡΡΠΊΠ½ΡΠ΅ ΠΊΠ»Π°ΠΏΠ°Π½Ρ Brodix
ΠΠΏΡΡΠΊΠ½ΡΠ΅ ΠΈ Π²ΡΠΏΡΡΠΊΠ½ΡΠ΅ ΠΊΠ»Π°ΠΏΠ°Π½Ρ Brodix
$33,99 — $50,99
$33,99 — $50,99
$33,99 — $50,99
ΠΠ΅ΡΠ°Π»ΠΈ Π³ΠΎΠ»ΠΎΠ²ΠΊΠΈ Π±Π»ΠΎΠΊΠ° ΡΠΈΠ»ΠΈΠ½Π΄ΡΠΎΠ² JEGS
ΠΠ΅ΡΠ°Π»ΠΈ Π³ΠΎΠ»ΠΎΠ²ΠΊΠΈ Π±Π»ΠΎΠΊΠ° ΡΠΈΠ»ΠΈΠ½Π΄ΡΠΎΠ² JEGS
6,39 $
ΠΠ»Π°ΠΏΠ°Π½Ρ ΠΈΠ· Π½Π΅ΡΠΆΠ°Π²Π΅ΡΡΠ΅ΠΉ ΡΡΠ°Π»ΠΈ Manley LS1 / LS2 / LS6 Chevy Race Master Race Flo
ΠΠ»Π°ΠΏΠ°Π½Ρ ΠΈΠ· Π½Π΅ΡΠΆΠ°Π²Π΅ΡΡΠ΅ΠΉ ΡΡΠ°Π»ΠΈ Manley LS1 / LS2 / LS6 Chevy Race Master Race Flo
$19,99 — $569,99
$19,99 — $569,99
$19,99 — $569,99
ΠΡΠΏΡΡΠΊΠ½ΡΠ΅ ΠΊΠ»Π°ΠΏΠ°Π½Ρ Manley Small Block Chevy ΠΈΠ· Π½Π΅ΡΠΆΠ°Π²Π΅ΡΡΠ΅ΠΉ ΡΡΠ°Π»ΠΈ Π΄Π»Ρ ΡΡΠΆΠ΅Π»ΡΡ
ΡΡΠ»ΠΎΠ²ΠΈΠΉ ΡΠΊΡΠΏΠ»ΡΠ°ΡΠ°ΡΠΈΠΈ
ΠΡΠΏΡΡΠΊΠ½ΡΠ΅ ΠΊΠ»Π°ΠΏΠ°Π½Ρ Manley Small Block Chevy ΠΈΠ· Π½Π΅ΡΠΆΠ°Π²Π΅ΡΡΠ΅ΠΉ ΡΡΠ°Π»ΠΈ Π΄Π»Ρ ΡΡΠΆΠ΅Π»ΡΡ
ΡΡΠ»ΠΎΠ²ΠΈΠΉ ΡΠΊΡΠΏΠ»ΡΠ°ΡΠ°ΡΠΈΠΈ
$34,99 — $309,99
$34,99 — $309,99
$34,99 — $309,99
ΠΡΠ΄ΠΆΠ΅ΡΠ½ΡΠ΅ ΡΠΌΠ΅Π½Π½ΡΠ΅ ΠΊΠ»Π°ΠΏΠ°Π½Ρ ΠΈΠ· Π½Π΅ΡΠΆΠ°Π²Π΅ΡΡΠ΅ΠΉ ΡΡΠ°Π»ΠΈ Manley Small Block Chevy
ΠΡΠ΄ΠΆΠ΅ΡΠ½ΡΠ΅ ΡΠΌΠ΅Π½Π½ΡΠ΅ ΠΊΠ»Π°ΠΏΠ°Π½Ρ ΠΈΠ· Π½Π΅ΡΠΆΠ°Π²Π΅ΡΡΠ΅ΠΉ ΡΡΠ°Π»ΠΈ Manley Small Block Chevy
8,99β69,99 Π΄ΠΎΠ»Π».
Π‘Π¨Π
8,99β69,99 Π΄ΠΎΠ»Π». Π‘Π¨Π
$8,99 — $69,99
ΠΠΏΡΡΠΊΠ½ΡΠ΅ ΠΊΠ»Π°ΠΏΠ°Π½Ρ Manley Small Block Chevy Π΄Π»Ρ ΡΡΠΆΠ΅Π»ΡΡ
ΡΡΠ»ΠΎΠ²ΠΈΠΉ ΡΠΊΡΠΏΠ»ΡΠ°ΡΠ°ΡΠΈΠΈ ΠΈΠ· Π½Π΅ΡΠΆΠ°Π²Π΅ΡΡΠ΅ΠΉ ΡΡΠ°Π»ΠΈ
ΠΠΏΡΡΠΊΠ½ΡΠ΅ ΠΊΠ»Π°ΠΏΠ°Π½Ρ Manley Small Block Chevy Π΄Π»Ρ ΡΡΠΆΠ΅Π»ΡΡ
ΡΡΠ»ΠΎΠ²ΠΈΠΉ ΡΠΊΡΠΏΠ»ΡΠ°ΡΠ°ΡΠΈΠΈ ΠΈΠ· Π½Π΅ΡΠΆΠ°Π²Π΅ΡΡΠ΅ΠΉ ΡΡΠ°Π»ΠΈ
$30,99 — $709,99
$30,99 — $709,99
$30,99 — $709,99
ΠΡΠΏΡΡΠΊΠ½ΡΠ΅ ΠΊΠ»Π°ΠΏΠ°Π½Ρ Speedmaster
ΠΡΠΏΡΡΠΊΠ½ΡΠ΅ ΠΊΠ»Π°ΠΏΠ°Π½Ρ Speedmaster
$39,11 — $71,99
$39,11 — $71,99
$39,11 — $71,99
ΠΠ»Π°ΠΏΠ°Π½Ρ Manley Pontiac Race Master ΠΈΠ· Π½Π΅ΡΠΆΠ°Π²Π΅ΡΡΠ΅ΠΉ ΡΡΠ°Π»ΠΈ
ΠΠ»Π°ΠΏΠ°Π½Ρ Manley Pontiac Race Master ΠΈΠ· Π½Π΅ΡΠΆΠ°Π²Π΅ΡΡΠ΅ΠΉ ΡΡΠ°Π»ΠΈ
23,99β192,99 Π΄ΠΎΠ»Π». Π‘Π¨Π
23,99β192,99 Π΄ΠΎΠ»Π». Π‘Π¨Π
23,99β192,99 Π΄ΠΎΠ»Π». Π‘Π¨Π
ΠΠ»Π°ΠΏΠ°Π½Ρ Comp Cams Sportsman
ΠΠ»Π°ΠΏΠ°Π½Ρ Comp Cams Sportsman
$16,95 — $1638,95
$16,95 — $1638,95
$16,95 — $1638,95
ΠΠ»Π°ΠΏΠ°Π½Ρ ΠΈΠ· Π½Π΅ΡΠΆΠ°Π²Π΅ΡΡΠ΅ΠΉ ΡΡΠ°Π»ΠΈ Manley Big Block Chevy Street Master Street Flo
ΠΠ»Π°ΠΏΠ°Π½Ρ ΠΈΠ· Π½Π΅ΡΠΆΠ°Π²Π΅ΡΡΠ΅ΠΉ ΡΡΠ°Π»ΠΈ Manley Big Block Chevy Street Master Street Flo
15,99β131,99 Π΄ΠΎΠ»Π».
Π‘Π¨Π
15,99β131,99 Π΄ΠΎΠ»Π». Π‘Π¨Π
15,99β131,99 Π΄ΠΎΠ»Π». Π‘Π¨Π
ΠΠ»Π°ΠΏΠ°Π½Ρ Edelbrock ΠΈΠ· Π½Π΅ΡΠΆΠ°Π²Π΅ΡΡΠ΅ΠΉ ΡΡΠ°Π»ΠΈ
ΠΠ»Π°ΠΏΠ°Π½Ρ Edelbrock ΠΈΠ· Π½Π΅ΡΠΆΠ°Π²Π΅ΡΡΠ΅ΠΉ ΡΡΠ°Π»ΠΈ
13,99β440,95 Π΄ΠΎΠ»Π». Π‘Π¨Π
13,99β440,95 Π΄ΠΎΠ»Π». Π‘Π¨Π
13,99β440,95 Π΄ΠΎΠ»Π». Π‘Π¨Π
ΠΠ»Π°ΠΏΠ°Π½Ρ ΠΈΠ· Π½Π΅ΡΠΆΠ°Π²Π΅ΡΡΠ΅ΠΉ ΡΡΠ°Π»ΠΈ Manley Big Block Chevy Race Master
ΠΠ»Π°ΠΏΠ°Π½Ρ ΠΈΠ· Π½Π΅ΡΠΆΠ°Π²Π΅ΡΡΠ΅ΠΉ ΡΡΠ°Π»ΠΈ Manley Big Block Chevy Race Master
$17,99 — 192,99 $
$17,99 — $192,99
$17,99 — $192,99
ΠΠΏΡΡΠΊΠ½ΡΠ΅ ΠΊΠ»Π°ΠΏΠ°Π½Ρ Speedmaster
ΠΠΏΡΡΠΊΠ½ΡΠ΅ ΠΊΠ»Π°ΠΏΠ°Π½Ρ Speedmaster
47,50β71,99 Π΄ΠΎΠ»Π». Π‘Π¨Π
47,50β71,99 Π΄ΠΎΠ»Π». Π‘Π¨Π
47,50β71,99 Π΄ΠΎΠ»Π». Π‘Π¨Π
Manley Ford 351C Race Master ΠΠ»Π°ΠΏΠ°Π½Ρ ΠΈΠ· Π½Π΅ΡΠΆΠ°Π²Π΅ΡΡΠ΅ΠΉ ΡΡΠ°Π»ΠΈ
Manley Ford 351C Race Master ΠΠ»Π°ΠΏΠ°Π½Ρ ΠΈΠ· Π½Π΅ΡΠΆΠ°Π²Π΅ΡΡΠ΅ΠΉ ΡΡΠ°Π»ΠΈ
20,99β309,99 Π΄ΠΎΠ»Π». Π‘Π¨Π
20,99β309,99 $
20,99β309,99 Π΄ΠΎΠ»Π».
Π‘Π¨Π
ΠΠ»Π°ΠΏΠ°Π½Ρ ΠΈΠ· Π½Π΅ΡΠΆΠ°Π²Π΅ΡΡΠ΅ΠΉ ΡΡΠ°Π»ΠΈ Manley Small Block Chevy Budget Performance
ΠΠ»Π°ΠΏΠ°Π½Ρ ΠΈΠ· Π½Π΅ΡΠΆΠ°Π²Π΅ΡΡΠ΅ΠΉ ΡΡΠ°Π»ΠΈ Manley Small Block Chevy Budget Performance
$10,99 — $99,99
$10,99 — $99,99
$10,99 — $99,99
ΠΠ»Π°ΠΏΠ°Π½Ρ ΠΈΠ· Π½Π΅ΡΠΆΠ°Π²Π΅ΡΡΠ΅ΠΉ ΡΡΠ°Π»ΠΈ Manley LS1 / LS2 / LS6 Chevy Severe Duty Pro Flo
ΠΠ»Π°ΠΏΠ°Π½Ρ ΠΈΠ· Π½Π΅ΡΠΆΠ°Π²Π΅ΡΡΠ΅ΠΉ ΡΡΠ°Π»ΠΈ Manley LS1 / LS2 / LS6 Chevy Severe Duty Pro Flo
$42,99 — $709,99
$42,99 — $709,99
$42,99 — $709,99
Manley Chrysler / Dodge 6.4L Hemi Race Master Race Flo ΠΠ»Π°ΠΏΠ°Π½Ρ ΠΈΠ· Π½Π΅ΡΠΆΠ°Π²Π΅ΡΡΠ΅ΠΉ ΡΡΠ°Π»ΠΈ
Manley Chrysler / Dodge 6.4L Hemi Race Master Race Flo ΠΠ»Π°ΠΏΠ°Π½Ρ ΠΈΠ· Π½Π΅ΡΠΆΠ°Π²Π΅ΡΡΠ΅ΠΉ ΡΡΠ°Π»ΠΈ
20,99β569,99 Π΄ΠΎΠ»Π». Π‘Π¨Π
20,99β569,99 Π΄ΠΎΠ»Π». Π‘Π¨Π
20,99β569,99 Π΄ΠΎΠ»Π». Π‘Π¨Π
ΠΠ»Π°ΠΏΠ°Π½Ρ ΠΈΠ· Π½Π΅ΡΠΆΠ°Π²Π΅ΡΡΠ΅ΠΉ ΡΡΠ°Π»ΠΈ Manley LS3 / L99 / L92 Chevy Race Master Race Flo
ΠΠ»Π°ΠΏΠ°Π½Ρ ΠΈΠ· Π½Π΅ΡΠΆΠ°Π²Π΅ΡΡΠ΅ΠΉ ΡΡΠ°Π»ΠΈ Manley LS3 / L99 / L92 Chevy Race Master Race Flo
24,99β574,99 Π΄ΠΎΠ»Π».
Π‘Π¨Π
24,99β574,99 Π΄ΠΎΠ»Π». Π‘Π¨Π
24,99β574,99 Π΄ΠΎΠ»Π». Π‘Π¨Π
ΠΠ»Π°ΠΏΠ°Π½Ρ ΠΈΠ· Π½Π΅ΡΠΆΠ°Π²Π΅ΡΡΠ΅ΠΉ ΡΡΠ°Π»ΠΈ Manley Big Block Chevy Street Master
ΠΠ»Π°ΠΏΠ°Π½Ρ ΠΈΠ· Π½Π΅ΡΠΆΠ°Π²Π΅ΡΡΠ΅ΠΉ ΡΡΠ°Π»ΠΈ Manley Big Block Chevy Street Master
20,99β154,99 Π΄ΠΎΠ»Π». Π‘Π¨Π
20,99β154,99 Π΄ΠΎΠ»Π». Π‘Π¨Π
20,99β154,99 Π΄ΠΎΠ»Π». Π‘Π¨Π
ΠΠ»Π°ΠΏΠ°Π½Ρ Manley LS7 Chevy Severe Duty Pro Flo ΠΈΠ· Π½Π΅ΡΠΆΠ°Π²Π΅ΡΡΠ΅ΠΉ ΡΡΠ°Π»ΠΈ
ΠΠ»Π°ΠΏΠ°Π½Ρ Manley LS7 Chevy Severe Duty Pro Flo ΠΈΠ· Π½Π΅ΡΠΆΠ°Π²Π΅ΡΡΠ΅ΠΉ ΡΡΠ°Π»ΠΈ
$31,99 — $622,99
$31,99 — $622,99
$31,99 — $622,99
ΠΠ»Π°ΠΏΠ°Π½Ρ Π΄Π»Ρ ΡΠΎΡΠ΅Π²Π½ΠΎΠ²Π°Π½ΠΈΠΉ Milodon Megaflow
ΠΠ»Π°ΠΏΠ°Π½Ρ Π΄Π»Ρ ΡΠΎΡΠ΅Π²Π½ΠΎΠ²Π°Π½ΠΈΠΉ Milodon Megaflow
$22,95 — $256,95
$22,95 — $256,95
22,95β256,95 Π΄ΠΎΠ»Π». Π‘Π¨Π
ΠΠ»Π°ΠΏΠ°Π½Ρ Manley Big Block Chevy Extreme Duty ΠΈΠ· Π½Π΅ΡΠΆΠ°Π²Π΅ΡΡΠ΅ΠΉ ΡΡΠ°Π»ΠΈ
ΠΠ»Π°ΠΏΠ°Π½Ρ Manley Big Block Chevy Extreme Duty ΠΈΠ· Π½Π΅ΡΠΆΠ°Π²Π΅ΡΡΠ΅ΠΉ ΡΡΠ°Π»ΠΈ
62,99 $ — 529,99 $
62,99 $ — 529,99 $
$62,99 — $529,99
ΠΡΡΠΎΠΊΠΎΠΏΡΠΎΠΈΠ·Π²ΠΎΠ΄ΠΈΡΠ΅Π»ΡΠ½ΡΠ΅ ΠΊΠ»Π°ΠΏΠ°Π½Ρ JEGS ΠΈΠ· Π½Π΅ΡΠΆΠ°Π²Π΅ΡΡΠ΅ΠΉ ΡΡΠ°Π»ΠΈ
ΠΡΡΠΎΠΊΠΎΠΏΡΠΎΠΈΠ·Π²ΠΎΠ΄ΠΈΡΠ΅Π»ΡΠ½ΡΠ΅ ΠΊΠ»Π°ΠΏΠ°Π½Ρ JEGS ΠΈΠ· Π½Π΅ΡΠΆΠ°Π²Π΅ΡΡΠ΅ΠΉ ΡΡΠ°Π»ΠΈ
$72,99 — $162,16
$72,99 — $162,16
$72,99 — $162,16
ΠΠ»Π°ΠΏΠ°Π½Ρ ΠΈΠ· Π½Π΅ΡΠΆΠ°Π²Π΅ΡΡΠ΅ΠΉ ΡΡΠ°Π»ΠΈ Manley Big Block Chevy Race Master Race Flo
ΠΠ»Π°ΠΏΠ°Π½Ρ ΠΈΠ· Π½Π΅ΡΠΆΠ°Π²Π΅ΡΡΠ΅ΠΉ ΡΡΠ°Π»ΠΈ Manley Big Block Chevy Race Master Race Flo
20,99β192,99 Π΄ΠΎΠ»Π».
Π‘Π¨Π
20,99β192,99 Π΄ΠΎΠ»Π». Π‘Π¨Π
20,99β192,99 Π΄ΠΎΠ»Π». Π‘Π¨Π
ΠΠ»Π°ΠΏΠ°Π½Ρ Π¨Π΅Π²ΡΠΎΠ»Π΅ Π Π°Π±ΠΎΡΠΈΠ΅
ΠΠ»Π°ΠΏΠ°Π½Ρ Π¨Π΅Π²ΡΠΎΠ»Π΅ Π Π°Π±ΠΎΡΠΈΠ΅
4,49β76,19 Π΄ΠΎΠ»Π». Π‘Π¨Π
4,49β76,19 Π΄ΠΎΠ»Π». Π‘Π¨Π
4,49β76,19 Π΄ΠΎΠ»Π». Π‘Π¨Π
Π Π΅ΠΆΡΡΠΈΠ΅ ΠΈΠ½ΡΡΡΡΠΌΠ΅Π½ΡΡ Π΄Π»Ρ Π½Π°ΠΏΡΠ°Π²Π»ΡΡΡΠΈΡ
ΠΊΠ»Π°ΠΏΠ°Π½ΠΎΠ² Howwards Cams
Π Π΅ΠΆΡΡΠΈΠ΅ ΠΈΠ½ΡΡΡΡΠΌΠ΅Π½ΡΡ Π΄Π»Ρ Π½Π°ΠΏΡΠ°Π²Π»ΡΡΡΠΈΡ
ΠΊΠ»Π°ΠΏΠ°Π½ΠΎΠ² Howwards Cams
97,99 $
97,99 $
$97,99
ΠΠ»Π°Π²Π½ΡΠ΅ ΠΊΠ»Π°ΠΏΠ°Π½Ρ Manley Dodge Viper V10 Race Master
ΠΠ»Π°Π²Π½ΡΠ΅ ΠΊΠ»Π°ΠΏΠ°Π½Ρ Manley Dodge Viper V10 Race Master
$192,99 — $252,99
$192,99 — $252,99
$192,99 — $252,99
ΠΠ»Π°ΠΏΠ°Π½Ρ Manley LT1 6.2L Chevy Extreme Duty ΠΈΠ· Π½Π΅ΡΠΆΠ°Π²Π΅ΡΡΠ΅ΠΉ ΡΡΠ°Π»ΠΈ
ΠΠ»Π°ΠΏΠ°Π½Ρ Manley LT1 6.2L Chevy Extreme Duty ΠΈΠ· Π½Π΅ΡΠΆΠ°Π²Π΅ΡΡΠ΅ΠΉ ΡΡΠ°Π»ΠΈ
$69,99 — $421,99
$69,99 — $421,99
69,99 $ — 421,99 $
ΠΠ»Π°ΠΏΠ°Π½Ρ Manley LS7 Chevy Extreme Duty ΠΈΠ· Π½Π΅ΡΠΆΠ°Π²Π΅ΡΡΠ΅ΠΉ ΡΡΠ°Π»ΠΈ
ΠΠ»Π°ΠΏΠ°Π½Ρ Manley LS7 Chevy Extreme Duty ΠΈΠ· Π½Π΅ΡΠΆΠ°Π²Π΅ΡΡΠ΅ΠΉ ΡΡΠ°Π»ΠΈ
69,99β420,99 Π΄ΠΎΠ»Π».
Π‘Π¨Π
69,99β420,99 Π΄ΠΎΠ»Π». Π‘Π¨Π
$69,99 — $420,99
Toyota Camry Π‘Π΅Π΄Π»ΠΎ ΠΊΠ»Π°ΠΏΠ°Π½Π° Π΄Π²ΠΈΠ³Π°ΡΠ΅Π»Ρ. ΠΠΠ£Π‘ΠΠΠΠ ΠΠΠΠΠΠ; ΠΠΠ£Π‘ΠΠΠΠ ΠΠΠΠΠΠ, ΠΠΠ’. 2 — 1113131040
ΠΠΎΠ»Π΅ΡΠ° TRD ΠΠ½ΠΈΠΌΠ°Π½ΠΈΠ΅! ΠΠ±Π½ΠΎΠ²ΠΈΡΠ΅ ΡΠ²ΠΎΡ ΠΏΠΎΠ΅Π·Π΄ΠΊΡ Ρ ΠΏΠΎΠΌΠΎΡΡΡ ΠΠΠΠΠΠ Π±ΡΠΎΠ½Π·ΠΎΠ²ΠΎΠ³ΠΎ ΠΊΠΎΠ»Π΅ΡΠ° Geniune TRD.
ΠΡΠΏΠΈΡΡ ΡΠ΅ΠΉΡΠ°Ρ
ΠΡΠ±Π΅ΡΠΈΡΠ΅ Π³ΠΎΠ΄:
2022
2021
2020
2019
2018
2017
2016
2015
2014
2013
2012
2011
2010
2009 Π³.
2008 Π³.
2007 Π³.
2006 Π³.
2005 Π³.
2004 Π³.
2003 Π³.
2002 Π³.
2001 Π³.
2000 Π³.

1999 Π³.
1998 Π³.
1997 Π³.
1996 Π³.
1995 Π³.
1994 Π³.
1993 Π³.
1992 Π³.
1991 Π³.
1990 Π³.
1989 Π³.
1988 Π³.
1987 Π³.
1986 Π³.
1985 Π³.
1984 Π³.
1983 Π³.
«},»vehicleDescription»:null},»interpret»:{«exampleSearch»:»1113131040″,»searchSummary»:»»,»refineSearch»:»»,»searchWordList»:»»,»ukeyMake» :5775,»ukeyModel»:89476,»ukeyCategory»:0,»modelYear»:»ALL»,»nModelYear»:0,»ukeyTrimLevel»:0,»ukeyDriveLine»:0,»searchTerm»:»»,»Π²Π²Π΅Π΄Π΅Π½ΠΈΠ΅ «:»ΠΠ°ΠΉΠ΄Π΅Π½ΠΎ ΡΠΎΡΠ½ΠΎΠ΅ ΡΠΎΠ²ΠΏΠ°Π΄Π΅Π½ΠΈΠ΅ ΡΠΎ ΡΠΊΠ»Π°Π΄ΡΠΊΠΈΠΌ ΠΊΠΎΠ΄ΠΎΠΌ \»1113131040\».Π΄Π»Ρ Π²Π°ΡΠ΅ΠΉ Toyota Camry»,»relatedSearchLink»:»ΠΠΎΠΊΠ°Π·Π°ΡΡ Π²ΡΠ΅ Π΄Π΅ΡΠ°Π»ΠΈ Toyota Camry, ΡΠ°ΠΊΠΈΠ΅ ΠΊΠ°ΠΊ \»Π‘Π΅Π΄Π»ΠΎ ΠΊΠ»Π°ΠΏΠ°Π½Π° Π΄Π²ΠΈΠ³Π°ΡΠ΅Π»Ρ\»,»ukeyModelRange»:0},» ΡΠ΅Π»Π΅ΠΆΠΊΠ°»: false, «ΠΏΡΠΎΠΈΠ·Π²ΠΎΠ΄ΠΈΡΠ΅Π»ΡΠ½ΠΎΡΡΡ»: false, «Π°ΠΊΡΠ΅ΡΡΡΠ°Ρ»: false, «isRelated»: true, «id»: «RelatedProductsComponent», «title»: «RelatedProductsComponent», «style»: «», «dataAttributes»: null,»ariaAttributes»:null,»shouldRenderVueComponent»:true,»message»:null,»localizedResources»:{}} };
Π Π΅ΠΊΠΎΠΌΠ΅Π½Π΄ΡΠ΅ΠΌΠ°Ρ ΠΏΡΠΎΠΈΠ·Π²ΠΎΠ΄ΠΈΡΠ΅Π»Π΅ΠΌ ΡΠΎΠ·Π½ΠΈΡΠ½Π°Ρ ΡΠ΅Π½Π°
$ 12,27
ΠΠΎΠ±Π°Π²ΠΈΡΡ Π² ΠΊΠΎΡΠ·ΠΈΠ½Ρ
ΠΡΠ±Π΅ΡΠΈΡΠ΅ ΠΎΠΏΡΠΈΠΈ ΠΏΡΠΎΠ΄ΡΠΊΡΠ°
«},»vehicleDescription»:null},»interpret»:{«exampleSearch»:»1113131040″,»searchSummary»:»»,»refineSearch»:»»,»searchWordList»:»»,»ukeyMake»:5775 ,»ukeyModel»:89476,»ukeyCategory»:0,»modelYear»:»ALL»,»nModelYear»:0,»ukeyTrimLevel»:0,»ukeyDriveLine»:0,»searchTerm»:»»,»Π²Π²Π΅Π΄Π΅Π½ΠΈΠ΅»: «ΠΠ°ΠΉΠ΄Π΅Π½ΠΎ ΡΠΎΡΠ½ΠΎΠ΅ ΡΠΎΠ²ΠΏΠ°Π΄Π΅Π½ΠΈΠ΅ ΡΠΎ ΡΠΊΠ»Π°Π΄ΡΠΊΠΈΠΌ ΠΊΠΎΠ΄ΠΎΠΌ \»1113131040\».
Π΄Π»Ρ Π²Π°ΡΠ΅ΠΉ Toyota Camry»,»relatedSearchLink»:»ΠΠΎΠΊΠ°Π·Π°ΡΡ Π²ΡΠ΅ Π΄Π΅ΡΠ°Π»ΠΈ Toyota Camry, ΡΠ°ΠΊΠΈΠ΅ ΠΊΠ°ΠΊ \»Π‘Π΅Π΄Π»ΠΎ ΠΊΠ»Π°ΠΏΠ°Π½Π° Π΄Π²ΠΈΠ³Π°ΡΠ΅Π»Ρ\»,»ukeyModelRange»:0},»cart» :false,»ΠΏΡΠΎΠΈΠ·Π²ΠΎΠ΄ΠΈΡΠ΅Π»ΡΠ½ΠΎΡΡΡ»:true,»Π°ΠΊΡΠ΅ΡΡΡΠ°Ρ»:false,»isRelated»:false,»id»:»AlsoBoughtComponent»,»title»:»AlsoBoughtComponent»,»style»:»»,»dataAttributes»:null, Β«ariaAttributesΒ»: null, Β«shouldRenderVueComponentΒ»: true, Β«messageΒ»: null, Β«localizedResourcesΒ»: {}} };
ΠΠ°ΠΊ ΡΠ°Π±ΠΎΡΠ°Π΅Ρ Π΄Π²ΠΈΠ³Π°ΡΠ΅Π»Ρ Ρ ΠΏΠΎΠ·Π΄Π½ΠΈΠΌ Π·Π°ΠΊΡΡΡΠΈΠ΅ΠΌ Π²ΠΏΡΡΠΊΠ½ΠΎΠ³ΠΎ ΠΊΠ»Π°ΠΏΠ°Π½Π°?
ΠΡΠ΅ΠΉΠ³ ΠΠ°Π½ ΠΠ°ΡΠ΅Π½Π±ΡΡΠ³
ΠΡΠΈΡΠΈΠ½Π° ΠΏΠΎΡΠ²Π»Π΅Π½ΠΈΡ Π³ΠΈΠ±ΡΠΈΠ΄Π½ΡΡ
Π°Π²ΡΠΎΠΌΠΎΠ±ΠΈΠ»Π΅ΠΉ Π²ΠΎ ΠΌΠ½ΠΎΠ³ΠΎΠΌ ΡΠ²ΡΠ·Π°Π½Π° Ρ Π΄Π²ΠΈΠ³Π°ΡΠ΅Π»Π΅ΠΌ Π²Π½ΡΡΡΠ΅Π½Π½Π΅Π³ΠΎ ΡΠ³ΠΎΡΠ°Π½ΠΈΡ (ΠΠΠ‘). ΠΡ Π½Π΅ ΡΠ°ΠΌ ΠΠΠ‘, Π° ΡΠΎ, ΡΡΠΎ ΠΌΡ Π·Π°Π»ΠΈΠ²Π°Π΅ΠΌ Π² Π±Π°ΠΊ. ΠΡΠ»ΠΈ Π±Ρ ΠΌΡ ΡΠΆΠΈΠ³Π°Π»ΠΈ ΡΠ³Π»Π΅ΡΠΎΠ΄Π½ΠΎ-Π½Π΅ΠΉΡΡΠ°Π»ΡΠ½ΠΎΠ΅ ΠΆΠΈΠ΄ΠΊΠΎΠ΅ ΡΠΎΠΏΠ»ΠΈΠ²ΠΎ, ΠΈΠ·Π³ΠΎΡΠΎΠ²Π»Π΅Π½Π½ΠΎΠ΅ ΠΈΠ· ΠΏΡΠΎΠ΄ΡΠΊΡΠ° Π½Π° ΠΎΡΠ½ΠΎΠ²Π΅ ΡΠ³Π»Π΅ΡΠΎΠ΄Π°, ΠΊΠΎΡΠΎΡΡΠΉ Π΅ΡΡΠ΅ΡΡΠ²Π΅Π½Π½ΡΠΌ ΠΎΠ±ΡΠ°Π·ΠΎΠΌ ΡΠ°ΡΡΠ΅Ρ Π½Π° ΠΏΠΎΠ²Π΅ΡΡ
Π½ΠΎΡΡΠΈ Π·Π΅ΠΌΠ»ΠΈ, Π° ΡΠ½Π΅ΡΠ³ΠΈΡ, ΠΈΡΠΏΠΎΠ»ΡΠ·ΡΠ΅ΠΌΠ°Ρ Π΄Π»Ρ Π΅Π³ΠΎ ΠΏΡΠΎΠΈΠ·Π²ΠΎΠ΄ΡΡΠ²Π°, Ρ
ΡΠ°Π½Π΅Π½ΠΈΡ ΠΈ ΡΡΠ°Π½ΡΠΏΠΎΡΡΠΈΡΠΎΠ²ΠΊΠΈ, Π±ΡΠ»Π° Π±Ρ ΠΏΠΎΠ»Π½ΠΎΡΡΡΡ Π²ΠΎΠ·ΠΎΠ±Π½ΠΎΠ²Π»ΡΠ΅ΠΌΠΎΠΉ, ΡΠΎ ΠΠΠ‘ Π±ΡΠ» Π±Ρ ΡΠ΅ΠΌ-ΡΠΎ, Ρ ΡΠ΅ΠΌ ΠΌΡ ΠΌΠΎΠ³Π»ΠΈ Π±Ρ ΠΆΠΈΡΡ. ΠΠΎ ΡΡΠΎ Π½Π΅Π²ΠΎΠ·ΠΌΠΎΠΆΠ½ΠΎ.
Π§ΡΠΎ ΠΊΠ°ΡΠ°Π΅ΡΡΡ Π»Π΅Π³ΠΊΠΈΡ ΡΡΠ°Π½ΡΠΏΠΎΡΡΠ½ΡΡ ΡΡΠ΅Π΄ΡΡΠ², Π³ΠΈΠ±ΡΠΈΠ΄Π½ΡΠΉ ΡΠ»Π΅ΠΊΡΡΠΈΡΠ΅ΡΠΊΠΈΠΉ Π°Π²ΡΠΎΠΌΠΎΠ±ΠΈΠ»Ρ (ΠΠΠ) β ΠΈΡΠΏΠΎΠ»ΡΠ·ΡΡΡΠΈΠΉ ΠΠΠ‘, ΠΊΠΎΡΠΎΡΡΠΉ ΡΠΆΠΈΠ³Π°Π» ΠΌΠ΅Π½ΡΡΠ΅ ΡΠΎΠΏΠ»ΠΈΠ²Π°, Π½ΠΎ ΠΏΡΠΈ ΡΡΠΎΠΌ ΠΎΠ±Π»Π°Π΄Π°Π» Π½Π΅ΠΎΠ±Ρ ΠΎΠ΄ΠΈΠΌΠΎΠΉ ΠΌΠΎΡΠ½ΠΎΡΡΡΡ β Π±ΡΠ» ΠΎΡΠ²Π΅ΡΠΎΠΌ ΠΏΠ°ΡΡ Π΄Π΅ΡΡΡΠΈΠ»Π΅ΡΠΈΠΉ Π½Π°Π·Π°Π΄, Π²ΠΊΠ»ΡΡΠ°Ρ Β«Π»Π΅Π³ΠΊΠΈΠ΅ Π΄ΠΈΠ·Π΅Π»ΡΠ½ΡΠ΅Β» ΠΠΠ. .
ΠΡΠ΅ΠΆΠ΄Π΅ ΡΠ΅ΠΌ ΠΌΡ ΡΠ°ΡΡΠΌΠΎΡΡΠΈΠΌ, ΠΊΠ°ΠΊ ΡΠ°Π±ΠΎΡΠ°Π΅Ρ Π±Π΅Π½Π·ΠΈΠ½ΠΎΠ²ΡΠΉ Π΄Π²ΠΈΠ³Π°ΡΠ΅Π»Ρ Π² Π³ΠΈΠ±ΡΠΈΠ΄Π½ΠΎΠΌ ΡΠ»Π΅ΠΊΡΡΠΎΠΌΠΎΠ±ΠΈΠ»Π΅, Π½Π΅ΠΌΠ½ΠΎΠ³ΠΎ ΠΈΡΡΠΎΡΠΈΠΈ.
ΠΠΆΠ΅ΠΉΠΌΡ ΠΡΠΊΠΈΠ½ΡΠΎΠ½ ΠΈΠ·ΠΎΠ±ΡΠ΅Π» Π½ΠΎΠ²ΡΠΉ ΡΠΈΠΏ Π±Π΅Π½Π·ΠΈΠ½ΠΎΠ²ΠΎΠ³ΠΎ Π΄Π²ΠΈΠ³Π°ΡΠ΅Π»Ρ Π² 1887 Π³ΠΎΠ΄Ρ, ΡΠΈΡΠΎΠΊΠΎ ΠΈΠ·Π²Π΅ΡΡΠ½ΡΠΉ ΠΊΠ°ΠΊ Β«ΡΠΈΠΊΠ» ΠΡΠΊΠΈΠ½ΡΠΎΠ½Π°Β». Π Π½Π΅ΠΌ ΠΈΡΠΏΠΎΠ»ΡΠ·ΠΎΠ²Π°Π»ΠΈΡΡ ΠΊΠ»Π°ΠΏΠ°Π½Ρ, ΡΠ°ΡΠΏΡΠ΅Π΄Π΅Π»ΠΈΡΠ΅Π»ΡΠ½ΡΠΉ Π²Π°Π» ΠΈ ΡΠ°ΡΡΠ½, Π΄Π»ΠΈΠ½Π° ΠΊΠΎΡΠΎΡΠΎΠ³ΠΎ ΠΌΠ΅Π½ΡΠ»Π°ΡΡ, ΡΡΠΎΠ±Ρ ΠΏΡΠΎΠΈΠ·Π²ΠΎΠ΄ΠΈΡΡ ΡΠ΅ΡΡΡΠ΅ Ρ ΠΎΠ΄Π° ΠΏΠΎΡΡΠ½Ρ Π½Π° ΠΊΠ°ΠΆΠ΄ΡΠΉ ΠΎΠ±ΠΎΡΠΎΡ ΠΊΠΎΠ»Π΅Π½ΡΠ°ΡΠΎΠ³ΠΎ Π²Π°Π»Π°. ΠΡΠ»ΠΈ Π²Ρ ΠΏΡΠΎΠ²Π΅ΡΠΈΡΠ΅ ΡΡΠΎ Π² ΠΠ½ΡΠ΅ΡΠ½Π΅ΡΠ΅, Π²ΡΠΏΠΎΠ»Π½ΠΈΠ² ΠΏΠΎΠΈΡΠΊ ΠΏΠΎ ΡΠΈΠΊΠ»Ρ ΠΡΠΊΠΈΠ½ΡΠΎΠ½Π°, Π²Ρ ΡΠΌΠΎΠΆΠ΅ΡΠ΅ ΡΠ²ΠΈΠ΄Π΅ΡΡ, ΠΊΠ°ΠΊ ΠΏΠΎΡΡΠ΅Π½Ρ Π΄Π²ΠΈΠΆΠ΅ΡΡΡ Ρ ΡΠ°Π·Π½ΠΎΠΉ ΡΠΊΠΎΡΠΎΡΡΡΡ ΠΏΡΠΈ ΠΊΠ°ΠΆΠ΄ΠΎΠΌ ΡΠ°ΠΊΡΠ΅. Π’Π°ΠΊΡΡ Π²ΠΏΡΡΠΊΠ° ΠΈ ΡΠΆΠ°ΡΠΈΡ Π±ΡΠ»ΠΈ Π·Π½Π°ΡΠΈΡΠ΅Π»ΡΠ½ΠΎ ΠΊΠΎΡΠΎΡΠ΅, ΡΠ΅ΠΌ ΡΠ°ΠΊΡΡ ΡΠ°ΡΡΠΈΡΠ΅Π½ΠΈΡ ΠΈ Π²ΡΠΏΡΡΠΊΠ°.
ΠΡΠΈ ΡΡΡΠ°Π½Π½ΡΠ΅ Π΄Π²ΠΈΠ³Π°ΡΠ΅Π»ΠΈ ΠΏΡΠΎΠΈΠ·Π²ΠΎΠ΄ΠΈΠ»ΠΈΡΡ ΠΈ ΠΏΡΠΎΠ΄Π°Π²Π°Π»ΠΈΡΡ Π² ΡΠ΅ΡΠ΅Π½ΠΈΠ΅ Π½Π΅ΡΠΊΠΎΠ»ΡΠΊΠΈΡ
Π»Π΅Ρ ΠΊΠΎΠΌΠΏΠ°Π½ΠΈΠ΅ΠΉ British Engine Company. ΠΡΠΊΠΈΠ½ΡΠΎΠ½ ΡΠ°ΠΊΠΆΠ΅ ΠΏΠ΅ΡΠ΅Π΄Π°Π» Π»ΠΈΡΠ΅Π½Π·ΠΈΠΈ Π½Π° ΠΏΡΠΎΠΈΠ·Π²ΠΎΠ΄ΡΡΠ²ΠΎ Π΄ΡΡΠ³ΠΈΠΌ ΠΏΡΠΎΠΈΠ·Π²ΠΎΠ΄ΠΈΡΠ΅Π»ΡΠΌ, Π½ΠΎ ΡΡΠΎΡ ΡΠΈΠΏ Π΄Π²ΠΈΠ³Π°ΡΠ΅Π»Ρ ΡΠ°ΠΊ ΠΈ Π½Π΅ ΠΏΡΠΈΠΆΠΈΠ»ΡΡ.
ΠΡΠ»ΠΈ Π±Ρ Π² ΡΠΎΠ²ΡΠ΅ΠΌΠ΅Π½Π½ΠΎΠΌ Π°Π²ΡΠΎΠΌΠΎΠ±ΠΈΠ»Π΅ ΠΈΡΠΏΠΎΠ»ΡΠ·ΠΎΠ²Π°Π»ΡΡ Π΄Π²ΠΈΠ³Π°ΡΠ΅Π»Ρ Ρ ΡΠΈΠΊΠ»ΠΎΠΌ ΠΡΠΊΠΈΠ½ΡΠΎΠ½Π°, ΠΊΠΎΠ»Π΅Π½ΡΠ°ΡΡΠΉ Π²Π°Π» Π½Π΅ Π²ΡΠ΄Π΅ΡΠΆΠ°Π» Π±Ρ ΠΏΠΎΠ²ΡΠΎΡΡΡΡΠΈΡ
ΡΡ ΠΈΠ·ΠΌΠ΅Π½Π΅Π½ΠΈΠΉ ΠΎΠ±ΠΎΡΠΎΡΠΎΠ² ΠΈ Π½Π°Π³ΡΡΠ·ΠΎΠΊ ΠΏΡΠΈ ΠΏΠ΅ΡΠ΅ΠΊΠ»ΡΡΠ΅Π½ΠΈΠΈ ΠΏΠ΅ΡΠ΅Π΄Π°Ρ. Π‘Π΅Π³ΠΎΠ΄Π½Ρ ΡΡΡΠ΅ΡΡΠ²ΡΠ΅Ρ Π½Π°ΡΡΠΎΡΡΠΈΠΉ Π΄Π²ΠΈΠ³Π°ΡΠ΅Π»Ρ ΡΠΈΠΊΠ»Π° ΠΡΠΊΠΈΠ½ΡΠΎΠ½Π°, ΠΏΡΠΎΠΈΠ·Π²ΠΎΠ΄ΠΈΠΌΡΠΉ Honda, Π½ΠΎ ΡΠΎΠ»ΡΠΊΠΎ Π΄Π»Ρ Π³Π΅Π½Π΅ΡΠ°ΡΠΎΡΠ°, ΠΊΠΎΡΠΎΡΡΠΉ ΠΎΠ½ΠΈ Π½Π°Π·ΡΠ²Π°ΡΡ Β«Free WattΒ».
Β«ΠΠΎΠ·Π΄Π½Π΅Π΅ Π·Π°ΠΊΡΡΡΠΈΠ΅ Π²ΠΏΡΡΠΊΠ½ΠΎΠ³ΠΎ ΠΊΠ»Π°ΠΏΠ°Π½Π°Β» (LIVC) β ΡΡΠΎ ΠΊΠ»Π°ΠΏΠ°Π½Π½ΡΠΉ ΠΌΠ΅Ρ Π°Π½ΠΈΠ·ΠΌ ΠΈ ΡΠΈΡΡΠ΅ΠΌΠ° Π²ΠΏΡΡΠΊΠ°, ΠΊΠΎΡΠΎΡΠ°Ρ Π² Π½Π΅ΠΊΠΎΡΠΎΡΠΎΠΉ ΡΡΠ΅ΠΏΠ΅Π½ΠΈ ΠΈΠΌΠΈΡΠΈΡΡΠ΅Ρ ΡΠΎ, ΡΡΠΎ Π΄Π΅Π»Π°Π»Π° ΡΠΈΡΡΠ΅ΠΌΠ° ΠΡΠΊΠΈΠ½ΡΠΎΠ½Π°. LIVC ΠΈΡΠΏΠΎΠ»ΡΠ·ΡΠ΅ΡΡΡ Π²ΠΎ ΠΌΠ½ΠΎΠ³ΠΈΡ , Π½ΠΎ Π½Π΅ Π²ΠΎ Π²ΡΠ΅Ρ , Π³ΠΈΠ±ΡΠΈΠ΄Π½ΡΡ ΠΈ ΠΏΠΎΠ΄ΠΊΠ»ΡΡΠ°Π΅ΠΌΡΡ Π³ΠΈΠ±ΡΠΈΠ΄Π½ΡΡ ΠΌΠΎΠ΄Π΅Π»ΡΡ . LIVC ΡΠ°ΠΊΠΆΠ΅ ΠΈΡΠΏΠΎΠ»ΡΠ·ΡΠ΅ΡΡΡ Π² ΠΎΠ±ΡΡΠ½ΡΡ Π»Π΅Π³ΠΊΠΎΠ²ΡΡ ΠΈ Π³ΡΡΠ·ΠΎΠ²ΡΡ Π°Π²ΡΠΎΠΌΠΎΠ±ΠΈΠ»ΡΡ , Π½ΠΎ ΡΠΎΠ»ΡΠΊΠΎ Π½Π΅Π΄Π°Π²Π½ΠΎ.
ΠΠΎΠ³Π΄Π° Toyota ΡΠΎΠ·Π΄Π°Π²Π°Π»Π° Prius Π² Π½Π°ΡΠ°Π»Π΅ 1990-Ρ
, Ρ Π½ΠΈΡ
Π±ΡΠ»ΠΎ ΠΎΠ΄Π½ΠΎ Π±ΠΎΠ»ΡΡΠΎΠ΅ ΠΏΡΠ΅ΠΈΠΌΡΡΠ΅ΡΡΠ²ΠΎ, ΠΊΠΎΡΠΎΡΠΎΠ΅ ΠΏΠΎΠ·Π²ΠΎΠ»ΠΈΠ»ΠΎ ΠΈΠΌ ΡΠ°Π·ΡΠ°Π±ΠΎΡΠ°ΡΡ Π½ΠΎΠ²ΡΡ ΠΊΠΎΠ½ΡΠ΅ΠΏΡΠΈΡ, ΠΎΡΠ½ΠΎΠ²Π°Π½Π½ΡΡ Π½Π° ΡΡΠ°ΡΠΎΠΌ Π΄Π²ΠΈΠ³Π°ΡΠ΅Π»Π΅ Ρ ΡΠΈΠΊΠ»ΠΎΠΌ ΠΡΠΊΠΈΠ½ΡΠΎΠ½Π°. ΠΠ½ΠΈ ΡΠΏΡΠΎΠ΅ΠΊΡΠΈΡΠΎΠ²Π°Π»ΠΈ ΠΌΠΎΡΠ½ΡΠΉ ΡΠ»Π΅ΠΊΡΡΠΎΠ΄Π²ΠΈΠ³Π°ΡΠ΅Π»Ρ Π²Π½ΡΡΡΠΈ ΡΡΠ°Π½ΡΠΌΠΈΡΡΠΈΠΈ, ΡΡΠΎ ΠΏΠΎΠ·Π²ΠΎΠ»ΠΈΠ»ΠΎ ΠΈΡΠΏΠΎΠ»ΡΠ·ΠΎΠ²Π°ΡΡ ΠΌΠ°Π»ΠΎΠΌΠΎΠΌΠ΅Π½ΡΠ½ΡΠΉ ΠΠΠ‘ Ρ Π²ΡΡΠΎΠΊΠΎΠΌΠΎΠΌΠ΅Π½ΡΠ½ΡΠΌ ΡΠ»Π΅ΠΊΡΡΠΎΠ΄Π²ΠΈΠ³Π°ΡΠ΅Π»Π΅ΠΌ, ΠΎΠ±Π° ΠΈΠ· ΠΊΠΎΡΠΎΡΡΡ
ΠΏΡΠΈΠ²ΠΎΠ΄ΠΈΠ»ΠΈ Π² Π΄Π²ΠΈΠΆΠ΅Π½ΠΈΠ΅ ΠΊΠΎΠ»Π΅ΡΠ°.
ΠΡΠΎ Π±ΡΠ» ΠΏΠ΅ΡΠ²ΡΠΉ ΡΠΎΠ²ΡΠ΅ΠΌΠ΅Π½Π½ΡΠΉ Π³ΠΈΠ±ΡΠΈΠ΄, ΡΠΎΠ·Π΄Π°Π½Π½ΡΠΉ Π΄Π»Ρ ΠΌΠ°ΡΡΠΎΠ²ΠΎΠ³ΠΎ ΠΏΡΠΎΠΈΠ·Π²ΠΎΠ΄ΡΡΠ²Π°. Π Π―ΠΏΠΎΠ½ΠΈΠΈ ΠΎΠ½ Π±ΡΠ» ΠΏΡΠΎΠ΄Π°Π½ Π² Π΄Π΅ΠΊΠ°Π±ΡΠ΅ 1997 Π³ΠΎΠ΄Π°. Π ΠΠΌΠ΅ΡΠΈΠΊΡ Prius ΠΏΠΎΠΏΠ°Π» Π»Π΅ΡΠΎΠΌ 2000 Π³ΠΎΠ΄Π°.
LIVC ΠΏΡΠΎΡΡ Π² ΡΠΊΡΠΏΠ»ΡΠ°ΡΠ°ΡΠΈΠΈ. ΠΡΠΎ Π²ΡΠ΅Π³Π΄Π° Π΄Π²ΠΈΠ³Π°ΡΠ΅Π»Ρ Ρ Π΄Π²ΡΠΌΡ ΡΠ°ΡΠΏΡΠ΅Π΄Π²Π°Π»Π°ΠΌΠΈ, ΠΏΠΎΡΠΊΠΎΠ»ΡΠΊΡ Π΅ΠΌΡ Π½Π΅ΠΎΠ±Ρ ΠΎΠ΄ΠΈΠΌΠΎ ΠΈΠ·ΠΌΠ΅Π½ΡΡΡ ΡΠΈΠ½Ρ ΡΠΎΠ½ΠΈΠ·Π°ΡΠΈΡ Π²ΠΏΡΡΠΊΠ½ΡΡ ΠΊΠ»Π°ΠΏΠ°Π½ΠΎΠ². ΠΡΠΈ ΠΈΡΠΏΠΎΠ»ΡΠ·ΠΎΠ²Π°Π½ΠΈΠΈ Π² Π°Π²ΡΠΎΠΌΠΎΠ±ΠΈΠ»ΡΡ Toyota/Lexus ΡΠΈΠ½Ρ ΡΠΎΠ½ΠΈΠ·Π°ΡΠΈΡ ΠΎΡΠΊΡΡΡΠΈΡ ΠΈ Π·Π°ΠΊΡΡΡΠΈΡ Π²ΠΏΡΡΠΊΠ½ΡΡ ΠΊΠ»Π°ΠΏΠ°Π½ΠΎΠ² ΠΊΠΎΠ½ΡΡΠΎΠ»ΠΈΡΡΠ΅ΡΡΡ ΡΠ°Π·ΡΠ°Π±ΠΎΡΠ°Π½Π½ΠΎΠΉ Toyota ΡΠΈΡΡΠ΅ΠΌΠΎΠΉ VVT-i.
ΠΠΎ Π²ΡΠ΅ΠΌΡ ΡΠ°ΠΊΡΠ° ΡΠΆΠ°ΡΠΈΡ Π²ΠΏΡΡΠΊΠ½ΠΎΠΉ ΠΊΠ»Π°ΠΏΠ°Π½ ΠΎΡΡΠ°Π΅ΡΡΡ ΠΎΡΠΊΡΡΡΡΠΌ, ΠΈ ΡΠΆΠ°ΡΠΈΠ΅ Π½Π΅ ΠΏΡΠΎΠΈΡΡ
ΠΎΠ΄ΠΈΡ Π΄ΠΎ ΡΠ΅Ρ
ΠΏΠΎΡ, ΠΏΠΎΠΊΠ° Π²ΠΏΡΡΠΊΠ½ΠΎΠΉ ΠΊΠ»Π°ΠΏΠ°Π½ Π½Π΅ Π·Π°ΠΊΡΠΎΠ΅ΡΡΡ. Π‘ΠΌΠ΅ΡΡ Π²ΡΡΠ°Π»ΠΊΠΈΠ²Π°Π΅ΡΡΡ ΠΎΠ±ΡΠ°ΡΠ½ΠΎ Π²ΠΎ Π²ΠΏΡΡΠΊΠ½ΠΎΠΉ ΠΊΠΎΠ»Π»Π΅ΠΊΡΠΎΡ, ΠΏΠΎΡΡΠΎΠΌΡ Π²Ρ Π·Π°ΠΌΠ΅ΡΠΈΡΠ΅, ΡΡΠΎ Π²ΠΏΡΡΠΊΠ½ΠΎΠΉ ΠΊΠΎΠ»Π»Π΅ΠΊΡΠΎΡ ΠΈΠΌΠ΅Π΅Ρ ΠΊΠ°ΠΌΠ΅ΡΡ ΠΈΠ»ΠΈ ΡΠΈΠ»ΡΡΠΎΠ½, Π²ΡΡΡΠΎΠ΅Π½Π½ΡΠΉ Π² Π½Π΅Π³ΠΎ, ΡΡΠΎ ΠΏΠΎΠ·Π²ΠΎΠ»ΡΠ΅Ρ ΡΠΌΠ΅ΡΠΈ ΡΠΎΠ±ΠΈΡΠ°ΡΡΡΡ. Π ΠΊΠ°ΠΊΠΎΠΉ-ΡΠΎ ΠΌΠΎΠΌΠ΅Π½Ρ ΡΠ°ΠΊΡΠ° ΡΠΆΠ°ΡΠΈΡ Π²ΠΏΡΡΠΊΠ½ΠΎΠΉ ΠΊΠ»Π°ΠΏΠ°Π½ Π² ΠΊΠΎΠ½ΡΠ΅ ΠΊΠΎΠ½ΡΠΎΠ² Π·Π°ΠΊΡΠΎΠ΅ΡΡΡ, ΠΈ ΡΠΎΠ³Π΄Π° ΡΠΌΠ΅ΡΡ Π½Π°ΡΠ½Π΅Ρ ΡΠΆΠΈΠΌΠ°ΡΡΡΡ. ΠΠΎ Π²ΡΠ΅ΠΌΡ ΡΡΠΎΠ³ΠΎ ΡΠ°ΠΊΡΠ° ΡΠΆΠ°ΡΠΈΡ ΡΠ°ΡΡΡ ΡΠΌΠ΅ΡΠΈ ΠΏΠ΅ΡΠ΅ΠΌΠ΅ΡΠ°Π΅ΡΡΡ Π²ΠΎ Π²ΠΏΡΡΠΊΠ½ΠΎΠΉ ΠΊΠΎΠ»Π»Π΅ΠΊΡΠΎΡ, ΡΡΠΎΠ±Ρ ΡΠΌΠ΅Π½ΡΡΠΈΡΡ Π½Π°ΡΠΎΡΠ½ΡΠ΅ ΠΏΠΎΡΠ΅ΡΠΈ. ΠΠ°ΡΠΎΡΠ½ΡΠ΅ ΠΏΠΎΡΠ΅ΡΠΈ ΠΏΡΠ΅Π΄ΡΡΠ°Π²Π»ΡΡΡ ΡΠΎΠ±ΠΎΠΉ ΠΏΠΎΡΠ΅ΡΡ ΠΌΠΎΡΠ½ΠΎΡΡΠΈ ΠΏΡΠΈ Π²ΡΠ°ΡΠ΅Π½ΠΈΠΈ Π΄Π²ΠΈΠ³Π°ΡΠ΅Π»Ρ Π² ΠΏΠ΅ΡΠΈΠΎΠ΄Ρ Π²ΡΡΠΎΠΊΠΎΠ³ΠΎ Π²Π°ΠΊΡΡΠΌΠ°.
LIVC ΠΈΠ·ΠΌΠ΅Π½ΡΠ΅Ρ ΠΎΠ±ΡΠ΅ΠΌ ΠΈΠ»ΠΈ ΡΠ°Π±ΠΎΡΠΈΠΉ ΠΎΠ±ΡΠ΅ΠΌ ΡΠΈΠ»ΠΈΠ½Π΄ΡΠ°, Π° ΡΠ°ΠΊΠΆΠ΅ ΠΏΠΎΠ΄Π°Π΅Ρ ΡΠΎΠΏΠ»ΠΈΠ²ΠΎ ΠΈ Π²ΠΎΠ·Π΄ΡΡ
Π΄Π»Ρ ΡΠ»Π΅Π΄ΡΡΡΠ΅Π³ΠΎ ΡΠΈΠ»ΠΈΠ½Π΄ΡΠ° Π² ΠΏΠΎΡΡΠ΄ΠΊΠ΅ Π·Π°ΠΏΡΡΠΊΠ°.
ΠΡΠΈ Π΄Π²ΠΈΠ³Π°ΡΠ΅Π»ΠΈ ΠΈΠΌΠ΅ΡΡ Π²ΡΡΠΎΠΊΡΡ ΡΡΠ΅ΠΏΠ΅Π½Ρ ΡΠΆΠ°ΡΠΈΡ, Π½ΠΎ ΡΠ°Π±ΠΎΡΠ°ΡΡ Ρ Π½ΠΈΠ·ΠΊΠΎΠΉ ΡΡΠ΅ΠΏΠ΅Π½ΡΡ ΡΠΆΠ°ΡΠΈΡ. ΠΠ½ΠΈ Π»ΡΡΡΠ΅ Π²ΡΠ΅Π³ΠΎ ΡΠ°Π±ΠΎΡΠ°ΡΡ Ρ Π½ΠΈΠ·ΠΊΠΎΠΎΠΊΡΠ°Π½ΠΎΠ²ΡΠΌ ΡΠΎΠΏΠ»ΠΈΠ²ΠΎΠΌ, ΡΡΠΎ Π½Π΅ Ρ
Π°ΡΠ°ΠΊΡΠ΅ΡΠ½ΠΎ Π΄Π»Ρ Π΄Π²ΠΈΠ³Π°ΡΠ΅Π»Π΅ΠΉ Ρ Π²ΡΡΠΎΠΊΠΎΠΉ ΡΡΠ΅ΠΏΠ΅Π½ΡΡ ΡΠΆΠ°ΡΠΈΡ. ΠΠ²ΠΈΠ³Π°ΡΠ΅Π»Ρ LIVC ΠΎΠ±Π΅ΡΠΏΠ΅ΡΠΈΠ²Π°Π΅Ρ Π±ΠΎΠ»Π΅Π΅ ΡΡΡΠ΅ΠΊΡΠΈΠ²Π½ΡΡ ΡΠ°Π±ΠΎΡΡ, Π½ΠΎ ΠΎΠ±ΡΠ°Ρ ΠΌΠΎΡΠ½ΠΎΡΡΡ Π΄Π²ΠΈΠ³Π°ΡΠ΅Π»Ρ Π±ΡΠ»Π° ΡΠ½ΠΈΠΆΠ΅Π½Π°. ΠΠΠ‘ ΡΠ°Π±ΠΎΡΠ°Π΅Ρ Ρ Π½ΠΎΡΠΌΠ°Π»ΡΠ½ΡΠΌ ΡΠ°Π±ΠΎΡΠΈΠΌ ΠΎΠ±ΡΠ΅ΠΌΠΎΠΌ, ΠΊΠΎΠ³Π΄Π° Π²ΠΏΡΡΠΊΠ½ΡΠ΅ ΠΊΠ»Π°ΠΏΠ°Π½Ρ Π·Π°ΠΊΡΡΠ²Π°ΡΡΡΡ ΡΠ°Π½ΡΡΠ΅. ΠΡΠΎ Π΄Π΅ΠΉΡΡΠ²ΠΈΠ΅ ΠΎΠ±Π΅ΡΠΏΠ΅ΡΠΈΠ²Π°Π΅Ρ Π±ΠΎΠ»ΡΡΡΡ Π²ΡΡ
ΠΎΠ΄Π½ΡΡ ΠΌΠΎΡΠ½ΠΎΡΡΡ. ΠΠΎΡΠΊΠΎΠ»ΡΠΊΡ ΡΠΈΡΡΠ΅ΠΌΠ° VVT-i ΡΠ΅Π°Π³ΠΈΡΡΠ΅Ρ Π½Π° ΡΡΠ»ΠΎΠ²ΠΈΡ ΡΠΊΡΠΏΠ»ΡΠ°ΡΠ°ΡΠΈΠΈ, ΡΠ°Π±ΠΎΡΠΈΠΉ ΠΎΠ±ΡΠ΅ΠΌ Π΄Π²ΠΈΠ³Π°ΡΠ΅Π»Ρ ΡΠΎΠΎΡΠ²Π΅ΡΡΡΠ²Π΅Π½Π½ΠΎ ΠΈΠ·ΠΌΠ΅Π½ΡΠ΅ΡΡΡ. Π‘ΠΈΡΡΠ΅ΠΌΠ° VVT-i ΡΠΏΡΠ°Π²Π»ΡΠ΅ΡΡΡ ΠΌΠΎΠ΄ΡΠ»Π΅ΠΌ ΡΠΏΡΠ°Π²Π»Π΅Π½ΠΈΡ ΡΡΠ°Π½ΡΠΌΠΈΡΡΠΈΠ΅ΠΉ (PCM), ΠΈ Ρ ΠΏΠΎΠΌΠΎΡΡΡ ΡΡΠΎΠ³ΠΎ ΡΠΏΡΠ°Π²Π»Π΅Π½ΠΈΡ Π²ΠΏΡΡΠΊΠ½ΠΎΠΉ ΠΊΠ»Π°ΠΏΠ°Π½ (ΠΊΠ»Π°ΠΏΠ°Π½Ρ) ΠΌΠΎΠΆΠ΅Ρ Π±ΡΡΡΡΠΎ ΠΌΠ΅Π½ΡΡΡΡΡ (Π² ΠΏΡΠ΅Π΄Π΅Π»Π°Ρ
40 Π³ΡΠ°Π΄ΡΡΠΎΠ² ΠΈΠ»ΠΈ Π±ΠΎΠ»Π΅Π΅), Π² Π·Π°Π²ΠΈΡΠΈΠΌΠΎΡΡΠΈ ΠΎΡ ΠΌΠΎΠ΄Π΅Π»ΠΈ. PCM ΡΠ΅Π³ΡΠ»ΠΈΡΡΠ΅Ρ ΡΠ°Π·Ρ Π³Π°Π·ΠΎΡΠ°ΡΠΏΡΠ΅Π΄Π΅Π»Π΅Π½ΠΈΡ Π² ΡΠΎΠΎΡΠ²Π΅ΡΡΡΠ²ΠΈΠΈ Ρ ΡΠ°ΡΡΠΎΡΠΎΠΉ Π²ΡΠ°ΡΠ΅Π½ΠΈΡ Π΄Π²ΠΈΠ³Π°ΡΠ΅Π»Ρ, ΠΎΠ±ΡΠ΅ΠΌΠΎΠΌ Π²ΡΠ°ΡΡΠ²Π°Π΅ΠΌΠΎΠ³ΠΎ Π²ΠΎΠ·Π΄ΡΡ
Π°, ΠΏΠΎΠ»ΠΎΠΆΠ΅Π½ΠΈΠ΅ΠΌ Π΄ΡΠΎΡΡΠ΅Π»ΡΠ½ΠΎΠΉ Π·Π°ΡΠ»ΠΎΠ½ΠΊΠΈ, Π½Π°Π³ΡΡΠ·ΠΊΠΎΠΉ ΠΈ ΡΠ΅ΠΌΠΏΠ΅ΡΠ°ΡΡΡΠΎΠΉ Π²ΠΎΠ΄Ρ.
Π ΠΎΡΠ²Π΅Ρ Π½Π° ΡΡΠΈ Π²Ρ
ΠΎΠ΄Π½ΡΠ΅ Π΄Π°Π½Π½ΡΠ΅ PCM ΠΎΡΠΏΡΠ°Π²Π»ΡΠ΅Ρ ΠΊΠΎΠΌΠ°Π½Π΄Ρ Π½Π° ΠΊΠ»Π°ΠΏΠ°Π½ ΡΠΏΡΠ°Π²Π»Π΅Π½ΠΈΡ ΡΠ°Π·ΠΎΠΉ Π³Π°Π·ΠΎΡΠ°ΡΠΏΡΠ΅Π΄Π΅Π»Π΅Π½ΠΈΡ (OCV).
ΠΠΎΠ½ΡΡΠΎΠ»Π»Π΅Ρ VVT-i ΡΠ°ΡΠΏΠΎΠ»ΠΎΠΆΠ΅Π½ Π½Π° ΠΊΠΎΠ½ΡΠ΅ Π²ΠΏΡΡΠΊΠ½ΠΎΠ³ΠΎ ΡΠ°ΡΠΏΡΠ΅Π΄Π΅Π»ΠΈΡΠ΅Π»ΡΠ½ΠΎΠ³ΠΎ Π²Π°Π»Π°. PCM ΠΊΠΎΠ½ΡΡΠΎΠ»ΠΈΡΡΠ΅Ρ Π΄Π°Π²Π»Π΅Π½ΠΈΠ΅ ΠΌΠ°ΡΠ»Π°, ΠΎΡΠΏΡΠ°Π²Π»ΡΠ΅ΠΌΠΎΠ΅ Π½Π° ΠΊΠΎΠ½ΡΡΠΎΠ»Π»Π΅Ρ. ΠΠ·ΠΌΠ΅Π½Π΅Π½ΠΈΠ΅ Π΄Π°Π²Π»Π΅Π½ΠΈΡ ΠΌΠ°ΡΠ»Π° ΠΈΠ·ΠΌΠ΅Π½ΡΠ΅Ρ ΠΏΠΎΠ»ΠΎΠΆΠ΅Π½ΠΈΠ΅ ΡΠ°ΡΠΏΡΠ΅Π΄Π΅Π»ΠΈΡΠ΅Π»ΡΠ½ΠΎΠ³ΠΎ Π²Π°Π»Π° ΠΈ ΡΠΈΠ½Ρ ΡΠΎΠ½ΠΈΠ·Π°ΡΠΈΡ ΠΊΠ»Π°ΠΏΠ°Π½ΠΎΠ². Π€ΠΈΠΊΡΠ°ΡΠΈΡ ΡΠ°ΡΠΏΡΠ΅Π΄Π΅Π»ΠΈΡΠ΅Π»ΡΠ½ΠΎΠ³ΠΎ Π²Π°Π»Π° OCV ΡΠΏΡΠ°Π²Π»ΡΠ΅ΡΡΡ ΠΊΠΎΠΌΠΏΡΡΡΠ΅ΡΠΎΠΌ PCM Π΄Π»Ρ ΠΎΠΏΠ΅ΡΠ΅ΠΆΠ΅Π½ΠΈΡ ΠΈΠ»ΠΈ Π·Π°ΠΌΠ΅Π΄Π»Π΅Π½ΠΈΡ ΡΠ°Π· Π³Π°Π·ΠΎΡΠ°ΡΠΏΡΠ΅Π΄Π΅Π»Π΅Π½ΠΈΡ Π²ΠΏΡΡΠΊΠ½ΡΡ ΠΊΠ»Π°ΠΏΠ°Π½ΠΎΠ².
ΠΠ°ΠΊ ΡΠΏΠΎΠΌΠΈΠ½Π°Π»ΠΎΡΡ ΡΠ°Π½Π΅Π΅, ΠΌΠΎΡΠ½ΡΠΉ ΡΠ»Π΅ΠΊΡΡΠΎΠ΄Π²ΠΈΠ³Π°ΡΠ΅Π»Ρ Ρ Π²ΡΡΠΎΠΊΠΈΠΌ ΠΊΡΡΡΡΡΠΈΠΌ ΠΌΠΎΠΌΠ΅Π½ΡΠΎΠΌ Π±ΠΎΠ»Π΅Π΅ ΡΠ΅ΠΌ ΠΊΠΎΠΌΠΏΠ΅Π½ΡΠΈΡΡΠ΅Ρ ΠΏΠΎΡΠ΅ΡΡ ΠΌΠΎΡΠ½ΠΎΡΡΠΈ Π΄Π²ΠΈΠ³Π°ΡΠ΅Π»Ρ LIVC. ΠΠΎΠ³Π΄Π° Π²Ρ ΡΠΈΠ»ΡΠ½ΠΎ Π½Π°ΠΆΠΈΠΌΠ°Π΅ΡΠ΅ Π½Π° Β«ΠΏΠ΅Π΄Π°Π»Ρ Ρ
ΠΎΠ΄Π°Β» (ΡΡΠΎ ΡΠΆΠ΅ Π½Π΅ ΠΏΡΠΎΡΡΠΎ ΠΏΠ΅Π΄Π°Π»Ρ Π³Π°Π·Π°), PCM ΠΎΡΡΡΠ°Π΅Ρ ΠΏΠΎΡΡΠ΅Π±Π½ΠΎΡΡΡ Π² Π±ΠΎΠ»ΡΡΠ΅ΠΉ ΠΌΠΎΡΠ½ΠΎΡΡΠΈ, ΠΈ ΠΊ ΠΎΠ±ΡΠ΅ΠΉ Π²ΡΡ
ΠΎΠ΄Π½ΠΎΠΉ ΠΌΠΎΡΠ½ΠΎΡΡΠΈ ΡΡΠ°Π½ΡΠΌΠΈΡΡΠΈΠΈ Π΄ΠΎΠ±Π°Π²Π»ΡΡΡΡΡ ΠΊΠ°ΠΊ ΠΠΠ‘, ΡΠ°ΠΊ ΠΈ ΠΎΠ΄ΠΈΠ½ ΠΈΠ»ΠΈ Π½Π΅ΡΠΊΠΎΠ»ΡΠΊΠΎ ΡΠ»Π΅ΠΊΡΡΠΎΠ΄Π²ΠΈΠ³Π°ΡΠ΅Π»Π΅ΠΉ. ΠΠ΅Π±ΠΎΠ»ΡΡΠΎΠΉ ΠΠΠ‘ ΠΌΠΎΠΆΠ΅Ρ Π΄Π΅ΠΉΡΡΠ²ΠΎΠ²Π°ΡΡ ΠΊΠ°ΠΊ Π³ΠΎΡΠ°Π·Π΄ΠΎ Π±ΠΎΠ»ΡΡΠΈΠΉ, Π±Π΅Π· ΠΏΠΎΡΡΠΎΡΠ½Π½ΠΎΠΉ ΠΏΠΎΡΡΠ΅Π±Π½ΠΎΡΡΠΈ Π²ΠΎ Π²ΡΠ΅ΠΉ ΡΡΠΎΠΉ ΠΌΠΎΡΠ½ΠΎΡΡΠΈ. ΠΡΠΎ ΠΎΠ΄ΠΈΠ½ ΠΈΠ· ΠΌΠ½ΠΎΠ³ΠΈΡ
ΡΠΏΠΎΡΠΎΠ±ΠΎΠ², ΠΊΠΎΡΠΎΡΡΠΌΠΈ Π³ΠΈΠ±ΡΠΈΠ΄ ΠΌΠΎΠΆΠ΅Ρ Π·Π½Π°ΡΠΈΡΠ΅Π»ΡΠ½ΠΎ ΡΠ»ΡΡΡΠΈΡΡ ΡΠΊΠΎΠ½ΠΎΠΌΠΈΡ ΡΠΎΠΏΠ»ΠΈΠ²Π° ΠΈ ΠΏΡΠΈ ΡΡΠΎΠΌ Ρ
ΠΎΡΠΎΡΠΎ ΡΠ°Π±ΠΎΡΠ°ΡΡ.
ΠΠ°ΠΊ Π±ΡΠ»ΠΎ ΡΠΊΠ°Π·Π°Π½ΠΎ Π²ΡΡΠ΅, Π±ΠΎΠ»ΡΡΠΎΠ΅ ΠΈΠ·ΠΌΠ΅Π½Π΅Π½ΠΈΠ΅ Π² ΠΠΠ‘ ΡΠ²ΡΠ·Π°Π½ΠΎ Ρ ΠΊΠ»Π°ΠΏΠ°Π½Π½ΡΠΌ ΠΌΠ΅Ρ
Π°Π½ΠΈΠ·ΠΌΠΎΠΌ. ΠΡΠ»Π°ΡΠΎΠΊ ΡΠ°ΡΠΏΡΠ΅Π΄Π΅Π»ΠΈΡΠ΅Π»ΡΠ½ΠΎΠ³ΠΎ Π²Π°Π»Π° Π³ΠΎΡΠ°Π·Π΄ΠΎ Π±ΠΎΠ»Π΅Π΅ ΠΎΠΊΡΡΠ³Π»ΡΠΉ. ΠΠ° Π±ΠΎΠ»ΡΡΠΈΠ½ΡΡΠ²Π΅ Π³ΠΈΠ±ΡΠΈΠ΄ΠΎΠ² ΡΠ°ΡΠΏΡΠΎΡΡΡΠ°Π½Π΅Π½Π° ΡΠ°Π·ΠΈΡΠΎΠ²ΠΊΠ° Π²ΠΏΡΡΠΊΠ½ΠΎΠ³ΠΎ ΡΠ°ΡΠΏΡΠ΅Π΄Π΅Π»ΠΈΡΠ΅Π»ΡΠ½ΠΎΠ³ΠΎ Π²Π°Π»Π°. ΠΠΎΠΌΠ΅Π½Ρ Π·Π°ΠΊΡΡΡΠΈΡ Π²ΠΏΡΡΠΊΠ½ΠΎΠ³ΠΎ ΠΊΠ»Π°ΠΏΠ°Π½Π° ΠΎΠΏΡΠ΅Π΄Π΅Π»ΡΠ΅Ρ ΡΡΡΠ΅ΠΊΡΠΈΠ²Π½ΡΡ ΠΊΠΎΠΌΠΏΡΠ΅ΡΡΠΈΡ. ΠΠΎ ΠΌΠ½ΠΎΠ³ΠΈΡ
ΡΡΠ»ΠΎΠ²ΠΈΡΡ
Π²ΠΎΠΆΠ΄Π΅Π½ΠΈΡ ΠΆΠ΅Π»Π°ΡΠ΅Π»ΡΠ½Π° Π½ΠΈΠ·ΠΊΠ°Ρ Π²ΡΡ
ΠΎΠ΄Π½Π°Ρ ΠΌΠΎΡΠ½ΠΎΡΡΡ. ΠΡΠ»ΠΈ Ρ Π²Π°Ρ Π±ΠΎΠ»ΡΡΠ΅ ΠΌΠΎΡΠ½ΠΎΡΡΠΈ, ΡΠ΅ΠΌ Π½Π΅ΠΎΠ±Ρ
ΠΎΠ΄ΠΈΠΌΠΎ, ΡΠ°ΡΡ
ΠΎΠ΄ ΡΠΎΠΏΠ»ΠΈΠ²Π° Π²ΡΡΠ΅ Π±Π΅Π· ΠΏΡΠΈΡΠΎΡΡΠ°. ΠΡΡΠΎΠ΄ΠΈΠ½Π°ΠΌΠΈΡΠ΅ΡΠΊΠΈΠΉ Π°Π²ΡΠΎΠΌΠΎΠ±ΠΈΠ»Ρ Ρ ΠΌΠ°Π»ΡΠΌ Π²Π΅ΡΠΎΠΌ ΠΈ ΠΊΠΎΠΌΠΏΠΎΠ½Π΅Π½ΡΠ°ΠΌΠΈ Ρ Π½ΠΈΠ·ΠΊΠΈΠΌ ΠΊΠΎΡΡΡΠΈΡΠΈΠ΅Π½ΡΠΎΠΌ ΡΡΠ΅Π½ΠΈΡ ΠΏΠΎΠΌΠΎΠΆΠ΅Ρ Π²Π°ΠΌ ΠΏΠΎΠ»ΡΡΠΈΡΡ ΡΠΎ ΠΆΠ΅ ΡΠ°ΠΌΠΎΠ΅, ΡΡΠΎ ΠΈ ΠΆΠΈΠ΄ΠΊΠΎΠ΅ ΡΠΎΠΏΠ»ΠΈΠ²ΠΎ. Π‘ΡΡΠ΅ΡΡΠ²ΡΠ΅Ρ Π±ΠΎΠ»ΡΡΠ΅, ΡΠ΅ΠΌ ΠΏΡΠΎΡΡΠΎ LIVC, ΠΊΠΎΡΠΎΡΡΠΉ ΠΌΠΎΠΆΠ΅Ρ ΡΠΏΠΎΡΠΎΠ±ΡΡΠ²ΠΎΠ²Π°ΡΡ Π±ΠΎΠ»Π΅Π΅ ΡΠΊΠΎΠ½ΠΎΠΌΠΈΡΠ½ΠΎΠΌΡ ΠΏΡΠΎΡΠ΅ΡΡΡ ΡΠ³ΠΎΡΠ°Π½ΠΈΡ, Π½ΠΎ Π΅ΡΠ»ΠΈ ΠΠΠ‘ ΠΌΠΎΠΆΠ΅Ρ ΡΠ°Π±ΠΎΡΠ°ΡΡ ΠΌΠ΅Π½ΡΡΠ΅, ΡΠ°ΡΡ
ΠΎΠ΄ ΡΠΎΠΏΠ»ΠΈΠ²Π° Π±ΡΠ΄Π΅Ρ Π»ΡΡΡΠ΅. Π Π°ΡΠΏΡΠ΅Π΄Π΅Π»ΠΈΡΠ΅Π»ΡΠ½ΡΠΉ Π²Π°Π» OCV ΡΠ°Π±ΠΎΡΠ°Π΅Ρ Π² ΡΠΈΡΡΠ΅ΠΌΠ΅ VVT-i ΠΈ ΠΌΠΎΠΆΠ΅Ρ ΠΎΠΏΠ΅ΡΠ΅ΠΆΠ°ΡΡ, Π·Π°ΠΌΠ΅Π΄Π»ΡΡΡ ΠΈΠ»ΠΈ ΡΠ΄Π΅ΡΠΆΠΈΠ²Π°ΡΡ ΡΠΈΠ½Ρ
ΡΠΎΠ½ΠΈΠ·Π°ΡΠΈΡ ΠΊΡΠ»Π°ΡΠΊΠ°. Π Π°ΡΠΏΡΠ΅Π΄Π²Π°Π» Π²ΠΏΡΡΠΊΠ½ΡΡ
ΠΊΠ»Π°ΠΏΠ°Π½ΠΎΠ² ΠΌΠΎΠΆΠ΅Ρ Π²ΡΠ°ΡΠ°ΡΡΡΡ ΠΏΠΎΠ΄ Π΄Π°Π²Π»Π΅Π½ΠΈΠ΅ΠΌ ΠΌΠ°ΡΠ»Π°. ΠΠ»Ρ ΠΎΠΏΠ΅ΡΠ΅ΠΆΠ΅Π½ΠΈΡ ΡΠ°Π· Π³Π°Π·ΠΎΡΠ°ΡΠΏΡΠ΅Π΄Π΅Π»Π΅Π½ΠΈΡ Π²Ρ Π΄ΠΎΠ±Π°Π²Π»ΡΠ΅ΡΠ΅ Π΄Π°Π²Π»Π΅Π½ΠΈΠ΅ ΠΌΠ°ΡΠ»Π° Π² Π±ΠΎΠΊΠΎΠ²ΡΡ ΠΊΠ°ΠΌΠ΅ΡΡ Π»ΠΎΠΏΠ°ΡΡΠΈ ΠΎΠΏΠ΅ΡΠ΅ΠΆΠ΅Π½ΠΈΡ Π³Π°Π·ΠΎΡΠ°ΡΠΏΡΠ΅Π΄Π΅Π»Π΅Π½ΠΈΡ.
ΠΡΠΈ ΠΏΠ΅ΡΠ΅ΠΌΠ΅ΡΠ΅Π½ΠΈΠΈ OCV Π΄Π°Π²Π»Π΅Π½ΠΈΠ΅ ΠΌΠ°ΡΠ»Π° ΠΏΠΎΠ΄Π°Π΅ΡΡΡ Π½Π° Π±ΠΎΠΊΠΎΠ²ΡΡ ΠΊΠ°ΠΌΠ΅ΡΡ Π»ΠΎΠΏΠ°ΡΡΠΈ, Π·Π°ΠΌΠ΅Π΄Π»ΡΡΡΡΡ ΡΠΈΠ½Ρ
ΡΠΎΠ½ΠΈΠ·Π°ΡΠΈΡ, ΠΈ ΡΠΈΠ½Ρ
ΡΠΎΠ½ΠΈΠ·Π°ΡΠΈΡ Π·Π°ΠΌΠ΅Π΄Π»ΡΠ΅ΡΡΡ. PCM ΠΏΠΎΡΡΠΎΡΠ½Π½ΠΎ ΡΠ°ΡΡΡΠΈΡΡΠ²Π°Π΅Ρ, Π² ΠΊΠ°ΠΊΠΎΠΌ ΠΏΠΎΠ»ΠΎΠΆΠ΅Π½ΠΈΠΈ Π΄ΠΎΠ»ΠΆΠ΅Π½ Π½Π°Ρ
ΠΎΠ΄ΠΈΡΡΡΡ Π²ΠΏΡΡΠΊΠ½ΠΎΠΉ ΡΠ°ΡΠΏΡΠ΅Π΄Π΅Π»ΠΈΡΠ΅Π»ΡΠ½ΡΠΉ Π²Π°Π», ΠΈ ΡΠΎΠΎΡΠ²Π΅ΡΡΡΠ²ΡΡΡΠΈΠΌ ΠΎΠ±ΡΠ°Π·ΠΎΠΌ ΡΠ΅Π³ΡΠ»ΠΈΡΡΠ΅Ρ Π΄Π°Π²Π»Π΅Π½ΠΈΠ΅ ΠΌΠ°ΡΠ»Π°.
ΠΠΎΠΌΠΈΠΌΠΎ ΡΠΏΡΠ°Π²Π»Π΅Π½ΠΈΡ ΡΠΈΡΡΠ΅ΠΌΠΎΠΉ VVT-i, PCM Π°Π²ΡΠΎΠΌΠΎΠ±ΠΈΠ»Ρ ΡΠ°ΠΊΠΆΠ΅ ΡΠΏΡΠ°Π²Π»ΡΠ΅Ρ ΠΎΠΏΠ΅ΡΠ΅ΠΆΠ΅Π½ΠΈΠ΅ΠΌ Π²ΠΏΡΡΡΠΊΠ° ΡΠΎΠΏΠ»ΠΈΠ²Π° ΠΈ ΡΠΈΡΡΠ΅ΠΌΠΎΠΉ Π·Π°ΠΆΠΈΠ³Π°Π½ΠΈΡ. ΠΡ ΠΎΠ΄Π½ΡΠ΅ Π΄Π°Π½Π½ΡΠ΅ ΠΎΡ ΠΌΠ½ΠΎΠ³ΠΎΡΠΈΡΠ»Π΅Π½Π½ΡΡ Π΄Π°ΡΡΠΈΠΊΠΎΠ² ΠΈΡΠΏΠΎΠ»ΡΠ·ΡΡΡΡΡ Π΄Π»Ρ ΠΎΠΏΡΠΈΠΌΠΈΠ·Π°ΡΠΈΠΈ ΠΠΠ‘ Ρ ΡΠ΅Π»ΡΡ ΠΎΠ±Π΅ΡΠΏΠ΅ΡΠ΅Π½ΠΈΡ ΠΌΠ°ΠΊΡΠΈΠΌΠ°Π»ΡΠ½ΠΎΠΉ ΡΠΊΠΎΠ½ΠΎΠΌΠΈΠΈ ΡΠΎΠΏΠ»ΠΈΠ²Π°.
ΠΠ΅ΠΆΠ΄Ρ ΠΏΠ΅Π΄Π°Π»ΡΡ Π°ΠΊΡΠ΅Π»Π΅ΡΠ°ΡΠΎΡΠ° ΠΈ Π΄ΡΠΎΡΡΠ΅Π»ΡΠ½ΠΎΠΉ Π·Π°ΡΠ»ΠΎΠ½ΠΊΠΎΠΉ Π½Π΅Ρ ΡΡΠΎΡΠ°, ΡΠ°ΠΊ ΠΊΠ°ΠΊ Π±Π΅ΡΡΡΡΠΏΠ΅Π½ΡΠ°ΡΠ°Ρ ΡΡΠ°Π½ΡΠΌΠΈΡΡΠΈΡ ΡΡΠ΅Π±ΡΠ΅Ρ ΡΠΎΡΠ½ΠΎΠ³ΠΎ ΡΠΏΡΠ°Π²Π»Π΅Π½ΠΈΡ Π²ΠΎΠ΄ΠΈΠ»ΠΎΠΌ Π²Π½ΡΡΡΠΈ ΠΏΠ»Π°Π½Π΅ΡΠ°ΡΠ½ΠΎΠΉ ΠΏΠ΅ΡΠ΅Π΄Π°ΡΠΈ. ΠΡΠ»ΠΈ Π΄ΡΠΎΡΡΠ΅Π»ΡΠ½Π°Ρ Π·Π°ΡΠ»ΠΎΠ½ΠΊΠ° Π½Π° Π³ΠΈΠ±ΡΠΈΠ΄Π΅ Toyota ΠΈΠ»ΠΈ Ford Π½Π΅ ΠΌΠΎΠΆΠ΅Ρ ΠΈΠ΄Π΅Π°Π»ΡΠ½ΠΎ ΠΊΠΎΠ½ΡΡΠΎΠ»ΠΈΡΠΎΠ²Π°ΡΡΡΡ, ΡΡΠΎ ΠΌΠΎΠΆΠ΅Ρ ΠΏΡΠΈΠ²Π΅ΡΡΠΈ ΠΊ ΡΠ΅ΡΡΠ΅Π·Π½ΠΎΠΌΡ ΠΏΠΎΠ²ΡΠ΅ΠΆΠ΄Π΅Π½ΠΈΡ ΡΡΠ°Π½ΡΠΌΠΈΡΡΠΈΠΈ. PCM ΡΠ°ΡΡΡΠΈΡΡΠ²Π°Π΅Ρ ΠΏΡΠ°Π²ΠΈΠ»ΡΠ½ΠΎΠ΅ ΠΎΡΠΊΡΡΡΠΈΠ΅ Π΄ΡΠΎΡΡΠ΅Π»ΡΠ½ΠΎΠΉ Π·Π°ΡΠ»ΠΎΠ½ΠΊΠΈ ΠΈ ΠΎΡΠΏΡΠ°Π²Π»ΡΠ΅Ρ ΠΏΠΎ ΡΠΈΠ½Π΅ CAN ΡΠΈΠ³Π½Π°Π»Ρ, Π½Π΅ΠΎΠ±Ρ ΠΎΠ΄ΠΈΠΌΡΠ΅ Π΄Π»Ρ ΠΎΡΠΊΡΡΡΠΈΡ ΠΈ Π·Π°ΠΊΡΡΡΠΈΡ Π΄ΡΠΎΡΡΠ΅Π»ΡΠ½ΠΎΠΉ Π·Π°ΡΠ»ΠΎΠ½ΠΊΠΈ.
ΠΠ°ΠΆΠ½ΠΎΠ΅ ΠΏΡΠΈΠΌΠ΅ΡΠ°Π½ΠΈΠ΅: Π²ΡΠ΅Π³Π΄Π° ΠΏΡΠΎΠ²Π΅ΡΡΠΉΡΠ΅ ΠΈ ΡΠ»Π΅Π΄ΡΠΉΡΠ΅ ΡΠ΅ΡΠ²ΠΈΡΠ½ΠΎΠΉ ΠΈΠ½ΡΠΎΡΠΌΠ°ΡΠΈΠΈ Π΄Π»Ρ Π³ΠΈΠ±ΡΠΈΠ΄Π½ΡΡ
Π°Π²ΡΠΎΠΌΠΎΠ±ΠΈΠ»Π΅ΠΉ, Π΄Π°ΠΆΠ΅ Π΄Π»Ρ ΡΠ°ΠΊΠΈΡ
Β«ΠΏΡΠΎΡΡΡΡ
Β» Π²Π΅ΡΠ΅ΠΉ, ΠΊΠ°ΠΊ Π·Π°ΠΌΠ΅Π½Π° ΠΌΠ°ΡΠ»Π°.

