Содержание
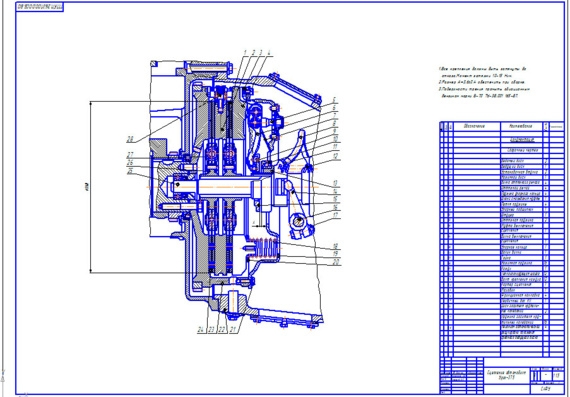
Кинематические схемы и назначение агрегатов трансмиссии погрузчика
Кинематические схемы и назначение агрегатов трансмиссии погрузчика
С устройством и работой агрегатов трансмиссии изучаемых автопогрузчиков можно ознакомиться на примере кинематической схемы погрузчика 4043М.
Рис. 1. Кинематическая схема трансмиссии погрузчика 4043М:
1 — нажимный диск, 2, 3, 4, 6, 7, 8, 10, 13, 14, 15, 16, 18, 20, 21, 22, 25 — зубчатые ко-леса, 5— ось, 12, 17, 26, —валы, 9, 19 — карданные валы, 11 — дифференциал
Крутящий момент, необходимый для вращения ведущих колес автопогрузчиков, передается от коленчатого вала двигателя через трансмиссию — силовую передачу, состоящую из сцепления, коробки передач, реверсивного механизма, ведущего моста и карданных валов.
Рекламные предложения на основе ваших интересов:
Дополнительные материалы по теме:
Сцепление предназначено для временного отсоединения трансмиссии от коленчатого вала двигателя и для плавного их соединения.
Работа сцепления основана на использовании сил трения.
Основные части сцепления — ведущий диск, который является также маховиком двигателя, ведомый диск, от которого вращение передается на вал, и нажимной диск, соединенный с маховиком. Специальным нажимным устройством ведомый диск прижимается нажимным диском к ведущему диску. Под действием сил трения, возникающих между нажимным и ведущим дисками, ведомый диск вращается вместе с ними. При нажатии на педаль сцепления нажимный диск смещается и ведомый диск освобождается.
Коробка перемены передач представляет собой двухступенчатый редуктор, передаточное число которого может изменяться водителем для изменения тягового усилия в соответствии с условиями движения. Очевидно, наибольшее тяговое усилие должно быть при движении нагруженного погрузчика на подъеме, при этом передаточное число коробки передач устанавливается максимальным. Основные части коробки перемены передач: ведущий вал, ведомый вал и промежуточный вал (с ним связаны зубчатые колеса 2, 3, 4, 6, имеющие различные диаметры).
Ведомые зубчатые колеса посажены на шлицах и, вращая вал, могут одновременно скользить вдоль него, входить в зацепление с различными зубчатыми колесами промежуточного вала, что позволяет изменять передаточное число между ведущим и ведомым валами коробки перемены передач.
Зубчатые колеса имеют полумуфты. Кроме того зубчатое колесо, вращаясь вместе с валом одновременно может перемещаться вдоль его оси.
Зубчатые колеса объединены в один блок и также могут передвигаться вдоль вала. Зубчатые колеса объединяются в один блок валом и могут вращаться на оси .
Показанное на чертеже положение соответствует холостому ходу, при котором вращаются ведущее зубчатое колесо и блок промежуточных зубчатых колес. Ведомый вал остается неподвижным.
Реверсивный механизм предназначен для изменения направления движения погрузчика и одновременно является понижающим редуктором с постоянным передаточным числом. На ведущем валу жестко закреплены зубчатые колеса на ведомом валу — зубчатое колесо 8, которое может перемещаться вдоль оси вала.
Между валами расположена ось с зубчатым колесом, которое находится в постоянном зацеплении с зубчатым колесом. Вводя в зацепление зубчатое колесо с ведущим зубчатым колесом или промежуточным, можно изменять направление вращения вала, что и соответствует изменению направления движения погрузчика.
От реверсивного механизма через карданный вал крутящий момент передается ведущему мосту. Он состоит из одноступенчатой главной передачи (зубчатые колеса), дифференциала и приводных валов.
Валы отдельных агрегатов трансмиссий соединяются между собой карданными валами. Благодаря особому устройству специальных шарниров карданные валы обеспечивают передачу крутящих моментов между несоосными валами и в процессе работы допускают изменение величины несоосности.
Кинематическая схема трансмиссии погрузчика 4045М отличается 0т рассмотренной установки двухступенчатой главной передачи ведущего моста.
Несколько иначе устроена трансмиссия погрузчика Ф17.ДУ32.33. тягу с педалью.
В исходное положение муфта, подшипник и вилка оттягиваются возвратной пружиной.
В сцеплении смазывается упорный подшипник. Для смазки подшипника на крышке бокового люка картера устанавливается масленка, соединенная с муфтой гибким шлангом.
В сцеплении регулируется зазор между упорными болтами рычагов и нажимным подшипником. Он должен равняться 3—4 мм. По мере износа фрикционных накладок зазор уменьшается и может «возникнуть положение, при котором подшипник будет постоянно нажимать на рычаги, вызывая пробуксовывание сцепления.
Нормальному зазору соответствует ход педали, равный 35—45 мм. Эту величину можно установить поворотом гайки регулируемой тяги.
Сцепление погрузчика Ф17.ДУ32.33 показано на рис. 2. Его принципиальное устройство аналогично рассмотренной выше конструкции.
Рис. 165. Сцепление погрузчика Ф17.ДУ32.33.1:
1— колпачковая масленка, 2 — шланг, 3 —нажимная муфта, 4—возвратная пружина, 5—крышка, 6—вилка, 7—шаровой палец, 8 — пружина, 9 — маховик, 10 — ведомый диск, 11 — кожух.
12 — болт, 13 — нажимный диск, 14 — кронштейн, 15—рычаг, 16— первичный вал, 17—опорный шариковый подшипник, 18—нажимная пружина
Его литой массивный корпус прикреплен к двигателю болтами. Ведомый диск 10 надет шлицевой ступицей на вал — ведущий вал коробки перемены передач. Ведущая часть сцепления образована торцовой поверхностью маховика, кожухом и нажимным диском. Пружины установлены между нажимным диском и кожухом и обеспечивают необходимое сжатие ведущей и ведомой части сцепления, при этом теплоизолирующие шайбы под пружинами предупреждают их перегрев и самоотпуск.
Рис. 3. Устройства управления погрузчиком Ф17.ДУ32.33.1:
1 — ограничительный болт, 2 — гибкая тяга регулировки подачи топлива, 3 — возвратная пружина, 4 — рукоятка ручной подачи топлива, 5—педаль сцепления, 6—педаль подачи топлива, 7—возвратная пружина, 8— вилка, S — тяга, 10— специальная гайка, 11 — пресс-масленка
Механизм выключения сцепления состоит из рычагов с упорными Регулировочными болтами на внутренних концах, нажимной муфты с упорным подшипником и выключающей вилки, опирающейся на шаровый палец.
В сцеплении регулируется зазор между регулировочными винтами « и нажимным подшипником. Он должен быть равен 4 мм, что соответствует свободному ходу педали привода выключения в 34—45 мм.
В сцеплении смазывается нажимный подшипник, в которому от колпачковой масленки подведен маслопроводной гибкий шланг.
Привод выключения сцепления шарнирно-рычаждого типа.
Устройство автомобиля: сцепление
Сцепление – это одна из составляющих трансмиссии. Трансмиссия передает крутящий момент от двигателя на ведущие колеса и изменяет величину крутящего момента, в том числе и его направления. В зависимости от трансмиссии ведущими могут являться, как задние, так и передние колеса. На рисунке 9.1 представлен пример трансмиссии заднеприводного автомобиля.
Рис. 9.1. Схема трансмиссии заднеприводного автомобиля
I — Двигатель; II — Сцепление; III — Коробка передач; IV — Карданная передача:
1 — эластичная муфта; 2 — шлицевое соединение; 3 — передний карданный вал;
4 — подвесной подшипник; 5 — передний карданный шарнир; 6 — задний карданный вал; 7 — задний карданный шарнир; V — Задний мост с главной передачей и дифференциалом: 8 — полуоси; 9 — ведущие (задние) колеса
Рассмотрим первую составляющую трансмиссии – сцепление.
Сцепление передает крутящий момент от маховика коленчатого вала двигателя к первичному валу коробки передач.
Составляющими сцепления являются привод и самого механизма сцепления.
Привод выключения сцепления. Каждый механизм в автомобиле начинает свою работу при помощи привода. Так и сцепление. Привод выключения сцепления относится к приводу гидравлического типа. Схема привода сцепления представлена на рисунке 9.2.
Рис. 9.2. Схема гидравлического привода выключения сцепления и механизма сцепления
1 — коленчатый вал; 2 — маховик; 3 — ведомый диск; 4 — нажимной диск; 5 — кожух сцепления; 6 — нажимные пружины; 7 — отжимные рычаги; 8 — нажимной подшипник;
9 — вилка выключения сцепления; 10 — рабочий цилиндр; 11 — трубопровод;
12 — главный цилиндр; 13 — педаль сцепления; 14 — картер сцепления; 15 — шестерня первичного вала; 16 — картер коробки передач; 17 — первичный вал коробки передач
- Привод выключения сцепления состоит из следующих механизмов:
- педаль,
- главный цилиндр,
- рабочий цилиндр,
- вилка выключения сцепления,
- нажимной подшипник,
- трубопроводы.

Когда водитель нажимает на педаль сцепления давление его ноги через шток и поршень передается жидкости, а жидкость передает давление от поршня главного цилиндра на поршень рабочего. При помощи штока рабочего цилиндра перемещается вилка выключения и нажимной подшипник. Подшипник передает усилие механизму сцепления. После того как водитель отпустит педаль, возвратные пружины вернут все детали в исходное положение.
Механизм сцепления.
За счет силы трения, в этом устройстве осуществляется передача крутящего момента на ведущие колеса. При помощи этого механизма двигатель и коробка передач разъединяются на короткое время, а затем вновь соединяются.
- Составляющие механизма сцепления:
- картер и кожух,
- ведущий диск (которым является маховик коленчатого вала двигателя),
- нажимной диск с пружинами,
- ведомый диск со специальными износостойкими накладками.
Итак, для того, чтобы машина поехала, водитель должен включить сцепление.
Это происходит в три этапа:
1. Отпуская немного педаль, водитель предоставляет возможность пружинам нажимного диска подвести ведомый диск к маховику до их соприкосновения. За счет возникших сил трения ведомый диск начинает вращаться. Автомобиль начинает трогаться.
2. Удерживая педаль, мы тем самым удерживаем ведомый диск. Это нужно для того, чтобы скорость вращения маховика и ведомого диска сравнялась. На этом этапе автомобиль начинает увеличивать скорость.
3. На этом этапе диск и маховик вращаются с одинаковой скоростью, передавая крутящий момент коробке передач, а затем на ведущие колеса. Сцепление полностью включено, и машина едет (рисунок 9.3).
Для выключения сцепления необходимо нажать на его педаль. При этом нажимной диск отходит от маховика, ведомый диск освобождается, прерывая передачу крутящего момента от двигателя к коробке передач (рисунок 9.4)
Рис. 9.3. Сцепление включено
Рис. 9.4. Сцепление выключено
Основные неисправности сцепления.

Сцепление выключается не полностью. Причина: большой свободный ход педали сцепления, перекос нажимного подшипника, повреждение ведомого диска, поломка пружин. Способ устранения: регулировка свободного хода педали, выпуск воздуха из гидропривода, замена неисправных дисков и пружин.
Сцепление включается не полностью. Причина: малый свободный ход педали, замасливание (износ) фрикционных накладок ведомого диска, поломка пружин. Способ устранения: регулировка свободного хода, чистка или замена дисков, пружин.
Сцепление включается резко. Причина: заедание в механизме привода, задира на рабочих поверхностях дисков или маховика, разрушение фрикционных накладок ведомого диска. Способ устранения: замена неисправных узлов привода, устранение задиры на поверхностях дисков, замена ведомого диска.
Течь тормозной жидкости в приводе выключения сцепления. Причина: течь из главного или рабочего цилиндров, из соединительных трубок. Способ устранения: замена неисправных узлов, прокачка всего гидропривода (удаление воздуха).
Трансмиссия Рено Дастер (сцепление, КПП, приводы) (Renault Duster)
Автомобиль Рено Дастер выпускается с двумя видами трансмиссии. Так автомобиль может иметь привод только на 2 или на все 4 колеса.
В случае если машина имеет привод на 4 колеса, то относительно модели с приводом на два колеса на нее устанавливаются дополнительные узлы трансмиссии, обеспечивающие передачу крутящего момента на задние колеса.
В этой категории нашего сайта мы рассмотрим основные узлы трансмиссии автомобиля Рено Дастер. Так в частности будет рассмотрено сцепление автомобиля, КПП, приводы колес, также будет затронут вопрос общей компоновки трансмиссии Рено Дастер.
Общее положение узлов и их обозначение трансмиссии Рено Дастер
1 – двигатель; 2 – сцепление; 3 – коробка передач; 4 – раздаточная коробка; 5 – приводе переднего левого колеса; 6 – передний карданный вал; 7 – задний карданный вал; 8 – электромагнитная муфта; 9 – задний редуктор; 10 – привода заднего левого колеса.
Кинематическая схема передачи крутящего момента в трансмиссии Рено Дастер
1 – двигатель; 2 – сцепление; 3 – коробка передач; 4 – привод правого переднего колеса; 5 – раздаточная коробка; 6 – межколесный дифференциал передней оси; 7 – карданная передача; 8 – электромагнитная муфта; 9 – привод правого заднего колеса; 10 – межколесный дифференциал задней оси; 11 – задний редуктор; 12 – привод левого заднего колеса; 13 – привод левого переднего колеса.
Принцип работы трансмиссии Рено Дастер
Двигатель передает крутящий момент через сцепление на коробку передач. В соответствии с выбранной передачей крутящий момент передается через зубчатые колеса в КПП. Далее, крутящий момент распределяется через дифференциал на передние колеса. Передние колеса у Рено Дастер не отключаются, то есть они являются ведущими в любом случае. Также в зависимости от выбранного режима, который переключается из салона автомобиля, может быть выбран автоматический режим «AUTO».
В этом случае, при пробуксовке передних колес автоматически будет включаться электромеханическая муфта, тем самым дополнительно передавая крутящий момент и на задние колеса. В режиме LOCK включается принудительная постоянная передача крутящего момента на две полуоси.
Режим полного привода целесообразно использовать лишь для бездорожья, трудных участков дороги. Использование блокировки на асфальте, особенно на высоких скоростях нежелательно, так как приводит не только к повышенному расходу бензина, но и к быстрому износу трансмиссии. Именно поэтому при скорости более 80 км/ч режим полной блокировки автоматически переходит в режим «AUTO».
На автомобилях Рено Дастер устанавливаются 5 и 6 ступенчатые коробки передач в зависимости от силовой установки. Так для двигателя 1,6 л применяется 5 ст КПП, для двигателя 2,0 л 6 ст КПП.
КПП конструктивно выполнена с двумя валами, на которых установлены зубчатые колеса с косыми зубьями для скоростей «вперед» и с прямыми зубьями для задней скорости. Корпус КПП выполнен из двух составляющих: картера КПП и картера сцепления КПП. Корпусные детали отлиты из алюминиевого сплава и соединены между собой крепежом.
Сцепление автомобиля Рено Дастер, представляет из себя однодисковое, сухое сцепление. Такой вид сцепления используется для большинства эксплуатируемых автомобилей в наше время.
Фактически, между двумя дисками, одним из которых является маховик двигателя, а второй диск корзины сцепления постоянно зажимают диск сцепления. Именно через маховик передается крутящий момент от двигателя, а далее, если диск зажат, то он передается и на вал со шлицами КПП, а в итоге через КПП на колеса машины.
Если же, диск корзины сцепления отжать, то на диск сцепления перестанет передаваться крутящий момент. Эта особенность сцепления используется для переключения, включения передач на КПП.
В случае неполного отключения сцепления, при нажатии педали, а также после ремонтных работ, связанных с гидравлической системой сцепления, необходимо прокачать гидропривод сцепления Рено Дастер. В этой статье мы расскажем о данной процедуре.
Корзина и диск сцепления снимается в случае их замены, в случае замены маховика на двигателе или сальника на валу двигателя.
Работу лучше всего выполнять на смотровой канаве или на подъемнике.
Также до снятия корзины и диска сцепления снимается КПП с автомобиля. Более подробно о процедурах снятия КПП с автомобиля будет рассказано в другой нашей статье «КПП Рено Дастер (снятие и установка)». Здесь же мы поговорим лишь о особенностях крепления и установки корзины и диска сцепления.
Главный цилиндр сцепления установлен Рено Дастер на щитке между салоном и моторным отсеком. Главный цилиндр снимается в случае его замены, либо для проведения кузовных работ. Главный цилиндр установлен в щите без крепления посредством болтов и гаек. В этой статье мы расскажем о процедуре снятия главного цилиндра сцепления с автомобиля.
Тросы переключения передач снимаются в случае их чрезмерного растяжения или обрыва, когда регулировкой невозможно обеспечить четкое включение и выбор передач для КПП.
Замену тросов КПП лучше производить на эстакаде, а также привлечь для этих операций помощник.
Приводы передних колес Рено Дастер представляют из себя «классическую» компоновку и конструкцию, которая применяется на большинстве автомобилей с передним приводом. Так приводы представляют из себя ШРУСы, между которыми установлены валы. Приводы левой и правой стороны не взаимозаменяемы.
Приводы передних колес снимают в случае их замены. Также приводы могут сниматься для замены сальников в КПП. Наиболее вероятные признаки неисправности приводов колес проявляются в износе поворотных механизмов, которые в крайних положениях руля при движении машины начинают издавать шумы, стуки.
В настоящей статье мы рассмотрим лишь операции по замене приводов для Рено Дастер с приводом на 4 колеса. Снятие приводов передних колес для переднеприводных (4*2) автомобилей будет рассмотрено в другой статье.
Подробнее о приводах колес Рено Дастер можно узнать из статьи «Приводы передних колес Рено Дастер».
Раздаточная коробка устанавливается на автомобили с приводом 4*4. Фактически она распределяет крутящий момент на заднюю ось. Включает, отключает передачу крутящего момента на задний мост. Также обеспечивает передачу крутящего момента на правый привод колеса.
Карданная передача Рено Дастер служит для передачи крутящего момента от раздаточной коробки до редуктора на задней оси, при этом крутящий момент передается при условиях углового смещения карданной передачи, а также при изменении ее общей строительной длины.
Такое свойство карданной передачи позволяет исключить жесткую привязку раздаточной коробки относительно редуктора, что необходимо учитывая свойства задней подвески автомобиля.
Руководство по ремонту Рено Дастер
Кинематическая схема гибридной силовой установки с отключаемой обратимой электрической машиной и устройство для еe реализации
Авторы патента:
Пактусов Аркадий Константинович (RU)
Драгунов Геннадий Дмитриевич (RU)
F16h4/16 — с колесами, выводимыми из зацепления, и колесами, находящимися в постоянном зацеплении и разъединяемыми со своими валами
B60K6/22 — Расположение или монтаж нескольких различных первичных двигателей общей силовой установки, например комбинированные силовые установки, состоящие из электрических двигателей и двигателей внутреннего сгорания
Владельцы патента RU 2607150:
федеральное государственное автономное образовательное учреждение высшего образования «Южно-Уральский государственный университет (национальный исследовательский университет)» (RU)
Изобретение относится к транспортному машиностроению.
Кинематическая схема гибридной силовой установки, содержащая двигатель внутреннего сгорания, муфту сцепления, обратимую электрическую машину, коробку переключения передач, главную передачу и блок промежуточной шестерни, при этом вал обратимой электрической машины соединен кинематически с входным валом коробки переключения передач через включаемую-выключаемую зубчатую передачу с изменяемым межосевым расстоянием. Устройство для реализации кинематической схемы содержит вал обратимой электрической машины и входной вал коробки переключения передач, расположенные параллельно с постоянным межосевым расстоянием с закрепленными на них шестернями, и промежуточную шестерню, расположенную на подвижной оси с возможностью поворота вокруг вала обратимой электрической машины и возможностью фиксации стопором. Отсутствует необходимость синхронизировать скорости вращения шестерен включаемой передачи. 2 н.п. ф-лы, 4 ил.
Изобретение относится к отрасли транспортного машиностроения, в частности к автомобилям с гибридными силовыми установками, сочетающими использование двух источников энергии для привода ведущих колес: двигателя внутреннего сгорания и обратимой электрической машины мотора-генератора.
Известна кинематическая схема, использующая устройство с последовательным соединением источников энергии в гибридных силовых установках транспортных средств, в котором для привода ведущих колес используется только электромашина, питаемая накопителем энергии и генератором, приводимым двигателем внутреннего сгорания [К.Л. Богданов. Тяговый электропривод автомобиля. М.: МАДИ, 2009 г., 18 с.].
Недостатками кинематической схемы, использующей устройство с последовательным соединением источников энергии, является необходимость многократного преобразования энергии, что уменьшает КПД силовой установки в целом. А необходимость использования большого числа преобразователей высокой мощности и большого накопителя электрической энергии увеличивает вес и стоимость силовой установки.
Также известна кинематическая схема с параллельным соединением источников энергии, где для привода ведущих колес используется как электрическая машина, так и двигатель внутреннего сгорания, как правило, соединенные между собой [К.
Л. Богданов. Тяговый электропривод автомобиля. М.: МАДИ, 2009 г., 18 с.].
Известна кинематическая схема с параллельным соединением источников энергии непосредственно через дорожное покрытие, при установке электромашины и двигателя внутреннего сгорания на различных ведущих мостах [С.В. Бахмутов. Конструктивные схемы автомобилей с гибридными силовыми установками. М.: МГТУ МАМИ, 2007 г., 7 с.].
Недостатками этой кинематической схемы с параллельным соединением через дорожное покрытие являются низкий КПД трансмиссии из-за потерь на преодоление сопротивления колеса и невозможность преобразования энергии во время остановки.
Известна кинематическая схема с параллельным соединением источников энергии непосредственно в силовой установке (трансмиссии) с помощью скоростной муфты, планетарного редуктора, имеющего три выхода с двумя степенями свободы [Mehrdad Ehsani. Modern Electric Hybrid Electric and Fuel Cell. 2013, 131 c.].
Недостатками этой кинематической схемы с использованием скоростной муфты являются сложность и дороговизна изготовления в связи с увеличением требований к точности изготовления ее компонентов.
Известна кинематическая схема с параллельным соединением источников энергии с помощью муфты крутящего момента, представляющая собой цилиндрический редуктор, имеющий три выхода с двумя степенями свободы [Mehrdad Ehsani. Modern Electric Hybrid Electric and Fuel Cell. 2013 г., 139 c.].
Для улучшения динамических характеристик автомобиля с гибридной силовой установкой, в которой двигатель внутреннего сгорания, обратимая электрическая машины и трансмиссия соединены муфтой крутящего момента, за счет уменьшения момента инерции вращающихся масс трансмиссии, необходимо на режиме традиционного привода от двигателя внутреннего сгорания производить разъединение обратимой электрической машины от трансмиссии и двигателя внутреннего сгорания с возможностью последующего соединения.
Известна кинематическая схема, использующая устройство включения-выключения двигателей с помощью фрикционных муфт сцепления (US 4533011, МПК: B60W 10/02, от 06.08.1985), показанная на фиг. 1, недостатками которой является износ и потеря энергии в муфте.
Наиболее близкой к заявленной кинематической схеме и устройству является кинематическая схема, использующая устройство включения-выключения с помощью зубчатой муфты (WO 2011070848 A1, МПК: B60W 10/26, В60К 6/547, от 16.06.2011), представленная в традиционных коробках передач и изображенная на фиг. 2. Недостатком данной схемы и устройства является необходимость точной синхронизации угловых скоростей.
Технической задачей предлагаемого изобретения является включение-выключение обратимой электрической машины от коробки переключения передач автомобиля без точной синхронизации скоростей вращения шестерен включаемой передачи путем входа зубьев в контакт при включении по полной линии зацепления, а также упрощение конструкции передачи.
Поставленная задача решается тем, что в кинематической схеме используется устройство включения-выключения обратимой электрической машины путем изменения межосевого расстояния шестерен. Согласно изобретению ось промежуточной шестерни, находящейся в постоянном зацеплении с шестерней обратимой электромашины, расстопоривают и вращают вокруг оси вала обратимой электрической машины, вводя шестерню в зацепление с шестерней первичного вала коробки переключения до полного включения передачи вручную или используя крутящий момент обратимой электрической машины.
Для выбора направления включения-выключения обратимую электрическую машину переводят в тяговый или тормозной режим, а после включения-выключения передачи ось промежуточной шестерни стопорят.
Отличием предлагаемой кинематической схемы от известных является то, что в данной кинематической схеме включение-выключение обратимой электрической машины осуществляется через промежуточную шестерню, имеющую подвижную ось, вращаемую вокруг вала обратимой электрической машины, что приводит к изменению межосевого расстояния и входу-выходу зацепления зубчатой передачи.
Сущность изобретения поясняется графически, где на фиг. 3 изображена кинематическая схема с отключаемой обратимой электрической машиной; на фиг. 4 показано устройство включения-выключения передачи обратимой электрической машины.
Кинематическая схема гибридной силовой установки (фиг. 3) содержит двигатель внутреннего сгорания 11 и соединенные муфтой сцепления 12 с входным валом 22 коробки переключения передач. Вал (позиция 21) обратимой электрической машины 14 кинематически соединен с входным валом 22 коробки переключения передач через устройство включения-выключения передачи 15 обратимой электрической машины 14.
Для осуществления заявленной кинематической схемы разработано устройство включения-выключения зубчатой передачи обратимой электрической машины в гибридной силовой установке (фиг. 4). Устройство включения-выключения зубчатой передачи обратимой электрической машины 15 содержит вал 21 обратимой электрической машины 14 и входной вал 22 коробки переключения передач, расположенные параллельно с постоянным межосевым расстоянием. Шестерни 23 и 24 вала 21 обратимой электрической машины и входного вала 22 коробки переключения передач соответственно входят в зацепление через промежуточную шестерню 25, расположенную на подвижной оси 26. Ось 26 установлена с возможностью поворота вокруг оси вала 21 обратимой электрической машины и может быть зафиксирована стопором 27.
Устройство работает следующим образом.
При повороте оси 26 вокруг оси вала 21 обратимой электрической машины промежуточная шестерня 25 входит или выходит из зацепления в зависимости от направления вращения оси 26 и фиксируется стопором 27 в крайних положениях.
Для поворота оси 26 и включения зубчатой передачи электрической машины ось расстопоривают стопором 27 и используют действующий на ось 26 крутящий момент от окружных сил в зацеплении промежуточной шестерни 25 с шестерней 23 вала 21 обратимой электрической машины. Включение-выключение достигается изменением направления крутящего момента обратимой электрической машины без полной синхронизации благодаря большому зазору между вершиной зуба и впадиной между зубьями включаемой передачи.
Промежуточная шестерня 25 входит и выходит из зацепления по полной линии контакта и ширине зуба, а следовательно, способна воспринимать все расчетные нагрузки.
Предлагаемая кинематической схема с устройством для ее реализации обладает новизной, и ее использование позволит улучшить динамические характеристики автомобиля с гибридной силовой установкой на режиме традиционного привода от двигателя внутреннего сгорания, а также позволит автоматизировать процесс включения-выключения зубчатой передачи обратимой электрической машины.
1. Кинематическая схема гибридной силовой установки, содержащая двигатель внутреннего сгорания, муфту сцепления, обратимую электрическую машину, коробку переключения передач, главную передачу и блок промежуточной шестерни, отличающаяся тем, что вал обратимой электрической машины соединен кинематически с входным валом коробки переключения передач через включаемую-выключаемую зубчатую передачу с изменяемым межосевым расстоянием.
2. Устройство для реализации кинематической схемы, содержащее вал обратимой электрической машины и входной вал коробки переключения передач, расположенные параллельно с постоянным межосевым расстоянием с закрепленными на них шестернями и промежуточную шестерню, расположенную на подвижной оси с возможностью поворота вокруг вала обратимой электрической машины и возможностью фиксации стопором.
Похожие патенты:
Многоступенчатая коробка передач типа 20r10 // 2586807
Изобретение относится к модульным коробкам передач.
Многоступенчатая коробка передач состоит из картера с внутренней стенкой, в опорах которых соосно расположены входной и выходной валы, параллельный им промежуточный вал.
Восьмиступенчатая коробка передач со сдвоенным сцеплением // 2542815
Изобретение относится к транспортным средствам и может быть использовано в автомобилях-тягачах, тракторах, дорожно-строительной и др. технике.
Девятиступенчатая коробка передач // 2506480
Изобретение относится к коробкам передач транспортных средств. Девятиступенчатая коробка передач содержит картер с промежуточной стенкой, с размещенными в нем входным, выходным и промежуточным валами.
Девятиступенчатая коробка передач // 2506479
Изобретение относится к коробкам передач транспортных средств. Девятиступенчатая коробка передач содержит картер с промежуточной стенкой, с размещенными в нем входным, выходным и промежуточным валами.
Четырнадцатиступенчатая коробка передач // 2506478
Изобретение относится к коробкам передач транспортной техники.
Четырнадцатиступенчатая коробка передач содержит картер с промежуточной стенкой, с размещенными в нем входным, выходным и промежуточным валами.
Десятиступенчатая коробка передач // 2495299
Изобретение относится к механическим коробкам передач транспортных машин. Десятиступенчатая коробка передач содержит картер с промежуточной стенкой с размещенными в нем входным, выходным и промежуточным валами.
Восьмиступенчатая коробка передач // 2495298
Изобретение относится к механическим коробкам передач. Восьмиступенчатая коробка передач содержит соосные входной и выходной валы, установленный параллельно им промежуточный вал.
Шестиступенчатая коробка передач // 2495297
Изобретение относится к механическим коробкам передач. Шестиступенчатая коробка передач содержит соосные входной и выходной валы и промежуточный вал, установленный параллельно им.
Синхронизатор включения передач ступенчатых трансмиссий // 2303177
Изобретение относится к области транспортного машиностроения, в частности к механизмам синхронизации в коробках передач тракторов, строительно-дорожных машин и др.
Устройство для изменения передаточного отношения // 2256833
Изобретение относится к машиностроению и может быть использовано в различных разделах данной области. .
Соединительно-трансформирующее устройство комбинированной энергетической установки транспортного средства // 2606652
Изобретение относится к области машиностроения, а более конкретно к трансмиссии транспортных средств с комбинированной энергетической установкой. Соединительно-трансформирующее устройство трансмиссии транспортного средства с комбинированной энергетической установкой содержит входной вал (1), дифференциал (2) на основе трехзвенного планетарного механизма, муфту (3), редуктор (5), выходной вал (7).
Способ ускорения гибридного транспортного средства // 2605223
Изобретение относится к ускорению транспортного средства. Способ ускорения транспортного средства с движительной системой, содержащей двигатель, коробку передач, электрическую машину, планетарную передачу и блокирующее средство, причем способ начинают, когда транспортное средство приводится в движение вперед, а блокирующее средство находится в положении расцепления.
Система привода и способ приведения транспортного средства в движение // 2605141
Изобретение относится к приводу транспортного средства. Система привода для транспортного средства содержит блок управления, который, когда транспортное средство неподвижно и ему не требуется движущий момент, а сочленяющий элемент находится в первом положении, активирует тормозное устройство.
Способ запуска двигателя внутреннего сгорания в гибридном транспортном средстве // 2605139
Изобретение относится к запуску двигателя транспортного средства. Способ запуска двигателя внутреннего сгорания в движительной системе транспортного средства, содержащей двигатель внутреннего сгорания, электрическую машину, коробку передач и планетарную передачу, и содержит этапы, на которых устанавливают транспортное средство в исходном положении с помощью подходящей передачи и с помощью тормоза, косвенно воздействующего на входной вал коробки передач.
Способ трогания с места гибридного транспортного средства // 2604935
Изобретение относится к приведению в движение транспортного средства.
Способ трогания с места транспортного средства с движительной системой, содержащей двигатель, электрическую машину, коробку передач, планетарную передачу и блокирующее средство, содержит этапы на которых: (а) управляют крутящим моментом электрической машины так, что электрическая машина прикладывает положительный крутящий момент к третьему компоненту планетарной передачи; (b) управляют скоростью вращения двигателя так, что та стремится к постоянной скорости вращения.
Система привода и способ приведения в движение транспортного средства // 2604758
Изобретение относится к приводу транспортного средства. Система привода для транспортного средства содержит двигатель с выходным валом, коробку передач с входным валом, электрическую машину со статором и ротором и планетарную передачу.
Выходной вал двигателя соединен с компонентом планетарной передачи.
Электрическая архитектура гибридного транспортного средства, гибридное транспортное средство и способ управления // 2600959
Изобретение относится к гибридным транспортным средствам.
Электрическая архитектура гибридного автотранспортного средства содержит двигатель, генератор для зарядки бортовой батареи низкого напряжения, связанной со стартером двигателя и с бортовой сетью транспортного средства; тяговую электрическую машину, получающую питание от тяговой батареи высокого напряжения, и гибридную трансмиссию.
Способ приведения в движение гибридного транспортного средства в связи с запуском двигателя внутреннего сгорания этого транспортного средства // 2600417
Изобретение относится к приведению в движение транспортного средства. Способ приведения в движение транспортного средства в связи с запуском двигателя внутреннего сгорания в движительной системе этого транспортного средства, содержащей двигатель, электрическую машину, коробку передач, планетарную передачу и тормоз.
Система привода для гибридного транспортного средства, оснащенная средством вычисления крутящего момента двигателя на основании крутящего момента электродвигателя // 2598705
Изобретение относится к системе привода транспортного средства.
Система привода для транспортного средства содержит двигатель с выходным валом, коробку передач, электрическую машину со статором и ротором и планетарную передачу.
Способ одновременного управления крутящим моментом двигателя внутреннего сгорания и электрической машины в гибридном транспортном средстве // 2598653
Изобретение относится к приведению транспортного средства в движение. Способ, осуществляемый при движении транспортного средства, с двигателем внутреннего сгорания, коробкой передач и электрической машиной, включает в себя этапы, на которых принимают решение о том, что блокирующее средство следует перевести в положение расцепления.
Система гидравлического управления для транспортного средства // 2607684
Изобретение относится к области транспортного машиностроения. Система гидравлического управления для транспортного средства, имеющего двигатель, содержит масляные насосы, часть приема масла, масляные каналы и контрольные клапаны. Первый масляный насос представляет собой механический насос и приводится в действие посредством источника движущей силы транспортного средства.
Второй масляный насос представляет собой электрический насос и приводится в действие посредством электромотора. Масляные каналы соединяют масляные насосы с частью приема масла. Первый контрольный клапан находится между точкой объединения и первым масляным насосом. Второй контрольный клапан находится между точкой объединения и вторым масляным насосом. Точка объединения представляет собой часть, в которой первый масляный канал и второй масляный канал объединяются между собой. Точка объединения и второй масляный насос соединяются посредством третьего масляного канала. Третий масляный канал включает в себя дроссельный механизм. Достигается улучшение эксплуатационных характеристик системы гидравлического управления. 3 з.п. ф-лы, 5 ил.
Теория трансмиссии.
2. Трансмиссия
Сцепление
На всех автомобиле ГАЗ М-20 Победа применяют однодисковое сухое сцепление. При этом на Победы первых выпусков устанавливалось сцепление полуцентробежного типа.
В простом сцеплении сжатие дисков, необходимое для передачи крутящего момента от двигателя, обеспечивается только нажимными пружинами. В полуцентробежном сцеплении при работе двигателя сжатие дисков обеспечивается суммарной силой Pпр давления пружин и усилием Pг, возникающим вследствие действия центробежных сил на грузах отжимных рычагов.
Рис. 2.1 Характеристики полуцентробежного сцепления
Это усилие возрастает пропорционально квадрату угловой скорости вращения сцепления, вследствие чего с увеличением числа оборотов вала двигателя увеличивается и суммарное нажимное усилие, сжимающее диски (рис. 2.1). При уменьшении числа оборотов вала центробежная сила на рычагах уменьшается. Вследствие этого для выключения сцепления при малом числе оборотов вала двигателя (например, при трогании с места), а также для удержания педали сцепления в нажатом состоянии, приходится преодолевать только сопротивление нажимных пружин более слабых, чем в простых сцеплениях.
Поэтому для управления сцеплением требуется усилие меньше, чем в простом сцеплении. Это облегчает работу водителя.
Плавность включения сцепления обеспечивается пружинящей конструкцией ведомого диска. При включении сцепления происходит сжатие элементов диска и получается более постепенное нарастание момента трения Мс сцепления.
Пружинение диска достигается:
1) изгибом секции диска в разные стороны,
2) волнистым изгибом секций,
3) применением плоских пружин под накладками диска.
Величина пружинения диска колеблется в пределах 1,0 — 1,5 мм.
На валах силовой передачи автомобиля вследствие неравномерности вращения коленчатого вала или крутильных колебаний его, а также вследствие резких изменений угловых скоростей в силовой передаче при движении автомобиля по неровным дорогам, могут возникать крутильные колебания.
Для предохранения силовой передачи от крутильных колебаний на ведомом диске сцепления устанавливают пружинный гаситель. Гаситель также обеспечивает плавность включения сцепления.
При наличии гасителя ведомый диск соединяют со своей ступицей с помощью нескольких пружин, входящих в вырезы диска и фланца ступицы и удерживаемых шайбами или кольцами. Гашение колебаний происходит вследствие трения дисков гасителя при деформации пружин. При включении сцепления усилие от ведомого диска на ступицу передается через пружины, вследствие сжатия которых и обеспечивается плавное возрастание усилия на ведомом валу.
Основные данные по сцеплению приведены в табл. 2.1.
Таблица 2.1.
| Число ведомых дисков | 1 | ||
| Число трущихся поверхностей, iс | 3 | ||
| Толщина фрикционной накладки, в мм | 3.5 | ||
| Средняя величина пружинения ведомого диска, в мм | 1.0 | ||
| Радиусы фрикционных накладок, в мм | Наружный, Rн | 112. 5 | |
| Внутренний, Rв | 75 | ||
| Средний, Rср | 93.75 | ||
| Поверхность трения, в см2, F | 220.77 | ||
| Центробежный груз | Количество | 3 | |
| Вес груза в г, Gгр | 38.5 | ||
| Расстояние от оси вращения в мм, R | 115 | ||
| Плечи установки груза в мм | l | 20.5 | |
| n | 14 | ||
| Дополнительное нажимное усилие, создаваемое грузами при nм в кг Pгр | 87 | ||
| Количество пружин, z | 6 | ||
| Суммарное среднее и минимальное давление пружин на диски при включенном сцеплении в кг, Pпр | 272 | ||
| Радиус установки пружин в мм, Pпр | 89 | ||
| Удельное давление на диски в кг/см2, p0 | 1. 23 | ||
| Максимальный крутящий момент двигателя в кгсм , Мmax | 1250 | ||
| Момент трения сцепления (при μ=0.25) в кгсм , Мс | 1275 — 1680 | ||
| Коэффициент запаса сцепления β | 1.02 — 1.34 | ||
| Удельная мощность в л.с./см2, NF | 0.113 | ||
| Гаситель колебаний | Тип | Пружинно-фрикционный | |
| Количество пружин | 6 | ||
| Радиус установки пружин в мм, Rг | 40 | ||
| Момент трения в гасителе в кгм | 1.5 — 1.9 | ||
| Допустимый дисбаланс при статической балансировке, в гсм | Нажимной диск в сборе с кожухом | 36 | |
| Ведомый диск в сборе | 18 | ||
Основными размерами и параметрами, характеризующими сцепление, являются: средний радиус накладок, поверхность трения накладок, число трущихся поверхностей, нажимное усилие, момент трения сцепления, коэффициент запаса сцепления и удельная мощность, характеризующая напряженность работы сцепления и его износоустойчивость.
Данные по основным размерам сцепления и его параметрам приведены в табл. 2.1.
Приводимые величины и параметры определены по формулам:
Средний радиус накладки Rср = ( Rн + Rв ) / 2
Поверхность трения накладки F = π ( Rн2 — Rв2 )
Момент трения сцепления Mc = ic P μ Rср
где ic — число трущихся поверхностей;
Р — суммарное усилие пружин;
μ — коэффициент трения (принят равным 0,25).
Коэффициент запаса сцепления β = Mc / Mmax.
Удельная мощность NF = Ne max / ( ic F )
В табл. 2.2 приведены кинематические соотношения и размеры рычагов механизма привода сцепления, автомобиля Победа. Схема привода с обозначением размеров даны на рис. 2.2.
Таблица 2.2.
| Размеры рычагов механизма привода сцепления в мм | a | 270 | |
| b | 40 | ||
| c | 52 | ||
| d | 35 | ||
| e | 95 | ||
| f | 92 | ||
| k | 54 | ||
| n | 14 | ||
| l | 20. 5 | ||
| R | 115 | ||
| Передаточные числа выключающего механизма | Рычагов выключения сцепления l’p = k / n | 3.86 | |
| Педали и вилки l»p = a/b c/d e/f | 10.3 | ||
| Полное ip | 39.9 | ||
| Кинематика выключающего механизма | Зазор между трущимися поверхностями при выключении в мм Δ s | 0.88 | |
| Ход ведущего диска при выключении в мм Sд | 2.75 | ||
| Ход выключающей муфты в мм Sм | Холостой | 4.0 | |
| Рабочий | 10.6 | ||
| Полный | 14.6 | ||
| Ход педали в мм Sп | Холостой | 41.2 | |
| Рабочий | 110 | ||
| Полный | 151.2 | ||
| Максимальное усилие нажимных пружин в выключенном сцеплении в кг Pпр | 338. 4 | ||
| Максимальное усилие на педали при выключенном сцеплении в кг Pвыкл | 8.5 | ||
Рис. 2.2 Схема размера рычагов привода сцепления автомобиля М-20
На основании приведенных размеров подсчитаны передаточные числа рычагов по формулам:
передаточное число рычагов нажимного диска
передаточное число рычагов педали и вилки
Полное передаточное число механизма привода сцепления
Полный ход педали сцепления
где Δs — зазор между трущимися поверхностями при полном выключении сцепления;
Sх — холостой ход муфты выключения.
Холостой ход муфты выключения Sх и минимальный рабочий ее ход, необходимый для выключения сцепления, приняты в соответствии с данными заводских чертежей.
На основании этих данных подсчитаны ход ведущих дисков, зазор между трущимися поверхностями и ход педали.
При подсчете зазора между дисками (в выключенном состоянии) для сцеплений, имеющих пружинение ведомого диска, величина пружинения принята равной 1,0 мм.
Усилие на педали Pп подсчитано по величине максимального суммарного давления пружин при полном выключении муфты. Сопротивление оттяжных пружин муфты выключения, вилки и педали при этом не учитывалось.
В полуцентробежных сцеплениях усилие, сжимающее диски, вследствие действия центробежных грузов меняется в зависимости от числа оборотов вала.
Дополнительное усилие от центробежных грузов подсчитывают по формуле:
где iг — число грузов;
m — масса одного груза в кг сек2 / см
ω — угловая скорость коленчатого вала в 1/сек;
R; l; n — плечи действия сил.
В соответствии с изменением нажимного усилия при различном числе оборотов коленчатого вала двигателя изменяются и значения момента трения сцепления Mc и коэффициента запаса β. Значения величин усилия грузов, момента трения сцепления и коэффициента запаса в функции оборотов вала двигателя для полуцентробежных сцеплений приведены на их характеристиках (рис. 2.1). При этом коэффициент запаса сцепления β подсчитан для работы двигателя на полной нагрузке по крутящим моментам, соответствующим данным числам оборотов по скоростной характеристике.
В соответствии с приведенными характеристиками в табл. 2.1 значениям, Mc и β приведены для двух случаев. Первая цифра дана без учета действия центробежных грузов, а вторая — с их учетом и для оборотов вала двигателя, соответствующих максимальному крутящему моменту, взятому по скоростным характеристикам.
В табл. 2.2 усилие на педали сцепления для полуцентробежных сцеплений дано без учета действия грузов, т.
е. при неподвижном сцеплении.
КПП
До 1951 года на автомобиль Победа устанавливалась коробка передач с рычагом переключения, установленным непосредственно на коробке, с муфтами легкого переключения вместо синхронизаторов и с меньшими передаточными числами. После 1951 года стали устанавливать новую коробку, с синхронизаторами, новыми шестернями, увеличенными передаточными числами и дистанционным управлением с рычагом переключения на рулевой колонке.
Рис. 2.3 Кинематическая схема коробки передач автомобиля ГАЗ М-20
Таблица 2.3.
| выпуска до 1951 года | выпуска до 1951 года | ||
| Тип коробки передач | Двухходовая, трехступенчатая, с непосредственным переключением | Двухходовая, трехступенчатая, с переключением на руле | |
| Приспособление, обеспечивающее безударное переключение передач | Муфта легкого переключения для второй и третьей передач | Синхронизатор для второй и третьей передач | |
| Номера шестерен, передающих усилие при включении передач | первой | 1 — 2 — 3 — 4 | 1 — 2 — 3 — 4 |
| второй | 1 — 2 — 5 — 6 (МЛП) | 1 — 2 — 5 — 6 (СХР) | |
| третьей | 1 (МЛП) | 1 (СХР) | |
| заднего хода | 1 — 2 — 7 — 8 — 4 | 1 — 2 — 7 — 8 — 4 | |
| Передаточные числа при включении передач | первой | 2. 82 | 3.115 |
| второй | 1.604 | 1.772 | |
| третьей | 1 | 1 | |
| заднего хода | 3.383 | 3.738 (до конца 1951 г. — 4.005) | |
| Расстояние между серединами валов и серединами шестерен в мм (округленно) | a | 18 | 18 |
| b | 28 | 28 | |
| c | 97 | 100 | |
| d | 121 | 123 | |
| e | 152 | 152 | |
| f | 161 | 163 | |
| i | 191 | 191 | |
| k | 27 | 27 | |
| l | 48 | 48 | |
| m | 182 | 182 | |
| n | 16 | 22 | |
| o | 184 | 179 | |
| p | 21 | 21 | |
| s | 55 | 55 | |
| Расстояние между осями валов мм | R1 | 74. 6 | |
| R2 | 52.375 | ||
| R3 | 74.6 | ||
Карданный вал
Рис. 2.4 Схема карданной передачи автомобиля ГАЗ М-20
Таблица 2.4.
| Основные размеры карданной передачи под нагрузкой в мм (округленно) | a | 80 |
| b | 40 | |
| c | 1525 | |
| d | 85 | |
| e | 269 | |
| Угол наклона вала относительно нижней нулевой линии в град | Силового агрегата α1 | 3°30′ |
| Основного вала α3 | ||
| Вала главной передачи α4 |
Равномерность вращения. Карданные шарниры, применяемые на Победе являются асинхронными, так как при передаче вращения под углом ведомый вал имеет угловые смещения относительно ведущего вала и периодически изменяющуюся за каждый оборот угловую скорость.
Величины угловых смещений и колебаний угловых скоростей ведомого вала зависят от угла наклона вала. Схема работы шарнира показана на рис. 2.5, а. Величины угловых смещений вилок кардана и отношений угловых скоростей в зависимости от угла поворота кардана при разных углах наклона валов показаны на рис. 2.5, б и в.
Рис. 2.5 Кинематика карданной передачи:
а — схема работы кардана; б — диаграммы угловых смещений; в — диаграммы колебаний угловых
скоростей ведомого вала.
Связь между этими углами определяют по формуле:
где α — угол поворота ведущей вилки кардана в град.;
β — угол поворота ведомой вилки кардана в град.;
γ — угол наклона оси ведомой вилки в град.
Отношение угловых скоростей вилок кардана определяют последующему выражению:
где ω1 — угловая скорость ведущей вилки;
ω2 — угловая скорость ведомой вилки.
При наличии двух шарниров на валу (двойная карданная передача) при условии правильной установки карданов и равенства углов наклона валов неравномерность вращения, создаваемая первым шарниром, выравнивается вторым шарниром, в результате чего вал главной передачи вращается равномерно.
Критическое число оборотов представляет собой то число оборотов карданного вала, при приближении к которому под действием центробежных сил может произойти разрушение вала. Значения критического числа оборотов для трубчатых карданных валов открытого типа подсчитаны по формуле:
Таблица 2.5.
| Карданный вал (размеры в мм) | Полная длина от центра до глухой вилки, L | 1440 | |||
| Шлицы наконечника | Тип | Внутренние эвольвентные | |||
| Длина шлицованной части lш | 82 | ||||
| Диаметр трубчатой части вала | Наружный Dн | 75 | |||
| Внутренний Dв | 71 | ||||
| Динамическая балансировка в сборе и допустимый дисбаланс не более в гсм | 25 | ||||
| Контрольный максимальный крутящий момент без остаточных деформаций кгм | 125 | ||||
| Карданный шарнир (размеры в мм) | Крестовина | Диаметр цапфы dц | 16. 3-0.012 | ||
| Рабочая длина цапфы lц | 15.5 | ||||
| Радиус до середины подшипника цапфы Rц | 31.75 | ||||
| Диаметр канала для смазки dсм | 6 | ||||
| Стакан и подшипник | Диаметр стакана | Внутренний по иглам dс.в. | 163+0.015+0.055 | ||
| Наружный dс.н. | 30-0.009 | ||||
| Полная длина стакана lс | 18 | ||||
| Иглы | Диаметр | 3-0.001 | |||
| Длина | 14-0.36-0.12 | ||||
| Количество | 20 | ||||
| Вилка | Внутреннее расстояние между ушками h | 60+0. 06 | |||
| Диаметр отверстия под стакан dв | 30-0.030-0.006 | ||||
| Наружный радиус ушка r | 20 | ||||
| Высота ушка в среднем сечении c | 12 | ||||
| Скользящая вилка | Длина от центра до ушка | 148 | |||
| Шлицы вилки | Тип | Наружные эвольвентные | |||
| Длина | 52 | ||||
| Фланцевая вилка | Расстояние от центра ушка до плоскости фланца | 40 | |||
| Радиус расположения центров отверстий под болты | 40 | ||||
| Угол между центрами отверстий в град, α | 80 и 100 | ||||
Рис. 2.6 Детали карданного шарнира с указанием размеров
где D — наружный диаметр трубы в см;
d — внутренний диаметр трубы в см;
L — расстояние между центрами карданов в см.
Запас по критическому числу оборотов подсчитывают по формуле:
где nmax — максимальное число оборотов карданного вала, соответствующее максимальной скорости движения автомобиля.
Характер изменения к. п. д. кардана в зависимости от угла наклона валов показан на рис. 2.7, а.
Износоустойчивость игольчатого подшипника кардана можно оценить по величине максимального удельного давления на подшипник. Удельные давления подсчитывают по формуле:
где α — коэффициент использования крутящего момента двигателя в зависимости от его соотношения с полным весом автомобиля. Данный коэффициент определяют по эмпирическим диаграммам (рис. 2.7, б).
Мкр — максимальный крутящий момент двигателя;
2R — расстояние между серединами рабочих поверхностей двух шипов;
d — диаметр шипа;
l — активная длина иголки подшипника.
Рис. 2.7.
а — Характер изменения к.п. д. карданного шарнира
в зависимости от угла наклона валов.
б — Диаграмма коэффициента α использования крутящего момента
двигателя в зависимости от соотношения его с полным весом автомобиля.
Задний мост
Рис. 2.8. Кинематическая схема главной передачи автомобиля ГАЗ М-20
Таблица 2.6.
| Тип главной передачи | Одинарная коническая со спиральными зубьями | |
| Передаточное число | 5.125 | |
| Расстояние между серединами опор валов и серединами зубьев шестерен в мм | a | 85 |
| b | 43 | |
| c | 25 | |
| d | 160 | |
| e | 60 | |
| Радиусы начальных окружностей конических шестерен по середине длины зубьев мм | rk | 20 |
| Rk | 93 | |
| rc | 19 | |
| rn | 28 | |
Рис.
2.9. Размеры деталей дифференциала автомобиля ГАЗ М-20Таблица 2.7.
| Количество сателлитов | 2 | |
| Конструкция коробки | разъемная | |
| Расчетные размеры деталей в мм | r | 50 |
| r1 | 28 | |
| a1 | 19 | |
| a2 | 42 | |
| l1 | 12 | |
| l2 | 22 | |
Рис. 2.10. Полуось автомобиля ГАЗ М-20
Таблица 2.8.
| Тип полуосей | на 3/4 разгруженные | |
| Диаметры полуосей в сечении под подшипниками в мм | наружный конец d1 | 28 |
| внутренний конец d2 | 30 | |
Статический радиус качения колеса с учетом деформации шин (при σ = 0. 95) в мм rk | 342 | |
| Расчетные размеры в мм | a | 608 |
| b | 25 | |
| с | 47 | |
| Смещение оси дифференциала от продольной оси автомобиля в мм k | 0 | |
| Восприятие осевых усилий от полуоси | коробкой дифференциала через полуосевые шестерни и сухарь | |
| Крепление ступицы колеса | Конструкция | на конусном конце на шпонке гайкой |
| Размер резьбы крепления | 1M16×1.5 | |
Для двухосных автомобилей с приводом на заднюю ось общее передаточное число силовой передачи определяется как произведение передаточного числа коробки передач iк на передаточное число заднего моста iм.
Передаточные числа силовой передачи приведены в табл 2.9.
Таблица 2.9.
| выпуска до 1951 года | выпуска до 1951 года | ||
| Передаточные числа при коробки передач iк | 1 | 2.82 | 3.115 |
| 2 | 1.604 | 1.772 | |
| 3 | 1 | 1 | |
| заднего хода | 3.383 | 3.738 (до конца 1951 г. — 4.005) | |
| Передаточное число главной передачи iм | 5.125 | 5.125 | |
| Общие передаточные числа на передачах iо | 1 | 14.45 | 15. 96 |
| 2 | 8.22 | 9.08 | |
| 3 | 5.125 | 5.125 | |
| заднего хода | 17.34 | 19.16 | |
Полны к.п.д. силовой передачи представляет собой произведение к.п.д. отдельных механизмов, входящих в передачу, и подсчитан по формуле:
где: νк — к.п.д. коробки передач — зависит от включенной передачи;
νп — к.п.д. карданной передачи;
νм — к.п.д. ведущего моста.
Таблица 2.10.
| включенная передача | к.п.д. коробки передач νк | к.п.д. карданной передачи νп | к.п.д. ведущего моста νм | общий к. п.д. νо |
| первая и вторая | 0.95 | 0.96 | 0.97 | 0.885 |
| третья | 1.0 | 0.930 | ||
| задний ход | 0.925 | 0.860 |
Оценка изменений характеристик сцепления и привода сцепления в процессе эксплуатации легкового автомобиля Текст научной статьи по специальности «Механика и машиностроение»
пользоваться в фарах головного освещения все чаще. Светодиоды, используемые в фарах вместо традиционных источников света, минимизируют использование металлических рефлекторов. Светодиоды почти не требуют технического обслуживания и служат на протяжении всего среднего срока эксплуатации автомобиля. Цветовая температура светодиодов для фар головного или дневного света составляет 5500К, т.е. их излучение уменьшает нагрузку на глаза благодаря тому, что оно близко по характеристикам к дневному свету.
Рисунок 5. Экран для проверки фар
Светодиодное освещение вносит немалый вклад в эстетический вид автомобиля. В частности, светодиоды с красивым синим свечением делают машины особенно привлекательными, подчеркивая, например, эффективные изгибы фар.
Благодаря малой потребляемой мощности светодиоды позволяют сократить расход топлива. Например, 30 Вт светодиод эквивалентен 200 Вт ламп накаливания, установленной в фару головного света. Это преимущество дает возможность использовать светодиоды в электромобилях. В отличие от транспортных средств, работающих на газе, величина пробега электромобиля напрямую зависит от емкости аккумулятора двигателя.
Однако в отношении использования светодиодов в фарах дневного и головного света имеются ограничения: светодиоды должны надежно работать в жестких условиях эксплуатации и на сравнительно большой мощности (до 75 Вт) в корпусах фар ограниченного размера.
Приведенные в статье материалы по светодиодам и конструктивным решениям систем освещения, по мнению авторов, могут быть полезны студентам, работающим над дипломными проектами, аспирантам и специалистам промышленности АТЭ при проектировании и разработке современных автомобильных систем освещения.
Литература
1. Чижков Ю.П., Акимов С.В. Электрооборудование автомобилей: Учебник для вузов — М.: Издательство «За рулем». 2005. — 335 с.
Справочник по светотехнике под ред. Ю.Б. Айзенберга, 3-е изд. перераб. и доп. — М: Издательство «Знак». 2007. — 972 с.
Справочник по устройству электронных приборов автомобилей. Часть 4. Системы освещения. А.Г. Ходосевич, Т.И. Ходосевич — М.: Издательство «Антелком». 2005. — 192 с. Набоких В.А. Электрооборудование автомобилей и тракторов. Учебник для студентов учреждений среднего профессионального образования. — М.: Издательство «Академия». 2011. — 400 с.
5. Каролина Хейз ( Paroline Hayes). Светодиодные системы освещения на автомобильном рынке. — М.: Журнал «Современная светотехника». № 5, 2013, с. 23-26.
2.
3.
4.
Оценка изменений характеристик сцепления и привода сцепления в процессе
эксплуатации легкового автомобиля
к.т.н. доц. Прокопьев М.В., к.т.н. Петунин В.П., Таразанов С.П.
Тольяттинский государственный университет, ОАО «АВТОВАЗ»
Аннотация.
В процессе эксплуатации фрикционного сцепления происходит изменение ряда характеристик, что влияет на эргономику управления сцеплением, на коэффициент запаса сцепления по передаваемому моменту. В статье проведен анализ изменений, происходящих в сцеплении при его эксплуатации, и показано влияние этих изменений на эргономику управления сцеплением.
Ключевые слова: сцепление легкового автомобиля, ведомый диск сцепления, фрикционные накладки, упругие свойства, зажимная нагрузка.
В процессе эксплуатации автомобиля его детали подвергаются постоянным силовым, температурным воздействиям, под влиянием которых происходит износ деталей, изменение их жесткостных свойств, геометрических размеров, свойств материала, что часто ведет к проявлению нежелательных явлений: повышению шума и вибраций, ухудшению топливной экономичности и эргономики управления и т.д. Все это, несомненно, ухудшает потребительские качества всего автомобиля. При проектировании деталей и узлов автомобиля необходимо учитывать и прогнозировать негативные изменения деталей, возникающие в процессе эксплуатации.
Сцепление является узлом автомобиля, детали которого в наибольшей степени подвержены изменению своих параметров по причине особенностей работы этого узла. При этом техническое состояние сцепления напрямую влияет на эргономику управления и на обеспечение подвижности автомобиля. Поэтому уже на стадии проектирования необходимо знать степень изменения характеристик сцепления в процессе его эксплуатации на автомобиле для прогнозирования срока службы сцепления и назначения возможных регламентных работ по его обслуживанию в процессе эксплуатации.
При длительной эксплуатации автомобиля потребитель может ощущать изменение характеристики «сила-перемещение» на педали сцепления [1]. Эти изменения обусловлены целым рядом факторов. На рисунке 1 показана характеристика «сила-перемещение» снятая с педали сцепления для нового состояния автомобиля и после пробега автомобиля в 40000 и 80000 км. Рассматриваемый автомобиль укомплектован механической коробкой передач, сухим фрикционным сцеплением и механическим приводом управления сцеплением.
// / у f// / / ‘ ‘NX -Ч ХХ
г N
/
-нь —Пр -Пр вое состояние обет 40.000 ю/
обет 80.000 и»
4 6
Перемещение муфты, мм
Рисунок 2. Результаты замеров характеристики «сила-перемещение» на муфте выключения сцепления
Из представленных графиков следует, что произошли существенные изменения в эргономике управления сцеплением, а именно: увеличение максимального усилия на педали сцепления составило 27,7 Н (с 90,5 Н до 118,2 Н, рост 30,6%), гистерезис увеличился на 15,7
Н (с 28,4 Н до 44,1 Н), в целом совершаемая работа на выключение сцепления возросла с 9,53 Дж до 12,82 Дж (рост на 3,29 Дж или на 34,5%). Ход педали в рассматриваемом случае не изменился, так как привод управления сцеплением оснащен механизмом компенсации износа фрикционных накладок.
Для анализа причин произошедших изменений необходимо рассматривать изменения, произошедшие в сцеплении отдельно от привода выключения сцепления, с этой целью были выполнены замеры некоторых параметров сцепления автомобиля для нового состояния, а также в 40000 и в 80000 км пробега.
Замеры осуществлялись на оборудовании, описанном в работе [2]. На рисунке 2 представлены замеры упругой характеристики сцепления в комплекте, которая вместе с приводом управления сцеплением (передаточное число, жесткость) определяет усилие на педали сцепления.
Из данных рисунка 2 следует, что увеличение максимального усилия составило 224 Н (с 1127 Н до 1351 Н, рост 19,9%), увеличение гистерезиса составило 77 Н (с 49 Н до 126 Н). Работа, необходимая для выключения сцепления (по ходу муфты, приведенной к ходу педали) увеличилась с 7,61 Дж до 8,66 Дж (рост на 1,05 Дж, или на 13,8%).
Общее качественное соотношение зависимостей, представленных на рисунках 1 и 2, совпадает. Однако при анализе количественных изменений отмечается значительно большее увеличение работы на выключение на педали (через систему привода управления) по сравнению с работой выключения сцепления (отдельно от системы привода управления). Причина этого заключается в увеличении потерь в системе привода управления сцеплением, что видно на рисунке 3.
Рисунок 3. Зависимость работы на выключение сцепления от пробега автомобиля
Таким образом, рост потерь в приводе управления сцеплением за первые 40000 км пробега составил 0,78 Дж, за следующие 40000 км — 1,46 Дж. Тенденция увеличения потерь объясняется износом, снижением эффективности смазки, увеличением количества продуктов износа на поверхностях трения механической системы привода управления сцеплением. Кроме этого, необходимо отметить изменения в работе на выключение сцепления: за первые 40000 км пробега увеличение работы составило 0,81 Дж., за следующие 40000 км — 0,24 Дж. То есть наблюдается обратная тенденция: с увеличением пробега изменение работы выключения сцепления значительно уменьшилось. Объяснение этому следует из двух явлений, происходящих в сцеплении в процессе эксплуатации.
Первое — это естественный износ фрикционных накладок сцепления. Износ фрикционных накладок сцепления приводит к увеличению силы, необходимой для выключения сцепления (за исключением конструкций с использованием механизма компенсации износа накладок, расположенного в нажимном диске сцепления).
Для рассматриваемого случая износ составил 0,41 мм за весь пробег в 80000 км. При этом износ за первую половину общего пробега автомобиля составил 0,29 мм, а за вторую половину — 0,12 мм, что объясняется по-
вышенным износом накладок в начальный период эксплуатации — период приработки накладок. Из опыта проведения длительных дорожных испытаний следует, что период приработки фрикционных накладок составляет не более 10000 км пробега автомобиля при условиях нормальной эксплуатации (для легкового автомобиля).
Второе — изменение осевой упругости ведомого диска сцепления. Этот параметр определяется конструкцией ведомого диска и существенно влияет на обеспечение плавности включения сцепления в работу, а также влияет на усилие, прикладываемое к педали сцепления при управлении им. Количественно этот параметр представляет разность толщины ведомого диска под осевыми нагрузками (минимальная нагрузка 50 …100 Н, максимальная нагрузка 3000 .5000 Н). На рисунке 4 показаны замеры осевой жесткости ведомого диска для нового состояния и состояния после пробега автомобиля 80000 км.
Как видно из представленных зависимостей, за время эксплуатации произошли существенные изменения. Основная причина продемонстрированных изменений заключается в снижении упругих свойств пружинных пластин ведомого диска вследствие прикладываемой циклической нагрузки, что подтверждается стендовыми испытаниями на долговечность пружинных пластин. При этом необходимо отметить, что разовый, кратковременный перегрев сцепления часто ведет к значительно большему изменению упругости пружинных пластин, чем циклическое нагружение за длительный промежуток времени.
4000 ——-6000
3500 3000 я 2500
а
2000 К 1500 1000
500
-п — -п эобег 0 км. / /
эооег «о.иоо км. / /
У / /
/
/ /
/
0 0,2 0,4 0,6 0,8 1
Относительная толщина ведомого диска, мм
Рисунок 4. Характеристика осевой упругости ведомого диска
1,2
/// У * // / х ч\\
/ /’ (/ / \ \ \ та. 4
/// /// 1Г
¡Г -Пробег 0 км —Пробег 80.000 км.
0 1 2 3 4 5 6
Перемещение нажимного диска, ми.
Рисунок 5. Характеристика упругости разрезной тарельчатой пружины в составе нажимного диска сцепления
Аналогично изменениям, происходящим с пружинными пластинами, происходит изменение упругих свойств разрезной тарельчатой пружины нажимного диска сцепления. Знания влияния цикличных нагрузок, термической нагруженности на упругие свойства тарельчатой пружины крайне важны. Причина заключается не только во влиянии на эргономику управления сцеплением, но и во влиянии на коэффициент запаса сцепления по передаваемому крутящему моменту, так как в процессе эксплуатации уменьшается зажимная нагрузка в сцеплении. На рисунке 5 показаны замеры упругой характеристики тарельчатой пружины в составе нажимного диска сцепления в сборе. Из практического опыта можно отметить, что падение зажимной нагрузки вследствие циклической нагруженности составляет до 10% за ресурсный срок службы сцепления, а возможное падение зажимной нагрузки вследствие перегрева сцепления может составлять до 30% и вести к выходу сцепления из строя.
Также возможны изменения (уменьшения) упругих свойств демпферных пружин ведомого диска, что снижает момент замыкания демпфера [3].
Рассматривая представленный пример на данных по одному конкретному автомобилю, необходимо отметить, что эксплуатация автомобиля проходила преимущественно на скоростных участках дорог, а автомобиль эксплуатировался без перегрева сцепления. Каждый отдельно взятый автомобиль, эксплуатирующийся потребителем, имеет свою «историю»
эксплуатации, и изменения, происходящие в сцеплении, могут существенно отличаться от представленного выше примера. Однако отличия будут заключаться в скорости протекания изменений, но не в их характере.
Исходя из представленной информации, можно сформулировать рекомендации, позволяющие минимизировать негативные изменения в сцеплении и приводе сцепления. Применение фрикционных материалов накладок сцепления повышенной износостойкости позволит снизить скорость нарастания усилия на педали сцепления. Разработка технологических процессов по изготовлению пружинных элементов сцепления с низкой подверженностью к изменению жесткостных характеристик даст большую стабильность при эксплуатации.
Применение гидравлического привода сцепления, который значительно меньше подвержен изменениям в процессе эксплуатации, также позволит снизить потери в приводе сцепления. Однако при реализации мер по улучшению эргономики управления сцеплением всегда необходимо оценивать соотношение, связывающее повышение потребительских свойств и стоимость этих мероприятий.
Выводы
1. Представлена информация по изменению характеристики «сила-перемещение» на педали сцепления с увеличением пробега автомобиля.
2. Выполнен анализ изменений в системе привода сцепления и самом сцеплении, происходящих при пробеге автомобиля.
3. Определены рекомендации, позволяющие минимизировать негативные изменения в приводе сцепления и сцеплении, происходящие в процессе эксплуатации автомобиля.
Литература
1. Эргономические критерии оценки зависимости сила-перемещение, снимаемой с педали сцепления легкового автомобиля / В.П. Петунин, М.В. Прокопьев, А.В. Куевда и др. // Известия МГТУ «МАМИ».
Научный рецензируемый журнал. — М.: МГТУ «МАМИ», №2(10), 2010.
2. Универсальный стенд контроля упругих характеристик нажимного диска сцепления в сборе / В.П. Петунин, М.В. Прокопьев, А.В. Прасолов, Д.А. Волков // Известия МГТУ «МАМИ». Научный рецензируемый журнал. — М.: МГТУ «МАМИ», № 2(14), 2012.
3. Соломатин Н.С., Зотов Е.М., Симонов Д.В. Влияние преднатяга пружин демпфера сцепления на динамическую нагруженность трансмиссии автомобиля // Известия МГТУ «МАМИ». Научный рецензируемый журнал. — М.: МГТУ «МАМИ», № 1(9), 2010.
Электроусилитель рулевого управления автомобилем
к.т.н. доц. Прохоров В.А., к.т.н., проф. Девочкин О.В.
Университет машиностроения 8(499) 762-09-76, [email protected], 8(495) 474 -62-00, йеуоскЫп.о1е%(@;уапйех/ги Аннотация. Рассматриваются вопросы разработки функциональной блок-схемы электроусилителя рулевого управления автомобиля на базе частотно-управляемого асинхронного двигателя. Приводится конкретный вариант реализации такой схемы и рассматривается принцип её работы.
Приводятся принципиальные электрические схемы основных узлов такой системы.
Ключевые слова. электроусилитель рулевого управления автомобиля (ЭУРУ), блок-схема ЭУРУ, рулевое колесо, датчик момента, кинематическая передача, рулевой механизм, управляемые колёса, исполнительный асинхронный двигатель, принципиальные электрические схемы узлов ЭУРУ.
Современные автомобили оснащаются усилителями рулевого управления различного типа, в том числе и электромеханическими (ЭУРУ). Последние могут быть реализованы на базе электродвигателей различного типа , в том числе и асинхронных. Двигатели этого типа
[PDF] Динамическая и кинематическая модель трансмиссии с двойным сцеплением
- title={Динамическая и кинематическая модель коробки передач с двойным сцеплением},
автор = {Энрико Гальваньо, Мауро Велардоккиа и Алессандро Вильяни},
journal={Теория механизмов и машин},
год = {2011},
объем={46},
страницы = {794-805}
}- Э.
Гальваньо, М. Велардоккиа, А. Вильяни - Опубликовано 1 июня 2011 г.
- Машиностроение
- Механизм и теория машин
Просмотр через Publisher
iris.polito.it
Имитационная модель автомобиля с электрогидравлической коробкой передач с двойным сцеплением: моделирование и проектирование системы
- Schoeftner, W. Ebner
- Э.
Engineering
- 2017
РЕЗЮМЕ Автоматическая и механическая трансмиссия являются основным связующим звеном между двигателем и трансмиссией. Технический термин, когда трансмиссия обеспечивает требуемый крутящий момент при всех возможных движениях…
Моделирование, ориентированное на управление, и оценка крутящего момента для трансмиссии автомобиля с коробкой передач с двойным сцеплением -clutch Transmission
- Sooyoung Kim, Seibum B. Choi
Engineering
- 2017
На протяжении многих лет коробка передач с двойным сцеплением (DCT) продемонстрировала более высокую эффективность и превосходные характеристики переключения по сравнению с другими типами трансмиссий, и находит все более широкое применение в современных…
Анализ чувствительности конструктивных параметров трансмиссии с двойным сцеплением, ориентированный на характеристики NVH оценка характеристик NVH (шум, вибрация и жесткость) трансмиссии с двойным сцеплением (DCT) в зависимости от некоторых параметров конструкции трансмиссии, например…
Анализ влияния системы крепления трансмиссии на трансмиссию с двойным сцеплением в типичных условиях работы
- Zhengru Guo, D.
Qin, Antai Li, Jihao Feng, Yonggang Liu Инженерное дело
Прикладные науки
- 2022
транспортного средства, что серьезно влияет на комфорт использования автомобиля.…
Программное обеспечение в модели контура и управления развязкой для автомобильных трансмиссий с двойным сцеплением Предлагается семейство трансмиссий C635 и его будущее развитие.
Интеграция трансмиссии с двойным сцеплением в силовые агрегаты гибридных электромобилей
- G. Guercioni
Инженерное дело
- 2018
расход можно улучшить.
Управление скользящим режимом для оптимальной передачи крутящего момента узла сухого двойного сцепления двухскоростного электромобиля во время запуска
Можно сделать вывод, что предложенный алгоритм оптимального управления способен улучшить качество запуска до высокого уровня, а алгоритм скользящего режима для управления слежением приобретает высокую устойчивость к моделированию неопределенностей и нелинейностей.
Оценка крутящего момента в трансмиссии для наземного транспортного средства с коробкой передач с двойным сцеплением
Адаптивный наблюдатель крутящего момента, применимый к трансмиссиям DCT, разработан для оценки крутящего момента, передаваемого одновременно через каждое сцепление и выходной вал, и отличается простотой и интуитивно понятная структура, основанная на модели трансмиссии пониженного порядка.
Управление переключением передач передачи передачи с двойным сцеплением с использованием оптимального распределения управления
- Sooyoung Kim, J. OH, Seibum B. Choi
Engineering
- 2017
с показателем 1-8. динамика и управление коробок передач с двойным сцеплением
- Manish Kulkarni, T. Shim, Yi Zhang
Engineering
- 2007
Динамика и управление переключением передач на коробках передач с двойным сцеплением
- M.
Goetz, M. Levesley, D. Crolla Engineering
- 2005
Резюме На основе подробной динамической модели автомобильной трансмиссии, содержащей трансмиссию с двойным сцеплением, разработана интегрированная система управления трансмиссией для переключения передач. развитый. Работа этого…
Динамическое моделирование и симуляция автоматической трансмиссии с промежуточным валом с двойным сцеплением
- Йи Чжан, С. Чен, С. Чжан, Хун Цзян, В. Тоблер
Engineering
- 2005
В данной статье представлена систематическая модель для моделирования и анализа трансмиссии с переключением под нагрузкой, имеющей конструкцию с двойным сцеплением. В статье моделируется кинематика, динамика и управление трансмиссией с двойным сцеплением.
В этом документе основное внимание уделяется динамическому моделированию и анализу сухих коробок передач с двойным сцеплением (DCT) во время трогания с места и переключения передач.
Модель системы включает в себя стратегии управления крутящим моментом сцепления…
Моделирование автоматизированной системы механической трансмиссии
- Г. Люсенте, М. Монтанари, К. Росси
Инженерное дело
- 2007
Моделирование и симуляция насоса трансмиссии с двойным сцеплением для анализа действия насоса трансмиссии с двойным сцеплением
- R. Ahlawat, H. Fathy, B. Lee, J.L. Stein, D. Jung
Engineering
- 2010
Нагнетательные насосы используются в автомобильных трансмиссиях для подачи жидкости под давлением в различные гидравлические компоненты в трансмиссии, а также смазывать механические компоненты. В…
Динамика шин и транспортных средств
- Х. Пачейка
Бизнес
- 1982
Новая модель для управления системами с трением, которая описывает динамическое поведение трения
наблюдалось экспериментально, включая эффект Стрибека, гистерезис, пружинные характеристики при трении и различное усилие отрыва.
видео по физике, которые следуют вашему учебнику
Видео по физике, которые следуют вашему учебнику | Подготовка сцепления
Концепции, примеры и практические видеоролики, которые проведут вас по темам вашего конкретного учебника.
Введение в единицы
Преобразование единиц
Решение задач плотности
Размерный анализ
Подсчет значимых цифр
Операции со значащими цифрами
Векторы, скаляры и смещение
Средняя скорость
Введение в ускорение
Графики положение-время и скорость
Концептуальные проблемы с диаграммами положение-время
Графики скорость-время и ускорение
Вычисление смещения по графикам скорость-время
Концептуальные проблемы с графиками скорость-время
Расчет изменения скорости по графикам ускорение-время
Графики положения, скорости и ускорения
Кинематические уравнения
Вертикальное движение и свободное падение
Проблемы с догоном/обгоном
Обзор векторов и скаляров
Введение в векторы
Добавление векторов графически
Векторная композиция и разложение
Добавление векторов по компонентам
Триггерный обзор
Единичные векторы
Введение в точечный продукт (скалярный продукт)
Вычисление скалярного произведения с использованием компонентов
Введение в кросс-произведение (векторное произведение)
Вычисление перекрестного произведения с использованием компонентов
Введение в движение в 2D: положение и смещение
Скорость в 2D
Ускорение в 2D
Кинематика в 2D
Введение в относительную скорость
Введение в движение снаряда: горизонтальный запуск
Отрицательный (нисходящий) запуск
Симметричный запуск
Снаряды, выпущенные из движущихся транспортных средств
Специальные уравнения в симметричных запусках
Положительный (восходящий) запуск
Использование замены уравнения
Первый и второй законы Ньютона
Типы сил и свободные диаграммы тела
Силы и кинематика
Вертикальные силы и ускорение
Вертикальное равновесие и нормальная сила
Силы в 2D
Равновесие в 2D
Третий закон Ньютона и пары действие-противодействие
Силы в связанных системах объектов
Наклонные плоскости
Кинетическое трение
Статическое трение
Наклонные плоскости с трением
Системы объектов с трением
Системы объектов на наклонных плоскостях с трением.
Сложенные блоки
Введение в Спрингс (закон Гука)
Равномерное круговое движение
Период и частота в равномерном круговом движении
Центростремительные силы
Вертикальные центростремительные силы
Плоские кривые
Кривые с наклоном
Закон всемирного тяготения Ньютона
Гравитационные силы в 2D
Ускорение силы тяжести
Спутниковое движение: введение
Спутниковое движение: скорость и период
Геосинхронные орбиты
Обзор законов Кеплера
Первый закон Кеплера
Третий закон Кеплера
Введение в энергию и кинетическую энергию
Введение в вычислительную работу
Чистая работа и теорема о рабочей энергии
Работа на наклонных плоскостях
Работа пружинами
Работать как область под графиками F-x
Власть
Введение в типы энергии
Гравитационно потенциальная энергия
Введение в сохранение энергии
Энергия с неконсервативными силами
Пружины и упругая потенциальная энергия
Решение движения снаряда с использованием энергии
Движение по изогнутым траекториям
Проблемы с американскими горками
Проблемы с маятником
Энергия в связанных объектах (системах)
Сила и потенциальная энергия
Введение в Импульс
Введение в импульс
Импульс с переменными силами
Введение в закон сохранения импульса
Проблемы отталкивания
Типы столкновений
Полностью неупругие столкновения
Добавление массы к движущейся системе
Столкновения и движение (импульс и энергия)
Баллистический маятник
Столкновения с пружинами
Упругие столкновения
Как определить тип столкновения
Введение в центр масс
Вращательное положение и смещение
Подробнее Connect Wheels (велосипеды)
Скорость вращения и ускорение
Уравнения вращательного движения
Преобразование между линейным и вращательным
Виды ускорения при вращении
Катящееся движение (свободные колеса)
Введение в подключенные колеса
Дополнительные проблемы сохранения энергии
Сохранение энергии при качении
Теорема о параллельных осях
Введение в момент инерции
Момент инерции через интеграцию
Момент инерции систем
Момент инерции и распределение массы
Введение во вращательную кинетическую энергию
Энергия вращательного движения
Типы движения и энергии
Сохранение энергии с вращением
Крутящий момент с кинематическими уравнениями
Вращательная динамика с двумя движениями
Вращательная динамика качения
Крутящий момент и ускорение (вращательная динамика)
Как решить: энергия против крутящего момента
Крутящий момент из-за веса
Введение в крутящий момент
Чистый крутящий момент и знак крутящего момента
Крутящий момент на дисках и шкивах
Равновесие с несколькими объектами
Равновесие с несколькими опорами
Центр масс и простой баланс
Равновесие в 2D — Лестничные задачи
Балка/полка у стены
Еще 2D-задачи о равновесии
Обзор: центр масс
Крутящий момент и равновесие
Открытие/закрытие рычагов на вращающемся табурете
Сохранение углового момента
Угловой момент и второй закон Ньютона
Введение в угловые столкновения
Прыжки в/из движущегося диска
Вращение на строке переменной длины
Угловые столкновения с линейным движением
Введение в угловой момент
Угловой момент точечной массы
Угловой момент объектов в линейном движении
Сила пружины (закон Гука)
Введение в простое гармоническое движение (горизонтальные пружины)
Энергия в простом гармоническом движении
Простое гармоническое движение вертикальных пружин
Простое гармоническое движение маятников
Энергия в маятниках
Введение в волны
Волновые функции и уравнения волн
Скорость поперечных волн (струны)
Интерференция волн
Стоячие волны
Звуковые волны
Стоячие звуковые волны
Интенсивность звука
Эффект Доплера
Удары
Плотность
Введение в давление
Закон Паскаля и гидравлический лифт
Манометр: Барометр
Манометр: Манометр
Манометр: U-образная трубка
Плавучесть и плавучая сила
Идеальные и реальные жидкости
Течение жидкости и уравнение непрерывности
Температура
Линейное тепловое расширение
Объемное тепловое расширение
Родинки и число Авогадро
Удельная теплоемкость и изменения температуры
Скрытая теплота и фазовые переходы
Введение в калориметрию
Калориметрия с температурой и фазовыми переходами
Усовершенствованная калориметрия: равновесная температура с фазовыми переходами
Фазовые диаграммы, тройные точки и критические точки
Теплопередача
Закон идеального газа
Кинетико-молекулярная теория газов
Средняя кинетическая энергия газов
Внутренняя энергия газов
Среднеквадратичная скорость газов
Средний свободный пробег газов
Распределение скорости идеальных газов.
Уравнения тепловыделения для специальных процессов и молярная удельная теплоемкость
Первый закон термодинамики
Работа, выполненная через несколько процессов
Циклические термодинамические процессы
Схемы PV и работа
Тепловые двигатели и второй закон термодинамики
Тепловые двигатели и фотоэлектрические схемы
Цикл Отто
Цикл Карно
Холодильники
Энтропия и второй закон термодинамики
Уравнения энтропии для специальных процессов
Статистическая интерпретация энтропии
Электрический заряд
Зарядка объектов
Зарядка индукцией
Сохранение заряда
Закон Кулона (электрическая сила)
Электрическое поле
Электрические поля в конденсаторах
Линии электрического поля
Дипольный момент
Электрические поля в проводниках
Электрический поток
Закон Гаусса
Электрическая потенциальная энергия
Электрический потенциал
Работа от электрической силы
Отношения между силой, полем, энергией, потенциалом
ЭлектронВольт
Эквипотенциальные поверхности
Конденсаторы и емкость
Конденсаторы с параллельными пластинами
Энергия, запасенная конденсатором
Емкость с использованием исчисления
Объединение конденсаторов последовательно и параллельно
Решение конденсаторных цепей
Введение в диэлектрики
Как работают диэлектрики
Пробой диэлектрика
Введение в текущий
Резисторы и закон Ома
Мощность в цепях
Микроскопический вид тока
Объединение резисторов последовательно и параллельно
Правило соединения Кирхгофа
Решение резисторных цепей
Правило петли Кирхгофа
Магниты и магнитные поля
Краткое изложение проблем магнетизма
Сила движущихся зарядов и правило правой руки
Круговое движение зарядов в магнитных полях.
Масс-спектрометр
Магнитная сила на проводе с током
Сила и крутящий момент в токовых петлях
Магнитное поле, создаваемое движущимися зарядами
Магнитное поле, создаваемое прямыми токами
Магнитная сила между параллельными токами
Магнитная сила между двумя движущимися зарядами
Магнитное поле, создаваемое петлями и соленоидами
Тороидальные соленоиды, также известные как Тороиды.
Закон Био-Савара (исчисление)
Закон Ампера (исчисление)
Введение в индукцию
Магнитный поток
Закон Фарадея
Закон Ленца
Движущая ЭДС
Трансформеры
Взаимная индуктивность
Собственная индуктивность
Индукторы
LR схемы
LC-цепи
Схемы LRC
Переменные напряжения и токи
Среднеквадратичное значение тока и напряжения
Фазоры
Резисторы в цепях переменного тока
Фазоры для резисторов
Конденсаторы в цепях переменного тока
Фазоры для конденсаторов
Катушки индуктивности в цепях переменного тока
Фазоры для индукторов
Импеданс в цепях переменного тока
Схемы серии LRC
Резонанс в цепях серии LRC
Мощность в цепях переменного тока
Введение в электромагнитные (ЭМ) волны
Электромагнитный спектр
Интенсивность электромагнитных волн
Волновые функции электромагнитных волн
Радиационное давление
Поляризационные и поляризационные фильтры
Эффект Доплера света
Рэй Природа Света
Отражение света
Преломление света
Полное внутреннее отражение
Диаграммы лучей для зеркал
Уравнение зеркала
Преломление на сферических поверхностях
Диаграммы лучей для линз
Тонкие линзы и уравнения производителя линз
Дифракция
Дифракция по принципу Гюйгена
Эксперимент Янга с двумя щелями
Однощелевая дифракция
Инерциальные системы отсчета
Специальные Против.
Галилея относительности
Последствия относительности
Преобразования Лоренца
Анализ крутильных колебаний трансмиссии
и оптимизация демпфера сцепления для уменьшения дребезга передач
На этой странице
РезюмеВведениеВыводыСсылкиАвторские праваСтатьи по теме
В этой статье описывается исследовательская работа по моделированию трансмиссии, анализу крутильных колебаний и оптимизации параметров демпфера сцепления для снижения дребезжания шестерен трансмиссии при медленном движении автомобиля. Во-первых, моделируются основные компоненты трансмиссии, в том числе квазипереходный двигатель, многоступенчатый демпфер жесткой муфты, детализированная механическая коробка передач и дифференциальный механизм, а также шина LuGre соответственно. Во-вторых, построено и проанализировано моделирование системы трансмиссии с двухступенчатым демпфером жесткости муфты. Переходные характеристики, предсказанные моделью, показывают, что трансмиссия испытывает сильную крутильную вибрацию и дребезжание шестерен трансмиссии.
В результате анализа делается вывод о том, что демпфер сцепления работает с перескакиванием между первой и второй ступенями жесткости, что приводит к этой проблеме в условиях проскальзывания. Затем для решения этой проблемы предлагается новаторский трехступенчатый демпфер муфты жесткости. Показано, что сильная вибрация трансмиссии и дребезжание шестерен эффективно подавляются. Наконец, делается вывод о том, что параметры демпфера сцепления могут иметь большое влияние на вибрацию трансмиссии и явление дребезга шестерен, а трехступенчатый демпфер жесткости сцепления можно использовать для эффективного устранения явления дребезга передач в условиях медленного движения автомобиля.
1. Введение
Виброудары в механических коробках передач (МКПП) являются серьезной проблемой для производителей транспортных средств из-за шума, вибрации и соображений надежности. Шестеренчатый стук — типичный зубчатый шум, возникающий при наличии крутильных колебаний, что, в свою очередь, приводит к ударам зубьев ненагруженных шестерен, колеблющихся в пределах зубчатого зазора.
Ударное столкновение передается на корпус трансмиссии через валы и подшипники, а затем преобразуется в слышимый дребезжащий шум, который является широкополосным в частотном спектре. Шум скрежета имеет отличное качество звука, которое отличает его от других шумов, производимых другими источниками в транспортном средстве, что обычно раздражает пассажиров этим шумом и приписывает его некоторым автомобильным компаниям. Таким образом, более глубокое понимание динамического поведения трансмиссии и механизма дребезжания трансмиссии крайне необходимо и привлекло внимание многих ученых.
Феномен дребезжания шестерен представляет собой комплексную проблему трансмиссии, которая включает множество нелинейностей демпфера многоступенчатой муфты, жесткости зацепления шестерен, люфта шестерен, крутящего момента и т. д. Эти нелинейности затрудняют анализ механизма этого явления. В литературе предпринимаются попытки численного моделирования и экспериментальных исследований.
Что касается численного моделирования, первоначальные исследования дребезжания шестерен были сосредоточены на одной паре шестерен.
Накамура впервые смоделировал одну прямую цилиндрическую пару зубчатых колес, в которой изменяющаяся во времени жесткость зацепления была эквивалентна прямоугольной волновой функции, а статическая ошибка передачи была суммой гармонического ряда Фурье. Методом численного моделирования [1] отчетливо выдавался момент стука шестерни. С тех пор многие ученые-исследователи уделяли больше внимания решению алгоритмов математических моделей. Компарин и Сингх использовали метод гармонического баланса для решения модели дребезжания одной зубчатой пары, которая пришла к факту наличия двустороннего удара, одностороннего удара или отсутствия удара с изменением некоторых параметров [2]. Кахраман и Сингх обнаружили, что нелинейное свойство одной зубчатой пары включало субгармоническую реакцию и реакцию хаоса с помощью метода численного моделирования и метода гармонического баланса [3]. По мере продолжения исследования объект исследования был переведен с одной простой зубчатой пары на сложную систему зубчатой передачи.
Основываясь на модели четырех степеней свободы одной зубчатой пары, Bozca et al. Предложена эмпирическая модель и модель крутильных колебаний на основе оптимизации параметров конструкции 5-ступенчатой коробки передач для снижения дребезжащего шума в автомобильной трансмиссии. Несмотря на оптимизацию геометрических параметров, общий уровень дребезжащего шума был снижен, а все оптимизированные геометрические параметры конструкции также удовлетворяли всем ограничениям [4, 5]. Кроме того, проблема дребезжания шестерен рассматривается как комплексная проблема системы трансмиссии. Большинство моделей трансмиссии, используемых для анализа крутильных колебаний трансмиссии, представляют собой сосредоточенные дискретные модели с несколькими степенями свободы. Ван и др. впервые описал модель крутильных колебаний автомобильной механической трансмиссии (MT) для анализа и прогнозирования дребезжания шестерен на всех скоростях. Соответственно, индекс дребезжания использовался для сравнения уровней дребезжания, производимого различными парами зубчатых колес.
Но в этой модели жесткость зацепления зубчатого колеса была постоянной, а автоколебания с изменяющейся во времени жесткостью не учитывались [6]. Ву и Луан обратили внимание на влияние жесткости зацепления шестерен на крутильные колебания трансмиссии транспортного средства и сравнили моделирование между переменной жесткостью зацепления и усредненной жесткостью нагруженных пар зубчатых колес на основе общей системы трансмиссии [7]. Робинетт и др. разработал репрезентативную модель для автомобиля с передним приводом (FWD) с MT путем анализа сосредоточенных параметров и представил функциональные зависимости для потерь крутящего момента, связанных с валами, шестернями, уплотнениями, потоком смазочного масла и зазором подшипника в зависимости от основных конструктивных параметров [8]. ]. Момент сопротивления, включая момент трения в подшипнике, момент сдвига масла или момент взбалтывания масла, затем подтверждался экспериментальными результатами [9].]. Де Ла Круз и др. рассмотрели влияние различных состояний смазки зубчатых пар на явление дребезжания и предложили индекс дребезжания с учетом состояния смазки [10].
Фиткау и Бертше предложили метод моделирования для нагруженных и ненагруженных контактов зубчатых колес, которые включают масляные пленки и упругие деформации. Этот подход подтверждается экспериментальными измерениями, и делается вывод о том, что состояние смазки нельзя игнорировать [11]. Феодоссиадес и др. учитывали влияние смазки в условиях холостого хода двигателя и исследовали влияние смазки на крутильные колебания. Показано, что смазочная пленка ведет себя как изменяющийся во времени нелинейный пружинно-демпферный элемент и может оказывать большое влияние на проблему дребезга шестерен [12, 13]. Кроутер и др. предложил модель с 6 степенями свободы (DOF) с использованием развертки по частоте с возбуждением двигателя, полученным на основе измеренных данных с двухступенчатым зацеплением зубчатых колес и ненагруженной зубчатой парой. Установлено, что дребезжание шестерен усиливается, когда частота вращения двигателя проходит область резонансных частот естественной модели системы. Он пришел к выводу, что необходима эффективная динамическая модель двигателя, чтобы получить переходное движение компонента трансмиссии, а затем фактическое явление дребезжания [14].
Бхагате и др. предложили математическую модель 6-DOF для крутильных колебаний переднеприводной автомобильной трансмиссии и разработали оптимизацию чувствительных параметров системы для уменьшения дребезга трансмиссии [15]. Что касается моделирования трансмиссии, то в будущих работах по моделированию срочно необходимы различные факторы, такие как изменяющаяся во времени жесткость зубчатой пары, трение в зубчатой передаче, трение в подшипнике и потеря трансмиссионного масла.
Что касается экспериментов с погремушками, Couderc et al. разработал и построил экспериментальную установку трансмиссии транспортного средства для прогнозирования динамического поведения трансмиссии транспортного средства. Сделан вывод, что имитационная модель, проверенная на экспериментальной установке, может действительно обеспечивать переходную характеристику [16]. Белломо и др. проанализировали вклад отдельных источников звука в общий дребезжащий шум с помощью анализа источника шума и предложили оптимальное по Парето решение для снижения уровня дребезжащего шума с использованием стенда для испытаний на дребезжание [17].
Этот усовершенствованный испытательный стенд воспроизвел систему разветвленной трансмиссии, а не систему с одной трансмиссией в [16]. Форчелли и др. настроил виртуальный симулятор двигателя для автомобильной трансмиссии и провел параметрическое исследование чувствительности к амплитуде крутильных колебаний. Более того, была обнаружена связь между виброакустическими измерениями и человеческим восприятием [18]. Бартод и др. проанализировали порог дребезжания и эволюцию дребезжащего шума для различных параметров мультигармонического возбуждения и параметров механической коробки передач с помощью стендовых испытаний [19].]. Кроутер и Розин представили стенд для испытаний на дребезжание шестерен, в котором электродвигатель приводит в движение трансмиссию с постоянной средней скоростью через двойной телескопический шарнир Гука. Изменяя угол шарниров, можно было регулировать амплитуду вибрации [20]. Бауманн и Берче построили одну испытательную установку для зубчатой пары для исследования дребезга и сравнили интенсивность дребезжания при различном состоянии смазочного масла.
Было обнаружено, что использование масла с высокой вязкостью может предотвратить явление дребезжания, когда угловое ускорение входного вала больше [21]. Бранкати и др. настроить специальный испытательный стенд для одной пары шестерен с небольшой нагрузкой, который может регистрировать относительное вращательное движение шестерен с помощью двух инкрементных энкодеров с высоким разрешением. На основе данных измерений на этом испытательном стенде была предложена метрика грохота шестерен, основанная на вейвлет-анализе с множественным разрешением [22].
Демпфер сцепления является компонентом трансмиссии, который может оказывать существенное влияние на динамическое поведение трансмиссии при кручении. Явление дребезжания шестерен можно значительно уменьшить, своевременно настроив некоторые параметры сцепления, такие как многоступенчатые торсионные пружины. Штайнель исследовал влияние двухмассового маховика на естественные характеристики трансмиссии и переходные характеристики. Было показано, что двухмассовый маховик был идеальным решением для трансмиссий, вибрации которых не могли быть снижены в достаточной степени без учета затрат [23].
Прасад и др. обнаружили, что устранение дребезга передач может быть достигнуто за счет максимального увеличения гистерезиса сцепления, тем самым поглощая передаваемую энергию посредством субъективной и объективной оценки в эксперименте с пассажирским автобусом [24]. Но очевидно, что максимизация гистерезиса демпфера сцепления снизит КПД трансмиссии системы трансмиссии. Сюй и др. представил новый демпфер сцепления с трехступенчатой жесткостью и эффективно решил проблему дребезжания в условиях низкого крутящего момента по сравнению с демпфером с двухступенчатой жесткостью в экспериментах на транспортных средствах [25]. Точно так же многие ученые-исследователи обнаружили, что свойство демпфера сцепления играет важную роль в снижении вибрации трансмиссии и феномена дребезжания [26, 27].
В этом документе представлена модель с сосредоточенными параметрами, способная прогнозировать вибрацию трансмиссии, начало дребезжания незакрепленной передачи и оптимизацию демпфера сцепления для уменьшения дребезжания незакрепленной передачи.
Во-первых, представлено описание трансмиссии и моделирование основных компонентов. Затем модель трансмиссии используется для выполнения анализа переходных процессов текущих систем и обеспечения всестороннего понимания возбуждения четырехцилиндрового и четырехтактного двигателя, сильной нелинейности элементов трансмиссии (включая жесткость многоступенчатой муфты и фрикционный гистерезис) и параметров. возбуждения жесткости зацепления нагруженной зубчатой пары. Модель трансмиссии делится на базовую вибрацию и дребезжащую вибрацию. Базовая вибрация принимается за возбуждение дребезжащей вибрации, и не учитывается, что дребезжащая вибрация влияет на базовую вибрацию. Детальное моделирование механической коробки передач может воспроизвести появление дребезжания ненагруженных зубчатых пар. Наконец, сравнение базовой вибрации и дребезжащей вибрации при использовании двухступенчатого демпфера сцепления жесткости и улучшенного трехступенчатого демпфера сцепления изучается в условиях медленного движения автомобиля, что показывает достижимость оптимизации параметров демпфера сцепления.
для уменьшения вибрации трансмиссии и дребезжания шестерен.
2. Описание и моделирование системы трансмиссии
Объектом исследования является классический переднеприводный (FWD) автомобиль. Основные компоненты системы трансмиссии, состоящей из рядного четырехцилиндрового и четырехтактного двигателя, демпфера сцепления, 5-ступенчатой МКПП, дифференциального механизма, полуосей и колес, показаны на рис. 1.
Эффективное моделирование компонентов трансмиссии, который обсуждается в этом разделе, имеет жизненно важное значение для анализа вибрации трансмиссии и дребезжания механической коробки передач. Квазипереходный крутящий момент двигателя является источником питания для трансмиссии, и применимая модель двигателя должна учитывать динамический выходной крутящий момент, а не постоянный выходной крутящий момент, для изучения переходной характеристики. Демпфер сцепления с учетом упругого крутящего момента и гистерезисного крутящего момента моделируется таким образом, чтобы можно было проанализировать параметры демпфера сцепления, влияющие на вибрацию трансмиссии и дребезжание шестерен.
Также будет объяснена подробная модель 5-ступенчатой механической коробки передач, основанная на методе сосредоточенных параметров. Одновременно учитываются дифференциальный механизм и свойства шины. Кроме того, изменяющаяся во времени жесткость зацепления нагруженных зубчатых пар является внутренним возбуждением в трансмиссии, и точный и эффективный метод ее расчета может повысить эффективность моделирования.
2.1. Модель квазипереходного двигателя
2.1.1. Кинематические связи одного цилиндра
Кинематическая схема кривошипно-шатунного механизма, которая представлена на рисунке 2, рассчитывается по формуле где угол поворота коленчатого вала, угол скорости вращения коленчатого вала, время, радиус кривошипа, – длина шатуна, – расстояние между верхней мертвой точкой и центром поршня, – соответственно поступательная скорость и ускорение поршня.
2.1.2. Силовой анализ одного цилиндра
Силовой анализ кривошипно-шатунного механизма на рис. 3 получен из где — давление в цилиндре при изменении угла поворота кривошипа, — диаметр поршня, — совершающая возвратно-поступательное движение масса, включая поршень, поршневое кольцо, поршневой палец и масса шатуна — сила давления газа на поршень, — крутящий момент давления газа, — сила возвратно-поступательного движения массы и — крутящий момент возвратно-поступательного движения массы.
2.1.3. Переходная модель трения двигателя для одного цилиндра
Моделирование трения в двигателе является ключевым шагом в модели квазипереходного режима работы двигателя. Здесь принята переходная модель трения двигателя модели Резеки-Хенейна, а момент трения двигателя определяется следующим уравнением [28]:где – коэффициенты подгонки, – кинематическая вязкость смазочного масла, – контактное давление между поршневым кольцом и стенкой цилиндра, толщина маслосъемного кольца, внутренний диаметр стенки цилиндра, количество маслосъемных колец, количество газовых колец, толщина газового кольца, толщина масляной пленки, длина юбки поршня. , — количество клапанов, — сила пружины клапана, — средний радиус опорного подшипника. Некоторые параметры показаны на рисунке 4.9.0021
2.1.4. Эффективный выходной крутящий момент рядного четырехцилиндрового и четырехтактного двигателя
Для рядного четырехцилиндрового и четырехтактного двигателя эффективный выходной крутящий момент является результатом газового крутящего момента, возвратно-поступательного момента инерции и момента трения, включенных в
На при медленном движении транспортного средства скорость двигателя составляет около 800 об/мин, а давление газа в каждом цилиндре двигателя показано на рисунке 5.
Соответственно, эффективный выходной крутящий момент четырехцилиндрового и четырехтактного двигателя показан на рисунке 6.
2.2. Сцепление Модель
Сцепление играет важную роль в вибрации трансмиссии, особенно в вибрации трансмиссии. Сцепление состоит из двух частей или масс, когда оно включено. Первичная масса прикреплена к маховику жестко (называемая вместе первой массой), а вторичная масса соединена с входным валом МТ через шлицевые зубья. Многоступенчатые пружины размещены между первичной массой и вторичной массой.
Для асимметричного двухступенчатого демпфера сцепления на рис. 7(а) крутящий момент сцепления выражается как функция относительного смещения и относительной скорости и определяется суммой момента упругости на рис. 7(б) и гистерезиса крутящий момент на рис. 7(c) [26]:
Момент упругости рассчитывается как где – жесткость первой ступени, – жесткость второй ступени приводной стороны, – жесткость второй ступени береговой стороны, – жесткость третьей ступени береговой стороны, и , , и – соответствующие углы перехода.
Гистерезисный крутящий момент определяется где гистерезисный крутящий момент первой ступени, гистерезисный крутящий момент второй ступени со стороны привода, гистерезисный крутящий момент второй ступени со стороны выбега и гистерезисный крутящий момент третьей ступени береговая сторона.
Для трехступенчатого демпфера сцепления на рисунке 7(d) момент упругости и гистерезисный момент определены в (9) и в (10) соответственно. Рассмотрим, где – жесткость второй ступени трехступенчатого демпфера сцепления, – соответствующий гистерезисный момент, – соответствующие углы перехода.
2.3. Моделирование 5-ступенчатой МТ и тягового момента на свободной передаче
2.3.1. Механизм MT и эквивалентная физическая модель
Для поперечной 5-ступенчатой и двухосевой конструкции MT на рис. 8, которая включает пять передаточных чисел переднего хода и одно передаточное число заднего хода, входной и выходной валы установлены на конических роликоподшипниках. 1-я ведомая шестерня, 2-я ведомая шестерня, 3-я ведущая шестерня, 4-я ведущая шестерня и 5-я ведущая шестерня вращаются на входном или выходном валу через игольчатые подшипники.
1-я ведущая и 2-я ведущая шестерни встроены в первичный вал, а 3-я, 4-я и 5-я ведомые шестерни насажены на шлицы выходного вала. 1-я ведомая шестерня и 2-я ведомая шестерня используют один и тот же трехконусный синхронизатор, который поддерживается одним гидродинамическим опорным подшипником, 3-я ведущая и 4-я ведущая шестерни используют один, а 5-я ведущая шестерня использует другой.
На основе метода моделирования с сосредоточенными параметрами каждая шестерня и синхронизатор эквивалентны инерции вращения. Инерция сегментного вала между двумя шестернями или между одной шестерней и одним синхронизатором делится в среднем на две части и они будут суммироваться на смежные инерции соответственно. Одновременно сегментный вал эквивалентен одной вращательной жесткости и одному вращательному демпфированию. Каждая инерция одной пары зубчатых колес через жесткость зацепления, демпфирование зацепления, а также люфт и крутящий момент приложены к незакрепленным зубчатым колесам. Связь между входным валом и выходным валом обеспечивается зубчатой парой, передающей мощность.
Эквивалентная физическая модель 5-ступенчатой МТ, состоящая из набора дискретных моментов инерции и жесткости, показана на рисунке 9..
2.3.2. Расчет крутящего момента сопротивления незакрепленной шестерни
На рисунке 9 крутящий момент , действующий на 1-ю ведомую шестерню, 2-ю ведомую шестерню, 3-ю ведущую шестерню, 4-ю ведущую шестерню и 5-ю ведущую шестерню, генерируется за счет момента трения подшипника, момента сдвига масла или крутящий момент при взбивании масла. Потери на ветер в зубчатом колесе не учитываются, поскольку скорости зубчатого колеса относительно низкие, а незакрепленные зубчатые колеса на входном валу смазываются разбрызгиванием.
Для ведомой шестерни 1-й и ведомой шестерни 2-й скорости, вращающихся на выходном валу, в (11) и в (12) применяются к шестерням соответственно: Момент трения подшипника определяется в следующем уравнении [29]: где скорость вращения подшипника, средний диаметр подшипника, коэффициент смазки и кинематическая вязкость смазочного масла.
Момент сдвига масла определяется по следующему уравнению [8]: где – абсолютная вязкость смазочного масла, – длина шестерни, – радиус шага шестерни, – разность скоростей между шестерней и синхронизатором или его ограничивающим валом, и — радиальный зазор подшипника.
Момент взбивания масла определяется следующим уравнением [30]: где плотность смазочного масла, угловая скорость перемешивания трансмиссионного масла, площадь погруженной в масло поверхности и коэффициент взбивания масла.
Для ненагруженной 3-й ведущей шестерни, 4-й ведущей шестерни и 5-й ведущей шестерни, вращающихся на выходном валу, подверженном трению в подшипниках, применяются крутящий момент в (16), крутящий момент в (17) и крутящий момент в (18). на шестернях соответственно:
2.4. Дифференциальная модель
Узел механизма дифференциала с конической передачей и кинетическая взаимосвязь каждой части показаны на рис. 10. Соотношение угла поворота определяется формулой где угол поворота конечной шестерни, корпуса дифференциала и планетарной шестерни в сборе.
штифт вокруг оси — угол поворота полуосевой шестерни вокруг оси — угол поворота планетарной передачи вокруг оси — и отношение скоростей планетарной передачи к полуосевой шестерне.
Определяя и как обобщенные координаты, другие углы поворота могут быть представлены этими двумя координатами: Теперь кинетическая энергия узла дифференциала рассчитывается по формуле где — инерция вращения узла угла поворота конечной шестерни, корпуса дифференциала, и штифт планетарной передачи вокруг оси — инерция вращения полуосевой шестерни вокруг оси — и представляет собой инерцию вращения планетарной передачи вокруг оси -.
2.5. Модель шин LuGre
Для модели шины LuGre анализ силы и диаграмма движения показаны на рисунке 11. щетка, — относительная скорость между шиной и землей, — нормированная продольная сосредоточенная жесткость резины, — нормированное продольное сосредоточенное демпфирование резины, — нормированное вязкое относительное демпфирование, — нормированное кулоновское трение, — нормированное статическое трение, — относительная скорость Стрибека, индекс эффекта Стрибека, длина пятна контакта, функция плотности распределения продольного давления, продольная сила шины, вертикальная сила шины, скорость проскальзывания шины, — скорость вращения шины, — радиус качения шины, — коэффициент продольного сцепления с дорогой.
По модели LuGre соотношение между продольным коэффициентом сцепления с дорогой и скоростью проскальзывания шин на различных грунтовых условиях получено на рисунке 12.
2.6. Расчет изменяющейся во времени жесткости зацепления пар зубчатых колес
Анализ методом конечных элементов (МКЭ) является наиболее эффективным методом расчета изменяющейся во времени жесткости зацепления косозубых пар. Жесткость зацепления косозубой шестерни определяется как где жесткость зацепления зубчатой пары, нормальная сила контактного усилия, общая деформация зубчатой пары, деформация изгиба и сдвига одной шестерни в точке контакта, изгиб и деформация сдвига другой шестерни в точке контакта, а – контактная деформация зубчатой пары в точке контакта.
Саймон получил расчетную формулу деформации изгиба и сдвига (24) на основе большого количества результатов МКЭ с помощью регрессионного анализа [32]. Следовательно, где — модуль упругости, — нормальный модуль, — коэффициент точки нагрузки нормальной силы, — коэффициент относительного радиального положения между точкой нагрузки и точкой деформации, — коэффициент относительного осевого положения между точкой нагрузки и деформацией.
точка, — число зубьев, — нормальный угол давления, — угол спирали в основании на базовой окружности, — коэффициент модификации зубчатого колеса, — дополнение, — дедендум, — радиус скругления корня зуба, — ширина зуба.
Что касается контактной деформации , Корнелл вывел следующее уравнение [33]: где — длина детали по ширине зуба, — усилие, приложенное к длине детали, — толщина зуба одной шестерни, — толщина зуба другое зубчатое колесо — коэффициент Пуассона одного зубчатого колеса, коэффициент Пуассона другого зубчатого колеса, модуль упругости одного зубчатого колеса и модуль упругости другого зубчатого колеса.
От (23) до (25) изменяющаяся во времени жесткость зацепления 1-й зубчатой пары (как показано на рис. 9) и пара шестерен главной передачи (как показано на рисунке 16) для цикла с двумя зубьями показаны на рисунках 13 и 14.
3. Численное моделирование и алгоритм имитации
3.1. Modeling Framework
В качестве примера используется 1-я смена МТ на ползучем состоянии транспортного средства, когда звук дребезжания коробки передач отчетливо воспринимается пассажирами исследуемого транспортного средства.
Феномен дребезжания шестерни является всесторонним результатом сложного взаимодействия между базовой вибрацией для нагруженной системы трансмиссии и дребезжащей вибрацией для ненагруженных пар шестерен на рисунке 15. Базовая вибрация состоит из двигателя, сцепления, 1-й пары шестерен, шестерен, интегрированных в первичный вал, шестерни, насаженные на вторичный вал, зубчатую пару главной передачи, дифференциал, вторичный вал и шину, при этом дребезжащая вибрация заключает в себе малонагруженные пары шестерен, а именно 2-ю, 3-ю, 4-ю и 5-ю зубчатая пара.
В литературе широко признано, что дребезжащая вибрация мало влияет на движение базовой вибрации [6, 14], что может быть использовано для более эффективного изучения общего поведения системы. Движения ведущей шестерни слабонагруженных зубчатых пар в базовой вибрации становятся возбуждениями незакрепленных зубчатых пар в дребезжащей вибрации. Тогда можно было бы получить дребезжащую силу незакрепленных зубчатых пар.
3.2. Базовая модель системы трансмиссии автомобиля
Динамическая модель трансмиссии FWD, основанная на разветвленной модели, описана на рис.
16 при включенной 1-й паре передач. Эти нагруженные пары зубчатых колес, а именно 1-я пара зубчатых колес и пара зубчатых колес главной передачи, считаются всегда находящимися в контакте с изменяющейся во времени жесткостью зацепления, соответственно, которая рассчитывается в разделе 2.6. Ненагруженные пары зубчатых колес с освещенной нагрузкой могут перемещаться поперек люфта, вызывая удары и дребезжание. Модель трансмиссии состоит из двухступенчатой модели демпфера муфты жесткости и подробной модели МТ, учитывает дифференциальное свойство и использует модель шины LuGre со средними параметрами. Входная мощность системы трансмиссии представляет собой эффективный выходной крутящий момент четырехцилиндрового и четырехтактного двигателя. Соответственно, анализ продольной силы транспортного средства и анализ силы кручения шины показаны на рисунке 17, при условии, что вертикальная нагрузка на левую и правую шины передней или задней оси эквивалентна.
В разветвленной модели упрощенные факторы включают игнорирование момента сдвига масла и момента взбивания масла, приложенных к 1-й паре шестерен в потоке мощности, а также пренебрежение влиянием динамических свойств подшипников на входном и выходном валах на рис.
8 и подшипники шестерни конечной передачи.
По уравнению Лагранжа базовая динамика вибрации системы представляется в матричной форме: где diag выражает диагональную матрицу, – угловое перемещение (AD) двигателя (а именно, маховика и сцепления), – AD ступицы сцепления , — ведущая шестерня AD 1-й пары шестерен, а — шестерня колеса 1-й пары шестерен и соответствующий синхронизатор AD. и — AD 2-й пары шестерен, и — AD 3-й пары шестерен, и — AD 4-й пары шестерен, и — AD 5-й пары, — AD 3-й и 4-й пары шестерен. синхронизатора, это AD синхронизатора 5-й пары шестерен, и AD пары шестерен главной передачи, это AD шестерни полуоси вокруг собственной оси вращения, и AD левой и правой полуоси, и являются AD AD левой и правой шины – продольное смещение транспортного средства, – инерция маховика и сцепления, – инерция ступицы сцепления, – инерция ведущей шестерни 1-й пары шестерен, – сумма инерций колесной шестерни первой пары. 1-я пара передач и соответствующий синхронизатор. — инерция 2-й пары шестерен, — инерция 3-й пары шестерен, — инерция 4-й пары шестерен, — инерция 5-й пары, — инерция 3-й и 4-й пары шестерен синхронизатора, представляет собой инерцию синхронизатора 5-й пары шестерен, представляет собой инерцию ведущей шестерни пары шестерен главной передачи, представляет собой суммарную инерцию зубчатого венца дифференциала, кожуха дифференциала, планетарной передачи и осевого пальца, а также инерция планетарной передачи.
— инерция полуоси относительно собственной оси вращения, — инерция полуоси относительно собственной оси вращения, — сумма инерций левой полуоси, ступицы колеса, обода колеса и тормозного диска, — сумма инерции правой половины оси, ступицы колеса, обода колеса и тормозного диска, – инерция левой передней шины, – инерция правой передней шины, – масса автомобиля, – жесткость зацепления зубчатых пар, – демпфирование зацепления зубчатых пар, а – люфт ненагруженных зубчатых пар. Другими и являются жесткость при кручении и демпфирование при кручении соответственно.
Здесь в этих матрицах , , , , и , сформулированы некоторые параметры: где — косой угол на базовой окружности ведущей шестерни на 1-й передаче, — косой угол на базовой окружности ведущей шестерни на главная передача, — динамический радиус шины, — коэффициент сопротивления качению, — средняя деформация щетины шины в модели шины LuGre, — средняя скорость деформации щетины шины в модели шины LuGre, — расстояние от центра масс до передней части оси, — расстояние от центра масс до задней оси, — высота центра масс, — продольное ускорение транспортного средства, — продольная скорость транспортного средства, — коэффициент сопротивления воздуха, — лобовая площадь транспортного средства, — плотность воздуха.
3.3. Модель дребезжащей вибрации ненагруженных зубчатых пар
Источником дребезжащего шума является дребезжащий удар. Ударные соударения через их зазоры в шестернях передаются на картер трансмиссии через валы и подшипники. Затем вибрации преобразуются в слышимый стук. Таким образом, сила грохота находится в центре внимания динамического исследования каждой пары зубчатых колес.
Для одной пары дребезжащих шестерен механическая модель показана на рис. 18. Каждая шестерня эквивалентна сосредоточенной инерции. Поскольку движение ведущей шестерни , полученное в базовой модели, принимается за возбуждение системы, для 1-й смены ведущая шестерня включает 2-ю ведущую шестерню, 3-ю ведомую шестерню, 4-ю ведомую шестерню и 5-ю шестерню. ведомая шестерня на рис. 8. Таким образом, выводится сила дребезжания ненагруженной зубчатой пары: Здесь обозначает относительное смещение вдоль линии сопряженного действия ненагруженных зубчатых пар. Таким образом, каждая пара грохочущих шестерен сводится к системе с одной степенью свободы.
и являются функцией люфта, как показано на рисунке 19., и его производная функция соответственно, которые определяются как где — ведущая шестерня AD, — ведомая шестерня AD, — радиус основной окружности ведущей шестерни, — радиус основной окружности ведомой шестерни, — инерция ведомой шестерни передача, представляет собой крутящий момент сопротивления, приложенный к ведомой шестерне, представляет собой дребезжащую силу, представляет собой среднюю жесткость зацепления зубчатой пары, представляет собой среднее демпфирование зацепления зубчатой пары и является люфтом шестерни.
3.4. Метод моделирования и численный алгоритм
Поскольку получены уравнения базовой вибрации и дребезжащей вибрации, вибрация трансмиссии включает сильно нелинейные факторы, а число обусловленности матрицы системы, которое представляет собой отношение ее максимального собственного значения к минимальному, очень велико. Поскольку в качестве инструмента численного моделирования используется MATLAB, «жесткую» задачу для обыкновенного дифференциального уравнения (ОДУ) обычно трудно решить вручную.
MATLAB предоставляет виды решателей для жестких ОДУ, которые состоят из ОДУ15, ОДУ23, ОДУ23t и ОДУ23tb. Среди них ODE15s — решатель переменного порядка, основанный на формулах численного дифференцирования. При желании он использует формулы обратного дифференцирования, также известный как метод Гира, который обычно менее эффективен. ODE23 основан на модифицированной формуле Розенброка 2-го порядка. Поскольку это одношаговый решатель, он более эффективен, чем ODE15, при грубых допусках и может решать некоторые виды жестких задач, для которых ODE15 неэффективен [34, 35]. . ODE23s используется для имеющейся жесткой задачи, и было обнаружено, что эффективность приемлема.
4. Анализ результатов моделирования
4.1. Анализ вибрации трансмиссии
В численной модели требуемые параметры взяты из серийного автомобиля. Правильная и точная модель трансмиссии может обеспечить практический результат. Во-первых, в базовой модели используется двухступенчатый демпфер муфты жесткости (см.
рис. 20). А характеристики двухступенчатого демпфера муфты жесткости, включая свойства упругости и гистерезиса, принятые в исходной системе трансмиссии, описаны на рисунке 21 сплошной линией.
Согласно (26), во временной области скорость транспортного средства и частота вращения двигателя получаются на рисунках 22 и 23 соответственно. Из рисунка 22 видно, что транспортное средство движется вперед медленно со скоростью от 1,8 м/с до 1,815 м/с, а именно со скоростью медленного передвижения транспортного средства. На рисунке 23 двигатель вращается со скоростью около 800 об/мин, а амплитуда колебания скорости составляет около 80 об/мин, а ступица сцепления вращается со скоростью около 800 об/мин, а амплитуда колебания скорости составляет около 10 об/мин. Соответственно, амплитуда углового ускорения ступицы сцепления на рис. 25 намного меньше, чем амплитуда ускорения двигателя на рис. 24. Как видно, демпфер сцепления играет роль в ослаблении амплитуды колебаний частоты вращения двигателя в трансмиссии.
Но на рис. 25 видно, что ступица сцепления заметно колеблется относительно средней скорости.
В этом особом состоянии по субъективной оценке водителя было обнаружено, что дребезжание коробки передач было сильным. Теперь, по результатам моделирования на рисунке 26, делается вывод, что демпфер муфты работает при угловом смещении от 5,7° до 8,6° между массами первого и второго демпфера муфты, а именно, фактическая рабочая зона в эллипсе, изображенном штриховой линией в Рисунок 21. Демпфер сцепления работает с перескакиванием между жесткостью первой ступени и жесткостью второй ступени со стороны привода и вызывает более сильную крутильную вибрацию трансмиссии, что приводит к резким колебаниям вибрации ступицы сцепления и ударному шуму трансмиссии, который может быть воспринимается водителем или пассажиром.
Кроме того, в частотной области частотный спектр частоты вращения двигателя (см. рисунок 27) показывает, что основные частоты включают 13,43 Гц, 26,86 Гц и 53,1 Гц, которые являются однократной частотой, двойной частотой и четырехкратной частотой.
, соответственно. Соответственно, первичные частоты скорости ступицы сцепления (см. рис. 28) также включают 13,43 Гц, 26,86 Гц и 53,1 Гц. При этом амплитуды восьмикратной частоты (106,2 Гц), двенадцатикратной частоты (159,3 Гц) и других частот, которые сравниваются с амплитудами 13,43Гц, 26,86Гц и 53,1Гц, значительны. Согласно теоретическому анализу, амплитуды более высоких частот меньше, чем амплитуды более низких частот. Двухступенчатый демпфер муфты жесткости, работающий между жесткостью первой и второй ступеней, можно объяснить результатами, представленными на рис. 28.
4.2. Анализ силы дребезжания ненагруженных зубчатых пар
Как объяснялось в разделе 3.3, движения ведущей шестерни, полученные из базовой вибрации, являются возбуждением дребезжащей вибрации. Движения ведущей шестерни 2-й, 3-й, 4-й и 5-й пар шестерен показаны на рисунке 29. Соответственно сила дребезжания 2-й пары шестерен , сила дребезжания 3-й пары шестерен , сила дребезжания 4-й пары шестерен и 5-я шестерня сила дребезжания пары показана на рисунке 30.
На рисунке 29, шестерни колеблются со средней скоростью, а движения шестерен 3-й пары, 4-й пары и 5-й пары шестерен почти согласованы друг с другом. Из рис. 30 видно, что во всех ненагруженных зубчатых парах возникают двусторонние дребезжащие удары и возникает большая сила дребезжания. Максимальная амплитуда силы грохота 3-й и 4-й пары шестерен может достигать почти 2000 Н, в то время как сила дребезжания 2-й пары шестерен составляет около 1000 Н, а сила дребезжания 4-й пары шестерен составляет около 500 Н. Таким образом, 3-я и 4-я пары шестерен претерпевать сильное явление погремушки. Кроме того, хотя движения шестерен 3-й, 4-й и 5-й пар шестерен почти одинаковы, силы грохота этих трех пар шестерен совершенно разные, что доказывает необходимость создания подробной модели МТ.
5. Оптимизация параметров демпфера сцепления для уменьшения дребезга шестерен
5.1. Анализ вибрации трансмиссии после усовершенствования
Как указано в разделе 4.1, двухступенчатый демпфер муфты жесткости работает с перескакиванием между первой и второй ступенями жесткости со стороны привода, что вызывает более сильную вибрацию трансмиссии и феномен дребезжания шестерен.
Таким образом, трехступенчатый демпфер муфты жесткости для добавления одноступенчатой жесткости для низкого момента нагрузки между жесткостью первой и второй ступеней предлагается на рисунке 31. Как видно, другие параметры свойств двухступенчатого демпфера муфты не пересматриваются, за исключением добавленных параметров свойств ступени, и этот трехступенчатый демпфер сцепления может изначально хорошо работать для других условий вождения автомобиля, за исключением условий медленного движения автомобиля. Нелинейные характеристики трехступенчатого демпфера сцепления показаны на рис. 32 сплошной линией.
Согласно (26), во временной области частота вращения двигателя колеблется около 800 об/мин, а амплитуда колебания скорости составляет около 80 об/мин на рис. 33, что аналогично результату на рис. 23. Но очевидно, что степень колебания ступицы сцепления уменьшается, а амплитуда колебаний составляет менее 10 об/мин. Точно так же угловое ускорение ступицы сцепления на рис. 35 намного меньше, чем на рис.
25, а угловое ускорение двигателя на рис. 34 такое же, как на рис. 24.
Дальнейший анализ работы трехступенчатого демпфера муфты AD на рис. 36 показывает, что он работает при угловом смещении от 5° до 8°, а именно фактическая рабочая зона в пунктирной линии эллипса на рис. 32. Теперь, после при использовании трехступенчатого демпфера муфты устраняется явление скачка между жесткостью первой ступени и жесткостью второй ступени.
Кроме того, в частотной области частотный спектр частоты вращения двигателя (см. рис. 37) аналогичен спектру на рис. 27, а основные частоты также состоят из 13,43 Гц, 26,86 Гц и 53,1 Гц. Соответственно, первичные частоты скорости ступицы сцепления включают в себя 13,43 Гц, 26,86 Гц и 53,1 Гц, а также на рисунке 38. Но на рисунке 38 амплитуды 106,2 Гц и 159.3 Гц и другие частоты на рисунке 28, амплитудами которых нельзя пренебречь, уменьшены до гораздо более низкого значения. Благодаря всестороннему анализу этих результатов устранение явления скачка между жесткостью первой ступени и жесткостью второй ступени может быть объяснено результатом на рисунке 38 после принятия демпфера сцепления с трехступенчатой жесткостью.
5.2. Анализ силы дребезжания ненагруженных зубчатых пар после оптимизации
В базовой модели движения шестерни 2-й, 3-й, 4-й и 5-й пары шестерен после оптимизации показаны на рис. 39.. По сравнению с результатом на рис. 29, колебания скорости всех шестерен, по-видимому, намного ниже, тенденции изменения которых совпадают со ступицей сцепления. Затем движения ведущей шестерни представляют собой возбуждение ненагруженных зубчатых пар, а силы грохота ненагруженных зубчатых пар рассчитываются на рисунке 40. Интенсивность дребезжания всех ненагруженных зубчатых пар, очевидно, улучшается, и во всех ненагруженных зубчатых парах преобладают односторонние дребезжащие удары. Максимальная сила грохота 2-й пары шестерен меньше 150 Н, а сила грохота 3-й пары шестерен меньше 50 Н, а сила грохота 4-й и 5-й пар шестерен аналогично меньше 100 Н. Сделан вывод, что все без нагрузки зубчатые пары испытывают дребезжащую вибрацию, но интенсивность дребезжащих ударов значительно слабее. Таким образом, явление дребезжания МТ (или сила дребезжания) улучшается после принятия трехступенчатого демпфера сцепления жесткости в условиях ползучести транспортного средства.
6. Выводы
На основе разветвленной модели, включая квазипереходную модель двигателя, модель многоступенчатого демпфера сцепления, детальную модель МТ, модель дифференциала и модель шины LuGre, а также с учетом изменяющейся во времени жесткости пары шестерен 1-й скорости и Пара шестерен главной передачи, 19-степенная модель базовой вибрации устанавливается на ползучем режиме автомобиля. Затем получается дребезжащая вибрация, поскольку базовая вибрация является возбуждением. Базовая вибрация и дребезжащая вибрация воспроизводят всестороннее исследование системы трансмиссии и феномена дребезжания МТ. Сделан вывод о том, что (1) в условиях проскальзывания двухступенчатый демпфер муфты жесткости имеет тенденцию работать, перескакивая между первой и второй ступенями жесткости, и это вызывает более сильную вибрацию трансмиссии и неприятный дребезжащий шум, воспринимаемый пассажирами. Во всех ненагруженных зубчатых парах возникает большая дребезжащая сила двухстороннего удара.
Максимальная сила грохота 3-й и 4-й пары шестерен составляет примерно до 2000 Н, в то время как сила грохота 2-й пары шестерен составляет около 1000 Н, а сила грохота 4-й пары шестерен составляет почти 500 Н; (2) трехступенчатая жесткость демпфер сцепления принят, и это, очевидно, может улучшить вибрацию трансмиссии и феномен дребезжания МТ в условиях ползучести автомобиля. Односторонние удары преобладают во всех ненагруженных зубчатых парах. Максимальное усилие грохота 4-й и 5-й пар шестерен меньше 100 Н, а усилие дребезжания 2-й пары шестерен меньше 150 Н и усилие дребезжания 3-й пары шестерен меньше 500 Н; (3) достижения численного моделирования разработанные в этом исследовании, могут быть использованы для проектирования системы трансмиссии и практических стратегий для устранения явления дребезжания МТ. В настоящее время все результаты в основном получены в результате численного моделирования и симуляции, и их необходимо подтвердить дальнейшими экспериментальными результатами.
Конфликт интересов
Авторы заявляют об отсутствии конфликта интересов в отношении публикации данной статьи.
Благодарность
Исследование, приведшее к этим результатам, финансировалось Национальным фондом естественных наук Китая (грант № 51175379).
Ссылки
К. Накамура, «Отслоение зубьев и аномальный шум в зубчатых передачах», Бюллетень JSME , vol. 10, нет. 41, стр. 846–854, 1967.
Посмотреть по адресу:
Сайт издателя | Google Scholar
Р. Дж. Компарин и Р. Сингх, «Нелинейные частотные характеристики ударной пары», Journal of Sound and Vibration , vol. 134, нет. 2, стр. 259–290, 1989.
Посмотреть по адресу:
Сайт издателя | Google Scholar
А. Кахраман и Р. Сингх, «Нелинейная динамика пары цилиндрических зубчатых колес», Journal of Sound and Vibration , vol. 142, нет. 1, стр. 49–75, 1990.
Посмотреть по адресу:
Сайт издателя | Google Scholar
М.
Бозка, «Оптимизация геометрических параметров коробки передач на основе модели крутильных колебаний для уменьшения дребезжащего шума в автомобильной трансмиссии», Механизм и теория машин , том. 45, нет. 11, стр. 1583–1598, 2010.Посмотреть по адресу:
Сайт издателя | ученый Google | Zentralblatt MATH
M. Bozca и P. Fietkau, «Оптимизация геометрических параметров коробки передач на основе эмпирической модели для снижения дребезжащего шума в автомобильной трансмиссии», Механизм и теория машин , том. 45, нет. 11, стр. 1599–1612, 2010.
Посмотреть по адресу:
Сайт издателя | Google Scholar
М. Ю. Ван, В. Чжао и Р. Маной, «Численное моделирование и анализ грохота автомобильной трансмиссии», Journal of Vibration and Control , vol. 8, нет. 7, стр. 921–943, 2002.
Посмотреть по адресу:
Сайт издателя | Google Scholar
Г.
Ву и В. Луан, «Влияние нелинейности зацепления зубчатых колес на дрожание при запуске транспортного средства», SAE Technical Paper , 2015.Посмотреть по адресу:
Google Scholar
Д. Робинетт, Р. С. Бейкманн, П. Пиорковски и др., «Характеризация начала дребезжания механической коробки передач, часть II: аналитические результаты, SAE Technical Paper , 2009.
Посмотреть по адресу:
Google Scholar
Д. Робинетт, Р. С. Бейкманн, П. Пиорковски и М. Пауэлл, «Характеризуя начало стука механической коробки передач, часть I: экспериментальные результаты» SAE Technical Paper , 2009.
Посмотреть по адресу:
Google Scholar
M. De La Cruz, S. Theodossiades и H. Rahnejat, «Исследование дребезжания привода механической коробки передач», Proceedings of the Институт инженеров-механиков, часть K , том.
224, нет. 2, стр. 167–181, 2010 г.Посмотреть по адресу:
Сайт издателя | Google Scholar
П. Фиеткау и Б. Берче, «Влияние трибологических и геометрических параметров на условия смазки и шум зубчатых передач», Механизм и теория машин , том. 69, стр. 303–320, 2013.
Посмотреть по адресу:
Сайт издателя | Google Scholar
С. Теодоссиадес, О. Тангасави и Х. Ранеджат, «Удары зубьев шестерни в гидродинамических соединениях, способствующие дребезгу холостого хода», Noise & Vibration Worldwide , vol. 303, pp. 632–658, 2007.
Посмотреть по адресу:
Google Scholar
О. Тангасави, С. Теодоссиадес и Х. Ранежат, «Слабо нагруженные смазанные удары: грохот холостого хода», Журнал звука и вибрации , том.
308, нет. 3–5, стр. 418–430, 2007 г.Посмотреть по адресу:
Сайт издателя | Google Scholar
A. R. Crowther, C. Halse, and Z. Zhang, «Nonlinear responses in the loadline gravine rattle», SAE Technical Paper , 2009. Бхагате, А. Бадкас и К. Мохан, «Анализ кручения трансмиссии и параметрическая оптимизация для уменьшения дребезжания трансмиссии», SAE Technical Paper , 2015.
Посмотреть по адресу:
Google Scholar
П. Кудерк, Дж. Калленар, Дж. Дер Агопиан и др., «Динамическое поведение трансмиссии автомобиля: эксперименты и моделирование», Журнал звука и вибрации , том. 218, нет. 1, стр. 133–157, 1998.
Посмотреть по адресу:
Сайт издателя | Google Scholar
П. Белломо, Н. Де Вито, С.
Х. Ланг и Л. Скамарди, «Углубленное исследование силовых агрегатов транспортных средств для выявления причин дребезжания незакрепленных компонентов в трансмиссиях», стр. 9.0489 SAE Technical Paper 2002-01-0702, 2002.Посмотреть по адресу:
Сайт издателя | Google Scholar
A. Forcelli, C. Grasso, and T. Pappalardo, «Шум дребезжания трансмиссии: исследование параметрической чувствительности», SAE Technical Paper 2004-01-1225, 2004.
Просмотр по адресу:
Сайт издателя | Google Scholar
М. Бартод, Б. Хейн, Дж.-Л. Тебек и Ж.-К. Пин, «Экспериментальное исследование грохота шестерен, возбуждаемого мультигармоническим возбуждением», Прикладная акустика , том. 68, нет. 9, стр. 1003–1025, 2007.
Посмотреть по адресу:
Сайт издателя | Google Scholar
А.
Р. Кроутер и М. К. Розин, «Проектирование и анализ испытательной установки на грохот шестерен», SAE International Journal of Passenger Cars—Mechanical Systems , vol. 2, нет. 1, стр. 1431–1439, 2009.Посмотреть по адресу:
Сайт издателя | Google Scholar
А. Бауманн и Б. Бертше, «Экспериментальное исследование поведения дребезжащего шума трансмиссии с особым учетом смазочного масла», Журнал звука и вибрации , том. 341, стр. 195–205, 2015.
Посмотреть по адресу:
Сайт издателя | Google Scholar
Р. Бранкати, Э. Рокка и С. Савино, «Метрика грохота шестерен, основанная на вейвлет-анализе с несколькими разрешениями: экспериментальное исследование», Mechanical Systems and Signal Processing , vol. 50–51, стр. 161–173, 2015 г.
Посмотреть по адресу:
Сайт издателя | Google Scholar
К.
Штайнель, «Настройка сцепления для оптимизации шума и вибрации в грузовиках и автобусах», SAE Technical Paper 2000-01-3292, 2000.Посмотреть по адресу:
Сайт издателя | Google Scholar
Дж. С. Прасад, Н. К. Дамодар и Т. С. Найду, «Максимизация гистерезиса сцепления для устранения дребезга передач в пассажирском автобусе», SAE Technical Paper 2013-26-0100, 2013.
1.
Сайт издателя | Google Scholar
X. Xu, W. Fang, F. Ge, X. Chen, J. Wang и H. Zhou, «Разработка и применение нового демпфера сцепления с трехступенчатой жесткостью», Автомобилестроение , том. 35, нет. 11, стр. 1011–1022, 2013.
Посмотреть по адресу:
Google Scholar
Ж.-Ю. Юн и Р. Сингх, «Влияние характеристик многоступенчатого демпфера сцепления на дребезжание шестерни трансмиссии при двух режимах работы двигателя», Труды Института инженеров-механиков, часть D: Журнал автомобильной инженерии , том.
227, нет. 9, стр. 1273–1294, 2013.Посмотреть по адресу:
Сайт издателя | Академия Google
С. Джадхав, «Анализ NVH трансмиссии, включая динамику сцепления и передачи», SAE Technical Paper 2014-01-1680, 2014.
Посмотреть по адресу:
Сайт издателя | Google Scholar
C.D. Rakopoulos, D.T. Hountalas, A.P. Koutroubousis, and T. Zannis, «Применение и оценка детальной модели трения в дизельном двигателе прямого впрыска с чрезвычайно высоким пиковым давлением сгорания», SAE Technical Paper 2002-01 -0068, 2002.
Посмотреть по адресу:
Сайт издателя | Google Scholar
A. Palmgren, Ball and Roller Bearing Engineering , SKF Industries, Philadelphia, Pa, USA, 1959.
C. Changenet, X.
Oviedo-Marlot, and P. Velex, Power прогнозирование потерь в редукторных трансмиссиях с использованием тепловых сетей — приложений к шестиступенчатой механической коробке передач», Journal of Mechanical Design , vol. 128, нет. 3, стр. 618–625, 2006 г.Посмотреть по адресу:
Сайт издателя | Академия Google
C. Canudas-de-Wit, P. Tsiotras, E. Velenis, M. Basset и G. Gissinger, «Модели динамического трения для продольного взаимодействия дороги и шины», Vehicle System Dynamics , vol. 39, нет. 3, стр. 189–226, 2003 г.
Посмотреть по адресу:
Сайт издателя | Google Scholar
В. Саймон, «Распределение нагрузки и напряжения в прямозубых и косозубых передачах», Journal of Mechanical Design , vol. 110, нет. 2, стр. 197–202, 1988.
Просмотр:
Сайт издателя | Google Scholar
Р.
В. Корнелл, «Податливость и чувствительность к напряжению зубьев цилиндрических шестерен», Journal of Mechanical Design , vol. 103, нет. 2, стр. 447–459, 1981.Посмотреть по адресу:
Сайт издателя | Google Scholar
Л. Ф. Шампайн и М. В. Райхельт, «Комплект MATLAB ODE», SIAM Journal on Scientific Computing , vol. 18, нет. 1, стр. 1–22, 1997.
Посмотреть по адресу:
Сайт издателя | ученый Google | MathSciNet
Р. Ашино, М. Нагасе и Р. Вайланкур, «За и за пределами пакета Matlab ODE», Computers & Mathematics with Applications , vol. 40, нет. 4–5, стр. 491–512, 2000.
Посмотреть по адресу:
Сайт издателя | Google Scholar
Copyright
Copyright © Huwei Wu and Guangqiang Wu, 2016.
Это статья с открытым доступом, распространяемая в соответствии с лицензией Creative Commons Attribution License, которая разрешает неограниченное использование, распространение и воспроизведение на любом носителе при условии надлежащего цитирования оригинальной работы.
Преобразователи крутящего момента — Муфты автоматических коробок передач
Мы все знаем почти инстинктивно, что механические коробки передач имеют муфту для правильной работы, устройство, которое позволяет включать или выключать передачи в зависимости от скорости автомобиля.
Двигатель — это компонент, который во время эксплуатации автомобиля вращается большую часть времени, однако мы можем не захотеть, чтобы трансмиссия автомобиля вращалась с той же скоростью, что и двигатель, особенно при трогании с места. При этом сцепление может обеспечить плавное зацепление (в зависимости от срабатывания!) между вращающимся двигателем и невращающейся трансмиссией путем отсоединения двигателя от входного вала коробки передач.
Теперь важный вопрос, который возобновляет тему этого сообщения в блоге, а как насчет автоматических коробок передач , они также используют сцепление? В этих типах трансмиссии используется совершенно другое устройство, называемое «преобразователь крутящего момента », хотя реализована та же концепция, которая заключается в разъединении или обеспечении относительной угловой скорости между двигателем и коробкой передач.
КОНСТРУКЦИЯ
Преобразователь крутящего момента состоит из турбины, насоса или рабочего колеса, статора и блокировочной муфты (входит только в современные преобразователи крутящего момента), как показано на рис. 1.
Рисунок 1. Пример преобразователя крутящего момента
(Holley, 2019)
ЭКСПЛУАТАЦИЯ
Фаза 1 – остановка
- Рабочее колесо или насос получает механическую энергию, вырабатываемую двигателем, но турбина не вращается, поскольку тормоза все еще задействованы.
Фаза 2 – Разгон
- Тормоза больше не задействованы, а педаль акселератора нажата, в результате крыльчатка вращается быстрее и производит увеличение крутящего момента, работая совместно с турбиной.

Этап 3 – Муфта
- На этом этапе скорость транспортного средства увеличилась, следовательно, турбина достигает приблизительно 90% скорости вращения рабочего колеса, и увеличение крутящего момента прекращается.
- В современных гидротрансформаторах используется блокировочная муфта для уменьшения потерь энергии в смазочной жидкости за счет механической фиксации турбины на рабочем колесе.
ТИПЫ
На основе таблицы – К-фактор (также существуют составы C и MPC).
Преобразователь крутящего момента, работающий на основе входной таблицы К-фактора.
К-фактор = об/мин/кв. крутящий момент
Динамический
Преобразователь крутящего момента, который моделирует поведение трансмиссионной жидкости на основе гидромеханики.
СРАВНЕНИЕ
В этом сообщении в блоге было проведено сравнение между табличным и динамическим преобразователем крутящего момента с целью выявить их различия.
Было проведено два моделирования с использованием одного и того же эксперимента (TCRig в составе VeSyMA — Powertrain) , единственное отличие заключалось в настройках гидротрансформатора.
Рисунок 2. Эксперимент TCRig
На рисунке 3 показаны полученные результаты. Для первого графика гидротрансформатор был настроен на характеристики К-фактора, а для второго — на динамические характеристики.
Рисунок 3. Результаты преобразователя крутящего момента
Характеристики К-фактора (вверху)
Из рисунка 3 видно, что нет задержки между входным и выходным крутящими моментами, равно как и долгота сигналов почти одинакова (небольшая разница связана с увеличением крутящего момента). Это означает, что мы говорим об идеальном случае.
Динамические характеристики (внизу)
Между тем, из второго графика видно, что динамические характеристики показывают явную задержку между входным и выходным сигналами и демпфированный крутящий момент на выходном валу по сравнению с K- факторные результаты.
Задержка крутящего момента и снижение амплитуды связаны с инерцией жидкости и трением, которые моделируются в динамическом преобразователе крутящего момента.
ВЫВОДЫ
После сравнения обеих моделей гидротрансформатора можно сделать вывод, что динамические характеристики воссоздают более реалистичную модель, поскольку она ясно показывает задержку движения трансмиссионной жидкости от рабочего колеса к турбине (фазовое смещение). потери энергии в системе (уменьшение амплитуды выходного крутящего момента).
В противоположном случае, если желаемые результаты должны быть консервативными, может быть реализована модель К-фактора. В VeSyMA — Powertrain существует функция калибровки, позволяющая калибровать динамический преобразователь крутящего момента.
ПОСЛЕДНЯЯ ИНТЕРЕСНАЯ ЗАЯВКА
Шведский бренд Koenigsegg популярен благодаря разработке собственных компонентов, таких как 7-дисковая и 9-ступенчатая автоматическая коробка передач, именуемая LST или Light Speed Transmission (описано в предыдущем сообщении в блоге — Синхронизаторы в Dymola ), в этот раз не стал исключением.
Одно из его последних творений называется «Регера» . Подключаемый гиперкар с 5,0-литровым двигателем V8 с двойным турбонаддувом и тремя электродвигателями, что делает его машиной мощностью более 1500 л.с.
Рис. 4. Карбоновый Koenigsegg Regera
(Road&Track, 2018)
Однако здесь нас не совсем интересует источник питания, это автомобиль, не похожий ни на какой другой из-за отсутствия трансмиссии. Основным устройством, соединяющим трансмиссию с колесами, является 9Гидротрансформатор 0841 , способный передавать крутящий момент 1475 фунт-футов на задние колеса.
Скажем так, поскольку реальных редукторов нет, двигатель все время находится в режиме «вариатор». Вот область, где преобразователь крутящего момента сияет, поскольку его цель — мгновенно передавать мощность на дорогу без включения и выключения, требуемого, за исключением блокировки муфты, где она установлена.
Автор: Хосе Мигель Ортис Санчес, инженер проекта
Свяжитесь с нами, если у вас есть какие-либо вопросы или у вас есть тема, о которой вы хотели бы написать.
Вы можете отправить свои вопросы / темы через: Вопросы технического блога / Предложение темы.
Типы сцеплений — Механическое образование
Что такое сцепление?
В этой статье мы обсудим сцепление и типы сцеплений. Муфта — это устройство, которое используется для передачи мощности от вращающегося вала к холостому валу. Сцепление используется для изменения передаточного отношения в зависимости от условий движения. В зависимости от трансмиссии, мощности, крутящего момента, плавности хода, тепла, смазки, ручного управления, автоматического режима, стоимости, технического обслуживания и т. д. Принимая во внимание все эти факторы, выбирается требуемое сцепление. Из-за высокой скорости вращения и трения некоторые муфты более сложны в использовании, им требуется охлаждающее масло, регулярное техническое обслуживание и т. д. Без использования муфты мы не можем передавать мощность с одного вала на другой вал. Муфты изготовлены из прочного материала и должны выдерживать высокие температуры и коррозионную стойкость.
Источник изображения
Типы муфт:
Существуют различные типы муфт:
Сухое сцепление:
В системе сухого сцепления не используются охлаждающие масла, это устройство без смазки. он использует только воздух в качестве охлаждающей среды. этот тип сцепления используется в основном в гоночных велосипедах, которые передают больший крутящий момент из-за простоты очистки и быстрой замены. и этот тип устройства используется для более плавной работы при более высоких оборотах. это легко поддерживать. Этот тип сцепления включается под действием давления пружины. Сухое сцепление не предусмотрено во внутренней части мотоцикла, оно размещено как внешняя часть системы.
Мокрое сцепление:
Мокрое сцепление представляет собой устройство, в котором используется охлаждающее масло из-за высокой температуры, выделяемой в нем. Для этого типа устройства требуется система смазки. благодаря этой системе, предусмотренной в ней, коэффициент трения снижается, и тем самым снижается передача крутящего момента, что меньше, чем у сухого типа.
Это обеспечивается в закрытом помещении из-за необходимости постоянного контакта с охлаждающим маслом.
Он не такой гладкий, как сухой тип, и уход за ним – нелегкий процесс. Этот тип сцепления включается с помощью гидравлического давления, благодаря чему оно прочнее при контакте, чем сухое сцепление.
Собачья муфта:
Собачья муфта — это другой тип, который используется среди всех остальных муфт. Кулачковая муфта содержит зубья на круглом диске, которые раньше пересекались с вращающимся валом во время передачи. в этом типе сцепления не происходит проскальзывания и передается больший крутящий момент.
Однодисковое сцепление:
Этот тип сцепления имеет только одну пластину с фрикционной поверхностью для контакта с вращающимся валом и передачи мощности с одного вала на другой вал. в этом типе сцепления давление пружины используется для включения и выключения сцепления. однодисковое сцепление занимает больше места, чем многодисковое.
Многодисковое сцепление:
Этот тип сцепления содержит более одного диска сцепления, этот тип сцепления занимает меньше места по сравнению с однодисковым сцеплением, мы можем использовать это сцепление, где требуется меньше площади для трансмиссии.
этот тип сцепления передает больший крутящий момент по сравнению с однодисковым сцеплением. Из-за большего количества тепла, выделяемого при передаче мощности, требуется система смазки, коэффициент трения этой системы смазки снижается.
Конусная муфта:
Конусная муфта — это старый метод, в настоящее время мы используем муфту дискового типа, которая заменяет конусную муфту. конусная муфта содержит на себе только одну часть фрикционной поверхности. За счет фрикционного крепления, выполненного на контактной поверхности, крутящий момент передается от одного вала к другому, но в некоторых случаях вокруг ведомого вала используется пружина, контактирующая со ступицей из материала ведомого вала.
Центробежная муфта:
Этот тип центробежной муфты обычно устанавливается на шкивы двигателя. Внутри обода шкива предусмотрен башмак. Башмак с внешней зоной/окружением покрыт фрикционным материалом, для радиального перемещения башмака в нем предусмотрены направляющие.
этот тип сцепления более полезен.
Эта центробежная муфта помогает увеличить скорость, заставляя башмак сильнее давить и помогая увеличить передаваемый крутящий момент.
Гидравлическая муфта:
Этот тип системы работает по основному принципу потока жидкости. в этом типе муфты достаточно низкого давления, чтобы отсоединить муфту от вращающегося вала. Это более эффективная система. это дорогостоящий метод замены. и в этом типе сцепления передается высокая мощность и крутящий момент. для этого типа сцепления требуется та же жидкость, что и для тормозных жидкостей. из-за большей эффективности он используется в большегрузных автомобилях для передачи большей мощности.
Электромагнитная муфта:
Также известна как электромеханическая муфта. выходом системы является механическая трансмиссия, которая осуществляется электрически. этот тип сцепления является дорогостоящим в использовании. Включение и выключение сцепления осуществляется за счет подачи электроэнергии и создания магнитного поля, которое контактирует с вращающимся диском.
этот тип системы прост в эксплуатации. но температура, создаваемая во время работы, высока.
Машиностроение | Услуги по проектированию и анализу продукции
СВЯЖИТЕСЬ С НАМИ СЕГОДНЯ
Вам нужно машиностроение?
Мы в Bischoff Engineering занимаемся машиностроением. Мы используем передовое программное обеспечение для автоматизированного проектирования и черчения, чтобы проектировать ваши детали и сборки максимально надежным и эффективным способом. От моделирования до черчения, от кинематики до анализа конечных элементов, больших и малых проектов, мы предоставляем услуги в области машиностроения, которые могут помочь вам решить ваши проблемы!
Анализ и инструменты для машиностроения
Кинематика
Умение проектировать связи и механизмы и управлять ими является основным навыком в машиностроении. Наши инженеры обладают знаниями, навыками и инструментами, необходимыми для простого создания высокофункциональных механизмов для вашей продукции и оборудования.
Понимание того, как детали взаимодействуют друг с другом, — это то, чему обучают инженеров-механиков. Начиная с одной точки отсчета, общие длины и углы задаются для разных плеч, чтобы получить отношения между связями.
Это позволяет инженеру создавать уравнения отношений, в которых связью можно управлять для получения требуемого и/или оптимального результата. Кроме того, эти уравнения можно дифференцировать, чтобы понять скорости и ускорения соединений и компонентов.
Необходимо машиностроение?
Мы в Bischoff Engineering занимаемся машиностроением.
Мы используем передовое программное обеспечение для автоматизированного проектирования и черчения, чтобы максимально надежно и эффективно проектировать ваши детали и узлы.
От моделирования до черчения, от кинематики до анализа конечных элементов, больших и малых проектов, мы предоставляем услуги в области машиностроения, которые могут помочь вам решить ваши проблемы!
Машиностроение Анализ и инструменты
Кинематика
Умение проектировать соединения и механизмы и манипулировать ими является основным навыком в машиностроении.
Наши инженеры обладают знаниями, навыками и инструментами, необходимыми для простого создания высокофункциональных механизмов для вашей продукции и оборудования.
Понимание того, как детали взаимодействуют друг с другом, — это то, чему обучают инженеров-механиков. Начиная с одной точки отсчета, общие длины и углы задаются для разных плеч, чтобы получить отношения между связями.
Это позволяет инженеру создавать уравнения отношений, в которых связью можно управлять для получения требуемого и/или оптимального результата. Кроме того, эти уравнения можно дифференцировать, чтобы понять скорости и ускорения соединений и компонентов.
Метод конечных элементов – Моделирование напряжения
Анализ методом конечных элементов (МКЭ) Моделирование является очень мощным инструментом в арсенале наших инженеров-механиков. Эффективно используя этот инструмент, мы можем помочь вам проектировать ваши детали более эффективно и продуктивно.
Посетите нашу страницу моделирования, чтобы узнать больше!
Моделирование нагрузки — отличный способ защитить ваши компоненты от поломки. Метод конечных элементов разбивает деталь сложной формы на «сетку» простых форм, которые можно легко вычислить.
Тем не менее, при наличии легкодоступного мощного инструмента этот метод недостаточно используется в промышленности. Детали, которые, как известно дизайнерам, должны быть прочными, чаще перепроектируются, чем должным образом анализируются. Посетите нашу страницу моделирования, чтобы узнать, как Bischoff Engineering может помочь вам правильно спроектировать ваши компоненты!
Конечный элемент – моделирование напряжения
Анализ методом конечных элементов (МКЭ) Моделирование — очень мощный инструмент в арсенале наших инженеров-механиков.
Эффективно используя этот инструмент, мы можем помочь вам проектировать ваши детали более эффективно и продуктивно.
Посетите нашу страницу моделирования, чтобы узнать больше!
Моделирование нагрузки — отличный способ защитить ваши компоненты от поломки. Метод конечных элементов разбивает деталь сложной формы на «сетку» простых форм, которые можно легко вычислить.
Тем не менее, при наличии легкодоступного мощного инструмента этот метод недостаточно используется в отрасли. Детали, которые, как известно дизайнерам, должны быть прочными, чаще перепроектируются, чем должным образом анализируются. Посетите нашу страницу моделирования, чтобы узнать, как Bischoff Engineering может помочь вам правильно спроектировать ваши компоненты!
Диаграммы свободного тела
Диаграммы свободного тела
— это иллюстрации, которые инженеры создают для визуализации сил и моментов, действующих на отдельные компоненты (или «тела»).
Эти схемы помогают инженерам определять нагрузки и рассчитывать усилия.
Диаграммы свободного тела — это просто иллюстрации, которые отделяют отдельные детали от сборок, в которых они находятся, и заменяют соединения силами, креплениями и моментами (моментами).
Эта диаграмма предназначена для точного формирования отношений и уравнений от «свободного тела» к остальным телам в сборке.
Диаграммы свободного тела
Диаграммы свободного тела — это иллюстрации, которые инженеры создают для визуализации сил и моментов, действующих на отдельные компоненты (или «тела»). Эти диаграммы помогают инженерам определять нагрузки и рассчитывать усилия.
Диаграммы свободного тела — это просто иллюстрации, которые отделяют отдельные детали от сборок, в которых они находятся, и заменяют соединения силами, креплениями и моментами (моментами).
Эта диаграмма предназначена для точного формирования отношений и уравнений от «свободного тела» к остальным телам в сборке.
Модальный (частотный) анализ
Модальный анализ дает нашим инженерам представление о динамической реакции системы. Наше программное обеспечение для моделирования может помочь определить собственные частоты ваших деталей и/или сборок.
Это позволяет нам спроектировать демпферы, чтобы отодвинуть эти собственные частоты от частоты входной нагрузки (или частот возбуждения) или изменить частоты возбуждения.
Слово «модальный» относится к режимам собственной частоты части, подсистемы или системы. Это частоты, на которых деталь или узел будут колебаться, и эти частоты зависят от размера, формы и материала.
Модальный (частотный) анализ
Модальный анализ дает нашим инженерам представление о динамической реакции системы. Наше программное обеспечение для моделирования может помочь определить собственные частоты ваших деталей и/или сборок.
Это позволяет нам спроектировать демпферы, чтобы отодвинуть эти собственные частоты от частоты входной нагрузки (или частот возбуждения) или изменить частоты возбуждения.
Слово «модальный» относится к режимам собственной частоты части, подсистемы или системы.
Это частоты, на которых деталь или узел будут колебаться, и эти частоты зависят от размера, формы и материала.
Теплообмен
Независимо от того, является ли тепло преднамеренным или нежелательным побочным продуктом другого процесса, наши инженеры помогут правильно рассеять или сохранить это тепло в соответствии с вашими потребностями. У нас есть соответствующие знания о различных типах теплопередачи, свойствах материалов и физическом дизайне, чтобы помочь вам!
Извините. Этот раздел находится на обслуживании. Пожалуйста, зайдите позже.
Теплообмен
Независимо от того, является ли тепло преднамеренным или нежелательным побочным продуктом другого процесса, наши инженеры помогут правильно рассеять или сохранить это тепло в соответствии с вашими потребностями.
Мы обладаем необходимыми знаниями о различных типах теплопередачи, свойствах материалов и физическом строении, чтобы помочь вам!
Извините.
Этот раздел находится на обслуживании. Пожалуйста, зайдите позже.
Дайте нам знать, как мы можем вам помочь!
НАПИШИТЕ НАМ!
Дайте нам знать, как мы можем вам помочь!
НАПИШИТЕ НАМ!
КОНСТРУКЦИЯ ДЕТАЛИ
Чертежи деталей
Наши чертежи оптимизированы для обеспечения технологичности и простоты идентификации независимо от языка. Мы предлагаем экспертные знания в области геометрических размеров и допусков (GD&T), стандартов чертежей и компоновок.
КОНСТРУКЦИЯ ДЕТАЛИ
Чертежи деталей
Наши чертежи оптимизированы для обеспечения технологичности и простоты идентификации независимо от языка.
Мы предлагаем экспертные знания в области геометрических размеров и допусков (GD&T), стандартов чертежей и компоновок.
Моделирование деталей
Мы считаем, что интеллектуальное моделирование делает детали максимально простыми.
Моделирование детали должно выполняться за минимальное количество шагов, при этом необходимо убедиться, что все желаемые аспекты сохранены. Это снижает первоначальные и последующие затраты.
Трехмерное автоматизированное проектирование (3D CAD)
3D CAD — мощный инструмент для инженеров, дизайнеров, архитекторов и многих других. Безусловно, для машиностроения это необходимость. 3D CAD позволяет инженерам и проектировщикам производить детали точного размера и дизайна, пересматривать, редактировать и чертить быстро и легко. Самое главное, это позволяет инженеру очень легко вносить конструктивные изменения в сборки и видеть, как редактирование влияет на общий дизайн.
Древовидная структура модели важна
Возможность простого редактирования деталей зависит не только от программного обеспечения, но и от того, как инженер структурирует дерево модели. Прямой переход к модели может привести к функциональному результату, но планирование модели заблаговременно приведет к меньшему количеству шагов и более быстрому редактированию.
Кроме того, хорошо продуманные детали ускорят загрузку больших сборок, в которых эти детали находятся. Прочтите эту статью, в которой объясняется, какие привычки необходимы, чтобы вырасти из конструктора деталей в настоящего профессионала в области САПР.
Производство без чертежей?
Во многих новых производственных процессах изготовление деталей может осуществляться непосредственно из модели без необходимости использования механических чертежей. Например, в пластмассовых формованных деталях этот тип процесса почти необходим. Это также может быть отличным вариантом для деталей, которые должны быть изготовлены с помощью числового программного управления (ЧПУ) и имеют сложные формы, которые было бы слишком сложно точно нарисовать в двух измерениях. Эти процессы называются автоматизированным производством (CAM) и с каждым днем становятся все более популярными. Вот статья о том, как работает процесс CAD to CAM!
Почему 2D-чертежи по-прежнему важны (и необходимы)
Хотя теперь детали можно изготавливать непосредственно из 3D-моделей CAD, 2D-чертежи по-прежнему полезны для проверки размеров и приведения деталей к документированному стандарту с допусками на размеры.
Однако для подавляющего большинства деталей, которые необходимо изготовить, 2D-чертежи абсолютно необходимы. Соответственно, именно здесь инженер передает все аспекты детали, которая должна быть изготовлена, производителю. Используя геометрические размеры и допуски (GD&T), наши инженеры могут обеспечить изготовление деталей в соответствии со строгими спецификациями, требуемыми вашей конструкцией.
Моделирование деталей
Мы считаем, что интеллектуальное моделирование делает детали максимально простыми. Моделирование детали должно выполняться за минимальное количество шагов, при этом необходимо следить за тем, чтобы все желаемые аспекты сохранялись. Это снижает первоначальные и последующие затраты.
Трехмерное автоматизированное проектирование (3D CAD)
3D CAD — мощный инструмент для инженеров, дизайнеров, архитекторов и многих других. Безусловно, для машиностроения это необходимость. 3D CAD позволяет инженерам и проектировщикам производить детали точного размера и дизайна, пересматривать, редактировать и чертить быстро и легко.
Самое главное, это позволяет инженеру очень легко вносить конструктивные изменения в сборки и видеть, как редактирование влияет на общий дизайн.
Древовидная структура модели важна
Возможность простого редактирования деталей зависит не только от программного обеспечения, но и от того, как инженер структурирует дерево модели. Прямой переход к модели может привести к функциональному результату, но планирование модели заблаговременно приведет к меньшему количеству шагов и более быстрому редактированию. Кроме того, хорошо продуманные детали ускорят загрузку больших сборок, в которых эти детали находятся. Прочтите эту статью, в которой объясняется, какие привычки необходимы, чтобы вырасти из конструктора деталей в настоящего профессионала в области САПР.
Производство без чертежей?
Во многих новых производственных процессах изготовление деталей может осуществляться непосредственно из модели без необходимости использования механических чертежей. Например, в пластмассовых формованных деталях этот тип процесса почти необходим.
Это также может быть отличным вариантом для деталей, которые должны быть изготовлены с помощью числового программного управления (ЧПУ) и имеют сложные формы, которые было бы слишком сложно точно нарисовать в двух измерениях. Эти процессы называются автоматизированным производством (CAM) и с каждым днем становятся все более популярными. Вот статья о том, как работает процесс CAD to CAM!
Почему 2D-чертежи по-прежнему важны (и необходимы)
Хотя теперь детали можно изготавливать непосредственно из 3D-моделей CAD, 2D-чертежи по-прежнему полезны для проверки размеров и приведения деталей к документированному стандарту с допусками на размеры. Однако для подавляющего большинства деталей, которые необходимо изготовить, 2D-чертежи абсолютно необходимы. Соответственно, именно здесь инженер передает все аспекты детали, которая должна быть изготовлена, производителю. Используя геометрические размеры и допуски (GD&T), наши инженеры могут обеспечить изготовление деталей в соответствии со строгими спецификациями, требуемыми вашей конструкцией.
Спросите нас о том, как мы моделируем детали и чертежи, или о том, как мы можем вам помочь!
МЫ БУДЕМ РАДЫ ПОМОЧЬ!
Спросите нас о том, как мы моделируем детали и чертежи, или о том, как мы можем вам помочь!
МЫ БУДЕМ РАДЫ ПОМОЧЬ!
КОНСТРУКЦИЯ СБОРКИ
Сборочные чертежи
Сборочные чертежи, от простых до сложных, должны быть полными и понятными. Это требует знаний и опыта профессионала в области машиностроения, которые мы полностью охватываем.
КОНСТРУКЦИЯ СБОРКИ
Сборочные чертежи
От простых до сложных сборочные чертежи должны быть всеобъемлющими и понятными.
Для этого требуются знания и опыт профессионалов в области машиностроения, которые мы полностью охватываем.
Моделирование сборки
Часть того, что делает проекты функциональными, — это способность хорошо моделировать сборку.
Точно находя и проектируя детали в сборке, мы можем более полно понять ограничения системы в целом.
Кроме того, мы можем помочь обеспечить сборку сборок, шаг за шагом просматривая разнесенные виды.
товарищей
После моделирования нескольких деталей следующим шагом в процессе проектирования является объединение этих деталей в сборку. Как и в случае с передовыми методами моделирования деталей в САПР, существуют способы наилучшей сборки деталей в 3D-модели САПР. Точно так же, как и при моделировании деталей, инженер может сэкономить время и силы при будущих изменениях, планируя, как детали будут связаны друг с другом. Здесь необходимо эффективное использование «напарников».
Сопряжение деталей важно, особенно когда детали изменяются. Последнее, что вам нужно, это изменить деталь и нарушить выравнивание в сборке. Это может привести к тому, что дополнительные детали будут спроектированы неправильно.
Проверка помех
Если детали сопрягаются правильно, проверка пересечения может быть эффективной.
Интерференция — это когда две отчетливо независимые части занимают одно и то же пространство. В сборке инженер может проверить наличие помех между отдельными деталями или всей сборкой одновременно. Эти типы проверок должны выполняться часто, чтобы уменьшить вероятность возникновения проблем ниже по течению.
Если проблемы с помехами упущены, решения могут быть дорогостоящими или даже потребовать полной переделки. Мы очень тщательно следим за тем, чтобы этого не произошло.
Редактирование на месте
Существенным преимуществом современного проектирования сборок является возможность редактирования деталей на месте! Эта возможность позволяет инженерам принимать решения о конструкции детали на основе того, как она повлияет на сборку в целом. Это можно сделать методом «сверху вниз» (конструкция детали привязана к сборке, в которой она используется) или методом «снизу вверх» (конструкция детали автономна). Метод «сверху вниз» — очень мощный инструмент для внесения изменений в детали, привязанных к другим размерам детали.
Например, изменение схемы монтажных отверстий на одной детали может привести к тому, что сопрягаемые детали будут совпадать. Этот метод требует четко определенных деталей, чтобы предотвратить неожиданные или непреднамеренные изменения сопрягаемых частей. Наши инженеры-механики хорошо разбираются в том, когда использовать методологию «сверху вниз» или «снизу вверх». Свяжитесь с нами сегодня, если вам нужна помощь!
Представления в разобранном виде
Большим преимуществом сборочных чертежей является возможность точно объяснить, как СБОРАТЬ продукт, который вы разрабатываете! Расширение деталей в разобранном виде позволяет нашим инженерам более подробно объяснить процесс сборки. Используя этот инструмент, мы можем дополнительно разбить более крупные сборки на пошаговые процессы и четко показать компоненты, которые в противном случае были бы потеряны.
Оптимизация сборки
Существует несколько полезных методов, особенно в больших сборках, которые помогут инженерам моделировать более эффективно.
Вот ссылка непосредственно от компании-разработчика программного обеспечения САПР, которая подробно описывает эти методы, которые могут быть весьма полезными. Если вы боретесь с оптимизацией сборки вашей модели, мы можем помочь!
Моделирование сборки
Часть того, что делает конструкции функциональными, — это возможность хорошо моделировать сборку.
Благодаря точному расположению и проектированию деталей в сборке мы можем более полно понять ограничения системы в целом.
Кроме того, мы можем помочь обеспечить сборку сборок, шаг за шагом просматривая разнесенные виды.
товарищей
После моделирования нескольких деталей следующим шагом в процессе проектирования является объединение этих деталей в сборку. Как и в случае с передовыми методами моделирования деталей в САПР, существуют способы наилучшей сборки деталей в 3D-модели САПР. Точно так же, как и при моделировании деталей, инженер может сэкономить время и силы при будущих изменениях, планируя, как детали будут связаны друг с другом.
Здесь необходимо эффективное использование «напарников».
Сопряжение деталей важно, особенно когда детали изменяются. Последнее, что вам нужно, это изменить деталь и нарушить выравнивание в сборке. Это может привести к тому, что дополнительные детали будут спроектированы неправильно.
Проверка помех
Если детали сопрягаются правильно, проверка пересечения может быть эффективной. Интерференция — это когда две отчетливо независимые части занимают одно и то же пространство. В сборке инженер может проверить наличие помех между отдельными деталями или всей сборкой одновременно. Эти типы проверок должны выполняться часто, чтобы уменьшить вероятность возникновения проблем ниже по течению.
Если проблемы с помехами упущены, решения могут быть дорогостоящими или даже потребовать полной переделки. Мы очень тщательно следим за тем, чтобы этого не произошло.
Редактирование на месте
Существенным преимуществом современного проектирования сборок является возможность редактирования деталей на месте! Эта возможность позволяет инженерам принимать решения о конструкции детали на основе того, как она повлияет на сборку в целом.
Это можно сделать методом «сверху вниз» (конструкция детали привязана к сборке, в которой она используется) или методом «снизу вверх» (конструкция детали автономна). Метод «сверху вниз» — очень мощный инструмент для внесения изменений в детали, привязанных к другим размерам детали.
Например, изменение схемы монтажных отверстий на одной детали может привести к тому, что сопрягаемые детали будут совпадать. Этот метод требует четко определенных деталей, чтобы предотвратить неожиданные или непреднамеренные изменения сопрягаемых частей. Наши инженеры-механики хорошо разбираются в том, когда использовать методологию «сверху вниз» или «снизу вверх». Свяжитесь с нами сегодня, если вам нужна помощь!
Представления в разобранном виде
Большим преимуществом сборочных чертежей является возможность точно объяснить, как СБОРАТЬ продукт, который вы разрабатываете! Расширение деталей в разобранном виде позволяет нашим инженерам более подробно объяснить процесс сборки. Используя этот инструмент, мы можем дополнительно разбить более крупные сборки на пошаговые процессы и четко показать компоненты, которые в противном случае были бы потеряны.
Оптимизация сборки
Существует несколько полезных методов, особенно в больших сборках, которые помогут инженерам моделировать более эффективно. Вот ссылка непосредственно от компании-разработчика программного обеспечения САПР, которая подробно описывает эти методы, которые могут быть весьма полезными. Если вы боретесь с оптимизацией сборки вашей модели, мы можем помочь!
Спросите нас о том, как мы создаем сборочные модели и чертежи или чем мы можем вам помочь уже сегодня!
Спросите нас о том, как мы создаем сборочные модели и чертежи, или о том, как мы можем вам помочь уже сегодня!
ЖДЕМ ВАШЕГО ОТВЕТА
СВЯЖИТЕСЬ С НАМИ СЕГОДНЯ
Свяжитесь с нами
Инженерные консультанты Bischoff специализируются на предоставлении инженерной поддержки для моделирования напряжений методом конечных элементов (FEA), механических, электрических и управляющих систем.

5
23
5
4
82
6
3-0.012
06
95) в мм rk
96
п.д. νо