Содержание
Вал карданный передний УАЗ 3163 Патриот с гофрочехлом РК Даймос Серп и Молот в г. Ульяновск
| Вес | 6.10кг |
| Размеры | 80 x 10 x 10см |
| Объем: | 0.008 м. куб. |
| Производитель | Серп и Молот |
Описание запчасти
Артикул: 3163-2203010
Производитель:
Серп и Молот
Завод «Серп и Молот» единственный отечественный производитель ШРУСов в России, поставщик конвейера УАЗ. Каждая партия ШРУСов имеет входной контроль, что гарантирует стабильное качество. На предприятии «Серп и Молот» внедрена система менеджмента качества, которая соответствует международным стандартам и сертифицирована в соответствии с требованиями ISO/TS 169:2009.
Производитель:
Серп и Молот
Вес
5,96кг
Размеры (Д х Ш х В)
78см x 9см x 10см
Технические характеристики
Длина max
780
Длина min
800
Применяемость
УАЗ Патриот
Тип КПП
с РК Даймос электронная
Тип моста
Спайсер
Применяемость:
УАЗ — Патриот с РК Dymos (электронное управление)
Длина карданных валов указана от края до края
Необслуживаемые крестовины и шлицевая часть (без масленок)
Назначение:
Карданный вал предназначен для эксплуатации в составе автомобилей повышенной проходимости (внедорожников) с полной массой до 3000кг и с двигателями внутреннего сгорания‚ которые развивают максимальную мощность до 95 квт. Автомобили двухосные с постоянным приводом на заднюю ось и жестко подключаемым приводом на переднюю ось.
Преимущества:
В кардане как правило изнашиваются крестовины и шлицивое соединение. Если крестовины износились мы их, как правило, меняем на новые и ничего сложного в этом нет. А вот, когда изнашивается шлицивое соединение, то выход у нас один — купить новый кардан. Работоспособность и долговечность шлицевого соединения карданного вала может быть обеспечена только условием постоянной эффективной смазки. При отсутствии смазки, вода, дорожная химия и грязь изнашивает шлицевое соединение карданной передачи, возможно появление люфта или, наоборот, заклинивания.
— разделять трущиеся детали надежным масляным слоем для уменьшения износов и потерь на трение;
— отводить тепло от трущихся деталей;
— защищать трущиеся детали от попадания пыли, грязи, влаги, предохранять детали от коррозии.
Попадание воды и грязи в смазку приводит к снижению её эффективности.
Функция гофрочехла заключается в повышении надежности и увеличении срока службы карданного вала за счет надёжной защиты его подвижного шлицевого соединения от внешней среды.
Карданный вал не требует обслуживания в течение всего периода эксплуатации.
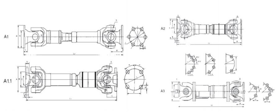
Карданные валы УАЗ. Описание
Размеры и характеристика карданных передач на УАЗ
Дополнительные услуги по балансировке и ремонту карданного вала УАЗ:
При любом варианте лифта подвески , за счет того, что длина рессоры остается неизменной, угол между рамой и рессорой увеличивается. Как следствие, увеличивается угол между РК, закрепленной на раме, и мостом, имеющем крепление на рессоре. Данное изменение геометрии подвески неминуемое ведёт к увеличению рабочих углов карданных крестовин.
РАБОТА КАРДАНА ПРИ КРИТИЧЕСКИХ УГЛАХ (больше половины хода крестовин)
становится причиной рывков и биения кардана под нагрузкой и наборе определенной скорости, недостаточной смазке крестовин. Подробная статья ТУТ.
Карданных валов на не стандартные автомобили на полках магазинов внедорожного оборудования нет.
МЫ ИЗГОТОВИМ ПОД ВАШ АВТОМОБИЛЬ ЛЮБОЙ ВАЛ!
Продажа осуществляется со склада в Ульяновске. Доставка товара «Вал карданный передний УАЗ 3163 Патриот с гофрочехлом РК Даймос «Серп и Молот»» осуществляется в Москву, Самару, Санкт-Петербург, Нижний Новгород, Екатеринбург, Саратов, Краснодар, Казань, Пермь, Оренбург, Пензу и любые другие города и регионы России.
Вал карданный передний УАЗ Патриот с РК Dymos «ЗАО Кардан» г. Сызрань
Артикул: 3163-2203010-02 ; 3163-00-2203010-02
Производитель: АО Кардан Сызрань
Вес 6,12 кг
Размеры (Д х Ш х В) 85см x 10см x 10см
Технические характеристики
Длина max 811
Длина min 764 мм
Применяемость УАЗ-3163 Patriot с 2014 г
Тип КПП с РК Даймос электронная
Тип моста Спайсер
Применяемость:
УАЗ Патриот с РК Dymos (электронное управление)
Внимание! Данная модель карданного вала является комплектующей к автомобилю УАЗ Патриот от 2014 года выпуска
Валы необслуживаемые, гарантия 120 000 км.
Применяется новая система защиты вала – гофрочехол изготовленный из материала Hytrel компании Dupont, позволяющий эксплуатировать карданный вал без дополнительного обслуживания.
— Рассчитан для эксплуатации на полный ресурс без дополнительного обслуживания, т.е. дополнительной прокачки смазкой карданных шарниров и шлицевого соединения, благодаря использованию смазка Kluberplex BEM, которая активно вытесняет влагу из мест контакта деталей.
— В конструкции узла применено двухкромочное радиальное и торцевое уплотнение подшипников крестовин служащее для защиты от внешнего воздействия влаги и загрязняющих частиц, а также для сохранения смазки внутри узла крестовины.
— Конец шлицованный изготовлен из легированной стали, что позволило увеличить его прочность на 28%.
Конструкция шарнирного узла обеспечивает повышение долговечности вала в эксплуатации не менее чем в два раза по сравнению с оригиналом.
— Применена защита шлицевого соединения защитным кожухом из материала Hytrel компании Dupont
— Установлен игольчатый подшипник немецкой фирмы iNA.
— Все технические требования ОАО «УАЗ» выполнены с запасом.
— Крестовина карданного вала 21211-2202025-01 .
— Вилка шлицованная промежуточного вала 2363-2202022
— Вилка карданного вала 3163-2203022-11
— Вилка скользящая 3163-2201048-12
— Вилка фланец карданного вала 3163-2201023-11
— Конец шлицованный переднего карданного вала 3163-2203020-12
— Конец шлицованный промежуточного вала 2363-2204021
— Опора промежуточного вала 3153-2204076-01
| Общие | |
| Производитель | Сызрань |
| Артикул производителя | 3163-2203010-02 |
| Страна производства | Россия |
| Гарантия производителя | 6 месяцев |
| Тип | Передний |
| Модель | Патриот;Пикап |
Магазин «Внедорожник 73» предлагает для своих покупателей удобные формы оплаты.
Банковская карта
Для выбора оплаты товара с помощью банковской карты на соответствующей странице сайта необходимо нажать кнопку «Оплата банковской картой».
Оплата происходит через авторизационный сервер процессингового центра Банка с использованием Банковских кредитных карт разрешенных на территории РФ.
Банковский счет
Оплата заказа производится на основании выставленного банковского счета. Счет может быть оплачен в любом банке.
Перевод с карты на карту
Оплате производится переводом денежных средств с карты покупателя на карту продавца.
Магазин «Внедорожник 73» предлагает для своих покупателей быструю доставку по регионам России и странам СНГ.
Курьерская служба «СДЭК»
Получение заказа в пунктах выдачи заказов курьерской службы «СДЭК» доступно более чем в 270 городах.
Время и дни работы пунктов выдачи указаны на сайте СДЭК: http://cdek.ru/contacts.
html.
При получении заказа необходимо предъявить документ, удостоверяющий личность получателя.
Плата за доставку взимается ТК «СДЭК» дополнительно при получении заказа в пункте выдачи или курьером.
Транспортные компании «ПЭК», «Байкал Сервис», «КИТ» и др.
При доставке в регионы, мы активно сотрудничаем с ведущими российскими перевозчиками и поэтому имеем возможность отправлять грузы в любую точку России и страны СНГ.
Мы бесплатно доставляем заказ до терминала транспортной компании.
Оплата доставки транспортной компании производиться в офисе транспортной компании при получении заказа.
«Почта России»
Стоимость доставки рассчитывается по тарифам компании «Почта России» и доступна на сайте http://pochta.ru.
Оплата услуг доставки «Почтой России» происходит в момент получения заказа в почтовом отделении.
Существуют ограничения по товарам отправляемым «Почтой России», ознакомиться с ними вы сможете сайте Почты./115.gif)
Самовывоз
Забрать заказ самостоятельно из пунктов выдачи компании транспортом покупателя возможно в рабочие дни — с понедельника по пятницу.
При себе необходимо иметь документ, удостоверяющий личность получателя.
Пункт самовывоза: г. УЛЬЯНОВСК, МОСКОВСКОЕ ШОССЕ, Д .28 А
Написать отзыв
Карданный вал Mitsubishi L200 заказ
Number: 322008787
Входит в систему и напишите обзор
- Карданские валы Mitsubishi Cheap и быстрая доставка
- Техническая информация: Cardan Wass, Axle Drive: Длина: 1470 мм
- Сравнение. : Mitsubishi L 200/Triton 2007/08-2015/12 KA_T, KB_T 2.5 DI-D 2477 куб.см, 123 кВт, 167 л.с. куб.см, 94 кВт, 128 л.с.
- Mitsubishi L 200/Triton 2005/11-2015/12 KA_T, KB_T 2.5 DI-D 4WD 2477 куб.см, 100 кВт, 136 л.с. D 4WD 2477 куб. см, 123 кВт, 167 л.
с. - 3 года гарантии
Рекомендуемая розничная цена: 374,49 €
278,31 €
вкл. без НДС доставка
Продано
Сообщите мне, когда появится в наличии
Добавить в листовку
- Описание
- Технические детали
- Подходящие автомобили
- 360°
Комплект поставки:
1 x карданный вал
Техническая информация:
Кардан вал, привод Axle:
Длина: 1470 мм
Сравнение Номер:
3401A448
Совместимо с:
Mitsubishi L 200/Triton 2007/08-2015/12, 12.
2,5 DI-D 2477 см3, 123 кВт, 167 л.с.
Mitsubishi L 200/Triton 2010/04-2015/12 KA_T, KB_T 2.5 DI-D 2477 см3, 94 кВт, 128 л.с. см3, 100 кВт, 136 л.с. , KA_T 2.5 DI-D 4WD 2477 см3, 131 кВт, 178 л.с.
Реал оценки
Войдите и напишите отзыв
0 отзывов
0 отзывов
0 отзывов
0 отзывов
0 отзывов
0
На данный момент оценок пока нет
Карданные валы Mitsubishi
DescriptionText»> Напишите в этой статье о своем личном опыте и помогите другим принять решениеВойдите и напишите отзыв
Показать все отзывы
1 литр Motoröl Mannol MN PSF 8970 MN8970-1
18,78 €
10 стартеров двигателя Mannol 450 мл
34,94 €
10x Дезинфицирующее средство Air-Con Fresh 200 мл
40,85 €
10x Polster-Schaum 650мл
34,96 €
11тлг.
Steinbohrer Satz SDS Plus
Рекомендуемая цена: 45,99 €
22,89 €
Карданные валы — Универсальные шарнирные валы — Приводные валы — U-образные шарниры — Универсальные шарниры :: GEWES
Карданные валы GEWES, также называемые карданными валами, обеспечивают надежную передачу крутящего момента между пространственно удаленными приводной и выходной передачей. Карданные валы от GEWES предлагают подходящие решения для механического привода практически во всех отраслях промышленности благодаря своей универсальной конструкции и высокой эффективности.
Наши оптимизированные по весу, энергоэффективные, высокопроизводительные карданные валы разработаны с использованием передовых методов и расчетов методом конечных элементов для обеспечения оптимальной прочности и диаметра стенки трубы для обеспечения высокого сопротивления кручению и изгибу.
Мы используем закаленную сталь и цементируемую сталь для наших U-образных соединений.
Калиброванные прецизионные стальные трубы используются для особо требовательных решений. Все используемые материалы соответствуют требованиям морской классификации и применения на железнодорожном транспорте. Таким образом, гарантируется надежная и непрерывная работа наших крестовин с высоким крутящим моментом. Наши карданные валы отличаются тем, что компоненты не требуют особого обслуживания и требуют низких затрат на техническое обслуживание в течение всего жизненного цикла продукта.
Наши системы динамической балансировки позволяют балансировать карданные валы с высокой точностью в соответствии со спецификациями для приложений, в которых используются быстровращающиеся карданные шарниры. Работа с низкой вибрацией снижает нагрузку на привод и карданные шарниры. Это увеличивает срок службы и снижает уровень шума при работе.
Наш квалифицированный персонал с радостью поможет вам найти правильный универсальный шарнир для вашего применения или разработает подходящее решение в соответствии с вашими конкретными требованиями.
Серия
Здесь представлен обзор нашей серии карданных валов.
Чтобы получить подробную информацию, нажмите соответствующую строку в следующей таблице.
Technical specifications
| Series | Limiting torque | Alternating torque | Swing diameter | Flange connection DIN | Flange connection SAE | Flange connection KV/XS | Flange connection Face key | ||||||||||||||||||
|---|---|---|---|---|---|---|---|---|---|---|---|---|---|---|---|---|---|---|---|---|---|---|---|---|---|
| [Nm] | [Nm] | [mm] | [mm] | [mm] | [mm] | ||||||||||||||||||||
| 15 | 350 | 100 | 60 | 58/65 | — | — | — | ||||||||||||||||||
| 30 | 1100 | 320 | 90 | 75/90/100 | 1120/1300 | — | — | ||||||||||||||||||
| 43 | 2400 | 1000 | 98 | 90/100/120 | 1120/1300/1400 | 100 | — | ||||||||||||||||||
| 53 | 4200 | 1300 | 115 | 100/ 120/150 | 1400/1500 | 120 | — | ||||||||||||||||||
| 6200 | 1700 | 125 | 120/15087 | 125 | 120/15086 | 120/15086. 110087 | . | ||||||||||||||||||
| 58 | 8800 | 2500 | 155 | 150/165/180 | 1600/1700/1800 | 152 | — | ||||||||||||||||||
| 68 | 11500 | 4000 | 160 | 150/165 /180 | 1600/1700/1800 | 152/180 | — | ||||||||||||||||||
| 70 | 17000 | 5100 | 174 | 180/225 | 1800 | — | — | ||||||||||||||||||
| 72 | 21000 | 5100 | 170 | 180/225 | 1800 | 180 | — | ||||||||||||||||||
| 73 | 25000 | 7300 | 178 | 180/220/225/250 | 1800/ 1880 | 180 | — | ||||||||||||||||||
| 77 | 28000 | 11000 | 204 | 180/225/250 | 1880 | 180 | — | ||||||||||||||||||
| 79 | 34000 | — | 204 | — | — | 200 | — | ||||||||||||||||||
| 80 | 33000 | 13000 | 215 | 225/250/285 | 1880/1900 | — | — | ||||||||||||||||||
| 83 | 40000 | 18000 | 250 | 250/285 | 1880 | — | — | ||||||||||||||||||
| 84 | 55000 | 23000 | 265 | 285 | — | — | — | ||||||||||||||||||
| 85 | 55000 | 23000 | 250 | 250/285/315 | — | — | — | ||||||||||||||||||
| 86 | 58000 | 24000 | 250 | 285/315 | — | — | — | ||||||||||||||||||
| 90 | 120000 | 45000 | 285 | 285/315/350 | — | — | — | ||||||||||||||||||
| 95 | 175000 | 58000 | 315 | 315/350/390 | — | — | — | ||||||||||||||||||
| 97 | 200000 | 70000 | 350 | 350 /390/435 | — | — | — | ||||||||||||||||||
| 98 | 200000 | 70000 | 370 | 350/390/435 | — | — | — | ||||||||||||||||||
| 82-H | 55000 | 23000 | 225 | 225/250 | — | — | 225/250 | ||||||||||||||||||
| 86-H | 105000 | 36000 | 250 | 285/315 | — | — | 250/285 | ||||||||||||||||||
| 90-H | 150000 | 53000 | 285 | 315/350 | — | — | 285/315 | ||||||||||||||||||
| 95-H | 215000 | 75000 | 315 | 350/390 | — | — | 315/350 | ||||||||||||||||||
| 97-H | 260000 | 100000 | 350 | 390/435 | — | — | 350/390 | ||||||||||||||||||
| S1-H | 370000 | 140000 | 390 | 435/480 | — | — | 390/435 | ||||||||||||||||||
| S2-H | 600000 | 225000 | 435 | — | — | — | 435/480 |
Further Flange Connections.

с.
110087