Содержание
Как работает бетононасос: технические характеристики
Эта массивная белая машина не секретное орудие империи «Звездных Войн» а всего лишь бетононасос
Для того чтобы ускорить и облегчить подачу бетона на стройке используют разнообразное оборудование — лотки, бадьи, ленточные конвейеры, бетононасосы. Если устройство, способы и сферы использования первых понятны даже неспециалистам, то последний агрегат распространен на строительных площадках несколько меньше и вызывает интерес.
Рассмотрим вопросы: как работает бетононасос, для чего он предназначен, и какие разновидности его бывают.
Чаще всего на стройке бетон доставляют к месту укладки бадьей, это одна из самых продвинутых конструкций
Также постараемся раскрыть тему, можно ли собрать это устройство самостоятельно, и как это выполнить.
Содержание статьи
- Для чего предназначены бетононасосы — достоинства и недостатки этого метода транспортировки смеси
- Достоинства использования бетононасосов
- Недостатки использования бетононасосов
- Конструкции бетононасосов
- Поршневой насос
- Достоинства поршневого насоса
- Недостатки поршневой системы
- Роторные насосы
- Плюсы роторных бетононасосов
- Недостатки роторного механизма
- Шнековый бетононасос
- Достоинства
- Минусы
- Поршневой насос
- Классификация бетононасосов по мобильности
- Передвижные бетононасосы
- Стационарные бетононасосы
- Проблемы, которые могут возникнуть при укладке с помощью бетононасосов
- Можно ли изготовить бетононасос самостоятельно
- Какой тип бетононасоса лучше собирать
- Роторная конструкция
- Конструкция со шнеком
- Какой тип бетононасоса лучше собирать
Для чего предназначены бетононасосы — достоинства и недостатки этого метода транспортировки смеси
Наиболее удобным способом транспортировки любых текучих субстанций являются трубы.
Согласитесь перекачивать жидкость быстрее и удобнее, чем носить ее ведрами. Трубопроводный транспорт стараются использовать везде, где это возможно.
Перевозка нефти в емкостях дороже, чем перекачка в трубах, даже если использовать такие корабли гиганты (больше чем авианосец)
Пример — даже самые дешевые перевозки нефти по морю танкерами стараются замещать прокладкой труб по дну. Сравнивать с транспортировкой с помощью железной дороги или автоцистерн вообще нет необходимости.
Применительно это в меньших масштабах и к строительной площадке. Доставлять к месту бетонирования смесь по бетонопроводу проще, чем бадьями или даже с помощью ленточного конвейера.
Проложить трубы и качать по ним нефть или газ быстрее. Это же касается и строительной площадки
Для нагнетания бетона используют специальные агрегаты бетононасосы — о них, и пойдет речь дальше.
Достоинства использования бетононасосов
Автобетононасос, как работает: не самый эффективный способ распределения бетонной смеси
Начнем с плюсов, благодаря которым скорость выполнения бетонирования, по сравнению с другими методами подачи смеси, возрастает почти в три раза (видео в этой статье, приведенное ниже, показывает эффективную работу этих агрегатов), а также улучшается качество выполнения работ.
- Можно обеспечить непрерывный процесс укладки. Остановка бетонирования снижает качество готового материала, так как частично затвердевшая смесь плохо сцепляется со свежей, только что приготовленной.
- С помощью бетононасосов соответствующей мощности можно легко подать смесь на высоту. Если ленточные транспортеры при горизонтальном перемещении смеси могут даже превосходить характеристики бетононасоса, то для вертикальной ее доставки нужно применять специальные устройства по типу нории.
Интересно. Хотя идея использовать ковшовые элеваторы — нории на стройке высотных зданий очевидна, но ее не реализуют, так как другие способы доставки материалов на высоту более эффективны.
- Доставка бетона по трубам позволяет переместить большой объем в кратчайшие сроки. При использовании бадей скорость уменьшается из-за необходимости загрузки бетона в них, а так же небольшой скорости передвижения крана.

- Для перемещения смеси с помощью бадей нужен смонтированный кран, вылет стрелы которого ограничен. Если к тому же нужно дополнительно передвигаться по подкрановым путям время доставки еще больше увеличивается. Бетононасос в нем не нуждается.
- Иногда, например при уже смонтированном перекрытии подать бадью сверху уже невозможно, зато легко можно подвести бетонопровод.
По бетонопроводу можно подать смесь в помещение, даже если уже смонтировано перекрытие
- Бетонопроводы компактны и не занимают много места в отличие от ленточных транспортеров.
- Смонтировать трубы быстрее, чем установить секции конвейера.
Конвейер не конкурент бетононасосу
- При перемещении смеси по трубам потери воды минимальны (даже через испарение) это положительно сказывается на качестве бетона. Особенно важен данный факт, когда между местом приготовления (или разгрузки) и местом укладки большое расстояние.

- Бетонирование с помощью бетононасоса требует меньшего количества строителей, чем с использованием других методов. Вкупе с сокращением сроков на выполнение работ это снижает затраты на заработную плату.
Для работы с бетононасосом не нужна большая бригада
Благодаря этим преимуществам почти всегда, когда требуется укладка очень большого количества смеси, применяют бетононасосы. Однако есть и некоторые недостатки.
Недостатки использования бетононасосов
- Это не самое дешевое строительное оборудование, поэтому затраты на его закупку (или аренду) все таки велики.
- Требуется монтаж бетонопровода, что тоже отнимает время. Ситуация решается с помощью подвесных труб на стреле, но радиус их вылета ограничен.
- Если требуется точечная заливка небольших мест (например, при монтаже сборно-монолитных конструкций) то выгоднее использовать другие методы транспортировки бетона.
- Механизмы насоса и трубы даже изготовленные из специальных материалов с использованием защитных покрытий устойчивых к истиранию все равно изнашиваются, особенно при перемещении смеси с твердыми заполнителями, обладающими абразивными свойствами.

Как видите, недостатки тоже есть, поэтому при небольшом объеме работ (например, нужно залить стяжку небольшой толщины) все-таки выгоднее использовать другие способы подачи.
Конструкции бетононасосов
Для перекачивания жидкостей используют множество принципов — эжекция, использование центробежной силы, использование мембран и т. п. Как и понятно не все они подходят для подачи бетона.
Кроме того если для многих насосов важен не только напор после него и создаваемое разряжение на входе (всас или в других документах всос, подъем) в бетононасос смесь подается прямо к заборнику. Поэтому подавляющее большинство существующих насосов всего трех типов — рассмотрим их подробнее, отметим достоинства и недостатки каждого.
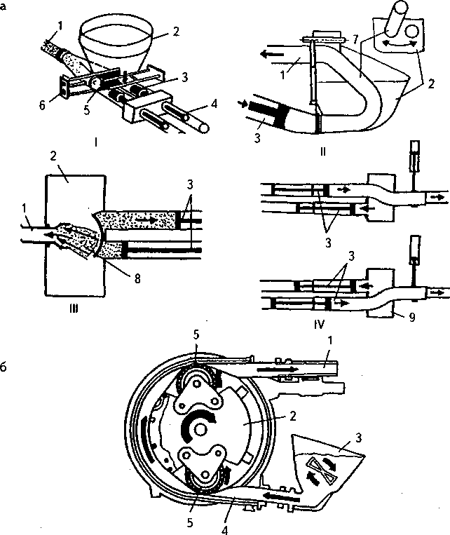
Поршневой насос
Конструкция поршневого бетононасоса
Это одна из древнейших и наиболее распространенных конструкций. Движущиеся в цилиндрах поршни захватывают и выталкивают перемещаемую среду при своем движении.
Также действует и бетононасос.
- Бетон из смесителя или транспортных средств поступает в приемный бункер. Его емкость подбирается такой, чтобы обеспечить непрерывный процесс. Например, расход смеси 10 м3 в час, и машины, привозящие тоже по 10 м3, приходят тоже каждый час. Чтобы не было перерыва в работе емкость бункера будет 12-15 м3, чтобы не было остановки подачи при задержке транспорта.
Так работают насосы совместно с автобетоносмесителями
- Для того чтобы смесь в бункере не расслаивалась как правило его снабжают дополнительным перемешивающим устройством.
- Цилиндр насоса связан с приемником через заслонку (шибер) при обратном ходе поршня она открывается, и порция смеси поступает в него.
- Когда поршень доходит до задней крайней точки шибер связывающий цилиндр с бункером закрывается, открывается другой, который перекрывал до этого выход в бетонопровод.
- При прямом ходе поршня порция смеси выталкивается в бетонопровод.
Для придания движения поршням чаще всего используется не знакомый многим по автомобильным двигателям кривошипно-шатунный механизм (такая конструкция была только в очень старых агрегатах), а гидравлические цилиндры.
Поток масла в них регулируется распределителем. Таким образом, обеспечивается необходимое усилие и надежность работы системы.
Открытие и закрытие шиберов также чаще всего управляется гидравликой, хотя возможен и механический привод. Для того чтобы снизить пульсации смеси в бетонопроводе вместо одного цилиндра устанавливают два и очень редко больше.
Достоинства поршневого насоса
- Хороший напор. Если нужно подавать смесь на большую высоту или расстояние с этой задачей справляются только поршневые насосы.
Поршневой бетононасос позволяет подать смесь на большие расстояния
- Большая производительность благодаря этому почти 75 % выпускаемых бетононасосов поршневые.
Недостатки поршневой системы
Минусы тоже есть:
- Данная система сложнее других. Требуются механизмы для согласования движения шибера и поршня, распределители управляющие гидравликой. Также нужно продумывать систему смазки мест контакта поршней с поверхностью цилиндра.

- Нужен гидравлический насос, который служит для создания необходимого давления в гидравлических цилиндрах, которые в свою очередь толкают рабочие. Хотя в случае монтажа агрегата на автомашине удобнее связь с ее двигателем через гидравлику, а не систему передач и карданных валов.
- Быстрый износ мест примыкания шиберов с входными и выходными патрубками, а также износ самих шиберов.
- Неравномерность подачи смеси. Даже у насосов с двумя цилиндрами пульсации довольно заметны. Хотя это и не такая уже большая проблема, так как укладка все равно продолжается, но оперировать с выходным патрубком бетонопровода менее удобно.
Роторные насосы
Конструкция роторного бетононасоса
По конструкции эти насосы гораздо проще. Принцип их работы легко объяснить наглядно. Пройдитесь, гуськом ставя ногу за ногой по шлангу, наполненному водой или другой жидкостью, она будет выдавливаться из него. Так работает и роторный насос.
Его выходной патрубок связан с гибким бетонопроводом, который сразу после выхода из бункера уложен полукругом на жестком основании.
Ротор с роликами катается по нему и выдавливает смесь.
Этот тип насоса тоже имеет как плюсы, так и минусы.
Плюсы роторных бетононасосов
- Несложный механизм. Бетононасос этого типа включает в себя приемный бункер, ротор с роликами и приводом и корпус в котором он расположен совместно с гибкой частью бетонопровода.
- Пульсации на выходе, они хотя и меньше, чем у поршневой системы, но все равно могут быть ощутимы, особенно при небольшом количестве роликов на роторе.
- Бесшумная работа.
- Небольшие габариты и вес.
Недостатки роторного механизма
- Меньший напор и производительность чем у поршневых конструкций.
- Большой износ гибкой части напорного участка бетонопровода (хотя его можно считать расходным материалом).
- Невозможность работать со смесями, в которые входит крупный заполнитель. Не рекомендуется использовать этот тип для бетонов, в которые включен щебень или гравий фракцией более 10 мм.
Шнековый бетононасос
Конструкция шнекового бетононасоса
Несколько реже применяющаяся конструкция.
Тоже отличается простотой. Принцип действия легко объяснить на примере известной всем мясорубки. Рабочий орган у этого агрегата шнек (винт Архимеда).
При его вращении происходит продавливание смеси от приемного бункера в трубы. Все точно также как при проходе продуктов от приемной воронки мясорубки к ее режущему узлу (или при наполнении оболочки домашней колбасы, такой пример даже правильнее, в роли фарша только бетонная смесь).
Так же работает и шнековый насос, вместо оболочки бетонопровод, вместо сала с мясом цемент, песок и бетон
Достоинства
- Простая конструкция и небольшие габариты.
Компактный шнековый насос для раствора без крупного заполнителя
- Высокая производительность, хотя все же меньше чем у поршневых систем.
Стационарный шнековый бетононасос
- Плавная подача.
- Шнек и корпус изнашиваются меньше чем гибкий участок бетонопровода у роторной системы.
- Возможность работать со смесями, включающими крупные заполнители.

- Легко реализуемый реверс (движение смеси в обратном направлении), это позволяет в большинстве случаев просто устранять образующиеся в бетонопроводе пробки.
Минусы
Низкий напор, система не предназначена для подачи смеси на большую высоту и расстояния.
Классификация бетононасосов по мобильности
Кроме того что бетононасосы различаются по способу, с помощью которого обеспечивается подача смеси также разделяют их по мобильности.
Передвижные бетононасосы
Чаще всего монтируют на базе грузовиков. Привод бетононасоса осуществляется через вал отбора мощности напрямую, либо через промежуточный гидронасос (гидравлическую передачу).
Мобильный бетононасос с большой производительностью на гусеничном шасси
Почти всегда мобильные установки комплектуются выдвижной управляемой стрелой с бетонопроводом.
Бетононасос на базе «КАМАЗ» со стрелой
Вылет ее может достигать до 30 метров, а у некоторых моделей на базе специальных большегрузных машин и больше.
Однако они могут подключаться и к уже устроенным на строительной площадке стационарным бетонопроводам.
У стрелы бетононасоса может быть приличный вылет
Встречаются модели, смонтированные на базе автобетоносмесителя (его часто называют миксером) как дополнительное оборудование. В этом случае они совмещают функции транспортировки бетона от места его приготовления и устройства для укладки в опалубку.
Стационарные бетононасосы
Большинство этих агрегатов можно назвать условно стационарными, так как они все же обладают некоторой мобильностью. Обычно монтируются на колесном шасси, которое можно буксировать.
Если рассматривать промышленный наиболее популярный стационарный бетононасос, технические характеристики его примерно равны вышерассмотренному, правда, цена значительно меньше, так как в нее не входит стоимость самого автомобиля-базы.
Небольшой буксируемый насос для бетона с автономным двигателем и шасси
Полностью неподвижные бетононасосы, установленные на долговременном основании, могут применяться на заводах ЖБИ для подачи смеси на формовку изделий и конструкций.
Но на большинстве производств используют либо ленточные транспортеры, либо бадьи, которые перемещаются мостовыми и козловыми кранами.
Для привода насоса монтируют двигатель внутреннего сгорания. Для установок небольшой производительности он чаще бензиновый, более мощные установки комплектуют дизелями. Также есть модели, которые работают от электромотора, что является более экономичным подходом, но может вызвать некоторые затруднения (кроме насосов которые, как уже говорили выше, полностью стационарны).
Все дело в том, что большинство бетонных работ проводят при возведении нулевого цикла (фундамента и основания). На этом этапе электроснабжение на площадке может отсутствовать и придется его монтировать заранее. Хотя надо отметить при подаче бетона с помощью башенного крана и бадьи без электрификации места проведения работ не обойтись.
Стационарные бетононасосы имеют обычно большую производительность, чем мобильные и применяются при большом объеме работ. Чаще всего подача бетона ведется через стационарный бетонопровод, хотя существуют разновидности и с установленными стрелами.
Также во многих случаях трубы для подачи смеси могут подвешиваться на строительный кран.
Стационарный смеситель и бетонопровод
Проблемы, которые могут возникнуть при укладке с помощью бетононасосов
Чтобы с бетонопроводом было удобнее работать его лучше подвесить
Хотя укладка смеси с помощью бетононасосов проще и быстрее, чем выполнение этих же работ без него, нужно учесть некоторые особенности пользования этими механизмами.
Приведем их:
- Увеличившаяся скорость укладки смеси может привести к тому, что внутри монолита образуются полости, особенно если для армирования применяется мелкая сетка. Поэтому нужно следить за равномерным распределением бетона.
- Если уплотнение проводится поверхностными, а не глубинными вибраторами, то необходимо не увлекаться большими объемами уложенной смеси. Обязательно уплотняйте каждый слой.
- Нужно тщательно фиксировать арматурный каркас, мощный поток смеси из бетонопровода может сместить элементы армирования и закладные детали.

Сильный поток бетона может сместить арматурный каркас
- При работе с бетононасосом большой производительности трудно удержать гибкий конец бетонопровода одному или даже двум строителям. Нужно отдавать предпочтение стреле или хотя бы подвешивать трубы на кране.
- Пробки, образовавшиеся в бетонопроводе, могут повредить его и механизмы насоса. Если начинается ее формирование, попробуйте реверсировать насос (если это возможно) на короткое время. В противном случае разъедините участок и очистите трубы вручную.
- Чтобы не способствовать образованию пробок не делайте длительные перерывы в работе, за их время часть бетона может схватиться. Позаботитесь, чтобы всех строителей (иногда возникает необходимость отлучиться, пусть даже на короткое время) могли сразу же заменить.
- По окончании бетонирования (или смены) нужно тщательно промывать как сам насос, так и трубы бетонопровода.
Можно ли изготовить бетононасос самостоятельно
Это не такой необходимый аппарат для ускорения работ по строительству на приусадебном участке своими руками, как бетономешалка.
Если готовить бетон самостоятельно, то в бетононасосе вообще нет смысла, так как больше времени тратиться на замешивание раствора, чем на его укладку.
Если же использовать товарный бетон (привезенный автомашинами от производителя), то залить фундамент под коттедж можно меньше чем за полдня. Экономия нескольких часов практически роли не играет по сравнению со сроками выполнения других работ, например, кладки стен. Но впрочем, если есть желание, то почему бы не попытаться.
Какой тип бетононасоса лучше собирать
Из-за сложности конструирования, сборки и изготовления поршней с цилиндрами и их привода, а также системы управления шибером от конструкции, работающей на этом принципе лучше отказаться.
Проще всего изготовить роторный насос, а если использовать некоторые готовые агрегаты от другой техники, то и шнековый. Инструкция по их сборке будет следующей.
Роторная конструкция
- Как всегда начинаем с подбора привода, нам нужен мотор с редуктором, который сможет вращать ротор со значительным усилием при относительно небольшой скорости.
Например, вполне может подойти узел от бетономешалки желательно редукторной. Вполне могут подойти и детали от любой другой техники с подходящими параметрами.
Совет. Впрочем, можно попытаться использовать и детали от венцового привода. В этом случае нужно будет изготовить ротор по диметру равный или немного больше венца и соединить их вместе. При этом упрощается узел оси ротора, так как в нем не требуется выпуск и присоединение муфты к оси. Ротор вращается шестерней сцепленной с венцом.
- Дальше подбираем материал для корпуса ротора, точнее для крепления гибкой части бетонопровода. Вполне подойдет обрезок толстостенной трубы большого диаметра от 1000 мм и больше. Причем чем более мощный двигатель будет, тем больше может быть диаметр трубы. Таким образом, можно будет установить более толстый бетонопровод и увеличить производительность системы.
- Подобрав и скомпоновав привод, можно приступать к изготовлению ротора. В простейшем случае его можно сварить из любого прочного профиля.
Лучше выбрать конструкции на 4 ролика, тогда он будет выглядеть как буква «Х», посередине которой установлена (приварена) ось. Можно подобрать и колесо или диск соответствующего диаметра. - Изготавливаем или подбираем ролики. Отлично если они будут на подшипниках. Ширина должна быть больше, чем диаметр гибкой части бетонопровода, который они будут обкатывать. Чтобы меньше повреждать гибкий шланг, их поверхность должна была обрезиненная.
- Дальше продумываем крепления ротора к корпусу. Достаточно прикрепить толстую полосу или профиль (швеллер, угольник) с обеих сторон обрезка трубы по диаметру, проходящему через центр. Для того чтобы можно было монтировать ротор с одной стороны крепление делаем разъемным на болтах и уголках, с другой стороны можно приварить. Можно сделать и сплошные стенки, но в этом случае будет труднее наблюдать за работой агрегата.
- По центру креплений предусматриваем отверстие для оси ротора. Там же крепим и корпуса с крышками для подшипников, на которые будет крепиться ось.

- Дальше готовим гибкий бетонопровод, нам нужен кусок прочного рукава большого диаметра стойкого к перегибам и истиранию. Предусматриваем, как он будет соединяться с бункером и остальными участками. Лучше всего предусмотреть байонетные соединения (такие как на пожарных рукавах). Их ответные части крепим на корпус ротора.
Совет. Пожарные рукава можно использовать и как «эрзац»-бетонопроводы — их материал довольно прочный и не боится перегибов. Конечно, в местах работы роликов он будет быстро изнашиваться, но заменить участок на байонетах не составит труда.
Пожарный рукав можно использовать как недолговечный заменитель гибкого бетонопровода
- Устанавливаем бетонопровод на место. Что он не смещался в стороны можно предусмотреть (наварить или закрепить другим способом) небольшие буртики их высота должен быть немного меньше чем высота сжатого бетонопровода, чтобы не мешать роликам прокатываться по нему.
- Закрепив в корпусе бетонопровод, крепим ролики к ротору.
Размечаем места их посадки с учетом того что они должны сжимать гибкий шланг максимально (но не на грани разрыва от перегиба) и в тоже время относительно свободно перемещаться по кругу. - Закрепив ролики, устанавливаем ротор на место. Основной рабочий узел насоса готов.
- Дальше из листовой стали свариваем приемный бункер. Снизу у него должно быть место для соединения с ответной частью бетонопровода на корпусе ротора.
- Следующая задача — собрать станину, чтобы жестко соединить все части в одно. Сварим ее тоже из металлического профиля. Можно собрать и на болтах, и на заклепках, но сейчас сварка самый дешевый и простой метод. На ней также нужно предусмотреть крепление для двигателя с редуктором так, чтобы можно было их соединить с ротором. Желательно на раме предусмотреть также колеса и ручки, чтобы насос можно было легко перемещать с места на место.
- Собираем все вместе. При этом соединяем любым патрубком или отрезком трубы соответствующего диаметра входное крепление гибкого бетонопровода с выходом бункера.

- Устанавливаем привод на место и соединяем его с валом ротора. Чтобы уменьшить вибрации, а также обеспечить защиту двигателя от перегрева при заклинивании механизма, узел этот лучше всего выполнить с помощью полумуфт, соединенных резиновыми пальцами или лепестками.
- Монтируем электропроводку и пусковую арматуру, и испытываем насос.
- Если все работает нормально, то окрашиваем агрегат для защиты его от коррозии, если нет, устраняем недостатки.
Конструкция со шнеком
Самостоятельно изготовить шнек затруднительно, но можно подобрать этот узел от других агрегатов. Например, отлично подходит от деталь от комбайна, причем нужно брать не выгрузочный который имеет большую длину, а нижний горизонтальный, который перемещает зерно к выгрузочному. При длине до метра его легко можно приспособить к нашей конструкции.
Горизонтальный шнек комбайна можно приспособить в самодельном бетононасосе
Можно приспособить и такой же узел от зерномета, в этом случае, возможно, он будет сразу с редуктором и электродвигателем.
Дальше выполняем следующие работы.
- Изготавливаем приемный бункер, его конструкция практически такая же, как и у предыдущего насоса, правда, желательно, чтобы выходное отверстие совпадало с соответствующим у кожуха шнека по геометрии.
- Изготавливаем станину. На ней также предусматриваем кронштейны для закрепления двигателя с редуктором (подбираются эти детали точно так же, как и для предыдущей конструкции). Тоже желательно предусмотреть колеса и рукояти.
- Соединяем шнек в корпусе с бункером, а затем эти два узла крепим на станине.
- На выгрузном отверстии шнека монтируем муфту для связи с бетонопроводом.
- Соединяем привод с осью шнека, как и в предыдущей конструкции желательно это сделать с помощью полумуфт связанных лепестками или пальцами.
- Устанавливаем электрическую проводку и арматуру.
youtube.com/embed/pW3MbCmR1KI» frameborder=»0″ allowfullscreen=»allowfullscreen»>
Как работает бетононасос: автомобильный, стационарный
Бетонная смесь широко применяется в различных сферах строительства. Для ее транспортировки и перекачивания рекомендовано применение спецтехники, а именно – бетононасоса. Это оборудование характеризуется надежностью и долговечностью.
Содержание
- 1 Применение бетононасосов в строительстве
- 2 Принцип работы
- 3 Преимущества автоматических бетононасосов
- 4 Недостатки
- 5 Проблемы которые могут возникнуть при укладке с помощью бетононасосов
- 6 Типы агрегатов
- 6.1 Работа поршневой системы
- 6.2 Работа роторной системы
- 7 Варианты базирования агрегатов
- 7.1 Стационарные насосы
- 7.2 Насосы на автомобильной базе
- 8 Покупка или сделать самому
- 9 Как изготовить бетононасос — технология производства
Применение бетононасосов в строительстве
Бетононасосы широко применяются для возведения монолитных высокоэтажных зданий.
Благодаря установкам обеспечивается доставка бетона на различную высоту, что снижает временные и физические затраты. Бетоновод обеспечивает быструю подачу бетонной смеси при возведении мостов. С его применением возводятся водные и железнодорожные сооружения. Установка для подачи бетона применяется при строительствае портовых и туннельных соединений.
При частном строительстве спецтехника используется не всегда, что объясняется ограничением подъезда спецтехники. Для упрощения задачи и ускорения процесса строительства рекомендовано применение мини бетононасосов.
Принцип работы
Для определения принципов работы бетононасоса нужно понять его устройство. Оборудование имеет мешалку, колеса, систему смазки, выходную часть, опоры, загрузочный бункер. Также оборудование состоит из охладительной системы, шиберного затвора, бака под масло, системы смазки. Бетононасос имеет ящик для инструментов, манометр, клапан качающий, гидравлическую систему, фильтр под масло, кожух, электрощиток, шасси, прицепное устройство.
Бетоноотводное устройство состоит из:
- Бетоноотводного колена;
- Промывочного устройства;
- Бетоноотводной трубы;
- Бетоноотводного замка с резиновым уплотнителем.
Основным агрегатом строительной техники является двигатель различной мощности, который может быть электрическим или дизельным. Работа системы перекачивания обеспечивается по открытому контуру, который подлежит регулировке.
Благодаря универсальному устройству бетононасоса предоставляется возможность бесступенчатой гидравличенской настройки. Количество подачи топлива можно регулировать. Установка состоит из водяного насоса и двух гидравлических цилиндров. Последние из них соединяют поршни, что приводит к возвратно-поступательным движениям. Этот процесс заключается в том, что поршни двигаются в разные стороны.
Поступление бетонной смеси из выходных отверстий осуществляется в загрузочный сектор. Она перекачивается двумя цилиндрами, которые двигаются в разные стороны.
Всасывание и нагнетание смеси обеспечивается благодаря соединению транспортных и гидравлических цилиндров.
Преимущества автоматических бетононасосов
Бетононасос имеет отменные технические характеристики и обладает большим количеством преимуществ:
- Обеспечение непрерывного процесса укладки. При остановке бетонирования наблюдается снижение качества готового материала, так как бетонные смеси различного уровня затвердевания плохо сцепляются между собой.
- Трубы для бетононасоса обеспечивают подачу смеси на высоту. Установки предоставляют возможность перемещения большого объема смеси в максимально короткий срок.
- Принцип работы бетононасоса значительно снижает временные и трудовые затраты при подачи смеси на объект строительства.
- Предоставляется возможность применения оборудования при частичном сооружении конструкций.
- По сравнению с ленточными транспортерами бетонопроводы характеризуются компактностью.
- Установки характеризуются простотой монтажа, что ускоряет процесс строительства.

- Во время подачи смесей потери воды сводятся к минимуму, что положительно влияет на качество бетона. Этот аспект является важным при необходимости транспортировки смеси на значительные расстояния.
Характеристики бетононасосов позволяют их использовать во время проведения сложного строительства.
Недостатки
Бетононасосы обладают определенными недостатками, которые нужно учитывать при покупке.
Эта техника характеризуется высокой стоимостью и недоступна для всех пользователей и компаний.
Но, при ее регулярном использовании в строительстве, она себя оправдывает. При эксплуатации оборудования нужно провести монтаж бетонопровода. Решает задачу система труб на стреле.
При возникновении необходимости в точечной заливке небольших площадей, например при монтаже сборно-монолитной конструкции, это оборудование использовать нецелесообразно.
При длительной эксплуатации установок наблюдается износ механизма насоса и трубы.
Проблемы которые могут возникнуть при укладке с помощью бетононасосов
Установка с применением давления подает бетонную смесь на высоту. При неправильной эксплуатации оборудования наблюдаются определенные проблемы:
- Если скорость укладки смеси увеличивается, то в монолите наблюдается образование полостей, особенно при использовании мелкой сетки для армирования. Именно поэтому во время проведения работ нужно следить за тем, чтобы смесь подавалась равномерно.
- Если для уплотнения используется поверхностный, а не глубинный вибратор, то нужно укладывать смесь в небольшом объеме. При выполнении работ обязательным условием является уплотнение каждого слоя.
- Во время проведения работ рекомендовано проводить тщательную фиксацию арматурного каркаса, так как поток бетона может его нарушить.
- После завершения работ нужно промывать трубы бетонопровода, а также насос.
- Если бетононасос имеет большую производительность, то при его работе строители должны держать гибкий конец.

- Во избежание появления пробок категорически запрещено делать долгие перерывы в работе.
- Если в бетонопроводе образовываются пробки, то это может привести к повреждению механизмов насоса. На начальном этапе формирования пробок проводится реверсирование насоса. Можно разъединить участок и прочистить трубы вручную.
Типы агрегатов
В зависимости от того, как работают бетононасосы, их разделяют на несколько разновидностей. Перекачивание жидкости проводится с помощью эжекции, мембран, центробежной силы и т.д.
Работа поршневой системы
Поршневой насос – это наиболее востребованное оборудование, которое состоит из цилиндров и поршней. При их передвижении проводится захват и выталкивание перемещаемой среды. Бетон находится в специальных бункерах, емкостью 12-15 кубических метров, что обеспечивает беспрерывную работу. В бункер монтируется дополнительное перемешивающее устройство/, что исключает возможность расслоения смеси.
Цилиндр и приемник насоса связываются между собой с помощью заслонки, которая открывается при обратном ходе поршня, что обеспечивает поступление бетонной смеси.
Если наблюдается прямой ход поршня, то это приводит к выталкиванию в бетонопровод смеси.
Часто установку называют гидравлический насос, так как движение поршней обеспечивается благодаря гидравлическим цилиндрам. Регулировка потока масла в них проводится распределителем. Шиберы открываются и закрываются с помощью гидравлики.
С помощью оборудования обеспечивается хороший напор бетонной смеси, так как он имеет большую производительность.
Работа роторной системы
Оборудование имеет простую конструкцию. Его работа основана на методе выдавливания бетонной смеси. Оборудование состоит из приемного бункера, ротора, который оснащается роликами и приводом, корпуса.
По сравнению с поршневой системой роторный насос создает меньшие пульсации на выходе. Оборудование создает минимальное количество шума при работе, что обеспечивает удобства его эксплуатации. Установки имеют небольшой вес и габариты, что гарантирует их удобную эксплуатацию.
Недостатком роторных систем является то, что они не могут транспортировать смесь с крупными включениями.
По сравнению с поршневыми конструкциями они создают меньший напор. Гибкая часть напорного участка достаточно быстро изнашивается.
Варианты базирования агрегатов
Виды бетононасосов определяются в соответствии с особенностями их установки. Они могут быть стационарными или мобильными.
Стационарные насосы
Среди разнообразных агрегатов стационарные насосы пользуются популярностью при возведении больших объектов. Они обладают незначительной мобильностью. Монтаж установок осуществляется на колесное шасси, что предоставляет возможность их перемещения.
Производятся неподвижные марки бетононасосов, которые устанавливаются на долговременное основание. Сфера их применения – заводы железобетонных изделий. Такое оборудование подает бетонную смесь на большую высоту. Привод насоса обеспечивается благодаря двигателю внутреннего сгорания, который может быть электрическим, бензиновым или дизельным.
Стационарным бетонопроводам присуща большая производительность, поэтому их применяют при необходимости в выполнении больших объемов работ.
Применение установок осуществляется в масштабном строительстве.
Бетононасос сб 207а
Насосы на автомобильной базе
Бетононасосы автомобильные наиболее часто монтируются на базе грузовых транспортных средств. Вал отбора мощности обеспечивает привод оборудования. Также в установках может применяться гидравлическая передача.
В Москве и в СНГ можно встретить самоходные установки на гусеничном шасси. Их используют при невозможности заезда на строительную площадку стандартной техники.
Для автобетононасосов характерно наличие выдвижной управляемой стрелы, которая оснащается бетонопроводом. Вылет стрелы может быть более 30 метров. Производится оборудование, базой которого является бетоносмеситель.
Покупка или сделать самому
Бетононасос является дорогостоящим оборудованием, которое можно приобрести в специализированном магазине. При недостатке денежных сре6дств предоставляется возможность самостоятельного монтажа оборудования. При выборе установок рекомендуется руководствоваться определенными правилами:
- Изначально определяется функциональная нагрузка оборудования и ее соответствии выполняемым строительным работам.

- При возникновении необходимости в бетононасосе 1-2 раза во время строительства его лучше будет арендовать.
- Подбор параметров длины и высоты подачи бетонной смеси проводится индивидуально.
- В период выбора оборудования определяется характеристика его мощности и его производительность.
- Специалисты рекомендуют отдавать предпочтение мобильным установкам, так как в процессе строительства различных объектов возникает необходимость в применении дополнительной техники для транспортировки стационарных установок.
К наиболее популярным маркам относится
китайский бетононасос Sany
. Они являются простыми в эксплуатации и долговечными. Управление установкой на расстоянии проводится с помощью специального пульта. Во время работы оборудования не создается сильный шум. Скорость подачи бетона в установке можно регулировать.
Итальянский бетононасос Cifa
полностью отвечает современным строительным технологиям. Для его комплектации используются высокопроизводительные узлы.
Благодаря наличию бункера в установке улучшается качество бетона. Установка является компактной, что позволяет ее использовать на строительных площадках с ограниченным пространством.
Putzmeister – это немецкий бетононасос
, который способен быстро и эффективно транспортировать бетонную смесь. Применяется для быстрого сооружения мостов, туннельных сооружений, высотных зданий. Устройства с дистанционным управлением характеризуются быстрой и качественной работой.
Как изготовить бетононасос — технология производства
Самостоятельное изготовление бетононасоса – это сложная задача, которая выполняется в несколько этапов:
- Создаем чертеж. Можно воспользоваться имеющимися схемами или разработать ее самостоятельно. Во втором варианте конструкция создается для выполнения определенных задач.
- Выбираем цилиндр и поршень. При выборе этого ключевого элемента системы нужно следить за тем, чтобы был запас мощности. Диаметр цилиндра должен быть до 400 миллиметров, а ход поршня – более 50 сантиметров.
При несовпадении параметров число рабочих циклов увеличивается, что приводит к их быстрому износу. - Подгоняем поршни и цилиндр. Для обеспечения длительной службы насоса удаляем все шероховатости.
- Выбираем тип узла. Для снижения сложности и стоимости изготовления оборудования рекомендовано применение электромеханического насоса.
- Устанавливаем редуктор. Механизм должен состоять из придаточного числа, что позволит снижать и преобразовывать вращательные движения в поступательные.
- Монтируем шкворень. Проводится подключение элемента к механизму. Сварная рама делается из металлического уголка. Далее проводится введение в систему обратных клапанов, материалом производства которых является легированная сталь.
- На завершающем этапе проводится проверка работоспособности установки.
Бетононасос – это универсальное высокотехнологичное оборудование, которое широко применяется для подачи бетонной смеси на высоту.
Существует большое количество разновидностей оборудования, что позволяет подобрать наиболее приемлемый вариант в соответствии с поставленными задачами.
Как работают бетононасосы?
Телефон VolumeFont Awesome Free 5.0.6 от @fontawesome — http://fontawesome.com Лицензия — http://fontawesome.com/license (Значки: CC BY 4.0, Шрифты: SIL OFL 1.1, Код: Лицензия MIT)
ПОЗВОНИТЕ НАМ СЕГОДНЯ
0412 393 512
EnvelopeFont Awesome Free 5.0.6 от @fontawesome — http://fontawesome.com Лицензия — http://fontawesome.com/license (Иконки: CC BY 4.0, Шрифты: SIL OFL 1.1, код: лицензия MIT)
ЗАПРОС СЕЙЧАС
ПОЛУЧИТЬ ЦИТАТУ
Facebook SquareFont Awesome Free 5.0.6 от @fontawesome — http://fontawesome.com Лицензия — http://fontawesome.com/license (Значки: CC BY 4.0, Шрифты: SIL OFL 1.1, Код: лицензия MIT) LinkedInFont Awesome Free 5.0.6 от @fontawesome — http://fontawesome.com Лицензия — http://fontawesome.com/license (иконки: CC BY 4.
0, шрифты: SIL OFL 1.1, код: лицензия MIT ) Twitter SquareFont Awesome Free 5.0.6 от @fontawesome — лицензия http://fontawesome.com — http://fontawesome.com/license (иконки: CC BY 4.0, шрифты: SIL OFL 1.1, код: лицензия MIT) InstagramFont Awesome Бесплатная версия 5.0.6 от @fontawesome — http://fontawesome.com Лицензия — http://fontawesome.com/license (иконки: CC BY 4.0, шрифты: SIL OFL 1.1, код: лицензия MIT) YouTube SquareFont Awesome Free 5.0. 6 от @fontawesome — http://fontawesome.com Лицензия — http://fontawesome.com/license (Иконки: CC BY 4.0, Шрифты: SIL OFL 1.1, Код: лицензия MIT) BarsFont Awesome Free 5.0.6 от @fontawesome — Лицензия http://fontawesome.com — http://fontawesome.com/license (Значки: CC BY 4.0, Шрифты: SIL OFL 1.1, Код: Лицензия MIT)
О НАС
КОНТАКТЫ
Читайте наш блог здесь!
О НАС
Коммерческий бетононасос ▾
Жилой бетононасос Аренда 90 004
Безопасность и соответствие требованиям
Проекты
КОНТАКТЫ
Запрос коммерческого предложения
Times CircleFont Awesome Free 5.
0.6 от @fontawesome — http://fontawesome.com Лицензия — http://fontawesome.com/license (иконки: CC BY 4.0, шрифты: SIL OFL 1.1, код: лицензия MIT)
Коммерческий бетононасос Мельбурн
Аренда бетононасоса
Аренда бетононасоса
Бетонные плиты
Бетон Стреловые насосы остаются одним из самых популярных и востребованных видов строительной техники в отрасли. С годами население в городских районах продолжает расти, а это означает, что всегда будет потребность в новом жилье, школах, медицинских учреждениях, транспортной инфраструктуре и т.д. Многие из этих проектов масштабны и сложны, поэтому поиск наиболее эффективного оборудования необходим как бетононасосы . Заливка бетона никогда не была более удобной с помощью этих насосов.
29.07.2020
Бетононасосы — это инструменты, используемые для перекачки свежезамешанного жидкого бетона в нужное место на строительной площадке. Бетононасосы сегодня являются обычным оборудованием на строительных площадках, потому что они повышают эффективность строительных проектов, особенно с точки зрения строительства высотных зданий.
До появления бетононасосов подрядчикам приходилось поднимать ведра с бетоном с помощью кранов, а теперь можно закачивать бетон на самые высокие этажи.
Что такое бетононасосы?
Бетононасос работает с использованием системы клапанов и основных принципов гидравлики. После того, как автобетоносмеситель заливает жидкий бетон в бункер, бетононасос всасывает жидкий бетон через систему клапанов в зону, где его необходимо уложить. Большинство бетононасосов также имеют двухцилиндровую гидравлическую систему, состоящую из двух параллельных цилиндров. Первый цилиндр известен как материальный цилиндр. Он вытягивает бетон из бункера. Второй – нагнетательный цилиндр, который выталкивает бетон из насоса.
Как это работает
Различные типы бетононасосов
Этот насос состоит из бетононасоса и укладочной стрелы, установленной на шасси грузового автомобиля. Преимущество использования этого насоса заключается в том, что стрелы могут различаться по размеру, а это означает, что бетон можно быстро перекачивать в любое место в пределах диапазона действия стрелы.
Мобильные насосы
Этот насос установлен на прицепе, и бетон доставляется на место по отдельному трубопроводу, присоединенному к прицепу. Затем для точности укладки бетона труба крепится к укладочной стреле.
Стационарные насосы
Стационарный или стационарный насос устанавливается на кузов грузовика, но у него нет укладочных стрел, что означает, что рабочие должны будут использовать отдельные укладочные шланги, чтобы доставить бетон в соответствующую зону. Они идеально подходят для быстрых работ, поскольку они также могут доставлять их прямо на строительные площадки.
Статический насос, устанавливаемый на грузовике
Это универсальная модель, к которой прикреплена бетономешалка с насосом. Таким образом, как мобильные, так и статические насосы будут иметь большой бункер для подачи бетона.
Автобетоносмеситель Автобетононасос
Вы ищете качественные услуги по перекачке бетона? Тогда свяжитесь с нашей командой сегодня! мы предоставляем бытовые, жилые и коммерческие услуги бетононасоса по всему Мельбурну.
Свяжитесь с нами сегодня по телефону , позвонив нам или заполнив нашу онлайн-форму.
Связаться Get Pumped Бетононасос
СВЯЗАТЬСЯ С НАМИ
ЗАПРОСИТЬ БЕСПЛАТНЫЙ Q УОТЭ
Позвоните в Get Pumped Concrete Pumping сегодня, чтобы получить бесплатное предложение. Мы специалисты по перекачке бетона по всему Мельбурну.
ЗАПРОСИТЬ ЦЕНУ
ЗВОНИТЕ — 0412 393 512
90 003 СВЯЖИТЕСЬ С НАМИ
PhoneFont Awesome Free 5.0.6 by @fontawesome — http://fontawesome.com Лицензия — http://fontawesome.com/license (Значки: CC BY 4.0, Шрифты: SIL OFL 1.1, Код: Лицензия MIT)
0412 393 512
EnvelopeFont Awesome Free 5.0.6 от @fontawesome — http://fontawesome.com Лицензия — http://fontawesome.com/license (Значки: CC BY 4.0, Шрифты: SIL OFL 1.1, Код: MIT License)
Получить предложение
Map Marker-altFont Awesome Free 5.
0.6 от @fontawesome — http://fontawesome.com Лицензия — http://fontawesome.com/license (Иконки: CC BY 4.0, Шрифты: SIL OFL 1.1, код: лицензия MIT)
Sunshine North VIC 3020
Facebook SquareFont Awesome Free 5.0.6 от @fontawesome — http://fontawesome.com Лицензия — http://fontawesome.com/license (Значки: CC BY 4.0, шрифты: SIL OFL 1.1, код: лицензия MIT) LinkedInFont Awesome Free 5.0.6 от @fontawesome — http://fontawesome.com, лицензия — http://fontawesome.com/license (иконки: CC BY 4.0, Шрифты: SIL OFL 1.1, код: лицензия MIT. OFL 1.1, код: лицензия MIT) InstagramFont Awesome Free 5.0.6 от @fontawesome — http://fontawesome.com, лицензия — http://fontawesome.com/license (иконки: CC BY 4.0, шрифты: SIL OFL 1.1, код : Лицензия MIT) YouTube SquareFont Awesome Free 5.0.6 от @fontawesome — http://fontawesome.com Лицензия — http://fontawesome.com/license (Значки: CC BY 4.0, Шрифты: SIL OFL 1.1, Код: Лицензия MIT )
БЫСТРЫЕ ССЫЛКИ
О НАС
АРЕНДА НАСОСОВ ДЛЯ ЖИЛОГО БЕТОНА
БЕЗОПАСНОСТЬ И СООТВЕТСТВИЕ НОРМАМ
ПРОЕКТЫ
ЗАПРОС ЦЕНЫ
КОНТАКТЫ
9015 4 КАРТА САЙТА
ПРОМЫШЛЕННЫЕ БЕТОНАСОСЫ
ПРОМЫШЛЕННЫЕ БЕТОНАСОСЫ
БЕТОНОНАСОС НАНЯТЬ
АРЕНДА БЕТОНАСОСОВ
БЕТОННЫЕ ПЛИТЫ
© 2 020 Get Pumped Concrete Pumping
Сайт разработан iseekplant.
com.au
ПОЛИТИКА КОНФИДЕНЦИАЛЬНОСТИ
Times Thin
Заполните форму ниже или позвоните нам по телефону
0412 393 512 , чтобы получить бесплатное предложение.
Times Thin
Заполните форму ниже или позвоните нам по телефону 0412 393 512 для бесплатной оценки.
Выберите нужный вам бетононасос *
Аренда бетононасоса
Аренда бетононасоса
Выберите услугу *Выберите Бетонные дорожки Строительство подъездных путейБетонные опорыБетонные опорыЗаливки бетонных блоковБетонные плитыДругое
- Выберите 90 290
- Бетонная пешеходная дорожка
- Строительство подъездной дороги
- Бетонные основания
- Бетонные опоры
- Заливки из бетонных блоков
- Бетонные плиты
- Другое
Тип проекта *Пожалуйста, выберитеЖилойКоммерческийДругой
- Пожалуйста, выберите
- Жилой
- Коммерческий
- Другое
Как работает бетононасос?
Бетононасос – это машина, которая перемещает свежезамешанный влажный бетон без тяжелого труда.
Они работают с использованием системы клапанов, приводимой в действие гидравликой и газовым или дизельным двигателем. Бетононасосы могут перемещать большие объемы влажного бетона в любом месте на строительной площадке, в том числе над домом, в ограниченном пространстве или в труднодоступных местах. Автобетоносмесители смешивают бетон во вращающемся барабане. Затем грузовик заливает бетон в бункер, который продолжает взбивать бетон, чтобы он не затвердел. Оттуда бетононасос всасывает влажный бетон из бункера через систему клапанов и из насоса. Как правило, он проталкивается через серию шлангов, которые могут перемещать бетон далеко от насоса.
Двухцилиндровый гидравлический бетононасос обычно состоит из двух параллельных цилиндров. Цилиндры имеют внутри приводные поршни, которые перемещают их вперед и назад в противоположных направлениях. Когда один цилиндр движется вперед, другой движется назад.
Первый цилиндр, также известный как цилиндр для материала, вытягивает бетон из бункера.
Второй цилиндр, он же нагнетательный цилиндр, выталкивает бетон из насоса. Два поршня работают вместе, втягивая и выталкивая большие объемы жидкого бетона. Гидравлический поток, создаваемый непрерывным потоком бетона, заставляет два цилиндра двигаться вперед и назад. Этот непрерывный поток также помогает предотвратить затвердевание влажного бетона.
Бетононасосы стационарные. Они создают поток бетона и давление. Но на самом деле именно шланги перемещают бетон по рабочей площадке. Бетонные шланги могут транспортировать бетон на сотни футов от насоса.
Объединив бетоновоз, насос и шланги, вы сможете стрелять бетоном где угодно.
Как работают бетононасосы
Бетононасосы — это машины, предназначенные для перемещения бетона. Как правило, бетоновоз доставляет бетон на площадку и сбрасывает его в бункер. Бункер крепится к насосу. Бункеры оснащены сетчатой решеткой, через которую падает бетон, чтобы предотвратить засорение шлангов крупными камнями или кусками.
Бункер также имеет шнек, который вращает и взбивает бетон, предотвращая его затвердевание.
Насос имеет 2 клапана, которые движутся синхронно друг против друга. Один клапан всасывает бетон, а другой выталкивает его через шланги.
Бетон в бункере всасывается в систему клапанов небольшими интервалами или ходами. Когда бетон всасывается в клапан, бетон перед ним выталкивается через шланги.
Бетононасосы имеют разные типы систем клапанов, называемых S-клапанами или шаровыми кранами, но принцип их работы одинаков. Пока бункер заполнен и нет засоров, бетон перекачивается через шланги равномерным потоком жидкости.
Бетон перемещается из одного цилиндра в другой, обеспечивая непрерывный поток материала по системе трубопроводов.
Насосами можно управлять с панели управления, расположенной сбоку, или с помощью пульта дистанционного управления.
Безопасность и устойчивость автобетононасоса во время работы обеспечивают передние и задние выносные опоры.
Органы управления выносными опорами расположены по бокам автобетононасоса.
Что приводит в действие бетононасос?
Бетононасос работает с помощью гидравлики. Два цилиндра, которые всасывают и выталкивают влажный бетон из бункера, имеют гидравлический привод. Это то, что придает бетононасосу прочность, которая измеряется в фунтах на квадратный дюйм или фунтах на квадратный дюйм. Требуется большое давление, чтобы протолкнуть бетон через шланг длиной 100 или более футов. Гидравлическая энергия может даже толкать материал вверх и над домом, а также в многоэтажные здания.
Все это гидравлическое давление создается двигателем. Как правило, это дизельный двигатель, но небольшие насосы могут работать на газе. Крутящий момент и долговечность важнее для такого рода работ, чем мощность, а дизельные двигатели обеспечивают и то, и другое. Но независимо от используемого источника топлива, без мощного двигателя, создающего гидравлическое давление, бетононасос был бы бесполезен.
Как управлять бетононасосом?
Как современный бетононасос работает или управляется с помощью электронной панели управления. Эти органы управления расположены сбоку машины и/или на пульте дистанционного управления.
Чтобы машина создавала гидравлическое давление, двигатель должен работать. Чтобы включить двигатель, вам нужно повернуть ключ, нажать кнопку зажигания или и то, и другое. На некоторых машинах может также потребоваться включить подачу топлива.
Большинство машин оснащены кнопкой аварийной остановки. Убедитесь, что вы знаете, где это на случай, если вам это понадобится. Нажатие на нее отключает двигатель и насос. Возможно, вам придется вытащить его, чтобы перезагрузить машину, которая позволяет ей качать, дуя в рог.
Панель управления обычно имеет переключатели, которые регулируют направление потока, вперед и назад, а также скорость потока.
Некоторые машины могут регулировать подачу бетона гидравлическим насосом независимо от двигателя.
Это большой плюс, потому что на этих машинах расход бетона не привязан к частоте вращения двигателя. Если у вас нет независимых органов управления, единственный способ увеличить поток — ускорить работу двигателя.
Выносные опоры обеспечивают устойчивость машины во время ее работы. Всегда следите за тем, чтобы ваши выносные опоры были опущены и надежно закреплены, и никогда не используйте бетононасос без установленных выносных опор.
Большинство насосов оснащены манометрами, которые показывают, когда давление становится достаточно высоким для начала перемещения материала.
Когда будете готовы, нажмите на переключатель, и бетон начнет поступать через насос. Один человек остается за штурвалом и регулирует поток и скорость. Другой человек или люди работают со шлангом и распределяют бетон по мере того, как он выливается из шланга.
Человек, работающий с машиной, должен управлять частотой вращения двигателя и гидравлическим давлением, чтобы насос подавал бетон с нужной скоростью.
Типы бетононасосов
Бетононасосы бывают двух основных конструкций: наземные и стреловые. Они работают по одной и той же базовой технологии, но имеют большую разницу в том, как они используются.
Грунтовые бетононасосы
Грунтовые бетононасосы перекачивают влажный бетон на уровне земли.
Наземный бетононасос работает очень просто. Насос стоит неподвижно на уровне земли. К насосу подсоединяются длинные шланги, которые можно протянуть по всей рабочей площадке, перекачивая бетон в подвалы, подвалы и другие труднодоступные места.
Преимущества наземного бетононасоса:
- Минимум усилий — минимум труда
- Высокая точность, позволяющая сократить потери бетона
- Легко забетонировать в труднодоступных местах
Ниже приведены несколько примеров наземных насосов:
- Стационарный насос: Стационарный насос — это самая простая форма бетононасоса. Он состоит из бетононасоса, установленного на небольшой прицеп.
Другой грузовик тянет бетононасос, как бетономешалку. У них нет стрелы или шлангов, поэтому нужны отдельные трубопроводы или шланги, чтобы нести бетон от насоса туда, куда ему нужно. - Статический насос, устанавливаемый на грузовике: Статические насосы, устанавливаемые на грузовике, стационарно монтируются на кузове грузовика, фактически становясь частью грузовика. У них нет стрел или шлангов, поэтому для транспортировки бетона от насоса туда, где он должен быть, нужны отдельные трубопроводы или шланги.
- Насос для автобетоносмесителя : это универсальная конструкция, состоящая из бетономешалки и насоса, поэтому он может перекачивать бетон непосредственно из миксера. Эта модель эффективна, но требует наличия рабочей площадки, позволяющей вести большой автобетоносмеситель рядом с местом заливки бетона. Для этого также требуются дополнительные шланги или трубопроводы для перемещения бетона из грузовика туда, где это необходимо.
Бетононасосы
Автобетононасос оснащен длинной стрелой, которая выдвигается по воздуху и перекачивает бетон туда, куда нужно.
У них есть длинная гибкая стрела с дистанционным управлением, состоящая из шарнирных секций, которые включают в себя гибкий шланг, предназначенный для перемещения бетона. Рука вытягивается в воздух, как журавль.
Стреловые насосы можно использовать для труднодоступных мест, недоступных для линейного насоса, например, для перекачки бетона на верхние этажи высотного здания. Они также могут достигать прямо над домами, чтобы перекачивать бетон для бассейнов и патио.
Когда стрела не используется, она складывается на более мелкие сегменты, расположенные в задней части грузовика.
К преимуществам автобетононасоса относятся:
- Легкий доступ к труднодоступным местам, особенно если они расположены высоко
- Требуется меньше рабочей силы
- Может помочь транспортировать бетон вокруг препятствий
- Больше точности с меньшими усилиями
Тележка со стрелой может подъезжать к рабочей площадке, поэтому дополнительные шланги не нужны.
Насосы для высотных бетонных стрел могут достигать любой области в пределах досягаемости стрелы. Они могут даже подавать бетон в стационарные насосы, чтобы расширить их диапазон.
Шарнирные секции стреловых насосов бывают нескольких различных конфигураций:
- Складывание и складывание: Секции насоса с складыванием и складыванием складываются закручивающимся движением. Их лучше всего использовать на открытых пространствах, потому что им нужно много места, чтобы развернуться.
- Z & ZZ: Секции складываются вперед и назад гармошкой. Они идеально подходят для прохождения через ограниченное пространство или над препятствиями и под ними.
- RZ: Насосы, также называемые многоступенчатыми, имеют секции, представляющие собой комбинацию складных и Z-образных секций.
Тележки со стрелой имеют шарнирные секции
Тележки со стрелой имеют шарнирные секции, которые сгибаются и разворачиваются по-разному, как рука с множеством суставов.
Количество секций, которые имеет грузовик, определяет, насколько далеко и / или высоко грузовик может перекачивать бетон. К концу шарнирного рычага прикреплен шланг. Назначение рукава — провести шланг в труднодоступные места, в том числе наверху.
При заказе грузовика убедитесь, что он имеет нужную вам конструкцию сечения и правильную длину.
Насосные тележки со стрелой обычно имеют четыре, пять или шесть шарнирных секций для увеличения горизонтального и вертикального вылета. Грузовики имеют три, четыре или пять осей, в зависимости от размера и веса стрелового насоса.
Помните, что грузовик должен подъезжать к месту проведения работ, чтобы перекачивать бетон там, где он вам нужен. Не заказывайте слишком большой грузовик для вашей работы, иначе он вам не пригодится.
Размеры самосвалов со стрелой
Бетоноукладчики бывают разных размеров с разным количеством и длиной шарнирно-сочлененных секций.
Вот несколько распространенных моделей:
- 57-метровый 6-секционный насос RZ со складной стрелой: Автобетононасос со стрелой, предназначенный для средних и крупных строительных площадок.
Он имеет вертикальный вылет 56,2 метра и горизонтальный вылет 52,2 метра, что делает его идеальным для высоких зданий и чрезвычайно труднодоступных мест. Шесть шарнирных секций обеспечивают мобильность на 360 градусов. Дистанционное управление позволяет точно и легко укладывать бетон с минимальными трудозатратами. - 43-метровый 5-секционный насос со складной стрелой RZ: Бетононасос среднего размера, который идеально подходит для коммерческих и жилых строительных проектов. Вылет по вертикали составляет 42,3 метра, а по горизонтали — 38,3 метра. Компактный кузов грузовика облегчает парковку в жилых помещениях. Рука с дистанционным управлением позволяет легко перемещаться по ветвям деревьев и линиям электропередач или под ними.
- 33-метровый 5-секционный насос со складывающейся стрелой ZZ: Легкий насос со стрелой, который идеально подходит для труднодоступных коммерческих и жилых объектов. Он имеет пять шарнирных секций, складывающихся гармошкой, что позволяет ему проникать во все труднодоступные места.
Небольшие размеры позволяют работать в труднодоступных местах.
Зачем использовать бетононасос?
Бетононасос значительно снижает трудозатраты на перемещение бетона. Насосная установка может транспортировать бетон на несколько этажей в высотное здание. Можете ли вы представить, сколько труда потребовалось бы, если бы машина не выполняла эту работу за вас?
Даже при работе на уровне земли бетононасос экономит время и силы. Вам даже приходилось возить бетон на тачке на задний двор дома по проекту? Насосная машина может стрелять по бетону прямо над домом или обходить его сбоку. Я никогда не использовал их на работе, где стоимость была бы не меньше, чем сэкономленный труд. С экономической точки зрения они стоят своих денег.
Перекачка бетона быстрая и точная, что означает меньше отходов и очистки. Они экономят на трудозатратах и сокращают отходы материала.
Даже использование бетономешалки не так просто и точно, как насос.
С помощью автонасоса вы можете доставить бетон точно в то место, где он вам нужен, практически без труда.
Общие области применения бетононасосов
Бетононасосы используются в самых разных строительных проектах.
- Плиты: Бетононасосы отлично подходят для заливки плит. Вы можете переместить шланг в нужное положение и выстрелить бетоном именно там, где вам это нужно. Это большое преимущество при работе с большими плитами, потому что вам не нужно перемещать столько бетона с помощью поплавка.
- Подвалы: Бетонные работы в подвале могут быть затруднены. Без насоса вам нужны желоба, которые доставляют материал с уровня земли в подвал. Тогда вы должны переместить его вокруг. Гораздо проще закачивать бетон именно туда, куда вам нужно.
- Высотные здания: Строительные работы становятся сложнее, чем выше вы поднимаетесь. Насосная тележка может быть здесь огромным преимуществом, потому что бетон можно впрыскивать именно там, где вы хотите, с помощью грузовика.
Это экономит массу затрат на оплату труда. Это также сокращает количество несчастных случаев на рабочем месте. - Бассейны: Я всегда стреляю в бетон при строительстве бетонных бассейнов. Нанесение материала на стены было бы намного сложнее без насоса.
- Crawl Spaces: Если ваш проект находится в труднодоступном месте и требует бетона, насос может стать огромным преимуществом.
Как бетононасосы изменили строительную отрасль?
Бетононасосы принесли огромную пользу строительной отрасли. почти во всех крупномасштабных строительных проектах, построенных сегодня, используется бетон. Сюда входят фундаменты, мосты, плотины и крупномасштабные здания. Представьте себе смешивание и транспортировку всего этого материала без машин. Насосы ускоряют и упрощают работу, что экономит деньги и снижает количество несчастных случаев на стройплощадке.
Насосы стали огромным преимуществом при строительстве высотных зданий.
В прошлом краны должны были поднимать материал в воздух, где его переносили вручную там, где это было необходимо. Все сделали рабочие. И работа становится тем опаснее, чем выше ты поднимаешься. Пользоваться машинами гораздо быстрее и проще. И точнее.
Бетононасосы также более эффективны. И может перемещать большое количество бетона за один раз. Поскольку материал всегда течет, рабочие всегда заняты квалифицированной работой, а не ручным трудом.
Сколько стоит бетононасос?
Небольшие бытовые работы с установленным на прицепе насосом и 200-футовым шлангом стоят около 15 долларов за кубический ярд при минимальной цене 125 долларов . Но более крупные работы, для которых требуется грузовик со стрелой от 75 до 105 футов, варьируются в цене от 150 до 200 долларов в час при типичном минимуме от 4 до 5 часов. Это помимо стоимости бетона.
Какой тип насоса лучше всего подходит для бетона?
Трудно сказать, какой тип насоса лучше, потому что все зависит от вашего проекта.
В своей работе я использую как стреловые, так и наземные машины. Они оба отлично работают, но хороши для разных вещей.
Я приведу вам несколько примеров, основанных на нашей работе.
- Если мне нужно залить бетоном подполье или подвал, я всегда использую стационарную машину. Их не так дорого арендовать, и их довольно легко подключить к задней части полноразмерного пикапа. Это как буксировать миксер или большой прицеп. Стрелы не очень помогают при низкой работе.
- Когда я работаю в бассейне, это жеребьевка. Я предпочитаю стрелу, потому что ее можно расположить в центре бассейна, а затем я могу наклонить ее к боковым стенкам. Это немного меньше труда, чем машина на уровне земли.
- Для террас или других плоских работ здесь также не обойтись. Но я предпочитаю бум. Распыление бетона вниз, а не вбок, облегчает работу. И мне не нужно таскать за собой шланг. Хороший оператор может поставить руку именно там, где она мне нужна.
- Стрелы стоят дороже, поэтому для небольших работ я обычно использую стационарную машину.

Сколько времени занимает перекачка бетона?
Большинство насосов могут перекачивать от 30 до 100 кубометров бетона в час. Это примерно от 40 до 130 кубических ярдов бетона или от 4 до 13 полных грузовиков. Если вы не знакомы с бетонными работами, это быстро. А главное очень точно. Вы можете стрелять бетоном именно там, где вам это нужно, с минимальными потерями.
Время настройки бетононасосов также очень быстрое. Они могут перекачивать бетон через несколько минут после прибытия на место. Все, что вам нужно сделать, это подключить шланги, включить их и заполнить материалом. Обычно бункер присоединяется и готов к работе.
Время, необходимое для перекачки бетона на вашей работе, зависит от того, сколько материала вам нужно и от типа работы. Помните, что вам по-прежнему необходимо перемещать шланг или шарнирный рычаг по месту работы. Если работа находится в одном ограниченном пространстве, это будет быстрее, чем если бы работа была рассредоточена.
Как далеко могут добраться автобетононасосы?
Наземные гидравлические насосы могут перемещать бетон со скоростью около 1 м³ в минуту и могут перемещаться на расстояние около 150 метров .
Это намного больше, чем у самых больших насосных станций, длина которых составляет всего около 57 метров. Причина в весе.
Стационарные насосы перемещают материал только по шлангам, поэтому важна только прочность шланга и насоса. Но насосные тележки должны поддерживать шланг, материал и вес шарнирного рычага, когда он движется по воздуху. Это означает, что расстояние, на которое грузовик может перекачивать бетон, намного меньше.
Вот разбивка по средним размерам грузовиков и тому, как далеко они могут перемещать бетон:
- 57-метровый 6-секционный насос RZ со складной стрелой: Автобетононасос со стрелой, предназначенный для средних и крупных строительных площадок. Он имеет вертикальный вылет 56,2 метра и горизонтальный вылет 52,2 метра, что делает его идеальным для высоких зданий и чрезвычайно труднодоступных мест. Шесть шарнирных секций обеспечивают мобильность на 360 градусов. Дистанционное управление позволяет точно и легко укладывать бетон с минимальными трудозатратами.

- 43-метровый 5-секционный насос RZ со складной стрелой: Бетононасос среднего размера, который идеально подходит для коммерческих и жилых строительных проектов. Вылет по вертикали составляет 42,3 метра, а по горизонтали — 38,3 метра. Компактный кузов грузовика облегчает парковку в жилых помещениях. Рука с дистанционным управлением позволяет легко перемещаться по ветвям деревьев и линиям электропередач или под ними.
- 33-метровый 5-секционный насос со складывающейся стрелой ZZ: Легкий насос со стрелой, который идеально подходит для труднодоступных коммерческих и жилых объектов. Он имеет пять шарнирных секций, складывающихся гармошкой, что позволяет ему проникать во все труднодоступные места. Небольшие размеры позволяют работать в труднодоступных местах.
Резюме: Как работает бетононасос?
Бетононасос представляет собой машину, которая перемещает свежезамешанный влажный бетон без тяжелого труда. Они работают с использованием системы клапанов, приводимой в действие гидравликой и газовым или дизельным двигателем.
Бетононасосы могут перемещать большие объемы влажного бетона в любом месте на строительной площадке, в том числе над домом, в ограниченном пространстве или в труднодоступных местах. Автобетоносмесители смешивают бетон во вращающемся барабане. Затем грузовик заливает бетон в бункер, который продолжает взбивать бетон, чтобы он не затвердел. Оттуда бетононасос всасывает влажный бетон из бункера через систему клапанов и из насоса. Как правило, он проталкивается через серию шлангов, которые могут перемещать бетон далеко от насоса.
Двухцилиндровый гидравлический бетононасос обычно состоит из двух параллельных цилиндров. Цилиндры имеют внутри приводные поршни, которые перемещают их вперед и назад в противоположных направлениях. Когда один цилиндр движется вперед, другой движется назад.
Первый цилиндр, также известный как цилиндр для материала, вытягивает бетон из бункера. Второй цилиндр, он же нагнетательный цилиндр, выталкивает бетон из насоса. Два поршня работают вместе, втягивая и выталкивая большие объемы жидкого бетона.






Например, вполне может подойти узел от бетономешалки желательно редукторной. Вполне могут подойти и детали от любой другой техники с подходящими параметрами.
Лучше выбрать конструкции на 4 ролика, тогда он будет выглядеть как буква «Х», посередине которой установлена (приварена) ось. Можно подобрать и колесо или диск соответствующего диаметра.
Размечаем места их посадки с учетом того что они должны сжимать гибкий шланг максимально (но не на грани разрыва от перегиба) и в тоже время относительно свободно перемещаться по кругу.



При несовпадении параметров число рабочих циклов увеличивается, что приводит к их быстрому износу.
Другой грузовик тянет бетононасос, как бетономешалку. У них нет стрелы или шлангов, поэтому нужны отдельные трубопроводы или шланги, чтобы нести бетон от насоса туда, куда ему нужно.
Он имеет вертикальный вылет 56,2 метра и горизонтальный вылет 52,2 метра, что делает его идеальным для высоких зданий и чрезвычайно труднодоступных мест. Шесть шарнирных секций обеспечивают мобильность на 360 градусов. Дистанционное управление позволяет точно и легко укладывать бетон с минимальными трудозатратами.
Небольшие размеры позволяют работать в труднодоступных местах.
Это экономит массу затрат на оплату труда. Это также сокращает количество несчастных случаев на рабочем месте.

