Содержание
Пошаговое подключение стартера на ВАЗ-2110
Первым делом нужно изучить, как работает стартер, потому как именно отсюда начинает свою работу любой автомобиль. К тому же, если вы знаете, как устроен стартер, то сможете запустить мотор и выяснить причину плохого запуска.
Чтобы самостоятельно отремонтировать стартер автомобиля, достаточно знать несколько моментов.
Большинство водителей полагают, что стартер – это реле втягивающего действия. Это реле меняет то положение, в котором находится муфта свободного действия, выдвигающая шестерню, чтобы запускать двигатель. Когда происходит запуск двигателя, реле освобождается от тока, и муфта возвращает свое прежнее положение, таким образом, шестерня попадает назад. За счет этого сохраняется время работы шестерни, и стартер машины не портится.
Реле стартера имеет подключение к цепному питанию, тем самым замыкая и размыкая цепь, в зависимости от того, с какой скоростью вращается коленчатый вал.
На всех автомобилях устройство стартеров одинаковое, отличия лишь незначительные, которые могу быть в конструкции, но не в принципе работы.
Если вы разбираетесь, как работает стартер в одном автомобиле, то без затруднений разберетесь и в другом.
В любом стартере имеется главных 40-60 деталей, к ним относятся:
- бендикс;
- реле втягивания;
- двигатель постоянного тока электрический.
Читайте также: Пошаговая установка кондиционера на ВАЗ-2110
Водителю лучше знать, какую схему имеет стартер, и какие функции выполняют его части. Основным узлом является электродвигатель. Когда он включается, вал дает вращение коленчатому валу мотора.
Вспомогательные устройства – это бендикс и реле втягивания. Узел называется бендиксом, потому что его изобрел американский изобретатель Винсент Бендикс. Задача этого устройства в том, чтобы обеспечить вращение коленвала.
Какие функции выполняет реле:
- Защищает стартер от замыкания контактов в зажигании.
- С целью отключения питания стартера в той ситуации, когда мотор работает, а ключ показывает режим «стартер».
- Обеспечивает разгрузку контактов в замке зажигания.

Основные элементы, входящие в схему стартера, работают следующим образом. Когда мотор запускается, напряжение от генератора идет на обмотку реле. Затем начинают работать шестерни приводной системы, за счет чего возникает магнитное поле. Маховик двигательной системы работает. Шестерня начинает свою работу благодаря обмотке удерживания, в то время когда болты замкнутся. Когда ключ возвращается в замок зажигания, то происходит обесточивание обмотки, таким образом, шестерня и маховик разъединяются. Эта схема касается современных автомобилей, включая и модели ВАЗ.
Рассмотрим несколько причин, по которым придется менять стартер или произвести его ремонт.
- Разрядка аккумулятора. Или могут окислиться наконечники или выводы. В этом случае достаточно устранить неисправности, тогда стартер снова начнет нормально работать.
- Инжектор. Некоторые «десятки» не воспринимают топливо плохого качества, поэтому инжектор может забиваться и загрязняться. Нужно его промыть.

- Если стартер работает с громким шумом, то это могло ослабиться крепление полюса или стартера. В первой ситуации усильте крепление, для этого затяните винт, а во второй – закрепите стартер.
- Если вы разобрали стартер и увидели, что муфта начинает пробуксовывать, то единственное, что нужно будет сделать, – это заменить привод стартера.
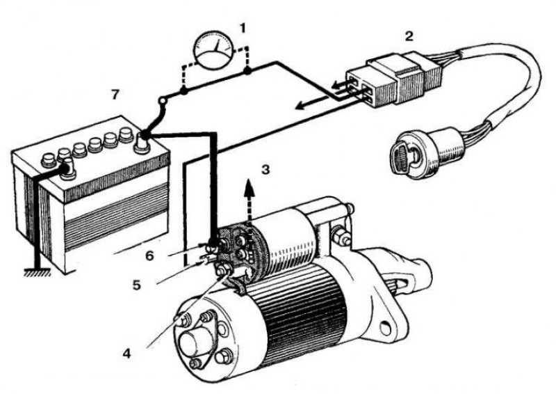
Подключение стартера на ВАЗ-2110 должно происходить следующим образом. Подготовьте:
- провод сечением 1,5 м2;
- разъем вида «мама» в количестве 5 штук;
- разъем вида «папа» в количестве 1 штуки;
- реле с 4-мя контактами и металлическим ушком;
- кольцевой наконечник для 6 мм (количество – 1 шт.) и наконечник для 8 мм (тоже 1 шт).
Читайте также: Пошаговая замена расширительного бачка ВАЗ-2110
Закрепите реле в том месте, где удобно (это может быть бачок омывателя). Подведите провода к стартеру. Затем снимите проводок красного цвета, находящегося на плоском выводе реле, и нужно сделать соединение с разъемом провода типа «папа» и провода от нового реле.
Провод, имеющий кольцевой наконечник для 8 мм, оденьте на положительную сторону стартера и притяните гайкой. Провод нового реле типа «мама» наденьте на тот контакт, который освободился у тягового реле. Этот провод будет передавать плюс на катушку. Используя хомут, притяните новый провод и штатный вместе. Провод от катушки маленькой длины прикрутите. Теперь можно произвести включение нового реле.
Будьте внимательны, такая инструкция предназначается только для автомобилей ВАЗ-2110, так как там, где реле такого типа нет, значит, оно там и не должно быть. Вполне вероятно, что имеются особенности электрической системы.
Как вам статья?
Как Замкнуть Стартер Напрямую — Перемкнуть Отверткой, Или Завести Неработающую Машину Если не Крутит, Закоротить и Включить Замыкание, Провод Клемм
Содержание
Поломка стартера знакома большинству автомобилистов.
Это может произойти в самый неожиданный момент. Приходится заводить машину альтернативными способами, например, путём замыкания контактов. Как правильно подключить стартер, подробно описано ниже.
Случаи, в которых проблему можно решить на месте
Если стартер не крутит, завести машину можно несколькими способами:
- замкнуть
контакты стартера отвёрткой; - соединить
пускатель напрямую с аккумулятором.
В автомобильной системе стартеру выделяется отдельная роль — раскручивать коленвал, чтобы создать нужный крутящий момент и степень сжатия для топливно-воздушной смеси. Естественно, пускатель функционирует вкупе с другими узлами и электрическими системами. Поэтому могут произойти повреждения различного свойства:
- отсутствие напряжения в бортовой сети;
- разрядка аккумулятора;
- повреждение проводов;
- проблема в замке зажигания;
- несоответствие вязкости масла в картере;
- ослабление контактов.

Если не работает именно стартер, то в большинстве случаев выходит из строя тяговое реле, сгорает обмотка катушки, пробуксовывает бендикс или туго ходит привод винтовой нарезки.
Некоторые повреждения стартера допускают его нормальную работу при заведённом двигателе. А вот раскрутить тяжёлый маховик с первого раза ему не удаётся. В любом случае после удачного запуска необходимо срочно отвезти стартер на профессиональную диагностику, чтобы выявить истинную причину неисправности.
Таким образом, сбой в работе
стартера может быть вызван:
- неисправностью пускового реле;
- износом бендикса;
- неполадками со втягивающим реле;
- сгоранием внутренних элементов узла.
Как можно замкнуть стартер напрямую
Замкнуть стартер напрямую можно путем соединения с АКБ или через контакты. Оба варианта рабочие, если якорь устройства не повреждён.
Замыкание клемм отверткой, монтировкой или гаечным ключом
Если неисправно тяговое реле, используется метод прямого замыкания любым металлическим стержнем нужной длины.
Это может быть отвёртка, гаечный ключ или монтировка. О проблемах со втягивающим свидетельствует характерное пощёлкивание во время поворота ключа в замке зажигания. Стартер в этот момент неспособен провернуть коленвал, так как зубья бендикса не цепляются за венец маховика. Замкнув силовые клеммы стартера, удастся пустить ток на электрообмотки напрямую. Гаечный ключ или отвёртка возьмут на себя функции тягового реле.
Обязательно перед этим нужно поставить машину на ручник и в нейтралку, во избежание несчастных случаев. Сам инструмент должен иметь изолированную ручку и довольно толстый стержень. Поэтому рекомендуется использовать один из вышеописанных предметов. Монтировку или ключ можно обмотать изолентой в месте захвата.
Замыкать контакты B и S, M и B — категорически запрещено! Расшифровка: B – Bold или толстый провод — контакт постоянного напряжения. На многих стартерах закрыт защитной резиновой шляпкой и помечен «+12». M – Motor или электрический мотор.
S – Start, изготовлен контакт в виде резьбового отвода, лепестка или штекера, зачастую закрыт пластиковым наконечником, поэтому перед принудительным замыканием надо снять. 8 – минусовой контакт, соединён с корпусом.
На некоторых моделях авто (Ваз 2109, 2110, 2114), чтобы перемкнуть стартер отверткой, надо демонтировать воздушный фильтр и отсоединить фишку, проложенную на контактную группу. После запуска мотора всё обратно собирается.
Возможные последствия
Недостатком данного способа
реанимации стартера является риск спалить катушку зажигания автомобиля. По этой
причине не рекомендуется повторно совершать процедуру — достаточно одного раза.
Если не получилось запустить мотор, значит, проблему нужно искать в другом
месте.
Ещё один неприятный момент: в
точках соединения отвёртки с контактами, независимо от ампеража автомобиля,
образуется ток силой 40-50 А. Из-за этого стержень инструмента может прикипеть,
дать сильную отдачу в руку. Решение: без паники скинуть рожковым ключом
минусовую клемму.
Подключение напрямую к аккумулятору
Отрезок медного кабеля, клеммы
типа «крокодил» и плоский штекер, — вот и всё, что нужно для прямого соединения
стартера с АКБ. Из этих трёх компонентов собирается переноска, которая даст
возможность завести двигатель. Интегрировать самодельное устройство нужно с
силовым кабелем, идущим на стартер. Он имеет разъём, куда и необходимо вдеть
провод.
Дальнейшие действия:
- поставить
машину на нейтралку; - включить
зажигание; - соединить «крокодил»
с плюсовой клеммой аккумулятора.
Самодельная переноска с крокодилом
Если никаких других
неисправностей нет, стартёр должен заработать. После запуска силового агрегата
нужно быстро скинуть клемму с аккумулятора. Изготовленный провод выдернуть из
соединения, снятый штекер установить на
место. Всё делается просто, но рекомендуется соблюдать осторожность. В
противном случае можно обжечься или замкнуть что-то.
Как еще можно завести машину, если стартер не крутит
Существуют и другие способы завести машину без стартера: путём буксировки или с толкача.
Важно! Оба варианта не подходят для автомобилей с АКПП, поскольку из-за особенностей конструкции «автомата» возможны негативные последствия.
Толкание — более распространённый
способ среди автомобилистов, но нужна помощь нескольких человек.
Буксировка авто потребует наличия
крепкого троса. Он соединяется с крюком другой машины, после чего та трогается
с места. Если нет проблем с зажиганием или других неисправностей двигателя, он
практически всегда заводится.
Только важно соблюдать несколько правил:
- ведущее
транспортное средство не должно стартовать с места резко, на большой
скорости, так как можно вырвать с места бампер или порвать трос; - буксируемому
авто запрещается резко тормозить или останавливаться, пока едет ведущая машина,
что тоже грозит разрывом троса и другими последствиями; - в момент
отцепления троса не заглушать двигатель, иначе он может повторно не
завестись.
Способ «толкача» подходит для любой модели, главное, плотный упор нескольких пар рук в багажник или капот машины.
Коробку передач желательно выставить на 2-ю, 4-ю или заднюю передачу. Чем сильнее разгонится автомобиль, тем больше шансов завести двигатель. Поэтому рекомендуется толкать средство на спуске.
Ещё один вариант запуска подойдёт
для машин с передним приводом. Необходимо поднять автомобиль, вывесить одно из
колёс. Затем вывернуть его до упора в сторону от машины, намотать на покрышку
буксировочный трос или крепкую верёвку длиной 5 метров. Выставить третью
передачу, включить зажигание. Резко потянуть за шнур, раскрутив колесо. После
запуска мотора поставить рычаг коробки передач на нейтральную скорость. Данный
способ проводится с помощником — один человек сидит в машине, другой тянет за
верёвку.
Некоторые заднеприводные
автомобили, например, Ваз 2107, можно запустить кривым стартером — заводной
ручкой. Вдев её одним концом в специально предусмотренное отверстие на кузове,
следует быстро вращать в одном направлении.
Стартер является несложным, но
чрезвычайно важным компонентом машин с двигателем внутреннего сгорания.
90%
случаев трудного пуска объясняется проблемами с окислившимися контактами,
обрывом проводов или неисправностью электрики. Поэтому в первую очередь
рекомендуется провести ревизию этих составляющих.
Если у вас возникли вопросы — оставляйте их в комментариях под статьей. Мы или наши посетители с радостью ответим на них
Поделиться с друзьями:
Как подключить соленоид стартера: автомобильные руководства
Ваши счета за услуги механика выходят из-под контроля?
Скорее всего, вы платите за ремонт, который могли бы сделать сами.
К сожалению, многим современным владельцам транспортных средств не хватает базовых знаний о том, как работает автомобиль.
Например, знаете ли вы, где находится соленоид стартера вашего автомобиля?
Или Вы знаете, как подключить соленоид стартера?
Если приведенные выше вопросы звучат по-марсиански, пристегнитесь и продолжайте читать.
Ниже приведено руководство Клума «Сделай сам» по системе запуска.
Имея в виду эту информацию, вы можете заменить соленоид стартера или переключить его самостоятельно.
Что такое система запуска?
Схема, показывающая систему запуска автомобиля
Хотя технологии изменили многое в автомобиле, компоненты зажигания остались более или менее прежними.
Кабели аккумулятора
Кабели автомобильного аккумулятора
Для запуска двигателя требуется большой ток, который обычно поступает от аккумулятора вашего автомобиля.
Кабели, передающие этот заряд от батареи, должны быть достаточно толстыми, чтобы выдерживать большое количество электричества, протекающего по ним.
Когда вы смотрите на автомобильный аккумулятор, вы обычно видите два кабеля.
Эти кабели соединяют аккумулятор с системой запуска автомобиля.
Во-первых, красный подключает соленоид стартера к положительной клемме.
Этот провод обычно находится под напряжением, поэтому будьте осторожны при обращении с ним.
Затем черный или зеленовато-желтый кабель соединяет стартер с отрицательной клеммой аккумуляторной батареи.
Реле стартера
Реле стартера автомобиля
Реле стартера контролирует, когда на стартер подается большой ток.
То есть он отвечает за зажигание соленоида стартера, чтобы ваш автомобиль мог завестись.
Он делает это, подавая ток на замок зажигания.
Таким образом, вы можете использовать энергию аккумулятора для других целей, например, для использования электрических стеклоподъемников и автомобильного радио, не запуская двигатель.
Таким образом, реле стартера имеет решающее значение для зажигания, потому что проходящий через него сильный ток поджарил бы вашу машину, если бы не реле, обеспечивающее ее безопасность.
Стартер
Различные автомобильные стартеры
Стартер — это причина, по которой двигатель вашего автомобиля запускается.
Обычно он находится рядом с двигателем вашего автомобиля, но также может быть отдельным блоком, как в бульдозерах.
Для работы требуется здоровая подача 12-вольтового заряда от аккумулятора.
Нейтральный предохранительный выключатель
Нейтральный предохранительный выключатель
Нейтральный предохранительный выключатель предотвращает рывки автомобиля при запуске двигателя.
Нейтральный защитный выключатель обычно работает одинаково в автомобилях с автоматической и механической коробкой передач, для включения используются входы PCM вашего автомобиля.
Соленоид стартера
Соленоид стартера
Соленоид стартера выполняет две функции в системе запуска вашего автомобиля.
Во-первых, замыкает цепь между стартером и источником питания (автомобильным аккумулятором).
Затем он сцепляет шестерню стартера с маховиком двигателя, облегчая запуск двигателя.
Как работает система запуска?
Запустите двигатель
Включение зажигания для запуска позволяет подавать ток на соленоид стартера.
Затем соленоид стартера толкает шестерню двигателя, чтобы она зацепилась с маховиком вашего двигателя.
Итак, стартер крутит маховик, который раскручивает коленчатый вал, заставляя двигатель запускаться.
Вы также должны знать, что система запуска работает только тогда, когда автомобиль находится в нейтральном или парковочном положении.
Кроме того, система отключается, как только двигатель начинает набирать обороты.
Признаки необходимости замены системы запуска
Знаете ли вы, что большинство проблем связано с соленоидом?
Проблемы с запуском автомобиля
У вас отсутствует отчетливый щелчок при запуске двигателя.
Большинство автомобилей издают щелкающий звук непосредственно перед запуском двигателя.
Это происходит из-за того, что переключатель реле стартера замыкает цепь, а соленоид стартера зацепляет стартер с маховиком вашего двигателя.
Таким образом, отсутствие этого звука при включении питания вашего автомобиля указывает на проблему с одним из двух.
Вы слышите непрерывный щелкающий звук при запуске двигателя.
Любые быстрые шумы из вашего автомобиля или признаки того, что что-то не так.
Например, если ваш автомобиль продолжает быстро щелкать при каждом запуске, у вас проблемы с соленоидом.
В большинстве случаев такие шумы означают, что получаемой мощности недостаточно для запуска двигателя.
Итак, прежде чем спешить с заменой соленоида, сначала проверьте аккумулятор и генератор.
У вашего двигателя заметно медленный пуск.
Запуск двигателя — это быстрое движение, которое занимает всего несколько секунд.
Тем не менее, иногда ваш автомобиль звучит так, как будто он с трудом заводится.
В некоторых случаях причиной может быть низкий заряд батареи.
Но, если проблема не устранена после отключения источника питания, есть вероятность, что у вас соленоид с подгоревшими контактами.
Таким образом, ваш единственный выход — заменить его на новый.
Нет запуска двигателя.
Наконец, вы знаете, что должны заменить соленоид, если двигатель не запускается.
Например, когда вы поворачиваете ключ зажигания, все функции автомобиля работают нормально, но стартер не включается, что бы вы ни делали.
Первое мнение — проверить плохой контакт.
Если все в порядке, то вам лучше всего заменить соленоид стартера, из-за которого, вероятно, ваша машина не заводится.
Тогда как подключить соленоид стартера?
Соленоиды стартера бывают двух типов.
Во-первых, вы можете использовать соленоид включения стартера, который устанавливается непосредственно на стартер вашего автомобиля.
Или вы также можете выбрать выносной соленоид.
Эти типы соленоидов работают в широком диапазоне температур и имеют пилотное управление.
Кроме того, они оснащены возвратной пружиной с одной винтовой пружиной и имеют сертификаты SIL 2 и 3.
Кроме того, они могут быть оснащены 3-полюсным или 4-полюсным электромагнитным выключателем.
При использовании любого полюса процедура отличается.
Соленоид на стартере и удаленный соленоид
Соленоид на стартере
- Сначала закрепите автомобиль с помощью чоков на передних и задних колесах. Затем отсоедините отрицательную клемму аккумулятора вашего автомобиля.
- Во-вторых, поднимите автомобиль с помощью стандартного кувшина на высоту, чтобы было достаточно места, чтобы залезть под него. Кроме того, добавьте подставку рядом с точкой подъема для дополнительной безопасности.
- Затем проползите под ним и отметьте каждый провод, указав соответствующие места подключения. Для маркировки можно использовать малярный скотч и маркер. Кроме того, используйте гаечный ключ, чтобы отсоединить каждый провод и отсоединить жгут проводов от соленоида.
- Затем осторожно снимите стартер, отвинтив его от двигателя. Вам нужно будет открутить дистанционно установленные соленоиды для их конкретной области установки.
- Наконец, подсоедините провода к новому соленоиду в соответствии с этикетками.
Затем опустите автомобиль с домкрата и снова подключите отрицательную клемму аккумулятора.
3-полюсный соленоид стартера и 4-полюсный соленоид стартера
4-полюсный соленоид стартера
Основное различие между 3-полюсным соленоидом стартера и 4-полюсным соленоидом стартера заключается в том, как они работают и катушка поля.
В 4-полюсных соленоидах стартера четыре клеммы ускоряют двигатель.
С другой стороны, в 3-полюсных соленоидах основной функцией клемм является запуск стартера.
Кроме того, 3-полюсные соленоиды имеют последовательное соединение с катушкой возбуждения по сравнению с параллельным соединением в 4-полюсных соленоидах.
Таким образом, 4-полюсные соленоиды могут по-прежнему работать с переменным зарядом батареи, поскольку NVC и обмотка возбуждения находятся в разных цепях.
Ниже показано, как подключить четырехполюсный соленоид.
- Во-первых, подключите одну из больших клемм непосредственно к горячему проводу от аккумулятора вашего автомобиля.
Затем прикрепите к стартеру другую большую клемму. - Во-вторых, подключите одну из маленьких клемм к выключателю стартера, а другую — к балластному резистору или катушке зажигания.
- Наконец, подсоедините отрицательную клемму автомобильного аккумулятора, чтобы завершить установку.
Для трехполюсных соленоидов используется аналогичная процедура.
Однако у них нет клеммы меньшего размера для подключения балластного резистора или катушки зажигания.
Как подключить реле стартера?
Cloom рекомендует использовать для этого соединения кабель калибра AWG 4.
Он может работать с высоковольтным электрическим соединением от автомобильного аккумулятора.
Кроме того, он достаточно прочен, чтобы выдержать повреждение от любого электрического сбоя в случае его возникновения.
Реле стартера автомобиля
- Сначала отсоедините обе клеммы автомобильного аккумулятора. Вы делаете это в качестве меры безопасности, чтобы предотвратить случайное поражение электрическим током во время установки.

- Затем снимите неисправное реле стартера, отвинтив его от моторного отсека и заменив новым реле.
- Затем найдите провод от соленоида стартера и подключите его к одной из больших клемм вашего нового реле. Кроме того, вы можете подключить его к любой из больших клемм, поскольку они могут выдерживать большой ток от батареи.
- Найдите тонкие провода от выключателя с ключом и прикрепите их к маленькой клемме реле проводки стартера. Если у вас есть только одна небольшая клемма, прикрепите другой провод к корпусу реле или любой части моторного отсека вашего автомобиля.
- Наконец, подключите оставшуюся большую клемму к проводу от положительной клеммы автомобильного аккумулятора. Вы можете определить это по красному цвету изоляции и толщине. Вы также можете использовать провод соответствующего калибра при установке, если стандартный вариант недоступен.
Заключение
Соленоиды стартера и реле стартера являются важными частями системы зажигания любого автомобиля.
Они нуждаются в регулярных проверках обслуживания и проводки, чтобы продолжать работать должным образом.
Но независимо от того, какая помощь вам нужна, Cloom всегда готова предоставить вам лучшие решения для автомобильных жгутов проводов и руководства, чтобы ваш автомобиль всегда работал.
Если вы работаете со старыми автомобилями, переключатель дистанционного запуска стоит каждой копейки
Роб Сигел
Есть небольшой недорогой инструмент, который постоянно используется при устранении неполадок, связанных с невозможностью запуска автомобиля, — дистанционный выключатель стартера. Я не имею в виду что-то электронное на вашем брелке, которое заводит вашу машину, не выходя из вашей теплой кухни. Нет, это гораздо более старая школа, чем это, и «удаленная» часть действительно является чем-то неправильным. Это физический переключатель с проводами, который позволяет заводить машину из-под капота вместо того, чтобы взламывать ключ изнутри машины.
Почему это важно? Неужели так сложно пройти три фута, залезть внутрь машины и повернуть ключ? Ну на самом деле да, иногда так и есть.
Например, если автомобиль не заводится после зимней стоянки из-за того, что топливо испарилось из поплавковой камеры карбюратора, а механический топливный насос неисправен, вам может потребоваться несколько струй пусковой жидкости, чтобы помочь делу, и пусковая жидкость намного эффективнее, если ее распыляют прямо в горло во время запуска двигателя . Вам понадобятся руки орангутанга Клайда в Any Way But Loose , чтобы иметь возможность распылять и поворачивать ключ одновременно.
Чтобы понять, как работает дистанционный выключатель стартера, сначала необходимо понять основы устройства стартера и соленоида.
Стартер, прикрепленный болтами к блоку цилиндров двигателя, — это то, что фактически раскручивает ваш двигатель, в то время как топливо и воздух всасываются или впрыскиваются, и подается искра для воспламенения смеси. Однако верный спутник стартера, соленоид, управляет электрическими соединениями и обеспечивает механическое взаимодействие с зубчатым кольцом на краю маховика, который фактически вращается стартером.
Знакомый вид стартера и соленоида, прикрепленных к блоку и корпусу колокола. Rob Siegel
Соленоид стартера представляет собой электрический реле особого типа. Если вы не знакомы с реле, то это электрические переключатели с дистанционным управлением, которые используют электромагнит для соединения двух контактов переключателя. Польза от этого понятна, если представить, ну какой был бы хороший пример… о, точно. Стартер. Посмотрите на толщину этого кабеля, соединяющего стартер с положительной клеммой аккумулятора. Это размер вашего пальца, так что он может нести сотни ампер, необходимые для запуска стартера и вращения двигателя. ты хотите толстый кабель, идущий к задней части переключателя приборов в рулевой колонке и фактически вступающий в электрический контакт каждый раз, когда вы поворачиваете ключ? Я так не думал. Итак, переключение осуществляется дистанционно. Тонкий провод, по которому проходит небольшой ток от замка зажигания, возбуждает электромагнит, который, в свою очередь, стягивает вместе два контакта переключателя, которые затем могут пропускать много тока — по гораздо более толстым проводам, которые могут оставаться в моторном отсеке.
Так работают все реле.
(Немного больше информации: Клеммы на слаботочной стороне стандартного реле DIN помечены 86 и 85. На сильноточной стороне они 30 и 87. Подключите питание к 86 и землю к 85, и он возбуждает электромагнит, который замыкает контакты, которые соединяют 30 с 87. Если 30 подключен к напряжению батареи, а 87 подключен к тому, что вы хотите запитать, вот ваш дистанционно управляемый переключатель.Для непосвященных это, вероятно, ясно как грязь.)
Работа стандартного реле DIN. Роб Сигел
В общем, термин «соленоид» относится к электромагнитному устройству, специально разработанному для преобразования электрического тока в линейное движение. Соленоид имеет металлический поршень в корпусе, окруженном катушкой провода. Когда ток течет по проводу, он создает магнитное поле, которое скользит по поршню в корпусе. Соленоиды часто используются в качестве клапанов или исполнительных механизмов с электрическим управлением, но интересная вещь в «стартерном соленоиде» заключается в том, что это и соленоид , и реле.
То есть, когда он находится под напряжением, он а) замыкает сильноточные электрические контакты стартера и раскручивает его, а также б) заставляет вал с шестерней на нем скользить наружу и соприкасаться с зубчатым кольцом на маховик. Пара стартер-соленоид настолько успешна, что патент, поданный Робертом Т. Халлом в 1919 г.13 показана иллюстрация, которая очень похожа на любую пару стартер-соленоид, которую я когда-либо держал в руках.
Одна из причин, по которой многие люди не рассматривают соленоид как реле, заключается в том, что на нем нет четырех выводов, как у реле, а только два. Но это потому, что соленоид и стартер заземлены на блок двигателя, поэтому им не нужны две клеммы заземления. При повороте ключа зажигания в положение «старт» напряжение 12 В подается на маленькую клемму соленоида стартера. Это похоже на подачу 12 В на клемму 86 реле. Соленоид заземлен, поэтому 12 В на маленьком выводе возбуждает его электромагнит, который а) замыкает контакт между тем, что подключено к большому выводу (положительный кабель аккумулятора) и землей, и б) выталкивает вал, который входит в зацепление с шестерней.
маховик. Вместе они заставляют стартер вращать двигатель, и если в двигателе есть газ и искра, он заводится.
Где мы были? Дистанционный выключатель стартера. Верно. Возможно, вы читали, что если ключ зажигания вышел из строя — и поворот ключа не включает стартер — вы можете использовать отвертку, чтобы «подскочить» к соленоиду стартера. Идея состоит в том, что вы используете стержень отвертки, чтобы установить электрический контакт между большим разъемом от положительной клеммы аккумулятора и маленьким разъемом к соленоиду. Я действительно не рекомендую это делать, так как слишком легко коснуться стержнем отвертки земли, что вызовет поток искр, может обжечь руку и повредить проводку автомобиля. Гораздо предпочтительнее просто взять отрезок провода с разъемом типа «крокодил», подключить его к маленькой клемме на соленоиде и прикоснуться другим концом к плюсу аккумулятора.
Большая клемма на соленоиде — это положительное соединение аккумулятора. Маленький от замка зажигания.
Это маленький, к которому вы подключаете дистанционный выключатель стартера. Роб Сигел
То есть в точности то, что делает дистанционный выключатель стартера. Все, что они собой представляют, — это переключатель — то ли пистолетный, то ли кнопочный — с предварительно подключенными к нему двумя проводами с зажимами типа «крокодил» на концах. Вы прикрепляете один зажим к плюсу аккумулятора, другой к маленькой клемме на соленоиде от замка зажигания и нажимаете кнопку. Он подает 12 В на маленькую клемму на соленоиде, и двигатель вращается. Простой.
Поскольку соленоиды на всех моих автомобилях имеют быстроразъемную лепестковую клемму для соединения замка зажигания, я отрезал зажим типа «крокодил» от одного из проводов моего переключателя и обжал его лепестковой розеткой. Это значительно облегчает его надевание.
Выключателю дистанционного запуска My Sears должно быть почти 40 лет. Но моя небольшая модификация с обжимным лепестковым разъемом делает его очень простым в использовании.
Роб Сигел: Это не так просто увидеть, но я заменил лепестковый разъем от замка зажигания на разъем дистанционного выключателя стартера в моей руке. Другой разъем — тот, что с зажимом типа «крокодил», — подключается к плюсу аккумулятора. Роб Сигел
Помимо возможности проворачивания коленчатого вала во время распыления пусковой жидкости, дистанционный выключатель стартера часто используется для проверки наличия искры. То есть, легко сказать: «Попросите кого-нибудь провернуть двигатель, пока вы держите штепсельную вилку на расстоянии 1/4 дюйма от земли и ищите искру», если у вас есть кто-то, кто проворачивает двигатель, но это сложно, если вы этого не сделаете. . Всякий раз, когда я отправляюсь в поездку, я беру с собой дистанционный выключатель стартера именно так, чтобы, если машина заглохнет, я мог легко проверить наличие искры самостоятельно.
Еще одно полезное применение — настройка выдержки зажигания. На старинном автомобиле с точками это повторяющаяся процедура, при которой вы подключаете измеритель задержки, заводите машину, снимаете показания, глушите машину, снимаете крышку и ротор, регулируете зазор между точками, снова надеваете крышку и ротор.
, и попробуйте еще раз. Если у вас есть дистанционный переключатель стартера, вы можете оставить крышку и ротор выключенными, нажать на переключатель, чтобы провернуть стартер, прочитать выдержку во время вращения двигателя, остановиться, настроить зазор между точками, а затем повторить попытку, и все это намного быстрее. чем снимать и снимать крышку и ротор и каждый раз запускать и останавливать машину.
Вам нужно знать несколько вещей. Во-первых, очевидно, что на автомобиле со стандартной трансмиссией крайне важно убедиться, что автомобиль находится в нейтральном положении с включенным ручным тормозом и блокировкой колес. Во-вторых, когда вы используете дистанционный выключатель стартера с целью генерирования искры или запуска автомобиля, вам необходимо повернуть ключ зажигания в положение «старт», чтобы подать питание на катушку. И, наконец, как правило, хорошей идеей является относительно короткое время, в течение которого ключ находится в положении зажигания без фактического запуска двигателя, поскольку на старинных автомобилях катушка, конденсатор и точки рассчитаны на импульсное включение и выключение.



S – Start, изготовлен контакт в виде резьбового отвода, лепестка или штекера, зачастую закрыт пластиковым наконечником, поэтому перед принудительным замыканием надо снять. 8 – минусовой контакт, соединён с корпусом.
Коробку передач желательно выставить на 2-ю, 4-ю или заднюю передачу. Чем сильнее разгонится автомобиль, тем больше шансов завести двигатель. Поэтому рекомендуется толкать средство на спуске.
Затем опустите автомобиль с домкрата и снова подключите отрицательную клемму аккумулятора.
Затем прикрепите к стартеру другую большую клемму.
