Содержание
Простая электрическая цепь
Простая электрическая цепь
|
Зарядные устройства
|
Металлоискатели
|
Основы электроники
|
Справка по электронным компонентам
|
Строительство
|
Прочее
|
Электричество — совокупность явлений, обусловленных существованием, взаимодействием и движением электрических зарядов.
Название «электричество» произошло от греческого слова «электрон», так по-гречески называется янтарь. Еще в древности люди заметили, что если потереть янтарь о шерсть, он начинает притягивать различные тела: кусочки бумаги, соломинки, пушинки и т. д. Ученые решили, что при трении янтарю сообщается электрический заряд…
Эту тему можно развернуть не на одну страницу, но сейчас у нас другие цели. Мы должны научиться собирать и настраивать не сложные электронные схемы. Как они будут работать на физическом уровне, мы пока особо рассматривать не будем, сделаем упор на техническую сторону процесса, ну а тем, кто жаждет теоретических основ – поиск «Google» и «Яндекс» в помощь.
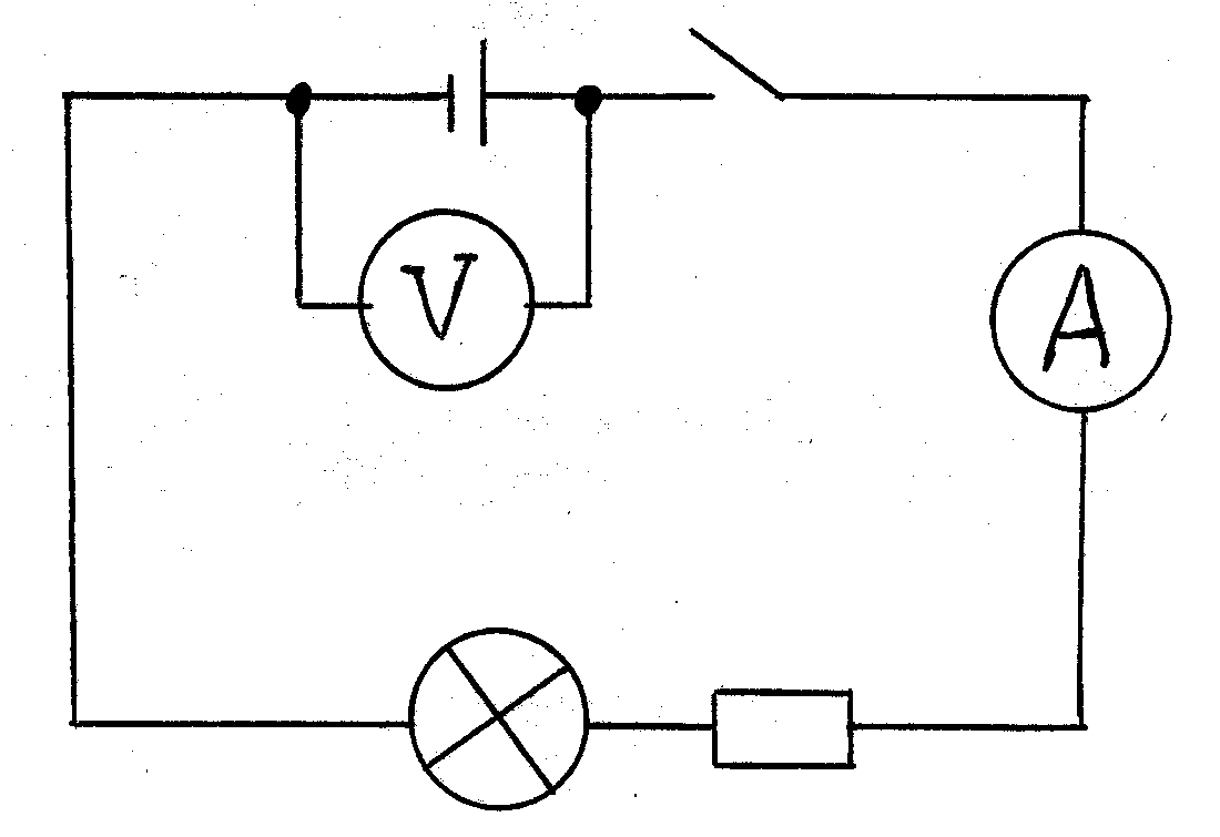
Давайте разберем, как работает простая электрическая цепь, состоящая из батарейки (источник тока), лампочки и выключателя. С помощью медных проводов нужно соединить лампочку с батарейкой и выключателем, пока выключатель находится в разомкнутом состоянии, ток по проводам не течет и лампочка не светится.
Если выключатель перевести в замкнутое состояние, то разность потенциалов (напряжение) между полюсами батарейки заставит электрический ток двигаться от минуса батарейки через лампочку, через выключатель к плюсу батарейки. В этом случае лампочка будет светиться, но очень слабо, а может и вовсе не будет. Дело в том, что наша лампочка рассчитана на напряжение 3.3 вольта, а наша батарейка дает только 1.5 вольта.
Для того, что бы лампочка светила, мы используем две батарейки соединенных последовательно. При последовательном соединении батареек напряжение увеличится вдвое и составит 3 вольта. Этого напряжения хватит для яркого свечения лампочки.
Разность электрических потенциалов – это есть напряжение. Напряжение обозначают буквой U. Единица напряжения названа вольтом (В). Что бы измерить напряжение в нашей схеме, нужно подключить вольтметр параллельно нагрузке (лампочке).
Сила электрического тока обозначается буквой I, измеряется в амперах, единица силы тока обозначается буквой «А». Меньшие токи измеряются в миллиамперах, обозначаются «мА». Один ампер равен 1000 миллиампер. В нашей схеме электрический ток движется всегда в одном направлении, поэтому он называется – «постоянный электрический ток». Что бы измерить силу тока в нашей схеме, нужно подключить амперметр последовательно с нагрузкой (лампочкой).
Мощность электрического тока в ваттах выражается произведением напряжения в вольтах на ток в амперах.
P = UI
За единицу мощности принимают 1 ватт (Вт).
1 ватт = 1 вольт * 1 ампер
Мощность электрического тока можно так же выражать в киловаттах (кВт).
1 кВт = 1000 Вт.
Давайте посчитаем мощность тока в нашей лампочке. Пусть напряжение на лампочке будет 3 вольта, а ток проходящий через лампу будет равен 0.1 ампера (100 мА).
P = 3 вольта * 0.1 ампера = 0.3 ватта
Мощность тока питающего лампочку в нашей схеме равна 0.3 Вт.
Простая схема монтажа электропроводки в частном доме
Папа мастер! > Виды работ > Простая схема монтажа электропроводки в частном доме
С электричеством шутки плохи — этому нас учат с детства. Но жизнь заставляет приспосабливаться, и при наличии определённых знаний, провести проводку в доме можно самостоятельно. Первым делом вам предстоит обозначить место, где будет находиться распределительный щит. Наиболее часто для него выбирают сухое тёплое помещение, фиксируя его на высоте порядка полутора метров.
Щит является ключевым элементом и выступает в схеме начальным звеном. После установки можно приступить к планированию и разметке мест под розетки, выключатели, светильники и прочие электроприборы.
Схема монтажа электропроводки в частном доме своими руками
Занимаясь составлением схемы монтажа электропроводки в частном доме нужно исходить из собственных потребностей. То есть, если норматив предполагает наличие двух розеток на одну комнату, а вам необходимо три, то естественно нужно остановиться на более удобном для вас варианте.
Схемы бывают двух типов: электрическая и монтажная. Первая помогает рассчитать количество приборов, потребляемых ток, выбрав допустимый вариант подключения. Вторая фактически является отображением электрической схемы на практике. На ней помечаются места монтажа устройств, рассчитывается количество соединительного кабеля и прочих расходных материалов.
Моменты, на которые стоит обратить внимание
Несмотря на то, что базовой схемы не существует, и каждая разрабатывается с учётом индивидуальных особенностей, существуют важные рекомендации, пренебрегать которыми не рекомендуется.
Приборы с большим потреблением электроэнергии (бойлер, электроплита, холодильник, стиральная машина) желательно подключать с возможностью заземления. Для этого используется специальных трехжильный провод («земля», «фаза» и «ноль»). Кабель такого типа рекомендуется использовать в местах с повышенной влажностью, например, в ванной.
Для реализации схемы электропроводки в частном доме оптимальным вариантом является кабель сечением 2,5 мм. Он идеально подходит для розеток и светильников, хотя для последних можно взять провод с сечением 1,5 мм, но экономия будет несущественной.
Очень важно не перегружать розетки. При подключении нескольких допустимая суммарная мощность составляет 4,6 кВт. Также у каждого крупного бытового прибора должна быть индивидуальная розетка.
Этапы самостоятельного монтажа проводки
Монтажные работы начинаются с разметки стен.
На них наносится путь пролегания кабеля и отмечаются места, где будут расположены розетки и выключатели. Главное правило, которое поможет избежать «головной боли» в дальнейшем, заключается в том, что провода располагают только в горизонтальном или вертикальном положении. Никаких диагоналей для экономии кабеля быть не должно. Повороты выполняются строго под углом в 90°. От потолка делается отступ минимум 20 см.
Что касается розеток и выключателей, то чаще всего споры зарождаются касательно высоты их расположения. Выключатели преимущественно располагают с той стороны, где находится ручка. Существует два стандарта высоты для выключателей — 50-80 см и 150 см от пола. Второй вариант присущ постройкам советского типа, а в новых домах предпочтение отдаётся первому варианту. Места расположения выключателей лучше сразу нанести на схему электропроводки в частном доме. Это касается и мест для розеток. Касательно их стандарт отсутствует, но по негласному правилу их размещают либо на расстоянии 80 см от пола, либо в пределах 20-30 см, практически сразу над плинтусом.
Основным моментом выбора места для розетки является удобство пользования.
- схема подключения выключателя и розетки
На следующем этапе в стенах штробят каналы и отверстия под коробки. Кабель в канале фиксируется гипсом, он быстро высыхает и обеспечивает надёжную фиксацию. На гипс садятся и пластиковые коробки, в которые монтируют выключатели и розетки. Между собой провода скручиваются, при этом площадь соприкосновения должна быть максимальной. Эти места подлежат изоляции.
Читайте также нашу статью «Особенности организации кухонного освещения с помощью встраиваемых потолочных светильников светодиодного типа».
Как видите, имея базовые знания и подкрепив их небольшими практическими навыками, монтаж проводки можно выполнить своими силами.
Похожие записи
Имитация кирпича своими руками из штукатурки — особый вид бюджетного декорирования стен
Проблема декорирования стен — один из ключевых запросов ремонта: капитального.
..
Венецианская штукатурка своими руками из обычной шпаклевки: мастер-класс
Каждый, кто сталкивался с ремонтом, знает, что стоимость стройматериалов и…
Маяки на трещины стен: виды приспособлений и способы их использования
Появившиеся на стенах здания трещины не только портят эстетику постройки, но и…
Как выполнить отделку подвала в частном доме
Прежде всего, подвал — это свободное пространство, которое можно задействовать с…
Интересное на сайте
Технология кладки стен из газобетонных блоков
По эксплуатационным характеристикам газоблоки в разы лучше кирпича. Процесс их кладки настолько прост, что с ним справится даже полностью далёкий от стройки человек. Не являются …далее… »
Преображение за неделю или можно ли использовать гипсокартон в ванной
Несмотря на заявления производителей гипсокартонных листов о прекрасных влагостойких свойствах, большинство всё же не решается использовать их в местах повышенного риска, то бишь в кухне …далее.
.. »Преимущества домов из СИП-панелей
Дома, построенный по канадской технологии, удобны для проживания зимой и летом. Они теплые, практичные и подходят даже для сурового климата. Это обусловлено особенностями технологии. При …далее… »
Альтернатива блокам питания для шуруповерта 12в и 18в. Замена своими руками
Шуроповерт считается незаменимым аппаратом для специалистов, работающих им постоянно и для любителя, выполняющего отдельные виды работ. Этот инструмент стал лучшей альтернативой для отвертки, которая очень …далее… »
Станок для блоков своими руками – простое оборудование для изготовления керамоблоков, шлакоблоков, арболитовых, газосиликатных и других строительных блоков
В наше стремительное время на рынке стройматериалов появляется все новая продукция, преуспевающая по многим показателям своих предшественников. Интересным фактом является то, что некоторые стройматериалы можно …далее… »
Схемы подключения для бытовых электрических цепей
Схемы подключения для выключателей света.
Многочисленные схемы для выключателей света, в том числе: петля выключателя, диммер, переключаемые розетки, комбинированное устройство выключателя, два выключателя света в одной коробке и многое другое.
Схемы подключения комбинированных выключателей — схемы подключения комбинированного выключателя/розетки для управления освещением или другой нагрузкой или для управления самим собой.
Схемы подключения настенных розеток — схемы для всех типов бытовых электрических розеток, включая: дуплексные, GFCI, розетки на 15, 20, 30 и 50 ампер.
Схемы подключения для 3-позиционных выключателей. Схемы для 3-позиционных цепей переключателей, включая: свет в начале, середине и конце, 3-позиционный диммер, несколько источников света, управление розеткой и советы по поиску и устранению неисправностей.
Схемы подключения 4-позиционного переключателя. Схемы для 4-позиционного переключателя, в том числе: различные места расположения источника и света, диммер для 4-позиционного переключателя, проводка для 4-ходового переключателя и советы по поиску и устранению неисправностей.
3-х и 4-х позиционные выключатели для управления несколькими источниками света. Схемы проводки для управления несколькими осветительными приборами с 3-х и 4-х позиционными переключателями.
Схемы подключения для комплекта вентилятора/освещения. Схемы включают в себя: использование выключателя освещения для управления вентилятором и освещением, отдельные регуляторы яркости света и скорости вращения вентилятора, регулятор освещения и вентилятор с вытяжной цепью.
Схемы подключения вытяжного вентилятора в ванной. Схемы включают: таймер вентилятора, один переключатель, комбинированный переключатель gfci и два переключателя в одной выходной коробке.
Схемы подключения нескольких розеток — схемы подключения нескольких розеток, включая схемы для дуплексных розеток и прерывателей замыкания на землю.
Схемы подключения двух розеток в одной коробке — подключение двух розеток, двух выключателей, розетки и выключателя в одной коробке.
Схема подключения выходного выключателя GFCI.
Схемы включают проводку для мусоропровода или осветительного прибора, управляемого комбинированным выключателем как с защищенными, так и с незащищенными схемами.
Схемы подключения прерывателя цепи замыкания на землю — схемы для розеток GFCI, включая защиту дуплексных розеток в цепи и GFCI в конце цепи.
Схемы подключения автоматических выключателей — подключение блока выключателя, выключателя GFCI, а также автоматических выключателей на 15, 20, 30 и 50 ампер.
Схемы подключения розеток с выключателем — схемы подключения выключателя для управления розеткой с различным расположением и несколькими розетками в одной цепи.
Схемы для добавления нового светильника — Проводка для добавления света от существующей цепи выключателя или розетки.
Схемы для добавления новой розетки — схемы подключения для добавления розетки от существующего выключателя или розетки.
Схемы подключения дверного звонка — подключение проводных дверных звонков и дверных звонков с батарейным питанием, включая добавление адаптера переменного тока для питания старого дверного звонка.
Схемы подключения лампы — подключение стандартной настольной лампы, трехконтактной розетки и старинной лампы с четырьмя лампочками и двумя выключателями.
Добавление новой настенной электрической розетки. Как проложить кабель за плинтусом, чтобы добавить новую розетку.
Соединение косички — Как зачистить и нарезать электрические провода в распределительной коробке.
Как подключить розетки и выключатели — Как выбрать и заменить выключатели света и дуплексные розетки.
Прокладка кабеля за стенами – Методы поиска источника электроэнергии и прокладки нового кабеля в стенах и потолках.
Обрамление нового потолочного вентилятора. Установка обрамления и подвешивание нового потолочного вентилятора и комплекта освещения.
Формула для расчета силы тока. Использование значений напряжения и тока для расчета мощности, потребляемой прибором, включает таблицу стандартных значений мощности для бытовых устройств и приборов.
Глоссарий по электротехнике для бытовых систем
Как читать электрические схемы
Электрическая схема представляет собой схему, показывающую, как соединены все провода и компоненты в электронной цепи.
Они похожи на карту для построения или устранения неполадок схем и могут рассказать вам почти все, что вам нужно знать, чтобы понять, как работает схема.
Умение читать электрические схемы — очень полезный навык. Чтобы начать развивать свои способности к чтению схем, важно запомнить наиболее распространенные схематические символы. Каждый физический компонент (например, резистор, конденсатор, транзистор) имеет уникальный схематический символ. Основная цель этого руководства — показать вам основные компоненты схемы, которые вы должны знать.
Недостаточно просто уметь распознавать компоненты на схеме. Вы также должны иметь возможность получить общее представление о том, как работает схема, просто взглянув на схему. После этой статьи я рекомендую прочитать «Как анализировать схемы», где мы обсудим более продвинутые методы анализа цепей, такие как закон тока Кирхгофа и закон напряжения Кирхгофа.
ИСТОЧНИКИ ПИТАНИЯ
Источники питания подают электрическую энергию в цепь в виде напряжения и тока.
Каждая функциональная электронная схема должна иметь источник питания постоянного или переменного тока.
Источники питания постоянного тока
Источники питания постоянного тока (DC) обеспечивают электрический ток, который течет в постоянном направлении. Это условное обозначение источника питания постоянного тока:
Источник питания переменного тока s
Источники питания переменного тока (AC) обеспечивают электрический ток, который течет в двух направлениях. Это условное обозначение источника питания переменного тока:
Аккумулятор ies
Аккумулятор является распространенным типом источника питания постоянного тока. Схематический символ батареи состоит из коротких и длинных параллельных линий. Более длинная линия представляет собой положительную клемму аккумулятора, а более короткая линия представляет собой отрицательную клемму:
Земля
Земля — это общий обратный путь цепи, по которому ток возвращается к своему источнику.
Это часто называют отрицательной стороной цепи. Это условное обозначение заземления:
Клеммы
Клеммы — это точки подключения к внешним цепям. Для внешних соединений клеммы обозначены пустыми кружками:
Клеммные соединения отличаются от узлов или соединений, отмеченных сплошными кружками:
Переключатели
Переключатели замыкают или разрывают соединение в цепи. Они также позволяют изменить направление текущего потока.
Переключатель SPST es
Переключатель SPST (однополюсный, однонаправленный) является переключателем включения и выключения. Два схематических символа ниже показывают различные состояния переключателя SPST. Верхний символ указывает на то, что переключатель находится в выключенном положении, что блокирует путь тока. Нижний символ указывает на то, что переключатель включен, что позволяет току течь через переключатель.
Переключатель SPDT es
Переключатель SPDT (однополюсный, двухпозиционный) может направлять ток к различным частям цепи.
В этом переключателе есть два пути прохождения тока, в зависимости от положения переключателя:
Переключатель мгновенного действия es
Переключатели мгновенного действия остаются открытыми или закрытыми только при нажатии. Кнопочные переключатели являются наиболее распространенным типом переключателей мгновенного действия. Эти переключатели либо нормально разомкнуты, либо нормально замкнуты. Верхний схематический символ ниже показывает нормально разомкнутый кнопочный переключатель в разомкнутом положении, а нижний символ показывает нормально замкнутый кнопочный переключатель в замкнутом положении:
Многоточечный переключатель es
Многоточечный переключатель позволяет переключать путь входного тока на несколько различных выходных путей.
Выключатели DPST (двухполюсные, однонаправленные) имеют 2 входа и 2 выхода. Эти переключатели позволяют управлять подачей тока на два выхода. Поскольку переключатели являются однонаправленными, обе выходные клеммы будут включены и выключены одновременно.
На приведенных ниже схематических символах показан разомкнутый переключатель DPST (слева) и замкнутый переключатель DPST (справа):
DPDT (двухполюсные, двухпозиционные) переключатели имеют две клеммы для входного тока и четыре клеммы для выходного тока. Эти переключатели позволяют переключать путь двух входных токов на четыре отдельных выходных пути. Вот условное обозначение переключателя DPDT:
Резистор s
Резистор является одним из основных пассивных компонентов схемы. Резисторы имеют электрическое сопротивление, которое ограничивает протекание тока. Схематическое обозначение резистора показано ниже. Символ слева — это соглашение, используемое в Соединенных Штатах, а символ справа — международный стандарт:
Переменный резистор s
Переменный резистор может увеличивать или уменьшать свое сопротивление в зависимости от внешнего входа. Аналоговые датчики, такие как фоторезисторы и термисторы, являются типами переменных резисторов, потому что их сопротивление изменяется в зависимости от уровня освещенности или температуры.
Схематическое обозначение переменного резистора аналогично постоянному резистору, но посередине расположена диагональная стрелка:
Потенциометр s
Потенциометр представляет собой переменный резистор с тремя выводами, который используется для регулировки напряжения и тока. в цепи. Две клеммы резистора — V+ и земля. Стрелка представляет дворник потенциометра, где выходное напряжение берется из:
Фоторезистор s
Фоторезисторы, также известные как светочувствительные резисторы (LDR), представляют собой светочувствительные переменные резисторы, сопротивление которых изменяется в зависимости от уровня освещенности. Это условное обозначение фоторезистора:
Конденсатор s
Конденсаторы — это пассивные электронные компоненты, накапливающие электрический заряд. Есть два распространенных типа конденсаторов – неполяризованные и поляризованные.
Неполяризованный конденсатор s
Неполяризованные конденсаторы не имеют полярности, поэтому не имеет значения, какая сторона подключена к плюсу, а какая к минусу.
Эти конденсаторы обычно имеют меньшие номиналы, чем полярные конденсаторы:
Поляризованный конденсатор s
Поляризованные конденсаторы имеют полярность, поэтому важно, какая сторона подключена к плюсу, а какая к земле. Поляризованные конденсаторы обычно имеют более высокие значения емкости по сравнению с неполяризованными конденсаторами. Вот схематическое обозначение поляризованного конденсатора:
Катушки индуктивности
Катушки индуктивности — это пассивные компоненты, создающие магнитное поле при протекании через них тока. Индукторы могут быть такими же простыми, как катушка провода. Схематическое обозначение индуктора похоже на катушку:
Трансформаторы
Трансформаторы используются для повышения или понижения напряжения. Они состоят из двух проволочных катушек, намотанных на железный сердечник, поэтому схематический символ имеет две катушки с прямыми линиями между ними. Линии представляют железное ядро:
Реле
Реле представляет собой электрический переключатель.
Реле в основном представляют собой электромагниты, подключенные к приводу, который размыкает и замыкает переключатель при подаче тока на катушку:
Диоды
Диод — это поляризованное устройство, пропускающее ток только в одном направлении. Будучи поляризованным, он имеет положительный вывод (анод) и отрицательный вывод (катод). Плоский край треугольника — анод, а линия — катод:
Транзисторы
Транзисторы используются либо для усиления напряжения, либо для коммутации электрических токов. Наиболее распространенными транзисторами являются транзисторы с биполярным переходом (BJT). Существует два основных типа транзисторов BJT — NPN и PNP. Транзисторы NPN включаются при протекании тока через базу транзистора, а транзисторы PNP включаются при отсутствии тока на базе транзистора. Верхний символ схемы показывает транзистор NPN, а нижний символ показывает транзистор PNP:
Интегральные схемы
Интегральные схемы — это схемы, содержащие от сотен до миллионов резисторов, конденсаторов и транзисторов в небольшом корпусе.
Интегральные схемы выполняют множество функций. Существуют интегральные схемы для аудиоусилителей, таймеров, микропроцессоров и многого другого. Три наиболее часто используемые интегральные схемы — это таймер 555, аудиоусилитель LM386 и операционный усилитель LM358.
555 Таймер
Таймер 555 чаще всего используется для обеспечения временных электрических задержек. Однако его также можно использовать как генератор и как элемент триггера. На приведенной ниже диаграмме показано фактическое расположение выводов таймера 555 с внутренней схематической схемой микросхемы:
Второе изображение представляет собой условное обозначение таймера 555, используемое на диаграммах:
Операционный усилитель s
Операционные усилители усилители напряжения со входами и обычно с одним выходом. Их также называют операционными усилителями. Схематическое обозначение операционного усилителя выглядит так:
LM386
Аудиоусилитель LM386 — это операционный усилитель, специально разработанный для маломощного усиления звука.
Будучи маломощным, он идеально подходит для аудиоустройств с батарейным питанием, таких как гитары, радиоприемники и любые другие схемы, которые издают звук. Вот схема выводов LM386:
И этот символ используется на принципиальных схемах:
LM358
LM358 представляет собой двойной операционный усилитель IC, питаемый от общего источника питания. Он обычно используется в качестве усилителя преобразователя, интегратора, дифференциатора или повторителя напряжения. Вот схема контактов LM358:
А вот символ, используемый на схематических диаграммах:
На схематических символах операционных усилителей обычно не показаны выводы, которые не используются в схеме, как в случае с символом LM358 выше, где только пять из показаны восемь контактов.
Логические элементы
Логические элементы представляют собой электронные схемы, которые обрабатывают сигналы, представляющие истинные или ложные значения. Четыре стандартные логические функции: И, ИЛИ, НЕ и XOR.
В дополнение к этим функциям существуют также логические элементы И-НЕ, ИЛИ-НЕ и X-НЕ-ИЛИ.
И
Выход вентиля И истинен, когда истинны все его входы. Вот условное обозначение вентиля И:
ИЛИ
Выход вентиля ИЛИ истинен, когда хотя бы один из его входов истинен. Вот условное обозначение элемента ИЛИ:
НЕ
Выход элемента НЕ противоположен его входу, поэтому он также называется инвертором. Следовательно, вывод истинен, когда ввод ложен. Вот схематическое обозначение вентиля НЕ:
Исключающее ИЛИ
Элемент «исключающее ИЛИ» имеет два входа. Выход вентиля XOR может быть истинным только тогда, когда один вход истинен, а другой вход ложен. Вот схематический символ вентиля XOR:
NAND
Вентиль «НЕ-И» или NAND может иметь два или более входа. Выход вентиля И-НЕ истинен, если любой из входов ложен. Вот условное обозначение вентиля И-НЕ:
ИЛИ-НЕ
Вентиль «НЕ-ИЛИ» или «ИЛИ-НЕ» имеет два или более входа.
Выход вентиля ИЛИ-НЕ истинен, когда все его входы ложны. Вот схематическое обозначение вентиля ИЛИ-НЕ:
ИСКЛЮЧАЮЩЕЕ ИЛИ-НЕ
Элемент «исключающее ИЛИ-НЕ» или XNOR имеет два входа. Выход вентиля XNOR истинен только тогда, когда оба его входа истинны или когда оба его входа ложны. Вот схематическое обозначение вентиля XNOR:
Оптоэлектронные устройства
Оптоэлектронные устройства — это устройства, которые используют свет и электричество для различных целей. Оптоэлектронные устройства можно разделить на две категории – светочувствительные и светогенерирующие устройства. Например, вот схематическое обозначение светочувствительного устройства, называемого фотодиодом:
В отличие от этого, вот схематическое обозначение светогенерирующего устройства, называемого светоизлучающим диодом (LED):
Динамик s
Динамик преобразует электрическую энергию в звуковую. Его условное обозначение похоже на реальный динамик:
Микрофон s
Микрофоны — это тип преобразователя, который преобразует звуковые волны в электрический сигнал.
Вот условное обозначение микрофона:
Предохранитель s
Предохранители — это предохранительные устройства, обеспечивающие защиту от перегрузки по току в электрической цепи. Основным элементом предохранителя является узкий провод, который плавится, когда через него протекает слишком большой ток. Вот условное обозначение предохранителя:
Двигатель s
Двигатель преобразует электрическую энергию в кинетическую. Его условное обозначение — кружок с буквой «М», плюс и минус слева и справа:
Антенна s
Антенна — это устройство, которое принимает или передает радиосигналы. Вот условное обозначение антенны:
Провода и соединения на схемах
Теперь, когда вы знакомы с общими символами, используемыми на принципиальных схемах, давайте посмотрим, как читать проводные соединения и пересечения проводов. Провода представлены линиями, а соединения представлены точками.
На изображениях ниже показаны схематические обозначения проводов, когда они физически подключены к цепи.
