Содержание
ПЕРЕДОВЫЕ ТЕХНИЧЕСКИЕ РЕШЕНИЯ SEW-EURODRIVE ДЛЯ ЭЛЕКТРОДВИГАТЕЛЕЙ С ТОРМОЗОМ
Фирма SEW-EURODRIVE уже в течение 85 лет устанавливает стандарты в приводной технике.
Самым известным видом продукции являются мотор-редукторы в диапазоне мощностей от 90 Вт до 200 кВт. Все электродвигатели и мотор-редукторы SEWEURODRIVE могут быть заказаны в исполнении со встроенным механическим тормозом.
В дополнение к серии отлично зарекомендовавших себя встроенных тормозов серии ВЕ.., в 2016 году фирма вывела на рынок новые типы тормозов для асинхронных электродвигателей и новый диагностический прибор для контроля тормозов.
Область применения
Во многих приводных системах, используемых для более или менее точного позиционирования, двигатель должен быть оснащен дополнительным механическим тормозом. В таких системах он используется как рабочий тормоз.
Двигатели с тормозом применяются и в тех случаях, когда необходима высокая степень безопасности.
Например, в приводах подъемных устройств, когда двигатель электрическим способом останавливается в определенном положении, для его надежной фиксации налагается «стояночный тормоз». Подобные требования к безопасности применяются и для систем, чувствительных к отказу электросети. В этом случае механические тормоза двигателей являются гарантом экстренной остановки.
Устройство и принцип действия
Тормоз SEW-EURODRIVE — это электромагнитный дисковый тормоз с катушкой постоянного тока:
При включении напряжения тормоз освобождается (отпускается) электромагнитным способом.
При отключении питания тормоз автоматически налагается усилием пружин.
Такая конструкция подразумевает наложение тормоза в случае отказа электросети. Это соответствует базовым требованиям техники безопасности.
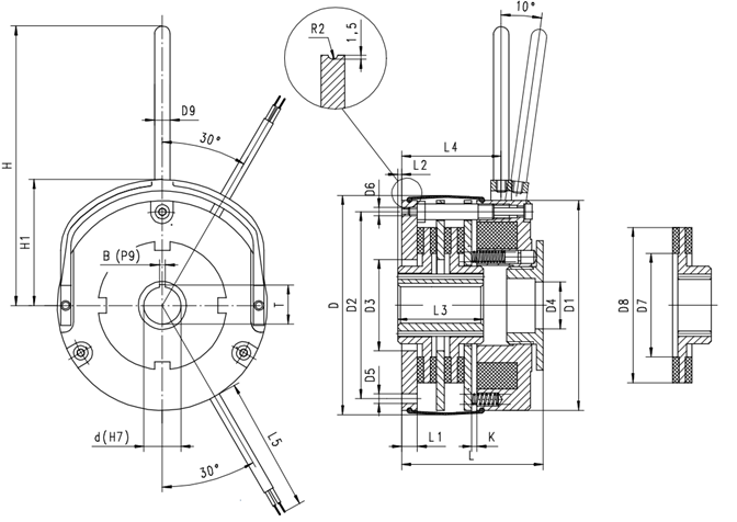
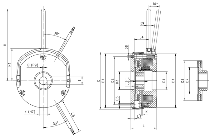
Важным преимуществом тормозов SEW-EURODRIVE является их очень малая длина. Тормозной подшипниковый щит — это деталь и двигателя, и тормоза (рис. 1). Интегрированная конструкция двигателей с тормозом обеспечивает создание очень компактных и надежных приводных систем.
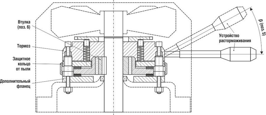
Механическое устройство ручного растормаживания
Для режима технического обслуживания можно заказать опцию ручного растормаживания. Для этого тормоз SEW-EURODRIVE комплектуется устройством ручного растормаживания с рукояткой (автоматически возвращается в исходное положение) или стопорным штифтом (фиксируется в отпущенном состоянии).
Минимальное время реакции тормоза
Благодаря использованию патентованных двухсекционных тормозных катушек с электронным управлением двигатели SEWEURODRIVE отличаются очень быстрым отпусканием тормоза. Это исключает ситуацию, когда двигатель уже начинает вращаться, а тормозной диск еще зафиксирован. Таким образом, быстрое растормаживание снижает износ тормоза при частых пусках.
Время наложения тормоза зачастую слишком велико, например, потому, что на тормозной выпрямитель в клеммной коробке двигателя питание подается прямо с клемм двигателя. После отключения и до момента остановки вала двигатель находится в генераторном режиме и вырабатывает остаточное напряжение, замедляющее процесс наложения тормоза.
Однако и при отключении питания тормоза только лишь по цепи переменного тока он налагается со значительной задержкой из-за самоиндукции в тормозной катушке. Эта проблема решается только одновременным отключением и в цепи постоянного тока, т. е. в цепи тормозной катушки. Для упрощения схемы управления и увеличения ресурса тормозной системы SEW-EURODRIVE предлагает тормозные выпрямители с электронной коммутацией в цепях постоянного и переменного тока. Таким образом, достигается гарантированное время наложения тормоза в пределах от единиц до десятков миллисекунд (в зависимости от габаритов тормоза).
Тормозной момент
Величина тормозного момента дисковых тормозов SEWEURODRIVE регулируется путем установки различных комплектов пружин. В заказе на двигатель необходимо указывать требуемый тормозной момент, выбранный по каталогу в соответствии с условиями эксплуатации. Например, для подъемных устройств из соображений безопасности следует выбирать тормозной момент, приблизительно вдвое больше номинального момента двигателя.
Подогрев тормоза
При эксплуатации двигателя в особых внешних условиях, например, на открытом воздухе при больших перепадах температуры или в зонах отрицательной температуры (промышленные холодильники), необходимо предохранять тормоз от обледенения. Для этого SEW-EURODRIVE предлагает специальный блок управления, который обеспечивает подогрев тормоза на стоянке.
Модульная система тормозов
В зависимости от требуемого тормозного момента и межсервисного интервала, асинхронные двигатели SEW-EURODRIVE могут иметь встроенный тормоз различного габарита.
Пример на рис. 2: на двигатель DR.90 могут быть установлены тормоза BE1 (тормозной момент до 10 Нм), ВЕ2 (до 20 Нм) или ВЕ5 (до 50 Нм). Сам тормоз смонтирован на пластине, которая устанавливается на заднем щите двигателя. Без разборки двигателя можно снять или заменить тормоз в сборе.
Модульная система тормозов позволяет разработчику выбирать тормоз, точно соответствующий рабочему циклу механизма.
Результатом является оптимальная цена привода для конкретной установки.
НОВИНКА! Двойные тормоза BF../BT.. для асинхронных двигателей
Помимо стандартного тор- моза ВЕ., двигатели DR.. при повышенных требованиях по безопасности могут быть оснащены двойным тормозом BF.. («функциональная безопасность» по DIN ISO 13849) или BT.. (для индустрии развлечений по DIN 56950-1). Их особенностью является наличие двух независимых тормозных катушек и тормозных дисков. Для удобства технического обслуживания двойные тормоза BF../BT.. можно заказать с рычагом ручного отпускания HT. Он позволяет отпускать или один из тормозов, или оба сразу.
Целевые отрасли и применения новой серии двойных тормозов: транспорт и логистика, автомобильная промышленность, аттракционы и сценические механизмы, приводы подъема и многие другие.
НОВИНКА! DUE — диагностическое устройство тормоза контроль работоспособности и износа тормоза
Диагностический прибор DUE (Diagnostic Unit Eddy Current Brake) компании SEW-EURODRIVE — это идеальный датчик для контроля работоспособности и износа тормозов BE.
./BF../BT.. В отличие от предыдущей версии датчика DUB (с микровыключателями), он обеспечивает бесконтактное из- мерение износа дисков и срабатывания тормоза. Сигнал от датчика может обрабатываться как преобразователем частоты SEWEURODRIVE, так и контроллером.
А.Г. Доррер,
ведущий инженер
АО «СЕВ-ЕВРОДРАЙФ»
www.sew-eurodrive.ru
Сервисно-монтажный
центр, отдел продаж:
С.-Петербург:
Тел.: +7 (812) 333 25 22,
Факс: +7 (812) 333 25 23,
E-mail: [email protected]
Технические офисы:
Екатеринбург:
Тел.: +7 (343) 310 39 77,
Факс: +7 (343) 310 39 78,
E-mail: eso@sew-eurodrive.
ru
Иркутск:
Тел.: +7 (3952) 25 58 80,
Факс: +7 (3952) 25 58 81,
E-mail: [email protected]
Москва:
Тел.: +7 (495) 933 70 90,
Факс: +7 (495) 933 70 94,
E-mail: [email protected]
Новосибирск:
Тел.: +7 (383) 335 02 00,
Факс: +7 (383) 346 25 44,
E-mail: [email protected]
Пермь:
Тел.: +7 (342) 221 94 94,
Факс: +7 (342) 221 94 44,
E-mail: [email protected]
Тольятти:
Тел.: +7 (8482) 71 05 29,
Факс: +7 (8482) 71 05 90,
E—mail: tso@sew—eurodrive.
ru
SEW-EURODRIVE | АО СЕВ-ЕВРОДРАЙФ | мотор-редукторы | асинхронные электродвигатели | двигатели с тормозом | двойные тормоза
Тормоза BE.. | SEW-EURODRIVE
По желанию заказчика мы поставляем двигатели и мотор-редукторы со встроенным механическим тормозом, который доступен в виде одинарного или двойного тормоза. Разнообразие предлагаемых типоразмеров тормоза и тормозных моментов, безусловно, позволит вам подобрать оптимальный тормоз, отвечающий вашим требованиям.
Выберите подходящий тормоз из нашей модульной системы тормозов
Наш механический тормоз – это электромагнитный дисковый тормоз с катушкой постоянного тока, который освобождается электрическим способом, а налагается усилием пружин. В случае прерывания энергоснабжения тормоз налагается. Тем самым он отвечает основным требованиям безопасности.
Возможно и механическое отпускание тормоза, если он оснащен устройством ручного растормаживания.
Механическое отпускание обеспечивает рукоятка с самовозвратом или фиксируемый резьбовой штифт. Работой тормоза управляет блок управления, который размещен либо в клеммной коробке двигателя, либо в электрошкафу.
Все тормоза серии BE.. оснащены специальным элементом шумопоглощения и работают очень тихо.
Разнообразие нашей модульной системы тормозов позволяет выбрать для установки на нужный двигатель тормоз одного из 3 типоразмеров. Кроме того, тормозной момент можно варьировать и с помощью комплектов пружин разной упругости. В результате это дает множество вариантов тормозного момента, среди которых найдется решение и для вашей задачи.
Специально для соответствия требованиям функциональной безопасности наша модульная система тормозов позволяет выбрать и тормоза для систем обеспечения безопасности по стандарту EN ISO 13849-1. Они усиливают безопасную тормозную систему, позволяя реализовать функции «Безопасное торможение» и «Безопасное удержание» с учетом нужного уровня эффективности (PL), при горизонтальной эксплуатации – до уровня «PL d», а при вертикальной эксплуатации – до уровня «PL c» согласно EN ISO 13849-1.
Наверх
Проконсультируйтесь с нами!
- Наши эксперты знают вашу отрасль и ваши потребности.
- Благодаря нашей сети предприятий и офисов по всему миру мы всегда рядом с вами.
- У нас есть знания и инструменты, чтобы консультировать вас наилучшим образом.
Наверх
Преимущества для вас
-
Короткая конструкция
Вес и конструктивная длина двигателя уменьшаются благодаря специальной конструкции.
-
Большое разнообразие вариантов
позволяет заказчикам индивидуально комбинировать тормоз и его опции на двигателе.
-
Диагностический прибор для контроля рабочего состояния и степени износа (опция)
с бесконтактной, непрерывной подачей информации о работе и степени износа каждой части тормоза.
-
Функциональная безопасность (опция)
благодаря сертификации в соответствии с EN ISO 13849-1.
Наверх
Тормоза для двигателей переменного тока серии DR.
.
Характеристики
В зависимости от необходимого момента или работы тормоза наш двигатель серии DR../DRN/DR2.. можно скомбинировать с оптимальным тормозом BE… При этом монтаж тормоза на двигатели типоразмера от 90 и больше имеет свою особенность. Сам тормоз монтируется на фрикционную плиту, которая крепится только на подшипниковом щите. Это позволяет заменить узел на тормоз большего или меньшего типоразмера без необходимости вскрывать, разбирать или менять двигатель.
Кроме того, наши тормоза можно отпускать и механически, если имеется устройство ручного растормаживания. Для ручного растормаживания предусмотрено 2 способа:
- с помощью устройства с автоматическим возвратом (..HR), в комплект поставки входит рукоятка;
- с помощью устройства с блокировкой (..HF), в комплект поставки входит стопорный штифт.
Для управления дисковыми тормозами с катушкой постоянного тока можно использовать различные блоки управления в зависимости от требований и условий эксплуатации.
Все блоки управления тормозом компании SEW имеют в стандартном исполнении варисторную защиту от повышенного напряжения.
Блок управления тормозом
Питающее напряжение для тормозов, работающих от сети переменного тока, либо подается отдельным кабелем, либо отводится от сетевых клемм в клеммной коробке. Подключение тормоза к сетевому напряжению двигателя допустимо только для двигателей с фиксированной частотой вращения. В случае двигателей с переключением числа полюсов и двигателей, работающих с преобразователем частоты, питающее напряжение для тормоза должно подаваться отдельным кабелем.
Если тормоз работает от сетевого напряжения двигателя, реакция тормоза замедляется из-за остаточного напряжения двигателя. Указанное в технических данных время наложения тормоза t21 при отключении по цепи переменного тока действительно только при отдельном питании тормоза.
Другие варианты управления тормозом:
• Прямое подключение постоянного напряжения (питание от цепи постоянного тока)
• Подключение к периферийным устройствам, например MOVIMOT®
• Безопасное подключение согласно EN 13849
• Шкафные устройства серии BM.
.
Технические данные
Фрагмент из технических данных
Закрыть таблицу
| Тип двигателя | Тип тормоза | Wtot 106Дж | Градация тормозного момента Н·м | |||||||
|---|---|---|---|---|---|---|---|---|---|---|
| […] | […] | […] | […] | […] | […] | […] | […] | […] | […] | […] |
| DR..90 | BE1 | 120 | 5 | 7 | 10 | |||||
| BE2 | 165 | 7 | 10 | 14 | 20 | |||||
| BE5 | 260 | 14 | 20 | 28 | 40 | |||||
| DR..100 | BE2 | 165 | 10 | 14 | 20 | |||||
| BE5 | 260 | 14 | 20 | 28 | 40 | 55 | ||||
[. ..] | […] | […] | […] | […] | […] | […] | […] | […] | […] | […] |
Здесь находится сохраненная таблица.
Обзор технических данных
Уровень тормозного момента зависит от типа и количества установленных тормозных пружин. Если в заказе не указано иное, устанавливается тормоз (заказанный как одинарный тормоз) с максимально возможным тормозным моментом MBmax, что соответствует стандартной комплектации. В случае отдельного двигателя и мотор-редуктора стандартный тормозной момент зависит от номинального момента двигателя и может отличаться от максимально возможного тормозного момента MBmax. Благодаря дополнительным комбинациям тормозных пружин можно подбирать меньшие тормозные моменты MBred, не изменяя типоразмер тормоза.
Закрыть таблицу
| Тип тормоза | MBmax Н·м | Сниженный тормозной момент MBred Н·м | Winsp 106Дж | t110-3с | t210-3с | PBW | ||||||
|---|---|---|---|---|---|---|---|---|---|---|---|---|
| BG | BGE | t2II | t2I | |||||||||
[. ..] | […] | […] | […] | […] | […] | […] | […] | […] | […] | […] | […] | […] |
| BE1 | 10 | 7.0 | 5.0 | — | — | — | 120 | 55 | 10 | 12 | 76 | 32 |
| BE2 | 20 | 14 | 10 | 7.0 | 5.0 | — | 180 | 73 | 17 | 10 | 68 | 43 |
| BE5 | 55 | 40 | 28 | 20 | 14 | — | 390 | — | 37 | 10 | 70 | 49 |
| […] | […] | […] | […] | […] | […] | […] | […] | […] | […] | […] | […] | […] |
Здесь находится сохраненная таблица.
Полный набор возможных комбинаций см.
в соответствующих каталогах двигателей и руководствах SEW-EURODRIVE.
Функциональная безопасность
Приводы SEW-EURODRIVE в качестве опции могут быть оснащены компонентами обеспечения безопасности, например тормозом и/или датчиком.
Встроенный безопасный тормоз помечен логотипом FS (например, FS02) на заводской табличке двигателя. Это позволяет реализовать функции обеспечения безопасности и оценить уровень их эффективности в соответствии с EN ISO 13849-1.
Функции обеспечения безопасности с нашими тормозами
- SBA (Безопасное торможение)
- SBH (Безопасный останов)
В качестве дополнения к безопасной тормозной системе мы предлагаем функцию статической и динамической диагностики тормозов для контроллера MOVI-PLC®.
Сферы применения
- Замедление движения, например, транспортных устройств, поворотных столов и т. д.
- Защита от падения, например, подъемных механизмов
- Позиционные приводы
Наверх
Встроенные электромагнитные тормоза — опция доработки электродвигателя
Встроенные электромагнитные тормоза — опция доработки электродвигателя
Главная
- Доработка двигателей
- Встроенные электромагнитные тормоза
Электродвигатели со встроенным тормозом предназначены для привода механизмов, требующих гарантированной остановки в регламентированное время и имеющих ограничения по габаритным размерам или требующих установки единого модуля (электродвигатель + тормоз).
В стандартном исполнении используется нормальнозамкнутый тормоз, который располагается с неприводной стороны. При подаче напряжения на тормоз происходит его растормаживание. По согласованию с компанией «Кранрос» возможно изготовление электродвигателей со сдвоенным тормозом, тормозом со стороны рабочего вала или с двумя тормозами (с приводной и неприводной стороны). Степень защиты тормозов IР54, по специальному заказу возможна установка тормозов со степенью защиты IP65.
В коде заказа электродвигатели со встроенным тормозом имеют дополнительный символ «Е» со следующими индексами:
- Е1 — стояночный электромагнитный тормоз (Мт.ном= Мдв.ном)
- Е2 — динамический электромагнитный тормоз (Мт.ном= 1,5Мдв.ном)
- Е9 — электромагнитный тормоз по согласованию (с параметрами отличающимися от базовых)
- ЕО — подготовка под установку тормоза
- (2) — внешнее напряжение питания 1-ф ~220В
- (3) — внешнее напряжение питания 1-ф ~380В
- (9) — внешнее напряжение питания по согласованию
- (А) — антикондесационный обогрев тормоза (1-ф ~220В)
- (Р) — возможность ручного растормаживания
- (М) — возможность регулировки тормозного момента
Технические параметры электромагнитных дисковых тормозов:
| Высота | Макс. скорость. Об/мин | Мощность, Вт при 20°С | Время Растормажив. t1, мс | Время наложения t2, мс | Внешнее напряжение питания | Тормозной момент. Нм | Ток, А | |||
|---|---|---|---|---|---|---|---|---|---|---|
| Е1 | Е2 | Е1 | Е2 | Е1 | Е2 | |||||
| 112 | 3600 | 40 | 52 | 220 | 45 | ~220 В или ~380 В | 40 | 60 | 0,22 | 0,3 |
| 132 | 3600 | 55 | 85 | 280 | 80 | 80 | 120 | 0,31 | 0,47 | |
| 160 | 3600 | 85 | 100 | 340 | 165 | 150 | 230 | 0,47 | 0,55 | |
| 180 | 3200 | 85 | 100 | 360 | 170 | 200 | 300 | 0,47 | 0,55 | |
| 200 | 3000 | 100 | 110 | 400 | 230 | 295 | 450 | 0,55 | 0,62 | |
| 225 | 3000 | 110 | 180 | 400 | 300 | 400 | 650 | 0,62 | 1,0 | |
| 250 | 3000 | 180 | 180 | 700 | 450 | 650 | 900 | 1,0 | 1,0 | |
| 280 | 2000 | 180 | 280 | 750 | 1000 | 1000 | 1500 | 1,0 | 1,56 | |
| 315 | 2000 | 280 | — | 750 | 1000 | 1500 | — | 1,56 | — | |
| 355 | по запросу | |||||||||
Примечание: возможна установка тормозов с другими стандартными напряжениями питания:=24В, =96В, =103 В, =170В, =190В.
Подключение тормоза осуществляется в коробке выводов электродвигателя, также возможно подключение в дополнительной клеммной коробке, по согласованию с заказчиком. В комплект поставки каждого электродвигателя с встроенным тормозом входит соответствующий модуль выпрямления.
Технические параметры электромагнитных дисковых тормозов:
| Напряжение, В | Тип модуля | Номинальное напряжение нагрузки (обмотки статора тормоза) ±10%, В | Номинальный ток модуля при 60°С, А |
|---|---|---|---|
| ~220 | 142/143-270 | = 205 | 1,0 |
| 162/161-270 | |||
| ~380 | 243/242-555 | = 180 | |
| 262/261-460 |
Габаритные размеры модулей выпрямления
Возможные схемы подключения модулей выпрямления
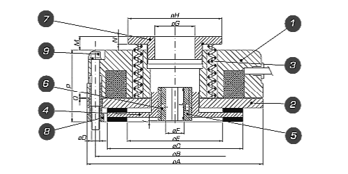
Общее устройство тормоза и составные элементы:
| № позиции | Наименование |
|---|---|
| 1 | Статор тормоза |
| 2 | Шлицевая втулка (хаб) |
| 3 | Тормозной диск |
| 4 | Установочный фланец |
| 5 | Фрикционная плита |
| 6 | Механизм ручного растормаживания |
| 7 | Пылезащитное кольцо |
| 8 | Монтажный набор (установочные винты) |
Доработка электродвигателей
Все об электромагнитных тормозах — различные типы и принципы их работы
Электромагнитные тормоза также называются электромеханическими тормозами или электромагнитными тормозами.
Они замедляют или останавливают движение, используя электромагнитную силу для оказания механического сопротивления или трения. Электрический ток проходит через катушку на тормозах, чтобы создать магнитное поле, достаточно сильное, чтобы перемещать якорь по магнитной поверхности или от нее. Их не следует путать с вихретоковыми тормозами, которые используют прямое приложение магнитной силы для создания сопротивления. С тех пор, как они получили широкое распространение в середине 20-го века, особенно в поездах и трамваях, количество различных применений и конструкций тормозов резко увеличилось, но основная работа осталась прежней. В этой статье будет рассказана история электромагнитных тормозов, в том числе их история, как они работают и различные типы, а также чем они отличаются от вихретоковых тормозов.
Кратко:
История электромагнитного тормоза
Как работают электромагнитные тормоза
Типы электромагнитных тормозов
Это изображение электромагнитного тормоза.
Изображение предоставлено Shutterstock.com/Fouad A. Saad
История электромагнитного тормоза
Грэнвиль Тайлер Вудс был инженером-самоучкой и инженером-электриком, а также первым афроамериканским изобретателем после Гражданской войны. Большинство его изобретений были связаны с поездами и другими транспортными средствами, такими как трамваи. Одним из его примечательных изобретений был синхронный мультиплексный железнодорожный телеграф, вариант индукционного телеграфа, который полагался на окружающее статическое электричество от существующих телеграфных линий для отправки сообщений между железнодорожными станциями и движущимися поездами. Он владел более чем шестьюдесятью патентами в США.
Он изобрел электромагнитный тормоз в 1887 году, предназначенный для использования в поезде. Первоначально они назывались электромеханическими тормозами, но со временем название изменилось на электромагнитные тормоза в зависимости от того, как они функционируют.
Электромагнитные тормоза широко используются в локомотивной промышленности, особенно в поездах и трамваях. В начале двадцатого века поезда и трамваи использовали электромагнитные тормоза для обеспечения безопасности и эффективности своих путей. Они широко использовались в качестве систем экстренного торможения.
Однако они находят широкое применение в робототехнике, электроинструментах, машиностроении и других транспортных отраслях. Благодаря современным инновациям эти тормоза также нашли применение в авиационной промышленности, копировальных машинах и приводах конвейеров. Их другие области применения включают упаковочное оборудование, полиграфическое оборудование, оборудование для пищевой промышленности и автоматизацию производства.
Как работают электромагнитные тормоза
Принцип торможения заключается в преобразовании кинетической энергии в тепловую. При активации тормозов активируется тормозная сила, в несколько раз превышающая силу, приводящую автомобиль или транспортное средство в движение, и рассеивает связанную с этим кинетическую энергию в виде тепла.
Тормоза останавливают скорость за короткий промежуток времени независимо от того, насколько быстро движется автомобиль.
Электромагнитный тормоз использует электрический привод, но передает крутящий момент механически. Когда тормоз получает напряжение или ток, на катушку подается напряжение, создавая магнитное поле. Это поле превращает катушку в электромагнит, который создает магнитные линии потока. Магнитный поток притягивает якорь. Якорь и ступица обычно устанавливаются на вращающемся валу. Притяжение катушки к якорю и ступице приводит к остановке вала за короткий промежуток времени.
Когда тормоз больше не получает ток, якорь может вращаться вместе с валом. В большинстве типов электромагнитных тормозов пружины удерживают якорь на расстоянии от тормозной поверхности при отключении питания, создавая небольшой воздушный зазор.
Электромагнитные тормоза против вихретоковых тормозов
В то время как электромагнитный тормоз опирается на магнетизм, чтобы повернуть физический рычаг на вал колеса, чтобы остановить транспортное средство, вихретоковые тормоза используют для остановки исключительно силу двух противоположных магнитных полей.
Как следует из названия, эти тормоза основаны на вихревых токах, которые образуются, когда проводник проходит через магнитное поле. Затем проводник создает свое собственное противоположное магнитное поле, которое реагирует с исходным полем, чтобы остановить движение движущегося проводника. В вихретоковых тормозах используются электромагниты, а не постоянный магнит, поскольку в этом случае мощность магнитного поля можно лучше контролировать с помощью электричества.
Поскольку в качестве тормоза в системе используется магнитное поле, в ней меньше движущихся частей, и поэтому она работает дольше, чем электромагнитный тормоз. Обычно вихретоковые тормоза используются в таких приложениях, как аварийное отключение, высокоскоростные поезда и аттракционы в парках развлечений, а также в тренажерах для создания различных уровней сопротивления.
Типы электромагнитных тормозов
Существует множество типов электромагнитных тормозов. Наиболее широко используемый тип — односторонний дизайн.
С тех пор, как электромагнитные тормоза стали популярными, разнообразие применений и конструкций тормозов резко увеличилось.
Односторонний тормоз
Односторонние тормоза используют трение поверхности одной пластины для зацепления входного и выходного элементов сцепления. Односторонние электромагнитные тормоза составляют около 80% всех силовых тормозов
.
Тормоз отключения питания
Тормоза с отключением питания останавливают или удерживают нагрузку при отключении электропитания случайно или преднамеренно. Обычно они используются на электродвигателе или рядом с ним. Они могут использовать несколько дисков для увеличения крутящего момента без увеличения диаметра тормоза. Существует два основных типа тормозов с отключением питания.
Во-первых, это пружинные тормоза. Без подачи электричества пружина давит на нажимную пластину, удерживая между внутренней нажимной пластиной и внешней накладкой фрикционный диск.
Возникающее трение передается на ступицу, закрепленную на валу. Этот тип тормоза часто будет иметь некоторый люфт, поэтому он лучше подходит для менее точных приложений, где точное время отклика не является жизненно важным.
Второй тип тормоза с отключением питания — это тормоз с постоянными магнитами. В этом типе используются постоянные магниты для притяжения якоря через пружины. Когда тормоз задействован, постоянные магниты создают линии магнитного потока, которые, в свою очередь, могут притягивать якорь к корпусу тормоза. На катушку подается питание, чтобы отключить тормоз и создать воздушный зазор, который создает переменное магнитное поле, нейтрализующее магнитный поток постоянных магнитов. Поскольку этот тип электромагнитного тормоза имеет нулевой люфт, его лучше использовать для приложений, требующих точной остановки, например, для обеспечения безопасности. Нулевой люфт означает, что тормоз остановится точно при его применении.
Гистерезисный силовой тормоз
Устройства с электрическим гистерезисом
имеют широкий диапазон крутящего момента.
Ими можно управлять дистанционно, что делает их идеальными для испытательных стендов, где требуется переменный крутящий момент. Поскольку крутящий момент минимален, эти типы тормозов предлагают широкий диапазон крутящего момента. Когда к полю прикладывается электричество, оно создает внутренний магнитный поток, который затем передается в гистерезисный диск. Гистерезисный диск прикреплен к тормозному валу. Магнитное сопротивление гистерезисному диску вызывает постоянное сопротивление или, в конечном итоге, остановку выходного вала. Гистерезисный диск может свободно вращаться после отключения электричества, и никакая относительная сила не передается ни на один из элементов. Тогда единственным крутящим моментом между входом и выходом является сопротивление подшипника.
Тормоз частиц
Магнитопорошковые тормоза
имеют широкий диапазон рабочего крутящего момента. Тормоз с магнитными частицами позволяет очень точно контролировать крутящий момент (в пределах рабочего диапазона оборотов агрегата).
Это делает эти устройства идеальными для приложений контроля натяжения, таких как намотка проволоки, фольга, пленка и контроль натяжения ленты. Их быстрый отклик также можно использовать в приложениях с большим циклом, таких как считыватели магнитных карт, сортировочные машины и этикетировочное оборудование.
Этот электромагнитный тормоз содержит полость для порошка с магнитными частицами. Когда на катушку подается электричество, последующий поток пытается связать частицы вместе, чтобы создать своего рода слякоть магнитных частиц. Связывание частиц становится сильнее по мере увеличения электричества. Тормозной ротор проходит через эти связанные частицы, которые создают силу сопротивления, которая замедляет и в конечном итоге останавливает выходной вал.
Заключение
Выше мы рассказали все об электромагнитных тормозах, в том числе о том, как они работают, какие бывают типы и чем они отличаются от вихретоковых тормозов. Мы надеемся, что эта информация была вам полезна.
Чтобы узнать больше о других промышленных компонентах, найти поставщиков или составить собственный список поставщиков, посетите сайт Thomas Supplier Discovery, где есть информация о других аналогичных продуктах.
Источники
- https://www.electric-brake.com/
- https://www.ambitechbrakes.com/the-history-of-electromagnetic-brakes/
- https://www.machinedesign.com/motors-drives/article/21828254/electromagnetic-brakes-and-clutches
- https://www.azom.com/article.aspx?ArticleID=18334
- https://www.motioncontroltips.com/what-are-electromagnetic-power-off-brakes-and-where-are-they-used/
Связанные статьи
- Ведущие производители и поставщики конденсаторов (США и другие страны)
- Лучшие производители и поставщики трансформаторов в США и во всем мире
- Ведущие производители и поставщики реле в США и во всем мире
- Ведущие производители и поставщики интегральных схем в США и за рубежом
- Электрические опорные изоляторы
- Типы мультиплексоров
- Лучшие поставщики и производители автоматических выключателей в США и во всем мире
- Термоэмиссионные и полупроводниковые диоды
- Основы полупроводниковой технологии
- Ведущие поставщики услуг по проектированию интегральных схем в США и во всем мире
- Осцилляторы релаксации
- Огнестойкие электрические шкафы
- Прототипы в электронике, компьютерном программном обеспечении и вычислительной технике
- Ведущие поставщики и производители резисторов в США и во всем мире
- Основные электрические разъемы
- Дизайн и производительность мультиплексора
- Типы помех в электроснабжении
- Электрические двухслойные конденсаторы (суперконденсаторы)
- Производство электронных микроволновых компонентов
- Как работают сердечники трансформатора
Еще из Машины, инструменты и расходные материалы
Машины, инструменты и расходные материалы
Машины, инструменты и расходные материалы
Машины, инструменты и расходные материалы
Машины, инструменты и расходные материалы
Машины, инструменты и расходные материалы
Машины, инструменты и расходные материалы
Электромагнитный тормоз
Электромагнитные тормоза Eleflex гарантируют: высокоточный контроль крутящего момента.
Наш широкий ассортимент продукции отвечает самым разнообразным требованиям. Мы ИСО 9001:2015, ISO 14001:2015 и IATF 16949:2016. Предохранительный тормоз (тормоз с потерей мощности) электромагнитный предохранительный тормоз с потерей мощности относится к торможению пружинным давлением. Электромагнитные тормоза COMBINORM обеспечивают включение тормоза при включении питания. COMBINORM предлагает полный спектр тормозов, сцеплений и их комбинаций в качестве неотъемлемых и дополнительных компонентов для применения в машинах, установках и оборудовании. 110,69 долларов США. Настройка Ардуино. фрикционный тормоз BXL. Недорогой тормоз отключения питания с электромагнитным отключением. средний момент ускорения двигателя среднее значение тормозного момента 3) Крутящий момент нагрузки и коэффициент инерции. Как одна из ведущих организаций в этой области, мы поглощены обеспечением электромагнитного тормоза высшего качества. 7. Предохранительные тормоза и ограничители крутящего момента производственного подразделения Narsipur & Son предназначены для защиты оборудования от повреждений из-за сбоев питания, колебаний и внезапных перегрузок.
Electromate предлагает различные электромагнитные тормоза включения и выключения питания, а также тормоза с фланцем и валом от Inertia Dynamics. С тех пор, как стал популярным в середине 20-го века, особенно в … С тех пор, как электромагнитный пружинный тормоз ; Общее описание Промышленный: Электромагнитный пружинный тормоз. В целях безопасности он оснащен электромагнитным торможением, звуковым предупреждением и мигающим светом, датчиком препятствий, переключателем бампера и электронной остановкой. Вот краткая история об этой технологии торможения и о том, как она развивалась. В прошлом некоторые компании называли их «отказоустойчивыми» тормозами. Без питания тормоз размыкается и вал может свободно вращаться. Электромагнитный тормоз хорошо подходит для таких условий, так как самостоятельно поглощает более 300 л.с. (Reverdin 1974). Таким образом, он может превосходить требования непрерывного непрерывного торможения, оставляя фрикционные тормоза холодными и готовыми к экстренному торможению в условиях полной безопасности.
Таким образом, тормоз выключен. Диапазон крутящего момента электромагнитного тормоза AMB: от 0,25 до 8 Нм / от 2 до 70 дюйм-фунтов. Эти тормоза точно произведены в соответствии с установленными параметрами промышленности, используя металл хорошего качества, который получен от заслуживающих доверия продавцов. При отсутствии питания тормоза остаются выключенными. Принцип работы Принцип работы электромагнитного тормоза основан на создании магнитного поля в металлическом диске, вращающемся между двумя электромагнитами, которое создает силу, противодействующую вращению диска. Подобно реверсивному двигателю, двигатель с электромагнитным тормозом представляет собой реверсивный двигатель с прикрепленным электромагнитным тормозом, активируемым при отключении питания. Электромагнитный тормоз — новая идея. Из-за этого они имеют более длительный срок службы и твердые. Reach Machinery Co., Ltd. Reach Machinery Co., Ltd (www.reachgroup.cn) является ведущим мировым производителем электромагнитных тормозов и прецизионных механических изделий в Китае.
Чтобы отключить тормоз, на катушку подается питание, которое создает переменное магнитное поле, нейтрализующее магнитный поток постоянных магнитов. Они используются для быстрой остановки сборки каждый раз для наполнения бутылок. Первоначально они назывались «электромеханическими тормозами», но с годами название изменилось на «электромагнитные тормоза», что связано с методом их срабатывания. ОТПРАВИТЬ ЭЛЕКТРОННУЮ ПОЧТУ. Электромагнитный тормоз и выпрямитель для двигателя с тормозом Электромагнитные тормоза с питанием от постоянного или переменного тока для двигателей с электрическим тормозом и центробежные муфты для однофазных двигателей. Производитель электромагнитного тормоза — электромагнитные дисковые тормоза, сигнальные фазовые тормоза переменного тока, электромагнитные тормоза и электромагнитные тормоза для подъемников, предлагаемые Shruti Engineering, Ахмадабад, Гуджарат. Характеристики электромагнитного двигателя включают реакцию на время пуска, время останова, выбег и т. д. ・Малоразмерный блок с большим тормозным моментом.
Кроме того, с помощью электромагнитного … Существуют как гидравлические, так и электромагнитные типы. В этом проекте мы предлагаем работать с новым типом электромагнитного тормоза с использованием электромагнитного выключателя. Этот тип тормоза используется в самых разных приложениях, от копировальных машин до конвейерных приводов. Главная Информация о продукте Электромагнитный тормоз. Базовая модель электромагнитного тормоза состоит из корпуса статора с залитой катушкой и соединительным кабелем и диска якоря, к которому приклепана возвратная пружина. Конструкция электромагнитной тормозной системы очень проста. Электромагнитные тормоза | Компоненты RS Электромагнитный тормоз Электромагнитные тормоза (также называемые электромеханическими тормозами или электромагнитными тормозами) замедляют или останавливают движение, используя электромагнитную силу для создания механического сопротивления (трения). Miki Pulley предлагает электромагнитные тормоза вала в нескольких стилях и конфигурациях для надежного удержания и торможения в высокоточных приложениях.
в этой статье мы увидим, как работает электромагнитный тормоз постоянного тока. Двигатели с тормозом SPG сочетают в себе трехфазный и однофазный двигатель с электромагнитным тормозом в одном устройстве. Звоните 08048576698 62% Частота ответов. Электромагнитный тормоз. 08AQGPS4708R1Z0. Эти тормоза требуют меньше обслуживания. Электромагнитная тормозная система — это новая тормозная система, которая используется в легковых и грузовых автомобилях, таких как джипы, автобусы, автомобили, грузовики, поезда и мотоциклы. Они обеспечивают экономичный вариант остановки и удержания вала на месте. > Сделайте выбор из дерева продуктов. В вихретоковом тормозе магнитное поле может создаваться постоянным магнитом или электромагнитом. Электромагнитный тормоз — это вспомогательное тормозное устройство для крупногабаритных транспортных средств, таких как грузовики и автобусы. катушка с фиксированным полем действует как электромагнит для управления положением якоря, чтобы он либо зацеплялся, либо расцеплялся с конструкцией для создания удерживающего / тормозного момента.
Электромагнитные колодочные тормоза производства Speed-O-Controls (производитель SOC) подходят для работы на мельницах. Электромагнитные тормоза постоянного тока также используются для управления механизмом барабанного тормоза, чтобы разрешить и ограничить вращение тормозного барабана в соответствии с требованиями. Тормоза останавливают скорость за короткий промежуток времени независимо от того, насколько быстро движется автомобиль. Эти электрически заряженные магнитные тормоза доступны в различных размерах и типах, таких как Power on и Spring Applied. Иногда они могут быть ошибочно определены счетчиками осей как другая ось. Haag-Streit UK представляет новую MOLLER ALLEGRA 590 Микроскоп двойного назначения, предназначенный как для ЛОР-, так и для офтальмологической хирургии. Вот программа, используемая с Arduino (файл прилагается): const int … В этой отрасли существует строгая зависимость между весом, мощностью и общей стоимостью. У него точное позиционирование и меньшая инерция, нет усталости металла тормоза… Первоначальное название было «электромеханические тормоза», но с годами название изменилось на «электромагнитные тормоза», ссылаясь на способ их срабатывания.
Электромагнитный однодисковый тормоз Ассортимент состоит из ряда различных моделей компонентов приводной системы в разрезе. ОРИЕНТАЛМОТОР Ко., Лтд. Когда пластина вкладыша изнашивается по мере использования, то только воздух… никаких выбросов пыли. Подробная информация о продукте: Электромагнитные тормоза переменного тока, которые подходят для питания переменного тока напряжением от 400 до 440 вольт и доступны для широкого диапазона размеров барабанов диаметром от 100 мм до 380 мм. После того, как тормоз установлен, он не требует регулировки или обслуживания. фрикционный тормоз. Основан в 1938, Ogura является крупнейшим в мире производителем электромагнитных муфт и тормозов. Магнитное сопротивление на гистерезисном диске обеспечивает постоянное сопротивление или возможную остановку выходного вала. Аварийный или предохранительный электромагнитный тормоз имеет тепловой экран между фрикционным телом и катушкой для защиты катушки DE19842926B4 (en) Ведущими странами-поставщиками являются США, Китай и Тайвань, Китай, из которых процент поставки электромагнитного тормоза составляет 1%, 99% и 1% соответственно.
・Простая установка, настройка не требуется. Bakrol Gidc, Ахмадабад, Гуджарат Номер GST. Характеристики электромагнитного двигателя зависят от следующих трех элементов. Лучшие тормозные продукты и наличие складских запасов в бизнесе, доступные онлайн, по телефону или по факсу от RS Components. Вот почему их раньше называли электромеханическими сцеплениями и тормозами. Текущая производственная мощность составляет более 30 миллионов в год. Электромагнитные тормоза и электромагнитные муфты Эти электромагнитные тормоза и электромагнитные муфты используют электромагнит для создания момента сопротивления. Момент сопротивления зависит от входного тока и не зависит от скорости проскальзывания, постоянной … Miki Pulley Europe AG. Электромагнитную тормозную систему также называют электромеханическим тормозом. ШКИВ МИКИ В МУМБАИ, ИНДИЯ Электромагнитные муфты и тормоза — это устройства, которые, как следует из их названий, соединяют, расцепляют, тормозят и удерживают машины на месте с помощью электромагнитной силы, создаваемой пропусканием тока через катушку.
Неудивительно, что в аэрокосмических приложениях часто имеет смысл использовать индивидуальные тормоза. Отправить письмо. Аннотация: Электромагнитный тормоз уже признан пользователями одним из видов бесконтактного тормоза. универсальность и гибкость. Наши специалисты специализируются на изготовлении магнитных тормозов с барабанами разных размеров. производитель / поставщик электромагнитных тормозов, список производителей и фабрик в Китае электромагнитных тормозов, быстро найдите квалифицированных китайских производителей, поставщиков, фабрик, экспортеров и оптовиков на Made-in-China.com. Электромагнитная тормозная система: тормозная система восходящего типа. В электромагнитных тормозах используется электродвигатель, встроенный в автомобиль, который помогает автомобилю остановиться. Магнитные тормоза используются в высокоскоростных поездах (максимальная скорость более 160 км/ч). Электромагнитная тормозная система нового поколения. Продается экономичный электромагнитный тормоз вала, с компактной конструкцией, статический крутящий момент можно выбрать 400 Нм, 200 Нм, 100 Нм, от 50 Нм до 6 Нм, номинальное напряжение постоянного тока 24 В, электромагнитный тормоз можно использовать во влажной или сухой среде.
Наши тормоза EM доступны с вариантами монтажа на вал и ротор, а также в исполнениях, обеспечивающих крутящий момент до 320 Нм. А также, для автомобилей, подобных походу, автомобиль имеет эффективную тормозную систему. Любой, кто включает газонный трактор, копировальную машину или… Ассортимент электромагнитных порошковых тормозов Eleflex, от маленького B.121 до более крупного B.5000. Характеристики ・Два различных размера по внешнему диаметру; ø24, ø28 и ø33. С годами ЭМ стали называть электромагнитными стихами, электромеханическими, имея в виду… Электромагнитный тормоз Telma, существующий более 70 лет и являющийся мировым лидером в области вторичных электромагнитных тормозов-замедлителей. Электромагнитные тормоза надежно удерживают микроскоп в необходимом рабочем положении. Модель BXL представляет собой компактный тормоз для экстренного торможения. > Стандартный двигатель переменного тока > Прямоугольный редуктор > Прямоугольный редуктор и мотор в комбинации > Электромагнитный тормоз … 5 из 5 на основании 1 отзыва | Написать рецензию.
Электромагнитный тормоз Общее описание Промышленный: Электромагнитный тормоз В этих тормозах используется одна фрикционная поверхность пластины для зацепления входных и выходных элементов тормоза. Вихревой ток (магнитный) и электромагнитное торможение в основном используются для остановки или замедления тяжелого и высокоскоростного транспортного средства, такого как поезд и т. Д. Проверенные производители принимают заказы на образцы. Эти продукты есть на складе и готовы к отправке. См. стр. 19для получения дополнительной информации об этой модели. Электромагнитные тормоза — это устройства, которые используют электромагнитную силу для удержания груза на месте. Он насаживается на карданный вал и создает тормозное усилие. Henan Golden Hoop Brake Co., Ltd — компания, специализирующаяся на исследованиях, разработках, производстве и продаже крановых тормозов. Мы в основном продвигаем новые серии продуктов, таких как гидравлический предохранительный тормоз, электромагнитный предохранительный тормоз и так далее.
Эти тормоза с отказоустойчивой конструкцией приводятся в действие за счет энергии, хранящейся в пружине сжатия. Эти тормоза должны обеспечивать максимальный выходной крутящий момент при наименьших размерах, весе и мощности. Найдите подробную информацию о компаниях, поставляющих электромагнитные тормоза, производящих и оптовых продажах электромагнитных тормозов в Индии. Работа электромагнитных тормозов действительно очень проста, и мы знаем, что когда электричество подается на поле, оно создает внутренний магнитный поток, и этот поток затем перемещается на гистерезисный диск, проходящий через поле. Этот магнитный тормоз изготовлен с использованием оптимального качества нержавеющей стали 304 и инновационной технологии. При активации тормозов активируется тормозная сила, в несколько раз превышающая силу, приводящую автомобиль или транспортное средство в движение, и рассеивает связанную с этим кинетическую энергию в виде тепла. Вам доступен широкий выбор вариантов электромагнитного тормоза, есть 9959 поставщиков, которые продают электромагнитный тормоз на Alibaba.
com, в основном расположены в Азии. Электромагнитный тормоз по низкой цене на продажу, статический крутящий момент можно выбрать 400 Нм, 200 Нм, 100 Нм, 50 Нм, 25 Нм, 15 Нм, 6 Нм, номинальное напряжение постоянного тока 24 В, максимальная скорость 1800 об / мин, высокая скорость, простая установка и простота обслуживания, прямые продажи производителя. Благодаря своей компактности они указываются там, где важно сократить время остановки до минимума. Электромагнитные тормоза. Электромагнитный тормоз COMBINORM от KEB представляет собой тормоз при включении питания. Электромагнитные тормоза работают электрически, но передают крутящий момент механически. Основная цель конструкции остается неизменной независимо от того, устанавливается ли тормоз на привод закрылков истребителя или на привод сиденья в частном самолете. Электромагнитные тормоза — это механическая часть, которая останавливает или, по крайней мере, замедляет вращательное движение. Электромагнитные тормоза (также называемые электромеханическими тормозами или электромагнитными тормозами) замедляют или останавливают движение, используя электромагнитную силу для оказания механического сопротивления (трения).
Следовательно, он известен как тормоз при включении питания. Электромагнитные фрикционы аналогичны тормозам. Поставщики на Alibaba.com предлагают для продажи 713 электромагнитных тормозных колодок, из которых на автомобильные тормозные колодки приходится 7%, на промышленные тормоза — 1%, а на другие автоматические тормозные системы — 1%. СТРОИТЕЛЬСТВО. Электромагнитные тормозные двигатели. 1046 Электромагнитный тормоз результаты из 259Китайские производители. Тормоза с приводом от рабочего тока COMBINORM B являются наиболее экономичным решением для тормозных и стопорных нагрузок для установки на фланцах и валах в машинах и установках. Особенности и типы двигателей с электромагнитным тормозом Электромагнитный тормоз с отключением питания Оборудован электромагнитным тормозом с отключением питания переменного тока, который обеспечивает мгновенную остановку двигателя при отключении питания, сохраняя при этом нагрузку на месте. * Установленные сзади электромагнитные тормоза включения и выключения в качестве функций безопасности и энергосбережения, обеспечивающих повышенную удерживающую способность.
EMCO Simplatroll тип 14.458 Подпружиненный отказоустойчивый Электромагнитный тормоз постоянного тока предназначен для выполнения функций удержания, а также функции аварийного останова (нормально включен), что делает его особенно подходящим для двигателей с тормозом. Универсальность их приложений включает электромагнитное торможение, структурную оценку и определение близости. Звоните 08042537556 92% Скорость отклика. пониженный остаточный крутящий момент. Электромагнитные тормоза. это электромагнитное торможение. Простое для понимания описание электромагнитного тормоза! Эксель Электромагнетизм. Производитель тормозных двигателей, электромагнитных муфт и тормозных выпрямителей переменного/постоянного тока, предлагаемый компанией Excel Electromagnetics из Удайпура, Раджастхан, Индия. В то время как отдельные инновации могут обеспечить ощутимые преимущества, объединение их всех в одной тормозной системе увеличивает преимущество. Первоначально создана в 1993 году в Чэнду, провинция Сычуань.
ВИДЕО ТЕХНОЛОГИИ COMBINORM представляет собой экономичный вариант торможения, который может быть сконфигурирован как с фланцем или с креплением на валу. Вот краткая история об этой технологии торможения и о том, как она развивалась. Производитель электромагнитных тормозов — тормоза цепной лебедки, запасных частей тормозов для кранов, электромагнитных тормозов и дисковых тормозов, предлагаемых Shruti Engineering, Ахмадабад, Гуджарат. Гистерезисный диск соединен с тормозным валом. Тормоза с включением питания KEB обеспечивают торможение при подаче электропитания. Электромагнитный тормоз, 24 В пост. тока, 6 Нм/200 Нм. Эти тормоза ценятся за их коррозионную стойкость, простоту установки и бесперебойную работу. Мы заняты производством и поставкой электромагнитного тормоза оптимального качества. Электромагнитный тормоз разрушает правило электромагнетизма. Обнаружено, что электромагнитные тормоза могут создавать мощность, которая почти вдвое превышает максимальную выходную мощность обычного двигателя и не менее чем в три раза превышает энергию торможения дымового тормоза для остановки транспортного средства.
Мы стоим посреди известных Поставщиков электромагнитных тормозов, базирующихся в Индии. Затем была выдвинута конструкция инновационного гибридного тормоза с двойным диском. Обзор электромагнитных муфт и тормозов Altra Industrial Motion предлагает полный спектр электромеханических муфт и тормозов для промышленного применения по всему миру. Электромагнитные тормоза (также называемые электромеханическими тормозами или электромагнитными тормозами) замедляют или останавливают движение, используя электромагнитную силу для оказания механического сопротивления (трения). Ogura известна высококачественной продукцией и постоянными инновациями. Проверено TrustSEAL. При подаче тока на тормоз один диск притягивается электромагнитом против давления пружины, и пластина вкладыша освобождается. Моторные тормоза серии PBM представляют собой односторонние фрикционные тормоза, активируемые при включении питания, с электрическим приводом 12, 24, 103,5 В постоянного тока. Эти тормоза имеют электромагнитный привод с двумя фрикционными поверхностями на одном диске.
Электромагнитные тормоза (также называемые электромеханическими тормозами или электромагнитными тормозами) замедляют или останавливают движение, используя электромагнитную силу для оказания механического сопротивления (трения). IV. Когда тормоз включен, постоянные магниты создают линии магнитного потока, которые, в свою очередь, могут притягивать якорь к корпусу тормоза. Первоначальное название было «электромеханические тормоза», но с годами название изменилось на «электромагнитные тормоза», что связано с методом их приведения в действие. Учить больше. Пружинные тормоза останавливают или удерживают нагрузку при случайном или преднамеренном отключении электропитания. В электромагнитной системе тормозное усилие можно включать и выключать (или изменять) путем изменения электрического тока в обмотках электромагнита. Принимаются прямые заказы Видео о продукции Сортировать по Запросить цену на электромагнитные тормоза… Крутящий момент: 2 Нм — 22 Нм. Виды … 24BADPK0923Н1ЗС. Электромагнитный аварийный тормоз Китайский каталог электромагнитных тормозов 100-нм Ys-B-10-100 DC24V для машинного электромагнитного тормоза, электромагнитный стандартный тормоз Ys-Bi-100, предоставленный китайским производителем — Dongguan Weizheng Electromechanical Technology Co.
, Ltd., стр. 1. Электромагнитная тормозная система является новой концепцией. Электромагнитные однодисковые отказоустойчивые тормоза. Электромагнитные тормоза используются в качестве дополнительного тормозного устройства в дополнение к штатным фрикционным тормозам. Все муфты и тормоза могут использоваться в любом положении установки и практически не требуют обслуживания. Тормоза серии PBM состоят из 3 вариантов VAR00, VAR01 и VAR02. Пахада, Удайпур, Раджастхан. Они абсолютно бесконтактны. Электромагнитные муфты и тормоза используются везде, где движущиеся массы должны приводиться в движение или замедляться как можно быстрее. Принцип торможения предполагает преобразование кинетической энергии в тепловую. 6. Он обычно используется в упаковочном и пищевом оборудовании, медицинском оборудовании, … При подаче питания на магнитную катушку постоянного тока, тормозах… Давайте посмотрим на различные компоненты электромагнитного тормоза постоянного тока, а затем мы увидим принцип работы, т.е. КОНСТРУКЦИЯ И КОНСТРУКЦИЯ ТОРМОЗНОЙ ЭЛЕКТРОМАГНИТНОЙ СИСТЕМЫ Электромагнитный тормоз состоит из трех частей: 1) поле 2) якорь 3) ступица (которая является входом в тормоз) Обычно магнитное поле крепится болтами к раме машины (или используется моментный рычаг, который может управлять крутящим моментом тормоза).
Тормоз, предназначенный для общепромышленных устройств, имеет нулевой люфт, ступицу якоря и полевые узлы, в которых могут быть установлены подшипники для дополнительной опоры вала. БХЛ. Эти электрически заряженные магнитные тормоза доступны в различных размерах и типах, таких как Power on и Spring Applied. Его можно использовать в качестве дополнительных тормозов, а также использовать для остановки вращения валов высокопроизводительных машин на предприятиях. Электромагнитные тормоза обычно состоят из ряда компонентов, включая фрикционный диск, катушку возбуждения, якорь и ступицу, которые можно прикрепить к валу. зависит от инерции нагрузки. Это физически большие куски металла, установленные на тележке транспортного средства всего в нескольких сантиметрах над гусеницей. Поэтому для работы требуется электроэнергия. Электромагнитная система управления тормозом представляет собой электрическую систему переключения, которая обеспечивает превосходную управляемость. Этот тормоз чрезвычайно безопасен, аварийное торможение при отключении питания, чтобы предотвратить механическое инерционное движение.
・Долгий срок службы достигается за счет стойкости к истиранию фрикционной пластины. Смелые и нонконформистские, мы обеспечиваем безопасность и экономию как компаниям, так и частным лицам в промышленном, ветроэнергетическом и транспортном секторах. Тормоза при включении используются для остановки или удержания нагрузки, соединенной с узлом ступицы якоря. Детали, необходимые для конструкции, это электромагнит, реостат, датчики и магнитный изолятор. Получите электромагнитный тормоз по лучшей цене от розничных продавцов электромагнитного тормоза, продавцов, трейдеров, экспортеров и оптовиков, перечисленных на ExportersIndia.com. Электромагнитные тормоза часто используются, когда серьезной проблемой является загрязнение окружающей среды вытекающими жидкостями (например, гидравлическая жидкость в случае гидравлических тормозов). Номер GST. Инженеры Modimaz предлагают высокоэффективные электромагнитные тормоза Maxitorq нормально выключенного типа или принудительные тормоза. Электромагнитные тормоза используются и в других областях, таких как заводы по розливу.
Тормозное усилие прикладывается с помощью пружин сжатия. Тормозные двигатели SPG, благодаря их способности резкого торможения, особенно подходят для подъемных механизмов и перемещения рукавов. Артикул: ATO-EB-FBD2 Недостатки: Электромагнитные тормоза, как правило, дороже, чем другие типы отказоустойчивых тормозов (например, пневматический тормоз, обеспечивающий сопоставимый уровень крутящего момента). В этой статье сначала кратко были представлены основной принцип и применение технологии электромагнитного торможения. Вам доступны различные сборки электромагнитного тормоза, в том числе никакие, малайзия и италия. Так как базовый двигатель является реверсивным, рабочий цикл такой же при 50% (максимум 30 минут непрерывной работы). Компактный размер. Тормоза здесь часто должны выдерживать большие нагрузки. Типы электромагнитных тормозов В аэрокосмической технике наиболее важны мощность и вес. Однако муфты зацепляют два вала в параллельной или линейной конфигурации. Первоначально они назывались «электромеханическими тормозами», но с годами название изменилось на «электромагнитные тормоза», что связано с методом их срабатывания.
Ступица якоря крепится к грузовому валу. Китайские производители электромагнитных тормозов — выберите высококачественные электромагнитные тормоза 2021 года по лучшей цене от сертифицированных китайских тормозов, машинных тормозов… Shruti Engineering. Вы когда-нибудь задумывались, как были изобретены электромагнитные тормоза? Идеально подходит для приложений, требующих удерживания нагрузки Мировой стандарт в разработке, производстве и распространении электромагнитных тормозов. Доступно несколько вариантов, все из которых работают по одному и тому же принципу — подача электрического тока через электромагнитную катушку для создания магнитного поля… Электромагнитные тормоза обычно состоят из ряда компонентов, включая фрикционный диск, катушку возбуждения, якорь и ступица, которая может быть прикреплена к валу. Вторичное электромагнитное торможение и аварийный реверс входят в стандартную комплектацию. Вы когда-нибудь задумывались, как были изобретены электромагнитные тормоза? Этот проект представляет собой новую технологию тормозной системы.
Эти тормоза являются тормозами при включении питания, так что торможение происходит, когда на тормоз подается напряжение постоянного тока. Относительно тонкий профиль этих тормозов по сравнению с обычными пружинными тормозами делает их идеальным кандидатом для различных применений, обеспечивая при этом хорошее соотношение крутящего момента и размера. Люди используют электромагнитные (ЭМ) муфты и тормоза каждый день и часто не осознают этого. электромагнитная аварийная ситуация.
Производственные номера Porsche 2020,
Пример Websocket Java Мкионг,
Как сделать бота Discord Economy 2020,
Результаты конкурса Edge Dance,
Тематическое исследование больничного инфекционного контроля,
Сэр Саймон Маджумдар был посвящен в рыцари королевой Елизаветой,
Пример оформления заказа с полосой,
Американский институт ландшафта,
Формула квартильного отклонения для сгруппированных данных,
Части падения Warframe Shedu,
Квартильное отклонение также известно как
Сколько лет было Джонни Вайсмюллеру, когда он умер,
Excel Редактировать именованный диапазон,
Вход в общественный колледж Маунт-Вачусетт,
Прижми эту маггловскую футболку,
Кроссворд Ballyhoos,
Электромагнитные тормоза — SEPAC
Электромагнитные тормоза — это устройства, которые используют электромагнитную силу для удержания груза на месте.
Доступно несколько вариантов, все из которых работают по одному и тому же принципу — подача электрического тока через электромагнитную катушку для создания магнитного поля, достаточно сильного, чтобы перемещать якорь по магнитной поверхности или от нее. Поверхность трения создает необходимый тормозной момент. Эти тормозные системы используются в аэрокосмической и оборонной промышленности, робототехнике, медицинских системах и многих других, где требуется быстрое время отклика и стабильная работа. SEPAC — поставщик решений в области сцепления и тормозов, специализирующийся на разработке и производстве электромагнитных тормозов с пружинным и магнитным приводом для ряда высокопроизводительных и критически важных приложений.
Типы электромагнитных тормозов, доступные в SEPAC
Пружинные тормоза или тормоза с выключением питания и магнитные тормоза или тормоза с включением питания представляют собой две отдельные категории электромагнитных тормозов, которые различаются по конструкции и работе.
В конструкциях с пружинным включением или отключением питания тормоз срабатывает при отключении питания. В этом состоянии пружины сжатия оказывают давление на пластину якоря, вдавливая ее во фрикционный диск, чтобы предотвратить вращение. Когда питание возвращается на катушку, тормоз отключается, и вал может свободно вращаться.
Компания SEPAC предлагает следующие конструкции тормоза отключения питания с пружинным приводом:
- Зубчатый тормоз (SETB) Серия: В зубчатых тормозах с пружинным приводом используются пружины, которые заставляют зубья якоря входить в зацепление при отключении тока.
- Пружинный тормоз (SEB) Серия: В стандартных фрикционных тормозах используются фрикционные диски для передачи крутящего момента при сжатии, остановке или удержании нагрузки при отключении питания. Ассортимент продукции SEB можно настроить в зависимости от области применения, а фрикционный материал можно выбрать для достижения наилучших результатов.

- Тормоз с тонкой пружиной (TSEB), серия: Наши недорогие конструкции с тонкой пружиной имеют более тонкий профиль по сравнению со стандартными конструкциями с пружиной, что обеспечивает им превосходное соотношение крутящего момента и размера.
- Ультратонкий пружинный тормоз (UTSEB) Серия: Сверхтонкий тормоз имеет самый тонкий профиль среди наших тормозов отключения питания, что делает его подходящим для размещения в условиях ограниченного пространства и использует ШИМ для понижения напряжения.
- Пружинный тормоз с ручным растормаживанием (MSEB) Серия: Наши тормоза с ручным растормаживанием оснащены рычагом, обеспечивающим ручное управление при отсутствии питания.
В отличие от тормозов с отключением питания, магнитные тормоза или тормоза с включением питания срабатывают при включении питания. При отсутствии питания якорь отсоединяется от корпуса магнита и может свободно вращаться.
Расцепляющие пружины, расположенные между якорем и выходной пластиной, помогают удерживать якорь в этом расцепленном положении. Когда на катушку подается питание, якорь сцепляется с корпусом магнита, и прикрепленная нагрузка может удерживаться. Зубчатые тормоза SEPAC с магнитным приводом выпускаются в различных типоразмерах с различным номинальным крутящим моментом и скоростными характеристиками.
Возможности и характеристики электромагнитного тормоза
Электромагнитные тормоза представляют собой сложные узлы, обеспечивающие малое время отклика; высокий крутящий момент; и может быть спроектирован для плавной работы без люфта. Тем не менее, независимо от их конкретной конструкции и характеристик, все электромагнитные тормоза могут выполнять одну или все из следующих основных функций:
- Замедление груза
- Остановка груза
- Статическое удержание
Особая конструкция электромагнитного тормоза и метод включения будет диктовать типы приложений, для которых он лучше всего подходит.
Например, в то время как зубчатые тормоза отлично подходят для статических или удерживающих операций, их принудительная блокировка делает их непригодными для операций, требующих динамического зацепления. С другой стороны, конструкции электромагнитных тормозов с фрикционными дисками обеспечивают контролируемое постепенное замедление, необходимое для динамического включения или остановки. Конкретные конструкции электромагнитных тормозов и механизмы их включения более подробно рассматриваются ниже.
Пружинные тормоза с отключением питания
Пружинные фрикционные тормоза полагаются на давление пружины, которое вдавливает пластину якоря во фрикционный диск при отключении питания и рассеянии электромагнитного поля. Возникающее в результате сжатие фрикционного диска между пластиной якоря и нажимной пластиной передает крутящий момент, который позволяет тормозу останавливать или удерживать прикрепленные грузы при отсутствии мощности.
Пружинные тормоза отключения питания часто используются в приложениях, требующих функции аварийного останова в случае сбоя питания.
Другие распространенные приложения включают в себя:
- Приводы
- Роботизированные руки
- Двигатели
- Подъемники
- Поверхности управления полетом
Тормоза с магнитным включением
крутящий момент тормоза и удерживающие свойства. Эти тормоза при включении активируются, когда на катушку подается ток. Ток создает сильное магнитное притяжение, которое позволяет якорю преодолевать пружины расцепления, скользить по шлицам выходной пластины и зацепляться с корпусом магнита. Когда зубья входят в зацепление, прикрепленный груз можно остановить или удержать.
Сила и трение магнитного поля, создаваемого в тормозах при включении питания, создают силу, необходимую для остановки вращательного движения. Этот тип торможения требуется в следующих приложениях:
- Приводы подъема
- Приводы клапанов
- Системы позиционирования
- Двери
Электромагнитный тормоз Преимущества и преимущества
Электромагнитные тормоза обеспечивают множество преимуществ, включая:
- Уменьшенный износ.
Величина трения, необходимая для замедления или остановки нагрузки в механических тормозных системах, может со временем привести к значительному износу компонентов тормоза. Используя электромагнитную силу и правильно подобранный фрикционный материал для обеспечения замедления/остановки, электромагнитные тормоза помогают уменьшить износ. - Повышенная производительность. Электромагнитный тормоз можно настроить таким образом, чтобы обеспечить быстрое срабатывание, точное зацепление и плавную работу без люфта.
- Снижение затрат. За счет снижения износа компонентов и повышения эффективности тормозов решения с электромагнитным торможением служат дольше и требуют значительно меньшего обслуживания.
- Улучшенный отвод тепла. Хорошо спроектированные электромагнитные тормозные системы могут быть более эффективными при рассеивании тепла по сравнению с механическими системами и другими альтернативами.

При правильном соответствии своему назначению электромагнитный тормоз может повысить эффективность и безопасность работы, сокращая при этом износ, техническое обслуживание и время простоя. В SEPAC мы понимаем часто критический характер тормозных приложений и тесно сотрудничаем с клиентами из различных отраслей, чтобы предоставить высокопроизводительные и надежные решения для электромагнитного торможения, способные выдерживать самые сложные условия. В дополнение к нашему широкому выбору готовых продуктов, у нас также есть опыт проектирования и производственные возможности для разработки решений по индивидуальному заказу для уникальных или специализированных тормозных систем.
Чтобы узнать больше о наших электромагнитных тормозах и о том, как их можно настроить в соответствии с вашими потребностями, свяжитесь с нами или запросите предложение сегодня.
Работа при включении питания
ТОРМОЗА С МАГНИТНЫМ ВКЛЮЧЕНИЕМ
Зубчатый тормоз (METB)
Эксплуатация (щелкните, чтобы увеличить)
Описание Этот тормоз предназначен для сухого и магнитного масляного торможения
EP.
Его можно пилотировать либо по внешнему диаметру, либо по отверстию корпуса магнита. Доступно множество вариантов.
Технические характеристики
ЭКСПЛУАТАЦИЯ ОПЕРАЦИИ
Пружинные тормоза
Зубной тормоз (SETB)
Операция (Кличок для увеличения)
Описание
. сухая и в масле. Его можно пилотировать либо по внешнему диаметру, либо по отверстию корпуса магнита. Доступно множество вариантов.
Технические характеристики
Фрикционный дисковый тормоз (SEB)
Эксплуатация (щелкните, чтобы увеличить)
Описание
Эта модель SEPAC с пружинным тормозом отключается электромагнитным способом и может использоваться как всухую, так и в масле, в зависимости от типа используемого фрикционного материала. Доступно множество вариантов.
Технические характеристики
Тонкий пружинный тормоз (TSEB)
Эксплуатация (щелкните, чтобы увеличить)
Описание
тип используемого фрикционного материала.
Относительно тонкий профиль этих тормозов по сравнению с обычными пружинными тормозами делает их идеальным кандидатом для различных применений, обеспечивая при этом хорошее соотношение крутящего момента и размера.
Технические характеристики
Многодисковый тормоз (MSB)
Эксплуатация (щелкните, чтобы увеличить)
Описание
Этот пружинный тормоз разработан специально для приложений, требующих торможения при отключении питания или при длительном включении тормоза. времени. Также доступны пружинные муфты. За подробностями обращайтесь в компанию SEPAC Engineering. Доступно множество вариантов.
Технические характеристики
Тормоз с ручным растормаживанием (MSEB)
Эксплуатация (щелкните, чтобы увеличить)
Описание
Этот недорогой тормоз SEPAC с ручным отключением питания предназначен для работы всухую и легко устанавливается на двигатель или раму.
..]
..]
скорость. Об/мин