Содержание
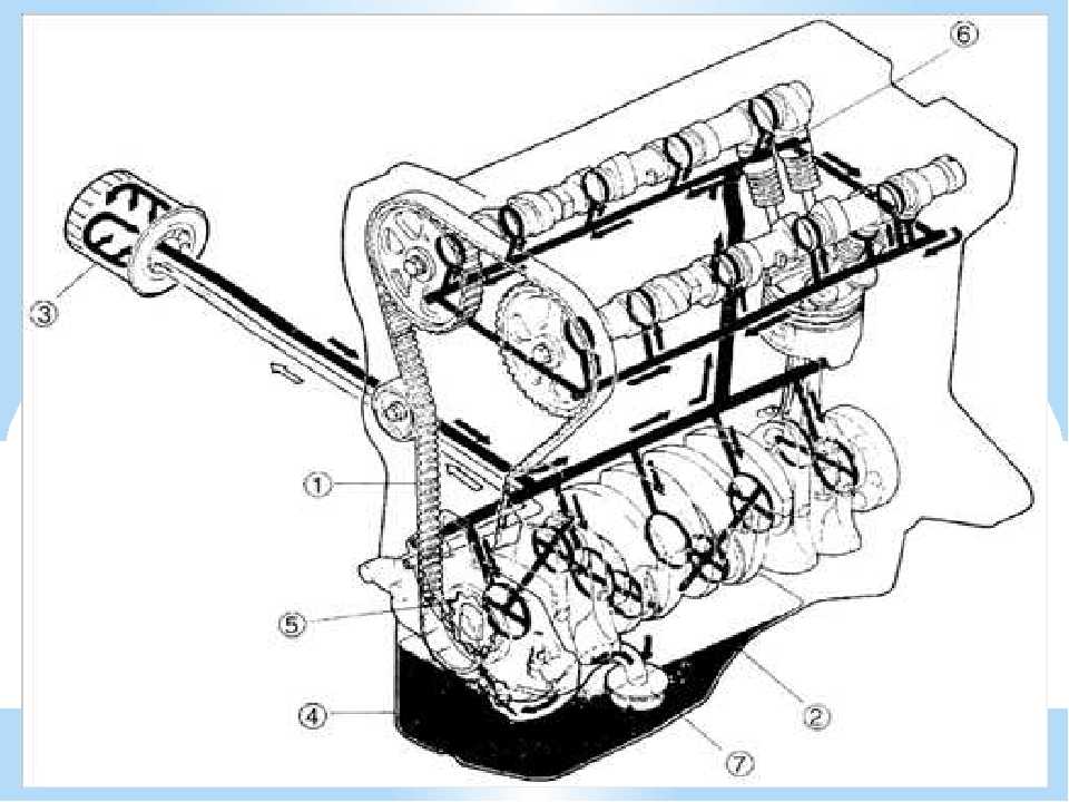
Система смазки двигателя
16.05.2010
Система смазки двигателя
Двигатель в процессе работы генерирует большое количество тепла. Количество тепла, выделяющегося между некоторыми движущимися частями, настолько велико, что двигатель внутреннего сгорания не может работать долго и безотказно. Для этого и служит система смазки, которая обеспечивает устойчивую подачу масла под давлением к движущимся частям двигателя. Смазка уменьшает нагрев в результате трения и предотвращает взаимное трение элементов двигателя друг о друга. Кроме того, масло помогает охлаждать двигатель, смывать продукты износа и грязь и уменьшать уровень шума.
Основные элементы системы смазки — это:
• Масляный картер
• Фильтрующая сетка
• Масляный насос
• Масляный фильтр
• Масляные уплотнения
• Щуп для измерения уровня масла
• Манометр для измерения давления масла
• Герметизирующие материалы
Моторное масло
Современные моторные масла изготавливаются или из сырой нефти или из искусственно синтезированных химических соединений.
Некоторые моторные масла изготавливаются из того и другого вместе и называются полусинтетическими.
Моторные масла классифицируются согласно классам вязкости SAE по классификации Общества инженеров-автомобилистов (Society of Automotive Engineers (SAE)). Вязкость — это мера текучести жидкости, т.е. ее способности к перемещению. При данной температуре вязкое (густое) масло не течет так быстро, как менее вязкое масло при той же самой температуре, поэтому более вязкое масло будет иметь более высокий класс вязкости. Масла классифицируются согласно их вязкости в соответствии с наружной температурой. Вязкость — это показатель характеристик масла при данной температуре. Информация о вязкости ничего не говорит о качестве масла.
В настоящее время в двигателях внутреннего сгорания используются масла, рассчитанные только на один интервал температур, и универсальные (всесезонные) масла. Масло для одного интервала температур — это масло, которое работает в соответствии со своим классом вязкости во всем своем диапазоне температур.
Всесезонное масло — это масло, которое будучи холодным работает иначе, чем когда оно горячее. Всесезонное масло может работать подобно жидкому маслу, когда при холодной температуре жидкости имеют тенденцию загустевать и действовать подобно вязкому маслу, когда при горячей температуре жидкости имеют склонность к расжижению. Всесезонные масла также называются универсальными маслами или маслами широкого применения.
Номера SAE говорят о температурном интервале, в котором проявляются наилучшие смазочные свойства масла. Масло SAE 10 хорошо смазывает при низкой температуре, но становится жидким при высокой температуре. Масло SAE 30 хорошо смазывает при средней температуре, но становится вязким при низкой температуре. Всесезонные масла охватывают более одного класса вязкости SAE. В их обозначении фигурируют два класса вязкости, которым удовлетворяет масло. Например, масло SAE 10W30 отвечает требованиям, предъявляемым к маслу класса вязкости 10 для запуска из холодного состояния и смазки в холодном состоянии, и требованиям класса вязкости 30 для смазки при средней температуре.
Циркуляция масла
Масло циркулирует по двигателю следующим образом:
• Масло, находящееся в масляном картере, втягивается масляным насосом вверх через фильтрующую сетку. Фильтрующая сетка отфильтровывает крупные инородные частицы.
• Масло проходит через масляный фильтр, который отфильтровывает меньшие по величине частицы грязи и продукты износа.
• Из масляного фильтра масло поступает в главный смазочный канал и (или галерею) в блоке цилиндров.
• Из главной галереи масло проходит по периферийным каналам к распределительному валу, поршням, коленчатому валу и другим движущимся частям. Смазочные отверстия и форсунки направляют поток масла к важнейшим элементам, таким как подшипники и поршни.
• По мере того как масло смазывает поверхности движущихся частей, оно непрерывно вытесняется новым маслом. Масло стекает со смазываемых поверхностей обратно в масляный картер. Во многих двигателях используется маслоохладитель, служащий для охлаждения масла прежде, чем оно, повторяя цикл, снова пойдет через фильтрующую сетку.
Масло стекает с движущихся частей в масляный картер. Насос втягивает масло из масляного картера через фильтрующую сетку и подает его под давлением через фильтр. После фильтрации масло проходит к смазочным точкам в головке цилиндров и блоке цилиндров. Предохранительный клапан, имеющийся в масляном насосе, отвечает за то, чтобы давление масла не превысило предписанное значение.
Чтобы прогнать масло по главной смазочной галерее, используется полное давление. Масло из главной галереи смазывает коренные подшипники коленчатого вала, подшипники шатунов, распределительный вал и гидравлические толкатели клапанов (при их наличии). В других частях двигателя давление масла уменьшается, т.к. масло проходит по меньшим каналам. Концы штанг толкателей и клапанные рычаги смазываются с уменьшенным давлением.
Нагрузка на масло
Смазочное масло в двигателе вследствие воздействия на него температуры и загрязнения работает в жестких условиях. Масло должно поддерживать свою смазочную способность при температуре вплоть до 150 °С (300 °F).
Чтобы предохранить моторное масло от слишком большого нагрева, иногда используются маслоохладители. Маслоохладители передают тепло от масла к наружному воздуху или к охлаждающей жидкости двигателя. Кроме того, масло подвергается химическому воздействию отработавших газов, пыли, частиц — продуктов износа и продуктов сгорания. Высокая температура и загрязняющие примеси ухудшают рабочие качества масла и приводят к образованию отстоя.
Замена масла
Важно заменять моторное масло в предписанные интервалы обслуживания. При замене моторного масла всегда следует заменять масляный фильтр. При добавлении нового масла важно использовать масло правильного типа, в правильном количестве и с качеством, предписанным изготовителем. Переполнение или недостаток моторного масла могут привести к внутреннему повреждению двигателя и высокой токсичности отработавших газов.
Элементы масляного картера
Масляный картер крепится к днищу блока цилиндров. Масляный картер представляет собой емкость для хранения моторного масла и снизу герметично закрывает картер двигателя.
Масляный картер помогает отводить часть тепла от масла к наружному воздуху. Некоторые масляные картеры имеют маслоотражатель, который помогает уменьшать перемещение масла в масляном картере в процессе работы двигателя.
Фильтрующая сетка
Фильтрующая сетка — это экран, который предотвращает проникновение грязи и продуктов износа в масляный насос. Фильтрующая сетка располагается в нижней части масляного картера с впускной стороны масляного насоса. Сетка поддерживается полностью погруженной в моторное масло, что препятствует попаданию воздуха в масляный насос. Масло проходит через фильтрующую сетку к впускному порту масляного насоса, а затем распространяется по всему двигателю.
Масляный насос
Масляный насос создает «импульс», который обеспечивает циркуляцию масла под давлением по всему двигателю. Масляный насос всасывает масло из масляного картера и прогоняет его по системе смазки. Масляный насос обычно крепится на блоке цилиндров или передней крышке двигателя.
Масляный насос обычно приводится в движение коленчатым валом или распределительным валом, используя зубчатую передачу, ремень или приводной вал. Насосы для моторного масла — это объемные насосы без проскальзывания. Это означает, что все масло, входящее во впускной порт насоса, выходит через выпускной порт насоса. Циркуляция масла внутри насоса исключается.
Предохранительный клапан
Чрезмерное давление масла повреждает уплотнения и прокладки, вызывая протечки масла. Чем быстрее работает масляный насос, тем большее количество масла он перекачивает. В системе смазки имеется предохранительный клапан, который ограничивает максимальное давление, которое может вырабатывать насос. Если бы все масло из насоса поступало в смазочные каналы, масло быстро бы нагрелось и разложилось. Чтобы ограничивать давление масла, при предварительно заданном предельном значении открывается предохранительный клапан, который направляет часть масла из выпускного порта насоса обратно во впускной порт или в масляный картер.
Типы масляных насосов
Насос роторного типа
В насосе роторного типа используются два ротора: один вращается внутри другого, создавая давление масла. Оба эти ротора вращаются снебольшой разницей в скорости. Роторы имеют плавные, скругленные выступы. Роторы этого типа называются трохоидными шестернями.
В этой конструкции коленчатый вал приводит в движение внутренний ротор. Внутренний ротор активизирует наружный ротор. Когда эти два ротора вращаются, между выступами на этих двух роторах образуются полости нагнетания. Когда выступы на этих двух роторах входят в зацепление и выходят из него, полости нагнетания уменьшаются и увеличиваются. Отверстие, имеющееся в корпусе насоса, в моменты сцепления (выпуск насоса) и расцепления (впуск насоса) роторов позволяет маслу по мере вращения роторов входить в насос и выходить из него.
Насосы роторного типа очень надежны и могут выдерживать работу с высокой частотой вращения. Насосы роторного типа обеспечивают равномерность подачи масла в отличие от насосов с пульсирующим действием.
Насос роторного типа, используемый во многих двигателях, имеет маленькое отверстие на выпуске насоса, которое позволяет выходить воздуху. Если автомобиль не эксплуатировался в течение длительного времени, в насосе отсутствует масло, при запуске двигателя воздух быстро выходит через это отверстие, позволяя маслу почти мгновенно достигнуть важнейших элементов двигателя.
Шестеренный насос
В шестеренном масляном насосе для нагнетания масла используются две шестерни. Привод работает от распределительного или коленчатого вала. Ведущая шестерня сцепляется с ведомой шестерней, которая вращается в направлении, противоположном направлению вращения ведущей шестерни. Т.к. шестерни вращаются внутри корпуса насоса, они создают эффект всасывания во впускном отверстии. Масло втягивается в пространство между шестернями и корпусом насоса и проходит к выпускному порту.
Масляный фильтр
Масляный фильтр улавливает маленькие частицы металла, грязи, которые переносятся маслом, таким образом не давая им рециркулировать через двигатель.
Фильтр позволяет сохранять масло в чистоте и уменьшает износ двигателя. Масляный фильтр улавливает очень мелкие частицы, которые могут проходить через фильтрующую сетку. Большинство масляных фильтров — полнопоточного типа. Все масло, которое подает масляный насос, проходит через масляный фильтр. В фильтре находится бумажный элемент, который отсеивает частицы из масла. Масло проходит от масляного насоса и входит в масляный фильтр через несколько отверстий. Сначала масло обтекает наружную часть фильтрующего элемента. Затем масло проходит через материал фильтра к центру элемента. И в конце пути масло вытекает в главную галерею через трубку в центре фильтра.
Фильтр наворачивается на трубку главной смазочной галереи. Утечка масла через соединение между фильтром и блоком цилиндров предотвращается специальным уплотнением.
Байпасный клапан
По мере того, как элемент в масляном фильтре загрязняется, работа масляного насоса при нагнетании масла через фильтр затрудняется. Если фильтр закупоривается и не предусмотрен никакой путь обхода фильтра, может произойти повреждение двигателя.
Во избежание такого повреждения в масляных фильтрах большинства фирм-изготовителей оригинального оборудования (OEM) имеется подпружиненный байпасный клапан. Этот клапан предназначается для того, чтобы дать маслу возможность обходить фильтр, если последний закупоривается. Когда противодавление становится достаточно большим, чтобы преодолеть усилие пружины в байпасном клапане, клапан открывается, позволяя части масла обходить фильтр и идти прямо к трубке масляной галереи.
Противосливная диафрагма
Масляные фильтры большинства компаний-изготовителей также имеют противосливную диафрагму, которая удержит масло внутри фильтра, когда двигатель — выключается. Диафрагма закрывает все впускные отверстия фильтра, когда масляный насос останавливается. Когда двигатель выключен, давление масла в фильтре отжимает диафрагму к отверстиям, «запирая» масло в фильтре. Когда двигатель снова запускается, масло незамедлительно выходит из фильтра, позволяя быстро обеспечить смазку важнейших элементов двигателя.
Когда давление, создаваемое масляным насосом, растет, диафрагма отводится от отверстий, и снова начинается нормальное прохождение масла.
Масляные уплотнения
Уплотнения и прокладки, расположенные в различных местах двигателя, препятствуют утечке масла из двигателя или его перетеканию в те места двигателя, где масло не должно присутствовать.
Щуп для измерения уровня масла
Щуп для измерения уровня моторного масла используется для измерения уровня масла в масляном картере. Один конец щупа окунается в верхнюю зону масляного картера, а другой конец имеет ручку, позволяющую легко извлекать щуп. Конец, который окунается в масляный картер, имеет шкалу-указатель, которая показывает, когда необходимо добавление моторного масла.
Уровень масла всегда следует поддерживать выше минимальной отметки. Картер двигателя никогда не должен переполнен или слишком мало заполнен. Слишком большое количество масла может привести к окунанию коленчатого вала в масло и в результате при вращении масла к взбалтыванию и вспениванию масла.
Масляный насос не может перекачивать пену, и пена не будет смазывать. Низкий уровень масла может привести к чрезмерно высокой температуре масла, что может привести к выходу из строя подшипников. Слишком высокий или слишком низкий уровень масла, также может привести к увеличению расхода масла. За информацией по заправочным объемам и рекомендуемым типам моторного масла обратитесь к Руководству для станций технического обслуживания или Руководству по эксплуатации.
Указатель давления масла
На панели приборов обычно имеется какой-либо указатель давления масла, который предупреждает водителя о том, когда система смазки не может поддерживать давление масла, необходимое двигателю. Этот указатель может быть или стрелочным указателем или контрольной лампой.
автозапчасти в москве
← Клапанный механизм
Система воздухозабора →
Циркуляция масла в двигателе и ее схема
Смазочный насос через заборник забирает масло из поддона и по патрубку подает его под постоянным давлением, которое поддерживается редукционным клапаном насоса, в каналы блока цилиндров и далее в масляный фильтр.
Смазка коленчатого вала
- Холодное масло очищенное в фильтре открывает редукционный клапан фильтра и направляется в горизонтальный канал в блоке, а из него в наклонный канал. Если же масло горячее, то из фильтра оно автоматически направляется сначала в радиатор для охлаждения, а затем в каналы.
- Далее проходит по двум направлениям: к третьей коренной шейке коленчатого вала и к второй шейке распределительного вала. Из третьей коренной шейки по сверлениям в щеках и шейках масло поступает последовательно ко всем коренным и шатунным шейкам коленчатого вала, смазывает их и через зазоры в подшипниках стекает в поддон картера.
В полых шатунных шейках коленчатого вала масло подвергается дополнительной центробежной очистке от тяжелых механических примесей и продуктов изнашивания.
Путь к клапанному механизму
- Для подачи масла к клапанному механизму во второй шейке распределительного вала выполнены два пересекающихся косых сверления.
При каждом обороте вала одно из них совпадает с каналом, а другое в этот момент соединяется с вертикальным каналом в блоке и головке блока цилиндров. В канал в головке блока ввернут ниппель, который входит в полую алюминиевую муфту, надетую на полые валики коромысел клапанов. - Между ниппелем и муфтой устанавливается уплотнительное резиновое кольцо. Когда сверления совпадают, во второй шейке распределительного вала с каналами в блоке, масло через ниппель в муфту попадает внутрь валиков коромысел, а оттуда по радиальным сверлениям в валиках на втулки коромысел.
- В коромыслах клапанов выполнены сверления, с помощью которых смазываются сферы штанг толкателей.
Смазка шестерни топливного насоса и подшипника шатуна пневмокомпрессора
- К первому и третьему подшипникам распределительного вала, масло поступает по сверлениям в блоке от первого и пятого коренных подшипников коленчатого вала.
Втулка шестерни топливного насоса и подшипник шатуна пневмокомпрессора смазываются от второй коренной шейки коленчатого вала. - Масло из сверлений в блоке по штуцеру, ввернутому в блок, наружной медной трубке и штуцеру, ввернутому в щит распределительных шестерен, проходит к сверлениям в щите, где разделяется на два потока. К втулке шестерни топливного насоса направляется по сверлениям в щите и установочном фланце насоса, на котором вращается шестерня, а к подшипнику шатуна пневмокомпрессора — по гибкому резиновому маслопроводу. Сливается масло из пневмокомпрессора по трубе.
Подача на цилиндро поршневую группу
Поступление на распределительные шестерени
- Разбрызгиваемое коленчатым валом и вытекающее из зазоров подшипников распределительного вала масло смазывает также кулачки распределительного вала.
- Далее через клапанный механизм, уходит через отверстия для штанг толкателей в камеру толкателей, смазывает толкатели и стекает в поддон картера дизеля.
Через зазор в шатунном подшипнике компрессора масло, разбрызгивается, попадает на подшипники вала и цилиндр компрессора и по трубе поступает на распределительные шестерни дизеля. Стекающее с распределительных шестерен и вытекающее из зазоров первого коренного подшипника масло частично улавливается отверстиями в кронштейне привода смазочного насоса и следует к втулкам шестерен привода.
Пусковой двигатель, механизм передачи пускового двигателя, топливный насос и насос системы охлаждения имеют автономную смазочную систему.
Вокруг и вокруг — Куда уходит масло в вашем двигателе
Большинство людей знают, что нужно добавлять масло в верхнюю часть своих двигателей, и это масло стекает снизу. Поскольку я проработал в автосервисе 35 лет, для меня не секрет, что происходит между заливкой и заменой масла. Но я удивлен количеством людей, которые не имеют истинного представления о пути, который проходит масло, пока оно движется внутри двигателя.
Один из самых частых вопросов, которые я получаю:
«Как часто я должен менять масло в своей машине и что я должен использовать?»
Чтобы ответить на этот вопрос, я бы воспользовался методом Сократа и задал бы несколько собственных вопросов: На какой машине вы ездите? С какими условиями вождения вы сталкиваетесь чаще всего? Где вы живете? Сколько лет вашей машине?
Ответы на эти вопросы определят лучшее масло для вашего автомобиля и то, насколько хорошо оно защищает и смазывает ваш двигатель, когда он вращается внутри.
Куда движется масло, в каком порядке и что именно оно делает внутри вашего двигателя?
Во-первых, масло, которое вы заливаете в верхнюю часть двигателя, проходит через множество путей, в конечном итоге попадая в нижний масляный поддон, часто называемый поддоном, где находится сливная пробка. Нефть проходит несколько разных путей, возвращаясь на дно, но только один путь, под давлением, чтобы выполнить свою работу.
На рис.
1 показана трубка с металлическим экраном из рыхлого плетения на дне поддона. Экран прикреплен к приемной трубке, которая ведет непосредственно к масляному насосу. Трубка и экран погружены в масло на глубину около четырех дюймов. Сетка предотвращает попадание крупных частиц мусора, обычно размером более 1/32 дюйма, в масляный насос.
Многие люди не понимают, что большинство масляных насосов представляют собой просто набор специальных шестерен, которые всасывают масло под низким давлением и сжимают масло до высокого давления, где оно затем проходит через камеру с подпружиненным клапаном. Клапан позволяет маслу выходить только под определенным давлением, обычно от 1 до 60 фунтов/дюйм. 2 Любое давление, превышающее это, будет сбрасываться обратно в поддон, поскольку высокое давление масла может повредить подшипники.
От насоса оно поступает к внешней стороне масляного фильтра, а там через фильтрующий материал направляется к центру, где выходит в масляные каналы внутри двигателя.
Масляный фильтр также имеет перепускной клапан, чтобы предотвратить слишком низкое падение давления в случае засорения фильтра. Первая и самая важная задача моторного масла — смазывать вращающиеся компоненты двигателя, и для выполнения своей работы оно должно находиться под хорошим давлением.
Масло нагнетается в пространство между подшипниками, соприкасающимися с шейками коленчатого вала и шейками. Подшипники представляют собой простые металлические втулки, окружающие вращающиеся компоненты двигателя. Блок имеет коренные подшипники на коленчатом валу, а шатунные подшипники на шатунных валах.
Это тонкое пространство, обычно в одну тысячную дюйма на новых двигателях, удерживает тонкую пленку масла между подшипниками и движущимися поверхностями коленчатого вала. Под давлением и при правильной рабочей температуре масло защищает и продлевает срок службы обрабатываемых деталей. Металл никогда не должен касаться других металлических поверхностей во время движения.
Важно отметить, что часть масла вытесняется из боковых частей подшипников и стекает обратно в картер.
Если зазор слишком велик, скажем, 0,004 дюйма или больше, давление начинает падать в верхней части двигателя. Мигающая лампочка масла или легкий постукивающий звук в области коромысла на верхней стороне двигателя являются хорошим признаком того, что недостаточное количество масла под давлением достигает верхней части двигателя.
Если отвлечься на минутку, хотелось бы, чтобы автомобильный двигатель с роликовыми или игольчатыми подшипниками заменил гораздо более дешевые и достаточно долговечные подшипники скольжения. Я знаю, что создание такого мотора стоило бы целое состояние, но он прослужит вечно. Многие более крупные двигатели имеют игольчатые/роликовые подшипники. Обычно они вращаются при более низких оборотах (скорости), чем бензиновые автомобильные двигатели. Число оборотов не является ограничивающим фактором.
Я летаю на моделях самолетов уже 40 лет, и многие из моих двигателей с самыми высокими оборотами (более 25 000 об/мин по сравнению с 2500 об/мин в автомобильном двигателе) оснащены роликовыми подшипниками для снижения трения и увеличения оборотов.
Автомобильный двигатель с роликовыми/игольчатыми подшипниками будет иметь более высокую мощность и более длительный срок службы, но при каких производственных затратах?
Большая часть масла смазывает область коленчатого вала, а оставшаяся часть смазывает распределительный вал и коромысла. Если в вашем автомобиле установлены толкатели, а не верхний распределительный вал, то масло под давлением подается в толкатели клапанов. Эти подъемники также закачивают масло через полые толкатели для смазки области коромысла. Если в вашем автомобиле установлен верхний распредвал, масло подается к распредвалу и проливается на точки контакта между распредвалом и штоками клапанов.
После смазки распределительного вала и связанных с ним компонентов масло под действием силы тяжести стекает обратно по каналам в головке и блоке двигателя в поддон картера, готовое к следующему путешествию.
Во многих конструкциях шатунов есть небольшое отверстие, через которое масло распыляется на цилиндр для смазки области контакта поршневых колец этого цилиндра.
Специальные кольца в нижней части комплекта поршневых колец удаляют излишки масла и возвращают его в поддон.
Что касается расхода масла, вам, вероятно, придется доливать литр масла в двигатель через регулярные интервалы в 3000 миль. Большинство новых автомобилей не будут потреблять масло при первых нескольких заменах масла. Впоследствии потребление масла будет постепенно увеличиваться с возрастом. Что такое избыточное потребление? Если бы мне нужно было выбрать идеальную цифру, я бы сказал, что одна кварта каждые 5000 миль. Лучшая машина, которой я когда-либо владел, дала мне понять, что пришло время перемен, регулярно расходуя литр на 4000 миль. Я сэкономил, добавив литр, и поменял весь поддон и фильтр.
Почему я предпочитаю небольшой расход масла? По моему мнению, как пожизненного автомеханика, те двигатели, которые потребляли мало масла, пропуская его через кольца, сводили к минимуму износ верхнего цилиндра и колец. Много лет назад мы добавляли топовое масло в наш бензин с той же целью.
Внешние утечки масла могут быть грязными, потенциально опасными для пожара и просто некрасивыми. Почему продавцы подержанных автомобилей прилагают огромные усилия, чтобы очистить двигатель, прежде чем выставлять его на продажу? Наше общее впечатление о двигателе складывается из того, насколько он чистый и насколько плавно он работает. Многие открывают капот перед запуском. Если продавец запускает его до того, как откроет капот, он зависит от первого впечатления от хорошо работающего двигателя, отрицая то, что, вероятно, будет грязным двигателем под капотом.
Если дилер не смог очистить двигатель, скорее всего, у него серьезная утечка масла, которую он не хочет устранять. Если он открывает капот и машина работает нормально, посмотрите, где припаркована машина, когда будете тестировать ее. Нефть на лоте даст вам инструмент для торга. Многие типы утечек можно устранить менее чем за 100 долларов.
Расход масла
Один из наших читателей написал, задав три разных вопроса о своей машине и расходе масла, который она недавно заменила.
В течение 30 000 миль его машина не использовала масло между заменами, и внезапно она потребляла масло со скоростью одна кварта на 1000 миль. Хотя скорость потребления чрезмерна, и я думаю, что есть некоторая утечка или сжигание масла, он задал следующие правильные вопросы:
1. Что такое нормальное потребление? И почему его машина не сжигала масло за 30 000 миль?
2. Почему расход масла происходит при движении по трассе, а не при движении с частыми остановками?
3. Что привело к изменению характера использования масла после столь долгого пробега автомобиля (30 000 миль)?
Автомобили с возрастом потребляют все больше и больше масла. Нормальное потребление — это субъективный вызов; Я делал свой из расчета одна кварта на 5000 миль. Я также заявил, что многие автомобили какое-то время вообще не будут жрать масло — опять же, переменная величина.
Тот факт, что его потребление вызвано дорожными условиями, заставляет меня подозревать внутреннюю утечку масла вокруг уплотнений штоков клапанов или какую-то неисправность в системе PCV.
Тот факт, что модель резко изменилась, укрепил бы мою веру в то, что причиной является сбой (необнаруженная утечка или ненормальное потребление).
У меня есть одна машина с пробегом более 175 000 миль, и она потребляет масло со скоростью, которая мне нравится: одна кварта на каждые 4000 миль. Моя новая машина с пробегом всего 70 000 миль также потребляет одну кварту на 4 000 миль, и так было всегда.
Утечки масла трудно обнаружить в автомобиле. Двигатели плотно закрыты, и их трудно увидеть под любым углом. Добавьте список аксессуаров, прикрученных к блоку, и видимость станет невозможной. Однако в следующем выпуске Machinery Lubrication я собираюсь представить некоторые из новейших методов поиска утечек. Фосфоресценция, полимерный акрил, ультрафиолет, дым и, может быть, даже зеркала будут обсуждаться в следующем номере.
Об авторе
Как работает моторное масло? (5/9)
Техническая экспертиза
17.
11.2021
Вы когда-нибудь задумывались, как смазка помогает двигателю работать? Вот краткий обзор, а также обзор наиболее важных функций смазки.
В серии статей об основах смазочных материалов мы показали, какие из них важно знать, какова их основная функция, из чего они состоят и какие функции выполняют различные «ингредиенты» (например, базовые масла и присадки ) .
На этот раз мы пойдем немного практичнее: мы покажем вам, как смазка эффективно проходит через двигатель. Затем мы познакомим вас с наиболее важными функциями смазки.
Как масло течет в двигателе
Двигатель — очень сложный механизм. Но чтобы нарисовать общую картину, вот как это работает с точки зрения смазки:
- Масляный насос забирает масло из масляного поддона (оба в нижней части рисунка), где масло хранится.
- Насос подает масло к коренным подшипникам коленчатого вала (в нижней средней части), которые преобразуют линейную энергию в энергию вращения.

- Оттуда масло поступает через масляные отверстия, просверленные в коленчатом валу, к шатунным вкладышам, а затем по маслопроводу к головке блока цилиндров (вверху посередине).
- По масляным каналам оно поступает к подшипникам распределительных валов и клапанам.
- В поршни, кольца и пальцы (не показаны на рисунке) поступает масло, выбрасываемое из шатунных подшипников.
Почему важно смазывать двигатель?
Смазочные материалы выполняют три основные функции:
- Уменьшение трения
- охлаждение
- и очистка
Уменьшение трения это то, о чем большинство людей думают, когда их спрашивают, что делает смазка. Со всеми его частями, которые движутся быстро и очень близко друг к другу, двигатель не проживет долго без смазки, которая «сглаживает все».
Охлаждение необходимо, так как работающий двигатель нагревается до высоких температур.
Без смазки он сломается от тепла, которое производит сам!
Очистка касается примесей, существующих в двигателе. Сгорание, процесс, происходящий внутри двигателя, приводит к образованию сажи и загрязняющих веществ. Без смазочных материалов они образовали бы большие отложения в канале масляного блока, в результате чего снизилась бы производительность двигателя.
Присадки делают смазочные материалы многофункциональными. Но у смазок больше функций.
Специальные присадки также помогают двигателю сохранять свои рабочие характеристики. Давайте рассмотрим три функции, которые выполняют присадки:
1. Борьба с кислотами и коррозией
Двигатель собирает кислоты. Это может привести к серьезному повреждению в виде коррозии, снижению производительности или даже общему отказу двигателя. Смазочные материалы содержат детергенты, нейтрализующие кислоту. Таким образом, предотвращается ржавчина, особенно на подшипниках. Некоторые высокоэффективные смазочные материалы дополнительно содержат ингибиторы коррозии для защиты мягких металлов.
2. Управление вязкостью
Вязкость — это «густота» смазки. Важно обеспечить его постоянство — если вязкость смазки изменится, насосы не будут работать должным образом. Постоянная вязкость поддерживается за счет использования так называемых присадок, улучшающих индекс вязкости. Даже при изменении температуры, когда масло обычно становится гуще или жиже, эта присадка поддерживает постоянную вязкость.
3. Минимизация окисления
Внутренняя часть работающего двигателя сильно нагревается, что приводит к более быстрому окислению. (Окисление — это когда материал вступает в реакцию с кислородом и повреждается — самый известный пример — ржавеющее железо). Как вы понимаете, окисление деталей двигателя — это нехорошо. Это может привести к образованию осадка и увеличению вязкости. К счастью, у нас есть добавки, называемые антиоксидантами, которые делают свою работу.
Вкратце:
- Моторное масло течет через двигатель, смазывая каждую деталь.

При каждом обороте вала одно из них совпадает с каналом, а другое в этот момент соединяется с вертикальным каналом в блоке и головке блока цилиндров. В канал в головке блока ввернут ниппель, который входит в полую алюминиевую муфту, надетую на полые валики коромысел клапанов.
Втулка шестерни топливного насоса и подшипник шатуна пневмокомпрессора смазываются от второй коренной шейки коленчатого вала.
Через зазор в шатунном подшипнике компрессора масло, разбрызгивается, попадает на подшипники вала и цилиндр компрессора и по трубе поступает на распределительные шестерни дизеля. Стекающее с распределительных шестерен и вытекающее из зазоров первого коренного подшипника масло частично улавливается отверстиями в кронштейне привода смазочного насоса и следует к втулкам шестерен привода.

